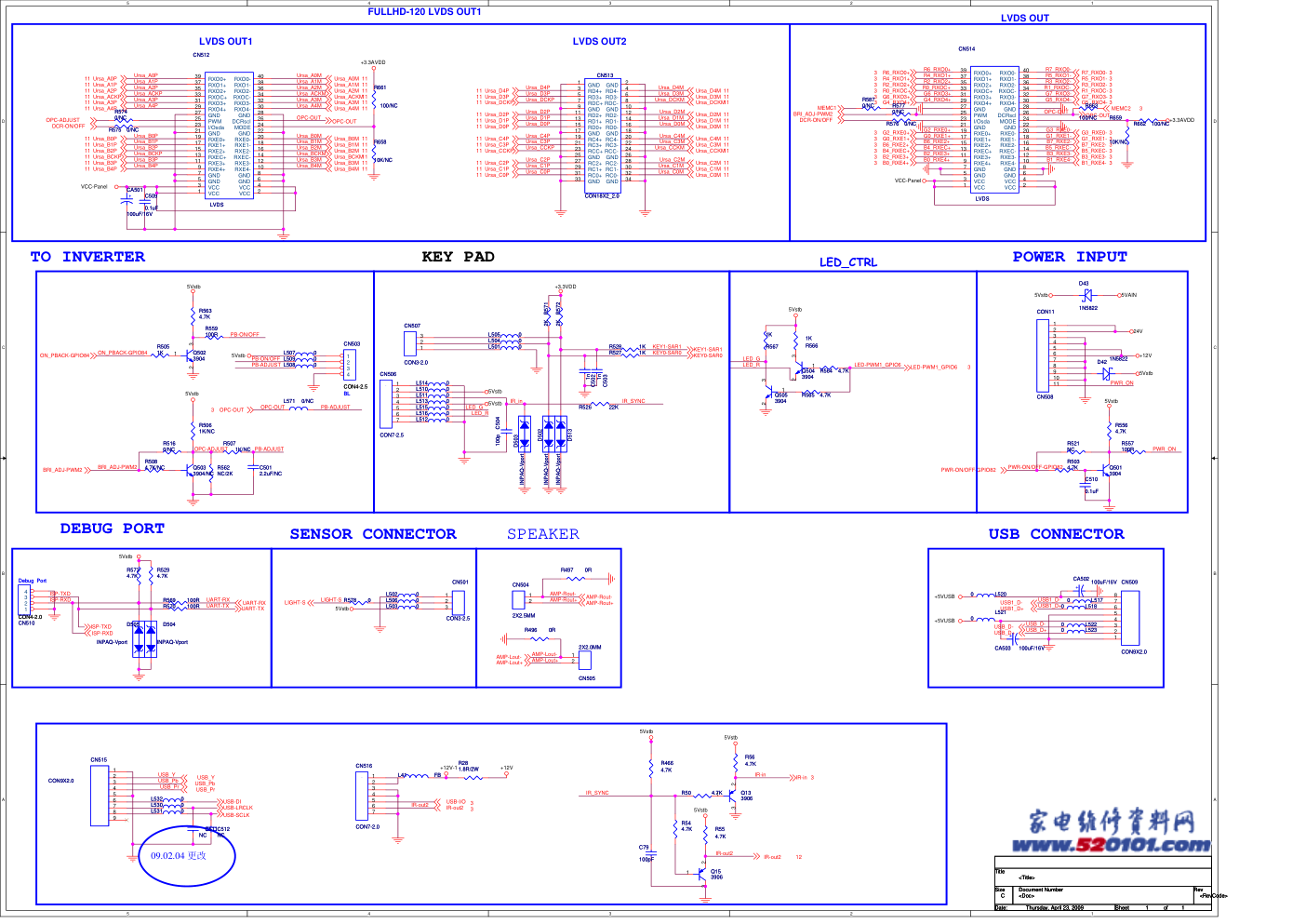
创维8M73机芯电路原理图

分类:电子电工 日期: 点击:0
创维8M73机芯电路原理图-0 创维8M73机芯电路原理图-1 创维8M73机芯电路原理图-2 创维8M73机芯电路原理图-3 创维8M73机芯电路原理图-4 创维8M73机芯电路原理图-5 创维8M73机芯电路原理图-6 创维8M73机芯电路原理图-7 创维8M73机芯电路原理图-8 创维8M73机芯电路原理图-9

5 4 3 2 1 D D C C B B A A ON_PANEL-GPIO83 USB2_SWITCH-GPIO56 +12V VCC-Panel +5V_PNL 5V-ATV +12V 5VAIN +3.3VDD +3.3AVDD 5Vstb 5VAIN 5Vstb DDR2_1V8 3.3VDDR 5VDDR 3.3AVDD +5V_PNL +12V 5VAIN 5Vstb +12V VDDC VDDC-1 +5VUSB +12V ON_PANEL-GPIO83 USB2_SWITCH-GPIO56 3 Title Size Document Number Rev Date: Sheet of System Power 1.0 MST6M68DQ_296_IC Demo board C 1 12 Thursday, April 23, 2009 Title Size Document Number Rev Date: Sheet of System Power 1.0 MST6M68DQ_296_IC Demo board C 1 12 Thursday, April 23, 2009 Title Size Document Number Rev Date: Sheet of System Power 1.0 MST6M68DQ_296_IC Demo board C 1 12 Thursday, April 23, 2009 PANEL POWER TUNER POWER +3.3V NORMAL POWER +3.3V STANDBY POWER DDR2 Power Vout=Vrefx(1+(R2/R1))+IadjxR2 =1.25x(1+(1k/2.4k))+55uAx1k=1.82V R2 R1 改时序 PANEL POWER SYSTEM POWER +1.26V FOR MSTAR IC CORE POWER MST Core Voltage need to set 1.26V +5V_USB Power trace width should be > 40mil USB Power 3 2 1 4 OUT ADJ IN U12 AMS1117-3.3V SOT-223 OUT ADJ IN U12 AMS1117-3.3V SOT-223 C39 0.1uF C39 0.1uF R31 1.5K_1% R31 1.5K_1% R183 4.7K R183 4.7K R19 1.8R/2W R19 1.8R/2W C55 1nF C55 1nF C853 10uF C853 10uF C16 2.2uF C16 2.2uF R1 10R/2W R1 10R/2W R30 1K_1% R30 1K_1% + C74 100uF/16V + C74 100uF/16V L38 FB L38 FB D39 1N5822 D39 1N5822 + C32 100uF/16V + C32 100uF/16V R227 10K R227 10K EN 2 FB 1 VCC 4 SW 5 SW 6 VSS 7 VSS 8 COMP 3 U16 AP1534 U16 AP1534 R122 5.6K R122 5.6K C852 10uF C852 10uF V3 3904 V3 3904 R318 NC R318 NC C26 2.2uF C26 2.2uF + C12 100uF/16V + C12 100uF/16V + CA44 100uF + CA44 100uF + C34 100uF/16V + C34 100uF/16V R121 6.8K_1% R121 6.8K_1% R136 1.3K_1% R136 1.3K_1% C22 2.2uF C22 2.2uF R34 5.6K R34 5.6K L3 NC L3 NC 1 1 2 2 3 3 4 4 C15 C C15 C 1 1 2 2 3 3 4 4 C13 C C13 C C92 nc C92 nc R117 1.3K_1% R117 1.3K_1% EN 2 FB 1 VCC 4 SW 5 SW 6 VSS 7 VSS 8 COMP 3 U17 AP1534 U17 AP1534 R118 270R_1% R118 270R_1% R148 6.8K_1% R148 6.8K_1% C21 0.1uF C21 0.1uF 1 1 2 2 3 3 4 4 C8 C C8 C R32 3K_1% R32 3K_1% R296 100K R296 100K L2 NC L2 NC D38 1N5822 D38 1N5822 C89 0.1uF C89 0.1uF V2 3904 V2 3904 R112 1.3K_1% R112 1.3K_1% C125 0.1uF C125 0.1uF C52 0.1uF C52 0.1uF 3 2 1 4 OUT ADJ IN U13 AP1084-3.3V TO-263/3 OUT ADJ IN U13 AP1084-3.3V TO-263/3 C118 0.1uF C118 0.1uF R149 270R_1% R149 270R_1% EN 2 FB 1 VCC 4 SW 5 SW 6 VSS 7 VSS 8 COMP 3 U19 AP1534 U19 AP1534 C88 0.1uF C88 0.1uF L6 FB L6 FB C17 0.1uF C17 0.1uF D40 1N5822 D40 1N5822 R114 6.8K_1% R114 6.8K_1% C93 nc C93 nc C44 0.1uF C44 0.1uF C57 1nF C57 1nF L4 NC L4 NC C58 1nF C58 1nF L17 22uH L17 22uH R2 10R/2W R2 10R/2W C36 2.2uF C36 2.2uF R9 10K R9 10K R27 1.8R/2W R27 1.8R/2W C113 0.1uF C113 0.1uF C87 0.1uF C87 0.1uF + C40 220uF/16V + C40 220uF/16V R150 5.6K R150 5.6K + C3 100uF/16V + C3 100uF/16V + C25 100uF/16V + C25 100uF/16V + CA46 100uF/16V + CA46 100uF/16V + CA30 470uF/16V + CA30 470uF/16V L19 22uH L19 22uH C5 0.1uF C5 0.1uF + CA29 470uF/16V + CA29 470uF/16V D37 1N5822 D37 1N5822 L18 22uH L18 22uH R109 560_1% R109 560_1% R299 0 R299 0 1 2 3 Q19 3904 Q19 3904 L39 FB L39 FB C20 2.2uF C20 2.2uF R33 100K R33 100K R115 5.6K R115 5.6K L35 FB L35 FB L42 FB L42 FB C95 0.1uF C95 0.1uF C23 0.1uF C23 0.1uF C102 0.1uF C102 0.1uF R24 2.4K_1% R24 2.4K_1% C11 0.1uF C11 0.1uF C90 nc C90 nc S 1 S 2 S 3 G 4 D 5 D 6 D 7 D 8 U1 9435 U1 9435 R123 560R_1% R123 560R_1% + CA31 470uF/16V + CA31 470uF/16V C91 nc C91 nc GND 2 VOUT 3 VIN 1 GND 4 U21 LM7805 U21 LM7805 + CA28 470uF/16V + CA28 470uF/16V C38 2.2uF C38 2.2uF R12 10K R12 10K C35 0.1uF C35 0.1uF C116 0.1uF C116 0.1uF L16 22uH L16 22uH + CA45 100uF/16V + CA45 100uF/16V R308 100K R308 100K C854 10uF C854 10uF R297 100K R297 100K C31 0.1uF C31 0.1uF D44 1N5822 D44 1N5822 C855 10uF C855 10uF 1 1 2 2 3 3 4 4 C14 C C14 C R10 33K R10 33K + C6 220uF/16V + C6 220uF/16V 1 2 3 Q18 3904 Q18 3904 R8 10K R8 10K C27 0.1uF C27 0.1uF C54 1nF C54 1nF R319 NC R319 NC 3 2 1 4 OUT ADJ IN U5 AP1084-Adj TO-263 OUT ADJ IN U5 AP1084-Adj TO-263 EN 2 FB 1 VCC 4 SW 5 SW 6 VSS 7 VSS 8 COMP 3 U26 AP1534 U26 AP1534 5 4 3 2 1 D D C C B B A A PWR-ON/OFF-GPIO82 PWR_ON PWR_ON AMP-Rout+ AMP-Rout- ISP-TXD KEY0-SAR0 IR_SYNC KEY1-SAR1 IR_in UART-RX ISP-RXD UART-TX ON_PBACK-GPIO84 PB-ON/OFF BRI_ADJ-PWM2 OPC-ADJUST PB-ADJUST AMP-Lout- AMP-Lout+ LED-PWM1_GPIO6 LED_R LED_G PB-ADJUST PB-ON/OFF LED_R LED_G USB1_D- USB1_D+ USB_D- USB_D+ LIGHT-S Ursa_A4M Ursa_A1M Ursa_A2M Ursa_ACKM Ursa_A0M Ursa_A3M Ursa_B2M Ursa_B3M Ursa_BCKM Ursa_B1M Ursa_B0M Ursa_B4M Ursa_A1P Ursa_A0P Ursa_A2P Ursa_ACKP Ursa_A3P Ursa_A4P OPC-OUT Ursa_D0P Ursa_DCKP Ursa_C1P Ursa_C4M Ursa_C1M Ursa_C2M Ursa_CCKM Ursa_C0M Ursa_C3M Ursa_D1P Ursa_CCKP Ursa_D4P Ursa_D2M Ursa_D3M Ursa_DCKM Ursa_D1M Ursa_D0M Ursa_D4M Ursa_C4P Ursa_D2P Ursa_D3P Ursa_C3P Ursa_C2P Ursa_C0P Ursa_BCKP Ursa_B1P Ursa_B2P Ursa_B0P Ursa_B3P Ursa_B4P PB-ADJUST OPC-OUT R0_RXOC+ G6_RXO3+ R4_RXO1+ R2_RXO2+ R6_RXO0+ G4_RXO4+ R1_RXOC- G7_RXO3- R5_RXO1- R3_RXO2- R7_RXO0- G5_RXO4- B0_RXE4+ G0_RXE1+ B4_RXEC+ B6_RXE2+ B2_RXE3+ G2_RXE0+ B1_RXE4- G1_RXE1- B5_RXEC- B7_RXE2- B3_RXE3- G3_RXE0- USB_Y USB_Pb USB_Pr IR-out2 IR-in IR_SYNC IR-out2 OPC-OUT 5Vstb +12V 5Vstb 24V +3.3VDD 5Vstb 5Vstb 5Vstb 5Vstb 5Vstb +5VUSB 5Vstb 5Vstb 5Vstb VCC-Panel VCC-Panel 5Vstb 5VAIN +5VUSB +12V 5Vstb 5Vstb 5Vstb +3.3AVDD +3.3AVDD +12V-1 PWR-ON/OFF-GPIO82 ISP-TXD ISP-RXD ON_PBACK-GPIO84 BRI_ADJ-PWM2 KEY1-SAR1 KEY0-SAR0 UART-TX UART-RX USB1_D- USB1_D+ USB_D- USB_D+ AMP-Rout+ AMP-Rout- AMP-Lout- AMP-Lout+ LED-PWM1_GPIO6 3 LIGHT-S OPC-ADJUST DCR-ON/OFF OPC-OUT OPC-OUT 3 OPC-OUT BRI_ADJ-PWM2 DCR-ON/OFF Ursa_A0P 11 Ursa_A1P 11 Ursa_A2P 11 Ursa_ACKP 11 Ursa_A3P 11 Ursa_A4P 11 Ursa_B0P 11 Ursa_B1P 11 Ursa_B2P 11 Ursa_BCKP 11 Ursa_B3P 11 Ursa_B4P 11 Ursa_B4M 11 Ursa_B3M 11 Ursa_BCKM11 Ursa_B2M 11 Ursa_B1M 11 Ursa_B0M 11 Ursa_A4M 11 Ursa_A3M 11 Ursa_ACKM11 Ursa_A2M 11 Ursa_A1M 11 Ursa_A0M 11 Ursa_D4P 11 Ursa_D3P 11 Ursa_DCKP 11 Ursa_D2P 11 Ursa_D1P 11 Ursa_D0P 11 Ursa_C4P 11 Ursa_C3P 11 Ursa_CCKP 11 Ursa_C2P 11 Ursa_C1P 11 Ursa_C0P 11 Ursa_D4M 11 Ursa_D3M 11 Ursa_DCKM11 Ursa_D2M 11 Ursa_D1M 11 Ursa_D0M 11 Ursa_C4M 11 Ursa_C3M 11 Ursa_CCKM11 Ursa_C2M 11 Ursa_C1M 11 Ursa_C0M 11 R6_RXO0+ 3 R4_RXO1+ 3 R2_RXO2+ 3 R0_RXOC+ 3 G6_RXO3+ 3 G4_RXO4+ 3 G2_RXE0+ 3 G0_RXE1+ 3 B6_RXE2+ 3 B4_RXEC+ 3 B2_RXE3+ 3 B0_RXE4+ 3 R7_RXO0- 3 R5_RXO1- 3 R3_RXO2- 3 R1_RXOC- 3 G7_RXO3- 3 G5_RXO4- 3 G3_RXE0- 3 G1_RXE1- 3 B7_RXE2- 3 B5_RXEC- 3 B3_RXE3- 3 B1_RXE4- 3 USB_Y USB_Pb USB_Pr USB-SCLK USB-DI USB-LRCLK USB-I/O 3 IR-in 3 IR-out2 12 IR-out2 3 MEMC1 MEMC2 3 Title Size Document Number Rev Date: Sheet of C 1 1 Thursday, April 23, 2009 Title Size Document Number Rev Date: Sheet of <Doc> <RevCode> <Title> C 1 1 Thursday, April 23, 2009 Title Size Document Number Rev Date: Sheet of <Doc> <RevCode> <Title> C 1 1 Thursday, April 23, 2009 POWER INPUT LED_CTRL KEY PAD DEBUG PORT TO INVERTER USB CONNECTOR SPEAKER SENSOR CONNECTOR LVDS OUT1 LVDS OUT2 LVDS OUT FULLHD-120 LVDS OUT1 09.02.04 更改 L507 0 L507 0 R54 4.7K R54 4.7K + CA502 100uF/16V + CA502 100uF/16V R528 1K R528 1K R507 1K/NC R507 1K/NC 1 2 CN505 2X2.0MM CN505 2X2.0MM L503 0 L503 0 C509 0.1uF C509 0.1uF R564 4.7K R564 4.7K C512 NC C512 NC 1 2 3 Q502 3904 Q502 3904 1 2 3 4 5 6 7 8 9 10 11 CN508 CON11 CN508 CON11 R572 2K R572 2K 1 2 CN504 2X2.5MM CN504 2X2.5MM L506 0 L506 0 1 3 2 Q15 3906 Q15 3906 L509 0 L509 0 D42 1N5822 D42 1N5822 1 2 3 4 5 6 7 CN516 CON7-2.0 CN516 CON7-2.0 R506 1K/NC R506 1K/NC R55 4.7K R55 4.7K D43 1N5822 D43 1N5822 R505 1K R505 1K 1 2 3 4 CN503 CON4-2.5 BL CN503 CON4-2.5 BL R576 0/NC R576 0/NC R565 4.7K R565 4.7K R578 0 R578 0 1 2 3 CN501 CON3-2.5 CN501 CON3-2.5 C503 1n C503 1n L522 0 L522 0 C79 100pF C79 100pF R573 4.7K R573 4.7K 1 2 3 4 CN510 CON4-2.0 Debug Port CN510 CON4-2.0 Debug Port R577 0/NC R577 0/NC R563 4.7K R563 4.7K Q501 3904 Q501 3904 D513 INPAQ-Vport D513 INPAQ-Vport R50 4.7K R50 4.7K R516 0/NC R516 0/NC R570 100R R570 100R GND 1 GND 2 RD4+ 3 RD4- 4 RD3+ 5 RD3- 6 RDC+ 7 RDC- 8 GND 9 GND 10 RD2+ 11 RD2- 12 RD1+ 13 RD1- 14 RD0+ 15 RD0- 16 GND 17 GND 18 RC4+ 19 RC4- 20 RC3+ 21 RC3- 22 RCC+ 23 RCC- 24 GND 25 GND 26 RC2+ 27 RC2- 28 RC1+ 29 RC1- 30 RC0+ 31 RC0- 32 GND 33 GND 34 CN513 CON18X2_2.0 CN513 CON18X2_2.0 L514 0 L514 0 R562 NC/2K R562 NC/2K C504 100p C504 100p L523 0 L523 0 L512 0 L512 0 L517 0 L517 0 1 3 2 Q13 3906 Q13 3906 L530 0 L530 0 R571 2K R571 2K D504 INPAQ-Vport D504 INPAQ-Vport R557 100R R557 100R R508 4.7K/NC R508 4.7K/NC R497 0R R497 0R R662 100/NC R662 100/NC L510 0 L510 0 L518 0 L518 0 R56 4.7K R56 4.7K R526 22K R526 22K 1 2 3 CN507 CON3-2.0 CN507 CON3-2.0 L501 0 L501 0 R569 100R R569 100R 1 2 3 Q505 3904 Q505 3904 L511 0 L511 0 C511 NC C511 NC D502 INPAQ-Vport D502 INPAQ-Vport C501 2.2uF/NC C501 2.2uF/NC R529 4.7K R529 4.7K R503 4.7K R503 4.7K 1 2 3 4 5 6 7 CN506 CON7-2.5 CN506 CON7-2.5 L513 0 L513 0 L532 0 L532 0 R659 10K/NC R659 10K/NC R574 0/NC R574 0/NC R663 100/NC R663 100/NC L571 0/NC L571 0/NC 1 2 3 4 5 6 7 8 CN509 CON9X2.0 CN509 CON9X2.0 R527 1K R527 1K 1 2 3 4 5 6 7 8 9 CN515 CON9X2.0 CN515 CON9X2.0 R575 0/NC R575 0/NC C510 0.1uF C510 0.1uF R556 4.7K R556 4.7K L515 0 L515 0 L521 0 L521 0 L502 0 L502 0 L41 FB L41 FB R567 1K R567 1K VCC 1 VCC 3 VCC 2 VCC 4 GND 5 GND 6 GND 7 GND 8 RXE4+ 9 RXE4- 10 RXE3+ 11 RXE3- 12 RXEC+ 13 RXEC- 14 RXE2+ 15 RXE2- 16 RXE1+ 17 RXE1- 18 RXE0+ 19 RXE0- 20 GND 21 GND 22 I/Osda 23 DCRscl 26 MODE 24 PWM 25 GND 27 GND 28 RXO4+ 29 RXO4- 30 RXO3+ 31 RXO3- 32 RXOC+ 33 RXOC- 34 RXO2+ 35 RXO2- 36 RXO1+ 37 RXO1- 38 RXO0+ 39 RXO0- 40 CN514 LVDS CN514 LVDS Q503 3904/NC Q503 3904/NC D503 INPAQ-Vport D503 INPAQ-Vport R661 100/NC R661 100/NC R496 0R R496 0R R466 4.7K R466 4.7K L516 0 L516 0 R521 NC R521 NC R587 0/NC R587 0/NC VCC 1 VCC 3 VCC 2 VCC 4 GND 5 GND 6 GND 7 GND 8 RXE4+ 9 RXE4- 10 RXE3+ 11 RXE3- 12 RXEC+ 13 RXEC- 14 RXE2+ 15 RXE2- 16 RXE1+ 17 RXE1- 18 RXE0+ 19 RXE0- 20 GND 21 GND 22 I/Osda 23 DCRscl 26 MODE 24 PWM 25 GND 27 GND 28 RXO4+ 29 RXO4- 30 RXO3+ 31 RXO3- 32 RXOC+ 33 RXOC- 34 RXO2+ 35 RXO2- 36 RXO1+ 37 RXO1- 38 RXO0+ 39 RXO0- 40 CN512 LVDS CN512 LVDS 1 2 3 Q504 3904 Q504 3904 L504 0 L504 0 L520 0 L520 0 C502 1n C502 1n L508 0 L508 0 D505 INPAQ-Vport D505 INPAQ-Vport R559 100R R559 100R L531 0 L531 0 + CA503 100uF/16V + CA503 100uF/16V R28 1.8R/2W R28 1.8R/2W + CA501 100uF/16V + CA501 100uF/16V R658 10K/NC R658 10K/NC R566 1K R566 1K L505 0 L505 0 5 4 3 2 1 D D C C B B A A AV2-V PC-L SV1-C SV1-Y HD2_Pb HD2_Pr HD1_Y HD2-L HD1_Pb HD1_Pr HD2_Y PC-R HD2-R AV1-V LINEOUTL LINEOUTR VGA-HS VGA_GIN VGA_BIN VGA_RIN VGA-VS VGA_HS VGA-B VGA-R VGA-G VGA_VS AVOUT-V AV1-L AV1-R M_SCL M_SDA DDC-SCL DDC-SDA AV3-L AV3-R AV3-V ISP-RXD ISP-TXD 5VPI LINEOUTL LINEOUTR VGA-HS VGA-VS VGA_BIN VGA_GIN VGA_RIN HD1_Y HD1_Pb HD1_Pr HD2_Y HD2_Pb HD2_Pr AVOUT-V AV2-V AV1-V SV1-C SV1-Y AV1-R AV1-L HD2-R HD2-L PC-R PC-L M_SCL M_SDA AV3-L AV3-R AV3-V ISP-TXD ISP-RXD SPDIF_OUT Title Size Document Number Rev Date: Sheet of <Doc> <RevCode> <Title> C 1 1 Tuesday, April 21, 2009 Title Size Document Number Rev Date: Sheet of <Doc> <RevCode> <Title> C 1 1 Tuesday, April 21, 2009 Title Size Document Number Rev Date: Sheet of <Doc> <RevCode> <Title> C 1 1 Tuesday, April 21, 2009 AudioI NPUT YUV INPUT VGA INPUT S,AV1 Video INPUT AV OUTPUT 更改升级口 R540 33K R540 33K L528 0 L528 0 R549 NC R549 NC R546 100R R546 100R D510 INPAQ-Vport D510 INPAQ-Vport D506 INPAQ-Vport D506 INPAQ-Vport L103 0 L103 0 R547 75R R547 75R D507 INPAQ-Vport D507 INPAQ-Vport L105 0 L105 0 R533 33K R533 33K 5 10 4 9 3 8 2 7 1 15 14 13 12 11 6 16 17 JA505 VGA JA505 VGA L107 0 L107 0 1 1 2 2 3 3 4 4 5 5 6 6 JA501 AV2 JA501 AV2 + C506 10uF/16V + C506 10uF/16V R548 22K R548 22K R534 100R R534 100R D508 INPAQ-Vport D508 INPAQ-Vport R542 33K R542 33K R535 33K R535 33K R543 100R R543 100R 2 1 3 4 5 6 L92 CON2_1 L92 CON2_1 R536 33K R536 33K R550 NC R550 NC + C505 10uF/16V + C505 10uF/16V R544 33K R544 33K 1 3 5 2 4 6 7 8 9 Pb Pr Y Y Pb Pr JA502 HDTV Pb Pr Y Y Pb Pr JA502 HDTV 3 3 1 1 5 5 4 4 2 2 6 6 7 7 JA503A AV+S-2_0 JA503A AV+S-2_0 R537 75R R537 75R L527 FB L527 FB D511 INPAQ-Vport D511 INPAQ-Vport R538 22K R538 22K L529 FB L529 FB D512 INPAQ-Vport D512 INPAQ-Vport GND 1 GND 4 GND 7 R 3 L 2 R 6 L 5 R 9 L 8 R R R L L L JA504 AV3 R R R L L L JA504 AV3 2 1 3 4 JA506 RCA1 JA506 RCA1 D509 INPAQ-Vport D509 INPAQ-Vport L525 0 L525 0 + C507 10uF/16V + C507 10uF/16V R545 100R R545 100R R539 75R R539 75R 12 10 8 6 4 2 11 9 7 5 3 1 CON511 CON511 L526 0 L526 0 5 4 3 2 1 D D C C B B A A A-MVREF A_LDQSM A_LDQSP A_UDQSM A_UDQSP A_LDQM A_UDQM B-LDQSM B-LDQSP B-UDQSM B-UDQSP B-MADR12 B-MADR10 B-MADR7 B-MADR9 B-MADR5 B-MADR1 B-MADR3 B-MDATA11 B-MDATA12 B-MDATA9 B-MDATA14 B-MDATA6 B-MDATA1 A-MDATA15 B-MDATA3 B-MDATA4 B-BA0 A-MDATA8 B-BA1 B-LDQM A-MDATA10 B-UDQM A-MDATA13 A-MDATA7 A-MDATA0 A-MDATA2 A-MDATA5 A-LDQSM A-LDQSP A-UDQSP A-MADR12 A-MADR10 A-MADR11 A-MADR7 A-MADR8 A-MADR9 A-MADR5 A-MADR0 A-MADR6 A-MADR1 A-MADR2 A-MADR3 A-MADR4 A-MDATA11 A-MDATA12 A-MDATA9 A-MDATA14 A-MDATA6 A-MDATA1 A-MDATA3 A-MDATA4 A-RASZ A-WEZ A-BA0 A-BA1 A_CLK+ A-LDQM A-UDQM A_CLK- A-CKE A-CASZ A-ODT A-MDATA6 A_MDATA3 A_MDATA1 A-MDATA3 A-MDATA1 A-MDATA4 A_MDATA6 A_MDATA4 B-MVREF B-MDATA15 B-MDATA8 B-MDATA10 B-MDATA13 B-MDATA7 B-MDATA0 B-MDATA2 B-MDATA5 B-MADR11 B-MADR8 B-MADR0 B-MADR6 B-MADR2 B-MADR4 B-RASZ B-WEZ B_CLK+ B_CLK- B-CKE B-CASZ B-ODT A-MVREF B-MDATA6 B-MVREF B_MDATA3 B_MDATA1 B-MDATA3 B-MDATA1 B-MDATA4 B_MDATA6 B_MDATA4 B_MDATA0 B_MDATA7 B_MDATA2 B_MDATA5 B_MDATA10 B_MDATA13 B_MDATA15 B_MDATA8 B-MDATA10 B-MDATA8 B-MDATA15 B-MDATA13 B-MDATA2 B-MDATA0 B-MDATA7 B-MDATA5 B-MDATA11 B-MDATA9 B-MDATA14 B-MDATA12 B_MDATA9 B_MDATA11 B_MDATA14 B_MDATA12 A_MDATA0 A_MDATA7 A_MDATA2 A_MDATA5 A_MDATA10 A_MDATA13 A_MDATA15 A_MDATA8 A-MDATA10 A-MDATA8 A-MDATA15 A-MDATA13 A-MDATA2 A-MDATA0 A-MDATA7 A-MDATA5 A-MDATA11 A-MDATA9 A-MDATA14 A-MDATA12 A-WEZ A_CLK+ A_CLK- A-CKE A-CASZ A-BA0 A-ODT A-RASZ A-BA1 A_LDQM A_UDQM A_UDQSP A_UDQSM A_LDQSP A_LDQSM A_MDATA[15:0] B_UDQSP B_UDQSM B-MADR[12:0] B_MDATA[15:0] B-WEZ B_CLK+ B_CLK- B-CKE B-CASZ B-BA0 B-RASZ B-BA1 B-ODT B_LDQM B_UDQM B_LDQSP B_LDQSM A_MDATA9 A_MDATA11 A_MDATA14 A_MDATA12 B_LDQSM B_LDQSP B_UDQSM B_UDQSP B_LDQM B_UDQM A-UDQSM A-MADR[12:0] DDR2_1V8 DDR2_1V8 DDR2_1V8 DDR2_1V8 DDR2_1V8 DDR2_1V8 A-MADR[12:0] B-MADR[12:0] B-CKE B-WEZ B-CASZ B-RASZ B-BA0 B-BA1 B-ODT B_LDQSP B_LDQSM B_UDQM B_UDQSP B_UDQSM B_LDQM B_CLK+ B_CLK- A-CKE A-WEZ A-CASZ A-RASZ A-BA0 B_MDATA[15:0] A-BA1 A-ODT A_LDQSP A_LDQSM A_UDQM A_MDATA[15:0] A_UDQSP A_UDQSM A_LDQM A_CLK+ A_CLK- Title Size Document Number Rev Date: Sheet of DDR2_32Bit 1.0 MST6M68DQ_296_IC Demo board C 2 12 Tuesday, April 21, 2009 Title Size Document Number Rev Date: Sheet of DDR2_32Bit 1.0 MST6M68DQ_296_IC Demo board C 2 12 Tuesday, April 21, 2009 Title Size Document Number Rev Date: Sheet of DDR2_32Bit 1.0 MST6M68DQ_296_IC Demo board C 2 12 Tuesday, April 21, 2009 C761 4.7uF C761 4.7uF R271 56R R271 56R C214 0.1uF C214 0.1uF C266 0.1uF C266 0.1uF C763 0.1uF C763 0.1uF C216 0.1uF C216 0.1uF 4 3 2 1 5 6 7 8 RN27 56RX4 4 3 2 1 5 6 7 8 RN27 56RX4 C762 0.1uF C762 0.1uF R298 56R R298 56R R903 1K_1% R903 1K_1% R324 NC/150R R324 NC/150R C316 0.1uF C316 0.1uF R281 56R R281 56R 4 3 2 1 5 6 7 8 RN28 56RX4 4 3 2 1 5 6 7 8 RN28 56RX4 C210 0.1uF C210 0.1uF C770 0.1uF C770 0.1uF + C51 47uF/16V + C51 47uF/16V 4 3 2 1 5 6 7 8 RN29 56RX4 4 3 2 1 5 6 7 8 RN29 56RX4 4 3 2 1 5 6 7 8 RN22 56RX4 4 3 2 1 5 6 7 8 RN22 56RX4 R285 56R R285 56R R264 56R R264 56R C768 0.1uF C768 0.1uF R858 56R R858 56R 4 3 2 1 5 6 7 8 RN21 56RX4 4 3 2 1 5 6 7 8 RN21 56RX4 4 3 2 1 5 6 7 8 RN30 56RX4 4 3 2 1 5 6 7 8 RN30 56RX4 R855 56R R855 56R R901 1K_1% R901 1K_1% + C50 47uF/16V + C50 47uF/16V VDD A1 NC2 A2 VSS A3 DQ14 B1 VSSQ B2 UDM B3 A4 N8 A6 N7 VDD M9 A0 M8 A2 M7 CS# L8 CAS# L7 ODT K9 CLK# K8 RAS# K7 VDD J9 CLK J8 VSSDL J7 DQ5 H9 VSSQ H8 DQ2 H7 VDDQ G9 DQ0 G8 VDDQ G7 DQ7 F9 VSSQ F8 LDQS F7 VDDQ E9 LDQS# E8 VSSQ E7 DQ13 D9 VSSQ D8 DQ10 D7 VDDQ C9 DQ8 C8 VDDQ C7 A7 P2 A9 P3 VDD R1 A12 R2 RFU3 R3 VSSQ A7 UDQS# A8 VDDQ A9 UDQS B7 VSSQ B8 DQ15 B9 A10 M2 A1 M3 VSS N1 A3 N2 A5 N3 VDDQ C1 DQ9 C2 VDDQ C3 DQ12 D1 VSSQ D2 DQ11 D3 VDD E1 NC3 E2 VSS E3 DQ6 F1 VSSQ F2 LDM F3 VDDQ G1 DQ1 G2 VDDQ G3 DQ4 H1 VSSQ H2 DQ3 H3 VDDL J1 VREF J2 VSS J3 CKE K2 WE# K3 RFU2 L1 BA0 L2 BA1 L3 RFU1 R7 NC1 R8 VSS P9 A8 P8 A11 P7 A B C D E F G H J K L M N P R 1 2 3 7 8 9 Vdd NC Vss DQ14 VssQ UDM VddQ DQ9 VddQ DQ12 VssQ DQ11 Vdd NC Vss DQ6 VssQ LDM VddQ DQ1 VddQ DQ4 VssQ DQ3 VddL Vref Vss CKE WE# RFU BA0 BA1 A10 A1 Vss A3 A5 A7 A9 Vdd A12 RFU VssQ UDQS# VddQ UDQS VssQ DQ15 VddQ DQ8 VddQ DQ10 VssQ DQ13 VssQ LDQS# VddQ LDQS VssQ DQ7 VddQ DQ0 VddQ DQ2 VssQ DQ5 VssDL CK Vdd RAS# CK# ODT CAS# CS# A2 A0 Vdd A6 A4 A11 A8 RFU NC Vss N51 Qimonda HYB18TC512160B2F-2.5 A B C D E F G H J K L M N P R 1 2 3 7 8 9 Vdd NC Vss DQ14 VssQ UDM VddQ DQ9 VddQ DQ12 VssQ DQ11 Vdd NC Vss DQ6 VssQ LDM VddQ DQ1 VddQ DQ4 VssQ DQ3 VddL Vref Vss CKE WE# RFU BA0 BA1 A10 A1 Vss A3 A5 A7 A9 Vdd A12 RFU VssQ UDQS# VddQ UDQS VssQ DQ15 VddQ DQ8 VddQ DQ10 VssQ DQ13 VssQ LDQS# VddQ LDQS VssQ DQ7 VddQ DQ0 VddQ DQ2 VssQ DQ5 VssDL CK Vdd RAS# CK# ODT CAS# CS# A2 A0 Vdd A6 A4 A11 A8 RFU NC Vss N51 Qimonda HYB18TC512160B2F-2.5 C307 0.1uF C307 0.1uF C218 0.1uF C218 0.1uF C264 4.7uF C264 4.7uF C764 0.1uF C764 0.1uF 4 3 2 1 5 6 7 8 RN31 56RX4 4 3 2 1 5 6 7 8 RN31 56RX4 R902 1K_1% R902 1K_1% C765 0.1uF C765 0.1uF R295 56R R295 56R + C771 NC/47uF/16V + C771 NC/47uF/16V R269 56R R269 56R C211 0.1uF C211 0.1uF R263 56R R263 56R C217 0.1uF C217 0.1uF C767 0.1uF C767 0.1uF C769 0.1uF C769 0.1uF 4 3 2 1 5 6 7 8 RN23 56RX4 4 3 2 1 5 6 7 8 RN23 56RX4 R859 56R R859 56R + C225 NC/47uF/16V + C225 NC/47uF/16V R900 1K_1% R900 1K_1% R857 NC/150R R857 NC/150R C766 0.1uF C766 0.1uF R856 56R R856 56R VDD A1 NC2 A2 VSS A3 DQ14 B1 VSSQ B2 UDM B3 A4 N8 A6 N7 VDD M9 A0 M8 A2 M7 CS# L8 CAS# L7 ODT K9 CLK# K8 RAS# K7 VDD J9 CLK J8 VSSDL J7 DQ5 H9 VSSQ H8 DQ2 H7 VDDQ G9 DQ0 G8 VDDQ G7 DQ7 F9 VSSQ F8 LDQS F7 VDDQ E9 LDQS# E8 VSSQ E7 DQ13 D9 VSSQ D8 DQ10 D7 VDDQ C9 DQ8 C8 VDDQ C7 A7 P2 A9 P3 VDD R1 A12 R2 RFU3 R3 VSSQ A7 UDQS# A8 VDDQ A9 UDQS B7 VSSQ B8 DQ15 B9 A10 M2 A1 M3 VSS N1 A3 N2 A5 N3 VDDQ C1 DQ9 C2 VDDQ C3 DQ12 D1 VSSQ D2 DQ11 D3 VDD E1 NC3 E2 VSS E3 DQ6 F1 VSSQ F2 LDM F3 VDDQ G1 DQ1 G2 VDDQ G3 DQ4 H1 VSSQ H2 DQ3 H3 VDDL J1 VREF J2 VSS J3 CKE K2 WE# K3 RFU2 L1 BA0 L2 BA1 L3 RFU1 R7 NC1 R8 VSS P9 A8 P8 A11 P7 A B C D E F G H J K L M N P R 1 2 3 7 8 9 Vdd NC Vss DQ14 VssQ UDM VddQ DQ9 VddQ DQ12 VssQ DQ11 Vdd NC Vss DQ6 VssQ LDM VddQ DQ1 VddQ DQ4 VssQ DQ3 VddL Vref Vss CKE WE# RFU BA0 BA1 A10 A1 Vss A3 A5 A7 A9 Vdd A12 RFU VssQ UDQS# VddQ UDQS VssQ DQ15 VddQ DQ8 VddQ DQ10 VssQ DQ13 VssQ LDQS# VddQ LDQS VssQ DQ7 VddQ DQ0 VddQ DQ2 VssQ DQ5 VssDL CK Vdd RAS# CK# ODT CAS# CS# A2 A0 Vdd A6 A4 A11 A8 RFU NC Vss N50 Qimonda HYB18TC512160B2F-2.5 A B C D E F G H J K L M N P R 1 2 3 7 8 9 Vdd NC Vss DQ14 VssQ UDM VddQ DQ9 VddQ DQ12 VssQ DQ11 Vdd NC Vss DQ6 VssQ LDM VddQ DQ1 VddQ DQ4 VssQ DQ3 VddL Vref Vss CKE WE# RFU BA0 BA1 A10 A1 Vss A3 A5 A7 A9 Vdd A12 RFU VssQ UDQS# VddQ UDQS VssQ DQ15 VddQ DQ8 VddQ DQ10 VssQ DQ13 VssQ LDQS# VddQ LDQS VssQ DQ7 VddQ DQ0 VddQ DQ2 VssQ DQ5 VssDL CK Vdd RAS# CK# ODT CAS# CS# A2 A0 Vdd A6 A4 A11 A8 RFU NC Vss N50 Qimonda HYB18TC512160B2F-2.5 5 4 3 2 1 D D C C B B A A System-RST ON_PBACK-GPIO84 LED-PWM1 AUCOM AUVRM AUVAG AUVRP ON_PANEL-GPIO83 Tuner+40V_PWM0 PWR-ON/OFF-GPIO82 BRI_ADJ-PWM2 M_SDA M_SCL LINE_OUT_2L LINE_OUT_2R HD-SW0-GPIO81/SIF_CTL AVM-VCOM0 CVBS_OUT AVDD_ADC VDDC LINE_IN_3L LINE_IN_3R AUCOM LINE_IN_2R LINE_IN_2L ATV_TUNER-RF_AGC VR27 VIFM VIFP XTALO XTALI AVDD_MPLL AVDD_VIF VCOM1 AUVRP AUVAG AVDD_AU AUVRM VDDP B_MDATA13 B_MCLK DDR2_1V8 B_MCLKZ B_MDATA2 DDR2_1V8 B_MDATA14 B_MDATA9 B_CASZ B_MADR2 B_MADR4 B_MADR0 B_MADR6 B_WEZ B_MADR8 B_MADR11 B3_RXE3- B7_RXE2- B5_RXEC- B2_RXE3+ B6_RXE2+ B4_RXEC+ G2_RXE0+ G3_RXE0- G6_RXO3+ G7_RXO3- VDDP G5_RXO4- R6_RXO0+ R5_RXO1- R4_RXO1+ R0_RXOC+ R2_RXO2+ R3_RXO2- R7_RXO0- R1_RXOC- B1_RXE4- B0_RXE4+ G0_RXE1+ G1_RXE1- G4_RXO4+ AVDD_LPLL VDDC B_MDATA3 B_MDATA4 DDR2_1V8 B_MDATA6 B_MDATA1 B_MDATA12 B_MDATA11 B_LDQM B_UDQM B_ODT B_MDATA5 B_MDATA7 B_MDATA10 B_RASZ DDR2_1V8 B_MDATA8 B_MDATA15 VDDP DDR2_1V8 B_MDATA0 I2C-SDA I2C-SCL System-RST UART-TX UART-RX VDDC IR-in VDDP AVDDL_DVI A_MDATA12 A_MDATA11 A_MDATA6 DDR2_1V8 A_MADR11 A_ODT A_MADR6 A_MADR0 A_MADR2 A_MADR4 A_MADR8 A_CASZ DDR2_1V8 DDR2_1V8 A_MDATA2 A_MDATA5 AVDD_MEMPLL A_MDATA1 A_RASZ VDDC B_CKE B_BA0 B_BA1 A_MCLKZ B_MADR5 B_MADR10 B_MADR1 B_MADR3 B_MADR7 B_MADR12 B_MADR9 A_MDATA7 A_MDATA0 A_MDATA3 DDR2_1V8 A_MDATA14 A_LDQM A_UDQM A_MDDR_VREF A_MCLK A_MDATA13 A_MDATA10 A_MDATA4 VDDP A_MDATA9 A_WEZ A_CKE A_MADR12 A_MADR9 A_MADR5 A_MADR10 A_MADR1 A_BA0 A_BA1 A_MADR3 A_MADR7 VDDC DDR2_1V8 A_MDATA8 A_MDATA15 SPI_CZ2 SPI-SDI SPI-SCK SPI-SDO SPI-CS1N SPI-CZ2 VDDP KEY0-SAR0 KEY1-SAR1 Tuner+40V_PWM0 BRI_ADJ-PWM2 LED-PWM1 AVDD_DM AV1-CVBS1P REFP REFM VCLP VR27 SPI_SCK SPI_SDI SPI_CZ1 SPI_SDO AV1_VIN+ CVBS_COM AVM_VCOM0 AV1-Vin+ TV-SIFP TV-SIFM HD-AV_AU-Rin HD-AV_AU-Lin AU_ROUT A-WEZ A_CLK+ A_CLK- A-CKE A-CASZ A-BA0 A-ODT A-RASZ A-BA1 A_LDQM A_UDQM A_UDQSP A_UDQSM A_LDQSP A_LDQSM A_MDATA[15:0] B_UDQSP B_UDQSM B-MADR[12:0] B_MDATA[15:0] B-WEZ B_CLK+ B_CLK- B-CKE B-CASZ B-BA0 B-RASZ B-BA1 B-ODT B_LDQM B_UDQM B_LDQSP A-MADR[12:0] HD_RGB_AU-SW-GPIO71 AU_LOUT HD-SW0-GPIO81/SIF_CTL M_SCL M_SDA SPI_SCK SPI_SDO FLASH_WPN-SAR3_GPIO129 SPI_CZ2 SPI_SDI EEPROM-WP-GPIO4 FLASH_WPN-SAR3_GPIO129 B_UDQSP B_UDQSM B_LDQSP B_LDQSM A_LDQSP A_LDQSM A_UDQSP A_UDQSM AV_Mux+ AV-Mux+ AVM-CVBS2P SV1-Cin SV1-Yin SV1_Yin SV_C-CVBS6P SV_Y-CVBS4P SV1_Cin VGA-HS VGA-VS PR/R PB_B+ PB_B- PR_R+ PB/B RX1B2N RX1B2P DDC1BSDA DDC1BSCL PR_R- HDMI1-HPDIN RGB_R+ RGB_R- REFP VCLP REFM AVDD33 RGB_G+ RGB_G- RGB_B- RGB_B+ RGB_SOY HDMI-REXT HDMI1-RX1N HDMI1-RX1P HDMI1-RX2N HDMI1-RX2P HDMI1-SCL HDMI1-SDA Y/G Y/G-SOY Y_G+ Y_G- RX1B1N RX1B1P RX2BCLKP RX2B0N RX2B0P DDC2BSDA RX2B1N RX2B1P RX2BCLKN RX2B2N RX2B2P DDC2BSCL HDMI2-RX1N HDMI2-RX1P HDMI2-CLKN HDMI2-CLKP AVDD_DVI HDMI-CEC HDMI2-SDA HDMI2-RX0N HDMI2-RX0P HDMI2-SCL HDMI2-RX2N HDMI2-RX2P RX1BCLKN RX1BCLKP HDMI2-HPDIN AVDD33 HDMI1-CLKN HDMI1-CLKP HDMI1-RX0N HDMI1-RX0P RX1B0N RX1B0P USB_D- USB_D+ USB_DP AVDD_OTG USB_DM USB1_D- USB1_D+ USB1_DM USB1_DP OTG-VBUS RF_AGC USB2_SWITCH-GPIO56 USB2_SWITCH-GPIO56 XTALI SPI_SDI SPI_SDO SPI_SCK VDDC B_LDQSM LIGHT-S DCR-ON A-RASZ A-CASZ A_MADR11 A_MADR8 B-RASZ B-CASZ B_MADR11 A_MADR1 B_MADR8 A_MADR10 A_MADR5 B_MCLKZ B_MCLK B_CASZ B_RASZ B_BA1 B_CLK+ B_CLK- B-CKE B-MADR8 B-MADR11 B_CKE B-MADR5 B-MADR9 B-MADR12 B-MADR3 B_MADR3 B-MADR7 B-MADR10 B_MADR7 B_MADR10 B_MADR9 B_MADR12 B_MADR6 B-MADR6 B-MADR4 B-MADR0 B-MADR2 B_MADR0 B_MADR2 B_MADR4 B-BA1 B_MADR1 A_MCLKZ A_MCLK A_ODT A-ODT A_CASZ A_RASZ A_BA1 A_CLK+ A_CLK- A-CKE A-MADR8 A-MADR11 A-MADR1 A-MADR5 A-MADR10 A_CKE B_BA0 B_MADR5 B_ODT B-ODT A-MADR9 A-MADR12 A-MADR3 A_MADR3 A-MADR7 A_MADR7 A_MADR9 A_MADR12 A_MADR6 A-MADR6 A-MADR4 A-MADR0 A-MADR2 A_MADR0 A_MADR2 A_MADR4 A-WEZ A_WEZ A_BA0 A-BA1 B-BA0 B-MADR1 A-BA0 B-WEZ B_WEZ R0_RXOC+ G6_RXO3+ R4_RXO1+ R2_RXO2+ R6_RXO0+ G4_RXO4+ B1_RXE4- G1_RXE1- B5_RXEC- B7_RXE2- B3_RXE3- G3_RXE0- R1_RXOC- G7_RXO3- R5_RXO1- R3_RXO2- R7_RXO0- G5_RXO4- B0_RXE4+ G0_RXE1+ B4_RXEC+ B6_RXE2+ B2_RXE3+ G2_RXE0+ SPI_CZ1 EEPROM-WP-GPIO4 HD_RGB_AU-SW-GPIO71 XTALO USB-I/O MUTE_GPIO34 TS0_D6/GPIO35 TS0_D7/GPIO36 TS0_D6/GPIO35 TS0_D7/GPIO36 TSD0 AMP-RST MEMC1 MEMC2 DCR-ON/OFF LED-PWM1 LED-PWM1_GPIO6 DCR-ON DDR2_1V8 5V-ATV AVDD_MEMPLL AVDD_DVI AVDD_OTG AVDD_ADC +3.3AVDD AVDD_AU AVDD_LPLL DDR2_1V8 VDDC AVDDL_DVI VDDC +3.3VDD AVDD_VIF +3.3VDD +3.3VDD +3.3VDD +3.3VDD +3.3VDD AVDD33 AVDD_MPLL +3.3VDD VDDP AVDD_DM +5VUSB AVDD_DVI AVDD_MEMPLL +3.3VDD +3.3VDD +3.3AVDD 5Vstb A-MADR[12:0] B-MADR[12:0] B-CKE B-WEZ B-CASZ B-RASZ B-BA0 B-BA1 B-ODT B_LDQSP B_LDQSM B_UDQM B_UDQSP B_UDQSM B_LDQM B_CLK+ B_CLK- A-CKE A-WEZ A-CASZ A-RASZ A-BA0 B_MDATA[15:0] A-BA1 A-ODT A_LDQSP A_LDQSM A_UDQM A_MDATA[15:0] A_UDQSP A_UDQSM A_LDQM A_CLK+ A_CLK- Tuner+40V_PWM0 AU_LOUT AU_ROUT ON_PANEL-GPIO83 BRI_ADJ-PWM2 PWR-ON/OFF-GPIO82 HD-SW0-GPIO81/SIF_CTL ON_PBACK-GPIO84 RX1BCLKP RX1BCLKN DDC1BSCL DDC1BSDA RX1B2P RX1B2N RX1B1P RX1B1N RX1B0P RX1B0N HDMI1-HPDIN RX2BCLKN DDC2BSCL DDC2BSDA RX2B2P RX2B2N RX2B1P RX2B1N RX2B0P RX2B0N RX2BCLKP HDMI-CEC HDMI2-HPDIN PB/B Y/G PR/R VGA-HS VGA-VS SV1-Cin SV1-Yin AV1-Vin+ AV-Mux+ RF_AGC CVBS_OUT TV-SIFM TV-SIFP HD-AV_AU-Lin HD-AV_AU-Rin M_SDA M_SCL VIFM VIFP HD_RGB_AU-SW-GPIO71 AV1-Lin AV1-Rin USB2_SWITCH-GPIO56 IR-in 12 KEY1-SAR1 12 KEY0-SAR0 12 UART-TX 12 UART-RX USB1_D- USB1_D+ USB_D- USB_D+ R7_RXO0- R6_RXO0+ R5_RXO1- R4_RXO1+ R3_RXO2- R2_RXO2+ R1_RXOC- R0_RXOC+ G7_RXO3- G6_RXO3+ G5_RXO4- G4_RXO4+ G3_RXE0- G2_RXE0+ G1_RXE1- G0_RXE1+ B7_RXE2- B6_RXE2+ B5_RXEC- B4_RXEC+ B3_RXE3- B2_RXE3+ B1_RXE4- B0_RXE4+ LIGHT-S 12 TSD0 12 USB-I/O 12 ON_PBACK-GPIO84 12 ON_PANEL-GPIO83 12 PWR-ON/OFF-GPIO82 12 Ursa_RE4N Ursa_RE3P Ursa_RE3N Ursa_RECKP Ursa_RECKN Ursa_RE2P Ursa_RE2N Ursa_RE1P Ursa_RE1N Ursa_RE0P Ursa_RE0N Ursa_RE4P Ursa_RO4N Ursa_RO3P Ursa_RO3N Ursa_ROCKP Ursa_ROCKN Ursa_RO2P Ursa_RO2N Ursa_RO1P Ursa_RO1N Ursa_RO0P Ursa_RO0N Ursa_RO4P LRCLK MCLK SCLK DI SPDIF-OUT USB-SCLK USB-DI USB-LRCLK USB-I/O MUTE_GPIO34 12 Ursa_M_SDA Ursa_M_SCL AMP-RST AMP-RST MEMC2 MEMC1 AUVRM DCR-ON/OFF LED-PWM1_GPIO6 Title Size Document Number Rev Date: Sheet of MST6M68DQ 1.0 MST6M68DQ_296_IC Demo board D 3 12 Thursday, April 23, 2009 Title Size Document Number Rev Date: Sheet of MST6M68DQ 1.0 MST6M68DQ_296_IC Demo board D 3 12 Thursday, April 23, 2009 Title Size Document Number Rev Date: Sheet of MST6M68DQ 1.0 MST6M68DQ_296_IC Demo board D 3 12 Thursday, April 23, 2009 RESET CIRCUIT Mode Selection Close to IC with width trace EEPROM Close to IC as close as possible with width trace GPIO +1.8V FOR DDR2 NORMAL POWER +1.26V FOR Core Power +3.3V NORMAL POWER SERIAL FLASH +3.3V STANDBY POWER LVDS CONNECTOR System XTAL 2nd DDR2 Chip 1st DDR2 Chip C18 47nF C18 47nF 1 2 3 Y2 12MHZ Y2 12MHZ C787 0.1uF C787 0.1uF C323 0.1uF C323 0.1uF 4 3 2 1 5 6 7 8 RN13 RL 4 3 2 1 5 6 7 8 RN13 RL R846 NC R846 NC R582 10K R582 10K C271 2.2uF C271 2.2uF C739 NC/4.7uF C739 NC/4.7uF 4 3 2 1 5 6 7 8 RN11 33RX4 4 3 2 1 5 6 7 8 RN11 33RX4 R29 10R R29 10R C186 0.1uF C186 0.1uF C184 0.1uF C184 0.1uF R909 5R R909 5R R877 0R R877 0R C745 0.1uF C745 0.1uF C183 0.1uF C183 0.1uF R862 0R R862 0R C274 1nF C274 1nF R870 0R R870 0R C164 C1 C164 C1 R25 10K R25 10K R881 0R R881 0R R802 10R R802 10R R827 4.7K R827 4.7K R800 10R R800 10R C741 100pF C741 100pF C194 1nF C194 1nF R91 47R R91 47R C139 4.7uF C139 4.7uF R863 0R R863 0R C260 18nF C260 18nF R833 10K R833 10K 4 3 2 1 5 6 7 8 RN46 33RX4 4 3 2 1 5 6 7 8 RN46 33RX4 C239 NC/47pF C239 NC/47pF C789 2.2uF C789 2.2uF C267 0.1uF C267 0.1uF R875 0R R875 0R R53 10R R53 10R C808 4.7uF C808 4.7uF R210 4.7K R210 4.7K R867 0R R867 0R C19 47nF C19 47nF C779 0.1uF C779 0.1uF R316 0 R316 0 4 3 2 1 5 6 7 8 RN20 56RX4 4 3 2 1 5 6 7 8 RN20 56RX4 C165 C2 C165 C2 R841 10K R841 10K R135 10R R135 10R C182 0.1uF C182 0.1uF C234 1nF C234 1nF R818 100R R818 100R R812 10R R812 10R R882 0R R882 0R L58 FB220/500mA L58 FB220/500mA L82 FB220/500mA L82 FB220/500mA 4 3 2 1 5 6 7 8 RN17 56RX4 4 3 2 1 5 6 7 8 RN17 56RX4 R356 1K_1% R356 1K_1% C790 0.1uF C790 0.1uF R832 10K R832 10K + C814 10uF/16V + C814 10uF/16V R861 0R R861 0R R803 10R R803 10R C339 0.1uF C339 0.1uF + C744 47uF/16V + C744 47uF/16V C204 0.1uF C204 0.1uF L90 FB220/100mA L90 FB220/100mA R304 13K R304 13K C202 0.1uF C202 0.1uF R583 10K R583 10K R586 NC/4.7K R586 NC/4.7K C785 0.1uF C785 0.1uF R26 NC R26 NC C324 1nF C324 1nF C809 47nF C809 47nF R868 0R R868 0R C284 0.1uF C284 0.1uF C321 2.2uF C321 2.2uF 4 3 2 1 5 6 7 8 RN19 56RX4 4 3 2 1 5 6 7 8 RN19 56RX4 R84 47R R84 47R C811 47nF C811 47nF R837 33R R837 33R R880 0R R880 0R R81 47R R81 47R R797 22R R797 22R R799 10R R799 10R R23 NC R23 NC R798 22R R798 22R C170 0.1uF C170 0.1uF C230 0.1uF C230 0.1uF C45 47nF C45 47nF C328 0.1uF C328 0.1uF C137 1uF C137 1uF + C330 10uF/16V + C330 10uF/16V R584 10K R584 10K R240 100R R240 100R C203 NC/0.1uF C203 NC/0.1uF R485 NC/100R R485 NC/100R R353 1K_1% R353 1K_1% R873 0R R873 0R C268 0.1uF C268 0.1uF R119 100R R119 100R C783 0.1uF C783 0.1uF R209 390R1% R209 390R1% R220 4.7K R220 4.7K C169 0.1uF C169 0.1uF + C322 NC/47uF/16V + C322 NC/47uF/16V L66 FB220/300mA L66 FB220/300mA R218 NC/100K R218 NC/100K R788 56R R788 56R L88 FB220/100mA L88 FB220/100mA L61 FB220/100mA L61 FB220/100mA C812 2.2uF C812 2.2uF L57 FB220/300mA L57 FB220/300mA L60 FB220/100mA L60 FB220/100mA CE# 1 SO 2 WP# 3 VSS 4 SI 5 SCK 6 HOLD# 7 VDD 8 N12 NC/EN25F40-100GCP N12 NC/EN25F40-100GCP C42 47nF C42 47nF C810 47nF C810 47nF R480 NC/1K R480 NC/1K R878 0R R878 0R 4 3 2 1 5 6 7 8 RN18 56RX4 4 3 2 1 5 6 7 8 RN18 56RX4 4 3 2 1 5 6 7 8 RN34 56RX4 4 3 2 1 5 6 7 8 RN34 56RX4 R804 100R R804 100R R83 47R R83 47R C78 NC C78 NC C786 2.2uF C786 2.2uF L63 FB220/100mA L63 FB220/100mA C285 0.1uF C285 0.1uF R910 5R R910 5R C197 0.1uF C197 0.1uF R805 56R R805 56R R813 10R R813 10R R211 4.7K R211 4.7K R795 10R R795 10R C784 0.1uF C784 0.1uF R864 0R R864 0R R834 10K R834 10K R585 NC/4.7K R585 NC/4.7K R188 10R R188 10R C232 1nF C232 1nF R807 10R R807 10R Z19 INPAQ-Vport Z19 INPAQ-Vport R911 5R R911 5R C740 0.1uF C740 0.1uF 4 3 2 1 5 6 7 8 RN25 RL 4 3 2 1 5 6 7 8 RN25 RL R816 100R R816 100R R790 56R R790 56R R90 47R R90 47R C813 0.1uF C813 0.1uF C171 2.2uF C171 2.2uF R842 0 R842 0 C742 2.2uF C742 2.2uF C338 2.2uF C338 2.2uF R479 4.7K R479 4.7K C832 2.2uF C832 2.2uF R831 10K R831 10K R317 0 R317 0 C181 0.1uF C181 0.1uF 4 3 2 1 5 6 7 8 RN12 RL 4 3 2 1 5 6 7 8 RN12 RL R860 0R R860 0R 4 3 2 1 5 6 7 8 RN26 RL 4 3 2 1 5 6 7 8 RN26 RL C191 0.1uF C191 0.1uF R809 10R R809 10R C188 1nF C188 1nF R224 33K R224 33K L51 FB L51 FB R219 NC/4.7K R219 NC/4.7K C335 2.2uF C335 2.2uF C49 47nF C49 47nF C788 0.1uF C788 0.1uF 1 3 2 V21 3906 V21 3906 R835 33R R835 33R C305 2.2uF C305 2.2uF R825 56R R825 56R R236 100K R236 100K C195 NC/200pF C195 NC/200pF 4 3 2 1 5 6 7 8 RN33 56RX4 4 3 2 1 5 6 7 8 RN33 56RX4 C180 0.1uF C180 0.1uF R883 0R R883 0R R794 10R R794 10R C248 NC/47pF C248 NC/47pF L65 FB220/500mA L65 FB220/500mA L64 300R/25MHZ L64 300R/25MHZ 4 3 2 1 5 6 7 8 RN15 56RX4 4 3 2 1 5 6 7 8 RN15 56RX4 L55 FB220/500mA L55 FB220/500mA R853 10K R853 10K R806 10R R806 10R R270 10K R270 10K R239 47K R239 47K R124 100R R124 100R R116 10R R116 10R R302 13K R302 13K C192 1nF C192 1nF C201 1nF C201 1nF R801 10R R801 10R R843 NC R843 NC R11 4.7K R11 4.7K C189 0.1uF C189 0.1uF R810 10R R810 10R R784 22R R784 22R C283 0.1uF C283 0.1uF R125 NC/100R R125 NC/100R L91 FB220/100mA L91 FB220/100mA 4 3 2 1 5 6 7 8 RN14 RL 4 3 2 1 5 6 7 8 RN14 RL R869 0R R869 0R R820 56R R820 56R C193 1nF C193 1nF R912 5R R912 5R R793 0R R793 0R C56 47nF C56 47nF C231 NC/22pF C231 NC/22pF C270 2.2uF C270 2.2uF C46 47nF C46 47nF C138 0.1uF C138 0.1uF R796 100R R796 100R C109 47nF C109 47nF 4 3 2 1 5 6 7 8 RN24 RL 4 3 2 1 5 6 7 8 RN24 RL R836 200 R836 200 L62 FB220/300mA L62 FB220/300mA R866 0R R866 0R HOLD 1 VCC 2 NC1 3 NC2 4 NC3 5 NC4 6 SO16-CS 7 DO 8 WP/Vpp 9 VSS 10 NC5 11 NC6 12 NC7 13 NC8 14 DI 15 CLK 16 SOP8-CS 17 SOP8-DO 18 SOP8-WP/Vpp 19 VSS 20 SOP8-DI 21 SOP8-CLK 22 SOP8-HOLD 23 SOP8-VCC 24 SOIC8 208mil N10 EN25F80-100HCP SOIC8 208mil N10 EN25F80-100HCP R79 470R R79 470R R822 56R R822 56R C43 1nF C43 1nF R874 0R R874 0R 4 3 2 1 5 6 7 8 RN16 56RX4 4 3 2 1 5 6 7 8 RN16 56RX4 C269 1nF C269 1nF C743 2.2uF C743 2.2uF R783 22R R783 22R Z15 INPAQ-Vport Z15 INPAQ-Vport C304 2.2uF C304 2.2uF L34 NC L34 NC R838 10K R838 10K R979 100R R979 100R R92 47R R92 47R R840 10K R840 10K R844 0 R844 0 R221 1M R221 1M C876 0.1uF C876 0.1uF R257 10K R257 10K C48 47nF C48 47nF C185 0.1uF C185 0.1uF C172 1uF C172 1uF C337 0.1uF C337 0.1uF R40 10R R40 10R R871 0R R871 0R A0 1 A1 2 A2 3 GND 4 SDA 5 SCL 6 WP 7 VCC 8 N9 NC/24C32 N9 NC/24C32 + C144 47uF/16V + C144 47uF/16V R879 0R R879 0R C273 1nF C273 1nF 3 1 2 V28 BAV99 V28 BAV99 C738 0.1uF C738 0.1uF R792 56R R792 56R R811 10R R811 10R R126 NC/100R R126 NC/100R C259 18nF C259 18nF C228 0.1uF C228 0.1uF R845 10K R845 10K R814 10R R814 10R R839 10K R839 10K C327 2.2uF C327 2.2uF C272 2.2uF C272 2.2uF R872 0R R872 0R R808 10R R808 10R C778 2.2uF C778 2.2uF R830 33R R830 33R R876 0R R876 0R R823 56R R823 56R R484 NC/100R R484 NC/100R R865 0R R865 0R C340 0.1uF C340 0.1uF R483 NC R483 NC B_RX0P 12 B_HOTPLUG/GPIO1 13 B_RX1N 14 B_RX1P 15 AVDD_DVI_3.3V 16 B_RX2N 17 B_RX2P 18 B-DDCD_CK/GPIO2 19 A_RXCN 20 A_RXCP 21 A_RX0N 22 A_RX0P 23 AVDD33_3.3V 24 A_RX1N 25 A_RX1P 26 AVSS_DVI 27 A_RX2N 28 A_RX2P 29 A_HOTPLUG/GPIO125 30 REXT 31 A-DDCD_DA 32 A-DDCD_CK 33 VCLP 34 REFM 36 BIN0M 37 BIN0 38 GIN0M 39 AVDD33_3.3V 44 AVSS_ADC2 45 HSYNC0 46 VSYNC0 47 CVBS6P 48 CVBS4P 49 CVBS1P 50 VCOM1 51 CVBS0P 52 VCOM0 53 AVDD_ADC_3.3V 54 CVBS_OUT 55 XTAL2O 57 XTAL2I 58 AVDD_MPLL_3.3V 59 TAGC 60 VR27 61 SIFP 62 SIFM 63 AVSS_VIF2 64 VIFM 65 VIFP 66 LINE_IN_2L 70 AVDD_VIF1_3.3V 67 VDDC_1.2V 68 VSS 69 LINE_IN_3R 73 AUVRP 77 PWM1/GPIO6 135 VSS 205 DDR_B-DQ1/DDR2_B-DQ2 206 C_RX0N 121 C_RX0P 122 AVSS_DVI 123 C_RX1N 124 C_RX1P 125 AVDD_DM_3.3V 126 C_RX2N 127 C_RX2P 128 C_HOTPLUG/GPIO143 129 SAR0/GPIO126 130 SAR1/GPIO127 131 SAR2/GPIO128 132 SAR3/GPIO129 133 PWM0/GPIO5 134 DDR_B-UDQSP/DDR2_B-DQS0P 191 DDR_B-DQ12/DDR2_B-DQ6 182 AVDD_DDR_1.8V 183 DDR_B-DQ11/DDR2_B-DQ11 184 DDR_B-DQ10/DDR2_B-DQ12 185 DDR_B-UDQSM/DDR2_B-DQS0M 192 DDR_B-DQ9/DDR2_B-DQ9 187 DDR_B-DQ8/DDR2_B-DQ14 188 DDR_B-DQM0/DDR_B-DQM0 190 DDR_B-BA0/DDR2_ADR9 229 DDR_B-WEN/DDR2_ADR12 230 DDR_B-RASN/DDR2_ADR7 231 DDR_B-CASN/DDR2_ADR3 232 VSS 234 VDDC_1.2V 235 DDR_MVREF/DDR2_A-VERF 236 DDR_A-CKE/DDR2_ODT 237 AVSS_MEMPLL 239 DDR_A-A0/DDR2_RASZ 240 DDR_A-A1/DDR2_CASZ 241 DDR_A-A2/DDR2_ADR0 242 DDR_A-A3/DDR2_ADR2 243 DDR_A-A4/DDR2_ADR4 244 AVDD_DDR_1.8V 247 DDR_A-BA1/DDR2_ADR10 254 DDR_A-WEN/DDR2_ADR9 256 B_RXCN 7 B_RXCP 8 B_RX0N 11 CEC/GPIO0 9 B-DDCD_DA 10 GND 6 REFP 35 DDR_A-A5/DDR2_ADR6 245 TS0_D2/GPIO31 91 TS0_D3/GPIO32 92 DDR_A-A6/DDR2_ADR8 246 AVDD_MEMPLL_3.3V 238 DDR_A-A12/DDR2_ADR1 253 LINE_IN_2R 71 LINE_IN_3L 72 AUVAG 78 AVDD_AUSDM_3.3V 79 C_RXCP 119 C-DDCD_DA 120 GPIO139/SPI_CZ3 147 GPIO56 148 B_ODD0 149 B_ODD1 150 B_ODD2 151 B_ODD3 152 B_ODD4 153 B_ODD5 154 B_ODD6 155 B_ODD7 156 G_ODD0 157 R_ODD6 172 G_ODD3 160 VDD33_3.3V 161 G_ODD4 162 G_ODD5 163 G_ODD6 164 G_ODD7 165 R_ODD0 166 R_ODD1 167 R_ODD2 168 R_ODD3 169 R_ODD4 170 R_ODD5 171 R_ODD7 173 TS0_D4/GPIO33 93 TS0_D5/GPIO34 94 TS0_D6/GPIO35 95 TS0_D7/GPIO36 96 TS0_VLD/GPIO37 97 TS0_SYNC/GPIO38 98 TS0_CLK/GPIO39 99 VSS 100 VDDC_1.2V 101 I2S_IN_WS/UART_TX1/GPIO84 102 I2S_IN_BCK/UART_RX1/GPIO83 103 I2S_IN_SD/GPIO82 104 SPDIF_IN/GPIO81 105 SPDIF_OUT/GPIO80 106 I2S_OUT_WS/GPIO79 107 I2S_OUT_MCK/GPIO78 108 I2S_OUT_BCK/GPIO77 109 I2S_OUT_SD/GPIO76 110 I2S_OUT_MUTE/GPIO71 111 VDD33_3.3V 112 IRIN/UART_TX1/GPIO3 113 INT/UART_RX1/GPIO4 114 DDCA_DAT 115 DDCA_CLK 116 C-DDCD_CK 117 C_RXCN 118 PWM2/GPIO7 136 DDCR_CLK 138 RESET 139 SPI_CK1 140 SPI_DI1 141 SPI_DO1 142 SPI_CZ1 143 VDD33_3.3V 144 AVDD_LPLL_3.3V 174 AVSS_LPLL 175 VSS 176 VDDC_1.2V 177 DDR_B-DQ15/DDR2_B-BQ4 178 DDR_B-DQ14/DDR2_B-DQ3 179 VSS 180 DDR_B-DQ13/DDR2_B-DQ1 181 VSS 186 DDR_B-DQM1/DDR2_B-DQM1 189 AVDD_MEMPLL_3.3V 193 DDR_B-LDQSP/DDR2_DQS1P 194 DDR_B-LDQSM/DDR2_B-DQS1M 195 AVDD_DDR_1.8V 196 DDR_B-DQ7/DDR2_B-DQ15 197 DDR_B-DQ6/DDR2_B-DQ8 198 VSS 199 DDR_B-DQ5/DDR2_B-DQ10 200 DDR_B-DQ4/DDR2_B-DQ13 201 AVDD_DDR_1.8V 202 DDR_B-DQ3/DDR2_B-DQ7 203 DDR_B-DQ2/DDR2_B-DQ0 204 DDR_B-DQ0/DDR2_B-DQ5 207 AVDD_DDR_1.8V 208 DDR_B-CKM/DDR2_B-MCLKP 209 DDR_B-CKP/DDR2_B-MCLKM 210 DDR_B-CKE/DDR2_ODT 211 DDR_B-ODT/DDR2_RASZ 212 VSS 213 DDR_B-A0/DDR2_CASZ 214 DDR_B-A1/DDR2_ADR0 215 DDR_B-A2/DDR2_ADR2 216 DDR_B-A3/DDR2_ADR4 217 DDR_B-A4/DDR2_ADR6 218 DDR_B-A5/DDR2_ADR8 219 DDR_B-A6/DDR2_ADR11 220 DDR_B-A7/DDR2_WEZ 221 AVDD_DDR_1.8V 222 DDR_B-A8/DDR2_CKE 223 DDR_B-A9/DDR2_BA1 224 DDR_B-A10/DDR2_BA0 225 DDR_B-A11/DDR2_ADR1 226 DDR_B-A12/DDR2_ADR10 227 DDR_B-BA1/DDR2_ADR5 228 DDR_A-A7/DDR2_ADR11 248 DDR_A-A8/DDR2_WEZ 249 DDR_A-A9/DDR2_CKE 250 DDR_A-A10/DDR2_BA1 251 DDR_A-A11/DDR2_BA0 252 DDR_A-BA0/DDR2_ADR5 255 AVDD_OTG_3.3V 2 USB2.0-DM_P0 3 USB2.0-DP_P0 4 GIN0 40 SOGIN0 41 RIN0M 42 RIN0 43 VDD33_3.3V 233 VIM0 74 AVSS_AU 75 AUVRM 76 AVSS_CVBSO 56 LINE_OUT_2L 80 LINE_OUT_2R 81 LINE_OUT_1L 82 LINE_OUT_1R 83 LINE_OUT_0L 84 LINE_OUT_0R 85 VDD33_3.3V 86 VSS 87 VDDC_1.2V 88 TS0_D0/GPIO29 89 TS0_D1/GPIO30 90 VSS 145 GPIO130/SPI_CZ2 146 G_ODD1 158 G_ODD2 159 DDR_A-RASN/DDR2_ADR12 257 DDR_A-CASN/DDR2_ADR7 258 DDR_A-ODT/DDR2_ADR3 259 AVDD_DDR_1.8V 260 DDR_A-DQ15/DDR2_DQ4 261 DDR_A-DQ14/DDR2_DQ3 262 DDR_A-DQ13/DDR2_A-DQ1 264 DDR_A-DQ12/DDR2_A-DQ6 265 VSS 263 DDR_A-DQ11/DDR2_A-DQ11 266 DDR_A-DQ10/DDR2_A-DQ12 267 VSS 268 VDDC_1.2V 269 DDR_A-DQ9/DDR2_A-DQ9 270 DDR_A-DQ8/DDR2_A-DQ14 271 DDR_A-DQM1/DDR2_DQM1 272 DDR_A-DQM0/DDR2_DQM0 273 DDR_A-UDQSP/DDR2_DOS0P 274 DDR_A-UDQSN/DDR2_DQS0M 275 AVDD_DDR_1.8V 276 DDR_A-LDQSP/DDR_DQS1P 277 DDR_A-LDQSN/DDR2_DQS1M 278 DDR_A-DQ7/DDR_A-DQ15 279 DDR_A-DQ6/DDR2_A-DQ8 280 VSS 281 DDR_A-DQ5/DDR2_A-DQ10 282 DDR_A-DQ4/DDR2_A-DQ13 283 AVDD_DDR_1.8V 284 DDR_A-DQ3/DDR2_A-DQ7 285 DDR_A-DQ2/DDR2_A-DQ0 286 VSS 287 DDR_A-DQ1/DDR2_A-DQ2 288 DDR_A-DQ0/DDR2_A-DQ5 289 AVDD_DDR_1.8V 290 DDR_A-CKON/DDR2_MCLKP 291 DDR_A-CKOP/DDR2_MCLKZ 292 AVDDL_DVI_1.2V 293 OTG-DM_P1 295 OTG-DP_P1 296 AVSS_OTG 1 AVSS_OTG 5 DDCR_DAT 137 OTG-VBUS 294 297 297 N8 MST6M68DQ N8 MST6M68DQ 5 4 3 2 1 D D C C B B A A HD2-Lin AV1-R AV1-Rin HD2-Rin AV1-L HD2-R AV1-Lin HD2-L CVBS_OUT AV2-V AV3-Lin AV3-Rin AV3-R AV3-V AV3-L SPDIF_OUT AVOUT-V +12V-1 5VPI 5VPI 5VAIN CVBS_OUT AV2-Vin+ AV1-Vin+ SV1-Yin SV1-Cin HD2-Lin HD2-Rin AV1-Lin AV1-Rin SV1-Y SV1-C AV1-V AV2-V HD2-L AV1-L AV1-R HD2-R AVOUT-V AV3-L AV3-R AV3-Lin AV3-Rin AV3-V AV3-Vin+ SPDIF-OUT 2 SPDIF_OUT HD-SW0-GPIO81/SIF_CTL Title Size Document Number Rev Date: Sheet of AVIN&OUT 1.0 MST6M68DQ_296_IC Demo board B 4 12 Tuesday, April 21, 2009 Title Size Document Number Rev Date: Sheet of AVIN&OUT 1.0 MST6M68DQ_296_IC Demo board B 4 12 Tuesday, April 21, 2009 Title Size Document Number Rev Date: Sheet of AVIN&OUT 1.0 MST6M68DQ_296_IC Demo board B 4 12 Tuesday, April 21, 2009 VIDEO OUT Keep AGND trace with signal Keep trace width(12mil+) 增加SPDIF-OUT电路 R175 10K R175 10K C445 560pF C445 560pF + C220 100uF/16V + C220 100uF/16V C257 560pF C257 560pF R182 330R R182 330R R290 33K R290 33K R824 150 R824 150 R195 75R R195 75R C179 560pF C179 560pF Z10 NC/INPAQ-Vport Z10 NC/INPAQ-Vport V9 3906 V9 3906 C256 560pF C256 560pF R193 10K R193 10K R174 12K R174 12K Z22 NC/INPAQ-Vport Z22 NC/INPAQ-Vport L802 0R L802 0R Z14 NC/INPAQ-Vport Z14 NC/INPAQ-Vport C238 560pF C238 560pF C199 560pF C199 560pF R292 33K R292 33K Z8 NC/INPAQ-Vport Z8 NC/INPAQ-Vport R826 220 R826 220 R185 240R R185 240R R170 75R R170 75R R194 12K R194 12K R829 150 R829 150 R189 150R R189 150R R180 12K R180 12K C806 100n C806 100n 1 2 3 V10 3904 V10 3904 Z17 NC/INPAQ-Vport Z17 NC/INPAQ-Vport R177 12K R177 12K R293 33K R293 33K 1 2 3 V18 NC/3904 V18 NC/3904 R203 NC/4.7K R203 NC/4.7K C804 1u C804 1u Z11 NC/INPAQ-Vport Z11 NC/INPAQ-Vport R171 12K R171 12K R204 220R R204 220R R172 10K R172 10K R178 10K R178 10K R828 820 R828 820 Z13 NC/INPAQ-Vport Z13 NC/INPAQ-Vport C241 2.2uF C241 2.2uF Z16 NC/INPAQ-Vport Z16 NC/INPAQ-Vport Z9 NC/INPAQ-Vport Z9 NC/INPAQ-Vport R176 75R R176 75R R186 75R R186 75R R181 100K R181 100K C255 0.1uF C255 0.1uF Z21 NC/INPAQ-Vport Z21 NC/INPAQ-Vport + CA8 470uF/16V + CA8 470uF/16V C930 12p C930 12p R173 75R R173 75R R184 12K R184 12K R300 NC/27K R300 NC/27K R179 75R R179 75R Z23 NC/INPAQ-Vport Z23 NC/INPAQ-Vport Z34 NC/INPAQ-Vport Z34 NC/INPAQ-Vport R169 10K R169 10K C176 2.2uF C176 2.2uF R187 10K R187 10K 1 3 2 Q803 3906 Q803 3906 Z12 NC/INPAQ-Vport Z12 NC/INPAQ-Vport + C4 100uF/16V + C4 100uF/16V R196 NC/47R R196 NC/47R R286 27k R286 27k L26 FB L26 FB 1 2 3 V11 NC V11 NC C196 2.2uF C196 2.2uF R289 33K R289 33K C219 2.2uF C219 2.2uF C229 2.2uF C229 2.2uF + C222 100uF/16V + C222 100uF/16V R205 NC/4.7K R205 NC/4.7K 5 4 3 2 1 D D C C B B A A HD_PBIN HD_PRIN HD_PB HD2_PBIN HD_PR HD2_PRIN HD2_YIN HD_Y HD_YIN HD1_Pr HD1_Pr1 HD1_PBIN HD1_YIN HD1_PRIN HD1_Y HD1_Pb HD2_Pr1 HD2_YIN HD2_PBIN HD2_PRIN PC-L PB/B PR/R Y/G VGA_GIN VGA_BIN VGA_RIN PC-R HD2_Y HD2_Pb HD2_Pr HD-SW0-GPIO81/SIF_CTL HD_SW0-GPIO81/SIF_CTL HD_RGB_AU-SW-GPIO71 HD1_Y1 HD1_Pb1 HD2_Y1 HD2_Pb1 HD1_PBIN HD1_PRIN HD1_YIN USB_PBIN USB_PRIN USB_YIN USB_Y USB_Pb USB_Pr USB_Y1 USB_Pr1 USB_YIN USB_PBIN USB_PRIN USB_Pb1 TSD0 5VPI 5VAIN 5VPI 5VPI 5VPI 5VPI 5VPI 5VPI PC-Lin PC-Rin HD-SW0-GPIO81/SIF_CTL HD_RGB_AU_SW-GPIO71 HD_RGB_AU-SW-GPIO71 Y/G PB/B PR/R HD_SW0-GPIO81/SIF_CTL VGA_BIN VGA_GIN VGA_RIN HD1_Y HD1_Pb HD1_Pr PC-L PC-R HD2_Y HD2_Pb HD2_Pr AV2-Vin+ AV3-Vin+ AV-Mux+ USB_Y USB_Pb USB_Pr TSD0 12 Title Size Document Number Rev Date: Sheet of HDTV&VGA 1.0 MST6M68DQ_296_IC Demo board C 5 12 Tuesday, April 21, 2009 Title Size Document Number Rev Date: Sheet of HDTV&VGA 1.0 MST6M68DQ_296_IC Demo board C 5 12 Tuesday, April 21, 2009 Title Size Document Number Rev Date: Sheet of HDTV&VGA 1.0 MST6M68DQ_296_IC Demo board C 5 12 Tuesday, April 21, 2009 1st YPbPr INPUT 2nd YPbPr INPUT YPbPr/RGB Video Input 3:1 Switch H VGA L H YPBPR1 YPBPR2 HD_RGB_AU-SW-GPIO71 H HD-SW0-GPIO81/SIF_CTL L H AV2 L AV3 R284 10K R284 10K C206 NC C206 NC R222 33K R222 33K R202 33K R202 33K R278 33K R278 33K R233 33K R233 33K + C245 10uF/16V + C245 10uF/16V R217 12K R217 12K R230 75R R230 75R L33 FB L33 FB C247 0.1uF C247 0.1uF 1 2 Z36 NC/INPAQ-Vport Z36 NC/INPAQ-Vport R232 33K R232 33K S1A 2 S1B 5 S1C 11 S1D 14 S2A 3 S2B 6 S2C 10 S2D 13 IN 1 DA 4 DB 7 DC 9 DD 12 VCC 16 GND 8 EN 15 N18 PI5V330 N18 PI5V330 + C251 10uF/16V + C251 10uF/16V + C212 10uF/16V + C212 10uF/16V + C213 10uF/16V + C213 10uF/16V C209 560pF C209 560pF R225 33K R225 33K C233 560pF C233 560pF + C244 10uF/16V + C244 10uF/16V L32 0R L32 0R R305 33K R305 33K 1 2 3 V20 3904 V20 3904 1 2 Z35 NC/INPAQ-Vport Z35 NC/INPAQ-Vport R200 33K R200 33K 1 2 Z40 NC/INPAQ-Vport Z40 NC/INPAQ-Vport R310 1K R310 1K R234 75R R234 75R R231 33K R231 33K 1 2 3 V12 3904 V12 3904 R190 33K R190 33K R306 75R R306 75R R279 1K R279 1K R275 12K R275 12K Z25 NC/INPAQ-Vport Z25 NC/INPAQ-Vport L27 0R L27 0R L31 0R L31 0R C275 NC C275 NC R192 33K R192 33K C223 NC C223 NC R243 1K R243 1K R229 75R R229 75R C205 NC C205 NC Z24 NC/INPAQ-Vport Z24 NC/INPAQ-Vport L36 0R L36 0R L29 0R L29 0R R197 75R R197 75R R228 75R R228 75R L28 0R L28 0R C208 2.2uF C208 2.2uF L37 0R L37 0R R198 75R R198 75R R241 1K R241 1K C215 NC C215 NC C249 0.1uF C249 0.1uF R283 33K R283 33K C207 2.2uF C207 2.2uF 1 2 Z18 NC/INPAQ-Vport Z18 NC/INPAQ-Vport 1 2 3 V13 3904 V13 3904 S1A 2 S1B 5 S1C 11 S1D 14 S2A 3 S2B 6 S2C 10 S2D 13 IN 1 DA 4 DB 7 DC 9 DD 12 VCC 16 GND 8 EN 15 N14 PI5V330 N14 PI5V330 R242 1K R242 1K R235 33K R235 33K R199 75R R199 75R 1 2 Z84 NC/INPAQ-Vport Z84 NC/INPAQ-Vport 1 2 Z32 NC/INPAQ-Vport Z32 NC/INPAQ-Vport R201 33K R201 33K C224 2.2uF C224 2.2uF C254 NC C254 NC + C243 10uF/16V + C243 10uF/16V R287 10K R287 10K C242 NC C242 NC L30 0R L30 0R 1 2 Z20 NC/INPAQ-Vport Z20 NC/INPAQ-Vport R277 33K R277 33K + C240 10uF/16V + C240 10uF/16V R282 1K R282 1K S1A 2 S1B 5 S1C 11 S1D 14 S2A 3 S2B 6 S2C 10 S2D 13 IN 1 DA 4 DB 7 DC 9 DD 12 VCC 16 GND 8 EN 15 N15 PI5V330 N15 PI5V330 R291 75R R291 75R R226 33K R226 33K 1 2 Z33 NC/INPAQ-Vport Z33 NC/INPAQ-Vport C226 0.1uF C226 0.1uF R223 33K R223 33K + C198 10uF/16V + C198 10uF/16V C263 NC C263 NC L40 0R L40 0R R191 33K R191 33K C252 NC C252 NC + C253 10uF/16V + C253 10uF/16V 1 2 Z31 NC/INPAQ-Vport Z31 NC/INPAQ-Vport 5 4 3 2 1 D D C C B B A A DDC2BSCL DDC2BSDA RX2B2P RX2B2N RX2B1P RX2B1N RX2B0P RX2B0N RX2BCLKP RX2BCLKN HDMI2-5V RX2B1N RX2B1P RX2B2N HDMI_HP2 RX2B2P RX2B0N RX2B0P RX2BCLKP RX2BCLKN DDC2B-SCL DDC2B-SDA CEC HDMI_HP1 CEC CEC DDC1BSDA DDC1BSCL RX1B2P RX1B2N RX1B1P RX1B1N RX1B0P RX1B0N RX1BCLKP RX1BCLKN HDMI1-5V RX1B1N RX1B1P RX1B2N HDMI_HP1 RX1B2P RX1B0N RX1B0P RX1BCLKP RX1BCLKN DDC1B-SCL DDC1B-SDA CEC HDMI1-HPDIN HDMI_HP2 HDMI2-HPDIN HDMI-CEC 5VAIN HDMI2-5V 5VAIN HDMI1-5V HDMI1_+5V HDMI2_+5V HDMI1_+5V HDMI2_+5V +3.3VDD +3.3VDD HDMI-CEC HDMI1-HPDIN HDMI2-HPDIN RX1B2P RX1B2N RX1B1P RX1B1N RX1B0P RX1B0N RX1BCLKP RX1BCLKN DDC1BSCL DDC1BSDA RX2B2P RX2B2N RX2B1P RX2B1N RX2B0P RX2B0N RX2BCLKP RX2BCLKN DDC2BSCL DDC2BSDA CEC Title Size Document Number Rev Date: Sheet of HDMI 1.0 MST6M68DQ_296_IC Demo board C 6 12 Tuesday, April 21, 2009 Title Size Document Number Rev Date: Sheet of HDMI 1.0 MST6M68DQ_296_IC Demo board C 6 12 Tuesday, April 21, 2009 Title Size Document Number Rev Date: Sheet of HDMI 1.0 MST6M68DQ_296_IC Demo board C 6 12 Tuesday, April 21, 2009 2nd HDMI 1st HDMI HDMI HOTPLUG HDMI CEC 180-Degree Connector 180-Degree Connector Z46 NC/INPAQ-Vport Z46 NC/INPAQ-Vport Z49 NC/INPAQ-Vport Z49 NC/INPAQ-Vport Z47 NC/INPAQ-Vport Z47 NC/INPAQ-Vport Z58 INPAQ-Vport Z58 INPAQ-Vport Z38 NC/INPAQ-Vport Z38 NC/INPAQ-Vport R253 NC R253 NC A0 1 A1 2 A2 3 GND 4 VCC 8 WP 7 SCL 6 SDA 5 N17 24C02 N17 24C02 Z82 NC/INPAQ-Vport Z82 NC/INPAQ-Vport 3 1 2 V15 BAT54C V15 BAT54C R294 10K R294 10K DATA2+ 1 DATA2 SHIELD 2 DATA2- 3 DATA1+ 4 DATA1 SHIELD 5 DAT1A- 6 DATA0+ 7 DATA0 SHIELD 8 DATA0- 9 CLK+ 10 CLK SHIELD 11 CLK- 12 CEC 13 NC 14 SCL 15 SDA 16 DDC/CEC GND 17 +5V POWER 18 HOT PLUG 19 20 20 21 21 23 23 22 22 XS14 HDMI XS14 HDMI R255 1K R255 1K Z52 NC/INPAQ-Vport Z52 NC/INPAQ-Vport C446 0.1uF C446 0.1uF Z81 NC/INPAQ-Vport Z81 NC/INPAQ-Vport Z55 INPAQ-Vport Z55 INPAQ-Vport R267 NC R267 NC Z60 INPAQ-Vport Z60 INPAQ-Vport R251 22K R251 22K R247 100R R247 100R DATA2+ 1 DATA2 SHIELD 2 DATA2- 3 DATA1+ 4 DATA1 SHIELD 5 DAT1A- 6 DATA0+ 7 DATA0 SHIELD 8 DATA0- 9 CLK+ 10 CLK SHIELD 11 CLK- 12 CEC 13 NC 14 SCL 15 SDA 16 DDC/CEC GND 17 +5V POWER 18 HOT PLUG 19 20 20 21 21 23 23 22 22 XS13 HDMI XS13 HDMI Z59 INPAQ-Vport Z59 INPAQ-Vport R248 22K R248 22K Z43 NC/INPAQ-Vport Z43 NC/INPAQ-Vport Z73 NC/INPAQ-Vport Z73 NC/INPAQ-Vport R259 10K R259 10K Z42 NC/INPAQ-Vport Z42 NC/INPAQ-Vport R244 100R R244 100R Z50 NC/INPAQ-Vport Z50 NC/INPAQ-Vport Z37 NC/INPAQ-Vport Z37 NC/INPAQ-Vport Z48 NC/INPAQ-Vport Z48 NC/INPAQ-Vport Z83 NC/INPAQ-Vport Z83 NC/INPAQ-Vport C227 0.1uF C227 0.1uF V16 3904 V16 3904 R250 22K R250 22K R256 10K R256 10K Z54 INPAQ-Vport Z54 INPAQ-Vport R252 NC R252 NC R260 10K R260 10K V17 3904 V17 3904 R268 NC R268 NC R254 200R R254 200R R258 1K R258 1K R245 100R R245 100R A0 1 A1 2 A2 3 GND 4 VCC 8 WP 7 SCL 6 SDA 5 N16 24C02 N16 24C02 R246 100R R246 100R Z57 INPAQ-Vport Z57 INPAQ-Vport 3 1 2 V14 BAT54C V14 BAT54C Z39 NC/INPAQ-Vport Z39 NC/INPAQ-Vport Z51 NC/INPAQ-Vport Z51 NC/INPAQ-Vport R249 22K R249 22K 5 4 3 2 1 D D C C B B A A AU_ROUT AU_LOUT LINEOUTR LINEOUTL M_SDA ROUT+ LRCLK SCLK M_SCL DI MCLK MUTE LOUT+ OP_VCC1 AMP-PDN MUTE MUTE AMP-RST AMP-PDN AMP-PDN MUTE mute2 AUVRM mute2 mute2 HD_RGB_AU_SW-GPIO71 HD_SW0-GPIO81/SIF_CTL HD-AV_AU-Lin HD-AV_AU-Rin 6VBuf1 6VBuf1 OP_VCC1 OP_VCC1 PVCC PVCC +3.3VDD +12V DVDD DVDD DVDD DVDD DVDD 3.3-DVDD PVCC PVCC DVDD DVDD PVCC DVDD PVCC +12V-1 PVCC 24V 24V +12V +12V VCC-4052 VCC-4052 +12V AU_LOUT AU_ROUT LINEOUTL LINEOUTR M_SDA 3 M_SCL 3 AMP-Rout+ AMP-Rout- AMP-Lout+ AMP-Lout- DI SCLK MCLK LRCLK MUTE_GPIO34 3 AMP-RST AUVRM HD2-Rin PC-Rin HD2-Lin HD_RGB_AU_SW-GPIO71 PC-Lin HD_SW0-GPIO81/SIF_CTL HD-AV_AU-Lin HD-AV_AU-Rin AV3-Lin AV3-Rin Title Size Document Number Rev Date: Sheet of AUDIO 1.0 MST6M68DQ_296_IC Demo board Custom 7 12 Tuesday, April 21, 2009 Title Size Document Number Rev Date: Sheet of AUDIO 1.0 MST6M68DQ_296_IC Demo board Custom 7 12 Tuesday, April 21, 2009 Title Size Document Number Rev Date: Sheet of AUDIO 1.0 MST6M68DQ_296_IC Demo board Custom 7 12 Tuesday, April 21, 2009 Audio Line out YPbPr Audio Input 2:1 Switch 数字功放TAS5706 增加消除开机冲击声 AV2 L PC H L HD2 HD_RGB_AU_SW-GPIO71 L HD_SW0-GPIO81/SIF_CTL H AV3 H L H L H 自动静音电路 C423 4.7nF/50V C423 4.7nF/50V C410 0.01U/50V C410 0.01U/50V D54 1N5822 D54 1N5822 C417 0.01U/50V C417 0.01U/50V C438 0.1U C438 0.1U R333 1K R333 1K R524 47K R524 47K C288 0.1uF C288 0.1uF D74 1N4148WS D74 1N4148WS C412 0.1U/50V C412 0.1U/50V R510 47K R510 47K 1 2 3 4 5 6 7 8 9 H10 NC H10 NC R313 470K R313 470K R493 NC R493 NC R500 470 R500 470 R488 3R3 R488 3R3 R520 10K R520 10K 1 2 D61 5.1V D61 5.1V C402 0.033uF/50V C402 0.033uF/50V R512 47K R512 47K R322 0/NC R322 0/NC R502 3R3 R502 3R3 R301 100R R301 100R CA21 15uF/50V CA21 15uF/50V R340 10K R340 10K 1 2 3 Q7 4401 Q7 4401 R373 12K R373 12K L14 FB L14 FB 5 6 7 8 4 - + N21B TL062 - + N21B TL062 C418 0.01U/50V C418 0.01U/50V 1 3 2 E B C SOT 23 Q28 3904 E B C SOT 23 Q28 3904 L12 47uH L12 47uH L5 FB L5 FB D70 1N4148 D70 1N4148 C452 0.1U C452 0.1U CA25 220uF/35V CA25 220uF/35V C265 100uF/16V C265 100uF/16V R330 10K R330 10K R580 4.3K R580 4.3K R385 47/2W R385 47/2W C291 100pF C291 100pF C411 0.47U/50V C411 0.47U/50V R320 22K R320 22K C428 0.1U C428 0.1U R558 3R3 R558 3R3 1 2 3 4 5 6 7 8 9 H1 NC H1 NC R473 30K R473 30K C421 4.7nF/50V C421 4.7nF/50V + CA85 4.7uF + CA85 4.7uF + CA82 47uF/35V + CA82 47uF/35V R336 0 R336 0 1 2 3 Q31 3904 Q31 3904 1 2 3 4 5 6 7 8 9 H5 NC H5 NC C419 0.1U C419 0.1U R511 1K R511 1K C318 0.1uF C318 0.1uF C407 0.1uF C407 0.1uF R515 4.7k/NC R515 4.7k/NC C456 NC C456 NC 1 3 2 E B C SOT 23 Q26 3904 E B C SOT 23 Q26 3904 C420 0.047U C420 0.047U C486 0.1U C486 0.1U R509 47K R509 47K C500 10uF C500 10uF CA22 220uF/50V CA22 220uF/50V R494 NC R494 NC R504 470 R504 470 1 2 3 4 5 6 7 8 9 H14 NC H14 NC PGND-B 3 OUT-A 5 PGND-A 7 PVCC-A 9 AVDD 10 AVSS 11 PLL-FLTM 12 PLL-FLTP 13 VR-ANA 14 RESET 16 PDN 17 VREG-EN 18 OSC-RES 19 MUTE 21 LRCLK 22 SCLK 23 SDIN2 24 SDIN1 25 DVSS 26 VR-DIG 27 SDA 28 SCL 29 HPSEL 30 STEST 31 TEST2 32 DVDD 33 MCLK 34 BKND-ERR 35 VALID 36 HPL-PWM 37 HPR-PWM 38 SUB-PWM- 39 SUB-PWM+ 40 PVCC-D 42 PGND-D 43 OUT-D 45 PGND-C 47 OUT -C 50 PVCC-C 52 BST-C 53 VCLAMP-CD 54 BST-D 55 BYPASS 56 AGND 57 AVCC 58 BST-A 59 VCLAMP-AB 60 BST-B 61 OUT-B 64 OUT- B 1 PGND- B 2 OUT -A 4 PGND -A 6 PVCC -A 8 DVD D 15 DVS S 20 PVCC- D 41 PGND- D 44 OUT -D 46 PVCC -C 51 PVCC -B 62 OUT-C 49 PGND -C 48 PVCC-B 63 U40 TAS5760 U40 TAS5760 C290 2.2u C290 2.2u C397 0.033uF/50V C397 0.033uF/50V Z77 INPAQ-Vport Z77 INPAQ-Vport + CA83 2.2uF/35V + CA83 2.2uF/35V R474 15K R474 15K C451 0.1U C451 0.1U R325 1K R325 1K R560 6.2K R560 6.2K + CA87 10uF/16V + CA87 10uF/16V R339 1K R339 1K C282 2.2uF C282 2.2uF 1 2 3 4 5 6 7 8 9 H2 NC H2 NC CA27 470uF/35V CA27 470uF/35V R375 10K R375 10K C405 0.033uF/50V C405 0.033uF/50V C436 2.2uF C436 2.2uF X0 12 X1 14 X2 15 X3 11 Y0 1 Y1 5 Y2 2 Y3 4 A 10 B 9 X 13 Y 3 VCC 16 GND 8 INH 6 VEE 7 N22 74HC4052 N22 74HC4052 R581 12K R581 12K 3 2 1 4 ADJ OUT IN U37 AMS1117-3.3 ADJ OUT IN U37 AMS1117-3.3 + CA43 100uF/16V + CA43 100uF/16V R514 18K R514 18K R532 0 R532 0 C289 2.2uF C289 2.2uF C314 2.2uF/NC C314 2.2uF/NC S 1 S 2 S 3 G 4 D 8 D 7 D 6 D 5 U11 9435 U11 9435 C413 0.01U/50V C413 0.01U/50V C424 0.047U C424 0.047U 1 2 3 Q11 3904 Q11 3904 L15 NC/FB L15 NC/FB R326 1K R326 1K 1 3 2 E B C SOT 23 Q25 3906 E B C SOT 23 Q25 3906 CA23 220uF/16V CA23 220uF/16V C311 0.1u C311 0.1u R343 47K R343 47K R345 47K R345 47K R329 10K R329 10K C425 0.47U/50V C425 0.47U/50V Z76 INPAQ-Vport Z76 INPAQ-Vport L74 FB L74 FB R513 3R3 R513 3R3 1 2 3 Q10 3904 Q10 3904 R384 470 R384 470 R331 10K R331 10K C276 100uF/16V C276 100uF/16V L10 47uH L10 47uH 1 2 CON25 2X3.5MM CON25 2X3.5MM C488 2.2U C488 2.2U C281 0.1uF C281 0.1uF C487 NC C487 NC C312 0.1u C312 0.1u + CA86 47uF/16V + CA86 47uF/16V D75 1N4148WS/NC D75 1N4148WS/NC R487 1K R487 1K D71 1N4148 D71 1N4148 R207 100k R207 100k C404 NC/22pF C404 NC/22pF C403 NC/22pF C403 NC/22pF C439 0.1uF C439 0.1uF R321 100 R321 100 C427 0.1U C427 0.1U 1 2 3 Q43 3904 Q43 3904 R501 10K R501 10K R495 NC R495 NC D73 1N4148WS D73 1N4148WS R309 33K R309 33K R362 SCK-473 R362 SCK-473 R517 NC/10K R517 NC/10K C450 1U/16V C450 1U/16V R342 10K R342 10K R323 0/NC R323 0/NC CA20 220uF/35V CA20 220uF/35V C313 2.2u C313 2.2u C416 0.01U/50V C416 0.01U/50V + CA49 220uF/16V + CA49 220uF/16V C287 100pF C287 100pF R307 33K R307 33K Z80 NC Z80 NC R530 0 R530 0 C422 0.47U/50V C422 0.47U/50V C175 470/35V C175 470/35V R476 15K R476 15K R489 1K R489 1K R208 NC R208 NC R314 100K R314 100K C453 0.1U C453 0.1U C406 NC/22pF C406 NC/22pF R334 10K R334 10K R311 100 R311 100 C409 0.1U/50V C409 0.1U/50V R579 0 R579 0 L13 47uH L13 47uH R492 NC R492 NC C414 0.47U/50V C414 0.47U/50V C286 2.2u C286 2.2u C415 0.01U/50V C415 0.01U/50V R337 47K R337 47K 1 2 3 Q12 3904 Q12 3904 C430 0.47U/16V C430 0.47U/16V D134 9V D134 9V C437 1U/16V C437 1U/16V 3 2 1 8 4 - + N21A TL062 - + N21A TL062 R315 470K R315 470K R288 1K R288 1K C454 2.2U C454 2.2U R486 47K R486 47K R491 NC R491 NC R490 10K R490 10K R525 47K R525 47K L9 47uH L9 47uH R312 10K R312 10K C398 0.033uF/50V C398 0.033uF/50V C426 0.47U/50V C426 0.47U/50V C292 2.2uF C292 2.2uF R206 220 R206 220 C499 2.2U C499 2.2U R418 10K R418 10K C455 2.2UF C455 2.2UF R332 10K R332 10K C315 2.2uF/nc C315 2.2uF/nc R335 0 R335 0 CA26 470uF/35V CA26 470uF/35V R531 0 R531 0 5 4 3 2 1 D D C C B B A A Tuner+40V_PWM0 SDA_TV SCL_TV M_SCL M_SDA RF_AGC ATV_RF-AGC SDA_TV SCL_TV VIFP VIFM HD_RGB_AU_SW-GPIO71 TV-SIFM TV-SIFP ATV-IF +40V 5V-ATV +33V +40V VIF_12V +12V +12V-1 5V-ATV 5V-ATV 5V-ATV 5V-ATV RF_AGC Tuner+40V_PWM0 M_SCL M_SDA TV-SIFP TV-SIFM HD_RGB_AU_SW-GPIO71 VIFP VIFM Title Size Document Number Rev Date: Sheet of ATV 1.0 MST6M68DQ_296_IC Demo board B 8 12 Tuesday, April 21, 2009 Title Size Document Number Rev Date: Sheet of ATV 1.0 MST6M68DQ_296_IC Demo board B 8 12 Tuesday, April 21, 2009 Title Size Document Number Rev Date: Sheet of ATV 1.0 MST6M68DQ_296_IC Demo board B 8 12 Tuesday, April 21, 2009 +30V Tune Voltage Layout Warring !! ATV Tuner I2C 130mA 1.7mA H L HD-SW0-GPIO81/SIF_CTL NTSC M/N BG,DK R372 10R R372 10R 3 1 2 V34 2SC2717 V34 2SC2717 R365 4.7K R365 4.7K C310 2.2uF C310 2.2uF R265 0 R265 0 L45 0R/1uH L45 0R/1uH R238 6.8K R238 6.8K C306 0.1uF C306 0.1uF R350 39R R350 39R 1 3 2 V37 2N7002 V37 2N7002 C293 10nF C293 10nF R266 0 R266 0 D7 1N4148 D7 1N4148 R237 6.8K R237 6.8K R358 100R R358 100R R475 22R R475 22R AGC 1 NC1 2 AS 3 SCL 4 SDA 5 5VA 6 5VB 7 NC3 8 33V 9 NC4 10 IFout 11 GND3 12 GND2 13 GND1 14 GND4 15 U2 UV1336 U2 UV1336 1 3 2 V36 2N7002 V36 2N7002 R355 1K R355 1K D88 NC/BA277 D88 NC/BA277 2 ING 4 OUT1 GND 3 5 OUT2 1 IN SAW U23 K9352M SAW U23 K9352M R366 NC R366 NC R471 100R R471 100R L67 NC L67 NC V38 2SC1815 V38 2SC1815 1 2 3 Q22 3904 Q22 3904 R348 680R R348 680R R347 6.8K R347 6.8K R303 0 R303 0 L46 FB L46 FB R363 1K R363 1K R272 0 R272 0 R368 4.7K R368 4.7K D67 BA277 D67 BA277 R472 100R R472 100R C294 10nF C294 10nF L68 NC L68 NC C308 10nF C308 10nF C296 10nF C296 10nF D8 1N4148 D8 1N4148 R280 6.8K R280 6.8K R371 4.7K R371 4.7K 2 ING 4 OUT1 GND 3 5 OUT2 1 IN SAW U25 K7262M SAW U25 K7262M R262 6.8K R262 6.8K C303 0.1uF C303 0.1uF R354 0/NC R354 0/NC R364 100K R364 100K R352 56R R352 56R R561 9.1K R561 9.1K R369 NC R369 NC C302 0.1uF C302 0.1uF D65 NC/BA277 D65 NC/BA277 + C37 100uF/16V + C37 100uF/16V R374 4.7K R374 4.7K C295 10nF C295 10nF C299 0.1uF C299 0.1uF + C60 100uF/16V + C60 100uF/16V C300 22pF C300 22pF C221 10nF C221 10nF L48 220uH L48 220uH R274 0 R274 0 C309 2.2uF C309 2.2uF R359 12K R359 12K R261 NC R261 NC Z79 C33V1 Z79 C33V1 R346 150R R346 150R R349 NC/1.2K R349 NC/1.2K R382 10K R382 10K C301 22pF C301 22pF C297 2.2uF C297 2.2uF R276 0 R276 0 L44 0.82uH L44 0.82uH C298 2.2uF C298 2.2uF 5 4 3 2 1 D D C C B B A A Ursa_AVDD Ursa_AVDD_DDR +3.3AVDD Ursa_AVDD_MPLL Ursa_AVDD_LPLL +3.3AVDD +3.3AVDD +1.8V_UrsaDDR2 Ursa_AVDD_MEMPLL +3.3AVDD Ursa_AVDD_LVDS +3.3AVDD +3.3AVDD Ursa_VDDP Ursa_VDDC VDDC-1 Title Size Document Number Rev Date: Sheet of <Doc> <RevC <Title> A4 10 12 Tuesday, April 21, 2009 Title Size Document Number Rev Date: Sheet of <Doc> <RevC <Title> A4 10 12 Tuesday, April 21, 2009 Title Size Document Number Rev Date: Sheet of <Doc> <RevC <Title> A4 10 12 Tuesday, April 21, 2009 5mA 110mA 80mA 80mA 5mA 70mA 5mA 5mA 550mA 100mA ALL 3.3V: 250mA C440 0.1uF C440 0.1uF L56 FB L56 FB C326 0.1uF C326 0.1uF C449 0.1uF C449 0.1uF C432 0.1uF C432 0.1uF C346 0.1uF C346 0.1uF C433 2.2uF C433 2.2uF C344 0.1uF C344 0.1uF C431 0.1uF C431 0.1uF C354 0.1uF C354 0.1uF C334 0.1uF C334 0.1uF L76 FB L76 FB C356 0.1uF C356 0.1uF C332 0.1uF C332 0.1uF C401 0.1uF C401 0.1uF C336 2.2uF C336 2.2uF C441 0.1uF C441 0.1uF C352 0.1uF C352 0.1uF C347 0.1uF C347 0.1uF C434 0.1uF C434 0.1uF C329 2.2uF C329 2.2uF C348 0.1uF C348 0.1uF C345 0.1uF C345 0.1uF C357 0.1uF C357 0.1uF C349 0.1uF C349 0.1uF C325 0.1uF C325 0.1uF C343 0.1uF C343 0.1uF C341 0.1uF C341 0.1uF C331 0.1uF C331 0.1uF C399 0.1uF C399 0.1uF C359 0.1uF C359 0.1uF C361 0.1uF C361 0.1uF C351 0.1uF C351 0.1uF C362 0.1uF C362 0.1uF C350 2.2uF C350 2.2uF C360 0.1uF C360 0.1uF L54 FB L54 FB L53 FB L53 FB C442 0.1uF C442 0.1uF L52 FB L52 FB L72 FB L72 FB L73 FB L73 FB C342 2.2uF C342 2.2uF C435 0.1uF C435 0.1uF C353 0.1uF C353 0.1uF C358 0.1uF C358 0.1uF L71 FB L71 FB C355 0.1uF C355 0.1uF 5 4 3 2 1 D D C C B B A A Ursa_ODT Ursa_RASZ Ursa_DQ27 Ursa_DQ28 Ursa_DQ25 Ursa_DQ30 Ursa_A9 Ursa_A12 Ursa_A7 Ursa_A3 Ursa_A5 Ursa_A10 Ursa_A1 Ursa_A0 Ursa_A2 Ursa_A4 Ursa_A6 Ursa_A8 Ursa_A11 Ursa_WEZ Ursa_DQ16 Ursa_CASZ Ursa_DQ18 Ursa_DQ21 Ursa_DQ23 Ursa_MCLKE Ursa_BA1 Ursa_DQ18 Ursa_DQ0 Ursa_DQ19 Ursa_DQ1 Ursa_DQ20 Ursa_DQ2 Ursa_DQ21 Ursa_DQ3 Ursa_DQ22 Ursa_DQ4 Ursa_DQ23 Ursa_DQ5 Ursa_DQ6 Ursa_DQ24 Ursa_DQ[0:15] Ursa_DQ7 Ursa_DQ25 Ursa_DQ8 Ursa_A0 Ursa_DQ26 Ursa_DQ9 Ursa_DQ[16:31] Ursa_DQ27 Ursa_DQ15 Ursa_DQ11 Ursa_DQ8 Ursa_DQM3 Ursa_A1 Ursa_DQ10 Ursa_DQM2 Ursa_DQ10 Ursa_DQ13 Ursa_DQ19 Ursa_DQ20 Ursa_DQ22 Ursa_DQ17 Ursa_DQS2 Ursa_DQSB2 Ursa_DQ7 Ursa_DQ12 Ursa_DQ9 Ursa_MCLK+ Ursa_DQ0 Ursa_MCLKZ Ursa_MCLK+ Ursa_DQ14 Ursa_MCLK Ursa_DQ6 Ursa_DQM1 Ursa_DQM0 Ursa_DQS0 Ursa_DQSB0 Ursa_DQSB1 Ursa_DQS1 Ursa_DQ1 Ursa_DQ2 Ursa_DQ3 Ursa_MVREF1 Ursa_DQ4 Ursa_DQSB3 Ursa_DQS3 Ursa_DQ28 Ursa_DQ5 Ursa_A2 Ursa_DQ11 Ursa_ODT Ursa_RASZ Ursa_MCLK1+ Ursa_MCLKZ1 Ursa_MCLK1+ Ursa_MCLK1 Ursa_MVREF2 Ursa_A3 Ursa_DQ29 Ursa_DQ12 Ursa_A4 Ursa_DQ13 Ursa_DQ30 Ursa_A5 Ursa_DQ31 Ursa_DQ26 Ursa_DQ29 Ursa_DQ24 Ursa_A[0:12] Ursa_DQ14 Ursa_A6 Ursa_DQ15 Ursa_DQ31 Ursa_A7 Ursa_A8 Ursa_DQ16 Ursa_A9 Ursa_A12 Ursa_A10 Ursa_DQ17 Ursa_A11 Ursa_A9 Ursa_A12 Ursa_A7 Ursa_A3 Ursa_A5 Ursa_A10 Ursa_A1 Ursa_BA1 Ursa_BA0 Ursa_MCLKE Ursa_A0 Ursa_A2 Ursa_A4 Ursa_A6 Ursa_A8 Ursa_A11 Ursa_WEZ Ursa_CASZ Ursa_BA0 Ursa_MVREF1 Ursa_MVREF2 +1.8V_UrsaDDR2 5VDDR DDR2_VDD_2 DDR2_VDD_1 DDR2_VDD_1 +1.8V_UrsaDDR2 +1.8V_UrsaDDR2 DDR2_VDD_1 DDR2_VDD_2 DDR2_VDD_2 Ursa_DQSB0 3 Ursa_ODT 3 Ursa_RASZ 3 Ursa_DQ[16:31] 3 Ursa_DQM3 3 Ursa_BA1 3 Ursa_BA0 3 Ursa_CASZ 3 Ursa_WEZ 3 Ursa_MCLKE 3 Ursa_DQSB1 3 Ursa_DQS1 3 Ursa_DQM1 3 Ursa_DQS3 3 Ursa_DQSB3 3 Ursa_DQM2 3 Ursa_DQS2 3 Ursa_DQSB2 3 Ursa_DQ[0:15] 3 Ursa_DQM0 3 Ursa_ODT 3 Ursa_RASZ 3 Ursa_MCLKZ1 3 Ursa_MCLK1 3 Ursa_DQS0 3 Ursa_A[0:12] 3 Ursa_BA1 3 Ursa_BA0 3 Ursa_MCLKE 3 Ursa_CASZ 3 Ursa_WEZ 3 Ursa_MCLKZ 3 Ursa_MCLK 3 Title Size Document Number Rev Date: Sheet of <Doc> <RevCode> <Title> C 11 12 Tuesday, April 21, 2009 Title Size Document Number Rev Date: Sheet of <Doc> <RevCode> <Title> C 11 12 Tuesday, April 21, 2009 Title Size Document Number Rev Date: Sheet of <Doc> <RevCode> <Title> C 11 12 Tuesday, April 21, 2009 6M10 +1.8V DDR2 POWER MSB Ursa_DQM3->UDM Ursa_DQM2->LDM Ursa_DQS2->LDQS Ursa_DQSB2->LDQS# Ursa_DQS3->UDQS Ursa_DQSB3->UDQS# Ursa_MCLKZ->CLK Ursa_MCLK->CLK# LSB Ursa_DQM1->UDM Ursa_DQM0->LDM Ursa_DQS0->LDQS Ursa_DQSB0->LDQS# Ursa_DQS1->UDQS Ursa_DQSB1->UDQS# Ursa_MCLKZ1->CLK Ursa_MCLK1->CLK# 电阻有R0402改为R0603 9.26 增加(改)供电网络 10.09 更改供电电压 增加裸铜到252,以便散热 DR12 10K DR12 10K DR19 100 DR19 100 DR13 10K DR13 10K DC66 0.1uF DC66 0.1uF DC61 0.1uF DC61 0.1uF DR42 NC/150_1% DR42 NC/150_1% DR39 22 DR39 22 DC75 0.1uF DC75 0.1uF DR37 100 DR37 100 DC67 0.1uF DC67 0.1uF DR14 10K DR14 10K Vdd A1 NC A2 Vss A3 DQ14 B1 VssQ B2 UDM B3 A4 N8 A6 N7 Vdd M9 A0 M8 A2 M7 CS# L8 CAS# L7 ODT K9 CLK# K8 RAS# K7 Vdd J9 CLK J8 VssDL J7 DQ5 H9 VssQ H8 DQ2 H7 VddQ G9 DQ0 G8 VddQ G7 DQ7 F9 VssQ F8 LDQS F7 VddQ E9 LDQS# E8 VssQ E7 DQ13 D9 VssQ D8 DQ10 D7 VddQ C9 DQ8 C8 VddQ C7 A7 P2 A9 P3 Vdd R1 A12 R2 RFU R3 VssQ A7 UDQS# A8 VddQ A9 UDQS B7 VssQ B8 DQ15 B9 A10 M2 A1 M3 Vss N1 A3 N2 A5 N3 VddQ C1 DQ9 C2 VddQ C3 DQ12 D1 VssQ D2 DQ11 D3 Vdd E1 NC E2 Vss E3 DQ6 F1 VssQ F2 LDM F3 VddQ G1 DQ1 G2 VddQ G3 DQ4 H1 VssQ H2 DQ3 H3 VddL J1 Vref J2 Vss J3 CKE K2 WE# K3 RFU L1 BA0 L2 BA1 L3 RFU R7 NC R8 Vss P9 A8 P8 A11 P7 A B C D E F G H J K L M N P R 1 2 3 7 8 9 Vdd NC Vss DQ14 VssQ UDM VddQ DQ9 VddQ DQ12 VssQ DQ11 Vdd NC Vss DQ6 VssQ LDM VddQ DQ1 VddQ DQ4 VssQ DQ3 VddL Vref Vss CKE WE# RFU BA0 BA1 A10 A1 Vss A3 A5 A7 A9 Vdd A12 RFU VssQ UDQS# VddQ UDQS VssQ DQ15 VddQ DQ8 VddQ DQ10 VssQ DQ13 VssQ LDQS# VddQ LDQS VssQ DQ7 VddQ DQ0 VddQ DQ2 VssQ DQ5 VssDL CK Vdd RAS# CK# ODT CAS# CS# A2 A0 Vdd A6 A4 A11 A8 RFU NC Vss DU65 HYB18TC512160B2F-2.5 A B C D E F G H J K L M N P R 1 2 3 7 8 9 Vdd NC Vss DQ14 VssQ UDM VddQ DQ9 VddQ DQ12 VssQ DQ11 Vdd NC Vss DQ6 VssQ LDM VddQ DQ1 VddQ DQ4 VssQ DQ3 VddL Vref Vss CKE WE# RFU BA0 BA1 A10 A1 Vss A3 A5 A7 A9 Vdd A12 RFU VssQ UDQS# VddQ UDQS VssQ DQ15 VddQ DQ8 VddQ DQ10 VssQ DQ13 VssQ LDQS# VddQ LDQS VssQ DQ7 VddQ DQ0 VddQ DQ2 VssQ DQ5 VssDL CK Vdd RAS# CK# ODT CAS# CS# A2 A0 Vdd A6 A4 A11 A8 RFU NC Vss DU65 HYB18TC512160B2F-2.5 7 5 3 1 8 6 4 2 DRP46 RP56X4 7 5 3 1 8 6 4 2 DRP46 RP56X4 DR17 22 DR17 22 DR21 100 DR21 100 DC68 0.1uF DC68 0.1uF DC62 0.1uF DC62 0.1uF 7 5 3 1 8 6 4 2 DRP41 RP100X4 7 5 3 1 8 6 4 2 DRP41 RP100X4 DR35 100 DR35 100 DR16 22 DR16 22 Vdd A1 NC A2 Vss A3 DQ14 B1 VssQ B2 UDM B3 A4 N8 A6 N7 Vdd M9 A0 M8 A2 M7 CS# L8 CAS# L7 ODT K9 CLK# K8 RAS# K7 Vdd J9 CLK J8 VssDL J7 DQ5 H9 VssQ H8 DQ2 H7 VddQ G9 DQ0 G8 VddQ G7 DQ7 F9 VssQ F8 LDQS F7 VddQ E9 LDQS# E8 VssQ E7 DQ13 D9 VssQ D8 DQ10 D7 VddQ C9 DQ8 C8 VddQ C7 A7 P2 A9 P3 Vdd R1 A12 R2 RFU R3 VssQ A7 UDQS# A8 VddQ A9 UDQS B7 VssQ B8 DQ15 B9 A10 M2 A1 M3 Vss N1 A3 N2 A5 N3 VddQ C1 DQ9 C2 VddQ C3 DQ12 D1 VssQ D2 DQ11 D3 Vdd E1 NC E2 Vss E3 DQ6 F1 VssQ F2 LDM F3 VddQ G1 DQ1 G2 VddQ G3 DQ4 H1 VssQ H2 DQ3 H3 VddL J1 Vref J2 Vss J3 CKE K2 WE# K3 RFU L1 BA0 L2 BA1 L3 RFU R7 NC R8 Vss P9 A8 P8 A11 P7 A B C D E F G H J K L M N P R 1 2 3 7 8 9 Vdd NC Vss DQ14 VssQ UDM VddQ DQ9 VddQ DQ12 VssQ DQ11 Vdd NC Vss DQ6 VssQ LDM VddQ DQ1 VddQ DQ4 VssQ DQ3 VddL Vref Vss CKE WE# RFU BA0 BA1 A10 A1 Vss A3 A5 A7 A9 Vdd A12 RFU VssQ UDQS# VddQ UDQS VssQ DQ15 VddQ DQ8 VddQ DQ10 VssQ DQ13 VssQ LDQS# VddQ LDQS VssQ DQ7 VddQ DQ0 VddQ DQ2 VssQ DQ5 VssDL CK Vdd RAS# CK# ODT CAS# CS# A2 A0 Vdd A6 A4 A11 A8 RFU NC Vss DU66 HYB18TC512160B2F-2.5 A B C D E F G H J K L M N P R 1 2 3 7 8 9 Vdd NC Vss DQ14 VssQ UDM VddQ DQ9 VddQ DQ12 VssQ DQ11 Vdd NC Vss DQ6 VssQ LDM VddQ DQ1 VddQ DQ4 VssQ DQ3 VddL Vref Vss CKE WE# RFU BA0 BA1 A10 A1 Vss A3 A5 A7 A9 Vdd A12 RFU VssQ UDQS# VddQ UDQS VssQ DQ15 VddQ DQ8 VddQ DQ10 VssQ DQ13 VssQ LDQS# VddQ LDQS VssQ DQ7 VddQ DQ0 VddQ DQ2 VssQ DQ5 VssDL CK Vdd RAS# CK# ODT CAS# CS# A2 A0 Vdd A6 A4 A11 A8 RFU NC Vss DU66 HYB18TC512160B2F-2.5 DR18 NC/150_1% DR18 NC/150_1% DR26 56 DR26 56 DC69 0.1uF DC69 0.1uF DC77 0.1uF DC77 0.1uF DR44 2.4K_1% DR44 2.4K_1% 7 5 3 1 8 6 4 2 DRP47 RP56X4 7 5 3 1 8 6 4 2 DRP47 RP56X4 DR30 100 DR30 100 DC76 1nF DC76 1nF 7 5 3 1 8 6 4 2 DRP45 RP56X4 7 5 3 1 8 6 4 2 DRP45 RP56X4 DC63 0.1uF DC63 0.1uF 7 5 3 1 8 6 4 2 DRP40 RP100X4 7 5 3 1 8 6 4 2 DRP40 RP100X4 3 2 1 4 OUT ADJ IN U15 AMS1117-ADJ TO-252 OUT ADJ IN U15 AMS1117-ADJ TO-252 7 5 3 1 8 6 4 2 DRP53 RP56X4 7 5 3 1 8 6 4 2 DRP53 RP56X4 7 5 3 1 8 6 4 2 DRP44 R100X4 7 5 3 1 8 6 4 2 DRP44 R100X4 DR25 56 DR25 56 DC70 0.1uF DC70 0.1uF DR38 100 DR38 100 DC78 1nF DC78 1nF DR20 100 DR20 100 7 5 3 1 8 6 4 2 DRP42 RP100X4 7 5 3 1 8 6 4 2 DRP42 RP100X4 DR36 100 DR36 100 C47 10uF C47 10uF DR11 10K DR11 10K 1 1 2 2 3 3 4 4 C29 C C29 C DC71 0.1uF DC71 0.1uF 7 5 3 1 8 6 4 2 DRP54 RP56X4 7 5 3 1 8 6 4 2 DRP54 RP56X4 DR23 100 DR23 100 DC371 2.2uF DC371 2.2uF 7 5 3 1 8 6 4 2 DRP48 RP56X4 7 5 3 1 8 6 4 2 DRP48 RP56X4 DL28 FB DL28 FB DR33 100 DR33 100 7 5 3 1 8 6 4 2 DRP52 RP56X4 7 5 3 1 8 6 4 2 DRP52 RP56X4 DR40 22 DR40 22 7 5 3 1 8 6 4 2 DRP43 RP100X4 7 5 3 1 8 6 4 2 DRP43 RP100X4 DR15 100 DR15 100 C53 0.1uF C53 0.1uF R21 1.8R/2W R21 1.8R/2W C24 0.1uF C24 0.1uF DR27 100 DR27 100 C33 2.2uF C33 2.2uF DR31 56 DR31 56 DC73 0.1uF DC73 0.1uF DR41 100 DR41 100 DC72 0.1uF DC72 0.1uF 7 5 3 1 8 6 4 2 DRP39 RP100X4 7 5 3 1 8 6 4 2 DRP39 RP100X4 DR34 100 DR34 100 7 5 3 1 8 6 4 2 DRP49 RP56X4 7 5 3 1 8 6 4 2 DRP49 RP56X4 DC372 2.2uF DC372 2.2uF 7 5 3 1 8 6 4 2 DRP50 RP56X4 7 5 3 1 8 6 4 2 DRP50 RP56X4 R20 1.8R/2W R20 1.8R/2W DR43 1K_1% DR43 1K_1% DL27 FB DL27 FB C28 10uF C28 10uF DR32 56 DR32 56 DC74 0.1uF DC74 0.1uF DC64 0.1uF DC64 0.1uF DC59 0.1uF DC59 0.1uF DR29 100 DR29 100 DR28 100 DR28 100 DR24 100 DR24 100 DC65 0.1uF DC65 0.1uF 7 5 3 1 8 6 4 2 DRP51 RP56X4 7 5 3 1 8 6 4 2 DRP51 RP56X4 DC60 0.1uF DC60 0.1uF DR22 100 DR22 100 5 4 3 2 1 D D C C B B A A Ursa_A1 Ursa_A4P Ursa_A10 Ursa_A9 Ursa_A10 Ursa_A11 Ursa_A3P Ursa_A5 Ursa_GPIO8 Ursa_A4M Ursa_DQ4 Ursa_DQ5 Ursa_DQ6 Ursa_DQ7 Ursa_A9 Ursa_D0P Ursa_D0M Ursa_A12 Ursa_GPIO_PDI Ursa_RO1N Ursa_RO1P Ursa_RO0N Ursa_RO0P Ursa_ROCKP Ursa_RO4P Ursa_ROCKN Ursa_RO3P Ursa_RO3N Ursa_RO4N Ursa_RO2N Ursa_RE1N Ursa_RE1P Ursa_SPI_CZ Ursa_SPI_DO Ursa_SPI_CK Ursa_SPI_DI Ursa_GPIO_POL_SI Ursa_XTALI Ursa_RE0N Ursa_RE0P Ursa_GPIO_STH_S Ursa_DQ8 Ursa_DQ9 Ursa_DQ10 Ursa_DQ11 Ursa_A3M Ursa_GPIO_OUTP8 Ursa_GPIO_STH_F Ursa_A7 Ursa_DQ0 Ursa_DQ12 Ursa_DQ13 Ursa_DQ14 Ursa_DQ15 Ursa_A3 Ursa_B0P Ursa_BA1 Ursa_D2P Ursa_BA0 Ursa_DQ7 Ursa_DQ24 Ursa_DQ25 Ursa_DQ26 Ursa_DQ27 Ursa_DQ28 Ursa_DQ29 Ursa_DQ30 Ursa_DQ31 Ursa_DQ[16:31] Ursa_DQ16 Ursa_DQ17 Ursa_DQ18 Ursa_DQ19 Ursa_DQ20 Ursa_DQ21 Ursa_DQ22 Ursa_DQ23 Ursa_RE4P Ursa_RECKP Ursa_RECKN Ursa_B0M Ursa_RE3P Ursa_RE3N Ursa_RE4N Ursa_DQ13 Ursa_DQM2 Ursa_B1P Ursa_PWM0 Ursa_DQ10 Ursa_DQM3 Ursa_MCLKZ1 Ursa_DQ8 Ursa_MCLK1 Ursa_DQ[0:15] Ursa_DQ21 Ursa_GPIO_OUTN8 Ursa_B1M Ursa_I2CM_SDA Ursa_DQ18 Ursa_DQ15 Ursa_DQS0 Ursa_A0P Ursa_DQ16 Ursa_D1M Ursa_D1P Ursa_DQSB0 Ursa_MCLK Ursa_MCLKZ Ursa_DQ23 Ursa_MCLKE Ursa_DQ14 Ursa_DQ29 Ursa_DQS1 Ursa_DQSB1 Ursa_DQ26 Ursa_A0M Ursa_DQ9 Ursa_C2P Ursa_C2M Ursa_CCKP Ursa_CCKM Ursa_C0P Ursa_C0M Ursa_C1P Ursa_C1M Ursa_I2CM_SCL Ursa_DQ24 Ursa_DQS2 Ursa_RE2P Ursa_RE2N Ursa_DQSB2 Ursa_DQM0 Ursa_DQ31 Ursa_DQS3 Ursa_GPIO_TP Ursa_XTALO Ursa_DQM1 Ursa_DQ12 Ursa_DQSB3 Ursa_A1P Ursa_DQ30 Ursa_B2P Ursa_B2M Ursa_BCKP Ursa_BCKM Ursa_B3P Ursa_B3M Ursa_B4P Ursa_B4M Ursa_DQ25 Ursa_DQ11 Ursa_PWM1 Ursa_DQ28 Ursa_A1M Ursa_DQ6 Ursa_DQ27 Ursa_A12 Ursa_XTALI Ursa_MVREF3 Ursa_DQ22 Ursa_XTALO Ursa_A2P Ursa_DQ1 Ursa_DQ17 Ursa_WEZ Ursa_DQ19 Ursa_DQ0 Ursa_DQ3 Ursa_C3P Ursa_C3M Ursa_C4P Ursa_C4M Ursa_DQ20 Ursa_A2M Ursa_RASZ Ursa_CASZ Ursa_DQ1 Ursa_ODT Ursa_A0 Ursa_DQ4 Ursa_GPIO8 Ursa_A2 Ursa_DQ2 Ursa_RESET Ursa_ACKP Ursa_D3P Ursa_GPIO_BIST Ursa_D3M Ursa_A4 Ursa_DQ3 Ursa_DQ5 Ursa_A0 Ursa_A6 Ursa_DQ2 Ursa_ACKM Ursa_A8 Ursa_A1 Ursa_GPIO_OUTP21 Ursa_A2 Ursa_A3 Ursa_GPIO_OUTN21 Ursa_A4 Ursa_D4P Ursa_D4M Ursa_DCKP Ursa_DCKM Ursa_D2M Ursa_A11 Ursa_A[0:12] Ursa_A5 Ursa_A6 Ursa_A7 Ursa_A8 Ursa_RESET Ursa_RESET Ursa_MVREF3 Ursa_SPI_CZ Ursa_SPI_DO Ursa_SPI_DI Ursa_SPI_CK Ursa_RO2P Ursa_I2CM_SCL Ursa_I2CM_SDA Ursa_PWM1 Ursa_PWM0 Ursa_I2CM_SCL Ursa_I2CM_SDA WP Ursa_GPIO30 Ursa_SPI_CK Ursa_GPIO30 Ursa_GPIO5 Ursa_GPIO5 Ursa_M_SDA Ursa_M_SCL Ursa_RE1P Ursa_RE1N Ursa_RE0N Ursa_RE0P Ursa_RE4P Ursa_RECKP Ursa_RECKN Ursa_RE3P Ursa_RE3N Ursa_RE4N Ursa_RE2P Ursa_RE2N Ursa_RO1N Ursa_RO1P Ursa_ROCKP Ursa_RO0P Ursa_RO0N Ursa_RO4P Ursa_RO3P Ursa_ROCKN Ursa_RO3N Ursa_RO4N Ursa_RO2N Ursa_RO2P Ursa_M_SDA Ursa_M_SCL Ursa_AVDD_DDR Ursa_AVDD_DDR Ursa_VDDP Ursa_AVDD_DDR Ursa_AVDD_DDR Ursa_AVDD_LVDS +3.3AVDD Ursa_VDDP Ursa_VDDP Ursa_VDDC Ursa_AVDD_LVDS Ursa_AVDD_DDR Ursa_AVDD_LVDS Ursa_AVDD_DDR Ursa_AVDD_LVDS Ursa_AVDD_DDR Ursa_AVDD_DDR Ursa_AVDD_DDR Ursa_AVDD_LVDS Ursa_AVDD_DDR Ursa_VDDC Ursa_AVDD_LPLL Ursa_VDDP Ursa_VDDC Ursa_VDDC Ursa_AVDD Ursa_VDDC Ursa_VDDC Ursa_AVDD_DDR Ursa_AVDD_MEMPLL +3.3AVDD Ursa_VDDC Ursa_VDDC Ursa_AVDD_LVDS Ursa_AVDD Ursa_AVDD_MPLL +3.3AVDD Ursa_AVDD_DDR +3.3AVDD +3.3AVDD +3.3AVDD +3.3AVDD +3.3AVDD Ursa_DQS1 1 Ursa_DQ[16:31] 1 Ursa_DQS2 1 Ursa_MCLK 1 Ursa_DQS3 1 Ursa_CASZ 1 Ursa_DQM3 1 Ursa_MCLKZ1 1 Ursa_RASZ 1 Ursa_BA0 1 Ursa_DQS0 1 Ursa_MCLKZ 1 Ursa_DQ[0:15] 1 Ursa_DQM1 1 Ursa_A[0:12] 1 Ursa_DQSB3 1 Ursa_WEZ 1 Ursa_DQSB1 1 Ursa_DQM2 1 Ursa_DQSB2 1 Ursa_DQSB0 1 Ursa_ODT 1 Ursa_MCLKE 1 Ursa_DQM0 1 Ursa_BA1 1 Ursa_MCLK1 1 Ursa_RE4N Ursa_RE3P Ursa_RE3N Ursa_RECKP Ursa_RECKN Ursa_RE2P Ursa_RE2N Ursa_RE1P Ursa_RE1N Ursa_RE0P Ursa_RE0N Ursa_RE4P Ursa_RO4N Ursa_RO3P Ursa_RO3N Ursa_ROCKP Ursa_ROCKN Ursa_RO2P Ursa_RO2N Ursa_RO1P Ursa_RO1N Ursa_RO0P Ursa_RO0N Ursa_RO4P M_SCL M_SDA Ursa_A0P 12 Ursa_A0M 12 Ursa_A1P 12 Ursa_A1M 12 Ursa_A2P 12 Ursa_A2M 12 Ursa_ACKP 12 Ursa_ACKM 12 Ursa_A3P 12 Ursa_A3M 12 Ursa_A4P 12 Ursa_A4M 12 Ursa_B0P 12 Ursa_B0M 12 Ursa_B1P 12 Ursa_B1M 12 Ursa_B2P 12 Ursa_B2M 12 Ursa_BCKP 12 Ursa_BCKM 12 Ursa_B3P 12 Ursa_B3M 12 Ursa_B4P 12 Ursa_B4M 12 Ursa_C0P 12 Ursa_C0M 12 Ursa_C1P 12 Ursa_C1M 12 Ursa_C2P 12 Ursa_C2M 12 Ursa_CCKP 12 Ursa_CCKM 12 Ursa_C3P 12 Ursa_C3M 12 Ursa_C4P 12 Ursa_C4M 12 Ursa_D0P 12 Ursa_D0M 12 Ursa_D1P 12 Ursa_D1M 12 Ursa_D2P 12 Ursa_D2M 12 Ursa_DCKP 12 Ursa_DCKM 12 Ursa_D3P 12 Ursa_D3M 12 Ursa_D4P 12 Ursa_D4M 12 Ursa_M_SDA Ursa_M_SCL Title Size Document Number Rev Date: Sheet of <Doc> <RevCode> <Title> A1 12 12 Tuesday, April 21, 2009 Title Size Document Number Rev Date: Sheet of <Doc> <RevCode> <Title> A1 12 12 Tuesday, April 21, 2009 Title Size Document Number Rev Date: Sheet of <Doc> <RevCode> <Title> A1 12 12 Tuesday, April 21, 2009 DDR2-32 MSB DDR2-32 Addres H L PWM0 LVDS IN CHIP_CONF: {GPIO8, PWM1, PWM0} CHIP_CONF= 3ˇd5: boot from internal SRAM CHIP_CONF= 3ˇd6: boot from EEPROM CHIP_CONF= 3ˇd7: boot from SPI H L PWM1 LVDS IN DDR2-32 LSB H L GPIO8 Mode Selection Close to MST IC Close to MST IC LVDS OUT2 LVDS OUT1 100/120HZ SETTING H:120HZ L:100HZ 更改了晶振的封装 I2CS_SDA/UART_TX 1 I2CS_SCL/UART_RX 2 GPIO[8]/INT_OUT 3 GPIO[9] 4 VSS 5 VDDC 6 GPIO[10] 7 GPIO[11] 8 GPIO[12] 9 GPIO[13] 10 GPIO(PAD_PDI) 11 GPIO(PAD_BIST) 12 GPIO[14] 13 GPIO[15] 14 GPIO[16] 15 GPIO[17] 16 GPIO[18] 17 GPIO[19] 18 GPIO[20] 19 GPIO[21] 20 VDDP 21 VSS 22 NC1 23 NC0 24 VDDC 25 DDR2_DQ19 26 DDR2_DQ20 27 AVSS_DDR 28 DDR2_DQ17 29 DDR2_DQ22 30 AVDD_DDR 31 DDR2_DQ27 32 DDR2_DQ28 33 AVSS_DDR 34 DDR2_DQ25 35 DDR2_DQ30 36 AVDD_DDR 37 DDR2_DQM3 38 DDR2_DQM2 39 AVSS_DDR 40 DDR2_DQS2 41 DDR2_DQSB2 42 AVDD_DDR 43 VDDP 44 AVSS_DDR 45 DDR2_DQS3 46 DDR2_DQSB3 47 AVDD_DDR 48 DDR2_DQ31 49 DDR2_DQ24 50 AVSS_DDR 51 DDR2_DQ26 52 DDR2_DQ29 53 AVDD_DDR 54 DDR2_DQ23 55 DDR2_DQ16 56 DDR2_DQ18 57 MCLK 59 MCLKZ 60 AVSS_MEMPLL 61 AVDD_MEMPLL 62 MVREF 63 DDR2_ODT 64 DDR2_RASZ 65 DDR2_CASZ 66 DDR2_A0 67 DDR2_A2 68 DDR2_A4 69 AVSS_DDR 70 DDR2_A6 71 DDR2_A8 72 DDR2_A11 73 DDR2_WEZ 74 DDR2_BA1 75 DDR2_BA0 76 DDR2_A1 77 DDR2_A10 78 AVDD_DDR 79 DDR2_A5 80 DDR2_A9 81 DDR2_A12 82 DDR2_A7 83 DDR2_A3 84 MCLKE 85 VDDC 87 DDR2_DQ4 88 DDR2_DQ3 89 AVSS_DDR 90 DDR2_DQ1 91 DDR2_DQ6 92 AVDD_DDR 93 DDR2_DQ11 94 DDR2_DQ12 95 DDR2_DQ9 97 DDR2_DQ14 98 AVDD_DDR 99 DDR2_DQM1 100 DDR2_DQM0 101 AVSS_DDR 102 DDR2_DQS0 103 DDR2_DQSB0 104 AVSS 256 RE4P 255 RE4N 254 RE3P 253 RE3N 252 RECKP 251 RECKN 250 RE2P 249 RE2N 248 RE1P 247 RE1N 246 RE0P 245 RE0N 244 AVDD 243 AVSS 242 RO4P 241 RO4N 240 RO3P 239 RO3N 238 ROCKP 237 ROCKN 236 RO2P 235 RO2N 234 RO1P 233 RO1N 232 RO0P 231 RO0N 230 AVDD 229 VSS 228 VDDC 227 AVDD_MPLL 226 XTALO 225 XTALI 224 AVSS_MPLL 223 AVDD_LVDS 222 I2CM_SDA/GPIO 221 I2CM_SCL/GPIO 220 GPIO(STH_S) 219 GPIO(STH_F) 218 GPIO(TP) 217 VSS 215 AVDD_LPLL 214 AVDD_LVDS 213 A0P 212 A0M 211 A1P 210 A1M 209 A2P 208 A2M 207 ACKP 206 ACKM 205 A3P 204 A3M 203 A4P 202 A4M 201 AVDD_LVDS 200 AVSS_LVDS 199 B0P 198 B0M 197 B1P 196 B1M 195 AVSS_LVDS 194 REXT 193 AVSS_LVDS 192 AVDD_LVDS 191 VDDC 190 GPIO(OUTP_CH[8]) 189 GPIO(OUTN_CH[8]) 188 B2P 187 B2M 186 BCKP 185 BCKM 184 B3P 183 B3M 182 B4P 181 B4M 180 AVDD_LVDS 179 AVSS_LVDS 178 C0P 177 C0M 176 C1P 175 C1M 174 C2P 173 C2M 172 CCKP 171 CCKM 170 C3P 169 C3M 168 C4P 167 C4M 166 D0P 165 D0M 164 D1P 163 D1M 162 GPIO(OUTP_CH[21]) 161 GPIO(OUTN_CH[21]) 160 AVSS_LVDS 159 D2P 158 D2M 157 DCKP 156 DCKM 155 AVDD_LVDS 154 D3P 153 AVDD_DDR 105 VDDP 106 AVSS_DDR 107 DDR2_DQS1 108 DDR2_DQSB1 109 AVDD_DDR 110 DDR2_DQ15 111 DDR2_DQ8 112 AVSS_DDR 113 DDR2_DQ10 114 DDR2_DQ13 115 AVDD_DDR 116 DDR2_DQ7 117 DDR2_DQ0 118 DDR2_DQ2 119 DDR2_DQ5 120 MCLK1 121 MCLKZ1 122 GPIO[26] 123 GPIO[27] 124 TESTPIN 125 RESET 126 VDDP 127 VDDC 128 D3M 152 D4P 151 D4M 150 VSS 149 VDDC 148 GPIO(POL_SI) 147 GPIO[7] 146 GPIO[6] 145 GPIO[5] 144 GPIO[4] 143 GPIO[3] 142 GPIO[2] 141 GPIO[1] 140 GPIO[0]/INT_IN 139 PWM0 138 PWM1 137 SPI_CZ/GPIO 136 SPI_DO/GPIO 135 SPI_DI/GPIO 134 SPI_CK/GPIO 133 GPIO[30] 132 GPIO[29] 131 GPIO[28] 130 VSS 129 VDDC 216 DDR2_DQ21 58 VSS 86 AVSS_DDR 96 PAD 257 MST6M10 2-ch LVDS in 4-ch LVDS out DDR2-32@667Mbps U8 MST6M10L MST6M10 2-ch LVDS in 4-ch LVDS out DDR2-32@667Mbps U8 MST6M10L R436 100 R436 100 R462 NC R462 NC 1 TP2 TP2 4 3 2 1 5 6 7 8 RN45 RL 4 3 2 1 5 6 7 8 RN45 RL R446 100 R446 100 R455 NC R455 NC R430 100 R430 100 R463 0R R463 0R R460 NC R460 NC 4 3 2 1 5 6 7 8 RN32 RL 4 3 2 1 5 6 7 8 RN32 RL 1 TP6 TP6 4 3 2 1 5 6 7 8 RP17 RP22X4 4 3 2 1 5 6 7 8 RP17 RP22X4 1 2 3 4 CON5 NC CON5 NC R465 NC R465 NC R461 10K R461 10K 1 TP10 TP10 1 2 3 4 CON34 4PIN-2.0 CON34 4PIN-2.0 C392 0.1uF C392 0.1uF 4 3 2 1 5 6 7 8 RN42 RL 4 3 2 1 5 6 7 8 RN42 RL R457 10k R457 10k R422 4.7K R422 4.7K C393 0.1uF C393 0.1uF R458 NC R458 NC R448 100 R448 100 C395 0.1uF C395 0.1uF R420 1M R420 1M 4 3 2 1 5 6 7 8 RN40 RL 4 3 2 1 5 6 7 8 RN40 RL R451 4.7K R451 4.7K 4 3 2 1 5 6 7 8 RN36 RL 4 3 2 1 5 6 7 8 RN36 RL R426 100 R426 100 R428 100 R428 100 4 3 2 1 5 6 7 8 RN43 RL 4 3 2 1 5 6 7 8 RN43 RL R440 100 R440 100 R432 100 R432 100 1 TP3 TP3 R438 100 R438 100 C391 1nF C391 1nF R464 NC R464 NC R454 0R R454 0R R442 4.7K R442 4.7K R444 4.7K R444 4.7K R425 22K R425 22K C390 0.1uF C390 0.1uF C388 2.2uF C388 2.2uF 3 2 1 D11 BAV99 D11 BAV99 4 3 2 1 5 6 7 8 RN37 RL 4 3 2 1 5 6 7 8 RN37 RL 4 3 2 1 5 6 7 8 RN41 RL 4 3 2 1 5 6 7 8 RN41 RL 1 TP7 TP7 R453 NC R453 NC A0 1 A1 2 A2 3 GND 4 SDA 5 SCL 6 WP 7 VCC 8 U9 NC/24C128 U9 NC/24C128 1 TP1 TP1 R429 100 R429 100 + C385 10uF/16V + C385 10uF/16V R419 100K R419 100K R456 0 R456 0 4 3 2 1 5 6 7 8 RN38 RL 4 3 2 1 5 6 7 8 RN38 RL R459 10K R459 10K R427 100 R427 100 R424 820 R424 820 C389 1nF C389 1nF R434 10K R434 10K R431 100 R431 100 4 3 2 1 5 6 7 8 RN44 RL 4 3 2 1 5 6 7 8 RN44 RL R449 100 R449 100 4 3 2 1 5 6 7 8 RN39 RL 4 3 2 1 5 6 7 8 RN39 RL C386 22pF C386 22pF R443 4.7K R443 4.7K 1 TP5 TP5 C387 22pF C387 22pF 4 3 2 1 5 6 7 8 RN35 RL 4 3 2 1 5 6 7 8 RN35 RL R445 100 R445 100 1 3 2 Q3 3906 Q3 3906 R435 10K R435 10K R437 100 R437 100 1 2 3 Y1 12MHZ Y1 12MHZ C394 NC C394 NC 1 TP4 TP4 1 TP9 TP9 R447 NC R447 NC R441 100 R441 100 R423 1K R423 1K 1 TP8 TP8 CE# 1 SO 2 WP# 3 VSS 4 SI 5 SCK 6 HOLD# 7 VDD 8 U10 EN25F05-100GIP U10 EN25F05-100GIP R433 100 R433 100 R439 100 R439 100 </p> <div class="main-left-down hidden-xl hidden-lg hidden-md"> <!--资源收费且没有购买--> <a href="http://www.wenhuiw.com/index.php?s=score&c=buy&m=index&module=wenku&id=9214" id="down_box_confirm" class="not-logged-in btn bg-green"><i class="fa fa-shopping-cart"></i> 立即购买</a> <p class="down-score">下载本素材需消耗 <span class="f-red">10</span> 积分</p> <p class="down-feedback">无法下载?<a class="hover:text-green-600" href="tencent://message/?uin=77594475" target="_blank">立即反馈</a></p> </div> <div class="tag">标签: </div> <div class="use-tip"> <h3>版权声明</h3> <p><b>1. 本站所有素材,仅限学习交流,仅展示部分内容,如需查看完整内容,请下载原文件。</b><br> 2. 会员在本站下载的所有素材,只拥有使用权,著作权归原作者所有。<br> 3. 所有素材,未经合法授权,请勿用于商业用途,会员不得以任何形式发布、传播、复制、转售该素材,否则一律封号处理。<br> 4. 如果素材损害你的权益请联系客服QQ:<a href="tencent://message/?uin=77594475">77594475</a> 处理。 </p> </div> </div> <div class="main-relate hidden-sm hidden-xs"> <div class="module-title-box"> <h2 class="title">相关素材</h2> </div> <ul class="module-list"> <li class="col-xl-3 col-lg-3 col-md-3 col-sm-6 col-6"> <div class="module-list_box"> <a class="module-list_thumb wide lazyload" href="/wenku/a22871.html" title="飞利浦TPH17.1A机芯液晶电视维修手册" data-original="http://file.wenhuiw.com/202306/24ae54810e3d984.png#系统开启了相对路径模式,本地址是站外域名,不能转为相对路径(在关闭开发者模式后不显示这句话)#没有设置高宽参数,将以原图输出"></a> <div class="module-list_detail"> <h4 class="title txt-ov"><a href="/wenku/a22871.html" title="飞利浦TPH17.1A机芯液晶电视维修手册">飞利浦TPH17.1A机芯液晶电视维修手册</a></h4> </div> </div> </li> <li class="col-xl-3 col-lg-3 col-md-3 col-sm-6 col-6"> <div class="module-list_box"> <a class="module-list_thumb wide lazyload" href="/wenku/a22870.html" title="飞利浦55PFL6300T3液晶电视电路图" data-original="http://file.wenhuiw.com/202306/a195bcaca1fd5a7.png#系统开启了相对路径模式,本地址是站外域名,不能转为相对路径(在关闭开发者模式后不显示这句话)#没有设置高宽参数,将以原图输出"></a> <div class="module-list_detail"> <h4 class="title txt-ov"><a href="/wenku/a22870.html" title="飞利浦55PFL6300T3液晶电视电路图">飞利浦55PFL6300T3液晶电视电路图</a></h4> </div> </div> </li> <li class="col-xl-3 col-lg-3 col-md-3 col-sm-6 col-6"> <div class="module-list_box"> <a class="module-list_thumb wide lazyload" href="/wenku/a22866.html" title="长虹液晶JUC7.820.00103653主板电路图" data-original="http://file.wenhuiw.com/202306/b35cb91c5bc4062.png#系统开启了相对路径模式,本地址是站外域名,不能转为相对路径(在关闭开发者模式后不显示这句话)#没有设置高宽参数,将以原图输出"></a> <div class="module-list_detail"> <h4 class="title txt-ov"><a href="/wenku/a22866.html" title="长虹液晶JUC7.820.00103653主板电路图">长虹液晶JUC7.820.00103653主板电路图</a></h4> </div> </div> </li> <li class="col-xl-3 col-lg-3 col-md-3 col-sm-6 col-6"> <div class="module-list_box"> <a class="module-list_thumb wide lazyload" href="/wenku/a22865.html" title="长虹UD55D6000ID液晶电视主板电路图" data-original="http://file.wenhuiw.com/202306/b35cb91c5bc4062.png#系统开启了相对路径模式,本地址是站外域名,不能转为相对路径(在关闭开发者模式后不显示这句话)#没有设置高宽参数,将以原图输出"></a> <div class="module-list_detail"> <h4 class="title txt-ov"><a href="/wenku/a22865.html" title="长虹UD55D6000ID液晶电视主板电路图">长虹UD55D6000ID液晶电视主板电路图</a></h4> </div> </div> </li> <li class="col-xl-3 col-lg-3 col-md-3 col-sm-6 col-6"> <div class="module-list_box"> <a class="module-list_thumb wide lazyload" href="/wenku/a22864.html" title="长虹R-HS180S-4MF01电源板电路原理图 " data-original="http://file.wenhuiw.com/202306/3ffd1fbf93a9d0b.png#系统开启了相对路径模式,本地址是站外域名,不能转为相对路径(在关闭开发者模式后不显示这句话)#没有设置高宽参数,将以原图输出"></a> <div class="module-list_detail"> <h4 class="title txt-ov"><a href="/wenku/a22864.html" title="长虹R-HS180S-4MF01电源板电路原理图 ">长虹R-HS180S-4MF01电源板电路原理图 </a></h4> </div> </div> </li> <li class="col-xl-3 col-lg-3 col-md-3 col-sm-6 col-6"> <div class="module-list_box"> <a class="module-list_thumb wide lazyload" href="/wenku/a22863.html" title="长虹LT42510FHD液晶电视电源板电路图" data-original="http://file.wenhuiw.com/202306/3bb20d652e899ef.png#系统开启了相对路径模式,本地址是站外域名,不能转为相对路径(在关闭开发者模式后不显示这句话)#没有设置高宽参数,将以原图输出"></a> <div class="module-list_detail"> <h4 class="title txt-ov"><a href="/wenku/a22863.html" title="长虹LT42510FHD液晶电视电源板电路图">长虹LT42510FHD液晶电视电源板电路图</a></h4> </div> </div> </li> <li class="col-xl-3 col-lg-3 col-md-3 col-sm-6 col-6"> <div class="module-list_box"> <a class="module-list_thumb wide lazyload" href="/wenku/a22862.html" title="长虹LT32170液晶电视电源板电路图" data-original="http://file.wenhuiw.com/202303/cce4878d5c6bed4.png#系统开启了相对路径模式,本地址是站外域名,不能转为相对路径(在关闭开发者模式后不显示这句话)#没有设置高宽参数,将以原图输出"></a> <div class="module-list_detail"> <h4 class="title txt-ov"><a href="/wenku/a22862.html" title="长虹LT32170液晶电视电源板电路图">长虹LT32170液晶电视电源板电路图</a></h4> </div> </div> </li> <li class="col-xl-3 col-lg-3 col-md-3 col-sm-6 col-6"> <div class="module-list_box"> <a class="module-list_thumb wide lazyload" href="/wenku/a22861.html" title="长虹JUC7.820.00015755电源待机模块电路图" data-original="http://file.wenhuiw.com/202306/63d24a59c0f32b7.png#系统开启了相对路径模式,本地址是站外域名,不能转为相对路径(在关闭开发者模式后不显示这句话)#没有设置高宽参数,将以原图输出"></a> <div class="module-list_detail"> <h4 class="title txt-ov"><a href="/wenku/a22861.html" title="长虹JUC7.820.00015755电源待机模块电路图">长虹JUC7.820.00015755电源待机模块电路图</a></h4> </div> </div> </li> </ul> </div> </div> <div class="main-right col-xl-3 col-lg-3 col-md-3 hidden-sm hidden-xs"> <div class="side-box-dw"></div> <div class="side-fixed-box"> <div class="side shadow"> <a href="javasctipr:;" class="not-logged-in btn bg-yellow"><i class="fa fa-download"></i> 立即下载</a> <p class="down-score">下载本素材需消耗 <span class="f-red">10</span> 积分</p> <p class="down-feedback">无法下载?<a class="hover:text-green-600" href="tencent://message/?uin=77594475" target="_blank">立即反馈</a></p> <ul class="down-attribute"> <li><span>文件大小:</span>102.8 KB</li> <li><span>文件格式:</span>pdf</li> </ul> </div> <div class="side mt20 shadow"> <div class="module-title-box mb15"> <h2 class="title">随机推荐</h2> </div> <ul class="module-list"> <li class="col-lg-4 col-md-3 col-sm-4 col-xs-3 col-4"> <div class="module-list_box p0"> <a class="module-list_thumb wide" href="/wenku/a23254.html" title="一张母狮子卧在草丛里的照片" style="display: block; background-image: url('http://file.wenhuiw.com/202403/c18d26349a7554b.jpg#系统开启了相对路径模式,本地址是站外域名,不能转为相对路径(在关闭开发者模式后不显示这句话)#没有设置高宽参数,将以原图输出')" ;> </a> <div class="module-list_detail"> <h4 class="title"><a href="/wenku/a23254.html" title="一张母狮子卧在草丛里的照片">一张母狮子卧在草丛里的照片</a></h4> </div> </div> </li> <li class="col-lg-4 col-md-3 col-sm-4 col-xs-3 col-4"> <div class="module-list_box p0"> <a class="module-list_thumb wide" href="/wenku/a23253.html" title="员工花名册.xlsx" style="display: block; background-image: url('http://file.wenhuiw.com/202403/389f25971624d9f.jpg#系统开启了相对路径模式,本地址是站外域名,不能转为相对路径(在关闭开发者模式后不显示这句话)#没有设置高宽参数,将以原图输出')" ;> </a> <div class="module-list_detail"> <h4 class="title"><a href="/wenku/a23253.html" title="员工花名册.xlsx">员工花名册.xlsx</a></h4> </div> </div> </li> <li class="col-lg-4 col-md-3 col-sm-4 col-xs-3 col-4"> <div class="module-list_box p0"> <a class="module-list_thumb wide" href="/wenku/a23252.html" title="员工年假统计表" style="display: block; background-image: url('http://file.wenhuiw.com/202403/bde7ec85b0ccdf1.jpg#系统开启了相对路径模式,本地址是站外域名,不能转为相对路径(在关闭开发者模式后不显示这句话)#没有设置高宽参数,将以原图输出')" ;> </a> <div class="module-list_detail"> <h4 class="title"><a href="/wenku/a23252.html" title="员工年假统计表">员工年假统计表</a></h4> </div> </div> </li> <li class="col-lg-4 col-md-3 col-sm-4 col-xs-3 col-4"> <div class="module-list_box p0"> <a class="module-list_thumb wide" href="/wenku/a23251.html" title="实验室安全歌.doc" style="display: block; background-image: url('http://file.wenhuiw.com/202309/310d89e8c45eb81.jpg#系统开启了相对路径模式,本地址是站外域名,不能转为相对路径(在关闭开发者模式后不显示这句话)#没有设置高宽参数,将以原图输出')" ;> </a> <div class="module-list_detail"> <h4 class="title"><a href="/wenku/a23251.html" title="实验室安全歌.doc">实验室安全歌.doc</a></h4> </div> </div> </li> <li class="col-lg-4 col-md-3 col-sm-4 col-xs-3 col-4"> <div class="module-list_box p0"> <a class="module-list_thumb wide" href="/wenku/a23250.html" title="JCT 998-2006 喷涂聚氨酯硬泡体保温材料" style="display: block; background-image: url('http://file.wenhuiw.com/202306/a9f08eb9830da52.png#系统开启了相对路径模式,本地址是站外域名,不能转为相对路径(在关闭开发者模式后不显示这句话)#没有设置高宽参数,将以原图输出')" ;> </a> <div class="module-list_detail"> <h4 class="title"><a href="/wenku/a23250.html" title="JCT 998-2006 喷涂聚氨酯硬泡体保温材料">JCT 998-2006 喷涂聚氨酯硬泡体保温材料</a></h4> </div> </div> </li> <li class="col-lg-4 col-md-3 col-sm-4 col-xs-3 col-4"> <div class="module-list_box p0"> <a class="module-list_thumb wide" href="/wenku/a23249.html" title="JCT 997-2006 装饰纸面石膏板" style="display: block; background-image: url('http://file.wenhuiw.com/202306/e292ed4137e88a.png#系统开启了相对路径模式,本地址是站外域名,不能转为相对路径(在关闭开发者模式后不显示这句话)#没有设置高宽参数,将以原图输出')" ;> </a> <div class="module-list_detail"> <h4 class="title"><a href="/wenku/a23249.html" title="JCT 997-2006 装饰纸面石膏板">JCT 997-2006 装饰纸面石膏板</a></h4> </div> </div> </li> <li class="col-lg-4 col-md-3 col-sm-4 col-xs-3 col-4"> <div class="module-list_box p0"> <a class="module-list_thumb wide" href="/wenku/a23248.html" title="JCT 996-2006 玻璃纤维壁布" style="display: block; background-image: url('http://file.wenhuiw.com/202306/5156b2f64e53176.png#系统开启了相对路径模式,本地址是站外域名,不能转为相对路径(在关闭开发者模式后不显示这句话)#没有设置高宽参数,将以原图输出')" ;> </a> <div class="module-list_detail"> <h4 class="title"><a href="/wenku/a23248.html" title="JCT 996-2006 玻璃纤维壁布">JCT 996-2006 玻璃纤维壁布</a></h4> </div> </div> </li> <li class="col-lg-4 col-md-3 col-sm-4 col-xs-3 col-4"> <div class="module-list_box p0"> <a class="module-list_thumb wide" href="/wenku/a23247.html" title="JCT 995-2006 低比表面积高烧结活性氧化锆粉体" style="display: block; background-image: url('http://file.wenhuiw.com/202306/8c1c96b37a561d4.png#系统开启了相对路径模式,本地址是站外域名,不能转为相对路径(在关闭开发者模式后不显示这句话)#没有设置高宽参数,将以原图输出')" ;> </a> <div class="module-list_detail"> <h4 class="title"><a href="/wenku/a23247.html" title="JCT 995-2006 低比表面积高烧结活性氧化锆粉体">JCT 995-2006 低比表面积高烧结活性氧化锆粉体</a></h4> </div> </div> </li> <li class="col-lg-4 col-md-3 col-sm-4 col-xs-3 col-4"> <div class="module-list_box p0"> <a class="module-list_thumb wide" href="/wenku/a23246.html" title="JCT 994-2006 微晶玻璃陶瓷复合砖" style="display: block; background-image: url('http://file.wenhuiw.com/202306/fff87b6f9176d27.png#系统开启了相对路径模式,本地址是站外域名,不能转为相对路径(在关闭开发者模式后不显示这句话)#没有设置高宽参数,将以原图输出')" ;> </a> <div class="module-list_detail"> <h4 class="title"><a href="/wenku/a23246.html" title="JCT 994-2006 微晶玻璃陶瓷复合砖">JCT 994-2006 微晶玻璃陶瓷复合砖</a></h4> </div> </div> </li> </ul> </div> </div> </div> </div> <div class="main-box-dw"></div> <div class="scroll-to-top hidden-sm hidden-xs" id="toTop"> <i class="bi bi-arrow-up-circle-fill"></i> </div> <!-- 底部 --> <div class="footer"> <div class="container"> <div class="flex justify-center"> <span class="hidden-sm hidden-xs">© CopyRight 2022 文汇知识网</span> <a class="ml10 mr10" href="https://beian.miit.gov.cn" target="_blank">滇ICP备2022006959号-4</a> <span class="hidden-sm hidden-xs"><script> var _hmt = _hmt || []; (function() { var hm = document.createElement("script"); hm.src = "https://hm.baidu.com/hm.js?f0f56f82f7c67c360794e2549e59d9cd"; var s = document.getElementsByTagName("script")[0]; s.parentNode.insertBefore(hm, s); })(); </script> <a href="http://news.zzszq.net/">深知资讯网</a><a href="http://tv.zzszq.net/">深视网</a><a href="http://www.80hlw.com/">80商务</a></span> </div> </div> </div> <!-- 会员登录 --> <div id="login_box" class="hidden fixed"> <div class="login_box_title"> <h4 class="tc">会员登录</h4> <button id="close_login"><i class="fa fa-close"></i></button> </div> <form class="login-form" id="myform" action="" method="post"> <div class="form-group"> <input class="form-control" type="text" autocomplete="off" placeholder="会员名/邮箱/手机" name="data[username]" /> </div> <div class="form-group"> <input class="form-control" type="password" autocomplete="off" placeholder="登录密码" name="data[password]" /> </div> <div class="form-group"> <div class="col-6 pl0 pr0 fl"> <input class="form-control" type="text" autocomplete="off" placeholder="验证码" name="code" /> </div> <div class="col-6 tr fr"> <img align="absmiddle" style="cursor:pointer;" onclick="this.src='/index.php?s=api&c=api&m=captcha&width=120&height=35&t='+Math.random();" src="/index.php?s=api&c=api&m=captcha&width=120&height=35" /> </div> <div class="clearfix"></div> </div> <div class="form-group"> <button type="button" onclick="dr_ajax_member('http://www.wenhuiw.com/index.php?s=member&c=login&m=index', 'myform');" class="btn bg-green">登录</button> </div> <div class="form-group"> <a href="http://www.wenhuiw.com/index.php?s=member&c=register&m=index" id="register-btn" class="fr">注册账号</a> <input type="checkbox" name="remember" value="1" checked="checked" style="vertical-align: -2px;"/> 记住我 <a href="http://www.wenhuiw.com/index.php?s=member&c=login&m=find">忘记密码</a> </div> <div class="form-group tc"> <!--<p class="text-muted">第三方快捷登录</p>--> </div> </form> </div> <div class="mask-body mask-body-dark" style="display: none;"></div> <script src="/static/x2h-002/js/swiper-bundle.min.js"></script> <script src="/static/x2h-002/js/jquery.lazyload.js"></script> <script src="/static/x2h-002/js/common.js"></script> <script> $(function () { $.ajax({ type: "GET",dataType:"json", url: "/index.php?s=api&c=run&is_ajax=1&num=5" }); }); </script> </body> </html>