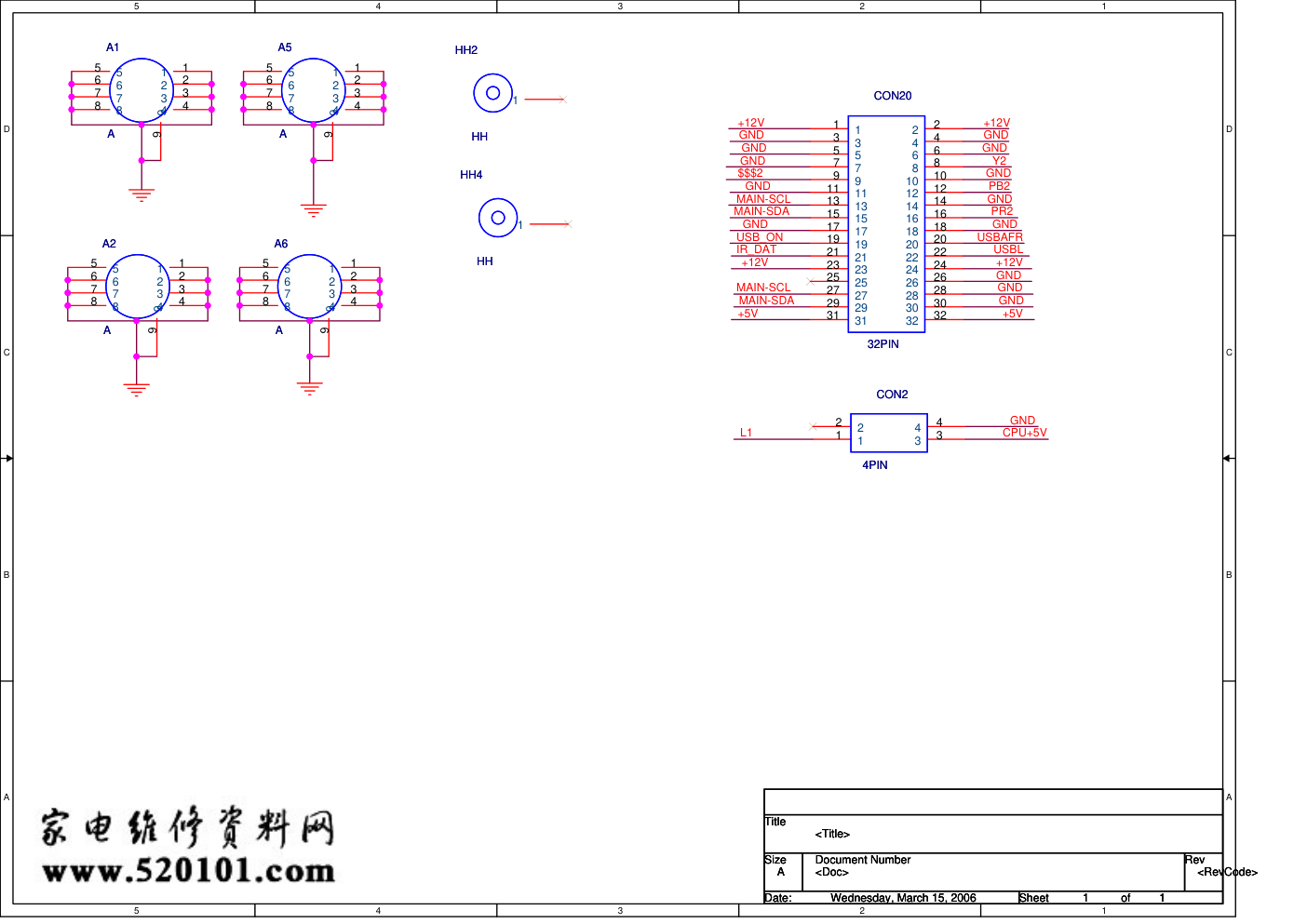
创维26L16SW液晶电视电路原理图

分类:电子电工 日期: 点击:0
创维26L16SW液晶电视电路原理图-0 创维26L16SW液晶电视电路原理图-1 创维26L16SW液晶电视电路原理图-2 创维26L16SW液晶电视电路原理图-3 创维26L16SW液晶电视电路原理图-4 创维26L16SW液晶电视电路原理图-5 创维26L16SW液晶电视电路原理图-6 创维26L16SW液晶电视电路原理图-7 创维26L16SW液晶电视电路原理图-8 创维26L16SW液晶电视电路原理图-9

1 2 3 4 5 6 A B C D 6 5 4 3 2 1 D C B A Title Number Revision Size B Date: 19-Apr-2005 Sheet of File: E:\VC\6T90-060322.Ddb Drawn By: 主板部分 SDRAM 1X16Mx2 FLASH 2 X 8M EEPROM 5V-1 3.3Vx3 1.8Vx3 8TM1-MT8201系统框图 一体化高频头部分 键控、遥控部分 LA4266 功放部分 电源部分 TV-V KB REM MUTE SIF ROTATE POWER 5V 5V-2 33V 12V 24C16 MX29LV160BT M12L16161A 5V-1 I2C I2C BUS FM-L/R MT8201 主芯片 WM8776 音效部分 无线蓝波部分 输入端子部分 MT8293 HDMI部分 旋转部分 USB 备用 部分 BUS I2S YPBPR X1 CVBS X2 YC X1 I/O*4 I/O*3 5V-2 5V-1 5V-1 12V-1 24V POWER 12V-1 24V BUS CLOCK 电源部分 1117X5 5V-2 33V 副板部分 VGA X1 5V-2 L/R*2 L/R FM-L/R KB REM POWER 5V-2 YPBPR L/R 3.3V-1 3.3V-2 LCD屏部分 结构部分 喇叭部分 LVDS 12V-2 24V AP2305X2 1084X1 3.3V-1 1.8V-3 3.3V-3 1.8V-1 3.3V-1 PDF 文件使用 "pdfFactory Pro" 试用版本创建 www.fineprint.com.cn 5 4 3 2 1 D D C C B B A A HDMI_SCL HDMI-HPD RX2- RX2+ RX1+ RX1- RX0- RX0+ RXC+ RXC- HDMI-RX2- HDMI-RX1- HDMI-RX0- HDMI-RXC- HDMI-RX1+ HDMI-RXC+ HDMI-RX2+ HDMI-RX0+ HPDCTRL HDMI_SDA HDMI-DDC-SDA HDMI-DDC-SCL RX2- 4 RX2+ 4 RX1+ 4 RX1- 4 RX0- 4 RXC- 4 RX0+ 4 RXC+ 4 HDMI_SCL 4 HPDCTRL 9 HDMI_SDA 4 5VA 5VA HDMI/5V +5V 5VA Title Size Document Number Rev Date: Sheet of C 4 深圳市高新区南区科技南十路国际技术创新研究院 座 楼 TEL:0755-26996895 FAX:0755-26996830 MST5251A 01A HDMI A 1 10 Wednesday, March 15, 2006 Title Size Document Number Rev Date: Sheet of C 4 深圳市高新区南区科技南十路国际技术创新研究院 座 楼 TEL:0755-26996895 FAX:0755-26996830 MST5251A 01A HDMI A 1 10 Wednesday, March 15, 2006 Title Size Document Number Rev Date: Sheet of C 4 深圳市高新区南区科技南十路国际技术创新研究院 座 楼 TEL:0755-26996895 FAX:0755-26996830 MST5251A 01A HDMI A 1 10 Wednesday, March 15, 2006 C5 0.1uF/16V C5 0.1uF/16V 3 1 2 D1 BAV99 D1 BAV99 L1 10uH L1 10uH 1 2 D11 MLL5232B5.6V D11 MLL5232B5.6V R8 10 R8 10 C4 0.1uF/16V C4 0.1uF/16V C11 0.1uF/16V C11 0.1uF/16V R5 10 R5 10 3 1 2 D4 BAV99 D4 BAV99 3 1 2 D8 BAV99 D8 BAV99 3 1 2 D9 BAT54C D9 BAT54C C9 0.1uF/16V C9 0.1uF/16V 1 3 2 E B C SOT 23 Q1 MMBT3904 E B C SOT 23 Q1 MMBT3904 R9 1K R9 1K 3 1 2 D3 BAV99 D3 BAV99 R16 1Kohm R16 1Kohm R7 10 R7 10 R15 NC R15 NC R13 100 R13 100 3 1 2 D2 BAV99 D2 BAV99 C3 0.1uF/16V C3 0.1uF/16V R14 100 R14 100 3 1 2 D7 BAV99 D7 BAV99 C2 0.1uF C2 0.1uF + CA1 22uF + CA1 22uF 3 1 2 D6 BAV99 D6 BAV99 C7 0.1uF/16V C7 0.1uF/16V C1 0.1uF C1 0.1uF NC 1 NC 2 NC 3 GND 4 SDA 5 SCL 6 WP 7 VCC 8 U1 24C16 U1 24C16 C8 0.1uF/16V C8 0.1uF/16V R1 10 R1 10 R12 4.7K R12 4.7K + CA2 22uF + CA2 22uF 1 2 D10 MLL5232B5.6V D10 MLL5232B5.6V 3 1 2 D5 BAV99 D5 BAV99 R2 10 R2 10 R6 10 R6 10 R11 4.7K R11 4.7K DATA2+ 1 DATA2 SHIELD 2 DATA2- 3 DATA1+ 4 DATA1 SHIELD 5 DAT1A- 6 DATA0+ 7 DATA0 SHIELD 8 DATA0- 9 CLK+ 10 CLK SHIELD 11 CLK- 12 CEC 13 NC 14 SCL 15 SDA 16 DDC/CEC GND 17 +5V POWER 18 HOT PLUG 19 GND 20 GND 21 GND 22 GND 23 P13 HDMI_J P13 HDMI_J C10 0.1uF/16V C10 0.1uF/16V R4 10 R4 10 R10 4.7K R10 4.7K R3 10 R3 10 C6 0.1uF/16V C6 0.1uF/16V 5 4 3 2 1 D D C C B B A A L1 +12V Y2 +5V GND GND GND PB2 GND MAIN-SCL GND MAIN-SDA +5V PR2 GND +12V GND USBAFR GND GND +12V USBL CPU+5V GND MAIN-SCL MAIN-SDA GND USB_ON +12V IR_DAT GND $$$2 GND GND Title Size Document Number Rev Date: Sheet of A 1 1 Wednesday, March 15, 2006 Title Size Document Number Rev Date: Sheet of <Doc> <RevCode> <Title> A 1 1 Wednesday, March 15, 2006 Title Size Document Number Rev Date: Sheet of <Doc> <RevCode> <Title> A 1 1 Wednesday, March 15, 2006 1 1 2 2 3 3 4 4 5 5 6 6 7 7 8 8 9 9 A1 A A1 A 2 2 4 4 1 1 3 3 CON2 4PIN CON2 4PIN 1 HH2 HH HH2 HH 1 1 2 2 3 3 4 4 5 5 6 6 7 7 8 8 9 9 A2 A A2 A 1 HH4 HH HH4 HH 1 1 2 2 3 3 4 4 5 5 6 6 7 7 8 8 9 9 A6 A A6 A 1 1 2 2 3 3 4 4 5 5 6 6 7 7 8 8 9 9 A5 A A5 A 1 1 2 2 3 3 4 4 5 5 6 6 7 7 8 8 9 9 10 10 11 11 12 12 13 13 14 14 15 15 16 16 17 17 18 18 20 20 19 19 21 21 23 23 22 22 24 24 25 25 26 26 27 27 28 28 29 29 30 30 31 31 32 32 CON20 32PIN CON20 32PIN 4 3 2 1 4 4 3 3 2 2 1 1 GND GND GND HDMI-AUDIO-R USBL GND GND 24V-IN 5V-AUDIO A-SW2 24V-IN GND MAIN-SDA GND +12V +24V-ON/OFF GND MUTE TV2-V GND A-SW1 24V-IN MAIN-SCL TV1-V +12V CPU+5V 24V-IN USBAFR GND PR4 GND HDMI-AUDIO-L 5V-AUDIO GND GND GND Title Size Document Number Rev Date: Sheet of <Doc> <RevCode> <Title> A 1 1 Wednesday, March 15, 2006 Title Size Document Number Rev Date: Sheet of <Doc> <RevCode> <Title> A 1 1 Wednesday, March 15, 2006 Title Size Document Number Rev Date: Sheet of <Doc> <RevCode> <Title> A 1 1 Wednesday, March 15, 2006 2 2 1 1 CA25 2PIN CA25 2PIN 2 2 1 1 CA37 2PIN CA37 2PIN 1 1 2 2 3 3 4 4 5 5 6 6 7 7 8 8 9 9 10 10 11 11 12 12 13 13 14 14 15 15 16 16 17 17 18 18 20 20 19 19 21 21 23 23 22 22 24 24 25 25 26 26 27 27 28 28 29 29 30 30 31 31 32 32 CON14 DB32A CON14 DB32A 5 4 3 2 1 D D C C B B A A ST_DET VGA-G+ VGA-HS SOG VGA-B+ VGA-R+ VGA-VS TXD RXD VGA-SCL VS_RGB HS_RGB VGA-SDA VS_RGB 4 ST_DET 9 GIN+ 4 BIN+ 4 RIN+ 4 HS_RGB 4 RXD 9 TXD 9 GIN- 4 BIN- 4 SOG 4 RIN- 4 VGA/5V 5VA 5VA Title Size Document Number Rev Date: Sheet of C 4 深圳市高新区南区科技南十路国际技术创新研究院 座 楼 TEL:0755-26996895 FAX:0755-26996830 MST5251A 01A VGA A 2 10 Wednesday, March 15, 2006 Title Size Document Number Rev Date: Sheet of C 4 深圳市高新区南区科技南十路国际技术创新研究院 座 楼 TEL:0755-26996895 FAX:0755-26996830 MST5251A 01A VGA A 2 10 Wednesday, March 15, 2006 Title Size Document Number Rev Date: Sheet of C 4 深圳市高新区南区科技南十路国际技术创新研究院 座 楼 TEL:0755-26996895 FAX:0755-26996830 MST5251A 01A VGA A 2 10 Wednesday, March 15, 2006 R38 33 R38 33 R35 NC R35 NC R22 75 R22 75 1 2 D17 MLL5232B5.6V D17 MLL5232B5.6V R23 75 R23 75 1 2 D16 MLL5232B5.6V D16 MLL5232B5.6V L7 FB L7 FB 3 1 2 D19 BAT54C D19 BAT54C L4 0 L4 0 3 1 2 D13 BAV99 D13 BAV99 C16 47nF C16 47nF R39 33 R39 33 C24 0.1uF C24 0.1uF 3 1 2 D12 BAV99 D12 BAV99 R37 NC R37 NC R40 NC R40 NC 1 2 D18 MLL5232B5.6V D18 MLL5232B5.6V C14 47nF C14 47nF R20 10 R20 10 R25 470 R25 470 C23 NC C23 NC R27 47 R27 47 R21 10 R21 10 R28 47 R28 47 C15 1nF C15 1nF R19 10 R19 10 R31 NC R31 NC NC 1 NC 2 NC 3 GND 4 SDA 5 SCL 6 VCLK 7 VCC 8 U2 24C21 U2 24C21 L8 FB L8 FB C18 47nF C18 47nF R26 47 R26 47 R24 75 R24 75 C20 0.1uF C20 0.1uF 3 1 2 D14 BAV99 D14 BAV99 C19 0.1uF C19 0.1uF R33 4.7K R33 4.7K 1 3 2 E B C SOT 23 Q2 MMBT3904 E B C SOT 23 Q2 MMBT3904 1 2 D15 MLL5232B5.6V D15 MLL5232B5.6V L2 0 L2 0 5 10 4 9 3 8 2 7 1 15 14 13 12 11 6 16 17 P1 VGA P1 VGA R34 4.7K R34 4.7K C21 0.1uF C21 0.1uF R29 33 R29 33 C13 47nF C13 47nF C12 47nF C12 47nF L3 0 L3 0 R18 10K R18 10K R17 10K R17 10K R32 NC R32 NC L5 FB L5 FB C17 47nF C17 47nF R36 10K R36 10K L6 FB L6 FB R30 33 R30 33 C22 NC C22 NC 5 4 3 2 1 D D C C B B A A Y3 Pb3 Pr3 Pr HD2_YIN HD3_YIN HD1_PBIN HD2_PBIN HD1_YIN HD3_PBIN HD1_PRIN HD2_PRIN HD3_PRIN 314-S0 314-S1 314-S1 Pb Y Pr1 Y1 HD2_PRIN HD2_YIN HD2_PBIN Y- Y+ PB- PB+ Pr SOY PR- PR+ Pb Y2 Pb2 Pr2 HD3_YIN Y1 Pb1 HD3_PBIN HD3_PRIN Y3 Y3 Y3 Y3 HD1_PBIN HD1_YIN HD1_PRIN PB1 PB3 PB3 PR1 PR3 PR3 PR3 CPU+5V TXD RXD Y 314-S0 4 314-S1 4 Y+ 4 PR- 4 PR+ 4 SOY 4 Y- 4 PB+ 4 PB- 4 5VA 5VA 5VA 5VA 5VA +3.3AVDD 3.3VSW VCC_BUF 5VA 3.3VSW VCC_BUF 5VA VCC_BUF VCC_BUF VCC_BUF Title Size Document Number Rev Date: Sheet of C 4 深圳市高新区南区科技南十路国际技术创新研究院 座 楼 TEL:0755-26996895 FAX:0755-26996830 MST5251A 01A Y,Pb,Pr Input B 3 10 Wednesday, March 15, 2006 Title Size Document Number Rev Date: Sheet of C 4 深圳市高新区南区科技南十路国际技术创新研究院 座 楼 TEL:0755-26996895 FAX:0755-26996830 MST5251A 01A Y,Pb,Pr Input B 3 10 Wednesday, March 15, 2006 Title Size Document Number Rev Date: Sheet of C 4 深圳市高新区南区科技南十路国际技术创新研究院 座 楼 TEL:0755-26996895 FAX:0755-26996830 MST5251A 01A Y,Pb,Pr Input B 3 10 Wednesday, March 15, 2006 To MST IC To MST IC To MST IC R54 NC R54 NC C34 10p C34 10p L17 0 L17 0 NC 1 EN0 2 S1 3 IA3 4 IA2 5 IA1 6 IA0 7 YA0 8 GND 9 NC 10 NC 11 EN1 12 S3 13 IC3 14 IC2 15 IC1 16 IC0 17 YC 18 GND 19 NC 20 NC 21 NC 22 NC 23 NC 24 NC 25 NC 26 S2 27 NC 28 VCC 29 NC 30 NC 31 YB 32 IB0 33 IB1 34 IB2 35 IB3 36 S0 37 NC 38 VCC 39 NC 40 U3 PIV314 U3 PIV314 1 1 2 2 3 3 4 4 CON1 4PIN CON1 4PIN C28 NC C28 NC R51 10K R51 10K CA8 47uF CA8 47uF R276 10K R276 10K R64 470 R64 470 C26 0.1uF C26 0.1uF C48 47nF C48 47nF R71 0 R71 0 R69 75 R69 75 R59 10K R59 10K C30 10p C30 10p L12 0 L12 0 3 2 1 D23 BAV99 D23 BAV99 C29 NC C29 NC R275 10K R275 10K 3 2 1 D24 BAV99 D24 BAV99 CA9 47uF CA9 47uF R65 NC R65 NC R43 10K R43 10K C51 47nF C51 47nF R55 75 R55 75 R42 10K R42 10K R46 100 R46 100 L11 0 L11 0 CA11 47uF CA11 47uF L16 0 L16 0 R48 75 R48 75 R53 10K R53 10K 3 2 1 D20 BAV99 D20 BAV99 3 2 1 D28 BAV99 D28 BAV99 3 2 1 D21 BAV99 D21 BAV99 C42 10p C42 10p C36 47nF C36 47nF C32 10p C32 10p C50 47nF C50 47nF C27 NC C27 NC R77 10 R77 10 3 2 1 D26 BAV99 D26 BAV99 R74 10 R74 10 R272 10K R272 10K C40 10p C40 10p CA13 47uF CA13 47uF C45 10p C45 10p R57 75 R57 75 + CA3 10uF + CA3 10uF CA10 47uF CA10 47uF L14 0 L14 0 R63 470 R63 470 R278 10K R278 10K R61 10K R61 10K C47 10p C47 10p R72 10 R72 10 C41 10p C41 10p R75 10 R75 10 1 3 2 E B C SOT 23 Q5 MMBT3906 E B C SOT 23 Q5 MMBT3906 C49 47nF C49 47nF 3 2 1 D25 BAV99 D25 BAV99 + CA4 10uF + CA4 10uF 3 2 1 D27 BAV99 D27 BAV99 R279 10K R279 10K C31 10p C31 10p L18 0 L18 0 L9 600FB0805 L9 600FB0805 L10 0 L10 0 CA6 47uF CA6 47uF C39 10p C39 10p R76 75 R76 75 C46 10p C46 10p R277 10K R277 10K R56 75 R56 75 R73 75 R73 75 L13 0 L13 0 R44 10K R44 10K CA7 47uF CA7 47uF R50 75 R50 75 C43 10p C43 10p R49 75 R49 75 CA12 47uF CA12 47uF R274 10K R274 10K 1 1 2 2 3 3 4 4 5 5 6 6 7 7 8 8 9 9 P2 YUV P2 YUV 1 3 2 E B C SOT 23 Q4 MMBT3906 E B C SOT 23 Q4 MMBT3906 C35 10p C35 10p 5 9 4 8 3 7 2 6 1 11 10 P12 VGA P12 VGA 1 3 2 E B C SOT 23 Q3 MMBT3906 E B C SOT 23 Q3 MMBT3906 R78 75 R78 75 R70 75 R70 75 3 2 1 D22 BAV99 D22 BAV99 C33 10p C33 10p C38 1nF C38 1nF R273 10K R273 10K R60 10K R60 10K R68 75 R68 75 C25 0.1uF C25 0.1uF C44 10p C44 10p CA14 47uF CA14 47uF L15 0 L15 0 R62 470 R62 470 + CA5 10uF + CA5 10uF R280 10K R280 10K R47 100 R47 100 R52 10K R52 10K R67 NC/0 R67 NC/0 R66 0 R66 0 C37 47nF C37 47nF R58 0 R58 0 5 4 3 2 1 D D C C B B A A VLLC1 PR+ SOY GIN- BIN+ HDMI_SCL ALE WR RD FSDATAU15 FSDATAU18 GIN+ AD3 FSDATAU16 DQS3U PB+ FSDATAU5 FSDATAU8 PB- MST-ALE FSDATAU29 FSDATAU25 RXC- RIN- FSDATAU26 HS_RGB RX1+ FSDATAU0 AD0 FSDATAU1 FSDATAU[0..31] AUWS FSDATAU6 VD-A0 FSDATAU3 AUMCK AUSD DQM0U DQM1U FSDATAU21 RX0- RX0+ AD1 Y+ FSDATAU20 FSDATAU24 FSDATAU7 VD-A4 AUSCK FSDATAU11 RXC+ FSDATAU27 FSDATAU9 MST-RST VD-A1 RX1- HDMI_SDA FSDATAU5 VD-A3 FSDATAU8 FSDATAU0 FSDATAU1 FSDATAU6 FSDATAU3 FSDATAU7 FSDATAU11 FSDATAU9 FSDATAU13 FSDATAU12 FSDATAU14 FSDATAU10 FSDATAU4 FSDATAU2 VD-A2 RIN+ RXO1- RXE0+ RXO0+ LA1-/VS RXO1+ RXE2+ RXEC- RXO2- RXO3+ RXE3- RXO2+ LA1+/HS RXEC+ RXO0- RXOC- RXOC+ RXE3+ RXO3- RXE0- RXE2- VD-A2 ADJ_PWM VD-A7 FSDATAU13 FSBKSEL1 FSADDR1 FSDATAU12 FSDATAU15 FSBKSEL0 /FSCAS FSDATAU14 /FSRAS FSADDR7 FSADDR8 FSADDR4 FSADDR9 FSADDR6 FSADDR0 /FSWE VD-A3 FSADDR2 FSADDR5 FSADDR10 FSADDR3 MVREF FSADDR11 MVD4 VD-A4 VD-B6 FSDATAU17 DQS2U FSDATAU23 DQS0 DQS1 FSDATAU28 DQS3 DQS2 VD-A5 VD-A7 VD-A5 VD-A3 VD-A1 VD-HS VD-VS VD-B6 VD-B4 VD-B2 VD-B0 MVD3 VD-A6 VD-A4 VD-A2 VD-A0 VLLC1 VLLC2 VD-B7 VD-B5 VD-B3 VD-B1 FSADDR[0..11] DQS0U DQS1U DQS2U DQS3U VD-A0 DQM1U DQM0U DQM1 DQM0 VD-A7 VD-A6 MVD7 MVD5 MVD6 VD-B2 VD-A5 AUSCK AUWS AUMCK AUSD VD-B3 BB0 BB4 BB5 BB2 BB1 BB3 BB6 BB7 VD-B2 VD-B0 MVD2 GB7 GB5 GB3 GB2 GB4 GB6 BA1 BA0/DRT GA7/R GA4/SVM GA6/G GA5/B GA3 GA2 RA7 RA4 GA1 RA6 RA5 GA0 RA2 RA0 RA3 RA1 VD-B0 MVD1 PVD[7..0] FSCLK- FSCKE VD-A6 VD-A1 FSDATAU18 FSDATAU16 FSDATAU29 FSDATAU25 FSDATAU26 FSDATAU21 FSDATAU20 FSDATAU24 FSDATAU27 FSDATAU17 FSDATAU23 FSDATAU28 FSDATAU19 FSDATAU22 FSDATAU31 FSDATAU30 HDMI-AUDIO-R MVD0 MVD7 MVD5 VDHS VDVS MVD3 MVD1 PVD6 PVD4 PVD0 PVD2 MVCLK PVCLK MVD0 MVD6 MVD2 MVD4 PVD5 PVD1 PVD7 PVD3 VD-HS VD-B4 VD-B3 PVD3 PVD4 PVD2 PVD7 PVD5 VD-B5 PVD6 VD-B7 PVD0 PVD1 VD-B1 VD-B6 VD-B4 VD-B4 FSCLK+ VLLC2 VLLC2 VD-B5 VD-B7 VD-B1 MST-WR VD-HS VD-VS VLLC1 VLLC2 VDHS MVCLK VDVS PVCLK RX2+ FSDATAU10 MST-INT MST-RD PR- VD-VS VS_RGB FSDATAU19 HDMI-AUDIO-L FSDATAU22 FSDATAU31 BIN- RX2- Y- SOG AD2 DQS1U FSDATAU4 FSDATAU2 FSDATAU30 ADJ_PWM_1 FSDATAU[0..31] 6 /FSWE 6 FSCKE 6 FSCLK- 6 RXO3- 5 RXE3+ 5 RXEC- 5 LA1-/VS 5 RXO1+ 5 RXOC- 5 RXC+ 1 RXE0+ 5 RX1+ 1 RXE3- 5 BIN+ 2 RD 9 DQS0 6 DQM0 6 PB- 3 AD[0..3] 9 RXE0- 5 RX0+ 1 SOY 3 RXO2- 5 ADJ_PWM 5 RIN+ 2 RX0- 1 GIN+ 2 RX2+ 1 RX2- 1 RXO0+ 5 DQM1 6 Y+ 3 RXE2+ 5 VS_RGB 2 RXO3+ 5 BIN- 2 DQS3 6 RXEC+ 5 PB+ 3 RXE2- 5 RXO0- 5 LA1+/HS 5 FSADDR[0..11] 6 RXO2+ 5 HWRESET 9 Y- 3 HS_RGB 2 ALE 9 GIN- 2 DQS2 6 WR 9 RXOC+ 5 PR- 3 RIN- 2 RX1- 1 RXC- 1 PR+ 3 RXO1- 5 SOG 2 DQS1 6 HDMI-AUDIO-R 8 HDMI-AUDIO-L 8 314-S0 3 A-SW2 8 A-SW1 8 314-S1 3 MVD[7..0] 7 PVD[7..0] 8 HDMI_SCL 1 HDMI_SDA 1 MVCLK 7 FSCLK+ 6 PVCLK 8 FSBKSEL1 6 FSBKSEL0 6 /FSRAS 6 INT 9 /FSCAS 6 ADJ_PWM_1 30 VDDP VDDC AVDDPLL2 VDDP +APLL AVDD_HDMI VDD_MPLL AVDD_PLL +2.5MVDD +2.5MVDD AVDDA AVDD_HDMI +5V Title Size Document Number Rev Date: Sheet of C 4 深圳市高新区南区科技南十路国际技术创新研究院 座 楼 TEL:0755-26996895 FAX:0755-26996830 MST5251A 01A MST5251A C 4 10 Tuesday, August 16, 2005 Title Size Document Number Rev Date: Sheet of C 4 深圳市高新区南区科技南十路国际技术创新研究院 座 楼 TEL:0755-26996895 FAX:0755-26996830 MST5251A 01A MST5251A C 4 10 Tuesday, August 16, 2005 Title Size Document Number Rev Date: Sheet of C 4 深圳市高新区南区科技南十路国际技术创新研究院 座 楼 TEL:0755-26996895 FAX:0755-26996830 MST5251A 01A MST5251A C 4 10 Tuesday, August 16, 2005 R87 470 R87 470 CA19 10uF/16V CA19 10uF/16V 7 5 3 1 8 6 4 2 RN8 RP0X4 7 5 3 1 8 6 4 2 RN8 RP0X4 7 5 3 1 8 6 4 2 RN10 RP0X4 7 5 3 1 8 6 4 2 RN10 RP0X4 L19 600(4.5X3.2) L19 600(4.5X3.2) C56 0.1U C56 0.1U 7 5 3 1 8 6 4 2 RN2 RP0X4 7 5 3 1 8 6 4 2 RN2 RP0X4 R80 10R R80 10R R92 10K R92 10K CA16 10uF/16V CA16 10uF/16V 7 5 3 1 8 6 4 2 RN11 RP0X4 7 5 3 1 8 6 4 2 RN11 RP0X4 7 5 3 1 8 6 4 2 RN6 RP0X4 7 5 3 1 8 6 4 2 RN6 RP0X4 C54 0.1U C54 0.1U C64 3.9n C64 3.9n NC/RA6 186 NC/RA5 185 NC/RA4 184 NC/RA3 179 NC/RA2 178 NC/RA1 177 NC/RA0 176 LVA1P/PHS 208 LVA2M/BA7 207 LVA2P/BA6 206 LVACKM/BA5 205 LVACKP/BA4 204 LVA3M/BA3 201 LVA3P/BA2 200 LVB1P/RB6 220 LVB2M/RB5 219 LVB2P/RB4 218 LVBCKM/RB3 217 LVBCKP/RB2 216 LVB3M/RB1 215 LVB3P/RB0 214 VDDC 213 GND 212 NC/GB5 231 VI_DATA[11] 57 VI_DATA[10] 56 VI_DATA[9] 55 VI_DATA[8] 54 REFM 44 REFP 43 RMID 42 VSYNC0 41 HSYNC1 22 DDCD_CK 19 DDCD_DA 18 REXT 15 HDMI_CK- 13 HDMI_CK+ 12 HDMI_B- 10 HDMI_B+ 9 RIN1M 30 RIN1 29 GIN1M 28 GIN1 27 SOGIN1 26 BIN1M 25 BIN1 24 VSYNC1 23 GND 2 HDMI_R- 4 HDMI_G+ 6 HDMI_G- 7 HDMI_R+ 3 HSYNC0 40 RIN0 37 RIN0M 36 SOGIN0 35 GIN0 34 GIN0M 33 BIN0 32 BIN0M 31 VI_DATA[12] 58 VI_DATA[13] 59 VI_DATA[14] 60 VI_DATA[15] 61 GND 63 NC/AVDD_APLL 62 GPIO[5]/VHS 64 VI_DATA[0] 67 VI_DATA[1] 68 AVDD_HDMI 8 AVDD_ADC 21 VDDC 151 AVDD_ADC 38 VDDC 77 NC/BB0 234 VDDM 133 AVDD_PLL2 129 NC/VDDM 174 VI_DATA[2] 69 AVDD_MPLL 256 VDDM 145 VDDC 180 VI_DATA[4] 71 VI_DATA[5] 72 VI_DATA[6] 73 VI_DATA[7] 74 GND 11 GND 17 AVDD_PLL 16 GND 20 VI_DATA[3] 70 GND 152 GND 39 GND 181 GND 193 GND 1 GND 128 GNDM 146 GND 182 VDDP 80 VDDP 183 BYPASS 192 LVA1M/PVS 209 VDDC 99 NC/VDDM 159 NC/GB6 243 NC/BB5 242 AVDD_HDMI 14 GND 78 LVA0P/PCLK 210 LVA0M/PDE 211 NC/GB6 232 NC/GB7 233 NC/BB4 241 GND 100 GNDM 160 GNDM 134 GND 5 NC 75 NC/VCTRL 76 HWRESET 81 INT 82 ALE 83 RDZ 84 WRZ 85 DBUS[0] 86 DBUS[1] 87 DBUS[2] 88 DBUS[3] 89 GPIO[3]/VDE 94 DBUS[4] 90 GPIO[1]/FIELD 96 PWM1 253 MDATA[15] 155 MDATA[14] 156 MDATA[13] 157 MDATA[12] 158 MDATA[11] 161 MDATA[10] 162 MDATA[9] 163 MDATA[8] 164 MDATA[7] 165 MDATA[6] 166 MDATA[5] 167 MDATA[4] 168 MDATA[3] 169 MDATA[2] 170 MDATA[1] 171 MDATA[0] 172 DQM[0] 153 MCLKE 125 MCLK 127 BADR[1] 130 BADR[0] 131 RASZ 132 CASZ 135 WEZ 136 MADR[0] 137 MADR[1] 138 MADR[2] 139 MADR[3] 140 MADR[4] 141 MADR[5] 142 MADR[6] 143 MADR[7] 144 MADR[8] 147 MADR[9] 148 MADR[10] 149 GND 45 LVB1M/RB7 221 LVB0P/GB0 226 LVB0M/GB1 227 NC/GB2 228 NC/GB3 229 NC/BB7 244 NC/BB1 235 NC/BB2 236 NC/BB3 237 VDDP 238 GND 239 BUSTYPE 240 GND 245 NC/VDDC 246 AIMCK 247 AISD 248 AISCK 249 AIWS 250 NC/GB4 230 NC/BA1 199 NC/BA0 198 GPIO[6] 251 NC/GA0 188 NC/RA7 187 XOUT 254 XIN 255 GNDM 175 SPDIFO 53 AUMUTE 52 AUWS 51 AUSCK 50 AUSD 49 AUMCK 48 GND 46 VDDP 47 GPIO[4]/VCLK2 65 VI_CK 66 GND 79 DBUS[5] 91 DBUS[6] 92 DBUS[7] 93 GPIO[2]/VVS 95 GPIO[0]/NC 97 PWM2/NC 98 DQS[3] 101 MDATA[31] 102 MDATA[30] 103 MDATA[29] 104 MDATA[28] 105 VDDM 106 GNDM 107 MDATA[27] 108 MDATA[26] 109 MDATA[25] 110 MDATA[24] 111 MDATA[23] 112 MDATA[22] 113 GNDM 123 VDDM 122 MDATA[21] 114 MDATA[20] 115 MDATA[19] 116 MDATA[18] 117 MDATA[17] 118 MDATA[16] 119 DQS[2] 120 DQM[1] 121 MCLKZ 126 MVREF 124 MADR[11] 150 DQS[1] 154 DQS[0] 173 NC/GA1 189 NC/GA2 190 NC/GA7 197 NC/GA6 196 NC/GA5 195 NC/GA4 194 NC/GA3 191 PWM0 252 VDDC 225 GND 224 GND 223 VDDP 222 GND 203 VDDP 202 U4A MST5250LA/5251LA U4A MST5250LA/5251LA R83 10R R83 10R 7 5 3 1 8 6 4 2 RN19 33 7 5 3 1 8 6 4 2 RN19 33 C61 3.9n C61 3.9n R79 390R1% R79 390R1% CA15 10uF/16V CA15 10uF/16V R82 10R R82 10R R91 470 R91 470 AOUTL 7 SCLK 2 LRCK 3 MCLK 4 VQ 5 FILT+ 6 SDIN 1 GND 8 VA 9 AOUTR 10 U5 CS4344 U5 CS4344 R90 1K R90 1K R84 10R R84 10R C65 0.1uF/16V C65 0.1uF/16V 7 5 3 1 8 6 4 2 RN7 RP0X4 7 5 3 1 8 6 4 2 RN7 RP0X4 C63 0.01U C63 0.01U GND 1 GND 2 A7 3 A6 4 A5 5 A4 6 A3 7 A2 8 A1 9 A0 10 HS 11 CLK1 12 VS 13 CLK2 14 B6 15 B7 16 B4 17 B5 18 B2 19 B3 20 B0 21 B1 22 GND 23 GND 24 CON6 24(2X2.0mm)PIN CON6 24(2X2.0mm)PIN 7 5 3 1 8 6 4 2 RN14 RP0X4 7 5 3 1 8 6 4 2 RN14 RP0X4 R89 10K R89 10K C62 0.1U C62 0.1U R85 10R R85 10R 7 5 3 1 8 6 4 2 RN1 RP0X4 7 5 3 1 8 6 4 2 RN1 RP0X4 C55 0.1U C55 0.1U C66 0.1uF/16V C66 0.1uF/16V 7 5 3 1 8 6 4 2 RN12 RP0X4 7 5 3 1 8 6 4 2 RN12 RP0X4 Y1 14.318MHZ Y1 14.318MHZ R81 10R R81 10R 7 5 3 1 8 6 4 2 RN18 RP0X4 7 5 3 1 8 6 4 2 RN18 RP0X4 CA18 3.3uF/16V CA18 3.3uF/16V GND 1 GND 2 A7 3 A6 4 A5 5 A4 6 A3 7 A2 8 A1 9 A0 10 HS 11 CLK1 12 VS 13 CLK2 14 B6 15 B7 16 B4 17 B5 18 B2 19 B3 20 B0 21 B1 22 GND 23 GND 24 CON5 24(2X2.0mm)PIN CON5 24(2X2.0mm)PIN 7 5 3 1 8 6 4 2 RN13 RP0X4 7 5 3 1 8 6 4 2 RN13 RP0X4 C57 NC C57 NC R88 1K R88 1K C53 22P C53 22P C52 22P C52 22P 7 5 3 1 8 6 4 2 RN9 RP0X4 7 5 3 1 8 6 4 2 RN9 RP0X4 7 5 3 1 8 6 4 2 RN16 RP0X4 7 5 3 1 8 6 4 2 RN16 RP0X4 CA17 10uF/16V CA17 10uF/16V R86 33 R86 33 C60 0.1uF C60 0.1uF 7 5 3 1 8 6 4 2 RN3 RP0X4 7 5 3 1 8 6 4 2 RN3 RP0X4 7 5 3 1 8 6 4 2 RN5 RP0X4 7 5 3 1 8 6 4 2 RN5 RP0X4 7 5 3 1 8 6 4 2 RN17 RP0X4 7 5 3 1 8 6 4 2 RN17 RP0X4 7 5 3 1 8 6 4 2 RN15 RP0X4 7 5 3 1 8 6 4 2 RN15 RP0X4 7 5 3 1 8 6 4 2 RN4 RP0X4 7 5 3 1 8 6 4 2 RN4 RP0X4 C58 NC C58 NC C59 NC C59 NC 5 4 3 2 1 D D C C B B A A RXOC- ON_PANEL ADJ_PWM_1 RXE0+ RXE2+ RXO0+ RXO2+ RXO3+ RXO1+ RXEC+ LA1+/HS LA1+/HS RXE3+ RXOC+ RXE2- RXO2- RXO0- RXO1- RXE3- RXO3- RXE0- RXEC- LA1-/VS ADJ_PWM ON_PBACK ON_PANEL 9 RXO0- 4 RXO0+ 4 RXO1- 4 RXO2+ 4 RXO2- 4 RXO1+ 4 RXOC- 4 RXOC+ 4 RXO3+ 4 RXE0+ 4 RXO3- 4 RXE0- 4 LA1-/VS 4 RXE2+ 4 RXE3- 4 LA1+/HS 4 RXE2- 4 RXE3+ 4 RXEC+ 4 RXEC- 4 ON_PBACK 9 ADJ_PWM 4 ADJ_PWM_1 30 VCC-Panel VPANEL_IN 5V-P VCC-Panel +18V +12V-1 VDDP CPU+5V CPU+5V CPU+5V +5V Title Size Document Number Rev Date: Sheet of C 4 深圳市高新区南区科技南十路国际技术创新研究院 座 楼 TEL:0755-26996895 FAX:0755-26996830 MST5251A 01A LVDS Panel IF A 5 10 Wednesday, March 15, 2006 Title Size Document Number Rev Date: Sheet of C 4 深圳市高新区南区科技南十路国际技术创新研究院 座 楼 TEL:0755-26996895 FAX:0755-26996830 MST5251A 01A LVDS Panel IF A 5 10 Wednesday, March 15, 2006 Title Size Document Number Rev Date: Sheet of C 4 深圳市高新区南区科技南十路国际技术创新研究院 座 楼 TEL:0755-26996895 FAX:0755-26996830 MST5251A 01A LVDS Panel IF A 5 10 Wednesday, March 15, 2006 LCD Power Inverter Connector R99 0 R99 0 S 1 S 2 S 3 G 4 D 8 D 7 D 6 D 5 U6 4435 U6 4435 R282 NC R282 NC R98 1K R98 1K L21 NC/600(4.5X3.2) L21 NC/600(4.5X3.2) C69 0.1uF C69 0.1uF R102 10K R102 10K R96 1K R96 1K L22 600(4.5X3.2) L22 600(4.5X3.2) + CA20 470uF/25V + CA20 470uF/25V 1 3 2 E B C SOT 23 Q8 MMBT3904 E B C SOT 23 Q8 MMBT3904 R94 NC R94 NC L20 NC/600(4.5X3.2) L20 NC/600(4.5X3.2) VCC 1 VCC 2 VCC 3 VCC 4 VCC 5 VCC 6 GND 7 GND 8 GND 9 GND 10 GND 11 GND 12 B0+ 13 B0- 14 B1+ 15 B1- 16 B2+ 17 B2- 18 BC+ 19 BC- 20 B3+ 21 B3- 22 GND 23 GND 24 A0+ 25 A0- 26 A1+ 27 A1- 28 A2+ 29 A2- 30 AC- 31 AC- 32 A3+ 33 A3- 34 GND 35 GND 36 CON7 36PIN CON7 36PIN C67 0.1uF C67 0.1uF C70 1uF C70 1uF +CA100 470uF/35V +CA100 470uF/35V 1 1 2 2 3 3 4 4 5 5 6 6 7 7 9 9 8 8 10 10 CON12 10(2X2.0MM)PIN CON12 10(2X2.0MM)PIN R103 4.7K R103 4.7K 1 3 2 E B C SOT 23 Q7 MMBT3904 E B C SOT 23 Q7 MMBT3904 1 3 2 E B C SOT 23 Q6 MMBT3904 E B C SOT 23 Q6 MMBT3904 + CA21 470uF/35V + CA21 470uF/35V R100 10K R100 10K R97 NC R97 NC R95 4.7K R95 4.7K C68 0.1uF C68 0.1uF R93 10K R93 10K R101 1K R101 1K C286 1uF C286 1uF 5 4 3 2 1 D D C C B B A A FSDATA4 FSDATA12 FSDATA14 FSDATA15 FSDATA24 FSDATA25 FSDATA26 FSDATA27 FSDATA28 DQS0 FSDATA29 FSDATA30 DQS2 FSDATA31 DQS1 DQS3 FSDATAU7 FSDATAU6 FSDATAU4 FSDATAU5 FSVREF FSDATAU10 FSDATAU11 FSDATAU9 FSDATAU8 FSDATAU13 FSDATAU15 FSDATAU14 FSDATAU12 FSDATAU18 FSDATAU17 FSDATAU19 FSDATAU16 FSDATAU23 FSDATAU20 FSDATAU21 FSDATAU22 FSDATAU27 FSDATAU26 FSDATAU25 FSDATAU24 FSDATAU31 FSDATAU29 FSDATAU28 FSDATAU30 FSDATAU3 FSDATAU0 FSDATAU2 FSDATAU1 DQM1 DQM0 FSDATAU31 FSDATAU25 FSDATAU8 FSDATAU5 FSDATAU6 FSDATAU21 FSDATAU9 FSDATAU2 FSDATAU3 FSDATAU7 FSDATAU22 FSDATAU0 FSDATAU15 FSDATAU29 FSDATAU30 FSDATAU1 FSDATAU14 FSDATAU10 FSDATAU[0..31] FSDATAU19 FSDATAU17 FSDATAU26 FSDATAU27 FSDATAU24 FSDATAU18 FSDATAU28 FSDATAU11 FSDATAU4 FSDATAU20 FSDATAU13 FSDATAU16 FSDATAU12 FSDATAU23 FSDATA12 FSDATA24 FSDATA6 FSDATA15 FSDATA2 FSDATA10 FSDATA19 FSDATA28 FSDATA31 FSDATA17 FSDATA22 FSDATA29 FSDATA13 FSDATA8 FSDATA[0..31] FSDATA23 FSDATA0 FSDATA30 FSDATA9 FSDATA3 FSDATA26 FSDATA18 FSDATA7 FSDATA20 FSDATA1 FSDATA27 FSDATA14 FSDATA11 FSDATA5 FSDATA16 FSDATA25 FSADDR1 FSADDR0 FSADDR2 FSADDR7 FSADDR5 FSADDR3 FSADDR6 FSADDR4 FSADDR9 FSADDR10 FSADDR8 FSBKSEL1 FSBKSEL0 /FSRAS FSCKE FSCLK+ /FSCAS FSCLK- /FSWE FSDQM10 FSDQM00 FSDQM01 FSDQM11 FSDATA5 FSADDR11 FSDATA16 FSDATA17 FSDATA18 FSDATA19 FSDATA20 FSDATA21 FSDATA22 FSDATA23 FSDATA8 FSDATA9 FSDATA10 FSDATA0 FSDATA1 FSDATA6 FSDATA3 FSDATA4 FSDATA2 FSDATA7 FSDATA11 FSDATA13 FSDATA21 FSCLK- FSCLK+ DQS3 4 DQM0 4 DQM1 4 DQS0 4 FSADDR[0..11] 4 FSCLK+ 4 /FSCAS 4 FSCKE 4 /FSRAS 4 FSBKSEL0 4 /FSWE 4 FSBKSEL1 4 FSCLK- 4 FSDATAU[0..31] 4 DQS2 4 DQS1 4 +2.5V_DMQ GND +2.5V_DMC FSVREF +2.5V_DMC +2.5V_DMQ GND FSVREF GND GND GND +2.5V_DMQ Title Size Document Number Rev Date: Sheet of C 4 深圳市高新区南区科技南十路国际技术创新研究院 座 楼 TEL:0755-26996895 FAX:0755-26996830 MST5251A 01A DDR-SDRAM B 6 10 Wednesday, March 15, 2006 Title Size Document Number Rev Date: Sheet of C 4 深圳市高新区南区科技南十路国际技术创新研究院 座 楼 TEL:0755-26996895 FAX:0755-26996830 MST5251A 01A DDR-SDRAM B 6 10 Wednesday, March 15, 2006 Title Size Document Number Rev Date: Sheet of C 4 深圳市高新区南区科技南十路国际技术创新研究院 座 楼 TEL:0755-26996895 FAX:0755-26996830 MST5251A 01A DDR-SDRAM B 6 10 Wednesday, March 15, 2006 H/W Swamp Place this parallel termination close to corresponding memory IC Pins Near The DDR-SDRAM IC layout 可以依造 顺来调线 Near The DDR-SDRAM IC Near The DDR-SDRAM IC Near The DDR-SDRAM IC Stub as short as possible. H/W Swamp 1 3 5 7 2 4 6 8 RN23 RP 33 ohm[X4 RN23 RP 33 ohm[X4 1 3 5 7 2 4 6 8 RN20 RP 10 ohm[X4 RN20 RP 10 ohm[X4 C72 0.1uF C72 0.1uF R106 33 R106 33 R108 33 R108 33 C86 0.1uF C86 0.1uF C81 0.1uF C81 0.1uF C71 0.1uF C71 0.1uF 1 3 5 7 2 4 6 8 RN26 RP 33 ohm[X4 RN26 RP 33 ohm[X4 1 3 5 7 2 4 6 8 RN22 RP 10 ohm[X4 RN22 RP 10 ohm[X4 C234 0.1uF C234 0.1uF R105 33 R105 33 C83 0.1uF C83 0.1uF 1 3 5 7 2 4 6 8 RN21 RP 33 ohm[X4 RN21 RP 33 ohm[X4 C82 0.1uF C82 0.1uF C78 0.1uF C78 0.1uF R110 1K R110 1K C73 0.1uF C73 0.1uF C80 0.1uF C80 0.1uF C76 0.1uF C76 0.1uF C77 0.1uF C77 0.1uF A0 M4 A1 M5 A2 L5 A3 M6 A4 M7 A5 L8 A6 M8 A7 M9 A8/AP M10 A9 L7 A10 K5 A11 L6 DQ0 A6 DQ1 B5 DQ2 A5 DQ3 A4 DQ4 B1 DQ5 C2 DQ6 C1 DQ7 D1 DQ8 J12 DQ9 J11 DQ10 H12 DQ11 H11 DQ12 F12 DQ13 F11 DQ14 E12 DQ15 E11 DQ16 E2 DQ17 E1 DQ18 F2 DQ19 F1 DQ20 H2 DQ21 H1 DQ22 J1 DQ23 J2 DQ24 D12 DQ25 C12 DQ26 C11 DQ27 B12 DQ28 A9 DQ29 A8 DQ30 B8 DQ31 A7 DQS0 A1 DQS1 G12 DQS2 G1 DQS3 A12 DM0 A2 DM1 G11 DM2 G2 DM3 A11 BA0 M3 BA1 L4 CK L10 CK# L11 CKE M11 CS# M1 RAS# L1 CAS# K1 WE# K2 VREF M12 VDD C6 VDD C7 VDD D3 VDD D10 VDD K3 VDD K6 VDD K7 VDD K10 VDDQ B2 VDDQ B4 VDDQ B6 VDDQ B7 VDDQ B9 VDDQ B11 VDDQ D2 VDDQ D11 VDDQ E3 VDDQ E10 VDDQ F3 VDDQ F10 VDDQ H3 VDDQ H10 VDDQ J3 VDDQ J10 VSS D4 VSS D6 VSS D7 VSS D9 VSS E5 VSS E6 VSS E7 VSS E8 VSS F5 VSS F6 VSS F7 VSS F8 VSS G5 VSS G6 VSS G7 VSS G8 VSS H5 VSS H6 VSS H7 VSS H8 VSS J5 VSS J6 VSS J7 VSS J8 VSS K4 VSS K9 VSSQ A3 VSSQ A10 VSSQ C3 VSSQ C4 VSSQ C5 VSSQ C8 VSSQ C9 VSSQ C10 VSSQ D5 VSSQ D8 VSSQ E4 VSSQ E9 VSSQ F4 VSSQ F9 VSSQ G4 VSSQ G9 VSSQ H4 VSSQ H9 VSSQ J4 VSSQ J9 NC B3 NC B10 NC G3 NC G10 NC K8 NC K11 NC K12 NC L2 NC L3 NC L9 NC L12 NC M2 U7 EM6A9320/DDR-SDRAM/BGA U7 EM6A9320/DDR-SDRAM/BGA C85 0.1uF C85 0.1uF C79 0.1uF C79 0.1uF C84 0.1uF C84 0.1uF 1 3 5 7 2 4 6 8 RN27 RP 10 ohm[X4 RN27 RP 10 ohm[X4 R104 150 5% R104 150 5% R107 33 R107 33 1 3 5 7 2 4 6 8 RN25 RP 10 ohm[X4 RN25 RP 10 ohm[X4 1 3 5 7 2 4 6 8 RN24 RP 33 ohm[X4 RN24 RP 33 ohm[X4 C74 0.1uF C74 0.1uF C75 0.1uF C75 0.1uF R109 1K R109 1K C241 0.1uF C241 0.1uF 5 4 3 2 1 D D C C B B A A PVCLK PVCLK PVCLK PVCLK M-AVOUT1 M-AVOUT1 M-AVOUT1 M-AVOUT1 P-AVOUT1 DQ12 DQ13 AQ3 AQ11 AQ4 DQ4 DQ11 AQ2 DQ14 DQ14 /CAS DQ0 DQM /WE /RAS MVBA0 M-AVout /WE DQ15 DQ1 PR4 AQ10 DQ7 DQ5 DQ2 AQ3 DQ12 /WE DQ15 DQ3 DQ6 CLK AQ5 MVBA1 DQ4 AQ2 DQ5 CLK DQ6 /CAS AQ4 DQ13 /CAS DQ5 DQ4 DQM Y4 DQ8 TV1-MVin DQ6 DQ3 CLK /RAS DQ7 AQ[11..0] DQ7 AQ5 DQ2 AQ10 DQ14 AQ9 MVBA0 DQ11 AQ2 DQ1 DQ2 DQ9 AQ0 PVD[7..0] DQ9 AQ8 PVCLK PVCLK PVCLK PVCLK I2CA0 AQ0 DQ0 DQ0 DQM DQ9 DQM AQ8 I2CA1 DQ10 AQ3 MVBA1 DQ12 ALL-RST DQ11 DQM DQ3 DQ10 AQ1 AQ9 AQ6 PB4 DQ15 AQ0 PVD6 PVD5 PVD4 PVD3 PVD2 PVD1 PVD0 AQ7 DQ[15..0] DQ13 AQ6 PVD7 DQ10 DQ1 DQ8 AQ10 AQ1 AQ7 MVBA0 AQ4 AQ5 AQ6 AQ7 AQ8 AQ9 AQ11 DQ8 /RAS AQ1 PVCLK 4 AV1-MVin 8 AV1-MYin 8 AV1-MCin 8 MAIN-SCL 8,9 MAIN-SDA 8,9 ALL-RST 8,9 TV1-MVin 8 M-AVout 8 AV2-MCin 8 AV2-MVin 8 AV2-MYin 8 TV2-MVin 8 PVD[7..0] 4 M1.8VA T1.8V P1.8VA T1.8V P1.8VD T3.3VA P3.3VA T3.3VA M3.3VA T3.3VD P3.3VD T3.3VD M3.3VD T3.3VD M3.3VMD M3.3VMD 5VBUF T1.8V M1.8VPLL M1.8VPLL T1.8V P1.8VPLL M3.3VA M1.8VA M3.3VD M1.8VD M3.3VMD M3.3VD M3.3VA M1.8VA M1.8VD M3.3VD M3.3VD M3.3VMD M1.8VD T1.8V T1.8V Title Size Document Number Rev Date: Sheet of C 4 深圳市高新区南区科技南十路国际技术创新研究院 座 楼 TEL:0755-26996895 FAX:0755-26996830 MST5251A 01A TVP5160 C 7 10 Wednesday, March 15, 2006 Title Size Document Number Rev Date: Sheet of C 4 深圳市高新区南区科技南十路国际技术创新研究院 座 楼 TEL:0755-26996895 FAX:0755-26996830 MST5251A 01A TVP5160 C 7 10 Wednesday, March 15, 2006 Title Size Document Number Rev Date: Sheet of C 4 深圳市高新区南区科技南十路国际技术创新研究院 座 楼 TEL:0755-26996895 FAX:0755-26996830 MST5251A 01A TVP5160 C 7 10 Wednesday, March 15, 2006 Vcc1.8for TVP5160 3.3VD for TVP5160&TVP5147 3.3VA for TVP5160&TVP5147 Vcc1.8for TVP5147 R302 0 R302 0 R124 75 R124 75 + CA33 22uF + CA33 22uF C95 10P C95 10P L34 3.3uH L34 3.3uH 1 2 3 4 CON9 4X2.0MM CON9 4X2.0MM C118 0.1UF C118 0.1UF R111 10K R111 10K C139 0.1uF C139 0.1uF C119 0.1uF C119 0.1uF C109 0.1UF C109 0.1UF R129 33 R129 33 C136 0.1uF C136 0.1uF 7 5 3 1 8 6 4 2 RN30 RP33ohmX4 7 5 3 1 8 6 4 2 RN30 RP33ohmX4 7 5 3 1 8 6 4 2 RN35 RP33ohmX4 7 5 3 1 8 6 4 2 RN35 RP33ohmX4 C133 0.1uF C133 0.1uF R121 NC R121 NC C121 0.1uF C121 0.1uF C99 0.1UF C99 0.1UF C111 0.1UF C111 0.1UF + CA24 22uF + CA24 22uF 7 5 3 1 8 6 4 2 RN33 RP33ohmX4 7 5 3 1 8 6 4 2 RN33 RP33ohmX4 C94 0.1UF C94 0.1UF R112 10K R112 10K L26 3.3uH L26 3.3uH C106 0.1UF C106 0.1UF R122 75 R122 75 C101 0.1UF C101 0.1UF R268 NC R268 NC C92 0.1UF C92 0.1UF L33 3.3uH L33 3.3uH 7 5 3 1 8 6 4 2 RN36 RP33ohmX4 7 5 3 1 8 6 4 2 RN36 RP33ohmX4 C281 1uF/16V C281 1uF/16V L29 3.3uH L29 3.3uH VDD 1 VSS 54 DQ0 2 DQ15 53 VDDQ 3 DQ14 51 DQ1 4 VSSQ 52 DQ2 5 DQ13 50 VSSQ 6 DQ12 48 DQ3 7 VDDQ 49 DQ4 8 DQ11 47 VDDQ 9 DQ10 45 DQ5 10 VSSQ 46 DQ6 11 DQ9 44 DQ7 13 DQ8 42 VDD 14 LDQM 15 WE 16 CAS 17 RAS 18 CS 19 BA0 20 A10 22 A0 23 A1 24 A2 25 A3 26 VDD 27 VSS 28 A4 29 A5 30 A6 31 A7 32 A8 33 A9 34 NC 36 CKE 37 CLK 38 UDQM 39 NC 40 VDDQ 43 BA1 21 VSSQ 12 A11 35 VSS 41 U26 HEADER30_9 U26 HEADER30_9 A33GND 1 A33VDD 2 VI_1 3 VI_2 4 VI_3 5 NC 6 VI_4 7 VI_5 8 VI_6 9 NC 10 A18VDD 11 A18GND 12 A18VDD 13 A18GND 14 A18GND 15 A18VDD 16 VI_7 17 VI_8 18 VI_9 19 NC 20 VI_10 21 VI_11 22 VI_12 23 NC 24 A33VDD 25 A33GND 26 A33GND 27 NSUB 28 TMS 29 SCL 30 SDA 31 INTREQ 32 DVDD 33 DGND 34 PWDN 35 RESETB 36 IOVDD 37 IOGND 38 D0 39 D1 40 D2 41 D3 42 D4 43 D5 44 D6 45 D7 46 DVDD 47 DGND 48 D15 49 D14 50 D13 51 D12 52 D11 53 D10 54 D9 55 D8 56 IOVDD 57 IOGND 58 DQM 59 CLK 60 A11 61 A9 62 A8 63 A7 64 DVDD 65 DGND 66 A6 67 A5 68 A4 69 WE# 70 CAS# 71 RAS# 72 BA0 73 IOVDD 74 IOGND 75 BA1 76 A10 77 A0 78 A1 79 A2 80 A3 81 GPIO/I2CCA1 82 GLCO/GPIO/I2CA0 83 DATACLK 84 DVDD 85 DGND 86 Y_9 87 Y_8 88 Y_7 89 Y_6 90 Y_5 91 IOVDD 92 IOGND 93 Y_4 94 Y_3 95 Y_2 96 Y_1 97 Y_0 98 DVDD 99 DGND 100 C_9/GPIO/FSO 101 C_8/GPIO/BLUE 102 C_7/GPIO/GREEN 103 C_6/GPIO/RED 104 EOVDD 105 IOGND 106 C_5/GPIO 107 C_4/GPIO 108 C_3/GPIO 109 C_2/GPIO 110 DVDD 111 DGND 112 C_1/GPIO/FSS5 113 C_0/FPIO/FSS4 114 AVID/GPIO/FSS3 115 FID/GPIO/FSS2 116 FSS1 119 AGND 120 XTAL1 121 XTAL2 122 PLL18VDD 123 PLL18GND 124 A33VDD 125 A33GND 126 ANALOG_OUT 127 A33GND 128 HS/CS/GPIO 117 VS/VBLK/GPIO 118 U8 5160 U8 5160 C123 0.1uF C123 0.1uF R119 33 R119 33 R303 0 R303 0 R120 10K R120 10K C112 0.1UF C112 0.1UF C110 0.1UF C110 0.1UF C279 1uF/16V C279 1uF/16V 7 5 3 1 8 6 4 2 RN37 RP33ohmX4 7 5 3 1 8 6 4 2 RN37 RP33ohmX4 C107 0.1UF C107 0.1UF + CA30 22uF + CA30 22uF + CA28 22uF + CA28 22uF L28 3.3uH L28 3.3uH R128 100 R128 100 C104 0.1UF C104 0.1UF R113 22 R113 22 L27 3.3uH L27 3.3uH C134 0.1uF C134 0.1uF C89 0.1UF C89 0.1UF C100 0.1UF C100 0.1UF C132 0.1uF C132 0.1uF + CA26 22uF + CA26 22uF C135 0.1uF C135 0.1uF C137 0.1uF C137 0.1uF R114 12K R114 12K C113 0.1UF C113 0.1UF 7 5 3 1 8 6 4 2 RN28 RP2233hmX4 7 5 3 1 8 6 4 2 RN28 RP2233hmX4 C91 0.1UF C91 0.1UF C126 0.1uF C126 0.1uF C87 22PF C87 22PF C90 0.1UF C90 0.1UF + CA36 22uF + CA36 22uF 7 5 3 1 8 6 4 2 RN38 RP33ohmX4 7 5 3 1 8 6 4 2 RN38 RP33ohmX4 C97 0.1UF C97 0.1UF + CA27 22uF + CA27 22uF L31 3.3uH L31 3.3uH R115 10K R115 10K C131 0.1uF C131 0.1uF L30 3.3uH L30 3.3uH C88 22PF C88 22PF R123 75 R123 75 7 5 3 1 8 6 4 2 RN32 RP33ohmX4 7 5 3 1 8 6 4 2 RN32 RP33ohmX4 7 5 3 1 8 6 4 2 RN31 RP33ohmX4 7 5 3 1 8 6 4 2 RN31 RP33ohmX4 L32 3.3uH L32 3.3uH C282 100P C282 100P C98 0.1UF C98 0.1UF 1 3 2 E B C SOT 23 Q9 MMBT3904 E B C SOT 23 Q9 MMBT3904 C105 0.1UF C105 0.1UF C116 0.1UF C116 0.1UF C108 0.1UF C108 0.1UF CA22 22uF CA22 22uF 7 5 3 1 8 6 4 2 RN29 RP2233hmX4 7 5 3 1 8 6 4 2 RN29 RP2233hmX4 R118 1K R118 1K L24 3.3uH L24 3.3uH C102 0.1UF C102 0.1UF 7 5 3 1 8 6 4 2 RN34 RP33ohmX4 7 5 3 1 8 6 4 2 RN34 RP33ohmX4 R125 33 R125 33 + CA23 22uF + CA23 22uF 1 2 3 4 5 6 7 8 9 10 11 12 CON8 12X2.0MM CON8 12X2.0MM C114 0.1UF C114 0.1UF C280 100P C280 100P C130 0.1uF C130 0.1uF C138 0.1uF C138 0.1uF R116 22K R116 22K R127 10k R127 10k C103 0.1UF C103 0.1UF C128 0.1uF C128 0.1uF C129 0.1uF C129 0.1uF C120 0.1uF C120 0.1uF + CA31 22uF + CA31 22uF 3 Y2 14.318MHZ Y2 14.318MHZ C96 0.1UF C96 0.1UF + CA34 22uF + CA34 22uF C122 0.1uF C122 0.1uF VDD 1 VSS 50 DQ0 2 DQ15 49 DQ1 3 DQ14 48 VSSQ 4 VSSQ 47 DQ2 5 DQ13 46 DQ3 6 DQ12 45 VDDQ 7 VDDQ 44 DQ4 8 DQ11 43 DQ5 9 DQ10 42 VSSQ 10 VSSQ 41 DQ6 11 DQ9 40 DQ7 12 DQ8 39 VDDQ 13 DQML 14 WE 15 CAS_ 16 RAS_ 17 CS_ 18 A11 19 A10 20 A0 21 A1 22 A2 23 A3 24 VDD 25 VSS 26 A4 27 A5 28 A6 29 A7 30 A8 31 A9 32 NC 33 CKE 34 CLK 35 DQMH 36 NC 37 VDDQ 38 U9 HEADER30_9 U9 HEADER30_9 C117 0.1UF C117 0.1UF C125 0.1uF C125 0.1uF C115 0.1UF C115 0.1UF + CA32 22uF + CA32 22uF C283 0.1uF C283 0.1uF R117 68 R117 68 C93 0.1UF C93 0.1UF C124 0.1uF C124 0.1uF L25 3.3uH L25 3.3uH + CA29 22uF + CA29 22uF R126 33 R126 33 R130 33 R130 33 R269 10K R269 10K C284 0.1UF C284 0.1UF 5 4 3 2 1 D D C C B B A A AV2-Vin AV1-V AV2-V N18070771 AV2-Cin AV2-C AV2-Yin AV2-PYin AV2-Yin AV2-MYin AV2-PCin AV2-Cin AV2-MCin AV2-PVin AV2-Vin AV2-MVin AV1-Cin AV1-C AV1-Yin AV1-PYin AV1-Yin AV1-MYin AV1-PCin AV1-Cin AV1-MCin MVCLK MVD[7..0] AV1-PVin TV1-Vin TV1-V TV2-Vin AV1-Y TV1-PVin TV1-Vin TV1-MVin TV2-PVin TV2-Vin TV2-MVin TV2-V AV1-Vin AV1-MVin M-AVOUT1 P-AVOUT1 P-AVOUT1 AV2-Y PR4 AV2-V AV2-C AV2-Y AV1-V AV1-V AV1-C AV1-C AV1-Y AV1-Y M-AVOUT P-AVOUT $$$2 5147_RESET P-AVout AV2-PYin AV1-PYin TV1-PVin AV1-PVin TV2-PVin AV2-PVin AV1-PCin MAIN-SDA MAIN-SCL ALL-RST AV2-PCin MVD6 MVD4 MVD3 MVD5 MVD1 MVD0 MVD2 MVD7 AV1-Vin AV1-MVin 7 AV1-MYin 7 AV1-MCin 7 AV2-MYin 7 AV2-MCin 7 AV2-MVin 7 TV1-MVin 7 TV2-MVin 7 MAIN-SCL 7,9 MAIN-SDA 7,9 ALL-RST 7,9 MVD[7..0] 4 MVCLK 4 5VBUF 5VBUF 5VBUF 5VBUF +5V 5VBUF 5VBUF 5VBUF 5VBUF 5VBUF 5VBUF 5VBUF 5VBUF 5VBUF 5VBUF 5VBUF 5VBUF 5VBUF P1.8VPLL P1.8VD P3.3VD P3.3VA P3.3VD P1.8VA +5V 5V-AUDIO 5VBUF Title Size Document Number Rev Date: Sheet of C 4 深圳市高新区南区科技南十路国际技术创新研究院 座 楼 TEL:0755-26996895 FAX:0755-26996830 MST5251A 01A Main Video Decoder C 8 10 Wednesday, March 15, 2006 Title Size Document Number Rev Date: Sheet of C 4 深圳市高新区南区科技南十路国际技术创新研究院 座 楼 TEL:0755-26996895 FAX:0755-26996830 MST5251A 01A Main Video Decoder C 8 10 Wednesday, March 15, 2006 Title Size Document Number Rev Date: Sheet of C 4 深圳市高新区南区科技南十路国际技术创新研究院 座 楼 TEL:0755-26996895 FAX:0755-26996830 MST5251A 01A Main Video Decoder C 8 10 Wednesday, March 15, 2006 CVBS Input S-Video Input S-Video Input CVBS Input C148 680pF C148 680pF R179 22 R179 22 R166 22 R166 22 R180 10K R180 10K R171 22 R171 22 C196 330pF C196 330pF R155 10K R155 10K CA48 10uF CA48 10uF 3 2 1 D30 BAV99 D30 BAV99 C183 104 C183 104 C195 0.1UF C195 0.1UF R178 22 R178 22 C179 104 C179 104 C177 0.1uF C177 0.1uF R187 22 R187 22 C146 330pF C146 330pF R169 470 R169 470 R160 470 R160 470 R141 470 R141 470 + CA38 22uF + CA38 22uF L50 GTH-2520-2R2 L50 GTH-2520-2R2 R300 0 R300 0 C192 22P C192 22P R176 1K R176 1K R147 75 R147 75 C157 330pF C157 330pF L47 GTH-2520-2R2 L47 GTH-2520-2R2 R202 22 R202 22 C171 104 C171 104 C194 330pF C194 330pF R208 75 R208 75 R172 12K R172 12K 1 3 2 E B C SOT 23 Q20 MMBT3904 E B C SOT 23 Q20 MMBT3904 CA40 10uF CA40 10uF C197 680pF C197 680pF 1 3 2 E B C SOT 23 Q11 MMBT3904 E B C SOT 23 Q11 MMBT3904 R205 0 R205 0 � 10K � 10K C153 680pF C153 680pF C169 104 C169 104 1 3 2 E B C SOT 23 Q10 MMBT3904 E B C SOT 23 Q10 MMBT3904 C178 680pF C178 680pF R197 101 R197 101 1 3 2 E B C SOT 23 Q24 MMBT3904 E B C SOT 23 Q24 MMBT3904 C162 104 C162 104 L37 GTH-2520-2R2 L37 GTH-2520-2R2 3 2 1 D31 BAV99 D31 BAV99 R174 22K R174 22K R165 22 R165 22 C145 680pF C145 680pF C182 104 C182 104 C191 22P C191 22P C159 680pF C159 680pF R146 0 R146 0 R182 2K2 R182 2K2 L48 GTH-2520-2R2 L48 GTH-2520-2R2 1 3 2 E B C SOT 23 Q18 MMBT3904 E B C SOT 23 Q18 MMBT3904 1 3 2 E B C SOT 23 Q25 MMBT3904 E B C SOT 23 Q25 MMBT3904 R163 0 R163 0 R261 0 R261 0 R175 68 R175 68 C170 104 C170 104 R195 470 R195 470 1 3 2 E B C SOT 23 Q15 MMBT3904 E B C SOT 23 Q15 MMBT3904 R168 10K R168 10K CA42 10uF CA42 10uF R198 0 R198 0 R133 22 R133 22 3 2 1 D33 BAV99 D33 BAV99 R164 75 R164 75 + CA46 22uF + CA46 22uF C181 104 C181 104 C161 680pF C161 680pF R138 75 R138 75 R194 470 R194 470 R188 10K R188 10K R301 0 R301 0 C140 0.1uF C140 0.1uF R206 470 R206 470 R151 22 R151 22 L39 GTH-2520-2R2 L39 GTH-2520-2R2 Y3 14.318MHz Y3 14.318MHz C189 10pF C189 10pF R158 10K R158 10K R186 22 R186 22 R136 10K R136 10K L36 GTH-2520-2R2 L36 GTH-2520-2R2 3 2 1 D32 BAV99 D32 BAV99 1 1 2 2 3 3 4 4 5 5 6 6 7 7 P3 CVBS P3 CVBS L43 GTH-2520-2R2 L43 GTH-2520-2R2 1 3 2 E B C SOT 23 Q12 MMBT3904 E B C SOT 23 Q12 MMBT3904 C144 330pF C144 330pF C147 330pF C147 330pF C187 104 C187 104 C202 330pF C202 330pF CA41 10uF CA41 10uF L38 GTH-2520-2R2 L38 GTH-2520-2R2 C165 104 C165 104 R143 470 R143 470 1 3 5 7 8 6 4 2 RN39 33 RN39 33 C164 104 C164 104 C150 330pF C150 330pF CA45 22uF CA45 22uF C180 104 C180 104 R191 0 R191 0 C151 680pF C151 680pF C163 104 C163 104 R203 10K R203 10K 1 3 2 E B C SOT 23 Q21 MMBT3904 E B C SOT 23 Q21 MMBT3904 C172 104 C172 104 R173 10K R173 10K C155 330pF C155 330pF R152 22 R152 22 C152 330pF C152 330pF C142 680pF C142 680pF R134 22 R134 22 R200 101 R200 101 C176 0.1uF C176 0.1uF L40 GTH-2520-2R2 L40 GTH-2520-2R2 R150 22 R150 22 C193 330pF C193 330pF R149 22 R149 22 + CA47 22uF + CA47 22uF C201 680pF C201 680pF 1 3 2 E B C SOT 23 Q14 MMBT3904 E B C SOT 23 Q14 MMBT3904 C167 104 C167 104 R183 10K R183 10K R181 2K2 R181 2K2 C141 0.1uF C141 0.1uF C173 104 C173 104 R193 10K R193 10K 1 3 2 E B C SOT 23 Q16 MMBT3904 E B C SOT 23 Q16 MMBT3904 CA44 10uF CA44 10uF 3 2 1 D36 BAV99 D36 BAV99 C200 330pF C200 330pF L35 3.3uH L35 3.3uH R185 470 R185 470 C175 104 C175 104 1 3 2 E B C SOT 23 Q19 MMBT3904 E B C SOT 23 Q19 MMBT3904 C185 104 C185 104 R131 22 R131 22 C166 104 C166 104 R196 100 R196 100 R154 0 R154 0 C160 330pF C160 330pF C199 680pF C199 680pF C174 104 C174 104 C143 680pF C143 680pF R145 0 R145 0 R153 10K R153 10K CA49 10uF CA49 10uF 1 3 2 E B C SOT 23 Q17 MMBT3904 E B C SOT 23 Q17 MMBT3904 3 2 1 D35 BAV99 D35 BAV99 1 1 2 2 3 3 4 4 5 5 6 6 7 7 P4 CVBS P4 CVBS R167 10K R167 10K R135 10K R135 10K L49 GTH-2520-2R2 L49 GTH-2520-2R2 VI_1_B 1 VI_1_C 2 CH1_A33GND 3 CH1_A33VDD 4 CH2_A33VDD 5 CH2_A33GND 6 VI_2_A 7 VI_2_B 8 VI_2_C 9 CH2_A18GND 10 CH2_A18VDD 11 A18VDD_REF 12 A18GND_REF 13 NC2 14 NC1 15 VI_3_A 16 VI_3_B 17 VI_3_C 18 NC3 19 NC4 20 NC5 21 NC6 22 VI_4_A 23 CH4_A18GND 24 CH4_A18VDD 25 AGND 26 DGND5 27 SCL 28 SDA 29 INTERQ 30 DVDD1 31 DGND1 32 PWDN 33 RESETB 34 GPIO 35 AVID/GPIO 36 GLCO/I2CA 37 IOVDD1 38 IOGND1 39 DATACLK 40 DVDD2 41 DGND2 42 Y_9 43 Y_8 44 Y_7 45 Y_6 46 Y_5 47 IOVDD2 48 IOGND2 49 Y_4 50 Y_3 51 Y_2 52 Y_1 53 Y_0 54 DVDD3 55 DGND3 56 C_9/GPIO 57 C_8/GPIO 58 C_7/GPIO 59 C_6/GPIO 60 IOVDD3 61 IOGND3 62 C_5/GPIO 63 C_4/GPIO 64 C_3/GPIO 65 C_2/GPIO 66 DVDD4 67 DGND4 68 C_1/GPIO 69 C_0/GPIO 70 FID/GPIO 71 HS/CS/GPIO 72 VS/VBLK/GPIO 73 XTAL1 74 XTAL2 75 PLL_A18VDD 76 PLL_A18GND 77 CH1_A18VDD 78 CH1_A18GND 79 VI_1_A 80 U10 TVP5147 U10 TVP5147 1 3 2 E B C SOT 23 Q26 MMBT3904 E B C SOT 23 Q26 MMBT3904 R162 470 R162 470 R190 33 R190 33 L44 GTH-2520-2R2 L44 GTH-2520-2R2 R262 0 R262 0 R201 75 R201 75 R170 470 R170 470 R199 22 R199 22 1 3 2 E B C SOT 23 Q23 MMBT3904 E B C SOT 23 Q23 MMBT3904 C158 330pF C158 330pF C190 680pF C190 680pF R156 75 R156 75 1 1 2 2 3 3 4 4 5 5 6 6 CON33 6(2.5)PIN CON33 6(2.5)PIN R159 470 R159 470 C154 680pF C154 680pF CA43 10uF CA43 10uF C184 104 C184 104 C198 680pF C198 680pF 3 2 1 D34 BAV99 D34 BAV99 R137 0 R137 0 C156 680pF C156 680pF R142 470 R142 470 L46 3.3uH L46 3.3uH 1 3 2 E B C SOT 23 Q22 MMBT3904 E B C SOT 23 Q22 MMBT3904 R148 75 R148 75 R207 470 R207 470 L41 GTH-2520-2R2 L41 GTH-2520-2R2 R157 10K R157 10K L52 GTH-2520-2R2 L52 GTH-2520-2R2 L42 GTH-2520-2R2 L42 GTH-2520-2R2 L45 GTH-2520-2R2 L45 GTH-2520-2R2 R144 470 R144 470 R192 75 R192 75 C149 330pF C149 330pF 1 3 2 E B C SOT 23 Q13 MMBT3904 E B C SOT 23 Q13 MMBT3904 R132 22 R132 22 C186 104 C186 104 R189 100K R189 100K R177 NC R177 NC R184 470 R184 470 R139 10K R139 10K R204 10K R204 10K 1 3 5 7 8 6 4 2 RN40 33 RN40 33 L51 GTH-2520-2R2 L51 GTH-2520-2R2 1 1 4 4 2 2 3 3 P5 AVOUT P5 AVOUT R161 470 R161 470 CA50 10uF CA50 10uF C777 104 C777 104 3 2 1 D29 BAV99 D29 BAV99 + CA39 22uF + CA39 22uF C168 104 C168 104 C188 680pF C188 680pF 5 4 3 2 1 D D C C B B A A L1 KEY8 KEY7 CPU+5V KEY4 KEY4 KEY4 KEY4 KEY4 KEY4 N16818991 IR1 USB_ON L1 $$$4 HWRESET SPISCK ON_PANEL ON_PBACK MSCL MSCL L1 $$$4 EA/VP LED-CONTROL MSCL MSDA EWP EWP ALE SPISI LED-G ALL-RST HPDCTRL POWER-ON/OFF SPICE SPISO MAIN-SCL MAIN-SDA MSCL MSDA RD MSCL WR RXD ST_DET +24V-ON/OFF TXD AD1 AD3 AD0 AD2 MUTE OSD_S0 OSD_S1 KEY5 KEY1 LED-R LED-G GND KEY6 KEY3 KEY2 GND IR1 CPU+5V RXD TXD CPU+5V IR1 SPICE MSDA OSD_S3 OSD_S2 INT INT INT INT SPISO LED-R OSD_S1 KEY6 KEY3 $$$4 OSD_S2 OSD_S3 KEY5 KEY4 KEY4 KEY4 KEY8 KEY2 KEY7 KEY4 OSD_S0 KEY1 USB_ON SPISI MAIN-SDA MAIN-SCL IR_DAT IR_DAT IR_DAT IR_DAT SPISCK HWRESET 4 ALL-RST 7,8 ON_PANEL 5 INT 4 WR 4 RD 4 +24V-ON/OFF 8 ON_PBACK 5 AD[0..3] 4 ALE 4 MAIN-SCL 7,8 MAIN-SDA 7,8 POWER-ON/OFF 10 TXD 2 RXD 2 MUTE 8 ST_DET 2 HPDCTRL 1 CPU+5V CPU+5V POWER+5V CPU+5V CPU+5V CPU+5V CPU+5V CPU+5V CPU+5V CPU+5V CPU+5V CPU+5V CPU+5V CPU+5V 5VU CPU+5V CPU+5V CPU+5V Title Size Document Number Rev Date: Sheet of C 4 深圳市高新区南区科技南十路国际技术创新研究院 座 楼 TEL:0755-26996895 FAX:0755-26996830 MST5251A 01A MPU B 9 10 Wednesday, March 15, 2006 Title Size Document Number Rev Date: Sheet of C 4 深圳市高新区南区科技南十路国际技术创新研究院 座 楼 TEL:0755-26996895 FAX:0755-26996830 MST5251A 01A MPU B 9 10 Wednesday, March 15, 2006 Title Size Document Number Rev Date: Sheet of C 4 深圳市高新区南区科技南十路国际技术创新研究院 座 楼 TEL:0755-26996895 FAX:0755-26996830 MST5251A 01A MPU B 9 10 Wednesday, March 15, 2006 钮扣电池 R251 33 R251 33 1 2 D44 3.6V D44 3.6V 3 1 2 D41 BAT54C D41 BAT54C C203 0.1uF C203 0.1uF R234 4.7K R234 4.7K CA35 BT CA35 BT R228 4.7K R228 4.7K R230 NC R230 NC R217 NC R217 NC R244 22 R244 22 R215 4.7K R215 4.7K R225 100 R225 100 3 1 2 D42 BAT54C D42 BAT54C R216 4.7K R216 4.7K 7 5 3 1 8 6 4 2 RN41 RP4.7KX4 7 5 3 1 8 6 4 2 RN41 RP4.7KX4 C205 22pF C205 22pF R214 4.7K R214 4.7K R254 NC R254 NC 3 1 2 D40 BAT54C D40 BAT54C R249 4.7K R249 4.7K R238 4.7K R238 4.7K 7 5 3 1 8 6 4 2 RN42 RP4.7KX4 7 5 3 1 8 6 4 2 RN42 RP4.7KX4 R224 4.7K R224 4.7K 3 Y5 32.768K Y5 32.768K D39 IN4148 D39 IN4148 1 3 2 E B C SOT 23 Q31 MMBT3906 E B C SOT 23 Q31 MMBT3906 R248 1K R248 1K R219 4.7K R219 4.7K A0 1 A1 2 A2 3 GND 4 SDA 5 SCL 6 WP 7 VCC 8 U14 24C04 U14 24C04 + CA54 22U/16V + CA54 22U/16V C208 0.1U C208 0.1U 1 3 2 E B C SOT 23 Q30 MMBT3904 E B C SOT 23 Q30 MMBT3904 R231 100 R231 100 R289 0 R289 0 + CA53 22U/16V + CA53 22U/16V R41 0 R41 0 L53 600(4.5X3.2) L53 600(4.5X3.2) R250 33 R250 33 2 2 4 4 1 1 3 3 CON13 4PIN CON13 4PIN 1 1 2 2 3 3 4 4 CON11 4(2X2.0MM)PIN CON11 4(2X2.0MM)PIN R212 10K R212 10K 3 1 2 D37 BAT54C D37 BAT54C R235 10K R235 10K R213 100 R213 100 R236 1K R236 1K CE# 1 SO 2 WP# 3 VSS 4 SI 5 SCK 6 HOLD# 7 VDD 8 U16 SST25VF512 U16 SST25VF512 C210 0.1U C210 0.1U R218 4.7K R218 4.7K R253 NC R253 NC 3 1 2 D38 BAT54C D38 BAT54C C204 22pF C204 22pF CA52 10uF CA52 10uF R241 22 R241 22 C206 NC C206 NC + CA51 22U/16V + CA51 22U/16V R242 1K R242 1K 1 2 U12 BT U12 BT R227 1K R227 1K EA/VP 35 X1 21 X2 20 RESET 10 INT0/P3.2 14 INT1/P3.3 15 T0/P3.4 16 T1/P3.5 17 P1.0 2 P1.1 3 P1.2 4 P1.3 5 P1.4 6 P1.5 7 P1.6 8 P1.7 9 P0.0 43 P0.1 42 P0.2 41 P0.3 40 P0.4 39 P0.5 38 P0.6 37 P0.7 36 P2.0 24 P2.1 25 P2.2 26 P2.3 27 P2.4 28 P2.5 29 P2.6 30 P2.7 31 RD/P3.7 19 WR/P3.6 18 PSEN 32 ALE/P 33 TXD/P3.1 13 RXD/P3.0 11 P4.2 1 P4.3/ISP 12 P4.0 23 P4.1 34 GND 22 VCC 44 U11 80C51_PLCC MPU U11 80C51_PLCC MPU R221 4.7K R221 4.7K R237 470 R237 470 R240 1K R240 1K R226 0 R226 0 C209 0.1U C209 0.1U R239 4.7K R239 4.7K R222 4.7K R222 4.7K R223 4.7K R223 4.7K R210 100 R210 100 R232 4.7K R232 4.7K C207 0.1uF C207 0.1uF R211 10k R211 10k 1 3 2 E B C SOT 23 Q28 MMBT3906 E B C SOT 23 Q28 MMBT3906 R245 10K R245 10K 1 2 D43 3.6V D43 3.6V R252 NC R252 NC R209 100 R209 100 7 5 3 1 8 6 4 2 RN43 RP33X4 7 5 3 1 8 6 4 2 RN43 RP33X4 1 1 2 2 3 3 4 4 5 5 6 6 7 7 8 8 9 9 10 10 11 11 12 12 13 13 14 14 CON17 14(2.0)PIN CON17 14(2.0)PIN 1 3 2 E B C SOT 23 Q27 MMBT3906 E B C SOT 23 Q27 MMBT3906 R243 1K R243 1K C211 NC C211 NC 1 3 2 E B C SOT 23 Q29 MMBT3904 E B C SOT 23 Q29 MMBT3904 R290 0 R290 0 R233 4.7K R233 4.7K 3 Y4 24MHz Y4 24MHz 7 5 3 1 8 6 4 2 RN44 RP33X4 7 5 3 1 8 6 4 2 RN44 RP33X4 R2291K R2291K C285 0.1uF C285 0.1uF A0 1 A1 2 A2 3 GND 4 SDA 5 SCL 6 WP 7 VCC 8 U13 24C16 U13 24C16 R220 4.7K R220 4.7K /INT1 1 XOUT 3 XIN 2 GND 4 /INT2 5 SCL 6 SDA 7 VCC 8 U15 S-35380 U15 S-35380 L54 NC/600(4.5X3.2) L54 NC/600(4.5X3.2) R247470 R247470 C212 22pF C212 22pF R246 10K R246 10K 5 4 3 2 1 D D C C B B A A 3.6V POWER-ON/OFF 24V-IN +12V +18V 5VU POWER-ON/OFF POWER-ON/OFF 9 +12V 24V-IN +12V +5V POWER+5V +12V-1 VDDC +3.3AVDD +5V +3.3AVDD +3.3AVDD +3.3AVDD +3.3AVDD VDD_MPLL +3.3AVDD AVDDPLL2 AVDDA AVDD_PLL AVDD_HDMI +3.3AVDD VDDP +APLL +2.5MVDD VDDP VDDC +5V +2.5VM +2.5VM +2.5MVDD VDDC +2.5V_DMQ T1.8V +2.5VM +2.5VM +2.5V_DMC +5V +5V 5V-P +18V T3.3VA +5V +5V T3.3VD 5VU Title Size Document Number Rev Date: Sheet of C 4 深圳市高新区南区科技南十路国际技术创新研究院 座 楼 TEL:0755-26996895 FAX:0755-26996830 MST5251A 01A POWER C 10 10 Wednesday, March 15, 2006 Title Size Document Number Rev Date: Sheet of C 4 深圳市高新区南区科技南十路国际技术创新研究院 座 楼 TEL:0755-26996895 FAX:0755-26996830 MST5251A 01A POWER C 10 10 Wednesday, March 15, 2006 Title Size Document Number Rev Date: Sheet of C 4 深圳市高新区南区科技南十路国际技术创新研究院 座 楼 TEL:0755-26996895 FAX:0755-26996830 MST5251A 01A POWER C 10 10 Wednesday, March 15, 2006 2.5V for MST5151A and DDRAM +2.5V for MST5151LA pin106, pin122,pin133 ,pin145,pin159,pin174 pin21,pin38 pin8,pin15 Vcc3.3for Panel 3.3V(6251) for AVDDPLL2 pin80,pin183,pin202,pin222,pin238,pin47 pin256 +3.3AVDD for AVDDA pin77,pin99,pin151, pin180,pin213,pin225,pin246 1.8V for VDDC +3.3AVDD for AVDD_PLL +12V: 12V DC ADAPTER IN 1.25*(1+R188/R187)=1.8V---R187=100R, R188=44R Vcc3.3for MST5151A analog +3.3AVDD for AVDD_HDMI Vcc1.8Vfor TVP5160 and tvp5147 +3.3V for VDD_MPLL pin129 Vcc1.8 for MST5151LA 2.5V for DDRAM Vcc3.3VA for TVP5160 and tvp5147 Vcc3.3VD for TVP5160 and tvp5147 pin16 pin62 1.8VM fo APLL L62 FB L62 FB L122 33uH/Inductor L122 33uH/Inductor C228 0.1uF C228 0.1uF L69 600(4.5X3.2) L69 600(4.5X3.2) C229 0.1uF C229 0.1uF + CA66 47uF + CA66 47uF R267 0 R267 0 C251 0.1UF C251 0.1UF C219 1nF C219 1nF + CA55 470uF + CA55 470uF C217 0.1uF C217 0.1uF C243 0.1uF C243 0.1uF 1 2 3 4 5 6 7 8 9 10 11 CON15 11*2.0mm CON15 11*2.0mm L72 FB L72 FB C258 0.1UF C258 0.1UF + CA90 22uF + CA90 22uF L63 10uH L63 10uH C215 1nF C215 1nF L60 600(4.5X3.2) L60 600(4.5X3.2) + CA72 22uF + CA72 22uF C262 0.1UF C262 0.1UF + CA87 22uF + CA87 22uF C213 0.1uF C213 0.1uF +CA75 330uF +CA75 330uF L75 FB L75 FB R257 NC R257 NC + CA69 47uF + CA69 47uF C265 0.1UF C265 0.1UF L64 600(4.5X3.2) L64 600(4.5X3.2) L71 FB L71 FB D49 IN4003 D49 IN4003 + CA79 22uF + CA79 22uF C244 0.1uF C244 0.1uF C247 0.1uF C247 0.1uF R264 1.3K R264 1.3K L59 NC/600(4.5X3.2) L59 NC/600(4.5X3.2) + CA84 22uF + CA84 22uF R271 0 R271 0 C216 1nF C216 1nF C226 0.1uF C226 0.1uF R281 2.5K R281 2.5K + CA74 22uF + CA74 22uF C224 0.1uF C224 0.1uF L70 600(4.5X3.2) L70 600(4.5X3.2) C218 0.1uF C218 0.1uF C127 0.1uF C127 0.1uF C248 0.1uF C248 0.1uF + CA68 100uF + CA68 100uF C267 0.1UF C267 0.1UF R270 NC R270 NC + CA56 470uF + CA56 470uF C231 0.1uF C231 0.1uF C260 0.1UF C260 0.1UF + CA81 47uF + CA81 47uF 3 2 1 4 ADJ OUT IN U24 SOT-223 ADJ OUT IN U24 SOT-223 C242 0.1uF C242 0.1uF C257 0.1UF C257 0.1UF + CA82 47uF + CA82 47uF + CA57 470uF + CA57 470uF R255 2.5K R255 2.5K 3 2 1 4 ADJ OUT IN U25 SOT-223 ADJ OUT IN U25 SOT-223 D150 SR34 D150 SR34 C252 0.1UF C252 0.1UF L73 600(4.5X3.2) L73 600(4.5X3.2) L65 NC/600(4.5X3.2) L65 NC/600(4.5X3.2) C278 100P C278 100P C266 0.1UF C266 0.1UF 1 2 C275 1uF/16V C275 1uF/16V + CA78 47uF + CA78 47uF D51 SR34 D51 SR34 R263 6.8K R263 6.8K C240 0.1uF C240 0.1uF + CA76 47uF + CA76 47uF C249 1uF/16V C249 1uF/16V C246 220n C246 220n C264 0.1UF C264 0.1UF C269 0.1UF C269 0.1UF C254 0.1UF C254 0.1UF L76 10uH L76 10uH C239 0.1uF C239 0.1uF D47 IN4003 D47 IN4003 L67 10uH L67 10uH FB 1 EN 2 OCSET 3 Vcc 4 Vss 8 Vss 7 OUT 6 OUT 5 U20 AP1510 U20 AP1510 C290 1pF C290 1pF C270 0.1uF C270 0.1uF C261 0.1UF C261 0.1UF C237 0.1uF C237 0.1uF R266 NC R266 NC 3 2 1 4 ADJ OUT IN U22 SOT-223 ADJ OUT IN U22 SOT-223 R259 4.7K R259 4.7K C214 0.1uF C214 0.1uF R258 10K R258 10K + CA65 47uF + CA65 47uF R283 100K R283 100K C250 0.1uF C250 0.1uF C245 0.1uF C245 0.1uF F1 FUSE5A F1 FUSE5A L68 3.3uH L68 3.3uH C273 1uF/16V C273 1uF/16V + CA67 47uF + CA67 47uF 1 2 C276 100P C276 100P L77 FB L77 FB + CA64 470uF + CA64 470uF C268 0.1UF C268 0.1UF R45 100K R45 100K C220 0.1uF C220 0.1uF C256 0.1UF C256 0.1UF 3 L121 33uH/Inductor L121 33uH/Inductor C223 0.1uF C223 0.1uF + CA71 680uF + CA71 680uF C235 0.1uF C235 0.1uF 1 3 2 E B C SOT 23 Q32 MMBT3904 E B C SOT 23 Q32 MMBT3904 C233 0.1uF C233 0.1uF C274 100P C274 100P R256 6.8K R256 6.8K C259 0.1UF C259 0.1UF D48 IN4003 D48 IN4003 C232 NC C232 NC C238 0.1uF C238 0.1uF C253 0.1UF C253 0.1UF 3 2 1 4 OUT ADJ IN U27 AP1084/AP1117-33 +3.3V Regulator TO-263 OUT ADJ IN U27 AP1084/AP1117-33 +3.3V Regulator TO-263 3 2 1 4 OUT ADJ IN U23 AP1084/AP1117-33 +3.3V Regulator TO-263 OUT ADJ IN U23 AP1084/AP1117-33 +3.3V Regulator TO-263 C222 NC C222 NC + CA77 100uF + CA77 100uF L57 600(4.5X3.2) L57 600(4.5X3.2) L66 600(4.5X3.2) L66 600(4.5X3.2) 3 2 1 4 ADJ OUT IN U21 SOT-223 ADJ OUT IN U21 SOT-223 C255 0.1UF C255 0.1UF + CA83 100uF + CA83 100uF C221 0.1uF C221 0.1uF + CA70 100uF + CA70 100uF FB 1 EN 2 OCSET 3 Vcc 4 Vss 8 Vss 7 OUT 6 OUT 5 U17 AP1510 U17 AP1510 R260 1.3K R260 1.3K C230 0.1uF C230 0.1uF C236 0.1uF C236 0.1uF S 1 S 2 S 3 G 4 D 8 D 7 D 6 D 5 U18 4435 U18 4435 C227 0.1uF C227 0.1uF C272 100P C272 100P C277 1uF/16V C277 1uF/16V L55 NC/600(4.5X3.2) L55 NC/600(4.5X3.2) L74 NC/600(4.5X3.2) L74 NC/600(4.5X3.2) C271 0.1uF C271 0.1uF C263 0.1UF C263 0.1UF 1 2 3 4 5 6 7 8 A B C D 8 7 6 5 4 3 2 1 D C B A Title Number Revision Size A3 Date: 19-Apr-2005 Sheet of File: E:\LCD\MTK\LCD26\8TM1-061111.ddb Drawn By: SDA_TUNER SCL_TUNER SCL SDA R341 10K 1 3 2 QF4 2N7002 R559 10K R560 10K 1 3 2 QF3 2N7002 R340 10K SB33B AFC MPX2 MPX1 SIF1_OUT AF1_OUT TV_OUT TU_VCC CB161 0.1uF 1 3 2 Q1106 2N3904 1 3 2 D124 BAV99 C158 1000pF/nc 1 3 2 Q1107 2N3904 C225 1nF CB172 0.1uF GND1 20 GND2 21 NC 3 NC 4 AF 6 NC 5 NC 11 SCL 9 SDA 10 VCC 12 GND3 18 GND4 19 BT 14 NC 13 NC 1 NC 2 SIF 7 AS 8 GND 15 AFT 16 CVBS 17 TU1 M38WTP-2PN-E R570 1K C226 470pF C154 10nF/NC C160 20pF R571 22K R269 100k 1 2 3 4 J7 4x1 W/HOUSING 5VSB R350 0 R568 10K/NC C227 2.2nF C155 1.8pF/NC C161 20pF R572 470 L121 1mH R347 8.2K/NC + CE120 470uF/16V 1 3 2 Q112 BC847 C149 10nF/NC R356 100 R573 180 L122 1mH C228 4.7nF R354 100 C159 20pF L75 FB VCC VCC ADDRESS C0 TUNER CVBS0 C65 330pF C64 47nF AF_TO_ADCR349 0 CE137 1uF/50V CE117 47uF/16V/NC R569 47K AFL_INN AFR_INN R29 10K R30 10K CE1 2.2uF/10V CE2 2.2uF/10V AF TU_VCC VS_TUNER TU_32V + CE159 220uF/16V R120 0 C157 1000pF/nc RP VSYNC# RED VGASOG BLUE HSYNC# GREEN VGAHSYNC# GP VGAVSYNC# BP VGA_PLUGPWR VGA_TXD VGA_RXD R89 68 D17 1N4148/NC R104 510 R98 75 C55 10nF C57 5pF R110 2K R96 68 R109 510 C51 5pF L43 2.2uH R92 0/NC R101 75 C54 5pF C50 10nF R97 0 C59 5pF R100 68 D19 1N4148/NC C52 10nF 16 17 1 2 3 4 5 6 7 8 9 10 11 12 13 14 15 P2 D-SUB15 FEMALE C53 4.7nF L44 2.2uH R90 75 R105 2K C56 5pF VCC VGA IN R21 0/NC SB33B TP10 TP12 TP15 GND_9 GND_9 TP4 TP13 TP14 VGA_PLUG 1 3 2 D24 BAV99 R18 100 1 3 2 D26 BAV99 R19 100 5VSB TXD RXD 1 2 3 4 J6 4x1 W/HOUSING R61 10k R62 10k SB33B RS-232 TP11 R99 0 R95 0 R88 0 GREEN BLUE RED HSYNC# VSYNC# 1 3 2 D33 BAV99 5VSB 1 3 2 D32 BAV99 5VSB 1 3 2 D30 BAV99 5VSB PB0_IN PR0_IN Y0_IN D21 5.6V D22 5.6V D23 5.6V D25 5.6V D18 5.6V ERO3_GPIO SCL SDA SYSROMWP 1 3 2 Q7 2N3904 R53 10K NC 1 NC 2 NC 3 GND 4 SDA 5 SCL 6 WP 7 VCC 8 U12 EEPROM 24C32 R51 10K R57 10K CB83 0.1uF R52 0/NC SB33B SB33B SYSTEM EEPROM H : WP DISABLE L : WP ENABLE URST# CB182 0.1uF R553 10 D135 D136 1N4148 1 3 2 Q1102 2N3904 + CE154 47uF/16v R552 4.7k R549 10K R551 0 R554 47k 1 3 2 Q1103 2N3904 + CE153 10uF/16v SB33B C257 0.1uF PDF 文件使用 "pdfFactory Pro" 试用版本创建 www.fineprint.com.cn 1 2 3 4 5 6 7 8 A B C D 8 7 6 5 4 3 2 1 D C B A Title Number Revision Size A3 Date: 19-Apr-2005 Sheet of File: E:\LCD\MTK\LCD26\8TM1-061111.ddb Drawn By: XTALVDD PLLVDD POWER_STBY SWW 1 2 3 Q1 AP2305GM + CE19 220uF/16v R8 10k CB35 0.1uF + CE11 100uF/16v CB21 0.1uF L15 FB R494 4.7k + CE37 220uF/16v 1 3 2 Q2 2N3904 CB14 0.1uF + CE18 100uF/16v CB179 0.1uF + CE13 100uF/16v + CE22 470uF/16v R6 1k + CE33 100uF/16V + CE152 220uF/16v CB22 0.1uF 1 3 2 Q602 2N3904 C12 4.7uF CB16 0.1uF C11 0.1uF L10 FB R493 4.7k L22 FB CB40 0.1uF IN 3 GND 1 OUT 2 U1 1084/3.3V CB38 0.1uF + CE23 220uF/16v R495 1K C243 4.7uF CB181 0.1uF CB26 0.1uF L18 FB R496 10K 1 2 3 4 5 J2 5x1 W/HOUSING R5 4.7K CB180 0.1uF L126 FB CB25 0.1uF L11 FB SB18A SB33B ADCVDD SB18 SB33 DV33B 5VSB 5VSB SB33B 5VSB VCC CB56 0.1uF + CE51 220uF/16V CB62 0.1uF CB57 0.1uF CB58 0.1uF CB59 0.1uF CB60 0.1uF CB61 0.1uF VCC18 IOVCC PVCC REGVCC AVCC L34 FB/NC CB117 0.1uF/NC CB118 0.1uF/NC L38/NC FB C43 1000pF/NC L35 FB/NC L37/NC FB CB114 0.1uF/NC C45 1000pF/NC + CE59 10uF/10v/NC C44 1000pF/NC L36/NC FB CB116 0.1uF/NC + CE57 10uF/10v/NC C42 1000pF/NC + CE55 47uF/16v + CE58 100uF/16v/NC CB115 0.1uF/NC AVCC + CE8 47uF/16v TP3 TP96 TP5 L138 FB DV18A CB103 0.1uF/NC CB105 0.1uF/NC CB111 0.1uF/NC C38 1000PF/NC C40 1000PF/NC CB102 0.1uF/NC CB101 0.1uF/NC CB113 0.1uF/NC CB112 0.1uF/NC CB106 0.1uF/NC CB107 0.1uF/NC C41 1000PF/NC C39 1000PF/NC CB108 0.1uF/NC CB100 0.1uF/NC CB99 0.1uF/NC + CE50 100uF/16V CB81 0.1uF SB33A IN 3 GND 1 OUT 2 U4 AZ1117/1.8V IN 3 GND 1 OUT 2 U13 AZ1117/1.8V IN 3 GND 1 OUT 2 U7 AZ1117/3.3V R24 110 1%/NC R28 0 + CE9 1uF/50v 1 2 3 4 5 6 J3 6x1 W/HOUSING + CE139 470uF/16v +24V +12V CB4 0.1uF TP8 TP7 TP9 + CE27 100uF/16v L139 FB C19 1uF CB30 0.1uF + CE14 470uF/16v + CE17 220uF/16v L13 FB + CE15 220uF/16v CB18 0.1uF CB17 0.1uF CB20 0.1uF L17 FB V33 V18 CB52 0.1uF + CE43 100uF/16V ADCV18A R583 180 VPLLVDD1 IN 3 GND 1 OUT 2 U6 AZ1117/1.8V IN 3 GND 1 OUT 2 U5 1084/3.3V L20 FB L16 FB DV33A AVDD_VAD0 ADACVDD AADCVDD AVDD_VFE0 L128 FB C29 10uF/10V + CE45 220uF/16V + CE46 10uF/10V L30 FB CB48 0.1uF CB51 0.1uF L127 FB C27 10uF/10V CB44 0.1uF CB55 0.1uF L32 FB CB53 0.1uF ADCV33A + CE47 220uF/16V CB32 0.1uF CB68 0.1uF CB66 0.1uF CB67 0.1uF CE44 10uF/10V L12 FB VPLLVDD2 LVDDC LVDDA LVDDB L26 FB + CE41 220uF/16V CB45 0.1uF C24 1uF L25 FB C26 10uF/10V CB42 0.1uF CB49 0.1uF CB43 0.1uF C25 10uF/10V CB47 0.1uF AV33A L19 1uH CB74 0.1uF C247 3300pF CB76 0.1uF C245 3300pF + CE49 220uF/16V C246 3300pF CB78 0.1uF CB72 0.1uF C244 3300pF SDV33 PDF 文件使用 "pdfFactory Pro" 试用版本创建 www.fineprint.com.cn 1 2 3 4 5 6 7 8 A B C D 8 7 6 5 4 3 2 1 D C B A Title Number Revision Size A3 Date: 19-Apr-2005 Sheet of File: E:\LCD\MTK\LCD26\8TM1-061111.ddb Drawn By: MUTE R577 2.2k 1 2 D55 1N4148 R575 470 R283 0 R576 10k + CE93 10uF/16V/NC + CE75 470uF/16V 1 2 D139 1N4148 R282 10k 1 2 D138 1N4148 Q11 2N3906 1 2 D56 1N4148/NC 5VSB MUTE CIRCUIT SPOUTR SPOUTL + CE133 470uF/25v 1 2 3 4 J19 CB170 0.1uF + CE130 470uF/35V R OUT 12 W OUT 11 PW GND 10 VCC 9 L OUT 8 MUTE.T.C. 7 RF 6 MUTE 5 L IN 4 PRE GND 3 RIN 2 W IN 1 U3 TA8246 + CE136 470uF/25v L136 FB CB171 0.1uF R487 2.2 CB169 0.1uF R492 2.2 5VSB 1 3 2 Q1108 2N3904 C1 1000pF C2 1000pF TP38 TP72 TP37 1 2 D137 1N4148 + CE132 220uF/16v + CE78 0.47uF/50V R299 33 + CE131 2.2uF/16v +24V SPOUTL SPOUTR SCL14 VOUTR VOUTL SCL AOMCLK SDA AV1R_INN SDA14 L61 FB + CE151 220uF/16v CB130 0.1uF L62 FB AOMCLK + CE92 100uF/16v CB131 0.1uF CB128 0.1uF ADCREFP R277 100 AV1L_INN CB132 0.1uF R274 100 SDA14 CB129 0.1uF R129 1K V33 SCL14 DVDD VCC HPVDD AUDIO POWER AOBCLK VOUTR VMIDDAC AUXL AUXR AOLRCK VMIDADC AOSDATA3 DOUT AOLRCK AOBCLK AV2R_INN AV2L_INN VOUTL USBL_INN USBR_INN AIN2L 1 AIN1R 2 AIN1L 3 DACBCLK 4 DACMCLK 5 DIN 6 DACLRC 7 ZFLAGR 8 ZFLAGL 9 ADCBCLK 10 ADCMCLK 11 DOUT 12 ADCLRC 13 DGND 14 DVDD 15 MODE 16 CE 17 DI 18 CL 19 HPOUTL 20 HPGND 21 HPVDD 22 HPOUTR 23 NC 24 NC 25 VOUTL 26 VOUTR 27 VMIDDAC 28 DACREFN 29 DACREFP 30 AUXR 31 AUXL 32 VMIDADC 33 ADCREFGND 34 ADCREFP 35 AVDD 36 AGND 37 AINVGR 38 AINOPR 39 AINVGL 40 AINOPL 41 AIN5R 42 AIN5L 43 AIN4R 44 AIN4L 45 AIN3R 46 AIN3L 47 AIN2R 48 U22 WM8776 R256 5.1k R247 15K R255 5.1K + CE89 10uF/16v + CE91 10uF/16v CB125 0.1uF + CE90 10uF/16v CB127 0.1uF R263 15K CB126 0.1uF HPVDD TWO WIRE SERIAL CONTROL DEVICE ADDRESS 0x34h C3 1uF/10V C4 1uF/10V R1 10K R2 10K CE104 10uF/16V CE105 10uF/16V AFL_INN AFR_INN ADC1_1 ADC2_1 IR_1 CB155 0.1uF R545 10k R525 0/NC CB154 0.1uF R546 10K C143 1000PF R524 10 R323 0/NC 5VSB VCC SB33 IR & POWER ON LED 1 2 3 4 5 6 J13 6x1 W/HOUSING TP45 TP46 TP47 TP48 TP97 1 3 2 D131 BAV99 5VSB 1 3 2 D132 BAV99 5VSB 1 3 2 D133 BAV99 5VSB R22 100 R23 100 R25 100 IR ADC1 ADC2 PWM0 Dimming PWM1 GPIO_SDA1 BL_ON/OFF 8293_GPIO7 DE AN3 AN1 AN0 AP3 AP0 AN2 AP1 CLK1- CLK1+ AP2 FDAT LVDSVDD 1 3 2 Q15 2N3904 CB145 1uF R309 NC/0 R312 NC/0 R297 4.7k R0603/SMD F1 4A/16v 1 3 5 7 9 11 13 15 17 19 21 23 25 27 29 31 33 2 4 6 8 10 12 14 16 18 20 22 24 26 28 30 32 34 J20 17x2 R295 10k R304 10K R311 NC/0 + CE98 220uF/16v 1 2 3 Q1105 AP2305GM R292 0 R305 4.7k L85 NC CB151 0.1uF R301 2k R300 10k L86 1206 R293 0/NC CB150 0.1uF R302 10k R294 1k 1 2 3 J12 3x1 W/HOUSING 1 3 2 Q14 2N3904 1 3 2 Q13 2N3904 + CE106 220uF/16v 5VSB V33 VCC VCC VCC +12V Back Light circuit LVDS OUT LO = > LVDS POWER OFF HI = > LVDS POWER ON TP40 TP42 TP33 TP32 TP36 TP34 TP35 TP25 TP26 TP28 TP29 TP31 TP41 R31 1k + CE16 100uF/16v R296 0 TP39 PDF 文件使用 "pdfFactory Pro" 试用版本创建 www.fineprint.com.cn 1 2 3 4 5 6 7 8 A B C D 8 7 6 5 4 3 2 1 D C B A Title Number Revision Size A3 Date: 19-Apr-2005 Sheet of File: E:\LCD\MTK\LCD26\8TM1-061111.ddb Drawn By: CVBS2 PB0P PR0P Y0P SOY0 R144 75 C95 15pF R258 4.7K R126 68 C90 10nF C71 15pF R244 470 C69 10nF 1 3 2 Q110 2N3904 R133 68 R127 75 R271 10 C63 4.7nF C85 330pF C82 15pF R136 75 R238 5.6K C80 47nF R142 68 C79 10nF VCC AV2R_IN PB0_IN PR0_IN AV2L_IN AV2_IN Y0_IN 1 2 3 4 5 6 7 8 9 P8 RCA2X3 AV2R_INN AV2L_INN R16 47K R200 10K R15 47K R199 10K + CE145 10uF/10v TP22 TP19 TP20 TP21 TP18 TP17 TP16 CE70 10uF/10V R9 75 CE71 10uF/10V CVBS1 SY0 SC0 1 3 2 Q108 2N3904 R254 5.6K R239 5.6K R505 470 1 3 2 Q111 2N3904 R504 5.6K R508 4.7K R500 10 R502 10 R499 4.7K R498 4.7K C112 330pF C75 330pF 1 3 2 Q109 2N3904 R273 10 C109 47nF C102 330pF C73 47nF R249 470 C99 47nF R253 470 VCC VCC VCC SY0_IN AV1_IN SC0_IN G G C Y 1 2 3 4 6 7 5 P5 S-VIDEO + RCA TP24 + CE147 10uF/10v + CE142 10uF/10v + CE140 10uF/10v TP43 TP30 TP23 R7 75 R10 75 R3 75 AVR_OUT CVBS_OUT + CE124 10uF/16v R513 24K R111 47K + CE148 470uF/16V CB168 0.1uF R516 33 R112 220 VCC 3 1 2 P12 RCA1 1 2 3 P4 RCA2X1 AR AL AVL_OUT R566 4.7K R574 10K R564 10K R562 10K R565 10K R563 51 R561 4.7K R567 51 1 3 2 Q3 2N3904 VCC 1 3 2 Q4 2N3904 VCC CE155 2.2uF/10V CE157 2.2uF/10V CE156 2.2uF/10V CE158 2.2uF/10V 1 3 2 Q102 2SD2653K TP44 TP55 TP56 3 1 2 P3 RCA1 + CE125 10uF/16v TESTP2 AV1L_IN AV1R_IN 1 2 3 P10 RCA2X1 AV1L_INN AV1R_INN R12 47K R197 10K R11 47K R180 10K CE68 10uF/10V CE60 10uF/10V PDF 文件使用 "pdfFactory Pro" 试用版本创建 www.fineprint.com.cn 1 2 3 4 5 6 7 8 A B C D 8 7 6 5 4 3 2 1 D C B A Title Number Revision Size A3 Date: 19-Apr-2005 Sheet of File: E:\LCD\MTK\LCD26\8TM1-061111.ddb Drawn By: CB50 0.1uF C32 10uF/10V CB166 0.1uF CB54 0.1uF C17 0.1uF CB41 0.1uF C31 10uF/10V C18 0.01uF C16 10uF/10v SCL SDA HDMISD0 SDV33 F_D4 SDV33 DV18A A_RA1 PLLVDD CVBS2 PLLVDD DV33A GND DOUT A_RA8 RXD GND TESTN4 GND HDMIMCLK PR0P F_A15 GND GND CVBS0 SC0 XTALO CLK1+ AP3 FDAT F_D2 A_RA0 VI5 GND DV18A XTALI F_A3 A_RA6 GPIO_SCL1 SDA0 SCL0 GND ADCVDD ADC1 A_DQ12 A_DQ8 VGASOG F_A16 F_A0 A_RAS# A_RA2 AVICM VI3 27MHZ A_RA11 GND F_A19 F_A18 F_A4 TESTP4 F_D1 F_D3 A_CLK MPX2 AADCVDD AVDD_VAD0 REFP VI14 VI11 DV18A GND GND SDV33 F_A20 DV18A GPIO_SDA1 GND LVDDB SOY0 Y0P F_D6 SB33A TESTP2 CVBS1 DV33A PWM1 GND F_A5 F_A6 VPLLVDD1 ADC0 A_DQM0 A_DQ7 SDV33 BP GP A_CS# A_RA10 AL AVDD_VFE0 SY0 DE_SOG AOLRCK F_A10 A_RA4 AP2 PWM2VREF GND F_D7 A_BA0 F_A12 VI0 GND F_A9 GND LVDDC AN3 DV33A GND PR1P ERO3_GPIO GND AVDD_VAD1 VI13 HDMIODCK XTALVDD F_A8 AOMCLK CLK1- LVDDA VPLLVDD2 SB18A A_DQ15 TESTN3 TESTP3 MPX1 AP0 A_DQ5 A_DQ4 F_OE# GND POWER_STBY SDV33 VI15 VI10 VI1 A_CKE GND MUTE GND GND A_DQ11 HDMIBCLK GND PB0P F_A14 F_D0 A_CAS# A_RA3 GND ADACVDD REFN VI8 F_A11 F_A21 URST# A_RA7 VGAVSYNC# AN1 ADC3 A_DQ1 SOY1 PB1P F_A1 A_DQ14 VI7 PLLVDD A_RA9 AN0 AP1 A_DQ10 GND A_DQ6 A_DQ0 AVDD_VFE1 F_A13 VI4 VI6 VI12 GND SDV33 SB33A AOBCLK GND F_D5 F_A17 GND GND VI2 F_A2 IOWR# SDV33 PIN40 VGAHSYNC# DE A_DQ9 A_DQ3 IOCE# SB18A GND SDV33 AR GND GND IR INT0# A_RA5 TXD AN2 ADC2 A_DQ2 HDMILRCK RP Y1P A_DQ13 A_WE# A_BA1 AOSDATA3 GND DV18A GND GND VI9 ICE PWM0 F_A7 GND PIN37 DV18A R41 1k R547 0/NC MT8201 DVDD18 27 RXD 28 TXD 29 AOMCLK 30 W R_ 20 DVSS25 94 RA8 91 RA7 92 RA6 93 RA5 95 RA4 96 RA9 89 RD_ 21 IOA3 17 INT0 22 PRST_ 23 UP3_4 24 IR 25 AOBCK 32 LIN 33 DVSS18 34 DVSS33 36 DVDD18 40 HIGHA1 4 DVSS18 9 IOA20 5 IOA6 13 IOA5 14 DVDD33A 16 IOA4 15 IOA18 10 HIGHA0 11 IOA7 12 IOA19 8 XTALI 200 PLLVSS3 196 DVDD25OPT 103 DVDD25OPT 97 DVDD25OPT 101 DVSS25 102 IOALE 19 XTALVDD 198 XTALO 199 DVSS18 100 DVSS25 99 PLLVSS2 194 PWM0/GPIO 105 DVDD33 104 PWM1/GPIO 106 PLLVDD2 195 PLLVDD3 197 XTALVSS 201 ADCVSS 202 IOA21 6 HIGHA2 3 IOW R_ 7 DVDD18 98 RA11 88 CKE 87 IOA2 18 DVSS18 90 ICE 26 HIGHA3 2 AOLRCK 31 OUT_27MHZ/GPIO 107 DE_SOG/GPIO 108 VI0/GPIO 109 VI1/GPIO 110 VI2/GPIO 112 VI3/GPIO 113 VCLK_DVI 114 VI7/GPIO 118 DVDD18 111 VI8/GPIO 119 VI9/GPIO 120 DVSS33 121 VI10/GPIO 122 DVSS18 123 VI11/GPIO 124 VI12/GPIO 125 VI13/GPIO 126 VI14/GPIO 127 VI15/GPIO 128 DVDD33 129 DVDD18 130 AVDD_VAD1 163 SC1 164 SY1 165 SC0 166 SY0 167 AVSS_VFE0 168 AVSS_VAD0 174 REFN 175 CVBS1 172 CVBS0 173 AVDD_VFE0 169 CVBS3 170 CVBS2 171 REFP 176 AVDD_VAD0 177 AADCVDD 178 MPX1 179 MPX2 180 AADCVSS 181 TN2 182 TP2 183 ADACVDD 184 ACENT/AOSDAT2 188 AVICM 187 AR/AOSDAT1 186 AL/AOSDAT0 185 ADACVSS 189 TP3 190 TN3 191 PLLVDD1 193 PLLVSS1 192 HIGHA4 1 AOSDATA3/GPIO 35 VI6/GPIO 117 VI5/GPIO 116 VI4/GPIO 115 DVDD25 86 RCLK 85 RCLKB 84 DVSS25 83 RA3 82 RA2 81 RA1 80 RA0 79 RA10 78 DVDD25 77 BA1 76 DVDD18 75 BA0 74 RCS_ 73 RAS_ 72 DVSS25 71 CAS_ 70 RWE_ 69 DQ15 68 DQ14 67 DQ13 66 DVDD25 65 LVSSC 229 DVDD18A 230 GPIO19 231 DVDD33A 232 UP3_5 233 UP3_1 234 UP3_0 235 A17 237 IOA0 238 AD7 239 DVSS18 240 AD6 241 AD5 242 AD4 243 DVSS33 244 AD3 245 AD2 246 AD1 247 AD0 248 IOOE_ 249 IOCS_ 250 IOA1 251 DVDD18A 252 A16 253 HIGHA7 254 HIGHA6 255 HIGHA5 256 PR1P 162 PB1P 161 Y1P 160 SOY1 159 PR0P 158 Y0P 156 SOY0 155 AVSS_VAD1 154 TP1 153 TN1 152 AVDD_VFE1 151 PB0P 157 RP 150 HDMISD1/GPIO 135 GP 149 SOG 148 HDMISD2/GPIO 136 BP 147 DVSS33 139 HDMILRCK/GPIO 133 HDMIBCLK/GPIO 132 HDMIMCLK/GPIO 131 FCICLK/GPIO 37 FCICMD/GPIO 38 FCIDAT/GPIO 39 DVDD33 41 DQ0 42 DQ1 43 DQ2 44 DVDD25 45 DQ3 46 DQ4 47 DQ5 48 DQ6 49 DVSS25 50 DQ7 51 DQS0 52 DQM0 53 DVDD25 54 DQS1 55 DQ8 56 DVSS18 57 RVREF 58 DQ9 59 DVSS25 60 DQ10 61 DQ11 62 DVSS18 63 DQ12 64 DE/GPIO 236 ADIN3/GPIO 203 ADIN2/GPIO 204 ADIN1/GPIO 205 ADIN0/GPIO 206 ADCVDD 207 PWM2VREF 208 TP4 209 TN4 210 VPLLVDD1 211 VPLLVSS 212 VPLLVDD2 213 LVDDA 214 LVSSA 215 LVDDB 216 A3P/EGO5 217 A3N/EGO4 218 LVSSB 219 CK1P/EGO3 220 CK1N/EGO2 221 A2P/EGO1 222 A2N/EGO0 223 LVDDC 224 A1P/ERO7 225 A1N/ERO6 226 A0P/ERO5 227 A0N/ERO4 228 AVSS_VFE1 146 VSYNC 145 HSYNC 144 FAST_BLANK/GPIO 143 SCL0/GPIO 142 SDA0/GPIO 141 DVSS18 140 SCL1/GPIO 138 SDA1/GPIO 137 HDMISD0/GPIO 134 U8 MT8201 LQFP256/SMD R548 0 C33 22pF C34 27pF Y1 27MHz R39 0 CB79 0.1uF R40 4.7k/NC CB80 0.1uF R42 1k R38 0 R37 820k SDV33 DV33A DV18A SB18A SB18A THIS GPIO CAN'T BE USED D_CKE D_CLK D_BA1 D_BA0 D_DQM0 D_RA10 D_RA9 D_RA7 D_RA6 D_RA5 D_RA4 D_RA11 D_RA3 D_RA2 D_RA1 D_RA0 D_DQ0 D_DQ1 D_DQ3 D_DQ2 D_DQ4 D_DQ5 D_DQ7 D_DQ6 D_DQ8 D_DQ9 D_DQ11 D_DQ10 D_RA8 D_CS# D_RAS# D_CAS# D_WE# D_DQ15 D_DQ14 D_DQ13 D_DQ12 1 2 3 4 5 6 7 8 RN1 22x4 1 2 3 4 5 6 7 8 RN8 22x4 1 2 3 4 5 6 7 8 RN2 22x4 R56 22 1 2 3 4 5 6 7 8 RN5 47x4 R54 22 R58 22 1 2 3 4 5 6 7 8 RN3 22x4 R49 22 1 2 3 4 5 6 7 8 RN6 47x4 R60 22 1 2 3 4 5 6 7 8 RN4 47x4 1 2 3 4 5 6 7 8 RN7 47x4 R59 22 TP1 TP2 CB82 0.1uF L29 FB L31 FB ADCV18A 非电解 C258 47pF/NC C259 47pF/NC R33 51 R34 51 R35 51 R36 51 VPLLVDD1 PLLVDD CE34 10uF/10V CE35 10uF/10V CE38 10uF/10V CE39 10uF/10V D_DQ0 D_DQ1 D_DQ3 D_DQ2 D_DQ4 D_DQ5 D_DQ7 D_DQ6 D_RA4 D_DQ8 D_RA5 D_RA6 D_DQ9 D_RA7 D_RA8 D_DQ11 D_RA9 D_RA3 D_DQ10 D_RA2 D_RA1 D_DQ12 D_RA0 D_RA10 D_DQ13 D_BA0 D_BA1 D_DQ15 D_RA11 D_CKE D_DQ14 D_CLK D_DQM0 D_RAS# D_CAS# D_CS# D_WE# D_DQM0 SDV33 SDV33 SDV33 SDV33 SDV33 SDV33 SDV33 C250 0.01uF CB85 0.1uF VCC 1 DQ0 2 DQ1 4 VSSQ 12 DQ2 5 DQ3 7 VCCQ 9 DQ4 8 DQ5 10 VSSQ 46 DQ6 11 DQ7 13 DQML 15 WE 16 CAS 17 RAS 18 CS 19 A11 35 A10/AP 22 A0 23 A1 24 A2 25 A3 26 VCC 14 VSS 41 A4 29 A5 30 A6 31 A7 32 A8 33 A9 34 NC 36 CKE 37 CLK 38 DQMH 39 NC 40 VCCQ 43 DQ8 42 DQ9 44 VSSQ 52 DQ10 45 DQ11 47 VCCQ 49 DQ12 48 DQ13 50 DQ14 51 DQ15 53 VSS 54 BA0/A13 20 BA1/A12 21 VCCQ 3 VSSQ 6 VCC 27 VSS 28 U11 ESMT M12L64164A-5T CB86 0.1uF CB87 0.1uF CB84 0.1uF C248 0.01uF + CE53 220uF/16V C249 0.01uF SDV33 F_D3 F_A14 F_A20 F_A17 F_A2 F_A3 F_A9 F_A11 F_A7 F_A12 F_A21 IOWR# F_D4 F_A8 F_A0 F_A5 F_D6 F_D1 F_A13 F_A4 F_A10 F_A6 F_A18 F_A1 F_D2 F_D5 F_A16 F_A15 F_A19 IOCE# F_OE# F_D0 F_D7 CB92 0.1uF + CE54 100uF/16v CB93 0.1uF A0 25 A1 24 A2 23 A3 22 A4 21 A5 20 A6 19 A7 18 A8 8 A19 9 OE 28 BYTE 47 A18 16 D0 29 D1 31 D2 33 D3 35 A9 7 CE 26 D4 38 D5 40 D6 42 D7 44 D8 30 D9 32 A20 10 D11 36 D12 39 D13 41 D14 43 D15 45 VCC 37 GND1 27 WE 11 RY/BY 15 D10 34 GND2 46 A10 6 A12 4 A11 5 A13 3 A14 2 A15 1 A16 48 A17 17 NC 13 RESET 12 WP/ACC 14 U10 MX29LV160 R50 10k R48 10k CB95 0.1uF L33 1uH SB33B FLASH_VCC PDF 文件使用 "pdfFactory Pro" 试用版本创建 www.fineprint.com.cn 5 4 3 2 1 D D C C B B A A +12V USBA+3.3V V33_XTAL USB_GND GND V33D_DSP USB_GND V+3.3 USBD+3.3V APLLVCC3 SD_VCC3 GND V33_TVDAC VGND GND GND V33_Flash GND V+3.3 GND VGND GND GND GND DVGND AGND USB_GND DLLGND GND GND DLLGND USB_V18 VPLLVCC1.8 V+1.8 USB_GND VDD_DLL DLLGND GND GND_A GND GND GND DGND GND D+5V ADGND GND GND_IN GND_IN GND_IN GND_IN GND_IN GND_IN GND_IN GND_IN GND GND V+1.8 GND V+3.3 GND GND D+5V V18A_DSP D+5V 12V 10 STB Title Size Document Number Rev Date: Sheet of SPHE7300-32SDR-256-TI5147-TV-2 V1.0 POWER 1 10 Thursday, February 09, 2006 SUNPLUS TECHNOLOGY Title Size Document Number Rev Date: Sheet of SPHE7300-32SDR-256-TI5147-TV-2 V1.0 POWER 1 10 Thursday, February 09, 2006 SUNPLUS TECHNOLOGY Title Size Document Number Rev Date: Sheet of SPHE7300-32SDR-256-TI5147-TV-2 V1.0 POWER 1 10 Thursday, February 09, 2006 SUNPLUS TECHNOLOGY SPHE7300 power +3.3V SPHE7300 XTAL +3.3V SPHE7300 TV_DAC +3.3V Flash power +3.3V SPHE7300 APLLVCC3 SPHE7300 USB 3.3V D&A SDRAM power +3.3V SPHE7300 USB 1.8V SPHE7300 VPLLVCC1.8 SPHE7300 DLL 1.8V Normal power +5V Reserved for 3.3V SPHE7300 DSP 1.8V L8 BEAD L8 BEAD ZD1 Zener / 5V6(dip) ZD1 Zener / 5V6(dip) + EC16 100uF/16V + EC16 100uF/16V + EC2 470uF/16V + EC2 470uF/16V ADJ 1 IN 3 OUT 2 U1 AMS1085CT(TO-252 1A) U1 AMS1085CT(TO-252 1A) TP1 TP1 BC3 0.1uF BC3 0.1uF BC10 0.1uF BC10 0.1uF TP5 TP5 L10 BEAD L10 BEAD + EC6 470uF/16V + EC6 470uF/16V R6 750 R6 750 BC2 0.1uF BC2 0.1uF TP3 TP3 R3 1K R3 1K R1 470 R1 470 FB1 47uH FB1 47uH + EC10 220uF/16V + EC10 220uF/16V BC7 0.1uF BC7 0.1uF R8 10 R8 10 BC17 0.1uF BC17 0.1uF L11 BEAD L11 BEAD R9 NC R9 NC TP27 TP27 BC16 0.1uF BC16 0.1uF Vin 1 GND 3 ON/OFF 5 OUT 2 FEE 4 U2 AC1501-5.0(TO263-5L) U2 AC1501-5.0(TO263-5L) + EC5 220uF/16V + EC5 220uF/16V L3 BEAD L3 BEAD D5 1N5822 D5 1N5822 + EC15 10uF/16V + EC15 10uF/16V 1 2 J7 J7 L5 BEAD L5 BEAD L2 BEAD L2 BEAD 1 2 D3 LED_2 D3 LED_2 R2 220 R2 220 + EC14 10uF/16V + EC14 10uF/16V D1 IN4004(DIP) D1 IN4004(DIP) L12 BEAD L12 BEAD L15 BEAD L15 BEAD BC6 0.1uF BC6 0.1uF L14 BEAD L14 BEAD EC13 10uF/16V EC13 10uF/16V EC7 10uF/16V EC7 10uF/16V BC14 0.1uF BC14 0.1uF R140 3.3K R140 3.3K BC15 0.1uF BC15 0.1uF + EC4 220uF/16V + EC4 220uF/16V L1 BEAD L1 BEAD EC8 10uF/16V EC8 10uF/16V R5 470 R5 470 BC5 0.1uF BC5 0.1uF D2 IN4004(DIP) D2 IN4004(DIP) TP19 TP19 C2 100nF C2 100nF R4 1K R4 1K C1 100nF C1 100nF D4 1N5822 D4 1N5822 + EC1 220uF/16V + EC1 220uF/16V + EC3 10uF/16V + EC3 10uF/16V L4 BEAD L4 BEAD R7 10K R7 10K TP4 TP4 ADJ 1 IN 3 OUT 2 U3 AMS1085CT(TO-252 1A) U3 AMS1085CT(TO-252 1A) TP2 TP2 TP28 TP28 BC4 0.1uF BC4 0.1uF BC1 0.1uF BC1 0.1uF BC13 0.1uF BC13 0.1uF R11 10 R11 10 L13 BEAD L13 BEAD 5 5 4 4 3 3 2 2 1 1 D D C C B B A A DSVI_CLK0 D22_A1 PR_A4 B8_A4 CLK12_IN B8_A4 DRAM_D18 D18_A5 D27_A11 DRAM_D27 UA1_RX D22_A1 DRAM_D22 IL_D0 E5_SDRAM_DQM1 DQM1 DRAM_A7 CLKOUT DQM0 DQM2 E5_SDRAM_DQS0 B3_A18 PR_A18 DRAM_D4 E5_SDRAM_DQ4 DRAM_D11 E5_SDRAM_DQ11 PR_A19 BA1 D18_A5 DRAM_D0 E5_SDRAM_DQ0 V_VBSP DRAM_A3 DRAM_A4 B9_A3 PR_A1 B11_A1 PR_D2 UA1_TX RESET_B YOUT7 D31_A18 DRAM_D31 D25_A13 IL_CLK CLKIN VFD_CLK A_BCLK DRAM_D16 D16_A7 B1_A8 M_WE E5_SDRAM_WE# A_LRCK D20_A3 B4_A7 PR_A7 M_CS0 B5_A22 B16_A14 B15_A13 PR_A13 DRAM_D12 E5_SDRAM_DQ12 IL_D1 E5_SDRAM_DQ6 DRAM_D6 CLK12_OUT DRAM_D28 D28_A9 D26_A12 DRAM_D26 D29_A8 DRAM_A11 YOUT3 DQM3 E5_SDRAM_DQS1 PR_D0 ROM_CS0 DRAM_A1 B11_A1 E5_SDRAM_DQM0 B7_A5 PR_A5 DRAM_D15 E5_SDRAM_DQ15 YOUT6 CLK12_OUT E5_SDRAM_RAS# RAS D21_A2 DRAM_D3 E5_SDRAM_DQ3 DRAM_A8 B3_A18 PR_A20 D17_A6 B0_A9 PR_A9 B0_A9 UA1_RX B13_A11 CLKOUT D27_A11 DRAM_A10 E5_SDRAM_CLKE CKE UA0_RX VFD_CLK PR_A22 RESET_B PR_D1 YOUT2 D24_A14 DRAM_D24 D31_A18 DRAM_A10 GPIO2 DRAM_D10 E5_SDRAM_DQ10 DRAM_D30 D30_WE B10_A2 PR_A10 M_CLK E5_SDRAM_CLK0 PR_D4 YOUT4 D21_A2 DRAM_D21 B2_WE FLASH_WE D19_A4 A_XCK DRAM_A9 DRAM_D29 D29_A8 B14_A12 PR_A12 E5_SDRAM_DQ1 DRAM_D1 B9_A3 PR_A3 E5_SDRAM_DQ7 DRAM_D7 PR_A11 B13_A11 ROM_OE E5_SDRAM_CAS# CAS DRAM_A12 PR_D3 B15_A13 E5_SDRAM_DQ2 DRAM_D2 UA0_TX D26_A12 DRAM_A2 DRAM_D14 E5_SDRAM_DQ14 B6_A6 DSVI_CLK0 UA0_TX PR_A6 B6_A6 DRAM_A5 IL_CTL0 DRAM_D19 D19_A4 B5_A22 PR_A22 YOUT0 D30_WE PR_A17 RESET_B B4_A7 E5_SDRAM_CLK#0 D16_A7 DRAM_A11 PR_D7 D25_A13 DRAM_D25 IL_LREQ DRAM_D8 E5_SDRAM_DQ8 DRAM_A9 DRAM_A12 PR_D5 D23_A0 DRAM_D23 CLKIN B14_A12 PR_A21 YOUT1 D20_A3 DRAM_D20 B1_A8 PR_A8 D23_A0 IL_LKON DRAM_D17 D17_A6 B7_A5 DRAM_D5 E5_SDRAM_DQ5 BA0 V_VBSP B10_A2 PR_A2 IL_CTL1 PR_A0 B12_A0 DRAM_A0 PR_A14 B16_A14 DRAM_D9 E5_SDRAM_DQ9 UA0_RX D24_A14 UA1_TX PR_A16 A_DATA0 D28_A9 PR_A15 RESET_B DRAM_A6 B12_A0 YOUT5 IL_LPS DRAM_A8 CLK12_IN PR_D6 DRAM_D13 E5_SDRAM_DQ13 B2_WE AI_D0 SDA SCL ATAPI_D14 ATAPI_D15 ATAPI_D6 ATAPI_D5 ATAPI_D2 ATAPI_D3 ATAPI_D10 ATAPI_D9 ATAPI_D8 ATAPI_D7 ATAPI_D0 ATAPI_D4 ATAPI_D13 ATAPI_D12 ATAPI_D1 ATAPI_D11 A_DATA1 A_DATA2 GND GND VGND VGND USB_GND GND USBD+3.3V GND V33D_DSP APLLVCC3 GND GND V18A_DSP V33D_DSP USB_GND GND D+5V V33D_DSP V33_TVDAC V33D_DSP USB_V18 V33D_DSP GND DLLGND ADGND USBA+3.3V V+3.3 V18A_DSP VPLLVCC1.8 V18A_DSP GND GND GND V33_TVDAC USB_GND D+5V VDD_DLL V33_XTAL V33D_DSP V33D_DSP V18A_DSP V18A_DSP V+3.3 GND ADGND ADGND V18A_DSP GND GND V33_TVDAC D+5V PR_D[0..7] 4 PR_A[0..22] 3 DRAM_A10 3 TV_DAC0 7 IL_CLK 4 ROM_OE 3 M_CLK 3 FLASH_WE 3 ROM_CS0 3 DRAM_A11 3 M_WE 3 RESET_ALL RESET_ALL IL_LREQ 4 A_BCLK 8 A_DATA0 8 IL_D1 4 TV_DAC5 7 DRAM_A12 3 CAS 3 RESET_B 3 DQM3 3 YOUT[0:7] 5 USB_DP 9 DRAM_A[0..7] 3 DQM2 3 IL_D0 4 TV_DAC4 7 RAS 3 SDA 3,5,8 BA1 3 USB_DM 9 A_XCK 8 IL_CTL1 4 TV_DAC3 7 AI_D0 8 SCL 3,5,8 BA0 3 DRAM_D[0..15] 3 A_LRCK 8 RESET_B 3 DRAM_D[16..31] 3 DRAM_A8 3 IL_CTL0 4 IR_IN 1 IL_LKON 4 M_CS0 3 CKE 3 DQM0 3 DRAM_A9 3 RESET 5 AUDIO_MUTE 8 DQM1 3 IL_LPS 4 CLKX2 5 TV_DAC2 7 TV_DAC1 7 D_IRQ 6 D_IOR0 6 D_CS1 6 D_DMAACK 6 D_A1 6 D_IORDY 6 D_DMAREQ 6 D_CS0 6 D_RST# 6 D_A0 6 D_A2 6 ATAPI_D[0..15] 6 D_IOW0 6 TX_IN RX_IN GPIO4 9,10 GPIO5 9,10 A_DATA1 8 A_DATA2 8 Title Size Document Number Rev Date: Sheet of SPHE7300-32SDR-256-TI5147-TV-2 V1.0 SPHE7300 2 10 Thursday, February 09, 2006 SUNPLUS TECHNOLOGY Title Size Document Number Rev Date: Sheet of SPHE7300-32SDR-256-TI5147-TV-2 V1.0 SPHE7300 2 10 Thursday, February 09, 2006 SUNPLUS TECHNOLOGY Title Size Document Number Rev Date: Sheet of SPHE7300-32SDR-256-TI5147-TV-2 V1.0 SPHE7300 2 10 Thursday, February 09, 2006 SUNPLUS TECHNOLOGY 1394_TI 1_ROM 1_SDRAM BC33 0.1uF BC33 0.1uF 1 TP6 TP6 BC30 0.1uF BC30 0.1uF 1 TP10 TP10 D8 1N4148 D8 1N4148 BC20 0.1uF BC20 0.1uF C6 33PF C6 33PF TP8 TP_RST TP8 TP_RST C7 33PF C7 33PF BC29 0.1uF BC29 0.1uF BC38 NC/0.1uF BC38 NC/0.1uF BC22 0.1uF BC22 0.1uF BC32 0.1uF BC32 0.1uF BC39 0.1uF BC39 0.1uF R25 30K R25 30K Q1 SMD 9014 Q1 SMD 9014 1 TP9 TP9 C3 0.1uF C3 0.1uF 1 TP13 TP13 C5 33PF C5 33PF BC31 0.1uF BC31 0.1uF BC35 0.1uF BC35 0.1uF BC40 0.1uF BC40 0.1uF BC18 0.1uF BC18 0.1uF BC21 0.1uF BC21 0.1uF BC27 0.1uF BC27 0.1uF R13 10K R13 10K 1 2 3 4 CN2 JST-CON4-2.54mm/NC CN2 JST-CON4-2.54mm/NC BC28 0.1uF BC28 0.1uF + EC17 10uF/16V + EC17 10uF/16V BC26 0.1uF BC26 0.1uF C9 0.01uF C9 0.01uF BC19 NC/0.1uF BC19 NC/0.1uF R14 1.8K R14 1.8K 1 TP14 TP14 BC42 0.1uF BC42 0.1uF R12 10K R12 10K BC41 0.1uF BC41 0.1uF R18 10K R18 10K 1 TP11 TP11 BC44 0.1uF BC44 0.1uF 1 2 J8 CON2 J8 CON2 BC25 0.1uF BC25 0.1uF R24 0 R24 0 D7 1N4148 D7 1N4148 1 2 3 4 CN1 JST-CON4-2.54mm/NC CN1 JST-CON4-2.54mm/NC BC23 0.1uF BC23 0.1uF R17 100 R17 100 1 TP12 TP12 R23 4.7K R23 4.7K S1 RESET S1 RESET C4 0.1uF C4 0.1uF D6 1N4148 D6 1N4148 BC43 0.1uF BC43 0.1uF R16 10K R16 10K 1 TP7 TP7 R15 10K R15 10K AT_D1 2 AT_D2 3 AT_D3 4 AT_D4 5 AT_D5 6 AT_D6 7 AT_D7 8 AT_RESET 9 VSS0 10 AT_D8 11 AT_D9 12 AT_D10 13 AT_D11 14 AT_D12 15 AT_D13 16 AT_D14 17 AT_D15 18 AT_A2 19 VDD_O0 20 AT_CS1 21 AT_CS0 22 AT_1 24 AT_INTRQ 25 AT_DMACK 26 AT_IORDY 27 AT_DIOR_B 28 AT_DIOW_E 29 AT_DMARQ 30 UA1_TX 31 UA1_RX 32 VDD_K0 33 E256_MX0 34 E256_MX1 35 E256_MX2 36 E256_MX3 37 E256_MX4 38 E256_MX5 39 E256_MX6 40 E256_MX7 41 EVSS_0 42 CK12_IN 43 CK12_OUT 44 USB_VRES 45 USB_VSSA1 46 USB_VDDA1 47 USB_DM 48 USB_DP 49 USB_VDDD 50 USB_VSDL 51 USB_VDDL 52 USB_VDDA2 53 USB_VSSA2 54 AT_D0 1 E256_MX22 192 E256_MX21 191 E256_MX20 190 E256_MX19 189 E256_MX18 188 E256_MX17 187 E256_MX16 186 EVSS_3 185 EVDD_O1 184 VDD_O6 183 M_WE_B 182 M_CAS_B 181 M_RAS_B 180 M_CS1_B 179 M_CS0_B 178 M_BA0 177 M_BA1 176 M_A10 175 VSS7 174 M_A0 173 M_A1 172 M_A2 171 EVDD_O0 170 M_A3 169 M_A4 168 M_A5 167 EVDD_K0 164 M_A6 166 M_A7 165 M_A8 163 AT_A0 23 G_MX2 55 G_MX3 56 G_MX4 57 G_MX5 58 VSS1 59 G_MX6 60 G_MX7 61 G_MX8 62 G_MX9 63 G_MX10 64 G_MX11 65 G_MX12 66 G_MX13 67 G_MX14 68 G_MX15 69 G_MX16 70 EVSS1 71 G_MX17 72 VDDO1 73 E256_M8 74 E256_M9 75 E256_M10 76 E256_M11 77 E256_M12 78 E256_M13 79 E256_M14 80 E256_M15 81 VSS2 82 IR_IN 83 VFD_CLK 84 VFD_STB 85 VFD_DATA 86 G_MX18 87 VDD_K1 88 G_MX19 89 G_MX20 90 G_MX21 91 G_MX22 92 R_CS4_B 93 R_CS3_B 94 R_CS2_B 95 R_CS1_B 96 VDD_PLLA 97 CP 98 VSS_PLLA 99 VSS_PLLV 100 VDD_PLLV 101 VDD_XTAL 102 CK27IN 103 CK27OUT 104 VSS_XTAL 105 M_D23 106 M_D22 107 M_D21 108 M_D20 109 VSS3 110 M_D19 111 M_D18 112 M_D17 113 VDD_K2 114 M_D16 115 M_D31 116 VDD_O2 117 M_D30 118 M_D29 119 M_D28 120 EVSS_2 121 M_D27 122 M_D26 123 M_D25 124 M_D24 125 VDD_DLL 126 VSS_DLL 127 M_DQM0 128 VSS6 162 M_A9 161 M_A11 160 M_A12 159 M_CKE 158 VDD_O5 157 M_CLKO_P 156 M_CLKO_N 155 VSS_VREF 154 VDD_VREF 153 M_DQM1 152 VDD_K3 151 M_D8 150 M_D9 149 M_D10 148 M_D11 147 VSS5 146 M_DQS1/DQM3 145 M_D12 144 M_D13 143 VDD_O4 142 M_D14 141 M_D15 140 M_D0 139 M_D1 138 M_D2 137 M_D3 136 M_DQS0/DQM2 135 M_D4 134 VSS4 133 M_D5 132 VDD_O3 131 M_D6 130 M_D7 129 TV_DAC0 256 TV_DAC1 255 VDD_TVA0 254 VSS_TVA0 253 TV_DAC2 252 TV_DAC3 251 VSS_TVA1 250 VDD_TVA1 249 TV_DAC4 248 TV_DAC5 247 VDD_TVA2 246 V_REFOUT 245 V_FSADJ 244 V_VBSP 243 VSS_TVA2 242 A_XCK 241 A_BCLK 240 A_LRCK 239 A_DATA1 238 A_DATA2 237 A_DATA3 236 A_DATA0 235 A_IEC_TX 234 A_IEC_RX 233 A_DATA4 232 VSS9 231 HW_CFG3 230 VDD_K5 229 AI_XCK/HW_CFG2 228 AI_BCLK/HW_CFG1 227 VDD_O7 226 AI_LRCK/HW_CFG0 225 RESET 224 UA0_RX 223 UA0_TX 222 E256_MX32 221 E256_MX31 220 E256_MX30 219 E256_MX29 218 E256_MX28 217 E256_MX27 216 E256_MX26 215 E256_MX25 214 E256_MX24 213 VDD_K4 212 G_MX1 211 VSS8 210 G_MX0 209 VI_D7 208 VI_D6 207 VI_D5 206 VI_D4 205 VI_D3 204 VI_D2 203 VI_D1 202 VI_D0 201 VI_CLK 200 VSS_ADA 199 AIN 198 ATO 197 AIN_R 196 VM 195 VDD_ADA 194 E256_MX23 193 U4 SPHE7300-256 U4 SPHE7300-256 XT2 12MHz XT2 12MHz R19 6.2K R19 6.2K R20 4.7K R20 4.7K BC34 0.1uF BC34 0.1uF BC36 0.1uF BC36 0.1uF BC37 0.1uF BC37 0.1uF BC24 0.1uF BC24 0.1uF XT1 27MHz XT1 27MHz C8 33PF C8 33PF 5 4 3 2 1 D D C C B B A A DRAM_D12 DRAM_D19 SD_CKE PR_D7 PR_D6 PR_A14 PR_A3 DRAM_D18 DRAM_D16 DA10 DRAM_A4 DRAM_D7 DA7 SD_DQM0 M_CS0 DD26 PR_D1 DRAM_D10 ROM_CS0 SD_RAS PR_D7 DD22 DD8 PR_A0 DRAM_D17 ROM_OE PR_D1 DD17 DD11 DD30 PR_A21 PR_A18 DRAM_D28 DRAM_A1 ROM_CS0 DA9 PR_A1 DD3 DA9 DRAM_D11 SD_DQM0 PR_A11 PR_A8 DRAM_D24 DA2 DRAM_D15 DD7 DA1 SD_BA0 DRAM_D3 PR_A18 DD12 DRAM_D8 PR_A12 PR_A19 DD2 SD_WE RESET_B DA5 DD9 DRAM_D26 DD13 DRAM_D20 DRAM_A2 SD_CS0 DRAM_D0 PR_A16 SD_CAS SD_DQM1 DD6 DA11 DRAM_D30 SD_RAS PR_A6 PR_A5 DRAM_D1 PR_A22 DD24 ROM_OE DRAM_A9 PR_A12 DA12 DA6 DRAM_D21 PR_D4 DD18 SD_DQM2 DA0 DRAM_D5 PR_A15 DA11 SDRAM_CLK PR_A5 SD_CKE DRAM_A5 DD25 DD15 DA7 DRAM_A11 DD31 DRAM_D2 PR_A10 DA10 DRAM_A8 PR_A9 PR_D6 SD_BA1 PR_A4 DRAM_D23 DA11 SD_WE DA9 PR_D2 PR_D0 PR_A7 DA8 PR_A0 PR_A17 DRAM_D4 PR_A19 SD_BA1 DRAM_D6 PR_A11 DA4 DA2 DA8 DRAM_A3 PR_A16 DRAM_D25 DD10 SD_DQM1 DD20 DRAM_D31 PR_A10 PR_A3 PR_A1 PR_A14 PR_A6 PR_A13 DA3 PR_A17 PR_D4 DD16 DRAM_D13 DRAM_A10 PR_A13 SD_DQM3 DRAM_D22 SDRAM_CLK DRAM_D27 FLASH_WE DD0 DA3 DRAM_D9 DD29 FLASH_WE DRAM_A6 DA5 DD1 SD_CAS DA6 PR_A21 PR_A2 DA8 DD27 PR_D5 PR_D3 DA10 PR_A15 DRAM_A7 SD_BA0 PR_D5 DRAM_D29 DD23 PR_D2 DD14 DD19 DRAM_D14 PR_A20 PR_A4 PR_A7 PR_D3 DA12 SD_CKE DA0 SD_CS0 PR_A9 PR_D0 DD5 DRAM_A0 DA1 SDRAM_CLK PR_A8 SD_BA1 PR_A2 PR_A20 DA12 DD21 DD4 DA4 DD28 GND GND GND SD_VCC3 FLASH_POWER FLASH_POWER GND SD_VCC3 FLASH_POWER GND D+5V GND GND GND FLASH_POWER SD_VCC3 GND GND SD_VCC3 GND GND GND SD_VCC3 V33_Flash GND GND D+5V PR_A[0..22] 2 DRAM_D[16..31] 2 DQM3 2 DQM1 2 BA1 2 M_WE 2 ROM_OE 2 DQM2 2 CKE 2 DRAM_A10 2 SCL 2 ROM_CS0 2 PR_D[0..7] 2 DRAM_A[0..7] 2 DRAM_A8 2 DRAM_D[0..15] 2 DRAM_A12 2 RESET_B 2 DRAM_A9 2 SDA 2 M_CS0 2 BA0 2 RAS 2 FLASH_WE 2 CAS 2 M_CLK 2 DQM0 2 DRAM_A11 2 Title Size Document Number Rev Date: Sheet of SPHE7300-32SDR-256-TI5147-TV-2 V1.0 ROM_SDRAM 3 10 Thursday, February 09, 2006 SUNPLUS TECHNOLOGY Title Size Document Number Rev Date: Sheet of SPHE7300-32SDR-256-TI5147-TV-2 V1.0 ROM_SDRAM 3 10 Thursday, February 09, 2006 SUNPLUS TECHNOLOGY Title Size Document Number Rev Date: Sheet of SPHE7300-32SDR-256-TI5147-TV-2 V1.0 ROM_SDRAM 3 10 Thursday, February 09, 2006 SUNPLUS TECHNOLOGY 22 9 19 2 24 18 16 28 13 12 DIP32+4(For FLASH convert board) 29 14 7 20 36 34 31 23 6 35 3 25 27 11 33 17 26 5 10 8 30 15 If use ROM, CON10 should select pin1, 2 If use Flash, CON10 should select pin2, 3 21 4 1 32 1 8 2 7 3 6 4 5 RP4 33/RP RP4 33/RP 1 8 2 7 3 6 4 5 RP11 33/RP RP11 33/RP 1 8 2 7 3 6 4 5 RP8 33/RP RP8 33/RP 1 8 2 7 3 6 4 5 RP1 33/RP RP1 33/RP DQ0 29 A0 25 DQ1 31 A1 24 DQ2 33 A2 23 DQ3 35 A3 22 DQ4 38 A4 21 DQ5 40 A5 20 DQ6 42 A6 19 DQ7 44 A7 18 DQ8 30 A8 8 DQ9 32 A9 7 DQ10 34 A10 6 DQ11 36 A11 5 DQ12 39 A12 4 DQ13 41 A13 3 DQ14 43 A14 2 DQ15/A-1 45 A15 1 A16 48 A17 17 CE 26 OE 28 RST 12 BYTE 47 A18 16 VCC 37 GND 27 GND 46 WE 11 RY/BY 15 NC 9 NC 10 NC 13 NC 14 U5 MX29LV160(2Mbx8)-7 TSOP-48 U5 MX29LV160(2Mbx8)-7 TSOP-48 A0 1 A1 2 A2 3 GND 4 SDA 5 SCL 6 WP 7 VCC 8 U9 24C04 U9 24C04 A0 23 A1 24 A2 25 A3 26 A4 29 A5 30 A6 31 A7 32 A8 33 A9 34 CAS 17 RAS 18 LDQM 15 WE 16 CS 19 CKE 37 CLK 38 UDQM 39 D0 2 D1 4 D2 5 D3 7 D4 8 D5 10 D6 11 D7 13 D8 42 D9 44 D10 45 D11 47 D12 48 D13 50 D14 51 D15 53 A12 36 BA0 20 VDD 1 VDD 27 VSS 28 VSS 41 A10/AP 22 NC/RFU 40 VDDq 3 VDDq 9 VDDq 43 VDDq 49 VSSq 6 VSSq 12 VSSq 46 VSSq 52 A11 35 BA1 21 VSS 54 VDD 14 SDRAM 128Mb(8Mbx16)-6T U7 SDRAM 128Mb(8Mbx16)-6T U7 BC55 0.1uF BC55 0.1uF R32 33 R32 33 BC46 NC BC46 NC BC50 0.1uF BC50 0.1uF R29 33 R29 33 R31 10K R31 10K R35 33 R35 33 1 8 2 7 3 6 4 5 RP10 33/RP RP10 33/RP R34 33 R34 33 BC48 0.1uF BC48 0.1uF R26 33 R26 33 1 8 2 7 3 6 4 5 RP5 33/RP RP5 33/RP 1 8 2 7 3 6 4 5 RP9 33/RP RP9 33/RP BC52 0.1uF BC52 0.1uF + EC18 10uF/16V + EC18 10uF/16V A0 12 A1 11 A2 10 A3 9 A4 8 A5 7 A6 6 A7 5 A8 27 A9 26 A10 23 A11 25 A12 4 A13 28 A14 29 A15 3 A16 2 A17 30 A18 31 A19 1 D0 13 D1 14 D2 15 D3 17 D4 18 D5 19 D6 20 D7 21 VCC 32 GND 16 CE 22 OE 24 /WE 33 /RST 34 A20 35 A21 36 U6 M27C801(DIP32+4)/NC U6 M27C801(DIP32+4)/NC C10 10pF C10 10pF BC49 0.1uF BC49 0.1uF BC47 0.1uF BC47 0.1uF 1 8 2 7 3 6 4 5 RP6 33/RP RP6 33/RP 1 2 3 CON1 JST-CON3-2.54 CON1 JST-CON3-2.54 1 8 2 7 3 6 4 5 RP12 33/RP RP12 33/RP BC51 0.1uF BC51 0.1uF BC53 0.1uF BC53 0.1uF 1 8 2 7 3 6 4 5 RP3 33/RP RP3 33/RP R27 33 R27 33 R33 33 R33 33 BC56 0.1uF BC56 0.1uF A0 23 A1 24 A2 25 A3 26 A4 29 A5 30 A6 31 A7 32 A8 33 A9 34 CAS 17 RAS 18 LDQM 15 WE 16 CS 19 CKE 37 CLK 38 UDQM 39 D0 2 D1 4 D2 5 D3 7 D4 8 D5 10 D6 11 D7 13 D8 42 D9 44 D10 45 D11 47 D12 48 D13 50 D14 51 D15 53 A12 36 BA0 20 VDD 1 VDD 27 VSS 28 VSS 41 A10/AP 22 NC/RFU 40 VDDq 3 VDDq 9 VDDq 43 VDDq 49 VSSq 6 VSSq 12 VSSq 46 VSSq 52 A11 35 BA1 21 VSS 54 VDD 14 U8 SDRAM 128Mb(8Mbx16)-6T U8 SDRAM 128Mb(8Mbx16)-6T R28 33 R28 33 BC54 0.1uF BC54 0.1uF 1 8 2 7 3 6 4 5 RP2 33/RP RP2 33/RP 1 8 2 7 3 6 4 5 RP7 33/RP RP7 33/RP R30 33 R30 33 BC45 0.1uF BC45 0.1uF 5 4 3 2 1 D D C C B B A A IL_LREQ TPB+ IL_LKON IL_CTL1 D5 TPB- TPB- IL_D1 IL_D0 D6 TPBIAS D6 SHLD IL_CLK D2 D7 D7 TS41_XO TPA+ TPBIAS TPA+ D3 TS41_XO IL_CTL0 TS41_XI TPA- TPB+ TPA- IL_LPS D4 TS41_XI DVCC3 DVCC3 DVGND GND GND DVGND GND DVGND DVCC3 AVCC3 GND V+3.3 DVGND GND GND GND GND AVCC3 AVCC3 GND GND DVGND DVGND GND GND DVCC3 DVCC3 IL_CTL0 3 IL_D1 3 SHLD 14 RESET 2,5 TPB- 14 IL_CLK 3 IL_D0 3 TPA- 14 IL_LKON 3 TPB+ 14 TPA+ 14 IL_LPS 3 IL_LREQ 3 IL_CTL1 3 Title Size Document Number Rev Date: Sheet of SPHE7300-32SDR-256-TI5147-TV-2 V1.0 1394 4 10 Thursday, February 09, 2006 SUNPLUS TECHNOLOGY Title Size Document Number Rev Date: Sheet of SPHE7300-32SDR-256-TI5147-TV-2 V1.0 1394 4 10 Thursday, February 09, 2006 SUNPLUS TECHNOLOGY Title Size Document Number Rev Date: Sheet of SPHE7300-32SDR-256-TI5147-TV-2 V1.0 1394 4 10 Thursday, February 09, 2006 SUNPLUS TECHNOLOGY IC底部加散热用铜皮 C19 0.001uF/NC C19 0.001uF/NC R47 NC/10K R47 NC/10K R42 56.2/NC R42 56.2/NC C17 0.001uF/NC C17 0.001uF/NC C16 0.01uF/NC C16 0.01uF/NC + EC19 1uF/NC + EC19 1uF/NC + EC20 47uF/16V/NC + EC20 47uF/16V/NC R44 10K/NC R44 10K/NC R50 1K/NC R50 1K/NC SYSCLK 1 CTL0 2 CTL1 3 D0 4 D1 5 D2 6 D3 7 D4 8 D5 9 D6 10 D7 11 PD 12 LPS 13 DGND 14 C/LKON 15 PC0 16 PC1 17 PC2 18 ISO 19 CPS 20 DVDD 21 TESTM 22 SE 23 SM 24 AVDD 25 AGND 26 TPB- 27 TPB+ 28 TPA- 29 TPA+ 30 TPBIAS 31 AGND 32 R0 33 R1 34 AVDD 35 AGND 36 RESET 37 FILTER0 38 FILTER1 39 PLLVDD 40 PLLGND 41 XI 42 XO 43 DVDD 44 DVDD 45 DGND 46 DGND 47 LREQ 48 U10 TSB41AB1/NC U10 TSB41AB1/NC BC59 0.1uF/NC BC59 0.1uF/NC L16 BEAD/NC L16 BEAD/NC XT3 24.576MHz/NC XT3 24.576MHz/NC R36 56.2/NC R36 56.2/NC R48 1K/NC R48 1K/NC R40 1M/NC R40 1M/NC R52 NC/10K R52 NC/10K C15 10pF/NC C15 10pF/NC + EC21 100uF/16V/NC + EC21 100uF/16V/NC BC58 0.1uF/NC BC58 0.1uF/NC R38 0/NC R38 0/NC BC60 0.1uF/NC BC60 0.1uF/NC R37 56.2/NC R37 56.2/NC R49 1K/NC R49 1K/NC C14 0.1uF/NC C14 0.1uF/NC R46 NC/10K R46 NC/10K C18 220pF/NC C18 220pF/NC R51 10K/NC R51 10K/NC BC57 0.1uF/NC BC57 0.1uF/NC L17 BEAD/NC L17 BEAD/NC 1 8 2 7 3 6 4 5 RP13 NC(10K/RP) RP13 NC(10K/RP) C21 0.001uF/NC C21 0.001uF/NC R43 56.2/NC R43 56.2/NC C13 22pF/NC C13 22pF/NC C11 22pF/NC C11 22pF/NC C20 0.001uF/NC C20 0.001uF/NC R39 6.34K/NC R39 6.34K/NC R45 5.1K/NC R45 5.1K/NC R41 56.2/NC R41 56.2/NC C12 0.1uF/NC C12 0.1uF/NC 5 4 3 2 1 D D C C B B A A CVBS_0 CVBS_0 CVBS_IN SCL YOUT6 YOUT7 YOUT5 YOUT3 YOUT4 YOUT2 RESET_ALL SDA YOUT0 YOUT1 D_3.3V A_1.8V A_3.3V A_1.8V D_1.8V A_3.3V D_3.3V A_1.8V A_3.3V D_1.8V D_1.8V AGND DGND AGND DGND AGND AGND AGND AGND AGND AGND DGND AGND AGND DGND DGND AGND V+1.8 DGND AGND V+3.3 D_3.3V SDA 2 SCL 2 RESET 2,4 CVBS 9 YOUT[0:7] 2 CLKX2 2 Title Size Document Number Rev Date: Sheet of SPHE7300-32SDR-256-TI5147-TV-2 V1.0 TVP5147 5 10 Thursday, February 09, 2006 SUNPLUS TECHNOLOGY Title Size Document Number Rev Date: Sheet of SPHE7300-32SDR-256-TI5147-TV-2 V1.0 TVP5147 5 10 Thursday, February 09, 2006 SUNPLUS TECHNOLOGY Title Size Document Number Rev Date: Sheet of SPHE7300-32SDR-256-TI5147-TV-2 V1.0 TVP5147 5 10 Thursday, February 09, 2006 SUNPLUS TECHNOLOGY IC底部加散热用铜皮 R58 100 R58 100 R54 10K R54 10K BC75 0.1uF BC75 0.1uF R53 100K R53 100K L21 BEAD/33R L21 BEAD/33R L19 2.7uH L19 2.7uH EC25 100uF/16V EC25 100uF/16V BC70 0.1uF BC70 0.1uF R59 100 R59 100 L23 BEAD/33R L23 BEAD/33R BC80 0.1uF BC80 0.1uF VI_1_B 1 VI_1_C 2 CH1_A33GND 3 CH1_A33VDD 4 CH2_A33VDD 5 CH2_A33GND 6 VI_2_A 7 VI_2_B 8 VI_2_C 9 CH2_A18GND 10 CH2_A18VDD 11 A18VDD_REF 12 A18GND_REF 13 NC 14 NC 15 VI_3_A 16 VI_3_B 17 VI_3_C 18 NC 19 NC 20 NC 21 NC 22 VI_4_A 23 A18GND 24 A18VDD 25 AGND 26 DGND 27 SCL 28 SDA 29 INTREQ 30 DVDD 31 DGND 32 PWDN 33 RESETB 34 FSS/GPIO 35 AVID 36 GLCO/I2CA 37 IOVDD 38 IOGND 39 DATACLK 40 DVDD 41 DGND 42 Y_9 43 Y_8 44 Y_7 45 Y_6 46 Y_5 47 IOVDD 48 IOGND 49 Y_4 50 Y_3 51 Y_2 52 Y_1 53 Y_0 54 DVDD 55 DGND 56 C_9 57 C_8 58 C_7 59 C_6 60 IOVDD 61 IOGND 62 C_5 63 C_4 64 C_3 65 C-2 66 DVDD 67 DGND 68 C_1 69 C_0 70 FID 71 HS/CS 72 VS/VBLK 73 XTAL1 74 XTAL2 75 PLL_A18VDD 76 PLL_A18GND 77 CH1_A18VDD 78 CH1_A18GND 79 VI_1_A 80 U11 TVP5147PFP U11 TVP5147PFP R60 100 R60 100 EC23 10uF/16V EC23 10uF/16V C24 330pF C24 330pF L20 BEAD/33R L20 BEAD/33R C22 33pF C22 33pF BC66 0.1uF BC66 0.1uF BC73 0.1uF BC73 0.1uF R56 10K R56 10K BC76 0.1uF BC76 0.1uF EC9 10uF/16V EC9 10uF/16V C23 33pF C23 33pF BC71 0.1uF BC71 0.1uF XT5 14.31818MHz-Cload = 20pf XT5 14.31818MHz-Cload = 20pf R55 75 R55 75 BC74 0.1uF BC74 0.1uF L22 BEAD/33R L22 BEAD/33R C25 330pF C25 330pF BC67 0.1uF BC67 0.1uF R57 22 R57 22 BC77 0.1uF BC77 0.1uF C26 330pF C26 330pF BC79 0.1uF BC79 0.1uF BC78 0.1uF BC78 0.1uF 1 TP18 TP18 L18 2.7uH L18 2.7uH BC65 0.1uF BC65 0.1uF BC64 0.1uF BC64 0.1uF BC63 0.1uF BC63 0.1uF BC72 0.1uF BC72 0.1uF 5 4 3 2 1 D D C C B B A A AT_DD14 AT_DD8 ATAPI_D11 AT_DD0 ATAPI_D8 DCS0# IOR0# AT_DD12 AT_DD14 ATAPI_D2 AT_DD13 AT_DD10 AT_DD11 DIRQ AT_DD5 DACK HRST# IOR0# ATAPI_D4 AT_DD6 AT_DD6 IOW0# HA#0 IOR0# AT_DD5 AT_DD2 AT_DD13 AT_DD15 ATAPI_D0 AT_DD4 ATAPI_D14 HA#1 D_IORDY ATAPI_D6 IOW0# HA#0 DCS1# ATAPI_D10 AT_DD0 HRST# AT_DD4 DRQ DRQ AT_DD10 ATAPI_D12 IOCHRDY ATAPI_D5 IOCHRDY AT_DD1 AT_DD7 ATAPI_D7 AT_DD3 DCS0# DCS0# DCS1# AT_DD9 ATAPI_D15 D_IRQ HA#2 IOW0# ATAPI_D13 AT_DD12 HA#2 AT_DD11 DACK AT_DD1 AT_DD7 AT_DD2 DCS1# DIRQ ATAPI_D9 AT_DD3 AT_DD8 ATAPI_D3 HA#1 ATAPI_D1 AT_DD9 AT_DD15 GND GND GND D+5V D+5V GND GND GND GND D+5V D_CS1 2 D_IOR0 2 D_IOW0 2 D_DMAACK 2 D_IORDY 2 D_DMAREQ 2 ATAPI_D[0..15] 3 D_CS0 2 D_A2 2 D_RST# 2 D_A1 2 D_A0 2 D_IRQ 2 Title Size Document Number Rev Date: Sheet of SPHE7300-32SDR-256-TI5147-TV-2 V1.0 ATAPI A 6 10 Thursday, February 09, 2006 SUNPLUS TECHNOLOGY Title Size Document Number Rev Date: Sheet of SPHE7300-32SDR-256-TI5147-TV-2 V1.0 ATAPI A 6 10 Thursday, February 09, 2006 SUNPLUS TECHNOLOGY Title Size Document Number Rev Date: Sheet of SPHE7300-32SDR-256-TI5147-TV-2 V1.0 ATAPI A 6 10 Thursday, February 09, 2006 SUNPLUS TECHNOLOGY R127 4.7K/NC R127 4.7K/NC 1 8 2 7 3 6 4 5 RP15 22/RP/NC RP15 22/RP/NC R61 10K/NC R61 10K/NC R67 22/NC R67 22/NC RESET 1 GND 2 D7 3 D8 4 D6 5 D9 6 D5 7 D10 8 D4 9 D11 10 D3 11 D12 12 D2 13 D13 14 D1 15 D14 16 D0 17 D15 18 GND 19 KEY 20 DRQ 21 GND 22 IOW 23 GND 24 IOR 25 GND 26 IOCHRDY 27 BALE 28 DACK 29 GND 30 IRQ14 31 IOCS16 32 A1 33 RESERVED 34 A0 35 A2 36 CS0 37 CS1 38 ACTIVITY 39 GND 40 CN3 ATAPI1 con40/NC CN3 ATAPI1 con40/NC 1 8 2 7 3 6 4 5 RP16 22/RP/NC RP16 22/RP/NC R64 4.7K/NC R64 4.7K/NC R69 10K/NC R69 10K/NC R128 4.7K/NC R128 4.7K/NC R65 22/NC R65 22/NC R62 NC/10K R62 NC/10K R63 5.6K/NC R63 5.6K/NC 1 8 2 7 3 6 4 5 RP19 22/RP/NC RP19 22/RP/NC 1 8 2 7 3 6 4 5 RP14 22/RP/NC RP14 22/RP/NC R126 4.7K/NC R126 4.7K/NC 1 8 2 7 3 6 4 5 RP20 22/RP/NC RP20 22/RP/NC R68 22/NC R68 22/NC 1 8 2 7 3 6 4 5 RP17 22/RP/NC RP17 22/RP/NC R66 22/NC R66 22/NC R10 4.7K/NC R10 4.7K/NC 5 4 3 2 1 D D C C B B A A Pr/R_O Pb/B Y/G CVB1 Pb/B Y/G_O CVB1_O CVB1 Pr/R Y/G Pr/R Pb/B_O V+5V VGND VGND V+5V VGND V+5V VGND VGND V+5V VGND VGND V+5V VGND VGND V+5V VGND VGND VGND V+5V VGND V+5V VGND VGND V+5V D+5V Pr/R_O 9 TV_DAC4 2 TV_DAC0 2 TV_DAC5 2 Y/G_O 9 CVB1_O 9 Pb/B_O 9 TV_DAC3 2 TV_DAC2 2 TV_DAC1 2 Title Size Document Number Rev Date: Sheet of SPHE7300-32SDR-256-TI5147-TV-2 V1.0 VIDEO Buffer B 7 10 Thursday, February 09, 2006 Sunplus Technology Title Size Document Number Rev Date: Sheet of SPHE7300-32SDR-256-TI5147-TV-2 V1.0 VIDEO Buffer B 7 10 Thursday, February 09, 2006 Sunplus Technology Title Size Document Number Rev Date: Sheet of SPHE7300-32SDR-256-TI5147-TV-2 V1.0 VIDEO Buffer B 7 10 Thursday, February 09, 2006 Sunplus Technology 6 TV DAC on CVB Out Pb/B_O (DAC4) Pb RGB B U 跌繵だ秖  ┪   ┪ Pr RGB R V 跌繵だ秖  ┪   ┪ Pr/R_O (DAC5) Video Connector out Y RGB R Y(TV) 跌繵だ秖  ┪   ┪ Y/G_O (DAC3) CVB1_O(DAC0) C29 100pF C29 100pF D12 BAV99 D12 BAV99 L24 BEAD L24 BEAD D9 BAV99 D9 BAV99 EC26 220uF/16V EC26 220uF/16V R70 150 R70 150 C35 100pF C35 100pF C30 100pF C30 100pF 2 1 3 Q5 8550(DIP EBC) Q5 8550(DIP EBC) R73 150 R73 150 2 1 3 Q3 8550(DIP EBC) Q3 8550(DIP EBC) C34 10pF C34 10pF R75 150 R75 150 R71 150 R71 150 2 1 3 Q2 8550(DIP EBC) Q2 8550(DIP EBC) C27 10pF C27 10pF BC81 0.1uF BC81 0.1uF D11 BAV99 D11 BAV99 L27 1uH L27 1uH 2 1 3 Q4 8550(DIP EBC) Q4 8550(DIP EBC) R74 150 R74 150 L28 1uH L28 1uH C37 100pF C37 100pF R79 1206 75 R79 1206 75 R72 300 R72 300 C31 100pF C31 100pF R77 1206 75 R77 1206 75 R80 1206 75 R80 1206 75 L25 1uH L25 1uH C33 10pF C33 10pF R78 NC R78 NC C36 100pF C36 100pF C28 10pF C28 10pF C32 100pF C32 100pF R76 1206 75 R76 1206 75 C38 100pF C38 100pF L26 1uH L26 1uH D10 BAV99 D10 BAV99 5 4 3 2 1 D D C C B B A A AINL AOUT0L AINR AOUT0R AOUT0L AFR AFL AINL AINR AOUT0R GND_A GND_A GND_A GND_A VCC6 AVCC12 AVCC12 VCC6 VCC6 VCC6 AVCC12 AVCC12 GND_A GND_A GND_A GND_A GND_A GND_A GND_A GND_A GND_A GND_A GND_A GND_A GND_A GND_A GND_A GND_A GND_A +12V AVCC12 GND GND_A V+3.3 ADC+3.3 GND GND_A GND_A GND_A GND_A GND_A ADC+3.3 V+3.3 A_XCK 2 A_BCLK 2 SCL 2 A_LRCK 2 AI_D0 2 SDA 2 AFR 9 AFL 9 ALIN 9 A_DATA0 2 ARIN 9 AUDIO_MUTE 2 A_DATA1 2 A_DATA2 2 Title Size Document Number Rev Date: Sheet of SPHE7300-32SDR-256-TI5147-TV-2 V1.0 Audio DAC & Filter 8 10 Thursday, February 09, 2006 SUNPLUS TECHNOLOGY Title Size Document Number Rev Date: Sheet of SPHE7300-32SDR-256-TI5147-TV-2 V1.0 Audio DAC & Filter 8 10 Thursday, February 09, 2006 SUNPLUS TECHNOLOGY Title Size Document Number Rev Date: Sheet of SPHE7300-32SDR-256-TI5147-TV-2 V1.0 Audio DAC & Filter 8 10 Thursday, February 09, 2006 SUNPLUS TECHNOLOGY GPIO Mute R86 47 R86 47 R114 470 R114 470 R91 180 R91 180 R110 5.1K R110 5.1K R83 47 R83 47 3 2 1 8 4 + - U13A NJM4558 + - U13A NJM4558 DVDD 1 XCK 2 BCK 3 LRCK 4 DIN1 5 DIN2 6 DIN3 7 DOUT 8 DGND 9 SDA 10 SCL 11 AVDD 12 AGND 13 ADVH 16 AINL 17 AINR 18 AGND 19 AVDD 20 AL3 21 AR3 22 AL2 23 AR2 24 AL1 25 AR1 26 DAVL 27 DAVH 28 VCM 14 ADVL 15 U12 CE2826 U12 CE2826 R111 1.2K R111 1.2K BC82 0.1uF BC82 0.1uF R106 0 R106 0 + EC31 22uF/16V + EC31 22uF/16V R94 0 R94 0 + EC32 100uF/16V + EC32 100uF/16V C46 100pF C46 100pF R115 0 R115 0 C45 2700pF C45 2700pF R142 47 R142 47 C44 270pF C44 270pF R100 1.2K R100 1.2K BC87 0.1uF BC87 0.1uF R97 11K R97 11K R85 47 R85 47 + EC45 4.7uF/16V + EC45 4.7uF/16V R116 20K R116 20K R103 10K R103 10K R109 11K R109 11K R99 5.1K R99 5.1K + EC34 22uF/16V + EC34 22uF/16V R95 20K R95 20K + EC28 100uF/16V + EC28 100uF/16V 5 6 7 8 4 + - U13B NJM4558 + - U13B NJM4558 L31 BEAD L31 BEAD C43 NC/0.01uF C43 NC/0.01uF R101 100 R101 100 R82 33 R82 33 + EC35 10uF/16V + EC35 10uF/16V + EC37 10uF/16V + EC37 10uF/16V BC93 0.1uF BC93 0.1uF Q8 SMD 9014 Q8 SMD 9014 EC43 100uF/16V EC43 100uF/16V + EC29 22uF/16V + EC29 22uF/16V R90 47 R90 47 Q10 SMD 9014 Q10 SMD 9014 C39 270pF C39 270pF BC83 0.1uF BC83 0.1uF + EC33 100uF/16V + EC33 100uF/16V + EC36 10uF/16V + EC36 10uF/16V BC84 0.1uF BC84 0.1uF R104 470 R104 470 + EC44 4.7uF/16V + EC44 4.7uF/16V R98 4.7 R98 4.7 + EC42 22uF/16V/NC + EC42 22uF/16V/NC R141 47 R141 47 + EC27 100uF/16V + EC27 100uF/16V BC85 0.1uF BC85 0.1uF R89 47 R89 47 R112 100 R112 100 R93 10K R93 10K + EC38 10uF/16V + EC38 10uF/16V R96 0 R96 0 C41 100pF C41 100pF + EC30 22uF/16V + EC30 22uF/16V C40 2700pF C40 2700pF R92 10K R92 10K R113 10K R113 10K C42 NC/0.01uF C42 NC/0.01uF BC88 0.1uF BC88 0.1uF R88 47 R88 47 BC92 0.1uF BC92 0.1uF R107 20K R107 20K BC91 0.1uF BC91 0.1uF BC86 0.1uF BC86 0.1uF R84 47 R84 47 5 4 3 2 1 D D C C B B A A GND V+3.3 V+3.3 V+3.3 GND SCL_IN GPIO5 2 RX_IN GPIO4 2 RESET TX_IN SDA_IN Title Size Document Number Rev Date: Sheet of SPHE7300-32SDR-256-TI5147-TV-2 V1.0 USB & MCU 9 10 Thursday, February 09, 2006 SUNPLUS TECHNOLOGY Title Size Document Number Rev Date: Sheet of SPHE7300-32SDR-256-TI5147-TV-2 V1.0 USB & MCU 9 10 Thursday, February 09, 2006 SUNPLUS TECHNOLOGY Title Size Document Number Rev Date: Sheet of SPHE7300-32SDR-256-TI5147-TV-2 V1.0 USB & MCU 9 10 Thursday, February 09, 2006 SUNPLUS TECHNOLOGY R132 NC/0 R132 NC/0 VDD 15 P0.0 1 P0.7 13 P0.6 14 P0.5 16 P0.4 17 P0.3 18 P0.2 19 P0.1 20 XTAL1 6 XTAL2 7 TX 12 RX 11 SCL 10 SDA 9 P1.7 2 P1.6 3 RST 4 INT1 8 VSS 5 U14 P89LPC920FDH U14 P89LPC920FDH R118 2.2k R118 2.2k R133 NC/0 R133 NC/0 R120 4.7k R120 4.7k 1 2 J1 CON2 J1 CON2 R117 2.2k R117 2.2k BC90 0.1uF BC90 0.1uF R122 NC/0 R122 NC/0 R123 NC/0 R123 NC/0 5 4 3 2 1 D D C C B B A A TPA- TPA+ TPB- TPB+ DVGND GND_A USB_GND AGND VGND GND_A GND VGND GND_IN GND_IN USB_GNDUSB_GND USB_GND USB_GND USB_GND D+5V D+5V GND TPA- 4 SHLD 4 TPB+ 4 TPB- 4 TPA+ 4 ARIN ALIN AFL 7 AFR 7 12V Y/G_O 6 Pb/B_O 6 Pr/R_O 6 CVBS AFL 7 AFR 7 CVB1_O 6 SDA_IN SCL_IN STB 1 USB_DM 2 USB_DP 2 GPIO5 2 GPIO4 2 IR_IN 2 Title Size Document Number Rev Date: Sheet of SPHE7300-32SDR-256-TI5147-TV-2 V1.0 Connecter 10 10 Thursday, February 09, 2006 SUNPLUS TECHNOLOGY Title Size Document Number Rev Date: Sheet of SPHE7300-32SDR-256-TI5147-TV-2 V1.0 Connecter 10 10 Thursday, February 09, 2006 SUNPLUS TECHNOLOGY Title Size Document Number Rev Date: Sheet of SPHE7300-32SDR-256-TI5147-TV-2 V1.0 Connecter 10 10 Thursday, February 09, 2006 SUNPLUS TECHNOLOGY To front 1394 connector R129 NC/15K R129 NC/15K FB2 FB FB2 FB + EC40 100uF/16V/NC + EC40 100uF/16V/NC R124 NC/0 R124 NC/0 1 2 3 4 5 6 7 CN4 CON7-2MM/NC CN4 CON7-2MM/NC 2 1 3 Q6 8050 Q6 8050 R130 NC/15K R130 NC/15K R108 NC/0 R108 NC/0 + EC39 100uF/16V/NC + EC39 100uF/16V/NC PTC2 FUSE-1A PTC2 FUSE-1A 1 2 J3 CON2 J3 CON2 C52 NC C52 NC R22 0 R22 0 R102 47K R102 47K 1 2 J6 CON2/NC J6 CON2/NC R21 0 R21 0 1 1 2 2 3 3 5 5 6 6 4 4 J4 CON-2_0.0-6P J4 CON-2_0.0-6P PTC1 FUSE-1A PTC1 FUSE-1A R125 NC/0 R125 NC/0 C51 NC C51 NC 1 2 3 4 5 6 7 8 J5 8 HEADER J5 8 HEADER R105 6.8K R105 6.8K 1 2 3 4 5 6 7 8 9 10 11 12 13 14 15 16 17 18 19 20 21 22 23 24 25 26 J2 CON26A J2 CON26A 5 4 3 2 1 D D C C B B A A Title Size Document Number Rev Date: Sheet of SPHE7300-32SDR-256-TI5147-TV-2 V1.0 change list 11 10 Thursday, February 09, 2006 SUNPLUS TECHNOLOGY Title Size Document Number Rev Date: Sheet of SPHE7300-32SDR-256-TI5147-TV-2 V1.0 change list 11 10 Thursday, February 09, 2006 SUNPLUS TECHNOLOGY Title Size Document Number Rev Date: Sheet of SPHE7300-32SDR-256-TI5147-TV-2 V1.0 change list 11 10 Thursday, February 09, 2006 SUNPLUS TECHNOLOGY SPHE7300-32SDR-256-TI5147-TV-1 to SPHE7300-32SDR-256-TI5147-TV-2 2006.01.21 1.page8:modify ce2826 13 15 19 pin;del HW mute;modify Audio input 2.page1:DC-DC use AP1501 and lm2576,add 5.6V regulator 3.page9:del 11.0592MHz crystal;modify MCU rx,tx;del USB power ctrl 4.page4,6:all element NC 5.modify some element encapsulation 2006.02.09 page10:add IR dynatron 5 4 3 2 1 D D C C B B A A SDA SCL PORTLEFT-L PORTLEFT-L PORTLEFT-L PORTLEFT-L PORTLEFT-L AV2R YUV2R 4052R PCR HMR MONR OUTR MONL OUTL AF AV2R AV2L 9V Title Size Document Number Rev Date: Sheet of 1144 <RevCode> Wireless Audio C 1 1 Friday, March 10, 2006 Title Size Document Number Rev Date: Sheet of 1144 <RevCode> Wireless Audio C 1 1 Friday, March 10, 2006 Title Size Document Number Rev Date: Sheet of 1144 <RevCode> Wireless Audio C 1 1 Friday, March 10, 2006 TO AVaudioOUT and 5.1OUT TO2616 TO AVaudioOUT and 5.1OUT TO2616 R708 100ohm R708 100ohm C961 470p/25v C961 470p/25v C730 0.33u/25v C730 0.33u/25v C790 0.1u/25v C790 0.1u/25v IC701 1144 IC701 1144 1 2 3 4 5 6 7 8 9 10 11 12 13 14 15 16 17 18 19 20 40 39 38 37 36 35 34 33 32 31 30 29 28 27 26 25 24 23 22 21 C791 0.1u/25v C791 0.1u/25v C736 1u/25v C736 1u/25v R747 10k R747 10k R795 2.7k R795 2.7k C721 0.1u/25v C721 0.1u/25v C731 0.0033u/50v C731 0.0033u/50v C716 0.022u/50v C716 0.022u/50v R757 10k R757 10k C784 470p/50v C784 470p/50v C727 0.1u/25v C727 0.1u/25v C725 0.1u/25v C725 0.1u/25v C786 0.1u/25v C786 0.1u/25v R794 10k R794 10k R793 10k R793 10k R744 2.7k R744 2.7k R911 2.7k R911 2.7k R714 4.7k R714 4.7k CON704 MICPHONE CON704 MICPHONE 1 2 3 C741 1u/25v C741 1u/25v R797 2.7k R797 2.7k R922 2.7k R922 2.7k + C728 4.7u/50v + C728 4.7u/50v C735 0.1u/25v C735 0.1u/25v R775 2.7k R775 2.7k C788 470p/50v C788 470p/50v C7180.0033u/50v C7180.0033u/50v R918 10k R918 10k C710 NC C710 NC R917 10k R917 10k C722 0.33u/25v C722 0.33u/25v R756 2.7k R756 2.7k C980 NC C980 NC C729 0.0082u/50v C729 0.0082u/50v C760 470p/25v C760 470p/25v R758 2.7k R758 2.7k C734 2200p/50v C734 2200p/50v C739 1u/25v C739 1u/25v C719 0.033u/50v C719 0.033u/50v R7A1 100ohm R7A1 100ohm C780 470p/50v C780 470p/50v R745 10k R745 10k C740 1u/25v C740 1u/25v R796 10k R796 10k C787 470p/50v C787 470p/50v C726 0.1u/25v C726 0.1u/25v + C715 4.7u/50v + C715 4.7u/50v R709 100ohm R709 100ohm C724 1u/25v C724 1u/25v C738 1u/25v C738 1u/25v C785 0.1u/25v C785 0.1u/25v C712 0.1u/25v C712 0.1u/25v C713 0.1u/25v C713 0.1u/25v C714 0.1u/25v C714 0.1u/25v R791 10k R791 10k R7A0 2.7k R7A0 2.7k C732 0.033u/50v C732 0.033u/50v C723 1u/25v C723 1u/25v C781 0.1u/25v C781 0.1u/25v R754 10k R754 10k C720 2200p/50v C720 2200p/50v R746 2.7k R746 2.7k R792 2.7k R792 2.7k C737 1u/25v C737 1u/25v C782 0.1u/25v C782 0.1u/25v 5 4 3 2 1 D D C C B B A A 4052R 4052L USBL USBR PVROUTL PVROUTR PCL PCR YUV2L YUV2R AV2L AV2R YUV1L YUV1R AV1L AV1R USBL USBR TV2 MUTE S0 SDA SCL HML HMR ON/OFF 24Vin 12Vin TV1 5Vin S1 AF PVROUTR PVROUTL EAR-R EAR-L 4052R 4052L 4052R 4052L EAR-R EAR-L 4052R 4052L PVROUTL 4052R PVROUTR 4052L LINELESS-L LINELESS-R YUV1L USBL AV1L YUV1R AV1R USBR AF1 AF2 4052-5V 4052-5V 4052-5V 4052-5V 4052-5V 4052-5V 4052-5V 9V 9V 9V 9V Title Size Document Number Rev Date: Sheet of 4052 AND LM358 <RevCode> Wireless Audio D 1 1 Friday, March 10, 2006 Title Size Document Number Rev Date: Sheet of 4052 AND LM358 <RevCode> Wireless Audio D 1 1 Friday, March 10, 2006 Title Size Document Number Rev Date: Sheet of 4052 AND LM358 <RevCode> Wireless Audio D 1 1 Friday, March 10, 2006 同下图 同上图 TO 1144 DUAL TUNER: R7C3 2.7k R7C3 2.7k R975 100ohm R975 100ohm R964 100k R964 100k C7A3 0ohm C7A3 0ohm R954 100k R954 100k R963 100k R963 100k R980 R R980 R + C7B2 2.2u/16v + C7B2 2.2u/16v R997 R R997 R + C7B10 CAP POL + C7B10 CAP POL C962 470p/50v C962 470p/50v IC712 LM358 IC712 LM358 1 2 3 4 5 6 7 8 IC712 LM358 IC712 LM358 1 2 3 4 5 6 7 8 R974 100ohm R974 100ohm P700 AV1audioIN P700 AV1audioIN 1 2 3 R966 100k R966 100k R7B7 2.7k R7B7 2.7k C763 2.7k C763 2.7k + C7B4 2.2u/16v + C7B4 2.2u/16v R705 100ohm R705 100ohm C981 0.1u C981 0.1u R1000 R R1000 R + C7B11 CAP POL + C7B11 CAP POL C7A2 0ohm C7A2 0ohm C918 470p/50v C918 470p/50v C7F9 100ohm C7F9 100ohm R7B9 10K R7B9 10K + C7A0 2.2u/16v + C7A0 2.2u/16v IC703 74HC4052 IC703 74HC4052 1 2 3 4 5 6 7 8 16 15 14 13 12 11 10 9 R959 100k R959 100k R965 100k R965 100k C789 470p/50v C789 470p/50v R704 100ohm R704 100ohm R973 R R973 R R976 0ohm R976 0ohm R7C2 10k R7C2 10k C981 CAP NP C981 CAP NP R979 R R979 R P701 4audioIN P701 4audioIN 1 2 3 4 5 6 7 8 9 10 11 12 + C7B11 CAP POL + C7B11 CAP POL R953 100k R953 100k IC711 LM358 IC711 LM358 1 2 3 4 5 6 7 8 R906 NC R906 NC R949 0ohm R949 0ohm R994 R R994 R C761 10k C761 10k R910 15k R910 15k R941 1k R941 1k R993 NC R993 NC R946 15k R946 15k CON701 TO MAIN CON701 TO MAIN 2 4 6 8 10 12 14 16 18 20 22 24 26 28 30 32 34 1 3 5 7 9 11 13 15 17 19 21 23 25 27 29 31 33 R960 100k R960 100k R995 2.7k R995 2.7k R967 100k R967 100k R969 100k R969 100k R971 100k R971 100k R970 100k R970 100k R7C0 2.7k R7C0 2.7k + C7B5 2.2u/16v + C7B5 2.2u/16v C7F8 100ohm C7F8 100ohm R974 100ohm R974 100ohm C7F8 100ohm C7F8 100ohm IC711 LM358 IC711 LM358 1 2 3 4 5 6 7 8 R1001 R R1001 R R972 0ohm R972 0ohm R981 R R981 R R7C4 10k R7C4 10k + C7B3 2.2u/16v + C7B3 2.2u/16v + C7A4 2.2u/16v + C7A4 2.2u/16v R962 100k R962 100k + C7B8 2.2u/50v + C7B8 2.2u/50v + C7B9 2.2u/50v + C7B9 2.2u/50v R7C1 2.7k R7C1 2.7k R955 100k R955 100k R996 R R996 R C7F9 100ohm C7F9 100ohm R961 100k R961 100k R977 R R977 R CON703 USBaudio CON703 USBaudio 1 2 3 4 5 6 C750 2.7k C750 2.7k C919 470p/50v C919 470p/50v R7B8 10K R7B8 10K C764 10k C764 10k R968 100k R968 100k + C7B10 CAP POL + C7B10 CAP POL R975 100ohm R975 100ohm R982 R R982 R 5 4 3 2 1 D D C C B B A A SDA SCL SDA5.1 SCL5.1 OUTL EAR-L 2126L 2126IN-L EAR-R 2126R 2126IN-R OUTR SCL5.1 SDA5.1 MONR MONL EAR-R 2616R 2616L EAR-L 5V 9V Title Size Document Number Rev Date: Sheet of <Doc> <RevCode> Wireless Audio C 1 1 Friday, March 10, 2006 Title Size Document Number Rev Date: Sheet of <Doc> <RevCode> Wireless Audio C 1 1 Friday, March 10, 2006 Title Size Document Number Rev Date: Sheet of <Doc> <RevCode> Wireless Audio C 1 1 Friday, March 10, 2006 6 4 3 5 7 JI XING ZHENG FAN?? JI XING ZHENG FAN?? R749 NC R749 NC R7F2 R R7F2 R R753 0.0033u/50v R753 0.0033u/50v R720 1u/25v R720 1u/25v CON707 HEADER 2/SM CON707 HEADER 2/SM 1 2 R734 R R734 R R761 0ohm R761 0ohm R741 R R741 R R764 2.7k R764 2.7k Q707 1R1001 Q707 1R1001 R769 2.7k R769 2.7k P702 EARPHONE P702 EARPHONE 1 2 3 4 5 R956 R R956 R P704 AUDIO OUT P704 AUDIO OUT 1 2 3 R750 20k R750 20k R7F0 0ohm R7F0 0ohm C963 CAP NP C963 CAP NP R958 R R958 R R748 NC R748 NC R768 0ohm R768 0ohm 5.1OUT P703A 5.1OUT P703A 1A 2A 3A 4A 5A 6A 7A 8A 9A 10A IC713 DIPSOC-4x2/SM IC713 DIPSOC-4x2/SM 1 2 3 4 5 6 7 8 R7F3 R R7F3 R R957 R R957 R R721 1u/25v R721 1u/25v R7F1 0ohm R7F1 0ohm R751 0.0033u/50v R751 0.0033u/50v C762 0.1u C762 0.1u R743 NC R743 NC + C767 CAP POL + C767 CAP POL R952 R R952 R + 10u/16v C7D1 + 10u/16v C7D1 R752 20k R752 20k Q708 1R1001 Q708 1R1001 + C7D0 10u/16v + C7D0 10u/16v IC714 LM3588 IC714 LM3588 1 2 3 4 5 6 7 8 R742 NC R742 NC 5 4 3 2 1 D D C C B B A A 9V MUTE 2616MUTE 2616VCC 2616VCC 2616IN-L 2616IN-R 24Vin Title Size Document Number Rev Date: Sheet of <Doc> <RevCode> Wireless Audio C 1 1 Friday, March 10, 2006 Title Size Document Number Rev Date: Sheet of <Doc> <RevCode> Wireless Audio C 1 1 Friday, March 10, 2006 Title Size Document Number Rev Date: Sheet of <Doc> <RevCode> Wireless Audio C 1 1 Friday, March 10, 2006 Q703 3904 Q703 3904 C746 0.1u/25v C746 0.1u/25v CON706 PHONE-R CON706 PHONE-R 1 2 D719 RU4YX D719 RU4YX R740 1k R740 1k + C754 1000u/25v + C754 1000u/25v Q702 3904 Q702 3904 R719 NTC THERMISTOR 47ohm R719 NTC THERMISTOR 47ohm D908 4148 D908 4148 IC708 2616 IC708 2616 1 2 3 4 5 6 7 8 9 R712 10ohm R712 10ohm R722 10ohm R722 10ohm + C717 100u/50v + C717 100u/50v D701 ZENER 5v1 D701 ZENER 5v1 R738 12k R738 12k + C755 100u/50v + C755 100u/50v R724 15k R724 15k C747 0.1u/25v C747 0.1u/25v R726 10k R726 10k IC709 4435 IC709 4435 1 2 3 4 5 6 7 8 C757 0.1u/25v C757 0.1u/25v R729 1k R729 1k L702 CHOKE 120u L702 CHOKE 120u C752 0.022u/100v C752 0.022u/100v Q704 3904 Q704 3904 C758 0.1u/25v C758 0.1u/25v R717 0.001u/50v R717 0.001u/50v R711 100ohm R711 100ohm + C7C1 100u/16v + C7C1 100u/16v + C753 1000u/25v + C753 1000u/25v R723 10ohm R723 10ohm D712 4148 D712 4148 + C756 33u/35v + C756 33u/35v CCON705 PHONE-L CCON705 PHONE-L 1 2 + C744 1000u/35v + C744 1000u/35v R725 0.1u/25v R725 0.1u/25v R730 1k R730 1k + C745 1000u/35v + C745 1000u/35v + C717A 22u/50v + C717A 22u/50v R718 10k R718 10k R759 56k R759 56k C743 0.1u/25v C743 0.1u/25v C751 0.022u/100v C751 0.022u/100v IC710 7809 IC710 7809 ADJ/GND 1 OUT 2 IN 3 R790 METAL OXIDE FILM 120ohm R790 METAL OXIDE FILM 120ohm R739 4.3k R739 4.3k D713 4148 D713 4148 5 4 3 2 1 D D C C B B A A SCL SDA +5V SCL SDA AF2 TV2 TV2 TV2 5V SCL SDA TV2 TV2 TV1 AF1 5V 5V 9V 5V 5Vin 33V 5V +5V 5V 33V 12Vin Title Size Document Number Rev Date: Sheet of <Doc> <RevCode> Wireless Audio C 1 1 Friday, March 10, 2006 Title Size Document Number Rev Date: Sheet of <Doc> <RevCode> Wireless Audio C 1 1 Friday, March 10, 2006 Title Size Document Number Rev Date: Sheet of <Doc> <RevCode> Wireless Audio C 1 1 Friday, March 10, 2006 Address R1010 R909 C0 NO YES C2 NO NO C4 YES C6 YES YES NO zu zhi jian xiao zu zhi jian xiao yu zhong fang plate it right of r902 + C920 NC + C920 NC R942 0ohm R942 0ohm R936 6.8k R936 6.8k L904 10uH L904 10uH + C708 220u/16v + C708 220u/16v R1010 10k/NC R1010 10k/NC C925 4.7u/50v C925 4.7u/50v + C900 10u/16v + C900 10u/16v D903 4148 D903 4148 C934 470n C934 470n R926 22k R926 22k Q901 NC Q901 NC E C B R934 8.2k R934 8.2k R950 220ohm R950 220ohm R904 100ohm R904 100ohm R933 560k R933 560k C913 10n C913 10n R939 0ohm R939 0ohm SAW702 XB004A/K9352M30 SAW702 XB004A/K9352M30 IN1 1 IN2 2 GND 3 OUT1 4 OUT2 5 R915 1k R915 1k R914 5.6k R914 5.6k Q905 NC Q905 NC E C B C766 0.01u/50v[0.1u] C766 0.01u/50v[0.1u] R921 68ohm R921 68ohm L900 22uH L900 22uH D901 4148 D901 4148 D760 4148 D760 4148 + C122 10u/50v + C122 10u/50v R903 56K R903 56K R930 180k R930 180k C910 10n C910 10n C935 10p C935 10p C907 10n C907 10n R998 NC/75ohm R998 NC/75ohm R932 560k R932 560k FB701 INDUCTOR FERRITE FB701 INDUCTOR FERRITE R916 1k R916 1k R919 470ohm R919 470ohm C915 470n C915 470n R901 100ohm R901 100ohm R947 10ohm R947 10ohm C765 0.01u/50v[0.1u] C765 0.01u/50v[0.1u] C970 0.1u C970 0.1u C911 10n C911 10n C903 100n C903 100n L902 4.7mH L902 4.7mH C905 10n C905 10n D902 4148 D902 4148 L912 47uH L912 47uH + C971 NC + C971 NC R908 100ohm R908 100ohm Q105 2SC2717 Q105 2SC2717 1 2 3 C7D4 0.1u C7D4 0.1u R902 1k R902 1k R940 75ohm/NC R940 75ohm/NC R929 180k R929 180k RV NC RV NC TUNER2 JS-6H1X TUNER2 JS-6H1X 5V 1 CVBS 2 SIF 3 NC 4 NC 5 NC 6 NC 7 AS 8 SDA 9 SCL 10 5V 11 NC 12 5V 13 AF 0 R7D1 100ohm R7D1 100ohm R923 2.2k R923 2.2k R948 10ohm R948 10ohm L903 1uH L903 1uH C909 10n C909 10n + C928 100u/16v + C928 100u/16v TUNER1 JS-6BM TUNER1 JS-6BM AGC 1 NC 2 AD 3 SCL 4 SDA 5 NC 6 +5V 7 AFC 8 +33V 9 NC 10 IF 11 R703 27k R703 27k C904 10n C904 10n R943 330ohm R943 330ohm R938 0ohm R938 0ohm L907 10uH L907 10uH C926 4.7u/50v C926 4.7u/50v + C768 220u/16v + C768 220u/16v R945 10k R945 10k C999 NC C999 NC R944 10k R944 10k C930 390p C930 390p C933 470n/NC C933 470n/NC C902 10n C902 10n D905 4148 D905 4148 IC706 BA6161N IC706 BA6161N FB 1 NC 3 DRIVER 2 VIN 4 GND 5 R7D0 100ohm R7D0 100ohm R900 100ohm R900 100ohm X900 4.0MHz X900 4.0MHz C908 10n C908 10n C932 220n C932 220n R909 10k/0ohm R909 10k/0ohm R931 6.8k R931 6.8k C927 100u/16v C927 100u/16v R920 33ohm R920 33ohm C906 0.01u/50v[0.1u] C906 0.01u/50v[0.1u] R978 NC[10k] R978 NC[10k] C916 10n C916 10n R927 22k R927 22k D904 4148 D904 4148 R702 27k R702 27k C998 NC C998 NC R907 100ohm R907 100ohm R935 6.8k R935 6.8k C917 100n C917 100n R912 75ohm R912 75ohm C931 1500p C931 1500p SAW701 XB003V/K7262M30 SAW701 XB003V/K7262M30 IN1 1 IN2 2 GND 3 OUT1 4 OUT2 5 R937 10k R937 10k Q904 MMBT3904 Q904 MMBT3904 E C B C701 0.1u C701 0.1u C912 10n C912 10n R913 1.2k R913 1.2k R928 22k R928 22k R925 22k R925 22k IC702 TDA9885 IC702 TDA9885 VIF1 1 VIF2 2 OP1 3 FMPLL 4 DEEM 5 AFD 6 DGND 7 AUD 8 TOP 9 SDA 10 SCL 11 SIOMAD 12 NC. 13 TAGC 14 REF 15 VAGC 16 CVBS 17 AGND 18 VPLL 19 VP 20 AFC 21 OP2 22 SIF1 23 SIF2 24 R924 22k R924 22k + C702 220u/16v + C702 220u/16v C914 10n C914 10n C733 NC C733 NC R7D5 0ohm[10k] R7D5 0ohm[10k] 5 4 3 2 1 D D C C B B A A 3.3V 5V LIN RIN SDA SDA CE CE SCL SCL SW SW LINELESS-L LINELESS-R SDA SCL CE ANT 3.3V 3.3V 3.3V 3.3V 3.3V 5V 5V Title Size Document Number Rev Date: Sheet of <Doc> <RevCode> Wireless Audio C 1 1 Friday, March 10, 2006 Title Size Document Number Rev Date: Sheet of <Doc> <RevCode> Wireless Audio C 1 1 Friday, March 10, 2006 Title Size Document Number Rev Date: Sheet of <Doc> <RevCode> Wireless Audio C 1 1 Friday, March 10, 2006 C827 0.047u C827 0.047u R1004 NC R1004 NC + C821 10u + C821 10u + C822 100u + C822 100u R810 R R810 R X801 7.6MHZ X801 7.6MHZ Q801 2SD2142K(ROHM) Q801 2SD2142K(ROHM) C920 0.1u C920 0.1u + C828 100u + C828 100u R805 NC/10k R805 NC/10k R818 10k R818 10k IC715 SIPSOC-6 IC715 SIPSOC-6 1 SGND 2 NC 3 OUT 4 EN 5 IN + C809 NC + C809 NC R817 1k R817 1k C811 2200p C811 2200p C819 1000p C819 1000p L802 FEM10C-2F6(SUMIDA) L802 FEM10C-2F6(SUMIDA) R816 10k R816 10k R811 82ohm/NC R811 82ohm/NC + C815 10u + C815 10u C801 NC C801 NC R778 NC/0ohm R778 NC/0ohm + C806 1u/10u + C806 1u/10u CON902 HEADER 5 CON902 HEADER 5 1 2 3 4 5 + C818 10u + C818 10u CON709 HEADER 2/SM CON709 HEADER 2/SM 1 2 C816 0.01u C816 0.01u C829 2200p C829 2200p IC801 BH1418FV IC801 BH1418FV 1 2 3 4 5 6 7 8 9 10 11 12 24 23 22 21 20 19 18 17 16 15 14 13 R801 0ohm/NC R801 0ohm/NC R813 NC R813 NC + C814 1u/10u + C814 1u/10u CON901 HEADER 9 CON901 HEADER 9 1 2 3 4 5 6 7 8 9 R1002 NC R1002 NC + C986 100u + C986 100u C802 27p C802 27p R809 20k R809 20k C807 2200p C807 2200p L801 NC L801 NC R812 82ohm/NC R812 82ohm/NC R803 0ohm/2.7k R803 0ohm/2.7k D801 KV-1471E(TOKO) D801 KV-1471E(TOKO) R813 R R813 R R806 0ohm/2.7k R806 0ohm/2.7k C804 27p C804 27p R802 0ohm/NC R802 0ohm/NC C820 33p C820 33p R1009 10k R1009 10k C826 330p C826 330p C817 1000p C817 1000p R808 R R808 R R820 100ohm R820 100ohm C808 150P C808 150P R812. NC R812. NC C824 82p C824 82p C812 150p C812 150p R804 NC/10k R804 NC/10k + C907 100u/16v + C907 100u/16v R777 0ohm/NC R777 0ohm/NC R807 33ohm R807 33ohm R819 3.3k R819 3.3k C823 33p C823 33p 5 4 3 2 1 D D C C B B A A M1_DQM1 M1_DQM0 M1_WE M1_CAS M1_RAS M1_CS M1_D00 M1_D01 M1_D02 M1_D03 M1_D04 M1_D05 M1_D06 M1_D07 M1_D08 M1_D09 M1_D10 M1_D11 M1_D12 M1_D13 M1_D14 M1_D15 M1_A01 M1_A05 M1_A03 M1_A00 M1_A04 M1_A02 M1_A08 M1_A07 M1_A06 M1_A10 M1_A09 M1_A11 M1_BA0 M2_D07 M2_D06 M2_D05 M2_D04 M2_D15 M2_WE M2_A02 M2_A03 M2_D14 M2_A04 M2_A05 M2_A06 M2_A07 M2_A08 M2_A09 M2_A10 M2_A11 M2_DQM0 M2_DQM1 M2_RAS_N M2_CAS_N M2_BA0 M2_BA1 VD5 EOE ECS M2_D03 M2_D02 M2_D01 M2_D13 M2_D12 M2_D11 M2_D10 M2_D09 M2_D08 M2_D[00:15] M2_D00 M2_A00 M2_A01 M1_CLKO M1_BA1 RESET M1_BA1 M1_BA0 M1_DQM0 M1_DQM1 ECS M2_RAS M2_BA0 M2_BA1 M2_DQM1 M2_DQM0 M2_CAS RESET M1_WE M1_CAS M1-RAS M1-CS M1-CLKO HD_SCL HD_SDA Pb Pr Y Core3.3V Core3.3V Core3.3V CORE3.3V DGND DGND CORE3.3V CORE3.3V DGND CORE3.3V DGND DGND CORE3.3V DGND DGND DGND +5V +5V +5V DGND M2_D[00:15] M1_A[00:11] A18 A19 M2_A[00:11] EOE M2_WE A20 M1_D[00:15] PB_OUT Y_OUT Pr_OUT C114 104 C114 104 C131 104 C131 104 C124 104 C124 104 R59 47R R59 47R 1 2 D10 1N4148 D10 1N4148 C127 104 C127 104 C81 22pF C81 22pF C122 104 C122 104 R12 4K7 R12 4K7 C33 6.8pF C33 6.8pF 1 2 D12 1N4148 D12 1N4148 C74 22pF C74 22pF R63 4K7 NC R63 4K7 NC 1 2 D9 1N4148 D9 1N4148 C139 104 C139 104 1 2 D14 1N4148 D14 1N4148 1 2 3 4 5 6 7 8 RN1 33R RN1 33R C135 104 C135 104 C134 104 C134 104 C136 104 C136 104 C137 104 C137 104 C138 104 C138 104 C69 104 C69 104 R62 4K7 R62 4K7 3 2 1 Q8 3906 Q8 3906 C116 104 C116 104 C125 104 C125 104 C126 104 C126 104 1 2 D11 1N4148 D11 1N4148 R22 75ohm R22 75ohm BYTE 47 VCC 37 A19 9 A18 16 A17 17 A16 48 A15 1 A14 2 A13 3 A12 4 A11 5 A10 6 A9 7 A8 8 A7 18 A6 19 A5 20 A4 21 A3 22 A2 23 A1 24 A0 25 A-1/DQ15 45 RY/BY 15 RESET 12 GND1 27 GND2 46 NC1 10 NC2 13 NC3 14 DQ14 43 DQ13 41 DQ12 39 DQ11 36 DQ10 34 DQ9 32 DQ8 30 DQ7 44 DQ6 42 DQ5 40 DQ4 38 DQ3 35 DQ2 33 DQ1 31 DQ0 29 CE 26 OE 28 WE 11 U1 29LV160D_16MFLASH U1 29LV160D_16MFLASH L2 0.22uH L2 0.22uH C133 104 C133 104 C71 22pF C71 22pF L4 0.22uH L4 0.22uH A0 1 A1 2 A2 3 GND 4 SDA 5 SCLK 6 WP 7 VCC 8 U5 24C32 U5 24C32 C78 22pF C78 22pF R8 33R R8 33R C115 104 C115 104 R13 4K7 R13 4K7 + C128 100u + C128 100u C72 22pF C72 22pF L3 0.22uH L3 0.22uH R7 75ohm R7 75ohm C123 104 C123 104 R11 open R11 open C132 104 C132 104 R6 75ohm R6 75ohm 1 2 D13 1N4148 D13 1N4148 C34 104 C34 104 C76 22pF C76 22pF CKE 37 VDD1 1 VDD2 14 VDD3 27 VDDQ1 3 VDDQ2 9 VDDQ3 43 VDDQ4 49 VSS1 28 VSS2 41 VSS3 54 VSSQ1 6 VSSQ2 12 VSSQ3 46 VSSQ4 52 NC1 36 NC2 40 CLK 38 BA1 21 BA0 20 CS# 19 RAS# 18 CAS# 17 WE# 16 DQML 15 DQMH 39 DQ0 2 DQ1 4 DQ2 5 DQ3 7 DQ4 8 DQ5 10 DQ6 11 DQ7 13 DQ8 42 DQ9 44 DQ10 45 DQ11 47 DQ12 48 DQ13 50 DQ14 51 DQ15 53 A0 23 A1 24 A2 25 A3 26 A4 29 A5 30 A6 31 A7 32 A8 33 A9 34 A10 22 A11 35 U2 4MX16_SDRAM U2 4MX16_SDRAM 5 4 3 2 1 D D C C B B A A Title Size Document Number Rev Date: Sheet of 3278+242 01 BLOCK A3 1 8 Tuesday, June 27, 2006 Title Size Document Number Rev Date: Sheet of 3278+242 01 BLOCK A3 1 8 Tuesday, June 27, 2006 Title Size Document Number Rev Date: Sheet of 3278+242 01 BLOCK A3 1 8 Tuesday, June 27, 2006 5V 5V AML3278 CS4334 LM358 IR Y/Pb/Pr AUDIO I2S DATA DC IN(12V) USB 16Mb FLASH SDRAM - 1Mx4x16 (64MB) 7ns LDO 1117 5V 3.3V 1.2V 1117 LDO TDI242 AP1501 ADJ 3.3 5 4 3 2 1 D D C C B B A A RESET M1_BA1 M1_SCS_N M1_RAS_N M2_BA1 M1_CAS_N M2_CAS_N M1_BA0 M2_RAS_N M2_DQM1 M1_WE_N ECS_N M2_DQM0 M1_DQM1 EOE_N M1_CLK M2_WE_N M2_BA0 M1_DQM0 M2_A00 M2_A07 M2_A08 M2_A10 M2_A04 M2_A06 M2_A05 M2_A02 M2_A03 M2_A01 M2_A11 M2_A09 TEST_N M2_D10 M2_D14 M2_D05 M2_D03 M2_D02 M2_D07 M2_D04 M2_D06 M2_D01 M2_D15 M2_D00 M2_D09 M2_D12 M2_D11 M2_D13 M2_D08 ADATA1 ADATA2 ADATA3 ADATA0 AMCLK ASCLK ALRCLK ADATA0 TRST_N TMS TDI TDO TCK HD_D0 HD_D1 HD_D2 HD_D3 HD_D4 HD_D5 HD_D6 HD_D7 HD_D8 HD_D9 HD_D10 HD_D11 HD_D12 HD_D13 HD_D14 HD_D15 HD_D16 HD_D17 HD_D18 HD_D19 HD_D20 HD_D21 HD_D22 HD_D23 ADATA1 ADATA3 ADATA2 ALRCLK M1_D15 M1_D13 M1_D04 M1_D14 M1_D02 M1_D06 M1_D12 M1_D00 M1_D09 M1_D11 M1_D07 M1_D10 M1_D05 M1_D03 M1_D08 M1_D01 M1_A11 M1_A10 M1_A09 M1_A08 M1_A07 M1_A06 M1_A05 M1_A04 M1_A03 M1_A02 M1_A01 M1_A00 M1_CLKO M1_DQM1 M1_DQM0 M1_WE M1_CAS M1_RAS M1_CS M1_BA0 M1_BA1 M2_DQM1 M2_DQM0 M2_CAS M2_BA0 M2_BA1 M2_RAS Pr Pb CVBS Y ADATA0 ADATA1 ADATA2 ADATA3 AMCLK ALRCLK ASCLK M2_CLKO V_CLK MIC_DET RESET DGND GND GND DGND DGND DGND DGND Core3.3V Core1.2V DAC1.2V DAC3.3 Core1.2V Core3.3V Core3.3V DGND DAC3.3 AVDD0 DVDD DAC1.2V AVDD2 AVDD1 Core1.2V AVDD0 AVDD1 AVDD2 DVDD Core3.3V Core3.3V DGND +5V GND GND Core1.2V Core3.3V GND M1_A[00:11] M2_A[00:11] M2_D[00:15] EOE M2_WE ECS IR USB_INT ADC MUTE A18 A19 USB_CS H_RESET A20 HD_SCL HD_SDA HD_DVS Z_CS HD_DDE HD_CK HD_D[0:23] M1_D[00:15] Title Size Document Number Rev Date: Sheet of AML3278 1.0 AML3278+USB CARD C 2 6 Tuesday, June 06, 2006 Title Size Document Number Rev Date: Sheet of AML3278 1.0 AML3278+USB CARD C 2 6 Tuesday, June 06, 2006 Title Size Document Number Rev Date: Sheet of AML3278 1.0 AML3278+USB CARD C 2 6 Tuesday, June 06, 2006 Power_on Configuration 1 M1 M1 C4 104 C4 104 1 X2 X2 C96 104 C96 104 C17 104 C17 104 VSS_1.2V_4 92 M2_D_11 76 M2_D_8 77 M2_D_12 78 M2_D_14 79 M2_D_13 81 M2_D_10 82 M2_D_9 83 M2_D_15_A 84 M2_A_3 85 M2_A_2 86 M2_A_1 87 M2_A_0 88 M2_A_4 100 M2_A_5 98 M2_A_6 96 M2_A_7 95 M2_A_8 97 M2_A_9 99 M2_A_10 102 M2_A_11 101 M2_D_7 105 M2_D_0 106 M2_D_6 107 M2_D_5 108 M2_D_4 109 M2_D_3 110 M2_D_2 111 M2_D_1 112 VSS_1.2V_5 114 VSS_1.2V_6 138 VSS_1.2V_7 152 VSS_1.2V_8 178 VSS_1.2V_9 220 VSS_1.2V_3 73 M1_D_0 140 M1_D_1 141 M1_D_2 142 M1_D_3 143 M1_D_4 144 M1_D_5 145 M1_D_6 148 M1_D_7 149 M1_D_8 172 M1_D_9 171 M1_D_10 170 M1_D_11 169 M1_D_12 168 M1_D_13 167 M1_D_14 166 M1_D_15 151 M1_A_0 195 M1_A_1 196 M1_A_2 197 M1_A_3 198 M1_A_4 185 M1_A_5 184 M1_A_6 183 M1_A_7 182 M1_A_8 181 M1_A_9 180 M1_A_10 194 M1_A_11 175 M1_DQM0 150 M1_DQM1 173 M1_CLKO 174 M1_WE_N 186 M1_CAS_N 187 M1_RAS_N 188 M1_SCS_N 189 M1_BA0 190 M1_BA1 193 ECS_N 199 M1_EOE_N 200 M2_BA0 68 M2_BA1 67 M2_DQM0 70 M2_DQM1 66 M2_SCS_N 69 M2_CAS_N 71 M2_WE_N 80 M2_RAS_N 93 M2_CLKO 94 DVSS_PLL0 125 AVSS_PLL0 128 VSS_PLL1 131 VSS_PLL2 134 COMPAD 2 RFS 3 SLC 4 CE 6 D 7 CEC 8 FE 10 TEIN 11 TE 12 PI 13 REFCSV 26 GPAO1 247 GPAIN2 251 AVDD12RF 252 AVSS12VCO 249 AVDD33AD 5 AVDD33SV 25 AVDD33VCO 254 AVSS33AD 9 AVSS33SV 27 AVSS33VCO 253 GPAIP2 16 PLCC 17 GPAO2 18 FOO 19 SLO 20 REF2X 21 SVOREF 22 TRO 23 DMO 24 COMP0SV 28 COMP1SV 29 COMP2SV 30 COMP3SV 31 REFCRF 255 RFREF 256 AVSS12RF 250 AVDD12VCO 248 TZC 34 SDA 35 SCK 36 TCLOSE 37 TOPEN 38 LIMIT 39 MIRROR 40 STBY 41 LDON 42 HOLD 43 DVDD_PLL0 126 DVDD_PLL1 129 DVDD_PLL2 132 AVDD_PLL0 127 AVDD_PLL1 130 AVDD_PLL2 133 VSS_3.3V_1 44 VSS_3.3V_2 57 VSS_3.3V_3 74 VSS_3.3V_4 89 VSS_3.3V_5 103 VSS_3.3V_6 115 VSS_3.3V_7 146 VSS_3.3V_8 160 VSS_3.3V_9 177 VSS_3.3V_10 192 VSS_3.3V_11 202 VSS_3.3V_12 214 VSS_1.2V_1 15 VSS_1.2V_2 32 VSS_1.2V_10 245 VDD_3.3V_1 45 VDD_3.3V_2 56 VDD_3.3V_3 75 VDD_3.3V_4 90 VDD_3.3V_5 104 VDD_3.3V_6 120 VDD_3.3V_7 147 VDD_3.3V_8 159 VDD_3.3V_9 176 VDD_3.3V_10 191 VDD_3.3V_11 201 VDD_3.3V_12 213 IEC958 203 VDD_1.2V_1 14 VDD_1.2V_2 33 VDD_1.2V_3 72 VDD_1.2V_4 91 VDD_1.2V_5 113 VDD_1.2V_6 139 VDD_1.2V_7 165 VDD_1.2V_8 179 VDD_1.2V_9 219 VDD_1.2V_10 246 AMCLK 204 AOCLK 205 ALRCLK 206 ADATA_0 221 ADATA_1 222 ADATA_2 223 ADATA_3 224 DVDD_DAC(1.2V) 244 DVSS_DAC(1.2V) 243 AVDD_DAC(3.3V) 225 AVDD_DAC_R(3.3V) 232 AVDD_DAC_G(3.3V) 235 AVDD_DAC_B(3.3V) 238 AVDD_DAC_X(3.3V) 241 AVSS_DAC(3.3V) 226 AVSS_DAC_R(3.3V) 231 AVSS_DAC_G(3.3V) 234 AVSS_DAC_B(3.3V) 237 AVSS_DAC_X(3.3V) 240 COMP 230 RSET 229 VREF_IN 227 VREF_OUT 228 IOR 233 IOG 236 IOB 239 IOX 242 HD_D_0 211 HD_D_1 210 HD_D_2 209 HD_D_3 208 HD_D_4 207 HD_D_5 164 HD_D_6 163 HD_D_7 162 HD_D_8 161 HD_D_9 158 HD_D_10 157 HD_D_11 156 HD_D_12 155 HD_D_13 154 HD_D_14 153 HD_D_15 55 HD_D_16 54 HD_D_17 53 HD_D_18 52 HD_D_19 51 HD_D_20 50 HD_D_21 49 HD_D_22 48 HD_D_23 47 HD_CK 46 HD_D_DE 216 HD_D_HS 212 HD_D_VS 215 HD_GP0 217 HD_GP1 218 VD0 65 VD1 64 VD2 63 VD3 62 VD4 61 VD5 60 VD6 59 VD7 58 RESET_N 137 TRST_N 135 TEST_N 136 SVIREF 1 TMS 124 TCK 122 TDO 121 TDI 123 AICLK_XOUT 116 AICLK_XIN 117 SCLK_XOUT 118 SCLK_XIN 119 Memory #1 Memory #2 CLOCKS & PLL TEST FE ANALOG FED P O W E R Audio Video DAC DVI GPIO AML3278 U3 Memory #1 Memory #2 CLOCKS & PLL TEST FE ANALOG FED P O W E R Audio Video DAC DVI GPIO AML3278 U3 C3 104 C3 104 C38 22pF C38 22pF C10 104 C10 104 1 TP4 TMS TP4 TMS FB4 FB-0805 FB4 FB-0805 C18 104 C18 104 R57 10K R57 10K R49 10K R49 10K 1 X1 X1 C93 104 C93 104 1 2 Y1 27MHz Y1 27MHz R17 10K R17 10K C15 104 C15 104 R40 75R NC R40 75R NC R14 100K R14 100K C98 104 C98 104 R21 75R NC R21 75R NC C23 104 C23 104 R44 75R NC R44 75R NC 1 TP1 TDI TP1 TDI R43 75R NC R43 75R NC C79 104 C79 104 R51 10K R51 10K C21 104 C21 104 C6 104 C6 104 FB3 FB-0805 FB3 FB-0805 C5 104 C5 104 FB2 FB-0805 FB2 FB-0805 C97 104 C97 104 FB5 FB-0805 FB5 FB-0805 C14 104 C14 104 C13 104 C13 104 + C31 100uF + C31 100uF C26 104 C26 104 + C17 100uF + C17 100uF C94 104 C94 104 R50 10K R50 10K C28 104 C28 104 + C8 100uF + C8 100uF R9 200ohm R9 200ohm + C35 100uF + C35 100uF FB1 FB-0805 FB1 FB-0805 C7 104 C7 104 + C24 100uF + C24 100uF C20 104 C20 104 R69 0R NC R69 0R NC 1 X4 X4 C12 104 C12 104 L6 2.7uH NC L6 2.7uH NC + C1 100uF + C1 100uF C88 1000p NC C88 1000p NC 1 M2 M2 R3 10K R3 10K C2 104 C2 104 C95 104 C95 104 1 TP2 TDO TP2 TDO C100 104 C100 104 1 X3 X3 C37 22pF C37 22pF C36 104 C36 104 FB6 FB-0805 FB6 FB-0805 R15 10K R15 10K C9 104 C9 104 R68 10K NC R68 10K NC 1 2 3 4 5 6 CN4 6P/2.0 CN4 6P/2.0 C92 104 C92 104 1 TP3 TCK TP3 TCK C11 104 C11 104 C32 104 C32 104 C19 104 C19 104 R16 10K NC R16 10K NC C30 104 C30 104 + C90 100uF + C90 100uF R67 10K NC R67 10K NC C27 104 C27 104 + C75 100uF + C75 100uF C25 104 C25 104 C16 104 C16 104 5 4 3 2 1 D D C C B B A A M2_DB0 M2_DB4 M2_AB6 M2_DB13 M2_DB1 M2_AB7 M2_AB3 M2_AB5 M2_AB4 M2_DB3 M2_DB15 M2_AB8 M2_DB10 M2_DB9 M2_AB1 M2_DB11 M2_AB11 M2_DB7 M2_AB2 M2_DB5 M2_DB2 M2_DB6 M2_AB10 M2_DB14 M2_AB9 M2_DB12 M2_DB8 USB_VCC USB_VCC VBUS VBUS ID M2_DQM0 OC PO EXT_VBO_n VBP DM1 DM0 DP1 DP0 DM1 DP1 DM0 DP0 M2_DQM0 RESET OC PO EXT_VBO VBP DP DM 3P3VCC VDD2.5 3P3VCC VDD2.5 3P3VCC +5V +5V +5V +5V +5V +5V USB_INT USB_CS M2_WE M2_D[00:15] M2_A[00:11] EOE Title Size Document Number Rev Date: Sheet of USB 1.0 AML3278+USB CARD A4 4 6 Tuesday, June 27, 2006 Title Size Document Number Rev Date: Sheet of USB 1.0 AML3278+USB CARD A4 4 6 Tuesday, June 27, 2006 Title Size Document Number Rev Date: Sheet of USB 1.0 AML3278+USB CARD A4 4 6 Tuesday, June 27, 2006 C50 6.8P(NC) C50 6.8P(NC) C63 33P C63 33P C62 33P C62 33P C84 33P C84 33P R170 0 R170 0 C46 104 C46 104 R61 10K R61 10K +5V 1 D- 2 D+ 3 GND 4 +5V 5 D- 6 D+ 7 GND 8 CN10 USB CN10 USB C51 104 C51 104 R109 0R(NC) R109 0R(NC) + C44 100u/16V + C44 100u/16V 1 2 3 4 5 6 7 8 RN2 33ohm RN2 33ohm R20 10K R20 10K 1 2 Y2 6.00MHz 200ppm Y2 6.00MHz 200ppm R55 10K R55 10K C49 6.8P C49 6.8P 1 2 3 D6 BAV99 D6 BAV99 C45 104 C45 104 PTC1 SMD150 PTC1 SMD150 R56 10K R56 10K + C52 220uF + C52 220uF PTC2 SMD150 PTC2 SMD150 C40 104 C40 104 C83 33P C83 33P 1 2 3 D17 BAV99 D17 BAV99 1 2 3 4 5 6 7 8 RN3 10K RN3 10K C48 104 C48 104 C41 104 C41 104 R108 0R(NC) R108 0R(NC) R19 100R R19 100R C42 104 C42 104 C43 104 C43 104 1 2 3 D18 BAV99 D18 BAV99 C39 104 C39 104 R171 10K R171 10K R60 10K R60 10K C65 104 C65 104 1 2 3 D3 BAV99 D3 BAV99 C47 104 C47 104 INT 11 /Reset 47 /CS 30 /WR 12 /RD 13 A1 14 A2 16 A3 17 A4 18 A5 19 A6 20 A7 22 A8 23 A9 24 A10 25 A11 26 A12 27 D0 49 D1 50 D2 51 D3 52 D4 56 D5 57 D6 58 D7 59 D8 1 D9 2 D10 3 D11 4 D12 6 D13 7 D14 8 D15 9 TEST 48 AVss 44 AVss 61 Vss 15 Vss 28 Vss 54 VDDw 5 VDDw 21 VDDw 55 VDD3.3 35 VDD3.3 43 VDD3.3 45 VDD2.5 10 VDD2.5 29 VDD2.5 53 VDD2.5 62 VREGOUT 42 /OC 36 /PO 39 DP2 31 DM2 32 DP1 33 DM1 34 ID 40 /EXVBO 37 VBP 38 ENVREG 41 VBUS 46 CLKw 60 OSC1 63 OSC2 64 U6 OTG242 U6 OTG242 R23 NC R23 NC R18 100R R18 100R R54 100R R54 100R + C66 220uF + C66 220uF 5 4 3 2 1 D D C C B B A A FR R_OUT L_OUT L_OUT FL L_OUT L_OUT ALRCK ASCLK ADATA0 AMCLK L_OUT R_OUT ECHO_OUT +5V VAA AMP_VAA AMP_VAA GND VCC MUTE_O RESET Title Size Document Number Rev Date: Sheet of AUDIO&VIDEO 1.0 AML3278+USB CARD A4 5 6 Tuesday, June 27, 2006 Title Size Document Number Rev Date: Sheet of AUDIO&VIDEO 1.0 AML3278+USB CARD A4 5 6 Tuesday, June 27, 2006 Title Size Document Number Rev Date: Sheet of AUDIO&VIDEO 1.0 AML3278+USB CARD A4 5 6 Tuesday, June 27, 2006 + C130 10u + C130 10u 2 1 3 Q4 3904 Q4 3904 C56 2200P C56 2200P C106 104 C106 104 1 R35 330 R35 330 + C203 10u + C203 10u C54 104 C54 104 1 2 D19 1N4148 D19 1N4148 R10 10K R10 10K R32 10K R32 10K C61 2200P C61 2200P 1 R37 1K R37 1K . 7 . 1 VCC 8 GND 4 - 2 + 3 + 5 - 6 U13 LM358 U13 LM358 C112 104 C112 104 R39 33K R39 33K 5 6 U4C 74HC14 U4C 74HC14 VAA 7 GND 6 L 8 DATA 1 BCK 2 LRCK 3 MCLK 4 R 5 U9 CS4334 U9 CS4334 R27 22K R27 22K C108 102 C108 102 + C60 10u + C60 10u 1 R34 1K R34 1K C105 102 C105 102 R154 4K7 R154 4K7 R153 4K7 R153 4K7 C104 120P C104 120P R31 0R R31 0R R29 10K R29 10K R24 15K R24 15K + C55 10u + C55 10u 1 2 3 4 5 6 7 8 RN4 33ohm RN4 33ohm 2 1 3 Q3 3904 Q3 3904 R36 33K R36 33K + C91 10UF/16V + C91 10UF/16V C109 120P C109 120P R30 22K R30 22K 1 R33 330 R33 330 FB17 FB-0805 FB17 FB-0805 R28 0R R28 0R + C53 100U + C53 100U + C107 47u + C107 47u + C129 10u + C129 10u +3.3V +12V +12V +12V PWR_ON IR PWR_ON CVBS_OUT +12V +12V Y_OUT PB_OUT PR_OUT R_OUT L_OUT Core3.3V 3P3VCC +12VA Core1.2V AMP_VAA +5V VAA VAA AMP_VAA +5V GND GND MUTE MUTE_O Title Size Document Number Rev Date: Sheet of POWER 1.0 AML3278+USB CARD A4 6 6 Title Size Document Number Rev Date: Sheet of POWER 1.0 AML3278+USB CARD A4 6 6 Title Size Document Number Rev Date: Sheet of POWER 1.0 AML3278+USB CARD A4 6 6 C86 104 C86 104 R45 4.7K R45 4.7K Q11 8550 Q11 8550 R42 330R R42 330R R48 4.7K R48 4.7K + C110 470u/16V + C110 470u/16V + C111 100u/16V + C111 100u/16V + C210 100u/16V + C210 100u/16V L1 100uH/2A-D10 L1 100uH/2A-D10 R66 470R R66 470R R91 1K R91 1K 3 2 1 Q5 3906 Q5 3906 C58 104 C58 104 R89 NC R89 NC GND 1 VOUT 2 VIN 3 U11 AAC1117-3V3 U11 AAC1117-3V3 Vin 1 GND 3 ON/OFF 5 FEE 4 OUT 2 U10 LM2576 U10 LM2576 + C103 100u + C103 100u R26 47K R26 47K + C22 220uF + C22 220uF D4 1N5822 D4 1N5822 R177 10K R177 10K 1 2 D5 1N4148 D5 1N4148 C77 104 C77 104 + C87 100u + C87 100u 3 2 1 Q6 3906 Q6 3906 R180 0R NC R180 0R NC 2 1 3 Q10 3904 Q10 3904 1 2 3 4 5 6 7 8 9 10 11 12 13 14 15 16 17 18 19 20 21 22 23 24 25 26 J1 2X13P-2.0 J1 2X13P-2.0 2 1 3 Q1 3904 Q1 3904 R47 2.2K R47 2.2K FB11 FB-0805 FB11 FB-0805 R46 4.7K R46 4.7K + C101 100u + C101 100u C89 104 C89 104 + C59 100u + C59 100u 2 1 3 Q7 3904 Q7 3904 R38 33K R38 33K FB12 FB-0805 FB12 FB-0805 D15 1N4007 D15 1N4007 R106 33R R106 33R 1 2 D8 1N4148 D8 1N4148 R41 10K R41 10K C64 104 C64 104 C92 104 C92 104 R178 10K R178 10K R107 4K7 R107 4K7 D7 4001 D7 4001 R176 1K R176 1K R179 0R R179 0R + C80 100u + C80 100u FB13 FB-0805 FB13 FB-0805 + C57 220u/16V + C57 220u/16V D14 1N4007 D14 1N4007 GND 1 VOUT 2 VIN 3 U12 AAC1117-ADJ U12 AAC1117-ADJ R65 100K R65 100K </p> <div class="main-left-down hidden-xl hidden-lg hidden-md"> <!--资源收费且没有购买--> <a href="http://www.wenhuiw.com/index.php?s=score&c=buy&m=index&module=wenku&id=8975" id="down_box_confirm" class="not-logged-in btn bg-green"><i class="fa fa-shopping-cart"></i> 立即购买</a> <p class="down-score">下载本素材需消耗 <span class="f-red">10</span> 积分</p> <p class="down-feedback">无法下载?<a class="hover:text-green-600" href="tencent://message/?uin=77594475" target="_blank">立即反馈</a></p> </div> <div class="tag">标签: </div> <div class="use-tip"> <h3>版权声明</h3> <p><b>1. 本站所有素材,仅限学习交流,仅展示部分内容,如需查看完整内容,请下载原文件。</b><br> 2. 会员在本站下载的所有素材,只拥有使用权,著作权归原作者所有。<br> 3. 所有素材,未经合法授权,请勿用于商业用途,会员不得以任何形式发布、传播、复制、转售该素材,否则一律封号处理。<br> 4. 如果素材损害你的权益请联系客服QQ:<a href="tencent://message/?uin=77594475">77594475</a> 处理。 </p> </div> </div> <div class="main-relate hidden-sm hidden-xs"> <div class="module-title-box"> <h2 class="title">相关素材</h2> </div> <ul class="module-list"> <li class="col-xl-3 col-lg-3 col-md-3 col-sm-6 col-6"> <div class="module-list_box"> <a class="module-list_thumb wide lazyload" href="/wenku/a22871.html" title="飞利浦TPH17.1A机芯液晶电视维修手册" data-original="http://file.wenhuiw.com/202306/24ae54810e3d984.png#系统开启了相对路径模式,本地址是站外域名,不能转为相对路径(在关闭开发者模式后不显示这句话)#没有设置高宽参数,将以原图输出"></a> <div class="module-list_detail"> <h4 class="title txt-ov"><a href="/wenku/a22871.html" title="飞利浦TPH17.1A机芯液晶电视维修手册">飞利浦TPH17.1A机芯液晶电视维修手册</a></h4> </div> </div> </li> <li class="col-xl-3 col-lg-3 col-md-3 col-sm-6 col-6"> <div class="module-list_box"> <a class="module-list_thumb wide lazyload" href="/wenku/a22870.html" title="飞利浦55PFL6300T3液晶电视电路图" data-original="http://file.wenhuiw.com/202306/a195bcaca1fd5a7.png#系统开启了相对路径模式,本地址是站外域名,不能转为相对路径(在关闭开发者模式后不显示这句话)#没有设置高宽参数,将以原图输出"></a> <div class="module-list_detail"> <h4 class="title txt-ov"><a href="/wenku/a22870.html" title="飞利浦55PFL6300T3液晶电视电路图">飞利浦55PFL6300T3液晶电视电路图</a></h4> </div> </div> </li> <li class="col-xl-3 col-lg-3 col-md-3 col-sm-6 col-6"> <div class="module-list_box"> <a class="module-list_thumb wide lazyload" href="/wenku/a22869.html" title="飞利浦42PFL540398液晶电视维修手册" data-original="http://file.wenhuiw.com/202306/530b862f6bcbc01.png#系统开启了相对路径模式,本地址是站外域名,不能转为相对路径(在关闭开发者模式后不显示这句话)#没有设置高宽参数,将以原图输出"></a> <div class="module-list_detail"> <h4 class="title txt-ov"><a href="/wenku/a22869.html" title="飞利浦42PFL540398液晶电视维修手册">飞利浦42PFL540398液晶电视维修手册</a></h4> </div> </div> </li> <li class="col-xl-3 col-lg-3 col-md-3 col-sm-6 col-6"> <div class="module-list_box"> <a class="module-list_thumb wide lazyload" href="/wenku/a22868.html" title="飞利浦32PFD502230液晶电视维修手册" data-original="http://file.wenhuiw.com/202306/24ae54810e3d984.png#系统开启了相对路径模式,本地址是站外域名,不能转为相对路径(在关闭开发者模式后不显示这句话)#没有设置高宽参数,将以原图输出"></a> <div class="module-list_detail"> <h4 class="title txt-ov"><a href="/wenku/a22868.html" title="飞利浦32PFD502230液晶电视维修手册">飞利浦32PFD502230液晶电视维修手册</a></h4> </div> </div> </li> <li class="col-xl-3 col-lg-3 col-md-3 col-sm-6 col-6"> <div class="module-list_box"> <a class="module-list_thumb wide lazyload" href="/wenku/a22867.html" title="飞利浦24PFD502230液晶电视维修手册" data-original="http://file.wenhuiw.com/202306/24ae54810e3d984.png#系统开启了相对路径模式,本地址是站外域名,不能转为相对路径(在关闭开发者模式后不显示这句话)#没有设置高宽参数,将以原图输出"></a> <div class="module-list_detail"> <h4 class="title txt-ov"><a href="/wenku/a22867.html" title="飞利浦24PFD502230液晶电视维修手册">飞利浦24PFD502230液晶电视维修手册</a></h4> </div> </div> </li> <li class="col-xl-3 col-lg-3 col-md-3 col-sm-6 col-6"> <div class="module-list_box"> <a class="module-list_thumb wide lazyload" href="/wenku/a22866.html" title="长虹液晶JUC7.820.00103653主板电路图" data-original="http://file.wenhuiw.com/202306/b35cb91c5bc4062.png#系统开启了相对路径模式,本地址是站外域名,不能转为相对路径(在关闭开发者模式后不显示这句话)#没有设置高宽参数,将以原图输出"></a> <div class="module-list_detail"> <h4 class="title txt-ov"><a href="/wenku/a22866.html" title="长虹液晶JUC7.820.00103653主板电路图">长虹液晶JUC7.820.00103653主板电路图</a></h4> </div> </div> </li> <li class="col-xl-3 col-lg-3 col-md-3 col-sm-6 col-6"> <div class="module-list_box"> <a class="module-list_thumb wide lazyload" href="/wenku/a22865.html" title="长虹UD55D6000ID液晶电视主板电路图" data-original="http://file.wenhuiw.com/202306/b35cb91c5bc4062.png#系统开启了相对路径模式,本地址是站外域名,不能转为相对路径(在关闭开发者模式后不显示这句话)#没有设置高宽参数,将以原图输出"></a> <div class="module-list_detail"> <h4 class="title txt-ov"><a href="/wenku/a22865.html" title="长虹UD55D6000ID液晶电视主板电路图">长虹UD55D6000ID液晶电视主板电路图</a></h4> </div> </div> </li> <li class="col-xl-3 col-lg-3 col-md-3 col-sm-6 col-6"> <div class="module-list_box"> <a class="module-list_thumb wide lazyload" href="/wenku/a22864.html" title="长虹R-HS180S-4MF01电源板电路原理图 " data-original="http://file.wenhuiw.com/202306/3ffd1fbf93a9d0b.png#系统开启了相对路径模式,本地址是站外域名,不能转为相对路径(在关闭开发者模式后不显示这句话)#没有设置高宽参数,将以原图输出"></a> <div class="module-list_detail"> <h4 class="title txt-ov"><a href="/wenku/a22864.html" title="长虹R-HS180S-4MF01电源板电路原理图 ">长虹R-HS180S-4MF01电源板电路原理图 </a></h4> </div> </div> </li> </ul> </div> </div> <div class="main-right col-xl-3 col-lg-3 col-md-3 hidden-sm hidden-xs"> <div class="side-box-dw"></div> <div class="side-fixed-box"> <div class="side shadow"> <a href="javasctipr:;" class="not-logged-in btn bg-yellow"><i class="fa fa-download"></i> 立即下载</a> <p class="down-score">下载本素材需消耗 <span class="f-red">10</span> 积分</p> <p class="down-feedback">无法下载?<a class="hover:text-green-600" href="tencent://message/?uin=77594475" target="_blank">立即反馈</a></p> <ul class="down-attribute"> <li><span>文件大小:</span>75.87 KB</li> <li><span>文件格式:</span>pdf</li> </ul> </div> <div class="side mt20 shadow"> <div class="module-title-box mb15"> <h2 class="title">随机推荐</h2> </div> <ul class="module-list"> <li class="col-lg-4 col-md-3 col-sm-4 col-xs-3 col-4"> <div class="module-list_box p0"> <a class="module-list_thumb wide" href="/wenku/a23254.html" title="一张母狮子卧在草丛里的照片" style="display: block; background-image: url('http://file.wenhuiw.com/202403/c18d26349a7554b.jpg#系统开启了相对路径模式,本地址是站外域名,不能转为相对路径(在关闭开发者模式后不显示这句话)#没有设置高宽参数,将以原图输出')" ;> </a> <div class="module-list_detail"> <h4 class="title"><a href="/wenku/a23254.html" title="一张母狮子卧在草丛里的照片">一张母狮子卧在草丛里的照片</a></h4> </div> </div> </li> <li class="col-lg-4 col-md-3 col-sm-4 col-xs-3 col-4"> <div class="module-list_box p0"> <a class="module-list_thumb wide" href="/wenku/a23253.html" title="员工花名册.xlsx" style="display: block; background-image: url('http://file.wenhuiw.com/202403/389f25971624d9f.jpg#系统开启了相对路径模式,本地址是站外域名,不能转为相对路径(在关闭开发者模式后不显示这句话)#没有设置高宽参数,将以原图输出')" ;> </a> <div class="module-list_detail"> <h4 class="title"><a href="/wenku/a23253.html" title="员工花名册.xlsx">员工花名册.xlsx</a></h4> </div> </div> </li> <li class="col-lg-4 col-md-3 col-sm-4 col-xs-3 col-4"> <div class="module-list_box p0"> <a class="module-list_thumb wide" href="/wenku/a23252.html" title="员工年假统计表" style="display: block; background-image: url('http://file.wenhuiw.com/202403/bde7ec85b0ccdf1.jpg#系统开启了相对路径模式,本地址是站外域名,不能转为相对路径(在关闭开发者模式后不显示这句话)#没有设置高宽参数,将以原图输出')" ;> </a> <div class="module-list_detail"> <h4 class="title"><a href="/wenku/a23252.html" title="员工年假统计表">员工年假统计表</a></h4> </div> </div> </li> <li class="col-lg-4 col-md-3 col-sm-4 col-xs-3 col-4"> <div class="module-list_box p0"> <a class="module-list_thumb wide" href="/wenku/a23251.html" title="实验室安全歌.doc" style="display: block; background-image: url('http://file.wenhuiw.com/202309/310d89e8c45eb81.jpg#系统开启了相对路径模式,本地址是站外域名,不能转为相对路径(在关闭开发者模式后不显示这句话)#没有设置高宽参数,将以原图输出')" ;> </a> <div class="module-list_detail"> <h4 class="title"><a href="/wenku/a23251.html" title="实验室安全歌.doc">实验室安全歌.doc</a></h4> </div> </div> </li> <li class="col-lg-4 col-md-3 col-sm-4 col-xs-3 col-4"> <div class="module-list_box p0"> <a class="module-list_thumb wide" href="/wenku/a23250.html" title="JCT 998-2006 喷涂聚氨酯硬泡体保温材料" style="display: block; background-image: url('http://file.wenhuiw.com/202306/a9f08eb9830da52.png#系统开启了相对路径模式,本地址是站外域名,不能转为相对路径(在关闭开发者模式后不显示这句话)#没有设置高宽参数,将以原图输出')" ;> </a> <div class="module-list_detail"> <h4 class="title"><a href="/wenku/a23250.html" title="JCT 998-2006 喷涂聚氨酯硬泡体保温材料">JCT 998-2006 喷涂聚氨酯硬泡体保温材料</a></h4> </div> </div> </li> <li class="col-lg-4 col-md-3 col-sm-4 col-xs-3 col-4"> <div class="module-list_box p0"> <a class="module-list_thumb wide" href="/wenku/a23249.html" title="JCT 997-2006 装饰纸面石膏板" style="display: block; background-image: url('http://file.wenhuiw.com/202306/e292ed4137e88a.png#系统开启了相对路径模式,本地址是站外域名,不能转为相对路径(在关闭开发者模式后不显示这句话)#没有设置高宽参数,将以原图输出')" ;> </a> <div class="module-list_detail"> <h4 class="title"><a href="/wenku/a23249.html" title="JCT 997-2006 装饰纸面石膏板">JCT 997-2006 装饰纸面石膏板</a></h4> </div> </div> </li> <li class="col-lg-4 col-md-3 col-sm-4 col-xs-3 col-4"> <div class="module-list_box p0"> <a class="module-list_thumb wide" href="/wenku/a23248.html" title="JCT 996-2006 玻璃纤维壁布" style="display: block; background-image: url('http://file.wenhuiw.com/202306/5156b2f64e53176.png#系统开启了相对路径模式,本地址是站外域名,不能转为相对路径(在关闭开发者模式后不显示这句话)#没有设置高宽参数,将以原图输出')" ;> </a> <div class="module-list_detail"> <h4 class="title"><a href="/wenku/a23248.html" title="JCT 996-2006 玻璃纤维壁布">JCT 996-2006 玻璃纤维壁布</a></h4> </div> </div> </li> <li class="col-lg-4 col-md-3 col-sm-4 col-xs-3 col-4"> <div class="module-list_box p0"> <a class="module-list_thumb wide" href="/wenku/a23247.html" title="JCT 995-2006 低比表面积高烧结活性氧化锆粉体" style="display: block; background-image: url('http://file.wenhuiw.com/202306/8c1c96b37a561d4.png#系统开启了相对路径模式,本地址是站外域名,不能转为相对路径(在关闭开发者模式后不显示这句话)#没有设置高宽参数,将以原图输出')" ;> </a> <div class="module-list_detail"> <h4 class="title"><a href="/wenku/a23247.html" title="JCT 995-2006 低比表面积高烧结活性氧化锆粉体">JCT 995-2006 低比表面积高烧结活性氧化锆粉体</a></h4> </div> </div> </li> <li class="col-lg-4 col-md-3 col-sm-4 col-xs-3 col-4"> <div class="module-list_box p0"> <a class="module-list_thumb wide" href="/wenku/a23246.html" title="JCT 994-2006 微晶玻璃陶瓷复合砖" style="display: block; background-image: url('http://file.wenhuiw.com/202306/fff87b6f9176d27.png#系统开启了相对路径模式,本地址是站外域名,不能转为相对路径(在关闭开发者模式后不显示这句话)#没有设置高宽参数,将以原图输出')" ;> </a> <div class="module-list_detail"> <h4 class="title"><a href="/wenku/a23246.html" title="JCT 994-2006 微晶玻璃陶瓷复合砖">JCT 994-2006 微晶玻璃陶瓷复合砖</a></h4> </div> </div> </li> </ul> </div> </div> </div> </div> <div class="main-box-dw"></div> <div class="scroll-to-top hidden-sm hidden-xs" id="toTop"> <i class="bi bi-arrow-up-circle-fill"></i> </div> <!-- 底部 --> <div class="footer"> <div class="container"> <div class="flex justify-center"> <span class="hidden-sm hidden-xs">© CopyRight 2022 文汇知识网</span> <a class="ml10 mr10" href="https://beian.miit.gov.cn" target="_blank">滇ICP备2022006959号-4</a> <span class="hidden-sm hidden-xs"><script> var _hmt = _hmt || []; (function() { var hm = document.createElement("script"); hm.src = "https://hm.baidu.com/hm.js?f0f56f82f7c67c360794e2549e59d9cd"; var s = document.getElementsByTagName("script")[0]; s.parentNode.insertBefore(hm, s); })(); </script> <a href="http://news.zzszq.net/">深知资讯网</a><a href="http://tv.zzszq.net/">深视网</a><a href="http://www.80hlw.com/">80商务</a></span> </div> </div> </div> <!-- 会员登录 --> <div id="login_box" class="hidden fixed"> <div class="login_box_title"> <h4 class="tc">会员登录</h4> <button id="close_login"><i class="fa fa-close"></i></button> </div> <form class="login-form" id="myform" action="" method="post"> <div class="form-group"> <input class="form-control" type="text" autocomplete="off" placeholder="会员名/邮箱/手机" name="data[username]" /> </div> <div class="form-group"> <input class="form-control" type="password" autocomplete="off" placeholder="登录密码" name="data[password]" /> </div> <div class="form-group"> <div class="col-6 pl0 pr0 fl"> <input class="form-control" type="text" autocomplete="off" placeholder="验证码" name="code" /> </div> <div class="col-6 tr fr"> <img align="absmiddle" style="cursor:pointer;" onclick="this.src='/index.php?s=api&c=api&m=captcha&width=120&height=35&t='+Math.random();" src="/index.php?s=api&c=api&m=captcha&width=120&height=35" /> </div> <div class="clearfix"></div> </div> <div class="form-group"> <button type="button" onclick="dr_ajax_member('http://www.wenhuiw.com/index.php?s=member&c=login&m=index', 'myform');" class="btn bg-green">登录</button> </div> <div class="form-group"> <a href="http://www.wenhuiw.com/index.php?s=member&c=register&m=index" id="register-btn" class="fr">注册账号</a> <input type="checkbox" name="remember" value="1" checked="checked" style="vertical-align: -2px;"/> 记住我 <a href="http://www.wenhuiw.com/index.php?s=member&c=login&m=find">忘记密码</a> </div> <div class="form-group tc"> <!--<p class="text-muted">第三方快捷登录</p>--> </div> </form> </div> <div class="mask-body mask-body-dark" style="display: none;"></div> <script src="/static/x2h-002/js/swiper-bundle.min.js"></script> <script src="/static/x2h-002/js/jquery.lazyload.js"></script> <script src="/static/x2h-002/js/common.js"></script> <script> $(function () { $.ajax({ type: "GET",dataType:"json", url: "/index.php?s=api&c=run&is_ajax=1&num=5" }); }); </script> </body> </html>