海尔液晶VLC79002.54电源板电路图

分类:电子电工 日期: 点击:0
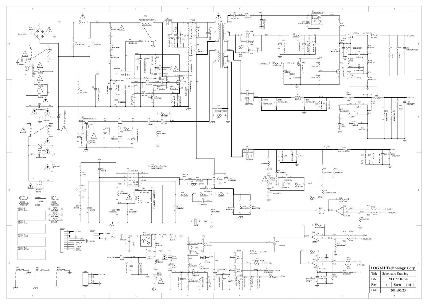
海尔液晶VLC79002.54电源板电路图-0 海尔液晶VLC79002.54电源板电路图-1 海尔液晶VLC79002.54电源板电路图-2 海尔液晶VLC79002.54电源板电路图-3

1 2 3 4 5 6 7 8 A B C D 8 7 6 5 4 3 2 1 D C B A LOGAH Technology Corp. Title P/N Rev. Date Schematic Drawing Sheet of VLC79002.54 1 2010/02/25 1 4 1 4 3 2 LF1 1 2 CX2 C/0.33uF/275V 1 4 3 2 LF2 L 1 2 F1 5A/250V 1 2 RT1 P/NTC/SCK15057 1 2 R47 R/680K (L) (N) 1 2 CX1 C/0.33uF/275V 2 1 3 4 BD1 B/GBU8K 1 2 ZNR1 TVR14561 1 2 R6 R/NC/1206 ZDC 5 INV 1 CMP 2 GD 7 VCC 8 MULT 3 CS 4 GND 6 U1 ON1606 1 2 C2 C/105K/450V 1 2 R1 R/680K 1 2 C22 C/102J/0805 1 2 R57 R/0.15/2WS 1 2 R8 R/68K/1206 1 2 C5 C/103K/0805/50V 1 2 C6 C/224K/0805 1 2 R10 R/7.5K/0805 1 2 D2 D/8A/600V 1 2 R62 R/19.1K/0805 1 2 R15 R/1M/1206 1 2 R14 R/1M/1206 1 2 R2 R/680K 1 2 CY6 C/1000pF/Y1 電 電 1 2 R5 R/NC/1206 1 2 L1 L 1 2 + C11 C/120u/450V 1 2 C1 C/105K/450V 1 2 CY3 C/1000P/Y1 1 2 CY2 C/1000P/Y1 1 2 C27 C/101J/0805 1 2 R16 R/1M/1206 1 2 R63 R/5.1K/0805 1 2 R64 R/4.7K/0805 1 2 C29 C/105K/0805 1 2 R80 R/9.09K/1%/0805 1 2 PC3A PC123 1 2 R70 R/11K/0805 1 2 C12 C/2200pF/630V 1 2 D4 1A/1KV 1 2 R23 R/1K/0805 1 2 R19 R/NC 1 2 R20 R/NC 1 2 R17 R/82K/2WS 1 2 C14 C/NC 1 2 L2 L/DR8X10 VBUS N4 N5 N6 N7 N8 N9 N10 N13 N15 N17 N23 N26 +24VD N29 N31 1 2 R94 R/0.15/2WS 1 2 R93 R/10/1206 1 2 R97 R/1.5K 1 2 C4 C/104K/0805/( 近 VCC) N50 N54 1 2 R12 R/NC/1206 1 2 C19 C/2200P/1KV 1 2 D7A D/20A/200V 3 2 1 Q6 Q/12A/600V/TO-220/1core 3 2 D7B STD N343 N349 1 2 C23 C/105K/50V/1206 1 2 R183 R/10K/0805 1 2 C18 C/105K/25V 1 2 + C65 C/2200pF/1KV ! 1 2 D9 D/1A/400V ! 1 2 R205 R/100/1206 ! 20VCC ! ! ! ! ! ! ! ! ! ! R197 R/10mm(錳錳錳) ! ! ! 1 2 C30 C/103K/50V ! 1 2 C70 C/22u/50V 5Vs_CS+ ! ! 1 3 2 U10 TL431-1(SMT) 1 2 + C64 C/22uF/50V R81 R/5.1k/0805 1 2 R77 R/100K/0805 1 2 R75 R/2K/0805 1 2 R45 R/90.9K/0805 1 2 R78 R/20K/0805 PWR_ON 1 2 PC1A PC123 N64 1 2 R91 R/20K R96 R/10K/0805 1 2 R46 R/2K/0805 1 2 R54 R/100K/0805 1 2 C58 C/103K/0805 1 2 C62 C/104K/50V 1 2 3 10K 10K Q21 DTA144E(10K/10K) 5Vs ! 1 2 D15 D/4148 N1 ! 1 2 R90 R/51K/0805 1 2 D12 D/IN4148 1 3 2 U8 TL431-1(SMT) 3 1 2 Q24 SCR-1 R196 R/10k/0805 R195 R/4.7k/0805 R194 R/10k/0805 N154 N65 +24VD 5Vs N361 1 2 3 10K 10K Q22 DTA144E(10K/10K) 1 2 R74 R/2K/1206 N282 N152 N151 +12VD R792 R/51K/0805 3 2 1 D8 BAV70 3 2 1 D10 D/BAV70 1 2 C36 C/103K/0805 1 2 ZD2 RLZ5.1B 1 2 ZD3 ZD/RLZ36B 1 2 R68 R/14K 1 2 R40 R/14K 1 2 R73 R/100 1 2 R72 R/100 1 2 C8 C/104K/0805 5Vs_CS+ 20VCC 5Vs 1 2 R79 R/200/0805 1 2 RT2 P/NTC/TTC05104 5Vs_CS+ 1 2 R49 R/20K 1 2 R59 R/511K 1 2 D18 D/NC 1 2 C35 C/NC 1 2 R55 R/100K/0805 1 2 R52 R/221K 3 2 1 Q20 Q/2N7002K 1 2 R51 R/100K/1206 1 2 C34 C/102K/0805 +24VD-ON +24VD-ON 1 2 R66 R/511K/1% LABEL LABEL1 LABEL 1 2 D5 1A/1KV 3 4 PC1B PC123 1 2 R44 R/4.7K/0805 1 2 + C24 C/22uF/50V 1 2 3 Q3 Q/2222 1 2 D19 D/RLZ15B 1 2 3 10K 10K Q18 DTA144E(10K/10K) 1 2 R28 R/0/1206 ! 1 2 R76 R/0.15/2WS 1 2 R60 R/68/0805 1 2 D11 D/4148 3 2 1 Q9 9A/650V 1 2 C28 C/102K/50V 1 2 R37 R/10/0805 1 2 R9 R/10K/0805 3 4 PC3B PC123 ! 1 2 PC2A PC123 ! +12VDC_CS+ +12VD 1 2 R71 R/8.06K/0805 1 2 R25 R/100 1 2 R26 R/100 1 2 R187 R/8.06K/0805 1 2 + C26 22u/50V(PTCH 5) N39 N44 N47 N61 N113 N118 N143 N144 N153 N157 N158 N218 N219 (IC) ( 靠 近 T2) 1 2 ZD4 RLZ5.1B N79 N80 N317 1 2 R84 R/510 1 2 + C66 C/10u/50V 1 2 R33 R/NC VCC 3 2 1 Q10 Q/2N7002 1 2 3 10K 10K Q17 DTA144E(10K/10K) 1 2 C33 C/104K/0805/50V 1 2 R11 R/47/1206 1 2 R13 R/1M/1206 1 2 R18 R/1M/1206 N48 N67 N102 N85 N32 1 2 + C39 C/22u/50V TOOL1 ICTPOINT 5Vs 1 2 + C53 C/100J/3KV 1 2 + C46 C/NC +24VD 1 2 D29 D/4148 1 2 C9 C/105K/25V 1 2 R27 R/NC/1206 1 2 R39 R/NC/1206 3 2 1 Q19 60V/55A 3 4 PC2B PC123 1 2 3 CN201 CI5203 1 2 C40 C/104K/25V/1206( 近 近 近 近 VCC) VF 1 2 R29 R/100K 1 2 R35 R/100K 1 2 C10 C/NC VCC Brown out N2 VCC 4 3 11 8 T50 PQ26/ PQ30:200uH(37:4) 1 2 CY7 C/1000pF/Y1電電 1 2 RY100 R/NC 1 2 D3 D/3A/60V 1 2 D1 D/3A/60V 1 2 R34 R/NC 1 2 D33A 3 2 D33B D/20A/150V R421 R/10mm 1 2 L402 DR8X10 +12VD +12VDC_CS+ 1 2 + C43 C/1000uF/10V 1 2 + C45 C/2200uF/10V 1 2 + C49 C/680uF/35V 1 2 + C17 C/680uF/35V 1 2 + C20 C/1000uF/25V 1 2 + C308 C/1000uF/25V 1 2 + C21 C/1000uF/25V +24VD 5Vs BLON PWR_ON +12VD I_PWM 1 2 HS1 HEAT SINK 1 2 HS2 HEAT SINK 1 2 HS3 HEAT SINK 1 2 R185 R/0/0805 1 2 D17 D/1N4148/SOD123 1 2 R186 R/56ohm 2 3 6 1 7 14 13 8 11 10 12 9 T104 1 2 R31 R/NC/1206 1 2 R32 R/NC/1206 N383 N384 N385 N386 N387 N388 N389 N391 N394 N399 N400 N401 N403 N404 N405 N406 N408 N409 N410 N411 1 2 3 4 CN401 CI0104 TOOL2 ICTPOINT 1 2 R4 R/0/0805 1 2 R41 R/NC 1 2 R82 R/NC 1 2 R30 R/2K/2WS 1 2 R67 R/2K/2WS 1 2 R65 R/0/1206 3 2 1 4 11 VCC GND U2A U/LM324 5 6 7 U2B U/LM324 10 9 8 U2C U/LM324 R24 R/10mm +24VDC_CS+ +24VDC_CS+ +24VD 1 2 R22 R/16K/0805 1 2 R53 R/100 1 2 R50 R/100 1 2 R42 R/16K/0805 1 2 D16 D/4148 3 2 1 Q2 60V/55A N159 N160 N161 N162 N163 N164 N166 N167 1 2 R38 R/0/1206 1 2 R92 R/NC N169 1 2 R142 R/75K/1% 1 2 R146 R/8.45K/1% 1 2 D6 D/RLZ15B 1 2 C7 C/223K/50V 1 3 2 U4 TL431-1(SMT) 1 2 R100 R/100 1 2 R98 R/221K/0805 N170 N171 N172 3 2 1 D13 BAV70 R56 R/9.76k/0805 5Vs R21 R/10k/0805 N173 SEL E_PWM 1 2 3 4 5 6 CN403 CON6 1 3 2 4 5 6 7 8 9 10 11 CN402 CON11 +12VD 1 2 C38 C/NC 1 2 C44 C/NC/0805 DEM 5 DRAIN 8 GND 2 3 CTRL 4 VCC 1 6 7 PROTECT DRIVER SENSE U3 TEA1532C SOP-8 1 2 C13 C/474K 1 2 C3 C/105K 1 2 R36 R/10K/0805 1 2 R43 R/1K/0805 1 2 R58 R/1.8K/1206 1 2 R177 R/10K/0805 1 2 C25 C/101J/50V 1 2 R48 R/1K/0805 1 2 C42 C/224K/0805 1 2 R178 R/NC/2WS 1 2 R7 R/NC/1206 VBUS VF 1 2 3 Q7 Q/2222 1 2 R61 R/3K/2WS/350V N33 N34 N66 N81 N92 N98 N107 N121 N123 N130 N138 N140 N165 N216 N338 N390 N396 N402 N11 N12 N14 GND1 ICTPOINT GND2 ICTPOINT 1 2 3 Q51 Q/PSS5140 N16 1 2 D22 R/0/1206 1 2 + C51 C/NC N18 1 2 C52 C/224K/0805 1 2 R3 R/7.5K/0805 1 2 REV53 R/NC/0805 1 2 REV54 R/0/0805 1 2 C59 C/221K/3KV 1 2 REV52 R/NC/0805 1 2 R198 R/0/0805 1 2 R176 R/NC/0805 1 2 D14 D/NC 1 2 R175 R/NC/0805 SAV SAV SAV N423 00254V1-2 00254V1-2.sch 00254V1-3 00254V1-3.sch 00254V1-4 00254V1-4.SCH 00254V1-ICT 00254V1-ICT.sch 1 2 3 4 5 6 7 8 A B C D 8 7 6 5 4 3 2 1 D C B A 1 2 R113 R/10K/0805 1 2 C107 C/104K/0805 1 2 R143 R/1M/0805 1 2 C119 C/221K/50V/0805 ENA BLON 1 2 R144 R/1M/0805 1 2 R115 R/20K 1 2 R112 R/10K/0805 1 2 R114 R/20K/0805 CTIMR 1 OVP 2 ENA 3 SST 4 VDDA 5 AGND 6 REF 7 RT1 8 FB 9 CMP 10 NDR_D 11 PDR_C 12 LPWM 13 DIM 14 NDR_B 20 PDR_A 19 CT 18 RT 17 PGND 16 LCT 15 U102 U/OZ964/SSOP20 1 2 R164 R/20K/0805 1 2 C124 C/471J/0805 1 2 C125 C/822J 1 2 C122 C/224K/0805 1 2 C103 C/225K/0805 1 2 R173 R/22.6K/0805 1 2 R163 R/NC 5V NDR-D NDR-B 1 2 R159 R/22/0805 OVP 1 2 R162 R/680/1% 1 2 C108 C/104K/0805 FBK FB 1 2 R151 R/1M/0805 1 2 C121 C/103K/0805 ENA SST VREF 1 2 C104 C/105K/25V/0805 1 2 R119 R/100K/0805 1 2 C109 C/104K/0805 1 2 R145 R/301K/0805 1 2 R148 R/118K/0805 1 2 CP103 C/CP 1 2 C123 C/472J/0805 1 2 C128 C/271J/0805 1 2 C120 C/104K/0805 DIM NDR-B PDR-C NDR-D 1 2 R169 R/36.5K/0805 FB SGND SST FMA101 FMB101 1 2 R147 R/0/1206 LOGAH Technology Corp. Title P/N Rev. Date Schematic Drawing Sheet of 2 4 CT 1 2 C129 C/472J/0805 CMP 1 2 3 Q105 Q/2907 1 2 R101 R/20K/1206 1 2 R102 R/20K/0805 3 2 1 Q114 Q/2N7002K 5V ENA 1 2 C101 C/NC 1 2 C102 C/NC 1 2 D111 D/4148 SST 1 2 C114 C/103K/0805 1 2 C106 C/104K 1 2 R152 R/10M/0805 1 2 R158 R/10M/0805 1 2 C112 C/NC BLON1 N88 N89 CTMR VDDA N132 LCT 5V BLON CMP ENA VREF CTMR 1 2 C47 C/105K/0805/25V +12VD 1 2 R137 R/10M 2 1 3 I N O U T ADJ U6 U/7805 PDR-A PDR-C PDR-A ENA-ON 1 2 R109 R/221K/0805 I_PWM FB LPWM 1 2 R118 R/100K/0805 1 2 R120 R/100K/0805 1 2 R104 R/10K 1 2 R110 R/100K 1 2 R103 R/10K 1 2 R107R/100K 1 2 R108 R/100K SST 5V 1 2 C105 C/102J 1 2 C71 C/102K 3 2 1 Q104 Q/NC 1 2 R116 R/NC 1 2 C111 C/NC RF 1 2 R153 R/2.2M 1 2 R154 R/2.2M 1 2 CP504 CPO 1 2 CP505 CPSHORT RF 1 2 R155 R/2.2M 1 2 R156 R/2.2M 1 2 CP506 CPO 1 2 CP508 CPSHORT 3 2 1 Q107 Q/2N7002 1 2 R111 R/0/0805 5V 1 2 R117 R/100K/0805 +12VD VA 3 2 1 Q101 Q/2N7002K CTMR N372 N373 N374 N375 N376 N377 N378 N379 N380 N3 1 2 CP109 C/CP/SHORT 1 2 CP106 C/CP 1 2 CP105 C/CP 1 2 CP110 C/CP/SHORT 1 2 R123 R/10K 1 2 R124 R/10K 1 2 R127 R/10K 1 2 R128 R/10K 1 2 CP2 C/CP/SHORT 1 2 CP1 C/CP 1 2 R165 R/5.1K 1 2 R166 R/5.1K LHV2 3 9 2 6 T6 EE16(2:50) LHV1 1 2 C37 C/NC 1 2 R129R/NC 3 2 1 D35 BAV99 1 2 C80 C/103K 1 2 R83 R/100K 1 2 R192 R/221K 1 2 R193 R/221K 1 2 R172 R/NC 1 2 R106 R/51K 1 2 R121 R/20K 1 2 R171 R/51K 1 2 R191 R/10K 5V 1 2 R170 R/1M 1 2 R122 R/51K 1 2 C81 C/103K 1 2 R190 R/100K 5V 1 2 D34 D/4148 1 2 C82 C/103K 3 2 1 Q5 Q/2N7002K 3 2 1 Q8 Q/2N7002K 3 2 1 Q12 Q/2N7002K 3 2 1 Q13 Q/2N7002K SEL SEL1 SEL1 E_PWM 1 2 R184 R/200 1 2 R188 R/200 LPWM 1 2 R189 R/0/0805 3 2 1 8 4 U103A LM393 1 2 R87 R/100K 1 2 3 Q4 Q/2222 1 2 C72 C/105 1 2 R95 R/1M 1 2 R105 R/330/1206 FBK1 3 2 1 D31 D/BAV99 3 2 1 D38 D/BAV99 FBK FBK FP2 1 2 R86 R/NC 1 2 R89 R/NC FBK2 1 2 C73 C/102J 1 2 R85 R/0/1206 1 2 R88 R/0/1206 1 2 D32 D/1N4148 VA FBK1 FBK2 N124 N125 N126 N127 N221 N365 N366 N398 N412 N413 N414 N415 N416 N417 N418 N419 N421 3 2 1 Q23 Q/NC VREF 1 2 R200 R/NC 1 2 C41 C/NC 1 2 R210 R/NC RF 1 2 C32 C/NC N103 N105 1 2 3 Q121 Q/2222 VLC79002.54 1 2010/02/25 1 2 D39 D/NC 1 2 3 4 5 6 7 8 A B C D 8 7 6 5 4 3 2 1 D C B A 3 2 1 Q201 Q/3.5A/600V 3 2 1 Q202 Q/3.5A/600V 3 2 1 Q203 Q/3.5A/600V 3 2 1 Q204 Q/3.5A/600V L-PWM LEG1-1 L-H L-L R-L R-H VBUS L-H L-L L-PWM LEG1-1 LEG1-2 Title P/N Rev. Date Schematic Drawing Sheet of 3 4 LOGAH Technology Corp. 1 2 R131 R/680/0805 1 2 R150 R/680/0805 1 2 D103 D/1N4148 R-L LEG1-1 1 2 R132 R/680/0805 1 2 R149 R/680/0805 1 2 D107 D/1N4148 L-H L-L L-PWM 1 2 C110 C/104K/0805 1 2 C126 C/104K/0805 R-H R-L LEG1-1 1 2 R138 R/200/0805 1 2 R140R/200/0805 1 2 R139 R/200/0805 1 2 R141 R/200/0805 1 2 D105 D/1N4148 1 2 D108 D/1N4148 R-H 3 2 1 Q106 Q/2N7002K 2 1 3 Q102 Q/TP0610 1 2 D115 D/6.8B 1 2 D116 D/6.8B 3 2 1 Q108 Q/2N7002K 2 1 3 Q103 Q/TP0610 1 2 D117 D/6.8B 1 2 D118 D/6.8B N94 N96 N97 N101 N108 N109 N110 N112 N114 N119 1 2 C127 C/NC 1 2 C300 C/104K/0805/50V 1 2 C50 C/NC/1206 1 2 C48 C/NC/1206 N272 N273 1 2 R202 R/2K/0805 1 2 R203 R/2K/0805 1 2 R204 R/2K/0805 1 2 R201 R/2K/0805 VA 1 2 C57 1000P/1KV 1 2 R179 R/10K/0805 1 2 R181 R/10K/0805 1 2 R180 R/10K/0805 1 2 R182 R/10K/0805 ! ! 3 2 1 D102 BAV99 1 2 C115 C/NC 3 2 1 D101 BAV99 1 2 C113 C/NC VA 1 2 R125 R/1K/1206 1 2 R126 R/1K/1206 1 2 C16 C/105K/450V 1 2 R69 R/NC 1 2 R99 R/NC N42 1 2 CY1 C/101J/3KV 1 2 CY4 C/101J/3KV NDR-B NDR-D 3 2 1 Q205 Q/2N7002K 3 2 1 Q207 Q/2N7002K 1 2 R206 R/1K/1206 1 2 R209 R/NC 1 2 R207 R/1K/1206 1 2 R208 R/NC N136 N137 N212 N213 N229 LEG1-2 LEG1-1 3 2 1 D302 D/BAV99 1 2 C619 C/NC OVP 1 2 C611 C/392J 1 2 C622 C/102K 1 2 C615 C/5P/6KV 3 2 1 D301 D/BAV99 1 2 C618 C/NC 1 2 C610 C/392J 1 2 C614 C/5P/6KV 1 2 R620 R/NC ! N364 N367 N407 1 2 CN600 CP042DP1HL1-LF (16mm-DIP) 1 2 R136 R/100K 1 2 R167 R/150K/0805 3 2 1 Q1 Q/2N7002K 1 2 R135 R/NC/0805 1 2 R133 R/0/0805 FB 5V 3 2 1 D37 D/BAV99 PA 1 2 R160 R/221K 1 2 R161 R/100K 1 2 C31 C/104K 1 2 R130 R/1M 1 2 R134 R/221K 1 2 C15 C/103K/0805 1 2 C89 C/103K/0805 1 2 C86 C/471 1 2 C88 C/471 1 2 C85 C/471 1 2 C87 C/471 PA PA LHV2 LHV1 5 6 7 U103B LM393 1 2 C84 C/NC 1 2 C83 C/105K/0805 5V CTMR FP2 1 2 D36 D/4148 1 2 R157 R/100K DR 1 2 R168 R/NC 1 2 R174 R/NC N135 N225 N211 N230 N306 N307 N382 N420 4 7 8 1 5 6 T101 TEE-16-7P 4 7 8 1 5 6 T102 TEE-16-7P 1 2 D20 D/4148 N422 VLC79002.54 1 2010/02/25 1 5 4 2 3 T103 TUU35 1 2 3 4 5 6 7 8 A B C D 8 7 6 5 4 3 2 1 D C B A LOGAH Technology Corp. Title P/N Rev. Date Schematic Drawing Sheet of 4 4 1 2 JR1 R/0/0805 GND 1 2 JS1 JUMP/W12.5 L-H GND L-H 1 2 L3 JUMP/W15/BEAD CORE VBUS VBUS 1 2 JP1 JUMP/W17.5 N13 N13 1 2 JR2 R/0/0805 OVP OVP 1 2 JR4 R/0/0805 GND GND 1 2 JR6 R/0/0805 GND GND 1 2 JR7 R/0/0805 N121 N121 1 2 JR9 R/0/0805 5VS 5VS 1 2 JR10 R/0/0805 VCC VCC 1 2 JR11 R/0/1206 +24VD +24VD 1 2 JR12 R/0/0805 20VCC 20VCC 1 2 JR13 R/0/0805 5V 5V 1 2 JR14 R/0/0805 5V 5V 1 2 JR15 R/0/1206 I_PWM I_PWM 1 2 JR16 R/0/0805 N125 N125 1 2 JR17 R/0/1206 N157 N157 1 2 JR18 R/0/0805 FBK FBK 1 2 JR19 R/0/0805 5V 5V 1 2 JR20 R/0/0805 PA PA 1 2 JR21 R/0/1206 +12VD +12VD 1 2 JR22 R/0/1206 N383 N383 1 2 JR24 R/0/1206 +24VDC_CS+ +24VDC_CS+ 1 2 JP2 JUMP/W10 N15 N15 1 2 JP3 JUMP/W15 PGND PGND 1 2 JP4 JUMP/W12.5 PGND PGND 1 2 JP5 JUMP/W10 GND GND 1 2 JP6 JUMP/W17.5 GND GND 1 2 JP7 JUMP/W10 L-PWM L-PWM 1 2 JP8 JUMP/W10 GND GND 1 2 JP9 JUMP/W17.5 PGND PGND 1 2 JS16 JUMP/W7.5 SGND SGND 1 2 JP10 JUMP/W12.5 GND GND 1 2 JS2 JUMP/W17.5 R-L R-L 1 2 JS3 JUMP/W10 LEG1-1 LEG1-1 1 2 JS4 JUMP/W17.5 L-L L-L 1 2 JS5 JUMP/W17.5 R-H R-H 1 2 JS7 JUMP/W10 N39 N39 1 2 JS8 JUMP/W15 N374 N374 1 2 JS9 JUMP/W12.5 N11 N11 1 2 JS10 JUMP/W17.5 PWR_ON PWR_ON 1 2 JS11 JUMP/W10 PWR_ON PWR_ON 1 2 JS12 JUMP/W15 VF VF 1 2 JS13 JUMP/W7.5 NDR-D NDR-D 1 2 JS14 JUMP/W20 N157 N157 1 2 JS15 JUMP/W17.5 FBK FBK 1 2 JS18 JUMP/W7.5 +12VD +12VD 1 2 JS19 JUMP/W17.5 PA PA 1 2 JS20 JUMP/W7.5 NDR-B NDR-B 1 2 JS21 JUMP/W12.5 FB FB 1 2 JS22 JUMP/W20 N124 N124 1 2 JR25 R/0/1206 N366 N366 1 2 JR26 R/0/1206 FBK FBK 1 2 JR27 R/0/1206 VA VA 1 2 JR28 R/0/1206 GND GND 1 2 JR29 R/0/1206 +12VD +12VD 1 2 JR30 R/0/1206 OVP OVP 1 2 JR31 R/0/1206 FB FB 1 2 JR32 R/0/1206 SST SST 1 2 JR33 R/0/0805 SGND SGND 1 2 JR8 R/0/1206 N105 N105 1 2 JR5 R/0/1206 N105 N105 1 2 JR3 R/0/1206 CTMR CTMR 1 2 JR34 R/0/1206 E_PWM E_PWM 1 2 JP11 JUMP/W12.5 +12VD +12VD 1 2 JP13 JUMP/W10 +24VD +24VD 1 2 JR23 R/0/0805 PGND PGND 1 2 JP14 JUMP/W17.5 VBUS VBUS 1 2 JR35 R/0/0805 PGND PGND VLC79002.54 1 2010/02/25 1 2 JR36 R/NC/1206 PGND PGND 1 2 JP12 JUMP/W12.5 PGND PGND 1 2 JS17 JUMP/W7.5 PWR_ON PWR_ON

标签:

版权声明

1. 本站所有素材,仅限学习交流,仅展示部分内容,如需查看完整内容,请下载原文件。
2. 会员在本站下载的所有素材,只拥有使用权,著作权归原作者所有。
3. 所有素材,未经合法授权,请勿用于商业用途,会员不得以任何形式发布、传播、复制、转售该素材,否则一律封号处理。
4. 如果素材损害你的权益请联系客服QQ:77594475 处理。