电工竞赛实操及理论样题
                        
                        
                        
                        
                        
                        
                        
                        
                        
            
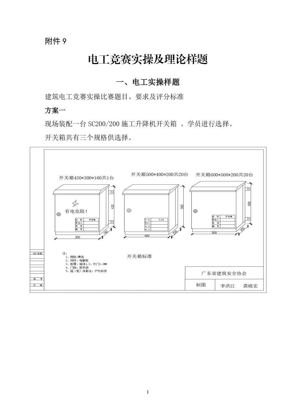
            1 附件 9 电工竞赛实操及理论样题 一、电工实操样题 建筑电工竞赛实操比赛题目、要求及评分标准 方案一 现场装配一台 SC200/200 施工升降机开关箱 。学员进行选择。 开关箱共有三个规格供选择。 2 学员共有三个开关箱装配图供选择,图纸不提供元器件参数,由学员 自己确定 3 4 裁判员扣分标准 开关电箱安装 考核时间 : 时 分 — 时 分 序号 扣 分 标 准 应得分 实得分 1. 开关箱规格的选择(三种规格选择一种)错误扣 10 分 10 2. 电器元件的选择(隔离开关、漏电保护器型号的选择)错误 每处扣 5 分 10 3. 电器元件间距、与箱体间距不符合规范要求。每处扣 5 分 10 4. 导线线色未按相序排列,每处扣 5 分 10 5. 导线端子未做处理有线芯外露,每处扣 5 分 10 6. 电线、电缆线径选择使用错误, 扣 20 分 20 7. 箱门未做保护接零,未接编织软铜线。扣 10 分 10 8. 接线杂乱、导线布局不合理、未做绑扎工艺不工整。扣 10 分 10 9. 三级配电箱安装高度不符合规范要求,扣 10 分 10 10. 实操比赛时间 40 分钟(每超过 15 秒扣 5 分)。 合计 100 说明:现场装配一台 SC200/200 施工升降机开关箱。设备单笼功率 33KW 裁判员: 5 图一、选择错误参考标准 6 图二、采用直接启动考核参考标准 7 实操比赛所需材料、工具及设备清单 序 号 名称 规格 每工位 数量 单位 20 个 工位 数量 备注 一、材料 1 开关箱及配件 600Ⅹ500Ⅹ200(mm) 1 个 20 竞 赛 组 委 会 统 一 提 供 2 开关箱及配件 430Ⅹ300Ⅹ160(mm) 1 个 20 3 开关箱及配件 500Ⅹ400Ⅹ200(mm) 1 个 20 4 开关箱及配件 电气安装板在开关箱里 1 个 ? 5 熔断器式隔离开关 RT18-63 HR6-100/31 HR6-160/31 HR6-200/31 各 1 个 4Ⅹ20 6 熔体(保险管) 63A 100A 160A 200A 各 3 个 3Ⅹ20 3Ⅹ20 3Ⅹ20 3Ⅹ20 7 漏电断路器,规格多种 63A 30mA 0.1S 100A 30mA 0.1S 100A 50mA 0.1S 100A 50mA 0.2S 160A 30mA 0.1S 160A 50mA 0.1S 160A 50mA 0.2S 200A 30mA 0.1S 200A 50mA 0.1S 200A 50mA 0.2S 各 1 个 10Ⅹ 20 8 BV 导线(若干种规格) 黄 10² 16² 25² 35² 各 1 根 米 ? 8 绿 10² 16² 25² 35² 红 10² 16² 25² 35² 淡蓝 10² 16² 25² 35² 绿黄 2.5² 9 接线端子 10² 16² 25² 35² 2.5² 各 6 个 个 ? 10 接零端子排 1 个 20 11 接地端子排 1 个 20 12 固定式电箱支架 1000mm;1100mm;1200 各 1 个 60 二、公用工具设备 1 万用表 3 个 3 统一 提供 2 各色绝缘胶布 批 1 3 尼龙扎带 袋 4 三、选手自带工具设备 1 电笔 参 赛 队 伍 自 备 2 一字螺丝批 3 十字螺丝批 4 套筒板手 5 压线钳 6 剥线钳 9 方案二、 现场装配一台 SC200/200 施工升降机开关箱 (施工升降机变频启 动) 。学员现场进行选择。 开关箱共有两个规格供选择。 10 学员共有二个开关箱装配图供选择,图纸不提供元器件参数,由学员 自己确定 11 12 裁判员扣分标准 开关电箱安装 考核时间 : `时 分 — 时 分 序号 扣 分 标 准 应得分 实得分 11. 开关箱规格的选择(三种规格选择一种)错误扣 10 分 10 12. 电器元件的选择(隔离开关、漏电保护器型号的选择)错误每处扣 5 分 10 13. 电器元件间距、与箱体间距不符合规范要求。每处扣 5 分 10 14. 导线线色未按相序排列,每处扣 5 分 10 15. 导线端子未做处理有线芯外露,每处扣 5 分 10 16. 电线、电缆线径选择使用错误, 扣 20 分 20 17. 箱门未做保护接零,未接编织软铜线。扣 10 分 10 18. 接线杂乱、导线布局不合理、未做绑扎工艺不工整。扣 10 分 10 19. 三级配电箱安装高度不符合规范要求,扣 10 分 10 20. 实操比赛时间 40 分钟(每超过 15 秒扣 5 分)。 合计 100 说明:现场装配一台 SC200/200 施工升降机开关箱。设备单笼功率 33KW 13 采用变频启动参考标准 14 实操比赛所需材料、工具及设备清单 序 号 名称 规格 每工位 数量 单位 20 个工 位数量 备注 一、材料 1 开关箱及配件 600Ⅹ500Ⅹ200(mm) 1 个 20 竞 赛 组 委 会 统 一 提 供 2 开关箱及配件 430Ⅹ300Ⅹ160(mm) 1 个 20 3 开关箱及配件 500Ⅹ400Ⅹ200(mm) 1 个 20 4 开关箱及配件 电气安装板在开关箱里 1 个 ? 5 熔断器式隔离开关 RT18-63 HR6-100/31 HR6-160/31 HR6-200/31 各 1 个 4Ⅹ20 6 熔体(保险管) 63A 100A 160A 200A 各 3 个 3Ⅹ20 3Ⅹ20 3Ⅹ20 3Ⅹ20 7 漏电断路器,规格多种 63A 30mA 0.1S 100A 30mA 0.1S 100A 50mA 0.1S 100A 50mA 0.2S 160A 30mA 0.1S 160A 50mA 0.1S 160A 50mA 0.2S 200A 30mA 0.1S 200A 50mA 0.1S 200A 50mA 0.2S 各 1 个 10Ⅹ20 8 BV 导线(若干种规格) 黄 10² 16² 25² 35² 绿 10² 16² 25² 35² 红 10² 16² 25² 35² 淡蓝 10² 16² 25² 35² 绿黄 2.5² 各 1 根 米 ? 15 9 接线端子 10² 16² 25² 35² 2.5² 各 6 个 个 ? 10 接零端子排 1 个 20 11 接地端子排 1 个 20 12 固定式电箱支架 1000mm;1100mm;1200 各 1 个 60 二、公用工具设备 1 万用表 3 个 3 统一 提供 2 各色绝缘胶布 批 1 3 尼龙扎带 袋 4 三、选手自带工具设备 1 电笔 参 赛 队 伍 自 备 2 一字螺丝批 3 十字螺丝批 4 套筒板手 5 压线钳 6 剥线钳 16 方案三 现场装配一台 TC5610 塔式起重机开关箱塔式起重机开关箱。设备总 功率 32.8KW 开关箱共有三个规格供选择。 学员共有两个开关箱装配图供选择,图纸不提供元器件参数,由学员 17 自己确定 18 裁判员扣分标准 开关电箱安装 考核时间 : 时 分 — 时 分 序号 扣 分 标 准 应得分 实得分 1 开关箱规格的选择(三种规格选择一种)错误扣 10 分 10 2 电器元件的选择(隔离开关、漏电保护器型号的选择)错误每处扣 5 分 10 3 电器元件间距、与箱体间距不符合规范要求。每处扣 5 分 10 4 导线线色未按相序排列,每处扣 5 分 10 5 导线端子未做处理有线芯外露,每处扣 5 分 10 6 电线、电缆线径选择使用错误, 扣 20 分 20 7 箱门未做保护接零,未接编织软铜线。扣 10 分 10 8 接线杂乱、导线布局不合理、未做绑扎工艺不工整。扣 10 分 10 9 三级配电箱安装高度不符合规范要求,扣 10 分 10 10 实操比赛时间 40 分钟(每超过 15 秒扣 5 分)。 合计 100 说明:现场装配一台塔式起重机开关箱。设备总功率 32.8KW 裁判员: 19 选择错误参考标准 20 选择正确标准 21 实操比赛所需材料、工具及设备清单 序 号 名称 规格 每工位 数量 单位 20 个工 位数量 备注 一、材料 1 开关箱及配件 600Ⅹ500Ⅹ200(mm) 1 个 20 竞 赛 组 委 会 统 一 提 供 2 开关箱及配件 430Ⅹ300Ⅹ160(mm) 1 个 20 3 开关箱及配件 500Ⅹ400Ⅹ200(mm) 1 个 20 4 开关箱及配件 电气安装板在开关箱里 1 个 ? 5 熔断器式隔离开关 RT18-63 HR6-100/31 HR6-160/31 HR6-200/31 各 1 个 4Ⅹ20 6 熔体(保险管) 63A 100A 160A 200A 各 3 个 3Ⅹ20 3Ⅹ20 3Ⅹ20 3Ⅹ20 7 漏电断路器,规格多种 63A 30mA 0.1S 100A 30mA 0.1S 100A 50mA 0.1S 100A 50mA 0.2S 160A 30mA 0.1S 160A 50mA 0.1S 160A 50mA 0.2S 200A 30mA 0.1S 200A 50mA 0.1S 200A 50mA 0.2S 各 1 个 10Ⅹ20 8 BV 导线(若干种规格) 黄 10² 16² 25² 35² 绿 10² 16² 25² 35² 红 10² 16² 25² 35² 淡蓝 10² 16² 25² 35² 绿黄 2.5² 各 1 根 米 ? 22 9 接线端子 10² 16² 25² 35² 2.5² 各 6 个 个 ? 10 接零端子排 1 个 20 11 接地端子排 1 个 20 12 固定式电箱支架 1000mm;1100mm;1200 各 1 个 60 二、公用工具设备 1 万用表 3 个 3 统一 提供 2 各色绝缘胶布 批 1 3 尼龙扎带 袋 4 三、选手自带工具设备 1 电笔 参 赛 队 伍 自 备 2 一字螺丝批 3 十字螺丝批 4 套筒板手 5 压线钳 6 剥线钳 二、电工理论题库 23 (一)单选题 1.安全色的颜色“红、蓝、黄、绿”四种颜色分别代表()。 A.警告、指令、禁止、提示 B.指令、提示、禁止、警告 C.禁止、警告、指令、提示 D.禁止、指令、警告、提示 2.从事特种作业的人员,必须要年满( )周岁,要求身体健康,有 下列病史者不能参加特种作业:高血压、心脏病、精神病、癫痫病、 恐高症等。 A.15 B.18 C.30 D.35 3.建筑施工临时配电线路架设必须符合()。 A.施工现场临时用电安全技术规范(JGJ46-2005) B.《供配电系统设计规范》 C.《低压配电设计规范》 D.《建筑物防雷设计规范》 4.按照国标规定,高处作业是指凡在坠落高度基准面( )米及以上 有可能坠落的高处进行的作业。 A.1 B.2 C.3 D.4 5.我国消防工作的方针是( )。 A.以防为主 B.防消结合 C.隐患处理 D.以防为主,防消结合。 6.接引至移动式电动工具或手持式电动工具的保护零线必须采用铜 芯软线,其截面不宜小于相线的( ),且不得小于 1.5mm 2。 A、1/2 B、1/3 C、1/4 D、1/5 7.我国规定的安全电压为( )V、36V、24V、12V、6V 五个等级。 A.42 B.50 C.110 D.220 8.触电是指漏电( )从人体流过。 24 A.电压 B.电功率 C.电能 D.电流 9.电工在停电检修时,必须在停电检修回路闸刀处挂上( )警示 牌。 A.注意安全 B.禁止烟火 C.正在检修,不得合闸 D.禁止靠近 10.( )是最危险的触电事故,大多数触电死亡事故都是由它造成 的。 A.灼伤 B.烙印 C.皮肤金属化 D.电击 11.为了不因某一设备保护零线接触不良或断线而使以下所有设 备失去保护,故用电设备的保护零线应并联接地,并( ) 接地 或接零。 A、严禁串联 B、必须串联 C、可以串联 D、可以混联 12.当胸外按压与口对口(鼻)人工呼吸同时进行,其节奏为:单人抢 救时,每按压( )次后吹气两次,反复进行;双人抢救时,每按压 5-10 次后由另一人吹气一次,反复进行。 A.5 B.10 C.30 D.50 13.隔离刀开关的额定电流一般应等于或大于所控制的各支路负载额 定电流的总和。如果回路中有电动机,还应按电动机的( )来计算。 A、起动电流 B、工作电流 C、空载电流 D、过载电流 14.( )具有动作灵敏,切断电源时间短,因此只要能合理选用和正 确安装、对于保护人身安全、防止设备损坏和预防火灾产生有明显的 作用。 A、剩余电流断路器 B、空气开关 25 C、熔断器 D、接触器 15.选用的剩余电流断路器的额定剩余不动作电流,应小于被保护线 路和设备的正常运行时泄漏电流最大值的( )倍。 A、1 B、2 C、3 D、0.5 16.上一级剩余电流断路器的额定剩余动作电流应大于下一级剩余电 流断路器的额定剩余动作电流之和,额定剩余动作电流级差通常为 ( )倍。 A、1.2~2.5 B、0.5~1.2 C、2.5~5 D、5~10 17.除末端保护外,各级剩余电流断路器应选用( )延时型的保护装 置。且各级保护装置的动作特性应协调配合,实现具有选择性的分级 保护。 A、高灵敏度 B、低灵敏度 C、定时器 D、计 数器 18. 剩余电流断路器的额定漏电不动作电流,漏电电流在此值或此值 以下时,保护器不应动作,其值为漏电动作电流的( )。 A、1/2 B、1/4 C、1/3 D、1/5 19. 总配电箱中漏电保护器的额定漏电动作电流应大于 30mA,额定 漏电动作时间应大于 0.1s,但其额定漏电动作电流与额定漏电动作 时间的乘积不应大于( )。 A、15mA·s。 B、30mA·s。 C、50mA·s。 D、 30A·s。 20. 落地式外脚手架必须沿外架纵向每隔( )设置一处防雷接地, 内外立杆必须同时做电气连接。悬挑架要与主体结构做电气连接。 A、20m B、30m C、40m D、50m 26 21. 进户线穿墙时,应套上瓷管、钢管或硬塑料管,当采用( ) 穿线进户时,必须将同一回路的各相线和中性线全部穿入同一根管 内,以避免产生涡流发热。 A、钢管 B、硬塑料管 C、瓷管 D、橡胶 管 22..致命电流是指在较短时间内危及人生命的最小电流,一般成年人 平均致命电流按( )安考虑。 A、0.03-0.05 B、3-5 C、30-50 D、300-500 23. 由于电气设备的( )效应,使之在刚断开电源后,尚保留一 定的残余电荷,当人体接触时,就会通过人体而放电,形成电击。 A、电容 B、电阻 C、电感 D、电磁 24. 电动机线圈的绝缘电阻,不得低于( )。 A、5 MΩ B、0.5 MΩ C、10 MΩ D、20 MΩ 25.( )是一种结构简单,应用广泛,短时接通或断开小电流电路的 电器。它不直接控制电路的通断,而是在电路中发出“指令”去控制 一些自动电器。 A、继电器 B、交流接触器 C、控制按钮 D、时间继电器 26.从接受信号线圈的通电或断电时起,需经过一定的时限后才能有 信号输出触点的闭合或分断的继电器称为( )。 A、继电器 B、交流接触器 C、控制按钮 D、时间继电器 27.电机、电器等的额定电流、额定电压都用( )来表示。 A.最大值 B.有效值 C.最小值 D.平均值 27 28.临时用电施工图识图时有不清楚之处或发现有问题之处或有更好 的施工方案时( )。 A.按程序及时提出,获得明确答复后再施工; B.不管它,按自己的理解施工 ; C.自行变更设计施工; D.有错误也不是我的事。 29.临时用电施工电源变压器应采用( )。 A.电力变压器 B.试验变压器 C.仪用变压器 D.特殊用途变压器 30.( )又称限位开关,用于控制机械设备的行程及限位保护。 A、空气开关 B、行程开关 C、隔离开关 D、负荷开关 31.成排布置的配电屏,其长度超过 15m 时,应设( )个出口。配 电柜侧面的维护通道宽度不小于 1m。 A.一 B.二 C.三 D.没有规定 32.配电室内的母线应涂刷有色油漆,以标志相序,L1、L2、L3、N 的颜色应分别是( )色。 A.黄、绿、红、淡蓝 B.绿、黄、红、淡蓝 C.淡蓝、黄、红、绿 D.红、黄、绿、淡蓝 33.采用箱式变电站供电且采用 TN-S 接零系统时,其外壳应有可靠 的( )。 A.工作接地 B.保护接地 C.保护接零 D.无要求 34.电动机从起动开始到起动结束,起动电流是( )。 A.从小到大 B.从大到小 C.不变 D.不知道 28 35.三相异步电动机运行时,如果一相断开,则会出现( )。 A.有嗡嗡声,且温度升高 B.电动机停止运行 C.电机外壳带电 D.正常运行 36.四极三相异步电动机的同步转速为( )rpm。 A.3000 B.1500C.1000D.750 37.由专用变压器供电的电动机,全压启动时,其单台容量不应超过 变压器容量的( ) A、30% B、40% C、50% D、60% 38.三相异步电动机线圈的绝缘电阻,不得低于( )MΩ。 A.0.5B.1C.2D.5 39.施工用电总配电箱、分配电箱以及开关箱中,都要装设( )。 A.低压断路器 B.剩余电流断路器 C.组合开关 D.隔离开关 40.剩余电流断路器是利用电气线路或电气设备发生单相接地短路故 障时产生的( )来切除故障线路或设备电源的保护器, A.剩余电流 B.工作电流 C.短路电流 D.过载电流 41.在采用分级保护方式时,上下级剩余电流断路器的动作时间其相 差不得大于( )s;上一级剩余电流断路器的极限不驱动时间应大 于下一级剩余电流断路器的动作时间,且时间差应尽量小。 A.0.1 B.1C.2D.3 42.剩余电流断路器安装后的检验项目:用试验按钮最少试验( ) 次,应正确动作;剩余电流断路器带额定负荷电流分合( )次,均 应可靠工作。 A.1,1 B.3,3C.5,5D.10,10 29 43.按钮颜色应与其功能相配套,“停止”或“急停”应选用( )。 A.红色 B.绿色 C.黑色 D.蓝色 44.建筑施工现场临时用电工程专用的电源中性点直接接地的 220/ 380V 三相四线制低压电力系统,必须采用( )保护系统。 A.IT B.TT C.TN—C D.TN—S。 45.接地线的位置应选择人们不易走到的地方,以避免和减少跨步电 压的危害,防止接地线遭受机械损伤,接地极应和其他金属或电缆之 间保持( )米或以上的距离。 A.1B.2 C.3 D.5 46.当施工现场与外电线路共用同一供电系统时,电气设备的接地、 接零保护应与原系统保持一致。不得一部分设备做保护接零,另一部 分设备做( )。 A.保护接零 B.保护接地 C.工作接地 D.防雷接地 47.在 TN-S 系统中,所有电气设备外露可导电部分均通过( ) 干线保护接零。 A.L; B.N; C.PEN; D.PE。 48.施工现场 L1(A)、L2(B)、L3(C)、N 线、PE 线的颜色标记依次必 须为( )。 A.黄、绿、红色、淡蓝色、绿/黄双色; B.红色、绿、黄、淡蓝色、绿/黄双色; C.黄、绿、红色、绿/黄双色、淡蓝色; D.黄、红色、淡蓝色、绿、绿/黄双色; 49.开关箱作为末级配电装置,必须实行( )。 30 A.一机一闸一漏一箱; B.二机一闸制; C.三机一闸制; D.一机二闸制。 50.分配电箱与开关箱的距离不得超过( )m;开关箱与其他供电 的固定式用电设备的水平距离不宜超过 3m。 A.10 B.20C.30D.40 51.按《临时用电规范》(JGJ 46—2005)规定架空绝缘导线长期连 续负荷允许载流量不应小于熔断器熔体额定电流或断路器长延时过 流脱扣器脱扣电流整定值的( )倍。 A.1 B.1.1C.1.25D.1.5 52.电杆埋设深度宜为杆长的( )m。 A.1/10B.1/10 加 0.6 C.1/10 加 1.0 D.1/4 53.电杆拉线如从导线之间穿过,应在高于地面( )m 处装设拉线 绝缘子。 A.0.5 B.1.0 C.1.5 D.2.5 54.架空线在一个档距内,每层导线的接头数不得超过该层导线条数 的 50%,且一条导线应只有( )个接头。在跨越铁路、公路、河流、 电力线路档距内,架空线不得有接头。 A.一; B.二; C.三; D.四。 55.临时用电架空线路档距不得大于( )m A.25; B.35; C.50; D.100。 56.临时用电架空线路动力、照明线在同一横担上架设时,导线相序 排列是:面向负荷从左侧起依次为( ); A.L1、N、L2、L3、PE; B.N、L1、L2、L3、PE; C.L1、N、PE、L2、L3; D.L1、L2、L3、PE、N; 31 57.配电箱、开关箱内电器安装尺寸要求电器至板边最小净距为 ( )mm。 A.20; B.30; C.40; D.50。 58.漏电保护器应装设在总配电箱、开关箱靠近( )侧,且不得用 于启动电气设备的操作。 A.负荷; B.电源; C.箱内左; D.箱 内右。 59.配电箱、开关箱必须按其正常工作位置安装牢固、稳定、端正。 固定式配电箱、开关箱的中心点与地面的垂直距离应为( )m;移动 式配电箱、开关箱的中心点与地面的垂直距离宜为( )m。 A.0.5~1.0m,0.3~1.0m; B.1.4~1.6m,0.8~1.6m; C.1.6~1.8m,0.8~1.6m; D.1.4~1.6m,1.6~1.8m。 60.配电装置送电操作顺序应是( )。 A.开关箱→分配电箱→总配电箱(配电柜); B.总配电箱(配电柜)→开关箱→分配电箱; C.分配电箱→总配电箱(配电柜)→开关箱; D.总配电箱(配电柜)→分配电箱→开关箱; 61.配电装置停电操作顺序应是( )。 A.总配电箱(配电柜)→分配电箱→开关箱; B.总配电箱(配电柜)→开关箱→分配电箱; C.分配电箱→总配电箱(配电柜)→ 开关箱; D.开关箱→分配电箱→总配电箱(配电柜)。 62.交流弧焊机变压器的一次侧电源线长度不应大于( )m,其电源 进线处必须设置防护罩。 A.3; B.5; C.10; D.30。 32 63.电焊机械的二次线应采用防水橡皮护套铜芯软电缆,电缆长度不 应大于( )m,不得采用金属构件或结构钢筋代替二次线的地线。 A.10; B.20; C.30; D.50。 64.在潮湿场所或金属构架上严禁使用( )手持式电动工具。 A.Ⅰ类; B.Ⅱ类; C.Ⅲ类; D.没 有规定。 65.禁止使用( )导线作电气设备的负荷线。 A.红色线 B.黄色线 C.黑色线 D.绿/黄双色线 66.正常场所行灯电源电压不得大于( )V。 A.12; B.36; C.110; D.220。 67.在使用直流电压表的时候,如果把接线柱的正负极接反,指针会 ( )。 A.正常转动; B.反转; C.保持静止; D.左右摆 动。 68.在施工现场检查电气负载电流时,不用把线路断开,就可以直接 测量负载电流大小的仪表是( )。 A.电压表; B.电流表; C.钳形电流表; D.万用 表。 69.绝缘棒的规格必须符合被操作设备的( )等级,切不可任意取 用。 A.电压; B.电流; C.绝缘; D.接地。 70.使用绝缘棒时,操作者的手握位置不得超过( )。 A.工作部分; B.绝缘部分; C.握柄部分; D.护 环。 33 71.临时用电施工组织设计及变更时,必须履行( )程序, A.编制、审核、批准; B.先编制、后施工; C.边编制、边施工; D.先施工、后补编。 72、室外 220v 灯具距离地面不得低于 3m,室内 220v 灯具距离地面 不得低于( )m。 A、1 B、0.5 C、5 D、2.5 73、配电装置和电动机械相连接的 PE 线应为截面不小于( )m ㎡的 绝缘多股铜线。 A、1 B、20 C、2.5 D、10 74、架空线路的线间距不得小于( )m。 A、100 B、50 C、0.3 D、20 75、临时用电架空线的挡距不应大于( )m。 A、30 B、35 C、40 D、50 76、架空线在一个挡距内,每层导线的接头不得超过该层导线条数的 50%,而且每一条导线应只做( )个接头。 A、0 B、1 C、1.5 D、2 77、用人单位对于首次取得资格证书的人员,应当在其正式上岗前安 排不少于( )的实习操作。 A、10 天 B、3 个月 C、1 年 D、3 周 78、在施工中发生危及人身安全的紧急情况时,建筑施工特种作业人 员( )立即停止作业或者撤离危险区域。 A、等候通知 B、有权 C、无须 D、征求项目 经理同意 79、每台用电设备必须有各自专用的开关箱,严禁用同一个开关箱直 接控制( )用电设备(含插座)。 34 A、1 台 B、20 台以上 C、2 台及 2 台以上 D、 10 台以上 80、落地式外脚手架必须沿外架纵向每隔( )设置一处防雷接地, 内外立杆必须同时做电气连接。悬挑架要与主体结构做电气连接。 A、5m B、10m C、20m D、30m 81、电气伤害是指( )对人体的伤害。 A、电器 B、电流 C、电阻 D、电弧 82、胸外心脏挤压法正确的压陷深度一般正常人为( )cm。 A、1-2 B、5-10 C、10-15 D、3-5 83、胸外挤压要以均匀速度进行,一般每分钟( )次为宜。 A、10-20 B、20-30 C、100-150 D、60-80 84、施工用总配电箱,分配电箱以及开关箱中都要装( )开关,满 足线路有明显的断开点要求。 A、负荷开关 B、自动空气开关 C、隔离开关 D、万能转 换开关 85、“安全三件宝”指的是现场施工作业中必备的( )、安全带和安 全网。 A、平安卡 B、安全教育 C、安全措施 D、安 全帽 86、施工现场低压架空线路 L1、L2、L3 的颜色依次是( )。 A、红、绿、黄 B、黄、绿、红 C、黄、红、绿 D、红、黄、绿 87、分配电箱与开关箱的距离不得超过( )m。 A、5 B、10 C、30 D、100 88、开关箱与其控制的固定式用电设备的水平距离不宜超过( )m。 35 A、1 B、3 C、20 D、50 89、室内架空线路导线相序排列是靠墙水平排列,由外向内依次为 ( )。 A、L1、L2、L3、N、PE B、L1、N、L2、L3、PE C、L1、PE、L2、L3、N D、L1、L2、L3、PE、N 90、电杆拉线如从导线之间穿过,应在高于地面( )处装设拉线绝 缘子。 A、2m B、 2.5m C、5m D、6m 91、手持式电动工具,当二类工具时,其绝缘电阻值不应小于( )M 欧姆。 A、0.5 B、2 C、7 D、50 92、现行法规对建筑电工上岗的要求必须是( )。 A、管理人员 B、身体强壮的男性 C、取得特种作业人员操作资格证 93、从业人员发现事故隐患或者其他不安全因素,应当( )向现场 安全管理人员或者本单位负责人报告。 A、待完工后 B、不应 C、考虑一段时间后 D、立即 94、正常场所手持行灯电源电压不得大于( )V。 A、380 B、36 C、220 D、110 95、建筑工地室内 220V 灯具距离地面不得低于( )m。 A、10 B、5 C、2.5 D、1 96、照明系统宜使三相负荷平衡,其中每一单相回路上,灯具和插座 数量不宜超过( )个,负荷电流不宜超过 15A。 A、1 B、3 C、25 D、50 36 97、工地所使用临时用电由( )负责,其他人员禁止接驳电源。 A、安全员 B、项目经理 C、持证上岗的建筑电工 D、对电知识有些了解的人员 98、临时用电设备在( )台及以上或设备总容量在 50kW 及以上者, 应编制临时施工用电组织设计。 A、5 B、10 C、30 D、50 99、配电箱应( )检查巡视一次。 A、每年 B、每班 C、每月 D、每季 100、工作人员正常活动范围与带电设备最小安全距离,当供电电压 10kV 及以下时,其安全距离不应小于( )m。 A、20 B、10 C、3 D、0.4 101、工作票填写应准确、齐全,工作完毕后应妥善保管,最少保存 ( )个月。 A、1 B、3 C、24 D、36 102、安全帽帽衬提起缓冲作用的,帽衬与帽壳之间应保持( )cm 的间隙。 A、 0~1 B、 3~ 4 C、 10 ~2 0 D、20~30 103、所谓三相交流电,就是三个频率相同、电动势最大值相等,而 相位互差( )的正弦交流电。 A、90° B、120° C、180° D、240° 104、星形连接方式中,任何两根端线之间的电压称为( ); A、相电压 B、相电流 C、线电压 D、线电流 105、变压器按冷却方式分,可分为:( )、干式变压器、充气式变 压器、蒸发冷却变压器。 37 A、油浸式变压器 B、自耦变压器 C、中频变压器 D、双圈变压器 106、电流互感器在使用时,副边绕组绝对不能( )。 A、开路 B、短路 C、短接 D、接地 107、配电柜应装设电度表,并应装设( )、电压表。电流表与计费 电度表不得共用一组电流互感器。 A、电流表 B、电子表 C、电动机 D、接触器 108、配电柜或配电线路停电维修时,应挂接地线,并应悬挂( ) 停电标志牌。停送电必须由专人负责。 A、禁止合闸、有人工作 B、正在施工、严禁入内 C、危险勿进 D、高压、危险 109、变压器的负载率,一般取值范围在( ),略高于最佳负载 率,选择变压器时留20%的裕量就可以了。 A、50~60% B、70~80% C、80~90% D、30~40% 110、任何一根端线和中性线之间的电压称为( )。 A、相电压 B、相电流 C、线电压 D、线电流 111、( A )具有构造简单,价格便宜,工作可靠,使用和维护方便 等优点,因此在现代生产中是应用最广泛的一种电动机。 A、异步电动机 B、同步电动机 C、直流电动机 D 步进电动机 112、电动机绝缘等级表示电动机所用绝缘材料的耐热等级。E 级绝 缘的允许极限温度为( ) A、75℃ B、105℃ C、120℃ D、 135℃ 38 113.将电压适当降低后再加在定子绕组上,待电动机转速恒定后,再 恢复额定电压。这种起动方式称为( )。 A、直接启动 B、Y~△降压启动 C、自耦变压器降压启动 D、串电阻降压启动 114. Y—△降压启动虽能减小起动电流,但由于电磁转矩与电压的平 方成正比,因而起动转矩明显下降,仅适用于负载的( )运动。 A、轻载或空载 B、重载 C、直线 D、往复 115、热继电器的动作电流并不等于其整定电流,而且通过热元件的 电流越大,动作时间越短。其动作特性应满足下列要求:当电动机通 过额定电流时,热继电器( ). A、不动作 B、动作断开 C、迅速断开 D、延时 2 秒断开 116、架空线路终端、总配电箱及区域配电箱与电源变压器的距离 超过( )以上时,其保护零线(PE 线)应作重复接地,接地电阻 值不应大于 10Ω,以减少设备外壳带电时的对地电压。 A、30m B、50m C、70m D、90m 117、配电箱、开关箱的箱体应采用冷轧钢板或阻燃绝缘材料制作, 其中开关箱箱体钢板厚度不得小于 1.2mm A、0.5mm B、0.8mm C、1.2mm D、1.5mm 118、配电箱、开关箱的箱体应采用冷轧钢板或阻燃绝缘材料制作, 配电箱(柜)箱体钢板厚度不得小于( )。 A、2.0mm B、0.8mm C、1.2mm D、1.5mm 119、配电箱、开关箱内电器并列安装时,最小间距应不小于( ) A、20mm B、30mm C、40mm D、50mm 120、配电箱、开关箱内电器并列安装时,电器至板边最小间距应不 39 小于( ) A、20mm B、30mm C、40mm D、50mm 121、夯土机械的负荷线应采用耐气候型橡皮护套铜芯软电缆。PE 线 的连接点不得少于( )处。 A、2 B、3 C、40 D、5 122、Ⅱ类手持式电动工具的绝缘电阻不应小于( )MΩ。 A、2 B、3 C、7 D、50 123、Ⅰ类手持式电动工具的绝缘电阻不应小于( )MΩ。 A、2 B、5 C、7 D、50 124、Ⅲ类手持式电动工具的绝缘电阻不应小于( )MΩ。 A、1 B、2 C、7 D、500 125、临时用电设备在 5 台及以上或设备总容量在( )及以上者,应 编制临时用电施工组织设计。 A、30kW B、50 kW C、100 kW D、500 kW 126、电动机功率因数的高低,会直接影响电力系统功率因数的高低, 进而影响电气设备的利用率。一般异步电动机在额定状态下功率因数 为( ) A、0.40~0.5. B、0.5~0.6 C、0.7~0.93 D、1 127、异步电动机直接起动时,其起动( )很大,可达到额定电流的 5~7 倍. A、电流 B、电压 C、频率 D、电感 128、过负荷保护一般采用热继电器或电动机保护用低压断路器的热 脱扣器,其动作电流宜按电动机额定电流选择。当电动机过负荷 20% 时,热继电器应在( )内动作,切断电源。 40 A、5min B、10min C、20min D、30min 129、安装剩余电流断路器的电动机及其他电气设备在正常运行时的 绝缘电阻不应小于( )MΩ。 A、0.5 B、5 C、50 D、500 130、熔断器及熔体的容量应符合设计要求,并核对所保护电气设 备的容量与熔体容量应相匹配。对后备保护、限流、自复、半导体器 件保护等有专用功能的熔断器,( )替代。 A、允许 B、可以 C、严禁 D、不允许 131、施工现场配电母线和架空配电线路中,标志 LI (A)、L2 (B)、 L3 (C)三相相序的绝缘色应是( )。 A.黄、绿、红 B. 红、黄、绿 C. 红、绿、黄 D. 黄、红、绿 132、 是否需要编制( )的依据是用电设备数量或容量。 A. 安全用电设计 B. 施工组织设计 C. 应急预案 D. 用电组织设计 133、 把电气设备正常情况下不带电的金属部分与电网的保护零线进 行连接,称作( ) A. 保护接地 B. 保护接零 C. 工作接地 D. 工 作接零 134、 施工现场用电系统中,PE 线的绝缘色应是( ) A. 绿色 B. 黄色 C. 淡蓝色 D. 绿/黄双色 135、 在金属容器内施工,照明电源电压不应大于( ) A. 36V B. 24V C. 12V D. 6V 136、一般场所开关箱中漏电保护器,其额定漏电动作电流为( )。 A. 10mA B. 20mA C. 30mA D. ≤30Ma 41 137、 管道内的照明通信系统应采用( )。 A. 高压电 B. 安全电压 C. 低压电 D. 汽车电瓶 138、当危险电压带电体的电压等级为 220kv 时,与其距离应大于 ( )。 A. 1. 0m B. 2. Om C. 3. Om D.4. Om 139、把电气设备正常情况下( )与电网的保护零线进行连接,称作 保护接零。 A. 带电的金属部分 B. 不带电的绝缘部分 C. 带电的绝缘部分 D. 不带电的金属部分 140、 一年中( )触电事故较少。 A. 春、冬两季 B. 春、秋两季 C. 夏、秋两季 D. 秋、 冬两季 141、 施工现场的照明灯具应采用分组控制或( )。 A. 多灯控制 B. 单灯控制 C. 多点控制 D. 分区控制 142、 施工现场用电系统中,N 线的绝缘色应是( )。 A. 黑色 B. 白色 C. 棕色 D. 淡蓝色 143、 施工现场用电工程的基本供配电系统应按( )设置。 A. —级 B. 二级 C. 三级 D. 四级 144、 五芯电缆必须包含( ) A. 淡蓝、绿/黄 B. 淡红、绿/黄 C. 淡蓝、紫/黄 D. 淡红、绿/蓝 145、 移动式配电箱、开关箱中心点与地面的相对高度可为( ) A. 0. 3m B. 0. 6m C. 0. 8-1.6m D. 1. 8m 146、开关箱中必须设漏电保护器,其额定漏电动作电流应不大于 42 ( ),漏电动作时间应不大于( ) A.30mA ; 0.1s B.30mA ; 0.2s C.40mA ; 0.1s D.40mA;0.2s 147、 施工现场照明,一般场所宜选用额定电压为( )V 的照明器。 A. 36 B. 42 C. 220 D. 380 148、 对于灯具离地面高度小于 2. 5m 的场所的照明,电源电压应 不大于( ) V。 A. 18 B. 24 C. 36 D. 42 149、 安装、巡检、维修或拆除临时用电设备和线路,必须由( ) 完成。 A. 现场电工 B. 现场技术人员 C. 现场管理人员 D. 现场安全员 150、照明灯具与易燃堆垛间至少保持( )距离。 A.0.5m B.1m C.1.5m D.2m 151、施工现场临时用电系统中,施工现场架空线应采用( ) A. 绝缘铜线 B. 绝缘铝线 C. 裸铜线 D. 钢 筋 152、 现场仓库的防火要求,,对于易燃仓库或堆料场严禁使用碘钨 灯和超过( )W 以上的白炽灯等高温照明灯具 A.40 B.45 C.50 D.60 153、 施工现场专用电源中性点直接接地的 220/380V 三相五线制用 电工程中,必须采用的接地保护形式是( )。 A.TN B.TN—S C.TN—C D.TT 154、配电箱、开关箱应装设端正、牢固。移动式配电箱、开关箱应 装设固定、稳定的支架上。其中心点与地面的垂直距离宜为( )m。 43 A.0.8 ~ 1 B. 0.8 ~ 1.2 C.0.8 ~ 1.4 D.0.8~1.6 155、 配电屏周围( )范围内不应堆放可燃物,并且( )范围内不 应设置可能产生较多易燃、易爆气体、粉尘的作业区。 A.1.5m;4.0m B.1.5m;5.0m C.2.0m;4.0m D.2.0m;5.0m 156、 对房屋建筑工程施工进行安全管理检查评定时,下列选项中 不是施工用电检查评定的保证项目的是( )。 A.外电防护 B.现场照明 C.接地与接零保护系统 D.配电线路 157、 施工现场临时用电建立的安全技术档案不包括下列哪项资料 ( )。 A.定期施工表 B.用电组织设计的全部资料 C.用电技术交底资料 D.定期检查表 158、电工安装、巡检、维修、拆除工作记录”可指定电工代管,( ) 由项目经理审核认可。 A.每天 B.每三天 C.每周 D.每个月 159、 建筑施工现场必须采用( )接零保护系统。 A.TN-S B.TN-C C.TT D.TN-C-S 160、 接地与接零保护系统中,接地装置应符合规范要求,每一处重 复接地装置的接地电阻值不宜大于( )。 A.1ΩB.4Ω C.10ΩD.30Ω (二)判断题 1.建筑施工“四口”是指:楼梯口、大门口、预留洞口、通道口。( ) 2.建筑施工的“五大伤害”是指:高处坠落、坍塌、物体打击、触 44 电、机械伤害。( ) 3.电源开关可以一闸多用。( ) 4.不准在高压架空线正下方搭设临时性建筑物或堆放可燃物品。 ( ) 5.高处作业人员上下时,可以乘坐货梯和非载人的吊笼,不必从指定 的路线上下。( ) 6.在紧急情况下,允许用有绝缘柄的钢丝钳断开带电的绝缘照明线。 断线时,应分相进行;断开点应在导线固定点的电源侧;被断开的线 头,应用胶布包扎、固定。( ) 7.更换户外式熔断器的熔体时,应在线路停电后进行。如需作业时, 必须在监护人的监护下进行间接带电作业,可以带负荷作业。( ) 8.测量电压、电流时,应戴绝缘手套,手与带电设备的安全距离应 保持在 lOOmm 以上,人体与带电设备应保持足够的安全距离。( ) 9.手提式电钻使用前应检查引线、插头是否完整无损,通电后,可 用试电笔检查一下是否漏电。调换钻头时,必须将插头拔掉。工作时 如发现漏电,应立即切断电源,进行绝缘检查。( ) 10、当相线(S)截面为 10m ㎡时,PE 线截面应为 10m ㎡。( ) 11、低压架空线档距离不大于 35m,线间距离不小于 0.3m。( ) 12、从业人员应当接受安全生产教育和培训,掌握本职工作所需的安 全生产知识,提高安全生产技能,增强了事故预防和应急处理能力。 ( ) 13、发生电气火灾后应先切断电源再扑救,防止人身触电。( ) 14、现场急救是在施工现场发生伤害事故时,伤员送往医院救治前, 在现场实施必要和及时的抢救措施。( ) 15、现场抢救的原则必须做到“迅速、就地、准确、坚持”。( ) 45 16、TT 系统安全性能好,在施工现场采用是一种较为安全的接地保 护方式;适用于设有变电所的工业企业、建筑企业、高层建筑、大型 公共建筑、医院、有爆炸和火灾危险的场所、以及一般住宅、商店等 民用建筑。( ) 17、在施工现场专用变压器供电的 TN-S 接零保护系统中,电气设备 的金属外壳必须与保护零线连接。保护零线应由分配电箱漏电保护器 电源侧零线处引出。( ) 18、在 TN 接零保护系统中,通过总漏电保护器的工作零线与保护零 线之间可以再做电气连接。( ) 19、使用一次侧由 50V 以上电压的接零保护系统供电,二次侧为 50V 及以下电压的安全隔离变压器时,二次侧可以接地,并应将二次线路 用绝缘管保护或采用橡皮护套软线。( ) 20.临时用电施工图识图时,要仔细阅读电气平面图,了解和掌握电 气设备的布置、线路编号、走向、导线规格、根数及敷设方式。( ) 21.变压器负载运行时一、二次电流与一、二次绕组的匝数成正比。 ( ) 22.我国电力系统的频率是 60Hz,所有使用的电动机也都是 60Hz 的。( ) 23.电动机停止运行时应切断电源,起动开关拨到停止位置。( ) 24.隔离开关必须是能使工作人员可以看见的其开点有一个明显的断 开点。( ) 25.透明塑壳断路器具有可见分断点的隔离、过载及短路保护功能, 适用于建筑施工现场总配电箱、分配电箱、开关箱中。( ) 26.低压断路器可横向安装在配电板上,底板结构必须平整。( ) 27.断路器接线容量应与外接线规格相适应,避免大线接小开关。 46 ( ) 28.剩余电流断路器负荷侧的 N 线,只能作为中性线(工作零线), 不得与 PE 线混用,且不能重复接地。( ) 29.安装剩余电流断路器的电气线路或设备,在正常运行时,其泄漏 电流必须控制在允许范围内,同时额定剩余不动作电流应满足要求。 当剩余电流大于允许值时,必须对线路或设备进行检查或更换。( ) 30.剩余电流断路器应装设在总配电箱、开关箱靠近电源的一侧,且 不得用于启动电气设备的操作。( ) 31.电机运行中如需更换熔体时,一定要用与原来同样规格及材料的 熔体,严禁用其他金属线代替保险丝(片),也禁止用多根熔丝绞合在 一起替代一根较粗的熔丝。如属负荷增加,应据此选用适当熔体,以 保证动作的可靠性。( ) 32.建筑施工现场的塔式起重机应设接闪器。( ) 33.防雷接地引下线宜优先采用圆钢。( ) 34.做防雷接地机械上的电气设备,所连接的 PE 线可不做重复接地。 ( ) 35.用电设备的保护地线应并联接地,也可串联接地。( ) 36.接地装置的使用期在 6 个月以上时,不宜在地下利用裸铝导线作 为接地极或接地线。在有强腐蚀性土壤中,应使用镀锌的接地极。 ( ) 37.在 TN 接零保护系统中,通过总漏电保护器的工作零线与保护零 线之间可以再做电气连接。( ) 38.施工现场的临时用电电力系统可以利用大地做零线。( ) 39.为保证接地、接零保护系统可靠,在整个施工现场的 PE 线上还 应作不少于 3 处的重复接地,且每处接地电阻值不得大于 10Ω。( ) 47 40.在临时用电三级配电系统中,用电设备可以直接从分配电箱中配 电。( ) 41.临时用电配电系统的配电箱中,动力与照明应分路配电;动力开 关箱与照明开关箱必须分箱设置。( ) 42.临时线架设时,应先安装用电设备一端,再装电源侧一端;拆除 时顺序相反。( ) 43.在建工程内的电缆线路必须采用电缆埋地引入,也可穿越脚手架 引入。( ) 44.事故巡线应始终认为线路带电,即使明知线路已停电,亦应认为 线路随时恢复送电的可能。( ) 45.配电箱、开关箱内 N、PE 端子板必须分别设置,并作符号标记, 严禁合设在一起。其中 N 端子板与铁质电器安装板之间必须保持绝 缘;而 PE 端子板与铁质电器安装板之间必须保持电气连接。( ) 46.配电箱、开关箱的电源进线端严禁采用插头和插座做活动连接。 ( ) 47.配电箱、开关箱内可放电工工具,并应保持整洁。( ) 48.配电箱、开关箱内不得随意挂接其他用电设备。( ) 49.配电箱、开关箱内的电器配置和接线电工有权随意改动。( ) 50.手持式电动工具的负荷线应采用耐气候型的橡皮护套铜芯软电 缆,允许有二个接头。( ) 51.使用手持式电动工具时,必须按规定穿、戴绝缘防护用品。( ) 52.混凝土搅拌机、插入式振动器、平板振动器、地面抹光机、水磨 石机、钢筋加工机械、木工机械、盾构机械的负荷线必须采用耐气候 型橡皮护套铜芯软电缆,并不得有任何破损和接头。( ) 53.照明变压器必须使用双绕组型安全隔离变压器,也可以使用自耦 48 变压器。( ) 54.螺口灯头相线应接在与中心触头相连的一端,零线接在与螺纹口 相连的一端。( ) 55.钳形表的手柄必须保持干燥,测量时,不得触及其它带电体。( ) 56.钳形表测量结束后,应将量程调节开关扳到最小量程,以便下次 的安全使用。( ) 57.进户线与接户线两端若遇有铜、铝连接时,应有过渡措施,以防 铜、铝氧化。( ) 58.万用表使用完毕后,应将旋钮放置在电阻档位置上。( ) 59.测量电气设备的绝缘电阻时,必须先切断电源和负载,然后将设 备进行放电,一般放电 2-3 分钟。( ) 60.电度表接线方式一般采取“右进左出”接线原则。( ) 61.电气设备的接地电阻测量工作一般应在雷雨季节中进行。( ) 62.在使用绝缘棒拉开隔离开关时,可不戴绝缘手套。( ) 63.高压验电时,工作人员必须戴绝缘手套,并且必须握在高压验电 器的握把部分,不得超过护环。( ) 64.使用低压验电器的前、后,应在确知带电的低电气设备或线路上 试验,以证实验电器良好,验电正确。( ) 65.安全技术档案应由主管该现场的电气技术人员负责建立与管理。 其中,“电工安装、巡检、维修、拆除工作记录”,可指定电工代管, 每周由项目经理审核认可,并于临时用电工程拆除后统一归档。( ) 66.停电操作顺序为:开关箱→分配电箱→总配电箱。但出现电气故 障的紧急情况可除外。( ) 67、配电箱进出线中的 N 线,不必通过 N 线端子板连接。( )。 68、每个开关可以直接控制 2 台及 2 台以上的用电设备(含插座)。 49 ( ) 69、隔离开关应设置于电源进线端。( ) 70、开关箱漏电保护器的额定漏电动作电流不应大于 30mA,额定漏电 动作时间不应大于 0.1s。( ) 71、发电机组并列运行时,可不装同步装置,并在机组同步运行后负 载供电。( ) 72、PE 线严禁通过工作电流,且严禁断线。( ) 73、在 TN 接零保护系统中,PE 线应单独敷设。( ) 74、发电机组并列运行时,要装同期装置,并在机组同步运行后再向 负载供电。( ) 75、发电机因为有开关,可以不设防倒送电的措施。( ) 76、发电机已设置了较齐全的仪表,因此它们是否完好、正常,不影 响功能。( ) 77、触电伤害程度与人体电阻大小有关,人体电阻越大,相对危险性 较小。( ) 78、触电伤害程度与触电时间有关,因此,合理选择开关箱与用电设 备的距离,对减少触电时间有极大的作用。( ) 79、停电检修时已用测电器测量无电压,此线路可视为无电检修时, 不用拉开关。( ) 80、建筑工地供电必须实行三级配电,二级漏电保护。( ) 81、剩余电流断路器的额定漏电动作时间。指达到漏电动作电流时起, 到电路切断为止的时间。( ) 82、对大容量的电焊机、塔吊和混凝土输送泵,可从总配电箱以放射 式单回路形式直配。( ) 83、配电箱、开关箱内配置的电器安装板用以安装所配置的电器和接 50 线端子板等。当铁质电器安装板(包括箱门)与铁质箱体之间采用折 页作活动联接时,必须在二者之间跨接编织软铜线( ) 84、使钳形表测量前应先估计被测电流的大小来选择适当量程,可以 用小量程去测大电流。( ) 85、使用万用表转换开关的位置选择要正确,尤其选择测量种类时要 特别小心,若误用电流档或电阻档去测量电压,轻者会造成表针损坏, 重则会造成表头烧毁。( ) 86、测量额定电压在 500V 以下的设备或线路绝缘电阻时,可选用 1000~2500V 摇表。( ) 87、使用摇表进行测量过程中,如果指针指向“0”位,表明被测绝 缘已经失效,应立即停止转动摇把,防止烧坏摇表。( ) 88、,在三相交流电路中,中性线的电流总是小于线电流,负载越平 衡对称,中性线的电流越小。各相负载不平衡时,互不干扰,各相电 压不变,只有中性线电流变化,若中性线断开,线电压虽然仍对称, 但各相负载所承受的对称相电压遭到破坏,使得有的负载承受的电压 低于额定电压,有的负载承受的电压高于额定电压,都将不能正常工 作。因此在三相四线制供电系统中,中性线的连接必须可靠,并且不 允许装熔断丝和开关。( ) 89、五临边”是指:已安装栏杆的阳台周边,无外架防护的层面周边, 框架工程楼层周边,上下跑道及斜道的两侧边,卸料平台的侧边。 ( ) 90、剩余电流断路器投入运行后,必须定期操作试验按钮,检查其动 作特性是否正常。雷电活动期和用电高峰期应增加试验次数。可以利 用相线直接对地短路或利用动物作为试验物的方法。( ) 91、导体在匀强磁场中做切割磁感线运动时,导体里产生的感应电动 51 势的大小,跟磁感强度、导体的长度、导体运动的速度成正比。( ) 92、直流电可以通过变压器变换电压,在远距离输电时,通过升高电 压可以减少线路损耗。( ) 93、频率为 50Hz 的正弦交流电的周期为 0.02s。( ) 94、在输送一定能量的情况下,电路功率因数愈高,电路中的电流就 越小,线路上的能量损耗、电压损耗就会减小,相应地输电导线的截 面也可以减小。显然,功率因数的提高,具有一定的经济意义。( ) 95、双绕组的变压器比自耦变压器构造简单,节省材料,效率高,但 是原,副绕组之间有电的联系,对操作人员不够安全。一旦公共部分 断开,则高压直接进入低压边,容易发生事故,接线时要特别注意, 防止由于接线错误而造成触电或设备损坏的事故。( ) 96、互感器是用于交流电路中,专与测量仪表及断电保护设备配套使 用。其作用是扩大测量仪表的量程或控制断电保护设备动作。同时使 测量仪表与被测的高压电路隔离,以保证测量时的安全。( ) 97、在使用时,电流互感器的副边绕组绝对不能开路,这是因为电流 互感器原绕组与被测电路串联,通过原绕组的电流值取决于负载大小 而与电流互感器的副边是否接通无关。( ) 98、变压器的负载率,一般取值范围在95%,略高于最佳负载率 90%。可见,选择变压器时留5%的裕量就可以了。( ) 99、直流电动机具有构造简单,价格便宜,工作可靠,使用和维护方 便等优点,因此在现代生产中是应用最广泛的一种电动机。( ) 100、电动机运行时,内部总有一定的功率损耗。这些损耗包括:铜 损、铁损及其他损耗。按能量守恒定则,输入功率等于损耗功率与输 出功率之和,因此,输出功率总是小于输入功率。( )
版权声明
1. 本站所有素材,仅限学习交流,仅展示部分内容,如需查看完整内容,请下载原文件。
        2. 会员在本站下载的所有素材,只拥有使用权,著作权归原作者所有。
        3. 所有素材,未经合法授权,请勿用于商业用途,会员不得以任何形式发布、传播、复制、转售该素材,否则一律封号处理。
        4. 如果素材损害你的权益请联系客服QQ:77594475 处理。