海尔0094001550电源板电路图

分类:电子电工 日期: 点击:0
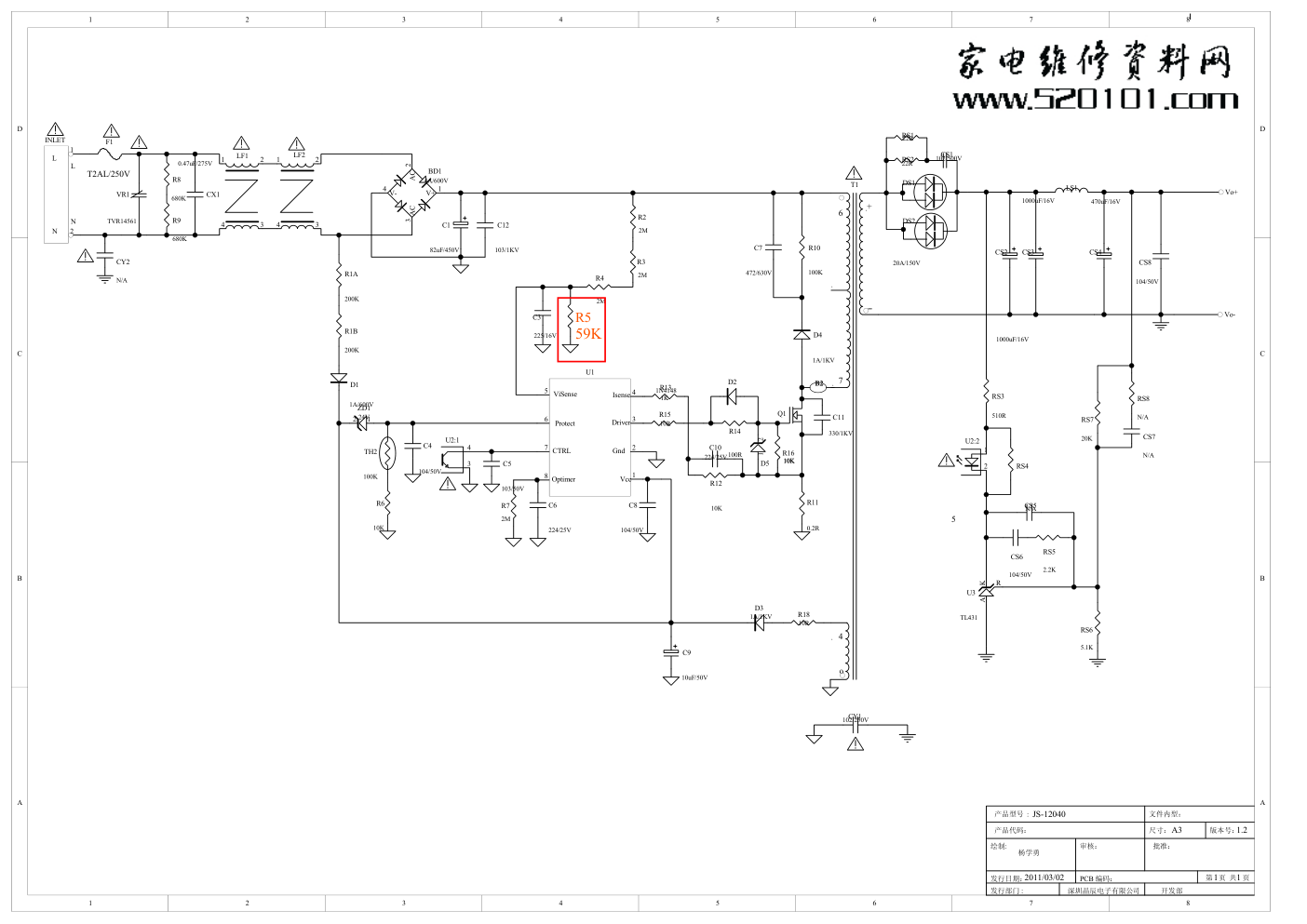
海尔0094001550电源板电路图-0

1 2 3 4 5 6 7 8 A B C D 8 7 6 5 4 3 2 1 D C B A 绘制: 发行日期: 审核: PCB 编码: 尺寸: 版本号: 批准:  第 页 共 页 产品型号 : 产品代码:  发行部门 : 深圳晶辰电子有限公司 开发部 文件内型: 杨学勇 F1 1 2 3 4 LF2 CX1 VR1 C12 L N AC 2 V+ 1 AC 3 V- 4 BD1 1 2 3 4 LF1 C1 . . . . T1 7 5 2 8 6 1 3 Driver CTRL Protect Vcc Optimer Gnd ViSense 4 Isense U1 Q1 R11 R15 R12 C10 R10 C7 D4 R1A D2 C11 R14 R13 C8 D3 R18 C9 1 2 ZD1 TH2 R6 C4 A K R U3 1 2 U2:2 4 3 U2:1 C5 C6 R7 L 1 N 2 L N INLET R2 R3 R4 R5 C3 DS1 CS1 RS2 CS2 CS3 CS5 RS3 RS4 RS7 RS8 RS6 RS5 CS7 CS6 D1 CY1 DS2 RS1 LS1 CS4 CS8 R1B JS-12040 1.2 A3 2011/03/02 1 1 R16 1 2 D5 Vo+ Vo- CY2 B2 6 7 9 4 5 + T2AL/250V -- R8 R9 330/1KV 10K 10K 2M 2M 2M 2M 59K 225/16V 82uF/450V 103/1KV 4A/600V 200K 200K 1A/1KV 1A/1KV 1A/600V 24V 10K 10R 10R 104/50V 104/50V 103/50V 224/25V 10K 1K 100R 224/25V 0.2R 100K 100K 472/630V 1000uF/16V 1000uF/16V 470uF/16V 104/50V 20A/150V 22R 22R 102/500V 510R N/A 2.2K 104/50V 20K 5.1K TL431 N/A N/A 102/250V 10uF/50V 680K 680K 0.47uF/275V N/A TVR14561 1N4148

标签:

版权声明

1. 本站所有素材,仅限学习交流,仅展示部分内容,如需查看完整内容,请下载原文件。
2. 会员在本站下载的所有素材,只拥有使用权,著作权归原作者所有。
3. 所有素材,未经合法授权,请勿用于商业用途,会员不得以任何形式发布、传播、复制、转售该素材,否则一律封号处理。
4. 如果素材损害你的权益请联系客服QQ:77594475 处理。