海信V59XUS机芯液晶电视电路原理图

分类:电子电工 日期: 点击:0
海信V59XUS机芯液晶电视电路原理图-0 海信V59XUS机芯液晶电视电路原理图-1 海信V59XUS机芯液晶电视电路原理图-2 海信V59XUS机芯液晶电视电路原理图-3 海信V59XUS机芯液晶电视电路原理图-4

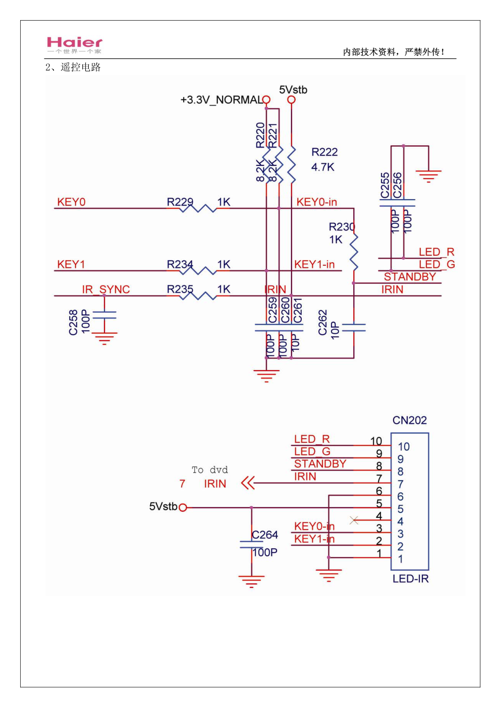
内部技术资料,严禁外传! 四、机芯板原理及维修(机芯模块经理) (一)、机芯原理说明 1、电源部分 内部技术资料,严禁外传! 2、遥控电路 内部技术资料,严禁外传! 3、开关机静音电路 内部技术资料,严禁外传! 4、功放电路 内部技术资料,严禁外传! 5、Tuner射频 部分

标签:

版权声明

1. 本站所有素材,仅限学习交流,仅展示部分内容,如需查看完整内容,请下载原文件。
2. 会员在本站下载的所有素材,只拥有使用权,著作权归原作者所有。
3. 所有素材,未经合法授权,请勿用于商业用途,会员不得以任何形式发布、传播、复制、转售该素材,否则一律封号处理。
4. 如果素材损害你的权益请联系客服QQ:77594475 处理。