现代L17T液晶显示器电路原理图

分类:电子电工 日期: 点击:0
现代L17T液晶显示器电路原理图-0 现代L17T液晶显示器电路原理图-1 现代L17T液晶显示器电路原理图-2 现代L17T液晶显示器电路原理图-3 现代L17T液晶显示器电路原理图-4 现代L17T液晶显示器电路原理图-5 现代L17T液晶显示器电路原理图-6 现代L17T液晶显示器电路原理图-7

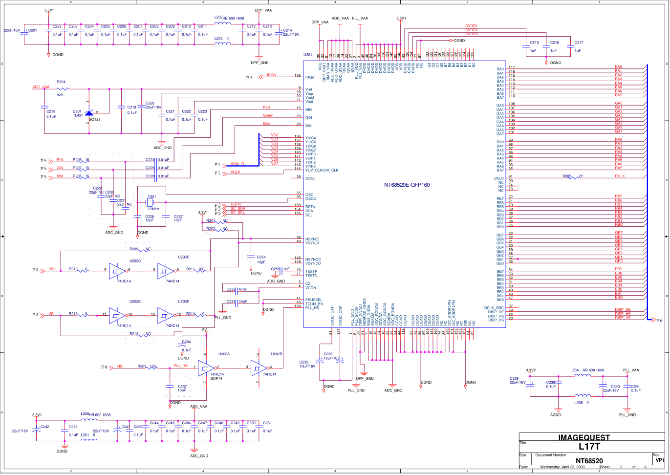
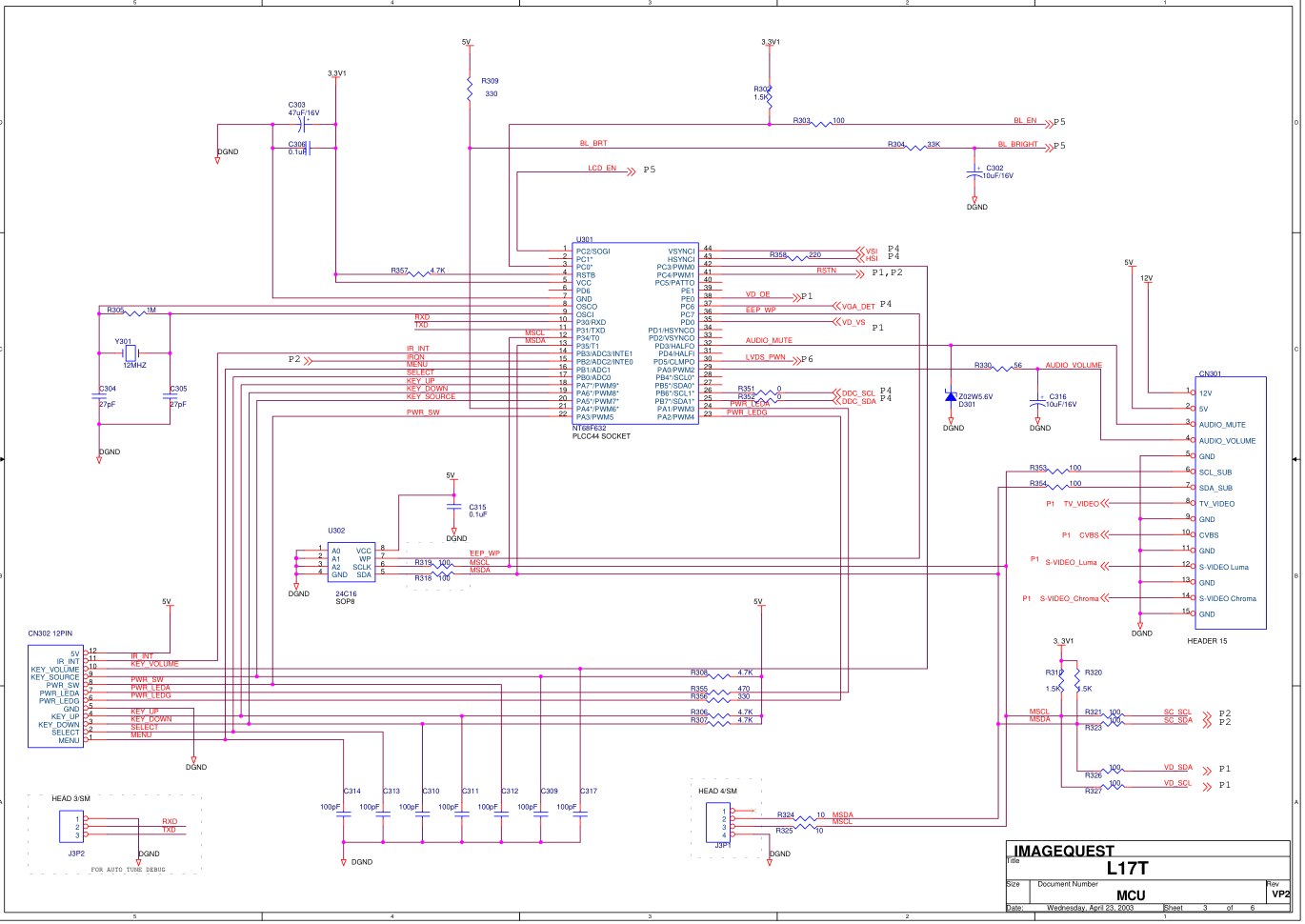
TFT LCD COLOR MONITOR TECHNICAL SERVICE MANUAL L17T 5 4 3 2 1 D C B A IMAGEQUEST AUDIO AMP TDA7496L MCU NT7181-11 LVDS NT68F632 INVERTER NT68520E-QFP160 NT7181-11 15PIN D-SUB 12MHz Scaler 12MHz 12V/5V LVDS 17" LCD PANEL POWER EEPROM (24CXX) VIDEO DECORDER VPX3226E COMPOSITE VIDEO S-VIDEO TV TUNER AUDIO PROCESSOR TDA7440D L17T/L19T BLOCK DIAGRAM Block Diagram VP2 L17T/L19T 7 7 Wednesday, April 23, 2003 Title Size Document Number Rev Date: Sheet of 5 4 3 2 1 D D C C B B A A I2C TEST CONNECTOR P2 P2 P3 IMAGEQUEST P3 VIDEO DECODER VP2 L17T 1 6 Wednesday, April 23, 2003 Title Size Document Number Rev Date: Sheet of VD0 VD3 VD1 VD7 VD2 VD6 VD5 VD4 RSTN VD_SDA VD_SCL VD[0..7] VCLK VD_VS S-VIDEO_Chroma P3 TV_VIDEO P3 S-VIDEO_Luma P3 CVBS P3 P3, P2 P3 P3 VD_OE GND_VPX GND_VPX 5V GND_VPX GND_VPX GND_VPX GND_VPX GND_VPX GND_VPX DGND GND_VPX GND_VPX GND_VPX GND_VPX 3.3V2 GND_VPX GND_VPX GND_VPX GND_VPX GND_VPX GND_VPX GND_VPX GND_VPX GND_VPX DGND GND_VPX C109 330pF C108 22uF/16V C115 330pF R103 75 R101 75 C119 680nF L103 2012 2.2uH CN101 1 2 3 R150 R151 R152 0 C110 330pF X101 20.25MHz C116 330pF C120 330pF C111 10pF C106 10pF C104 330pF C121 330pF C117 10uF/16V L102 2012 2.2uH C118 47nF R104 75 C102 1nF L104 2012 2.2uH C101 220nF L101 2012 2.2uH C107 0.1uF R106 0 C112 680nF � VPX3226E U101 37 39 40 42 41 43 35 34 29 30 44 1 2 22 9 33 11 36 32 13 38 17 16 15 14 10 31 8 7 28 27 26 25 24 23 18 21 3 4 5 6 20 19 12 TDO(DACT,LLC2) TDI TMS VIN3 ISGND VRT VREF FIELD PVDD A4 VIN2 VIN1 AVSS /OE /RES A7 SDA HREF A6 B1 TCK B5 B4 B3 B2 SCL A5 VSS VDD PIXCLK PVSS A3 A2 A1 A0 B6 LLC CIN AVDD XTAL1 XTAL2 VACT B7 B0 C103 330pF R105 0 R102 75 C105 680nF C113 22uF/16V C114 0.1uF 5 4 3 2 1 D D C C B B A A P3 P4 P4 P5 P3 P4 P5 P5 P3 DISP_VS DISP_HS DISP_DE BBO BB1 BB2 BB3 BB4 BB5 BB6 BB7 GBO GB1 GB2 GB3 GB4 GB5 GB6 GB7 RBO RB1 RB2 RB3 RB4 RB5 RB6 RB7 DCLK RA7 RA6 RA5 RA4 RA3 RA2 RA1 RA0 GA7 GA6 GA5 GA4 GA3 GA2 GA1 GA0 BA7 BA6 BA5 BA4 BA3 BA2 BA1 BA0 IMAGEQUEST P1 P1 NT68520 VP1 L17T 2 6 Wednesday, April 23, 2003 Title Size Document Number Rev Date: Sheet of IRQN ADC_VAA PLL_HS Red Green Blue CVDD1 CVDD2 CVDD3 VD5 VD3 VD1 VD4 VD6 VD0 VD7 VD2 SC_SDA GIN HSI RIN RSTN SC_SCL VSI HSI BIN P3 P6 VCLK VD[0..7] DGND 5V ADC_GND DPP_VAA DGND ADC_VAA PLL_VAA DGND ADC_GND DGND PLL_GND 3.3V1 DGND 3.3V1 ADC_GND DGND DPP_GND DGND PLL_GND 3.3V1 DPP_GND DPP_VAA DGND ADC_VAA 3.3V1 DGND ADC_GND 3.3V2 PLL_VAA PLL_GND AGND DGND DGND DGND ADC_GND C213 0.1uF C224 0.01uF R212 NC C225 0.01uF R213 0 C203 0.1uF C246 0.1uF R205 22 C228 0.01uF L203 0 C202 0.1uF C255 1uF C237 10pF C221 0.1uF R203 100 R201 NC C222 0.1uF + C242 22uF/16V C233 33pF C249 0.1uF L206HB 600 1608 R202 NC C232 47nF C204 0.1uF R206 15 U202E 74HC14 11 10 C205 0.1uF C231 22pF NC R207 15 C215 1uF R208 15 C234 0.1uF C239 0.1uF + C201 22uF/16V + C236 10uF/16V C230 22pF NC U201 NT68520E-QFP160 7 8 9 19 20 21 16 15 14 12 13 24 23 22 17 18 29 28 27 25 26 150 157 38 39 40 148 149 34 35 36 30 31 32 33 37 79 78 83 80 120 55 146 147 46 42 119 45 156 47 64 158 154 155 134 44 136 137 138 139 140 141 142 143 144 151 152 153 82 81 1 2 4 5 3 6 75 10 11 86 89 109 135 160 48 50 49 52 51 54 53 63 62 61 60 59 58 57 56 72 71 70 69 68 67 66 65 92 93 94 95 96 97 98 99 108 107 106 105 104 103 102 101 117 116 115 114 113 112 111 110 73 74 90 91 100 118 121 145 77 87 41 43 84 85 133 132 131 130 129 128 127 126 125 124 123 122 76 88 159 BIAS_GNDA BIAS_VAA Vref Vtop Vmid Vbot RGNDA RIN RVAA ADC_RVAA ADC_RGNDA GGNDA GIN GVAA ADC_GVAA ADC_GGNDA BGNDA BIN BVAA ADC_BVAA ADC_BGNDA I2C_ADDR0/R4 DEI HSYNCI SOGI VSYNCI HSYNCO VSYNCO CGND OSCI OSCO VCC MIDBIAS_GNDA DPP_VAA1 DPP_GNDA1 DCLK_SRC DISP_DE DVDD DISP_HS DISP_VS CVDD DGND VDD CVDD_CAP DVDD CVDD CGND DVDD IRQn BB0 DVDD RSTn SDA SCL CVDD CGND Y0/G4 Y1/G5 Y2/G6 Y3/G7 Y4/R0 Y5/R1 Y6/R2 Y7/R3 YUV_CLK/DVI_CLK I2C_ADDR1/R5 R6 R7 VDD CVDD_CAP PLL_GND PLL_VDD VCON CZ PLL_VAA PLL_GNDA DGND TESTP TESTN DGND DGND DGND DGND DGND BB1 BB3 BB2 BB5 BB4 BB7 BB6 GB7 GB6 GB5 GB4 GB3 GB2 GB1 GB0 RB7 RB6 RB5 RB4 RB3 RB2 RB1 RB0 RA7 RA6 RA5 RA4 RA3 RA2 RA1 RA0 GA0 GA1 GA2 GA3 GA4 GA5 GA6 GA7 BA0 BA1 BA2 BA3 BA4 BA5 BA6 BA7 NC NC NC DCLK DVDD DVDD DVDD DVDD NC NC PBUSSEL TCON_EN NC NC G3 G2 G1 G0 B7 B6 B5 B4 B3 B2 B1 B0 NC NC PLL_HS Y201 12MHz C241 0.1uF U202A 74HC14 SOP14 1 2 14 7 C223 0.1uF C208 0.1uF C226 10pF + C214 22uF/16V C245 0.1uF L205 0 C211 0.1uF C254 10pF C247 0.1uF D201 TL431 SOT23 3 1 2 L204 HB 600 1608 C227 10pF C250 0.1uF + C235 10uF/16V R209 NC C207 0.1uF C251 0.1uF C219 0.1uF U202B 74HC14 3 4 14 7 U202D 74HC14 9 8 C244 0.1uF C220 33uF/10v C217 1uF C218 0.1uF L202HB 600 1608 C206 0.1uF + C238 22uF/16V + C240 22uF/16V U202F 74HC14 13 12 C229 22pF NC + C243 22uF/16V R204 820 C252 0.1uF R214 0 C253 0.1uF C248 0.1uF R210 0 C210 0.1uF U202C 74HC14 5 6 C216 1uF L201 0 C209 0.1uF C212 0.1uF R211 100 5 4 3 2 1 D C B A P6 P2 P1 P5 P1,P2 P4 P4 P2 P1 P1 P4 P5 P2 FOR AUTO TUNE DEBUG P4 P5 P4 AUDIO_VOLUME MSCL MSDA IMAGEQUEST HEADER 15 P1 MCU VP2 L17T 3 6 Wednesday, April 23, 2003 Title Size Document Number Rev Date: Sheet of EEP_WP EEP_WP RXD TXD TXD BL_BRT RXD MENU KEY_UP PWR_LEDG PWR_LEDA IR_INT MENU KEY_UP MSDA MSDA IR_INT PWR_LEDG PWR_LEDA SELECT SELECT KEY_DOWN KEY_DOWN PWR_SW PWR_SW AUDIO_MUTE KEY_SOURCE KEY_VOLUME MSCL MSCL MSCL MSDA VD_VS LCD_EN VD_SDA VSI SC_SDA RSTN SC_SCL VD_SCL HSI DDC_SDA S-VIDEO_Chroma P1 TV_VIDEO P1 S-VIDEO_Luma P1 CVBS P1 BL_BRIGHT BL_EN VGA_DET LVDS_PWN DDC_SCL IRQN VD_OE DGND DGND DGND DGND 5V 3. 3V1 DGND 5V DGND DGND 3.3V1 5V 12V DGND 5V 3.3V1 DGND DGND DGND 5V DGND C309 100pF C317 100pF U301 NT68F632 PLCC44 SOCKET 1 2 3 4 5 6 7 8 9 10 11 12 13 14 15 16 17 18 19 20 21 43 42 41 22 44 40 37 36 35 34 33 32 31 30 29 28 27 26 25 24 23 39 38 PC2/SOGI PC1* PC0* RSTB VCC PD6 GND OSCO OSCI P30/RXD P31/TXD P34/T0 P35/T1 PB3/ADC3/INTE1 PB2/ADC2/INTE0 PB1/ADC1 PB0/ADC0 PA7*/PWM9* PA6*/PWM8* PA5*/PWM7* PA4*/PWM6* HSYNCI PC3/PWM0 PC4/PWM1 PA3/PWM5 VSYNCI PC5/PATTO PC6 PC7 PD0 PD1/HSYNCO PD2/VSYNCO PD3/HALFO PD4/HALFI PD5/CLMPO PA0/PWM2 PB4*/SCL0* PB5*/SDA0* PB6*/SCL1* PB7*/SDA1* PA1/PWM3 PA2/PWM4 PE1 PE0 R358 220 C314 100pF R306 4.7K R304 33K C311 100pF R351 0 R352 0 C315 0.1uF J3P1 HEAD 4/SM 4 3 2 1 J3P2 HEAD 3/SM 3 2 1 R319 100 + C316 10uF/16V R309 330 R302 1.5K D301 Z02W5.6V C304 27pF C305 27pF R318 100 R321 100 C306 0.1uF R326 100 R323 100 R327 100 R305 1M + C302 10uF/16V CN301 3 4 5 6 7 8 9 10 11 12 14 15 13 2 1 AUDIO_MUTE AUDIO_VOLUME GND SCL_SUB SDA_SUB TV_VIDEO GND CVBS GND S-VIDEO Luma S-VIDEO Chroma GND GND 5V 12V R353 100 R355 470 R324 10 R357 4.7K R310 1.5K C312 100pF R303 100 R320 1.5K Y301 12MHZ CN302 12PIN 12 11 10 9 8 7 6 5 4 3 2 1 5V IR_INT KEY_VOLUME KEY_SOURCE PWR_SW PWR_LEDA PWR_LEDG GND KEY_UP KEY_DOWN SELECT MENU R308 4.7K + C303 47uF/16V R356 330 R325 10 C313 100pF U302 24C16 SOP8 1 2 3 4 5 6 7 8 A0 A1 A2 GND SDA SCLK WP VCC R307 4.7K R354 100 R330 56 C310 100pF 5 4 3 2 1 D C B A P3 P3 P3 P3 IMAGEQUEST HSI VSI VGA INPUT VP2 L17T 4 6 Wednesday, April 23, 2003 Title Size Document Number Rev Date: Sheet of DDC_SDA DDC_SCL VSYNC HSYNC GIN RIN BIN VGA_DET P3 P3 P2,P3 P2,P3 ADC_GND DGND ADC_GND ADC_GND ADC_GND 5V DGND ADC_VAA ADC_GND 5V DGND D406 Z02W5.6V D404 Z02W5.6V D403 KDS226 L401 0 R403 10K R406 100 R407 100 R402 75 R408 75 R409 4.7K R410 4.7K L402 0 R405 75 D405 Z02W5.6V C401 470pF L403 0 D402 KDS226 D401 KDS226 CN401 D-SUB15 FEMAIL 8 15 7 14 6 13 5 12 4 11 3 10 2 9 1 5 4 3 2 1 D D C C B B A A P3 P3 P3 IMAGEQUEST Back Light Connector POWER VP2 L17T 5 6 Wednesday, April 23, 2003 Title Size Document Number Rev Date: Sheet of LCD_EN BL_BRIGHT BL_EN 3.3V1 5V DGND 3.3V2 AGND DGND 5V DGND DGND DGND DGND DGND 5V DGND DGND LCDVDD DGND DGND 12V DGND DGND 5V R501 47K C506 0.1uF + C505 22uF/16V + C504 22uF/16V C503 1uF + C514 100uF/16V C507 0.1uF U502 GFC654 3 5 2 4 1 6 C513 0.1uF R502 47K U503 RC1117_3.3 SOT223 1 3 2 GND VIN VOUT C511 0.1uF + C510 22uF/16V Q501 TT2N3904D 3 1 2 + C512 22uF/16V + C501 100uF/16V C509 0.1uF CON503 HEADER 7 1 2 3 4 5 6 7 U501 RC1117_3.3 SOT223 1 3 2 GND VIN VOUT C502 0.1uF FB501 0 + C508 100uF/16V B A NC NC NC NC P2 P2 P2 P2 P2 IMAGEQUEST LVDS OUTPUT VP2 L17T A3 6 6 Wednesday, April 23, 2003 Title Size Document Number Rev Date: Sheet of T0M_B T3M_A T2M_A T1M_A T1M_B T0M_A T0M_A T0P_B T3M_B TCLKM_A T3M_A T2P_A LVDSVCC T3P_B T0P_A TCLKP_A T1M_A TCLKM_A DISP_VS T2P_A TCLKM_B DISP_VS T2M_B T2P_B T1P_A T1P_B T3P_A PLLVCC DISP_HS T0P_A TCLKP_B LVDS_PWN T2M_A T1P_A T3P_A TCLKP_A DISP_HS DCLK T0P_B T1P_B T2M_B TCLKM_B TCLKP_B LVDSVCC T2P_B T3M_B T0M_B PLLVCC T1M_B T3P_B LVDS_PWN DISP_DE DISP_DE DISP_HS DISP_VS DCLK P3 P3 BA0 BA2 BA3 RA7 RA5 GA1 GA2 GA6 GA7 GA4 GA3 GA5 BA6 BA7 BA1 BA5 BA4 GA0 RA4 RA3 RA2 RA1 RA0 RA6 RB7 RB5 GB0 GB1 GB2 GB6 GB7 GB3 GB4 GB5 BB0 BB6 BB7 BB1 BB2 BB3 BB4 BB5 RB4 RB3 RB2 RB1 RB0 RB6 LVDS_GND LVDS_GND 3.3V2 LVDS_GND DGND LVDS_GND LVDS_GND LVDS_GND LCDVDD 3.3V2 LVDS_GND LVDS_GND C610 1uF 0603 NT7181-11 U601 NT7181-11 6 7 8 9 10 11 12 13 14 15 16 17 18 19 20 21 22 23 24 25 26 27 28 29 30 31 32 33 34 5 4 3 2 1 48 47 46 45 44 43 42 41 40 39 38 37 36 35 49 50 51 52 53 54 55 56 TD8 TD9 TD10 VCC TD11 TD12 TD13 GND TD14 TD15 TD16 RFB TD17 TD18 TD19 GND TD20 TD21 TD22 TD23 VCC TD24 TD25 GND TD26 CLKIN PWDN# PLLGND PLLVCC GND TD7 TD6 TD5 VCC T0M T0P T1M T1P LVDSVCC LVDSGND T2M T2P TCLKM TCLKP T3M T3P LVDSGND PLLGND LVDSGND TD27 TD0 TD1 GND TD2 TD3 TD4 C606 0.1uF C602 0.1uF C604 0.1uF C601 0.1uF C603 0.1uF C605 0.1uF C615 C616 R604 0 C613 C614 L603 NC R602 0 C609 1uF R601 0 CN601 HEADER30 1 2 3 4 5 6 7 8 16 9 15 14 13 10 11 12 22 19 18 23 24 20 21 17 28 27 25 29 26 30 NT7181-11 U602 NT7181-11 6 7 8 9 10 11 12 13 14 15 16 17 18 19 20 21 22 23 24 25 26 27 28 29 30 31 32 33 34 5 4 3 2 1 48 47 46 45 44 43 42 41 40 39 38 37 36 35 49 50 51 52 53 54 55 56 TD8 TD9 TD10 VCC TD11 TD12 TD13 GND TD14 TD15 TD16 RFB TD17 TD18 TD19 GND TD20 TD21 TD22 TD23 VCC TD24 TD25 GND TD26 CLKIN PWDN# PLLGND PLLVCC GND TD7 TD6 TD5 VCC T0M T0P T1M T1P LVDSVCC LVDSGND T2M T2P TCLKM TCLKP T3M T3P LVDSGND PLLGND LVDSGND TD27 TD0 TD1 GND TD2 TD3 TD4 C608 0.1uF R605 0 + C607 22uF/16V R606 0 R607 0 R608 0

标签:

版权声明

1. 本站所有素材,仅限学习交流,仅展示部分内容,如需查看完整内容,请下载原文件。
2. 会员在本站下载的所有素材,只拥有使用权,著作权归原作者所有。
3. 所有素材,未经合法授权,请勿用于商业用途,会员不得以任何形式发布、传播、复制、转售该素材,否则一律封号处理。
4. 如果素材损害你的权益请联系客服QQ:77594475 处理。