日立42PD7500A背投电视电路原理图

分类:电子电工 日期: 点击:0
日立42PD7500A背投电视电路原理图-0 日立42PD7500A背投电视电路原理图-1 日立42PD7500A背投电视电路原理图-2 日立42PD7500A背投电视电路原理图-3 日立42PD7500A背投电视电路原理图-4 日立42PD7500A背投电视电路原理图-5 日立42PD7500A背投电视电路原理图-6 日立42PD7500A背投电视电路原理图-7 日立42PD7500A背投电视电路原理图-8 日立42PD7500A背投电视电路原理图-9

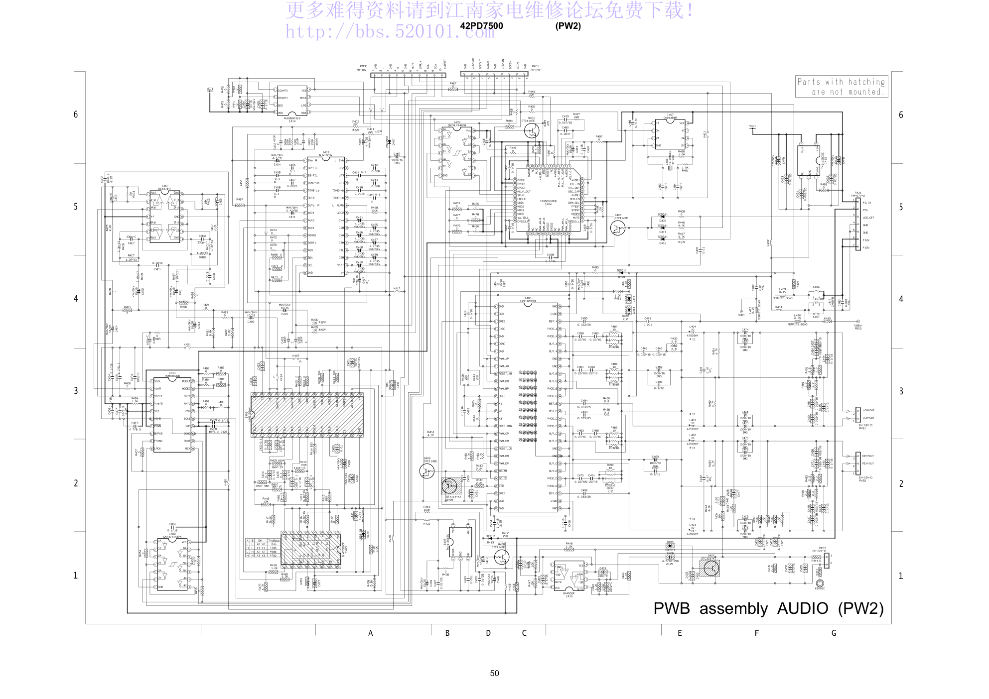
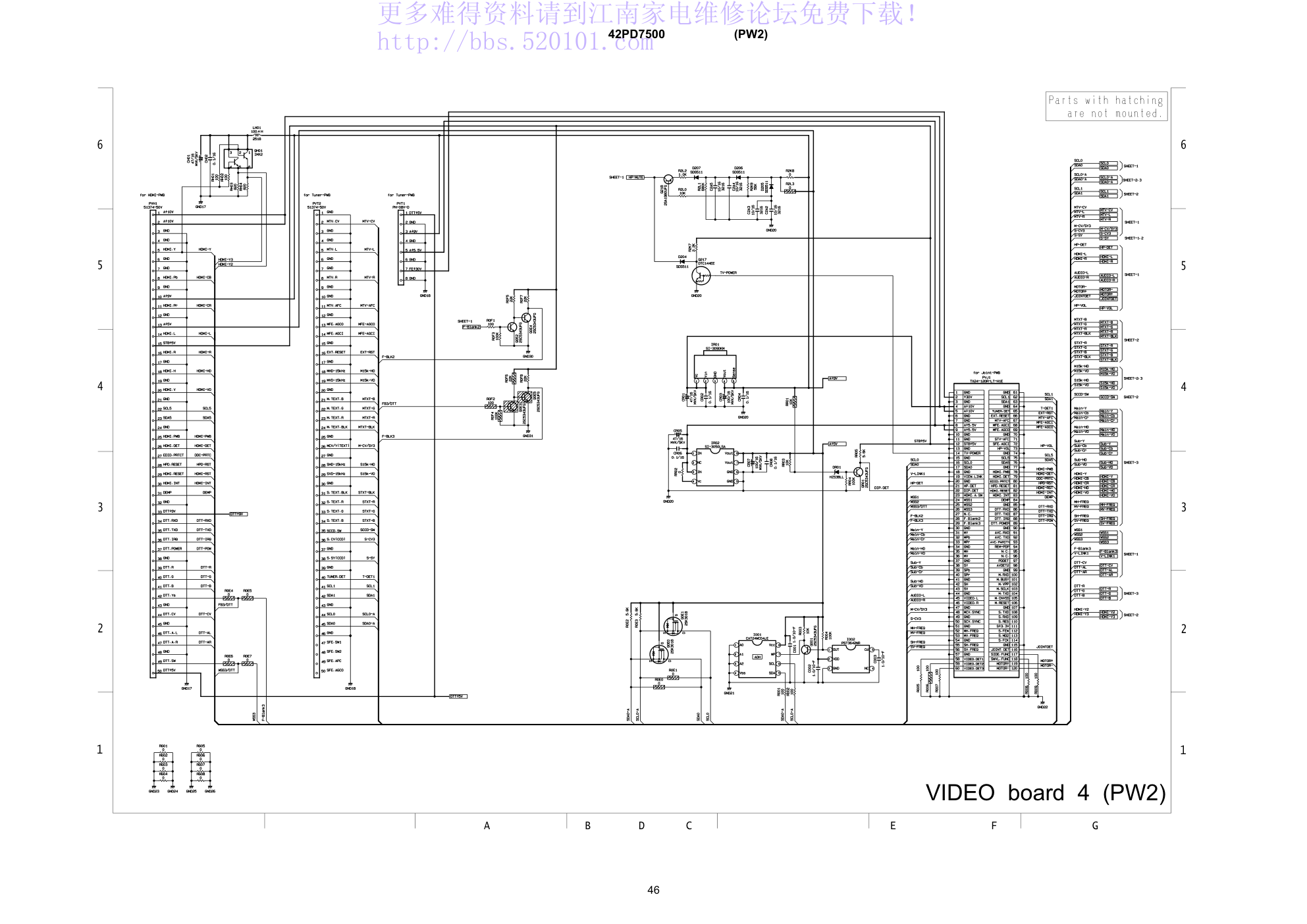
http://bbs.520101.com 42 42PD7500/42PD7500A(PW2) 9. Basic circuit diagram 1 2 3 4 5 6 6 1 2 3 4 5 D C B A G F E PWB assembly FILTER / TACT SW / LED RECEIVER / SP TERMINAL L / SP TERMINAL R (PW2) http://bbs.520101.com 43 42PD7500/42PD7500A(PW2) 1 2 3 4 5 6 6 1 2 3 4 5 D G F E C B A VIDEO board 1 (PW2) http://bbs.520101.com 44 42PD7500/42PD7500A(PW2) 1 2 3 4 5 6 6 1 2 3 4 5 D G F E C B A VIDEO board 2 (PW2) http://bbs.520101.com 45 42PD7500/42PD7500A(PW2) 1 2 3 4 5 6 6 1 2 3 4 5 D G F E C B A VIDEO board 3 (PW2) http://bbs.520101.com 46 42PD7500/42PD7500A(PW2) 1 2 3 4 5 6 6 1 2 3 4 5 D G F E C B A VIDEO board 4 (PW2) http://bbs.520101.com 47 42PD7500/42PD7500A(PW2) 1 2 3 4 5 6 6 1 2 3 4 5 D G F E C B A TUNER board (PW2) http://bbs.520101.com 48 42PD7500/42PD7500A(PW2) 1 2 3 4 5 6 6 1 2 3 4 5 D G F E C B A PWB assembly JOINT 1 (PW2) http://bbs.520101.com 49 42PD7500/42PD7500A(PW2) 1 2 3 4 5 6 6 1 2 3 4 5 D C B A G F E PWB assembly JOINT 2 (PW2) http://bbs.520101.com 50 42PD7500/42PD7500A(PW2) 1 2 3 4 5 6 6 1 2 3 4 5 D G F E C B A PWB assembly AUDIO (PW2) http://bbs.520101.com 51 42PD7500/42PD7500A(PW2) 1 2 3 4 5 6 6 1 2 3 4 5 D G F E C B A HDMI board (PW2) http://bbs.520101.com 52 42PD7500/42PD7500A(PW2) 1 2 3 4 5 6 6 1 2 3 4 5 D G F E C B A I / F B board (PW2) 1000 I / F A board (PW2) http://bbs.520101.com SM007 PSU Circuit - Sheet 1 53 42PD7500/42PD7500A(PW2) http://bbs.520101.com SM007 PSU Circuit - Sheet 2 54 42PD7500/42PD7500A(PW2) http://bbs.520101.com SM007 PSU Circuit - Sheet 3 55 42PD7500/42PD7500A(PW2) http://bbs.520101.com SM007 PSU Circuit - Sheet 4 56 42PD7500/42PD7500A(PW2) http://bbs.520101.com SM007 PSU Circuit - Sheet 5 57 42PD7500/42PD7500A(PW2) http://bbs.520101.com 58 42PD7500/42PD7500A(PW2) 10. Printed wiring board diagram FILTER board SW board TACT SW board SP TERMINAL R board LED/RECEIVER board SP TERMINAL L board http://bbs.520101.com 59 42PD7500/42PD7500A(PW2) reference table Main chip parts reference table Main chip parts AUDIO board ( side-A ) AUDIO board ( side-B ) CIR.No. Position D409 B6 CIR.No. Position D408 C5 D411 C5 D412 C5 I401 C6 I404 B5 I405 D2 I406 B6 I407 B5 I408 C4 I409 A5 I411 C3 I412 C2 PAF1 B4 PAF2 D6 Q401 B4 Q402 A5 Q403 B5 http://bbs.520101.com 60 42PD7500/42PD7500A(PW2) Main chip parts reference table JOINT board ( side-A ) JOINT board ( side-B ) CIR.No. Position CIR.No. Position DJ31 E4 PJI2 E8 DJ32 E5 QJ31 E5 DJ33 E5 QJ32 E5 IJ31 E5 QJ33 E6 PJF1 F6 PJF2 F7 PJF3 B8 PJF5 D8 PJJ1 E8 http://bbs.520101.com 61 42PD7500/42PD7500A(PW2) VIDEO board ( side-A ) CIR.No. Position CIR.No. Position CIR.No. Position CIR.No. Position CIR.No. Position CIR.No. Position CIR.No. Position CIR.No. Position D203 C5 IE01 I5 L305 L4 L608 B2 LE14 H6 Q303 J4 Q607 B2 X215 C6 D204 E2 IE02 J4 L306 L2 L610 A4 LE15 H6 Q304 J2 Q608 B2 X216 B6 D501 I2 IR01 G2 L307 J4 L611 A2 LE16 I4 Q305 J2 Q609 A2 X217 B6 I001 L5 IR02 G2 L308 J3 L612 A3 LE17 K5 Q306 I2 QE01 I4 X218 B6 I002 L5 L201 E5 L309 J3 L613 B3 LE18 I5 Q307 J3 QE02 I4 X221 A6 I201 G4 L202 E5 L310 K2 LE01 J5 LH01 F5 Q308 J3 QE03 I5 X222 C6 I203 D5 L209 D5 L311 H2 LE02 J5 PVH1 E4 Q309 I3 QE04 I5 X223 C6 I302 L3 L210 E5 L312 H3 LE03 J6 PVT2 K2 Q501 J3 QE05 H5 X601 C2 I304 K4 L212 C4 L502 H3 LE04 J6 Q001 L5 Q502 J2 QE06 H5 X602 C3 I305 L2 L213 D6 L503 G3 LE05 J6 Q0E0 F3 Q503 I3 QE07 H5 X603 C3 I306 K2 L214 D6 L505 B5 LE06 J5 Q0E1 F4 Q507 G2 QE08 H5 X604 A2 I501 F3 L215 C6 L506 B5 LE07 J5 Q0E3 E2 Q508 E2 QR01 H1 X605 A2 I502 B5 L216 B6 L602 E3 LE08 J5 Q0E5 D2 Q509 E2 X201 F5 XE01 I6 I601 C3 L218 G6 L603 E3 LE09 K5 Q204 G5 Q510 E3 X202 F5 XE02 L5 I602 A4 L219 H4 L604 D3 LE10 K5 Q216 D5 Q514 B4 X203 F5 XE03 L6 I603 C4 L221 G3 L605 C4 LE11 G6 Q217 E2 Q515 A4 X204 F5 XE04 L6 I604 D4 L301 H3 L606 B3 LE12 H6 Q301 I4 Q516 A5 X213 E5 XE05 L6 I605 A3 L304 L4 L607 B2 LE13 G6 Q302 J4 Q517 A5 X214 C6 XE06 K5 Main chip parts reference table CIR.No. Position XE07 K5 XE08 K5 XE09 L5 XE10 H6 XE11 H6 XE12 H6 XE13 I6 XE14 I6 http://bbs.520101.com 62 42PD7500/42PD7500A(PW2) VIDEO board ( side-B ) Main chip parts reference table CIR.No. Position CIR.No. Position CIR.No. Position CIR.No. Position D201 F6 Q213 D4 Q513 C4 Q616 B3 D205 D2 Q214 D5 Q518 F3 Q617 B3 D206 D3 Q215 D5 Q519 B5 Q618 B3 D207 D3 Q218 E3 Q603 C2 Q619 B3 Q0E2 D2 Q504 G3 Q604 B2 Q620 A3 Q0E4 D2 Q505 G3 Q605 B2 QH01 E4 Q205 G6 Q506 G3 Q613 A2 Q209 H4 Q511 C5 Q614 B2 Q211 G4 Q512 C5 Q615 B2 http://bbs.520101.com 63 42PD7500/42PD7500A(PW2) TUNER board ( Side-B ) TUNER board ( Side-A ) Main chip parts reference table CIR.No. Position I101 B3 I102 B5 I103 B5 IN01 B4 IT01 B2 IT02 C1 IT03 B2 L102 E3 L104 A3 LN01 C5 LN02 C4 LN03 B3 LT01 A2 CIR.No. Position LT02 C3 PTV2 B6 Q101 D5 Q102 D4 Q103 D4 Q104 D3 Q105 C3 QN01 C5 QN02 C4 QN10 B5 QT01 C2 QT02 C2 QT03 D1 CIR.No. Position Q106 B3 Q108 D5 Q109 E4 Q110 E4 Q111 E4 http://bbs.520101.com 64 42PD7500/42PD7500A(PW2) HDMI board ( Side-A ) HDMI board ( Side-B ) CIR.No. Position CIR.No. Position CIR.No. Position CIR.No. Position DH11 E3 IH11 E4 LH18 C3 QH18 B4 DH12 E2 IH12 E3 LH19 B3 QH19 B5 DH13 E2 IH13 C2 LH20 B3 QH20 B2 DH14 E3 IH14 C3 LH21 C4 QH21 A2 DH15 E2 IH15 C5 LH22 B3 QH22 B2 DH16 B4 IHR1 E5 LH23 D5 QH30 E3 DH20 C4 JH11 C1 PHD1 F5 QH31 E3 DH21 B4 KIKU1C F2 PHV1 F3 QH32 D3 DH22 B4 KIKU2C A1 QH11 D4 QH33 D2 DH23 E2 KIKU3C F6 QH12 D4 QH34 E3 DH24 E2 KIKU4C A6 QH13 E2 QH35 E3 DHR1 E5 LH13 C1 QH14 B4 QH40 D3 HH11 B2 LH14 D2 QH15 B4 QHR1 D5 HH12 A2 LH15 D2 QH16 B5 QHR2 D5 HH13 B2 LH16 D3 QH17 B4 TP01 D6 CIR.No. Position KIKU1S F2 KIKU2S F6 KIKU3S A6 KIKU4S A1 Main chip parts reference table ( Side-A ) Main chip parts reference table ( Side-B ) http://bbs.520101.com SM007 PSU Board 65 42PD7500/42PD7500A(PW2) http://bbs.520101.com 66 42PD7500/42PD7500A(PW2) 11. Block diagram http://bbs.520101.com SM007 PSU Block Diagram T101 IC101 STB5V STB STB3.3V RL001 T201 Q201 30V 12V LV Bridge D001 10V C016 Vcc5.1V T301 Q301 C201 HV T501 Q501 AC-detect IC202 Vcego,Vsago Power off Va Vs Vs(80V) C108 RL002 PFC IC001 Q003 L005 370V AC in LV STB Va(60V) Reg D020 D021 Chop D010 D011 Reg 67 42PD7500/42PD7500A(PW2) http://bbs.520101.com 68 42PD7500/42PD7500A(PW2) 12. Connection diagram 1 2 3 4 5 6 7 8 49 48 47 46 45 44 43 42 41 40 39 38 37 36 35 34 33 32 31 30 29 28 27 26 25 24 23 1 2 3 4 5 6 7 8 2 3 4 5 6 7 8 9 10 11 12 13 14 15 16 17 18 19 20 21 22 23 24 25 26 27 28 TUNER VIDEO 1 2 30V GND 3 4 GND 5V 5V 5 GND 12V GND 10V 6 7 8 9 10 11 12 13 GND 12V GND 10V 1 2 STB 5V N.C. 3 4 N.C. GND Power Off 5 1 2 STB 5V N.C. 3 4 STB3.3V GND Power Off 5 1 2 30V GND 3 4 GND 5V 5V 5 GND 12V GND 10V 6 7 8 9 10 11 12 13 GND 12V GND 10V JOINT PJP1 B5B-EH PJP2 B13B-EH PTV1 PH-8P PTV1 PH-8P CN63 B5B-EH CNPPS B13B-EH FORMAT 1 2 Va NC 3 4 Vcc GND GND 5 NC Vs 6 7 8 9 10 GND Vs Vs 1 2 Va NC 3 4 Vcc GND GND 5 NC Vs 6 7 8 9 10 GND Vs Vs B10P-VH CN64 B10P-VH 1 2 Vcc GND 3 4 Vpr2 Vra GND 5 6 Vrs 1 2 Vcc GND 3 4 Vpr2 Vra GND 5 6 Vrs B6B-PH CN69 B9B-PH Vcego PFCgo Vsago 7 8 9 7 8 9 Vcego PFCgo Vsago POWER 1 2 RA- GND(LVDS) 3 4 RA+ RB- SCL 5 RB+ RC- RC+ RCLK- RCLK+ RD+ 6 7 8 9 10 11 12 13 14 15 16 17 18 19 20 21 22 23 GND SDA GND(LVDS) CPUGO PDPGO IRQ RD- PDWN GND(LVDS) RE- 24 25 26 27 28 29 30 RE+ GND GND GND GND GND GND GND GND PFM1 DF13-30DS CN1 DF13-30DS 1 2 RA- GND(LVDS) 3 4 RA+ RB- SCL 5 RB+ RC- RC+ RCLK- RCLK+ RD+ 6 7 8 9 10 11 12 13 14 15 16 17 18 19 20 21 22 23 GND SDA GND(LVDS) CPUGO PDPGO IRQ RD- PDWN GND(LVDS) RE- 24 25 26 27 28 29 30 RE+ GND GND GND GND GND GND GND GND PANEL AUDIO 1 2 3 4 5 6 1 2 AC(L) N.C. 3 4 AC(N) N.C. N.C. 5 6 FG CN61 B6P-VH PPU1 VH-6P AC(L) N.C. AC(N) N.C. N.C. FG FILTER 1 2 LCH+ LCH- PAS1 EH-2P PSA1 EH-2P 1 2 LCH+ LCH- 2 3 RCH+ RCH- PAS2 EH-3P PSA2 EH-3P 2 3 RCH+ RCH- SPEAKER (L) SPEAKER (R) 1 NC 1 2 STB5V REM 3 4 GND LED2(G) LED1(R) 5 6 LEDOFF 1 2 3 4 5 6 PFL1 SH-6P 1 2 ADKEY1 ADKEY2 3 4 ADKEY3 GND 1 2 3 4 PKF1 PH-4P PFK1 SH-4P ADKEY1 ADKEY2 ADKEY3 GND LED/REM KEY PLF1 PH-6P STB5V REM GND LED2(G) LED1(R) LEDOFF 1 NC 2 3 GND GND 4 5 +12V +12V 6 7 PJA1 PH-7P PAJ1 PH-7P 4 5 6 7 GND GND +12V +12V 5.5V LEDOFF 5.5V LEDOFF 2 3 22 21 20 19 29 30 31 32 18 17 16 15 33 34 35 36 14 13 12 37 38 39 11 10 9 8 40 41 42 43 7 6 44 45 5 4 3 2 46 47 48 49 50 1 1 50 PTV2 50P PTV2 50P 50 49 48 47 46 WSS_1 45 44 43 42 41 40 MCV.SYNC SCV.SYNC GND GND T.DET1 V.DET3 V.DET1 V.DET2 11 10 9 8 7 6 L R 5 4 3 2 1 GND GND GND AVC.PARITY MH MV AVC.RXD REM-PDP AVDET2 AVC.TXD PDDET SH SV MY MCb MCr GND GND GND SY SCb SCr GND GND GND 1 2 3 4 5 6 7 8 9 10 11 12 PJF3 50P PJF4 SH-12P 1 2 6V 6V 3 4 GND 3.3V GND 5 GND 1.8V 1.8V 6 7 8 9 10 11 3.3V GND 1.8V PFJ2 ZH-12P PJF2 ZH-12P 10V 1 STB5V (PDPGO) TV-POWER 2 3 4 5 6 7 GND GND LEDOFF PFJ1 ZH-7P PJF1 ZH-7P 10V 1 STB5V (PDPGO) TV-POWER 2 3 4 5 6 7 GND GND LEDOFF 1 2 6V 6V 3 4 GND 3.3V GND 5 GND 1.8V 1.8V 6 7 8 9 10 11 3.3V GND 1.8V 1 2 3 4 5 6 8 9 10 11 12 13 14 15 16 17 18 19 20 21 22 23 24 25 26 27 28 29 30 31 32 33 34 35 36 37 38 39 40 41 42 43 44 45 46 47 48 49 50 PFJ3 50P MY MCb MCr GND GND GND SY SCb SCr GND GND GND 1 2 3 4 5 6 7 8 9 10 11 12 PFJ4 SH-12P 20 19 18 17 16 15 14 13 12 30 29 28 27 26 25 24 23 22 21 39 38 37 36 35 34 33 32 31 HDMI_DET GND SCL0 SDA0 SCL1 FUNC_1 FUNC_2 HDMI_CIR_DE T TV.AFC(M) FE.AGC_O(M) V.FREQ_2 SDA1 EXT.RESET FE.AGC_I(M) H.FREQ_2 GND 12 12 GND 50 49 48 47 46 WSS_3 45 44 43 42 41 40 INT_HDMI FAN_ALARM FBLK2 GND IRQ_DTT FBLK3 ETHER TX ETHER RX SCL5 SDA5 HP_DETEC EDID_PROTECT HDMI_A_SWG ND BACKLIGHT 11 10 9 8 7 6 5 4 3 2 1 DTT_POWER GND EVOLUME PJF5 50P 1 2 3 4 5 6 7 8 9 10 11 12 13 14 15 16 17 18 19 20 21 22 23 24 25 26 27 28 29 30 31 32 33 34 35 36 PFJ5 50P 20 19 18 17 16 15 14 13 12 30 29 28 27 26 25 24 23 22 21 39 38 37 36 35 34 33 32 31 V.FREQ_1 GND DEMP_OUT TV.AFC(S) HP.VOL GND N.C. H.FREQ_1 SW_R_OUT DIP.DET HDMI-HPDRESET FE.AGC_I(S) GND SW_L_OUT CUR_PRTCT HDMI-RESET WSS_2 STAND.CIR_DE T RXD BUSY VPP TXD SCLK CNVSS 37 38 39 40 41 42 RESET 43 S.TXD S.RXD RES MD2 FEW FCK 44 45 46 47 48 49 GND 50 GND BCK IN GND BCK OUT GND 1 2 3 4 5 6 7 8 9 SD IN LRCK IN SD OUT LRCK OUT PFA1 SH-9P PAF1 ZH-9P 1 2 3 4 5 6 7 8 9 GND BCK IN GND BCK OUT GND SD IN LRCK IN SD OUT LRCK OUT L R MUTE SCL 2 3 4 5 6 7 8 GND GND SPRLY SDA PFA2 SH-10P PAF2 ZH-10P 2 3 4 5 6 7 8 9 L R MUTE SCL GND GND SPRLY SDA 9 1 GND 1 GND 10 AUDRST 10 AUDRST SCr GND MY MCb GND GND GND MCr SY SCb GND 7 WSS_1 MCV.SYNC SCV.SYNC T.DET1 V.DET3 V.DET1 V.DET2 L R GND GND GND AVC.PARITY MH MV AVC.RXD REM-PDP AVDET2 AVC.TXD PDDET SH SV HDMI_DET GND SCL0 SDA0 SCL1 FUNC_1 FUNC_2 HDMI_CIR_DE T TV.AFC(M) FE.AGC_O(M) V.FREQ_2 SDA1 EXT.RESET FE.AGC_I(M) H.FREQ_2 WSS_3 INT_HDMI FAN_ALARM FBLK2 GND IRQ_DTT FBLK3 ETHER TX ETHER RX SCL5 SDA5 HP_DETEC EDID_PROTECT HDMI_A_SWG ND BACKLIGHT DTT_POWER GND EVOLUME V.FREQ_1 GND DEMP_OUT TV.AFC(S) HP.VOL GND N.C. H.FREQ_1 SW_R_OUT DIP.DET HDMI-HPDRESET FE.AGC_I(S) GND SW_L_OUT CUR_PRTCT HDMI-RESET WSS_2 STAND.CIR_DE T RXD BUSY VPP TXD SCLK CNVSS RESET S.TXD S.RXD RES MD2 FEW FCK GND 3.3V 1 GND GND SCr GND MY MCb GND GND GND MCr SY SCb GND 1 3.3V FE+30V GND A+9V GND A+5.5V GND GND MTV.CV MTV.L MTV.R MTV.AFC GND GND GND GND GND MFE.AGCO MFE.AGCI EXT.RESET GND MVD(15kHz MHD(15kHz MCCD/TX.B GND MCCD/TX.G MCCD/TX.R MCCD/TX.B GND MCV/Y(CC GND SHD(15kHz SVD(15kHz GND SCCD.BLK SCCD.R SCCD.G SCCD.B SCCD.SW SCV(CCD) GND SY(CCD) GND TUNER.DET GND SCL1 SDA1 GND SCL0 SDA0 GND SFE.SW1 SFE.SW2 SFE.APC SFE.AGCO GND GND GND DTT+5V FE+30V GND A+9V GND A+5.5V GND GND MTV.CV MTV.L MTV.R MTV.AFC GND GND GND GND GND MFE.AGCO MFE.AGCI EXT.RESET GND MVD(15kHz MHD(15kHz MCCD/TX.B GND MCCD/TX.G MCCD/TX.R MCCD/TX.B GND MCV/Y(CC GND SHD(15kHz SVD(15kHz GND SCCD.BLK SCCD.R SCCD.G SCCD.B SCCD.SW SCV(CCD) GND SY(CCD) GND TUNER.DET GND SCL1 SDA1 GND SCL0 SDA0 GND SFE.SW1 SFE.SW2 SFE.APC SFE.AGCO GND GND GND DTT+5V PVH1 50P 2 3 4 5 6 7 8 9 10 11 12 13 14 15 16 17 18 19 20 21 22 23 24 25 26 27 28 29 30 31 32 33 34 35 36 37 38 39 40 41 42 43 44 45 46 47 48 49 1 50 HDMI.Pb GND DTT.RXD DTT.TXD DTT.IRQ GND GND DTT.R DTT.G DTT.B DTT.Ys GND DTT.CV GND DTT.A.L DTT.A.R GND DTT.SW (DTT+5V) (DTT+9V) DTT.POWE HDMI.Y GND A+10V GND A+10V SCL5 SDA5 HDMI.DET HPD.RESET HDMI.RESET HDMI.INT EDID.PRTCT DEMP HDMI.PWB. GND GND HDMI.Pr GND HDMI.H HDMI.V GND HDMI.L HDMI.R STB+5V GND GND A+5V GND A+9V HDMI HDMI.Pb PHV1 50P GND DTT.RXD DTT.TXD DTT.IRQ GND GND DTT.R DTT.G DTT.B DTT.Ys GND DTT.CV GND DTT.A.L DTT.A.R GND DTT.SW (DTT+5V) (DTT+9V) DTT.POWE HDMI.Y GND A+10V GND A+10V 49 48 47 46 45 44 43 42 41 40 39 38 37 36 35 34 33 32 31 30 29 28 27 26 25 24 23 22 21 20 19 18 17 16 15 14 13 12 11 10 9 8 7 6 5 4 3 2 50 1 SCL5 SDA5 HDMI.DET HPD.RESE HDMI.RESE HDMI.INT EDID.PRTC DEMP HDMI.PWB.DET GND GND HDMI.Pr GND HDMI.H HDMI.V GND HDMI.L HDMI.R STB+5V GND GND A+5V GND A+9V 11 12 GND STB+5V 13 14 GND GND TV-POWER 15 SDA0 N.C. HP.DET HDMI.A.SW WSS2 F.Blank3 16 17 18 19 20 21 22 23 24 25 26 27 28 29 30 41 42 43 SCL0 GND GND DIP.DET WSS1 WSS3 N.C. F.Blank2 GND GND 44 45 46 47 48 49 50 51 52 53 54 55 SV SH VIDEO.L GND VIDEO.R GND MCV.SYNC GND SCV.SYNC GND MH.FREQ MV.FREQ 56 57 58 59 60 61 62 63 64 65 MTV-AFC MFE.AGCO 66 67 68 69 70 EXT.RESET MFE.AGCI GND GND SH.FREQ SV.FREQ GND VIDEO.DET1 VIDEO.DET3 SCL1 VIDEO.DET2 GND SCL2 GND TUNER.DET 11 12 GND STB+5V 13 14 GND GND TV-POWER 15 SDA0 N.C. HP.DET HDMI.A.SW WSS2 F.Blank3 16 17 18 19 20 21 22 23 24 25 26 27 28 29 30 31 32 33 SCL0 GND GND DIP.DET WSS1 WSS3 N.C. F.Blank2 GND GND 34 35 36 37 38 39 40 41 42 43 44 45 SV SH VIDEO.L GND VIDEO.R GND MCV.SYNC GND SCV.SYNC GND MH.FREQ MV.FREQ 46 47 48 49 50 51 52 53 54 55 MTV-AFC MFE.AGCO 56 57 58 59 60 EXT.RESET MFE.AGCI GND GND SH.FREQ SV.FREQ GND VIDEO.DET1 VIDEO.DET3 SCL1 VIDEO.DET2 GND SCL2 GND TUNER.DET GND 1 GND A+10V 2 3 4 5 +30V A+10V GND 1 GND A+10V 2 3 4 5 +30V A+10V PJV1 120P PVJ1 120P GND 6 GND 6 GND 7 GND 7 A+5.5V 8 A+5.5V 8 A+5.5V 9 A+5.5V 9 GND 10 GND 10 31 32 33 MY 34 35 36 37 38 39 40 MPr MPb MH GND MV GND SY SPb SPr 31 32 33 34 35 36 37 38 39 40 SPr 71 72 73 74 75 GND HDMI.DET 76 77 78 79 80 SDA5 HDMI.PWB.DET EDID.PRTCT SFE.AGCI STV.AFC HP.VOL GND SCL5 51 52 53 54 55 56 57 58 59 60 41 42 43 44 45 46 47 48 49 50 51 52 53 54 55 56 57 58 59 60 61 62 63 64 65 66 67 68 69 70 71 72 73 74 75 76 77 78 79 80 31 32 33 MY 34 35 36 37 38 39 MPr MPb MH GND MV GND SY SPb 71 72 73 74 75 GND HDMI.DET 76 77 78 79 80 SDA5 HDMI.PWB.DET EDID.PRTCT SFE.AGCI STV.AFC HP.VOL GND SCL5 81 HPD.RESET 81 HPD.RESET 82 HDMI.RESET 82 HDMI.RESET 84 DEMP 84 DEMP 83 HDMI.INT 83 HDMI.INT 86 DTT.RXD 86 DTT.RXD 85 GND 85 GND 88 DTT.IRQ 88 DTT.IRQ 87 DTT.TXD 87 DTT.TXD 90 GND 90 GND 89 DTT.POWE 89 DTT.POWE 92 AVC.TXD 92 AVC.TXD 91 AVC.RXD 91 AVC.RXD 94 REM-PDP 94 REM-PDP 93 AVC.PARITY 93 AVC.PARITY 96 N.C. 96 N.C. 95 N.C. 95 N.C. 98 AVDET2 98 AVDET2 97 PDDET 97 PDDET 100 M.RXD 100 M.RXD 99 GND 99 GND 102 M.VPP 102 M.VPP 101 M.BUSY 101 M.BUSY 104 M.TXD 104 M.TXD 103 M.SCLK 103 M.SCLK 106 M.RESET 106 M.RESET 105 M.CNVSS 105 M.CNVSS 108 S.TXD 108 S.TXD 107 GND 107 GND 110 S.RES 110 S.RES 109 S.RXD 109 S.RXD 112 S.FEW 112 S.FEW 111 S+3.3V 111 S+3.3V 114 S.FCK 114 S.FCK 113 S.MD2 113 S.MD2 116 JOINT.DET 116 JOINT.DET 115 GND 115 GND 118 FUNC_2 118 FUNC_2 117 FUNC_1 117 FUNC_1 120 MOTOR- 120 MOTOR- 119 MOTOR+ 119 MOTOR+ DTT-I/F GND 20 19 18 17 16 15 14 13 12 11 10 9 8 7 6 5 4 3 2 1 DTT.RXD DTT.TXD DTT.IRQ GND GND DTT.R DTT.G DTT.B DTT.Ys GND DTT.CV GND DTT.A.L DTT.A.R GND DTT.SW (DTT+9V) PDH1 30P GND DTT.RXD DTT.TXD DTT.IRQ GND GND DTT.R DTT.G DTT.B DTT.Ys GND DTT.CV GND DTT.A.L DTT.A.R GND DTT.SW (DTT+5V) (DTT+9V) PHD1 30P 30 29 28 27 26 25 24 23 22 21 2 3 4 5 6 7 8 9 10 11 12 13 14 15 16 17 18 19 20 21 22 23 24 25 26 27 28 29 30 1 DTT.POWER DTT.POWER (DTT+5V) NC NC NC NC NC NC NC NC NC NC NC NC NC NC NC NC NC NC NC NC http://bbs.520101.com AC Input Pin No CN61 1 AC(L) 2 NC 3 AC(N) 4 NC 5 NC 6 FG Signal 1 Pin No CN63 1 STB5.8V 2 STB5.8V 3 NC 4 Power off 5 GND 6 GND Signal 2 Pin No CNPPS 1 30V 2 GND 3 GND 4 Vcc5.1V 5 Vcc5.1V 6 GND 7 GND 8 12V 9 12V 10 GND 11 GND 12 10V 13 10V Panel 1 Pin No CN64 1 Va 2 NC 3 Vcc5.1V 4 GND 5 GND 6 GND 7 NC 8 Vs 9 Vs 10 Vs Panel 4 Pin No CN69 1 Vcc5.1V 2 GND 3 STB3.3V 4 GND 5 NC 6 NC 7 Vcego 8 Vsago 9 NC Adjust Pin No CN99 1 Va 2 Vs 3 GND 69 42PD7500/42PD7500A (PW2) PSU Board Connector Pin Assignments http://bbs.520101.com 70 42PD7500/42PD7500A(PW2) wiring diagram for 42PD7500 1/3 13. Wiring diagram EPA NVS3 Ferrite core (Medium) PL7 Power Supply Unit Ferrite core (Large) (Connector with ferrite core) to the next page (*6) No.11 Logic No.19 CN63 CN1 CN6 CN69 Specifi cation 1.This drawing shows the wiring diagram.Connection and wire styling in this model are in the fi gure. 2.This drawing shows the rear view of the set. 3.Insert the connector with the lock mechanizm until being fi rmly locked and the other connectors to the base part of post. 4.Refer to Table 1 as for the connector. 5.Regarding the mounting lug terminal cable (E903) with screws in detail, refer to the Final drawings(UQ3525). 6.In figure,as for the parts (*2) of the lead holder,the wire must be inserted inside of it surely. The connector with the lock mechanism must be lock fi rmly. 7.Lock the hook of the core surely until it sounds click when you close the ferrite core. From Connector To Remark Number of Receptacle PWB A'ssy Number of Receptacle PWB A'ssy PJF1 Joint No.1 PFJ1 Formatter 7PZH PJF2 Joint No.2 PFJ2 Formatter 12PZH PJF3 Joint No.3 PFJ3 Formatter 50PFFC PJF5 Joint No.4 PFJ5 Formatter 50PFFC PL7 I/F A EPA CN63 Power Supply 6PEH PJP2 Joint No.7 CNRPS Power Supply 13PEH PJA1 Joint No.8 PAJ1 Audio 7PPH PJB303 Joint PPU1 Filter No.10 CN61 Power Supply 6PVH PFM1 Formatter No.11 CN1 Power Logic DF13 PFK1 Formatter No.12 ECONT KEY 4PSH-PH PFL1 Formatter No.13 PSC2 LED 6PSH-PH PFA2 Formatter No.14 PAF1 Audio 9PSH-PH PFA1 Formatter No.15 PAF2 Audio 10PSH-PH PAS1 Audio No.16 PAS3 SP Terminal L 2PEH PAS2 Audio No.17 PAS4 SP Terminal R 3PEH CN64 Power Supply No.18 CN23 Panel X SUS 10PVH CN69 Power Supply No.19 CN6 Panel Logic 9PPH P103 Formatter P301 Formatter PSW Filter No.24 SW PWB A'ssy VH E901 AC Inlet E902 PPU2 Filter 2PVT E901 AC Inlet E903 Chassis GND PL5 I/F A NO.6 PJP1 Joint 5PEH PL6 I/F A EAB PL1 I/F B 6P http://bbs.520101.com 71 42PD7500/42PD7500A(PW2) wiring diagram for 42PD7500 2/3 (*2) (*2) NO.6 PJP1 (*2) I/F A #004 #005 to I/F B PL1 EAB No.13 Connector The connector should be dressed through the cuttiong portion of the PWB. the arrow by constraint. Do not twist the connector in the direction of No.11 DF13 of the joint PWB. Previously insert the FFC cable in PJF5 LED PWB(Solder side) PSC2 UL Tube Do not grip the connector in the direction of the arrow. ESD Connector The following is the connector connection to AC inlet. White Black E903 E902 SUP-C14608 E901 Lead wire with circle terminal (While pushing the button to detach.) Release the lock while detaching the terminal. insert it to the base of the terminal (E901), Because the fasten terminal has its lock, * P103··· No connection * P301··· No connection * PFJ4··· No connection Lever Refer the Final ass'y drawing about the detail of the assemble. and press the stopper lock it surely. Insert the Flat cable as shown on the drawing below, No. 3,4 Formatter Board P#BZ10611 NVS1 (Flat core) Electrode side Blue Band Joint Board Lever No.3 50P Flat cable folded by the manufucture. It is delivered with it 50PFFC Formatter Board Joint PWB #487 NITTO TAPE No.5L=30mm PL6 PL7 PL5 SK Binder (*2) (*2) NVS4 Ferrite core (Medium) #664 (Ø5)Purse lock Ferrite core (Medium) (Connector with core) NVS1Ferrite core Ferrite core (Medium) (Connector with core) SK Binder side EPA SP Terminal L Close the lever Ferrite core (Large) (Connector with core) Formatter Joint #00W3 (Ø 11.5) Purse lock #00W2 SK Binder Fix the ferrite core with bracket by SK Binder. (SK Binder should be inserted to hole of the bracket.) Power Supply Unit SP Terminal R Filter Close the lever #485 NITTO TAPE No.5L=30mm (*2) SW board. from the terminal of SK Binder to keep away Fix the earth wire by #00W1 SK Binder E903 Screwed Switch 12.(*9) Specification LED/RECEIVER PWB be pinched by the back cover. Do not loosen the wire not to (*4)PSC2 Formatter Board 11.Connector position of Formatter PWB 10.Part (*8) specification. PS PROCESS CAUTION 8.Part (*4) specification 9.Part (*6)specification Specification No.3 PFJ5 PJF5 PJF3 PFJ3 A A 2 1 PFJ5 PFL1 PFK1 PFA1 PFJ4 P301 PFA2 PFJ1 PFJ2 PFJ3 PFM1 P103 A-A No.24 No.18 No.17 No.16 No.15 No.14 No.4 No.8 No.13 No.12 No.11 No.10 No.7 No.2 No.1 (*9) (*2) (*2) (*2) (*2) (*2) (*2) (*8) P103 (*6) PJF3 ECONT CN23 PAS3 (*2) PAF1 (*2) PFL1 PFJ5 PJF5 (*9) PFJ3 Audio PAS2 PFK1 PFA1 PFJ4 P301 PFA2 PFJ1 PFM1 PFJ2 TACT SW PWB AC INLET PAS4 (*2) CN63 PPU1 PPU2 (*2) PSW PJF2 PJF1 PJA1 PJB303 PJP2 CNPPS CN64 CN61 PAF2 PAJ1 PAS1 No. 4 No. 4 (1)Do not grip the wire in the direction of the arrow around the connector. (It is because the stress focuses on the wire at both ends of connectors.) (2)Do not twist the wire in the direction of the arrow by constraint when detach the connector. (It is because the stress focuses on the wire at both ends of connectors.) Pay attention to the followings in order to avoid defects, such as breaking the wire,and opening the pin contact part. No.13 Pass this lead wire between plug PJB303 and PJP1 NVS3 Ferrite core (Medium) http://bbs.520101.com 72 42PD7500/42PD7500A(PW2) wiring diagram for 42PD7500 3/3 ����������������� ����������� ������������������������� �������������� ������������� ������������ ����� ���� ���� ���� ��� ���� ���� ���� ����� ���� ���� ���� ���� ���� ���� ��� �� ���� ���� ���� ���� ���� ���� ���� ���� ���������� ���� ��� ���� ����� ��� ��� ��� ��� ��� ��� ��� ���� ���� ���� ���� ����� ���� �������������� ���������� ���������� ���������� ���������� ���������� ���������� �������� ������������ ���� ��� ��� ���� ���� ���� ��� ������������������ ������������������� ������������ ����� ����� ����� ����� ��� ����� ��������������� ��� ��� ��� ��� ��� ��� ��� ��� ��� ����������������������������� ������������������������ ������������������������������ �������������������� ��� ��� ������� ��� ��� ��� ��� ��� ��� ������� �������������������� ��� ��� ��� ������� ���� �������������������������� �������������������� ������������� ���� ��� ���� ��� ������� ������������������� ����� ����� ����� ��� ����� ����� ��� ��� ���� ������� ����������������� ��� ��� ��� ��� (z)2 (z)1 ���� ������� �������������������������� ���� ���� �Z����� (z)1: ����������������� (z)2: ������������������������ ������� �������������������������� From Connector To Remark Number of Receptacle PWB A'ssy Number of Receptacle PWB A'ssy PTV1 TUNER ETV1 PVT1 VIDEO 8PPH PTV2 TUNER ETV2 PVT2 VIDEO 50PFFC PHV1 HDMI ETV3 PVH1 VIDEO 50PFFC From Connector To Remark Number of Receptacle PWB A'ssy Number of Receptacle PWB A'ssy U101 TUNER EAD TU400 DTT PL4 I/F B EBD1 PL106 DTT 7P PL2 I/F B EBD2 PL101 DTT 4P PL3 I/F B EBD3 PL200 DTT 8P PL5 I/F B EBD4 PL202 DTT 3P PL6 I/F B EBH PHD1 HDMI 30P FFC http://bbs.520101.com 73 42PD7500/42PD7500A(PW2) 14. Disassembly diagram (42V) #215F #216F #672 #220 #671 #670 #191 (z) x 2 #661 (s) (s) (s) (s) (s) (s) (f) (f) (s) (z) (z) PDP Chassis Frame Hole for Cable of I/F A and B I/F A PWB Hold Metal I/F A PWB Joint PWB AC/DC Power Supplay PWB Terminal Labe Clamper DTT and Video Unit PDP Rear Cover CAUTION Be carefully not to make scratches on the PDP Back Cover (#191) when you assemble the Unit Top Case by screwing of (#672) and (#216F). DTT Unit Top Cover (r) (r) x 1 (s) x 7 (f) x 2 �� ������� �� ������� QL24775 CAUTION!- TO PREVENT ELECTRIC SHOCK DO NOT REMOVE COVER. FOR QUALIFIED PERSONNEL ONLY. WARNING 220-240V~ 50Hz 380W 42PD7500 *42PD7500* S / N *VE5D00001* QL26091 � ��� ��� ���������������� #250 (a) x 25 #791 (c) x 4 #252F (b) x 3 #01F #204 #204 #212E #202E #671 #790 (x) x 4 #220 (f) x 2 #210 (a) (a) (a) (a) (a) (a) (a) (a) (a) (a) (a) (a) (a) (a) (a) (a) (a) (a) (a) (a) (a) (a) (b) (b) (x) (c) (c) (c) (f) #203 (13P CONNECTOR) Gasket Gasket http://bbs.520101.com 74 42PD7500/42PD7500A(PW2) The figure of FHP Panel Module (42V) Rear view The state of a panel simple substance. ��������� No. (1) (2) (3) (4) (5) (6) Spare Part Name Panel Module LOGIC PWB Ass’y X-SUS PWB Ass’y Y-SUS PWB Ass’y A-BUS L PWB Ass’y A-BUS R PWB Ass’y FPF42C128128UD-55 FPF28R-LGC0045 FPF28R-XSS0026 FPF28R-YSS0027 FPF28R-ABL0019 FPF28R-ABR0020 FHP Spare Part# Manufactured at FHP factory. Attachment for packing *Apply it before packing this panel module. Attachment for packing *Apply it before packing this panel module. X-SUS PWB ASS'Y Manufactured at FHP factory (3) (6) (2) Manufactured at FHP factory. LOGIC PWB ASS Manufactured at FHP factory. (5) (4) Attachment for packing *Apply it before packing this panel module. Attachment for packing *Apply it before packing this panel module. Y-SUS PWB ASS'Y Manufactured at FHP factory Panel ABUS-R Panel ABUS-L http://bbs.520101.com 75 42PD7500/42PD7500A(PW2) Panel Module (42V) [The assembled form in a product (before servicing)] Joint Holder X8 *Remove these holders and apply the handles/ attachment for packing.

标签:

版权声明

1. 本站所有素材,仅限学习交流,仅展示部分内容,如需查看完整内容,请下载原文件。
2. 会员在本站下载的所有素材,只拥有使用权,著作权归原作者所有。
3. 所有素材,未经合法授权,请勿用于商业用途,会员不得以任何形式发布、传播、复制、转售该素材,否则一律封号处理。
4. 如果素材损害你的权益请联系客服QQ:77594475 处理。