飞利浦150M4FS74液晶显示器维修手册

分类:电子电工 日期: 点击:0
飞利浦150M4FS74液晶显示器维修手册-0 飞利浦150M4FS74液晶显示器维修手册-1 飞利浦150M4FS74液晶显示器维修手册-2 飞利浦150M4FS74液晶显示器维修手册-3 飞利浦150M4FS74液晶显示器维修手册-4 飞利浦150M4FS74液晶显示器维修手册-5 飞利浦150M4FS74液晶显示器维修手册-6 飞利浦150M4FS74液晶显示器维修手册-7 飞利浦150M4FS74液晶显示器维修手册-8 飞利浦150M4FS74液晶显示器维修手册-9

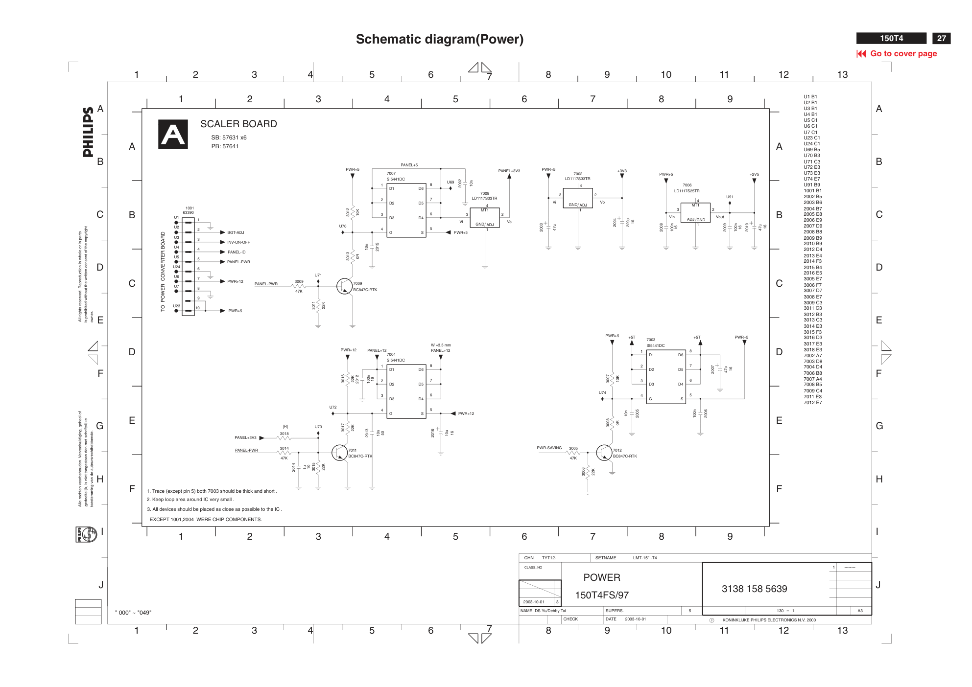
Horizontal frequencies 30 - 63 KHz Service Service Service TABLE OF CONTENTS CAUTION: USE A SEPARATE ISOLATION TRANSFORMER FOR THIS UNIT WHEN SERVICING. SAFETY NOTICE ANY PERSON ATTEMPTING TO SERVICE THIS CHASSIS MUST FAMILIARIZE HIMSELF WITH THE CHASSIS AND BE AWARE OF THE NECESSARY SAFETY PRECAUTIONS TO BE USED WHEN SERVICING ELECTRONIC EQUIPMENT CONTAINING HIGH VOLTAGES. Published by BCU Monitors Printed in Taiwan Copyright reserved Subject to modification Nov. 11, 2003 GB 3138 106 10332 15" LCD/HDTV Colour Monitor 150T4 Description Page Important Safety Notice-------------------------------- 2 Technical data----------------------------------------- 3,4 Installation----------------------------------------------5,6 On-screen Display (OSD)-------------------------7~12 Remote Control menu Pixel Defect Policy------------------ ---- --------------21 ----------------------------13~14 OSD Lock/Unlock, Aging, warning message-15~16 Wiring Diagram-----------------------------------------17 Mechanical Instructions -------------------------18~19 Warning and Notes------------------------------------ 20 Electrical Instructions---------------------------- 22~24 Block Diagram ----------------------------------------- 25 Circuitry schematic diagrams(control & C.B.A. ) 26 Circuitry schematic diagrams(scaler board) 27~31 Scaler board C.B.A.------------------------------32~33 Description Page Circuitry schematic diagrams(TV box) -------34~37 TV box C.B.A.------------------------------------- 38~39 Circuitry schematic diagrams(power board)-40~41 Power board C.B.A.----------------------------------- 42 Circuitry schematic diagrams(IR board)---------- 43 Exploded View------------------------------------------77 Recommend Parts List -------------------------------78 SpareParts List------------------------------------79~80 ----------------------------------------84 DDC Instructions ---------------------------------44~49 General Product Specification -----------------50~76 Repair Flow Chart---------------------------------81~83 Troubleshooting Factory mode ------------------------------------------ 85 Appendix ----------------------------------------------- 86 REFER TO BACK COVER FOR IMPORTANT SAFETY GUIDELINES MODEL : 150T4FS/00 150T4FS/74 150T4FS/97 150T4FS/89 150M4FS/00 150M4FS/74 150M4FS/97 S 26 � Go to cover page 150T4 Schematic diagram(Control Board) C I C B A H F011 D1 CONTROL BOARD SB: 58561 x16 PB: 58571 F G H 2 3 A B TO SCALER BOARD 1701 B D 6 E B C 6 J I owner. is prohibited without the written consent of the copyright 5901 C1 6901 B2 F 1901 C1 1902 C2 1903 D2 1 3 4 5 1908 F2 2901 C3 D F009 D1 J A toestemming van de auteursrechthebbende. All rights reserved. Reproduction in whole or in parts Alle rechten voorbehouden. Verveelvuldiging, geheel of gedeeltelijk, is niet toegestaan dan met schriftelijke 2 1 2 3 1 5 4 3 C D E F A STANDS FOR CHIP COMPONENTS. 2 1 E F G C D E F010 D1 F001 C1 F002 C1 F005 C1 1904 D2 1905 E2 1906 E2 1907 F2 F003 C1 F004 D1 F006 D2 F007 D1 F008 D1 F009 F008 F010 4 SKHHAJ2410 1908 1 2 3 4 3 4 1907 SKHHAJ2410 1 2 3 2 3 4 1906 SKHHAJ2410 1 2 1 2 3 4 1905 SKHHAJ2410 1 1903 1 2 3 4 SKHHAJ2410 1904 F007 SKHHAJ2410 9 5901 BLM21 1 10 11 2 3 4 5 6 7 8 +3V3I 2901 100n JFE6337H 1901 2 3 4 F005 3 G 2 K 1 Y 1902 SKHHAJ2410 1 6901 L-3WYGW-8.03LSF5/F +3V3I F002 F001 F011 150T4FS/97 3138 158 5641 CHECK DATE NAME 1 SUPERS. CLASS_NO CHN SETNAME LMT-15" -T4 1 1 2003-10-01 KONINKLIJKE PHILIPS ELECTRONICS N.V. 2000 -------- TYT12- Ison Kuo/Debby Tai 2003-10-01 3 F003 130 A4 CONTROL BOARD F004 OSD LED-R PWR RIGHT UP LED-G LEFT DOWN SOURCE F006 27 � Go to cover page Schematic diagram(Power) 150T4 GND ADJ ADJ C 8 9 1 2 3 4 1 2 3 4 12 11 I 1 9 E 13 " 000" ~ "049" H 1 E F A B C D E F U1 B1 U2 B1 U3 B1 U4 B1 U5 C1 U6 C1 U7 C1 G U24 C1 U69 B5 U70 B3 6 U74 E7 4 5 6 7 2004 B7 2005 E8 2006 E9 2007 D9 2008 B8 2009 B9 2 10 8 All rights reserved. Reproduction in whole or in parts 8 owner. 12 W =3.5 mm 4 10 9 J 5 6 7 8 2012 D4 A B C D 3005 E7 3006 F7 3007 D7 3008 E7 3009 C3 3011 C3 2 gedeeltelijk, is niet toegestaan dan met schriftelijke is prohibited without the written consent of the copyright B 13 J U23 C1 C toestemming van de auteursrechthebbende. 5 U71 C3 U72 E3 U73 E3 3016 D3 U91 B9 1001 B1 2002 B5 2003 B6 7002 A7 7003 D8 7004 D4 7006 B8 7007 A4 7008 B5 I 1. Trace (except pin 5) both 7003 should be thick and short . E 7 5 D C 6 F 3. All devices should be placed as close as possible to the IC . D 3 A 2. Keep loop area around IC very small . 2010 B9 2013 E4 2014 F3 2015 B4 2016 E5 7012 E7 H G F A 9 7 3 [R] 3012 B3 3013 C3 3014 E3 3015 F3 Alle rechten voorbehouden. Verveelvuldiging, geheel of B 11 3017 E3 3018 E3 U74 SB: 57631 x6 PB: 57641 SCALER BOARD TO POWER CONVERTER BOARD EXCEPT 1001,2004 WERE CHIP COMPONENTS. 7009 C4 7011 E3 100n 2006 U73 3012 10K PWR+5 7012 BC847C-RTK 2015 10n PWR+12 PANEL-PWR U3 U7 U24 U2 D1 1 D2 2 D3 3 D4 6 D5 7 D6 8 G 4 S 5 U1 PWR+12 PWR+5 SI5441DC 7007 PWR+5 10u 2016 16 +3V3 10n 2013 50 7009 BC847C-RTK BGT-ADJ 1 10 2 3 4 5 6 7 8 9 16 47u 2007 63390 1001 +2V5 U69 2010 47u 16 PANEL+12 U23 U6 U71 U72 PANEL+3V3 16 2012 100n PANEL+3V3 3009 3005 47K 0R 3013 47K 3014 47K BC847C-RTK 7011 0R 3008 PWR+5 PWR+12 SI5441DC 7004 D1 1 D2 2 D3 3 D4 6 D5 7 D6 8 G 4 S 5 +5T U91 INV-ON-OFF 2005 10n 3006 22K PANEL+12 3016 PWR+5 3007 10K ADJ 1 4 MT1 3 Vin Vout 2 22K LD1117S25TR 7006 22K 3017 PWR+5 150T4FS/97 3138 158 5639 CHECK DATE NAME 1 SUPERS. CLASS_NO CHN SETNAME LMT-15" -T4 5 1 2003-10-01 KONINKLIJKE PHILIPS ELECTRONICS N.V. 2000 -------- TYT12- DS Yu/Debby Tai 2003-10-01 3 3011 22K 130 A3 POWER U5 16 2009 100n U4 1u 2014 10 10n 3018 3 Vi 2 Vo PANEL-ID 2002 LD1117S33TR 7008 1 GND MT1 4 22K 3015 2004 220u 16 7002 LD1117S33TR 1 GND 4 3 Vi 2 Vo U70 PWR+5 D4 6 D5 7 D6 8 G 4 S 5 SI5441DC 7003 D1 1 D2 2 D3 3 47u 2003 100n 2008 16 PANEL-PWR PANEL-PWR PWR-SAVING PANEL+5 +5T 28 � Go to cover page 150T4 Schematic Diagram (PC IN) R R R R C SB: 57631 x6 PB: 57641 SCALER BOARD EXCEPT 1002,1201 WERE CHIP COMPONENTS. 3217 B4 3218 B4 3221 D4 3222 C4 5204 B3 5205 B5 5206 D5 5207 C5 3 6211 D5 6212 C6 7202 B7 7203 D3 7241 D7 5 13 11 1 4 J "201" ~ "250" gedeeltelijk, is niet toegestaan dan met schriftelijke I 4 3202 F1 3203 C7 3204 A5 3205 C2 3206 B2 3214 B2 3215 C3 3216 A3 H 12 H E 11 9 U13 B4 U14 C4 U15 C3 U25 E9 U26 E9 U27 E9 1002 E9 1201 B4 2203 C1 2204 B1 2205 D3 3226 D6 3241 E8 5201 D8 5202 A5 5203 B3 2244 E6 2245 D8 3201 E1 E 10 1 2 3 4 [R] is prohibited without the written consent of the copyright toestemming van de auteursrechthebbende. [R] 9 A A 1 G 5 6 3207 B5 3208 C5 3211 C1 3212 A1 3213 B2 C D E 2 J owner. 8 U9 B3 U10 B3 U11 C3 U12 A4 8 7 7 C 5 D B 2 2206 B8 2215 D5 2241 D7 2242 E6 2243 E6 6 1 2 3 4 5 6 7 8 9 3 12 F B All rights reserved. Reproduction in whole or in parts G F 13 7 8 9 A B C [ R ] 6 10 I F A B C D E F U8 A3 Alle rechten voorbehouden. Verveelvuldiging, geheel of D 1K 3203 BAS32L 6212 3205 4K7 11 12 13 14 15 2 3 4 5 6 7 8 9 1201 16 17 1 10 2205 100n 5201 3201 5207 BLM21 75R 3218 BLM21 5205 13 2 4 6 8 10 12 3204 100R 74LVC14APW-T 7203 7 GND 14 VCC 1 3 5 9 11 2244 DDC5V PWR+5 2243 C2- 5 Din1 11 Din2 10 Dout1 14 Dout2 7 GND 15 Rin1 13 Rin2 8 Rout1 12 Rout2 9 V+ 2 V- 6 Vcc 16 7241 C1+ 1 C1- 3 C2+ 4 U15 10u 2206 U13 U14 U11 U12 U9 U10 U8 BLM21 DDC5V 5206 100MHZ 2245 5204 100MHZ BLM21 5203 100MHZ BLM21 6211 BAS32L 100R 3226 2242 U27 4K7 3212 3208 100R U26 3217 75R SCL 6 SDA 5 8 VCC VSS 4 7 WC_ 100R 3221 7202 M24C02 1 E0 2 E1 3 E2 3213 100R PWR+5 100n 2215 3222 75R DDC5V 2203 100p U25 3216 100R 2204 10p 3202 +3V3I 5202 BLM21 3206 4K7 100R 3215 3211 4K7 5 2 2003-10-01 KONINKLIJKE PHILIPS ELECTRONICS N.V. 2000 -------- TYT12- DS Yu/Debby Tai 2003-10-01 3 3214 100R 130 A3 PC-IN 150T4FS/97 3138 158 5639 CHECK DATE NAME 1 SUPERS. CLASS_NO CHN SETNAME LMT-15" -T4 3 4 5 6 7 8 3207 100R 3 3241 1 2 1002 1 2 2241 PWR+5 SOG DDC5V DDCSCL DDCSDA DDCSDA DDCSCL RXD TXD PC-VSYNC-WT PC-HSYNC-WT PC-HSYNC-WT PC-VSYNC-WT REDP GREENP BLUEP 29 � Go to cover page Schematic diagram(HDTV Decoder) 150T4 R R R R R R R R R R R R C R R R R R R R R R R R R SB: 57631 x6 PB: 57641 SCALER BOARD 100n 2258 D E U76 B8 U77 B8 U78 C8 U79 C8 U80 C8 U81 C8 U82 F8 U83 F8 U84 F8 U85 F8 U86 F8 U87 F8 U88 E8 U89 E8 12 B 1 11 12 H F 1 J 6 F 5 9 1 2 3 4 5 6 7 8 9 A B C D 8 I A 2 is prohibited without the written consent of the copyright F A B C D E F U75 B8 U97 D8 U98 E8 U99 E8 2216 D3 2217 D3 2218 D3 2251 E1 2252 D2 2253 E1 2255 D3 2258 E4 2261 E3 2262 E3 2263 E3 C gedeeltelijk, is niet toegestaan dan met schriftelijke 9 8 9 1 2 3 4 5 6 7 8 A J E 2271 A5 2272 B5 2273 B6 2275 A6 2276 A6 2278 A6 2279 A7 2281 A5 2283 A6 C toestemming van de auteursrechthebbende. "251" ~ "299" U90 B6 U94 D8 U95 D8 U96 D8 3261 D1 3262 B8 3264 E1 3265 D2 3266 E3 3267 E3 3268 B8 3269 B8 3271 C8 3272 D8 3273 F8 3274 B8 3275 D8 3276 E8 G owner. 11 10 G 2 3 4 5 6 7 Alle rechten voorbehouden. Verveelvuldiging, geheel of 5255 B7 5256 A4 5257 B5 5258 A5 7252 D5 U100 E8 U101 E8 U102 B8 U103 B8 U104 C8 U105 C8 13 3 4 D All rights reserved. Reproduction in whole or in parts 7 13 I 2284 A6 2285 A6 2287 A7 3254 C3 3255 C3 3256 D2 3257 B5 2 3 4 5 6 7 8 E B H 10 3277 B8 U105 100R 3271 1 U101 1u 2217 1u 2218 3269 47R U84 U85 U82 U83 100n 2285 1 2 3 4 5 6 7 8 2273 100n 3261 2K2 3277 100R A3 130 2003-10-01 DS Yu/Debby Tai TYT12- -------- KONINKLIJKE PHILIPS ELECTRONICS N.V. 2000 2003-10-01 3 5 LMT-15" -T4 SETNAME CHN CLASS_NO SUPERS. 1 NAME DATE CHECK 3138 158 5639 105T4FS/97 HDTV-DECODER 3275 100R 1 2 3 4 5 6 7 8 3 3273 100R 1 2 3 4 5 6 7 8 51 VD7 52 VD8 59 VD9 62 VDD0 11 VDD1 22 VDD2 23 VDD3 69 VDD4 78 VDD5 79 VSOUT 64 VSYNC 31 73 RED5 72 RED6 71 RED7 70 REF_BYPASS 58 Rain 54 SCL 56 SDA 57 SOGIN 49 SOGOUT 65 VD0 26 VD1 27 VD2 39 VD3 42 VD4 45 VD5 46 VD6 7 GREEN3 6 GREEN4 5 GREEN5 4 GREEN6 3 GREEN7 2 Gain 48 HSOUT 66 HSYNC 30 MIDSCV 37 PVD0 34 PVD1 35 RED0 77 RED1 76 RED2 75 RED3 74 RED4 61 GND17 63 GND18 68 GND19 80 GND2 20 GND3 21 GND4 24 GND5 25 GND6 28 GND7 32 GND8 36 GND9 40 GREEN0 9 GREEN1 8 GREEN2 BLUE7 12 Bain 43 CLAMP 38 COAST 29 DATACK 67 FILT 33 GND0 1 GND1 10 GND10 41 GND11 44 GND12 47 GND13 50 GND14 53 GND15 60 GND16 AD9883AKST-110 7252 A0 55 BLUE0 19 BLUE1 18 BLUE2 17 BLUE3 16 BLUE4 15 BLUE5 14 BLUE6 13 3255 100R 3262 47R 47R 3268 100R 3274 5256 100MHZ 100MHZ 5258 100n 2278 2279 100n 100n 2276 2K2 3265 100R 3267 2284 100n 1u 2216 U90 1 2 3 4 5 6 7 8 3257 10R 2255 1n 100R 3276 6K8 3256 U86 U87 100n 2283 U89 100n 2287 5257 100MHZ 10u 2281 3264 3K3 2271 10u 10u 2272 100R 3254 U88 U81 U79 U80 U77 U78 U75 U76 U103 U104 U102 BLM21 5255 15p 2261 2263 15p 2262 15p U99 U100 U97 U98 U96 7 8 2275 100n 3272 100R 1 2 3 4 5 6 U95 100R 3266 U94 2252 100n +3V3 +3V3 2253 100n V2 HDTV-HSYNC PVD GREENP SOG BLUEP 3n9 2251 Y1 Y2 Y3 Y4 Y5 Y6 Y7 V0 V1 V3 HDTV-VSYNC HDTV-CLK V7 U2 U3 U4 U5 U6 U7 V6 V5 V4 REDP Y0 PC-HSYNC-WT PC-VSYNC-WT IISCL IISDA PVD U0 U1 30 � Go to cover page 150T4 Schematic diagram(Scaler) / SYNC1 / SYNC2 / SYNC3 / SYNC4 / SYNC5 / SYNC6 / SYNC7 / I2C-SCL 3V3 2V5 / I2C-SDA /SYNC0 C R R R R R R R R SB: 57631 x6 PB: 57641 SCALER BOARD TO PANEL EXCEPT 1405,7402 WERE CHIP COMPONENTS. C 3429 F9 1 2438 F9 2441 D8 2442 E9 3401 E2 7403 A3 U107 F3 2414 C2 2415 C2 2416 C2 B D 12 11 7402 F10 3404 A9 3405 C9 3406 B5 3418 F4 3419 F4 3420 D9 3421 F5 3422 A10 3423 A8 3424 A10 3427 A8 3428 F9 2425 D2 2426 D2 2427 A3 2419 C3 2420 A8 2421 D1 2422 D1 3425 D9 3426 A8 D E F toestemming van de auteursrechthebbende. is prohibited without the written consent of the copyright owner. A 3 E 3 3430 A8 5401 A1 5402 B1 5403 E9 5404 B1 5405 D3 5406 D3 5407 D3 7401 C6 2435 A9 2436 B9 2437 F9 2407 B3 2408 B3 2409 B3 2411 C1 3402 E2 3403 A9 7 6 E 5 6 401 ~ 450 3407 B5 3408 C9 3409 C9 3410 C9 3411 C9 3412 C3 3413 D3 3414 E3 3415 E3 3416 E3 3417 F3 2417 C3 2418 C3 8 9 10 A 2423 D1 2424 D2 8 13 Alle rechten voorbehouden. Verveelvuldiging, geheel of gedeeltelijk, is niet toegestaan dan met schriftelijke 5 9 10 12 1 2 2431 F3 2432 F3 2433 A5 2434 A10 2404 B2 2405 B2 2406 B2 1401 F4 4 2412 C1 2413 C1 11 4 B 13 I J All rights reserved. Reproduction in whole or in parts G 10 H F C A 9 F 7 H G 5 6 7 B C 8 A B C D E F U16 E1 U17 E1 D J 2 I 1405 D1 2401 B1 2402 B1 2403 B1 U92 F6 U93 F6 1003 A10 U18 E1 U19 E1 U20 E1 U21 E1 U22 E1 U67 F1 1 2 3 4 5 6 7 8 9 10 1 2 3 4 2431 33p +3V3I +3V3I 321611 5402 10u 2401 2K2 50 2433 10n 10n 2427 3422 5403 321611 U107 +2V5 3424 2K2 DATE NAME 1 SUPERS. CLASS_NO CHN SETNAME LMT-15" -T4 5 4 2003-10-01 KONINKLIJKE PHILIPS ELECTRONICS N.V. 2000 -------- TYT12- DS Yu/Debby Tai 2003-10-01 3 130 A3 SCALER 150T4FS/97 3138 158 5639 CHECK 3416 33R 10 2441 10u 100R 3430 2420 10n 5406 BLM21 150 VDD7 VDD8 11 VDD9 21 VGA_HS 153 VGA_VS 154 5405 BLM21 48 VDD12 57 VDD13 66 VDD14 76 VDD15 86 VDD16 VDD17 94 VDD18 109 134 VDD19 52 VDD2 149 VDD20 VDD21 160 VDD3 67 VDD4 97 110 VDD5 VDD6 135 2 TCON12 TCON13 159 158 TCON14 TCON15 157 14 TCON2 TCON3 13 10 TCON4 TCON5 9 TCON6 8 7 TCON7 TCON8 6 5 TCON9 12 VDD0 VDD1 26 VDD10 31 40 VDD11 GPIO7 113 GPIO8_INT0 112 GPIO9_INT1 111 MODE 123 OSC_I 96 OSC_O 95 51 PCLK_PCK1N PDE_PCK0P 46 PHS_PCK1P 50 47 PVS_PCK0N RBIAS 49 RESET 124 TCON0 16 15 TCON1 TCON10 4 3 TCON11 GPIO21_RS232_RXD 93 GPIO22_RS232_TXD 92 GPIO23_MODE1 91 GPIO24_MODE2 90 GPIO25 89 GPIO26 88 GPIO27 87 GPIO28_PWM0 85 84 GPIO29_PWM1 GPIO2_D_VS 118 GPIO30_PWM2 83 82 GPIO31_PWM3 GPIO3_TV_CLK 117 GPIO4_TV_HS 116 GPIO5_TV_VS 115 GPIO6 114 81 121 GND3 GPIO0_D_DE 120 GPIO10_INT2 108 GPIO11_INT3 107 GPIO12_INT4 106 GPIO13_INT5 105 GPIO14_INT6 104 GPIO15_INT7 103 GPIO16_OSDR 102 GPIO17_OSDG 101 GPIO18_OSDB 100 GPIO19_OSDI 99 GPIO1_D_HS 119 98 GPIO20_OSDFB 58 59 FPR13_R6N 60 FPR14_R7P FPR15_R7N 61 18 FPR1_R0N 19 FPR2_R1P FPR3_R1N 20 22 FPR4_R2P FPR5_R2N 23 FPR6_R3P 24 25 FPR7_R3N 53 FPR8_R4P FPR9_R4N 54 GND0 1 41 GND1 GND2 68 69 FPG13_G6N FPG14_G7P 70 71 FPG15_G7N 28 FPG1_G0N FPG2_G1P 29 30 FPG3_G1N 32 FPG4_G2P FPG5_G2N 33 34 FPG6_G3P FPG7_G3N 35 62 FPG8_G4P FPG9_G4N 63 FPR0_R0P 17 FPR10_R5P 55 56 FPR11_R5N FPR12_R6P FPB12_B6P FPB13_B6N 78 79 FPB14_B7P FPB15_B7N 80 FPB1_B0N 37 38 FPB2_B1P FPB3_B1N 39 FPB4_B2P 42 43 FPB5_B2N FPB6_B3P 44 45 FPB7_B3N FPB8_B4P 72 73 FPB9_B4N FPG0_G0P 27 64 FPG10_G5P FPG11_G5N 65 FPG12_G6P 139 DG4 138 DG5 137 DG6 136 133 DG7 DR0 152 DR1 151 DR2 148 DR3 147 DR4 146 DR5 145 DR6 144 DR7 143 36 FPB0_B0P FPB10_B5P 74 75 FPB11_B5N 77 ADC_D_CLK 122 DB0 132 DB1 131 DB2 130 DB3 129 DB4 128 DB5 127 DB6 126 DB7 125 DDC_SCL_RS232_RXD 155 DDC_SDA_RS232_TXD 156 DG0 142 DG1 141 DG2 140 DG3 2425 +3V3I WT8801T-RSDS 7401 2424 100n 100n 100R 3429 3428 100R 100n 2417 +2V5I +3V3I U18 2419 100n +3V3I 2409 100n U22 U67 U21 U19 U20 +2V5I 2405 100n 100n 2402 2416 100n 33R 3417 3426 22K PANEL+12 PANEL+3V3 100n 2418 7402 M24C16-WBN6 1 E0 2 E1 3 E2 6 SCL 5 SDA 8 VCC 4 VSS 7 WC 33p 2432 10u 2411 +3V3 100n 2415 3K3 3402 100R 3427 2414 100n 3412 1 2 3 4 5 6 7 8 47u 2442 16 100R 5404 BLM21 2412 100n 100n 2404 40 41 42 43 44 45 46 47 48 49 5 50 6 7 8 9 26 27 28 29 3 30 31 32 33 34 35 36 37 38 39 4 11 12 13 14 15 16 17 18 19 2 20 21 22 23 24 25 47R 3409 1003 1 10 3410 47R 3420 47R 47R 3411 2436 47R 3425 1u 3407 100R 2K2 3403 PWR+5 100R 3406 4 5 6 7 8 2407 100n 100R 3413 1 2 3 33R 3414 33R 3418 +3V3I 2437 10n 100n 2421 47R 3405 100n 2423 2422 100n 3408 47R +3V3I 100n 2413 1u 2434 +3V3I 2435 1u 2403 100n U17 1M 3419 U16 3401 3K3 15K 3421 U92 U93 100n 2426 100n 2408 5401 100n 2406 24M576HZ 1401 SMD-49 321611 22K 3404 3415 33R 5 CD 3 GND 4 NC OUT 1 2 VDD +3V3I SA56616-28 7403 1 2 3 4 5 6 7 8 2438 100n 22K 3423 1405 VCOM VCOM WC STH LP POL HVS CLKV STV GOE RESET EN-7115 MSP-INT WC SOUND-SELECT TV-DET PANEL-PWR RC5 BGT-ADJ RESET-8801 IISCL IISDA RESET RXD DC-PWR-SW UP LEFT OFF-LED SOURCE OSD P-LED DOWN PC-VSYNC-WT PC-HSYNC-WT HDTV-CLK G2N-F G1P-F G1N-F G0P-F G0N-F R2P-F R2N-F R1P-F R1N-F R0P-F R0N-F B0N-F B0P-F B1N-F B1P-F B2N-F B2P-F RESET-8801 STV POL HVS CLKV GOE STH LP INV-ON-OFF PWR-SAVING HDTV-VSYNC DA-CLK DA-HSYNC DA-VSYNC CLKP-F CLKN-F B2P-F B2N-F B1P-F B1N-F B0P-F B0N-F G2P-F G2N-F G1P-F G1N-F G0P-F G0N-F R2P-F R2N-F R1P-F R1N-F R0P-F R0N-F CLKP-F CLKN-F G2P-F U0 U1 U2 U3 U4 U5 U6 U7 PANEL-ID IISCL IISDA DDCSDA IISDA IISCL RIGHT TXD DDCSCL DDCSCL DDCSDA HDTV-HSYNC V0 V1 V2 V3 V4 V5 V6 V7 Y0 Y1 Y2 Y3 Y4 Y5 Y6 Y7 31 � Go to cover page Schematic diagram(IO Interface) 150T4 C U47 B7 U48 B7 U49 B7 U50 B7 U51 C7 4 3 owner. J I H 8 9 H 7 13 1 2 5 E G 1 G 6 7 8 9 A U32 C3 U33 C3 3 4 5 F U28 D3 U29 C3 U30 C3 U31 C3 Alle rechten voorbehouden. Verveelvuldiging, geheel of U46 B7 U44 B7 U45 B7 7 C B 10 gedeeltelijk, is niet toegestaan dan met schriftelijke F 2 U52 C7 U53 C7 U54 C7 1 2 A B 1 12 4 3 2 is prohibited without the written consent of the copyright E 9 6 11 E 5 3702 C5 3703 E5 3704 C5 3711 D5 3712 D5 3713 E3 3714 D3 3715 C3 3716 B7 3717 B7 A (sheet5) B C U34 B3 U35 B3 U36 B3 U37 C3 U38 E2 U39 E2 U40 D7 U41 D7 U42 A7 U43 A7 J 5701 C3 3742 B7 3743 B7 3744 C7 3745 B9 3746 B9 3747 B9 3748 F5 3749 C9 5703 E3 7701 A4 2702 F4 2703 E3 2704 E3 2706 E4 2707 C2 U55 B8 U56 B8 3 4 5 6 7 8 9 6 7702 B4 D D 2725 F8 3701 E5 8 C 10 3721 A4 3722 A5 3723 B4 3724 B5 3725 B9 3730 C7 3731 D8 3732 E8 U64 C8 U65 C8 D E F A B C D toestemming van de auteursrechthebbende. 13 U66 C8 U68 E2 1701 B2 1702 E2 1711 A8 1716 D7 2701 C4 I 12 F 3733 E8 3735 F8 3741 B7 2708 D4 2709 F4 2711 E4 2712 D4 2721 E7 2722 E8 2723 F7 U57 B8 U58 A8 U59 A8 U60 B8 U61 B8 U62 B8 U63 B8 All rights reserved. Reproduction in whole or in parts 11 10n 2708 SB: 57631 x6 PB: 57641 SCALER BOARD TO TV-BOX BOARD 1601 TO CONTROL BOARD 1901 TO IR BOARD 1911 EXCEPT 1701,1702,1711,1716 WERE CHIP COMPONENTS. 3K3 3730 U42 U44 2702 10n U33 33R 3717 BC847C-RTK 7701 270R 3721 U32 U37 U38 U35 U36 U34 3714 10R 3715 10R 2721 27K 3735 50 2723 330p 50 330p 3749 33R U43 1716 1 2 5 33R 3742 +5T 69010 4 5 6 7 8 9 3725 33R 1701 1 10 11 2 3 100n 2707 +3V3I 33R 3747 1 2 3 3746 33R U54 1702 U31 U53 9 U29 U30 17 18 19 2 20 21 22 23 24 25 3 4 5 6 7 8 900-172521-24 1711 26 27 1 10 11 12 13 14 15 16 U49 U47 U48 560R 3704 U63 U64 U62 2703 15p U61 2704 100n 560R 3722 BLM21 5703 2709 10n U57 U56 U55 10n 2711 U45 560R 3702 3703 560R U52 U50 U51 3701 560R U46 330p 2725 3724 560R 50 2722 330p 50 +3V3I 2701 10n U65 3713 560R U66 3732 27K 3743 33R 7702 BC847C-RTK BLM21 5701 +3V3I 33R 3744 33R 3745 U28 +5T 2706 10n U68 3716 33R +3V3I +3V3I U39 CHECK 3138 158 5639 150T4FS/97 I / O & INTERFACE A3 130 3733 1K 3 2003-10-01 DS Yu/Debby Tai TYT12- -------- KONINKLIJKE PHILIPS ELECTRONICS N.V. 2000 2003-10-01 5 5 LMT-15" -T4 SETNAME CHN CLASS_NO SUPERS. 1 NAME DATE 560R 3748 560R 2712 10n 3712 3731 560R 3711 3723 270R 1K U41 3741 33R U40 U59 U60 RC5 IISCL EN-7115 MSP-INT SP-R SP-L U58 DA-CLK DA-HSYNC PC-AUDIO-L SOURCE P-LED DOWN LEFT OSD UP RIGHT OFF-LED DC-PWR-SW Y0 Y2 Y3 PC-AUDIO-L PC-AUDIO-R Y6 PC-AUDIO-R IISDA Y4 DA-VSYNC SOUND-SELECT Y1 TV-DET Y7 Y5 34 � Go to cover page 150T4 Schematic diagram(I/O and SVHS) C TO SCALER BOARD 1711 STANDS FOR CHIP COMPONENTS. A 1 2 3 4 5 6 7 8 1 2 4 5 6 7 8 A B C D E A B C D E U8 A5 U29 A5 U39 B1 owner. 6 8 is prohibited without the written consent of the copyright 13 U40 B1 U41 C1 U42 C1 U43 C1 U44 C1 U45 C1 U46 C1 U50 B4 U51 C4 U52 C4 U53 C4 U54 C4 U57 A7 U58 A8 U59 A8 U60 B8 5 7 I U61 A7 U64 C7 1601 A2 1603 A5 1604-A C5 1604-B D5 1604-C E5 3 2612 A8 2613 B6 2614 B8 2615 B8 2616 C6 F J B E J A H 4 10 2617 C8 2618 D6 2619 D8 2621 E6 2622 E8 3601 D1 3602 B1 3604 C1 3605 B1 3606 C1 3608 B3 3609 C1 3625 A8 3627 A7 3628 A7 3629 B8 3631 C7 gedeeltelijk, is niet toegestaan dan met schriftelijke G All rights reserved. Reproduction in whole or in parts C 12 G B F 3632 C8 3633 D7 3634 D7 3635 E7 3636 E7 3637 C3 3638 C3 3639 C3 2611 A6 3641 B7 5602 A7 5603 A7 5604 C7 6601 A5 2 11 E toestemming van de auteursrechthebbende. 1 6 9 12 9 601 ~ 639 13 8 H 6602 B5 6603 D5 F602 B2 F603 B2 F604 B2 F605 B2 F606 B2 3610 C1 F608 C2 F609 C2 F610 C2 F611 C2 F612 C2 Alle rechten voorbehouden. Verveelvuldiging, geheel of 3 11 C D 7 2 3 D 10 I 5 F613 C2 F614 B3 F615 B3 F616 B3 F617 B3 F618 B3 3640 C3 F611 SB: 57741 x2 PB: 57751 F619 B3 F620 C3 F621 C3 F622 C3 F623 C3 F624 C3 4 1 TV-BOX BOARD F625 C3 F626 D3 F627 A5 F628 A5 F629 A5 F630 C5 F631 C5 F632 D5 F633 D5 F634 E5 F635 E5 F607 C2 F610 F609 +5T F604 U45 U46 F627 F625 F626 330p 2619 BAV99-GS08 6603 330p 2618 F634 27K 3636 F618 3604 33R F623 F621 F622 F619 F620 3 4 5 6 7 8 9 12 13 14 15 16 17 18 19 2 20 21 22 23 24 25 2 1601 900-172521-21 1 10 11 F603 1604-A 69063 1 5 6 F602 1604-C 3627 18R 3634 27K 3629 56R F635 100p 2616 22p 2617 U41 F624 U40 F605 U39 6602 BAV99-GS08 U43 U44 +5T U61 U42 U60 U58 U59 U57 F616 2615 10u 33R 3602 1K 3635 F615 F608 0u1 5604 3 4 +5ESD +5ESD +5T 1604-B 2003-10-01 3 0u1 5602 3633 1K A3 I / O AND SVHS 150T4FS/97 3138 158 5643 CHECK DATE NAME 1 SUPERS. CLASS_NO CHN SETNAME LMT-15" -T4 4 1 2003-10-01 KONINKLIJKE PHILIPS ELECTRONICS N.V. 2000 -------- TYT12- DS Yu/Debby Tai U53 130 33R 3637 2614 22p 33R 3638 U52 33R 3608 U50 U51 10R 3641 F607 F617 U8 33R 3610 2621 330p 2 4 3 5 6 8 U29 33R 1603 69015 1 F613 3601 F633 33R 3639 F632 3605 33R F606 2613 100p 22p 2612 56R 3632 U64 F612 F614 3606 33R BAV99-GS08 6601 2622 330p 33R 3640 3631 18R +5ESD U54 5603 0u1 +5ESD F631 100p 2611 F629 F630 F628 3628 18R 3625 56R MSP-INT MSP-OUT-R MSP-OUT-L 3609 33R DA-CLK PC-AUDIO-R PC-AUDIO-L IISCL EN-7115 Y2 Y0 Y6 Y4 DA-VSYNC SOUND-SELECT IISDA Y3 Y1 Y7 Y5 DA-HSYNC S-AR-IN C-SVHS Y-SVHS AV-CVBS S-AL-IN 35 � Go to cover page Schematic diagram(Tuner) 150T4 C MT REF. STANDS FOR CHIP COMPONENTS. toestemming van de auteursrechthebbende. 1 7 6 5 4 7 A B C D E A B C D E U70 C3 U72 D3 U73 D3 G 12 B C F 8 H Alle rechten voorbehouden. Verveelvuldiging, geheel of I H G F E D 1 2 3 4 5 6 7 1 2 3 4 5 6 1/2W (TO VIDEO DECODER) J owner. is prohibited without the written consent of the copyright I 10 2 580 ~ 599 9 1581 B4 1582 C6 2581 A3 2582 A5 2584 C3 2585 C4 2586 D3 2587 D3 C E D 7 gedeeltelijk, is niet toegestaan dan met schriftelijke 2591 B4 3581 A4 4 9 11 3589 FW ph N Y Y N A 3590 3581 A4 3582 C3 3583 C4 3586 D3 B 3587 D4 3588 D3 3589 E4 3590 E5 3 5 6 1 J 13 12 11 10 5581 B4 5582 D2 F581 C4 F582 C4 F583 C4 F586 D4 F587 D4 F588 D4 F589 E5 2588 D3 2589 D4 SB: 57741 x2 PB: 57751 TV-BOX BOARD A 3 2 13 8 All rights reserved. Reproduction in whole or in parts 5582 321611 10u 2589 3583 100R +5TV +5T 56R 3588 16 2581 47u 1 SUPERS. CLASS_NO CHN SETNAME LMT-15" -T4 4 2 2003-10-01 KONINKLIJKE PHILIPS ELECTRONICS N.V. 2000 -------- TYT12- DS Yu/Debby Tai 2003-10-01 3 F583 130 A3 TUNER 150T4FS/97 3138 158 5643 CHECK DATE NAME 16 1000u 2582 47p 2586 18R 3587 +5TV F589 F588 F587 3306 2R2 F586 F582 F581 MT2 MT3 MT4 RF_AGC_OUTPUT 5 SCL 2 SDA 3 6 SIF_OUTPUT 9 VIDEO_PUTPUT 2R2 3581 1582 TSVN1-801FR +5 4 AFT_OUTPUT 7 AUDIO_OUTPUT 8 MT1 CVBS 12 15 16 17 18 1 NC0 NC1 2 NC2 9 10 NC3 4 SCL 5 SDA FQ1216PN/I H-3 1581 3 +5 13 +5V_IF 11 2nd_IF_sound AF_MPX 14 6 AS 10u 2585 10u 2584 3589 100p 2587 3582 100R 0R 2591 1000u 16 5581 321611 U73 0R 3586 U72 2588 10u U70 3590 0R TUN-CVBS IISCL IISDA 2ND-IF 36 � Go to cover page 150T4 Schematic diagram(Audio-Decoder) C MONO SCART 1 FM1 FM2 NICAM A NICAM B IDENT SCART-L SCART-R S1 4 I2SL/R I2SL/R LOUDSPEAKER R HEADPHONE R SCART-R DSP D/A A/D SCART Switching Facilities DEMODULATOR IDENT ADR interface I2S interface HEADPHONE SCART 1 SCART 2 NC LOUDSPEAKER LOUDSPEAKER L HEADPHONE L SCART-L D/A D/A D/A D/A D/A A/D SCART 2 SCART 3 SCART 4 STANDS FOR CHIP COMPONENTS. 7 Alle rechten voorbehouden. Verveelvuldiging, geheel of B C D E F A U14 E5 U15 D5 B C D E F U1 B2 U2 B2 U3 B3 U4 B2 U5 B3 U6 C3 U7 C3 U9 C3 7 (R) 5 6 [R] [R] [R] H 15" L 17" C 1 2 3 4 G H 7 8 9 1 2 3 4 5 6 7 8 9 A 12 A C 1 I 901 ~ 949 U10 C1 U11 D1 U12 D1 U13 D1 2911 B2 2912 C2 U16 D6 U17 D6 U18 D6 U19 E7 U20 C6 U21 C6 U22 C6 U23 B7 U24 B6 U25 B6 U26 A6 U27 A6 U28 A9 4 10 B 6 5 F 2945 A6 2946 A8 toestemming van de auteursrechthebbende. D D I U31 D8 U38 F8 1901 D5 1902 B9 is prohibited without the written consent of the copyright All rights reserved. Reproduction in whole or in parts 2 G 3 6 2906 B2 2907 C2 2908 C2 2909 B1 2910 D2 F901 B9 F902 B9 2913 D2 2915 D2 2918 E6 2919 E6 2921 E4 2922 E4 2923 E4 2924 C9 2925 E5 2926 E5 2927 E6 2928 D9 2933 C6 (R) 1 J E 13 9 10 8 2938 C6 2939 C6 2940 C7 2941 C7 2942 C7 2943 A6 2944 C9 E 3 3911 B1 3912 B2 3913 B2 3914 E8 3915 C2 3916 D7 3917 D7 3918 D7 3919 E7 3920 F8 3921 A7 3922 D6 3923 E6 [R] [R] [R] (R) (R) H J 4 3929 A8 5911 C2 5912 D4 5915 A8 6921 B7 7901 A3 7902 C8 F903 B9 Sound-Select A 11 (R) 8 LINE-R LINE-L 12 owner. 13 B gedeeltelijk, is niet toegestaan dan met schriftelijke 11 5 9 2935 C6 2936 A7 2937 A7 SB: 57741 x2 PB: 57751 TV-BOX BOARD 2 F [R] [R] 3924 B7 3925 B8 3926 B9 3927 B9 3928 A8 U27 U28 U25 U26 2946 U24 3929 3920 3928 0R 3914 10u 2937 100R 3922 3925 100R 2918 4n7 100n 2936 4n7 2919 2938 100n 1901 18M432HZ 2926 15p U3 U4 +2V5T 2915 1u +2V5T +2V5T +2V5T 3918 3919 1u 2913 5912 0u1 +5T 69010 1902 1 2 5 U5 10u 2933 U7 U6 3923 100R 2924 1u U38 100R +5T 10u 2907 3924 27K 3921 2921 2945 10u 3913 0R 100R 3911 2911 47p 26 SC2_OUT_L 25 SC2_OUT_R 38 SC3_IN_L 39 SC3_IN_R 35 SC4_IN_L 36 SC4_IN_R STANDBTQ 63 53 TESTEN 56 TP 27 VREF1 19 VREF2 46 VREFTOP 54 XTAL_IN 55 XTAL_OUT 13 NC0 14 NC1 15 NC2 22 NC3 24 NC4 58 NC5 59 NC6 64 NC7 16 RESETQ 44 SC1_IN_L 45 SC1_IN_R SC1_OUT_L 29 28 SC1_OUT_R 41 SC2_IN_L 42 SC2_IN_R DACA_R 21 DACM_L 20 DACM_R 23 DACM_SUB 11 DVSS 10 DVSUP D_CTR_IO_0 61 60 D_CTR_IO_1 1 I2C_CL 2 I2C_DA 3 I2S_CL 6 I2S_DA_IN1 12 I2S_DA_IN2 5 I2S_DA_OUT 4 I2S_WS 47 MONO_IN 33 AHVSS AHVSUP 31 51 ANA_IN- 50 ANA_IN1+ 52 ANA_IN2+ 43 ASG0 40 ASG1 37 ASG2 AUD_CL_OUT 57 48 AVSS 49 AVSUP 30 CAPL_A 32 CAPL_M 18 DACA_L 17 3 7901 MSP3415G-QI-B8V3 9 ADR_CL 7 ADR_DA 62 ADR_SEL 8 ADR_WS 34 AGNDC A3 AUDIO_DECODER 150T4FS/97 3138 158 5643 CHECK DATE NAME 1 SUPERS. CLASS_NO CHN SETNAME LMT-15" -T4 4 3 2003-10-01 KONINKLIJKE PHILIPS ELECTRONICS N.V. 2000 -------- TYT12- DS Yu/Debby Tai 2003-10-01 130 2935 10u 100R 3927 U31 3926 100R 3916 U10 U11 U2 Zx 13 Zy 3 +2V5T U1 A 10 B 9 INH 6 VDD 16 VEE 7 VSS 8 X0 12 X1 14 X2 15 X3 11 Y0 1 Y1 5 Y2 2 Y3 4 15p 2927 7902 74HC4052D-T +5T U15 5915 0u1 5911 2943 220n 2940 10u U22 U23 U20 U21 U19 U18 U9 100n 2944 3917 +5T 1u 2910 2912 1u 2941 4n7 4n7 2942 1u 2928 2939 10u 2922 100n 2908 2909 2925 100n 3915 6921 BAS32L 2906 15p 3912 100R 100n 2923 U13 U14 U17 U12 U16 F902 F903 SOUND-SELECT MSP-OUT-R MSP-OUT-L F901 MSP-INT IISCL IISDA 2ND-IF PC-AUDIO-R PC-AUDIO-L S-AR-IN S-AL-IN AUDIO-OUT-R AUDIO-OUT-L AUDIO-OUT-R AUDIO-OUT-L MSP-OUT-R MSP-OUT-L 37 � Go to cover page Schematic diagram(Tuner) 150T4 C ADJ R R R R STANDS FOR CHIP COMPONENTS. B C D E A B 8 13 12 1 2 3 4 5 6 7 8 9 1 4 3 3 G H F 2301 A2 2302 A2 2303 A2 2304 B2 2305 B2 2306 B2 2307 B2 2308 C2 2309 C2 2311 C2 2312 C2 2313 C3 2314 C3 E 5 9 A E I1 B9 U78 A6 C (R) I All rights reserved. Reproduction in whole or in parts toestemming van de auteursrechthebbende. 2 gedeeltelijk, is niet toegestaan dan met schriftelijke J E 1 7 2324 B5 2 3 4 6 7 8 5 I owner. U80 A5 U82 B5 U83 B5 U84 B6 U85 C5 U86 C5 U87 C6 U88 C6 1303 C5 11 G H 10 2333 D5 3301 B5 3302 B5 3303 C5 3304 C5 3305 E3 3308 D5 12 2315 C2 2316 E1 C D 2321 A5 2322 A5 2323 A5 13 2 8 C 7 6 1 5302 B1 5304 C1 7301 C8 7302 D2 U103 D6 U104 D6 U105 D6 U106 D6 U107 D6 U108 E6 U113 A8 U115 A7 U116 A7 2325 B5 2326 B5 4 5 2329 B6 2331 D4 2332 D4 A (R) (R) B D 10 Alle rechten voorbehouden. Verveelvuldiging, geheel of B 9 F 301 ~ 350 D 11 J 2317 E2 2318 C3 U88 SB: 57741 x2 PB: 57751 TV-BOX BOARD is prohibited without the written consent of the copyright 9 (R) A 3311 E5 3312 E6 3314 B9 3315 C9 3316 D9 3317 E9 5301 A1 6 2327 C5 2328 C5 U107 U108 U106 2309 100n XPD7 81 XRDY 96 XRH 92 XRV 91 XTALI 7 XTALO 6 XTOUT 4 XTRI 80 100n 2308 VSSD_EP3 76 VSSD_EP4 100 VSSD_ICO1 38 63 VSSD_ICO2 VSSD_ICO3 88 VSS_XTAL 5 XCLK 94 XDQ 95 90 XPD0 XPD1 89 XPD2 87 XPD3 86 XPD4 85 XPD5 84 XPD6 82 VDDD_EP3 51 VDDD_EP4 75 33 VDDD_ICO1 VDDD_ICO2 43 VDDD_ICO3 58 VDDD_ICO4 68 VDDD_ICO5 83 VDDD_ICO6 93 VDD_XTAL 8 VSSA0 24 VSSA1 15 VSSA2 9 VSSD_EP1 26 VSSD_EP2 50 TDI 3 TDO 2 TEST0 44 TEST1 73 TEST2 74 TEST3 77 TEST4 78 TEST5 79 TMS 99 TRSTN 97 VDDA0 23 VDDA1 17 VDDA2 11 VDDD_EP1 1 VDDD_EP2 25 IPD3 59 57 IPD4 IPD5 56 IPD6 55 IPD7 54 ITRDY 42 ITRI 47 LLC 28 LLC2 29 RESON 30 36 RTCO RTS0 34 RTS1 35 SCL 31 SDA 32 TCK 98 71 HPD1 HPD2 70 HPD3 69 HPD4 67 HPD5 66 HPD6 65 HPD7 64 ICLK 45 46 IDQ IGP0 48 IGP1 49 IGPH 53 IGPV 52 IPD0 62 IPD1 61 IPD2 60 AGND 21 AI11 20 AI12 18 AI1D 19 AI21 16 AI22 14 AI23 12 AI24 10 AI2D 13 ALRCLK 40 AMCLK 37 AMXCLK 41 22 AOUT ASCLK 39 CE 27 HPD0 72 -------- TYT12- DS Yu/ Debby Tai 2003-10-01 3 7301 SAA7115HL_V1 A3 VIDEO_DECODER 150T4FS/97 3138 158 5643 CHECK DATE NAME 1 SUPERS. CLASS_NO CHN SETNAME LMT-15" -T4 4 4 2003-10-01 KONINKLIJKE PHILIPS ELECTRONICS N.V. 2000 3315 130 24M576HZ 1303 100n 2307 100R 3304 0R 3305 +3V3DE 100R 3303 +3V3DE +3V3DE +3V3A 3302 U80 22p 2328 +3V3DXT 100R 7302 LD1117S33TR GND 1 4 Vi 3 Vo 2 3301 2316 16 100n 3314 3317 2324 47n 2323 33R 2322 47n 47n 100p 2332 +3V3DE 2333 10p 2331 10p 10u 2318 10 5304 I1 +3V3DXT +3V3A 3316 47n 2321 U78 47n 2325 +3V3T U105 U115 U87 100n U113 100n 2305 2306 2303 2304 100n 2302 100n 100n +5T 100n 2301 2312 100n 100n 2313 100n 2311 5302 +3V3T +3V3T +3V3T 5301 2314 100n 10n 2329 2315 10 10u 3K3 4K7 1 2 3 4 5 6 7 8 3312 3308 3311 0R 10u 16 22p 2327 +3V3DE 2317 U104 2326 47n U103 U86 U116 U84 U85 U82 U83 Y1 Y3 Y4 Y5 Y6 Y7 TUN-CVBS DA-VSYNC Y-SVHS AV-CVBS C-SVHS Y0 EN-7115 IISCL IISDA DA-HSYNC DA-CLK Y2 聯昌電子企業股份有限公司 LC Electronic Co., Ltd. LIEN CHANG ELECTRONIC ENTERPRISE CO., LTD. 2N3904 聯昌電子企業股份有限公司 LC Electronic Co., Ltd. LIEN CHANG ELECTRONIC ENTERPRISE CO., LTD. RLZ15B 102P/50V 1206/1M 1206/1M 100u/450V 1206/820 PS1010R 222K/IKV 1N4007 1206/5.6R 1206/110K Y1/222 0.1U/50V 1206/2.7K NC 1206/560 1206/0 1000P/50V 1206/39K KN3904 NC CC-000331 CC-000331 0.1U/50V RLZ15B NC NC T3.15A/250V 0805/10K 0805/1K SCK-086 0.47uF/50V 0805/10K KN3906 0.47uF/300V 1 3 2 4 CC-001157-2 1206/1M 1206/2K 10uF/25V 1206/110K 1206/330K 1000uF/16V 1000uF/16V 1000P/50V 0.1uF/50V 0.1uF/50V 100uF/25V 100uF/25V 1206/1K 1000uF/16V 0.1uF/50V NC P6KE10A HF-301LG0-9mm KN3904 1N4148 0805/1K 1206/15K Y1/2200P 1206/560K Y1/2200P 1206/560K 0805/150K 1N4148 1206/10R 1206/110K 1K 1206/10K KIA431 1206/0R 1206/51 1206/2K 1206/15 錳銅線 MBR10100 10mm 1206/51 1000UF/16V 1000UF/16V 1000UF/16V MBR10100CT 1206/47 0805/47K 0805/27K 1206/15K 1206/560K TVR07471 1 3 2 4 LF-001525 2SK2645 0.1uF/50V 0.1uF/50V 1206/51 10uF/25V LTV817C NKNP/0.6/2W 1206/110K 1206/1K 6.2B HXL1225 1206/1K 1000P/50V 1000P/50V 1206/51 1000uF/16V 1206/47 0.1uF/50V 0805/10K SO8/SI9433DY 2N3904 8 2 1 5 4 6 3 7 NCP1203P60 KBP206G PT-001322 聯昌電子企業股份有限公司 LC Electronic Co., Ltd. LIEN CHANG ELECTRONIC ENTERPRISE CO., LTD. Apply to Eyelet Point: 43 Go to cover page 150T4 Schematic diagram(IR Board) C IR BOARD SB: 58581 x16 is prohibited without the written consent of the copyright owner. PB: 58571 C B A D 1911 C1 2911 B2 3911 B2 3912 B3 6911 B1 B C D A B C 2 1 6 5 4 3 2 1 3 TO SCALER BD 1702 F E D C B A Alle rechten voorbehouden. Verveelvuldiging, geheel of gedeeltelijk, is niet toegestaan dan met schriftelijke toestemming van de auteursrechthebbende. All rights reserved. Reproduction in whole or in parts D E F G F012 C1 F013 C1 F014 C1 1 2 3 1 2 3 A STANDS FOR CHIP COMPONENTS. H I J 6 5 4 J I H G F014 F013 F012 JFE6336H 1911 1 2 3 3V3I 6911 TSOP34136SB1 GND 2 OUT 1 VS 3 3V3I 1u 2911 3911 100R 3912 10K 150T4FS/97 3138 158 5642 CHECK DATE NAME 1 SUPERS. CLASS_NO CHN SETNAME LMT-15" -T4 1 1 2003-10-01 KONINKLIJKE PHILIPS ELECTRONICS N.V. 2003 -------- TYT12- Ison Kuo/Debby Tai 2003-10-01 3 RC5 GND1 RC5 GND1 GND1 130 A4 IR BOARD

标签:

版权声明

1. 本站所有素材,仅限学习交流,仅展示部分内容,如需查看完整内容,请下载原文件。
2. 会员在本站下载的所有素材,只拥有使用权,著作权归原作者所有。
3. 所有素材,未经合法授权,请勿用于商业用途,会员不得以任何形式发布、传播、复制、转售该素材,否则一律封号处理。
4. 如果素材损害你的权益请联系客服QQ:77594475 处理。