海信LED42K520J3D液晶彩电使用说明书

分类:电子电工 日期: 点击:0
海信LED42K520J3D液晶彩电使用说明书-0 海信LED42K520J3D液晶彩电使用说明书-1 海信LED42K520J3D液晶彩电使用说明书-2 海信LED42K520J3D液晶彩电使用说明书-3 海信LED42K520J3D液晶彩电使用说明书-4 海信LED42K520J3D液晶彩电使用说明书-5 海信LED42K520J3D液晶彩电使用说明书-6 海信LED42K520J3D液晶彩电使用说明书-7 海信LED42K520J3D液晶彩电使用说明书-8 海信LED42K520J3D液晶彩电使用说明书-9

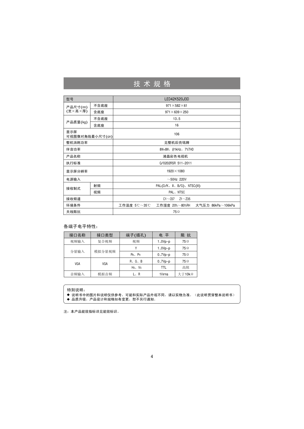
LED42K520J3D 产品使用指南 请 在 使 用 本 机 之 前 , 仔 细 阅 读 并 妥 善 保 管 。 海信网址 www.hisense.com 海信蓝擎网 www.hismarttv.com 1 尊敬的用户朋友: 您好!感谢您购买海信产品,相信这一全新产品会给您带来无限欢乐。 在使用本产品前请您认真阅读产品使用指南,并妥善保管。因违反本手册 中的安全注意事项及使用说明事项而导致的事故,本公司不承担任何责任。 本产品内有高压,用户不得擅自打开机壳。非维修人员,不得擅自 修理和换件,以免发生触电和火灾事故。 海信集团全国统一客服热线:4006111111 海信集团服务质量监督电话:0532-83091111 用干净、柔软的棉布对整机进行清洁维护,禁止反复用力擦拭。 禁止用硬物划刻、敲打、撞击或用各种研磨类物品摩擦显示屏。 本产品在安放、使用时应避免受到水滴、水溅。遇到雷雨等不良 天气,应迅速拔下电源插头及有线电视(或室外天线)插头,以 免发生雷击损坏事故。 本机为II类设备,不需要接地使用。 遥控发射器 产品使用指南 音频输出线 1个 1本 1条 注意事项: 静止图像可能会导致电视屏幕永久性损坏。 1.不要在液晶电视屏幕上显示静止图像超过2小时,因为这样会导致出现屏幕图像残影,为避免 此问题请您在显示静止图像时降低屏幕的亮度和对比度。 2.长时间观看4:3格式的节目时,在屏幕的左、右两侧和图像的边缘会留下不同的痕迹,所以 请您不要长时间使用此模式。 3.显示电子游戏和电脑静止图像的时间过长,可能会导致局部余像,出现因荧光屏灼伤而造 成的屏幕图像残影,所以请您在使用时适当降低亮度和对比度。 上述原因导致的电视机屏幕出现图像残影、局部余像、痕迹问题,显示屏不在保修范围之内。 节能提示: 1.在不观看电视节目时请选择交流关机(通过电源开关关机),以减少能耗。 2.在不影响观看质量的前提下,可降低显示屏的亮度以减少电视机在使用过程中的能耗。 随 机 附 件 网络电视增值服务卡 天线隔离器 1张 1个 2 目 录 3 4 5 7 8 9 11 16 16 16 16 17 17 17 17 17 18 18 18 18 19 19 19 19 19 20 20 20 20 20 20 21 21 21 21 21 22 22 22 22 22 本机特点 技术规格 注意事项及安全警告 电视机控制部分的位置和名称 遥控器 遥控器快捷功能操作 与其它装置相连接 电视机基本功能操作 开机/关机 改变频道/音量 菜单使用 设置 搜台 自动搜台 手动搜台 彩色制式/声音制式/微调 频道编辑 图像 亮度/对比度/色度/清晰度/色调 色温 高级设置 声音 平衡 自动音量 SRS音效 光纤模式 均衡 魔方影音 系统设置 语言/Language 蓝屏 本机设置 出厂设置 几何调整 水平位置/垂直位置 水平幅度/垂直幅度 PC软件设置 时钟 相位 自动调整 显示范围 3D设置 3D模式 左右交换 视点 景深 3D转2D 节目 媒体 数字多媒体主界面 播放视频文件 播放mp3格式音乐文件 播放JPG格式图片文件 图片伴乐浏览 播放TXT格式文本文件 网上邻居 注意事项 智能电视 网络设置 应用商店 实景体感游戏 华数电视 Web浏览器 无线传屏 演示 帮助 服务信息 电子说明书 底座安装说明 保修卡 简单故障的排除方法 环保说明(液晶类) 22 23 23 23 23 24 24 25 25 26 29 30 32 33 34 36 37 37 42 43 43 44 45 46 47 47 47 48 49 51 51 3 本 机 特 点 是SRS Labs,Inc.的注册商标。本产品已获SRS Labs,Inc.授权使用TruSurround XT 技术。 TruSurround XT 仅用两个扬声器就能营造出真实的环绕声感受,同时提供丰富的低音和清晰的对话。 高品质LED背光液晶屏 全新一代背光源,具有绚丽、节能、环保、纤薄四大尖端优势。 WiFi无线网络功能 可使用本机支持的无线网卡连接无线路由器,实现上网冲浪。 无线传屏 通过电视和电脑的同步软件,无须借助连线,轻松将电脑的图像和声音传送至电视。 SRS TruSurround XT音效 使电视伴音具有更真实、震撼的效果。 多模式宽屏显示 全屏、标准、缩放一、缩放二、智能全景、点对点等多种宽高比可供选择。 节电保护模式 当没有输入信号时,15分钟后,本机会自动进入低功耗睡眠状态或待机状态,可有效延长本机 使用寿命,并节约电能。 3E节能方案 降低整机能耗,提升光电转换效率,更节能,更环保。 多媒体端口 本机具有天线、VGA、HDMI、视频、分量、USB、耳机、网口等多种端口。 3D 播放 本机具有3D播放功能,可提供真实、完美的3D场景,再现震撼的临场体验。 2D/3D兼容显示 通过菜单打开或关闭3D功能,2D/3D 自由切换。 4 技 术 规 格 各端子电平特性: 接口名称 接口类型 端子(插孔) 电 平 阻 抗 1.0Vp-p 75Ω 视频输入 复合视频 视频 Y 1.0Vp-p 分量输入 模拟分量视频 75Ω 音频输入 模拟音频 1Vrms 大于10kΩ L、R R、G、B HS、VS 75Ω 高阻 0.7Vp-p TTL VGA VGA PB、PR 0.7Vp-p 75Ω 特别说明: 说明书中的图片和说明仅供参考,可能和实际产品外观不同,请以实物为准。(此说明贯穿整本说明书) 品质升级,产品设计和规格如有变更,恕不另行通知。 注:本产品能效指标详见能效标识。 显示屏 可视图像对角线最小尺寸(cm) 产品质量(kg) 型号 整机消耗功率 接收制式 伴音功率 产品尺寸(mm) (宽×高×厚) 执行标准 Q/0202RSR 511-2011 不含底座 含底座 不含底座 含底座 电源输入 接收频道 环境条件 显示屏分辨率 天线阻抗 产品名称 液晶彩色电视机 射频 ~50Hz 220V 工作温度 5℃~35℃ 工作湿度 20%~80%RH 大气压力 86kPa~106kPa 75Ω 视频 C1~C57 Z1~Z35 PAL、NTSC PAL(D/K、I、B/G)、NTSC(M) 1920×1080 LED42K520J3D 16 见整机后壳铭牌 106 13.5 971×582×61 971×639×250 8W+8W,@1kHz,7%THD 5 √ × 带闪电箭头的三角形图案为警告符号,提醒您注意产品内的电压有危险。 带惊叹号的三角形图案为警告符号,提醒您注意与产品有关的重要说明。 一般性说明。 表示正确的做法。 表示错误的做法。 说明: 遇到雷雨时,请将电源插头拔出,并将有线电视插头或室外天线插头拔出,以免造成电视机损 坏。切忌触摸天线的引入线。 如果您很长一段时间不使用本产品,请确保抓住电源插头,然后将插头从插座拔出。 如发现异常的声音或气味或有声音无图像,请立即关闭电源并从插座上拔出插头,并及时与海 信服务联系。 请不要让任何物体压迫电源线及信号线。 请不要让电源插座超载,确保您使用的插座是经过国家安全认证的合格产品。 产品要远离高温发热物体。 室外天线暴露在外容易老化影响图像质量,应定期检查和更换。 不要在电视机上放置盛放液体的容器,比如化妆品或药液等。 若有异物或水落入电视机内,请拔出电源插头并及时与海信服务联系。 谨防儿童站在电视机上面或向电视机上爬。 电视机由低温的地方移至温暖的区域后,为使机内结露充分散发干燥,应放置一段时间后再通 电开机。 为防止伤害,必须按安装说明书的规定将设备安装底座后,放置在水平桌面上,或者不安装底 座,采用壁挂安装后可固定在墙壁上。 请不要让电池暴露在日照、火烤等过热环境中,否则会有爆炸危险。 安全警告 使用本产品前请详细阅读下列事项: 维护保养 不要用挥发油、稀释剂等擦拭本机,这些溶剂可能使机壳变质或损坏其涂漆面。若让橡胶或乙 烯制品长时间接触电视机,可能造成污斑。 如果机壳污脏,请用水冲淡中性洗涤剂,用软布擦拭。 显示屏的说明与维护 液晶显示面板属于现代高科技产品,内有几百万个薄膜晶体管,以提供优质清晰的画面,面板 上偶尔会出现亮点或暗点,请注意这属于正常现象,并不影响整机性能。 错误的维护方法会导致液晶显示屏损伤,影响图像效果,因此,请务必注意以下事项: 禁止酒精、汽油等有机溶剂或酸、碱等化学试剂接触显示屏。 禁止使用各种洗涤剂擦拭显示屏。 必要时可在关机后用干净、柔软的棉布对显示屏进行适当清洁维护,但切忌反复用力擦拭。 请不要用手指直接触屏幕表面,这样可能会损伤屏幕表面,且皮肤上的油脂在屏幕上很难清除。 请不要对液晶屏施加压力,液晶屏幕是精致且脆弱的。 因液晶屏表面易受划伤,请不要接触硬质物体。 注 意 事 项 及 安 全 警 告 6 注 意 事 项 及 安 全 警 告 产 品 请不要尝试自行分解、拆卸本产品任何部分,这样可能会造成产品损坏及人体伤害,并使您 所享有的产品保修失效。 请勿拆下后盖,电视机内部的调整和检查应由专业人员进行。 请不要掩盖或阻塞机体背后散热孔,以免妨碍机体散热。 请不要用锐利物、金属触碰信号接头或伸入散热孔内,以免电路短路造成产品损坏或发生触 电危险。 离开适当的距离观看,最佳距离为显示屏垂直高度的3-4倍。 使室内照明保持在足以读报的程度。 音量应保持适当,以免打扰邻居,夜间尤其应当注意。 观看节目 摆放方法 当电视柜表面喷涂油漆或带有机溶剂以及油脂等物质时,底座的橡胶垫可能会与其发生轻微的 化学反应,造成电视柜表面的轻微腐蚀,所以建议用户先在电视柜上放一层保护材料(如纸板 或玻璃板等),然后再放置电视机。 × 不平稳处。 × 易受震动处。 × 灰尘多或潮湿处。 × 高温处。 √ 平坦、稳定的场所。 × 阳光直射或靠近取暖装置处。 × 通风不良处。 × 靠近炉子或水、油或烟容易进入机内之处。 × 通风口被封闭之处。 其 它 移动本机时,最好两人以上装卸、搬运,移动过程中应避免冲击,要特别保护显示屏。 在打开或关闭电源时触摸显示屏可能感到微弱的触电,即静电,这对人体是无害的。 特别说明 说明书中的图片和说明仅供参考,可能和实际产品外观不同。因品质升级,设计与功能变更可 能会涉及到说明书内容,如有变更,恕不另行通知。 天线隔离器 接入本电视的有线网络天线必须与保护接地隔离(例如使用天线隔离器来进行保护接地隔离), 否则可能会引起着火等危险。 如果用户家中的有线网络天线是与机顶盒连接的,请确保机顶盒的天线输入端也安装天线隔离器。 安装说明: 1 2 将插头1与有线信号线连接。 将插头2与电视机后面的天线输入端口连接;如 果用户家中的有线信号线是与机顶盒连接的,请 将插头2与有线机顶盒后面的天线输入端口连接。 安装方法: 使用天线隔离器的连接方式如下图所示: 7 电 视 机 控 制 部 分 的 位 置 和 名 称 前视图 后视图 侧端子 下端子 电源开关 待机指示灯 遥控接收窗 信号源键 菜单键 音量增键 音量减键 节目减键 待机键 节目增键 电源输入 说明: 调节时只需用手轻轻触摸控制键即可,切勿用力。 说明书中图片和说明仅供参考,若与实际产品不同,请以实物为准。 请在关机8秒以后再开机,不能快速开关机,否则会导致本机工作异常。 8 遥 控 器 音量 键 音量增大 音量 键 音量减小 菜单键 开启/关闭菜单 睡眠键 设定自动待机的时间 / / / 键 上、下、左、右方向键 数字键 选择频道 屏显键 显示当前节目的信息 待机键 待机/开机切换 多媒体键 图像键 图像模式/魔方影音选择 信号源键 输入信号的选择 电视键 电视信号切换 静音键 消除声音输出,再按一次取消 静音,按音量增键也可取消静音 静止键 让活动的图像静止 应用键 进入网络功能 遥控发射窗 节目 键 选择下一个节目 节目 键 选择上一个节目 声音键 声音模式/魔方影音选择 节能键 变频背光系统切换 缩放键 宽高比模式切换 退出键 返回键 交替键 可在当前节目与上一节目之 间切换(仅在电视信号下可用) 特殊功能按键(详见内文说明) 网络、数字多媒体功能键 详见网络/多媒体操作部分 说明:遥控器外观以实物为准。 本机不支持此功能 (除了音轨/语言键在DMP模 式下播放含有不同音轨的电 影时,按此键可切换音轨。 3D键 本机不支持此功能 OK键 菜单操作的确认 9 遥 控 器 快 捷 功 能 操 作 魔方影音 标准.标准 运动场.临场1 游戏厅.临场2 电影院.剧场 音乐会.音乐 演播室.语言 自定义 遥控操作的有效范围 电池更换方法 遥控操作注意事项 遥控器快捷功能操作 1.遥控距离:正前方遥控的距离8米范围内有效。 2.遥控角度:以电视红外光接收窗口为顶点,在距离6米处,其受控角度左右方向不劣于±30度,垂 直的上下方向不劣于±15度。 1.将遥控器面朝下,打开电池盒盖。 2.装入2节7号1.5V的碱性电池,装入时确保电池的正极(+)和负极(-)与电池盒内的正极(+)和负极 (-)一致。 3.推上电池盒盖直至与遥控器机体完全吻合。 1.信号源:以菜单方式选择当前输入信号,菜单中提供了该电 视机所有信号输入方式,包括:电视、视频1、视频2、分量、 HDMI1、HDMI2、VGA、多媒体。 注:当魔方影音设置为开时,按图像键/声音键则显示由图像 模式和声音模式拼和的影音组合,见左图。按图像键/声音键 可同时设置图像模式和声音模式。 2.节能:按该键显示节能变频系统菜单,您可以根据需要按▲ /▼键选择明亮光-柔和光-光感变频-立体变频-舒视变频-自 定义中的任一种模式,选择自定义时您可以根据自己的需要 调整液晶背光亮度,以达到满意的显示效果。 3.图像:可设置为标准、运动场、游戏厅、电影院、音乐会、 演播室、自定义。该模式是通过设置亮度、对比度、色度等 来达到一定的图像显示效果。 4.声音:可设置为标准、临场1、临场2、剧场、音乐、语言、 自定义。自定义模式是通过设置均衡来达到特定的声音效果。 注:如果要进入多媒体或智能电视,请直接按遥控器上的多媒 体或应用快捷键。 如果当前已经在多媒体或智能电视模式下,要选择其它信号源时 请先退出多媒体或智能电视模式。 1.如遥控器操作不正常、不稳定或不能遥控电视机时,请进行下列检查:是否打开电视机、电池的 正负极是否倒装、电池电量是否耗尽、附近是否有特殊的荧光或氖光信号。 2.如长时间不使用遥控器或电池耗尽,请将电池取出。(废旧电池污染环境,请妥善处理。) 多媒体 10 遥 控 器 快 捷 功 能 操 作 宽高比 全屏 标准 缩放一 缩放二 智能全景 点对点 全屏模式:将输入的图像信号全屏显示。 标准模式:此模式画面两侧会有黑边,这是目前视频影片或 电视广播所使用的一种默认设置。 缩放一模式:该模式是将16:9信号格式的图像按14:9比例显 示,在16:9的显示屏上画面左右两边会有较窄的黑边,上下 两边会有一小部分图像被隐藏。 缩放二模式:当您播放的16:9信号格式的图像(大部分的电 影)上下有黑边时,请使用此模式,它将去除黑边呈现给 您最佳的观看效果。 智能全景模式:采用非线性缩放技术在水平方向上显示全部 内容,把4:3画面放大到全屏观看。 点对点模式:根据图像实际大小显示。 9.缩放:针对不同的信号源,本机设置了多种不同的显示方式。 按缩放键选择合适的显示方式,包括:“全屏”、“标准”、 “缩放一”、“缩放二”、“智能全景”、“点对点”。 注意:不同的信号源下宽高比模式的选项会有所不同。 全屏模式 标准模式 缩放二模式 智能全景模式 点对点模式 缩放一模式 5.睡眠:可设定电视自动进入待机状态的时间,通过反复按该键选择合适的睡眠时钟模式。时钟模 式依次为:关-10分钟-20分钟-30分钟-60分钟……240分钟。 6.静音:按压此键将无声音输出,若想恢复,再次按压此键即可。此功能用于暂时性关闭伴音。 7.屏显:按此键显示当前通道的信息,在有屏显时按此键关闭屏显信息。 8.音轨/语言:在DMP模式下播放含有不同音轨的电影时可切换音轨。 11 与 其 它 装 置 相 连 接 黄色:视频 白色:音频左声道 红色:音频右声道 绿色:分量输入Y 蓝色:分量输入PB 红色:分量输入PR 2 2 3 3 3 (一)侧端子图 1 连接天线或有线电视网 电视机必须从以下信号源之一收到信号,才能正确显示电视频道:天线、有线电视网络。 天线应安置在避开公路、配电线路、霓虹灯等地方,以免电视信号受到干扰,这样还能防止意 外事故的发生。另外,由于长期暴露在外,室外天线容易发生劣化,如果图像不大清晰,应首 先关闭电源,然后检查一下天线。 当使用室外天线时,若本机上连接有室内天线,请把其导线由天线端子插座上拔下。 建议您最好使用75 的同轴电缆,以消除因阻抗不匹配而导致的干扰。 天线电缆不应与电源线等捆在一起。 使用有线或闭路电视时,请将75 的同轴电缆线插头直接插入天线插座。 注意: 注意:可通过本机“耳机/音频输出”端口连接耳机或外置音箱。当接入外部设备或转接线 时,电视本机音箱将被静音,因此在不使用外部设备时,请确保本端口无任何连接。 如果要通过USB端口连接无线网卡,因考虑到USB无线网卡会干扰其它输入信号,所以 建议使用USB延长线连接并确保其远离本机的输入信号线。 音频右 音频左 视频 红色 白色 黄色 带音频输出接口的机 顶盒、VCD、DVD等 音频右 音频左 红色 白色 音频右 音频左 红色 白色 录像机 带视频输出接口的VCD、DVD等 7 12 与 其 它 装 置 相 连 接 黄色:视频 白色:音频左声道 红色:音频右声道 绿色:分量输入Y 蓝色:分量输入PB 红色:分量输入PR 带分量输出接口的VCD、DVD等 使用网线连接此网口 时,其功能操作详见 网络多媒体操作。 5 6 7 9 3 注意:视频2的视频端口与分量输入的Y端口复用,视频2的音频输入端口与分量/VGA的音频输入 端口复用。切换到视频2时请确保音频接入,否则声音会出现异常。 将本机的视频输入端子与外部的AV视频设备(如VCD、DVD、录相机、摄像机等)的视频输出端 子相连接。 将本机的音频输入端子(音频左和音频右)与外部AV视频设备的音频输出端子(音频左和音频 右)相连接。 当使用耳机时,将耳机连线接到电视机的耳机端口,内置和外置扬声器均不再发出声音。 连接普通音、视频端子 (二)下端子图 2 警告:本机所有的USB输出端口同时连接外接设备时的总电流不能超过1200毫安。如果超过输出电 流限制,造成本机故障,不在保修范围内。 连接USB接口设备 本机具有USB标准接口,可接USB1.1、USB2.0的标准设备,包括硬盘、U盘等。 用USB连线或直接将设备的USB接口接至电视机的USB端口上。 注意:某些外接设备可能因个体差异导致无法 与本机连接。如果遇到这种情况,请更换合适 的信号线或增加与端口相匹配的转接线。 带HDMI接口的DVD等 录像机 连接音响功放 电脑 音频输出使 用侧端子中 的耳机/音 频输出端子 同轴输出 VGA 网口 HDMI 1 HDMI 2 分量输入 Pb 视频2 视频输出 Pr Y 13 与 其 它 装 置 相 连 接 4 连接分量端子 使用视频/分量复合转接线,将本机的分量输入端子与外部视频设备(VCD、DVD、高清电视机 顶盒等)所对应的分量视频输出端子相连接。 将音频输入的音频左和音频右端子与外部AV视频设备所 对应的音频输出端子相连接。 VCD或DVD上的分量输出接口有时也可能标识为Y、 B-Y、R-Y或Y、CB、CR。 注意:分量输入的Y端口与视频2的视频端口复用,分量的音频输入端口与视频2/VGA的音频输入 端口复用。切换到分量输入时请确保音频接入,否则声音会出现异常。 480i、480p、576i、576p 720p/60Hz、1080i/50Hz、1080i/60Hz 1080p/50Hz、1080p/60Hz 分量输入支持的视频信号格式 5 本机具有HDMI接口,支持与其它设备(DVD、机顶盒、 AV接收器和数字电视等)之间的HDMI连接。 HDMI发送设备到HDMI接收设备之间的连接无需单独的 伴音线缆。 什么是HDMI? HDMI又称为“高清晰多媒体接口”,是更新一代 接口,使用一根电缆便可传输数字音频信号和视频信 号,无需压缩。由于它支持多声道数字音频,“多媒 体接口”一词对于它而言名副其实。HDMI与DVI之间的 差别在于:支持多声道数字音频。 连接HDMI接口 本机支持的HDMI信号格式 RGB/60Hz 640×480、800×600、1024×768 YUV/50Hz 576i、576p、720p、1080i、1080p YUV/60Hz 480i、480p、720p、1080i、1080p 1.通过HDMI连接其它设备时,请确认传输的信号是HDMI支持的信号格式(见上表)。否则,可能导 致图像失真或无图像。 2.本机HDMI向下兼容支持较低版本的外部设备,但可能无法达到最佳的视觉效果。 3.部分较低版本的HDMI电缆可能会导致屏幕闪烁或无显示的现象,所以建议使用支持最新版本的 优质电缆线。 4.如HDMI外接设备缺少HDCP支持或HDCP设计不当,可能将妨碍本机HDMI呈现高清晰度内容。 5.HDMI向下兼容DVI(数字视频接口)时,根据HDCP版权保护的内容要求:HDMI和DVI两种设备都 支持HDCP才能正常观看视频内容,请确认DVI接口是否支持HDCP。 注意: 6 信号格式 分辨率 刷新频率 VGA 640×480 60Hz SVGA 800×600 60Hz XGA 1024×768 60Hz VGA接口支持的计算机信号格式 注意: VGA的音频输入端口与分量/视频2的音频输入端口复用。 切换到VGA时请确保音频接入,否则声音会出现异常。 本机具有D-sub15针RGB电脑标准接口,将本机的VGA接口 与电脑主机的VGA接口相连接。 将本机音频输入端子与电脑声卡的音频输出端子相连 接。 与电脑的连接 14 与 其 它 装 置 相 连 接 8 7 连接电视监视器、录像机或外置音箱 连接电视监视器或录像机时,使用普通的音、视频传输线,将本机的音视频输出端子和外部电 视监视器或录像机的音视频输入端子相连接。 连接外置音箱时,使用外置音箱自带的专用传输线,将本机的音频输出端子和外置音箱的音频 输入端子相连接。 注意:要做电视监视器使用时,请仔细查阅本机静止图像的注意事项。 如何选择信号输入 若要欣赏来自外接设备的节目,您应当选择与该设备相连接的输入方式,并用遥控器选择正确的 信号源。 被选择的输入端子 HDMI1输入 HDMI2输入 VGA/音频输入(复用) USB1/USB2输入 输入指示 HDMI1 HDMI2 VGA 多媒体 输入指示 电视 视频1 视频2 分量 被选择的输入端子 天线输入 视频输入1/音频输入1 视频输入2/音频输入(复用) 分量输入/音频输入(复用) 15 与 其 它 装 置 相 连 接 音 频 左 音 频 右 同轴 (三)连接5.1声道家庭影院图 电视机的音频输出端子 音频输出 VCD、DVD、录像机、 摄像机音频输出端子 音响功放的音频端子 9 连接5.1声道家庭影院 将外部的AV视频设备(如VCD、DVD、录像机、摄像机等)的音频输出接至音响功放,再通过音 响功放输出到家庭影院的相应扬声器(主扬声器/中置/环绕/重低音)上,确保正确对准+、- 极性。 将电视的音频输出端子接至音响功放,再通过音响功放输出到家庭影院的相应扬声器(主扬声 器/中置/环绕/重低音)上,确保正确对准+、-极性。 16 电 视 机 基 本 功 能 操 作 1.按菜单键显示主菜单。 2.用▲/▼键选择设置项。 3.按 / 键选择设置菜单的各选项。 4.按OK键进入选项菜单。 5.按菜单键返回。 开机/关机 为减少功耗,短时间内不使用电视机可将其设置为待机模式,但切勿长时间将电视机置于 待机模式。 由于电源掉电和系统处理需要时间,请不要连续快速开关机,否则可能会导致本机工作异常。 待机后若要使用本机按键开机,请按待机键。 注意: 注意:直接按节目号同样可以改变频道。若要选择1~9节目号,直接按数字键,选择10~200节 目号,按每位数字键的时间间隔不能超过3秒钟。 改变频道/音量 菜单使用 1.按下遥控器的菜单键开启本机的菜单。 2.按▲/▼键选择主菜单项。 3.按 / 键选择各子项。 4.按OK键进入下级菜单。 5.按菜单键返回前一个菜单。 6.重复按菜单键可以退出菜单。 通过使用菜单功能,可以满足您的不同需求,充分享受本机带来的视听效果。 1.将电视机电源线接至220伏交流电源插座。 2.按下电视机上的电源开关按钮。 在开机状态下按压遥控器的待机键,电视机进入待机状态,若要恢复正常收看,只需重新再按一 下遥控器的待机键。 3.要关闭电视,再次按下电视机上的电源开关。 设置主菜单操作 1.按遥控器上的节目∧/∨键或电视机上的节目∧/∨键(或节目+/-键),即可切换频道。 2.按遥控器上的音量∧/∨键(或音量+/-键),按电视机上的音量∧/∨键(或音量+/-键)可改变 音量大小。 3.按遥控器上的数字键,可直接切换到相应的频道节目。 17 设 置 搜 台 1.在设置菜单中,按 / 选择搜台项。 2.按OK键进入搜台菜单。 3.按▲/▼键选择搜台菜单的各选项。 4.按 / 键可设置各项,有下级菜单的按 /OK键进入下级 菜单。 5.按菜单键返回。 搜台菜单操作 1.用▲/▼键选择彩色制式/声音制式/微调任一项。 2.按 / 键进行相应调整。 3.按菜单键退出。 彩色制式:包括自动、PAL、NTSC、SECAM制式。 声音制式:包括D/K、M、B/G、I制式。 微 调:按 / 键对当前节目进行频点微调。 彩色制式/声音制式/微调:仅在模拟电视信号下可调 返回 频道: 2 频率: 88.75MHz 手动搜台 搜索 在进行手动搜台前可先按 / 键选择要搜索的节目号,并将 彩色制式与伴音制式设置正确。 手动搜台:手动设置从当前频点开始搜台 1.按▲/▼键选中手动搜台。 2.按 /OK键进入手动搜台选项。 3.电视信号下,按 / 键开始手动搜台。 4.按菜单键退出。 返回 0% 自动搜台 频率: 88.75MHz 频道: 2 自动搜台:自动搜索有信号的频道 1.用▲/▼键选择自动搜台项。 2.按 /OK键进入自动搜台开始搜台。 3.按菜单键退出。 18 设 置 删除 重命名 移动 跳过 选择 翻页 确认 返回 频道编辑 001 002 003 004 005 008 ATV ATV ATV ATV ATV ATV ATV ATV ATV ATV 009 010 006 007 ATV 1.按▲/▼键选中频道编辑。 2.按 /OK键进入频道编辑菜单。 3.按▲/▼键选中相应的频道,可对其进行删除/重命名/移 动/跳过操作。 ◇ 删除:按红色键选择删除功能,按OK键确认删除。 ◇ 重命名:按绿色键,对选中的电视频道进行修改名称, 按▲/▼键编辑名称中的字符,按 / 键移动光标位 置,按OK键确认。 ◇ 移动:若要移动某个节目,改变节目的排列顺序,可按 ▲/▼或 / 键选中要移动的节目,按黄色键进行移动 操作,然后按▲/▼或 / 键选择将要插入的位置,按 OK/黄色键确认。 ◇ 跳过:按▲/▼键选择频道节目,按蓝色键,选择跳过 功能;若想取消跳越,可选中该频道再按下蓝色键即 可。 4.按菜单键退出。 频道编辑:对搜索到的节目进行编辑 图 像 图像菜单操作 1.在设置菜单中,按 / 选择图像项。 2.按OK键进入图像菜单。 3.按▲/▼键选择图像菜单的各选项。 4.按 / 键可设置各项,有下级菜单的按 /OK键进入下级 菜单。 5.按菜单键返回。 1.按▲/▼键选择色温。 2.按 / 键选择合适的色温模式,五种色温模式为:标准、偏暖、暖色、冷色、偏冷。 3.按菜单键退出。 色温:调整画面的冷暖感觉 亮度/对比度/色度/清晰度/色调:调整画面图像亮度/画面层次感/色彩鲜艳度/ 画面清晰度/画面颜色正常 1.按▲/▼键选中亮度/对比度/色度/清晰度/色调。 2.根据个人需求按 / 键重新设定合适数值。 3.调整好后按菜单键退出。 注:仅在电视和视频信号源下,N制时可进行色调调整,其操作与亮度的操作相同。 19 设 置 PCM 声 音 声音菜单操作 1.在设置菜单中,按 / 选择声音项。 2.按OK键进入声音菜单。 3.按▲/▼键选择声音菜单的各选项。 4.按 / 键可设置各项,有下级菜单的按 /OK键进入下级 菜单。 5.按菜单键返回。 平衡:调整左右声道声音大小比例 1.按▲/▼键选择平衡项。 2.按 / 键设置平衡的数值,从而调整声音的平衡度。 3.设置完毕后按菜单键退出。 自动音量:根据输入信号自动调整音量 1.按▲/▼键选择自动音量项。 2.按 / 键设置开或关,自动音量为开时,声音输出均衡,本机根据输入信号自动调整音量。 3.设置完毕后按菜单键退出。 1.按▲/▼键选择SRS音效。 2.按 / 键可选择音效模式:临场1,临场2,剧场, 音乐,语言,关。 3.设置完毕后按菜单键退出。 SRS音效:提升伴音的环绕音效和低音效果 注:当魔方影音为开时,SRS音效不可选。 注:电视在无信号的情况下将不能进入图像的高级设置菜单。 高级设置:启用高级图像处理技术 1.按▲/▼键选择高级设置。 2.按 /OK键进入高级设置,按 / 调整3D降噪。 3D降噪:可以在时间和空间上对图像信号进行优化处理,降低外部噪声干扰,还原纯净的原始信 号。有低、中、高、关几个等级。 20 设 置 系统设置 1.在设置菜单中,按 / 选择系统设置项。 2.按OK键进入系统设置菜单。 3.按▲/▼键选择系统设置菜单的各选项。 4.按 / 键可设置各项,有下级菜单的按 /OK键进入下级 菜单。 5.按菜单键返回。 系统设置菜单操作 蓝屏:设置无信号时为蓝屏(蓝屏只在电视通道下有效) 1.按▲/▼键选择蓝屏。 2.按 / 键选择蓝屏状态为开或关,蓝屏设为开时,电视无信号时显示蓝色背景。 3.设置完毕后按菜单键退出。 1.按▲/▼键选择语言/Language。 2.按 / 键设置中文/Chinese或English/英文。 3.设置完毕后按菜单键退出。 语言/Language:菜单为英文或中文 魔方影音:图像和声音的组合调整 1.按▲/▼键选择魔方影音。 2.按 / 键可设置开/关,设为开时,按声音/图像键显示魔方影音菜单。 3.按菜单键退出。 1.按▲/▼键选择均衡。 2.按 /OK键进入均衡菜单,按 / 键可选择频点为120Hz、500Hz、1.5KHz、5KHz、10KHz的声音分 量,按▲/▼键调整至合适数值。 3.设置完毕后按菜单键退出。 均衡:实现频点声音的衰减或放大 注:当魔方影音或SRS为开时,均衡选项不可选。 1.按▲/▼键选择光纤模式。 2.按 / 键选择PCM或自动。 3.设置完毕后按菜单键退出。 光纤模式:设置同轴输出的音频格式 21 设 置 本机设置 1.按▲/▼键选择本机设置,按 /OK键进入。 2.按▲/▼键选择各选项。 3.按 / 键进行设置。 4.设置完毕后按菜单键退出。 菜单时间:设置菜单显示的时间:10秒,15秒,30秒,45秒,60秒,关。 开机画面:有默认、自定义、关三个选项。当选择自定义时,开机画面将显示DMP抓图功能抓取的 图像(DMP抓图功能详见数字多媒体相关描述)。更改开机画面后首次开机稍慢,属于正常现象。 开机音乐:设置开机时是否播放音乐。设为开时则播放音乐。 1.按▲/▼键选择出厂设置。 2.按 /OK键进入出厂设置选项,按 / 键选择是或否,按OK键确认。 3.设置完毕后按菜单键退出。 出厂设置:恢复出厂时的参数设置 注意:当机器处于异常状态时,或者想恢复到出厂设置时,用户可以使用出厂设置功能。 几何调整 当宽高比模式为点对点时,几何调整选项不可选。 当输入信号为HDMI时,仅有显示范围选项可调。 无信号、HDMI通道的DVI和RGB的信号下,几何调整选项不可选。 几何调整菜单操作 1.在设置菜单中,按 / 选择几何调整项。 2.按OK键进入几何调整菜单。 3.按▲/▼键选择几何调整菜单的各选项。 4.按 / 键可设置各项,有下级菜单的按 /OK键进入下级 菜单。 5.按菜单键返回。 水平位置/垂直位置:调整图像的水平位置/垂直位置 1.按▲/▼键选择水平位置或垂直位置。 2.按 / 键设置水平位置或垂直位置至图像显示正常为止。 3.按菜单键退出。 水平幅度/垂直幅度:调整图像的水平幅度/垂直幅度(在VGA输入下不可用) 1.按▲/▼键选择水平幅度或垂直幅度。 2.按 / 键设置水平幅度或垂直幅度至图像显示正常为止。 3.按菜单键退出。 22 设 置 1.按▲/▼键选择时钟。 2.按 / 键改变时钟调整值至图像显示正常为止。 3.按菜单键退出。 时钟:调整PC输入信号的行幅(只在VGA输入下可用) 以Windows2000为例,电脑的Windows系统显示设置基本如图 所示。 1.单击Windows开始菜单上的“设置”。选中“设置”平移 鼠标单击“控制面板”。 2.出现控制面板窗口,单击“显示”出现显示的对话框。 3.找到显示对话框上的“设置”选项,设置屏幕分辨率(该 机支持的分辨率详见“与其它装置相连接”部分),并将屏 幕刷新频率设为“60Hz”。 4.单击“确定”退出。 PC软件设置:正确设置PC软件 1.按▲/▼键选择相位。 2.按 / 键改变相位值至图像显示正常为止。 3.按菜单键退出。 相位:调整PC输入信号的相位(只在VGA输入下可用) 自动调整:自动调整图像的位置和尺寸(只在VGA输入下可用) 1.按▲/▼键选择自动调整。 2.按 /OK键进行自动调整。 3.按菜单键退出。 显示范围:控制HDMI的重现率(只在HDMI输入下可用) 1.按▲/▼键选择显示范围。 2.按 / 键设置显示范围:缩放、全信号。 3.按菜单键退出。 3D设置 为了让您充分享受3D视频,请使用与之配套的海信品牌偏光式3D眼镜。(如需购买3D眼镜,请先咨 询海信客服) 注意: 1.在3D模式下有些图像功能会不可用,例如:节能/缩放快捷按键在3D模式下不作用。 2.本机支持HDMI1.4中常用3D格式的自动识别,对于其它3D信号格式需要手动设置。 3.请通过HDMI和DMP通道观看3D视频。 4.本机遥控器增设"3D"快捷键,在任意通道下按“3D”键进入3D设置,操作方法见以下描述。 5.3D快捷键描述: 各通道无菜单状态,按3D按键进入3D快捷菜单,功能同主菜单3D设置菜单;DMP下,按3D按键直接进 入3D快捷菜单,功能同主菜单3D设置菜单;3D快捷按键在智能电视的各项功能中不可用。 23 设 置 3D菜单操作 1.在设置菜单中,按 / 键选择3D设置项。 2.按OK键进入3D设置菜单。 3.按▲/▼键选择:3D模式/左右交换/景深/视点/3D转2D。 4.按 / 键对选项进行设置。 5.按菜单键返回。 3D模式 关 左右交换 视 点 景 深 3D转2D 关 左右 8 2 1.按▲/▼键选择3D模式。 2.按 / 键设置3D模式为关、2D转3D、左右、上下、行交错、自动,当选择自动模式时,系统会自 动识别上下和左右格式片源并自动转换3D模式。 3.设置完毕后按菜单键返回。 3D模式:根据片源的格式,选择对应的3D模式 说明:当3D模式设置为“2D转3D”时,除视点和景深外其它项不可用;当3D模式设置为“自动” 时,2D片源下其他选项不可选;观看2D视频时,请将3D模式设置为“关”。由于片源或信 号中图像存在特殊性,某些片源可能无法自动正常识别,如遇此情况,请手动选择对应的 3D模式。 针对不同的3D信息源,可进行左右眼信号的交换,如果设置不当,您可能会感到晕眩。 在3D菜单下,以左右格式为例: 3D信号格式设置为左右后: 1.按▲/▼键选择左右交换。 2.按 / 键设置为左右或右左。 3.设置完毕后按菜单键返回。 左右交换 注:当3D模式设置为关时,该选项为灰色,不可调。 视点:调节2D转3D画面的临场效果 1.按▲/▼键选择视点。 2.按 / 键设置为0~10,共11个等级。 3.设置完毕后按菜单键返回。 注:当2D转3D设置为关时,该选项为灰色,不可调。 1.按▲/▼键选择景深。 2.按 / 键设置为0~10,共11个等级。 3.设置完毕后按菜单键返回。 景深:调节3D或2D转3D后画面的景深层次感 注:当2D转3D设置为关时,该选项为灰色,不可调。 24 设 置 节 目 节目主菜单操作 1.按菜单键显示主菜单。 2.用▲/▼键选择节目项。 3.按 / 键选择节目菜单的各选项。 4.按OK键进入选项菜单。 5.按菜单键返回。 3D转2D 对于HDMI1.4常用的3D格式本机能自动识别,且以3D方式显示,如果您需要以2D模式收看,请将该 选项置为开。 重要安全信息。在您或您的孩子使用3D功能前,请先阅读以下警告: 警告 1.长时间近距离观看电视可能会弱化视力。 2.长时间佩戴3D眼镜观看电视可能会引起头疼或疲劳。如果感到头疼、疲劳或者晕眩,请停止观看 电视并休息。 3.有些3D画面可能会刺激、惊吓到观看者。建议孕妇、幼儿、癫痫患者和身体状况很差的人避免使 用本装置的3D功能。 4.建议身体状况差,睡眠不足或者饮酒的人不要观看3D画面。 5.当观看3D画面时,请确保周围环境安全,因为本产品的设计原理可令人感到身临其境。请勿在开 放的楼梯间、缆线、阳台或其他可能被拌翻、撞入、击倒、打破或掉落的物体附近使用本产品。 受到惊吓或自以为3D影像是真实的可能会使您在尝试移动身体时撞碎附近的物体或受伤。 6.除了观看3D电视外,请不要将3D眼镜用于其它用途,在其它场合佩戴3D眼镜(比如当作普通的眼 镜、太阳镜、视力保护镜等),可能会使您的身体受伤或视力下降。 7.令人沉浸其中的视频可能会对用户产生潜在的负面影响,包括运动疾病、眼睛疲劳和姿势稳定性 下降。请经常稍事休息以减少产生这些影响的可能性。如果出现上述任何症状,请立即停止使用 本设备,并在症状减弱至少三十分钟以后,再考虑继续使用。 8.理想的观看距离应该是屏幕高度的三倍以上,建议观看时观众的眼镜与屏幕位于相同的水平高度上。 9.光敏性癫痫警告和其他健康风险: (1)有的观看者在看到某些电视画面或视频游戏中的某些闪烁影像或光线时可能会突发癫痫病或 中风。如果您有癫痫或中风家族病史,请在使用3D功能前先咨询医学专家。 (2)即使是那些没有个人或家族癫痫、中风病史的人,也可能存在会诱发“光敏性癫痫发作”的 未诊断出的情况。 (3)如果出现以下任何一种症状,请立即停止观看并休息。(如果症状持续,请咨询医生)。 ——视力变化、头晕眼花、晕眩、不自主运动(眼睛或肌肉抽搐),无意识移动,意识模 糊,精神混乱,方向障碍或者恶心。 家长应该观察并咨询孩子是否出现以上症状,因为儿童和青少年可能比成年人更容易出现这 些症状。 10.当儿童或者青少年观看电视时父母要特别注意,六岁以下儿童不得观看3D视频。 25 媒 体 USB 移动 播放 返回 退出 媒体选择 翻页 退出 全 部 电 影 音 乐 图 像 文 本 ... USB 网上邻居 信 息 文件名 : 图片 首先确定插入带有标准USB2.0接口的U盘或移动硬盘设备。里面存储有您希望打开的多媒体文件。 按多媒体键进入数字多媒体主页面;按退出键退出数字多媒体界面;按▲/▼/ / 键移动焦点到指 定的位置;按OK键选择焦点到对应的功能。 ● 数字多媒体主界面 1.按菜单键显示主菜单。 2.用▲/▼键选择媒体项。 3.按 / 键选择媒体菜单的各选项。 4.按OK键进入多媒体菜单。 5.按菜单键返回。 媒体主菜单操作 26 媒 体 USB 移动 播放 返回 退出 媒体选择 翻页 退出 ... C: D: C: 全 部 电 影 音 乐 图 像 文 本 信息 文件名: 全 部 电 影 音 乐 图 像 文 本 变形金刚 .rmvb ... 2012.. Blood.. CCTV.. 建国 大业 变形金刚 达芬奇...猎人.. 战警1 战警2 战 警3 战警4 1/2 D:影视 USB 移动 播放 返回 退出 媒体选择 翻页 退出 信息 文件名: ● 播放视频文件 按红色键切换到全部媒体或电影媒体下: 1.按▲/▼/ / 键选择您要播放的文件视频。 2.按OK或 键播放视频。 3.按■键/退出键退出视频播放,返回到目录。 1.按 / 键选择USB盘符。 2.按OK键进入您所选择的存储设备。 3.进入存储设备后,按 / 键选择您所需要打开的文件所在的盘符,并按OK键进入。 4.按▲/▼/ / 键选中您要打开的文件夹/文件,按OK键进入/播放您选中的文件夹/文件。 5.按菜单键逐级返回到上一级目录。 6.按红色键,可以按照媒体类型来筛选当前目录的文件。 27 媒 体 00:00:15/02:22:27 1 2 3 4 5 6 7 8 9 10 11 2 3 4 5 6 1 7 8 9 10 11 播放进度条。 播放/暂停,在没有出现此工具条时按快捷键OK也可以实现此功能。 播放上一个视频文件,在没有出现此工具条时按快捷键 或▲可以实现此功能。 播放下一个视频文件,在没有出现此工具条时按快捷键 或▼也可以实现此功能。 视频快退,选中后反复按压OK键可以选择不同的快退倍率,在没有出现此工具条时按快捷键 也可以实现此功能。 视频快进,选中后反复按压OK键可以选择不同的快进倍率,在没有出现此工具条时按快捷键 也可以实现此功能。 注意:部分码流不支持快进或快退播放功能。 选时播放: 按 / 键选中时间格式: 时、分、秒。按数字键输入时间,按▲/▼/ / 键调整时间。调整完 毕后,按OK键确认后视频会跳到您所指定的时间点播放。 注意:部分码流不支持选时播放功能。 节目列表: 按▲/▼键选中电影名称。按OK键确认播放。选中“关闭”,按OK键确认关闭菜单。 选项设置: 按▲/▼键选中设置选项。按 / 键选择选项模式。调整完毕后,选中“关闭”,按OK键确认 关闭菜单。 注意:如本视频无字幕,则字幕选项不可选。 节目信息:查看节目信息。 结束播放并返回到视频播放器。 影片播放的时候,按缩放键可以调整画面大小:全屏显示-原始大小-原始比例三种模式可选。 按菜单键调出/退出视频播放控制条: 按 / 键选择控制条上的功能图标。 按OK键确认功能操作。 28 媒 体 视频支持的格式如下表: 注意: 1.在播放含有不同音轨的电影时,按压“音轨/语言”键可以切换音轨。 2.若您使用USB1.1设备播放电影时,有可能会出现画面不流畅现象,建议使 用USB2.0设备。 3.本机支持外挂.srt格式的电影字幕,播放含有多个字幕的电影时,反复按压 “字幕”键可进行切换。 4.由于节目来源的多样性,本机不能保证支持列出的所有格式及版本。 .avi .avi .mpg .ts .ts .mkv .avi .avi .mpg .mov .dat .rm .rmvb .flv Xvid MPEG2 H.264 HP MPEG4 ASP MPEG1 Real 8/9/10 H.264 HP 1280×720 1920×1080 1920×1080 1920×1080 720×576 1280×720 720×576 8Mbps 25Mbps 25Mbps 8Mbps 1.5Mbps 1.5Mbps 1.0Mbps AC3,MPEG1(Layer1,2,3) AC3,MPEG1(Layer1,2,3) AC3, AAC,MPEG1(Layer1,2,3) AC3,MPEG1(Layer1,2,3) MPEG1(Layer1,2,3) Cooker MPEG1(Layer1,2,3) 封装 视频解码 类型 分辨率(最大) 比特率(最大) 音频解码 29 媒 体 移动 播放 返回 退出 媒体选择 翻页 退 出 USB 神话.mp3 ... 希望 .. 爱你一万 年.神话.. 不得 不爱 太阳 雨 花 开时节 落日 下一站 天后 LOVE Fire Next day E: Music 全部 电影 音乐 图像 文本 信息 文件 名: 1/100 翻 页 选择 标记 播 放/暂停 返回 模式切换 wsbsntad.mp3 [S.H.E]superst.. [容祖儿]挥着翅膀帮.. [黄征]爱情诺曼... [齐秦]大约在冬.. 一剪梅.wma 一生有你.mp3 一眼万年.mp3 丁香花.mp3 万芳-碧海情 天.mp3 7/100 循环方式 全部循环 00:00/ 00:04:18 播放状态 播放 标题 : 一生 有你.. 专辑 : 年份 : 2001 艺术 家 比特 率: 1360bps 采样 率: 44100 当前播放: 一 生有你.mp3 ● 播放mp3格式音乐文件 按红色键切换到全部媒体或音乐媒体下: 1.按▲/▼/ / 键选择您要播放的文件音乐。 2.按OK键或 键播放。 3.按黄色键和蓝色键翻页,按导航 键标记(取消标记)歌曲。 绿色键选择音乐播放循环方式:单曲、选中、全部。单曲循环:循环播放当 前播放歌曲。全部:循环依次播放所有歌曲。选中:仅当以标记出歌曲时有 效,循环依次播放所标记出的歌曲。 按▲/▼键选择预选歌曲,按OK键确认。 4.按■键/退出键退出音乐播放界面。 30 媒 体 移动 播放 返回 退出 媒体选择 翻页 退 出 ... 神话 赛 车 E:Photos 神话.jpg 全部 电影 音乐 图像 文本 USB 信 息 文 件名: ● 播放JPG格式图片文件 按红色键切换到全部媒体或图片媒体下: 1.按▲/▼/ / 键选择您要播放的图片。 2.按OK键或 键播放图片。 3.按■键/退出键退出图片播放界面。 31 媒 体 上一曲 下一曲 1 11 3 4 5 6 + - 2 12 抓 图 7 10 9 8 7 8 9 10 11 2 3 4 5 6 1 12 按菜单键调出/退出图片播放控制条:按 / 键选择控制条上的功能图标,按OK键确认功能操作。 播放图片文件工具条 播放/暂停。在播放图片时按快捷键OK可以实现幻灯片的自动播放和手动播放控制。 结束播放图片,退出。在没有出现此工具条时按快捷键■也可以实现此功能。 播放上一个图片文件,在没有出现此工具条时按快捷键 也可以实现此功能。 播放下一个图片文件,在没有出现此工具条时按快捷键 也可以实现此功能。 图片顺时针依次旋转90度,在没有出现此工具条时按快捷键 也可以实现此功能。 图片逆时针依次旋转90度,在没有出现此工具条时按快捷键 也可以实现此功能。 放大图片,在没有出现此工具条时按快捷键缩放也可以实现此功能。 放大状态下按▲/▼/ / 键可以移动图片。 缩小图片,在没有出现此工具条时按快捷键缩放也可以实现此功能。 选项设置: 图片显示速度:按 / 键设置图片显示速度。 图片显示方式:按 / 键设置图片显示方式。 图片伴乐浏览:按 / 键设置图片伴乐浏览开或关,设置为开时,可以一边浏览图片,一边 欣赏当前文件夹中的音乐。 图片信息:查看图片信息。 当伴乐浏览设置为“开”时,且正在看图片和听音乐时, 按红色键:当前目录有歌曲时,播放上一曲歌曲。 按绿色键:当前目录有歌曲时,播放下一曲歌曲。 黄色键:抓图。按抓图键后,在抓图的过程中,请不要在此时操作机器,抓图成功后,重启 本机,抓图图片可以作为开机画面显示。 特此声明:由于制作图片的工具繁多和图片在传输过程中的可能存在的潜在病毒损害或数据 信道缺陷,本机不能保证支持所有图片文件格式和所有图片文件大小的图片抓图,如果出现 抓图失败的情况,不属于本机故障,请再重新尝试一下或尝试一下抓取别的图片。 32 媒 体 上一曲 下一曲 + - 抓 图 首先,播放图片时在选项设置里,按▲/▼键选择图片伴乐浏览,按 / 键设置图片伴乐浏览 为“开”,详见上页说明。 本机图片伴乐浏览,指在播放图片时,同时播放与图片在同一文件夹中的音乐。 1.按▲/▼/ / 键选择一个同时存有图片文件和音乐文件的文件夹。 2.按OK键打开此文件夹。 3.按▲/▼/ / 键选择一个图片文件,按OK键打开,随之,同文件夹下的音乐也开始播放。 在播放图片的时候,按红色键:播放上一曲歌曲。按绿色键:播放下一曲歌曲。 ● 图片伴乐浏览 按菜单键调出/退出播放控制条:按 / 键选择控制条上的功能图标,按OK键确认功能操作。 其操作方法同图片浏览。 33 媒 体 ... 希望.text. D:TEXT 移动 播放 返回 退出 媒体选择 翻页 退 出 希望.text. 全 部 电 影 音 乐 图 像 文 本 USB 信息 文 件名: ● 播放TXT格式文本文件 按红色键切换到全部媒体或文本媒体下: 1.按▲/▼/ / 键选择您要播放的文本。 2.按OK键或 键播放文本。 3.按■键/退出键退出文本播放界面。 选择页面 0001 确认 1 3 4 2 中科院新技术征服盐碱地 小麦亩产达630斤 1/7 中科院新技术征服盐碱地 小麦亩产达630斤 “渤海粮仓”承载着国家粮食安全使命,中科院研究出来的新技术战胜了盐碱地的顽 疾 经过中科院多年在南皮和禹城两个工作站的努力,小麦种子和盐碱地改良分别获得 成功。“渤海粮仓”课题在无棣的实施,为整个滨州的现代农业带来了科技增量。 按菜单键调出/退出文本控制条:按 / 键选择控制条上的功能图标。按OK键确认功能操作。 1.停止。 2.选页播放:按数字键输入页码,或按方向键调整页码,移动光标到确认按钮上,按OK键 确认跳转到此页。 3.播放上一页文本;按▲键也可。 4.播放下一页文本;按▼键也可。 34 媒 体 全部 电影 音乐 图像 文本 ... USB 网上邻居 移动 播放 返回 退出 媒体选择 翻页 退出 网上邻居 信息 文件名: 全部 电影 音乐 图像 文本 信息 计算机名: 移动 播放 返回 退出 刷新 翻页 退出 网上邻居 192.169.1.54 192.169.1.55 在全部媒体界面下: 1.按 / 键选择网上邻居。 2.按OK键进入网上邻居界面。首先确定您的网络畅通,您的网上邻居有共享文件夹。 系统自动搜索到网络中所有的网上邻居IP,按 / 键选择一个IP,按OK进入登录界面。 注意:搜索不到网上邻居IP,可能是网络不畅或网络中没有网上邻居的计算机。 按红色键刷新一下网络,搜索当前的网上邻居IP。 ● 网上邻居 35 全部 电影 音乐 图像 文本 用户名: 网上邻居 1 2 3 4 5 6 9 8 7 abc def ghi jkl mno wxyz tuv pqrs # 0 *., 中↑ 确认 取消 用户名: admin2 密码: ****** 请输入用户名和密码 删除 保存 信息 媒 体 网上邻居使用注意事项 1.保证电脑与电视在同一个局域网内,IP地址也在同一网段。 2.无线上网时电视本机的USB端口需插入一个无线网卡(dongle),电脑需连接到路由器上。 3.使用网上邻居功能时,要么先关闭共享电脑的防火墙,要么对防火墙进行处理,否则无法实现共享。 当用户要对防火墙进行处理时,必须做如下处理: 1)方法一:将防火墙的安全级别设置为中安全级别。 2)方法二:打开防火墙的“设置-详细设置”,对“规则设置”的两个子项进行设置: 步骤一,规则设置-可信区,点击“添加”,将所在网络IP输入进去,如本机IP是192.168.1.5, 则“本地地址”为“指定地址”,IP为“192.168.1.5”;“对方地址”选择“地址范围”,“起 始地址”为“192.168.1.0”,“结束地址”为“192.168.1.225”,确定。 步骤二,规则设置-白名单,点击“增加规则”,名称自定,“地址类型”选择“地址范围”, “起始地址”为“192.168.1.0”,“结束地址”为“192.168.1.225”,确定。 保存设置,一般可以解决windows安装上防火墙后就不能访问网上邻居的问题。 输入法操作说明 1.按#键可实现“ABC”、“abc”、“123”输入法间的切换,右侧会显示当前的输入状态。 2.输入大小写字母。在“ABC”、“abc”输入法模式下,通过单次按压或连续快速按压遥控器上 对应的按键,输入您所需字母,不同字母输入时保留一定的时间间隔。 如需要输入字母“i”,先按#键将输入法切换为“abc”模式,再连续3次快速按压遥控器的数字 键4,即可完成字母“i”的输入。 3.输入数字。在“123”输入法模式下,按对应的数字键即可输入相应的数字。 4.输入符号。在“ABC”、“abc”输入法模式下,连续快速按压数字键1会实现不同符号的切换, 停止按压后相应的符号会被选中。 3.进入网上邻居登陆界面后,按照输入法操作说明输入正确的用户名与密码。 4.输入过程中,可以按红色键删除前面输入的字符。 5.输入用户名和密码无误后,按蓝色键可以存储用户登录信息,下次登录时无需重新输入。 6.按▲/▼键选择“确定”,按OK键进入网上邻居,浏览上面的文件。具体浏览方法请参考前面数 字多媒体部分说明。 7.操作完毕后,按菜单键能返回到上一级界面,按退出键直接退出该功能。 36 媒 体 1.数字多媒体播放器的USB接口并非万能,它可以支持绝大多数的硬盘、U盘等,若出现不识别情况, 不属于本机故障,与设备的驱动有关。 2.本机USB口输出电流有限,如果用户接电流比较大的外接设备,建议采用外置电源。所有USB端口 外接设备的电流总和不能超过1200毫安,如果超过输出此电流限制,造成本机故障不在保修范围 之内。 3.随着设备的不同,存储容量的不同,数字多媒体播放器读取信息需要的时间也是不一样的,有可 能出现信息读取速度的暂时变慢,请注意这并非本机故障。 4.请避免在文件读取过程中插拔USB设备,否则有可能损害您的系统文件。 5.在系统忙于处理您的上一次操作时,请不要频繁按压其它功能键,否则会影响系统的处理速度。 6.本机采用多系统工作,相当于一个复杂的电脑系统,所以在文件读取或播放时,由于USB设备的 兼容性和稳定性的差异,可能会出现画面停止或功能不作用现象。请尝试关闭电视机使系统重新 初始化,从而恢复正常工作。 7.随着系统的不断完善与升级,实际显示和操作会与说明书有细微差别,此现象属正常情况。不会 影响到您的正常使用与享受。 8.当系统出现长时间不响应操作或出现“系统异常”提示信息时,当前系统可能暂时处于非正常运 行状态。您可以重试当前操作或关机后重新启动,使系统恢复正常运行。 9.若出现硬盘不识别情况,请尝试通过外接电源给硬盘供电或更换线长小于65厘米的标准USB2.0硬 盘线。 10.用户使用USB设备时,建议所有设备的分区总数不要超过11个,否则有可能出现不显示分区的情况。 注 意 事 项 4.需将电脑中要访问的文件设为共享。 具体步骤为: 选择要共享的文件夹,鼠标右击--属性--共享--共享此文件夹。选择“应用”,点击“确定”后 即完成文件夹的共享。 5.使用网上邻居功能时,共享电脑不支持使用域名,否则无法实现共享。 6.由于网络环境或网速的影响,播放720P及更高分辨率的视频时,会出现图像停顿、声音卡和其他 异常问题,属于正常现象,非本机故障。 7.电脑的计算机名不支持使用中文名,否则无法访问。 8.电视不能访问用户名为Guest或者用户无密码的电脑。 9.不支持Vista与Win7系统,只支持XP系统。 37 智 能 电 视 1.在智能电视菜单中,按 / 键选择网络设置项。 2.按OK键进入网络设置菜单。 3.按▲/▼键选择网络设置菜单的各选项。 4.按 / 键可设置各项,有下级菜单的按 /OK键进入 下级菜单。 5.按菜单键退出。 应用商店 华数电视 Web 有线网络的连接 路由器 网线 墙上的网 线端口 网线 电脑 本机网口 网线 1.按菜单键显示主菜单。 2.用▲/▼键选择智能电视项。 3.按 / 键选择智能电视菜单的各选项。 4.按OK键进入选项菜单。 5.按菜单键返回。 智能电视主菜单操作 有线网络 网络设置:设置网络属性 有线网络 无线网络 无线状态 网络测试 无线网卡 网络升级 38 有手动设置和自动获取两个选项。 在自动获取状态下,网络地址会自动去获取,获得成功后,得到的网络地址显示在下面的条目中。 在手动设置状态下,需要人工设置网络地址。 按▲/▼键选择相应的条目,按 /OK键进入地址的输入菜单。 按 / 键选择要输入数字的方框,按遥控器上对应的数字手动输入网络地址,当要删除时,可按 黄色键逐个删除,输入完成后按红色键保存。 智 能 电 视 有线网络 子网掩码 确定 删除 . IP . . 1 确定 2 3 4 5 6 7 8 9 0 删除 无线网络的连接 无线路由器 电脑 USB无线网卡 本机USB接口 网线 墙上的网 线端口 网线 电脑 网络设置 无线网络 无线网卡连接方法注意事项: 1、由于USB无线网卡和射频线品牌众多,性能不一,为了避免部分USB无线网卡和本机输入信号的 相互影响,推荐通过USB延长线将USB无线网卡连接到本机的USB1口上。 2、USB无线网卡请参照图示位置放置,请尽量远离本机的输入信号线(如天线等)。 某些无线网卡在本机上可能无法使用,推荐您优先使用如下型号的产品: ◆ 型号:NW360 NW362 生产厂商:深圳市磊科实业有限公司(NETCORE) 服务热线:400-810-1616 如有问题,请您咨询我公司售后服务人员,或直接拨打上述厂商的服务热线垂询。 39 智 能 电 视 无线网卡的使用方法:首先要有无线路由器,路由器无型号限制,但须设置为广播SSID的,并按图 示插上配套的USB无线网卡。在正确配置后,按如下步骤操作即可。 按 /OK键进入无线网络菜单。如果没有插入USB无线网卡,菜单会提示“无USB网卡,按红色键刷 新,返回按菜单键”;如果有USB无线网卡,同时周围有无线网络,进入后大概2秒左右会显示搜索 到的无线网络,可按红色键进行刷新。 当要连接某个网络时,按▲/▼键进行选择后,再按 /OK键,这时会弹出输入密码的软键盘出来, 可在上面输入密码后,按红色键进行连接。如果网络没有加密,则直接按红色键连接。 无线网络 1.TP-LINK_2E831C 2.MTK_Hardware 输入密码 如何输入密码: 1.按#键可实现“ABC”、“abc”、“123”输入法间的切换,右侧会显示当前的输入状态。 2.输入大小写字母。在“ABC”、“abc”输入法模式下,通过单次按压或连续快速按压遥控器上对 应的按键,输入您所需的字母,不同字母输入时保留一定的时间间隔。 如需要输入字母“i”,先按#键将输入法切换为“abc”模式,再连续3次快速按压遥控器的数字 键4,即可完成字母“i”的输入。 3.输入数字。在“123”输入法模式下,按遥控器对应的数字键即可输入相应的数字。 4.输入符号。连续快速按压“*”键会出现“.”、“,”、“*”符号的切换,停止按压后相应的符 号会被选中。 5.密码输入完毕后按红色键保存,按黄色键逐一删除输入字符,按蓝色键清除全部输入字符。 40 智 能 电 视 输入有效的网络地址,可以测试电视的网络是否连通。 按 /OK键进入网络地址菜单,输入IP(操作与无线网络中 输入密码相同)。 输入IP地址后,按 /OK键开始测试。 如果网络连通,则状态栏显示“连接成功”;否则显示“连 接异常”。 无线状态 无网络 网络连接失败 重新连接 IP 192.168.1.106 子网掩码 255.255.255.0 网关 192.168.1.1 DNS 202.102.128.68 1.无线路由器访问的IP地址一般都在路由器上标明,具体可参见路由器上的标签或说明书。 2.配置无线路由器 首次使用路由器要先进行路由器配置,以保证路由器可以正常访问网络。在IE地址栏中输 入路由器标签上的IP地址,提示输入用户名和密码,按照标签上的信息输入就可以进入路 由器的设置界面。 3.以TPLINK品牌的无线路由器为例,标签背面标识IP:192.168.1.1 用户名:admin 密码:admin 或者 password,在IE地址栏中写入http:// 192.168.1.1 ,按Enter键,输入用户名和密码, 就可以进入路由器的设置界面。如下图: 第一,选择“无线参数”项中的“基本设置”,如果你要设置路由器密码,可在“开启安 全设置”项前面打“√”,选择需要的“安全类型”与“安全选项”。安全类型为wep, wpa/wpa2,wpa-psk/wpa2-psk。对于 wpa/wpa2的类型,网络上还需要一台 RADIUS 服务器完成802.1x身份认证协议 的支持,对于一般用户使用不到,所以 推荐用户使用wep,wpa-psk/wpa2-psk的 安全类型。 wep方式:安全选项可选为自动选择,开 放系统,共享密码。密码格式为ASCII码。 wpa-psk/wpa2-psk方式:安全选项可选 为自动选择,wpa-psk,wpa2-psk。加密 方式可选为:自动选择,TKIP,AES。 第二,选择“DHCP服务器”项中的“DHCP服务”,界面提示“本路由器内建DHCP服务器, 它能自动替您配置局域网中各计算机的TCP/IP协议。”,DHCP服务器设为“启用”。 无线路由器及共享文件的设置 显示当前状态下无线信息。 如果网络连接成功,则无线状态下会显示各项无线信息。此 时,按 /OK键可断开连接。 如果网络连接失败,则显示“无线网络连接失败”。此时, 没有任何无线信息,按 /OK键可重新连接。 无线状态 网络测试 41 按 / 键设置为开或关。 当设置为“关”时,无线网络和无线状态项均不可选。 当“无线网卡”设置为“开”时,某些品牌的无线网卡在使用过程中会出现干扰模拟电视图像的现 象。当插上无线网卡,又不使用网络功能时,建议将“无线网卡”设置为“关”。 智 能 电 视 当前软件版本:V0000.02.10B 正在检查更新 自动检查更新(开) 取消 当前软件版本:V0000.02.10B 检查到软件更新(02.12B) 自动检查更新(开) 取消 下载 当前软件版本:V0000.02.10B 请不要拔下U盘! 正在下载...11% 6.08MB/s 自动检查更新(开) 后台运行 取消 当前软件版本:V0000.02.10B 已完成下载100% 自动检查更新(开) 取消 升级 检测到升级文件,是否需要升级? 否 是 正在解压文件,请不要拔下U盘! 无线网卡:此选项仅在模拟电视信号下可调 图一 图二 图三 图四 图五 图六 网络升级过程中使用的U盘需满足如下条件: 格式为FAT32,可用空间为150M以上,建议升级时先将U盘格式化。 当前软件版本及所有的软件版本显示信息请以实物为准。 按 /OK键确认,弹出检查更新菜单(如图一)。按 / 键选择“自动检查更新”选项,然后按OK键 设置开/关。 当设为开时,开机后无需任何操作即可进行更新检查。 当设为关时,需要通过网络升级菜单手动进行更新检查: ◆ 当网络没有连接上服务器时,菜单上将显示“连接服务器错误!”提示字符。 ◆ 当目前软件是最新版本时,菜单上将显示“目前软件是最新版本”提示字符,按OK键确认即可。 ◆ 当检查到有软件更新时,菜单上将显示“检查到软件更新”字符(如图二)。 按 / 键选择“下载”,然后按OK键确认。 ◇ 如果已经有U盘插入,则会显示下载菜单(如图三)。您可以按 / 键选择“后台运行”,按 OK键确认,此时下载菜单消失,但仍在进行下载进程。 下载完成后,弹出下载完成菜单(如图四)。按 / 键选择“升级”,再按OK键确认后显示 提示菜单(如图五),按 / 键选择“是”,按OK键确认后弹出解压文件菜单(如图六), 在解压过程中请不要拔下U盘。解压完成后,电视会自动重启开始升级。在升级过程中,电视 保持黑屏,呼吸灯会急促闪烁。升级完成后,电视会自动启动,并恢复到出厂设置,需重新 对电视进行设置。若在解压过程中失败,请重新下载升级包。 ◇ 如果没有U盘插入,会弹出菜单提示“请插入U盘!”,插入后,提示“U盘已连接”。其余操 作同上。 网络升级 42 智 能 电 视 激活码: 登录 输入状态下,按“黄色键”键删除 本地应用 第1/2页 新浪新闻 新浪天气 新浪股票 航班查询 列车查询 诗词鉴赏 退出 退出 趣味英语 五子棋 幼儿中英.. 电影赏析 走迷宫 口碑网 应用管理 第1/2页 左右翻页 新浪乐库 V1.6 新浪新闻 V1.5 有效期至2099-12-31 大小:0.64M 新浪股票 V1.6 航班查询 V1.7 新浪天气 V1.5 有效期至2099-12-31 大小:0.70M 有效期至2099-12-31 大小:0.58M 有效期至2099-12-31 大小:1.00M 有效期至2099-12-31 大小:1.37M 按 OK 删除 应用分类 第1/1页 左右翻页 影视天天看 好好学习 娱乐天地 信息一点通 百事我知 热门排行 第1/3页 左右翻页 新浪音乐 1.6 dengyongjing 发布于2010-8-21 新浪新闻 1.5 dengyongjing 发布于2010-8-21 新浪股票 1.6 dengyongjing 发布于2010-8-21 影视下载 1.7 dengyongjing 发布于2010-8-21 新浪天气 1.5 dengyongjing 发布于2010-8-21 1 2 3 4 5 应用商店 1.第一次打开应用商店需要输入激活码。 注:刮开随机附带的网络电视增值服务卡后,将卡上 的激活码输入后即可进入应用商店。 ● 应用管理 2.进入应用商店后,主界面包括:本地应用、应用管 理、应用分类、热门排行、最新上线和自助服务。 本地应用:显示已经下载和安装在本地的应用功能。 注:本地应用以实际出现的应用为主。 3.应用管理:管理本地安装的应用,可以删除暂时不 用的应用。 具体操作:选中应用,按OK键删除,按 / 键翻页。 ● 应用分类 4.应用分类:将应用商店中的应用按照用途分类,用 户根据需求购买。按 / 键翻页,按OK键进入购买 页面。每个页面都标有价格,按 / 键移动光标, 按OK键确认购买。购买后的应用会出现在本地应用 中。账户余额里会扣除购买应用所需要的金豆数量。 ● 热门排行 5.热门排行:按照应用的购买次数进行排序,购买次 数最多的应用排在最前面。按 / 键翻页。 注:热门排行以实际出现的排行为主。 43 智 能 电 视 最新上线 第1/2页 新浪音乐 网事通 新浪股票 影视下载 新浪天气 影视娱乐 航班查询 列车查询 汇率查询 手机查询 IP查询 新浪新闻 自动服务 华数互联网电视用户服务协议 1.进入华数页面后,按 / 键选择下翻和上翻,按OK键确认。 2.阅读完毕后按 / 键选择确认,再按OK键进入下一页面,根据提示重新进入华数即可激活并正常使用。 注意:华数注册页面请以实际出现的为准。第一次进入华数都需要进行以上操作。 1.按菜单键显示主菜单。 2.用▲/▼键选择智能电视项。 3.按 / 键选择实景体感游戏菜单 的各选项。 4.按OK键启动游戏。 5.按菜单键返回。 ● 最新上线 6.最新上线:最新上线的应用。按方向键移动光标, 选择具体应用,就可以下载和安装最新应用了,下 载时会提示购买该应用时需要扣除金豆的数量。 ● 自助服务 7.用户根据需求进行服务设置: 账单查询:查询每月购买应用所花费的金豆数。 余额查询:查询账户中剩余金豆数。 订购历史查询:查询详细的应用订购记录,按 / 键翻页。 订购密码修改:输入原密码及新密码进行密码修改。 订购密码设定:设定购买应用时是否启用订购密 码。初始密码是000000。 账户充值:输入充值密码进行充值。 实景体感游戏 注意: 1.启动体感游戏前需要将存有游戏文件的U盘或者移动硬盘及 体感游戏的接收器插到后端USB端口。 2.游戏文件可通过访问http://game.hismarttv.com,选择与 所用机型名称相对应的文件进行下载,将下载文件解压后 的tt_app文件夹拷贝到U盘或移动硬件根目录。tt_app文件 夹内为每个游戏的文件夹目录。 3.U盘和移动硬盘请推荐使用FAT16或者FAT32分区格式。 4.游戏内容及操作介绍请见海信提供的体感游戏套装内的说 明书。(体感游戏套装需用户自行购买。) 华数电视 海量信息门户化首页,将用户关注的时事民生热点、影视最新展现以最直观的形式得以呈现。 进入华数电视主界面后基本使用操作 1.进入华数电视主界面后,按▲/▼/ / 键选择菜单中的项目。 2.按OK键对选项进行调整或进入下一级菜单。 3.按菜单键返回华数电视主界面,主界面下按退出键直接退出华数。 注:操作过程中可以根据帮助信息进行操作。 44 智 能 电 视 Web浏览器 注意: 由于网络技术更新较快导致网页中部分内容不能支持, 例如,由于网页中的音视频内容升级为更高版本导致不 能播放,以上属于正常现象。 注意:在不使用Web浏览功能时,建议您将无线收发器取 下,以免影响整机操作。 为了方便用户操作,本机支持无线键鼠套装,推荐使用罗 技(Logitech)无线键鼠套装。如果存在兼容性问题,请拨打 海信客服热线进行咨询。使用时请先将无线收发器插到电视 机侧面的USB端口,然后按下电源开关键打开电视机,用遥控 器进入Web浏览器界面后即可进行网页浏览等操作。 Web浏览器系统 菜单栏里的按钮说明: 1.菜单(浏览器设置)。 1.1 精品导航:连接至自定义的网址链接。 1.2 浏览历史记录。 1.3 查看书签。 1.4 加入书签。 1.5 系统设置:基本的系统配置设置。 2.后退:后退到你最近上一次浏览过的网页。 3.前进:前进到“浏览当前网页时之后打开的网页”。 4.地址栏:显示当前网页的地址,可以手动输入你想打开的 网页。 5.下拉按钮:显示你浏览过一定数量的网址。从而可以选择 某个网址打开。 6.打开:如果想重新下载当前的网页(重新打开该网页)可 以点击此按钮。 7.刷新:如果想重新打开缓存中的当前网页,单击此按钮。 8.停止:如果想停止当前正在下载的网页,点击此按钮。 9.浏览器底部滚动条显示按键操作说明。 10.支持键盘输入,按CTRL键切换输入法;使用拼音输入法 时,按Page Up键和Page Down键能切换文字上下页。 注意事项 1.启动应用前请确保网络工作正常。 2.网络故障或者网络过慢时,可能会导致应用异常,如不能进入或者页面等待时间过长或者播放影 片卡顿等现象。 3.当服务器更新时,页面显示的文字可能会与说明书不一致,具体业务信息请以在线显示为准。 45 智 能 电 视 查找设备 开始传屏 无线传屏 无线传屏 无线传屏界面 无线传屏软件操作界面 1.在电视端点击“无线传屏”图标,进入无线传屏功能模块。 2.显示无线传屏界面后按绿色键进入无线传屏等待状态,屏幕 上面会出现“正在等待用户查找设备,返回请按蓝色键!” 的提示。 3.在计算机端双击“无线传屏”软件后,点击无线传屏软件操 作界面的“设置”项,设置相应的性能参数。 点击“查找设备”按钮,设备列表中将会显示局域网内同 一个网段内等待无线传屏的电视名称,名字的组成是以设 备+IP末三位组成,例如HISENSE_TV126是指末尾IP是126的 TV。选择查找到的设备,点击开始传屏,大约3秒左右电视 中出现计算机的屏幕内容,此时“开始传屏”按钮变为“停 止传屏”。 4.如果需要退出无线传屏状态,请在计算机端点击“停止传 屏”按钮;在电视端会出现等待查找设备,按蓝色键返回 到无线传屏界面。 5.按红色键退出无线传屏界面。 注意事项: 1.必须保证计算机和电视处于同一个网段(例如172.16.25.xx),且保证物理上联通。目前只支持 计算机和电视一对一的联通,否则即使计算机能够查找到电视,电视也接收不到计算机传来的数据。 2.在计算机查找到设备之前,电视必须处于等待查找设备的状态,电视设备才能出现在计算机的设 备列表中。 3.由于网络原因,计算机和电视存在一定的延时。 4.计算机端软件存在以下问题,用户使用过程中需要按照下述方法手动解决。 1)如果在开启无线传屏之前没有打开播放器相关软件,打开无线传屏后由于绑定了不同的声卡会 导致计算机的播放无声音,但投影到电视端的影像正常且有声音。 2)如果在开启无线传屏设备之前打开了播放器相关软件,则计算机和电视均正常。 3)如果用户发现计算机端无声音,请先退出无线传屏软件,启动需要投影的播放器及影片,再重 新启动无线传屏功能。若用户退出投影,只想使用计算机,解决计算机无声音的问题也需要退 出无线传屏。 5.无线传屏会根据程序中设置的分辨率动态更改电视显示的分辨率,若用户在投影过程中手动更改 计算机的分辨率,会导致电视共享视频异常,播放无图像。因此,在投影过程中请不要更改计算 机屏幕分辨率。 6.无线传屏使用中非正常退出(如断电关机,关闭进程等)会导致声卡解除绑定失败,此时用户计 算机使用的声卡还是kabaya。若想恢复正常的声卡,需要在声音属性中手动配置。 7.无线传屏功能对电脑配置的基本要求: 1)硬件配置:CPU 2.0GHz以上,内存 1GMBtye以上,具有RJ45或者Wifi网络接口,比较好的影音娱 乐功能。 2)操作系统配置:Windows XP SP2。 3)最新的计算机软件请到网页http://tvlist.dnet-home.net/nettv/samescreen/index.html下载。 46 演 示 晶彩引擎:本机的画质提升功能在颜色、动态对比度、 景深等方面对图像进行了优化提升。在晶彩引擎功能 中,通过分屏、移动、缩放、关几种不同的演示方式 将画质提升的效果展现出来。 DLC:图像动态亮度分析(3E节能演示)。 图像分析:对电视图像处理的相关性能进行分析。 演示主菜单操作 注:电视在无信号的情况下将不能进入演示菜单。 1.按菜单键显示主菜单。 2.用▲/▼键选择演示项。 3.按 / 键选择演示菜单的各选项。 4.按OK键进入选项菜单。 5.按菜单键返回。 47 V0000.01.10A.A0705 帮 助 1.按菜单键显示主菜单。 2.用▲/▼键选择帮助项。 3.按 / 键选择帮助菜单的各选项。 4.按OK键进入选项菜单。 5.按菜单键返回。 1.按▲/▼键选择帮助。 2.按OK键查看相关服务信息。 3.查看完毕后按菜单键返回。 服务信息:可以查看服务热线、监督电话、网址 注意:软件版本显示信息请以实物为准。 电子说明书:本产品常用功能介绍说明 1.按▲/▼键选择帮助。 2.按OK键查看电子说明书。 3.查看完毕后按退出键退出。 帮助主菜单操作 48 底 座 安 装 说 明 底座安装说明 说明:图片仅供参考,产品外观以实物为准。 1.用4个M5×12螺钉将底座面板与底座立柱 固定牢固。 2.用4个M5×12螺钉将盖板与底座立柱固定 牢固。 3.底座组件装配完成后,将整机平放到用软 布铺好(以免划伤整机)的水平桌面上, 用4个M5×12螺钉将底座与整机固定牢固。 注意:固定底座请使用附件袋中相应的配套螺钉,以免损坏整机。 1.请将购机发票贴于左上角处,并妥善保存。 2.服务政策如下: (1)我公司坚决拥护《产品质量法》、《消费者 权益保护法》以及国家关于产品的三包规定。 (2)免费维修时限为自购机之日起壹年内。 (3)遥控器免费维修时限为自购机之日起壹年内。 3.下列情况之一者,不享受以上服务,但可实行 收费维修。 (1)不能出示保修卡或有效发票的。 (2)发票及保修卡有涂改或保修卡与电视机条 码不符的。 (3)由于使用、维护、保管不当,造成损坏的。 (4)因不可抗拒力造成损坏的。 (5)非承担我公司三包修理者拆动维修的。 4.未尽事宜,可致电4006111111进行咨询。 保 修 事 项 保修卡 请贴发票并盖销售单位章 (否则壹年保修期自出厂日期算) 保修卡 以上内容由销售单位填写并由用户签字 后由销售单位裁给海信销售分公司。 反 馈 联 产品型号 序 号 购机日期 购机商店 发票号码 用户签名 电话 地 址 销售人员签字 销售单位章 49 海信集团全国统一客服热线:4006111111 海信集团服务质量监督电话:0532-83091111 海信集团服务监督邮箱:service@hisense.com 地址: 青岛市市南区延安三路204号 邮编: 266071 产品型号 序 号 购机日期 购机商店 发票号码 用户签名 电话 地 址 日期 检修记录 修理员 服务理念: 一日承诺,立信百年 服务宗旨: 天下事,客户的事是头等大事 服务承诺: 一经选择,天天省心 50 51 10 环 保 说 明 ( 液 晶 类 ) 简 单 故 障 的 排 除 方 法 一.本产品完全满足信息产业部《电子信息产品污染控制管理办法》的环保要求。 二.由于目前国际、国内行业配套技术水平达不到等因素,电视产品的少数部件中还存 在有毒有害物质(附表为海信电视产品中有毒有害物质统计表格),在环保使用期 限内,在消费者使用的过程中并不会出现有毒有害物质泄漏、析出等影响消费者健 康的问题,可以放心使用。 三.回收机构在对海信电视进行拆解回收时需要对含有有毒有害物质的部件进行合理的 处置,不得随意丢弃或者填埋。 平板电视机铭牌以及存放箱等印刷的环保使用期限标识标明的含义是:平板电视产品的环保使用期限 为10年(中国电子视像行业协会规定国内家电企业生产的平板电视环保使用期限均为10年)。 在准备修理前,请检查下表,看看能不能找到您所遇到的故障原因。 当您确信完全按照本说明书操作,仍然不能排除故障后,您可以考虑进行修理。 没有声音或图像 1. 检查电源线是否接在墙上的插座里,而墙上的插座是否通电。 2. 检查您有没有按下电源按钮或待机键。 3. 检查画面亮度和对比度设置。 4. 检查音量。 画面正常但是没有声音 1. 检查音量。 2.检查是否设置为静音模式。 没有画面或图像黑白 1. 调整图像设置。 2. 检查彩色制式。 声音和图像受到干扰 1. 试着找出影响电视机的电器,并将其远离电视机。 2. 试着把电视机的电源插头插入另一个插座。 画面模糊或有雪花,图像失真 1. 检查您的天线方向、位置和连接。 2. 调整天线方向或再次设定频道或微调频道。 遥控器功能失灵 1. 更换遥控器电池。 2. 清洁遥控器的上边缘(发射窗)。 3. 检查电池触点。 4.检查显示器与遥控器之间是否有任何阻碍物。 5.检查电池的正负极安装方向是否正确。 水平/垂直条纹或是影像抖动 检查附近是否有干扰源,如电器用品或电动工具。 电视机壳“咔咔”作响 室温变化有时会引起电视机壳膨胀或收缩,从而产生声音, 这并不是电视发生故障。 现象 解决方法 液晶产品有毒有害物质统计表 散热器 铭牌、标牌 网罩(金属) 网罩(PVC) 弹簧 商标 螺钉\螺母 橡胶件 保险丝夹 铆钉 封箱钉 吸附膜 说明书 前壳 后壳(塑料) 后壳(金属) 端子板(塑料) 端子板(金属) 线夹 云母片类 装饰条(注塑件) 装饰件(压克力) 铝型材 标签类 包装袋类 存放箱类 衬垫类 木托盘类 密封件 钣金类 铸件类 焊锡 导热硅脂 高压密封胶 装饰件胶带 导电铝箔 普通胶带 芯片封装胶 机壳保护胶带 打包带 红封漆 热熔胶 部件名称 仅部分机型含该部件 仅部分机型含该部件 仅部分机型含该部件 仅部分机型含该部件 仅部分机型含该部件 仅部分机型含该部件 仅部分机型含该部件 仅部分机型含该部件 仅部分机型含该部件 备注 多溴联苯(PBB) 六价铬(Cr(VI)) O O × × O O × O O O × O O O O O O O O O O O × O O O O O O O × × O O O O O O O O O O O O O O O O O O O O O O O O O O O O O O O O O O O O O O O O O O O O O O O O O O O O O O O O O O O O O O O O O O O O O O O O O O O O O O O O O O O O O O O O O O O O O O O × × O O O × O O O O O O O O × O O O O O O O O O O O O O O O O O O O O O O O O O O O × O O O O O O O O O O O O O O O O O O O O O O O O O O O O O O O O O O O O O O O O O O O O O O O O O O O O O × × O O O O O O O O O O O O O O O O O O O O O O O O O O O 多溴二苯醚(PBDE) 铅(Pb) 汞(Hg) 镉(Cd) 双面胶带 干燥剂 仅部分机型含该部件 O O O O O O O O O O O O 片式二极管 片式三极管 发光二极管 整流二极管 稳压二极管 开关二极管 大功率三极管 O O O × × × × O O O O O O O O O O O O O O O O O O O O O O O O O O O O 片式电阻器 片式电阻排 片式瓷介 片式电解 片式钽电解 片式电感 片式磁珠 × × × O O O O O O O O O O O O O O O O O O O O O O O O O O O O O O O O O O O O O O O O O O O O O O 条形连接器 × O O O O × 部件名称 备注 多溴联苯(PBB) 六价铬(Cr(VI)) 多溴二苯醚(PBDE) 铅(Pb) 汞(Hg) 镉(Cd) 电解电容器 瓷介电容器 聚丙烯电容 氧化膜电阻器 负温热敏电阻器 压敏电阻 碳膜电阻器 熔断电阻器 熔断器 集成电路 声表面滤波器 电子调谐器 VGA端子 AV端子 S端子 耳机端子 光纤端子 晶体谐振器 开关变压器 标准电感 电源滤波器 异形电感 磁环 轻触开关 红外遥控接收器 电源线 电源开关 遥控发射器 镀锡铜线 O × O O × O O O O × O × × O O × O O O × O O O O O × × × O O O O O O O O O O O O O O O O O O O O O O O O O O O O O O O O O O O O O O O O O O O O O O O O O O O O O O O O × O O O O O O O O O O O O O O O O O O O O O O O O O O O O O O O O O O O O O O O O O O O O O O O O O O O O O O O O O O O O 说明栏: O: 表示该物质在该部件所有均质材料中的含量在《电子信息产品中有毒有害物质的限量要求》标准SJ/11363-2006的限量以下; ×:表示该物质在该部件所有均质材料中含量在《电子信息产品中有毒有害物质的限量要求》标准SJ/11363-2006的限量以上。 仅部分机型含该部件 印制板(PCB) 插座(与条形连 接器连接) 保险丝夹 光电耦合器 桥式整流器 继电器 O × O O × O O O O O O O O O O O O × O O O O O O 扬声器 条形连接器(屏 背光供电用) LVDS线 射频信号线 USB端子 HDMI/PCI插座 电源滤波器插座 电源适配器 背光源驱动板 电源模块 DVI端子 外接线端子 锂电池 板板连接器 三端电源插座 液晶屏 USB信号线 电池座端子 O O O × × × × × × × × O O × × O O O O O O O O O O O O O O O O O O × O O O O O O O O O O O O O O O O O O O O O O O O O O O O O O O O O O O O O O O O O O O O O O O O O O O O O O O O O O O O O O × O O O O O O × O O O O O O O O O O O O O O O 仅部分机型含该部件 仅部分机型含该部件 仅部分机型含该部件 仅部分机型含该部件 仅部分机型含该部件 仅部分机型含该部件 仅部分机型含该部件 仅部分机型含该部件 仅部分机型含该部件 仅部分机型含该部件 仅部分机型含该部件 仅部分机型含该部件 仅部分机型含该部件 海信集团全国统一客服热线:4006111111 海信集团服务质量监督电话:0532-83091111 地址:青岛经济技术开发区前湾港路218号 GH2.025.3658SS

标签:

版权声明

1. 本站所有素材,仅限学习交流,仅展示部分内容,如需查看完整内容,请下载原文件。
2. 会员在本站下载的所有素材,只拥有使用权,著作权归原作者所有。
3. 所有素材,未经合法授权,请勿用于商业用途,会员不得以任何形式发布、传播、复制、转售该素材,否则一律封号处理。
4. 如果素材损害你的权益请联系客服QQ:77594475 处理。