欧宝丽LED55V3i主板电路原理图

分类:电子电工 日期: 点击:0
欧宝丽LED55V3i主板电路原理图-0 欧宝丽LED55V3i主板电路原理图-1 欧宝丽LED55V3i主板电路原理图-2 欧宝丽LED55V3i主板电路原理图-3 欧宝丽LED55V3i主板电路原理图-4 欧宝丽LED55V3i主板电路原理图-5 欧宝丽LED55V3i主板电路原理图-6 欧宝丽LED55V3i主板电路原理图-7

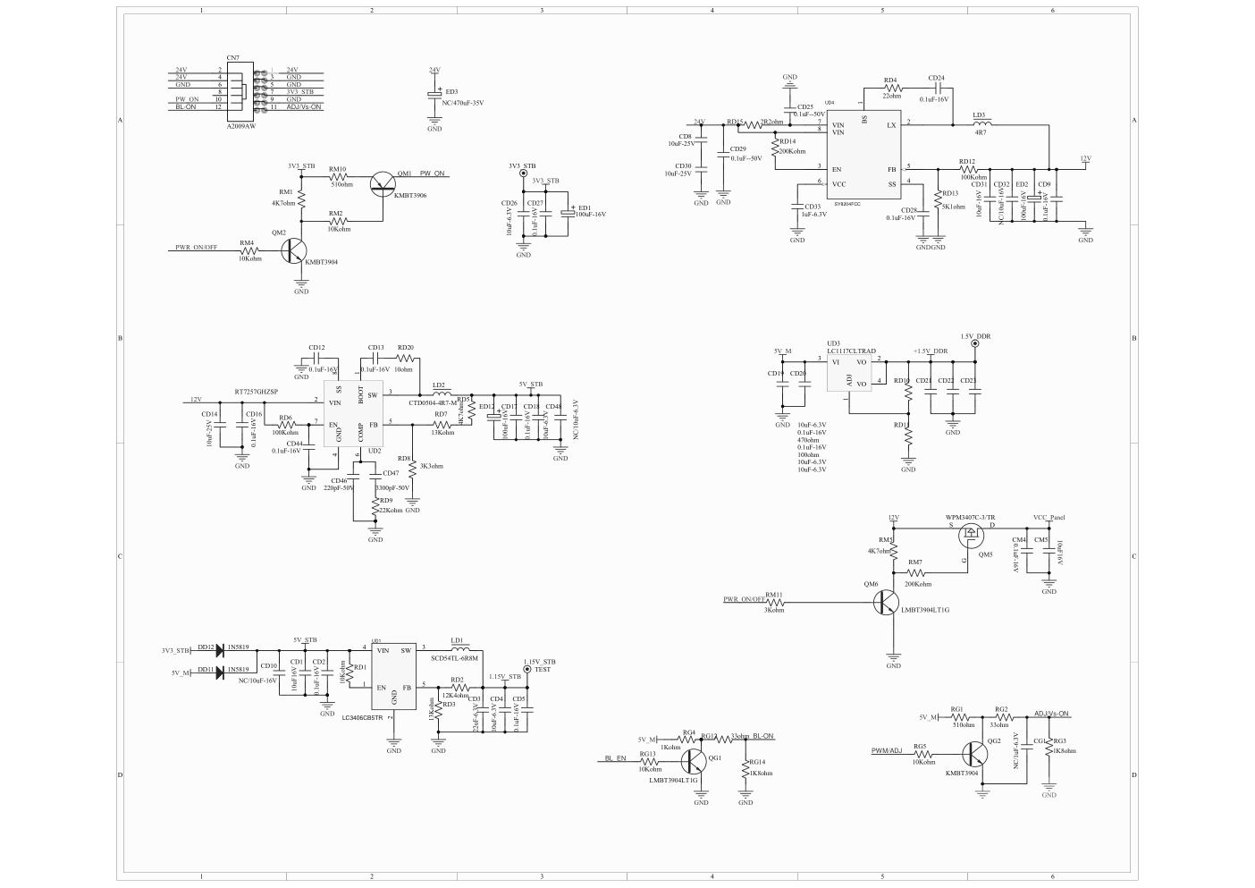
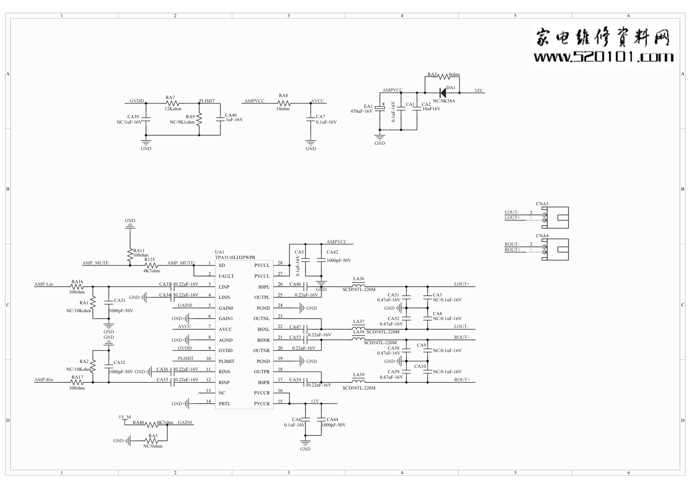
1 1 2 2 3 3 4 4 5 5 6 6 D D C C B B A A 5V_M VI 3 VO 2 ADJ 1 VO 4 UD3 LC1117CLTRAD +1.5V_DDR RD10 470ohm RD11 100ohm CD21 0.1uF-16V CD19 10uF-6.3V CD20 0.1uF-16V CD22 10uF-6.3V GND GND GND CD23 10uF-6.3V 1.5V_DDR GND 24V GND GND 24V 24V GND ADJ/Vs-ON BL-ON PW_ON 3V3_STB 3V3_STB CD27 0.1uF-16V CD26 10uF-6.3V 3V3_STB GND 12V GND RD14 200Kohm CD24 0.1uF-16V GND GND RD4 22ohm BS 1 VCC 6 FB 5 VIN 7 VIN 8 LX 2 EN 3 SS 4 UD4 SY8204FCC CD28 0.1uF-16V GND RD15 2R2ohm CD9 0.1uF-16V 24V GND CD8 10uF-25V CD30 10uF-25V CD25 0.1uF--50V CD29 0.1uF--50V GND GND CD33 1uF-6.3V CD31 10uF-16V CD32 NC/10uF-16V RD12 100Kohm RD13 5K1ohm LD3 4R7 QM2 KMBT3904 RM1 4K7ohm RM4 10Kohm PWR_ON/OFF GND 3V3_STB RM2 10Kohm RM10 510ohm QM1 KMBT3906 PW_ON CG1 NC/1uF-6.3V RG1 510ohm QG2 KMBT3904 RG2 33ohm RG5 10Kohm 5V_M ADJ/Vs-ON PWM/ADJ RG3 1K8ohm GND + ED1 100uF-16V 2 4 6 8 10 12 11 9 7 5 3 1 CN7 A2009AW CD10 NC/10uF-16V + ED2 100uF-16V 24V GND + ED3 NC/470uF-35V CD47 3300pF-50V RD9 22Kohm CD13 0.1uF-16V RD7 13Kohm RD8 3K3ohm CD17 0.1uF-16V CD12 0.1uF-16V CD16 0.1uF-16V 5V_STB GND GND RD6 100Kohm CD18 10uF-6.3V LD2 CTD0504-4R7-M CD48 NC/10uF-6.3V GND GND 12V CD44 0.1uF-16V RD5 4K7ohm CD14 10uF-25V BOOT 1 VIN 2 SW 3 GND 4 FB 5 COMP 6 EN 7 SS 8 UD2 RT7257GHZSP RD20 10ohm + ED12 100uF-16V GND GND CD46 220pF-50V RD2 12K4ohm CD5 0.1uF-16V RD1 10Kohm EN 1 GND 2 SW 3 VIN 4 FB 5 UD1 LC3406CB5TR 1.15V_STB 1.15V_STB TEST CD3 22uF-6.3V CD2 0.1uF-16V CD1 10uF16V CD4 10uF-6.3V 5V_STB GND GND GND LD1 SCD54TL-6R8M RD3 13Kohm 3V3_STB DD12 1N5819 5V_M DD11 1N5819 QM6 LMBT3904LT1G RM5 4K7ohm D G S QM5 WPM3407C-3/TR RM7 200Kohm CM4 0.1uF-16V 12V VCC_Panel GND GND CM5 10uF16V RM11 3Kohm PWR_ON/OFF GND GND 5V_M QG1 LMBT3904LT1G RG4 1Kohm RG12 33ohm RG14 1K8ohm RG13 10Kohm BL_EN BL-ON 1 1 2 2 3 3 4 4 5 5 6 6 D D C C B B A A VDDC DDR_CMD DDR_CMD DDR_DATA AVDD_MOD 3V3_STB 3V3_STB 3V3_STB 3V3_STB AVDD_DMPLL AVDD_DADC 3V3_STB VDDC VDDC VDDC VDDC VDDC M_SDA M_SCL NAND-CZ NAND-CK NAND-DI IF_AGC NAND-DO NAND-WP XTALO NAND-HOLD XTALI AUVAG AUVRM LVA0- 70 GIN1P 22 BIN1P 21 RIN1P 24 GIN1M 23 AVDD33_AU 28 CVBS_OUT1 27 LINEINR5 36 GIN0P 16 DP_P2 55 LVACLK- 64 DM_P2 54 VDDC 53 AVDD_MOD 5 CVBS0 25 I2S_OUT_MCK/GPIO5 80 LVA1+ 67 LVB3+ 71 VDDIO_DATA 112 AVDD_MOD 111 GIN0M 17 SPI_NAND_WPN 93 SPI_NAND_HOLD 92 SPI_NAND_DI 91 VDDC 90 RESET 89 LVA3- 62 LVACLK+ 63 LVA2+ 65 LVA2- 66 SPI_NAND_CZ 97 LVB2- 74 LVB1+ 75 LVB1- 76 LVB0+ 77 LVB0- 78 EJ_TRST_N/I2S_OUT_SD/GPIO2 83 LVB2+ 73 VDDC 96 VDDIO_DRAM 113 DDCDB_DA 114 DDCDB_CL 115 RX0P_B 128 XIN 46 XOUT 47 AVDD33_DADC 44 AVDD33_DMPLL 45 GPIO45/UART_RX1/EJ_TDO 50 GPIO44/UART_TX1/EJ_TCK 49 GPIO46/I2S_OUT_WS/EJ_TDI 51 RX1N_B 1 RX1P_B 2 RX2N_B 3 RX2P_B 4 RXCN_A 6 RXCP_A 7 RX0N_A 8 RX0P_A 9 RX1N_A 10 RX1P_A 11 RX2N_A 12 RX2P_A 13 HSYNC0 14 BIN0P 15 RIN0P 18 VSYNC0 19 AVDD33_ADC 20 LINEINR0 29 LINEINL0 30 VAG 31 AUVRM 32 LINEOUTL3 37 LINEINR4 34 LINEINL5 35 LINEOUTR0 40 IFAGC 41 VDDIO_CMD 52 DP_P1 58 DM_P0 59 LVA3+ 61 DM_P1 57 LVA0+ 69 LVB3- 72 LVA1- 68 AVDD_MOD 79 I2S_OUT_BCK/GPIO4 81 EJ_RSTZ/GPIO1 84 SPDIF_OUT/GPIO0 85 PWM0 86 GPIO3 82 ETH_RP 105 ETH_TN 106 GPIO87 98 ETH_RN 104 DDCA_DA 99 DDCA_CK 100 SAR1 109 SPI_NAND_CK 94 EJ_DINT/DDCDA_DA 116 SPI_NAND_DO 95 DVDD_DDR_DATA 110 ETH_TP 107 SAR0 108 E-PAD 129 VCOM 26 LINEINL4 33 VIFM 43 VIFP 42 AVDD_MOD 56 MHL_VBUS/PWM1 87 EJ_TMS/DDCDA_CL 117 CEC 118 HOTPLUG_B 119 HOTPLUG_A 120 AVDD_5V 121 ARC 123 VDDC/AVDDL_DVI 124 GND 122 RXCP_B 126 RX0N_B 127 RXCN_B 125 LINEOUTR3 38 LINEOUTL0 39 VDDC 102 MHL_DET 101 AVDD33_ETH 103 DP_P0 60 IRIN 88 VDDC 48 U1 MSD6I880YU-TN-TCL-ODM-客供 GND HDMI1_RXC_N HDMI1_RXC_P HDMI1_RX0_N HDMI1_RX0_P HDMI1_RX1_N HDMI1_RX1_P HDMI1_RX2_N HDMI1_RX2_P HDMI1_SCL HDMI1_SDA HOTPLUG1' HDMI2_SCL HDMI2_SDA HDMI2_RXC_N HDMI2_RXC_P HDMI2_RX0_N HDMI2_RX0_P HDMI2_RX1_N HDMI2_RX1_P HDMI2_RX2_N HDMI2_RX2_P HOTPLUG2' AVDD5V_MHL GND AVDDL_DVI 3V3_STB VGA_HS VGA_VS VGA_RIN VGA_GIN VGA_BIN GIN0M HD1_Y HD1_Pr HD1_Pb HD1_COM AV_IN VCOM CVBS_OUT YPBPR_RIN YPBPR_LIN AV_LIN AV_RIN VIFP VIFM USB0_DP USB0_DM USB1_DP USB1_DM USB2_DP USB2_DM RXE3_P RXE2_N RXE1_P RXE1_N RXE0_N RXE0_P RXE2_P RXE3_N RXEC_N RXEC_P RXO2_N RXO3_P RXO3_N RXO2_P RXO0_N RXO1_P RXO1_N RXO0_P PWR_ON/OFF SPDIF_OUT PWM/ADJ REMOTE RESET_H AMP_MUTE UART-RX/DDC UART-TX/DDC MHL_CABLE-DET BL_EN PHY_TX_P PHY_TX_N PHY_RX_P PHY_RX_N LED_RED KEY R1 4K7ohm R2 4K7ohm 3V3_STB GND GND C3 10uF-6.3V C4 0.1uF-16V L5 FCM1005KF AMP-L0 AMP-R0 RV7 68ohm CV7 0.047uF-16V GIN0M GND CI10 0.047uF-16V RI14 68ohm GND RI7 180ohm CI7 0.047uF-16V GND HD1_COM VCOM C5 1000pF-50V C6 1000pF-50V GND R5 200Kohm R6 200Kohm AMP-Lin AMP-Rin R10 100ohm R9 100ohm AMP-L0 AMP-R0 NAND-CZ NAND-CK NAND-DI NAND-DO NAND-WP NAND-HOLD 3V3_STB R7 4K7ohm R4 NC/4K7ohm R8 4K7ohm R3 4K7ohm 3V3_STB CS# 1 SO 2 WP# 3 VSS 4 SI 5 SCK 6 HOLD# 7 VDD 8 EPAD 9 U2 GD5F1GQ4UAYIG GND C26 0.1uF-16V R13 0ohm CF2 33pF-50V CF1 33pF-50V GND GND XTALO XTALI Y1 24MHz 3V3_STB C2 1uF-6.3V C8 0.1uF-16V C9 0.1uF-16V C10 0.1uF-16V C11 0.1uF-16V C12 1uF-6.3V C1 1uF-6.3V L1 FCM1005KF AVDD_MOD L2 FCM1005KF C13 0.1uF-16V GND GND AVDD_DMPLL C7 0.1uF-16V L3 FCM1005KF C14 0.1uF-16V GND AVDD_DADC C17 1uF-6.3V C18 1uF-6.3V C16 1uF-6.3V C19 1uF-6.3V C20 1uF-6.3V C15 10uF-6.3V L4 121T06(120ohm-500mA) C21 1uF-6.3V AVDDL_DVI 1.15V_JP1 NC 1.15V_STB C22 1uF-6.3V VDDC GND GND C24 1uF-6.3V C23 1uF-6.3V +1.5V_JP1 NC +1.5V_JP2 NC C25 1uF-6.3V GND +1.5V_DDR DDR_CMD GND DDR_DATA GND 1 1 2 2 3 3 4 4 D D C C B B A A LED_RED RK23 10Kohm 3V3_STB GND K0/AD 3V3_STB 5V_M IR GND LED_R 3V3_IR 5V_M LED_R RK2 510ohm CK3 NC/NC/0.1uF-16V 1 2 3 4 CN16 4PIN-2.0-L-H-G 1 2 3 4 5 CN11 NC/5PIN-2.0-L-H-G CK4 0.1uF-16V GND GND 5V_M 5V_M 1 2 3 4 CN8 NC/4PIN-2.54-L-H-G-B IR GND LED_R 3V3_IR 5V_M 1 2 3 4 5 6 7 CN10 A2004AW IR RK16 1Kohm RK15 4K7ohm REMOTE RK1 22ohm GND 3V3_IR 3V3_STB CK1 0.1uF-16V GND KEY K0/AD RK4 100Kohm 3V3_STB CK6 NC/33pF-50V RK6 1Kohm R96 NC/100ohm R73 NC/100ohm LVDS SEL R84 510ohm R87 1Kohm VCC_Panel VCC_Panel VCC_Panel GND GND GND GND GND BITSEL GND GND VCC_Panel OD SEL LVDS SEL BITSEL RXE3_P RXE2_N RXE1_P RXE1_N RXE0_N RXE0_P RXE2_P RXE3_N RXEC_N RXEC_P RXO2_N RXO3_P RXO3_N RXO2_P RXO0_N RXO1_P RXO1_N RXO0_P RXEC_N RXEC_P M_SCL M_SDA 5V_M 2 4 6 8 12 10 14 16 18 20 22 24 26 28 30 1 27 25 23 19 21 17 15 13 11 9 7 5 3 29 31 33 32 34 35 37 36 38 39 40 CN5 2×20PIN-2.0-D-H-G-带扣-J 3V3_STB 1 1 2 2 3 3 4 4 5 5 6 6 D D C C B B A A Y_Y_AV GND 1 2 3 4 5 6 Pb GND Y GND Pr GND CN4 AV3-8.4-80-B Y_Pr Y_Pb COAX GND YPBPR_L/AV_L YPBPR_R/AV_R 1 2 3 4 5 6 COAX GND L GND R GND CN3 AV3-8.4-80-B GND AV_CVBS AV_L AV_R 1 2 4 3 5 GND AV-R/Pr AV-L/Pb/PC_R AV-IN/Y/PC_L CN2 PJ-322A黑 GND CVBS_OUT CVBS/OUT RS1 0ohm RS2 75ohm GND 1 2 CVBS GND CN6 RCA-105B-001(黄)-密封 AV_LIN AV_RIN AV_IN AV_L AV_R RI12 12Kohm RI8 10Kohm RI13 12Kohm RI10 10Kohm RI2 150ohm CI2 0.047uF-16V GND GND CI6 0.1uF-16V CI9 0.1uF-16V RI3 75ohm AV_CVBS CI5 NC/100pF-50V GND HD1_Y RI4 33ohm CI4 0.047uF-16V GND RI1 75ohm Y_Y_AV RI33 75ohm RI32 75ohm GND GND RI38 33ohm RI36 33ohm CI36 0.047uF-16V CI38 0.047uF-16V HD1_Pr HD1_Pb Y_Pb Y_Pr RI6 10Kohm YPBPR_L/AV_L RI5 10Kohm YPBPR_R/AV_R YPBPR_RIN YPBPR_LIN RI11 12Kohm RI9 12Kohm GND GND CI3 0.1uF-16V CI1 0.1uF-16V SPDIF_OUT RF52 100ohm RF51 220ohm GND COAX CF53 NC/10pF-50V 1 1 2 2 3 3 4 4 5 5 6 6 D D C C B B A A VGA_5V PHY_TX_P PHY_TX_N PHY_RX_P PHY_RX_N GND CTX CRX GND GND CE7 0.1uF-16V CE9 0.1uF-16V RE5 0ohm RE6 0ohm RE8 0ohm RE7 0ohm RJ45_FE_TX+ RJ45_FE_TX- RJ45_FE_RX+ RJ45_FE_RX- PIN7&8 PIN4&5 GND GND CRD CTD CTD CRD CE8 NC/0.01uF-16V GND CE6 CK45-B3AD102KYPNX(TDK) 75R 75R 75R 75R 1nF 9 10 RJ45 卧式 1 2 3 5 6 7 8 TX+ NC RX+ TX- RX- NC NC 4 NC CN15 509053073(无灯无弹) CE1 NC/8pF-50V CE2 NC/8pF-50V CE3 NC/8pF-50V CE4 NC/8pF-50V TD+ 1 CTD 2 TD- 3 NC 4 NC 5 RD+ 6 CRD 7 RD- 8 RX- 9 CRX 10 RX+ 11 NC 12 NC 13 TX- 14 CTX 15 TX+ 16 UE1 H16101MC GND 5V_USB 5V_M F1 MSMD110 USB0_DP USB0_DM 5V_USB GND 1 2 3 4 GND DM DP 5V 5 6 GND GND CN21 USB-042M-002DP RU41 5R1ohm RU42 5R1ohm USB0_P USB0_M CU5 NC/22uF-6.3V + EU1 100uF-16V USB1_DP USB1_DM 5V_USB GND 1 2 3 4 GND DM DP 5V 5 6 GND GND CN1 USB-042M-002DP RU3 5R1ohm RU4 5R1ohm USB1_P USB1_M CU1 NC/10uF-6.3V LU2 NC/FCM1005KF 5V_M 5V_WIFI GND 5V_WIFI USB2_DM' USB2_DP' RU1 NC/5R1ohm RU2 NC/5R1ohm USB2_DP USB2_DM GND 1 2 3 4 6 5 CN17 NC/6PIN-2.0-D-H-G-带扣-B RV13 10Kohm RV18 100ohm RV12 100ohm 1 6 2 7 3 8 4 9 5 11 12 13 14 15 10 17 16 TXD SDA HS VS SCL R GND G GND B GND RXD 5V DET GND GND GND DB15 AV7 WLHD-051A RV11 100ohm RV14 10Kohm RV16 100ohm RV1 75ohm RV2 75ohm RV3 75ohm RV4 33ohm RV6 33ohm RV8 33ohm CV4 0.047uF-16V CV6 0.047uF-16V CV8 0.047uF-16V GND GND GND VGA_HS VGA_VS GND RV17 4K7ohm RV15 4K7ohm UART-RX/DDC UART-TX/DDC VS_VGA HS_VGA VGA_RIN VGA_GIN VGA_BIN VGA_SDA VGA_SCL CV1 NC/10pF-50V CV2 NC/10pF-50V CV3 NC/10pF-50V DV13 BAT54C-BR VGA_5V 5V_M RV5 NC/0ohm 1 1 2 2 3 3 4 4 5 5 6 6 D D C C B B A A HDMI1_5V RH3 1Kohm QH1 KMBT3904 RH2 10Kohm RH1 10Kohm HDMI1_5V HOTPLUG1' HDMI1_5V HOTPLUG1 RH5 10Kohm RH4 10Kohm HDMI1_SCL HDMI1_SDA GND GND GND GND GND HDMI1_5V HOTPLUG1 HDMI1_SCL HDMI1_SDA GND HDMI1_RXC_N HDMI1_RXC_P HDMI1_RX0_N HDMI1_RX0_P HDMI1_RX1_N HDMI1_RX1_P HDMI1_RX2_N HDMI1_RX2_P 1 2 3 4 5 6 7 8 9 10 11 12 13 14 15 16 17 18 19 20 HPD HDMI +5V GND SDA SCL ARC CEC RXC- GND RXC+ RX0- GND RX0+ RX1- GND RX1+ GND RX2+ RX2- 21 22 23 GND GND GND GND AV1 161031041 CH13 NC/0.1uF-16V GND CH9 1000pF-50V GND 1 2 3 4 5 6 7 8 RP1 4×5R1ohm 1 2 3 4 5 6 7 8 RP2 4×5R1ohm RH27 33ohm-0402 HOTPLUG2' HOTPLUG2 RH25 20Kohm RH24 20Kohm HDMI2_SCL/ HDMI2_SDA/ GND GND GND GND HDMI2_5V HOTPLUG2 HDMI2_SCL/ HDMI2_SDA/ GND HDMI2_RXC_N HDMI2_RXC_P HDMI2_RX0_N HDMI2_RX0_P HDMI2_RX1_N HDMI2_RX1_P HDMI2_RX2_N HDMI2_RX2_P 1 2 3 4 5 6 7 8 9 10 11 12 13 14 15 16 17 18 19 20 HPD HDMI +5V GND SDA SCL ARC CEC RXC- GND RXC+ RX0- GND RX0+ RX1- GND RX1+ GND RX2+ RX2- 21 22 23 GND GND GND GND AV2 161031041 CH18 1000pF-50V MHL_CD_SENSE GND RH29 10ohm AVDD5V_MHL RH10 100ohm RH11 300Kohm MHL_CABLE-DET MHL_CD_SENSE CH15 0.1uF-16V IN 5 EN 4 GND 2 FLAG/ILIM 3 OUT 1 UH2 AP2171WG-7 GND HDMI2_5V 5V_M GND CH6 10uF-10V RH9 10Kohm 5V_M MHL_CD_SENSE RH12 47Kohm RH18 NC/NC/4K7ohm GND 1 2 3 4 5 6 7 8 RP3 4×5R1ohm R11 5R1ohm R26 5R1ohm R28 5R1ohm R12 5R1ohm HDMI2_5V HDMI1_RX2/_P HDMI1_RX2/_N HDMI1_RX1/_P HDMI1_RX1/_N HDMI1_RX0/_P HDMI1_RX0/_N HDMI1_RXC/_P HDMI1_RXC/_N 5V_M QH4 2N7002K QH5 2N7002K RH23 10Kohm RH26 10Kohm RH30 4K7ohm RH28 4K7ohm HDMI2_5V HDMI2_5V HDMI2_SDA/ HDMI2_SCL/ HDMI2_SCL HDMI2_SDA I2C_EN I2C_EN 1 1 2 2 3 3 4 4 5 5 6 6 D D C C B B A A CT6 10uF-6.3V CT3 0.1uF-16V CT5 0.1uF-16V GND CT2 10uF-6.3V CT4 10uF-6.3V 5V_M 3V3_Tun VI 3 VO 2 ADJ 1 VO 4 UT2 LC1117CLTR33 LT13 FCM1005KF 3V3_Tun TUNER_SDA TUNER_SCL GND CT7 30pF-50V CT8 30pF-50V RT6 33ohm RT5 33ohm RT3 4K7ohm RT4 4K7ohm 3V3_Tun M_SDA M_SCL 靠近MSD880 VIFP VIFM IFn IFp GND GND CT22 NC/27pF-50V CT10 56pF-50V CT24 56pF-50V CT20 0.1uF-16V CT23 0.1uF-16V RT13 NC/470ohm IF_AGC RT21 0ohm RT18 10Kohm 3V3_Tun GND CT19 0.022uF-16V T-IF-AGC RT2 10Kohm CT1 0.1uF-16V GND RT7 0ohm RT12 0ohm RT1 1K8ohm RT14 1K8ohm GND GND GND GND GND GND GND GND GND GND GND RF_INPUT RT11 1K8ohm CT29 6800pF-50V CT26 330pF-50V CT18 0.1uF-16V RT8 NC/10Kohm CT110.1uF-16V CT120.022uF-16V CT13 1.2pF-50V CT17 NC/100pF-50V LT9 NC/SDCL1005CR27JTDF(顺络) LT6 1Kohm LT8 1Kohm 3V3_Tun CT9 0.1uF-16V LT1 SDCL1005C68 3V3_Tun CT27 0.1uF-16V 3V3_Tun CT25 0.1uF-16V LT10 SDCL1005CR18 CT21 0.1uF-16V 3V3_Tun T-IF-AGC IFn IFp LT3 SDCL1005C2N7STDFM01 RFIN2 2 TF1 3 TF2 4 DECT1 5 SCL 6 SDA 7 AVDD 8 AVDD 18 VOP 17 VON 16 VAGC 15 DVSS 10 CP 9 RFIN 1 AVDD 24 TFH 23 TFL 22 GPIO 21 VBG 20 DET2 19 GND 25 DVDD 11 XTAL_I 12 VAGC2 14 XTAL_O 13 UT1 R840 LT2 1Kohm 1 2 3 4 GND GND GND GND P1 22.6×17.3×6-LHD(带封口) GND CT41 4700pF-1000V CT42 4700pF-1000V GND CT43 4700pF-1000V CT44 4700pF-1000V CT50 4700pF-1000V RFGND CT51 4700pF-1000V RFGND GND GNDGND 1 3 2 DT1 BAV99-BR RF_INPUT LT11 NC/SDCL1005CR27JTDF CT52 NC/4700pF-1000V CT53 NC/4700pF-1000V CT28 470pF-1000V TUNER_SDA TUNER_SCL YT1 16MHz-±20PPM-20PF CT14 8pF-50V CT15 8pF-50V GND GND 1 2 3 4 RF_GND RF RF_GND RF_GND T1 RF-A814.5 热缩套管 Φ12mm×12mm-黑色-125度(UL认证) 1 1 2 2 3 3 4 4 5 5 6 6 D D C C B B A A AMPVCC RA1 NC/10Kohm RA2 NC/10Kohm 24V DA1 NC/SK34A AMPVCC 1 2 CNA3 1 2 CNA4 ROUT- LOUT- LOUT+ ROUT+ RA3 0ohm CA44 1000pF-50V LOUT- AVCC CA42 1000pF-50V ROUT- SD 1 FAULT 2 LINP 3 LINN 4 GAIN0 5 GAIN1 6 AVCC 7 AGND 8 GVDD 9 PLIMIT 10 RINN 11 RINP 12 NC 13 PBTL 14 PVCCR 15 PVCCR 16 BSPR 17 OUTPR 18 PGND 19 OUTNR 20 BSNR 21 BSNL 22 OUTNL 23 PGND 24 OUTPL 25 BSPL 26 PVCCL 27 PVCCL 28 UA1 TPA3110LD2PWPR GND GND GND GND GND LA36 SCD54TL-220M LA37 SCD54TL-220M LA38 SCD54TL-220M LA39 SCD54TL-220M GND GND CA46 0.22uF-16V CA47 0.22uF-16V CA53 0.22uF-16V CA54 0.22uF-16V GND CA52 0.47uF-16V CA51 0.47uF-16V CA58 0.47uF-16V CA59 0.47uF-16V GND GND CA36 0.22uF-16V CA35 0.22uF-16V CA34 0.22uF-16V CA33 0.22uF-16V GND GVDD PLIMIT GND 5V_M RA46 4K7ohm RA5 NC/0ohm GAIN0 GAIN0 ROUT+ LOUT+ 12V RA16 100ohm RA17 100ohm AMP_MUTE R125 100ohm RA11 4K7ohm GND CA5 0.1uF-16V CA6 0.1uF-16V AMP_MUTE/ AMP-Lin AMP-Rin CA31 1000pF-50V CA32 1000pF-50V CA3 NC/0.1uF-16V CA8 NC/0.1uF-16V CA9 NC/0.1uF-16V CA10 NC/0.1uF-16V GND GND GND RA7 12Kohm RA9 NC/9K1ohm CA39 NC/1uF-16V CA40 1uF-16V GVDD PLIMIT GND RA8 10ohm AVCC CA7 0.1uF-16V + EA1 470uF-16V GND CA1 0.1uF-16V CA2 10uF16V AMPVCC

标签:

版权声明

1. 本站所有素材,仅限学习交流,仅展示部分内容,如需查看完整内容,请下载原文件。
2. 会员在本站下载的所有素材,只拥有使用权,著作权归原作者所有。
3. 所有素材,未经合法授权,请勿用于商业用途,会员不得以任何形式发布、传播、复制、转售该素材,否则一律封号处理。
4. 如果素材损害你的权益请联系客服QQ:77594475 处理。