友达光电CA1-H0383-01_6逻辑板电路图

分类:电子电工 日期: 点击:0
友达光电CA1-H0383-01_6逻辑板电路图-0 友达光电CA1-H0383-01_6逻辑板电路图-1 友达光电CA1-H0383-01_6逻辑板电路图-2 友达光电CA1-H0383-01_6逻辑板电路图-3 友达光电CA1-H0383-01_6逻辑板电路图-4

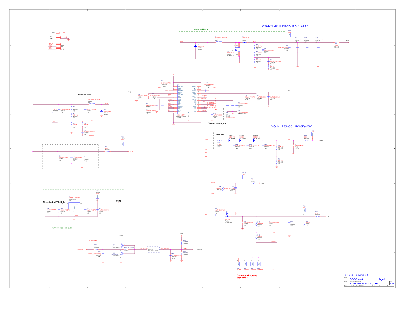
5 5 4 4 3 3 2 2 1 1 D D C C B B A A LC:MJ041933 ? ASIC P/N AUO-030 (1-CH LVDS INPUT / 2-CH RSDS OUTPUT) AVDD = +12.63V Power Voltage V1 = 12.01V V7 = 4.42V V9 = 0.768V VCOM = 4.32V ~ 5.67V Gamma Voltage V2 = 11.3V 100 ohm V4 = 7.67V 82 ohm VGL = -6V V5 = 6.23V V8 = 3.343V V10 = 0.372V V3 = 8.70V Terminal Resistor for CLK Line VGH = +24.6V V6 = 5.23V Terminal Resistor for Data Line Gate Driver P/N (COG, 256 Channel) Version V0 XPCBA P/N 55.23T01.001 [ ] 富積 T230XW01 V0 PCB Check List WXGA 1366 x 3 x 768 @ 60Hz Resolution TN mode, Normally White Source Driver P/N (6 Bits,COG,414 Channel) 46.23T01.002 (Novatek NT39611-C0260) 46.23T01.002 (Novatek NT39329BH-C0259) D 1 1 Tuesday , May 30, 2006 Title Size Document Number Rev Date: Sheet of 5 5 4 4 3 3 2 2 1 1 D D C C B B A A VGMA_REF=2.5(1+10K/2.55K)=12.304 12.68V V1 & V10 => L0 V2 & V9 => L1 V3 & V8 => L32 V4 & V7 => L62 V5 & V6 => L63 6.27 0.37 5.26 12.1V T230XW01 V0 55.23T01.001 Gamma block Page4 2 8 Tuesday, May 30, 2006 友達光電 產品研發三處 EC00 Title Size Document Number Rev Date: Sheet of REF_F1 VGMA_REF REF_F10 REF-F6 REF_F4 REF_F8 VGMAO2 VGMAO4 VGMAO6 VGMAO10 REF_F3 VGMAO9 VGMAO5 VGMAO8 REF_F7 VGMAO3 VGMAO7 REF_F9 VGMAO1 REF_F2 REF_F5 GND AVDD GND GND GND GND GND GND GND GND GND AVDD C402 0.1uF/50V/X7R/K CS0603 TDK R429 2.67K 1% RS0603 大毅 U5B EC5564-T-F ECMOS 5 6 7 + - OUT C401 0.1uF/50V/X7R/K CS0603 TDK R405 95.3 1% 大毅 RS0603 REF0 TPS30 1 PAD C405 0.1uF/50V/X7R/K CS0603 TDK R411 0R 5% RS0603 大毅 VGM2 1 PAD U5D EC5564-T-F ECMOS 12 13 14 4 11 + - OUT v+ v- C408 0.1uF/50V/X7R/K CS0603 TDK R402 340 1% 大毅 RS0603 R423 91K 1% RS0603 大毅 C418 0.1uF/50V/X7R/K CS0603 TDK C417 0.1uF/50V/X7R/K CS0603 TDK VGM9 1 PAD R410 0R 5% RS0603 大毅 VZREF1 TPS30 1 PAD REF6 TPS30 1 PAD VGM4 1 PAD R408 46.4 1% 大毅 RS0603 R428 180 1% RS0603 大毅 R419 150 1% RS0603 大毅 R426 (0J 1%) RS0603 大毅 R414 0R 5% RS0603 大毅 REF1 TPS30 1 PAD C404 0.1uF/50V/X7R/K CS0603 TDK R415 100 1% RS0805 大毅 U5C EC5564-T-F ECMOS 10 9 8 + - OUT R403 133 1% 大毅 RS0603 C407 0.1uF/50V/X7R/K CS0603 TDK C416 0.1uF/50V/X7R/K CS0603 TDK R424 1.54K 1% RS0603 大毅 VGM7 1 PAD R422 91 1% RS0603 大毅 R404 150 1% 大毅 RS0603 C410 0.1uF/50V/X7R/K CS0603 TDK VGM10 1 PAD R407 390 1% 大毅 RS0603 VGM6 1 PAD R430 63.4 1% RS0603 大毅 C411 10uF/25V/X5R/M TDK CS1206 R416 10K 1% RS0603 大毅 REF10 TPS30 1 PAD U5A EC5564-T-F ECMOS 3 2 1 + - OUT C403 0.1uF/50V/X7R/K CS0603 TDK C406 0.1uF/50V/X7R/K CS0603 TDK R412 NO(0 5%) RS0603 大毅 VGM5 1 PAD Q401 EC48431AN1-BE1 SOT23CRA ECMOS C409 0.1uF/50V/X7R/K CS0603 TDK R406 165 1% 大毅 RS0603 VGM8 1 PAD C414 1uF/16V/X7R/K CS0805 TDK R421 1.5K 1% RS0603 大毅 VGM1 1 PAD R431 14.3K 1% RS0603 大毅 C415 0.1uF/50V/X7R/K CS0603 TDK VGM3 1 PAD R413 0R 5% RS0603 大毅 R427 16.2K 1% RS0603 大毅 R425 2.94K 1% RS0603 大毅 R401 75 1% 大毅 RS0603 R418 2.4K 1% RS0603 大毅 REF5 TPS30 1 PAD AVDD GND VGMAO[1..10] 5 5 4 4 3 3 2 2 1 1 D D C C B B A A TCON LVDS Option: L(GND), NC(OPEN) --> NS, Normal; H(3.3V) --> JETDA; 50 1 2A 1 Sketch Map 50 U301 AUO-030 1 U5 Gamma VG10 1 XLB XRB XPOL_OUT XSTB_OUT V3D3 VGL VGHC AVDD VGMAO[1..10] VCOM2 COMF2 AVDD VCOM2 V3D3 VGL VGHC J2 J1 Customer request: High(3.3V)-->NS,Normal Low(GND)or Open(NC)-->JEIDA DC/DC block VG1 Near U301 TCON U1 U4 J3 J3 T230XW01 V0 55.23T01.001 Control block Page1 2 8 Tuesday, May 30, 2006 友達光電 產品研發三處 EC00 Title Size Document Number Rev Date: Sheet of Gamma Block AVDD GND VGMAO[1..10] DC-DC 02. DC-DC V12 GND V3D3 COMF2 VCOM2 V1D8 YV1C AVDD VGHC VGL TCON Block V3D3 V1D8 BBP[1..3] BBN[1..3] BRN[1..3] BRP[1..3] BGN[1..3] BGP[1..3] FRN[1..3] FRP[1..3] FGN[1..3] FGP[1..3] FBN[1..3] FBP[1..3] RXINN[0..3] RXINP[0..3] RXCLKN RXCLKP AGMODEN LVDSORD EXSCL EXSDA YV1C YDIO YCLK YOE XSTB XBDIO XFDIO XPOL FCLKN FCLKP BCLKN BCLKP GND AGMODE_IN RXINP1 RXINN2 LVDS_SCL LVDS_SDA RES2 RES1 VGL VGMAO2 VGMAO3 VGMAO4 VGMAO5 AVDD VGMAO7 VGMAO9 FRP2 FGN2 FBN2 XPOL_OUT XBDIO_OUT VGMAO1 VGMAO2 VGMAO4 AVDD AVDD VGMAO7 VGMAO8 VCOM2 COMF2 RES1 RES2 FBP2 FGP2 FRN2 BRN2 BBP2 BBN2 BGP2 BGP3 RXINP2 XSTB VGMAO[1..10] VGMAO1 VGMAO6 VGMAO8 VGMAO10 VGMAO3 VGMAO5 VGMAO6 VGMAO9 VGMAO10 VGHC AVDD VCOM2 RXINN1 RXINP0 RXCLKP FBN1 FRN1 BBN1 RXINN3 FRP1 BRP3 BGN3 YDIO XPOL_OUT XSTB_OUT FRP3 BBN3 BGP1 BGP[1..3] BRP[1..3] BRP[1..3] BRP1 FBP3 FGP[1..3] FGN[1..3] BRN[1..3] FBN3 YCLK FGN3 RXINP[0..3] BBN[1..3] BBP[1..3] BRN1 BBP3 FGN1 RXCLKN BCLKP BGN[1..3] BRP2 BCLKN FGP1 FBN[1..3] BRN3 RXINP3 FCLKP FGP3 FCLKN FRN3 BGN1 BGN2 BBP1 FBP1 YOE FBP[1..3] FRP[1..3] FRN[1..3] YDIO_OUT YCLK_OUT YOE_OUT GND V12 RXINN[0..3] RXINN0 V12_IN LVDS V3D3 V3D3 AGMODE AGMODE LVDSORD XFDIO_OUT V3D3 V3D3 R521 0 5% RS0603 大毅 R509 4.7K 5% RS0603 大毅 R511 NO(4.7K 5%) RS0603 大毅 R606 0 5% RS0603 C503 0.1uF/50V/X7R/K CS0603 TDK D501 SMAJ12A (400W) DS2010 Concord R505 100 1% RS0402 大毅 Q301 2SK3019 SOT416GSD ROHM G D S C605 NO CS0603 B501 BLM31PG330SN1L LS1206 Murata C602 NO CS0603 LVDS_OUT TPS30 1 PAD R504 100 1% RS0402 大毅 R518 4.7K 5% RS0603 大毅 J3 089H50-000100-G2-C 1 2 3 4 5 6 7 8 9 10 11 12 13 14 15 16 17 18 19 20 21 22 23 24 25 26 27 28 29 30 31 32 33 34 35 36 37 38 39 40 41 42 43 44 45 46 47 48 49 50 G1 G2 D12 ESD5Z3.3T1G FS0603 R605 0 5% RS0603 C506 10uF/25V/X5R/M TDK CS1206 R602 0 5% RS0603 V12_IN TPS30 1 PAD R515 NO(33K 1%) RS0603 大毅 R519 4.7K 5% RS0603 D11 ESD5Z3.3T1G FS0603 C606 NO CS0603 C607 NO CS0603 R516 NO(0J 5%) RS0603 R506 100 1% RS0402 大毅 C603 NO CS0603 C601 NO CS0603 C501 0.1uF/16V/X7R/K CS0603 TDK R601 0 5% RS0603 C502 0.1uF/16V/X7R/K CS0603 TDK R604 0 5% RS0603 R520 0 5% RS0603 大毅 R607 0 5% RS0603 F1 FS1206 Rlitech AEM 慢斷 2A C504 1000pF/50V/X7R/K TDK CS0603 R501 0 5% RS0603 R503 100 1% RS0402 大毅 J2 089H50-000100-G2-C 1 2 3 4 5 6 7 8 9 10 11 12 13 14 15 16 17 18 19 20 21 22 23 24 25 26 27 28 29 30 31 32 33 34 35 36 37 38 39 40 41 42 43 44 45 46 47 48 49 50 G1 G2 J1 FI-X30SSL-HF JAE 1 2 13 14 15 16 17 18 19 20 21 22 23 24 25 26 11 27 10 28 G1 G2 3 4 5 6 8 7 9 12 29 30 31 32 GND VCC Rxin0- Rxin0+ GND Rxin1- Rxin1+ GND Rxin2- Rxin2+ GND RxCLKIN- RxCLKIN+ GND Rxin3- Rxin3+ AGMODEN GND LVDS NC GND1 GND2 VCC VCC VCC GND GND GND GND GND NC GND GND GND R507 100 1% RS0402 大毅 C505 10uF/25V/X5R/M TDK CS1206 R510 NO(0J 5%) RS0603 R502 0 5% RS0603 C604 NO CS0603 LVDS_SDA TPS30 1 PAD R603 0 5% RS0603 Q302 2SK3019 SOT416GSD ROHM G D S R517 4.7K 5% RS0603 大毅 LVDS_SCL TPS30 1 PAD 5 5 4 4 3 3 2 2 1 1 D D C C B B A A H: 1 port in / 2 ports out AUO-030 TCON Function Setting H:2-H Dot Inversion FB BB BR FG BG I2C address 1010111 R/W Cap for U5 Pin 15,27 Cap for U5 Pin 65,85 Cap for U5 Pin 16,33 FR Cap for U5 Pin 34,54 Cap for U5 Pin 86,97,127 Cap for U5 Pin 95 125 layout 會交叉 layout 會交叉 TPS 120*80 全放在背面 T230XW01 V0 55.23T01.001 TCON block Page3 2 8 Tuesday, May 30, 2006 友達光電 產品研發三處 EC00 Title Size Document Number Rev Date: Sheet of TCON_V3D3 S2D INSDA TCON_V1D8 TCON_V1D8 TCON_V3D3 FBP3 FGP2 FGN2 FGN3 FRP2 V3D3 BBP3 BBP2 BRP3 BRN2 BRN3 TCON_V3D3 TCON_V1D8 RXINN2 RXINP3 S2D DDOT TCON_V3D3 TCON_V3D3 TCON_V1D8 TCON_V3D3 TCON_V1D8 TCON_V3D3 DDOT TCON_V3D3 INSCL INSDA TCON_V3D3 BGN1 BBN3 BBP1 BBP[1..3] BBN[1..3] BGN2 BGP[1..3] BGN3 BBN2 BBN1 BRP[1..3] BRP2 BRP1 BRN[1..3] BRN1 FGP3 FGP1 FGN1 FGP[1..3] FGN[1..3] FRN1 FRP1 V1D8 RXINP[0..3] RXINP0 RXINP1 RXINP2 FRN[1..3] FRP3 FRN3 FRP[1..3] FRN2 BGN[1..3] BGP3 BGP1 BGP2 FBN3 FBP[1..3] FBN[1..3] FBP2 FBN1 FBP1 FBN2 EPWP_sel EPWP RXINN0 RXINN1 RXINN3 RXINN[0..3] TCON_V3D3 TCON_V3D3 INSCL EPWP RESET_N TCON_V3D3 TCON_V3D3 V3D3 TCON_V3D3 TCON_V1D8 V1D8 TCON_V3D3 C36 NO(0.1uF/16V/X7R/K) CS0603 Darfon C322 0.1uF/16V/X7R/K Darfon CS0603 B301 BLM18PG181SN1 LS0603 Murata D31 RB501V-40 DS1005 ROHM U6 RICOH SOT23-5 R3112N231C-TR-FA 4 5 1 2 3 NC Cd OUT VDD GND C311 0.1uF/16V/X7R/K CS0603 TDK C319 0.1uF/16V/X7R/K CS0603 TDK C317 1000pF/50V/X7R/K Darfon CS0402 C315 1000pF/50V/X7R/K Darfon CS0402 R350 4.7K 5% RS0402 大毅 C330 1uF/16V/X7R/K Darfon CS0805 R362 4.7K 5% RS0402 大毅 U4 AT24C32AN-10SU-2.7 SO8-1307 ATMEL 1 2 3 4 5 6 7 8 A0 A1 A2 GND SDA SCL WP Vcc INSCL1 1 PAD RESET1 TPS30 1 PAD D201 RB501V-40F_TE-17 DS1005 R333 4.7K 5% RS0402 大毅 R349 13K 1% RS0603 INSDA1 1 PAD INCLK TPS120X80 1 PAD C307 1000pF/50V/X7R/K Darfon CS0402 C316 0.1uF/16V/X7R/K CS0603 TDK INSDA TPS120X80 1 PAD VCC TPS120X80 1 PAD C320 0.1uF/16V/X7R/K Darfon CS0603 L7 CN32JTN0 CMS4-2012CTC 1 4 2 3 A2 TPS120X80 1 PAD R334 4.7K 5% RS0402 大毅 C303 1000pF/50V/X7R/K Darfon CS0402 C313 1000pF/50V/X7R/K Darfon CS0402 GND TPS120X80 1 PAD A1 TPS120X80 1 PAD C321 0.1uF/16V/X7R/K CS0603 TDK C301 0.1uF/16V/X7R/K CS0603 TDK EPWP1 1 PAD R330 0 5% RS0603 C304 0.1uF/16V/X7R/K CS0603 TDK L8 CN32JTN0 CMS4-2012CTC 1 4 2 3 C48 15nF/50V/X7R/K CS0603 Darfon C306 0.1uF/16V/X7R/K CS0603 TDK R338 3.3K 5% RS0603 大毅 A0 TPS120X80 1 PAD U301 AUO_030 1 2 3 4 5 6 7 8 9 10 11 12 13 14 15 16 17 18 19 20 21 22 23 24 25 26 27 28 29 30 31 32 97 98 99 100 101 102 103 104 105 106 107 108 109 110 111 112 113 114 115 116 117 118 119 120 121 122 123 124 125 126 127 128 96 95 94 93 92 91 90 89 88 87 86 85 84 83 82 81 80 79 78 77 76 75 74 73 72 71 70 69 68 67 66 65 64 63 62 61 60 59 58 57 56 55 54 53 52 51 50 49 48 47 46 45 44 43 42 41 40 39 38 37 36 35 34 33 TGND EPWP VSEL TEST1 TEST2 TEST3 AGBS DDOT CHORD EXSCL EXSDA INSCL INSDA TGND TVDD VMM GND AUO_TEST1 RESET_N YDIO YCLK/VCK YOE/VXCK YV1C BLPWM S2D TGND TVDD XPOL XSTB BXDIO FXDIO GND VMM GND LVDD LGND ORXIN0N ORXIN0P ORXIN1N ORXIN1P ORXIN2N ORXIN2P ORXINCLKN ORXINCLKP ORXIN3N ORXIN3P LVDD LGND LVDD LGND ERXIN0N ERXIN0P ERXIN1N ERXIN1P ERXIN2N ERXIN2P ERXINCLKN ERXINCLKP ERXIN3N ERXIN3P LVDD LGND VMM GND RGND BRSB0N BRSB0P BRSB1N BRSB1P BRSB2N BRSB2P BRSB3N BRSB3P GND VMM RVDD BRSG0N BRSG0P BRSG1N BRSG1P BRSG2N BRSG2P BRSG3N BRSG3P BRSCKN BRSCKP RGND BRSR0N BRSR0P BRSR1N BRSR1P BRSR2N BRSR2P BRSR3N BRSR3P RVDD PI RGND FRSB0N FRSB0P FRSB1N FRSB1P FRSB2N FRSB2P FRSB3N FRSB3P RVDD FRSG0N FRSG0P FRSG1N FRSG1P FRSG2N FRSG2P FRSG3N FRSG3P FRCKN FRCKP RGND FRSR0N FRSR0P FRSR1N FRSR1P FRSR2N FRSR2P FRSR3N FRSR3P RVDD VMM EPWP TPS120X80 1 PAD B302 BLM18PG181SN1 LS0603 Murata C305 1000pF/50V/X7R/K Darfon CS0402 R341 NO(1K 1%) 大毅 RS0603 C314 0.1uF/16V/X7R/K CS0603 TDK R361 4.7K 5% RS0402 大毅 V1D8 RXINP[0..3] RXCLKP EXSCL EXSDA XBDIO XFDIO XPOL YDIO YCLK YOE XSTB YV1C FCLKN FCLKP GND V3D3 AGMODEN LVDSORD BBN[1..3] BBP[1..3] BRP[1..3] BRN[1..3] BGP[1..3] BGN[1..3] FGP[1..3] FGN[1..3] FBP[1..3] FBN[1..3] FRP[1..3] FRN[1..3] RXCLKN RXINN[0..3] BCLKP BCLKN 5 5 4 4 3 3 2 2 1 1 D D C C B B A A Close to BD8156 Close to AME8815_IN Close to BD8156 Connect all screws toghether. Close to BD8156_Vo1 Current Limit BD8156 Built-in OPAmp VGH=1.25(1+301.1K/16K)=25V AVDD=1.25(1+146.4K/16K)=12.68V 可與其他DC-DC 切開 T230XW01 V0 55.23T01.001 DC-DC block Page2 2 8 Friday, June 02, 2006 友達光電 產品研發三處 EC00 Title Size Document Number Rev Date: Sheet of VGL FB1 C2L YV1C C2L COMP1 Vo2GS FB3 COMP2 C1L SW2 C1L VGH1 V3D3 INT_VCOM2 VREF29 Vo2 VGHC VREF29 FB4 FAULT INT_FBCOM2 COMP1 VGH1 AVDD SW2 COMP2 FB2 Vo2 GSOUT FB3 FB2 V1D8 FB4 YV1C FAULT FB1 C3 INT_COMF2 Vo2GS GSOUT Vo1 INT_COMF2 COMF2 INT_FBCOM2 INT_VCOM2 Vo1 C3 SW1 SW1 GND GND V12 V12 V1D8 VGHC V3D3 AVDD VGH VGL AVDD AVDD V12 V12 R107 100K 1% RS0603 R9 75K 1% RS0603 大毅 C9 10uF/25V/X5R/M 太誘 CS1206 D3 RB161M-20 DS1406 ROHM C41 0.1uF/50V/X7R/K CS0603 TDK C24 0.1uF/50V/X7R/K CS0603 TDK C35 10uF/10V/X5R/K 太誘 CS0805 C32 1uF/25V/X5R/K TDK CS0603 C39 10uF/10V/X5R/K 太誘 CS0805 C33 10uF/10V/X5R/K 太誘 CS0805 C1 10uF/25V/X5R/M TDK CS1206 C29 0.1uF/16V/X7R/K TDK CS0603 R34 0 5% RS0805 R10 68K 1% RS0603 大毅 D4 RB501V-40 DS1005 ROHM R101 0 5% RS0805 R6 12K 1% RS0603 大毅 Q12 SOT23BEC SST2907A-T116 C E B C22 0.1uF/25V/X7R/K CS0805 TDK GH1 SCREW1 1 PAD C105 0.1uF/50V/X7R/K CS0603 TDK L2 SLF7028T-4R7M1R5 TDK LS2828 Q1 RSS065N03 SO8-1307S Rohm 4 6 3 5 7 8 2 1 C38 10uF/10V/X5R/K 太誘 CS0805 C3 1uF/25V/X7R/K 太誘 CS0805 R108 237K 1% RS0603 VGL VGL 1 PAD D6 RB501V-40 DS1005 ROHM C5 10nF/50V/X7R/K 太誘 CS0805 C7 10uF/25V/X5R/M 太誘 CS1206 R32 0 5% RS0805 C14 0.1uF/50V/X7R/K CS0603 TDK C11 10uF/25V/X5R/M 太誘 CS1206 C21 0.47uF/25V/X7R/K CS0805 TDK C6 10nF/16V/X7R/K Darfon CS0603 C20 10uF/10V/X5R/K 太誘 CS0805 C15 1000pF/16V/X7R/K Darfon CS0603 GH2 SCREW2 1 PAD R33 0 5% RS0805 R11 1K 1% RS0603 AVDD AVDD 1 PAD C25 0.1uF/50V/X7R/K CS0603 TDK R4 46.4K 1% RS0603 大毅 C27 1uF/50V/X7R/K TDK CS1206 U2 AME8815AEGT180 SOT223IGO AME I O G IN OUT GND C47 10uF/10V/X5R/K 太誘 CS0805 R5 16K 1% RS0603 大毅 E B C Q11 SOT23BEC SST2222A-T116 C30 1uF/16V/X7R/K TDK CS0805 R35 590 1% RS0603 大毅 R3 100K 1% RS0603 大毅 D7 BAT54S Philips SOT23AKJ D2 RB051L-40 DS2010 ROHM C40 10uF/10V/X5R/K 太誘 CS0805 R14 301K 1% RS0603 大毅 C23 2200pF/50V/X7R/K TDK CS0603 R12 680 1% RS1206 大毅 C19 1000pF/50V/X7R/K TDK CS0603 D1 RB051L-40 DS2010 ROHM VGH VGH 1 PAD R102 NO(0 5%) RS0805 GH4 SCREW3 1 PAD VGHC VGHC 1 PAD C4 4.7uF/10V/X5R/K TDK CS0603 C46 10uF/25V/X5R/M 太誘 CS1206 C8 56pF/50V/NP0/K TDK CS0603 V3D3 TPS30 V3D3 1 PAD C13 0.1uF/50V/X7R/K CS0603 TDK U1 BD8156EFV TSSOP40G-0709 ROHM 1 2 3 4 5 6 7 8 9 10 11 12 13 14 15 16 17 18 19 20 40 39 38 37 36 35 34 33 32 31 30 29 28 27 26 25 24 23 22 21 G1 PGND2 SW2 SW2 BOOT2 PVCC2 SS2 COMP2 FB2 SCP GND FAULT FB3 SS3 IG GSOUT Vo2GS Vo2 C1L C2L CPGND PGND1 SW1 SW1 BOOT1 PVCC1 VREG SS1 COMP1 FB1 VREF29 SS4 VCC V+ V- Vcom FB4 C3 Vo1 VGH CPGND G1 C26 470pF/50V/X7R/K TDK CS0603 D5 RB501V-40 DS1005 ROHM R31 0 5% RS0805 C31 820pF/50V/X7R/K TDK CS0603 R13 0 5% RS0805 大毅 C18 27pF/50V/NP0/K TDK CS0603 C34 10uF/10V/X5R/K 太誘 CS0805 R27 0 5% RS0805 C10 10uF/25V/X5R/M 太誘 CS1206 R16 16K 1% RS0603 大毅 R7 120K 1% RS0603 大毅 C17 0.1uF/50V/X7R/K CS0603 TDK C104 NO(4.7uF/25V/X7R/K) TDK CS1206 R17 143K 1% RS0603 大毅 GH3 SCREW4 1 PAD L1 SLF7028T-4R7M1R5 TDK LS2828 R8 5.6K 1% RS0603 大毅 R19 33K 1% RS0603 大毅 V1D8 TPS30 V2D5 1 PAD C16 10uF/25V/X5R/M 太誘 CS1206 V1D8 AVDD V3D3 YV1C GND VGL VGHC COMF2 VCOM2 V12 </p> <div class="main-left-down hidden-xl hidden-lg hidden-md"> <!--资源收费且没有购买--> <a href="http://www.wenhuiw.com/index.php?s=score&c=buy&m=index&module=wenku&id=18831" id="down_box_confirm" class="not-logged-in btn bg-green"><i class="fa fa-shopping-cart"></i> 立即购买</a> <p class="down-score">下载本素材需消耗 <span class="f-red">50</span> 积分</p> <p class="down-feedback">无法下载?<a class="hover:text-green-600" href="tencent://message/?uin=77594475" target="_blank">立即反馈</a></p> </div> <div class="tag">标签: </div> <div class="use-tip"> <h3>版权声明</h3> <p><b>1. 本站所有素材,仅限学习交流,仅展示部分内容,如需查看完整内容,请下载原文件。</b><br> 2. 会员在本站下载的所有素材,只拥有使用权,著作权归原作者所有。<br> 3. 所有素材,未经合法授权,请勿用于商业用途,会员不得以任何形式发布、传播、复制、转售该素材,否则一律封号处理。<br> 4. 如果素材损害你的权益请联系客服QQ:<a href="tencent://message/?uin=77594475">77594475</a> 处理。 </p> </div> </div> <div class="main-relate hidden-sm hidden-xs"> <div class="module-title-box"> <h2 class="title">相关素材</h2> </div> <ul class="module-list"> <li class="col-xl-3 col-lg-3 col-md-3 col-sm-6 col-6"> <div class="module-list_box"> <a class="module-list_thumb wide lazyload" href="/wenku/a23254.html" title="一张母狮子卧在草丛里的照片" data-original="http://file.wenhuiw.com/202403/c18d26349a7554b.jpg#系统开启了相对路径模式,本地址是站外域名,不能转为相对路径(在关闭开发者模式后不显示这句话)#没有设置高宽参数,将以原图输出"></a> <div class="module-list_detail"> <h4 class="title txt-ov"><a href="/wenku/a23254.html" title="一张母狮子卧在草丛里的照片">一张母狮子卧在草丛里的照片</a></h4> </div> </div> </li> <li class="col-xl-3 col-lg-3 col-md-3 col-sm-6 col-6"> <div class="module-list_box"> <a class="module-list_thumb wide lazyload" href="/wenku/a23253.html" title="员工花名册.xlsx" data-original="http://file.wenhuiw.com/202403/389f25971624d9f.jpg#系统开启了相对路径模式,本地址是站外域名,不能转为相对路径(在关闭开发者模式后不显示这句话)#没有设置高宽参数,将以原图输出"></a> <div class="module-list_detail"> <h4 class="title txt-ov"><a href="/wenku/a23253.html" title="员工花名册.xlsx">员工花名册.xlsx</a></h4> </div> </div> </li> <li class="col-xl-3 col-lg-3 col-md-3 col-sm-6 col-6"> <div class="module-list_box"> <a class="module-list_thumb wide lazyload" href="/wenku/a23252.html" title="员工年假统计表" data-original="http://file.wenhuiw.com/202403/bde7ec85b0ccdf1.jpg#系统开启了相对路径模式,本地址是站外域名,不能转为相对路径(在关闭开发者模式后不显示这句话)#没有设置高宽参数,将以原图输出"></a> <div class="module-list_detail"> <h4 class="title txt-ov"><a href="/wenku/a23252.html" title="员工年假统计表">员工年假统计表</a></h4> </div> </div> </li> <li class="col-xl-3 col-lg-3 col-md-3 col-sm-6 col-6"> <div class="module-list_box"> <a class="module-list_thumb wide lazyload" href="/wenku/a23251.html" title="实验室安全歌.doc" data-original="http://file.wenhuiw.com/202309/310d89e8c45eb81.jpg#系统开启了相对路径模式,本地址是站外域名,不能转为相对路径(在关闭开发者模式后不显示这句话)#没有设置高宽参数,将以原图输出"></a> <div class="module-list_detail"> <h4 class="title txt-ov"><a href="/wenku/a23251.html" title="实验室安全歌.doc">实验室安全歌.doc</a></h4> </div> </div> </li> <li class="col-xl-3 col-lg-3 col-md-3 col-sm-6 col-6"> <div class="module-list_box"> <a class="module-list_thumb wide lazyload" href="/wenku/a23250.html" title="JCT 998-2006 喷涂聚氨酯硬泡体保温材料" data-original="http://file.wenhuiw.com/202306/a9f08eb9830da52.png#系统开启了相对路径模式,本地址是站外域名,不能转为相对路径(在关闭开发者模式后不显示这句话)#没有设置高宽参数,将以原图输出"></a> <div class="module-list_detail"> <h4 class="title txt-ov"><a href="/wenku/a23250.html" title="JCT 998-2006 喷涂聚氨酯硬泡体保温材料">JCT 998-2006 喷涂聚氨酯硬泡体保温材料</a></h4> </div> </div> </li> <li class="col-xl-3 col-lg-3 col-md-3 col-sm-6 col-6"> <div class="module-list_box"> <a class="module-list_thumb wide lazyload" href="/wenku/a23249.html" title="JCT 997-2006 装饰纸面石膏板" data-original="http://file.wenhuiw.com/202306/e292ed4137e88a.png#系统开启了相对路径模式,本地址是站外域名,不能转为相对路径(在关闭开发者模式后不显示这句话)#没有设置高宽参数,将以原图输出"></a> <div class="module-list_detail"> <h4 class="title txt-ov"><a href="/wenku/a23249.html" title="JCT 997-2006 装饰纸面石膏板">JCT 997-2006 装饰纸面石膏板</a></h4> </div> </div> </li> <li class="col-xl-3 col-lg-3 col-md-3 col-sm-6 col-6"> <div class="module-list_box"> <a class="module-list_thumb wide lazyload" href="/wenku/a23248.html" title="JCT 996-2006 玻璃纤维壁布" data-original="http://file.wenhuiw.com/202306/5156b2f64e53176.png#系统开启了相对路径模式,本地址是站外域名,不能转为相对路径(在关闭开发者模式后不显示这句话)#没有设置高宽参数,将以原图输出"></a> <div class="module-list_detail"> <h4 class="title txt-ov"><a href="/wenku/a23248.html" title="JCT 996-2006 玻璃纤维壁布">JCT 996-2006 玻璃纤维壁布</a></h4> </div> </div> </li> <li class="col-xl-3 col-lg-3 col-md-3 col-sm-6 col-6"> <div class="module-list_box"> <a class="module-list_thumb wide lazyload" href="/wenku/a23247.html" title="JCT 995-2006 低比表面积高烧结活性氧化锆粉体" data-original="http://file.wenhuiw.com/202306/8c1c96b37a561d4.png#系统开启了相对路径模式,本地址是站外域名,不能转为相对路径(在关闭开发者模式后不显示这句话)#没有设置高宽参数,将以原图输出"></a> <div class="module-list_detail"> <h4 class="title txt-ov"><a href="/wenku/a23247.html" title="JCT 995-2006 低比表面积高烧结活性氧化锆粉体">JCT 995-2006 低比表面积高烧结活性氧化锆粉体</a></h4> </div> </div> </li> </ul> </div> </div> <div class="main-right col-xl-3 col-lg-3 col-md-3 hidden-sm hidden-xs"> <div class="side-box-dw"></div> <div class="side-fixed-box"> <div class="side shadow"> <a href="javasctipr:;" class="not-logged-in btn bg-yellow"><i class="fa fa-download"></i> 立即下载</a> <p class="down-score">下载本素材需消耗 <span class="f-red">50</span> 积分</p> <p class="down-feedback">无法下载?<a class="hover:text-green-600" href="tencent://message/?uin=77594475" target="_blank">立即反馈</a></p> <ul class="down-attribute"> <li><span>文件大小:</span>143.72 KB</li> <li><span>文件格式:</span>pdf</li> </ul> </div> <div class="side mt20 shadow"> <div class="module-title-box mb15"> <h2 class="title">随机推荐</h2> </div> <ul class="module-list"> <li class="col-lg-4 col-md-3 col-sm-4 col-xs-3 col-4"> <div class="module-list_box p0"> <a class="module-list_thumb wide" href="/wenku/a23254.html" title="一张母狮子卧在草丛里的照片" style="display: block; background-image: url('http://file.wenhuiw.com/202403/c18d26349a7554b.jpg#系统开启了相对路径模式,本地址是站外域名,不能转为相对路径(在关闭开发者模式后不显示这句话)#没有设置高宽参数,将以原图输出')" ;> </a> <div class="module-list_detail"> <h4 class="title"><a href="/wenku/a23254.html" title="一张母狮子卧在草丛里的照片">一张母狮子卧在草丛里的照片</a></h4> </div> </div> </li> <li class="col-lg-4 col-md-3 col-sm-4 col-xs-3 col-4"> <div class="module-list_box p0"> <a class="module-list_thumb wide" href="/wenku/a23253.html" title="员工花名册.xlsx" style="display: block; background-image: url('http://file.wenhuiw.com/202403/389f25971624d9f.jpg#系统开启了相对路径模式,本地址是站外域名,不能转为相对路径(在关闭开发者模式后不显示这句话)#没有设置高宽参数,将以原图输出')" ;> </a> <div class="module-list_detail"> <h4 class="title"><a href="/wenku/a23253.html" title="员工花名册.xlsx">员工花名册.xlsx</a></h4> </div> </div> </li> <li class="col-lg-4 col-md-3 col-sm-4 col-xs-3 col-4"> <div class="module-list_box p0"> <a class="module-list_thumb wide" href="/wenku/a23252.html" title="员工年假统计表" style="display: block; background-image: url('http://file.wenhuiw.com/202403/bde7ec85b0ccdf1.jpg#系统开启了相对路径模式,本地址是站外域名,不能转为相对路径(在关闭开发者模式后不显示这句话)#没有设置高宽参数,将以原图输出')" ;> </a> <div class="module-list_detail"> <h4 class="title"><a href="/wenku/a23252.html" title="员工年假统计表">员工年假统计表</a></h4> </div> </div> </li> <li class="col-lg-4 col-md-3 col-sm-4 col-xs-3 col-4"> <div class="module-list_box p0"> <a class="module-list_thumb wide" href="/wenku/a23251.html" title="实验室安全歌.doc" style="display: block; background-image: url('http://file.wenhuiw.com/202309/310d89e8c45eb81.jpg#系统开启了相对路径模式,本地址是站外域名,不能转为相对路径(在关闭开发者模式后不显示这句话)#没有设置高宽参数,将以原图输出')" ;> </a> <div class="module-list_detail"> <h4 class="title"><a href="/wenku/a23251.html" title="实验室安全歌.doc">实验室安全歌.doc</a></h4> </div> </div> </li> <li class="col-lg-4 col-md-3 col-sm-4 col-xs-3 col-4"> <div class="module-list_box p0"> <a class="module-list_thumb wide" href="/wenku/a23250.html" title="JCT 998-2006 喷涂聚氨酯硬泡体保温材料" style="display: block; background-image: url('http://file.wenhuiw.com/202306/a9f08eb9830da52.png#系统开启了相对路径模式,本地址是站外域名,不能转为相对路径(在关闭开发者模式后不显示这句话)#没有设置高宽参数,将以原图输出')" ;> </a> <div class="module-list_detail"> <h4 class="title"><a href="/wenku/a23250.html" title="JCT 998-2006 喷涂聚氨酯硬泡体保温材料">JCT 998-2006 喷涂聚氨酯硬泡体保温材料</a></h4> </div> </div> </li> <li class="col-lg-4 col-md-3 col-sm-4 col-xs-3 col-4"> <div class="module-list_box p0"> <a class="module-list_thumb wide" href="/wenku/a23249.html" title="JCT 997-2006 装饰纸面石膏板" style="display: block; background-image: url('http://file.wenhuiw.com/202306/e292ed4137e88a.png#系统开启了相对路径模式,本地址是站外域名,不能转为相对路径(在关闭开发者模式后不显示这句话)#没有设置高宽参数,将以原图输出')" ;> </a> <div class="module-list_detail"> <h4 class="title"><a href="/wenku/a23249.html" title="JCT 997-2006 装饰纸面石膏板">JCT 997-2006 装饰纸面石膏板</a></h4> </div> </div> </li> <li class="col-lg-4 col-md-3 col-sm-4 col-xs-3 col-4"> <div class="module-list_box p0"> <a class="module-list_thumb wide" href="/wenku/a23248.html" title="JCT 996-2006 玻璃纤维壁布" style="display: block; background-image: url('http://file.wenhuiw.com/202306/5156b2f64e53176.png#系统开启了相对路径模式,本地址是站外域名,不能转为相对路径(在关闭开发者模式后不显示这句话)#没有设置高宽参数,将以原图输出')" ;> </a> <div class="module-list_detail"> <h4 class="title"><a href="/wenku/a23248.html" title="JCT 996-2006 玻璃纤维壁布">JCT 996-2006 玻璃纤维壁布</a></h4> </div> </div> </li> <li class="col-lg-4 col-md-3 col-sm-4 col-xs-3 col-4"> <div class="module-list_box p0"> <a class="module-list_thumb wide" href="/wenku/a23247.html" title="JCT 995-2006 低比表面积高烧结活性氧化锆粉体" style="display: block; background-image: url('http://file.wenhuiw.com/202306/8c1c96b37a561d4.png#系统开启了相对路径模式,本地址是站外域名,不能转为相对路径(在关闭开发者模式后不显示这句话)#没有设置高宽参数,将以原图输出')" ;> </a> <div class="module-list_detail"> <h4 class="title"><a href="/wenku/a23247.html" title="JCT 995-2006 低比表面积高烧结活性氧化锆粉体">JCT 995-2006 低比表面积高烧结活性氧化锆粉体</a></h4> </div> </div> </li> <li class="col-lg-4 col-md-3 col-sm-4 col-xs-3 col-4"> <div class="module-list_box p0"> <a class="module-list_thumb wide" href="/wenku/a23246.html" title="JCT 994-2006 微晶玻璃陶瓷复合砖" style="display: block; background-image: url('http://file.wenhuiw.com/202306/fff87b6f9176d27.png#系统开启了相对路径模式,本地址是站外域名,不能转为相对路径(在关闭开发者模式后不显示这句话)#没有设置高宽参数,将以原图输出')" ;> </a> <div class="module-list_detail"> <h4 class="title"><a href="/wenku/a23246.html" title="JCT 994-2006 微晶玻璃陶瓷复合砖">JCT 994-2006 微晶玻璃陶瓷复合砖</a></h4> </div> </div> </li> </ul> </div> </div> </div> </div> <div class="main-box-dw"></div> <div class="scroll-to-top hidden-sm hidden-xs" id="toTop"> <i class="bi bi-arrow-up-circle-fill"></i> </div> <!-- 底部 --> <div class="footer"> <div class="container"> <div class="flex justify-center"> <span class="hidden-sm hidden-xs">© CopyRight 2022 文汇知识网</span> <a class="ml10 mr10" href="https://beian.miit.gov.cn" target="_blank">滇ICP备2022006959号-4</a> <span class="hidden-sm hidden-xs"><script> var _hmt = _hmt || []; (function() { var hm = document.createElement("script"); hm.src = "https://hm.baidu.com/hm.js?f0f56f82f7c67c360794e2549e59d9cd"; var s = document.getElementsByTagName("script")[0]; s.parentNode.insertBefore(hm, s); })(); </script> <a href="http://news.zzszq.net/">深知资讯网</a><a href="http://tv.zzszq.net/">深视网</a><a href="http://www.80hlw.com/">80商务</a></span> </div> </div> </div> <!-- 会员登录 --> <div id="login_box" class="hidden fixed"> <div class="login_box_title"> <h4 class="tc">会员登录</h4> <button id="close_login"><i class="fa fa-close"></i></button> </div> <form class="login-form" id="myform" action="" method="post"> <div class="form-group"> <input class="form-control" type="text" autocomplete="off" placeholder="会员名/邮箱/手机" name="data[username]" /> </div> <div class="form-group"> <input class="form-control" type="password" autocomplete="off" placeholder="登录密码" name="data[password]" /> </div> <div class="form-group"> <div class="col-6 pl0 pr0 fl"> <input class="form-control" type="text" autocomplete="off" placeholder="验证码" name="code" /> </div> <div class="col-6 tr fr"> <img align="absmiddle" style="cursor:pointer;" onclick="this.src='/index.php?s=api&c=api&m=captcha&width=120&height=35&t='+Math.random();" src="/index.php?s=api&c=api&m=captcha&width=120&height=35" /> </div> <div class="clearfix"></div> </div> <div class="form-group"> <button type="button" onclick="dr_ajax_member('http://www.wenhuiw.com/index.php?s=member&c=login&m=index', 'myform');" class="btn bg-green">登录</button> </div> <div class="form-group"> <a href="http://www.wenhuiw.com/index.php?s=member&c=register&m=index" id="register-btn" class="fr">注册账号</a> <input type="checkbox" name="remember" value="1" checked="checked" style="vertical-align: -2px;"/> 记住我 <a href="http://www.wenhuiw.com/index.php?s=member&c=login&m=find">忘记密码</a> </div> <div class="form-group tc"> <!--<p class="text-muted">第三方快捷登录</p>--> </div> </form> </div> <div class="mask-body mask-body-dark" style="display: none;"></div> <script src="/static/x2h-002/js/swiper-bundle.min.js"></script> <script src="/static/x2h-002/js/jquery.lazyload.js"></script> <script src="/static/x2h-002/js/common.js"></script> <script> $(function () { $.ajax({ type: "GET",dataType:"json", url: "/index.php?s=api&c=run&is_ajax=1&num=5" }); }); </script> </body> </html>