东芝34SH8UC彩电电路原理图

分类:电子电工 日期: 点击:0
东芝34SH8UC彩电电路原理图-0 东芝34SH8UC彩电电路原理图-1 东芝34SH8UC彩电电路原理图-2 东芝34SH8UC彩电电路原理图-3 东芝34SH8UC彩电电路原理图-4 东芝34SH8UC彩电电路原理图-5 东芝34SH8UC彩电电路原理图-6 东芝34SH8UC彩电电路原理图-7 东芝34SH8UC彩电电路原理图-8 东芝34SH8UC彩电电路原理图-9

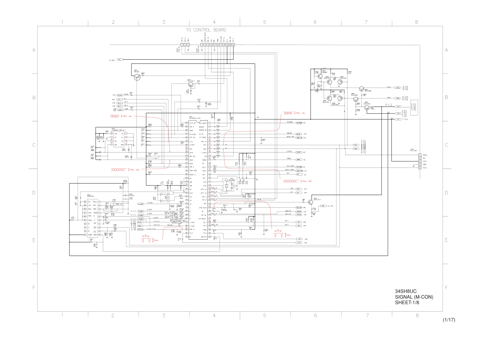
34SH8UC 型号∶ SIGNAL Circuit M-CON [ SHEET - 1/8 ]...................... 1/17 IF / TEXT [ SHEET - 2/8 ]...................... 2/17 3DYCS / OTHER [ SHEET - 3/8 ]...................... 3/17 AV [ SHEET - 4/8 ]...................... 4/17 BEP / DSF [ SHEET - 5/8 ]...................... 5/17 SOUND [ SHEET - 6/8 ]...................... 6/17 REGU-OUT LOWB-REG (1/2) (2/2) [ SHEET - 7/8 ] [ SHEET - 8/8 ] [ SHEET - 1/2 ] [ SHEET - 2/2 ] ...................... ...................... .................... .................... 7/17 8/17 BEP Circuit .............................................................................................................. 9/17 E&W / V-OUT Circuit SUB POWER Circuit ............................................................................................ 11/17 ............................................................................................ 10/17 CRT-D Circuit 12/17 13/17 SRS-WOW Circuit ................................................................................................. 14/17 DEF Circuit ............................................................................................................ 15/17 POWER Circuit ..................................................................................................... 16/17 CONTROL / LED Circuit ....................................................................................... 17/17 电 路 图 fH 5Vp-p SDA 5Vp-p 5Vp-p SCL 5Vp-p fV 5Vp-p SDA 5Vp-p SCL 4.3 4.5 4.5 4.5 4.5 4.7 4.7 5.0 5.0 5.0 5.0 4.2 4.2 4.2 4.2 4.5 4.5 4.5 4.5 0 5.0 5.0 0 5.0 4.5 4.5 2.0 0 4.5 4.5 4.5 4.5 5.0 5.0 5.0 5.0 4.5 4.5 4.5 4.5 5.0 5.0 34SH8UC SIGNAL (M-CON) SHEET-1/8 (1/17) 4.2 4.2 5.0 32.0 0 9.0 5.0 4.2 4.2 0 4.3 4.3 5.0 32.0 0 9.0 0 0 34SH8UC SIGNAL (IF/TEXT) SHEET-2/8 (2/17) 34SH8UC SIGNAL (3DYCS/OTHER) SHEET-3/8 (3/17) 3.6 9 0 0 0 0 0 4.3 0 3.3 3.3 4.0 4.0 9 0 0 0 3.3 3.3 4.0 4.0 5.2 5.2 0 5.2 0 0 4.5 4.5 0 4.1 9.0 4.1 4.1 5.2 4.1 5.2 5.2 5.2 5.2 5.2 5.2 3.9 4.1 0 4.1 4.1 34SH8UC SIGNAL (AV) SHEET-4/8 (4/17) 9.0 0 4.5 0 0 4.5 34SH8UC SIGNAL (BEP/DSF) SHEET-5/8 (5/17) 1.0 26.8 1.0 0.7 0.7 0 19 19 0 0 0 19 1.0 0.7 0 0.7 1.0 19 19 0 28.5 0 0 19 34SH8UC SIGNAL (SOUND) SHEET-6/8 (6/17) 4.5 9.0 0 12.0 34SH8UC SIGNAL (REGU-OUT) SHEET-7/8 (7/17) 34SH8UC SIGNAL (LOWB-REG) SHEET-8/8 (8/17) 3.5V(p-p) 3.5V(p-p) (H) (H) 3.4V(p-p) 3.4V(p-p) (H) (H) 0.9V(p-p) (H) (H) 3.6V(p-p) (H) (H) 0.53V(p-p) 0.53V(p-p) 0.78V(p-p) 0.78V(p-p) 0.75V(p-p) 0.75V(p-p) (H) (H) (H) (H) (H) (H) 3.5 3.5 5.6 5.6 3.0 3.0 0 6.3 6.3 6.6 6.6 0 2.5 2.5 2.4 2.4 0 2.7 2.7 2.5 2.5 0 0 0 9.1 9.1 7.3 7.3 5.7 5.7 0.1 0.1 4.8 4.8 0 3.5 3.5 3.5 3.5 1.5 1.5 1.3 1.3 0 4.8 4.8 3.3 3.3 4.7 4.7 34SH8UC BEP (9/17) 3.5V(p-p)(V) 3.5V(p-p)(V) 1.3V(p-p)(V) 1.3V(p-p)(V) 50V(p-p)(V) 50V(p-p)(V) 4.7 4.7 3.1 3.1 3.4 3.4 0 10.5 10.5 0.7 0.7 9.4 9.4 0.8 0.8 5.5 5.5 0 3.2 3.2 1.1 1.1 9.0 9.0 0 9.0 9.0 -15 -15 34.0 34.0 0.9 0.9 34SH8UC E&W/V-OUT (10/17) 34SH8UC SUB POWER (11/17) 34SH8UC CRT-D SHEET-1/2 (12/17) 34SH8UC CRT-D SHEET-2/2 (13/17) 34SH8UC SRS-WOW (14/17) 27 27 0.4 0.4 -20 -20 -20 -20 123V 123V 2.4 2.4 1.8 1.8 7.2 7.2 270V(p-p)(H) 270V(p-p)(H) 1050V(p-p)(H) 1050V(p-p)(H) 150V(p-p)(H) 150V(p-p)(H) 27V(p-p)(H) 27V(p-p)(H) 34SH8UC DEF (15/17) 500V 500V 0 600V 600V #1-#2(GND) #1-#2(GND) 2V 2V 0.5V 0.5V #2-#3 #2-#3 0.8V 0.8V GND GND 1.3 1.3 -1.6 -1.6 0 0.8 0.8 -0 -0 0.2 0.2 1.2 1.2 6.7 6.7 51 51 1.4 1.4 26.4 26.4 27.0 27.0 7.7 7.7 1.1 1.1 4.4 4.4 5 27.1 27.1 3.8 3.8 0 5.0 5.0 5.0 5.0 34SH8UC POWER (16/17) 0 12.0 12.0 0 9.0 0 34SH8UC CONTROL/LED (17/17)

标签:

版权声明

1. 本站所有素材,仅限学习交流,仅展示部分内容,如需查看完整内容,请下载原文件。
2. 会员在本站下载的所有素材,只拥有使用权,著作权归原作者所有。
3. 所有素材,未经合法授权,请勿用于商业用途,会员不得以任何形式发布、传播、复制、转售该素材,否则一律封号处理。
4. 如果素材损害你的权益请联系客服QQ:77594475 处理。