东芝32WL36C液晶电视电路原理图

分类:电子电工 日期: 点击:0
东芝32WL36C液晶电视电路原理图-0 东芝32WL36C液晶电视电路原理图-1 东芝32WL36C液晶电视电路原理图-2 东芝32WL36C液晶电视电路原理图-3 东芝32WL36C液晶电视电路原理图-4 东芝32WL36C液晶电视电路原理图-5 东芝32WL36C液晶电视电路原理图-6 东芝32WL36C液晶电视电路原理图-7 东芝32WL36C液晶电视电路原理图-8 东芝32WL36C液晶电视电路原理图-9

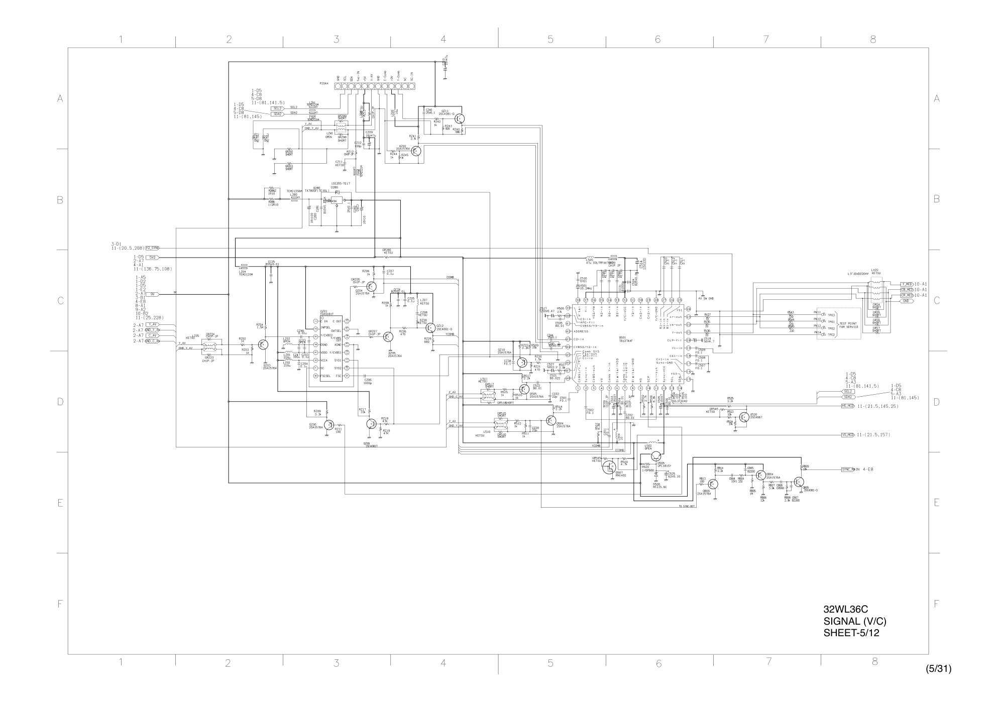
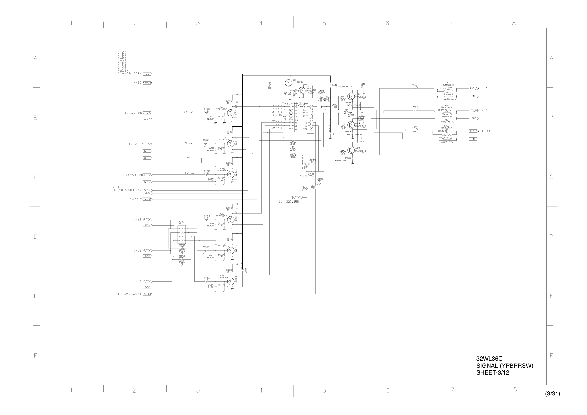
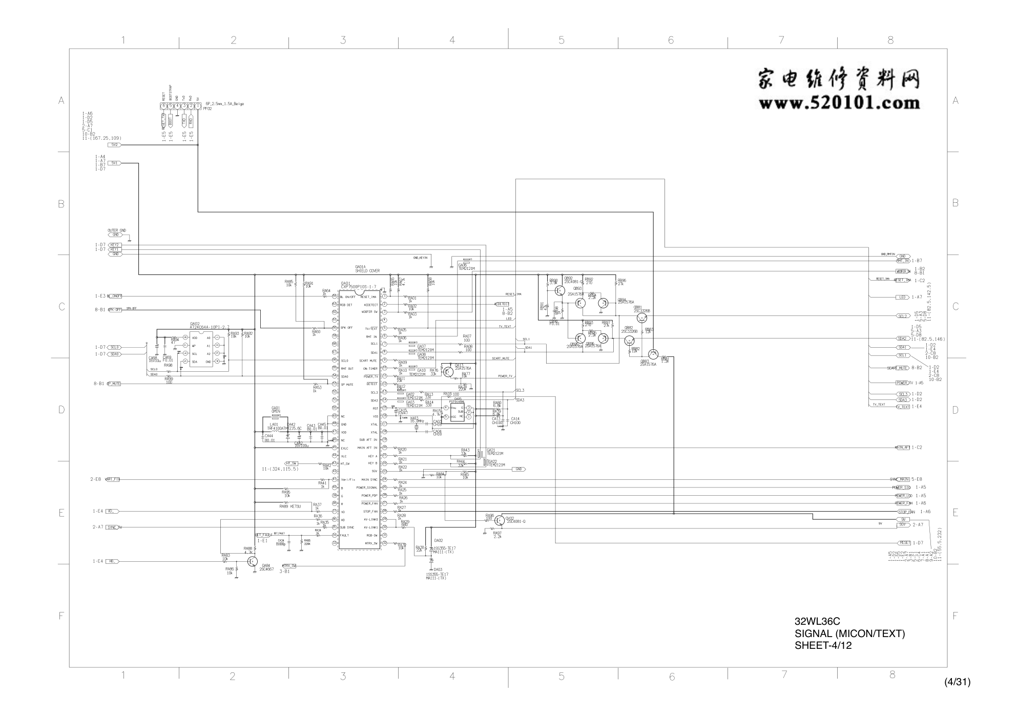
电 路 图 型号 : 32WL36C SIGNAL ( 1/12 ) [ SHEET - 1/12 ] ................ 1/31 AV [ SHEET - 2/12 ] ................ 2/31 YPBPRSW [ SHEET - 3/12 ] ................ 3/31 MICON / TEXT [ SHEET - 4/12 ] ................ 4/31 V / C [ SHEET - 5/12 ] ................ 5/31 SIGNAL from AV [ SHEET - 6/12 ] ................ 6/31 [ SHEET - 7/12 ] ................ 7/31 HP-AMP&MUTE [ SHEET - 8/12 ] ................ 8/31 MON OUTPUT [ SHEET - 9/12 ] ................ 9/31 COLOUR DIFFERENCE SWITCHING [ SHEET - 10/12 ] ............ 10/31 SYNC_SW TIM APRO [ SHEET - 11/12 ] ............ [ SHEET - 12/12 ] ............ 11/31 BACK / AV AV TERMINAL [ SHEET - 1/2 ] ................ 12/31 AV from SIGNAL [ SHEET - 2/2 ] ................ 13/31 RGB-PRO [ SHEET - 1/8 ] ................ 14/31 LVDS_IN [ SHEET - 2/8 ] ................ 15/31 DIGITAL RGB Pro. [ SHEET - 3/8 ] ................ 16/31 SUB MAICON [ SHEET - 4/8 ] ................ 17/31 OSD MIX [ SHEET - 5/8 ] ................ 18/31 OSD MIX [ SHEET - 6/8 ] ................ 19/31 LVDS OUT [ SHEET - 7/8 ] ................ 20/31 ( 7/8 ) [ SHEET - 8/8 ] ................ 21/31 ANALOG OSD / TEXT 22/31 23/31 24/31 25/31 AUDIO GAIN COMPENSATION 26/31 FRONT AV ............................................................................................................................ 27/31 KEY ........................................................................................................................................ 28/31 LED RMT .............................................................................................................................. 29/31 PC INPUT ............................................................................................................................. 30/31 POWER SW .......................................................................................................................... 31/31 3D MOD ................................................................................................................................ G-HYPER ............................................................................................................................... A-OUT ( 1/2 ) [ SHEET - 1/2 ] ................ ( 2/2 ) [ SHEET - 2/2 ] ................ +� - ■电路结构示意图∶ gm6015 M2 MICOM SDA6001 16 16 BEP MICOM DBEP LVDS LVDS Genesis MICOM AD MST9883 FILTER SM5301AS FLASH MX29LV800 SDRAM IC42S16400 ANALOG RGB (FOR TEXT) DIGITAL RGB (FOR OSD) QF01 QF14 PY02 G-HYPER QZ02 QF04 SDRAM EXT-1 BACK-AV QV01 CXA2069Q EXT-2 EXT-3 EXT-4 (FRONT) FRONT-AV M-OUT PC PC-INPUT TV RGB/HV YCbCr YCbCr SIGNAL H001 TIM BBE 3DYCS COMB QZ01 TDA9181T UPD64082 RAM ZY02 MYCY32 AUDIO OUT WOOFER AMP AUDIO AMP HP AMP Q630 Q610 WOOFER SPEAKERS L R HEAD PHONE AUDIO OUT (FIX/VARIABLE) AUDIO OUT QS103 W OUT1 W OUT2 L/R_OUT QS102 W_IN L/R_IN QD05 W_OUT APRO QS101 L_TV R_TV L_AV R_AV V-TV TIM-APRO L/R OUT AV-SW Q501 TB1274AF VCD SW QS15 FREQ.DET Q4200 TA1318AF H/V H/V H/V COMPONENT H/V AD AD Y QV254 MM1519XQ H/V SW TEXT-MIX QA01 TV-MICOM QR56 TA1287F MIX LVDS LCD AC IN MAIN POWER 20V 32V 2V 26V 5V-1 12V 9V POW TV 5V-3 POW SIG 3.3V-A POW LCD 3.3V-S AC DET 5V-D SUB POWER 5V-1 32V 26V EC957W1(WP) EC954W1(WL) 电路方框图 32WL36C SIGNAL (1/11) SHEET-1/12 (1/31) 32WL36C SIGNAL (AV) SHEET-2/12 (2/31) 32WL36C SIGNAL (YPBPRSW) SHEET-3/12 (3/31) 32WL36C SIGNAL (MICON/TEXT) SHEET-4/12 (4/31) 32WL36C SIGNAL (V/C) SHEET-5/12 (5/31) 32WL36C SIGNAL (SIGNAL from AV) SHEET-6/12 (6/31) 32WL36C SIGNAL (HP-AMP&MUTE) SHEET-7/12 (7/31) 32WL36C SIGNAL (MON OUTPUT) SHEET-8/11 (8/31) 32WL36C SIGNAL (COLOUR DIFFERENCE SWITCHING ) SHEET-9/12 (9/31) 32WL36C SIGNAL (SYNC_SW) SHEET-10/12 (10/31) 32WL36C SIGNAL (TIM APRO) SHEET-11/12 (11/31) 32WL36C SIGNAL (AUIDO GAIN COMPENSATION) SHEET-12/12 (12/31) 32WL36C BACK/AV (AV TERMINAL) SHEET-1/2 (13/31) 32WL36C BACK/AV (AV from SIGNAL) SHEET-2/2 (14/31) 32WL36C RGB-PRO (LVDS_IN) SHEET-1/8 (15/31) 32WL36C RGB-PRO (DIGITAL RGB Pro.) SHEET-2/8 (16/31) 32WL36C RGB-PRO (SUB MAICON) SHEET-3/8 (17/31) 32WL36C RGB-PRO (OSD MIX) SHEET-4/8 (18/31 ) 32WL36C RGB-PRO (OSD MIX) SHEET-5/8 (19/31) +- 32WL36C RGB-PRO (LVDS OUT) SHEET-6/8 (20/31) 32WL36C RGB-PRO (7/8) SHEET-7/8 (21/31) 32WL36C RGB-PRO (ANALOG OSD/TEXT) SHEET-8/8 (22/31) 32WL36C FRONT AV (23/31) 32WL36C KEY (24/31) 32WL36C LED RMT (25/31) 32WL36C PC INPUT (26/31) 32WL36C POWER SW (27/31) 32WL36C 3D MOD (28/31) 32WL36C G-HYPER (29/31) 32WL36C A-OUT (1/2) SHEET-1/2 (30/31) 32WL36C A-OUT (2/2) SHEET-2/2 (31/31)

标签:

版权声明

1. 本站所有素材,仅限学习交流,仅展示部分内容,如需查看完整内容,请下载原文件。
2. 会员在本站下载的所有素材,只拥有使用权,著作权归原作者所有。
3. 所有素材,未经合法授权,请勿用于商业用途,会员不得以任何形式发布、传播、复制、转售该素材,否则一律封号处理。
4. 如果素材损害你的权益请联系客服QQ:77594475 处理。