三星CK95微波炉电路图

分类:电子电工 日期: 点击:0
三星CK95微波炉电路图-0 三星CK95微波炉电路图-1

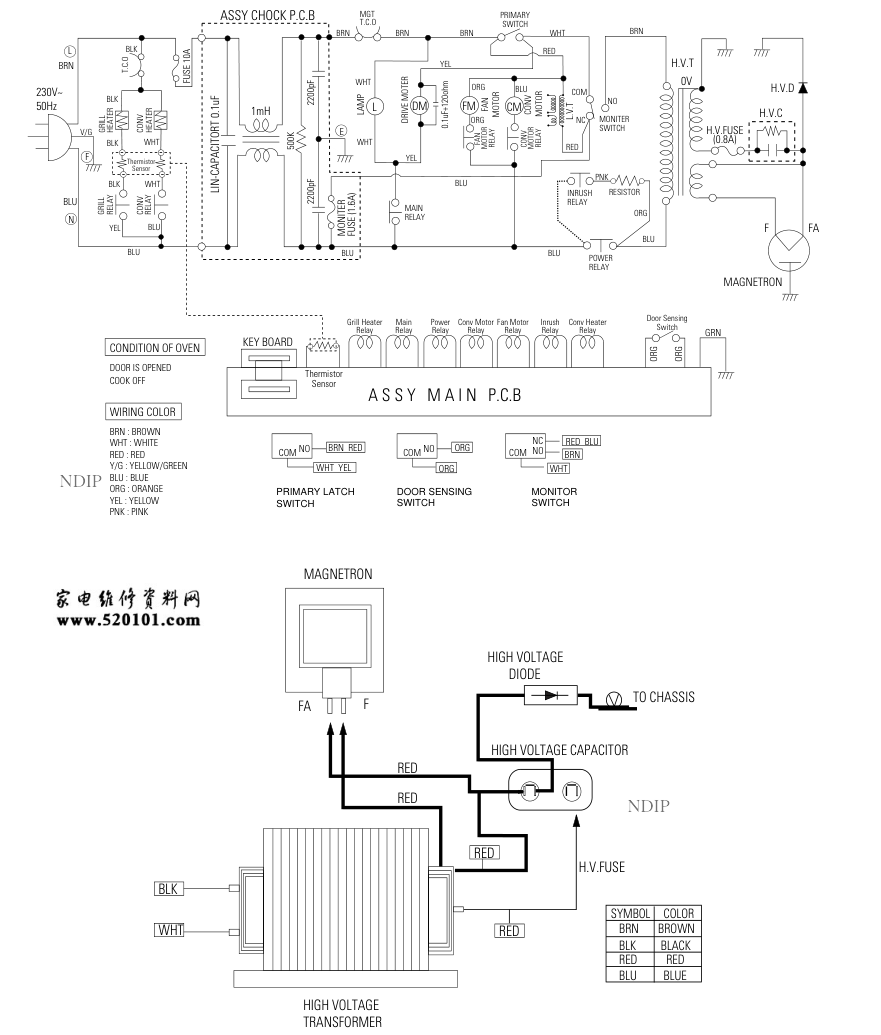
NDIP NDIP 230V~ 50Hz BRN BLK BRN BRN BRN WHT BRN WHT WHT PNK RED RED COM NC NO ORG ORG GRN BLU BLU BLU BLU BLU YEL YEL ORG ORG ORG INRUSH RELAY MAIN RELAY POWER RELAY RESISTOR MONITER SWITCH FUSE 10A 500K 2200pF 2200pF LAMP DRIVE MOTER 0.1uF+120ohm FAN MOTOR FAN MOTOR RELAY CONV MOTOR RELAY CONV MOTOR LIN-CAPACITORT 0.1uF BLK BLK BLK BLU L N E F V/G GRILL HEATER ASSY CHOCK P.C.B MGT T.C.O PRIMARY SWITCH T.C.O F FA MAGNETRON NO COM NO COM NO NC RED BLU WHT ORG ORG BRN RED WHT YEL BRN COM 0V GRILL RELAY YEL WHT WHT BLU BLU CONV HEATER CONV RELAY FM H.V.T H.V.D H.V.C MONITER FUSE (1.6A) H.V.FUSE (0.8A) 1mH L.V.T PRIMARY LATCH SWITCH DOOR SENSING SWITCH MONITOR SWITCH KEY BOARD CONDITION OF OVEN DOOR IS OPENED BRN : BROWN WHT : WHITE RED : RED Y/G : YELLOW/GREEN BLU : BLUE ORG : ORANGE YEL : YELLOW PNK : PINK COOK OFF WIRING COLOR A S S Y M A I N P.C.B Thermistor Sensor Thermistor Sensor DM L CM Grill Heater Relay Main Relay Power Relay Conv Motor Relay Fan Motor Relay Inrush Relay Conv Heater Relay Door Sensing Switch MAGNETRON FA F RED RED RED RED SYMBOL COLOR BRN BROWN BLK BLACK RED RED BLU BLUE WHT BLK HIGH VOLTAGE TRANSFORMER HIGH VOLTAGE CAPACITOR HIGH VOLTAGE DIODE TO CHASSIS H.V.FUSE NDIP NDIP

标签:

版权声明

1. 本站所有素材,仅限学习交流,仅展示部分内容,如需查看完整内容,请下载原文件。
2. 会员在本站下载的所有素材,只拥有使用权,著作权归原作者所有。
3. 所有素材,未经合法授权,请勿用于商业用途,会员不得以任何形式发布、传播、复制、转售该素材,否则一律封号处理。
4. 如果素材损害你的权益请联系客服QQ:77594475 处理。