三星CE245微波炉电路图

分类:电子电工 日期: 点击:0
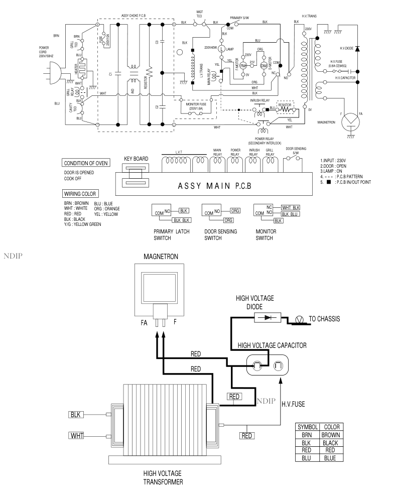
三星CE245微波炉电路图-0 三星CE245微波炉电路图-1

NDIP NDIP FM L BRN BRN ASSY CHOKE P.C.B MGT TCO BLK BLK FUSE BLU BLU BLU WHT WHT BLK PRIMARY S/W DOOR SENSING S/W FA F MAGNETRON NO COM NO COM NO NC BLK WHT BLK ORG ORG BLK BLK BLK BLK BLU COM MAIN RELAY POWER RELAY INRUSH RELAY GRILL RELAY DM HEATER L.V.TRANS MAIN RELAY D-MOTOR L.V.T DOOR SENSING SWITCH MONITOR SWITCH PRIMARY LATCH SWITCH KEY BOARD CONDITION OF OVEN DOOR IS OPENED BRN : BROWN WHT : WHITE RED : RED BLK : BLACK Y/G : YELLOW GREEN BLU : BLUE ORG : ORANGE YEL : YELLOW COOK OFF WIRING COLOR A S S Y M A I N P.C.B BLK POWER CORD 230V/50HZ 250V10A C1 iND C3 RESISTOR GRILL RELAY BLK GRILL TCO BLK BLK COM COM NC NO BLU BLU 230V40W LAMP MONITOR FUSE (250V1.6A) YEL ORG ORG YEL YEL F-MOTOR INRUSH RELAY RESISTOR POWER RELAY (SECONDARY INTERLOCK) WHT WHT WHT 0V 0V 21V 230V C2 CAVITY TCO BLK 230V H.V.TRANS H.V.DIODE H.V.FUSE (0.8A-CE945G) H.V.CAPACITOR 1.INPUT : 230V 2.DOOR : OPEN 3.LAMP : ON 4. : P.C.B PATTERN 5. : P.C.B IN/OUT POINT MAGNETRON FA F RED RED RED RED SYMBOL COLOR BRN BROWN BLK BLACK RED RED BLU BLUE WHT BLK HIGH VOLTAGE TRANSFORMER HIGH VOLTAGE CAPACITOR HIGH VOLTAGE DIODE TO CHASSIS H.V.FUSE NDIP NDIP

标签:

版权声明

1. 本站所有素材,仅限学习交流,仅展示部分内容,如需查看完整内容,请下载原文件。
2. 会员在本站下载的所有素材,只拥有使用权,著作权归原作者所有。
3. 所有素材,未经合法授权,请勿用于商业用途,会员不得以任何形式发布、传播、复制、转售该素材,否则一律封号处理。
4. 如果素材损害你的权益请联系客服QQ:77594475 处理。