三星CE101微波炉电路图

分类:电子电工 日期: 点击:0
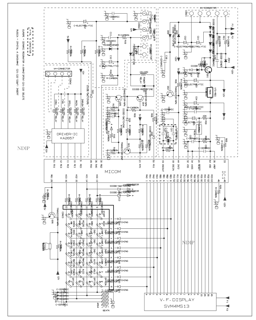
三星CE101微波炉电路图-0 三星CE101微波炉电路图-1

NDIP NDIP 230V~ 50Hz BRN BRN BRN BRN BRN BRN BRN WHT WHT WHT WHT WHT YEL ORG ORG ORG ORG YEL YEL BLK GRN ROT BLU BLU BLU BLU YEL ORG ORG ORG YEL FUSE 10A 500K 2200pF 2200pF LIN-CAPACITORT 0.1uF WHT BLU WHT BLU BLU L N E E F V/G H Ass'y chike P.C.B S/W1 S/W6 S/W2 S/W3 S/W5 S/W4 RY6 R F FA MAGNETRON NO COM NO COM NO NO BRN YEL BRN ORG ORG BRN BRN WHT RED BLU COM 0V RY3 RY2 RY1 RY4 RY5 RY3 RY4 RY1 RY2 RY5 RY6 L DM CM FM H.V.T H.V.D H.V.C F1 F3 (1.6A) F2 (0.8A) 1mH L.V.T PRIMARY LATCH SWITCH DOOR SENSING SWITCH MONITOR SWITCH KEY BOARD OFFENZUSTAND DOOR IS OPENED BRN :BROWN WHT : WHITE RED : RED Y/G : YELLOW/GREEN BLU : BLUE ORG : ORANGE YEL : YELLOW COOK OFF WIRING COLOR A S S Y M A I N P.C.B F1 F2 F3 S/W1 S/W2 S/W3 S/W4 S/W5 S/W6 RY1 RY2 RY3 RY4 RY5 RY6 FM DM CM H H.V.T H.V.C H.V.D L.V.T L R MAIN FUSE H.V.FUSE MONITOR FUSE THERMAL CUTOUT(CAVITY) THERMAL CUTOUT(M.G.T) PRIMARY SWITCH DOOR SENSING SWITCH MONITOR SWITCH THERMAL CUTOUT(HEATER) HEATER RELAY MAIN RELAY POWER RELAY CONVECTION MOTOR RELAY FAN MOTOR RELAY INRUSH RELAY FAN MOTOR DRIVE MOTOR CONVECTION MOTOR HEATER HIGH VOLTAGE TRANS HIGH VOLTAGE CAAPCITOR HIGH VOLTAGE DIODE LOW VOLTAGE TRANS LAMP RESISTOR RED RED BRN BLU FA F HIGH VOLTAGE TRANSFORMER H.V.FUSE HIGH VOLTAGE CAPACITOR HIGH VOLTAGE DIODE TO CHASSIS MAGNETRON SYMBOL COLOR ORG ORANGE BRN BROWN BLK BLACK RED RED BLU BLUE ORG RED NDIP NDIP

标签:

版权声明

1. 本站所有素材,仅限学习交流,仅展示部分内容,如需查看完整内容,请下载原文件。
2. 会员在本站下载的所有素材,只拥有使用权,著作权归原作者所有。
3. 所有素材,未经合法授权,请勿用于商业用途,会员不得以任何形式发布、传播、复制、转售该素材,否则一律封号处理。
4. 如果素材损害你的权益请联系客服QQ:77594475 处理。