建伍KENWOOD DV-402音响电路原理图

分类:电子电工 日期: 点击:0
建伍KENWOOD DV-402音响电路原理图-0 建伍KENWOOD DV-402音响电路原理图-1 建伍KENWOOD DV-402音响电路原理图-2 建伍KENWOOD DV-402音响电路原理图-3 建伍KENWOOD DV-402音响电路原理图-4 建伍KENWOOD DV-402音响电路原理图-5 建伍KENWOOD DV-402音响电路原理图-6

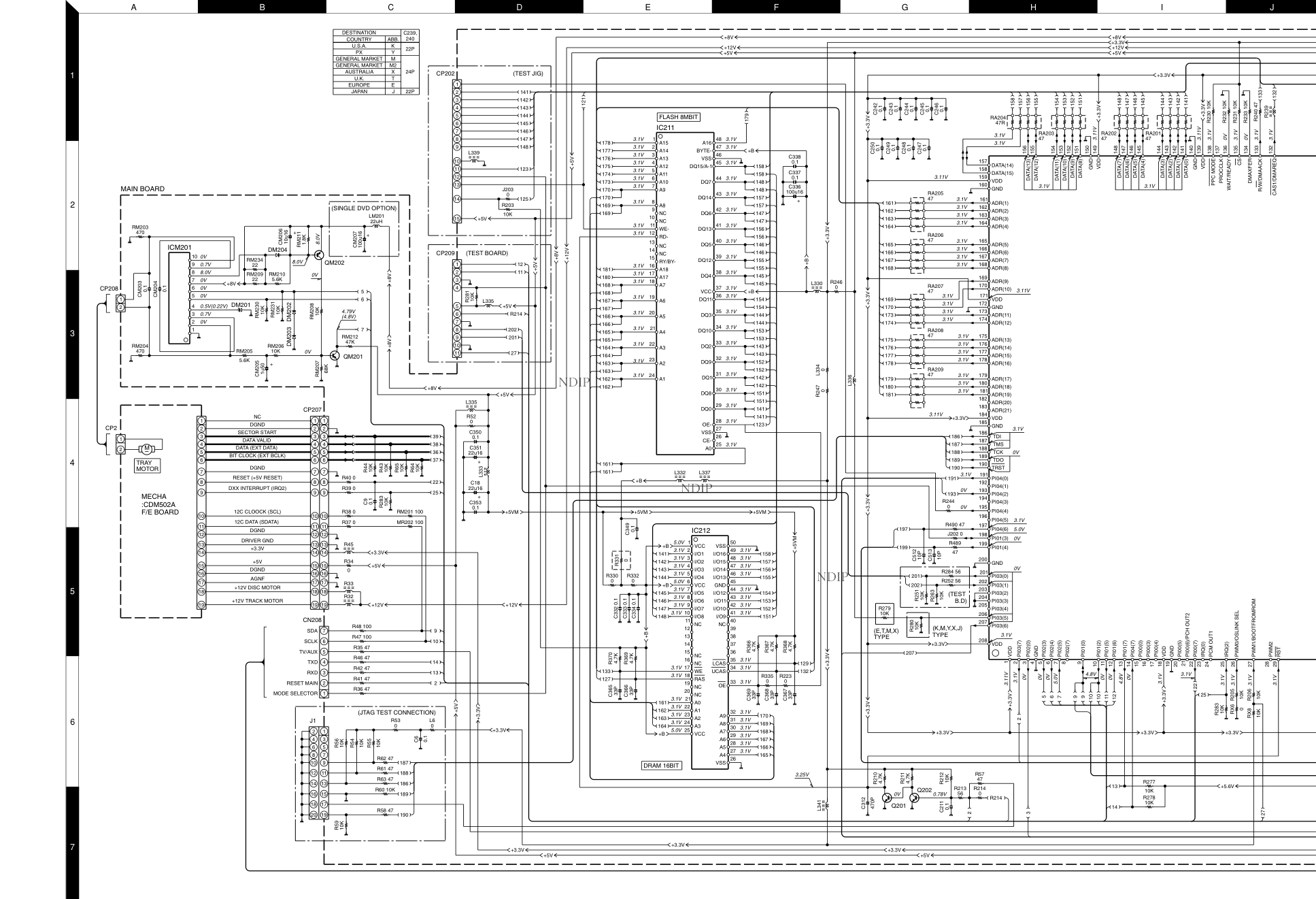
4 DV-402/DVF-3530/3530-S BLOCK DIAGRAM D-RASO- ADDR RDNOTWR DATA D-CAS0- D-CAS1- SD-CS0- LDQM SD-WE- SD-CAS- SD-RAS- SD-D UDQM SD-CLK SD-CLK UDQM SD-WE- SD-RAS- SD-CAS- SD-CS1- LDQM SD-D +3.3V DIGITAL VCC F/E SDATA EXIT-DATA +5V-RESET F/E SCL EXIT-BCLK EXIT-DATAVALID EXT-PSTART/ERROR +12V MOTOR VCC +12V MOTOR VCC +5V DIGITAL VCC SLIDER-IN(DRAWER-CCW-CTRL) SLIDER-OUT(DRAWER-CW-CTRL) SLIDER-OPEN/CLOSE(POWER-POSITION-P1) +12V ANALOG VCC +8V ANALOG VCC +5V DIGITAL VCC -8V ANALOG VCC +12V MOTOR VCC 5V FRONT +8V MOTOR VCC +3.3V DIGITAL VCC : AC240V~ 50Hz : AC230V~ 50Hz (X) (T,E) : AC110-120V/220-240V~ : AC120V 60Hz 50/60Hz (K) (Y,M) : AC100V 50/60Hz (J) F-OE(DRAM OE) -30V FL AC FL AC +5VS STBY ON/OFF CNTL RXD TXD TV/AUX RESET MAIN MODE SW LRCK PCM1716E-RESET MC ML PCM1716E-CS PCMOUT0 MCLK BICK AUDIO-MENU MD CVBS-OUT Y-OUT +5V +5V R-OUT C-OUT G-OUT B-OUT BLUE GREEN RED G CH-G R G VIDEO L G +5V +5V +5V SPDIF PIXCLK-27MHz SCL SDA VIDEO-MUTE 5V FRONT N.C IRQ2 IC201 MPEG DRAM-16MBIT IC212 SDRAM-16MBIT IC213 IC214 SDRAM-16MBIT F/E & MECHA TVM502A SMPS FL IC901 CPU DAC IC403 L.P.F IC802 L-CH MIXED MUTE B.N.F C-VIDEO JK802 JK803-A IC406 B.N.F B.N.F B.N.F IC407 S-VIDEO Q811 Q810 B.N.F B.N.F SCART Y Cr Cd TSH95 IC803 Q206 Q205 Q204 JK804 JK801 COAXIAL BUFFER Q801,802 OPTICAL IC801 IC204 EEPROM IC215 (E,T,M,M2,X) TYPE ONLY JK803-B VIDEO OUT (E,T) TYPE ONLY EXCEPT (E,T) TYPE DIGITAL OUT DV-402 LEFT CHANNEL (SAME AS RIGHT CANNEL) NDIP NDIP NDIP DV-402/DVF-3530/3530-S 5 WIRING DIAGRAM 1 35 19 1 19 1 2 2 1 1 35 1 11 1 11 1 5 1 5 1 1 14 14 1 : AC240V~ 50Hz : AC230V~ 50Hz (X) (T,E) : AC110-120V/220-240V~ : AC120V 60Hz 50/60Hz (K) (Y,M) : AC100V 50/60Hz (J) 1 2 7 1 1 6 6 1 1 7 4 4 1 1 1 15 1 11 19 1 4 4 CP207 CP208 CP2 CN203 CP803 CP702 CN802 CP701 CN801 Cb Y Cr JK804 JK803-A JK803-B CP804 CN21 Rch Lch COAXIAL AUDIO OUT JK802 JK801 CN1 CN23 CN901 CN902 CN208 CP903 CN903 CP202 TEST JIG TEST BOARD CP209 CONNECTION J1 JTAG TEST IC801 OPTICAL DIGITAL OUT S-VHS VIDEO OUT (E,T) TYPE ONLY MAIN BOARD MECHA :CDM502A F/E BOARD OUTPUT BOARD SCART BOARD POWER SUPPLY(SMPS) FRONT BOARD BOARD LED DV-402 STANDBY NDIP NDIP NDIP DV-402/DVF-3530/3530-S 6 WAVEFORM 5 IC201 #55pin 4 IC201 #64pin 2 IC201 #62pin 3 IC201 #63pin 1 IC201 #57pin NDIP NDIP NDIP A C E G I B D F H J 2 1 3 5 7 4 6 156 155 154 153 152 151 150 149 148 147 146 145 144 143 142 141 140 139 138 137 136 135 134 133 132 1 2 3 4 5 6 7 8 9 10 11 12 13 14 15 16 17 18 19 20 21 22 23 24 25 26 27 28 29 157 158 159 160 161 162 163 164 165 166 167 168 169 170 171 172 173 174 175 176 177 178 179 180 181 182 183 184 185 186 187 188 189 190 191 192 193 194 195 196 197 198 199 200 201 202 203 204 205 206 207 208 DATA(13) DATA(12) DATA(11) DATA(10) DATA(9) DATA(8) GND VDD DATA(7) DATA(6) DATA(5) DATA(4) DATA(3) DATA(2) DATA(1) DATA(0) GND VDD PPC MODE PROCCLK WAIT/READY CS DMAXFER R/W/DMAACK CAS1/DMAREQ VDD PI03(7) PI02(0) GND PI02(3) PI02(4) PI02(5) PI02(7) PI01(0) PI01(2) PI01(5) PI01(6) PI01(7) PI04(7) PI00(0) PI00(3) PI00(4) VDD GND PI00(5) PI00(6)/PCH OUT2 PI00(7) IRQ(0) PCM OUT1 IRQ(2) PWM0/OSLINK SEL PWM1/BOOTFROMROM PWM2 RST DATA(14) DATA(15) VDD GND ADR(1) ADR(2) ADR(3) ADR(4) ADR(5) ADR(6) ADR(7) ADR(8) ADR(9) ADR(10) VDD GND ADR(11) ADR(12) ADR(13) ADR(14) ADR(15) ADR(16) ADR(17) ADR(18) ADR(19) ADR(20) ADR(21) VDD GND TDI TMS TCK TDO TRST PI04(0) PI04(1) PI04(2) PI04(3) PI04(4) PI04(5) PI04(6) PI01(3) PI01(4) GND PI03(0) PI03(1) PI03(2) PI03(3) PI03(4) PI03(5) PI03(6) VDD RA204 47R 47 RA205 RA203 47 RA206 47 RA207 47 RA202 47 47 RA201 155 156 151 152 141 142 145 146 144 143 148 147 154 153 157 158 47 RA208 47 RA209 15 14 13 12 11 10 9 8 7 6 5 4 3 2 1 R230 10K R232 10K R231 10K R233 10K R240 47 R239 132 133 0.1 C242 0.1 C243 0.1 C244 0.1 C245 C246 0.1 0.1 C247 0.1 C248 0.1 C249 0.1 C250 180 181 179 178 177 176 175 173 174 169 170 163 166 168 167 165 164 161 162 188 190 189 187 186 J202 0 R490 47 47 R489 10P C513 10P C512 199 197 193 R284 56 R252 56 10K R279 10K R280 207 10K R251 10K R263 201 202 12 11 10K R205 R206 RX6 RX8 10K 10K 27 10 9 5 6 7 A15 1 48 A16 BYTE- 47 A14 2 A13 4 A12 3 VSS 45 DQ15/A-1 46 DQ6 A9 A8 8 41 DQ13 A11 7 6 A10 5 DQ7 42 43 DQ14 44 33 16 A18 DQ2 DQ4 WE- NC NC 14 15 RY/BY- 13 RD- 12 DQ11 35 34 DQ3 DQ10 36 37 VCC NC 11 10 NC 9 DQ5 38 39 DQ12 40 OE- A4 A6 21 20 A5 A7 19 18 A17 DQ8 28 29 DQ0 30 31 DQ1 DQ9 17 32 25 24 A1 A0 A2 A3 23 26 CE- VSS 27 22 30 21 A2 24 A3 23 22 A1 A0 A5 27 A4 29 28 A6 A7 NC LCAS 19 NC NC 20 RAS WE 17 18 32 31 A8 A9 34 33 OE UCAS NC 15 16 13 14 36 35 38 37 I/O2 I/O15 43 8 10 I/O8 NC 11 12 I/O6 I/O7 9 41 40 39 I/O9 NC 42 I/O11 I/O10 6 I/O5 VCC 7 I/O3 4 5 I/O4 45 44 I/O12 GND 47 46 I/O14 I/O13 VCC I/O1 2 3 1 VSS 49 48 I/O16 50 158 152 157 156 153 154 155 169 168 170 132 129 167 166 VCC VSS 26 25 151 165 164 163 144 162 161 147 148 145 146 143 142 141 158 148 147 157 155 145 146 156 151 141 152 142 153 143 144 154 178 177 175 176 169 170 173 174 163 165 164 166 167 168 180 181 162 158 148 157 147 156 146 155 145 170 169 144 154 153 143 152 142 151 141 168 167 166 165 163 164 162 161 161 4.7K R367 4.7K R366 4.7K R368 33P C369 33P C368 33P C367 133 127 33P C366 33P C365 4.7K R369 4.7K R370 C332 0.1 C333 0.1 C334 0.1 R332 0 R331 0 0 R330 0 R247 L330 0.1 C337 0.1 C338 100u16 C336 + 8 11 10 9 6 7 5 4 3 2 1 148 146 147 144 145 142 143 141 123 0 J203 R203 10K 125 179 202 201 R214 27 12 11 470P C312 4.7K R211 R210 4.7K R213 R214 C211 0.1 56 0 R212 R57 10K 47 0.1 C353 22u16 C18 + 22u16 C351 + 0.1 C350 2 4 5 7 6 10 9 8 1 2 3 2 1 10K RM231 10K RM230 5.6K RM210 22 RM209 22 RM234 1.8K RM211 10u16 CM206 + 0.1 CM204 0.1 CM203 470 RM203 470 RM204 10K RM206 1u50 CM205 + 5.6K RM205 10K RM208 68K RM207 5 6 7 + CM207 100u16 22uH LM201 12C CLOOCK (SCL) 10 12C DATA (SDATA) 11 DGND 7 BIT CLOCK (EXT BCLK) 6 DXX INTERRUPT (IRQ2) 9 RESET (+5V RESET) 8 DGND SECTOR START 2 3 DATA VALID DATA (EXT DATA) 4 5 NC 1 +12V TRACK MOTOR +12V DISC MOTOR DGND AGNF +5V +3.3V DRIVER GND DGND 14 18 19 16 17 15 13 12 10K R65 10K R43 10K R44 10K R64 37 36 38 39 RM201 100 MR202 100 10K R283 0.1 C9 R38 0 R40 0 R39 0 R37 0 R45 R32 R33 22 1 MODE SELECTOR R36 47 2 RESET MAIN R41 47 RXD 3 13 R42 47 TXD R46 47 4 14 TV/AUX 5 R35 47 SCLK R47 100 6 SDA 7 R48 100 17 19 9 11 13 15 1 5 3 7 20 16 14 12 18 8 4 6 10 2 10K R55 10K R54 10K R56 R62 47 0.1 C6 0 L6 0 R53 R61 47 R60 10K R63 47 R58 47 10K R59 187 188 189 186 190 22 10 9 13 14 10K 10K R278 R277 191 3 47K RM212 L333 9 10 +5V +12V +8V +3.3V +8V +12V +12V +8V +12V +8V +12V +3.3V +5.6V +3.3V +3.3V +3.3V +3.3V +3.3V +3.3V +3.3V +3.3V +3.3V +3.3V +3.3V +3.3V +5VM +8V +8V +8V 2 2 25 +5VM 123 25 +B +B +B +5V +B +B +5V +5V +5V +B +B +5V +B +5V 10K 6 12 16 19 17 18 15 13 14 10 11 8 9 7 1 5 4 3 2 6 12 16 19 18 17 15 14 13 10 11 9 8 7 1 4 5 2 3 10K R281 L335 +5VM +5VM 0.1 C349 121 L334 0 L336 L332 L337 L341 R214 +3.3V +3.3V 0 R335 0 R223 +3.3V +3.3V +3.3V +3.3V 22P EUROPE E JAPAN J GENERAL MARKET GENERAL MARKET AUSTRALIA U.K. 24P M2 X T M U.S.A. PX DESTINATION COUNTRY 22P 240 K Y ABB. C239, 0 R244 L339 R34 0 R52 0 L335 2 1 +3.3V 0 R246 +3.3V 0 R283 +3.3V +5V +5V +5V +5V CP202 CP209 Q201 Q202 (TEST JIG) (TEST BOARD) CP208 DM201 DM204 DM203 DM202 QM202 QM201 (SINGLE DVD OPTION) CP207 CN208 J1 (JTAG TEST CONNECTION) (TEST B.D) TYPE (K,M,Y,X,J) (E,T,M,X) TYPE FLASH 8MBIT DRAM 16BIT CP2 M TRAY MOTOR 3.11V 3.1V 0V 0V 0V 5.0V 4.8V 0V 0V 4.8V 0V 3.1V 3.1V 3.1V 3.1V 3.1V 3.1V 3.1V 3.1V 0V 3.1V 0V 3.1V 3.11V 3.1V 3.11V 3.1V 3.1V 3.1V 3.1V 3.1V 3.1V 3.1V 3.1V 3.1V 3.1V 3.1V 3.1V 3.1V 3.1V 3.1V 3.1V 3.1V 3.1V 3.1V 3.1V 3.1V 3.1V 3.11V 3.1V 3.11V 0V 0V 0V 3.1V 5.0V 0V 0V 3.1V 3.1V 3.1V 3.1V 3.1V 3.1V 3.1V 3.1V 3.1V 3.1V 3.1V 3.1V 3.1V 3.1V 3.1V 3.1V 3.1V 3.1V 3.1V 3.1V 3.1V 3.1V 3.1V 3.1V 3.1V 3.1V 3.1V 3.1V 3.1V 3.1V 3.1V 3.1V 3.1V 3.1V 3.1V 3.1V 3.1V 3.1V 3.1V 3.1V 3.1V 3.1V 5.0V 3.1V 3.1V 3.1V 3.1V 3.1V 3.1V 3.1V 3.1V 3.1V 5.0V 3.1V 3.1V 3.1V 3.1V 5.0V 3.1V 3.1V 3.1V 3.1V 3.1V 3.1V 3.1V 3.1V 3.1V 3.1V 3.1V 3.1V 3.1V 3.1V 3.1V 3.1V 3.1V 0.5V(0.22V) 0.7V 0V 0V 0V 0.7V 8.0V 0V 0V 8.0V 8.0V 0V 0.78V 0V 3.25V (4.8V) 0V 3.1V 3.11V 4.79V IC211 IC212 ICM201 MAIN BOARD MECHA :CDM502A F/E BOARD NDIP NDIP NDIP K L N P R T M O Q S 131 130 129 128 127 126 125 124 123 122 121 120 119 118 117 116 115 114 113 112 111 110 109 108 107 106 105 104 103 102 101 100 99 98 97 96 95 94 93 92 91 90 89 88 87 86 85 84 83 82 81 80 79 78 77 76 75 74 73 72 71 70 69 68 67 66 65 64 63 62 61 60 59 58 57 56 55 54 53 30 31 32 33 34 35 36 37 38 39 40 41 42 43 44 45 46 47 48 49 50 51 52 GND VDD CASO RAS1 RASO/CE(0) CE(3) CE(2) CE(1) OE BE(1) BE(0) GND VDD PIXCLK 27MHz OSD ACTIIVE AUXCLK DQ(15) DQ(14) DQ(13) DQ(12) GND VDD DQ(11) DQ(10) DQ(9) DQ(8) DQMU MEMCLKM GND VDD DO(7) DO(6) DO(5) DO(4) DO(3) GND VDD DO(2) DO(1) DO(0) DQWL SDWE SDCAS SDRAS GND VDD SDCS(1) SDCS(0) AD(11) AD(10) AD(3) AD(2) AD(1) AD(0) GND MEMCLKOUT VDD AD(9) AD(8) AD(7) AD(6) AD(5) AD(4) GND VDD I REF DAC YCC V REF DAC YCC CV OUT C OUT V OUT VSSA VDDA I REF DAC RGB V REF DAC RGB R OUT G OUT B OUT VSSA VDDA TEST1 TEST2 TEST3 TEST4 VDD GND B DATA B BCLK B FLAG B SYNC B WCLK TEST5 B V4 SCLK PCM OUT0 PCM CLK LRCLK SRDIF OUT VDDA PCM V REF PCM VSSA PCM HSYNC ODD/EVEN 47 R286 47 18.7K R218 11.5K R219 100u16 C222 + 0.01 C223 0.01 C253 2.2uH 62 63 64 55 56 57 C217 0.01 100u16 C216 C251 0.01 2.2uH + L203 L202 3300P C219 10K R216 330P C218 R243 47 R488 R486 R487 R484 C206 10P C511 10P C507 C510 10P C509 10P 46 45 44 43 R269 100 R270 100 R271 C267 10P C268 10P C266 10P C265 10P R272 39 38 37 36 R209 10K R208 10K R207 10K R238 127 129 R289 100 C270 20P 123 125 121 C214 C215 0.1 C213 0.1 0.1 C220 0.01 C221 C255 0.01 100u16 + L205 11 4 Q2 7 GND 5 A2 Q1 6 A5 Q5 8 Q4 A4 10 9 2 3 Q0 A1 1 A0 13 A3 Q3 12 14 VCC 27MHz 1M R229 C240 330 R228 C239 L422 C241 0.1 R356 47 R350 47 R355 47 R354 47 R353 47 R351 47 R349 47 R352 47 R357 47K R358 47K R360 47K R359 47K R361 47K R362 47K R363 47K 4 VSS E2 3 E1 2 E0 1 5 SDA 6 7 SCL WC 8 VDD 0 R346 1.8K R201 1.8K 0.1 C354 R345 0 R202 10 R51 4 6 7 5 3 2 OUT1 1 13 11 10 12 14 15 16 OUT4 8 9 IN4- IN1- VCC+ VCC- IN1+ IN4+ STBY1 STBY2 OUT2 IN2- OUT3 IN3- IN2+ IN3+ 15P C503 390 R473 680 R474 390 R411 15P C418 680 R410 390 R404 20P C410 68P C411 20P C412 390 R405 8.2uH L405 8.2uH L404 C415 R408 20P 390 R409 C417 68P C416 390 20P 8.2uH L407 8.2uH L406 C419 R412 20P 390 C420 68P R413 C421 390 20P L409 8.2uH L408 8.2uH R407 680 C414 15P 390 R406 C422 15P 330 R415 0.1 C413 0.1 C409 OUT3 OUT2 0.1 C435 8 STBY1 9 STBY2 C436 15P C434 13 4 11 6 7 IN2- 10 IN3- IN2+ VCC+ 5 IN3+ VCC- 12 390 R426 680 R427 IN1+ IN1- 2 3 IN4+ IN4- 15 14 OUT1 1 OUT4 16 15P C504 C426 15P 680 R419 390 R475 680 R476 390 20P C425 R417 68P C424 390 20P R416 C423 L410 L411 8.2uH 8.2uH 0 R461 390 C427 R420 20P 390 R421 C429 C428 68P 20P L413 L412 8.2uH 8.2uH R463 0 R465 0 R424 R425 C433 C432 C431 20P 390 68P 20P 390 8.2uH 8.2uH L414 L415 57 63 62 64 56 55 7 22 DGND 8 VDD RST 21 ZERO CLKD MUTE 6 XTO XTI 5 23 CS MODE 24 DIN 4 BCKIN 3 2 LRCIN 1 MC 25 MD 26 27 ML 28 19 10 VCC1 AGND1 12 13 14 VOUTR NC 11 EXTR AGND2R 17 16 15 VOUTL NC EXTL 18 AGND2L 9 VCC2R 20 VCC2L 2.2uH L3 2.2uH L4 10K R31 10K R25 10K R26 0 R28 220u10 + 0.1 C8 C7 10u16 + 10u16 C3 + C2 0.1 C1 0.1 220u10 C4 + 10u16 + 2.2uH L1 2.2uH L2 45 43 44 46 0 R27 1K R481 1K R492 100K R493 100K R480 R414 680 0.1 C401 390 R477 R478 390 0.1 C405 390 R479 C403 0.1 197 199 10P C508 R485 47 2 4.7 R428 4.7 R400 220u6.3 C13 + 2.2uH L400 L416 R429 R401 C16 220u6.3 4.7 + L417 L401 2.2uH 4.7 R431 R403 R430 R402 C15 + 220u6.3 4.7 C14 220u6.3 L403 L419 4.7 2.2uH 4.7 + L418 L402 2.2uH 4.7 47 0.1 C11 0.1 C10 L5 10 9 +5V +8V +12V +3.3V +3.3V +8V +12V +5V +5V +5V +5.6V +3.3V VCC VCC VCC VCC VCC+ VCC VCC+ +5.6V +3.3V +3.3V +3.3V +5.6V +3.3V +3.3V +3.3V +3.3V +3.3V +3.3V +3.3V +3.3V +3.3V +3.3V +3.3V +3.3V 47 R234 47 R235 C230 0.1 C229 0.1 C228 0.1 C227 0.1 C226 0.1 120 10P 120 120 +3.3V X201 2.2uH 0.1 C5 +B C6 +5.6V +B +B +B +B +B 84 85 88 89 90 91 105 1 2 3 4 5 6 7 8 9 10 11 12 13 14 15 16 17 18 19 20 21 22 23 24 25 VCC DQ0 DQ1 VSSQ DQ2 DQ3 VCCQ DQ4 DQ5 VSSQ DQ6 DQ7 VCCQ LDQM WE CAS RAS CS A11 A10 A0 A1 A2 A3 VCC 50 49 48 47 46 45 44 43 42 41 40 39 38 37 36 35 34 33 32 31 30 29 28 27 26 VSS DQ15 DQ14 VSSQ DQ13 DQ12 VCCQ DQ11 DQ10 VSSQ DQ9 DQ8 VCCQ NC UDQM CLK CKE NC A9 A8 A7 A6 A5 A4 VSS R348 47 RA212 RA213 47 RA214 47 RA215 47 RA211 47 RA210 47 RA216 47 80 79 78 81 69 70 72 71 73 74 83 82 C360 0.1 C361 0.1 C362 0.1 C363 0.1 C364 0.1 92 94 93 97 106 114 107 109 108 113 112 115 101 100 104 82 81 79 80 78 84 83 88 89 90 91 DQ8 DQ7 A8 21 C357 0.1 C356 0.1 C355 0.1 A4 VCC C359 0.1 C358 0.1 VSS 26 A6 23 24 A2 25 A3 A5 28 27 22 A0 A1 A7 30 29 17 NC 19 20 A11 A10 A9 32 31 18 RAS CS 34 33 CKE R347 LDQM 15 WE CAS 16 UDQM 36 CLK 35 VCCQ 13 14 VCCQ 38 NC 37 47 4 DQ11 DQ4 VSSQ VSSQ 11 DQ6 12 DQ9 40 39 9 DQ5 10 DQ10 42 41 DQ12 DQ3 VCCQ 7 8 44 43 VCCQ VSSQ 5 6 DQ2 VSSQ 46 45 DQ13 49 2 3 DQ0 DQ1 DQ15 48 DQ14 1 VCC 50 VSS 112 113 114 115 109 108 107 106 99 98 101 100 98 99 94 97 92 93 73 69 71 70 72 74 105 104 106 109 107 108 112 113 114 115 104 105 73 69 71 70 72 74 81 80 79 78 82 83 85 88 89 90 91 101 98 100 99 97 94 93 92 R237 47K 47K L423 2.2uH L206 C258 10u16 + C257 0.1 0 L340 100u16 0.1 + C259 C260 22u16 + C261 0.1 C262 +3.3V +3.3V R50 0 +5V +5V +5V +5.6V MPEG DAC D401 Q208 Q207 (VIDEO MUTE) Q204 Q205 Q206 (E,T) TYPE ONLY SDRAM 16BIT SDRAM 16BIT EEPROM (E,T) TYPE EXCEPT (E,T) TYPE ONLY (E,T,M,M2,X) TYPE ONLY 0V 0V 3.1V (0.4) 5.1V 3.2V 0.4V 3.1V 0V 4.0V 3.0V 3.1V 3.2V 1.8V 0.6V(0.2V) 3.3V 0.6V(0.4V) 0.6V(0.7V) 0V 1.2V 3.3V 0.8V(0.6V) 0.8V 0.9V(0.8V) 0V 1.2V 3.1V 3.1V 3.1V 3.1V 3.1V(0V) 3.1V(0V) 3.11V 2.6V 3.1V 3.1V 3.1V 3.1V 3.1V 3.1V 3.1V 3.1V 3.12V 3.1V 3.1V 3.1V 0V 3.1V 3.1V 3.1V 3.1V 3.1V 3.1V 3.1V 3.1V 3.11V 3.11V 3.1V 0V 3.1V 3.11V 3.4V 3.11V 3.1V 3.1V 3.1V 3.1V 3.1V 3.11V 2.6V 2.6V 2.6V 2.2V 3.1V 3.1V 3.1V 3.1V 3.1V 3.1V 3.1V 3.1V 3.1V 3.1V 3.1V 0V 3.3V 3.1V 3.1V 3.1V 3.1V 3.3V 3.1V 3.1V 3.1V 3.1V 3.3V 3.1V 3.1V 3.1V 3.1V 3.1V(0V) 3.1V(0V) 0V 0V 3.1V 3.3V 3.1V 3.1V 3.1V 3.3V 3.1V 3.1V 3.1V 3.1V 3.1V 3.3V 3.1V 3.1V 3.1V 3.1V 3.1V 3.1V 3.1V 3.1V 3.1V 3.1V 3.3V 0V 3.1V 3.1V 3.1V 3.1V 3.3V 3.1V 3.1V 3.1V 3.1V 3.3V 3.1V 3.1V 3.1V 3.1V 3.1V(0V) 3.1V(0V) 0V 3.1V 0V 3.3V 3.1V 3.1V 3.1V 3.1V 3.3V 3.1V 3.1V 3.1V 3.1V 3.3V 0V 4.7V 4.7V 0V 4.9V 2.2V(1.6V) 1.0V(0.7V) 5.0V 1.0V(0.7V) 2.2V(1.6V) 0V 2.0V(1.8V) 0.8V(0.6V) 0.8V(0.6V) -5.0V 1.8V 1.8V 2.2V(2.0V) 5.0V 2.2V(1.6V) 1.0V(0.7V) 5.0V 1.0V(0.7V) 2.2V 0V 0.8V(0.6V) -5.0V 1.8V 1.8V 5.0V 3.3V 3.1V 0.2V 3.0V 5.0V 5.0V 2.5V 2.5V 2.5V 2.5V 5.0V 5.0V 0.2V 3.1V 0.2V 3.1V 0.2V 3.1V 4.65V 0V 2.63V 0V (-0.56V) 5.0V 0.25V(0.1V) 5.0V (-0.24V) (0.4V) 5.0V (-0.4V) (0.24V) 3.11V 3.11V 3.2V 1.0V(0.7V) 2.2V(2.0V) 2.0V(1.8V) -0.47V -0.47V -0.47V 0.16V 0.16V IC201 IC204 IC215 IC406 IC407 IC403 MAIN BOARD IC213 IC214 #55, #57 #62~64: Refer to waveform on page6. NDIP NDIP NDIP U W Y AA AC V X Z AB AD 1 2 3 4 5 6 7 8 9 10 11 GND CVBS GND GREEN GND RED GND BLUE BLANK TV/AUX 16:9 1 2 3 4 5 +12V GND Lch GND Rch 1 2 3 4 5 6 7 8 INHIBIT VEE VSS 16 15 14 13 12 VDD Sa Sb Sc 1K R733 0 11 10 10 11 C711 1u50 + + C710 1u50 2.2K R706 12K R707 (SCART) 1u50 + C704 1K R703 1K R704 1u50 + C705 0.01 C802 R857 100K R851 100P C819 100P C810 R804 R874 0 L812 R831 R836 + C824 C823 220u10 C829 L805 390 R814 R816 47 R815 39 0 C811 C812 100u10 0.01 L806 22uH + R832 0.1 0.1 22uH 10 R834 8.4M 3.9K L814 R848 R835 5.6K 3.9K 4 R833 1.65K 5 6 7 2 3300P C805R 3 3.9K 330P 8 10K R807R C807R R808R 330 R827 R826 330 R830 C821 15P 470 3 2 47 R828 1 39 0 R829 39 C807L 4 5 6 C805L 3300P R807L 330P 3.9K R808L 10K 13 3.9K R844 C830 220u10 + C826 0.1 C827 0.1 22uH 10 3.9K R842 3.4K R849 L815 R843 6.6M R841 R845 5.6K 12 11 10 C801 0.1 R839 470 R838 R837 330 330 C825 15P L801 0 R803 390 L803 0 82 75 R805 R801 100 1.8K R802 VCC R846 14 15 47 39 16 R840 R847 39 0 L813 R850 100K OUT GND 22uH L802 0.1 C843 C844 100u10 0 + +5V 0 C813 100P R824 39 R825 39 0 C820 L811 0.1 R818 390 R817 R819 47 39 L807 0 C814 0.01 C815 100u10 22uH L808 + 5V C816 100P R853 R852 1K 1K R820 390 0 C845 0.1 C846 100u10 +5V + +5V 100u10 C847 C848 R860 0.1 + L809 0 R821 R823 39 R822 47 120 0.01 100u10 C817 C818 22uH L810 + 0 +5V 0 R861 +3.3V 0 R873 0 +8V R872 +12V R871 R870 +5.6V L818 100P 100K R809R C808R 470u16 330u6.3 + 1 10u16 + 100 C806R R810R 0 R812R +8V 100K R809L 100P C808L 10 22uH 470u16 C836 C833 C806L 7 10u16 R810L 100 0.1 + R812L 0 L816 R855 + 0.1 C839 470 R813 C809 + C840 +8V 22uH L817 10 R856 +5.6V C842 0.1 C841 GND 100u10 +8V IN OUT 22uH + 0 10 8V 8V OUT IN -8V(AUDIO/VIDEO) +8V(AUDIO/VIDEO) +12V(SCART) 0 10 22uH +8V IN OUT GND +12V +8V 14 +8V 12 13 AGND R858 L819 GND 8V R862 11 AGND +12V MOTOR MOTOR GND +8V MOTOR DIGI GND 0 +5V 10 22uH R859 L820 +3.3V 0 R864 9 +5V DIGI +5V 0 R863 +3.3V 7 +3V3 DIGI 8 DIGI GND 0 +8V R865 +12V R866 +8V 5 6 +12V 3 4 MOTOR GND 0 + C832 180K R854 6.3 1000u +5.6V R867 +5.6V 2 +5.6V 1 +5.6VS R869 Lch GND Rch +12V(S) GND 2 3 4 5 1 M-MUTE 30 R806R C804R DGND 34 SPDIF 35 + 10u16 Rch 33 5.1K Lch 31 + GND 32 10u16 C804L 5.1K R806L GND(MOTOR) 20 RED 20 GND 27 0 R875 V-MUTE 29 0 C 28 R876 Y 26 GND 25 CVBS 24 24 22 GREEN 22 GND 23 GND 21 +5V(VIDEO) +5V(AUDIO) GND 19 BLUE 18 18 17 +5.6V +5.6VS 16 15 +5V DIGI GND DIGI GND +3V3 DIGI -5V(VIDEO) AGND 14 13 5V 12 +5V DIGI 11 +5V 10 9 +3.3V +8V(MOTOR) GND(MOTOR) +12V(MOTOR) 4 6 8 7 +8V 5 +12V BLANK 3 4 +5.6V TV/AUX 2 16:9 1 3 2 +5V +5V +12V +8V +3.3V +5V +3.3V +5V +12V +8V +5.6V +5V TV/AUX BLANK 16:9 GREEN CVBS GND GND RED GND GND BLUE 4 3 22 20 24 18 8 2 1 7 6 5 4 3 11 10 9 2 100P C822 1 2 3 4 3 2 1 +3.3V +5V +12V +8V +5V +5V 1 2 3 4 7 6 5 12 13 11 10 9 8 22 21 18 19 20 17 15 16 14 30 29 28 27 26 25 24 23 35 34 33 32 31 5V +5V +3.3V +8V +12V +5V +5.6V 193 207 191 3 47 +12V +5V +8V +3.3V +5V +5V +5V 5V +3.3V +5V +5.6V +5V +5V +3.3V +5.6V +5V 47u50 C24 C27 47u50 3.3K R27 220u16 C29 + + + +12V(S) 1 +8V(V/A) AG 3 2 -8V(V/A) AG 5 4 7 DG DG +3V3VD 9 8 +5VD 6 G(LO) 11 +12V(MO) 12 +8V(LO) 10 G(MO) 13 14 +5V6S CONT -30V FL(+) GND FL(-) +5V 6 4 5 2 3 1 30V +5V +5.6V +12V +8V +3.3V +5V 8V +8V +12V R24 0 R22 0 R23 0 R21 0 R20 0 R17 0 0 R19 0 0 R18 R16 0 R15 0 R14 0 R11 0 R13 0 R12 0 R9 0 R10 0 R8 0 R7 0 R4 47 R3 0 R2 0 R1 0 5V +5V C828 100P 100P C831 8V +5V +12V 5V R702 NC 9 8 R49 R52 0 +5V C837 0.1 C834 0.1 C838 0.1 0.1 C835 3 2 1 +5V +12V +5V +12V +12V +5.6V +12V +5V +5.6V CP702 CP701 Q702 Q705 Q703 Q704 IC802 IC802 Q809 (1/2) (2/2) +5V AVR Q814 D804 Rch D803 Lch D812 D811 D801 OPE AMP D815 IC803 D810 D813 D814 Q801 Q802 IC803(4/4) Q813 (E,T) TYPE ONLY D805 D809 D806 Q811 D807 D808 Q812 +5V AVR Q808 AUDIO Q805 Q806 Rch Q807 Q803 OUT Q804 JK802 Lch COAXIAL OPTICAL JK801 D816 CP804 CN801 (E,T) TYPE ONLY CP803 Q810 (SCART OPTION) (E,T) TYPE ONLY CN802 Y Cr Cb JK804 JK803-B JK803-A EXCEPT (E,T) TYPE CN203 CN21 CN23 (SCART OPTION) DIGITAL OUT VIDEO OUT S-VHS (3/4) IC803(1/4) (2/4) IC803 D802 -7.0V -5.0V 5.0V 7.0V 5.0V 8.0V 5.0V (1.15V) (0.4V) 5.0V 0V (1.97V) 1.56V 4.8V 1.6V -8.0V 8.0V 0V 0V 0V 0V 0V 0V 0V (0.6V) 0V 0.4V(0V) 0V -1.76V 0V 1.73V(0V) (0.22V) (0.8V) 0V 0.2V(0V) (0.86V) 5.0V 0V 12.1V 0V 4.46V 0V 0V 11.4V 0V 0V 12.1V 8.0V 0.76V 0V (0.4V) 0V 1.95V 0.4V(0V) -1.76V 1.0V 0.5V 0.9V IC701 SCART BOARD : (E,T) TYPE ONLY POWER SUPPLY(SMPS) BOARD IC801 OUTPUT BOARD IC804 IC805 IC806 MAIN BOARD NDIP NDIP NDIP AE AF AH AJ AL AN AG AI AK AM 1 2 3 4 +5V SW. INPUT GND RESET MAIN RXD SCART DVD/AUX TXD SDA SCLK NOT USED 1 2 3 4 5 6 7 80 79 78 77 76 75 74 73 72 71 70 69 68 67 66 65 64 63 62 61 60 59 58 57 56 55 54 53 52 51 50 49 48 47 46 45 44 43 42 41 25 26 27 28 29 30 31 32 33 34 35 36 37 38 39 40 1 2 3 4 5 6 7 8 9 10 11 12 13 14 15 16 17 18 19 20 21 22 23 24 TXD PWR. CONTROL SCART DVD/AUX VDD VDD -30V BUYER OPTION REGION OPTION 1/3/5 OPTION -RST EXTAL XTAL VSS RXD RMC IN SDA SCLK RESET MAIN MODE SELECT 47 44 42 41 43 45 46 54 49 48 50 51 52 53 56 55 50 49 48 47 46 45 44 43 42 41 40 39 38 37 36 35 34 33 32 31 30 29 28 27 26 25 24 23 22 21 20 19 18 17 16 15 14 13 12 11 10 9 8 7 6 5 4 3 2 1 51 52 NP NP 1G 2G 3G 4G 5G 6G 7G 8G 9G 10G 11G 12G NX NX NX NX NX NX NX NX NX P23 P22 P21 P20 P19 P18 P17 P16 P15 P14 P13 P12 P11 P10 P9 P8 P7 P6 P5 P4 P3 P2 P1 NP NP F1 F1 F2 F2 60 59 67 62 61 63 65 64 66 68 69 70 40 35 34 36 38 37 39 47 41 42 43 45 44 46 50 48 49 52 51 53 54 55 56 40 37 35 34 36 38 39 68 66 65 67 69 70 59 61 60 62 63 64 6 PWR CONTROL -30V FL AC FL AC 5 3 4 GND +5VS 1 2 0 L907 +5V 77 74 7 6 R923 10K R924 10K 0 0 0 L912 0 0 L910 1 77 74 6 7 L911 L909 L902 L908 L903 L901 IN B+ GND 2 1 3 RM901 100 R919 47u16 C909 + R908 47K R920 10K 100u6.3 C906 + 0.1 C905 0 0 R907 22K + C907 470u6.3 0.1 C908 C901 470u6.3 + +5V +5V +5V +5V 1 +5V +5V +5V +5V +5V 30V 30V 30V 22uH L906 0 L905 0 0 L904 L913 0 0.1 C903 0.1 C904 10MHz R922 6.8K R904 10K R903 10K R905 10K +5V +5V +5V +5V 2.4K 6.8K 8.2K 33K R911 R912 R913 R914 J934 2.4K +5V +5V +5V +5V X901 C902 0.1 R909 47K R915 R916 R906 10K R901 10K R917 10K 3 2 1 OUT GND VCC 1K R918 +5V +5V +5V +5V +5V 1 2 3 4 +5V SW. INPUT GND 0 L914 51K R902 L915 0 R910 390 1 3 5 7 9 11 13 15 17 19 21 AR OUT AL OUT BLUE GREEN C/RED Y/CVBS OUT 2 4 6 8 10 12 14 16 18 20 SENSE BLK CVBS 11 10 9 10 12 R732 0 21 C/R IN Y/CVBS 17 19 IN(A) 11 13 15 18 20 12 12 14 16 5 7 9 L IN(A) SENSE(A) R OUT(A) L OUT(A) 1 3 R IN(A) 6 10 8 10 2 4 22uH L702 16 + 100u 0.1 C707 100u10 C703 + C719 100u10 + 1K R716 R723 1K 180 R724 100u10 + C715 47 R731 39 R720 39 R722 39 R718 100 R728 10K 390 R729 2 1 C716 100P C717 100P C718 100P R705 47K C709 0.01 R717 39 R721 39 39 R719 R708 1K 10u50 C708 + 1K R709 R710 1K 1K R711 1 2 OUT(A) /OUT(A) Y/CVBS IN R725 10u50 + C714 10u50 + C713 1K R714 1K R715 R713 1K R712 1K 100u16 C712 + 47u16 C701 + R727 10K C706 47 R726 100u16 + C702 R730 100 F1 TNR1 TH1 LF1 0.1 C2 1000P C3 1000P C4 C1 0.1 47u400 C5 1000P C9 47K 1W R4 2 3 1 4 5.6 R5 22u35 C8 0.1 C7 47K 1W R3 0.01 C6 TRANSFORMER POWER T1 0.33u50 + C21 1.09K R23 1000u10 C22 120 R21 1.3K R22 OUT GND IN 120 R29 470u10 C23 4uH L21 4.7K R30 33 R36 1.2K R26 10K R28 L22 4uH C25 470u16 470u16 C26 4.7K 1W R34 10K R32 2.2K R31 OUT GND IN 3.3 R35 1/2W 220u16 C28 1000 C30 R33 560 220u35 C32 0.1 C33 C31 100u35 47K R25 2.2 R24 + + + + + + + + + 680K R2 1 2 : AC240V~ 50Hz : AC230V~ 50Hz (X) (T,E) : AC110-120V/220-240V~ : AC120V 60Hz 50/60Hz (K) (Y,M) B +B +12V 8V +5V +12V +5.6V 30V T1A 250V AUSTRALIA JAPAN EUROPE U.K. J E X T DESTINATION COUNTRY U.S.A. GENERAL MARKET PX ABB. M Y K 1.2K 6.8K 1.2K 2.2K 3.9K R915 GENERAL MARKET M2 NO 8.2K NO 2.2K R916 12G P5 P6 P9 P10 P11 P12 P8 P7 P1 P2 P4 P3 a 10G 11G 9G 8G P23 P22 P21 P20 P19 P18 P17 P16 P15 P14 P13 Dp col 7G 4G 5G 6G 1G 2G 3G a a a a a a a a a B1 h j k b f m g n p r c e d d e c r p n f g m b k j h d e c r p n f g m b k j h d e c r p n f g m b k j h d e c r p n f g m b k j h d e c r p n f g m b k j h d e c r p n f g m b k j h d e c r p n f g m b k j h d e c r p n f g m b k j h d e c r p n f g m b k j h S9 S8 S7 S6 S5 S4 S1 S3 S2 B4 B3 B2 Dp col S15 S16 S14 S13 S10 S12 S11 : AC100V 50/60Hz (J) 2200P C10 3 1 2 100 R701 0.1 C41 +12V +12V +12V CN903 CN902 CN901 D901 REMOTE SENSOR FL901 SW901 SW906 SW907 SW902 SW903 SW904 SW905 SKIP BACKWARD SEARCH FORWARD BACKWARD SEARCH FORWARD SKIP OPEN/ CLOSE PLAY/ PAUSE Q901 STOP CPU D903 CP903 SW908 STANDBY D902 D703 Q701 Q708 D706 D705 D707 D708 D710 D709 D701 D702 Q706 Q707 SW1 BD1 D2 PC1 D1 D21 D28 D25 Q22 Q21 D22 Q23 D26 Q24 D24 D29 D23 ZD21 ZD22 D27 CN1 KI1H0280R IC1 : KA431AZ : IC21 KA7808 KA78R33 IC23 : : IC22 M29W800AT K4E151611C 74HCU04M1R STI5505ACV IC211 : : IC212 IC204 : : IC201 GP1F32T BA4560F KIA7905API KIA7805API PCM1716 TSH95 M24C02 KS161622D IC801 : : IC802 IC806 : : IC804,805 IC403 : : IC406,407,803 IC215 : : IC213,214 BU4053 KIA7045P CXP82532-175Q IC701 : IC902 : : IC901 RB510V-40 1N4004 MTZJ9.1B B30-2596-08 1N4148 SR104 or MTZJ5.1B 1SS355 SR306 HER204 UF4004 UF4007 D803-815 D901 : : D816 D703 : : D902 D25-27 : : D28 D704-710 : : D401,701,702,501,801,802,903 D21 : : D22 D2,23,24,29 : : D1 Q21 Q22,23 Q201,202,204-206,701,708, Q24 Q702-705,707,809,813,814,901 Q706,801 Q207,208 Q807,808 Q803-806 KTC3198-Y KTA1241-Y KTC3875S KSP2222A KTA1504S DTC114YKA KRA107S DTC323TK : : : : : : : : MTZJ6.8C : : KRC107S MTZJ8.2B DB105G ZD21 ZD22 BD1 : : : MTZJ6.8B RB510V-40 1N4148 DM201 DM202 DM203,204 : : : MTZJ5.6B QM202 QM201 : : KTC3875S KTA1504S ICM201 LB1641 : FL901 HNV-12SM10 : PC1 KP1010A : B LINE B LINE GND LINE AUDIO SIGNAL LINE VIDEO SIGNAL LINE 802,810-812 ANODE CONNECTION 1N4148 0V 0.7V(1.15V) (1.15V) 12.1V 12.1V 12.1V 12.1V 0V 0V 12.1V 6.0V 0V 5.2V 4.8V 4.65V 4.65V 2.5V 5.0V 5.0V 0V 0V 0V 0V 5.2V 4.4V 4.8V -4.8V -10.0V(-10.5V) -18.1V(-18.0V) -17.9V(-18.1V) -19.2V(-18.1V) -7.6V(-5.9V) -3.0V(-2.8V) -11.2V(-7.8V) -7.6V(-7.8V) -17.1V(-17.7V) -19.9V(-13.3V) -27.2V(-30.1V) -27.2V(-30.1V) -27.2V(-30.1V) -27.2V(-30.1V) -27.2V(-30.1V) -27.6V -27.6V -27.6V -27.6V -27.6V -27.6V -30.1V -27.6V -27.6V -27.6V -27.6V -27.6V -276.V -30.7V 5.0V 5.5V 4.6V 3.8V 5.0V 5.25V 5.44V 6.5V 0V 0.73V 0.26V 11.5V 12.2V 12.2V 4.64V 5.44V 5.3V 0.77V 0V 11.7V 2.48V 4.31V 5.28V(5.29V) 3.54V 0.23V 5.36 0.37V 0.4V 0.71V -19.5V(-19.0V) -9.6V(-11.0V) -3.5V(-4.0V) -4.8V(-6.3V) -6.4V(-8.2V) -19.2V(-19.0V) -15.6V(-15.5V) IC901 IC902 LED BOARD FRONT BOARD JK701 JK702 POWER SUPPLY(SMPS) BOARD IC1 IC21 IC22 IC23 DV-402/DVF-3530 STANDBY 11G 10G 9G 8G 7G 6G 5G 4G 3G 2G 1G (1G) (2G-11G) 12G S2 B1 B2 B3 B4 Dp Dp col S3 S4 f h k r n j p d e c m g a b S5 S6 S7 S8 S9 S10 S11 S12 S13 S14 S15 S1 S16 col DTC323TK LB1641 KIA7805API CAUTION: For continued safety, replace safety critical compo- nents only with manufacturer's recommended parts (refer to parts list). indicates safety criti- cal components. For continued protection against risk of fire, replace only with same type and rating fuse(s). To reduce the risk of electric shock, leakage-current or resistance measurements shall be carried out (exposed parts are acceptably insulated from the supply circuit) before the appliance is returned to the cus- tomer. The DC voltage is an actual read- ing measured with a high imped- ance type voltmeter with no sig- nal input. The measurement value may vary depending on the measuring instruments used or on the product. NDIP NDIP NDIP

标签:

版权声明

1. 本站所有素材,仅限学习交流,仅展示部分内容,如需查看完整内容,请下载原文件。
2. 会员在本站下载的所有素材,只拥有使用权,著作权归原作者所有。
3. 所有素材,未经合法授权,请勿用于商业用途,会员不得以任何形式发布、传播、复制、转售该素材,否则一律封号处理。
4. 如果素材损害你的权益请联系客服QQ:77594475 处理。