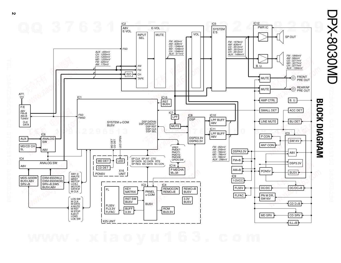
建伍KENWOOD DPX-8030MD MDCD读写机电路图

分类:电子电工 日期: 点击:0
建伍KENWOOD DPX-8030MD MDCD读写机电路图-0 建伍KENWOOD DPX-8030MD MDCD读写机电路图-1 建伍KENWOOD DPX-8030MD MDCD读写机电路图-2 建伍KENWOOD DPX-8030MD MDCD读写机电路图-3 建伍KENWOOD DPX-8030MD MDCD读写机电路图-4 建伍KENWOOD DPX-8030MD MDCD读写机电路图-5 建伍KENWOOD DPX-8030MD MDCD读写机电路图-6 建伍KENWOOD DPX-8030MD MDCD读写机电路图-7 建伍KENWOOD DPX-8030MD MDCD读写机电路图-8 建伍KENWOOD DPX-8030MD MDCD读写机电路图-9

DPX-8030MD 2002-4 PRINTED IN JAPAN B51-7924-00 (4) 517 MD CD DSP RECEIVER C V o l u m e C o n tr o l COMPACT DIGITAL AUDIO TEXT SCRL DISP ANG SCN RDM G.RDM REP TUNE/SEEK M.RDM PWR OFF FM+ AM CRSC DISC ATT DSP EJECT CD EQ SEL S.A Anti-Theft System Installed NAME RTN ANGLE MD MD CD DSP RECEIVER 50Wx4 MOS FET MDLP FNC CLK System E's+ DEMO SRC AUD/ over X This service manual dose not include information on the CD and MD mechanism assembly (exploded view, parts list, schematic diagram and mechanism oparation description). For such information, please refer to the CD mechanism assambly service manual (X92-4470-00 : B51-7899-00) and MD mechanism assambly service manual (X92-4570-00 : B51-7887-00). KNOB (VOL.) (K23-1064-03) SCREW SET (N99-1724-05) PANEL ASSY (A64-2731-02) MACHINE SCREW (N09-6027-05) REMOTE CONTROLLER ASSY (A70-2028-05) ESCUTCHEON (B07-3025-02) DC CORD (E30-4939-05) SERVICE MANUAL www. xiaoyu163. com QQ 376315150 9 9 2 8 9 4 2 9 8 TEL 13942296513 9 9 2 8 9 4 2 9 8 0 5 1 5 1 3 6 7 3 Q Q TEL 13942296513 QQ 376315150 892498299 TEL 13942296513 QQ 376315150 892498299 2 DSP DATAIN DSP DATAOUT DSP CLK DSP SEL DSP RST A8V FM+B TUN5V AM+B CLK DATA FM AM FSD FMSD MD DET CD DET LED OPEN SP REQ SP DATA SP CLK SP INT CTS SC DATA RTS MC DATA SC CON FSD VREF PMDET PMOT2 PMOT1 PMODE OPEN SW SW1-3 AMUTE MRST MSTOP LO/EJ MOTOR DATA M M CLK M RST M STOP LOE SW A MUTE M DATA M CLK LOS SW LOAD EJECT CH TAPE SYSTEM u-COM BU5V VOL PWR IC MUTE F/E PRE OUT FRONT REAR/NF PRE OUT DSP A8V LPF BUFF u-COM LPF BUFF A8V DSPA3.3V ISO INPUT SEL SW AUX MD/CD CH ANALOG A8V MD DET LED UNIT A8V BU5V RST M+,M- P MECHA BU5V MATRIX KEY FL X25 UNIT REMOCON REMO+B BU5V REMO+B RST SW 3.3V BUFF BU5V B. U. MUTE AMP CTRL SMALL DET LINE MUTE BU DET B. U. ANT CON SW14V A8V BU5V DSP3.3V CD SRV CD D+B DC/DC+B PON5V DC/DC MD SRV DSPA3.3V FM+B AM+B 1/2VCC FL55V FLFAC PANEL 5L DXM-6502W(J) BU5V,A8V SRV+B,SW5 E-VOL MDS-3200W SRV+B BU5V,A8V A8V ANALOG SW CD DET PON5V X16 FL55V FL3.3V ROM BU3.3V 3.3V BU5V MUTE LPF SYSTEM E’S ACC DET P CON PN M DR. SW16V E-VOL MUTE DSPD3.3V DXM-6500W(M) FLFAC ILL+B IC2 IC1 IC5 IC12 IC10 IC11 IC3 IC9 IC14 IC4 IC6 IC4 IC3 IC8 IC15 IC7 ATT. SP OUT AUX : 1494mV CH : 3512mV CD : 3512mV MD : 3512mV AUX : 511mV MD : 1346mV CD : 1346mV CH : 1346mV MD : 786mV AM : 249mV CH : 786mV CD : 786mV FM : 352mV AUX : 298mV CH : 3277mV AUX : 1394mV CD : 1200mV MD : 1200mV AM : 170mV AUX : 455mV FM : 320mV CH : 1200mV FM : 603mV AM : 428mV AM : 626mV FM : 1979mV MD : 3277mV AM : 584mV CD : 3277mV FM : 1846mV BLOCK DIAGRAM www . x ia o y u 1 6 3 . c o m QQ 3 7 6 3 1 5 1 5 0 9 9 2 8 9 4 2 9 8 T E L 1 3 9 4 2 2 9 6 5 1 3 9 9 2 8 9 4 2 9 8 0 5 1 5 1 3 6 7 3 Q Q TEL 13942296513 QQ 376315150 892498299 TEL 13942296513 QQ 376315150 892498299 3 COMPONENTS DESCRIPTION IC1 IC2 IC3 IC4 IC5 IC6 IC7 IC8 IC9 IC10 IC11 IC12 IC13 IC14 IC15 IC16 IC17 Q1 Q2 Q3 Q5 Q6 Q7 Q8 Q9 Q10 Q11,12 Q13 Q14 Q15 Q16 Q17 Q18 Q19 Q20 Q21 Q22 Q23 Q24 Q25 Q26 Q52 Q53 Q54 - Input source switching, SP=OUT/PRE-OUT electronic volume. Generates BU 5V supply from B.UP, and AUD 8V supply and DSP(D)3.3V supply and PCON output. CD and MD input switching. N/F electronic volume. CD-CH and AUX input switching. L,R output low-pass filter. 2-ch analog input, 4-ch analog output. (pos/neg phase PWM output) LPF L,R channel reference supply. Front L,R output low-pass filter. Rear L,R output low-pass filter. BTL Power amplifier. WMA supply 5.0V, with variable output and on/off. - Output goes low on detecting voltage below 4.2 Volts. Audio mute & power IC mute control. DSP 3.3V supply. Switch turns on when BU voltage surges to approx. 18.2 to 18.9 volts or more, and turns off BU detector switch. Base goes Hi, when BU voltage is applied and turns on. When an instantaneous voltage drop is detected and BU turns off or when shutoff, the base goes Lo and turns off. Base goes Hi, and transistor turns on when Acc voltage is applied. Base goes Hi, and transistor turns on when vehicle lights turn on. Turns on when base goes Lo and outputs control signal. Base goes Hi, and transistor turns on when P CON is output. - When base of Q8 goes Hi, Q7 turns on and P ANT output. Turns on when base goes Hi, and applies voltage to PON 5V line. Turns on when base goes Hi, and turns on CD servo 7.5 volt supply. When base of Q13 goes Hi, AVR output turns on. - When base of Q15 goes Hi, AVR output turns on. - Turns SW16V AVR on and off. Turns on when base goes Hi, and turns on the SW16V output. SW16V output turns on when Q18 base goes HI. - Turns on when base goes Hi, and turns on the 11 volt LED supply. Turns on when base of Q21 goes Hi and turns on the 11V output. - Turns on when base goes Hi, and turns on FAC11V. Turns on when base of Q24 goes Hi, and turns on FAC11V output. - Turns on when base goes Hi, and turns on the WMA DSP 5 volt supply. Turns on when base goes Hi, and turns on LED of CD entrance. During AM operation, base goes Lo and turns on. During FM operation, base goes Lo and turns on. During FM/AM operation, base goes Hi, and Q52 or Q53 turn on and off. System µ-com Input selector & electronic volume Power supply IC Analog switch HPF and PRE-OUT (REAR NF) Analog switch LPF DSP IC 4V AVR LPF LPF POWER IC 5-pin regulator Motor driver for panel mechanism Reset IC Logic IC 3-pin regulator Surge detector switch B.U/ACC detector switch Dimmer switch External amp control switch P CON detector switch P ANT switch P ANT switch P ON5V switch CD servo supply 7.5V on/off switch CD servo supply 7.5V AVR CD servo supply 7.5V AVR MD servo supply 5.0V AVR MD servo supply 5.0V AVR SW16V on/off switch SW16V AVR SW16V AVR Illumination 11V on/off switch Illumination 11V AVR Illumination 11V AVR FAC11V on/off switch FAC11V AVR FAC11V AVR WMA DSP 5V ON/OFF SW CD entrance LED on/off switch AM +B SW FM +B SW FM/AM+B SW Ref No. Application/Function Operation/Condition/Compatibility •SYNTHESIZER UNIT (X14-6980-21) www. xiaoyu163. com QQ 376315150 9 9 2 8 9 4 2 9 8 TEL 13942296513 9 9 2 8 9 4 2 9 8 0 5 1 5 1 3 6 7 3 Q Q TEL 13942296513 QQ 376315150 892498299 TEL 13942296513 QQ 376315150 892498299 4 COMPONENTS DESCRIPTION IC1 IC2 IC3 IC4 IC5 Q1 Q2 Q3 Q4 Q5 Q6 Q7 PH1 PH3 Q101 Q102 Q201 Q202 Q301 Q302 Q401 Q402 Q403,404 Q405 Q406,407 Q801 CD disc sensor MD disc sensor When sensor detects infrared light, optical current proportional to that current flows in collector. When sensor detects infrared light, optical current proportional to that current flows in collector. RST DRIVER RST SW Audio mute SW Audio mute SW Audio mute SW Audio mute SW MD/CD analog selector switch CD-CH/AUX analog selector switch Electronic volume mute switch PWIC mute switch Mute driver Panel mechanism voltage selector Turns on when base goes Lo and sends a reset signal to the system µ-com/panel µ-com/changer. Turns on when base goes Hi and resets the system µ-com. Front L-ch mute, turns on when base goes Hi. Rear/nonfader L-ch mute, turns on when base goes Hi. Front R-ch mute, turns on when base goes Hi. Rear/nonfader R-ch mute, turns on when base goes Hi. Turns on when base goes Hi, controls IC4 output. Turns on when base goes Hi, controls IC6 output. Turns on when base goes Lo, sends mute signal to electronic volume mute SW. Turns on when base goes Hi. Turns on when base goes Lo, sends mute signal to audio mute SW. Turns on when base goes Hi, lowers the panel motor drive voltage. Logic IC (buffer) Power supply IC Panel µ-com Remote control IC Memory IC Panel µ-com reset switch PON 5 volt supply switch PON control switch FL+B (50V) supply switch FL+B (50V) control switch VFD BD section blanking switch DSI control switch Control signal voltage convertor for VFD, BD sections. (5V 3.3V) 3.3V AVR. (VDD1B 5V 3.3V) - Remote control signal receiver & control signal output. - Turns on when base goes Hi and resets the Panel µ-com. Turns on when base goes Lo and turns on PON5V. Turns on when base goes Hi and turns on Q10. Turn on when base goes Lo, and turns on FL+B. Turn on when base goes Hi, and turns on Q3. Turns off when base goes Lo, and turn on a light BD section. Turns on when base goes Hi, and turn on the DSI LED. Ref No. Application/Function Operation/Condition/Compatibility Ref No. Application/Function Operation/Condition/Compatibility Ref No. Application/Function Operation/Condition/Compatibility •SWITCH UNIT (X25-9320-00) •SUB-CIRCUIT UNIT (X16-1710-00) www. xiaoyu163. com QQ 376315150 9 9 2 8 9 4 2 9 8 TEL 13942296513 9 9 2 8 9 4 2 9 8 0 5 1 5 1 3 6 7 3 Q Q TEL 13942296513 QQ 376315150 892498299 TEL 13942296513 QQ 376315150 892498299 5 MICROCOMPUTER'S TERMINAL DESCRIPTION 1 2 3 4 5 6 7 8 9 10 11 12 13 14 15 16 17 18 19 20 21 22 23 24 25 26 27 28 29 30 31 32 33 34 35 36 37 38 39 40 41 42 43 44 DSP RVDT DSP CLK DSP RST DSP XLAT CH DATAH CH DATAC CH CLK BYTE CNVss CH CON CH REQH RESET Xout Vss Xin Vcc NMI PN REQ SP INT CH REQC BU DET ACC DET ILLUMI AMP CTRL TEST BUZZ PWIC SVR PWIC STBY SCL SDA SYS-DATA PN-DATA PN CLK SYS REQ TEL DAOUT TEL DAIN PANT PCON IN PCON PON LAMP LED OPEN SI NC 500kHz L reset, Low pulse width : 450ms N5L: System controller output, O5L: Input,Input when not connected During normal operation: L, During flash writing: H L when not connected, H: during CH1 for O5L, Others: L Normally at H after N5L is recognized. L during system controller output L: Reset, reset voltage 4.2 volts L: Normally on H: Instantaneous port voltage H:ACC OFF L: Small ON L: Test mode H: Non test mode H:ON 500kHz H: Use L: LOW fixed H: Use L: Input H: ANT ON L: ANT OFF H: Triggers protection circuit L: In normal operation Logic level when ON: H During ALL OFF is L (during TEL: H) H:ON H: ON (Illumi triggered) EPM terminal for flash writing ON if opened other than at CD Eject position H: Lights up Fixed at LOW O O O O O I I/O I I O O I O I I I I I I I I I I O O O O O I/O I/O O I O O O I/O O I O O O O O O DSP data output terminal DSP clock output terminal DSP reset terminal Address data selector terminal External CH data output terminal External CH data input terminal External CH clock I/O terminal External data bus pulse width switcher Processor mode switcher External CH selector terminal External CH transmit request terminal Reset input µ-com operating frequency (out) µ-com GND µ-com operating frequency (in) Positive power supply terminal NMI (non-maskable interrupt) terminal Panel communications line Spectrum analyzer request External CH receive request terminal Instantaneous port voltage detector terminal ACC detector terminal Illumination detector terminal External amp control Power IC control terminal Beep output Power IC control terminal Power IC standby terminal I2C clock output terminal I2C data I/O terminal Panel communications data OUT terminal (Flash TxD) Panel communications data IN terminal (Flash RxD) Panel communications CLOCK (Flash SCLK) Panel communications control line (Flash BUSY) Hands-free data OUT terminal Hands-free data IN terminal Power antenna terminal External amp overcurrent terminal External amp current control terminal Power control terminal Lamp control terminal (Flash EPM) LED control terminal for CD, MD LED control terminal OPEN PIN No. I/O Pin Name Description Processing Operation (X14-) IC1 : System µ-com www. xiaoyu163. com QQ 376315150 9 9 2 8 9 4 2 9 8 TEL 13942296513 9 9 2 8 9 4 2 9 8 0 5 1 5 1 3 6 7 3 Q Q TEL 13942296513 QQ 376315150 892498299 TEL 13942296513 QQ 376315150 892498299 6 MICROCOMPUTER'S TERMINAL DESCRIPTION 45 46 47 48 49 50 51 52 53 54 55 56 57 58 59 60 61 62 63 64 65 66 67 68 69 70 71 72 73 74 75 76 77 78 79 80 81 82 83 84 85 86 87 88 89 90 91 92 SP REQ PN SCCON SEL E2PROM CD PON PMOT1 PMOT2 PM VR PMDET OPEN SW CD MOTOR CD LO/EJ CD LOE/LIM SW CD 8EJE SW CD MSTOP CD AMUTEL CD LOS SW CD 12EJE SW CD AMUTER MD LOS/EJE SW MD AMUTE MRST MD MSTOP MD EJECT MD LOAD MD LOE/LIM SW TEL C TEL MUTE V DOWN V RST PLUG SW TYPE AUX CRSC SEL1 CRSC SEL2 NC TYPE TEL TYPE DIVER MUTE PW MUTE ASEL 1 ASEL 2 FM+B AM+B SD DIVER FSD OUT REFCON Active at L Writes at H L: ON H: Low torque L: Normal torque L: Panel mechanism H: No panel mechanism L: Panel full-open L: DISC in switch position L: DISC in switch position H: Now at CD source L: DISC in switch position L: 12cm H:8cm H: DISC inserted (during loading) L: Eject finish position (during eject) L: Mute ON (MD source only) L: RESET H: MD mechanical startup L: No MDPACK H: MDPACK L: Private or POWER OFF H: TEL MUTE ON L: MUTE ON L: RESET PULG:H Bus:L H: AUX function present OPEN H: Yes L: No H: DIVER function present H: MUTE ON L: MUTE ON L: During ALL OFF & Instantaneous port voltage L: CD H:MD L: CH H:AUX H: FM (however is Lo at AM+B: L) H: AM (however is Lo at FM+B: L) H: Station found L: DIVER ON H: DIVER OFF or during AM H: Station found (A/D input), Vth is by F/E setting Spectrum analyzer enable output Panel communications line (Flash CE) E2PROM inserted/not inserted CD WMA power supply control terminal Panel motor control terminal Panel motor control terminal Panel mechanism voltage control terminal Panel mechanism detect terminal Panel full-open detect terminal CD motor control terminal CD motor control terminal CD mechanism SW3 detect terminal (Clamping SW) CD mechanism detect terminal CD mechanism control stop terminal CD mute request terminal CD loading detect terminal CD mechanism detect terminal (8cm/12cmSW) µ-com power supply CD Mute request terminal µ-com GND MD disc position detect output (load start switch) MD MUTE request terminal CD/MD µ-com RST terminal MD mechanism control stop terminal MD motor control terminal MD motor control terminal MD mechanical detect terminal (clamping switch) Cell phone connection control terminal Cell phone mute terminal Mute terminal to Hands-free DSP IC Resets the Hands-free DSP IC Easy hands-free selector terminal AUX yes/no setting Destination setting Destination setting Not used Cell phone yes/no setting DIVER yes/no setting Mute terminal Power IC mute control terminal INPUT selector terminal 1 INPUT selector terminal 2 FM power terminal AM power terminal Broadcast station detection terminal FM DIVER selector switch S meter input terminal A/D reference voltage output O O I O O O O I I O I/O I I O I I I - I - I I O O O O I O O O O O I I I O I I O O O O O O I O I O PIN No. I/O Pin Name Description Processing Operation www. xiaoyu163. com QQ 376315150 9 9 2 8 9 4 2 9 8 TEL 13942296513 9 9 2 8 9 4 2 9 8 0 5 1 5 1 3 6 7 3 Q Q TEL 13942296513 QQ 376315150 892498299 TEL 13942296513 QQ 376315150 892498299 7 MICROCOMPUTER'S TERMINAL DESCRIPTION 93 94 95 96 97 98 99 100 PMODE CD DET MD DET Avss LINE MUTE Vref Avcc NC (A/D input) Vth is set in test mode L: CD present (A/D input) Vth: 2.2 volts L: MD present (A/D input) Vth: 2.8 volts OFF at 1.0 - 2.5 volts, ON at all other voltages Connect to GND potential Panel position sensor input terminal CD photosensor terminal MD detector terminal AD converter ground potential LINE MUTE ON/OFF detector terminal AD converter reference voltage AD converter positive power supply voltage Not used I I I I I - I I GS01 GCLK NC REMO GS02 NC GCLK NC GCP NC GBK BYTE CNVss NC NC RESET Xout Vss Xin Vcc NC(NMI) SP REQ SYS REQ PN SC CON NC SCL SDA GLAT SP INT NC DSP CLK SP DATA IN NC PN DATA Vcc SYS DATA Vss PN CLK PN REQ FL dot section data output terminal 1 FL dot section clock output terminal Not used Remote control signal input FL dot section data output terminal 2 Not used FL dot section clock input terminal Not used FL dot section gradation generation Not used FL dot section data blanking output GND potential GND Not used Not used µ-com Reset µ-com operating frequency (out) GND potential µ-com operating frequency (in) Positive power supply terminal Connect to 5 volt potential Spectrum analyzer enable input System controller communication request input System controller communication panel operation Not used E2PROM writing clock terminal E2PROM writing terminal FL dot data latch output Spectrum analyzer data request Not used Spectrum analyzer data input clock Spectrum analyzer data input Not used System control communication data output Positive power supply terminal System control communication data input GND potential System controller communication clock input terminal Panel communication request output 1 2 3 4 5 6 7 8-11 12 13 14 15 16 17 18 19 20 21 22 23 24 25 26 27 28,29 30 31 32 33 34 35 36 37 38 39 40 41 42 43 O O O I O I I O O O O I I I O I O I I I I I I I O I/O I/O O O O I I O O I I I I O PIN No. I/O Pin Name Description Processing Operation PIN No. I/O Pin Name Description Processing Operation (X25-) IC3 : Panel µ-com 3.3MHz L: Fixed Connect to GND potential L: Fixed L: Fixed H: Turn on a light L: Off W3: L due to 16 bit pulse width L: Fixed L: Reset L: Operation OK L: Fixed P-OFF: Output L, P-ON: Output L/input P-OFF: Output L, P-ON: Output L/input L: Fixed L: Fixed www. xiaoyu163. com QQ 376315150 9 9 2 8 9 4 2 9 8 TEL 13942296513 9 9 2 8 9 4 2 9 8 0 5 1 5 1 3 6 7 3 Q Q TEL 13942296513 QQ 376315150 892498299 TEL 13942296513 QQ 376315150 892498299 8 MICROCOMPUTER'S TERMINAL DESCRIPTION 44 45 46 47 48 49-51 52 53 54 55,56 57 58 59 60-62 63 64 65 66-69 70 71 72 73 74 75 76 77 78 79 80 81 82 83 84 85 86-90 91 92 93 94 95 96 97 98 99 100 101 102 103 104 105 O O I O I O I O I O I I I O O O O O O O O O I O I O O O O O O O O O O I O I O O O O O O O O I I I I GS03 NC FL CLK NC SEL E2P NC RDY NC HOLD NC Vss NC Vcc NC RD NC WR NC CS0 A21 A20 A19 Vcc A18 Vss A17 A16 A15 A14 A13 A12 A11 A10 A9 NC Vcc A8 Vss A7 A6 A5 A4 A3 A2 A1 A0 D15 D14 D13 D12 FL dot section data output terminal 3 Not used FL dot section clock input terminal Not used E2PROM writing request Not used RDY request Not used 5 volt potential Not used GND potential Not used Positive power supply terminal Not used External memory read request Not used External memory write request Not used F/MEMORY CE terminal External bus ADDR 21 External bus ADDR 20 External bus ADDR 19 Positive power supply terminal External bus ADDR 18 GND potential External bus ADDR 17 External bus ADDR 16 External bus ADDR 15 External bus ADDR 14 External bus ADDR 13 External bus ADDR 12 External bus ADDR 11 External bus ADDR 10 External bus ADDR 9 Not used Positive power supply terminal External bus ADDR 8 GND potential External bus ADDR 7 External bus ADDR 6 External bus ADDR 5 External bus ADDR 4 External bus ADDR 3 External bus ADDR 2 External bus ADDR 1 External bus ADDR 0 External bus DATA 15 External bus DATA 14 External bus DATA 13 External bus DATA12 L: Fixed L: Fixed H: Write L: Fixed L: Fixed L: Fixed L: Fixed L: Fixed L: Read L: Fixed L: Write L: Fixed L: Select external ROM L: Fixed 16-bit pulse width is OPEN PIN No. I/O Pin Name Description Processing Operation www. xiaoyu163. com QQ 376315150 9 9 2 8 9 4 2 9 8 TEL 13942296513 9 9 2 8 9 4 2 9 8 0 5 1 5 1 3 6 7 3 Q Q TEL 13942296513 QQ 376315150 892498299 TEL 13942296513 QQ 376315150 892498299 9 MICROCOMPUTER'S TERMINAL DESCRIPTION 106 107 108 109 110 111 112 113 114-118 119 120 121 122 123 124 125 126 127 128 129 130 131 132 133 134 135 136 137 138 139 140 141 142 143 144 D11 D10 D9 D8 D7 D6 D5 D4 NC D3 D2 D1 D0 NC RE IN RE BASE KS0 KS1 KS2 KS3 Vss KS4 Vcc NC DC/DC SW PN PON KR0 KR1 KR2 KR3 Avss KR4 Vref Avcc NC I I I I I I I I O I I I I O I I O O O O I O I O O O I I I I I I I I I PIN No. I/O Pin Name Description Processing Operation External bus DATA 11 External bus DATA 10 External bus DATA 9 External bus DATA 8 External bus DATA 7 External bus DATA 6 External bus DATA 5 External bus DATA 4 Not used External bus DATA 3 External bus DATA 2 External bus DATA 1 External bus DATA 0 Not used B input A input Key-scan output 0 Key-scan output 1 Key-scan output 2 Key-scan output 3 GND potential Key-scan output 4 Positive power supply terminal Not used DC/DC FL terminal selector terminal Power control terminal Key-return signal input 0 Key-return signal input 1 Key-return signal input 2 Key-return signal input 3 GND potential for AD converter Key-return signal input 4 AD converter reference voltage AD converter positive power supply Not used L: Fixed L: Fixed L: Fixed Dependent on PN PON Connect to GND potential Connect to GND potential www. xiaoyu163. com QQ 376315150 9 9 2 8 9 4 2 9 8 TEL 13942296513 9 9 2 8 9 4 2 9 8 0 5 1 5 1 3 6 7 3 Q Q TEL 13942296513 QQ 376315150 892498299 TEL 13942296513 QQ 376315150 892498299 10 TEST MODE How to enter the test mode •Test Mode 1, reset while holding down the 1 & 3 keys. •Test Mode 2, reset while holding down the 1 & 4 keys. Initial status in the test mode •When set in Test Mode 1 with the 1 & 3 keys. Source All OFF Volume -30dB (display 20) AUX volume adjust 0dB AUX-IN ON Beep Sounds every time key is pressed EQ FLAT SPE/ANA PEAK HOLD MD Group function ON •When set in Test Mode 2 with the 1 & 4 keys. Source All OFF Volume -10dB (display 30) AUX volume adjust 0dB AUX-IN ON Beep Prohibited EQ FLAT SPE/ANA PEAK HOLD MD Group function ON Display There are many segments on the display and the link between these segments can be checked in Test Modes 1 and 2. (only in ALL OFF Source) Switch between segments and grids on the display with the keys. Switch between REAR/N-F Hold down the PLAY/PAUSE key while in tuner-source, to switch between REAR and N-F. To cancel, press the SEL key. Correction ROM version display Display the ROM version by holding down the DSP key while in ALL OFF source. To cancel press the DSP key again. The following display appears if there is no correction ROM or if it cannot be loaded. RP0. 00 S0. 00. Panel mechanism Allows using only the MD Eject key rather than automatic opening/closing. Displays operating time during opening/closing until about 2 seconds after operation is complete. Operating time is reset in 0.1 seconds. Panel slot disc sensor (CD) Sensor status used for detecting if CD is inserted in slot at subpanel. Beeps 4 times when inserted CD blocks light to sensor. Panel slot disc sensor (MD) Sensor status used for detecting if MD is inserted in slot at subpanel. Beeps 4 times when inserted MD blocks light to sensor. Panel mechanism position mode To call up mechanism position mode, hold down the ATT key. Store the panel open position by pressing the key on the remote controller. After storing the panel open position, again press the key on the remote controller to operation for storing the panel close position. Source: CD Starts song play from track No. 9 at start of disc loading. Key operation only functions when the CD is the source, song play continues at all other times even if the track No. is changed during play. • key selects only preset tracks. (See table below.) • key makes downward selections the same as in normal operation. • When 1 key pressed, playback No. 28. Source: MD Starts song play from track No. 7 at start of disc loading. Key operation only functions when the MD is the source, song play continues at all other times even if the track No. is changed during play. • key selects only preset tracks. (See table below.) • key makes downward selections the same as in normal operation. C D Current track Search target Tracks other than shown below No.9 No.9 No.15 No.15 No.10 No.10 No.11 No.11 No.12 No.12 No.13 No.13 No.14 FM AM ∗1: "Track No. 1" may appear on the display right after play due to the timing. www. xiaoyu163. com QQ 376315150 9 9 2 8 9 4 2 9 8 TEL 13942296513 9 9 2 8 9 4 2 9 8 0 5 1 5 1 3 6 7 3 Q Q TEL 13942296513 QQ 376315150 892498299 TEL 13942296513 QQ 376315150 892498299 11 TEST MODE ∗1: "Track No. 1" may appear on the display right after play due to the timing. EQ alignment Tap the EQ/AUD key 1 time during source display to call up EQ alignment mode. •Press the 1 key for Flat. •Press the 2 key for Full-boost. •Press the 3 key for Full-cut. Audio: balance, fader alignment Press and hold down the EQ/AUD key to call up balance, fader alignment mode. keys --------- Balance alignment keys ---------- Fader alignment (All sources other than ALL OFF mode) •Set balance alignment in 3 steps RIGHT CENTER LEFT (L15, R15) •Set fader alignment in 3 steps FRONT CENTER REAR (F15, R15) Audio: X ’OVER Front/Rear Call up X ’OVER Front/Rear alignment mode by holding the EQ/AUD key down and then tapping it 1 time. (All sources other than ALL OFF mode) Shift through the following items with the keys and align using the keys. •HPF Front frequency alignment ---- Set Off 220 Hz in 2 steps. •HPF Rear frequency alignment ---- Set Off 220 Hz in 2 steps. •LPF frequency alignment ---- Set 50Hz Off in 2 steps. •N-F Level alignment ---- , -76 +10 •N-F Phase alignment ---- NOR REV (LPF and N-F alignment can be made during preout alignment in "N-F") Audio: Amp Control Call up Amp Control alignment mode by holding the EQ/AUD key down and then tapping it 2 times. (All sources other than ALL OFF mode) Shift through the following items with the keys and align using the keys. •Amp Bass (BMS) alignment --- FLT (Flat) +18 •Amp Freq (Offset) alignment --- NML (Normal) Low Adding tuner functions Call up alignment mode by holding down the SEL key in tuner:source, select the following items with the keys and then align with the keys. The following functions can be added (only while in test mode). •Preout alignment Rear N - F •AUX-IN function ON OFF Haw to exit the test mode Resetting will cancel the test mode and start up the unit with all settings initialized (factory settings). Setting in ACC-off or Power-off will initialize (factory settings) the Source, Tuner and Audio settings. Backup current measurement Mute turns off after 2 seconds when reset (backup is on) by ACC-off, regardless of the test mode. (The CD/MD mechanism takes 2 seconds or longer to turn off because peripheral power is still available.) M D Current track Search target Tracks other than shown below No.7 No.7 No.2 No.2 No.13 No.13 No.23 No.23 No.30 No.30 No.34 FM AM FM AM FM AM FM AM www. xiaoyu163. com QQ 376315150 9 9 2 8 9 4 2 9 8 TEL 13942296513 9 9 2 8 9 4 2 9 8 0 5 1 5 1 3 6 7 3 Q Q TEL 13942296513 QQ 376315150 892498299 TEL 13942296513 QQ 376315150 892498299 12 ADJUSTMENT (X16-1710-00) Adjusting the CD disc sensor phototransistor de- tection voltage (ver1.0) Adjust semifixed potentiometers VR1 and VR3 to obtain the following specified values for the CD DET (detector) termi- nal voltage (checkland CD1). •When CD is loaded: CD DET terminal voltage (target value) : 1.0 volts CD DET terminal voltage (allowable range) : 0.8 to 1.2 volts •When no CD is loaded: CD DET (detector) terminal minimum voltage : 4.0 volts ∗CD used for alignment should be an Audio Test CD: TCD-781/TCD-784 or CD having infrared light reflectivity with ±5% of TCD-781. Align the semifixed potentiometers VR1 & VR3 Load the CD in the unit, turn on the power (5volt±0.1volt) and adjust while monitoring the CD DET terminal voltage. Semifixed potentiometers VR1 & VR3 can be aligned as follows using orientation in fig. 1 (attached sheet). •Turning clockwise (to right) Raises CD DET voltage •Turning counterclockwise (to left) Lowers CD DET voltage When CD detector voltage is LESS THAN target value ∗Turn VR3 clockwise (to right) so CD Detector terminal vo- ltage is between 0.8 to 1.2 volts. ∗If target value was reached just by using VR3, then don’t touch VR1 and make the alignment using just VR3. ∗If the CD DET voltage is lower than the target value even with VR3 turned (all the way), then turn VR1 clockwise (to right). To make fine adjustments near target value, use VR3 and leave VR1 turned. When CD detector voltage is HIGHER THAN target value ∗Turn VR3 counterclockwise (to left) so CD Detector volta- ge is between 0.8 to 1.2 volts. ∗If target value was reached just by using VR3, then don’t touch VR1 and make the alignment using just VR3. ∗If the CD DET voltage is higher than the target value even with VR3 turned (all the way), then turn VR1 counterclock- wise (to left). To make fine adjustments near target value, use VR3 and leave VR1 turned. After aligning the CD DET terminal voltage, remove the CD and check the CD DET terminal voltage, if 4 volts or more, then the alignment is okay. R8 R5 R9 PH3 PH1 1 6 VR1 UP Turning clockwise (to right) Turning counterclockwise (to left) CD VR3 fig.1 (X16-1710-00/J74-1360-02) : Foil side view D4 D8 D3 CN1 www. xiaoyu163. com QQ 376315150 9 9 2 8 9 4 2 9 8 TEL 13942296513 9 9 2 8 9 4 2 9 8 0 5 1 5 1 3 6 7 3 Q Q TEL 13942296513 QQ 376315150 892498299 TEL 13942296513 QQ 376315150 892498299 B C A D E F G H I J 2 4 3 5 6 7 1 14 13 SWITCH UNIT (X25-9320-00) C22 C21 C20 C23 FM+ AM- S.A SEL EQ DSP MD-EJE CD-EJE AMG DISP 1 2 3 4 SRC 5 6 ATT RST 4 2 1 3 20 17 4 1 D9 D13 D10 D11 D12 IC4 D33 D18 D32 D30 D31 D15 D16 D14 D17 D29 D22 D23 D24 D19 D20 D21 D26 D25 D28 D27 S1 S13 S14 S15 S10 S11 S12 S16 S18 S20 S19 S23 S17 S21 S9 S4 S3 S2 ED1 S5 S8 S7 S6 X25-9320-00 (J74-1358-12) S22 VOL. B E B E EB EB C15 C17 C2 C1 R36 C14 R67 R70 R71 R68 R69 R46 R50 R45 R38 R43 R65 R66 R64 R62 R63 R9 R8 R11 R10 R5 R6 R7 R4 R2 R1 R3 R12 1 24 48 25 R13 R31 R29 R30 R32 R35 R34 R37 R33 R28 R15 R14 R20 R16 R17 R18 L8 L9 L7 R19 R25 R26 R27 R24 R21 R22 R23 C16 C18 C12 C19 C5 C6 C3 C7 C10 1 36 108 109 144 52 37 53 C11 C8 C9 R48 R47 R52 R44 R40 R39 R42 R41 R59 R58 R61 R60 R57 R54 R53 R56 R55 CP18 CP19 CP15 CP16 CP17 CP20 CP21 CP22 R77 CP6 CP7 CP4 CP1 CP2 CP3 CP12 CP13 CP14 CP8 CP9 CP10 L1 W2 W1 R49 R73 X1 C4 1 24 R78 R79 R72 R74 R76 L2 1 8 16 9 R80 R81 R82 C25 C24 R51 R75 CP11 EB EB E B 1 3 20 17 4 1 5 4 Q7 Q5 IC2 D5 D6 D4 D1 D2 D3 Q1 Q2 Q3 Q6 IC3 IC1 IC5 Q4 D34 CN1 ED1 S22 VOL. X25-9320-00 (J74-1358-12) (X25-9320-00) 5D IC4 Ref. No. Address (X25-9320-00) 2I 3H 4H 2G Q7 4I Q6 2I Q3 2I Q4 5I Q5 5I IC1 IC3 2I IC2 IC5 Q1 2I Q2 Ref. No. Address Ref. No. Address PC BOARD (Foil side view) Refer to the schematic diagram for the values of resistors and capacitors. PC BOARD (Component side view) Refer to the schematic diagram for the values of resistors and capacitors. SWITCH UNIT (X25-9320-00) w w w . x i a o y u 1 6 3 . c o m Q Q 3 7 6 3 1 5 1 5 0 9 9 2 8 9 4 2 9 8 T E L 1 3 9 4 2 2 9 6 5 1 3 9 9 2 8 9 4 2 9 8 0 5 1 5 1 3 6 7 3 Q Q TEL 13942296513 QQ 376315150 892498299 TEL 13942296513 QQ 376315150 892498299 L M N O P Q R S T K 2 4 3 5 6 7 1 15 16 1 L R C15 X1 X2 R801 C468 L52 C1 C37 C339 C239 C5 C32 C219 C218 C224 C312 C310 C313 C319 C318 C307 C302 C204 C306 C305 C35 C29 C16 C12 C18 C26 C20 C207 C206 C210 C212 C205 C101 C202 C304 C443 C444 C439 C441 C445 C451 C459 C446 C417 C415 C324 C448 C904 C902 C421 C418 C413 C329 C228 C229 C328 C301 C201 L3 L2 L901 L902 C903 L1 C40 C41 C63 C460 C464 C240 C238 C340 C338 C336 C334 C236 C234 C31 CP201 L101 R16 C326 C332 C333 C331 C330 R229 TH1 C805 R241 C806 R428 R8 R341 C226 C83 C82 R111 R44 C230 R329 C232 C233 R33 R30 R131 R29 R9 R7 R28 R418 C28 R422 R81 R3 R1 R2 R414 C501 R5 R17 R18 R15 R19 R23 R6 R10 R415 R11 R12 R92 R151 R153 R155 R140 R146 R147 R169 R167 R171 R162 R165 C25 R101 R342 R242 R243 R109 R343 R106 R107 R119 R132 R130 R136 R122 R123 R120 R124 R127 R128 R125 R126 C14 CP109 CP114 R180 R179 R317 R318 R316 R218 R217 R319 C7 C403 R219 R228 R227 C801 R225 R226 R328 C223 C222 R327 R325 C309 R326 C209 R409 R402 W403 C217 C216 C316 C317 R216 R206 C3 C322 C323 C6 C4 CP110 C506 CP401 CP112 CP108 CP105 CP102 CP107 CP106 R89 R84 R86 R82 R83 CP103 CP101 CP113 CP111 CP104 R87 R88 CP202 R53 R52 CP302 CP301 CP402 R182 W241/ W229/ W341/ W329/ W422/ 1 14 15 28 1 11 23 33 34 44 12 22 16 9 8 1 1 7 8 14 E B E 4 1 8 5 5 8 1 4 4 1 8 5 1 4 5 8 E B E 24 1 2 21 22 81 80 1 5 8 1 4 100 50 31 51 30 1 1 1 2 3 4 24 41 64 65 80 25 40 1 30 5 1 BEB BEB E B E B EB EB E E B B E B E EB E B EB E B E B E B B EB E B B E B E E C213 1 1 1 9 10 8 1 2 1 15 14 7 5 1 1 9 10 6 4 3 3 2 13 11 12 8 24 1 2 1 25 24 9 8 1 16 B E B E B E CN7 Q17 Q11 Q12 Q23 Q14 D407 J1 IC3 IC12 IC14 D1 D901 A2 A1 J2 J3 X14-6980-00 (J74-1356-12) CN2 CN5 WH1 D203 D204 IC5 D2 D14 D13 D5 D6 D4 D3 D101 D19 Q102 Q402 Q8 Q13 Q15 Q6 Q1 Q3 Q5 Q26 Q101 Q18 Q24 Q406 Q407 D11 Q7 IC7 IC10 IC11 IC9 IC4 Q2 Q10 Q16 IC1 IC15 CN1 D501 CN3 IC2 IC16 IC8 IC13 IC6 Q54 D512 D511 D508 R1 R2 R4 R10 D1 D2 X16-1710-00 (J74-1360-02) (X14-6980-21) 5R 3R 4O 3Q 3S 4Q 3Q 4S 4R 3O Q18 5P Q23 5O Q24 5O Q26 5P Q54 2R Q101 5Q Q102 5R Q402 3S Q406 4S Q407 4S Q6 3P Q7 3Q Q8 2P Q1 3P Q2 3Q Q3 3P Q5 3Q Q10 4O Q11 4O IC1 IC2 IC3 IC5 3S IC4 IC6 IC7 5Q IC8 IC9 IC10 IC11 IC12 6R Q12 5O IC13 6S Q13 4O Q14 4P Q15 4P Q16 5P Q17 5P IC14 4S IC16 Ref. No. Address Ref. No. Address Ref. No. Address Q15 4P 5R IC15 Refer to the schematic diagram for the values of resistors and capacitors. PC BOARD (Component side view) SYNTHESIZER UNIT (X14-6980-21) SUB CIRCUIT UNIT (X16-1710-00) w w w . x i a o y u 1 6 3 . c o m Q Q 3 7 6 3 1 5 1 5 0 9 9 2 8 9 4 2 9 8 T E L 1 3 9 4 2 2 9 6 5 1 3 9 9 2 8 9 4 2 9 8 0 5 1 5 1 3 6 7 3 Q Q TEL 13942296513 QQ 376315150 892498299 TEL 13942296513 QQ 376315150 892498299 V W U X Y Z AA AB AC AD 2 4 3 5 6 7 1 18 17 SYNTHESIZER UNIT (X14-6980-21) SUB CIRCUIT UNIT (X16-1710-00) C19 R4 C9 R42 C803 C802 C808 C804 C809 R129 C10 R43 C521 R39 C34 R38 C901 C519 R320 C410 R104 R112 C502 C116 C401 R427 R501 R135 R137 R133 R145 R144 R139 R142 R149 C112 C107 C110 C108 C109 R154 R177 R181 R134 R138 R143 R141 R148 R150 R108 C114 C115 C106 C111 22 21 2 1 R161 R173 R175 R174 R152 R176 R164 R163 R166 R168 R170 R214 W240 1 3 W340 R426 C315 C314 R312 R212 R211 R215 C214 C215 R315 R323 R314 R311 R404 C404 C405 R405 R408 R406 C408 C407 C406 C235 R232 R231 C462 R334 C463 R336 R230 R330 R337 R425 R237 R233 R424 R236 C237 R235 C335 R332 R331 C337 R234 C514 R333 R335 C208 R203 C432 C427 C467 R103 C104 C117 R116 R115 R117 R114 R105 R118 R110 R113 C103 R121 C105 R102 C102 L405 L404 L403 C435 R410 C436 C437 L411 C431 C438 C311 R306 C423 L406 C426 C424 C425 C220 C221 R221 C320 C321 R324 R224 R321 R220 R223 R411 R407 C411 C325 R201 R413 C442 R412 R202 C225 C227 C327 C454 C455 C453 C452 C422 L408 L409 C517 L401 L410 C433 R160 C419 C211 C430 C428 C429 L407 C420 R36 C520 R35 C518 C308 R302 R301 R303 R14 R13 C8 C503 C505 R55 W4 C510 C507 R51 L56 C66 C64 C511 L402 R56 R57 C504 C52 L55 R54 L51 L53 C508 C509 C53 C2 R902 R901 C456 R40 R41 C42 C21 C13 C24 R26 C44 C23 R27 R32 R22 R25 C22 R31 C11 C17 R21 R420 C458 C461 C39 R20 R24 C43 R417 R419 C231 B E E B E B E B E B E B B E B E B E B E E B L57 B E E B E C BE E BC O G I E B E E B E B E C224 C307 C207 C205 C439 C903 C904 C20 C16 C12 C459 C101 C319 C418 C29 C902 L901 C35 L902 C32 C31 L2 C40 L3 C26 C37 C239 C421 C15 C18 C210 X2 C339 C310 C5 C443 C417 C441 C445 C206 C204 1 R801 C41 9 X1 C318 C312 C313 C305 C213 C219 C218 C448 C306 C212 C446 C301 C202 C302 C201 C468 C1 L1 B C329 C328 C444 C228 C229 C304 C451 L52 C63 EB C238 C324 C413 C415 C464 C336 C338 C240 C340 C460 R C234 C334 C236 L 1 5 7 6 10 9 11 12 8 4 3 2 13 24 1 1 16 8 9 25 1 2 24 1 2 14 15 1 8 10 B E B E B E B E B E Q SCL SDA PON5V CD DET RST MD DET SEL E2P PN DATA PN REQ SP INT PN CLK SP CLK SP REQ SP DATA D15 D10 D7 Q801 D802 D801 Q25 D18 Q21 D16 Q20 Q19 D413 D510 D102 Q401 D408 D411 Q403 D404 D410 D409 Q201 Q202 D507 D405 Q301 D412 D82 Q302 D503 Q404 D504 D502 IC17 D509 D81 Q53 D51 Q52 Q22 D17 D12 Q9 D9 D301 D8 D303 D302 D304 Q405 D402 D403 D202 D201 X14-6980-00 (J74-1356-12) Q12 A2 Q23 Q11 IC3 D901 Q17 Q14 D407 CN5 IC14 CN2 IC12 J1 D1 WH1 Q54 A1 J2 CN7 J3 R8 R5 R9 PH3 PH1 1 6 VR1 VR3 D4 D8 D3 CN1 X16-1710-00 (J74-1360-02) (X14-6980-21) 4Z 6V 2Z 4Y 4Z 5Z 4Y 5Y 6Y 5Y 6Y Q301 2V Q302 2V Q401 3V Q403 3V Q404 2X Q405 3Z Q801 5V IC3 IC14 IC12 IC17 Q11 4Y Q9 Q12 Q14 Q17 Q19 Q20 Q21 5Y Q22 2X Q52 6W Q25 2X Q53 2W Q54 2V Q202 2U Q201 Ref. No. Address Ref. No. Address 5Z Q23 PC BOARD (Foil side view) Refer to the schematic diagram for the values of resistors and capacitors. w w w . x i a o y u 1 6 3 . c o m Q Q 3 7 6 3 1 5 1 5 0 9 9 2 8 9 4 2 9 8 T E L 1 3 9 4 2 2 9 6 5 1 3 9 9 2 8 9 4 2 9 8 0 5 1 5 1 3 6 7 3 Q Q TEL 13942296513 QQ 376315150 892498299 TEL 13942296513 QQ 376315150 892498299 B C D E F G H I J A 2 4 3 5 6 7 1 47K 47K 47K 47K 47K 2.2K 47K 4.7K 22K 22K 47K 47K 10K 47K 8.0V 3.3V 1.25V 5V 0V 14.4V 14.4V 14.4V 5.0V 1.25V 14.4V 7.2V 7.2V 5.0V 7.2V 7.2V 7.2V 7.2V 7.2V 7.2V 7.2V 7.2V 14.4V 7.2V 7.2V 4.0V 7.2V 5V or 0V 5V 0V 5.0V 5V or 0V 12.5MHz 0V 5V 5V 0V 0V 5V 5V 0V 0V 5V 5V 0V 0V 5V 5V 0V 0V 5V 5V 0V 5V 0V 5V 0V 5V 0V 5V 0V 0V 5V 5.0V 5.0V 5.0V 0V 0V 0V 5V 0V 5V 0V -21: OPEN -00: 0V 5V -21: 5.0V -00: 5V 0V ∗A1 A2 IC3 IC12 ∗IC1 IC15 (X14-6980-XX) (E30-4939-05) DPX-8030MD DC CORD DC CORD (E30-6028-05) DPX-8200WMP (X16-1710-00) D901 Q22 D17 D16 Q19 Q16 D15 Q24 Q23 Q21 Q20 Q18 Q17 D13 Q13 Q11 Q12 D14 Q15 Q14 Q26 Q9 ∗WH1 D51 Q10 CN1 Q7 D303 Q8 D301 D304 D302 D9 Q6 Q5 D10 D19 Q2 D5 D3 Q1 D8 D204 D202 D203 D201 J1 D7 Q3 D4 D2 D1 SERGE B.U ACC DET D6 P ANT AMP MUTE DET ILLUMI DET P CON CONT ANT D12 D11 POWER SUPPLY D402 D403 Q405 ON/OFF CD SERVO POWER 7.5V AVR SUPPLY CD SERVO ON/OFF POWER SUPPLY 7.5V POWER SUPPLY 5V AVR MD SERVO SW16V ON/OFF SW16V AVR ILL11V AVR ILL11V ON/OFF FAC11V ON/OFF FAC11V AVR CD LED ON/OFF CONTROL PWIC MUTE POWER AMP P ON 5V DET AM +B Q54 FM/AM +B Q52 FM +B Q53 SYSTEM u-COM Q101 RESET DRIVER RST RST Q102 (X14-6980-XX) D2 D4 D3 D1 PH3 CN1 D8 PH1 CL201IRXS(BCD) CPT184SCS(CD) B30-1575-05 D1,2 D3,4,8 : : PH1,3 : D101 DETECT CD DISC DETECT MD DISC SP OUT DC IN/ DC/DC TUNER A ∗ A L52 10uH L51 10P C53 10P ∗C509 10P ∗C62 ∗C508 10P C519 4.7uH L53 R52 100 R53 100 4.7uH L57 4.7uH L56 10K R160 1 100u10 C63 ∗W1 ∗W2 ∗W3 ∗W4 10P ∗C510 10P ∗C511 0.01 C503 0.01 C504 0.01 C505 0.1 C52 150 R51 1 2 3 4 5 6 7 8 9 10 11 12 13 14 15 16 17 18 19 20 21 22 23 24 RFGND FMIN AMIN OSCGND1 FM+B AM+B OSCGND2 OSCGND3 OSCGND4 OSCGND5 VT PLL+B IFCOUT SDA SCL DIGGND VDD IF2GND IF2+B AOUT SD SMETER IF1+B IF1GND 1 2 3 4 5 6 7 8 9 10 11 12 13 14 15 16 17 18 19 20 21 22 23 24 25 26 27 28 29 30 CD DET MD DET LED OPEN GND GND PON5V FAC FAC FL +B FLGND ILL+B ILL G ESD G ESD G DSI DC/DC SW PN SCCON SYS DATA PN DATA PN CLK SYS REQ PN REQ RST SP INT SP DATA SP REQ SP CLK VDD D GND D GND 750 R40 C44 1 C34 0.1 100u25 C904 100K R41 10u16 C37 750 R38 820 R28 620 R29 620 R30 1/2W 2.2 R32 1/2W 2.2 R31 C25 0.1 4.7u25 C31 2.2K R35 1K R36 1 2 3 4 5 6 7 8 DCVIN ACVIN GND VO1 VO2 VO3A CT VO3B 0.1 C901 120u63 C903 100u35 C902 4.7K 4.7K 1/2W FL+ RL+ FL- RL- FR- RR- FR+ RR+ 820 R16 10K R15 47K R11 10K 27K R18 R17 R9 1K 3.3K R12 560 R10 C5 1u50 R2 10K C3 0.01 R14 CTRL 4 5 6 7 FR- FL+ FL- RL+ RL- FR+ ANT CON RR- RR+ 8 10 9 13 12 11 R13 R7 10K 2 3 1 PCON ACC GND ILL MUTE B.U 16 15 14 L1 C2 0.1 C1 4700u16 R1 10K 8.2K R3 12K R6 3.3K R4 0.022 C4 22 21 24 0.01 C6 23 38 Q5 0.01 C7 47K R92 10K R8 0.1 C8 0.1 C9 0.01 C502 1 2 1 L55 4.7uH SCL SDA 89 0.01 C516 0.1 C64 0.01 C515 0.1 C66 7 EN2 EN1 1 2 6 5 4 3 V1 PGND VS HSD SGND 0.1 C24 14 13 12 11 10 9 V2L V1L STCAP VM VML V2 TAB 8 FLCAP 15 0.022 C43 R24 39k C20 10u16 C11 10P R22 1K R23 2.2K C17 0.22 R25 12.4K C19 0.1 ∗C42 10P 39 1 C23 C21 0.22 C18 10u10 C16 10u16 C15 330u16 C12 10u10 100P C39 4.7K R21 5.49K R20 0.047 C13 3.57K R19 0.047 C14 8.2K R26 C22 1 R27 4.3K 40 100K R44 100u10 C28 0.1 1.2K R33 100u10 Q11-13 C32 10u16 100K R39 10u16 C35 33K R902 + L901 22uH L902 22uH R901 22K 94 95 42 43 46 31 32 33 34 18 RST 19 SPD 45 41 33K R422 1 TAB SVR OUT1+ PGND1 OUT1- OUT2+ STBY OUT2- PGND2 VCC1 RR+ 7 6 5 4 3 2 FR- 1 RR- C461 C459 FR+ + 10 9 8 IN1 11 28 C328 0.22u50 SPFR 0.22u50 3.3K R420 C456 21 OUT4+ VCC2 OUT3- PGND3 OUT3+ ACGND SGND 15 IN3 14 13 12 IN4 IN2 RL+ 20 18 17 16 19 FL+ 1u50 C468 RL- HSD PGND4 OUT4- MUTE 25 23 22 24 1 FL- C229 SPRL SPRR SPFL C329 C228 0.22u50 0.22u50 26 R418 84 5.1K 25 4.7K R417 470 TH1 D102 R428 Q10 Q14,15 Q17,18 37 97 AMP BU14V BU14V BU14V BU14V BU14V BU14V BU14V BU14V BU14V BU14V P5V P5V P5V P5V P5V BU5V BU5V BU5V A8V D3V D3V A8V +14V ILL+B F11V F11V +14V ILL+B +14V +14V S7.5V S5V L101 4.7uH BU5V BU5V ILL+B ILL+B P5V P5V P5V P5V P5V FM+B FM+B AM+B AM+B A8V A8V R56 22K R54 22K 2.2K R55 87 88 2.2K R57 FM+B A8V S5V P5V BU14V S7.5V 12.500 R106 1M 64 C112 R148 35 R179 R136 100 2.2K CP109 2.2K 2.2K 0.01 470 R134 BU5V 53 C107 55 54 56 58 CP110 57 2.2K R141 470 61 60 59 C109 0.01 63 R144 100K 53 46 R181 100K R132 47K R177 47K 52 51 50 46 48 49 PMOT2 52 PM VR 51 PMDET CD PON SEL E2PROM PN SCCON PMOT1 48 47 49 50 R130 470 R131 1K 41 42 43 45 40 39 38 37 41 LED OPEN LAMP SP REQ SI 43 42 45 44 NC TEL DAIN TEL DAOUT PANT PCON PCON IN 37 36 40 39 38 PON CD LOE/LIM SW 56 CD LO/EJ OPEN SW CD MOTOR 54 55 CD MSTOP CD 8EJE SW 57 58 CD 12EJE SW 61 CD LOS SW CD AMUTEL 59 60 CD AMUTER 62 VCC 63 25 R120 R126 100 R125 100 R127 100 R128 100 32 31 33 34 PWIC SVR PWIC STBY PN DATA SYS DATA PN SLK SYS REQ 32 31 33 34 29 100 30 SDA BUZZ SCL 28 27 26 R123 2.2K R122 2.2K SDA 26 SCL 28 R118 100 100 470 R112 R111 R109 ACC DET AMP CTRL ILLUMI 23 24 TEST BU DET CP104 21 22 100 CH REQC PN REQ 18 19 20 SP INT 15 16 17 NMI VCC 1K R108 XIN 100K R115 R114 R116 100K 23 24 25 CP105 2.2K 22 22K 21 18 20 19 12P C105 LINE MUTE 2.2K R146 CP111 100 CP112 2.2K 71 470 BU5V 65 0.01 66 68 69 70 MD LOS/EJE SW MRST 67 66 65 VSS MD AMUTE 70 68 MD MSTOP 69 MD EJECT MD LOAD MD LOE/LIM SW 76 V RST V DOWN 73 72 71 74 TEL MUTE TEL C 75 TYPE WMA 79 78 77 CRSC 1 TYPE AUX PLUG SW CRSC 2 80 CP113 2.2K MUTE TYPE TEL TYPE DIVER 2.2K 83 82 81 ASEL 1 AM+B FM+B ASEL 2 PW MUTE R162 R161 88 84 87 86 85 R176 2.2K R175 2.2K R173 83 100K 85 86 87 88 84 DIVER REFCON FSD OUT SD 4.7K R164 90 89 92 91 R163 2.2K MD DET CD DET AVSS PMODE 2.2K R167 2.2K R169 R165 95 94 96 93 1K BU5V 89 470K R168 470K R166 93 94 95 1 DSP RVDT CP102 100 CH REQH RESET 13 1K R107 14 VSS XOUT 12 BYTE CNVSS 9 10 11 CH CON 8 DSP RST CH DATAH DSP CLK CH DATAC 5 6 7 CH CLK 1 2 4 3 SP XLAT R103 R105 22K X1 12P C104 11 10 100 CP103 100K 5 7 6 3 4 BU5V NC VSS R174 AVCC VREF NC ∗R171 2.2K 99 100 98 C116 0.01 97 100K CP101 470 3 98 100K 97 ∗R170 4 VDD 2 2.2K R124 BU5V 1 OUT D3V P5V A8V A8V BU5V 0.1 C102 100u10 C101 100P C115 4700P C114 100K R149 100 R119 2.2K R117 1K R104 2.2K R101 100K R102 0.1 C103 0.01 C106 100K R110 100K R182 100K R113 0.01 C117 47K R121 47K ∗R154 47K ∗R152 100K R147 0.01 C111 100K R140 100K R139 100K R135 100K R133 2.2K R137 100K R129 CP106 2.2K CP107 1K CP108 2.2K 0-21 0-00 UNIT DPX-8200WMP J MODEL NAME DPX-8030MD M -11 -01 (X86-3280-XX) A1 C42,62,108, 438,509-513 YES NO NO YES 20K R5 R419 10 FL+B FL+B FL+B C520 3 MHz BU5V BU5V S7.5V S5V BLU/WHT P. CON GND ACC ORG/WHT YEL BLK 1 16 RED 3 14 2 15 ILLUMI BU ANT CONT FRONT R FRONT L 7 10 VIOL/BLK VIOL PNK/BLK 5 12 BLU 4 13 GRY/BLK GRY 6 11 CONT. EXT. REAR R GRN GRN/BLK WHT WHT/BLK 8 9 REAR L P. CONT ANT CONT ACC WHT WHT/BLK GRY/BLK 7 8 5 GRY 6 GRN GRN/BLK VIOL/BLK VIOL 10 9 12 11 BLU/WHT 3 4 BLU 2 1 RED BLK BRN PNK/BLK YEL ORG 14 13 15 16 CONT LINE MUTE EXT. AMP ILLUMI BATT VR1 22K PON5V GND 6 5 R2 470 R1 240 P5V R5 270 R8 360 R10 360 R4 360 GND CD DET MD DET LED OPEN 2 3 4 1 33K R9 22K VR3 RST 22K BU5V 1K 220 47K R151 2.2K R145 100K R180 0.01 C110 470 R143 100K R142 F1 10A +14V 2 SMT 91 SMT AOUT A8V +14V 2 67 C29 C26 33u16 0.01 ∗C108 470 ∗R138 + + + + + + + + + + + + + + + + + No. DPX-8200WMPN YES 0-02 J -01 YES MODEL NAME DPX-8030MD DPX-8200WMP DPX-8200WMPN J 0-00 0-02 M J 0-21 UNIT No. YES NO YES 170,171 R138, NO YES W1-4 NO YES NO 154 R152, YES YES NO R153, 155 NO ∗R153 47K ∗R155 47K WH1 E30-4653-15 E30-4893-05 E30-4653-15 CP114 DPX-8030MD M 0-21 DPX-8200WMPN 0-02 J MODEL NAME DPX-8200WMP No. 0-00 UNIT J M30624MGAA89FP -00 M30624MGAA88FP -02 M30624MGAA88FP CD MECHA (X92-4470-0X) -02 IC1 +5V + +5V 10P 0.01 10P C507, 508 DC CORD (E30-4541-05) DPX-8200WMPN w w w . x i a o y u 1 6 3 . c o m Q Q 3 7 6 3 1 5 1 5 0 9 9 2 8 9 4 2 9 8 T E L 1 3 9 4 2 2 9 6 5 1 3 9 9 2 8 9 4 2 9 8 0 5 1 5 1 3 6 7 3 Q Q TEL 13942296513 QQ 376315150 892498299 TEL 13942296513 QQ 376315150 892498299 L M K N O P Q R S T 47K 47K 47K 47K 47K 47K 47K 47K 47K 10K 10K 10K 10K 47K 47K 1.6V 33MHz 7.5V/5.1V 14.4V 3.3V 8.0V 5V 0V 0V 5V 3.3V 3.3V 3.3V 3.3V 3.3V 3.3V 3.3V 3.3V 3.3V 3.3V 5V 0V 1.6V 1.6V 1.6V 1.6V 1.6V 1.6V 1.6V 0V 5V 7.5V 0V 7.5V 0V 14.4V 14.4V 14.4V 0V 5V 8.0V 0V-4V 0V-4V 0V-4V 0V-4V 4.0V 0V-4V 0V 5V 0V-4V 0V-4V 0V-4V 0V-4V 0V-4V 0V 5V 8.0V 0V-4V 4.0V 0V-4V 4.0V 5V 0V 4.0V 4.0V 4.0V 4.0V 4.0V 8.0V 4.0V 4.0V 4.0V 8.0V 4.0V 4.0V 4.0V 4.0V 4.0V 4.0V 4.0V 8.0V 0V 5V 0V 0V 4.0V 4.0V 0V 4.0V 4.0V 8.0V 4.0V 4.0V 5V 8.0V 0V 0-4V 0-4V 0-4V 0-4V 0-4V 0-4V 0-4V 0V 5V 0-4V 14.4V 3.6V 0V 5V 4.0V 4.0V 4.0V 4.0V 4.0V 4.0V 8.0V 4.0V 4.0V IC17 IC8 IC5 IC13 IC14 IC2 IC16 IC6 IC4 DPX-8030MD(M) (1/2) MD MECHA (X92-4570-00) ∗CD MECHA (X92-4470-0X) A (D40-1162-05) PANEL MECHA J2 D802 Q801 D407 Q404 Q403 D411 D408 D413 D801 D501 Q25 D502 D503 CN3 D504 D505 D81 D82 IC11 (2/2) (1/2) IC11 (1/2) IC9 (1/2) IC10 CN2 Rch Rch Lch REAR/NF Lch FRONT J3 DSP IC10 (2/2) 4V AVR LPF CN5 PANEL MECHA INPUT SW & E-VOL D405 Q202 Q302 Q201 D404 Q301 D507 D412 MUTE AUDIO D102 Q406 Q407 Q402 ANALOG MD/CD Q401 WMA DSP 5V CHA/AUX LPF E-VOL MUTE HPF & PRE-OUT (REAR/NF) MOTOR DRIVER PANEL DRIVE MECHA DRIVER MUTE D18 ON/OFF PRE OUT 2/2 X25- CN1 D409 D410 AUX IN CN7 E-VOL MUTE 5V AVR IC7 (2/2) IC7 (1/2) LPF 3V AVR CH-IN M (2/2) IC9 L411 600 L401 600 X2 L406 1 2 3 CP301 1K C82 1 C83 1 R82 4.7K C443 10u16 C441 390 R411 4.7u50 C218 3.6K R221 3.6K R220 4.7u50 C219 220P C223 470P C221 220P C222 5.1K R227 12K R228 0.01 C506 4.7K R214 3.6K R211 4.7u50 C212 5.1K R218 12K R219 220P C216 220P C217 3.6K R212 4.7K R215 4.7u50 C213 22u50 C446 220P C316 220P C317 3.6K R311 220P C314 4.7K R314 12K R319 5.1K R318 470P C315 4.7K R315 12K R316 4.7u50 C312 4.7u50 C313 220P C322 5.1K R327 12K R328 470P C321 5.1K R326 220P C323 12K R325 3.6K R321 3.6K R320 4.7u50 C318 4.7u50 C319 4.7K R324 4.7K R323 22u50 C448 0.1 C808 0.1 C806 0.1 C805 0.1 C803 1.5 1W R801 0.01 C801 10u16 C310 CP302 1K 33.8688 MHz CP202 1K 12P C426 CP201 1K 3.3u50 C239 IN OUT GND 47u6.3 C421 C433 0.1 47u6.3 C418 0.1 ∗C438 0.1 C437 0.1 C436 0.1 C435 0.33 C326 0.33 C226 0.33u50 C324 0.33u50 C224 0.33 C227 0.33 C225 0.33 C327 0.33 C325 10u50 C451 R415 100 R414 100 24 23 22 21 20 19 18 17 16 15 14 13 12 11 10 9 8 7 6 5 4 3 2 1 D OUT 12EJE SW LOS SW CLK DATA A 8V Lch A GND R ch MUTE R MUTE L MRST MSTOP 8EJE SW LOE/LIM SW BU 5V D GND D GND DSP 5V DSP 5V LO/EJ MOTOR SERVO 7.5V SERVO GND 40 39 38 37 36 35 34 33 32 31 30 29 28 27 26 25 24 23 22 21 20 19 18 17 16 15 14 13 12 11 10 9 8 7 6 5 4 3 2 1 65 66 67 68 69 70 71 72 73 74 75 76 77 78 79 80 41 42 43 44 45 46 47 48 49 50 51 52 53 54 55 56 57 58 59 60 61 62 63 64 VSS1 BCK TP-38 SI TP-36 BFOT XS24 VDD1 RVDT XLAT TRDT REDY SCK VSS0 ACS1 LIN LREF AVD1 AVD3 AOIP AO1N AVS3 AVS5 AO3P AO3N AVD5 AVSX XTLI XTLO AVDX AVD6 AO4P AO4N AVS6 AVS4 AO2P AO2N AVD4 AVD2 RREF VSS4 TP-66 TP-67 TP-68 TP-69 TP-70 VDD0 TP-72 TP-73 TP-74 TP-75 XRST TP-77 VSS5 AVS2 RIN LRCK XMST TP-43 TP-44 TP-45 VSS2 TP-47 TP-48 TP-49 TP-50 VDD2 TP-52 TP-53 TP-54 TP-55 TP-56 VSS3 TP-58 TP-59 TP-60 TP-61 TP-62 TP-63 TP-64 15 16 17 18 19 20 21 22 23 24 25 26 27 28 HRR2 HRR1 HRL2 HRL1 HFR2 HFR1 HFL2 HFL1 CREF AGND DGND SCL SDA VCC 14 13 12 11 10 9 8 7 6 5 4 3 2 1 HRRO HRLO OREF HFRO HFLO AXOL AXOR CL2 CL1 CR2 CR1 MUTE AXIR AXIL 1 2 3 4 5 6 7 8 9 10 11 12 13 14 15 16 17 18 19 20 21 22 D OUT LOE/LIM-SW SERVO GND SERVO GND S5V S5V LOAD EJECT RCH AGND LCH A8V MSTOP MRST AMUTE DGND DGND BU5V MSDA MSCL (DET-SW) CH CON DATA C REQ H MUTE RST Rch A GND 8 4 12 6 A GND 4 5 MUTE CHCON 12 Lch CLK 13 DATA C DATA H 10 11 2 3 B.U GND 1 REQ H Rch REQ C 8 9 RST 7 7 3 11 6 2 10 5 1 9 DATA H REQ C CLK Lch 13 1 3 2 5 4 6 C453 0.1 C452 0.1 C454 0.1 C455 0.1 0.1 C423 0.1 C424 4 5 8 9 0.1 C425 100 R409 0.1 C467 12P C427 0.1 C428 16 17 20 21 2.2M R206 0.1 C430 0.1 C429 L403 600 L404 600 L407 600 L405 600 L409 600 L408 600 C210 10u16 C211 0.1 25 C432 0.01 C431 0.01 C517 0.01 1 4 SPD CP402 3.3K CP401 470 L410 600 0.1 C419 0.01 C518 470 R410 0.1 C311 7 5 6 8 2 1 3 4 5 6 7 2 8 4 3 1 5.1K R217 12K R216 220P C214 470P C215 3.6K R312 5.1K R317 3 1 2 5 6 7 4 8 220P C220 5.K R226 4.7K R223 4.7K R224 12K R225 220P C320 10u16 C439 10u16 10u16 C445 10u16 C444 0.022 C442 27K R413 60 61 63 59 58 57 56 A8V MOTER- P MODE PM DET OPEN SW MOTOR+ 9 8 V REF GND GND 5 4 3 6 GND 7 1 2 6 7 8 9 IN2 VCC1 VCC2 CD2 OUT2 10 GND 2 3 4 OUT1 CD1 VR IN1 5 1 0.1 C804 51 50 49 0.01 C802 0.01 C809 4.7K CREF LEVEL ACINRR ACOUTL ACOUTR ∗C512 47u10 L402 4.7uH C411 C413 0.01 24 MPOUT SMUTE 21 SCL 22 23 QUAL C410 0.1 10P 15 16 17 18 19 20 MPIN NC17 MUXL MUXR NC20 OUTRR 29 25 26 27 28 SDA NC25 GND VS NC28 30 31 32 33 OUTLR OUTRF OUTLF NC33 35 34 41 40 39 38 37 36 VREF ACINLF ACINRF ACINLR NC36 CDR ∗C513 10P 11 0.033 C406 0.47 R405 4.7K R406 C407 150P 12 13 14 MPX NC13 C405 R404 2.7K 0.015 C404 NC6 6 10 9 8 7 NC11 AM AFS PHONE+ PHONE- 1 5 4 3 2 CDL CDLOUT CDGND CDROUT 44 43 42 TAPER TAPEL C415 10u16 C306 C206 4.7u25 4.7u25 4.7u25 C205 4.7u25 C305 40 38 39 37 35 34 0.1 C408 32 31 30 29 32 30 31 29 SPRR 11 SPRL SPFR SPFL 10 9 8 100 R232 100 R235 100 R335 100 R332 R233 C236 47K R231 10u16 10u16 10u16 47K R334 470 47K R234 470 R333 C336 470 R230 C234 10u16 470 R330 C334 47K R331 C463 1 C462 1 1000P C237 1000P C337 1000P C235 1000P C335 9 8 10 11 ∗C507 10P 10 20 7 5 6 11 4.7K R84 4.7K R83 C514 1 R412 13K 83 3 2 1 21 RST 7 8 6 VCC D102 4 GND 5 C403 0.022 14 16 15 11 10 9 12 13 5 Z0 INH VEE VSS 6 7 8 X0 A B C Y0 Z1 Y1 ZCOM 2 3 AUXG AUXR 1 CDG 4 YCOM XCOM VDD X1 4.7K CHL R402 AUXL 2 4.7K 0.022 R426 C401 12 13 14 VDD 0.47u50 C201 1 MDL 4 7 6 5 3 C301 0.47u50 0.47u50 C302 CDR MDR 11 VSS 8 9 10 C202 0.47u50 CDL 65 66 68 69 70 71 SCL SDA Q404 8 9 16 17 4 5 20 21 38 37 39 40 A8V A8V A8V A8V A8V D3V D3V D3V D3V D3V A8V BU14V S7.5V S5V ON/OFF SWOUT GND1 VOS C41 680 R43 220u35 270 R42 3 5 4 150uH L3 22uH 220u35 C40 1 VIN 2 L2 3.3V S5V S7.5V A8V BU14V 93 53 52 98 CHG CHR 0.47u50 47u6.3 C464 C338 10 R336 R424 4.7 CHL 0.47u50 C238 10 R236 BU14V BU14V 100 R81 A8V A8V 85 CHR CDR CDG CDL CDR CDL CHG 86 91 A8V 100 R408 100 R407 SCL SDA BU14V BU14V BU14V 48 C10 1 A8V S7.5V 34 35 BU5V A8V A8V A8V S5V S5V +14V +14V LOS/EJECT SCL SDA MDR MDL CDL CDR 55 54 BU5V BU5V 34 35 BU5V BU5V BU5V BU5V S7.5V BU5V S7.5V S7.5V S7.5V BU5V BU14V DSP5V DSP5V A8V A8V A8V 100 R87 100 R88 100 R89 100 R86 C240 C460 0.22u50 22u6.3 0.22u50 C340 R337 10 AUXR R425 4.7 AUXG 10 R237 AUXL R427 1K Rch 3 Lch 1 2 67 10u10 C304 10u10 C204 +14V R301 C307 C308 25 10u16 C309 150P R302 12K C501 0.01 5 R343 470 4 470 R342 7 6 7.5K R303 470P 20K 34 C417 C207 10u16 150P C209 R202 R243 470 470 R242 1 8 3 2 470P C208 7.5K R203 20K R201 22u50 12K 35 A8V AOUT 0.1 C420 1 C422 3.3V 3.3V C339 3.3u50 1.5M R306 2 6 3 1 2 5 4 10K(B) 8 7 9 67 + + + + + + + + + + + + + + + + + + + + + + + + + + + + + + + + + + + + + + + + + + + + + IC14 D7-10,201-204,301-304 D18 D13 D19 D502,503 D409 D410 D51 D2 D901 D101,402,403 D408,411,413 D15 D505 D12 D501,504,507-512 D3,16,17 D5 D407 D81,82 D11,412 D102,404,405 D1 IC4 D801 D14 D6 D4 D802 IC17 IC12 IC2 IC5 IC8 IC1 IC3 IC6 IC16 IC13 IC15 IC7,9-11 Q102 Q2 Q54 Q1,3,403-405,801 Q26 Q101 Q9 Q25,201,202,301,302 Q10,19,401,402 Q16,22 Q17 Q7 Q20 Q52,53 Q5 Q406,407 Q11,12,14,23 Q6,13,15,18,21,24 Q8 A1 A2 : DTC144EUA or : FMW1 : DTA123JK or : : 2SB1188(R) or : IMD16A : FMC2A : 2SB1548(P) : 2SC4081 : FMC3A : 2SB1416(Q,R) : 2SB1184 : DTC143TUA or : DTC143ZUA : CPH3105 : FMG1A : DTC114YUA or : DTA124EUA or : DTA114EUA or : ∗ : TDA7407 : L4943 : TC4066BF(N) : TDA7401 : TC4053BF(N) : NJM4565M-TE2 : CXD2728Q-1 : TDA7560 : SI-8033JD : BA6219B : S-80842ANNP : TC7W02FU : UPC29L33T : 1N5393G-M5 : MA8068-M : 02CZ12-X : 02CZ6.8-Y : DAN202K or : 02CZ6.2-X : S1J : DAN217 : 02CZ8.2-Y : 02CZ5.6-Y : 02CZ18-Y : U1GWJ44 : MA3047-M or : MA8051-L : HZM6.8FA or : MA152WA or : DAP202U or : HZ6C2L : MA8062-M : MA3062-M or : MA3068WA or : DA204U : MA3056WA : DA204K : 02CZ5.1-Y : 02CZ7.5-X : RD5.6F(B2) : ∗ : W02-3352-05 DA227 : UN5213 KRA105S 2SD1819A 2SB1440(S) UN5216 UN5214 UN5112 UN5111 MA142WA DAP202K FTZ6.8E HZM4.7N(B2) MA152WK HZM6.8WA HZM6.2N(B2) B LINE SIGNAL LINE +B DPX-8030MD CAUTION: For continued safety, replace safety critical components only with manufacturer's recommended parts (refer to parts list). Indicates safety critical components. To reduce the risk of electric shock, leakage- current or resistance measurements shall be carried out (exposed parts are acceptably insulated from the supply circuit) before the appliance is returned to the customer. •DC voltages are as measured with a high impedance voltmeter. Values may vary slightly due to variations between individual instruments or/and units. w w w . x i a o y u 1 6 3 . c o m Q Q 3 7 6 3 1 5 1 5 0 9 9 2 8 9 4 2 9 8 T E L 1 3 9 4 2 2 9 6 5 1 3 9 9 2 8 9 4 2 9 8 0 5 1 5 1 3 6 7 3 Q Q TEL 13942296513 QQ 376315150 892498299 TEL 13942296513 QQ 376315150 892498299 V W X Y Z AA AB AC AD U 2 4 3 5 6 7 1 47K 10K 47K 47K 10K 10K 47K 10K 5.0V 5.0V 5.0V 5.0V 5.0V 5.0V 5.0V 0V 0V 0V 5.0V 5.0V 5.0V 30MHz : : NORMAL RESET 5.0V 0V ACTIVE NON ACTIVE 5.0V 0V : : : 5.0V POWER ON POWER OFF 0V : DATA READ OTHER 5.0V : 0V : SELECT 5.0V : 0V : OTHER 0V 5V 5V 0V 5V 0V 5V 0V 0V 5V 5V 0V FL+B OFF FL+B ON 5.0V : 0V : 5V 0V (OTHER) 5V 0V (A) (A) 5V 0V 0V (A) 5V (A) 5V 0V 0V (A) 5V 0V (D) 5V 0V (D) 5V (D) 5V 0V (D) 5V 0V 0V (D) 5V 5V 0V (D) 5V 0V (D) (D) 0V 5V 5.0V 5V 0V 5.0V 5.0V 3.3V 1.25V 3.3V 0V 5V 0V 3.3V 5V 0V 0V 5V 5V 0V 5V 0V 0V 5V 5.0V 5.0V 0V 5.0V F/MEMORY : OTHER : SELECT F/MEMORY DATA READ OTHER : : 5.0V 0V 5V 0V 0V 5V 0V IC5 IC1 ED1 IC3 IC4 IC2 A (X25-9320-00) DPX-8030MD(M) (2/2) D34 B30-1564-05 D10-13 IC2 2SB1260 2SC4209-Y Q4 Q5 BA033LBSG M30825MH-054GP DTA114YUA or Q3 Q2 IC3 DTC144EUA or IC4 RS-171 Q1 DTC114YUA or IC5 MX23C3210TI111 TC74HC4050AF IC1 2SC4667 DAN202N or B30-1523-05 DTC114EUA or Q6 Q7 D1-6 D9 B30-1566-05 D14-33 DA204K S23 S3 S2 S4 S5 S6 S7 S11 S10 S9 S8 S12 S13 S14 S15 S16 S21 S20 S19 S18 S17 D17 S22 Q1 D1 D29 D30 D31 D32 D33 D28 D27 D26 D25 D24 D20 D21 D22 D23 D16 D18 D19 Q6 Q5 Q4 Q3 Q2 D13 D14 D15 S1 D3 D2 D4 D5 D6 SRC MD EJ CD EJ 3 E Q 2 4 DSP DISP ATT 5 FNC 1 FM+ 6 S.A ANG AM- : : : : : : : : : : : : : : : : : CN1 D34 D10 D11 D12 1/2 X14- CN1 B LINE FL+B Q7 D9 DSI RESET PANEL u-COM 3.3V AVR LOGIC (BUFFER) MEMORY PANEL RESET u-COM P ON REMOTE CONTROL CONTROL P ON 5V AVR UN5114 UN5213 UN5214 UN5211 MA142WA CP1 100 47K CP18 1K CP15 100K CP12 100K CP11 CP14 100K CP3 100K 100 CP20 100 CP19 100 CP21 100 CP22 1K CP16 1K CP17 100 CP4 470 CP2 CP13 100K CP10 100 CP8 100 CP7 100 25 26 27 28 29 30 31 32 33 34 35 36 37 38 39 40 41 42 43 44 45 46 47 48 VSS VSS OE D0 D8 D1 D9 D2 D10 D3 D11 NC VCC VCC D4 D12 D5 D13 D6 D14 D7 D15 VSS VSS 24 23 22 21 20 19 18 17 16 15 14 13 12 11 10 9 8 7 6 5 4 3 2 1 CE A0 A1 A2 A3 A4 A5 A6 A7 A17 A18 A20 VSS A19 A8 A9 A10 A11 A12 A13 A14 A15 A16 BYTE 16 15 14 13 12 11 10 9 NC NC 1 2 3 4 5 6 7 8 VCC GND 20 19 18 17 16 15 14 13 12 11 10 9 8 7 6 5 4 3 2 1 FAC- FAC- FAC- VDD2 VSS VSS VDD1 BK LAT GCP SO3 SO2 SO1 CLK SI1 SI2 SI3 FAC+ FAC+ FAC+ 72 71 70 69 68 67 66 65 64 63 62 61 60 59 58 57 56 55 54 53 52 51 50 49 48 47 46 45 44 43 42 41 40 39 38 37 36 35 34 33 32 31 30 29 28 27 26 25 24 23 22 21 20 19 18 17 16 15 14 13 12 11 10 9 8 7 6 5 4 3 2 1 109 110 111 112 113 114 115 116 117 118 119 120 121 122 123 124 125 126 127 128 129 130 131 132 133 134 135 136 137 138 139 140 141 142 143 144 73 74 75 76 77 78 79 80 81 82 83 84 85 86 87 88 89 90 91 92 93 94 95 96 97 98 99 100 101 102 103 104 105 106 107 108 PN DATA A20 A21 CS0 NC NC NC NC WR NC RD NC NC NC VCC NC VSS NC NC NC RDY NC NC NC SEL E2P NC FL CLK NC GS03 PN REQ PN CLK VSS SYS DATA VCC NC SP DATA DSP-CLK NC SP INT GLAT SDA SCL NC NC PN SCCON SYS REQ SP REQ NC VCC XIN VSS XOUT NC NC NC NC GBK NC GCP NC NC NC NC GCLK NC GS02 REMO NC GCLK GS01 D8 D7 D6 D5 D4 NC NC NC NC NC D3 D2 D1 D0 NC RE IN RE BASE KS0 KS1 KS2 KS3 VSS KS4 VCC NC DC/DC SW PN PON KR0 KR1 KR2 KR3 AVSS KR4 VREF AVCC NC A19 VCC A18 VSS A17 A16 A15 A14 A13 A12 A11 A10 A9 NC NC NC NC NC VCC A8 VSS A7 A6 A5 A4 A3 A2 A1 A0 D15 D14 D13 D12 D11 D10 D9 RESET HOLD R55 100 R56 100 R57 100 R58 100 R59 100 R60 100 10K R53 10K R52 2.2K R54 20K R45 47K R44 47K R46 47K R47 10K R50 1 C16 1 C24 0.01 C15 0.1 C17 L2 1 R79 R80 R32 620 R62 R63 620 R64 510 R65 430 R66 0.01 C10 0.01 C9 430 R67 430 R68 430 R69 R43 4.7K R42 4.7K 4.7K R40 470 0.01 R33 0.01 0.01 R36 R35 R34 47K R73 4.7K R74 4.7K 47K R38 1 C14 22 R37 R14 100 R16 100 R17 100 R18 47K 22K R19 R23 100 R22 100 R21 470 0.01 R78 R72 100 0.1 1K 100K R24 1 C1 L1 0.01 C7 R25 R26 R31 R30 R29 100K R76 R27 0.01 R51 R28 C2 L3 0.01 CP9 100 CP6 100 2 4 GND GND D0 D8 D1 D9 D3 D2 D10 D11 D5 D13 D12 D4 D15 D6 D14 D7 CS A2 A3 A4 A5 A6 A7 A8 A18 A21 A20 A12 A11 A17 A16 A15 A14 A13 A10 A9 A19 A1 R81 47K R82 47K 10 15 2 4 12 6 22 1 C18 A20 A21 CS RD 47K 100 100 47K 47K 100 100 100 100 C8 43 42 40 38 R77 100K 33 35 36 32 27 26 25 C6 30.0MHz X1 1M C5 RST 12 14 5 R15 2 1 A19 A18 A17 A16 A12 A13 A14 A15 A9 A8 A11 A10 A4 A5 A6 A7 A2 A1 A3 D14 D13 D12 D15 D10 D9 D11 D8 D7 D6 D5 D4 D3 D0 D1 D2 1K 124 125 1K KS1 KS2 KS3 KS4 KS0 C11 C12 KR3 KR2 KR1 KR4 KR0 1 3 VDD OUT 1K 47K 47K R20 REF OUT 4 5 4 GND VCC 1 CTL 3 2 3 20K R48 KR0 KR1 KR2 KR3 KR4 C23 KS0 KS1 KS2 KS3 KS4 430 R39 R41 4.7K C19 32 44 12 47K 47K 1 2 5 RD C3 1 44 PON5V 14 134 134 10 12 15 2 4 6 R49 1K ILL+B (11V) FL+B (50V) 22 23 24 FAC+ FAC- 20 21 FL GND 19 ILL GND 18 16 17 DSI ESD ESD SYS RE Q SYS DATA DC/DC SW PN SCCON R10 100 R11 100 R12 100 15 14 13 12 PN DATA R9 100 27 40 38 PN RE Q 9 11 10 PN CLK R7 100 R8 100 7 8 RST SP INT R6 100 R5 100 43 42 26 33 RST VDD (BU5V) R2 100 5 6 SP RE Q SP DATA R4 100 R3 100 4 3 DSP CLK R1 100 25 36 35 2 D GND D GND 1 23 24 C20 0.01 0.01 C21 R71 0.01 C22 300 R70 620 125 124 +5V +B ILL+B ILL+B ILL+B ILL+B ILL+B FL+B FL+B FL+B R75 BU5V BU5V BU5V BU5V FL3.3V FL3.3V PON5V 1.3K R61 R13 ESD ESD 23 24 +5V +5V IC4 Q3 Q2 +5V +5V +5V +5V +5V +5V +5V +5V +5V +5V +5V +5V +5V +5V +5V +5V +5V +5V +B +5V +5V +5V +5V +5V +5V +5V +5V +5V +5V +5V +5V +5V +5V 1 8 9 16 TC4053BF 1 2 3 OUTPUT GND INPUT UPC29L33T B E C DTA114EUA DTA124EUA DTC114EUA DTC144EUA 1 4 NJM4565M-TE2 5 8 A1 A2 K DAN202K DAN202U 3 2 1 DAP202K DAP202U DA204K DA204U DTA114YUA 2 1 3 MA142WA 02CZ12-X 02CZ18-Y 02CZ5.1-Y 02CZ6.2-X 02CZ6.8-Y 02CZ7.5-X 02CZ8.2-Y A N C 3 1 4 2 DA227 B E C DTA123JK DTC114YUA DTC143TUA UN5111 UN5114 UN5211 UN5213 UN5214 UN5216 2SD1819A B C E 2SB1188 FMW1 B C E 2SB1184 IMD16A BA033LBSG 3 2 1 6 4 5 B C E 2SB1548 3 4 5 2 1 3 4 5 2 1 FMG1A 2SC4081 C B E 1 7 8 14 TC4066BF 2 3 1 5 4 TC74HC4050AF 1 8 9 16 DPX-8030MD CAUTION: For continued safety, replace safety critical components only with manufacturer's recommended parts (refer to parts list). Indicates safety critical components. To reduce the risk of electric shock, leakage- current or resistance measurements shall be carried out (exposed parts are acceptably insulated from the supply circuit) before the appliance is returned to the customer. •DC voltages are as measured with a high impedance voltmeter. Values may vary slightly due to variations between individual instruments or/and units. w w w . x i a o y u 1 6 3 . c o m Q Q 3 7 6 3 1 5 1 5 0 9 9 2 8 9 4 2 9 8 T E L 1 3 9 4 2 2 9 6 5 1 3 9 9 2 8 9 4 2 9 8 0 5 1 5 1 3 6 7 3 Q Q TEL 13942296513 QQ 376315150 892498299 TEL 13942296513 QQ 376315150 892498299 25 EXPLODED VIEW (UNIT) A B 3 2 1 Parts with the exploded numbers larger than 700 are not supplied. G G G G G G M M M M P P M M L Mx2 M M M M M M M D D E E E E M DPX-8030MD (1/2) E E J 1 (X14-) J 3 (X14-) J 2 (X14-) (X16-) (X14-) (A/2) D E F G L M N P M1.4 (BLK) M2.6x3.5 M2x3 φ3x14 φ3x10 φ3x6 M2x2.2 M3x6 : N09-4468-05 : N09-4469-05 : N09-4480-05 : N30-3014-46 : N80-3010-46 : N83-3006-46 : N39-2022-46 : N30-3006-46 M PME 244 FPC1 234 773 208 FC1 FC2 DC1 RM1 270 DME MME 210 727 742 740 772 731 701 N N L F1 AC1 233 233 WH1 (X14-) F F E E 243 241 241 Refer to the following page. 211 N N 212 www. xiaoyu163. com QQ 376315150 9 9 2 8 9 4 2 9 8 TEL 13942296513 9 9 2 8 9 4 2 9 8 0 5 1 5 1 3 6 7 3 Q Q TEL 13942296513 QQ 376315150 892498299 TEL 13942296513 QQ 376315150 892498299 26 EXPLODED VIEW (DISPLAY) C D 3 2 1 A B C H J K M1.4 M1.4 (BLK) M2x3 φ2x5 φ3x8 φ2x10 : N09-4465-05 : N09-4466-05 : N09-4467-05 : N80-2005-46 : N09-6027-05 : N80-2010-46 K H H H H H H H H H H H J J J J H H H C C C C C C A B K K K 732 733 252 256 216 258 253 255 214 251 260 254 259 218 708 220 213 203 206 202 207 204 205 217 236 250 237 229 209 222 239 215 223 707 238 237 774 Parts with the exploded numbers larger than 700 are not supplied. DPX-8030MD (2/2) (X25-) PA1 www. xiaoyu163. com QQ 376315150 9 9 2 8 9 4 2 9 8 TEL 13942296513 9 9 2 8 9 4 2 9 8 0 5 1 5 1 3 6 7 3 Q Q TEL 13942296513 QQ 376315150 892498299 TEL 13942296513 QQ 376315150 892498299 27 DPX-8030MD ∗New Parts Parts without Parts No. are not supplied. Les articles non mentionnes dans le Parts No. ne sont pas fournis. Teile ohane Parts No. werden nicht geliefert. A d d N e w Des- tina- tion Ref. No. Parts No. Description A d d N e w Des- tina- tion Ref. No. Parts No. Description SYNTHESIZER UNIT (X14-6980-21) indicates safety critical components. 202 3C ∗ A21-4198-02 203 3C ∗ A21-4200-02 204 3C ∗ A21-4202-02 205 3C ∗ A21-4204-02 206 3C ∗ A21-4214-02 207 3C ∗ A21-4228-02 208 2A ∗ A22-2956-03 209 1C ∗ A46-1762-02 210 1A A52-0794-02 PA1 3D ∗ A64-2731-02 RM1 1B A70-2028-05 211 3A ∗ B03-5005-02 212 1B B07-3025-02 213 3C ∗ B10-4269-02 214 2D ∗ B10-4248-03 215 2C ∗ B10-4259-03 216 2D ∗ B19-2146-04 217 3C ∗ B19-2147-03 218 3D ∗ B19-2148-03 220 2C B43-1298-04 - B46-0100-50 - ∗ B64-2329-00 - ∗ B64-2330-00 222 1D D14-0761-04 223 1C D14-0762-04 PME 3B D40-1162-15 AC1 2B E30-6077-05 DC1 1B E30-4939-05 FC1 1A E39-0451-05 FC2 2B E39-0452-05 233 2B F29-0049-05 F1 2B F52-0011-05 234 3A G11-1949-04 236 3C G02-1439-04 237 1D G11-1947-14 238 1D G11-1945-04 - ∗ ∗ H10-4835-12 - H13-2025-04 - H25-0337-04 - H25-1164-04 - H25-1170-04 - ∗ H54-2551-03 239 1C ∗ J21-9859-03 241 3A J31-1050-04 243 3A ∗ J90-1040-01 244 3A ∗ J90-1041-01 FPC1 3A J84-0132-05 250 3C ∗ K23-1064-03 251 2D ∗ K24-3866-03 252 2D ∗ K25-1438-02 DRESSING PANEL DRESSING PANEL DRESSING PANEL DRESSING PANEL DRESSING PANEL DRESSING PANEL SUB PANEL ASSY REAR COVER ASSY TOP PLATE PANEL ASSY REMOTE CONTROLLER ASSY RC-430 DRESSING PLATE ESCUTCHEON FRONT GLASS FRONT GLASS FRONT GLASS LIGHTING BOARD LIGHTING BOARD LIGHTING BOARD KENWOOD BADGE WARRANTY CARD INSTRUCTION MANUAL E,T INSTRUCTION MANUAL K ROLLER ROLLER MECHANISM ASSY AUDIO CORD DC CORD FLAT CABLE FLAT CABLE INSULATING COVER FUSE(MINI BLADE TYPE) CUSHION 229 1D F12-0759-03 SHIELDING SHEET FLAT SPRING CUSHION CUSHION POLYSTYRENE FOAMED FIXTURE CARTON BOARD PROTECTION BAG (180X300X0.03) PROTECTION BAG (0.5X350X480) PROTECTION BAG ITEM CARTON CASE MOUNTING HARDWARE ASSY COLLAR RAIL L RAIL R FLEXIBLE PRINTED WIRING BOARD KNOB VOL KNOB SRC KNOB EJ 253 254 255 256 258 259 260 270 A B C D E F G H J K M N DME MME C1 C2 C3 C4 C5 C6 C8 ,9 C10 C11 C12 C13 ,14 C15 C16 C17 C18 C19 C20 C21 C22 ,23 C24 ,25 C26 C28 C29 C31 C32 C34 C35 C37 C39 C40 ,41 2D 2D 2D 2D 2D 2D 2D 1B 1D 1C 1D 2A 3A 3A 2A 2D 3C 1D 1A 2B 1A 1B ∗ ∗ ∗ ∗ ∗ ∗ ∗ K25-1439-02 K25-1440-02 K25-1455-02 K25-1442-03 K25-1444-03 K25-1445-02 K25-1446-03 N99-1724-05 N09-4465-05 N09-4466-05 N09-4467-05 N09-4468-05 N09-4469-05 N09-4480-15 N30-3014-46 N80-2005-46 N09-6027-05 N80-2010-46 N83-3006-46 N39-2022-46 X92-4470-00 X92-4570-00 C90-5424-05 CK73FB1H104K CK73GB1H103K CK73GB1E223K C90-2608-05 CK73GB1H103K CK73FB1H104K CK73FB1A105K CC73GCH1H100D C90-2528-05 CK73GB1E473K C90-2685-05 C90-2759-05 CK73FB1C224K C90-2528-05 CK73FB1H104K C90-2759-05 CK73FB1C224K CK73FB1A105K CK73GB1C104K C90-2672-05 CK73GB1C104K C90-2672-05 C90-2555-05 C90-2554-05 CK73GB1C104K C90-2759-05 C90-2554-05 CC73GCH1H101J C90-5433-05 KNOB FF KNOB FM KNOB ANG KNOB EQ KNOB SA KNOB 1-6 KNOB ATT SCREW SET STEPPED SCREW STEPPED SCREW MACHINE SCREW SEMS (TAPTITE SCREW)(2X5) MACHINE SCREW (M2.6X3.5) STEPPED SCREW PAN HEAD MACHINE SCREW PAN HEAD TAPTITE SCREW MACHINE SCREW PAN HEAD TAPTITE SCREW PAN HEAD TAPTITE SCREW PAN HEAD MACHIN SCREW MECHANISM ASSY MECHANISM ASSY ALMINIUM ELECTROLYTIC C. CHIP C 0.10UF K CHIP C 0.010UF K CHIP C 0.022UF K ELECTRO 1.0UF 50WV CHIP C 0.010UF K CHIP C 0.10UF K CHIP C 1.0UF K CHIP C 10PF D ELECTRO 10UF 10WV CHIP C 0.047UF K ELECTRO 330UF 16WV ELECTRO 10UF 16WV CHIP C 0.22UF K ELECTRO 10UF 10WV CHIP C 0.10UF K ELECTRO 10UF 16WV CHIP C 0.22UF K CHIP C 1.0UF K CHIP C 0.10UF K ELECTRO 100UF 10WV CHIP C 0.10UF K ELECTRO 100UF 10WV ELECTRO 4.7UF 25WV ELECTRO 10UF 16WV CHIP C 0.10UF K ELECTRO 10UF 16WV ELECTRO 10UF 16WV CHIP C 100PF J ALMINIUM ELECTROLYTIC C. The language of an instruction manual. E : ENG F : FRE P : POR H : HUN O : POL T : CHI G : GER D : DUT C : CRO Z : CZE K : KOR S : SPA I : I T A R : RUS L : SLO PARTS LIST www. xiaoyu163. com QQ 376315150 9 9 2 8 9 4 2 9 8 TEL 13942296513 9 9 2 8 9 4 2 9 8 0 5 1 5 1 3 6 7 3 Q Q TEL 13942296513 QQ 376315150 892498299 TEL 13942296513 QQ 376315150 892498299 ∗New Parts Parts without Parts No. are not supplied. Les articles non mentionnes dans le Parts No. ne sont pas fournis. Teile ohane Parts No. werden nicht geliefert. A d d N e w Des- tina- tion Ref. No. Parts No. Description A d d N e w Des- tina- tion Ref. No. Parts No. Description indicates safety critical components. C43 C44 C52 C53 C63 C64 C66 C82 ,83 C101 C102,103 C104,105 C106,107 C109-112 C114 C115 C116,117 C201 C202 C204 C205,206 C207 C208 C209 C210 C211 C212,213 C214 C215 C216,217 C218,219 C220 C221 C222,223 C224 C225-227 C228,229 C234 C235 C236 C237 C238 C239 C240 C301 C302 C304 C305,306 C307 C308 C309 C310 C311 C312,313 C314 C315 CK73GB1E223K CK73FB1C105K CK73GB1C104K CC73GCH1H100D CE04DW1A101M CK73GB1C104K CK73GB1C104K CK73FB1C105K CE04DW1A101M CK73GB1H104K CC73GCH1H120J CK73GB1H103K CK73GB1H103K CK73GB1H472K CC73GCH1H101J CK73GB1H103K CE04HW1HR47M CE04VW1HR47M C90-2850-05 CE04DW1E4R7M CE04DW1C100M CC73GCH1H471J CC73GCH1H151J CE04NW1C100M CK73GB1C104K CE04DW1E4R7M CK73GB1H221K CK73GB1H471K CC73GCH1H221J CE04DW1E4R7M CK73GB1H221K CK73GB1H471K CC73GCH1H221J CE04HW1HR33M CK73FB1C334K C90-5297-05 CE04NW1C100M CK73GB1H102K CE04DW1C100M CK73GB1H102K CE04NW1HR47M CE04NW1H3R3M CE04NW1HR22M CE04HW1HR47M CE04VW1HR47M C90-2850-05 CE04DW1E4R7M CE04DW1C100M CC73GCH1H471J CC73GCH1H151J CE04NW1C100M CK73GB1C104K CE04DW1E4R7M CK73GB1H221K CK73GB1H471K CHIP C 0.022UF K CHIP C 1.0UF K CHIP C 0.10UF K CHIP C 10PF D ELECTRO 100UF 10WV CHIP C 0.10UF K CHIP C 0.10UF K CHIP C 1.0UF K ELECTRO 100UF 10WV CHIP C 0.10UF K CHIP C 12PF J CHIP C 0.010UF K CHIP C 0.010UF K CHIP C 4700PF K CHIP C 100PF J CHIP C 0.010UF K NP-ELEC 0.47UF 50WV ALUMINIUM ELECTROLYTIC C. ELECTRO 10UF 10WV ELECTRO 4.7UF 25WV ELECTRO 10UF 16WV CHIP C 470PF J CHIP C 150PF J ELECTRO 10UF 16WV CHIP C 0.10UF K ELECTRO 4.7UF 25WV CHIP C 220PF K CHIP C 470PF K CHIP C 220PF J ELECTRO 4.7UF 25WV CHIP C 220PF K CHIP C 470PF K CHIP C 220PF J NP-ELEC 0.33UF 50WV CHIP C 0.33UF K NP-ELECT 0.22UF 50WV ELECTRO 10UF 16WV CHIP C 1000PF K ELECTRO 10UF 16WV CHIP C 1000PF K ELECTRO 0.47UF 50WV ELECTRO 3.3UF 50WV ELECTRO 0.22UF 50WV NP-ELEC 0.47UF 50WV ALUMINIUM ELECTROLYTIC C. ELECTRO 10UF 10WV ELECTRO 4.7UF 25WV ELECTRO 10UF 16WV CHIP C 470PF J CHIP C 150PF J ELECTRO 10UF 16WV CHIP C 0.10UF K ELECTRO 4.7UF 25WV CHIP C 220PF K CHIP C 470PF K CC73GCH1H221J CHIP C 220PF J CE04DW1E4R7M ELECTRO 4.7UF 25WV CK73GB1H221K CHIP C 220PF K CK73GB1H471K CHIP C 470PF K CC73GCH1H221J CHIP C 220PF J CE04HW1HR33M NP-ELEC 0.33UF 50WV CK73FB1C334K CHIP C 0.33UF K C90-5297-05 NP-ELECT 0.22UF 50WV CE04NW1C100M ELECTRO 10UF 16WV CK73GB1H102K CHIP C 1000PF K CE04DW1C100M ELECTRO 10UF 16WV CK73GB1H102K CHIP C 1000PF K CE04NW1HR47M ELECTRO 0.47UF 50WV CE04NW1H3R3M ELECTRO 3.3UF 50WV CE04NW1HR22M ELECTRO 0.22UF 50WV CK73GB1E223K CHIP C 0.022UF K CK73GB1E223K CHIP C 0.022UF K CK73GB1H153K CHIP C 0.015UF K CK73GB1E333K CHIP C 0.033UF K CK73FB1C474K CHIP C 0.47UF K CC73GCH1H151J CHIP C 150PF J CK73GB1H104K CHIP C 0.10UF K CK73GB1C104K CHIP C 0.10UF K CK73GB1H103K CHIP C 0.010UF K CE04NW1A470M ELECTRO 47UF 10WV CE04VW1C100M ALUMINIUMELECTROLYTIC C. CE04NW1C220M ELECTRO 22UF 16WV C90-5262-05 ELECTRO 47UF 6.3WV CK73GB1C104K CHIP C 0.10UF K C90-5262-05 ELECTRO 47UF 6.3WV CK73EB1E105K CHIP C 1.0UF K CK73GB1C104K CHIP C 0.10UF K CC73GCH1H120J CHIP C 12PF J CK73GB1C104K CHIP C 0.10UF K CK73GB1H103K CHIP C 0.010UF K CK73GB1C104K CHIP C 0.10UF K CK73GB1C104K CHIP C 0.10UF K CE04NW1C100M ELECTRO 10UF 16WV CE04DW1C100M ELECTRO 10UF 16WV CK73GB1E223K CHIP C 0.022UF K CE04NW1A220M ELECTRO 22UF 10WV CE04DW1C100M ELECTRO 10UF 16WV CE04NW1C220M ELECTRO 22UF 16WV CE04NW1C220M ELECTRO 22UF 16WV CE04DW1H100M ELECTRO 10UF 50WV CK73FB1H104K CHIP C 0.10UF K CK73EB1E105K CHIP C 1.0UF K C90-2758-05 ELECTRO 33UF 10WV CE04NW0J220M ELECTRO 22UF 6.3WV CK73FB1C105K CHIP C 1.0UF K CE04NW0J470M ELECTRO 47UF 6.3WV CK73GB1C104K CHIP C 0.10UF K C90-5308-05 ELECTRO 1.0UF 50WV CK73GB1H103K CHIP C 0.010UF K CK73FB1C105K CHIP C 1.0UF K C316,317 C318,319 C320 C321 C322,323 C324 C325-327 C328,329 C334 C335 C336 C337 C338 C339 C340 C401 C403 C404 C405 C406 C407 C408 C410 C411 C413 C415 C417 C418 C419,420 C421 C422 C423-425 C426,427 C428-430 C431,432 C433 C435-437 C439 C441 C442 C443 C444,445 C446 C448 C451 C452-455 C456 C459 C460 C461-463 C464 C467 C468 C501-508 C514 28 (X14-6980-21) PARTS LIST www. xiaoyu163. com QQ 376315150 9 9 2 8 9 4 2 9 8 TEL 13942296513 9 9 2 8 9 4 2 9 8 0 5 1 5 1 3 6 7 3 Q Q TEL 13942296513 QQ 376315150 892498299 TEL 13942296513 QQ 376315150 892498299 29 (X14-6980-21) ∗New Parts Parts without Parts No. are not supplied. Les articles non mentionnes dans le Parts No. ne sont pas fournis. Teile ohane Parts No. werden nicht geliefert. A d d N e w Des- tina- tion Ref. No. Parts No. Description A d d N e w Des- tina- tion Ref. No. Parts No. Description indicates safety critical components. CHIP C 0.010UF K CHIP C 1.0UF K CHIP C 0.010UF K CHIP C 0.10UF K CHIP C 0.10UF K CHIP C 0.010UF K CHIP C 0.10UF K ELECTRO 100UF 35WV ELECTRO 120UF 63WV ALMINIUM ELECTROLYTIC C. FLAT CABLE CONNECTOR FLAT CABLE CONNECTOR FLAT CABLE CONNECTOR PIN ASSY PIN ASSY RECTANGULAR RECEPTACLE CYLINDRICAL RECEPTACLE PIN JACK CORD WITH PLUG CHOKE COIL ASSY SMALL FIXED INDUCTOR CHOKE COIL SMALL FIXED INDUCTOR LINE FILTER COIL SMALL FIXED INDUCTOR(4.7UH) SMALL FIXED INDUCTOR(4.7UH) SMALL FIXED INDUCTOR(4.7UH) CHIP FERRITE SMALL FIXED INDUCTOR(4.7UH) CHIP FERRITE SMALL FIXED INDUCTOR CRYSTAL RESONATOR CRYSTAL RESONATOR(33.8688MHZ) PAN HEAD TAPTITE SCREW PAN HEAD TAPTITE SCREW PAN HEAD MACHINE SCREW MULTI-COMP 470 X2 MULTI-COMP 100 X4 MULTI-COMP 100 X2 MULTI-COMP 2.2K X4 MULTI-COMP 1K X4 MULTI-COMP 2.2K X4 MULTI-COMP 2.2K X2 MULTI-COMP 2.2K X4 MULTI-COMP 100 X2 MULTI-COMP 2.2K X4 MULTI-COMP 2.2K X2 MULTI-COMP 1K X2 MULTI-COMP 1K X2 MULTI-COMP 470 X2 MULTI-COMP 3.3K X2 CHIP R 10K J 1/10W CHIP R 8.2K J 1/10W CHIP R 3.3K J 1/4W C515-518 C519,520 C801,802 C803-806 C808 C809 C901 C902 C903 C904 CN1 CN2 CN3 CN5 CN7 J1 J2 J3 WH1 L1 L2 L3 L51 L52 L53 L55 -57 L101 L401 L402 L403-411 L901,902 X1 X2 L M P 2B 3B CP101 CP102 CP103,104 CP105,106 CP107 CP108 CP109 CP110 CP111 CP112 CP113,114 CP201,202 CP301,302 CP401 CP402 R1 ,2 R3 R4 CK73GB1H103K CK73FB1C105K CK73GB1H103K CK73FB1H104K CK73FB1H104K CK73GB1H103K CK73FB1H104K C90-2983-05 C90-5321-05 C90-5458-05 E41-0251-05 E40-9735-15 E40-9656-05 E40-5186-05 E40-3247-05 E58-0863-15 E56-0834-05 E63-0854-05 E30-4653-15 L33-1170-05 L33-1029-05 L33-1864-05 L33-1001-05 L33-1123-05 L40-4795-68 L40-4795-68 L40-4795-68 L92-0332-05 L40-4795-68 L92-0332-05 L33-1029-05 L77-2813-05 L77-2816-05 N80-3010-46 N83-3006-46 N30-3006-46 R90-1022-05 R90-1014-05 R90-1019-05 R90-0722-05 R90-0724-05 R90-0722-05 R90-1013-05 R90-0722-05 R90-1019-05 R90-0722-05 R90-1013-05 R90-0725-05 R90-0725-05 R90-1022-05 R90-1021-05 RK73GB2A103J RK73GB2A822J RK73EB2E332J R5 R6 R7 R9 R10 R11 R12 R13 ,14 R15 R16 R17 R18 R19 R20 R21 R22 R23 R24 R25 R26 R27 R28 R29 ,30 R31 ,32 R33 R35 R36 R38 R39 R40 R41 R42 R43 R44 R51 R52 ,53 R54 R55 R56 R57 R81 R82 -84 R86 -89 R101 R102,103 R104 R105 R106 R107,108 R109 R110 R111 R112 R113 R114 RK73GB2A203J RK73GB2A123J RK73EB2E103J RK73EB2E102J RK73GB2A561J RK73GB2A473J RK73GB2A332J RK73EB2E472J RK73GB2A103J R92-2023-05 RK73GB2A103J RK73GB2A273J RN73GH1J3571D RN73GH1J5491D RK73GB2A472J RN73GH1J102D RN73GH1J222D RN73GH1J393D RN73GH1J1242D RK73GB2A822J RK73FB2B432J RK73EB2E821J RK73EB2E621J R92-2021-05 RK73EB2E122J RK73EB2E222J RK73EB2E102J RK73EB2E751J RK73FB2B104J RK73EB2E751J RK73FB2B104J RN73GH1J271D RN73GH1J681D RK73FB2B104J RK73FB2B151J RK73GB2A101J RK73GB2A223J RK73FB2B222J RK73GB2A223J RK73FB2B222J RK73EB2E101J RK73EB2E472J RK73EB2E101J RK73GB2A222J RK73GB2A104J RK73GB2A102J RK73GB2A223J RK73GB2A105J RK73GB2A102J RK73GB2A101J RK73GB2A104J RK73GB2A471J RK73GB2A101J RK73GB2A104J RK73GB2A223J CHIP R 20K J 1/10W CHIP R 12K J 1/10W CHIP R 10K J 1/4W CHIP R 1.0K J 1/4W CHIP R 560 J 1/10W CHIP R 47K J 1/10W CHIP R 3.3K J 1/10W CHIP R 4.7K J 1/4W CHIP R 10K J 1/10W CHIP R 820 J 1/2W CHIP R 10K J 1/10W CHIP R 27K J 1/10W CHIP R 3.57K D 1/16W CHIP R 5.49K D 1/16W CHIP R 4.7K J 1/10W CHIP R 1.0K D 1/16W CHIP R 2.2K D 1/16W CHIP R 39K D 1/16W CHIP R 12.4K D 1/16W CHIP R 8.2K J 1/10W CHIP R 4.3K J 1/8W CHIP R 820 J 1/4W CHIP R 620 J 1/4W CHIP R 2.2 J 1/2W CHIP R 1.2K J 1/4W CHIP R 2.2K J 1/4W CHIP R 1.0K J 1/4W CHIP R 750 J 1/4W CHIP R 100K J 1/8W CHIP R 750 J 1/4W CHIP R 100K J 1/8W CHIP R 270 D 1/16W CHIP R 680 D 1/16W CHIP R 100K J 1/8W CHIP R 150 J 1/8W CHIP R 100 J 1/10W CHIP R 22K J 1/10W CHIP R 2.2K J 1/8W CHIP R 22K J 1/10W CHIP R 2.2K J 1/8W CHIP R 100 J 1/4W CHIP R 4.7K J 1/4W CHIP R 100 J 1/4W CHIP R 2.2K J 1/10W CHIP R 100K J 1/10W CHIP R 1.0K J 1/10W CHIP R 22K J 1/10W CHIP R 1.0M J 1/10W CHIP R 1.0K J 1/10W CHIP R 100 J 1/10W CHIP R 100K J 1/10W CHIP R 470 J 1/10W CHIP R 100 J 1/10W CHIP R 100K J 1/10W CHIP R 22K J 1/10W PARTS LIST www. xiaoyu163. com QQ 376315150 9 9 2 8 9 4 2 9 8 TEL 13942296513 9 9 2 8 9 4 2 9 8 0 5 1 5 1 3 6 7 3 Q Q TEL 13942296513 QQ 376315150 892498299 TEL 13942296513 QQ 376315150 892498299 ∗New Parts Parts without Parts No. are not supplied. Les articles non mentionnes dans le Parts No. ne sont pas fournis. Teile ohane Parts No. werden nicht geliefert. A d d N e w Des- tina- tion Ref. No. Parts No. Description A d d N e w Des- tina- tion Ref. No. Parts No. Description indicates safety critical components. R115,116 R117 R118 R119,120 R121 R122-124 R125-128 R129 R130 R131 R132 R133 R134 R135 R136 R137 R139,140 R141 R142 R143 R144 R145,146 R147 R148 R149 R151,152 R154 R160 R161 R162 R163 R164 R165 R166 R167 R168 R169 R173,174 R175,176 R177 R179 R180-182 R201 R202 R203 R206 R211,212 R214,215 R216 R217,218 R219 R220,221 R223,224 R225 R226,227 RK73GB2A104J RK73GB2A222J RK73GB2A102J RK73GB2A101J RK73GB2A473J RK73GB2A222J RK73GB2A101J RK73GB2A104J RK73GB2A471J RK73GB2A102J RK73GB2A473J RK73GB2A104J RK73GB2A471J RK73GB2A104J RK73GB2A101J RK73GB2A222J RK73GB2A104J RK73GB2A471J RK73GB2A104J RK73GB2A471J RK73GB2A104J RK73GB2A222J RK73GB2A104J RK73GB2A471J RK73GB2A104J RK73GB2A473J RK73GB2A473J RK73GB2A103J RK73GB2A222J RK73GB2A223J RK73GB2A222J RK73GB2A472J RK73GB2A102J RK73GB2A474J RK73GB2A222J RK73GB2A474J RK73GB2A222J RK73GB2A104J RK73GB2A222J RK73GB2A473J RK73GB2A222J RK73GB2A104J RK73FB2B203J RK73FB2B123J RK73FB2B752J RK73GB2A225J RK73FB2B362J RK73GB2A472J RK73GB2A123J RK73GB2A512J RK73GB2A123J RK73FB2B362J RK73GB2A472J RK73GB2A123J RK73GB2A512J CHIP R 100K J 1/10W CHIP R 2.2K J 1/10W CHIP R 1.0K J 1/10W CHIP R 100 J 1/10W CHIP R 47K J 1/10W CHIP R 2.2K J 1/10W CHIP R 100 J 1/10W CHIP R 100K J 1/10W CHIP R 470 J 1/10W CHIP R 1.0K J 1/10W CHIP R 47K J 1/10W CHIP R 100K J 1/10W CHIP R 470 J 1/10W CHIP R 100K J 1/10W CHIP R 100 J 1/10W CHIP R 2.2K J 1/10W CHIP R 100K J 1/10W CHIP R 470 J 1/10W CHIP R 100K J 1/10W CHIP R 470 J 1/10W CHIP R 100K J 1/10W CHIP R 2.2K J 1/10W CHIP R 100K J 1/10W CHIP R 470 J 1/10W CHIP R 100K J 1/10W CHIP R 47K J 1/10W CHIP R 47K J 1/10W CHIP R 10K J 1/10W CHIP R 2.2K J 1/10W CHIP R 22K J 1/10W CHIP R 2.2K J 1/10W CHIP R 4.7K J 1/10W CHIP R 1.0K J 1/10W CHIP R 470K J 1/10W CHIP R 2.2K J 1/10W CHIP R 470K J 1/10W CHIP R 2.2K J 1/10W CHIP R 100K J 1/10W CHIP R 2.2K J 1/10W CHIP R 47K J 1/10W CHIP R 2.2K J 1/10W CHIP R 100K J 1/10W CHIP R 20K J 1/8W CHIP R 12K J 1/8W CHIP R 7.5K J 1/8W CHIP R 2.2M J 1/10W CHIP R 3.6K J 1/8W CHIP R 4.7K J 1/10W CHIP R 12K J 1/10W CHIP R 5.1K J 1/10W CHIP R 12K J 1/10W CHIP R 3.6K J 1/8W CHIP R 4.7K J 1/10W CHIP R 12K J 1/10W CHIP R 5.1K J 1/10W R228 R230 R231 R232 R233 R234 R235 R236,237 R242 R243 R301 R302 R303 R306 R311,312 R314,315 R316 R317,318 R319 R320,321 R323,324 R325 R326,327 R328 R330 R331 R332 R333 R334 R335 R336,337 R342 R343 R402 R404 R405,406 R407-409 R410 R411 R412 R413 R414,415 R417 R418 R419 R420 R422 R424,425 R426 R427 R428 R801 R901 R902 W1 -4 RK73GB2A123J RK73FB2B471J RK73FB2B473J RK73FB2B101J RK73FB2B471J RK73FB2B473J RK73FB2B101J RK73EB2E100J RK73FB2B471J RK73GB2A471J RK73FB2B203J RK73FB2B123J RK73FB2B752J RK73GB2A155J RK73FB2B362J RK73GB2A472J RK73GB2A123J RK73GB2A512J RK73GB2A123J RK73FB2B362J RK73GB2A472J RK73GB2A123J RK73GB2A512J RK73GB2A123J RK73FB2B471J RK73FB2B473J RK73FB2B101J RK73FB2B471J RK73FB2B473J RK73FB2B101J RK73EB2E100J RK73FB2B471J RK73GB2A471J RK73GB2A472J RK73GB2A272J RK73GB2A472J RK73GB2A101J RK73GB2A471J RK73GB2A391J RK73GB2A133J RK73GB2A273J RK73GB2A101J RK73GB2A472J RK73GB2A512J RK73GB2A332J RK73GB2A100J RK73GB2A333J RK73EB2E4R7J RK73GB2A472J RK73GB2A102J RK73GB2A221J RS14DB3A1R5J RK73EB2E223J RK73EB2E333J R92-1252-05 CHIP R 12K J 1/10W CHIP R 470 J 1/8W CHIP R 47K J 1/8W CHIP R 100 J 1/8W CHIP R 470 J 1/8W CHIP R 47K J 1/8W CHIP R 100 J 1/8W CHIP R 10 J 1/4W CHIP R 470 J 1/8W CHIP R 470 J 1/10W CHIP R 20K J 1/8W CHIP R 12K J 1/8W CHIP R 7.5K J 1/8W CHIP R 1.5M J 1/10W CHIP R 3.6K J 1/8W CHIP R 4.7K J 1/10W CHIP R 12K J 1/10W CHIP R 5.1K J 1/10W CHIP R 12K J 1/10W CHIP R 3.6K J 1/8W CHIP R 4.7K J 1/10W CHIP R 12K J 1/10W CHIP R 5.1K J 1/10W CHIP R 12K J 1/10W CHIP R 470 J 1/8W CHIP R 47K J 1/8W CHIP R 100 J 1/8W CHIP R 470 J 1/8W CHIP R 47K J 1/8W CHIP R 100 J 1/8W CHIP R 10 J 1/4W CHIP R 470 J 1/8W CHIP R 470 J 1/10W CHIP R 4.7K J 1/10W CHIP R 2.7K J 1/10W CHIP R 4.7K J 1/10W CHIP R 100 J 1/10W CHIP R 470 J 1/10W CHIP R 390 J 1/10W CHIP R 13K J 1/10W CHIP R 27K J 1/10W CHIP R 100 J 1/10W CHIP R 4.7K J 1/10W CHIP R 5.1K J 1/10W CHIP R 3.3K J 1/10W CHIP R 10 J 1/10W CHIP R 33K J 1/10W CHIP R 4.7 J 1/4W CHIP R 4.7K J 1/10W CHIP R 1.0K J 1/10W CHIP R 220 J 1/10W FL-PROOF RS 1.5 J 1W CHIP R 22K J 1/4W CHIP R 33K J 1/4W CHIP R 0 OHM J 1/16W 30 (X14-6980-21) PARTS LIST www. xiaoyu163. com QQ 376315150 9 9 2 8 9 4 2 9 8 TEL 13942296513 9 9 2 8 9 4 2 9 8 0 5 1 5 1 3 6 7 3 Q Q TEL 13942296513 QQ 376315150 892498299 TEL 13942296513 QQ 376315150 892498299 ∗New Parts Parts without Parts No. are not supplied. Les articles non mentionnes dans le Parts No. ne sont pas fournis. Teile ohane Parts No. werden nicht geliefert. A d d N e w Des- tina- tion Ref. No. Parts No. Description A d d N e w Des- tina- tion Ref. No. Parts No. Description indicates safety critical components. W229 W241 W329 W341 D1 D2 D3 D4 D5 D5 D6 D7 -10 D11 D12 D13 D14 D15 D16 ,17 D18 D51 D81 ,82 D81 ,82 D101 D101 D102 D102 D201-204 D301-304 D402,403 D402,403 D404,405 D404,405 D407 D408 D409 D409 D410 D410 D411 D412 D413 D501 D502,503 D504 D505 D507 D801 D802 D901 IC1 IC2 IC3 IC4 IC5 R92-2052-05 R92-2052-05 R92-2052-05 R92-2052-05 1N5393G-M5 MA8068-M 02CZ12-X 02CZ6.8-Y DAN202K MA152WK 02CZ6.2-X S1J DAN217 DA227 02CZ8.2-Y 02CZ5.6-Y 02CZ18-Y 02CZ12-X U1GWJ44 MA8051-L FTZ6.8E HZM6.8FA DAP202K MA152WA DAP202U MA142WA S1J S1J DAP202K MA152WA DAP202U MA142WA HZ6C2L MA8062-M HZM6.2N(B2) MA3062-M HZM6.8WA MA3068WA MA8062-M DAN217 MA8062-M DA204U MA3056WA DA204U DA204K DA204U 02CZ5.1-Y 02CZ7.5-X RD5.6E(B2) M30624MGAA89FP TDA7407 L4943 TC4066BF(N) TDA7401 CHIP R 0 OHM J 1/10W CHIP R 0 OHM J 1/10W CHIP R 0 OHM J 1/10W CHIP R 0 OHM J 1/10W DIODE ZENER DIODE ZENER DIODE ZENER DIODE DIODE DIODE ZENER DIODE DIODE DIODE DIODE ZENER DIODE ZENER DIODE ZENER DIODE ZENER DIODE DIODE ZENER DIODE ZENER DIODE ZENER DIODE DIODE DIODE DIODE DIODE DIODE DIODE DIODE DIODE DIODE DIODE ZENER DIODE ZENER DIODE ZENER DIODE ZENER DIODE ZENER DIODE ZENER DIODE ZENER DIODE DIODE ZENER DIODE DIODE ZENER DIODE DIODE DIODE DIODE ZENER DIODE ZENER DIODE ZENER DIODE MI-COM IC ANALOGUE IC ANALOGUE IC MOS-IC ANALOGUE IC IC6 IC7 IC8 IC9 -11 IC12 IC13 IC14 IC15 IC16 IC17 Q1 Q1 Q2 Q3 Q3 Q5 Q5 Q6 Q7 Q7 Q8 Q9 Q10 Q11 ,12 Q13 Q14 Q15 Q16 Q17 Q18 Q19 Q20 Q21 Q22 Q23 Q24 Q25 Q25 Q26 Q52 ,53 Q54 Q101 Q101 Q102 Q102 Q201,202 Q201,202 Q301,302 Q301,302 Q401,402 Q403-405 Q403-405 Q406,407 Q406,407 Q801 TC4053BF(N) NJM4565M-TE2 CXD2728Q-1 NJM4565M-TE2 TDA7560 SI-8033JD BA6219B S-80842ANNP TC7W02FU UPC29L33T DTC144EUA UN5213 FMW1 DTC144EUA UN5213 DTA123JK KRA105S 2SD1819A 2SB1188(R) 2SB1440(S) 2SC4081 IMD16A FMC2A 2SB1548(P) 2SD1819A 2SB1548(P) 2SD1819A FMC3A 2SB1416(Q,R) 2SD1819A FMC2A 2SB1184 2SD1819A FMC3A 2SB1548(P) 2SD1819A DTC143TUA UN5216 DTC143ZUA CPH3105 FMG1A DTC114YUA UN5214 DTA124EUA UN5112 DTC143TUA UN5216 DTC143TUA UN5216 FMC2A DTC144EUA UN5213 DTA114EUA UN5111 DTC144EUA MOS-IC ANALOGUE IC ANALOGUE IC ANALOGUE IC ANALOGUE IC ANALOGUE IC ANALOGUE IC MOS-IC MOS-IC ANALOGUE IC DIGITAL TRANSISTOR DIGITAL TRANSISTOR TRANSISTOR DIGITAL TRANSISTOR DIGITAL TRANSISTOR DIGITAL TRANSISTOR DIGITAL TRANSISTOR TRANSISTOR TRANSISTOR TRANSISTOR TRANSISTOR TRANSISTOR DIGITAL TRANSISTOR TRANSISTOR TRANSISTOR TRANSISTOR TRANSISTOR DIGITAL TRANSISTOR TRANSISTOR TRANSISTOR DIGITAL TRANSISTOR TRANSISTOR TRANSISTOR DIGITAL TRANSISTOR TRANSISTOR TRANSISTOR DIGITAL TRANSISTOR DIGITAL TRANSISTOR DIGITAL TRANSISTOR TRANSISTOR DIGITAL TRANSISTOR DIGITAL TRANSISTOR DIGITAL TRANSISTOR DIGITAL TRANSISTOR DIGITAL TRANSISTOR DIGITAL TRANSISTOR DIGITAL TRANSISTOR DIGITAL TRANSISTOR DIGITAL TRANSISTOR DIGITAL TRANSISTOR DIGITAL TRANSISTOR DIGITAL TRANSISTOR DIGITAL TRANSISTOR DIGITAL TRANSISTOR DIGITAL TRANSISTOR 31 (X14-6980-21) PARTS LIST www. xiaoyu163. com QQ 376315150 9 9 2 8 9 4 2 9 8 TEL 13942296513 9 9 2 8 9 4 2 9 8 0 5 1 5 1 3 6 7 3 Q Q TEL 13942296513 QQ 376315150 892498299 TEL 13942296513 QQ 376315150 892498299 ∗New Parts Parts without Parts No. are not supplied. Les articles non mentionnes dans le Parts No. ne sont pas fournis. Teile ohane Parts No. werden nicht geliefert. A d d N e w Des- tina- tion Ref. No. Parts No. Description A d d N e w Des- tina- tion Ref. No. Parts No. Description indicates safety critical components. SUB CIRCUIT UNIT (X16-1710-00) SWITCH UNIT (X25-9320-00) R14 R15 -17 R18 R19 R20 R21 R22 ,23 R24 R25 ,26 R27 ,28 R29 -32 R33 R34 -36 R37 R38 R39 R40 -43 R44 R45 ,46 R47 ,48 R49 R50 R51 R52 ,53 R54 R55 -60 R61 R62 R63 R64 R65 R66 -69 R70 R71 R72 R73 ,74 R75 R76 ,77 R78 R79 -82 W1 ,2 S1 S2 -21 S23 S22 D1 -6 D1 -6 D34 ED1 IC1 IC2 IC3 IC4 RK73GB2A102J RK73GB2A101J RK73GB2A102J RK73GB2A223J RK73GB2A102J RK73GB2A471J RK73GB2A101J RK73GB2A104J RK73GB2A101J RK73GB2A473J RK73GB2A101J RK73GB2A102J RK73GB2A473J RK73FB2B220J RK73GB2A473J RK73EB2E471J RK73GB2A472J RK73GB2A473J RK73EB2E203J RK73GB2A473J RK73EB2E220J RK73GB2A103J RK73GB2A473J RK73GB2A103J RK73GB2A222J RK73GB2A101J RK73EB2E132J RK73EB2E621J RK73EB2E431J RK73EB2E621J RK73EB2E511J RK73EB2E431J RK73EB2E621J RK73EB2E301J RK73GB2A101J RK73GB2A472J RK73GB2A473J RK73GB2A104J RK73GB2A105J RK73GB2A473J R92-1252-05 S70-0813-05 S70-0869-05 S70-0869-05 T99-0432-05 DAN202U MA142WA DA204K MN18645A TC74HC4050AF BA033LBSG M30825MH-054GP RS-171 CHIP R 1.0K J 1/10W CHIP R 100 J 1/10W CHIP R 1.0K J 1/10W CHIP R 22K J 1/10W CHIP R 1.0K J 1/10W CHIP R 470 J 1/10W CHIP R 100 J 1/10W CHIP R 100K J 1/10W CHIP R 100 J 1/10W CHIP R 47K J 1/10W CHIP R 100 J 1/10W CHIP R 1.0K J 1/10W CHIP R 47K J 1/10W CHIP R 22 J 1/8W CHIP R 47K J 1/10W CHIP R 470 J 1/4W CHIP R 4.7K J 1/10W CHIP R 47K J 1/10W CHIP R 20K J 1/4W CHIP R 47K J 1/10W CHIP R 22 J 1/4W CHIP R 10K J 1/10W CHIP R 47K J 1/10W CHIP R 10K J 1/10W CHIP R 2.2K J 1/10W CHIP R 100 J 1/10W CHIP R 1.3K J 1/4W CHIP R 620 J 1/4W CHIP R 430 J 1/4W CHIP R 620 J 1/4W CHIP R 510 J 1/4W CHIP R 430 J 1/4W CHIP R 620 J 1/4W CHIP R 300 J 1/4W CHIP R 100 J 1/10W CHIP R 4.7K J 1/10W CHIP R 47K J 1/10W CHIP R 100K J 1/10W CHIP R 1.0M J 1/10W CHIP R 47K J 1/10W CHIP R 0 OHM J 1/16W TACT SWITCH TACT SWITCH TACT SWITCH ROTARY ENCODER DIODE DIODE DIODE FLUORESCENT INDICATOR TUBE MOS-IC ANALOGUE IC MI-COM IC ANALOGUE IC Q801 TH1 A2 A1 D1 ,2 CN1 R1 R2 R4 R5 R8 R9 R10 VR1 VR3 D3 ,4 D8 PH1 PH3 D9 D10 -13 D14 -33 C1 ,2 C3 C5 C6 -12 C14 C15 C16 C17 C18 ,19 C20 -23 C24 CN1 L1 -3 X1 CP1 CP2 CP3 CP4 CP6 -10 CP11-14 CP15-17 CP18 CP19-22 R1 -12 R13 UN5213 PTH9C32BB471Q W02-3352-05 X86-3280-11 B30-1575-05 E41-0283-05 RK73FB2B241J RK73FB2B471J RK73FB2B361J RK73FB2B271J RK73FB2B361J RK73GB2A333J RK73FB2B361J R32-0249-05 R32-0249-05 CL201IRXS(BCD) CL201IRXS(BCD) CPT184SCS(CDE) CPT184SCS(CDE) B30-1523-05 B30-1564-05 B30-1566-05 CK73FB1C105K CK73GB1H103K CK73GB1C104K CK73GB1H103K CK73FB1C105K CK73GB1H103K CK73FB1C105K CK73GB1C104K CK73FB1C105K CK73GB1H103K CK73FB1C105K E41-0194-05 L40-4795-68 L78-0859-05 R90-1014-05 R90-1016-05 R90-0720-05 R90-1014-05 R90-1014-05 R90-0720-05 R90-0724-05 R90-0748-05 R90-1014-05 RK73EB2E101J RK73EB2E102J DIGITAL TRANSISTOR POSITIVE RESISTOR ELECTRIC CIRCUIT MODULE TUNER UNIT LED(1608,YG) FLAT CABLE CONNECTOR CHIP R 240 J 1/8W CHIP R 470 J 1/8W CHIP R 360 J 1/8W CHIP R 270 J 1/8W CHIP R 360 J 1/8W CHIP R 33K J 1/10W CHIP R 360 J 1/8W SEMI FIXED VARIABLE RESISTOR SEMI FIXED VARIABLE RESISTOR INFRARED LED INFRARED LED PHOTO TRANSISTOR PHOTO TRANSISTOR LED LED(1608,BLUE) LED(1608,RED) CHIP C 1.0UF K CHIP C 0.010UF K CHIP C 0.10UF K CHIP C 0.010UF K CHIP C 1.0UF K CHIP C 0.010UF K CHIP C 1.0UF K CHIP C 0.10UF K CHIP C 1.0UF K CHIP C 0.010UF K CHIP C 1.0UF K FLAT CABLE CONNECTOR SMALL FIXED INDUCTOR(4.7UH) RESONATOR MULTI-COMP 100 X4 MULTI-COMP 470 X4 MULTI-COMP 100K X4 MULTI-COMP 100 X4 MULTI-COMP 100 X4 MULTI-COMP 100K X4 MULTI-COMP 1K X4 MULTI-COMP 47K X4 MULTI-COMP 100 X4 CHIP R 100 J 1/4W CHIP R 1.0K J 1/4W 32 (X14-6980-21) PARTS LIST www. xiaoyu163. com QQ 376315150 9 9 2 8 9 4 2 9 8 TEL 13942296513 9 9 2 8 9 4 2 9 8 0 5 1 5 1 3 6 7 3 Q Q TEL 13942296513 QQ 376315150 892498299 TEL 13942296513 QQ 376315150 892498299 ∗New Parts Parts without Parts No. are not supplied. Les articles non mentionnes dans le Parts No. ne sont pas fournis. Teile ohane Parts No. werden nicht geliefert. A d d N e w Des- tina- tion Ref. No. Parts No. Description A d d N e w Des- tina- tion Ref. No. Parts No. Description indicates safety critical components. MECHANISM ASSY (D40-1162-15) G 2C N32-2604-46 SCREW PM1 1C T42-1012-08 MOTOR ASSY PS1 2C S68-0835-08 SWITCH VR1 3D R33-0204-08 VARIABLE RESISTOR IC5 Q1 Q1 Q2 Q2 Q3 Q3 Q4 Q5 Q6 Q7 Q7 601 602 603 604 606 607 608 609 611 612 613 614 615 616 617 618 619 620 621 622 623 624 625 626 627 630 631 632 633 634 635 H J K L A B C D E F MX23C3210TI111 MEMORY IC DTC114YUA DIGITAL TRANSISTOR UN5214 DIGITAL TRANSISTOR DTA114YUA DIGITAL TRANSISTOR UN5114 DIGITAL TRANSISTOR DTC144EUA DIGITAL TRANSISTOR UN5213 DIGITAL TRANSISTOR 2SB1260 TRANSISTOR 2SC4209-Y TRANSISTOR 2SC4667 TRANSISTOR DTC114EUA DIGITAL TRANSISTOR UN5211 DIGITAL TRANSISTOR A10-4678-08 CHASSIS ASSY A11-0983-08 SUB SHASSIS D13-2057-08 GEAR ASSY D10-4455-08 ARM ASSY J21-9501-08 BRACKET J21-9502-08 BRACKET D13-2058-08 GEAR ASSY D13-2059-08 GEAR ASSY G16-1138-08 SHEET J90-0955-08 RAIL G02-1334-08 FLAT SPRING D10-4397-08 ARM G09-2028-08 FLAT SPRING D13-2020-08 GEAR J90-0956-08 GUIDE J19-4964-08 HOLDER J19-4965-18 HOLDER D13-1421-08 GEAR D13-2021-08 GEAR D13-2024-08 GEAR D13-2025-08 GEAR D13-2026-08 GEAR J30-1074-08 COLLER J30-1063-08 COLLER E39-0325-08 CORD WITH CONNECTOR G01-3130-18 SPRING G01-2992-08 SPRING G01-2993-08 SPRING G01-2994-08 SPRING G01-2936-08 SPRING J90-0957-08 CUSHION N29-0516-08 WASHER N29-0517-08 WASHER N19-1135-08 WASHER N19-2143-08 WASHER N09-4343-08 SCREW N09-4303-08 SCREW N09-4341-08 SCREW N09-4358-08 SCREW N38-2025-45 SCREW N38-2630-45 SCREW 3D 3C 2D 2D 1C 2D 2C 2C 3D 2C 2D 3D 3D 2C 2D 3D 3D 2D 2C 2D 2C 2D 2D 3D 1C 2C 2C 2C 3C 3C 3D 2C 3D 2D 2C 3D 2C 2C 3D 2C 3D 33 (X25-9320-00) PARTS LIST www. xiaoyu163. com QQ 376315150 9 9 2 8 9 4 2 9 8 TEL 13942296513 9 9 2 8 9 4 2 9 8 0 5 1 5 1 3 6 7 3 Q Q TEL 13942296513 QQ 376315150 892498299 TEL 13942296513 QQ 376315150 892498299 FM Frequency Range (Frequency Step) ............................................87.5MHz - 108.0MHz (50kHz) Frequency Range (Frequency Step) ..........................................87.9MHz - 107.9MHz (200kHz) Channel Space Selection ...................................................................................... 50kHz/200kHz Usable Sensitivity S/N: 30dB ........................................................................ 9.3dBf (0.8µV/75Ω) Quieting Sensitivity S/N: 50dB .................................................................... 15.2dBf (1.6µV/75Ω) Frequency Response (±3.0dB) ............................................................................... 30Hz - 15kHz S/N (dB) ..................................................................................................................75dB (MONO) Selectivity ..........................................................................................................≥80dB (±400kHz) Stereo Separation .....................................................................................................40dB (1kHz) AM Frequency Range (Frequency Step) .................................................. 531kHz - 1611kHz (9kHz) Frequency Range (Frequency Step) ................................................ 530kHz - 1700kHz (10kHz) Channel Space Selection .......................................................................................... 9kHz/10kHz Usable Sensitivity S/N: 20dB ............................................................................... 28dBµV (25µV) CD Laser Diode ................................................................................................... GaAlAs ( λ=780nm) Digital Filter (D/A) .................................................................................... 8 Times Over Sampling D/A Converter.........................................................................................................................1 Bit Spindle Speed (CD-DA) (MP3) (WMA) ........................................... 1000 - 400rpm (CLV·2times) Wow & Flutter ........................................................................................... Below Mesurable Limit Frequency Response .................................................................................. 10Hz - 20kHz (±1dB) Total Harmonic Distortion ....................................................................................... 0.01% (1kHz) S/N Ratio .................................................................................................................105dB (1kHz) Dynamic Range .................................................................................................................... 95dB Channel Separation ............................................................................................................. 85dB MP3 decode .....................................................compliant with MPEG-1.0/2.0/2.5 Audio Layer-3 WMA decode ................................................................. Compliant with Windows Media Audio 7 MD Laser Diode ................................................................................................... GaAlAs ( λ=780nm) Digital Filter (D/A) .................................................................................... 8 Times Over Sampling D/A Converter.........................................................................................................................1 Bit Spindle Speed ...............................................................................................400 - 900rpm (CLV) Wow & Flutter ........................................................................................... Below Mesurable Limit Frequency Response .................................................................................. 20Hz - 20kHz (±1dB) Total Harmonic Distortion ....................................................................................... 0.01% (1kHz) S/N Ratio ...................................................................................................................90dB (1kHz) Dynamic Range .................................................................................................................... 90dB Channel Separation ............................................................................................................. 85dB AMP Maximum Power ................................................................................................................ 50W×4 Full Bandwidth Power ................................................................... 23W×4 (at less than 1%THD) Preout Level (V) .....................................................................................................1800mV/10kΩ Preout Impedance (Ω) ........................................................................................................ ≤600Ω AUX input Frequency Response .................................................................................. 20Hz - 20kHz (±1dB) Input Maximum Voltage ........................................................................................................ 1.5V Input Impedance................................................................................................................. ≥68kΩ DSP/EQ A/D converter ......................................3-dimensional 18bit ∆ Σ system 128 times oversampling D/A converter ......................................3-dimensional 18bit ∆ Σ system 128 times oversampling EQ Frequency (Hz) ............................................................................... 60/160/400/1k/2k/6k/16k Adjustable Range (dB) ..................................................................................... ±12dB (±6 STEP) GENE. Operating Voltage ............................................................................................14.4V (11V - 16V) Current Consumption ............................................................................................................. 10A Installation Size (W)x(H)x(D) (mm) .......................................................... 178×100×155 (inch) .................................................... 7×3-15/16×6-1/8 Weight .................................................................................................................................. 2.8kg SPECIFICATIONS KENWOOD CORPORATION 14-6, Dogenzaka 1-chome, Shibuya-ku, Tokyo, 150-8501 Japan KENWOOD follows a policy of continuous advancements in development. For this reason specifications may be changed without notice. US and foreign patents licensed from Dolby Laboratories. www. xiaoyu163. com QQ 376315150 9 9 2 8 9 4 2 9 8 TEL 13942296513 9 9 2 8 9 4 2 9 8 0 5 1 5 1 3 6 7 3 Q Q TEL 13942296513 QQ 376315150 892498299 TEL 13942296513 QQ 376315150 892498299

标签:

版权声明

1. 本站所有素材,仅限学习交流,仅展示部分内容,如需查看完整内容,请下载原文件。
2. 会员在本站下载的所有素材,只拥有使用权,著作权归原作者所有。
3. 所有素材,未经合法授权,请勿用于商业用途,会员不得以任何形式发布、传播、复制、转售该素材,否则一律封号处理。
4. 如果素材损害你的权益请联系客服QQ:77594475 处理。