建伍KENWOOD DPX-8020MD MDCD读写机电路图

分类:电子电工 日期: 点击:0
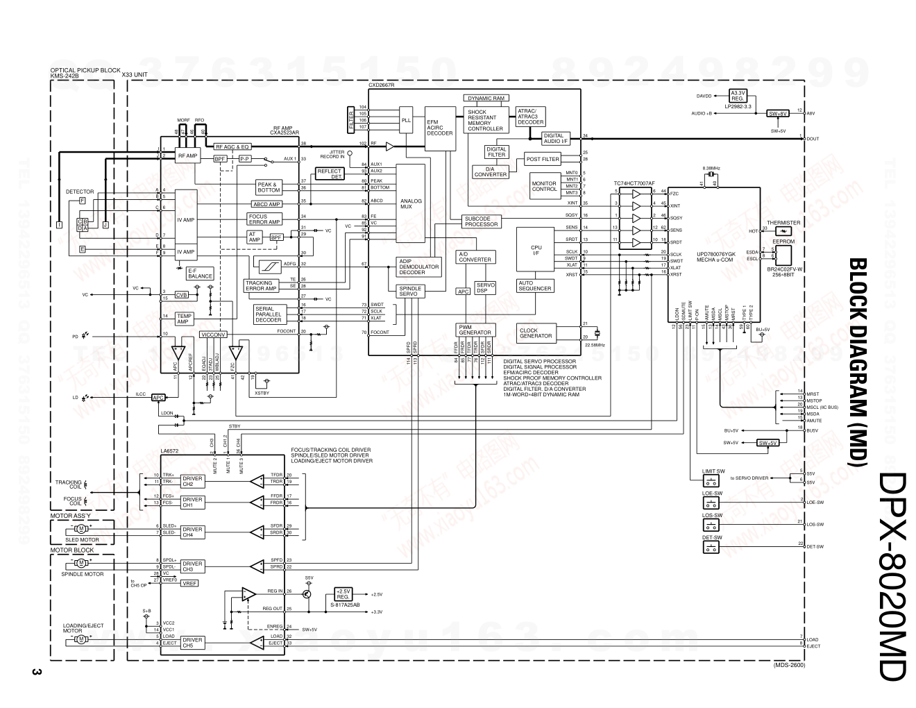
建伍KENWOOD DPX-8020MD MDCD读写机电路图-0 建伍KENWOOD DPX-8020MD MDCD读写机电路图-1 建伍KENWOOD DPX-8020MD MDCD读写机电路图-2 建伍KENWOOD DPX-8020MD MDCD读写机电路图-3 建伍KENWOOD DPX-8020MD MDCD读写机电路图-4 建伍KENWOOD DPX-8020MD MDCD读写机电路图-5 建伍KENWOOD DPX-8020MD MDCD读写机电路图-6 建伍KENWOOD DPX-8020MD MDCD读写机电路图-7 建伍KENWOOD DPX-8020MD MDCD读写机电路图-8 建伍KENWOOD DPX-8020MD MDCD读写机电路图-9

DPX-8020MD 2001-5 PRINTED IN JAPAN B51-7775-00 (4) 510 MD/CD MP3/DSP RECEIVER SERVICE MANUAL C COMPACT DIGITAL AUDIO TEXT MDLP MD EJECT CD EJECT PWR OFF VOL TUNE SEEK DISC ENTER FUNCTION FOLDER SEL ANGLE CLOSE S.A NAME CRSC AUD/X'OVER A M F M SO U R C E M O D EQ DSP FNC ATT DISP COLOR ESCUTCHEON ASSY (B07-3046-04) DC CORD (E30-4975-05) REMOTE CONTROLLER ASSY (A70-2006-05) SCREW SET (N99-1701-05) PANEL ASSY (A64-2463-02) KNOB VOL. (K24-3735-03) KNOB SEEK (K24-3734-03) www. xiaoyu163. com QQ 376315150 9 9 2 8 9 4 2 9 8 TEL 13942296513 9 9 2 8 9 4 2 9 8 0 5 1 5 1 3 6 7 3 Q Q TEL 13942296513 QQ 376315150 892498299 TEL 13942296513 QQ 376315150 892498299 2 BLOCK DIAGRAM PORTABLE TEL-DATA-OUT C1,2 PON5V NOR SYSTEM uCOM BU5V VOL ISO PWR AMP MUTE F/E PRE OUT FRONT REAR/NF PRE OUT DSP -4dB LPF BUFF -4dB LPF BUFF uCOM LPF BUFF -4dB DSP3.3V MUTE BUFF ISO MIC AMP MUTE INPUT SEL IC2 IC1 IC8 IC10 IC11 IC12 IC6 A8V. 1/2VCC 1/2VCC A8V PON5V PARKING AGC IC51 MIC SW OP IC13 MD/CD CH CD PACK PON5V ILL+B LED X16 X14 2/2 A8V DSP3.3V BU5V RST IC15 BU5V,A8V,SRV+B DXM-1770 BU5V,A8V,SRV+B MDS-2610 M+,M- P MECHA IC17 BU5V MATRIX KEY RST SW BU5V DC/DC+B X25 ILL+B LED REMOCON REMO+B LED ILL+B BU5V REMO+B B. U. MUTE AMP CTRL SMALL DET ACC DET BU DET B. U. ANT CON P CON SW14V A8V BU5V TUN+B SRV+B ILL+B PON5V PN M DR. DSP3.3V IC14 SRV 5V VDD5V FM+B AM+B 1/2VCC IC9 IC4 LCD PANEL ANT. SP OUT DSP DATAIN DSP DATAOUT DSP CLK DSP SEL DSP RST TELMUTE A8V FM+B VDD5V AM+B CLK DATA FM AM PARKING TEL-DATA-IN FSD FMSD CD PACK LED LOGO LED CD LED MD SP REQ SP DATA SP CLK SP INT CTS SC DATA RTS MC DATA SC CON FSD VREF PMDET PMOT2 PMOT1 PMODE OPEN SW SW1-3 AMUTE MRST MSTOP LO/EJ MOTOR M RST M STOP LOE SW A MUTE M DATA M CLK LOS SW LOAD EJECT DPX-8020MD CD/MD 3040mV CH 2914mV FM 1485mV AM 531mV TEL 1215mV MIC 223mV TEL 198mV AM 240mV FM 380mV MP3/CH 601mV CD/MD 907mV AM 272mV TEL 225mV MP3/CH 727mV FM 430mV MIC 252mV 1mV 112mV 317mV 1200mV TEL 1147mV CD/MD 2870mV CH 2751mV FM 1401mV AM 501mV 380mV 170mV 1200mV MIC 100mV www . x ia o y u 1 6 3 . c o m QQ 3 7 6 3 1 5 1 5 0 9 9 2 8 9 4 2 9 8 T E L 1 3 9 4 2 2 9 6 5 1 3 9 9 2 8 9 4 2 9 8 0 5 1 5 1 3 6 7 3 Q Q TEL 13942296513 QQ 376315150 892498299 TEL 13942296513 QQ 376315150 892498299 3 1 2 4 5 6 7 8 9 3 15 14 I J A B C D E F 11 12 22 23 25 41 42 19 APC APCREF EQADJ 3TADJ WBLADJ FZC RF AUX1 AUX2 PEAK BOTTOM ABCD FE VC SWDT SCLK XLAT FOCONT 114 113 84 85 77 76 112 111 SPFD SPRD FFDR FRDR TFDR TRDR SFDR SRDR 34 28 25 5 15 21 20 MNT0 MNT1 MNT2 MNT3 XINT SQSY SENS SRDT SCLK SWDT XLAT XRST 44 45 46 62 18 20 19 17 16 FZC XINT SQSY SENS SRDT SCLK SWDT XLAT XRST 12 56 23 11 15 13 14 43 36 59 60 LDON SDMUTE LIMIT SW P-ON AMUTE MSDA MSCL MSTOP MRST TYPE 1 TYPE 2 33 7 8 HOT ESDA ESCL 20 19 17 16 29 30 23 22 26 25 24 32 33 TRK+ TRK- FCS+ FCS- SLED+ SLED- SPDL+ SPDL- VC VREF0 VCC2 VCC1 LOAD EJECT 10 11 12 13 6 7 8 9 28 27 3 14 5 TFDR TRDR FFDR FRDR SFDR SRDR SPFD SPRD REG IN REG OUT ENREG LOAD EJECT 12 1 14 13 20 19 15 18 5 6 2 21 22 7 8 A8V DOUT MRST MSTOP MSCL (IIC BUS) MSDA AMUTE BU5V S5V S5V LOE-SW LOS-SW DET-SW LOAD EJECT 36 30 29 31 34 35 37 33 38 47 46 48 40 10 28 26 32 17 18 20 27 16 41 40 MORF RFO AUX 1 FOCONT XSTBY ADFG 22.58MHz 6 7 8 35 16 14 13 10 9 11 104 105 106 107 102 84 93 80 81 82 83 67 73 72 71 70 85 92 91 5 11 13 3 1 12 2 10 6 4 8.38MHz 4 MUTE 1 MUTE 2 1 2 MUTE 3 36 CH1,2 CH3 CH4 SW+5V DAVDD AUDIO +B JITTER RECORD IN VC TE SE VC VC VC VC PD LD STBY CH5 OP to S+B SW+5V S5V +3.3V 6 5 BU+5V SW+5V to SERVO DRIVER BU+5V ILCC LDON RF AMP RF AGC & EQ RF AMP CXA2523AR BPF P-P PEAK & BOTTOM ABCD AMP IV AMP IV AMP CVB AMP TEMP VICCONV ERROR AMP FOCUS AT AMP BPF TRACKING ERROR AMP SERIAL PARALLEL DECODER BALANCE E-F FILTER PLL DECODER ACIRC EFM MEMORY RESISTANT SHOCK CONTROLLER DYNAMIC RAM ATRAC/ ATRAC3 DECODER DIGITAL FILTER DIGITAL AUDIO I/F CONVERTER D/A POST FILTER CONTROL MONITOR ANALOG MUX ADIP DEMODULATOR DECODER SPINDLE SERVO GENERATOR PWM APC DSP SERVO CONVERTER A/D CLOCK GENERATOR AUTO SEQUENCER I/F CPU PROCESSOR SUBCODE TC74HCT7007AF MECHA u-COM UPD780076YGK CH2 DRIVER CH1 DRIVER DRIVER CH4 DRIVER CH3 VREF DRIVER CH5 SW+8V A3.3V REG. LIMIT SW LOE-SW LOS-SW DET-SW ATRAC/ATRAC3 DECODER DET. REFLECT APC C B D A F E J I DETECTOR TRACKING COIL FOCUS COIL M SLED MOTOR SPINDLE MOTOR M MOTOR LOADING/EJECT M THERMISTER EEPROM BR24C02FV-W LP2982-3.3 +2.5V +2.5V REG. S-817A25AB 256∗8BIT SW+5V EFM/ACIRC DECODER SHOCK PROOF MEMORY CONTROLLER DIGITAL SERVO PROCESSOR DIGITAL SIGNAL PROCESSOR 1M-WORD∗4BIT DYNAMIC RAM DIGITAL FILTER. D/A CONVERTER CXD2667R FOCUS/TRACKING COIL DRIVER SPINDLE/SLED MOTOR DRIVER LA6572 LOADING/EJECT MOTOR DRIVER MOTOR ASS’Y KMS-242B OPTICAL PICKUP BLOCK MOTOR BLOCK X33 UNIT (MDS-2600) BLOCK DIAGRAM (MD) www . x ia o y u 1 6 3 . c o m QQ 3 7 6 3 1 5 1 5 0 9 9 2 8 9 4 2 9 8 T E L 1 3 9 4 2 2 9 6 5 1 3 9 9 2 8 9 4 2 9 8 0 5 1 5 1 3 6 7 3 Q Q TEL 13942296513 QQ 376315150 892498299 TEL 13942296513 QQ 376315150 892498299 4 MICROCOMPUTER'S TERMINAL DESCRIPTION 1 2 3 4 5 6 7 8 9 10 11 12 13 14 15 16 17 18 19 20 21 22 23 24 25 26 27 28 29 30 31 32 33 34 35 36 37 38 39 40 41 42 43 44 45 46 47 48 49 50 PIN No. I/O Pin Name Description Processing Operation (X14-) IC1 : System µ-com DSP DATAOUT DSP CLK DSP SEL DSP RST DATAH DATAC CHCLK BYTE CNVSS CHCON1 NC RESET XOUT VSS XIN VCC NMI PN REQ BU DET I REQC PWIC SVR PON PWIC STBY AMP CTRL TEST BUZZ PCON PANT SCL SDA SYS DATA PN DATA PN CLK SYS REQ TEL DAOUT TEL DAIN TEL MUTE CRSC 1 NC ILLUMI LAMP ACC DET PCON IN LED CD LED MD PN SCCON LED LOGO DCDC24 PMOT1 PMOT2 O O O O O I I/O I I O O I O I I I I I I I O O O O O O O O I/O I/O O I O O O I O I I I O I I O O O O O O O L: Reset L: Reset H: Power down H: ON H: ON H: ON L: Test mode H: ON L: ALL OFF H: ON H: TEL MUTE ON L: Illumination ON H: ON H: ACC OFF H: Protection ON H: LED ON H: LED ON L: ON H: LED ON H: 24V Output DSP data output DSP clock output DSP selector DSP reset External CH data output External CH data input External CH clock in/output External data bus width switching Processor mode switching External CH1 select Not used Reset input System clock output GND System clock input Power input Panel communication request B.U detection External CH reception request Power IC control Power control Power IC standby External amp control Power IC control Beep output External amp control Power antenna control I2C clock output I2C data in/output SYS data output (FLASH TXD) Panel data input (FLASH RXD) Panel clock output (FLASH SCLK) SYS communication request (FLASH BUSY) CRSC switching Not used Illumination detection Lamp control (FLASH EPM) ACC detection P CON input LED control (CD) LED control (MD) Panel µ-com control (FLASH CE) LED control (LOGO) DC/DC control Panel motor control 1 Panel motor control 2     www. xiaoyu163. com QQ 376315150 9 9 2 8 9 4 2 9 8 TEL 13942296513 9 9 2 8 9 4 2 9 8 0 5 1 5 1 3 6 7 3 Q Q TEL 13942296513 QQ 376315150 892498299 TEL 13942296513 QQ 376315150 892498299 5 MICROCOMPUTER'S TERMINAL DESCRIPTION 51 52 53 54 55 56 57 58 59 60 61 62 63 64 65 66 67 68 69 70 71 72 73 74 75 76 77 78 79 80 81 82 83 84 85 86 87 88 89 90 91 92 93 94 95 96 97 98 99 100 PM VR PMDET OPEN SW PON2 CD MSTOP CD SW2 CD AMUTE CD SW1 CD LO/EJ CD MOTOR CD SW3 VCC TYPE 8CM VSS MP3 SW DIVER TYPE AUX TYPE TEL TYPE TEL C1 TEL C2 MP3 TYPE MD DET MD LOE SW MD LOAD MD EJECT MD MSTOP MRST MD AMUTE MD LOS/EJECT SD DIVER FM+B AM+B PARKING DSP MUTE A SEL REQH MUTE PW MUTE NC LINE MUTE REFCON MPX CD DET PMODE AVSS FSD OUT VREF AVCC DSP DATA IN O I I O O I I I I/O O I - I - O I I I O O I I I O O O O I I I O O O I O O O O O O I O I I I I I - I I H: 5.1V L: 7.5V L: ON H: OFF L: OPEN L: STOP L: ON L: MUTE L: ON L: ON L: ON H: DIVER H: AUX H: TEL L: ON L: ON H: MP3 L: ON H: ON L: STOP L: RESET L: MUTE L: ON H: ON L: ON H: FM H: AM H: PARKING ON H: MUTE ON L: Data output H: MUTE ON L: MUTE ON L: LINE MUTE ON L: ST L: CD (A/D input) Vth:2.5V (A/D) H: Station detect Vth: 1.9V Panel mechanism control Panel mechanism detection Panel open detection PON5 (2) CD mechanism stop Disc detection (8/12cm check) CD mute request Loading detection (Loading SW) CD Loading/Eject control CD Loading motor control Loading end detection (chucking SW) Power input 8cm CD detect GND TEL/MP3 SW DIVER AUX TEL TEL C1 TEL C2 MP3 MD detection MD PLAY STANDBY SW MD motor control MD motor control MD mechanism stop CD/MD µ-com reset MD mute request MD position detect Station detection FM diver switch FM power control AM power control PARKING ON/OFF detection DSP MUTE A 354 selector External CH transmission request MUTE Power IC mute Not used LINE MUTE ON/OFF detection A/D reference voltage FM MPX detection CD detection sensor input Panel position sensor input Analog reference voltage S meter input Reference voltage Power input DSP data input PIN No. I/O Pin Name Description Processing Operation www. xiaoyu163. com QQ 376315150 9 9 2 8 9 4 2 9 8 TEL 13942296513 9 9 2 8 9 4 2 9 8 0 5 1 5 1 3 6 7 3 Q Q TEL 13942296513 QQ 376315150 892498299 TEL 13942296513 QQ 376315150 892498299 6 MICROCOMPUTER'S TERMINAL DESCRIPTION 1 2 3 4 5-7 8 9 10,11 12 13 14 15 16 17 18 19 20 21 22 23 24 25 26 27 28 29 30 31 32 33 34 35 36 37 38 39-41 42 43 44-49 50 51-61 62 63 64 65-71 72 73 74 75 76 LCD2 DO LCD2 CL NC REMO NC BYTE CNVSS NC RESET XOUT VSS XIN VCC NC SYS REQ SP EN PN SCCON NC LED R NC LED G NC LED B NC SP CLK SP DATA IN SP DATA OUT PNL DATA SYS DATA PNL CLK PNL REQ LCD1 DO NC LCD1 CL LCD INH NC LCD1 CE LCD2 CE NC PON NC VCC NC VSS NC RE IN RE BASE NC KR0 KR1 O O O I O - I O - - - - - I I O I O O O O O O O O I O O I I O O I O O O O O O O O - O - O I I O I I External LCD driver data output External LCD driver clock output Not used Remote signal input Not used Not used Reset GND Clock input Power supply Not used System request input Spectrum analyzer enable output System control communication panel µ-COM operation control Not used RED LED brightness adjustment Not used GREEN LED brightness adjustment Not used BLUE LED brightness adjustment Not used Spectrum analyzer clock output Spectrum analyzer data input Spectrum analyzer data output System control communication data output System control communication data input System control communication Panel clock input System control communication Panel request output External LCD driver data output Not used External LCD driver clock output LCD character unit forced extinction Not used External LCD driver select External LCD driver select Not used Power supply control Not used Power supply Not used GND Not used Input B Input A Not used Key return signal input 0 Key return signal input 1 L: Fixed L: Fixed L: Fixed L: Reset L: Fixed H: OFF L: Fixed H: OFF L: Fixed H: OFF L: Fixed L: OFF L: Fixed H: LCD driver select H: LCD driver select L: Fixed H: ON L: Fixed L: Fixed L: Fixed L: Fixed PIN No. I/O Pin Name Description Processing Operation (X25-) IC1 : Panel µ-com www. xiaoyu163. com QQ 376315150 9 9 2 8 9 4 2 9 8 TEL 13942296513 9 9 2 8 9 4 2 9 8 0 5 1 5 1 3 6 7 3 Q Q TEL 13942296513 QQ 376315150 892498299 TEL 13942296513 QQ 376315150 892498299 7 MICROCOMPUTER'S TERMINAL DESCRIPTION 77 78 79 80 81 82 83 84 85-95 96 97 98 99 100 KR2 KR3 KR4 NC KS0 KS1 KS2 KS3 NC AVSS NC VREF AVCC NC I I I O O O O O O - O - - I Key return signal input 2 Key return signal input 3 Key return signal input 4 Not used Key scan output 0 Key scan output 1 Key scan output 2 Key scan output 3 Not used GND Not used Power supply Not used L: Fixed L: Fixed L: Fixed 1-5 6 7 8,9 10 11 12 13 14 15 16 17 18 19,20 21 22 23 24 25 26 27 28 29 30 31 32 33 34 35 36 37 38 39 NC BYTE CNVSS NC RESET XOUT VSS XIN VCC NMI INT3 INT2 INT1 NC DCS PD ML MC MD NC I2C CLK I2C DATA MP3 I2C DATA R MP3 I2C CLK W MP3 DATA NC MP3 CLK MP3 REQ WAIT ALE HOLD O I I O I O - I - I I I I O O O O O O O I/O I/O I/O O I/O O O O O I I O I Bus width 8bit/16bit switch RESET Clock output Clock input Servo DSP (processor unit) interrupt Servo DSP (decoder unit) interrupt Servo DSP (ATAPI unit) interrupt DAC chip select Peripheral IC reset DAC microprocessor communication data latch line DAC microprocessor communication clock line DAC microprocessor communication data line For mechanical control communication (clock) For mechanical control communication (data) For STA013 control communication (data) For flash write For STA013 control communication (clock) For flash write For MP3 data transmission (data) For MP3 data transmission (clock) MP3 data request Multiplex bus wait For multiplex bus For flash write L H L L L: RESET H: Normal L: Interrupt H: Normal L: Interrupt H: Normal L: Interrupt H: Normal L: Interrupt H: Normal L L: SELECT L: RESET H: Normal H: Latch L L L L L: BUSY H: READY L PIN No. I/O Pin Name Description Processing Operation (X32-) IC1 : CD mecha µ-com                      PIN No. I/O Pin Name Description Processing Operation www. xiaoyu163. com QQ 376315150 9 9 2 8 9 4 2 9 8 TEL 13942296513 9 9 2 8 9 4 2 9 8 0 5 1 5 1 3 6 7 3 Q Q TEL 13942296513 QQ 376315150 892498299 TEL 13942296513 QQ 376315150 892498299 8 MICROCOMPUTER'S TERMINAL DESCRIPTION 40 41 42 43 44 45 46 47-50 51 52,53 54 55 56 57 58 59 60 61 62 63 64 65 66 67 68 69 70 71 72 73 74-78 79 80 81 82 83 84 85 86 87-93 94 95 96 97 98-100 HLDA NC RDM NC WRM NC CS2 NC SCLT NC MUTE-R MUTE-L LDON MP3/CD PON CDRW VCC NC VSS AD7 AD6 AD5 AD4 AD3 AD2 AD1 AD0 RFOK MSTOP INT4 NC T3 T2 T1 EMPH RFOK NC SW3 DETECT NC AGND NC NC AVCC NC O O O O O O O O O O O O O O O O - O - I/O I/O I/O I/O I/O I/O I/O I/O I I I O I I I I I O I I O - O - - O For multiplex bus For multiplex bus M24B chip select RF 1x/2x speed switch over Mute (right) Mute (left) Laser ON/OFF CD-DA/MP3 switch over Peripheral IC power supply control RW switch over Address/data (7bit) line Address/data (6bit) line Address/data (5bit) line Address/data (4bit) line Address/data (3bit) line Address/data (2bit) line Address/data (1bit) line Address/data (0bit) line RF OK interrupt (unused) MSTOP detection Servo DSP (servo unit) interrupt Electrical management check test port Electrical management check test port Electrical management check test port Emphasis ON/OFF RFOK Inner ring/track detection switch D track Quantity L L L L L: SELECT L L: 2x H: 1x L: Mute L: Mute L: OFF H: ON L: CD-DA H: MP3 L: OFF H: ON L: Other H: RW L L: Interrupt H: Normal L: Interrupt H: Normal L: Interrupt H: Normal L L L L L: OFF H: ON L: NG H: OK L L: ON H: OFF L: DETECT L L L L                               PIN No. I/O Pin Name Description Processing Operation www. xiaoyu163. com QQ 376315150 9 9 2 8 9 4 2 9 8 TEL 13942296513 9 9 2 8 9 4 2 9 8 0 5 1 5 1 3 6 7 3 Q Q TEL 13942296513 QQ 376315150 892498299 TEL 13942296513 QQ 376315150 892498299 9 PANEL MECHANISM DESCRIPTION A. Panel Opening 1. When Open button (switch) is pressed, the motor (605) rotates. 2. The rotation of the motor is transmitted forward through the rack gear (616) via the gears (620-622). 3. When the rack gear (616) moves, the panel (PA1) goes down. 608 ∗3 609 620 621 616 602 605 604 ∗2 4. (1) The upper side of the panel pushde on the arm as- sembly (604) by the pin (∗2) and the groove of the rail (∗3). (2) The lock on the lever (A) is let go and the arm assem- bly (604) goes down. (3) When this happens, the planetary gear (603) rotates. 5. When the arm assembly goes down to the open position, the switch (641) is trned on. When the switch (641) is turned on, the motor stops after 950ms. 1 3 603 620 641 604 604 4 3 608 A 604 2 2 612 B. Closing Behavior 1. The motor rotates in reverse direction. 2. The arm assembly (604) goes up. When the lever (A) goes into the lock position of the rail (612), the arm assembly (604) stops going up. 1 2 3 4 612 604 3. When the arm assembly (604) stops, by the rotation of the planetary gear (603), the motor rotation pushes the rack gear (616) backward via the gears (620-622). 4. By the close position information of the LPS (642), the motor (605) stops after 200ms. 608 604 609 620 621 616 603 602 605 C. Angle Behavior 1. By the position information of the LPS (642), the panel angle is controlled. www. xiaoyu163. com QQ 376315150 9 9 2 8 9 4 2 9 8 TEL 13942296513 9 9 2 8 9 4 2 9 8 0 5 1 5 1 3 6 7 3 Q Q TEL 13942296513 QQ 376315150 892498299 TEL 13942296513 QQ 376315150 892498299 10 PANEL MECHANISM DESCRIPTION 1 1 2 2 625 612 609 608 603 604 606 1 642 614 3 642 616 601 605 4 D. Assembly (Close Position) 1. Align the arm assembly with the pin of the planetary gear (603). 2. Assembly these to the sub-chassis (606) along with the rail (612). 3. Align lever (614) hole and the hold of the chassis (601). 4. Lead wires of LPS should be kept in place with a tape so that they would not interfere with rack gear (616). www. xiaoyu163. com QQ 376315150 9 9 2 8 9 4 2 9 8 TEL 13942296513 9 9 2 8 9 4 2 9 8 0 5 1 5 1 3 6 7 3 Q Q TEL 13942296513 QQ 376315150 892498299 TEL 13942296513 QQ 376315150 892498299 11 ADJUSTMENT Test mode entry method W5 Method 1. While pressing the [COLOR] key & [ATT] key, press the [RST] key. Or, Method 2. While pressing the [COLOR] key & [EQ] key, press the [RST] key to enter test mode. # The difference between methods 1 and 2 is as follows. Method 1. Vol -10dB Beep Off Method 2. Vol -30dB Beep On Panel mechanism OPEN position detection 1. Enter TEST MODE. 2. Press the SRC KEY. 3. Press the ATT KEY. (Press and hold down) 4. Press the remote control unit OPEN/CLOSE KEY. (Press and hold down) 5. Wait for OPEN position detection then go to 6. 6. Press the remote control unit OPEN/CLOSE KEY. (Press and hold down) 7. Wait for CLOSE position detection which ends the test. CD DISK detection With a disk inserted as a jig (same as the one used with the X13-955), adjust for 1.0V at the photo-transistor collector checkpoint. (Both right and center) The permitted range of adjustment is 0.8~1.3V. For units which can take 8cm disks, check the change in adjustment value following the second adjustment. (In practice the change should be within about 0.1V) Provided the value is within the permitted range, a change of the value is acceptable. Following the adjustments, confirm when the disk is removed that the voltage at the diode ORed checkpoint is 4.0V or more. For the inspection disk use a 12cm CD. MD mechanism Service Test Mode (Manual Adjustment Mode) In order to adjust the focus bias (balance) of MDS-2500, automatic adjustment is conducted at factory and bias value is written on the E2PROM. When conducting adjustment on the set, the data in the E2PROM is read. Therefore, when changing the pickup for servicing, it is necessary to conduct focus bias adjustment again. If you are equipped with MDS- 2000 AT3 Commander and jitter meter, it is possible to use automatic adjustment. We have prepared the service test mode (manual adjustment mode) in case MDS-2000 AT3 Commander and jitter meter are not available. •Adjustment Procedure (Note: During the adjustment procedure, be sure to turn off the power supply to the set.) 1. Pull up the IC11 50pin (LADJ1 (Check Land L1)) of the X33 Unit to BU5V (Check Land BU 5). 2. Pull out the Check Land ARF of X33 Unit and Check Land SAG (Servo GND) using wires so these can be monitored with an oscilloscope. 3. Turn the power on the set while resetting the set. ∗ Adjustment should be conducted on total of three places: low-reflection pit and groove of the recordable disk and high-reflection pit of the pre-mastered disk. 4. When the disk is loaded, the set enters the adjustment mode. •For Recordable Disk 5. With the "TNo. 1" display, low-reflection pit beta play mode is entered. The display section of the time code shows "50". 6. While monitoring ARF with an oscilloscope, vary the focus bias with track up and track down key. 7. In order to calculate the optimum values, vary UP's and DOWN's and change the values at which the ARF waves are disturbed or 3T waveform levels goes down and calculate the center values for these. For example, if values are 58 for the UP-side and 46 for the DOWN- side, the center value 52 would be the ooptimum value. 8. After obtaining the optimum value, set it to the value and press manual UP/DOWN key, which will confirm the value, (Normally, setting will be made by pressing on the track UP/DOWN key). 9. After adjusting the low-reflection pit in 8, the pickup is automatically sent to the groove area. 10. With the "TNo. 2" display, the groove beta play mode is entered. 11. From this point on, it is the same as the above 6, 7, and 8. 12. After adjustment on the groove area, the set stops. Eject the disk and the adjustment is complate. ∗ Since there is only TOC area for low-reflection pit, the play time is about 40 seconds. After the pit area, the set will enter retry movement, during which adjustments are not effective. •For Pre-Mastered Disk 13. The set will enter high-reflection pit beta play mode and adjustments in items 5, 6, 7, and 8 should be conducted. www. xiaoyu163. com QQ 376315150 9 9 2 8 9 4 2 9 8 TEL 13942296513 9 9 2 8 9 4 2 9 8 0 5 1 5 1 3 6 7 3 Q Q TEL 13942296513 QQ 376315150 892498299 TEL 13942296513 QQ 376315150 892498299 12 ADJUSTMENT 14. After adjustments, the set stops. Eject the disk and the adjustment is complate. ∗ During the test mode, rough adjustments of the EF balance is conducted at the same time. However, the adjustments are conducted automatically and there is no need for outside operation. •Service test mode display (Display on the set) PIT adjustment mode start [01-_:_] PIT adjustment permission [01-_:50] PIT adjustment in progress (∗∗=adjustment data) [01-_:∗∗] PIT confirmation (Groove adjustment mode start) [02-_:_] Groove adjustment permission [02-_:50] Groove adjustment in progress (∗∗=adjustment data) [02-_:∗∗] Groove confirmation (normal completion) [02-_:_] •Error display (∗∗=Error status) ∗∗=03 : An error occurred while adjusting low reflection pit EF balance adjustment ∗∗=04 : An error occurred while adjusting low reflection pit focus bias ∗∗=05 : An error occurred while adjusting low reflection pit E2PROM write ∗∗=19 : An error occurred while adjusting groove EF balance ∗∗=20 : An error occurred while adjusting groove focus bias ∗∗=21 : An error occurred while adjusting groove E2PROM write ∗∗=35 : An error occurred while adjusting high reflection EF balance ∗∗=36 : An error occurred while adjusting high reflection focus bias ∗∗=37 : An error occurred while adjusting high reflection E2PROM write •Adjustment Parameter Adjustment condition : Restart after setting LADJ1 terminal to high Adjustment Key : Track UP/DOWN key Confirmation Key : Manual UP/DOWN key (Depending on a set, press on adjustment key) Notes 1. After adjusting for a media, it must be always confirmed. When another media is adjusted without confirming it, E2PROM data will be damaged. 2. When focus bias values are set to extreme UP or DOWN, focus will come down. It could be recovered by re-try, but there is a possibility for errors and key may become ineffective. When this happens, reset and start again. (The same will happen when data is confirmed with an extreme value.) 3. E-99 E-99 is a mechanical error but E-99 is also display when E2PROM data is damaged. There is a possibility for des- troying E2PROM data when power supply is on (BU UP) when installing or removing wires. Therefore, this must be done while power supply is off (BU UP off). The same applies for pulling or inserting card cords (fiexible cords) that come in contact with the mechanism. (Normal operation cannot be expected by setting TO terminal to high, as with MDS-100.) 4. About E2PROM E2PROM contains various initial data for MD and DSP. Adjustment data re-writes part of the data while making adjustments.Therefore, it must be noted that, for those with no initial data, an error could occur. Also, as MD mechanism is made to accommodate LP, the E2PROM capacity is changed from 1k to 2k. Since internal tables are different, it must be noted that those used with MDS-2000, MDS-2100, and MDS-2200 systems are not usable. www. xiaoyu163. com QQ 376315150 9 9 2 8 9 4 2 9 8 TEL 13942296513 9 9 2 8 9 4 2 9 8 0 5 1 5 1 3 6 7 3 Q Q TEL 13942296513 QQ 376315150 892498299 TEL 13942296513 QQ 376315150 892498299 B C D E F G H I J A 2 4 3 5 6 7 1 13 14 1 1 SUB 1 MAIN AUXIN NF/R NF/L RED:R L 1 1 C736 C232 C225 C521 C216 C310 R851 C203 C514 C447 C451 C304 R728 C303 C409 C332 C801 C516 C711 C316 C501 C517 C324 C325 C227 C327 L702 C904 L701 C13 C6 C515 C701 C34 C26 C10 C224 C202 C230 C330 C229 C329 C302 C320 C220 C709 C735 L2 C745 C453 C452 C449 C419 C604 C417 C519 C722 C717 C426 C725 C720 C902 C715 C912 C710 C908 L901 C17 L902 C900 C210 C421 C423 L9 C721 C713 30 9 2 22 21 2 22 21 15 1 24 9 1 8 16 1 8 1 15 R727 R509 W1 CP51 CP62 CP74 CP73 CP64 CP71 CP69 CP66 CP63 CP68 CP67 CP72 R13 R671 R647 R716 L8 C309 C209 R20 C32 L10 C31 C29 C59 R432 R719 TH1 24 2 25 1 R433 R419 C855 R218 C315 C856 C54 C219 C218 R713 R406 R217 R215 R736 R735 R216 R212 R712 C314 C318 R317 R315 R316 R311 R506 R503 R309 R310 R222 R660 C214 C730 R416 R211 R209 R210 R318 R511 R312 C215 C223 C319 R742 R605 C222 R221 R630 R743 R739 R219 R721 C217 R715 R717 R610 R626 C614 R407 R514 R220 C603 C608 C610 C607 R515 R705 C506 C313 R709 C407 R313 C714 C425 C432 CP76 C505 R684 CP77 R680 C700 R410 CP52 X1 CP1 C322 R677 R501 R622 C749 R741 R418 R708 R321 R704 C213 R718 R701 X2 R319 C705 R710 C706 R700 R12 R706 C727 R320 C23 W7 R322 R213 C323 R681 R683 R805 R807 R806 R802 R801 R803 R804 R314 R214 R19 R15 R17 C30 R628 R666 R646 C704 C703 R707 R702 R665 R413 C312 R634 C212 R703 C21 R808 R230 C805 C804 R11 R664 C454 R507 C611 W6 R740 C520 R720 C4 C311 R510 R500 C858 R330 C211 1 5 1 16 17 32 1 25 26 50 51 75 76 100 1 4 5 8 1 8 9 16 1 11 12 22 23 33 34 44 1 30 31 50 51 80 100 81 E E 13 14 25 1 1 3 4 5 1 4 5 8 B E I O G B E E E B B C B C E B E B E B E B E B E B E B B E B E B E B E B E B E B E F/R F/L 1 3 B E 1 5 6 7 9 10 12 11 13 4 8 3 2 B E B E 1 5 2 14 E B X14-6700-21 A/2 (J74-1209-02) CN1 J3 CN3 CN2 IC14 Q719 IC6 CN5 WH1 CN49 D701 D407 Q710 IC4 Q713 D902 A2 D903 A1 J2 J1 D901 CN7 D702 D208 D206 D4 Q5 Q400 Q704 Q6 D801 D802 D205 IC18 IC7 IC1 D602 D305 D306 Q700 Q708 D603 D712 D406 IC9 IC2 Q705 Q706 D402 Q707 D720 D700 IC16 D705 Q4 IC8 D714 D704 IC17 D713 IC5 Q909 Q701 D703 D207 Q604 Q717 Q703 Q605 IC3 Q702 Q720 IC19 W3 L1 R452 C621 C7 C208 C207 C326 C746 L601 R696 L504 L503 C64 C63 R904 L6 L7 C707 R203 C708 C36 C723 C228 R303 C404 R434 C448 R612 C450 C403 C911 R908 W8 R6 C910 C852 C55 C851 C853 R21 C909 C901 C857 C53 C56 R642 R635 C525 C737 R714 C507 C410 R618 R620 R619 R621 R22 R23 C11 W12 C37 R711 C12 R504 R505 R417 R673 R663 R667 R668 R661 R669 R670 R902 R903 R659 R901 L903 C50 C424 R725 R723 R726 C620 R694 C433 R650 R653 R625 R654 R692 R602 R651 R695 C317 R649 C321 C418 C420 R643 R631 R632 R644 R648 R613 R614 R730 R731 R729 R906 R733 R734 R603 R724 R607 R609 R722 R421 R616 R617 C622 R420 R690 R652 C613 C612 C406 C619 R502 R611 C606 R732 C605 C609 C526 C503 C502 R675 C616 C523 C854 C52 C732 L5 C731 C716 C712 C726 C724 C719 C510 R655 C5 R691 C513 C518 C512 C511 R627 R656 C624 C702 L3 C35 C24 C328 C226 R689 R5 C221 C422 R513 R7 R414 R907 C51 C718 C27 R737 C1 R508 R332 R697 R693 R698 L4 C623 R512 C2 R636 R328 C504 R228 R909 C527 C617 C528 C529 R699 R637 R688 R641 R302 R301 C9 C25 R18 C40 R658 R227 R16 R623 R415 W2 C625 R674 C57 W5 R686 W4 R685 C402 C400 C15 C22 C20 C802 R201 C803 C16 C18 C19 R809 C3 C58 R14 R810 C800 R412 R10 R9 R225 R223 R224 R325 R324 R323 C308 L510 W13 W10 W11 L505 C62 C67 C65 L508 C68 L507 C508 R608 C509 W9 C524 C307 C205 C206 C305 C306 L501 C61 R327 R326 R226 C401 R657 R676 C734 R738 R604 R231 R331 R232 C8 R8 C B E C B E E B E E B E B E C14 E B E E B E E B E B E B 1 3 5 4 1 4 8 5 5 8 1 4 8 5 4 1 1 7 14 8 B E E B E B E B B E B E E B E B E B B E B E B E E B E B B E B E E B B E B E D403 Q302 D2 D1 Q202 IC13 D503 D601 D308 D307 D706 D708 D709 D405 D710 D604 D301 D852 D805 D711 D504 D502 D5 IC10 IC11 IC12 Q2 Q403 D501 Q3 Q1 Q602 Q901 Q601 IC15 Q711 Q903 Q905 Q907 Q902 Q714 Q716 Q851 Q715 D717 D707 Q712 Q908 Q718 D718 D505 Q7 Q603 D302 Q709 D851 D3 Q402 D715 Q203 Q303 D404 X14-6700-21 A/2 (J741209-12) PC BOARD (Foil side view) Refer to the schematic diagram for the values of resistors and capacitors. PC BOARD (Component side view) SYNTHESIZER UNIT (X14-6700-21) SYNTHESIZER UNIT (X14-6700-21) Refer to the schematic diagram for the values of resistors and capacitors. (X14-6700-21) 4D 3D 4A 3A 4B 4C 3E 4A 4D 5E 6C 5C Q604 4C Q605 4D Q700 5C Q701 3B Q702 3B Q703 2B Q704 3B Q705 4B Q706 3B Q707 3B Q708 5D Q710 5A Q717 6D Q719 5D Q720 5E IC1 IC2 IC4 IC6 IC7 IC8 IC9 IC14 IC16 IC17 IC18 IC19 Ref. No. Address Ref. No. Address Ref. No. Address (X14-6700-21) 3G 3H 3H 4H 2H 2H 2H 2G 2F 2G 2F 3J Q709 4J Q711 4J Q715 3J Q716 4J Q718 5G Q851 6G Q903 5I Q905 6I Q907 5H IC10 IC11 IC12 IC15 Q2 Q3 Q7 Q202 Q203 Q302 Q303 Q402 3H 4H 4G 4H Q403 Q601 Q602 Q603 Ref. No. Address Ref. No. Address Ref. No. Address w w w . x i a o y u 1 6 3 . c o m Q Q 3 7 6 3 1 5 1 5 0 9 9 2 8 9 4 2 9 8 T E L 1 3 9 4 2 2 9 6 5 1 3 9 9 2 8 9 4 2 9 8 0 5 1 5 1 3 6 7 3 Q Q TEL 13942296513 QQ 376315150 892498299 TEL 13942296513 QQ 376315150 892498299 L M K N O P Q R S T 2 4 3 5 6 7 1 15 16 C19 C21 C22 C25 C26 C27 C24 C20 C23 1 4 3 2 2 9 10 1 10 2 1 9 169 88 87 1 COLOR DSP ATT EQ DSP RST TEL FNC ENT ANGLE VOL AM- FM+ SRC MD EJECT CD EJECT D11 D12 D13 D14 ED1 IC4 S1 S2 S3 S5 S4 S6 S7 S8 S10 S11 S13 S14 S15 S16 S17 D22 D23 D7 D6 S9 S12 S18 CN2 CN2 X25-8960-00 A/2 (J74-1212-12) X25 B/2 B E B E B E B E B E B E B E B E 4 3 1 5 D2 D3 D4 D5 Q8 Q7 Q9 Q4 Q5 Q6 D25 D26 D1 D24 D15 D16 D17 D18 D19 D20 D21 Q1 Q2 Q3 D9 D8 D10 C49 R18 R34 R36 R70 R71 R69 R67 R66 R68 R33 R31 R32 R76 R52 R77 R75 R74 R72 R73 C8 C4 C6 C7 C9 C10 C1 C14 C15 C16 C17 C13 C2 C45 C3 C18 C5 C36 C34 C35 C32 C31 CP1 CP2 CP3 CP4 CP5 CP6 CP7 CP8 CP9 CP10 L1 R1 R2 R3 R4 R5 R6 R7 R8 R9 R10 R11 R12 R13 R14 R15 R16 R19 R20 R21 R22 R23 R24 R25 R26 R27 R28 R29 R30 R39 R37 R38 R42 R40 R41 R45 R43 R44 R48 R46 R47 R78 R50 R51 R49 R53 R54 R55 R56 R57 R58 R59 R61 R60 R62 R63 R64 R65 X1 C38 C37 C39 C43 C44 C33 C29 C28 C30 1 30 31 50 51 80 81 100 1 25 26 50 51 75 76 100 1 25 26 50 51 75 76 100 24 CP11 C11 C12 1 R35 C47 C46 C48 IC2 IC3 CN1 IC1 X25-8960-00 (J74-1212-12) X25 B/2 (X25-8960-00) 2N IC4 Ref. No. Address (X25-8960-00) 3R 5R 5Q 4Q 3R 6Q 3S 3R 2S 3S 3S 3S IC1 IC2 IC3 Q1 Q2 Q3 Q4 Q5 Q6 Q7 Q8 Q9 Ref. No. Address PC BOARD (Foil side view) Refer to the schematic diagram for the values of resistors and capacitors. PC BOARD (Component side view) SWITCH UNIT (X25-8960-00) SWITCH UNIT (X25-8960-00) Refer to the schematic diagram for the values of resistors and capacitors. w w w . x i a o y u 1 6 3 . c o m Q Q 3 7 6 3 1 5 1 5 0 9 9 2 8 9 4 2 9 8 T E L 1 3 9 4 2 2 9 6 5 1 3 9 9 2 8 9 4 2 9 8 0 5 1 5 1 3 6 7 3 Q Q TEL 13942296513 QQ 376315150 892498299 TEL 13942296513 QQ 376315150 892498299 V W X Y Z AA AB AC AD U 2 4 3 5 6 7 1 17 18 C45 C50 R65 L5 C42 C72 R51 R49 C43 C41 R85 C54 R62 R61 C64 R67 C53 C58 R72 R71 C60 C61 R55 R94 C35 C62 C63 X2 R68 R202 C56 R70 R52 CP1 C36 L3 C27 CP2 C14 C28 C16 C75 R84 C12 X1 C73 C87 R69 L1 R89 R90 R5 R4 R7 R6 R201 B E 1 14 15 28 1 25 26 50 51 75 76 100 1 40 41 80 81 120 121 160 1 36 19 18 B E 5 3 1 4 IC11 IC2 IC1 S3 Q8 D2 IC10 IC4 Q9 S2 S1 X32-5320-00 (J741276-02) C86 R80 W1 CP8 CP9 C100 R59 R46 R44 R48 CP5 C38 C40 R56 C46 R54 R50 C48 R57 R53 R60 CP10 R200 R73 C101 R15 C52 C66 C19 L2 C49 R45 R43 C37 C34 R77 R78 C81 C78 R99 R97 C80 R2 R104 R8 C79 R98 C77 R96 C4 C84 C5 C9 C1 C85 R1 CP6 CP7 R75 R76 R102 R100 R103 C83 C82 R109 R107 R110 R108 C76 C55 R63 R64 R66 C65 CP4 C31 C8 C7 C2 C3 C10 R14 R10 R9 C68 C69 C70 R101 R13 C29 C67 R42 C30 R79 R83 R19 R18 R23 R22 R21 R20 R38 R39 C15 R17 R16 C18 R35 C24 C26 C25 R37 R34 C23 C17 C74 R29 R95 R91 R41 R26 R40 R31 R25 R32 R28 R33 R24 R30 C21 C71 R81 R88 R82 CP3 C39 R47 C11 C33 R27 R86 R87 R12 L4 L6 R105 R106 B E B E R58 C13 R36 C20 C22 1 16 9 8 1 14 15 28 1 3 4 5 1 14 15 28 5 8 1 4 O G I 1 4 5 8 1 22 23 44 S G D G S D S G D E B 1 22 1 16 B E C32 CS MD MC ML LRCK DATA BCK PD MCK MCK MP 3/CD DMUTE MCK LRC CLK SDO TD FD SD MD ML PD CS MD MC 10M 3,3V MRQ MRST 10M SW3 CNVss RESET MSTOP DET RFOK EMPH T2 T3 T1 11 12 13 14 T W R C RW M/C NC RST PON LDON MUTEL MUTER ALE CS RD WR WAIT SW2 ERCK ERO RFCK EMPH SW1 PLCK LOCK DEF MD TD RF2 SD FD GND Vcc FE TBL FBL LBL MIRR RFOK TE LE TE2 3TO D B C GND PD Vcc Vc A LD VR TEVCA MCKO DOUT SCKO LRCK MRST H-DT H-CK M-DATA M-CLK 3V EPM CE 5V SW3 SGND MOTOR L/E SPL- SPL+ R AGND L A8V MSTOP MRST MUTEL MUTER DGND B5V S5V MECHA DATA CLK SW1 SW2 DOUT S7.5V SLED+ LOAD SLED- EJECT T- VC T+ F- F+ F E R L E RF F TE GND IOP+ IOP- ARF FE Vref GND IC3 IC5 D3 Q3 IC9 IC6 Q1 IC13 IC8 D1 Q2 Q4 Q7 Q6 Q5 IC7 IC12 CN1 CN2 X32-5320-00 (J74-1276-02) DXM-1770 Rev.A (X32-5320-00) Ref. No. Address IC1 3X IC2 4W IC4 3W IC10 4V IC11 2X Q8 4V Q9 4V (X32-5320-00) Ref. No. Address IC3 2AB IC5 3AB IC6 4AB IC7 3AA IC8 2AB IC9 2AC IC12 2AC IC13 4AD Q1 3AC Q2 3AC Q3 4AC Q4 3AC Q5 3AA Q6 3AA Q7 3AA PC BOARD (Foil side view) Refer to the schematic diagram for the values of resistors and capacitors. PC BOARD (Component side view) CD UNIT (X32-5320-00) CD UNIT (X32-5320-00) Refer to the schematic diagram for the values of resistors and capacitors. w w w . x i a o y u 1 6 3 . c o m Q Q 3 7 6 3 1 5 1 5 0 9 9 2 8 9 4 2 9 8 T E L 1 3 9 4 2 2 9 6 5 1 3 9 9 2 8 9 4 2 9 8 0 5 1 5 1 3 6 7 3 Q Q TEL 13942296513 QQ 376315150 892498299 TEL 13942296513 QQ 376315150 892498299 AF AG AE AH AI AJ AK AL AM AN 2 4 3 5 6 7 1 19 20 R1 R3 R2 D4 D3 D1 D2 D5 X16-1240-00 (J74-1213-02) X16-1240-00 (J74-1213-02) 1 C1 VR2 R5 R7 R4 R6 6 VR1 D7 D6 D10 D9 D8 CN1 PH2 PH1 R43 C76 R82 C36 R3 C8 R2 R1 C20 R14 R13 CP7 L1 C81 R86 L2 R80 C51 R45 C52 R44 R46 C53 X2 CP9 C83 R58 C84 R84 R85 R79 L4 C74 C75 R78 R77 CP6 CP4 CP5 R12 R81 C82 C34 CP10 CP8 CP3 SIDE A DET-SW LIM-SW LOS-SW LOE-SW B E B E B E TH1 1 4 8 5 1 4 5 3 1 64 49 48 33 32 17 16 1 7 8 14 1 20 B E S2 IC7 IC6 Q7 IC9 Q6 Q5 Q4 CN1 S1 S3 S4 X33-3130-01 (J74-1203-02) IC8 C15 X1 C11 R40 C61 R6 C1 C37 C12 C10 C13 R18 R16 R17 C14 R19 R21 C17 R20 R8 R11 R5 R10 R7 C19 C38 C5 C6 C7 R28 R31 C29 R33 C9 R29 C60 C59 R48 R47 C54 C16 R49 C58 R53 C57 R54 C56 R57 R56 R51 C55 R50 R52 C46 C43 C35 R41 R55 R60 R59 R61 C25 C31 CP1 C21 R9 C39 R27 C22 C24 R23 R24 R26 C23 C26 C40 C18 R25 C47 R36 C30 C41 C44 C45 C28 C42 C48 C49 C32 R30 C33 CP2 C27 R32 R34 CUO C M2 M0 PEAK Red DOUT T0 AMUTE MRST FE AUX1 VCC IOP1 F B VC ILCC VC SL+ SL- S5V Red SP+ SP- A8 VC E SAGND RF LDGND TE F- F+ LOS CL DET LO DGND E ADFG LIM NC EJECT AG LOAD BU5 D A VEE DGND ARF SGND LOE D C IOP2 TRK- SDMUTE MST FLTxD FLRxD 3.3V ABCD BOTM VPP M1 M3 L1 T3 B E B E 1 12 13 24 25 36 37 48 120 91 90 61 60 31 30 1 4 3 2 1 1 22 1 18 19 36 TRK+ VR DA EJ I E B Black Black RM AUX 2 SE SW+5V L3 l IC2 D1 Q2 Q3 Q1 IC3 IC1 IC4 CN2 X33-3130-01 (J74-1203-02) (X33-3130-01) 6AL 6AL 6AK 5AK 5AL 5AM 6AM IC1 IC2 IC3 IC4 Q1 Q2 Q3 Ref. No. Address PC BOARD Refer to the schematic diagram for the values of resistors and capacitors. PC BOARD SUB-CIRCUIT UNIT (X16-1240-00) MD UNIT (X33-3130-01) Refer to the schematic diagram for the values of resistors and capacitors. (Component side view) (Foil side view) (Component side view) (Foil side view) (X33-3130-01) 2AK 2AL 2AK 2AJ 3AK 2AK 2AK 2AK IC6 IC7 IC8 IC9 Q4 Q5 Q6 Q7 Ref. No. Address w w w . x i a o y u 1 6 3 . c o m Q Q 3 7 6 3 1 5 1 5 0 9 9 2 8 9 4 2 9 8 T E L 1 3 9 4 2 2 9 6 5 1 3 9 9 2 8 9 4 2 9 8 0 5 1 5 1 3 6 7 3 Q Q TEL 13942296513 QQ 376315150 892498299 TEL 13942296513 QQ 376315150 892498299 B C D E F G H I J A 2 4 3 5 6 7 1 1 2 3 4 5 6 7 8 9 10 11 12 13 14 15 16 17 18 19 20 21 22 D OUT LOE/LIM SW SERVO GND SERVO GND S5V S5V LOAD EJECT Rch AGND Lch A8V MSTOP MRST AMUTE DGND DGND BU5V MSDA MSCL LOS/EJECT (DET-SW) 8 7 15 16 6 14 B.U 3 11 5 4 2 10 1 9 25 24 23 22 21 20 19 18 17 16 15 14 13 12 11 10 9 8 7 6 5 4 3 2 1 CD OGND OUT4- MUTE OUT4+ VCC OUT3- OGND OUT3+ BEEP IN3 IN4 SGND IN2 IN1 SVR OUT1+ OGND OUT1- VCC OUT2+ STBY OUT2- OGND TAB EN8 EN16&8 SGND P CON VS PGND TUN8V TAB AUD 8V 5FEED BU 5V STCAP T8FEED 8FEED F CAP 8 4 1 2 3 6 5 7 9 10 11 12 13 14 15 13 12 9 8 7 6 5 4 3 2 1 MOTOR- MOTOR+ OPEN SW GND PM DET GND P MODE GND V REF 1 2 3 4 5 6 7 8 9 10 11 12 CD1 VR IN1 GND IN2 VCC1 VCC2 CD2 24 23 22 21 20 19 18 17 16 15 14 OUT1 GND GND OUT2 SW1 CLK DATA NC SW2 D OUT SERVO GND SERVO 6.5V SW3 Rch AGND MOTOR LO/EJ MSTOP MRST Lch A8V VDD SW5V/NC AMUTE R D GND AMUTE L 1 2 4 3 6 5 11 9 8 7 10 12 13 14 15 17 16 19 18 22 21 20 RR+ RR- RL- FR- FR+ FL- RL+ FL+ 10K R717 30 29 56 58 RL+ RR- RR+ FR- FR+ RL- FL- FL+ 10K C425 0.1 22u16 + C426 0.22u50 0.22u50 FR RR FL RL C432 0.1 2.4K R417 R418 R419 4.7K TH1 100 R421 R420 4.7K 25 D602 26 23 470 R223 22u6.3 C225 + 22u6.3 C325 + R323 470 + C327 22u6.3 470 R326 C227 22u6.3 + 470 R226 NR NL 47K R224 47K R324 47K R327 47K R227 1000P C326 1000P C226 1000P C328 1000P C228 R328 100 R325 100 R225 100 R228 100 RR FR RL FL FL FR RR RL 10K R715 820 R716 0.1 4.7K 0.1 4.7K 28 3.3K R712 27K R713 4 12 3 2 10 4 3 10 560 R718 43 24 0.01 C705 10K R708 91 40 C708 C707 R711 R714 47K R719 2 3.3K R704 20K R706 10K R707 C704 0.022 1K R710 12 4700u16 + C702 R701 18K C703 R702 22K 15K R703 19 42 50 49 R851 3.3 1W 0.1 0.1 0.1 53 52 95 98 C854 0.1 C853 0.022 0.022 C858 0.1 C857 57 60 59 61 55 77 76 77 78 74 72 79 30 29 75 27 28 4.7K R730 C724 R733 39K 560 R723 4.7K R722 100P C732 C719 0.047 R729 5.6K 1K 10u16 + + 330u25 10u16 + 0.22 R734 10u10 + 0.01 0.1 C731 C730 1 4.3K R735 8.2K R736 0.022 1 2 3 4 5 VIN VOUT GND FEEDBACK ON/OFF 22uH L702 140uH L701 220u35 + + 220u35 1 100K 10u16 + 0.01 R407 27 22 41 C709 C710 C714 C713 R724 C712 0.022 C856 100K R739 4.32K R720 1K R721 GND ILL LINE MUTE ACC AMP CTRL RR+ ANT CON P. CON RR- RL+ FL+ RL- FL- FR- FR+ 47K 0.22u50 0.22u50 Q702 Q703 Q704 Q706,707 Q302,303 Q202,203 Q701 Q710,711 FL FR 51 D403 F1 10A 25 1/2W 0.47 C424 R700 100K 0.1 C701 0.022 Q705 R727 2.2K C721 0.01 C727 4.7K R742 1K 0.047 C749 5.49K R743 R741 C720 R731 C722 10u10 0.01 + C746 C745 C726 C725 C723 12.4K C330 C329 C230 C229 20K 20K 20K 20K C433 1 R416 10K 89 W6 0.1 C406 C851 C855 73 C401 1 C400 1 C718 0.047 100u10 + 82 R737 C852 1 2 2 1 Q851 OUT IN GND 100u10 + C736 0.01 C737 C735 C734 0.01 R738 100K 6 8 V REF GND P MODE GND PM DET GND 8 9 4 5 6 7 OPEN SW MOTOR+ MOTOR- 1 2 3 10K(B) 13 1 16 6 11 3 14 CONT ILLUMI ORG 2 15 YEL EXT. PNK/BLK 4 13 BRN 5 12 VIOL P.CONT RED BLK BLU/WHT GRY GRN/BLK VIOL/BLK 7 10 8 9 GRN WHT/BLK GRY/BLK WHT LINE MUTE BATT ANT CONT BLU ACC +B BU T8V A8V +B S5V S5V A8V BU5V A8V S5V BU5V A8V S6.5V S6.5V S5V BU5V BU5V A8V S6.5V A8V S6.5V SW5V SW16V SW5V SW16V BU BU5V SW5V SW16V BU BU5V A8V BU5V A8V BU5V +11V S6.5V +5V +5V S6.5V A8V +11V BU5V S6.5V BU S6.5V BU BU BU S6.5V BU BU +11V S6.5V +5V S6.5V +5V +11V A8V BU5V +5V BU BU A8V BU +5V +B BU +5V +5V +5V +5V +5V +5V A8V BU5V BU +5V BU5V BU T8V A8V A8V BU5V BU5V BU BU BU T8V R313 R314 R213 R214 R705 1.5K C700 0.022 10u16 C711 + R732 1K +5V BU +14V +14V +14V +14V +14V +14V +5V CN2 J1 CN5 CN3 D306 D307 D305 D308 D206 D208 D205 D405 Q402 D403 D404 Q303 Q203 Q202 Q302 Q706 Q707 D708 D717 D707 D706 Q702 Q715 Q704 Q705 D714 D702 D701 D852 D851 Q851 D604 D603 Q709 D710 D712 D713 D709 Q710 Q711 Q716 Q701 Q703 AUDIO P-ANT SW DETECT SWTCHING PWR IC ILLUMI BU.ACC DETECT SW ILLUMI, LINE MUTE DETECT SW AMP CONTROL SW P-CON MUTE DETECT SW SERGE AVR ILLUMI +B SW CONTROL SW PWIC MUTE PANNEL MECHA DRIVER PANNEL MECHA DRIVE VOLTAGE SW REGULATOR REAR Lch REAR Rch FRONT Lch J3 FRONT Rch GND GND D406 D705 D704 D703 D718 Q718 Q717 IC1 : IC2 : TDA7501 IC4 : L4943 IC6 : IC7 : LM2596S-ADJ IC8 : TDA7500 IC9,12 : NJM4565M-TE2 IC10,11 : NJM2068MD IC14 : SI-3033CA IC15 : PST9142NR IC16 : TC7W02FU IC17 : BA6219BFP-Y IC19 : IS63LV1024-15J Q1 : FMG1A Q2,3 : CPH3105 Q403,701,703,716,851 Q7,705,707 : Q202,203,302,303 : Q402 : Q601 : Q602 : Q603,604 : Q605,700,903,905,907 : FMC2A Q702 : FMW1 Q704 : DTA123JK Q706 : 2SB1188(R) Q709 : FMC3A Q710 : 2SB1548(P) Q719 : 2SB1446 Q715,720 : IMD16A D5 : HZM5.6N(B2) D205-208,305-308,706-708 : 1SR154-400 D403-406,504,601,602 : D501,603,604,712,715 : DAN217 D407 : HZ6C2L D502,505 : 02CZ3.6-Z D701 : RM10ZLF D702 : HZS7A3L D703 : 02CZ12-X D704 : 02CZ6.8-Y D705 : 02CZ6.2-X D709 : RB050L-40 D720 : 02CZ18-Y D713 : DA227 D717 : U1GWJ44 D851 : 02CZ5.1-Y D852 : 02CZ7.5-X (X14-6700-XX) (A/2) PANEL MECHA (D40-1162-05) (X92-4420-00) CD MECHA (X92-4280-00) MD-CH MECHA : 2SC2412K(S) Q708,711,718 D402,503 HZM6.8N : M L88M05T IC18 : DAN202K or D714 : D301,302,805 : : 2SB1184 Q717 : B LINE SIGNAL LINE D207 M30624MGAA46FP TA8273H D720 Q700 Q708 Q719 D718 02CZ5.6-X : D801,802 : SW5V POWER SUPPLY IC SW 2SC4081 or DTC143TK or DTC114EUA or DTA124EK or DTC114YK or DTA114EK or DAP202K or HZM6.8WA or DTC144EK or HZM6.8FA or UN2213 or KRC104S 2SD1819K UN2216 UN2214 or UN2111 or UN2112 or UN5211 KRA103S KRA102S KRC107S MA152WA FIZ6.8E MA3068WA or STZ6.8N MA152WK IC6 IC4 IC17 IC7 (X14-6700-21) (A/2) IC18 DC CORD (E30-4975-05) DPX-8020MD 10K 10K 4.7K 4.7K 4.7K 4.7K 47K 2.2K 47K 47K 47K 47K 47K 47K 47K 47K 0V 0V 7.2V 5.0V 7.2V 14.4V 7.2V 0V 7.2V 7.2V 7.2V 7.2V 0V 7.2V 7.2V 7.2V 7.2V 0V 7.2V 7.2V 14.4V 0V 7.2V 3.3V 7.2V 7.2V 0V 0/5.0V 7.2V 0V 7.2V 0V 0/5.0V 14.4V 14.4V 7.2V 0V 14.4V 14.4V 0V 1.25V 8.0V 0V 8.0V 1.25V 1.25V 1.25V 14.4V 5.0V 0V 5V 14.4V 6.5V 1.23V 0V 0V 5V 0V 5V 5.0V 0V 6.5V w w w . x i a o y u 1 6 3 . c o m Q Q 3 7 6 3 1 5 1 5 0 9 9 2 8 9 4 2 9 8 T E L 1 3 9 4 2 2 9 6 5 1 3 9 9 2 8 9 4 2 9 8 0 5 1 5 1 3 6 7 3 Q Q TEL 13942296513 QQ 376315150 892498299 TEL 13942296513 QQ 376315150 892498299 L M K N O P Q R S T 75 74 73 72 71 70 69 68 67 66 65 64 63 62 61 60 59 58 57 56 55 54 53 52 51 50 49 48 47 46 45 44 43 42 41 40 39 38 37 36 35 34 33 32 31 30 29 28 27 26 1 2 3 4 5 6 7 8 9 10 11 12 13 14 15 16 17 18 19 20 21 22 23 24 25 76 77 78 79 80 81 82 83 84 85 86 87 88 89 90 91 92 93 94 95 96 97 98 99 100 DBRCK0 DBRIN0 DBROUT0 DBRRQN1 DBRCK1 DBRIN1 DBROUT1 LRCKR SCKR LRCKT SCKT SRCCDC SRA21 SRA20 SRA19 SRA18 SRA17 CASALE DRD DWA SRA16 SRA15 SRA14 SRA13 CVDD2 CGND2 SRA12 SRA11 SRA10 SRA9 SRA8 SRA7 SRA6 SRA5 SRA4 SRA3 SRA2 SRA1 SRA0 DSRA0 DSRA1 DSRA2 DSRA3 DSRA4 DSRA5 DSRA6 DSRA7 SCRCMD SCRCCD CVDD1 GND1 VDD1 TESTEN TESTSE NRESET SCKM DA-MO DA-INM SSM SCDK MISOD MOSID SSD CLKIN AVDD XTI XTO AGND RDS INT RDS ARI RDS QAL RDS DAT RDS CLK INT CGND1 DBQN0 VDD2 GND2 ADC0 ADC1 ADC2 ADC3 S2DREF ADCVDDREF ADCREF2 ADCREF1 ADCREF0 ADCVDD ADCGND DAC0(NL) DAC1(NR) DAC2(FR) DAC3(FL) DAC4(RL) DAC5(RR) DACREF2 DACREF1 DACREF0 DACGND DACVDD 3 2 1 VSS VSS 4 5 OUT VDD R663 10K 0.01 C614 56 57 52 53 54 55 10K R515 10K 2.2u16 + C509 79 80 C510 2200P C511 2200P 81 C512 330P 82 C513 330P 84 C514 47u10 + + C515 47u6.3 + C516 47u6.3 C518 0.1 C517 47u10 + 90 93 94 91 92 95 + C519 470u6.3 + C501 47u10 L501 C503 0.1 L503 C526 0.022 R502 10K 3 1 100 2 4 10K R509 47K R508 47K R513 10K 27 25 26 24 C504 0.1 L504 X2 C506 C505 L505 0.1 C507 29 30 31 32 33 34 35 36 37 38 39 40 41 42 43 44 45 46 47 48 49 220 R510 27 28 L507 2.2u16 C508 + L508 4 3 2 1 GND 5 6 7 8 VDD R514 4.7uH L601 0.1 C605 100u10 + C604 0.022 C603 88 CH 100K R605 4.7K R666 C502 0.1 93 470 CP52 470 CP51 R501 470 RST D403 C527 0.01 8P 8P 1M R500 4 R728 1W 2.2 C525 2.2 5 VO VIN GND 2 3 ON/OFF VO 1 220u35 C523 0.33 C521 + C529 R512 470P D602 80 79 78 77 76 75 74 73 72 71 70 69 68 67 66 65 64 63 62 61 60 59 58 57 56 55 54 53 52 51 50 49 48 47 46 45 44 43 42 41 40 39 38 37 36 35 34 33 32 31 1 2 3 4 5 6 7 8 9 10 11 12 13 14 15 16 17 18 19 20 21 22 23 24 25 26 27 28 29 30 81 82 83 84 85 86 87 88 89 90 91 92 93 94 95 96 97 98 99 100 SD MD LOS/EJ MD AMUTE MRST MD MSTOP MD EJECT MD LOAD MD LOE MD DET MP3 TYPE TEL C2 TEL C1 TEL-TYPE AUX-TYPE DIVER-TYPE MP3 SW VSS 6000MECH VCC CD SW3 CD MOTOR CD LO/EJ CD-SW1 CD AMUTE CD SW2 CD MSTOP PON2 OPEN SW PMDET PM VR PMOT2 PMOT1 DC24SW LED LOGO PN SCCON LED MD LED CD PCON IN ACC DET LAMP ILLUMI V225-VER CRSC 1 TEL MUTE TEL DAIN TEL DAOUT SYS REQ PN CLK PN DATA SYS DATA DSP DAOUT DSP CLK V225 SEL DSP RST DATAH DATAC CHCLK BYTE CNVSS CHCON1 NC RESET XOUT VSS XIN VCC NMI PN REQ BU DET REQC PWIC SVR(NC) PON PWIC STBY AMP CTRL TEST BUZZ PCON PANT SCL SDA DIVER FM+B AM+B PARKING DSP MUTE A354 SEL REQH MUTE PW MUTE ALC(NC) LINE MUTE REFCON MPX CD DET PMODE AVSS FSD OUT VREF AVCC DSP DAIN R668 100 R659 100K R669 100 R670 100 R608 2.2K 100 1 5 4 3 2 7 6 CP62 470 R607 1K 100K R661 C608 C607 C606 0.1 R609 22K 10P 10P 10 12.5 MHz 19 R614 100K R612 100K R611 100K C609 0.01 20 18 R684 R610 1K R667 100 X1 1M R613 100 R625 470 R623 1K R604 3.3K R603 2.2K 27 28 25 24 23 22 26 29 30 30 29 CP64 2.2K 2.2K CP68 100 R616 R617 100 100P C612 94 98 97 4700P C613 R632 4.7K R658 100K R660 100K 91 R630 100K 95 89 86 2.2K R631 1K R647 R644 10K 87 R646 2.2K 88 R626 470 100 CP77 R677 470 85 100K 83 82 2.2K CP76 93 2.2K R643 R634 100 R676 R665 100K R628 2.2K 34 32 33 31 R619 100 R618 470 R621 470 R620 100 R674 R685 100 R686 2.2K R627 1K 42 41 40 CP66 2.2K R657 100K 43 47 45 44 2.2K R622 2.2K CP67 46 CP63 2.2K 52 49 50 51 R671 100K R673 100K R682 47K R681 R602 100K CP72 2.2K 2.2K CP74 2.2K CP73 76 77 78 74 75 R696 47K 72 73 CP69 2.2K CP71 C610 0.01 2.2K 60 61 53 55 57 56 58 59 R656 100K 100K R654 100K C620 0.01 R653 470 R650 100K C621 0.01 R649 470 C619 0.01 R652 100K R651 470 R695 47K R692 47K R691 47K R699 47K 65 79 470 R635 R636 100K R637 2.2K C616 0.01 R689 100K R675 100K 470 C617 0.01 R641 100K 80 2.2K R642 4700P C622 Q601 100K R740 100K R688 R655 47K 85 0.01 C528 BU5V +11V S6.5V +5V BU5V +11V S6.5V +5V BU5V +11V S6.5V +5V +B +5V +B +B +B +B +B +5V +B +5V +B +B +B +B +B +B +B +B +B +B +B +B +B T8V T8V +B +B A8V BU BU A8V T8V +B +B BU A8V BU5V +11V +5V T8V A8V BU S6.5V Q905 44 45 MD Q907 47 CD LO +11V Q903 +11V +11V +11V +11V R609 22K R648 100K +3.3V +3.3V +3.3V +3.3V +3.3V +3.3V +3.3V +3.3V +3.3V +3.3V +3.3V +3.3V +3.3V +3.3V +3.3V +3.3V +3.3V +3.3V +3.3V +3.3V MUT RST +3.3V +3.3V Q605 D601 Q601 D504 D501 (BOTTOM VIEW) D602 Q603 SYSTEM u-COM DSP IC LOGIC IC MUTE RESET DRIVER RESET IC 3.3V AVR DRIVER DRIVER TEL MUTE D505 D503 Q604 Q720 POWER SUPPLY SW LED CD POWER SUPPLY SW LED MD Q903 POWER SUPPLY SW LED LOGO Q905 Q907 Q602 SW RESET PON2 IC8 IC1 IC15 IC16 IC14 22K 22K 10K 10K 10K 10K 47K 10K 0/5.0V 0V 0/5.0V 0/5.0V 5.0V 0/5.0V 0/5.0V 0/5.0V 0V 0V 3.3V 3.3V 0V 16.934MHz 3.3V 0V 3.3V 3.3V 0V 0V 3.3V 3.3V 0V 5V 3.3V 0V 0V 3.3V 3.3V 0V 0V 0V 0V 0V 0V 0V 0V 3.3V 3.3V 3.3V 0V 1.7V 1.7V 1.7V 1.7V 3.3V 0V 0V 0V 3.3V 3.3V 1.7V 5.0V 0V 3.3V 0V 0V 0V 0/5.0V 0V 0V 5V 0V 5V 5V 0V 10MHz 0V 5V 0V 5V 5V 0V 5V 0V 0V 5V 0V 5V 0V 5V 0V 5V 0V 0V 5V 5V 0V 0V 5V 0V 5V 0V 5V 0V 5V 0V 5V 0V 5V 5V 0V 5V 0V 5V 5V 0V 0V 0V 3.3V 0V 0V 3.3V 6.5V w w w . x i a o y u 1 6 3 . c o m Q Q 3 7 6 3 1 5 1 5 0 9 9 2 8 9 4 2 9 8 T E L 1 3 9 4 2 2 9 6 5 1 3 9 9 2 8 9 4 2 9 8 0 5 1 5 1 3 6 7 3 Q Q TEL 13942296513 QQ 376315150 892498299 TEL 13942296513 QQ 376315150 892498299 V W X Y Z AA AB AC AD U 2 4 3 5 6 7 1 22 21 20 19 18 17 16 15 14 13 12 34 35 36 37 38 39 40 41 42 43 44 PGND VCC VDD GND AM IF MPX RDS AM TUN G FM FM LEVEL AM LEVEL IN 3R(NR) IN 3L(NL) IN 2L(RL) IN 2R(RR) IN 1R(FR) IN 1L(FL) ADCVDDREF OUT 2R OUT 2L(S-METER) OUT 1R(AUDIO R) OUT 1L(AUDIO L) 21 L7 4.7uH IF1 GND 100u10 C13 + IF1 +B 24 S-METER SD 23 22 VDD 5V DIG GND SCL 18 19 AUDIO OUT IF2 +B 20 IF2 GND 17 15 16 PLL +B AM IFOUT SDA 13 14 C25 1 12 OSC GND C6 0.01 100u10 + 4.7uH OSC GND NC(VT) OSC GND 11 10 OSC GND 8 9 6 OSC GND AM +B 7 FM +B 5 1 AM ANT IN 4 3 FM ANT IN RF GND 2 29 28 27 26 25 24 23 22 21 20 19 18 17 16 15 14 13 12 11 10 9 8 7 6 5 4 3 2 1 FMCOMP DGND VDD SP-CLK DSP-CLK SP-DATA SP-EN RST PN-REQ PN-CLK PN-DATA SYS DATA SCCON ILLG ILL+B FLVDD FLFCT FL23V FLGND FL34V FAC FAC PON5V GND LED LOGO LED MD LED CD CD DET RST 33 32 31 18 34 26 24 25 27 R503 1K R504 1K R505 100 R506 1K CD MD LO R808 100 CLK R802 1K CH CON R801 100 REQ H BU GND R807 100 R301 4.7 R806 100 R201 4.7 R804 1K R803 1K C805 1 A GND MUTE DATA H DATA C RST Rch Lch 8 4 12 7 3 6 2 13 11 10 R805 100 REQ C 5 1 9 16 15 14 13 12 11 10 9 8 7 6 5 4 3 2 1 A7 A6 A5 A4 WE I/03 I/02 GND VCC I/01 I/00 CE A3 A2 A1 A0 17 18 19 20 21 22 23 24 25 26 27 28 29 30 31 32 A8 A9 A10 A11 A12 I/04 I/05 VCC GND I/06 I/07 OE A13 A14 A15 A16 L510 2.2u16 + 1 VCC 8 7 2 4 3 GND 6 5 1000P 6.8K R209 330P C213 4.3K R211 6.8K 680P 4.3K R212 3.3u50 + C216 C215 C419 22u16 + C420 0.022 330P C313 4.3K R310 C314 1000P 680P R311 6.8K 3.3u50 + C316 94 95 + C418 0.022 93 + 92 3.3u50 C320 GND C219 680P 1000P 5 4 R215 6.8K 6 7 C317 330P C417 22u16 3 2 R317 6.8K 680P C318 1000P 1 8 VCC 6.8K R315 R316 4.3K C319 C218 C214 C315 R210 R216 4.3K 3.3u50 + C220 R217 6.8K R218 4.3K C217 330P 4.3K R312 4.3K R318 R319 R322 4.3K R321 6.8K 6.8K 4.3K 2 330P C321 C221 C421 22u16 680P C324 3.3u50 C422 0.022 + GND 4 1000P C323 C322 3 5 6 6.8K 680P C223 R221 4.3K R222 91 90 C222 1000P 4.3K R220 330P 1 R320 8 VCC 7 R219 6.8K C303 1u50 + C203 1u50 + C304 100u6.3 + C804 1 C802 0.1 C803 0.022 5 6 7 R302 4.7 10 87 6 20 7 5 RST CH L2 6.8uH C5 1 + 100u10 C34 C9 0.1 C12 4.7uH L4 L10 R23 100 R22 100 30 29 14 16 13 4.7uH R20 2.7K 22K R7 R8 2.2K 2.2K R6 R5 22K C40 0.1 0.1 C27 470 R21 82 83 L6 100u10 C26 + 94 4 GND 5 3 2 6 VCC 1 7 8 0.022 10u16 + R434 22K 390 R432 10u16 + C452 10u16 + C451 22u10 + C450 0.022 10u16 + C447 SPKR 3R(NR) OUTPUTREF MUTE DSP DAOUT SEL SPKR 1L(FL) DSP CLK SPKR 1R(FR) SPKR 2R(RR) SPKR 2L(RL) SPKR 3L(NL) 25 24 23 28 29 27 26 33 31 30 32 9 AUXG AUXG AUXR 10 11 MP3R/MIC CD L AUXL CD R CD G V33 MP3L/SIN S GND 5 6 7 8 1 3 4 2 86 2 1 5 6 7 8 11 1 C404 1 C403 6.8K R406 0.01 C410 100u10 + C409 R410 10K 80 0.033 C32 C29 0.033 10u16 + C407 14 13 16 NL NR RR FR RL FL 79 80 35 34 36 37 38 81 84 82 39 C209 1 C309 1 1u50 1u50 1u50 + 1u50 + C310 C210 R809 100K 10K R507 44 43 42 41 56 33 34 35 36 40 39 38 37 31 32 49 48 47 46 45 30 29 57 52 54 55 3.3u50 C224 12K R433 IC9-12 34 35 R309 6.8K 36 37 39 38 97 52mH 30 SYS-REQ ESD 46 C8 0.1 C11 C10 100u10 0.1 + L5 C4 0.01 C35 0.01 C36 10P C7 1 10 4 3 C31 0.47 470 CP1 + + C211 C311 22K R231 22K R230 R332 22K + + C453 R232 22K 22K R331 R330 22K 53 C524 0.01 C520 1 3 (L) (R) 2 1K 1K 4.7u25 + 4.7u25 + 4.7u25 + C232 C801 C332 R303 R203 11 10 8 3300P C800 1K R810 W2 4.7u16 + W1 + 4.7u16 C202 C302 8 6 4 3 BU5V BU5V BU5V +11V +5V BU5V +11V +5V BU5V +11V +5V +5V A8V A8V A8V A8V +11V A8V A8V A8V BU5V T8V +B +B +11V A8V A8V A8V T8V A8V +B A8V A8V +B T8V +B T8V T8V T8V T8V +B +B T8V +B T8V T8V BU A8V A8V BU C448 C449 W7 +3.3V +3.3V +3.3V +3.3V +3.3V +3.3V +3.3V PON5V GND LOGO LED MD LED CD CD DET 22K VR1 180 R4 VR1 4 110 1 +5V R5 2 750 560 3 R3 560 R2 5 R1 6 MUT C23 1 C625 0.1 C624 33P L3 W3 CN1 D715 J2 D302 D301 D802 D801 WH1 Q1 Q3 Q2 D5 Q7 D407 D502 E-VOLUME MUTE S-RAM OP AMP FM.AM.+B SW F/E DIG 5V CONTROL SW REAR FRONT REAR/ NON FAD 4V AVR CN7 D805 AUX : B30-1566-05 : B30-1566-05 D5 D8 : DAP202U D6,7 : DNP1102F (A,B) D1-4 : PS1192F (C) PH1 D402 E-VOLUME/MPX Q403 FM+B TUNER CH-IN AUX-IN ANT. ADJUSTMENT DETECTION SENSITIVITY PH1 D7 D6 D5 D8 D3 D4 D2 D1 CN1 2/2 CN1 X25- IC2 IC19 IC12 A1 IC9 IC10 IC11 DPX-8020MD (1/2) (X16-1240-00) A 47K 47K 8.0V 4.0V 4.0V 4.0V 0V 4.0V 4.0V 4.0V 4.0V 4.0V 0V 4.0V 4.0V 8.0V 4.0V 4.0V 4.0V 0V 4.0V 4.0V 8.0V 4.0V 4.0V 4.0V 0V 4.0V 4.0V 8.0V 0-4.0V 0-4.0V 0-4.0V 0-4.0V 0-4.0V 0-4.0V 0V 8.0V 8.0V 0V 0-4.0V 0V 0-4.0V 0-4.0V 0-4.0V 0V 3.3V 0-4.0V 3.3V 0V 5V 0V 0-4.0V 0-4.0V 0-4.0V 0-4.0V 0-4.0V 0-4.0V 0-4.0V 0-4.0V 0-4.0V 0-4.0V 0-4.0V 0-4.0V 0-4.0V 0-4.0V 0-4.0V 3.3V 3.3V 0V 0V 5V 0V 0V 0-4.0V 0-4.0V 0V DPX-8020MD B E C DTA114EK DTA123JK DTA124EK DTC114YK DTC114YUA DTC143TK DTC144EK UN5211 2SA1362 2SA1576A 2SB1295 2SC2412K 2SC4116 2SD1819A 2SD2114K B C E 2SB1188 3 5 2 1 FMW1 B C E 2SB1184 IMD16A 3 1 6 4 B C E 2SB1548 3 4 5 2 1 FMG1A 2SC4081 C B E B E C DTA114EUA DTC114EUA DTC124EUA DTC143EUA KRA102S KRC104S 1 4 NJM2068MD NJM2903M NJM4565M-TE2 NJM5532MD 5 8 A1 A2 K DAN202K DAN202U VinGND TA78L05F VREF 3 2 1 DAP202K DAP202U 02CZ12-X 02CZ18-Y 02CZ3.6-Z 02CZ5.1-Y 02CZ6.2-X 02CZ6.8-Y 02CZ7.5-X 02CZ8.2-Z A N C 1 7 8 14 TC74HCT7007AF 1 48 12 37 24 13 25 36 CXA2523AR BA5917AFP 1 14 15 28 1 3 4 5 PST9142NR 1 8 9 16 TC74HC157AF 1 14 PCM1716E 28 15 CAUTION: For continued safety, replace safety critical components only with manufacturer's recommended parts (refer to parts list). Indicates safety critical components. To reduce the risk of electric shock, leakage-current or resistance measurements shall be carried out (exposed parts are acceptably insulated from the supply circuit) before the appliance is returned to the customer. •DC voltages are as measured with a high impedance voltmeter. Values may vary slightly due to variations between individual instruments or/and units. 3 1 4 2 DA227 w w w . x i a o y u 1 6 3 . c o m Q Q 3 7 6 3 1 5 1 5 0 9 9 2 8 9 4 2 9 8 T E L 1 3 9 4 2 2 9 6 5 1 3 9 9 2 8 9 4 2 9 8 0 5 1 5 1 3 6 7 3 Q Q TEL 13942296513 QQ 376315150 892498299 TEL 13942296513 QQ 376315150 892498299 AF AG AE AH AI AJ AK AL AM AN 2 4 3 5 6 7 1 75 74 73 72 71 70 69 68 67 66 65 64 63 62 61 60 59 58 57 56 55 54 53 52 51 50 49 48 47 46 45 44 43 42 41 40 39 38 37 36 35 34 33 32 31 30 29 28 27 26 1 2 3 4 5 6 7 8 9 10 11 12 13 14 15 16 17 18 19 20 21 22 23 24 25 76 77 78 79 80 81 82 83 84 85 86 87 88 89 90 91 92 93 94 95 96 97 98 99 100 NC NC NC NC NC NC NC NC NC SEG66 SEG65 SEG64 SEG63 SEG62 SEG61 SEG60 SEG59 SEG58 SEG57 SEG56 SEG55 SEG54 SEG53 SEG52 SEG51 SEG50 SEG49 SEG48 SEG47 SEG46 SEG45 SEG44 SEG43 SEG42 SEG41 SEG40 SEG39 SEG38 SEG37 SEG36 SEG35 SEG34 SEG33 SEG32 SEG31 SEG30 SEG29 SEG28 SEG27 SEG26 SEG1 SEG2 SEG3 SEG4 SEG5 SEG6 SEG7 SEG8 SEG9 SEG10 SEG11 SEG12 SEG13 SEG14 SEG15 SEG16 SEG17 SEG18 SEG19 SEG20 SEG21 SEG22 SEG23 SEG24 SEG25 COM8 COM7 COM6 COM5 COM4 COM3 COM2 COM1 P1 P2 P3 P4 VDD VLCD VLCD0 VLCD1 VLCD2 VLCD3 VLCD4 VSS OSC INH CE CL DI C8 C7 C6 C5 C4 C2 C1 C3 10 12 11 9 18 16 15 17 13 14 29 30 28 27 19 31 32 38 33 40 39 41 42 44 43 45 46 53 51 52 54 59 55 57 56 58 61 60 62 63 SEG50 SEG49 SEG48 SEG47 SEG46 SEG45 SEG44 SEG43 SEG42 SEG41 SEG40 SEG39 SEG38 SEG37 SEG36 SEG35 SEG34 SEG33 SEG32 SEG31 SEG30 SEG29 SEG28 SEG27 SEG26 90 138 SEG3 98 SEG2 SEG1 3 1 2 99 100 DI CE CL 94 95 96 97 OSC INH VLCD4 VSS 92 91 93 VLCD3 VLCD2 VLCD1 VLCD0 15 SEG14 SEG13 SEG12 SEG11 SEG10 SEG9 SEG8 SEG7 SEG6 SEG5 SEG4 6 4 5 9 7 8 12 10 11 14 13 SEG25 SEG24 SEG23 SEG22 SEG21 SEG20 SEG19 SEG18 SEG17 SEG16 SEG15 18 17 16 20 19 23 21 22 24 25 NC 82 86 87 88 89 VLCD VDD P4 P3 83 84 85 P2 P1 COM1 COM2 78 79 80 81 COM3 COM4 COM5 COM6 76 77 166 COM7 NC NC NC SEG70 SEG71 SEG72 SEG69 SEG68 SEG66 SEG65 SEG64 SEG63 SEG62 SEG67 SEG56 SEG61 SEG60 SEG59 SEG58 SEG57 SEG55 SEG54 SEG53 SEG52 SEG51 73 75 74 61 70 72 71 67 69 68 64 66 65 62 63 97 98 99 100 58 59 60 56 57 53 55 54 52 51 36 28 27 26 32 30 29 31 34 33 35 44 40 38 37 39 42 41 43 48 46 45 47 50 49 113 93 92 96 95 94 91 1 2 3 4 5 6 7 8 9 10 11 12 13 14 15 16 17 18 19 20 21 22 23 24 NC DGND BU 5V SP CLK SP DATA P SP DATA D SP EN RESET PN REQ SYS REQ PN CLK PN DATA SYS DATA PN SCCON ESD ILL GND ILL +B NC NC NC NC NC NC NC 168 167 166 165 164 163 162 161 160 159 158 157 156 155 154 153 152 151 150 149 148 147 146 145 144 143 142 141 140 139 138 137 136 135 134 133 132 131 130 129 128 127 126 125 124 123 122 121 120 119 118 117 116 115 114 113 112 111 110 109 108 107 106 105 104 103 102 101 100 99 98 97 96 95 94 93 92 91 90 89 88 1 2 3 4 5 6 7 8 9 10 11 12 13 14 15 16 17 18 19 20 21 22 23 24 25 26 27 28 29 30 31 32 33 34 35 36 37 38 39 40 41 42 43 44 45 46 47 48 49 50 51 52 53 54 55 56 57 58 59 60 61 62 63 64 65 66 67 68 69 70 71 72 73 74 75 76 77 78 79 80 81 82 83 84 85 86 87 50 49 48 47 46 45 44 43 42 41 40 39 38 37 36 35 34 33 32 31 30 29 28 27 26 25 24 23 22 21 20 19 18 17 16 15 14 13 12 11 10 9 8 7 6 5 4 3 2 1 76 77 78 79 80 81 82 83 84 85 86 87 88 89 90 91 92 93 94 95 96 97 98 99 100 51 52 53 54 55 56 57 58 59 60 61 62 63 64 65 66 67 68 69 70 71 72 73 74 75 PON NC NC NC NC NC NC LCD2 CE LCD1 CE NC NC NC LCD INH LCD1 CL NC LCD1 DO PNLREQ PNL CLK SYS DATA PNL DATA SP DATA OUT SP DATA IN SP CLK NC LED B NC LED G NC LED R NC PN SCCON SP EN SYS REQ MNI VCC X IN VSS X OUT RESET NC NC CNVSS BYTE NC NC NC REMO NC LCD2 CL LCD2 DO KR1 KR2 KR3 KR4 NC KS0 KS1 KS2 KS3 NC NC NC NC NC NC NC NC NC NC NC AVSS NC VREF AVCC NC NC NC NC NC NC NC NC NC NC NC NC VCC NC VSS NC NC NC NC NC NC NC RE IN RE BASE NC KR0 0.1 C3 1K R24 CP9 1K KS3 OUT GND GND VDD C5 0.01 C4 10u16 + 22 R25 R26 47K 1K R11 R12 1K 1K CP1 2 0.1 C1 4.7K R13 0.1 C45 470 R64 16.0MHz X1 22K R18 1K R14 100K R15 18 19 R16 47K 20 470 CP2 B G R 47K R17 28 29 30 47K R19 31 32 33 100K R20 34 1K CP3 1 35 37 38 1K CP4 43 42 1K R21 0.1 C2 1K CP7 47K CP8 KR0 4.7K CP6 4.7K CP5 R22 1K 47K R23 0.1 C18 1K CP11 38 43 2 1 680P 43K C16 0.1 C15 0.1 C14 0.1 CP10 1K 35 37 38 42 C9 0.1 C11 0.1 C10 0.1 680P 43K 87 86 85 84 83 81 82 80 79 77 78 74 75 76 64 73 1K R27 0.1 C8 L1 22u16 + C6 R1 470 R2 470 R3 470 R4 470 R65 100 R7 100 R6 100 R5 470 R8 470 R9 100 R10 1K 28 30 29 19 18 34 33 20 31 32 1 2 4 3 5 6 7 10 9 8 11 17 14 13 12 16 15 18 19 C6 C3 C2 C1 C5 28 27 C7 31 29 30 C4 32 33 46 C2 C3 38 39 C1 41 42 40 44 45 43 52 C7 C6 C5 51 C8 60 54 53 57 55 56 59 58 63 62 61 C8 64 C7 C6 C5 C4 C3 C2 C1 73 86 80 77 76 74 75 79 78 83 82 81 85 84 87 95 98 99 100 96 97 93 94 92 91 90 89 88 C4 12 9 7 5 3 1 R56 430 R57 430 R54 430 R50 430 R51 430 R53 430 R69 4.7K 4.7K R34 470P C46 4.7K R70 C47 470P 4.7K R35 470P C48 4.7K R71 R36 4.7K 4 3 1 2 C39 0.01 0.01 C38 C37 0.01 R46 430 430 R47 R78 560 R55 560 R52 560 R77 560 R49 560 R76 560 0.01 C34 C35 0.01 0.01 C36 1 2 3 4 0.01 C31 C32 0.01 0.01 C33 1 2 3 4 0.01 C28 C29 0.01 0.01 C30 1 2 3 4 430 430 R43 R44 430 430 R40 R41 430 430 R37 R38 R G B B G R B G R B G R R33 R68 4.7K C42 470P 4.7K B G R B R G 560 560 560 560 560 560 560 560 0.01 C43 0.01 C44 560 R62 560 R63 R61 560 R58 330 R60 560 390 R59 KS0 KR3 C41 470P R67 4.7K R32 4.7K R66 C40 4.7K R31 R74 R45 R48 R75 R42 R73 R39 R72 12 101 103 102 107 106 105 104 115 111 112 113 114 110 109 108 130 131 129 128 127 124 125 126 123 119 120 121 122 118 117 116 135 142 143 145 144 140 139 141 136 137 138 132 134 133 153 162 163 161 159 157 158 160 156 155 154 146 151 152 150 147 149 148 164 165 167 166 168 165 163 164 89 90 88 101 102 103 104 107 106 105 109 108 110 111 112 114 116 115 119 120 118 117 125 126 128 127 123 124 122 121 129 130 132 131 135 136 134 133 137 139 141 140 143 144 145 142 147 153 152 151 150 148 149 146 157 161 162 160 159 158 156 155 154 8 6 7 4 3 2 5 167 168 1 1 2 3 4 470P 4.7K +B 1 3 5 7 9 10 8 6 4 2 B C21 4 0.01 R 3 0.01 C20 C19 G C24 1 2 0.01 B R 0.01 4 C23 C27 B C22 0.01 3 G 0.01 2 1 R 0.01 4 C26 C25 0.01 3 G 0.01 2 1 2 4 6 8 10 KR2 KR1 KR0 KR4 KS1 KS2 KS3 KR1 KR2 KR3 KR4 KS2 KS1 KS0 0.1 C13 B G G R R B B G R 50 50 C17 R30 +5V +5V +8V +8V +5V +5V C12 R28 47K R29 +5V +5V 10u16 C7 + +B +B +B +B +B +B +B +B +B +B +B +B +5V +5V +5V +5V +5V +5V +5V +5V +B +5V +B +B +B +B +B +B +B +B +5V +5V +B +B CN1 LCD D3 D5 D2 D4 D26 Q2 Q1 S17 D1 D25 S13 CN2 D21 D20 Q9 Q8 Q7 D19 D14 D18 D13 D17 D12 D16 D11 D15 Q6 S14 S15 S16 S4 D23 S7 S1 D6 D7 S2 S8 S5 D22 S10 S11 S6 EQ ATT DISP COLOR S9 S12 S3 TEL DSP FNC ENT ANGLE AM FM MD EJECT EJECT CD SRC Q5 Q4 RESET IC1 : M30620MCA2L3FP IC2,3 : LC75878W IC4 : RS-171 Q1 : DTC114YUA Q2 : FMC4A Q3 : 2SC4081 Q4-9 : 2SD2114K D1-5,15-21 : DAN202U D6,7 : B30-1564-05 D8-14 : B30-1599-05 D22,23 : B30-1575-05 D24 : O2CZ8. 2-Z D25 : HZM6. 8WA D26 : HZM6. 8FA B LINE CN3 D8 D9 D10 S18 VOL. Q3 D24 1/2 X14- CN1 REMOCON LCD DRIVER LCD DRIVER PANEL u-COM IC3 IC2 ED1 IC1 IC4 (X25-8960-00) (A/2) (X25- ) (B/2) DPX-8020MD (2/2) A 47K 10K 50kHz 0V 5V 0V 0V RST : 0V NORMAL : 5.0V 16.0MHz 5.0V 5.0V 0V 5V PWM : 5V 0V 0V OFF : 0V POWER ON : 5.0V 5.0V 0V 5V 0V 0V 5V 0V 0V 5.0V 0V 5.0V 7.8V 0V 3/4VCD0 2/4VCD0 1/4VCD0 0V 0V 5V 5.0V 7.8V 3/4VCD0 2/4VCD0 1/4VCD0 0V 0V 50kHz 5V 0V 0V 5V 0V 5.0V DPX-8020MD CAUTION: For continued safety, replace safety critical components only with manufacturer's recommended parts (refer to parts list). Indicates safety critical components. To reduce the risk of electric shock, leakage- current or resistance measurements shall be carried out (exposed parts are acceptably insulated from the supply circuit) before the appliance is returned to the customer. •DC voltages are as measured with a high impedance voltmeter. Values may vary slightly due to variations between individual instruments or/and units. w w w . x i a o y u 1 6 3 . c o m Q Q 3 7 6 3 1 5 1 5 0 9 9 2 8 9 4 2 9 8 T E L 1 3 9 4 2 2 9 6 5 1 3 9 9 2 8 9 4 2 9 8 0 5 1 5 1 3 6 7 3 Q Q TEL 13942296513 QQ 376315150 892498299 TEL 13942296513 QQ 376315150 892498299 AP AQ AR AS AT AU AV AW AX AO 2 4 3 5 6 7 1 40 39 38 37 36 35 34 33 32 31 30 29 28 27 26 25 24 23 22 21 20 19 18 17 16 15 14 13 12 11 10 9 8 7 6 5 4 3 2 1 81 82 83 84 85 86 87 88 89 90 91 92 93 94 95 96 97 98 99 100 101 102 103 104 105 106 107 108 109 110 111 112 113 114 115 116 117 118 119 120 D.GND HRESET HDD7 HDD8 HDD6 HDD9 D.GND HDD5 HDD10 HDD4 HDD11 D.VDD HDD3 HDD12 HDD2 HDD13 D.GND HDD1 HDD14 HDD0 HDD15 HDMARQ D.VDD DIOW DIOR IORDY HDMACK HINTRQ D.GND HIOCS16 HDA1 PDIAG HDA0 HDA2 HCS0 HCS1 DASP D.VDD XTLE RESET A.VDD MD SD TD FD LEBAL FBAL TBAL TEVCA A.GND RFI A.VDD ASY A.GND EFM A.GND HOLD MIRR A.VDD A.GND RFOK VR1 FE TE LE VR2 A.VDD TEC RFOUT A.GND LPFCK TSTCK A.VDD D.VDD FG PLCK LOCK SLED2 SLED1 RFOKOUT 50 49 48 47 46 45 44 43 42 41 40 39 38 37 36 35 34 33 32 31 30 29 28 27 26 25 24 23 22 21 20 19 18 17 16 15 14 13 12 11 10 9 8 7 6 5 4 3 2 1 76 77 78 79 80 81 82 83 84 85 86 87 88 89 90 91 92 93 94 95 96 97 98 99 100 51 52 53 54 55 56 57 58 59 60 61 62 63 64 65 66 67 68 69 70 71 72 73 74 75 P47 CS3 P50 WRL WR P51 WRH RHE P52 RD P53 BCLK P54 HLDA P55 HOLD P56 ALE P57 RDY CLKOUT P60 CTSO RTSO P61 CLKO P62 RXDO P63 TXDO P64 CTS1 RTS1 CTS0 CLKS1 P65 CLK1 P66 RXD1 P67 TXD1 P70 TXD2 SDA TAOOUT P71 RXD3 SCL TAOIN TB5IN TA1OUT V P65 MNF VCC XIN VSS XOUT RESET CNVSS BYTE P7 D7 P6 D6 P5 D5 P4 D4 P3 D3 P2 D2 P1 D1 P0 D0 P107 AN7 K13 AVSS P100 AN0 VREF AVCC CLK4 SOUT4 P41 A17 P40 A16 P37 A15 P36 A14 P35 A13 P34 A12 P33 A11 P32 A10 P31 A9 VCC P30 A6 VSS P27 A7 D7 P17 D15 INT5 P16 D14 INT4 P15 D13 INT3 P14 D12 P13 D11 1 2 3 4 5 6 7 8 9 10 11 12 13 14 15 16 17 18 CAGC RFI RFO SCTL C3T VCC A C B D F E PD LD VC0 LDON FGS TGS 36 35 34 33 32 31 30 29 28 27 26 25 24 23 22 21 20 19 AGCO LBAL FBAL TBAL TVCA DEF RFOK MIRR 3TO CFE FEO GND TEO1 TEO2 LEO MDC PWS VC1 15 16 17 18 19 20 21 22 23 24 25 26 27 28 VS3 VD3 PVD PVS FIL XTO XTI VS4 VD4 SEN RST VS5 REQ 14 13 12 11 10 9 8 7 6 5 4 3 2 1 VD2 VS2 MCK LRCK CLK SDO INT BEN SCK SDI SCL SDA VS1 VD1 TST 22 21 20 19 18 17 16 15 14 13 10 9 8 7 6 5 4 3 2 1 23 24 25 26 27 28 29 30 31 32 35 36 37 38 39 40 41 42 43 44 9 10 11 12 13 14 15 16 3Y 3B 3A 4Y 4B 4A ST VCC 8 7 6 5 4 3 2 1 GND 2Y 2B 2A 1Y 1B 1A SEL 14 13 12 11 10 9 8 7 6 5 4 3 2 1 AGND R NC EXT AGND VCC VDD DGND XTO XTI CLKO SCLK DATA LRCK 15 16 17 18 19 20 21 22 23 24 25 26 27 28 VCC L NC EXT AGND VCC ZERO RST CS MODE MUTE MD MC ML 5 6 7 8 I2+ I2- O2 VDD 4 3 2 1 VSS I1+ I1- O1 3 2 1 CTL GND IN 4 5 OUT C 3 2 1 4 5 16 15 14 13 12 11 10 9 8 7 6 5 4 3 2 1 FCS- TRK- TRK+ FCS+ E F VCC VC VR PD LD GND A C B D 1 2 3 4 5 6 7 8 9 10 11 12 13 14 15 16 17 18 19 20 21 22 SW3 S GND S 7.5V MOTOR LO/EJ Rch A GND Lch A +8V MSTOP MRST MUTE L MUTE R D. GND BU+5V SW+5V MECHA DATA CLK SW1 SW2 D. OUT C63 4700P C62 0.22 MHz X2 16.9344 41 D.VDD ERCK 160 MD0 42 MD1 43 MD2 44 MD3 45 MD4 46 MD5 47 D.GND 48 MD6 49 MD7 50 LCAS 51 UCAS 52 LWE 53 OE 54 D.VDD 55 RAS 56 MD15 57 MD14 58 MD13 59 MD12 60 MD11 61 MD10 62 D.GND 63 MD9 64 MD8 65 68 MA4 MA3 73 MA5 D.VDD MA6 MA7 70 72 71 69 MA8 D OUT 66 67 MA0 D.GND A.GND TSTEFM LPFEFM 79 80 77 78 MA2 MA1 75 76 74 159 ERO 158 RFCK 157 D.GND 156 DA.VDD 155 LRCK 154 SCKO 153 DA.GND 152 DA.GND 151 DOUT 150 EMPH 149 DA.VDD 148 XTAL 147 X.GND 146 XTAL 145 X.VDD 144 D.VDD 143 MCKO 142 WAIT 141 WRM 140 RDM 139 CS 138 AD7 137 AD6 136 AD5 135 AD4 134 D.GND 133 AD3 132 AD2 131 AD1 130 AD0 129 ASTB 128 D.VDD 127 CPUCLK 126 CPUCLK 125 INT1 124 INT2 123 INT3 122 INT4 121 D.GND 15 OP- 14 OP.OUT OP+ 16 13 GND SPDL+ 17 12 SLED+ SPDL- 18 11 SLED- SPDLI(10K) 19 10 SLEDI(10K) SPDLI 20 9 SLEDI FIN 21 8 FIN VCC 22 7 MUTE VREF 23 6 FCSI 24 5 FCSI(10K) 25 4 TRKI FCS- 26 3 TRKI(10K) FCS+ 27 2 TRK+ GND 28 1 TRK- VCC GND 0.1 C31 LOCK T5 RESET T4 22Kx4 CP8 CP9 22Kx4 100K R81 4.7K 0.1 CP10 T1 T2 T3 R77 4.7K R80 4.7K R78 4.7K R79 22K X1 CNVSS 1K R82 0.1 C30 R42 100K 0.1 C29 0.1 C67 C73 0.1 CE EPM 22K R83 W R C T 10.00MHz 10Kx4 10Kx4 10Kx4 10Kx4 R75 10K R76 10K CP6 10Kx4 10Kx4 C35 220P 1000P C10 5 2 2 5 0.1 C13 9 12 R60 18K C100 0.01 R53 56K R103 6.2K R57 R30 1.2K 1.2K R32 2.2K 2.2K R28 2.2K R26 2.2K 15P 22u10 + C85 10u10 + 22u10 + C84 0.1 C101 10K R200 4.7 R37 0.1 C25 1000P C20 C24 470P 4700P C26 1K R35 100K 1000P C17 R27 1.2K 2.2K R29 0.1 C74 0.1 C14 4.7 C15 R17 4.7K R16 4.7K R22 1.2K R23 R18 4.7K R19 4.7K C72 0.1 R38 4.7K R39 4.7K 1K R40 12 10 11 9 68P C80 68P C79 20K R96 20K R98 470P 470P 18K R2 20K R97 R99 20K R1 18K 330 R8 R104 330 4.7 R102 1000P C3 C2 1000P 4.7 C81 10u10 + 5.6K C77 C78 5.6K 10u10 + 3.3K R107 3.3K R108 10u10 C56 + C53 0.1 C61 0.033 2200P C64 C42 100P C45 0.1 C50 0.01 5.1K R94 0.1 39K R43 C37 0.01 R45 10K C34 0.1 MIRR DEFECT 6 3 AO A- A+ 1 2 VCC BO B- 8 7 5 4 GND B+ R52 10K 10K R63 R64 1K 10K R66 10K R49 0.047 C43 820K R51 0.01 C41 1000P C36 3.3K R47 2200P C39 1 6 B C C 2 3 E C C 5 4 3 1 2 C C B E C C 4 6 5 R13 1K 6 8 8 6 R100 10K C8 0.1 L1 27 28 27 28 10K R90 100 R7 100 R6 100 22 15 22 58 R25 R24 1K R9 0.1 C12 L2 R14 L3 L4 47 75 74 73 53 56 76 44 43 42 45 46 69 71 72 61 52 67 54 51 68 59 58 57 62 60 65 64 P92/TB2IN/SOUT3 P91/TB1IN/SIN3 P90/TB0IN/CLK3 P67/XCIN P66/XEOUT 25 24 21 22 23 R31 C21 R33 1.2K 1.2K 132 120 123 124 125 122 133 129 139 141 140 142 135 137 136 138 131 130 57 C71 1.2K R87 R86 2.2K 57 54 55 135 122 72 132 133 131 130 138 136 137 15 72 54 55 31 35 36 33 29 2.2K R95 C28 1 2.2K 1000P C23 11 97 98 101 105 103 102 87 86 88 89 91 109 59 56 4.7 C54 86 1K R54 1K R59 12K R50 6.8K R48 0.1 C40 0.01 C48 1.2K R58 9.1K R46 0.01 C46 85 82 6.8K R56 1K R44 83 82 85 84 1 27 2 R68 82 7 9 8 12 11 10 13 15 10 9 8 7 13 15 12 11 10uH L5 6 4 5 1 C C C E 3 2 C B 4.7 R67 10 R65 22 R85 71 75 76 74 73 72 62 69 68 67 65 64 61 60 59 58 57 56 54 49 53 52 51 50 47 46 45 44 43 42 150 10 11 23 24 25 21 22 29 31 33 11 35 36 123 125 124 141 139 140 R73 10K 142 129 58 120 150 85 86 91 88 87 86 97 89 101 98 102 103 105 109 56 59 84 83 1 2 10 R15 4.7 C66 IC3 IC13 Q5-7 10 R34 1 C27 C33 0.1 C32 10u10 + 100u6.3 C87 + 4.7 C68 4.7 C69 C70 1000P RFOK FE TE C52 4.7 ITOP(+) ITOP(-) 4.7 C60 0.1 C55 10u10 + C22 1 C19 4.7 R36 4.7 C18 1000P C16 10u10 + 470 R41 330 R84 4.7K R12 MRESET R101 5.1K 1000P C11 CP7 CP4 CP3 CP1 CP2 V3 FCS- TRK- TRK+ FCS+ MTO SLO TEO FEO RF2 CD CLK CD LRCK CD DATA CD MCLK MP3 MCLK MP3 LRCK MP3 CLK MP3 DATA M/B D. GND RF GND 66 66 0 R106 R88 4.7 R105 RF1 680 R202 P64 INT2 P63 INT1 P62 INT0 P61 TA4IN U P60 TA4OUT U P77 TA3IN P76 TA3OUT P75 TA2IN W P74 TA2OUT W P46 CS2 P26 A6 D6 P25 A5 D5 P24 A4 D4 P23 A3 D3 P22 A2 D2 P21 A1 D1 P20 A0 D0 P12 D10 IC9 C65 4.7 VSS A4 A5 A6 A7 A8 OE UCAS LCAS NC DQ9 DQ10 DQ11 DQ12 VSS DQ13 DQ14 DQ15 DQ16 VSS VCC DQ1 DQ2 DQ3 DQ4 VCC DQ5 DQ6 DQ7 DQ8 NC NC WE RAS NC A0 A1 A2 A3 VCC 85 2.2K R21 1.2K R20 2.2K R91 C49 10K R55 C4 + 22u10 C1 0.1 C9 4.7 C86 10u10 C5 + R110 C83 C7 1000P C76 P45 CS1 P44 CS0 P43 A19 P42 A18 AP11 D9 P10 D8 P106 AN6 K12 P105 AN5 K11 P104 AN4 K10 P103 AN3 P102 AN2 P101 AN1 27 +5VD R4 100 R5 100 R10 ANEK0 ANEX1 AP97 ADTRS SIN4 P95 P93/DA0/TB3IN P94/DA1/TB4IN P96 P72 CLK2 Q1 RTS2 TA1IN V P73 CTS2 R62 0 R61 0 + C58 10u10 R72 0 R71 0 R69 0 R70 0 R111 0 12 NC 11 NC NC 33 VSS 34 48 49 0.01 C75 OUT IN GND JP-FE JP-TE VREF IC10 JP-SLO JP-MOT RF. GND JP-SL- JP-SL+ JP-SL+ JP-SL- +5VD 10K 10K R201 51 51 C82 R109 +B +8V +8V +8V +8V +8V +8V +8V +8V +8V +8V +8V +8V +8V +3.3V +3.3V +3.3V +3.3V +3.3V +3.3V +3.3V +3.3V +3.3V +3.3V +3.3V +5V +5V +5V +5V +5V +5V +5V +5V +5V +B +5V +5V +B +B +B +B +B +5V +5V +5V +5V +5V +5V +5V +5V +5V +5V +5V +5V +5V +5V +5V +5V +5V +5V +5V +5V +5V +5V +5V +5V +5V +5V +5V +5V +5V +5V +5V +5V +5V +5V +5V +5V +5V +5V +5V +5V +5V +5V +5V +5V +5V +5V +5V +5V +5V +5V +5V +5V +5V +5V +5V +5V +5V +5V +5V +5V +5V +5V +B +5V +5V +5V +5V +5V +5V +5V +5V +5V +5V +5V +5V +5V +5V +5V +5V +5V +5V +5V +B +5V +5V +5V +5V +5V +5V +5V +5V +5V +5V +5V +5V +5V 10Kx4 +5V CP5 +5V +5V IC2 IC1 IC10 IC11 IC5 IC6 IC3 IC9 IC12 IC7 IC13 IC4 (X32-5320-00) DXM-1770 IC8 (BOTTOM VIEW) (BOTTOM CN2 CN1 Q6 Q7 Q5 Q1 Q3 S2 S1 Q2 Q4 VIEW) D2 Q8 M M LOADING SLED & MOTOR SPINDLE MOTOR IC1 : M30624MCAA60GP IC2 : UPD63724B IC3 : TC74HC157AF IC4 : LP2982-3.3 IC5 : STA013 IC6 : MSM514260CP-60 IC7 : TC7SH04F IC8 : TA78L05F IC9 : PCM1716 IC10 : UPC2575GS IC11 : BA5917AFP IC12 : NJM5532MD IC13 : NJM2903M Q1,3,8 : MCH6101 Q2,4,9 : DTC124EUA Q5-7 : 2SK3018 D1-3 : DAN202U SIGNAL LINE DRAM 5V AVR RF AMP 24Bit D/A CONVERTER A. 8V SW APC D1 D. 5V SW MOTOR SW UNIT MAIN DPU1 to MP3 AUDIO Q9 D3 24x CDROM SIGNAL PROCESSOR P ON SW EQ SW 4MBit S3 SW 8cm/12cm SW CD/MP3 LPF 3.3V AVR B LINE MECHA CONTROL u-COM BUFFER COMPARATOR LEVEL SHIFT SW DECODER SERVO DRIVER WINDOW LIMIT LOADING 0V 4.8V 0V 4.8V 0V 0V 0V 4.8V 4.8V 4.8V 4.8V 4.8V 4.8V 4.8V 4.8V 4.8V 4.8V 4.8V 4.8V 4.8V 4.8V 4.8V 4.8V 4.8V 4.8V 4.8V 4.8V 4.8V 4.8V 4.8V 0V 0V 0V 4.8V 0V 0V 0V 0V 0V 0V 2.5V 0V 4.8V 2.4V 2.4V 2.4V 2.4V 2.4V 2.7V 2.4V 3.5V 0V 4.8V 2.4V 0V 0V or 4.8V 0V 4.8V 0V 2.6V 2.5V 2.4V 2.3V 2.4V 2.4V 4.8V 2.4V 2.4V 0V 0.1V 0V 4.8V 4.8V 0V 0V or 4.8V 4.8V 0V 4.8V 0V or 4.8V 0.1V 0.1V 4.8V 0V 0V 4.8V 4.8V 0V or 4.8V 0V or 4.8V 0V or 4.8V 0V or 4.8V 0V or 4.8V 0V or 4.8V 0V or 4.8V 0V or 4.8V 0V or 4.8V 0V or 4.8V 0V or 4.8V 0V or 4.8V 2.0ppv 2.2ppv 4.8V 0V 0V 0V or 4.8V 0V or 3.3V 0V 0V 0V 0V 0V 0V 3.3V 0.7V or 2.4V 3.3V 4.9V 2.4V 0V 4.9V 4.9V 4.9V 4.9V 4.9V 4.9V 4.9V 3.3V 0V 3.3V 0.1V 3.1V 0V 3.3V 0.5V 0V 3.3V 3.3V 0V 1.65V 0V or 3.3V 0.8V or 2.7V 3.3V 0V 0V 0V 4.8V 0V 0V 0V 0V 4.8V 4.8V 4.8V 4.8V 4.8V 4.8V 4.8V 4.8V 4.8V 4.8V 4.8V 0V 0V 0V 0V 4.8V 4.8V 0V 4.8V 4.8V 4.8V 4.8V 4.8V 0V 0V 4.8V 4.8V 4.8V 4.8V 1.2ppv 2.4V 2.7V 2.4V 3.5V 0V 0V or 4.8V 2.4V 2.4V 0V 2.3V 2.4V 1.7V 2.4V 1.4V or 2.6V 2.5V 2.5V 1.8V 0.9ppv 0.9ppv 2.3V 0V 4.8V 2.5V 2.5V 2.5V 2.7V 2.7V 0.2V 0V 3.3V 2.4V 4.9V 0V 2.4V 8.0V 2.4V 4.0V 3.6V 2.4V 2.4V 2.4V 3.8V 2.4V 3.8V 3.7V 0V 0V 4.8V 2.4V 3.8V 3.7V 2.3V 4.8V 2.5V 2.3V 2.3V 4.8V 3.0V 8.0V 3.7V 3.0V 3.7V 0V or 4.8V 0V 3.3V 5.0V 5.0V 5.0V 5.0V 2.4V 0V 0V 0V 0V 0V 0V 0V 0V 1.2ppv 0V 0V 0V 0V 2.4V 3.0V 0V 0V 0V or 4.9V 0V 0V 2.4V 0V 3.8V 0V 2.4V 4.9V 8.0V 4.8V 3.3V 0V or 0V or 3.3V 0V or 3.3V 3.3V 22K 22K 22K 22K 22K 22K DPX-8020MD CAUTION: For continued safety, replace safety critical components only with manufacturer's recommended parts (refer to parts list). Indicates safety critical components. To reduce the risk of electric shock, leakage- current or resistance measurements shall be carried out (exposed parts are acceptably insulated from the supply circuit) before the appliance is returned to the customer. •DC voltages are as measured with a high impedance voltmeter. Values may vary slightly due to variations between individual instruments or/and units. w w w . x i a o y u 1 6 3 . c o m Q Q 3 7 6 3 1 5 1 5 0 9 9 2 8 9 4 2 9 8 T E L 1 3 9 4 2 2 9 6 5 1 3 9 9 2 8 9 4 2 9 8 0 5 1 5 1 3 6 7 3 Q Q TEL 13942296513 QQ 376315150 892498299 TEL 13942296513 QQ 376315150 892498299 AZ BA AY BB BC BD BE BF BG BH 2 4 3 5 6 7 1 DPX-8020MD VCC J B A VC I F C D E VEE ILCC LDGND VR RM NC FCS- FCS+ TRK- TRK+ 48 47 46 45 44 43 42 41 40 39 38 37 36 35 34 33 32 31 30 29 28 27 26 25 13 14 15 16 17 18 19 20 21 22 23 24 1 2 3 4 5 6 7 8 9 10 11 12 MORFO MORFI RFO OPN OPO ADDC COMPP COMPO AGCI RFAGC RF PEAK BOTM ABCD FE AUX ADFG ADAGC ADIN ADFM SE CSLED TE WBLADJ GND TEMPI TEMPR SWDT SCLK XLAT XSTBY FOCNT VREF EQADJ 3TADJ VCC I J VC A B C D E F PD APC APCREF 91 92 93 94 95 96 97 98 99 100 101 102 103 104 105 106 107 108 109 110 111 112 113 114 115 64 63 62 61 60 59 58 57 56 55 54 53 52 51 50 49 48 47 46 45 44 43 42 41 40 39 38 37 36 35 34 33 17 18 19 20 21 22 23 24 25 26 27 28 29 30 31 32 1 2 3 4 5 6 7 8 9 10 11 12 13 14 15 16 TESTE C1 COUNT TYPE2 TYPE1 M REM AUDIO INV SDMUTE 4M/16M SE MNT FG SQSY XINT FZC MSTOP VSS1 X1 X2 VPP XT1 XT2 MRST AVCON XLAT SRDT SWDT SCLK FLRxD FLTxD LIMSW VDD1 MECHA SEL NC NC NC NC AUX1 DEEM CSN CCLK CDTI NC NC ESDA ESCL VSS0 VDD0 P-ON LDON MSDA MSCL AMUTE XRST LOE-SW SGND SGND S5V S5V LOAD EJECT NC AGND A8V MSTOP MRST AMUTE DGND DGND BU5V MSDA MSCL LOS-SW DET-SW 36 35 34 33 32 31 30 29 27 26 25 24 23 22 21 20 19 MUTE3 S-GND VIN5 VIN5- VIN5+ VIN4 VIN4- VIN4+ VREF1 FR VREF0 REGIN REGOUT ENREG VIN3+ VIN3- VIN3 VIN2+ VIN2- 1 2 3 4 5 6 7 8 9 10 11 12 13 14 15 16 17 18 MUTE1 MUTE2 VCC2 V05- V05+ V04+ V04- V03+ V03- FR V02+ V02- V01+ V01- VCC1 VIN1 VIN1- VIN1+ VIN2 10 11 12 13 C8 0.022 R3 470K 73 72 71 470K R1 4.7K C17 4700P C16 0.22 C18 SAGND 47K 0.1 56K R18 10K R7 91K R8 13K R9 R10 13K R11 13K R16 33K 0.1 C10 RF 10u10 C5 + C13 0.022 ARF VC R17 100 4700P C14 0.1 C12 0.01 C11 FE TE 4.7 R5 0.01 R14 5.6K R13 R6 100K IP1 IP2 C9 10u10 + 1000P C1 4.7K R12 C20 150 C6 10u10 + X1 22.58MHz 80 81 77 AUX1 4 5 10 12 11 C51 2200P R42 4.7K 65 64 R44 R43 R57 R56 13K R49 18K R48 18K C52 4.7K 13K R45 2200P R25 10K L1 R26 C23 0.01 C44 0.01 C46 10u10 + CP5 100K 100K CP4 10K R78 32 14 13 36 15 43 33 23 100K CP10 X2 8.38MHz SPDLE- SPDLE+ SLED+ SLED- EJECTM LOADM 8 9 6 7 5 4 7 8 3 12 2 13 1 14 GND VCC 4 11 5 10 6 9 CP6 100 4.7K R86 23 TH1 14 46 13 16 44 CP3 1K 17 19 16 20 CP2 2.2K 15 10 11 9 0.01 0.1 C48 C81 2200P C53 28 7 6 13 8 9 R52 15K R51 15K 114 C56 4.7K 116 117 118 119 120 10K CP1 4.7K R47 2200P C54 R50 4.7K C55 0.022 R54 4.7K C57 0.022 C59 0.01 10 C60 R61 9.1K R41 4.7K 9.1K R59 36K R60 36K 32 33 R77 4.7K 0.022 R53 113 76 77 112 111 L3 R15 R2 C7 16 56 0.022 C58 4.7K 4.7K R46 4.7K R40 1K R84 R58 R55 82 C15 4.7 C19 0.1 C38 C39 0.1 10 9 11 C40 0.01 16 15 C41 0.1 C42 1 C43 1 0.1 C49 35 65 64 C26 0.1 72 73 71 76 C47 0.1 C25 0.1 111 114 113 112 C24 0.1 C22 0.1 83 81 82 80 100 R21 680 R33 10K R32 100K C34 0.1 C31 100P R31 680K 3.3K R30 1K R29 0.47 C32 R28 1K R27 150 C33 0.015 L2 C36 4.7 0.1 C35 1 VSS VOUT NC 4 VIN 2 3 C45 0.01 14 13 AVSS NC AVREF HOT NC AGC PASS IVRTBAL PASS TEST3 LADJI LOEJ IN TEST0 CP7 100 CP8 100 100K R79 20 19 17 16 1K R80 36 C82 0.1 10K R82 100K R81 14 15 11 13 C83 4.7 43 44 46 45 L1 10K R85 E 45 47K R34 16 83 R20 330 R24 680 100 R19 AUX2 390K 1 1 R23 C21 56 10u10 C61 + 10u10 C27 + 4.7 C37 C28 1 SENS 4 GND A0 3 2 A2 A1 1 VCC 5 SDA 6 7 SCL WP D C 4.7K CP9 0.1 C84 8 IC9 0.1 GND CTL VCC C 4 VOUT 5 3 2 1 1 C76 C74 10u10 + 0.01 C75 L4 Q4 20 19 18 17 16 15 14 13 12 11 10 9 8 7 6 5 4 3 2 1 22 21 20 19 18 17 16 15 14 13 12 11 10 9 8 7 6 5 4 3 2 1 NC DOUT 100 R36 11 18K 18K 90 89 88 87 86 85 84 83 82 81 80 79 78 77 76 75 74 73 72 71 70 69 68 67 66 65 64 63 62 61 60 59 58 57 56 55 54 53 52 51 50 49 48 47 46 45 44 43 42 41 40 39 38 37 36 35 34 33 32 31 1 2 3 4 5 6 7 8 9 10 11 12 13 14 15 16 17 18 19 20 21 22 23 24 25 26 27 28 29 30 ADRB AVS2 AVD2 ADRT ADIO VC AUX1 FE ABCD BOTM PEAK VSC2 VDC2 DFDR TRDR LDDR APCREF DTRF CKRF XLRF FOCNT VSIO2 VDIO2 ADFG MVCI FRDR FFDR D3 D2 D0/FOK D1/GFS DVSS DVDD XWE XRAS A09 XCAS XOE VSIO1 A11 A08 A07 A06 A05 A04 A10 A00 A01 A02 A03 VDIO1 FS256 XBCK LRCK DADT XINT DOUT MTFLGL VDC1 VSC1 GFS/SLD VDIO3 VSIO3 VDC0 MNT0 MNT1 MNT2 MNT3 SWDT SCLK XLAT VSC0 SRDT SENS XRST SQSY XTSL DATAI VDIOSC OSCI OSCO VSIOSC DAVSSL VREFL AOUTL DAVDDL DAVDDR AOUTR VREFR DAVSSR SE TE AUX2 DCHG APC DDIN DDOUT ASY0 ASYI AVD1 BIAS RFI AVS1 PCO FILI FILO CLTV VDC3 VSC3 FS4 SRDR SFDR SPRD SPFD FGIN TEST1 TEST2 TEST3 MTFLGR/TRK FOK/FCS 0.47 C29 C30 0.01 35 +B +8V +8V +3.3V +3.3V +3.3V 67 67 +3.3V +3.3V +3.3V +3.3V +3.3V +3.3V +3.3V +3.3V +3.3V +3.3V +3.3V +3.3V +3.3V +3.3V +3.3V +3.3V +3.3V +3.3V +3.3V +3.3V +3.3V +3.3V +3.3V +3.3V +3.3V +3.3V +3.3V +3.3V +3.3V +3.3V +3.3V +3.3V +3.3V +2.5V +2.5V +2.5V +2.5V +2.5V +2.5V +2.5V +2.5V +2.5V +2.5V +2.5V +2.5V +2.5V +2.5V +5V +B +5V +5V +5V +5V +5V +5V +B +5V +5V +5V +5V +5V +5V +5V +5V +5V +5V +5V +5V +5V +5V +5V +5V +5V +5V +5V +5V +5V +5V +5V +5V +5V +5V +5V +5V +5V +5V +5V +5V +5V IC1 IC2 IC8 IC4 IC6 IC7 (X33-3130-01) MDS-2600 PU1 (X92- ) IC3 IC9 1.65V 0.13V 0.41V 1.61V 1.65V CENTER 0V 3.3V 1.50V 2.25V 0V 4.9V 1.65V 1.25V 0V 3.3V 0V 5.0V 0V/5V 0V 0V/5V 4.9Vp-p 3.0Vp-p 0V 0V/5V 3.3V 0V 1.5Vp-p 3.3V 0V 0V 3.3V 2.0Vp-p (3.3Vp-p) 1.55V 1.25V 0V 1.3V p-p p-p 0.41V 0.40V p-p 0.15V p-p p-p 1.3V 1.76V 1.76V 1.48V 1.56V 1.50V 1.50V 1.60V 1.60V 2.37V 0.13V 4.9V 5.0V 2.15V 0V 3.3V 0V/5V 0V 4.85V 0V 2.15V 2.15V 2.15V 1.65V CENTER 2.35V CENTER 1.65V CENTER 2.0Vp-p 2.25V 2.10V 2.05V 2.30V 5.0V 1.50V 1.25V 1.25V 1.60V 1.30V 1.30V 1.25V 1.25V 5.0V 3.3V 4.45V 0V 1.7V 1.25V 1.25V 0V 1.60V 1.60V 0V/5V 1.3V 1.70V 1.30V 1.15V 0V 1.35V 1.21V 3.3V 2.5V 0V 3.3V 0V 0V 3.3V 3.3V 0V 3.3V 3.3V 4.5Vp-p 0V 0V 3.3V 3.3V 3.3V 3.3V 2.5V 1.60V 0V 0V 3.3V 3.3V 3.3V 1.65V 3.3V 0.79V 0V 1.58V 1.75V 1.75V 2.5V 0V 0V 0V 0V 0V/5V 3.3V 5.0V 3.3V 0V 3.3V 0V 5.0V 5.0V 0V 5.0V 0V 5.0V 5.0V 5.0V 0V/5V 0V/5V 5.0V 5.0V 1.56V 5.0V 5.0V 0V 0V 0V 0V 0V 0V 0V 0V/5V 0V 0V 0V 2.5V 0.6Vp-p 5.0V 5.0V 0V 0V 0V 5.0V 5.0V 0V 3.3V 1.3V 0.42V 0.42V 1.95V CENTER 5.0V 0V 0V 0.41V 3.3V 3.3V 3.3V 0V 0V 0V 0V 0V 0V 0V 0V 0V 0V 3.3V 1.58V 1.58V 0V 2.5V 2.5V 1.5V 1.3V 1.7V 1.28V 1.65V 0V 1.65V 3.3V 0V 0V/5V 0V 0V 5.0V 5.0V 3.3V 3.3V 3.3V 3.3V 8.0V 3.3V 3.3V 3.3V 10K 10K 4.7K 4.7K CN1 CN2 Q1 Q2 D1 Q5 Q7 LOE-SW LOS-SW LIM-SW S1 S3 S2 DET-SW S4 Q6 : DTC143EUA or KRC401 Q5,7 : 2SA1576A or KTA2014(Y,GR) D1 : KDS121 or DAN202U Q3 : 2SC4116(Y) Q2 : DTA114EUA or KRA302 Q1 : 2SB1295 or 2SA1362(Y) IC9 : BR24C02FV-W IC8 : 780076YGK-R01 IC4 : LA6572 IC2 IC1 : CXA2523AR SIGNAL LINE SLED MOTOR RF AMP PROCESSOR MD DIGITAL SIGNAL +3.3V AVR MECHA u-COM P-ON CMOS BUFFER AVR 5chBTL DRIVER APC M M2 M MOTOR SPINDLE M1 M MOTOR LOADING M3 : CXD2667R DISC REFLECT LEVEL DETECTOR Q3 : S-817A25ANB IC3 : TC74HCT7007AF IC7 : LP2982-3.3 IC6 +2.5V AVR SERVO LD SW A+8V SW Q4 : MCH6101 SW+8V SW Q4 +3.3V EEPROM Q6 B LINE UNIT MAIN to CAUTION: For continued safety, replace safety critical components only with manufacturer's recommended parts (refer to parts list). Indicates safety critical components. To reduce the risk of electric shock, leakage- current or resistance measurements shall be carried out (exposed parts are acceptably insulated from the supply circuit) before the appliance is returned to the customer. •DC voltages are as measured with a high impedance voltmeter. Values may vary slightly due to variations between individual instruments or/and units. w w w . x i a o y u 1 6 3 . c o m Q Q 3 7 6 3 1 5 1 5 0 9 9 2 8 9 4 2 9 8 T E L 1 3 9 4 2 2 9 6 5 1 3 9 9 2 8 9 4 2 9 8 0 5 1 5 1 3 6 7 3 Q Q TEL 13942296513 QQ 376315150 892498299 TEL 13942296513 QQ 376315150 892498299 33 EXPLODED VIEW (MD MECHANISM) A B 3 2 1 A A A A F 771 F X33-3120-00 A A Ax2 Ex2 D D G G B B B B 735 736 B B B G C C C C H 770 B B A B C D E F G H φ2x3.5 M2x2 (BLK) M2x4 M1.7x2.5 M1.4x2 WASHERφ4 WASHERφ4 M2x3.5 (BLK) : N09-4349-05 : N09-4236-05 : N09-4319-05 : N09-4269-05 : N09-4233-05 : N19-2029-04 : N19-2127-14 : N09-4126-05 44 45 45 6 31 44 32 49 1 42 41 14 5 23 23 24 22 25 21 61 M3 11 47 13 26 3 765 MPU1 34 M2 M1 47 33 61 62 2 34 48 763 43 12 47 33 51 7 Parts with exploded view numbers larger than 700 are not supplied. www. xiaoyu163. com QQ 376315150 9 9 2 8 9 4 2 9 8 TEL 13942296513 9 9 2 8 9 4 2 9 8 0 5 1 5 1 3 6 7 3 Q Q TEL 13942296513 QQ 376315150 892498299 TEL 13942296513 QQ 376315150 892498299 34 EXPLODED VIEW (CD MECHANISM) C D 3 2 1 D J G B B H E E H E E E E H Ex2 E F E B F G B Cx2 B B B Ax2 Parts with exploded view numbers larger than 700 are not supplied. S 1 S 2 S 3 418 414 454 402 413 483 446 450 446 451 440 426 425 472 470 452 475 452 885 X32-4800-00 453 437 438 439 465 445 480 417 466 416 412 471 418 411 454 479 477 419 443 460 460 420 DPU1 444 403 409 410 447 435 458 467 478 DM2 DM1 424 455 434 432 431 427 429 449 436 430 421 463 464 422 461 461 476 433 407 401 462 408 406 460 460 469 845 873 454 441 482 451 A B C D E F G H J : : : : : : : : : M1.7x2.5 φ2x3.5 M1.7x4 M2x2 φ2x6 WASHERφ1.2 WASHERφ1.6 WASHERφ1.6 M2x2 N09-4249-05 N09-4172-05 N09-4202-05 N38-2020-46 N09-4294-05 N19-2023-04 N19-2058-04 N19-2093-04 N39-2020-46 www. xiaoyu163. com QQ 376315150 9 9 2 8 9 4 2 9 8 TEL 13942296513 9 9 2 8 9 4 2 9 8 0 5 1 5 1 3 6 7 3 Q Q TEL 13942296513 QQ 376315150 892498299 TEL 13942296513 QQ 376315150 892498299 35 EXPLODED VIEW (PANEL MECHANISM) E F 3 2 1 Parts with exploded view numbers larger than 700 are not supplied. A D D E E F C C C C K C B L H H G G A B C D E F G H J K L M1.7x2 (BLK) M1.7x6 (BLK) M2x2 (BLK) M2x2 (BLK) M2x2.5 (BLK) M2.6x3 (BLK) M2.6x4 E-RING (φ1.5) E-RING (φ2.5) WASHER WASHER : N09-4343-08 : N09-4303-08 : N09-4341-08 : N09-4358-08 : N38-2025-45 : N38-2630-45 : N32-2604-46 : N29-0516-08 : N29-0517-08 : N19-1135-08 : N19-2143-08 C C D PM1 627 631 632 606 626 PS1 623 613 608 612 630 621 616 634 634 602 618 633 601 635 611 642 635 615 615 614 624 607 617 620 625 604 603 609 619 A J J 622 www. xiaoyu163. com QQ 376315150 9 9 2 8 9 4 2 9 8 TEL 13942296513 9 9 2 8 9 4 2 9 8 0 5 1 5 1 3 6 7 3 Q Q TEL 13942296513 QQ 376315150 892498299 TEL 13942296513 QQ 376315150 892498299 36 EXPLODED VIEW (UNIT) G H 3 2 1 Parts with exploded view numbers larger than 700 are not supplied. M Mx2 FC2 DME M M M M M M M M M M 208 FC1 MME 739 231 231 WH1 (X14-) F E E E E E 243 Next Page F E E 244 FPC1 PME M E 234 773 772 M M 701 740 M J 3 (X14-) J 2 (X14-) (X14-) (A/2) 235 728 M L F1 M J 1 (X14-) 230 230 AC1 737 727 724 M D D (X16-) G G G G G G M M M D E F G L M DC1 RM1 270 205 210 241 241 M1.4 M2.6x3.5 M2x3 φ3x14 φ3x6 (BLK) φ3x5 : N09-4468-05 : N09-4469-05 : N09-4480-15 : N30-3014-46 : N83-3006-45 : N83-3005-46 www. xiaoyu163. com QQ 376315150 9 9 2 8 9 4 2 9 8 TEL 13942296513 9 9 2 8 9 4 2 9 8 0 5 1 5 1 3 6 7 3 Q Q TEL 13942296513 QQ 376315150 892498299 TEL 13942296513 QQ 376315150 892498299 37 EXPLODED VIEW (UNIT) 3 2 Parts with exploded view numbers larger than 700 are not supplied. I J 1 232 301 304 302 222 232 206 223 237 229 239 707 303 305 305 809 774 ED1 B A C C C C C C K K K K A B C H K M1.4 M1.4 (BLK) M2x3 φ2x5 φ2x10 : N09-4465-05 : N09-4466-05 : N09-4467-05 : N80-2005-46 : N80-2010-46 211 (X25-) (A/2) (X25-) (B/2) H H H H H 257 233 213 215 203 251 252 202 212 709 PA1 254 260 259 255 258 256 253 www. xiaoyu163. com QQ 376315150 9 9 2 8 9 4 2 9 8 TEL 13942296513 9 9 2 8 9 4 2 9 8 0 5 1 5 1 3 6 7 3 Q Q TEL 13942296513 QQ 376315150 892498299 TEL 13942296513 QQ 376315150 892498299 38 PARTS LIST DPX-8020MD ∗New Parts Parts without Parts No. are not supplied. Les articles non mentionnes dans le Parts No. ne sont pas fournis. Teile ohane Parts No. werden nicht geliefert. A d d N e w Des- tina- tion Ref. No. Parts No. Description 202 3I ∗ A21-4108-02 DRESSING PANEL 203 3I ∗ A21-4109-02 DRESSING PANEL 205 2G ∗ A22-2905-03 SUB PANEL ASSY 206 1I ∗ A46-1730-02 REAR COVER ASSY 208 1G A52-0794-02 TOP PLATE PA1 3J ∗ A64-2463-02 PANEL ASSY RM1 1H A70-2006-05 REMOTE CONTROLLER ASSY 210 3G ∗ B03-3100-03 DRESSING PLATE 211 1I ∗ B07-3046-04 ESCUTCHEON ASSY 212 3I ∗ B10-4072-03 FRONT GLASS 213 3J ∗ B10-4073-04 FRONT GLASS 215 3J ∗ B19-2096-03 LIGHTING BOARD - B46-0100-50 WARRANTY CARD - B54-4322-00 INSTALLATION MANUAL - ∗ B64-2053-00 INSTRUCTION MANUAL E - ∗ B64-2054-00 INSTRUCTION MANUAL T,K 222 1J ∗ D14-0761-04 ROLLER 223 1I ∗ D14-0762-04 ROLLER PME 3H ∗ D40-1162-05 MECHANISM ASSY AC1 2H E30-4965-05 AUDIO CORD DC1 1H E30-4975-05 DC CORD FC1 1G E39-0422-05 FLAT CABLE FC2 1G E39-0423-05 FLAT CABLE 229 2I F12-0743-03 SHIELDING SHEET 230 2H F29-0049-05 INSULATING COVER F1 2H F52-0011-05 FUSE(MINI BLADE TYPE) 231 2H G11-1946-04 CUSHION 232 1J G11-1945-04 CUSHION 233 3I G11-1972-04 CUSHION 234 3G G11-1949-04 CUSHION 235 3H G11-1959-04 CUSHION 237 1J G11-1947-04 CUSHION - H10-4789-02 POLYSTYRENE FOAMED FIXTURE - H11-1525-04 POLYSTYRENE FOAMED BOARD - H12-2694-03 PACKING FIXTURE - H13-2009-04 CARTON BOARD - H25-0337-04 PROTECTION BAG (180X300X0.03) - H25-1164-04 PROTECTION BAG (0.5X350X480) - H25-1170-04 PROTECTION BAG - ∗ H54-2166-03 ITEM CARTON CASE 239 1J ∗ J21-9742-03 MOUNTING HARDWARE ASSY 241 3G ∗ J31-1050-04 COLLAR 243 3G ∗ J90-1012-01 RAIL 244 3G ∗ J90-1013-01 RAIL FPC1 3G ∗ J84-0132-05 FLEXIBLE PRINTED WIRING BOARD 251 3I ∗ K24-3734-03 KNOB SEEK 252 3I ∗ K24-3735-03 KNOB VOL 253 2J ∗ K24-3736-04 KNOB FM 254 2J ∗ K24-3737-04 KNOB AM 255 3J ∗ K24-3738-04 KNOB SRC SYNTHESIZER UNIT (X14-6700-21) indicates safety critical components. A d d N e w Des- tina- tion Ref. No. Parts No. Description 259 2J ∗ K25-1314-03 KNOB EJ 260 3J ∗ K25-1315-03 KNOB PLAY 270 1H N99-1701-05 SCREW SET A 1J N09-4465-05 STEPPED SCREW B 1J N09-4466-05 STEPPED SCREW C 1J N09-4467-05 MACHINE SCREW D 2G N09-4468-05 SEMS (TAPTITE SCREW)(2X5) E 3G N09-4469-05 MACHINE SCREW(M2.6X3.5) F 3G N09-4480-05 STEPPED SCREW G 2G N30-3014-46 PAN HEAD MACHINE SCREW H 3J N80-2005-46 PAN HEAD TAPTITE SCREW K 1J N80-2010-46 PAN HEAD TAPTITE SCREW L 2H N80-3010-46 PAN HEAD TAPTITE SCREW M 2G N83-3005-46 PAN HEAD TAPTITE SCREW DME 1G X92-4420-00 MECHANISM ASSY MME 1H X92-4280-00 MECHANISM ASSY C4 ,5 CK73GB1H103K CHIP C 0.010UF K C6 CE04DW1A101M ELECTRO 100UF 10WV C7 CK73FB1C105K CHIP C 1.0UF K C8 CK73GB1C104K CHIP C 0.10UF K C9 CK73FB1C105K CHIP C 1.0UF K C10 CE04DW1A101M ELECTRO 100UF 10WV C11 ,12 CK73GB1C104K CHIP C 0.10UF K C13 CE04DW1A101M ELECTRO 100UF 10WV C23 CK73FB1C105K CHIP C 1.0UF K C25 CK73FB1C105K CHIP C 1.0UF K C26 CE04DW1A101M ELECTRO 100UF 10WV C27 CK73GB1C104K CHIP C 0.10UF K C29 CK73GB1E333K CHIP C 0.033UF K C31 CK73GB1E333K CHIP C 0.033UF K C32 CK73FB1C474K CHIP C 0.47UF K C34 CE04DW1A101M ELECTRO 100UF 10WV C36 CC73GCH1H100D CHIP C 10PF D C40 CK73GB1C104K CHIP C 0.10UF K C202 CE04NW1E4R7M ELECTRO 4.7UF 25WV C203 CE04NW1H010M ELECTRO 1.0UF 50WV C209 CK73FB1C105K CHIP C 1.0UF K C210 C90-2558-05 ELECTRO 1.0UF 50WV C211 C92-0686-05 ELECTRO 1UF 50WV C213 CC73GCH1H331J CHIP C 330PF J C213 CK73GB1H331K CHIP C 330PF K C214 CK73GB1H102K CHIP C 1000PF K C215 CC73GCH1H681J CHIP C 680PF J C215 CK73GB1H681K CHIP C 680PF K C216 CE04NW1H3R3M ELECTRO 3.3UF 50WV C217 CC73GCH1H331J CHIP C 330PF J C217 CK73GB1H331K CHIP C 330PF K C218 CK73GB1H102K CHIP C 1000PF K C219 CC73GCH1H681J CHIP C 680PF J C219 CK73GB1H681K CHIP C 680PF K 256 3J ∗ K24-3739-04 KNOB ANG 257 2J ∗ K25-1312-03 KNOB EQ 258 3J ∗ K25-1368-03 KNOB DSP www. xiaoyu163. com QQ 376315150 9 9 2 8 9 4 2 9 8 TEL 13942296513 9 9 2 8 9 4 2 9 8 0 5 1 5 1 3 6 7 3 Q Q TEL 13942296513 QQ 376315150 892498299 TEL 13942296513 QQ 376315150 892498299 39 PARTS LIST ∗New Parts Parts without Parts No. are not supplied. Les articles non mentionnes dans le Parts No. ne sont pas fournis. Teile ohane Parts No. werden nicht geliefert. A d d N e w Des- tina- tion Ref. No. Parts No. Description C221 CK73GB1H331K CHIP C 330PF K C222 CK73GB1H102K CHIP C 1000PF K C223 CC73GCH1H681J CHIP C 680PF J C223 CK73GB1H681K CHIP C 680PF K C224 CE04NW1H3R3M ELECTRO 3.3UF 50WV C225 CE04NW0J220M ELECTRO 22UF 6.3WV C226 CK73GB1H102K CHIP C 1000PF K C227 CE04NW0J220M ELECTRO 22UF 6.3WV C228 CK73GB1H102K CHIP C 1000PF K C229,230 C90-5297-05 NP-ELECT 0.22UF 50WV C232 CE04NW1E4R7M ELECTRO 4.7UF 25WV C302 CE04NW1E4R7M ELECTRO 4.7UF 25WV C303 CE04NW1H010M ELECTRO 1.0UF 50WV C304 CE04NW0J101M ELECTRO 100UF 6.3WV C309 CK73FB1C105K CHIP C 1.0UF K C310 C90-2558-05 ELECTRO 1.0UF 50WV C311 C92-0686-05 ELECTRO 1UF 50WV C313 CC73GCH1H331J CHIP C 330PF J C313 CK73GB1H331K CHIP C 330PF K C314 CK73GB1H102K CHIP C 1000PF K C315 CC73GCH1H681J CHIP C 680PF J C315 CK73GB1H681K CHIP C 680PF K C316 CE04NW1H3R3M ELECTRO 3.3UF 50WV C317 CC73GCH1H331J CHIP C 330PF J C317 CK73GB1H331K CHIP C 330PF K C318 CK73GB1H102K CHIP C 1000PF K C319 CC73GCH1H681J CHIP C 680PF J C319 CK73GB1H681K CHIP C 680PF K C320 C90-2556-05 ELECTRO 3.3UF 50WV C321 CC73GCH1H331J CHIP C 330PF J C321 CK73GB1H331K CHIP C 330PF K C322 CK73GB1H102K CHIP C 1000PF K C323 CC73GCH1H681J CHIP C 680PF J C323 CK73GB1H681K CHIP C 680PF K C324 CE04NW1H3R3M ELECTRO 3.3UF 50WV C325 CE04NW0J220M ELECTRO 22UF 6.3WV C326 CK73GB1H102K CHIP C 1000PF K C327 CE04NW0J220M ELECTRO 22UF 6.3WV C328 CK73GB1H102K CHIP C 1000PF K C329,330 C90-5297-05 NP-ELECT 0.22UF 50WV C332 CE04NW1E4R7M ELECTRO 4.7UF 25WV C400,401 CK73FB1C105K CHIP C 1.0UF K C403,404 CK73FB1C105K CHIP C 1.0UF K C406 CK73GB1C104K CHIP C 0.10UF K C407 C92-0671-05 ELECTRO 10UF 16WV C409 CE04DW1A101M ELECTRO 100UF 10WV C410 CK73GB1H103K CHIP C 0.010UF K C417 CE04NW1C220M ELECTRO 22UF 16WV C418 CK73GB1E223K CHIP C 0.022UF K C419 CE04NW1C220M ELECTRO 22UF 16WV C420 CK73GB1E223K CHIP C 0.022UF K C421 CE04NW1C220M ELECTRO 22UF 16WV C422 CK73GB1E223K CHIP C 0.022UF K C220 C90-2556-05 ELECTRO 3.3UF 50WV C221 CC73GCH1H331J CHIP C 330PF J indicates safety critical components. A d d N e w Des- tina- tion Ref. No. Parts No. Description (X14-6700-21) C426 C90-2680-05 ELECTRO 22UF 16WV C432 CK73FB1H104K CHIP C 0.10UF K C433 CK73FB1C105K CHIP C 1.0UF K C447 CE04NW1C100M ELECTRO 10UF 16WV C448 CK73GB1E223K CHIP C 0.022UF K C449 CE04NW1C100M ELECTRO 10UF 16WV C450 CK73GB1E223K CHIP C 0.022UF K C451 CE04NW1A220M ELECTRO 22UF 10WV C452,453 CE04NW1C100M ELECTRO 10UF 16WV C501 C90-2671-05 ELECTRO 47UF 10WV C502-504 CK73GB1C104K CHIP C 0.10UF K C505,506 CC73GCH1H080D CHIP C 8.0PF D C507 CK73GB1C104K CHIP C 0.10UF K C508,509 C92-1358-05 CHIP-TAN 2.2UF 16WV C510,511 CK73GB1H222K CHIP C 2200PF K C512,513 CC73GCH1H331J CHIP C 330PF J C512,513 CK73GB1H331K CHIP C 330PF K C514 C90-2671-05 ELECTRO 47UF 10WV C515,516 CE04NW0J470M ELECTRO 47UF 6.3WV C517 C90-2671-05 ELECTRO 47UF 10WV C518 CK73GB1C104K CHIP C 0.10UF K C519 C90-5394-05 ALMINIUM ELECTROLYTIC C. C520 CK73GB1H103K CHIP C 0.010UF K C521 C90-5389-05 ALMINIUM ELECTROLYTIC C. C523 CK73GB1A334K CHIP C 0.33UF K C524 C92-1358-05 CHIP-TAN 2.2UF 16WV C525 CK73EB1C225K CHIP C 2.2UF K C526 CK73GB1E223K CHIP C 0.022UF K C527,528 CK73GB1H103K CHIP C 0.010UF K C529 CC73GCH1H471J CHIP C 470PF J C603 CK73GB1E223K CHIP C 0.022UF K C604 CE04DW1A101M ELECTRO 100UF 10WV C605,606 CK73GB1C104K CHIP C 0.10UF K C607,608 CC73GCH1H100D CHIP C 10PF D C609,610 CK73GB1H103K CHIP C 0.010UF K C612 CC73GCH1H101J CHIP C 100PF J C613 CK73GB1H472K CHIP C 4700PF K C614 CK73GB1H103K CHIP C 0.010UF K C616,617 CK73GB1H103K CHIP C 0.010UF K C619-621 CK73GB1H103K CHIP C 0.010UF K C622 CK73GB1H472K CHIP C 4700PF K C624 CC73GCH1H330J CHIP C 33PF J C625 CK73GB1C104K CHIP C 0.10UF K C700 CK73GB1E223K CHIP C 0.022UF K C701 C90-5393-05 ALMINIUM ELECTROLYTIC C. C702 CK73FB1H104K CHIP C 0.10UF K C703,704 CK73GB1E223K CHIP C 0.022UF K C705 CK73GB1H103K CHIP C 0.010UF K C707,708 CK73FB1H104K CHIP C 0.10UF K C709,710 C90-5389-05 ALMINIUM ELECTROLYTIC C. C711 CE04DW1C100M ELECTRO 10UF 16WV C712 CK73FB1C105K CHIP C 1.0UF K C713 CE04NW1C100M ELECTRO 10UF 16WV C424 CK73FB1C474K CHIP C 0.47UF K C425 CK73FB1H104K CHIP C 0.10UF K www. xiaoyu163. com QQ 376315150 9 9 2 8 9 4 2 9 8 TEL 13942296513 9 9 2 8 9 4 2 9 8 0 5 1 5 1 3 6 7 3 Q Q TEL 13942296513 QQ 376315150 892498299 TEL 13942296513 QQ 376315150 892498299 40 PARTS LIST ∗ C720 C90-2759-05 ELECTRO 10UF 16WV C721 C90-2695-05 ELECTRO 330UF 25WV C722 C90-2554-05 ELECTRO 10UF 16WV C723 CK73FB1C224K CHIP C 0.22UF K C724 CK73GB1E223K CHIP C 0.022UF K C725 C90-2528-05 ELECTRO 10UF 10WV C726,727 CK73GB1H103K CHIP C 0.010UF K C730 CK73FB1C105K CHIP C 1.0UF K C731 CK73GB1C104K CHIP C 0.10UF K C732 CC73GCH1H101J CHIP C 100PF J C734 CK73GB1H103K CHIP C 0.010UF K C735,736 CE04DW1A101M ELECTRO 100UF 10WV C737 CK73GB1H103K CHIP C 0.010UF K C745 C90-2528-05 ELECTRO 10UF 10WV C746 CK73GB1H103K CHIP C 0.010UF K C749 CK73GB1E473K CHIP C 0.047UF K C800 CK73GB1H332K CHIP C 3300PF K C801 CE04NW1E4R7M ELECTRO 4.7UF 25WV C802 CK73FB1H104K CHIP C 0.10UF K C803 CK73GB1E223K CHIP C 0.022UF K C804,805 CK73FB1C105K CHIP C 1.0UF K C851-853 CK73FB1H104K CHIP C 0.10UF K C854 CK73GB1E223K CHIP C 0.022UF K C855 CK73FB1H104K CHIP C 0.10UF K C856 CK73GB1E223K CHIP C 0.022UF K C857 CK73FB1H104K CHIP C 0.10UF K C858 CK73GB1E223K CHIP C 0.022UF K CN1 E40-9373-05 FLAT CABLE CONNECTOR CN2 ,3 E40-9735-15 FLAT CABLE CONNECTOR CN5 E40-5186-05 PIN ASSY CN7 E40-3261-05 PIN ASSY J1 E58-0836-05 RECTANGULAR RNNECTORE J2 E56-0834-05 CYLINDRICAL RNNECTORE J3 E63-0853-05 PIN JACK WH1 E30-4653-15 CORD WITH PLUG L2 L33-1123-05 LINE FILTER COIL L3 L33-1816-05 SMALL FIXED INDUCTOR L4 L40-4795-34 SMALL FIXED INDUCTOR L4 L40-4795-68 SMALL FIXED INDUCTOR(4.7UH) L5 L40-1005-34 SMALL FIXED INDUCTOR L6 ,7 L40-4795-34 SMALL FIXED INDUCTOR L6 ,7 L40-4795-68 SMALL FIXED INDUCTOR(4.7UH) L10 L40-4795-34 SMALL FIXED INDUCTOR L10 L40-4795-68 SMALL FIXED INDUCTOR(4.7UH) L501 L92-0308-05 FERRITE CORE L503-505 L92-0308-05 FERRITE CORE L507,508 L92-0308-05 FERRITE CORE L510 L92-0308-05 FERRITE CORE L601 L40-4795-34 SMALL FIXED INDUCTOR L601 L40-4795-68 SMALL FIXED INDUCTOR(4.7UH) L701 L33-1806-05 LINE FILTER COIL L702 L33-1029-05 SMALL FIXED INDUCTOR C714 CK73GB1H103K CHIP C 0.010UF K C718,719 CK73GB1E473K CHIP C 0.047UF K ∗New Parts Parts without Parts No. are not supplied. Les articles non mentionnes dans le Parts No. ne sont pas fournis. Teile ohane Parts No. werden nicht geliefert. A d d N e w Des- tina- tion Ref. No. Parts No. Description indicates safety critical components. A d d N e w Des- tina- tion Ref. No. Parts No. Description (X14-6700-21) CP1 R90-1016-05 MULTI-COMP 470 X4 CP51,52 R90-1016-05 MULTI-COMP 470 X4 CP62 R90-1016-05 MULTI-COMP 470 X4 CP63,64 R90-0722-05 MULTI-COMP 2.2K X4 CP66-69 R90-0722-05 MULTI-COMP 2.2K X4 CP71 R90-0722-05 MULTI-COMP 2.2K X4 CP72 R90-1013-05 MULTI-COMP 2.2K X2 CP73,74 R90-0722-05 MULTI-COMP 2.2K X4 CP76 R90-0722-05 MULTI-COMP 2.2K X4 CP77 R90-1019-05 MULTI-COMP 100 X2 R5 RK73GB1J223J CHIP R 22K J 1/16W R6 RK73FB2A222J CHIP R 2.2K J 1/10W R7 RK73GB1J223J CHIP R 22K J 1/16W R8 RK73FB2A222J CHIP R 2.2K J 1/10W R20 RK73FB2A272J CHIP R 2.7K J 1/10W R21 RK73GB1J471J CHIP R 470 J 1/16W R22 ,23 RK73GB1J101J CHIP R 100 J 1/16W R201 RK73EB2B4R7J CHIP R 4.7 J 1/8W R203 RK73EB2B102J CHIP R 1.0K J 1/8W R209 RK73GB1J682J CHIP R 6.8K J 1/16W R210 RK73GB1J432J CHIP R 4.3K J 1/16W R211 RK73GB1J682J CHIP R 6.8K J 1/16W R212 RK73GB1J432J CHIP R 4.3K J 1/16W R213,214 RK73GB1J203J CHIP R 20K J 1/16W R215 RK73GB1J682J CHIP R 6.8K J 1/16W R216 RK73GB1J432J CHIP R 4.3K J 1/16W R217 RK73GB1J682J CHIP R 6.8K J 1/16W R218 RK73GB1J432J CHIP R 4.3K J 1/16W R219 RK73GB1J682J CHIP R 6.8K J 1/16W R220 RK73GB1J432J CHIP R 4.3K J 1/16W R221 RK73GB1J682J CHIP R 6.8K J 1/16W R222 RK73GB1J432J CHIP R 4.3K J 1/16W R223 RK73FB2A471J CHIP R 470 J 1/10W R224 RK73FB2A473J CHIP R 47K J 1/10W R225 RK73FB2A101J CHIP R 100 J 1/10W R226 RK73FB2A471J CHIP R 470 J 1/10W R227 RK73FB2A473J CHIP R 47K J 1/10W R228 RK73FB2A101J CHIP R 100 J 1/10W R230 RK73FB2A223J CHIP R 22K J 1/10W R231,232 RK73GB1J223J CHIP R 22K J 1/16W R301,302 RK73EB2B4R7J CHIP R 4.7 J 1/8W R303 RK73EB2B102J CHIP R 1.0K J 1/8W R309 RK73GB1J682J CHIP R 6.8K J 1/16W R310 RK73GB1J432J CHIP R 4.3K J 1/16W R311 RK73GB1J682J CHIP R 6.8K J 1/16W R312 RK73GB1J432J CHIP R 4.3K J 1/16W R313,314 RK73GB1J203J CHIP R 20K J 1/16W R315 RK73GB1J682J CHIP R 6.8K J 1/16W R316 RK73GB1J432J CHIP R 4.3K J 1/16W R317 RK73GB1J682J CHIP R 6.8K J 1/16W R318 RK73GB1J432J CHIP R 4.3K J 1/16W R319 RK73GB1J682J CHIP R 6.8K J 1/16W X1 L77-2744-05 CRYSTAL RESONATOR(12.5MHZ) X2 L77-2715-05 CRYSTAL RESONATOR www. xiaoyu163. com QQ 376315150 9 9 2 8 9 4 2 9 8 TEL 13942296513 9 9 2 8 9 4 2 9 8 0 5 1 5 1 3 6 7 3 Q Q TEL 13942296513 QQ 376315150 892498299 TEL 13942296513 QQ 376315150 892498299 41 PARTS LIST R323 RK73FB2A471J CHIP R 470 J 1/10W R324 RK73FB2A473J CHIP R 47K J 1/10W R325 RK73FB2A101J CHIP R 100 J 1/10W R326 RK73FB2A471J CHIP R 470 J 1/10W R327 RK73FB2A473J CHIP R 47K J 1/10W R328 RK73FB2A101J CHIP R 100 J 1/10W R330 RK73FB2A223J CHIP R 22K J 1/10W R331,332 RK73GB1J223J CHIP R 22K J 1/16W R406 RK73GB1J682J CHIP R 6.8K J 1/16W R407 RK73GB1J103J CHIP R 10K J 1/16W R410 RK73FB2A103J CHIP R 10K J 1/10W R416 RK73GB1J103J CHIP R 10K J 1/16W R417 RK73GB1J242J CHIP R 2.4K J 1/16W R418 RK73GB1J473J CHIP R 47K J 1/16W R419 RK73FB2A472J CHIP R 4.7K J 1/10W R420 RK73GB1J472J CHIP R 4.7K J 1/16W R421 RK73GB1J101J CHIP R 100 J 1/16W R432 RK73GB1J391J CHIP R 390 J 1/16W R433 RK73GB1J123J CHIP R 12K J 1/16W R434 RK73GB1J223J CHIP R 22K J 1/16W R500 RK73GB1J105J CHIP R 1.0M J 1/16W R501 RK73GB1J471J CHIP R 470 J 1/16W R502 RK73GB1J103J CHIP R 10K J 1/16W R503 RK73EB2B102J CHIP R 1.0K J 1/8W R504 RK73FB2A102J CHIP R 1.0K J 1/10W R505 RK73FB2A101J CHIP R 100 J 1/10W R506 RK73EB2B102J CHIP R 1.0K J 1/8W R507 RK73GB1J103J CHIP R 10K J 1/16W R508,509 RK73GB1J473J CHIP R 47K J 1/16W R510 RK73GB1J221J CHIP R 220 J 1/16W R512-515 RK73GB1J103J CHIP R 10K J 1/16W R602 RK73GB1J104J CHIP R 100K J 1/16W R603 RK73GB1J222J CHIP R 2.2K J 1/16W R604 RK73GB1J332J CHIP R 3.3K J 1/16W R605 RK73GB1J104J CHIP R 100K J 1/16W R607 RK73GB1J102J CHIP R 1.0K J 1/16W R608 RK73GB1J222J CHIP R 2.2K J 1/16W R609 RK73GB1J223J CHIP R 22K J 1/16W R610 RK73GB1J102J CHIP R 1.0K J 1/16W R611 RK73GB1J104J CHIP R 100K J 1/16W R612 RK73FB2A104J CHIP R 100K J 1/10W R613 RK73GB1J101J CHIP R 100 J 1/16W R614 RK73GB1J104J CHIP R 100K J 1/16W R616,617 RK73GB1J101J CHIP R 100 J 1/16W R618 RK73EB2B471J CHIP R 470 J 1/8W R619,620 RK73EB2B101J CHIP R 100 J 1/8W R621 RK73EB2B471J CHIP R 470 J 1/8W R622 RK73FB2A222J CHIP R 2.2K J 1/10W R623 RK73GB1J102J CHIP R 1.0K J 1/16W R625 RK73FB2A471J CHIP R 470 J 1/10W R626 RK73GB1J471J CHIP R 470 J 1/16W R627 RK73GB1J102J CHIP R 1.0K J 1/16W R320 RK73GB1J432J CHIP R 4.3K J 1/16W R321 RK73GB1J682J CHIP R 6.8K J 1/16W R322 RK73GB1J432J CHIP R 4.3K J 1/16W ∗New Parts Parts without Parts No. are not supplied. Les articles non mentionnes dans le Parts No. ne sont pas fournis. Teile ohane Parts No. werden nicht geliefert. A d d N e w Des- tina- tion Ref. No. Parts No. Description indicates safety critical components. A d d N e w Des- tina- tion Ref. No. Parts No. Description (X14-6700-21) R632 RK73GB1J472J CHIP R 4.7K J 1/16W R634 RK73GB1J101J CHIP R 100 J 1/16W R635 RK73GB1J471J CHIP R 470 J 1/16W R636 RK73GB1J104J CHIP R 100K J 1/16W R637 RK73GB1J222J CHIP R 2.2K J 1/16W R641 RK73GB1J104J CHIP R 100K J 1/16W R642,643 RK73GB1J222J CHIP R 2.2K J 1/16W R644 RK73GB1J104J CHIP R 100K J 1/16W R646,647 RK73GB1J222J CHIP R 2.2K J 1/16W R648 RK73GB1J104J CHIP R 100K J 1/16W R649 RK73GB1J471J CHIP R 470 J 1/16W R650 RK73GB1J104J CHIP R 100K J 1/16W R651 RK73GB1J471J CHIP R 470 J 1/16W R652 RK73GB1J104J CHIP R 100K J 1/16W R653 RK73GB1J471J CHIP R 470 J 1/16W R654-661 RK73GB1J104J CHIP R 100K J 1/16W R663 RK73GB1J103J CHIP R 10K J 1/16W R665 RK73GB1J104J CHIP R 100K J 1/16W R666 RK73GB1J472J CHIP R 4.7K J 1/16W R667-670 RK73GB1J101J CHIP R 100 J 1/16W R671 RK73GB1J104J CHIP R 100K J 1/16W R673,674 RK73GB1J104J CHIP R 100K J 1/16W R675 RK73GB1J471J CHIP R 470 J 1/16W R676 RK73GB1J104J CHIP R 100K J 1/16W R677 RK73GB1J471J CHIP R 470 J 1/16W R681 RK73GB1J473J CHIP R 47K J 1/16W R683 RK73GB1J473J CHIP R 47K J 1/16W R684 RK73GB1J105J CHIP R 1.0M J 1/16W R685 RK73GB1J101J CHIP R 100 J 1/16W R686 RK73GB1J222J CHIP R 2.2K J 1/16W R688,689 RK73GB1J104J CHIP R 100K J 1/16W R691,692 RK73GB1J473J CHIP R 47K J 1/16W R695,696 RK73GB1J473J CHIP R 47K J 1/16W R699 RK73GB1J473J CHIP R 47K J 1/16W R700 RK73GB1J104J CHIP R 100K J 1/16W R701 RK73GB1J183J CHIP R 18K J 1/16W R702 RK73GB1J223J CHIP R 22K J 1/16W R703 RK73GB1J153J CHIP R 15K J 1/16W R704 RK73EB2B332J CHIP R 3.3K J 1/8W R705 RK73EB2B152J CHIP R 1.5K J 1/8W R706 RK73GB1J203J CHIP R 20K J 1/16W R707 RK73GB1J103J CHIP R 10K J 1/16W R708 RK73EB2B103J CHIP R 10K J 1/8W R710 RK73EB2B102J CHIP R 1.0K J 1/8W R711 RK73FB2A472J CHIP R 4.7K J 1/10W R712 RK73FB2A332J CHIP R 3.3K J 1/10W R713 RK73FB2A273J CHIP R 27K J 1/10W R714 RK73FB2A472J CHIP R 4.7K J 1/10W R715 RK73GB1J103J CHIP R 10K J 1/16W R716 R92-2023-05 CHIP R 820 J 1/2W R717 RK73GB1J103J CHIP R 10K J 1/16W R718 RK73GB1J561J CHIP R 560 J 1/16W R628 RK73GB1J222J CHIP R 2.2K J 1/16W R630 RK73GB1J104J CHIP R 100K J 1/16W R631 RK73GB1J102J CHIP R 1.0K J 1/16W www. xiaoyu163. com QQ 376315150 9 9 2 8 9 4 2 9 8 TEL 13942296513 9 9 2 8 9 4 2 9 8 0 5 1 5 1 3 6 7 3 Q Q TEL 13942296513 QQ 376315150 892498299 TEL 13942296513 QQ 376315150 892498299 42 PARTS LIST ∗New Parts Parts without Parts No. are not supplied. Les articles non mentionnes dans le Parts No. ne sont pas fournis. Teile ohane Parts No. werden nicht geliefert. A d d N e w Des- tina- tion Ref. No. Parts No. Description R722 RK73GB1J472J CHIP R 4.7K J 1/16W R723 RK73EB2B561J CHIP R 560 J 1/8W R724 RK73GB1J104J CHIP R 100K J 1/16W R727 RK73FB2A222J CHIP R 2.2K J 1/10W R728 RS14DB3A2R2J FL-PROOF RS 2.2 J 1W R729 RN73GH1J562D CHIP R 5.6K D 1/16W R730 RK73GB1J472J CHIP R 4.7K J 1/16W R731 RN73GH1J102D CHIP R 1.0K D 1/16W R732 RK73EB2B102J CHIP R 1.0K J 1/8W R733 RN73GH1J393D CHIP R 39K D 1/16W R734 RN73GH1J1242D CHIP R 12.4K D 1/16W R735 RK73FB2A432J CHIP R 4.3K J 1/10W R736 RK73FB2A822J CHIP R 8.2K J 1/10W R737 RK73FB2A820J CHIP R 82 J 1/10W R738-740 RK73GB1J104J CHIP R 100K J 1/16W R741 RN73GH1J102D CHIP R 1.0K D 1/16W R742 RK73GB1J472J CHIP R 4.7K J 1/16W R743 RN73GH1J5491D CHIP R 5.49K D 1/16W R801 RK73EB2B101J CHIP R 100 J 1/8W R802-804 RK73EB2B102J CHIP R 1.0K J 1/8W R805-808 RK73EB2B101J CHIP R 100 J 1/8W R809 RK73GB1J104J CHIP R 100K J 1/16W R810 RK73FB2A102J CHIP R 1.0K J 1/10W R851 RS14DB3A3R3J FL-PROOF RS 3.3 J 1W W1 -3 R92-1252-05 CHIP R 0 OHM W6 ,7 R92-1252-05 CHIP R 0 OHM D5 HZM5.6N(B2) ZENER DIODE D205-208 1SR154-400 DIODE D301,302 HZM6.8WA ZENER DIODE D301,302 MA3068WA ZENER DIODE D301,302 STZ6.8N ZENER DIODE D305-308 1SR154-400 DIODE D402 HZM6.8N ZENER DIODE D403-406 DAP202K DIODE D403-406 MA152WA DIODE D407 HZ6C2L ZENER DIODE D501 DAN217 DIODE D502 02CZ3.6-Z ZENER DIODE D503 HZM6.8N ZENER DIODE D504 DAP202K DIODE D504 MA152WA DIODE D505 02CZ3.6-Z ZENER DIODE D601,602 DAP202K DIODE D601,602 MA152WA DIODE D603,604 DAN217 DIODE D701 RM10ZLF DIODE D702 HZS7A3L ZENER DIODE D703 02CZ12-X ZENER DIODE D704 02CZ6.8-Y ZENER DIODE D705 02CZ6.2-X ZENER DIODE D706-708 1SR154-400 DIODE R719 RK73FB2A473J CHIP R 47K J 1/10W R720 RN73GH1J4321D CHIP R 4.32K D 1/16W R721 RN73GH1J102D CHIP R 1.0K D 1/16W indicates safety critical components. A d d N e w Des- tina- tion Ref. No. Parts No. Description (X14-6700-21) D713 DA227 DIODE D714 DAN202K DIODE D714 MA152WK DIODE D715 DAN217 DIODE D717 U1GWJ44 DIODE D718 02CZ5.6-X ZENER DIODE D720 02CZ18-Y ZENER DIODE D801,802 FTZ6.8E ZENER DIODE D801,802 HZM6.8FA ZENER DIODE D805 HZM6.8WA ZENER DIODE D805 MA3068WA ZENER DIODE D805 STZ6.8N ZENER DIODE D851 02CZ5.1-Y ZENER DIODE D852 02CZ7.5-X ZENER DIODE IC1 M30624MGAA46FP MI-COM IC IC2 TDA7501 ANALOGUE IC IC4 L4943 ANALOGUE IC IC6 TA8273H ANALOGUE IC IC7 LM2596S-ADJ HYBRID IC IC8 TDA7500 MOS-IC IC9 NJM4565M-TE2 ANALOGUE IC IC10,11 NJM2068MD IC(OP AMP) IC12 NJM4565M-TE2 ANALOGUE IC IC14 SI-3033CA HYBRID IC IC15 PST9142NR ANALOGUE IC IC16 TC7W02FU MOS-IC IC17 BA6219BFP-Y ANALOGUE IC IC18 L88M05T ANALOGUE IC IC19 IS63LV1024-15J SRAM IC Q1 FMG1A DIGITAL TRANSISTOR Q2 ,3 CPH3105 TRANSISTOR Q7 2SC4081 TRANSISTOR Q7 2SD1819A TRANSISTOR Q202,203 DTC143TK DIGITAL TRANSISTOR Q202,203 UN2216 DIGITAL TRANSISTOR Q302,303 DTC143TK DIGITAL TRANSISTOR Q302,303 UN2216 DIGITAL TRANSISTOR Q402 DTC114EUA DIGITAL TRANSISTOR Q402 UN5211 DIGITAL TRANSISTOR Q403 DTC144EK DIGITAL TRANSISTOR Q403 KRC104S DIGITAL TRANSISTOR Q403 UN2213 DIGITAL TRANSISTOR Q601 DTA124EK DIGITAL TRANSISTOR Q601 KRA103S DIGITAL TRANSISTOR Q601 UN2112 DIGITAL TRANSISTOR Q602 DTC114YK DIGITAL TRANSISTOR Q602 KRC107S DIGITAL TRANSISTOR Q602 UN2214 DIGITAL TRANSISTOR Q603,604 DTA114EK DIGITAL TRANSISTOR Q603,604 KRA102S DIGITAL TRANSISTOR Q603,604 UN2111 DIGITAL TRANSISTOR Q605 FMC2A DIGITAL TRANSISTOR D709 RB050L-40 DIODE D710 02CZ12-X ZENER DIODE D712 DAN217 DIODE www. xiaoyu163. com QQ 376315150 9 9 2 8 9 4 2 9 8 TEL 13942296513 9 9 2 8 9 4 2 9 8 0 5 1 5 1 3 6 7 3 Q Q TEL 13942296513 QQ 376315150 892498299 TEL 13942296513 QQ 376315150 892498299 43 PARTS LIST ∗New Parts Parts without Parts No. are not supplied. Les articles non mentionnes dans le Parts No. ne sont pas fournis. Teile ohane Parts No. werden nicht geliefert. A d d N e w Des- tina- tion Ref. No. Parts No. Description SUB-CIRCUIT UNIT (X16-1240-00) SWITCH UNIT (X25-8960-00) Q701 UN2213 DIGITAL TRANSISTOR Q702 FMW1 TRANSISTOR Q703 DTC144EK DIGITAL TRANSISTOR Q703 KRC104S DIGITAL TRANSISTOR Q703 UN2213 DIGITAL TRANSISTOR Q704 DTA123JK DIGITAL TRANSISTOR Q705 2SC4081 TRANSISTOR Q705 2SD1819A TRANSISTOR Q706 2SB1188(R) TRANSISTOR Q707 2SC4081 TRANSISTOR Q707 2SD1819A TRANSISTOR Q708 2SC2412K(S) TRANSISTOR Q709 FMC3A DIGITAL TRANSISTOR Q710 2SB1548(P) TRANSISTOR Q711 2SC2412K(S) TRANSISTOR Q715 IMD16A TRANSISTOR Q716 DTC144EK DIGITAL TRANSISTOR Q716 KRC104S DIGITAL TRANSISTOR Q716 UN2213 DIGITAL TRANSISTOR Q717 2SB1184 TRANSISTOR Q718 2SC2412K(S) TRANSISTOR Q719 2SB1446 TRANSISTOR Q720 IMD16A TRANSISTOR Q851 DTC144EK DIGITAL TRANSISTOR Q851 KRC104S DIGITAL TRANSISTOR Q851 UN2213 DIGITAL TRANSISTOR Q903 FMC2A DIGITAL TRANSISTOR Q905 FMC2A DIGITAL TRANSISTOR Q907 FMC2A DIGITAL TRANSISTOR TH1 PTH9C32BB471Q POSITIVE RESISTOR A1 X86-3280-11 TUNER UNIT D1 -4 B30-1565-05 LED(1608,PG) D5 B30-1566-05 LED(1608,RED) CN1 E41-0131-05 FLAT CABLE CONNECTOR R1 ,2 RK73EB2B561J CHIP R 560 J 1/8W R3 RK73EB2B751J CHIP R 750 J 1/8W R4 RK73EB2B181J CHIP R 180 J 1/8W R5 RK73EB2B111J CHIP R 110 J 1/8W VR1 R32-0249-05 SEMI FIXED VARIABLE RESISTOR D6 ,7 DNP1102F(A,B) INFRARED LED D8 DAP202U DIODE D8 MA152WA DIODE PH1 PS1192F(C) PHOTO TRANSISTOR 301 2J ∗ B11-1341-04 OPTICAL DIFFUSER 302 1J ∗ B11-1342-04 REFLECTION SHEET 303 2J ∗ B11-1354-04 OPTICAL DIFFUSER 304 2J ∗ B19-2097-03 LIGHTING BOARD D6 ,7 B30-1564-05 LED(1608,BLUE) Q700 FMC2A DIGITAL TRANSISTOR Q701 DTC144EK DIGITAL TRANSISTOR Q701 KRC104S DIGITAL TRANSISTOR indicates safety critical components. A d d N e w Des- tina- tion Ref. No. Parts No. Description (X14-6700-21) C1 -3 CK73GB1C104K CHIP C 0.10UF K C4 C92-1359-05 CHIP-TAN 10UF 16WV C5 CK73GB1H103K CHIP C 0.010UF K C6 C92-1430-05 CHIP C 22UF 16WV C7 C92-1359-05 CHIP-TAN 10UF 16WV C8 -11 CK73GB1C104K CHIP C 0.10UF K C12 CK73GB1H681K CHIP C 680PF K C13 -16 CK73GB1C104K CHIP C 0.10UF K C17 CK73GB1H681K CHIP C 680PF K C18 CK73GB1C104K CHIP C 0.10UF K C19 -39 CK73GB1H103K CHIP C 0.010UF K C40 -42 CK73GB1H471K CHIP C 470PF K C43 ,44 CK73GB1H103K CHIP C 0.010UF K C45 CK73GB1C104K CHIP C 0.10UF K C46 -48 CK73GB1H471K CHIP C 470PF K 305 2I E29-1855-04 CONDUCTIVE RUBBER CN1 E40-9527-05 FLAT CABLE CONNECTOR CN2 E41-0158-05 PIN ASSY CN3 E41-0159-05 SOCKET FOR PIN ASSY L1 L40-4795-34 SMALL FIXED INDUCTOR X1 L78-0842-05 RESONATOR CP1 R90-0725-05 MULTI-COMP1K X2 CP2 R90-1016-05 MULTI-COMP470 X4 CP3 R90-0724-05 MULTI-COMP1K X4 CP4 R90-0725-05 MULTI-COMP1K X2 CP5 ,6 R90-0719-05 MULTI-COMP4.7K X2 CP7 R90-0724-05 MULTI-COMP1K X4 CP8 R90-0748-05 MULTI-COMP47K X4 CP9 -11 R90-0724-05 MULTI-COMP1K X4 R1 -5 RK73EB2B471J CHIP R 470 J 1/8W R6 ,7 RK73EB2B101J CHIP R 100 J 1/8W R8 RK73EB2B471J CHIP R 470 J 1/8W R9 RK73EB2B101J CHIP R 100 J 1/8W R10 RK73EB2B102J CHIP R 1.0K J 1/8W R11 ,12 RK73GB1J102J CHIP R 1.0K J 1/16W R13 RK73GB1J472J CHIP R 4.7K J 1/16W R14 RK73GB1J102J CHIP R 1.0K J 1/16W R15 RK73GB1J104J CHIP R 100K J 1/16W R16 ,17 RK73GB1J473J CHIP R 47K J 1/16W R18 RK73GB1J223J CHIP R 22K J 1/16W R19 RK73GB1J473J CHIP R 47K J 1/16W R20 RK73GB1J104J CHIP R 100K J 1/16W R21 ,22 RK73GB1J102J CHIP R 1.0K J 1/16W R23 RK73GB1J473J CHIP R 47K J 1/16W R24 RK73GB1J102J CHIP R 1.0K J 1/16W R25 RK73GB1J220J CHIP R 22 J 1/16W R26 RK73GB1J473J CHIP R 47K J 1/16W R27 RK73GB1J102J CHIP R 1.0K J 1/16W R28 RK73GB1J433J CHIP R 43K J 1/16W R29 RK73GB1J473J CHIP R 47K J 1/16W R30 RK73GB1J433J CHIP R 43K J 1/16W D8 -14 B30-1599-05 LED(NICHIA FULL) D22 ,23 B30-1575-05 LED(1608,YG) ED1 2J B38-1071-05 LIQUID CRYSTAL www. xiaoyu163. com QQ 376315150 9 9 2 8 9 4 2 9 8 TEL 13942296513 9 9 2 8 9 4 2 9 8 0 5 1 5 1 3 6 7 3 Q Q TEL 13942296513 QQ 376315150 892498299 TEL 13942296513 QQ 376315150 892498299 44 PARTS LIST R40 ,41 RK73EB2B391J CHIP R 390 J 1/8W R42 RK73EB2B511J CHIP R 510 J 1/8W R43 ,44 RK73EB2B391J CHIP R 390 J 1/8W R45 RK73EB2B511J CHIP R 510 J 1/8W R46 ,47 RK73EB2B391J CHIP R 390 J 1/8W R48 ,49 RK73EB2B511J CHIP R 510 J 1/8W R50 ,51 RK73EB2B391J CHIP R 390 J 1/8W R52 RK73EB2B511J CHIP R 510 J 1/8W R53 ,54 RK73EB2B391J CHIP R 390 J 1/8W R55 RK73EB2B511J CHIP R 510 J 1/8W R56 ,57 RK73EB2B391J CHIP R 390 J 1/8W R58 RK73EB2B331J CHIP R 330 J 1/8W R59 RK73EB2B391J CHIP R 390 J 1/8W R60 -63 RK73EB2B561J CHIP R 560 J 1/8W R64 RK73EB2B471J CHIP R 470 J 1/8W R65 RK73EB2B101J CHIP R 100 J 1/8W R66 -71 RK73GB1J472J CHIP R 4.7K J 1/16W R72 -78 RK73EB2B511J CHIP R 510 J 1/8W S1 -3 S70-0814-05 TACT SWITCH S4 ,5 S70-0869-05 TACT SWITCH S6 -8 S70-0873-05 TACT SWITCH S9 S62-0869-05 SLIDE SWITCH S10 ,11 S70-0873-05 TACT SWITCH S12 S62-0869-05 SLIDE SWITCH S13 -16 S70-0873-05 TACT SWITCH S17 S70-0869-05 TACT SWITCH S18 T99-0429-05 ROTARY ENCODER D1 -5 DAN202U DIODE D15 -21 DAN202U DIODE D24 02CZ8.2-Z ZENER DIODE D25 HZM6.8WA ZENER DIODE D26 HZM6.8FA ZENER DIODE IC1 M30620MCA2L3FP MI-COM IC IC2 ,3 LC75878W MOS-IC IC4 RS-171 ANALOGUE IC Q1 DTC114YUA DIGITAL TRANSISTOR Q2 FMC4A DIGITAL TRANSISTOR Q3 2SC4081 TRANSISTOR Q4 -9 2SD2114K TRANSISTOR C1 C92-0633-05 CHIP-TAN 22UF 10WV C2 ,3 CK73GB1H102K CHIP C 1000PF K C4 ,5 C92-0628-05 CHIP-TAN 10UF 10WV C7 CK73EB1A475K CHIP C 4.7UF K C8 ,9 CK73GB1C104K CHIP C 0.10UF K C10 ,11 CK73GB1H102K CHIP C 1000PF K C12 -14 CK73GB1C104K CHIP C 0.10UF K C15 CK73EB1A475K CHIP C 4.7UF K C16 C92-0628-05 CHIP-TAN 10UF 10WV C17 ,18 CK73GB1H102K CHIP C 1000PF K R31 -36 RK73FB2A472J CHIP R 4.7K J 1/10W R37 ,38 RK73EB2B391J CHIP R 390 J 1/8W R39 RK73EB2B511J CHIP R 510 J 1/8W ∗New Parts Parts without Parts No. are not supplied. Les articles non mentionnes dans le Parts No. ne sont pas fournis. Teile ohane Parts No. werden nicht geliefert. A d d N e w Des- tina- tion Ref. No. Parts No. Description indicates safety critical components. A d d N e w Des- tina- tion Ref. No. Parts No. Description CD UNIT (X32-5320-00) C22 C92-0628-05 CHIP-TAN 10UF 10WV C23 CK73GB1H102K CHIP C 1000PF K C24 CC73GCH1H471J CHIP C 470PF J C25 CK73GB1C104K CHIP C 0.10UF K C26 CK73GB1H472K CHIP C 4700PF K C27 ,28 CK73FB1C105K CHIP C 1.0UF K C29 -31 CK73GB1C104K CHIP C 0.10UF K C32 C92-0628-05 CHIP-TAN 10UF 10WV C33 ,34 CK73GB1C104K CHIP C 0.10UF K C35 CC73GCH1H221J CHIP C 220PF J C36 CK73GB1H102K CHIP C 1000PF K C37 CK73GB1H103K CHIP C 0.010UF K C39 CK73GB1H222K CHIP C 2200PF K C40 CK73GB1C104K CHIP C 0.10UF K C41 CK73GB1H103K CHIP C 0.010UF K C42 CC73GCH1H101J CHIP C 100PF J C43 CK73GB1C473K CHIP C 0.047UF K C45 CK73GB1C104K CHIP C 0.10UF K C46 CK73GB1H103K CHIP C 0.010UF K C48 CK73GB1H103K CHIP C 0.010UF K C49 CK73GB1C104K CHIP C 0.10UF K C50 CK73GB1H103K CHIP C 0.010UF K C52 CK73EB1A475K CHIP C 4.7UF K C53 CK73GB1H103K CHIP C 0.010UF K C54 CK73EB1A475K CHIP C 4.7UF K C55 CK73GB1C104K CHIP C 0.10UF K C56 C92-0628-05 CHIP-TAN 10UF 10WV C58 C92-0628-05 CHIP-TAN 10UF 10WV C60 CK73EB1A475K CHIP C 4.7UF K C61 CK73GB1C333K CHIP C 0.033UF K C62 CK73FB1C224K CHIP C 0.22UF K C63 CK73GB1H472K CHIP C 4700PF K C64 CK73GB1H222K CHIP C 2200PF K C65 ,66 CK73EB1A475K CHIP C 4.7UF K C67 CK73GB1C104K CHIP C 0.10UF K C68 ,69 CK73EB1A475K CHIP C 4.7UF K C70 CK73GB1H102K CHIP C 1000PF K C71 -74 CK73GB1C104K CHIP C 0.10UF K C75 CK73GB1H103K CHIP C 0.010UF K C76 CK73GB1H102K CHIP C 1000PF K C77 ,78 CC73GCH1H471J CHIP C 470PF J C79 ,80 CC73GCH1H680J CHIP C 68PF J C81 CK73EB1A475K CHIP C 4.7UF K C82 ,83 C92-0628-05 CHIP-TAN 10UF 10WV C84 ,85 C92-0633-05 CHIP-TAN 22UF 10WV C86 CK73EB1A475K CHIP C 4.7UF K C87 C92-0093-05 CHIP C 100UF 6.3WV C100 CK73GB1H103K CHIP C 0.010UF K C101 CK73GB1C104K CHIP C 0.10UF K CN1 E40-9339-05 FLAT CABLE CONNECTOR C19 CK73FB1C105K CHIP C 1.0UF K C20 CK73GB1H102K CHIP C 1000PF K CHIP C 15PF J C21 CC73GCH1H150J (X25-8960-00) www. xiaoyu163. com QQ 376315150 9 9 2 8 9 4 2 9 8 TEL 13942296513 9 9 2 8 9 4 2 9 8 0 5 1 5 1 3 6 7 3 Q Q TEL 13942296513 QQ 376315150 892498299 TEL 13942296513 QQ 376315150 892498299 45 PARTS LIST ∗New Parts Parts without Parts No. are not supplied. Les articles non mentionnes dans le Parts No. ne sont pas fournis. Teile ohane Parts No. werden nicht geliefert. A d d N e w Des- tina- tion Ref. No. Parts No. Description L5 L41-1001-10 SMALL FIXED INDUCTOR X1 L78-0810-05 RESONATOR X2 L78-0573-05 RESONATOR CP1 -7 R90-0714-05 MULTI-COMP 10K X4 CP8 -10 R90-1012-05 MULTI-COMP 22K X4 R1 ,2 RK73GB1J183J CHIP R 18K J 1/16W R4 -7 RK73GB1J101J CHIP R 100 J 1/16W R8 RK73GB1J331J CHIP R 330 J 1/16W R9 RK73GB1J102J CHIP R 1.0K J 1/16W R10 RK73GB1J103J CHIP R 10K J 1/16W R12 RK73GB1J472J CHIP R 4.7K J 1/16W R13 RK73GB1J102J CHIP R 1.0K J 1/16W R14 ,15 RK73FB2A100J CHIP R 10 J 1/10W R16 -19 RK73GB1J472J CHIP R 4.7K J 1/16W R20 ,21 RK73GB1J222J CHIP R 2.2K J 1/16W R22 ,23 RK73GB1J122J CHIP R 1.2K J 1/16W R24 -26 RK73GB1J222J CHIP R 2.2K J 1/16W R27 RK73GB1J122J CHIP R 1.2K J 1/16W R28 ,29 RK73GB1J222J CHIP R 2.2K J 1/16W R30 -33 RK73GB1J122J CHIP R 1.2K J 1/16W R34 RK73GB1J104J CHIP R 100K J 1/16W R35 RK73GB1J102J CHIP R 1.0K J 1/16W R36 ,37 RK73GB1J4R7J CHIP R 4.7 J 1/16W R38 ,39 RK73GB1J472J CHIP R 4.7K J 1/16W R40 RK73GB1J102J CHIP R 1.0K J 1/16W R41 RK73GB1J471J CHIP R 470 J 1/16W R42 RK73GB1J104J CHIP R 100K J 1/16W R43 RK73GB1J393J CHIP R 39K J 1/16W R44 RK73GB1J102J CHIP R 1.0K J 1/16W R45 RK73GB1J103J CHIP R 10K J 1/16W R46 RK73GB1J912J CHIP R 9.1K J 1/16W R47 RK73GB1J332J CHIP R 3.3K J 1/16W R48 RK73GB1J682J CHIP R 6.8K J 1/16W R49 RK73GB1J103J CHIP R 10K J 1/16W R50 RK73GB1J123J CHIP R 12K J 1/16W R51 RK73GB1J824J CHIP R 820K J 1/16W R52 RK73GB1J103J CHIP R 10K J 1/16W R53 RK73GB1J563J CHIP R 56K J 1/16W R54 RK73GB1J102J CHIP R 1.0K J 1/16W R55 RK73GB1J103J CHIP R 10K J 1/16W R56 RK73GB1J682J CHIP R 6.8K J 1/16W R57 RK73GB1J622J CHIP R 6.2K J 1/16W R58 RK73GB1J122J CHIP R 1.2K J 1/16W R59 RK73GB1J102J CHIP R 1.0K J 1/16W R60 RK73GB1J183J CHIP R 18K J 1/16W R61 ,62 R92-1252-05 CHIP R 0 OHM R63 RK73GB1J103J CHIP R 10K J 1/16W R64 RK73GB1J102J CHIP R 1.0K J 1/16W L5 L40-1001-78 SMALL FIXED INDUCTOR(10UH) L5 L40-1001-93 SMALL FIXED INDUCTOR CN2 E40-9536-05 FLAT CABLE CONNECTOR L1 -4 L92-0308-05 FERRITE CORE indicates safety critical components. A d d N e w Des- tina- tion Ref. No. Parts No. Description (X32-5320-00) R75 ,76 RK73GB1J103J CHIP R 10K J 1/16W R77 ,78 RK73GB1J472J CHIP R 4.7K J 1/16W R79 RK73GB1J223J CHIP R 22K J 1/16W R80 ,81 RK73GB1J472J CHIP R 4.7K J 1/16W R82 RK73GB1J102J CHIP R 1.0K J 1/16W R83 RK73GB1J223J CHIP R 22K J 1/16W R84 RK73GB1J331J CHIP R 330 J 1/16W R85 RK73GB1J220J CHIP R 22 J 1/16W R86 RK73GB1J222J CHIP R 2.2K J 1/16W R87 RK73GB1J122J CHIP R 1.2K J 1/16W R88 RK73GB1J104J CHIP R 100K J 1/16W R90 RK73GB1J101J CHIP R 100 J 1/16W R91 RK73GB1J222J CHIP R 2.2K J 1/16W R94 RK73GB1J512J CHIP R 5.1K J 1/16W R95 RK73GB1J222J CHIP R 2.2K J 1/16W R96 -99 RK73GB1J203J CHIP R 20K J 1/16W R100 RK73GB1J103J CHIP R 10K J 1/16W R101 RK73GB1J512J CHIP R 5.1K J 1/16W R102 RK73FB2A4R7J CHIP R 4.7 J 1/10W R103 RK73GB1J103J CHIP R 10K J 1/16W R104 RK73GB1J331J CHIP R 330 J 1/16W R105 RK73FB2A4R7J CHIP R 4.7 J 1/10W R106 R92-1252-05 CHIP R 0 OHM R107,108 RK73GB1J332J CHIP R 3.3K J 1/16W R109,110 RK73GB1J562J CHIP R 5.6K J 1/16W R111 R92-1252-05 CHIP R 0 OHM R200,201 RK73GB1J103J CHIP R 10K J 1/16W R202 RK73GB1J681J CHIP R 680 J 1/16W S1 ,2 S68-0838-05 PUSH SWITCH S3 S68-0859-05 PUSH SWITCH D1 -3 DAN202U DIODE IC1 M30624MGAA60GP MI-COM IC IC2 UPD63724B MOS-IC IC3 TC74HC157AF IC(MULTIPLEXER) IC4 LP2982-3.3 ANALOGUE IC IC5 STA013 MOS-IC IC6 MSM514260CP-60 MEMORY IC IC7 TC7SH04F MOS-IC IC8 TA78L05F IC(VOLTAGE REGULATOR/+5V) IC9 PCM1716E MOS-IC IC10 UPC2575GS ANALOGUE IC IC11 BA5917AFP ANALOGUE IC IC12 NJM5532MD IC(OP AMP) IC13 NJM2903M IC(COMPARATORX2) Q1 MCH6101 TRANSISTOR Q2 DTC124EUA DIGITAL TRANSISTOR Q3 MCH6101 TRANSISTOR R73 RK73FB2A103J CHIP R 10K J 1/10W R65 RK73EB2B100J CHIP R 10 J 1/8W R66 RK73GB1J103J CHIP R 10K J 1/16W R67 RK73EB2B4R7J CHIP R 4.7 J 1/8W R68 RK73FB2A820J CHIP R 82 J 1/10W R69 -72 R92-1252-05 CHIP R 0 OHM www. xiaoyu163. com QQ 376315150 9 9 2 8 9 4 2 9 8 TEL 13942296513 9 9 2 8 9 4 2 9 8 0 5 1 5 1 3 6 7 3 Q Q TEL 13942296513 QQ 376315150 892498299 TEL 13942296513 QQ 376315150 892498299 46 PARTS LIST ∗New Parts Parts without Parts No. are not supplied. Les articles non mentionnes dans le Parts No. ne sont pas fournis. Teile ohane Parts No. werden nicht geliefert. A d d N e w Des- tina- tion Ref. No. Parts No. Description MD UNIT (X33-3130-01) C1 CK73GB1H102K CHIP C 1000PF K C5 ,6 C92-0628-05 CHIP-TAN 10UF 10WV C7 CK73GB1H103K CHIP C 0.010UF K C8 CK73GB1E223K CHIP C 0.022UF K C9 C92-0628-05 CHIP-TAN 10UF 10WV C10 CK73GB1C104K CHIP C 0.10UF K C11 CK73GB1H103K CHIP C 0.010UF K C12 CK73GB1C104K CHIP C 0.10UF K C13 CK73GB1E223K CHIP C 0.022UF K C14 CK73GB1H472K CHIP C 4700PF K C15 CK73GB1C104K CHIP C 0.10UF K C16 CK73GB0J105K CHIP C 1.0UF K C17 CK73GB1H472K CHIP C 4700PF K C18 CK73GB1A224K CHIP C 0.22UF K C19 CK73FB0J475K CHIP C 4.7UF K C20 CK73GB1H103K CHIP C 0.010UF K C21 CK73GB0J105K CHIP C 1.0UF K C22 CK73GB1C104K CHIP C 0.10UF K C23 CK73GB1H103K CHIP C 0.010UF K C24 -26 CK73GB1C104K CHIP C 0.10UF K C27 C92-0628-05 CHIP-TAN 10UF 10WV C28 CK73GB0J105K CHIP C 1.0UF K C29 CK73GB1A474K CHIP C 0.47UF K C30 CK73GB1H103K CHIP C 0.010UF K C31 CC73GCH1H101J CHIP C 100PF J C32 CK73GB1A474K CHIP C 0.47UF K C33 CK73GB1H153K CHIP C 0.015UF K C34 ,35 CK73GB1C104K CHIP C 0.10UF K C36 ,37 CK73FB0J475K CHIP C 4.7UF K C38 ,39 CK73GB1C104K CHIP C 0.10UF K C40 CK73GB1H103K CHIP C 0.010UF K C41 CK73GB1C104K CHIP C 0.10UF K C42 ,43 CK73GB0J105K CHIP C 1.0UF K C44 ,45 CK73GB1H103K CHIP C 0.010UF K C46 C92-0628-05 CHIP-TAN 10UF 10WV C47 -49 CK73GB1C104K CHIP C 0.10UF K C51 -54 CK73GB1H222K CHIP C 2200PF K C55 -58 CK73GB1E223K CHIP C 0.022UF K C59 CK73GB1H103K CHIP C 0.010UF K C60 CK73EB0J106K CHIP C 10UF K C61 C92-0628-05 CHIP-TAN 10UF 10WV C74 C92-0628-05 CHIP-TAN 10UF 10WV C75 CK73GB1H103K CHIP C 0.010UF K C76 CK73EB1E105K CHIP C 1.0UF K C81 ,82 CK73GB1C104K CHIP C 0.10UF K C83 CK73FB0J475K CHIP C 4.7UF K C84 CK73GB1C104K CHIP C 0.10UF K CN1 E40-9521-05 FLAT CABLE CONNECTOR CN2 E40-9339-05 FLAT CABLE CONNECTOR Q4 DTC124EUA DIGITAL TRANSISTOR Q5 -7 2SK3018 FET Q8 MCH6101 TRANSISTOR Q9 DTC124EUA DIGITAL TRANSISTOR indicates safety critical components. A d d N e w Des- tina- tion Ref. No. Parts No. Description (X32-5320-00) CP1 R90-0726-05 MULTI-COMP 10K X2 CP2 R90-0722-05 MULTI-COMP 2.2K X4 CP3 R90-0724-05 MULTI-COMP 1K X4 CP4 ,5 R90-0720-05 MULTI-COMP 100K X4 CP6 R90-1014-05 MULTI-COMP 100 X4 CP7 R90-1019-05 MULTI-COMP 100 X2 CP8 R90-1014-05 MULTI-COMP 100 X4 CP9 R90-0719-05 MULTI-COMP 4.7K X2 CP10 R90-0720-05 MULTI-COMP 100K X4 R1 RK73GB1J472J CHIP R 4.7K J 1/16W R2 ,3 RK73GB1J474J CHIP R 470K J 1/16W R5 RK73FB2A4R7J CHIP R 4.7 J 1/10W R6 RK73GB1J104J CHIP R 100K J 1/16W R7 RK73GB1J103J CHIP R 10K J 1/16W R8 RK73GB1J913J CHIP R 91K J 1/16W R9 -11 RK73GB1J133J CHIP R 13K J 1/16W R12 RK73GB1J472J CHIP R 4.7K J 1/16W R13 RK73GB1J562J CHIP R 5.6K J 1/16W R14 RK73GB1J151J CHIP R 150 J 1/16W R15 RK73GB1J473J CHIP R 47K J 1/16W R16 RK73GB1J333J CHIP R 33K J 1/16W R17 RK73GB1J101J CHIP R 100 J 1/16W R18 RK73GB1J563J CHIP R 56K J 1/16W R19 RK73GB1J101J CHIP R 100 J 1/16W R20 RK73GB1J331J CHIP R 330 J 1/16W R21 RK73GB1J681J CHIP R 680 J 1/16W R23 RK73GB1J394J CHIP R 390K J 1/16W R24 RK73GB1J681J CHIP R 680 J 1/16W R25 RK73GB1J103J CHIP R 10K J 1/16W R26 RK73GB1J101J CHIP R 100 J 1/16W R27 RK73GB1J151J CHIP R 150 J 1/16W R28 ,29 RK73GB1J102J CHIP R 1.0K J 1/16W R30 RK73GB1J332J CHIP R 3.3K J 1/16W R31 RK73GB1J684J CHIP R 680K J 1/16W R32 RK73GB1J104J CHIP R 100K J 1/16W R33 RK73GB1J103J CHIP R 10K J 1/16W R34 RK73GB1J473J CHIP R 47K J 1/16W R36 RK73GB1J101J CHIP R 100 J 1/16W R40 -42 RK73GB1J472J CHIP R 4.7K J 1/16W R43 ,44 RK73GB1J183J CHIP R 18K J 1/16W R45 -47 RK73GB1J472J CHIP R 4.7K J 1/16W R48 ,49 RK73GB1J183J CHIP R 18K J 1/16W R50 RK73GB1J472J CHIP R 4.7K J 1/16W R51 ,52 RK73GB1J153J CHIP R 15K J 1/16W R53 ,54 RK73GB1J472J CHIP R 4.7K J 1/16W R55 ,56 RK73GB1J133J CHIP R 13K J 1/16W R57 RK73GB1J472J CHIP R 4.7K J 1/16W R58 RK73GB1J912J CHIP R 9.1K J 1/16W R59 ,60 RK73GB1J363J CHIP R 36K J 1/16W R61 RK73GB1J912J CHIP R 9.1K J 1/16W R77 RK73GB1J472J CHIP R 4.7K J 1/16W L1 -4 L92-0322-05 CHIP FERRITE X1 L78-0839-05 RESONATOR X2 L78-0571-05 RESONATOR www. xiaoyu163. com QQ 376315150 9 9 2 8 9 4 2 9 8 TEL 13942296513 9 9 2 8 9 4 2 9 8 0 5 1 5 1 3 6 7 3 Q Q TEL 13942296513 QQ 376315150 892498299 TEL 13942296513 QQ 376315150 892498299 47 PARTS LIST ∗New Parts Parts without Parts No. are not supplied. Les articles non mentionnes dans le Parts No. ne sont pas fournis. Teile ohane Parts No. werden nicht geliefert. A d d N e w Des- tina- tion Ref. No. Parts No. Description CD MECHANISM (X92-4420-00) R81 RK73GB1J104J CHIP R 100K J 1/16W R82 RK73GB1J103J CHIP R 10K J 1/16W R84 RK73GB1J102J CHIP R 1.0K J 1/16W R85 RK73GB1J103J CHIP R 10K J 1/16W R86 RK73GB1J472J CHIP R 4.7K J 1/16W S1 -4 S68-0838-05 PUSH SWITCH D1 KDS121 DIODE IC1 CXA2523AR ANALOGUE IC IC2 CXD2667R MOS-IC IC3 S-817A25ANB MOS-IC IC4 LA6572 ANALOGUE IC IC6 LP2982-3.3 ANALOGUE IC IC7 TC74HCT7007AF MOS-IC IC8 780076YGK-R01 MI-COM IC IC9 BR24C02FV-W MEMORY IC IC9 CAT24WC02UI MEMORY IC IC9 M24C02WDW6T MEMORY IC Q1 2SA1362(Y) TRANSISTOR Q1 2SB1295 TRANSISTOR Q2 DTA114EUA DIGITAL TRANSISTOR Q2 KRA302 DIGITAL TRANSISTOR Q3 2SC4116(Y) TRANSISTOR Q4 MCH6101 TRANSISTOR Q5 KTA2014(Y,GR) TRANSISTOR Q5 2SA1576A TRANSISTOR Q6 DTC143EUA DIGITAL TRANSISTOR Q6 KRC401 DIGITAL TRANSISTOR Q7 KTA2014(Y,GR) TRANSISTOR Q7 2SA1576A TRANSISTOR TH1 NT732ATD33KJ THERMISTOR 401 2C A10-4482-01 CHASSIS 402 1D A10-4225-33 CHASSIS CALKING ASSY 403 2D A11-0915-43 SUB CHASSIS CALKING ASSY 406 2C D10-4306-04 ARM ASSY 407 2C D10-4305-04 ARM ASSY 408 3C D10-3087-44 ARM ASSY 409 3D D10-3092-03 SLIDER 410 3D D10-3093-04 SLIDER ASSY 411 2D D10-3095-04 SLIDER ASSY 412 2D D10-3096-04 SLIDER ASSY 413 1C D10-3099-24 SLIDER ASSY 414 1C D10-3100-04 SLIDER ASSY 416 1D D10-4004-04 LEVER ASSY 417 1D D10-4006-04 LEVER 418 1C D10-4007-04 LEVER 419 2D D10-4008-14 LEVER 420 2C D10-4009-23 ARM 421 3C D10-4010-04 LEVER 422 3C D10-4307-04 LEVER ASSY R78 RK73GB1J103J CHIP R 10K J 1/16W R79 RK73GB1J104J CHIP R 100K J 1/16W R80 RK73GB1J102J CHIP R 1.0K J 1/16W indicates safety critical components. A d d N e w Des- tina- tion Ref. No. Parts No. Description (X33-3130-01) 429 3D D13-1231-04 GEAR 430 3C D13-1240-04 GEAR 431 3D D13-1233-04 GEAR 432 3D D13-1234-14 GEAR ASSY 433 3C D13-1441-03 GEAR 434 3D D13-1232-04 GEAR 435 3D D13-1241-04 GEAR 436 3C D13-1242-04 GEAR 437 1D D13-1243-04 GEAR 438 1D D13-1244-04 GEAR 439 1D D13-1245-14 GEAR 440 2C D13-1246-04 GEAR 441 2D D13-1247-04 GEAR 443 2D D13-1249-04 GEAR ASSY 444 2D D13-2091-04 GEAR ASSY (LEAD SCREW) 445 1D D14-0668-04 ROLLER 446 2C D14-0670-04 ROLLER 447 3D D14-0674-04 ROLLER 449 3C D21-2228-14 SHAFT 450 1C D21-2229-04 SHAFT 451 1C D23-0925-24 RETAINER 452 2C D32-0614-04 STOPPER 453 1D D39-0223-05 DAMPER (YELLOW) 454 2D D39-0224-05 DAMPER (BLACK) 455 3D F09-1246-04 SHEET 458 3D F09-1266-14 SHEET 460 2C G01-2770-04 EXTENSION SPRING 461 3C G01-2771-04 EXTENSION SPRING 462 3C G01-2772-24 EXTENSION SPRING 463 3C G01-2773-14 EXTENSION SPRING 464 3C G01-2774-34 EXTENSION SPRING 465 1D G01-2775-04 TORSION COIL SPRING 466 1D G01-2776-14 TORSION COIL SPRING 467 3D G01-2777-24 TORSION COIL SPRING 469 2C G01-2844-04 EXTENSION SPRING 470 2C G02-1231-04 FLAT SPRING 471 2D G02-1319-04 FLAT SPRING 472 2C G02-1241-24 FLAT SPRING 475 2C J11-0613-13 CLAMPER 476 3C J19-4678-13 HOLDER 477 2D J19-4923-04 HOLDER 478 3D J21-7684-13 MOUNTING HARDWARE 479 2D J21-7686-13 MOUNTING HARDWARE 480 1D J21-7690-03 MOUNTING HARDWARE 482 3C J84-0107-05 FLEXIBLE PRINTED WIRING BOARD 483 1C J90-0757-22 GUIDE A 2C N09-4249-05 MACHINE SCREW(M1.7X2.5,LOCK) B 1D N09-4172-05 TAPPING SCREW(2X3.5,CTITE) 424 3D D10-4050-04 ARM 425 3C D10-4038-23 ARM ASSY 426 2C D10-4123-24 LEVER ASSY 427 3C D13-1442-03 RACK (GEAR) www. xiaoyu163. com QQ 376315150 9 9 2 8 9 4 2 9 8 TEL 13942296513 9 9 2 8 9 4 2 9 8 0 5 1 5 1 3 6 7 3 Q Q TEL 13942296513 QQ 376315150 892498299 TEL 13942296513 QQ 376315150 892498299 48 PARTS LIST ∗New Parts Parts without Parts No. are not supplied. Les articles non mentionnes dans le Parts No. ne sont pas fournis. Teile ohane Parts No. werden nicht geliefert. A d d N e w Des- tina- tion Ref. No. Parts No. Description MD MECHANISM (X92-4280-00) G 2C N19-2058-04 FLAT WASHER H 3C N19-2093-04 FLAT WASHER J 2C N39-2020-46 PAN HEAD MACHIN SCREW DM1 3D T42-0764-04 DC MOTOR ASSY DM2 3D T42-0763-04 DC MOTOR ASSY DPU1 2D T25-0215-05 OPTICAL PICKUP HEAD 1 1B ∗ A10-4870-01 CHASSIS 2 2A A10-4485-23 CHASSIS CALKING ASSY 3 2B A10-4486-23 CHASSIS ASSY 5 1B A10-4488-14 CHASSIS CALKING ASSY 6 2A A10-4869-03 CHASSIS ASSY 7 3A A10-4871-03 CHASSIS CALKING ASSY 11 2B D10-4278-14 LEVER 12 2B D10-4601-04 LEVER 13 2B D10-4288-24 SLIDER ASSY 14 1B D10-4290-14 ARM ASSY 21 1B D13-1433-03 RACK (GEAR) 22 1B D13-1434-04 GEAR 23 1B D13-1435-04 GEAR 24 1B D13-1436-04 GEAR 25 1B D13-1437-04 GEAR 26 2B D13-2170-04 GEAR ASSY 31 2A D21-2296-04 SHAFT 32 1A D21-2297-04 SHAFT 33 2A D39-0235-04 DAMPER 34 2A D39-0236-04 DAMPER 41 1B G01-2914-04 TORSION COIL SPRING 42 1B G01-2915-04 TORSION COIL SPRING 43 2B G01-2917-04 COMPRESSION SPRING 44 1A G01-2918-04 EXTENSION SPRING 45 1A G01-2919-04 EXTENSION SPRING 47 2A G01-2948-14 EXTENSION SPRING 48 2B G01-2964-04 TORSION COIL SPRING 49 1A G02-1298-03 FLAT SPRING 51 3B J12-1022-04 PIN 61 1B J19-4866-04 HOLDER 62 3A J19-4867-03 HOLDER A 3A N09-4349-05 TAPTITE SCREW B 1B N09-4236-05 MACHINE SCREW(M2X 2 2) C 1A N09-4319-05 MACHINE SCREW(M2X4) D 2B N09-4269-05 MACHINE SCREW(M1.7X2.5 2) E 1A N09-4233-05 MACHINE SCREW(M1.4X2) F 1B N19-2029-04 FLAT WASHER G 1B N19-2127-14 FLAT WASHER H 3A N09-4126-05 MACHINE SCREW(2X3.5,C) M1 3A T42-0791-14 MOTOR ASSY M2 2A T42-1046-04 MOTOR ASSY C 2D N09-4202-05 STEPPED SCREW D 2C N38-2020-46 PAN HEAD MACHIN SCREW E 3C N09-4294-05 TAPTITE SCREW(BINDP TAPTIT) F 3D N19-2023-04 FLAT WASHER indicates safety critical components. A d d N e w Des- tina- tion Ref. No. Parts No. Description PANEL MECHANISM (D40-1162-05) 602 2E ∗ A11-0983-08 SUB SHASSIS 603 2F ∗ D13-2057-08 GEAR ASSY 604 2F ∗ D10-4455-08 ARM ASSY PM1 1E ∗ T42-1012-08 MOTOR ASSY 606 1E ∗ J21-9501-08 BRACKET 607 2F ∗ J21-9502-08 BRACKET 608 2E ∗ D13-2058-08 GEAR ASSY 609 2E ∗ D13-2059-08 GEAR ASSY 611 3F ∗ G16-1138-08 SHEET 612 2E J90-0955-08 RAIL 613 2F G02-1334-08 FLAT SPRING 614 2F D10-4397-08 ARM 615 2F G09-2028-08 FLAT SPRING 616 2E D13-2020-08 GEAR 617 2F J90-0956-08 GUIDE 618 3F J19-4964-08 HOLDER 619 3F J19-4965-18 HOLDER 620 2F D13-1421-08 GEAR 621 2E D13-2021-08 GEAR 622 2F D13-2024-08 GEAR 623 2F D13-2025-08 GEAR 624 2F D13-2026-08 GEAR 625 2F J30-1062-08 COLLER 626 3F ∗ J30-1063-08 COLLER 627 1E ∗ E39-0325-08 CORD WITH CONNECTOR 630 2E ∗ G01-2991-08 SPRING 631 1E ∗ G01-2992-08 SPRING 632 2E ∗ G01-2993-08 SPRING 633 3E ∗ G01-2994-08 SPRING 634 3E G01-2936-08 SPRING 635 3F J90-0957-08 CUSHION PS1 2E S68-0835-08 SWITCH 642 2F ∗ R33-0204-08 VARIABLE RESISTOR H 2E ∗ N29-0516-08 RETAINING RING J 2F ∗ N29-0517-08 RETAINING RING K 2F N19-1135-08 WASHER L 2E ∗ N19-2143-08 WASHER B 2E N09-4303-08 SCREW E 2E N38-2025-45 SCREW F 3F N38-2630-45 SCREW D 2F ∗ N09-4358-08 SCREW C 2E N09-4341-08 SCREW G 1E N32-2604-46 SCREW A 2F N09-4343-08 SCREW M3 1B T42-0790-14 MOTOR ASSY MPU1 2A T25-0219-05 OPTICAL PICKUP HEAD 601 3F ∗ A10-4678-08 CHASSIS ASSY (X92-4420-00) www. xiaoyu163. com QQ 376315150 9 9 2 8 9 4 2 9 8 TEL 13942296513 9 9 2 8 9 4 2 9 8 0 5 1 5 1 3 6 7 3 Q Q TEL 13942296513 QQ 376315150 892498299 TEL 13942296513 QQ 376315150 892498299 49 PARTS LIST CAPACITORS RESISTORS 1 = Type ...ceramic, electrolytic, etc. (EX) 2 = Shape ...round, square, etc. 3 = Temp. coefficient 4 = Voltage rating 5 = Value 6 = Tolerance 010= 1pF 2 2 0 =22pF Multiplier 2nd number 1st number •Capacitor value • Temperature coefficient 100= 10pF 101= 100pF 102= 1000pF=0.001µF 103= 0.01µF CC 1 1st Word C L P R S T U Color* Black Red Orange Yellow Green Blue Violet ppm/°C 0 -80 -150 -220 -330 -470 -750 2nd Word G H J K L ±30 ±60 ±120 ±250 ±500 ppm/°C Example : CC45TH = -470 ± 60ppm/°C • Tolerance (More than 10pF) Code C (%) ±0.25 D ±0.5 G ±2 J ±5 K ±10 M ±20 No code More than 10µF -10∼+50 Less than 4.7µF -10∼+75 X +40 -40 Z +80 -20 P +100 -0 • Voltage rating • Chip resistors Dimension (Chip capacitors) Dimension • Chip resistor (Carbon) 1st word 2nd word A 1.0 10 100 1000 C 1 C 7 2 3 F 3 J Refer to the table above. 1 = Type 2 = Shape 3 = Dimension 4 = Temp. coefficient 5 = Voltage rating 6 = Value 7 = Tolerance 1 = Type 2 = Shape 3 = Dimension 4 = Temp. coefficient 5 = Rating wattage 6 = Value 7 = Tolerance 7 S 4 L 1 5 H 0 0 6 0 (EX) (Chip)(CH,RH

标签:

版权声明

1. 本站所有素材,仅限学习交流,仅展示部分内容,如需查看完整内容,请下载原文件。
2. 会员在本站下载的所有素材,只拥有使用权,著作权归原作者所有。
3. 所有素材,未经合法授权,请勿用于商业用途,会员不得以任何形式发布、传播、复制、转售该素材,否则一律封号处理。
4. 如果素材损害你的权益请联系客服QQ:77594475 处理。