建伍KENWOOD DDX-7035 DVD监听机维修手册

分类:电子电工 日期: 点击:0
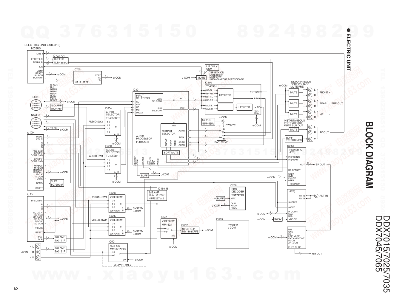
建伍KENWOOD DDX-7035 DVD监听机维修手册-0 建伍KENWOOD DDX-7035 DVD监听机维修手册-1 建伍KENWOOD DDX-7035 DVD监听机维修手册-2 建伍KENWOOD DDX-7035 DVD监听机维修手册-3 建伍KENWOOD DDX-7035 DVD监听机维修手册-4 建伍KENWOOD DDX-7035 DVD监听机维修手册-5 建伍KENWOOD DDX-7035 DVD监听机维修手册-6 建伍KENWOOD DDX-7035 DVD监听机维修手册-7 建伍KENWOOD DDX-7035 DVD监听机维修手册-8 建伍KENWOOD DDX-7035 DVD监听机维修手册-9

© 2004-5 PRINTED IN JAPAN B53-0169-00 (N) 2703 MONITOR WITH DVD RECEIVER DDX7015/7025/7035 SERVICE MANUAL /7045/7065 F2 DC cord (E30-6342-05) Screw set (N99-1754-05) Remote controller assy (A70-2064-05) Panel assy (A64-3302-12): DDX7025, (A64-3341-12): DDX7015, (A64-3342-12): DDX7045 (R) (A64-3343-12): DDX7035, (A64-3344-12): DDX7065, (A64-3345-12): DDX7045 (X) Antenna adaptor (T90-0512-05) Mounting hardware assy (J22-0171-03) Lever (D10-4589-04) Escutcheon assy (B07-3046-04) F2 DC cord (E30-6343-05) DC cord (E30-6341-15) (RC-DV420) Escutcheon (B07-3105-02) Depends on the model. Refer to the parts list. www. xiaoyu163. com QQ 376315150 9 9 2 8 9 4 2 9 8 TEL 13942296513 9 9 2 8 9 4 2 9 8 0 5 1 5 1 3 6 7 3 Q Q TEL 13942296513 QQ 376315150 892498299 TEL 13942296513 QQ 376315150 892498299 2 DDX7015/7025/7035 DDX7045/7065 BLOCK DIAGRAM POWER SUPPLY (X14-939) VIDEO CONTROL UNIT from X14 MCU MOTOR DRIVER from X14 MCU OR to X14 MCU from X14 MCU to ROM WRITER RGB SW CLAMP (E) TYPE ONLY +DRIVER+MUTE LPF+6dB amp ENCODER VIDEO DECODER MPEG OSC 27MHz SYS COM EEPROM 2ch AUDIO DAC MUTE OPT DRIVER to BOX MCU to X34 (ELECTRIC UNIT) to X14 MCU DC CONNECTOR TRANCE DC/DC DC/DC REG REG REG SRAM MPU to X16 (SUB CIRCUIT UNIT) to X35 (VIDEO UNIT) LB1836 OSD IC LC74735NW9817E MB29LV8T9TN6R FROM DC/DC CHROMA & AN2546FH-AV IC NJW1303V SYNC SEP MM1234XFBE RGB SW E2PROM MM1389XFBE 70F3089YGJ-7R5 SYS COM ADV7170KSU ES6218SF MT48LC4M16T75I SDRAM 29LV160AT17R2 FLASH SRAM K6F1008V2CYF55 MM1567AJBE AK4382AVT FPGA M4A3212V18TV1 NJM4580V LPF to MECHA IC200 IC303 IC400 IC401 IC102 IC100 IC104 IC108 IC101 IC103 IC701 IC703 IC521 IC770 IC520 IC200 IC204 IC541 IC560 IC601 IC652 IC650 IC304 IC362 IC204 IC202 I/F CONNECTOR CN501 to DVD MECHANISM ASSY IC750 LCD CONTROL LCD CS LCD DATA LCD CLK EJECT KEY CONTROL SRC RESET KEY2 REMO LED R,G,B LED SW SRM MO12 SRM MO11 2 OSD DATA OSD CLK OSD CS OSD RST OSD RG HD,VD HSY,VSY RGB VCO CLAM POLC POLS 3 BLK (MASK) VMUTE CSYNC BU5V KEY3 KEY4 SRC LCD PON MIRROR REMO MEC SW D XDATA,YDATA POS D NTSC PAL HPOSI1,2,3,4 MODE1,2,3 X0,Y0,Y1 PWM SCL SDA (12C BAS) M CLK FROM VPP S DATA M DATA RESET SYNC SW TV,NAVI RG COMPOSIT DVDRGB DVDCOMP V DVDRGB DVDCOMP V CCIR601 [7:0] VCLOCK VSYNC HSYNC DATABUS [15:0] SDRAM CLK RGB SW VIDEO ATAPI I/F LOCAL I/F BCLK DATAI LRCLK MCLK SPDIF R REQ M CLK S DATA S REQ M DATA SYS ON ADACML ADACMC ADACMD ADACRST 27MHz CS CPUA [1:0] CPUA17 CPUD [3:0] SYSTEM DATABUS [15:00] REMO ACC DET REV DET PRK DET ACC REVERSE ILLUMI BU14.4 GND PRK SW +14.4 PON 8.5V PON +14.4 SW5V MECHA7V +14.4 PON SW3 +7.5V SW2V +7V -7V BU5V BU3.3V +14.4 NTSC/PAL AUDIO DOWN MIX SI GND ACC BU14.4 ● VIDEO CONTROL UNIT www . x ia o y u 1 6 3 . c o m QQ 3 7 6 3 1 5 1 5 0 9 9 2 8 9 4 2 9 8 T E L 1 3 9 4 2 2 9 6 5 1 3 9 9 2 8 9 4 2 9 8 0 5 1 5 1 3 6 7 3 Q Q TEL 13942296513 QQ 376315150 892498299 TEL 13942296513 QQ 376315150 892498299 3 DDX7015/7025/7035 DDX7045/7065 ELECTRIC UNIT (X34-316) LX I/F NAVI I/F u-COM u-COM u-COM to X14 to TV u-COM AUDIO SELECTOR u-COM SELECTOR AUDIO AUDIO SW2 AUDIO SW1 VISUAL SW1 VIDEO SW SYSTEM u-COM VISUAL SW2 VIDEO SW SYSTEM u-COM RGB SW u-COM V R L AV IN VIDEO SW u-COM SYNC SEP. MM1108XFFE INPUT SELECTOR SELECTOR OUTPUT SOFT MUTE u-COM BUFF u-COM PROCESSOR AUDIO HPFILTER LPFILTER u-COM MUTE MUTE MUTE MUTE PRE L R FRONT R L REAR R L NF PRE OUT R L V AV OUT MUTE MUTE SUB OUT 75 BUFF DRIVER u-COM u-COM u-COM u-COM SYSTEM BUFF RDS DECODER u-COM (F/R) POWER IC SP OUT (F/E) SW5V u-COM u-COM ANT IN u-COM 4ch OUT 6dB AMP 75 NJM2267Vx2 IC300 (E)TYPE ONLY BA3121F ISO AMP TC4052BFT TC4052BFT BA7652F BA7612F MM1234XFBE MM1503 DRIVER BA3121F ISO AMP BA3121F ISO AMP TC7SH08F BUFF E-TDA7414 TDA7401 TB2903H TDA7479D BA3129Fx2 NJM4565V 1/2 VCC u-COM IC501 IC555 IC553 IC200 IC103 IC552 IC551 IC450,451 IC301 IC554 IC550 IC250 NJM4565x2 BUFFER u-COM HA12187FP u-COM PORT VOLTAGE INSTANTANEOUS INSTANTANEOUS PORT VOLTAGE MUTE u-COM MZ BUS L,R ONLY GSM DSP BOX ON IC703,704 IC705 IC700,701 3 8 RESET MUTE REQC REQH DATAC DATAH CLK CHCON 3 3 2 TX RX RESET REMO MUTE M CON M CLK M DATAH M DATAC M REQH M REQC OOMP GND COMP V COMP GND COMP V RGB GND B G R DVD R DVD L 3 3 7 TV L TV R TV COMP V R G B SC DATA SC REQ MC DATA MC REQ BP CLK SC CON (REMO) RESET 6 3 3 0 1 2 3 2 3 0 2 1 2 3 S2 1 S1 2 2 3 S1 S2 1 2 SW 3 CTL 1 2 CD- AUX CD MD MPX/A MAIN SELECTO SELECTO SUB 2 2 ACIN 0 ACIN 1 ACIN 2 ACIN 3 MID REAR FRONT FREE SMETER QUAL DCERR AFS SMUTE SDA SCL WIN IN 6 2 2 2 A B 2 B A HP-FL HP-FR HP-RL HP-RR AUX-L AUX-R NF FRONT REAR SDA SCL 2 2 2 2 IN (FRONT) IN (REAR) DC OFFSET STBY SVR PMUTE BEEP 4 3 MPX RDCL RDDA QUAL OUT 16 SMETER A OUT IF COUNT SDA SCL AM IN FM IN VDD 5V 4 ILL GND B.U LINE MUTE EXT AMP CONT P.CON ANT.CON FL,FR,RL,RR 6 4 AC SUB 2 2 BUS ON BUS OFF RESET MUTE L,R FRONT L,R REAR L,R LINE 1 2 2 2 4 2 TX STBY RX 3 2 INSTANTANEOUS PORT VOLTAGE MUTE LEFT MUTE RIGHT ● ELECTRIC UNIT BLOCK DIAGRAM www . x ia o y u 1 6 3 . c o m QQ 3 7 6 3 1 5 1 5 0 9 9 2 8 9 4 2 9 8 T E L 1 3 9 4 2 2 9 6 5 1 3 9 9 2 8 9 4 2 9 8 0 5 1 5 1 3 6 7 3 Q Q TEL 13942296513 QQ 376315150 892498299 TEL 13942296513 QQ 376315150 892498299 4 DDX7015/7025/7035 DDX7045/7065 VIDEO UNIT (X35-4332-70) TC7W14FU TC7SET08FU IC101 IC203 IC302 DC-DC IC LT1947 COM AMP TA75W558FU IC304 TIMMING CONTROLLER TC200G02AF-0104 IC301 NJM2107F PLL & LPF IC303 TOUCH PANEL SWITCH TOUCH PANEL S79-0827-05 BACK LIGHT INVERTER SW PCB (C/3) 6.5 INCH LCD CFL CIRCUIT CN303 PON+5.0V VGND V.SYNC VGND PON+3.3V VR/VG/VB PON-12.0V PON+18.5V PON+12.5V V.COM POLS/POLC/HSY/VSY/BLK /NTSC PAL/MIRROR PDOS/OSCI VGH+18.5V 16 NC 1 STH2 VR 2 3 VG VB 4 5 L/R(HDIR) 8 VSS STH1 6 7 CX VSS 9 10 VCOM VSS 13 CPH(CPH1) VSS 11 12 NC 14 15 VDD2+5.0V VDD1+3.3V NC 17 18 19 STV2 OE2(NGOE2) 22 OE1(NGOE1) 20 21 OE3(NGOE3) CPV 23 24 VSS 27 U/D(UPSD) STV1 25 26 NC VGL-12.0V 28 29 NC 30 VB VG VR STV1 USPD CPV NGOE3 NGOE2 NGOE1 STV2 V.COM CPH1 CX HDIR STH1 STH2 NGOE3/CPH1 NGOE1/NGOE2/ STV1/STV2/STH1/STH2/ USPD/CPV/HDIR/CX/ PON+18.5V PON+5.0V PON+3.3V PON+5.0V XDATA/YDATA X0/X1/Y0 X0/X1/ Y0/Y1 D.GND PWM/ENABLE BL+8.5V BL GND PON+5.0 LED+8.5V(R)/LED+8.5V(G) ESD GND EJECT/KEY3/KEY4/SI/RESET/REMO H.SYNC PON+3.3V VGND PON-12.0V 1 2 3 4 5 6 7 8 9 10 11 12 13 14 15 16 17 18 19 20 21 22 23 24 25 26 27 28 29 30 31 32 33 34 35 36 37 38 39 40 41 42 43 44 45 46 47 48 49 50 51 52 53 54 55 56 57 58 59 60 61 62 63 64 65 66 67 68 P ON+5.0V P ON+5.0V NC V GND V GND LCD PON D GND EJECT KEY3 KEY4 LED GND SI NC LED+8.5V(B) LED+8.5V(G) LED+8..5V(R) NC P ON+3.3V NC V GND VB VG VR V GND C.SYNC V GND NTSC PAL POLC POLS MIRROR VSY HSY BLK MODE3 MODE2 MODE1 HPOS4 HPOS3 HPOS2 HPOS1 NC VCOM NC P ON+5.0V BU +5.0V KEY1 XDATA YDATA X0 X1 Y0 SRC PWM ENABLE NC NC BLGND BLGND NC BL+8.5V BL+8.5V NC NC ESD GND ESD GND NC RESET REMO MODE1/2/3/HPOS1/2/3/4 BU+5.0V D.GND ● VIDEO UNIT BLOCK DIAGRAM www. xiaoyu163. com QQ 376315150 9 9 2 8 9 4 2 9 8 TEL 13942296513 9 9 2 8 9 4 2 9 8 0 5 1 5 1 3 6 7 3 Q Q TEL 13942296513 QQ 376315150 892498299 TEL 13942296513 QQ 376315150 892498299 5 DDX7015/7025/7035 DDX7045/7065 ● DVD X35 POWER SUPPLY/GND MAP X14 DVD X35 POWER SUPPLY/GND MAP +7.5V AVR IC DC-DC COM AMP TIMING CONTROLLER PLL & LPF +5.0V AVR OZ960IS LCD 7 INCH CFL SWITCH CIRCUIT TOUCH PANEL LED RED x4 LED GREEN x4 SW PCB B PHOTO REF TILE SENS INDASH 7 INCH MECHA BL+8.5V PON+3.3V PON+14.0V PON+5.0V PON-12.0V PON+12.5V PON+18.5V V GND V GND BL GND SW+3.3V D GND LED GND BACK-LIGHT INVERTER PON-12.0V PON+18.5V PON+5.0V PON+3.3V BL+8.5V AUTO DIMMER SW PCB A LED+8.5V (GREEN) LED+8.5V (RED) LED GREEN LED RED x3 MINI SW+5.0V REF+5 D GND PON+3.3V PON+5.0V PON+7.5V BLOCK DIAGRAM COMPONENTS DESCRIPTION ● VIDEO CONTROL UNIT (X14-939x-xx) Ref.No. Application/Function Operation/Condition/Compatibility IC100 SW power supply control IC SW5V, mechanism 7V DC/DC IC101 SW power supply control IC SW3.3V, storage mechanism 7.5V DC/DC IC102 SW power supply control IC ±7.5V, BL8.5V DC/DC IC103 3 terminal regulator BU5V output IC104 Low-loss regulator BU3.3V output IC105 2ch comparator BU low voltage detection IC106 Inverter P_ON control IC107 3 terminal regulator drive Video system 7.5V output IC108 Low-loss regulator SW2V output IC200 E2PROM System µ-com memory IC202 Motor driver Slide mechanism motor control IC203 Motor driver Tilt mechanism motor control IC204 Microcomputer System control www. xiaoyu163. com QQ 376315150 9 9 2 8 9 4 2 9 8 TEL 13942296513 9 9 2 8 9 4 2 9 8 0 5 1 5 1 3 6 7 3 Q Q TEL 13942296513 QQ 376315150 892498299 TEL 13942296513 QQ 376315150 892498299 6 DDX7015/7025/7035 DDX7045/7065 Ref.No. Application/Function Operation/Condition/Compatibility IC205 AND Remote control output buffer IC206 Inverter Microcomputer reset control IC207 Reset System µ-com reset control at low voltage IC300 3 terminal regulator Video system 5V power supply output IC301 1H delay PAL color difference signal delay IC302 RGB switch RGB signal SYNC cutting IC303 RGB decoder RGB decode IC304 RGB switch DVD/NAVI, TV switching IC305 3 terminal regulator Video system 3V power supply output IC306 Inverter V. MUTE control IC361 NAND HD, VD mix IC362 Synchronous separation Synchronous separation IC363,364 3ch buffer HD, VD buffer IC365 Mono-multi HD timing for OSD IC400 OSD OSD graphic signal occurrence IC401 Flash ROM OSD font data ROM IC520 Flash ROM MPEG decoder control program ROM IC521 SRAM Backup ROM for MPEG decoder IC522 NAND SRAM chip selection IC540 Inverter 27MHz buffer IC541 Inverter 27MHz oscillation IC560 SDRAM RAM for temporary storage of decoded signal IC580 ANDx4 (4 AND’s included) 3.3V→5V conversion IC601 MPEG decoder IC for decoding encoded signal IC650 Driver IC for visual signals Lowpass filter + 6dB_AMP + DRIVER IC651 Regulator IC Video 5V regulator IC652 Video encoder Converts digital video signals into analog IC701 Ope amp Active filter circuit for audio signals IC702 Regulator IC Audio 5V regulator IC703 Audio DAC Converts digital audio signals to analog IC750 Inverter Drive for optical output IC770 CPLD Audio DAC control, Chip selection control of SRAM Q100~103 Digital transistor P_ON control Q104,105 Small signal NPN transistor BU reduced current detection Q106 High-speed power SW FET SW14V output Q107 Small signal NPN transistor ACC detection control Q108 Digital transistor Parking detection control Q109 High-speed power SW FET SW5V, mechanism 7V DC/DC Q110 High-speed power SW FET SW3.3V, storage mechanism 7.5V DC/DC Q111 High-speed power SW FET ±7.5V, mechanism 7V DC/DC COMPONENTS DESCRIPTION www. xiaoyu163. com QQ 376315150 9 9 2 8 9 4 2 9 8 TEL 13942296513 9 9 2 8 9 4 2 9 8 0 5 1 5 1 3 6 7 3 Q Q TEL 13942296513 QQ 376315150 892498299 TEL 13942296513 QQ 376315150 892498299 7 DDX7015/7025/7035 DDX7045/7065 Ref.No. Application/Function Operation/Condition/Compatibility Q112 Low-frequency power Video system 7.5V output amplifying PNP transistor Q113 Small signal PNP transistor Fan power supply 12.8V output Q114 Small signal NPN transistor Fan power supply 12.8V output Q115 Medium power amplifying Fan power supply 12.8V output PNP transistor Q116 Small signal NPN transistor Fan power supply 12.8V output Q117 NPN digital transistor Storage mechanism power supply switching control Q118 Small signal PNP transistor BL8.5V over current detection Q119 NPN digital transistor BL8.5V over current detection Q120 Small signal PNP transistor BU5V/SW5V switching Q121 NPN digital transistor BU5V/SW5V switching Q122 Small signal PNP transistor BU5V/SW5V switching Q123,124 Small signal NPN transistor BU5V/SW5V switching Q170,171 Digital transistor SW5V, mechanism 7V DC/DC oscillation frequency switching Q172,173 Digital transistor SW3.3V, storage mechanism 7.5V DC/DC oscillation frequency switching Q174,175 Digital transistor ±7.5V, mechanism 7V DC/DC oscillation frequency switching Q200,201 Digital transistor Blue illumination control Q202,203 Digital transistor Green illumination control Q204,205 Digital transistor Red illumination control Q206 Digital transistor BOX microcomputer Q207 Digital transistor Microcomputer reset control Q300 Small signal PNP transistor Chroma LPF fc NT/PAL switching Q360 Small signal NPN transistor Y signal input buffer Q361 Small signal PNP transistor C signal input buffer Q362 Small signal PNP transistor Synchronous separation circuit V signal input buffer Q400 Small signal PNP transistor OSD R signal output buffer Q401 Small signal PNP transistor OSD G signal output buffer Q402 Small signal PNP transistor OSD B signal output buffer Q403 NPN digital transistor OSD clock NT/PAL switching control Q650 PNP digital transistor RGB_SW reversal Q652 NPN digital transistor IC650 6pin input signal muting Q701 Small signal NPN transistor Audio DMIX_L signal muting Q702 Small signal NPN transistor Audio DMIX_R signal muting Q703 Small signal NPN transistor Audio mute control Q704~707 Digital transistor Audio mute control Q751 Small signal NPN transistor COAX output driving Q752 Small signal PNP transistor COAX output driving Q901 Medium power amplifying TDF panel section power supply ON/OFF control PNP transistor Q902 Small signal NPN transistor TDF panel section power supply ON/OFF control COMPONENTS DESCRIPTION www. xiaoyu163. com QQ 376315150 9 9 2 8 9 4 2 9 8 TEL 13942296513 9 9 2 8 9 4 2 9 8 0 5 1 5 1 3 6 7 3 Q Q TEL 13942296513 QQ 376315150 892498299 TEL 13942296513 QQ 376315150 892498299 8 DDX7015/7025/7035 DDX7045/7065 ● ELECTRIC UNIT (X34-316x-xx) Ref.No. Application/Function Operation/Condition/Compatibility IC1 3-terminal regulator IC Generates 8.4V for audio from BU14V. IC3 3-terminal regulator IC Generates 5.0V for visuals from BU14V. IC100 Logic IC For audio mute control. IC101 Logic IC When BU5V goes below 3.7V, reset with output L (When microcomputer is flushed, 4.2V). IC103 X34 board controller Control of X34 board, Communication with other boards and connected devices. microcomputer IC200 RDS demodulator IC Demodulation of RDS signals. IC250 Power IC Power amplifier for speaker output. IC300 Digitally audio processor IC 4ch hipass filter, 2ch lowpass filter. IC301 Electrical volume, Selector, NC MPX IC IC350 Isolation amplifier IC For LX BUS IC400 Logic IC For making navigation and other remote control lines independent. IC450,451 75Ω driver, 6dB amplifier IC For video signals from X34 to X14. IC452 Logic IC For reversing reset signal. IC500 Isolation amplifier IC For TV TUNER. IC501 RGB switch IC For selection of RGB signals for TV or NAVI. IC550,554 4ch multiplexer For selection of audio signals for LX, NAVI, TV or AVIN. IC551 Video switch For selection of composite signals for IC553 or AVIN. Used for detecting NTSC, PAL and detecting rear camera. IC552 Sync separator IC For determination of NTSC, PAL. IC553 75Ω driver + video switch For detection of visual output signal for X14 (TV/AVIN/NAVI). IC555 75Ω driver + video switch For selection of visual output signal for AVOUT (DVD/TV/AVIN). IC600 Isolation amplifier IC For AVIN. IC700,701 Switching ope amplifier For isolation of audio signal from DSP box and SW for X34 audio signal. IC702 Operational amplifier For 1/2VCC supply to BA3121F (LX/TV/AVIN). IC703,704 Operational amplifier For isolation of audio signal from DSP box. IC900 Operational amplifier For noise canceling circuit. Q1,2 BU5V switch Turned ON when BU14V is supplied. Q3 BU5V switch Turned ON when Q9 is turned ON. Q4 A9V switch Turned ON when SW14V is supplied. Q5 V5V switch Turned ON when SW14V is supplied. Q6 A9V power supply Turned ON when Q4 is turned ON. Q8 SW14V switch Turned ON when P-ON. Q9 SW5V switch Turned ON when P-ON. Q10 V5V power supply Turned ON when Q5 is turned ON. Q19 Illumination switch Turned ON when illumination is turned ON. Q20 ANT-CONT switch Turned ON when TUNER is selected. Q21 P-CONT Turned ON when P-CONT is turned ON. COMPONENTS DESCRIPTION www. xiaoyu163. com QQ 376315150 9 9 2 8 9 4 2 9 8 TEL 13942296513 9 9 2 8 9 4 2 9 8 0 5 1 5 1 3 6 7 3 Q Q TEL 13942296513 QQ 376315150 892498299 TEL 13942296513 QQ 376315150 892498299 9 DDX7015/7025/7035 DDX7045/7065 Ref.No. Application/Function Operation/Condition/Compatibility Q22 P-CONT Turned ON when Q21 is turned ON. Q23 P-ANT switch Turned ON when Q20 is turned ON. Q24 P-CONT Turned ON when Q25 is turned ON. Q25 P-CONT Turned ON when BU14V is supplied. Turned OFF when Q22 is turned ON. Q26 BU detection switch Turned ON when BU is detected. Q27 EXT-AMP switch Turned ON when EXT-CONT terminal is L. Q100 S-MUTE reverse switch Turned ON when momentary power down, when reset, and when S-MUTE is turned ON. Q200 AM power supply switch Turned ON when TUNER is selected. Q201 AM power supply switch Turned ON when Q200 is turned ON. Q300 NOISE switch Turned ON when IC301QUAL terminal is Hi. Q301 S-MUTE switch Turned ON when Q100 is turned ON. Q460 TV resetting reverse switch Reverses when reset and outputs Hi. Q551~554 Voltage conversion audio Outputs by converting 5V→8V. selector switch Q600,601 Muting sub-woofer Turned ON when Q607 is turned ON. Q602,604~606 Muting pre-out Turned ON when Q603 is turned ON. Q603 Muting pre-out Turned ON when momentary power down, when reset, and when MUTE_PRE is turned ON. Q607 Muting sub-woofer Turned ON when momentary power down, when reset, and when MUTE_SW is turned ON. Q608,610 Muting AVOUT Turned ON when Q609 is turned ON. Q609 Muting AVOUT Turned ON when momentary power down, when reset, and when MUTE_AVOUT is turned ON. Q700 IC700, 701 switching switch Controlled by ES_DSP_SW. Q702 Muting GSM left audio Turned ON when momentary power down, when reset, and when MUTE_LEFT is turned ON. Q703 Muting GSM left audio Q702 is turned ON. Q704 FAN5V MZ_SYS_ON is turned ON. Turned OFF when MZ_SYS_OFF is turned ON. Q705 For J701 Turned ON/OFF by 05 signal. (optical output connector) Q706 Muting GSM right audio Turned ON when Q707 is turned ON. Q707 Muting GSM right audio Turned ON when momentary power down, when reset, and when MUTE_RIGHT is turned ON. Q712 Muting BUS Turned ON when BUS_MUTE is turned ON. Q713 Muting BUS Turned ON when Q712 is turned ON. Q904~906 Noise canceller - ● VIDEO UNIT (X35-4332-70) Ref.No. Application/Function Operation/Condition/Compatibility IC1 Inverter control IC Controlling and driving inverter circuit for backlight. IC101 DC/DC converter ±12V power supply for VCOM amplifier, -12.0V/+18.5V LCD power supply. IC203 VCOM amplifier VCOM signal amplifier. IC301 Timing controller LCD module control. IC302 AND V. SYNC delay buffer. IC303 PLL LPF PLL control LPF (VT voltage control). COMPONENTS DESCRIPTION www. xiaoyu163. com QQ 376315150 9 9 2 8 9 4 2 9 8 TEL 13942296513 9 9 2 8 9 4 2 9 8 0 5 1 5 1 3 6 7 3 Q Q TEL 13942296513 QQ 376315150 892498299 TEL 13942296513 QQ 376315150 892498299 10 DDX7015/7025/7035 DDX7045/7065 MICROCOMPUTER’S TERMINAL DESCRIPTION ● SYSTEM MICROCOMPUTER : 703068YGJ-108 (X14 : IC204) Pin No. Pin Name I/O Module Function Processing Operation Description 1 AUTO_DIM NC 2 KEY4 I KEY Keys (5) 3 KEY3 I KEY Keys (6) 4 NC I 5 PORTGND0 - µCOM 6 PM1_SWD NC 7 LCD_VOFF_EN O LCD ON/OFF control over backlight power supply H : ON, L : OFF 8 NC O L-fixed 9 TP_YG O Touch Panel Touch panel control 10 TP_XP O Touch Panel Touch panel control 11 TP_XG O Touch Panel Touch panel control 12~15 LCD_HPOSI1~LCD_HPOSI4 O LCD Setting display start position 16~18 LCD_MODE1~LCD_MODE3 O LCD Setting aspects 19 LCD_MIRROR O LCD Screen display right-left reversal H : Reverse, L : Normal 20 ILL_R O LED (ILLUMI) Illumination (red) control H : Light on 21 ILL_G O LED (ILLUMI) Illumination (green) control H : Light on Ref.No. Application/Function Operation/Condition/Compatibility IC304 Schmidt inverter CLAMP/C. SYNC waveform shaping. IC601 Remote controller sensor Remote controller sensor. Q1 Dimmer switch Turned ON/OFF by PWM control signal and dimmer is put on the backlight. Q2,3 Inverter driver Inverter circuit driver. Q5 5V AVR 5V power supply for inverter control IC. Q101,102 SW DC/DC converter control switch. Q201~203 VCOM driver VCOM signal buffer. Q301 VCO PLL oscillator. Q302 Touch panel X1 switch Turned ON when a touch to the panel is detected, or when input on X-axis and impresses voltage. Q303 Touch panel Y1 switch Turned ON when there is input on Y-axis and impresses voltage. Q304 Touch panel X0 switch Turned ON when there is input on X-axis and impresses voltage. Q305 Touch panel Y0 switch Turned ON when there is input on Y-axis and impresses voltage. Q306 Touch panel Y0/Y1 switch Turned ON when there is input on Y-axis and turned OFF when there is input on X-axis. Q601,602 Switch SI blinking switch. Q604,605 Switch Hard resetting switch. Q701 Switch DISC slot illumination switch. COMPONENTS DESCRIPTION www. xiaoyu163. com QQ 376315150 9 9 2 8 9 4 2 9 8 TEL 13942296513 9 9 2 8 9 4 2 9 8 0 5 1 5 1 3 6 7 3 Q Q TEL 13942296513 QQ 376315150 892498299 TEL 13942296513 QQ 376315150 892498299 11 DDX7015/7025/7035 DDX7045/7065 MICROCOMPUTER’S TERMINAL DESCRIPTION Pin No. Pin Name I/O Module Function Processing Operation Description 22 PORTVDD0 - µCOM 23 ILL_B O LED (ILLUMI) Sub-panel backlight (blue) control H : Light on 24 NTSC_PAL O VIDEO NTSC/PAL switching H : PAL, L : NTSC 25 PM_LED_SW/PM_LED_SW NC PM_LED_SW/SI O LED (SI) LED control for SI H : Light on, L : Light off 26 LCD_PON O Power supply DC/DC (X35) power supply ON/OFF control H : ON 27~29 NC O L-fixed 30 V_MUTE O VIDEO Video mute H : Mute ON 31 RGB_SW O VIDEO Switching visual sources H : DVD, L : Except 32 S_MUTE O VIDEO C.SYNC mute H : Except, L : Full OSD screen 33 SYS_SREQ I to X25 Request from Box control microcomputer 34 SYS_MREQ O to X25 Request to Box control microcomputer 35 SYS_ON O to X25 ON/OFF control on Box control microcomputer H : ON, L : OFF 36 CLKOUT 37 GND0 - µCOM 38 CPUREG - µCOM 39 VDD0 - µCOM 40 RESET Reset terminal L : Reset 41 FROM_VPP - µCOM 42 MINI_CS NC FLASH_SI I V850 Used when writing to flash memory MINI_DATA/MINI_DATA NC 43 MINI_DATA/LEDSW_SUB NC MINI_DATA/FLASH_SO O V850 Used when writing to flash memory 44 MINI_CLK/MINI_CLK NC MINI_CLK/FLASH_CLK I V850 Used when writing to flash memory 45 KEY_OPEN I KEY OPEN/CLOSE key L : Key depressed 46 BE_SDATA I FR30 Data from B/E microcomputer 47 BE_MDATA O FR30 Data to B/E microcomputer 48 BE_CLK O FR30 Clock to B/E microcomputer 49 BE_RST O FR30 Reset to B/E microcomputer L : Reset 50 BE_MREQ O FR30 Request to B/E microcomputer 51 BE_SREQ I FR30 Request from B/E microcomputer 52 PON O Power supply (X14) Power supply ON/OFF control H : ON 53 PM1_MCNT O 1DIN Mecha 7.5V power supply voltage control H : 5V, L : 7.5V 54 POWER_DET I Power supply (X14) Power supply abnormality detection L : Abnormality 55 PAK_DET I DC Cable (X14) Parking detection H : Parking detection (When car stopped) 56 M_MUTE O Audio mute control L : Mute ON 57 DVD_DISC_DET I DVS-3000 Disc insertion detection L : Disc insertion 58 NC O L-fixed www. xiaoyu163. com QQ 376315150 9 9 2 8 9 4 2 9 8 TEL 13942296513 9 9 2 8 9 4 2 9 8 0 5 1 5 1 3 6 7 3 Q Q TEL 13942296513 QQ 376315150 892498299 TEL 13942296513 QQ 376315150 892498299 12 DDX7015/7025/7035 DDX7045/7065 MICROCOMPUTER’S TERMINAL DESCRIPTION Pin No. Pin Name I/O Module Function Processing Operation Description 59 D_MUTE NC 60 PORTVDD1 - µCOM 61 LCD_BRIGHT O LCD Backlight adjustment 62~65 NC O L-fixed 66 JIG_EJ I EXTRA 2DIN FC detection terminal H : At FC, L : Except 67 NC O L-fixed 68 SUBLED_OFF O to PANEL Sub panel LED ON/OFF Depends on tilt angle (H : At eject, L : except) 69 ACC_DET I DC Cable (X14) ACC detection L : ACC ON 70 XT2 - µCOM 71 XT1 72 GND2 - µCOM 73 X1 19.8MHz 74 X2 - µCOM 75~78 NC O L-fixed 79,80 FSEL1, FSEL2 O Power supply DC/DC oscillation frequency switching 81 BU_DET I DC Cable (X14) Backup power down detection H : Momentary power down 82 KEY_SRC I KEY Source selection key L : Key depressed 83 KEY_DVDEJ I KEY DVD eject key L : Key depressed SDA/CHROMA_SDA I/O CHROMA Chroma IC data AN2546 control CODE_SDA I/O EEPROM (CODE) EEPROM (Code) data S-24CS02 control SDA/BE_SDA I/O EEPROM (DVD) EEPROM (Region) data S-24CS02 control 84 SDA/LCD_SDA I/O EEPROM (LCD) EEPROM (Display start position) data S-24CS02 control SDA/COR_SDA I/O EEPROM (ROM collection) EEPROM (ROM collection) data S-24CS02 control SDA/TP_SDA I/O EEPROM (TP) EEPROM (Adjustment value) data S-24CS02 control SDA/CADJ_SDA I/O E2PROM chroma IC adjustment value data S-24CS02 control 85 NC O L-fixed SCL/CHROMA_SCL I/O CHROMA Chroma IC clock CODE_SCL I/O EEPROM (CODE) EEPROM (Code) clock S-24CS02 control SCL/BE_SCL I/O EEPROM (DVD) EEPROM (Region) clock S-24CS02 control 86 SCL/LCD_SCL I/O EEPROM (LCD) EEPROM (Display start position) clock S-24CS02 control SCL/COR_SCL I/O EEPROM (ROM collection) EEPROM (ROM collection) clock S-24CS02 control SCL/TP_SCL I/O EEPROM (TP) EEPROM (Adjustment value) clock S-24CS02 control SCL/CADJ_SCL I/O E2PROM chroma IC adjustment value data AN2546 control 87~91 NC O L-fixed 92 PORTGND1 - µCOM 93 MINI_CLK_IN NC 94 MINI_DATA_IN NC 95 NC O L-fixed 96 PAN_DET NC 97 OSD_CLK O LC74735W Clock to OSDC-IC www. xiaoyu163. com QQ 376315150 9 9 2 8 9 4 2 9 8 TEL 13942296513 9 9 2 8 9 4 2 9 8 0 5 1 5 1 3 6 7 3 Q Q TEL 13942296513 QQ 376315150 892498299 TEL 13942296513 QQ 376315150 892498299 13 DDX7015/7025/7035 DDX7045/7065 MICROCOMPUTER’S TERMINAL DESCRIPTION Pin No. Pin Name I/O Module Function Processing Operation Description 98 OSD_CS O LC74735W Chip select to OSDC-IC 99 OSD_DATA O LC74735W Data to OSDC-IC 100 NC O L-fixed 101 DSI NC 102 PORTVDD2 - µCOM 103 MINI_PON NC 104 PM1_SET_STATUS0 NC 105 PM1_SET_STATUS1 NC 106 PM1_SET_STATUS2 NC 107 SYS_SDATA I to X25 Data from Box control microcomputer 108 SYS_MDATA O to X25 Data to Box control microcomputer 109 SYS_MCLK O to X25 Clock to Box control microcomputer 110 NC O L-fixed 111 WRT_E2P I EXTRA Write detection at ROM collection H : E2PROM writing from outside, L : Except 112~115 TYPE0~TYPE3 I Type Destination setting 116~119 NC O L-fixed 120 OSD_RST O LC74735W Reset to OSDC-IC L : Reset 121 OSD_A18 I/O LC74735W External ROM address bus A18 3.3V 122 OSD_A19 I/O LC74735W External ROM address bus A19 3.3V 123 NC O L-fixed 124 PM1_TMOTOR_M NC PM2_TILT_UP O 2DIN Mecha Panel mechanism motor control 125 VD I VIDEO Old-New NAVI determination VSYNC 126 PM1_TMOTOR_P NC PM2_TILT_DOWN O 2DIN Mecha Panel mechanism motor control 127 PM1_SMOTOR_M NC 128 VDD1 - µCOM 129 PM1_SMOTOR_P NC 130 PM1_SWC NC 131 GND1 - µCOM 132 PM1_SWB NC 133 PM1_SWA NC 134 NC O L-fixed 135 KEY2 NC 136 VOL- NC 137 VOL+ NC 138 PM_LPS/PM1_LPS1 I 1DIN Mecha TV mechanism tilt sensor voltage detection PM_LPS/PM2_TILT_SENCE I 2DIN Mecha Panel mechanism tilt sensor voltage detection 139 PM1_PHOTO1 I 1DIN Mecha TV mechanism slide photo detection 140 TP_YDATA I Touch Panel Touch panel input (Y-direction) www. xiaoyu163. com QQ 376315150 9 9 2 8 9 4 2 9 8 TEL 13942296513 9 9 2 8 9 4 2 9 8 0 5 1 5 1 3 6 7 3 Q Q TEL 13942296513 QQ 376315150 892498299 TEL 13942296513 QQ 376315150 892498299 14 DDX7015/7025/7035 DDX7045/7065 ● TUNER MICROCOMPUTER : 703069YGJ-104 (X34 : IC103) Pin No. Pin Name Module I/O Application Processing Operation Active Truth Description (H/L) Value 1 NC I Pull down 2 RDS_NOISE IC2-5-2 I FM noise detection 3 DC_ERR IC2-5-2 I DC offset detection L when detected 4 LINE_MUTE DC Cable (X25) I LINE MUTE detection TEL mute : 1V or lower, NAVI mute : 2.5V or higher 5 PORTGND0 µCOM - 6 AUDIO_SW1_B Visual O LX/TV/AVIN audio switching r 7 MUTE_PRE Mute O PREOUT mute L : Mute ON L 8 AUDIO_SW2_A Visual O LX/TV/AVIN audio switching r 9 AUDIO_SW2_B Visual O LX/TV/AVIN audio switching r 10 AUD_SCL IC2-5-2 I/O IC2-5-2 clock Based on IIC bus regulation 11 AUD_SDA IC2-5-2 I/O IC2-5-2 data Based on IIC bus regulation 12 S_MUTE IC2-5-2 O S-MUTE control H : Mute ON, L : Mute OFF H 13 AUDIO_SW1_A Visual O LX/TV/AVIN audio switching r 14 RDS_AFS_L IC2-5-2 I/O When detecting noise, constant is switched q 15 RDS_AFS_M IC2-5-2 I/O When detecting noise, constant is switched q 16 MUTE_LEFT Mute O Lch independent muting for handsfree L : Mute ON L 17 MUTE_RIGHT Mute O Rch independent muting for handsfree L : Mute ON L Destination Setting Model Destination TYPE3 TYPE2 TYPE1 TYPE0 KVT-715DVD K 0 0 0 1 KVT-725DVD E 0 0 1 0 KVT-735DVD M 0 0 1 1 KVT-765/745DVD C,X 0 1 0 0 KVT-815DVD K2 eXcelon 0 1 1 0 KVT-745DVD R 0 1 1 1 DDX7015 K 1 0 0 1 DDX7025 E 1 0 1 0 DDX7035 M 1 0 1 1 DDX7065/7045 C,X 1 1 0 0 DDX7045 R 1 1 1 1 Pin No. Pin Name I/O Module Function Processing Operation Description 141 TP_XDATA I Touch Panel Touch panel input (X-direction) 142 KEY1 NC 143 ADCVDD - µCOM 144 ADCGND - µCOM MICROCOMPUTER’S TERMINAL DESCRIPTION www. xiaoyu163. com QQ 376315150 9 9 2 8 9 4 2 9 8 TEL 13942296513 9 9 2 8 9 4 2 9 8 0 5 1 5 1 3 6 7 3 Q Q TEL 13942296513 QQ 376315150 892498299 TEL 13942296513 QQ 376315150 892498299 15 DDX7015/7025/7035 DDX7045/7065 Pin No. Pin Name Module I/O Application Processing Operation Active Truth Description (H/L) Value 18 VISUAL_SW1_1 Visual O TV/AVIN/NAVI visual switching t 19 VISUAL_SW1_2 Visual O TV/AVIN/NAVI visual switching t 20 VISUAL_SW2_1 Visual O DVD/TV/AVIN visual switching t 21 VISUAL_SW2_2 Visual O DVD/TV/AVIN visual switching t 22 PORTVDD0 µCOM - 23 MUTE_AVOUT Mute O AVOUT mute L : Mute ON L 24 NC O 25 MUTE_SUBOUT Mute O IC2 SUBOUT mute (land compatible) L : Mute ON L 26 NC O 27 SYS_MREQ to X14 I Request from system control microcomputer 28 SYS_SREQ to X14 O Request to system control microcomputer 29~32 NC O 33 P_CON DC Cable (X25) O External amplifier power supply control H : Power ON except all OFF, L : All OFF or Power OFF 34 EXT_CONT DC Cable (X25) O External amplifier control 35 ANT_CONT DC Cable (X25) O Power antenna control H : Antenna UP, L : Antenna DOWN 36 CLKOUT O 37 GND0 µCOM - 38 CPUREG µCOM - 39 VDD0 µCOM - 40 RESET I 41 MODE/VPP µCOM - Flash : Pull down, Mask : GND direct connection 42 TV_SDATA/TV_SDATA TV (External) I Data from the TV unit TV_SDATA/FLASH_SI V850 I Used when writing to flash memory 43 TV_MDATA/TV_MDATA TV (External) O Data to TV unit TV_MDATA/FLASH_SO V850 O Used when writing to flash memory 44 TV_CLK/TV_CLK TV (External) O Clock to TV unit TV_CLK/FLASH_CLK V850 I Used when writing to flash memory 45 SYS_ON to X14 I ON/OFF control from system control H : Box unit ON, microcomputer L : Box unit OFF 46 SYS_MDATA to X14 I Data from system control microcomputer 47 SYS_SDATA to X14 O Data to system control microcomputer 48 SYS_MCLK to X14 I Clock from system control microcomputer 49 PWIC_STBY POWER-IC O POWER-IC standby control H : Power ON, L : Power OFF 50 NC O 51 PWIC_SVR POWER-IC O SVR discharge circuit control H : Forced discharge 52 PWIC_MUTE POWER-IC O POWER-IC Mute control L : Mute ON (All OFF or momentary power down) MICROCOMPUTER’S TERMINAL DESCRIPTION www. xiaoyu163. com QQ 376315150 9 9 2 8 9 4 2 9 8 TEL 13942296513 9 9 2 8 9 4 2 9 8 0 5 1 5 1 3 6 7 3 Q Q TEL 13942296513 QQ 376315150 892498299 TEL 13942296513 QQ 376315150 892498299 16 DDX7015/7025/7035 DDX7045/7065 Pin No. Pin Name Module I/O Application Processing Operation Active Truth Description (H/L) Value 53 NC O 54 ILLUMI_DET DC Cable (X25) I Illumination detection L : Illumination ON L 55,56 NC O O 57 BU_DET DC Cable (X25) I Backup power down detection H : Momentary power down (8.8V or lower) 58,59 NC O 60 PORTVDD1 µCOM - 61 PWIC_BEEP POWER-IC O Beep output 62 P_ON power supply O SW5V power supply control H : ON SCL/COR_SCL EEPROM I/O EEPROM (ROM collection) clock Based on IIC bus regulation 63 (ROM collection) SCL/IC5_SCL IC5 I/O IC5 clock Based on IIC bus regulation SDA/COR_SDA EEPROM I/O EEPROM (ROM collection) data Based on IIC bus regulation 64 (ROM collection) SDA/IC5_SDA IC5 I/O IC5 data Based on IIC bus regulation 65 ES_DSP_SW Audio O E’s/DSP switching H : DSP, L : E’s 66 BUS_MUTE Mute O BUS_MUTE H : Mute H 67 MZ_ILL_ON MZ-Bus O MZ-Bus ILLUMI control H : ILLUMI ON H 68 MZ_SYSON MZ-Bus O MZ-Bus SYSON control L : Bus ON L 69 MZ_SYSOFF MZ-Bus O MZ-Bus SYSOFF control L : Bus OFF L 70 XT2 µCOM - 71 XT1 72 GND2 µCOM - 73 X1 18.874MHz 74 X2 µCOM - 75~80 NC O 81 SYS_MUTE to X14 I Mute request from main unit L : Mute request 82,83 NC O 84 TUN_SDA S03 F/E I/O F/E I2C data input/output terminal 85 NC O 86 TUN_SCL S03 F/E I/O F/E I2C clock output terminal (MAX 400kHz) 87,88 NC O 89 MZ_BUS_STBY IE-Bus O BUS-IC standby control L : Standby 90 MZ_IERX IE-Bus I Data from IE-Bus 91 MZ_IETX IE-Bus O Data to IE-Bus 92 PORTGND1 µCOM - 93 NC O 94 NC O 95 RGB_SW Visual O TV/NAVI selection (monitor) H : NAVI, L : Other 96 TV_SREQ TV (External) I Request from TV unit MICROCOMPUTER’S TERMINAL DESCRIPTION www. xiaoyu163. com QQ 376315150 9 9 2 8 9 4 2 9 8 TEL 13942296513 9 9 2 8 9 4 2 9 8 0 5 1 5 1 3 6 7 3 Q Q TEL 13942296513 QQ 376315150 892498299 TEL 13942296513 QQ 376315150 892498299 17 DDX7015/7025/7035 DDX7045/7065 Pin No. Pin Name Module I/O Application Processing Operation Active Truth Description (H/L) Value 97~99 NC O 100 TV_MREQ TV (External) O Request to TV unit 101 TV_CON TV (External) O Startup request to TV unit H : TV unit ON, L : TV unit OFF 102 PORTVDD2 µCOM - 103,104 NC O 105 MUTE_ACOUT Mute O IC2 SUBOUT mute (land compatible) L : Mute ON L 106 NC O 107 LX_DATA_S LX_M I Data from slave unit 108 LX_DATA_M LX_M O Data to slave unit 109 LX_CLK LX_M I/O LX BUS clock 110 LX_REQ_S LX_M I Communication request from slave unit 111 NAVI_RX NAVI I Data from NAVI 112 NAVI_TX NAVI O Data to NAVI 113 NC O 114 REMO Remote controller I Remote controller input 115 LX_REQ_M LX_M O Communication request from slave unit 116 LX_RST LX_M O Hard reset to slave unit H : Reset, L : Normal H 117 LX_MUTE LX_M I Mute request from slave unit H : Mute ON, L : Mute OFF H 118 LX_CON LX_M O Start up request to slave unit H : Slave unit ON, H L : Slave unit OFF 119 NC O 120 VSYNC_DET Visual I VSYNC input 121,122 NC O 123 RDS_DATA RDS Decoder I RDS decoder data input 124 RDS_QUAL RDS Decoder I RDS decoder QUAL input 125 RDS_CLK RDS Decoder I RDS decoder CLK input 126 NC O 127 PON_AM Power supply O AM power supply control H : ON (During AM operation) 128 VDD1 µCOM - 129 TUN_TYPE0 IC2-5-2 I Destination setting w 130 TUN_TYPE1 IC2-5-2 I Destination setting w 131 GND1 µCOM - 132 WRT_E2P EXTRA I Write detection at ROM collection H : E2PROM write from outside, L : Except 133 VSYNC_SW Visual O AVIN NTSC PAL determination / AVIN2 AUTO detection switching 134 MUTE_SW Mute O SW independent mute L : Mute ON L 135 TUN_SMETER S03 F/E I S-meter input 136 TUN_IFC_OUT S03 F/E I F/E IFC OUT input terminal H : With station, L : No station H 137~140 TYPE0~TYPE3 Type I Destination setting e MICROCOMPUTER’S TERMINAL DESCRIPTION www. xiaoyu163. com QQ 376315150 9 9 2 8 9 4 2 9 8 TEL 13942296513 9 9 2 8 9 4 2 9 8 0 5 1 5 1 3 6 7 3 Q Q TEL 13942296513 QQ 376315150 892498299 TEL 13942296513 QQ 376315150 892498299 18 DDX7015/7025/7035 DDX7045/7065 q IC2_AFS_L, IC2_AFS_M Typ value FM input mute Qualty constant Stereo PLL High 2.4~5V Unmuted Long Not-hold Mid 1~2.4V Unmuted Short Not-hold/Hold Low 1V or lower Muted Short Hold Stereo PLL when set to Mid can be set to either Not-hold/Hold by the data. During hold, condition of ST/MONO will be maintained to the state when hold is started. High Normal reception Mid Although sound is output, Qualty (RDS-Noise) is being checked with short time constant. Low With mute on (no sound), the condition of RDS AF stations are being checked. w TUN_TYPE0, TUN_TYPE1 TYPE0 TYPE1 AFTER L L OEM1 L H OEM2 H L OEM3 H H e TYPE3, TYPE2, TYPE1, TYPE0 Model Destination TYPE3 TYPE2 TYPE1 TYPE0 KVT-715DVD K 0 0 0 1 KVT-725DVD E 0 0 1 0 KVT-735DVD M 0 0 1 1 KVT-765DVD C 0 1 0 0 KVT-745DVD X 0 1 0 1 KVT-815DVD K2 0 1 1 0 KVT-745DVD R 0 1 1 1 DDX7015 K 1 0 0 1 DDX7025 E 1 0 1 0 DDX7035 M 1 0 1 1 DDX7065 C 1 1 0 0 DDX7045 X 1 1 0 1 DDX7045 R 1 1 1 1 r Audio selector (TC4052BFT) AUDIO_SW1_A AUDIO_SW1_B Output L L IN3 Not used H L IN2 AVIN L H IN1 TV H H IN0 LX AUDIO_SW2_A AUDIO_SW2_B Output L L IN3 Not used H L IN2 AVIN L H IN1 TV H H IN0 Not used. Note : Each output is reversed by a transistor t Video selector BA7652AF VISUAL_SW1_1 VISUAL_SW1_2 Output L L IN1 TV H L IN2 AVIN L H IN3 NAVI H H MUTE* * : MUTE_ON when full OSD is switched, OFF when normal visual source is switched from OSD. BA7612F VISUAL_SW2_1 VISUAL_SW2_2 Output L L IN1 DVD L H IN2 TV H L IN3 AVIN H H MUTE Pin No. Pin Name Module I/O Application Processing Operation Active Truth Description (H/L) Value 141,142 NC I Pull down 143 ADCVDD µCOM - 144 ADCGND µCOM - MICROCOMPUTER’S TERMINAL DESCRIPTION www. xiaoyu163. com QQ 376315150 9 9 2 8 9 4 2 9 8 TEL 13942296513 9 9 2 8 9 4 2 9 8 0 5 1 5 1 3 6 7 3 Q Q TEL 13942296513 QQ 376315150 892498299 TEL 13942296513 QQ 376315150 892498299 19 DDX7015/7025/7035 DDX7045/7065 ● How to enter the test mode While pressing and holding the Eject key and SRC key, reset the unit. ● How to exit from the test mode While holding the Reset key, reset the unit. Note : Turning ACC off, power off, momentary powers down are does not exit for the test mode. ● Test mode operation • Source selector : VIDEO Each press of the V SEL key in TEST mode should switch from VIDEO→NAVIGATION→DVD→VIDEO • Volume : STEP 30 • Switching for Video detector or Test mode main menu (for FNC key on) • Microprocessor information • Information for service menu / Serial code writing * • Chroma adjustment * • Writing value for LCD panels touch position adjustment * • Panel mechanism position adjustment * • Display position adjustment * • Security code writing (E,M,X,C type only) * TEST MODE You must adjustment for * mark function when you repaired for IC200 (X14-939 : Video control unit). ● Simple way to clear the security code (without E,M,X,C type) 1) How to enter the security code entry While pressing the Reset key when unit is security on mode. 2) Enter, “KCAR” with the remote controller as described be- low. • Press the remote controller 5 key twice. (Enters a “K”) • Press the remote controller 2 key three times. (Enters a “C”) • Press the remote controller 2 key once. (Enters an “A”) • Press the remote controller 7 key twice. (Enters an “R”) Code request mode appears if a mistake was made in en- tering the numbers. 3) Security function is canceled and unit sets to Menu display mode. ● Specification of test mode on-screen Default display is Test mode Main when selected graphic dis- play mode that in the test mode. Test Mode Main screen Information Touch adjustment Touch adjustment (1~3) Writing data for EEPROM Chroma adjustment Chroma adjustment (1~13) Writing data for EEPROM Writing NG Writing NG Writing NG Writing OK Writing OK Adjustment OK Adjustment NG Writing OK Graphic position adjustment Graphic 1 position adjustment Mechanism position adjustment Graphic 2 position adjustment DVD position adjustment TV position adjustment VIDEO position adjustment NAVI position adjustment Service information Writing for Serial number Operate similarly to normal mode Operate similarly to normal mode Operate similarly to normal mode Source Mechanism adjustment Set up Audio www. xiaoyu163. com QQ 376315150 9 9 2 8 9 4 2 9 8 TEL 13942296513 9 9 2 8 9 4 2 9 8 0 5 1 5 1 3 6 7 3 Q Q TEL 13942296513 QQ 376315150 892498299 TEL 13942296513 QQ 376315150 892498299 20 DDX7015/7025/7035 DDX7045/7065 ● Test mode Main Information Hposi Service Source Chroma Set Up Touch MECHA ADJ Audio • Key specification Information : Change to Information screen Service : Change to service information screen Chroma : Change to Chroma adjustment screen Touch : Change to Panel Touch adjustment screen MECHA ADJ : Change to Mechanims adjustment screen Hposi : Change to horizontal position adjustment screen Source : Change to source screen Setup : Change to setup screen Audio : Change to audio screen ● Information screen Display for microprocessor, serial number and DVD region code information. Return Serial : x x x x x x x x System u-com Ver : 4. XXX ROM : R – – – Type : * OSD ROM Ver : 1. 03 Region : * B/E Ver : 2. 09 F/E Ver : 4. 02 Box u-com Ver : 4. XXX ROM : R – – – Type : * Span : – • Key specification Return : Change to Test Mode Main screen Return Serial Clear Start Init Init Init Init Init Power On *** hour DVD Play *** hour DVD Eject *** time Mon. Open *** time Mon. Close *** time Chroma DCOffset Ready None ● Service information screen Display of service information data and initialization for the unit. Initialized Chroma adjustment data. Display of DC offset voltage detect information. (for audio power amp) • Key specification Init : Select for initialization item START : Initialization data when while pressing and holding about 2 second any more. SERIAL : Change to Serial number input screen CLEAR : EEPROM data cleared. RTN : Change to Test Mode Main screen • Adjustments procedure 1) Select for Init key when you wont initialized data. 2) While pressing and holding START key about 1 second any more. 3) DC offset information DC offset detect information for the display None : Not detected (normal), Detect : Detected 4) Initialized DC offset information While pressing and holding the Eject key and Volume down key, reset the unit. TEST MODE www. xiaoyu163. com QQ 376315150 9 9 2 8 9 4 2 9 8 TEL 13942296513 9 9 2 8 9 4 2 9 8 0 5 1 5 1 3 6 7 3 Q Q TEL 13942296513 QQ 376315150 892498299 TEL 13942296513 QQ 376315150 892498299 21 DDX7015/7025/7035 DDX7045/7065 ● Chroma adjustment screen Chroma IC adjustment uses an accessory remote controller. (The selector of the remote controller is set the Audio mode) Initialized Chroma adjustment data. (for service information screen) CH : ** * * * * * VAL ** • Key specification (for remote controller) DIRECT : Chroma adjustment mode on/off (EEPROM Writ- ing) PLAY/PAUSE : Chroma adjustment value fixed/cancel 7 (10 key) : Chroma adjustment (previous) 8 (10 key) : Chroma adjustment value change (up) 9 (10 key) : Chroma adjustment (reverse) 0 (10 key) : Chroma adjustment value change (down) • Adjustment item 1. CH16 : VCO freerun value 00h~FFh 2. CH6 : Bright value 00h~FFh 3. CH13 : Contrast value 00h~FFh 4. CH5 : Black limiter value 00h~7Fh 5. CH10 : White limiter value 00h~7Fh 6. CH2 : Y gain value 00h~FFh 7. CH11 : Gamma1 value 00h~FFh 8. CH12 : Gamma2 value 00h~FFh 9. CH8 : R sub bright value 00h~FFh 10. CH9 : B sub bright value 00h~FFh 11. CH14 : R sub contrast value 00h~FFh 12. CH15 : B sub contrast value 00h~FFh 13. CH1 : VCOM value 00h~FFh Cancel Enter Clear * * * * * * * * • Key specification Enter : Writing for serial number data for the unit (Complete : Writing OK, NG : Miss writing) Press to cancel key when exit this function. You can try again adjustment when if appears on serial num- ber write NG. Clear : Clear for on entry serial number data Cancel : Change to Service information screen ● Writing Serial number data screen Serial data writing for each unit. 1) Serial number input screen Cancel Clear 1 2 3 4 5 6 7 8 0 9 – – – – – – – – • Key specification 0~9 : 10key use for serial number Clear : Clear for on entry serial number data. Cancel : Change to Service information screen 2) Serial number writing screen TEST MODE www. xiaoyu163. com QQ 376315150 9 9 2 8 9 4 2 9 8 TEL 13942296513 9 9 2 8 9 4 2 9 8 0 5 1 5 1 3 6 7 3 Q Q TEL 13942296513 QQ 376315150 892498299 TEL 13942296513 QQ 376315150 892498299 22 DDX7015/7025/7035 DDX7045/7065 3) MECHA Adjust complete screen Return MECHA Adjust Mecha Adjust OK You can try again adjustment when if appears on EEPROM write NG. ● Touch adjustment screen Key touch position correction adjustment for the Touch panel. Adjust to 3-point position on the touch panel. The unit come to adjustment is complete when you can get EEPROM OK appear on the screen. 1) Input touch position data Cancel Point Two-point Three-point • Key specification Cancel : Input touch position data (point) : Change to Test Mode Main screen Other : Change to Input touch position function (for point) 2) Writing OK screen Return Write OK • Key specification Return : Change to Test Mode Main screen 3) Writing NG screen Write NG You can try again adjustment when if appears on EEPROM write NG. ● MECHA ADJ screen Panel mechanism position is adjusted in this screen. There are cases where panel opens at power on, when ex- changing DVD mechanism. 1) MECHA Adjust screen Return MECHA Adjust • Key specification MECHA Adjust : Starts mechanism position adjustment Return : Change to Test Mode Main screen 2) MECHA Adjust in progress screen Return MECHA Adjust Mecha Adjusting TEST MODE www. xiaoyu163. com QQ 376315150 9 9 2 8 9 4 2 9 8 TEL 13942296513 9 9 2 8 9 4 2 9 8 0 5 1 5 1 3 6 7 3 Q Q TEL 13942296513 QQ 376315150 892498299 TEL 13942296513 QQ 376315150 892498299 23 DDX7015/7025/7035 DDX7045/7065 Hposi NG You can try again adjustment when If appear on EEPROM write NG. ● Source screen Operate similarly to normal mode. But change to Test Mode Main screen when press to setup and audio keys. Chang to Test Mode Main screen. ● Audio screen Operate similarly to normal mode. But change to Test Mode Main screen when press to SRC and setup keys. Chang to Test Mode Main screen. ● Setup screen Operate similarly to normal mode. But change to Test Mode Main screen when press to SRC and audio keys. Chang to Test Mode Main screen. ● H position adjustment Adjusting Horizontal position for each video input source. 1) Graphic HPOSI adjustment Cancel Next << >> Adjustment to item adjustment value • Key specification CANCEL : Change to Test Mode Main screen >> : Display position moving to right side << : Display position moving to left side NEXT : Next video source adjustment or writing data for EEPROM (at the end of NAVI adjustment) 2) Writing OK screen Return Hposi OK • Key specification Return : Change to Test Mode Main screen 3) Writing NG screen TEST MODE www. xiaoyu163. com QQ 376315150 9 9 2 8 9 4 2 9 8 TEL 13942296513 9 9 2 8 9 4 2 9 8 0 5 1 5 1 3 6 7 3 Q Q TEL 13942296513 QQ 376315150 892498299 TEL 13942296513 QQ 376315150 892498299 24 DDX7015/7025/7035 DDX7045/7065 Setup Menu screen Calling security screen Writing security code screen ● Security code writing (E,M,X,C type only) Security code writing for the unit that control for pair with se- rial number. 1) How to enter to writing security code 1. Press to Security key when test mode setup screen. 2. Press to Set key When appear on display that security data memory is blank. 3. Security code input to same as normal mode and press to Enter Key on. Caution : You must security code writing for the unit when control for pair with serial number. Complete : Writing OK, Writing NG You can try again adjustment when if appears on writing NG. TEST MODE www. xiaoyu163. com QQ 376315150 9 9 2 8 9 4 2 9 8 TEL 13942296513 9 9 2 8 9 4 2 9 8 0 5 1 5 1 3 6 7 3 Q Q TEL 13942296513 QQ 376315150 892498299 TEL 13942296513 QQ 376315150 892498299 25 DDX7015/7025/7035 DDX7045/7065 ● Chroma IC Adjustment (X14-939) No. Adjustment Item Adjustment Method Measurement Conditions Locations (X14) 1 DC/DC SW frequency Connect a frequency counter to the No.8 pin of IC102 (Check land). TP925 Input signal Adjust frequency with VR1(The frequency will be notified later.) TP100 (GND) : None 2 DVD output level In the replay mode, replay TDV-540 Title 2 Chapter 6. TP653 Observe the checkland with an oscilloscope and set the output TP654 (GND) level to 2Vp-p. 3 Chroma Get into Chroma Adjustment Mode in the Test Mode. 3-A Chroma VCO While operating with remote controller, measure the check land TP303 with frequency counter. TP944 (GND) 3-B Brightness While operating with remote controller, measure the check land TP885 10 step NTSC 3-C Contrast with frequency counter and observe the waveform. TP944 (GND) input to X34 AV IN 3-D Black limiter 3-E White limiter 3-F Y GCA (Brightness gain) 3-G Gamma 1 3-H Gamma 2 3-I R sub-brightness TP884 TP944 (GND) 3-J B sub-brightness TP886 TP944 (GND) 3-K R sub-contrast TP884 TP944 (GND) 3-L B sub-contrast TP886 TP944 (GND) 3-M V-COM frequency width TP869 TP944 (GND) • For adjustment methods on 3-A~3-B, refer to chroma adjustment method. • As for remote controller operation method, refer to Remote Controller Operation Method. ● Remote Controller Operation Method at Chroma Adjustment Test Mode Remote controller uses is the TV/NAVI remote controller AU- DIO mode. 1. While pressing EJECT+SRC on the Unit (X14), press RE- SET key to get into the Test Mode. 2. By operating on the TEST MODE MENU screen, get into the Chroma ADJ mode. At this time, on the upper left corner of the screen [CH : 16 VCO_FREERUN, VAL : 80] OSD display is made. HEX dis- play. 3. Use 8, 0 on the 10 key to change the setting value. The, the VAL number on upper-left corner of the screen changes. 4. Press PLAY/PAUSE key and confirm on the setting value. When confirmed, [CH : 16 VCO_FREERUN, VAL : 80] the color changes. When releasing the setting, press on PLAY/PAUSE key again. When released, the color changes. 5. Use 7, 9 keys on the 10 key to set the next one. The CH value changes in the upper-left corner. Repeat the same for Item 3 to 5. 6. When all adjustments are complete, press DIRECT key, which writes the adjustment values to E2PROM. At the same time, it is possible to move out of the Chroma Adjustment mode. ADJUSTMENT www. xiaoyu163. com QQ 376315150 9 9 2 8 9 4 2 9 8 TEL 13942296513 9 9 2 8 9 4 2 9 8 0 5 1 5 1 3 6 7 3 Q Q TEL 13942296513 QQ 376315150 892498299 TEL 13942296513 QQ 376315150 892498299 26 DDX7015/7025/7035 DDX7045/7065 ● Chroma Adjustment Method • While pressing on EJECT+SRC on the Unit (X14), press RESET to enter the Test Mode. (Refer to Remote Controller Operating Method 1.) • Press DIRECT key on the TV remote controller and get into the Chroma Adjustment mode. (Refer to Remote Controller Operating Method 3.) No. Adjustment Item Test Mode Adjustment Method Adjustment Value Condition 3-A Chroma VCO CH : 16 Using the jig, connect to GND the TP-HD (R382 between R383) K : 15.734±50Hz Input signal and TP-VD (R380 between R381). E,M : 15.625±50Hz : None Adjust the IC303 32pin waveform, using a frequency counter. 3-B Brightness CH : 6 Monitor the TP (CN850 59pin) waveform, using an oscilloscope. 3.2V±0.05V Input signal Adjust the amplitude value so that the waveform between the : 10 step (NTSC) 1 step signal to the negative 1 step signal. 1Vpp V/S ratio 3-C Contrast CH : 13 Monitor the TP (CN850 59pin) waveform, using an oscilloscope. 3.0V±0.05V : 7 : 3 (75Ω at Adjust the amplitude value so that the waveform between the terminal) 8 step signal to the negative 8 step signal. X34 AVIN input 3-D Black limiter CH : 5 Keep 7F and confirm and then move to the next item. 7F Oscilloscope range 3-E White limiter CH : 10 Keep 7F and confirm and then move to the next item. 7F : 500mV/DIV AC 3-F Y GCA CH : 2 Monitor the TP (CN850 59pin) waveform, using an oscilloscope. 2.45V±0.05V (Brightness gain) Adjust the amplitude value so that the waveform between the pedestal to the 9 step signal. 3-G Gamma 1 CH : 11 Monitor the TP (CN850 59pin) waveform, using an oscilloscope. 1.1V±0.05V Adjust the amplitude value so that the waveform between the pedestal to the 2 step signal. 3-H Gamma 2 CH : 12 Monitor the TP (CN850 59pin) waveform, using an oscilloscope. 3.4V±0.05V Adjust the amplitude value so that the waveform between the pedestal to the 10 step signal. 3-I R sub-brightness CH : 8 Monitor the TP (CN850 58pin and 59pin) waveform, using an 0.1V±0.05V oscilloscope. It is adjusted so that 58pin signal level higher 0.1V than 59pin signal (for 1 step signal). 3-J B sub-brightness CH : 9 Monitor the TP (CN850 60pin and 59pin) waveform, using an 0.1V±0.05V oscilloscope. It is adjusted so that 60pin signal level higher 0.1V than 59pin signal (for 1 step signal). • At this point, in the upper left corner of the screen, OSD display of CH : 16, VAL : 80 HEX will appear. (Refer to Re- mote Controller Operating Method 2.) • Then, the following adjustment should be conducted. (Re- fer to Remote Controller Operating Method 3 to 5.) • After adjusting for each item, press PLAY/PAUSE key to confirm on the selection. (Refer to Remote Controller Oper- ating Method 4.) ADJUSTMENT www. xiaoyu163. com QQ 376315150 9 9 2 8 9 4 2 9 8 TEL 13942296513 9 9 2 8 9 4 2 9 8 0 5 1 5 1 3 6 7 3 Q Q TEL 13942296513 QQ 376315150 892498299 TEL 13942296513 QQ 376315150 892498299 27 DDX7015/7025/7035 DDX7045/7065 ● Video Adjustment (X35-433) Step Items Condition Adjustment / Inspection method 1 Flicker Composite Boot the unit in the Flicker Adjustment mode. SYNC Set the range of oscilloscope to 5mV or less and adjust VR203 so that amplitude of Gray PASTE waveform (flicker) will be the smallest. (White 30~50%) 2 Touch coordinate Press the [TOUCH] key in he Test Mode Main screen. Then, starting from the upper left andin the order of upper right and lower left, conduct adjustment. Confirm on the “Write OK!” display, and press [Return]. 3 Screen start point Monoscope Press on the [Hposi] key on the Test Mode Main screen. (NTSC) Use the Graphic1 so that graphic is centered. Adjust with [<<] and [>>] keys. TV reception Next, using the Graphic2, with TC1, [<<] and [>>] keys, adjust so that right and left will be equal. Then, press on the [NEXT], and adjust on DVD, TV, VIDEO and NAVI one by one with [<<] and [>>] keys. Finally, confirm on the “Hposi OK” display, and press [Return]. Note : • When adjusting Graphic1, from TV-SG, input monoscope (NTSC) and adjust. • When adjusting TV Screen, connect the TV tuner below. • When adjusting NAVI Screen, use DVZ-2200 and adjust with 2-screen display frame. No. Adjustment Item Test Mode Adjustment Method Adjustment Value Condition 3-K R sub-contrast CH : 14 Monitor the TP (CN850 58pin and 59pin) waveform, using an 0.1V±0.05V Input signal oscilloscope. : 10 step (NTSC) It is adjusted so that 58pin signal level higher 0.1V than 59pin 1Vpp V/S ratio signal (for 9 step signal). : 7 : 3 (75Ω at 3-L B sub-contrast CH : 15 Monitor the TP (CN850 60pin and 59pin) waveform, using an 0.1V±0.05V terminal) oscilloscope. X34 AVIN input It is adjusted so that 60pin signal level higher 0.1V than 59pin Oscilloscope range signal (for 9 step signal). : 500mV/DIV AC 3-M VCOM amplitude CH : 1 Monitor the TP (CN850 39pin) waveform, using an oscilloscope. 2.25Vpp±0.05V Adjust the amplitude value so that VCOM square wave. After adjusting 3-A~3-M and confirming them, press DIRECT key. At this point, all data is written to the E2PROM. (Refer to Remote Controller Operating Method 6.) ADJUSTMENT www. xiaoyu163. com QQ 376315150 9 9 2 8 9 4 2 9 8 TEL 13942296513 9 9 2 8 9 4 2 9 8 0 5 1 5 1 3 6 7 3 Q Q TEL 13942296513 QQ 376315150 892498299 TEL 13942296513 QQ 376315150 892498299 28 DDX7015/7025/7035 DDX7045/7065 ● Screen Adjustment 1) Graphic Screen NEXT CANCEL GRAPHIC 1 < > AV input : Monoscope/ NTSC 0 0 1 2 3 4 5 6 7 8 9 10 11 12 13 14 1 2 3 4 5 6 7 8 9 10 11 12 13 14 15 16 17 18 19 20 21 22 23 24 25 26 27 28 29 30 31 32 33 34 35 36 37 38 39 Using the touch panel, adjust so that the mono-scope screen comes at the center. Adjust with the horizontal direction of the monoscope. NEXT font A font A CANCEL GRAPHIC 2 < > Full display 0 0 1 2 3 4 5 6 7 8 9 10 11 12 13 14 1 2 3 4 5 6 7 8 9 10 11 12 13 14 15 16 17 18 19 20 21 22 23 24 25 26 27 28 29 30 31 32 33 34 35 36 37 38 39 font B font B Turn TC1 and adjust so that the font screen comes at the cen- ter. Adjust while watching the fonts to the right and left. ADJUSTMENT Enlargement (Font A and B) Left side Slide the right and left notches to outside the screen by 2 or 3 dots. Left side q (Slide 2 dots to outside) Left side w (Slide 3 dots to outside) Right side q (Slide 2 dots to outside) Right side w (Slide 2 dots to outside) Font A One red dot can be seen on. Font B Blue cannot be seen on the left side. Two white dots can be seen. Font A One blue dot can be seen on the right side. Font B Red cannot be seen on the right side. Two white dots can be seen. Font A Red dots cannot be seen on the left side. Font B Blue cannot be seen on the left side. One white dot can be seen. OK if either q or w on the left side. OK if either q or w on the right side. q and w combination are all OK. Font A Blue dots cannot be seen on the right side. Font B Red cannot be seen on the right side. One white dot can be seen. Right side www. xiaoyu163. com QQ 376315150 9 9 2 8 9 4 2 9 8 TEL 13942296513 9 9 2 8 9 4 2 9 8 0 5 1 5 1 3 6 7 3 Q Q TEL 13942296513 QQ 376315150 892498299 TEL 13942296513 QQ 376315150 892498299 29 DDX7015/7025/7035 DDX7045/7065 • Using the touch panel, adjust so that the screen comes at the center. • Adjust with Fonts A and B. • Any chapters from TDV-540 can be used. 3) TV Screen NEXT font A font A CANCEL TV < > TV 0 0 1 2 3 4 5 6 7 8 9 10 11 12 13 14 1 2 3 4 5 6 7 8 9 10 11 12 13 14 15 16 17 18 19 20 21 22 23 24 25 26 27 28 29 30 31 32 33 34 35 36 37 38 39 font B font B NEXT font A font A CANCEL VIDEO < > AV IN (NTSC) W50% 0 0 1 2 3 4 5 6 7 8 9 10 11 12 13 14 1 2 3 4 5 6 7 8 9 10 11 12 13 14 15 16 17 18 19 20 21 22 23 24 25 26 27 28 29 30 31 32 33 34 35 36 37 38 39 font B font B NEXT CANCEL NAVI < > NAVI (2 screen map) 0 0 1 2 3 4 5 6 7 8 9 10 11 12 13 14 1 2 3 4 5 6 7 8 9 10 11 12 13 14 15 16 17 18 19 20 21 22 23 24 25 26 27 28 29 30 31 32 33 34 35 36 37 38 39 • Using the touch panel, adjust so that the screen comes at the center. • Adjust with Fonts A and B. • Use the TV/BOX that is appropriate for the destination. 4) VIDEO Screen • Using the touch panel, adjust so that the screen comes at the center. • Adjust with Fonts A and B. • For input signal, NTSC is a must. If the fonts can be appro- priately confirmed, less that W50% is OK. 5) NAVI Screen ADJUSTMENT NEXT font A font A CANCEL DVD < > DVD TDV-540 playback 0 0 1 2 3 4 5 6 7 8 9 10 11 12 13 14 1 2 3 4 5 6 7 8 9 10 11 12 13 14 15 16 17 18 19 20 21 22 23 24 25 26 27 28 29 30 31 32 33 34 35 36 37 38 39 font B font B 2) DVD Screen • Using the touch panel, adjust so that the screen comes at the center. • Use the outside frames of the 2-screen map to adjust. www. xiaoyu163. com QQ 376315150 9 9 2 8 9 4 2 9 8 TEL 13942296513 9 9 2 8 9 4 2 9 8 0 5 1 5 1 3 6 7 3 Q Q TEL 13942296513 QQ 376315150 892498299 TEL 13942296513 QQ 376315150 892498299 30 DDX7015/7025/7035 DDX7045/7065 A B C D E 1 2 3 4 5 6 7 PC BOARD (COMPONENT SIDE VIEW) R928 R415 R129 R621 W753 C210 L750 R213 R214 R234 R236 R238 R240 R416 C207 C208 C214 R200 R202 R204 R206 R209 R210 R211 R231 R232 R233 R242 C118 C366 R365 R368 C408 C409 C414 C416 R404 R410 R411 C215 C216 W920 R919 C314 C334 R360 R363 R405 R407 R409 C714 C704 R389 C752 C522 C561 C562 C563 C564 C565 C605 C606 C750 R930 R931 W750 W581 C702 C707 C709 C712 R703 R712 C364 C404 W877 R201 R203 R205 R207 R208 R218 R224 R228 R230 R237 R248 R249 R250 R251 R252 R253 R254 R386 C751 R914 W117 C122 C800 R417 R115 R121 W878 W116 C902 C903 C331 C345 C346 C347 R362 R811 R812 R813 R814 L751 C306 C309 C348 C349 C350 C365 R522 R523 R524 R525 R526 R527 C701 R528 C708 R921 R531 R532 R587 R752 R751 C703 C710 R375 R117 R118 R128 R212 R219 R241 R300 R301 R310 R311 R312 R364 R367 R373 R256 R382 R383 R385 R400 R403 R406 R408 R412 R257 R586 R753 R711 R601 R530 R701 R702 R704 R705 R706 R707 R709 R708 R710 R713 R714 R715 R716 R718 R717 W800 R802 R803 R805 R806 R807 R808 R809 R810 R851 R855 R856 R857 R903 R904 R905 R906 R907 R908 R909 R910 R913 R918 R917 W300 R388 W408 W409 W410 W411 W412 W413 W414 R413 R916 W874 W875 W876 R R L802 C926 W754 R866 R864 R722 R509 R510 R724 R725 1 7 8 14 8 14 7 1 1 1 1 4 3 1 1 4 1 1 5 25 2 26 4 5 8 2 8 1 7 1 8 5 1 4 8 5 3 5 4 1 4 5 16 17 32 24 48 25 5 1 3 27 3.3V C101 EB EB EB EB EB E B E B E B E B EB EB E B EB E B EB EB E B E B E B E B D900 D901 D903 Q108 CN802 D906 D910 D913 Q360 CN904 Q752 Q751 Q705 Q706 Q707 Q701 Q702 Q704 Q200 Q202 Q204 D104 D107 D800 D801 D802 D803 D804 D853 D854 D855 D856 D908 D907 D911 D909 Q361 Q400 Q401 Q402 D106 D701 Q300 Q902 D922 D923 Q362 D919 D920 D905 D921 D860 J100 IC205 IC361 IC363 IC202 IC203 IC701 IC750 IC521 IC522 IC560 IC520 VIDEO CONTROL UNIT X14-939x-xx (J74-1614-32) www. xiaoyu163. com QQ 376315150 9 9 2 8 9 4 2 9 8 TEL 13942296513 9 9 2 8 9 4 2 9 8 0 5 1 5 1 3 6 7 3 Q Q TEL 13942296513 QQ 376315150 892498299 TEL 13942296513 QQ 376315150 892498299 31 DDX7015/7025/7035 DDX7045/7065 J I H G F 1 2 3 4 5 6 7 R129 W111 W501 W861 C104 C161 C149 L104 R149 C144 C145 L101 R151 C146 C158 L102 R153 R160 W114 C115 C143 C148 L103 R156 C919 C605 C606 581 R721 C120 C152 C154 R158 C108 L100 R102 R148 R150 R152 R154 R115 R116 C111 C125 C156 L105 R109 R117 R124 R157 W163 1 R177 W868 L801 R626 R627 C218 C581 R165 R164 R864 W121 W122 R509 R510 R178 C162 5 C164 C165 1 1 2 8 9 16 54 28 EB E B E B E B E B E B EB EB E B E B Q108 Q120 CN801 Q122 Q706 Q704 Q103 D104 Q107 D105 Q117 D501 Q174 Q175 IC102 C560 Refer to the schematic diagram for the values of resistors and capacitors. X14-939x-xx Ref. No. Address IC102 2F IC203 2B IC205 5B IC361 4B IC363 4B IC520 5E IC521 5D IC522 6D IC560 4E IC701 3C IC750 6B Q103 2G Q107 3F Q108 3E Q117 4G Q120 6G Q122 6G Q174 3G Q175 2G Q200 6B Q202 6B Q204 6B Q300 4C Q360 4C Q361 4C Q362 4B Q400 4B Q401 4B Q402 4B Q701 3D Q702 3C Q704 3F Q705 3E Q706 3E Q707 3E www. xiaoyu163. com QQ 376315150 9 9 2 8 9 4 2 9 8 TEL 13942296513 9 9 2 8 9 4 2 9 8 0 5 1 5 1 3 6 7 3 Q Q TEL 13942296513 QQ 376315150 892498299 TEL 13942296513 QQ 376315150 892498299 32 DDX7015/7025/7035 DDX7045/7065 K L M N O 1 2 3 4 5 6 7 PC BOARD (FOIL SIDE VIEW) C127 W883 W862 W863 -7V 8.5V W115 W701 +7V 7.5V W113 C134 L200 R114 R1 R162 BU5V W859 CP506 CP507 CP508 CP509 CP510 L540 L601 R502 W112 W604 R620 C200 C201 W580 C300 C352 W864 C205 C206 C213 R244 C119 C116 C105 C132 CF103 R132 C103 C136 CF104 R135 R161 C130 CF102 R131 R138 C159 L107 R159 C142 R146 R147 R140 C133 CF101 R134 R139 CF100 R133 R137 C153 C357 C358 L106 C151 C155 VGND C301 W865 C302 V5V VVD VHD C311 C356 C102 C112 R105 R111 R112 C663 C665 C666 C667 C668 C670 C671 C925 C673 R652 R654 R657 C650 C715 R659 C662 C669 R924 C580 C566 C567 C601 C602 C603 C604 C608 C609 C610 C611 C612 C613 C614 C618 C619 C620 C621 C622 C623 C624 C625 C626 C627 C628 C770 C771 W881 W652 R171 W770 W603 W654 W658 W606 W651 W607 L520 C660 R615 R617 C717 C718 C117 C121 C131 C137 CF105 W660 R720 C157 C106 C107 C126 C135 C141 C160 C203 C209 C212 C217 R665 C520 C521 C150 C540 W869 C615 C616 C772 R100 R104 R106 R110 R113 R130 R136 R155 R21 R235 W870 C541 C542 C607 C651 C655 C656 C653 C652 C654 C617 W104 C100 C114 R141 C918 R166 R145 C904 SCL SDA C315 C327 C337 C338 C339 C341 C344 C351 C353 C354 C355 R308 R313 C664 R666 R667 R668 R671 R660 R670 W650 7.5V C109 C110 C123 C124 C138 C139 C140 L108 W164 C C C316 C328 C329 C330 C333 C335 C336 C340 C342 C343 C657 C658 C661 R770 CP501 CP502 CP503 CP504 CP505 R672 R650 R771 C659 CP613 CP614 L650 W165 L651 X540 R101 R103 R107 R108 R120 R122 R123 R126 R127 R143 R144 R927 R307 R309 R501 R503R504 R664 R663 R658 R653 R651 R656 R542 W609 W608 R541 R505 R605 R608 R607 R606 R610 R609 R613 R612 L603 R142 R508 R614 R540 R604 R602 R529 R520 R R623 R775 R719 R776 R772 R773 R801 R911 R774 R603 W522 R618 R619 CP619 W105 W107 W109 TP654 TP653 W110 W301 W302 R662 R661 L560 L521 R616 R544 R507 X201 R506 R673 R669 CP606 CP607 CP608 CP620 CP621 CP622 CP623 W882 W884 W885 W886 R624 C920 C921 C922 R622 W888 R625 C773 R170 R172 R168 CP609 CP610 CP611 CP612 CP605 CP602 CP601 CP603 CP604 CP618 C501 CP615 CP617 R925 R926 C672 W772 W773 W774 W775 W776 W601 R169 SW5V R258 R929 R678 C675 R677 CP624 CP625 L109 R173 R175 R174 R176 CP616 I O G 1 4 5 8 4 1 3 4 16 9 8 1 1 8 9 16 8 9 16 17 5 4 3 1 8 1 9 16 1 I G O 17 18 34 33 1 8 16 9 23 34 1 4 8 5 G O I 44 22 12 1 11 104 105 53 E B O G I 32 33 O G I 5 O G I 5 4 1 3 4 5 1 3 157 208 156 52 1 4 5 3 1 16 9 1 8 5 1 1 4 8 5 8 4 1 5 4 1 3 36 37 25 48 1 12 24 13 1 7 14 E B 1 50 8 1 7 1 4 8 5 1 7 1 4 5 8 4 1 EB E B EB E B E B E B EB EB E B EB E B E B E B EB E B E B EB EB E B EB E B EB D301 CN501 CN200 Q206 Q109 Q111 Q118 D114 Q112 Q110 D302 D303 D862 D100 Q106 Q650 Q113 Q114 Q703 CN851 D113 Q119 D101 D108 D109 D110 D111 P102 Q100 Q101 Q102 Q104 Q105 Q207 CN770 P100 D912 P103 D102 D115 D300 Q116 Q115 Q121 Q123 Q124 Q652 D702 Q170 Q171 Q172 Q173 D116 IC103 IC108 I IC105 IC106 IC200 IC300 IC303 IC206 IC207 IC101 IC100 IC107 IC305 IC3 IC302 IC702 IC304 IC306 IC541 IC651 IC703 IC650 IC652 IC540 IC601 IC770 IC580 VIDEO CONTROL UNIT X14-939x-xx (J74-1614-32) www. xiaoyu163. com QQ 376315150 9 9 2 8 9 4 2 9 8 TEL 13942296513 9 9 2 8 9 4 2 9 8 0 5 1 5 1 3 6 7 3 Q Q TEL 13942296513 QQ 376315150 892498299 TEL 13942296513 QQ 376315150 892498299 33 DDX7015/7025/7035 DDX7045/7065 T S R Q P 1 2 3 4 5 6 7 L702 C127 L701 W860 C113 C129 L200 R114 R125 W859 L402 L350 W855 W856 C202 C205 C206 C211 R222 R229 44 W867 C410 C411 C361 C362 C367 C368 C370 C402 VD HD C403 C405 C406 C407 C415 58 C303 C304 C307 C311 C128 C713 C705 R387 C126 C203 C204 C212 C217 C371 C372 C373 C374 C400 C401 C376 R100 R119 R216 R217 R235 R239 C417 TC1 X200 W872 C900 C901 C904 R922 C906 F5V W857 W858 C310 C317 C318 C319 C320 C321 C322 C324 C326 C337 C338 C339 C341 R302 R306 YIN R308 R361 W401 C412 C413 R401 R402 C312 C313 16 C323 C325 C332 C333 C335 C336 40 C363 C375 C711 C706 L300 L401 R101 R120 R126 127 R215 R223 E2P EJ R225 R226 R227 R243 R303 R304 VGND R305 R307 R366 R369 R370 R371 R372 R374 R380 R381 R384 R655 R850 R852 R853 R854 R858 R859 R860 R861 R862 R863 R900 R901 R902 R911 W912 R259 W850 W851 W853 VR VG VB R867 W866 X201 X300 X301 X360 W873 CP400 CP401 CP402 CP403 CP404 CP406 CP407 CP405 C927 W202 R865 C802 C803 R723 G 5 8 4 1 3 1 5 4 80 1 1 7 8 14 4 1 8 5 1 4 5 8 8 9 1 8 9 16 1 64 49 48 37 36 L400 20 21 1 144 1 40 80 61 41 60 73 108 72 109 25 48 24 1 1 22 2 1 1 2 E B E B E B E B E B EB EB D915 D301 CN850 Q201 Q203 Q205 Q901 CN900 Q206 Q403 Q105 CN101 D850 D851 D852 D857 D858 D859 D902 D904 D912 D914 P101 CN803 D861 D924 C103 IC104 IC105 IC204 IC303 207 IC400 IC362 IC364 IC301 IC365 IC401 Refer to the schematic diagram for the values of resistors and capacitors. X14-939x-xx Ref. No. Address IC100 5L IC101 3L IC103 2O IC104 2P IC105 2O IC106 5L IC107 4N IC108 5L IC200 6O IC204 5P IC206 5O IC207 5O IC300 4O IC301 3P IC302 3O IC303 4O IC304 3O IC305 4O IC306 3O IC362 3R IC364 4Q IC365 4R IC400 4R IC401 6Q IC540 4N IC541 5N IC580 6N IC601 5M IC650 3M IC651 4L IC652 4M IC702 3M IC703 3N Ref. No. Address IC770 5O Q100 2O Q101 5L Q102 3L Q104 2O Q105 2O Q106 2O Q109 5L Q110 4L Q111 2M Q112 4N Q113 6L Q114 6L Q115 6L Q116 6L Q118 2L Q119 2L Q121 6L Q123 6L Q124 6L Q170 4L Q171 4K Q172 3L Q173 3L Q201 6Q Q203 6Q Q205 6Q Q206 5P Q207 5O Q403 4R Q650 3N Q652 3N Q703 4N www. xiaoyu163. com QQ 376315150 9 9 2 8 9 4 2 9 8 TEL 13942296513 9 9 2 8 9 4 2 9 8 0 5 1 5 1 3 6 7 3 Q Q TEL 13942296513 QQ 376315150 892498299 TEL 13942296513 QQ 376315150 892498299 34 DDX7015/7025/7035 DDX7045/7065 U V W X Y 1 2 3 4 5 6 7 PC BOARD (COMPONENT SIDE VIEW) R6 R254 W252 TH250 R5 R8 C332 C458 C452 R750 R32 C716 R751 R456 C25 W33 C22 C21 C24 R35 R33 R2 C1 C253 W454 R257 R255 R256 C318 C330 C323 R40 C464 R457 R470 C320 R39 W450 R460 C454 C456 R302 C317 C319 R303 R304 R305 C309 R306 R301 R300 C331 C457 C322 C333 C334 R601 R609 R610 R602 R606 C450 R918 R605 R919 R920 R921 R623 R617 R620 R616 R619 R603 R604 R466 C451 C461 C462 C460 C459 R618 R600 C613 C455 C463 R621 R624 R625 C609 C610 C954 R102 C252 R128 R130 R125 L100 R126 W102 R105 C111 R101 R112 R113 R550 C554 L551 R127 R129 C569 C562 C566 R133 C574 R552 R553 C551 C556 C558 R551 C552 C561 R140 R157 R161 R150 R156 R160 R164 R138 R139 C110 R204 R205 C211 L700 C107 R746 R748 C106 R114 X100 R124 R132 R134 R121 R137 R144 R145 R135 C714 R173 R175 R174 L205 C960 C205 C204 C203 C202 1 8 5 4 1 4 8 5 1 144 109 36 108 73 37 72 1 4 8 5 1 4 5 8 16 9 8 1 1 8 16 9 16 9 1 8 49 50 2 7 1 8 5 1 4 4 1 5 8 44 1 34 11 12 22 33 23 25 1 2 26 5 1 4 3 1 2 B E E B 1 2 50 49 EB B C C G I O O G I BE B E B E E C C E E B C C 6 4 1 3 C C E BE 1 27 26 2 2 1 1 16 8 9 4 3 1 6 1 1 12 1 12 C7 C310 C622 C27 C4 C11 C453 C3 C212 C105 C555 C553 C615 C258 C2 C217 C250 C251 C254 C255 C256 C257 C600 C601 C602 C603 C604 C605 C607 C611 C612 C614 C616 X200 1 9 1 2 7 8 1 10 C23 C5 L204 C606 L2 E B E B E B E B E B B E E B E B E B E B E B E B E B E B E B E B Q4 Q5 D555 D455 CN700 D709 Q705 CN450 Q300 Q21 Q24 Q19 D1 D250 D462 Q23 Q20 D453 D454 D603 D607 Q605 Q600 Q601 Q602 Q606 Q604 Q603 D451 D602 Q607 CN100 D456 Q608 Q610 D610 Q8 D551 D550 D553 D554 CN7 Q704 D702 CN9 P1 Q2 P2 Q6 D5 Q10 CN200 CN201 J450 CN601 CN600 J1 CN1 J701 W200 IC1 IC3 IC551 IC554 IC450 IC452 IC301 IC600 IC451 IC552 IC550 IC103 IC200 IC705 IC553 IC250 ELECTRIC UNIT X34-316x-xx A/3 (J74-1616-12) Refer to the schematic diagram for the values of resistors and capacitors. X34-316x-xx (A/3) Ref. No. Address IC1 6X IC3 6X IC103 4X IC200 4X IC250 6W IC301 4W IC450 3V IC451 3V IC452 4V IC550 3W IC551 4W IC552 4W IC553 4W IC554 3W IC600 2V IC705 4Y Q2 5V Q4 6X Q5 6X Q6 6X Q8 6X Q10 6X Q19 5V Q20 4V Q21 4V Q23 4V Q24 5V Q300 4W Q600 2V Q601 2U Q602 2U Q603 3U Q604 2U Q605 3U Q606 2U Q607 3V Q608 2V Q610 2V Q704 5Y Q705 5U www. xiaoyu163. com QQ 376315150 9 9 2 8 9 4 2 9 8 TEL 13942296513 9 9 2 8 9 4 2 9 8 0 5 1 5 1 3 6 7 3 Q Q TEL 13942296513 QQ 376315150 892498299 TEL 13942296513 QQ 376315150 892498299 35 DDX7015/7025/7035 DDX7045/7065 AD AC AB AA Z 1 2 3 4 5 6 7 PC BOARD (FOIL SIDE VIEW) C336 C313 R16 R15 R18 R44 W251 R43 R42 C28 R41 C200 R155 C10 R17 R747 C6 R7 C102 R701 C100 R122 R136 R147 R123 W104 W105 W106 R141 R142 R171 R170 R118 R172 C109 W107 R120 R115 R117 R119 R131 R146 R109 R159 R163 C201 R143 L101 C218 R201 R258 R4 R104 R100 C108 C101 R103 C104 R3 R259 R110 R108 R564 R148 R106 R116 R107 C560 C570 C572 R563 C571 R562 C550 C559 L300 C326 C327 C911 L201 R911 C906 C902 C904 C907 R904 R909 C916 C213 L200 C912 C913 R912 C910 R203 C214 C914 R914 C915 R916 R910 C909 R905 R906 C905 R907 W900 R915 L202 R913 C908 R908 C215 R200 R202 R917 L203 C216 W103 R30 R45 R31 C26 W1 R1 R34 R46 R38 R36 R752 C466 R471 C335 R467 R178 C465 R37 R450 R177 R455 R453 R454 R452 R50 R47 R749 C29 C715 R468 R469 R615 C635 C644 R622 R629 R608 R611 R607 R613 R614 R626 C627 C629 C631 C633 R612 R627 R628 C643 C634 8 5 1 4 1 4 5 8 14 8 7 1 2 1 3 4 4 5 1 3 B E B E B E B E B E B E B E E B B E B E B E B E B E B E B E B E B E B E B E B E B E B E D200 D11 Q26 Q553 Q554 D552 Q100 Q713 Q712 Q3 Q9 Q552 Q551 D556 Q301 D557 D901 Q904 Q906 Q905 Q200 Q201 D12 Q25 Q1 D10 D7 D710 Q460 D8 Q22 D9 D6 Q27 D13 D457 D605 D604 Q609 D452 D606 IC100 IC101 IC555 IC900 IC453 ELECTRIC UNIT X34-316x-xx A/3 (J74-1616-12) Refer to the schematic diagram for the values of resistors and capacitors. X34-316x-xx (A/3) Ref. No. Address IC100 5Z IC101 5AA IC453 4AB IC555 4AA IC900 3AA Q1 5AB Q3 5AA Q9 5AA Q22 4AB Q25 5AB Q26 6AA Q27 6AC Q100 5Z Q200 2AA Q201 2AA Q301 4AB Q460 4AB Q551 3AA Q552 3AA Q553 3AA Q554 3AA Q609 2AB Q712 5Z Q713 5Z Q904 3AA Q905 2AA Q906 2AA www. xiaoyu163. com QQ 376315150 9 9 2 8 9 4 2 9 8 TEL 13942296513 9 9 2 8 9 4 2 9 8 0 5 1 5 1 3 6 7 3 Q Q TEL 13942296513 QQ 376315150 892498299 TEL 13942296513 QQ 376315150 892498299 36 DDX7015/7025/7035 DDX7045/7065 AE AF AG AH AI 1 2 3 4 5 6 7 PC BOARD (COMPONENT SIDE VIEW) R503 R743 R755 R754 C316 C324 C325 C303 C307 C344 C345 C343 C346 C305 C301 R703 C704 C705 C723 C724 R700 R702 C703 C709 C706 R704 R706 R707 R709 R710 R711 R705 C719 C710 R504 R505 R506 R508 R509 R507 R368 C353 L500 R366 R369 C503 4 8 12 3 7 11 2 6 10 13 1 5 9 R405 R400 R408 R406 R407 R409 R361 R363 R364 R367 R359 R362 R365 R360 50 1 8 5 4 1 16 9 8 1 28 15 14 1 1 7 8 14 1 7 8 14 R350 1 50 1 4 8 5 C509 C505 C321 C312 C504 C708 C350 C351 C352 C400 C401 C402 C500 C501 C502 C700 C702 C355 C354 C771 2 1 20 19 1 18 10 9 2 17 11 8 1 13 1 12 1 24 1 12 E B E B EB Q706 CN8 Q703 D712 D708 Q700 D700 D707 D701 D705 D504 D501 D505 D503 D409 D703 D704 D411 D350 CN10 D508 D509 D502 D506 D507 D500 D403 D401 D408 D413 D407 D404 D405 D612 CN4 CN5 J700 CN350 J500 A1 J400 IC702 IC501 IC700 IC701 IC300 IC350 ELECTRIC UNIT X34-316x-xx B/3 (J74-1616-12) X34 C/3 Refer to the schematic diagram for the values of resistors and capacitors. X34-316x-xx (B/3) Ref. No. Address IC300 4AF IC350 2AF IC501 3AG IC700 5AG IC701 5AG IC702 4AG Q700 5AG Q703 6AF Q706 6AF www. xiaoyu163. com QQ 376315150 9 9 2 8 9 4 2 9 8 TEL 13942296513 9 9 2 8 9 4 2 9 8 0 5 1 5 1 3 6 7 3 Q Q TEL 13942296513 QQ 376315150 892498299 TEL 13942296513 QQ 376315150 892498299 37 DDX7015/7025/7035 DDX7045/7065 AN AM AL AK AJ 1 2 3 4 5 6 7 PC BOARD (FOIL SIDE VIEW) R502 C507 C513 W502 W504 W505 C302 R721 C712 C701 R744 R745 C711 R732 C329 R739 R734 R731 C718 R733 R735 R736 R740 R741 R722 R723 R724 R725 R715 R716 R719 R714 R717 R718 R713 R770 C707 C770 R728 R514 R510 R511 R512 R738 R730 R727 R737 R742 C717 R720 C300 C304 R726 R513 C328 R753 R756 C340 C339 C308 C311 C314 C315 C306 R500 R501 C508 R401 R402 R403 R404 C511 C512 W501 W503 C510 C506 W500 4 1 8 5 3 1 4 5 8 5 1 4 5 8 1 4 B E B E D61 D511 D711 D410 D412 D706 D510 Q707 Q702 D352 D353 D354 D355 D406 D400 D351 D402 IC703 IC704 IC400 IC500 ELECTRIC UNIT X34-316x-xx B/3 (J74-1616-12) X34 C/3 Refer to the schematic diagram for the values of resistors and capacitors. X34-316x-xx (B/3) Ref. No. Address IC400 3AL IC500 3AK IC703 5AK IC704 5AK Q702 5AL Q707 6AL www. xiaoyu163. com QQ 376315150 9 9 2 8 9 4 2 9 8 TEL 13942296513 9 9 2 8 9 4 2 9 8 0 5 1 5 1 3 6 7 3 Q Q TEL 13942296513 QQ 376315150 892498299 TEL 13942296513 QQ 376315150 892498299 38 DDX7015/7025/7035 DDX7045/7065 AO AP AQ AR AS 1 2 3 4 5 6 7 PC BOARD (COMPONENT SIDE VIEW) C504 C605 C1 L2 C3 C4 C5 C6 C7 C8 C9 C10 C11 C12 C13 C14 C15 C16 C17 C18 C21 C22 C24 C26 C102 C103 C105 C106 C108 C109 C110 C112 C113 C114 C115 C116 C118 C119 C211 C230 C231 C232 C233 C234 C301 C302 C303 C304 R370 C307 C308 C309 C310 C311 C312 C313 C314 C315 C316 C317 C318 C319 C320 C322 C323 C324 C325 C326 C327 C328 C331 C332 C333 C334 C335 C336 C339 C425 C426 C427 C428 C502 C503 C505 C507 C27 L501 CP301 CP302 CP303 F107 L601 F1 L1 L101 L102 L103 L104 L105 L106 L306 R1 R3 R4 R5 R6 R7 R8 R9 R10 R11 R12 R13 R14 R15 R16 R17 R18 R101 R102 R103 R104 R105 R106 R107 R218 R219 R234 R235 R236 R239 R240 R241 R242 R307 R308 R314 R315 R321 R324 R325 R326 R327 R328 R329 R330 R331 R332 R337 R338 R339 R340 R341 R342 R343 R344 R345 R346 R347 R348 R349 R350 R351R352 R353 R359 R360 R361 R373 R374 R380 R381 R385 R386 R391 W392 R393 R394 R395 R396 R397 W398 R501 R502 R503 R504 R505 R506 R387 R388 VR203 VR301 W3 W216 W217 W253 W305 W313 R316 R318 W320 W323 W333 W334 W335 W357 W368 W371 C506 W355 W354 W356 W310 L30 E B E B E B E B E B E B E B E B E B E B E B E B E B E B E B E B 1 8 5 4 3 1 4 5 1 3 5 4 64 1 49 16 48 33 17 32 8 5 1 4 8 5 1 4 20 11 10 1 1 5 6 7 1 68 2 1 10 6 5 1 8 5 4 1 B E C E B C 1 30 1 4 1 13 XDATA LCD-12V LCD+18.5V X1 X0 Y0 YDATA PON+5V ESDGND +12.5V CN1 CN303 CN501 CN604 D1 D2 D3 D4 D5 D6 D7 D8 D104 D101 D103 D301 D302 D303 D304 D309 D310 D501 D502 D503 D504 D638 Q1 Q2 Q3 Q5 Q101 Q102 Q201 Q301 Q302 Q303 Q304 Q305 Q306 Q601 Q602 Q604 Q605 P2 D102 CN302 Q203 Q202 D639 IC1 IC101 IC203 IC301 IC302 IC303 IC304 VIDEO UNIT X35-4332-70 A/3 (J74-1598-12) Refer to the schematic diagram for the values of resistors and capacitors. X35-4332-70 (A/3) Ref. No. Address IC1 5AP IC101 2AR IC203 4AR IC301 6AQ IC302 6AQ IC303 5AQ IC304 6AP Q1 5AP Q2 4AO Q3 4AP Q5 4AP Q101 2AQ Q102 2AR Q201 4AR Q202 4AR Q203 4AR Q301 6AQ Q302 6AO Q303 6AO Q304 6AP Q305 6AO Q306 6AO Q601 6AP Q602 6AP Q604 6AP Q605 6AP www. xiaoyu163. com QQ 376315150 9 9 2 8 9 4 2 9 8 TEL 13942296513 9 9 2 8 9 4 2 9 8 0 5 1 5 1 3 6 7 3 Q Q TEL 13942296513 QQ 376315150 892498299 TEL 13942296513 QQ 376315150 892498299 39 DDX7015/7025/7035 DDX7045/7065 AX AW AV AU AT 1 2 3 4 5 6 7 PC BOARD (FOIL SIDE VIEW) V.GND PON5V BL8.5V BLGND V.GND D.GND VB VG VR PON3.3V VIDEO UNIT X35-4332-70 A/3 (J74-1598-12) Refer to the schematic diagram for the values of resistors and capacitors. www. xiaoyu163. com QQ 376315150 9 9 2 8 9 4 2 9 8 TEL 13942296513 9 9 2 8 9 4 2 9 8 0 5 1 5 1 3 6 7 3 Q Q TEL 13942296513 QQ 376315150 892498299 TEL 13942296513 QQ 376315150 892498299 40 DDX7015/7025/7035 DDX7045/7065 AY AZ BA BB BC 1 2 3 4 5 6 7 PC BOARD (COMPONENT SIDE VIEW) C604 R603 R604 R605 R606 R607 R608 EJECT FNC SRC VOL+ VOL- ATT V.SEL RESET PLAY TI SEEK- SEEK+ SCRN MODE R609 R610 R612 R613 R614 R615 R616 R617 R618 R619 R620 R621 E B 4 1 1 3 2 4 S601 S604 S605 S609 S617 CN701 D508 D601 D602 D603 D612 D615 D616 D622 D623 D636 D637 D666 D667 D668 D669 D670 D671 D672 D673 D674 D675 D676 D677 D680 D690 S618 S616 S615 S602 S603 S606 S607 S608 S614 Q701 IC601 X35 B/3 VIDEO UNIT X35-4332-70 C/3 (J74-1598-12) Refer to the schematic dia- gram for the values of resis- tors and capacitors. X35-4332-70 (B,C/3) Ref. No. Address IC601 7BA Q701 4BA www. xiaoyu163. com QQ 376315150 9 9 2 8 9 4 2 9 8 TEL 13942296513 9 9 2 8 9 4 2 9 8 0 5 1 5 1 3 6 7 3 Q Q TEL 13942296513 QQ 376315150 892498299 TEL 13942296513 QQ 376315150 892498299 41 DDX7015/7025/7035 DDX7045/7065 BH BG BF BE BD 1 2 3 4 5 6 7 PC BOARD (FOIL SIDE VIEW) C601 C602 C603 R702 R602 R601 R611 R623 R624 R625 R703 13 1 CN602 D704 D702 D703 D701 X35 B/3 VIDEO UNIT X35-4332-70 C/3 (J74-1598-12) Refer to the schematic dia- gram for the values of resis- tors and capacitors. www. xiaoyu163. com QQ 376315150 9 9 2 8 9 4 2 9 8 TEL 13942296513 9 9 2 8 9 4 2 9 8 0 5 1 5 1 3 6 7 3 Q Q TEL 13942296513 QQ 376315150 892498299 TEL 13942296513 QQ 376315150 892498299 42 DDX7015/7025/7035 DDX7045/7065 BI BJ BK BL BM 1 2 3 4 5 6 7 PC BOARD (COMPONENT SIDE VIEW) R142 R141 C116 R109 R71 C104 CP3 C98 R138 R82 CP12 C117 L3 R143 R73 R79 R78 C133 CP13 C93 R132 CP16 R75 R74 R77 C134 C129 R91 R90 R134 CP11 C31 C14 X85 C130 C101 L22 L23 L26 R72 C90 C91 R83 R139 R140 R110 C132 R137 R136 R81 R80 L27 C92 C60 CP15 R76 C94 L24 C131 C95 R133 R101 R93 C99 R107 R108 R135 R99 C102 C103 C97 C96 L25 C100 L1 D8 D7 S5 S4 DVD UNIT X37-1020-04 (J74-1352-22) 1 1 4 3 1 1 I G O 3 5 4 2 2 4 3 30 90 91 120 60 31 61 IC7 IC5 IC10 IC9 IC8 1 4 8 5 IC11 1 4 8 5 IC12 Q13 B E Q9 B E Q10 B E Refer to the schematic diagram for the values of resistors and capacitors. X37-1020-04 Ref. No. Address IC5 7BK IC7 6BL IC8 6BM IC9 5BM IC10 6BM IC11 5BK IC12 5BL Q9 5BL Q10 5BL Q13 5BK www. xiaoyu163. com QQ 376315150 9 9 2 8 9 4 2 9 8 TEL 13942296513 9 9 2 8 9 4 2 9 8 0 5 1 5 1 3 6 7 3 Q Q TEL 13942296513 QQ 376315150 892498299 TEL 13942296513 QQ 376315150 892498299 43 DDX7015/7025/7035 DDX7045/7065 BR BQ BP BO BN 1 2 3 4 5 6 7 PC BOARD (FOIL SIDE VIEW) 1 16 48 1 1 4 1 4 1 30 25 50 26 1 44 132 133 1 50 176 88 11 1 45 89 33 17 32 64 49 1 3 5 4 IC1 IC6 IC4 IC2 R106 R105 R104 R103 C23 C24 C75 C76 R126 R124 C6 C7 C12 C10 R120 R119 C9 R44 C70 C84 C82 R112 R113 R42 C125 R131 R41 C65 C64 C126 C62 C137 L28 CP14 C58 C59 C127 C56 C128 CP1 CP5 CP8 CP9 C54 R36 C53 C52 C50 R28 R27 C48 C46 C41 C38 C39 C40 C45 C36 R30 C77 R130 R14 C113 C112 C111 C110 C27 R19 C25 R7 R8 C2 C5 R121 C135 C136 R122 C22 C21 C20 R13 C18 C15 C11 C106 R127 C73 C87 C88 C83 C81 C80 C79 C71 C119 C72 C68 R43C67 C69 R114 R39 R40 R38 C63 R37 R31 C42 R33 C49 R92 R95 C55 R89 R88 R94 R29 C123 C43 R129 C26 R16 R128 D1 D2 D3 D4 D5 Q3 CN4 G D S Q6 CN3 D6 B E Q15 CN1 CN2 CN5 B E Q1 B E Q5 B E Q4 Q2 B B E E R9 R10 R11 R18 R12 C35 C34 C107 C19 C17 R6 R46 R117 R47 R62 R59 R63 R68 R66 R67 R57 L21 L16 C57 L17 L13 CP4 CP6 CP7 C51 L11 L10 C78 C108 R111 L7 R45 R15 R123 R17 R4 R3 TH1 R5 C138 C74 R54 C47 C37 C33 C32 L2 R55 X1 R65 R64 R61 R60 R58 R56 C44 L6 L18 L12 L8 R32 L5 L4 W2 W1 W3 C1 C13 R53 C89 C114 R48 C115 C4 C3 C8 DVDLD CDLD DVD MD CD MD AGND CD F CD E DVD C DVD A B CD DVD D T+ B+ B- SW-F A- A+ SWB SWAD SWC GND F- F+ T- DVD B VREF A CD RF BD0 SLD2 U DRV1.65 W SPD SLD1 H+ TRD FOD SW-E H- W+ V+ U+ V U- V- W- MD2 FBAL JLINE FG A3.3 VREF PLFLT1 NARF ARF JOUT FE TE VHALF AS RFENV VHALF TBAL M0 FWE M3 M1 RXD1 TXD1 PGND 7V 5V DGND D3.3 RES M2 1.8V OFTR IOP+ IOP- DVD UNIT X37-1020-04 (J74-1352-22) Refer to the schematic diagram for the values of resistors and capacitors. X37-1020-04 Ref. No. Address IC1 4BO IC2 4BN IC4 6BO IC6 4BQ Q1 4BO Q2 4BN Q3 4BN Q4 4BO Q5 5BO Q6 5BQ Q15 5BP www. xiaoyu163. com QQ 376315150 9 9 2 8 9 4 2 9 8 TEL 13942296513 9 9 2 8 9 4 2 9 8 0 5 1 5 1 3 6 7 3 Q Q TEL 13942296513 QQ 376315150 892498299 TEL 13942296513 QQ 376315150 892498299 44 DDX7015/7025/7035 DDX7045/7065 A B C D E 1 2 3 4 5 6 7 3.3-0V 3.3V 0V 0V 3.3V 3.3V 3.3-0V 0V 0V 3.3-0V 2.7V 3.3-0V 3.3-0V 0V 3.3V 0V 2.7V 0V 3.3V 0V 3.3-0V 3.3V 3.3V 3.3V 5.0-0V 3.3-0V 5.0-0V 3.3-0V 3.3-0V 0V 3.3V 3.3-0V 3.3-0V 3.3-0V 0V 3.3-0V 3.3V 3.3-0V 0V 3.3V 3.3V 3.3-0V 0V 3.3-0V 3.3-0V 0V 3.3-0V 0V 3.3V 0V 3.3-0V 3.3-0V 3.3-0V 3.3-0V 0V 0V 3.3-0V 3.3-0V 0V 0V 3.3-0V 3.3-0V 3.3-0V 5.0-0V 3.3-0V 0V 5.0V 0V 0V 5.0V 3.3V IC770 IC522 IC521 IC520 VIDEO CONTROL UNIT (X14-939x-xx) IC580 CN770 D501 CN501 LEVEL SHIFT (3.3V 5V) FLASH ROM (MPEG DECODER) SRAM (MPEG DECODER BACKUP) NAND AUDIO DAC & SRAM CONT. to DVD UNIT X37-102 CN4 NC 32 PDIAG C772 R775 C581 6 7 NC TCK 2 TDO 4 TMS GND 5 3 TDI 1 VCC 43 PGND 50 7V 48 49 7V 7V 46 PGND 47 7V PGND PGND 44 45 41 42 5V 5V S/PDIF DGND DISC DET 38 40 39 35 CS1FX CS3FX DASP 36 37 33 34 DA0 DA2 W775 26 I/O10 R771 TP783 8 32 28 4 TP782 2.2K TP781 TP780 10K R770 TP779 TP778 0.1 W501 21 15 14 13 16 17 18 19 20 C770 0.1 R772 W773 I/O15 I/O12 I/O14 I/O13 I/O11 12 GND2 VCC1 NC18 I/O17 I/O16 22 23 24 4.7K 4.7K R773 22 4.7K R774 23 24 I/O18 I/O19 I/O20 25 I/O22 I/O21 W774 3 R531 1W 10 C501 1W R510 2.2 R509 2.2 TP532 8 RLL LOE 4 CS1 LA1 LA17 153 152 158 154 TP529 TP531 TP530 TP528 TP527 TP526 TP525 R532 100K 1 2 36 VCC2 I/O31 I/O30 I/O29 I/O28 I/O4 I/O3 I/O2 I/O1 I/O0 GND4 NC42 6 TCK I/O8 I/O9 9 10 11 NC6 GND1 7 8 3 I/O7 4 5 TDI I0 I/O5 I/O6 1 2 31 I1 28 27 TMS I/O23 W776 28 30 29 GND3 NC30 34 33 32 I/O25 I/O24 TDO 32 35 I/O27 I/O26 C771 0.1 48 45 46 47 44 43 42 LD2 LD3 LA0 LD0 LD1 100K 41 40 39 38 37 LA1 4.7K CP618 LA3 LA2 34 36 4.7K WRL LA0 C628 10 4.7K R776 0.1 W770 4.7K R616 4.7K R615 CS3 LA17 LA0 LD7 LD6 LD5 LD4 LD3 LD2 LD1 LD0 LOE LA1 R528 10K R527 10K R526 10K R525 10K R524 10K R523 10K R522 10K R529 4.7K W580 CP506 31 DA1 28 IORDY DACK INTRQ 29 30 27 DIOR DGND DIOW DGND 24 25 26 DGND DMARQ 22 23 20 21 DD0 DD15 18 19 DD1 DD14 16 17 DD2 DD13 14 15 DD3 DD12 12 DD4 13 DD11 10 11 DD5 DD10 LA13 LD7 TP516 38 RESET A13 I/O8 Y 4 WE CS2 A15 VCC NC A16 A14 A12 A7 A5 A4 A6 TP520 22 15 155 144 146 150 CP510 TP524 CP505 470 470 R508 10K TP522 TP523 R507 82 TP521 R506 82 C522 0.1 VCC 5 LA4 LA5 16 149 HD0 HD15 R504 TP519 R505 22 TP518 R503 82 TP517 CP509 10K 12 LA12 LA6 LA7 13 14 LA14 LA16 10 11 4.7K LA15 7 9 8 WRL R530 5 6 LA3 LA2 A2 A2 GND 17 A3 LA3 LA2 CE 25 A0 GND1 A1 24 26 W522 29 28 27 Q0 OE LA19 LA18 4.7K 23 20 19 18 A0 A1 I/O3 I/O2 I/O1 22 21 LA0 LA1 LA5 LA4 LD2 LD1 LD0 LA8 LA7 LA6 I/O5 I/O4 VSS 24 25 I/O7 I/O6 28 27 26 LD4 LD3 LD6 LD5 Q10 18 21 A4 A3 22 23 A7 A6 A5 19 20 31 30 Q1 Q8 32 Q2 Q9 33 RY/BY A18 A17 17 16 NC13 NC14 13 14 15 Q11 35 34 Q3 37 36 Q4 VCC A9 A8 A11 470 HD1 HD14 HD13 HD2 HD12 HD3 CP508 470 TP514 TP515 CP504 10K TP512 TP513 TP511 TP510 LA8 LA9 2 3 4 LA11 1 L521 180 HD5 HD10 HD4 HD11 TP508 CP503 TP509 CP507 10K 470 TP506 TP507 CP502 10K 47 2 LA15 LA14 LA13 LA12 LA11 LA10 LA20 WRL R520 LA10 A10 CS1 31 30 29 OE 32 LOE LA9 10 C521 42 A9 NC10 WE 11 12 A8 A19 8 9 10 40 39 Q12 Q5 41 Q6 Q13 BYTE GND2 5 A11 A10 6 7 A14 A13 A12 4 3 44 43 Q7 Q14 45 Q15 46 LA16 51 48 57 A15 1 48 A16 46 165 162 1 RESET 8 9 DD6 DD9 6 DD7 7 DD8 ROUT DGND 4 5 LOUT ACOM 2 3 145 HD9 HD6 HD8 HD7 470 TP504 TP505 TP503 TP502 CP501 10K R502 TP501 33 R501 SW3.3V MEC7V SW5V BU3.3V C580 0.1 Y3 8 7 GND 12 A4 B3 A3 Y4 10 9 11 B4 VCC 13 14 3 4 6 5 Y2 B2 A2 Y1 2 B1 A1 1 169 4.7K R623 22 LD4 CP616 4.7K LD7 LD6 LD5 0.1 C627 LD0 LD2 LD1 CP615 4.7K LD3 0.1 C626 CP CP 22 4.7K R625 LOE CP617 4.7K CS1 CS3 C520 10 0.1 C625 162 165 169 0.1 C624 W609 47 50 W608 4.7K R624 0.1 0.1 C623 C622 L520 180 SW3.3V SW5V W772 X14-939x-xx (1/9) www. xiaoyu163. com QQ 376315150 9 9 2 8 9 4 2 9 8 TEL 13942296513 9 9 2 8 9 4 2 9 8 0 5 1 5 1 3 6 7 3 Q Q TEL 13942296513 QQ 376315150 892498299 TEL 13942296513 QQ 376315150 892498299 45 DDX7015/7025/7035 DDX7045/7065 J I H G F 3.3-0V 3.3-0V 3.3V 0V 3.3-0V 0V 0V 3.3V 2.0V 3.3-0V 3.3-0V 3.3V 0V 3.3-0V 3.3V 3.3V 3.3V 0V 0V 2.0V 3.3-0V 0V 0V 3.3V 0V 3.3-0V 0V 3.3V 3.3-0V 3.3V 3.3-0V 3.3-0V 1.8V 0V 3.3-0V 3.3-0V 3.3-0V 5.0-0V 5.0-0V 3.3V 3.3-0V 0V 3.3V 3.3V 3.3V 3.3-0V 3.3-0V 3.3-0V 0V 3.3-0V 3.3-0V 3.3-0V 3.3-0V 3.3V 3.3V 3.3V 3.3V 3.3-0V 0V 1.8V 3.3V 0V 0V 3.3-0V 3.3-0V 3.3V 3.3 1.8V 0V 0V IC601 MPEG DECODER 195 LA10 CP621 LA7 LA4 LA5 LA6 0.1 C601 CP602 4.7K 22 CP619 LA10 LA9 LA8 LA11 CP601 4.7K 0.1 22 CP620 C602 CAMIN0 LA1 208 VSS24 206 207 LA2 LA3 200 4.7K 22 CP623 203 204 205 CAMIN1 LA0 201 202 VSS23 VEE17 R616 4.7K LD15 198 199 LWRLL LWRHL 196 197 LD13 LD14 2 1 VEE1 3 4 5 LA7 LA4 LA5 LA6 6 7 LA9 LA8 8 9 10 VSS1 VCC1 R603 4.7K TP601 TP602 TP603 C603 LA13 LA12 LA15 LA14 LA16 R618 4.7K 4.7K R602 22 R601 0.1 CP603 4.7K 22 LA17 LA19 LA18 LA20 R619 22 CP622 22 CP604 4.7K 39 47 32 0.1 C604 4.7K CP605 4.7K R620 R621 R627 4.7K R626 4.7K 40 0.1 C605 25 18 16 13 11 12 14 15 LA13 LA12 LA11 LA14 LA15 17 LA16 VSS2 22 19 21 20 VEE2 LA17 LA18 LA19 23 24 LA20 LA21 RESET TDMCLK TDMTSC TDMFS 27 26 28 29 30 TDMDX VSS3 VEE3 TDMDR 31 32 33 TWS TSD0 37 34 35 36 VSS4 VCC2 TSD1 AUX1 CCLK 4.7K R623 177 22 LD9 192 193 194 VSS22 VEE16 LD12 190 191 LD10 LD11 187 188 189 LD7 LD8 186 185 LD5 LD6 LD3 CP624 183 184 VEE15 VSS21 182 LD4 CP625 22 179 180 181 LD1 LD2 178 VSS20 LD0 4.7K R625 LCS1 175 176 LCS2 LCS3 172 173 174 LCS0 VCC7 170 171 LOE VSS19 AUX3 W609 7 0 W608 168 169 AUX6 AUX7 166 167 AUX4 AUX5 4.7K R624 164 165 VEE14 162 163 AUX2 VSS18 CDAT HA2 159 160 161 VEE13 AUX0 157 158 VEE12 158 HCS3FX HCS1FX HA1 VSS17 HA0 CAMCLK HRD HWR VEE11 VSS16 156 155 153 152 154 148 151 150 149 147 146 0.1 C621 155 154 153 152 150 149 HD0 HD8 HD9 HD10 HD11 HD12 HD13 HD14 HD2 HD1 HD15 HD0 HD4 HD5 HD7 HD6 HD3 HD10 HIORDY HRRQ HIRQ HRST HWRQ HD15 HD14 VCC6 VSS15 HD13 HD12 HD11 143 145 144 142 141 140 137 138 139 134 136 135 0.1 C620 HD7 HD9 HD8 VSS14 VEE10 HD6 HD5 HD4 HD2 HD1 HD3 133 132 131 129 130 0.1 C619 125 128 127 126 124 123 122 144 145 146 ADVSS CAMIN7 CAMIN6 CAMIN5 VSS13 VCC5 CAMIN4 YUV7 YUV6 YUV5 CP614 121 120 119 118 117 0.1 C618 W601 116 115 114 113 112 33 ADVEE YUV4 33 CP613 110 111 1 R614 C617 33 W606 VSYN HSYN V7 116 V6 V5 W607 V4 X14-939x-xx (2/9) www. xiaoyu163. com QQ 376315150 9 9 2 8 9 4 2 9 8 TEL 13942296513 9 9 2 8 9 4 2 9 8 0 5 1 5 1 3 6 7 3 Q Q TEL 13942296513 QQ 376315150 892498299 TEL 13942296513 QQ 376315150 892498299 46 DDX7015/7025/7035 DDX7045/7065 K L M N O 47K 47K 47K 47K 0.8-2.6V 3.3V 3.3-0V 3.3-0V 3.3V 0V 3.3-0V 3.3-0V 3.3-0V 3.3-0V 3.3-0V 2.0V 0V 1.8V 3.3V 0V 3.3-0V 3.3-0V 3.3V 0V 3.3-0V 0V 2.4V 3.3V 5.0V 0V 0V 3.3V 0V 3.3-0V 1.0 5.0V 3.3-0V 3.3V 0V 3.3V 3.3-0V 0V 3.3V 3.3-0V 3.3-0V 3.3-0V 0.8-2.6V 3.3V 0V 3.3-0V 3.3-0V 3.3V 0V 3.3-0V 3.3V 3.3-0V -7.5V 1 0V 3.3-0V 3.3-0V 0V 3.3-0V 3.3-0V 3.3-0V 3.3V 3.3-0V 0V 3.3-0V 3.3V 3.3-0V 3.3V 3.3-0V 3.3V 0V 3.3-0V 0V 3.3-0V 5.0V 7.2V 3.3V 1.8V 0V 3.3-0V 0V 3.3-0V 3.3V 0V 3.3-0V 3.3V 0V 5.0V 3.3-0V 0V 0V 5.0V 0V 4.1V 4.1V 0.1V 3.3V 0.1V V 3.3-0V 3.3V 0V 0V 5.0V 3.3-0V 5.0V 0V 3.3-0V 3.3-0V 0V 5.0V 0V 0.1V 0.1V 1.3V 1.3V 3.3V 3.3V 0V 0V 0V 0V IC750 IC540 IC541 IC703 IC652 IC560 IC701 IC702 Q650 Q652 5.0 3.3 VIDEO ENCODER SDRAM RGB SW INV. AVR (AUDIO 5V) LPF AUDIO DAC 27MHz BUFFER OSC 27MHz DIGITAL OUT DRIVER 4.7K VSS5 TP606 TP607 R627 4.7K R626 4.7K 47 R604 R622 4.7K .1 605 SELPLL3 37 35 36 VCC2 TSD1 38 39 40 43 41 42 TBCK TSD2 TSD3 MCLK SPDIFIN YUV4 YUV1 YUV3 YUV2 DCLK YUV0 33 CP613 33 109 108 107 105 106 R678 V4 V1 V3 V2 V0 MA11 BA0 A11 BA0 0.1 VSS7 VCC 10P MA4 MA5 MA6 MA7 MA8 MA9 2 3 L540 4 Y TP610 TP611 TP608 TP609 1 180 L601 C606 0.1 33 R541 TP540 33 R540 C607 C540 1 TP541 10uH C541 R544 5 VCC NC 1 27.000MHz C542 12P X540 1K GND 4 Y A 3 2 NC 5 R542 1M VCC GND 1 A 0.1 C608 MA6 49 46 44 45 47 48 VCC3 RSD RBCK CAMIN3 RWS 50 51 52 XIN XOUT AVEE AVSS 54 DMA1 DMA0 53 CP606 22 MA1 MA0 DMA3 DMA2 56 55 DMA5 DMA4 58 57 MA3 MA2 MA5 MA4 CP608 VEE4 DMA6 VSS6 61 60 59 CP607 MA7 22 22 64 DMA9 DMA8 DMA7 63 62 DMA11 DMA10 66 65 MA9 MA8 MA10 MA11 24 27 0.1 MA3 MA0 MA2 C565 MA1 MA10 BA1 29 26 A3 VDD3 28 A4 VSS1 A0 A1 25 A2 21 22 23 BA1 A10 A7 31 A6 30 A5 34 33 32 A9 A8 GND SDTI 31,32,49 39 40 1 3 2 MCLK BICK R722 32 36 24 22 23 6 4 5 1K 7 8 LRCK PDN CSN CDTI CCLK 4.7K R701 R702 VDD DZFL DZFR 16 14 15 VSS AOUTL+ AOUTL- AOUTR- AOUTR+ 13 12 11 10 9 0.1 C718 R- R+ 200 R703 3K R704 3300 C70 R705 200 5 680P C702 BIN+ 6 1 3 NC 2 A 0.1 Y C752 C751 22P R753 4 47 W753 5 VAA4 P9 101 R612 22 CKE SCK DQM DB8 DB9 DB10 DB11 DB12 DB13 DB14 DB15 0.1 C610 C609 R609 22 R617 R605 22 69 DCAS VEE5 68 67 DOE 70 CAS 4.7K CKE 22 R608 R610 22 R606 22 R607 22 72 DRAS DWE 71 DMBS0 DMBS1 74 73 WE RAS BA0 BA1 DB3 DB3 DB0 VSS8 VEE6 76 75 DB2 DB1 79 78 77 DB0 DB2 DB1 DB4 80 DB5 82 81 DB4 CP609 22 DB5 DB6 VSSQ3 VDDQ2 RAS CS0 CAS DQM DB7 0.1 C564 DB6 DB5 40 15 TP560 DQMH 18 19 20 RAS CS 16 17 DQML WE CAS 37 NC36 36 35 CKE 39 38 NC40 CLK VDDQ3 VSSQ2 13 14 DQ7 VDD2 10 11 DQ5 12 DQ6 42 41 DQ8 VSS2 45 44 DQ10 43 DQ9 0.1 C563 DB4 DB3 0.1 C562 DB2 DB1 C561 0.1 DB0 51 4 VDDQ4 7 8 9 DQ3 DQ4 VSSQ1 DQ1 6 DQ2 5 48 47 46 DQ12 DQ11 DQ14 49 DQ13 50 VSSQ4 VDD1 VDDQ1 2 3 DQ0 1 VSS3 53 52 DQ15 54 0.1 C613 0.1 C612 C611 0.1 91 86 83 VCC4 DB7 DB6 VSS9 85 84 CP610 DB7 22 22 CP611 DB10 DB9 DB8 87 88 VSS10 DB11 90 89 DB10 DB9 DB8 DB11 22 96 DB13 DB12 VEE7 93 92 DB15 DB14 95 94 DB13 DB12 DB15 DB14 TP612 R613 22 VEE8 VSS11 DCS1 98 97 DQM DCS0 99 100 CP612 DQM CS0 180 L560 10 C669 0.1 C668 VSYN HSYN R660 10K C925 W654 R929 1K C667 9 0.1 10 11 7 8 BLANK VSYNC HSYNC P15 12 13 14 P13 P14 17 15 16 ALSB GND2 VAA3 GND3 RESET 18 19 20 22 21 P12 GND1 VAA2 P10 P11 C675 0.1 C715 GND 10 10uH L701 C713 0.1 C567 C717 10 C709 R713 200 4 0.1 C714 680P 3 V- AIN+ R711 4.7K R+ R712 3K R- C 33 R 4 0.1 C566 OUT IN 31 3.3K R650 W701 1 1K 4.7K 32 49 W650 R586 1.5K 3.3K 0.1 R587 W581 R652 1K 1K R651 R654 1K 100 R664 R663 100 SCLOCK 23 SDATA 24 CCLK R661 4.7K CDAT R662 DACC COMP 26 25 DACD 27 C670 0.1 R666 75 R665 75 R65 C654 1 4.3K R677 1 C653 1 34 10 C616 10 C615 0.1 C614 DSCK 102 VEE9 VSS12 104 103 L603 SCK 180 R671 100K R670 10K R672 100K 1 C666 V6 V7 0.1 4 5 6 V5 2 3 W604 W603 SCRESET P6 P7 P8 VAA1 P5 P2 P4 P3 CLOCK GND5 44 43 42 41 40 P1 P0 TTX TTXREQ 39 38 37 36 35 SW2V SW3.3V SW3.3V 116 V2 V3 V4 V0 V1 R669 R673 C672 C671 DACA 30 VAA5 GND4 29 28 DACB 31 1 R667 75 33 RSET VREF 32 150 150 0.1 1 R668 75 C673 C650 0.1 R659 C652 1K 1K R658 W658 10uH L650 L651 180 WE IC702 X14-939x-xx (3/9) www. xiaoyu163. com QQ 376315150 9 9 2 8 9 4 2 9 8 TEL 13942296513 9 9 2 8 9 4 2 9 8 0 5 1 5 1 3 6 7 3 Q Q TEL 13942296513 QQ 376315150 892498299 TEL 13942296513 QQ 376315150 892498299 47 DDX7015/7025/7035 DDX7045/7065 T S R Q P 10K 10K 10K 10K 47K K 47K 4V 3.3V 7.3V 1.0V 0V 0V 4.8V 0V 0V 5.0V 0V 0V 5.0V 0V 4.5V 0V 0V 0V 3.7V 5.0V 0V 3.1V 5.0V 0V 4.3V 2.5V 0V 0V 0V 1.0V 0V 0V 2.4V 5.0V 1.4V 2.4V 0V 0V 1.4V 0V 5.0-0V 1.4V 5.0V 5.0V 0V 4.5V 4.5V 5.0V 0V 5.0V 5.0V 5.0V 2.4V 0V 2.4V 1.4V 1.3V 0V 1.5V 1.7V 0V 0V 0V 1.1V 0V 0V 5.0V 5.0V 5.0V 5.0V 5.0V 4.1V 2.5V 5.0V 4.7V 5.0V 0V 0V 0V 5.0-0V 2.4V 5.0V 5.0V 1.1V 2.4V 0V 5.0V 7.2V IC204 701 IC651 IC650 D923 D922 D702 Q703 Q704 Q707 Q705 Q706 D701 Q701 D920 0 Q652 Q702 D919 VIDEO SIGNAL DRV. AVR (VIDEO 5V) MUTE PF AUDIO DMIX R MUTE. AUDIO DMIX L MUTE. AUDIO MUTE SYSTEM MICROPROCESSOR ∗R203 10K ∗R205 10K ∗R207 10K ∗R202 10K R200 10K ∗R206 10K ∗R204 10K R259 100K R224 100K R219 1K R223 1K R225 1K C208 0.01 R226 1K R227 1K C202 R208 100K 0.01 R257 100 R212 470 R256 100 R931 100 100 R930 R209 100K R214 10K R213 10K R211 100K R210 100K 19.800MHz X200 C204 8P C203 22P 80 VD NC 112 111 110 109 106 SYS MDATA SYS SDATA STATUS2 108 107 WRT E2P NC SYS MCLK P142 STATUS1 STATUS0 MINI PON PVDD2 DSI 105 104 103 102 101 115 114 113 118 117 116 122 121 120 119 125 124 123 TYPE3 TYPE2 TYPE1 TYPE0 NC NC NC OSD A18 OSD RST NC PM1 TMOTOR M NC OSD A19 NC NC OSD DATA OSD CS OSD CLK PAN DET 100 99 98 97 96 MINI DATA MINI CLK PGND1 NC 95 94 93 92 91 85 NC NC NC SCL NC 90 89 88 87 86 KEY DVDEJ KEY SRC BU DET FSEL2 SDA 84 83 82 81 129 128 127 126 132 131 130 134 133 PM1 SWB VDD1 PM1 SMOTOR M PM1 TMOTOR P GND1 PM1 SWC PM1 SMOTOR P PM1 SWA M MUTE 69 FSEL1 NC NC NC NC 79 78 77 76 75 X2 X1 74 73 XT2 XT1 GND2 70 71 72 SUBLED OFF JIG EJ NC ACC DET 66 67 68 NC NC NC 63 64 65 DVD DISC DET LCD BRIGHT 59 PVDD1 NC 60 61 62 NC D MUTE 56 57 58 R215 680K R217 100K R222 100K C207 0.01 BE RST POWER DET 52 PM1 MCNT PAK DET 53 54 55 BE MREQ BE SREQ PON 49 50 51 BE CLK 47 48 R231 100K R229 100K R232 100K R252 100K R228 100K 79 80 81 SDA SCL 97 98 107 108 120 121 122 124 126 127 TP206 129 130 132 133 X201 32.768kHz 69 68 TP205 61 57 56 55 54 53 51 50 49 48 99 109 R721 3.9K R725 10K R722 R720 2.2K 36 24 22 23 C773 34 0.1 6 5 1K 7 8 PDN CSN CDTI CCLK R719 6.8K 4.7K R701 C704 R702 4.7K AOUTR- AOUTR+ 10 9 R- R+ 200 03 K R704 3300P 0.1 R706 680P C701 R705 200 3K 5 0P 02 V+ BOUT BIN- BIN+ C703 6 8 7 C705 100P 10 TP701 R724 22K 10uH L702 C706 4.7 C707 470 R707 R708 1.8K L 10 R709 31 VIN 510 1.5K R657 C675 R714 200 R715 709 R713 200 4 80P 2 3 V- AIN+ 1 AOUT AIN- C710 680P R711 4.7K 712 3K C708 3300P 3K R710 4.7K W660 1 100P R723 22K C711 4.7 R717 1.8K C712 R716 470 R718 10 R 1K 14 1 R652 1K 17 C656 1K R651 16 1 W651 R654 1K 15 12 C655 R653 13 C654 10 11 1 4.3K R677 1 7 8 9 C653 5 6 1 C658 18 CRS-G GND21 CBOUT CBS-G GND22 CROUT MUTE2 CRIN CBIN 20 19 C657 1 22 21 1 DVDR DVDB TP654 TP653 R655 GND24 NC9 CYOUT CYSAG GND23 CYIN CLP GND12 NC11 24 C660 23 10 25 C659 100u10 VOUT VSAG GND25 YOUT YSAG YIN BI-S GND11 YCMIX 28 27 26 TP651 TP652 30 29 COMP 75 OUT C650 0.1 TP650 R659 C652 1K 3 4 C651 1K R658 2 1 1 10uH 100u10 C664 C663 C662 VCC1 0.1 VCC2 COUT GND26 MUTE1 CIN 32 R656 34 33 1 C661 10 DVDG VIDEO W652 0.1 C665 GND IN MEC7V -7V +7V 56 SPDIF Q703-707 SW5V1 + + X14-939x-xx (4/9) www. xiaoyu163. com QQ 376315150 9 9 2 8 9 4 2 9 8 TEL 13942296513 9 9 2 8 9 4 2 9 8 0 5 1 5 1 3 6 7 3 Q Q TEL 13942296513 QQ 376315150 892498299 TEL 13942296513 QQ 376315150 892498299 48 DDX7015/7025/7035 DDX7045/7065 U V W X Y 22K 22K 10K 2.2K 10K 22K 22K 2.2K 22K 2.2K 22K 10K 47K 47K 22K 22K 5.0V 0V 4.5V 4.5V 5.0V 0V 2.0V 0V 3.7V 5.0V 0V 0V 5.0V 5.0V 0V 4.3V 5.0V 5.0V 0V 4.6V 4.9V 0V 3.7V 0V 0V 5.0V 5.0V 0V 0V 0V 0V 0V 5.0V 5.0V 0V 0V 5.0V 5.0V 0V 5.0V 5.0V 4.8V 5.0V 3.3V 0V 5.0V 0V 0V 0V 5.0V 5.0V 0V 5.0V 0V 0V 4.7V 5.0V 0V 5.0V 0V 5.0V IC200 IC207 IC206 Q201 Q200 Q206 Q361 Q362 Q360 CN802 CN850 Q207 D924 D861 Q202 Q203 Q204 Q205 P100 E2PROM ILLUMI CONT. RESET IC RESET CONTROL RESET BUFFER (X14-939x-xx) to PANEL MECHA NC SDA GND SCL WP VCC A2 A1 A0 4 3 2 1 C201 0.01 5 6 7 8 W869 W873 TP917 R216 4.7K 0.01 C206 C205 10u16 29 TP YG PM PHOTO1 132 136 135 134 133 139 138 137 PM1 SWB KEY2 NC PM1 SWA PM LPS VOL+ VOL- 143 142 141 140 144 AUTO DIM KEY4 KEY3 NC PGND0 PM1 SWD LCD VOFF EN NC KEY1 TP XDATA TP YDATA ADCGND ADCVDD 3 1 2 4 5 6 7 8 LCD MIRROR TP XP TP XG LCD HPOS1 LCD HPOS2 LCD HPOS3 LCD HPOS4 LCD MODE1 LCD MODE2 LCD MODE3 9 10 11 12 13 14 15 16 17 18 ILL R ILL G PVDD0 ILL B NTSC PAL PM LEDSW LCD PON NC NC NC 24 19 20 21 22 23 25 26 27 28 2.2M R218 MINI CS BE RST MINI MDATA 45 BE SDATA BE MDATA BE CLK 46 47 48 MINI MCLK KEY OPEN 42 43 44 V MUTE RGB SW S MUTE SYS SREQ SYS MREQ SYS ON CLKOUT 38 VDD0 RESET FROM VPP 39 40 41 GND0 CPUREG 37 30 31 32 33 34 35 36 100 R258 R235 47K 0.1 30K 30K R361 R360 R362 4.7K C364 330P C361 R363 2K R389 2.7K 0.1 R364 360 C362 47u6.3 C365 1 R365 W851 RI M+ RI M- D GND R SENS SW5.0V TP927 3 4 5 1 2 SW-A SW-C SW-B 1 2 3 R232 100K R234 12K R254 100K R236 12K C218 1 R240 12K R242 100K R250 0.01 R243 1K W11 W202 1K R239 100K R252 100K C212 0.01 R251 100K R233 100K R230 100K C217 0.1 OUT VCC 2 GND SUB 3 C213 NC 1 5 4 VCC GND A2 Y3 A1 4 3 2 1 Y2 A3 Y1 5 6 7 8 R244 47K R867 1K C803 100P EX M- 7 NC EX M+ EX M+ 4 5 6 EX M- RI M+ RI M+ 8 9 10 NC RESET 14 REMO RI M- RI M- 11 12 13 ESD GND 15 16 17 470 R388 10 C363 1 C802 132 133 R248 100K 136 R249 100K 137 138 R253 100K 139 140 141 142 35 34 33 32 31 26 25 G R B B G R R G B 19 18 17 16 15 14 13 12 11 10 9 C214 6 7 3 2 R238 12K 1 49 48 47 46 45 44 43 42 41 C211 1 C209 0.01 SCL SDA TP200 TP201 R92 1K SW5V +B 57 52 130 132 133 EXM+ EXM- RIM+ RIM- 138 139 SW5V 0.01 C200 R241 31 30 8.5V Q200-205 Q207 Q360-362 2-72 0-12 0-22 UNIT No. 3-22 3-02 YES YES NO NO NO R202 NO NO YES YES YES R203 YES NO YES YES NO R204 R91 R91 W R91 R91 43 42 41 44 96 96 W237 100K UNIT MODEL E 2-72 DDX7025 DDX7045 DDX7065 DDX7045 R X C 3-02 3-22 NAME DDX7035 DDX7015 K M No. 0-22 0-12 YES YES YES YES NO YES Q300 NO Q403 NO YES YES C303,309,311,318, 332,333,335,336 NO YES YES YES NO ESD GND 100 ∗C90 + + X14-939x-xx (5/9) www. xiaoyu163. com QQ 376315150 9 9 2 8 9 4 2 9 8 TEL 13942296513 9 9 2 8 9 4 2 9 8 0 5 1 5 1 3 6 7 3 Q Q TEL 13942296513 QQ 376315150 892498299 TEL 13942296513 QQ 376315150 892498299 49 DDX7015/7025/7035 DDX7045/7065 AD AC AB AA Z 4.7K 4.7K 3.4V 3.4V 0V 0V 1.2V 1.2V 1.3V 1.0V 0-3.4V 0V 0V 3.4V 2.5V 4.8V 3.4V 0V 0V 4.2V 3.4V 3.4V 0-3.4V 3.4V 0V 0-3.4V 3.4V 0V 4.4V 1.8V 1.9V 0V 0V 3.4-0V 0-3.4V 3.4-0V 0-3.4V 3.4-0V 0V 0.1V 0.3V 3.4V 0V 3.4V 0V 4.7V 5.0V 5.0V 0V 0V 5.0V 0V 5.0V 0V 3.1V 4.7V 5.0V 5.0V 5.0V 1.8V 0.5V 4.8V 0V 3.2V 4.6V 0-5.0V 4.7V 4.5V 0V 5.0V 5.0V 0.2V 4.7V 4.7V 0V 5.0V 0.3V 5.0V 5.0V 7.5V 0V 0V 0V IC202 IC361 IC400 IC365 IC363 IC364 IC362 A ∗Q403 D860 D852 D851 D850 924 D856 D855 D853 D854 D857 D858 D859 SYNC HD,VD MIX SYNC SEP. HD TIMING GENE. (OSD) HD,VD BUFFER HD,VD BUFFER MOTOR DRIVER (SLIDE) OSD (GRAPHIC DATA) NTSC/PAL SEL. CN200 NC 4/4 CN303 X35-A/3- 3 6 120 L200 2 1 C215 0.01 GND2 VCC1 13 14 B1 A1 2 1 Y1 VCC 7 8 R366 470 L350 10uH C361 0.1 C362 47u6.3 C365 1 R368 R365 910K OUTR A8 R412 1K L402 10uH W117 TP401 CP400 33 CP401 33 W413 W412 W411 W408 W409 C405 C406 W410 W870 ∗C400 10P 8 VDD13 VSS13 CLKOUT VDD12 VSS12 RST TEST2 TEST1 HBLK HSYNC VBLK VSYNC VDD11 0.1 0.1 20 19 13 18 17 16 15 14 12 11 10 9 GD0 23 22 21 26 25 24 RD1 RD2 GD1 GD2 RD0 30 29 28 27 33 32 31 BD0 BD1 BD2 VDD2 VSS14 BLK CS SIN SCLK CTRL1 OSCOUT OSCIN VSS11 3 7 6 5 4 2 1 A3 78 VSS33 VDD33 79 80 A2 A1 A0 75 76 77 71 A6 A5 A4 72 73 74 VSS32 VDD32 A7 68 69 70 C412 1 C413 0.1 R401 68 CP403 33 CP402 33 53 D9 40 36 35 34 39 38 37 BOUT GOUT ROUT RREF CVREF CCOMP 41 42 VSS2 D11 D10 48 43 44 45 46 47 D8 VSS15 VDD14 D7 D6 49 50 51 52 D5 D4 D3 D2 D1 61 A11 A10 A9 65 66 67 A14 A13 A12 62 63 64 58 54 55 56 57 D0 VSS31 VDD31 OE CE 59 60 A17 A16 A15 CP404 33 C376 15P GND Y2 4 A2 B2 5 RX/CX B A 2 1 GND CLR 4 3 VCC 7 8 Q CX 5 6 1 8 GND A3 Y2 A1 4 3 2 Y3 A2 Y1 VCC 5 6 7 R375 100 R386 1K A3 A2 Y2 A1 3 2 1 Y1 VCC 6 7 8 GND 4 Y3 5 R369 470 GND SYCIN R387 47K C375 47P VCOOUT SW 7 6 5 4 3 DGREF HD VD VCC BGP VCO2 VCO1 LPF 8 9 10 11 12 R371 1.8K R372 390 C374 1000P C373 150P 2 1K CSOUT 1 VS 13 14 C368 1 R867 1K 803 0P R370 3K C371 4.7 C370 0.01 100 100 R383 100 R382 100 W866 W853 W875 W877 VG 59 TP931 TP929 TP930 100 100 100 100 100 100 NC ESD GND 15 16 17 BL+8.5V 21 ESD GND BL+8.5V NC 18 19 20 BLGND BLGND NC 22 23 24 PWM 28 NC ENABLE NC 25 26 27 X1 SRC Y0 29 30 31 TP933 TP932 100 100 100 100 W867 100 MODE1 45 NC 38 BU+5.0V P ON+5.0V 35 X0 XDATA YDATA 32 33 34 KEY1 36 37 42 HPOS1 VCOM NC 39 40 41 HPOS3 HPOS2 HPOS4 43 44 POLS 52 MODE2 MODE3 BLK 46 47 48 HSY VSY MIRROR 49 50 51 NTSC PAL POLC V GND 53 54 55 C.SYNC V GND VR 56 57 58 TP935 EJECT 73 LED G 66 P ON+3.3V V GND NC VB 60 61 62 NC LED R 63 64 65 LED GND NC SI LED B 67 68 69 KEY 3 KEY 4 70 71 72 100 TP936 TP937 R G B 10 C411 1.5K R402 0.1 C410 0.1 C415 0.1 C414 0.1 C409 0.1 C408 10K R400 1 C404 0.1 C403 12P C401 22uH L401 + 4P ∗C417 TC1 R374 100 R384 C366 C367 C927 C926 TP390 TP389 X360 15.734kHz 0.015 C372 470 R367 TP934 100 R863 100 R861 470 1 802 R922 1K SW5V 5 4 5 4 8 8 470 12 10 R373 470 R381 R380 46 35 139 8.5V 1 142 141 140 11 10 9 6 61 7 VR VG VB VCOM 12 13 14 15 16 17 18 R385 19 SW5V SW3.3V R G B R860 137 25 2 W876 W878 R862 100 3 136 45 R G 98 99 97 120 D4 D9 D10 D11 D8 D7 D6 D5 D1 D2 D3 D0 OE CE A17 A16 A4 A5 A2 A3 A1 A0 A8 A9 A10 A7 A6 A14 A15 A13 A12 A11 36 BLK 0.1 0.1 0.1 0.1 TP938 TP939 TP94 R859 R858 R857 R856 R855 R854 R853 R852 R866 R851 R850 BU5V 2 NO NO YES YES YES R203 YES NO YES YES NO R204 NO NO YES NO YES YES YES NO NO YES NO NO YES R206 YES R205 NO R207 SCK 3 R918 100 R919 100 SI 5 VPP 6 GND 7 SO 4 W920 R916 100 R917 100 BU+5V 1 2 RESET 43 42 41 44 96 27P 47P C306 47P 27P 27P YES YES YES 7P YES NO YES YES 7P 7P NO NO IC302 IC301 NO YES C417 NO YES C400 10P 7P NO NO 3,309,311,318, 2,333,335,336 NO YES YES YES NO C314,315, 327-331 NO NO NO YES NO YES YES YES NO R301 NO 302 W300- YES YES YES NO YES YES NO YES YES NO X301 W857 W858 ESD GND YES NO NO NO NO C904 100P ∗C904 + X14-939x-xx (6/9) www. xiaoyu163. com QQ 376315150 9 9 2 8 9 4 2 9 8 TEL 13942296513 9 9 2 8 9 4 2 9 8 0 5 1 5 1 3 6 7 3 Q Q TEL 13942296513 QQ 376315150 892498299 TEL 13942296513 QQ 376315150 892498299 50 DDX7015/7025/7035 DDX7045/7065 AE AF AG AH AI 5.0V 0-5.0V 5.0V 4.3V 2.4V 0V 0-3.4V 0-3.4V 0-3.4V 0-3.4V 0-3.4V 0-3.4V 3.4-0V 0-3.4V 3.4-0V 0V 0-3.4V 0-3.4V 3.4-0V 0V 0-3.4V 0-3.4V 0-3.4V 0-3.4V 3.4V 0-3.4V 0-3.4V 3.4V 3.4V 0-3.4V 3.4-0V 3.4-0V 0-3.4V 0-3.4V 0-3.4V 5.0V 1.5V 0V 2.4V 1.7V 1.7V 2.4V 2.4V 4.3V 0V 4.3V 2.4V 1.3V 0V 2.2V 0V 1.6V 4.2V 1.4V 2.6V 2.0V 3.4-0V 0-3.4V 3.4-0V 3.4-0V 3.4-0V 3.4-0V 3.4-0V 0-3.4V 0V 3.4V 1.4V 1.4V 2.9V 2.9V 0V 5.0V 0V 7.5V 0V 7.5V 0V 0V 0V 7.5V 0V 0V 7.5V 0V 0V 0V 1.9V 4.2V 1.5V 0.6V 0V 1.0V 4.2V 1.6V 0V 2.0V 5.0V 5.0V 2.2V 3.4V 2.0V 4.5V 7.5V 0V 0V 0V 0V 0V 7.5V 0V 0V 0V 0V 0V 2.0V 2.6V 3.2V 0V 5.0V 2.9V 4.2V 2.7V 2.5V 3.0V 7.5V 2.5V 0-2.0V 0V 2.5V 0V 2.5V 2.5V 4.2V 0V 3.2V 4.8V 2.9V 5.0V 1.7V 3.0V 4.8V 1.7V 5.0V 2.6V 0V 0V 0V 0-5.0V 0V 5.0V 3.1V 02 ∗IC301 IC401 IC303 IC306 IC305 IC203 ∗IC302 IC304 B Q400 Q401 Q402 ∗Q300 D300 D862 CN851 D859 D303 D301 D302 R DRIVER ) (TILT) MOTOR DRIVER FLASH ROM (FRONT DATA) 1H DELAY RGB SW (SYNC SEP.) (DVD/NAVI,TV) RGB SW RGB DECODER AVR (VIDEO 3V) V.MUTE CONT. NTSC/PAL SEL. BUFFER 4/4 X35-B/3- CN701 6 9 5 4 3 2 1 OUT4 VS2 OUT3 IN3 GND2 IN1 VCC1 OUT2 VS1 OUT1 13 14 10 11 12 7 VCC2 IN4 GND1 IN2 8 10 C402 L400 10uH 0.1 ∗C303 NC2 VP2 2 1 NC15 RUIN 15 16 NC6 SAND GND2 6 IC1 5 4 3 IC3 IC2 8 7 11 BYOUT NC13 BYIN 12 13 14 VP1 GND1 RYOUT 9 10 C407 0.1 R415 150 R403 100 R417 R416 150 150 R406 100 R405 2.7K R408 100 R407 2.7K R409 2.7K C416 34 15 100K R411 R404 4.7K R413 4.7K DQ0 A5 A1 A2 A3 A4 24 23 22 21 A0 CE VSS1 OE RY/BY A6 A7 A17 A18 20 19 18 17 16 DQ8 DQ1 DQ9 DQ2 DQ10 CP407 33 25 26 27 28 29 30 31 32 33 CP406 33 5 R410 100K 10 RESET NC14 NC13 WE NC10 14 13 12 11 DQ3 DQ11 VCC DQ4 DQ12 NC9 A8 A9 A10 A11 9 8 7 6 DQ5 DQ13 DQ6 DQ14 DQ7 A12 A13 A14 A15 4 3 2 1 DQ15 VSS2 BYTE A16 44 39 35 36 37 38 40 41 42 43 CP405 33 W414 45 46 47 48 0.1 APCDET KILLDET ACCDET SECOM COMDC PALN SDATA 50 ∗C311 0.1 C307 C304 10 0.1 R302 C310 22P 1.5K ∗C318 27P ∗C332 1 ∗C335 1 ∗C333 1 C317 18P C319 2.2 C323 1 C322 1 1 60 1 64 63 62 PAL NTSC SCOUT 61 55 59 58 57 56 GND3 VCC5 CIN YDET 54 53 52 CF2 CF1 YIN 51 R300 470 L300 47uH ∗C306 ∗R301 10K ∗C309 18P C325 4.7 C320 2.2 TP943 49 PONR 48 R305 100 EJECT 73 P ON+5.0V 80 P ON+5.0V LCD PON V GND D GND 74 75 76 V GND NC 77 78 79 R864 100 TP941 31 ∗C336 1 C338 10 C340 1 C342 1 C343 1 C345 1 C346 1 C347 1 15 8 VREF VCC1 BYOUT RYOUT RYIN 4 3 2 BYIN 7 6 5 BDET GDET RDET BIN1 GIN1 RIN1 11 10 9 RIN2 14 13 12 21 BIN2 GIN2 16 V17 V18 BOUT BOUTDET GOUT 17 18 19 20 26 GOUTDET GND1 DVF VCC2 ROUT 22 23 24 25 ROUTDET VCOM VCC3 PWM VD 27 28 29 30 R924 10K C356 0.1 TP944 R313 R312 100 C354 2.2 R311 100 0.01 C353 0.01 R310 100 C357 10 34 41 NSYNC SYNCIN SCLCK 45 46 47 AFCDET VCO VCC4 42 43 44 NRGB LDET VDD GND2 38 39 40 VSYNC POL VSS 35 36 37 R307 3.3K C337 0.47 C341 10 R308 1M HD SCPOUT CSYNC 33 32 W872 W874 2 3 4 LED(G) LED(R) SUB LED GND 1 D11 A0 CE D9 D3 D10 D2 D0 D8 D1 OE D5 D4 D6 D7 A16 C348 1 C349 1 C350 1 C351 2.2 C355 2.2 OUT IN GND 0.1 C358 R306 10K 0.022 C344 0.022 C339 100 R309 C326 0.1 C324 0.022 7.5K R303 X300 3.576MHz ∗X301 4.4336MHz 100 R863 100 R865 0.01 C216 11 4 OUT1 VCC1 IN1 1 2 3 GND2 IN3 OUT3 12 14 13 GND1 OUT2 IN2 7 VS1 5 6 IN4 VCC2 VS2 OUT4 8 10 9 127 129 124 126 EXM+ EXM- RIM+ RIM- TP918 TP942 45 26 SW+18.5V/ SW5V 68 R G W401 R G B 121 122 A9 A8 A12 A11 A10 A15 A13 A14 A17 A2 A1 A5 A4 A3 A6 A7 R G B +B 2 3 4 5 2 3 5 4 R G B 35 46 57 52 C321 47K 3 2 1 VCC Y 4 5 GND A NC BLK 36 VB VG VR VCOM SW3.3V 100 R304 SDA SCL C352 IN1C IN1B CTLB IN2B GND2 VCC R 14 0.1 ∗C314 0.1 1 B C316 IN1A 15 16 1 12 12 13 ∗C315 10 G 1 C313 CP 10 11 C312 9 8 IN3B 7 SW1 GND1 IN2A 0.1 ∗W302 ∗C331 1 3 2 1 OUTA CTLA 16 1 IN1B IN1A ∗C329 1 5 4 ∗C330 OUTB GND1 13 14 15 0.1 1 6 ∗C328 CTLC OUTC 10 11 12 C334 SW2 OUT2 4 3 2 GND2 OUT1 VCC IN2B 7 6 5 IN3A SW3 OUT3 GND3 IN2A ∗W300 ∗C327 8 IN2C 0.1 9 ∗W301 31 P939 TP940 +7.5V DVDR DVDG DVDB Q400-402 X14-939x-xx (7/9) www. xiaoyu163. com QQ 376315150 9 9 2 8 9 4 2 9 8 TEL 13942296513 9 9 2 8 9 4 2 9 8 0 5 1 5 1 3 6 7 3 Q Q TEL 13942296513 QQ 376315150 892498299 TEL 13942296513 QQ 376315150 892498299 51 DDX7015/7025/7035 DDX7045/7065 AN AM AL AK AJ 22K 22K 47K 47K 47K 47K 47K 47K 47K 47K 47K 47K 47K 47K 22K 22K 22K 22K 22K 22K 22K 22K 2.2K 47K 47K 22K 22K 1.0V 0.8V 1.3V 1.0V 2.2V 2.2V 1.0V 1.0V 2.2V 3.3V 0V 1.0V 0.7V 14.4V 0V 4.2V 7.5V 0V 1.3V 0V 2.0V 0V V 5.0V 1.0V 2.2V 2.2V 1.0V 1.0V 2.2V 1.2V 0.6V 0.7V 0V 1.0V 1.0V 11.7V 14.4V 0V 14.2V 0V 1.0V 5.0V 3.3V 2.2V 5.0V 0V 8.0V 0.9V 2.2V 1.0V 1.0V 2.2V 1.3V 0.8V 0V 1.0V 1.0V 10.3V 14.4V 0V 5. 5.0 1.3V 0V 13.7V IC106 IC107 IC102 IC101 IC100 IC300 IC108 Q107 Q112 D804 Q10 D802 Q121 Q120 Q123 Q122 Q124 Q111 Q175 Q172 D115 Q118 Q119 D113 D114 Q174 Q173 Q170 Q110 D111 D110 D109 Q171 Q109 D108 Q103 Q102 Q101 Q117 Q105 Q100 Q106 AVR (SW2V) P ON CONTROL AVR (VIDEO 5V) AVR (VIDEO 7.5V) BU5V/ SW5V SW POWER FET (SW 14V) P ON CONTROL POWER FET (SW5V,MECHA.7V) (SW5V,MECHA.7V) AVR P ON CONTROL CONTROL P ON CONTROL P ON BU5V/ SW5V SW BU5V/ SW5V SW OSC SEL. (SW5V,MECHA.7V) OSC SEL. PANEL (SW3.3V, MECHA.7.5V) PANEL MECHA. AVR CONT. AVR ( (SW3.3V,PANEL MECHA.7.5V AVR 7.5V,BL8.5V) POWER FET (SW3.3V,PANELMECHA.7.5V) POWER FET ( 7.5V,MECHA.7V) BL8.5V CURRENT DET. OSC SEL. ( 7.5V,MECHA.7V) ) ACC DET DET PARK AVR (BU 5V) BU DET. AVR (BU 3.3V) 3V) ONT. 4 5 L108 3 C134 0.01 GND Y A NC 2 1 VCC R927 24K C918 22u6.3 R926 1.5K R925 12K C161 220u16 W115 1 C100 0.01 C102 0.01 R116 9.1K C922 0.1 C137 10 R140 200 W165 W164 GND VIN 2 3 TP100 C101 2200u16 R121 47K R168 TP112 R172 1K R165 47K R164 1K 1K 0.1 R147 6.2K VREF C142 1000P R146 30K C155 10 0.1 C300 W864 W865 C301 47u6.3 C302 0.1 TP945 10K R170 R171 56K R169 22K P944 0.01 0.1 C358 DT2 R154 2K 13K R153 1K R158 C156 1000P 0.1 C157 W163 10 R143 + W113 100K R162 +8.5V TP111 R161 1/2W 0.27 W863 R159 -7V C159 22u12.5 22u12.5 C160 6.2K + 10uH 56u10 C154 C152 R157 7.5K 0.1 47uH L105 R155 1K C141 10 W862 TP110 +7V TP108 L107 10uH L106 L100 0.047 C125 9.1K 33K R178 R102 R177 15K 100K 10 C136 R135 2.4K R124 CF104 L109 180 3 16 15 14 IN1- DT1 REG REF CS RT DT2 1 2 13 12 11 FB1 SEL 9 10 OUT1 VCC 6 IN2+ IN2- FB2 4 5 OUT2 GND 8 7 390P C135 R136 100K CF105 W886 9.1K 33K R176 R104 R175 15K W110 TP925 14 16 15 REF REG DT1 RT CS 2 1 4.02K R148 1K R156 470P C140 C138 470P R151 2.4K +7.5V W114 SW3.3V W112 1K R152 C158 0.1 C146 56u10 L102 47uH C153 2200P C162 C145 10 330u4 TP109 47uH L101 R149 6.2K MEC7V W111 R150 C165 C149 C144 56u10 1000P 0.1 1K L104 47uH 6800P C124 C133 10 100 R139 R134 4.7K R123 100K W885 CF101 C131 10 R133 R137 100 100K W884 CF100 11 13 12 SEL FB1 IN1- 9 10 OUT1 VCC 6 FB2 IN2+ IN2- 5 4 3 OUT2 GND 8 7 W105 4700P C123 9.1K 33K R174 R106 R173 15K C132 10 R132 5.1K R122 100K W882 CF103 14 15 16 DT1 REG REF RT CS 2 1 11 13 12 IN1- FB1 SEL 9 10 VCC OUT1 FB2 IN2+ DT2 IN2- 5 3 4 OUT2 GND 8 6 7 C139 470P SW5V W861 120u6.3 C148 C164 1000P 0.1 C143 L103 47uH C130 10 R131 R138 100 W881 100K CF102 W107 C108 0.022 C111 R109 4700P 4.7K 0.1 C120 0.1 C919 0.033 C117 4700P 4.3K C107 0.1 C121 C110 R108 C920 0.1 0.033 6800P 10K C106 0.1 C109 R107 C921 0.1 33 34 109 108 107 35 C151 TP105 IN GND OUT C105 0.1 0.1 C116 C103 0.1 C119 0.1 TP113 20K R160 W888 TP928 C104 0.1 C115 0.1 W109 VOUT VIN VC GND1 2 1 4 3 ADJ 5 3 2 1 D A C BLK VB VG VR VCOM C352 VCC B 5 1 C21 0.0 TP103 100 R11 T 47K R129 SW5V1 BU5V +B 81 54 BU3.3V R101 22K 22K R100 TP107 R111 R103 680 47K C112 1 W883 80 79 SW2V Q123,124 Q120,121 Q172,173 Q174,175 Q111 Q110 53 30 R G B Q107 Q108 IC103 IC104 55 69 1 2 3 4 8 7 5 6 8 7 6 5 4 3 2 1 8 7 6 5 4 3 2 1 8 7 6 5 4 3 2 1 + + + + + + + + X14-939x-xx (8/9) www. xiaoyu163. com QQ 376315150 9 9 2 8 9 4 2 9 8 TEL 13942296513 9 9 2 8 9 4 2 9 8 0 5 1 5 1 3 6 7 3 Q Q TEL 13942296513 QQ 376315150 892498299 TEL 13942296513 QQ 376315150 892498299 52 DDX7015/7025/7035 DDX7045/7065 AS AR AQ AP AO 1 2 3 4 5 6 7 22K 22K 1.0V 1.4V 0V 4.9V 5.0V 0V 5.0V 0V 3.3V 1.3V 5.0V 0V 14.1V 5.0V 0V 5.0V 5.0V 5.0V IC105 IC205 IC104 IC103 DDX7015/7025/7035/7045/7065 (1/4) C D Q115 D101 Q113 Q107 D803 D804 D801 D100 D105 D104 Q108 D106 D107 D802 CN904 CN101 CN803 D800 Q116 Q114 Q105 D102 Q104 D116 : MM1567AJBE IC650 2SA1576A Q113,120,122,300,361,362,400-402 : : M4A3212VI8TV1 IC770 2SC4081 DTC114TUA DTA114TUA DTC144EUA : Q121,170-175,652 Q107,114,116,123,124,360,701-703 Q705-707 Q704 : : : TA78L05F AK4382AVT UPC2905T NJM4580V ADV7170KSU IC703 IC702 : : IC652 IC651 IC701 : : : K6F1008V2CYF55 IC521 TC7SH00FU TC74VHCT08AFT MT48LC4M16T75I TC7SHU04FU ES6218SF : IC560 IC580 IC601 : : IC540,541 IC522 : : : 29LV160ATI7R1 IC520 : REMO BUFFER AVR (BU 5V) BU DET. BU DET. BU DET. AVR (BU 3.3V) FAN (12.8V) D100 D104,106,300 D102,105 1SR154-400 RD6.8M(B2) : : DAN202U : D107 MA3062-M : D108-113 EC31QS04 : SB05-05CP D114,115 : D301-303,501,702,862 DA204U : D701 DAP202U : D800-804,919-920 MA3062WA : D850-860,924 AVRM1608120M6A : D861 MA8062-M : D922,923 UMZ8.2N : : IC302 MM1389XFBE IC303 AN2546FH-AV : IC205 IC206 IC301 IC202,203 IC204 IC200 : TC7SH08F : : TDA4665T TC7W14FU : : 703068YGJ-108 LB1836M-TE-L ∗∗∗∗∗∗∗∗∗∗∗ : IC100-102 FA7703V IC105 IC108 IC107 IC106,306 IC104 IC103 : TC75W56FU : : : SI-3012KM TC7SH04FU M5237ML TA78DL05F : : : PQ1X331M2ZP NJU7200U30 IC305 : IC401 IC400 IC365 IC363,364 IC362 IC361 MB29LV8T9TN6R2 LC74735NW9817E TC7WH123FU : : : TC7W34FU NJW1303V TC7W00FU : : : IC304 MM1234XFBE : Q100-103,119,200,202,204,207 UN5212 : Q104,105 2SD1819A : Q106 HAT1038R : Q108 DTA124EUA : Q109,110 : HAT1016R Q111 : HAT3008R Q112 : 2SB1184 Q115 : 2SB1189 Q117 : DTC323TU Q650 : DTA144EUA : Q403 DTC143EUA : Q206 UN5113 : Q201,203,205 DTB123YK : Q118 2SB1218A GND LINE SIGNAL LINE B LINE B LINE VIDEO LINE TA78L05F : IC300 PST9142NR IC207 : D101 : RD16S TC7SHU04FU IC750 : 2/4 X34-A/3- CN450 2/4 X34-A/3- CN700 D116 MAZS784 : FAN S DATA C129 0.1 R130 R127 150K 1.3K R145 3.3K R166 R144 2.2K W104 R105 43K 150K R120 R119 25.5K C100 0.01 C102 0.01 R116 9.1K R126 22.1K R125 100K C122 C101 2200u16 R118 12K C114 0.47 R117 15K 1 R115 3.3K 1/2W R121 47K C800 100P 1K W800 R805 100 R803 1K 1K +B 24 26 GND GND +B 25 23 18 22 20 REMO PARK ACC M CLK A MUTE RESET 19 21 17 2 1 TP106 C150 2.2 R141 R142 TP104 R809 100 R808 100 R807 100 R806 100 R810 100 R811 75 R812 75 R814 75 R813 75 10 VGND 12 14 16 M REQ M DATA SYS ON SYNC VGND S REQ 13 15 11 9 4 6 8 G B R AGND VGND DVD COMP 7 5 3 2 DMIX R DMIX L 1 2 1 33 34 109 108 107 35 R802 VIDEO B G R COMP L R SPDIF 7 6 5 8 BOUT BIN- BIN+ VCC AIN- AIN+ VSS AOUT 2 3 4 1 2.7K 10K 27K VCC B 5 A 1 2 C210 0.01 3 4 Y GND 5 1 0.1 C126 VO VIN C128 10 C113 0.1 TP103 W860 4 3 2 GND VC NR 100K R114 220u16 36K R113 51K R112 10 C127 R110 36K C118 OUT W859 IN GND TP102 R801 81 R101 22K 22K R100 TP101 IC103 IC104 Q113-116 + + CAUTION : For continued safety, replace safety critical components only with manufacturer’s recommended parts (refer to parts list). Indicates safety critical components. To reduce the risk of electric shock, leakage-current or resistance measurements shall be carried out (exposed parts are acceptably insulated from the supply circuit) before the appliance is returned to the customer. • DC voltages are as measured with a high impedance voltmeter. Values may vary slightly due to variations between individual instruments or/and units. X14-939x-xx (9/9) 2SB1565 DTA123JK DTA144EUA DTB123YK DTC114YUA DTC143TUA UN5114 UN5214 2SA1576A 2SB1218A 2SB709A 2SD1819A 2SB1188 2SB1184 2SB1443 DTC323TU 2SC4081 DTA114EUA DTA114TUA DTA124EUA DTA143EUA DTC114EUA DTC124EUA DTC143EUA DTC144EUA UMC2N NJM4565M-TE2 TA75W558FU TC7W00FU DAN202U TA78L05F DAP202U DA204U MA142WA UN5212 VIN VREF GND www. xiaoyu163. com QQ 376315150 9 9 2 8 9 4 2 9 8 TEL 13942296513 9 9 2 8 9 4 2 9 8 0 5 1 5 1 3 6 7 3 Q Q TEL 13942296513 QQ 376315150 892498299 TEL 13942296513 QQ 376315150 892498299 53 DDX7015/7025/7035 DDX7045/7065 AT AU AV AW AX 1 2 3 4 5 6 7 4.7K 4.7K 4.7K 4.7K 4.7K 4.7K 10K 10K 2.2K 47K 10K 10K 22K 22K 47K 10K 47K 10K 1.3V 0V 13.5V 0V 13.5V 1.3V 0V 8.8V 0V 0V 0V 0V 0V 13.9V 5.1V 5.1V 5.1V 0V 13.9V (X34-316x-xx) (A/3) ELECTRIC UNIT IC1 IC3 IC250 D E J1 D5 Q NOI DE D451 D452 Q606 Q605 Q604 Q602 Q601 Q600 Q603 D602 PRE OUT MUTE CN601 CN450 CN1 CN700 D709 Q705 J701 D710 D603 Q607 CN7 AVR(A9V) Q4 (A9V) SW Q6 AVR(AUDIO 8.4V) AVR(AUDIO 5V) (V5V) SW SW(V5V) Q5 Q10 Q19 SW TION SW ILLUMINA- D6 P-CONT Q20 ∗ B D9 D7 Q23 P-ANT D10 Q25 Q21 Q24 Q22 D8 Q8 AVR (SW14V) SW(SW5V) SW(BU5V) EXT-AMP D13 D12 Q27 SW D1 Q9 Q2 Q1 Q3 D11 (SW5V) AVR Q26 DET. BU ANT-CONT SW POWER IC AUDIO D250 PRE OUT SPD IF 1/4 CN803 X14- 3/4 X34-(B/3) CN3 to DC CORD 4 3 1 2 FL+ RL+ FL- RR- RL- FR- FR+ RR+ REAR Lch- REAR Lch+ FRONT Lch+ FRONT Lch- REAR Rch+ REAR Rch- FRONT Rch+ FRONT Rch- 16 15 14 13 7 8 6 5 P-CON P-ANT GND L2 B.U. FUSE 10 12 11 9 EXT AMP L-MUTE ILLUM 3900u16 C23 0.01 C21 0.01 C22 + 10 15 14 14 2 135 C451 + 12 R453 2.2u50 R R611 C605 10u16 FL 360 FL FR + C603 10u16 C604 10u16 R607 360 R608 360 RL Q600-606 + R603 C601 C602 10u16 10u16 RR + NFL RR 360 360 R604 NFL 10u16 C600 NFR 360 R600 22K R601 22K R602 22K R605 22K R606 22K R609 22K R610 6 RR RR RL NFL 1 NF R 4 RL 2 3 GND NF L 5 GND FL FR 7 FL 9 FR 8 GND Q300 4.7K R918 4.7K R919 7 17 ACC 10K R31 1K R30 1 2 D MIX R 1 2 3 4 5 6 +B GND +B GND +B GND 4 3 2 1 2 1 R751 1K 15P C716 0.1 C715 390 R749 10 R752 R750 1.5K 180 R613 180 R614 180 R615 180 R626 180 R627 180 R628 1000P C629 1000P C627 1000P C635 1000P C634 NFR NFR 4.7K R920 4.7K R921 BU5V 4 49 50 48 A9V 46 47 45 A9V A9V A9V 134 220u10 R5 220 GND 2 R8 4.3K C7 VREF 3 VIN R7 24K R6 15K 1 C6 1 GND + 2 220 R15 VIN 3 VREF R18 5.1K + C11 220u10 R17 15K 1 15K R16 C10 1 V5V A9V R32 4.7K SW5V Q21,22,24,25 Q20 560 4.7K R39 R38 4.7K 1/2W R35 1K ∗W33 22K R40 C27 3.3u50 1K 1/2W 22K R34 R36 C25 0.1 + C26 1 W1 R45 C24 1 54 560 R46 47K 34 C29 0.01 100K R33 1K R47 R50 100K 0.047F5.5 C4 100u10 C3 220u16 100 C1 0.047 4 C2 10u16 C5 + + R1 + R2 22K + 2.2K R3 22K R4 C28 0.01 R44 22K R41 10K 22K R42 1W R37 35 33 57 14 10 15 BU5V 100K R43 62 W251 MUTE TH250 R257 52 61 49 C256 IN4 OUT1+ OUT1- OUT2+ OUT2- 6 2 RL+ RL- 4 FL 10 FL- FL+ 8 0.47u50 IN1 12 PWGND1 3 PWGND2 1 VCC2 STBY 7 5 47K C252 1 R254 11 9 RIP 13 IN2 C258 22u16 C254 0.47u50 OUT4+ OUT4- OUT3+ SGND OUT3- RR- RR RR+ 0.47u50 IN3 16 14 C257 18 FR- FR+ 22 20 24 17 1u50 3.6K 15 ACGND 0.47u50 C255 1u50 C250 10 R258 PWGND3 19 VCC1 21 W454 R256 C251 150K R259 470 330 OFFSETDET 26 25 PWGND4 23 27 0.47 C253 W252 6.8K R255 RL FR FR RL SW5V SW5V V5V A9V L300 4.7uH 49,52,61 C643 0.01 1000P 1000P C631 C633 + + + + + + X34-316x-xx A,C/3 (1/5) www. xiaoyu163. com QQ 376315150 9 9 2 8 9 4 2 9 8 TEL 13942296513 9 9 2 8 9 4 2 9 8 0 5 1 5 1 3 6 7 3 Q Q TEL 13942296513 QQ 376315150 892498299 TEL 13942296513 QQ 376315150 892498299 54 DDX7015/7025/7035 DDX7045/7065 AY AZ BA BB BC 22K 22K 22K 22K 22K 22K 22K 22K 22K 22K 22K 22K 4.2V 4.2V 4.2V 4.2V 4.2V 5.2V 3.7V 4.3V 4.2V 0V 0V 3.9V 3.7V 1.5V 2.7V 5.2V 0V 4.3V 5.2V 5.2V 0V 0V 5.2V 2.1V 1.9V 1.9V 0V 2.1V 5.2V 0V 4.7V 0V 8.3V 0V 4.7V 4.7V 4.7V 4.7V 4.7V 4.7V 8.3V 4.7V 0V 4.7V 4.7V 4.7V 8.3V 0V 4.7V 4.7V 8.3V 4. 1.9V 1.9V 2.1V 2.1V 4.3V 8.2V 5.3V 0V 5.2V 5.2V 5.2V IC301 IC452 IC450 IC451 IC550 IC554 IC453 F G C ELECTRICAL VOL. SELECTOR FM MPX Q300 ∗ A Q301 NOISE DET. SW S-MUTE SW 1 2 D457 D462 Q460 D454 D453 & 6dB AMP 75 DRIVER D456 D455 Q551 Q552 Q553 Q554 4ch MPX 4ch MPX C VOLTAGE SHIFT (5V 8V) P1 450 RESET INV. RESET SW J450 CN9 ∗ E (X34-316x-xx) (A/3) (C/3) 3/4 X34-(B/3) CN8 P2 to DC CORD 1/4 CN904 X14- (BOTTOM VIEW) 11 10 9 8 7 6 5 4 3 2 1 44 43 42 41 40 39 38 37 36 35 34 23 24 25 26 27 28 29 30 31 32 33 12 13 14 15 16 17 18 19 20 21 22 MPX WINTC2 DCERR WININ WINTC1 CDCHL CDCHC CDCHR AUXR AUXC AUXL CDL CDR MDR MDL CREF SUBL SUBR ACOUTR ACOUTL ACIN0L ACIN0R OUTRR OUTRF OUTLF GND VS ACIN3L ACIN3R ACIN2R ACIN2L ACIN1L ACIN1R LEVEL MPIN MPOUT QUAL AFS MUTE SDA SCL FREER FREEL OUTLR 3.3u50 C320 + 3.3u50 C323 + 10K R304 1 C319 2.2K R305 220P C317 0.47 C318 2.7K R303 R G L 2 1 3 0.1 C313 2.2K R306 0.1 C309 NFL NFR 10 11 14 4.7K R300 2 135 4.7K R301 RL FL FR RR C327 1 33 32 C326 1 2.2u50 + C334 C330 1 C332 2.2 42 44 41 C333 2.2 43 C331 1 39 C335 1 38 C336 1 37 36 2.2u50 C450 + 12 R452 C451 + 12 R453 + C452 47u16 R454 4.7 2.2u50 L R G R G B 10 48 47 45 81 28 46 27 1 C464 5 Y VCC 0.1 4 A 2 NC 3 GND 10K R470 0.1 C465 5 6 7 8 BOUT BSAG V+ BIN 4 3 2 1 AOUT ASAG GND AIN 220u6.3 C454 + 220u6.3 C456 + 10u16 C453 + G R 330u6.3 C461 B 7 8 BIN V+ GND 1 AIN 2 BSAG 5 6 BOUT 3 4 ASAG AOUT 220u6.3 C459 + + 1 2 3 4 5 6 7 8 Y0 Y2 YCOM Y3 Y1 INH VEE VSS 16 15 14 13 12 11 10 9 VDD X2 X1 XCOM X0 X3 A B 7 15 2 X0 Y1 INH 6 7 VEE VSS 8 B A 9 X3 11 10 YCOM Y2 Y3 3 5 4 XCOM X1 X2 13 12 14 Y0 1 VDD 16 44 42 13 6 10K R551 10K R550 8 10K R552 9 R553 10K 0.01 C954 10u16 C555 + C960 0.01 1 1 10K R471 40 75 R460 75 R466 75 R456 0.1 C462 0.01 C458 75 R457 0.1 C457 0.1 C460 0.01 C463 IC450,451 0.1 C455 B 10 R G Q300 13 11 7 0.01 C322 17 41 75 R455 Q551-544 34 35 1 2 3 4 5 6 7 8 9 10 11 12 13 14 15 16 17 18 19 20 21 22 23 24 25 26 A GND V GND D MIX R D MIX L DVD COMP REMO M REQ SYNC V GND S REQ V GND R G B SYS ON A MUTE RESET M CLK M DATA S DATA PARK ACC +B GND +B GND 1K R467 8 7 6 5 4 3 2 1 GND PARK REMO +B R468 1K 1K R469 3 2 1 GND A B 4 5 Y VCC 47K ∗W450 22K R177 0.01 C466 1K R178 37 44 46 47 45 A9V A9V A9V 40 42 43 41 GND GND GND 39 38 GND GND GND GND 33 V5V 35 36 34 V5V V5V 32 30 31 V5V VGND VGND 26 GND 28 29 27 VGND VGND 24 25 23 A R A L GND LX REQ M 33 19 AC NL 21 22 20 AC NR GND GND 17 18 16 AC RR GND GND 12 GND 14 15 13 AC RL AC FR GND 10 11 9 GND AC FL SDA MZ BUS OFF MZ BUS ON MZ ILL ON BUS MUTE ES DISP SW MZ-BUS- 7 8 5 6 SCL 3 4 2 MZ BUS+ 1 47 MUTE ACOUT DET MUTE MUTE LEFT MUTE RIGHT 48 50 49 40 TV MREQ ISO-VREF TV MDATA TV SDATA TV SREQ 44 46 45 43 41 42 LX REQ S LX DATA M LX DATA S 36 37 39 38 TV CLK TV CON 35 34 LX CLK 26 NAVI TX LX MUTE X14RESET RGB SW NAVI RX 29 30 32 31 LX RST LX CON 28 27 29 37 36 28 34 33 35 32 29 28 C310 47u16 + 66 65 63 64 67 4 3 1 2 109 16 17 96 42 101 100 43 44 107 108 95 116 110 115 118 117 112 111 V5V W450 0-10 0-71 0-21 2-71 3-21 3-01 UNIT DDX7065 DDX7045 C R DDX7025 DDX7045 DDX7035 DDX7015 MODEL NAME E X M K YES YES NO NO NO NO C YES NO YES YES A No. YES YES NO YES YES YES YES NO B E W02-3463-05 W02-3463-05 NO YES W02-3464-05 W02-3463-05 W02-3463-05 W02-3464-05 YES NO YES YES D A1 YES NO R159 NO YES NO YES YES YES YES NO NO NO NO R155 YES L205 YES YES NO YES NO NO YES NO NO NO NO YES R163 YES YES YES NO W33 NO NO NO NO NO YES 3 6,8,9,13 1 R450 47K R302 105 R156 R164 R160 YES YES YES NO NO NO YES YES YES NO NO NO NO NO YES NO YES NO X34-316x-xx A,C/3 (2/5) www. xiaoyu163. com QQ 376315150 9 9 2 8 9 4 2 9 8 TEL 13942296513 9 9 2 8 9 4 2 9 8 0 5 1 5 1 3 6 7 3 Q Q TEL 13942296513 QQ 376315150 892498299 TEL 13942296513 QQ 376315150 892498299 55 DDX7015/7025/7035 DDX7045/7065 BH BG BF BE BD 22K 22K 22K 10K 10K 22K 22K 8.3V 0V 4.7V 4.7V 8.3V 4.7V 1.9V 0V 1.9V 0V 5.2V 0V 2.2V 0V 5.1V 1.9V 0V 2.8V 1.2V 5.1V 2.8V 0V 2.9V 5.7V 8.5V 1.4V 0V 2.3V 0V 2.2V 2.0V 2.9V 0V 5.2V 5.2V 5.2V 4.7V 4.7V 4.7V 8.3V 4.7V 4.7V 5.2V 0V 4.4V 2.6V 5.1V 0V 2.6V 5V 0V 6V 0V -0.8V 0V 5V 5V 0V IC553 IC555 IC900 IC551 IC552 IC600 (X34-) (C/3) IC200 G D557 D551 D552 D550 D553 D556 D554 75 DRIVER & VIDEO SW W200 ANT. Q201 Q200 D200 SW (AM AVR) CN201 S03 F/E CN200 CANCEL NOISE Q905 D901 Q904 Q906 D555 SW VIDEO SYNC SEP. 2 1 D1,12 : MA8056-M D5 : RM10ZLF D6,7,9,10 : 1SR154-400 D8,250,602,603,605,610 : DAP202U D11 : MA8068-M D13 : MA8047-M D200 : IMSA-6801 D452,606 : RD6.8MW D451,607 : MA8062-M D457,604,702 : MA3062WA D453-456,550-557,710 : DA204U D462,901 : DAN202U D709 : AVRM1608270MAA IC1,3 : M5237ML IC100 : HD74HC02FP-E IC101 : S-80842CNNB IC103 : 703069YGJ-104 IC200 : TDA7479D IC250 : TB2903H IC301 : E-TDA7414 IC600 : BA3121F IC453 : TC7SH08FU IC450,451 : NJM2267V IC452 : TC7SH14FU IC550,554 : TC4052BFT IC551 : MM1503 IC552 : MM1108XFFE IC553 : BA7652AF IC555 : BA7612F IC900 : NJM4565M-TE2 ∗ C P1 DTC124EUA DTC114EUA DTA114EUA 2SB1188(Q,R) DTC114YUA DTC144EUA DTA124EUA : Q600-602,604-606,608,610 Q704 Q705 Q712 Q300 UMA2N 2SC3437 : : DTC143TU 2SD1819A : : : Q19,200,301,551-554 Q100,460,609,713,906 Q20,21 Q23,24,201 Q22 Q27 Q3,25,603,607 Q4,5,8 Q6,10 Q9,905 DTA123JK : : : : UMC2N 2SB1565 2SA1576A : : : : : Q1,26,904 Q2 2SC4081 2SB1443 : : IC705 HA12187FP : AMP (AV IN) ISOLATION CN5 ∗A1 RDS DECODER IC ∗ D OP AMP (NOISE CANCEL) 3/4 CN10 X34-(B/3) P2 F/E 1 2 3 4 IN1 CTL1 IN2 CTL2 8 7 6 5 GND OUT VCC IN3 15 X0 B A 9 X3 11 10 M X1 X2 13 12 14 DD 16 43 9 R553 10K 1 6 3 IN2 CTLB 4 GND IN3 5 VOUT CTLA IN1 2 1 VCC 7 8 19 18 0.01 C550 20 21 470u6.3 + C606 2.2 C556 C559 1 C551 1 2.2 C554 C558 1 2.2 C561 IC553,555 47u6.3 C553 C560 0.1 + 10uH L551 100u16 C202 1 COM+B OSCGND OSCGND OSCGND AMANT FMANT RFGND OSCGND L203 100u16 127 R200 22K L204 11 12 4.7uH 7 8 AM+B NC 10 9 Q200,201 C205 5 6 + 100u16 C204 2 VT 4 NC 3 + AMIFOUT SMETER 8 VDD5V 4.7uH L202 11 12 SDA IFC 84 136 100u16 C203 10 SCL 9 D GND 86 + 4 4.7uH L201 5 6 NC AUDIO 7 NC L200 4.7uH 2 IF1+B 3 + IF1GND 1 Q904-906 R913 10K C902 0.022 C906 1000P 82K C904 6P BIN- AIN+ R908 10K AOUT AIN- 4 3 V+ BOUT 5 6 15K V- 2 1 82P 470P BIN+ 7 8 R904 10K R905 C912 1000P C913 220P R911 5.6K R909 R912 10K C907 C910 R907 100K C905 2200P C909 6800P W900 R910 10K C908 1500P R916 2.7K 10K 120P C911 R915 C914 18P R914 33K C915 1000P C916 220P R917 2.2K 7 13 0.01 C216 0.01 C215 0.01 C214 0.01 C213 1K R202 11 1K R203 C570 VCC IN2 OUT SW 3 2 1 GND IN1 4 5 6 330K R563 560P C562 0.01 LPF VCO VCC 4 3 2 1 SC VIN 5 6 GND 7 8 VSYNC HSYNC 560P C572 0.01 C574 120 1 C571 560 R562 0.01 C569 0.01 C566 10K R564 133 26 NAVI TX X14RESET RGB SW NAVI RX 29 28 27 22 G 23 25 24 REMO GND R 19 21 20 NAVI V B GND NAVI GND 15 GND 16 18 17 GND TV V GND 12 14 13 NANI L NAVI R 8 GND 9 11 10 GND GND TV R 5 7 6 GND TV L GND GND 2 1 4 3 LX R GND LX L 10K R906 3 1 2 7 1 V5V B G R 95 112 111 114 GND 10 AVIN2V 9 7 R622 75 C613 0.01 1 C622 10u16 + 22u16 C615 47u10 4.7 + C614 4.7u50 C616 R624 10 R625 VCC VM1 AOUT 8 BOUT 6 1 2 3 7 BU5V A9V 4 5 1 2 3 IF1GND AMIFOUT AUDIO IF1+B SMETER 23 24 20 19 21 22 AMIFOUT IF1GND AUDIO IF1+B SMETER SW5V X200 16 QUAL 11 6 4.7uH ∗L205 GND FILOUT ARI 7 8 10 9 EXTRES TM FSEL C211 330P 4 MPX OSEL 10u16 C217 + 5 13 12 OSCIN VCC RDDA VREF 3 2 15 RDCL T57 OSCOUT 14 R205 1 R204 2.2K 2.2K R201 10u16 + C212 0.01 C218 4.332MHz C201 10P 10P C200 2.2K 123 124 125 142 C552 0.01 X34-316x-xx A,C/3 (3/5) www. xiaoyu163. com QQ 376315150 9 9 2 8 9 4 2 9 8 TEL 13942296513 9 9 2 8 9 4 2 9 8 0 5 1 5 1 3 6 7 3 Q Q TEL 13942296513 QQ 376315150 892498299 TEL 13942296513 QQ 376315150 892498299 56 DDX7015/7025/7035 DDX7045/7065 BI BJ BK BL BM 22K 22K 47K 47K 22K 22K 4.7K 4.7K 22K 22K 5.2V 0V 0V 5.2V 5.1V 0V 3.4V 5.2V 0V 5.1V 5.2V 0V 5.1V 5.2V 5.2V 5.2V 0V 5 0 OPERATIO 0V 5V 0V 5V OPERATION: 5.1V TUNER: 0V 5V OPERATION: OPERATION: 5V 0V OPERATION: 5V 0V 5V 0V 0V 5V 18.874MHz 3.4V 0.2V 2.5V 0.7V 18.874MHz 0V 5V OPERATION: 5V 0V OPERATION: OPER 0V 5.2V 5.2V 5.2V 0V 0V 0V 0V 5.2V 5.1V 5.2V 0V 0V 0V 0V 0V 0V 5.1V 0V 4.7V 4.7V 0V 8.3V 4.7V 4.7V 4.7V 0V 0V 0V 0V 0V 5.2V 0V 3.6V 5.1V 5.1V 5.1V IC103 IC100 IC101 IC705 RESET IC Q100 S-MUTE SW TUNER MICROCONTROLLER CN100 Q712 Q713 CN600 Q609 D605 D610 D606 D607 Q610 AV OUT MUTE Q608 D604 1 2 CN4 Q704 D702 AUDIO MUTE. CONTROL GND LINE SIGNAL LINE B LINE VIDEO LINE AV OUT NC 36 35 34 33 32 31 30 29 28 27 26 25 24 23 22 21 20 19 18 17 16 15 14 13 12 73 74 75 76 77 78 79 80 81 82 83 84 85 86 87 88 89 90 91 92 93 94 95 96 97 98 37 38 39 40 41 42 43 44 45 46 47 48 49 50 51 52 53 54 55 56 57 58 59 60 61 62 63 64 65 66 67 68 69 70 71 72 CLKOUT ANT CONT EXT CONT P CON NC NC NC NC SYS SREQ SYS MREQ NC MUTE SUBOUT NC MUTE AVOUT PORTVDD0 VISUAL SW2 2 VISUAL SW2 1 VISUAL SW1 2 VISUAL SW1 1 MUTE RIGHT MUTE LEFT RDS AFS M RDS AFS L AUDIO SW1 A S MUTE X1 X2 NC NC NC NC NC NC SYS MUTE NC NC TUN SDA NC TUN SCL NC NC MZ BUS STBY MZ IERX MZ IELX PORTGND1 NC NC RGB SW TV SREQ NC NC GND0 CPUREG VDD0 RESET MODE/VPP TV SDATA TV MDATA TV CLK SYS ON SYS MDATA SYS SDATA SYS MCLK PWIC STBY NC PWIC SVR PWIC MUTE NC ILLUMI DET NC NC BU DET NC NC PORTVDD1 PWIC BEEP P ON SCL SDA ES DSP SW BUS MUTE MZ ILL ON MZ SYSON MZ SYSOFF XT2 XT1 GND2 1 2 3 4 5 6 7 Y1 A1 B1 Y2 A2 B2 GND 14 13 12 11 10 9 8 VCC Y4 B4 A4 Y3 B3 A3 VDD NC 1 2 OUT VSS 4 3 0.01 C101 100K R100 0.1 X100 18.874MHz C106 10P 51 R114 10P C107 4.7K R118 100 R117 84 R115 100K 100 R119 86 4.7K R120 96 100 R173 95 R135 41 42 R104 100K 43 44 R105 100K 45 46 R106 100K 47 48 R131 10K W102 49 52 54 61 63 64 13 14 1K R126 22K R125 18 19 20 21 28 27 34 33 23 R116 100K 35 7 K 10uH L100 TV MDATA TV CLK TV SDATA 4 3 7 6 5 GND TEST 2 1 RESET BU5V 0.1 C100 43 41 42 44 R109 100 R108 100 R107 100 43 44 42 10K R102 C111 1 40 0.01 C104 330u63 C105 + 89 90 91 R123 47K R122 1K R124 1K R121 1K 68 69 66 R701 22K 100K R171 100 R170 100 R103 100K 10K R101 65 R112 100 R113 100 16 17 GND 10 AVOUTR 3 6 AVIN2L AVIN2GND AVIN2R AVIN2V 7 8 9 AVOUTV GND 4 5 AVOUTL GND 1 2 + C611 10u16 C607 10u16 + 7 + C644 4.7K 22u16 C615 + 0.01 R629 39 R621 360 38 R616 360 2200P 22K R618 C609 47u10 4.7 + 43 C614 4.7u50 + R624 10 4.7u50 C612 + 10 R623 2200P 22K C610 R619 R620 100 R612 Q608-610 R617 100 VCC VM1 AOUT 8 BIN VM2 BOUT AIN GND 6 5 2 3 4 7 2 4 5 6 3 NC AMIFOUT AUDIO SMETER 20 19 21 AMIFOUT NC AUDIO SMETER 9 6 7 8 4 1 2 3 5 9 10 11 12 7 8 10 11 SDA SCL D GND NC VDD5V COM+B IFC 15 14 16 18 17 12 13 OSCGND NC VT OSCGND OSCGND FM+B AM+B OSCGND AMANT 7 8 10 9 3 6 5 4 SCL D GND NC VDD5V COM+B SDA IFC OSCGND VT NC OSCGND OSCGND NC AM+B OSCGND AMANT 11 12 FMANT RFGND 1 FMANT RFGND 142 5 6 7 8 90 ROUT 68 69 GND S2 4 3 BUS- BUS+ S1 91 2 1 VCC STB 89 22 100 L700 10uH R747 22 R748 1 2 0.01 C714 R746 3 4 R146 R127 BU5V C102 57 SW5V 57 23 1-4 1 62 57 81 17 1 W104 W105 W106 W107 W103 0.01 C108 67 100 R172 X34-316x-xx A,C/3 (4/5) www. xiaoyu163. com QQ 376315150 9 9 2 8 9 4 2 9 8 TEL 13942296513 9 9 2 8 9 4 2 9 8 0 5 1 5 1 3 6 7 3 Q Q TEL 13942296513 QQ 376315150 892498299 TEL 13942296513 QQ 376315150 892498299 57 DDX7015/7025/7035 DDX7045/7065 BR BQ BP BO BN 1 2 3 4 5 6 7 3.6V 1.7V 0V 0V 5.1V 5.1V 0V 5.2V 0V 5.3V 5.2V 5.2V 0V 0V 0V 0V 0V 0V 0V 0V 5.1V FM RECEIVE: 0V 5V 0V OPERATION: 0V 5V RATION: OPERATION: 0V 5V 5.1V TV CONNECT: 0V LX OPERATION: 5V 5V 0V LX OPERATION: LX OPERATION: 5V 0V 0V LX OPERATION: LX OPERATION: 5.14V 0V 5V AM SELECT: 5.1V 4.9V FM RECEIVE: 5.2V 5.1V 0V 5.1V DDX7015/7025/7035/7045/7065 (2/4) R NC 13 12 11 10 9 8 7 6 5 4 3 2 1 144 143 142 141 140 139 138 137 136 135 134 133 132 131 130 129 128 127 126 125 124 123 122 121 120 119 118 117 116 115 114 113 112 111 110 109 95 96 97 98 99 100 101 102 103 104 105 106 107 108 AUDIO SW1 A S MUTE AUD SDA AUD SCL AUDIO SW2 B AUDIO SW2 A MUTE PRE AUDIO SW1 B PORTGND0 LINE MUTE DC ERR RDS NOISE NC ADCGND ADCVDD NC(NOISE2) NC TYPE 3 TYPE 2 TYPE 1 TYPE 0 TUN IFC OUT TUN SMETER MUTE SW VSYNC SW WRT E2P GND1 TUN TYPE1 TUN TYPE0 VDD1 PON AM NC RDS CLK RDS QUAL RDS DATA NC NC VSYNC DET NC LX CON LX MUTE LX RST LX REQ M REMO NC NAVI TX NAVI RX LX REQ S LX CLK RGB SW TV SREQ NC NC NC TV MREQ TV CON PORTVDD2 NC NC MUTE ACOUT NC LX DATA S LX DATA M 0.01 C110 R148 10K R139 100K ∗R155 10K ∗R159 10K ∗R163 10K 135 133 136 100K R150 R157 10K R161 10K 127 125 124 123 120 118 117 116 115 114 112 111 110 109 96 100 R173 95 100 100 R174 101 100 R175 100 R132 107 108 100 R136 R135 100K R134 100K 0.01 C109 2 3 4 6 7 8 9 100 R130 10 100 R128 11 13 1K 100K R110 L101 100K R140 100K R141 100K R142 134 10K 10K 100K R133 105 22K R144 100K R143 100K R137 100K R145 100 R147 R146 2.2K R129 R127 142 R138 100K ∗R156 10K ∗R160 10K ∗R164 10K CAUTION : For continued safety, replace safety critical compo- nents only with manufacturer’s recommended parts (refer to parts list). Indicates safety critical components. To reduce the risk of electric shock, leakage-current or resistance measurements shall be carried out (exposed parts are acceptably insulated from the supply circuit) before the appliance is returned to the cus- tomer. • DC voltages are as measured with a high impedance voltme- ter. Values may vary slightly due to variations between indi- vidual instruments or/and units. X34-316x-xx A,C/3 (5/5) RD6.8M BA3129F TC7SH04FU TC7SH08FU BA3121F M5237ML PST9142NR TC7SHU04FU MCH6101-E BA7612F NJM4580V TC7WH123FU NJM2107F TDA7479D HA12187FP www. xiaoyu163. com QQ 376315150 9 9 2 8 9 4 2 9 8 TEL 13942296513 9 9 2 8 9 4 2 9 8 0 5 1 5 1 3 6 7 3 Q Q TEL 13942296513 QQ 376315150 892498299 TEL 13942296513 QQ 376315150 892498299 58 DDX7015/7025/7035 DDX7045/7065 BS BT BU BV BW 1 2 3 4 5 6 7 2.2K 2.2K 22K 22K 22K 22K 47K 47K 0V 0V 5.2V 8.3V 0V 0V 4.3V 5.2V 5.2V 0V 5.2V 1.6V 0.9V 0V 0.9V 0V 0.9V 0V 1.9V 8.3V 8.3V 0V 8.3V 0V 8.3V 8.3V 8.3V 0V 0V 4.2V 8.3V 4.2V 0V 4.8V 4.8V 5.2V 5.2V IC300 IC400 IC501 IC700 IC703 IC701 IC704 IC702 F ELECTRIC UNIT (X34-316x-xx) (B/3) E DIGITAL PROCESSOR AUDIO LOGIC IC D400 J400 D413 D408 D406 D407 RGB SW (TV/NAVI) D511 D510 D509 ∗ A CN8 CN10 D707 J700 D704 D703 D705 D700 D701 D711 D706 CN3 Q706 Q703 Q702 Q707 D712 D708 Q700 2/4 CN7 X34-316-A/3 MZ-BUS 2/4 CN1 (A/3) X34- ISO SW SW ISO 1/2 VCC to NAVIGATIO to DSP UNIT 14 13 12 11 10 9 8 7 6 5 4 3 2 1 HRRO HRLO OREF HFRO HFLO AXOL AXOR CL2 CL1 CR2 CR1 MUTE AXIR AXIL 15 16 17 18 19 20 21 22 23 24 25 26 27 28 HRR2 HRR1 HRL2 HRL1 HFR2 HFR1 HFL2 HFL1 CREF AGND DGND SCL SDA VCC 14 13 0.33 C301 0.33 C303 0.33 C305 0.33 C307 0.33 C300 0.33 C302 0.33 C304 0.33 C306 9 8 1u50 + C312 0.01 C316 C321 47u16 + C315 0.1 C314 0.1 C311 0.1 C308 0.1 11 Y GND 4 8 VCC A B 3 2 1 4 5 2 R400 1K 3 1 6 7 5 R404 75 R403 75 R402 75 R401 75 NR NG G OUT2 B ∗W ∗W IN3A OUT3 SW3 6 7 8 ∗W502 R 28 + C509 47u6.3 OUT1 GND 3 4 5 SW1 2 IN1B 1 10uH C510 0.01 L500 37 44 49 50 48 A9V 46 47 45 A9V A9V A9V 40 42 43 41 GND GND GND 39 38 GND GND GND GND 33 V5V 35 36 34 V5V V5V 32 30 31 V5V VGND VGND 26 GND 28 29 27 VGND VGND 24 25 23 A R A L GND 19 AC NL 21 22 20 AC NR GND GND 17 18 16 AC RR GND GND 12 GND 14 15 13 AC RL AC FR GND 10 11 9 GND AC FL SDA MZ BUS OFF MZ BUS ON MZ ILL ON BUS MUTE ES DISP SW MZ-BUS- 7 8 5 6 SCL 3 4 2 MZ BUS+ 1 47 MUTE ACOUT DET MUTE MUTE LEFT MUTE RIGHT 48 50 49 40 TV MREQ ISO-VREF+ TV MDATA TV SDATA TV SREQ 44 46 45 43 41 42 39 38 TV CLK TV CON 7 6 5 4 3 2 1 VEE SW1 OUT1 BIN1- BIN1+ AIN1- AIN1+ 8 9 10 11 12 13 14 VCC SW2 OUT2 BIN2- BIN2+ AIN2- AIN2+ 4 3 2 1 V- AIN+ AIN- AOUT 5 6 7 8 BIN+ BIN- BOUT V+ C340 1 1 C329 R731 4.7K R733 4.7K 4.7K 47K 4.7K 4.7K 47K R739 10K R740 10K 4.7K R716 4.7K R715 R717 R724 R714 R723 R732 4.7K 4.7 R744 100u16 + C709 R734 BOUT 11 1 R720 4.7K C339 10 9 8 SW2 VCC OUT2 R737 4.7K 4.7K R738 R721 47K 4.7K R722 13 12 BIN2- AIN2- BIN2+ 14 AIN2+ BIN- 5 BIN+ 6 V+ 8 7 4 OUT1 SW1 VEE 6 7 5 C328 1 4.7K R719 R725 R736 R735 4.7K 4.7K 1 AIN1- BIN1+ BIN1- 3 2 AIN1+ 4.7K AIN+ 4 V- 3 AOUT AIN- 1 2 47K R718 R742 10K 4.7 R745 100u16 C710 + 10K R741 0.1 C712 C718 0.1 0.1 0.01 C717 C711 11 13 14 R/L F/L FRG 16 AUD R AUD G AUD L 17 18 F&R G 15 R/R F/R 14 11 13 R/L F/L 12 MUTE ILLUM BUS ON RST 8 NC 10 9 6 7 BUS+ BUS- GND BUS OFF 4 3 5 2 B.U 1 R707 1K 6 4 29 3 1 2 R/R F/R R/L F/L C723 1000P C724 1000P 180 R700 R702 180 R754 22K R755 22K FRG 1K R728 AIN+ BIN- R713 10K 4.3K R770 AOUT AIN- 1 2 3 10u16 C771 V+ BOUT V- 4 BIN+ 8 7 6 5 R730 10K 10u16 + C708 R727 6.8K 1 2 3 4 5 6 LX BUS LX BUS +B TV BOX TV BOX +B DS 02 DS 02 +B NL NR AL AR 10u16 + C706 10 R706 10u16 + C705 10 R705 10u16 + C704 10 R704 10u16 + C703 10 R703 4.7u50 + C700 4.7u50 + C702 0.01 C701 50 49 48 FL RL 25 39 43 41 42 40 38 RR FR F/R FRG R/R RR FR RL FL 4 6 7 5 3 1 2 AL NL NR AR 9 8 48 49 50 GND GND GND [BU14V] [BU14V] [BU14V] 1K R726 0.01 C770 0.01 C707 29 5 R743 47K 7 100 R711 100 R710 R709 100 360 R756 360 R753 1 C345 1 C343 1 C344 1 C346 1 C324 1 C325 0.01 C719 REMO VGND G R + X34-316x-xx B/3 (1/2) www. xiaoyu163. com QQ 376315150 9 9 2 8 9 4 2 9 8 TEL 13942296513 9 9 2 8 9 4 2 9 8 0 5 1 5 1 3 6 7 3 Q Q TEL 13942296513 QQ 376315150 892498299 TEL 13942296513 QQ 376315150 892498299 59 DDX7015/7025/7035 DDX7045/7065 CB CA BZ BY BX 1 2 3 4 5 6 7 CAUTION : For continued safety, replace safety criti- cal components only with manufacturer’s recom- mended parts (refer to parts list). Indicates safety critical components. To reduce the risk of electric shock, leak- age-current or resistance measurements shall be car- ried out (exposed parts are acceptably insulated from the supply circuit) before the appliance is returned to the customer. • DC voltages are as mea- sured with a high imped- ance voltmeter. Values may vary slightly due to variations between indi- vidual instruments or/and units. 4.7V 0V 4.7V 4.7V 4.7V 4.7V 8.3V 4.7V 0V 1.6V 0.9V 0V 1.6V 0.9V 0V 0.9V 0V 5.1V 0V 1.6V 1.6V 0V 9V 1.6V 0V 4.7V 4.7V 4.7V 4.7V 4.7V 4.7V 8.3V 4.2V 4.2V 0V IC350 IC501 IC500 G DDX7015/7025/7035/7045/7065 (3/4) Q702,707 : DTA124EUA (X34-316x-xx) (B/3) D612 LX-BUS D354 D352 D353 D355 J400 ISOLATION (LX BUS) D401 D405 D404 D402 D350 D351 D403 D507 D510 D509 D508 ISOLATION AMP (TV TUNER) D506 D611 D503 D502 D500 D501 J500 TV TUNER D505 D504 ∗D411 ∗D410 ∗D409 D412 D404,405,506-511 D351,400,402,500,501,705 D352-355,401,406-413, D350,403,502,700,701,707 D706,711 D611,612,708,712 503-505,703,704 DA204U MA3062WA : : RD6.8MW MA8062-M : : DAP202U MA8068-M : : Q700 Q703,706 DTC144EUA DTC323TU : : IC350,500 IC300 IC400 IC702-704 IC700,701 IC501 : MM1234XFBE NJM4565M-TE2 BA3129F : : TC7SH08FU BA3121F TDA7401 : : : CN350 AMP DIGITAL LINE SIGNAL LINE B LINE GND LINE X34-316-A/3 2/4 CN9 1/2 VCC to DISC CHANGER o NAVIGATION SYSTEM to TV TUNER UNIT DDX7025 MODEL NAME 2-71 3-21 0-10 UNIT No. A DDX7045 DDX7065 DDX7035 DDX7045 DDX7015 0-71 3-01 0-21 YES NO NO 511-513 C506-508, YES NO NO NO NO NO W500- 505 NO YES YES YES YES YES R359 R361 R360 22u16 C354 R363 100 R350 10u16 C355 C353 0.01 R362 4.7K 4.7K R368 100 R366 4.7K R367 4.7K R365 4.7K R364 4.7K R369 100 30 31 33 36 34 32 37 35 26 4 8 12 2 3 1 6 10 7 11 13 9 5 27 NR NG NB BOUT VM1 IC350 + C402 2.2u50 C400 47u6.3 C401 2.2u50 10 R407 4.7 R408 R409 10 + 4 3 GND AIN VM2 BIN 5 6 + C350 4.7u50 10 4.7 100u6.3 C352 + 10 C351 + 4.7u50 13 14 12 AOUT 1 2 VCC 8 7 LXL + LXR ∗W503 10 OUT2 ∗W505 ∗W504 IN3A OUT3 SW3 6 7 8 9 GND3 IN3B 0.1 ∗C513 0.1 SB ∗C512 NB C505 10u16 + VM2 AIN 18 OUT1 GND2 3 4 5 SW1 2 13 11 IN2A 12 VCC SW2 15 14 GND1 IN2B IN1B 1 16 IN1A 4 GND 20 BIN 5 C504 AOUT 19 2 3 VM1 1 VCC 7 6 BOUT 8 4.7K ∗W501 0.1 ∗C511 0.1 SG ∗C508 NG ∗C507 ∗C506 0.1 NR 0.1 SR ∗W500 22u16 + R514 0.01 C503 20 19 18 41 39 38 40 43 42 R503 1K 18 20 R500 C500 + 4.7u50 10 + R501 + C501 47u6.3 4.7 R502 C502 4.7u50 10 SPR SPGND 19 SPL RESET 17 10 12 14 16 R504 1K R505 100 R506 100 R509 1K R507 100 R508 1K MC DATA BP CLK SC CON REMO 15 MC REQ 13 SC DATA SC REQ 11 SB SG SR 2 4 6 8 VGND SYNC B 7 9 GND G R 5 GND +14V +14V 1 3 LX REQ H 33 40 TV MREQ TV MDATA 41 LX REQ S LX DATA M LX DATA S 36 37 39 38 TV CLK TV CON 35 34 LX CLK 26 NAVI TX LX MUTE X14RESET RGB SW NAVI RX 29 30 32 31 LX RST LX CON 28 27 22 G 23 25 24 REMO GND R 19 21 20 NAVI V B GND NAVI GND 15 GND 16 18 17 GND TV V GND 12 14 13 NANI L NAVI R 8 GND 9 11 10 GND GND TV R 5 7 6 GND TV L GND GND 2 1 4 3 LX R GND LX L K M E X C R NO NO NO 1 2 3 4 5 6 7 8 9 10 11 12 13 LX R A GND LX L LX CON LX MUTE LX RST LX REQ M LX REQ S LX CLK LX DATA S LX DATA M GND BU14V AIN+ OUT AIN- 1 2 3 V- 4 6.8K 75 R510 75 R511 75 R512 75 R513 19 29 17 LXR LXL TVR TVL TVL TVR 27 19 26 13 14 12 B R G 28 36 37 35 34 25 39 41 40 38 29 17 1K 32 33 31 30 TX Lch AGND RX Rch 1K R405 NO 411 NO NO NO NO YES D409- 1K R406 G R B SYNC + + X34-316x-xx B/3 (2/2) www. xiaoyu163. com QQ 376315150 9 9 2 8 9 4 2 9 8 TEL 13942296513 9 9 2 8 9 4 2 9 8 0 5 1 5 1 3 6 7 3 Q Q TEL 13942296513 QQ 376315150 892498299 TEL 13942296513 QQ 376315150 892498299 60 DDX7015/7025/7035 DDX7045/7065 CC CD CE CF CG 1 2 3 4 5 6 7 22K 22K 22K 22K 22K 22K 22 2 IC101 I IC301 IC304 IC1 IC302 VIDEO UNIT (X35-4332-70) (A/3) (X35- ) (B/3) A B P2 Q1 D3 D8 Q5 Q701 Q3 Q101 Q102 D102 Q CN303 CN701 D704 D702 D703 D701 DC-DC POWER SUPPLY D101 D104 D103 D301 TIMING CONTROL D7 D1 D2 FLICKER INVERTER for BACKLIGHT 1/4 CN805 X14- 1/4 CN851 X14- BUFF TP107 TP36 TP106 TP105 TP101 1 2 3 4 5 6 7 8 9 10 11 12 13 14 15 16 17 18 19 20 21 22 23 24 25 26 27 28 29 30 31 32 33 34 35 36 37 38 39 40 41 42 43 44 45 46 47 48 49 50 51 52 53 54 55 56 57 58 59 60 61 62 63 64 65 66 67 68 P ON+5.0V P ON+5.0V NC V GND V GND LCD PON D GND EJECT KEY3 KEY4 LED GND SI NC LED+8.5V(B) LED+8.5V(G) LED+8..5V(R) NC P ON+3.3V NC V GND VB VG VR V GND C.SYNC V GND NTSC PAL POLC POLS MIRROR VSY HSY BLK MODE3 MODE2 MODE1 HPOS4 HPOS3 HPOS2 HPOS1 NC VCOM NC P ON+5.0V BU +5.0V KEY1 XDATA YDATA X0 X1 Y0 SRC PWM ENABLE NC NC BLGND BLGND NC BL+8.5V BL+8.5V NC NC ESD GND ESD GND NC RESET REMO 1 2 3 LED GND SUB LED LED+8.5V(R) LED+8.5V(G) 4 6 7 8 9 10 VIN SW2 SHDN VO2 VON 5 4 3 2 1 GND SW1 CT FB2 FB1 5 6 7 8 64 63 62 61 60 59 58 57 56 55 54 53 52 51 50 49 48 47 46 45 44 43 42 41 40 39 38 37 36 35 34 33 17 18 19 20 21 22 23 24 25 26 27 28 29 30 31 32 1 2 3 4 5 6 7 8 9 10 11 12 13 14 15 16 VDD7 SCKE VSS8 CPH3 VSS7 CPH1 VDD6 CPH2 HDIR VSS6 STH2 STH1 VSS5 TSTD PDOS VDD5 VSS4 LPFI SPL VDD4 OSCI SCK VSS3 SIZE XCKI TST4 TST3 TST2 TST1 SVSEP XCKE VDD3 UPSD MIRROR PAL VSS2 NVD NHD RV HSRV STV1 VDD2 CX CPV NGOE3 NGOE2 NGOE1 STV2 HPOS1 HPOS2 HPOS3 HPOS4 MODE1 MODE2 MODE3 NBLK NDSH VSS1 NDSV NCLP POLS POLC COMPS VDD1 1 2 3 4 A1 Y3 A2 GND 8 7 6 5 VCC Y1 A3 Y2 1 2 3 4 5 6 7 8 9 10 CTIMR OVP ENA SST VDDA GNDA REF RT1 FB CMP 20 19 18 17 16 15 14 13 12 11 NDRB PDRA CT RT PGND LCT DIM LPWM PDRC NDRD 2 3 1 B Y GND A 4 VCC 5 560 R702 330 R703 C116 10 R106 R107 2.2K 180K R103 0.1 C115 150P C119 100K R101 C110 0.01 C112 0.15 13K R104 11K R102 C113 2.2 1 C109 22u16 C105 0.22 C114 4.7 C211 2.2K R218 10K VR203 51K R219 2.2K R236 10 C231 R234 4.7K C234 56P W217 0.1 C315 47K R326 68K R327 15K R328 0.1 C318 4.7K R324 4 7K R321 0.1 C319 R329 W323 0.01 C317 56P C320 R331 100 R353 15P C507 10 C301 0.1 C304 0.01 C303 10 C302 0.01 C313 W320 39P C331 10 R359 0.01 C314 10 R360 39P C332 W333 0.01 C324 W334 R350 100 R352 100 R351 100 220 L307 0.01 C325 W335 R337 100 R338 100 1K R340 100 R344 100 R343 100 R342 100 R341 100 0.01 C312 10K R315 R316 1K R318 1K 620 R308 560P C310 0.01 C311 R314 100 R307 10P C309 0.1 C333 270P C505 100P C506 560 R373 560 R374 W313 10 C307 W398 W392 R393 R394 R395 R396 R397 W305 W368 0.01 C339 33u10 C4 0.01 C24 0.01 C14 2.2K R18 0.01 C12 22 R7 22 R3 2.2 C11 C13 0.47 2.2 C9 2.2 C21 15K R4 0.018 C16 1500P C22 51K R15 300K R9 15K R5 0.01 C10 W3 0.01 C17 0.047 C15 0.047 C7 220 C8 59K R6 5.1K R1 R380 100 R385 10 R386 10 R381 100 R391 100 TP100 TP98 TP97 TP99 TP18 TP17 TP19 TP20 TP48 TP22 TP23 TP24 TP25 TP26 TP27 TP28 TP29 TP30 TP31 18 1 6 5 4 3 2 7 8 9 11 13 14 19 VB VG VR SI TP9 TP21 RST REMO 100 K4 K3 EJ TP4 TP2 TP3 TP1 TP13 TP32 TP33 TP34 XD TP37 YD 100 100 100 100 TP38 X0 X1 TP39 Y0 TP40 SRC 54 53 TP43 TP42 TP44 TP45 TP46 F107 0.5A C118 0.01 C102 47u6.3 10 L102 3.3uH L101 3.3uH 4.7uH L103 L106 10uH 10uH L104 10uH L105 C108 22u16 0.01 R105 47K C106 0.01 R235 9.1K C230 0.01 C334 0.01 CP301 1K 1 2 3 4 5 6 7 1K CP302 11 9 8 100 CP303 17 32 31 30 27 28 29 25 10K 18 19 R339 13 14 C308 0.01 56 54 53 F1 1.5A 15uH L2 R10 330 R12 1M C12 2.2K 0.01 59 53 54 RST W371 C103 + + + + X35-4332-70 (1/2) www. xiaoyu163. com QQ 376315150 9 9 2 8 9 4 2 9 8 TEL 13942296513 9 9 2 8 9 4 2 9 8 0 5 1 5 1 3 6 7 3 Q Q TEL 13942296513 QQ 376315150 892498299 TEL 13942296513 QQ 376315150 892498299 61 DDX7015/7025/7035 DDX7045/7065 CL CK CJ CI CH 1 2 3 4 5 6 7 22K 22K 47K 4.7K 47K 4.7K 47K 4.7K 47K 4.7K 22K 22K 4.7K 4.7K 22K 22K 22K 22K IC203 IC303 IC601 (X35 - ) (C/3) DDX7015/7025/7035/7045/7065 (4/4) TOUCH PANEL D6 Q2 D303 Q301 Q602 Q304 Q305 Q302 Q303 Q306 Q604 Q605 Q601 D310 D690 D636 Q203 Q201 Q202 D612 D637 CN604 CN302 CN602 D302 VCOM D301 D309 D304 Q3 D1 D2 D4 D5 CN1 D501 D502 CN501 D504 D503 D638 D639 to LCD S618 VOL+ FNC S608 SEEK+ S605 SCRE S606 S607 S614 EJECT MODE D667 D668 D669 D602 D603 V.SEL FNC VOL- VOL+ ATT EJECT D670 D671 D672 D601 VOL- S609 S604 S617 V.SEL S603 ATT S602 PLAY SEEK- TI S601 MODE D615 D616 SCRE SEEK- D673 D674 D675 TI SEEK+ PLAY D677 D676 D680 D623 D622 S615 RESET SRC S616 D508 SI D666 SRC OZ960IS-C LT1947 TA75W558FU TC200G02AF0104 TC7SH08FU NJM2107F TC7WH14FU RS-181 : IC203 IC304 IC601 IC301 IC302 IC303 : : : : : IC1 IC101 : : Q102,602 Q302,303 Q301 Q605 Q304,305 Q201 Q203 Q202 Q1,5 Q2,3 Q101,306,601,604,701 : DTA124EUA : : DTA143ZUA 2SC4097 : : DTA143EUA DTC143ZUA : : : 2SB709A 2SD601A IMZ1A : 2SC4081 : : DTC124EUA SI5513DC MA8068-M D501-504 : D701,703 D508,702,704 D690 D666 D667-677,680 B30-1605-05 : DAN202U B30-1547-05 B30-1566-05 : : : AVRM1608180M6A B30-1564-05 : : MA784 : D6 D309 D310,601-603,612,615,616,622, D102 D301,304 D8 D101,103,104 D7 1SV231 EP05Q06 MA8051-M : : : MA8056-M AVRM1608120M6A EP05Q04 : : : D1,2 D4,5,302,303,639 D3 MA8047-M : MA115 DA204U : : 623,636-638 GND LINE B LINE PLL FREE RUN to LCD REMO-CON SENSOR L1 TP78 TP77 TP101 TP108 TP50 TP49 TP109 TP54 TP64 TP65 TP67 TP103 TP102 TP104 5 6 7 8 BIN+ BIN- BOUT VCC 4 3 2 1 VEE AIN+ AIN- AOUT 30 29 28 27 26 25 24 23 22 21 20 19 18 17 16 15 14 13 12 11 10 9 8 7 6 5 4 3 2 1 NC STH2 VR VG VB VSS STH1 L/R CX VSS CPH VSS VSS VCOM NC VGH NC VDD2 VDD1 STV2 OE1 OE2 OE3 CPV U/D STV1 VSS NC VGL NC 13 12 11 10 9 8 7 6 5 4 3 2 1 LED+8.5V(R) LED+8.5V(G) RESET SRC EJECT KEY3 BU5.0V P ON5.0V KEY1 REMO D GND ESDGND ESDGND 1 2 3 4 5 6 7 8 9 10 11 12 13 10 C232 R241 47 R242 12K R239 47 R240 W253 W216 W357 1 C426 10 C428 2.2 C427 W356 W355 W310 5.6K R361 C326 680P R345 68K C327 0.1 R346 1M V+ 1 2 3 IN+ V- IN- 4 OUT 5 0.1 C315 0.1 C336 0.1 C316 4.7K R325 47K R326 68K R327 15K R328 4.7K R324 4.7K R321 0.1 C335 0.1 C319 100 R329 1.8K R330 1000P C322 15K R347 3.6K R348 15K R349 100P C323 0.01 56P C320 330 R331 3.3K R332 0.1 C328 820 R370 0.1 C304 10 C302 10 C504 10 R505 10 R506 R501 33K R502 33K 45K R14 10P C5 0.012 C6 1 C18 1 C3 1 C27 0.047 C15 0.047 C7 220P C8 59K R6 0.01 C26 22 R13 22 R11 22 R16 22 R17 33u10 C1 5.1K R8 5.1K R1 R235 9.1K C230 0.01 C233 0.01 12K 5.6uH L306 VR301 10K 1 2 10 R503 10 R504 Y1 X1 Y0 X0 1 2 3 4 TP52 TP51 C503 0.01 C502 0.01 10uH L501 YD XD X0 Y0 X1 100 R387 SRC K3 EJ REMO K4 10 C605 L601 10uH 100 R388 TP76 TP75 TP74 TP73 TP72 TP71 TP70 TP69 TP68 TP63 TP62 TP61 TP60 TP59 TP58 TP57 VR VB VG 56 53 54 59 32 31 30 29 28 17 25 27 W354 1 C425 RST SI 100 R606 2.2K R607 3.3K R608 5.6K R609 10K R610 33K R611 1K R621 750 R623 100K R624 220P C601 100 R625 2.2 C603 0.01 C602 1 2 OUT GND VCC 3 GND 4 300 R620 100P C604 360 R612 100 R613 R614 360 R615 100 R601 100 R602 2.2K R604 5.6K R603 3.3K R605 10K R616 360 R617 100 360 R618 100 R619 3 4 7 TP79 TP82 TP80 TP81 TP87 TP92 TP86 TP85 TP89 TP84 TP91 TP83 3 7 4 6 5 9 6 9 5 TP95 TP96 W B 1 8 2 7 3 4 5 6 4 2 3 1 5 6 7 8 2 4 3 1 7 6 5 + CAUTION : For continued safety, replace safety critical components only with manufacturer’s recom- mended parts (refer to parts list). Indicates safety critical compo- nents. To reduce the risk of electric shock, leakage-current or resistance measurements shall be carried out (exposed parts are acceptably insu- lated from the supply circuit) before the appliance is returned to the cus- tomer. • DC voltages are as measured with a high impedance voltmeter. Val- ues may vary slightly due to varia- tions between individual instru- ments or/and units. X35-4332-70 (2/2) www. xiaoyu163. com QQ 376315150 9 9 2 8 9 4 2 9 8 TEL 13942296513 9 9 2 8 9 4 2 9 8 0 5 1 5 1 3 6 7 3 Q Q TEL 13942296513 QQ 376315150 892498299 TEL 13942296513 QQ 376315150 892498299 62 DDX7015/7025/7035 DDX7045/7065 CM CN CO CP CQ 1 2 3 4 5 6 7 2.2V 2.2V 2.2V 2.2V 4.9V 2.2V 2.2V 2.2V 2.2V 0V 2.2V 2.2V 1.65V 2.1V 5.0V 0V 3.3V 0V 0V 1.2V 1.65V 3.3V 1.65V 0V 5.0-(2.2xIop)V 0V 5.0V 2.8V 5.0-(2.2xIop)V 2.05V 1.55V 1.5V 2.0V 1.65V 4.8V 0V 2.2V 1.65V 1.65V 2.2V 1.45V 1.7V 2.5V 0V 0V 0V 2.2V 2.2V 2.2V 0V 3.3V 1.9V 2.02V 2.48V 2.25V 0V 7.2V 1.65V 0 - 3.3V 0V 0V 0V 6.5V -0.8V 1.65V 7.2V 0 - 3.3V 7.2V 0V 7.5V 0V 0V 3.3V 7.2V 4.2V 3.3V 0V 3.3V 0.85V 0V 1.35V 0.6V 2.9V 0.1V 0V 2.2V 3.3V 0V 3.3V 3.3V 3.3V 7.2V 1.75V 1.65V 1.85V 1.65V 3.3V 0V 3.25V 3.3V 0V 3.3V 1.65V 0V 1.5V 0V 0V 0V 1.65V 3.3V 47K 10K 47K 10K 47K 10K 47K 10K IC11 IC6 IC2 IC12 IC1 DVD UNIT (X37-1020-0x) PICKUP LASER VPU1 (W02-3408-05) MODULE ELECTRIC CIRCUIT Q4 Q5 Q13 Q6 Q2 Q3 Q15 CN2 CN3 CN5 CN1 D1 ∗D2 D4 D3 D5 D6 ∗Q1 APC CD IOP DETECTOR DVD LD DRIVE DVD APC RF SIGNAL PROCESSOR AVR FG SIGNAL INVERTER 5V ACTUATOR/ MOTOR DRIVER BACKUP SW CONTROL SERV CONT MEMORY EEPROM/BACKUP M FEED MOTOR VM2 LOADING MOTOR VM3 M VM1 SPINDLE MOTOR M S2 (B) S3 (C) S1 (A) S4 (D) DISC LOAD SW TP24 TP25 TP26 TP27 TP30 TP29 TP28 TP1 TP2 TP3 TP31 TP38 TP32 TP33 TP34 TP35 TP36 TP37 TP41 TP65 TP66 TP67 TP68 TP69 TP71 TP72 TP73 TP64 TP74 TP75 TP76 TP77 TP78 TP79 TP80 TP81 TP84 TP85 TP70 TP91 TP92 TP93 TP94 TP95 TP96 TP97 TP98 TP99 B CD A CD B RF D A C CD E CD F IOP- IOP+ AGND A3.3 VHALF DRV1.65 B+ B- A- A+ U V W H- H+ SLD2 SLD1 SPD CD LD DVD LD GND DVD MD CD MD PGND VREF1 VREF2 4 3 2 1 SDA SCL WP VCC 5 6 7 8 GND NC6 NC7 NC8 1 2 3 4 5 6 7 8 9 10 11 12 13 15 16 17 18 19 20 21 22 23 24 VCCS MUTL INLD VROUT RFSD1 MUTS ISD2 ISD1 VGND OSD1+ OSD1- OSD2+ OSD2- RFSD2 UOUT VOUT WOUT RFSPL SS VSSPL FIL1 FIL2 FG HB 48 47 46 45 44 43 42 41 40 39 38 37 35 34 33 32 31 30 29 28 27 26 VRIN INSPL VIN2+ VIN2- VIN2 VIN1+ VIN1- VIN1 VSBL VO2- VO2+ VO1- VLD- VLD+ BGND W- W+ V- V+ U- U+ OSC SGND 5 4 VDD OUT 1 2 3 IN+ VSS IN- 1 2 3 4 I/O1 O/I1 CONT2 GND 8 7 6 5 VCC CONT1 O/I2 I/O2 48 47 46 45 44 43 42 41 40 39 38 37 36 35 34 33 32 31 30 29 28 27 26 25 24 23 22 21 20 19 18 17 1 2 3 4 5 6 7 8 9 10 11 12 13 14 15 16 49 50 51 52 53 54 55 56 57 58 59 60 61 62 63 64 RFIN RFIN TESTSG AGCO AGCG PEAK BTM RFENV BDO OFTR DCRF RFC VCC3 RFOUT RFDFO GND3 DCFLT DFLTOP DFLTOM VHALF VCC2 VREF2 GND2 AGLVL MON AGFST FEOUT FEN ASOUT AGBAL TEOUT TEN LPC1 LPCO1 LPC2 LPCO2 VFSHT TBAL FBAL POFLT DTRD IDGT STNBY SEN SCK STDI RSCL JLINE VIN5(B) VIN6(A) VIN7 VIN8 VIN9 VIN10 VCC1 VREF1 VIN1(B) VIN2(A) VIN3(D) VIN4(C) GND1 VIN11(F) VIN12(E) HDTYP 4 3 2 1 B+ B- A- A+ 11 10 9 8 7 6 5 4 3 2 1 V W U H- HU- HU+ HV- HV+ HW- HW+ H+ 1 2 3 4 SW B SW C SW AD GND 1 2 3 4 5 6 7 8 9 10 11 12 13 14 15 16 17 18 19 20 21 22 23 24 25 26 27 28 29 30 ACT T- ACT F+ ACT F- ACT T+ DVD VCC DVD VC DVD PD GND DVD D DVD A DVD RF DVD B DVD C DVD LD DVD LD GND DVD HFM DVD MD DVD VR CD VR CD MD CD LD CD GND CD VC CD VCC CD A CD B NC NC NC CD E CD F 0.1 C22 C3 10 C5 0.1 10 C1 R103 22 R104 22 R105 22 R106 22 C21 0.047 C20 0.033 C19 470P R14 1.2M C18 0.1 R130 750 C17 470P R13 1.2M C107 1 C15 0.01 22u6.3 C14 3300P C11 0.1 C9 0.1 C12 L3 L2 R7 27K R8 27K C6 220P 47u6.3 C31 L1 R3 10K R4 10K R L4 L5 L6 0.022 C117 L7 47K R30 10K R29 4.7K R28 W2 W1 4.7K R27 680P C35 680P C34 51 R119 51 R120 0 C 0.1 C27 2.2 R17 6.8 R16 ∗C25 10 ∗R128 4.7K C26 10 0.01 C81 0.01 C80 0.01 C79 CP3 4.7K 0.1 C77 C74 10 C75 0.01 C76 0.01 C138 10 7.5K R46 0.1 C73 W3 R66 15K 3.3K R109 0.22 C116 18K R65 82u10 C85 47P C110 47P C111 47P C112 47P C113 5P C135 10K R121 10K R122 5P C136 C4 10 C2 0.1 37 41 40 39 8.2 ∗R123 4.7 R5 10 R6 R9 22K 3.9K R10 106 107 108 105 0.1 C7 18K R11 10K R124 66 65 ∗C24 0.1 100K R126 Q2 20 ∗R15 100K ∗R127 0.1 C23 97 10 R19 R18 220 91 82 52 51 0.1 C106 C10 0.1 119 118 117 120 R12 4.7 C8 10 84 10 C13 2.2 C114 1 R48 7.5K R117 10K R47 57 62 63 64 102 101 VO1+ 14 25 36 50 49 2.2 C115 1 R53 1/2W R54 0.47 65 R55 82 82 R56 390 R57 66 29 28 31 30 33 32 30K R64 10K R58 10K R59 220P C83 100P C84 R62 15K 10 C89 R61 15K 51K R68 115 114 47 68 FOD TP42 TRD TP43 C87 0.01 0.01 C88 4.7K R60 15K R63 15K R67 330P C78 28 29 30 31 32 33 41 40 39 37 C82 0.1 88 89 90 87 C104 0.1 10 C C 330P C37 2200P C36 0.1 C49 120 119 118 117 47K R110 IC12 114 47 26 27 25 115 112 99 100 68 4.7K R129 36 35 36 35 TP39 TP40 4 3 2 1 LOAD+ LOAD- + + + X37-1020-04 (1/3) www. xiaoyu163. com QQ 376315150 9 9 2 8 9 4 2 9 8 TEL 13942296513 9 9 2 8 9 4 2 9 8 0 5 1 5 1 3 6 7 3 Q Q TEL 13942296513 QQ 376315150 892498299 TEL 13942296513 QQ 376315150 892498299 63 DDX7015/7025/7035 DDX7045/7065 CV CU CT CS CR 1 1 1 0V 3.3V 0V 5V 3.3V 0V 0V 3.3V 3.3V 3.3V 3.3V 0V 0V 1.8V 0V 1.8V 0V 3.3V 0V 3.3V 3.3V 0V 3.3V 0V 0V 3.3V 3.3V 3.3V 3.3V 3.3V 1.8V 0V 0V 0V 0V 0V 3.3V 1.8V 0V 0V 0V 1.65V 1.65V 3.3V 0V 1.65V 0V 1.65V 3.3V 1.25V 0V 1.48V 2.2V 1.25V 1.65V 3.3V 3.3V 1.65V 1.5V 0V 1.65V 2.0V 1.9V 1.5V 1.65V 2.0V 2.1V 1.65V 3.3V 0V 3.3V 3.3V 0V 0V 5.0V 3.3V 5.0V 0V 0V 0V 0V 0V 3.3V 3.3V 1.8V 5.0V 3.3V 3.3V 0V 0V 5.0V 5.0V 0V 3.1V 1.65V 2.3V 0.83V 16.897849MHz 0V 3.3V 16.897849MHz 0V 3.3V 0V 16.897849MHz 3.3V 0V 0V 3.3V 5V 0V 0V 3.3V MECHA. (3.3V) (5.0V) MAIN MAIN MECHA. MECHA. MAIN MECHA. (5.0V) (3.3V) MAIN MECHA. MAIN MECHA. (5.0V) (3.3V) MAIN IC5 IC4 S4 S5 SERVO FILTER CONTROL SW BUILT IN 2M DRAM SPINDOL MOTOR CONTROL ATAPI INTERFACE/SERVO CONTROL SIGNAL PROCESSOR LSI DVD, CD-ROM DIGITAL SIGNAL PROCESSOR VOLTAGE (RESET) DETECTOR IC12 IC11 IC10 IC9 IC6 IC7 IC8 IC4 IC5 IC1 IC2 : : : : : : : : : : : SLT CLAMP SW L18 TH1 T TP61 TP7 TP8 TP9 TP10 TP11 TP12 TP13 TP14 TP15 TP18 TP17 TP19 TP20 TP23 TP22 X1 16.898MHz TP63 TP72 TP85 TP89 TP90 TP5 C108 1 A3.3 F PLFLT1 JITOUT FE TE AS RFENV M0 M1 M2 M3 JLINE FG FBAL BDO OFTR SW E SW F P 7V 3 4 NC VDD 2 1 VSS OUT 88 87 86 85 84 83 82 81 80 79 78 77 76 75 74 73 72 71 70 69 68 67 66 65 64 63 62 61 60 59 58 57 56 55 54 53 52 51 50 49 48 47 46 45 44 43 42 41 40 39 38 37 36 35 34 33 32 31 30 29 28 27 26 25 24 23 22 21 20 19 18 17 16 15 14 13 12 11 10 9 8 7 6 5 4 3 2 1 133 134 135 136 137 138 139 140 141 142 143 144 145 146 147 148 149 150 151 152 153 154 155 156 157 158 159 160 161 162 163 164 165 166 167 168 169 170 171 172 173 174 175 176 89 90 91 92 93 94 95 96 97 98 99 100 101 102 103 104 105 106 107 108 109 110 111 112 113 114 115 116 117 118 119 120 121 122 123 124 125 126 127 128 129 130 131 132 AVDD1 LOUT ROUT AVSS1 JLINE VFOSRT TSTSG VSS6 OSCO OSCI VDD6 VSS5 VDD5 IDGT DTRD TX TILTN TILT TILTP FG SPDRV TRSDRV FBAL TBAL PWM8 PWM7 PWM6 PWM5 VSS4 DVSS2 DVDD3 VDD4 PWM4 PWM3 PWM2 PWM1 BDO OFTR SDATA SCLOCK MSTPOL NRST MMOD CLKOUT DT0 DT1 DT2 DT3 DT4 DT5 DT6 DT7 NRD NWR NCS DVDD2 VSS3 VDD3 ADR0 ADR1 ADR2 ADR3 ADR4 ADR5 ADR6 ADR7 ADR8 DVSS1 DVDD1 VSS2 VDD2 ADR9 ADR10 ADR11 ADR12 ADR13 ADR14 ADR15 ADR16 ADR17 DASPST NMRST WTODC NINT2 VSS1 VDD1 NINT1 NINT0 NDASP NCS3FX NCS1FX DA2 DA0 NPDIAG DA1 NIOCS16 INTRQ NDMACK VDD8 VSS8 IORDY NIORD NIOWR DMARQ HDD15 HDD0 HDD14 VDD9 PO UATASEL VSS9 VDD10 HDD1 HDD13 HDD2 HDD12 HDD3 VDD11 VSS10 HDD11 HDD4 HDD10 HDD5 HDD9 VDD12 VSS11 HDD6 HDD8 HDD7 VDD13 NRESET MASTER VCOF TRCRS CMPIN LPFOUT LPFIN AVSS2 HPFOUT HPFIN CSLFLT RFDIF AVDD2 PLFLT2 PLFLT1 AVSS3 RVI VREF PLPG VHALF DSLF2 DSLF1 AVDD3 NARF ARF JITOUT AVSS4 DAC0 DAC1 AVDD4 AD0 AD1 AD2 AD3 AD4 AD5 AD6 TECAPA VDD7 VSS7 MON 0 MON 1 MON 2 MON 3 NEJECT NTRYCL 47 48 49 50 0.1 C70 2K R44 L21 ∗R112 220 ∗R113 220 0.1 C72 15 R111 22 ∗R114 22 C119 L4 L5 L6 L28 L17 L16 L13 L8 L10 L11 L12 .022 C117 L7 7K R30 0K R29 .7K R28 .7K R27 680P C35 680P C34 51 R119 51 R120 1000P C32 1000P C33 47P C123 0.01 C38 0.01 C39 0.1 C40 1K R31 2K R71 10K R141 L22 0.1 C92 10K R73 R76 1.3K R78 1.3K R79 1.3K 107 108 105 106 10K R142 10K R143 128 112 101 102 97 C90 C91 0.1 R72 12K C133 C69 0.1 R43 1.5K 15P C68 22P C67 R42 1M C125 0.01 R131 10K R41 10K C63 0.1 73 65 66 0.01 C126 0.1 C62 51 52 1000P C137 680P C44 6800P C45 1M R33 15K R32 47P C43 0.1 C46 NARF ARF TP6 1000P C47 0.1 C48 330P C37 2200P C36 0.1 C49 127 128 129 130 0.022 C42 0.1 C41 IC12 0.1 C55 0.01 C128 1 5 2 9 10 11 12 13 14 15 16 17 0.1 C56 0.1 C57 25 24 23 22 27 29 28 26 30 0.1 C58 0.1 C59 35 38 39 36 37 42 40 41 43 44 45 87 86 82 84 0.1 C71 0.1 C53 0.1 C51 0.1 C52 0.1 C50 0.1 C54 133 136 134 135 139 137 138 142 141 147 146 150 148 149 151 145 160 159 158 161 157 165 166 167 168 164 171 172 173 175 10K R36 0.01 C131 0.01 C129 0.01 C130 0.1 C60 0.01 C127 IC5 7V 7V 7V 7V 91 99 112 99 100 2 1 5 0.01 C132 18K R45 27K R39 4.7K R40 4.7K R38 27K R37 0.01 C64 0.01 C65 127 5 1 2 7 CP1 1K 7 6 X37-1020-04 (2/3) www. xiaoyu163. com QQ 376315150 9 9 2 8 9 4 2 9 8 TEL 13942296513 9 9 2 8 9 4 2 9 8 0 5 1 5 1 3 6 7 3 Q Q TEL 13942296513 QQ 376315150 892498299 TEL 13942296513 QQ 376315150 892498299 64 DDX7015/7025/7035 DDX7045/7065 DA CZ CY CX CW 1 2 3 4 5 6 7 CAUTION : For contin- ued safety, replace safety critical compo- n e n t s o n l y w i t h manufacturer’s recom- mended parts (refer to parts list). Indicates safety criti- cal components. To re- duce the risk of electric shock, leakage-current or resistance measure- ments shall be carried out (exposed parts are acceptably insulated from the supply circuit) before the appliance is returned to the cus- tomer. • DC voltages are as measured with a high impedance voltme- ter. Values may vary slightly due to varia- tions between indi- vidual instruments or/and units. 3.3V 3.3V 0V 0V 3.3V 0V 3.3V 0V 3.3V 0V 0V 0V 3.3V 3.3V 0V 0V 0V 3.3V 0V 3.3V 3.3V 3.3V 0V 3.3V 0V 3.3V 0V 3.3V 3.3V 0V 0V 0V 0V 3.3V 0V 3.3V 2.5V 0.7V 0V 3.3V 0V 0V 0V 0V 3.3V 3.3V 3.3V 3.3V 3.3V 3.3V 0V 0V 0V 3.3V 3.3V 3.3V 1.9V 0V 3.3V 3.3V 3.3V 1.0V 0V 0V 0V 0V 1.65V 1.65V 0 - 3.3V 0V 0V 0V 0V 3.3V 0V 3.3V 3.3V 3.3V 3.3V 1.65V 0V 3.3V 5.0V 3.3V 0V 0V 1.27V 0V 5.0V 1.8V 1.8V 0V 0V 16.897849MHz 3.3V 47K 10K 47K 10K ∗IC7 IC10 IC9 IC8 Q9 Q10 CN4 S5 MICROPROCESSOR LOADING CONTROL 3.3V AVR 1.8V AVR VOLTAGE DETECTOR (1.8V) D7 D8 : Q1 D8 D3-5 D6 D7 D1,2 Q6 Q4,9,13,15 Q5,10 Q2 Q3 IC12 IC11 IC10 IC9 IC6 IC7 IC8 IC4 IC5 IC1 IC2 2SB0970 MA142WA MA2J729 MAZS0560M MA4ZD03 2SD1819A MAZS0510M UN5114 UN5214 MCH6101-E 2SJ0536 HD74LV2G66A S-24C04BMFN UPC2918T NJM2880U33 LA6505 ∗ S-80815CLBB MN103S26E S-80829CLBB AN8703FH NJU7042 : : : : : : : : : : : : : : : : : : : : : GND LINE SIGNAL LINE B LINE SLT TH1 TP60 TP61 TP59 TP58 TP51 TP50 TP55 TP49 TP62 TP86 TP90 SW AD SW F MD2 RES FWE RXD1 TXD1 5V DGND PGND 7V 90 89 88 87 86 85 84 83 82 81 80 79 78 77 76 75 74 73 72 71 70 69 68 67 66 65 64 63 62 61 60 59 58 57 56 55 54 53 52 51 50 49 48 47 46 45 44 43 42 41 40 39 38 37 36 35 34 33 32 31 1 2 3 4 5 6 7 8 9 10 11 12 13 14 15 16 17 18 19 20 21 22 23 24 25 26 27 28 29 30 91 92 93 94 95 96 97 98 99 100 101 102 103 104 105 106 107 108 109 110 111 112 113 114 115 116 117 118 119 120 PS1(SDA) PS0(SCL) PF0(WP) PF1(EEPON) WAIT- PF3 HWR- RD- PF6 VCC PF7 VSS EXTAL XTAL VCC STBY- NMI RES- FWE P20(FWC) P21 P22 P23 P24(M0) TIOCB4(FG) P26(DRV.MUTE) P27(SL.MUTE) P63(LO.MUTE) P62(UNLOAD) SEL1 SEL0 VSS SCK1 P34(LOAD) RXD1 P32 TXD1 P30 VCC D15 D14 D13 D12 VSS D11 D10 D9 D8 PE7 PE6 PE5 PE4 VSS PE3 PE2 PE1 PE0 VCC IREQ0 IREQ1 VCC A0 A1 A2 A3 VSS A4 A5 A6 A7 A8 A9 A10 A11 VSS A12 A13 A14 A15 A16 A17 PA1(MNT2.DIRECT) PA3 VSS IREQ4(SW AD) IREQ5(SW B) IREQ6(SW C) IREQ7(MNT3.DIROK) IREQ3 IREQ2 PS2(HFM.ON) PS3 AVCC VREF AN0(TEMP DET) AN1 AN2(IOP) AN3 AN4(1.65V) AN5(DRV1.65V) DA0(STEP.A) DA1(STEP.B) AVSS VSS P17(STDI) P16(SCK) P15(SEN) P14(STANBY) P13 TCLKA(M1) P11 P10 MD0 MD1 MD2 PG0(SW F) PG1(SW E) PG2(SW AD) CS1-(NCS) PG4 1 2 3 4 5 6 7 8 9 10 11 12 13 14 15 16 17 18 19 20 21 22 23 24 25 26 27 28 29 30 31 32 33 34 35 36 37 38 39 40 41 42 43 44 45 46 47 48 49 50 82 R89 10K to VIDEO CONTROL UNIT X14-939 CN4 R90 R95 82 R92 82 22 R91 10K R132 4.7K R74 0.01 C134 L24 CP13 10K 10K CP14 L25 10K R107 CP12 4.7K R138 10K R137 10K R136 10K R82 10K L26 C96 0.22 L27 C98 0.1 2K R71 10K R141 L22 0.1 C92 10K R73 L23 107 108 105 106 10K R142 10K R143 8 2 101 102 C90 C91 0.1 R72 12K 0.01 C133 0.1 C93 29 30 28 27 12 17 24 25 26 22 23 16 15 13 14 9 11 10 129 130 1 C94 0.1 CP16 10K CP15 10K 38 39 40 37 43 44 41 42 5 2 10K R134 10K R135 10K R108 R81 10K ∗R80 10K 10K ∗R99 10K R133 0.1 C95 90 89 88 87 6 35 36 R139 10K R140 10K C97 0.1 45 66 63 64 65 57 62 CP4 22 CP5 22 CP6 22 CP7 22 168 148 171 172 173 167 166 165 164 161 160 159 158 157 151 150 149 CP8 22 CP9 82 R94 82 147 146 145 142 141 139 138 134 135 136 137 133 CP11 10K R101 10K R93 10K 86 87 DD4 (I/O) DISC DET(O) PGND 7V 7V PGND PGND 7V 7V S/PDIF 5V 5V PGND DGND DIOW(O) DA1(I) CS1FX(I) CS3FX(I) DASP(O) PDIAG(I) DA0(I) DA2(I) DACK(I) INTRQ(O) DGND DIOR(I) IORDY(O) DD11 (I/O) DD13 (I/O) DD12 (I/O) DD14 (I/O) DD15 (I/O) DMARQ(O) DD1 (I/O) DGND DGND DD0 (I/O) DD2 (I/O) DD3 (I/O) DD10 (I/O) DGND DD9 (I/O) DD5 (I/O) DD7 (I/O) DD8 (I/O) DD6 (I/O) RESET(I) LOUT ACOM ROUT C103 2.2 CNTL C102 10 5 VIN 4 D3.3 VOUT 2 1 GND 3 NB 0.01 C101 OUT GND TP56 C100 1 IN 47u6.3 C99 VDD NC 3 4 TP57 1.8V 2 VSS OUT 1 99 25 100 10K R83 R75 1.3K R77 1.3K 26 27 SW C TP87 SW B TP88 73 10K R88 175 0.01 C132 UNIT No. YES NO NO YES C24,25 123,127,128 R15,80,112-114, NO YES R99 NO YES D2 YES NO YES NO NO YES NO YES NO YES YES NO YES YES NO YES YES YES YES NO YES YES Q1 0.1 + X37-1020-00 X37-1020-01 X37-1020-02 X37-1020-03 X37-1020-04 X37-1020-05 IC7 DF2328VTE259R9 DF2328VTE259R9 DF2328VTE259R8 DF2328VTE256Q7 DF2328VTE250S0 DF2328VTE250S0 X37-1020-04 (3/3) www. xiaoyu163. com QQ 376315150 9 9 2 8 9 4 2 9 8 TEL 13942296513 9 9 2 8 9 4 2 9 8 0 5 1 5 1 3 6 7 3 Q Q TEL 13942296513 QQ 376315150 892498299 TEL 13942296513 QQ 376315150 892498299 65 DDX7015/7025/7035 DDX7045/7065 3 2 1 B A A B C D E F G J K : : : : : : : : : N09-4495-05 N09-4496-05 N09-6060-05 N09-6061-05 N09-6103-05 N09-6104-05 N09-6106-05 N19-2022-04 N19-2171-04 ADJUSTMENT 2x5 M1.7x1.8 M1.7x3.5 M1.7x3.5 2x10 M1.7x2.5 WASHER WASHER B B G G C B B J J B K B B B B D B B B F Bx2 A C B E Bx2 29 22 3 29 56 7 2 69 79 82 809 VPU1 857 810 44 756 4 48 811 870 814 21 60 54 50 83 60 50 56x2 VM1 VFC1 60 50 1 50 46 36 38 37 78 60 64 24 19 16 23 5 59 63 813 839 882 801 840 18 845 840 847 VM2 65 26 25 32 58 15 33 34 35 VM3 30 872 868 873 61 17 43 43 62 62 49 B 881 (X37-) 20 Parts with the exploded numbers larger than 700 are not supplied. EXPLODED VIEW (DVD MECHANISM) www. xiaoyu163. com QQ 376315150 9 9 2 8 9 4 2 9 8 TEL 13942296513 9 9 2 8 9 4 2 9 8 0 5 1 5 1 3 6 7 3 Q Q TEL 13942296513 QQ 376315150 892498299 TEL 13942296513 QQ 376315150 892498299 66 DDX7015/7025/7035 DDX7045/7065 3 2 1 D C F1 (X34) W200 Next Page (X86-3742-70) (X34- C/3) VME1 206 (X35- B/3) PME1 (X14-939) (X34- B/3) (X34-316) B C D E F G H K M : : : : : : : : : N09-6163-05 N09-6167-05 N09-6232-05 N09-6233-05 N09-6234-05 N09-6235-05 N09-6236-05 N19-2198-04 N86-2606-48 M2.6 φ2.6x5 M2x3 M2.6x13 M2.6x1 φ2.6x6 φ2x5 WASHERφ2.5 φ2.6x6 233 210 202 725 777 743 701 738 759 730 776 781 784 223 229 FC3 FC3 FC2 FPC1 FC4 209 RM1 271 257 DC2 216x2 DC3 DC1 783 776 775 744 745 745 746 746 755 756 746 746 742 737 731 754 708 219 743 251 221 224 222 220 240x3 240x3 240x2 240x2 240x2 273 F2 F2 M M M C C M G M M M M Cx2 Mx2 Mx2 Mx2 Mx2 M M Mx2 Mx2 Mx2 Mx2 M M M M M M M M M H B B K K C C Cx3 Dx2 Fx2 E E M Mx2 Mx2 Depends on the model. Refer to the parts list. Parts with the exploded numbers larger than 700 are not supplied. EXPLODED VIEW (UNIT) www. xiaoyu163. com QQ 376315150 9 9 2 8 9 4 2 9 8 TEL 13942296513 9 9 2 8 9 4 2 9 8 0 5 1 5 1 3 6 7 3 Q Q TEL 13942296513 QQ 376315150 892498299 TEL 13942296513 QQ 376315150 892498299 67 DDX7015/7025/7035 DDX7045/7065 3 2 1 F E (X35- C/3) A D J L : : : : N09-6162-05 N09-6232-05 N09-6253-05 N35-2003-48 M1.7 M2x3 M2x2 M2x3 Dx2 Lx2 Jx2 Dx2 Lx2 L L D D A A D 739 748 736 735 747 734 777 FC1 266 264 262 211 270 268 263 265 213 707 215 PA1 267 269 261 LCD1 272 777 753 752 204 217 217 (X35-4332-70) (A/3) D D Parts with the exploded numbers larger than 700 are not supplied. EXPLODED VIEW (PANEL ASSY) www. xiaoyu163. com QQ 376315150 9 9 2 8 9 4 2 9 8 TEL 13942296513 9 9 2 8 9 4 2 9 8 0 5 1 5 1 3 6 7 3 Q Q TEL 13942296513 QQ 376315150 892498299 TEL 13942296513 QQ 376315150 892498299 68 DDX7015/7025/7035 DDX7045/7065 3 2 1 H G A B D E F : : : : : N09-6147-08 N09-6148-08 N09-6150-08 N09-6151-08 N19-2105-14 M1.7x4 φ2x2.3 φ2x2.3 WASHER1.6x3.5 Ex4 Dx4 Dx4 Dx2 F F A B B B F F B B VR1 PM1 613 604 607 603 614 610 801 610 612 602 601 605 606 615 609 608 611 Parts with the exploded numbers larger than 700 are not supplied. EXPLODED VIEW (PANEL MECHANISM) www. xiaoyu163. com QQ 376315150 9 9 2 8 9 4 2 9 8 TEL 13942296513 9 9 2 8 9 4 2 9 8 0 5 1 5 1 3 6 7 3 Q Q TEL 13942296513 QQ 376315150 892498299 TEL 13942296513 QQ 376315150 892498299 69 DDX7015/7025/7035 DDX7045/7065 Indicates safety critical components. ✽ New parts Parts without Parts No. are not supplied. Les articles non mentionnes dans le Parts No. ne sont pas fournis. Teile ohne Parts No. werden nicht geliefert. Ref. No. A d d N e w Parts No. Description Desti- nation Ref. No. A d d N e w Parts No. Description Desti- nation K : DDX7015 E : DDX7025 M : DDX7035 X : DDX7045 R : DDX7045 C : DDX7065 (K : North America E : Europe M : Other Areas X : Australia R : Latin America X : China) PARTS LIST Language notation of inst-manual E : English F : French G : German D : Dutch I : Italian S : Spanish P : Portuguese K : Korean T : Traditional-Chinese X : Simplified-Chinese 202 3A ✽ A22-3033-23 SUB PANEL ASSY ERM 202 3A ✽ A22-3046-23 SUB PANEL ASSY K 202 3A ✽ A22-3047-23 SUB PANEL ASSY CX 204 1F ✽ A46-1801-03 REAR COVER ASSY 206 1D ✽ A52-0854-12 TOP PLATE PA1 3E ✽ A64-3302-12 PANEL ASSY E PA1 3E ✽ A64-3341-12 PANEL ASSY K PA1 3E ✽ A64-3342-12 PANEL ASSY R PA1 3E ✽ A64-3343-12 PANEL ASSY M PA1 3E ✽ A64-3344-12 PANEL ASSY C PA1 3E ✽ A64-3345-12 PANEL ASSY X RM1 1C ✽ A70-2064-05 REMOTE CONTROLLER ASSY - B46-0100-50 WARRANTY CARD - B46-0612-14 ID CARD EMC - B46-0612-14 ID CARD X - B46-0648-13 USER CARD K - ✽ B54-4430-00 INSTALLATION MANUAL (EFGDISP) E - ✽ B54-4431-00 INSTALLATION MANUAL (EFSP) KR - ✽ B54-4432-00 INSTALLATION MANUAL (ETKX) MCX - ✽ B59-1813-00 SUB-INSTRUCTION MANUAL KR - ✽ B64-2838-00 INSTRUCTION MANUAL (E) E - ✽ B64-2839-00 INSTRUCTION MANUAL (FGD) E - ✽ B64-2840-00 INSTRUCTION MANUAL (ISP) E - ✽ B64-2841-00 INSTRUCTION MANUAL (EFS) KR - ✽ B64-2842-00 INSTRUCTION MANUAL (P) R - ✽ B64-2843-00 INSTRUCTION MANUAL (E) MCX - ✽ B64-2844-00 INSTRUCTION MANUAL (TK) M - ✽ B64-2845-00 INSTRUCTION MANUAL (X) C 209 1C B07-3046-04 ESCUTCHEON ASSY MCX 210 3C ✽ B07-3105-02 ESCUTCHEON 211 3E ✽ B10-4546-13 FRONT GLASS 213 3E ✽ B19-2262-03 LIGHTING BOARD 215 3E B43-1271-04 KENWOOD BADGE LCD1 2F ✽ B38-1153-05 LIQUID CRYSTAL 216 1C D10-4589-04 LEVER 217 1F ✽ D14-0792-04 ROLLER PME1 3D ✽ D40-1191-05 PANEL MECHANISM ASSY 219 3D ✽ E30-6299-05 CORD WITH DIN CONNECTOR 220 2D ✽ E30-6335-05 CORD WITH PINPLUG ERM 220 2D ✽ E30-6335-05 CORD WITH PINPLUG CX 220 2D ✽ E30-6357-05 CORD WITH PINPLUG K 221 2D ✽ E30-6336-05 CORD WITH PINPLUG 222 2D ✽ E39-0646-15 WIRING HARNESS (2P) 223 2C ✽ E39-0647-05 WIRING HARNESS (6P) 224 2D ✽ E39-0648-05 WIRING HARNESS (26P) DC1 1C ✽ E30-6341-15 DC CORD KRM DC1 1C ✽ E30-6341-15 DC CORD CX DC2 1C ✽ E30-6342-05 DC CORD KRM DC2 1C ✽ E30-6342-05 DC CORD CX DC3 1C ✽ E30-6343-05 DC CORD E FC1 3F ✽ E39-0667-05 FLAT CABLE FC2 2C ✽ E39-0668-05 FLAT CABLE (4P) FC3 2C ✽ E39-0669-05 FLAT CABLE FC4 1C ✽ E39-0670-05 FLAT CABLE (DVD MECHA) 229 2C ✽ F09-1878-05 FAN 233 3C ✽ F19-1426-03 COVER 240 2D F29-0049-05 INSULATING COVER F1 2D F52-0006-05 FUSE (MINI BLADE TYPE) 10A F2 1C F52-0004-05 FUSE (MINI BLADE TYPE) 5A - ✽ H10-4896-02 POLYSTYRENE FOAMED FIXTURE - ✽ H10-4897-02 POLYSTYRENE FOAMED FIXTURE - ✽ H12-2745-04 PACKING FIXTURE - H25-1127-04 PROTECTION BAG (0.5X350X450) - H25-1158-04 PROTECTION BAG (220X350X0.03) - ✽ H25-1161-04 PROTECTION BAG - ✽ H54-3150-03 ITEM CARTON CASE E - ✽ H54-3151-03 ITEM CARTON CASE K - ✽ H54-3152-03 ITEM CARTON CASE R - ✽ H54-3153-03 ITEM CARTON CASE M - ✽ H54-3154-03 ITEM CARTON CASE C - ✽ H54-3177-03 ITEM CARTON CASE X 251 3D ✽ J11-0660-05 CLAMPER 257 1C ✽ J22-0171-03 MOUNTING HARDWARE ASSY FPC1 2C ✽ J84-0173-05 FLEXIBLE PRINTED WIRING BOARD 261 3E ✽ K24-4149-03 KNOB (VOL) 262 3E ✽ K24-4150-03 KNOB (SEEK) 263 3E ✽ K24-4151-13 KNOB (ATT) 264 3E ✽ K24-4152-13 KNOB (TI) EM 264 3E ✽ K24-4171-13 KNOB (AUTO) KRC 264 3E ✽ K24-4171-13 KNOB (AUTO) X 265 3E ✽ K24-4153-03 KNOB (V.SEL) 266 3E ✽ K24-4154-03 KNOB (>||) 267 3E ✽ K24-4155-03 KNOB (SRC) 268 3E ✽ K24-4156-04 KNOB (RESET) 269 3E ✽ K25-1638-03 KNOB (EJECT) 270 3E ✽ K25-1639-03 KNOB (MODE) 271 1C ✽ N99-1754-05 SCREW SET KRM 271 1C ✽ N99-1754-05 SCREW SET CX A 1F ✽ N09-6162-05 STEPPED SCREW (M1.7) B 3D ✽ N09-6163-05 STEPPED SCREW (M2.6) C 3C ✽ N09-6167-05 MACHINE SCREW (2.6X5) D 3C ✽ N09-6232-05 MACHINE SCREW (M2.0X3.0) D 1F ✽ N09-6232-05 MACHINE SCREW (M2.0X3.0) E 2C ✽ N09-6233-05 MACHINE SCREW (M2.6X13) F 3C ✽ N09-6234-05 MACHINE SCREW (M2.6X1) G 1C ✽ N09-6235-05 TAPTITE SCREW (2.6X6) H 3C ✽ N09-6236-05 SEMS (TAPTITE SCREW) (2.0X5) J 1E ✽ N09-6253-05 MACHINE SCREW (M2X2) K 3D ✽ N19-2198-04 FLAT WASHER (2.5) L 1F ✽ N35-2003-48 BINDING HEAD MACHINE SCREW M 2C N86-2606-48 BINDING HEAD TAPTITE SCREW 272 2E ✽ S79-0846-05 SWITCH ASSY 273 1C T90-0512-05 ANTENNA ADAPTOR E DDX7015/7025/7035/7045/7065 www. xiaoyu163. com QQ 376315150 9 9 2 8 9 4 2 9 8 TEL 13942296513 9 9 2 8 9 4 2 9 8 0 5 1 5 1 3 6 7 3 Q Q TEL 13942296513 QQ 376315150 892498299 TEL 13942296513 QQ 376315150 892498299 70 DDX7015/7025/7035 DDX7045/7065 Indicates safety critical components. ✽ New parts Parts without Parts No. are not supplied. Les articles non mentionnes dans le Parts No. ne sont pas fournis. Teile ohne Parts No. werden nicht geliefert. Ref. No. A d d N e w Parts No. Description Desti- nation Ref. No. A d d N e w Parts No. Description Desti- nation PARTS LIST K : DDX7015 E : DDX7025 M : DDX7035 X : DDX7045 R : DDX7045 C : DDX7065 (K : North America E : Europe M : Other Areas X : Australia R : Latin America X : China) VME1 1D ✽ X92-5020-00 DVD MECHANISM ASSY C100 CK73GB1H103K CHIP C 0.010UF K C101 ✽ C90-5670-05 ELECTRO 2200UF 16WV C102 CK73GB1H103K CHIP C 0.010UF K C103-105 CK73GB1H104K CHIP C 0.10UF K C106,107 CK73GB1C333K CHIP C 0.033UF K C108 CK73GB1E223K CHIP C 0.022UF K C109 CK73GB1H682K CHIP C 6800PF K C110,111 CK73GB1H472K CHIP C 4700PF K C112 CK73FB1C105K CHIP C 1.0UF K C113 CK73GB1H104K CHIP C 0.10UF K C114 CK73EB1E474K CHIP C 0.47UF K C115,116 CK73GB1H104K CHIP C 0.10UF K C117 CK73FB1H104K CHIP C 0.10UF K C118 CE32AZ1C221M CHIP EL 220UF 16WV C119 CK73GB1H104K CHIP C 0.10UF K C120,121 CK73FB1H104K CHIP C 0.10UF K C122 CK73FB1C105K CHIP C 1.0UF K C123 CK73GB1H472K CHIP C 4700PF K C124 CK73GB1H682K CHIP C 6800PF K C125 CK73GB1H473K CHIP C 0.047UF K C126 CK73GB1C104K CHIP C 0.10UF K C127 CK73DF1C106Z CHIP C 10UF Z C128 CK73EB0J106K CHIP C 10UF K C129 CK73GB1C104K CHIP C 0.10UF K C130-133 C93-1210-05 CHIP C 10UF K C134 CK73GB1H103K CHIP C 0.010UF K C135 CC73GCH1H391J CHIP C 390PF J C136 C93-1210-05 CHIP C 10UF K C137 CK73DF1E106Z CHIP C 10UF Z C138-140 CK73GB1H471K CHIP C 470PF K C141 C93-1210-05 CHIP C 10UF K C142 CK73GB1H102K CHIP C 1000PF K C143 ✽ CE32AU0J121M CHIP EL 120UF 6.3WV C144 CE32AU1A560M CHIP EL 56UF 10WV C145 CE32AU0G331M CHIP EL 330UF 4.0WV C146 CE32AU1A560M CHIP EL 56UF 10WV C148,149 CK73GB1C104K CHIP C 0.10UF K C150 CK73EB1C225K CHIP C 2.2UF K C151 CK73DF1C106Z CHIP C 10UF Z C152 CE32AU1A560M CHIP EL 56UF 10WV C153 CK73EB0J106K CHIP C 10UF K C154,155 CK73GB1C104K CHIP C 0.10UF K C156 CK73GB1H102K CHIP C 1000PF K C157 CK73GB1H104K CHIP C 0.10UF K C158 CK73GB1C104K CHIP C 0.10UF K C159,160 C92-1766-05 ELECTRO 22UF 12.5WV C161 CE32AZ1C221M CHIP EL 220UF 16WV C162 CK73GB1H222K CHIP C 2200PF K C164,165 CK73GB1H102K CHIP C 1000PF K C200-202 CK73GB1H103K CHIP C 0.010UF K C203 CC73GCH1H220J CHIP C 22PF J C204 CC73GCH1H080D CHIP C 8.0PF D C205 C92-1359-05 CHIP-TAN 10UF 16WV C206-208 CK73GB1H103K CHIP C 0.010UF K C209 CK73GB1C104K CHIP C 0.10UF K C210,211 CK73GB1H103K CHIP C 0.010UF K C212 CK73FB1C105K CHIP C 1.0UF K C213,214 CK73GB1H103K CHIP C 0.010UF K C216 CK73GB1H103K CHIP C 0.010UF K C217 CK73GB1C104K CHIP C 0.10UF K C218 CK73GB0J105K CHIP C 1.0UF K C300 CK73GB1C104K CHIP C 0.10UF K C301 C92-1685-05 ELECTRO 47UF 6.3WV C302 CK73GB1C104K CHIP C 0.10UF K KR C302,303 CK73GB1C104K CHIP C 0.10UF K EMC C302,303 CK73GB1C104K CHIP C 0.10UF K X C304 CK73EB0J106K CHIP C 10UF K C306 CC73GCH1H270J CHIP C 27PF J EMC C306 CC73GCH1H270J CHIP C 27PF J X C306 CC73GCH1H470J CHIP C 47PF J KR C307 CK73GB1C104K CHIP C 0.10UF K C309 CC73GCH1H180J CHIP C 18PF J EMC C309 CC73GCH1H180J CHIP C 18PF J X C310 CC73GCH1H220J CHIP C 22PF J C311 CK73GB1C104K CHIP C 0.10UF K EMC C311 CK73GB1C104K CHIP C 0.10UF K X C312,313 CK73GB0J105K CHIP C 1.0UF K C314,315 CK73GB1C104K CHIP C 0.10UF K E C316 CK73GB0J105K CHIP C 1.0UF K C317 CC73GCH1H180J CHIP C 18PF J C318 CC73GCH1H270J CHIP C 27PF J EMC C318 CC73GCH1H270J CHIP C 27PF J X C319,320 CK73GB0J225K CHIP C 2.2UF K C321-323 CK73GB0J105K CHIP C 1.0UF K C324 CK73GB1H223K CHIP C 0.022UF K C325 ✽ CK73GB0J475K CHIP C 4.7UF K C326 CK73GB1C104K CHIP C 0.10UF K KRM C326 CK73GB1C104K CHIP C 0.10UF K CX C326,327 CK73GB1C104K CHIP C 0.10UF K E C328-330 CK73GB0J105K CHIP C 1.0UF K E C331 CK73GB1C104K CHIP C 0.10UF K E C332,333 CK73GB0J105K CHIP C 1.0UF K EMC C332,333 CK73GB0J105K CHIP C 1.0UF K X C334 CK73GB1C104K CHIP C 0.10UF K C335,336 CK73GB0J105K CHIP C 1.0UF K EMC C335,336 CK73GB0J105K CHIP C 1.0UF K X C337 CK73GB1A474K CHIP C 0.47UF K C338 CK73EB0J106K CHIP C 10UF K C339 CK73GB1H223K CHIP C 0.022UF K C340 CK73GB0J105K CHIP C 1.0UF K C341 CK73EB0J106K CHIP C 10UF K C342,343 CK73GB0J105K CHIP C 1.0UF K C344 CK73GB1H223K CHIP C 0.022UF K C345-350 CK73GB0J105K CHIP C 1.0UF K C351 CK73FB1A225K CHIP C 2.2UF K C352,353 CK73GB1H103K CHIP C 0.010UF K C354,355 CK73FB1A225K CHIP C 2.2UF K VIDEO CONTROL UNIT (X14-939x-xx) DDX7015/7025/7035/7045/7065 www. xiaoyu163. com QQ 376315150 9 9 2 8 9 4 2 9 8 TEL 13942296513 9 9 2 8 9 4 2 9 8 0 5 1 5 1 3 6 7 3 Q Q TEL 13942296513 QQ 376315150 892498299 TEL 13942296513 QQ 376315150 892498299 71 DDX7015/7025/7035 DDX7045/7065 Indicates safety critical components. ✽ New parts Parts without Parts No. are not supplied. Les articles non mentionnes dans le Parts No. ne sont pas fournis. Teile ohne Parts No. werden nicht geliefert. Ref. No. A d d N e w Parts No. Description Desti- nation Ref. No. A d d N e w Parts No. Description Desti- nation K : DDX7015 E : DDX7025 M : DDX7035 X : DDX7045 R : DDX7045 C : DDX7065 (K : North America E : Europe M : Other Areas X : Australia R : Latin America X : China) PARTS LIST C356 CK73GB1C104K CHIP C 0.10UF K C357 CK73EB0J106K CHIP C 10UF K C358 CK73GB1C104K CHIP C 0.10UF K C361 C92-1685-05 ELECTRO 47UF 6.3WV C362 CK73GB1C104K CHIP C 0.10UF K C363 CK73EB0J106K CHIP C 10UF K C364 CC73GCH1H331J CHIP C 330PF J C365 CK73GB0J105K CHIP C 1.0UF K C366,367 CK73GB1C104K CHIP C 0.10UF K C368 CK73GB0J105K CHIP C 1.0UF K C370 CK73GB1H103K CHIP C 0.010UF K C371 ✽ CK73GB0J475K CHIP C 4.7UF K C372 CK73GB1H153K CHIP C 0.015UF K C373 CC73GCH1H151J CHIP C 150PF J C374 CC73GCH1E102J CHIP C 1000PF J C375 CC73GCH1H470J CHIP C 47PF J C376 CC73GCH1H150J CHIP C 15PF J C400 CC73GCH1H070D CHIP C 7.0PF D ERM C400 CC73GCH1H070D CHIP C 7.0PF D CX C400 CC73GCH1H100D CHIP C 10PF D K C401 CC73GCH1H120J CHIP C 12PF J C402 CK73EB0J106K CHIP C 10UF K C403 CK73GB1C104K CHIP C 0.10UF K C404 CK73GB0J105K CHIP C 1.0UF K C405-409 CK73GB1C104K CHIP C 0.10UF K C410 CK73EB0J106K CHIP C 10UF K C411 CK73GB1C104K CHIP C 0.10UF K C412 CK73GB0J105K CHIP C 1.0UF K C413-416 CK73GB1C104K CHIP C 0.10UF K C417 CC73GCH1H040C CHIP C 4.0PF C ERM C417 CC73GCH1H040C CHIP C 4.0PF C CX C501 CK73DF1C106Z CHIP C 10UF Z C520,521 CK73EB0J106K CHIP C 10UF K C522 CK73GB1C104K CHIP C 0.10UF K C540 CK73GB0J105K CHIP C 1.0UF K C541 CC73GCH1H120J CHIP C 12PF J C542 CC73GCH1H100D CHIP C 10PF D C561-567 CK73GB1C104K CHIP C 0.10UF K C580 CK73GB1C104K CHIP C 0.10UF K C581 CK73FB1H104K CHIP C 0.10UF K C601-606 CK73GB1C104K CHIP C 0.10UF K C607 CK73GB0J105K CHIP C 1.0UF K C608-614 CK73GB1C104K CHIP C 0.10UF K C615,616 CK73EB0J106K CHIP C 10UF K C617 CK73GB0J105K CHIP C 1.0UF K C618-628 CK73GB1C104K CHIP C 0.10UF K C650 CK73GB1C104K CHIP C 0.10UF K C651-658 CK73GB0J105K CHIP C 1.0UF K C659 C92-1452-05 ELECTRO 100UF 10WV C660 CK73EB0J106K CHIP C 10UF K C661 CK73GB0J105K CHIP C 1.0UF K C662 CK73GB1C104K CHIP C 0.10UF K C663 CK73EB0J106K CHIP C 10UF K C664 C92-1452-05 ELECTRO 100UF 10WV C665-668 CK73GB1C104K CHIP C 0.10UF K C669 CK73EB0J106K CHIP C 10UF K C670 CK73GB1C104K CHIP C 0.10UF K C671,672 CK73GB0J105K CHIP C 1.0UF K C673 CK73GB1C104K CHIP C 0.10UF K C675 CK73GB0J105K CHIP C 1.0UF K C701 CK73GB1H332K CHIP C 3300PF K C702,703 CC73GCH1H681J CHIP C 680PF J C704 CK73GB1C104K CHIP C 0.10UF K C705 CK73DF1C106Z CHIP C 10UF Z C706 CK73EB1A475K CHIP C 4.7UF K C707 CC73GCH1H101J CHIP C 100PF J C708 CK73GB1H332K CHIP C 3300PF K C709,710 CC73GCH1H681J CHIP C 680PF J C711 CK73EB1A475K CHIP C 4.7UF K C712 CC73GCH1H101J CHIP C 100PF J C713 CK73DF1C106Z CHIP C 10UF Z C714,715 CK73GB1C104K CHIP C 0.10UF K C717 CK73EB0J106K CHIP C 10UF K C718 CK73GB1C104K CHIP C 0.10UF K C751 CC73GCH1H220J CHIP C 22PF J C752 CK73GB1C104K CHIP C 0.10UF K C770,771 CK73GB1C104K CHIP C 0.10UF K C772 CK73EB0J106K CHIP C 10UF K C773 CK73FB1H104K CHIP C 0.10UF K C800 CC73GCH1H101J CHIP C 100PF J C802 CK73GB0J105K CHIP C 1.0UF K C803 CC73GCH1H101J CHIP C 100PF J C904 CC73GCH1H101J CHIP C 100PF J R C918 C92-1485-05 CHIP C 22UF 6.3WV C919-922 CK73GB1H104K CHIP C 0.10UF K C925-927 CK73GB1C104K CHIP C 0.10UF K TC1 ✽ C05-0516-05 CERAMIC TRIMMER CAPACITOR (10PF) CN101 E40-9449-05 PIN ASSY CN501 ✽ E41-2114-05 FLAT CABLE CONNECTOR CN770 E40-9409-05 PIN ASSY CN802 ✽ E41-2051-05 PIN ASSY CN803 ✽ E41-2077-05 PIN ASSY CN850 E41-0341-05 FLAT CABLE CONNECTOR CN851 E41-0267-05 FLAT CABLE CONNECTOR CN904 ✽ E41-2074-05 PIN ASSY CF100-105 L72-0780-05 CERAMIC FILTER L100 L19-0733-05 TRANSFORMER FOR CONVERTER L101-105 L33-1906-05 CHOKE COIL L106,107 L40-1001-78 SMALL FIXED INDUCTOR (10UH) L108 L79-0958-05 LINE FILTER L109 L92-0373-05 CHIP FERRITE L200 L92-0319-05 CHIP FERRITE L300 L40-4705-79 SMALL FIXED INDUCTOR (47UH) L350 L40-1001-78 SMALL FIXED INDUCTOR (10UH) L400 L40-1001-78 SMALL FIXED INDUCTOR (10UH) L401 ✽ L41-2205-33 SMALL FIXED INDUCTOR L402 L40-1001-78 SMALL FIXED INDUCTOR (10UH) L520,521 L92-0373-05 CHIP FERRITE L540 L40-1001-78 SMALL FIXED INDUCTOR (10UH) VIDEO CONTROL UNIT (X14-939x-xx) www. xiaoyu163. com QQ 376315150 9 9 2 8 9 4 2 9 8 TEL 13942296513 9 9 2 8 9 4 2 9 8 0 5 1 5 1 3 6 7 3 Q Q TEL 13942296513 QQ 376315150 892498299 TEL 13942296513 QQ 376315150 892498299 72 DDX7015/7025/7035 DDX7045/7065 Indicates safety critical components. ✽ New parts Parts without Parts No. are not supplied. Les articles non mentionnes dans le Parts No. ne sont pas fournis. Teile ohne Parts No. werden nicht geliefert. Ref. No. A d d N e w Parts No. Description Desti- nation Ref. No. A d d N e w Parts No. Description Desti- nation PARTS LIST K : DDX7015 E : DDX7025 M : DDX7035 X : DDX7045 R : DDX7045 C : DDX7065 (K : North America E : Europe M : Other Areas X : Australia R : Latin America X : China) L560 L92-0373-05 CHIP FERRITE L601 L92-0373-05 CHIP FERRITE L603 L92-0373-05 CHIP FERRITE L650 L40-1001-78 SMALL FIXED INDUCTOR (10UH) L651 L92-0373-05 CHIP FERRITE L701,702 L40-1001-78 SMALL FIXED INDUCTOR (10UH) X200 ✽ L78-0892-05 RESONATOR (19M) X201 L77-2304-05 CRYSTAL RESONATOR (32.768KHZ) X300 L77-2806-05 CRYSTAL RESONATOR (3.579545MHZ) X301 L77-2807-05 CRYSTAL RESONATOR (4.433619MHZ) EMC X301 L77-2807-05 CRYSTAL RESONATOR (4.433619MHZ) X X360 L78-0549-05 RESONATOR (50KHZ) X540 L77-2866-05 CRYSTAL RESONATOR (27MHZ) CP400-407 RK74HB1J330J CHIP-COM 33 J 1/16W CP501-505 RK74HB1J471J CHIP-COM 470 J 1/16W CP506-510 RK74HB1J103J CHIP-COM 10K J 1/16W CP601-604 RK74HB1J472J CHIP-COM 4.7K J 1/16W CP605 RK74HB1J470J CHIP-COM 47 J 1/16W CP606-612 RK74HB1J220J CHIP-COM 22 J 1/16W CP613,614 RK74HB1J330J CHIP-COM 33 J 1/16W CP615-618 RK74HB1J472J CHIP-COM 4.7K J 1/16W CP619-625 RK74HB1J220J CHIP-COM 22 J 1/16W R100,101 RK73GB2A223J CHIP R 22K J 1/10W R102 RN73GH1J912D CHIP R 9.1K D 1/16W R103 RK73GB2A681J CHIP R 680 J 1/10W R104 RN73GH1J912D CHIP R 9.1K D 1/16W R105 RN73GH1J433D CHIP R 43K D 1/16W R106 RN73GH1J912D CHIP R 9.1K D 1/16W R107 RK73GB2A103J CHIP R 10K J 1/10W R108 RK73GB2A432J CHIP R 4.3K J 1/10W R109 RK73GB2A472J CHIP R 4.7K J 1/10W R110 RK73GB2A363J CHIP R 36K J 1/10W R111 RK73GB2A473J CHIP R 47K J 1/10W R112 RK73GB2A513J CHIP R 51K J 1/10W R113 RK73GB2A363J CHIP R 36K J 1/10W R114 RK73GB2A104J CHIP R 100K J 1/10W R115 ✽ R92-3323-05 CHIP R 3.3K J 1/2W R116 RK73GB2A912J CHIP R 9.1K J 1/10W R117 RK73GB2A153J CHIP R 15K J 1/10W R118 RK73FB2B123J CHIP R 12K J 1/8W R119 RN73GH1J2552D CHIP R 25.5K D 1/16W R120 RN73GH1J154D CHIP R 150K D 1/16W R121 RK73GB2A473J CHIP R 47K J 1/10W R122 RK73GB2A512J CHIP R 5.1K J 1/10W R123 RK73GB2A472J CHIP R 4.7K J 1/10W R124 RK73GB2A242J CHIP R 2.4K J 1/10W R125 RN73GH1J104D CHIP R 100K D 1/16W R126 RN73GH1J2212D CHIP R 22.1K D 1/16W R127 RN73GH1J154D CHIP R 150K D 1/16W R128 RK73EB2E102J CHIP R 1.0K J 1/4W R129 RK73GB2A473J CHIP R 47K J 1/10W R130 RN73GH1J132D CHIP R 1.3K D 1/16W R131-136 RK73GB2A104J CHIP R 100K J 1/10W R137-139 RK73GB2A101J CHIP R 100 J 1/10W R140 RK73GB2A201J CHIP R 200 J 1/10W R141 RK73GB2A103J CHIP R 10K J 1/10W R142 RK73GB2A273J CHIP R 27K J 1/10W R143 RK73GB2A100J CHIP R 10 J 1/10W R144 RK73GB2A222J CHIP R 2.2K J 1/10W R145 RK73GB2A332J CHIP R 3.3K J 1/10W R146 RK73GB2A303J CHIP R 30K J 1/10W R147 RK73GB2A622J CHIP R 6.2K J 1/10W R148 RN73GH1J102D CHIP R 1.0K D 1/16W R149 RN73GH1J622D CHIP R 6.2K D 1/16W R150 RN73GH1J102D CHIP R 1.0K D 1/16W R151 RN73GH1J242D CHIP R 2.4K D 1/16W R152 RN73GH1J102D CHIP R 1.0K D 1/16W R153 RN73GH1J682D CHIP R 6.8K D 1/16W R154,155 RN73GH1J102D CHIP R 1.0K D 1/16W R156 RN73GH1J4021D CHIP R 4.02K D 1/16W R157 RN73GH1J752D CHIP R 7.5K D 1/16W R158 RN73GH1J102D CHIP R 1.0K D 1/16W R159 RN73GH1J622D CHIP R 6.2K D 1/16W R160 RK73GH2A113D CHIP R 11K D 1/10W R161 R92-3416-05 CHIP R 0.27 1/2W R162 RK73GB2A104J CHIP R 100K J 1/10W R164 RK73GB2A102J CHIP R 1.0K J 1/10W R165 RK73GB2A473J CHIP R 47K J 1/10W R166 RK73GB2A272J CHIP R 2.7K J 1/10W R168 RK73GB2A102J CHIP R 1.0K J 1/10W R169 RK73GB2A223J CHIP R 22K J 1/10W R170 RK73GB2A103J CHIP R 10K J 1/10W R171 RK73GB2A563J CHIP R 56K J 1/10W R172 RK73GB2A102J CHIP R 1.0K J 1/10W R173 RN73GH1J153D CHIP R 15K D 1/16W R174 RN73GH1J333D CHIP R 33K D 1/16W R175 RN73GH1J153D CHIP R 15K D 1/16W R176 RN73GH1J333D CHIP R 33K D 1/16W R177 RN73GH1J153D CHIP R 15K D 1/16W R178 RN73GH1J333D CHIP R 33K D 1/16W R200 RK73GB2A103J CHIP R 10K J 1/10W R202 RK73GB2A103J CHIP R 10K J 1/10W RCX R203 RK73GB2A103J CHIP R 10K J 1/10W K R203,204 RK73GB2A103J CHIP R 10K J 1/10W EM R204 RK73GB2A103J CHIP R 10K J 1/10W R R205 RK73GB2A103J CHIP R 10K J 1/10W CX R205,206 RK73GB2A103J CHIP R 10K J 1/10W K R206 RK73GB2A103J CHIP R 10K J 1/10W RM R207 RK73GB2A103J CHIP R 10K J 1/10W ECX R208-211 RK73GB2A104J CHIP R 100K J 1/10W R212 RK73GB2A471J CHIP R 470 J 1/10W R213,214 RK73GB2A103J CHIP R 10K J 1/10W R215 RK73GB2A684J CHIP R 680K J 1/10W R216 RK73GB2A472J CHIP R 4.7K J 1/10W R217 RK73GB2A104J CHIP R 100K J 1/10W R218 RK73GB2A225J CHIP R 2.2M J 1/10W R219 RK73GB2A102J CHIP R 1.0K J 1/10W R222 RK73GB2A104J CHIP R 100K J 1/10W R223 RK73GB2A102J CHIP R 1.0K J 1/10W VIDEO CONTROL UNIT (X14-939x-xx) www. xiaoyu163. com QQ 376315150 9 9 2 8 9 4 2 9 8 TEL 13942296513 9 9 2 8 9 4 2 9 8 0 5 1 5 1 3 6 7 3 Q Q TEL 13942296513 QQ 376315150 892498299 TEL 13942296513 QQ 376315150 892498299 73 DDX7015/7025/7035 DDX7045/7065 Indicates safety critical components. ✽ New parts Parts without Parts No. are not supplied. Les articles non mentionnes dans le Parts No. ne sont pas fournis. Teile ohne Parts No. werden nicht geliefert. Ref. No. A d d N e w Parts No. Description Desti- nation Ref. No. A d d N e w Parts No. Description Desti- nation K : DDX7015 E : DDX7025 M : DDX7035 X : DDX7045 R : DDX7045 C : DDX7065 (K : North America E : Europe M : Other Areas X : Australia R : Latin America X : China) PARTS LIST R224 RK73GB2A104J CHIP R 100K J 1/10W R225-227 RK73GB2A102J CHIP R 1.0K J 1/10W R228-233 RK73GB2A104J CHIP R 100K J 1/10W R234 RK73GB2A123J CHIP R 12K J 1/10W R235 RK73GB2A473J CHIP R 47K J 1/10W R236 RK73GB2A123J CHIP R 12K J 1/10W R238 RK73GB2A123J CHIP R 12K J 1/10W R239 RK73GB2A104J CHIP R 100K J 1/10W R240 RK73GB2A123J CHIP R 12K J 1/10W R241 RK73GB2A102J CHIP R 1.0K J 1/10W R242 RK73GB2A104J CHIP R 100K J 1/10W R243 RK73GB2A102J CHIP R 1.0K J 1/10W R244 RK73GB2A473J CHIP R 47K J 1/10W R248-254 RK73GB2A104J CHIP R 100K J 1/10W R256-258 RK73GB2A101J CHIP R 100 J 1/10W R259 RK73GB2A104J CHIP R 100K J 1/10W R300 RK73GB2A471J CHIP R 470 J 1/10W R301 RK73GB2A103J CHIP R 10K J 1/10W EMC R301 RK73GB2A103J CHIP R 10K J 1/10W X R302 RK73GB2A152J CHIP R 1.5K J 1/10W R303 RK73GB2A752J CHIP R 7.5K J 1/10W R304,305 RK73GB2A101J CHIP R 100 J 1/10W R306 RK73GB2A103J CHIP R 10K J 1/10W R307 RK73GB2A332J CHIP R 3.3K J 1/10W R308 RK73GB2A105J CHIP R 1.0M J 1/10W R309-312 RK73GB2A101J CHIP R 100 J 1/10W R313 RK73GB2A473J CHIP R 47K J 1/10W R360,361 RK73GB2A303J CHIP R 30K J 1/10W R362 RK73GB2A472J CHIP R 4.7K J 1/10W R363 RK73GB2A202J CHIP R 2.0K J 1/10W R364 RK73GB2A361J CHIP R 360 J 1/10W R365 RK73GB2A914J CHIP R 910K J 1/10W R366,367 RK73GB2A471J CHIP R 470 J 1/10W R368 RK73GB2A102J CHIP R 1.0K J 1/10W R369 RK73GB2A471J CHIP R 470 J 1/10W R370 RK73GB2A302J CHIP R 3.0K J 1/10W R371 RN73GH1J182D CHIP R 1.8K D 1/16W R372 RN73GH1J391D CHIP R 390 D 1/16W R373 RK73GB2A101J CHIP R 100 J 1/10W R374 RK73GB2A471J CHIP R 470 J 1/10W R375 RK73GB2A101J CHIP R 100 J 1/10W R380-383 RK73GB2A101J CHIP R 100 J 1/10W R384,385 RK73GB2A471J CHIP R 470 J 1/10W R386 RK73GB2A102J CHIP R 1.0K J 1/10W R387 RN73GH1J473D CHIP R 47K D 1/16W R388 RK73GB2A471J CHIP R 470 J 1/10W R389 RK73GB2A272J CHIP R 2.7K J 1/10W R400 RK73GB2A103J CHIP R 10K J 1/10W R401 RK73GB2A680J CHIP R 68 J 1/10W R402 RK73GB2A152J CHIP R 1.5K J 1/10W R403 RK73GB2A101J CHIP R 100 J 1/10W R404 RK73GB2A472J CHIP R 4.7K J 1/10W R405 RK73GB2A272J CHIP R 2.7K J 1/10W R406 RK73GB2A101J CHIP R 100 J 1/10W R407 RK73GB2A272J CHIP R 2.7K J 1/10W R408 RK73GB2A101J CHIP R 100 J 1/10W R409 RK73GB2A272J CHIP R 2.7K J 1/10W R410,411 RK73GB2A104J CHIP R 100K J 1/10W R412 RK73GB2A102J CHIP R 1.0K J 1/10W R413 RK73GB2A472J CHIP R 4.7K J 1/10W R415-417 RK73GB2A151J CHIP R 150 J 1/10W R501 RK73GB2A330J CHIP R 33 J 1/10W R502 RK73GB2A103J CHIP R 10K J 1/10W R503 RK73GB2A820J CHIP R 82 J 1/10W R504,505 RK73GB2A220J CHIP R 22 J 1/10W R506,507 RK73GB2A820J CHIP R 82 J 1/10W R508 RK73GB2A471J CHIP R 470 J 1/10W R509,510 R92-2104-05 CHIP R 2.2 J 1W R520 RK73GB2A472J CHIP R 4.7K J 1/10W R522-528 RK73GB2A103J CHIP R 10K J 1/10W R529,530 RK73GB2A472J CHIP R 4.7K J 1/10W R531,532 RK73GB2A104J CHIP R 100K J 1/10W R540,541 RK73GB2A330J CHIP R 33 J 1/10W R542 RK73GB2A105J CHIP R 1.0M J 1/10W R544 RK73GB2A102J CHIP R 1.0K J 1/10W R586 RK73GB2A152J CHIP R 1.5K J 1/10W R587 RK73GB2A332J CHIP R 3.3K J 1/10W R601-603 RK73GB2A472J CHIP R 4.7K J 1/10W R604 RK73GB2A470J CHIP R 47 J 1/10W R605-610 RK73GB2A220J CHIP R 22 J 1/10W R612,613 RK73GB2A220J CHIP R 22 J 1/10W R614 RK73GB2A330J CHIP R 33 J 1/10W R615-617 RK73GB2A472J CHIP R 4.7K J 1/10W R618,619 RK73GB2A220J CHIP R 22 J 1/10W R620-627 RK73GB2A472J CHIP R 4.7K J 1/10W R650 RK73GB2A332J CHIP R 3.3K J 1/10W R651-654 RK73GB2A102J CHIP R 1.0K J 1/10W R655 RK73GB2A750J CHIP R 75 J 1/10W R656 RK73GB2A511J CHIP R 510 J 1/10W R657 RK73GB2A152J CHIP R 1.5K J 1/10W R658,659 RK73GB2A102J CHIP R 1.0K J 1/10W R660 RK73GB2A103J CHIP R 10K J 1/10W R661,662 RK73GB2A472J CHIP R 4.7K J 1/10W R663,664 RK73GB2A101J CHIP R 100 J 1/10W R665-668 RN73GH1J750D CHIP R 75 D 1/16W R669 RN73GH1J151D CHIP R 150 D 1/16W R670 RK73GB2A103J CHIP R 10K J 1/10W R671,672 RK73GB2A104J CHIP R 100K J 1/10W R673 RN73GH1J151D CHIP R 150 D 1/16W R677 RK73GB2A432J CHIP R 4.3K J 1/10W R678 RK73GB2A472J CHIP R 4.7K J 1/10W R701,702 RK73GB2A472J CHIP R 4.7K J 1/10W R703 RK73GB2A302J CHIP R 3.0K J 1/10W R704,705 RK73GB2A201J CHIP R 200 J 1/10W R706 RK73GB2A302J CHIP R 3.0K J 1/10W R707 RK73GB2A471J CHIP R 470 J 1/10W R708 RK73GB2A182J CHIP R 1.8K J 1/10W R709 RK73GB2A100J CHIP R 10 J 1/10W R710,711 RK73GB2A472J CHIP R 4.7K J 1/10W R712 RK73GB2A302J CHIP R 3.0K J 1/10W VIDEO CONTROL UNIT (X14-939x-xx) www. xiaoyu163. com QQ 376315150 9 9 2 8 9 4 2 9 8 TEL 13942296513 9 9 2 8 9 4 2 9 8 0 5 1 5 1 3 6 7 3 Q Q TEL 13942296513 QQ 376315150 892498299 TEL 13942296513 QQ 376315150 892498299 74 DDX7015/7025/7035 DDX7045/7065 Indicates safety critical components. ✽ New parts Parts without Parts No. are not supplied. Les articles non mentionnes dans le Parts No. ne sont pas fournis. Teile ohne Parts No. werden nicht geliefert. Ref. No. A d d N e w Parts No. Description Desti- nation Ref. No. A d d N e w Parts No. Description Desti- nation PARTS LIST K : DDX7015 E : DDX7025 M : DDX7035 X : DDX7045 R : DDX7045 C : DDX7065 (K : North America E : Europe M : Other Areas X : Australia R : Latin America X : China) R713,714 RK73GB2A201J CHIP R 200 J 1/10W R715 RK73GB2A302J CHIP R 3.0K J 1/10W R716 RK73GB2A471J CHIP R 470 J 1/10W R717 RK73GB2A182J CHIP R 1.8K J 1/10W R718 RK73GB2A100J CHIP R 10 J 1/10W R719 RK73GB2A682J CHIP R 6.8K J 1/10W R720 RK73GB2A222J CHIP R 2.2K J 1/10W R721 RK73GB2A392J CHIP R 3.9K J 1/10W R722 RK73GB2A102J CHIP R 1.0K J 1/10W R723,724 RK73GB2A223J CHIP R 22K J 1/10W R725 RK73GB2A103J CHIP R 10K J 1/10W R753 RK73GB2A470J CHIP R 47 J 1/10W R770 RK73GB2A103J CHIP R 10K J 1/10W R771 RK73GB2A222J CHIP R 2.2K J 1/10W R772-776 RK73GB2A472J CHIP R 4.7K J 1/10W R801-803 RK73EB2E102J CHIP R 1.0K J 1/4W R805-810 RK73EB2E101J CHIP R 100 J 1/4W R811-814 RK73GB2A750J CHIP R 75 J 1/10W R850-857 RK73GB2A101J CHIP R 100 J 1/10W R859-866 RK73GB2A101J CHIP R 100 J 1/10W R867 RK73GB2A102J CHIP R 1.0K J 1/10W R916-919 RK73EB2E101J CHIP R 100 J 1/4W R922 RK73GB2A102J CHIP R 1.0K J 1/10W R924 RK73GB2A103J CHIP R 10K J 1/10W R925 RN73GH1J123D CHIP R 12K D 1/16W R926 RN73GH1J152D CHIP R 1.5K D 1/16W R927 RN73GH1J243D CHIP R 24K D 1/16W R929 RK73GB2A102J CHIP R 1.0K J 1/10W W104,105 R92-1252-05 CHIP R 0 OHM J 1/16W W107 R92-1252-05 CHIP R 0 OHM J 1/16W W109-117 R92-1252-05 CHIP R 0 OHM J 1/16W W121,122 R92-1252-05 CHIP R 0 OHM J 1/16W W163 R92-1252-05 CHIP R 0 OHM J 1/16W W164,165 R92-2053-05 CHIP R 0 J 1/8W W202 R92-1252-05 CHIP R 0 OHM J 1/16W W237 R92-1252-05 CHIP R 0 OHM J 1/16W W300-302 R92-1252-05 CHIP R 0 OHM J 1/16W KRM W300-302 R92-1252-05 CHIP R 0 OHM J 1/16W CX W401 R92-1252-05 CHIP R 0 OHM J 1/16W W408-414 R92-1252-05 CHIP R 0 OHM J 1/16W W501 R92-1252-05 CHIP R 0 OHM J 1/16W W522 R92-1252-05 CHIP R 0 OHM J 1/16W W580,581 R92-1252-05 CHIP R 0 OHM J 1/16W W601 R92-1252-05 CHIP R 0 OHM J 1/16W W603,604 R92-1252-05 CHIP R 0 OHM J 1/16W W606-609 R92-1252-05 CHIP R 0 OHM J 1/16W W650-652 R92-1252-05 CHIP R 0 OHM J 1/16W W654 R92-1252-05 CHIP R 0 OHM J 1/16W W658 R92-1252-05 CHIP R 0 OHM J 1/16W W660 R92-1252-05 CHIP R 0 OHM J 1/16W W701 R92-1252-05 CHIP R 0 OHM J 1/16W W753 R92-1252-05 CHIP R 0 OHM J 1/16W W770 R92-1252-05 CHIP R 0 OHM J 1/16W W772-776 R92-1252-05 CHIP R 0 OHM J 1/16W W800 R92-2053-05 CHIP R 0 J 1/8W W851 R92-1252-05 CHIP R 0 OHM J 1/16W W853 R92-1252-05 CHIP R 0 OHM J 1/16W W857,858 R92-2052-05 CHIP R 0 OHM J 1/10W W859-867 R92-1252-05 CHIP R 0 OHM J 1/16W W869,870 R92-1252-05 CHIP R 0 OHM J 1/16W W872-874 R92-1252-05 CHIP R 0 OHM J 1/16W W877,878 R92-1252-05 CHIP R 0 OHM J 1/16W W881-886 R92-1252-05 CHIP R 0 OHM J 1/16W W888 R92-1252-05 CHIP R 0 OHM J 1/16W W920 R92-2053-05 CHIP R 0 J 1/8W D100 1SR154-400 DIODE D101 RD16S ZENER DIODE D102 RD6.8M(B2) ZENER DIODE D104 DAN202U DIODE D105 RD6.8M(B2) ZENER DIODE D106 DAN202U DIODE D107 MA3062-M ZENER DIODE D108-111 EC31QS04 DIODE D113 EC31QS04 DIODE D114,115 SB05-05CP DIODE D300 DAN202U DIODE D301-303 DA204U DIODE D501 DA204U DIODE D701 DAP202U DIODE D702 DA204U DIODE D800-804 MA3062WA ZENER DIODE D850-860 AVRM1608120M6A VARISTOR D861 MA8062-M ZENER DIODE D862 DA204U DIODE D919,920 MA3062WA ZENER DIODE D924 AVRM1608120M6A VARISTOR IC100-102 FA7703V ANALOGUE IC IC103 TA78DL05F ANALOGUE IC IC104 PQ1X331M2ZP ANALOGUE IC IC105 TC75W56FU MOS-IC IC106 TC7SH04FU MOS-IC IC107 M5237ML ANALOGUE IC IC108 SI-3012KM ANALOGUE IC IC200 ✽✽✽✽✽✽✽✽✽✽ MEMORY IC IC203 LB1836M-TE-L ANALOGUE IC IC204 ✽ 703068YGJ-108 MICROCONTROLLER IC IC205 TC7SH08F MOS-IC IC206 TC7W14FU MOS-IC IC207 PST9142NR ANALOGUE IC IC300 TA78L05F ANALOGUE IC IC301 TDA4665T ANALOGUE IC EMC IC301 TDA4665T ANALOGUE IC X IC302 MM1389XFBE ANALOGUE IC E IC303 AN2546FH-AV ANALOGUE IC IC304 MM1234XFBE ANALOGUE IC IC305 NJU7200U30 ANALOGUE IC IC306 TC7SH04FU MOS-IC IC361 TC7W00FU MOS-IC IC362 NJW1303V ANALOGUE IC IC363,364 TC7W34FU MOS-IC VIDEO CONTROL UNIT (X14-939x-xx) www. xiaoyu163. com QQ 376315150 9 9 2 8 9 4 2 9 8 TEL 13942296513 9 9 2 8 9 4 2 9 8 0 5 1 5 1 3 6 7 3 Q Q TEL 13942296513 QQ 376315150 892498299 TEL 13942296513 QQ 376315150 892498299 75 DDX7015/7025/7035 DDX7045/7065 Indicates safety critical components. ✽ New parts Parts without Parts No. are not supplied. Les articles non mentionnes dans le Parts No. ne sont pas fournis. Teile ohne Parts No. werden nicht geliefert. Ref. No. A d d N e w Parts No. Description Desti- nation Ref. No. A d d N e w Parts No. Description Desti- nation K : DDX7015 E : DDX7025 M : DDX7035 X : DDX7045 R : DDX7045 C : DDX7065 (K : North America E : Europe M : Other Areas X : Australia R : Latin America X : China) PARTS LIST IC365 TC7WH123FU MOS-IC IC400 ✽ LC74735NW9817E MOS-IC IC401 ✽ MB29LV8T9TN6R2 ROM IC IC520 ✽ 29LV160ATI7R1 ROM IC IC521 K6F1008V2CYF55 SRAM IC IC522 TC7SH00FU MOS-IC IC540,541 TC7SHU04FU MOS-IC IC560 MT48LC4M16T75I DRAM IC IC580 TC74VHCT08AFT MOS-IC IC601 ES6218SF MOS-IC IC650 ✽ MM1567AJBE ANALOGUE IC IC651 UPC2905T ANALOGUE IC IC652 ADV7170KSU MOS-IC IC701 NJM4580V ANALOGUE IC IC702 TA78L05F ANALOGUE IC IC703 AK4382AVT ANALOGUE IC IC750 TC7SHU04FU MOS-IC IC770 M4A3212VI8TV1 MOS-IC Q100-103 UN5212 DIGITAL TRANSISTOR Q104,105 2SD1819A TRANSISTOR Q106 HAT1038R FET Q107 2SC4081 TRANSISTOR Q108 DTA124EUA DIGITAL TRANSISTOR Q109,110 HAT1016R DUAL FET Q111 HAT3008R DUAL FET Q112 2SB1184 TRANSISTOR Q113 2SA1576A TRANSISTOR Q114 2SC4081 TRANSISTOR Q115 2SB1189 TRANSISTOR Q116 2SC4081 TRANSISTOR Q117 DTC323TU DIGITAL TRANSISTOR Q118 2SB1218A TRANSISTOR Q119 UN5212 DIGITAL TRANSISTOR Q120 2SA1576A TRANSISTOR Q121 DTC144EUA DIGITAL TRANSISTOR Q122 2SA1576A TRANSISTOR Q123,124 2SC4081 TRANSISTOR Q170-175 DTC144EUA DIGITAL TRANSISTOR Q200 UN5212 DIGITAL TRANSISTOR Q201 DTB123YK DIGITAL TRANSISTOR Q202 UN5212 DIGITAL TRANSISTOR Q203 DTB123YK DIGITAL TRANSISTOR Q204 UN5212 DIGITAL TRANSISTOR Q205 DTB123YK DIGITAL TRANSISTOR Q206 UN5113 DIGITAL TRANSISTOR Q207 UN5212 DIGITAL TRANSISTOR Q300 2SA1576A TRANSISTOR EMC Q300 2SA1576A TRANSISTOR X Q360 2SC4081 TRANSISTOR Q361,362 2SA1576A TRANSISTOR Q400-402 2SA1576A TRANSISTOR Q403 DTC143EUA DIGITAL TRANSISTOR ERM Q403 DTC143EUA DIGITAL TRANSISTOR CX Q650 DTA144EUA DIGITAL TRANSISTOR Q652 DTC144EUA DIGITAL TRANSISTOR Q701-703 2SC4081 TRANSISTOR Q704 DTC114TUA DIGITAL TRANSISTOR Q705-707 DTA114TUA DIGITAL TRANSISTOR C1 CK73GB1E473K CHIP C 0.047UF K C2 CD04AS1C100M ELECTRO 10UF 16WV C3 C90-5619-05 ELECTRO 220UF 16WV C4 C90-5572-05 ELECTRO 100UF 10WV C5 ✽ C90-5699-05 ELECTRO 0.047F 5.5WV C6 CK73FB1C105K CHIP C 1.0UF K C7 CD04AY1A221M ELECTRO 220UF 10WV C10 CK73FB1A105K CHIP C 1.0UF K C11 CD04AY1A221M ELECTRO 220UF 10WV C21,22 CK73GB1H103K CHIP C 0.010UF K C23 ✽ C90-5612-05 ELECTRO 3900UF 16WV C24 CK73FB1C105K CHIP C 1.0UF K C25 CK73GB1C104K CHIP C 0.10UF K C26 CK73FB1C105K CHIP C 1.0UF K C27 CD04AS1H3R3M ELECTRO 3.3UF 50WV C28,29 CK73GB1H103K CHIP C 0.010UF K C100 CK73GB1H104K CHIP C 0.10UF K C101 CK73GB1H103K CHIP C 0.010UF K C102 CK73GB1H104K CHIP C 0.10UF K C104 CK73GB1H103K CHIP C 0.010UF K C105 CD04AT0J331M ELECTRO 330UF 6.3WV C106,107 CC73GCH1H100D CHIP C 10PF D C108-110 CK73GB1H103K CHIP C 0.010UF K C111 CK73GB1A105K CHIP C 1.0UF K C200,201 CC73GCH1H100D CHIP C 10PF D EKR C200,201 CC73GCH1H100D CHIP C 10PF D M C202-205 C92-1427-05 ELECTRO 100UF 16WV C211 CC73GCH1H331J CHIP C 330PF J EKR C211 CC73GCH1H331J CHIP C 330PF J M C212 CD04AS1C100M ELECTRO 10UF 16WV EKR C212 CD04AS1C100M ELECTRO 10UF 16WV M C213-216 CK73GB1H103K CHIP C 0.010UF K C217 CD04AS1C100M ELECTRO 10UF 16WV EKR C217 CD04AS1C100M ELECTRO 10UF 16WV M C218 CK73GB1H103K CHIP C 0.010UF K EKR C218 CK73GB1H103K CHIP C 0.010UF K M C250,251 ✽ C94-0026-05 ELECTRO 1UF 50WV C252 CK73GB1A105K CHIP C 1.0UF K C253 CK73GB1A474K CHIP C 0.47UF K C254-257 C90-5620-05 ELECTRO 0.47UF 50WV C258 ✽ CD04BA1C220M ELECTRO 22UF 16WV C300 CK73FB1C334K CHIP C 0.33UF K C301 CK73GB1A334K CHIP C 0.33UF K C302 CK73FB1C334K CHIP C 0.33UF K C303 CK73GB1A334K CHIP C 0.33UF K C304 CK73FB1C334K CHIP C 0.33UF K C305 CK73GB1A334K CHIP C 0.33UF K C306 CK73FB1C334K CHIP C 0.33UF K C307 CK73GB1A334K CHIP C 0.33UF K C308,309 CK73GB1C104K CHIP C 0.10UF K ELECTRIC UNIT (X34-316x-xx) VIDEO CONTROL UNIT (X14-939x-xx) www. xiaoyu163. com QQ 376315150 9 9 2 8 9 4 2 9 8 TEL 13942296513 9 9 2 8 9 4 2 9 8 0 5 1 5 1 3 6 7 3 Q Q TEL 13942296513 QQ 376315150 892498299 TEL 13942296513 QQ 376315150 892498299 76 DDX7015/7025/7035 DDX7045/7065 Indicates safety critical components. ✽ New parts Parts without Parts No. are not supplied. Les articles non mentionnes dans le Parts No. ne sont pas fournis. Teile ohne Parts No. werden nicht geliefert. Ref. No. A d d N e w Parts No. Description Desti- nation Ref. No. A d d N e w Parts No. Description Desti- nation PARTS LIST K : DDX7015 E : DDX7025 M : DDX7035 X : DDX7045 R : DDX7045 C : DDX7065 (K : North America E : Europe M : Other Areas X : Australia R : Latin America X : China) C310 CD04AS1C470M ELECTRO 47UF 16WV C311 CK73GB1C104K CHIP C 0.10UF K C312 CD04AS1H010M ELECTRO 1UF 50WV C313-315 CK73GB1C104K CHIP C 0.10UF K C316 CK73GB1H103K CHIP C 0.010UF K C317 CC73GCH1H221J CHIP C 220PF J C318 CK73GB1A474K CHIP C 0.47UF K C319 CK73FB1C105K CHIP C 1.0UF K C320 C92-0025-05 CHIP-ELE 3.3UF 50WV C321 CD04AS1C470M ELECTRO 47UF 16WV C322 CK73GB1H103K CHIP C 0.010UF K C323 C92-0025-05 CHIP-ELE 3.3UF 50WV C324-331 CK73FB1C105K CHIP C 1.0UF K C332,333 CK73FB1A225K CHIP C 2.2UF K C334 C92-1409-05 ELECTRO 2.2UF 50WV C335,336 CK73FB1C105K CHIP C 1.0UF K C339,340 CK73FB1C105K CHIP C 1.0UF K C343-346 CK73FB1C105K CHIP C 1.0UF K C350,351 ✽ CD04AS1H4R7M ELECTRO 4.7UF 50WV C352 CD04AS0J101M ELECTRO 100UF 6.3WV C353 CK73GB1H103K CHIP C 0.010UF K C354 CD04AS1C220M ELECTRO 22UF 16WV C355 CD04AS1C100M ELECTRO 10UF 16WV C400 CD04AS0J470M ELECTRO 47UF 6.3WV C401,402 CD04AS1H2R2M ELECTRO 2.2UF 50WV C450,451 C92-0687-05 ELECTRO 2.2UF 50WV C452 C92-0674-05 ELECTRO 47UF 16WV C453 CD04AS1C100M ELECTRO 10UF 16WV C454 C92-1429-05 ELECTRO 220UF 6.3WV C455 CK73GB1C104K CHIP C 0.10UF K C456 C92-1429-05 ELECTRO 220UF 6.3WV C457 CK73GB1C104K CHIP C 0.10UF K C458 CK73GB1H103K CHIP C 0.010UF K C459 C92-1429-05 ELECTRO 220UF 6.3WV C460 CK73GB1C104K CHIP C 0.10UF K C461 C92-1428-05 ELECTRO 330UF 6.3WV C462 CK73GB1C104K CHIP C 0.10UF K C463 CK73GB1H103K CHIP C 0.010UF K C464,465 CK73GB1C104K CHIP C 0.10UF K C466 CK73GB1H103K CHIP C 0.010UF K E C500 ✽ CD04AS1H4R7M ELECTRO 4.7UF 50WV C501 CD04AS0J470M ELECTRO 47UF 6.3WV C502 ✽ CD04AS1H4R7M ELECTRO 4.7UF 50WV C503 CK73GB1H103K CHIP C 0.010UF K C504 CD04AS1C220M ELECTRO 22UF 16WV C505 CD04AS1C100M ELECTRO 10UF 16WV C506-508 CK73GB1C104K CHIP C 0.10UF K E C509 CD04AS0J470M ELECTRO 47UF 6.3WV E C510 CK73GB1H103K CHIP C 0.010UF K E C511-513 CK73GB1C104K CHIP C 0.10UF K E C550 CK73GB1H103K CHIP C 0.010UF K C551 CK73GB1A105K CHIP C 1.0UF K C552 CK73GB1H103K CHIP C 0.010UF K C553 CD04AS0J470M ELECTRO 47UF 6.3WV C554 CK73GB0J225K CHIP C 2.2UF K C555 CD04AS1C100M ELECTRO 10UF 16WV C556 CK73GB0J225K CHIP C 2.2UF K C558,559 CK73GB1A105K CHIP C 1.0UF K C560 CK73GB1H104K CHIP C 0.10UF K C561 CK73GB0J225K CHIP C 2.2UF K C562 CK73GB1H103K CHIP C 0.010UF K C566 CK73GB1H103K CHIP C 0.010UF K C569 CK73GB1H103K CHIP C 0.010UF K C570 CK73GB1H561K CHIP C 560PF K C571 CK73GB0J105K CHIP C 1.0UF K C572 CK73GB1H561K CHIP C 560PF K C574 CK73GB1H103K CHIP C 0.010UF K C600-605 CD04AS1C100M ELECTRO 10UF 16WV C606 ✽ C90-5569-05 ELECTRO 470UF 6.3WV C607 CD04AS1C100M ELECTRO 10UF 16WV C609,610 CK73GB1H222K CHIP C 2200PF K C611 CD04AS1C100M ELECTRO 10UF 16WV C612 ✽ CD04AS1H4R7M ELECTRO 4.7UF 50WV C613 CK73GB1H103K CHIP C 0.010UF K C614 ✽ CD04AS1H4R7M ELECTRO 4.7UF 50WV C615 CD04AS1C220M ELECTRO 22UF 16WV C616 CD04AS1A470M ELECTRO 47UF 10WV C622 CD04AS1C100M ELECTRO 10UF 16WV C627 CK73GB1H102K CHIP C 1000PF K C629 CK73GB1H102K CHIP C 1000PF K C631 CK73GB1H102K CHIP C 1000PF K C633-635 CK73GB1H102K CHIP C 1000PF K C643,644 CK73GB1H103K CHIP C 0.010UF K C700 CD04BA1E4R7M ELECTRO 4.7UF 25WV C701 CK73GB1H103K CHIP C 0.010UF K C702 CD04BA1E4R7M ELECTRO 4.7UF 25WV C703-706 C92-0671-05 ELECTRO 10UF 16WV C707 CK73GB1H103K CHIP C 0.010UF K C708 CD04AS1C100M ELECTRO 10UF 16WV C709,710 C92-1427-05 ELECTRO 100UF 16WV C711,712 CK73GB1C104K CHIP C 0.10UF K C714 CK73GB1H103K CHIP C 0.010UF K C715 CK73GB1H104K CHIP C 0.10UF K C716 CC73GCH1H150J CHIP C 15PF J C717-719 CK73GB1H103K CHIP C 0.010UF K C723,724 CK73GB1H102K CHIP C 1000PF K C770 CK73GB1H103K CHIP C 0.010UF K C771 CD04AS1C100M ELECTRO 10UF 16WV C902 CK73GB1E223K CHIP C 0.022UF K EM C904 CC73GCH1H060D CHIP C 6.0PF D EM C905 CK73GB1H222K CHIP C 2200PF K EM C906 CK73GB1H102K CHIP C 1000PF K EM C907 CC73GCH1H820J CHIP C 82PF J EM C908 CK73GB1H152K CHIP C 1500PF K EM C909 CK73GB1H682K CHIP C 6800PF K EM C910 CC73GCH1H471J CHIP C 470PF J EM C911 CC73GCH1H121J CHIP C 120PF J EM C912 CC73GCH1H102J CHIP C 1000PF J EM C913 CK73GB1H221K CHIP C 220PF K EM C914 CC73GCH1H180J CHIP C 18PF J EM ELECTRIC UNIT (X34-316x-xx) www. xiaoyu163. com QQ 376315150 9 9 2 8 9 4 2 9 8 TEL 13942296513 9 9 2 8 9 4 2 9 8 0 5 1 5 1 3 6 7 3 Q Q TEL 13942296513 QQ 376315150 892498299 TEL 13942296513 QQ 376315150 892498299 77 DDX7015/7025/7035 DDX7045/7065 Indicates safety critical components. ✽ New parts Parts without Parts No. are not supplied. Les articles non mentionnes dans le Parts No. ne sont pas fournis. Teile ohne Parts No. werden nicht geliefert. Ref. No. A d d N e w Parts No. Description Desti- nation Ref. No. A d d N e w Parts No. Description Desti- nation K : DDX7015 E : DDX7025 M : DDX7035 X : DDX7045 R : DDX7045 C : DDX7065 (K : North America E : Europe M : Other Areas X : Australia R : Latin America X : China) PARTS LIST C915 CC73GCH1H102J CHIP C 1000PF J EM C916 CK73GB1H221K CHIP C 220PF K EM C954 CK73GB1H103K CHIP C 0.010UF K C960 CK73GB1H103K CHIP C 0.010UF K CN1 ✽ E41-0959-05 PIN ASSY CN3 ✽ E41-0959-05 PIN ASSY CN4,5 E40-9423-05 SOCKET FOR PIN ASSY CN7 ✽ E41-0422-05 FLAT CABLE CONNECTOR CN8 ✽ E41-2114-05 FLAT CABLE CONNECTOR CN9 ✽ E41-0422-05 FLAT CABLE CONNECTOR CN10 ✽ E41-2114-05 FLAT CABLE CONNECTOR CN100 E40-9409-05 PIN ASSY CN200,201 E40-9421-05 PIN ASSY CN350 ✽ E41-0938-05 PIN ASSY CN450 ✽ E41-2074-05 PIN ASSY CN600 ✽ E41-0935-05 PIN ASSY CN601 ✽ E41-0934-05 PIN ASSY CN700 ✽ E41-2077-05 PIN ASSY J1 E58-0863-15 RECTANGULAR RECEPTACLE J400 E56-0843-05 CYLINDRICAL RECEPTACLE J450 E58-0899-05 RECTANGULAR RECEPTACLE J500 E58-0900-05 RECTANGULAR RECEPTACLE J700 E58-0886-05 RECTANGULAR RECEPTACLE J701 ✽ E56-0854-05 CYLINDRICAL RECEPTACLE W200 ✽ E30-6344-25 CORD WITH PLUG (ANT) L2 L33-1102-05 CHOKE COIL L100 ✽ L41-1005-33 SMALL FIXED INDUCTOR L101 L92-0330-05 CHIP FERRITE L200-203 L41-4795-33 SMALL FIXED INDUCTOR L204 L33-1123-05 LINE FILTER COIL L205 L41-4795-33 SMALL FIXED INDUCTOR EKR L205 L41-4795-33 SMALL FIXED INDUCTOR M L300 L41-4795-33 SMALL FIXED INDUCTOR L500 ✽ L41-1005-33 SMALL FIXED INDUCTOR E L551 ✽ L41-1005-33 SMALL FIXED INDUCTOR L700 ✽ L41-1005-33 SMALL FIXED INDUCTOR X100 ✽ L77-2871-05 CRYSTAL RESONATOR (18.874MHZ) X200 L77-2002-05 CRYSTAL RESONATOR EKR X200 L77-2002-05 CRYSTAL RESONATOR M M 2C N86-2606-48 BINDING HEAD TAPTITE SCREW R1 RK73GB2A101J CHIP R 100 J 1/10W R2 RK73GB2A223J CHIP R 22K J 1/10W R3 RK73GB2A222J CHIP R 2.2K J 1/10W R4 RK73GB2A223J CHIP R 22K J 1/10W R5 RK73FB2B221J CHIP R 220 J 1/8W R6 RK73GB2A153J CHIP R 15K J 1/10W R7 RN73GH1J243D CHIP R 24K D 1/16W R8 ✽ RN73GH1J432D CHIP R 4.3K D 1/16W R15 RK73FB2B221J CHIP R 220 J 1/8W R16 RK73GB2A153J CHIP R 15K J 1/10W R17 RN73GH1J153D CHIP R 15K D 1/16W R18 RN73GH1J512D CHIP R 5.1K D 1/16W R30 RK73EB2E102J CHIP R 1.0K J 1/4W R31 RK73EB2E103J CHIP R 10K J 1/4W R32 RK73EB2E472J CHIP R 4.7K J 1/4W R33 RK73GB2A104J CHIP R 100K J 1/10W R34,35 R92-0365-05 CHIP R 1.0K J 1/2W R36 RK73GB2A223J CHIP R 22K J 1/10W R37,38 RK73FB2B472J CHIP R 4.7K J 1/8W R39 R92-0366-05 CHIP R 560 J 1W KRM R39 R92-0366-05 CHIP R 560 J 1W CX R40 RK73GB2A223J CHIP R 22K J 1/10W KRM R40 RK73GB2A223J CHIP R 22K J 1/10W CX R41 RK73GB2A103J CHIP R 10K J 1/10W R42 RK73GB2A223J CHIP R 22K J 1/10W R43 RK73GB2A104J CHIP R 100K J 1/10W R44 RK73GB2A223J CHIP R 22K J 1/10W R45 RK73FB2B561J CHIP R 560 J 1/8W R46 RK73GB2A473J CHIP R 47K J 1/10W R47 RK73GB2A102J CHIP R 1.0K J 1/10W R50 RK73GB2A104J CHIP R 100K J 1/10W R100 RK73GB2A104J CHIP R 100K J 1/10W R101,102 RK73GB2A103J CHIP R 10K J 1/10W R104-106 RK73GB2A104J CHIP R 100K J 1/10W R107-109 RK73GB2A101J CHIP R 100 J 1/10W R110 RK73GB2A104J CHIP R 100K J 1/10W R112,113 RK73GB2A101J CHIP R 100 J 1/10W R114 ✽ RK73GB2A510J CHIP R 51 J 1/10W R115,116 RK73GB2A104J CHIP R 100K J 1/10W R117 RK73GB2A101J CHIP R 100 J 1/10W R118 RK73GB2A472J CHIP R 4.7K J 1/10W R119 RK73GB2A101J CHIP R 100 J 1/10W R120 RK73GB2A472J CHIP R 4.7K J 1/10W R121,122 RK73GB2A102J CHIP R 1.0K J 1/10W R123 RK73GB2A473J CHIP R 47K J 1/10W R124 RK73GB2A102J CHIP R 1.0K J 1/10W R125 RK73GB2A223J CHIP R 22K J 1/10W R126 RK73GB2A102J CHIP R 1.0K J 1/10W R127 RK73GB2A103J CHIP R 10K J 1/10W R128 RK73GB2A101J CHIP R 100 J 1/10W R129 RK73GB2A103J CHIP R 10K J 1/10W R130 RK73GB2A101J CHIP R 100 J 1/10W R131 RK73GB2A103J CHIP R 10K J 1/10W R132 RK73GB2A101J CHIP R 100 J 1/10W R133 RK73GB2A222J CHIP R 2.2K J 1/10W R134,135 RK73GB2A104J CHIP R 100K J 1/10W R136 RK73GB2A101J CHIP R 100 J 1/10W R137-143 RK73GB2A104J CHIP R 100K J 1/10W R144 RK73GB2A223J CHIP R 22K J 1/10W R145,146 RK73GB2A104J CHIP R 100K J 1/10W R147 RK73GB2A101J CHIP R 100 J 1/10W R148 RK73GB2A103J CHIP R 10K J 1/10W R150 RK73GB2A104J CHIP R 100K J 1/10W R155 RK73GB2A103J CHIP R 10K J 1/10W RCX R156,157 RK73GB2A103J CHIP R 10K J 1/10W EKM R157 RK73GB2A103J CHIP R 10K J 1/10W RCX R159 RK73GB2A103J CHIP R 10K J 1/10W ERM R160,161 RK73GB2A103J CHIP R 10K J 1/10W KCX ELECTRIC UNIT (X34-316x-xx) www. xiaoyu163. com QQ 376315150 9 9 2 8 9 4 2 9 8 TEL 13942296513 9 9 2 8 9 4 2 9 8 0 5 1 5 1 3 6 7 3 Q Q TEL 13942296513 QQ 376315150 892498299 TEL 13942296513 QQ 376315150 892498299 78 DDX7015/7025/7035 DDX7045/7065 Indicates safety critical components. ✽ New parts Parts without Parts No. are not supplied. Les articles non mentionnes dans le Parts No. ne sont pas fournis. Teile ohne Parts No. werden nicht geliefert. Ref. No. A d d N e w Parts No. Description Desti- nation Ref. No. A d d N e w Parts No. Description Desti- nation PARTS LIST K : DDX7015 E : DDX7025 M : DDX7035 X : DDX7045 R : DDX7045 C : DDX7065 (K : North America E : Europe M : Other Areas X : Australia R : Latin America X : China) R161 RK73GB2A103J CHIP R 10K J 1/10W ERM R163 RK73GB2A103J CHIP R 10K J 1/10W KRM R163 RK73GB2A103J CHIP R 10K J 1/10W X R164 RK73GB2A103J CHIP R 10K J 1/10W EC R170-175 RK73GB2A101J CHIP R 100 J 1/10W R177 RK73GB2A223J CHIP R 22K J 1/10W R178 RK73GB2A102J CHIP R 1.0K J 1/10W R200 RK73GB2A223J CHIP R 22K J 1/10W R201 RK73GB2A222J CHIP R 2.2K J 1/10W EKR R201 RK73GB2A222J CHIP R 2.2K J 1/10W M R202,203 RK73GB2A102J CHIP R 1.0K J 1/10W R204,205 RK73GB2A222J CHIP R 2.2K J 1/10W EKR R204,205 RK73GB2A222J CHIP R 2.2K J 1/10W M R254 RK73GB2A473J CHIP R 47K J 1/10W R255 RK73GB2A331J CHIP R 330 J 1/10W R256 RK73GB2A154J CHIP R 150K J 1/10W R257 RK73GB2A682J CHIP R 6.8K J 1/10W R258 RK73GB2A100J CHIP R 10 J 1/10W R259 RK73GB2A362J CHIP R 3.6K J 1/10W R300,301 RK73GB2A472J CHIP R 4.7K J 1/10W R302 RK73GB2A473J CHIP R 47K J 1/10W R303 RK73GB2A272J CHIP R 2.7K J 1/10W R304 RK73GB2A103J CHIP R 10K J 1/10W R305 RK73GB2A222J CHIP R 2.2K J 1/10W CX R305,306 RK73GB2A222J CHIP R 2.2K J 1/10W EKR R305,306 RK73GB2A222J CHIP R 2.2K J 1/10W M R350 RK73GB2A472J CHIP R 4.7K J 1/10W R359,360 RK73EB2E100J CHIP R 10 J 1/4W R361 RK73EB2E4R7J CHIP R 4.7 J 1/4W R362 RK73EB2E472J CHIP R 4.7K J 1/4W R363 RK73EB2E101J CHIP R 100 J 1/4W R364-367 RK73EB2E472J CHIP R 4.7K J 1/4W R368,369 RK73EB2E101J CHIP R 100 J 1/4W R400 RK73EB2E102J CHIP R 1.0K J 1/4W R401-404 RK73GB2A750J CHIP R 75 J 1/10W R405,406 RK73EB2E102J CHIP R 1.0K J 1/4W R407 RK73EB2E4R7J CHIP R 4.7 J 1/4W R408,409 RK73EB2E100J CHIP R 10 J 1/4W R450 RK73GB2A473J CHIP R 47K J 1/10W E R452,453 RK73GB2A120J CHIP R 12 J 1/10W R454 RK73GB2A4R7J CHIP R 4.7 J 1/10W R455 RK73GB2A750J CHIP R 75 J 1/10W R456,457 RK73EB2E750J CHIP R 75 J 1/4W R460 RK73EB2E750J CHIP R 75 J 1/4W R466 RK73EB2E750J CHIP R 75 J 1/4W R467-469 RK73EB2E102J CHIP R 1.0K J 1/4W E R467,468 RK73EB2E102J CHIP R 1.0K J 1/4W KRM R467,468 RK73EB2E102J CHIP R 1.0K J 1/4W CX R470,471 RK73GB2A103J CHIP R 10K J 1/10W R500 RK73EB2E100J CHIP R 10 J 1/4W R501 RK73EB2E4R7J CHIP R 4.7 J 1/4W R502 RK73EB2E100J CHIP R 10 J 1/4W R503,504 RK73EB2E102J CHIP R 1.0K J 1/4W R505-507 RK73EB2E101J CHIP R 100 J 1/4W R508,509 RK73EB2E102J CHIP R 1.0K J 1/4W R510-513 RK73GB2A750J CHIP R 75 J 1/10W R514 RK73GB2A472J CHIP R 4.7K J 1/10W R550-553 RK73GB2A103J CHIP R 10K J 1/10W R562 RK73GB2A561J CHIP R 560 J 1/10W R563 RK73GB2A334J CHIP R 330K J 1/10W R564 RK73GB2A103J CHIP R 10K J 1/10W R600 RK73FB2B361J CHIP R 360 J 1/8W R601,602 RK73GB2A223J CHIP R 22K J 1/10W R603,604 RK73FB2B361J CHIP R 360 J 1/8W R605,606 RK73GB2A223J CHIP R 22K J 1/10W R607,608 RK73FB2B361J CHIP R 360 J 1/8W R609,610 RK73GB2A223J CHIP R 22K J 1/10W R611 RK73FB2B361J CHIP R 360 J 1/8W R612 RK73EB2E430J CHIP R 43 J 1/4W R613-615 RK73FB2B181J CHIP R 180 J 1/8W R616 RK73GB2A361J CHIP R 360 J 1/10W R617 RK73GB2A101J CHIP R 100 J 1/10W R618,619 RK73GB2A223J CHIP R 22K J 1/10W R620 RK73GB2A101J CHIP R 100 J 1/10W R621 RK73GB2A361J CHIP R 360 J 1/10W R622 RK73GB2A750J CHIP R 75 J 1/10W R623,624 RK73EB2E100J CHIP R 10 J 1/4W R625 RK73EB2E4R7J CHIP R 4.7 J 1/4W R626-628 RK73FB2B181J CHIP R 180 J 1/8W R629 RK73GB2A472J CHIP R 4.7K J 1/10W R700 RK73EB2E181J CHIP R 180 J 1/4W R701 RK73FB2B223J CHIP R 22K J 1/8W R702 RK73EB2E181J CHIP R 180 J 1/4W R703-706 RK73EB2E100J CHIP R 10 J 1/4W R707 RK73EB2E102J CHIP R 1.0K J 1/4W R709-711 RK73EB2E101J CHIP R 100 J 1/4W R713 RK73GB2A103J CHIP R 10K J 1/10W R714 RN73GH1J473D CHIP R 47K D 1/16W R715,716 RN73GH1J472D CHIP R 4.7K D 1/16W R717,718 RN73GH1J473D CHIP R 47K D 1/16W R719,720 RN73GH1J472D CHIP R 4.7K D 1/16W R721 RN73GH1J473D CHIP R 47K D 1/16W R722-725 RN73GH1J472D CHIP R 4.7K D 1/16W R726 RK73GB2A102J CHIP R 1.0K J 1/10W R727 RN73GH1J682D CHIP R 6.8K D 1/16W R728 RK73GB2A102J CHIP R 1.0K J 1/10W R730 RN73GH1J103D CHIP R 10K D 1/16W R731-738 RN73GH1J472D CHIP R 4.7K D 1/16W R739-742 RK73GB2A103J CHIP R 10K J 1/10W R743 RK73GB2A473J CHIP R 47K J 1/10W R744,745 RK73EB2E4R7J CHIP R 4.7 J 1/4W R746 RK73GB2A220J CHIP R 22 J 1/10W R747 RK73GB2A101J CHIP R 100 J 1/10W R748 RK73GB2A220J CHIP R 22 J 1/10W R749 RK73EB2E391J CHIP R 390 J 1/4W R750 RK73GB2A152J CHIP R 1.5K J 1/10W R751 RK73GB2A102J CHIP R 1.0K J 1/10W R752 RK73EB2E100J CHIP R 10 J 1/4W R753 RK73GB2A361J CHIP R 360 J 1/10W R754,755 RK73FB2B223J CHIP R 22K J 1/8W ELECTRIC UNIT (X34-316x-xx) www. xiaoyu163. com QQ 376315150 9 9 2 8 9 4 2 9 8 TEL 13942296513 9 9 2 8 9 4 2 9 8 0 5 1 5 1 3 6 7 3 Q Q TEL 13942296513 QQ 376315150 892498299 TEL 13942296513 QQ 376315150 892498299 79 DDX7015/7025/7035 DDX7045/7065 Indicates safety critical components. ✽ New parts Parts without Parts No. are not supplied. Les articles non mentionnes dans le Parts No. ne sont pas fournis. Teile ohne Parts No. werden nicht geliefert. Ref. No. A d d N e w Parts No. Description Desti- nation Ref. No. A d d N e w Parts No. Description Desti- nation K : DDX7015 E : DDX7025 M : DDX7035 X : DDX7045 R : DDX7045 C : DDX7065 (K : North America E : Europe M : Other Areas X : Australia R : Latin America X : China) PARTS LIST R756 RK73GB2A361J CHIP R 360 J 1/10W R770 RK73GB2A432J CHIP R 4.3K J 1/10W R904 RK73GB2A823J CHIP R 82K J 1/10W EM R905,906 RK73GB2A103J CHIP R 10K J 1/10W EM R907 RK73GB2A104J CHIP R 100K J 1/10W EM R908 RK73GB2A103J CHIP R 10K J 1/10W EM R909 RK73GB2A153J CHIP R 15K J 1/10W EM R910 RK73GB2A103J CHIP R 10K J 1/10W EM R911 RK73GB2A562J CHIP R 5.6K J 1/10W EM R912,913 RK73GB2A103J CHIP R 10K J 1/10W EM R914 RK73GB2A333J CHIP R 33K J 1/10W EM R915 RK73GB2A103J CHIP R 10K J 1/10W EM R916 RK73GB2A272J CHIP R 2.7K J 1/10W EM R917 RK73GB2A222J CHIP R 2.2K J 1/10W EM R918-921 RK73GB2A472J CHIP R 4.7K J 1/10W W1 R92-2053-05 CHIP R 0 J 1/8W W33 R92-1252-05 CHIP R 0 OHM J 1/16W E W102-107 R92-1252-05 CHIP R 0 OHM J 1/16W W110 R92-1252-05 CHIP R 0 OHM J 1/16W W251 R92-2053-05 CHIP R 0 J 1/8W W252 R92-1252-05 CHIP R 0 OHM J 1/16W W450 R92-1252-05 CHIP R 0 OHM J 1/16W KRM W450 R92-1252-05 CHIP R 0 OHM J 1/16W CX W454 R92-1252-05 CHIP R 0 OHM J 1/16W W500-505 R92-1252-05 CHIP R 0 OHM J 1/16W KRM W500-505 R92-1252-05 CHIP R 0 OHM J 1/16W CX W900 R92-1252-05 CHIP R 0 OHM J 1/16W EM D1 MA8056-M ZENER DIODE D5 RM10ZLF DIODE D6 1SR154-400 DIODE E D6,7 1SR154-400 DIODE KRM D6,7 1SR154-400 DIODE CX D8 DAP202U DIODE D9,10 1SR154-400 DIODE D11 MA8068-M ZENER DIODE D12 MA8056-M ZENER DIODE D13 MA8047-M ZENER DIODE D200 IMSA-6801 SURGE ABSORBER D250 DAP202U DIODE D350 RD6.8MW ZENER DIODE D351 MA8062-M ZENER DIODE D352-355 MA3062WA ZENER DIODE D400 MA8062-M ZENER DIODE D401 MA3062WA ZENER DIODE D402 MA8062-M ZENER DIODE D403 RD6.8MW ZENER DIODE D404,405 DA204U DIODE D406-408 MA3062WA ZENER DIODE KRM D406-408 MA3062WA ZENER DIODE CX D406-413 MA3062WA ZENER DIODE E D412,413 MA3062WA ZENER DIODE KRM D412,413 MA3062WA ZENER DIODE CX D451 MA8062-M ZENER DIODE D452 RD6.8MW ZENER DIODE D453-456 DA204U DIODE D457 MA3062WA ZENER DIODE D462 DAN202U DIODE D500,501 MA8062-M ZENER DIODE D502 RD6.8MW ZENER DIODE D503-505 MA3062WA ZENER DIODE D506 DA204U DIODE KRM D506 DA204U DIODE CX D506-511 DA204U DIODE E D508 DA204U DIODE KRM D508 DA204U DIODE CX D510 DA204U DIODE KRM D510 DA204U DIODE CX D550-557 DA204U DIODE D602,603 DAP202U DIODE D604 MA3062WA ZENER DIODE D605 DAP202U DIODE D606 RD6.8MW ZENER DIODE D607 MA8062-M ZENER DIODE D610-612 DAP202U DIODE D700,701 RD6.8MW ZENER DIODE D702-704 MA3062WA ZENER DIODE D705 MA8062-M ZENER DIODE D706 MA8068-M ZENER DIODE D707 RD6.8MW ZENER DIODE D708 DAP202U DIODE D709 ✽ AVRM1608270MAA VARISTOR D710 DA204U DIODE D711 MA8068-M ZENER DIODE D712 DAP202U DIODE D901 DAN202U DIODE EM IC1 M5237ML ANALOGUE IC IC3 M5237ML ANALOGUE IC IC100 ✽ HD74HC02FP-E MOS-IC IC101 S-80842CNNB MOS-IC IC103 ✽ 703069YGJ-104 MICROCONTROLLER IC IC200 TDA7479D ANALOGUE IC EKR IC200 TDA7479D ANALOGUE IC M IC250 TB2903H ANALOGUE IC IC300 TDA7401 ANALOGUE IC IC301 E-TDA7414 ANALOGUE IC IC350 BA3121F ANALOGUE IC IC400 TC7SH08FU MOS-IC IC450,451 NJM2267V ANALOGUE IC IC452 TC7SH14FU MOS-IC IC453 TC7SH08FU MOS-IC E IC500 BA3121F ANALOGUE IC IC501 MM1234XFBE ANALOGUE IC E IC550 ✽ TC4052BFT MOS-IC IC551 ✽ MM1503 ANALOGUE IC IC552 MM1108XFFE ANALOGUE IC IC553 BA7652AF ANALOGUE IC IC554 ✽ TC4052BFT MOS-IC IC555 BA7612F ANALOGUE IC IC600 BA3121F ANALOGUE IC ELECTRIC UNIT (X34-316x-xx) www. xiaoyu163. com QQ 376315150 9 9 2 8 9 4 2 9 8 TEL 13942296513 9 9 2 8 9 4 2 9 8 0 5 1 5 1 3 6 7 3 Q Q TEL 13942296513 QQ 376315150 892498299 TEL 13942296513 QQ 376315150 892498299 80 DDX7015/7025/7035 DDX7045/7065 Indicates safety critical components. ✽ New parts Parts without Parts No. are not supplied. Les articles non mentionnes dans le Parts No. ne sont pas fournis. Teile ohne Parts No. werden nicht geliefert. Ref. No. A d d N e w Parts No. Description Desti- nation Ref. No. A d d N e w Parts No. Description Desti- nation VIDEO UNIT (X35-4332-70) PARTS LIST K : DDX7015 E : DDX7025 M : DDX7035 X : DDX7045 R : DDX7045 C : DDX7065 (K : North America E : Europe M : Other Areas X : Australia R : Latin America X : China) IC700,701 BA3129F ANALOGUE IC IC702-704 NJM4565M-TE2 ANALOGUE IC IC705 HA12187FP ANALOGUE IC IC900 NJM4565M-TE2 ANALOGUE IC EM Q1 2SC4081 TRANSISTOR Q2 2SB1443 TRANSISTOR Q3 2SA1576A TRANSISTOR Q4,5 UMC2N TRANSISTOR Q6 2SB1565 TRANSISTOR Q8 UMC2N TRANSISTOR Q9 DTC114EUA DIGITAL TRANSISTOR Q10 2SB1565 TRANSISTOR Q19 DTC124EUA DIGITAL TRANSISTOR Q20,21 DTC114YUA DIGITAL TRANSISTOR KRM Q20,21 DTC114YUA DIGITAL TRANSISTOR CX Q21 DTC114YUA DIGITAL TRANSISTOR E Q22 DTA114EUA DIGITAL TRANSISTOR Q23,24 2SB1188(Q,R) TRANSISTOR KRM Q23,24 2SB1188(Q,R) TRANSISTOR CX Q24 2SB1188(Q,R) TRANSISTOR E Q25 2SA1576A TRANSISTOR Q26 2SC4081 TRANSISTOR Q27 DTA123JK DIGITAL TRANSISTOR Q100 DTA124EUA DIGITAL TRANSISTOR Q200 DTC124EUA DIGITAL TRANSISTOR Q201 2SB1188(Q,R) TRANSISTOR Q300 2SD1819A TRANSISTOR EKR Q300 2SD1819A TRANSISTOR M Q301 DTC124EUA DIGITAL TRANSISTOR Q460 DTA124EUA DIGITAL TRANSISTOR Q551-554 DTC124EUA DIGITAL TRANSISTOR Q600-602 DTC143TUA DIGITAL TRANSISTOR Q603 2SA1576A TRANSISTOR Q604-606 DTC143TUA DIGITAL TRANSISTOR Q607 2SA1576A TRANSISTOR Q608 DTC143TUA DIGITAL TRANSISTOR Q609 DTA124EUA DIGITAL TRANSISTOR Q610 DTC143TUA DIGITAL TRANSISTOR Q700 DTC144EUA DIGITAL TRANSISTOR Q702 DTA124EUA DIGITAL TRANSISTOR Q703 DTC323TU DIGITAL TRANSISTOR Q704 UMA2N TRANSISTOR Q705 2SC3437 TRANSISTOR Q706 DTC323TU DIGITAL TRANSISTOR Q707 DTA124EUA DIGITAL TRANSISTOR Q712 DTC144EUA DIGITAL TRANSISTOR Q713 DTA124EUA DIGITAL TRANSISTOR Q904 2SC4081 TRANSISTOR EM Q905 DTC114EUA DIGITAL TRANSISTOR EM Q906 DTA124EUA DIGITAL TRANSISTOR EM TH250 ✽ PT722A70C POSITIVE RESISTOR A1 ✽ W02-3463-05 FM/AM FRONT-END KRC A1 ✽ W02-3463-05 FM/AM FRONT-END X A1 ✽ W02-3464-05 FM/AM FRONT-END EM D508 B30-1566-05 LED (1608,RED) D666 B30-1564-05 LED (1608,BLUE) D667-677 B30-1605-05 LED (2COLOR PG/RED) D680 B30-1605-05 LED (2COLOR PG/RED) D701 B30-1547-05 LED D702 B30-1566-05 LED (1608,RED) D703 B30-1547-05 LED D704 B30-1566-05 LED (1608,RED) C1 ✽ C92-1857-05 ELECTRO 33UF 10WV C3 ✽ C93-1283-05 CHIP C 1.0UF K C4 ✽ C92-1857-05 ELECTRO 33UF 10WV C5 C93-1363-05 CHIP C 10PF J C6 ✽ C93-1361-05 CHIP C 0.012UF J C7 CK73GB1E473K CHIP C 0.047UF K C8 C93-1269-05 CHIP C 220PF J C9 CK73GB0J225K CHIP C 2.2UF K C10 CK73GB1H103K CHIP C 0.010UF K C11 CK73GB0J225K CHIP C 2.2UF K C12 CK73GB1H103K CHIP C 0.010UF K C13 CK73GB1A474K CHIP C 0.47UF K C14 CK73GB1H103K CHIP C 0.010UF K C15 CK73GB1E473K CHIP C 0.047UF K C16 CK73GB1E183K CHIP C 0.018UF K C17 CK73GB1H103K CHIP C 0.010UF K C18 ✽ C93-1283-05 CHIP C 1.0UF K C21 CK73GB0J225K CHIP C 2.2UF K C22 CK73GB1H152K CHIP C 1500PF K C24 CK73GB1H103K CHIP C 0.010UF K C26 CK73GB1H103K CHIP C 0.010UF K C27 ✽ C93-1283-05 CHIP C 1.0UF K C102 CK73DF1C106Z CHIP C 10UF Z C103 CK73GB1H103K CHIP C 0.010UF K C105 ✽ CE32AU1C220M CHIP EL 22UF 16WV C106 CK73GB1H103K CHIP C 0.010UF K C108 ✽ CE32AU1C220M CHIP EL 22UF 16WV C109 CK73FB1C105K CHIP C 1.0UF K C110 CK73GB1H103K CHIP C 0.010UF K C112 CK73FB1E154K CHIP C 0.15UF K C113 CK73EB1C225K CHIP C 2.2UF K C114 CK73FB1C224K CHIP C 0.22UF K C115 CK73GB1H104K CHIP C 0.10UF K C116 C92-1685-05 ELECTRO 47UF 6.3WV C118 CK73GB1H103K CHIP C 0.010UF K C119 CC73GCH1H151J CHIP C 150PF J C211 CK73EB1A475K CHIP C 4.7UF K C230 CK73GB1H103K CHIP C 0.010UF K C231,232 CK73DF1E106Z CHIP C 10UF Z C233 CK73GB1H103K CHIP C 0.010UF K C234 CC73GCH1H560J CHIP C 56PF J C301,302 CK73DF1E106Z CHIP C 10UF Z C303 CK73GB1H103K CHIP C 0.010UF K C304 CK73GB1H104K CHIP C 0.10UF K C307 CK73EB0J106K CHIP C 10UF K ELECTRIC UNIT (X34-316x-xx) www. xiaoyu163. com QQ 376315150 9 9 2 8 9 4 2 9 8 TEL 13942296513 9 9 2 8 9 4 2 9 8 0 5 1 5 1 3 6 7 3 Q Q TEL 13942296513 QQ 376315150 892498299 TEL 13942296513 QQ 376315150 892498299 81 DDX7015/7025/7035 DDX7045/7065 Indicates safety critical components. ✽ New parts Parts without Parts No. are not supplied. Les articles non mentionnes dans le Parts No. ne sont pas fournis. Teile ohne Parts No. werden nicht geliefert. Ref. No. A d d N e w Parts No. Description Desti- nation Ref. No. A d d N e w Parts No. Description Desti- nation K : DDX7015 E : DDX7025 M : DDX7035 X : DDX7045 R : DDX7045 C : DDX7065 (K : North America E : Europe M : Other Areas X : Australia R : Latin America X : China) PARTS LIST C308 CK73GB1H103K CHIP C 0.010UF K C309 CC73GCH1H100D CHIP C 10PF D C310 CK73GB1H561K CHIP C 560PF K C311-314 CK73GB1H103K CHIP C 0.010UF K C315,316 CK73GB1H104K CHIP C 0.10UF K C317 CK73GB1H103K CHIP C 0.010UF K C318,319 CK73GB1H104K CHIP C 0.10UF K C320 CC73GCH1H560J CHIP C 56PF J C322 CC73GCH1E102J CHIP C 1000PF J C323 CC73GCH1H101J CHIP C 100PF J C324,325 CK73GB1H103K CHIP C 0.010UF K C326 CC73GCH1H681J CHIP C 680PF J C327,328 CK73GB1H104K CHIP C 0.10UF K C331,332 CC73GCH1H390J CHIP C 39PF J C333 CK73GB1H104K CHIP C 0.10UF K C334 CK73GB1H103K CHIP C 0.010UF K C335,336 CK73GB1H104K CHIP C 0.10UF K C339 CK73GB1H103K CHIP C 0.010UF K C425 CK73FB1C105K CHIP C 1.0UF K C426 CK73EB1E105K CHIP C 1.0UF K C427 CK73FB1A225K CHIP C 2.2UF K C428 CK73EB0J106K CHIP C 10UF K C502,503 CK73GB1H103K CHIP C 0.010UF K C504 CK73EB1A106K CHIP C 10UF K C505 CK73GB1H271K CHIP C 270PF K C506 CC73GCH1H101J CHIP C 100PF J C507 CC73GCH1H150J CHIP C 15PF J C601 CK73GB1H221K CHIP C 220PF K C602 CK73GB1H103K CHIP C 0.010UF K C603 CK73GB0J225K CHIP C 2.2UF K C604 CC73GCH1H101J CHIP C 100PF J C605 CK73EB1A106K CHIP C 10UF K CN1 E40-9797-05 PIN ASSY CN302 ✽ E41-2116-05 FLAT CABLE CONNECTOR CN303 ✽ E41-2065-05 FLAT CABLE CONNECTOR CN501 ✽ E41-2088-05 FLAT CABLE CONNECTOR CN602 ✽ E41-0451-15 FLAT CABLE CONNECTOR CN604 ✽ E41-2208-05 FLAT CABLE CONNECTOR CN701 E41-0267-05 FLAT CABLE CONNECTOR P2 E23-0746-05 TERMINAL F1 F53-0251-05 FUSE F107 ✽ F53-0314-05 FUSE (UL,CSA) L1 L19-0727-05 TRANSFORMER FOR CONVERTER L2 L33-1933-05 CHOKE COIL L101,102 L41-3392-13 SMALL FIXED INDUCTOR L103 L41-4792-13 SMALL FIXED INDUCTOR L104-106 L40-1001-78 SMALL FIXED INDUCTOR (10UH) L306 ✽ L41-5695-33 SMALL FIXED INDUCTOR L307 ✽ L92-0397-05 CHIP FERRITE L501 L40-1001-78 SMALL FIXED INDUCTOR (10UH) L601 L40-1001-78 SMALL FIXED INDUCTOR (10UH) CP301,302 R90-0724-05 MULTI-COMP 1K X4 CP303 R90-1014-05 MULTI-COMP 100 X4 R1 RK73GB2A512J CHIP R 5.1K J 1/10W R3 RK73GB2A220J CHIP R 22 J 1/10W R4 RN73GH1J153D CHIP R 15K D 1/16W R5 RK73GB2A153J CHIP R 15K J 1/10W R6 RN73GH1J5902D CHIP R 59.0K D 1/16W R7 RK73GB2A220J CHIP R 22 J 1/10W R8 RK73GB2A512J CHIP R 5.1K J 1/10W R9 ✽ RK73GH2A304D CHIP R 300K D 1/10W R10 RK73GB2A331J CHIP R 330 J 1/10W R11 RK73GB2A220J CHIP R 22 J 1/10W R12 RK73GB2A105J CHIP R 1.0M J 1/10W R13 RK73GB2A220J CHIP R 22 J 1/10W R14 ✽ RN73GH1J4530D CHIP R 453.0 D 1/16W R15 RN73GH1J513D CHIP R 51K D 1/16W R16,17 RK73GB2A220J CHIP R 22 J 1/10W R18 RK73GB2A222J CHIP R 2.2K J 1/10W R101 ✽ RK73GH2A104D CHIP R 100K D 1/10W R102 RK73GH2A113D CHIP R 11K D 1/10W R103 ✽ RK73GH2A184D CHIP R 180K D 1/10W R104 ✽ RK73GH2A133D CHIP R 13K D 1/10W R105 RK73GB2A473J CHIP R 47K J 1/10W R106 RK73GB2A100J CHIP R 10 J 1/10W R107 RK73GB2A222J CHIP R 2.2K J 1/10W R218 RK73GB2A222J CHIP R 2.2K J 1/10W R219 RK73GB2A513J CHIP R 51K J 1/10W R234 RN73GH1J472D CHIP R 4.7K D 1/16W R235 RN73GH1J912D CHIP R 9.1K D 1/16W R236 RN73GH1J222D CHIP R 2.2K D 1/16W R239 RK73GB2A123J CHIP R 12K J 1/10W R240 RK73GB2A470J CHIP R 47 J 1/10W R241 RK73GB2A123J CHIP R 12K J 1/10W R242 RK73GB2A470J CHIP R 47 J 1/10W R307 RK73GB2A101J CHIP R 100 J 1/10W R308 RK73GB2A621J CHIP R 620 J 1/10W R314,315 RK73GB2A103J CHIP R 10K J 1/10W R316 RK73GB2A102J CHIP R 1.0K J 1/10W R318 RK73GB2A102J CHIP R 1.0K J 1/10W R321 RK73GB2A472J CHIP R 4.7K J 1/10W R324,325 RK73GB2A472J CHIP R 4.7K J 1/10W R326 RK73GB2A473J CHIP R 47K J 1/10W R327 RK73GB2A683J CHIP R 68K J 1/10W R328 RK73GB2A153J CHIP R 15K J 1/10W R329 RK73GB2A101J CHIP R 100 J 1/10W R330 RK73GB2A182J CHIP R 1.8K J 1/10W R331 RK73GB2A331J CHIP R 330 J 1/10W R332 RK73GB2A332J CHIP R 3.3K J 1/10W R337,338 RK73GB2A101J CHIP R 100 J 1/10W R339 RK73GB2A102J CHIP R 1.0K J 1/10W R340-344 RK73GB2A101J CHIP R 100 J 1/10W R345 RK73GB2A683J CHIP R 68K J 1/10W R346 RK73GB2A105J CHIP R 1.0M J 1/10W R347 RK73GB2A153J CHIP R 15K J 1/10W R348 RK73GB2A362J CHIP R 3.6K J 1/10W R349 RK73GB2A153J CHIP R 15K J 1/10W R350-353 RK73GB2A101J CHIP R 100 J 1/10W VIDEO UNIT (X35-4332-70) www. xiaoyu163. com QQ 376315150 9 9 2 8 9 4 2 9 8 TEL 13942296513 9 9 2 8 9 4 2 9 8 0 5 1 5 1 3 6 7 3 Q Q TEL 13942296513 QQ 376315150 892498299 TEL 13942296513 QQ 376315150 892498299 82 DDX7015/7025/7035 DDX7045/7065 Indicates safety critical components. ✽ New parts Parts without Parts No. are not supplied. Les articles non mentionnes dans le Parts No. ne sont pas fournis. Teile ohne Parts No. werden nicht geliefert. Ref. No. A d d N e w Parts No. Description Desti- nation Ref. No. A d d N e w Parts No. Description Desti- nation PARTS LIST K : DDX7015 E : DDX7025 M : DDX7035 X : DDX7045 R : DDX7045 C : DDX7065 (K : North America E : Europe M : Other Areas X : Australia R : Latin America X : China) R359,360 RK73GB2A100J CHIP R 10 J 1/10W R361 RK73GB2A562J CHIP R 5.6K J 1/10W R370 RK73GB2A821J CHIP R 820 J 1/10W R373,374 RK73GB2A561J CHIP R 560 J 1/10W R380,381 RK73EB2E101J CHIP R 100 J 1/4W R385,386 RK73EB2E100J CHIP R 10 J 1/4W R387,388 RK73EB2E101J CHIP R 100 J 1/4W R391 RK73EB2E101J CHIP R 100 J 1/4W R393-397 RK73EB2E101J CHIP R 100 J 1/4W R501,502 RK73GB2A333J CHIP R 33K J 1/10W R503-506 RK73EB2E100J CHIP R 10 J 1/4W R601 RK73GB2A101J CHIP R 100 J 1/10W R602 RK73GB2A222J CHIP R 2.2K J 1/10W R603 RK73GB2A332J CHIP R 3.3K J 1/10W R604 RK73GB2A562J CHIP R 5.6K J 1/10W R605 RK73GB2A103J CHIP R 10K J 1/10W R606 RK73GB2A101J CHIP R 100 J 1/10W R607 RK73GB2A222J CHIP R 2.2K J 1/10W R608 RK73GB2A332J CHIP R 3.3K J 1/10W R609 RK73GB2A562J CHIP R 5.6K J 1/10W R610 RK73GB2A103J CHIP R 10K J 1/10W R611 RK73GB2A333J CHIP R 33K J 1/10W R612 RK73GB2A361J CHIP R 360 J 1/10W R613 RK73GB2A101J CHIP R 100 J 1/10W R614 RK73GB2A361J CHIP R 360 J 1/10W R615 RK73GB2A101J CHIP R 100 J 1/10W R616 RK73GB2A361J CHIP R 360 J 1/10W R617 RK73GB2A101J CHIP R 100 J 1/10W R618 RK73GB2A361J CHIP R 360 J 1/10W R619 RK73GB2A101J CHIP R 100 J 1/10W R620 RK73GB2A301J CHIP R 300 J 1/10W R621 RK73GB2A102J CHIP R 1.0K J 1/10W R623 RK73GB2A751J CHIP R 750 J 1/10W R624 RK73GB2A104J CHIP R 100K J 1/10W R625 RK73GB2A101J CHIP R 100 J 1/10W R702 RK73FB2B561J CHIP R 560 J 1/8W R703 RK73FB2B331J CHIP R 330 J 1/8W VR203 R32-0235-05 SEMI FIXED VARIABLE RESISTOR VR301 R32-0235-05 SEMI FIXED VARIABLE RESISTOR W3 R92-1252-05 CHIP R 0 OHM J 1/16W W216,217 R92-2052-05 CHIP R 0 OHM J 1/10W W253 R92-2052-05 CHIP R 0 OHM J 1/10W W305 R92-1252-05 CHIP R 0 OHM J 1/16W W310 R92-1252-05 CHIP R 0 OHM J 1/16W W313 R92-1252-05 CHIP R 0 OHM J 1/16W W320 R92-1252-05 CHIP R 0 OHM J 1/16W W323 R92-1252-05 CHIP R 0 OHM J 1/16W W333-335 R92-1252-05 CHIP R 0 OHM J 1/16W W354-357 R92-1252-05 CHIP R 0 OHM J 1/16W W368 R92-1252-05 CHIP R 0 OHM J 1/16W W371 R92-1252-05 CHIP R 0 OHM J 1/16W W392 R92-2053-05 CHIP R 0 J 1/8W W398 R92-2053-05 CHIP R 0 J 1/8W S601 S70-0901-05 TACT SWITCH S602,603 ✽ S70-0919-05 TACT SWITCH S604,605 S70-0901-05 TACT SWITCH S606-608 ✽ S70-0919-05 TACT SWITCH S609 S70-0901-05 TACT SWITCH S614 ✽ S70-0919-05 TACT SWITCH S615 ✽ S70-0910-05 TACT SWITCH S616 ✽ S70-0919-05 TACT SWITCH S617,618 S70-0901-05 TACT SWITCH D1,2 MA8047-M ZENER DIODE D3 MA115 DIODE D4,5 DA204U DIODE D6 MA784 DIODE D7 MA8056-M ZENER DIODE D8 AVRM1608120M6A VARISTOR D101 ✽ EP05Q04 DIODE D102 ✽ EP05Q06 DIODE D103,104 ✽ EP05Q04 DIODE D301 MA8051-M ZENER DIODE D302,303 DA204U DIODE D304 MA8051-M ZENER DIODE D309 1SV231 VARIABLE CAPACITANCE DIODE D310 AVRM1608180M6A VARISTOR D501-504 MA8068-M ZENER DIODE D601-603 AVRM1608180M6A VARISTOR D612 AVRM1608180M6A VARISTOR D615,616 AVRM1608180M6A VARISTOR D622,623 AVRM1608180M6A VARISTOR D636-638 AVRM1608180M6A VARISTOR D639 DA204U DIODE D690 DAN202U DIODE IC1 OZ960IS-C ANALOGUE IC IC101 LT1947 ANALOGUE IC IC203 TA75W558FU ANALOGUE IC IC301 TC200G02AF0104 MOS-IC IC302 TC7SH08FU MOS-IC IC303 NJM2107F ANALOGUE IC IC304 TC7WH14FU MOS-IC IC601 RS-181 ANALOGUE IC Q1 2SC4081 TRANSISTOR Q2,3 SI5513DC DUAL FET Q5 2SC4081 TRANSISTOR Q101 DTC124EUA DIGITAL TRANSISTOR Q102 DTA124EUA DIGITAL TRANSISTOR Q201 IMZ1A DUAL TRANSISTOR Q202 2SD601A TRANSISTOR Q203 2SB709A TRANSISTOR Q301 2SC4097 TRANSISTOR Q302,303 DTA143ZUA DIGITAL TRANSISTOR Q304,305 DTC143ZUA DIGITAL TRANSISTOR Q306 DTC124EUA DIGITAL TRANSISTOR Q601 DTC124EUA DIGITAL TRANSISTOR Q602 DTA124EUA DIGITAL TRANSISTOR Q604 DTC124EUA DIGITAL TRANSISTOR Q605 DTA143EUA DIGITAL TRANSISTOR VIDEO UNIT (X35-4332-70) www. xiaoyu163. com QQ 376315150 9 9 2 8 9 4 2 9 8 TEL 13942296513 9 9 2 8 9 4 2 9 8 0 5 1 5 1 3 6 7 3 Q Q TEL 13942296513 QQ 376315150 892498299 TEL 13942296513 QQ 376315150 892498299 83 DDX7015/7025/7035 DDX7045/7065 Indicates safety critical components. ✽ New parts Parts without Parts No. are not supplied. Les articles non mentionnes dans le Parts No. ne sont pas fournis. Teile ohne Parts No. werden nicht geliefert. Ref. No. A d d N e w Parts No. Description Desti- nation Ref. No. A d d N e w Parts No. Description Desti- nation K : DDX7015 E : DDX7025 M : DDX7035 X : DDX7045 R : DDX7045 C : DDX7065 (K : North America E : Europe M : Other Areas X : Australia R : Latin America X : China) PARTS LIST Q701 DTC124EUA DIGITAL TRANSISTOR C1 CK73FB0J106M CHIP C 10UF M C2 CK73HB1A104K CHIP C 0.10UF K C3,4 CK73FB0J106M CHIP C 10UF M C5 CK73HB1A104K CHIP C 0.10UF K C6 CC73HCH1E221J CHIP C 220PF J C7 CK73HB1A104K CHIP C 0.10UF K C8 CK73FB0J106M CHIP C 10UF M C9,10 CK73HB1A104K CHIP C 0.10UF K C11 CK73HB1H332K CHIP C 3300PF K C12 CK73HB1A104K CHIP C 0.10UF K C13 CK73FB0J106M CHIP C 10UF M C14 C92-1792-05 ELECTRO 22UF 6.3WV C15 CK73HB1C103K CHIP C 0.010UF K C17 CC73GCH1H471J CHIP C 470PF J C18 CK73HB1A104K CHIP C 0.10UF K C19 CC73GCH1H471J CHIP C 470PF J C20 CK73HB1A333K CHIP C 0.033UF K C21 CK73HB1A473K CHIP C 0.047UF K C22-24 CK73HB1A104K CHIP C 0.10UF K C25,26 C93-1215-05 CHIP C 10UF K C27 CK73HB1A104K CHIP C 0.10UF K C31 C92-1685-05 ELECTRO 47UF 6.3WV C32,33 CC73GCH1E102J CHIP C 1000PF J C34,35 CC73GCH1H681J CHIP C 680PF J C36 CK73HB1H222K CHIP C 2200PF K C37 CC73GCH1H331J CHIP C 330PF J C38,39 CK73HB1C103K CHIP C 0.010UF K C40,41 CK73HB1A104K CHIP C 0.10UF K C42 CK73HB1C223K CHIP C 0.022UF K C43 CC73HCH1H470J CHIP C 47PF J C44 CC73GCH1H681J CHIP C 680PF J C45 CK73HB1E682K CHIP C 6800PF K C46 CK73HB1A104K CHIP C 0.10UF K C47 CC73GCH1E102J CHIP C 1000PF J C48-50 CK73HB1A104K CHIP C 0.10UF K C51 C93-1271-05 CHIP C 0.1UF M C52-55 CK73HB1A104K CHIP C 0.10UF K C56,57 C93-1271-05 CHIP C 0.1UF M C58-60 CK73HB1A104K CHIP C 0.10UF K C62 CK73HB1A104K CHIP C 0.10UF K C63 C93-1271-05 CHIP C 0.1UF M C64,65 CK73HB1C103K CHIP C 0.010UF K C67 CC73HCH1H220J CHIP C 22PF J C68 CC73HCH1H150J CHIP C 15PF J C69-73 CK73HB1A104K CHIP C 0.10UF K C74 CK73EB1A106K CHIP C 10UF K C75,76 CK73HB1C103K CHIP C 0.010UF K C77 CK73HB1A104K CHIP C 0.10UF K C78 CC73GCH1H331J CHIP C 330PF J C79-81 CK73HB1C103K CHIP C 0.010UF K C82 CK73HB1A104K CHIP C 0.10UF K C83 CC73HCH1E221J CHIP C 220PF J C84 CC73HCH1H101J CHIP C 100PF J C85 C92-1684-05 ELECTRO 82UF 10WV C87,88 CK73HB1C103K CHIP C 0.010UF K C89 CK73FB0J106M CHIP C 10UF M C90-95 CK73HB1A104K CHIP C 0.10UF K C96 CK73GB1A224K CHIP C 0.22UF K C97,98 CK73HB1A104K CHIP C 0.10UF K C99 C92-1685-05 ELECTRO 47UF 6.3WV C100 CK73GB0J105K CHIP C 1.0UF K C101 CK73HB1C103K CHIP C 0.010UF K C102 CK73FB0J106M CHIP C 10UF M C103 CK73FB1A225K CHIP C 2.2UF K C104 CK73HB1A104K CHIP C 0.10UF K C106 CK73HB1A104K CHIP C 0.10UF K C107 CK73GB0J105K CHIP C 1.0UF K C108 C93-1228-05 CHIP C 1UF M C110-113 CC73HCH1H470J CHIP C 47PF J C114,115 CK73FB1A225K CHIP C 2.2UF K C116 CK73GB1A224K CHIP C 0.22UF K C117 CK73HB1C223K CHIP C 0.022UF K C119 CK73EB0J226K CHIP C 22UF K C123 CC73HCH1H470J CHIP C 47PF J C125-134 CK73HB1C103K CHIP C 0.010UF K C135,136 CC73HCH1H050C CHIP C 5.0PF C C137 CK73HB1H102K CHIP C 1000PF K C138 CK73EB1A106K CHIP C 10UF K CN1 E41-0273-05 FLAT CABLE CONNECTOR CN2 E41-0271-05 FLAT CABLE CONNECTOR CN3 E41-0272-05 FLAT CABLE CONNECTOR CN4 E41-0312-05 FLAT CABLE CONNECTOR CN5 E41-0335-05 FLAT CABLE CONNECTOR L1 L92-0365-05 CHIP FERRITE L2 L92-0329-05 CHIP FERRITE L3-8 L92-0365-05 CHIP FERRITE L10-13 L92-0365-05 CHIP FERRITE L16-18 L92-0365-05 CHIP FERRITE L21-27 L92-0365-05 CHIP FERRITE L28 L92-0375-05 CHIP FERRITE X1 L77-2808-05 CRYSTAL RESONATOR (16.897849MHZ) CP1 RK74HB1J102J CHIP-COM 1.0K J 1/16W CP3 RK74HB1J472J CHIP-COM 4.7K J 1/16W CP4-8 RK74HB1J220J CHIP-COM 22 J 1/16W CP9 RK74HB1J820J CHIP-COM 82 J 1/16W CP11 R90-0726-05 MULTI-COMP 10K X2 CP12 RK74HB1J472J CHIP-COM 4.7K J 1/16W CP13-16 RK74HB1J103J CHIP-COM 10K J 1/16W R3,4 RK73GH1J103D CHIP R 10K D 1/16W R5 RK73GB2A4R7J CHIP R 4.7 J 1/10W R6 RK73GB2A100J CHIP R 10 J 1/10W R7,8 RK73HB1J273J CHIP R 27K J 1/16W R9 RK73GH1J223D CHIP R 22K D 1/16W R10 RK73GH1J392D CHIP R 3.9K D 1/16W R11 RK73GH1J183D CHIP R 18K D 1/16W R12 RK73GB2A4R7J CHIP R 4.7 J 1/10W DVD UNIT (X37-1020-04) VIDEO UNIT (X35-4332-70) www. xiaoyu163. com QQ 376315150 9 9 2 8 9 4 2 9 8 TEL 13942296513 9 9 2 8 9 4 2 9 8 0 5 1 5 1 3 6 7 3 Q Q TEL 13942296513 QQ 376315150 892498299 TEL 13942296513 QQ 376315150 892498299 84 DDX7015/7025/7035 DDX7045/7065 Indicates safety critical components. ✽ New parts Parts without Parts No. are not supplied. Les articles non mentionnes dans le Parts No. ne sont pas fournis. Teile ohne Parts No. werden nicht geliefert. Ref. No. A d d N e w Parts No. Description Desti- nation Ref. No. A d d N e w Parts No. Description Desti- nation PARTS LIST K : DDX7015 E : DDX7025 M : DDX7035 X : DDX7045 R : DDX7045 C : DDX7065 (K : North America E : Europe M : Other Areas X : Australia R : Latin America X : China) R13,14 RK73HB1J125J CHIP R 1.2M J 1/16W R15 RK73GB2A200J CHIP R 20 J 1/10W R16 R92-3409-05 CHIP R 6.8 F 1/4W R17 R92-3350-05 CHIP R 2.2 F 1/10W R18 RK73GH1J221D CHIP R 220 D 1/16W R19 RK73HB1J100J CHIP R 10 J 1/16W R27,28 RK73HB1J472J CHIP R 4.7K J 1/16W R29 RK73HB1J103J CHIP R 10K J 1/16W R30 RK73HB1J473J CHIP R 47K J 1/16W R31 RK73HB1J102J CHIP R 1.0K J 1/16W R32 RK73GH1J153D CHIP R 15K D 1/16W R33 RK73HB1J105J CHIP R 1.0M J 1/16W R36 RK73HB1J103J CHIP R 10K J 1/16W R37 RK73HB1J273J CHIP R 27K J 1/16W R38 RK73HB1J472J CHIP R 4.7K J 1/16W R39 RK73HB1J273J CHIP R 27K J 1/16W R40 RK73HB1J472J CHIP R 4.7K J 1/16W R41 RK73HB1J103J CHIP R 10K J 1/16W R42 RK73HB1J105J CHIP R 1.0M J 1/16W R43 RK73HB1J152J CHIP R 1.5K J 1/16W R44 RK73HB1J202J CHIP R 2.0K J 1/16W R45 RK73GH1J183D CHIP R 18K D 1/16W R46 RK73GB2A752J CHIP R 7.5K J 1/10W R47 RK73GH1J103D CHIP R 10K D 1/16W R48 R92-3353-05 CHIP R 1.0 F 1/8W R53 R92-3353-05 CHIP R 1.0 F 1/8W R54 R92-3348-05 CHIP R 0.47 F 1/2W R55,56 RK73GB2A820J CHIP R 82 J 1/10W R57 RK73GB2A391J CHIP R 390 J 1/10W R58,59 RK73GB2A103J CHIP R 10K J 1/10W R60 RK73GB2A472J CHIP R 4.7K J 1/10W R61 RK73GB2A153J CHIP R 15K J 1/10W R62,63 RK73GH1J153D CHIP R 15K D 1/16W R64 RK73GH1J303D CHIP R 30K D 1/16W R65 RK73GH1J183D CHIP R 18K D 1/16W R66,67 RK73GH1J153D CHIP R 15K D 1/16W R68 RK73GH1J513D CHIP R 51K D 1/16W R71 RK73GH1J202D CHIP R 2.0K D 1/16W R72 RK73GH1J123D CHIP R 12K D 1/16W R73 RK73HB1J103J CHIP R 10K J 1/16W R74 RK73HB1J472J CHIP R 4.7K J 1/16W R75-79 RK73HB1J132J CHIP R 1.3K J 1/16W R80-83 RK73HB1J103J CHIP R 10K J 1/16W R88 RK73HB1J103J CHIP R 10K J 1/16W R89 RK73HB1J820J CHIP R 82 J 1/16W R90 RK73HB1J103J CHIP R 10K J 1/16W R91 RK73HB1J220J CHIP R 22 J 1/16W R92 RK73HB1J820J CHIP R 82 J 1/16W R93 RK73HB1J103J CHIP R 10K J 1/16W R94,95 RK73HB1J820J CHIP R 82 J 1/16W R101 RK73HB1J103J CHIP R 10K J 1/16W R103-106 RK73HB1J220J CHIP R 22 J 1/16W R107,108 RK73HB1J103J CHIP R 10K J 1/16W R109 RK73HB1J332J CHIP R 3.3K J 1/16W R110 RK73HB1J473J CHIP R 47K J 1/16W R111 RK73GB2A150J CHIP R 15 J 1/10W R112,113 RK73HB1J221J CHIP R 220 J 1/16W R114 RK73HB1J220J CHIP R 22 J 1/16W R117 RK73GB2A752J CHIP R 7.5K J 1/10W R119,120 RK73HB1J510J CHIP R 51 J 1/16W R121,122 RK73HB1J103J CHIP R 10K J 1/16W R123 R92-3385-05 CHIP R 8.2 F 1/10W R124 RK73HB1J103J CHIP R 10K J 1/16W R126,127 RK73HB1J104J CHIP R 100K J 1/16W R128,129 RK73HB1J472J CHIP R 4.7K J 1/16W R130 RK73HB1J751J CHIP R 750 J 1/16W R131-143 RK73HB1J103J CHIP R 10K J 1/16W W1-3 R92-1252-05 CHIP R 0 OHM J 1/16W S4 S68-0874-05 PUSH SWITCH S5 ✽ S68-0866-15 PUSH SWITCH D1,2 MAZS0510M ZENER DIODE D3-5 MA2J729 DIODE D6 MAZS0560M ZENER DIODE D7 MA4ZD03 DIODE D8 MA142WA DIODE IC1 AN8703FH ANALOGUE IC IC2 NJU7042 ANALOGUE IC IC4 MN103S26E MOS-IC IC4 MN103S26E2 MOS-IC IC5 S-80829CLBB ANALOGUE IC IC6 LA6505 ANALOGUE IC IC7 DF2328VTE250S0 MICROCONTROLLER IC IC8 S-80815CLBB ANALOGUE IC IC9 UPC2918T ANALOGUE IC IC10 NJM2880U33 ANALOGUE IC IC11 S-24C04BMFN MEMORY IC IC12 HD74LV2G66A MOS-IC Q1 2SB0970 TRANSISTOR Q2 MCH6101-E TRANSISTOR Q3 2SJ0536 FET Q4 UN5114 DIGITAL TRANSISTOR Q5 UN5214 DIGITAL TRANSISTOR Q6 2SD1819A TRANSISTOR Q9 UN5114 DIGITAL TRANSISTOR Q10 UN5214 DIGITAL TRANSISTOR Q13 UN5114 DIGITAL TRANSISTOR Q15 UN5114 DIGITAL TRANSISTOR TH1 TH11-3H103FT THERMISTOR 1 2B A10-4909-21 CHASSIS 2 1A A10-4910-11 CHASSIS 3 1A A10-4911-02 CHASSIS 4 1B ✽ A10-4913-11 CHASSIS 5 3A ✽ A10-4952-71 CHASSIS ASSY 7 1B A10-4990-33 CHASSIS ASSY 15 3B D10-4650-03 SLIDER 16 3B D10-4651-02 SLIDER 17 3B D10-4652-02 SLIDER DVD MECHANISM ASSY (X92-5020-00) DVD UNIT (X37-1020-04) www. xiaoyu163. com QQ 376315150 9 9 2 8 9 4 2 9 8 TEL 13942296513 9 9 2 8 9 4 2 9 8 0 5 1 5 1 3 6 7 3 Q Q TEL 13942296513 QQ 376315150 892498299 TEL 13942296513 QQ 376315150 892498299 85 DDX7015/7025/7035 DDX7045/7065 Indicates safety critical components. ✽ New parts Parts without Parts No. are not supplied. Les articles non mentionnes dans le Parts No. ne sont pas fournis. Teile ohne Parts No. werden nicht geliefert. Ref. No. A d d N e w Parts No. Description Desti- nation Ref. No. A d d N e w Parts No. Description Desti- nation K : DDX7015 E : DDX7025 M : DDX7035 X : DDX7045 R : DDX7045 C : DDX7065 (K : North America E : Europe M : Other Areas X : Australia R : Latin America X : China) PARTS LIST 18 2A D10-4653-02 SLIDER 19 3B D10-4654-04 ARM ASSY 20 3A ✽ D10-4658-33 ARM ASSY 21 1B ✽ D10-4659-43 LEVER ASSY 22 1A D10-4660-04 ARM ASSY 23 3B D10-4686-03 SLIDER 24 3B D10-4687-03 ARM 25 3B D10-4689-03 ARM 26 3B D10-4690-03 ARM 29 1A D12-0635-03 CAM 30 2B D12-0636-13 CAM 32 3B D13-2221-04 GEAR 33 3B D13-2222-04 GEAR 34 3B D13-2223-04 GEAR 35 3B D13-2224-04 GEAR 36 2B D13-2225-04 GEAR 37 2B D13-2226-04 GEAR 38 3B D13-2227-04 GEAR 43 2A D14-0785-04 ROLLER 44 1A D21-2395-13 SHAFT 46 2B D21-2414-04 SHAFT 48 1B D32-0648-04 STOPPER 49 2B D32-0654-04 STOPPER 50 2A D39-0254-05 DAMPER VFC1 2A E39-0464-05 FLAT CABLE 54 2B F09-1748-04 SHEET 56 1A G01-3112-04 COMPRESSION SPRING 58 3B G01-3114-14 EXTENSION SPRING 59 3A G01-3116-14 EXTENSION SPRING 60 2B G01-3117-04 EXTENSION SPRING 61 1B G01-3118-04 EXTENSION SPRING 62 2A G01-3119-04 EXTENSION SPRING 63 3A G01-3121-14 TORSION COIL SPRING 64 3B G01-3140-04 EXTENSION SPRING 65 3B G01-3142-04 TORSION COIL SPRING 69 2A G02-1421-03 FLAT SPRING 78 3B J21-9792-03 MOUNTING HARDWARE 79 1A J21-9793-12 MOUNTING HARDWARE 82 2A J90-1031-21 GUIDE A 1A N09-4495-05 ADJUSTABLE SCREW (ADJUSTMENT) B 1A N09-4496-05 TAPTITE SCREW (02 2X5P-TITE) C 1B N09-6060-05 MACHINE SCREW (02M1.7X1.8 CR) D 2B N09-6061-05 MACHINE SCREW (02M1.7X3.5 CUP) E 1A N09-6103-05 MACHINE SCREW (M1.7X3.5(NK G) F 1A N09-6104-05 MACHINE SCREW (2X10 S-TITE) G 1B N09-6106-05 MACHINE SCREW (M1.7X2.5) J 2A N19-2022-04 FLAT WASHER K 3A N19-2171-04 FLAT WASHER VM1 2B ✽ T42-1058-25 MOTOR ASSY VM2 3A T49-0101-15 MOTOR ASSY VM3 3B ✽ T42-1061-14 MOTOR ASSY VPU1 1A T25-0222-05 OPTICAL PICKUP HEAD 83 2A W02-3408-15 ELECTRIC CIRCUIT MODULE 601 2H ✽ A10-5174-08 CHASSIS CALKING ASSY 602 3G ✽ D10-4841-08 SLIDER ASSY 603 2G ✽ D13-2324-08 GEAR 604 2G ✽ D13-2325-08 GEAR 605 2G ✽ D13-2326-08 GEAR 606 1H ✽ D13-2328-08 GEAR 607 2G ✽ D14-0789-08 ROLLER 608 1G ✽ D19-0645-08 CLUTCH ASSY 609 1H ✽ E39-0671-08 WIRING HARNESS 610 3G ✽ G02-1480-08 FLAT SPRING 611 3H ✽ J22-0118-08 SLIDE RAIL 612 3G ✽ J22-0119-08 SLIDE RAIL 613 2G ✽ J22-0120-08 SLIDE RAIL 614 2G ✽ J90-1083-08 GUIDE 615 2H ✽ J22-0213-08 MOUNTING HARDWARE (MOTOR) A 1H ✽ N09-6147-08 SCREW (M1.7X4) B 1H ✽ N09-6148-08 SCREW (S2X2.3) D 3G ✽ N09-6150-08 SCREW E 3G ✽ N09-6151-08 SCREW F 1G N19-2105-14 CUT WASHER (1.6X3.5Xt0.35) PM1 1H ✽ T42-1100-08 MOTOR ASSY VR1 1H ✽ T99-0448-05 SPEED DETECTOR PANEL MECHANISM ASSY (D40-1191-05) DVD MECHANISM ASSY (X92-5020-00) www. xiaoyu163. com QQ 376315150 9 9 2 8 9 4 2 9 8 TEL 13942296513 9 9 2 8 9 4 2 9 8 0 5 1 5 1 3 6 7 3 Q Q TEL 13942296513 QQ 376315150 892498299 TEL 13942296513 QQ 376315150 892498299 86 DDX7015/7025/7035 DDX7045/7065 ● DDX7015 (K), DDX7045 (R) Monitor Section Picture size................................... 6.4 inches (diagonal) wide 143.6 W x 77.1 H (mm) Display system ............................ Transparent TN LCD panel Drive system ................................. TFT active matrix system Number of pixels ...................336,960 (480H x 234V x RGB) Effective pixels .......................................................... 99.99% Pixel arrangement ........................ RGB striped arrangement Back lighting ........................ Cold Cathode Fluorescent Tube DVD Section D/A converter ................................................................ 24Bit Decoder.................. Linear PCM/Dolby digital/dts/MP3/WMA Wow & Flutter .................................. Below Measurable Limit Frequency response (Sampling frequency: 96k) ............................ 20~44,000Hz (Sampling frequency: 48k) ............................ 20~22,000Hz (Sampling frequency: 44.1k) ......................... 20~20,000Hz Total harmonic distortion (1k) .................................... 0.010% Signal to noise ratio......................... 100dB (DVD-Video 96k) Dynamic range ................................ 100dB (DVD-Video 96k) DISC format .......................... DVD-Video/VIDEO-CD/CD-DA Sampling frequency .......................... 44.1kHz/48kHz, 96kHz Quantifying bit number ......................................... 16/20/24bit FM Tuner Section Frequency range (Frequency step) ..................................................... 87.9~107.9MHz (200kHz) Usable sensitivity (S/N 30dB)..................9.3dBf (0.8µV/75Ω) Quieting sensitivity (S/N 50dB) .............15.2dBf (1.6µV/75Ω) Frequency response (±3.0dB)........................... 30Hz~15kHz S/N (MONO).................................................................. 72dB Selectivity (±400kHz) ........................................... Over 80dB Stereo separation .............................................. 38dB (1kHz) AM Tuner Section Frequency range (Frequency step) .................................................... 530kHz~1700kHz (10kHz) Usable sensitivity ........................................................ 28dBµ Video Section Color system of external video input ............................ NTSC External video input level (RCA jacks) ................. 1Vp-p/75Ω External audio max input level (RCA jacks) .............1V/22kΩ Analog RGB input ............................................. 0.7Vp-p/75Ω Audio Section Maximum power (Front & Rear) ............................... 50W x 4 Full bandwidth power (Front & Rear) (at Less than 1%THD) ................................................................................. 22W x 4 Preout level ..............................................................2V/10kΩ Preout impedance ...................................................... ≤600Ω Tone Bass...............................................................100Hz±10dB Middle .............................................................. 1kHz±10dB Treble ............................................................. 10kHz±10dB General Operating voltage ....................................... 14.4V (11V~16V) Current consumption ....................................................... 15A Dimensions (W x H x D) Main unit installation ........................ 182 x 112 x163 (mm) 7-3/16 x 4-7/16 x 6-7/16 (inch) Operational temperature range .......................... -10°C~60°C Storage temperature range ................................ -20°C~85°C Weight Main unit ....................................................... 2.8kg (6.2lbs) ● DDX7025 (E) Monitor Section Picture size................................... 6.4 inches (diagonal) wide 143.6 W x 77.1 H (mm) Display system ............................ Transparent TN LCD panel Drive system ................................. TFT active matrix system Number of pixels ...................336,960 (480H x 234V x RGB) Effective pixels .......................................................... 99.99% Pixel arrangement ........................ RGB striped arrangement Back lighting ........................ Cold Cathode Fluorescent Tube DVD Section D/A converter ................................................................ 24Bit Decoder.................. Linear PCM/Dolby digital/dts/MP3/WMA Wow & Flutter .................................. Below Measurable Limit Frequency response (Sampling frequency: 96k) ............................ 20~44,000Hz (Sampling frequency: 48k) ............................ 20~22,000Hz (Sampling frequency: 44.1k)......................... 20~20,000Hz Total harmonic distortion (1k) .................................... 0.010% Signal to noise ratio......................... 100dB (DVD-Video 96k) Dynamic range ................................ 100dB (DVD-Video 96k) DISC format .......................... DVD-Video/VIDEO-CD/CD-DA Sampling frequency .......................... 44.1kHz/48kHz, 96kHz Quantifying bit number ......................................... 16/20/24bit FM Tuner Section Frequency range (Frequency step) ....................................................... 87.5~108.0MHz (50kHz) Usable sensitivity (S/N 26dB)............................... 0.7µV/75Ω Quieting sensitivity (S/N 46dB) ............................ 1.6µV/75Ω Frequency response (±3.0dB)........................... 30Hz~15kHz S/N (MONO).................................................................. 66dB Selectivity (±400kHz) ........................................... Over 80dB Stereo separation .............................................. 39dB (1kHz) AM Tuner Section Frequency range (Frequency step) LW ............................................... 153kHz~281kHz (9kHz) MW ............................................ 531kHz~1611kHz (9kHz) SPECIFICATIONS www. xiaoyu163. com QQ 376315150 9 9 2 8 9 4 2 9 8 TEL 13942296513 9 9 2 8 9 4 2 9 8 0 5 1 5 1 3 6 7 3 Q Q TEL 13942296513 QQ 376315150 892498299 TEL 13942296513 QQ 376315150 892498299 87 DDX7015/7025/7035 DDX7045/7065 Usable sensitivity ........................................................ 28dBµ Video Section Color system of external video input .................... NTSC/PAL External video input level (RCA jacks) ................. 1Vp-p/75Ω External audio max input level (RCA jacks) ............. 1V/22kΩ Analog RGB input ............................................. 0.7Vp-p/75Ω Audio Section Maximum power (Front & Rear) ............................... 50W x 4 Full bandwidth power (Front & Rear) (PWR DIN45324, +B=14.4V)................................ 30W x 4 Preout level .............................................................. 2V/10kΩ Preout impedance ...................................................... ≤600Ω Tone Bass...............................................................100Hz±10dB Middle .............................................................. 1kHz±10dB Treble ............................................................. 10kHz±10dB General Operating voltage ....................................... 14.4V (11V~16V) Current consumption ....................................................... 15A Dimensions (W x H x D) Main unit installation ........................ 182 x 112 x163 (mm) Operational temperature range .......................... -10°C~60°C Storage temperature range ................................ -20°C~85°C Weight Main unit .................................................................... 2.8kg ● DDX7035 (M) Monitor Section Picture size................................... 6.4 inches (diagonal) wide 143.6 W x 77.1 H (mm) Display system ............................ Transparent TN LCD panel Drive system ................................. TFT active matrix system Number of pixels ...................336,960 (480H x 234V x RGB) Effective pixels .......................................................... 99.99% Pixel arrangement ........................ RGB striped arrangement Back lighting ........................ Cold Cathode Fluorescent Tube DVD Section D/A converter ................................................................ 24Bit Decoder.................. Linear PCM/Dolby digital/dts/MP3/WMA Wow & Flutter .................................. Below Measurable Limit Frequency response (Sampling frequency: 96k) ............................ 20~44,000Hz (Sampling frequency: 48k) ............................ 20~22,000Hz (Sampling frequency: 44.1k)......................... 20~20,000Hz Total harmonic distortion (1k) .................................... 0.010% Signal to noise ratio......................... 100dB (DVD-Video 96k) Dynamic range ................................ 100dB (DVD-Video 96k) DISC format .......................... DVD-Video/VIDEO-CD/CD-DA Sampling frequency .......................... 44.1kHz/48kHz, 96kHz Quantifying bit number ......................................... 16/20/24bit FM Tuner Section Frequency range (Frequency step) ....................................................... 87.5~108.0MHz (50kHz) Usable sensitivity (S/N 30dB)..................9.3dBf (0.8µV/75Ω) Quieting sensitivity (S/N 50dB) .............15.2dBf (1.6µV/75Ω) Frequency response (±3.0dB)........................... 30Hz~15kHz S/N (MONO).................................................................. 72dB Selectivity (±400kHz) ........................................... Over 80dB Stereo separation .............................................. 38dB (1kHz) AM Tuner Section Frequency range (Frequency step) LW ............................................... 153kHz~281kHz (9kHz) MW ............................................ 531kHz~1611kHz (9kHz) Usable sensitivity ........................................................ 28dBµ Video Section Color system of external video input .................... NTSC/PAL External video input level (RCA jacks) ................. 1Vp-p/75Ω External audio max input level (RCA jacks) .............1V/22kΩ Analog RGB input ............................................. 0.7Vp-p/75Ω Audio Section Maximum power (Front & Rear) ............................... 50W x 4 Full bandwidth power (Front & Rear) (at Less than 1%THD) ................................................................................. 22W x 4 Preout level .............................................................. 2V/10kΩ Preout impedance ...................................................... ≤600Ω Tone Bass...............................................................100Hz±10dB Middle .............................................................. 1kHz±10dB Treble ............................................................. 10kHz±10dB General Operating voltage ....................................... 14.4V (11V~16V) Current consumption ....................................................... 15A Dimensions (W x H x D) Main unit installation ........................ 182 x 112 x163 (mm) Operational temperature range .......................... -10°C~60°C Storage temperature range ................................ -20°C~85°C Weight Main unit ....................................................................2.8kg ● DDX7045 (X), DDX7065 (C) Monitor Section Picture size................................... 6.4 inches (diagonal) wide 143.6 W x 77.1 H (mm) Display system ............................ Transparent TN LCD panel Drive system ................................. TFT active matrix system Number of pixels ...................336,960 (480H x 234V x RGB) Effective pixels .......................................................... 99.99% Pixel arrangement ........................ RGB striped arrangement Back lighting ........................ Cold Cathode Fluorescent Tube SPECIFICATIONS www. xiaoyu163. com QQ 376315150 9 9 2 8 9 4 2 9 8 TEL 13942296513 9 9 2 8 9 4 2 9 8 0 5 1 5 1 3 6 7 3 Q Q TEL 13942296513 QQ 376315150 892498299 TEL 13942296513 QQ 376315150 892498299 DDX7015/7025/7035 DDX7045/7065 DVD Section D/A converter ................................................................ 24Bit Decoder.................. Linear PCM/Dolby digital/dts/MP3/WMA Wow & Flutter .................................. Below Measurable Limit Frequency response (Sampling frequency: 96k) ............................ 20~44,000Hz (Sampling frequency: 48k) ............................ 20~22,000Hz (Sampling frequency: 44.1k) ......................... 20~20,000Hz Total harmonic distortion (1k) .................................... 0.010% Signal to noise ratio......................... 100dB (DVD-Video 96k) Dynamic range ................................ 100dB (DVD-Video 96k) DISC format .......................... DVD-Video/VIDEO-CD/CD-DA Sampling frequency .......................... 44.1kHz/48kHz, 96kHz Quantifying bit number ......................................... 16/20/24bit FM Tuner Section Frequency range (Frequency step) ....................................................... 87.5~108.0MHz (50kHz) Usable sensitivity (S/N 30dB)..................9.3dBf (0.8µV/75Ω) Quieting sensitivity (S/N 50dB) .............15.2dBf (1.6µV/75Ω) Frequency response (±3.0dB)........................... 30Hz~15kHz S/N (MONO).................................................................. 72dB Selectivity (±400kHz) ........................................... Over 80dB Stereo separation .............................................. 38dB (1kHz) AM Tuner Section Frequency range (Frequency step) ...................................................... 531kHz~1611kHz (9kHz) Usable sensitivity ........................................................ 28dBµ Video Section Color system of external video input .................... NTSC/PAL External video input level (RCA jacks) ................. 1Vp-p/75Ω External audio max input level (RCA jacks) .............1V/22kΩ Analog RGB input ............................................. 0.7Vp-p/75Ω Audio Section Maximum power (Front & Rear) ............................... 50W x 4 Full bandwidth power (Front & Rear) (at Less than 1%THD) ................................................................................. 22W x 4 Preout level .............................................................. 2V/10kΩ Preout impedance ...................................................... ≤600Ω Tone Bass...............................................................100Hz±10dB Middle .............................................................. 1kHz±10dB Treble ............................................................. 10kHz±10dB General Operating voltage ....................................... 14.4V (11V~16V) Current consumption ....................................................... 15A Dimensions (W x H x D) Main unit installation ........................ 182 x 112 x163 (mm) Operational temperature range .......................... -10°C~60°C Storage temperature range ................................ -20°C~85°C Weight Main unit ....................................................................2.8kg • Specifications subject to change without notice. • Although the effective pixels for the liquid crystal panel is given as 99.99% or more, 0.01% of pixels may not light or may light incorrectly. • This product incorporates copyright protection technology that is protected by U.S. patents and other intellectual prop- erty rights. Use of this copyright protection technology must be authorized by Macrovision, and is intended for home and other limited viewing uses only unless otherwise authorized by Macrovision. Reverse engineering or disassembly is pro- hibited. • “DTS” and “DTS 2.0 + Digital Out” are trademarks of Digital Theater Systems, Inc. KENWOOD CORPORATION 2967-3, Ishikawa-machi, Hachioji-shi, Tokyo, 192-8525 Japan KENWOOD USA CORPORATION P.O. Box 22745, 2201 East Dominguez Street, Long Beach, CA 90801-5745, U.S.A. KENWOOD ELECTRONICS CANADA INC. 6070 Kestrel Road, Mississauga, Ontario, Canada L5T 1S8 KENWOOD ELECTRONICS LATIN AMERICA S.A. P.O. Box 55-2791 Paitilla, Plaza Credicorp Bank Panama, Piso 9, Oficina 901, Calle 50, Panama, Rep. de Panama KENWOOD ELECTRONICS BRASIL LTDA. Alameda Ministro Rocha Azevedo No. 456, Edificio Jaú, 10o Andar, Cerqueira César, Cep 0140-001, São Paulo-SP-Brasil KENWOOD ELECTRONICS UK LIMITED Kenwood House, Dwight Road, Watford, Herts, WD18 9EB, United Kingdom KENWOOD ELECTRONICS DEUTSCHLAND GMBH Rembrücker-Str. 15, 63150 Heusenstamm, Germany KENWOOD ELECTRONICS FRANCE S.A. 13, Boulevard Ney, 75018 Paris, France KENWOOD ELECTRONICS BELGIUM N.V. Leuvensesteenweg 248 J, 1800 Vilvoorde, Belgium KENWOOD ELECTRONICS ITALIA S.p.A. Via G. Sirtori 7/9, 20129 Milano, Italy KENWOOD IBÉRICA S.A. Bolivia, 239-08020 Barcelona, Spain KENWOOD ELECTRONICS AUSTRALIA PTY. LTD. (A.C.N. 001 499 074) 16 Giffnock Avenue, Centrecourt Estate, North Ryde, N.S.W. 2113, Australia KENWOOD ELECTRONICS (HONG KONG) LTD. Unit 3712-3724, Level 37, Tower 1, Metroplaza, 223 Hing Fong Road, Kwai Fong, N.T., Hong Kong KENWOOD ELECTRONICS GULF FZE P.O. Box 61318, Jebel Ali, Dubai, U.A.E. KENWOOD ELECTRONICS (THAILAND) CO., LTD. 956 Udom Vidhya Building (Olympia) Rama IV Road, Silom, Bangrak, Bangkok 10500 Thailand KENWOOD ELECTRONICS SINGAPORE PTE. LTD. 1 Genting Lane, #07-00, Kenwood Building, Singapore, 349544 KENWOOD ELECTRONICS (MALAYSIA) SDN BHD #4.01 Level 4, Wisma Academy Lot 4A, Jalan 19/1, 46300 Petaling Jaya, Selangor Darul Ehsan, Malaysia SPECIFICATIONS www. xiaoyu163. com QQ 376315150 9 9 2 8 9 4 2 9 8 TEL 13942296513 9 9 2 8 9 4 2 9 8 0 5 1 5 1 3 6 7 3 Q Q TEL 13942296513 QQ 376315150 892498299 TEL 13942296513 QQ 376315150 892498299

标签:

版权声明

1. 本站所有素材,仅限学习交流,仅展示部分内容,如需查看完整内容,请下载原文件。
2. 会员在本站下载的所有素材,只拥有使用权,著作权归原作者所有。
3. 所有素材,未经合法授权,请勿用于商业用途,会员不得以任何形式发布、传播、复制、转售该素材,否则一律封号处理。
4. 如果素材损害你的权益请联系客服QQ:77594475 处理。