建伍KENWOOD CT-401双碟播放机电路图

分类:电子电工 日期: 点击:0
建伍KENWOOD CT-401双碟播放机电路图-0 建伍KENWOOD CT-401双碟播放机电路图-1 建伍KENWOOD CT-401双碟播放机电路图-2 建伍KENWOOD CT-401双碟播放机电路图-3 建伍KENWOOD CT-401双碟播放机电路图-4 建伍KENWOOD CT-401双碟播放机电路图-5 建伍KENWOOD CT-401双碟播放机电路图-6 建伍KENWOOD CT-401双碟播放机电路图-7 建伍KENWOOD CT-401双碟播放机电路图-8 建伍KENWOOD CT-401双碟播放机电路图-9

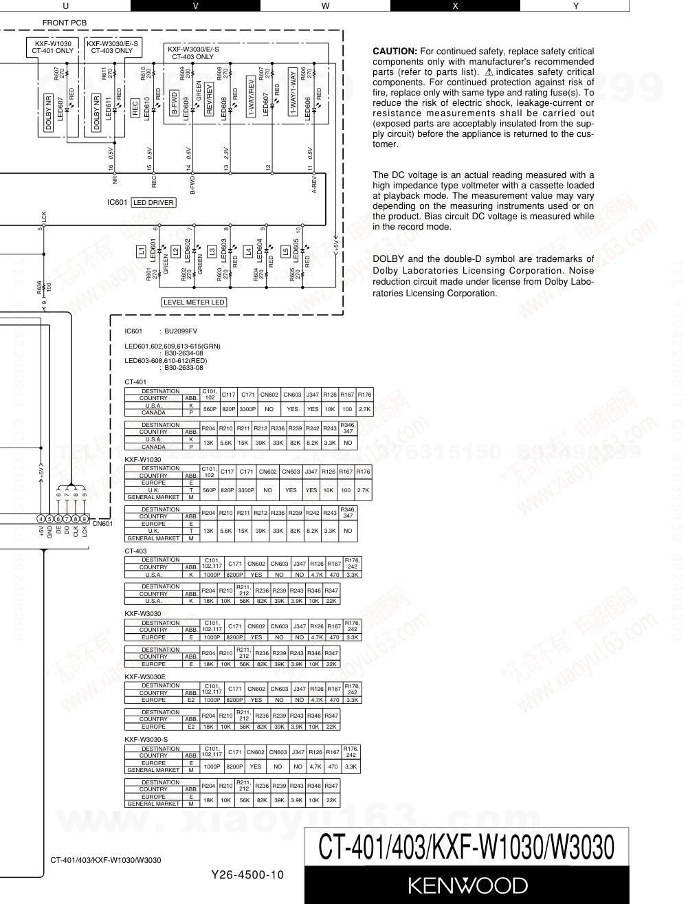
70% STEREO DOUBLE CASSETTE DECK © 2001-10 PRINTED IN KOREA B51-5767-00 (K/K) 3441 (dB) –5 0 +3 +6 (dB) DPSS TAPE B AUTO REVERSE TAPE A AUTO REVERSE POWER - ON – OFF 1 @ # 7 @ # 7 ¡ 1 8PAUSE ¶REC/ARM ¡ REC LEVEL MIN MAX PUSH/OPEN 0 PUSH/OPEN 0 REV.MODE DOLBY NR DUBBING DUBBING DOLBY NR ∏ p O PEAK LEVEL METER Button(POWER) * (K27-) Button * (K27-) Button * (K27-) LINE IN REC PLAY LINE OUT SYSTEM CONTROL L R Window(L) (B03-3910-08) * Refer to parts list on page 13 . CT-401/403 SERVICE MANUAL Knob(VOLUME) * (K27-) Metallic cabinet * (A01-) AC power cord bushing (J42-0355-08) RCA jack (E11-0954-08) Phone jack (E11-0188-05) AC power cord * (E30-) Illust. is. CT-403/KXF-W3030. KXF-W1030/W1030-S KXF-W3030/W3030E/W3030-S Door(L) * (A53-) Panel * (A60-) Door(R) * (A53-) Window(DISPLAY) * (B03-) Window(R) (B03-3911-08) Note: This manual is available for repair on a current CT-401/403 and KXF-W1030/W3030; from serial #10900001~ A different point of both(previous vs current)is AC power cord location on the rear panel. Previous is bottom, current is upper. www. xiaoyu163. com QQ 376315150 9 9 2 8 9 4 2 9 8 TEL 13942296513 9 9 2 8 9 4 2 9 8 0 5 1 5 1 3 6 7 3 Q Q TEL 13942296513 QQ 376315150 892498299 CT-401/403/KXF-W1030/W3030 2 CONTENTS / ACCESSORIES Audio (E30-0505-05) cord .................... (2) AC (E03-0115-05) plug adaptor........... (1) System (E30-2733-05) control cord ... (1) (Except for Europe and Australia) For the unit with an European AC plug in areas other than Europe. CONTROLS CONTENTS / ACCESSORIES .................................. 2 CONTROLS ................................................................2 CIRCUIT DESCRIPTION............................................3 ADJUSTMENT............................................................4 PC BOARD ................................................................ 5 SCHEMATIC DIAGRAM ............................................ 7 EXPLODED VIEW ....................................................12 PARTS LIST..............................................................13 SPECIFICATIONS ......................................Back cover Contents Accessories DISPLAY DOLBY NR reference level (dB) —5 0 +3 +6 (dB) DPSS TAPE B TAPE A POWER - ON – OFF 1 3 7 3 7 ¡ 1 8PAUSE ¶REC/ARM ¡ REC LEVEL MIN MAX PUSH/OPEN 0 PUSH/OPEN 0 DOLBY NR DUBBING DUBBING DOLBY NR (dB) —5 0 +3 +6 (dB) DUBBING DOLBY NR PEAK LEVEL METER PEAK LEVEL METER FULL LOGIC CONTROL FULL LOGIC CONTROL 2 1 0 3 4 5 6 7 8 9 ! @ DISPLAY 1 Deck A Playback-only tape deck. 2 POWER switch: Press to turn power - ON and – OFF. 3 Deck A operation keys 3 key : Play key. 1 key: Rewind key. (for fast winding of tape toward the left reel seen from you) 33 key: Fast forward key (for fast winding of tape toward the right reel seen from you) 7 key: Stop key. 4 Cassette holder (Deck A) Press the area marked "PUSH/OPEN 0" to load or eject a tape. 5 Cassette holder (Deck B) Press the area marked "PUSH/OPEN 0" to load or eject a tape. 6 Deck B operation keys 3 key : Play key. 1 key: Rewind key (for fast winding of tape toward the left reel seen from you) 33 key: Fast forward key (for fast winding of tape toward the right reel seen from you) 7 key: Stop key ¶ REC/ARM key: Press in stop mode to start recording or press in record mode to let the recording pause after leaving a non- recorded blank of 4 seconds. indicator : (Recording indicator) 8PAUSE key: Press to let recording pause temporarily. 7 REC LEVEL control: Adjusts the recording level. 8 DUBBING key: Press to start tape dubbing. 9 DOLBY NR key: Press to select the Dolby Noise Reduction mode. 0 Deck B Tape deck which is capable of both playback and recording. ! DOLBY NR indicator @ DUBBING indicator 1 Deck A Playback-only tape deck. 2 POWER switch: Press to turn power - ON and – OFF. 3 Deck A operation keys / indicators @ , # keys : (Play keys) @ , # indicators : (direction indicators) Tapes are played in the directions indicated by their respective indicators. 1 key: Rewind key (for fast winding of tape toward the left reel seen from you) 33 key: Fast forward key (for fast winding of tape toward the right reel seen from you) 7 key: Stop key 4 Cassette holder (Deck A) Press the area marked "PUSH/OPEN 0" to load or eject a tape. 5 Cassette holder (Deck B) Press the area marked "PUSH/OPEN 0" to load or eject a tape. 6 Deck B operation keys @ , # keys : (Play keys) @ , # indicators : (direction indicators) Tapes are played in the directions indicated by their respective indicators. 1 key: Rewind key (for fast winding of tape toward the left reel seen from you) 33 key: Fast forward key (for fast winding of tape toward the right reel seen from you) 7 key: Stop key ¶ REC/ARM key: Press in stop mode to start recording or press in record mode to let the recording pause after leaving a non- recorded blank of 4 seconds. indicator : (Recording indicator) 8PAUSE key: Press to let recording pause temporarily. 7 REC LEVEL control: Adjusts the recording level. 8 DOLBY NR key: Press to select the Dolby Noise Reduction mode. 9 DUBBING key: Press to select the DUBBING mode. 0 REV.MODE key: Press to select the REVERS mode. ! Deck B This deck is capable of both playback and recording. @ Reverse mode indicators # DOLBY NR indicator $ DUBBING indicator DISPLAY DOLBY NR reference level DISPLAY (dB) —5 0 +3 +6 (dB) DPSS TAPE B AUTO REVERSE TAPE A AUTO REVERSE POWER - ON – OFF 1 @ # 7 @ # 7 ¡ 1 8PAUSE ¶REC/ARM ¡ REC LEVEL MIN MAX PUSH/OPEN 0 PUSH/OPEN 0 REV.MODE DOLBY NR DUBBING DUBBING DOLBY NR ∏ p O (dB) —5 0 +3 +6 (dB) DUBBING DOLBY NR ∏ p O 2 3 4 5 6 7 8 9 0 @ # $ 1 ! PEAK LEVEL METER PEAK LEVEL METER CT-401/KXF-W1030 CT-403/KXF-W3030 www. xiaoyu163. com QQ 376315150 9 9 2 8 9 4 2 9 8 TEL 13942296513 9 9 2 8 9 4 2 9 8 0 5 1 5 1 3 6 7 3 Q Q TEL 13942296513 QQ 376315150 892498299 CT-401/403/KXF-W1030/W3030 3 Pin No. Pin Name I/O Description Active H L 1 AC-CHK I Power failure input. AC on AC off 2,3 VSS I Connected to ground. 4 SYS-DATA I System control data in. 5 SYS-BUSY I/O System control busy output. 6 DOLBY O Dolby NR output. off on 7 METER-GAIN O Meter amplifier gain control. other DPSS 8 REC/PB O Dolby NR REC/PB control. PB REC 9 PB-EQ/NORMAL O PB EQ. switch control. 70u 120u 10 REC-EQ-TYPE 1 O Rec EQ. switch (TYPE 1) control. 11 REC-EQ-TYPE 2 O Rec EQ. switch (TYPE 2) control. 12 SYS-DO O Connected with system data. 13 LED-A-FWD PLAY O LED control port of A FWD PLAY. 14 LED-A-REV PLAY O LED control port of A REV PLAY. 15 LED-B-REV PLAY O LED control port of B REV PLAY. 16-20 NC - Unused. 21 SOL-A O A deck solenoid control. 22 SOL-B O B deck solenoid control. 23 VSS - Connected to ground. 24 VDD - Power supply(+5.0v). 25 MECHA-VCC - Control port of power supply for deck. Play Stop 26 REC O Control port of REC/PLAY. Rec Other 27 REC-MUTE O Muting control port for recording. Other Rec 28 A/B O Control port of A or B deck. A play Other 29 DUBBING O Unused. 30 BIAS O Bias control port. Other Rec 31 INPUT-MUT O Input muting control. off on 32 LINE-MUTE O Line muting control. off on 33 A-REEL I Reel puls input of A deck. 34 HALF-SW I Half switch input of A deck. 35 A-MODE-SW I Mode switch input of A deck. Stop Play 36 B-REEL I Reel puls input of B deck. 37 B-HALF-SW I Half switch input of B deck. 38 B-MODE-SW I Mode switch input of B deck. 39 B-REC-FWD-SW I Forward rec detection switch input. 40 B-REC-REV-SW I Reverse rec detection switch input. 41 DO O Data output to IC601(BU2099FV). 42 SI - Unused. 43 CLK O Clock output to IC601(BU2099FV). 44 LCK O IC601(BU2099FV) LCK. 45 OE O IC601(BU2099FV) OE. 46 NC - Unused. 47 SDA O EE PROM(IC304) SDA. 48 SCL O EE PROM(IC304) SCL. 49 NC - Unused. 50 RESET I Reset signal input. 51 VDD - Power supply(+5.0v). 52 NC - Unused. 53 VSS - Connected to ground. 54 CF 6.0 MHz - Main system clock. 55 CF- 6.0 MHz - Main system clock. 56 VDD - Power supply(+5.0v). 57-59 K1-K3 I Key(1-3) input. 60 MODE-SW I Mode switch input. 61 NC - Unused. 62 A-CRO2 I A CrO2 switch input. CrO2 Nor 63 B-CRO2 I B CrO2 switch input. CrO2 Nor 64 METER I Input port of level meter. 1. Pin description of microprocessor. LC865612A(IC302) ‡ ‡ ‡ ‡ ‡ CIRCUIT DESCRIPTION ‡ ‡ ‡ ‡ ‡ ‡ ‡ ‡ ‡ ‡ 2. Pin description of LED driver. ( BU2099FV ,IC601) 3. Key matrix Pin No. Pin Name Description Active Remarks Port SW1 SW2 SW3 SW4 SW5 SW6 H L K1 A FWD * A REV A A A - 6 L1 Level Meter X (Pin 57) PLAY PLAY STOP FF REW 7 L2 Level Meter X K2 B FWD * B REV B B B REC/ 8 L3 Level Meter X (Pin 58) PLAY PLAY STOP FF REW ARM 9 L4 Level Meter X K3 * REV. DUBBING DOLBY B - - 10 L5 Level Meter X (Pin 59) MODE NR PAUSE 11 A-REV 1 WAY/1WAY X W3030 only * KXF-W3030 only 12 B 1WAY/REV X W3030 only ( ) u-COM port 13 C REV/REV X W3030 only 14 B-FWD B-FWD X W3030 only 15 REC REC LED X 16 NR DOLBY NR LED off on 17 DUBBING DUBBING LED off on : LED lights on X : LED lights off 4. Mode SW Port SW1 SW2 SW3 (Pin 60) 1 WAY + 1 WAY 1 WAY + REV. REV. + REV. ( ) u-COM port www. xiaoyu163. com QQ 376315150 9 9 2 8 9 4 2 9 8 TEL 13942296513 9 9 2 8 9 4 2 9 8 0 5 1 5 1 3 6 7 3 Q Q TEL 13942296513 QQ 376315150 892498299 TEL 13942296513 QQ 376315150 892498299 CT-401/403/KXF-W1030/W3030 4 CN105 To Frequency counter ADJUSTMENT (b) AZIMUTH ADJUSTMENT (c) (a) AZIMUTH ADJUSTMENT SYSTEM CONNECTIONS No. ITEM INPUT SETTINGS OUTPUT SETTINGS CASSETTE DECK SETTINGS ALIGNMENT POINT ALIGN FOR FLG. CASSETTE DECK SECTION TAPE: NORMAL, DOLBY: OFF, INPUT: LINE IN 0 dBs = 0.775 V I. REC/PLAY HEAD [ 1 ] DEMAGNET- IZATION – – POWER OFF Remove the cassette door. REC/PLAY head Demagnetize the REC/PLAY head with a head demagnetizer. [ 2 ] CLEANING – – – – PLAY REC/PLAY head, erase head, capstan pinch roller Clean the REC/PLAY head, erase head, capstan and pinch roller using a cotton swab slightly damped with [ 3 ] AZIMUTH (A) MTT·114, TCC-153 0 kHz, -10 dB (B) PLAY Azimuth adjustment screw Maximum output. (a) II. DC BOARD [ 1 ] TAPE SPEED (A) MTT-111, TCC-110 3 kHz (B) PLAY SFR301 Adjust the tape speed so that a 3 kHz signal is produced at the center of (b) (c) III. PC BOARD < 1 > PLAYBACK LEVEL MTT-150 400 Hz (200 nWb) (B) PLAY DECK B SFR101 (L) SFR102 (R) Output level : ±1 dBs < 2 > < 3 > BIAS REC BIAS OSC FREQUENCY Recording L107 105 kHz ± 3 kHz Record 1kHz and 10kHz in alternation and playback. Record and playback at maximum REC volume position. CURRENT (A) 1 kHz, -20 dBs 10 kHz, -20 dBs (B) SFR105 (L) SFR106 (R) Record 1 kHz and 10 kHz in alternation and adjust the variable resistors which control the bias current so that the playback level is obtained 0 dBs ± 3 dBs. < 4 > RECORD LEVEL (A) 1 kHz, -20 dBs (B) SFR107 (L) SFR108 (R) 0 dBs ± 3 dBs alcohol. the tape. LINE IN REC PLAY LINE OUT SYSTEM CONTROL L R (A) (B) AC voltmeter AG Oscilloscope AC voltmeter Frequency counter CT-403/KXF-W3030 CT-401/KXF-W1030 www. xiaoyu163. com QQ 376315150 9 9 2 8 9 4 2 9 8 TEL 13942296513 9 9 2 8 9 4 2 9 8 0 5 1 5 1 3 6 7 3 Q Q TEL 13942296513 QQ 376315150 892498299 A C E G I B D F H J 2 1 3 5 7 4 6 D105 CN303 D101 D102 CN104 CN103 CN101 CN602 IC302 CN603 CN601 Q103 Q135 Q136 Q121 Q122 Q120 Q123 Q124 Q118 Q116 Q115 Q117 Q112 Q141 Q137 Q138 D324 Q142 Q303 Q313 D327 D306 D330 D331 D328 D329 Q304 Q111 Q113 Q114 D317 D325 D323 D311 D315 D316 D318 D321 D322 D310 D303 Q302 D304 D301 CONTROL SYSTEM D302 CN302 CN102 Q309 D319 Q311 Q308 Q310 Q307 Q306 CN607 D320 D305 D307 D309 D308 Q101 Q102 Q105 Q106 CN304 CN301 IC305 IC103 IC307 IC101 IC102 IC301 IC306 IC104 IC303 SW301 MAIN PCB JK301 JK101 LINE IN LINE OUT REC PLAY J205 J204 J328 J327 J158 J159 J160 J157 J156 J203 J206 J207 J201 J252 J323 J209 J208 J325 J210 J162 J163 J320 J319 J303 J324 J301 J302 J321 J322 J326 J329 J122 J121 J151 J153 J266 J152 J154 J265 J264 J161 J261 J260 J259 J253 J268 J263 J258 J257 J251 J269 J385 J255 J256 J384 J386 J312 J313 J314 J315 J316 J317 J310 J390 J389 J387 J381 J383 J382 J380 J379 J378 J374 J123 J311 J272 J273 J274 J292 J271 J254 J371 J363 J364 J304 J375 J367 J306 J372 J305 J293 J294 J290 J289 J291 J288 J287 J286 J285 J284 J283 J282 J281 J359 J358 J365 J369 J373 J366 J368 J357 J309 J102 J356 J348 J342 J343 J344 J345 J346 J351 J350 J349 J355 J354 J353 J352 J101 J103 J104 J108 J109 J107 J106 J370 J276 J277 J267 J110 J120 J112 J115 J114 J116 J113 J117 J119 J118 C129 R140 R190 R194 C176 R137 R138 R142 BAR CODE R147 R139 L107 TP105 R192 R193 CMP101 R196 R195 R101 R102 R191 R189 R103A C159 C160 R172 R171 R182 R181 C169 R175 CMP103 C171 C166 C168 C167 R103 1 1 2 2 1 2 5 1 1 2 R174 R173 R177 R178 R242 R243 C178 C175 SFR108 SFR107 C177 C164 C163 C165 C170 1 9 SFR106 SFR105 R176 R244 R122 C138 C137 C136 C139 C145 C131 C133 C135 C158 C130 C140 C132 C134 R163 R159A R159 R161 R217 R152 R145 C149 C195 R155 R148 R151 R153 R146 R218 R158 R154 C150 R156 R157 C196 R160 R162 R166 R164 R160A R167 C147 C153 C151 C148 C154 C155 C156 C191 R184 R183 R238 R180 R170 C179 R126 R239 R236 R234 R198 R199 R212 R206 R211 R205 R204 C193 R210 C152 R197 R165 C194 C192 C172 C180 R240 R207 R201 R208 R202 C173 R387 R388 R390 R391 R342 R340 R307 C306 C307 C338 R384 C337 C339 R382 R308 R383 R381 R392 C106 C197 R169 R179 GND2 L103 L104 R134 R133 C335 R127 R128 C141 C142 R131 R132 R129 R130 R136 R135 C143 R354 R355 I G O C324 C325 C181 C322 R385 C327 C331 C332 C328 C316 R353 R352 C311 R386 R349 R350 C310 R351 C309 R378 SFR301 R301 R304 R303 R306 R379 C321 R302 C318 C329 R347 R305 C303 C304 C302 C305 R341 C315 C317 C319 C320 C326 C301 C314 G I O G I O 3 1 3 2 1 1 2 1 R241 R203 R209 C333 C312 R364 R363 R373 R372 R361 E B E B E B E B E B E B E B E B E B E B E B E B E B E B E B E B E B E B E B E B E B E B E B E B E B E B E B E B E B E B E B E B E B E B I O G R369 R375 R374 C308 C144 R362 R393 R346 R343 R345 R344 CF301 RLY101 R370 R371 R366 R389 R367 R368 R365 L101 L102 C125 C126 R117 R124 SFR101 SFR102 SFR103 SFR104 C103 R245 R246 C102 C101 C120 C121 C123 C119 C111 C115 C116 C112 R125 C117 R109 C118 C104 C113 C108 R110 C114 C110 R104A R106 C124 R108 R112 C105 C107 R107 R116 R111 R118 C122 C109 R105 C127 C128 R114 R113 R119 R120 R123 C182 R348 TP109 C323 TP104 TP106 L106 L105 TP102 TP103 TP101 CMP102 F301 FC301 FC302 R01 R02 ASIA VERSION. J326~J327,329 FUSE USED ONLY T200 AL/250V MAIN PCB J301~J323,J328 J101~J123 +12V J150~159 OSC MIN +5V AC 230V AC 115V J324~J325 BLACK BLACK BLUE BLUE GND GND J276~J277 METER DOLBY GND PB E Q REC/PB DOLBY L J201~J208 J209~J210 ONLY CT401 ONLY CT403 CT401 ONLY CT403 ONLY ONLY CT401/KXF-W1030 REC NORMAL NORMAL REC J251~J269 USED M AREA USED K,P,E,E2,T AREA SEC-AC~ BUSY DATA PB EQ IC REC EQ IC DOLBY B IC OP AMP OP AMP REGULATOR REGULATOR REGULATOR 24C01 EEPROM MICOM SCL +5V GND SOL-B 1 15 2 16 SOL-B SOL-A +5V A-MODE A-HALF A-REEL B-REEL B-HALF MOTOR B+ MOTOR B+ SOL-B SOL-A SOL-A SPEED ADJ J271~J274 +12V GND REC B+ REC REC RELAY OSC ON NOR :H CrO2 :L SOL-B SOL-A MOTOR ON REEL-B DE LCK CLK DO K1 5 1 1 2 GND K1 GND +5V LED-A FWD LED-A REW GND RESET SDA SCL A CrO2 SW B CrO2 SW K1 LED-A FWD LED-A REW LED-A FWD LED-A REW GND GND DATA DATA RESET RESET RESET +12V +12V +12V GND MUTE IN MUTE MUTE B+ MUTE B+ MUTE IN-MUTE GND GND +12V GND R-CH REC LEVEL REC-R REC-L GND GND GND LEVEL IN GND MPX-L MPX-R +12V MUTE GND PB-R PB-L R-CH L-CH DOLBY LEVEL REC-L REC-L REC-L REC-R GND GND PB-L GND GND A/B REC VOLUME CNT A DECK CNT R-CH DECK PB A L-CH DECK PB A B DECK L-CH B RECK R-CH REC LEVEL R REC LEVEL L BIAS L BIAS R OSC CNT OSC RED REC OSC REC-R REC-L BIAS R-CH BIAS L-CH REC-R REC-R REC-R REC-R REC-L REC-L REC-L REC-L REC-R REC-L J281~J294 J160~J163 J341~J390 PART SL16 LCK CLK DO DE GND 5V 5V K2 K2 K3 K3 LED-B-RVS AC IN PART REGULATOR & RESET PART MICOM & EEPROM PART MECHA CONTROL PART MIX PART PART REC EQ LEVEL METER PART LINE IN PART LINE OUT DOLBY B NR PART PB EQ PART OSC PART DUAL VOLTAGE SINGLE VOLTAGE TRANS SWITCH AC CORD NEUTRAL LIVE CT403(KXF3030) CT401(KXF1030) J318 8 5 4 1 8 5 4 1 J202 8 1 1 1 1 3 2 1 2 3 16 9 J155 J150 22 12 11 1 J308 J307 J341 J347 J360 J361 J362 1 64 49 48 33 32 16 17 J105 J262 1 5 1 3 1 8 9 16 J111 S607 FRONT1 PCB FRONT2 PCB VOLUME PCB POWER SW PCB POWER S605 S608 S606 S616 S610 S609 S615 S611 S613 S614 S612 S602 S617 S604 S600 S601 S603 S618 CN401 CN108 CN603 CN601 CN602 S401 IC601 J611 J610 J603 J608 J609 J605 J600 J607 J604 J601 LED606 LED609 LED615 LED607 LED608 LED611 LED612 LED601 LED602 LED603 LED604 LED605 LED614 LED613 LED610 R606 R607 C605 R601 C604 C606 1 20 10 11 R608 C601 R635 C602 R634 R636 R603 R602 R611 R604 R605 R612 C603 R615 R626 R625 R624 R609 R628 R631 R630 R629 R610 R623 R614 R613 R621 R622 R620 R627 C400 R633 POWER SW FRONT1 VOLUME FRONT2 R OUT L OUT GND R IN L IN 5 2 1 1 RED 1 9 RED RED (CT403) RED RED RED RED RED GREEN GREEN GREEN GREEN GREEN GREEN NR NR (CT403) 1 1 2 5 (CT401) (CT403) B-FWD VR101 CT401 ONLY CT401 ONLY CT403 ONLY CT403 ONLY A-REW A-FF (CT403) (CT403) (CT403) (CT403) (CT403) (CT403) (CT401) (CT403) (CT401) (CT403) (CT401) (CT403) (CT403) (CT401) (CT403) A-FWD A-FWD A-STOP A-STOP A-REV REV MODE B-REW B-FF B-PAUSE REC B-FWD B-STOP B-STOP B-REV LCK CLK DO OE GND 5V K2 K3 LED A REV LED A FWD +5V GND K1 Refer to the schematic diagram for the value of resistors and capacitors. PC BOARD(Component side view) 5 6 w w w . x i a o y u 1 6 3 . c o m Q Q 3 7 6 3 1 5 1 5 0 9 9 2 8 9 4 2 9 8 T E L 1 3 9 4 2 2 9 6 5 1 3 9 9 2 8 9 4 2 9 8 0 5 1 5 1 3 6 7 3 Q Q TEL 13942296513 QQ 376315150 892498299 TEL 13942296513 QQ 376315150 892498299 A B D F H J C E G I 2 1 3 5 7 4 6 8 7 6 5 4 3 2 1 GND VCC 9 10 11 12 13 14 15 16 T1/T2 SW EQ SW 20K R107 18K R111 330K R105 C113 330P 1K(B) SFR101 10u50 + C111 47u35 C123 + R118 47K 1 2 3 3 2 1 1 2 3 4 5 1 2 3 4 5 1 2 R101 10 1 2 10 R102 4.7u50 C116 4.7u50 + C115 C118 820P C117 39K R110 SFR102 1K(B) R106 330K 18K R112 20K R108 1K R117 1u50 C124 + C114 330P 10u50 C112 + 0.01 C110 330P C108 4.7u50 + C120 4.7u50 + C119 R109 39K 0.01 C109 C107 330P C101 39K R245 C102 R246 39K 470u16 + C103 0.1 C106 0.1 C105 C197 0.1 0.1 C104 GND2 3.3K R113 2.2K R123 10mH L101 C127 270P 2200P C125 R124 2.2K 3.3K R114 L102 10mH C128 270P 2200P C126 C122 0.1 100u16 C121 + 330 1/4W R125 RLY101 13 11 9 4 8 16 1 6 + 1 1 2 2 2 1 R103 1 16 15 14 13 12 11 10 9 1 2 3 4 5 6 7 8 1u50 C135 + R137 18K R126 1u50 C133 + 0.1 C137 10u50 C139 + 100K R139 1u50 + C129 C136 1u50 + C130 R142 1K C145 22u25 + 10u50 C140 0.1 + 1u50 C138 R140 100K + 100u16 C134 + R138 33K 1u50 + C143 100K R135 150K R129 2.7K R131 1u50 + C141 1.2K R127 L103 L104 + R132 2.7K R136 C142 1u50 1.2K R128 R130 100K C144 150K 1u50 + R133 3.3K 3.3K R134 22 21 20 19 18 17 16 15 14 13 12 GP GH GL GP CAL GH CAL REC CAL 1 2 3 4 5 6 7 8 9 10 11 FQ F/Q FM FP CAL R236 10u50 C193 + 39K 100P 10u50 + + 47u35 2.2u50 C178 + 47K R234 47K R198 R239 R199 100u16 C173 + 0.1 C172 39 R197 C179 2.2u50 + C177 1K R196 3.3K R194 1u50 C176 + 2.2K R192 10K(B) SFR108 3.3K R193 1K R195 1u50 C175 + 10K(B) SFR107 2.2K R191 2.2K R189 2.2K R190 100P 68K R203 51K R209 150K R208 22K R201 100K R202 R210 R211 R212 R204 56K R206 68K R205 4.7K R207 39K R241 150K R240 4.7K R177 R176 1 1/2W R244 R242 1u50 C170 + R243 R178 3300P C167 27K R174 27K R175 3300P C169 6800P C168 3.3 R173 22u25 C165 + 0.015 C166 C180 C192 C194 L106 L105 2.2u50 + C164 2.2u50 + C163 100K R181 100K R182 R171 10K R172 10K 3 4 5 2 1 6 C171 200K(B) SFR106 220P C160 220P C159 SFR105 200K(B) 22K R116 28 1 3 2 6 8 9 26 L107 4.7K R238 1/4W 47u35 C191 + 150K R148 R147 150K 10K R391 4 1 3 2 5 8 7 6 3.3K R390 R308 100K 1K R392 100K R382 1u50 C338 + 2.7K R340 1u50 C306 + C337 47u35 + R381 10K R387 5.6K 5.6K R388 32 31 1 2 11 27 10 30 R383 10K R307 220 1/4W 100u16 C158 + R122 100 C132 1u50 + 1/4W 1u50 C131 + +B 1 2 3 4 5 6 7 8 9 10 11 12 13 14 15 16 A-HALF SW A-MODE SW A-PHOTO A-SOL. GND A CRO2 12V MOT H MOT L B-HALF B-MODE SW B-PHOTO B-SOL. B-REC FWD B-REC REV H L B CRO2 +9.8V 1 3 2 6 4 2 1 3 6 4 +12V +12V +12V +12V +12V +12V +12V +12V 8200P C181 C182 8200P 100P C390 3.9K R103A 1K(B) SFR103 1K(B) SFR104 3.9K R104A 1K TP106 TP105 1/4W 47K R119 47K R120 3 2 1 1 2 1 2 +12V IC101 IC102 IC104 IC301 MAIN PCB CASSETTE DECK MECHANISM ASS'Y CN103 CN103 Rch Lch Rch Lch ERASE CASS-(A) PLAY CN101 CN101 CASS-(B) REC/PLAY TP101 TP102 Q102 Q101 B DECK (Rch) (Lch) B DECK D101 Q103 D102 CN102 CN102 TP103 REC CONT. RELAY Q113 FILTER FILTER Q114 Q141 Q135 Q136 REC MUTE REC LEVEL L REC LEVEL R Q142 Q137 Q138 CRO2 NORM SW Q120 Q123 Q124 Q121 Q122 DOLBY -(B) NR PB EQ AMP BIAS (Lch) (Rch) BIAS BIAS COIL OSC BIAS OSC BIAS Q313 D306 D328 D330 D329 D331 METER DRIVE Q304 Q303 CONT. LINE MUTING INPUT MUTING CONT. D105 REC AMP EQ IC101 : KIA2025P IC102 CXA1551P : IC104 IC103,301 CXA1598S NJM4558DD : : IC304 IC305,306 IC303 IC302 BR24C01AF KIA7812API : : S80841ANNP LC865612A-5W95 : : IC307 KIA7805API : 2SC2060 Q120 Q303,304 Q137,138,141,142,307,309,311,313 Q121,122 DTC124ES : 2SC2001L : : Q111,112,115-118 Q101-103,135,136 2SC2878 : DTC114TS : DTA144ES : MTZJ4.7B MTZJ5.6B W02G MTZJ10B 1SS133 D323 : : D318 D311 D101,102,301-310,315-317 D105 : : : 319-322,324,325,327-331 B LINE GND LINE SIGNAL LINE RECORDING LINE A-HALF A-MODE SW A-SOLENOID B-MODE SW B-HALF SW REC SW(RVS) REC SW(FWD) MOTOR B-SOLENOID INTERRUPTER INTERRUPTER B-PHOTO A-PHOTO Q306,308,310 : 2SA1286 Q105 Q106 CT-401 ONLY KXF-W1030 A DECK Rch Lch A DECK MPX MPX Q105,106,113,114,123,124,302 2SC945 : 10.2V 2.3V 2.2V 2.2V 2.2V 2.2V B PLAY A PLAY : 2.4V : 0V 2.2V 2.2V 2.2V 2.2V 2.2V 2.3V PLAY REC : 0V : 4.3V PLAY REC : 12.0V : 0V : 4.9V REC 5.0V 0.4V 5.1V 0V 1.2V 5.0V 5.0V 5.0V 4.9V 0.4V 5.1V 1.7V 2.3V 6.1V 1.7V 6.1V 2.3V 5.0V 5.0V 5.6V 5.4V 1.2V 1.2V 5.6V 5.6V 5.6V 11.3V 0V 0V : 4.9V : 0V 1.2V 1.2V 4.4V 1.2V 1.2V 1.2V 5.3V 11.3V 12.1V : 5.1V REC PAUSE : 0.7V : 5.7V REC PLAY,STOP, REC : 0V : 0V : 5.7V TAPE HI TAPE NOR CRO2 TAPE : L NORMAL TAPE : H PLAY REC 11.4V 5.7V 5.7V PLAY REC STOP REC/PLAY : 3.8V : 3.7V : 0V PLAY REC : 0V : 4.9V REC : 3.8V : 4.3V REC/PLAY STOP : 4.9V : 0V 5.6V 5.5V 12.1V 9.8V 5.1V 12.1V TP104 CRO2 : H NORMAL : H B DECK : L A DECK : H TP109 w w w . x i a o y u 1 6 3 . c o m Q Q 3 7 6 3 1 5 1 5 0 9 9 2 8 9 4 2 9 8 T E L 1 3 9 4 2 2 9 6 5 1 3 9 9 2 8 9 4 2 9 8 0 5 1 5 1 3 6 7 3 Q Q TEL 13942296513 QQ 376315150 892498299 TEL 13942296513 QQ 376315150 892498299 T K M O Q S L N P R 5 6 8 4 7 R151 10K R153 100K R157 47K C195 100P R155 56K C149 220P 1K R159 1u50 + C153 2.2u50 + C147 10K R145 5.6K R217 100u16 + C151 R161 5.6K R167 R163 18K C155 1800P 100u25 C152 + R165 100 2.2u50 C148 R218 5.6K R146 10K 100K R154 10K R152 R158 47K R164 18K C156 1800P 220P C150 C196 100P R156 56K 3 2 1 C154 + 1u50 R162 5.6K R160 1K R166 100 + 5 4 3 2 1 L IN R IN GND 5 4 3 2 1 56K R169 56K R170 39K R179 39K R180 5.6K R184 5.6K R183 64 63 62 61 60 59 58 57 56 55 54 53 52 51 50 49 48 47 46 45 44 43 42 41 40 39 38 37 36 35 34 33 17 18 19 20 21 22 23 24 25 26 27 28 29 30 31 32 1 2 3 4 5 6 7 8 9 10 11 12 13 14 15 16 METER B-CRO2 A-CR02 0 MODE-SW K3 K2 K1 VDD CF-6.0-MHZ CF-6.0-MHZ VSS VDD RESET EE-PROM-SCL EE-PROM-SDA 2099-DE 2099-LCK 2099-CLK SI 2099-DO B-REC-REV-SW B-REC-FWD-SW B-MODE-SW B-HALF-SW B-RELL A-MODE SW HALF-SW A-REEL SOL-A SOL-B VSS VDD MECHA-VCC REC REC-MUTE A/B DUBBING BIAS INPUT-MUT LINE-MUT AC-CHK VSS VSS SYS-DATA SYS-BUSY DOLBY-NR-OUT METER-GAIN REC/PB PB-EQ/NORMAL REC-EQ-TAPE1 REC-EQ-TAPE2 SYS-DO LED-A-FWD LED-A-REV LED-B-REV 0 15 10 13 14 11 8 9 6 59 58 57 62 63 45 44 43 39 40 41 36 38 37 33 34 35 22 21 28 27 26 25 47K R393 0.022 C308 10K R341 220K R384 2.2u50 C307 + 10K R342 1 2 3 4 7 8 6 5 2.2u50 C339 + R344 10K R343 10K R345 10K 10K R346 J347 22K R347 6.0MHz CF301 100K C302 0.022 C301 C303 220P R306 220P 0.01 C304 0.01 C305 R305 100K 330 R302 330 R301 R303 100K R304 100K 5 12 5 12 31 32 16 15 14 13 12 11 10 9 8 7 6 5 4 3 2 1 B-REC REV B-REC FWD B-CRO2 B-SOL B-PHOTO B-MODE SW B-HALF MOT L MOT H 12V A-CRO2 GND A-SOL A-PHOTO A-MODE SW A-HALF 2 1 30 1u50 C309 + 10K R348 22u25 C311 + IN GND OUT R350 100K 1K R349 10K R351 1u50 + C310 1K R352 R353 1K 1/4W R355 22K C312 0.022 22K R354 1 2 3 4 5 K1 GND B+5V A-FWD A-REV 1 2 3 4 5 6 7 8 9 B-REV K3 K2 B+5V GND OE DO CLK LCK 57 13 14 59 15 58 43 45 41 44 1 2 1 3 2 0.022 C317 470u16 C315 + 0.022 C314 470u16 C318 0.022 + C319 C321 0.022 2 1 3 0.022 C322 1000u16 + 1 2 0.022 C325 3 1 1/2W R378 10u50 C324 + 1000u16 C326 + C320 470u16 + 56K R385 33u50 + R386 100K 0.022 C328 0.022 C332 0.022 C327 0.022 C331 0.47 1/2W R01 0.47 1/2W R02 1 2 3 J326 J329 C400 R363 10K R372 10K SFR301 2K(B) R379 3.9K 4.7K R374 R375 4.7K R371 4.7K R370 4.7K R367 4.7K R366 4.7K R365 4.7K R368 22K R389 4.7K R369 22K 40 39 36 63 33 62 37 38 21 22 25 35 34 50K(A) VR101 VR101 50K(A) 100u16 + C335 LED LED LED 20 19 18 17 VCC DUBBING 1 2 3 4 GND CLK 270 R612 100 R633 100P C603 0.022 C601 10u50 C602 + RED 100 R634 100 R635 C605 100P C606 100P C604 100P LED B REV 1 K3 K2 3 2 12K R628 R627 5.6K R626 3.3K R625 2.2K R624 1.5K R631 3.3K R630 2.2K 1.5K R629 5.6K R623 3.3K R622 2.2K R621 1.5K R620 2 3 2 3 200 R615 GREEN 5 K1 GND LED LED A FWD +5V 1 2 4 3 A REV GREEN R614 200 GREEN 200 R613 2 1 2.2K R362 R361 10K 22u25 C333 + 2.2K R364 2.2K R373 7 6 8 L-REC-LEVEL R-REC-LEVEL +21.6V 4700u35 C329 + +21.6V +5V +5V +5V +12V +5V +5V +5V +5V +5V +5V +5V +5V +5V +5V +12V +12V +5V +5V +12V +12V +5V +12V +12V +12V +12V +12V +12V +5V +5V K1 GND L OUT R OUT R160A 1.5K R159A 1.5K OUT GND IN OUT GND IN GND OUT IN 57 GND K1 +12V +12V 3 2 1 2 1 1 2 1 1 3 2 J327 2 2 C400 1 FC302 1200mAL/250V FC301 F301 : AC230V~ 50Hz (T,E) : AC120V 60Hz (K,P) AC110-120V/220-240V~ 50/60Hz 1/4W C323 C316 2 1 2 1 IC302 IC304 IC303 IC305 IC306 IC307 MAIN PCB FRONT PCB (1/2) IC103 Q115 Q117 LINE MUTING Q116 (2/2) IC103 Q118 L PLAY JK101 R L R REC CN104 CN108 Q112 Q111 INPUT MUTING u-COM D327 D324 SYSTEM CONTROL D301 D302 D304 D305 JK301 D303 CN607 D310 D315 RESET Q302 RESET IC D318 EEP ROM CN602 CN601 CN603 +12.0V AVR AVR +12.0V AVR +5.0V D321 D322 D325 D323 D311 D316 D317 CN301 S401 D319 Q308 Q309 +B CONT. (MECHA) SOL.B CONT. Q310 Q311 D320 SOL.A CONT. TAPE SPEED S402 R-REC LEVEL LEVEL L-REC D309 D308 LED612 DUBBING REC S611 S610 B.REW S609 B.FF S616 B.STOP S607 B.REV S605 B.FWD B.FWD S608 S606 B.STOP DUBBING DOLBY B.PAUSE S615 S614 S613 S612 DOLBY A. REV A.STOP A.FF A.REW A. FWD S617 S618 KXF-W3030/E/-S S604 CT-403 ONLY S602 S600 A.STOP S603 S601 A.FPLAY KXF-W1030 LED615 CN602 LED614 LED613 LED A-FWD A-REV LED B-REV LED CN603 POWER SW AC SELECT SW D307 PRE AMP Q306 Q307 R. MODE S612 CT-401 ONLY CT-401 ONLY KXF-W1030 KXF-W3030/E/-S CT-403 ONLY CT-403 ONLY KXF-W3030/E/-S KXF-W1030 CT-401 ONLY KXF-W3030/E/-S CT-403 ONLY CN302 CN303 CN401 CN401 POWER SW S401 CN302 CN303 EXCEPT (M) TYPE ONLY (M) TYPE CT-403 ONLY KXF-W3030/E/-S CN304 CN304 9.7V 9.6V 9.7V 9.7V 9.6V 9.7V 5.1V 5.1V 5.1V 21.6V 12.1V 5.1V 11.3V 3.9V 12.1V 5.1V 0.6V DUBB: 12.1V 0V 12.0V 12.1V 11.3V 5.1V 4.5V 5.1V 12.0V 5.1V w w w . x i a o y u 1 6 3 . c o m Q Q 3 7 6 3 1 5 1 5 0 9 9 2 8 9 4 2 9 8 T E L 1 3 9 4 2 2 9 6 5 1 3 9 9 2 8 9 4 2 9 8 0 5 1 5 1 3 6 7 3 Q Q TEL 13942296513 QQ 376315150 892498299 TEL 13942296513 QQ 376315150 892498299 U W Y V X CT-401/403/KXF-W1030/W3030 Y26-4500-10 16 15 14 13 12 11 NR REC B-FWD A-REV 5 6 7 8 9 10 LCK R611 270 R610 200 R609 200 270 R608 R607 270 270 R606 R601 270 270 R602 270 R603 270 R604 270 R605 RED RED GREEN RED RED RED GREEN GREEN RED RED RED 100 R636 GND +5V CLK DO DE 5 4 8 7 6 LCK 9 9 8 7 6 9 U.S.A. ABB. COUNTRY CANADA P K DESTINATION 39K R212 33K R236 82K R239 8.2K R242 3.3K R243 NO R346, 347 NO CN602 CN603 YES CANADA DESTINATION COUNTRY ABB. K U.S.A. P 820P 560P C117 102 C101, R167 3300P C171 100 10K R126 R210 5.6K 2.7K 13K R176 R204 15K R211 +5V +5V RED R607 270 YES J347 ABB. ABB. COUNTRY DESTINATION COUNTRY DESTINATION 2.7K 13K 5.6K R176 R204 R210 39K 15K 33K 82K R212 R211 R236 R239 3300P 560P 820P C101, 102 C171 C117 YES NO CN603 CN602 8.2K 3.3K NO R242 R243 R346, 347 10K 100 R126 R167 E EUROPE T U.K. M GENERAL MARKET GENERAL MARKET U.K. EUROPE M T E YES J347 ABB. ABB. COUNTRY U.S.A. DESTINATION U.S.A. COUNTRY DESTINATION 3.3K K 18K 10K R204 R210 56K 82K 39K R236 R239 8200P 1000P K C101, 102,117 C171 NO YES CN603 CN602 3.9K R243 4.7K 470 R126 R167 212 R211, 10K R346 22K R347 242 R176, R211, R176, DESTINATION ABB. COUNTRY 242 3.3K R204 R210 18K 10K R236 212 56K 82K R239 R243 3.9K 39K ABB. DESTINATION COUNTRY YES CN602 1000P 8200P 102,117 C101, C171 NO CN603 R347 R346 22K 10K 470 4.7K R167 R126 E EUROPE EUROPE E R243 R239 212 R236 R210 R204 242 COUNTRY ABB. EUROPE 3.3K 10K 18K 82K 56K 39K 3.9K ABB. DESTINATION DESTINATION EUROPE COUNTRY C101, CN602 YES R176, 102,117 1000P C171 8200P R211, CN603 NO R346 R347 10K 22K R167 470 R126 4.7K E2 E2 EUROPE 3.3K 18K 10K 56K 82K 3.9K 39K ABB. ABB. DESTINATION COUNTRY EUROPE COUNTRY DESTINATION CN603 C171 102,117 CN602 YES R176, 242 R204 R210 1000P 8200P R211, R236 212 R239 R243 NO C101, 22K 10K R126 R167 R347 R346 470 4.7K E E M GENERAL MARKET GENERAL MARKET M J347 NO J347 NO J347 NO NO J347 IC601 FRONT PCB CT-401/403/KXF-W1030/W3030 LED611 LED609 LED610 LED608 LED607 LED606 LED601 LED602 LED603 LED604 LED605 B-FWD REC DOLBY NR 1-WAY/1-WAY 1-WAY/REV REV/REV L1 L2 L5 L3 L4 CN601 LEVEL METER LED BU2099FV IC601 : LED DRIVER KXF-W3030E KXF-W3030-S KXF-W1030 CT-401 LED601,602,609,613-615(GRN) B30-2634-08 : B30-2633-08 LED603-608,610-612(RED) : CT-403 ONLY KXF-W3030/E/-S LED607 DOLBY NR KXF-W3030/E/-S CT-403 ONLY KXF-W1030 CT-401 ONLY CT-403 KXF-W3030 0.5V 0.5V 0.5V 2.3V 0.5V CAUTION: For continued safety, replace safety critical components only with manufacturer's recommended parts (refer to parts list). indicates safety critical components. For continued protection against risk of fire, replace only with same type and rating fuse(s). To reduce the risk of electric shock, leakage-current or resistance measurements shall be carried out (exposed parts are acceptably insulated from the sup- ply circuit) before the appliance is returned to the cus- tomer. The DC voltage is an actual reading measured with a high impedance type voltmeter with a cassette loaded at playback mode. The measurement value may vary depending on the measuring instruments used or on the product. Bias circuit DC voltage is measured while in the record mode. DOLBY and the double-D symbol are trademarks of Dolby Laboratories Licensing Corporation. Noise reduction circuit made under license from Dolby Labo- ratories Licensing Corporation. www. xiaoyu163. com QQ 376315150 9 9 2 8 9 4 2 9 8 TEL 13942296513 9 9 2 8 9 4 2 9 8 0 5 1 5 1 3 6 7 3 Q Q TEL 13942296513 QQ 376315150 892498299 J A A E E A B C E F H J : N89-3010-46 : N89-3008-46 : N89-3017-45 : N89-3008-45 : N90-4008-45 : N89-3008-41 : N35-3006-46 3x10 3x8 3x17(BLK) 3x8(BLK) M4x8(BLK) 3x8 3x6 A B CT-401/KXF-W1030 CT-403/KXF-W3030 B 402 403 401x2 E E E E E B C C J SYSTEM CONTROL PLAY MIN MAX POWER S401 VR101 LINE OUT LINE IN REC JK101 JK301 Ex2 or Hx2 Ex3 or Hx3 Ex2 or Hx2 E or H E or H E or H E or H E or H Bx3 Ax2 Ax3 Ax2 Ax2 Ax2 A A B Bx2 Ax3 B B B Fx2 A A A 404 401 401 405 628 629x2 630 601 CT-401/KXF-W1030 CT-403/KXF-W3030 614 615 658 639 603 613 606 657 617 659 616 617 645 645 650 650 618 616 660 631 649 632 624 655 604 638 602 612 619 611 648 646 646 632 751 775 772 776 752 751 771 773 707 708 750 605 VOLTAGE S402 REV. MODE S612 DOLBY NR S614 DUBBING S613 S609 S610 PAUSE S615 REC/ARM S611 S607 S616 S605 CT-403 DOLBY NR S612 DUBBING S613 S609 S610 PAUSE S615 REC/ARM S611 S608 S606 CT-401 S618 S617 S603 S601 S618 S617 S602 S604 S600 CT-401 CT-403 B 1 2 A C B Parts with exploded numbers larger than 700 are not supplied. EXPLODED VIEW (UNIT) CT-401/403/KXF-W1030/W3030 12 www . x ia o y u 1 6 3 . c o m QQ 3 7 6 3 1 5 1 5 0 9 9 2 8 9 4 2 9 8 T E L 1 3 9 4 2 2 9 6 5 1 3 9 9 2 8 9 4 2 9 8 0 5 1 5 1 3 6 7 3 Q Q TEL 13942296513 QQ 376315150 892498299 TEL 13942296513 QQ 376315150 892498299 CT-401/403/KXF-W1030/W3030 13 PARTS LIST Ref. No Add- ress New Parts Parts No. Description Desti- nation Re- marks 638 2A ✽ G01-4306-08 SPRING L 3720210216000 639 2A ✽ G01-4307-08 SPRING R 3720210226000 645 2C ✽ J02-1422-08 FOOT ASSY 4008000601030Z 646 2B ✽ D32-0369-08 LEVER 2530041303010 648 2B ✽ D39-0328-08 GEAR,DAMPER 2470000480000 649 1C ✽ J42-0355-08 STOPPER,AC 4380210002000 650 2C J19-5725-08 SUPPORTER,PCB 4070001601010 657 1A ✽ K27-2485-08 BUTTON,POWER 5090211521000 E2E3 657 1A ✽ K27-2486-08 BUTTON,POWER 5090211521100 KPET 657 1A ✽ K27-2486-08 BUTTON,POWER 5090211521100 K1E1 657 1A ✽ K27-2487-08 BUTTON,POWER 5097211521000 MM1 658 2B ✽ K27-2483-08 KNOB,VOL 5080210521100 KPET 658 2B ✽ K27-2483-08 KNOB,VOL 5080210521100 K1E1 658 2B ✽ K27-2484-08 KNOB.VOL 5087210521000 E2E3M1 658 2B ✽ K27-2484-08 KNOB.VOL 5087210521000 M 659 2A ✽ K27-2488-08 BUTTON,5KEY 5097211531000 E2E3M1 659 2A ✽ K27-2489-08 BUTTON,5KEY 5097211531100 K1E1 659 2A ✽ K27-2492-08 BUTTON,4KEY 5097211551000 M 659 2A ✽ K27-2493-08 BUTTON,4KEY 5097211551100 KPET 660 2B ✽ K27-2490-08 BUTTON,10KEY 5097211541000 E2E3M1 660 2B ✽ K27-2491-08 BUTTON,10KEY 5097211541100 K1E1 660 2B ✽ K27-2494-08 BUTTON,8KEY 5097211561000 M 660 2B ✽ K27-2495-08 BUTTON,8KEY 5097211561100 KPET 665 1C ✽ L07-3188-08 POWER TRANS 8200540230010 KP 665 1C ✽ L07-3189-08 POWER TRANS 8200540230020 ET 665 1C ✽ L07-3190-08 POWER TRANS 8200540230030 M - ✽ B60-4546-08 INSTRUCTION(EN) 5707210380040 KK1PT - ✽ B60-4546-08 INSTRUCTION(EN) 5707210380040 MM1E2 - ✽ B60-4547-08 INSTRUCTION(FR) 5707210380050 EPE1E3 - ✽ B60-4548-08 INSTRUCTION(GE) 5707210380070 EE1E3 - ✽ B60-4549-08 INSTRUCTION(NE) 5707210380090 EE1E3 - ✽ B60-4550-08 INSTRUCTION(IT) 5707210380080 EE1E3 - ✽ B60-4551-08 INSTRUCTION(ES) 5707210380060 EE1E3 - ✽ B60-4551-08 INSTRUCTION(ES) 5707210380060 MM1 - ✽ B60-4552-08 INSTRUCTION(TC) 57072103800D0 MM1 - ✽ B60-4553-08 INSTRUCTION(PO) 57072103800C0 E2 - ✽ B60-4554-08 INSTRUCTION(HU) 57072103800B0 E2 - ✽ B60-4555-08 INSTRUCTION(CZ) 57072103800A0 E2 - ✽ H10-7812-08 CUSHION,SNOW 6230210365000 E3M1 - ✽ H10-7812-08 CUSHION,SNOW 6230210365000 KPEM - ✽ H10-7812-08 CUSHION,SNOW 6230210365000 K1E1E2 - ✽ H10-7813-08 CUSHION,SNOW 6230210375000 T - H25-1601-08 POLY BAG 6337000240010 - H25-1677-08 POLY BAG 6330210019000 - ✽ H50-3641-08 BOX,GIFT 6007210380060 E - ✽ H50-3643-08 BOX,GIFT 6007210380070 M - ✽ H50-3644-08 BOX,GIFT 6007210380050 KP - ✽ H50-3645-08 BOX,GIFT 6007210380030 E1 - ✽ H50-3646-08 BOX,GIFT 6007210380020 E2 - ✽ H50-3647-08 BOX,GIFT 6007210380010 E3 - ✽ H50-3648-08 BOX,GIFT 6007210380040 M1 - ✽ H50-3649-08 BOX,GIFT 6007210380000 K1 - ✽ H50-3702-08 BOX,GIFT 6007210390000 T F301 ✽ F50-0207-08 FUSE 200MA/250VG650201251160 MM1 ✽ New Parts Parts without Parts No. are not supplied. Les articles non mentionnes dans le Parts No. ne sont pas fournis. Teile ohne Parts No. werden nicht geliefert. 2 L : Scandinavia K : USA P : Canada R : Mexico C : China I : Malaysia Y : PX(Far East,Hawaii) T : England E : Europe G : Germany V : China(Shanghai) Y : AAFES(Europe) X : Australia Q : Russia H : Korea M : Other Areas indicates safety critical components . Ref. No Add- ress New Parts Parts No. Description Desti- nation Re- marks 601 1A ✽ A01-3859-08 CABINET 3000210246100 KPET 601 1A ✽ A01-3859-08 CABINET 3000210246100 K1E1 601 1A ✽ A01-3860-08 CABINET 3007210246000 E2E3M1 601 1A ✽ A01-3860-08 CABINET 3007210246000 M 602 2A ✽ A53-2305-08 DOOR L 5047210231000 E2E3M1 602 2A ✽ A53-2306-08 DOOR L 5047210231010 M 602 2A ✽ A53-2307-08 DOOR L 5047210231100 K1E1 602 2A ✽ A53-2311-08 DOOR L 5047210231110 KPET 603 2A ✽ A53-2308-08 DOOR R 5047210241000 E2E3M1 603 2A ✽ A53-2309-08 DOOR R 5047210241010 M 603 2A ✽ A53-2310-08 DOOR R 5047210241100 K1E1 603 2A ✽ A53-2312-08 DOOR R 5047210241110 KPET 604 2A ✽ A53-2301-08 HOLDER L 4320210311000 E2E3M1 604 2A ✽ A53-2301-08 HOLDER L 4320210311000 M 604 2A ✽ A53-2302-08 HOLDER L 4320210311100 KPET 604 2A ✽ A53-2302-08 HOLDER L 4320210311100 K1E1 605 2A ✽ A53-2303-08 HOLDER R 4320210321000 E2E3M1 605 2A ✽ A53-2303-08 HOLDER R 4320210321000 M 605 2A ✽ A53-2304-08 HOLDER R 4320210321100 KPET 605 2A ✽ A53-2304-08 HOLDER R 4320210321100 K1E1 606 2A ✽ A60-2226-08 PANEL 3067210771000 E3M1 606 2A ✽ A60-2227-08 PANEL 3067210771010 M 606 2A ✽ A60-2228-08 PANEL 3067210771100 K1 606 2A ✽ A60-2229-08 PANEL 3067210771110 E1E2 606 2A ✽ A60-2230-08 PANEL 3067210771130 KP 606 2A ✽ A60-2231-08 PANEL 3067210771140 ET 611 2B ✽ B03-3913-08 DECORATION 5120210231100 KPET 611 2B ✽ B03-3914-08 DECORATION 5127210231000 M 612 2A ✽ B03-3910-08 WINDOW L 5070210733000 613 2A ✽ B03-3911-08 WINDOW R 5070210743000 614 2A ✽ B03-3909-08 WINDOW,DISPLAY 5070210723000 E3M1 614 2A ✽ B03-3909-08 WINDOW,DISPLAY 5070210723000 K1E1E2 614 2A ✽ B03-3912-08 WINDOW,DISPLAY 5077210723000 KPETM 615 2B ✽ B03-3907-08 COVER,LED 4317210343000 E3M1 615 2B ✽ B03-3907-08 COVER,LED 4317210343000 K1E1E2 615 2B ✽ B03-3908-08 COVER,LED 4317210343010 KPETM 616 1B,2B ✽ B19-1640-08 LENS,PLAY,L 3710210293000 E3M1 616 1B,2B ✽ B19-1640-08 LENS,PLAY,L 3710210293000 K1E1E2 617 1B,2B ✽ B19-1641-08 LENS,PLAY,R 3710210303000 E3M1 617 1B,2B ✽ B19-1641-08 LENS,PLAY,R 3710210303000 K1E1E2 618 2B ✽ B19-1642-08 LENS,REC 3710210313000 619 2A B43-0302-04 BADGE 5630000611010 624 1B ✽ D40-1782-08 DECK 8150434600010 KPETM 624 1B ✽ D40-1783-08 DECK 8150434700010 E3M1 624 1B ✽ D40-1783-08 DECK 8150434700010 K1E1E2 628 1A E03-0115-05 AC ADPATER L109283004100 MM1 629 1A E30-0505-05 CORD,RCA,4P L063028400030 630 1A ✽ E30-2733-05 CORD,RCA L063210210040 631 1C ✽ E30-7256-08 CORD ASSY L06800000004C T 631 1C ✽ E30-7257-08 CORD ASSY L06802003001C KPK1 631 1C ✽ E30-7258-08 CORD ASSY L06804001101C EME1 631 1C ✽ E30-7258-08 CORD ASSY L06804001101C E2E3M1 632 1B,1C ✽ E35-3238-08 CABLE,FLAT CARD L301161160040 ✽ New Parts Parts without Parts No. are not supplied. Les articles non mentionnes dans le Parts No. ne sont pas fournis. Teile ohne Parts No. werden nicht geliefert. 1 L : Scandinavia K : USA P : Canada R : Mexico C : China I : Malaysia Y : PX(Far East,Hawaii) T : England E : Europe G : Germany V : China(Shanghai) Y : AAFES(Europe) X : Australia Q : Russia H : Korea M : Other Areas indicates safety critical components . CT-401,403/KXF-W1030,W3030 www . x ia o y u 1 6 3 . c o m QQ 3 7 6 3 1 5 1 5 0 9 9 2 8 9 4 2 9 8 T E L 1 3 9 4 2 2 9 6 5 1 3 9 9 2 8 9 4 2 9 8 0 5 1 5 1 3 6 7 3 Q Q TEL 13942296513 QQ 376315150 892498299 TEL 13942296513 QQ 376315150 892498299 CT-401/403/KXF-W1030/W3030 14 PARTS LIST Ref. No Add- ress New Parts Parts No. Description Desti- nation Re- marks C167 CF92FV1H332J MF-C 3300PF J C168 CF92FV1H682J MF-C 6800PF J C169 CF92FV1H332J MF-C 3300PF J C170 CE04LW1H010M ELECTRO 1.0UF 50WV C171 CF92FV1H332J MF-C 3300PF J 1 C171 CF92FV1H822J MF-C 8200PF J 3 C172 CK45FB1H104Z CERAMIC 0.10UF Z C173 CE04LW1C101M ELECTRO 100UF 16WV C175,176 CE04LW1H010M ELECTRO 1.0UF 50WV C177,178 CE04LW1H2R2M ELECTRO 2.2UF 50WV C179,180 C91-0745-05 CERAMIC 100PF K C181,182 CK45FB1H822K CERAMIC 8200PF K C191,192 CE04LW1V470M ELECTRO 47UF 35WV C193,194 CE04LW1H100M ELECTRO 10UF 50WV C195,196 C91-0745-05 CERAMIC 100PF K C197 CK45FB1H104Z CERAMIC 0.10UF Z C301 CK45FB1H223Z CERAMIC 0.022UF Z C302,303 C91-0749-05 CERAMIC 220PF K C304,305 C91-0769-05 CERAMIC 0.010UF K C306 CE04LW1H010M ELECTRO 1.0UF 50WV C307 CE04LW1H2R2M ELECTRO 2.2UF 50WV C308 CK45FB1H223Z CERAMIC 0.022UF Z C309,310 CE04LW1H010M ELECTRO 1.0UF 50WV C311 CE04LW1E220M ELECTRO 22UF 25WV C312 CK45FB1H223Z CERAMIC 0.022UF Z C314 CK45FB1H223Z CERAMIC 0.022UF Z C315 CE04LW1C471M ELECTRO 470UF 16WV C316 CE04LW1H330M ELECTRO 33UF 50WV C317,318 CK45FB1H223Z CERAMIC 0.022UF Z C319,320 CE04LW1C471M ELECTRO 470UF 16WV C321,322 CK45FB1H223Z CERAMIC 0.022UF Z C323 CE04LW1C102M ELECTRO 1000UF 16WV C324 CE04LW1H100M ELECTRO 10UF 50WV C325 CK45FB1H223Z CERAMIC 0.022UF Z C326 CE04LW1C102M ELECTRO 1000UF 16WV C327,328 CK45FB2H223K CERAMIC 0.022UF K C329 CE04KW1V472M ELECTRO 4700UF 35WV C331,332 CK45FB2H223K CERAMIC 0.022UF K C333 CE04LW1E220M ELECTRO 22UF 25WV C335 CE04LW1C101M ELECTRO 100UF 16WV C337 CE04LW1V470M ELECTRO 47UF 35WV C338 CE04LW1H010M ELECTRO 1.0UF 50WV C339 CE04LW1H2R2M ELECTRO 2.2UF 50WV C390 C91-0745-05 CERAMIC 100PF K C400 ✽ C91-1647-08 C.CERAMIC D00847208K060 C601 CK45FB1H223Z CERAMIC 0.022UF Z C602 CE04LW1H100M ELECTRO 10UF 50WV C603-606 C91-0745-05 CERAMIC 100PF K CN607 ✽ E41-0809-08 CN.FPC 1.25MM L131520451645 JK101 ✽ E11-0954-08 TER,RCA 4PIN G602040131010 JK301 E11-0188-05 JACK,D3.5 G401496000000 CF301 ✽ L78-0749-08 RESONATOR,CERAME8306R0000020 L101,102 L40-1035-29 COIL,TRAP D302103000010 L103,104 ✽ L39-1627-08 COIL,FILTER-IND D330000000020 ✽ New Parts Parts without Parts No. are not supplied. Les articles non mentionnes dans le Parts No. ne sont pas fournis. Teile ohne Parts No. werden nicht geliefert. 4 L : Scandinavia K : USA P : Canada R : Mexico C : China I : Malaysia Y : PX(Far East,Hawaii) T : England E : Europe G : Germany V : China(Shanghai) Y : AAFES(Europe) X : Australia Q : Russia H : Korea M : Other Areas indicates safety critical components . Ref. No Add- ress New Parts Parts No. Description Desti- nation Re- marks 401 1B D16-0750-08 BELT FR 02-083-4188 402 1B D16-0751-08 BELT AR 02-084-4203 403 1C D16-0752-08 BELT BR 02-084-4205 404 1C D16-0753-08 BELT AF 02-084-4202 405 1C D16-0754-08 BELT BR 02-084-4204 LED601,2 ✽ B30-2634-08 LED,GREEN K500035000010 LED603-5 ✽ B30-2633-08 LED,RED K500032000100 LED606 ✽ B30-2633-08 LED,RED K500032000100 3 LED607 ✽ B30-2633-08 LED,RED K500032000100 LED608 ✽ B30-2633-08 LED,RED K500032000100 3 LED609 ✽ B30-2634-08 LED,GREEN K500035000010 3 LED610 ✽ B30-2633-08 LED,RED K500032000100 LED611 ✽ B30-2633-08 LED,RED K500032000100 3 LED612 ✽ B30-2633-08 LED,RED K500032000100 LED613-15 ✽ B30-2634-08 LED,GREEN K500035000010 3 C101,102 C91-0754-05 CERAMIC 560PF J 1 C101,102 C91-0757-05 CERAMIC 1000PF K 3 C103 CE04LW1C471M ELECTRO 470UF 16WV C104-106 CK45FB1H104Z CERAMIC 0.10UF Z C107,108 C91-0751-05 CERAMIC 330PF K C109,110 C91-0769-05 CERAMIC 0.010UF K C111,112 CE04LW1H100M ELECTRO 10UF 50WV C113,114 C91-0751-05 CERAMIC 330PF K C115,116 CE04LW1H4R7M ELECTRO 4.7UF 50WV C117 C91-0756-05 CERAMIC 820PF K 1 C117 C91-0757-05 CERAMIC 1000PF K 3 C118 C91-0756-05 CERAMIC 820PF K C119,120 CE04LW1H4R7M ELECTRO 4.7UF 50WV C121 CE04LW1C101M ELECTRO 100UF 16WV C122 CK45FB1H104Z CERAMIC 0.10UF Z C123 CE04LW1V470M ELECTRO 47UF 35WV C124 CE04LW1H010M ELECTRO 1.0UF 50WV C125,126 C91-0761-05 CERAMIC 2200PF M C127,128 C91-0750-05 CERAMIC 270PF K C129-133 CE04LW1H010M ELECTRO 1.0UF 50WV C134 CE04LW1C101M ELECTRO 100UF 16WV C135,136 CE04LW1H010M ELECTRO 1.0UF 50WV C137,138 CK45FB1H104Z CERAMIC 0.10UF Z C139 ,140 CE04LW1H100M ELECTRO 10UF 50WV C141-144 CE04LW1H010M ELECTRO 1.0UF 50WV C145 CE04LW1E220M ELECTRO 22UF 25WV C147,148 CE04LW1H2R2M ELECTRO 2.2UF 50WV C149,150 C91-0749-05 CERAMIC 220PF K C151 CE04LW1C101M ELECTRO 100UF 16WV C152 CE04LW1E101M ELECTRO 100UF 25WV C153,154 CE04LW1H010M ELECTRO 1.0UF 50WV C155,156 CK45FB1H182K CERAMIC 1800PF K C158 CE04LW1C101M ELECTRO 100UF 16WV C159,160 C91-0749-05 CERAMIC 220PF K C163,164 CE04LW1H2R2M ELECTRO 2.2UF 50WV C165 CE04LW1E220M ELECTRO 22UF 25WV C166 CF92FV1H153J MF-C 0.015UF J ✽ New Parts Parts without Parts No. are not supplied. Les articles non mentionnes dans le Parts No. ne sont pas fournis. Teile ohne Parts No. werden nicht geliefert. 3 L : Scandinavia K : USA P : Canada R : Mexico C : China I : Malaysia Y : PX(Far East,Hawaii) T : England E : Europe G : Germany V : China(Shanghai) Y : AAFES(Europe) X : Australia Q : Russia H : Korea M : Other Areas indicates safety critical components . MECHANISM ELECTRICAL PARTS www . x ia o y u 1 6 3 . c o m QQ 3 7 6 3 1 5 1 5 0 9 9 2 8 9 4 2 9 8 T E L 1 3 9 4 2 2 9 6 5 1 3 9 9 2 8 9 4 2 9 8 0 5 1 5 1 3 6 7 3 Q Q TEL 13942296513 QQ 376315150 892498299 TEL 13942296513 QQ 376315150 892498299 CT-401/403/KXF-W1030/W3030 15 PARTS LIST Ref. No Add- ress New Parts Parts No. Description Desti- nation Re- marks IC601 BU2099FV IC(OUT PUT EXPANDER)09900010 Q101-103 DTC114TS SEMI,BRT/NPN RC J6020111M0010 Q105,106 2SC945 SEMI,TR/GE NPN J5023198Y0000 Q111,112 2SC2878 SEMI,TR/GE NPN J502287400010 Q113,114 2SC945 SEMI,TR/GE NPN J5023198Y0000 Q115-118 2SC2878 SEMI,TR/GE NPN J502287400010 Q120 2SC2060 SEMI,TR/GE NPN J5023205Y0020 Q121,122 2SC2001L SEMI,TR/GE NPN J5023203Y0000 Q123,124 2SC945 SEMI,TR/GE NPN J5023198Y0000 Q135,136 DTC114TS SEMI,BRT/NPN RC J6020111M0010 Q137,138 DTC124ES SEMI,BRT/NPN RD J6030103M0010 Q142 DTC124ES SEMI,BRT/NPN RD J6030103M0010 1 Q302 2SC945 SEMI,TR/GE NPN J5023198Y0000 Q303,304 DTA144ES SEMI,BRT/PNP RA J6000104M0010 Q306 2SA1286 SEMI,TR/GE PNP J5001273Y0050 Q307 DTC124ES SEMI,BRT/NPN RD J6030103M0010 Q308 2SA1286 SEMI,TR/GE PNP J5001273Y0050 Q309 DTC124ES SEMI,BRT/NPN RD J6030103M0010 Q310 2SA1286 SEMI,TR/GE PNP J5001273Y0050 Q311 DTC124ES SEMI,BRT/NPN RD J6030103M0010 Q313 DTC124ES SEMI,BRT/NPN RD J6030103M0010 ✽ New Parts Parts without Parts No. are not supplied. Les articles non mentionnes dans le Parts No. ne sont pas fournis. Teile ohne Parts No. werden nicht geliefert. 6 L : Scandinavia K : USA P : Canada R : Mexico C : China I : Malaysia Y : PX(Far East,Hawaii) T : England E : Europe G : Germany V : China(Shanghai) Y : AAFES(Europe) X : Australia Q : Russia H : Korea M : Other Areas indicates safety critical components . Ref. No Add- ress New Parts Parts No. Description Desti- nation Re- marks L105,106 ✽ L39-1626-08 COIL,TRAP D302753880010 L107 ✽ L32-1055-08 TRANS,OSC BIAS E080152430010 R01,02 RS14KB3AR47J FL-PROOF RS 0.47 J 1/2W R122 RN14BK2E101J RN 100 J 1/4W R125 RN14DK2E331JHD RN 330 J 1/4W R167 RN14BK2E101J RN 100 J 1/4W 1 R176 RN14DK2E272JHD RN 2.7K J 1/4W 1 R176 RN14DK2E332JHD RN 3.3K J 1/4W 3 R238 RN14DK2E472JHD RN 4.7K J 1/4W R244 RD14BB2H010J RD 1 J 1/2W R307 RN14DK2E221JHD RN 220 J 1/4W R378 RD14BB2H010J RD 1 J 1/2W VR101 ✽ R31-0109-08 VR ROTARY C454125300020 RLY101 ✽ S76-0135-08 RELAY G680241020000 S401 S68-0131-08 SW,PUSH G000122006030 S402 ✽ S62-0110-08 SW,SLIDE G060040540010 MM1 S600 ✽ S68-0146-08 SW,TACT G180040500010 3 S601 ✽ S68-0146-08 SW,TACT G180040500010 1 S602 ✽ S68-0146-08 SW,TACT G180040500010 3 S603 ✽ S68-0146-08 SW,TACT G180040500010 1 S604,5 ✽ S68-0146-08 SW,TACT G180040500010 3 S606 ✽ S68-0146-08 SW,TACT G180040500010 1 S607 ✽ S68-0146-08 SW,TACT G180040500010 3 S608 ✽ S68-0146-08 SW,TACT G180040500010 1 S609-613 ✽ S68-0146-08 SW,TACT G180040500010 S614 ✽ S68-0146-08 SW,TACT G180040500010 3 S615 ✽ S68-0146-08 SW,TACT G180040500010 S616 ✽ S68-0146-08 SW,TACT G180040500010 3 S617,8 ✽ S68-0146-08 SW,TACT G180040500010 SFR101-4 R12-1616-05 VR,SEMI CARBON C541102115000 SFR105,6 R12-5652-05 VR,SEMI CARBON C541204115000 SFR107,8 R12-3685-05 VR,SEMI CARBON C541103115000 SFR301 R12-1617-05 VR,SEMI CARBON C541202115000 D101,102 1SS133 D,SWITCHING K000013300520 D105 MTZJ10B D,ZENER K06010R044520 D301-310 1SS133 D,SWITCHING K000013300520 D311 W02G D,RECTIFIER BRI K047000201010 D315-317 1SS133 D,SWITCHING K000013300520 D318 MTZJ5.6B D,ZENER K06005R644520 D319-322 1SS133 D,SWITCHING K000013300520 D323 MTZJ4.7B D,ZENER K06004R744520 D324,325 1SS133 D,SWITCHING K000013300520 D327-331 1SS133 D,SWITCHING K000013300520 IC101 ✽ KIA2025P IC,LINEAR EQ J123202500010 IC102 CXA1551P IC,DOLBY J081155100010 IC103 NJM4558DD IC(OP AMP X2) J121455800020 IC104 CXA1598S IC,LINEAR EQ J123159800020 IC301 NJM4558DD IC(OP AMP X2) J121455800020 IC302 LC865612A-5W95 IC,CPU MICRO PR J020865612595 IC303 S-80841ANNP IC,LINEAR-RESET J125808410010 IC304 BR24C01AF IC(128X8bit EEPROM)240100070 IC305,6 KIA7812API IC(ANALOGUE IC) J126781200170 IC307 KIA7805API IC(VOLTAGE REGULATOR)0500110 ✽ New Parts Parts without Parts No. are not supplied. Les articles non mentionnes dans le Parts No. ne sont pas fournis. Teile ohne Parts No. werden nicht geliefert. 5 L : Scandinavia K : USA P : Canada R : Mexico C : China I : Malaysia Y : PX(Far East,Hawaii) T : England E : Europe G : Germany V : China(Shanghai) Y : AAFES(Europe) X : Australia Q : Russia H : Korea M : Other Areas indicates safety critical components . HOW TO READ THE PARTS LIST ABBREVIATION OF MODEL AND MASS PRODUCTION'S DESTINATIONS MODEL ABB. Australia Canada China England Europe Germany Korea Malaysia CT-401 1 - P - - - - - - KXF-W1030 1 - - - T E - - - KXF-W1030-S 1 - - - - - - - - CT-403 3 - - - - - - - - KXF-W3030 3 - - - - E1 - - - KXF-W3030E 3 - - - - E2 - - - KXF-W3030-S 3 - - - - E3 - - - ABB. Mexico PX/AAFES Russia Scandinavia Shanghai USA Other area CT-401 1 - - - - - K - KXF-W1030 1 - - - - - - - KXF-W1030-S 1 - - - - - - M CT-403 3 - - - - - K1 - KXF-W3030 3 - - - - - - - KXF-W3030E 3 - - - - - - - KXF-W3030-S 3 - - - - - - M1 www . x ia o y u 1 6 3 . c o m QQ 3 7 6 3 1 5 1 5 0 9 9 2 8 9 4 2 9 8 T E L 1 3 9 4 2 2 9 6 5 1 3 9 9 2 8 9 4 2 9 8 0 5 1 5 1 3 6 7 3 Q Q TEL 13942296513 QQ 376315150 892498299 TEL 13942296513 QQ 376315150 892498299 CT-401/403/KXF-W1030/W3030 SPECIFICATIONS 14-6,Dogenzaka 1-chome, Shibuya-ku, Tokyo, 150-8501 Japan KENWOOD SERVICE CORPORATION P.O BOX 22745, 2201 East Dominguez St., Long Beach, CA 90801-5745, U.S.A. KENWOOD ELECTRONICS CANADA INC. 6070 Kestrel Road, Mississauga, Ontario, Canada L5T 1S8 KENWOOD ELECTRONICS LATIN AMERICA S.A. P.O BOX 55-2791, Piso 6 plaza Chase, Cl. 47 y Aquilino de la Guardia Panama, Republic de Panama KENWOOD ELECTRONICS BRASIL LTDA. Alameda Ministro Rocha Azevedo No. 456, Edificio Jaú, 10o Andar, Cerqueira César, Cep 0140-001, São Paulo-SP-Brasil KENWOOD ELECTRONICS U.K. LIMITED KENWOOD House, Dwight Road, Watford, Herts., WD1 8EB., United Kingdom KENWOOD ELECTRONICS BELGIUM N.V. Leuvensesteenweg 248 J, 1800 Vilvoorde, Belgium KENWOOD ELECTRONICS DEUTSCHLAND GMBH Rembrücker Str. 15, 63150 Heusenstamm, Germany KENWOOD ELECTRONICS FRANCE S.A. 13 Boulevard Ney, 75018 Paris, France KENWOOD ELECTRONICS ITALIA S.p.A. Via G. Sirtori, 7/9 20129, Milano, ltaly KENWOOD IBÉRICA S.A. Bolivia, 239-08020 Barcelona, Spain KENWOOD ELECTRONICS AUSTRALIA PTY. LTD. (A.C.N. 001 499 074) 16 Giffnock Avenue, North Ryde, N.S.W. 2113, Australia KENWOOD ELECTRONICS (HONG KONG) LTD. Unit 3712-3724, Level 37, Tower 1, Metroplaza, 223 Hing Fong Road, Kwai Fong N.T., Hong Kong KENWOOD ELECTRONICS GULF FZE P.O.Box 61318, Jebel Ali, Dubai, U.A.E. KENWOOD ELECTRONICS SINGAPORE PTE LTD. No. 1 Genting Lane #02-02, KENWOOD Building, Singapore, 349544 KENWOOD ELECTRONICS (MALAYSIA) SDN BHD. #4.01 Level 4, Wisma Academy Lot 4A, Jalan 19/1 46300 Petaling Jaya Selangor Darul Ehsan Malaysia KENWOOD ELECTRONICS (THAILAND) CO., LTD. 2019 New Pechburi Road, Bangkapi, Huaykwang, Bangkok, 10320 Thailand Note: Component and circuit are subject to modification to insure best operation under differing local conditions. This manual is based on Europe (E) standard, and provides information on regional circuit modification through use of alter- nate schematic diagrams, and information on regional component variations through use of parts list. Track System ..................................4 track, 2 channel stereo Recording System ................. AC bias (Frequency: 105 kHz) Heads A DECK Playback heads............................................. 1 B DECK Playback / recording heads........................... 1 Erasing head................................................. 1 Motors A and B DECK ................................................... 1 Wow and Flutter.............................................0.3 % (W.RMS) Frequency Response TYPE I Tape ..........................30 Hz to 13,000 Hz, ± 3 dB TYPE II Tape .........................30 Hz to 13,000 Hz, ± 3 dB Signal to Noise Ratio Dolby NR OFF ........................................................ 57 dB Dolby B NR ON (3rd, H.D., 3 %, TYPE II Tape)..... 66 dB Input sensitivity / Impedance LINE IN................................................. 122.8 mV / 54 kΩ Output Level / Impedance LINE OUT............................................... 775 mV / 1.1 kΩ [General] Power Consumption ...................................................... 16 W Dimensions .........................................W : 440mm (17-5/16") H : 128 mm (5-1/16") D : 270 mm (10-5/8") Weight (Net)..................................................... 4.1 kg (9.0 lb) 1. KENWOOD follows a policy of continuous advancements in development. For this reason specifications may be changed without notice. 2. The full performance may not be exhibited in extremely coud location (under a water-freezing temperature). Notes www. xiaoyu163. com QQ 376315150 9 9 2 8 9 4 2 9 8 TEL 13942296513 9 9 2 8 9 4 2 9 8 0 5 1 5 1 3 6 7 3 Q Q TEL 13942296513 QQ 376315150 892498299

标签:

版权声明

1. 本站所有素材,仅限学习交流,仅展示部分内容,如需查看完整内容,请下载原文件。
2. 会员在本站下载的所有素材,只拥有使用权,著作权归原作者所有。
3. 所有素材,未经合法授权,请勿用于商业用途,会员不得以任何形式发布、传播、复制、转售该素材,否则一律封号处理。
4. 如果素材损害你的权益请联系客服QQ:77594475 处理。