建伍KENWOOD CKDC-MP572V CD播放机电路图

分类:电子电工 日期: 点击:0
建伍KENWOOD CKDC-MP572V CD播放机电路图-0 建伍KENWOOD CKDC-MP572V CD播放机电路图-1 建伍KENWOOD CKDC-MP572V CD播放机电路图-2 建伍KENWOOD CKDC-MP572V CD播放机电路图-3 建伍KENWOOD CKDC-MP572V CD播放机电路图-4 建伍KENWOOD CKDC-MP572V CD播放机电路图-5 建伍KENWOOD CKDC-MP572V CD播放机电路图-6 建伍KENWOOD CKDC-MP572V CD播放机电路图-7 建伍KENWOOD CKDC-MP572V CD播放机电路图-8 建伍KENWOOD CKDC-MP572V CD播放机电路图-9

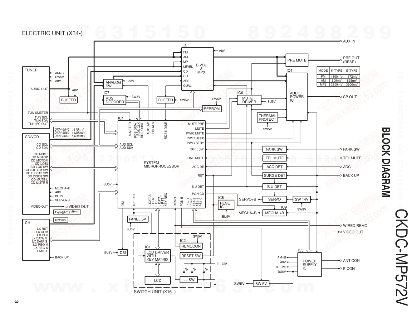
© 2004-3 CREATED IN JAPAN B53-0148-00 (N) 0 CD RECEIVER CKDC-MP572V SERVICE MANUAL Escutcheon (B07-3116-02) Mounting hardware assy (J21-9934-03) Screw x 4 (N09-4149-05) Lever (D10-4705-04) x 2 Screw x 4 (N09-4145-05) Plastic cabinet (A02-1491-01) DC cord (E30-6123-05) AUTO DISP MENU SCAN AUD RDM REP OFF LOUD C.S. Front glass (B10-4570-01) Panel (A64-3373-01) AME M.RDM + - F.SEL SCRL CD mechanism extension cord (24PIN) : W05-0934-00 MANUFACTURED BY VISTEON www. xiaoyu163. com QQ 376315150 9 9 2 8 9 4 2 9 8 TEL 13942296513 9 9 2 8 9 4 2 9 8 0 5 1 5 1 3 6 7 3 Q Q TEL 13942296513 QQ 376315150 892498299 TEL 13942296513 QQ 376315150 892498299 2 BLOCK DIAGRAM S7V A8V BU5V D5V A3.3V SW3.3V BU3.3V BU2.5V CD PLAYER UNIT (X32-5500-00) IC1 MECHANISM CONTROL Q8 APC Q9,10 C-SW IC4 4ch BTL DRIVER M M DM1 DM2 SPINDLE MOTOR LOADING MOTOR & SLED S1 S2 IC9 DAC 3.3V AVR Q3,5,6 S3 S4 (0-01)ONLY LEVEL SHIFT Q7 Q1,4 LEVEL SHIFT MICROPROCESSOR AVR BU 3.3V IC6 DAC 3.3V AVR IC7 SW 3.3V AVR IC5 LEVEL SHIFT IC3 MP3/WMA DECODER IC2 PROCESSOR RF AMP/SERVO CD SIGNAL BUFFER IC8 FO COIL TR COIL (OPTICAL PICKUP) A C F B E DPU1 LD PD CN2 CN1 15 DGND DATA CLK MUTER MUTEL MSTOP MRST 10 LOS 20 1 8EJE A8V L AGND DOUT R MOTOR LO/EJ 5 SGND S7V 12EJE LOE/LIM X2 16.00MHz 16.898MHz X1 OPEN D5 DGND D5 24 BU5 3 3 8 1 2 4 4 4 4 VREF SLD TRK FCS SPD 5 16 PON www . x ia o y u 1 6 3 . c o m QQ 3 7 6 3 1 5 1 5 0 9 9 2 8 9 4 2 9 8 T E L 1 3 9 4 2 2 9 6 5 1 3 9 9 2 8 9 4 2 9 8 0 5 1 5 1 3 6 7 3 Q Q TEL 13942296513 QQ 376315150 892498299 TEL 13942296513 QQ 376315150 892498299 3 BLOCK DIAGRAM 1200mV DXM-6060 DXM-6560 DXM-6540 : 810mV : 1200mV : 1200mV 1Vpp@75 Term. SWITCH UNIT (X16- ) TUNER CD/VCD CH BUFFER RDS DECODER BUFFER EEPROM REMOCON RESET SW WITH LCD DRIVER KEY MATRIX LCD DSI SYSTEM MPX E-VOL & ACC DET TEL MUTE B.U DET PRE MUTE DRIVER MUTE POWER IC THERMAL PROTECT ACC TEL MUTE BACK UP (REAR) PRE OUT SP OUT SURGE DET SERVO SERVO+B SW 14V WIRED REMO SUPPLY IC POWER ANT CON P CON RESET SW 5V PANEL 5V SW5V ILL SW ILLUMI IC7 IC2 IC1 IC4 IC3 IC8 IC1 IC2 SW ANALOG AUX IN AUDIO PARK SW PARK SW MICROPROCESSOR MECHA+B MECHA +B IC VIDEO OUT IC9 IC6 to VIDEO OUT TUN SMETER AUDIO OUT TUN IFC OUT TUN SCL TUN SDA SW5V AM+B A8V CD DISC8 SW CD DISC12 SW CD LOS SW CD SDA CD SCL CD LOE LIM SW CD MUTE L CD LOEJ CD MSTOP CD MRST SERVO+B A8V BU5V MECHA+B LX DATA S LX MUTE LX RST LX REQ M LX REQ S LX CLK LX COM LX DATA M BACK UP RDS QUAL S-METER RDS DATA RDS CLK FM AM MP LEVEL CD QUAL AFS CH SW5V SW5V BU5V DSI L CLK L DATAS L CE L DATAL REMO MUTE PWIC MUTE LINE MUTE ACC DE B.U DET PWIC BEEP RST BU5V A8V SW5V AM+B ILLUMI A8V BU5V BU5V MODE FM AM MP3 E-TYPE 1372mV 855mV 3600mV K-TYPE 1800mV 600mV 3600mV PWIC STBY BU5V TDF DET SW5V AUD SCL AUD SDA A8V PON 5 PARK SW MUTE PRE PS2-1 PS1-0 PS2-0 PS1-2 PS1-1 PON CD A8V CD MOTOR CD MUTE R VIDEO OUT AUX SW RDS AFS RDS NOISE SW5V SW5V L RST KEY REQ BU5V ELECTRIC UNIT (X34-) www . x ia o y u 1 6 3 . c o m QQ 3 7 6 3 1 5 1 5 0 9 9 2 8 9 4 2 9 8 T E L 1 3 9 4 2 2 9 6 5 1 3 9 9 2 8 9 4 2 9 8 0 5 1 5 1 3 6 7 3 Q Q TEL 13942296513 QQ 376315150 892498299 TEL 13942296513 QQ 376315150 892498299 4 ● SWITCH UNIT (X16-2860-10) Ref. No. Application / Function Operation / Condition / Compatibility IC1 LCD driver Drive for LCD unit IC2 Remote control IC Receiving for the remote control unit Q1 KEY scan detector key scan start at base gose “L”. ● CD PLAYER UNIT (X32-5500-00) Ref. No. Application / Function Operation / Condition / Compatibility Generation of RF signal based on the signals from the APC circuit and pickup, and generation IC1 RF amplifier adapted for CD-RW of servo error (focusing error and tracking error) signals. Detection of dropout, anti-shock, track crossing and off-track conditions, included gain control function during CD-RW. Focusing, tracking, sled and spindle servo processing. Automatic adjustment (focusing, IC2 CD signal processor built-in MI-COM tracking, gain, offset and balance) operations. Digital signal processing (DSP, PLL, sub-codes, CIRC error correction, audio data Interpol ration) operations, and Microcomputer function. IC3 MP3/WMA decoder IC4 4CH BTL driver Focusing coil, tracking coil, spindle motor and sled motor driver, disc loading and eject operation. IC5 AVR For SW3.3V AVR IC6 AVR For BU3.3V AVR IC7 AVR For BU2.5V AVR IC8 Selector Serial audio signal selector IC IC9 AVR For IC2 (DAC section) 3.3V AVR Q1,3~7 Level shift 3.3V → 5.0V Q8 APC LD power control Q9,10 SW Delay to sub beam line (antecedence beam) D2 Protection diode IC2 protection (for reset line) D3 Protection diode Laser diode protection ● ELECTRIC UNIT (X34-3360-10) Ref. No. Application / Function Operation / Condition / Compatibility IC1 System microcomputer Control for TUNER unit, CD mechanism, volume & tone, LCD driver and external CD changer unit IC2 Electronic volume & N.C.MPX Control for source selector, volume & tone, and FM multiplex detector. Power supply for the units (Bu5V, Audio8V, FM+B, AM+B, P-con and ANT-con) IC3 Power supply IC IC4 Audio power amp IC Amplifier for audio signal to derive for 4channel speakers (50W maximum for each channel) SW1 OUT 1.5~3.0V Audio ON 3.5~5.0V Audio P-con ON 7.0V~ Audio P-con, P-ant ON SW2 OUT 2.0~3.0V Illumination, FM ON 4.0V~ Illumination, AM ON COMPONENTS DESCRIPTION www. xiaoyu163. com QQ 376315150 9 9 2 8 9 4 2 9 8 TEL 13942296513 9 9 2 8 9 4 2 9 8 0 5 1 5 1 3 6 7 3 Q Q TEL 13942296513 QQ 376315150 892498299 TEL 13942296513 QQ 376315150 892498299 5 Ref. No. Application / Function Operation / Condition / Compatibility IC6 Muting control IC Control for timing for mute IC8 Reset IC When detection voltage goes below 3.5V or less Reset IC output change to “L” signal IC9 Switching regulator Power supply for CD mecanism unit Q1 Surge detection When backup voltage become more than 24V output is “L” (momentary power down) / When backup voltage become less than 24V output is “H” Q2 Backup detection When BU voltage supplied output is “L” / When BU voltage not supplied or momentary power down is detected output is “H” Q3 ACC detection When ACC voltage supplied output is “L” Q4 SW 5V When base voltage is “L” Q4 is ON Q21,24 AVR Servo regulator Q22 SW Servo SW Q41 SW Switching regulator control SW Q151 DSI driver When base voltage level is “L” DSI LED is light up / When base voltage level is “H” DSI LED turns off / When panel assy is pull off, cut off the supply to panel 5V AVR. Q201 Buffer amp Noise buffer amp Q252 For surge measure of audio power IC When base voltage to “L”, for control to power IC function (STAND BY) Q350 Pre & NF mute SW When base voltage to “L”, drive to pre & NF mute SW (Q351) Q351 Pre mute SW When base voltage to “H”, muting to the pre Lch or NF Lch line Q352 Pre mute SW When base voltage to “H”, muting to the pre Rch or NF Rch line Q401 DSI illumination SW When base voltage to “H”, DSI illumination is light up. COMPONENTS DESCRIPTION www. xiaoyu163. com QQ 376315150 9 9 2 8 9 4 2 9 8 TEL 13942296513 9 9 2 8 9 4 2 9 8 0 5 1 5 1 3 6 7 3 Q Q TEL 13942296513 QQ 376315150 892498299 TEL 13942296513 QQ 376315150 892498299 6 ● SYSTEM MICROPROCESSOR : 784225GC245 (X34 : IC1) Pin No. Pin Name I/O Description / Processing Operation 1 TUN SMETER I S meter detection input terminal 2 RDS NOISE I FM noise detection input terminal 3 LINE MUTE I Phone Muting signal input terminal (More than 2.5V : NAVI mute, Less than 1.0V : TEL mute) 4 AVSS - GND 5 L RST O Reset signal output (for LCD driver) H : Light on display, key scan, L : Light out on display, key reset 6 L CE O CE output for LCD driver IC 7 AVREF1 - BU5.0V 8 L DATAL I DATA input terminal from LCD derive IC 9 L DATAS O DATA output terminal to LCD driver IC 10 L CLK O CLK output terminal to LCD driver IC 11 TDF DET I Panel assy detect terminal H : Panel assy come off 12 AUX ON O Select for AUX input signal H : AUX, L : Other 13 RDS QUAL I RDS decoder QUAL signal input terminal 14 RDS DATA I RDS decoder Data signal input terminal 15 PWIC BEEP O Beep audio signal output terminal 16 LX DATA S I DATA signal input from EXT. unit 17 LX DATA M O DATA signal output to EXT. unit 18 LX CLK I/O CLK signal input/output to EXT. unit 19 TUN SCL O I2C CLK signal output terminal (for front-end) 20 TUN SDA I/O I2C DATA signal input/output terminal (for front-end) 21 TUN IFC OUT I IFC signal input terminal H : Station detect, L : No detect 22 RDS AFS O Time constant select terminal (for noise detect) H : Receiving, L : FM seek, AF search 23 CD SDA I/O I2C DATA output terminal (for CD mechanism, electric VR) 24 AUD SDA O CLK output terminal (for CD mechanism, electric VR) 25 NC - NC 26 LX RST O Reset signal output to EXT. unit 27 LX CON O Control signal output to EXT. unit H: ON L: OFF 28 LX MUTE I Request signal input terminal from EXT. unit L : Mute ON 29 LX REQ M O DATA signal output to EXT. unit 30 PWIC SVR O SVR control for Audio power IC 31 PWIC STBY O STBY control for Audio power IC H : Power IC ON 32 PWIC MUTE O Muting control for Audio power IC 33 VSS1 - GND 34 ACC DET I ACC detection input terminal L : ACC detect 35 RESET2 O Reset output terminal L : Active 36 MUTE O Muting signal output terminal 37 BU DET I BU detect input terminal L : BU detect 38 PARK SW I Packing condition detect terminal H : OFF, L : ON (PARKING) 39 PS2 1 O Power supply IC control terminal MICROCOMPUTER’S TERMINAL DESCRIPTION www. xiaoyu163. com QQ 376315150 9 9 2 8 9 4 2 9 8 TEL 13942296513 9 9 2 8 9 4 2 9 8 0 5 1 5 1 3 6 7 3 Q Q TEL 13942296513 QQ 376315150 892498299 TEL 13942296513 QQ 376315150 892498299 7 Pin No. Pin Name I/O Description / Processing Operation 40 PS2 0 O Power supply IC control terminal 41 PS1 0 O Power supply IC control terminal 42 PS1 1 O Power supply IC control terminal 43 PS1 2 O Power supply IC control terminal 44 PON 5 O SW5V/SW14V control output terminal Hi-Z : OFF, L : ON 45 NC - NC 46 PON CD O MP3 power supply control terminal 47 CD DISC12 SW I 12cm CD disc eject SW detection input terminal L : 12cm disc 48 CD MUTE R I Request for muting signal from CD mechanism L : Mute request 49 NC - NC 50 CE MRST O Reset signal output to CD mechanism L : Active 51 CD DISC8 SW I 8cm CD disc eject SW detection input terminal (Not used) 52 CD LOS SW I Loading start SW detection input terminal L : Loading start 53 CD MUTE L I Request for muting signal from CD mechanism L : Mute request 54 NC - NC 55 CD MSTOP O Request signal (Mechanism is STOP) output to CD mechanism L : Active 56 CD LOE LIM SW I Down SW detection from CD mechanism 57 CD LOEJ I/O CD mechanism loading / eject control terminal H : Eject, L : Loading 58 CD MOTOR O CD mechanism motor loading control terminal H : Loading, Eject, Brake, L : Play 59 DSI O Disc guide illumination control terminal H : DSI ON 60 RESET I Reset input terminal L : Active 61 NC - NC 62 KEY REQ I Request for communication to slave unit L : Key input mode 63 RDS CLK I RDS decoder CLK input terminal 64 LX REQ S I DATA signal input from EXT. unit 65 REMO I Remote control signal input terminal 66 NC - NC 67 VSS0 - GND 68 VDD1 - BU5.0V 69 X2 - Main clock input terminal (10MHz) 70 X1 - Main clock input terminal (10MHz) 71 TEST - GND 72 XT2 - Sub clock input terminal (32.768kHz) 73 XT1 - Sub clock input terminal (32.768kHz) 74 VDD0 - BU5.0V 75 AVDD - BU5.0V 76~78 TYPE0~2 I Destination input terminal DXM6540 (SEL0 : Lo, SEL1 : Lo) 79,80 TUN TYPE0,1 I Electric volume condition setting terminal MICROCOMPUTER’S TERMINAL DESCRIPTION www. xiaoyu163. com QQ 376315150 9 9 2 8 9 4 2 9 8 TEL 13942296513 9 9 2 8 9 4 2 9 8 0 5 1 5 1 3 6 7 3 Q Q TEL 13942296513 QQ 376315150 892498299 TEL 13942296513 QQ 376315150 892498299 8 ● CD SIGNAL MICROPROCESSOR : UPD63712GC (X32 : IC2) Pin No. Pin Name I/O Description / Processing Operation 1 VREFL I Reference voltage input terminal 2 AVSS - GND for ADC 3 AVCC - Power supply for ADC (BU3.3V) 4 NC O NC (OPEN) 5 20RST O Reset control output terminal (for decoder) L : RESET, H : NORMAL 6 20ACK I Acknowledge signal input terminal (for decoder) 7 20STBY O Standby control (for decoder) H : STAND BY, L : NORMAL 8,9 NC O NC (OPEN) 10 20INT I Interrupt signal input terminal (for decoder) 11 FOGUP I Interrupt for focus gain up control signal H : Focus gain UP, L : NORMAL 12 LZM I 0 bit muting detect (Lch) L : MUTE OFF, H : MUTE ON 13 RZM I 0 bit muting detect (Rch) L : MUTE OFF, H : MUTE ON 14,15 NC O NC 16 20CS O Chip select signal output terminal (for decoder) 17 20LP O Latch pules signal output terminal (for decoder) 18 20TXD0 I/O Serial data signal output terminal (for decoder) 19 20RXD0 I Serial data signal input terminal (for decoder) 20 20SCLK0 O Serial data clock output terminal (for decoder) 21 DSPTXD1 O Serial data signal output terminal (for DSP) 22 DSPRXD1 I Serial data signal input terminal (for DSP) 23 DSPSCLK1 O Serial data clock output terminal (for DSP) 24 AM0 I Select for ROM mode H : NORMAL, L : External ROM mode 25 DVCC - BU3.3V 26 X2 O Oscillator (16MHz) 27 DVSS - GND 28 X1 I Oscillator (16MHz) 29 AM1 I BU3.3V 30 RESET I Reset terminal L : RESET, H : NORMAL 31,32 NC O NC 33,34 EMU0,1 O NC 35 DSPSTB O Data strobe signal output terminal 36 DSPA0 O Command, parameter select signal H : Parameter, L : Command 37 DSPRST O Reset control output terminal (for DSP) 38 DSPINT I Interrupt signal input terminal (for DSP) H : Interrupt 39 /DAC RESET O Reset signal output terminal (for DSP) L : RESET, H : NORMAL 40 SEARCH O Search condition output terminal H : Search, L : NORMAL 41 LOE/LIM_SW I SLT SW detect input terminal H : Inside 42~45 NC O NC (OPEN) 46 PONE5 O +5V AVR control terminal (for VIDEO) H : Power ON 47 PONE2.5 O +2.5V AVR control terminal (for VIDEO) H : Power ON MICROCOMPUTER’S TERMINAL DESCRIPTION www. xiaoyu163. com QQ 376315150 9 9 2 8 9 4 2 9 8 TEL 13942296513 9 9 2 8 9 4 2 9 8 0 5 1 5 1 3 6 7 3 Q Q TEL 13942296513 QQ 376315150 892498299 TEL 13942296513 QQ 376315150 892498299 9 Pin No. Pin Name I/O Description / Processing Operation 48,49 NC O NC (OPEN) 50 FLAGIN I C2 error detect terminal L : Correction OK, H : Correction NG 51~60 NC O NC (OPEN) 61 /DAC PD O Reset control output terminal (for DAC) L : RESET, H : NORMAL 62 DVSS - GND 63 NMI I Request for non maskable interrupt signal input terminal 64 DVCC - +VCC 65 DAC MUTE O Muting control output terminal (for DAC) H : MUTE, L : MUTE OFF 66 DAC PON O Audio power supply (for DXM-6550) H : POWER ON 67 PONA5 O +5V Audio power supply (for DXM-6550) H : POWER ON 68 ESRST O Reset signal output terminal (for ES3890) L : RESET, H : NORMAL 69 VMUTE O Video mute control terminal H : MUTE ON, L : MUTE OFF 70 NC O NC (OPEN) 71 SELINT O Video/Audio select output terminal H : NORMAL, L : Interrupt 72 ASEL0 O Audio signal output select control terminal 1 00 : STEREO, 01 : Lch 73 ASEL1 O Audio signal output select control terminal 1 10 : Rch, 11 : Not function 74 NT/PAL O NTSC/PAL select terminal L : NTSC, H : PAL 75 DATASEL O 20F/ES3890 output select H : 20F, L : ES3890 76,77 NC O NC (OPEN) 78 NC (BOOT) I Flash memory writing terminal L : Writing, H : NORMAL 79,80 NC O NC (OPEN) 81 POND3.3 O D3.3V power ON control terminal H : POWER ON 82 MUTEL O Audio muting control terminal (Lch) 83 MUTER O Audio muting control terminal (Rch) 84 SDA I/O I2C data (for system microprocessor) 85 SCL I/O I2C clock (for system microprocessor) 86 MSTOP I Interrupt signal for stand-by mode L : STOP, H : STOP cancellation 87 NC O NC 88 DMUTE O Driver muting control L : MUTE ON, H : MUTE OFF 89 DVCC - +VCC 90 NC O NC (OPEN) 91 DVSS - GND 92,93 NC I NC 94 MSEL I Memory capacity select input terminal H : Capacity Down, L : Capacity UP 95 VCDSEL I NC 96 ASEL I Audio signal output polarity selector H : Reversal output, L : Noninversion output 97 CHSEL I Changer detect input terminal H : Changer, L : Normal 98 SEL0 I Destination input terminal DXM6540 (SEL0 : Lo, SEL1 : Lo) 99 SEL1 I Destination input terminal DXM6540 (SEL0 : Lo, SEL1 : Lo) 100 VREFH I ADC reference power supply (BU3.3V) MICROCOMPUTER’S TERMINAL DESCRIPTION www. xiaoyu163. com QQ 376315150 9 9 2 8 9 4 2 9 8 TEL 13942296513 9 9 2 8 9 4 2 9 8 0 5 1 5 1 3 6 7 3 Q Q TEL 13942296513 QQ 376315150 892498299 TEL 13942296513 QQ 376315150 892498299 10 TEST MODE 1. How to enter test mode While holding the FM key and PRESET 6 keys, reset the unit. All display segments light up when the test mode is en- tered. 2. How to exit from test mode Reset the unit. Turning ACC off, power off, momentary power down or panel detaching does not terminate the test mode. 3. Initial status in the test mode • Sources : ALL OFF (STAND BY) • Display : All segments were lit. • Volume : -10dB (displayed as “30”) • Loudness : OFF • CRSC : OFF regardless of the presence of switching func- tion. • Aux : ON 4. TUNER function • Forced switching of K3I Each press of the Preset 6 key in Tuner mode should switch K3I from AUTO→Forced Wide→Forced Middle→Forced Narrow→AUTO. The initial status is AUTO and the display shows these modes as follows. • AUTO : A • Forced Wide : M • Forced Middle : M • Forced Narrow : N • RDS check PCON is power off when RDS data (“RDS test”) received for TUNER mode. 5. CD function • Test mode specifications of the CD receiver • Each press of the Track Up key jumps to the following track numbers : No. 9→No. 15→No. 10→No. 11→No. 12→No. 13→No. 22 →No. 14→No. 9 (The cycle restarts from here.) • Each press of the Track Down key jumps to the previous track number to the track being played. • When the number of total tracks of disc is nine or less, unit playback from a track 1. • When the media to CD-DA, unit playback from track No. 28 by key operation of preset 1 key. 6. AUDIO function • Audio-related specifications • A short press of the Q key initiates the audio adjustment mode. • Pressing the OPEN/CLOSE key on the remote controller initiates the audio adjustment mode. • Continuous holding of a remote control key is inhibited. • Bass, Middle and Treble are adjusted in 3 steps of -8 / 0 / +8 with the Track Up/down keys (default is 0). • Balance is adjusted in 3 steps of Left L15 / 0 / R15 Max with the Track Up/down keys (default is 0). • Loudness : OFF 7. MENU function • Menu-related specifications • A short press of the PLAY/PAUSE key initiates the Menu mode. • Pressing the DNPP key on the remote initiates the Menu mode. • Continuous holding of a remote control key is inhibited. 8. OTHER • Special display when the display is all on Pressing the Preset keys while the power is ALL OFF dis- plays the following information. [PRESET 1] Version display (Month/Day/Hour/Minute) [PRESET 2] ALL segment light up for FL display [PRESET 3] Short press : Display CD operation time. Long press/hold : Clear CD operation time [PRESET 5] Short press : Display CD ejection count. Long press/hold : Clear CD ejection count. [FM] ROM correction version. If not mounting ROM correction chip set display shows ROM No___ www. xiaoyu163. com QQ 376315150 9 9 2 8 9 4 2 9 8 TEL 13942296513 9 9 2 8 9 4 2 9 8 0 5 1 5 1 3 6 7 3 Q Q TEL 13942296513 QQ 376315150 892498299 TEL 13942296513 QQ 376315150 892498299 CKDC-MP572V 11 E D C B A 1 2 3 4 5 6 7 PC BOARD (COMPONENT SIDE VIEW) (FOIL SIDE VIEW) SWITCH UNIT X16-2860-10 (J74-1656-02) IC2 D2 D3 D4 D6 D11 D12 D13 D14 D15 D16 D17 D18 D19 D21 D22 D23 D24 D25 D26 D27 D28 D29 D9 D7 D8 D10 D1 ED1 56 1 1 3 4 2 KS2 KI2 KI3 KI5 KS3 KI4 KS4 KI1 KS5 ATT TI AUD VOL UP VOL DWN SRC RST 1 2 3 4 5 6 AM FM CLK SWITCH UNIT X16-2860-10 (J74-1656-02) EB EB EB W1 R2 2 14 1 15 R3 C2 C1 1 24 64 41 25 40 80 65 C3 C4 C5 R1 R4 C11 C13 R5 R6 R7 R8 R9 R10 R11 R12 R13 R21 R22 R23 R24 R25 R27 R28 R31 R33 R41 R32 W2 R29/C12 R42 PANEL SW ESD-GND ILL+B PAN 5V RST KS2 KS3 KS4 KS5 KI5 KI1 KI4 KI2 KI3 L-RES L-CLK L-CE L-DATAS L-DATAL D-GND SW5V ILL-GND REMO D31 D32 D33 D34 D35 Q1 Q2 Q3 D36 J1 IC1 Refer to the schematic diagram for the values of resistors and ca- pacitors. X16-2860-10 Ref. No. Address IC2 7A X16-2860-10 Ref. No. Address IC1 4C Q1 4C www. xiaoyu163. com QQ 376315150 9 9 2 8 9 4 2 9 8 TEL 13942296513 9 9 2 8 9 4 2 9 8 0 5 1 5 1 3 6 7 3 Q Q TEL 13942296513 QQ 376315150 892498299 TEL 13942296513 QQ 376315150 892498299 CKDC-MP572V 12 F G H I J 1 2 3 4 5 6 7 PC BOARD (FOIL SIDE VIEW) W18 R431 R410 R407 R425 W35 C406 R64 R62 W37 R59 R60 R42 R41 W38 R44 R43 R65 R51 R66 R56 W36 R61 R54 R58 R57 R52 C33 R106 R418 R315 W29 R162 R160 C407 C408 R420 R411 R413 R28 W30 R314 C410 R53 R55 R12 R13 R25 R26 R520 C32 C111 R154 R208 R152 R153 R27 W27 R312 R207 R210 R432 R209 R421 R422 R415 R419 R416 R417 W25 R161 R412 W39 C19 R1 C45 W31 W34 W32 W40 W33 R254 C5 R5 W41 R24 C521 R521 R430 W28 R523 R272 R32 C3 R6 R4 R522 C6 R252 R33 R7 R11 R10 R255 R271 R256 R273 R251 R2 R3 C4 C31 25 1 24 2 R257 R253 TH1 W24 W22 W19 W23 R313 W20 1 2 5 8 1 3 1 4 20 21 40 41 60 61 80 1 8 14 1 7 4 3 1 2 C C E EB B E B E B E B E B E B E B E B B B E E E B E E C C E B DATA CLK 10.0MHz 32.768kHz R63 W241 W240 W237 W230 W238 W235 R21 C21 W223 W228 W220 W224 12 1 5 1 23 2 24 1 4 2 L10 C43 C30 L12 L2/W239 W233 C409 W232 L11 C26 C1 C20 C41 C42 L1 16 1 9 8 C25 C22 C23 C24 C27 C28 C29 C255 C256 C258 R8 R22 R23 X1 R206 C201 C202 C251 C252 C253 C254 C257 R9 R31 R180 R181 R182 R303 X2 W187 W184 W181 W227 W180 W182 W191 W185 W195 W174 W178 W201 W171 W168 W164 W207 W208 W229 W216 W221 W177 W206 W210 W202 W203 W140 W166 W173 W152 W155 W135 W137 W130 W133 W138 W141 W145 W136 W128 W131 W236 W234 W231 W200 W196 W157 W156 W150 W148 W176 W149 W146 W147 W143 W175 W183 W192 W197 W193 W225 W179 W165 W218 W222 W214 W198 W194 W212 W209 W204 W215 W226 W213 W217 W219 W211 W205 W134 W189 W190 W127 W162 W129 W132 W188 W163 W153 W186 W169 W151 W142 W144 W139 W158 W159 W160 W161 W167 W170 W172 D41 Q401 D402 D524 Q41 D201 D202 Q4 D525 Q D25 Q23 D26 Q22 D22 Q1 Q521 D526 Q2 D521 Q252 Q3 D253 D255 D257 D258 D251 D256 J5 CN5 Q24 CN2 Q21 D1 D3 D21 D23 D31 D522 J1 D156 P1 D2 D4 D5 D269 D270 D271 D523 D24 D254 D252 IC8 IC1 IC6 IC11 IC9 IC3 IC4 ELECTRIC UNIT X34-3360-10 (J76-0016-12) www. xiaoyu163. com QQ 376315150 9 9 2 8 9 4 2 9 8 TEL 13942296513 9 9 2 8 9 4 2 9 8 0 5 1 5 1 3 6 7 3 Q Q TEL 13942296513 QQ 376315150 892498299 TEL 13942296513 QQ 376315150 892498299 CKDC-MP572V 13 O N M L K 1 2 3 4 5 6 7 Refer to the schematic diagram for the values of resistors and capacitors. C301 W14 W18 W39 C204 C203 C205 W15 C206 W42 R211 5 7 6 10 9 13 11 12 8 4 3 2 1 W19 C210 W16 W17 W10 R501 W8 C506 C507 R508 C113 C112 W3 W11 C213 R201 C212 R202 R203 R103 R105 W5 W6 R205 W13 R204 R111 W1 W2 R114 R112 R113 C114 C116 C108 C106 R104 R102 R507 W12 C105 W9 C302 C503 C502 C104 R101 R502 R503 6 1 1 1 3 24 1 2 C356 R355 R351 R356 R352 1 8 16 9 1 8 16 9 14 1 3 1 2 14 15 1 9 1 28 15 5 8 1 4 B E B E B E B E B E B E B E 4.332MHz W241 C211 C115 L7 R172 L6 L8 C117 C209 C251 254 C303 C351 C352 C504 L3 R171 R173 R174 R175 R176 R180 R182 R183 R301 R302 R303 R304 R305 R306 R307 R308 R309 R310 R311 R357 R358 R374 X3 W115 52 L9 R505 R506 R504 W106 W112 W101 W119 W117 W100 W110 W118 W114 W113 W111 W105 W104 W103 W107 W108 W116 W130 W133 W121 W120 W109 W123 W126 W128 W131 W134 W122 W124 W127 W129 W132 Q151 D401 D205 D203 Q501 Q201 Q101 Q350 Q351 Q352 J3 J2 J5 WH1 CN3 WH2 D159 D301 D307 D308 D309 D310 D311 D151 D157 D158 D162 CN4 CN6 CN1 D501 D502 D503 J4 IC11 IC2 IC10 IC7 X34-3360-10 Ref. No. Address IC1 6I IC2 5K IC3 4G IC4 2J IC6 5I IC8 6H IC9 5G Q1 3H Q2 3I Q3 3I Q4 5I Q21 2G Q22 3G Q24 3F Q41 5G Q151 6K Q201 5L Q252 3I Q350 3L Q351 3L Q352 3L Q401 7G www. xiaoyu163. com QQ 376315150 9 9 2 8 9 4 2 9 8 TEL 13942296513 9 9 2 8 9 4 2 9 8 0 5 1 5 1 3 6 7 3 Q Q TEL 13942296513 QQ 376315150 892498299 TEL 13942296513 QQ 376315150 892498299 CKDC-MP572V 14 P Q R S T 1 2 3 4 5 6 7 Refer to the schematic diagram for the values of resistors and capacitors. PC BOARD (COMPONENT SIDE VIEW) S D G EB C52 C44 C25 C29 C50 RFOK R12 C3 C8 C10 C11 C13 C15 C27 C35 C37 /RESET MIDIO MIACK C41 C46 C32 CP6 R27 R47 C18 CP2 CP3 CP5 CP7 CP11 R6 R13 L1 R42 R46 R48 R49 R50 R63 R38 CP12 CP15 CP13 R68 CP14 R65 R67 C69 C67 C66 R66 R69 C72 1 3 4 5 1 16 33 48 32 17 64 49 B E C CBE Q5 Q4 Q7 S1 S2 S3 S4 IC3 IC6 CD PLAYER UNIT X32-5500-00 (J74-1552-12) X32-5500-00 Ref. No. Address IC3 4Q IC6 5R Q4 5Q Q5 5S Q7 5R www. xiaoyu163. com QQ 376315150 9 9 2 8 9 4 2 9 8 TEL 13942296513 9 9 2 8 9 4 2 9 8 0 5 1 5 1 3 6 7 3 Q Q TEL 13942296513 QQ 376315150 892498299 TEL 13942296513 QQ 376315150 892498299 CKDC-MP572V 15 Y X W V U 1 2 3 4 5 6 7 Refer to the schematic diagram for the values of resistors and capacitors. PC BOARD (FOIL SIDE VIEW) C54 L2 R21 C24 C71 R54 R56 R53 R58 C57 C56 R57 C63 C58 R60 R62 R59 R61 R52 R5 CP1 R10 C12 C5 R70 R2 C7 R9 R34 C28 R36 R35 C6 C34 R22 R37 C30 C31 R43 C26 C21 R29 R64 C38 R45 R44 C53 R40 C51 C48 C49 R51 C36 C47 CP4 R23 C16 X2 C14 R18 CP16 R14 R11 R7 R8 R17 R15 R16 C9 C19 C4 R1 C70 C42 C20 R31 R33 R32 C22 C23 R24 R25 C17 X1 R3 R4 C1 C2 C68 C64 C43 C33 R28 C45 CP9 CP8 C59 C55 R55 CP10 C60 R39 C61 C62 C39 1 16 1 100 25 51 75 76 50 26 1 3 4 5 3 1 4 5 24 1 4 5 3 1 25 15 26 1 50 100 76 75 51 16 1 30 B E C C E B BE C E C B 1 3 4 5 S D G E B E B E B BU5V S.7.5V FCS TRK /MUTEL /MUTER SLED SD TD S.GND MOTOR SPDL MD FD /MSTOP LIM-SW T2 INT T1 /RST T3 T4 FLAGIN SEARCH /RESET BU3.3V /STB TXD1 /MICK CLK A0 /BOOT /MILP RXD1 LZM RZM /MIRST /MICS POND3.3 XI FOGUP /MRST SLED IN LD LO/EJ DGND /EJECT /LOAD DATA SLED OUT /MUTER D5V 8EJE LOE/LIM D.GND FCS UP D3.3V TRK IN TRK OUT FCS DOWN LOS Lch /MUTEL Rch /MSTOP PON T ADCIN /CLK FE D.OUT Vref VR IOP- PD C+D VCC TE RF ARF F E F A B SDO SPDL+ SPDL- A.GND DAVdd3.3V 12EJE A.+8V BU2.5V LRCKIA D.GND SDIO MIRR LOCK HOLD TZD BCKIA TXO FZD IOP+ GND ATEST FLAG TX Vref REQ STBY Q6 Q3 Q10 CN1 D3 Q8 Q9 D2 CN2 Q1 IC2 IC4 IC5 IC1 IC9 IC7 IC8 CD PLAYER UNIT X32-5500-00 (J74-1552-12) X32-5500-00 Ref. No. Address IC1 5X IC2 2W IC4 5V IC5 3V IC7 4W IC8 3X IC9 3W Ref. No. Address Q1 5X Q3 5V Q6 5W Q8 2V Q9 3V Q10 3V www. xiaoyu163. com QQ 376315150 9 9 2 8 9 4 2 9 8 TEL 13942296513 9 9 2 8 9 4 2 9 8 0 5 1 5 1 3 6 7 3 Q Q TEL 13942296513 QQ 376315150 892498299 TEL 13942296513 QQ 376315150 892498299 CKDC-MP572V 16 A B C D E 1 2 3 4 5 6 7 4.7K 22K 22K 4.7K 47K 10K 4.7K 4.0V 4.0V 4.0V 0-5.0V 0-5.0V 4.2-4.9V 0V 5V 0V 3.5V 0.5V 4V 0V 0-2.0V 4.0V 8.1V 0V 4.1V 4.1V 4.1V 4.1V 0V 0V 6.7V 4.9V 0V 0V 14.4V 4.0V 4.0V 0V 4.9V 5V 0V IC4 IC2 ELECTRIC UNIT (X34-3360-10) IC11 A D156 P1 J5 D162 D159 D158 D157 D151 Q151 CN2 ANT. J4 TUNER CN3 D310 Q350 Q201 D203 D311 Q351 Q352 J2 D301 Q252 D252 D254 D256 D258 PRE OUT J3 AUDIO IC POWER ELECTRONIC FM MPX DETECTOR VOLUME & FM/AM L MARIN A1 to CD MECHA REMO ROM CORRECTION 2/2 X16- J1 MUTING SW ESD-GND L-RST 7 PON 5 TSF DET 13 14 15 L-CLK 10 L-DATAS REMO 11 12 L-DATAL L-CE 8 9 470 LED+B RST 5 6 PANE 5V ILL GND LED+B 2 3 4 D GND 1 R181 10 470 470 CD DISC12 SW R54 1K D-OUT 2 1 AUDIO+B (SW1) CD LOS SW (SW2) CD-SDA CD-SCL 5 4 3 8 7 6 Rch GND Lch CD MUTE L CD MUTE R 11 10 9 R51 2.2K R52 2.2K R53 1K R66 4.7K R65 4.7K AUDIO OUT IF1 GND AMIF OUT IF+B S-METER 21 22 24 23 0.01 C108 TP122 4.7uH L8 C111 1000P 2.2K R106 PLL+B DIG GND VDD 5V RDS OUT NOISE OUT 18 19 20 17 SDA IFC OUT SCL 13 16 15 14 OSC GND W/N OSC GND V1 11 12 10 9 AM+B OSC GND NC 6 5 8 7 C106 0.01 4.7uH L7 C104 0.01 4.7uH L6 0.052uH 1 RF GND FM ANT AM ANT OSC GND 3 4 2 L3 R105 R103 4.7K 4.7K 1K R374 2 1 TP371 C351 10u16 R351 270 R357 100 9 20 R209 C201 C209 2.2u50 0.47u50 C202 0.47u50 L10 4.7uH C211 47u10 C210 0.01 CDGND CASSR CASSL CREF VREF 3 2 1 6 CDR 5 4 RH- CDL 8 7 LFOUT 26 27 28 ACOUTR ACOUTL 21 22 23 24 25 LROUT RFOUT GND VDD RROUT W111 R210 4.7K R203 4.7K MPOUT LEVEL MPX AM AFS 11 10 MPIN 14 13 12 MUXL 15 16 17 18 19 SMUTE SCL SDA MUXR QUAL R207 470 R208 470 4.7K R204 4.7K R205 2.2K 10 9 12 11 C302 30K 30K R352 C352 10u16 270 C356 0.1 R355 R356 R358 100 C303 47u10 REQ M GND CON B.U. Rch A GND 4 8 2 3 6 7 1 5 0.47 C301 0.47 Lch 1 R251 33K R273 470K R272 10K R271 100 C256 C255 1u50 R252 47K 33u10 0.22u50 0.22u50 0.22u50 OUT1- OUT1+ OUT2- OUT2+ 7 RR- RR+ TAB 1 3 5 FR- FR+ 11 9 PGND1 6 4 8 2 PGND2 STBY VCC1 14 10 12 SVR IN2 TP157 TP164 TP163 TP162 TP165 TP158 TP161 TP160 TP159 TP156 TP154 TP153 TP152 TP151 TP51 TP55 TP53 TP54 TP52 TP60 TP57 TP58 TP59 TP56 TP62 TP61 TP351 TP353 TP352 TP120 TP104 TP102 TP306 TP304 TP301 TP308 TP312 TP303 TP302 C251 C252 C254 10 R301 10 R302 4.7 R306 4.7K R304 47 R303 47 R172 1K R183 1K R171 100 R174 1K R180 1K R182 1K R176 470 R175 R61 100K R62 100K 47 52 48 53 SDA SCL 1K R55 470 R104 470 R102 1K R101 0.022 C203 0.1 C212 0.1 C213 27 29 R G R152 R173 60 10 65 9 62 5 8 6 R154 470 R153 2.2K R160 R161 R162 100K RR FR FL RR RL FL FR 19 20 21 2.2M SDA SCL 11 31 2 24 23 C50 0.1 0.1 C51 R G W114 W113 1 0.01 C204 10K R201 4.7K R202 150P C206 0.47 C205 47 R316 WP A1 GND A2 4 3 5 6 SDA SCL A0 2 1 7 8 VCC SCL SDA TP115 TP113 TP114 R109 100 R108 100 R107 100 + + + + + + + + + X34-3360-10 (1/3) www. xiaoyu163. com QQ 376315150 9 9 2 8 9 4 2 9 8 TEL 13942296513 9 9 2 8 9 4 2 9 8 0 5 1 5 1 3 6 7 3 Q Q TEL 13942296513 QQ 376315150 892498299 TEL 13942296513 QQ 376315150 892498299 CKDC-MP572V 17 J I H G F 14.4V 0V 0V 2.3V 5.0V 0V 12.8V 0V 5V 0V 5V 4.9V 0V 5V 0V 5V 0V 0-5.0V 0-1.4V 0.6-4.1V 0V 0V 5V 5V 0V 4.9V 0V 0V 5V 0V 4.9V 0V 4.9V 4.9V 0V 0V 5V 5V 0V 5V 0V 5V 0V 0V 5V 0V 4.9V 5V 0V 5V 0V 5V 0V 0V 4.5V(5V) 0V 4.9V 5V 0V 0V 5V 0V 5V 5V 0V 6.7V 6.7V 0V 0V 14.4V 6.7V 0V 0V 4.4V 0V 5V 4.9V 0V 5V 0V 0V 5V 5V 0V 0V 5V 0V 0V 0V 5.0V 0V 0V 5V 0V 0V 5.0V 5.0V 3.5V 0V IC6 IC1 IC9 D310 D308 D309 D307 D252 D41 Q41 Q3 D4 Q2 D5 Q1 D2 D3 Q4 Q24 D21 Q22 Q21 D1 D251 D257 D255 D253 J1 BU DET SURGE D271 D269 D270 SW14 SERVO CD MECHA +B SYSTEM MICROPROCESSOR MUTE DRIVE DC IN ACC DET PON LX-BUS CD MECHANISM ASSY DET 4.7 CD LOE LIM SW CD DISC8 SW 14 R54 1K CD MUTE L CD MUTE R 11 0 13 12 CD LOEJ (SW3) 19 CD MSTOP CD RST (SW4) 16 15 18 17 DGND DGND BU5V D4.5V D4.5V 22 21 20 24 23 SERVO+B CD MOTOR SERVOGND R58 2.2K R63 2.2K R432 10 9 12 11 C302 MUTE Rch RST 8 6 7 5 0.47 C301 0.47 DATA M DATA S Lch CLK REQ S 13 256 4 W29 MUTE REMO NC 40 39 38 37 49 48 47 46 45 44 43 42 PS2 0 41 PS1 2 PS1 1 PS1 0 PARK SW BU DET PS2 1 CD MUTE R CD DISC12 SW PON CD NC PON 5 RESET KEY REQ RDS CLK LX REQ S 60 59 58 57 56 55 54 53 52 50 CD MUTE L CD LOS SW CD DISC8 SW CD MRST 51 NC CD MOTOR CD LOEJ CD LOE LIM SW CD MSTOP DSI NC 61 62 63 64 AUX ON RDS QUAL RDS DATA PWIC BEEP LX DATA S LX DATA M LX CLK TUN SCL TUN SDA 36 35 34 33 32 31 30 29 28 27 26 25 24 23 22 21 LX MUTE PWIC MUTE RESET2 ACC DET VSS1 PWIC STBY PWIC SVR LX REQ M SCL LX CON LX RST NC RDS AFS TUN IFC OUT SDA 17 20 18 19 15 16 12 13 14 TUN SMETER RDS NOISE LINE MUTE L RST AVREF1 L DATAL L DATAS L CLK TDF DET TUN TYPE0 TUN TYPE1 XT1 X2 NC VSS0 VDD1 65 66 67 68 X1 TEST XT2 69 70 71 72 TYPE 1 VDD0 AVDD TYPE 2 73 74 75 76 TYPE 0 77 78 79 80 6 9 10 11 7 8 AVSS L CE 4 5 1 2 3 C406 0.22 10.000MHz X1 C43 220u16 L12 220uH C408 C407 32.768kHz R420 10K 22P 22P R417 22K R412 22K 22K R415 TP610 TP611 TP612 R44 47K 47u6.3 C409 0.01 C410 0.22 100u25 100u25 VIN GND ON/OFF 4 2 VOS SWOUT R43 47K R41 47K 5 1 3 47K C45 R42 C42 C41 W239 R7 6 9 3 A1 Y1 2 1 A2 Y2 B1 5 4 12 Y4 VCC 13 14 Y3 A4 B4 10 11 GND B2 7 A3 B3 8 C6 0.01 100K C5 0.01 R10 10K C4 0.01 1/2W R8 3.3K R9 33K R11 22K 100K R3 39K R2 R6 10K 1000P C3 R5 10K R4 20K R1 68K TP20 R12 47K R22 4.7K C21 47u16 C19 R21 0.47 1.5K REAR L+ 8 u10 0.22u50 0.22u50 0.22u50 0.22u50 C257 1u50 C258 1u50 ACGND OUT1- SGND OUT1+ 7 FR- FR+ 11 9 IN1 13 14 16 10 12 SVR IN2 IN4 OUT3+ OUT3- OUT4+ OUT4- RL- FL+ FL- RL+ 19 IN3 15 17 23 21 25 HSD 24 22 18 20 PGND3 MUTE VCC2 PGND4 FRONT L+ FL+ 9 2 1 3 5 4 6 7 ACC FR+ FRONT R+ FRONT R- FRONT L- RL- RL+ FL- FR- RR- REAR L- REAR R- RR+ REAR R+ P-ANT PHONE P-CON GND 140uH B.U. 2200u16 12 10 11 13 14 F1 10A 16 15 TP64 TP62 TP63 TP61 TP66 TP67 TP65 TP72 TP71 TP69 TP74 TP73 TP14 TP16 TP307 TP305 TP311 TP310 TP309 TP308 TP312 TP313 C251 C252 C253 C254 TP2 TP1 TP5 TP3 TP4 TP7 TP6 TP12 TP9 TP8 TP11 TP13 TP15 TP10 L1 TH1 6.2K R257 10 R254 4.3K R253 + 220 R255 22K R256 4.7K R308 4.7K R305 4.7K R309 100 R311 100 R310 4.7K R307 10 R301 10 R302 R312 100K 100K R313 100K R315 100K R314 R62 100K R430 47K R431 47K 48 53 50 55 56 57 58 1K R55 1K R56 100 R59 2.2K R60 TP606 TP608 TP609 TP605 TP604 TP603 TP602 TP601 X2 9 11 10 8 5 6 1 20 19 16 17 18 24 23 28 27 26 29 40 39 41 42 44 37 35 36 31 32 60 R FR RL RR FL 15 2 21 64 34 + + 46 46 47 48 58 50 52 53 55 56 57 65 62 64 26 17 18 16 28 37 36 35 15 32 34 R422 22K R419 22K 22K R32 47K R33 C1 + + + + + + X34-3360-10 (2/3) www. xiaoyu163. com QQ 376315150 9 9 2 8 9 4 2 9 8 TEL 13942296513 9 9 2 8 9 4 2 9 8 0 5 1 5 1 3 6 7 3 Q Q TEL 13942296513 QQ 376315150 892498299 TEL 13942296513 QQ 376315150 892498299 CKDC-MP572V 18 O N M L K 1 2 3 4 5 6 7 0V 14.1V 8.1V 7.9V 8.1V 14.3V 5.0V 0V 4.5V 9.9V 2.0V 2.4V 0V 4.9V 13.2V 5.0V 4.9V 0V 10.3V IC8 IC3 (E30-6123) DC CORD CKDC-MP572V (1/2) D401 D402 Q401 D41 SFPB-54VNF D151,157-159,162,301, D402 D156 B30-1567-05 MAZ4120-L MAZ4062-L SN74HC02NSR TDA7560 SI-8050JF3NF PST3436UL-E BA4911-V4 E-TDA7407D IC6 IC9 IC8 IC3 IC4 IC1 IC2 D2-4,309,310 D24,252,254 D26,203,401 D22,251,253,255-258 D21 D5,269-271 D1 MAZ4082N-L DAN202U D1F60-5063 AM01ZNF 1SS133 S2V60 MAZ4068N-M D26 Q4 D24 D22 : : : : : : : 784225GC245 DTC143TUA DTA114YUA 2SA1576A DTA124EUA 2SB1565(E,F) 2SA1036K 2SD1858 UMC2N 2SC4081 Q201,351,352 Q350 Q151 Q252 Q22 Q24 Q1-3,41,401 Q21 Q4 : : : : : : : : : : : : : : : : : : : : 307,308,311 A DSI RESET IC POWER SUPPLY IC PON 5 SIGNAL LINE B LINE GND LINE 4.7uH NC VDD 0.22 3 2 VSS 4 VOUT 1 47K R410 240 R425 1K R407 TP401 08 07 P P K K 10u16 C25 C26 10u10 R13 5.6K R12 47K L11 R28 1K R27 1K R26 1K R25 1K C32 0.01 C28 C30 100u16 220u16 C27 10u50 ILM SW2 SW1 VBU VDD VCC 12 11 10 9 8 7 AUDIO AM FM PANT PCON GND 3 6 5 4 2 1 10u16 C29 C24 10u16 R22 4.7K C22 10u25 TP14 TP16 + + + + + + + + TP29 TP30 TP32 TP31 TP24 TP25 TP26 TP27 TP28 TP21 TP23 TP22 44 10 11 10 11 42 40 39 41 RR+ RL- FR+ RR- FL- FL+ FR- RL+ P.CON ACC B 3 1 4 2 5 7 6 8 A 3 4 1 2 B.U 5 6 7 8 GND 15 14 16 BLU/WHT 1 RED BLK 2 3 TEL MUTE BRN YEL ANT CONT 9 12 11 10 13 WHT/BLK BLU/WHT GRY/BLK FR+ FR- FL- 4 GRY 5 6 7 FL+ WHT 8 GRN/BLK VIOL VIOL/BLK RR+ RL- RR- GRN RL+ K CAUTION : For continued safety, replace safety critical components only with manufacturer’s recom- mended parts (refer to parts list). Indicates safety critical components. To reduce the risk of electric shock, leakage-current or resis- tance measurements shall be carried out (exposed parts are acceptably insulated from the supply cir- cuit) before the appliance is returned to the cus- tomer. • DC voltages are as measured with a high imped- ance voltmeter. Values may vary slightly due to variations between individual instruments or/and units. X34-3360-10 (3/3) E C B 2SB1565 DTA114EE DTC143TUA 2SA1036K 2SA1576A 2SD1858 2SC4081 DTA124EUA UMC2N DAN202U DTA114YUA TC7SH08FU www. xiaoyu163. com QQ 376315150 9 9 2 8 9 4 2 9 8 TEL 13942296513 9 9 2 8 9 4 2 9 8 0 5 1 5 1 3 6 7 3 Q Q TEL 13942296513 QQ 376315150 892498299 TEL 13942296513 QQ 376315150 892498299 CKDC-MP572V 19 P Q R S T 1 2 3 4 5 6 7 10K 10K 0V 0V 1.6V 3.3V 5.0V 5.0V OFF ON 5V 0V 0V 5V 0V 5V 0V OFF ON 5V 0V 5V 0V 5V 0V 0V 5V A IC2 IC1 ED1 (SEGMENT) ED1 (COMMON) SWITCH UNIT (X16-2860-10) J5 1/2 X14- RESET CONTROL REMOTE S23 LCD DRIVER J1 SW Q1 IC D35 D34 D33 D32 D31 16 3 2 1 4 5 11 10 8 6 7 9 15 14 13 12 20 19 18 17 21 25 26 22 23 24 29 30 27 28 31 36 35 34 33 32 42 40 39 38 37 41 44 43 16 3 2 1 4 5 11 10 8 6 7 9 15 14 13 12 20 19 18 17 21 25 26 22 23 24 29 30 27 28 31 36 35 34 33 32 42 40 39 38 37 41 44 43 S53 S56 S55 S43 S51 S50 S49 S52 S54 S4 S7 S6 S5 S8 S9 S45 S48 S47 S17 S16 S15 S14 S12 S10 S13 S11 S36 S37 S38 S39 S35 S40 S42 S44 S46 S41 S24 S22 S23 S25 S20 S18 S19 S21 KI2 +5V S8 S8 RST D-GND PAN 5V LED+B NC ILL-GND L-RES L-DATAL L-CE L-CLK L-DATAS +B +B KEY 1 S5 S4 S7 S6 NC NC 2 3 S7 S6 S5 S4 5 4 6 7 8 6 TP2 TP1 +5V 1 2 TP4 TP3 5 3 4 +B 4.7 C2 0.01 IC2 +5V 79 80 78 77 76 TP7 TP6 TP5 7 8 470 1K TP9 TP10 TP8 10 9 11 470 470 1K GND1 GND2 2 4 VCC OUT 1 3 74 4.7K L-DATA S L-DATA L 76 47K 78 80 79 76 77 L-CE 79 80 L-CLK 77 78 L-RES 1000P R1 56K C1 75 OSC TEST KI5 KI5 C3 0.047 C4 0.047 +5V 73 72 VSS VDD2 71 70 VDD1 VDD KI4 KI3 68 69 KI4 67 KI3 S10 S9 S12 S11 S12 S11 S10 S9 11 9 10 13 12 C2 COM2 SE5V REMO PANEL SW ESD-GND 47 TP13 TP11 13 12 14 R11 +5V TP12 TP14 15 C5 2.2 64 KI1 65 66 KI1 KI2 KS3 KS5 KS4 KS6 63 61 62 S56 KS2 COM3 60 58 59 57 KS3 KS5 KS4 KS2 S56 C3 S52 S53 S54 S55 COM1 54 56 55 52 53 S52 S55 C1 S53 S54 1K R10 R2 R9 R8 R7 R6 R5 R4 R3 W1 X16-2860-10 (1/2) www. xiaoyu163. com QQ 376315150 9 9 2 8 9 4 2 9 8 TEL 13942296513 9 9 2 8 9 4 2 9 8 0 5 1 5 1 3 6 7 3 Q Q TEL 13942296513 QQ 376315150 892498299 TEL 13942296513 QQ 376315150 892498299 CKDC-MP572V 20 Y X W V U 1 2 3 4 5 6 7 CAUTION : For continued safety, replace safety critical components only with manufacturer’s recommended parts (refer to parts list). Indicates safety critical components. To reduce the risk of electric shock, leakage- current or resistance measurements shall be carried out (exposed parts are accept- ably insulated from the supply circuit) be- fore the appliance is returned to the cus- tomer. • DC voltages are as measured with a high impedance voltmeter. Values may vary slightly due to variations between individual instruments or/and units. CKDC-MP572V (2/2) D1 IVER D2 VOL LIGHT BACK D3 D4 Q & SRC D21 D22 D23 D25 ATT TI D26 D24 D28 D29 4 5 3 6 D27 2 1 AM FM AUD S21 CLK S22 AM S16 TI S17 S12 S11 FM 6 5 S6 S7 S1 4 S2 ATT S19 SRC S20 S15 S13 1 S18 VOL DOWN 2 S14 VOL UP S4 S8 S10 S9 3 S3 S5 B LINE GND LINE : : : IC1 IC2 Q1 DTA114EE LC75883E-E RS-171 D2,21-29 B30-1566-05 : CLK D3,4 B30-1564-05 : D31-35 UDZS5.6B : D1 : B30-1633-05 47 46 45 44 43 52 50 48 49 51 56 54 55 53 47 46 45 44 43 52 50 48 49 51 56 54 55 53 C1 C3 C2 S26 S27 S24 S25 S34 S33 S32 S30 S28 S29 S31 TP24 R25 C11 0.01 S18 S18 S13 S12 S11 S15 S14 S17 S16 S13 S12 S11 13 12 S17 S16 S15 S14 16 15 14 17 18 S19 S20 S23 S21 S22 S24 S23 S21 S22 S19 S20 21 20 19 23 22 S24 24 +B S40 S39 S38 S37 S36 S34 S33 S32 S31 S30 S29 S28 S27 S26 S25 S35 32 S27 27 S25 S26 26 25 S29 S28 28 29 S31 S32 S30 31 30 37 S35 S33 S34 33 34 S36 S37 35 36 S40 S38 S39 38 39 40 R23 430 R22 R21 220 220 270 R24 270 C12 0.01 C13 0.01 TP38 +B TP22 KS2 TP21 KS3 TP23 R31 KS4 TP25 KS5 TP27 TP26 R32 TP28 +B R33 S47 S47 S52 S53 S54 52 53 S49 S48 S50 S51 49 50 51 48 47 S52 S53 S54 S50 S51 S48 S49 S42 S44 S43 S46 S45 44 45 46 42 43 S41 41 S46 S45 S42 S43 S44 S41 TP34 KI4 KI5 TP37 TP36 TP35 KI3 TP33 TP32 KI2 TP31 KI1 TP30 TP29 +B W2 +B 390 390 390 X16-2860-10 (2/2) www. xiaoyu163. com QQ 376315150 9 9 2 8 9 4 2 9 8 TEL 13942296513 9 9 2 8 9 4 2 9 8 0 5 1 5 1 3 6 7 3 Q Q TEL 13942296513 QQ 376315150 892498299 TEL 13942296513 QQ 376315150 892498299 CKDC-MP572V 21 Z AA AB AC AD 1 2 3 4 5 6 7 22K 22K 47K 47K 47K 47K 3.3V 0V 0V 3.3V 0V 0V 0V 3.3V 0/3.3V (DA) 3.3V (MP3) (MP3) (DA) 0V (DA) 3.3V (MP3) 3.3/0V (DA) 3.3V (MP3) 3.3/0V 3.3V 3.8/0V 0V 2.4/0V 3.3V 3.3V 3.3V 0.3V 0V 0/3.3V (DA) 0V (MP3) 0/3.3V (DA) 0V (MP3) 3.3V 0V 3.3V 3.3V 3.3/0V 3.3V 3.3V 3.3V 0V 3.3V 0.2V 0V 3.3V 3.3V 0V 3.3V 3.3/ 0/3.3V 0/3.3V 3.3/0V 0/3. 3.3V 0V 0V 3.3V 0V 1.65V 3.3V 3.3V 0V 3.3V 0V 2.5V 0V 0V 2.5V 0V 4.0V 3.3V 3.3V 4.5V 0V 2.5V 4.5V 5.0V 5.0V 0V 3.3V 3.3V 1.3V 0V 8.0V 3.3V 0V 3.3V 0V 3.3V 1.65V 1.65V 3.3V 1.5V IC1 CD PLAYER UNIT (X32-5500-00/01) IC5 IC7 IC6 IC9 D2 Q6 Q7 Q8 D3 MECHANISM MICRO PROCESSOR CONTROL APC LEVEL SHIFT 5.0V) (3.3V Q4 AVR SW3.3V S3 LOE/LIM SW 8EJE SW to MAIN UNIT ∗S4 Q3 Q5 S1 S2 CN1 12EJE SW LOS SW Q1 BU2.5V AVR BU3.3V AVR DAC3.3V AVR 5.0V) (3.3V LEVEL SHIFT 5.0V) (3.3V LEVEL SHIFT LEVEL (3.3V 5.0V) SHIFT 25 NC LOE/LIM SW SEARCH 6 1000P 100K CP12 STANBY LRCKIB INTQ RFOK RST A0 STB SCK DVDD1 DAVDD1 SO ROUT DAGND1 DAGND2 REGC LOUT DAVDD2 XVDD XGND XTAL XTAL 32 PO1 VSS1 C19 RO C64 0.1 30 31 PO0 29 28 27 4.7 TESTP TXO VSSR VRAR 25 24 26 23 22 LO 21 VDAL VDAR VRAL VSSL 17 10K R28 20 19 18 VDD1 R68 100K 0.1 C20 NC 76 BOOT 73 72 71 75 74 R7 100K R13 1K 86 R11 100K 85 82 83 84 C11 0.1 MSTOP POND3.3 NC NC NC NC/BOOT NC 80 77 79 78 81 82 SCL 86 MUTEL SDA MUTER 84 83 85 NC NC NC NC NC 92 NC 87 NC DVCC DMUTE 91 88 89 90 DVSS NC NC MSEL 93 95 94 NC 59 67 66 65 70 69 68 C10 0.1 60 61 64 63 62 53 55 54 58 57 56 52 51 DVCC NC NC NC NC NC NC NC NC NMI DVSS NC NC NC NC NC NC NC NC 7 20STBY 25 R17 100K C13 0.1 VREFL 96 SEL0 CHSEL ASEL 97 98 99 VREFH SEL1 100 4 6 5 20RST 20ACK 1 2 3 AVSS AVCC NC 5 6 0.1 C15 C16 4.7 20LP 17 12 7 8 9 NC 20INT FOGUP LZM NC 10 11 20CS RZM NC NC 16 15 13 14 10 100K R27 12 16 100K 13 CP6 DSPTXD1 20TXD0 20RXD0 20SCLK0 20 18 19 17 DSPSCLK1 AM0 DVCC DSPRXD1 24 23 21 22 13 TXD1 18 100 R18 20 11 12 RXD1 1K CP5 0.1 C25 16.898MHz 220 R38 12P C66 X1 C67 18P 21 22 23 24 10K 10 C17 15 17 16 19 18 20 9 11 10 9 R22 13 12 10 11 13 14 SI 12 CP7 1K R29 8 1K 7 10K R21 7 8 RFOK DVDD2 C29 0.1 26 LD PD PN DGND1 AVDD1 100K R69 RST 45 FLAG IN 50 46 49 48 47 NC NC NC NC NC 41 44 42 43 NC ALE NC 40 100K R12 10 DSPSTB 39 35 9 38 37 7 8 36 DSPA0 DSPRST DSPINT EMU1 34 30 NC 33 32 RESET EMU0 NC 31 RESET 100 R10 10 C12 29 28 X1 AM1 27 26 X2 DVSS 16.000MHz X2 0.1 C14 0.1 R35 100K 4.7 R34 4.7K 2 C21 C26 0.1 3 4 5 1 R36 IOP1 IOP2 C28 10 R37 97 96 99 98 100 TE2 AGND2 TEC PWMSW T C30 10K 1500P 10 7 Q6 R9 LOE/LIM-SW 1/2W S7.5V S.GND 2 1 LO/EJ MOTOR D.GND D.GND 5 D5V 4 3 D5V 6 22 24 7 BU5V 10 8 9 0.1 C5 0.01 1 C7 C6 5.6 R2 100 10 Q3,5 22K 8EJE-SW MRST MSTOP 11 12 13 A.GND MUTE R MUTE L R ch 16 15 14 100K CP1 L ch 17 18 A8V 19 R5 39K R8 RST R6 86 82 CP3 100 83 100K LOS-SW 12EJE-SW D.OUT DATA 20 CLK 21 22 24 23 CP2 100 10K 84 85 CP4 VOUT VIN GND CNTL 1 2 NB 3 5 4 R25 4.7 1 C23 R24 4.7 C22 1 CP8 1K VOUT 1 3 2 VSS CE VIN NC 4 5 1 C4 C9 1 C3 1 VOUT 1 2 3 VSS VIN CE 5 NC C8 4 1 IN 1 2 3 GND CTL NIS 5 OUT 4 R4 330 330 R3 2200P C2 2200P C1 2.2 C69 2.2K R67 0.01 C68 10 R1 R14 100K 100K R15 100K R16 10 C71 C70 1 L2 0.1 C24 Q1,4 X32-5500-00 (1/2) www. xiaoyu163. com QQ 376315150 9 9 2 8 9 4 2 9 8 TEL 13942296513 9 9 2 8 9 4 2 9 8 0 5 1 5 1 3 6 7 3 Q Q TEL 13942296513 QQ 376315150 892498299 TEL 13942296513 QQ 376315150 892498299 CKDC-MP572V 22 AI AH AG AF AE 1 2 3 4 5 6 7 47K 10K 10K 47K 3.3V 3.3/0V 0/3.3V 3.3V 3.3V 0/3.3V 0V 0V 3.3/0V 3.3/0V 0V 3.3/0V 3.3V 0V 3.3/0V 3.3V 3.3/1.65/0V 0V 3.0/0.3V 1.65V 3.3V 1.0Vp-p 1.7Vp-p 1.7Vp-p 1.65V 1.0Vp-p 0V 1.0V 0.3Vp-p 1.65V 3.3V 1.65V 0V 3.3V 0V 3.3V (DA) 3.3V (MP3) 0/3.3V 3.3/0V (MP3) (DA) 3.3V 3.3V 0V 0V 3.3/0V 0/3.3V 3.3/0V (DA) 3.3V (MP3) 0/3.3V 3.3V 2.5V 0V 0V (DA) 0V (MP3) 0/3.3V 0V 0V 2.5V 0V 1.35V 2.5V 0V 0V 3.5/0V 1.0/0V 1.65V 0V 3.3V 7.5V 4.0V 4.0V 7.5V 0V 1.65V 7.5V 3.3V 0V 3.3V 0/3.3V 0/3.3V 1.65V 0V IC3 IC2 IC4 DPU1(X92- ) OPTICAL PICKUP IC8 M M : IC3 TC94A20F-010 Q10 Q9 D2 D3 : : DAN202UF DA204UF Q8 Q1,4 Q6 Q7 Q3,5 Q9,10 IC6 IC5 IC4 IC9 IC8 IC7 DTC124EUAF DTC114YUAF : 2SK3018F : : : : UMD12N 2SB0970 UMD9N : XC6219B332MR NJM2880U133 XC6219B252MR TAR5S33-F : : : BA5824FP-F : : TC7SH08FU : CN2 IC1 IC2 91CW12AFG-4VF6 UPD63712GC : : RF AMP/SERVO PROCESSOR CD SIGNAL 4ch BTL DRIVER MP3/WMA DECODER GND LINE SIGNAL LINE B LINE SW DM1 DM2 SPINDLE MOTOR MOTOR LOADING & SLED SELECTOR (SERIAL DATA) (X92- ) (X92- ) ASY 100K CP12 STANBY LRCKIB 1 D1 D1 D2 D2 PO1 VSS1 RO PO0 TESTP TXO VSSR VRAR LO VDAL VDAR VRAL VSSL VDD1 16K 29 VDDT2 41 R65 C44 0.1 36 34 33 PO2 PO3 35 38 37 40 39 PO5 PO4 REQ PO6 VSS2 CP13 100K C33 0.1 100K FI1 44 42 IRQ VDDM 43 FI0 46 45 48 47 PI0 VSSM VSS3 PI1 49 50 PI2 PI3 C37 1000P 10 LRCKIA SDI1 SDI0 BCKIA LRCKO BCKIB 15 16 14 12 13 11 MILP MICK MIDIO MICS MIMD SDO BCKO VDDT1 MIACK 6 8 9 7 R23 10K 4 5 3 2 59 C41 0.33 TSTIN 51 52 53 PI4 VDD2 PI5 100K CP14 56 55 54 57 58 VSSP FI2 PDO VCOI VDDP 330 CP15 100K R48 R49 330 0.1 C43 RESET 61 60 62 63 64 XI VDDX CKIO XO VSSX 1M 100K R47 R46 1 100 R42 58 C42 0.1 R61 18K R58 52 R59 4.7K 13K SPD- C52 2.2 SPD+ SLD+ SLD- 8 23 13K SLD+ 13 SPD+ F+ F- 14 15 FO+ FO- TR+ TR- 17 16 SPD- VCC1 MUTE GND 11 12 13 12 10 9 20 SLD- VCC2 19 18 CNT GND 21 22 18 T+ T- 19 22 100 R50 C56 R62 R60 C58 SPIN- GND SPIN 1500P C63 7 6 SLIN LO/EJ 24 25 SLIN- 26 SPIN+ FDIN- FDIN 330P C57 4 5 3 2 SLIN+ 27 TDIN TDIN- 28 4700P 24 4.3K R63 12K R56 12K R57 330P 13K 56 54 R55 10K LRCK DIN DOUT LRCKIN SCKIN SCKO FLAG DVDD3 LIMIT XTALEN DGND2 TX EMPH PLCK SHOCKD LOCK WFCK/MIRR PFCK/HOLD C16M DGND3 FZD LZM TZD RZM DVDD2 39 C27 0.1 20 6 17 18 16 C29 0.1 28 27 26 FZD 32 LOCK 30 29 TZD 31 R39 1.5K 33 34 HOLD MIRR 37 38 36 35 1000P C72 CP16 2.2K 5 R52 47 FLAG 42 40 41 46 45 44 43 0.1 C39 0.1 C50 48 49 50 56 SD+ TD+ FD+ DVDD4 TD- 55 54 FD- 51 52 53 MD+ MD- 59 SD- 57 58 64 TEST2 TEST3 TEST4 TESTEN DGND4 63 62 60 61 EFM TEST0 TEST1 ADGND 67 68 66 65 C62 1500P C61 1500P BIAS 1 VCC 30 R53 12K 52 54 56 10K CP10 58 C60 1500P 4.7K CP11 C59 1500P C55 0.01 R54 33K 1 1 3300P 89 88 93 91 92 90 97 96 95 94 99 98 TE2 TEO AGND2 TEC FEO TE- ADCIN VREFIN AVDD2 FE- REFC REFOUT C34 56P 270K R40 TE C30 1500P Vref FE 47P C31 R70 1K 1 C53 C35 0.1 R43 39K 78 76 77 83 79 82 81 87 85 86 84 A E C B D F R51 73 EQ1 EQ2 ADVDD C49 3.9K 72 RFI 71 69 70 RF2- RFO AGCI C3T AGND1 ATEST AGCO C48 4P 75 RF- 74 87 E 3K R44 6800P C38 R45 86 F 3K RF 6800P C46 0.1 C47 FCS+ FCS- TRK- TRK+ 8 E 86 ARF C54 0.01 C18 0.1 14 T+ F- T- 16 15 87 B F A GND F+ 11 9 13 10 12 PD C VR LD GND 5 7 6 4 3 R64 240 VC VCC 2 1 13 12 19 18 Q9,10 33P C51 80 0.1 C32 ATEST L1 13 12 100K R33 100K R32 100K R31 2 3 1 B Y GND A 4 VCC 5 CP9 100 C45 0.1 C36 0.1 R66 4.7K X32-5500-01 X32-5500-00 UNIT No. S4 NO YES CAUTION : For contin- ued safety, replace safety critical components only with manufacturer’s rec- ommended parts (refer to parts list). Indicates safety criti- cal components. To re- duce the risk of electric shock, leakage-current or resistance measure- ments shall be carried out (exposed parts are ac- ceptably insulated from the supply circuit) before the appliance is returned to the customer. • DC voltages are as measured with a high impedance voltmeter. Values may vary slightly due to varia- tions between indi- vidual instruments or/ and units. X32-5500-00 (2/2) www. xiaoyu163. com QQ 376315150 9 9 2 8 9 4 2 9 8 TEL 13942296513 9 9 2 8 9 4 2 9 8 0 5 1 5 1 3 6 7 3 Q Q TEL 13942296513 QQ 376315150 892498299 TEL 13942296513 QQ 376315150 892498299 23 3 2 1 B A * CD MECHANISM OPERATION DESCRIPTION is not in this sevice manual. Please refer to service manual for X92-4450-0x (B51-7889-00) A B C E F G H J : N09-4460-05 : N09-4472-05 : N09-6004-05 : N09-6007-05 : N09-6051-05 : N19-2163-04 : N39-2020-46 : N09-6108-05 φ2x8 M1.7x8.5 M1.7x2.5 M2x2 φ2x6(BLK) 1.6 WASHER M2x2 φ2x3.5 858 842 F F 52 F (X32) DM1 14 24 DFPC1 28 25 16 29 19 31 26 13 12 10 30 27 42 11 17 18 23 45 38 DM2 801 850 849 806 843 855 843 843 807 44 39 40 15 22 G 834 55 51 8 33 809 36 33 Jx2 H 41 5 DPU1 35 Ax2 37 53 32 2 37 Bx2 43 43 56 37 F F 37 43 43 E Cx2 EXPLODED VIEW (MECHANISM) Parts with the exploded numbers larger than 700 are not supplied. www. xiaoyu163. com QQ 376315150 9 9 2 8 9 4 2 9 8 TEL 13942296513 9 9 2 8 9 4 2 9 8 0 5 1 5 1 3 6 7 3 Q Q TEL 13942296513 QQ 376315150 892498299 TEL 13942296513 QQ 376315150 892498299 24 3 2 1 D C A B C D E F G H M3x8 φ2x6 φ2x8 (BLK) φ3x5 φ3x10 φ3x20 φ2.6x6 φ1.5 RING : N30-3008-46 : N80-2006-46 : N80-2008-45 : N83-3005-46 : N80-3010-46 : N83-3020-46 : N86-2606-46 : N29-0205-04 DME1 (X34-) F1 FC1 (X16-) J 1 J 5 J 4 J 2 J 3 Dx2 D 208 Fx2 F E E D D 755 723 753 743 722 D B B A A D 702 G H 704 207 250 226 234 238 235 236 232 218 239 240 237 PA1 227 211 233 248 246 249 245 216 213 224 205 214 225 742 728 751 ED1 (X16-) C C Cx2 DC1 229 215x2 241x4 242x4 210 201 Parts with the exploded numbers larger than 700 are not supplied. EXPLODED VIEW (UNIT) www. xiaoyu163. com QQ 376315150 9 9 2 8 9 4 2 9 8 TEL 13942296513 9 9 2 8 9 4 2 9 8 0 5 1 5 1 3 6 7 3 Q Q TEL 13942296513 QQ 376315150 892498299 TEL 13942296513 QQ 376315150 892498299 25 Indicates safety critical components. ✽ New parts Parts without Parts No. are not supplied. Les articles non mentionnes dans le Parts No. ne sont pas fournis. Teile ohne Parts No. werden nicht geliefert. Ref. No. A d d N e w Parts No. Description Desti- nation Ref. No. A d d N e w Parts No. Description Desti- nation E : Europe K : North America M : Other Areas W : Without Europe PARTS LIST 201 1C ✽ A02-1491-01 PLASTIC CABINET 205 2C ✽ A22-2922-03 SUB PANEL ASSY 207 2C ✽ A46-1807-01 REAR COVER 208 1D ✽ A52-0821-02 TOP PLATE PA1 3C ✽ A64-3373-01 PANEL - B46-0100-50 WARRANTY CARD - B46-0606-04 ID CARD - B58-1365-04 CAUTION CARD - ✽ B64-2681-10 INST. MANUAL (ENG, FRE, SPA) 210 1C ✽ B07-3116-02 ESCUTCHEON 211 3C ✽ B10-4570-01 FRONT GLASS 213 1C ✽ D10-4619-03 LEVER 214 1C ✽ D10-4620-03 LEVER 215 1C ✽ D10-4705-04 LEVER 216 1C ✽ D21-2392-04 SHAFT 218 1C E29-1964-02 CONDUCTIVE RUBBER DC1 1C ✽ E30-6123-05 DC CORD FC1 2D E39-0622-05 FLAT CABLE (24PIN) F1 2D F52-0006-05 FUSE (MINI BLADE TYPE 10A) F1 2D F52-0023-05 FUSE (MINI BLADE TYPE 10A) 224 1C ✽ G01-3097-04 TORSION COIL SPRING 225 1C ✽ G01-3154-04 EXTENSION SPRING 226 3C ✽ G01-3155-04 COMPRESSION SPRING - H54-2993-03 ITEM CARTON CASE 227 3C ✽ H30-0586-04 ADHESIVE DOUBLE-COATED TAPE 229 1C J21-9934-03 MOUNTING HARDWARE ASSY 232 3C ✽ K24-4182-04 KNOB (SRC) 233 3C ✽ K24-4183-04 KNOB (Q-AUDIO) 234 3C ✽ K24-4184-04 KNOB (RELEASE) 235 3C ✽ K24-4178-04 KNOB (VOL.UP) 236 3C ✽ K24-4180-04 KNOB (VOL.DOWN) 237 3C ✽ K25-1656-03 KNOB (PRESET1-6) 238 3C ✽ K25-1657-03 KNOB (EJECT/ATT) 239 3C ✽ K25-1658-03 KNOB (FM/AM) 240 3C ✽ K25-1659-03 KNOB (SEEK) 241 1C N09-4145-05 TAPPING SCREW (5X 8.5) 242 1C ✽ N09-4149-05 TAPPING SCREW (5X 8) A 2D N30-3008-46 PAN HEAD MACHINE SCREW B 2D N80-2006-46 PAN HEAD TAPTITE SCREW C 2D N80-2008-45 PAN HEAD TAPTITE SCREW D 2D N83-3005-46 PAN HEAD TAPTITE SCREW H 2D N29-0205-04 RETAINING RING (1.5) DME1 1D X92-4850-01 MECHANISM ASSY (DXM-6541W) 245 2C B11-1436-04 OPTICAL DIFFUSER 246 2C B11-1442-04 REFLECTION SHEET 248 2C ✽ B19-2272-03 LIGHTING BOARD D1 B30-1633-05 LED (WHITE) D2 B30-1566-05 LED (1608,RED) D3,4 B30-1564-05 LED (1608,BLUE) D21-29 B30-1566-05 LED (1608,RED) ED1 2C B38-1145-05 LIQUID CRYSTAL C1 CK73GB1H102K CHIP C 1000PF K C2 CK73GB1H103K CHIP C 0.010UF K C3,4 CK73GB1E473K CHIP C 0.047UF K C5 CK73FB1A225K CHIP C 2.2UF K C11-13 CK73GB1H103K CHIP C 0.010UF K 249 2C E29-1993-04 CONDUCTIVE RUBBER 250 2C E29-1994-04 CONDUCTIVE RUBBER J1 E59-0828-05 RECTANGULAR PLUG R1 RK73GB2A563J CHIP R 56K J 1/10W R2 RK73GB2A4R7J CHIP R 4.7 J 1/10W R3 RK73GB2A472J CHIP R 4.7K J 1/10W R4 RK73GB2A473J CHIP R 47K J 1/10W R5 RK73GB2A102J CHIP R 1.0K J 1/10W R6-8 RK73GB2A471J CHIP R 470 J 1/10W R9 RK73GB2A102J CHIP R 1.0K J 1/10W R10 RK73GB2A470J CHIP R 47 J 1/10W R11 RK73GB2A102J CHIP R 1.0K J 1/10W R21,22 RK73FB2B221J CHIP R 220 J 1/8W R23 RK73FB2B431J CHIP R 430 J 1/8W R24,25 RK73FB2B271J CHIP R 270 J 1/8W R31-33 RK73FB2B391J CHIP R 390 J 1/8W W1,2 R92-1252-05 CHIP R 0 OHM J 1/16W D31-35 UDZS5.6B ZENER DIODE IC1 LC75883E-E MOS-IC IC2 RS-171 ANALOGUE IC Q1 DTA114EE DIGITAL TRANSISTOR C1,2 CK73GB1H222K CHIP C 2200PF K C3,4 CK73GB0J105K CHIP C 1.0UF K C5 CK73GB1C104K CHIP C 0.10UF K C6 CK73GB1H103K CHIP C 0.010UF K C7-9 CK73GB0J105K CHIP C 1.0UF K C10-15 CK73GB1C104K CHIP C 0.10UF K C16 CK73FB0J475K CHIP C 4.7UF K C17 CK73FB0J106M CHIP C 10UF M C18 CK73GB1C104K CHIP C 0.10UF K C19 CK73FB0J475K CHIP C 4.7UF K C20 CK73GB1C104K CHIP C 0.10UF K C21 CK73GB1H102K CHIP C 1000PF K C22,23 CK73GB0J105K CHIP C 1.0UF K C24-27 CK73GB1C104K CHIP C 0.10UF K C28 CK73FB0J106M CHIP C 10UF M C29 CK73GB1C104K CHIP C 0.10UF K C30 CK73GB1H152K CHIP C 1500PF K C31 CC73GCH1H470J CHIP C 47PF J C32,33 CK73GB1C104K CHIP C 0.10UF K C34 CC73GCH1H560J CHIP C 56PF J C35,36 CK73GB1C104K CHIP C 0.10UF K C37 CK73GB1H102K CHIP C 1000PF K C38 CK73GB1H682K CHIP C 6800PF K C39 CK73GB1C104K CHIP C 0.10UF K CKDC-MP572V SWITCH UNIT (X16-2860-10) CD PLAYER UNIT (X32-5500-00) www. xiaoyu163. com QQ 376315150 9 9 2 8 9 4 2 9 8 TEL 13942296513 9 9 2 8 9 4 2 9 8 0 5 1 5 1 3 6 7 3 Q Q TEL 13942296513 QQ 376315150 892498299 TEL 13942296513 QQ 376315150 892498299 26 Indicates safety critical components. ✽ New parts Parts without Parts No. are not supplied. Les articles non mentionnes dans le Parts No. ne sont pas fournis. Teile ohne Parts No. werden nicht geliefert. Ref. No. A d d N e w Parts No. Description Desti- nation Ref. No. A d d N e w Parts No. Description Desti- nation E : Europe K : North America M : Other Areas W : Without Europe PARTS LIST C41 CK73GB1A334K CHIP C 0.33UF K C42-45 CK73GB1C104K CHIP C 0.10UF K C46 CK73GB1H682K CHIP C 6800PF K C47 CK73GB1C104K CHIP C 0.10UF K C48 CC73GCH1H040C CHIP C 4.0PF C C49 CK73GB1H332K CHIP C 3300PF K C50 CK73GB1C104K CHIP C 0.10UF K C51 CC73GCH1H330J CHIP C 33PF J C52 CK73FB1A225K CHIP C 2.2UF K C53 CK73GB0J105K CHIP C 1.0UF K C54,55 CK73GB1H103K CHIP C 0.010UF K C56,57 CK73GB1H331K CHIP C 330PF K C58 CK73GB1H472K CHIP C 4700PF K C59-63 CK73GB1H152K CHIP C 1500PF K C64 CK73GB1C104K CHIP C 0.10UF K C66 CC73GCH1H120J CHIP C 12PF J C67 CC73GCH1H180J CHIP C 18PF J C68 CK73GB1H103K CHIP C 0.010UF K C69 CK73FB1A225K CHIP C 2.2UF K C70 CK73FB1A105K CHIP C 1.0UF K C71 CK73FB0J106M CHIP C 10UF M C72 CK73GB1H102K CHIP C 1000PF K CN1 E41-2083-05 FLAT CABLE CONNECTOR (24PIN) CN2 E41-2068-05 FLAT CABLE CONNECTOR (16PIN) CN2 ✽ E41-2085-15 FLAT CABLE CONNECTOR (16PIN) ✽ J74-1552-12 RIGID PRINTED WIRING BOARD L1,2 L92-0386-05 CHIP FERRITE X1 L77-2808-05 CRYSTAL RESONATOR (16.897849MHZ) X2 L78-0896-05 RESONATOR (16.00MHZ) CP1 RK74GA1J104J CHIP-COM 100K J 1/16W CP2,3 RK74GA1J101J CHIP-COM 100 J 1/16W CP4 RK74GA1J103J CHIP-COM 10K J 1/16W CP5 RK74GA1J102J CHIP-COM 1.0K J 1/16W CP6 RK74GA1J104J CHIP-COM 100K J 1/16W CP7 RK74GB1J102J CHIP-COM 1.0K J 1/16W CP8 RK74GA1J102J CHIP-COM 1.0K J 1/16W CP9 RK74GB1J101J CHIP-COM 100 J 1/16W CP10 RK74GB1J103J CHIP-COM 10K J 1/16W CP11 RK74GB1J472J CHIP-COM 4.7K J 1/16W CP12 RK74GA1J104J CHIP-COM 100K J 1/16W CP13,14 RK74GB1J104J CHIP-COM 100K J 1/16W CP15 RK74GA1J104J CHIP-COM 100K J 1/16W CP16 RK74GB1J222J CHIP-COM 2.2K J 1/16W R1 RK73GB2A100J CHIP R 10 J 1/10W R2 R92-3494-05 CHIP R 5.6 J 1/2W R3,4 RK73FB2B331J CHIP R 330 J 1/8W R5 RK73GB2A101J CHIP R 100 J 1/10W R6 RN73GH1J223D CHIP R 22K D 1/16W R7 RK73GB2A104J CHIP R 100K J 1/10W R8 RN73GH1J393D CHIP R 39K D 1/16W R9 RK73GB2A104J CHIP R 100K J 1/10W R10 RK73GB2A101J CHIP R 100 J 1/10W R11,12 RK73GB2A104J CHIP R 100K J 1/10W R13 RK73GB2A102J CHIP R 1.0K J 1/10W R14-17 RK73GB2A104J CHIP R 100K J 1/10W R18 RK73GB2A101J CHIP R 100 J 1/10W R21-23 RK73GB2A103J CHIP R 10K J 1/10W R24,25 RK73GB2A4R7J CHIP R 4.7 J 1/10W R27 RK73GB2A104J CHIP R 100K J 1/10W R28 RK73GB2A103J CHIP R 10K J 1/10W R29 RK73GB2A102J CHIP R 1.0K J 1/10W R31-33 RK73GB2A104J CHIP R 100K J 1/10W R34 RK73GB2A472J CHIP R 4.7K J 1/10W R35 RK73GB2A104J CHIP R 100K J 1/10W R36 RK73FB2B4R7J CHIP R 4.7 J 1/8W R37 RK73GB2A103J CHIP R 10K J 1/10W R38 RK73GB2A221J CHIP R 220 J 1/10W R39 RK73GB2A152J CHIP R 1.5K J 1/10W R40 RK73GB2A274J CHIP R 270K J 1/10W R42 RK73GB2A101J CHIP R 100 J 1/10W R43 RK73GB2A393J CHIP R 39K J 1/10W R44,45 RK73GB2A302J CHIP R 3.0K J 1/10W R46 RK73GB2A105J CHIP R 1.0M J 1/10W R47 RK73GB2A104J CHIP R 100K J 1/10W R48,49 RK73GB2A331J CHIP R 330 J 1/10W R50 RK73GB2A101J CHIP R 100 J 1/10W R51 RK73GB2A392J CHIP R 3.9K J 1/10W R52 RK73GB2A163J CHIP R 16K J 1/10W R53 RK73GB2A123J CHIP R 12K J 1/10W R54 RK73GB2A333J CHIP R 33K J 1/10W R55 RK73GB2A103J CHIP R 10K J 1/10W R56 RK73GB2A123J CHIP R 12K J 1/10W R57,58 RK73GB2A133J CHIP R 13K J 1/10W R59 RK73GB2A472J CHIP R 4.7K J 1/10W R60 RK73GB2A123J CHIP R 12K J 1/10W R61 RK73GB2A183J CHIP R 18K J 1/10W R62 RK73GB2A432J CHIP R 4.3K J 1/10W R63 RK73GB2A133J CHIP R 13K J 1/10W R64 RK73GB2A241J CHIP R 240 J 1/10W R65 RK73GB2A104J CHIP R 100K J 1/10W R66 RK73GB2A472J CHIP R 4.7K J 1/10W R67 RK73GB2A222J CHIP R 2.2K J 1/10W R68,69 RK73GB2A104J CHIP R 100K J 1/10W R70 RK73GB2A102J CHIP R 1.0K J 1/10W S1,2 S68-0863-05 PUSH SWITCH S3 S68-0862-05 PUSH SWITCH D2 DA204UF DIODE D3 DAN202UF DIODE IC1 91CW12AFG-4VF6 MICROCONTROLLER IC IC2 UPD63712GC MOS-IC IC3 TC94A20F-010 MOS-IC IC4 BA5824FP-F ANALOGUE IC IC5 NJM2880U133 ANALOGUE IC IC5 NJM2880U33 ANALOGUE IC IC6 S-1112B33MCG ANALOGUE IC IC6 XC6219B332MR ANALOGUE IC CD PLAYER UNIT (X32-5500-00) www. xiaoyu163. com QQ 376315150 9 9 2 8 9 4 2 9 8 TEL 13942296513 9 9 2 8 9 4 2 9 8 0 5 1 5 1 3 6 7 3 Q Q TEL 13942296513 QQ 376315150 892498299 TEL 13942296513 QQ 376315150 892498299 27 Indicates safety critical components. ✽ New parts Parts without Parts No. are not supplied. Les articles non mentionnes dans le Parts No. ne sont pas fournis. Teile ohne Parts No. werden nicht geliefert. Ref. No. A d d N e w Parts No. Description Desti- nation Ref. No. A d d N e w Parts No. Description Desti- nation E : Europe K : North America M : Other Areas W : Without Europe PARTS LIST IC7 S-1112B25MCG ANALOGUE IC IC7 XC6219B252MR ANALOGUE IC IC8 TC7SH08FU MOS-IC IC9 TAR5S33-F ANALOGUE IC Q1 2SK3018F FET Q3 UMD9N TRANSISTOR Q4 2SK3018F FET Q5 UMD9N TRANSISTOR Q6 UMD12N TRANSISTOR Q7 DTC124EUAF DIGITAL TRANSISTOR Q8 2SB0970 TRANSISTOR Q9,10 DTC114YUAF DIGITAL TRANSISTOR D402 B30-1567-05 LED (1608,RED) C1 C90-5682-05 ELECTRO 2200UF 16WV C3 CK73GB1H102K CHIP C 1000PF K C4-6 CK73GB1H103K CHIP C 0.010UF K C19 CK73GB1A474K CHIP C 0.47UF K C21 CD04AS1C470M ELECTRO 47UF 16WV C22 CD04AS1E100M ELECTRO 10UF 25WV C24,25 CD04AS1C100M ELECTRO 10UF 16WV C26 CD04BH1A100M ELECTRO 10UF 25WV C27 CD04AT1H100M ELECTRO 10UF 50WV C28 C90-5635-05 ELECTRO 220UF 16WV C29 CD04AS1C100M ELECTRO 10UF 16WV C30 CD04AS1C101M ELECTRO 100UF 16WV C32 CK73GB1H103K CHIP C 0.010UF K C41,42 CD04BF1E101M ELECTRO 100UF 25WV C43 CD04BF1C221M ELECTRO 220UF 16WV C45 CK73GB1A224K CHIP C 0.22UF K C50,51 CK73GB1C104K CHIP C 0.10UF K C50,51 CK73GB1H104K CHIP C 0.10UF K C104 CK73GB1H103K CHIP C 0.010UF K C106 CK73GB1H103K CHIP C 0.010UF K C108 CK73GB1H103K CHIP C 0.010UF K C111 CK73GB1H102K CHIP C 1000PF K C201,202 CD04AS1HR47M ELECTRO 0.47UF 50WV C203 CK73GB1E223K CHIP C 0.022UF K C203 CK73GB1H223K CHIP C 0.022UF K C204 CK73GB1H103K CHIP C 0.010UF K C205 CK73GB1A474K CHIP C 0.47UF K C206 CC73GCH1H151J CHIP C 150PF J C209 CD04AS1H2R2M ELECTRO 2.2UF 50WV C210 CK73GB1H103K CHIP C 0.010UF K C211 CD04AS1A470M ELECTRO 47UF 10WV C212,213 CK73GB1C104K CHIP C 0.10UF K C212,213 CK73GB1H104K CHIP C 0.10UF K C251-254 CD04AX1HR22M ELECTRO 0.22UF 50WV C251-254 C90-5684-05 ELECTRO 0.22UF 50WV C255 CD04AS1H010M ELECTRO 1UF 50WV C256 CD04AS1A330M ELECTRO 33UF 10WV C257 CD04AT1H010M ELECTRO 1UF 50WV C258 CD04AS1H010M ELECTRO 1UF 50WV C301,302 CK73FB1C474K CHIP C 0.47UF K C303 CD04AS1A470M ELECTRO 47UF 10WV C351,352 CD04AS1C100M ELECTRO 10UF 16WV C356 CK73FB1H104K CHIP C 0.10UF K C406 CK73GB1A224K CHIP C 0.22UF K C407,408 CC73GCH1H220J CHIP C 22PF J C409 CD04AS0J470M ELECTRO 47UF 6.3WV C410 CK73GB1H103K CHIP C 0.010UF K CN2 E41-0168-05 FLAT CABLE CONNECTOR (24PIN) CN3 E41-0927-05 PIN ASSY J1 E58-0991-05 RECTANGULAR RECEPTACLE J2 E56-0855-05 CYLINDRICAL RECEPTACLE J3 E63-0898-05 PIN JACK J4 E04-0326-05 RF COAXIAL CABLE RECEPTACLE J5 E58-0879-05 RECTANGULAR RECEPTACLE P1 E23-0745-05 TERMINAL L1 L33-1988-05 CHOKE COIL ASSY L3 L33-1977-05 CHOKE COIL L6-8 L40-4795-91 SMALL FIXED INDUCTOR (4.7UH,J) L10,11 L40-4795-91 SMALL FIXED INDUCTOR (4.7UH,J) L12 L33-1925-05 CHOKE COIL X1 L78-0879-05 RESONATOR (10.0MHZ) X2 L77-2793-05 CRYSTAL RESONATOR (32.768KHz) D 2D N83-3005-46 PAN HEAD TAPTITE SCREW E 2D N80-3010-46 PAN HEAD TAPTITE SCREW F 2D N83-3020-46 PAN HEAD TAPTITE SCREW G 2D N86-2606-46 BINDING HEAD TAPTITE SCREW R1 RK73FB2B683J CHIP R 68K J 1/8W R2 RK73GB2A393J CHIP R 39K J 1/10W R3 RK73GB2A104J CHIP R 100K J 1/10W R4 RK73FB2B203J CHIP R 20K J 1/8W R5,6 RK73GB2A103J CHIP R 10K J 1/10W R7 RK73GB2A104J CHIP R 100K J 1/10W R8 RD14DB2H332J SMALL-RD 3.3K J 1/2W R9 RD14BB2C333J RD 33K J 1/6W R10 RK73GB2A103J CHIP R 10K J 1/10W R11 RK73GB2A223J CHIP R 22K J 1/10W R12 RK73GB2A473J CHIP R 47K J 1/10W R13 RK73GB2A562J CHIP R 5.6K J 1/10W R21 RD14BB2C152J RD 1.5K J 1/6W R22 RD14BB2C472J RD 4.7K J 1/6W R25-28 RK73GB2A102J CHIP R 1.0K J 1/10W R32 RK73GB2A223J CHIP R 22K J 1/10W R33 RK73GB2A473J CHIP R 47K J 1/10W R41-44 RK73GB2A473J CHIP R 47K J 1/10W R51,52 RK73GB2A222J CHIP R 2.2K J 1/10W R53-56 RK73GB2A102J CHIP R 1.0K J 1/10W R58 RK73GB2A222J CHIP R 2.2K J 1/10W R59 RK73GB2A101J CHIP R 100 J 1/10W R60 RK73GB2A222J CHIP R 2.2K J 1/10W R61,62 RK73GB2A104J CHIP R 100K J 1/10W R63 RD14BB2C222J RD 2.2K J 1/6W R65 RK73EB2E472J CHIP R 4.7K J 1/4W R66 RK73GB2A472J CHIP R 4.7K J 1/10W ELECTRIC UNIT (X34-3360-10) CD PLAYER UNIT (X32-5500-00) www. xiaoyu163. com QQ 376315150 9 9 2 8 9 4 2 9 8 TEL 13942296513 9 9 2 8 9 4 2 9 8 0 5 1 5 1 3 6 7 3 Q Q TEL 13942296513 QQ 376315150 892498299 TEL 13942296513 QQ 376315150 892498299 28 Indicates safety critical components. ✽ New parts Parts without Parts No. are not supplied. Les articles non mentionnes dans le Parts No. ne sont pas fournis. Teile ohne Parts No. werden nicht geliefert. Ref. No. A d d N e w Parts No. Description Desti- nation Ref. No. A d d N e w Parts No. Description Desti- nation E : Europe K : North America M : Other Areas W : Without Europe PARTS LIST R101 RK73GB2A102J CHIP R 1.0K J 1/10W R102 RK73GB2A471J CHIP R 470 J 1/10W R103 RK73GB2A472J CHIP R 4.7K J 1/10W R104 RK73GB2A471J CHIP R 470 J 1/10W R105 RK73GB2A472J CHIP R 4.7K J 1/10W R106 RK73GB2A222J CHIP R 2.2K J 1/10W R107-109 RD14BB2C101J RD 100 J 1/6W R152-154 RK73GB2A471J CHIP R 470 J 1/10W R160 RK73GB2A222J CHIP R 2.2K J 1/10W R161 RK73GB2A225J CHIP R 2.2M J 1/10W R162 RK73GB2A104J CHIP R 100K J 1/10W R171 RD14BB2C102J RD 1.0K J 1/6W R172 RD14BB2C470J RD 47 J 1/6W R173 RD14BB2C471J RD 470 J 1/6W R174 RD14BB2C101J RD 100 J 1/6W R175 RD14BB2C471J RD 470 J 1/6W R176 RD14BB2C102J RD 1.0K J 1/6W R180 RD14BB2C102J RD 1.0K J 1/6W R181 RD14BB2C100J RD 10 J 1/6W R182,183 RD14BB2C102J RD 1.0K J 1/6W R201 RK73GB2A103J CHIP R 10K J 1/10W R202-204 RK73GB2A472J CHIP R 4.7K J 1/10W R205 RK73GB2A222J CHIP R 2.2K J 1/10W R207,208 RK73GB2A471J CHIP R 470 J 1/10W R209,210 RK73GB2A472J CHIP R 4.7K J 1/10W R251 RK73GB2A333J CHIP R 33K J 1/10W R252 RK73GB2A473J CHIP R 47K J 1/10W R253 RK73GB2A432J CHIP R 4.3K J 1/10W R254 RK73GB2A100J CHIP R 10 J 1/10W R255 RK73GB2A221J CHIP R 220 J 1/10W R256 RK73GB2A223J CHIP R 22K J 1/10W R257 RK73GB2A622J CHIP R 6.2K J 1/10W R271 RK73GB2A101J CHIP R 100 J 1/10W R272 RK73GB2A103J CHIP R 10K J 1/10W R273 RK73GB2A474J CHIP R 470K J 1/10W R301,302 RD14BB2C100J RD 10 J 1/6W R303 RD14BB2C470J RD 47 J 1/6W R304,305 RD14BB2C472J RD 4.7K J 1/6W R306 RD14BB2C4R7J RD 4.7 J 1/6W R307-309 RD14BB2C472J RD 4.7K J 1/6W R310,311 RD14BB2C101J RD 100 J 1/6W R312-315 RK73GB2A104J CHIP R 100K J 1/10W R316 RK73GB2A470J CHIP R 47 J 1/10W R351,352 RK73GB2A271J CHIP R 270 J 1/10W R355,356 RK73GB2A303J CHIP R 30K J 1/10W R357,358 RD14BB2C101J RD 100 J 1/6W R374 RD14BB2C102J RD 1.0K J 1/6W R407 RK73GB2A241J CHIP R 240 J 1/10W R410 RK73GB2A473J CHIP R 47K J 1/10W R412 RK73GB2A223J CHIP R 22K J 1/10W R415 RK73GB2A223J CHIP R 22K J 1/10W R417 RK73GB2A223J CHIP R 22K J 1/10W R419 RK73GB2A223J CHIP R 22K J 1/10W R420 RK73GB2A103J CHIP R 10K J 1/10W R422 RK73GB2A223J CHIP R 22K J 1/10W R425 RK73GB2A102J CHIP R 1.0K J 1/10W R430,431 RK73GB2A473J CHIP R 47K J 1/10W R432 RK73GB2A4R7J CHIP R 4.7 J 1/10W W9-12 R92-2053-05 CHIP R 0 J 1/8W W13,14 R92-1252-05 CHIP R 0 OHM J 1/16W W15-20 R92-2053-05 CHIP R 0 J 1/8W W22 R92-1252-05 CHIP R 0 OHM J 1/16W W24 R92-1252-05 CHIP R 0 OHM J 1/16W W25 R92-2053-05 CHIP R 0 J 1/8W W27 R92-1252-05 CHIP R 0 OHM J 1/16W W28,29 R92-2053-05 CHIP R 0 J 1/8W W30 R92-1252-05 CHIP R 0 OHM J 1/16W W31-33 R92-2053-05 CHIP R 0 J 1/8W W35 R92-1252-05 CHIP R 0 OHM J 1/16W W36 R92-2053-05 CHIP R 0 J 1/8W W37 R92-1252-05 CHIP R 0 OHM J 1/16W W38 R92-2053-05 CHIP R 0 J 1/8W W40,41 R92-2053-05 CHIP R 0 J 1/8W D1 S2V60✽A DIODE D2-4 MAZ4068N-M ZENER DIODE D5 1SS133 DIODE D21 MAZ4082N-L ZENER DIODE D22 D1F60-5063 DIODE D24 AM01ZNF DIODE D26 DAN202U DIODE D41 SFPB-54VNF DIODE D151 MAZ4062-L ZENER DIODE D156 MAZ4120-L ZENER DIODE D157-159 MAZ4062-L ZENER DIODE D162 MAZ4062-L ZENER DIODE D203 DAN202U DIODE D251 D1F60-5063 DIODE D252 AM01ZNF DIODE D253 D1F60-5063 DIODE D254 AM01ZNF DIODE D255-258 D1F60-5063 DIODE D269-271 1SS133 DIODE D301 MAZ4062-L ZENER DIODE D307,308 MAZ4062-L ZENER DIODE D309,310 MAZ4068N-M ZENER DIODE D311 MAZ4062-L ZENER DIODE D401 DAN202U DIODE IC1 ✽ 784225GC245 MICROCONTROLLER IC IC2 E-TDA7407D ANALOGUE IC IC3 BA4911-V4 ANALOGUE IC IC4 TDA7560 ANALOGUE IC IC6 SN74HC02NSR MOS-IC IC8 PST3436UL-E MOS-IC IC9 SI-8050JF3NF ANALOGUE IC Q1-3 2SC4081 TRANSISTOR Q4 2SA1036K TRANSISTOR Q21 2SB1565(E,F) TRANSISTOR Q22 UMC2N TRANSISTOR Q24 2SD1858 TRANSISTOR ELECTRIC UNIT (X34-3360-10) www. xiaoyu163. com QQ 376315150 9 9 2 8 9 4 2 9 8 TEL 13942296513 9 9 2 8 9 4 2 9 8 0 5 1 5 1 3 6 7 3 Q Q TEL 13942296513 QQ 376315150 892498299 TEL 13942296513 QQ 376315150 892498299 29 Indicates safety critical components. ✽ New parts Parts without Parts No. are not supplied. Les articles non mentionnes dans le Parts No. ne sont pas fournis. Teile ohne Parts No. werden nicht geliefert. Ref. No. A d d N e w Parts No. Description Desti- nation Ref. No. A d d N e w Parts No. Description Desti- nation E : Europe K : North America M : Other Areas W : Without Europe PARTS LIST Q41 2SC4081 TRANSISTOR Q151 DTA114YUA DIGITAL TRANSISTOR Q201 DTC143TUA DIGITAL TRANSISTOR Q252 2SA1576A TRANSISTOR Q350 DTA124EUA DIGITAL TRANSISTOR Q351,352 DTC143TUA DIGITAL TRANSISTOR Q401 2SC4081 TRANSISTOR TH1 PRF21BE471QB2 POSITIVE RESISTOR A1 X86-3760-12 FRONT-END UNIT 2 1B A10-4827-32 CHASSIS 5 1B D10-4576-83 ARM ASSY 8 2A D10-4579-13 LEVER ASSY 10 3A D10-4581-13 ARM 11 2A D10-4582-13 ARM 12 3A D10-4583-03 ARM 13 3A D10-4584-03 ARM 14 3B D10-4585-03 ARM 15 2A D10-4586-13 SLIDER 16 3B D10-4587-42 SLIDER 17 3B D10-4588-13 SLIDER 18 3B D10-4595-04 ARM 19 3B D10-4596-24 ARM 22 2A D13-2151-04 GEAR 23 2B D13-2152-04 GEAR 24 3B D13-2153-04 GEAR 25 3B D13-2154-04 GEAR 26 3B D13-2155-04 WORM 27 3B D13-2156-14 GEAR 28 3B D13-2157-04 GEAR 29 3B D13-2158-04 GEAR 30 3B D13-2168-04 GEAR 31 3B D13-2171-04 GEAR 32 2B D13-2172-13 RACK (GEAR) 33 2A D14-0759-04 ROLLER 35 2B D21-2382-04 SHAFT 36 1A D23-0954-04 RETAINER 37 1B D39-0246-05 DAMPER 38 2B G01-3072-04 EXTENSION SPRING 39 2A G01-3073-04 TORSION COIL SPRING 40 2A G01-3074-04 EXTENSION SPRING 41 1B G01-3075-14 EXTENSION SPRING 42 2A G01-3076-04 EXTENSION SPRING 43 1B G01-3077-14 EXTENSION SPRING 44 2B G02-1399-04 FLAT SPRING 45 2B G02-1408-04 FLAT SPRING 51 1A J21-9676-32 MOUNTING HARDWARE 52 3B J21-9677-22 MOUNTING HARDWARE 53 1B J21-9678-13 MOUNTING HARDWARE 55 1A J90-1001-11 GUIDE 56 1B J90-1023-03 GUIDE DFPC1 3A J84-0141-05 FPC (16PIN) A 2B N09-4460-05 TAPTITE SCREW (OVAL P TAPTIT) B 1B N09-4472-15 MACHINE SCREW (M1.7X8.0) C 2B N09-6004-05 MACHINE SCREW (M1.7X2.5 IB-L) E 2B N09-6007-05 MACHINE SCREW (PAN M2X2) F 1A N09-6051-05 TAPTITE SCREW (BIND P 2X5) G 2A N19-2163-04 FLAT WASHER H 1B N39-2020-46 PAN HEAD MACHINE SCREW J 1B N09-6108-05 MACHINE SCREW (M2✽3.5TYPE3) DM1 3B T42-1066-04 DC MOTOR ASSY (SPINDLE) DM2 3B T42-1067-04 DC MOTOR ASSY (LOADING) DPU1 X93-2010-00 OPTICAL PICKUP ASSY MECHANISM ASSY (X92-4850-01) ELECTRIC UNIT (X34-3360-10) www. xiaoyu163. com QQ 376315150 9 9 2 8 9 4 2 9 8 TEL 13942296513 9 9 2 8 9 4 2 9 8 0 5 1 5 1 3 6 7 3 Q Q TEL 13942296513 QQ 376315150 892498299 TEL 13942296513 QQ 376315150 892498299 KENWOOD CORPORATION 2967-3, Ishikawa-machi, Hachioji-shi, Tokyo, 192-8525 Japan KENWOOD USA CORPORATION P.O. Box 22745, 2201 East Dominguez Street, Long Beach, CA 90801-5745, U.S.A. KENWOOD ELECTRONICS CANADA INC. 6070 Kestrel Road, Mississauga, Ontario, Canada L5T 1S8 KENWOOD ELECTRONICS LATIN AMERICA S.A. P.O. Box 55-2791 Paitilla, Plaza Credicorp Bank Panama, Piso 9, Oficina 901, Calle 50, Panama, Rep. de Panama KENWOOD ELECTRONICS BRASIL LTDA. Alameda Ministro Rocha Azevedo No. 456, Edificio Jaú, 10o Andar, Cerqueira César, Cep 0140-001, São Paulo-SP-Brasil KENWOOD ELECTRONICS UK LIMITED Kenwood House, Dwight Road, Watford, Herts, WD18 9EB, United Kingdom KENWOOD ELECTRONICS DEUTSCHLAND GMBH Rembrücker-Str. 15, 63150 Heusenstamm, Germany KENWOOD ELECTRONICS FRANCE S.A. 13, Boulevard Ney, 75018 Paris, France KENWOOD ELECTRONICS BELGIUM N.V. Leuvensesteenweg 248 J, 1800 Vilvoorde, Belgium KENWOOD ELECTRONICS ITALIA S.p.A. Via G. Sirtori 7/9, 20129 Milano, Italy KENWOOD IBÉRICA S.A. Bolivia, 239-08020 Barcelona, Spain KENWOOD ELECTRONICS AUSTRALIA PTY. LTD. (A.C.N. 001 499 074) 16 Giffnock Avenue, Centrecourt Estate, North Ryde, N.S.W. 2113, Australia KENWOOD ELECTRONICS (HONG KONG) LTD. Unit 3712-3724, Level 37, Tower 1, Metroplaza, 223 Hing Fong Road, Kwai Fong, N.T., Hong Kong KENWOOD ELECTRONICS GULF FZE P.O. Box 61318, Jebel Ali, Dubai, U.A.E. KENWOOD ELECTRONICS (THAILAND) CO., LTD. 956 Udom Vidhya Building (Olympia) Rama IV Road, Silom, Bangrak, Bangkok 10500 Thailand KENWOOD ELECTRONICS SINGAPORE PTE. LTD. 1 Genting Lane, #07-00, Kenwood Building, Singapore, 349544 KENWOOD ELECTRONICS (MALAYSIA) SDN BHD #4.01 Level 4, Wisma Academy Lot 4A, Jalan 19/1, 46300 Petaling Jaya, Selangor Darul Ehsan, Malaysia SPECIFICATIONS FM Frequency Range (Frequency step) .............................................. 87.9MHz~107.9MHz (200kHz) Channel Space Selection ................................... 50k/200kHz Usable Sensitivity (S/N 30dB) ................. 9.3dBf (0.8µV/75Ω) Quieting Sensitivity (S/N 50dB) .............15.2dBf (1.6µV/75Ω) Frequency Response (±3.0dB) ......................... 30Hz~15kHz S/N ................................................................. 70dB (MONO) Selectivity ................................................. ≥80dB (±400kHz) Stereo Separation ............................................. 40dB (1kHz) AM Frequency Range (Frequency step) .................................................... 530kHz~1700kHz (10kHz) Channel Space Selection ....................................... 9k/10kHz Usable Sensitivity (S/N 20dB) ......................... 28dBµ (25µV) CD Laser Diode ............................................................... GaAlAs Digital Filter (D/A) ............................. 8 Times Over Sampling D/A Converter ................................................................ 1 Bit Spindle Speed .......................... 1000~400rpm (CLV 2 times) Wow & Flutter .................................... Below Mesurable Limit Frequency Response ............................ 10Hz~20kHz (±1dB) Total Harmonic Distortion .................................0.01% (1kHz) S/N Ratio ......................................................... 105dB (1kHz) Dynamic Range............................................................. 93dB Channel Separation ...................................................... 85dB MP3 Decode ......... Compliant with MPEG-1/2 Audio Layer-3 WMA Decode ..... Compliant with WINDOWS MEDIA AUDIO Preout Level/Load-Unbalanced .................................................. 2000mV/10kΩ (CD/CD-CH) Preout Impedance ...................................................... ≤600Ω AMP Maximum Power....................................................... 50W x 4 Full Bandwidth Power (at less than 1% THD) .......... 22W x 4 TONE Bass ..................................................................100Hz±10dB Middle.................................................................. 1kHz±10dB Treble ................................................................ 10kHz±10dB GENERAL Operating Voltage (11~16V allowable) ......................... 14.4V Current Consumption ...................................................... 10A Installation Size (W x H x D) .................. 182 x 53 x 155 mm (7-3/16 x 2-1/16 x 6-1/10 in) Weight ...........................................................1.40kg (3.1 lbs) KENWOOD follows a policy of continuous advancements in development. For this reason specifications may be changed without no- tice. www. xiaoyu163. com QQ 376315150 9 9 2 8 9 4 2 9 8 TEL 13942296513 9 9 2 8 9 4 2 9 8 0 5 1 5 1 3 6 7 3 Q Q TEL 13942296513 QQ 376315150 892498299 TEL 13942296513 QQ 376315150 892498299

标签:

版权声明

1. 本站所有素材,仅限学习交流,仅展示部分内容,如需查看完整内容,请下载原文件。
2. 会员在本站下载的所有素材,只拥有使用权,著作权归原作者所有。
3. 所有素材,未经合法授权,请勿用于商业用途,会员不得以任何形式发布、传播、复制、转售该素材,否则一律封号处理。
4. 如果素材损害你的权益请联系客服QQ:77594475 处理。