建伍KENWOOD KDC-506 CD播放器电路图

分类:电子电工 日期: 点击:0
建伍KENWOOD KDC-506 CD播放器电路图-0 建伍KENWOOD KDC-506 CD播放器电路图-1 建伍KENWOOD KDC-506 CD播放器电路图-2 建伍KENWOOD KDC-506 CD播放器电路图-3 建伍KENWOOD KDC-506 CD播放器电路图-4 建伍KENWOOD KDC-506 CD播放器电路图-5 建伍KENWOOD KDC-506 CD播放器电路图-6 建伍KENWOOD KDC-506 CD播放器电路图-7 建伍KENWOOD KDC-506 CD播放器电路图-8 建伍KENWOOD KDC-506 CD播放器电路图-9

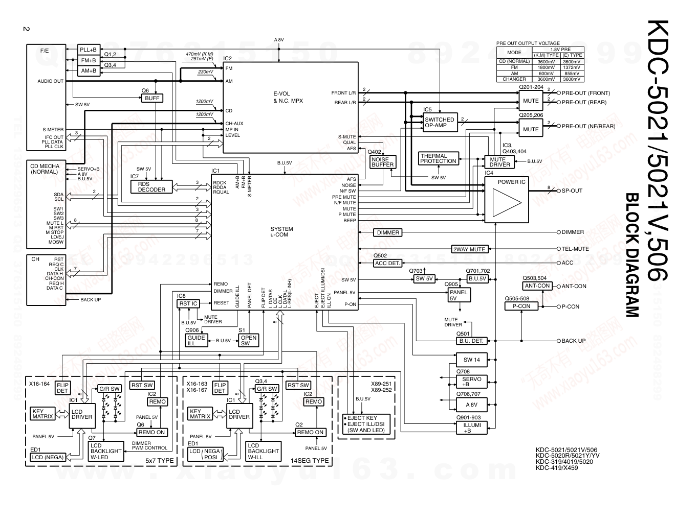
CD RECEIVER KDC-5021/5021V SERVICE MANUAL © 2002-2 PRINTED IN KOREA B51-7906-00 (K) 1926 KDC-506 KDC-5021 (E) KDC-5021V (E) KDC-506 (E) KDC-506 KDC-5021 KDC-5021V The following reference numbers with accessory parts are the same reference numbers used on EXPLODED VIEW and PARTS LIST. 213 256 276 278 200 DC1 222x2 Refer to the service manual "X92-4430-0x" (B51-7889-00) for MECHANISM information. www. xiaoyu163. com QQ 376315150 9 9 2 8 9 4 2 9 8 TEL 13942296513 9 9 2 8 9 4 2 9 8 0 5 1 5 1 3 6 7 3 Q Q TEL 13942296513 QQ 376315150 892498299 KDC-5021/5021V,506 2 BLOCK DIAGRAM CH CD MECHA F/E FM+B PLL+B AM+B BUFF E-VOL SYSTEM u-COM DECODER RDS RST IC DET FLIP POSI MATRIX KEY G/R SW RST SW REMO ON BACKLIGHT LCD W-ILL DRIVER LCD REMO GUIDE ILL SW OPEN B.U.5V SW 5V SERVO +B PANEL 2WAY MUTE ACC DET. DIMMER TEL-MUTE ACC DIMMER POWER IC SP-OUT MUTE PRE-OUT (FRONT) PRE-OUT (REAR) MUTE PRE-OUT (NF/REAR) MUTE DRIVER OP-AMP SWITCHED PROTECTION THERMAL NOISE BUFFER 5V B.U. DET. SW 14 A 8V ILLUMI +B EJECT ILL/DSI (SW AND LED) EJECT KEY X89-252 X89-251 BACK UP ANT-CON ANT-CON P-CON P-CON Q1,2 Q3,4 IC7 IC1 & N.C. MPX IC2 Q6 IC8 Q906 S1 ED1 IC2 IC1 Q708 Q706,707 Q901-903 Q501 Q502 Q703 Q701,702 Q905 Q503,504 Q505-508 IC5 Q402 Q403,404 IC4 Q205,206 Q201-204 IC3, (NORMAL) DET FLIP LCD (NEGA) MATRIX KEY G/R SW RST SW REMO ON BACKLIGHT LCD W-LED DRIVER LCD REMO ED1 IC2 IC1 X16-163 X16-167 X16-164 Q7 Q6 Q2 Q3,4 LCD NEGA KDC-319/4019/5020 KDC-5020R/5021Y/YV KDC-419/X459 KDC-5021/5021V/506 5x7 TYPE 14SEG TYPE DATA C CH-CON DATA H REQ H RST CLK REQ C SERVO+B PLL DATA PLL CLK M STOP M RST MUTE L LO/EJ MOSW SW2 SW3 SW1 S-METER IFC OUT SW 5V 3 PANEL DET GUIDE ILL MP IN AFS LEVEL RDDA FM AM A 8V B.U.5V A 8V 3 2 2 3 8 7 SW 5V 8 SDA SCL AUDIO OUT 7 BACK UP 2 REMO RESET B.U.5V MUTE DRIVER PANEL 5V PANEL 5V 5 CD AM+B FM+B S-METER RDCK RQUAL B.U.5V 5 B.U.5V FLIP DET L DATAS L CE L CLK L DATAL L-RES(L-INH) EJECT EJECT ILLUMI/DSI ILL ON SW 5V (E) TYPE (K,M) TYPE CD (NORMAL) 3600mV CHANGER 3600mV 3600mV 1800mV 600mV FM AM 1372mV 855mV 3600mV 2 2 2 B.U.5V 8 2 2 2 QUAL S-MUTE REAR L/R FRONT L/R AFS NOISE N/F SW PRE MUTE N/F MUTE P MUTE MUTE BEEP B.U.5V MUTE DRIVER P-ON PANEL 5V SW 5V CH-AUX MODE PRE OUT OUTPUT VOLTAGE PANEL 5V PANEL 5V 5 DIMMER PWM CONTROL DIMMER 1.8V PRE 251mV (E) 470mV (K,M) 230mV 1200mV 1200mV www . x ia o y u 1 6 3 . c o m QQ 3 7 6 3 1 5 1 5 0 9 9 2 8 9 4 2 9 8 T E L 1 3 9 4 2 2 9 6 5 1 3 9 9 2 8 9 4 2 9 8 0 5 1 5 1 3 6 7 3 Q Q TEL 13942296513 QQ 376315150 892498299 TEL 13942296513 QQ 376315150 892498299 KDC-5021/5021V,506 3 COMPONENT DESCRIPTION REF. FUNCTION OPERATION No. IC1 SYSTEM u-COM System u-com. IC2 E-VOL/NC/MPX E-volume, Noise Chancellor, Multiplexer. IC3 MUTE 4 inputs, 3 NOR gates. IC4 POWER IC Power IC. IC5 SWITCHING OP AMP Switches operation amplifier. IC7 RDS DEMODULATOR Demodulates RDS. IC8 RESET IC "L" when detection voltage goes below 3.0V. IC9 EEPROM EEPROM. Q1 FM+B SW Q1 turns on when Q2 base level goes "H". Q2 FM+B SW Turns on when FM signal exists. Q3 AM+B SW Q3 turns on when Q4 base level goes "H". Q4 AM+B SW Turns on when AM signal exists. Q6 IFC BUFFER Shapes wave form. Q201 PRE MUTE SW (FRONT Lch) Mutes when the base level goes "H". Q202 PRE MUTE SW (FRONT Rch) Mutes when the base level goes "H". Q203 PRE MUTE SW (REAR Lch) Mutes when the base level goes "H". Q204 PRE MUTE SW (REAR Rch) Mutes when the base level goes "H". Q205 PRE MUTE SW (NON-FADER Lch) Pre mute SW. Q206 PRE MUTE SW (REAR Rch) Pre mute SW. Q401 E-VOL MUTE SW Mutes E-vol when the base level goes "H". Q402 NOISE BUFFER Buffers noise. Q403,404 AUDIO MUTE DRIVER Turns on when the base level goes "L". Q501 BU & MOMENTARY POWER Turns on when the base level goes "H" during the back-up effects. DOWN DETECTOR Q502 ACC DETECTOR Turns on when the base level goes "H" during ACC effects. Q503,504 P-ANT SW Q503 turns on when Q504 base level goes "H". Q505 P-CON SW Q505 turns on when Q508 base level goes "H". Q506 P-CON PROTECTOR Protects Q505 by Q506 turning on when P-CON output effect stops. Q507 P-CON PROTECTOR Prevents Q507 turning on during being stand-by after turning power on. Q508 P-CON SW Q505 turns on when Q508 base level goes "H". Q510 SMALL LAMP DETECTOR Turns on when the base level goes "H" during illumination lights. Q701,702 BU 5V AVR Turns on when the back-up effects. Q703 SW 5V Turns on when the base level goes "L". Q704,705 AUDIO 8V & SERVO +B AVR Q704 turns on when Q705 base level goes "H". ON/OFF SW Q706,707 AUDIO 8V AVR Output voltage is 8.3V. Q708 SERVO +B AVR Output voltage is 7.4V. Q901-903 ILLUMINATION AVR AVR output turns on when Q901 base level goes "H". Q905 PANEL 5V SW Turns on when the base level goes "L". Q906 GUIDE ILLUMI SW Turns on when the base level goes "L". Q907 EJECT KEY & DSI ILLUMI SW Turns on when the base level goes "L". ELECTRIC UNIT (X25-922x-xx) www. xiaoyu163. com QQ 376315150 9 9 2 8 9 4 2 9 8 TEL 13942296513 9 9 2 8 9 4 2 9 8 0 5 1 5 1 3 6 7 3 Q Q TEL 13942296513 QQ 376315150 892498299 KDC-5021/5021V,506 4 COMPONENT DESCRIPTION REF. FUNCTION OPERATION No. IC1 LCD DRIVER Drives LCD. IC2 REMOTE CONTROLLER Controls the unit. Q1 KEY SCAN START Turns on when the base level goes "L". Q2 IC2 POWER SUPPLY SW Turns on when the base level goes "L". Q3 KEY GREEN ILLUMI SW Turns on when the base level goes "H". Q4 KEY RED ILLUMI SW Turns on when the base level goes "H". SWITCH UNIT (X16-167x-xx) www. xiaoyu163. com QQ 376315150 9 9 2 8 9 4 2 9 8 TEL 13942296513 9 9 2 8 9 4 2 9 8 0 5 1 5 1 3 6 7 3 Q Q TEL 13942296513 QQ 376315150 892498299 KDC-5021/5021V,506 5 MICROCOMPUTER'S TERMINAL DESCRIPTION PORT PORT NAME I/O FUNCTION OPERATING CONDITION No. 1 TYPE 0 I Destination switch. - 2 TYPE 1 I Destination switch. - 3 FLIP DET I Panel open/close detection. "H" : Panel opened. "L" : Panel closed. 4 AVSS - GND. - 5 PANEL DET I Panel presence detection. "H" : Panel does not exists. "L" : Panel exists. 6 E2P DET I EEPROM presence detection. "H" : ROM exists. "L" : ROM does not exist. 7 AVREF 1 I Reference voltage. To BU 5V. 8 CH DATA C I Data from the changer. - 9 CH DATA H O Data to the changer. - 10 CH CLK I/O Clock signal from or to the changer. - 11 L DATA L I Data from LCD driver. Max 600KHz communication speed. 12 L DATA S O Data to LCD driver. Max 1.2MHz communication speed. 13 L CLK O Clock signal to LCD driver. - 14 L CE O LCD driver enable. "H" : Driver selected. "L" : Driver non-selected. 15 BEEP O Buzzer. - 16 PLL DATA I/O Data from or to the front-end. - 17 L RST O LCD driver reset. "L" : Reset. 18 PLL CLK O Clock signal to the front-end. - 19 GUIDE ILLUMI O Guide illumination control. "L": Illumination turns on. "H" : Illumination turns off. 20 EJECT ILLUMI/DSI O EJECT/DSI illumination control. "L" : Illumination turns on. "H" : Illumination turns off. 21 PANEL I/O Panel power supply control. "L" : Panel exists, ACC turns off. 22 LO/EJ I/O CD-mecha/Loading/Eject switch. "L" : Loading. "H" : Eject. 23 MOSW O CD-mecha/Motor switch. "H" : Loading, eject, breaking. 24 M MUTE I Lch mute request from CD mechanism. "L" : Mute. 25 - - - - 26 M STOP O Stop request to CD mechanism. "L" : Mechanism stop. "H" : CD playing. 27 M RST O CD mechanism reset. "L" : Reset. 28 CD DOWN I CD down switch detection. "H" : Chucking. 29 ILLUMI ON O Illumination power control. "H" : Illumination turns on. "L" : Illumination turns off. 30 IC2 TYPE 1 I IC2 destination switch. "L" : Pure KENWOOD brand. "H" : Genuine. 31 P-ON I/O SW 5V control. "L" : P-ON turns on. 32 IC2 CLK O Clock signal to IC2 or CD mechanism. - 33 VSS 1 - GND. - 34 IC2 DATA I/O Data from or to IC2 or CD mechanism. - 35 R QUAL I RDS QUAL. "L" : Model without RDS. 36 R DATA I RDS data. "L" : Model without RDS. 37 AFS O Noise detection time constant switch. "L" : FM seeking, AF searching. "H" : Signal receiving. 38 IC2 TYPE 0 I IC2 destination switch. "L" : Pure KENWOOD brand. "H" : Genuine. 39 AM+B O AM power supply. "H" : AM signal receiving. 40 FM+B O FM power supply. "H" : FM signal receiving. 41 CH MUTE I Mute request from the changer. "H" : Mute effects. 42 CH RST O Reset signal to the changer. "H" : Reset. 43 CH REQ H O Request to the changer. "L" : Requesting. 44 CH CON O Changer control. "H" : Changer controlled. 45 DIMMER CONT O Dimmer control. "H" : Dimmer turns on. 46 MUTE O Mute. "H" : Mute effects. 47 N/F MUTE O Non-fader preout mute. "L" : Mute effects. 48 PRE MUTE I/O Front/Rear preout mute. "L" : Mute effects. 49 REMOTE I Remote control. - (X25-) IC1 : u-COM www. xiaoyu163. com QQ 376315150 9 9 2 8 9 4 2 9 8 TEL 13942296513 9 9 2 8 9 4 2 9 8 0 5 1 5 1 3 6 7 3 Q Q TEL 13942296513 QQ 376315150 892498299 KDC-5021/5021V,506 6 MICROCOMPUTER'S TERMINAL DESCRIPTION PORT PORT NAME I/O FUNCTION OPERATING CONDITION No. 50 N/F SW O Non-fader switch. "H" : Rear. "L" : Front. 51 P MUTE O Power IC mute. "L" : Power off, all off. 52 SVR O SVR control. "H" : Discharging. 53 P STBY O Power IC stand-by control. "H" : Power IC turns on. 54 ANT CONT O Antenna control. "H" : Tuner or the traffic information turns on. 55 P CON O Power control. "H" : Power turns on. 56 BU DET I Back-up detection. "L" : Back-up effects. 57 ACC DET I ACC detection. "L" : ACC effects. 58 DIMMER I Dimmer detection. "L" : Dimmer turns off. 59 - - - - 60 RESET I System u-com reset. "L" : Reset. 61 EJECT I Eject key. "L" : Key turns on. 62 CH REQ C I Request from the changer. "L" : Requesting. 63 R CLK I RDS clock. "L" : Model without RDS. 64 KEY REQ I Panel key interruption. "L" : Key requesting. 65 12cm DISC I 12cm DISC detection switch. "L" : 12cm disc exists. 66 LOAD SW I Loading switch detection. "L" : Loading starts. 67 VSS - GND. - 68 VDD - VDD. - 69 X2 - Main clock. Oscillates during turning power on. 70 X1 I mail clock. - 71 TEST I Program power supply. - 72 XT2 - Sub clock. - 73 XT1 I Sub clock. - 74 VDD - VDD. - 75 AVDD - Analogue VDD. - 76 S METER I Tuner S-meter voltage. - 77 NOISE I Noise detection. - 78 PHONE I Phone detection. TEL MUTE : Below 1V. NAVI MUTE : Over 2.5V. 79 IFC I IFC. "H" : Station signal exists. 80 TYPE 2 I Destination switch. - (X25-) IC1 : u-COM www. xiaoyu163. com QQ 376315150 9 9 2 8 9 4 2 9 8 TEL 13942296513 9 9 2 8 9 4 2 9 8 0 5 1 5 1 3 6 7 3 Q Q TEL 13942296513 QQ 376315150 892498299 KDC-5021/5021V,506 7 TEST MODE 1. How to enter the test mode While holding the Preset 1 and Preset 3 keys, reset the unit. 2. How to exit from the test mode Reset the unit, ACC OFF, power OFF and Panel detached. (Note) The test mode cannot be terminated by momentary power down. 3. Initial status in the test mode • Sources : ALL OFF • Display : All segments are lit. • Volume : -10dB (displayed as "30") • Loudness : OFF • CRSC : OFF regardless of the presence of switching function. • SYSTEM Q : Flat • BEEP : When pressing any keys, the buzzer generates a beep at any time. 4. Special display in Tuner mode When any of the following messages is displayed in Tuner mode, the F/E may be abnormal. • "TNE2P NG" : The EEPROM is set to the default (unstable values) because the F/E was shipped without passing through the adjustment process, etc. • "TNCON NG" : Communication with the F/E is not possible. 5. Forced switching of K3I Each press of the Preset 6 key in Tuner mode should switch K3I from AUTO Forced Wide � Forced Middle � Forced Narrow � AUTO. The initial status is AUTO and the display shows these modes as follows. • AUTO : FMA • Forced Wide : FMW • Forced Middle : FMM • Forced Narrow : FMN 6. Test mode specifications of the CD receiver • Forced ejection is inhibited in the reset start operation. When the unit is reset while a CD is loaded in it, the CD is not recognized by resetting. • Each press of the Track Up key jumps to the following track numbers: No. 9 � No. 15 � No. 10 � No. 11 � No. 12 � No. 13 � No. 14 � No. 9 (The cycle restarts from here.) • Each press of the Track Down key jumps to the previous track number to the track being played. • When the number of total trucks of the MP3 disc is less than 9, 1st truck is played. 7. Audio-related specifications • A short press of the Q key initiates the audio adjustment mode. • Pressing the * key on the remote initiates the audio adjustment mode. • Fader is selected to the initial item. • Continuous holding of a remote control key is inhibited. • Bass, Middle and Treble are adjusted in 3 steps of Min / Center / Max with the Track Up/Down keys. • Balance is adjusted in 3 steps of Left Max / Center / Right Max with the Track Up/Down keys. • Fader is adjusted in 3 steps of Rear Max / Center / Front Max with the Track Up/Down keys. 8. Menu-related specifications • A short press of the MENU key initiates the Menu mode. • Pressing the DNPP/SBF key on the remote initiates the Menu mode. • Continuous holding of a remote control key is inhibited. 9. Backup current measurement When the unit is reset while ACC is OFF (i.e. by turning Backup ON), the MUTE terminal goes OFF in 2 seconds in place of 15 second. (The CD mechanism is not activated at this time.) 10. Special display when the display is all on Pressing the Preset keys while the power is ALL OFF displays the following information. • Security-related information 1. Forced Power ON mode (All models) Even when the security (Mask key) is approved, resetting the unit while holding the ATT and Preset 4 keys makes it possible to turn the power ON for 30 minutes. After 30 minutes have elapsed, it is not possible to return to the previous condition unless the unit is reset again. 2. Method of registration of the security code after EEPROM (Tuner Unit Ass'y) replacement (Code security model) 1. Enter the test mode. (See 1. How to enter the test mode) 2. Press the MENU key to enter the Menu mode. Version display (8 digits, Month/Day/Hour/Minute) (Display) xxxxxxxx : System microcomputer Short press : View power ON time. (The All OFF period is not counted.) Long press/hold : Clear power ON time at the power ON time displaying. (Display) PON xxxxx Max. 65535 (hours) Short press : Display CD operation time. Long press/hold : Clear CD operation time at the CD operation time displaying. (Display) CDT xxxxx Max. 65535 (hours) Short press : Display CD ejection count. Long press/hold : Clear CD ejection count at the CD ejection count displaying. (Display) EJC xxxxx Max. 65535 (times) Short press : Display Panel open/close count. Long press/hold : Clear Panel open/close count at the Panel open/close count. (Display) PC xxxxxx Max. 655350 (times) [PRESET 1] [PRESET 3] [PRESET 4] [PRESET 5] [PRESET 6] www. xiaoyu163. com QQ 376315150 9 9 2 8 9 4 2 9 8 TEL 13942296513 9 9 2 8 9 4 2 9 8 0 5 1 5 1 3 6 7 3 Q Q TEL 13942296513 QQ 376315150 892498299 KDC-5021/5021V,506 8 TEST MODE 3. When the message "Security" is displayed, press and hold the Track Up/Down key for 1 second to enter the security registration mode. 4. Enter the code using the FM/AM/Track Up/Track Down keys. • FM key : Number up • Am key : Number down • Track Up key : Cursor right shift • Track Down key : Cursor left shift 5. Hold down the Track Up key for at least 3 seconds and the message, "RE-ENTER" appears, so once again enter the code according to Step 4 above. 6. Press and hold the Track Up key for 3 seconds until "APPROVED" is displayed. 7. Exit from the test mode. (See 2. How to exit from the test mode) (Note) All Clear is not applicable to the security code of this model. www. xiaoyu163. com QQ 376315150 9 9 2 8 9 4 2 9 8 TEL 13942296513 9 9 2 8 9 4 2 9 8 0 5 1 5 1 3 6 7 3 Q Q TEL 13942296513 QQ 376315150 892498299 A B D F H J C E G I 2 1 3 5 7 4 6 1 55 27 30 3 1 2 4 29 KI2 KS5 KI4 KS4 KI5 KS2 KI3 KI1 KS3 AUTO DISP 6 5 4 3 2 1 RST AUD SRC AM FM ATT D18 D19 IC2 D5 D6 D7 D4 D1 D2 D3 D11 D12 D13 D8 D9 D10 ED1 D20 D21 X16-163x-xx/167x-xx (J74-1315-02) SWITCH UNIT R106 C610 C611 R611 L601 R202 R204 R201 R203 R226 R225 R219 R223 R217 R218 R224 1 8 9 1 16 6 9 R220 R912 R242 R911 R908 R907 R910 R909 R241 R903 R904 R906 R905 R243 R210 R212 R214 R215 R213 R208 R206 R227 R237 R221 R216 R239 R222 R228 R632 R638 R639 R636 R637 R630 R623 R621 R617 R619 R628 R629 R627 R656 R704 R703 R650 R644 R640 R641 CP60 CP61 R647 R410 R411 R240 R238 R405 R521 R523 R520 C414 C605 C604 C509 C10 C402 R205 R211 R209 R207 X2 X1 C16 R605 R646 C18 B B E E B E BE B E 18 17 2 1 1 2 23 24 E B E B E B E B E B E B B E BE B E EB B BE 1 7 14 8 1 20 21 40 41 60 61 80 1 14 15 28 1 4 8 5 1 8 16 9 1 8 16 9 EB EB B E TEST 1 9 13 10 11 6 12 7 8 5 4 1 3 2 25 2 24 VDD RST 32.768kHz 12.0MHz SCL 4.332MHz SDA W5 R513 R506 R509 R515 R710 R701 R511 R505 R514 R707 R510 R708 R516 X3 L1 L6 L401 L5 C212 C204 C214 C216 C202 C506 C412 C403 C410 C413 C208 C415 C210 C703 C11 C1 1 24 C13 C203 C201 C3 C207 C601 C511 C508 C215 C209 C211 C213 C704 C205 C401 C5 C8 C706 C701 C708 C707 C217 C219 C220 C218 L501 W30 W29 W28 W17 W11 W15 W14 W12 W10 W9 W8 W20 W16 W13 W2 W23 W18 W19 W21 W22 W26 W27 W31 W24 W1 W3 W4 W6 W25 C502 W7 B E E IC9 IC3 IC2 IC7 Q905 Q1 Q704 Q703 Q705 Q203 Q3 Q202 Q201 Q401 Q204 Q402 Q206 Q205 D912 IC1 IC5 CN3 Q708 D501 Q505 Q503 IC4 D506 A1 P1 CN2 S1 D402 D408 D601 D508 D404 D403 D405 Q706 Q701 J1 CN1 Q2 Q4 D102 D502 D702 D201 D100 D101 D510 D703 D204 D503 D205 D202 D704 D901 D203 WH1 D214 D212 D208 D504 D210 D505 D701 D507 D211 D213 D207 D209 D103 D401 J4 ELECTRIC UNIT X25-921x-xx (J74-1323-12) X25-922x-xx (J74-1388-12) Refer to the schematic diagram for the value of resistors and capacitors. PC BOARD(Component side view) 9 10 SWITCH UNIT X16-163X-XX/167X-XX Ref.No Address IC2 1B ELECTRIC UNIT X25-921x-xx/X25-922x-xx Ref.No IC1 IC2 IC3 IC4 IC5 IC7 IC9 Q1 Q2 Q3 Q4 Q201 Q202 Q203 Address 5F 5H 4F 2H 4G 5I 6I 3H 4H 4H 4H 2D 2D 2D Ref.No Q204 Q205 Q206 Q401 Q402 Q503 Q505 Q701 Q703 Q704 Q705 Q706 Q708 Q905 Address 2D 2D 2C 5H 5H 4E 4E 4D 3D 5E 5E 5D 5D 6G w w w . x i a o y u 1 6 3 . c o m Q Q 3 7 6 3 1 5 1 5 0 9 9 2 8 9 4 2 9 8 T E L 1 3 9 4 2 2 9 6 5 1 3 9 9 2 8 9 4 2 9 8 0 5 1 5 1 3 6 7 3 Q Q TEL 13942296513 QQ 376315150 892498299 TEL 13942296513 QQ 376315150 892498299 2 K M O Q S L N P R T 1 3 5 7 4 6 Refer to the schematic diagram for the value of resistors and capacitors. PC BOARD(Foil side view) 11 12 E E B B B E B E 25 40 R16 C13 16 15 R20 R1 R2 1 2 CP3 R12 C3 R9 R27 65 R8 1 80 C4 C2 C1 24 64 41 R15 C12 C11 R14 R13 C5 R18 R17 R28 D-GND FLIPDET ILL-GND LED+B KI3 KS3 KI2 KI1 KS4 ESDGND KI5 REMO PAN5V KI4 KS2 KS5 L-DATAS L-CLK L-CE L-RES RST L-DATAL R25 R26 C14 C15 R23 R24 J1 Q2 Q1 IC1 Q4 Q3 X16-163x-xx/167x-xx (J74-1315-02) SWITCH UNIT E B E B B E B E E B E B E B B E B E B E E B E B E B B E B E E B 1 2 4 3 B E C14 R6 C15 C12 R7 C7 C9 C17 C6 C2 C4 R101 R104 R914 R105 R102 R103 C102 C101 R913 R626 C607 R601 R902 R901 C505 R642 C510 R406 R401 C409 C406 C408 C407 R402 R404 C404 C405 R625 R602 R4 R3 R606 R633 R631 R635 R634 R604 R652 R651 C609 R643 R653 R645 R112 R2 R1 R107 R108 R109 R110 R114 R113 R111 R412 R409 R508 R504 R512 R607 R648 R622 R624 R620 R618 R649 R655 R614 R613 R616 C606 C602 R603 R609 R608 R654 R610 R407 R408 C608 R615 C603 R709 R705 R706 C503 R503 R502 R507 R501 C507 W32 C705 R702 C702 C416 R235 C417 R236 C418 R522 R519 R232 R230 R229 R231 R233 R234 C411 C411 TH1 C504 Q6 D1 Q901 D911 D910 D909 D908 Q907 D913 D907 Q906 Q902 Q903 Q501 D905 D906 D904 D902 D903 D406 Q510 Q502 IC8 Q507 Q508 Q504 Q707 Q702 Q506 Q403 Q404 ELECTRIC UNIT X25-921x-xx(J74-1323-12) X25-922x-xx(J74-1388-12) SWITCH UNIT X16-163X-XX/167X-XX Ref.No Address IC 4L Q1 5K Q2 5K Q3 4L Q4 5L ELECTRIC UNIT X25-921x-xx/X25-922x-xx Ref.No IC8 Q6 Q403 Q404 Q501 Q502 Q504 Q506 Q507 Address 6R 5N 2S 2T 4Q 3Q 4R 4R 4R Ref.No Q508 Q510 Q702 Q707 Q901 Q902 Q903 Q906 Q907 Address 4R 4P 4S 5S 6R 6R 6S 7Q 6P w w w . x i a o y u 1 6 3 . c o m Q Q 3 7 6 3 1 5 1 5 0 9 9 2 8 9 4 2 9 8 T E L 1 3 9 4 2 2 9 6 5 1 3 9 9 2 8 9 4 2 9 8 0 5 1 5 1 3 6 7 3 Q Q TEL 13942296513 QQ 376315150 892498299 TEL 13942296513 QQ 376315150 892498299 A B D F H J C E G I 2 1 3 5 7 4 6 22K 22K 22K 22K 47K 47K 47K 10K 22K 22K 47K 10K 22K 22K 22K 22K 22K 22K IC8 IC4 IC3 ELECTRIC UNIT (X25-xxxx-xx) KDC-5021V,5021YV DC1 (E30-4790-05) KDC-5021,5021Y,506,5020R (E30-4791-05) DC1 (E30-4784-05) KDC-319/4019,5020 DC1 KDC-419/X459 (E30-4940-05) DC1 0V or 5V 5V 0V 0V 5.0V 5V 0V 0V 5V 5V 0V 5V 0V 0V 5V 5V 0V 0V 5V 0V 5V 5V 0V 5V 0V 5V 0V 5V 0V 0V 5V 0V 5V 0V 5V 0V or 5V 0V 5V 5V 0V 0V 5V 0V 0V 5V 0V or 5V 0V 5V 5V 0V 0V 5V 0V 5V 0V 5V 0V 5V 0V 5V 0V 5V 5V 0V 0V 5V 0V 5V 5V 0V 5V 0V 0V 5V 0V 5.0V 4.19MHz 0V 4.19MHz 5.0V 0V-4.3V 0V-3.0V 0.6V-4.1V 5V 0V 14.4V 0V 4.9V 0V 0V 0V 0V 0V 9.0V 1.4V 1.4V 1.3V 14.4V 4.0V 7.6V 7.6V 7.6V 7.6V 1.4V 1.4V 7.6V 7.6V 7.6V 7.6V 5.0V 5.0V 0V 0V 5.0V 5.0V 0V 0V 5.0V 0V 0V 5.0V 5.0V 5V 0V 0V 0V 5.0V 5V 0V ∗IC1 ∗D405 ∗D404 ∗CP61 ∗R618 ∗R620 ∗R622 ∗R621 ∗R619 ∗R617 ∗R615 100K R606 2.2K ∗R653 ∗R656 ∗C418 ∗W32 2.2Kx2 OUT VCC GND 32.768KHz 12.0MHz CP60 X2 0.22u50 C219 0.22u50 C217 0.22u50 C220 0.22u50 C218 X1 60 59 58 57 56 55 54 53 52 51 50 49 48 47 46 45 44 43 42 41 40 39 38 37 36 35 34 33 32 31 30 29 28 27 26 25 24 23 22 21 1 2 3 4 5 6 7 8 9 10 11 12 13 14 15 16 17 18 19 20 61 62 63 64 65 66 67 68 69 70 71 72 73 74 75 76 77 78 79 80 RESET DIMMER ACC DET B.U. DET P CON ANT CONT P STBY SVR P MUTE N/F SW REMOTE PRE MUTE N/F MUTE MUTE DIMMER CONT CH CON CH REQ H CH RST CH MUTE FM +B AM +B IC2-TYPE 0 AFS R DATA R QUAL IC2 DATA VSS 1 IC2 CLK P-ON IC2-TYPE 1 ILLUMI ON CD DOWN M RST M STOP M MUTE MO SW LO/EJ PANEL TYPE 0 TYPE 1 FLIP DET PANEL DET E2P DET AVREF 1 CH DATA C CH DATA H CH CLK L DATA L L DATA S L CLK L CE BEEP PLL DATA PLL CLK EJECT CH REQ C R CLK KEY REQ 12cm DISC LOAD SW VSS VDD TEST VDD AVDD S METER NOISE PHONE IFC TYPE 2 REAR Lch+ FRONT Lch+ 9 8 REAR Rch+ REAR Rch- FRONT Rch+ FRONT Rch- REAR Lch- FRONT Lch- 10 7 11 6 12 5 P-ANT 13 4 P-CON 14 3 ACC 2 15 GND 16 1 B.U. F1 10A BU L501 RL+ FL+ FL- RL- RR- FR+ FR- RR+ P.GND OUT 2+ P GND 1 3 5 TAB OUT 2- P GND 2 ST-BY VCC 6 4 8 11 9 7 OUT 1- OUT 1+ 13 S.GND IN 1 19 17 15 IN 3 OUT 3+ 21 23 OUT 4+ OUT 3- OUT 4- AUX IN 12 RIP 10 IN 4 IN 2 14 16 20 P.GND 18 MUTE VCC 22 24 25 DO RR+ RR- FR- FR+ RL+ FL+ RL- FL- 9 8 7 6 5 4 3 2 1 Rch GND Lch Lch GND Rch Rch GND Lch 6 5 4 3 2 1 Lch GND Rch Rch GND Lch 3.3K R412 TH1 0.1 C414 1.5K R411 47K R410 22K R239 22K R237 22K R240 22K R238 10K R409 0.47u50 C412 22u16 C413 0.01 C501 2200u16 C502 33P C605 C604 22P 100K 100K 100K 100K R623 100K 100K 100K C606 1000P R613 2.2K R614 2.2K R616 1K C611 0.01 R610 2.2K R609 2.2K R608 470 R603 1K 100K R604 100K R607 0.01 C603 4.7uH L601 47u6.3 C601 C602 100K R648 47K 2.2M R655 2.2K R654 1K 100K R645 100K R652 R650 1K 10K 0.01 C609 10K R644 100K R643 2.2K R641 1K R640 1K R639 1K R638 1K R637 100 R636 R635 4.7K R634 4.7K R633 470 R631 470 R632 470 R627 470 R628 470 R629 1K R630 470 1K R649 R605 100K N-FL PRL PFL 66 65 63 61 BP 76 77 79 18 16 13 5 3 12 BP 14 17 20 19 8 9 10 R647 24 23 22 27 26 28 34 32 58 54 55 44 43 42 41 45 49 62 21 35 36 40 39 37 W26 2 15 14 3 4 N-FR PRR PFR 0.1 C417 0.1 0.1 C416 RL FL FR RR C415 1u50 4 2 1 3 ILL+B 7.5V BU5V 22K R701 C705 2.2K R704 0.01 C702 10u16 C703 100 R702 100u6.3 C704 22K R703 W20 W21 220u16 C701 R902 R709 1K 10K R705 1/2W 2.2 R707 R708 2.2 100u16 C706 1K R706 C707 220u10 1.5K R710 100u10 C708 1/2W 1K 47K 0.01 R901 24K R501 R509 4.7K R523 C511 1u50 100K 0.022 C510 22K R520 0.01 C509 10K R522 47K R521 10K R519 C507 1/2W 0.1u50 C508 R516 1K 0.068 R511 1/2W R510 1/2W R514 1K 1/2W R515 22K 1K 1K 3.3u35 C506 R512 22K 33K R506 C504 22K R507 C505 0.01 0.01 R502 1000P C503 10K R503 10K 100K R508 22K R504 14 15 R513 4 3 1/2W 3.3K R505 2 W18 VSS 7 6 5 8 9 100K R646 VDD 1 3 2 4 14 13 11 12 10 C608 0.01 100 R407 10k R408 55 58 54 57 57 W19 29 31 31 29 A8V 7.5V ILL+B BU5V A8V BU5V A8V + W22 PON5V PON5V BU5V PON5V PON5V PON5V 7.5V ILL+B BU5V A8V 60 PON5V PON5V BU BU BU BU BU +5V +5V +5V +5V +5V +5V +5V +5V +5V +5V R601 1 +5V +5V ACC GND B.U P.CON P CON ANT CON RED BLU/WHT BLU/WHT WHT/BLK GRY/BLK FR- FR+ FL- GRY FL+ WHT 15 2 BRN 4 13 14 3 TEL MUTE RR- RR+ RL- RL+ GRN/BLK VIOL/BLK VIOL 6 11 12 5 10 7 GRN 9 8 BLK YEL 1 16 8 7 A 3 1 2 4 5 6 7 8 B 1 3 2 4 5 6 RL+ RR+ RR- FR+ FL+ FR- FL- RL- GRN VIOL VIOL/BLK GRN/BLK BRN BLU/WHT BLU/WHT ANT CON P CON RED 13 4 14 3 GRY/BLK WHT/BLK FR- FR+ FL- FL+ GRY 11 6 12 5 10 7 WHT 8 9 TEL MUTE RR- RR+ RL- RL+ YEL BLK 16 1 15 2 BU GND 8 7 A 3 1 2 4 5 6 P.CON 7 8 B 1 3 2 4 5 6 FR+ RR+ RR- FL+ FR- FL- RL- RL+ ACC GRN BLK ACC GND VIOL/BLK GRN/BLK WHT/BLK GRY/BLK BLU/WHT ANT CON FRONT R FRONT L P. CON GRY 12 10 RED 8 7 BLU 6 5 9 VIOL 11 15 16 14 13 4 3 WHT 2 1 YEL REAR R REAR L B.UP + AVSS L RST GUIDE ILLUMI EJECT ILLUMI/DSI 1Kx2 X2 X1 XT1 XT2 IC3 Q403 Q501 Q502 Q503,504 Q505,508 Q506,507 Q701,702 Q703 BU BU BU BU BU Q704,705 ILL+B 7.5V FRONT R FRONT L P. CON ANT CON GND ACC BLK BLU/WHT RED YEL 16 1 14 3 15 2 GRY BLU WHT/BLK GRY/BLK VIOL 12 5 13 4 GRN/BLK VIOL/BLK 10 7 6 11 B.UP REAR R REAR L WHT GRN 8 9 ORG/WHT ILLUMI 4.7K ∗R611 4.7K PHONE ILLUMI + + + + + + + + + + + + ∗ C ∗ B ∗ D ∗ J ∗ I ∗D506 J1 DC-IN SP OUT CN1 CN1 D208 D210 D212 D214 D211 D213 D207 D209 D408 D501 D601 D701 Q704 Q705 SW 5V D702 Q703 Q701 B.U. 5V AVR Q702 ILLUMINATION AUDIO 8V AVR Q706 Q707 D703 D704 SERVO Q708 Q901 Q902 D901 Q903 D510 Q510 Q508 Q507 D508 Q504 Q505 Q506 D507 Q503 D505 Q502 D503 Q501 D504 D502 D406 Q403 D402 D403 RCA CORD N-FADER REAR FRONT REAR FRONT SYSTEM u-COM MUTE POWER IC RESET IC AUDIO MUTE DRIVER B.U. & POWER DOWN MOMENTARY DETECTOR ACC DETECTOR P-ANT SW P-CON SW P-CON PROTECTOR SMALL DETECTOR LAMP AUDIO 8V & ON/OFF SW SERVO +B AVR +B AVR AVR DTC114YUA DTC143TUA 2SA1576A 2SD2114K 2SD1760 2SB1277 2SC4081 DTA114EUA DTA124EUA DTC124EUA DAN202U DAP202U DTA114YUA TC74HC02AF w w w . x i a o y u 1 6 3 . c o m Q Q 3 7 6 3 1 5 1 5 0 9 9 2 8 9 4 2 9 8 T E L 1 3 9 4 2 2 9 6 5 1 3 9 9 2 8 9 4 2 9 8 0 5 1 5 1 3 6 7 3 Q Q TEL 13942296513 QQ 376315150 892498299 TEL 13942296513 QQ 376315150 892498299 K M O Q S L N P R T KDC-5021/5021V,506 4.7K 4.7K 4.7K 4.7K 22K 22K 4.7K 22K 22K 22K 22K 47K 10K 47K 10K 47K 10K 22K 22K 4.7K IC5 ∗IC9 IC7 IC2 KDC-5020R,5021Y/YV (M,E/E) (1/2) KDC-5021/5021V,506 (E/E,E) (1/2) KDC-319/4019,5020 (K/K,M) (1/2) (X89-xxxx-xx) A KDC-419/X459 (K/K) (1/2) 0V 5V 4.2V 4.2V 4.2V 4.2V 4.2V 4.2V 5.0V 4.2V 4.2V 4.3V 4.3V 4.8V 4.2V 4.2V 0V 8.3V 4.2V 8.0V 4.0V 4.0V 0V or 5V 4.0V 4.0V 4.0V 4.0V 4.0V 4.0V 0V 0V 4.0V 0V or 5V 0V 5V 5V 0V 2.4V 2.4V 5.0V 0V 2.4V 0V 0V 0V 5.0V 0V 5.0V 0V 5.0V 4.0V 0V-3.5V 3.6V 0V 5V 0V 0V ∗R909 1K FL FR RR RL SW2 GND SW R SW C SW1 VCC 4.332MHz X3 5 6 7 8 SDA SCL TEST VCC 4 3 2 1 GND A2 A1 A0 1 2 3 4 5 6 7 8 QUAL RDDA MPX OSEL GND ARI FIL OUT 16 15 14 13 12 11 10 9 RDCK T57 OSC O OSC I VCC EXT RES TM FSEL VREF 28 27 26 25 24 23 22 21 20 19 18 17 16 15 AC OUT L AC OUT R OUT LF OUT RF OUT LR OUT RR VDD GND SDA SCL S MUTE QUAL NC NC 1 2 3 4 5 6 7 8 9 10 11 12 13 14 VREF CREF TAPE L TAPE R CDR CDGND CDL NC AFS AM MPX LEVEL MP IN MP OUT 12 S-METER IF1 +B IF1 GND 24 23 AMIF OUT AUDIO OUT RDS OUT NOISE OUT VDD 5V DIG GND PLL +B IFC OUT 17 22 21 20 19 18 16 15 14 13 SDA SCL 2 OSC GND OSC GND OSC GND AM +B FM +B AM ANT FM ANT OSC GND 7 11 10 9 8 Vt W/N 6 5 4 3 RF GND 1 1 2 3 4 5 6 7 8 9 10 11 12 13 14 15 16 17 18 19 20 21 22 23 24 D OUT SW 2 SW 1 MS CLK MS DA AUDIO +B Lch GND Rch MUTE R MUTE L M RST M STOP SW 4 SW 3 B.U. 5V D GND D GND NC NC LO/EJ MO SW SERVO +B SERVO GND 18 17 16 15 14 13 12 11 10 9 8 7 6 5 4 3 2 1 ILL G ILL +B VDD D GND DIM CON RST REMO L RST NC L DATA L L CE L CLK L DATA S NC FLIP DET EJECT KEY EJECT ILL ESD 0.01 C101 470 R101 100K 0.01 C102 470 R104 100K R105 2.2K R106 0.47u50 C201 10K R401 4.7K R402 0.033 C404 4.7K R404 0.1 C406 C407 150P C408 0.01 0.1 C409 0.47 C405 240 R913 0.22 C607 470K R626 C18 0.01 100K R625 47K R602 R905 1K R906 1K R908 1K R910 100 R911 470 R903 1K R912 470 240 R914 R904 4.7K R907 470 0.01 C402 47u10 C401 4.7uH L401 C4 0.01 27P C15 27P C14 2.2K R6 330P C12 2.2u50 C11 C2 0.01 0.01 C10 680P C16 4.7K R7 0.01 C9 0.1 C17 10u16 C13 100u10 C8 4.7uH L5 4.7uH L6 0.01 C6 22K R4 100u10 C5 10u16 C1 C2 0.01 10u16 C3 C4 0.01 22K R2 1K R1 1K R3 52mH L1 180 R233 22K R227 22K R228 180 R234 360 R222 10u16 C216 47K R235 360 R221 10u16 C215 180 R229 22K R223 22K R224 180 R230 360 R218 10u16 C212 10u16 C211 360 R217 180 R231 22K R225 22K R226 180 R232 360 R220 10u16 C214 360 R219 10u16 C213 0.01 C411 10u16 C410 1K R406 22K R208 22K R212 22K R216 22K R214 22K R210 22K R206 22K R204 22K R202 10u16 C208 10u16 C210 10u16 C207 22K R201 22K R203 10u16 C209 22K R205 22K R209 22K R213 22K R207 22K R211 22K R215 47K R236 0.47u50 C202 PRR PRL PFR PFL N-FR N-FL + + + FR RR FL RL 1 16 2 3 4 6 7 8 15 14 13 12 11 10 9 5 + + FR RR RL FL 34 32 + R G L CH CON DATA C REQ H MUTE D GND RST Rch A GND 8 4 12 7 3 11 6 2 10 5 1 9 DATA H REQ C CLK Lch 13 R109 4.7K R108 4.7K R110 4.7K R243 4.7 R111 4.7K R242 10 R241 10 R113 100 R112 4.7K R114 100 BU R107 100 C205 47u10 C204 0.47u50 C203 0.47u50 43 8 G 41 44 42 R 10 L 9 62 18 16 79 40 39 63 36 35 17 49 BP 5 14 13 19 12 20 3 61 21 45 60 24 27 26 22 23 66 65 28 R103 100K R102 RL FR FL RR 4.7K R405 + PON5V 77 37 BU BU BU5V A8V ILL+B 7.5V 7.5V ILL+B A8V BU5V 7.5V ILL+B BU5V A8V A8V A8V A8V BU5V BU5V BU5V + 13 CLK 11 DATA H Rch Lch 12 8 CHCON 3 BUP 4 2 D GND DATA C REQ C 9 5 MUTE 6 A GND 10 7 RST REQ H 1 76 BU5V BU5V A8V ILL+B ILL+B ILL+B 7.5V 7.5V 7.5V PON5V PON5V PON5V PON5V PON5V PON5V A8V A8V A8V X25-9210-12 X25-9210-11 X25-9210-10 X25-9212-71 X25-9210-21 X25-9222-70 X25-9222-71 UNIT No. X25-9212-72 MODEL NAME X25-9222-72 X25-9210-13 X25-9210-22 YES YES YES YES YES YES NO NO NO NO NO NO NO NO YES YES NO NO NO NO YES YES NO NO NO NO NO NO YES NO YES YES NO NO NO NO NO NO NO NO NO YES YES NO YES NO NO NO NO YES NO NO NO YES YES YES YES NO NO NO YES NO NO NO NO YES NO NO NO YES YES YES YES YES YES CP61 NO NO NO NO YES NO YES YES YES YES YES UNIT No. X25-9210-22 X25-9210-13 X25-9222-72 X25-9222-70 X25-9210-10 X25-9210-11 X25-9210-12 X25-9210-21 X25-9212-71 MODEL NAME R621 YES YES YES YES YES NO NO YES NO YES YES NO NO YES NO YES R615 NO YES NO NO NO NO NO NO NO NO NO NO NO YES 405 NO YES D404, YES YES YES NO NO YES NO YES NO NO NO YES YES YES YES NO YES NO YES NO NO YES NO YES YES YES NO NO NO YES R617 NO NO R618 YES YES R619 NO YES NO YES R620 NO NO NO NO NO NO YES NO NO NO NO NO NO NO YES YES NO NO YES YES NO NO NO NO NO NO NO NO NO NO NO NO 656 YES YES R653, NO NO R622 YES YES R909 YES YES X86-3240-11 X86-3242-70 X86-3240-11 X86-3342-71 X86-3342-71 X86-3342-70 X86-3242-71 X86-3240-11 X86-3242-70 X86-3240-11 X86-3240-11 NO YES NO YES YES YES NO YES YES NO NO W32 +B + + C3 0.01 2 1 A1 NO YES YES NO YES YES NO NO NO YES NO NO NO NO NO NO YES YES YES YES YES YES NO NO NO YES NO NO NO NO YES NO NO C418 IC1 X25-9212-72 X25-9222-71 14 10 12 13 1 ESD-G 12 10 11 4 FLIP DET EJECT ILL 2 3 EJECT L-DATAS D/A CLK/NC 6 5 L-DATAL 9 7 8 L-CLK L-CE D/A DATA/NC L-INH/L-RST REMO 4 6 5 4 +5V 5 9 7 8 12 10 11 11 8 9 17 18 14 15 13 16 NC/DIMMER RST D-GND ILL-GND ILL+B VDD 14 13 +5V +10.5V 7 6 D/A CLK/NC 15 FLIP DET VDD 16 RST 13 14 D/A DATA/NC L-INH/L-RST REMO 10 12 11 ILL+B L-CE L-DATAL 7 8 9 NC/DIMMER L-CLK D-GND 5 4 6 L-DATAS ILL-GND ESD-G 1 3 2 UPD784225GC157 UPD784225GC157 UPD784225GC157 UPD784225GC157 UPD784225GC157 UPD784225GC157 UPD784225GC157 UPD784225GC157 UPD784225GC157 UPD784225GC156 UPD784225GC156 KDC-419 (K) KDC-X459 (K) KDC-319 (K) KDC-5020 (M) KDC-5021 (E) KDC 506 (E) KDC-5021YV (E2) KDC-5021V (E) KDC-4019 (K) KDC-5020R (M) KDC-5021Y (E2) NO NO KDC-5020R (M) KDC-4019 (K) KDC-5021V (E) KDC-5021YV (E2) KDC-5021 (E) KDC-5021Y (E2) KDC-5020 (M) KDC-X459 (K) KDC 506 (E) KDC-319 (K) KDC-419 (K) NO BR24C02F-W BR24C01AF-W IC9 NO NO NO NO NO NO NO NO IC2 IC7 Q1,2 Q3,4 Q6 Q201 Q202 Q204 Q203 Q206 Q205 Q404 P5V P5V A8V A8V A8V A8V PON5V BU5V YES NO NO NO NO YES NO YES NO YES YES D506 NO NO YES NO NO NO NO NO NO R611 NO YES + + + + + +B + + + + + + + + +B + +B +B ∗ ∗ ∗A1 ∗ E ∗ F ∗ H ∗ G DTA114YUA Q905-907 2SD1760 IC9 2SD2375 2SA2057 DTC144EUA Q903 Q708 Q701,706 Q510 2SA1576A DTC114YUA Q506,703 Q504,508 2SC4081 DTA124EUA 2SC2114K Q205,206 DTC143TUA 2SB1277(Q,R) or 2SB1434 DTC124EUA IC7 NJM2123V-TE2 TDA7407D IC4 TA8273H IC3 IC8 S-80830ANNP IC1 SAA6581T TC74HC02AF IC5 IC2 S1 D913 Q6 D911 D906 P1 D907 D910 Q906 Q907 Q905 D902 D903 D905 D904 Q404 Q206 Q204 Q203 Q201 Q202 Q205 Q401 D1 Q3 Q4 Q1 Q2 WH1 ANT. CN2 CN3 D201 D202 D401 DET PANEL GUIDE DSI ILLUMI SW EJECT KEY & D912 D908 D909 Q1,3,401,704,901 Q2,4,503,505 Q6,201-204,402 Q403,404,507,705,902 Q501,502,702,707 J4 D102 Q402 : : : : : : : : D201-205,502,503 : MA4068(N)-M D207-214,504-507,701 AMO1Z : D1 D100-103 IMSA-6801 MA4062-L : : D402-405,408,508,601 D401 D406,907-911 D501 1SS133 MTZJ4.3(B) DAP202U 1N5393G-M5 : : : : D901 D913 D912 D902-906 D702 D510 D703 D704 : MA4110-L MA3062 B30-1567-05 DAN202U : : : MA4056(N)-M MA4047-M MA4091(N)-L MA4082(N)-L : : : : : : : : : : : : : : : : : (X25-xxxx-xx) B C E D H G F B LINE GND LINE SIGNAL LINE D101 D205 D204 D203 D103 J4 TOP VIEW D100 I J to CD MECHA S1 EJECT CN1 X16- J1 2/2 J1 E-VOL/ MPX NC/ SWITCHING OP AMP RDS DEMODULATOR EEP ROM FM+B SW AM+B SW IFC BUFFER PRE MUTE SW (FRONT Lch) (FRONT Rch) PRE MUTE SW (REAR Rch) PRE MUTE SW (REAR Lch) PRE MUTE SW PRE MUTE SW (NON-FADER Lch) PRE MUTE SW (REAR Rch) REAR FRONT N-F(3PRE) E-VOL MUTE SW BUFFER NOISE AUDIO DRIVER MUTE PANEL 5V SW ILLUMI SW CAUTION: For continued safety, replace safety critical components only with manufacturer's recommended parts (refer to parts list). indicates safety critical components. For continued protection against risk of fire, replace only with same type and rating fuse(s). To reduce the risk of electric shock, leakage-current or resistance measurements shall be carried out (exposed parts are acceptably insulated from the supply circuit) before the appliance is returned to the customer. w w w . x i a o y u 1 6 3 . c o m Q Q 3 7 6 3 1 5 1 5 0 9 9 2 8 9 4 2 9 8 T E L 1 3 9 4 2 2 9 6 5 1 3 9 9 2 8 9 4 2 9 8 0 5 1 5 1 3 6 7 3 Q Q TEL 13942296513 QQ 376315150 892498299 TEL 13942296513 QQ 376315150 892498299 U V X Z AB AD W Y AA AC 2 1 3 5 7 4 6 Q2 D1 D4 D7 D10 D18 D19 D3 D6 D9 D11 D12 D13 D8 D5 D2 D20 D21 J1 S27 RESET Q1 Q3 Q4 D22 4 3 2 1 S19 S22 S20 S21 S17 S23 S6 S5 S24 S18 VOL+ VOL- EQ 5 6 S10 S9 S25 S1 S2 S3 S4 SRC DISP S26 S13 S11 S14 S12 S7 S8 S16 S15 FM AM ATT TI B30-1571-05 : D20-22 B30-1564-05 ∗ DTA114EUA RS-171 LC75883E D18,19 D1-13 Q1,2 IC2 IC1 : : : : : KEY ILLUMINATION LCD Q3,4 2SD2114K : A 1/2 X89- J1 REMOTE CONTROLLER ∗ A B C D19 D18 ∗D9 ∗D3 ∗D6 ∗D12 ∗D13 ∗D11 ∗D8 ∗D2 ∗D5 ∗D10 ∗D7 ∗D1 ∗D4 KEY ILLUMINATION ∗ B ∗ C BACKLIGHT B LINE GND LINE (BOTTOM VIEW) LCD DRIVER KEY SCAN START IC2 POWER SUPPLY SW KEY RED ILLUMI SW KEY ILLUMI GREEN SW 10K 10K 10K 10K 5V 0V 1.7V 3.4V 5.0V 0V 5V 0V 3.9V 5.0V 10.5V 0V 0V ∗ED1 IC2 IC1 KDC-5020R,5020Y/YV (M,E/E) (2/2) SWITCH UNIT (X16-16xx-xx) A KDC-5021/5021V,506 (E/E,E) (2/2) KDC-319/4019,5020 (K/K,M) (2/2) C4 0.01 R8 56K 330 R13 330 R14 330 R15 510 R16 360 R18 360 R17 270 R20 C1 1000P C2 0.047 C3 0.047 2.2 C5 100 R28 55 54 53 52 51 50 49 48 47 46 45 44 43 42 41 40 39 38 37 36 35 34 33 32 31 SEG34 SEG35 SEG36 SEG37 SEG38 SEG39 SEG40 SEG41 SEG42 SEG43 SEG44 SEG45 SEG46 SEG47 SEG48 SEG49 SEG50 SEG51 SEG52 SEG53 SEG54 SEG55 SEG56 COM1 COM2 COM3 1 2 3 4 5 6 7 8 9 10 11 12 13 14 15 16 17 18 19 20 21 22 23 24 25 26 27 28 29 SEG33 SEG32 SEG31 SEG30 SEG29 SEG28 SEG27 SEG26 SEG25 SEG24 SEG23 SEG22 SEG21 SEG20 SEG19 SEG18 SEG17 SEG16 SEG15 SEG14 SEG13 SEG12 SEG11 SEG10 SEG9 SEG8 SEG7 SEG6 SEG5 30 RES CE DO CLK DI S24 S23 S22 S21 S20 S19 S18 S17 S16 S15 S14 S13 S12 S11 S10 S9 S8 S7 S6 S5 S29 S38 S39 S40 S37 S30 S31 S32 S33 S34 S35 S36 S25 S26 S27 S28 S42 S41 S44 S45 S43 S47 S48 S49 S46 S53 S51 S52 S50 S55 S54 C1 C2 C3 S56 VCC GND2 GND1 2 1 OUT 3 4 35 70 KS4 44 43 42 41 S39 S40 40 S41 S43 S42 S37 S38 S36 S35 37 39 38 36 62 61 60 59 58 57 56 55 54 53 52 51 50 49 48 47 46 45 S48 S45 S44 S47 S46 S50 S49 S52 S51 COM2 COM1 S55 S54 S53 COM3 KS2 S56 KS3 64 63 KI2 KS6 KS5 KI1 65 KI3 KI4 KI5 VDD 68 66 67 69 RED 21 26 S30 S34 S33 S32 S31 34 33 32 31 S29 S28 S27 S26 30 29 28 27 22 23 24 S25 25 S22 S23 S24 12 13 14 15 16 17 18 19 20 S17 S18 S19 S20 S21 S13 S14 S15 S16 10 11 7 S10 S12 S11 S8 S9 8 9 GREEN S5 S6 S7 5 6 3 4 79 OSC VDD1 VDD2 VSS TEST 71 72 73 74 DO RES CE CL 75 76 77 78 KEY REMO ON DI 1 2 80 RES 1K R2 DO CE DI CLK 470 CP3 FLIP DET PAN 5V 15 16 13 14 RST N.C L-DATAL L-RES REMO 11 12 9 10 N.C 4 D-GND LED+B 6 N.C 7 8 L-CE 5 L-CLK ILL-GND ESD-GND L-DATAS 3 1 2 R1 1K R12 47K R9 3.9K R27 4.7 KI5 KI4 KI2 KI3 KI1 1 2 C11 0.01 C12 0.01 R25 10K R26 10K C13 0.01 C14 0.01 C15 0.01 R23 1.2K R24 1.2K S34 S35 S37 S36 S39 S38 S40 S41 S43 S42 S47 S46 S44 S45 S49 S48 S51 S50 S54 S53 S55 S52 C1 C2 S56 C3 S33 S32 S30 S31 S26 S27 S28 S29 S22 S23 S24 S25 S21 S20 S19 S18 S14 S15 S16 S17 S13 S12 S10 S11 S9 S8 S6 S7 S5 KI1 KI2 KI3 KI4 KI5 KS2 KS3 KS4 KS5 KS2 KS5 KS4 S53 2 1 4 3 3 4 KDC-5021 (E) MODEL NAME UNIT No. X16-1672-70 X16-1630-10 D1-13,18,19 ED1 NO YES +5V +5V +5V X16-1630-11 YES KDC-5021V (E) KDC-506 (E) KDC-5020R (M) KDC-5021Y (E) KDC-5021YV (E) KDC-319 (K) KDC-4019 (K) KDC-5020 (M) X16-1672-71 NO B38-1092-05 X16-1630-12 NO B38-1091-05 YES NO YES NO NO YES YES YES NO NO C12 0.01 C11 0.01 +10.5V 330 R15 330 330 R13 R14 360 R18 510 R17 360 R16 D5-19 D20-22 D1-13 B30-1605-05 B30-1533-05 B30-1605-05 B30-1605-05 B30-1605-05 B38-1091-05 B38-1091-05 B38-1092-05 +B +10.5V +10.5V +10.5V Q2 Q4 Q3 CAUTION: For continued safety, replace safety critical components only with manufacturer's recommended parts (refer to parts list). indicates safety critical components. For continued protection against risk of fire, replace only with same type and rating fuse(s). To reduce the risk of electric shock, leakage-current or resistance measurements shall be carried out (exposed parts are acceptably insulated from the supply circuit) before the appliance is returned to the customer. KDC-5021/5021V,506 w w w . x i a o y u 1 6 3 . c o m Q Q 3 7 6 3 1 5 1 5 0 9 9 2 8 9 4 2 9 8 T E L 1 3 9 4 2 2 9 6 5 1 3 9 9 2 8 9 4 2 9 8 0 5 1 5 1 3 6 7 3 Q Q TEL 13942296513 QQ 376315150 892498299 TEL 13942296513 QQ 376315150 892498299 KDC-5021/5021V,506 19 Parts with exploded numbers larger than 700 are not supplied. WH1 (X25-) IC4 (X25-) (X25-) ED1 (X16-) 288 (X16-) x2 285 (X16-) 287 (X16-) 286 (X16-) (X16-) (X25-) J4 (X25-) (X25-) KDC-5021/5021V/506(E) A B C D E F G H J K L FLAT WASHER RETAINING RING φ2x5 φ2x8 (BLK) φ3x5 φ2x5 φ2.6x6 (BLK) φ2.6x6 φ3x8 φ3x12 φ2.6x6 : N19-2106-04 : N24-3020-46 : N80-2005-46 : N80-2008-45 : N83-3005-46 : N84-2005-46 : N84-2606-45 : N84-2606-46 : N80-3008-46 : N83-3012-46 : N86-2606-46 (X16-) (X89-) J1 FC1 701 740 741 781 734 780 708 758 782 759 223 225 257 226 228 231 236 202 213 256 276 278 200 DC1 207 790 795 (X25-) 793 (X25-) 794 (X25-) 796 267 255 266 270 248 264 268 216 269 203 271 214 217 204 230 230 205 229 247 250 265 224 Ex2 242x2 222x2 A1 (X25-) 284 (X16-) F1 249 227 PA1 235 DME1 242x2 D D E K E E J K K K E E L L L E B A F H G G C C D D D 1 2 3 A B EXPLODED VIEW www. xiaoyu163. com QQ 376315150 9 9 2 8 9 4 2 9 8 TEL 13942296513 9 9 2 8 9 4 2 9 8 0 5 1 5 1 3 6 7 3 Q Q TEL 13942296513 QQ 376315150 892498299 KDC-5021/5021V,506 20 ✽New Parts Parts without Part No. are not supplied. Les articles non mentionnes dans le Parts No. ne sont pas fournis. Teile ohne Parts No. werden nicht geliefert. A N Desti- A N Desti- Ref. No. d e Parts No. Description nation Ref. No. d e Parts No. Description nation d w d w 264 3A ✽ K24-3831-04 KNOB (RELEASE) 265 3B ✽ K24-3832-04 KNOB (EJECT) 200 1A A02-1486-13 PLASTIC CABINET ASSY 266 3A ✽ K25-1409-03 KNOB (RESET) 202 1B A52-0806-02 TOP PLATE 267 3A ✽ K25-1410-03 KNOB (SRC) 203 3A ✽ A21-4172-04 DRESSING PANEL 268 3A ✽ K25-1411-03 KNOB (ATT) 204 3A ✽ A21-4173-03 DRESSING PANEL 205 3B ✽ A22-2932-02 SUB PANEL ASSY 269 3A ✽ K25-1412-03 KNOB (FM/AM) 270 3A ✽ K25-1413-03 KNOB (DISP) 207 2A ✽ A46-1754-01 REAR COVER 271 3A ✽ K25-1414-03 KNOB (VOL) PA1 3A ✽ A64-2603-02 PANEL ASSY E3 PA1 3A ✽ A64-2604-02 PANEL ASSY E4 276 1A N99-1656-05 SCREW SET PA1 3A ✽ A64-2605-02 PANEL ASSY E5 A 3B N19-2106-04 FLAT WASHER B 3B N24-3020-46 E TYPE RETAINING RING 213 1A B07-3054-02 ESCUTCHEON E3E4 C 3A N80-2005-46 PAN HEAD TAPTITE SCREW 213 1A B07-3055-02 ESCUTCHEON E5 D 2A N80-2008-45 PAN HEAD TAPTITE SCREW 214 3A ✽ B10-4181-01 FRONT GLASS E3 214 3A ✽ B10-4182-01 FRONT GLASS E4 E 1B N83-3005-46 PAN HEAD TAPTITE SCREW 214 3A ✽ B10-4183-01 FRONT GLASS E5 F 3B N84-2005-46 PAN HEAD TAPTITE SCREW G 3B N84-2606-45 PAN HEAD TAPTITE SCREW 216 3A ✽ B19-2138-03 LIGHTING BOARD H 3B N84-2606-46 PAN HEAD TAPTITE SCREW 217 3A B43-1284-04 BADGE - B46-0100-50 WARRANTY CARD 278 1A T90-0523-05 ANTENNA ADAPTOR - B46-0612-14 ID CARD 278 1A T90-0534-05 ANTENNA ADAPTOR - ✽ B64-2246-00 INSTRUCTION MANUAL (ENGLISH) DME1 1B ✽ X92-4430-00 MECHANISM ASSY - ✽ B64-2247-00 INST. MANUAL (FRE,GER,DUT) - ✽ B64-2248-00 INST. MANUAL (ITA,SPA,POR) 284 2A ✽ B11-1369-04 COLOR FILTER E4 222 1A D10-4589-04 LEVER 285 2A ✽ B11-1367-04 OPTICAL DIFFUSER E3E5 223 3B ✽ D10-4666-04 LEVER 285 2A ✽ B11-1373-04 OPTICAL DIFFUSER E4 224 3B ✽ D10-4667-04 LEVER 286 2A ✽ B11-1366-04 REFLECTION SHEET E3E5 225 3B ✽ D10-4668-04 LEVER 286 2A ✽ B11-1377-04 REFLECTION SHEET E4 226 3B ✽ D10-4669-03 LEVER 287 2A ✽ B19-2135-03 LIGHTING BOARD 227 3B ✽ D10-4673-04 LEVER ASSY D1 -13 B30-1605-05 LED (PG/RED) 228 3B ✽ D13-2232-04 GEAR D18 ,19 B30-1564-05 LED (BLUE) 229 3B ✽ D21-2404-04 SHAFT D20 -22 B30-1571-05 LED (WHITE) E4 230 3B ✽ D21-2405-04 SHAFT D20 ,21 B30-1571-05 LED (WHITE) E3E5 231 3B ✽ D39-0255-05 DAMPER ED1 2A ✽ B38-1091-05 LIQUID CRYSTAL E3E5 235 3A ✽ E29-1881-02 CONDUCTIVE RUBBER ED1 2A ✽ B38-1092-05 LIQUID CRYSTAL E4 236 1B ✽ E30-6102-05 CORD WITH PINPLUG DC1 1A E30-4790-05 DC CORD E3E5 C1 CK73GB1H102K CHIP C 1000PF K DC1 1A E30-4791-05 DC CORD E4 C2 ,3 CK73GB1E473K CHIP C 0.047UF K FC1 1A ✽ E39-0438-05 FLAT CABLE C4 CK73GB1H103K CHIP C 0.010UF K C5 CK73FB1A225K CHIP C 2.2UF K 242 1B F29-0049-05 INSULATING COVER C11 -14 CK73GB1H103K CHIP C 0.010UF K E3E5 F1 2B F52-0006-05 FUSE (MINI BLADE TYPE) (10A) C11 -15 CK73GB1H103K CHIP C 0.010UF K E4 247 3B ✽ G01-3128-04 EXTENSION SPRING 248 3A ✽ G01-3129-04 COMPRESSION SPRING 288 2A ✽ E29-1882-04 CONDUCTIVE RUBBER 249 3B ✽ G02-1425-04 FLAT SPRING J1 E59-0829-05 RECTANGULAR PLUG 250 3B ✽ G02-1426-04 FLAT SPRING CP3 R90-1016-05 MULTI-COMP 470 X4 - ✽ H10-4807-12 POLYSTYRENE FOAMED FIXTURE R1 ,2 RK73GB2A102J CHIP R 1.0K J 1/10W - H25-0337-04 PROTECTION BAG (180X300X0.03) R8 RK73GB2A563J CHIP R 56K J 1/10W - H25-1111-04 PROTECTION BAG (280X450X0.03) R9 RK73GB2A392J CHIP R 3.9K J 1/10W - ✽ H54-2366-03 ITEM CARTON CASE (KDC-5021) E3 R12 RK73GB2A473J CHIP R 47K J 1/10W - ✽ H54-2367-03 ITEM CARTON CASE (KDC-5021V) E4 R13 -15 RK73FB2B331J CHIP R 330 J 1/8W - ✽ H54-2368-03 ITEM CARTON CASE (KDC-506) E5 R16 RK73FB2B511J CHIP R 510 J 1/8W R17 ,18 RK73FB2B361J CHIP R 360 J 1/8W 255 3A ✽ J19-5138-02 HOLDER R20 RK73FB2B271J CHIP R 270 J 1/8W 256 1A J21-9716-03 MOUNTING HARDWARE ASSY R23 ,24 RK73GB2A122J CHIP R 1.2K J 1/10W E4 257 3B ✽ J21-9809-04 MOUNTING HARDWARE ASSY E3 : KDC-5021 E : Europe K : North America M : Other Areas E4 : KDC-5021V E5 : KDC-506 indicates safety critical components. KDC-5021/5021V,506 SWITCH UNIT (X16-167x-xx) PARTS LIST www. xiaoyu163. com QQ 376315150 9 9 2 8 9 4 2 9 8 TEL 13942296513 9 9 2 8 9 4 2 9 8 0 5 1 5 1 3 6 7 3 Q Q TEL 13942296513 QQ 376315150 892498299 KDC-5021/5021V,506 21 PARTS LIST ✽New Parts Parts without Part No. are not supplied. Les articles non mentionnes dans le Parts No. ne sont pas fournis. Teile ohne Parts No. werden nicht geliefert. (X25-922x-xx) A N Desti- A N Desti- Ref. No. d e Parts No. Description nation Ref. No. d e Parts No. Description nation d w d w R25 ,26 RK73GB2A103J CHIP R 10K J 1/10W C603 CK73GB1H103K CHIP C 0.010UF K R27 RK73GB2A4R7J CHIP R 4.7 J 1/10W C604 CC73GCH1H220J CHIP C 22PF J R28 RK73GB2A101J CHIP R 100 J 1/10W C605 CC73GCH1H330J CHIP C 33PF J C606 CK73GB1H102K CHIP C 1000PF K IC1 LC75883E MOS-IC C607 CK73FB1C224K CHIP C 0.22UF K IC2 RS-171 ANALOGUE IC Q1 ,2 DTA114EUA DIGITAL TRANSISTOR C608,609 CK73GB1H103K CHIP C 0.010UF K Q3 ,4 2SD2114K TRANSISTOR C611 CK73GB1H103K CHIP C 0.010UF K C701 C90-2866-05 ELECTRO 220UF 16WV C702 CK73GB1H103K CHIP C 0.010UF K D912 B30-1567-05 LED (RED) C703 CE04NW1C100M ELECTRO 10UF 16WV C1 CE04NW1C100M ELECTRO 10UF 16WV C704 CE04NW0J101M ELECTRO 100UF 6.3WV C2 CK73GB1H103K CHIP C 0.010UF K C705 CK73GB1H103K CHIP C 0.010UF K C3 CE04NW1C100M ELECTRO 10UF 16WV C706 CE04NW1C101M ELECTRO 100UF 16WV C4 CK73GB1H103K CHIP C 0.010UF K C707 CE04CW1A221M ELECTRO 220UF 10WV C5 CE04NW1A101M ELECTRO 100UF 10WV C708 CE04NW1A101M ELECTRO 100UF 10WV C6 CK73GB1H103K CHIP C 0.010UF K CN1 E40-3241-05 PIN ASSY C8 CE04NW1A101M ELECTRO 100UF 10WV CN2 ✽ E41-0168-05 FLAT CABLE CONNECTOR C9 ,10 CK73GB1H103K CHIP C 0.010UF K CN3 ✽ E41-0167-05 PIN ASSY C11 CE04NW1H2R2M ELECTRO 2.2UF 50WV J1 E58-0863-15 RECTANGULAR RECEPTACLE C12 CC73GCH1H331J CHIP C 330PF J J4 E56-0834-05 CYLINDRICAL RECEPTACLE C13 CE04NW1C100M ELECTRO 10UF 16WV P1 E23-0745-05 TERMINAL C14 ,15 CC73GCH1H270J CHIP C 27PF J W1 -31 E31-0001-00 JUMPER WIRE C16 CC73GCH1H681J CHIP C 680PF J WH1 E30-4804-05 CORD WITH PLUG C17 CK73GB1C104K CHIP C 0.10UF K C18 CK73GB1H103K CHIP C 0.010UF K L1 L33-1123-05 LINE FILTER COIL L5 ,6 L40-4795-91 SMALL FIXED INDUCTOR(4.7UH,J) C101,102 CK73GB1H103K CHIP C 0.010UF K L401 L40-4795-91 SMALL FIXED INDUCTOR(4.7UH,J) C201-204 CE04NW1HR47M ELECTRO 0.47UF 50WV L501 L33-1170-05 CHOKE COIL ASSY C205 CE04NW1A470M ELECTRO 47UF 10WV L601 L40-4795-34 SMALL FIXED INDUCTOR C211-214 CE04NW1C100M ELECTRO 10UF 16WV C217-220 C90-5296-05 NP-ELECT 0.22UF 50WV L601 L40-4795-68 SMALL FIXED INDUCTOR(4.7UH) X1 L78-0863-05 RESONATOR (12MHZ) C401 CE04NW1A470M ELECTRO 47UF 10WV X2 L77-2738-05 CRYSTAL RESONATOR C402 CK73GB1H103K CHIP C 0.010UF K X3 L77-2002-05 CRYSTAL RESONATOR C403 CE04NW1H2R2M ELECTRO 2.2UF 50WV C404 CK73GB1E333K CHIP C 0.033UF K E 2B N83-3005-46 PAN HEAD TAPTITE SCREW C405 CK73GB1A474K CHIP C 0.47UF K J 2B N80-3008-46 PAN HEAD TAPTITE SCREW K 2B N83-3012-46 PAN HEAD TAPTITE SCREW C406 CK73GB1C104K CHIP C 0.10UF K L 2B N86-2606-46 BINDING HEAD TAPTITE SCREW C407 CC73GCH1H151J CHIP C 150PF J C408 CK73GB1H103K CHIP C 0.010UF K CP60 R90-0725-05 MULTI-COMP 1K X2 C409 CK73GB1C104K CHIP C 0.10UF K CP61 R90-1013-05 MULTI-COMP 2.2K X2 C412 CE04NW1HR47M ELECTRO 0.47UF 50WV R1 RK73EB2E102J CHIP R 1.0K J 1/4W R2 RK73GB2A223J CHIP R 22K J 1/10W C413 CE04NW1C220M ELECTRO 22UF 16WV R3 RK73EB2E102J CHIP R 1.0K J 1/4W C414 CK73GB1C104K CHIP C 0.10UF K C415 CE04NW1H010M ELECTRO 1.0UF 50WV R4 RK73GB2A223J CHIP R 22K J 1/10W C416,417 CK73FB1E104K CHIP C 0.10UF K R6 RK73GB2A222J CHIP R 2.2K J 1/10W C501 CK73GB1H103K CHIP C 0.010UF K R7 RK73GB2A472J CHIP R 4.7K J 1/10W R101 RK73GB2A471J CHIP R 470 J 1/10W C502 C90-5235-05 ELECTRO 2200UF 16WV R102,103 RK73GB2A104J CHIP R 100K J 1/10W C503 CK73GB1H102K CHIP C 1000PF K C504,505 CK73GB1H103K CHIP C 0.010UF K R104 RK73GB2A471J CHIP R 470 J 1/10W C506 CE04NW1V3R3M ELECTRO 3.3UF 35WV R105 RK73GB2A104J CHIP R 100K J 1/10W C507 CK73GB1C683K CHIP C 0.068UF K R106 RK73GB2A222J CHIP R 2.2K J 1/10W R107 RK73EB2E101J CHIP R 100 J 1/4W C507 CK73GB1H683K CHIP C 0.068UF K R108-112 RK73EB2E472J CHIP R 4.7K J 1/4W C508 CE04NW1H0R1M ELECTRO 0.1UF 50WV C509 CK73GB1H103K CHIP C 0.010UF K R113,114 RK73EB2E101J CHIP R 100 J 1/4W C601 CE04NW0J470M ELECTRO 47UF 6.3WV R217-220 RK73FB2B361J CHIP R 360 J 1/8W C602 CK73GB0J105K CHIP C 1.0UF K R223-226 RK73FB2B223J CHIP R 22K J 1/8W E3 : KDC-5021 E : Europe K : North America M : Other Areas E4 : KDC-5021V E5 : KDC-506 indicates safety critical components. ELECTRIC UNIT (X25-922x-xx) www. xiaoyu163. com QQ 376315150 9 9 2 8 9 4 2 9 8 TEL 13942296513 9 9 2 8 9 4 2 9 8 0 5 1 5 1 3 6 7 3 Q Q TEL 13942296513 QQ 376315150 892498299 KDC-5021/5021V,506 22 PARTS LIST ✽New Parts Parts without Part No. are not supplied. Les articles non mentionnes dans le Parts No. ne sont pas fournis. Teile ohne Parts No. werden nicht geliefert. (X25-922x-xx) A N Desti- A N Desti- Ref. No. d e Parts No. Description nation Ref. No. d e Parts No. Description nation d w d w R229-232 RK73EB2E181J CHIP R 180 J 1/4W R654 RK73GB2A222J CHIP R 2.2K J 1/10W R237-240 RK73GB2A223J CHIP R 22K J 1/10W R655 RK73GB2A225J CHIP R 2.2M J 1/10W R241,242 RK73EB2E100J CHIP R 10 J 1/4W R702 RK73GB2A101J CHIP R 100 J 1/10W R243 RK73EB2E4R7J CHIP R 4.7 J 1/4W R703 RK73GB2A223J CHIP R 22K J 1/10W R401 RK73GB2A103J CHIP R 10K J 1/10W R704 RK73GB2A222J CHIP R 2.2K J 1/10W R402 RK73GB2A472J CHIP R 4.7K J 1/10W R705 RK73GB2A103J CHIP R 10K J 1/10W R404,405 RK73GB2A472J CHIP R 4.7K J 1/10W R706 RK73GB2A102J CHIP R 1.0K J 1/10W R407 RK73GB2A101J CHIP R 100 J 1/10W R707,708 RD14DB2H2R2J SMALL-RD 2.2 J 1/2W R408,409 RK73GB2A103J CHIP R 10K J 1/10W R709 RK73GB2A102J CHIP R 1.0K J 1/10W R410 RK73GB2A473J CHIP R 47K J 1/10W R901 RK73GB2A473J CHIP R 47K J 1/10W R411 RK73GB2A152J CHIP R 1.5K J 1/10W R902,903 RK73EB2E102J CHIP R 1.0K J 1/4W R412 RK73GB2A332J CHIP R 3.3K J 1/10W R904 RK73EB2E472J CHIP R 4.7K J 1/4W R501 RK73FB2B243J CHIP R 24K J 1/8W R905,906 RK73EB2E102J CHIP R 1.0K J 1/4W R502,503 RK73GB2A103J CHIP R 10K J 1/10W R907 RK73EB2E471J CHIP R 470 J 1/4W R504 RK73GB2A223J CHIP R 22K J 1/10W R908 RK73EB2E102J CHIP R 1.0K J 1/4W R505 RD14DB2H332J SMALL-RD 3.3K J 1/2W R910 RK73EB2E101J CHIP R 100 J 1/4W R507 RK73GB2A223J CHIP R 22K J 1/10W R911,912 RK73EB2E471J CHIP R 470 J 1/4W R508 RK73GB2A104J CHIP R 100K J 1/10W R913 RK73FB2B241J CHIP R 240 J 1/8W R514 RD14DB2H102J SMALL-RD 1.0K J 1/2W R914 RK73EB2E241J CHIP R 240 J 1/4W R516 RD14DB2H102J SMALL-RD 1.0K J 1/2W W32 R92-1252-05 CHIP R 0 OHM J 1/16W R519 RK73EB2E103J CHIP R 10K J 1/4W S1 S74-0811-05 MICRO SWITCH R520 RK73GB2A223J CHIP R 22K J 1/10W R521 RK73GB2A473J CHIP R 47K J 1/10W D1 IMSA-6801 SURGE ABSORBER R601 RK73GB2A104J CHIP R 100K J 1/10W D100-103 MA4062-L ZENER DIODE R602 RK73GB2A473J CHIP R 47K J 1/10W D201-205 MA4068(N)-M ZENER DIODE D207-214 AM01Z DIODE R603 RK73GB2A102J CHIP R 1.0K J 1/10W D402,403 1SS133 DIODE R604,605 RK73GB2A104J CHIP R 100K J 1/10W R606 RK73GB2A222J CHIP R 2.2K J 1/10W D406 DAP202U DIODE R607 RK73GB2A104J CHIP R 100K J 1/10W D408 1SS133 DIODE R608 RK73GB2A471J CHIP R 470 J 1/10W D501 1N5393G-M5 DIODE D502,503 MA4068(N)-M ZENER DIODE R609,610 RK73GB2A222J CHIP R 2.2K J 1/10W D504,505 AM01Z DIODE R613,614 RK73GB2A222J CHIP R 2.2K J 1/10W R616 RK73GB2A102J CHIP R 1.0K J 1/10W D507 AM01Z DIODE R617 RK73GB2A104J CHIP R 100K J 1/10W E5 D508 1SS133 DIODE R618 RK73GB2A104J CHIP R 100K J 1/10W E4 D510 MA4047-M ZENER DIODE D601 1SS133 DIODE R618,619 RK73GB2A104J CHIP R 100K J 1/10W E3 D701 AM01Z DIODE R619 RK73GB2A104J CHIP R 100K J 1/10W E5 R620,621 RK73GB2A104J CHIP R 100K J 1/10W E4 D702 MA4056(N)-M ZENER DIODE R622 RK73GB2A104J CHIP R 100K J 1/10W E3E5 D703 MA4091(N)-L ZENER DIODE R624,625 RK73GB2A104J CHIP R 100K J 1/10W D704 MA4082(N)-L ZENER DIODE D901 MA4110-L ZENER DIODE R626 RK73GB2A474J CHIP R 470K J 1/10W D902-906 DAN202U DIODE R627,628 RK73GB2A471J CHIP R 470 J 1/10W R629 RK73GB2A102J CHIP R 1.0K J 1/10W D907-911 DAP202U DIODE R630-633 RK73GB2A471J CHIP R 470 J 1/10W D913 MA3062 ZENER DIODE R634,635 RK73GB2A472J CHIP R 4.7K J 1/10W IC1 ✽ UPD784225GC157 MI-COM IC IC2 TDA7407D ANALOGUE IC R636 RK73GB2A101J CHIP R 100 J 1/10W IC3 TC74HC02AF MOS-IC R637-640 RK73GB2A102J CHIP R 1.0K J 1/10W R641 RK73GB2A222J CHIP R 2.2K J 1/10W IC4 TA8273H ANALOGUE IC R643 RK73GB2A104J CHIP R 100K J 1/10W IC7 ✽ SAA6581T ANALOGUE IC R644 RK73GB2A103J CHIP R 10K J 1/10W IC8 S-80830ANNP MOS-IC Q1 DTC124EUA DIGITAL TRANSISTOR R645,646 RK73GB2A104J CHIP R 100K J 1/10W Q2 2SB1277(Q,R) TRANSISTOR R647 RK73GB2A103J CHIP R 10K J 1/10W R648 RK73GB2A473J CHIP R 47K J 1/10W Q2 2SB1434 TRANSISTOR R649,650 RK73GB2A102J CHIP R 1.0K J 1/10W Q3 DTC124EUA DIGITAL TRANSISTOR R652 RK73GB2A104J CHIP R 100K J 1/10W Q4 2SB1277(Q,R) TRANSISTOR E3 : KDC-5021 E : Europe K : North America M : Other Areas E4 : KDC-5021V E5 : KDC-506 indicates safety critical components. www. xiaoyu163. com QQ 376315150 9 9 2 8 9 4 2 9 8 TEL 13942296513 9 9 2 8 9 4 2 9 8 0 5 1 5 1 3 6 7 3 Q Q TEL 13942296513 QQ 376315150 892498299 KDC-5021/5021V,506 23 PARTS LIST ✽New Parts Parts without Part No. are not supplied. Les articles non mentionnes dans le Parts No. ne sont pas fournis. Teile ohne Parts No. werden nicht geliefert. A N Desti- A N Desti- Ref. No. d e Parts No. Description nation Ref. No. d e Parts No. Description nation d w d w Q4 2SB1434 TRANSISTOR Q6 DTC143TUA DIGITAL TRANSISTOR Q201-204 DTC143TUA DIGITAL TRANSISTOR Q401 DTC124EUA DIGITAL TRANSISTOR Q402 DTC143TUA DIGITAL TRANSISTOR Q403 DTA124EUA DIGITAL TRANSISTOR Q501,502 2SC4081 TRANSISTOR Q505 2SB1277(Q,R) TRANSISTOR Q505 2SB1434 TRANSISTOR Q506 2SA1576A TRANSISTOR Q507 DTA124EUA DIGITAL TRANSISTOR Q508 DTC114YUA DIGITAL TRANSISTOR Q701 2SA2057 TRANSISTOR Q702 2SC4081 TRANSISTOR Q703 2SA1576A TRANSISTOR Q704 DTC124EUA DIGITAL TRANSISTOR Q705 DTA124EUA DIGITAL TRANSISTOR Q706 2SA2057 TRANSISTOR Q707 2SC4081 TRANSISTOR Q708 2SD2375 TRANSISTOR Q901 DTC124EUA DIGITAL TRANSISTOR Q902 DTA124EUA DIGITAL TRANSISTOR Q903 2SD1760 TRANSISTOR Q905-907 DTA114YUA DIGITAL TRANSISTOR TH1 PTH9C42BD471Q POSITIVE RESISTOR A1 2B X86-3342-71 TUNER UNIT CN1 ✽ E41-0169-05 SOCKET FOR PIN ASSY J1 E58-0865-05 RECTANGULAR RECEPTACLE S1 S70-0877-05 TACT SWITCH E3 : KDC-5021 E : Europe K : North America M : Other Areas E4 : KDC-5021V E5 : KDC-506 indicates safety critical components. DAUGHTER UNIT (X89-2522-70) www. xiaoyu163. com QQ 376315150 9 9 2 8 9 4 2 9 8 TEL 13942296513 9 9 2 8 9 4 2 9 8 0 5 1 5 1 3 6 7 3 Q Q TEL 13942296513 QQ 376315150 892498299 KDC-5021/5021V,506 SPECIFICATIONS KENWOOD follows a policy of continuous advancements in development. For this reason specifications may be changed without notice. KENWOOD CORPORATION 14-6, Dogenzaka 1-chome, Shibuya-ku, Tokyo, 150-8501 Japan KENWOOD SERVICE CORPORATION P.O. Box 22745, 2201 East Dominguez Street, Long Beach, CA90801-5745, U.S.A. KENWOOD ELECTRONICS CANADA INC. 6070 Kestrel Road, Mississauga, Ontario, Canada L5T 1S8 KENWOOD ELECTRONICS LATIN AMERICA S.A. P.O. Box 55-2791 Paitilla, Plaza Credicorp Bank Panama, Piso 9, Oficina 901, Calle 50, Panama, Republic of Panama KENWOOD ELECTRONICS BRASIL LTDA. Alameda Ministro Rocha Azevedo No. 456, Edificio Jaú, 10o Andar, Cerqueira César, Cep 0140-001, São Paulo-SP-Brasil KENWOOD ELECTRONICS UK LIMITED Kenwood House, Dwight Road, Watford, Herts, WD1 8EB, United Kingdom KENWOOD ELECTRONICS DEUTSCHLAND GMBH Rembrücker Str. 15, 63150 Heusenstamm, Germany KENWOOD ELECTRONICS FRANCE S.A. 13, Boulevard Ney, 75018 Paris, France KENWOOD ELECTRONICS BELGIUM N.V. Leuvensesteenweg 248 J, 1800 Vilvoorde, Belgium KENWOOD ELECTRONICS ITALIA S.p.A. Via G. Sirtori 7/9, 20129 Milano, ltaly KENWOOD IBÉRICA S.A. Bolivia, 239-08020 Barcelona, Spain KENWOOD ELECTRONICS AUSTRALIA PTY. LTD. (A.C.N. 001 499 074) 16 Giffnock Avenue, Centrecourt Estate, North Ryde, N.S.W. 2113, Australia KENWOOD ELECTRONICS (HONG KONG) LTD. Unit 3712-3724, Level 37, Tower 1, Metroplaza, 223 Hing Fong Road, Kwai Fong, N.T., Hong Kong KENWOOD ELECTRONICS GULF FZE P.O.Box 61318, Jebel Ali, Dubai, U.A.E. KENWOOD ELECTRONICS (THAILAND) CO., LTD. 2019 New Pechburi Road, Bangkapi, Huaykwang, Bangkok, 10320 Thailand KENWOOD ELECTRONICS SINGAPORE PTE LTD. 1 Genting Lane, #07-00, Kenwood Building, Singapore 349544 KENWOOD ELECTRONICS (MALAYSIA) SDN BHD #4.01 Level 4, Wisma Academy Lot 4A, Jalan 19/1, 46300 Petaling Jaya, Selangor Darul Ehsan, Malaysia Frequency Range 87.5MHz - 108.0MHz (Frequency Step) (50KHz) Usable Sensitivity 0.7 µV / 75 Ω (S/N 26dB) Quieting Sensitivity 1.6 µV / 75 Ω (S/N 46dB) Frequency Response 30Hz - 15KHz (± 3.0dB) S/N 65dB (MONO) Selectivity (DIN) 80dB (±400KHz) Stereo Separation 35dB (1KHz) Frequency Range 531KHz - 1611KHz (Frequency Step) (9KHz) Usable Sensitivity 25 µV (S/N 20dB) Frequency Range 153KHz - 281KHz Usable Sensitivity 45 µV (S/N 20dB) Laser Diode GaAlAs (λ =780nm) Digital Filter (D/A) 8 Times Over Sampling D/A Converter 1 Bit Spindle Speed 500rpm - 200rpm (CLV) Wow & Flutter Below Mesurable Limit Frequency Response 10Hz - 20KHz (±1dB) Total Harmonic Distortion 0.01% (1KHz) S/N Ratio 93dB (1KHz) Dinamic Range 93dB Channel Separation 85dB Preout Level / Load 1800mV / 10KΩ Preout Impedance 600Ω Maximum Power 50W x4 Power DIN45324, +B=14.4V 30W x4 Bass 100Hz ±10dB Middle 1KHz ±10dB Treble 10KHz ±10dB Operating Voltage 14.4V (11V-16V allowable) Current Consumption 10A Installation Size (Width) 182mm (Height) 53mm (Depth) 155mm Weight 1.25Kg FM MW CD AMPLIFIER TONE GENERAL LW >= <= www. xiaoyu163. com QQ 376315150 9 9 2 8 9 4 2 9 8 TEL 13942296513 9 9 2 8 9 4 2 9 8 0 5 1 5 1 3 6 7 3 Q Q TEL 13942296513 QQ 376315150 892498299

标签:

版权声明

1. 本站所有素材,仅限学习交流,仅展示部分内容,如需查看完整内容,请下载原文件。
2. 会员在本站下载的所有素材,只拥有使用权,著作权归原作者所有。
3. 所有素材,未经合法授权,请勿用于商业用途,会员不得以任何形式发布、传播、复制、转售该素材,否则一律封号处理。
4. 如果素材损害你的权益请联系客服QQ:77594475 处理。