建伍KENWOOD KDC-3090A CD播放器维修手册
)
)
)
)
)
)
)
)
)
)
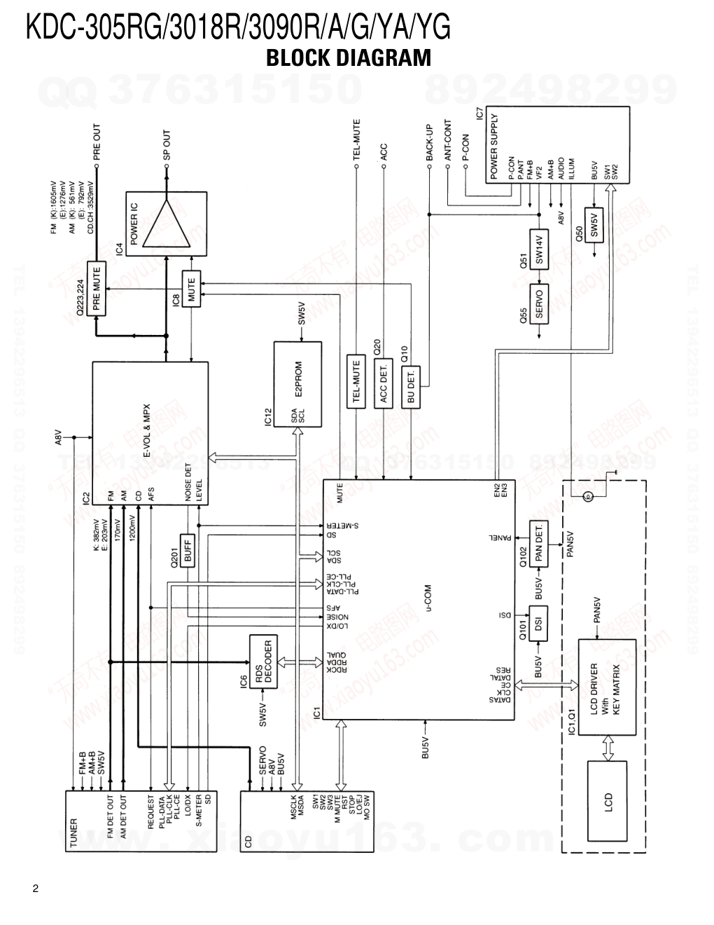
© 2000-12 PRINTED IN JAPAN B51-7704-00(S) 2117 SERVICE MANUAL CD RECEIVER KDC-305RG/3018R /3090R/A/G/YA/YG G KDC-305R PTY MENU KDC-305R AUD PWR OFF LOUD SCAN RDM REP VOL ADJ T1 COMPACT DIGITAL AUDIO 45Wx4 Knob(RELEASE) (K24-3665-04) Knob(EJ) (K24-3653-04) Front glass (B10-3298-01:3018R) (B10-4002-01:/3093RG) (B10-4002-01:/3090RA/YG/YA) (B10-4003-01:305RG) Panel assy (A64-2214-02:3093RG) (A64-2214-02:3090RA/YG/YA) (A64-2215-02:305RG) Knob(Q) (K24-3652-04) Knob(VOL) (K25-1256-03) Knob(1-6) (K25-1253-03) Knob(CLK) (K25-1254-03) Knob(FM/AM) (K25-1255-03) DC cord (E30-4785-05:) (E30-4790-05:) Mounting hardware assy (J21-9641-03) Plastic cabinet assy (A02-1486-13) Lever (D10-4589-04) Antenna adaptor (T90-0534-05) www. xiaoyu163. com QQ 376315150 9 9 2 8 9 4 2 9 8 TEL 13942296513 9 9 2 8 9 4 2 9 8 0 5 1 5 1 3 6 7 3 Q Q TEL 13942296513 QQ 376315150 892498299 TEL 13942296513 QQ 376315150 892498299 KDC-305RG/3018R/3090R/A/G/YA/YG 2 BLOCK DIAGRAM www. xiaoyu163. com QQ 376315150 9 9 2 8 9 4 2 9 8 TEL 13942296513 9 9 2 8 9 4 2 9 8 0 5 1 5 1 3 6 7 3 Q Q TEL 13942296513 QQ 376315150 892498299 TEL 13942296513 QQ 376315150 892498299 KDC-305RG/3018R/3090R/A/G/YA/YG 3 COMPONENT DESCRIPTION GSWITCH UNIT(X13-9872-XX) Ref.No. Component Name Application/Function Operation/Condition/Compatibility IC1 LC75883E LCD driver Ready on key-matrix Q1 DTA114EKorKRA102Sor key-matrix permission SW Ready on key-matrix, ON when the base goes "Lo" UN2111 GELECTRIC UNIT(X25-8712-XX) Ref.No. Component Name Application/Function Operation/Condition/Compatibility IC1 UPD780058GC232 System µ-COM. IC2 TDA7407D E-VOL. & N.C. MPX IC4 TDA7386 Power IC IC6 TDA7479D RDS decoder IC7 BA4911-V4 Power supply IC IC8 HD74HC27FP Mute gate IC 3 input NOR gate x3 IC11 S-80830ANNP RESET IC Detection voltage 3.0V IC12 BR24C01AForBR24C01AF-W E2PROM M24C01-WMN6TorS-24C01B Q10 2SC4081or2SD1819A B.U. detection Detect BU voltage Q20 2SC4081or2SD1819A ACC detection Detect ACC voltage Q40 DTA124EUAorUN5112 PREOUT mute driver Mutes when base is "Lo" (controls Q221-224) Q50 2SA1036K SW 5V ON when the base is "Lo". Q51 UMC2N SW 14V ON when the base is "Hi" (controls Q55) Q53 UMC2N Switch for power supply IC ON when the base is "Hi" (controls SW1 pin of power supply IC) Q55 2SD2375or2SD2396 AVR for SERBO +B Output issued when SW14V is on (base is "Hi") Q70 2SC4081or2SD1819A SURGE detection Detect SURGE voltage Q101 2SC4081or2SD1819A DSI SW DSI LED turns ON when base is "Hi" Q102 DTA114YUAorUN5114 PANEL 5V SW ON when the base is "Lo" Q201 2SC4081or2SD1819A NOISE Buff Q223,224 DTC143TUAorUN5216 PREOUT MUTE Mute applied to PREOUT (output) when base is "Lo" Q251 DTC114YUAorUN5214 Power IC SVR SW Turns ON when base is "Hi" and capacitor on SVR pin discharges Q301 DTC124EUAorUN5212 FM Lo/DX SW Turns ON during Lo. SEEK when base goes "Hi" www. xiaoyu163. com QQ 376315150 9 9 2 8 9 4 2 9 8 TEL 13942296513 9 9 2 8 9 4 2 9 8 0 5 1 5 1 3 6 7 3 Q Q TEL 13942296513 QQ 376315150 892498299 TEL 13942296513 QQ 376315150 892498299 KDC-305RG/3018R/3090R/A/G/YA/YG 4 MICROCOMPUTER'S TERMINAL DESCRIPTION GTerminal Description Pin Function I/O Description Processing Operation 1 AV CONT O A/D converter reference voltage control output ”Hi”: ON / ”Lo”: OFF 2 IC2 TYPE0 I IC2 setting terminal ”Lo”: Initial value 3 IC2 TYPE1 I IC2 setting terminal ”Lo”: Initial value 4 AVSS - Ground connection terminal connected to GND 5 M MUTEL I Muting request from the MICOM. of CD mecha. ”Lo”: Mute request 6 N.C O Not used 7 AVREF1 I D/A converter reference voltage input 8 ILLUMI O Illumination AVR ON/OFF control output ”Hi”: AVR ON 9 L RES O Reset output to the LCD driver IC ”Lo”: Reset 10 PANEL I Panel open/close detection input ”Lo”: Panel closed 11 L DATAL I Data input from the LCD driver IC 12 L DATAS O Data output to the LCD driver IC 13 L CLK O Clock output to the LCD driver IC 14 N.C O Not used 15 N.C O Not used 16 CH-DATAC I Data input from changers 17 CH-DATAH O Data output to changers 18 CH-CLK I/O Clock input/output with changers 19 L CE O CE output to the LCD driver IC ”Hi”: Active 20 N.C O Not used 21 M RST O Reset output to the MICOM. of CD mecha. ”Lo”: Reset 22 M STOP O Stop request to the MICOM. of CD mecha. ”Lo”: Stop 23 MOSW O CD mechanism loading motor control output ”Hi”: Loading & Eject / ”Lo”: other 24 PLL SCL O Clock output to the tuner pack 25 AM+B O AM+B control ”Hi”: during AM reception 26 FM+B O FM+B control ”Hi”: during FM reception 27 M-SCL I/O Clock input/output with the MICOM. of CD mecha. 28 DSI O DSI output ”Hi”: LED ON 29 LO/EJ I/O CD mecha.Loading/Eject switching output ”Lo”: Loading / ”Hi”: Eject 30 SW3 I Down & limit switch detection input ”Hi”: Chucking / ”Lo”: Pickup most inner position 31 R DATA I Data input from RDS decoder 32 R QUAL I Quality input from RDS decoder 33 VSS1 - Ground connection terminal connected to GND 34 SD I SD input from the tuner pack ”Hi”: Station detected 35 IC2 SCL O Clock output to the E-VOL. IC 36 M-SDA I/O Data input/output with the MICOM. of CD mecha. 37 PLL SDA I/O Data input/output with the tuner pack 38 IC2 SDA I/O Data input/output with the E-VOL. IC 39 MUTE O Mute control output ”Hi”: Mute ON / ”Lo”: Mute OFF 40 N.C O Not used 41 AFC O AFC control output ”Lo”: during FM seek 42 CH-REQH O Request output to changers ”Lo”: Request 43 CH-CON O Changer control ”Lo”: Standby / ”Hi”: ON 44 N.C O Not used 45 P MUTE O Power IC mute control ”Lo”: Mute 46 SVR O Power lC reset terminal When the momentary power down, after ACC OFF/ON is detected and after POWER ON/ OFF, the output goes ”Hi” temporarily. 47 STBY O Power IC standby control output ”Hi”: POWER ON mode 48 P CON O Power control ”Hi”: POWER ON mode except ALL OFF mode 49 P ANT O Antenna control ”Hi”: during FM/AM reception 50 BEEP O BEEP sound output 51 ACC DET I ACC detection input ”Hi”: ACC OFF / ”Lo”: ACC ON 52 BU DET I Momentary power down detection input ”Hi”: When momentary power down detected or BU OFF / ”Lo”: BU ON 53 N.C O Not used www. xiaoyu163. com QQ 376315150 9 9 2 8 9 4 2 9 8 TEL 13942296513 9 9 2 8 9 4 2 9 8 0 5 1 5 1 3 6 7 3 Q Q TEL 13942296513 QQ 376315150 892498299 TEL 13942296513 QQ 376315150 892498299 5 6 KDC-305RG/3018R/3090R/A/G/YA/YG MICROCOMPUTER'S TERMINAL DESCRIPTION KDC-305RG/3018R/3090R/A/G/YA/YG ADJUSTMENT Pin Function I/O Description Processing Operation 54 N.C O Not used 55 N.C O Not used 56 SW5 O SW 5V control ”Lo”: POWER ON mode 57 P ON O Microprocessor peripheral power supply control terminal ”Hi”: ACC ON or during CD Loading/Eject 58 TYPE2 I Destination type input terminal 2 59 N.C O Not used 60 RESET I Reset input terminal ”Lo”: System reset 61 REMO I Data input from the remote control light sensor 62 R CLK I Clock input from RDS decoder 63 CH-REQC I Request input from changers ”Hi”: Request 64 SW1 I Loading detection ”Lo”: CD chucking 65 KEY-REQ I Key request terminal ”Lo”: Request 66 SW2 I 12cm disc detection terminal ”Lo”: 12cm disc 67 VSS0 - Ground connection terminal connected to GND 68 VDD1 - VDD connection terminal 69 X2 - Main clock resonator connection terminal 70 X1 I Main clock resonator connection terminal 71 IC(TEST) - Not used connected to GND 72 XT2 - Sub clock resonator connection terminal N.C. 73 N.C I Sub clock resonator connection terminal connected to BU5V lines 74 VDD0 - VDD connection terminal 75 AVREF0 I A/D converter reference voltage input 76 SMETER I S-meter input from the tuner pack 77 PHONE I PHONE detection input 1V or less: TEL MUTE,2.5V or greater: NAVI MUTE 78 NOISE I Noise detection input 79 TYPE0 I Destination type input terminal 0 80 TYPE1 I Destination type input terminal 1 Test Mode 1. How to enter test mode While holding the FM key and preset 6 key, reset the unit. All display segments light up when the test mode is entered. 2. How to exit from test mode Reset the unit. The test mode is not terminated by turning ACC off, power off, momentary power down or panel detaching. 3. Test mode specifications of CD receiver •Pressing the Track Up key jumps to tracks in the following sequence: No.9→No.15→No.10→No.11→No.12→No.13→No.14→No.9 (Repeats the cycle) • Pressing the Track Down key jumps to the track immediately before the track being played. • Pressing Preset 1 key jumps to track No. 28. • Forced ejection is not provided. 4. Test mode specifications of cassette receiver • Blank skip (B.S) is off. • Pressing the ATT key ejects the cassette. 5. Audio functions • Pressing the AUDIO key or the OPEN/CLOSE key on the remote controller initiates the Audio mode. • In the Audio adjustment mode, the Seek Up/Down keys on the remote controller can only be pressed shortly. (They cannot be held depressed.) • The volume is –10 dB (which is displayed as “30”). • LOUDNESS is OFF. • The Bass/Treble Up/Down and Balance/Fader Up/Down buttons function as full-boost/full-cut and full-front/full-rear respectively. 6. Menu mode • Pressing the CLK or the DNPP key on the remote controller initiates the Menu mode. • In the Menu mode, the Seek Up/Down keys on the remote controller can only be pressed shortly . (They cannot be held depressed.) • With the models incorporating RDS, the first operation in the menu becomes local seek. 7. Version and operating hours display • The following table shows the key operations and resulting display information. Key Operation Display Pressing Preset 1 Version (Date and time display) Pressing Preset 3 CD (or TAPE with C/R models) operating hours Pressing Preset 5 CD (or TAPE with C/R models) ejection count • Holding Preset 3 while the operating hour information is displayed clears it. • Holding Preset 5 while the ejection count information is displayed clears it. Adjustment Mode Adjustable items 1: Stereo Decoder Subaddress: 9 2: Configuration Subaddress: D Default values If they are not written in the EEPROM, the default values specified by the IC developer are set in IC2-3. Adjustment procedure 1: Enter the IC2-3 Adjustment mode by resetting the unit while holding d + h. 2: Select the TUNER source by pressing SRC. 3: When the adjustment mode is entered, the display shows a 2-digit hex number. 4: When preset a or s is recalled, the setting values corresponding to the pressed number are displayed. (The displayed values are those in the RAM.) 5: Vary each setting value using 4 or ¢ 6: Store the values in the corresponding preset number. 7: The settings can be performed individually for each item. (It is not required to store all the values together.) 8: After storing the values, reset the unit to exit from the adjustment mode. The values set in the EEPROM will be read during the resetting. 9: When the band is switched, there may be cases in which the preset number being displayed does not coincide with the stored setting value. To check this , be sure to recall the preset number after you switch the band. Notes 1: The items which are not stored will be set to the default values. 2: Once a value is stored in memory, the value will always be used later. (It is not allowed to modify the setting values by switching the destination type.) w w w . x i a o y u 1 6 3 . c o m Q Q 3 7 6 3 1 5 1 5 0 9 9 2 8 9 4 2 9 8 T E L 1 3 9 4 2 2 9 6 5 1 3 9 9 2 8 9 4 2 9 8 0 5 1 5 1 3 6 7 3 Q Q TEL 13942296513 QQ 376315150 892498299 TEL 13942296513 QQ 376315150 892498299 A B C D E F G I H 1 2 3 4 5 6 7 7 8 Refer to the schematic diagram for the values of resistors and capacitors. SWITCH UNIT PC BOARD (Component Side View) C225 C501 C500 W161 W162 W151 R221 R222 C30 R32 R73 R31 W169 R72 C60 R54 C61 8 14 1 7 W167 R115 R111 R113 R140 R139 20 R110 R58 R109 R107 R121 R103 R104 R102 R132 R144 W159 R116 R415 R413 C404 R412 8 5 1 4 28 15 14 1 40 41 21 1 80 61 60 CP1 W171 W172 W173 W174 R122 R126 R218 R129 R130 R127 R414 C102 C104 R131 CP2 CP3 R204 R205 C302 C303 R302 C354 1 8 9 16 C356 C355 C142 R143 W155 R224 R223 C226 C228 W156 R254 R251 TH1 R256 R260 R263 R261 W158 R258 C21 R11 R22 R10 R51 R71 R57 R52 C64 R53 C59 R56 C62 R55 R125 C103 R264 R119 R12 R23 W168 R118 W157 W165 R133 C106 R134 C105 R106 W150 R114 R112 R138 R137 R136 R135 R255 R117 R203 C209 C207 W152 R202 R201 W160 C206 C210 C211 C305 C307 C352 W164 W163 E B E B E B E B E B E B E B E B E B E B B E E B E B E B W166 C202 R108 R67 R105 R257 C308 C40 1 2 3 4 E E B E E B Q224 Q223 Q221 Q222 Q40 Q251 Q20 Q50 Q51 Q70 Q10 IC11 IC1 IC8 IC12 IC2 Q53 Q201 IC6 D11 D13 D3 D4 Q301 Q101 Q102 D102 W53 W54 W66 W79 C58 W38 C1 W82 L1 W108 W119 W85 W112 W132 W81 W137 W58 W44 W55 W37 R404 W16 R408 R411 R409 R410 R407 R405 R406 R403 R401 R231 R232 W91 W1 R227 R228 W3 W47 W14 W87 W120 C403 C402 W61 C253 W39 C252 C254 C251 W83 C401 R253 W50 R252 W86 W90 W93 W124 R301 C63 W114 W84 R28 R25 R21 R20 R30 R165 R166 R167 R101 R163 R164 R168 R172 R229 R230 R169 R170 R171 X1 X2 W41 W129 R145 W56 R352 R351 R259 R353 R226 R225 W17 R50 L4 L305 L306 L304 L101 L303 L201 C222 C221 C223 C51 C52 C53 C55 C56 C54 C205 C204 C353 C257 C351 C224 C258 C203 C255 C101 C304 C201 C256 C57 C301 C306 W6 W5 W51 W57 W60 W45 W48 W25 W35 W31 W23 W30 W27 W22 W28 W40 W42 W43 W13 W15 C50 W67 W115 W102 W133 W122 W136 W135 W113 W125 W134 W111 W104 W103 W88 W89 W70 W74 W65 W68 W80 W19 W46 W75 W52 W49 W96 W92 W101 W71 W69 W18 W12 W29 W2 W20 W4 W10 W11 W7 W21 W9 W100 W72 W32 W26 W95 W121 W73 W77 W76 W59 W24 W33 W34 W36 W138 W105 W62 W64 W78 W130 W128 W131 W94 W99 W116 W117 W98 W97 W106 W110 W127 W107 W63 L2 R173 R141 R402 1 5 7 6 10 9 13 1112 6 4 3 2 2 1 24 25 16 9 8 1 12 1 1 2 3 1 1 24 1 21 22 2 1 2 14 15 B E CN1 J5 J4 J1 A1 CN3 CN2 J2 J3 Q55 D1 D403 D14 D12 D251 D101 D103 D104 D253 D252 D106 D107 P1 D30 D202 D201 D10 D50 D20 D404 D402 D401 D407 D411 D410 D409 IC4 J4 D70 D51 IC7 D40 X25-8712-XX(J74-1122-12) ELECTRIC UNIT ELECTRIC UNIT (X25-8712-XX) . O N .f e R s s e r d d A C I Q 1 H 4 2 H 6 1 H 5 . O N .f e R s s e r d d A C I Q 1 F 5 2 C 4 4 D 2 6 B 5 7 F 3 8 E 4 1 1 F 5 2 1 D 4 0 1 E 3 0 2 E 3 0 4 C 3 0 5 E 4 1 5 G 3 3 5 E 4 5 5 G 2 0 7 E 3 1 0 1 F 6 2 0 1 F 6 1 0 2 C 4 1 2 2 C 3 2 2 2 C 3 3 2 2 B 2 4 2 2 B 2 1 5 2 D 3 1 0 3 B 4 SWITCH UNIT (X13-9872-XX) LDATAL R15 R2 LED+B R14 REMO KS4 KS3 PANEL SW D-GND R6 ILL-GND SW5V L-CLK R4 LDATAS R3 R5 R1 L-RES E R16 B L-CE R10 80 R8 C1 R7 C2 C3 C4 KI5 1 KI4 ESD-GND RST PAN5V 14 15 2 CP1 R9 1 65 KI3 64 CP2 24 25 KI1 LAMP+B R17 R18 R21 KS5 KS2 R19 CP3 41 40 KI2 D22 D23 Q1 IC1 J1 KS4 KS5 KI5 1 36 37 RST ATT 1 2 3 4 KI3 5 AM 56 KS2 dB KI1 FM KS3 CLK 6 SRC AUTO KI2 PL1 PL2 D1 D2 D3 ED1 D4 D5 D6 D7 D8 D9 D10 D28 X13-9872-XX(J74-1116-12) D13 D27 D25 D21 D26 D24 D20 D11 D12 D14 w w w . x i a o y u 1 6 3 . c o m Q Q 3 7 6 3 1 5 1 5 0 9 9 2 8 9 4 2 9 8 T E L 1 3 9 4 2 2 9 6 5 1 3 9 9 2 8 9 4 2 9 8 0 5 1 5 1 3 6 7 3 Q Q TEL 13942296513 QQ 376315150 892498299 TEL 13942296513 QQ 376315150 892498299 J K L M N O P R Q 1 2 3 4 5 6 7 9 10 Refer to the schematic diagram for the values of resistors and capacitors. SWITCH UNIT PC BOARD (Foil Side View) W156 TH1 R412 R413 9 C356 16 C355 C142 15 C202 28 8 C354 1 C307 C352 C305 R302 C308 C303 E B W159 W165 W157 C207 R203 W160 R201 C210 C206 C211 C209 W152 R202 R205 B E 14 R204 W168 R116 R118 1 4 1 5 8 C228 C302 R223 R224 C226 E B W161 W162 R222 B E B E B E R221 W151 E B W155 W163 W164 E B B E C40 R127 R414 R122 W171 W172 W173 W174 61 20 R143 R144 R121 R58 R107 R134 C106 R133 R132 R106 80 R103 R102 R104 1 R105 R131 C105 C104 C102 R139 R140 R113 R264 R111 21 W150 R112 R114 R109 R415 R137 R136 R135 R110 R108 R138 8 7 C404 W167 R119 1 14 R115 41 40 60 CP3 CP2 R67 B E E R117 R255 CP1 R126 R130 R129 R218 C103 R125 3 2 1 4 R56 C62 R11 R73 R31 W169 R32 C21 R51 R258 E B R12 R23 W158 B E R263 R261 R22 B E R53 C59 B E C60 C61 R55 R54 R10 B E R52 C64 C30 R256 R260 R257 W166 R72 R71 E B E R57 C225 R251 R254 C501 C500 IC6 Q301 Q201 IC2 IC12 Q40 Q223 D3 D4 Q224 Q222 Q221 Q102 D102 Q101 IC8 IC1 Q53 IC11 Q20 Q50 Q251 Q10 Q70 D13 D11 Q51 24 2 2 8 13 11 12 6 4 3 W133 W136 W53 C252 W67 W65 W75 X2 R168 15 14 R171 R167 R166 R165 R164 R170 1 2 R169 C304 W6 W4 C351 24 C306 L306 L305 W5 W12 W24 R353 R352 R351 W32 W26 W28 C353 W18 W17 W15 W20 W33 W36 W34 W41 2 1 W47 W42 W40 W43 W64 W54 W49 W59 W62 W11 R301 W13 W7 W21 L304 W10 W9 W29 W56 W61 C205 C203 C204 C223 1 C301 W1 L4 1 2 3 R173 R226 R230 1 R225 R229 W2 C224 W3 R228 R227 R231 R232 W23 W22 W19 L303 W31 W25 W30 W27 W35 W14 C221 C222 W51 W57 W60 W45 W48 W38 W46 C201 L201 W39 C256 R406 C402 C401 C403 R408 R402 R401 R403 W16 6 10 9 R410 R409 R411 R405 R407 5 1 7 R253 C251 C254 C253 R252 W50 R404 1 W52 W128 W127 R172 R163 W91 W94 W99 W83 W107 W112 W110 W106 R145 W117 R101 W131 W134 12 C55 W72 W125 W97 W82 21 22 R141 W105 W116 W98 W121 W138 W120 X1 W87 W79 W78 W85 W76 W63 W77 W66 W73 W96 C57 W103 W132 W129 W130 C101 L101 C56 1 R20 W119 W114 W101 W74 W71 W69 W68 W100 W95 R50 W92 W80 W70 R259 R21 C52 W124 W115 C53 W113 W108 W104 W111 C54 C51 R30 W84 W90 W88 C258 C255 W86 C257 W89 W93 25 W102 C50 C58 R25 R28 L2 W135 W122 L1 C63 C1 E B W58 W55 W44 W37 W81 1 16 9 W137 J2 P1 D106 D107 J3 D104 D103 CN1 D202 D201 A1 CN3 CN2 J1 D401 D40 D403 D407 D410 D402 D411 D409 J5 J4 D404 D50 D101 D20 D251 D252 D253 D30 D10 D70 D12 D1 D14 IC7 D51 Q55 X25-8712-XX(J74-1122-12) J4 IC4 ELECTRIC UNIT . O N .f e R s s e r d d A C I Q 1 K 4 2 K 6 1 K 5 . O N .f e R s s e r d d A C I Q 1 M 5 2 P 4 4 O 2 6 Q 5 7 M 3 8 N 4 1 1 M 5 2 1 O 4 0 1 N 3 0 2 N 3 0 4 P 3 0 5 N 4 1 5 L 3 3 5 N 4 5 5 L 2 0 7 N 3 1 0 1 M 6 2 0 1 M 6 1 0 2 P 4 1 2 2 P 3 2 2 2 P 3 3 2 2 Q 2 4 2 2 Q 2 1 5 2 O 3 1 0 3 Q 4 SWITCH UNIT (X13-9872-XX) ELECTRIC UNIT (X25-8712-XX) KI4 R2 KS4 R14 LED+B REMO R15 ESD-GND RST PAN5V KS3 PANEL SW C2 R16 LDATAS L-CLK ILL-GND R3 R4 R1 R5 B E R10 80 R8 R7 C1 C4 C3 1 R6 D-GND SW5V LDATAL 14 15 L-RES L-CE 2 KI3 R9 CP1 KI5 65 1 64 R19 R18 24 25 LAMP+B R17 R21 CP3 CP2 40 41 KI1 KI2 KS5 KS2 D22 D23 Q1 J1 IC1 KS5 KS4 KI5 1 RST ATT PL2 1 36 37 2 3 4 KI3 5 CLK KS3 56 dB PL1 KI1 6 SRC KS2 AUTO AM KI2 FM D1 D2 ED1 D3 D4 D5 D6 D7 D8 D9 D10 D13 D27 D25 D11 D12 D14 D21 X13-9872-XX(J74-1116-12) D20 D24 D26 D28 w w w . x i a o y u 1 6 3 . c o m Q Q 3 7 6 3 1 5 1 5 0 9 9 2 8 9 4 2 9 8 T E L 1 3 9 4 2 2 9 6 5 1 3 9 9 2 8 9 4 2 9 8 0 5 1 5 1 3 6 7 3 Q Q TEL 13942296513 QQ 376315150 892498299 TEL 13942296513 QQ 376315150 892498299 AA Z Y W X V U S T 1 2 3 4 5 6 7 /MUTER D.OUT R125 RW LDON FBAL R233 RF GND ARF IOP- IOP+ F TE TR TBAL TE FE + - - + GCTL A R234 C D B 1 Vref E R54 R38 R37 C26 C85 R36 R34 R32 R218 C35 C25 C28 C24 LDCNT X1 R46 R76 R82 R73 EJECT/SLED- 22 FCS+ LD R3 16 VR PD FCS- Vc Vcc F R6 TRK- TRK+ CP3 A.+B S.+B SW3 Rch S.GND 1 SLED+ LOAD + - ECS + FOD R107 R47 B CP1 E CP2 BU.5V C21 SPDL+ SPDL- A.GND Lch TVD- - + R75 /MSTOP /MRST B E C45 R83 R72 R71 C43 R81 B B E E R77 R108 SW1 /CLK DATA R104 SW2 D.GND /RST C71 R121 R117 5 C72 C68 4 R122 R102 R118 R126 R238 C90 C77 8 C79 C80 1 C78 + A.5V LO/EJ /MUTEL MOTOR R78 C41 D4 CN2 CN1 Q4 Q3 Q2 D2 Q5 IC6 D3 D5 R214 C6 VDET OFT R19 C15 C19 /RFDET C7 C11 C10 R11 R10 C12 16 C8 1 C89 BDO TRCRS R202 C2 C16 17 32 R17 C18 IPFLAG C23 R16 C14 R15 25 C17 R18 C13 TOFS C29 26 C33 C20 R21 R20 100 1 51 STLD FLAG FCLK 50 ST-O SMCK 75 DQSY 76 R5 R8 C5 B E R12 R9 C4 W17 C1 C3 CLVS C55 C46 R52 R49 14 1 15 28 IC1 IC2 S2 Q1 D1 S3 X32-5010-00 (J74-1158-12) S1 IC4 . O N .f e R s s e r d d A C I Q 1 T 4 2 U 4 4 V 2 6 V 3 1 T 4 2 V 4 3 V 3 4 U 4 5 V 4 . O N .f e R s s e r d d A C I Q 1 Z 4 2 Y 4 4 X 2 6 X 3 1 Z 4 2 X 4 3 X 3 4 Y 4 5 X 4 PC BOARD (Foil Side View) CD PLAYER UNIT CD PLAYER UNIT CD PLAYER UNIT (X32-5010-00) CD PLAYER UNIT (X32-5010-00) PC BOARD (Component Side View) Refer to the schematic diagram for the values of resistors and capacitors. C85 R238 C41 CP1 R117 X1 R121 C72 C77 R125 R104 C78 R122 R118 R126 R102 R107 R108 C79 C80 R32 C68 C90 C71 C24 R36 C26 R34 R77 R37 C28 R38 C25 R46 R73 C21 R75 CP2 CP3 R54 C43 R72 R71 R81 R83 C45 R82 R47 R78 R76 R6 R3 R233 C35 R234 R218 GCTL TBAL FBAL + LDON - + FE + RW LDCNT ECS - + FOD C B D 1 F Vcc Vc EJECT/SLED- DATA /CLK D.GND D.OUT BU.5V PD 1 1 /MRST SPDL+ - + TVD MOTOR Rch TRK- LD VR FCS+ TRK+ FCS- A.+B /MUTEL /MUTER LOAD SLED+ A.GND /MSTOP SPDL- S.GND S.+B SW3 IOP- GND ARF Vref F E Lch LO/EJ A.5V SW2 + /RST RF TE TR SW1 IOP+ A TE - - 4 8 5 22 16 E B E B E B B E D4 D5 IC6 Q3 Q4 D2 CN1 Q2 Q5 D3 CN2 W17 C89 R5 C29 C46 R52 C23 R49 C33 R9 C20 C19 R20 R8 C1 C8 C12 C10 C11 R18 C3 C2 C17 C18 R17 C16 R15 C15 C14 R16 C13 R12 R10 C7 C6 R11 C5 R19 R214 R202 C55 R21 C4 CLVS VDET TRCRS BDO /RFDET OFT 1 STLD SMCK ST-O FLAG TOFS FCLK DQSY IPFLAG 1 1 16 32 17 25 51 75 76 100 50 26 14 15 28 B E IC1 IC4 D1 S3 S2 Q1 IC2 S1 X32-5010-00 (J74-1158-12) 11 12 w w w . x i a o y u 1 6 3 . c o m Q Q 3 7 6 3 1 5 1 5 0 9 9 2 8 9 4 2 9 8 T E L 1 3 9 4 2 2 9 6 5 1 3 9 9 2 8 9 4 2 9 8 0 5 1 5 1 3 6 7 3 Q Q TEL 13942296513 QQ 376315150 892498299 TEL 13942296513 QQ 376315150 892498299 A B C E D F G I H 1 2 3 4 5 6 7 1/2 KDC-305RG/3018R/3090R/A/G/YA/YG 60 59 58 57 56 55 54 53 52 51 50 49 48 47 46 45 44 43 42 41 40 39 38 37 36 35 34 33 32 31 30 29 28 27 26 25 24 23 22 21 1 2 3 4 5 6 7 8 9 10 11 12 13 14 15 16 17 18 19 20 61 62 63 64 65 66 67 68 69 70 71 72 73 74 75 76 77 78 79 80 RESET M-MUTE M-RST M-STOP LO/EJ MO SW CD-SW3 DSI PS2-1 PS2-0 BEEP PS1-2 PS1-1 PS1-0 N.C N.C ACC-DET B.U-DET SW 5V P-STBY SVR P-MUTE MUTE CLK DATA IC2 TYPE0 IC2 TYPE1 VSS 1 TYPE0 TYPE1 TYPE2 TYPE REF CH-CON SD N.C N.C N.C N.C LO/DX AFS PANEL N.C N.C A VSS L-RST(ONLY 14seg) L-CE AVREF1 N.C PLL-DATA PLL-CLK L-DATAL L-DATAS L-CLK R-DATA R-QUAL CH-DATAC CH-DATAH CH-CLK CH-REQH PLL-CE REMO R-CLK CH-REQC CD-SW1 KEY-REQ CD-SW2 VSS 0 VDD 1 X2 X1 IC XT2 XT1 VDD 0 AVREF0 S-METER PHONE NOISE N.C AV CONT 1 3 5 7 9 11 13 15 17 19 21 23 25 TAB OUT2- OUT2+ OUT1- OUT1+ IN 1 S GND IN 3 OUT3+ OUT3- OUT4+ OUT4- CD 2 4 6 8 10 12 14 16 18 20 22 24 P GND STBY VCC 2 P GND SVR IN 2 IN 4 AC GND P GND VCC 1 MUTE P GND 1 2 3 4 5 6 7 8 QUAL RDDA VREF MPX OSEL GND ARI FI 1 OUT 16 15 14 13 12 11 10 9 RDCL T57 OSCO OSCI VCC EXTRES TM F SEL 1 2 3 4 VSS 8 7 6 5 VCC WP SCL SDA 16 15 14 13 12 11 10 9 REAR Lch+ REAR Lch- REAR Rch- REAR Rch+ NC PHONE NC B.U. FRONT Lch+ FRONT Lch- FRONT Rch- FRONT Rch+ P-ANT P-CON ACC GND 1 2 3 4 5 6 7 8 9 10 11 12 13 14 15 16 17 18 19 20 21 22 D OUT SW 2 SW 1 MS CLK MSDA MECH DET N.C BU 5V D GND M MUTE N.C M RST M STOP AUDIO +B Lch GND Rch LO/EJ MO SW SERVO +B SERVO GND SW 3 1 2 3 4 5 6 7 8 9 10 11 12 13 14 15 16 17 18 19 20 21 22 23 24 RF GND FM ANT AM ANT FM +B AM +B AM LO/DX FM LO/DX IF SELECT RDS OUT REQUEST K2I-VTH VCO GND FM SD OUT FSD OUT FM DET OUT AM DET OUT COMMON +B IF GND HI UP ADJ PLL CE PLL DATA PLL CLK P-ON 5V DIG GND 4 BU 5V ILLUM SW 2 SW 1 11 12 10 9 VCC AUDIO +B AM +B FM +B 8 7 6 5 P-ANT P-CON GND 2 3 1 V BU 1 2 3 4 5 6 7 8 FUSE L1 FL+ FL- RL+ RL- RR- FR- RR+ FR+ 4700u16 + C1 82K R71 36K R72 100K R73 30K R10 10K R11 1K 2.2K R104 R105 470 R121 2.2K R107 2.2K ∗R413 ∗R412 R106 100K R108 2.2K R58 2.2K R110 ∗R135 ∗R136 ∗R137 ∗R138 ∗R139 ∗R140 R113 47K R115 1K R116 10K R118 10K R117 1K R259 R119 47K 38 R114 47K 47K 47K 47K 47K 47K 47K 4.7K VSS 4 3 2 VCC 1 10K CP1 0.1 C103 R125 1K CP3 1K 2.2K CP2 R122 2.2K R67 10K R255 33K 47K 100K R126 R127 R128 R129 R130 15P C104 6.8K R131 15P C105 R120 X1 2.2M 2.2K 2.2K 2.2K 10K 4.19MHz 22K R134 59 54 57 58 55 56 52 49 47 41 64 66 63 61 1 5 6 9 10 15 14 11 12 13 20 22 21 27 40 39 2.2K R353 10P C356 10P C355 4.332MHz 330P C352 10u6.3 + C351 2.2K R351 2.2K R352 X2 + C353 10u6.3 0.01 C354 14 15 RL+ RL- FL- FL+ FR+ RR+ FR- RR- C253 0.22u50 4.7K R253 4.7K R252 1K R256 C252 0.22u50 180K R263 430 R261 750 R260 100 R258 3.6K R257 TH1 4.7K R254 0.22u50 C254 0.22u50 R251 C251 4.7K C256 100u10 + 1u50 C255 + RL RR FR 50 FL 39 CH CON B.U DATA C REQ H MUTE GND RST Rch A GND 8 4 12 6 A GND 4 5 MUTE CHCON 12 Lch CLK 13 DATA C DATA H 10 11 2 3 B.U GND 1 REQ H Rch REQ C 8 9 RST 7 7 3 11 6 2 10 5 1 9 DATA H REQ C CLK Lch 11 13 13 10 9 6 12 3 7 5 2 4 1 8 R404 100 R405 4.7K R406 4.7K R407 4.7K 4.7K 10 R403 R402 R409 4.7K R401 10 R410 100 R411 100 R408 4.7K 100u10 + 1u50 + 1u50 + 7 5 19 28 16 63 18 17 10u16 C224 + 270 R224 100 R232 30K R228 100 R231 30K R227 10u16 C223 + 270 R223 + 10u16 C221 R221 270 10u16 C222 + 270 R222 R226 R225 30K 100 R229 30K 100 R230 FL FR RL RR 3 4 2 1 12 11 VDD 13 14 VSS 6 5 7 9 10 8 100K R415 0.01 ∗C404 C40 0.01 R264 10u16 + C53 220u16 + C57 10u25 + C55 10u50 + C56 10u16 + C54 10u16 + C52 10u25 + C50 22K 47 49 4.7K R28 W166 3.3K R20 10K R22 33K R21 1/2W 0.01 C21 100K R23 100K R12 47K R51 5.6K R50 52 4.7uH L101 0.01 C102 + C101 100u6.3 1.5K R57 + C63 22u16 47K R31 0.01 C30 22K R32 10K R30 2.2K R143 100K R141 66 55 SDA SCL 64 59 58 57 56 54 100K R144 4 3 2.2K R145 0.1 C142 2 1 3 C226 0.01 0.01 C225 40 41 52mH L4 L303 4.7uH L304 4.7uH 0.01 C302 100u10 + C301 R302 4.7 0.01 C308 0.01 C303 AM FM 22 27 76 L305 0.01 C305 + C304 100u10 R301 2.2 9 20 10 L306 4.7uH 4.7uH 38 60 R109 4.7K 19 18 17 16 28 6 53 42 50 42 76 4 R168 1K PANEL ESD-G L-DATAL L-DATAS REMO SW 5V L-CE L-CLK R165 470 R166 1K R167 100 ∗R170 1K R164 470 ∗R171 47 R172 1K 14 15 11 12 13 8 9 10 12 61 11 13 6 LAMP +B LED +B RST L-RES PAN 5V ILL-GND D-GND R169 2.2K 4 5 6 7 2 3 10 R163 1 1 5 60 4 3 2.2u50 150P 0.1 4.7K R203 AM FM R202 2.7K W21 4 3 SDA SDA AFS 15 14 0.033 MP OUT 0.1 OUT L LEVEL MP IN 13 12 C207 0.015 11 AM MPX 10 S MUTE 16 QUAL OUT R 17 18 SCL 19 SCL CD GND 7 7 8 9 PH- CDL 6 5 6 CDR 5 20 22 21 VDD GND 4 2.2u50 + R C204 + L OUT RL OUT RR 23 26 25 24 OUT FR OUT FL RL RR FR FL VREF CREF 1 C203 2.2u50 C205 2 + 28 AC OUT L AC OUT R 27 0.01 C202 C201 47u10 + SCL SDA 21 76 18 43 44 77 77 43 44 L201 4.7uH 0.47 C206 R201 4.7K R101 240 53 AUDIO+B AM+B FM+B BU5V ILL+B ILL+B SW5V BU5V AUDIO+B SW5V FM+B AM+B R204 1K R205 4.7K 17 + C257 1u50 1u50 + C258 2.2K R103 C208 C210 C211 C209 + C306 10u10 C307 0.01 100K 100K R102 C228 0.01 C402 C403 C401 100K ∗R414 R132 C106 4700P R133 160K 2.2K 18 17 KEY KEY +5V +B IC1 IC4 IC6 IC12 A1 IC7 IC11 IC8 IC2 (X25-871X-XX) A J2 CN1 Q70 D70 D10 Q10 RESET D101 u-COM RDS D267 D261 D265 D263 D268 D264 D262 D266 D252 D253 Q251 J4 D404 Q223 Q224 Q222 Q221 MUTE REAR FRONT ∗ D Q40 D40 MUTE DRIVE Q53 D50 D14 D2 D13 D20 Q20 BU DET ACC DET Q50 SW5 Q51 D51 Q55 SERVO SW14V D30 P1 D103 D104 CN2 J5 FRONT REAR POWER AMP J1 D4 Q301 J3 D106 D107 Q102 E.VOL D202 D201 D102 Q101 IC1 : IC4 IC2 TDA7386 TDA7407D IC8 IC11 HD74HC27FP S-80830ANNP IC7 IC6 BA4911-V4 TDA7479D D10,20,70,201,202,401,402 D13,14,261-263,265,266 D4 D2,40,50,101,103,104,251-253 MA4068(N)-M SA-C2012-101TB or 1SS133 D1 IC12 S2V20 A BR24CO1AF : : : : : : : : : : : D30 : AM01Z or : MA4047-M or D102 D51 D106,107,403,404,409-411 B30-1567-05 : MA4062-L or : : MA4082(N)-L or : D1F60 D264,267,268 Q10,20,70,101,201 : 2SC4081 or Q51,53 Q50 Q40 UMC2N : 2SA1036K : : DTA124EUA or : 2SD2375 or Q55 Q301 Q251 Q221-224 Q102 DTC124EUA or : DTC114YUA or : DTC143TUA or : : DTA114YUA or UN5212 UN5214 UN5216 UN5114 2SD2396 UN5112 2SD1819A HZS6C1 HZS9A1L HZS5B1 DSM1SD2 or ERA15-02 IMSA-6801 SUPPLY TUNER (X86-3302-71) Q201 D251 SIGNAL LINE SURGE DET D1 POWER D403 D402 D409 D401 D410 D411 UPD780058GC251 TEL MUTE 2/2 X13- J1 to CD MECHANISM 47K 10K 22K 22K 10K 47K 4.7K 4.7K 4.7K 4.7K 22K 22K TEL MUTE RED BRN SP. OUT SP. OUT WHT/BLK GRN/BLK WHT 8 9 GRN FRONT L REAR L 10 7 ANT CONT/ 12 5 SP. OUT SP. OUT FRONT R GRY VIOL REAR R 11 6 GRY/BLK VIOL/BLK P. CONT P. CONT BLU/WHT 13 4 14 3 YEL BLK ACC 15 2 1 16 GND BU ANT CONT RR+ ANT CONT/ GND RL- FR+ FR- FL- FL+ P. CONT GRN VIOL VIOL/BLK GRN/BLK WHT GRY GRY/BLK WHT/BLK BLU/WHT RED BLU/WHT BLK 6 5 8 7 ACC PCON FR- 6 5 7 8 FL+ RL+ FL- 2 1 4 3 2 1 4 3 FR+ RR+ RR- 9 8 10 11 7 6 12 5 13 4 14 3 15 16 2 1 TEL MUTE BUP A B YEL BRN RL+ RL- RR- KDC-3018R (E30-4785) DC CORD (E30-4790) KDC-4090RY/4590RY/305RG/ 3090RG/3090RYG/3090RA/3090RYA DC CORD ISO CONNECTOR CONNECTOR MOLEX RR+ ANT CONT/ GND RL- FR+ FR- FL- FL+ P. CONT GRN VIOL VIOL/BLK GRN/BLK WHT GRY GRY/BLK WHT/BLK BLU/WHT RED BLU/WHT BLK 6 5 8 7 ACC PCON FR- 6 5 7 8 FL+ RL+ FL- 2 1 4 3 2 1 4 3 FR+ RR+ RR- 9 8 10 11 7 6 12 5 13 4 14 3 15 16 2 1 TEL MUTE BUP A B YEL BRN RL+ RL- RR- (E30-4791) KDC-4590RYV DC CORD ISO CONNECTOR CONNECTOR MOLEX ∗ C KDC-4090RY KDC-4590RY KDC-4590RYV 2-70 2-75 C404 C D MODEL NAME UNIT No. 2-71 KDC-3090RG KDC-3018R 2-74 2-72 2-73 2-73 2-73 KDC-3090RYG KDC-3090RA KDC-3090RYA KDC-305RG 2-72 YES YES YES NO NO NO YES YES YES YES NO NO NO YES YES NO NO NO NO R135 YES YES YES NO NO YES NO R136 NO NO NO NO YES R137 YES YES YES NO NO YES YES R138 NO NO NO NO (X25-871X-XX) R139,170, 171,412-414 YES YES YES NO NO NO R140 YES YES YES NO NO NO 0V 5V 0V 5V 5V 0V 0V 5V 0V 5V 0V 5V 0V 5V 5.0V 0V 5V 0V 0V 5V 5.0V 0V 0V 5V 0V 0V 5V 5.0V 0V or 5.0V 0V or 5.0V 0V or 5.0V 0V 5V 5V 0V 5V 0V 5.0V 0V 0V or 5.0V 0V 5V 0V 5V 5V 0V 0V 5V 5V 0V 5V 0V 0V 5V 0V 5V 0V 5.0V 0V 5.0V 5V 0V 0-4.0V 0.6-4.1V 2.2-4.5V 5V 0V 5V 0V 2.4V 0V 5.0V 7.4V 7.3V 7.2V 7.2V 0V 0V 0V 0V 0V 0V 5.0V 5.0V 0V 0V 0V 0V 0V 0V 5.0V 0V 5.0V 0V 3 VDD 1 4 VDD 1 3 5 7 10.3V 5.0V 5.0V 14.3V 8.1V 7.9V 8.1V 14.0V 0V 7.3V 0V 4.9V 14.4V 0V 7.2V 7.2V 0V 7.2V 7.2V 7.3V 7.3V 0V 7.3V 14.4V 3.4V 0V 7.4V 7.4V 1.0V 4.7V 0V 5.0V 0V 3.5V 8.2V 0V 4.0V 4.1V 4.1V 5.0V 0V 5V 5.0V 0V or 0V 0V B LINE w w w . x i a o y u 1 6 3 . c o m Q Q 3 7 6 3 1 5 1 5 0 9 9 2 8 9 4 2 9 8 T E L 1 3 9 4 2 2 9 6 5 1 3 9 9 2 8 9 4 2 9 8 0 5 1 5 1 3 6 7 3 Q Q TEL 13942296513 QQ 376315150 892498299 TEL 13942296513 QQ 376315150 892498299 R Q P N O M L J K 1 2 3 4 5 6 7 CAUTION:For continued safety, replace safety critical components only with manufacturer’s recommended parts (refer to, parts list). Indicates safety critical components. To reduce the risk of electric shock, leakage-current or resistance measurements shall be carried out (exposed parts are acceptably insulated from the supply circuit) before the appliance is returned to the customer. DC voltages are as measured with a high impedance voltmeter. Values may vary slightly due to variations between individual instruments or/and units. 42 14 12 10 8 9 15 16 11 17 18 14 13 19 20 15 21 22 45 47 16 17 23 24 48 25 26 44 46 27 28 41 29 30 27 19 37 39 40 31 32 38 33 34 35 36 35 36 18 37 38 23 21 20 39 40 22 41 42 25 24 43 44 46 29 28 47 48 30 49 50 51 31 32 52 33 C1 53 54 34 55 C2 1 2 51 43 6 4 3 5 7 8 55 59 53 52 54 49 10 9 11 13 12 4 50 5 6 7 1 2 3 4 5 6 7 8 9 10 11 12 13 14 15 D-GND PAN 5V ILL-GND LAMP+B LED+B RST L-RES L-DATAL L-CE L-DATAS SW 5V PANEL SW ESD-GND 64 63 62 61 60 59 58 57 56 55 54 53 52 51 50 49 48 47 46 45 44 43 42 41 40 39 38 37 36 35 34 33 32 31 30 29 28 27 26 25 1 2 3 4 5 6 7 8 9 10 11 12 13 14 15 16 17 18 19 20 21 22 23 24 65 66 67 68 69 70 71 72 73 74 75 76 77 78 79 80 KS6 KS5 KS4 KS3 KS2 S56 COM3 COM2 COM1 S55 S54 S53 S52 S51 S50 S49 S48 S47 S46 S45 S44 S43 S42 S41 S40 S39 S38 S37 S36 S35 S34 S33 S32 S31 S30 S29 S28 S27 S26 S25 KEY PG RED S4 S5 S6 S7 S8 S9 S10 S11 S12 S13 S14 S15 S16 S17 S18 S19 S20 S21 S22 S23 S24 RES DATAL CE CL DATAS KI1 KI2 KI4 KI3 C3 0.047 1000P C2 0.047 56K 0.01 4.7 1K 47K 79 80 78 76 77 77 78 80 79 R5 1K R3 470 R2 470 R4 470 R13 2.2 KS5 25 4 5 6 7 8 9 10 11 12 13 14 15 16 17 18 19 20 21 22 23 24 26 27 28 29 30 31 32 33 34 35 36 37 38 39 40 KS4 KS3 KS2 C3 C2 C1 55 54 53 52 51 50 49 48 47 46 45 44 43 42 41 47 PL1 PL2 270 R20 0.01 C8 0.01 C9 IC2 YES YES NO C KDC-4090RY YES 2-73 2-74 UNIT No. MODEL NAME 3 1 GND OUT VCC 2 C5 R12 1 L-CLK REMO 76 R1 1K C4 KI5 CP1 1K R6 R8 C1 1K R9 R10 10K 10K 330 R21 510 R18 510 R17 330 R16 330 R15 330 R14 330 R19 R19 330 330 R21 R18 510 R17 510 330 D16 D15 330 R14 330 KS5 KS4 KS3 KS2 KI5 KI4 KI3 KI2 KI1 KI1 KI2 KI3 KI4 KI5 VDD VDD1 VDD2 VSS TEST OSC 1K CP2 1K CP3 45 26 C3 56 KDC-3090RG KDC-305RG KDC-3090RYG KDC-3018R KDC-3090RA KDC-3090RYA YES 2-75 NO D B E D1-14 B30-1533-05(PG) B30-1567-05(RED) B30-1569-05(PG/RED) GND 4 59 R23 R24 Q2 Q3 2-71 KDC-4590RY B30-1569-05(PG/RED) YES NO 2-72 KDC-4590RYV B30-1569-05(PG/RED) YES NO NO NO NO NO NO NO NO NO YES YES F 360 C19 0.01 C7 R7 A ∗ED1 IC1 IC2 A (X13-987X-XX) J1 Q1 D19 ∗D13 ∗D12 ∗D11 ∗D10 ∗D9 ∗D7 ∗D6 ∗D4 ∗D3 ∗D1 6 FM AUTO 5 4 CLK 3 ∗D8 ∗D5 ∗D2 D1-14 ∗ : Q2,3 : 2SD2114K Q1 : DTA114EK or IC2 : RS-171 IC1 : LC75883E J3 X14- 1/2 KEY SCAN LCD DRIVER AMBER ON LED LED GREEN ON START SW KEY SCAN SENSOR (X13-987X-XX) YES YES D20,21 KDC-4090RY NO YES D24-28 2-73 2-74 UNIT No. MODEL NAME KDC-3090RG KDC-305RG KDC-3090RYG KDC-3018R KDC-3090RA KDC-3090RYA 2-75 NO YES 2-71 KDC-4590RY NO NO 2-72 KDC-4590RYV NO NO ED1 YES YES NO NO NO D17 B38-1059-05 B38-1059-05 B38-1059-05 B38-1059-05 B38-1058-05 ∗ C D23 D22 Q3 Q2 ∗D26 ∗D27 ∗D28 ∗D24 ∗D25 D14 ∗D21 ∗D20 ∗ D RESET ∗ A ∗ B ∗D1 ∗D2 ∗D3 ∗D4 ∗D5 ∗D6 ∗D7 ∗D8 ∗D10 ∗D11 ∗D12 ∗D13 ∗D9 ∗D26 ∗D27 ∗D28 ∗D14 ∗D25 ∗D24 ∗D21 ∗D14 ∗D20 ∗ E AM 2 dB 1 VOL+ ATT VOL- SRC D18 UN2111 or KRA102S D24-28 B30-1533-05(PG) : ED1 ∗ : D20,21 B30-1567-05(RED) : D18,19 : B30-1572-05 D17 B30-1564-05(BLUE) : D22,23 DA204K : ∗ G D17 REMOTE 10K 10K 5.0V 5V 0V 0V 4.9V 5V 0V 0V 5V 3.0V 1.7V 0V 0V B LINE 2/2 KDC-305RG/3018R/3090R/A/G/YA/YG NJM4565MD DAN202U DA204K DA204U DTA114YUA UN5212 BR24C01AF BR24C01AF-W BA5917AFP TDA7479D 2SD2396 BC E DTA114EK DTC114YUA DTC143TUA UN5114 UN5214 UN5216 2SA1036K 2SA1362 2SD1819A B C E 2SC4081 B C E DTA124EUA DTC124EUA KRA102S IN GND OUT UMC2N w w w . x i a o y u 1 6 3 . c o m Q Q 3 7 6 3 1 5 1 5 0 9 9 2 8 9 4 2 9 8 T E L 1 3 9 4 2 2 9 6 5 1 3 9 9 2 8 9 4 2 9 8 0 5 1 5 1 3 6 7 3 Q Q TEL 13942296513 QQ 376315150 892498299 TEL 13942296513 QQ 376315150 892498299 S T U W V X Y AA Z 1 2 3 4 5 6 7 CD MECHANISM CAUTION:For continued safety, replace safety critical components only with manufacturer’s recommended parts (refer to, parts list). Indicates safety critical components. To reduce the risk of electric shock, leakage- current or resistance measurements shall be carried out (exposed parts are acceptably insulated from the supply circuit) before the appliance is returned to the customer. DC voltages are as measured with a high impedance voltmeter. Values may vary slightly due to variations between individual instruments or/and units. 50 49 48 47 46 45 44 43 42 41 40 39 38 37 36 35 34 33 32 31 30 29 28 27 26 25 24 23 22 21 20 19 18 17 16 15 14 13 12 11 10 9 8 7 6 5 4 3 2 1 76 77 78 79 80 81 82 83 84 85 86 87 88 89 90 91 92 93 94 95 96 97 98 99 100 51 52 53 54 55 56 57 58 59 60 61 62 63 64 65 66 67 68 69 70 71 72 73 74 75 STOUT TRCRS FLAG IPFLAG FCLK CLDCK EFM or CK384 DVSS2 AVSS2 AVDD2 TOFS FOD TRD KICK ECS ECM PC TVD TRV VCOF2 VCOF PLLF2 PLLF IREF DSLF DRF ARF VREF RFENV NC NC NC TE NC NC FE TBAL FBAL AVDD3 AVSS3 NC NC LDON VDET RFDET OFT BDO 73/74SEL TES ICRST CLVS TEST ASEL PON SEARCH VER/HOR SW3 AMUTE L AMUTE R CD-RW RST MECHASEL MSTOP LDCNT DATA CLK HOT AVREF OUT R AVDD1 OUT L AVSS1 CSEL TEST1 TEST2 IOSEL NRST BCLK LRCK SRDATA SUBC SBCK DQSY DEMPH TX PSEL MSEL SSEL DVDD1 X1 X2 DVSS XSUB1 XSUB2 DVDD2 NC NC SMCK STLD PCK or DSLB 14 13 12 11 10 9 8 7 6 5 4 3 2 1 OP.OUT GND SLED+ SLED- NC SL.IN GND MUTE NC NC TR.IN NC TRK+ TRK- 15 16 17 18 19 20 21 22 23 24 25 26 27 28 OP.IN- OP.IN+ SPDL+ SPDL- NC SP.IN VCC VCC VREF FC.IN NC FCS- FCS+ GND 1 2 3 4 5 6 7 8 9 10 11 12 13 14 15 16 D B C A GND LD PD VR VC VCC F E FCS+ TRK+ TRK- FCS- 22 21 20 19 18 17 16 15 14 13 12 11 10 9 8 7 6 5 4 3 2 1 D.OUT SW2 SW1 CLK DATA MECHA NC BU+5V D.GND MUTE R MUTE L MRST MSTOP A.+8V Lch A.GND Rch LO/EJ MOTOR S.7.5V S.GND SW3 16.93MHz X1 100K R214 100K C85 0.1 100K R54 0.1 C35 220K R38 0.015 C25 0.1 C29 R37 470 C28 1 1 C26 150 R36 68K R32 100K 47K R5 150 28 27 FCS+ TRK- TRK+ FCS- 47K R73 R71 10K 1K R72 0.015 C43 24K R78 56K R77 R76 6.2K 33K R75 27 26 1 2 CP1 100 4.7K R49 7 6 8 5 4 1 2 3 C79 C80 330 R108 330 R107 20K R121 R117 20K 68P C77 20K R125 R118 20K R122 20K 68P C78 R126 20K R47 10K 2200P CP3 100 CP2 100 26 1 2 47 30 29 34 35 93 94 86 89 91 87 11 12 11 12 17 18 86 87 89 94 93 91 10 2 1 4 3 11 12 15 19 29 30 32 33 34 35 36 27 TVD ECS 18 17 LOAD SLED+ SLED- EJECT SPDL- SPDL+ 1K R46 0.1 C33 FE 1 C1 2.2 C41 C72 470P 2200P 470P C71 FIN FIN 16 15 14 13 12 11 10 9 8 7 6 5 4 3 2 1 GND NRFDET OFTR C.OFTR BDO C.BDO 3TOUT C.EA ARF C.AGC RFIN RFOUT RFN VCC LD PD 17 18 19 20 21 22 23 24 25 26 27 28 29 30 31 32 VREF VDET TEBPF TEOUT TEN FEN FEOUT GCTL TBAL F E C A D B FBAL 1 3 2 3300P 6800P 19 0.033 C10 4700P 1000P C23 ARF C8 1 6.8K R10 6.8K R11 4.3K R12 33P C5 3P C6 RF 0.1 C7 R15 820K 36K C16 220P R17 3.9K R18 TE 22K R16 4700P C14 0.047 C15 C17 4700P 12 33K R19 470P C18 92 C19 0.1 R20 100K 10 11 R21 330K R6 2.7K R3 2.7K 27 28 30 29 31 32 0.047 C46 R52 33K R81 32 33 R83 1K 12K R82 C45 0.015 36 4.7 IOP+ R8 10 R9 IOP- + 10u6.3 C4 W17 6 1 31 32 29 30 6 1 0.022 C24 3.3K R102 0.1 C68 5.6K R104 R218 0.1 C55 C13 C11 C12 1 C2 4.7 C3 R34 4 15 C20 0.1 R202 100K 2200P C89 47 200 R328 0.1 C90 4.7 C21 R234 10K 92 R233 6.2K IC2 IC4 (X32-5010-00) DXM-1062Y IC1 CN1 CN2 D3 D4 S2 S1 IC6 (2/2) (1/2) IC6 Q3 Q4 D2 Q5 Q2 S3 DOWN & LIMIT SWITCH M M LOADING & SLED MOTOR SPINDLE MOTOR MAIN UNIT CN1 to PICKUP OPTICAL IC1 : AN22000AA IC2 : MN662774KG1 IC4 : BA5917AFP IC6 : NJM4565MD Q1 : MCH6101 Q2,5 : DTC124EUA Q3 : DTA143XUA D1,2,4 : DAN202U D3 : DA204U SIGNAL LINE CD SIGNAL PROCESSOR 4ch BTL DRIVER ACTIVE PON SW MOTOR SW D.5V SW A.8V SW GAIN CONTROL SW FILTER PU1 (T25-0215-05) (X92- ) DM2 (X92- ) DM1 (X92- ) DET.SWITCH SWITCH S1 : LOAD DET. S2 : 12cm DISC bult in u-COM. AMP RF D1 Q1 APC D5 2SA1362(Y) Q4 : MA8051-L D5 : 22K 22K 22K 22K 10K 4.7K 0V 0V 0V 0V 0V 5.0V 2.5V 3.0V 2.5V 2.5V 2.5V 2.5V 2.5V 1.4V 2.5V 2.5V 2.5V 2.5V 2.5V 1.8V 0V 5.0V 0V 0V 5V 0V 0V 4.8V 5.0V 5.0V 4.8V 5.0V 5.0V 5.0V 0V 5.0V 5.0V 0V 5.0V 0V 5V 5.0V 5.0V 0V 2.5V 2.5V 4.0V 4.0V 4.0V 4.0V 2.5V 5.0V 4.0V 4.0V 2.5V 2.0V 2.0V 2.0V 4.0V 4.0V 2.5V 2.5V 8.0V TE 2.4V 2.4V 3.4V 0.1V 5.0V 2.5V 0.8Vp-p 0.8Vpp 1.2Vp-p 3.5V FE 0V or 5.0V 2.5V 0V 5.0V 0V 8.0V 2.5V 2.5V 2.5V B LINE KDC-305RG/3018R/3090R/A/G/YA/YG w w w . x i a o y u 1 6 3 . c o m Q Q 3 7 6 3 1 5 1 5 0 9 9 2 8 9 4 2 9 8 T E L 1 3 9 4 2 2 9 6 5 1 3 9 9 2 8 9 4 2 9 8 0 5 1 5 1 3 6 7 3 Q Q TEL 13942296513 QQ 376315150 892498299 TEL 13942296513 QQ 376315150 892498299 20 19 S 1 S 2 S 3 A B C D E F G H J M1.7x2.5 φ2x3.5 M1.7x4 M2x2 φ2x6 WASHERφ1.2 WASHERφ1.6 WASHERφ1.6 M2x2 : N09-4249-05 : N09-4172-05 : N09-4202-05 : N38-2020-46 : N09-4294-05 : N19-2023-04 : N19-2058-04 : N19-2093-04 : N39-2020-46 18 14 54 2 13 83 51 46 50 46 51 40 26 25 72 70 873 52 75 52 D J G B B H E E H E E E 885 E H Ex2 E F E B F G B Cx2 B B B Ax2 53 37 38 39 65 45 80 17 66 16 12 71 18 11 54 54 79 77 19 43 60 60 20 DPU1 44 41 3 9 10 47x2 35 58 67 78 DM2 DM1 24 55 34 32 31 27 29 49 36 30 21 63 64 82 22 61 61 76 33 7 1 875 62 8 6 60 60 69 EXPLODED VIEW (CD MECHANISM) Parts with exploded numbers larger than 700 are not suppied. A B 1 2 3 KDC 4590RV A B C D E F G N M3x8 φ2x6 φ2x8 (BLK) φ3x5 φ3x10 φ3x20 φ2.6x6 : N30-3008-46 : N80-2006-46 : N80-2008-45 : N83-3005-46 : N80-3010-46 : N83-3020-46 : N86-2606-46 : N29-0205-04 Dx2 Fx2 F A A E E D D G D D D B B C C C C C N (X25-8712-70) J 4 J 2 J 5 J 1 A 1 J 3 202 210 302 303 301 305 ED1 806 207 221 223 PA1 227 224 225 222 226 209 208 FC1 811 205 ME1 F1 206 213 304 203 201 DC1 219 233 LV1X2 211 212 710 703 712 711 732 715 704 701 713 733 C D 1 2 3 EXPLODED VIEW (UNIT) Parts with exploded numbers larger than 700 are not suppied. w w w . x i a o y u 1 6 3 . c o m Q Q 3 7 6 3 1 5 1 5 0 9 9 2 8 9 4 2 9 8 T E L 1 3 9 4 2 2 9 6 5 1 3 9 9 2 8 9 4 2 9 8 0 5 1 5 1 3 6 7 3 Q Q TEL 13942296513 QQ 376315150 892498299 TEL 13942296513 QQ 376315150 892498299 PARTS LIST 21 Ref.No. Parts No. Description A d d A d d N e w Dest inati on Ref.No. Parts No. Description A d d A d d N e w Dest inati on ∗ New Parts Parts without Parts No. are not supplied. Les articles non mentionnes dans le Parts No. ne sont pas fournis. Teile ohane Parts No. werden nicht geliefert. M :KDC-3018R E :KDC-3090RG E1:KDC-3090RA E2:KDC-305RG E6:KDC-3090RYG E7:KDC-3090RYA indicates safety critical components. KDC-305RG/3018R/3090R/A/G/YA/YG SWITCH UNIT(X13-9872-XX) ELECTRIC UNIT(X25-8712-XX) KDC-305RG/3018R/3090R/A/G/YA/YG 201 1C A02-1486-13 PLASTIC CABINET ASSY 202 2C A22-2863-03 SUB PANEL ASSY 203 2C A46-1694-01 REAR COVER 205 1D A52-0783-02 TOP PLATE PA1 3C ∗ A64-2210-02 PANEL ASSY M PA1 3C ∗ A64-2214-02 PANEL ASSY E,E1,E6 PA1 3C ∗ A64-2214-02 PANEL ASSY E7 PA1 3C ∗ A64-2215-02 PANEL ASSY E2 206 3C B07-3001-02 ESCUTCHEON 207 3C B10-3298-01 FRONT GLASS M 207 3C B10-4002-01 FRONT GLASS E,E1,E6 207 3C B10-4002-01 FRONT GLASS E7 207 3C B10-4003-01 FRONT GLASS E2 208 3C B11-1345-04 OPTICAL DIFFUSER 209 3C B19-2076-03 LIGHTING BOARD - B46-0100-50 WARRANTY CARD E,E1,E2 - B46-0182-14 ID CARD E1 - B46-0606-04 ID CARD E,E2,E6 - B46-0606-04 ID CARD E7 - ∗ B64-1833-00 INSTRUCTION MANUAL E,T M - ∗ B64-1834-00 INSTRUCTION MANUAL A M - ∗ B64-1835-00 INSTRUCTION MANUAL E WO/M - ∗ B64-1836-00 INSTRUCTION MANUAL F,G,D E,E1,E2 - ∗ B64-1837-00 INSTRUCTION MANUAL I,S,P E,E1,E2 - ∗ B64-2005-00 INSTRUCTION MANUAL R,O,Z E6,E7 - ∗ B64-1839-00 INSTRUCTION MANUAL H,C,W,N E6,E7 LV1 D10-4589-04 LEVER 210 2C E29-1830-02 CONDUCTIVE RUBBER DC1 1C E30-4785-05 DC CORD M DC1 1C E30-4790-05 DC CORD WO/M FC1 2C E39-0343-05 FLAT CABLE F1 2D F52-0006-05 FUSE(MINI BLADE TYPE) F1 2D F52-0011-05 FUSE(MINI BLADE TYPE) 211 3C G01-2987-04 TORSION COIL SPRING 212 3C G01-2988-04 EXTENSION SPRING 213 3C G01-2990-04 COMPRESSION SPRING - H10-4740-02 POLYSTYRENE FOAMED FIXTURE - H25-0329-04 PROTECTION BAG (280X450X0.03) E6,E7 - H25-0337-04 PROTECTION BAG (180X300X0.03) - H25-1111-04 PROTECTION BAG (280X450X0.03) E,E1,E2 - * H54-1900-03 ITEM CARTON CASE M - * H54-1901-03 ITEM CARTON CASE E - * H54-1902-03 ITEM CARTON CASE E1 - * H54-1903-03 ITEM CARTON CASE E2 - * H54-1908-03 ITEM CARTON CASE E6 - * H54-1909-03 ITEM CARTON CASE E7 219 1C J21-9641-03 MOUNTING HARDWARE ASSY 221 3C K24-3653-04 KNOB EJ 222 3C K24-3652-04 KNOB Q 223 3C K24-3665-04 KNOB RELEASE 224 3C K25-1253-03 KNOB 1-6 225 3C K25-1254-03 KNOB CLK 226 3C K25-1255-03 KNOB FM/AM 227 3C K25-1256-03 KNOB VOL 230 1C N99-1610-15 SCREW SET M 231 1C N99-1632-05 SCREW SET M A 3D N30-3008-46 PAN HEAD MACHINE SCREW B 3C N80-2006-46 PAN HEAD TAPTITE SCREW C 3C N80-2008-45 PAN HEAD TAPTITE SCREW D 1D N83-3005-46 PAN HEAD TAPTITE SCREW N 2C N29-0205-04 RETAINING RING (1.5φ) 233 1C T90-0534-05 ANTENNA ADAPTOR ME1 2D X92-4130-00 MECHANISM ASSY X13-987 301 3C B11-1327-04 OPTICAL DIFFUSER 302 3C B11-1328-04 REFLECTION SHEET 303 3C B19-2065-03 LIGHTING BOARD D1-14 B30-1533-05 LED(1608,PG) E,E2,E6 D1-14 B30-1567-05 LED(1608,RED) E1,E7 D20,21 B30-1567-05 LED(1608,RED) E1,E7 D24-28 B30-1533-05 LED(1608,PG) E,E2,E6 ED1 B38-1059-05 LIQUID CRYSTAL PL1,2 B30-1485-05 LAMP (5.5V 0.125A) PL1,2 B30-1543-05 LAMP (GRN,5.5V,0.12) C1 CK73GB1H102K CHIP C 1000PF K C2,3 CK73GB1E473K CHIP C 0.047UF K C2,3 CK73GB1H473K CHIP C 0.047UF K C4 CK73GB1H103K CHIP C 0.010UF K 304 3C E29-1829-04 CONDUCTIVE RUBBER 305 3C E29-1834-04 CONDUCTIVE RUBBER J1 E59-0828-05 RECTANGULAR PLUG CP1 R90-0724-05 MULTI-COMP 1K X4 CP2,3 R90-0725-05 MULTI-COMP 1K X2 R1 RK73FB2A102J CHIP R 1.0K J 1/10W R2-4 RK73FB2A471J CHIP R 470 J 1/10W R5 RK73FB2A102J CHIP R 1.0K J 1/10W R6 RK73GB1J473J CHIP R 47K J 1/16W R7 RK73GB1J102J CHIP R 1.0K J 1/16W R8 RK73GB1J563J CHIP R 56K J 1/16W R9 RK73GB1J102J CHIP R 1.0K J 1/16W R10 RK73EB2B4R7J CHIP R 4.7 J 1/8W R14-16 RK73EB2B331J CHIP R 330 J 1/8W R17,18 RK73EB2B511J CHIP R 510 J 1/8W R19 RK73EB2B331J CHIP R 330 J 1/8W R21 RK73EB2B331J CHIP R 330 J 1/8W E,E2,E6 D22 ,23 DA204K DIODE IC1 LC75883E MOS-IC Q1 DTA114EK DIGITAL TRANSISTOR Q1 KRA102S DIGITAL TRANSISTOR Q1 UN2111 DIGITAL TRANSISTOR X25-871 D102 B30-1567-05 LED(1608,RED) SWITCH UNIT (X13-9872-XX) ELECTRIC UNIT (X25-8712-XX) www. xiaoyu163. com QQ 376315150 9 9 2 8 9 4 2 9 8 TEL 13942296513 9 9 2 8 9 4 2 9 8 0 5 1 5 1 3 6 7 3 Q Q TEL 13942296513 QQ 376315150 892498299 TEL 13942296513 QQ 376315150 892498299 PARTS LIST 22 Ref.No. Parts No. Description A d d A d d N e w Dest inati on Ref.No. Parts No. Description A d d A d d N e w Dest inati on ∗ New Parts Parts without Parts No. are not supplied. Les articles non mentionnes dans le Parts No. ne sont pas fournis. Teile ohane Parts No. werden nicht geliefert. M :KDC-3018R E :KDC-3090RG E1:KDC-3090RA E2:KDC-305RG E6:KDC-3090RYG E7:KDC-3090RYA indicates safety critical components. ELECTRIC UNIT(X25-8712-XX) C1 C90-2853-05 ELECTRO 4700UF 16WV C21 CK73GB1H103K CHIP C 0.010UF K C30 CK73GB1H103K CHIP C 0.010UF K C40 CK73GB1H103K CHIP C 0.010UF K C50 CE04CW1E100M ELECTRO 10UF 25WV C52-54 C90-2597-05 ELECTRO 10UF 16WV C55 CE04CW1E100M ELECTRO 10UF 25WV C56 CE04CW1H100M ELECTRO 10UF 50WV C57 C90-2926-05 ELECTRO 220UF 16WV C63 CE04CW1C220M ELECTRO 22UF 16WV C101 CE04CW0J101M ELECTRO 100UF 6.3WV C102 CK73GB1H103K CHIP C 0.010UF K C103 CK73GB1C104K CHIP C 0.10UF K C103 CK73GB1H104K CHIP C 0.10UF K C104,105 CC73GCH1H150J CHIP C 15PF J C106 CK73GB1H472K CHIP C 4700PF K C142 CK73GB1C104K CHIP C 0.10UF K C142 CK73GB1H104K CHIP C 0.10UF K C201 CE04CW1A470M ELECTRO 47UF 10WV C202 CK73GB1H103K CHIP C 0.010UF K C203-205 C90-2610-05 ELECTRO 2.2UF 50WV C206 CK73GB1H153K CHIP C 0.015UF K C207 CK73GB1A474K CHIP C 0.47UF K C208,209 CK73GB1C104K CHIP C 0.10UF K C208,209 CK73GB1H104K CHIP C 0.10UF K C210 CK73GB1E333K CHIP C 0.033UF K C210 CK73GB1H333K CHIP C 0.033UF K C211 CC73GCH1H151J CHIP C 150PF J C223,224 C90-2597-05 ELECTRO 10UF 16WV C225 CK73GB1H103K CHIP C 0.010UF K C228 CK73GB1H103K CHIP C 0.010UF K C251-254 C90-5296-05 NP-ELECT 0.22UF 50WV C255 C90-2608-05 ELECTRO 1.0UF 50WV C256 CE04CW1A101M ELECTRO 100UF 10WV C257 C90-2608-05 ELECTRO 1.0UF 50WV C258 C90-2935-05 ELECTRO 1.0UF 50WV C301 CE04CW1A101M ELECTRO 100UF 10WV C302,303 CK73GB1H103K CHIP C 0.010UF K C304 CE04CW1A101M ELECTRO 100UF 10WV C305 CK73GB1H103K CHIP C 0.010UF K C306 C90-2594-05 ELECTRO 10UF 10WV C307,308 CK73GB1H103K CHIP C 0.010UF K C351 C90-2592-05 ELECTRO 10UF 6.3WV C352 CC73GCH1H331J CHIP C 330PF J C353 C90-2592-05 ELECTRO 10UF 6.3WV C354 CK73GB1H103K CHIP C 0.010UF K C355,356 CC73GCH1H100D CHIP C 10PF D CN1 E40-9550-05 FLAT CABLE CONNECTOR J1 E04-0312-05 RF COAXIAL CABLE RECEPTACLE J2 E58-0863-15 RECTANGULAR RECEPTACLE J3 E58-0879-05 RECTANGULAR RECEPTACLE J5 E63-0852-05 PIN JACK P1 E23-0745-05 TERMINAL L1 L33-1170-05 CHOKE COIL ASSY L4 L33-1123-05 LINE FILTER COIL L101 L40-4795-91 SMALL FIXED INDUCTOR(4.7UH,J) L201 L40-4795-91 SMALL FIXED INDUCTOR(4.7UH,J) L303-306 L40-4795-91 SMALL FIXED INDUCTOR(4.7UH,J) X1 L77-1167-05 CRYSTAL RESONATOR(4.19M) X2 L77-2002-05 CRYSTAL RESONATOR D 2D N83-3005-46 PAN HEAD TAPTITE SCREW E 2D N80-3010-46 PAN HEAD TAPTITE SCREW F 2D N83-3020-46 PAN HEAD TAPTITE SCREW G 2D N86-2606-46 BINDING HEAD TAPTITE SCREW CP1 R90-1056-05 MULTIPLE RESISTOR CP2 R90-1047-05 MULTIPLE RESISTOR CP3 R90-1046-05 MULTIPLE RESISTOR R10 RK73FB2A303J CHIP R 30K J 1/10W R11 RK73GB1J103J CHIP R 10K J 1/16W R12 RK73GB1J104J CHIP R 100K J 1/16W R20 RD14DB2H332J SMALL-RD 3.3K J 1/2W R22 RK73GB1J103J CHIP R 10K J 1/16W R23 RK73GB1J104J CHIP R 100K J 1/16W R31 RK73GB1J473J CHIP R 47K J 1/16W R32 RK73GB1J223J CHIP R 22K J 1/16W R51 RK73GB1J473J CHIP R 47K J 1/16W R57 RK73FB2A152J CHIP R 1.5K J 1/10W R58 RK73GB1J472J CHIP R 4.7K J 1/16W R67 RK73GB1J103J CHIP R 10K J 1/16W R71 RK73FB2A823J CHIP R 82K J 1/10W R72 RK73FB2A363J CHIP R 36K J 1/10W R73 RK73GB1J104J CHIP R 100K J 1/16W R102 RK73GB1J102J CHIP R 1.0K J 1/16W R103,104 RK73GB1J222J CHIP R 2.2K J 1/16W R105 RK73GB1J471J CHIP R 470 J 1/16W R106 RK73GB1J104J CHIP R 100K J 1/16W R107-109 RK73GB1J222J CHIP R 2.2K J 1/16W R110 RK73GB1J472J CHIP R 4.7K J 1/16W R113,114 RK73GB1J473J CHIP R 47K J 1/16W R115 RK73GB1J102J CHIP R 1.0K J 1/16W R116 RK73GB1J103J CHIP R 10K J 1/16W R117 RK73GB1J102J CHIP R 1.0K J 1/16W R118 RK73GB1J103J CHIP R 10K J 1/16W R119 RK73GB1J473J CHIP R 47K J 1/16W R121,122 RK73GB1J222J CHIP R 2.2K J 1/16W R125 RK73GB1J102J CHIP R 1.0K J 1/16W R126 RK73GB1J104J CHIP R 100K J 1/16W R127 RK73GB1J222J CHIP R 2.2K J 1/16W R128 RK73GB1J225J CHIP R 2.2M J 1/16W R129,130 RK73GB1J222J CHIP R 2.2K J 1/16W R131 RK73GB1J682J CHIP R 6.8K J 1/16W R132 RK73GB1J223J CHIP R 22K J 1/16W R133 RK73GB1J164J CHIP R 160K J 1/16W R134 RK73GB1J222J CHIP R 2.2K J 1/16W R136 RK73GB1J473J CHIP R 47K J 1/16W E,E2,E6 R136,137 RK73GB1J473J CHIP R 47K J 1/16W E1,E7 R138 RK73GB1J473J CHIP R 47K J 1/16W E,E2,E6 www. xiaoyu163. com QQ 376315150 9 9 2 8 9 4 2 9 8 TEL 13942296513 9 9 2 8 9 4 2 9 8 0 5 1 5 1 3 6 7 3 Q Q TEL 13942296513 QQ 376315150 892498299 TEL 13942296513 QQ 376315150 892498299 PARTS LIST 23 Ref.No. Parts No. Description A d d A d d N e w Dest inati on Ref.No. Parts No. Description A d d A d d N e w Dest inati on ∗ New Parts Parts without Parts No. are not supplied. Les articles non mentionnes dans le Parts No. ne sont pas fournis. Teile ohane Parts No. werden nicht geliefert. M :KDC-3018R E :KDC-3090RG E1:KDC-3090RA E2:KDC-305RG E6:KDC-3090RYG E7:KDC-3090RYA indicates safety critical components. ELECTRIC UNIT(X25-8712-XX) CD PLAYER UNIT(X32-5010-00) R140 RK73GB1J473J CHIP R 47K J 1/16W R143 RK73FB2A222J CHIP R 2.2K J 1/10W R144 RK73GB1J104J CHIP R 100K J 1/16W R201 RK73GB1J272J CHIP R 2.7K J 1/16W R202,203 RK73GB1J472J CHIP R 4.7K J 1/16W R204 RK73GB1J102J CHIP R 1.0K J 1/16W R205 RK73GB1J472J CHIP R 4.7K J 1/16W R223,224 RK73FB2A271J CHIP R 270 J 1/10W R251 RK73GB1J472J CHIP R 4.7K J 1/16W R254 RK73GB1J472J CHIP R 4.7K J 1/16W R255 RK73GB1J333J CHIP R 33K J 1/16W R256 RK73FB2A102J CHIP R 1.0K J 1/10W R257 RK73GB1J362J CHIP R 3.6K J 1/16W R258 RK73GB1J101J CHIP R 100 J 1/16W R260 RK73GB1J751J CHIP R 750 J 1/16W R261 RK73GB1J431J CHIP R 430 J 1/16W R263 RK73GB1J184J CHIP R 180K J 1/16W R264 RK73GB1J473J CHIP R 47K J 1/16W R302 RK73GB1J4R7J CHIP R 4.7 J 1/16W R415 RK73GB1J104J CHIP R 100K J 1/16W W150 R92-1252-05 CHIP R 0 OHM W151 R92-2053-05 CHIP R 0 J 1/8W W152 R92-1252-05 CHIP R 0 OHM W155 R92-1252-05 CHIP R 0 OHM W156,157 R92-2053-05 CHIP R 0 J 1/8W W158,159 R92-1252-05 CHIP R 0 OHM W160-165 R92-2053-05 CHIP R 0 J 1/8W W166-169 R92-1252-05 CHIP R 0 OHM D1 S2V20*A DIODE D2,3 1SS133 DIODE D4 IMSA-6801 SURGE ABSORBER D4 SA-C2012-101TB SURGE ABSORBER D10 MA4068(N)-M ZENER DIODE D11 D1F60 DIODE D12 -14 AM01Z DIODE D12 -14 DSM1SD2 DIODE D12 -14 ERA15-02 DIODE D20 MA4068(N)-M ZENER DIODE D30 HZS5B1 ZENER DIODE D30 MA4047-M ZENER DIODE D40 1SS133 DIODE D50 1SS133 DIODE D51 HZS9A1L ZENER DIODE D51 MA4082(N)-L ZENER DIODE D70 MA4068(N)-M ZENER DIODE D101 1SS133 DIODE D103,104 1SS133 DIODE D106,107 HZS6C1 ZENER DIODE D106,107 MA4062-L ZENER DIODE D201,202 MA4068(N)-M ZENER DIODE D251-253 1SS133 DIODE IC1 UPD780058GC232 MI-COM IC IC2 TDA7407D ANALOGUE IC IC4 TDA7386 ANALOGUE IC IC6 TDA7479D ANALOGUE IC IC7 BA4911-V4 ANALOGUE IC IC8 HD74HC27FP MOS-IC IC11 S-80830ANNP MOS-IC IC12 BR24C01AF MEMORY IC IC12 BR24C01AF-W MEMORY IC IC12 M24C01-WMN6T MEMORY IC IC12 S-24C01B MEMORY IC Q10 2SC4081 TRANSISTOR Q10 2SD1819A TRANSISTOR Q20 2SC4081 TRANSISTOR Q20 2SD1819A TRANSISTOR Q40 DTA124EUA DIGITAL TRANSISTOR Q40 UN5112 DIGITAL TRANSISTOR Q50 2SA1036K TRANSISTOR Q51 UMC2N TRANSISTOR Q53 UMC2N TRANSISTOR Q55 2SD2375 TRANSISTOR Q55 2SD2396 TRANSISTOR Q70 2SC4081 TRANSISTOR Q70 2SD1819A TRANSISTOR Q101 2SC4081 TRANSISTOR Q101 2SD1819A TRANSISTOR Q102 DTA114YUA DIGITAL TRANSISTOR Q102 UN5114 DIGITAL TRANSISTOR Q201 2SC4081 TRANSISTOR Q201 2SD1819A TRANSISTOR Q223,224 DTC143TUA DIGITAL TRANSISTOR Q223,224 UN5216 DIGITAL TRANSISTOR Q251 DTC114YUA DIGITAL TRANSISTOR Q251 UN5214 DIGITAL TRANSISTOR Q301 DTC124EUA DIGITAL TRANSISTOR Q301 UN5212 DIGITAL TRANSISTOR TH1 PTH9C42BE471Q POSITIVE RESISTOR A1 2D X86-3302-71 TUNER UNIT X32-501 C1,2 CK73FB1C105K CHIP C 1.0UF K C3 CK73FB0J475K CHIP C 4.7UF K C4 C92-0566-05 CHIP-TAN 10UF 6.3WV C5 CC73GCH1H330J CHIP C 33PF J C6 CC73GCH1H030C CHIP C 3.0PF C C7 CK73GB1C104K CHIP C 0.10UF K C8 CK73FB1C105K CHIP C 1.0UF K C10 CK73GB1H472K CHIP C 4700PF K C11 CK73GB1H682K CHIP C 6800PF K C12 CK73GB1H332K CHIP C 3300PF K C13 CK73GB1C333K CHIP C 0.033UF K C14 CK73GB1H472K CHIP C 4700PF K C15 CK73GB1C473K CHIP C 0.047UF K C16 CC73GCH1H221J CHIP C 220PF J C17 CK73GB1H472K CHIP C 4700PF K C18 CC73GCH1H471J CHIP C 470PF J C19,20 CK73GB1C104K CHIP C 0.10UF K C21 CK73FB0J475K CHIP C 4.7UF K CD PLAYER UNIT (X32-5010-00) www. xiaoyu163. com QQ 376315150 9 9 2 8 9 4 2 9 8 TEL 13942296513 9 9 2 8 9 4 2 9 8 0 5 1 5 1 3 6 7 3 Q Q TEL 13942296513 QQ 376315150 892498299 TEL 13942296513 QQ 376315150 892498299 PARTS LIST 24 Ref.No. Parts No. Description A d d A d d N e w Dest inati on Ref.No. Parts No. Description A d d A d d N e w Dest inati on ∗ New Parts Parts without Parts No. are not supplied. Les articles non mentionnes dans le Parts No. ne sont pas fournis. Teile ohane Parts No. werden nicht geliefert. M :KDC-3018R E :KDC-3090RG E1:KDC-3090RA E2:KDC-305RG E6:KDC-3090RYG E7:KDC-3090RYA indicates safety critical components. CD PLAYER UNIT(X32-5010-00) MECHANISM ASSY(X92-4130-00) C23 CK73GB1H102K CHIP C 1000PF K C24 CK73GB1E223K CHIP C 0.022UF K C25 CK73GB1H153K CHIP C 0.015UF K C26 CK73GB0J105K CHIP C 1.0UF K C28 CK73GB0J105K CHIP C 1.0UF K C29 CK73GB1C104K CHIP C 0.10UF K C33 CK73GB1C104K CHIP C 0.10UF K C35 CK73GB1C104K CHIP C 0.10UF K C41 CK73EB1C225K CHIP C 2.2UF K C43 CK73GB1H153K CHIP C 0.015UF K C45 CK73GB1H153K CHIP C 0.015UF K C46 CK73GB1C473K CHIP C 0.047UF K C55 CK73GB1C104K CHIP C 0.10UF K C68 CK73GB1C104K CHIP C 0.10UF K C71,72 CK73GB1H471K CHIP C 470PF K C77,78 CC73GCH1H680J CHIP C 68PF J C79,80 CK73GB1H222K CHIP C 2200PF K C85 CK73GB1C104K CHIP C 0.10UF K C89 CK73GB1H222K CHIP C 2200PF K C90 CK73GB1C104K CHIP C 0.10UF K CN1 E40-9536-05 FLAT CABLE CONNECTOR CN2 E40-9339-05 FLAT CABLE CONNECTOR CN2 E41-0036-05 FLAT CABLE CONNECTOR CN2 E41-0129-05 FLAT CABLE CONNECTOR X1 L78-0572-05 RESONATOR (16.93MHZ) CP1-3 R90-1019-05 MULTI-COMP 100 X 2 R3 RK73GB1J272J CHIP R 2.7K J 1/16W R5 RK73GB1J151J CHIP R 150 J 1/16W R6 RK73GB1J272J CHIP R 2.7K J 1/16W R8 RK73EB2B4R7J CHIP R 4.7 J 1/8W R9 RK73EB2B100J CHIP R 10 J 1/8W R10,11 RK73GB1J682J CHIP R 6.8K J 1/16W R12 RK73GB1J432J CHIP R 4.3K J 1/16W R15 RK73GB1J824J CHIP R 820K J 1/16W R16 RK73GB1J223J CHIP R 22K J 1/16W R17 RK73GB1J363J CHIP R 36K J 1/16W R18 RK73GB1J392J CHIP R 3.9K J 1/16W R19 RK73GB1J333J CHIP R 33K J 1/16W R20 RK73GB1J104J CHIP R 100K J 1/16W R21 RK73GB1J334J CHIP R 330K J 1/16W R32 RK73GB1J104J CHIP R 100K J 1/16W R34 RK73GB1J683J CHIP R 68K J 1/16W R36 RK73GB1J151J CHIP R 150 J 1/16W R37 RK73GB1J471J CHIP R 470 J 1/16W R38 RK73GB1J224J CHIP R 220K J 1/16W R46 RK73GB1J102J CHIP R 1.0K J 1/16W R47 RK73GB1J103J CHIP R 10K J 1/16W R49 RK73GB1J472J CHIP R 4.7K J 1/16W R52 RK73GB1J104J CHIP R 100K J 1/16W R54 RK73GB1J104J CHIP R 100K J 1/16W R71 RK73GB1J103J CHIP R 10K J 1/16W R72 RK73GB1J102J CHIP R 1.0K J 1/16W R73 RK73GB1J473J CHIP R 47K J 1/16W R75 RK73GB1J333J CHIP R 33K J 1/16W R76 RK73GB1J622J CHIP R 6.2K J 1/16W R77 RK73GB1J563J CHIP R 56K J 1/16W R78 RK73GB1J243J CHIP R 24K J 1/16W R81 RK73GB1J333J CHIP R 33K J 1/16W R82 RK73GB1J123J CHIP R 12K J 1/16W R83 RK73GB1J102J CHIP R 1.0K J 1/16W R102 RK73GB1J332J CHIP R 3.3K J 1/16W R104 RK73GB1J562J CHIP R 5.6K J 1/16W R107,108 RK73FB2A331J CHIP R 330 J 1/10W R117,118 RK73FB2A203J CHIP R 20K J 1/10W R121,122 RK73FB2A203J CHIP R 20K J 1/10W R125,126 RK73FB2A203J CHIP R 20K J 1/10W R202 RK73GB1J104J CHIP R 100K J 1/16W R214 RK73GB1J104J CHIP R 100K J 1/16W R218 RK73GB1J473J CHIP R 47K J 1/16W R233 RK73GB1J622J CHIP R 6.2K J 1/16W R234 RK73GB1J103J CHIP R 10K J 1/16W R238 RK73FB2A201J CHIP R 200 J 1/10W W17 R92-2053-05 CHIP R 0 J 1/8W S1,2 S68-0838-05 PUSH SWITCH S3 S68-0859-05 PUSH SWITCH D1,2 DAN202U DIODE D3 DA204U DIODE D4 DAN202U DIODE D5 MA8051-L ZENER DIODE IC1 AN22000AA ANALOGUE IC IC2 MN662774KG1 MOS-IC IC4 BA5917AFP ANALOGUE IC IC6 NJM4565MD IC(OP AMP X2) Q1 MCH6101 TRANSISTOR Q2 DTC124EUA DIGITAL TRANSISTOR Q3 DTA143XUA DIGITAL TRANSISTOR Q4 2SA1362(Y) TRANSISTOR Q5 DTC124EUA DIGITAL TRANSISTOR X92-369 1 2A A10-4482-01 CHASSIS 2 1B A10-4225-33 CHASSIS CALKING ASSY 3 2B A11-0915-43 SUB CHASSIS CALKING ASSY 6 2A D10-4306-04 ARM ASSY 7 2A D10-4305-04 ARM ASSY 8 3A D10-3087-44 ARM ASSY 9 3B D10-3092-03 SLIDER 10 3B D10-3093-04 SLIDER ASSY 11 2B D10-3095-04 SLIDER ASSY 12 2B D10-3096-04 SLIDER ASSY 13 1A D10-3099-24 SLIDER ASSY 14 1A D10-3100-04 SLIDER ASSY 16 1B D10-4004-04 LEVER ASSY 17 1B D10-4006-04 LEVER 18 1A D10-4007-04 LEVER 19 2B D10-4008-14 LEVER 20 2A D10-4009-23 ARM 21 3A D10-4010-04 LEVER MECHANISM ASSY (X92-4130-00) www. xiaoyu163. com QQ 376315150 9 9 2 8 9 4 2 9 8 TEL 13942296513 9 9 2 8 9 4 2 9 8 0 5 1 5 1 3 6 7 3 Q Q TEL 13942296513 QQ 376315150 892498299 TEL 13942296513 QQ 376315150 892498299 PARTS LIST 25 Ref.No. Parts No. Description A d d A d d N e w Dest inati on Ref.No. Parts No. Description A d d A d d N e w Dest inati on ∗ New Parts Parts without Parts No. are not supplied. Les articles non mentionnes dans le Parts No. ne sont pas fournis. Teile ohane Parts No. werden nicht geliefert. M :KDC-3018R E :KDC-3090RG E1:KDC-3090RA E2:KDC-305RG E6:KDC-3090RYG E7:KDC-3090RYA indicates safety critical components. MECHANISM ASSY(X92-4130-00) 22 3A D10-4307-04 LEVER ASSY 24 3B D10-4050-04 ARM 25 3A D10-4038-23 ARM ASSY 26 2A D10-4123-24 LEVER ASSY 27 3A D13-1442-03 RACK (GEAR) 29 3B D13-1231-04 GEAR 30 3A D13-1240-04 GEAR 31 3B D13-1233-04 GEAR 32 3B D13-1234-14 GEAR ASSY 33 3A D13-1441-03 GEAR 34 3B D13-1232-04 GEAR 35 3B D13-1241-04 GEAR 36 3A D13-1242-04 GEAR 37 1B D13-1243-04 GEAR 38 1B D13-1244-04 GEAR 39 1B D13-1245-14 GEAR 40 2A D13-1246-04 GEAR 41 2B D13-1247-04 GEAR 43 2B D13-1249-04 GEAR ASSY 44 2B D13-1341-04 GEAR ASSY (LEAD SCREW) 45 1B D14-0668-04 ROLLER 46 2A D14-0670-04 ROLLER 47 3B D14-0674-04 ROLLER 49 3A D21-2228-14 SHAFT 50 1A D21-2229-04 SHAFT 51 1A D23-0925-24 RETAINER 52 2A D32-0614-04 STOPPER 53 1B D39-0223-05 DAMPER (YELLOW) 54 2B D39-0224-05 DAMPER (BLACK) 55 3B F09-1246-04 SHEET 58 3B F09-1266-14 SHEET 60 2A G01-2770-04 EXTENSION SPRING 61 3A G01-2771-04 EXTENSION SPRING 62 3A G01-2772-24 EXTENSION SPRING 63 3A G01-2773-14 EXTENSION SPRING 64 3A G01-2774-34 EXTENSION SPRING 65 1B G01-2775-04 TORSION COIL SPRING 66 1B G01-2776-14 TORSION COIL SPRING 67 3B G01-2777-24 TORSION COIL SPRING 69 2A G01-2844-04 EXTENSION SPRING 70 2A G02-1231-04 FLAT SPRING 71 2B G02-1232-24 FLAT SPRING 72 2A G02-1241-24 FLAT SPRING 75 2A J11-0613-13 CLAMPER 76 3A J19-4678-13 HOLDER 77 2B J19-4679-24 HOLDER 78 3B J21-7684-13 MOUNTING HARDWARE 79 2B J21-7686-13 MOUNTING HARDWARE 80 1B J21-7690-03 MOUNTING HARDWARE 82 3A J84-0107-05 FLEXIBLE PRINTED WIRING BOARD 83 1A J90-0757-22 GUIDE A 2A N09-4249-05 MACHINE SCREW (M1.7X2.5,LOCK) B 1B N09-4172-05 TAPPING SCREW (2X3.5,CTITE) C 2B N09-4202-05 STEPPED SCREW D 2A N38-2020-46 PAN HEAD MACHIN SCREW E 3A N09-4294-05 TAPTITE SCREW (BIND P TAPTIT) F 3B N19-2023-04 FLAT WASHER G 2A N19-2058-04 FLAT WASHER H 3A N19-2093-04 FLAT WASHER J 2A N39-2020-46 PAN HEAD MACHIN SCREW DM1 3B T42-0764-04 DC MOTOR ASSY DM2 3B T42-0763-04 DC MOTOR ASSY DPU1 2B T25-0215-05 OPTICAL PICKUP HEAD www. xiaoyu163. com QQ 376315150 9 9 2 8 9 4 2 9 8 TEL 13942296513 9 9 2 8 9 4 2 9 8 0 5 1 5 1 3 6 7 3 Q Q TEL 13942296513 QQ 376315150 892498299 TEL 13942296513 QQ 376315150 892498299 KDC-305RG/3018R/3090R/A/G/YA/YG 26 SPECIFICATIONS FM Section Frequency Range............................... 87.5MHz~108.0MHz (Frequency Step) (50kHz) Usable Sensitivity(S/N:26dB) ............. 0.7µV/75Ω Quieting Sensitivity(S/N:46dB) ........... 1.6µV/75Ω Frequency Response(±3.0dB) ........... 30Hz~15kHz S/N ..................................................... 65dB(MONO) Selectivity(DIN) .................................. ≥ 80dB(±400kHz) Stereo Separation .............................. 35dB(1kHz) MW Section Frequency Range............................... 531kHz~1611kHz (Frequency Step) (9kHz) Usable Sensitivity(S/N:20dB) ............. 25µV LW Section Frequency Range............................... 153kHz~281kHz Usable Sensitivity(S/N:20dB) ............. 45µV CD Section Laser Diode ........................................ GaAIAs(λ=780nm) Digital Filter(D/A) ................................ 8 Times Over Sampling D/A Converter .................................... 1Bit Spindle Speed .................................... 500~200(CLV) Wow & Flutter..................................... Below Measurable Limit Frequency Response ......................... 10~20kHz(±1dB) THD .................................................... 0.01%(1kHz) S/N Ratio ............................................ 96dB(1kHz) Dynamic Range.................................. 93dB Channel Separation ........................... 85dB AMPLIFIER Section Preout Level/Load .............................. 1800mV/10kΩ(CD/CD-CH) Preout Impedance .............................. ≤ 600Ω Maximum Power ................................ 45W×4 Power DIN45324, +B=14.4V .............. 28W×4 TONE Section Bass ................................................... 100Hz±10dB Middle................................................. 1kHz±10dB Treble ................................................. 10kHz±10dB General Operating Voltage .............................. 14.4V (11V~16V allowable) Current Consumption ......................... 10A Installation Size (W) ........................... 182(mm) 7-3/16(in) (H) ........................... 53(mm) 2-1/16(in) (D) ........................... 157(mm) 6-3/16(in) Weight ................................................ 1.5kg(3.31lbs) KENWOOD follows a policy of continuous advancements in development. For this reason specifications may be changed without notice. FM Section Frequency Range............................... 87.5MHz~108.0MHz (Frequency Step) (50kHz) Channel Space Selection ................... FIX Usable Sensitivity(S/N:30dB) ............. 9.3dBf(0.8µV/75Ω) Quieting Sensitivity(S/N:50dB) ........... 15.2dBf(1.6µV/75Ω) Frequency Response(±3.0dB) ........... 30Hz~15kHz S/N ..................................................... 70dB(MONO) Selectivity(DIN) .................................. ≥ 80dB(±400kHz) Stereo Separation .............................. 40dB(1kHz) MW Section Frequency Range............................... 531kHz~1611kHz (Frequency Step) (9kHz) Usable Sensitivity(S/N:20dB) ............. 28dBµ(25µV) LW Section Frequency Range............................... 153kHz~281kHz Usable Sensitivity(S/N:20dB) ............. 45µV CD Section Laser Diode ........................................ GaAIAs(λ=780nm) Digital Filter(D/A) ................................ 8 Times Over Sampling D/A Converter .................................... 1Bit Spindle Speed .................................... 500~200(CLV) Wow & Flutter..................................... Below Measurable Limit Frequency Response ......................... 10~20kHz(±1dB) THD .................................................... 0.01%(1kHz) S/N Ratio ............................................ 96dB(1kHz) Dynamic Range.................................. 93dB Channel Separation ........................... 85dB AMPLIFIER Section Preout Level/Load .............................. 1800mV/10kΩ(CD/CD-CH) Preout Impedance .............................. ≤ 600Ω Maximum Power ................................ 45W×4 Full Bandwidth Power ........................ 22W×4 TONE Section Bass ................................................... 100Hz±10dB Middle................................................. 1kHz±10dB Treble ................................................. 10kHz±10dB General Operating Voltage .............................. 14.4V (11V~16V allowable) Current Consumption ......................... 10A Installation Size (W) ........................... 182(mm) 7-3/16(in) (H) ........................... 53(mm) 2-1/16(in) (D) ........................... 157(mm) 6-3/16(in) Weight ................................................ 1.5kg(3.31lbs) KDC-305RG/309R/A/G/YA/YG KDC-3018R www. xiaoyu163. com QQ 376315150 9 9 2 8 9 4 2 9 8 TEL 13942296513 9 9 2 8 9 4 2 9 8 0 5 1 5 1 3 6 7 3 Q Q TEL 13942296513 QQ 376315150 892498299 TEL 13942296513 QQ 376315150 892498299
版权声明
1. 本站所有素材,仅限学习交流,仅展示部分内容,如需查看完整内容,请下载原文件。
2. 会员在本站下载的所有素材,只拥有使用权,著作权归原作者所有。
3. 所有素材,未经合法授权,请勿用于商业用途,会员不得以任何形式发布、传播、复制、转售该素材,否则一律封号处理。
4. 如果素材损害你的权益请联系客服QQ:77594475 处理。