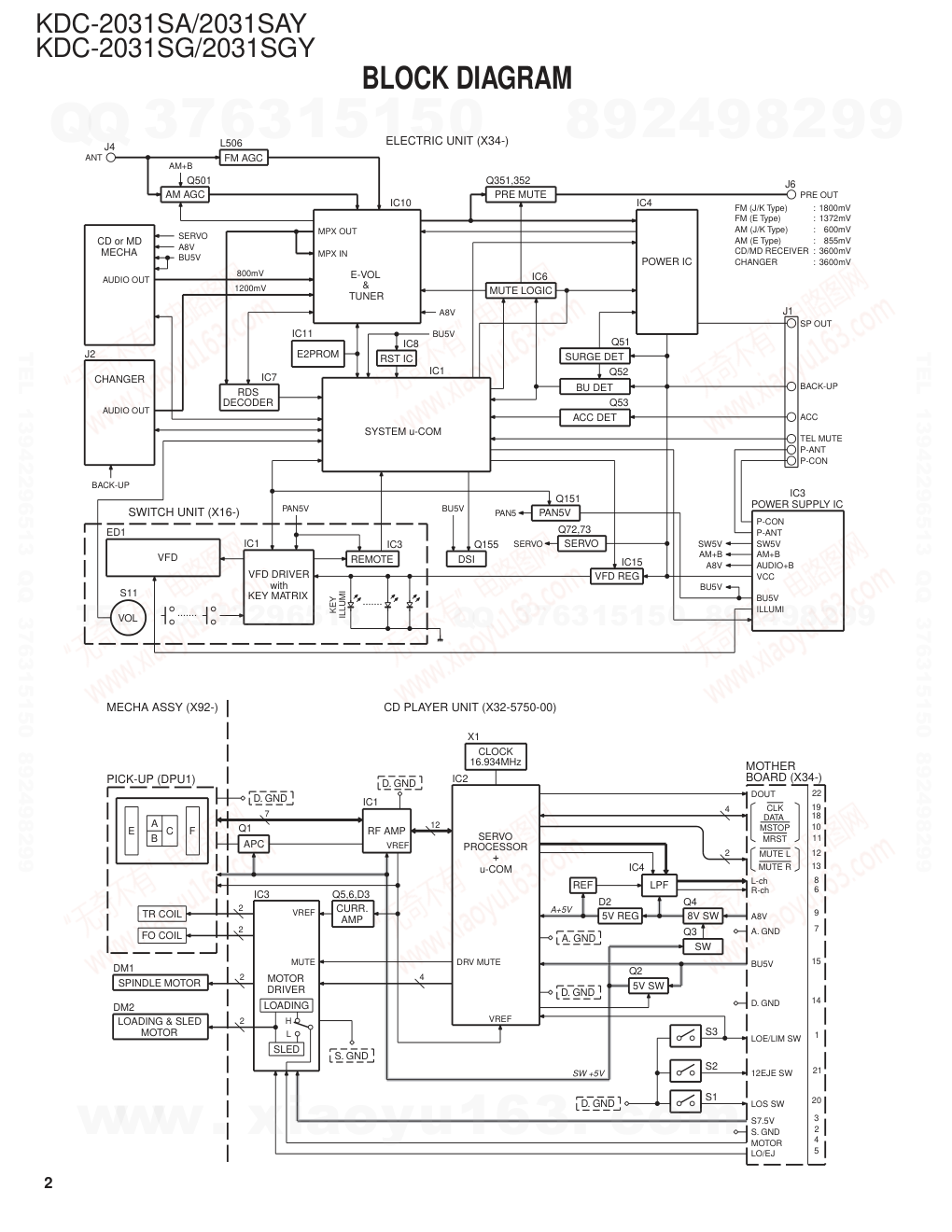
建伍KENWOOD KDC-2031SAY CD播放器维修手册

分类:电子电工 日期: 点击:0
建伍KENWOOD KDC-2031SAY CD播放器维修手册-0 建伍KENWOOD KDC-2031SAY CD播放器维修手册-1 建伍KENWOOD KDC-2031SAY CD播放器维修手册-2 建伍KENWOOD KDC-2031SAY CD播放器维修手册-3 建伍KENWOOD KDC-2031SAY CD播放器维修手册-4 建伍KENWOOD KDC-2031SAY CD播放器维修手册-5 建伍KENWOOD KDC-2031SAY CD播放器维修手册-6 建伍KENWOOD KDC-2031SAY CD播放器维修手册-7 建伍KENWOOD KDC-2031SAY CD播放器维修手册-8 建伍KENWOOD KDC-2031SAY CD播放器维修手册-9

© 2004-12 PRINTED IN JAPAN B53-0234-00 (N) 1813 CD RECEIVER KDC-2031SA/SAY KDC-2031SG/SGY SERVICE MANUAL ANTENNA ADAPTOR (T90-0523-05) SPARE TDF PANEL MAIN UNIT NAME TDF PARTS No. TDF NAME KDC-2031SA/SAY Y33-2140-66 TDF-2031SA KDC-2031SG/SGY Y33-2140-67 TDF-2031SG MOUNTING HARDWARE ASSY (J21-9716-03) PLASTIC CABINET ASSY (A02-2736-03) DC CORD (E30-6413-05) LEVER (D10-4589-04) x2 ESCUTCHEON (B07-3122-01) VOL AUD FF SET UP MONO SCAN RDM REP /AUTO AME PANEL ASSY KDC-2031SA/SAY/SG/SGY (A64-3461-02) This product uses Lead Free solder. www. xiaoyu163. com QQ 376315150 9 9 2 8 9 4 2 9 8 TEL 13942296513 9 9 2 8 9 4 2 9 8 0 5 1 5 1 3 6 7 3 Q Q TEL 13942296513 QQ 376315150 892498299 TEL 13942296513 QQ 376315150 892498299 2 KDC-2031SA/2031SAY KDC-2031SG/2031SGY BLOCK DIAGRAM MECHA CD or MD CHANGER J2 E-VOL IC10 & AM AGC Q501 FM AGC L506 J4 TUNER IC11 E2PROM SYSTEM u-COM IC1 IC7 RDS DECODER RST IC IC8 PRE MUTE Q351,352 IC4 POWER IC MUTE LOGIC IC6 SURGE DET BU DET ACC DET Q51 Q52 Q53 J1 PAN5V Q151 Q72,73 SERVO VFD REG IC15 POWER SUPPLY IC IC3 ED1 VFD with VFD DRIVER IC1 REMOTE IC3 VOL S11 KEY MATRIX DSI Q155 ....... ....... J6 SERVO A8V BU5V AUDIO OUT AM+B ANT MPX OUT MPX IN 800mV 1200mV AUDIO OUT BU5V A8V BACK-UP SP OUT BACK-UP ACC TEL MUTE P-ANT P-CON PAN5 SERVO P-ANT SW5V AM+B A8V BU5V P-CON SW5V AM+B AUDIO+B VCC ILLUMI BU5V ILLUMI PAN5V BU5V PRE OUT KEY : CHANGER CD/MD RECEIVER FM (E Type) FM (J/K Type) AM (J/K Type) AM (E Type) : : : : : 1800mV 1372mV 600mV 855mV 3600mV 3600mV ELECTRIC UNIT (X34-) SWITCH UNIT (X16-) 7 VREF L-ch R-ch A. GND A8V D. GND BU5V LOE/LIM SW 12EJE SW LOS SW S7.5V LO/EJ MOTOR S. GND VREF VREF 2 2 4 DRV MUTE MUTE DOUT DATA 4 2 CLK MSTOP MRST MUTE L MUTE R 2 2 H L 12 5 2 4 3 20 21 13 15 1 14 9 7 6 8 18 12 11 10 22 19 E F A C B TR COIL FO COIL APC SERVO u-COM IC2 Q1 16.934MHz CLOCK X1 DRIVER MOTOR IC3 PROCESSOR LPF IC4 8V SW Q4 Q3 SW S3 S1 S2 D. GND RF AMP IC1 REF 5V REG D2 S. GND A. GND D. GND SLED LOADING 5V SW Q2 D. GND D. GND LOADING & SLED MOTOR SPINDLE MOTOR AMP Q5,6,D3 CURR. DM1 DM2 SW +5V A+5V PICK-UP (DPU1) CD PLAYER UNIT (X32-5750-00) BOARD (X34-) MOTHER MECHA ASSY (X92-) www. xiaoyu163. com QQ 376315150 9 9 2 8 9 4 2 9 8 TEL 13942296513 9 9 2 8 9 4 2 9 8 0 5 1 5 1 3 6 7 3 Q Q TEL 13942296513 QQ 376315150 892498299 TEL 13942296513 QQ 376315150 892498299 3 KDC-2031SA/2031SAY KDC-2031SG/2031SGY COMPONENTS DESCRIPTION ● ELECTRIC UNIT (X34-3412-7x) Ref. No. Application / Function Operation / Condition IC1 SYSTEM µ-COM System control. IC3 POWER SUPPLY DC5Vx2, 7.9Vx1, 8.1Vx1, 10.3V, P.CON, P-ANT output. IC4 POWER IC Audio signal amplifier. IC6 MUTE LOGIC Mute control. IC7 RDS DECODER For other models. IC8 RESET “L” when detection voltage goes below 3.6V. IC10 E-VOL & TUNER E-VOL, Tuner, Stereo decode. IC11 E2PROM Saves and writes tuner adjustment data. IC15 VFD REGULATOR 11.3V output voltage for LED and VFD. Q51 SERGE DET “ON” when the base goes “H”. Q52 BU DET “ON” when the base goes “H”. Q53 ACC DET “ON” when the base goes “H”. Q71 SERVO+B CONTROL SW “ON” when the base goes “H”. Q72,73 SERVO+B AVR Output voltage level : 7.5V. Q74 IC3 CONTROL SW “ON” when the base goes “H” (Output voltage : 10.3V). Q151 PANEL 5V SW “ON” when the base goes “L”. Q155 DSI ILLUMI SW “ON” when the base goes “L”. Q252 IC4 STBY SW “ON” when the base goes “L”. Q330 Q351, 352 MUTE DRIVER “ON” when the base goes “L”. Q351 Lch PRE MUTE SW Pre-output is muted when the base goes “H”. Q352 Rch PRE MUTE SW Pre-output is muted when the base goes “H”. Q501 AM RF AMP Adjusts for AM-RF gain. ● CD PLAYER UNIT (X32-5750-00) Ref. No. Application / Function Operation / Condition Generation of RF signal based on the signals from the APC circuit and pickup, and IC1 RF AMPLIFIER responding generation of servo error (focusing error and tracking error) signals. to CD-RW Detection of dropout, anti-shock, track crossing and off-tracking conditions, included gain control function during CD-RW. Focusing, tracking, sled and spindle servo processing. IC2 CD SIGNAL PROCESSOR Automatic adjustment (focusing, tracking, gain, offset and balance) operations. built-in µ-COM Digital signal processing (DSP, PLL, sub-codes, CIRC error correction, audio data interpolation processing) operations, and microcomputer function. IC3 4ch BTL DRIVER Focusing coil, tracking coil, spindle motor and sled motor driver, disc loading and eject operation. IC4 L.P.F. (LOW PASS FILTER) 2nd low pass filter for audio signals. Q1 APC (AUTOMATIC POWER CONTROL) LD power control. Q2 DIGITAL +5V SW “ON” When P. ON signal goes “L”. www. xiaoyu163. com QQ 376315150 9 9 2 8 9 4 2 9 8 TEL 13942296513 9 9 2 8 9 4 2 9 8 0 5 1 5 1 3 6 7 3 Q Q TEL 13942296513 QQ 376315150 892498299 TEL 13942296513 QQ 376315150 892498299 4 KDC-2031SA/2031SAY KDC-2031SG/2031SGY Ref. No. Application / Function Operation / Condition Q3 Q4 SW “ON” When P. ON signal goes “L” (SW+5V is ON). Q4 ANALOG +8V SW “ON” When P. ON signal goes “L” (Q3 is ON). Q5, 6 CURRENT AMP Current driver. ● SWITCH UNIT (X16-294x-xx) Ref. No. Application / Function Operation / Condition IC1 VFD DRIVER IC3 REMOTE SENSOR Q1 GREEN LED SW “ON” when the base goes “H”. Q2 RED LED SW “ON” when the base goes “H”. Q21 PAN SW5V “ON” when the base goes “H”. COMPONENTS DESCRIPTION ● SYSTEM µ-COM : IC1 on X34- (ELECTRIC UNIT) Pin No. Active Pin Name I/O Application Processing Operation (H/L) 1 DC ERR I DC offset detection input 2 LINE MUTE I Phone detection NAVI MUTE : Over 2.5V, TEL MUTE : Below 1V 3 ROTARY CW I Rotary encoder input 4 AVSS - 5 TUN TYPE1 I E-VOL setting switch Refer to “TUN TYPE” on the TRUTH TABLE 6 TUN TYPE2 I E-VOL setting switch Refer to “TUN TYPE” on the TRUTH TABLE 7 AVREF1 - 8 VFD DATAF I Data input from VFD driver 9 VFD DATAS O Data output to VFD driver 10 VFD CLK O Clock output to VFD driver 11 L VFD RST O Reset output to VFD driver Display OFF, Key reset, TDF panel OFF : L Display ON, Key scan : H 12 VFD CE O Chip enable output to VFD driver 13 ROTARY CCW I Rotary encoder input 14 L TDF DET I TDF panel detection TDF panel OFF : H, TDF panel ON : L 15 PWIC BEEP O Beep output 16~19 NC - 20 L TUN ADJ I For adjusting IC10 Adjustment=H, PS1-1,2=L, PS1-3=Hi-Z, PS2-1,2=Hi-Z, TUN DATA, CLK=Hi-Z 21 TUN SD I Tuner search stop output H : Station exists, L : Station does not exist MICROCOMPUTER’S TERMINAL DESCRIPTION www. xiaoyu163. com QQ 376315150 9 9 2 8 9 4 2 9 8 TEL 13942296513 9 9 2 8 9 4 2 9 8 0 5 1 5 1 3 6 7 3 Q Q TEL 13942296513 QQ 376315150 892498299 TEL 13942296513 QQ 376315150 892498299 5 KDC-2031SA/2031SAY KDC-2031SG/2031SGY Pin No. Active Pin Name I/O Application Processing Operation (H/L) 22~24 NC - 25 AUD SDA I/O Volume + tuner I2C data input and output 26 AUD SCL I/O Volume + tuner I2C clock input and output 27 H PWIC STBY O Power IC standby output Power IC ON : H, Power IC OFF : L 28 H VOL MUTE O E-VOL mute output L : Mute OFF, Hi-Z : Mute ON 29 L PWIC MUTE O Power IC mute output Power OFF : L, Standby : L, Tel mute : L 30 TUN FANC OUT O Tuner block (inside the µ-com) check OK : L, NG : H 31 RESET2 O Mute for reset Output L 32 NC - 33 VSS1 - 34 NC - 35 L ACC DET I ACC detection ACC exists : L, ACC does not exist : H 36 L BU DET I Momentary power-down detection BU exists : L BU does not exist (Momentary power-down) : H 37 NC - 38 PS2-2 O Power supply control output Refer to “POWER IC CONTROL” on the TRUTH TABLE 39 PS2-1 O Power supply control output Refer to “POWER IC CONTROL” on the TRUTH TABLE 40 PS1-1 O Power supply control output Refer to “POWER IC CONTROL” on the TRUTH TABLE 41 PS1-2 O Power supply control output Refer to “POWER IC CONTROL” on the TRUTH TABLE 42 PS1-3 O Power supply control output Refer to “POWER IC CONTROL” on the TRUTH TABLE 43,44 NC - 45 CD MUTE I CD mute request L : Mute request 46 L CD MSTOP O CD mecha u-com stop H : mecha µ-com operates, L : mecha µ-com is stopped 47 CD LOE LIM SW I CD detection (chucking switch) H : Loading is finished, L : Disc does not exist 48 CD LOEJ I/O CD motor control Refer to “CD MECHA CONTROL OPERATION” on the TRUTH TABLE 49 CD MOTOR O CD motor control Refer to “CD MECHA CONTROL OPERATION” on the TRUTH TABLE 50 NC - 51 L CD MRST O CD mecha µ-com reset H : Normal condition, L : Reset 52 CD SCL I/O CD mecha I2C clock output 53 CD DISC12 SW I 12cm CD detection 54 CD LOS SW I CD loading detection 55 CD SDA I/O CD mecha I2C data input and output 56 OEM DISP CE I/O External display chip enable External display 57 OEM DISP CLK I/O External display clock External display 58 OEM DISP DATA I/O External display chip data External display 59 DSI O DSI control DSI ON : H, DSI OFF : L, TDF DET=H (DSI blinks) 60 L RESET I MICROCOMPUTER’S TERMINAL DESCRIPTION www. xiaoyu163. com QQ 376315150 9 9 2 8 9 4 2 9 8 TEL 13942296513 9 9 2 8 9 4 2 9 8 0 5 1 5 1 3 6 7 3 Q Q TEL 13942296513 QQ 376315150 892498299 TEL 13942296513 QQ 376315150 892498299 6 KDC-2031SA/2031SAY KDC-2031SG/2031SGY Pin No. Active Pin Name I/O Application Processing Operation (H/L) 61 NC - 62 L PON FL O VFD power supply ON VFD ON : H, VFD OFF : L TDF DET H (DSI blinks) : L, TDF DET L : H 63 KEY REQ I Communication request from VFD driver L : Key input 64 NC - 65 REMOTE I Remote control input 66 NC - 67 VSS0 - 68 VDD1 - 69 X2 - 70 X1 - 71 TEST - 72 XT2 - 73 XT1 - 74 VDD0 - 75 AVDD - 76~78 TYPE 3~TYPE 1 I Destination switch 79 NC - 80 TUN SMETER I Tuner S-meter input MICROCOMPUTER’S TERMINAL DESCRIPTION ● TRUTH TABLE • TUN TYPE TYPE 1 TYPE 2 General models commercially-designated as pure KENWOOD brand (Initial value) L L Initial value setting • POWER SUPPLY IC (IC3) CONTROL SEL1 (Pin No. 11) PS1-2 PS1-3 PS2-1 ILLUMI P-CON P-ANT L L L OFF OFF OFF L L H ON OFF OFF H L H ON ON OFF H H H ON ON ON SEL2 (Pin No. 12) PS1-1 PS2-2 AUDIO SW5 AM L L OFF OFF OFF H L ON ON OFF H H ON ON ON • CD MECHA CONTROL OPERATION CD LOEJ CD MOTOR CD MECHA OPERATION L H Load H H Eject Hi-Z L Stop Hi-Z H Brake www. xiaoyu163. com QQ 376315150 9 9 2 8 9 4 2 9 8 TEL 13942296513 9 9 2 8 9 4 2 9 8 0 5 1 5 1 3 6 7 3 Q Q TEL 13942296513 QQ 376315150 892498299 TEL 13942296513 QQ 376315150 892498299 7 KDC-2031SA/2031SAY KDC-2031SG/2031SGY ● CD MECHANISM µ-COM : IC2 on X32- (CD PLAYER UNIT) Pin No. Active Pin Name I/O Application Processing Operation (H/L) 1 TVD O Traverse drive output (PWM output). 2 SPL O Spindle motor drive output (PWM output). 3 NC - No connection. 4 PWM O Multipurpose PWM output. 5 TBAL O Tracking balance adjustment output (PWM output). 6 FBAL O Focusing balance adjustment output (PWM output). 7 NRFDET I RF detection signal input. L : Detection 8 OFT I Off-tracking signal input. H : Detection 9 BDO I Drop-out signal input. H : Detection 10 LDON O Laser-on signal output. H : Focus ON 11 DSLB O DSL balance output. 12 DVDD1 - Power supply for digital circuit. 13 DVSS1 - GND for digital circuit. 14 AVSS2 - GND for analog circuit. For DSL, PLL and A/D converter 15 DSLF I/O Loup filter for DSL and bias output for ARF. 16 ARF I RF signal input. 17 RFSW I DSL circuit time constant switch. 18 PLLF I/O Loup filter for PLL. 19 PLLF2 I/O Loup filter character switch for PLL. 20 IREF I Reference current input. 21 RFENV I RF envelope signal input. 22 TRCRS I Tracking cross signal input. 23 TE I Tracking error signal input. 24 FE I Focusing error signal input. 25 AVDD2 - Power supply for analog circuit. For DSL, PLL and A/D converter 26 AVSS1 - GND for analog circuit. For Lch/Rch audio output 27 OUTR O Rch audio output. 28 AVDD1 - Power supply for analog circuit. For Lch/Rch audio output 29 OUTL O Lch audio output. 30 DVSS3 - GND for digital circuit. 31 CSEL - 32 NC - No connection. 33 ASEL - 34 MSEL0 - 35 MSEL1 - 36~39 NC - No connection. 40 VREFP - Reference power supply input for A/D converter. 41 HOT - MICROCOMPUTER’S TERMINAL DESCRIPTION www. xiaoyu163. com QQ 376315150 9 9 2 8 9 4 2 9 8 TEL 13942296513 9 9 2 8 9 4 2 9 8 0 5 1 5 1 3 6 7 3 Q Q TEL 13942296513 QQ 376315150 892498299 TEL 13942296513 QQ 376315150 892498299 8 KDC-2031SA/2031SAY KDC-2031SG/2031SGY MICROCOMPUTER’S TERMINAL DESCRIPTION Pin No. Active Pin Name I/O Application Processing Operation (H/L) 42 8EJE SW - 43 12EJE/SDET SW - 44 LOE/LIM SW I Loading-end detection / H : Loading-end detection Pick-up inner circumference detection. L : Pick-up inner circumference detection 45~49 NC - No connection. 50 DVDD2 - Power supply for digital circuit. 51 X1 I Main clock input. 52 X2 O Main clock output. 53 DVSS2 - GND for digital circuit. 54 XSUB1 - 55 NC - No connection. 56 TEST1 - Test terminal. Normal condition : “H” fixed 57 TEST2 - Test terminal. Normal condition : “H” fixed 58,59 NC - No connection. 60 DRV MUTE O Driver mute control. L : Mute ON, H : Mute OFF 61 L MUTE L O Audio Lch mute output. 62 L MUTE R O Audio Rch mute output. 63 L RST I LSI reset input. 64 OCD CLK - 65 L MSTOP I Standby detection. 66 DATA I/O I2C bus data line (Communication line to system µ-com). During serial writer is connected. 67 SBIO I Data input. During serial writer is connected. 68 L CLK I/O I2C bus clock line (Communication line to system µ-com). During serial writer is connected. 69 TX O Digital audio interface signal output. 70 NC - No connection. 71 XSEL - 72 MCNT I Loading control / Eject control. L : OFF (Host control), H : Mecha µ-com control 73 P. ON O Audio & Servo power supply control. L : Power supply ON. H : Power supply OFF 74,75 NC - No connection. 76 CD-RW O CD-RW control. H : CD-RW, L : Normal disc 77 NC - No connection. 78 DVDD3 - Power supply for digital circuit. 79 FOD O Focusing drive output (PWM output). 80 TRD O Tracking drive output (PWM output). www. xiaoyu163. com QQ 376315150 9 9 2 8 9 4 2 9 8 TEL 13942296513 9 9 2 8 9 4 2 9 8 0 5 1 5 1 3 6 7 3 Q Q TEL 13942296513 QQ 376315150 892498299 TEL 13942296513 QQ 376315150 892498299 9 KDC-2031SA/2031SAY KDC-2031SG/2031SGY TEST MODE How to enter the test mode While simultaneously press PRESET “1” key and PRESET “3” key, press “RESET” button. How to release the test mode Press “RESET” button. (The release cannot be achieved in the conditions of POWER OFF and ACC OFF.) Initial conditions of the test mode • The source is “STANDBY”. • The displays all lit up. • The volume is at –10dB (The display shows “30”.) • LOUD is “OFF”. • SYSTEM Q is “NATURAL”. • BEEP is sounded at all time with the key depressed for less than 1 second. Special displays when all indicator lights are lighted When “PRESET” keys are pressed while all indicators for the STANDBY sources are lighted, the following displays will ap- pear. PRESET • Version display (4 digits : month, date) “1” key (4digits : hour, minute) (Display) : XXXX xxxx PRESET • Serial number display (4 digits) (4 digits) “2” key (Display) : XXXX xxxx PRESET • When pressed for less than 1 second : POWER ON “3” key time display (STANDBY source time is not counted.) (Display) : _ _ _ X xxxx MAX 60,000 (hours) * The display is cleared by pressing the key for more than 2 seconds. PRESET • When pressed for less than 1 second : CD operation “4” key time display (Display) : _ _ _ X xxxx MAX 60,000 (hours) * The display is cleared by pressing the key for more than 2 seconds. PRESET • When pressed for less than 1 second : CD EJECT “5” key number display (Display) : _ _ _ X xxxx MAX 60,000 (times) * The display is cleared by pressing the key for more than 2 seconds. PRESET • When pressed for less than 1 second : Panel open/ “6” key close number display (Display) : _ _ _ X xxxx MAX 600,000 (times) * The display is cleared by pressing the key for more than 2 seconds. “FM” • ROM CORRECTION version display key (Display) Effective : Rxxx (x : number) Not effective (When not able to read) : R – – – Not effective (When version is different) : R✳✳✳ “AM” • IC10 adjustment status (Refer to “ADJUSTMENT” on key the following page.) (Display) Adjustment complete : E2OK Adjustment not completed : E2ER Communication error : ICER * When other than “E2P _ OK _ _” , Pin No. 30 will become “H”. “ ” • Mechanism error detection status key • Communication error → Error No. 1 → Error No. 2 → Error No. 3 → Communication error (Error No. 1 is the most recent error.) (Display) Communication OK : ICOK Communication error : ICER Not detected : En – – (n : 1~3) Detected : En✳✳ (✳✳ : error code) * The display is cleared by pressing the key for more than 2 seconds. www. xiaoyu163. com QQ 376315150 9 9 2 8 9 4 2 9 8 TEL 13942296513 9 9 2 8 9 4 2 9 8 0 5 1 5 1 3 6 7 3 Q Q TEL 13942296513 QQ 376315150 892498299 TEL 13942296513 QQ 376315150 892498299 10 KDC-2031SA/2031SAY KDC-2031SG/2031SGY ADJUSTMENT ● DC offset error detection confirmation mode Confirmation mode : While depressing PRESET “3” key and PRESET “6” key simultaneously, press on the “RESET” button. (Display) Detected : DCER Not detected : DCOK * By pressing “CLK” key while “DCER” is being displayed, detection status is cleared. This will result in the display of “DCOK”. Release Method : Press “RESET” button. ● Mechanism memory clear confirmation mode Confirmation mode : While depressing “ATT” key and “Q” key simultaneously, press “RESET” button. (Display) : MCLR * Two seconds after the confirmation mode boots up, Mecha- nism memory clear as a result is displayed. (Display) Clear status display normal completion : CD _ O Clear status display abnormal completion : CD _ – Release Method : Press “RESET” button. After replacing the following parts, adjust as follows. REPLACED PARTS ADJUSTMENT ITEMS Ref. No. Function / Parts name 1st AM MIX 2nd AM MIX FM antenna IC10 E-VOL & TUNER YES YES YES IC11 E2PROM YES YES YES L507 VCO COIL YES YES YES L508 1st AM MIX IFT YES - - L509 2nd AM MIX IFT - YES - L518 FM ANTENNA COIL - - YES D504 VARIABLE YES YES YES CAPACITANCE DIODE D506 VARIABLE YES YES YES CAPACITANCE DIODE X501 CRYSTAL RESONATOR YES YES YES ● 1st AM MIX / 2nd AM MIX ADJUSTMENT ADJUSTMENT POINT : L508 (1st AM MIX) / L509 (2nd AM MIX) VOLTAGE VALUE CHECK POINT : S-METER check land (X34-) Adjust so that S-METER voltage value becomes maximum. • SG setting DESTINATION FREQUENCY MODULATION ANTENNA INPUT Europe 999kHz OFF 35dBµV (EMF) Except Europe 1000kHz OFF 35dBµV (EMF) ● FM ANTENNA ADJUSTMENT ADJUSTMENT POINT : L518 VOLTAGE VALUE CHECK POINT : S-METER check land (X34-) Adjust so that S-METER voltage value becomes maximum. • SG setting DESTINATION FREQUENCY MODULATION ANTENNA INPUT Europe 87.5MHz OFF 5dBµV (LOAD) or 11dBµV (EMF) Except Europe 87.9MHz OFF 5dBµV (LOAD) or 11dBµV (EMF) SPECIAL MODE www. xiaoyu163. com QQ 376315150 9 9 2 8 9 4 2 9 8 TEL 13942296513 9 9 2 8 9 4 2 9 8 0 5 1 5 1 3 6 7 3 Q Q TEL 13942296513 QQ 376315150 892498299 TEL 13942296513 QQ 376315150 892498299 11 KDC-2031SA/2031SAY KDC-2031SG/2031SGY E D C B A 1 2 3 4 5 6 7 PC BOARD (COMPONENT SIDE VIEW) (FOIL SIDE VIEW) C63 C64 VO VCC G EJECT AUTO RESET 6 617 1 18 66 5 3 2 1 SRC Q VOL AUD ATT 4 D31 D32 D64 D33 D34 D35 D36 D37 D38 D39 D40 D41 D42 D43 D44 D45 D46 D47 D48 D49 D50 D51 D52 D53 D54 D61 D62 D65 D70 ED1 S12 S11 IC3 SWITCH UNIT X16-294x-xx (J76-0055-02) SWITCH UNIT X16-294x-xx (J76-0055-02) W11 W13 W14 W12 C11 C12 C10 C15 C21 C61 CP11 R70 R1 R2 R11 R13 R14 R15 R16 R17 R18 R19 R21 R22 R31 R32 R33 R34 R62 R63 R71 R72 R74 R75 R77 R82 W1 W2 R23 R78 R61 R80 RTRY-CW RST KS3 ESD-GND CLK REMO TDF-DET RTRY-CCW DATAS ILL-D-GND 2 14 KS1 KI4 KI1 KI2 KI3 LED+B DATAF CE KS4 PAN5V FL-SW9.8V KS2 PAN-SW5V FL+B VFD-RST KI5 1 80 61 60 41 40 21 20 1 15 EB EB EB C65 D96 D71 D72 D73 D74 D75 D76 D77 J1 Q1 Q2 Q21 IC1 X16-294x-xx Ref. No. Address IC1 4D Q21 5D Refer to the schematic dia- gram for the values of resis- tors and capacitors. www. xiaoyu163. com QQ 376315150 9 9 2 8 9 4 2 9 8 TEL 13942296513 9 9 2 8 9 4 2 9 8 0 5 1 5 1 3 6 7 3 Q Q TEL 13942296513 QQ 376315150 892498299 TEL 13942296513 QQ 376315150 892498299 12 KDC-2031SA/2031SAY KDC-2031SG/2031SGY F G H I J 1 2 3 4 5 6 7 PC BOARD (FOIL SIDE VIEW) J1/L51 BU+5V LXCLK LXDATAM LXDATAS DATA CLK R312 W322 W355 W345 L61 L3 C409 C51 C71 C78 C79 C80 C97 C117 C255 C256 C258 W340 W398 R72 R73 W337 W365 W251 X1 C1 C2 C6 C3 C5 C4 C257 W403 L51 W425 R21 R58 W388 W426 R59 W334 W330 W324 W320 W408 W378 W332 W376 W315 W402 W317 X2 X3 W419 W423 B E W424 W351 W418 W352 W405 W406 W416 W385 W390 W377 W379 W381 W362 W357 W387 W383 W375 W393 W391 W427 W312 W335 W413 W414 W409 W415 W417 W404 W421 W422 C119 R363 L101 W395 W410 W407 W412 W401 W397 W396 W389 W374 W354 W373 W358 W318 W327 W336 W314 W353 W313 W399 R81 W380 W392 W382 W386 W349 W316 W321 W346 W331 W333 W363 W366 W319 W347 W350 W342 W359 W338 W371 W341 W360 W326 W394 W372 W420 B E W370 W356 W329 W343 W344 W368/ W384 W323 W325 W328 W369 W364 W361 W339 W348 C201 R57 R61 R85 R364 R365 C154 R366 C52 C410 R412 R414 R416 R419 R420 R441 R453 R454 C53 C69 C72 C73 C74 C75 C76 C77 C81 C82 C112 C113 C407 C408 C411 C420 C565 R130 R52 R53 R56 R82 R190 R191 R193 R194 R252 R254 R257 R367 R411 R413 R415 R417 R418 R440 L301 R456 R471 W70 C54 C55 C116 W58 W81 R51 R54 R55 R60 R75 R76 R77 R78 R83 R86 R87 R88 R89 R90 R96 R112 R113 C118 R178 R180 R181 R182 R200 R251 R255 R256 R271 R272 R273 R303 R351 R352 R353 R355 R356 R357 R358 R359 R360 R368 R369 R370 R371 R431 R432 R433 R435 R436 R437 R438 R439 R450 R451 R452 R457 R470 TH1 R131 W69 W252 W71 W67 W98 W61 C152 W59 W60 R114 R199 R372 W63 W57 W66 W62 W65 W64 W73 R480 W53 W51 2 26 8 1 1 5 1 5 1 1 2 12 2 24 1 23 16 9 1 27 R253 W72 W96 W97 W78 W91 W83 W82 R313 W80 W79 R135 W68 W99 R133 R136 R137 R138 R140 R139 R141 R100 C153 R151 C422 W102 W52 RST SCL TEST BU5V AFS ADJ DATA OEM-DATA OEM-CE OEM-CLK 5 1 4 8 1 8 9 16 1 8 1 20 21 40 41 60 61 80 1 2 3 4 B E B E E B C C C C B E E B E E B E B E D77 D57 D71 D302 J1/ J5 P1 D52 D54 D203 D259 D260 Q72 Q73 D254 D73 CN2 WH1 Q155 D72 D75 D251 D252 D253 D255 D256 D257 D258 D401 Q71 Q51 Q52 Q74 Q252 D53 D55 D76 D261 Q53 D74 D402 D403 D81 IC4 IC3 IC6 IC1 IC8 IC7 IC11 ELECTRIC UNIT X34-3412-7x (J76-0048-12) www. xiaoyu163. com QQ 376315150 9 9 2 8 9 4 2 9 8 TEL 13942296513 9 9 2 8 9 4 2 9 8 0 5 1 5 1 3 6 7 3 Q Q TEL 13942296513 QQ 376315150 892498299 TEL 13942296513 QQ 376315150 892498299 13 KDC-2031SA/2031SAY KDC-2031SG/2031SGY O N M L K 1 2 3 4 5 6 7 W322 R596 R598 C562 R600 C515 R601 W833 W310 C96 C97 255 56 C505 C507 C508 C512 C547 C563 C584 C600 CF51 CF52 CF53 CF54 W300 L4 L505 L506 L507 L508 L605/R607 W835/ L604/R608 W834/ L509 L518 W301 W251 C6 C303 C331 C332 W306 L501 L502 L503 L504 L520 W324 W320 R338 R339 W315 R544 R523 C542 W308 R597 W801 X501 5 W302 W304 W305 W307 W309 W314 W311 6 W319 3 W325 W303 R172 C551 C579 C556 R605 W152 C333 C334 C503 C506 C509 C510 C511 C513 C516 C517 C518 C519 C520 C623 W803 C521 C522 C526 C527 C531 C543 C545 C548 C553 C554 C559 C561 C568 C582 C583 C580 C585 C586 C587 C627 C588 R562 C589 C590 W820 C601 C604 C605 C606 C628 W92 R97 R335 R336 R504 R506 R565 C626 C301 C302 C502 C504 C514 C524 C525 C541 C544 C549 C550 C564 C581 L521 R1 R2 R96 R98 R152 R153 R156 R157 R158 R159 R160 R161 R162 R163 R164 W94 R301 R302 R303 R304 R305 R306 R307 R308 R309 R310 R311 R332 R435 R436 R501 R502 R503 R505 R507 R520 R521 R522 R543 R545 R546 R561 R566 C620 R567 R589 R590 R591 R592 R603 R594 R602 L600 W87 C602 W506 W804 W812 W814 C610 R599 W604 W611 W805 W605 W802 W832 W826 R331 W75 L 9 10 6 7 5 1 5 1 5 1 15 14 2 4 2 3 4 8 12 11 13 R W93 L601 C620 W823 W76 W79 W88 W85 W89 W86 W90 L602 R99 W808 W831 W810 W806 W807 C624 C625 100 TUNOUT VT SD S-METER 1 4 5 8 1 20 21 40 41 60 61 80 B E E B G S B C B E B E D301 D302 D303 D304 D305 D306 J2 J5 J6 D162 J4 H1 CN3 Q151 Q330 D3 D501 D504 D506 Q351 Q352 D502 D503 Q501 IC15 IC10 IC11 Refer to the schematic diagram for the values of resistors and capacitors. X34-3412-7x Ref. No. Address IC1 6I IC3 4G IC4 2J IC6 4I IC8 6H IC10 5L IC11 4K IC15 6K Q51 3I Q52 3I Q53 3H Q71 3G Q72 2F Q73 3F Q74 5H Q151 6L Q155 6H Q252 3I Q330 3K Q351 3L Q352 3L Q501 4L www. xiaoyu163. com QQ 376315150 9 9 2 8 9 4 2 9 8 TEL 13942296513 9 9 2 8 9 4 2 9 8 0 5 1 5 1 3 6 7 3 Q Q TEL 13942296513 QQ 376315150 892498299 TEL 13942296513 QQ 376315150 892498299 14 KDC-2031SA/2031SAY KDC-2031SG/2031SGY P Q R S T 1 2 3 4 5 6 7 PC BOARD (COMPONENT SIDE VIEW) C10 C14 C15 C31 C33 C36 C41 C42 C43 C44 C45 C46 C47 C48 C50 C61 C62 C71 C72 C73 C74 C75 C76 CP1 CP2 R9 R10 R31 R36 R37 R39 R40 R41 R42 R46 R47 R49 R50 R53 R81 R82 R83 R84 R85 R86 R87 R88 X1 1 4 8 5 1 20 21 40 41 60 61 80 E B D3 Q6 S1 S2 S3 S4 IC2 IC4 CD PLAYER UNIT X32-5750-00 (J76-0059-02) Refer to the schematic diagram for the values of resistors and capacitors. X32-5750-00 Ref. No. Address IC2 4S IC4 2S Q6 5R www. xiaoyu163. com QQ 376315150 9 9 2 8 9 4 2 9 8 TEL 13942296513 9 9 2 8 9 4 2 9 8 0 5 1 5 1 3 6 7 3 Q Q TEL 13942296513 QQ 376315150 892498299 TEL 13942296513 QQ 376315150 892498299 15 KDC-2031SA/2031SAY KDC-2031SG/2031SGY Y X W V U 1 2 3 4 5 6 7 PC BOARD (FOIL SIDE VIEW) CN1 D1 D2 Q1 Q2 Q3 Q4 Q5 CN2 IC1 IC3 CD PLAYER UNIT X32-5750-00 (J76-0059-02) C1 C2 C3 C5 C6 C7 C8 C9 C11 C12 C13 C16 C17 C18 C32 C34 C37 C38 C39 C40 C49 C51 C52 C77 C78 CP3 CP4 CP5 R1 R2 R3 R4 R5 R6 R7 R8 R11 R12 R13 R14 R15 R32 R33 R34 R35 R38 R43 R44 R45 R48 R51 R52 R71 R72 R89 R90 R91 R92 R100 C101C102 C100 FCS SLED SPDL FBAL RW SPL TRD TVD FOD PON 1 GND IOP+ RF F ARF E D/ARF 16 PD BU.5V IOP- TE SBIO RFENV TRCRS OFT BDO PWM FE B/TE TBAL LDON A/TE VDET + LD K24 24 SPDL- SPDL+ A.GND Lch A.+8V Rch S.7.5V S.GND MOTOR LO/EJ 8EJE GND SLED OUT /LOAD SLED IN /EJECT TRK IN TRK OUT FCS DOWN FCS UP D.GND B C A VR VCC /MUTEL /MUTER 12EJE D.OUT LOS LOE/LIM 1 /CLK DATA LDCNT /MRST /MSTOP NRFDET GCTL TRK DRVMUTE AA 1 15 16 30 1 16 32 17 Vref Vref Vref 2 E B E B EB E B E B P51 P50 P53 P54 P52 Refer to the schematic diagram for the values of resistors and capacitors. X32-5750-00 Ref. No. Address IC1 5W IC3 2W Q1 5X Q2 4X Q3 4W Q4 3V Q5 5V www. xiaoyu163. com QQ 376315150 9 9 2 8 9 4 2 9 8 TEL 13942296513 9 9 2 8 9 4 2 9 8 0 5 1 5 1 3 6 7 3 Q Q TEL 13942296513 QQ 376315150 892498299 TEL 13942296513 QQ 376315150 892498299 16 KDC-2031SA/2031SAY KDC-2031SG/2031SGY A B C D E 1 2 3 4 5 6 7 X34-3412-7x (1/4) 4.7K 4.7K 22K 22K 0V 5V 5V 0V FM : 0V 4.6V 0V AM : 0V 0V 0V 3.3V 3.9V 8.1V 4.0V 4.7V 4.0V AM : 5.9V FM : 5.9V 0V 4.0V 2.5V 0V 8.1V 0V 0V 0V 4.0V 3.0V 8.1V 4.0V 0V 5.0V 0.2V 3.4V 5.0V 3.3V 0.6V 3.8V 8.1V 3.0V 0V 5.0V 3.0V 0V 8.1V 4.3V 2.2V 1.8V 8.1V 4.3V 3.8V 2.0V 2.0V 0V 3.5V 8.2V 7.8V 0V 5V 0V 5V 0V 2.5V 5.0V 2.5V 0V FM : 4.3V AM : 5.5V AM : 0V FM : 2.4V AM : 1.8V FM : 0V FM : AM : AM : 3.5V FM : 0V AM : 4.3V FM : 3.7V AM : 3.0V FM : 0V AM : 4.9V FM : 4.5V AM : 4.2V FM : 0.2V AM : 3.1V FM : 0V AM : 0V FM : 4.0V AM : 4.1V FM : 5.2V AM : 8.0V FM : 8.1V 8.1V 2.8V FM : 0V AM : 3.75V AM : 3.8V FM : 0V 5.0V 3.0V IC7 IC10 A ELECTRIC UNIT (X34-3xxx-xx) DAUGHTER UNIT (X89-2690-10) P1 ∗D162 D506 J5 D502 D503 D501 D3 J4 Q501 REMOTE WIRED D504 ∗ A ∗CN3 2/2 X16- J1 Q222 Q221 Q225 CN91 CN90 to 2-PRE OUT KRA303-P or RT1P241M DTA124EUA or Q225 : : Q221,222 DTC143TUA or RT1N430M KRC410-P or (X89- ) (X89-2690-10) E-VOL & TUNER 2-PREOUT MUTE AM RF AMP RDS DECODER ANT. MPTC GND GND FSU C589 L519 4.7NH C116 330P 10u16 8 7 6 5 4 3 2 1 C117 2.2u50 TP314 FSEL FILOUT C118 C119 0.01 9 10 11 12 13 14 15 16 OSCIN MPX EXTRES ARI GND OSEL TM VCC OSCOUT VREF RDDA QUAL T57 RDCL 4.7uH L101 C113 10P C112 10P TP317 R114 R113 2.2K R112 2.2K TP501 R544 2.2K R543 5.6K C541 270P L507 8P C543 C610 1P 5P C542 15P C544 R595 10 R590 TP157 VFD DATAF VFD CE VFD CLK VFD DATAS REMOTE RTRY CCW TDF DET ESD GND 13 14 15 10 11 12 8 9 TP166 1K 470 1K TP164 TP163 TP162 100 1K 470 470 TP161 TP160 TP159 TP158 2.2K 470 470 470 FL+B VFD RST RST 5 6 7 4 R156 1K R157 1K TP156 TP154 TP155 2.2M 100K R193 XTALG 10.250MHz X501 0.033 C549 2200P R546 4.3K R545 33K C553 0.1 C559 3300P C548 0.022 C547 22u10 0.01 C623 0.01 10 0.1 R604 23 22 21 26 25 24 29 28 27 VCC LPHC VCOE GND 20 LP LPOUT VCOB WINTC2 19 18 17 16 VCC3 VREF2 ISSTC1 ISSTC2 C620 0.01 OUTRR WININ SSTOP DCOUT R567 1K R566 1K 32 31 30 35 34 33 38 37 36 40 39 IN1L SDA XTALD SCL OUTFR IN1R IN1C OUTRL OUTFL 41 42 43 44 45 TP431 TP430 47 R5 22 R507 C504 0.01 1000P C521 L505 0.33uH C522 C626 1000P R520 220 R521 1.5K 18P C524 15P 0.33uH C525 L520 C516 L501 10P C503 0.1 C505 4.7u16 C502 L502 33uH 1500P R501 6.8K 6.8uH R502 2.2K L518 ∗C526 100P L521 10NH ∗C604 C518 C520 1 C517 0.47 ∗C606 ∗C605 L506 100P R503 2.2K C507 22u10 C506 1K 0.68 C510 100P C509 68P R504 4.7 C508 22u10 1K C602 150P L600 TP506 L4 R505 L503 1000uH R594 10 R605 10 100uH TP507 1K ∗R172 TP345 L602 R2 100 R1 100 C581 450.000kHz CF54 VCCIF1 IF1AMP1OUT IF1REF IF1AMP1IN GND IF1AGCIN FSTC AMAGC2TC MIX1OUT2 C519 1 0.47 C531 1 R603 56 C514 GND FMMIX1IN2 WINTC1 FMAGCTC TV1 15 14 13 12 FMMIX1IN1 FMPINDR 11 10 9 8 AMRFAGCOUT 4 AMPINDR AMMIX1IN1 AMMIX1IN2 7 6 5 DEVTC MUTETC MIX1OUT1 3 2 1 0.47u50 C563 R599 22 C582 0.022 78 79 80 75 76 77 72 73 74 0.1 1u50 100P C579 0.01 GND AMMIX2OUT2 AMMIX2OUT1 VCC2 FMMIX2IN1 FMMIX2IN2 AMRFAGCTC IF1AMP2OUT AMDETC AMREFDEMC IF1AMP2IN SMUTE QUALITYOUT VCC MPXIN MPXOUT AMIFREE FMREFDEMC GND AMIFIN VREF1 FSW AFS 46 47 48 49 IN2R IN2L 50 51 52 53 C56 57 54 55 56 58 59 60 C58 C588 R601 1u50 0.022 3900P 0.068 69 70 71 66 67 68 63 64 65 61 62 C5 10u C624 0.01 L508 10.700MHz CF51 10.700MHz CF52 L509 10.700MHz CF53 R591 51K C585 0.01 TP504 13 14 60 65 10 9 8 12 11 63 R158 ∗R162 R163 R164 R178 R190 R191 R182 R181 R180 R160 R161 470K FR FL RL L R G R597 C551 10 R596 6800P C545 C550 R522 22K 1000P C527 0.01 C625 L504 R506 1M C601 C515 C590 C583 C587 C584 RR R5 GND 64 32 34 2.2K X3 4.332MHz 2 1 FL+B SW5V 10 LED+B R159 VCC1 (DIG) C222 C221 10u16 270 R221 10u16 270 R222 R225 TP2 100 R229 R226 30K 30K TP3 100 R230 TP1 W101 MUTE GND 2 VDD 1 5 4 3 FR FL 1 2 3 TP8 TP6 TP5 TP4 TP7 GND R L 390K R565 C554 0.33 0.01 C513 1.2K R602 MD RECEIVER E303MD J E KDC-2031SG/Y E KDC-2031SA/Y M KDC-229 M KDC-129/S K KDC-128/CR K KDC-1028 J RDT-101 J E202 E KDC-F331G E KDC-F331A E KDC-309G E KDC-309A E KDC-3031G/Y E KDC-3031A/Y M KDC-3029R M KDC-3029 M KDC-2029 CD RECEIVER K KDC-228 E KDC-WF431A E KDC-W4531/Y E KDC-W431GY E KDC-W409/Y E KDC-W4031/Y M KDC-MP4029/G DISPLAY M KDC-MP3029 14-SEGMENT K KDC-MP228 (MP3/WMA) K KDC-MP2028 CD RECEIVER J E303/S FUNCTION MODEL NAME CATEGORY/ DESTI- NATION DISPLAY 14-SEGMENT 7-SEGMENT DISPLAY CD RECEIVER YES YES YES DAUGHTER UNIT X89-2690-10 3P +8V-A 1 R562 + + + + + + + + + + + + www. xiaoyu163. com QQ 376315150 9 9 2 8 9 4 2 9 8 TEL 13942296513 9 9 2 8 9 4 2 9 8 0 5 1 5 1 3 6 7 3 Q Q TEL 13942296513 QQ 376315150 892498299 TEL 13942296513 QQ 376315150 892498299 17 KDC-2031SA/2031SAY KDC-2031SG/2031SGY X34-3412-7x (2/4) J I H G F 47K 10K 0V 3.4V 0.4V 1.6V 4V 0V 5V 0V 5V 0V 5V 0V 5V 0V 5V 0V 5V 0V 0V 5V 0V 0V 5V 0V 5V 0V 0V 5V 0V 4.9V 0V or 5V 0V 5V 0V 0V 5V 5V 0V 0V 5V 5V 0V 0V 0V 0V 0V 5V 0V 5V 0V 5V 5V 0V 0V 5V 0V 5.0V 0V 5.0V 5.0V 0V 5V 4.0V 0V 0V or 5V 4.0V 0V 5.0V 0.2V 3.4V 5.0V 3.3V 0.6V 3.8V 8.1V 3.0V 0V 5.0V 0V 5V 5.0V 0V 0V 0V 0V 0V 5V 4.5V 0V 0V 5V 5.0V 5.0V 5.0V 0V 5.0V 0V 0V or 5V 0V or 5V 5.0V 14.4V 11.4V 0V 0V 5V 5V 0V 0V 5V 5V 0V 5.0V 0.5V or 5.0V 5V 0V 1.4V IC11 IC6 IC8 IC15 ∗IC1 CN2 ∗Q151 Q155 D403 D203 D402 VFD REGULATOR D401 DSI ∗ C 6- SYSTEM u-COM PANEL 5V SW DSI ILLUMI SW E2PROM RESET MUTE LOGIC S-METER MD RECEIVER to CD or MD PLAYER UNIT (X32- or X33- ) RDS QUAL TUN FUNC OUT PWIC MUTE PWIC STBY PS1 3 RDS AFSL 100K R371 4.7K C600 L601 100u10 R590 10K ILL D GND PAN5V RTRY CW (LED+VFD) FL+B RST 5 6 2 3 4 1 C153 1 R153 R156 1K TP156 TP154 TP155 TP153 R194 R152 TP152 TP151 TP510 41 42 43 44 45 TP431 ∗W152 R200 1K R199 240 TP375 4 1 A2 A1 A0 3 2 SCL WP VCC GND SDA TP430 47K R592 22K 5 8 6 7 10K R436 10K R453 47K 42 41 40 PS1 1 PS1 2 PS2 1 PS2 2 NC BU DET 39 38 37 L602 C564 0.47 C568 270P R2 100 R1 100 000kHz CF54 46 47 48 49 50 51 52 53 C561 0.1 57 54 55 56 58 59 60 C586 1 C588 0.47 C512 10u16 100K 4.7K R561 TP504 TP414 TUN ADJ R438 1K R437 1K VOL MUTE RDS DATA ACC DET VSS1 36 35 34 33 RESET2 32 31 30 29 LX REQ M AUD SCL AUD SDA 28 27 26 25 LX CON LX RST TUN SD 24 23 22 21 R432 4.7K TP410 TP409 19 20 R439 ∗R431 2.2K VCC 1 2 3 4 R456 GND 8 5 7 6 ∗R312 100K ∗R313 SERVO+B 2 CD/MD MUTE L 14 CD/MD SDA CD LOS SW CD DISC12 23 D-OUT CD/MD SCL 21 CD/MD MUTE R AUDIO+B GND 17 Lch 19 Rch 15 20 24 22 TP351 TP353 TP352 18 16 TP356 TP355 TP354 TP358 TP357 DGND CD/MD LOE LIM SW CD/MD MSTOP CD/MD MRST 11 13 BU5V 9 CD MOTOR CD LOEJ D5V 5 D5V DGND 7 3 8 12 10 TP360 TP359 TP362 TP361 6 4 TP365 TP364 TP363 TP367 TP366 0.47u50 470 470 R352 2.2K R351 2.2K R370 4.7K 0.47u50 R363 4.7K R358 2.2K ∗R357 2.2K R356 1K R355 1K R353 1K SERVO 1 TP369 TP371 TP374 TP373 TP372 R360 2.2K R359 100 ∗R470 TP432 ∗R450 470 ∗R451 470 ∗R452 470 TP406 TP405 TP407 CD LOS SW 54 53 52 51 50 49 48 47 46 45 44 43 CD LOEJ CD/MD LOE LIM SW CD/MD MSTOP CD/MD MUTE NC NC CD DISC12 SW CD/MD MRST CD DISC8 SW CD MOTOR CD/MD SCL 60 59 58 57 56 55 RESET NC KEY REQ RDS CLK OEM DISP DATA OEM DISP CLK OEM DISP CE CD/MD SDA DSI 61 PON FL REMOTE 62 63 64 C411 R441 47K 2.2K 100K ∗R480 R96 ∗R366 R365 4.7K ∗R364 4.7K R367 100K ∗C152 0.1 ∗R372 470 27K R100 2.7K C97 47u16 OUT VCC 1K R97 3.3K 100K R99 NC GND CTL 5 3 1 R98 C96 0.47u50 4 2 DC ERR LINE MUTE ROTARY CW AVSS TUN TYPE1 TUN TYPE2 AVREF1 VFD DATAF VFD DATAS VFD CLK VFD RST VFD CE ROTARY CCW TDF DET PWIC BEEP LX DATA S LX DATA M LX CLK XT1 LX REQ S X2 VSS0 VDD1 65 66 67 68 X1 TEST XT2 69 70 71 72 RDS NOISE TUN SMETER TYPE 2 VDD0 AVDD TYPE 3 73 74 75 76 TYPE 1 77 78 79 80 16 17 18 13 14 15 10 11 12 7 8 9 R433 2.2K 4 5 6 1 2 3 R440 47K W365 10K 10.000MHz X1 18P C422 R457 ∗R412 22P 22K ∗R414 22K ∗R416 22K C420 1000P ∗R411 ∗R471 22K ∗R413 22K ∗R415 22K 10K TP411 22K R417 22K R418 L61 4.7uH C409 100u6.3 C410 0.01 TP408 TP404 53 54 52 55 45 46 51 47 50 48 49 R L C2 C1 60 3 470K 470 10 RR 21 1 80 19 R435 R589 2.2 R600 0.01 C562 10u10 C556 R L 53 47 48 46 45 52 50 49 51 55 54 41 42 39 40 38 1 4 3 NC VDD 2 VSS OUT 65 63 60 79 64 X2 32.768KHz C408 C407 100P 0.22 1 1 80 9 14 12 13 10 11 8 18 17 16 3 22K 24 23 22 21 2 0.01 C201 19 66 27 29 R454 4.7K 34 32 +5V SERVO+B FL+B +5V +5V +8V SW5V SW5V +8V +8V SW5V 7 35 36 LED+B SW SW CD DISC8 GND 79 2 2 15 43 3 3,43 C565 W826 R368 R369 R562 10M PIN No. 48 54 49 PIN NAME MD LOAD MD EJECT MD LOS EJE SW MD LOS EJE MD EJECT MD LOAD + + + + + + + + E C B 2SB1565 DTA114EE DTC143TUA 2SA1362 2SA1576A 2SD1858 2SC4081 www. xiaoyu163. com QQ 376315150 9 9 2 8 9 4 2 9 8 TEL 13942296513 9 9 2 8 9 4 2 9 8 0 5 1 5 1 3 6 7 3 Q Q TEL 13942296513 QQ 376315150 892498299 TEL 13942296513 QQ 376315150 892498299 18 KDC-2031SA/2031SAY KDC-2031SG/2031SGY X34-3412-7x (3/4) K L M N O 4.7K 4.7K 22K 22K 22K 22K 22K 22K 22K 22K 22K 22K 2.3V 0V 4.6V 0V 10.2V 14.4V 14.4V 5.0V 8.1V 14.4V 8.1V 13.6V 5.0V VDD 5V 0V 6.8V 0V 4.5V 0V 0V 14.4V 0V 6.8V 6.8V 0V 6.9V 2.0V 4.3V 0V VDD 10V 14.4V 7.0V 6.8V 0V 6.8V 6.9V 7.0V 4.8V 6.9V 0V 14.4V ∗IC4 IC3 ∗D260 R Q352 ∗WH1 Q351 L REAR Q330 J6 LX BUS J2 D256 D258 D254 D252 Q252 D259 KP2311ETR-G : D502,503 KV1430STL-G HVC383B-E D504 D506 : : D55,261 S2V60∗A AM01ZNF or 1SR154-400 D1F60-5063 or UDZS4.7B or MAZ4082N-L 1SS133 RN739F B30-1567-05 KDS121-P or DAN202U or 02DZ4.7F-Y MAZ4062-L MC2848 10EDA20 D76,402,403 D203,259,260 D162,301-304 D401 D501 D81 : : : : : : D72,74,75,251-253,255-258 D73,77,254 D57 D71 : : : : KTA2014P(Y,GR) or 2SA1063A RT1P241M RT1P144M KRA307-P or 2SA1576A or DTA124EUA or KRA303-P or DTC143TUA or UDZS6.8B or IMSA-6801-E 02DZ6.8F-Y MAZ4068N-M RT1N430M HN3G01J(BL)-F 1SS355 KRC410-P or D52,54,305,306 D53 Q501 D3 : : : : : Q252 Q330 Q351,352 : : : D76 Q74 Q51 Q52 D55 Q53 D54 ∗D81 D73 D77 BR24L04FV-W 2SD1858 2SB1565(E,F) DTA114YUA or 2SC4081 UMC2N S-80836CNNB-G : IC8 Q71,74 Q51-53,155 Q72 Q73 Q151 IC10 IC11 IC15 : : : : : E-TDA7516 BA00CCWT : : : IC4 IC3 IC6 IC7 IC1 BD4912-V4 TC7W02FU-F E-TDA7479AD : : : : ∗ : ∗ Q72 D71 Q73 Q71 J1 D52 D261 D53 SERGE DET DET ACC D255 D253 D251 D257 MUTE LINE ∗D72 BU DET D305 D304 D302 D306 D303 D301 D57 GND LINE SIGNAL LINE B LINE (X34- ) ∗D74 D75 ∗ B ∗ B ∗ D ∗ E POWER IC Lch SW PRE MUTE SW Rch MUTE PRE Q351,352 MUTE DRIVER IC3 SW CONTROL SERVO +B SW CONTROL SERVO +B AVR POWER SUPPLY IC4 SW STBY PRF21BE471QB2 TH1 : ∗R256 R336 30K 30K C331 10u16 R331 270 TP338 TP340 TP339 MUTE 1 GND FL VDD 4 3 2 FR 5 R339 100 R335 ∗C333 ∗C334 R305 4.7K TP306 TP305 TP304 TP301 10u16 C332 R332 270 R304 4.7K R303 100 TP303 TP302 R338 100 TP307 Lch 12 R309 4.7K R307 4.7K C303 47u10 4.7 R308 4.7K C302 0.47 10 CON REQ M GND B.U. Rch A GND 4 8 0.47 R310 100 C301 10 R311 100 DATA S RST DATA M CLK REQ S MUTE 11 10 2 3 6 7 1 5 13 9 TP308 TP310 TP309 TP312 TP311 ∗W252 TP313 ∗W251 C3 0.22u50 R252 47K 10K R273 470K R272 R271 100 C256 1u50 ∗C255 ∗R251 C258 1u50 C4 0.22u50 C6 0.22u50 C5 0.22u50 ∗R255 12 11 OFFDET OUT1+ OUT2+ OUT2- OUT1- FR- FL- FL+ FR+ 6 4 2 10 8 9 5 3 1 7 TAB1 PWGND1 PWGND2 STBY VCC1 OUT4+ OUT3- OUT4- SGND OUT3+ 24 RL+ RL- RR+ 18 16 14 IN3 IN1 22 20 RR- 26 HSD 23 21 19 17 15 13 SVR IN2 IN4 VCC2 PWGND3 ACGND 27 25 TAB2 PWGND4 MUTE R138 4.7 R140 4.7 R141 2.2 R139 4.7 R136 4.7 R137 4.7 R135 4.7 R133 4.7 R131 4.7 R130 4.7 ∗R81 10K C82 0.022 R76 10K R75 10K R78 10K R77 10K TP26 TP25 TP30 TP27 TP31 TP28 TP420 R53 100K 0.01 R57 22K R55 10K R54 20K C55 R60 10K 0.01 ∗C81 0.01 ∗R82 R61 22K ∗R83 R73 4.7K ∗R72 4.7K VDD C79 22u10 C78 100u25 C80 100u25 C74 0.1 C76 0.1 C75 0.1 C77 0.1 L3 22uH R87 1 R86 1 R85 1 R88 1 12 11 10 SEL2 SEL1 VCC2 47u16 TP73 TP72 ∗C73 0.1 ∗R89 1 C72 0.1 C52 1000P R90 1 W420 GND TP74 AM AUDIO SW5V VCC1 9 8 7 6 P.CON P.ANT ILM 5 4 3 2 TP71 1 C69 0.47 C71 R21 1.5K TH1 R253 4.3K R254 10 TP316 ∗R257 R52 39K ∗W368 C257 1u50 R51 68K C54 R58 3.3K 1/2W R59 33K TP315 PHONE FRONT L+ FRONT L- FRONT R- FRONT R+ REAR R+ REAR L+ REAR L- REAR R- P-CON RL- FR- RL+ FL+ FL- FR+ RR+ RR- 11 9 10 8 6 7 14 12 13 P-ANT 5 3 4 L51 140uH FUSE F1 10A (F52-0006-05) 15 16 GND 2 ACC 1 B.U. C51 TP10 TP16 TP9 41 39 38 40 42 10K R56 1000P C53 RL FR FL RR ∗W346 3 29 15 27 24 23 G R L 22 17 18 16 2 66 R301 R302 R306 SW5V +5V +8V SERVO+B FL+B +5V 680P 680P TP344 TP343 TP342 TP341 3300u16 TP15 TP12 TP13 TP14 TP6 TP7 TP8 TP11 TP2 TP3 TP4 TP5 TP1 RL RR FL FR 7 36 35 2 P-ANT P-CON PHONE ACC P-ANT P-CON PHONE +5V SW5V 43 +5V ∗W51 ACC BU BU Q351 Q352 Q74 + + + + + + + + + + + + KDC-2031SA/2031SAY/2031SG/2031SGY (1/2) UMC2N DAN202U DA204U DTA114YUA DTA124EUA DTC124EUA www. xiaoyu163. com QQ 376315150 9 9 2 8 9 4 2 9 8 TEL 13942296513 9 9 2 8 9 4 2 9 8 0 5 1 5 1 3 6 7 3 Q Q TEL 13942296513 QQ 376315150 892498299 TEL 13942296513 QQ 376315150 892498299 19 KDC-2031SA/2031SAY KDC-2031SG/2031SGY X34-3412-7x (4/4) T S R Q P 1 2 3 4 5 6 7 CAUTION : For continued safety, replace safety critical components only with manufacturer’s recommended parts (refer to parts list). Indicates safety critical components. To reduce the risk of electric shock, leakage-current or resistance measurements shall be carried out (exposed parts are acceptably insulated from the supply circuit) before the appliance is returned to the customer. • DC voltages are as measured with a high impedance voltmeter. Values may vary slightly due to variations between individual instruments or/and units. MODEL NAME DESTI- NATION MODEL NAME DESTI- NATION DESTI- NATION X34-340x-xx X34-341x-xx X34-365x-xx A B C D E C73 C152 C255 C333, 334 CATEGORY/ FUNCTION CD RECEIVER (MP3/WMA) 14-SEGMENT DISPLAY CD RECEIVER 14-SEGMENT DISPLAY CD RECEIVER MD RECEIVER 7-SEGMENT DISPLAY CATEGORY/ FUNCTION CD RECEIVER (MP3/WMA) 14-SEGMENT DISPLAY CD RECEIVER 14-SEGMENT DISPLAY CD RECEIVER MD RECEIVER 7-SEGMENT DISPLAY CATEGORY/ FUNCTION CD RECEIVER (MP3/WMA) 14-SEGMENT DISPLAY CD RECEIVER 14-SEGMENT DISPLAY CD RECEIVER MD RECEIVER 7-SEGMENT DISPLAY C526 C604 C605, 606 CN3 D72, 74 D162 D260 Q151 IC1 E303/S J 0-01 - YES YES YES YES YES - 33u - YES 68P 6P - YES YES YES YES 784225GC256A KDC-MP2028 K 0-10 - YES YES YES YES YES - 33u - - 47P 1P - YES YES YES YES 784225GC256A KDC-MP228 K 0-11 - YES YES YES YES YES - 33u - - 47P 1P - YES YES YES YES 784225GC256A KDC-MP3029 M 0-22 - - YES YES - YES - 10u - - 47P 1P - YES YES - YES 784225GC256A KDC-MP4029/G M 0-21 - YES YES YES YES YES - 33u - - 47P 1P - YES YES YES YES 784225GC256A KDC-W4031/Y E KDC-W409/Y E KDC-W431GY E 2-73 - - YES YES - - - 10u YES - 47P 1P - YES - - YES 784225GC256A KDC-W4531/Y E 2-71 YES YES YES YES YES - - 33u YES - 47P 1P YES YES YES YES YES 784225GC256A KDC-WF431A E 2-74 YES - YES YES - - - 10u YES - 47P 1P YES YES YES - YES 784225GC256A KDC-228 K 0-10 - - - YES YES YES YES - 10u - - 47P 1P - YES YES - YES 784225GC257A KDC-2029 M 0-22 - - - - - - - - - - - - - - - - - - - - - - - - - - - - - - - - - - - - - - - - - - - - - - - - - - - - - - - - - YES YES YES YES - 10u - - 47P 1P - YES YES - YES 784225GC257A KDC-3029 M 0-23 - - YES YES YES YES - 10u - - 47P 1P - YES YES - YES 784225GC257A KDC-3029R M 0-21 YES - YES YES YES - - 10u YES - 47P 1P - YES YES - YES 784225GC257A KDC-3031A/Y E 2-71 YES - YES YES - - - 10u YES - 47P 1P YES YES YES - YES 784225GC257A KDC-3031G/Y E 2-72 YES - YES YES - - - 10u YES - 47P 1P YES YES YES - YES 784225GC257A KDC-309A E 2-71 YES - YES YES - - - 10u YES - 47P 1P YES YES YES - YES 784225GC257A KDC-309G E 2-72 YES - YES YES - - - 10u YES - 47P 1P YES YES YES - YES 784225GC257A KDC-F331A E 2-73 YES - YES YES - - - 10u YES - 47P 1P YES YES YES - YES 784225GC257A KDC-F331G E 2-74 YES - YES YES - - - 10u YES - 47P 1P YES YES YES - YES 784225GC257A E202 J 0-00 - - YES - - YES - 10u - YES 68P 6P - - - - YES 784225GC258A RDT-101 J 0-01 - - YES - - YES - 10u - YES 68P 6P - - - - YES 784225GC258A KDC-1028 K 0-11 - - YES YES - YES - 10u - - 47P 1P - YES YES - YES 784225GC258A KDC-128/CR K 0-12 - - YES YES - YES - 10u - - 47P 1P - YES YES - YES 784225GC258A KDC-129/S M 0-25 - - YES YES - YES - 10u - - 47P 1P - YES - - YES 784225GC258A KDC-229 M 0-24 - - YES YES - YES - 10u - - 47P 1P - YES - - YES 784225GC258A KDC-2031SA/Y E 2-75 - - YES YES - - - 10u YES - 47P 1P - YES - - YES 784225GC258A KDC-2031SG/Y E 2-76 - - YES YES - - - 10u YES - 47P 1P - YES - - YES 784225GC258A E303MD J 0-02 - - - - YES YES YES 10u - YES 68P 6P - - - - - 784225GC259A 784225GC256A 47P YES 1P YES - C81 YES YES YES YES YES YES YES YES YES YES YES YES YES YES YES YES YES YES YES YES YES YES YES YES YES - - YES D81 YES YES YES YES YES YES YES YES YES YES YES YES YES YES YES YES YES YES YES YES YES YES YES YES YES - - YES R81 YES YES YES YES YES YES YES YES YES YES YES YES YES YES YES YES YES YES YES YES YES YES YES YES YES - - YES - YES YES YES 2-72 0-01 0-10 0-11 0-22 0-21 2-73 2-71 2-74 0-10 - 0-22 - - - - - - - - - - - - - - - - - - - - - - - - - - - - - - - - - - - - - - - - - - - - - - - - - - - - - - - 0-23 0-21 2-71 2-72 2-71 2-72 2-73 2-74 0-00 0-01 0-11 0-12 0-25 0-24 2-75 2-76 0-02 2-72 0-01 0-10 0-11 0-22 0-21 2-73 2-71 2-74 0-10 - 0-22 - - - - - - - - - - - - - - - - - - - - - - - - - - - - - - - - - - - - - - - - - - - - - - - - - - - - - - - 0-23 0-21 2-71 2-72 2-71 2-72 2-73 2-74 0-00 0-01 0-11 0-12 0-25 0-24 2-75 2-76 0-02 2-72 YES YES YES YES - - 33u YES X34-340x-xx X34-341x-xx X34-365x-xx IC4 R72 R82 R83 R89 R162 R172 R251 R255 R256 R257 R312, 313,480 R357, 364 R366 R372 R411 R412 R413 R414 E303/S J E-TDA7560A YES 47K 100K YES YES - 33K 220 22K 30K YES YES 4.7K - - YES - YES KDC-MP2028 K E-TDA7560A YES 22K 47K YES YES YES 33K 220 22K 30K YES - 4.7K - YES - YES - KDC-MP228 K E-TDA7560A YES 22K 47K YES YES YES 33K 220 22K 30K YES - 4.7K - YES - YES - KDC-MP3029 M TB2904HQ YES 22K 47K YES YES - 150K 330 150K 12K - - 4.7K - YES - YES - KDC-MP4029/G M E-TDA7560A YES 22K 47K YES YES - 33K 220 22K 30K YES - 4.7K - YES - - YES KDC-W4031/Y E KDC-W409/Y E KDC-W431GY E TB2904HQ YES 22K 47K - - - 150K 330 150K 12K - - 4.7K - YES - - YES KDC-W4531/Y E E-TDA7560A YES 22K 47K - YES YES 33K 220 22K 30K YES - 4.7K - - YES YES - KDC-WF431A E TB2904HQ YES 22K 47K - YES YES 150K 330 150K 12K - - 4.7K - - YES - YES KDC-228 K TB2903HQ YES 22K 47K YES YES YES 150K 330 150K 12K YES - 4.7K - YES - YES - KDC-2029 M TB2903HQ YES 22K 47K YES YES - 150K 330 150K 12K YES - 4.7K - YES - - YES KDC-3029 M TB2903HQ YES 22K 47K YES YES - 150K 330 150K 12K YES - 4.7K - - YES - YES KDC-3029R M TB2903HQ YES 22K 47K - YES - 150K 330 150K 12K YES - 4.7K - YES - - YES KDC-3031A/Y E TB2904HQ YES 22K 47K - YES YES 150K 330 150K 12K - - 4.7K - - YES YES - KDC-3031G/Y E TB2904HQ YES 22K 47K - YES YES 150K 330 150K 12K - - 4.7K - - YES YES - KDC-309A E TB2904HQ YES 22K 47K - YES YES 150K 330 150K 12K - - 4.7K - - YES YES - KDC-309G E TB2904HQ YES 22K 47K - YES YES 150K 330 150K 12K - - 4.7K - - YES YES - KDC-F331A E TB2904HQ YES 22K 47K - YES YES 150K 330 150K 12K - - 4.7K - - YES YES - KDC-F331G E TB2904HQ YES 22K 47K - YES YES 150K 330 150K 12K - - 4.7K - - YES YES - E202 J TB2903HQ - 47K - YES - - 150K 330 150K 12K - YES 4.7K - - YES - YES RDT-101 J TB2904HQ - 47K - YES - - 150K 330 150K 12K - YES 4.7K - - YES - YES KDC-1028 K TB2903HQ YES 22K 47K YES YES - 150K 330 150K 12K - - 4.7K - YES - YES - KDC-128/CR K TB2904HQ YES 22K 47K YES YES - 150K 330 150K 12K - - 4.7K - YES - YES - KDC-129/S M TB2904HQ YES 22K 47K YES - - 150K 330 150K 12K - - 4.7K - YES - - YES KDC-229 M TB2903HQ YES 22K 47K YES - - 150K 330 150K 12K - - 4.7K - YES - - YES KDC-2031SA/Y E TB2904HQ YES 22K 47K - - - 150K 330 150K 12K - - 4.7K - - YES YES - KDC-2031SG/Y E TB2904HQ YES 22K 47K - - - 150K 330 150K 12K - - 4.7K - - YES YES - E303MD J TB2904HQ - 47K 100K YES - - 150K 330 150K 7.5K YES - 100K YES - YES - YES YES - 30K - - - 220 YES 22K YES E-TDA7560A YES - 4.7K 22K 47K - YES 33K MODEL NAME X34-340x-xx X34-341x-xx X34-365x-xx R415 R416 R431, 470 R450- 452 R471 W51 W152 W251, 346,368 W252 WH1 E303/S J YES - - - YES - - - YES - KDC-MP2028 K YES - - YES YES - - - YES YES KDC-MP228 K YES - - YES YES - - - YES - KDC-MP3029 M - YES - - YES - - YES - - KDC-MP4029/G M YES - - - YES - - - YES - KDC-W4031/Y E KDC-W409/Y E KDC-W431GY E - YES - - YES YES - YES - - KDC-W4531/Y E YES - YES - - YES - - YES - KDC-WF431A E - YES YES - - YES - YES - - KDC-228 K YES - - YES YES - - YES - - KDC-2029 M - YES - - YES - - YES - - KDC-3029 M - YES - - YES - - YES - YES KDC-3029R M YES - YES - - YES - YES - - KDC-3031A/Y E - YES YES - - YES - YES - - KDC-3031G/Y E YES - YES - - YES - YES - - KDC-309A E - YES YES - - YES - YES - - KDC-309G E YES - YES - - YES - YES - - KDC-F331A E - YES YES - - YES - YES - - KDC-F331G E YES - YES - - YES - YES - - E202 J - YES - - YES - - YES - - RDT-101 J - YES - - YES - - YES - - KDC-1028 K - YES - - YES - - YES - YES KDC-128/CR K - YES - - YES - - YES - - KDC-129/S M - YES - - YES - - YES - - KDC-229 M - YES - - YES - - YES - - KDC-2031SA/Y E - YES - - YES YES - YES - - KDC-2031SG/Y E YES - - - YES YES - YES - - E303MD J YES - - - YES - YES YES - - - YES YES - - - YES - YES - (X34-3xxx-xx) www. xiaoyu163. com QQ 376315150 9 9 2 8 9 4 2 9 8 TEL 13942296513 9 9 2 8 9 4 2 9 8 0 5 1 5 1 3 6 7 3 Q Q TEL 13942296513 QQ 376315150 892498299 TEL 13942296513 QQ 376315150 892498299 20 KDC-2031SA/2031SAY KDC-2031SG/2031SGY X16-294x-xx (1/2) U V W X Y 1 2 3 4 5 6 7 Q21 D96 J1 D71 D72 D73 D74 D75 D76 D77 D31 D32 D33 ∗ A 1/2 J5 X34- REMOTE SENSOR PAN SW5V VFD DRIVER TP32 TP70 60 59 58 57 56 55 54 53 52 51 50 49 48 47 46 45 44 43 42 41 40 39 38 37 36 35 34 33 32 31 30 29 28 27 26 25 24 23 22 21 1 2 3 4 5 6 7 8 9 10 11 12 13 14 15 16 17 18 19 20 61 62 63 64 65 66 67 68 69 70 71 72 73 74 75 76 77 78 79 80 KS4 KS3 KS2 KS1 S1 S2 S3 S4 S5 S6 S7 S8 S9 S10 S11 S12 S13 S14 S15 S16 S17 S18 S19 S20 S21 S22 S23 S24 S25 S26 S27 S28 S29 S30 S31 S32 S33 S34 S35 S36 G1 G2 G3 VFL S52 S51 S50 S49 S48 S47 S46 S45 S44 S43 S42 S41 S40 S39 S38 S37 KS5 KS6 KI1 KI2 KI3 KI4 KI5 P1 P2 P3 P4 VSS OSCO OSCI VDD BLK DO CE CL DI 1 2 3 4 5 6 7 8 9 10 11 12 13 14 15 ILL D GND PAN5V RTRY CW LED+B FL+B RST VFD RST VFD DATAF VFD CE VFD CLK VFD DATAS REMOTE RTRY CCW TDF DET ESD GND TP19 TP18 TP17 TP24 TP22 TP23 TP21 TP20 TP28 TP26 TP27 TP25 TP31 TP30 TP29 80 13 12 79 78 77 76 3 6 1 2 3 GND VO VCC R22 100 12 KS2 KS1 KS3 KS4 T R77 1K KI5 KI3 KI4 KI1 KI2 TP41 TP42 TP43 TP44 TP45 220 R70 20K R75 47P C15 4.7K R72 4.7 R74 80 79 78 77 76 G1 G2 S43 S51 S52 S49 S50 S46 S47 S48 S45 S44 S42 S41 S38 S40 S39 S37 S32 S33 S34 S35 S36 S27 S28 S29 S30 S22 S23 S24 S25 S26 S17 S18 S19 S20 S21 KS4 S4 KS3 KS2 KS1 S2 S3 S8 S5 S6 S7 S9 S10 S11 S15 S12 S13 S14 S16 TP47 TP46 TP49 TP48 IC3 FL+B FL+B 470 R11 470 R13 220 R14 470 R15 470 R16 470 R17 470 R19 1K ∗R18 2.2 C10 KEY MATRIX 64 TP164 1W F+ F+ TP165 65 66 R80 33 R82 33 1W W12 TP101 TP102 S8 S7 50 P31 P30 P32 P35 P34 P33 TP162 TP161 TP163 63 62 61 TP160 TP159 59 60 58 P27 P26 1GB P25 P29 3G P28 TP154 TP157 55 57 56 54 TP152 TP150 TP151 TP153 52 53 51 P37 1 2 P38 43 TP143 P36 P23 P21 P22 P20 P24 TP148 TP149 TP147 49 47 48 TP145 TP144 TP146 46 45 44 P19 P18 P17 TP141 TP142 TP140 42 40 41 S50 S51 S52 S49 S48 S47 S46 S45 S44 G3 S43 G1 S42 S40 S41 S39 S37 S38 S36 S33 S35 KS4 KS3 KS5 KS1 KS2 FM SRC 2 DISP KI1 1 EJECT 6 KI2 DET KI3 AM PANEL Q or EQ 5 AUD 4 KI4 ATT 3 KI5 2.2 C21 100K R21 W13 S34 IC1 IC3 SWITCH UNIT (X16-294x-xx) A (7-SEGMENT) ED1 10K 10K RST ON OFF 0V 5V 0V 5V 11.25V 0V 0V 11.25V 11.25V 0V 11.25V 0V 5V 0V 5V 0V 5V 0V 5.0V 5V 0V 0V 5.0V 11.25V 1b 1c 2b 2c 1a 1d 2a 2g 3h 2d 1h 1m 3G (2G) (3G) (1GB) 1GB 2 1n 2n 2m 1f 1e 2f 2e 3b 3c 3a 3g 3d 3n 3m 3f 3e 4h 4n 4m 4f 4e 1k 1j 2j a b c d e f g a b c d e f g S12 S13 S13 S15 S14 S16 col 1g 1a 2a 3a 4a www. xiaoyu163. com QQ 376315150 9 9 2 8 9 4 2 9 8 TEL 13942296513 9 9 2 8 9 4 2 9 8 0 5 1 5 1 3 6 7 3 Q Q TEL 13942296513 QQ 376315150 892498299 TEL 13942296513 QQ 376315150 892498299 21 KDC-2031SA/2031SAY KDC-2031SG/2031SGY X16-294x-xx (2/2) AD AC AB AA Z 1 2 3 4 5 6 7 S12 S11 DISP 6 5 4 3 1 Q or EQ ATT 2 SRC EJECT RESET D31 D32 D33 D34 D35 D36 D37 D39 D38 D40 D42 D41 D45 D48 D44 D43 D47 D46 D51 D54 D50 D49 D53 D52 ∗D61 ∗D62 ∗D64 ∗D63 ∗D65 D70 D71-77 D31-33,37-39,43-45,49-51,70 D34-36,40-42,46-48,52-54 D61-65 IC3 Q21 IC1 ∗ B30-1567-05 (COLOR:RED) Refer to the parts list. UDZS5.6B or KRA302E-P or DTA114EE or 02DZ5.6F-Y RT1P141U PNA4S22M LC75756W : : : : : : : ∗ C ∗ B GND LINE B LINE (X16-294x-xx) ED1 3-BT-223N : D96 : DA204U ESD GND TP57 CP11 10K 2 5 3 4 1 6 VOL VOL AUDIO 0.01 C11 C12 0.01 3 13 KS2 TP56 KS1 KS3 TP51 TP58 TP52 TP53 TP54 KS4 TP59 TP61 TP62 TP63 KI1 KI2 KI3 KI4 KI5 TP65 470 R31 470 R32 R33 470 R34 470 ∗C61 0.01 ∗C62 0.01 ∗R61 ∗C64 0.01 ∗C63 0.01 ∗R62 ∗C65 0.01 ∗R63 ∗W1 ∗W2 TP55 2 3 4 5 6 7 8 9 0 2 3 4 5 6 7 8 9 0 1 IC3 6 MODEL NAME A DESTI- NATION No. UNIT C B C61-65 R61 R63 R62 W2 W1 E202 J 0-01 YES | YES 300 300 470 YES | | RDT-101 | J 0-02 YES | 620 620 620 | YES | KDC-1028 KDC-128/CR K K 0-10 1K 680 680 YES | | KDC-229 M 0-21 YES | 620 560 560 YES | KDC-129/S M KDC-2031SA/Y E 2-71 YES 1K 680 680 | 0-21 620 560 560 YES | KDC-2031SG/Y E YES | | | | | | YES TP69 YES YES | | | B30-1567-05 B30-1567-05 B30-1533-05 B30-1729-05 B30-1575-05 B30-1533-05 D61-65 R18 YES | | | | | TP106 P14 TP105 TP103 TP104 TP101 TP102 S8 S7 S9 S10 P37 1 2 P43 4 3 5 P38 P39 P19 P18 P16 P17 P15 TP141 TP142 TP140 42 40 41 TP138 TP139 38 39 37 36 TP117 TP115 TP113 TP114 TP116 TP112 TP110 TP111 TP108 TP109 TP107 S11 S12 S13 S14 S15 S6 S4 S5 S3 S2 20 TP120 6 7 8 9 P40 P41 11 10 12 P42 16 13 14 15 17 28 1GA P10 P9 2G P11 P13 P12 34 35 32 33 TP130 TP128 TP129 TP131 30 31 29 P7 P5 P6 P4 P8 P2 P3 TP126 TP127 TP125 27 25 26 TP124 24 23 21 22 TP118 18 19 P1 F- F- S29 S33 S35 S32 S30 S27 S28 G2 S26 G1 S25 S24 S20 S22 S23 S21 S18 S19 S17 S16 W13 S34 KDC-2031SA/2031SAY/ 2031SG/2031SGY (2/2) (1GA) 2G 1GA ANODE CONNECTION b 4h 4b 4c 4a 4d 4n 4m 4f 4e 4g 4j S11 S3 S5 S4 S7 S9 S8 S10 S6 S1 S2 S1 S1 P1 P2 P3 P4 P5 P6 P7 P8 P9 P10 P11 P12 P13 P14 P15 P16 P17 P18 P19 P20 P21 P22 P23 P24 P25 P26 P27 P28 P29 P30 P31 P32 P33 P34 P35 P36 P37 P38 P39 P40 P41 P42 P43 2b 1b 4a 3a 2a 1a — 3b 4b — — — 1f 2f 3f 4f 1g 2g 3g 4g 1e 2e 3e 4e 1c 2c 3c 4c 1d 2d 3d 4d col — — — — — — — — — — — — — S1 S2 S3 S4 S5 S6 S7 S8 S9 S10 S11 a b f g c e d S12 S13 S14 S15 S16 — — — — — 2b 1b 4a 3a 2a 1a 4m 3m 2m 1m 3b 4b 1h 3h 4h 1f 2f 3f 4f 1g 2g 3g 4g 1e 2e 3e 4e 1k 1j 2j 4j 1c 2c 3c 4c 1d 2d 3d 4d 1n 2n 3n 4n PIN NAME 3G 2G 1GA,1GB CAUTION : For continued safety, re- place safety critical components only with manufacturer’s recommended parts (refer to parts list). Indicates safety critical components. To reduce the risk of electric shock, leakage-current or resistance measure- ments shall be carried out (exposed parts are acceptably insulated from the supply circuit) before the appliance is returned to the customer. • DC voltages are as measured with a high impedance voltmeter. Values may vary slightly due to variations between individual instruments or/ and units. www. xiaoyu163. com QQ 376315150 9 9 2 8 9 4 2 9 8 TEL 13942296513 9 9 2 8 9 4 2 9 8 0 5 1 5 1 3 6 7 3 Q Q TEL 13942296513 QQ 376315150 892498299 TEL 13942296513 QQ 376315150 892498299 22 KDC-2031SA/2031SAY KDC-2031SG/2031SGY X32-5750-00 (1/2) AE AF AG AH AI 1 2 3 4 5 6 7 S2 S1 CN2 Q4 D2 Q3 Q2 Lch Rch A.GND A+5V BU+5V D.GND A.GND 12EJE SW LOS SW SWITCH DOWN & LIMIT SPDL S3 to MAIN UNIT DIGITAL +5V SW 4ch BT DRIVE L.P.F. A+8V ANALOG +8V SW SW CD SIGNAL PROCESSOR MECHANISM CONTROL bult in MICRO PROCESSOR 5V REG 10K S.GND 2 LOE/LIM SW 1 S7V MOTOR LO/EJ A.GND 5 3 4 Rch Lch 6 7 8 BU5V 15 A8V MSTOP MRST MUTE L MUTE R D.GND 9 10 11 12 13 14 8EJE SW DATA LOS SW 12EJE SW 18 BCLK 16 17 CLK 19 20 21 CP2 100 CP1 100 D.OUT 22 R72 200 R44 1K NC NC NC NC DATA MSEL1 MSTOP OCD CLK RST MUTE R MUTE L 100K R43 CP5 61 63 62 65 64 66 R100 C100 16.934MHz X1 1000P 10 R42 4.7K 49 DRV MUTE NC TEST2 TEST1 NC XSUB1 DVSS2 DVDD2 NC 60 59 58 57 56 52 55 54 53 X2 51 50 X1 NC LOE/LIM SW 12EJE/SDET SW 8EJE SW HOT 48 47 46 45 44 43 42 41 NC NC VREFP 40 38 39 NC NC 36 37 35 TRD FOD DVDD3 NC CD-RW NC NC P.ON MCNT XSEL NC CLK SBIO SBIO 73 70 68 67 TX 69 71 72 74 76 75 78 77 79 C36 2.2 80 TRCRS 28 31 NC ASEL MSEL0 33 34 32 OUTL DVSS3 CSEL 30 29 AVDD2 AVSS1 OUTR AVDD1 27 25 26 TE FE 23 24 22 12 FBAL TVD SPL NC PWM TBAL 1 2 3 4 5 NRFDET OFT BDO LDON DSLB DVDD1 9 6 7 8 10 11 PLLF2 DVSS1 AVSS2 DSLF ARF RFSW PLLF 13 14 15 16 17 18 IREF RFENV 21 19 20 C101 1000P 1000P C102 C34 0.1 C33 0.1 C32 0.1 C48 6800P C50 4700P 4 L R 5 65 63 61 62 66 68 29 27 L R 27 29 A/TE TRCRS FE RFENV 61 62 63 66 68 65 0.1 C47 0.1 C46 79 80 27K R46 47K R49 23 22 24 6 5 GND 3 4 2 7 8 VCC 1 68P C73 68P C74 330 R87 330 R88 2200P C75 C76 2200P 20K R83 R81 18K R84 20K R82 18K 470P C72 470P C71 0.1 C62 R85 12K R86 12K 0.1 C78 5.6K R92 3.9K R90 5.6K R91 0.1 C77 R89 3.9K 24 23 LRCK SRDATA S7V D5V IC3 IC2 CD PLAYER UNIT (X32-5750-00) IC4 10K 4.7K 22K 22K 2.35V 4 4.80V 0.87pp 1.25V 1.70V 0V 0-4.8V 0V 2.40V 2.50V 4.90V 2.50V 0V 4.80V 2.40V 2.40V 2.40V 2.45V 0V 4.80V 0V 4.80V 4.80V 3.0pp 5.0pp 0V 4.80V 4.80V 4.80V 4.90V 0V 4.90V 0-4.9V 0V 0-4.9V 0V 0V 0V 0.15V 0V 4.80V 2.40V 2.40V 4.80V 0V 7.80V 0V 0V 3.84V 3.10V 3.10V 3.10V 3.10V 3.84V 7.80V 0V 0V 0V 0V www. xiaoyu163. com QQ 376315150 9 9 2 8 9 4 2 9 8 TEL 13942296513 9 9 2 8 9 4 2 9 8 0 5 1 5 1 3 6 7 3 Q Q TEL 13942296513 QQ 376315150 892498299 TEL 13942296513 QQ 376315150 892498299 23 KDC-2031SA/2031SAY KDC-2031SG/2031SGY X32-5750-00 (2/2) AN AM AL AK AJ 1 2 3 4 5 6 7 DTA143XUA : Q4 D1 D3 D2 Q6 Q5 DA204U MAZS0510L DAN202U 2SA1576A 2SC4081 : : : : : Q3 Q2 Q1 IC3 IC2 IC1 DTC124EUA MN6627771KP 2SA1362(Y) 2SB0970 BA5824FP-F AN22002A-V : : : : : : Q6 Q5 D3 D1 CN1 Q1 M M LOADING & MOTOR SPINDLE MOTOR S.GND S.7.5V SPDL FCS TRK SLED D.GND D.5V VREF GND LINE SIGNAL LINE B LINE CURRENT AMP 4ch BTL DRIVER RF AMP NJM4580M1-ZB IC4 : SLED DM1 DM2 APC 9 24 CNT LDIN OUTSL INSL- INSL+ OUT3 IN3- PREVCC IN2- BIAS 1 2 6 IN1- IN1+ OUT2 4 3 5 MUTE PREGND OUT1 7 8 C49 1500P C38 0.01 R48 10K 18K 10K R34 R33 2.2K R47 C51 680P R71 13K 27 28 26 25 C37 0.01 R51 10K R50 3.9K R31 27K 10K R32 VO3+ VO3- VO4+ VO4- VCC2 GND VO2- VCC1 GND 11 10 12 VO1+ VO1- 14 13 VO2+ 22 23 21 19 20 18 17 VREF GND R45 10K 12 FBAL TVD SPL NC PWM TBAL 1 2 3 4 5 FDET OFT BDO DON DSLB VDD1 9 6 7 8 10 11 LLF2 VSS1 VSS2 DSLF ARF FSW PLLF 13 14 15 16 17 18 REF 19 20 C48 6800P C50 4700P 1000P R38 220K C31 0.1 C40 0.015 C41 C39 0.01 39K R35 R53 4.7K 10K R36 C10 0.033 R9 3.9K 4700P C14 C15 2200P B/TE 17 R41 47K C3 1 16 FCS- TRK- TRK+ FCS+ GND C+D GND VCC TBAL FBAL GCTL FEOUT FEN TEN TEOUT TEBPF VDET C52 0.1 R52 4.7K B GCTL 6.2K R37 24 VDET C13 270P R8 27K 19 18 20 22 21 23 C16 330P R11 33K 27 25 26 F E 28 D 30 29 32 C 31 A R15 4.7K IOP- IOP+ R4 10 R1 91 12 16 15 14 13 A 9 11 10 F B 8 7 6 E PD 5 4 3 VR LD 2 1 VC C6 39P VCC 9 COFTR OFTR NRFDET 14 15 13 T3OUT CBDO BDO 11 12 10 6 CAGC ARF CEA 8 7 RFN RFOUT RFIN 5 3 4 C12 3300P C11 6800P PD LD 1 2 C7 0.1 3.3K R6 RF R5 3.3K C1 10 R14 100K C2 2.2 18 19 13 12 SPDL- SPDL+ C45 0.1 C44 1000P C43 2200P R39 100K 820 R40 0.047 C42 BDO OFT NRFDET 9 7 8 4.7K CP4 1.8K CP3 16 TRK OUT TRK IN 14 15 FCS UP FCS DOWN 16 17 SLED IN /EJECT /LOAD SLED OUT 12 13 18 19 5 4 1 80 1 2 8 7 9 R7 3.6K 2P C5 ARF 1 C8 4700P C9 R13 240K C18 0.1 C17 0.1 R3 5.6K R2 5.6K 6 5 4 F E B CD A 6 5 100K R10 F A B E CD 24 23 22 4 79 2 14 16 15 17 2.2 C61 Q5,6 15 29 30 R12 910K D5V S7V IC3 IC1 (X92- ) OPTICAL PICKUP DPU1 (X92- ) 0.17V 3.81V 4.90V 2.47V 1.44V 3.38V 2.50V 4.16V 0V 3.94V 0V 0V 0V 3.06V 2.50V 2.50V 2.50V 2.50V 2.50V 2.69V 2.69V 2.69V 0.95pp 0.91pp 2.50V 2.35V 2.35V 2.40V 2.35V 2.35V 2.45V 4.90V 0V 7.80V 3.50V 3.90V 3.84V 3.84V 3.81V 3.81V 3.60V 3.60V 7.80V 0V 0V 0V 2.35V 2.35V 2.35V 2.35V 2.35V 7.80V 4.80V 2.45V 0V 2.40V 4.80V 2.50V 0V 0V 0.17V 2.69V 2.69V 2.69V 2.69V 0V 2.50V 3.84V 3.81V 3.81V 3.84V 2.00V 0.95pp CAUTION : For continued safety, replace safety critical compo- nents only with manufacturer’s recommended parts (refer to parts list). Indicates safety critical com- ponents. To reduce the risk of electric shock, leakage-current or resistance measurements shall be carried out (exposed parts are acceptably insulated from the supply circuit) before the appliance is returned to the customer. • DC voltages are as measured with a high impedance volt- meter. Values may vary slightly due to variations be- tween individual instruments or/and units. www. xiaoyu163. com QQ 376315150 9 9 2 8 9 4 2 9 8 TEL 13942296513 9 9 2 8 9 4 2 9 8 0 5 1 5 1 3 6 7 3 Q Q TEL 13942296513 QQ 376315150 892498299 TEL 13942296513 QQ 376315150 892498299 24 KDC-2031SA/2031SAY KDC-2031SG/2031SGY EXPLODED VIEW (CD MECHANISM) Parts with the exploded numbers larger than 700 are not supplied. 3 2 1 B A 858 K K 31 DM1 30 26 28 25 14 16 17 18 23 45 38 801 44 24 52 29 19 27 F DM2 834 850 849 807 806 37 43 43 43 56 37 37 53 41 51 55 36 33 33 40 15 39 42 11 13 12 10 22 32 35 43 2 37 Bx2 Ax2 Jx2 DPU1 H F F G DFPC1 E A B C E F G H J K : N09-4460-05 : N09-4472-15 : N09-6004-05 : N09-6007-05 : N09-6051-05 : N19-2163-04 : N39-2020-46 : N09-6108-05 : N09-6155-05 φ2x8 M1.7x8.0 M1.7x2.5 M2x2 φ2x5(BLK) 1.6 WASHER M2x2 M2x3.5 φ2x6 (X32) 8 809 5 Cx2 www. xiaoyu163. com QQ 376315150 9 9 2 8 9 4 2 9 8 TEL 13942296513 9 9 2 8 9 4 2 9 8 0 5 1 5 1 3 6 7 3 Q Q TEL 13942296513 QQ 376315150 892498299 TEL 13942296513 QQ 376315150 892498299 25 KDC-2031SA/2031SAY KDC-2031SG/2031SGY EXPLODED VIEW (UNIT) Parts with the exploded numbers larger than 700 are not supplied. 3 2 1 D C (X34-) (X16-) F1 FC1 DC1 268 242 207 209 201 DME1 A B C D E F G H J : N29-0205-04 : N80-2006-48 : N80-2008-43 : N83-3005-48 : N86-2610-48 : N80-3010-48 : N83-3005-48 : N83-3020-48 : N86-2606-48 223x2 D Dx2 Hx2 F F J D D D G H (X34) 785 Ex2 772 732 701 A 705 204 237 222 236 221 224 Cx2 Cx2 771 206 B B PA1 261 259 257 213 210 241 255 708 254 253 238 252 251 226 www. xiaoyu163. com QQ 376315150 9 9 2 8 9 4 2 9 8 TEL 13942296513 9 9 2 8 9 4 2 9 8 0 5 1 5 1 3 6 7 3 Q Q TEL 13942296513 QQ 376315150 892498299 TEL 13942296513 QQ 376315150 892498299 26 KDC-2031SA/2031SAY KDC-2031SG/2031SGY Indicates safety critical components. ✽ New parts Parts without Parts No. are not supplied. Les articles non mentionnes dans le Parts No. ne sont pas fournis. Teile ohne Parts No. werden nicht geliefert. Ref. No. A d d N e w Parts No. Description Desti- nation Ref. No. A d d N e w Parts No. Description Desti- nation E4 : KDC-2031SA E5 : KDC-2031SG E6 : KDC-2031SGY E7 : KDC-2031SAY (E : Europe K : North America M : Other Areas W : Without Europe) PARTS LIST SWITCH UNIT (X16-294x-xx) 201 1C ✽ A02-2736-03 PLASTIC CABINET ASSY 204 2C A22-2863-13 SUB PANEL ASSY 206 2C ✽ A46-1815-01 REAR COVER 207 1D ✽ A52-0804-12 TOP PLATE PA1 3C ✽ A64-3461-02 PANEL ASSY - B46-0100-50 WARRANTY CARD E4E5 - B46-0182-14 ID CARD E4E5 - B46-0606-04 ID CARD E7E6 - ✽ B64-2937-00 INST. MANUAL (ENGLISH) - ✽ B64-2938-00 INST. MANUAL (FRE, GER, DUT) E4E5 - ✽ B64-2938-00 INST. MANUAL (ITA, SPA, POR) E4E5 - ✽ B64-2942-00 INST. MANUAL (RUSSIAN) E7E6 209 1C ✽ B07-3122-01 ESCUTCHEON 210 3C ✽ B19-2304-03 LIGHTING BOARD 213 3C B43-1518-04 BADGE 221 2C D10-4446-03 LEVER 222 2C D10-4447-03 LEVER 223 1C D10-4589-04 LEVER 224 2C D21-2329-04 SHAFT 226 3C ✽ E29-2027-02 CONDUCTIVE RUBBER DC1 1C ✽ E30-6413-05 DC CORD DC1 1C ✽ E30-6427-05 DC CORD FC1 2D ✽ E39-0718-05 FLAT CABLE F1 2D F52-0006-05 FUSE (MINI BLADE TYPE) (10A) F1 2D F52-0023-05 FUSE (MINI BLADE TYPE) (10A) 236 2C G01-2987-04 TORSION COIL SPRING 237 2C G01-3096-04 EXTENSION SPRING 238 3C ✽ G01-3244-04 COMPRESSION SPRING - ✽ H10-4919-12 POLYSTYRENE FOAMED FIXTURE - H25-0329-04 PROTECTION BAG (280X450X0.03) E7E6 - H25-0337-04 PROTECTION BAG (180X300X0.03) - H25-1111-04 PROTECTION BAG (280X450X0.03) E4E5 - ✽ H54-3308-03 ITEM CARTON CASE (KDC-2031SA) E4 - ✽ H54-3309-03 ITEM CARTON CASE (KDC-2031SG) E5 - ✽ H54-3317-03 ITEM CARTON CASE (KDC-2031SAY) E7 - ✽ H54-3318-03 ITEM CARTON CASE (KDC-2031SGY) E6 241 3C ✽ J19-7046-01 HOLDER 242 1C J21-9716-03 MOUNTING HARDWARE ASSY 251 3C ✽ K24-4279-04 PUSH KNOB (CLK) 252 3C ✽ K24-4280-04 PUSH KNOB (EJECT) 253 3C ✽ K24-4281-04 PUSH KNOB (RELEASE) 254 3C ✽ K25-1689-03 PUSH KNOB (ATT/Q) 255 3C ✽ K25-1690-02 PUSH KNOB (SRC/PRESET/RESET) 257 3C ✽ K29-7132-03 KNOB ASSY (VOL) 259 3C ✽ K29-7134-03 KNOB BASE (FM/AM) 261 3C ✽ K29-7140-03 KEY TOP (FM/AM) A 2C N29-0205-04 RETAINING RING (1.5) B 3C N80-2006-48 PAN HEAD TAPTITE SCREW C 2C N80-2008-43 PAN HEAD TAPTITE SCREW D 3D ✽ N83-3005-48 PAN HEAD TAPTITE SCREW E 2D ✽ N86-2610-48 BINDING HEAD TAPTITE SCREW 268 1C T90-0523-05 ANTENNA ADAPTOR 268 1C T90-0534-05 ANTENNA ADAPTOR DME1 1D ✽ X92-5090-00 MECHANISM ASSY D31-33 B30-1567-05 LED (RED) E4E7 D34-36 B30-1533-05 LED (PG) E5E6 D37-39 B30-1567-05 LED (RED) E4E7 D40-42 B30-1533-05 LED (PG) E5E6 D43-45 B30-1567-05 LED (RED) E4E7 D46-48 B30-1533-05 LED (PG) E5E6 D49-51 B30-1567-05 LED (RED) E4E7 D52-54 B30-1533-05 LED (PG) E5E6 D61-65 B30-1533-05 LED (PG) E5E6 D61-65 B30-1567-05 LED (RED) E4E7 D70 B30-1567-05 LED (RED) C10 CK73GB0J225K CHIP C 2.2UF K C11,12 CK73GB1H103K CHIP C 0.010UF K C15 CC73GCH1H470J CHIP C 47PF J J1 ✽ E59-0840-05 RECTANGULAR PLUG CP11 RK74HB1J103J CHIP-COM 10K J 1/16W R11 RK73GB2A471J CHIP R 470 J 1/10W R13 RK73GB2A471J CHIP R 470 J 1/10W R14 RK73GB2A221J CHIP R 220 J 1/10W R15-17 RK73GB2A471J CHIP R 470 J 1/10W R19 RK73GB2A471J CHIP R 470 J 1/10W R31-34 RK73FB2B471J CHIP R 470 J 1/8W R61 RK73EB2E102J CHIP R 1.0K J 1/4W E4E7 R61 RK73EB2E621J CHIP R 620 J 1/4W E5E6 R62,63 RK73EB2E561J CHIP R 560 J 1/4W E5E6 R62,63 RK73EB2E681J CHIP R 680 J 1/4W E4E7 R70 RK73GB2A221J CHIP R 220 J 1/10W R72 RK73GB2A472J CHIP R 4.7K J 1/10W R74 RK73GB2A4R7J CHIP R 4.7 J 1/10W R75 RK73GB2A203J CHIP R 20K J 1/10W R77 RK73GB2A102J CHIP R 1.0K J 1/10W R80 ✽ RK73SB3A330J CHIP R 33 J 1W R82 ✽ RK73SB3A330J CHIP R 33 J 1W W1 R92-1252-05 CHIP R 0 OHM J 1/16W E5E6 W2 R92-1252-05 CHIP R 0 OHM J 1/16W E4E7 W12,13 R92-1252-05 CHIP R 0 OHM J 1/16W S12 S70-0106-05 TACT SWITCH S11 ✽ T99-0457-05 ROTARY ENCODER D71-77 UDZS5.6B ZENER DIODE D71-77 ✽ 02DZ5.6F-Y ZENER DIODE ED1 ✽ 3-BT-223N FLUORESCENT INDICATOR TUBE IC1 ✽ LC75756W MOS-IC Q21 DTA114EE DIGITAL TRANSISTOR Q21 ✽ KRA302E-P DIGITAL TRANSISTOR Q21 RT1P141U TRANSISTOR KDC-2031SA/2031SAY/2031SG/2031SGY www. xiaoyu163. com QQ 376315150 9 9 2 8 9 4 2 9 8 TEL 13942296513 9 9 2 8 9 4 2 9 8 0 5 1 5 1 3 6 7 3 Q Q TEL 13942296513 QQ 376315150 892498299 TEL 13942296513 QQ 376315150 892498299 27 KDC-2031SA/2031SAY KDC-2031SG/2031SGY Indicates safety critical components. Ref. No. A d d N e w Parts No. Description Desti- nation Ref. No. A d d N e w Parts No. Description Desti- nation E4 : KDC-2031SA E5 : KDC-2031SG E6 : KDC-2031SGY E7 : KDC-2031SAY (E : Europe K : North America M : Other Areas W : Without Europe) PARTS LIST C1 C93-1215-05 CERAMIC 10UF K C2 CK73FB1A225K CHIP C 2.2UF K C3 CK73GB0J105K CHIP C 1.0UF K C5 CC73GCH1H020C CHIP C 2.0PF C C6 CC73GCH1H390J CHIP C 39PF J C7 CK73GB1C104K CHIP C 0.10UF K C8 CK73GB0J105K CHIP C 1.0UF K C9 CK73GB1H472K CHIP C 4700PF K C10 CK73GB1C333K CHIP C 0.033UF K C11 CK73GB1H682K CHIP C 6800PF K C12 CK73GB1H332K CHIP C 3300PF K C13 CC73GCH1H271J CHIP C 270PF J C14 CK73GB1H472K CHIP C 4700PF K C15 CK73GB1H222K CHIP C 2200PF K C16 CC73GCH1H331J CHIP C 330PF J C17,18 CK73GB1C104K CHIP C 0.10UF K C31-34 CK73GB1C104K CHIP C 0.10UF K C36 CK73FB1A225K CHIP C 2.2UF K C37-39 CK73GB1H103K CHIP C 0.010UF K C40 CK73GB1H153K CHIP C 0.015UF K C41 CK73GB1H102K CHIP C 1000PF K C42 CK73GB1E473K CHIP C 0.047UF K C43 CK73GB1H222K CHIP C 2200PF K C44 CK73GB1H102K CHIP C 1000PF K C45-47 CK73GB1C104K CHIP C 0.10UF K C48 CK73GB1H682K CHIP C 6800PF K C49 CK73GB1H152K CHIP C 1500PF K C50 CK73GB1H472K CHIP C 4700PF K C51 CK73GB1H681K CHIP C 680PF K C52 CK73GB1C104K CHIP C 0.10UF K C61 CK73FB1A225K CHIP C 2.2UF K C62 CK73GB1C104K CHIP C 0.10UF K C71,72 CK73GB1H471K CHIP C 470PF K C73,74 CC73GCH1H680J CHIP C 68PF J C75,76 CK73GB1H222K CHIP C 2200PF K C77,78 CK73GB1C104K CHIP C 0.10UF K C100-102 CK73GB1H102K CHIP C 1000PF K CN1 E41-2068-05 FLAT CABLE CONNECTOR CN1 E41-2085-15 FLAT CABLE CONNECTOR CN2 E41-2083-05 FLAT CABLE CONNECTOR X1 L78-0851-05 RESONATOR (16.934MHZ) CP1 RK74GA1J101J CHIP-COM 100 J 1/16W CP2 RK74GB1J101J CHIP-COM 100 J 1/16W CP3 RK74GB1J182J CHIP-COM 1.8K J 1/16W CP4 RK74GB1J472J CHIP-COM 4.7K J 1/16W CP5 RK74GB1J104J CHIP-COM 100K J 1/16W R1 RK73GB2A910J CHIP R 91 J 1/10W R2,3 RK73GB2A562J CHIP R 5.6K J 1/10W R4 RK73FB2B100J CHIP R 10 J 1/8W R5,6 RK73GB2A332J CHIP R 3.3K J 1/10W R7 RK73GB2A362J CHIP R 3.6K J 1/10W R8 RK73GB2A273J CHIP R 27K J 1/10W R9 RK73GB2A392J CHIP R 3.9K J 1/10W R10 RK73GB2A104J CHIP R 100K J 1/10W R11 RK73GB2A333J CHIP R 33K J 1/10W R12 RK73GB2A244J CHIP R 240K J 1/10W R13 RK73GB2A914J CHIP R 910K J 1/10W R14 RK73GB2A104J CHIP R 100K J 1/10W R15 RK73GB2A472J CHIP R 4.7K J 1/10W R31 RK73GB2A273J CHIP R 27K J 1/10W R32 RK73GB2A103J CHIP R 10K J 1/10W R33 RK73GB2A183J CHIP R 18K J 1/10W R34 RK73GB2A103J CHIP R 10K J 1/10W R35 RK73GB2A393J CHIP R 39K J 1/10W R36 RK73GB2A103J CHIP R 10K J 1/10W R37 RK73GB2A622J CHIP R 6.2K J 1/10W R38 RK73GB2A224J CHIP R 220K J 1/10W R39 RK73GB2A104J CHIP R 100K J 1/10W R40 RK73GB2A821J CHIP R 820 J 1/10W R41 RK73GB2A473J CHIP R 47K J 1/10W R42 RK73GB2A472J CHIP R 4.7K J 1/10W R43 RK73GB2A102J CHIP R 1.0K J 1/10W R44,45 RK73GB2A103J CHIP R 10K J 1/10W R46 RK73GB2A273J CHIP R 27K J 1/10W R47 RK73GB2A222J CHIP R 2.2K J 1/10W R48 RK73GB2A103J CHIP R 10K J 1/10W R49 RK73GB2A473J CHIP R 47K J 1/10W R50 RK73GB2A392J CHIP R 3.9K J 1/10W R51 RK73GB2A103J CHIP R 10K J 1/10W R52,53 RK73GB2A472J CHIP R 4.7K J 1/10W R71 RK73GB2A133J CHIP R 13K J 1/10W R72 RK73FB2B201J CHIP R 200 J 1/8W R81,82 RK73FB2B183J CHIP R 18K J 1/8W R83,84 RK73FB2B203J CHIP R 20K J 1/8W R85,86 RK73FB2B123J CHIP R 12K J 1/8W R87,88 RK73FB2B331J CHIP R 330 J 1/8W R89,90 RK73GB2A392J CHIP R 3.9K J 1/10W R91,92 RK73GB2A562J CHIP R 5.6K J 1/10W R100 RK73GB2A100J CHIP R 10 J 1/10W S1,2 S68-0863-05 PUSH SWITCH S3 S68-0862-05 PUSH SWITCH D1 DAN202U DIODE D2 MAZS0510L ZENER DIODE D3 DA204U DIODE IC1 ✽ AN22002A-V ANALOGUE IC IC2 MN6627771KP MOS-IC IC3 BA5824FP-F ANALOGUE IC IC4 NJM4580M1-ZB ANALOGUE IC Q1 2SB0970 TRANSISTOR Q2 2SA1362(Y) TRANSISTOR Q3 DTC124EUA DIGITAL TRANSISTOR Q4 DTA143XUA DIGITAL TRANSISTOR Q5 2SC4081 TRANSISTOR Q6 2SA1576A TRANSISTOR CD PLAYER UNIT (X32-5750-00) www. xiaoyu163. com QQ 376315150 9 9 2 8 9 4 2 9 8 TEL 13942296513 9 9 2 8 9 4 2 9 8 0 5 1 5 1 3 6 7 3 Q Q TEL 13942296513 QQ 376315150 892498299 TEL 13942296513 QQ 376315150 892498299 28 KDC-2031SA/2031SAY KDC-2031SG/2031SGY Indicates safety critical components. Ref. No. A d d N e w Parts No. Description Desti- nation Ref. No. A d d N e w Parts No. Description Desti- nation E4 : KDC-2031SA E5 : KDC-2031SG E6 : KDC-2031SGY E7 : KDC-2031SAY (E : Europe K : North America M : Other Areas W : Without Europe) PARTS LIST D401 B30-1567-05 LED (RED) C1,2 CD04AT1HR47M ELECTRO 0.47UF 50WV C3-6 C90-5684-05 ELECTRO 0.22UF 50WV C3-6 ✽ C90-6735-05 ELECTRO 0.22UF 50WV C51 C90-5683-05 ELECTRO 3300UF 16WV C52,53 CK73GB1H102K CHIP C 1000PF K C54,55 CK73GB1H103K CHIP C 0.010UF K C69 CK73GB1A474K CHIP C 0.47UF K C71 CD04AS1C470M ELECTRO 47UF 16WV C72 CK73GB1H104K CHIP C 0.10UF K C74-77 CK73GB1C104K CHIP C 0.10UF K C78 ✽ CD04AT1E101M ELECTRO 100UF 25WV C79 CD04AS1A220M ELECTRO 22UF 10WV C80 ✽ CD04AT1E101M ELECTRO 100UF 25WV C81 CK73GB1H103K CHIP C 0.010UF K C82 CK73GB1E223K CHIP C 0.022UF K C82 CK73GB1H223K CHIP C 0.022UF K C96 CD04AS1HR47M ELECTRO 0.47UF 50WV C97 CD04AS1C470M ELECTRO 47UF 16WV C153 CK73GB0J105K CHIP C 1.0UF K C201 CK73GB1H103K CHIP C 0.010UF K C255 CD04AS1C100M ELECTRO 10UF 16WV C256 CD04AS1H010M ELECTRO 1UF 50WV C257 CD04AT1H010M ELECTRO 1UF 50WV C258 CD04AS1H010M ELECTRO 1UF 50WV C331,332 CD04AT1C100M ELECTRO 10UF 16WV C333,334 CC73GCH1H681J CHIP C 680PF J C407 CC73GCH1H220J CHIP C 22PF J C408 CC73GCH1H180J CHIP C 18PF J C409 CD04AS0J101M ELECTRO 100UF 6.3WV C410 CK73GB1H103K CHIP C 0.010UF K C411 CK73GB1A224K CHIP C 0.22UF K C420 CC73GCH1H102J CHIP C 1000PF J C422 CC73GCH1H101J CHIP C 100PF J C502 CK73GB1H152K CHIP C 1500PF K C503 CK73GB1C104K CHIP C 0.10UF K C504 CK73GB1H103K CHIP C 0.010UF K C505 CD04AT1C4R7M ELECTRO 4.7UF 16WV C506 CK73GB1A684K CHIP C 0.68UF K C507,508 CD04AT1A220M ELECTRO 22UF 10WV C509 CC73GCH1H680J CHIP C 68PF J C510 CC73GCH1H101J CHIP C 100PF J C512 CD04AT1C100M ELECTRO 10UF 16WV C513,514 CK73GB1H103K CHIP C 0.010UF K C515 CD04AT1H010M ELECTRO 1UF 50WV C516 CC73GCH1H100D CHIP C 10PF D C517,518 CK73FB1C105K CHIP C 1.0UF K C519,520 CK73FB1C474K CHIP C 0.47UF K C521,522 CC73GCH1H102J CHIP C 1000PF J C524 CC73GCH1H180J CHIP C 18PF J C525 CC73GCH1H150J CHIP C 15PF J C527 CC73GCH1H102J CHIP C 1000PF J C531 CK73FB1C105K CHIP C 1.0UF K C541 CC73GCH1H271J CHIP C 270PF J C542 CC73GCH1H050C CHIP C 5.0PF C C543 CC73GCH1H080D CHIP C 8.0PF D C544 CC73GCH1H150J CHIP C 15PF J C545 CK73GB1H682K CHIP C 6800PF K C547 CD04AT1A220M ELECTRO 22UF 10WV C548 CK73GB1E223K CHIP C 0.022UF K C548 CK73GB1H223K CHIP C 0.022UF K C549 CK73GB1H222K CHIP C 2200PF K C550 CK73GB1E333K CHIP C 0.033UF K C550 CK73GB1H333K CHIP C 0.033UF K C551 CK73GB1H103K CHIP C 0.010UF K C553 CK73GB1C104K CHIP C 0.10UF K C554 CK73GB1A334K CHIP C 0.33UF K C556 CK73GB1H103K CHIP C 0.010UF K C559 CK73GB1H332K CHIP C 3300PF K C561 CK73FB1H104K CHIP C 0.10UF K C562 CD04AT1A100M ELECTRO 10UF 10WV C563 CD04AT1HR47M ELECTRO 0.47UF 50WV C564 CK73GB1A474K CHIP C 0.47UF K C565 CK73FB1C105K CHIP C 1.0UF K C568 CC73GCH1H271J CHIP C 270PF J C579 CK73GB1H103K CHIP C 0.010UF K C581 CC73GCH1H101J CHIP C 100PF J C582 CK73GB1E223K CHIP C 0.022UF K C582 CK73GB1H223K CHIP C 0.022UF K C583 CK73GB1C683K CHIP C 0.068UF K C583 CK73GB1H683K CHIP C 0.068UF K C584 CD04AT1H010M ELECTRO 1UF 50WV C585 CK73GB1H103K CHIP C 0.010UF K C586 CK73GB0J105K CHIP C 1.0UF K C587 CK73GB1C104K CHIP C 0.10UF K C588 CK73GB1A474K CHIP C 0.47UF K C589 CK73GB1C104K CHIP C 0.10UF K C590 CK73GB1H392K CHIP C 3900PF K C600 CD04AT1A101M ELECTRO 100UF 10WV C601 CK73GB1E223K CHIP C 0.022UF K C601 CK73GB1H223K CHIP C 0.022UF K C602 CC73GCH1H151J CHIP C 150PF J C604 CC73GCH1H470J CHIP C 47PF J C605,606 CC73GCH1H010C CHIP C 1.0PF C C610 CC73GCH1H010C CHIP C 1.0PF C C620 CK73GB1H103K CHIP C 0.010UF K C623,624 CK73GB1H103K CHIP C 0.010UF K C625,626 CC73GCH1H101J CHIP C 100PF J CN2 ✽ E41-2244-05 FLAT CABLE CONNECTOR J1 E58-0991-05 RECTANGULAR RECEPTACLE J4 E04-0326-05 RF COAXIAL CABLE RECEPTACLE J5 ✽ E58-0992-05 RECTANGULAR RECEPTACLE J6 E63-0898-05 PIN JACK P1 E23-0745-05 TERMINAL W251 E31-0001-00 JUMPER WIRE W300-302 E31-0001-00 JUMPER WIRE ELECTRIC UNIT (X34-3412-7x) www. xiaoyu163. com QQ 376315150 9 9 2 8 9 4 2 9 8 TEL 13942296513 9 9 2 8 9 4 2 9 8 0 5 1 5 1 3 6 7 3 Q Q TEL 13942296513 QQ 376315150 892498299 TEL 13942296513 QQ 376315150 892498299 29 KDC-2031SA/2031SAY KDC-2031SG/2031SGY Indicates safety critical components. Ref. No. A d d N e w Parts No. Description Desti- nation Ref. No. A d d N e w Parts No. Description Desti- nation E4 : KDC-2031SA E5 : KDC-2031SG E6 : KDC-2031SGY E7 : KDC-2031SAY (E : Europe K : North America M : Other Areas W : Without Europe) PARTS LIST W304-311 E31-0001-00 JUMPER WIRE W313-324 E31-0001-00 JUMPER WIRE W326-329 E31-0001-00 JUMPER WIRE W331-337 E31-0001-00 JUMPER WIRE W339-341 E31-0001-00 JUMPER WIRE W346,347 E31-0001-00 JUMPER WIRE W349-353 E31-0001-00 JUMPER WIRE W355-357 E31-0001-00 JUMPER WIRE W361-366 E31-0001-00 JUMPER WIRE W368-372 E31-0001-00 JUMPER WIRE W374-393 E31-0001-00 JUMPER WIRE W395-399 E31-0001-00 JUMPER WIRE W401-410 E31-0001-00 JUMPER WIRE W412-427 E31-0001-00 JUMPER WIRE W801 E31-0001-00 JUMPER WIRE W830 E31-0001-00 JUMPER WIRE CF51-53 ✽ L72-0805-05 CERAMIC FILTER (10.7MHZ) CF54 ✽ L72-0804-05 CERAMIC FILTER (450KHZ) L3 L33-1978-05 CHOKE COIL (22UH) L4 ✽ L33-2260-05 CHOKE COIL (52UH) L51 L33-1988-05 CHOKE COIL ASSY (140UH) L61 L40-4795-91 SMALL FIXED INDUCTOR (4.7UH, J) L501 L40-6891-58 SMALL FIXED INDUCTOR (6.8UH) L502 L40-3301-58 SMALL FIXED INDUCTOR (33UH) L503 L40-1021-56 SMALL FIXED INDUCTOR (1UH) L504 L40-1011-58 SMALL FIXED INDUCTOR (100UH) L505 ✽ L40-3381-58 SMALL FIXED INDUCTOR (0.33UH) L506 ✽ L31-0977-15 FM-RF COIL L507 ✽ L32-0941-15 FM OSCILLATING COIL L508 ✽ L30-0776-15 FM IFT L509 ✽ L30-0777-15 AM IFT L518 ✽ L31-0976-15 FM-RF COIL L519 ✽ L40-4763-72 SMALL FIXED INDUCTOR (4.7NH) L520 ✽ L40-3381-58 SMALL FIXED INDUCTOR (0.33UH) L521 ✽ L40-1073-72 SMALL FIXED INDUCTOR (10NH) L600 ✽ L92-0607-05 CHIP FERRITE L601,602 L92-0397-05 CHIP FERRITE X1 L78-0879-05 RESONATOR (10.000MHZ) X2 L77-2793-05 CRYSTAL RESONATOR (32.768KHZ) X501 L77-2077-05 CRYSTAL RESONATOR (10.250MHZ) F 2D ✽ N80-3010-48 PAN HEAD TAPTITE SCREW G 2D ✽ N83-3005-48 PAN HEAD TAPTITE SCREW H 2D ✽ N83-3020-48 PAN HEAD TAPTITE SCREW J 3D N86-2606-48 BINDING HEAD TAPTITE SCREW R1,2 RK73GB2A101J CHIP R 100 J 1/10W R21 RD14BB2C152J RD 1.5K J 1/6W R51 RK73FB2B683J CHIP R 68K J 1/8W R52 RK73GB2A393J CHIP R 39K J 1/10W R53 RK73GB2A104J CHIP R 100K J 1/10W R54 RK73FB2B203J CHIP R 20K J 1/8W R55,56 RK73GB2A103J CHIP R 10K J 1/10W R57 RK73GB2A223J CHIP R 22K J 1/10W R58 RD14DB2H332J SMALL-RD 3.3K J 1/2W R59 RD14BB2C333J RD 33K J 1/6W R60 RK73GB2A103J CHIP R 10K J 1/10W R61 RK73GB2A223J CHIP R 22K J 1/10W R72,73 RD14BB2C472J RD 4.7K J 1/6W R75-78 RK73GB2A103J CHIP R 10K J 1/10W R81 RD14BB2C103J RD 10K J 1/6W R82 RK73GB2A223J CHIP R 22K J 1/10W R83 RK73GB2A473J CHIP R 47K J 1/10W R85 RK73GB2A1R0J CHIP R 1.0 J 1/10W R86 RK73EB2E1R0J CHIP R 1.0 J 1/4W R87,88 RK73GB2A1R0J CHIP R 1.0 J 1/10W R90 RK73GB2A1R0J CHIP R 1.0 J 1/10W R96 RK73GH2A273D CHIP R 27K D 1/10W R97 ✽ RK73GH2A332D CHIP R 3.3K D 1/10W R98 RK73EB2E102J CHIP R 1.0K J 1/4W R99 RK73GB2A104J CHIP R 100K J 1/10W R100 RK73GB2A272J CHIP R 2.7K J 1/10W R130,131 RK73EB2E4R7J CHIP R 4.7 J 1/4W R133 RK73EB2E4R7J CHIP R 4.7 J 1/4W R135-140 RK73EB2E4R7J CHIP R 4.7 J 1/4W R141 RK73EB2E2R2J CHIP R 2.2 J 1/4W R152 RK73EB2E100J CHIP R 10 J 1/4W R153 RK73EB2E471J CHIP R 470 J 1/4W R156,157 RK73EB2E102J CHIP R 1.0K J 1/4W R158 RK73EB2E101J CHIP R 100 J 1/4W R159 RK73EB2E102J CHIP R 1.0K J 1/4W R160,161 RK73EB2E471J CHIP R 470 J 1/4W R163 RK73EB2E471J CHIP R 470 J 1/4W R164 RK73EB2E102J CHIP R 1.0K J 1/4W R178 RK73EB2E471J CHIP R 470 J 1/4W R180,181 RK73GB2A471J CHIP R 470 J 1/10W R182 RK73GB2A222J CHIP R 2.2K J 1/10W R190 RK73GB2A104J CHIP R 100K J 1/10W R191 RK73GB2A225J CHIP R 2.2M J 1/10W R193,194 RK73GB2A474J CHIP R 470K J 1/10W R199 RK73GB2A241J CHIP R 240 J 1/10W R200 RK73GB2A102J CHIP R 1.0K J 1/10W R251 RK73GB2A154J CHIP R 150K J 1/10W R252 RK73GB2A473J CHIP R 47K J 1/10W R253 RK73GB2A432J CHIP R 4.3K J 1/10W R254 RK73GB2A100J CHIP R 10 J 1/10W R255 RK73GB2A331J CHIP R 330 J 1/10W R256 RK73GB2A154J CHIP R 150K J 1/10W R257 RK73GB2A123J CHIP R 12K J 1/10W R271 RK73GB2A101J CHIP R 100 J 1/10W R272 RK73GB2A103J CHIP R 10K J 1/10W R273 RK73GB2A474J CHIP R 470K J 1/10W R331,332 RK73GB2A271J CHIP R 270 J 1/10W R335,336 RK73GB2A303J CHIP R 30K J 1/10W R338,339 RD14BB2C101J RD 100 J 1/6W R351,352 RK73GB2A222J CHIP R 2.2K J 1/10W R353 RK73GB2A102J CHIP R 1.0K J 1/10W R355,356 RK73GB2A102J CHIP R 1.0K J 1/10W R358 RK73GB2A222J CHIP R 2.2K J 1/10W R359 RK73GB2A101J CHIP R 100 J 1/10W R360 RK73GB2A222J CHIP R 2.2K J 1/10W ELECTRIC UNIT (X34-3412-7x) www. xiaoyu163. com QQ 376315150 9 9 2 8 9 4 2 9 8 TEL 13942296513 9 9 2 8 9 4 2 9 8 0 5 1 5 1 3 6 7 3 Q Q TEL 13942296513 QQ 376315150 892498299 TEL 13942296513 QQ 376315150 892498299 30 KDC-2031SA/2031SAY KDC-2031SG/2031SGY Indicates safety critical components. Ref. No. A d d N e w Parts No. Description Desti- nation Ref. No. A d d N e w Parts No. Description Desti- nation E4 : KDC-2031SA E5 : KDC-2031SG E6 : KDC-2031SGY E7 : KDC-2031SAY (E : Europe K : North America M : Other Areas W : Without Europe) PARTS LIST R363 RD14BB2C472J RD 4.7K J 1/6W R365 RK73GB2A472J CHIP R 4.7K J 1/10W R366 RK73EB2E472J CHIP R 4.7K J 1/4W R367 RK73GB2A104J CHIP R 100K J 1/10W R368,369 RK73GB2A471J CHIP R 470 J 1/10W R370,371 RK73GB2A472J CHIP R 4.7K J 1/10W R412,413 RK73GB2A223J CHIP R 22K J 1/10W R415 RK73GB2A223J CHIP R 22K J 1/10W E5E6 R416-418 RK73GB2A223J CHIP R 22K J 1/10W E4E7 R417,418 RK73GB2A223J CHIP R 22K J 1/10W E5E6 R432 RK73GB2A472J CHIP R 4.7K J 1/10W R433 RK73GB2A222J CHIP R 2.2K J 1/10W R435,436 RK73GB2A103J CHIP R 10K J 1/10W R437,438 RK73GB2A102J CHIP R 1.0K J 1/10W R439 RK73GB2A222J CHIP R 2.2K J 1/10W R440,441 RK73GB2A473J CHIP R 47K J 1/10W R453 RK73GB2A473J CHIP R 47K J 1/10W R454 RK73GB2A472J CHIP R 4.7K J 1/10W R456 RK73GB2A104J CHIP R 100K J 1/10W R457 RK73GB2A103J CHIP R 10K J 1/10W R471 RK73GB2A103J CHIP R 10K J 1/10W R501 RK73GB2A682J CHIP R 6.8K J 1/10W R502,503 RK73GB2A222J CHIP R 2.2K J 1/10W R504 RK73GB2A4R7J CHIP R 4.7 J 1/10W R505 RK73GB2A102J CHIP R 1.0K J 1/10W R506 RK73GB2A105J CHIP R 1.0M J 1/10W R507 RK73GB2A102J CHIP R 1.0K J 1/10W R520 RK73GB2A221J CHIP R 220 J 1/10W R521 RK73GB2A152J CHIP R 1.5K J 1/10W R522 RK73GB2A223J CHIP R 22K J 1/10W R543 RK73GB2A562J CHIP R 5.6K J 1/10W R544 RD14BB2C222J RD 2.2K J 1/6W R545 RK73GB2A333J CHIP R 33K J 1/10W R546 RK73GB2A432J CHIP R 4.3K J 1/10W R561 RK73GB2A472J CHIP R 4.7K J 1/10W R562 RK73GB2A106J CHIP R 10M J 1/10W R565 RK73GB2A394J CHIP R 390K J 1/10W R566,567 RK73GB2A102J CHIP R 1.0K J 1/10W R589 RK73GB2A473J CHIP R 47K J 1/10W R590 RK73GB2A103J CHIP R 10K J 1/10W R591 RK73GB2A513J CHIP R 51K J 1/10W R592 RK73GB2A223J CHIP R 22K J 1/10W R594 RK73EB2E100J CHIP R 10 J 1/4W R595-597 RD14BB2C100J RD 10 J 1/6W R599 RK73GB2A220J CHIP R 22 J 1/10W R600 RD14BB2C2R2J RD 2.2 J 1/6W R601 RD14BB2C1R0J RD 1.0 J 1/6W R602 RK73GB2A122J CHIP R 1.2K J 1/10W R603 RK73GB2A560J CHIP R 56 J 1/10W R604,605 RK73GB2A100J CHIP R 10 J 1/10W W51 R92-1252-05 CHIP R 0 OHM J 1/16W W52 R92-2053-05 CHIP R 0 OHM J 1/8W W53 R92-1252-05 CHIP R 0 OHM J 1/16W W58-60 R92-1252-05 CHIP R 0 OHM J 1/16W W61-63 R92-2053-05 CHIP R 0 OHM J 1/8W W64 R92-1252-05 CHIP R 0 OHM J 1/16W W65,66 R92-2053-05 CHIP R 0 OHM J 1/8W W68 R92-1252-05 CHIP R 0 OHM J 1/16W W71 R92-1252-05 CHIP R 0 OHM J 1/16W W72 R92-2053-05 CHIP R 0 OHM J 1/8W W73 R92-1252-05 CHIP R 0 OHM J 1/16W W75 R92-2053-05 CHIP R 0 OHM J 1/8W W76 R92-1252-05 CHIP R 0 OHM J 1/16W W78 R92-2053-05 CHIP R 0 OHM J 1/8W W79,80 R92-1252-05 CHIP R 0 OHM J 1/16W W81,82 R92-2053-05 CHIP R 0 OHM J 1/8W W83 R92-1252-05 CHIP R 0 OHM J 1/16W W87 R92-2053-05 CHIP R 0 OHM J 1/8W W88,89 R92-1252-05 CHIP R 0 OHM J 1/16W W90,91 R92-2053-05 CHIP R 0 OHM J 1/8W W92 R92-1252-05 CHIP R 0 OHM J 1/16W W93 R92-2053-05 CHIP R 0 OHM J 1/8W W96-98 R92-1252-05 CHIP R 0 OHM J 1/16W W99 R92-2053-05 CHIP R 0 OHM J 1/8W W102 R92-2053-05 CHIP R 0 OHM J 1/8W W506 R92-2053-05 CHIP R 0 OHM J 1/8W W604,605 R92-1252-05 CHIP R 0 OHM J 1/16W W611 R92-1252-05 CHIP R 0 OHM J 1/16W W802 R92-1252-05 CHIP R 0 OHM J 1/16W W804-807 R92-1252-05 CHIP R 0 OHM J 1/16W W808 R92-2053-05 CHIP R 0 OHM J 1/8W W810 R92-1252-05 CHIP R 0 OHM J 1/16W W812 R92-2053-05 CHIP R 0 OHM J 1/8W W814 R92-2053-05 CHIP R 0 OHM J 1/8W W820 R92-2053-05 CHIP R 0 OHM J 1/8W W823 R92-1252-05 CHIP R 0 OHM J 1/16W W826 R92-2053-05 CHIP R 0 OHM J 1/8W D3 IMSA-6801-E SURGE ABSORBER D52 MAZ4068N-M ZENER DIODE D53 UDZS6.8B ZENER DIODE D53 ✽ 02DZ6.8F-Y ZENER DIODE D54 MAZ4068N-M ZENER DIODE D55 1SS355 DIODE D57 S2V60✽A DIODE D71 MAZ4082N-L ZENER DIODE D72 D1F60-5063 DIODE D72 1SR154-400 DIODE D73 AM01ZNF DIODE D73 ✽ 10EDA20 DIODE D74,75 D1F60-5063 DIODE D74,75 1SR154-400 DIODE D76 DAN202U DIODE D76 ✽ KDS121-P DIODE D76 ✽ MC2848 DIODE D77 AM01ZNF DIODE D77 ✽ 10EDA20 DIODE D81 UDZS4.7B ZENER DIODE D81 ✽ 02DZ4.7F-Y ZENER DIODE D203 1SS133 DIODE ELECTRIC UNIT (X34-3412-7x) www. xiaoyu163. com QQ 376315150 9 9 2 8 9 4 2 9 8 TEL 13942296513 9 9 2 8 9 4 2 9 8 0 5 1 5 1 3 6 7 3 Q Q TEL 13942296513 QQ 376315150 892498299 TEL 13942296513 QQ 376315150 892498299 31 KDC-2031SA/2031SAY KDC-2031SG/2031SGY Indicates safety critical components. Ref. No. A d d N e w Parts No. Description Desti- nation Ref. No. A d d N e w Parts No. Description Desti- nation E4 : KDC-2031SA E5 : KDC-2031SG E6 : KDC-2031SGY E7 : KDC-2031SAY (E : Europe K : North America M : Other Areas W : Without Europe) PARTS LIST MECHANISM UNIT (X92-5090-00) D259 1SS133 DIODE D261 1SS355 DIODE D402,403 DAN202U DIODE D402,403 ✽ KDS121-P DIODE D402,403 ✽ MC2848 DIODE D501 RN739F DIODE D502,503 ✽ KP2311ETR-G DIODE D504 ✽ KV1430STL-G VARIABLE CAPACITANCE DIODE D506 ✽ HVC383B-E VARIABLE CAPACITANCE DIODE IC1 ✽ 784225GC258A MICROCONTROLLER IC IC3 ✽ BD4912-V4 ANALOGUE IC IC4 ✽ TB2904HQ ANALOGUE IC IC6 TC7W02FU-F MOS-IC IC8 ✽ S-80836CNNB-G MOS-IC IC10 ✽ E-TDA7516 ANALOGUE IC IC11 ✽ BR24L04FV-W ROM IC IC15 ✽ BA00CCWT ANALOGUE IC Q51-53 2SC4081 TRANSISTOR Q71 UMC2N TRANSISTOR Q72 2SB1565(E,F) TRANSISTOR Q73 2SD1858 TRANSISTOR Q74 UMC2N TRANSISTOR Q151 DTA114YUA DIGITAL TRANSISTOR Q151 ✽ KRA307-P DIGITAL TRANSISTOR Q151 RT1P144M TRANSISTOR Q155 2SC4081 TRANSISTOR Q252 ✽ KTA2014P(Y,GR) TRANSISTOR Q252 2SA1576A TRANSISTOR Q252 ✽ 2SA1603A TRANSISTOR Q330 DTA124EUA DIGITAL TRANSISTOR Q330 ✽ KRA303-P DIGITAL TRANSISTOR Q330 ✽ RT1P241M TRANSISTOR Q351,352 DTC143TUA DIGITAL TRANSISTOR Q351,352 ✽ KRC410-P DIGITAL TRANSISTOR Q351,352 ✽ RT1N430M TRANSISTOR Q501 ✽ HN3G01J(BL)-F TRANSISTOR TH1 PRF21BE471QB2 POSITIVE RESISTOR 2 1B A10-4827-32 CHASSIS 5 1B D10-4576-83 ARM ASSY 8 2A D10-4579-23 LEVER ASSY 10 2A D10-4581-13 ARM 11 2A D10-4582-13 ARM 12 3A D10-4583-03 ARM 13 3A D10-4584-03 ARM 14 3B D10-4585-03 ARM 15 2A D10-4586-13 SLIDER 16 3B D10-4587-52 SLIDER 17 2B D10-4588-13 SLIDER 18 2B D10-4595-04 ARM 19 2B D10-4596-24 ARM 22 2A D13-2151-04 GEAR 23 2B D13-2152-04 GEAR 24 3B D13-2153-04 GEAR 25 3B D13-2154-04 GEAR 26 3B D13-2155-04 WORM 27 2B D13-2156-14 GEAR 28 3B D13-2157-04 GEAR 29 2B D13-2158-04 GEAR 30 2B D13-2168-04 GEAR 31 3B D13-2171-04 GEAR 32 1B D13-2172-13 RACK (GEAR) 33 2A D14-0759-04 ROLLER 35 2B D21-2382-04 SHAFT 36 1A D23-0954-04 RETAINER 37 1B D39-0246-05 DAMPER 38 2B G01-3072-04 EXTENSION SPRING 39 2A G01-3073-04 TORSION COIL SPRING 40 2A G01-3074-04 EXTENSION SPRING 41 1B G01-3075-14 EXTENSION SPRING 42 2A G01-3076-04 EXTENSION SPRING 43 1B G01-3077-14 EXTENSION SPRING 44 2B G02-1399-04 FLAT SPRING 45 2B G02-1408-04 FLAT SPRING 51 1A J21-9676-32 MOUNTING HARDWARE 52 3B J21-9677-22 MOUNTING HARDWARE 53 1B J21-9678-13 MOUNTING HARDWARE 55 1A J90-1001-11 GUIDE 56 1B J90-1023-03 GUIDE DFPC1 3A J84-0141-05 FLEXIBLE PRINTED WIRING BOARD A 2B N09-4460-05 TAPTITE SCREW (OVAL P TAPTIT) B 1B N09-4472-15 MACHINE SCREW (M1.7X8.0) C 2B N09-6004-05 MACHINE SCREW (M1.7X2.5 IB-L) E 2B N09-6007-05 MACHINE SCREW (PAN M2X2) F 1A N09-6051-05 TAPTITE SCREW (BIND P 2X5) G 2A N19-2163-04 FLAT WASHER H 1B N39-2020-46 PAN HEAD MACHINE SCREW J 1B N09-6108-05 MACHINE SCREW (M2✽3.5) K 3B N09-6155-05 SEMS (TAPTITE SCREW) (PT2X6) DM1 3B T42-1066-04 DC MOTOR (SPINDLE) DM2 2B T42-1067-04 DC MOTOR (LOADING) DPU1 2B X93-2010-00 OPTICAL PICKUP ASSY ELECTRIC UNIT (X34-3412-7x) www. xiaoyu163. com QQ 376315150 9 9 2 8 9 4 2 9 8 TEL 13942296513 9 9 2 8 9 4 2 9 8 0 5 1 5 1 3 6 7 3 Q Q TEL 13942296513 QQ 376315150 892498299 TEL 13942296513 QQ 376315150 892498299 KDC-2031SA/2031SAY KDC-2031SG/2031SGY KENWOOD CORPORATION 2967-3, Ishikawa-machi, Hachioji-shi, Tokyo, 192-8525 Japan KENWOOD USA CORPORATION P.O. Box 22745, 2201 East Dominguez Street, Long Beach, CA 90801-5745, U.S.A. KENWOOD ELECTRONICS CANADA INC. 6070 Kestrel Road, Mississauga, Ontario, Canada L5T 1S8 KENWOOD ELECTRONICS LATIN AMERICA S.A. P.O. Box 55-2791, Paitilla Plaza Credicorp Bank Panama Piso #9, Oficina #901 Calle 50, Panama, Rep. De Panama KENWOOD ELECTRONICS BRASIL LTDA. Alameda Ministro Rocha Azevedo No. 456 Edificio Jaú, 10° Andar Cerqueira César, Cep 01410-001 São Paulo, SP, Brasil KENWOOD ELECTRONICS UK LTD. Kenwood House, Dwight Road, Watford, Herts, WD18 9EB, United Kingdom KENWOOD ELECTRONICS DEUTSCHLAND GMBH Rembrücker Str. 15, 63150 Heusenstamm, Germany KENWOOD ELECTRONICS FRANCE S.A. 13, Boulevard Ney, 75018 Paris, France KENWOOD ELECTRONICS BELGIUM N.V. Leuvensesteenweg 248J, B-1800 Vilvoorde, Belgium KENWOOD ELECTRONICS ITALIA S.p.A. Via G. Sirtori 7/9, 20129 Milano, Italy KENWOOD IBÉRICA S.A. Bolivia, 239-08020 Barcelona, Spain KENWOOD ELECTRONICS AUSTRALIA PTY. LTD. (A.C.N. 001 499 074) KENWOOD ELECTRONICS (HONG KONG) LTD. Unit No. 3712-3724, Tower 1, Metroplaza, No. 223 Hing Fong Road, Kwai Fong, N.T., Hong Kong KENWOOD ELECTRONICS GULF FZE P.O. Box 61318, Jebel Ali, Dubai, U.A.E. KENWOOD ELECTRONICS (THAILAND) CO., LTD. 2nd Floor, 956 Udom Vidhya Building, Rama IV Road, Silom, Bangrak, Bangkok 10500, Thailand KENWOOD ELECTRONICS SINGAPORE PTE LTD. 1 Ang Mo Kio Street 63, Singapore 569110 KENWOOD ELECTRONICS MALAYSIA SDN BHD #4.01 Level 4, Wisma Academy Lot 4A, Jalan 19/1, 16 Giffnock Avenue, Centrecourt Estate, North Ryde, N.S.W. 2113, Australia 46300 Petaling Jaya, Selangor, Malaysia SPECIFICATIONS KENWOOD follows a policy of continuous advancements in development. For this reason specifications may be changed without notice. FM Frequency Range (Frequency Step) ................................................ 87.5MHz~108.0MHz (50kHz) Usable Sensitivity (S/N : 26dB) ............................ 0.7µV/75Ω Quieting Sensitivity (S/N : 46dB) .......................... 1.6µV/75Ω Frequency Response (±3.0dB) ......................... 30Hz~15kHz S/N ................................................................. 65dB (MONO) Selectivity (DIN) ....................................... ≥80dB (±400kHz) Stereo Separation ............................................. 35dB (1kHz) MW (AM) Frequency Range (Frequency Step) ...................................................... 531kHz~1611kHz (9kHz) Usable Sensitivity (S/N : 20dB) ..................................... 25µV LW Frequency Range ........................................ 153kHz~281kHz Usable Sensitivity (S/N : 20dB) ..................................... 45µV CD Laser Diode ............................................................... GaAlAs Digital Filter (D/A) ............................. 8 Times Over Sampling D/A Converter ................................................................ 1 Bit Spindle Speed ................................... 500rpm~200rpm (CLV) Wow & Flutter .................................... Below Mesurable Limit Frequency Response ............................ 10Hz~20kHz (±1dB) Total Harmonic Distortion .................................0.01% (1kHz) S/N Ratio ........................................................... 93dB (1kHz) Dynamic Range............................................................. 93dB Channel Separation ...................................................... 85dB Preout Level / Load ................................ 2000mV/10kΩ (CD) Preout Impedance ...................................................... ≤600Ω AMPLIFIER Maximum Power....................................................... 45W x 4 Power (DIN45324, +B=14.4V).................................. 28W x 4 TONE Bass ..................................................................100Hz±10dB Middle.................................................................. 1kHz±10dB Treble ................................................................ 10kHz±10dB GENERAL Operating Voltage (11V~16V allowable) ...................... 14.4V Current Consumption ...................................................... 10A Installation Size (Width) ............................................ 182mm (Height) ............................................. 53mm (Depth) ............................................ 155mm Weight ...........................................................1.40kg (3.1 lbs) www. xiaoyu163. com QQ 376315150 9 9 2 8 9 4 2 9 8 TEL 13942296513 9 9 2 8 9 4 2 9 8 0 5 1 5 1 3 6 7 3 Q Q TEL 13942296513 QQ 376315150 892498299 TEL 13942296513 QQ 376315150 892498299

标签:

版权声明

1. 本站所有素材,仅限学习交流,仅展示部分内容,如需查看完整内容,请下载原文件。
2. 会员在本站下载的所有素材,只拥有使用权,著作权归原作者所有。
3. 所有素材,未经合法授权,请勿用于商业用途,会员不得以任何形式发布、传播、复制、转售该素材,否则一律封号处理。
4. 如果素材损害你的权益请联系客服QQ:77594475 处理。