建伍KENWOOD GX-608EF2 CD播放机电路图

分类:电子电工 日期: 点击:0
建伍KENWOOD GX-608EF2 CD播放机电路图-0 建伍KENWOOD GX-608EF2 CD播放机电路图-1 建伍KENWOOD GX-608EF2 CD播放机电路图-2 建伍KENWOOD GX-608EF2 CD播放机电路图-3 建伍KENWOOD GX-608EF2 CD播放机电路图-4 建伍KENWOOD GX-608EF2 CD播放机电路图-5 建伍KENWOOD GX-608EF2 CD播放机电路图-6 建伍KENWOOD GX-608EF2 CD播放机电路图-7 建伍KENWOOD GX-608EF2 CD播放机电路图-8 建伍KENWOOD GX-608EF2 CD播放机电路图-9

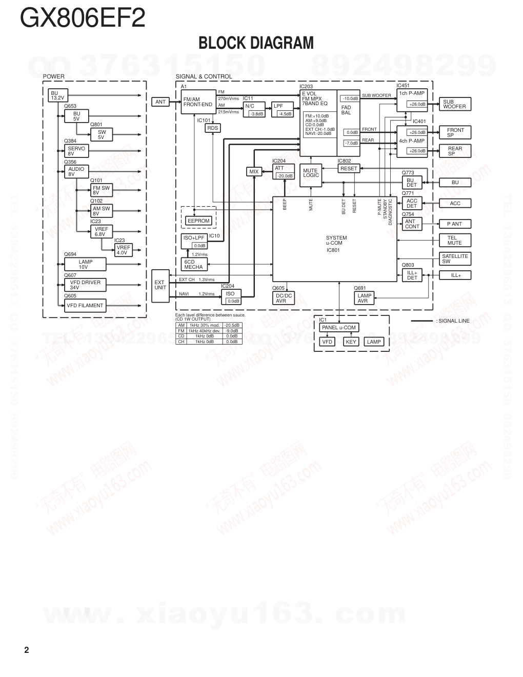
© 2004-7 CREATED IN JAPAN B53-0186-00 (N) 0 CD RECEIVER GX806EF2 SERVICE MANUAL T.I VOL ADJ REG NEWS LOAD CD BAND PUSHON/VOL BRIGHT DISP SCN RPT T/B TUNE TRACK LOCAL AS RDM TONE BAL / COMPACT DIGITAL AUDIO Panel assy (A64-3275-22) SUBARU GENUINE Model Model Name Parts No. Destination GX806E GX806EF2 86201SA200 Europe DC cord for service : E30-3801-15 Knob (VOL) (K23-1085-04) Front glass (B10-4537-13) Knob (1.4) (K25-1629-03) Knob (2.5) (K25-1630-03) Knob (3.6) (K25-1631-03) The 6CD mechanism has not supplied repair parts for each part (for Optical Laser pickup, motor etc). If you need repair to the 6CD mechanism please change to mechanism assy (D40-1195-05). www. xiaoyu163. com QQ 376315150 9 9 2 8 9 4 2 9 8 TEL 13942296513 9 9 2 8 9 4 2 9 8 0 5 1 5 1 3 6 7 3 Q Q TEL 13942296513 QQ 376315150 892498299 TEL 13942296513 QQ 376315150 892498299 2 BLOCK DIAGRAM POWER SIGNAL & CONTROL FRONT-END FM/AM RDS N/C FM MPX E VOL 7BAND EQ MIX RESET DET BU DET ACC ANT CONT ILL+ DET AVR LAMP DC/DC AVR EEPROM ANT BAL FAD MUTE LOGIC LPF ATT 1ch P-AMP 4ch P-AMP SYSTEM u-COM MUTE TEL SATELLITE SW ISO+LPF ISO MECHA 6CD EXT UNIT PANEL u-COM VFD KEY LAMP BU ACC P ANT ILL+ WOOFER SUB SP FRONT SP REAR BU 13.2V SERVO 8V 5V BU 5V SW AUDIO 8V FM SW 8V AM SW 8V VREF 6.8V VREF 4.0V LAMP 10V VFD DRIVER 34V VFD FILAMENT : SIGNAL LINE Q653 Q801 Q384 Q356 Q101 Q694 Q607 Q605 Q102 IC23 IC23 IC10 IC204 Q605 Q691 IC1 A1 IC101 IC11 IC203 IC451 IC401 IC802 IC204 Q773 Q771 Q754 IC801 Q803 -3.8dB BEEP FM FM:+10.0dB AM:+9.0dB EXT CH:-1.0dB CD:0.0dB NAVI:-20.0dB -10.0dB 0.0dB -7.0dB -4.5dB -20.0dB +26.0dB +26.0dB +26.0dB MUTE BU DET RESET P-MUTE DIAGNOSTIC STANDBY 270mVrms 215mVrms AM SUB WOOFER FRONT REAR 0.0dB 1.2Vrms 0.0dB EXT CH 1.3Vrms NAVI 1.2Vrms AM FM CD CH 1kHz 0dB 0.0dB 1kHz 0dB 0.0dB 1kHz 40kHz dev. -9.0dB 1kHz 30% mod. -20.5dB (CD 1W OUTPUT) Each lavel difference between sauce. www. xiaoyu163. com QQ 376315150 9 9 2 8 9 4 2 9 8 TEL 13942296513 9 9 2 8 9 4 2 9 8 0 5 1 5 1 3 6 7 3 Q Q TEL 13942296513 QQ 376315150 892498299 TEL 13942296513 QQ 376315150 892498299 3 ● Synthesizer Unit (X14-9382-70) Ref. No. Application / Function Operation / Condition / Compatibility IC6 A pair of ope amps RDS noise amplifier IC10 A pair of ope amps CD isolation amplifier IC11 AM noise canceller IC AM noise canceller IC23 A pair of ope amps Mid-point electric potential output amplifier IC101 RDS demodulation IC RDS demodulation IC203 Electronic volume BASS/MID/TRE, MPX, mute, electronic volume IC204 A pair of ope amps NAVI isolation, beep and NAVI addition circuit IC401 Power amplifier 4-ch power amplifier IC451 Power amplifier Sub-woofer power amplifier IC502 I2C bus IC Sie-BUS communication IC771 A pair of NOR circuits For hard muting IC801 System microcomputer System controller IC802 Resetting IC System reset detection Q101 FM power supply switch 8V output for FM Q102 AM power supply switch 8V output for AM Q105 IF count detection When IF count detected, Lo output Q107 RDS data buffer RDS buffer output Q152 Noise amplifier When noise is detected, constant is switched. Q153 Noise amplifier Noise detection output buffer Q251 Mute switch Built into electric volume for muting Q254 Switch built into electronic volume Switch built into electronic volume for switching FM/AM Q353 Mid-point circuit power supply switch When BU voltage 12V or less, lowers mid-point. Q354 Audio 8V power supply switch Audio 8V Darlington Q355 Audio 8V power supply switch Audio 8V constant current bias Q356 Audio 8V power supply switch Audio 8V driver Q358 Mid-point circuit switch At the time of ACC OFF, discharges mid-point voltage. Q359 Audio 8V power supply switch Audio 8V P-ON detection switch Q360 Audio 8V power supply switch Audio 8V voltage return Q361 Mid-point circuit switch At the time of ACC OFF, discharges mid-point voltage. Q383 Servo 8V power supply switch Servo 8V P-ON detection switch Q384 Servo 8V power supply switch Servo 8V driver Q385 Servo 8V power supply switch Servo 8V darlington Q403~405 DC offset detection switch For DC offset voltage detection Q501 SYS_ON current buffer When SYS_ON Lo, Hi output Q502 SYS_OFF current buffer When SYS_OFF Lo, Hi output Q503 BUS_ON detection When Sie-BUS system ON, Hi input Q505 BUS_OFF detection Sie-BUS system OFF, Hi input. Q601 DC/DC switching For DC/DC Q603 DC/DC switching DC/DC driver+shottky barrier diode COMPONENTS DESCRIPTION www. xiaoyu163. com QQ 376315150 9 9 2 8 9 4 2 9 8 TEL 13942296513 9 9 2 8 9 4 2 9 8 0 5 1 5 1 3 6 7 3 Q Q TEL 13942296513 QQ 376315150 892498299 TEL 13942296513 QQ 376315150 892498299 4 Ref. No. Application / Function Operation / Condition / Compatibility Q604 DC/DC switching DC/DC voltage detection Q605 Filament power supply switch Filament power supply driver Q606 Filament power supply switch Filament power supply darlington Q607 DC/DC power supply switch DC/DC driver Q608 Filament power supply switch For filament power supply Q609 DC/DC power supply switch DC/DC driver Q610 DC/DC power supply switch For DC/DC detection Q612 DC/DC power supply switch DC/DC darlington Q653 BU5V power supply switch BU5V driver Q654 BU5V power supply switch BU5V darlington Q691 LAMP power supply switch ILL detection for LAMP Q694 LAMP power supply switch LAMP driver Q751 P-ANT control switch When ACC_ON, Hi output Q752,753 P-ANT control switch When ACC_ON, BU electric potential output Q754 P-ANT short-circuit protection P-ANT short-circuit protection Q771 ACC detection When ACC ON, Lo output Q772 BU detection When BU ON, Lo output Q773 BU over voltage detection switch BU over voltage detection Q801 P-ON5V power supply switch For P-ON5V Q802 Sie-BUS mute output When mute ON, Hi output Q803 Illumi detection switch When illumi detected, Lo output Q804 Hard reset switch When HARD_RESET ON, Lo output Q805 Sie-BUS reset output switch When Sie-BUS reset, Hi output Q807 DC/DC power supply switch For DC/DC detection ● Switch Unit (X34-3142-70) Ref. No. Application / Function Operation / Condition / Compatibility IC1 Display control microcomputer VFD control, Key loading Q1 P-ON5V power supply switch For P-ON 5V Q2 Filament power supply switch For filament COMPONENTS DESCRIPTION www. xiaoyu163. com QQ 376315150 9 9 2 8 9 4 2 9 8 TEL 13942296513 9 9 2 8 9 4 2 9 8 0 5 1 5 1 3 6 7 3 Q Q TEL 13942296513 QQ 376315150 892498299 TEL 13942296513 QQ 376315150 892498299 5 ● Main Microcomputer : 703037HYGFM01 (X14-938 : IC801) Pin No. Pin Name I/O Function Processing Operation Description 1 SP_DATA_S O Data output to panel microcomputer UART 19200bps 2 R_DATA I RDS data RDS data input 3 PLL_SDA I/O EEPROM data EEPROM data input/output 3 PLL_SDA I/O PLL data PLL data input/output 4 R_QUAL I RDS quality RDS quality 5 PLL_SCL O EEPROM clock EEPROM clock output 5 PLL_SCL O PLL clock PLL clock output 6~8 NC O Not used. Not used. 9 EVDD - 10 EVSS - 11 BEEP O BEEP output 2kHz BEEP output (pulse), When not operation : L 12 IFC I F/E IFC OUT input terminal L : Station found, H : Station not found 13 AM+B O AM power supply control AM : H, Other : L 14 FM+B O FM power supply control FM : H, Other : L 15~20 NC O Not used Not used 21 Icc/VPP - (Write to flash memory) (Write to flash memory) 22 CDX_MTS O 6CD communication request output 6CD communication request output 23 NC O Not used Not used 24 ILL_DET I Illumi detection Illumi ON : L 25 NC O Not used Not used 26 BUSDI I F-BUS data IN BUS data input 27 BUSDO O F-BUS data OUT BUS data output 28 VOL_SDA I/O E-VOL data 29 VOL_SCL O E-VOL clock 30,31 NC O Not used Not used 32 MUTE O VOL mute Mute : H, Normal : L 33 AFS O When noise is detected, constant is During FM/AM seek : L, When RDS in operation : H, switched When other than RDS in operation : L 34 RESET - System reset input Reset : L, Resetting voltage : 4.2V 35 XT1 I Sub-system clock oscillation terminal Not used 36 XT2 O Sub-system clock oscillation terminal Not used 37 REGC - 38 X1 - Main system clock oscillation terminal 12.582MHz 39 X2 - Main system clock oscillation terminal 12.582MHz 40 VSS - GND electric potential 41 VDD - 5V electric potential 42 NC - Not used Not used 43~46 NC O Not used Not used 47 HARD_RESET O Hard reset output Reset : H, Others : L MICROCOMPUTER’S TERMINAL DESCRIPTION www. xiaoyu163. com QQ 376315150 9 9 2 8 9 4 2 9 8 TEL 13942296513 9 9 2 8 9 4 2 9 8 0 5 1 5 1 3 6 7 3 Q Q TEL 13942296513 QQ 376315150 892498299 TEL 13942296513 QQ 376315150 892498299 6 Pin No. Pin Name I/O Function Processing Operation Description 48 P_STBY O P-AMP standby control ACC ON, POWER ON : H, Others : L Mute : L, Others : H 49 P_MUTE O P-AMP mute control This muting should not be used for timings that would cause cut in the beginning portion, such as searches during play. 50 SVR O For P-AMP discharge Normal : L, Discharge : H 51 ANT_CON O ANT AMP power supply control ACC ON : H, Others : L 52,53 NC O Not used Not used 54 ONREQ I F-BUS ON request System ON request : L 55 SYS_ON O F-BUS ON output System ON : L 56 CDX_STM I 6CD communication request input Communication request : L 57 SYS_OFF O F-BUS OFF output System OFF : L 58 BVDD - 5V electric potential 59 BVSS - GND electric potential 60 BUS_STBY O BUS_IC standby control System ON : H 61 PON O AVR control (Audio, MECHA) Power supply ON : L, OFF : H (Stable time : 400ms) 62 DC_DC O DC/DC power supply control 63~68 NC O Not used Not used 69 TELMUTE I TEL mute TEL_MUTE ON : L, Others : H 70 CDX_ACC O 6CD ACC Operation : L, Others : H 71 CDX_RST O 6CD reset Reset : L, Others : H 72 CDX_EJEREQ O 6CD eject request Eject : L, Others : H 73 NC O Not used PON : H, Others : L 74 AVDD - 5V electric potential 75 AVSS - GND electric potential 76 AVREF - A/D port reference voltage input 77 CDX_DDCNT I 6CD servo control 6CD ON : H, Others : L 78 CDX_MUTE I 6CD Mute request 6CD mute : L, Normal : H 79 NC O Not used Not used 80 DCERR I DC offset detection Offset detected at 1.0V or more 81 DIAG I For test mode Test mode : L, Normal : H 82 TYPE I Destination setting Initial : L 83 Protection_FL I FL+B detection of output short-circuits When L after 50ms of DC-DC turning active, from power supply DC-DC is turned OFF. 84 Protection_Audio I Short-circuit detection of audio 8V When terminal condition is L after 30ms of PON active, power supply output PON is turned OFF. 85 NOISE I FM noise detection With noise value of 2.9V or less, station found authorized 86 SMTER I S-meter S-meter value : By the data written to EEPROM, seek is stopped 87 NC I Not used Not used 88 REMOCON I Vehicle satellite switch input Resistance divider-type vehicle remote controller 89 SP_REQ_S O Request to panel microcomputer ON : H, OFF : L MICROCOMPUTER’S TERMINAL DESCRIPTION www. xiaoyu163. com QQ 376315150 9 9 2 8 9 4 2 9 8 TEL 13942296513 9 9 2 8 9 4 2 9 8 0 5 1 5 1 3 6 7 3 Q Q TEL 13942296513 QQ 376315150 892498299 TEL 13942296513 QQ 376315150 892498299 7 Pin No. Pin Name I/O Function Processing Operation Description 90 SP_REQ_P I Request from panel microcomputer ON request : H 91 ACC_DET I ACC detection ACC ON : L, ACC OFF : H, Detection voltage : 8.5V 92 OFF_REQ I F-BUS OFF request System OFF request : L 93 BU_DET I BU detection BU ON : L, BU OFF (During momentary power down) : H Detection voltage : 8.5V 94 SP_RST O Reset to panel microcomputer Normal : H, When reset : L (2 pulses), When communication error occurs immediately after reset, then reset is triggered. 95 SP_BKUP O Momentary power down detection Momentary power down : L, Normal : H output to panel microcomputer 96 R_CLK I RDS clock RDS clock 97 CDX_SI I 6CD data input SIO 250kHz 98 CDX_SO O 6CD data output SIO 250kHz 99 CDX_CLK I 6CD clock input SIO 250kHz 100 SP_DATA_P I Data output from panel microcomputer UART 19200bps ● Panel Microcomputer : MB90561A-364 (X34-314 : IC1) Pin No. Pin Name I/O Function Processing Operation Description 1~3 NC O Not Used 4~6 KEY1~KEY3 I Six division key reading Key reading of analog voltage values 7~11 NC O Not Used 12 AVCC A/D converter power supply VCC 13 AVR A/D converter REF voltage input SW_5V electrical potential 14 AVSS A/D converter GND connection GND electrical potential 15 SP_DATA_S I Data input from SYS_COM Communication speed : 19200bps with 30ms interval 16 SP_DATA_P O Data output to SYS_COM Communication speed : 19200bps with 20ms interval 17 SP_REQ_P O Request to SYS_COM Generates pulse signal for triggering standby mode of SYS_COM. After confirming on SP_REQ_S signal, output is stopped. 18 SP_BKUP I Power down detection input from SYS_COM Momentary power down detection 19 MD0 I For FLASH ROM writing H : Normal mode, L : FLASH ROM writing mode 20 SP_RST I Reset input from SYS_COM 4 cycle time L after H input, H input thereafter 21 MD1 I For FLASH ROM writing H : Normal and FLASH ROM writing mode, L : No setting 22 MD2 I For FLASH ROM writing H : FLASH ROM writing mode, L : Normal mode 23 X0 Microcomputer clock oscillator 4.0MHz 24 X1 Microcomputer clock oscillator 4.0MHz 25 VSS1 Current GND GND electrical potential 26 P00 I/O Setting for FLASH ROM writing method L : Serial writing permission MICROCOMPUTER’S TERMINAL DESCRIPTION www. xiaoyu163. com QQ 376315150 9 9 2 8 9 4 2 9 8 TEL 13942296513 9 9 2 8 9 4 2 9 8 0 5 1 5 1 3 6 7 3 Q Q TEL 13942296513 QQ 376315150 892498299 TEL 13942296513 QQ 376315150 892498299 8 Pin No. Pin Name I/O Function Processing Operation Description 27 P01 I/O Setting for FLASH ROM writing method H : Serial writing permission 28 NC O Not Used 29 SW_5V O VFD power supply ON signal When stopped (L) : Power supply OFF When in normal operation (H) : Power supply ON 30 POWER I POWER L : ON, H : OFF 31 ENC_DW I Rotary encoder SW (B-phase waveform) Pulses are port input by 1ms-cycle timer 32 ENC_UP I Rotary encoder SW (A-phase waveform) Pulses are port input by 1ms-cycle timer 33 NC O Not Used 34 SP_REQ_S I Request from SYS_COM Interruption occurs only on H level 35 EJECT I EJECT L : ON, H : OFF 36~42 NC O Not Used 43 FL_BLK O FL data blanking output terminal Brightness adjustment is conducted by duty ratio (FL tube brightness adjustment) 44~47 NC O Not Used 48 SDA I/O E2PRROM serial data Input/output to E2PROM 49 SCL O E2PROM serial clock Output to E2PROM 50 VSS2 Power supply GND GND electrical potential 51~56 NC O Not Used 57 VCC Power supply input Bu5V electrical potential 58 C - Processing terminal for voltage stabilizing 0.1µF condenser connection 59 NC O Not Used 60 FL_SO O FL data output terminal Display data transmission to VFD. 0.5MHz 61 FL_CLK_OUT O FL clock output terminal Synchronization clock output for VFD serial communication 62 FL_LAT O FL data latch control terminal When not displaying, output OFF count is carried out 63,64 NC O Not Used MICROCOMPUTER’S TERMINAL DESCRIPTION www. xiaoyu163. com QQ 376315150 9 9 2 8 9 4 2 9 8 TEL 13942296513 9 9 2 8 9 4 2 9 8 0 5 1 5 1 3 6 7 3 Q Q TEL 13942296513 QQ 376315150 892498299 TEL 13942296513 QQ 376315150 892498299 GX806EF2 9 E D C B A 1 2 3 4 5 6 7 C8 C10 R13 R14 R21 R22 R35 R46 R52 R53 R58 C3 C4 R11 R15 R17 R19 R24 R25 R26 R61 C9 W2 R16 R18 R20 R23 R59 C2 C1 R62 W101 C11 W111 R63 R64 R65 W117 W116 R27 W108 R66 R67 W120 R1 R2 R3 R4 R5 R6 R7 R8 TUN TRACK R9 R10 R28 R29 R30 R31 R32 R33 R34 R36 R37 R38 R39 R40 R41 R42 R43 R44 R45 R47 R48 R49 R50 SCL SCK0 SOT1 5V GND SIN1 MD2 RST MD0 SDA R51 R54 R55 R56 R57 R60 W1 W106 W104 W102 W103 W109 W105 W112 W118 W110 W119 W113 W115 W114 B E T/B 6 BAND 3 2 1 SCN DISP RPT POWER CD CD EJ T.I 4 5 LOAD NEWS PL1 PL3 PL2 PL4 X1 15 14 13 3 2 1 16 2 1 15 1 4 5 8 1 19 33 51 52 64 32 20 EBE C C CN1 Q1 Q2 D1 D6 S1 S2 S3 S4 S5 S6 S7 S8 S9 S10 S11 S12 S13 S14 S15 S16 S17 S18 ED1 S19 IC1 IC2 SWITCH UNIT X34-3142-70 (J74-1621-12) PC BOARD (FOIL SIDE VIEW) Refer to the schematic diagram for the values of resistors and ca- pacitors. X34-3142-70 Ref. No. Address IC1 6C IC2 7B Q1 5B Q2 3B www. xiaoyu163. com QQ 376315150 9 9 2 8 9 4 2 9 8 TEL 13942296513 9 9 2 8 9 4 2 9 8 0 5 1 5 1 3 6 7 3 Q Q TEL 13942296513 QQ 376315150 892498299 TEL 13942296513 QQ 376315150 892498299 GX806EF2 10 F G H I J 1 2 3 4 5 6 7 PC BOARD (COMPONENT SIDE VIEW) F601 R693 R605 R692 C773 R502 R801 R802 R804 R844 R859 R868 R911 R912 R825 R856 R858 R871 R906 R936 R908 C801 C809 C810 C811 C602 C771 C772 C806 C903 R R616 R773 R774 R838 R909 C902 C C607 R620 CP801 R751 R753 R522 R884 R508 R513 R514 R504 R505 R510 R509 R511 R512 R521 R614 R771 R772 R805 R806 R807 R808 R809 R810 R811 R812 R813 R816 R821 R826 R827 R830 R833 R834 R837 R839 R841 R845 R846 R851 R855 R857 R860 R862 R863 R864 R865 R519 F701 1 30 51 80 81 100 31 50 1 1 2 3 4 8 EBE C C E E C C B B E E C C 14 13 1 1 7 8 16 15 2 1 1 2 14 1 2 20 19 2 14 2 1 1 C909 C601 C752 C606 C609 C610 C672 C805 R775 R927 R928 C901 L602 C508 C509 C516 C517 X2 C701 R603 L601 R604 R920 C673 L701 E B B E B E B E E B E B E B E B E B E B EB E B Q608 D902 Q691 D672 Q501 Q801 Q802 Q805 Q751 D901 D518 Q503 Q771 Q Q804 D519 D521 D915 D752 D653 D671 D751 Q752 D916 D605 D691 Q607 D604 D607 D771 D904 Q609 WH1 Q653 CN5 J3 J5 WH1 J2 W901 E1 IC802 IC801 SYNTHESIZER UNIT X14-9382-70 A/2 (J74-1620-12) X14 B/2 www. xiaoyu163. com QQ 376315150 9 9 2 8 9 4 2 9 8 TEL 13942296513 9 9 2 8 9 4 2 9 8 0 5 1 5 1 3 6 7 3 Q Q TEL 13942296513 QQ 376315150 892498299 TEL 13942296513 QQ 376315150 892498299 GX806EF2 11 O N M L K 1 2 3 4 5 6 7 C274 C401 C381 C204 C203 L103 R103 R104 C104 C106 C107 C773 L101 L104 R859 R868 C257 R856 R858 R871 R267 R151 R161 C276 C108 R205 R206 R210 C907 C125 C127 C121 C123 C162 C124 C129 R203 R204 R211 C130 C207 R212 C273 C231 C232 C226 C406 C131 C208 C227 C233 C772 C774 C806 R108 C225 R112 R113 C234 C235 C236 R117 R153 R156 R157 C237 R885 C354 C228 C229 R467 R778 C908 R935 C238 R353 R106 C239 R942 C355 C151 C153 C154 C155 C156 C160 CP404 CP403 C813 C133 C522 R875 C524 R102 1 24 R105 R111 R115 R154 R155 R158 R159 R938 CP801 R386 R263 R409 R209 R119 R383 R118 R255 R364 R360 R464 R465 R466 R884 R526 R536 R538 R776 R777 R779 R363 R837 R839 R254 R524 R850 R851 R855 R857 R860 R862 R864 R865 R537 R201 R202 1 4 5 8 1 4 5 8 1 8 9 16 1 1 4 5 8 1 1 2 3 4 4 8 5 EBE C C B E E C C 1 4 5 8 B C E B E C B C E B E C 9 16 8 1 1 4 5 8 11 33 23 22 12 44 34 1 17 2 18 15 25 1 2 24 1 2 14 C105 C152 C275 C161 C807 C120 C469 C119 C159 C110 C322 C351 C382 L102 C357 C128 C211 C271 C306 C307 C310 C311 C414 C452 C453 8 C509 C352 C501 C209 C210 C212 C201 C202 C353 L108 C524 R387 R385 X1 E B E B E B E B E B E B EB D S G EB E B E B Q773 Q101 Q102 Q360 Q383 D773 D518 Q105 Q152 Q405 CN6 Q803 D519 D520 Q403 Q404 Q358 Q361 D517 D382 D321 D402 D772 D1 P1 D381 D351 Q355 A1 J4 IC204 IC771 IC803 IC6 IC203 IC101 02 IC10 IC11 IC23 IC451 IC401 Refer to the schematic diagram for the values of resistors and ca- pacitors. X14-9382-70 Ref. No. Address IC6 6M IC10 6L IC11 6L IC23 4L IC101 6M IC203 5L IC204 5L IC401 2K IC451 2L IC771 5K IC801 6J IC802 5J IC803 6K Q101 4M Q102 4M Q105 5M Q152 6M Q355 3M Q358 3L Q360 3M Q361 3L Q383 4K Q403 3L Q404 3L Q405 3L Q501 5I Q503 5I Q607 6H Q608 5H Q609 4I Q653 5I Q691 6H Q751 4I Q752 4I Q771 5I Q773 5K Q801 6I Q802 4J Q803 6K Q804 5J Q805 5J www. xiaoyu163. com QQ 376315150 9 9 2 8 9 4 2 9 8 TEL 13942296513 9 9 2 8 9 4 2 9 8 0 5 1 5 1 3 6 7 3 Q Q TEL 13942296513 QQ 376315150 892498299 TEL 13942296513 QQ 376315150 892498299 GX806EF2 12 P Q R S T 1 2 3 4 5 6 7 PC BOARD (FOIL SIDE VIEW) C470 R107 C472 C218 C323 L251 C217 R322 R359 C103 C704 R940 C504 R503 R817 R829 R832 C808 R836 R861 R866 R867 R869 R870 C118 C158 R365 C116 C111 C114 C115 C122 C132 C164 C167 C168 C169 R213 R214 C267 C268 C269 C270 R328 R329 R939 R937 C403 C404 C405 C413 C506 C507 C802 C804 C812 C456 R114 C402 C905 R110 R163 R164 C102 R321 C230 R463 R842 R852 R874 R913 R934 R362 C412 C109 C157 C163 C165 C166 C410 R404 C411 R412 R414 R417 R419 R943 C454 C510 C514 C515 R323 L152 R413 R415 R352 R109 R452 R160 R162 R165 R166 R416 R418 R410 R403 R401 R402 R400 R351 R354 R822 R405 R406 R407 R408 R453 R411 R506 R358 R814 R818 R819 R820 R824 DIAG RESET SCL SDA R831 R835 R840 R843 R847 R853 R854 R872 R350 C216 1 B E B E 4 5 8 B E B E B E B E B E B E B E B E B E B E B E B E Q354 Q356 Q384 Q153 Q502 Q254 Q385 Q359 D101 D516 D522 D523 Q251 Q352 Q505 Q772 Q107 D352 D353 IC502 SYNTHESIZER UNIT X14-9382-70 A/2 (J74-1620-12) www. xiaoyu163. com QQ 376315150 9 9 2 8 9 4 2 9 8 TEL 13942296513 9 9 2 8 9 4 2 9 8 0 5 1 5 1 3 6 7 3 Q Q TEL 13942296513 QQ 376315150 892498299 TEL 13942296513 QQ 376315150 892498299 GX806EF2 13 Y X W V U 1 2 3 4 5 6 7 C608 C671 R672 R924 R817 R905 R671 C462 C461 C466 C465 C464 C463 C468 C467 C605 C691 C705 R694 R615 R941 R606 R608 R755 R754 R803 R752 C603 C604 C612 R621 R622 R601 R602 R607 R609 R610 R611 R612 R613 R617 R691 R701 R814 R819 R820 DIAG R872 R901 R904 R756 E B B AEB C C B E E B E B E B E B E B E B E E B E B Q654 D637 Q605 Q754 D606 Q610 Q612 Q601 Q807 Q753 Q603 Q694 D602 Q604 Q606 X14 B/2 Refer to the schematic diagram for the values of resistors and ca- pacitors. X14-9382-70 Ref. No. Address IC502 4T Q107 5P Q153 6Q Q251 5R Q254 5R Q352 4R Q354 3Q Q356 3R Q359 3Q Q384 4S Q385 4S Q502 5T Q505 6T Q601 4V Q603 4V Q604 4V Q605 5V Q606 5V Q610 4U Q612 4V Q654 5U Q694 7U Q753 4U Q754 4U Q772 5S Q807 6U www. xiaoyu163. com QQ 376315150 9 9 2 8 9 4 2 9 8 TEL 13942296513 9 9 2 8 9 4 2 9 8 0 5 1 5 1 3 6 7 3 Q Q TEL 13942296513 QQ 376315150 892498299 TEL 13942296513 QQ 376315150 892498299 GX806EF2 14 A B C D E 1 2 3 4 5 6 7 22K 22K 22K 22K 22K 22K 22K 22K 10K 10K 47K 47K 22K 22K 22K 22K 47K 47K 22K 22K 22K 22K 22K 22K 22K 22K 22K 22K 22K 22K 10.0V 35.0V 12.0V 8.0V 8.0V 5.3V 6.7V CN5 P1 D653 Q801 D915 Q505 Q503 Q694 Q691 D691 Q501 Q502 D916 Q608 D605 Q606 Q605 D604 D607 Q612 Q610 D606 Q601 Q603 Q807 Q607 D904 Q604 D602 Q609 D901 W901 J3 D637 D671 D672 Q654 Q653 Q771 D752 D902 D771 Q383 D381 Q385 Q384 D751 Q753 Q751 Q752 Q754 J5 Q360 Q356 Q354 Q359 Q355 P-ANT ACC DET D321 LAMP AVR DC/DC AUDIO 8.0V SRV 8V POWER SUPPLY TELE MUTE SUB CONNECTOR P-ON5V SYS SYS OFF BU 5V ON 2/2 X34- CN1 SYNTHESIZ A P STBY P MUTE R801 47K FL GND 7 LANP 10V 1 FL GND FL DC- FL +B FL DC+ LANP GND 4 3 2 6 5 SC BKUP SC CON BU 5V D GND D GND 10 9 8 12 11 SC DATAIN MC DATAIN SC RST MC REQ 15 14 13 16 TP14 TP13 TP12 TP11 TP7 TP6 TP5 TP4 TP3 TP2 TP1 TP129 84 R913 10K R912 10K R911 10K R620 1K TP22 81 83 82 67 R810 1K R809 1K R811 1K R806 1K AVSS 80 79 78 77 76 NC PROTECTION FL DCERR DIAG TYPE CDX MUTE CDX DDCNT AVREF 71 75 74 73 72 70 69 68 CDX EJEREQ CDX RST AVDD NC CDX ACC TELMUTE NC NC R813 1K R814 1K 63 66 65 64 62 61 60 59 NC NC NC NC BUS STBY DC DC PON BVSS 58 57 56 55 54 53 52 51 ONREQ SYS OFF CDX STM SYS ON BVDD ANT CON NC NC PROTECTION AUDIO R672 3.3 4.7 R941 TP152 R604 18 1W R920 18 1W R603 18 1W 3.3u50 C602 0.1 C606 C909 100u16 C601 100u16 470 R622 4.7 R607 TP151 220 TP153 TP154 15K R617 R614 15K C604 R613 390 C605 R608 33K 0.1 R609 22K R611 3.9K R615 27K 0.01 R621 L602 22uH L601 R904 7.5K TP149 TP42 8 6 7 5 4 2 3 1 R816 1K R508 1K SVR 50 48 49 R872 1K R820 4.7K R819 1K R822 1K C673 0.047u5.5 C672 100u10 R773 C771 1200P R774 2.2K 5600u16 TP29 C704 0.01 C701 TP64 R772 10K R771 22K 13K L701 R756 100K 1/2W C752 1u50 C382 0.1 C381 R383 1.8K 100u16 R754 1 TP150 C462 3900P TP28 F701 TP23 TP43 C467 3900P C463 3900P C464 3900P C466 3900P GND 14 ILL+ 13 NC 10 12 9 FL+ FR+ FR- 11 8 FL- ACC 2 6 4 5 RR+ RR- 7 1 3 RL+ RL- BU TP32 P-ANT R415 100K CP403 C468 3900P R412 100K R414 100K R417 100K R419 100K R413 100K R416 100K 100K TP130 FR- FR+ FL- FL+ RR- RR+ RL- RL+ R701 4.7K 2.2K R751 2.2K R753 10 R752 1/2W 3.3K R775 C323 100P R322 4.3K 100u10 C322 13K R321 R328 4.7 R329 4.7 5.6 R943 1000P C905 6.8 R942 1500P C908 R693 4.7 R692 4.7 1/2W 5.1K R927 1/2W 5.1K R928 C691 0.1 100 R694 220 R691 6.2K R610 47u50 C610 47u50 C609 4.7K R612 F601 56P C603 56P C612 15K R606 R602 4.7K 220 R924 220 R601 0.1 C608 2.2K R616 2.2K R605 0.01 C607 NC NC UART+ WOOFER- SW+ SW- WOOFER+ UART- R387 4.7 1/2W R385 4.7 1K R818 100K R817 1K R807 100K R803 0.1 C810 100K R804 47K R802 4.7K R812 47K R905 1K R805 R808 1K 56 0.1 C801 TP40 TP39 SATELLITE SATELLITE 0.01 C901 100K R906 C671 R671 10K R755 ON OFF 69 88 69 88 0.01 C903 82 R901 48 49 50 3 4 BU5V A8V-2 S8V BU PON5V BU5V 47K R503 22K R936 47K R502 A8V-1 12K 1 80 70 72 71 78 77 94 89 95 90 100 1 0.01 C705 R418 100K C465 3900P 3900P C461 TP15 TP16 TP17 R821 + + + + + + + + + + + X14-9382-70 (1/4) www. xiaoyu163. com QQ 376315150 9 9 2 8 9 4 2 9 8 TEL 13942296513 9 9 2 8 9 4 2 9 8 0 5 1 5 1 3 6 7 3 Q Q TEL 13942296513 QQ 376315150 892498299 TEL 13942296513 QQ 376315150 892498299 GX806EF2 15 J I H G F 10K 10K 10K 10K 47K 47K 47K 47K Q803 D653 CN6 D522 Q804 Q802 WH1-2 D516 Q805 D521 Q773 Q772 D519 D773 WH1-1 J2 IC10 D382 (2/2) IC20 (1/2) (2/2) IC20 NAVI Lch Rch CD IC10 (1/2) D772 BUS STBY SIE B BU DET EEP ROM ILL DET ISO ISO. AMP SYSTEM u-COM RST MUTE to 6CD MECHA ASSY IC803 IC502 IC801 IC802 IC771 (X14- ) (B/2) YNTHESIZER UNIT (X14-9382-70) (A/2) A2 GND MUTE RESET REGC HARD RESET P STBY P MUTE 84 C902 220P R912 10K R911 10K R620 1K 83 R825 300 R836 10K R871 3.3K 95 R834 1K R833 1K 87 86 85 89 88 92 91 90 94 93 R845 100 R839 470 R835 1K 98 97 96 100 99 PROTECTION FL 14 SP REQ S PROTECTION AUDIO SMETER NOISE REMOCON NC OFF REQ ACC DET SP REQ P SC RST BU DET NC SP DATA P SP R DATA PLL SDA R QUAL PLL SCL CDX SI R CLK SC BKUP CDX CLK CDX SO 1 2 3 4 5 10 NC NC EVDD EVSS 6 7 8 9 BEEP IFC AM+B FM+B 11 12 13 ICC/VPP CDX MTS 18 NC NC NC NC 15 16 17 NC NC 19 20 21 22 ILL+DET VOL SDA VOL SCL BUSDO NC NC BUSDI 23 24 25 26 NC 27 28 29 30 D STM 5 R862 2.2K TP117 GND A2 A1 A0 4 3 2 1 SDA SCL WP VCC 5 6 7 8 Lch 18 AF-REF Rch MUTE GND 17 16 15 14 D-OUT C-5V EJ-REQ DD-CONT 13 12 11 10 ACC-ON D MTS SCK RST 8 7 6 9 TP125 TP126 TP127 TP128 TP124 TP123 TP120 TP122 TP121 TP119 TP118 CP801 1K R860 100 R864 2.2K R865 100 R856 2.2K R857 100 R858 2.2K R855 100 R851 1K R854 1K D-8V 1 MTS STM P-GND 4 3 2 TP114 TP116 TP115 TP113 TP112 TP111 1 8 GND ROUT 47 SVR 50 48 49 R820 4.7K R819 1K R939 47K R822 1K 4 S2 S1 3 2 36 NC 44 NC NC 45 46 NC NC 42 43 X2 VSS VDD 39 40 41 X1 37 38 C811 0.1 12.582MHz NC 33 XT1 XT2 34 35 AFS 31 32 R837 1K X2 R935 100K R908 BUS+ VCC STB BUS- 5 6 7 R505 100 R506 62 C506 820P C507 820P 3.9K C508 0.47u50 R514 100 1 BUS OFF 1 2 3 4 BU GND BUS+ RESET MUTE BUS ON 7 5 6 GND BUS- 8 9 TP148 R853 1K C807 4.7u25 R940 3.9K R934 100K RESET R832 100K Y2 B1 A1 4 3 2 1 VCC B2 Y1 5 6 7 8 R778 13K R779 100 8 9 5 7 6 4 3 1 2 GND 6 5 2 1 4 3 BU BUS OFF BUS+ GND 8 7 10 9 RESET BUS- NC MUTE BUS ON 12 11 NC C201 4.7u25 C236 10P C209 4.7u16 C207 1000P C210 4.7u16 C208 1000P R358 10 C356 100u16 CREF TAPE MDL 44 43 42 41 40 MDR CDR CDL ACO SWA ACO ACIN 39 38 37 36 35 34 SWIN R255 R254 1K C907 1000P R538 C524 6800P 1K 4.7K 10P C233 10P C234 10P C235 1 7 4.7u25 C202 4.7u25 C212 4.7u25 C211 TP137 TP133 TP136 TP135 TP134 TP140 TP139 TP138 TP141 TP142 1K R509 1K R512 1K R511 R510 1K 100 R504 C774 1200P 22K R776 R777 10K 1000P C772 C773 VDD OUT 1 2 NC VSS 3 4 0.1 C808 4.7K R859 R874 100K 1K R863 100K R842 R829 10K 10P C804 10P C802 R838 100K C805 1u50 R841 1K 1K R843 100K R937 100 1 99 98 97 95 85 86 96 94 2.2K R824 1000P C812 R866 3.3K 89 90 TP156 TP155 2.2K R869 2.2K R870 10K R861 R847 1K R867 47K C813 0.1 R884 150K 4.7K R885 0.1 C809 26 27 13 12 14 28 29 DATA S R846 100 100 R875 33 4.7K R850 47K R868 0.47 C522 R537 4.7K R909 100K 1K R826 ON OFF 0.1 C504 C217 100P R213 15K R214 15K C216 100P 1K R206 1K R205 15K R201 15K R211 150 R209 15K R212 150 R210 15K R202 5 6 3 2 7 1 4 8 15K R204 100P C203 15K R203 100P C204 22 48 49 50 1000P C218 1K R386 BU BU5V S8V BU5V A8V-2 A8V BU 0.1 C231 10P C232 10P 77 98 99 97 22 56 70 71 78 72 5 6 6 5 26 27 2 3 4 5 100K R852 80 1K R840 R827 1K 1K R830 1K R831 2.2K R821 TP19 TP20 TP18 TP21 0.1 C806 2.2K R844 + + + + + + + X14-9382-70 (2/4) www. xiaoyu163. com QQ 376315150 9 9 2 8 9 4 2 9 8 TEL 13942296513 9 9 2 8 9 4 2 9 8 0 5 1 5 1 3 6 7 3 Q Q TEL 13942296513 QQ 376315150 892498299 TEL 13942296513 QQ 376315150 892498299 GX806EF2 16 K L M N O 22K 22K 47K 47K 10K 22K 22K 22K 22K 47K 10K 6.8V 4.0V D523 D518 D522 Q254 IC6(1/2) Q152 IC6 (2/2) D1 IC204 (1/2) (2/2) IC204 Q251 D353 IC23 (1/2) D352 Q358 Q352 Q361 D520 Q107 Q153 D517 Q105 Q102 Q101 Q403 D402 Q405 703037HYGFM01 NJM4565M-TE2 TA8254BH : IC451 : IC803 IC802 IC801 IC771 IC502 : : : : BR24C02F-W S-80842CNNB TC7W02FU HA12187FP : IC10 IC401 IC203 IC101 IC11 : : : : IC6,23,204 : TDA7384A TDA7406 TDA7479D HA12181FP NJM4565V Q404 RDS NOISE AMP AM N/C E-VOL NAVI D351 IC23(2/2) SIE BUS ISO SIGNAL LINE B LINE GND LINE VREF 4ch AMP POWER POWER AMP SUB-W IC11 IC101 IC203 IC401 IC451 GX806EF2 (1/2) C517 10u16 C516 10u16 C508 0.47u50 C501 10u16 C509 0.47u50 1000P R519 R513 100 R514 100 20 C510 1000P C514 R521 R522 20 100 C515 1000P 10 AUD Rch BUS ON 8 9 AUD GND AUD Lch NAVI GND 11 12 13 14 NAVI 8 14 12 11 13 10 9 10 9 NC MUTE BUS ON AUD Rch 14 13 12 11 16 15 NC NC NC NC NC 20 19 18 17 NAVI GND AUD Lch AUD GND NAVI 23 24 25 26 27 28 29 30 31 32 33 R107 L102 2200uH C127 0.033 C108 0.033 C105 10u16 PLS T5 GPLS AFOUT C128 4.7u25 9 W 12 11 10 C129 0.68 C130 0.047 5 6 7 8 T8 HOLD GND AFAGC VOAF C133 0.01 15 VCC 14 13 IFIN 16 C102 1000P 2 3 4 AFIN T4 IFAGC T2 1 10P 6 5 4 3 2 1 C237 CREF TAPEL MDL 44 43 42 41 40 MDR CDR CDL PD- PDR+ TAPER POUSE PDL+ ACOUTL SWACOUT ACOUTR ACINR 39 38 37 36 35 34 SWIN MIXINLR MIXINLF ACINL MIXINRF MIXINRR 11 10 9 8 7 0.1 C238 10P C239 10P C118 0.056 R267 10K SM MPOUT NAVI TIM PHONE CMPX AMIF AM/MPX2 LEVEL MPX1 12 MPIN QUAL 13 14 15 16 OUTRF OUTLR OUTLF SAOUT OUTSW OUTRR SACLK DGND SDA SCL 17 18 19 20 VDD 21 22 C257 0.22 C273 R263 4.7K C274 0.1 10u16 C275 2.2 C162 1200P R106 2.7K 10u16 C161 C159 10u16 C158 0.01 C154 C153 470P 10u16 C152 R153 10K R158 2.7K 120P 2 3 C167 1200P RDCL QUAL FSEL EXTRES VCC OSCIN OSCOUT OSEL FILOUT ARI GND 8 7 6 MPX VREF RDDA 5 4 3 2 TM 9 10 11 T57 12 13 14 15 1 16 C156 470P R156 C155 12P 1 4 8 C163 1000P 10K R162 5.6K C157 82P R160 15K R155 10K R157 10K R161 10K R166 5.6K 5 6 7 0.022 C166 55 54 1000P C230 10P C226 10P C227 10P C228 10P C229 10P R538 6800P 4.7K 100P C269 100P C267 R362 6 C352 10u16 R353 6.8K 1K 4.7K C351 10u16 R350 6.8K R352 R404 3 8 R360 R363 5 7 2 1 4 C353 220u16 2.2K 1K R359 390 220 C414 4.7u16 R452 470 R409 10K R411 4.3K C307 4.7u16 C306 4.7u16 C271 0.22u50 R110 4.7K R111 4.7K R109 1K C121 150P L1 4.7 R103 22K R104 22K R105 4.7K 4.7K R102 TP99 1 7 VCC1 C405 220P C413 220P C357 100u25 1 R938 33K C401 R323 10 OUT2+ TAB 1 5 3 OUT2- 2 6 4 STBY PGND2 TP65 TP62 C403 220P C411 220P C402 220P C410 220P 18 OUT3+ OUT1+ 13 11 9 IN1 OUT1- 17 15 IN3 SGND IN2 12 10 8 PGND1 SVR 16 14 IN4 ACGND OUT4+ OUT4- 23 21 19 OUT3- 25 NC 24 22 20 VCC2 PGND3 MUTE PGND4 TP61 TP59 C406 TP56 7 SBSW CP404 TP74 100K C456 220P C454 220P 1 C470 TP76 47u16 C469 REPPLE MUTE 1 5 3 PGND 2 6 4 IN1 IN2 C452 100u10 C453 100u10 R463 R467 100K 330K R464 22K R465 15K R466 330K OUT1+ 13 11 9 VCC1 CD OUT2- 15 GND1 GND2 8 VCC2 OUT2+ 12 10 OUT1- 14 TP75 TP72 TP81 TP79 TP84 TP70 TP85 TP82 TP80 TP53 TP52 TP51 TP50 TP48 TP49 TP46 TP47 TP68 TP69 TP60 220P 220P C404 C412 TP71 R453 33K C472 0.1 C160 270P 4.7uH L101 4.332MHz X1 12P C168 12P C169 96 2 4 56K R154 R165 82K C165 6P 22 R151 3.3u50 C110 0.22 C106 0.22 C104 47P C103 47K R108 0.033 C125 0.068 C124 12K R117 0.033 C111 100K R114 3 1 2 6 4 7 8 5 1000P C355 1000P C354 1K R351 3.3K R364 TP141 TP142 TP144 TP143 TP146 TP147 1K 470 R410 470 R406 470 R407 470 R408 470 R405 0.15 C310 0.15 C311 10K R401 10K R400 10K R403 10K R402 4.7K R536 4.7K R526 6800P C131 3.9K R119 100 R118 AG AR 4.7uH L103 8200P C151 33 85 86 12 14 4.7K R354 4.7K R524 0.068 C225 C270 100P C268 100P 4.7uH L251 C276 0.1 22K R365 50 RR- RL+ RL- RR+ FR+ FL+ FL- FR- 48 49 28 29 A8V-2 PON5V BU A8V-1 PON5V A8V-2 16 10 16 10 13 80 3 4 AG AR 10K R159 2200P C164 100K R163 R164 10K R113 180K C107 2200P R112 22K + + + + + + + + + + + + + + + + + + + X14-9382-70 (3/4) www. xiaoyu163. com QQ 376315150 9 9 2 8 9 4 2 9 8 TEL 13942296513 9 9 2 8 9 4 2 9 8 0 5 1 5 1 3 6 7 3 Q Q TEL 13942296513 QQ 376315150 892498299 TEL 13942296513 QQ 376315150 892498299 GX806EF2 17 T S R Q P 1 2 3 4 5 6 7 47K 47K Q107,153,354,360,361, 6 2) D1 1SR154-400 D916 D915 D902 D773 D672 D771 D691 HZS12B1L DAP202U : : D3F60 MA3100-M HZS7A2L HZS11B2L : : : : : DTC114EUA Q804,807 MA4051(N)-M HZM3.3N(B1) DTA114EUA D517,519,520,752 D516,518,522,523,901 D637 D606 D602 D671 D521 D402 DA204U MA3056-M FTZ6.8E : : : : : DAN202U STZ6.8N HZS6B1L : : : D351,605,772 D1,382,604,607,653, D101 D352,353 D381 D321 751,904 Q805 IMSA-6801 HZS9B2L MA111 HZS7A3L HZS6A1L : : : : : 1SS133 : : : 2SB1548(P) DTA124EUA 2SK246(BL)-F DTC114YUA DTC124EUA DTC114TUA Q607,609,752 Q403,404,801 Q383,608,691,802 Q603 Q694 Q653 Q604 Q601 CPH5703 2SD1803 2SB1443 2SA1530A : : : : : 2SC3392 2SA1576A UMC2N : : : : Q359,501,502,610,751 Q356,384,605 Q251,254,358,754 753,771,772 385,405,606,612,654, Q355 Q352 Q152 : 2SB1202 : : : 2SC4081 : : Q153 Q105 Q102 Q101 D101 DTC144EUA GFM01 -TE2 Q105,503,505,773,803 Q101,102 W UMF5N : : NB P P A1 J4 ANTENNA INPUT NAL LINE LINE D LINE R166 5.6K 7 0.022 C166 10 7K C122 0.01 TP110 C132 0.01 10u16 C120 R115 10K R111 4.7K R109 1K C116 0.01 C121 150P C119 L104 4.7uH C115 0.01 TP103 TP98 10u16 L152 10uH P99 C114 0.01 TP89 L108 TP88 150P C109 TP90 14 22 23 24 SMETER IF1GND IF1+B 16 15 17 19 18 21 20 AMIF AUDIO NC3 NC2 DIGGND VDD SCL FM+B 7 6 8 10 12 11 13 9 NC1 COM+B OSCGND4 IFCOUT VT OSCGND3 OSCGND2 AM+B 1 3 5 4 2 RFGND OSCGND1 AMANT FMANT P 8 P 9 65 82K 65 6P TP92 TP91 TP95 TP97 TP105 TP104 25 26 TP100 TP101 TP108 TP109 TP107 TP106 0.01 C123 4.7uH L103 5 3 4 10K + + CAUTION : For continued safety, replace safety critical components only with manufacturer’s recommended parts (refer to parts list). Indicates safety critical components. To reduce the risk of electric shock, leakage-current or resistance measurements shall be carried out (exposed parts are acceptably insulated from the supply circuit) before the appliance is returned to the customer. • DC voltages are as measured with a high impedance voltmeter. Values may vary slightly due to variations between individual instruments or/and units. D G S DTC114YUA UN5111 UN5211 UN5213 UN5215 2SA1576A 2SB1188 2SB1202 2SB1548 2SB1443 2SC4081 DTA114EUA DTA124EUA DTC114EUA DTC124EUA DTC144EUA UMC2N NJM4565M-TE2 DAN202U DAP202U DA204U MA142WA MA142WK UN5212 2SK246 BR24C02F-W TDA7479D HA12187FP X14-9382-70 (4/4) www. xiaoyu163. com QQ 376315150 9 9 2 8 9 4 2 9 8 TEL 13942296513 9 9 2 8 9 4 2 9 8 0 5 1 5 1 3 6 7 3 Q Q TEL 13942296513 QQ 376315150 892498299 TEL 13942296513 QQ 376315150 892498299 GX806EF2 18 U V W X Y 1 2 3 4 5 6 7 0.1 0.22 C9 C8 LAMP GND 15 TP14 TP33 LAMP 10V 16 TP34 TP13 TP18 TP17 820 R3 TP21 TP15 TP16 TP11 TP45 MC DATAIN 2 FL DC- 12 FL +B FL DC+ 14 13 D GND FL GND FL GND 10 11 9 SC CON BU 5V D GND 7 8 6 SC RST MC REQ SC BKUP 4 5 3 SC DATAIN 1 TP8 GND TP44 TP83 S CLK TP84 REST S OUT S IN MD2 BU5V MD0 TP28 W1 TP7 68 TP25 R28 W2 R35 10K X1 R34 1K TP6 R11 22K C2 0.1 R10 22 R24 10K R26 10K R25 10K R32 2.2K R33 1K R22 100K R21 10K 100 R42 100 R44 TP79 R43 1K TP70 TP81 TP80 TP82 1 F-1 BK LAT CLK SI TS F+2 F+1 TP12 3 2 4 6 5 7 VSS1 VSS2 VH NC1 VDD NC2 11 9 8 10 TP9 12 14 13 F-2 15 TP29 49 3 57 TP30 R57 110 R56 160 NC NC 64 NC NC 1 2 FL CLK OUT FL SO FL LAT VCC NC 63 62 61 60 59 58 C NC VSS2 NC NC NC NC NC 54 56 55 53 52 51 50 C10 0.1 TP32 TP31 R55 330 36 16 NC KEY3 KEY1 NC KEY2 4 5 6 NC NC 8 7 9 13 NC NC AVCC 11 10 12 AVSS AVR SP DATA S 14 15 FL BLK NC NC NC NC SDA SCL 48 47 46 44 45 43 NC NC NC NC NC NC 39 41 42 40 38 37 27 MD1 MD0 SP REQ P SP DATA P SP BKUP 17 18 19 SP RST X1 MD2 X0 P00 VSS1 P01 20 21 22 23 24 25 26 NC SP REQ S EJECT NC SW 5V POWER NC ENC DW ENC UP 35 34 33 30 28 29 31 32 R40 1K R39 1K 18 17 16 15 1K R38 TP4 TP5 300 R15 300 R17 0.22 C11 TP51 TP49 TP50 TP60 TP62 TP63 TP85 TP78 TP64 TP77 2.2K R31 TP26 TP27 100K R14 10K R46 1K R45 1K R37 20 100K R16 100K R18 300 R19 100K R20 100 R27 10K R59 R58 10K TP71 GND A2 A0 5 SDA SCL VCC WP 8 7 6 4 A1 1 2 3 TP75 TP76 1K R50 1K R51 TP69 TP20 TP19 R8 110 R6 160 R2 330 100 R41 R1 820 R4 330 TP37 TP36 TP35 R54 68 1/2W 12 R67 1/2W 12 R65 1/2W 12 R63 1/2W 10 R62 1/2W 10 R64 1/2W 10 R66 TP86 TP87 TP88 0.22 C1 TP38 TP40 TP39 TP42 TP41 TP43 PL4 PL2 PL3 PL1 TP1 TP2 TP3 TP46 62 61 60 2.2K R47 2.2K R48 1K R49 R60 1K TP74 TP73 TP72 68 R9 110 R7 160 R5 60 61 62 R52 10K R53 10K TP48 TP47 100K R23 TP68 1K R29 1K R30 TP10 C3 0.22 C4 0.22 17 18 15 20 16 100 R61 TP22 TP23 TP24 TP52 TP53 TP54 TP56 TP55 TP58 TP59 TP57 TP65 TP66 TP67 32 31 30 30 31 32 1K R36 10K R13 Q2 S9 T/B RPT S8 CN1 S10 S6 SCN DISP S5 BAND CD S4 S3 S7 POWER ENC CD EJ S2 T.I S1 S19 D1 S11 4 5 S14 S12 1 Q1 2 S13 D6 ED1 6 S15 3 S16 NEWS LOAD S17 S18 BR24C02F-W HZM2.4N(B) DAN202U 2SB1188 MB90561A-364 UMC2N IC2 D1 IC1 Q1 D6 Q2 : : : : : : B LINE GND LINE CN5 X14- 1/2 PANEL u-COM ROM IC2 IC1 SWITCH UNIT (X34-3142-70) GX806EF2 (2/2) A 5.3V 7.0V 3.5V 10.0V 35.0V 5.3V 22K 22K 22K 22K 5GB 5GA S16 S19 S15 S14 S13 S12 S20 S17 S18 S21 4GA 3GA 2GC 2GB 2GA 6GB 6GA 5GD 5GC 4GC 4GB 3GC 3GB 2GE 2GD 1GC 1GB 1GA S4 S2 S1 S3 (B) (6G-1G) (2G) S5 S6 S7 S11 S8 S9 S10 1-1 2-1 3-1 4-1 5-1 1-2 2-2 3-2 4-2 5-2 1-3 2-3 3-3 4-3 5-3 1-4 2-4 3-4 4-4 5-4 1-5 2-5 3-5 4-5 5-5 1-6 2-6 3-6 4-6 5-6 1-7 2-7 3-7 4-7 5-7 (A) 1-1 2-1 3-1 4-1 5-1 1-2 2-2 3-2 4-2 5-2 1-3 2-3 3-3 4-3 5-3 1-4 2-4 3-4 4-4 5-4 1-5 2-5 3-5 4-5 5-5 1-6 2-6 3-6 4-6 5-6 1-7 2-7 3-7 4-7 5-7 CAUTION : For continued safety, replace safety critical components only with manufacturer’s recommended parts (refer to parts list). Indicates safety critical components. To reduce the risk of electric shock, leakage-current or resistance measurements shall be carried out (exposed parts are acceptably insulated from the supply circuit) before the appliance is returned to the customer. • DC voltages are as measured with a high impedance voltmeter. Values may vary slightly due to variations between individual instruments or/and units. X34-3142-70 (1/1) www. xiaoyu163. com QQ 376315150 9 9 2 8 9 4 2 9 8 TEL 13942296513 9 9 2 8 9 4 2 9 8 0 5 1 5 1 3 6 7 3 Q Q TEL 13942296513 QQ 376315150 892498299 TEL 13942296513 QQ 376315150 892498299 19 3 2 1 B A X14 B/2 X14-9382-70 X34-3142-70 DME1 221 221 FC1 256 217 207 PA1 226 231 209 233 236 232 208 238 209 239 237 234 235 240 241 242 230 206 W901 J2 249 216 214 203 224 720 725 719 746 705 715 750 748 751 702 712 B B B B B D D D D A A G H G F H H H Ex2 Ex2 Ex2 Jx2 Hx2 Hx2 Hx2 Cx3 745 718 722 722 701 722 722 747 A B C D E F G H J : : : : : : : : : N09-6112-05 N30-3004-48 N35-3014-48 N80-2006-48 N82-2006-48 N83-3006-48 N86-3005-48 N89-3008-48 N09-6219-05 M2.6x3.5 M3x4 M3x14 φ2x6 φ2x6 φ3x6 φ3x5 φ3x8 φ2.5x5 ED1 Parts with the exploded numbers larger than 700 are not supplied. EXPLODED VIEW www. xiaoyu163. com QQ 376315150 9 9 2 8 9 4 2 9 8 TEL 13942296513 9 9 2 8 9 4 2 9 8 0 5 1 5 1 3 6 7 3 Q Q TEL 13942296513 QQ 376315150 892498299 TEL 13942296513 QQ 376315150 892498299 20 Indicates safety critical components. ✽ New parts Parts without Parts No. are not supplied. Les articles non mentionnes dans le Parts No. ne sont pas fournis. Teile ohne Parts No. werden nicht geliefert. Ref. No. A d d N e w Parts No. Description Desti- nation Ref. No. A d d N e w Parts No. Description Desti- nation E : Europe PARTS LIST 203 1B ✽ A52-0853-02 TOP PLATE PA1 3A ✽ A64-3275-22 PANEL ASSY 206 3A ✽ B10-4537-13 FRONT GLASS 207 3A ✽ B19-2253-12 LIGHTING BOARD (MAIN) 208 3A ✽ B19-2254-04 LIGHTING BOARD (VOL) 209 3A ✽ B19-2255-04 LIGHTING BOARD (CD) DME1 1B ✽ D40-1195-05 6CD MECHANISM ASSY FC1 2B ✽ E39-0635-05 FLAT CABLE (CD) 214 2B ✽ F09-1882-04 SHEET (P-IC) 216 2B ✽ F12-0795-04 SHIELDING TUBE 217 2A F19-1357-04 BLIND PLATE 221 1B ✽ G11-3591-04 CUSHION 224 1B ✽ J19-5286-05 HOLDER 226 2A ✽ J90-1086-03 GUIDE 230 3A ✽ K23-1085-04 KNOB (VOL) 231 3A ✽ K24-4136-04 KNOB (T.I) 232 3A ✽ K24-4137-04 KNOB (BAND) 233 3A ✽ K24-4138-04 KNOB (CD-EJ) 234 3A ✽ K24-4139-04 KNOB (NEWS) 235 3A ✽ K24-4140-04 KNOB (LOAD) 236 3A ✽ K24-4141-04 KNOB (CD) 237 3A ✽ K25-1626-03 KNOB (DISP) 238 3A ✽ K25-1627-03 KNOB (SCN) 239 3A ✽ K25-1628-03 KNOB (TUNE) 240 3A ✽ K25-1629-03 KNOB (PRE1.4) 241 3A ✽ K25-1630-03 KNOB (PRE2.5) 242 3A ✽ K25-1631-03 KNOB (PRE3.6) A 3A ✽ N09-6112-05 MACHINE SCREW (M2.6X3.5) B 1B ✽ N30-3004-48 PAN HEAD MACHINE SCREW C 1B N35-3014-48 BINDING HEAD MACHINE SCREW D 2A N80-2006-48 PAN HEAD TAPTITE SCREW E 2A N82-2006-48 BINDING HEAD TAPTITE SCREW F 1B N83-3006-48 PAN HEAD TAPTITE SCREW G 2B ✽ N86-3005-48 BINDING HEAD TAPTITE SCREW H 1B N89-3008-48 BINDING HEAD TAPTITE SCREW C102 CK73GB1H102K CHIP C 1000PF K C103 CC73GCH1H470J CHIP C 47PF J C104 CK73GB1A224K CHIP C 0.22UF K C105 ✽ CD04BJ1C100M ELECTRO 10UF 16WV C106 CK73GB1A224K CHIP C 0.22UF K C107 CK73GB1H222K CHIP C 2200PF K C108 CK73GB1E333K CHIP C 0.033UF K C108 CK73GB1H333K CHIP C 0.033UF K C109 CC73GCH1H151J CHIP C 150PF J C110 ✽ CD04BJ1H3R3M ELECTRO 3.3UF 50WV C111 CK73GB1E333K CHIP C 0.033UF K C111 CK73GB1H333K CHIP C 0.033UF K C114-116 CK73GB1H103K CHIP C 0.010UF K C118 CK73GB1C563K CHIP C 0.056UF K C119,120 ✽ CD04BJ1C100M ELECTRO 10UF 16WV C121 CC73GCH1H151J CHIP C 150PF J C122,123 CK73GB1H103K CHIP C 0.010UF K C124 CK73GB1C683K CHIP C 0.068UF K C124 CK73GB1H683K CHIP C 0.068UF K C125 CK73GB1E333K CHIP C 0.033UF K C125 CK73GB1H333K CHIP C 0.033UF K C127 CK73GB1E333K CHIP C 0.033UF K C127 CK73GB1H333K CHIP C 0.033UF K C128 ✽ CD04BJ1E4R7M ELECTRO 4.7UF 25WV C129 CK73GB1A684K CHIP C 0.68UF K C130 CK73GB1E473K CHIP C 0.047UF K C131 CK73GB1H682K CHIP C 6800PF K C132,133 CK73GB1H103K CHIP C 0.010UF K C151 CK73GB1H822K CHIP C 8200PF K C152 ✽ CD04BJ1C100M ELECTRO 10UF 16WV C153 CC73GCH1H471J CHIP C 470PF J C154 CC73GCH1H121J CHIP C 120PF J C155 CC73GCH1H120J CHIP C 12PF J C156 CC73GCH1H471J CHIP C 470PF J C157 CC73GCH1H820J CHIP C 82PF J C158 CK73GB1H103K CHIP C 0.010UF K C159 ✽ CD04BJ1C100M ELECTRO 10UF 16WV C160 CC73GCH1H271J CHIP C 270PF J C161 ✽ CD04BJ1C100M ELECTRO 10UF 16WV C162 CK73GB1H122K CHIP C 1200PF K C163 CK73GB1H102K CHIP C 1000PF K C164 CK73GB1H222K CHIP C 2200PF K C165 CC73GCH1H060D CHIP C 6.0PF D C166 CK73GB1E223K CHIP C 0.022UF K C166 CK73GB1H223K CHIP C 0.022UF K C167 CK73GB1H122K CHIP C 1200PF K C168,169 CC73GCH1H120J CHIP C 12PF J C201,202 ✽ CD04BJ1E4R7M ELECTRO 4.7UF 25WV C203,204 CC73GCH1H101J CHIP C 100PF J C207,208 CK73GB1H102K CHIP C 1000PF K C209,210 ✽ C90-5700-05 ELECTRO 4.7UF 16WV C211,212 ✽ CD04BJ1E4R7M ELECTRO 4.7UF 25WV C216,217 CC73GCH1H101J CHIP C 100PF J C218 CK73GB1H102K CHIP C 1000PF K C226-239 CC73GCH1H100D CHIP C 10PF D C257 CK73GB1A224K CHIP C 0.22UF K C267-270 CC73GCH1H101J CHIP C 100PF J C271 C94-0179-05 ELECTRO 0.22UF 50WV C273,274 CK73GB1C104K CHIP C 0.10UF K C273,274 CK73GB1H104K CHIP C 0.10UF K C275 ✽ CD04BJ1C100M ELECTRO 10UF 16WV C276 CK73GB1C104K CHIP C 0.10UF K C276 CK73GB1H104K CHIP C 0.10UF K C306,307 ✽ C90-5700-05 ELECTRO 4.7UF 16WV C310,311 ✽ CF92JV1H154J MPF-C 0.15UF 50WV C322 CD04AY1A101M ELECTRO 100UF 10WV C323 CC73GCH1H101J CHIP C 100PF J C351,352 ✽ CD04BJ1C100M ELECTRO 10UF 16WV GX806EF2 SYNTHESIZER UNIT (X14-9382-70) www. xiaoyu163. com QQ 376315150 9 9 2 8 9 4 2 9 8 TEL 13942296513 9 9 2 8 9 4 2 9 8 0 5 1 5 1 3 6 7 3 Q Q TEL 13942296513 QQ 376315150 892498299 TEL 13942296513 QQ 376315150 892498299 21 Indicates safety critical components. Ref. No. A d d N e w Parts No. Description Desti- nation Ref. No. A d d N e w Parts No. Description Desti- nation E : Europe PARTS LIST C353 ✽ CD04BJ1C221M ELECTRO 220UF 16WV C354,355 CK73GB1H102K CHIP C 1000PF K C356 ✽ CD04BJ1C101M ELECTRO 100UF 16WV C357 ✽ C90-6705-05 ELECTRO 100UF 25WV C381 CK73GB1C104K CHIP C 0.10UF K C381 CK73GB1H104K CHIP C 0.10UF K C382 CD04AY1C101M ELECTRO 100UF 16WV C401 CK73FB1C105K CHIP C 1.0UF K C402-405 CC73GCH1H221J CHIP C 220PF J C406 CK73FB1C105K CHIP C 1.0UF K C410-413 CC73GCH1H221J CHIP C 220PF J C414 ✽ C90-5700-05 ELECTRO 4.7UF 16WV C452,453 CD04AY1A101M ELECTRO 100UF 10WV C454 CC73GCH1H221J CHIP C 220PF J C456 CC73GCH1H221J CHIP C 220PF J C461-468 CK73GB1H392K CHIP C 3900PF K C469 CD04AY1C470M ELECTRO 47UF 16WV C470 CK73FB1C105K CHIP C 1.0UF K C501 ✽ CD04BJ1C100M ELECTRO 10UF 16WV C504 CK73GB1C104K CHIP C 0.10UF K C504 CK73GB1H104K CHIP C 0.10UF K C506,507 CC73GCH1H821J CHIP C 820PF J C508,509 ✽ CD04AY1HR47M ELECTRO 0.47UF 50WV C510 CK73GB1H102K CHIP C 1000PF K C514,515 CK73GB1H102K CHIP C 1000PF K C516,517 CD04AY1C100M ELECTRO 10UF 16WV C522 CK73GB1A474K CHIP C 0.47UF K C524 CK73GB1H682K CHIP C 6800PF K C601 C90-2962-05 ELECTRO 100UF 16WV C602 CK73GB1C104K CHIP C 0.10UF K C602 CK73GB1H104K CHIP C 0.10UF K C603 CC73GCH1H560J CHIP C 56PF J C604 CK73GB1H103K CHIP C 0.010UF K C605 CK73GB1C104K CHIP C 0.10UF K C605 CK73GB1H104K CHIP C 0.10UF K C606 ✽ CD04BJ1H3R3M ELECTRO 3.3UF 50WV C607 CK73GB1H103K CHIP C 0.010UF K C608 CK73GB1C104K CHIP C 0.10UF K C608 CK73GB1H104K CHIP C 0.10UF K C609,610 ✽ CD04AY1H470M ELECTRO 47UF 50WV C612 CC73GCH1H560J CHIP C 56PF J C671 CK73FB1C105K CHIP C 1.0UF K C672 CD04AY1A101M ELECTRO 100UF 10WV C673 C94-0201-05 ELECTRO 0.047F 5.5WV C691 CK73GB1C104K CHIP C 0.10UF K C691 CK73GB1H104K CHIP C 0.10UF K C701 ✽ C94-0227-05 ELECTRO 100UF 25WV C704,705 CK73GB1H103K CHIP C 0.010UF K C752 ✽ CD04BJ1H010M ELECTRO 1UF 50WV C771 CK73GB1H122K CHIP C 1200PF K C772 CK73GB1H102K CHIP C 1000PF K C773 CK73GB1C104K CHIP C 0.10UF K C773 CK73GB1H104K CHIP C 0.10UF K C774 CK73GB1H122K CHIP C 1200PF K C801 CK73GB1C104K CHIP C 0.10UF K C801 CK73GB1H104K CHIP C 0.10UF K C802 CC73GCH1H100D CHIP C 10PF D C804 CC73GCH1H100D CHIP C 10PF D C805 ✽ CD04AY1H010M ELECTRO 1UF 50WV C806 CK73GB1C104K CHIP C 0.10UF K C806 CK73GB1H104K CHIP C 0.10UF K C807 ✽ CD04BJ1E4R7M ELECTRO 4.7UF 25WV C808-811 CK73GB1C104K CHIP C 0.10UF K C808-811 CK73GB1H104K CHIP C 0.10UF K C812 CK73GB1H102K CHIP C 1000PF K C813 CK73GB1C104K CHIP C 0.10UF K C813 CK73GB1H104K CHIP C 0.10UF K C901 C91-0769-05 CERAMIC 0.010UF K C902 CC73GCH1H221J CHIP C 220PF J C903 CK73GB1H103K CHIP C 0.010UF K C905 CK73GB1H102K CHIP C 1000PF K C907 CK73GB1H102K CHIP C 1000PF K C908 CK73GB1H152K CHIP C 1500PF K C909 C90-2962-05 ELECTRO 100UF 16WV CN5 ✽ E41-2117-05 PIN ASSY CN6 ✽ E41-2119-05 FLAT CABLE CONNECTOR J2 E58-0930-05 RECTANGULAR RECEPTACLE J3 ✽ E58-0986-05 RECTANGULAR RECEPTACLE J4 ✽ E04-0327-05 RF COAXIAL CABLE RECEPTACLE J5 ✽ E58-0985-05 RECTANGULAR RECEPTACLE P1 E23-0745-05 TERMINAL W901 E30-4810-05 CORD WITH CONNECTOR WH1 ✽ E39-0651-05 WIRING HARNESS F601 ✽ F53-0281-05 FUSE F701 F53-0276-05 FUSE 249 2B ✽ J19-7008-05 LEAD HOLDER L101 L40-4792-78 SMALL FIXED INDUCTOR (4.7UH) L102 L33-1815-05 LINE FILTER COIL L103,104 L40-4792-78 SMALL FIXED INDUCTOR (4.7UH) L108 L33-1123-05 LINE FILTER COIL L152 L33-1001-05 SMALL FIXED INDUCTOR L251 L40-4792-78 SMALL FIXED INDUCTOR (4.7UH) L601 ✽ L33-2203-05 CHOKE COIL L602 L33-1029-05 SMALL FIXED INDUCTOR L701 ✽ L33-1980-05 CHOKE COIL X1 L77-2002-05 CRYSTAL RESONATOR X2 L77-2830-05 CRYSTAL RESONATOR(12.582MHZ) H 3B N89-3008-48 BINDING HEAD TAPTITE SCREW J 3B ✽ N09-6219-05 TAPPING SCREW (2.5X5) (J5) CP403,404 R90-0737-05 MULTI-COMP 100K X2 CP801 R90-0725-05 MULTI-COMP 1K X2 R102 RK73GB2A472J CHIP R 4.7K J 1/10W R103,104 RK73GB2A223J CHIP R 22K J 1/10W R105 RK73GB2A472J CHIP R 4.7K J 1/10W R106 RK73GB2A272J CHIP R 2.7K J 1/10W R107 RK73GB2A2R2J CHIP R 2.2 J 1/10W R108 RK73GB2A473J CHIP R 47K J 1/10W SYNTHESIZER UNIT (X14-9382-70) www. xiaoyu163. com QQ 376315150 9 9 2 8 9 4 2 9 8 TEL 13942296513 9 9 2 8 9 4 2 9 8 0 5 1 5 1 3 6 7 3 Q Q TEL 13942296513 QQ 376315150 892498299 TEL 13942296513 QQ 376315150 892498299 22 Indicates safety critical components. Ref. No. A d d N e w Parts No. Description Desti- nation Ref. No. A d d N e w Parts No. Description Desti- nation E : Europe PARTS LIST R109 RK73GB2A102J CHIP R 1.0K J 1/10W R110,111 RK73GB2A472J CHIP R 4.7K J 1/10W R112 RK73GB2A223J CHIP R 22K J 1/10W R113 RK73GB2A184J CHIP R 180K J 1/10W R114 RK73GB2A104J CHIP R 100K J 1/10W R115 RK73GB2A103J CHIP R 10K J 1/10W R117 RK73GB2A123J CHIP R 12K J 1/10W R118 RK73GB2A101J CHIP R 100 J 1/10W R119 RK73GB2A392J CHIP R 3.9K J 1/10W R151 RK73GB2A220J CHIP R 22 J 1/10W R153 RK73GB2A103J CHIP R 10K J 1/10W R154 RK73GB2A563J CHIP R 56K J 1/10W R155-157 RK73GB2A103J CHIP R 10K J 1/10W R158 RK73GB2A272J CHIP R 2.7K J 1/10W R159 RK73GB2A103J CHIP R 10K J 1/10W R160 RK73GB2A153J CHIP R 15K J 1/10W R161 RK73GB2A103J CHIP R 10K J 1/10W R162 RK73GB2A562J CHIP R 5.6K J 1/10W R163 RK73GB2A104J CHIP R 100K J 1/10W R164 RK73GB2A103J CHIP R 10K J 1/10W R165 RK73GB2A823J CHIP R 82K J 1/10W R166 RK73GB2A562J CHIP R 5.6K J 1/10W R201-204 RN73GH1J153D CHIP R 15K D 1/16W R205,206 RK73GB2A102J CHIP R 1.0K J 1/10W R209,210 RK73GB2A151J CHIP R 150 J 1/10W R211-214 RN73GH1J153D CHIP R 15K D 1/16W R254,255 RK73GB2A102J CHIP R 1.0K J 1/10W R263 RK73GB2A472J CHIP R 4.7K J 1/10W R267 RK73GB2A103J CHIP R 10K J 1/10W R321 RK73GB2A133J CHIP R 13K J 1/10W R322 RK73GB2A432J CHIP R 4.3K J 1/10W R323 RK73GB2A100J CHIP R 10 J 1/10W R328,329 RK73EB2E4R7J CHIP R 4.7 J 1/4W R350 RK73GB2A682J CHIP R 6.8K J 1/10W R351 RK73GB2A102J CHIP R 1.0K J 1/10W R352 RK73GB2A472J CHIP R 4.7K J 1/10W R353 RK73GB2A682J CHIP R 6.8K J 1/10W R354 RK73GB2A472J CHIP R 4.7K J 1/10W R358 RK73GB2A100J CHIP R 10 J 1/10W R359 RK73GB2A391J CHIP R 390 J 1/10W R360 RK73GB2A102J CHIP R 1.0K J 1/10W R362 RK73EB2E221J CHIP R 220 J 1/4W R363 RK73GB2A222J CHIP R 2.2K J 1/10W R364 RK73GB2A332J CHIP R 3.3K J 1/10W R365 RK73GB2A223J CHIP R 22K J 1/10W R383 RK73GB2A182J CHIP R 1.8K J 1/10W R385 RD14DB2H4R7J SMALL-RD 4.7 J 1/2W R386 RK73GB2A102J CHIP R 1.0K J 1/10W R387 RD14DB2H4R7J SMALL-RD 4.7 J 1/2W R400-403 RK73GB2A103J CHIP R 10K J 1/10W R404 RK73GB2A102J CHIP R 1.0K J 1/10W R405-408 RK73GB2A471J CHIP R 470 J 1/10W R409 RK73GB2A103J CHIP R 10K J 1/10W R410 RK73GB2A471J CHIP R 470 J 1/10W R411 RK73GB2A432J CHIP R 4.3K J 1/10W R412-419 RK73GB2A104J CHIP R 100K J 1/10W R452 RK73GB2A471J CHIP R 470 J 1/10W R453 RK73GB2A333J CHIP R 33K J 1/10W R463 RK73GB2A104J CHIP R 100K J 1/10W R464 RK73GB2A223J CHIP R 22K J 1/10W R465 RK73GB2A153J CHIP R 15K J 1/10W R466,467 RK73GB2A334J CHIP R 330K J 1/10W R502,503 RK73GB2A473J CHIP R 47K J 1/10W R504,505 RK73EB2E101J CHIP R 100 J 1/4W R506 RK73GB2A620J CHIP R 62 J 1/10W R508 RK73GB2A102J CHIP R 1.0K J 1/10W R509-512 RK73EB2E102J CHIP R 1.0K J 1/4W R513,514 RK73EB2E101J CHIP R 100 J 1/4W R519 RK73EB2E200J CHIP R 20 J 1/4W R521 RK73EB2E101J CHIP R 100 J 1/4W R522 RK73EB2E200J CHIP R 20 J 1/4W R524 RK73GB2A472J CHIP R 4.7K J 1/10W R526 RK73GB2A472J CHIP R 4.7K J 1/10W R536-538 RK73GB2A472J CHIP R 4.7K J 1/10W R601 RK73EB2E221J CHIP R 220 J 1/4W R602 RK73GB2A472J CHIP R 4.7K J 1/10W R603,604 RS14KB3A180J FL-PROOF RS 18 J 1W R605 RK73GB2A222J CHIP R 2.2K J 1/10W R606 RK73GB2A153J CHIP R 15K J 1/10W R607 RK73GB2A221J CHIP R 220 J 1/10W R608 RK73GB2A333J CHIP R 33K J 1/10W R609 RK73GB2A223J CHIP R 22K J 1/10W R610 RK73GB2A622J CHIP R 6.2K J 1/10W R611 RK73GB2A392J CHIP R 3.9K J 1/10W R612 RK73GB2A472J CHIP R 4.7K J 1/10W R613 RK73GB2A391J CHIP R 390 J 1/10W R614 RK73FB2B153J CHIP R 15K J 1/8W R615 RK73GB2A273J CHIP R 27K J 1/10W R616 RK73GB2A222J CHIP R 2.2K J 1/10W R617 RK73FB2B153J CHIP R 15K J 1/8W R620 RK73GB2A102J CHIP R 1.0K J 1/10W R621,622 RK73EB2E4R7J CHIP R 4.7 J 1/4W R671 RK73GB2A123J CHIP R 12K J 1/10W R672 RK73EB2E3R3J CHIP R 3.3 J 1/4W R691 RK73EB2E221J CHIP R 220 J 1/4W R692,693 RK73EB2E4R7J CHIP R 4.7 J 1/4W R694 RK73GB2A101J CHIP R 100 J 1/10W R701 RK73EB2E472J CHIP R 4.7K J 1/4W R751 RK73EB2E222J CHIP R 2.2K J 1/4W R752 RK73GB2A100J CHIP R 10 J 1/10W R753 RK73EB2E222J CHIP R 2.2K J 1/4W R754 RK73EB2E1R0J CHIP R 1.0 J 1/4W R755 RK73EB2E103J CHIP R 10K J 1/4W R756 RK73GB2A104J CHIP R 100K J 1/10W R771 RK73GB2A223J CHIP R 22K J 1/10W R772 RK73GB2A103J CHIP R 10K J 1/10W R773 RK73GB2A133J CHIP R 13K J 1/10W R774 RK73GB2A222J CHIP R 2.2K J 1/10W R775 RD14DB2H332J SMALL-RD 3.3K J 1/2W R776 RK73GB2A223J CHIP R 22K J 1/10W SYNTHESIZER UNIT (X14-9382-70) www. xiaoyu163. com QQ 376315150 9 9 2 8 9 4 2 9 8 TEL 13942296513 9 9 2 8 9 4 2 9 8 0 5 1 5 1 3 6 7 3 Q Q TEL 13942296513 QQ 376315150 892498299 TEL 13942296513 QQ 376315150 892498299 23 Indicates safety critical components. Ref. No. A d d N e w Parts No. Description Desti- nation Ref. No. A d d N e w Parts No. Description Desti- nation E : Europe PARTS LIST R777 RK73GB2A103J CHIP R 10K J 1/10W R778 RK73GB2A133J CHIP R 13K J 1/10W R779 RK73GB2A101J CHIP R 100 J 1/10W R801,802 RK73GB2A473J CHIP R 47K J 1/10W R803,804 RK73GB2A104J CHIP R 100K J 1/10W R805-811 RK73GB2A102J CHIP R 1.0K J 1/10W R812 RK73GB2A472J CHIP R 4.7K J 1/10W R813,814 RK73GB2A102J CHIP R 1.0K J 1/10W R816 RK73GB2A102J CHIP R 1.0K J 1/10W R817 RK73GB2A104J CHIP R 100K J 1/10W R818,819 RK73GB2A102J CHIP R 1.0K J 1/10W R820 RK73GB2A472J CHIP R 4.7K J 1/10W R821 RK73GB2A222J CHIP R 2.2K J 1/10W R822 RK73GB2A102J CHIP R 1.0K J 1/10W R824 RK73GB2A222J CHIP R 2.2K J 1/10W R825 RK73GB2A301J CHIP R 300 J 1/10W R826,827 RK73GB2A102J CHIP R 1.0K J 1/10W R829 RK73GB2A103J CHIP R 10K J 1/10W R830,831 RK73GB2A102J CHIP R 1.0K J 1/10W R832 RK73GB2A104J CHIP R 100K J 1/10W R833-835 RK73GB2A102J CHIP R 1.0K J 1/10W R836 RK73GB2A103J CHIP R 10K J 1/10W R837 RK73GB2A102J CHIP R 1.0K J 1/10W R838 RK73GB2A104J CHIP R 100K J 1/10W R839 RK73GB2A471J CHIP R 470 J 1/10W R840,841 RK73GB2A102J CHIP R 1.0K J 1/10W R842 RK73GB2A104J CHIP R 100K J 1/10W R843 RK73GB2A102J CHIP R 1.0K J 1/10W R844 RK73GB2A222J CHIP R 2.2K J 1/10W R845,846 RK73GB2A101J CHIP R 100 J 1/10W R847 RK73GB2A102J CHIP R 1.0K J 1/10W R850 RK73GB2A472J CHIP R 4.7K J 1/10W R851 RK73GB2A102J CHIP R 1.0K J 1/10W R852 RK73GB2A104J CHIP R 100K J 1/10W R853,854 RK73GB2A102J CHIP R 1.0K J 1/10W R855 RK73GB2A101J CHIP R 100 J 1/10W R856 RK73GB2A222J CHIP R 2.2K J 1/10W R857 RK73GB2A101J CHIP R 100 J 1/10W R858 RK73GB2A222J CHIP R 2.2K J 1/10W R859 RK73GB2A472J CHIP R 4.7K J 1/10W R860 RK73GB2A101J CHIP R 100 J 1/10W R861 RK73GB2A103J CHIP R 10K J 1/10W R862 RK73GB2A222J CHIP R 2.2K J 1/10W R863 RK73GB2A102J CHIP R 1.0K J 1/10W R864 RK73GB2A222J CHIP R 2.2K J 1/10W R865 RK73GB2A101J CHIP R 100 J 1/10W R866 RK73GB2A332J CHIP R 3.3K J 1/10W R867,868 RK73GB2A473J CHIP R 47K J 1/10W R869,870 RK73GB2A222J CHIP R 2.2K J 1/10W R871 RK73GB2A332J CHIP R 3.3K J 1/10W R872 RK73GB2A102J CHIP R 1.0K J 1/10W R874 RK73GB2A104J CHIP R 100K J 1/10W R875 RK73GB2A101J CHIP R 100 J 1/10W R884 RK73GB2A154J CHIP R 150K J 1/10W R885 RK73GB2A472J CHIP R 4.7K J 1/10W R901 ✽ RK73EB2E820J CHIP R 82 J 1/4W R904 RK73EB2E752J CHIP R 7.5K J 1/4W R905 RK73GB2A473J CHIP R 47K J 1/10W R906 RK73GB2A104J CHIP R 100K J 1/10W R908 RK73GB2A392J CHIP R 3.9K J 1/10W R909 RK73GB2A104J CHIP R 100K J 1/10W R911-913 RK73GB2A103J CHIP R 10K J 1/10W R920 RS14KB3A180J FL-PROOF RS 18 J 1W R924 RK73EB2E221J CHIP R 220 J 1/4W R927,928 RD14DB2H512J SMALL-RD 5.1K J 1/2W R934,935 RK73GB2A104J CHIP R 100K J 1/10W R936 RK73GB2A223J CHIP R 22K J 1/10W R937 RK73GB2A104J CHIP R 100K J 1/10W R938 RK73GB2A333J CHIP R 33K J 1/10W R939 RK73GB2A473J CHIP R 47K J 1/10W R940 RK73GB2A392J CHIP R 3.9K J 1/10W R941 RK73EB2E471J CHIP R 470 J 1/4W R942 ✽ RK73GB2A6R8J CHIP R 6.8 J 1/10W R943 RK73GB2A5R6J CHIP R 5.6 J 1/10W D1 1SS133 DIODE D101 IMSA-6801 SURGE ABSORBER D321 HZS6A1L ZENER DIODE D351 HZS7A3L ZENER DIODE D352,353 MA111 DIODE D381 HZS9B2L ZENER DIODE D381 MA4091(N)-L ZENER DIODE D382 1SS133 DIODE D402 HZS6B1L ZENER DIODE D402 MA4056(N)-M ZENER DIODE D516 STZ6.8N ZENER DIODE D517 DAN202U DIODE D517 MA142WK DIODE D518 STZ6.8N ZENER DIODE D519,520 DAN202U DIODE D519,520 MA142WK DIODE D521 FTZ6.8E ZENER DIODE D521 HZM6.8FA ZENER DIODE D522,523 STZ6.8N ZENER DIODE D602 HZM5.6N(B2) ZENER DIODE D602 MA3056-M ZENER DIODE D604 1SS133 DIODE D605 HZS7A3L ZENER DIODE D606 HZM3.3N(B1) ZENER DIODE D607 1SS133 DIODE D637 DA204U DIODE D653 1SS133 DIODE D671 MA4051(N)-M ZENER DIODE D672 D1F60 DIODE D672 1SR154-400 DIODE D691 HZS11B2L ZENER DIODE D691 MA4110(N)-L ZENER DIODE D751 1SS133 DIODE D752 DAN202U DIODE D752 MA142WK DIODE SYNTHESIZER UNIT (X14-9382-70) www. xiaoyu163. com QQ 376315150 9 9 2 8 9 4 2 9 8 TEL 13942296513 9 9 2 8 9 4 2 9 8 0 5 1 5 1 3 6 7 3 Q Q TEL 13942296513 QQ 376315150 892498299 TEL 13942296513 QQ 376315150 892498299 24 Indicates safety critical components. Ref. No. A d d N e w Parts No. Description Desti- nation Ref. No. A d d N e w Parts No. Description Desti- nation E : Europe SWITCH UNIT (X34-3142-70) PARTS LIST D771 HZS7A2L ZENER DIODE D772 HZS7A3L ZENER DIODE D773 MA3100-M ZENER DIODE D901 STZ6.8N ZENER DIODE D902 D3F60 DIODE D904 1SS133 DIODE D915 DAP202U DIODE D915 MA142WA DIODE D916 HZS12B1L ZENER DIODE IC6 NJM4565V ANALOGUE IC IC10 NJM4565M-TE2 ANALOGUE IC IC11 HA12181FP ANALOGUE IC IC23 NJM4565V ANALOGUE IC IC101 TDA7479D ANALOGUE IC IC203 ✽ TDA7406 ANALOGUE IC IC204 NJM4565V ANALOGUE IC IC401 TDA7384A ANALOGUE IC IC451 ✽ TA8254BH ANALOGUE IC IC502 HA12187FP ANALOGUE IC IC771 TC7W02FU MOS-IC IC801 ✽ 703037HYGFM01 MICROCONTROLLER IC IC802 S-80842CNNB MOS-IC IC803 BR24C02F-W ROM IC Q101,102 ✽ UMF5N TRANSISTOR Q105 DTC144EUA DIGITAL TRANSISTOR Q105 UN5213 DIGITAL TRANSISTOR Q107 2SC4081 TRANSISTOR Q152 DTC114TUA DIGITAL TRANSISTOR Q152 UN5215 DIGITAL TRANSISTOR Q153 2SC4081 TRANSISTOR Q251 DTC124EUA DIGITAL TRANSISTOR Q251 UN5212 DIGITAL TRANSISTOR Q254 DTC124EUA DIGITAL TRANSISTOR Q254 UN5212 DIGITAL TRANSISTOR Q352 DTC114YUA DIGITAL TRANSISTOR Q354 2SC4081 TRANSISTOR Q355 2SK246(BL)-F FET Q356 2SB1202 TRANSISTOR Q358 DTC124EUA DIGITAL TRANSISTOR Q358 UN5212 DIGITAL TRANSISTOR Q359 DTA124EUA DIGITAL TRANSISTOR Q359 UN5112 DIGITAL TRANSISTOR Q360,361 2SC4081 TRANSISTOR Q383 UMC2N TRANSISTOR Q384 2SB1202 TRANSISTOR Q385 2SC4081 TRANSISTOR Q403,404 2SA1576A TRANSISTOR Q405 2SC4081 TRANSISTOR Q501,502 DTA124EUA DIGITAL TRANSISTOR Q501,502 UN5112 DIGITAL TRANSISTOR Q503 DTC144EUA DIGITAL TRANSISTOR Q503 UN5213 DIGITAL TRANSISTOR Q505 DTC144EUA DIGITAL TRANSISTOR Q505 UN5213 DIGITAL TRANSISTOR Q601 2SC3392 TRANSISTOR Q603 ✽ CPH5703 TRANSISTOR Q604 2SA1530A TRANSISTOR Q605 2SB1202 TRANSISTOR Q606 2SC4081 TRANSISTOR Q607 2SB1443 TRANSISTOR Q608 UMC2N TRANSISTOR Q609 2SB1443 TRANSISTOR Q610 DTA124EUA DIGITAL TRANSISTOR Q610 UN5112 DIGITAL TRANSISTOR Q612 2SC4081 TRANSISTOR Q653 2SB1548(P) TRANSISTOR Q654 2SC4081 TRANSISTOR Q691 UMC2N TRANSISTOR Q694 2SD1803 TRANSISTOR Q751 DTA124EUA DIGITAL TRANSISTOR Q751 UN5112 DIGITAL TRANSISTOR Q752 2SB1443 TRANSISTOR Q753 2SC4081 TRANSISTOR Q754 DTC124EUA DIGITAL TRANSISTOR Q754 UN5212 DIGITAL TRANSISTOR Q771,772 2SC4081 TRANSISTOR Q773 DTC144EUA DIGITAL TRANSISTOR Q773 UN5213 DIGITAL TRANSISTOR Q801 2SA1576A TRANSISTOR Q802 UMC2N TRANSISTOR Q803 DTC144EUA DIGITAL TRANSISTOR Q803 UN5213 DIGITAL TRANSISTOR Q804 DTC114EUA DIGITAL TRANSISTOR Q804 UN5211 DIGITAL TRANSISTOR Q805 DTA114EUA DIGITAL TRANSISTOR Q805 UN5111 DIGITAL TRANSISTOR Q807 DTC114EUA DIGITAL TRANSISTOR Q807 UN5211 DIGITAL TRANSISTOR A1 W02-3349-05 FM/AM FRONT-END PL1 -4 B30-1643-05 LAMP (5.5V 0.125A G) C1 CK73GB1A224K CHIP C 0.22UF K C3 ,4 CK73GB1A224K CHIP C 0.22UF K C8 CK73GB1A224K CHIP C 0.22UF K C9 ,10 CK73GB1C104K CHIP C 0.10UF K C9 ,10 CK73GB1H104K CHIP C 0.10UF K C11 CK73GB1A224K CHIP C 0.22UF K CN1 ✽ E41-2118-05 SOCKET FOR PIN ASSY 255 ✽ H30-0584-04 ADHESIVE DOUBLE-COATED TAPE 256 2A ✽ J19-5278-03 HOLDER X1 ✽ L78-0897-05 RESONATOR (4MHZ) R1 RK73EB2E821J CHIP R 820 J 1/4W R2 RK73GB2A331J CHIP R 330 J 1/10W R3 RK73GB2A821J CHIP R 820 J 1/10W R4 RK73EB2E331J CHIP R 330 J 1/4W SYNTHESIZER UNIT (X14-9382-70) www. xiaoyu163. com QQ 376315150 9 9 2 8 9 4 2 9 8 TEL 13942296513 9 9 2 8 9 4 2 9 8 0 5 1 5 1 3 6 7 3 Q Q TEL 13942296513 QQ 376315150 892498299 TEL 13942296513 QQ 376315150 892498299 25 Indicates safety critical components. Ref. No. A d d N e w Parts No. Description Desti- nation Ref. No. A d d N e w Parts No. Description Desti- nation E : Europe PARTS LIST R5 ✽ RK73EB2E161J CHIP R 160 J 1/4W R6 RK73GB2A161J CHIP R 160 J 1/10W R7 RK73EB2E111J CHIP R 110 J 1/4W R8 RK73GB2A111J CHIP R 110 J 1/10W R9 RK73GB2A680J CHIP R 68 J 1/10W R10 RK73EB2E220J CHIP R 22 J 1/4W R11 RK73GB2A223J CHIP R 22K J 1/10W R13 RK73EB2E103J CHIP R 10K J 1/4W R14 RK73EB2E104J CHIP R 100K J 1/4W R15 RK73GB2A301J CHIP R 300 J 1/10W R16 RK73EB2E104J CHIP R 100K J 1/4W R17 RK73GB2A301J CHIP R 300 J 1/10W R18 RK73GB2A104J CHIP R 100K J 1/10W R19 RK73GB2A301J CHIP R 300 J 1/10W R20 RK73GB2A104J CHIP R 100K J 1/10W R21 RK73EB2E103J CHIP R 10K J 1/4W R22 RK73GB2A104J CHIP R 100K J 1/10W R23 RK73EB2E104J CHIP R 100K J 1/4W R24 -26 RK73GB2A103J CHIP R 10K J 1/10W R27 RK73GB2A101J CHIP R 100 J 1/10W R28 RK73EB2E680J CHIP R 68 J 1/4W R29 ,30 RK73EB2E102J CHIP R 1.0K J 1/4W R31 RK73EB2E222J CHIP R 2.2K J 1/4W R32 RK73GB2A222J CHIP R 2.2K J 1/10W R33 ,34 RK73GB2A102J CHIP R 1.0K J 1/10W R35 RK73GB2A103J CHIP R 10K J 1/10W R36 ,37 RK73GB2A102J CHIP R 1.0K J 1/10W R38 -40 RK73EB2E102J CHIP R 1.0K J 1/4W R41 RK73GB2A101J CHIP R 100 J 1/10W R42 RK73EB2E101J CHIP R 100 J 1/4W R43 RK73GB2A102J CHIP R 1.0K J 1/10W R44 RK73EB2E101J CHIP R 100 J 1/4W R45 RK73GB2A102J CHIP R 1.0K J 1/10W R46 RK73EB2E103J CHIP R 10K J 1/4W R47 RK73GB2A222J CHIP R 2.2K J 1/10W R48 RK73EB2E222J CHIP R 2.2K J 1/4W R49 RK73EB2E102J CHIP R 1.0K J 1/4W R50 ,51 RK73GB2A102J CHIP R 1.0K J 1/10W R52 ,53 RK73GB2A103J CHIP R 10K J 1/10W R54 RK73GB2A680J CHIP R 68 J 1/10W R55 RK73GB2A331J CHIP R 330 J 1/10W R56 ✽ RK73EB2E161J CHIP R 160 J 1/4W R57 RK73EB2E111J CHIP R 110 J 1/4W R58 ,59 RK73GB2A103J CHIP R 10K J 1/10W R60 RK73GB2A102J CHIP R 1.0K J 1/10W R61 RK73GB2A101J CHIP R 100 J 1/10W R62 R92-0699-05 CHIP R 10 J 1/2W R63 R92-2559-05 CHIP R 12 J 1/2W R64 R92-0699-05 CHIP R 10 J 1/2W R65 R92-2559-05 CHIP R 12 J 1/2W R66 R92-0699-05 CHIP R 10 J 1/2W R67 R92-2559-05 CHIP R 12 J 1/2W W1 R92-1252-05 CHIP R 0 OHM J 1/16W W2 R92-2053-05 CHIP R 0 OHM J 1/8W W101-106 R92-2053-05 CHIP R 0 OHM J 1/8W W108 R92-2053-05 CHIP R 0 OHM J 1/8W W109 R92-1252-05 CHIP R 0 OHM J 1/16W W110-115 R92-2053-05 CHIP R 0 OHM J 1/8W W116-119 R92-1217-05 CHIP R 0 OHM W120 R92-2053-05 CHIP R 0 OHM J 1/8W S1 -18 S70-0883-05 TACT SWITCH S19 T99-0435-05 ROTARY ENCODER D1 ✽ HZM2.4N(B) ZENER DIODE D6 DAN202U DIODE ED1 6-MT-378GINK FLUORESCENT INDICATOR TUBE IC1 ✽ MB90561A-364 MICROCONTROLLER IC IC2 BR24C02F-W ROM IC Q1 UMC2N TRANSISTOR Q2 2SB1188 TRANSISTOR SWITCH UNIT (X34-3142-70) www. xiaoyu163. com QQ 376315150 9 9 2 8 9 4 2 9 8 TEL 13942296513 9 9 2 8 9 4 2 9 8 0 5 1 5 1 3 6 7 3 Q Q TEL 13942296513 QQ 376315150 892498299 TEL 13942296513 QQ 376315150 892498299 KENWOOD CORPORATION 2967-3, Ishikawa-machi, Hachioji-shi, Tokyo, 192-8525 Japan KENWOOD USA CORPORATION P.O. Box 22745, 2201 East Dominguez Street, Long Beach, CA 90801-5745, U.S.A. KENWOOD ELECTRONICS CANADA INC. 6070 Kestrel Road, Mississauga, Ontario, Canada L5T 1S8 KENWOOD ELECTRONICS LATIN AMERICA S.A. P.O. Box 55-2791 Paitilla, Plaza Credicorp Bank Panama, Piso 9, Oficina 901, Calle 50, Panama, Rep. de Panama KENWOOD ELECTRONICS BRASIL LTDA. Alameda Ministro Rocha Azevedo No. 456, Edificio Jaú, 10o Andar, Cerqueira César, Cep 0140-001, São Paulo-SP-Brasil KENWOOD ELECTRONICS UK LIMITED Kenwood House, Dwight Road, Watford, Herts, WD18 9EB, United Kingdom KENWOOD ELECTRONICS DEUTSCHLAND GMBH Rembrücker-Str. 15, 63150 Heusenstamm, Germany KENWOOD ELECTRONICS FRANCE S.A. 13, Boulevard Ney, 75018 Paris, France KENWOOD ELECTRONICS BELGIUM N.V. Leuvensesteenweg 248 J, 1800 Vilvoorde, Belgium KENWOOD ELECTRONICS ITALIA S.p.A. Via G. Sirtori 7/9, 20129 Milano, Italy KENWOOD IBÉRICA S.A. Bolivia, 239-08020 Barcelona, Spain KENWOOD ELECTRONICS AUSTRALIA PTY. LTD. (A.C.N. 001 499 074) 16 Giffnock Avenue, Centrecourt Estate, North Ryde, N.S.W. 2113, Australia KENWOOD ELECTRONICS (HONG KONG) LTD. Unit 3712-3724, Level 37, Tower 1, Metroplaza, 223 Hing Fong Road, Kwai Fong, N.T., Hong Kong KENWOOD ELECTRONICS GULF FZE P.O. Box 61318, Jebel Ali, Dubai, U.A.E. KENWOOD ELECTRONICS (THAILAND) CO., LTD. 956 Udom Vidhya Building (Olympia) Rama IV Road, Silom, Bangrak, Bangkok 10500 Thailand KENWOOD ELECTRONICS SINGAPORE PTE. LTD. 1 Genting Lane, #07-00, Kenwood Building, Singapore, 349544 KENWOOD ELECTRONICS (MALAYSIA) SDN BHD #4.01 Level 4, Wisma Academy Lot 4A, Jalan 19/1, 46300 Petaling Jaya, Selangor Darul Ehsan, Malaysia SPECIFICATIONS FM Frequency Range ......................................... 87.5~108.0MHz Frequency Step ........................................................... 50kHz Usable Sensitivity (S/N 26dB) ........................... -2dBµV EMF Signal to Noise Ratio (MONO) ...................................... 65dB Selectivity (±300kHz) ....................................... 90dBµV EMF Stereo Separation (1kHz).............................................. 30dB MW, LW Frequency Range MW .............................................................. 531~1611kHz LW ................................................................. 153~281kHz Frequency Step MW ............................................................................ 9kHz LW ............................................................................. 1kHz Usable Sensitivity (S/N 20dB) MW ............................................................... 35dBµV EMF LW ................................................................ 40dBµV EMF CD Digital Filter ...................................... 8 Times Over Sampling D/A Converter ................................................................ 1 Bit Total Harmonic Distortion ...................... 0.5% (1kHz, 20kHz) Signal to Noise Ratio......................................... 60dB (1kHz) Channel Separation .......................................... 50dB (1kHz) Audio Maximum Output Power ................................... 20W x 4 (4Ω) Tone Action Bass : 100Hz ............................................................. ±8dB Mid : 400Hz ............................................................... ±8dB Treble : 6.3kHz ........................................................... ±8dB General Operating voltage ................................... 13.2V (10.8~15.6V) Current Consumption ...................................................... 17A KENWOOD follows a policy of continuous advancements in development. For this reason specifications may be changed without notice. www. xiaoyu163. com QQ 376315150 9 9 2 8 9 4 2 9 8 TEL 13942296513 9 9 2 8 9 4 2 9 8 0 5 1 5 1 3 6 7 3 Q Q TEL 13942296513 QQ 376315150 892498299 TEL 13942296513 QQ 376315150 892498299

标签:

版权声明

1. 本站所有素材,仅限学习交流,仅展示部分内容,如需查看完整内容,请下载原文件。
2. 会员在本站下载的所有素材,只拥有使用权,著作权归原作者所有。
3. 所有素材,未经合法授权,请勿用于商业用途,会员不得以任何形式发布、传播、复制、转售该素材,否则一律封号处理。
4. 如果素材损害你的权益请联系客服QQ:77594475 处理。