建伍KENWOOD DVF-R7030-B CDDVDVCD播放机电路图

分类:电子电工 日期: 点击:0
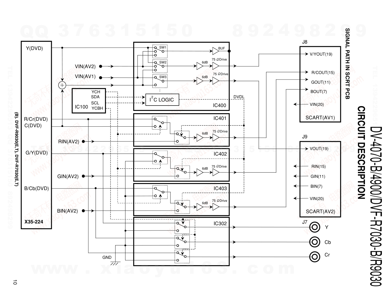
建伍KENWOOD DVF-R7030-B CDDVDVCD播放机电路图-0 建伍KENWOOD DVF-R7030-B CDDVDVCD播放机电路图-1 建伍KENWOOD DVF-R7030-B CDDVDVCD播放机电路图-2 建伍KENWOOD DVF-R7030-B CDDVDVCD播放机电路图-3 建伍KENWOOD DVF-R7030-B CDDVDVCD播放机电路图-4 建伍KENWOOD DVF-R7030-B CDDVDVCD播放机电路图-5 建伍KENWOOD DVF-R7030-B CDDVDVCD播放机电路图-6 建伍KENWOOD DVF-R7030-B CDDVDVCD播放机电路图-7 建伍KENWOOD DVF-R7030-B CDDVDVCD播放机电路图-8 建伍KENWOOD DVF-R7030-B CDDVDVCD播放机电路图-9

In compliance with Federal Regulations, following are repro- duction of labels on, or inside the porduct relating to laser prod- uct safety. KENWOOD-Crop. certifies this equipment conforms to DHHS Regulations No.21 CFR 1040. 10, Chapter 1, subchapter J. DANGER : Laser radiation when open and interlock defeated. AVOID DIRECT EXPOSURE TO BEAM. Caution : No connection of ground line if disassemble the unit. Please connect the ground line on rear panel, PCBs, Chassis and some others. DVD VCD CD PLAYER © 2000-9/B51-5665-00 (K/K) 3473 STANDBY POWER DISC SKIP PHONES LEVEL PHONES MIN MAX - ON – OFF DISC 1 PURE AUDIO MODE DISC 2 DISC 3 DISC 4 DISC 5 OPEN/CLOSE 0 3 8 7 ¢ 4 SAMPLING 96kfs 192kfs VIRTUAL SURROUND 0 0 0 0 0 0 0 0 0 0 0 0 0 0 0 0 ANGLE RAMDOM PGM P.B.C. P.PCM MPEG DOLBY DTS REPEAT TEXT INDEX INDEX SEQ.1 SEQ.2 D.MIX TOTAL VIDEO AUDIO DIGITAL DVD CD VCD 1 2 3 4 5 2 AA B 3 DVD COAXIAL OPTICAL DIGITAL OUTPUT (PCM/BIT STREAM) SUB WOOFER FRONT SURROUND 6CH. OUTPUT COMPONENT VIDEO OUTPUT Y Cb Cr 1 2 MIX LINE OUTPUT VIDEO OUTPUT L R CENTER S1 VIDEO OUTPUT S1/S2 VIDEO OUTPUT Knob (K29-7805-13) Phone jack (E11-0190-05) Indicator (B12-0399-14) Metallic cabinet (A01-3759-01) Pin jack (E63-1158-05) Pin jack (E63-1128-05) Oscillating module (W02-2732-05) Front glass (B10-3608-02) Panel (A60-1846-12) Pin jack (E63-1156-05) AC power cord bushing (J42-0083-05) AC power cord (E30-2909-05) Pin jack (E63-1171-05) Cylindrical receptacle (E56-0031-05)x2 Knob (K29-7806-13) Knob (K29-7194-04) DV-4070-B/4900 SERVICE MANUAL DVF-R7030-B/R9030 Knob (K27-2408-14) Knob (K29-7803-04) 70% Illust. is DV-4900. www. xiaoyu163. com QQ 376315150 9 9 2 8 9 4 2 9 8 TEL 13942296513 9 9 2 8 9 4 2 9 8 0 5 1 5 1 3 6 7 3 Q Q TEL 13942296513 QQ 376315150 892498299 TEL 13942296513 QQ 376315150 892498299 M u l t i p l e DV D V C D C D Instructoin manual/ separate User's Guide (1) Joystick remote control unit (1) (A70-1412-05) Battery cover(A09-1124-08) Batteries (R6/AA)(2) Video cable(1) (E30-1427-05) AC plug adapter (1) (E03-0115-05) Use to adapt the plug on the power cord to the shape of the wall outlet. (Accessory only for regions where use is necessary.) S Video cable(1) (E30-2956-05) Audio cables(3) (E30-0505-05) Optical fiber cable(1) (B19-1529-05) DV-4070-B/4900/DVF-R7030-B/R9030 2 CONTENTS / ACCESSORIES CONTENTS / ACCESSORIES .................................. 2 DISASSEMBLY FOR REPAIR....................................3 CIRCUIT DESCRIPTION............................................5 ADJUSTMENT..........................................................17 PARTS DESCRIPTIONS ..........................................18 PC BOARD ...............................................................19 SCHEMATIC DIAGRAM .......................................... 23 EXPLODED VIEW ....................................................41 PARTS LIST..............................................................43 SPECIFICATIONS ....................................................54 Contents Accessories Malfunction of Microcomputer In case the microcomputer malfunctions, making operations impossible or showing wrong messages on the display even if you connected everything properly. When the microcom- puter malfunctions, perform the following procedure to reset the microcomputer and return it to the normal condition. 1. While holding on the player main unit, press . 2. The display on the main unit shows blinking "INIT" (ini- tializing), then shows "INIT OK!" (Initialization OK) to indicate that the microcomputer is reset. 3. Press on the main unit to turn it off, then press it again to turn it on. ¶ The resetting clears the setups stored in the microcom- puter and returns it to the factory-set initial condition. After resetting, you should perform the various setups of the player again from the beginning. POWER - ON – OFF POWER - ON – OFF 7 Transport or moving precautions When transporting or moving the player, first remove the disc and observe the following procedure. 1. Turn the player power on. 2. Wait for a few seconds, until the display shows "NO DISC". 3. Turn the player power off by pressing . POWER - ON – OFF Note: Please contact our KENWOOD Service Department in your side if you want the information; Main Microprocessor(MN10102LP25G),Sub Microprocessor(MN101C28C) ports explanation, D.R. I.V.E. ¿ and SCART Circuit Description and full(previous) format Parts list on this model. You can be available them by internet from us. www. xiaoyu163. com QQ 376315150 9 9 2 8 9 4 2 9 8 TEL 13942296513 9 9 2 8 9 4 2 9 8 0 5 1 5 1 3 6 7 3 Q Q TEL 13942296513 QQ 376315150 892498299 TEL 13942296513 QQ 376315150 892498299 DV-4070-B/4900/DVF-R7030-B/R9030 3 DISASSEMBLY FOR REPAIR 1 5 2 3 6 4 5 HOOK ( x2) HOOK x2 Guide 6 3 4 HOOK GUIDE ARM DRIVE GEAR HOOK LOADING GEAR (A) (Free) PROTRUSION OF TRAY 2 1 5 REAR 1. How to Remove Tray 1. Remove the front panel and flexible cable. Disassemble the X25 and power supply pcb with sub chassis if it is a difficult. 2. Push and hold the lever( )to clockwise and pull barely out the tray to frontwards( ) where the hook of tray( ) meets with guide( ). 3. Push hooks( ), both sides, inwards and release them from guides( ). 4. Pull hooks of tray( ) outwards and remove the tray upwards( ). 2. How to Assemble Tray 1. Adjust the position of drive gear as figure( ). Check traverse unit is at the lowest position. 2. Load the tray on the loading mechanism. Check the position where the loading gear(A) is free( ) 3. Meet the hooks with guides and push hooks to load the tray( ). 4. Set the right side hook to loading mechanism( ). 5. Set the left side hook to loading mechanism with pulling it outwards( ). 6. Push the tray backwards( ). www. xiaoyu163. com QQ 376315150 9 9 2 8 9 4 2 9 8 TEL 13942296513 9 9 2 8 9 4 2 9 8 0 5 1 5 1 3 6 7 3 Q Q TEL 13942296513 QQ 376315150 892498299 TEL 13942296513 QQ 376315150 892498299 DV-4070-B/4900/DVF-R7030-B/R9030 4 DISASSEMBLY FOR REPAIR 5. How to Disassemble Traverse Unit 1. Move the traverse to upward by turning motor pulley ( ~ ). 2. Make the gap between the tray guide and guider(L) with driver( ) 3. Remove the screws( , ). 2 4 2 1 3 Tray guide Guider (L) Protruding part 5 5 5 6 6 6 X13-7770-10 CN1 CN2 Clamper weight Spacer Magnet Clamper 3. How to Remove Clamper Ass'y 1. Remove screws. 4. How to Disassemble Clamper Ass'y 6. Tangential and Tilt Adjustment 1. Turn the power on with pressing the DISC 1 key. (Display shows "INSPECTION"; test mode.) 2. Press the DISC1 key in playback mode again. Display shows "Jitter *** %" 3. Turn off if cancel test mode. REAR Tilt adjustment screw 2 Tilt adjustment screw 1 Tangential adjustment screw www. xiaoyu163. com QQ 376315150 9 9 2 8 9 4 2 9 8 TEL 13942296513 9 9 2 8 9 4 2 9 8 0 5 1 5 1 3 6 7 3 Q Q TEL 13942296513 QQ 376315150 892498299 TEL 13942296513 QQ 376315150 892498299 DV-4070-B/4900/DVF-R7030-B/R9030 5 CIRCUIT DESCRIPTION Port No. Port Name I/O Description 1 WAIT O Optical Device Control(ODR) wait 2 NRD O Read(RD) port for ODC/AV 3 - - No use 4 NWA O write(WR) 5 RAMCS O Chip Select(CS) Flash RAM 6 ODCCS O Chip Select(CS) ODC 7 AVCS O Chip Select(CS) AV decoder 8 RAMCS O Chip Select(CS) DRAM for TEXT buffer 9 SCLOCK O Clock of Video DAC(ADV7172) 10 SDATA O Data of Video DAC(ADV7173) 11 FRD O Read(RD) port for Flash ROM 12 MODE2 I H: Chip Select 0, 8bit bus 13-16 CPUADR0-3 O Address A(0-3) 17 Vdd I +5V 18 SYSCLK O AV decoder HCLK 19 Vss O GND 20 XI I Clock input port 21 XO O Clock output port 22 Vdd I +5V 23 CLK I 13.5MHz clock input port 24 OSCO O No use 25 MODE2 I CPU mode: H=Memory enhanced mode 26-33 CPUADR4-11 O Address A(4-11) 34 Vdd I +5V 35-42 CPUADR12-19 O Address A(12-19) 43 Vss - GND 44 196BSY I Busy of writing jig 45 256BSY O Busy of unit 46 ATTL O Analog output attenuator L: active 47 - - No use 48 KMODE I writing mode. H=writing. L=normal. 49 AMUTE O Audio mute 50 ADSCEN I CIRC enable 51 - O No use 52 SLEEP O Front End Processor(AN8825) standby 53 FRNTH O Front DAC selector. H=front. 54 Vdd - +5V 55 FEPEN I Front End Processor SEN 56 CLKSEL O Sampling frequency selector. L=44,88,176kHz, H=48,96,192kHz 57 STBDAC2 O DAC2(AK4393) Strob 58 STBSP O Serial/parallel(NJU3711) Strob 59 STBDAC1 O DAC1(AK4393) Strob 60 ADSC O Advanced Digital Servo Control serial data transfer. 61 Vss O GND 62 - O No use 63 XS O Chip Select of E2PROM 64 SCSIEN O Enable control of writing jig. L=enable 65 DARK-DET I Video signal check by Y-signal 66 Vdd I +5V 67 SCLKO O Sub-microprocessor clock 68 SIO I Sub-microprocessor data input 69 SOO O Sub-microprocessor data output 70 SCLKI O Clock for every Ics MAIN MICROPROCESSOR: MN102LP25G(X35,IC500) www. xiaoyu163. com QQ 376315150 9 9 2 8 9 4 2 9 8 TEL 13942296513 9 9 2 8 9 4 2 9 8 0 5 1 5 1 3 6 7 3 Q Q TEL 13942296513 QQ 376315150 892498299 TEL 13942296513 QQ 376315150 892498299 DV-4070-B/4900/DVF-R7030-B/R9030 6 CIRCUIT DESCRIPTION Port No. Port Name I/O Description 71 S11 I Data input for every ICs 72 S01 O Data output for every ICs 73,74 PUP I No use. Pull up 75 NMI I Pull up. 76 ADSCINT I Interrupt of Advanced Digital Servo Control 77 ODCINT I Interrupt of Optical Device Control. 78 AVINT I AV decoder XHINT. 79 ICRST O Reset for every Ics. H=reset. 80 STBDAC3 O Standby of DAC3 81 - I Address/data mode. Pull up=address/data separate. 82 RST I Reset 83 Vdd I +5V 84-91 CPUDATA0-7 I/O Data bus(0-7) 92 Vss O GND 93-100 CPUDATA8-15 I/O Data bus(8-15) MICROPROCESSOR PERIPHERY DIAGRAM X35,IC600 VIDEO DAC X35,IC2 X35,IC300 X35,IC700 X35,IC400 X25,IC5/6 V. OUT A. OUT PICKUP FRONT END PROCESSOR OPTICAL DEVICE CONTROL CONTENTS PROTECTION for PRERECORD MEDIA AV DECODER AUDIO DAC ADSC SDRAM WATER MARK X35,IC401/2 SIO1 X25,IC18 BUS SIO0 I/O X35,IC500 8 8 X35,IC502 1M SRAM (DVD-TEXT) MAIN MICROPROCES SOR FLASH ROM(1M) E2PROM(4K) KEY LED X25,IC100 X14,ED1 DISPLAY REMOTE CONTROL X25,IC102 MECHANISM SUB MICROPROCESSOR E2PROM(4K) MECHANISM/POWER SUPPLY 16 16 www. xiaoyu163. com QQ 376315150 9 9 2 8 9 4 2 9 8 TEL 13942296513 9 9 2 8 9 4 2 9 8 0 5 1 5 1 3 6 7 3 Q Q TEL 13942296513 QQ 376315150 892498299 TEL 13942296513 QQ 376315150 892498299 DV-4070-B/4900/DVF-R7030-B/R9030 7 CIRCUIT DESCRIPTION Step function Remarks 1 POWER-ON 2 CD-TRAY CLOSE. 3 DISC-POSITION-SW ON Display shows blinking "INITI" 4 ROTARY-SW ON 5 TRAVERSE-UNIT 6 RAM & BACKUP INITIALIZE Display shows "INITI_OK" if no trouble. "INITI_NG if any trouble. INITIALIZATION Turn power-on with pressing the STOP key. You can separate from initialization mode if pull out the ac power cord. SUB MICROPROCESSOR:MN101C28C(X25,IC100) Port No. Port Name I/O Description 1 VREF- O Negative reference voltage for AD converter. 2-4 KEY0-2 I Key input for AD 5,6 KEY3,4 O No use 7 KISYU I Model selector 8.9 KID0,1 I Destination selector 10 VREF+ O Positive reference voltage for AD converter. 11 Vdd O +5V 12 OSC2 I Clock input,10MHz CPPM,WM IC PERIPHERY DIAGRAM X35,IC300 X35,IC700 X35,IC400 X25, IC5/6 OPTICAL DEVICE CONTROL CONTENTS PROTECTION for PRERECORD MEDIA AV DECODER AUDIO DAC ADDRESS DECODER WATER MARK ADDRESS DECODER SDRAM X35,IC401/2 BUS OR X35,IC500 MAIN MICROPROCESSOR 8 A19 16 16 CS1 ODCWIAT CS2 A16 8 www. xiaoyu163. com QQ 376315150 9 9 2 8 9 4 2 9 8 TEL 13942296513 9 9 2 8 9 4 2 9 8 0 5 1 5 1 3 6 7 3 Q Q TEL 13942296513 QQ 376315150 892498299 TEL 13942296513 QQ 376315150 892498299 DV-4070-B/4900/DVF-R7030-B/R9030 8 CIRCUIT DESCRIPTION Port No. Port Name I/O Description 13 OSC1 O Clock output 14 Vss O GND 15 XI I No use 16 XO O No use 17 MMOD I GND 18 TXD0 O SIO0 data output port. Main processor contact. 19 RXD0 I SIO0 data input port. Main processor contact. 20 SCK0 O SIO0 clock 21 SB01 O SIO1 data output port. FL driver contact. 22 SB11 I SIO1 data input port. FL driver contact. 23 SCK1 I SIO1 clock 24 FLCE O FL chip enable. 25 RESET I CPU reset. 26 E2CS O No use 27 P11 O No use 28 MECHAVR O Mechanism PCM output. 29 P13 O No use 30 LED DM O No use 31 REMOCON I Remocon code input. 32 POS SEN O Mecahnism position sensor 33 MECHA FG I Mecahnism frequency generator(FG) signal input. 34 OPEN SW I Tray open switch sensor. 35 CLOSE SW I Tray close switch sensor. 36 12C SDA O IC400 control (I2C data). Scart drive/E2ROM 37 SB12 O No use 38 12C SDC O I2C clock. 39,40 P33,34 O No use 41 TM+ O Tray motor positive port. 42 TRM- O Tray/rotary motor common port. 43 RM+ O Rotary motor positive port. 44 RGBL O Y signal. 45 AOP O Video signal selector. AOP=Pure Audio Mode. 46 YCBH O H=scart color-difference signal. L=RGB. 47 TRAY OPEN O No use 48 TRAY CLOSE O No use 49 POWER O H=on. L=power off. 50 FL OFF O No use 51 WIDE1 O H=squeeze. L=letter box. L=normal. 52 WIDE2 O H=squeeze. H=letter box. L=normal. 53 C OFF O C-signal of YC-signal on/off. H=on. L=off. 54-56 P52-54 O No use 57 CE O Power chip enable. 58-60 P61-63 O No use 61-68 LED18-11 O No use 69 POWER LED O Power LED(D9). 70 96kHz O 96kHz LED(D7). 71 DISC2 O Disc 2 LED(D2). 72 DISC4 O Disc 4 LED(D4). 73 VSS LED O Vss LED(D6). 74 AOP LED O AOP LED(D15). 75 SHOWER O Shower LED(D14). 76 192kHz O 192kHz LED(D8) 77 DISC1 O Disc 1LED(D1) 78 DISC3 O Disc 3 LED(D3). 79 DISC5 O Disc 5 LED(D5). 80 POWER MUT O Power mute. www. xiaoyu163. com QQ 376315150 9 9 2 8 9 4 2 9 8 TEL 13942296513 9 9 2 8 9 4 2 9 8 0 5 1 5 1 3 6 7 3 Q Q TEL 13942296513 QQ 376315150 892498299 TEL 13942296513 QQ 376315150 892498299 DV-4070-B/4900/DVF-R7030-B/R9030 9 CIRCUIT DESCRIPTION X35-224 DMIX AOUT0 AOUT1 AOUT2 DAC DAC DAC DAC IC18 H2CH FRNTH IC33/34 60kHz IC31 110kHz 60kHz 60kHz 60kHz IC1 D.R.I.V.E.II L2CH LPF LPF LPF LPF LPF SW3 SW1 X25-637 SW2 A B MUTE MUTE MUTE MUTE -6dB ATT -6dB ATT MIX L/R L/R SL/SR C/SW MUTE Ctrl ATT Ctrl AV1 AV2 IC32 IC4 IC5 IC6 X35-224 DMIX AOUT0 AOUT1 AOUT2 DAC DAC DAC DAC IC18 H2CH FRNTH IC33/34 60kHz IC31 110kHz 60kHz 60kHz 60kHz IC1 IC2 IC3 D.R.I.V.E.II D.R.I.V.E.II D.R.I.V.E.II L2CH LPF LPF LPF LPF LPF SW3 SW1 X25-637 SW2 A B MUTE MUTE MUTE MUTE -6dB ATT -6dB ATT MIX L/R L/R SL/SR C/SW MUTE Ctrl ATT Ctrl AV1 AV2 IC32 IC4 IC5 IC6 (A). DVF-R9030(J,E,T,X,M), DV-4900(K) (B). DVF-R7030(J,E,T,X,M), DV-4070(K) SW4 SW4 D.R.I.V.E. ¿ SIGNAL PATH * SCART terminals(AV1,2) are available for European model only. Media vs SWITCHES ATT Ctrl * More than 1-ch is changed level. Media SW1 SW2 SW3 DVD-Audio (fs: 192kHz,176.4kHz), A off on VCD, CD-DA Normal DVD, DTS-CD, 2-ch Speaker setting B on off Normal DVD, DTS-CD, More than 3-ch Speaker A on off setting Low Pass Filter Media SW4 DVD-Audio A 110kHz (fs:192kHz,176.4kHz) Others B 60kHz All B Display ATT AV Decoder 0dB(factory setting) ON(-6dB) 0dB ±1-6dB OFF(0dB) 0 ~ -5dB, -7 ~ -12dB -6dB * -6dB www. xiaoyu163. com QQ 376315150 9 9 2 8 9 4 2 9 8 TEL 13942296513 9 9 2 8 9 4 2 9 8 0 5 1 5 1 3 6 7 3 Q Q TEL 13942296513 QQ 376315150 892498299 TEL 13942296513 QQ 376315150 892498299 DV-4070-B/4900/DVF-R7030-B/R9030 10 CIRCUIT DESCRIPTION (B). DVF-R9030(E,T), DVF-R7030(E,T) SW1 SW2 SW3 6dB 75 Drive 6dB 75 Drive BUF Y(DVD) VIN(AV2) VIN(AV1) IC400 I C LOGIC 2 SDA DVDL G/Y(DVD) GND GIN(AV2) B/Cb(DVD) BIN(AV2) R/Cr(DVD) C(DVD) RIN(AV2) SCL YCBH IC100 V/YOUT(19) R/COUT(15) GOUT(11) BOUT(7) VIN(20) VOUT(19) RIN(15) GIN(11) BIN(7) VIN(20) 6dB 75 Drive IC401 6dB 75 Drive IC402 6dB 75 Drive IC403 YCH Cr Cb Y IC302 SCART(AV2) X35-224 SCART(AV1) J8 J9 J7 SIGNAL PATH IN SCRT PCB www . x ia o y u 1 6 3 . c o m QQ 3 7 6 3 1 5 1 5 0 9 9 2 8 9 4 2 9 8 T E L 1 3 9 4 2 2 9 6 5 1 3 9 9 2 8 9 4 2 9 8 0 5 1 5 1 3 6 7 3 Q Q TEL 13942296513 QQ 376315150 892498299 TEL 13942296513 QQ 376315150 892498299 DV-4070-B/4900/DVF-R7030-B/R9030 11 CIRCUIT DESCRIPTION RELATION OF IN/OUT ON VIDEO SIGNAL Condition BLK(#16, AV1) RGB 5V(no load) Other 0V Standby #16 of AV2:through Condition FVNC SW (#8,AV1) 16:9 TV PLAY 6V Other 11V Standby #16 of AV2:through OUT Condition In-SIGNAL AV1(J8) AV2(J9) RGB(J7) Composite Y,C(IC600:X35) #19(V/Y out) #19(V out) - S-Video Y,C(IC600:X35) #19(V/Y out), - - #15(RC out) #15(R/C out), RGB RGB(IC600:X35) #11(G out), #19(V out) - #7(B out), #19(V/Y out) #20(V in), #15(R/C out), Standby #15(R in), #11(G out), IN-SIGNAL - #11(G in), #7(B out), #7(B in) #19(V/Y out) OUT Condition In-SIGNAL AV1(J8) AV2(J9) RGB(J7) Power on DVD MIX-OUT #1(A[B]out), - #3(A[A]out) #1(A[B]out), #2(A[B]in), #3(A[A]out) #6(A[A]in) - Standby DVD MIX-OUT #1(A[B]out), #3(A[A]out) - RELATION OF IN/OUT ON AUDIO SIGNAL www. xiaoyu163. com QQ 376315150 9 9 2 8 9 4 2 9 8 TEL 13942296513 9 9 2 8 9 4 2 9 8 0 5 1 5 1 3 6 7 3 Q Q TEL 13942296513 QQ 376315150 892498299 TEL 13942296513 QQ 376315150 892498299 DV-4070-B/4900/DVF-R7030-B/R9030 12 CIRCUIT DESCRIPTION TEST MODE This model has 3 kind of test modes; unit inspection, factory test mode, measurement. In this manual, items of repair, test mode and inspection are available. Setting Turn power on with pressing "PAUSE" key. Display shows "TEST". Turn power on with pressing "DISC1" key. Display shows "INSPECTION". Cancellation of Setting Turn power off. Key vs Function Keys which described in the following table work as it is. TEST MODE Key Mode Display Operation PLAY - Playback time Disc Playback SKIP-UP STOP All segments light Niagara mode Playback time Display shows cyclically by pressing key SKIP-UP PLAYBACK Playback time Playback next chapter/track #/program # SKIP-DOWN PLAYBACK Playback time Playback before chapter/track #/program # STOP - Time Stop to operate and return to first step of this test mode. PAUSE Playback DAD-VIDEO Track # Playback program-playback automatically. Order of playback: T# 1-1 4-1 4-2 4-3 4-4 3-6. UP/DOWN keys acceptable. DISC1 Playback CD Track # Playback program-playback automatically. Order of playback: T# 2 3 7 4 16. UP/DOWN keys acceptable. DISC2 PLAYBACK MUTE ON MUTE OFF Mute works cyclically on or off. DISC3 - LPF 60k LPF 110k Speaker protection works cyclically on or off.(Cut- off freq. Change 60k or 110k) DISC4 - WIDE1 WIDE2 NORMAL WIDE mode changes cyclically WIDE1 or WIDE2. DISC5 - SCART RGB SCART YC SCART Through Video signal of SCART changes cyclically RGB(DVD) Y/C(DVD) Through(AV1 AV2) OK or IC*** Self check mode(refer to Servo Error Code) IC 100 ERROR ADSC Defective. IC 2 ERROR FEP Defective. IC 300 ERROR ODC Defective. IC 400 ERROR AV DEC Defective. STOP+DISC1 STOP Rotary turns clockwise. STOP+DISC2 STOP Rotary turns counter clockwise. STOP+DISC3 STOP Tray opens STOP+DISC4 STOP Tray closes - DISC SKIP www. xiaoyu163. com QQ 376315150 9 9 2 8 9 4 2 9 8 TEL 13942296513 9 9 2 8 9 4 2 9 8 0 5 1 5 1 3 6 7 3 Q Q TEL 13942296513 QQ 376315150 892498299 TEL 13942296513 QQ 376315150 892498299 DV-4070-B/4900/DVF-R7030-B/R9030 13 CIRCUIT DESCRIPTION INSPECTION Key Mode Display Operation PLAY - Playback time Disc Playback SKIP-UP STOP All segments light Niagara mode Playback time Display shows cyclically by pressing key SKIP-UP PLAYBACK Playback time Playback next chapter/track #/program # SKIP-DOWN PLAYBACK Playback time Playback before chapter/track #/program # STOP - INSPECTION Stop to operate and return to first step of this inspection mode. STOP STOP Model/destination/re gion code Stop to playback and return to first step of this test mode. DISC1 PLAYBACK Jitter ***% Shows jitter value(binary value vs time deviation of PLL-clock) DISC2 - CPPM KEY ID 15 figures. DISC4 - WIDE1 WIDE2 NORMAL WIDE mode changes cyclically WIDE1 or WIDE2. DISC5 - SCART RGB SCART YC SCART Through Video signal of SCART changes cyclically RGB(DVD) Y/C(DVD) Through(AV1 AV2) DISPLAY CONTENTS REASON CANCELING KEY REMARKS Main processor doesn't work Sio-0 bus damaged No right position of rotary Foreign matter inserted No right position of rotary Foreign matter inserted E1102 No turn of rotary Foreign matter inserted OPEN/CLOSE or DISC SKIP E0101 No open Mechanism jam CLOSE Initialization No show No Close Mechanism jam Initialization Disc full load Not stop to turn the proper position Load disc at no proper position Foreign matter inserted at sensor No show Waiting Turn power off in open/close mode. CLOSE Press the CLOSE key after turn the power on again. OPEN/CLOSE or DISC SKIP Check the sensor of discs on the rotary. NO Remove the one disc after turn power off E0102 Playing Disc inside No detection of disc position E0103 No contact with main processor No cancellation of chucking Poor disc chucking No E1101 No E1001 No ERROR CODE OF MECHANISM www. xiaoyu163. com QQ 376315150 9 9 2 8 9 4 2 9 8 TEL 13942296513 9 9 2 8 9 4 2 9 8 0 5 1 5 1 3 6 7 3 Q Q TEL 13942296513 QQ 376315150 892498299 TEL 13942296513 QQ 376315150 892498299 DV-4070-B/4900/DVF-R7030-B/R9030 14 DEFINITION CONTENTS CODE BLOCK TIMING ODC(Optical Device Control) MOD_NOT_CRCOK No CRCOK signal 0x4303 (ADSC,ODC,disc ,pickup) Read address error at lead in or focus jump. MAS_ECC_ERR Abnormal ODC 0x4301 ODC No emission OK on disc and host in 5 secs. LAYER_CMP_ERR Abnormal LAYER in seek mode - OUT_PB_AREA_NG OUT of PB AREA - DATA_TR_PLAY_NG DATA Track Play - SEEK_NG_CHGNV No data caused seek error - UNCORRECT_ERR No control data by demodulator error - INVALID_CMD_ERR Out of secter ID 0xD601 Over data from disc(DVD 0xFFF)(VCD 00:02:00 less)(CD 0xFFF) UNCORRECT_LEADIN No lead-in data by demodulator error 0xD602 Time over in lead-in. UNCORRECT_ KEYDET No lead-in data by demodulator error 0xD603 (ADSC,ODC,disc ,pickup) ODC,disc ERROR CODE OF CIRCUIT BY SELF CHECK MODE (TEST MODE) DEFINITION CONTENTS CODE BLOCK TIMING SERVO TRAY_LOADING_ERR Tray Loading Error. 0x4000 ADSC, TRAY Mechanism, Motor LSI DCM_TRAYCTL_T(time out 5secs) FOCUS_SVERR Focus Servo Error. 0x4100 ADSC, pickup & actuator, Driver LSI DCM_FCON_T(time out 5secs), Lock NG, NG of seek. SPINDLE_SVERR Spindle Servo Error. 0x4101 ADSC, Driver LSI, disc Motor DCM_DMON_T(time out 10 secs),Time out of checking stop,Time out of start to turn. DSC_DM_ERR DSC Disc Motor Error. Abnormal FG-period in DVD, Abnormal turn of disc motor, 0x4102 ADSC, Driver LSI, disc Motor DCM_DMOF_T(time out 10secs), DCM_DMMODE_T(time out100ms) Abnormal turn of disc motor., CDC_CLV_ERR 6626 CLVS Failure. Abnormal FG-period in CD 0x4103 ADSC, Driver LSI, disc Motor DCM_DMOF_T(time out 10secs) Setting abnormal CLV TRAVERSE_ERR Traverse Motor Error. 0x4104 ADSC, Driver LSI, feed Motor DCM_INNER_T(time out 5secs) TRACK_SVERR Tracking Servo Error 0x4105 ADSC, pickup & actuator, Driver LSI DCM_TRON_T(time out 1sec) Command error,Focus jump Lock NG (ReSartServo) NG of SEEK_TIMEOUT_ERR Seek Time Out Error 0x4106 ADSC, pickup & actuator, Driver LSI Over 200 seek times DSC_ERROR DSC Error (status data error) 0x4200 ADSC Command error DSC_NOTREADY DSC Not Ready Error 0x4201 ADSC ADSC REDY time out DSC_TIM_ERR DSC TimeOut Error. 0x4202 ADSC Over of CLV OK Over of command end DSC_COM_ERR DSC Communication Failure. 0x4203 ADSC No use DSC_ATN_ERR DSC Attention Error. 0x4205 ADSC Error of CD-trick play and CD/DVD seek. FC jump in DVD-play. INVALID_MDTYP Out of Media 0x4300 ADSC No check of media, Error after servo retry. Abnormal disc. DONOT_QREAD_ERR 6626 QCODE do not Read Error. 0x4302 ADSC Read error in Cue or Rev play of CD DSC_ESCAPE DSC Command Escape - ADSC Stop servo operation after setting the ESC flug in mode register of ADSC. FEP_IC_ERR Adjustment error on data slice offset 0x4204 ADSC ,FEP jitter and data slice offset adjustment error FEP CIRCUIT DESCRIPTION www. xiaoyu163. com QQ 376315150 9 9 2 8 9 4 2 9 8 TEL 13942296513 9 9 2 8 9 4 2 9 8 0 5 1 5 1 3 6 7 3 Q Q TEL 13942296513 QQ 376315150 892498299 TEL 13942296513 QQ 376315150 892498299 DV-4070-B/4900/DVF-R7030-B/R9030 15 CIRCUIT DESCRIPTION DEFINITION CONTENTS CODE BLOCK TIMING DISC 1. No CD-ROM Volume Descriptor Set, No Primary Volume Descriptor 2. No Beginning Extended Area Descriptor 3. No NSR Descriptor of "NSR02" 4. Length error of Main Volume Descriptor Sequence 5. Directry of length error on VIDEO_TS/AUDIO_TS after root DISERR_TT_SRP_NO TT_SRP=0 0x2111 Disc format ISERR_TT_SRP_OVER Value >TT_SRP 0x2112 DISERR_TT_SRP_MISS SRP is not meet with VTSN or VTS_TTN 0x2113 DISERR_TT_SRP_ PTT_OVER Value >TT_SRP.PTT_Ns 0x2114 DISERR_TTU_SRP_NO TTU_SRP=0 0x2120 Disc format DISERR_TTU_SRP_OVER Value >TTU_SRP 0x2121 Disc code DISERR_PGCI_SRP_NO PGCI_SRP=0 0x2131 Disc format DISERR_PGCI_SRP_OVER Value>PGCI_SRP 0x2132 DISERR_TMAP_ SRP_OVER Value>TMAP_SRP 0x2141 DISERR_TMAP_SA_NO TMAP_SA=0 0x2142 DISERR_TMAP_EN_NO MAP_EN=0 0x2143 DISERR_PGC_PGMAP_NO C_POSIT is OK, No PGMAP in PGC 0x2150 DISERR_PGC_PG_NO C_POSIT is OK, PG=0 in PGC. 0x2151 DISERR_PGC_PG_OVER Value >PG in PGC 0x2152 Disc code DISERR_PGC_C_PBIT_NO C_POSIT is OK, No C_PBIT in PGC 0x2153 DISERR_PGC_C_NO C_POSITis OK, Cell=0 in PGC 0x2154 DISERR_PGC_CN_NO Cell=0 0x2155 DISERR_PGC_C_OVER Value >Cell in PGC 0x2156 Disc code DISERR_PGC_BLK_NO Block Cell only 0x2157 DISERR_SEARCH_CN_NO No Cell# in search. 0x2160 Disc format Disc code DISERR_UDF UDF Bridge NG 0x2100 Disc format Disc code Disc format Disc format www. xiaoyu163. com QQ 376315150 9 9 2 8 9 4 2 9 8 TEL 13942296513 9 9 2 8 9 4 2 9 8 0 5 1 5 1 3 6 7 3 Q Q TEL 13942296513 QQ 376315150 892498299 TEL 13942296513 QQ 376315150 892498299 DV-4070-B/4900/DVF-R7030-B/R9030 16 ADJUSTMENT Fig. 3 No. ITEM INPUT SETTING OUTPUT SETTING ALIGNMENT POINT ALIGNMENT FOR FIG. 1 Y,Cb,Cr LEVEL 100% COLOR BAR DISC Connect the oscilloscope to Y output with 75-ohms resistor VR601 Y-signal = 1000mV 30mV FIG.1 2 Y LEVEL 100% COLOR BAR DISC Connect the oscilloscope to COMPOSIT output with 75- ohms resistor VR600 COMPOSIT-signal = 1000mV 30mV FIG.2 You need the step 1and 2 before next step 3 3 CHROM LEVEL 100% COLOR BAR DISC Connect the oscilloscope to COMPOSIT output with 75- ohms resistor VR602 Chrom-signal = 285mV 14mV FIG.3 1000mV 30mV Y 4.7 s -2.86 0 714 (100IRE) [mV] white yellow cyan green magenta red blue black 714 641 516 443 324 252 127 54 285mV 14mV IRE’ Peak white Blank Sync. chip 0 -40 1000mV 30mV IRE’ Peak white Blank Sync. chip 0 100 -40 Fig. 1 Fig. 2 www. xiaoyu163. com QQ 376315150 9 9 2 8 9 4 2 9 8 TEL 13942296513 9 9 2 8 9 4 2 9 8 0 5 1 5 1 3 6 7 3 Q Q TEL 13942296513 QQ 376315150 892498299 TEL 13942296513 QQ 376315150 892498299 DV-4070-B/4900/DVF-R7030-B/R9030 17 PARTS DESCRIPTIONS www. xiaoyu163. com QQ 376315150 9 9 2 8 9 4 2 9 8 TEL 13942296513 9 9 2 8 9 4 2 9 8 0 5 1 5 1 3 6 7 3 Q Q TEL 13942296513 QQ 376315150 892498299 TEL 13942296513 QQ 376315150 892498299 IC1 D13 D12 D11 IC2 C40 R74 L7 L6 R75 C38 C37 R1 C39 L1 L2 R23 R2 R20 R53 R66 R65 R68 R63 R62 R61 R64 R67 R25 R42 R41 R40 R39 C11 C12 C18 C41 C16 C17 C34 C10 C35 C7 C33 C13 C14 C15 C19 C22 C21 48 33 1 5 8 4 1 64 49 17 32 16 C20 C25 C24 C23 C3 C6 C2 R36 C8 R38 R37 R22 R19 C42 R73 L5 R72 L3 L4 C36 R60 C4 C1 CN3 CN4 D400 D500 D600 IC301 IC302 IC403 IC406 IC407 IC501 IC505 IC506 IC601 Q1 Q2 Q3 Q4 Q100 Q200 Q201 Q500 IC701 D100 D102 D101 Q202 C1 C2 C8 C9 C10 C11 C12 C13 C15 C17 C18 C19 C20 C21 C22 C24 C25 C26 C27 C28 C29 C30 C31 C32 C33 C34 C35 C38 C39 C40 C41 C42 C43 C44 C45 C46 C47 C48 C49 C50 C51 C52 C100 C101 C102 C103 C104 C105 C106 C107 C108 C109 C110 C111 C112 C113 C114 C115 C116 C117 C118 C119 C120 C124 C125 C127 C128 C129 C130 C131 C132 C133 C134 C135 C136 C200 C201 C202 C203 C204 C205 C206 C207 C302 C303 C304 C305 C306 C307 C308 C309 C310 C311 C312 C313 C314 C315 C316 C317 C318 C319 C320 C321 C400 C402 C405 C406 C407 C408 C409 C410 C411 C412 C413 C414 C415 C416 C417 C418 C419 C420 C421 C422 C423 C424 C425 C426 C427 C428 C429 C430 C431 C432 C434 C435 C436 C437 C438 C439 C440 C441 C442 C443 C444 C445 C446 C447 C448 C449 C450 C451 C452 C453 C454 C455 C456 C457 C458 C459 C460 C474 C475 C476 C477 C478 C479 C480 C481 C482 C487 C551 C502 C503 C504 C505 C506 C507 C508 C509 C510 C511 C552 C553 C554 C555 C557 C600 C601 C602 C603 C604 C605 C606 C607 C608 C609 C610 C611 C612 C613 C614 C617 C618 C619 C513 CP100 CP300 CP301 CP500 CP501 CP502 CP503 CP504 L2 L6 L8 L10 L11 L12 L18 L14 L16 L204 L20 L21 L301 L101 L200 L201 L202 L203 L205 L206 L207 L209 L210 L211 L212 L213 L214 L215 L216 L401 L402 L403 L404 L405 L406 L407 L408 L409 L410 L700 L501 L500 L503 L502 L505 L601 L600 L602 L603 L604 L605 L606 L607 CP400 R1 R2 R3 R4 R5 R6 R7 R8 R9 R10 R11 R12 R13 R14 R15 R16 R17 R18 R19 R20 R21 R22 R23 R24 R100 R101 R102 R103 R104 R105 R106 R107 R108 R109 R110 R111 R112 R113 R114 R115 R116 R117 R118 R119 R120 R121 R122 R123 R124 R125 R126 R127 R128 R129 R130 R131 R200 R201 R202 R203 R204 R206 R207 R208 R209 R210 R211 R212 R213 R300 R301 R302 R303 R400 R401 R402 R403 C700 R405 R406 R407 R408 R409 R410 R411 R413 R412 R415 R416 R417 R418 R419 R420 R421 R422 R423 R424 R425 R426 R427 R428 R429 R430 R431 R432 R433 R434 R435 R436 R437 R438 R439 R440 R441 R442 R443 R444 R445 R446 R448 R414 R500 R501 R502 R503 R504 R505 R506 R507 R508 R509 R510 R550 R551 R600 R601 R602 R603 R604 R605 R606 R609 R612 R615 R618 R621 R624 R625 C501 R513 CP401 C700 C706 R458 R457 R451 R450 R449 R452 R453 R456 R455 R454 R511 C324 C705 W1 C703 C704 C707 C702 C322 R304 R520 C512 C323 C54 R517 L100 C214 C213 C151 C150 C16 R553 1 25 26 2 1 3 6 4 1 3 5 4 1 4 5 8 5 4 1 3 1 3 4 5 1 7 8 14 8 5 4 1 3 4 1 5 3 1 5 4 3 1 5 4 25 1 2 26 E B E B E B E B E B E B E B E B E B R404 S6 S7 S1 S3 S2 S5 S4 S15 S16 S11 S8 S9 S10 WH2 WH2 WH1 WH1 X14 B/4 PHONES PHONES LEVEL J1 Q3 Q2 Q6 Q7 Q5 Q4 Q1 Q12 Q11 Q8 Q9 CN1 D14 D15 D1 E3 D2 Q13 D3 D4 D5 D8 D7 E4 A1 ED1 D6 X14-7160-10 A/4 (J70-1423-11) E1 E2 WH3 D9 E5 X14 C/4 X14 D/4 5 1 69 63 64 31 30 21 20 7 1 3 1 5 1 3 1 1 5 2 4 2 B E B E B E B E B E B E B E B E B E B E B E 2 6 E B 4 2 W26 C31 C32 W6 W11 W16 W18 W23 W10 W12 W14 W13 W15 W2 W5 W1 W3 W21 W22 W19 W29 W28 W27 W25 W24 ROUT 1 3 GND VCC PLAY PAUSE STOP OPEN/CLS DISC1 DISC2 DISC4 DISC5 DISC3 96k VSS SHOWER SKIP POWER PURE 192k 25 24 2 1 R12 R5 R4 R18 R16 R17 R9 R3 R10 R13 R14 R7 R8 R11 R6 R57 R58 R59 R45 R35 R44 R43 R15 R70 R71 R26 R27 R32 R33 R34 R31 R28 R29 C9 C5 W7 W30 VR1 R21 R24 R52 R54 R56 R55 W8 CN1 CN2 X13-7770-10 (J70-1426-12) L12 L13 L11 L9 L10 L17 L18 L14 L15 L3 L4 L1 L2 L7 L8 L5 L6 C1 L16 LD +2 LDON +5 FE1 TE3 TE1 +5 SRF Vref +5 T- T+ F+ 1 21 21 1 F- FE2 TE2 TE4 CN1 CN2 CN5 IC1 IC2 IC100 IC201 IC202 IC300 IC400 IC401 IC402 IC404 IC405 IC500 IC502 IC503 IC504 IC507 IC508 IC600 Q601 Q602 Q603 Q604 Q605 VR600 VR601 Q501 IC700 Q502 VR602 X35-2240-10 (J70-1425-12) C3 C4 C5 C6 C7 C14 C23 C36 C37 C53 C60 C61 C620 C63 C121 C122 C123 C126 C137 C208 C209 C210 C211 C300 C301 C404 C62 C433 C471 C472 C473 C483 C484 C485 C486 C500 C550 C556 C615 C616 CP101 L1 L4 L3 L5 L7 L9 L13 L15 L17 L19 L208 L300 L412 L413 L414 L415 L416 L417 L418 L419 L420 L504 L506 R205 R447 R610 R611 R613 R614 R616 R617 R619 R620 R622 R623 X500 R512 C401 R132 R516 C138 C701 R626 C77 C78 2 20 21 1 1 25 26 100 15 50 76 51 75 14 1 28 28 15 14 1 2 1 17 16 1 128 1 16 33 48 49 64 17 32 97 64 33 65 32 1 96 17 48 100 4 8 5 1 3 5 4 25 1 24 76 50 26 25 1 75 51 6 10 5 1 1 1 1 32 1 16 1 4 5 8 7 14 8 36 73 108 72 37 109 144 52 105 156 157 208 53 104 100 76 50 26 25 1 75 51 1 5 50 26 25 1 50 26 25 1 8 5 4 1 OFTR N+ DTMON RDCK 27MHz RF DSL EC FE TE REDT BDO P+ Tof CLEVEL YLEVEL CbCr E B B E B E B E B E B E B E LEVEL N P A C E G I B D F H J 2 1 3 5 7 4 6 Refer to the schematic diagram for the value of resistors and capacitors. PC BOARD(Component side view) 19 20 w w w . x i a o y u 1 6 3 . c o m Q Q 3 7 6 3 1 5 1 5 0 9 9 2 8 9 4 2 9 8 T E L 1 3 9 4 2 2 9 6 5 1 3 9 9 2 8 9 4 2 9 8 0 5 1 5 1 3 6 7 3 Q Q TEL 13942296513 QQ 376315150 892498299 TEL 13942296513 QQ 376315150 892498299 C356 C340 R459 R354 R453 R331 R332 R315 R314 R301 R307 R306 R87 R88 R89 R478 R477 R502 R501 R473 R472 R474 R476 R475 R509 R508 R510 R512 R511 R504 R507 R458 R457 R336 R461 R456 R471 R470 R463 R462 C512 R466 R465 R513 R540 R539 R541 R543 R542 R535 R534 R536 R538 R537 W1 W3 R520 R519 R521 R523 R522 R516 R518 R517 R530 R531 R524 R528 R527 R448 R352 R351 R392 R391 R347 R346 R348 R350 R349 R546 R402 R322 R321 R323 R324 R318 R320 R319 R345 R326 R547 R434 R435 R428 C357 R447 R442 R441 R548 R415 R417 R416 R404 R549 R424 R423 R425 R427 R426 R421 R418 R419 R422 R420 C349 C348 C351 C350 C347 C346 C345 C358 C401 C400 C352 C331 C330 C332 C329 C328 C335 C336 C439 C441 C440 C448 C447 C450 C449 C446 C443 C442 C445 C444 C411 C129 C130 C324 C311 C313 C312 R293 R291 R292 C319 C315 R290 C304 C214 C451 C74 C452 C500 C454 C453 C456 C455 C504 C503 C72 L6 L2 R106 R105 R545 R544 C361 R411 R414 C510 C509 C508 R355 R361 R362 R375 R376 C515 C514 C10 C8 R157 C1 R48 C4 R1 L7 L3 C163 C164 C2 C6 R2 R17 R16 R263 R264 R269 R270 R262 C124 C123 R129 R261 R130 R125 R271 R272 R126 R163 R122 R164 R121 C263 C257 C259 R257 C258 R255 R253 R247 R251 C241 R245 R243 R241 C260 R258 R256 C264 R161 R162 R248 R252 C242 R246 R254 C249 C251 1 7 14 8 R149 R242 R244 C237 C231 C233 R239 C232 R237 R235 R229 R233 C215 R227 R225 R223 C94 C234 R240 R145 R144 R146 R102 R276 R275 R84 R86 R238 C236 R230 R234 C216 R207 R208 R211 R212 R228 R141 R236 C223 R169 R168 R172 C225 R148 R173 R120 R119 R81 R82 R224 R226 R78 R77 W5 C281 C69 C282 C279 C70 C147 C203 C202 C148 C140 R182 R181 C172 C173 C152 C171 R186 R185 L11 C175 R66 C142 L10 L12 C178 C179 R151 R57 C77 C79 R59 R55 R51 C87 R43 R41 C61 R39 R37 R111 C49 C47 C43 C45 R49 C97 R219 R221 C210 C211 R61 R53 R63 C56 R265 C95 R65 C151 R104 C139 C107 C104 R103 C141 C103 C138 R216 R218 C208 C209 R83 R85 R15 C9 R152 R58 C76 C78 R60 R56 R52 C86 R44 R42 C60 R40 R38 C50 C48 C44 C46 R303 R11 C19 C23 C511 W10 R10 C18 C16 C30 R213 R215 C206 C207 R47 R479 R50 C98 R62 R54 R64 C155 R267 C96 R204 R187 R203 R74 C272 C271 W11 R73 R72 R71 R201 C276 W13 R403 R304 R305 W12 R551 C518 C516 C517 R557 R329 C519 C367 C370 R19 C7 C28 R9 C17 R107 R277 C212 C108 R147 R278 C213 R408 E B E B E B E B E B E B E B E B E B E B E B E B E B E B E B E B E B E B E B E B E B E B E B E B E B E B E B E B E B E B D8 Q409 Q410 Q300 Q313 Q397 Q315 Q304 Q303 Q302 Q319 Q400 Q404 Q401 Q403 Q12 Q11 Q317 D15 Q301 D20 Q398 D19 Q411 D3 IC19 D2 Q28 Q29 Q27 Q26 Q33 Q10 Q9 D9 D12 D13 D23 D14 D10 D11 D16 D22 D21 Q412 Q413 D18 Q399 IC11 IC102 IC301 IC403 IC402 IC401 IC101 Q408 Q407 Q100 Q316 Q314 Q305 Q322 Q320 Q321 Q405 Q406 Q402 Q318 IC17 D5 IC400 IC300 IC100 IC302 IC22 IC24 IC26 IC3 IC27 D1 IC21 IC28 IC29 IC14 Q5 Q4 Q3 Q6 Q20 Q16 Q15 Q14 Q19 Q18 Q17 Q13 Q21 Q22 Q23 Q24 IC20 IC15 IC18 IC32 IC30 Q31 IC13 IC16 IC6 IC33 IC9 IC7 IC12 IC5 IC2 IC34 IC10 IC8 D17 IC4 IC1 Q25 Q32 IC31 Q30 Q101 D24 D25 Q34 Q7 Q8 CN7 IC36 J8 J9 X25-6370-10 A/2 (J70-1424-11) X25 B/2 CN5 WH5 CN8 J7 IC37 CN9 CN6 WH3 WH2 CN4 SUB WOOFER SURROUND 6CH. OUTPUT FRONT MIX LINE OUTPUT VIDEO OUTPUT WH4 CN1 WH7 E1 IC35 WH6 CN3 J6 J4 J5 A1 J2 C266 C270 X3 R335 R337 R454 R455 R313 R311 R310 R312 R302 R308 R90 R500 R503 R506 R505 R450 R449 R451 R452 R468 R467 R469 W2 R515 R514 R529 R533 R532 R525 R526 R399 R398 C303 R394 R393 R325 R316 R342 R341 R343 R344 R340 R437 R436 R429 R444 R443 R445 R446 R439 R438 R440 C310 C306 C308 C343 C333 C334 C402 C430 C426 C429 C428 C416 C413 R413 R407 R410 C317 C316 C301 R401 C73 C457 C501 C506 L1 R296 R297 R295 R294 C273 C363 C362 R174 R328 R356 R357 R358 R359 R360 R363 R364 R365 R366 R367 R368 R369 R370 R371 R373 R374 R327 R386 R385 R110 C376 L4 R12 R4 C3 C39 X1 R14 R288 R289 R13 R5 R6 C5 C11 X2 R18 R286 R287 R142 C261 R249 C243 C245 R250 C244 C248 C247 R115 R116 C262 C246 C235 C217 R231 C219 C93 C218 R206 R232 R205 R209 R210 R128 R127 C222 R123 R124 C221 R170 R167 R171 R165 C238 R80 R79 C220 R285 R283 R282 R281 R280 R284 R75 R76 R176 W6 W4 R175 R273 C280 R180 C188 R179 C187 C99 R184 R143 R183 C192 C189 C190 C131 C13 C191 C174 L5 R155 C195 R197 R198 C196 C162 C183 C158 C184 C71 C193 C194 R118 R97 R99 R98 R160 R159 R140 R139 C119 C127 C143 C135 C117 C115 R153 C65 C89 R45 C63 C75 R113 C41 C37 R33 R35 C33 R27 C34 R23 C55 R29 R31 C35 R25 R21 C57 R266 R220 R222 R156 R20 C159 R135 R101 C100 C137 R117 R94 R96 R95 R138 R137 R136 R217 W7 W8 W9 R188 R112 R114 C118 C128 C144 C134 C116 C114 R154 C64 C88 R46 C62 C66 C42 C38 R34 R36 R28 R24 C40 R30 R32 C36 R26 R22 C20 R131 R353 C507 C513 R8 C12 C14 R100 R91 R93 R92 R134 R133 R132 R214 C156 R268 R377 R378 R384 R383 R382 R381 R379 R380 R274 C275 R202 C521 C278 R550 R553 R552 R554 R555 R556 R558 R559 C373 C372 C371 C375 C374 C286 C284 C283 C277 R259 C274 C265 R260 R3 C428 C421 C420 C418 L301 L300 C505 C415 C431 C414 C437 C434 C423 C300 C404 C321 C322 C323 C409 C406 C438 C435 C432 C408 C405 C425 C427 C417 C410 C407 C403 C342 C359 C360 C344 C341 C101 C106 C22 33.8MHz C285 1 1 1 1 4 4 4 8 8 8 5 5 5 1 8 16 9 80 61 41 60 40 21 20 1 2 26 1 2 25 26 10 2 13 1 1 2 21 20 1 2 21 20 9 1 2 12 13 1 SO0 10 1 1 4 8 5 1 2 24 25 14 2 1 13 1 4 8 5 SCLK0 SI0 1 1 8 1 7 14 8 1 14 28 15 1 14 28 15 1 5 1 14 28 15 1 11 33 23 22 12 34 44 1 11 33 23 22 12 34 44 1 7 14 8 1 4 8 5 1 4 8 5 1 8 16 9 1 8 16 9 O I G 1 8 16 9 1 3 5 4 1 3 1 3 5 4 1 3 5 4 1 3 5 4 1 4 8 5 1 6 12 1 4 8 5 1 4 8 5 1 4 8 5 1 4 8 5 1 4 8 5 1 11 33 23 22 12 34 44 1 7 14 8 1 4 8 5 1 4 8 5 4 8 5 G I O I G O 1 4 8 5 8 5 1 4 25 1 4 8 5 1 17 34 18 1 12 24 13 1 4 8 5 C31 C355 C339 L302 C327 C325 C326 C364 C365 C146 C68 C366 C145 C67 R70 C380 C84 C177 C176 C121 C122 R108 C255 C253 C239 C256 C254 C240 C229 C227 C205 C157 C27 C230 C228 C204 C166 C186 C170 C185 C200 C201 C26 C111 C81 C59 C125 C169 C83 C113 C91 C25 R109 C109 L8 C29 C112 C80 C58 C126 C85 C82 C520 C110 C90 R67 R68 R69 C24 L9 C199 C268 C267 C368 C369 C32 36.8MHz E B E B E B E B E B E B E B E B E B E B E B E B E B E B E B E B E B E B E B E B E B E B E B E B E B E B E B E B B E E B B E E B E B E B E B B E E B Cr Cb COMPONENT VIDEO OUTPUT Y 2 S VIDEO OUTPUT 1 OPTICAL DIGITAL OUTPUT COAXIAL K L N P R T M O Q S 2 1 3 5 7 4 6 Refer to the schematic diagram for the value of resistors and capacitors. PC BOARD(Component side view) 21 22 w w w . x i a o y u 1 6 3 . c o m Q Q 3 7 6 3 1 5 1 5 0 9 9 2 8 9 4 2 9 8 T E L 1 3 9 4 2 2 9 6 5 1 3 9 9 2 8 9 4 2 9 8 0 5 1 5 1 3 6 7 3 Q Q TEL 13942296513 QQ 376315150 892498299 TEL 13942296513 QQ 376315150 892498299 A C E G I B D F H J 2 1 3 5 7 4 6 CN1 CN2 Q1 Q2 AVR FRONT-END PROCESSOR DRIVER Q201 Q202 Q200 SERVO CONTROLLER DIGITAL CN5 MOTOR DRIVER Q4 Q3 Q100 INVERTER SW SW LD DRIVER SW INVERTER INVERTER LEVEL SHIFT D101 SPINDLE MOTOR +2.0V CN2 CN1 IC2 IC100 IC1 IC202 IC201 (X35-2240-10) (X13-7770-10) 4.9V 4.9V 3.1V 3.2V 4.9V 2.0V 5.0V 5.1V 3.2V 3.0V 4.3V 1.4V 0V 1.4V 2.4V 9.1V 3.0V 1.4V 1.4V 4.3V 4.1V 4.1V 2.9V 2.9V 0.8V 2.9V 4.2V 5.0V 1.4V 5.0V 1.5V 1.5V 9.1V 8.9V 6.9V 5.1V 1 2 3 4 5 6 7 8 9 10 11 12 13 14 15 16 17 18 19 20 21 GND LD NC VCC+2V LDMON VCC+5V TE1 FE1 TE2 TE3 FE2 TE1 VCC+5V SRF1 GND VREF2.2V VCC+5V T- F- T+ F+ 1 2 3 4 5 6 7 8 9 10 11 12 13 14 15 16 17 VC+ VC- H3- H3+ H2- H2+ H1- H1+ SPDM-3 SPDM-2 SPDM-1 TRV-SW+ GND STM-NB STM-NA STM-A STM-B L1 L12 L11 L10 L9 L8 L7 L4 L5 L6 L3 L2 L17 L16 L15 L14 L13 L18 C1 0.1 C2 0.1 4 3 2 1 +2V 100 99 98 97 96 95 94 93 92 91 90 89 88 87 86 85 84 83 82 81 80 79 78 77 76 75 74 73 72 71 70 69 68 67 66 65 64 63 62 61 60 59 58 57 56 55 54 53 52 51 26 27 28 29 30 31 32 33 34 35 36 37 38 39 40 41 42 43 44 45 46 47 48 49 50 1 2 3 4 5 6 7 8 9 10 11 12 13 14 15 16 17 18 19 20 21 22 23 24 25 DIFN DIFP VREF4 VIN4 VIN3 VIN2 VIN1 VCC1 VIN5 VIN6 FS DCRF TS RFOP RFON COFTSL COFTFS VREF2 GND2 VCC2 RFINN RFINP TESTSG RBCA CBDOFS CBDOSL CSAG DCAGO AGCG PEAK BOTTOM RFENV FC BOOST OFTR BDO JITOUT GND3 FUPDN ITDLI VCOIN PLFLT PLFLT2 FCPO PCPO VCC3 CAPA DTRD IDGT VCC5 RSCL TEI TEOUT TKCFLT TKCNT VREF1 GND1 DBAL IDOLY VPWOFT VPWBDO VREF3 DCFLT FLTOUT DSLO DSLFLT DTMONP DTMONN VCC4 GND4 GND5 RDTN RDTP RDCKN RDCKP DONB DONA PCOA PC1 VHARF TGBAL POFLT PTH TBAL TG FGCTL FBAL FE FEN VREFL VREFC VREFH PULIN SEN SCK STDI STANBY XTRON MTRON ROMRAM 128 127 126 125 124 123 122 121 120 119 118 117 116 115 114 113 112 111 110 109 108 107 33 34 35 36 37 38 39 40 41 42 43 44 45 46 47 48 49 50 51 52 1 2 3 4 5 6 7 8 9 10 11 12 13 14 15 16 17 18 19 20 21 22 23 24 25 26 27 28 29 30 31 32 GIO10 PWM0B PWM0A PWM1B PWM1A PWM2B PWM2A PWM3B PWM3A DVSS SYSCLK VCOF1 DVSS IREF1 XRESET TEST MINTEST FG DSLO TKCRS2 TKCRS1 OFTR ENS ENC CPUIRQ CPUCLK CPUDTIN CPUDTOUT CHCK4I SCLK+ SCLK- SDAT+ SDAT- BDO SBCK IREF2 IREF3 VCOF2 VDSS VCOF3 DVSS DVDD GIO1 GIO2 GIO3 GIO4 GIO5 DVSS GIO6 GIO7 GIO8 DVDD GIO9 GIO10 GIO11 GIO12 GIO13 GIO14 DVSS GIO15 PWMDA0 PWMDA1 PWMDA2 PWMDA3 PWMDA4 PWMDA5 PWMDA6 PWMDA7 DVSS DVDD TSTSG FUPDNT MONA MOBA R11 7.5K 36 37 52 R10 39K C10 100P C9 56P C48 0.1 1 C77 94 95 0.22 C43 C42 220P C44 82P C41 0.1 C47 0.1 1000P C40 29 0.1 C39 18K R24 R23 8.2K C38 220P 20 4 93 89 98 87 90 3 5 88 21 2 12K R12 R7 10K 27 1W R1 R4 2.2 47u6.3 C3 + 12K R3 22K R2 82 150K R6 6 0.1 C8 R8 10K R9 82K C13 0.1 C14 10u10 + 0.1 C11 0.1 C12 15 5 4 VIN VOUT 1 2 3 CNT GND CNP +2V +2V 10u10 + 470P C7 + C6 10u10 4P C53 L19 15 16 17 18 19 20 21 22 23 24 25 26 27 28 SG VCC ECR EC NC PCI VM CS1 NC NC NC A3 A2 A1 14 13 12 11 10 9 8 7 6 5 4 3 2 1 NC BRK FG TFLG SS H3- H3+ VH H2- H2+ NC H1- H1+ PG 15 16 17 18 19 20 21 22 23 24 25 26 27 28 PGND2 STANBY D4+ D4- PVCC3 IN3 IN4 SVCC IN1 PVCC1 D5+ D5- PGND1 D1+ 14 13 12 11 10 9 8 7 6 5 4 3 2 1 D3- D3+ D2- D2+ PVCC2 IN2- Ch4SW IN2+ VREF IN+ IN- OUT IN5 D1- 3 2 1 R203 2.2K R202 2.2K R201 6.2K 105 104 102 17 18 14 13 0.1 C200 L200 L201 L202 L203 13 17 14 18 10K R208 R207 0.01 C204 0.01 C203 0.01 C202 L216 L215 L214 L213 L212 L211 L210 R206 10K 9 8 7 6 5 3 2 28 26 27 7 8 9 2 3 5 6 26 27 28 9 C208 0.1 C209 0.1 C210 0.1 R213 0.5 1000P 1000P C207 1000P C201 1W 5 120 0.1 C206 11 18K R200 14 111 16 10K R209 C205 L204 L207 L205 L206 91 100P C15 R13 39K C16 0.15 C54 0.033 108 C17 0.1 R15 22K R14 2.7K 101 23 22 C19 0.1 C18 0.1 110 C20 3900P 196BSY 25BSY SCSIEN KMODE RESERV D+3.3V 48 64 45 44 72 70 71 4 3 5 6 7 8 9 1 2 10 SBI GND SBO SBT 50 76 70 72 71 60 80 108 4.7K R108 1000P C107 C106 470P 36 37 108 107 110 125 128 10K R129 0.1 C130 C132 33P R130 4.7K C129 0.1 330P C133 C134 0.1 R131 4.7K 88 47K R107 R106 47K 8.2K R105 R103 16K 22K R102 12K R104 23 20 21 22 C101 0.033 C102 0.033 C104 0.033 C103 0.033 29 30 44 6 128 560K R5 D+5V M+9V +3.3V 47K R210 L100 100u6.3 C137 + 1 C136 C135 1000P R16 10K R17 22K R18 15K 0.33 C25 C27 120P 3.3K R22 C29 0.1 0.1 C30 125 99 84 C35 0.1 C34 680P C33 1000P C32 0.22 C31 0.1 R20 470K C52 220P C28 220P R19 470K C26 0.1 1.5M R21 C45 0.1 C46 0.1 L208 10uH C22 1 C24 0.1 C23 10u10 + 16 15 14 13 12 11 9 6 4 3 2 47K CP100 R101 47K 120 1000P C100 1000P C105 +D3.3V 10uH L20 1 C51 C49 1 1 C50 C36 1 47u6.3 C37 + 10uH L21 100 30 44 81 107 D+5V +B +B +B +B +B +B M+9V 10K M+9V M+9V M+9V M+9V M+9V M+9V +9V +B M+9V M+9V M+9V M+9V L209 270 R204 R100 10K +B +B +B +B +B +B +B +B +D3.3V +D3.3V D+3.3V Q1 Q201 R205 270 +3.3V +3.3V +3.3V +3.3V +5V +B +B +B +B +B +B +B +B 4 103 92 6 +B +B +B 0.1 C21 IC201 +B +B +B +B +B +B C213 0.1 C214 0.1 D+5V M+9V 10u10 + C211 1-6 53 +B +B +B +B +B +B +B +B A+5V +B +B +B +B +B A+5V A+5V C5 20 T+ 20 F+ 21 L18 21 F+ +B +B +B +B 8 FE1 VCC+5V 17 19 F- T- 18 VREF2.2 16 SRF1 GND 14 15 11 FE2 VCC+5V 13 TE1 12 TE3 10 TE2 9 5 LDMON TE4 7 VCC+5V 6 VCC+2V 4 GND 3 GND (LD) 1 LD 2 8 SRF1 +B 17 L16 L17 19 L15 18 T+ F- T- L13 L14 16 14 15 VREF2.2 VCC+5V GND 11 L11 L12 +B 13 L10 12 VCC+5V TE1 L8 L9 10 L7 9 FE2 TE3 TE2 5 L5 L6 7 L4 +B 6 TE4 FE1 VCC+5V L2 L3 +B 4 3 VCC+2V LDMON GND 1 C1 L1 0.01 2 LD GND (LD) PICK UP to PICK UP to +B +B w w w . x i a o y u 1 6 3 . c o m Q Q 3 7 6 3 1 5 1 5 0 9 9 2 8 9 4 2 9 8 T E L 1 3 9 4 2 2 9 6 5 1 3 9 9 2 8 9 4 2 9 8 0 5 1 5 1 3 6 7 3 Q Q TEL 13942296513 QQ 376315150 892498299 TEL 13942296513 QQ 376315150 892498299 K L N P R T M O Q S u-COM Q500 D500 Q501 Q502 SW SW RESET IC INVERTER MEMORY IC (1M SRAM) D102 EEP ROM LINE DECODER D100 MEMORY IC IC500 IC502 IC501 IC504 IC503 IC701 (X35-2240-10) 3.0V 3.1V 3.2V 3.1V 3.1V 3.0V 3.2V 3.0V 3.1V 5.1V 2.0V 3.0V 106 105 104 103 102 101 100 99 98 97 96 95 94 93 92 91 90 89 88 87 86 85 84 83 82 81 80 79 78 77 76 75 74 73 72 71 70 69 68 67 66 65 53 54 55 56 57 58 59 60 61 62 63 64 DVDD DA8 DA7 DA6 DA5 DA4 DA3 DA2 DA1 AVDD AVSS AD1 AD2 AD3 AD4 AD5 VREFLDA VREFMDA VREFHDA AD6 AD7 AD8 AD9 VREFOP AD10 AD11 AD12 AVDD VREFHAD VREFMAD VREFLAD AVSS DVDD DVSS TX MOND IPFLAG CDIRQ DACDATA DACLRCK DACCLK DVSS SUBC BLKCK MONC NCLDCK LRCK NTRON DVSS DAT0 DAT1 DAT2 DAT3 CHCK40 75 74 73 72 71 70 69 68 67 66 65 64 63 62 61 60 59 58 57 56 55 54 53 52 51 50 49 48 47 46 45 44 43 42 41 40 39 38 37 36 35 34 33 32 31 30 29 28 27 26 1 2 3 4 5 6 7 8 9 10 11 12 13 14 15 16 17 18 19 20 21 22 23 24 25 76 77 78 79 80 81 82 83 84 85 86 87 88 89 90 91 92 93 94 95 96 97 98 99 100 NMI PUP PUP SO1 SI1 SCLK1 SO0 SI0 SCLK0 VDD DARKDET SCSIEN XS VSS CPSEN(ADSC) STBDAC1 STBSP STBDAC2 CLKSEL SEN(FEP) VDD FRNTH SLEEP(FEP) AMUTE KMODE ATTL 25BSY 198BSY VSS CPUADR19 CPUADR18 CPUADR17 CPUADR16 CPUADR15 CPUADR14 CPUADR13 CPUADR12 VDD CPUADR11 CPUADR10 CPUADR9 CPUADR8 CPUADR7 CPUADR6 CPUADR5 CPUADR4 WAITE(ODC) NRD(ODC.AVDEC.RAM) NWR(ODC.AVDEC,RAM) RAMCS(SRAM) ODCCS(ODC) AVCS(AVDEC) ROMCS(FROM) SCLOCK(VDAC) SDATA(VDAC) FRD(FROM) MODE2 CPUADRO CPUADR1 CPUADR2 CPUADR3 VDD SYSCLK(AVDEC) VSS XI XO VDD CLK135 OSCO MODE ADSCINT ODCINT AVINT ICRST STBDAC3 RST VDD CPUDT0 CPUDT1 CPUDT2 CPUDT3 CPUDT4 CPUDT5 CPUDT6 CPUDT7 VSS 8 9 10 11 12 13 14 15 ADSCEN(ADSC) CPUDT 8 ROMCS 47K 47K R509 R510 16 16 53 35 60 59 9 10 15 61 15 34 54 33 62 55 14 14 13 57 W1 11 8 6 5 47K CP500 10K 4 65 4 4 28 29 2 66 2 R513 47K 62 63 1 100 100 65 67 99 99 64 68 68 98 98 63 69 69 97 97 62 70 70 96 96 61 71 72 95 95 59 73 72 74 91 90 89 88 87 94 93 94 93 58 57 73 74 56 55 54 51 50 77 78 79 80 81 86 85 84 47 48 49 84 83 82 R504 47K 26 25 21 76 56 57 58 59 60 55 53 52 47K R508 47K 1 2 3 4 SO CS VSS WP 8 7 6 5 VCC NC SI SCK CP501 CP502 47K CP504 47K CP503 4 3 OUT GND VCC 1 SUB 2 M/A 5 100P C511 C507 1000P R505 4.7K R506 10K 1 2 3 4 5 6 7 8 9 10 11 12 13 14 15 16 17 18 19 20 21 22 23 24 A15 A14 A13 A12 A11 A10 A9 A8 NC NC XWE RST NC NC XBSY NC A17 A7 A6 A5 A4 A3 A2 A1 32 31 30 29 28 27 26 25 24 23 22 21 20 19 18 17 32 31 30 29 28 27 26 25 OE A10 CS1 DQ8 DQ7 DQ6 DQ5 DQ4 GND DQ3 DQ2 DQ1 A0 A1 A2 A3 DQ9 DQ1 DQ8 DQ0 XCE VSS XCE A0 A4 A5 16 15 A6 A7 A12 A14 14 13 12 A13 A16 NC VCC 11 10 9 8 CS2 WE A15 7 6 5 1 A8 A9 A11 4 3 2 39 96 DQ11 35 34 33 DQ2 DQ10 DQ3 87 95 86 DQ12 37 36 VDD DQ4 38 97 88 DQ14 42 41 40 DQ5 DQ13 DQ6 98 90 VSS 44 43 DQ7 DQ15 45 100 89 99 91 46 47 48 XBYTE A16 40 84 93 85 94 11 14 8 36 37 35 39 38 32 31 33 4 30 26 28 27 29 41 16 15 C508 1000P 63 71 72 70 71 72 36 26 26 52 38 27 27 51 39 28 28 50 40 29 29 49 41 30 30 48 43 31 31 47 44 32 32 46 45 33 33 45 35 35 43 36 36 42 37 37 41 38 38 40 39 39 38 37 40 1000P C503 41 42 46 70 63 72 72 72 71 71 71 70 70 70 69 68 67 64 49 R502 47K R503 10K R501 47K 45 44 48 47K R517 47K R516 C505 1000P C504 1000P 1000P C506 10u10 C500 + 31 L501 1000P C502 1000P C501 10K R500 88 80 1000P C313 1000P C312 92 96 97 98 106 108 1000P C314 C315 1000P 1 42 0.1 C509 +B +B +B +B +B +B CP101 47 109 97 98 110 92 R110 10K 106 96 111 R109 47 R111 100 C114 3900P R112 10K C115 820P R114 10K R113 10K C116 330P R115 47K C112 0.1 C113 0.1 C117 470P R119 100 C118 270P R118 12K R120 22K R121 33K C119 820P C120 820P R122 33K 82 81 84 87 89 88 91 90 92 93 94 95 68K R116 68K R117 1000P C128 C108 1000P C109 1000P R124 R123 C127 1000P 10K 3.6K C121 1000P C122 1000P R125 10K C123 1000P C124 1000P R126 10K R127 10K C125 0.1 105 104 103 102 98 99 100 101 111 D+5V A+5V M+9V D+3.3V D+3.3V D+5V A+5V A+9V 10uH L101 L300 10uH 8 7 6 5 VCC Y3 Y2 Y1 1 2 3 4 A B G GND 33 31 30 36 4 38 39 37 35 29 28 27 26 2 32 5 100 99 98 97 96 95 94 93 13 14 15 16 3.9 R511 1000P C510 D+3.3V +B +B 30 1000P C700 64 D+3.3V 1 80 C551 1000P C550 10u10 + D+5V +B +B +B +B +B +B +B +5V D+5V +B 114 1 L500 10uH D+3.3V D+3.3V +3.3V +3.3V +3.3V +B +B +B +B +B +B +B +B +B +B 1 C126 C111 0.1 C110 1000P 73 74 +B 50 5P C150 5P C151 1 +B +B +B +B +B +B +B 58 +B +B +B +B +B +B 4.7K R507 +B 114 +B +B +B +B +B +B +B C552 1000P 1K R520 1K R304 1 C324 C323 1000P 0.01 C138 0.01 C512 2.2 R512 C322 0.01 +B R132 1K w w w . x i a o y u 1 6 3 . c o m Q Q 3 7 6 3 1 5 1 5 0 9 9 2 8 9 4 2 9 8 T E L 1 3 9 4 2 2 9 6 5 1 3 9 9 2 8 9 4 2 9 8 0 5 1 5 1 3 6 7 3 Q Q TEL 13942296513 QQ 376315150 892498299 TEL 13942296513 QQ 376315150 892498299 AD U W Y AA AC V X Z AB CPPM DECODER CONTROLLER OPTICAL DISC D400 MEMORY IC INVERTER 27MHz INVERTER 33MHz TIMMING (AND GATE) (OR GATE) TIMMING +2.5V AVR D-FF D-FF CONTROLLER CONTROLLER (16M SD RAM) AUDIO SIGNAL VIDEO SIGNAL IC700 IC300 IC401 IC402 IC301 IC507 IC508 IC404 IC506 IC505 IC302 (X35-2240-10) 4.9V 3.0V 3.0V 3.2V 3.1V 3.1V 3.1V 3.1V 3.1V 3.1V 3.1V 3.1V 3.1V 3.1V 32.2V 2.5V 3.2V 3.2V 2.5V 3.2V 3.2V 3.0V 3.2V 3.0V 208 207 206 205 204 203 202 201 200 199 198 197 196 195 194 193 192 191 190 189 188 187 186 185 184 183 182 53 54 55 56 57 58 59 60 61 62 63 64 65 66 67 68 69 70 71 72 73 1 2 3 4 5 6 7 8 9 10 11 12 13 14 15 16 17 18 19 20 21 22 23 24 25 26 27 28 29 30 31 32 33 34 35 36 37 38 39 40 41 42 43 44 45 46 47 48 49 50 51 52 VSS MA7 MA10 VDD MA8 MA11 LVDD MA9 VSS XCSM XCSE VDD XRAS XCAS VSS XWE DQMUM VDD DQMUE DQMLM LVDD DQMLE VSS MCK VDD MCKI VSS VDD HD5 HD6 HD7 HD8 HD9 HD10 VSS HD11 HD12 HD13 HD14 HD15 LVDD AUDSTR ARQ VSTR VSS VRQ AVRTM VDD VDD MA0 MA6 MA1 VSS MA5 MA2 MA4 VDD MA3 CLK121 LVDD XRST VSS CLK81 PLLAVDD TCPOUT PLLAVSS CLK27 PLLTEST CKIO PLLVDD HMD1 HMD0 XHINT XDK VSS XWR XRD XCS HCLK VDD HA1 HA2 HA3 HA4 LVDD HA5 HA6 HA7 HA8 VSS HA9 HA10 HA11 VDD HD0 HD1 HD2 HD3 HD4 VSS 100 99 98 97 96 95 94 93 92 91 90 89 88 87 86 85 84 83 82 81 80 79 78 77 76 75 74 73 72 71 70 69 68 67 66 65 64 63 62 61 60 59 58 57 56 55 54 53 52 51 26 27 28 29 30 31 32 33 34 35 36 37 38 39 40 41 42 43 44 45 46 47 48 49 50 1 2 3 4 5 6 7 8 9 10 11 12 13 14 15 16 17 18 19 20 21 22 23 24 25 SVSS MTSET NC NC SYSCLK NC NC MON3 MON2 MON1 MON0 VDD VSS NC NC NC CPUDT0 CPUDT1 CPUDT2 CPUDT3 CPUDT4 CPUDT5 CPUDT6 CPUDT7 SVSS SVDD CPUDT8 CPUDT9 CPUDT10 CPUDT11 CPUDT12 CPUDT13 CPUDT14 CPUDT15 XCPURD XCPUWT XCSIN VSS CPUADR0 CPUADR1 CPUADR2 CPUADR3 CPUADR4 NC NC NC NC NC NC SVDD SVSS STDOUT0 STDOUT1 STDOUT2 STDOUT3 STDOUT4 STDOUT5 STDOUT6 STDOUT7 AVRMOUT STENIN SCLKOUT VSS VDD STVALOUT NC NC NC NC NC NC NC NC SCANOUT SVSS SVDD XRESET TEST SCANIN SCANNT MOD0 MOD1 MOD2 NC NC NC STENOUT VSS STDIN0 STDIN1 STDIN2 STDIN3 STDIN4 STDIN5 STDIN6 STDIN7 AVRTM STVALIN STCLK SVDD 84 83 81 82 78 77 79 80 67 58 60 59 62 61 65 64 66 69 68 71 70 73 72 74 67 69 71 72 1000P C705 1000P C704 1000P C706 C707 1000P 143 131 137 72 71 70 69 68 67 66 65 64 63 62 61 60 59 58 57 56 55 54 53 52 51 50 49 48 47 46 45 44 43 42 41 40 39 38 37 36 35 34 33 32 31 30 29 28 27 26 25 24 23 22 21 20 19 18 17 16 15 14 13 12 11 10 9 8 7 6 5 4 3 2 1 109 110 111 112 113 114 115 116 117 118 119 120 121 122 123 124 125 126 127 128 129 130 131 132 133 134 135 136 137 138 139 140 141 142 143 144 73 74 75 76 77 78 79 80 81 82 83 84 85 86 87 88 89 90 91 92 93 94 95 96 97 98 99 100 101 102 103 104 105 106 107 108 CPUDT2 VSS CPUDT3 CPUDT4 CPUDT5 PVSSDRAM PVDDDRAM PTESTDRAM PVPPDDRAM CPUDT6 CPUDT7 VDD NRD NWR NCS CPUADR0 VSS CPUADR1 CPUADR2 CPUADR3 CPUADR4 CPUADR5 CPUADR6 CPUADR7 CPUADR8 CPUADR9 CPUADR10 CPUADR11 VDD CPUADR12 CPUADR13 CPUADR14 CPUADR15 VSS CPUADR16 CPUADR17 RAM RAM VSS UATSEL OCSI2 OCSO2 VDD DASPST NMRST WAITODC NINT1(ODCINT) NINT0 MASTER(STENABLE) NRESET 5VDD HDD7 HDD8(STD0) HDD6 VSS HDD9(STD1) HDD5 5VDD HDD10(STD2) HDD4 HDD11(STD3) HDD3 VDD HDD12(STD4) VSS HDD2 HDD13(STD5) HDD1 5VDD HDD14(STD6) HDD0 HDD15(STD7) SUBC KCLDCK CHCK4 DAT3 DAT2 DAT1 DAT0 VDD SCLCK SDATA MONI3 MONI2 MONI1 MONI0 VSS NEJECT 5VDD NTRYCL NDASF NCS3FX NCS1FX VDD DA2(STCLK) DA0 NPDIAG VSS DA1 NIOCS16 INTRQ(STVALID) 5VDD NDMACK IDRDY NIQRD VSS HIOWR(ATVALIN) DMARQ CPUDT1 CPUDT0 CLKOUT1 VDD TEHLD DTRD IDGT BD0 CPDET2 CPDET1 VSS MMOD NRST VDD CLKOUT2 PLLOK IDHOLD JMPINH LG NTRON SHPDATA SHPLACK SHPCLK IPFLG BLKCK LRCK VSS OSCI1 OSCO1 VDD PVSS PVDD P1 P0(CDIRQ) VSS SBCK 50 49 48 47 46 45 44 43 42 41 40 39 38 37 36 35 34 33 32 31 30 29 28 27 26 VSS DQ15 DQ14 VSSQ DQ13 DQ12 VCCQ DQ11 DQ10 VSSQ DQ9 DQ8 VCCQ NC UDQM CLK CKE NC A9 A8 A7 A6 A5 A4 VSS 1 2 3 4 5 6 7 8 9 10 11 12 13 14 15 16 17 18 19 20 21 22 23 24 25 VCC DQ0 DQ1 VSSQ DQ2 DQ3 VCCQ DQ4 DQ5 VSSQ DQ6 DQ7 VCCQ LDQM XWE XCAS XRAS XCS A11 A10 A0 A1 A2 A3 VCC 10u10 + C483 R431 3.9 R456 3.9 R455 3.9 R454 C471 1000P 1000P C472 C473 1000P 1000P C474 C475 1000P C476 1000P R458 3.9 R457 3.9 47K 19 32 159 162 165 168 171 175 181 187 193 195 196 198 178 3.9 R449 3.9 R450 3.9 R451 1000P C477 C478 1000P 1000P C479 33 34 35 36 37 38 39 40 41 42 43 44 45 46 47 48 49 50 XCS XRAS XCAS XWE LDQM VCCQ DQ7 DQ6 VSSQ DQ5 DQ4 VCCQ DQ3 DQ2 VSSQ DQ1 DQ0 VCC 3 2 1 8 7 6 5 4 18 17 16 15 14 13 12 11 10 9 DQ11 VCCQ DQ12 DQ13 VSSQ DQ14 DQ15 VSS UDQM VCCQ VSSQ DQ10 DQ8 DQ9 NC CKE CLK NC 170 167 164 161 158 190 185 180 177 173 1000P C481 3.9 R453 1000P C482 R452 3.9 203 206 2 4 7 10 C480 1000P 26 27 28 29 30 31 VCC 25 24 23 22 21 20 A3 A2 A1 A0 A10 A11 A4 A5 A6 A7 A8 A9 VSS 201 204 3 6 8 207 47K R430 D+3.3V D+3.3V D+3.3V D+3.3V D+3.3V D+3.3V 185 185 R447 22 1000P C455 199 198 195 187 189 190 192 193 196 193 196 195 201 203 204 206 207 201 204 203 207 206 C456 1000P 1000P C457 C458 1000P C459 1000P 1000P C460 3 4 2 4 2 3 6 8 7 7 8 6 10 10 R400 47K R401 47K D+3.3V D+3.3V D+3.3V D+3.3V +3.3V 21 110 109 111 72 70 69 68 1000P C311 0.01 C310 62 63 131 137 143 47K R303 47K R302 1000P C318 1000P C316 C317 1000P C319 1000P 1 2 3 INB INA GND 5 4 VCC OUT 6 57 54 55 53 52 48 49 51 50 47 46 45 40 41 42 43 38 37 C309 1000P C308 1000P GND OUT INA 3 INB 2 1 4 VCC 5 8 7 6 5 VCC PF CLK Q 1 2 3 4 CK D Q GND VCC CLK GND Q D CK 4 3 2 1 8 7 6 5 Q 62 61 59 58 57 56 55 54 71 69 67 65 64 63 R405 47K R404 47K 72 1000P C414 C413 1000P 1000P C415 48 51 49 50 44 47 45 43 40 41 35 38 39 36 33 34 31 29 30 28 25 R402 47K R403 47K D+5V A+5V M+9V D+3.3V 1 2 3 4 5 VIN ON/OFF VOUT NC GND 5P C487 1000P C400 D+3.3V D+3.3V C401 220u4 + C404 + 10u10 C701 + 1000P C702 1000P C703 L700 47K CP301 47K CP300 1 C321 1000P C320 1000P 26 1K R300 1K R301 1000P C307 1000P C306 C304 1000P 1000P C303 1000P C305 1000P C302 10u10 C301 + C300 + 10u10 L301 D+3.3V +3.3V D+3.3V D+3.3V D+3.3V +2.5V +2.5V +2.5V +2.5V +2.5V D+3.3V +2.5V D+3.3V D+3.3V D+3.3V +2.5V +2.5V D+3.3V +2.5V D+3.3V D+3.3V +2.5V +2.5V D+3.3V +2.5V D+3.3V D+3.3V +2.5V +B +B +B +B +B +B +B +B PVDDD PVSSD 1 VDD 5 2 3 GND 4 NC 2 GND 3 4 NC 1 5 VDD L504 220 R551 R550 1M 22P C555 22P C554 C557 1000P 1000P C556 16..9344MHz 3.5MHz C553 1000P X500 27MHz D+3.3V +B +B +B +B +B +B +B D+3.3V D+3.3V +B +B +B +B +B +B +B +B +B +B +B +B +B +B +B +B +B +B D+3.3V L503 22uH L502 +B +B +B +B +B +B +B +B 220u 4 8 6 3 207 204 201 185 192 180 177 173 170 167 164 161 158 159 162 165 168 171 175 178 181 189 193 195 196 199 203 206 2 4 7 10 1000P C405 C407 1000P 1000P C408 1000P C406 C409 1000P C410 1000P 1000P C411 C412 1000P +B +B +2.5V D+3.3V 27MHz L505 PF +B +B +B +B +B +B 2 4 +B +B +B +B L506 +B +B +B +B IC401,402 A+5V M+9V D+5V D+3.3V +B +B +B +B +B STDOUT 0-7 D+3.3V D+3.3V D+3.3V IC302 R553 1M 1000P C513 w w w . x i a o y u 1 6 3 . c o m Q Q 3 7 6 3 1 5 1 5 0 9 9 2 8 9 4 2 9 8 T E L 1 3 9 4 2 2 9 6 5 1 3 9 9 2 8 9 4 2 9 8 0 5 1 5 1 3 6 7 3 Q Q TEL 13942296513 QQ 376315150 892498299 TEL 13942296513 QQ 376315150 892498299 AE AF AH AJ AL AN AG AI AK AM DV-4070-B/4900/DVF-R7030-B/R9030 Y22-8310-00 CN3 CN4 Q601 Q602 Q603 Q604 Q605 D600 BUFFER VIDEO ENCODER&D/A AV DECODER INVERTER IC407 IC407 (1/2) (2/2) (BOTTOM VIEW) CONVERTER) 3.3V AVR OPE AMP : MA111 D400,500,600 : DA204U D100-102 : 2SA1576A(R,S) Q501-605 : 2SC4081(R,S) Q500 : DTA124EUA Q3,202 : DTC124EUA Q2,4,100,200,201,502 : 2SB1115A Q1 : TC3W02FU IC701 : MN5C027D4H IC700 : PQ1R33 IC601 : ADV7190 IC600 : TC7WH74FU IC507,508 : TC7SHU04FU IC505,506 BS62LV1024ST70 : KM68U1000E10 or IC504 : AT49LV8192A90T IC503 : X25057M-2.7 IC502 : PST596JNR IC501 : MN102LP25G or IC500 : NJM2115V IC407 : TC74HCT7007AF IC405,406 : PQ2TZ15U IC404 : TC7SET04FU IC403 : EM636165TS-8 or IC401,402 : MN677521HB IC400 : TC7SH08FU IC302 : TC7SH32FU IC301 : MN103007B IC300 : AN8480NSB IC202 : AN8785SB IC201 : MN67705EA IC100 : AN8706FHQ IC2 : TK11120S IC1 HY57V16160DTC 1/2 X00- CN0 VIDEO SIGNAL RGB LEVEL YC LEVEL AUDIO DIGITAL BUFFER (LEVEL C LEVEL B LINE B LINE GND LINE SIGNAL LINE DIGITAL LINE 2/3 X25 -CN4 2/3 X25-A/2 CN3 AUDIO SIGNAL MN102L62GA1 IC600 IC601 IC400 IC405 IC406 IC403 (X35-2240-10) DV-4900/4070-B (1/3) A C D DVF-R9030/R7030 (1/3) 3.2V 3.0V 3.0V 5.1V 5.1V 3.2V 3.2V 5.1V 2.5V 3.2V 3.2V 5.1V 5.1V 1 2 3 4 5 6 7 8 9 10 11 12 13 14 15 16 17 18 19 20 21 22 23 24 25 26 VGND M+9V MGND D+5V DGND D+3.3V DGND A+5V AGND FRNTH ATTL VGND Y VGND C VGND G/Y VGND B/Cb VGND R/Cr VGND TRAY-OPEN TRAY-CLOSE VGND POWER CLK338 10 STBDAC1 19 D+5V 23 26 DMIX 25 24 IECOUT STBDAC3 STBDAC2 21 22 AMUTE 20 SCLK1 18 17 SI1 SO1 16 15 SCLKO STBSP 14 13 SI0 SO0 12 11 PHCO NRST EXTCK 8 9 CLKSEL 7 6 DGND AOUT2 5 4 AOUT1 AOUT0 3 2 LRCK DGND 1 SRCK M+9V L602 L601 L603 L604 L605 L606 L607 53 46 1 12 13 64 63 62 61 60 59 58 57 56 55 54 53 52 51 50 49 48 47 46 45 44 43 42 41 40 39 38 37 36 35 34 33 17 18 19 20 21 22 23 24 25 26 27 28 29 30 31 32 1 2 3 4 5 6 7 8 9 10 11 12 13 14 15 16 DGND VDD NC NC NC NC NC NC TTX DGND VDD NC PAL/NT VSO/CLP CSOHSO RESET RESET1 VREF COMP1 DACA(CVBS) DACB(Y) VAA AGND DACC(C) DACD(G/Y) AGND VAA DACE(B/Cb) DACF(R/Cr) COMP2 RESET2 DGND VDD DGND HSYNC VSYNC BLANK ALSB TTXREQ DGND VDD AGND CLKIN CLKOUT VAA SCL SDA P0 P1 P2 P3 P4 P5 P6 P7 P8 P9 P10 P11 P12 P13 P14 P15 SCRSET/TR 470 VR600 VR601 470 C610 1000P C613 0.1 C611 1000P C612 0.1 C607 1000P 100u C616 + R609 270 1000P C609 C614 1000P 1K R605 1K R606 R612 330 R611 100 R614 100 R610 1K R613 1K R618 330 R616 1K R617 100 R621 330 R620 100 R619 1K R624 330 R622 1K R623 100 180 R615 VR602 470 1 2 3 VC GND NA 6 5 4 VIN GND VO +3.3V A+3.3V A+5V +5V 6P C608 220u4 C620 + 1000P C617 C618 0.1 Q601-605 C603 100P 181 180 179 178 177 176 175 174 173 172 171 170 169 168 167 166 165 164 163 162 161 160 159 158 157 156 155 154 153 152 151 150 149 148 147 146 145 144 143 142 141 140 139 138 137 136 135 134 133 132 131 130 129 128 127 126 125 124 123 122 121 120 119 118 117 116 115 114 113 112 111 110 109 108 107 106 105 74 75 76 77 78 79 80 81 82 83 84 85 86 87 88 89 90 91 92 93 94 95 96 97 98 99 100 101 102 103 104 MDQ7 MDQ8 VDD MDQ6 MDQ9 VSS MDQ5 LVDD MDQ10 VDD MDQ4 MDQ11 VSS MDQ3 MDQ12 VDD MDQ2 MDQ13 VSS MDQ1 MDQ14 VDD MDQ0 MDQ15 VSS VDD VD7 VD6 VD5 VD4 VD3 VD2 VD1 VD0 VSS VCLK LVDD XHSYNCO XVSYNCO VDD AVSS VYOUT COMPY IREFY VREFY AVDD VCROUT COMPCR IREFCR VREFCR AVSS VCBOUT COMPCB IREFCB VREFCB AVDD VCOUT COMPC IREFC VREFC NPOWD VSS ADOUT2 ADOUT1 ADOUT0 VDD SRCK LRCK DACCK LVDD DMIX IECOUT RFF TEST1 TEST2 TEST3 VSS STD7 STD6 STD5 STD4 STD3 LVDD STD2 STD1 STD0 VSS EXTCK APLLVDD P5481 PHCOMPO APLLAVSS NC APLLAVDD ACKIO VSS DCTEST TESTSEL1 TESTSEL0 LVDD TEST9 TEST8 TEST7 TEST6 TEST5 TEST4 CLKMON VDD 87 84 14 13 12 11 10 9 8 VCC 6A 6Y 5A 5Y 4A 4Y 1 2 3 4 5 6 7 1A 1Y 2A 2Y 3A 3Y GND GND 3 1Y 1A 2 1 3Y 3A 2Y 2A 7 6 5 4 8 9 6A VCC 4Y 4A 5Y 5A 6Y 12 13 14 10 11 CP400 47 C604 100P R603 47K R602 47K 1000P C605 C606 1000P C602 1000P 150 R626 80 D+5V D+5V 49 59 70 72 L417 L416 L415 L414 L418 L412 L413 L419 L420 56 57 58 67 69 1000P C485 1 D+5V D+5V D+5V D+5V L403 1000P C446 R416 C437 0.1 C438 R415 47K C436 R413 560K C440 0.1 C443 0.1 C444 0.1 D+3.3V R414 560K C423 1000P 1000P C422 C421 22P R408 220 R409 220 R410 220 R411 220 C424 22P C425 22P C427 22P C426 22P C428 22P 220 R407 1 VCC 5 2 3 GND 4 100 R425 1000P C429 22P C430 L410 L409 L407 L405 L408 L406 L404 3 4 2 1 5 8 6 7 22K R426 0.1 C431 C432 0.01 15K R428 1 C435 R429 33K C433 10u10 + C434 0.1 L402 L401 1000P C448 1K R417 1K R419 1K R420 1K R421 1K R422 1K R424 1K R423 1K C445 0.1 47 CP401 A+5V A+5V 87 84 A+3.3V A+3.3V 1000P 1000P A+3.3V 1000P C447 560K 560K R412 C439 0.1 C441 0.1 0.1 R418 A+5V A+5V D+5V +3.3V 158 159 100 R446 158 159 100 R445 100 R443 100 R444 161 162 162 161 164 165 165 164 100 R441 100 R442 R439 R440 100 100 168 167 168 167 100 100 R438 R437 171 170 171 170 173 173 R436 100 100 R435 175 175 R433 R434 100 100 178 177 178 177 100 R432 R448 100 180 181 180 181 C454 1000P 1000P C453 C450 1000P 1000P C451 1000P C452 100 R600 R601 100 10 9 C416 1000P C417 1000P C418 1000P C419 1000P C420 1000P 47K R427 A+5V D+5V M+9V M+9V D+3.3V D+5V A+5V M+9V D+3.3V D+5V A+5V D+3.3V M+9V 0.01 C63 100u6.3 + L600 10u10 IC405,406 +2.5V +2.5V D+3.3V D+3.3V D+3.3V +2.5V +2.5V D+3.3V +2.5V +2.5V D+3.3V +2.5V D+3.3V D+3.3V +2.5V D+3.3V +2.5V +2.5V +2.5V D+3.3V 1000P C600 1000P C601 6.3 A+5V D+3.3V +B +B +B +B +B D+3.3V A+5V D+5V A+5V IC407 1 68 71 C62 A+3.3V D+3.3V D+3.3V D+3.3V D+3.3V D+3.3V VD0-VD7 C442 R406 220 +B +B +B +B +B +B +B VR600 VR602 4.7u6.3 C60 + C61 100u6.3 + B +B ADOUT0-2 1000P C449 C615 100u6.3 + C486 +5V CAUTION: For continued safety, replace safety critical components only with manufacturer's recommended parts (refer to parts list). indicates safety critical components. For contin- ued protection against risk of fire, replace only with same type and rating fuse(s). To reduce the risk of electric shock, leakage-current or resistance measurements shall be carried out (exposed parts are acceptably insulat- ed from the supply circuit) before the appliance is returned to the customer. The DC voltage is an actual reading measured with a high impedance type voltmeter with no signal input. The measurement value may vary depend- ing on the measuring instruments used or on the product. 2SA954 2SC2785 2SA1576A 2SC2714 2SC1740S 2SC4081 DTA124EUA DTA143TUA DTC124EUA NJM4580ED DAN202U DAP202U DA204U TC9214AF TC74HCT7007AF NJU3711M TC74VHC08FT TC7SH08FU w w w . x i a o y u 1 6 3 . c o m Q Q 3 7 6 3 1 5 1 5 0 9 9 2 8 9 4 2 9 8 T E L 1 3 9 4 2 2 9 6 5 1 3 9 9 2 8 9 4 2 9 8 0 5 1 5 1 3 6 7 3 Q Q TEL 13942296513 QQ 376315150 892498299 TEL 13942296513 QQ 376315150 892498299 AO AQ AS AU AW AP AR AT AV AX 2 1 3 5 7 4 6 20 19 18 17 16 15 14 13 12 11 10 9 8 7 6 5 4 3 2 1 80 79 78 77 76 75 74 73 72 71 70 69 68 67 66 65 64 63 62 61 41 42 43 44 45 46 47 48 49 50 51 52 53 54 55 56 57 58 59 60 21 22 23 24 25 26 27 28 29 30 31 32 33 34 35 36 37 38 39 40 SCK O RXD O TXD O MMOD XO XI VSS OSC1 OSC2 VDD VREF KIND1 KIND0 KISYU KEY4 KEY3 KEY2 KEY1 KEY0 VSS POWER MUT DISC 5 DISC 3 DISC 1 192kHz SHOWER LED AOP LED VSS LED DISC 4 DISC 2 96kHz POWER LED LED11 LED12 LED13 LED14 LED15 LED16 LED17 LED18 TM+ TRM- RM+ RGBL AOP YCBH TRAY OPEN TRAY CLOSE POWER FL OFF WIDE1 WIDE2 C OFF P52 P53 P54 CE P61 P62 P63 SB01 SBJ1 SCLK1 FLCE RESET E2CS P11 MECHA VR P13 LED DM REMOCON POS SENS MECHA FG OPEN SW CLOSE SW I2C SDA SBI2 I2C SCL P33 P34 1 2 3 4 CX D Q GND 8 7 6 5 VCC PR CLR Q 1 2 3 4 A B Y GND 8 7 6 5 VCC ST SEL Y 1 2 3 4 5 6 7 8 EV +5V EV +12V A +12V A GND ASENS GND A -12V A +5V POWER 1 2 3 4 5 6 7 8 9 10 11 12 13 14 15 16 17 18 19 20 21 22 23 24 25 26 V GND M +9V M GND D +5V D GND D +3.3V D GND A +5V A GND FRNTH ATTL V GND Y V GND C V GND G/Y V GND B/Cb V GND R/Cr V GND TRAY-OPEN TRAY-CLOSE V GND POWER 1 2 3 4 5 6 7 8 9 10 11 12 13 14 15 16 17 18 19 20 21 22 23 24 25 RESET FLCE SCLK 1 SBO1 VSS LED KEY 0 AOP LED POWER LED SHOWER LED 96kHz-LED 192kHz-LED LED-DM DISC 1 LED DISC 2 LED DISC 3 LED DISC 4 LED DISC 5 LED KEY 1 KEY 2 GND uCOM +5V -35V FL - FL + REM 1 VDD 5 2 3 GND 4 1 6 7 5 12 13 11 10 NC 2 4 3 GND 1 NC 5 VDD 8 7 6 9 4 5 11 10 2 3 1 13 12 14 4 1 2 3 5 6 8 7 4 3 2 8 9 14 6 3 WP VSS 4 SCK SI 5 1 SO CS 2 8 NC VCC 7 1 NC 4 OUT VCC 5 3 SUB GND 2 IN OUT GND X3 1M R308 1M R353 1000P C507 15P C508 15P C509 R307 47K MAIN FL.EEPROM 47K 19 20 R301 100 47P C516 R310 47K R311 R312 R313 47K R315 47K R314 47K C514 1000P C515 1000P R356 47K C510 1000P 1000P 11K R546 C513 C512 1000P 11K R547 1000P C511 R548 11K 2 4 3 25 R358 100 R335 4.7K 21 R337 4.7K R359 100 23 24 R302 4.7K 47P C518 R304 R306 R305 R375 100 R336 4.7K 1000P 47K R318 47K 30 31 R321 47K R320 47K R363 100 R364 100 220 R316 47u25 + R319 R365 100 R366 100 R322 47K R323 47K R324 47K R512 47K R513 47K R368 100 R369 100 R371 100 R370 100 R393 47K R392 47K R391 47K R394 47K R343 47K R340 47K R399 47K R398 47K R342 47K R341 47K R373 100 R344 47K R367 100 R374 100 R385 100 R386 100 53 52 51 36 38 44 48 47 43 42 41 45 46 R345 47K R346 47K R347 47K R348 47K R349 47K R351 47K R350 47K R352 47K 69 71 70 73 72 74 75 78 77 76 79 R355 3.3 C503 1000P 3.3 R354 5P C504 C3 1000P R12 1M 1000P C39 1M R3 2.2K R4 X1 3.9 R16 R18 3.9 C273 22P 1000P C11 2.2K R6 R13 1M R5 1M 36.864MHz 22P C4 C8 1200P R14 3.9 L4 L7 1200P R17 3.9 C5 1200P L3 6 9 3 36.8688MHz X2 22P C6 22K 1000P C2 C1 1000P 22K 12 100 R377 R378 100 1K R8 11 17 20 15 17 20 11 0.01 C12 5P C276 3.9 R65 IC27 820P C265 1200P 5P C274 3.9 R259 1000P R66 D GND D GND D +5V M GND FL -35V FL+ FL- M +9V 6 DSENS GND 7 9 10 11 12 8 1 2 3 D +3.3V D GND 4 5 D +3.3V R328 21 19 17 13 15 47 48 R360 100 R357 100 4 3 72 77 71 76 70 23 69 74 73 21 25 24 2 75 30 78 79 31 R376 100 100K R549 32 35 33 34 D MIX 24 25 26 12 18 19 20 21 22 23 13 14 15 16 17 6 7 8 9 10 11 1 2 3 4 5 IE COUT D +5V STB DAC3 SCL K1 STB DAC2 A MUTE STB DAC1 SCL K0 SO1 SI1 NRST SIO SOO PHCO STB SP SRCK D GND EXTCK CLK 338 CLK SEL A OUT 0 D GND LRCK A OUT 2 A OUT 1 R361 100 R362 100 L2 L1 24 25 21 22 19 20 11 19 20 15 17 3.9 10P 6 3 12 9 R142 4.7K 1 R20 C275 18 C505 R327 2.2K 1K 27 4 3 1 2 10 9 5 6 7 8 11 12 13 14 MDRV-OUT 2 POS SENCEI DSENS VCC MDRV-OUT 1 TM + GND M GND TRM - NC RM + MECHA FG PHOT VCC MECHA-VR M VCC 1 2 3 4 5 6 DSENS VCC MTR + CLOSE SW GND OPEN SW MTR - 32 33 43 42 41 34 35 220 R325 0.01 C506 1 C501 R1 R2 FL-35V FL-35V M+9V EV+5V D+5V D+3.3V EV+5V EV+12V M+9V D+5V D+3.3V A+5V A 12V A+12V EV+12V EV+5V A+5V A+5V EV+5V D+3.3V EV+5V D+3.3V D+3.3V A+5V D+5V M+9V M+9V EV+5V D+3.3V EV+5V A 12V A+12V EV+12V A 12V A+12V EV+12V D+5V D+5V D+5V D+5V D+5V D+5V D+5V D+5V D+3.3V D+3.3V D+3.3V 3.9 C94 +B +B D+3.3V +B +B MECHA S CART C517 47P +B +B +B +B 18 100K R141 +B +B +B +B +B IC19 +5V 56P C376 L11 R110 100 C99 C10 47P +B 220 R113 220 R111 470 R112 10uH L302 L8 4.7uH R105 47K R106 47K L9 4.7u R109 6.8 R108 100 2W 47P C375 C374 47P C373 47P 100 R114 L12 47P C372 C371 47P C370 47K 47K 1M R559 47K R326 + 2.2K R558 C521 1 C519 1000P R329 1K +B 47u10 C520 C500 Q25 +B +B OPEN DGND UP/DOWN 1 2 3 +B LED LH- 4 5 LH+ 6 P.GND 14 D.GND POSITION SPEED +8.5V P.GND VREF +8.5V DIREC TURN LOAD 1 2 3 1 2 1 3 2 3 +8.5V LED 4 5 1 2 5 3 4 6 1 2 6 7 +8.5V 8 9 5 3 4 6 LH- 12 10 11 LH+ 13 4 5 6 7 8 9 10 1 2 3 1/4W R560 1K 47K R303 47P C93 WH7 L303 +B +B +B 10uH IC100 IC22 IC24 IC26 IC19 IC27 IC31 IC20 IC102 IC21 IC101 (X25-637X-XX) (A/2) D C (W04-0013-05) TRAY TRAY MECHA IC501 TRAY (W04-0013-05) WH4 CN4 CN5 D22 D21 D20 D5 Q100 D8 MULTIPLEXER D2 D3 MAIN u-COM 2 INPUTS NAND BUFFER TRIPLE BUFFER RESET IC INVERTER DEVIDER INVERTER WH5 D19 CN3 D1 Q25 INVERTER (ATTL SIGNAL) F CN6 CN7 G E D EEPROM SWITCHING (9V 6.8V) RESET IC 1/3 X35 -CN4 1/3 X35 -CN3 D23 D17 D25 D24 Q101 M551 CN551 D501 D502 D551 SG-206S : GL380 PSGGP1S53V : : S551 IC501 BA6247N : D551 M FC502 FC503 D501 FC503 D501 FC502 CN501 M D502 TRAY MOTOR DRIVER D26 5.0V 12.0V -11.9V 5.1V 3.2V 5.1V 9.1V -33.9V 9.1V -33.9V 4.8V 0.5V 5.0V 4.9V 5.0V 4.8V 4.9V 5.0V 0V 2.9V 4.9V 3.2V 5.1V 5.1V 5.1V 5.1V 5.1V 5.0V 5.1V 5.1V 5.1V 4.9V 12.0V 3.2V 0.6V 0.6V 0.6V 8.3V 0.6V 0.6V w w w . x i a o y u 1 6 3 . c o m Q Q 3 7 6 3 1 5 1 5 0 9 9 2 8 9 4 2 9 8 T E L 1 3 9 4 2 2 9 6 5 1 3 9 9 2 8 9 4 2 9 8 0 5 1 5 1 3 6 7 3 Q Q TEL 13942296513 QQ 376315150 892498299 TEL 13942296513 QQ 376315150 892498299 AY AZ BB BD BF BH BA BC BE BG MMOD 0 MUTE IUD 10 11 NC NC VDD VSS NC NC 14 12 13 16 15 17 IW1 IW0 8 9 6 7 4 5 2 3 RST IBF IIS VSS DATA I LRCK I BCKI 1 42 MMOD1 44 43 MCK1 MCK0 VDD VSS 40 41 39 THRMN OLRRL DRON0 DRON1 NT RND0 RND1 18 19 20 21 22 OBF OIS 24 23 LRCKO FILN OUD VSS BCKO DATA O DRVW 26 25 28 27 30 29 32 31 VDD XO CK VSS 38 37 36 35 ICTH 34 33 1 2 3 4 5 6 7 8 9 10 11 12 13 14 D VSS D VDD MCLK PD BICK S DATA LRCK CS DFSO C CLK CDTI DIF0 DIF1 DIF2 28 27 26 25 24 23 22 21 20 19 18 17 16 15 DZFR CKS1 DZFL P/S V COM A OUT L+ A OUT L- A OUT R+ A OUT R- A VSS A VDD VREF H VREF L B VSS 3 26 CKS0 V COM A OUT L+ A OUT L- A OUT R+ A OUT R- A VSS VREF H B VSS VREF L A VDD CDTI 14 12 13 DIF1 DIF2 DIF0 7 10 11 8 9 DFSO C CLK LRCK CS 5 6 4 S DATA BICK MCLK PD 15 17 16 22 19 18 21 20 24 23 25 P/S CKS2 CKS1 1 2 D VSS D VDD 28 27 1 2 3 4 5 6 7 8 M CLK BICK SDTI LRCK PDN CSN C CLK CDTI 16 15 14 13 12 11 10 9 DZF VREF VDD VSS V COM A OUT L A OUT R P/S 8 9 10 11 12 13 14 DATA H CLK CS RST L192 THRM VDD 7 6 5 4 3 2 1 2CH SURH MOD1 GND MUTE IW1 IW0 4 10 GND 8 9 6 7 5 VDD 11 13 12 3 1 2 14 16 15 VSS L5 R91 100 R92 100 R93 100 R213 1 C206 1200P C14 R214 1 R100 10 C207 820P C30 1000P 10P 5P C18 R10 1 1000P 3.3K R188 5 2 12 1200P C13 4.7K R260 7 470P C266 R103 5P C141 R216 1 C208 1200P R217 1 C209 820P 44 43 42 40 41 39 38 37 36 35 34 C137 10P R117 10 C138 1000P IBF 11 10 9 8 IW1 IUD IW0 IIS 5 7 6 4 3 2 1 DATA I RST VSS LRCK I MUTE BCKI R96 100 R95 100 R94 100 28 FILN VSS OUD OLRRL OBF 23 OIS 26 24 25 27 BCKO DRVW LRCKO DATA O THRMN 29 30 31 32 33 W6 2 W5 3 W4 4 C103 1000P R218 1 VDD NC NC NC VSS NC 13 12 17 15 16 14 RND1 RND0 NT DRON1 DRON0 20 19 18 21 22 VDD MMOD1 MMOD 0 MCK1 MCK0 VSS XO CK VSS VDD ICTH W7 W8 W9 C152 1000P R221 1 R97 100 R98 100 R99 100 28 IBF IW1 13 VSS 12 VDD NT NC NC NC NC DRON0 DRON1 17 14 16 15 18 19 20 IUD 11 10 IW0 9 8 IIS OIS RND0 RND1 22 21 OBF 23 26 OLRRL OUD 25 24 VSS FILN 27 CK DATA I 5 7 6 RST VSS 4 LRCK I MMOD1 MUTE 3 2 BCKI 1 MMOD 0 VSS MCK0 MCK1 VSS XO VDD THRMN 30 DATA O LRCKO 29 DRVW BCKO 31 32 33 ICTH VDD 5P R145 C172 4 3 2 R219 1 C210 1200P 43 44 C174 39 42 40 41 36 38 37 10P R118 10 R220 1 C211 820P C175 1000P 35 34 3.9 3.9 3.9 R101 1K 0.01 C100 R143 1K R132 100 R134 100 R133 100 C26 470u10 + R131 10 1200P C20 R379 100 R380 100 3.9 5P 11 20 17 + C24 470u10 C27 470u10 + + C25 470u10 10u50 + C22 R9 1 C17 5P 4.7K R274 R283 100 R282 100 R281 100 R280 100 C163 5P R157 1 24 21 R284 100 R285 100 10P C281 10P C280 0.1 C164 4.7K R273 9 C166 10u16 + C279 10P C282 10P R136 100 R137 100 R138 100 R135 10 4 3 2 R381 100 R382 100 C159 1200P R104 3.9 C139 5P 10u50 + C106 10P C284 10P C283 C140 5P R102 10 4 3 2 10 R383 100 DIF1 14 DIF2 R384 100 CDTI 12 13 DIF0 C CLK 11 15 16 17 18 19 25 4 7 R160 100 DFSO 9 LRCK CS 8 R159 100 R140 100 BICK S DATA 6 5 PD 10P C285 C286 20 10P 22 21 23 24 820P R139 10 C162 2 D VDD MCLK 3 D VSS 1 C173 5P R146 3.9 C101 27 26 10u50 + 28 C171 5P R144 10 2 3 4 1 5 4 6 8 7 510 R43 470 R39 56P C49 22P C47 510 R41 470 R37 560 R21 270 R25 270 R31 8P C37 8P C35 560 R23 270 R27 270 R33 3300P C31 3300P C33 56P C45 R29 1K 22P C43 R35 1K 6 8 5 7 C59 1000P 8P C61 390P C55 C41 390P R45 1K C63 22P C75 56P R266 10 10 R265 C57 12P 12P C56 1000P C95 C97 1000P 2 3 1 4 220K R53 560 R51 470 R55 470 R59 3300P C83 1500P C85 100P C79 120P C77 C89 22P C87 56P C113 22u50 + C125 22u50 + R49 100K C81 0.01 22u50 C91 + R61 100K 5 8 6 7 22u50 C111 + 10P C115 220K R151 R63 220K 47 R153 C119 22P 27P C117 4 3 2 47 R155 22P C143 27P C135 10P C127 1 220K R57 C42 10 R268 12P C156 1K 10 12P C155 C96 R267 C114 R64 220K GND VSS C98 1000P 3 1 2 6 5 4 7 8 5P 22u50 C112 47 R154 27P VDD 16 15 14 11 12 13 9 10 1000P R152 220K 22P C118 4 5 6 7 C126 22u50 + 47 5P C128 8 R156 33P C144 47P C134 2 3 1 R58 220K 510 R44 510 R42 270 R32 2 270 270 R36 390P R28 C38 R34 C36 C32 3300P C34 3300P 270 C50 33P 47P 6 8 10P 5 7 C48 470 R40 47P 10P C46 3 1 4 1000P C58 470 1K R26 390P C40 R30 33P C44 R38 R60 2 R52 R56 560 C82 C110 22u50 1K R48 R54 R50 220K 8P C60 7 8 6 5 + 22u50 1500P C84 3300P 100K R62 100K C90 470 470 3 47P C86 1 4 C62 22P R46 1K C76 120P C78 100P C66 47P C80 0.01 C88 33P + + 1 2 3 22P C191 56P C189 7.5K R183 10K R181 560 R175 560 R179 4700P C169 10P C187 3900P C185 7 10K 4700P C170 C188 10P R182 7.5K 33P C192 R184 5 8 R180 R176 560 560 C186 3900P 6 R22 560 R24 560 2 3 1 4 2200P C205 560 R225 2.7K R233 560 R229 10P C215 560 R223 560 R227 22P 2.7K R231 120P C223 22P C221 56P C219 IC14 3 4 2 4.7K R239 470 R237 560 R235 2200P C227 100P C225 270P C233 2200P 10P C231 1 5 2.7K R234 2200P R226 560 C204 560 R230 10P C216 8 C222 33P 2200P C228 C234 270P 560 R224 560 R228 7 6 R232 2.7K 22P C230 2200P C220 47P R236 560 470 R238 C232 10P 5 6 4.7K R240 8 7 3 C258 10P 33P C248 7 R244 560 560 R252 2.7K 2200P C240 R242 560 5 C242 R248 10P 8 R246 560 6 C246 47P C254 2200P R256 R254 470 560 C260 270P 5 6 R258 4.7K 7 8 120P C249 2.7K R251 2.7K R250 C244 22P 2200P R243 560 C239 560 R247 10P C241 C251 100P C256 C247 22P 2200P C253 C259 270P 4 IC28,29 560 R241 560 R245 1 2 4 R249 2.7K C243 22P 2200P C245 56P R253 560 470 R255 C257 10P 3 2 4.7K R257 1 56P C263 33P C264 47P C262 R47 1K 12 7 2 100K R119 220u25 + C121 220u25 + C122 R120 100K 100K R161 100K R162 220u25 + C176 + 220u25 C177 27 C131 0.01 C237 56P C235 22P C229 C217 C238 47P 33P C236 C255 EV+12V A+12V A 12V A 12V A+12V EV+12V A+12V A+12V A+12V A+12V D+5V D+5V D+5V A 12V A+12V +B +B +B +B +B +B 19 +B C16 R215 +B +B +B +B +B +B +B +B +B +B +B +B +B +B A OUT R+ VREF L B VSS VREF H A OUT R- A VDD A VSS A OUT L- P/S A OUT L+ V COM CKS0 CKS1 CKS2 +B C85 22P 22u25 C200 + C64 33P +B C190 47P 120P C201 22u25 + 220K 100P C203 +B 4 +B D+5V L10 R278 1 C213 12P 47u16 C157 + C151 5P R147 10 + C212 12P R277 1 + 47u16 C109 C104 5P R107 10 C9 12P R15 1 47u16 C29 + C7 5P R19 1 OUT GND IN 0.22 C368 1.8 R69 R68 5.6 5.6 2W R67 1000u16 C380 + R70 22 1/4W C367 5P 100 R288 100 R289 470u10 C199 + C218 10 R296 R297 10 A+12V A+12V 2200P A 12V 10 R294 10 R115 IC33 R116 10 R11 C19 5P C129 C130 5P 2W 2W R186 A+12V B B 330u16 + C268 220K R185 +B +B +B B +B C261 22P B C267 330u16 + B 10 R295 +B +B +B B +B B D+5V +B +B +B +B R148 0 C202 R149 10 A 12V A 12V +B A+12V B B B B B +B B B C116 IC2 IC1 IC4 IC5 IC32 IC18 IC33 IC3 IC6 IC34 (X25-637X-XX) (A/2) IC35 D.R.I.V.E SERIAL-PARALLEL CONVERTER Q30 INVERTER D.R.I.V.E D.R.I.V.E Q32 DAC INVERTER FL/FR DAC MIX(L/R) Q31 INVERTER DAC SL/SR CENTER & SW DAC IC7 (1/2) IC7 (2/2) IC9 (2/2) L.P.F (FL) L.P.F (96KHz,192KHz) ANALOG SWITCH IC9(1/2) IC11(2/2) (1/2) BUFFER IC11 IC8 (2/2) BUFFER SWITCH ANALOG IC12 (2/2) (1/2) IC12 L.P.F (FR) IC8 (1/2) (96KHz,192KHz) L.P.F IC10 (2/2) IC10 IC13 (1/2) (2/2) IC13 IC14 (1/2) L.P.F (SL/SR) (1/2) IC15 IC14 (2/2) IC15 (2/2) L.P.F (SL/SR) (2/2) IC28 (2/2) IC29 IC28 (1/2) (1/2) IC29 L.P.F (C/SW) A D16 FL (1/2) FR SW 5.0V 5.0V 5.0V 5.1V 5.0V 5.0V 5.0V 5.1V 5.1V 5.1V -11.8V -11.8V 11.3V 11.3V -11.8V 11.3V -11.8V 11.3V 11.3V -11.8V 11.8V 11.3V 5.1V 5.1V 5.0V 5.0V 11.3V -11.8V 11.3V -11.8V 5.0V 5.0V 5.0V 5.1V 5.1V -11.8V 5.1V 11.3V 5.0V 5.1V 5.0V w w w . x i a o y u 1 6 3 . c o m Q Q 3 7 6 3 1 5 1 5 0 9 9 2 8 9 4 2 9 8 T E L 1 3 9 4 2 2 9 6 5 1 3 9 9 2 8 9 4 2 9 8 0 5 1 5 1 3 6 7 3 Q Q TEL 13942296513 QQ 376315150 892498299 TEL 13942296513 QQ 376315150 892498299 BR BI BK BM BO BQ BJ BL BN BP 5 4 3 2 1 +12V -12V R OUT GND L OUT 4 2 3 1 5 1 3 2 5 4 6 7 13 14 12 11 10 9 8 3 2 1 GND VCC IEC958 R90 220 1 C73 22 R89 L6 180 R87 0.1 C72 75 R88 10P C74 R174 3.3 5P C278 5 6 8 7 3 4 2 1 56P C183 22P C193 47 R197 C195 10P R286 47 R287 33P C194 47P C184 10P C196 47 R198 47 180 R203 47u63 + C145 150 R211 180 R207 1K R205 100K R201 1K R209 470P C148 150 R212 1K R210 180 R208 180 R204 1K R206 47u63 + C146 R202 100K 470P C147 R78 180 180 R77 100K R71 R75 + R76 C68 47u63 180 R74 100K R72 1K 1K C67 R73 47u63 180 470P C69 R79 470P C70 R80 R82 150 1K 1K R81 150 + 1K R123 180 R121 1K R127 180 R125 1K R271 150 R129 510 R261 510 R262 150 R130 1K R272 1K R128 180 R126 1K R124 180 R122 180 180 R164 R169 150 R173 1K R167 1K R171 1K R270 1K R165 1K R170 180 R163 180 R168 1K R269 150 R172 510 R264 R263 510 Q26,27 Q21-24 Q17-20 Q28,29 9 5 1 22 1200P 5.6K R84 5.6K R83 5.6K R85 5.6K R276 5.6K R275 5.6K R86 33 10 9 Q33,34 Q7-10 3.9 R222 5P C277 10 9 33 25 6P H H H C317 NC 45 46 NC 560 R415 15 L301 L300 39P C312 C311 R416 47P C313 10P 560 10uH 22uH 7 2 4 3 100P C316 6 VCC 5 1 0.1 C315 GND 8 GND 2 21 12 19 11 10 2 13 14 15 VCC 17 8 9 6 7 2 VCC 17 16 18 22 3 13 5 4 2 C301 0.1 2 GND 19 20 MUX 2 VCC 21 1 100u10 + C300 SYNC IN 23 SYNC O 24 R536 GND1 C366 10u16 + C362 100P R455 4.7 R454 4.7 16 1 L H 100P C363 12 10u16 C365 1000P C343 1000P C334 22P C333 22P 15 + 2 3 13 VCC 14 5 GND2 4 H L 10u16 C364 C361 100P 7 10 11 GND3 6 9 + 8 H L 4 16 100P C428 3 2 L 10u16 C427 150 R537 1 + W1 + 100u10 C323 + W2 + 100u10 C322 100u10 C321 W3 18 16 15 21 20 R425 100 68u16 R418 C325 4.7K R419 68u16 + 3K 0.1 C324 3K R417 10K R424 3.9K R423 R420 100 + Q301-305 1K R479 100 R422 C326 2.2K R421 R427 R429 1K 47 2.2K R426 100 R428 1 10u16 150 150 100P C426 18 4 3 2 L + 150 R533 R408 1K C425 R535 150 R534 21 R532 C429 3 0.1 150 4 2 L + L H 5 2 6 VCC 7 GND 8 8 L H 5 VCC 6 2 7 GND 6 5 H L VCC 2 7 R453 C328 1 15 10u16 C423 150 R531 R530 150 1 5P C400 3.3 R545 8 GND R435 100 W11 R434 10K 3.9 R414 68u16 + C341 3.9 R411 R448 R442 100 R441 10K R438 910 R440 910 R439 910 R447 10K R446 1.2K R445 1.2K 100 R451 1.2K R452 1.2K R449 2.2K 68u16 100 R437 R436 2.2K + W12 C342 68u16 R443 2.2K 100 R444 + C344 W13 100 R450 10 14 16 8 3 1 SW8 20 19 18 4.7K R505 NC 17 R506 10K SW9 NC GND + SW2 4 30 29 28 27 25 24 26 22 21 23 SW5 PORT 2 PORT 1 13 14 15 16 R509 100 FS 11 C407 + 1u50 12 SW7 SW6 VCC BIAS MUTE C404 22u16 + 7 8 9 10 C402 0.1 C403 1u50 R503 150 R504 100 5 6 + SW4 SW3 + C420 10u16 C421 10u16 + 22 21 C418 10u16 + 25 R519 C416 C417 10u16 0.1 R516 150 150 26 C414 470u16 C415 470u16 + + 30 29 34 32 31 33 VCC R500 150 1 2 3 SW1 GND SCL SDA C411 820P + C336 4P R544 1 C410 100u16 C457 100P C413 100P R515 R514 100 100 38 36 3.3K R553 R551 5.6K 4.7K Q400,401 22K R555 22K R557 4.7K R525 R524 22K R556 3.3K R550 R526 Q405-410 3.3K R552 68 R527 4.7K 4.7K R554 4.7K R528 R529 22K 5 53 44 20 2 470P C124 470P C123 470P C178 470P C179 10P C319 2FUNC 1FUNC A 12V A+12V EV+12V EV+12V A 12V A+12V EV+12V EV+12V EV+12V EV+12V EV+12V D+5V 100K R187 Q3-6 Q13-16 C71 Q11,12 +B +B 12V A+12V 12V +B +B Q403 +B +B 100 R404 +B Q412 +B +B 1000P C430 +B +B Q317,318 Q315,316 Q313,3134 51,52 +B +B +5V +5V +5V +5V +5V R290 100 R401 100 R407 100 R413 100 R293 100 0.1 C310 0.1 C308 0.1 C306 1 C303 +B 0.33 C356 1 R331 5P C357 100u10 + C355 A+12V 1 R332 0.33 C340 100u10 + C339 5P C358 IC16 EV+12V EV+12V +B 0.1 C214 C304 820P R291 100 R292 100 R410 100 R480 910 R481 910 IN GND OUT IN GND OUT A+12V A+12V A+12V A+12V B IC17 IC16 (X25-637X-XX) (A/2) IC402 IC403 IC301 IC300 IC302 IC401 IC400 IC36 IC37 CN1 Q12 Q11 J2 1 J1 2 4 3 6 5 8 7 C SW RS SL R L MIX R MIX L (2/2) IC30 (1/2) IC30 AMP Q16 Q15 Q13 Q14 MUTE (MIX L/R) Q3 Q4 Q6 Q5 MUTE (FL/FR) Q17 Q19 Q27 Q18 Q20 Q26 Q21 Q23 Q28 Q22 Q24 Q29 ATT. (SL/SR) (C/SW) MUTE (SL/SR) MUTE (SW) ATT. MUTE DRIVER Q34 Q33 Q8 Q7 Q10 Q9 AUDIO MUTE CONTROLLER MUTE CONTROLLER VIDEO SWITCH VIDEO SWITCH VIDEO SWITCH BUFFER (C SIGNAL) Q300 SWITCH VIDEO VIDEO FILTER Q412 B VIDEO SWITCH Q304 Q301 COMPOSITE SIGNAL(Y+C) V IDEO Q302 Q305 Q303 Q399 (DVD C) INVERTER (RGB L) C CONVERTER (12V) Q413 Q397 (VIDEO) -5V AVR Q315 Q313 Q314 Q317 Q316 Q318 (cr SIGNAL) VIDEO COLOR (cb SIGNAL) (Y SIGNAL) VIDEO COLOR VIDEO COLOR +5V AVR (VIDEO) D10 D13 D9 D12 D11 D14 AV SWITCH SWITCHING (DVD L) INVERTER Q402 INVERTER Q398 ( DVD L ) MUTE MUTE DRIVER Q403 Q404 (Q409) Q411 CONTROLLER Q400 Q401 Q407 Q408 SWITCHING Q406 Q405 D15 Q410 Q409 DIGITAL COAXIAL OUT DIGITAL OUT OPTICAL A1 INVERTER (COAX. OUT) VIDEO SIGNAL BUFFER OUT PUT DRIVER (COAX OUT) CONVERTER (12V) H D18 -11.8V 11.3V 5.1V 5.0V 5.1V 11.5V 11.5V 12.0V 4.5V 0.6V -4.9V 0.6V 0.6V 0.6V 8.2V 4.5V 4.9V 4.4V 4.5V 0V -4.0V -3.3V 8.2V 4.9V 0.6V w w w . x i a o y u 1 6 3 . c o m Q Q 3 7 6 3 1 5 1 5 0 9 9 2 8 9 4 2 9 8 T E L 1 3 9 4 2 2 9 6 5 1 3 9 9 2 8 9 4 2 9 8 0 5 1 5 1 3 6 7 3 Q Q TEL 13942296513 QQ 376315150 892498299 TEL 13942296513 QQ 376315150 892498299 BS BT BV BX BZ CB BU BW BY CA DV-4070-B/4900/DVF-R7030-B/R9030 Y22-8310-00 X25-6370-71 X25-6372-71 X25-6370-01 X25-6370-21 UNIT No. DESTINATION COUNTRY JAPAN EUROPE GENERAL MARKET AUSTRALIA ABB. M X E J A T U.K. YES YES NO B NO C NO YES NO R312 180K 68K 33K 12K YES R356 NO R455 NO YES NO 463 R461- YES NO NO 11-13 W1-3, YES YES NO W4-9 NO 342,344 C334,341, NO UNIT No. X25-6370-10 DESTINATION COUNTRY U.S.A. ABB. K YES A C B NO NO YES W4-9 11-13 W1-3, YES NO NO DESTINATION X25-6370-11 UNIT No. U.S.A. COUNTRY K ABB. A NO B C W1-3,4-9, NO YES YES 11-13 YES B C A UNIT No. X25-6372-72 T U.K. COUNTRY EUROPE ABB. E NO YES DESTINATION 11-13 W4-9 R312 33K YES NO NO YES W1-3, 313 R311, 461-463 R311,356,455 342,344 C334,341, C334,341, 342,344 C334,341, 342,344 R311,313,455, 461-463 455 R311,356, R313,461-, 461-463 470u16 AV2 BLK + 220u10 C360 390 390 R457 R459 220u10 C359 + 10K R402 Q319-322 0.1 C345 100 R456 68 R478 47P C352 C351 47P 47P 68 51 52 68 R477 R476 10K R465 1K R468 47 R469 22K R461 0.1 68 47P C348 C349 R475 22K C347 R462 C350 47P 47P R473 0.1 R467 2.2K R466 + 68u16 C327 100 R458 100 47P C329 C330 10K R463 R474 68 68 R472 C346 68 47P 47P 68 C331 68 R471 C332 + 470u16 C437 R403 R470 10 19 20 17 18 15 16 13 14 12 470u16 + C434 AV2 V OUT AV2 V IN AV1 V IN AV1 V OUT 1 + 3 1 3 2 29 5 4 5 1 R541 75 R502 75 R538 75 R501 75 R542 75 3 C401 0.1 R517 75 2 R518 75 C335 0.1 4 5 V-IN GND 21 V-OUT RETURN RETURN BLK RED RETURN RETURN NC 14 15 16 17 18 19 20 10 12 12 16 AV2 L OUT AV2 L IN BLUE AV2 FUNC GREEN RED C431 6 7 2FUNC 9 8 10 10 25 11 C435 10u16 C432 10u16 6 7 + + C438 10u16 9 8 + R508 100 C406 1u50 10 + R521 100 11 + 100 RED AV1 BLK GND AV2 R OUT AV2 R IN 21 13 2 2 1 3 C453 220P C451 220P C452 220P C409 1u50 R523 100 13 R511 C448 220P 2 1 3 R543 75 2 AV2 R IN RETURN 9 GREEN 11 CONT FUNC SW BLUE 8 7 A COM 4 AV2 L IN RETURN 6 5 AV2 L OUT 3 V-OUT AV2 R OUT 1 21 V-IN GND BLK RETURN RETURN RETURN RED 10 12 13 R520 100 AV1 L OUT AV1 L IN BLUE AV1 FUNC GREEN 4 1FUNC 5 8 7 6 26 8 R540 75 4 5 R507 100 C405 1u50 7 6 + R539 75 8 AV1 R IN AV1 R OUT 22 14 10 9 R522 100 C408 1u50 10 9 + 220P 220P 220P 220P C441 C442 C443 C444 NC RETURN 11 GREEN 9 RETURN CONT 8 FUNC SW 5 RETURN 6 7 AV1 L IN BLUE 3 4 AV1 L OUT A COM 1 2 AV1 R OUT AV1 R IN R510 100 B +B 30 WH6 R312 47K R356 GND C22 5P 33uH 33uH C40 5P OUT 1000u25 R25 6.8K R24 2.4K R26 1K 1/4W R21 1K C43 L7 15uH + 1000u6.3 47u25 0.1 + C37 FL - +5V +12V 12 D +5V M +9V FL -35V M+9 GND FL + DS GND C33 47u50 9 11 C66 10 35V 8 +9V 6 7 C64 0.47 + C56 R11 + 10 + D +3.3V D +3.3V D GND D GND D GND L6 15uH + 1 4 5 C34 47u25 2 3 +3.3V C35 100u10 + C55 1000u6.3 +5V (HIGH ON) A -12V A +5V P-SW 330u16 + C31 1000u6.3 8 +9V 7 C52 330u16 6 12V + C54 2 EV +12V +12V A +12V A 12V GND A 12V SGND 2.2 C53 330u16 R9 2.2 5 4 3 R31 + C51 1000u6.3 +12V + EV +5V +5V 1 6.8 R7 R23 R27 C46 47u25 10K + 1K 0.1 C12 R8 10 3300u10 R22 1K C42 + + +12V +5V C59 C C11 33P S D 47u25 + 220P C10 T2 R2 C17 R1 470K 1/2W ZNR1 470V C1 0.47 C2 0.1 + 470u25 R4 10 1/2W 330K 3300u10 R13 1000u C36 0.1 C8 + 25 56 1W 1.1K 1K R16 1K R19 R18 + R20 10K C41 47u25 270 R15 R6 10 C15 2200P 2200P C13 2.2 C27 R12 100u50 1.8K 2W 33uH L4 L5 330uH 35V R32 1/4W + 47u25 C9 + C S D 6.8 R5 C5 0.22 C38 R30 C28 IN GND 2200P + C58 2200u16 C30 +5V C29 2200P 3300u10 + + C57 47K 0.01 2W C6 R3 C26 L3 +9V L2 470P C23 5P IN OUT GND 12V 2200P C62 10 2200P 120u400 + ACN 1 50/60Hz : AC110-120V/220-240V~ : AC120V 60Hz (Y,M) (K) T1 TRANSFORMER 470u25 C16 + +B IN OUT GND C60 2200P C61 POWER R10 470K 2A 250V ACN 1 L1 F1 J11 C63 680P : AC240V~ 50Hz : AC230V~ 50Hz (X) (T,E) : AC100V 50Hz/60Hz (J) 47K R312 R313 (X25-637X-XX) (A/2) (X25-) (B/2) (E,T)TYPE ONLY DV4900/4070-B (2/3) E H Replace with new one only if defective IC3 IC5 (W02-2751-05) IC2 IC4 IC1 DVFR9030/R7030-B (2/3) IC1-3 : KAN06 IC4 : AK4394-VF IC5,6 : AK4393-VF IC7-15,28-30 : NJM4580ED IC16 : TC74VHC08FT IC17,26,27 : TC7SHU04FU IC18 : NJU3711M IC19 : TC74HCT7007AF IC20 : TC7WH34FU IC21 : PST9128NR IC22 : TC7WH74FU IC24 : TC7WH157FU IC31 : TC74VHC00FT IC32 : AK4380-VT IC33,34 : TC9214AF IC100 : IC101 : S-80740AL-A4 IC102 : X25057M-2.7 IC300 : ML6427 IC301 : MM1221XF IC302 : MM1234XF IC400 : MM1443XJ D1 : DAP202U D2,3 : KV1832E D5 : UDZ6.8B D8-14 : U1BC44 D15,17,23,24 : MA111 D16,18,20-22 : DA204U D19 : UDZ3.9B Q3-6,13-24,26-29 : 2SC4213(B) Q7,8,25,34,412,413 : DTA124EUA Q9,10,30-33,100,397, 403,404 : DTC124EUA Q11 : 2SC4177(L5,L6) Q12 : 2SA1611(M5,M6) Q101,300,302,303,305,314, 316,318,319,321,322,398, 399,401,402,406,411 : 2SC4081(R,S) Q301 : 2SC2714(O,Y). Q304,313,315,317,320,405, 407,408,410 : 2SA1576A(R,S) Q400 : DTA143TUA Q409 : DTA113ZUA DVF-R9030 (X25-637X-XX) DV-4900 (X25-6370-10) DV-4070-B (X25-6370-11) DVF-R7030-B (X25-6372-72) Q319 VIDEO COLOR ( Y SIGNAL ) Cb Cr Y J7 (S1/S2) S-VIDEO Q320 Q322 Q321 (S1) J6 S-VIDEO J5 2 VIDEO 1 VIDEO J4 CN9 WH3 AV2 to VCR J9 CN8 WH2 to TV AV1 J8 RED GREEN BLUE B LINE B LINE GND LINE SIGNAL LINE DIGITAL LINE MM1224XF : IC401-403 3/3 X14 -CN1 3/3 X14 (B/4) -WH3 MN101C28CMA D25 DAN202U : D26 UDZ5.6B : TA7805S IC35,36 : TA79005S IC37 : ZD2 F CN2 G CN1 PC3 IC7 D4 D13 D12 ZD1 D3 PC2 IC6 D2 D11 D10 PC1 TR1 D8 D9 D1 D7 D6 D17 D16 D5 D14 D15 CN0 SW1 4.5V -11.9V 9.1V -33.9V 5.1V 3.2V 5.1V 4.3V 12.0V 12.0V 5.0V 3.8V -14.8V 14.9V CAUTION: For continued safety, replace safety critical com- ponents only with manufacturer's recommended parts (refer to parts list). indicates safety critical components. For continued protection against risk of fire, replace only with same type and rating fuse(s). To reduce the risk of electric shock, leakage-current or resistance measurements shall be carried out (exposed parts are acceptably insulated from the supply circuit) before the appliance is returned to the cus- tomer. The DC voltage is an actual reading measured with a high impedance type voltmeter with no signal input. The mea- surement value may vary depending on the measuring instruments used or on the product. KAN06 AK4393-VF TA7805S TA79005S S-80740AL-A4 PST9128NR TC7SHU04FU MM1234XF LC75712E PST596JNR MM1221XF MM1224XF BS62LV1024ST70 w w w . x i a o y u 1 6 3 . c o m Q Q 3 7 6 3 1 5 1 5 0 9 9 2 8 9 4 2 9 8 T E L 1 3 9 4 2 2 9 6 5 1 3 9 9 2 8 9 4 2 9 8 0 5 1 5 1 3 6 7 3 Q Q TEL 13942296513 QQ 376315150 892498299 TEL 13942296513 QQ 376315150 892498299 CC CE CG CI CK CD CF CH CJ CL 2 1 3 5 7 4 6 25 24 23 22 21 20 19 18 17 16 15 14 13 12 11 10 9 8 7 6 5 4 3 2 1 RESET FLCE SCLK1 SBO1 VSSLED KEY0 AOPLED POWERLED SHOWRLED 96k-LED 192k-LED LEDDM DISC1LED DISC2LED DISC3LED DISC4LED DISC5LED KEY1 KEY2 GND D+5V -35V FL- FL+ REM 48 47 46 45 44 43 42 41 40 39 38 37 36 35 34 33 1 2 3 4 5 6 7 8 9 10 11 12 13 14 15 16 G7 G8 G9 G10 G11 G12 G13 G14 G15 G16 AA3 AA2 AA1 AM35 AM34 AM33 AM1 AM2 AM3 AM4 AM5 AM6 AM7 AM8 AM9 AM10 AM11 AM12 AM13 AM14 AM15 AM16 69 68 67 66 65 64 63 62 61 60 59 58 57 56 55 54 53 52 51 50 49 48 47 46 45 44 43 42 41 40 39 38 37 36 35 34 33 32 31 30 29 28 27 26 25 24 23 22 21 20 19 18 17 16 15 14 13 12 11 10 9 8 7 6 5 4 3 2 1 FL+ NP FL+ NP NP P1 P2 P3 P4 P5 P6 P7 P8 P9 P10 P11 P12 P13 P14 P15 P16 P17 P18 P19 P20 P21 P22 P23 P24 P25 P26 P27 P28 P29 P30 P31 P32 P33 P34 P35 NC NC NC NC NC NC NC NC 16G 15G 14G 13G 12G 11G 10G 9G 8G 7G 6G 5G 4G 3G 2G 1G NP NP FL- NP FL- 4.7K R1 3.3K R2 R3 330 4.7K 3.3K R4 R5 R6 330 4.7K 3.3K R7 R8 R9 330 4.7K 3.3K R10 R11 R12 330 4.7K 3.3K R13 R14 3.3K 3.3K 3.3K R16 4.7K R17 R15 330 R19 4.7K R20 R18 330 R22 4.7K R23 330 R21 R24 330 21 16 15 16 15 21 13 12 11 10 1K R53 330 R52 14 14 11 10 12 13 +B GND OUT 47K R41 1000P C8 + C9 100u10 100 R42 1 1 11K 5.6K R29 3K R28 2.7K R27 R26 11K R34 5.6K 2.7K 3K R33 R32 R31 R35 33K C4 1000P C3 47P C2 47P C1 47P R60 10 R36 100 R39 1K 2.2u50 C5 + 0.01 C6 R40 10K 33P C7 100P C15 100P C14 100P C13 100P C12 100P C11 100P C10 53 52 51 50 49 54 C16 100P 48 C17 100P 47 46 45 44 43 42 41 40 39 35 34 33 C18 100P C19 100P C20 100P C21 100P C22 100P C23 100P C24 100P C25 100P AM17 17 AM18 18 AM19 19 AM20 20 AM21 21 AM22 22 AM23 23 AM24 24 AM25 25 AM26 26 AM27 27 AM28 28 AM29 29 AM30 30 AM31 31 AM32 32 59 58 61 60 64 63 62 57 53 51 49 50 52 55 56 54 TEST VDD CE CL DI RES_ OSC0 OSC1 VSS VFL G1 G3 G2 G6 G5 G4 R37 100 R38 100 17 18 19 20 21 22 23 24 25 26 27 28 29 30 31 32 1 2 3 4 5 6 7 8 9 10 11 12 13 14 15 16 22 23 24 7 8 1 2 3 4 5 6 7 8 9 10 11 12 13 14 15 16 18 17 20 22 21 24 23 26 25 28 27 30 29 32 31 33 34 52 35 53 54 39 40 41 42 43 47 44 45 46 48 51 49 50 17 20 19 18 8 7 25 24 23 22 3 2 1 GND SHOWERLED D+5V 3 2 1 1 2 3 4 5 D+5V GND POWERLED AOPLED KEY0 1 2 3 4 5 17 18 19 20 25 R56 330 R55 3.3K R54 4.7K R45 R44 3.3K 4.7K R43 330 3.3K R57 R58 4.7K 330 R59 5 4 3 2 1 A+12V A-12V ROUT GND LOUT 6 5 4 7 3 2 8 1 50K(A) 22u50 + C32 100K R62 100P C34 22u50 + C31 100K R61 100P C33 R68 330 56 R64 33 R66 22P C42 33 R65 56 R63 R67 330 22P C36 22P C35 22P C41 L1 L2 C38 470P C37 470P C40 560P C39 470P +B +B +B +B +B +B +5V 19 3 2 1 R25 22K 3K R71 2.7K R70 VR1 GENERAL MARKET AUSTRALIA ABB. X1 EUROPE JAPAN U.K. E1 J T1 DESTINATION COUNTRY M1 B30-2571-05 0-10 D1-5 No. UNIT ABB. COUNTRY DESTINATION No. 0-11 UNIT (BLU) B30-2583-05 (GRN) D1-5 U.K. EUROPE T2 E2 B30-2571-05 U.S.A. COUNTRY ABB. 0-10 No. K DESTINATION UNIT D1-5 (BLU) B30-2583-05 DESTINATION COUNTRY ABB. UNIT No. 0-11 (GRN) D1-5 1-1 2-1 3-1 4-1 5-1 U.S.A. K 35V 35V 35V 35V +B B +B R74 10 L7 R75 10 L6 R73 1K L5 L4 R72 1K L3 +5V 12V +12V 12V 12V +12V +5V +5V +5V +5V +5V +5V +5V +5V +5V +5V +5V +5V +5V +5V +5V +5V CN1 ED1 D1 DISC1 Q1 DISC2 Q2 D2 DISC3 Q3 D3 DISC4 Q4 D4 D7 DISC5 Q5 D5 VSS Q6 D6 96kHz Q7 D8 Q8 192kHz Q13 PAUSE DISC4 DISC5 DISC2 DISC3 OP/CL DISC1 S1 S2 S3 S4 S5 S11 S10 S9 S8 S7 S6 D12 D11 D13 E4 E3 E2 E1 SHOWER Q11 D14 D9 Q9 POWER Q12 D15 AOP WH3 IC2 (2/2) (1/2) IC2 J1 HEADPHONES 2/3 X25-A/2 -CN5 FL DRIVER IC1 : LC75712E IC2 : NJM4580ED Q1-9,11,12 : 2SC1740S(Q,R) or 2SC2785(F,E) Q13 : 2SA954(L,K) D14,15 : B30-2571-05 D6-9 : B30-2584-05 D11-13 : DA204U WH2 WH1 SKIP S15 S16 AOP : ED1 16-ST-43GNK : D1-5 DVF-R9030 (X14-7160-10) DVF-R7030-B (X14-7160-11) DV-4090 (X14-7160-10) DV-4070-B (X14-7160-11) (1G-15G) B LINE B LINE GND LINE SIGNAL LINE 2/3 -CN1 X25-A/2 IC1 A1 (X14-) (C/4) (X14-) (D/4) (X14-) (B/4) DV-4900 (K) (3/3) E (X14-7160-XX) (A/4) H 4.8V 5.0V 5.0V -33.9V 5.0V 0V 0V -33.9V 5.0V CD VCD DVD VIDEO DTS DOLBY DIGITAL MPEG P.PCM 16G KARAOKE P.B.C. PGM RANDOM 1 ANGLE REPEAT A TEXT INDEX SEQ.2 TOTAL SEQ.1 D.MIX AUDIO B 2 3 4 5 1G 2G 3G 4G 5G 7G 8G 9G 10G 11G 12G 13G 14G 15G 16G CD VCD DVD VIDEO DTS DOLBY DIGITAL MPEG P. PCM KARAOKE P.B.C. PGM (1) (2) (3) (4) (5) RANDOM 1 ANGLE REPEAT A TEXT INDEX SEQ.2 TOTAL SEQ.1 D.MIX AUDIO B 2 3 4 5 1-2 2-2 3-2 4-2 5-2 1-3 2-3 3-3 4-3 5-3 1-4 2-4 3-4 4-4 5-4 1-5 2-5 3-5 4-5 5-5 1-6 2-6 3-6 4-6 5-6 1-7 2-7 3-7 4-7 5-7 1G-15G 16G ANODE CONNECTION P1 1-1 P2 2-1 P3 3-1 P4 4-1 P5 5-1 P6 1-2 P7 2-2 P8 3-2 P9 4-2 P10 5-2 P11 1-3 P12 2-3 P13 3-3 P14 4-3 P15 5-3 P16 1-4 P17 2-4 P18 3-4 P19 4-4 P20 5-4 P21 1-5 P22 2-5 P23 3-5 P24 4-5 P25 5-5 P26 1-6 P27 2-6 P28 3-6 P29 4-6 P30 5-6 P31 1-7 P32 2-7 P33 3-7 P34 4-7 P35 5-7 CAUTION: For continued safety, replace safety critical components only with manufacturer's recommended parts (refer to parts list). indicates safety critical components. For continued protection against risk of fire, replace only with same type and rating fuse(s). To reduce the risk of electric shock, leakage-current or resistance measurements shall be carried out (exposed parts are acceptably insulated from the supply circuit) before the appliance is returned to the customer. The DC voltage is an actual reading measured with a high impedance type voltmeter with no signal input. The mea- surement value may vary depending on the measuring instruments used or on the product. DV-4070-B/4900/DVF-R7030-B/R9030 Y22-8310-00 w w w . x i a o y u 1 6 3 . c o m Q Q 3 7 6 3 1 5 1 5 0 9 9 2 8 9 4 2 9 8 T E L 1 3 9 4 2 2 9 6 5 1 3 9 9 2 8 9 4 2 9 8 0 5 1 5 1 3 6 7 3 Q Q TEL 13942296513 QQ 376315150 892498299 TEL 13942296513 QQ 376315150 892498299 DV-4070-B/4900/DVF-R7030-B/R9030 42 B B B A A C C C A D E Dx2 Dx2 Ax2 A #1 #1 #1 A F D D S A B C S : N89-3010-45 : N09-5214-05 : N82-2006-46 : N35-2604-46 3x10 (BLK) 2x6 DV-4050/DV-4900 762 705 795 756 741 (X13-7770-10) (17P) 757 758 666 672 631 640 (14P) 638 (21P) 639 672 658 675 630 621 607 692 1 2 A C B Parts with exploded numbers larger than 700 are not supplied. EXPLODED VIEW (MECHANISM) www . x ia o y u 1 6 3 . c o m QQ 3 7 6 3 1 5 1 5 0 9 9 2 8 9 4 2 9 8 T E L 1 3 9 4 2 2 9 6 5 1 3 9 9 2 8 9 4 2 9 8 0 5 1 5 1 3 6 7 3 Q Q TEL 13942296513 QQ 376315150 892498299 TEL 13942296513 QQ 376315150 892498299 DV-4070-B/4900/DVF-R7030-B/R9030 42 ED1 COAXIAL J 2 A1 J 5 J 6 OPTICAL DIGITAL OUTPUT S VIDEO OUTPUT COMPONENT VIDEO OUTPUT 1 J 8 TV SCART J 9 2 J 4 OUTPUT VIDEO CENTER J 1 OUTPUT MIX LINE 6 CH. OUTPUT SUB WOOFER SURROUND FRONT J 7 Cr Cb Y (X14) (C/4) (X25) (B/2) VCR SCART DV-4900/DVF-R9030 VR1 PHONES LEVEL (X14) (B/4) (X14-7160-11) (B/4) PHONES MIN MAX J 1 ON OFF POWER SW1 DISC 1 S 7 DISC 2 S 8 DISC 3 S 9 DISC 4 S10 DISC 5 S11 OPEN/CLOSE S 6 S 3 S 4 S 2 S 5 S 1 (X14) (B/4) DISC SKIP S15 MODE PURE AUDIO S16 Mx2 Mx2 M2x2 M2x2 M2x2 M2x2 Mx2 Mx2 M Kx2 Mx2 Lx5 Lx2 Lx2 Lx3 Gx3 Nx2 Rx2 Rx2 Mx3 Mx2 Mx5 Mx4 Mx2 Mx2 Mx2 Mx4 Nx2 Nx2 M M M A L L L L L L N N N N N N N A #1 #1 #1 #1 M M M N N N N N N N N N N N H H H H 710 703 745 747 793x2 767 768 706 763 796 665x2 665x2 674 643 637 671 673 691 619 642 683 617 680 616 618 682 658 658 608 615A 615B 676 (25P) 642 (25P) 638 (14P) 639 (21P) 640 (17P) 704 797 769 770 702 690 3x10 3x5 3x6 2.6x6 (BLK) 2.6x8 3x8 (BLK) 3x8 : N89-3010-45 : N09-1445-05 : N09-5213-05 : N89-3006-46 : N82-2606-45 : N82-2608-46 : N89-3008-45 : N09-5212-05 : N89-3008-46 A G H J K L M M2 N 748 755 746 750 761 760 601 609 611 635 636 612 679 684 629 620 644 659 J J J 749 771 635 635 613 634 1 2 D F E Parts with exploded numbers larger than 700 are not supplied. EXPLODED VIEW (UNIT) www . x ia o y u 1 6 3 . c o m QQ 3 7 6 3 1 5 1 5 0 9 9 2 8 9 4 2 9 8 T E L 1 3 9 4 2 2 9 6 5 1 3 9 9 2 8 9 4 2 9 8 0 5 1 5 1 3 6 7 3 Q Q TEL 13942296513 QQ 376315150 892498299 TEL 13942296513 QQ 376315150 892498299 DV-4070-B/4900/DVF-R7030-B/R9030 43 PARTS LIST Ref. No Add- ress New Parts Parts No. Description Desti- nation Re- marks 637 1F E30-2790-05 AC POWER CORD X 637 1F E30-2791-05 AC POWER CORD T 637 1F E30-2842-05 AC POWER CORD EM 637 1F E30-2909-05 AC POWER CORD K 638 1B,1F E35-2609-05 FLAT CABLE 14P 639 2C,1F E35-2610-05 FLAT CABLE 21P 640 1C,1F E35-2611-05 FLAT CABLE 17P 642 2E,1F ✽ E35-2608-05 FLAT CABLE 25P 643 2F ✽ E30-2964-15 GROUND WIRE 644 1D ✽ E30-2956-05 CORD WITH PLUG,S-VIDEO 658 1C,2D G11-2730-04 SOFT TAPE 659 2D ✽ G11-2783-04 CUSHION - H10-7681-02 POLYSTYRENE FOAMED FIXTURE 7 - H10-7682-02 POLYSTYRENE FOAMED FIXTURE 7 - ✽ H10-7697-12 POLYSTYRENE FOAMED FIXTURE 9 - ✽ H10-7698-12 POLYSTYRENE FOAMED FIXTURE 9 - ✽ H12-3472-04 PACKING FIXTURE 9 - ✽ H12-3473-04 PACKING FIXTURE 7 - ✽ H20-0618-04 PROTECTION COVER M - H21-0303-04 PROTECTION SHEET - H25-0232-04 PROTECTION BAG (235X350X0.03) KEXM - H25-0651-04 PROTECTION BAG T - H25-0661-04 PROTECTION BAG 7 - ✽ H25-1679-04 PROTECTION BAG K1E1T1 - ✽ H25-1679-04 PROTECTION BAG X1 - ✽ H50-3762-04 ITEM CARTON CASE K1 - ✽ H50-3763-04 ITEM CARTON CASE E1T1X1 - ✽ H50-3764-04 ITEM CARTON CASE M1 - ✽ H50-3765-04 ITEM CARTON CASE K2 - ✽ H50-3766-04 ITEM CARTON CASE E2T2 665 2F ✽ J02-1481-13 FOOT 666 1B J11-0859-05 CLAMPER ASSY 671 1F J42-0083-05 POWER CORD BUSHING 672 1C J90-0875-05 GUIDE 673 2E J90-0876-05 GUIDE 674 2F J90-0878-05 GUIDE 675 1B J99-0820-05 TRAY ASSY 676 2D ✽ J19-6089-02 HOLDER B10 9 - J61-0307-05 WIRE BAND 679 1D ✽ K27-2408-14 KNOB (BUTTON) POWER 9 679 1D ✽ K27-2433-14 KNOB (BUTTON) POWER 7 680 2D ✽ K27-7915-04 KNOB ASSY AOP 7 680 2D ✽ K29-7194-04 KNOB ASSY AOP 9 682 2D ✽ K29-7805-13 KNOB 5-DISC 9 682 2D ✽ K29-7822-13 KNOB 5-DISC 7 683 2E ✽ K29-7806-13 KNOB PLAY 9 683 2E ✽ K29-7823-13 KNOB PLAY 7 684 1E K29-6599-04 KNOB PH 7 684 1E ✽ K29-7803-04 KNOB PH 9 691 1E ✽ W02-2751-05 ELECTRIC MODULE,POWER SUPPLY 692 1C ✽ W04-0013-05 MECHANICAL MODULE,DVD 690 1F ✽ X35-2240-10 VIDEO UNIT ✽ New Parts Parts without Parts No. are not supplied. Les articles non mentionnes dans le Parts No. ne sont pas fournis. Teile ohne Parts No. werden nicht geliefert. 2 L : Scandinavia K : USA P : Canada R : Mexico C : China I : Malaysia Y : PX(Far East,Hawaii) T : England E : Europe G : Germany V : China(Shanghai) Y : AAFES(Europe) X : Australia Q : Russia H : Korea M : Other Areas indicates safety critical components . Ref. No Add- ress New Parts Parts No. Description Desti- nation Re- marks 601 1D ✽ A01-3759-01 METALLIC CABINET 9 601 1D A01-3776-01 METALLIC CABINET 7 607 2A ✽ A29-1107-22 PANEL TRAY K1 607 2A ✽ A29-1110-22 PANEL TRAY M1 607 2A ✽ A29-1110-22 PANEL TARY E1T1X1 607 2A ✽ A29-1111-22 PANEL TRAY K2 607 2A ✽ A29-1112-22 PANEL TRAY E2T2 608 2D ✽ A60-1846-12 PANEL X1M1 608 2D ✽ A60-1846-12 PANEL 9 608 2D ✽ A60-1847-12 PANEL 7 609 1D ✽ A70-1412-05 REMOTE CONTROLLER ASSY 611 1D A09-1124-08 BATTERY COVER 612 1D ✽ A50-1370-12 SIDE PLATE R 9 613 1D ✽ A50-1371-12 SIDE PLATE L 9 615A 2D ✽ B10-3608-03 FRONT GLASS 9 615B 2D ✽ B10-3609-02 FRONT GLASS 7 616 2D ✽ B11-1512-03 FILTER 7 616 2D ✽ B11-1513-03 FILTER 9 617 2D ✽ B12-0399-14 INDICATOR POWER 618 2D B12-0400-03 INDICATOR 5-DISC 619 2E B12-0401-04 INDICATOR SHOWER 620 1D B19-1529-05 OPTICAL FIBER 621 2A ✽ B43-0318-04 BADGE - B46-0096-53 WARRANTY CARD X - B46-0310-03 WARRANTY CARD ET - B46-0328-03 WARRANTY CARD K - B46-0347-03 WARRANTY CARD K - B46-0352-00 QUESTIONAIRE CARD K - B58-0964-13 CAUTION CARD (UL) K - B58-0965-13 CAUTION CARD (PL) TX - B58-0966-13 CAUTION CARD (PL) EM - B58-0967-03 CAUTION CARD (PL) K - ✽ B60-4707-00 INSTRUCTION MANUAL(EN) KKTXM - ✽ B60-4708-00 INSTRUCTION MANUAL(FR) KE - ✽ B60-4709-00 INSTRUCTION MANUAL(GE) E - ✽ B60-4710-00 INSTRUCTION MANUAL(NE) E - ✽ B60-4711-00 INSTRUCTION MANUAL(IT) E - ✽ B60-4712-00 INSTRUCTION MANUAL(ES) E - ✽ B60-4713-00 INSTRUCTION MANUAL(TC) M - ✽ B60-4715-00 INSTRUCTION MANUAL(EN) KTXM - ✽ B60-4716-00 INSTRUCTION MANUAL(FR) KE - ✽ B60-4717-00 INSTRUCTION MANUAL(GE) E - ✽ B60-4826-00 INSTRUCTION MANUAL(NE) E - ✽ B60-4827-00 INSTRUCTION MANUAL(IT) E - ✽ B60-4828-00 INSTRUCTION MANUAL(ES) E - ✽ B60-4829-00 INSTRUCTION MANUAL(TC) M 629 1E ✽ D21-1976-03 EXTENSION SHAFT 630 1B D40-1682-08 MECHANISM ASSY 631 1C D40-1695-05 MECHANISM ASSY 634 1D E03-0115-05 AC PLUG ADAPTER M 635 1D E30-0505-05 AUDIO CORD 636 1D E30-1427-05 VIDEO CORD ✽ New Parts Parts without Parts No. are not supplied. Les articles non mentionnes dans le Parts No. ne sont pas fournis. Teile ohne Parts No. werden nicht geliefert. 1 L : Scandinavia K : USA P : Canada R : Mexico C : China I : Malaysia Y : PX(Far East,Hawaii) T : England E : Europe G : Germany V : China(Shanghai) Y : AAFES(Europe) X : Australia Q : Russia H : Korea M : Other Areas indicates safety critical components . DV-4070-B/4900/DVF-R7030-B/R9030 www . x ia o y u 1 6 3 . c o m QQ 3 7 6 3 1 5 1 5 0 9 9 2 8 9 4 2 9 8 T E L 1 3 9 4 2 2 9 6 5 1 3 9 9 2 8 9 4 2 9 8 0 5 1 5 1 3 6 7 3 Q Q TEL 13942296513 QQ 376315150 892498299 TEL 13942296513 QQ 376315150 892498299 DV-4070-B/4900/DVF-R7030-B/R9030 44 PARTS LIST Ref. No Add- ress New Parts Parts No. Description Desti- nation Re- marks S1 -11 S70-0031-05 TACT SWITCH S15 ,16 S70-0031-05 TACT SWITCH D11 -13 DA204U DIODE ED1 ✽ 16-ST-43GNK FLUORESCENT INDICATOR TUBE IC1 LC75712E MOS-IC IC2 NJM4580ED ANALOGUE IC Q1 -9 2SC1740S(Q,R) TRANSISTOR Q1 -9 2SC2785(F,E) TRANSISTOR Q11 ,12 2SC1740S(Q,R) TRANSISTOR Q11 ,12 2SC2785(F,E) TRANSISTOR Q13 2SA954(L,K) TRANSISTOR A1 W02-2737-05 ELECTRIC CIRCUIT MODULE C1 -3 CK73GB1H102K CHIP C 1000PF K C4 CC73GCH1H220J CHIP C 22PF J C5 CK73GB1H122K CHIP C 1200PF K C6 CC73GCH1H220J CHIP C 22PF J C7 CC73GCH1H050C CHIP C 5.0PF C C8 CK73GB1H122K CHIP C 1200PF K C9 CC73GCH1H120J CHIP C 12PF J C10 CK73GB1H122K CHIP C 1200PF K C11 CK73GB1H102K CHIP C 1000PF K C12 CK73GB1H103K CHIP C 0.010UF K C13 CK73GB1H122K CHIP C 1200PF K C14 CC73GCH1H100D CHIP C 10PF D C16 CK73GB1H102K CHIP C 1000PF K C17 -19 CC73GCH1H050C CHIP C 5.0PF C C20 CK73GB1H122K CHIP C 1200PF K C22 CE04KW1H100M ELECTRO 10UF 50WV C24 -27 CE04KW1A471M ELECTRO 470UF 10WV C29 C90-3749-05 ELECTRO 47UF 16WV C30 CK73GB1H102K CHIP C 1000PF K C31 -34 CQ93FMG1H332J MYLAR 3300PF J C35 CC73GCH1H080D CHIP C 8.0PF D C36 CC73GCH1H100D CHIP C 10PF D C37 CC73GCH1H080D CHIP C 8.0PF D C38 CC73GCH1H100D CHIP C 10PF D C39 CK73GB1H102K CHIP C 1000PF K C40 -42 CC73GCH1H391J CHIP C 390PF J C43 CC73GCH1H220J CHIP C 22PF J C44 CC73GCH1H330J CHIP C 33PF J C45 CC73GCH1H560J CHIP C 56PF J C46 CC73GCH1H470J CHIP C 47PF J C47 CC73GCH1H220J CHIP C 22PF J C48 CC73GCH1H470J CHIP C 47PF J C49 CC73GCH1H560J CHIP C 56PF J C50 CC73GCH1H330J CHIP C 33PF J C55 CC73GCH1H391J CHIP C 390PF J C56 ,57 CC73GCH1H120J CHIP C 12PF J C58 ,59 CQ93FMG1H102J MYLAR 1000PF J C60 ,61 CC73GCH1H080D CHIP C 8.0PF D C62 ,63 CC73GCH1H220J CHIP C 22PF J C64 CC73GCH1H330J CHIP C 33PF J ✽ New Parts Parts without Parts No. are not supplied. Les articles non mentionnes dans le Parts No. ne sont pas fournis. Teile ohne Parts No. werden nicht geliefert. 4 L : Scandinavia K : USA P : Canada R : Mexico C : China I : Malaysia Y : PX(Far East,Hawaii) T : England E : Europe G : Germany V : China(Shanghai) Y : AAFES(Europe) X : Australia Q : Russia H : Korea M : Other Areas indicates safety critical components . Ref. No Add- ress New Parts Parts No. Description Desti- nation Re- marks C1 CK73GB1H103K CHIP C 0.010UF K CN1 E40-8542-05 FLAT CABLE CONNECTOR CN2 ✽ E40-5499-05 FLAT CABLE CONNECTOR L1 -18 ✽ L92-0521-05 FERRITE CORE D1 -5 ✽ B30-2571-05 LED(BLUE) 9 D1 -5 B30-2583-05 LED(GRN 5) 7 D6 -9 ✽ B30-2584-05 LED(RED5) D14 ,15 ✽ B30-2571-05 LED(BLUE) C1 -3 CC73GCH1H470J CHIP C 47PF J C4 CK73GB1H102K CHIP C 1000PF K C5 CE04KW1H2R2M ELECTRO 2.2UF 50WV C6 CK73GB1H103K CHIP C 0.010UF K C7 CC73GCH1H330J CHIP C 33PF J C8 CK73GB1H102K CHIP C 1000PF K C9 CE04KW1A101M ELECTRO 100UF 10WV C10 -25 CC73GCH1H101J CHIP C 100PF J C31 ,32 CE04KW1H220M ELECTRO 22UF 50WV C33 ,34 CC73GCH1H101J CHIP C 100PF J C35 ,36 CC73GCH1H220J CHIP C 22PF J C37 -39 CK73GB1H471K CHIP C 470PF K C40 CK73GB1H561K CHIP C 560PF K C41 ,42 CC73GCH1H220J CHIP C 22PF J CN1 E40-4950-05 FLAT CABLE CONNECTOR J1 E11-0190-05 PHONE JACK (3P) E5 J11-0808-05 WIRE CLAMPER L1 -7 ✽ L92-0520-05 FERRITE CORE R1 RK73GB1J472J CHIP R 4.7K J 1/16W R2 RK73GB1J332J CHIP R 3.3K J 1/16W R19 RK73GB1J472J CHIP R 4.7K J 1/16W R20 RK73GB1J332J CHIP R 3.3K J 1/16W R22 RK73GB1J472J CHIP R 4.7K J 1/16W R23 RK73GB1J332J CHIP R 3.3K J 1/16W R25 RK73GB1J223J CHIP R 22K J 1/16W R36 -38 RK73GB1J101J CHIP R 100 J 1/16W R39 RK73GB1J102J CHIP R 1.0K J 1/16W R40 RK73GB1J103J CHIP R 10K J 1/16W R41 RK73GB1J473J CHIP R 47K J 1/16W R42 RK73GB1J101J CHIP R 100 J 1/16W R53 RK73GB1J102J CHIP R 1.0K J 1/16W R60 RK73GB1J100J CHIP R 10 J 1/16W R61 ,62 RK73GB1J104J CHIP R 100K J 1/16W R63 ,64 RK73GB1J560J CHIP R 56 J 1/16W R65 ,66 RK73GB1J330J CHIP R 33 J 1/16W R67 ,68 RK73GB1J331J CHIP R 330 J 1/16W R72 ,73 RK73GB1J102J CHIP R 1.0K J 1/16W R74 ,75 RK73GB1J100J CHIP R 10 J 1/16W VR1 R10-4049-05 POTENTIOMETER ✽ New Parts Parts without Parts No. are not supplied. Les articles non mentionnes dans le Parts No. ne sont pas fournis. Teile ohne Parts No. werden nicht geliefert. 3 L : Scandinavia K : USA P : Canada R : Mexico C : China I : Malaysia Y : PX(Far East,Hawaii) T : England E : Europe G : Germany V : China(Shanghai) Y : AAFES(Europe) X : Australia Q : Russia H : Korea M : Other Areas indicates safety critical components . SUB (X13-7770-10) DISPLAY (X14-7160-10) ELECTRIC (X25-6370-10) www . x ia o y u 1 6 3 . c o m QQ 3 7 6 3 1 5 1 5 0 9 9 2 8 9 4 2 9 8 T E L 1 3 9 4 2 2 9 6 5 1 3 9 9 2 8 9 4 2 9 8 0 5 1 5 1 3 6 7 3 Q Q TEL 13942296513 QQ 376315150 892498299 TEL 13942296513 QQ 376315150 892498299 DV-4070-B/4900/DVF-R7030-B/R9030 45 PARTS LIST Ref. No Add- ress New Parts Parts No. Description Desti- nation Re- marks C163 CC73GCH1H050C CHIP C 5.0PF C C164 CK73GB1C104K CHIP C 0.10UF K C166 CE04RW1C100M ELECTRO 10UF 16WV C169,170 CQ93FMG1H472J MYLAR 4700PF J C171 CC73GCH1H050C CHIP C 5.0PF C C172 CC73GCH1H050C CHIP C 5.0PF C 9 C173 CC73GCH1H050C CHIP C 5.0PF C C174 CC73GCH1H100D CHIP C 10PF D 9 C175 CK73GB1H102K CHIP C 1000PF K 9 C176,177 CE04KW1E221M ELECTRO 220UF 25WV C178,179 CK73GB1H471K CHIP C 470PF K C183 CC73GCH1H560J CHIP C 56PF J C184 CC73GCH1H470J CHIP C 47PF J C185,186 CQ93FMG1H392J MYLAR 3900PF J C187,188 CC73GCH1H100D CHIP C 10PF D C189 CC73GCH1H560J CHIP C 56PF J C190 CC73GCH1H470J CHIP C 47PF J C191 CC73GCH1H220J CHIP C 22PF J C192 CC73GCH1H330J CHIP C 33PF J C193 CC73GCH1H220J CHIP C 22PF J C194 CC73GCH1H330J CHIP C 33PF J C195,196 CC73GCH1H100D CHIP C 10PF D C199 CE04KW1A471M ELECTRO 470UF 10WV C200,201 CE04KW1E220M ELECTRO 22UF 25WV C202 CC73GCH1H121J CHIP C 120PF J C203 CC73GCH1H101J CHIP C 100PF J C204,205 CQ93FMG1H222J MYLAR 2200PF J C206 CK73GB1H122K CHIP C 1200PF K C207 CK73GB1H821K CHIP C 820PF K C208 CK73GB1H122K CHIP C 1200PF K 9 C209 CK73GB1H821K CHIP C 820PF K 9 C210 CK73GB1H122K CHIP C 1200PF K 9 C211 CK73GB1H821K CHIP C 820PF K 9 C212,213 CC73GCH1H120J CHIP C 12PF J C214 CK73GB1C104K CHIP C 0.10UF K C215,216 CC73GCH1H100D CHIP C 10PF D C217,218 CC73GCH1H220J CHIP C 22PF J C219 CC73GCH1H560J CHIP C 56PF J C220 CC73GCH1H470J CHIP C 47PF J C221 CC73GCH1H220J CHIP C 22PF J C222 CC73GCH1H330J CHIP C 33PF J C223 CC73GCH1H121J CHIP C 120PF J C225 CC73GCH1H101J CHIP C 100PF J C227-230 CQ93FMG1H222J MYLAR 2200PF J C231,232 CC73GCH1H100D CHIP C 10PF D C233,234 CC73GCH1H271J CHIP C 270PF J C235 CC73GCH1H220J CHIP C 22PF J C236 CC73GCH1H330J CHIP C 33PF J C237 CC73GCH1H560J CHIP C 56PF J C238 CC73GCH1H470J CHIP C 47PF J C239,240 CQ93FMG1H222J MYLAR 2200PF J C241,242 CC73GCH1H100D CHIP C 10PF D C243,244 CC73GCH1H220J CHIP C 22PF J C245 CC73GCH1H560J CHIP C 56PF J C246 CC73GCH1H470J CHIP C 47PF J ✽ New Parts Parts without Parts No. are not supplied. Les articles non mentionnes dans le Parts No. ne sont pas fournis. Teile ohne Parts No. werden nicht geliefert. 6 L : Scandinavia K : USA P : Canada R : Mexico C : China I : Malaysia Y : PX(Far East,Hawaii) T : England E : Europe G : Germany V : China(Shanghai) Y : AAFES(Europe) X : Australia Q : Russia H : Korea M : Other Areas indicates safety critical components . Ref. No Add- ress New Parts Parts No. Description Desti- nation Re- marks C65 CC73GCH1H220J CHIP C 22PF J C66 CC73GCH1H470J CHIP C 47PF J C67 ,68 CE04KW1J470M ELECTRO 47UF 63WV C69 ,70 CK73GB1H471K CHIP C 470PF K C71 CK73GB1H122K CHIP C 1200PF K C72 CK73GB1C104K CHIP C 0.10UF K C73 CK73GF1A105Z CHIP C 1.0UF Z C74 CC73GCH1H100D CHIP C 10PF D C75 CC73GCH1H560J CHIP C 56PF J C76 ,77 CC73GCH1H121J CHIP C 120PF J C78 ,79 CC73GCH1H101J CHIP C 100PF J C80 ,81 CQ93FMG1H103J MYLAR 0.010UF J C82 ,83 CQ93FMG1H332J MYLAR 3300PF J C84 ,85 CQ93FMG1H152J MYLAR 1500PF J C86 CC73GCH1H470J CHIP C 47PF J C87 CC73GCH1H560J CHIP C 56PF J C88 CC73GCH1H330J CHIP C 33PF J C89 CC73GCH1H220J CHIP C 22PF J C90 ,91 CE04KW1H220M ELECTRO 22UF 50WV C93 CK73GB1H821K CHIP C 820PF K C94 -98 CK73GB1H102K CHIP C 1000PF K C99 CC73GCH1H470J CHIP C 47PF J C100 CK73GB1H103K CHIP C 0.010UF K 9 C101 CE04KW1H100M ELECTRO 10UF 50WV C103 CK73GB1H102K CHIP C 1000PF K 9 C104 CC73GCH1H050C CHIP C 5.0PF C C106 CE04KW1H100M ELECTRO 10UF 50WV C109 C90-3749-05 ELECTRO 47UF 16WV C110-113 CE04KW1H220M ELECTRO 22UF 50WV C114 CC73GCH1H050C CHIP C 5.0PF C C115 CC73GCH1H100D CHIP C 10PF D C116,117 CC73GCH1H270J CHIP C 27PF J C118,119 CC73GCH1H220J CHIP C 22PF J C121,122 CE04KW1E221M ELECTRO 220UF 25WV C123,124 CK73GB1H471K CHIP C 470PF K C125,126 CE04KW1H220M ELECTRO 22UF 50WV C127 CC73GCH1H100D CHIP C 10PF D C128-130 CC73GCH1H050C CHIP C 5.0PF C C131 CK73GB1H103K CHIP C 0.010UF K 9 C134 CC73GCH1H470J CHIP C 47PF J C135 CC73GCH1H270J CHIP C 27PF J C137 CC73GCH1H100D CHIP C 10PF D 9 C138 CK73GB1H102K CHIP C 1000PF K 9 C139,140 CC73GCH1H050C CHIP C 5.0PF C C141 CC73GCH1H050C CHIP C 5.0PF C 9 C143 CC73GCH1H220J CHIP C 22PF J C144 CC73GCH1H330J CHIP C 33PF J C145,146 CE04KW1J470M ELECTRO 47UF 63WV C147,148 CK73GB1H471K CHIP C 470PF K C151 CC73GCH1H050C CHIP C 5.0PF C C152 CK73GB1H102K CHIP C 1000PF K 9 C155,156 CC73GCH1H120J CHIP C 12PF J C157 C90-3749-05 ELECTRO 47UF 16WV C159 CK73GB1H122K CHIP C 1200PF K C162 CK73GB1H821K CHIP C 820PF K ✽ New Parts Parts without Parts No. are not supplied. Les articles non mentionnes dans le Parts No. ne sont pas fournis. Teile ohne Parts No. werden nicht geliefert. 5 L : Scandinavia K : USA P : Canada R : Mexico C : China I : Malaysia Y : PX(Far East,Hawaii) T : England E : Europe G : Germany V : China(Shanghai) Y : AAFES(Europe) X : Australia Q : Russia H : Korea M : Other Areas indicates safety critical components . www . x ia o y u 1 6 3 . c o m QQ 3 7 6 3 1 5 1 5 0 9 9 2 8 9 4 2 9 8 T E L 1 3 9 4 2 2 9 6 5 1 3 9 9 2 8 9 4 2 9 8 0 5 1 5 1 3 6 7 3 Q Q TEL 13942296513 QQ 376315150 892498299 TEL 13942296513 QQ 376315150 892498299 DV-4070-B/4900/DVF-R7030-B/R9030 46 PARTS LIST Ref. No Add- ress New Parts Parts No. Description Desti- nation Re- marks C367 CC73GCH1H050C CHIP C 5.0PF C C368 CQ93FMG1H224J MYLAR 0.22UF J C370-375 CC73GCH1H470J CHIP C 47PF J C376 CC73GCH1H560J CHIP C 56PF J C380 CE04KW1C102M ELECTRO 1000UF 16WV C400 CC73GCH1H050C CHIP C 5.0PF C ET C401,402 CK73GB1C104K CHIP C 0.10UF K ET C403 CE04RW1H010M ELECTRO 1.0UF 50WV ET C404 CE04RW1C220M ELECTRO 22UF 16WV ET C405-409 CE04RW1H010M ELECTRO 1.0UF 50WV ET C410 CE04RW1C101M ELECTRO 100UF 16WV ET C411 CK73GB1H821K CHIP C 820PF K ET C413 CC73GCH1H101J CHIP C 100PF J ET C414,415 CE04DW1C471M ELECTRO 470UF 16WV ET C416 CK73GB1C104K CHIP C 0.10UF K ET C417,418 CE04RW1C100M ELECTRO 10UF 16WV ET C420,421 CE04RW1C100M ELECTRO 10UF 16WV ET C423 CE04RW1C100M ELECTRO 10UF 16WV ET C425 CE04RW1C100M ELECTRO 10UF 16WV ET C426 CC73GCH1H101J CHIP C 100PF J ET C427 CE04RW1C100M ELECTRO 10UF 16WV ET C428 CC73GCH1H101J CHIP C 100PF J ET C429 CK73GB1C104K CHIP C 0.10UF K ET C430 CK73GB1H102K CHIP C 1000PF K ET C431 CE04DW1C471M ELECTRO 470UF 16WV ET C432 CE04RW1C100M ELECTRO 10UF 16WV ET C434 CE04DW1C471M ELECTRO 470UF 16WV ET C435 CE04RW1C100M ELECTRO 10UF 16WV ET C437 CE04DW1C471M ELECTRO 470UF 16WV ET C438 CE04RW1C100M ELECTRO 10UF 16WV ET C441-444 CC73GCH1H221J CHIP C 220PF J ET C448 CC73GCH1H221J CHIP C 220PF J ET C451-453 CC73GCH1H221J CHIP C 220PF J ET C457 CC73GCH1H101J CHIP C 100PF J ET C500 CK73GB1H102K CHIP C 1000PF K C501 CK73GF1A105Z CHIP C 1.0UF Z C503 CK73GB1H102K CHIP C 1000PF K C504 CC73GCH1H050C CHIP C 5.0PF C C505 CE04KW1E470M ELECTRO 47UF 25WV C506 CK73GB1H103K CHIP C 0.010UF K C507 CK73GB1H102K CHIP C 1000PF K C508,509 CC73GCH1H150J CHIP C 15PF J C510-515 CK73GB1H102K CHIP C 1000PF K C516-518 CC73GCH1H470J CHIP C 47PF J C519 CK73GB1H102K CHIP C 1000PF K C520 CE04KW1A470M ELECTRO 47UF 10WV C521 CK73GF1A105Z CHIP C 1.0UF Z CN1 E40-3249-05 PIN ASSY CN3 ,4 E40-8633-05 PIN ASSY CN5 E40-4912-05 FLAT CABLE CONNECTOR CN6 E40-4901-05 FLAT CABLE CONNECTOR CN7 E40-8632-05 PIN ASSY CN8 E40-3254-05 PIN ASSY ET CN9 E40-3257-05 PIN ASSY ET ✽ New Parts Parts without Parts No. are not supplied. Les articles non mentionnes dans le Parts No. ne sont pas fournis. Teile ohne Parts No. werden nicht geliefert. 8 L : Scandinavia K : USA P : Canada R : Mexico C : China I : Malaysia Y : PX(Far East,Hawaii) T : England E : Europe G : Germany V : China(Shanghai) Y : AAFES(Europe) X : Australia Q : Russia H : Korea M : Other Areas indicates safety critical components . Ref. No Add- ress New Parts Parts No. Description Desti- nation Re- marks C247 CC73GCH1H220J CHIP C 22PF J C248 CC73GCH1H330J CHIP C 33PF J C249 CC73GCH1H121J CHIP C 120PF J C251 CC73GCH1H101J CHIP C 100PF J C253-256 CQ93FMG1H222J MYLAR 2200PF J C257,258 CC73GCH1H100D CHIP C 10PF D C259,260 CC73GCH1H271J CHIP C 270PF J C261 CC73GCH1H220J CHIP C 22PF J C262 CC73GCH1H470J CHIP C 47PF J C263 CC73GCH1H560J CHIP C 56PF J C264 CC73GCH1H330J CHIP C 33PF J C265 CK73GB1H122K CHIP C 1200PF K C266 CK73GB1H471K CHIP C 470PF K C267,268 CE04KW1C331M ELECTRO 330UF 16WV C273 CC73GCH1H220J CHIP C 22PF J C274 CC73GCH1H050C CHIP C 5.0PF C C275 CC73GCH1H100D CHIP C 10PF D C276-278 CC73GCH1H050C CHIP C 5.0PF C C279-286 CC73GCH1H100D CHIP C 10PF D C300 CE04RW1A101M ELECTRO 100UF 10WV C301 CK73GB1C104K CHIP C 0.10UF K C303 CK73GF1A105Z CHIP C 1.0UF Z C304 CK73GB1H821K CHIP C 820PF K C306 CK73GB1C104K CHIP C 0.10UF K C308 CK73GB1C104K CHIP C 0.10UF K C310 CK73GB1C104K CHIP C 0.10UF K C311 CC73GCH1H100D CHIP C 10PF D C312 CC73GCH1H390J CHIP C 39PF J C313 CC73GCH1H470J CHIP C 47PF J C315 CK73GB1C104K CHIP C 0.10UF K C316 CC73GCH1H101J CHIP C 100PF J C317 CK73GB1H102K CHIP C 1000PF K C319 CC73GCH1H100D CHIP C 10PF D C321-323 CE04RW1A101M ELECTRO 100UF 10WV C324 CK73GB1C104K CHIP C 0.10UF K C325-327 ✽ CE04RW1C680M ELECTRO 68UF 16WV C328 CC73GCH1H060D CHIP C 6.0PF D C329-332 CC73GCH1H470J CHIP C 47PF J C333 CC73GCH1H220J CHIP C 22PF J C334 CC73GCH1H220J CHIP C 22PF J ET C335 CK73GB1C104K CHIP C 0.10UF K ET C336 CC73GCH1H040C CHIP C 4.0PF C ET C339 CE04RW1A101M ELECTRO 100UF 10WV C340 ✽ CK73FB1A334K CHIP C 0.33UF K C341,342 ✽ CE04RW1C680M ELECTRO 68UF 16WV ET C343 CK73GB1H102K CHIP C 1000PF K ET C344 ✽ CE04RW1C680M ELECTRO 68UF 16WV ET C345-347 CK73GB1C104K CHIP C 0.10UF K C348-352 CC73GCH1H470J CHIP C 47PF J C355 CE04RW1A101M ELECTRO 100UF 10WV C356 ✽ CK73FB1A334K CHIP C 0.33UF K C357,358 CC73GCH1H050C CHIP C 5.0PF C C359,360 CE04RW1A221M ELECTRO 220UF 10WV C361-363 CC73GCH1H101J CHIP C 100PF J ET C364-366 CE04RW1C100M ELECTRO 10UF 16WV ET ✽ New Parts Parts without Parts No. are not supplied. Les articles non mentionnes dans le Parts No. ne sont pas fournis. Teile ohne Parts No. werden nicht geliefert. 7 L : Scandinavia K : USA P : Canada R : Mexico C : China I : Malaysia Y : PX(Far East,Hawaii) T : England E : Europe G : Germany V : China(Shanghai) Y : AAFES(Europe) X : Australia Q : Russia H : Korea M : Other Areas indicates safety critical components . www . x ia o y u 1 6 3 . c o m QQ 3 7 6 3 1 5 1 5 0 9 9 2 8 9 4 2 9 8 T E L 1 3 9 4 2 2 9 6 5 1 3 9 9 2 8 9 4 2 9 8 0 5 1 5 1 3 6 7 3 Q Q TEL 13942296513 QQ 376315150 892498299 TEL 13942296513 QQ 376315150 892498299 DV-4070-B/4900/DVF-R7030-B/R9030 47 PARTS LIST Ref. No Add- ress New Parts Parts No. Description Desti- nation Re- marks R75 ,76 RK73GB1J102J CHIP R 1.0K J 1/16W R77 ,78 RK73GB1J181J CHIP R 180 J 1/16W R79 ,80 RK73GB1J102J CHIP R 1.0K J 1/16W R81 ,82 RK73GB1J151J CHIP R 150 J 1/16W R83 -86 RK73FB2A562J CHIP R 5.6K J 1/10W R87 RK73GB1J181J CHIP R 180 J 1/16W R88 RK73GB1J750J CHIP R 75 J 1/16W R89 RK73GB1J220J CHIP R 22 J 1/16W R90 RK73GB1J221J CHIP R 220 J 1/16W R91 -93 RK73GB1J101J CHIP R 100 J 1/16W R94 -99 RK73GB1J101J CHIP R 100 J 1/16W 9 R100 RK73GB1J100J CHIP R 10 J 1/16W R101 RK73GB1J102J CHIP R 1.0K J 1/16W 9 R102 RK73GB1J100J CHIP R 10 J 1/16W R103 RK73GB1J3R9J CHIP R 3.9 J 1/16W 9 R104 RK73GB1J3R9J CHIP R 3.9 J 1/16W R105,106 RK73GB1J473J CHIP R 47K J 1/16W R107 RK73GB1J100J CHIP R 10 J 1/16W R108 RS14KB3D101J FL-PROOF RS 100 J 2W R109 RD14NB2E6R8J RD 6.8 J 1/4W R110 RK73GB1J101J CHIP R 100 J 1/16W R111 RK73GB1J221J CHIP R 220 J 1/16W R112 RK73GB1J471J CHIP R 470 J 1/16W R113 RK73GB1J221J CHIP R 220 J 1/16W R114 RK73GB1J101J CHIP R 100 J 1/16W R115,116 RK73GB1J100J CHIP R 10 J 1/16W R117,118 RK73GB1J100J CHIP R 10 J 1/16W 9 R119,120 RK73GB1J104J CHIP R 100K J 1/16W R121,122 RK73GB1J181J CHIP R 180 J 1/16W R123,124 RK73GB1J102J CHIP R 1.0K J 1/16W R125,126 RK73GB1J181J CHIP R 180 J 1/16W R127,128 RK73GB1J102J CHIP R 1.0K J 1/16W R129,130 RK73GB1J151J CHIP R 150 J 1/16W R131 RK73GB1J100J CHIP R 10 J 1/16W R132-134 RK73GB1J101J CHIP R 100 J 1/16W R135 RK73GB1J100J CHIP R 10 J 1/16W R136-138 RK73GB1J101J CHIP R 100 J 1/16W R139 RK73GB1J100J CHIP R 10 J 1/16W R140 RK73GB1J101J CHIP R 100 J 1/16W R141 RK73GB1J104J CHIP R 100K J 1/16W R142 RK73GB1J472J CHIP R 4.7K J 1/16W R143 RK73GB1J102J CHIP R 1.0K J 1/16W 9 R144 RK73GB1J100J CHIP R 10 J 1/16W R145 RK73GB1J3R9J CHIP R 3.9 J 1/16W 9 R146 RK73GB1J3R9J CHIP R 3.9 J 1/16W R147-149 RK73GB1J100J CHIP R 10 J 1/16W R151,152 RK73GB1J224J CHIP R 220K J 1/16W R153-156 RK73GB1J470J CHIP R 47 J 1/16W R157 RK73GB1J1R0J CHIP R 1 J 1/16W R159,160 RK73GB1J101J CHIP R 100 J 1/16W R161,162 RK73GB1J104J CHIP R 100K J 1/16W R163,164 RK73GB1J181J CHIP R 180 J 1/16W R165 RK73GB1J102J CHIP R 1.0K J 1/16W R167 RK73GB1J102J CHIP R 1.0K J 1/16W R168,169 RK73GB1J181J CHIP R 180 J 1/16W ✽ New Parts Parts without Parts No. are not supplied. Les articles non mentionnes dans le Parts No. ne sont pas fournis. Teile ohne Parts No. werden nicht geliefert. 0 L : Scandinavia K : USA P : Canada R : Mexico C : China I : Malaysia Y : PX(Far East,Hawaii) T : England E : Europe G : Germany V : China(Shanghai) Y : AAFES(Europe) X : Australia Q : Russia H : Korea M : Other Areas indicates safety critical components . Ref. No Add- ress New Parts Parts No. Description Desti- nation Re- marks J1 ✽ E63-1171-05 PIN JACK J2 ✽ E63-1128-05 PIN JACK J4 ✽ E63-1158-05 PIN JACK J5 ,6 ✽ E56-0031-05 CYLINDRICAL RECEPTACLE J7 ✽ E63-1156-05 PIN JACK J8 ,9 ✽ E58-0027-05 RECTANGULAR RECEPTACLE ET E1 J11-0808-05 WIRE CLAMPER L1 -7 ✽ L92-0520-05 FERRITE CORE L8 ,9 L40-4791-58 SMALL FIXED INDUCTOR(4.7UH,K) L10 -12 ✽ L92-0520-05 FERRITE CORE L200 L92-0070-05 FERRITE CORE K L300 L40-1001-58 SMALL FIXED INDUCTOR(10UH,K) L301 L40-2201-58 SMALL FIXED INDUCTOR(22UH,K) L302,303 L40-1001-58 SMALL FIXED INDUCTOR(10UH,K) X1 L77-2299-05 CRYSTAL RESONATOR(36.864MHZ) X2 L77-2300-05 CRYSTAL RESONATOR(33.8688MHZ) X3 L78-0636-05 RESONATOR (20MHZ) R1 ,2 RK73GB1J223J CHIP R 22K J 1/16W R3 RK73GB1J105J CHIP R 1.0M J 1/16W R4 RK73GB1J222J CHIP R 2.2K J 1/16W R5 RK73GB1J105J CHIP R 1.0M J 1/16W R6 RK73GB1J222J CHIP R 2.2K J 1/16W R8 RK73GB1J102J CHIP R 1.0K J 1/16W R9 RK73GB1J1R0J CHIP R 1 J 1/16W R10 ,11 RK73GB1J3R9J CHIP R 3.9 J 1/16W R12 ,13 RK73GB1J105J CHIP R 1.0M J 1/16W R14 RK73GB1J3R9J CHIP R 3.9 J 1/16W R15 RK73GB1J1R0J CHIP R 1 J 1/16W R16 -18 RK73GB1J3R9J CHIP R 3.9 J 1/16W R19 RK73GB1J1R0J CHIP R 1 J 1/16W R20 RK73GB1J3R9J CHIP R 3.9 J 1/16W R21 -24 RK73GB1J561J CHIP R 560 J 1/16W R25 -28 RK73GB1J271J CHIP R 270 J 1/16W R29 ,30 RK73GB1J102J CHIP R 1.0K J 1/16W R31 -34 RK73GB1J271J CHIP R 270 J 1/16W R35 ,36 RK73GB1J102J CHIP R 1.0K J 1/16W R37 -40 RK73GB1J471J CHIP R 470 J 1/16W R41 -44 RK73GB1J511J CHIP R 510 J 1/16W R45 -48 RK73GB1J102J CHIP R 1.0K J 1/16W R49 ,50 RK73GB1J104J CHIP R 100K J 1/16W R51 ,52 RK73GB1J561J CHIP R 560 J 1/16W R53 ,54 RK73GB1J224J CHIP R 220K J 1/16W R55 ,56 RK73GB1J471J CHIP R 470 J 1/16W R57 ,58 RK73GB1J224J CHIP R 220K J 1/16W R59 ,60 RK73GB1J471J CHIP R 470 J 1/16W R61 ,62 RK73GB1J104J CHIP R 100K J 1/16W R63 ,64 RK73GB1J224J CHIP R 220K J 1/16W R65 ,66 RK73GB1J3R9J CHIP R 3.9 J 1/16W R67 ,68 RS14KB3D5R6J FL-PROOF RS 5.6 J 2W R69 RS14KB3D1R8J FL-PROOF RS 1.8 J 2W R70 RD14NB2E220J RD 22 J 1/4W R71 ,72 RK73GB1J104J CHIP R 100K J 1/16W R73 ,74 RK73GB1J181J CHIP R 180 J 1/16W ✽ New Parts Parts without Parts No. are not supplied. Les articles non mentionnes dans le Parts No. ne sont pas fournis. Teile ohne Parts No. werden nicht geliefert. 9 L : Scandinavia K : USA P : Canada R : Mexico C : China I : Malaysia Y : PX(Far East,Hawaii) T : England E : Europe G : Germany V : China(Shanghai) Y : AAFES(Europe) X : Australia Q : Russia H : Korea M : Other Areas indicates safety critical components . www . x ia o y u 1 6 3 . c o m QQ 3 7 6 3 1 5 1 5 0 9 9 2 8 9 4 2 9 8 T E L 1 3 9 4 2 2 9 6 5 1 3 9 9 2 8 9 4 2 9 8 0 5 1 5 1 3 6 7 3 Q Q TEL 13942296513 QQ 376315150 892498299 TEL 13942296513 QQ 376315150 892498299 DV-4070-B/4900/DVF-R7030-B/R9030 48 PARTS LIST Ref. No Add- ress New Parts Parts No. Description Desti- nation Re- marks R318-324 RK73GB1J473J CHIP R 47K J 1/16W R325 RK73GB1J221J CHIP R 220 J 1/16W R326 RK73GB1J473J CHIP R 47K J 1/16W R327 RK73GB1J102J CHIP R 1.0K J 1/16W R328 RK73GB1J222J CHIP R 2.2K J 1/16W R329 RK73GB1J102J CHIP R 1.0K J 1/16W R331,332 RK73GB1J1R0J CHIP R 1 J 1/16W R335-337 RK73GB1J472J CHIP R 4.7K J 1/16W R340-352 RK73GB1J473J CHIP R 47K J 1/16W R353 RK73GB1J105J CHIP R 1.0M J 1/16W R354,355 RK73GB1J3R3J CHIP R 3.3 J 1/16W R356 RK73GB1J473J CHIP R 47K J 1/16W 7 R357-371 RK73GB1J101J CHIP R 100 J 1/16W R373-386 RK73GB1J101J CHIP R 100 J 1/16W R391-394 RK73GB1J473J CHIP R 47K J 1/16W R398,399 RK73GB1J473J CHIP R 47K J 1/16W R401 RK73GB1J101J CHIP R 100 J 1/16W R402 RK73GB1J103J CHIP R 10K J 1/16W R403 RK73GB1J100J CHIP R 10 J 1/16W R404 RK73GB1J101J CHIP R 100 J 1/16W R407 RK73GB1J101J CHIP R 100 J 1/16W R408 RK73GB1J102J CHIP R 1.0K J 1/16W ET R410 RK73GB1J101J CHIP R 100 J 1/16W R411 RK73GB1J3R9J CHIP R 3.9 J 1/16W R413 RK73GB1J101J CHIP R 100 J 1/16W R414 RK73GB1J3R9J CHIP R 3.9 J 1/16W R415,416 RK73GB1J561J CHIP R 560 J 1/16W R417,418 RK73GB1J302J CHIP R 3.0K J 1/16W R419 RK73GB1J472J CHIP R 4.7K J 1/16W R420 RK73GB1J101J CHIP R 100 J 1/16W R421 RK73GB1J222J CHIP R 2.2K J 1/16W R422 RK73GB1J101J CHIP R 100 J 1/16W R423 RK73GB1J392J CHIP R 3.9K J 1/16W R424 RK73GB1J103J CHIP R 10K J 1/16W R425 RK73GB1J101J CHIP R 100 J 1/16W R426 RK73GB1J222J CHIP R 2.2K J 1/16W R427 RK73GB1J102J CHIP R 1.0K J 1/16W R428 RK73GB1J101J CHIP R 100 J 1/16W R429 RK73GB1J470J CHIP R 47 J 1/16W R434 RK73GB1J103J CHIP R 10K J 1/16W R435 RK73GB1J101J CHIP R 100 J 1/16W R436 RK73GB1J222J CHIP R 2.2K J 1/16W R437 RK73GB1J101J CHIP R 100 J 1/16W R438-440 RK73GB1J911J CHIP R 910 J 1/16W R441 RK73GB1J103J CHIP R 10K J 1/16W R442 RK73GB1J101J CHIP R 100 J 1/16W R443 RK73GB1J222J CHIP R 2.2K J 1/16W R444 RK73GB1J101J CHIP R 100 J 1/16W R445,446 RK73GB1J122J CHIP R 1.2K J 1/16W R447 RK73GB1J103J CHIP R 10K J 1/16W R448 RK73GB1J101J CHIP R 100 J 1/16W R449 RK73GB1J222J CHIP R 2.2K J 1/16W R450 RK73GB1J101J CHIP R 100 J 1/16W R451,452 RK73GB1J122J CHIP R 1.2K J 1/16W R453 RK73GB1J1R0J CHIP R 1 J 1/16W ✽ New Parts Parts without Parts No. are not supplied. Les articles non mentionnes dans le Parts No. ne sont pas fournis. Teile ohne Parts No. werden nicht geliefert. @ L : Scandinavia K : USA P : Canada R : Mexico C : China I : Malaysia Y : PX(Far East,Hawaii) T : England E : Europe G : Germany V : China(Shanghai) Y : AAFES(Europe) X : Australia Q : Russia H : Korea M : Other Areas indicates safety critical components . Ref. No Add- ress New Parts Parts No. Description Desti- nation Re- marks R170,171 RK73GB1J102J CHIP R 1.0K J 1/16W R172,173 RK73GB1J151J CHIP R 150 J 1/16W R174 RK73GB1J3R3J CHIP R 3.3 J 1/16W R175,176 RK73GB1J561J CHIP R 560 J 1/16W R179,180 RK73GB1J561J CHIP R 560 J 1/16W R181,182 RK73GB1J103J CHIP R 10K J 1/16W R183,184 RK73GB1J752J CHIP R 7.5K J 1/16W R185,186 RK73GB1J224J CHIP R 220K J 1/16W R187 RK73GB1J104J CHIP R 100K J 1/16W R188 RK73GB1J332J CHIP R 3.3K J 1/16W R197,198 RK73GB1J470J CHIP R 47 J 1/16W R201,202 RK73GB1J104J CHIP R 100K J 1/16W R203,204 RK73GB1J181J CHIP R 180 J 1/16W R205,206 RK73GB1J102J CHIP R 1.0K J 1/16W R207,208 RK73GB1J181J CHIP R 180 J 1/16W R209,210 RK73GB1J102J CHIP R 1.0K J 1/16W R211,212 RK73GB1J151J CHIP R 150 J 1/16W R213-215 RK73GB1J1R0J CHIP R 1 J 1/16W R216-221 RK73GB1J1R0J CHIP R 1 J 1/16W 9 R222 RK73GB1J3R9J CHIP R 3.9 J 1/16W R223-230 RK73GB1J561J CHIP R 560 J 1/16W R231-234 RK73GB1J272J CHIP R 2.7K J 1/16W R235,236 RK73GB1J561J CHIP R 560 J 1/16W R237,238 RK73GB1J471J CHIP R 470 J 1/16W R239,240 RK73GB1J472J CHIP R 4.7K J 1/16W R241-248 RK73GB1J561J CHIP R 560 J 1/16W R249-252 RK73GB1J272J CHIP R 2.7K J 1/16W R253,254 RK73GB1J561J CHIP R 560 J 1/16W R255,256 RK73GB1J471J CHIP R 470 J 1/16W R257,258 RK73GB1J472J CHIP R 4.7K J 1/16W R259 RK73GB1J3R9J CHIP R 3.9 J 1/16W R260 RK73GB1J472J CHIP R 4.7K J 1/16W R261-264 RK73GB1J511J CHIP R 510 J 1/16W R265-268 RK73GB1J100J CHIP R 10 J 1/16W R269-272 RK73GB1J102J CHIP R 1.0K J 1/16W R273,274 RK73GB1J472J CHIP R 4.7K J 1/16W R275,276 RK73FB2A562J CHIP R 5.6K J 1/10W R277,278 RK73GB1J1R0J CHIP R 1 J 1/16W R280-285 RK73GB1J101J CHIP R 100 J 1/16W R286,287 RK73GB1J470J CHIP R 47 J 1/16W R288-293 RK73GB1J101J CHIP R 100 J 1/16W R294-297 RK73GB1J100J CHIP R 10 J 1/16W R301 RK73GB1J101J CHIP R 100 J 1/16W R302 RK73GB1J472J CHIP R 4.7K J 1/16W R303-307 RK73GB1J473J CHIP R 47K J 1/16W R308 RK73GB1J105J CHIP R 1.0M J 1/16W R310 RK73GB1J473J CHIP R 47K J 1/16W R311 RK73GB1J473J CHIP R 47K J 1/16W ETMX R312 RK73GB1J184J CHIP R 180K J 1/16W M R312 RK73GB1J333J CHIP R 33K J 1/16W ET R312 RK73GB1J473J CHIP R 47K J 1/16W K R312 RK73GB1J683J CHIP R 68K J 1/16W X R313 RK73GB1J473J CHIP R 47K J 1/16W E1T1XM R314,315 RK73GB1J473J CHIP R 47K J 1/16W R316 RK73GB1J221J CHIP R 220 J 1/16W ✽ New Parts Parts without Parts No. are not supplied. Les articles non mentionnes dans le Parts No. ne sont pas fournis. Teile ohne Parts No. werden nicht geliefert. ! L : Scandinavia K : USA P : Canada R : Mexico C : China I : Malaysia Y : PX(Far East,Hawaii) T : England E : Europe G : Germany V : China(Shanghai) Y : AAFES(Europe) X : Australia Q : Russia H : Korea M : Other Areas indicates safety critical components . www . x ia o y u 1 6 3 . c o m QQ 3 7 6 3 1 5 1 5 0 9 9 2 8 9 4 2 9 8 T E L 1 3 9 4 2 2 9 6 5 1 3 9 9 2 8 9 4 2 9 8 0 5 1 5 1 3 6 7 3 Q Q TEL 13942296513 QQ 376315150 892498299 TEL 13942296513 QQ 376315150 892498299 DV-4070-B/4900/DVF-R7030-B/R9030 49 PARTS LIST Ref. No Add- ress New Parts Parts No. Description Desti- nation Re- marks D16 DA204U DIODE D17 MA111 DIODE D18 DA204U DIODE D19 UDZ3.9B ZENER DIODE D20 -22 DA204U DIODE D23 ,24 MA111 DIODE D25 DAN202U DIODE D26 UDZ5.6B ZENER DIODE IC1 KAN06 MOS-IC IC2 ,3 KAN06 MOS-IC 9 IC4 ✽ AK4394-VF MOS-IC IC5 ,6 AK4393-VF MOS-IC IC7 -15 NJM4580ED ANALOGUE IC IC16 TC74VHC08FT MOS-IC IC17 TC7SHU04FU MOS-IC IC18 NJU3711M MOS-IC IC19 TC74HCT7007AF MOS-IC IC20 TC7WH34FU MOS-IC IC21 PST9128NR ANALOGUE IC IC22 TC7WH74FU MOS-IC IC24 TC7WH157FU MOS-IC IC26,27 TC7SHU04FU MOS-IC IC28-30 NJM4580ED ANALOGUE IC IC31 ✽ TC74VHC00FT MOS-IC IC32 ✽ AK4380-VT MOS-IC IC33,34 TC9214AF MOS-IC IC35,36 TA7805S ANALOGUE IC IC37 TA79005S IC(VOLTAGE REGULATOR/ -5V) IC100 ✽ MN101C28CMA MI-COM IC IC101 S-80740AL-A4 IC(VOLTAGE DETECTOR) IC102 ✽ X25057M-2.7 MEMORY IC IC300 ✽ ML6427 ANALOGUE IC IC301 ✽ MM1221XF ANALOGUE IC IC302 ✽ MM1234XF ANALOGUE IC ET IC400 ✽ MM1443XJ ANALOGUE IC ET IC401-403 ✽ MM1224XF ANALOGUE IC ET Q3 -6 2SC4213(B) TRANSISTOR Q7 ,8 DTA124EUA DIGITAL TRANSISTOR Q9 ,10 DTC124EUA DIGITAL TRANSISTOR Q11 2SC4177(L5,L6) TRANSISTOR Q12 2SA1611(M5,M6) TRANSISTOR Q13 -24 2SC4213(B) TRANSISTOR Q25 DTA124EUA DIGITAL TRANSISTOR Q26 -29 2SC4213(B) TRANSISTOR Q30 -33 DTC124EUA DIGITAL TRANSISTOR Q34 DTA124EUA DIGITAL TRANSISTOR Q100 DTC124EUA DIGITAL TRANSISTOR Q101 2SC4081(R,S) TRANSISTOR Q300 2SC4081(R,S) TRANSISTOR Q301 2SC2714(O,Y) FET Q302,303 2SC4081(R,S) TRANSISTOR Q304 2SA1576A(R,S) TRANSISTOR Q305 2SC4081(R,S) TRANSISTOR Q313 2SA1576A(R,S) TRANSISTOR Q314 2SC4081(R,S) TRANSISTOR ✽ New Parts Parts without Parts No. are not supplied. Les articles non mentionnes dans le Parts No. ne sont pas fournis. Teile ohne Parts No. werden nicht geliefert. $ L : Scandinavia K : USA P : Canada R : Mexico C : China I : Malaysia Y : PX(Far East,Hawaii) T : England E : Europe G : Germany V : China(Shanghai) Y : AAFES(Europe) X : Australia Q : Russia H : Korea M : Other Areas indicates safety critical components . Ref. No Add- ress New Parts Parts No. Description Desti- nation Re- marks R454 RK73GB1J4R7J CHIP R 4.7 J 1/16W R455 RK73GB1J4R7J CHIP R 4.7 J 1/16W ET R456 RK73GB1J101J CHIP R 100 J 1/16W R457 RK73GB1J391J CHIP R 390 J 1/16W R458 RK73GB1J101J CHIP R 100 J 1/16W R459 RK73GB1J391J CHIP R 390 J 1/16W R465 RK73GB1J103J CHIP R 10K J 1/16W R466 RK73GB1J222J CHIP R 2.2K J 1/16W R467 RK73GB1J101J CHIP R 100 J 1/16W R468 RK73GB1J102J CHIP R 1.0K J 1/16W R469 RK73GB1J470J CHIP R 47 J 1/16W R470-478 RK73GB1J680J CHIP R 68 J 1/16W R479 RK73GB1J102J CHIP R 1.0K J 1/16W R480,481 RK73GB1J911J CHIP R 910 J 1/16W R500 RK73GB1J151J CHIP R 150 J 1/16W ET R501,502 RK73GB1J750J CHIP R 75 J 1/16W ET R503 RK73GB1J151J CHIP R 150 J 1/16W ET R504 RK73GB1J101J CHIP R 100 J 1/16W ET R505 RK73GB1J472J CHIP R 4.7K J 1/16W ET R506 RK73GB1J103J CHIP R 10K J 1/16W ET R507-511 RK73GB1J101J CHIP R 100 J 1/16W ET R512,513 RK73GB1J473J CHIP R 47K J 1/16W R514,515 RK73GB1J101J CHIP R 100 J 1/16W ET R516 RK73GB1J151J CHIP R 150 J 1/16W ET R517,518 RK73GB1J750J CHIP R 75 J 1/16W ET R519 RK73GB1J151J CHIP R 150 J 1/16W ET R520-523 RK73GB1J101J CHIP R 100 J 1/16W ET R524-526 RK73GB1J472J CHIP R 4.7K J 1/16W ET R527 RK73GB1J680J CHIP R 68 J 1/16W ET R528 RK73GB1J472J CHIP R 4.7K J 1/16W ET R529 RK73GB1J223J CHIP R 22K J 1/16W ET R530-537 RK73GB1J151J CHIP R 150 J 1/16W ET R538-543 RK73GB1J750J CHIP R 75 J 1/16W ET R544 RK73GB1J1R0J CHIP R 1 J 1/16W ET R545 RK73GB1J3R3J CHIP R 3.3 J 1/16W ET R546-548 RK73GB1J113J CHIP R 11K J 1/16W R549 RK73GB1J104J CHIP R 100K J 1/16W R550 RK73GB1J332J CHIP R 3.3K J 1/16W ET R551 RK73GB1J562J CHIP R 5.6K J 1/16W ET R552,553 RK73GB1J332J CHIP R 3.3K J 1/16W ET R554 RK73GB1J472J CHIP R 4.7K J 1/16W ET R555-557 RK73GB1J223J CHIP R 22K J 1/16W ET R558 RK73GB1J222J CHIP R 2.2K J 1/16W R559 RK73GB1J105J CHIP R 1.0M J 1/16W R560 RK73GB1J102J CHIP R 1.0K J 1/16W W1 -13 R92-1963-05 JUMPER WIRE (RESISTOR TYPE) K2 W1 -3 R92-1963-05 JUMPER WIRE (RESISTOR TYPE) K1XM W4 -10 R92-1963-05 JUMPER WIRE (RESISTOR TYPE) E2T2 W10 R92-1963-05 JUMPER WIRE (RESISTOR TYPE) E1T1 W10 -13 R92-1963-05 JUMPER WIRE (RESISTOR TYPE) K1XM D1 DAP202U DIODE D2 ,3 KV1832E VARIABLE CAPACITANCE DIODE D5 UDZ6.8B ZENER DIODE D8 -14 U1BC44 DIODE D15 MA111 DIODE ET ✽ New Parts Parts without Parts No. are not supplied. Les articles non mentionnes dans le Parts No. ne sont pas fournis. Teile ohne Parts No. werden nicht geliefert. # L : Scandinavia K : USA P : Canada R : Mexico C : China I : Malaysia Y : PX(Far East,Hawaii) T : England E : Europe G : Germany V : China(Shanghai) Y : AAFES(Europe) X : Australia Q : Russia H : Korea M : Other Areas indicates safety critical components . www . x ia o y u 1 6 3 . c o m QQ 3 7 6 3 1 5 1 5 0 9 9 2 8 9 4 2 9 8 T E L 1 3 9 4 2 2 9 6 5 1 3 9 9 2 8 9 4 2 9 8 0 5 1 5 1 3 6 7 3 Q Q TEL 13942296513 QQ 376315150 892498299 TEL 13942296513 QQ 376315150 892498299 DV-4070-B/4900/DVF-R7030-B/R9030 50 PARTS LIST Ref. No Add- ress New Parts Parts No. Description Desti- nation Re- marks C44 CC73GCH1H820J CHIP C 82PF J C45 -48 CK73GB1C104K CHIP C 0.10UF K C49 -51 CK73GF1A105Z CHIP C 1.0UF Z C52 CC73GCH1H221J CHIP C 220PF J C53 CC73GCH1H040C CHIP C 4.0PF C C54 CK73GF1H333Z CHIP C 0.033UF Z C60 C92-0047-05 CHIP-ELE 47UF 6.3WV C61 ,62 C92-0048-05 ELECTRO 100UF 6.3WV C63 CK73GB1H103K CHIP C 0.010UF K C77 CK73GF1A105Z CHIP C 1.0UF Z C100 CK73GB1H102K CHIP C 1000PF K C101-104 CK73GF1H333Z CHIP C 0.033UF Z C105 CK73GB1H102K CHIP C 1000PF K C106 CC73GCH1H471J CHIP C 470PF J C107-110 CK73GB1H102K CHIP C 1000PF K C111-113 CK73GB1C104K CHIP C 0.10UF K C114 CK73GB1H392K CHIP C 3900PF K C115 CK73GB1H821K CHIP C 820PF K C116 CC73GCH1H331J CHIP C 330PF J C117 CC73GCH1H471J CHIP C 470PF J C118 CC73GCH1H271J CHIP C 270PF J C119,120 CK73GB1H821K CHIP C 820PF K C121-124 CK73GB1H102K CHIP C 1000PF K C125 CK73GB1C104K CHIP C 0.10UF K C126 CK73GF1A105Z CHIP C 1.0UF Z C127,128 CK73GB1H102K CHIP C 1000PF K C129,130 CK73GB1C104K CHIP C 0.10UF K C132 CC73GCH1H330J CHIP C 33PF J C133 CC73GCH1H331J CHIP C 330PF J C134 CK73GB1C104K CHIP C 0.10UF K C135 CK73GB1H102K CHIP C 1000PF K C136 CK73GF1A105Z CHIP C 1.0UF Z C137 C92-0048-05 ELECTRO 100UF 6.3WV C138 CK73GB1H103K CHIP C 0.010UF K C150,151 CC73GCH1H050C CHIP C 5.0PF C C200 CK73GB1C104K CHIP C 0.10UF K C201 CK73GB1H102K CHIP C 1000PF K C202-204 CK73GB1H103K CHIP C 0.010UF K C205 CK73GB1H102K CHIP C 1000PF K C206 CK73GB1C104K CHIP C 0.10UF K C207 CK73GB1H102K CHIP C 1000PF K C208-210 CK73GB1C104K CHIP C 0.10UF K C211 C92-0041-05 CHIP-ELE 10UF 10WV C213,214 CK73GB1C104K CHIP C 0.10UF K C300,301 C92-0041-05 CHIP-ELE 10UF 10WV C302-309 CK73GB1H102K CHIP C 1000PF K C310 CK73GB1H103K CHIP C 0.010UF K C311-321 CK73GB1H102K CHIP C 1000PF K C322 CK73GB1H103K CHIP C 0.010UF K C323 CK73GB1H102K CHIP C 1000PF K C324 CK73GF1A105Z CHIP C 1.0UF Z C400 CK73GB1H102K CHIP C 1000PF K C401 ✽ CE32AP0G221M CHIP-ELE 220UF 4WV C404 ✽ CE32AP0G221M CHIP-ELE 220UF 4WV C405-420 CK73GB1H102K CHIP C 1000PF K ✽ New Parts Parts without Parts No. are not supplied. Les articles non mentionnes dans le Parts No. ne sont pas fournis. Teile ohne Parts No. werden nicht geliefert. ^ L : Scandinavia K : USA P : Canada R : Mexico C : China I : Malaysia Y : PX(Far East,Hawaii) T : England E : Europe G : Germany V : China(Shanghai) Y : AAFES(Europe) X : Australia Q : Russia H : Korea M : Other Areas indicates safety critical components . Ref. No Add- ress New Parts Parts No. Description Desti- nation Re- marks Q315 2SA1576A(R,S) TRANSISTOR Q316 2SC4081(R,S) TRANSISTOR Q317 2SA1576A(R,S) TRANSISTOR Q318,319 2SC4081(R,S) TRANSISTOR Q320 2SA1576A(R,S) TRANSISTOR Q321,322 2SC4081(R,S) TRANSISTOR Q397 DTC124EUA DIGITAL TRANSISTOR ET Q398,399 2SC4081(R,S) TRANSISTOR ET Q400 DTA143TUA DIGITAL TRANSISTOR ET Q401,402 2SC4081(R,S) TRANSISTOR ET Q403,404 DTC124EUA DIGITAL TRANSISTOR ET Q405 2SA1576A(R,S) TRANSISTOR ET Q406 2SC4081(R,S) TRANSISTOR ET Q407,408 2SA1576A(R,S) TRANSISTOR ET Q409 DTA113ZUA DIGITAL TRANSISTOR ET Q410 2SA1576A(R,S) TRANSISTOR ET Q411 2SC4081(R,S) TRANSISTOR ET Q412,413 DTA124EUA DIGITAL TRANSISTOR ET A1 W02-2732-05 OSCILLATING MODULE C1 ,2 CK73GB1C104K CHIP C 0.10UF K C3 C92-0047-05 CHIP-ELE 47UF 6.3WV C5 ,6 C92-0041-05 CHIP-ELE 10UF 10WV C7 CC73GCH1H471J CHIP C 470PF J C8 CK73GB1C104K CHIP C 0.10UF K C9 CC73GCH1H560J CHIP C 56PF J C10 CC73GCH1H101J CHIP C 100PF J C11 -13 CK73GB1C104K CHIP C 0.10UF K C14 C92-0041-05 CHIP-ELE 10UF 10WV C15 CC73GCH1H101J CHIP C 100PF J C16 ✽ CK73FB1A154K CHIP C 0.15UF K C17 -19 CK73GB1C104K CHIP C 0.10UF K C20 CK73GB1H392K CHIP C 3900PF K C21 CK73GB1C104K CHIP C 0.10UF K C22 CK73GF1A105Z CHIP C 1.0UF Z C23 C92-0041-05 CHIP-ELE 10UF 10WV C24 CK73GB1C104K CHIP C 0.10UF K C25 ✽ CK73FB1A334K CHIP C 0.33UF K C26 CK73GB1C104K CHIP C 0.10UF K C27 CC73GCH1H121J CHIP C 120PF J C28 CC73GCH1H221J CHIP C 220PF J C29 -31 CK73GB1C104K CHIP C 0.10UF K C32 ✽ CK73FB1A224K CHIP C 0.22UF K C33 CK73GB1H102K CHIP C 1000PF K C34 CK73GB1H681K CHIP C 680PF K C35 CK73GB1C104K CHIP C 0.10UF K C36 CK73GF1A105Z CHIP C 1.0UF Z C37 C92-0047-05 CHIP-ELE 47UF 6.3WV C38 CC73GCH1H221J CHIP C 220PF J C39 CK73GB1C104K CHIP C 0.10UF K C40 CK73GB1H102K CHIP C 1000PF K C41 CK73GB1C104K CHIP C 0.10UF K C42 CC73GCH1H221J CHIP C 220PF J C43 ✽ CK73FB1A224K CHIP C 0.22UF K ✽ New Parts Parts without Parts No. are not supplied. Les articles non mentionnes dans le Parts No. ne sont pas fournis. Teile ohne Parts No. werden nicht geliefert. % L : Scandinavia K : USA P : Canada R : Mexico C : China I : Malaysia Y : PX(Far East,Hawaii) T : England E : Europe G : Germany V : China(Shanghai) Y : AAFES(Europe) X : Australia Q : Russia H : Korea M : Other Areas indicates safety critical components . VIDEO (X35-2240-10) www . x ia o y u 1 6 3 . c o m QQ 3 7 6 3 1 5 1 5 0 9 9 2 8 9 4 2 9 8 T E L 1 3 9 4 2 2 9 6 5 1 3 9 9 2 8 9 4 2 9 8 0 5 1 5 1 3 6 7 3 Q Q TEL 13942296513 QQ 376315150 892498299 TEL 13942296513 QQ 376315150 892498299 DV-4070-B/4900/DVF-R7030-B/R9030 51 PARTS LIST Ref. No Add- ress New Parts Parts No. Description Desti- nation Re- marks L101 L40-1001-39 SMALL FIXED INDUCTOR(10UH,K) L200-203 ✽ L92-0521-05 FERRITE CORE L204-207 ✽ L92-0520-05 FERRITE CORE L208 L40-1001-39 SMALL FIXED INDUCTOR(10UH,K) L209-216 ✽ L92-0520-05 FERRITE CORE L300 L40-1001-39 SMALL FIXED INDUCTOR(10UH,K) L301 ✽ L92-0521-05 FERRITE CORE L401-410 ✽ L92-0520-05 FERRITE CORE L412-420 ✽ L92-0520-05 FERRITE CORE L500 L40-1001-39 SMALL FIXED INDUCTOR(10UH,K) L501 ✽ L92-0520-05 FERRITE CORE L502 L40-2205-34 SMALL FIXED INDUCTOR(22UH) L503-506 ✽ L92-0520-05 FERRITE CORE L600 L40-1001-39 SMALL FIXED INDUCTOR(10UH,K) L601-607 ✽ L92-0520-05 FERRITE CORE L700 ✽ L92-0521-05 FERRITE CORE X500 ✽ L77-2298-05 CRYSTAL RESONATOR(27MHZ) CP100 R90-0737-05 MULTI-COMP 100K X2 CP101 ✽ R90-0978-05 MULTIPLE RESISTOR CP300,301 R90-0748-05 MULTI-COMP 47K X4 CP400,401 ✽ R90-0978-05 MULTIPLE RESISTOR CP500-504 R90-0737-05 MULTI-COMP 100K X2 R1 ✽ R92-1958-05 METAL GLAZE RESISTOR R2 RK73GB1J223J CHIP R 22K J 1/16W R3 RK73GB1J123J CHIP R 12K J 1/16W R4 RK73GB1J2R2J CHIP R 2.2 J 1/16W R5 RK73GB1J564J CHIP R 560K J 1/16W R6 RK73GB1J154J CHIP R 150K J 1/16W R7 ,8 RK73GB1J103J CHIP R 10K J 1/16W R9 RK73GB1J823J CHIP R 82K J 1/16W R10 RK73GB1J393J CHIP R 39K J 1/16W R11 RK73GB1J752J CHIP R 7.5K J 1/16W R12 RK73GB1J123J CHIP R 12K J 1/16W R13 RK73GB1J393J CHIP R 39K J 1/16W R14 RK73GB1J272J CHIP R 2.7K J 1/16W R15 RK73GB1J223J CHIP R 22K J 1/16W R16 RK73GB1J103J CHIP R 10K J 1/16W R17 RK73GB1J223J CHIP R 22K J 1/16W R18 RK73GB1J153J CHIP R 15K J 1/16W R19 ,20 RK73GB1J474J CHIP R 470K J 1/16W R21 ✽ RK73GB1J155J CHIP R 1.5M J 1/16W R22 RK73GB1J332J CHIP R 3.3K J 1/16W R23 RK73GB1J822J CHIP R 8.2K J 1/16W R24 RK73GB1J183J CHIP R 18K J 1/16W R100 RK73GB1J103J CHIP R 10K J 1/16W R101 RK73GB1J473J CHIP R 47K J 1/16W R102 RK73GB1J223J CHIP R 22K J 1/16W R103 RK73GB1J183J CHIP R 18K J 1/16W R104 RK73GB1J123J CHIP R 12K J 1/16W R105 RK73GB1J822J CHIP R 8.2K J 1/16W R106,107 RK73GB1J473J CHIP R 47K J 1/16W R108 RK73GB1J472J CHIP R 4.7K J 1/16W R109 RK73GB1J470J CHIP R 47 J 1/16W R110 RK73GB1J103J CHIP R 10K J 1/16W ✽ New Parts Parts without Parts No. are not supplied. Les articles non mentionnes dans le Parts No. ne sont pas fournis. Teile ohne Parts No. werden nicht geliefert. * L : Scandinavia K : USA P : Canada R : Mexico C : China I : Malaysia Y : PX(Far East,Hawaii) T : England E : Europe G : Germany V : China(Shanghai) Y : AAFES(Europe) X : Australia Q : Russia H : Korea M : Other Areas indicates safety critical components . Ref. No Add- ress New Parts Parts No. Description Desti- nation Re- marks C421 CC73GCH1H220J CHIP C 22PF J C422,423 CK73GB1H102K CHIP C 1000PF K C424-428 CC73GCH1H220J CHIP C 22PF J C429 CK73GB1H102K CHIP C 1000PF K C430 CC73GCH1H220J CHIP C 22PF J C431 CK73GB1C104K CHIP C 0.10UF K C432 CK73GB1H103K CHIP C 0.010UF K C433 C92-0041-05 CHIP-ELE 10UF 10WV C434 CK73GB1C104K CHIP C 0.10UF K C435 CK73GF1A105Z CHIP C 1.0UF Z C436,437 CK73GB1H102K CHIP C 1000PF K C438-445 CK73GB1C104K CHIP C 0.10UF K C446-460 CK73GB1H102K CHIP C 1000PF K C471-482 CK73GB1H102K CHIP C 1000PF K C483 C92-0041-05 CHIP-ELE 10UF 10WV C485 CK73GF1A105Z CHIP C 1.0UF Z C486 CK73GB1H102K CHIP C 1000PF K C487 CC73GCH1H050C CHIP C 5.0PF C C500 C92-0041-05 CHIP-ELE 10UF 10WV C501-508 CK73GB1H102K CHIP C 1000PF K C509 CK73GB1C104K CHIP C 0.10UF K C510 CK73GB1H102K CHIP C 1000PF K C511 CC73GCH1H101J CHIP C 100PF J C512 CK73GB1H103K CHIP C 0.010UF K C513 CK73GB1H102K CHIP C 1000PF K C550 C92-0041-05 CHIP-ELE 10UF 10WV C551-553 CK73GB1H102K CHIP C 1000PF K C554,555 CC73GCH1H220J CHIP C 22PF J C556,557 CK73GB1H102K CHIP C 1000PF K C600-602 CK73GB1H102K CHIP C 1000PF K C603,604 CC73GCH1H101J CHIP C 100PF J C605-607 CK73GB1H102K CHIP C 1000PF K C608 CC73GCH1H060D CHIP C 6.0PF D C609-611 CK73GB1H102K CHIP C 1000PF K C612,613 CK73GB1C104K CHIP C 0.10UF K C614 CK73GB1H102K CHIP C 1000PF K C615,616 C92-0048-05 ELECTRO 100UF 6.3WV C617 CK73GB1H102K CHIP C 1000PF K C618 CK73GB1C104K CHIP C 0.10UF K C620 ✽ CE32AP0G221M CHIP-ELE 220UF 4WV C700 CK73GB1H102K CHIP C 1000PF K C701 C92-0041-05 CHIP-ELE 10UF 10WV C702-707 CK73GB1H102K CHIP C 1000PF K CN1 ✽ E40-8631-05 FLAT CABLE CONNECTOR CN2 ✽ E40-8630-05 FLAT CABLE CONNECTOR CN3 ,4 ✽ E40-8628-05 SOCKET FOR PIN ASSY CN5 ✽ E40-8629-05 PIN ASSY L1 ,2 ✽ L92-0520-05 FERRITE CORE L3 ✽ L92-0521-05 FERRITE CORE L4 -12 ✽ L92-0520-05 FERRITE CORE L13 -17 ✽ L92-0521-05 FERRITE CORE L18 ,19 ✽ L92-0520-05 FERRITE CORE L20 ,21 L40-1001-39 SMALL FIXED INDUCTOR(10UH,K) L100 ✽ L92-0521-05 FERRITE CORE ✽ New Parts Parts without Parts No. are not supplied. Les articles non mentionnes dans le Parts No. ne sont pas fournis. Teile ohne Parts No. werden nicht geliefert. & L : Scandinavia K : USA P : Canada R : Mexico C : China I : Malaysia Y : PX(Far East,Hawaii) T : England E : Europe G : Germany V : China(Shanghai) Y : AAFES(Europe) X : Australia Q : Russia H : Korea M : Other Areas indicates safety critical components . www . x ia o y u 1 6 3 . c o m QQ 3 7 6 3 1 5 1 5 0 9 9 2 8 9 4 2 9 8 T E L 1 3 9 4 2 2 9 6 5 1 3 9 9 2 8 9 4 2 9 8 0 5 1 5 1 3 6 7 3 Q Q TEL 13942296513 QQ 376315150 892498299 TEL 13942296513 QQ 376315150 892498299 DV-4070-B/4900/DVF-R7030-B/R9030 52 PARTS LIST Ref. No Add- ress New Parts Parts No. Description Desti- nation Re- marks R600,601 RK73GB1J101J CHIP R 100 J 1/16W R602,603 RK73GB1J473J CHIP R 47K J 1/16W R605,606 RK73GB1J102J CHIP R 1.0K J 1/16W R609 RK73GB1J271J CHIP R 270 J 1/16W R610 RK73GB1J102J CHIP R 1.0K J 1/16W R611 RK73GB1J101J CHIP R 100 J 1/16W R612 RK73GB1J331J CHIP R 330 J 1/16W R613 RK73GB1J102J CHIP R 1.0K J 1/16W R614 RK73GB1J101J CHIP R 100 J 1/16W R615 RK73GB1J181J CHIP R 180 J 1/16W R616 RK73GB1J102J CHIP R 1.0K J 1/16W R617 RK73GB1J101J CHIP R 100 J 1/16W R618 RK73GB1J331J CHIP R 330 J 1/16W R619 RK73GB1J102J CHIP R 1.0K J 1/16W R620 RK73GB1J101J CHIP R 100 J 1/16W R621 RK73GB1J331J CHIP R 330 J 1/16W R622 RK73GB1J102J CHIP R 1.0K J 1/16W R623 RK73GB1J101J CHIP R 100 J 1/16W R624 RK73GB1J331J CHIP R 330 J 1/16W R626 RK73GB1J151J CHIP R 150 J 1/16W VR600-602 ✽ R32-0093-05 SEMI FIXED VARIABLE RESISTOR W1 R92-1963-05 JUMPER WIRE (RESISTOR TYPE) D100-102 DA204U DIODE D400 MA111 DIODE D500 MA111 DIODE D600 MA111 DIODE IC1 ✽ TK11120S ANALOGUE IC IC2 AN8706FHQ ANALOGUE IC IC100 MN67705EA MOS-IC IC201 ✽ AN8785SB ANALOGUE IC IC202 ✽ AN8480NSB ANALOGUE IC IC300 ✽ MN103007B MOS-IC IC301 TC7SH32FU MOS-IC IC302 TC7SH08FU MOS-IC IC400 ✽ MN677521HB MOS-IC IC401,402 ✽ EM636165TS-8 MEMORY IC IC401,402 HY57V16160DTC MEMORY IC IC403 ✽ TC7SET04FU MOS-IC IC404 ✽ PQ2TZ15U ANALOGUE IC IC405,406 TC74HCT7007AF MOS-IC IC407 NJM2115V ANALOGUE IC IC500 ✽ MN102LP25G MI-COM IC IC501 PST596JNR ANALOGUE IC IC502 ✽ X25057M-2.7 MEMORY IC IC503 ✽ AT49LV8192A90T MEMORY IC IC504 ✽ BS62LV1024ST70 MEMORY IC IC504 ✽ KM68U1000E10 MEMORY IC IC505,506 TC7SHU04FU MOS-IC IC507,508 TC7WH74FU MOS-IC IC600 ✽ ADV7190 MOS-IC IC601 PQ1R33 ANALOGUE IC IC700 ✽ MN5C027D4H MOS-IC IC701 ✽ TC3W02FU MOS-IC Q1 2SB1115A TRANSISTOR ✽ New Parts Parts without Parts No. are not supplied. Les articles non mentionnes dans le Parts No. ne sont pas fournis. Teile ohne Parts No. werden nicht geliefert. ) L : Scandinavia K : USA P : Canada R : Mexico C : China I : Malaysia Y : PX(Far East,Hawaii) T : England E : Europe G : Germany V : China(Shanghai) Y : AAFES(Europe) X : Australia Q : Russia H : Korea M : Other Areas indicates safety critical components . Ref. No Add- ress New Parts Parts No. Description Desti- nation Re- marks R111 RK73GB1J101J CHIP R 100 J 1/16W R112-114 RK73GB1J103J CHIP R 10K J 1/16W R115 RK73GB1J473J CHIP R 47K J 1/16W R116,117 RK73GB1J683J CHIP R 68K J 1/16W R118 RK73GB1J123J CHIP R 12K J 1/16W R119 RK73GB1J101J CHIP R 100 J 1/16W R120 RK73GB1J223J CHIP R 22K J 1/16W R121,122 RK73GB1J333J CHIP R 33K J 1/16W R123 RK73GB1J362J CHIP R 3.6K J 1/16W R124-127 RK73GB1J103J CHIP R 10K J 1/16W R129 RK73GB1J103J CHIP R 10K J 1/16W R130 RK73GB1J102J CHIP R 1.0K J 1/16W R131 RK73GB1J472J CHIP R 4.7K J 1/16W R132 RK73GB1J102J CHIP R 1.0K J 1/16W R200 RK73GB1J183J CHIP R 18K J 1/16W R201 RK73GB1J622J CHIP R 6.2K J 1/16W R202,203 RK73GB1J222J CHIP R 2.2K J 1/16W R204,205 RK73GB1J271J CHIP R 270 J 1/16W R206-209 RK73GB1J103J CHIP R 10K J 1/16W R210 RK73GB1J473J CHIP R 47K J 1/16W R213 R92-1959-05 METAL GLAZE 0.5 F 1W R300,301 RK73GB1J102J CHIP R 1.0K J 1/16W R302,303 RK73GB1J473J CHIP R 47K J 1/16W R304 RK73GB1J102J CHIP R 1.0K J 1/16W R400-405 RK73GB1J473J CHIP R 47K J 1/16W R406-411 RK73GB1J221J CHIP R 220 J 1/16W R412 RK73GB1J473J CHIP R 47K J 1/16W R413-416 RK73GB1J564J CHIP R 560K J 1/16W R417-424 RK73GB1J102J CHIP R 1.0K J 1/16W R425 RK73GB1J101J CHIP R 100 J 1/16W R426 RK73GB1J223J CHIP R 22K J 1/16W R427 RK73GB1J473J CHIP R 47K J 1/16W R428 RK73GB1J153J CHIP R 15K J 1/16W R429 RK73GB1J333J CHIP R 33K J 1/16W R430,431 RK73GB1J473J CHIP R 47K J 1/16W R432-446 RK73GB1J101J CHIP R 100 J 1/16W R447 RK73GB1J220J CHIP R 22 J 1/16W R448 RK73GB1J101J CHIP R 100 J 1/16W R449-458 RK73GB1J3R9J CHIP R 3.9 J 1/16W R500 RK73GB1J103J CHIP R 10K J 1/16W R501,502 RK73GB1J473J CHIP R 47K J 1/16W R503 RK73GB1J103J CHIP R 10K J 1/16W R504 RK73GB1J473J CHIP R 47K J 1/16W R505 RK73GB1J472J CHIP R 4.7K J 1/16W R506 RK73GB1J103J CHIP R 10K J 1/16W R507 RK73GB1J472J CHIP R 4.7K J 1/16W R508-510 RK73GB1J473J CHIP R 47K J 1/16W R511 RK73GB1J3R9J CHIP R 3.9 J 1/16W R512 RK73GB1J2R2J CHIP R 2.2 J 1/16W R513 RK73GB1J473J CHIP R 47K J 1/16W R516,517 RK73GB1J473J CHIP R 47K J 1/16W R520 RK73GB1J102J CHIP R 1.0K J 1/16W R550 RK73GB1J105J CHIP R 1.0M J 1/16W R551 RK73GB1J221J CHIP R 220 J 1/16W R553 RK73GB1J105J CHIP R 1.0M J 1/16W ✽ New Parts Parts without Parts No. are not supplied. Les articles non mentionnes dans le Parts No. ne sont pas fournis. Teile ohne Parts No. werden nicht geliefert. ( L : Scandinavia K : USA P : Canada R : Mexico C : China I : Malaysia Y : PX(Far East,Hawaii) T : England E : Europe G : Germany V : China(Shanghai) Y : AAFES(Europe) X : Australia Q : Russia H : Korea M : Other Areas indicates safety critical components . www . x ia o y u 1 6 3 . c o m QQ 3 7 6 3 1 5 1 5 0 9 9 2 8 9 4 2 9 8 T E L 1 3 9 4 2 2 9 6 5 1 3 9 9 2 8 9 4 2 9 8 0 5 1 5 1 3 6 7 3 Q Q TEL 13942296513 QQ 376315150 892498299 TEL 13942296513 QQ 376315150 892498299 DV-4070-B/4900/DVF-R7030-B/R9030 53 PARTS LIST Ref. No Add- ress New Parts Parts No. Description Desti- nation Re- marks Q2 DTC124EUA DIGITAL TRANSISTOR Q3 DTA124EUA DIGITAL TRANSISTOR Q4 DTC124EUA DIGITAL TRANSISTOR Q100 DTC124EUA DIGITAL TRANSISTOR Q200,201 DTC124EUA DIGITAL TRANSISTOR Q202 DTA124EUA DIGITAL TRANSISTOR Q500 2SC4081(R,S) TRANSISTOR Q501 2SA1576A(R,S) TRANSISTOR Q502 DTC124EUA DIGITAL TRANSISTOR Q601-605 2SA1576A(R,S) TRANSISTOR ✽ New Parts Parts without Parts No. are not supplied. Les articles non mentionnes dans le Parts No. ne sont pas fournis. Teile ohne Parts No. werden nicht geliefert. ¡ L : Scandinavia K : USA P : Canada R : Mexico C : China I : Malaysia Y : PX(Far East,Hawaii) T : England E : Europe G : Germany V : China(Shanghai) Y : AAFES(Europe) X : Australia Q : Russia H : Korea M : Other Areas indicates safety critical components . Australia Canada China England Europe Germany Korea X P C T E G H DV-4070-B 7 - - - - - - - DVF-R7030-B 7 - - - T2 E2 - - DV-4900 9 - - - - - - - DVF-R9030 9 X1 - - T1 E1 - - Mexico PX/AAFES Russia Scandinavia Shanghai USA Other area R Y Q L V K M DV-4070-B 7 - - - - - K2 - DVF-R7030-B 7 - - - - - - - DV-4900 9 - - - - - K1 - DVF-R9030 9 - - - - - - M1 MODEL MODEL ABB. ABB. HOW TO READ THE PARTS LIST ABBREVIATION OF MODEL AND MASS PRODUCTION'S DESTINATIONS www. xiaoyu163. com QQ 376315150 9 9 2 8 9 4 2 9 8 TEL 13942296513 9 9 2 8 9 4 2 9 8 0 5 1 5 1 3 6 7 3 Q Q TEL 13942296513 QQ 376315150 892498299 TEL 13942296513 QQ 376315150 892498299 DV-4070-B/4900/DVF-R7030-B/R9030 54 SPECIFICATIONS Format section Format .....................DVD audio ver. 1.2 / DVD video ver.1.1 Laser ...................................................Semiconductor laser Video output format ..............................................NTSC/PAL Audio section Frequency response Sampling frequency: 44.1kHz (CD only)......4 Hz~20 kHz Sampling frequency: 48 kHz........................4 Hz~22 kHz Sampling frequency: 96 kHz........................4 Hz~44 kHz Sampling frequency: 192 kHz (DVD AUDIO only) ...............................................................4 Hz~88 kHz Signal to noise ratio ...................................More than 120 dB Dynamic range ..........................................More than 100 dB Total harmonic distortion ............Less than 0.0025 % (1kHz) Channel separation..........................More than 95 dB (1kHz) Analog output level/impedance MIX LINE OUTPUT .........................................2 V/ 510 Ω 6 CH. OUTPUT ..............................................2 V / 510 Ω Digital output level/impedance COAXIAL...................................................0.5 Vp-p/ 75 Ω OPTICAL (Wave length 660 nm).......-21 dBm ~ -15 dBm Headphone output....30 mW/ 32 Ω load (Phones level MAX) Video Section Composite video output level ...........................1 Vp-p (75 Ω) S-video output level (Y-signal) ....................................................1 Vp-p (75 Ω) (C-signal) .............................................0.286 Vp-p (75 Ω) Component video output level [DV-4900, DV-4070] (Y-signal) ....................................................1 Vp-p (75 Ω) (Cb-signal) ...........................................0.648 Vp-p (75 Ω) (Cr-signal) ............................................0.648 Vp-p (75 Ω) [DVF-R9030, DVF-R7030] (Y-signal) ....................................................1 Vp-p (75 Ω) (Cb-signal) ...............................................0.7 Vp-p (75 Ω) (Cr-signal) ................................................0.7 Vp-p (75 Ω) RGB output level (SCART)............................0.7 Vp-p (75 Ω) Video signal to noise ratio.............................................65 dB Horizontal resolution ............................................... 500 lines Laser Section Wavelength ........................................................660~676 nm Laser power class..............................................class 2 (IEC) General Section [DV-4900, DVF-R9030] Power consumption ...................................................... 35 W Dimensions.....................................W : 474 mm (18-11/16”) H : 127 mm (5”) D : 410 mm (16-1/8”) Weight (net)....................................................7.4 kg (16.3 lb) [DV-4070, DVF-R7030] Power consumption ...................................................... 35 W Dimensions.....................................W : 440 mm (17-5/16”) H : 127 mm (5”) D : 410 mm (16-1/8”) Weight (net)....................................................6.3 kg (13.9 lb) KENWOOD follows a policy of continuous advancements in development. For this reason specifications may be changed without notice. Sufficient performance may not be exhibited at extremely cold locations (Where water freezes). Notes www. xiaoyu163. com QQ 376315150 9 9 2 8 9 4 2 9 8 TEL 13942296513 9 9 2 8 9 4 2 9 8 0 5 1 5 1 3 6 7 3 Q Q TEL 13942296513 QQ 376315150 892498299 TEL 13942296513 QQ 376315150 892498299 DV-4070-B/4900/DVF-R7030-B/R9030 14-6,Dogenzaka 1-chome, Shibuya-ku, Tokyo, 150-8501 Japan KENWOOD SERVICE CORPORATION P.O BOX 22745, 2201 East Dominguez St., Long Beach, CA 90801-5745, U.S.A. KENWOOD ELECTRONICS CANADA INC. 6070 Kestrel Road, Mississauga, Ontario, Canada L5T 1S8 KENWOOD ELECTRONICS LATIN AMERICA S.A. P.O BOX 55-2791, Piso 6 plaza Chase, Cl. 47 y Aquilino de la Guardia Panama, Republic de Panama KENWOOD ELECTRONICS BRASIL LTDA. Av. Moema, 170-17˚, Andar-Cobertura “B”, Ed. Maximum Service Center, 04077-020 Moema, São Paulo-SP-Brasil KENWOOD ELECTRONICS U.K. LIMITED KENWOOD House, Dwight Road, Watford, Herts., WD1 8EB., United Kingdom KENWOOD ELECTRONICS BELGUM N.V. Meachelsesteenweg 418, B-1930 Zaventem, Belgium KENWOOD ELECTRONICS DEUTSCHLAND GMBH Rembrücker Str. 15, 63150 Heusenstamm, Germany KENWOOD ELECTRONICS FRANCE S.A. 13 Boulevard Ney, 75018 Paris, France KENWOOD ELECTRONICS ITALIA S.p.A. Via G. Sirtori, 7/9 20129, Milano, ltaly KENWOOD IBÉRICA S.A. Bolivia, 239-08020 Barcelona, Spain KENWOOD ELECTRONICS AUSTRALIA PTY. LTD. (A.C.N. 001 499 074) 16 Giffnock Avenue, North Ryde, N.S.W. 2113, Australia KENWOOD ELECTRONICS (HONG KONG) LTD. Unit 3712-3724, Level 37, Tower 1, Metroplaza, 223 Hing Fong Road, Kwai Fong N.T., Hong Kong KENWOOD ELECTRONICS GULF FZE P.O.Box 61318, Jebel Ali, Dubai, U.A.E. KENWOOD ELECTRONICS SINGAPORE PTE LTD. No. 1 Genting Lane #02-02, KENWOOD Building, Singapore, 349544 KENWOOD ELECTRONICS (MALAYSIA) SDN BHD. #4.01 Level 4, Wisma Academy Lot 4A, Jalan 19/1 46300 Petaling Jaya Selangor Darul Ehsan Malaysia KENWOOD ELECTRONICS (THAILAND) CO., LTD. 2019 New Pechburi Road, Bangkapi, Huaykwang, Bangkok, 10320 Thailand www. xiaoyu163. com QQ 376315150 9 9 2 8 9 4 2 9 8 TEL 13942296513 9 9 2 8 9 4 2 9 8 0 5 1 5 1 3 6 7 3 Q Q TEL 13942296513 QQ 376315150 892498299 TEL 13942296513 QQ 376315150 892498299

标签:

版权声明

1. 本站所有素材,仅限学习交流,仅展示部分内容,如需查看完整内容,请下载原文件。
2. 会员在本站下载的所有素材,只拥有使用权,著作权归原作者所有。
3. 所有素材,未经合法授权,请勿用于商业用途,会员不得以任何形式发布、传播、复制、转售该素材,否则一律封号处理。
4. 如果素材损害你的权益请联系客服QQ:77594475 处理。