建伍KENWOOD DVF-R5070-S CDDVDVCD播放机电路图

分类:电子电工 日期: 点击:0
建伍KENWOOD DVF-R5070-S CDDVDVCD播放机电路图-0 建伍KENWOOD DVF-R5070-S CDDVDVCD播放机电路图-1 建伍KENWOOD DVF-R5070-S CDDVDVCD播放机电路图-2 建伍KENWOOD DVF-R5070-S CDDVDVCD播放机电路图-3 建伍KENWOOD DVF-R5070-S CDDVDVCD播放机电路图-4 建伍KENWOOD DVF-R5070-S CDDVDVCD播放机电路图-5 建伍KENWOOD DVF-R5070-S CDDVDVCD播放机电路图-6 建伍KENWOOD DVF-R5070-S CDDVDVCD播放机电路图-7 建伍KENWOOD DVF-R5070-S CDDVDVCD播放机电路图-8 建伍KENWOOD DVF-R5070-S CDDVDVCD播放机电路图-9

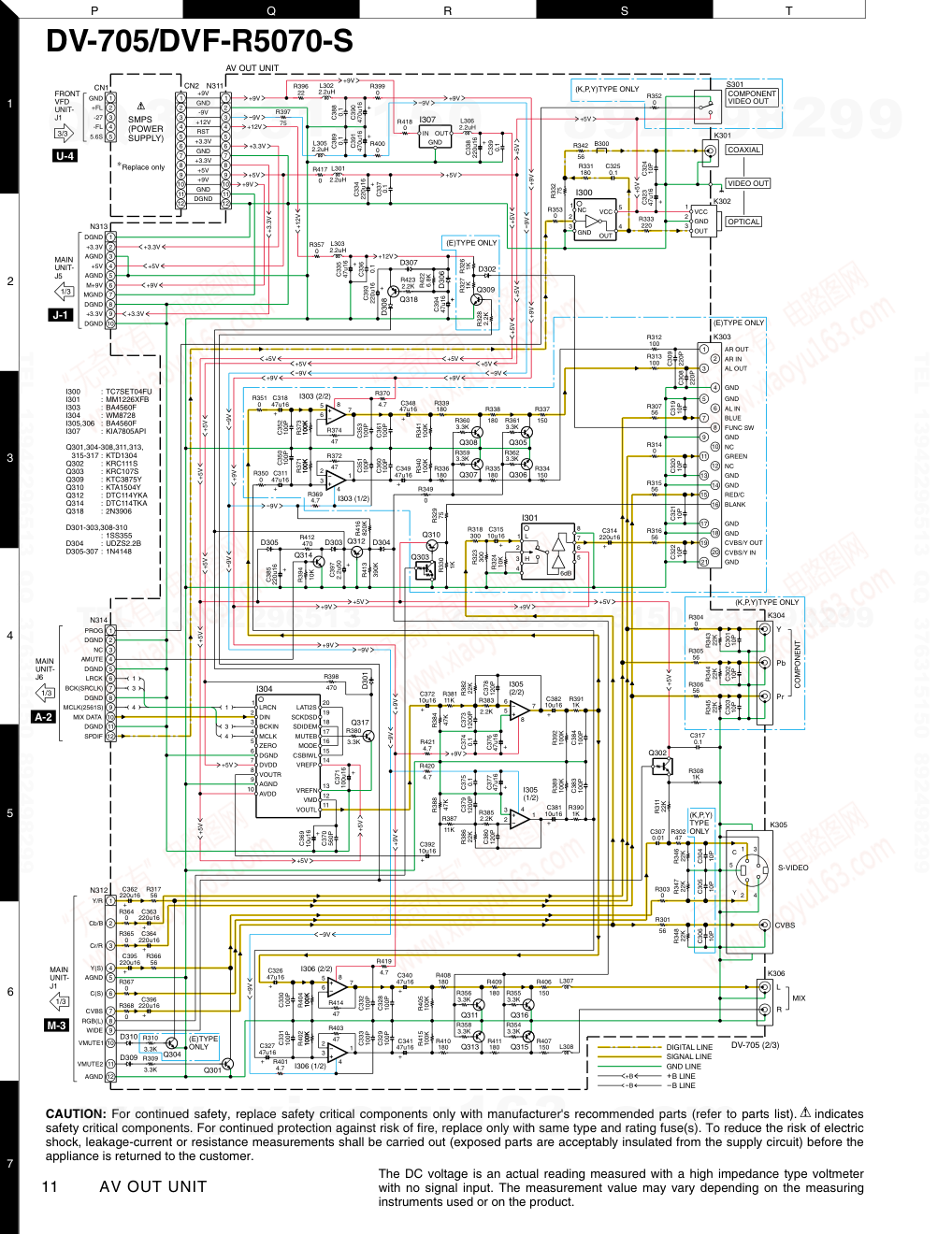
70% MULTIPLE DVD/VCD/CD PLAYER DV-705/DVF-R5070-S SERVICE MANUAL © 2003-6 PRINTED IN KOREA B51-5860-00 (K/K) 1356 1 2 3 4 5 DISC SKIP SEQ.MODE POWER -ON –OFF AV Cabinet panel * (A60-) Crystal Window * (B03-) DIN socket (E68-0018-08) Scart dual * (E40-) Top cover * (A01-) Button ass’y (K29-8327-08) Button (K29-8328-05) Knob (K27-2508-08) Phono socket (E63-1244-08) AC power cord bushing (J42-0350-08) AC power cord * (E30-) Phono socket (E63-1227-08) Optical out (GP1F32T) * Refer to parts list on page 15. In compliance with Federal Regulations, following are repro- duction of labels on, or inside the product relating to laser product safety. KENWOOD Corp. certifies this equipment conforms to DHHS Regulations No.21 CFR 1040. 10, Chapter 1, subchapter J. DANGER : Laser radiation when open and interlock defeated. AVOID DIRECT EXPOSURE TO BEAM. Caution : No connection of ground line if disassemble the unit. Please connect the ground line on rear panel, PCBs, Chassis and some others. www. xiaoyu163. com QQ 376315150 9 9 2 8 9 4 2 9 8 TEL 13942296513 9 9 2 8 9 4 2 9 8 0 5 1 5 1 3 6 7 3 Q Q TEL 13942296513 QQ 376315150 892498299 TEL 13942296513 QQ 376315150 892498299 Batteries(R6/AA) ...(2) Audio video cord (Red, White, Yellow) ...(1) (E30-2990-08) Remote control unit ...(1) (A70-1570-08) Coaxial cable ...(1) (E30-7235-08) DV-705/DVF-R5070-S 2 ACCESSORIES / CAUTIONS Accessories Cautions Caution on condensation Before transporting or moving this unit, carry out the following operations. 1. Set the POWER ON/OFF switch to the ON without loading a disc. 2. Wait a few seconds and verify that the display shown appears. 3. Set the POWER ON/OFF switch to OFF. Note related to transportation and movement Condensation (of dew) may occur inside the unit when there is a great difference in temperature between this unit and the outside. This unit may not function properly if condensation occurs. In this case, leave the unit for a few hours and restart the operation after the condensa- tion has dried up. Be specially cautious against condensation in the following circum- stances: When this unit is carried from one place to another across a large difference in temperature, when the humidity in the room where this unit is installed increases, etc. "DTS" and "DTS Digital Out" are trade- marks of Digital Theater Systems, Inc. Manufactured under license from Dolby Laboratories. "Dolby" and the double-D symbol are trademarks of Dolby Laboratories. The marking of products using lasers (For countries other than U.S.A. and U.S.-Military) Inside this laser product, a laser diode classified as Class 2 laser radia- tion is contained as alerted by the internal caution label shown above. Do not stare into beam or view directly with optical instruments. Location: DVD laser pick-up unit cover inside this product CAUTION VISIBLE AND INVISIBLE LASER RADIATION WHEN OPEN. DO NOT STARE INTO THE BEAM OR VIEW DIRECTLY WITH OPTICAL INSTRUMENTS. DO NOT PRESS ON THIS SURFACE The marking this product has been classified as Class 1. It means that there is no danger of hazardous radiation outside the product. Location: Back panel CLASS 1 LASER PRODUCT Operation to reset During stop mode, press the MENU key on the remote to enter "Control Panel" menu. Select the "System" icon, then press the Cursor right ( ) key. Select "Restore Setup Info". Press the numeric keys as shown below. Press , , , , then press the ENTER key. When resetting is done according to this method, all settings, including the settings for password and parental level, will be reset to the factory defaults. The microprocessor may fall into malfunction (impos- sibility to operate erroneous display, etc.) when the power cord is unplugged while power is ON or due to an external factor. In this case, switch off the power, wait for several sec- onds, and then switch the power on again. Return to the factory defaults by resetting the micropro- cessor is done as shown as follows. CAUTION: Use of controls or adjustments or performance of procedures other than those specified herein may result in hazardous radiation exposure. In compliance with Federal Regulations, the following are reproductions of labels on, or inside the product relating to laser product safety. KENWOOD CORPORATION 2967-3, ISHIKAWA-CHO, HACHIOJI-SHI, TOKYO, JAPAN KENWOOD CORP. CERTIFIES THIS EQUIPMENT CONFORMS TO DHHS REGULATIONS NO. 21 CFR 1040.10, CHAPTER 1, SUBCHAPTER J. Location: Back Panel CAUTION- LASER RADIATION WHEN OPEN. DO NOT STARE INTO BEAM. Location: Laser Pick-up Unit Cover inside this product www. xiaoyu163. com QQ 376315150 9 9 2 8 9 4 2 9 8 TEL 13942296513 9 9 2 8 9 4 2 9 8 0 5 1 5 1 3 6 7 3 Q Q TEL 13942296513 QQ 376315150 892498299 TEL 13942296513 QQ 376315150 892498299 DV-705/DVF-R5070-S 3 ASSEMBLY FOR REPAIR www. xiaoyu163. com QQ 376315150 9 9 2 8 9 4 2 9 8 TEL 13942296513 9 9 2 8 9 4 2 9 8 0 5 1 5 1 3 6 7 3 Q Q TEL 13942296513 QQ 376315150 892498299 TEL 13942296513 QQ 376315150 892498299 4 A B D C E 2 1 3 5 7 4 6 Refer to the schematic diagram for the value of resistors and capacitors. PC BOARD C12 L71 L70 L69 L68 C2 C4 C6 C22 C9 C11 R89 CD3 R63 L78 L77 R68 R70 R73 R75 R77 GP4 GP1 R78 R12 R2 GP3 TP6 L12 L15 C90 R56 R53 C47 R65 L25 X1 GP2 R66 R57 L60 R55 L61 R54 L62 R58 R61 R60 L63 L64 L65 L66 L67 R13 R14 R15 R17 R18 R19 R20 C93 TP5 R76 R74 R72 R69 R71 L46 L40 L35 L37 C17 C15 C14 C72 L36 R46 R44 R43 R42 R41 R40 R50 R38 L47 L48 L49 L50 L45 L43 L1 L11 L19 L26 L28 L38 L18 L14 L82 R1 L44 C13 R16 R23 R26 R28 R32 L53 C37 L2 L13 L20 L29 L39 C18 R10 C65 R21 R24 R30 R33 L42 R47 R48 C98 C81 C97 C96 C87 C88 C89 C82 R79 R81 R83 R80 R82 R84 R85 C73 C74 R62 R64 R67 R112 L16 L79 L3 L4 L5 L6 L7 L8 L9 L10 L80 L75 L73 L74 L81 C92 R36 R37 L17 I G O 1 1 7 14 8 1 52 156 105 104 53 157 208 1 1 24 48 25 1 10 20 11 1 1 1 7 12 1 2 31 32 10 20 11 1 10 20 11 43 86 44 1 12 1 2 1 1 1 12 10 18 19 2 9 10 4 8 5 MAIN POWER FRONT PANEL J5 AUDIO SIGNAL MAIN UNIT (SIDE-A) J6 U6 LOARDER CONNECTOR CONTROL BDARD +9V +5V J8 U3 /FLASH CS R/W J9 U9 U4 U7 U8 U5 J11 J12 U11 J2 U2 D15 S1 VIDEO SIGNAL J1 D1 D3 D5 D7 D10 D12 BE Q1 BE Q2 BE Q3 BE Q4 BE Q5 BE Q6 www. xiaoyu163. com QQ 376315150 9 9 2 8 9 4 2 9 8 TEL 13942296513 9 9 2 8 9 4 2 9 8 0 5 1 5 1 3 6 7 3 Q Q TEL 13942296513 QQ 376315150 892498299 TEL 13942296513 QQ 376315150 892498299 5 F H J G I 2 1 3 5 7 4 6 Refer to the schematic diagram for the value of resistors and capacitors. PC BOARD C19 C10 C8 C5 C3 C1 C7 R87 R34 R31 R25 R22 R11 R27 C40 R35 C70 C21 C23 C51 C39 C38 R45 C42 L51 C71 C52 L52 C43 C54 C53 C67 R86 C50 C35 C34 C75 R88 C101 C99 C100 C86 C85 C84 CX3 C25 C24 C28 C44 R3 R4 R5 R6 R7 R8 R9 C45 C20 C27 C60 C59 C58 C66 C57 C56 C55 C91 C102 C33 C69 C48 C46 C36 C68 R600 D13 D11 D8 D6 D4 D2 D14 MAIN UNIT (SIDE-B) www. xiaoyu163. com QQ 376315150 9 9 2 8 9 4 2 9 8 TEL 13942296513 9 9 2 8 9 4 2 9 8 0 5 1 5 1 3 6 7 3 Q Q TEL 13942296513 QQ 376315150 892498299 TEL 13942296513 QQ 376315150 892498299 6 K L N M O 2 1 3 5 7 4 6 Refer to the schematic diagram for the value of resistors and capacitors. PC BOARD L302 L305 L303 L301 L306 R318 R323 R324 R325 C322 R316 C321 R315 C320 R314 C319 R307 C308 C309 R312 C302 R344 R305 C306 R348 R301 R346 C304 R347 R407 R415 C332 R408 R405 R414 R406 B300 R342 C324 R331 R332 R353 R396 R397 R399 R419 C388 C389 R400 C336 R357 C339 R418 R417 C325 L308 L307 L R C305 R302 C307 R308 R382 R381 R391 C384 C374 R362 R359 R369 R371 C351 R373 C352 R420 R377 R380 R394 R412 R317 R366 R310 R339 R341 R360 R337 R336 R340 R372 R421 R311 C317 R313 R304 R343 C303 R345 C301 R306 R303 R354 R358 R411 R410 R355 R409 C328 C330 C337 R404 C333 R401 R402 C331 C378 R383 C373 R384 R392 C375 C380 R349 R374 C361 R370 C353 R351 R326 R327 R329 R330 R328 R309 R365 R364 R367 R368 R350 R378 R379 R413 R416 C370 R398 C360 C350 R335 R338 R361 R334 R386 R387 R385 C379 R388 C383 R390 R389 R403 C329 R333 GND VCC OUT R352 R356 R422 R423 1 4 8 5 E B E B E B E B E B E B E B E B E B E B E B E B E B E B E B E B E B E B 1 4 8 5 5 8 4 1 11 20 10 1 5 8 4 1 1 3 5 4 C323 JMP17 C390 1 10 1 1 1 1 21 2 20 12 12 I G O 12 C340 JMP41 JMP38 JMP18 JMP26 JMP33 JMP12 JMP31 JMP37 JMP32 JMP13 JMP22 JMP34 JMP15 JMP35 JMP14 JMP16 JMP28 C391 JMP27 C334 JMP23 JMP4 C338 JMP21 JMP36 JMP3 C385 JMP29 C376 C377 C381 C392 JMP24 C372 C369 JMP2 JMP1 JMP11 C396 C362 C363 C364 C395 C318 C311 C349 JMP9 JMP40 JMP6 JMP5 JMP25 JMP30 C315 C314 JMP8 JMP20 C348 C397 C393 C394 JMP39 JMP19 JMP7 JMP10 C371 C335 C341 C327 C326 C382 D302 D301 D303 D304 Q303 Q310 D310 D309 Q318 Q301 Q315 Q316 Q311 Q308 Q307 Q309 Q314 Q304 Q317 Q312 Q302 Q313 Q305 Q306 I301 I303 I305 I304 I306 I300 D308 S301 AV OUT UNIT COMPONENT VIDEO OUTPUT VIDEO OUTPUT AUDIO OUTPUT COAXIAL OPTICAL DIGITAL OUT COMPONENT VIDEO OUTPUT N311 K302 K301 K306 K305 K304 K303 D306 D307 N312 N314 N313 I307 D305 R003 C001 JW04 C002 C003 JW10 C004 JW09 JW03 R001 R002 JW05 JW06 R004 JW01 JW02 1 12 1 6 2 1 1 10 1 10 L001 JW07 PI01 PI02 C005 P001 P027 P002 IC01 MECHA CONTROL UNIT IC02 D001 D002 www. xiaoyu163. com QQ 376315150 9 9 2 8 9 4 2 9 8 TEL 13942296513 9 9 2 8 9 4 2 9 8 0 5 1 5 1 3 6 7 3 Q Q TEL 13942296513 QQ 376315150 892498299 TEL 13942296513 QQ 376315150 892498299 7 P R T Q S 2 1 3 5 7 4 6 Refer to the schematic diagram for the value of resistors and capacitors. PC BOARD PLAY OPEN/CLOSE PAUSE PREV 15 1 STOP NEXT S19 S23 FRONT KEY UNIT S18 S17 S22 S5 S11 SEQ. MODE S4 DISC SKIP S1 DISC 5 S2 S16 D12 D11 D10 DISC 4 S3 DISC 3 S10 D9 DISC 2 S9 D8 S14 S15 DISC 1 S8 S12 S13 S7 S6 S21 S20 J3 1 11 12 22 23 33 34 44 R2 R3 R1 C1 OUT GND VCC R9 R8 1 7 R7 R6 R5 JMP7 R4 C4 1 15 IR1 5 1 54 50 35 16 5 1 R12 C3 C5 C2 JMP9 JMP1 JMP2 JMP3 JMP4 JMP5 JMP6 JMP8 JMP10 J1 D14 D15 U1 U2 D1 D2 D3 D4 D5 D6 D7 FRONT VFD UNIT J2 N2 www. xiaoyu163. com QQ 376315150 9 9 2 8 9 4 2 9 8 TEL 13942296513 9 9 2 8 9 4 2 9 8 0 5 1 5 1 3 6 7 3 Q Q TEL 13942296513 QQ 376315150 892498299 TEL 13942296513 QQ 376315150 892498299 8 DV-705/DVF-R5070-S MAIN UNIT (1/2) A B D C E 2 1 3 5 7 4 6 U5 U7 U8 U3 U9 U11 MAIN UNIT SERVO UNIT * Replace only J6 J8 J12 J11 J9 GP1 GP2 GP3 GP4 GND POST U2 (5/6) U2 (6/6) D15 D16 2/3 N314 UNIT- AV OUT UNIT- J2 3/3 FRONT VFD SDRAM FLASH MEMORY 156 1 2 3 4 5 6 7 8 157 158 159 160 161 162 163 164 165 166 167 168 169 170 171 172 173 174 175 176 177 178 179 180 181 182 183 184 185 186 187 188 189 190 191 192 193 194 195 196 197 198 199 200 201 202 203 204 205 206 208 IEC958 VDDP HA1 HD15 HD14 HD13 HD12 HD11 HD10 DAI DATA DAI BCK/SYSCLKBP DAI LRCK/IEC958BP I2C CL I2C DA RTS1 RXD1 TXD1 CTS1 GNDP VDDP SDDATA7 SDDATA6 SDDATA5 SDDATA4 GND VDD SDDATA3 SDDATA2 SDDATA1 SDDATA0 SDREQ SDEN GNDP VDDP SDERROR SDCLK VSYNC/HIRQ1 RTS2 RXD2 TXD2 CTS2 VNW ALE HCS4 HCS3 HCS2 HCS1 HCS0 VDDP TRST TDO TDI TMS TCK RESET BUSCLK GND VDD HA3 HA2 GNDP D15 D14 D13 D12 D11 D10 33 R67 168 169 170 171 174 175 176 R54 33 R55 33 R57 33 R58 33 R56 10K 187 186 R60 33 R61 33 R62 33 R64 33 165 163 164 162 1 2 3 4 5 6 7 8 9 10 11 12 PROGRAM SW GND NC AMUTE GND LRCK BCK GND MCLK MIX DATA GND SPDIF 1 2 3 4 5 6 7 8 9 10 11 12 13 14 15 16 17 18 19 NC GND SECTOR START DATA VALID DATA BIT CLK GND LOADER RESET DXX INTERRUPT I2C CLK I2C DATA GND GND +3.3V +5.0V GND GND +12V DISK MOTOR +12V TRACK MOTOR 1 2 3 4 5 6 7 IRX GND FPCS FPCLK FPDATA PWR LED1 NC 26 28 30 32 16 18 20 22 24 4 6 8 10 12 14 2 27 31 29 13 23 25 21 15 19 17 11 9 7 3 5 1 D15 D14 D13 D12 D11 D10 D9 D8 D7 D6 D5 D4 D2 D3 D1 D0 C74 C75 47u16 + 0.1 26 27 23 24 25 1 2 3 4 5 6 7 8 9 10 OC D1 D2 D3 D4 D5 D6 D7 D8 GND 20 19 18 17 16 15 14 13 12 11 VCC Q1 Q2 Q3 Q4 Q5 Q6 Q7 Q8 C 9 10 14 7 GND D15 D8 10 D13 D14 8 9 D6 D7 Q8 11 C Q6 Q7 13 12 16 48 17 OC VCC 4 D10 D11 D12 5 6 D3 D4 D5 D8 D9 2 3 D1 D2 17 Q3 Q4 Q5 16 15 Q2 Q1 19 18 1 20 3 2 1 5 4 20 Q3 D3 D2 11 10 GND C 7 D6 D5 D7 D7 D6 9 8 D8 D4 D3 D5 D4 6 5 14 Q7 Q6 Q8 12 13 Q5 Q4 15 16 7 8 6 18 19 OC D1 D0 D2 D1 3 2 4 1 VCC Q1 Q2 18 19 17 20 21 22 +5V GND +5V MEDUSA CS SYS RST ALE UPA3 UPA2 UPA1 UPD15 UPD14 UPD13 UPD12 UPD11 UPD10 UPD9 GND UPD8 UPD7 UPD6 UPD5 UPD4 UPD3 UPD2 UPD1 UPD0 DACK MEDUSAINT UDS LDS GND R/W L80 L75 L73 L81 L74 157 187 186 192 28 192 28 157 L70 L71 L69 L68 L67 L66 L65 L64 161 160 188 191 191 188 L62 L61 L60 L46 R46 33 L47 R44 33 L48 R43 33 L49 R42 33 L50 R41 33 10K R50 L45 33 148 149 147 R40 159 159 158 R38 33 L43 158 10 9 7 5 3 1 TXD1 GND 8 CTS1 6 RXD1 +5V 4 2 RTS1 4.7K R53 C45 0.1 162 163 165 164 1 2 3 4 A0 A1 A2 GND 8 7 6 5 VCC WP SDA 0.1 C44 VSS VDD 75 12 DQ7 VSSQ 15 NC 14 13 72 NC DQ8 VDDQ 73 74 VDDQ VSSQ DQ6 DQ5 VDDQ DQ4 DQ3 11 10 9 8 7 VSSQ DQ9 DQ10 76 77 DQ11 DQ12 78 79 80 DQ2 DQ1 VDDQ DQ0 4 6 5 3 2 83 DQ13 DQ14 81 82 VSSQ DQ15 84 85 1 86 67 66 65 64 60 59 58 57 92 93 94 95 99 100 101 102 0.1 C73 160 161 48 47 46 45 44 43 42 41 40 39 38 37 36 35 34 33 32 31 30 29 28 27 26 25 A16 BYTE VSS DQ15 DQ7 DQ14 DQ6 DQ13 DQ5 DQ12 DQ4 VCC DQ11 DQ3 DQ2 DQ9 DQ1 DQ8 DQ0 OE VSS CE A0 1 2 3 4 5 6 7 8 9 10 11 12 13 14 15 16 17 18 19 20 21 22 23 24 A15 A14 A13 A12 A11 A10 A9 A8 A19 A20 WE RESET NC WP/ACC RY/BY A18 A17 A7 A6 A5 A4 A3 A2 A1 12 23 24 25 1 2 3 4 5 6 7 8 9 10 16 17 18 19 20 21 22 23 24 25 L79 C92 0.1 C102 C93 0.1 0.1 C91 0.1 + 47u16 C90 D15 D7 D14 D6 D13 D5 D12 D4 D11 D3 D10 D2 D9 D1 D8 D0 48 TP6 195 27 195 25 12 C100 0.1 0.1 C99 0.1 0.1 C98 C101 4.7K R47 4.7K R48 0.1 C18 C46 220u16 + 11 10 13 12 CX3 R87 10K 22u16 + CD3 0.1 184 TP5 +3.3V +3.3V +3.3V +3.3V +3.3V +3.3V +3.3V +3.3V +3.3V +3.3V +3.3V +3.3V +5V +5V +5V +5V +5V +5V +5V +5V +5V +5V +5V +5V +3.3V +3.3V +3.3V +3.3V +3.3V +3.3V +3.3V +3.3V +3.3V +3.3V +9V +9V +9V +9V +9V +1.8V +1.8V +1.8V +1.8V DQ10 SCL JTAG 6 15 18 19 17 16 13 14 12 11 8 10 9 7 1 5 4 3 2 L63 0 P-4 U-6 www. xiaoyu163. com QQ 376315150 9 9 2 8 9 4 2 9 8 TEL 13942296513 9 9 2 8 9 4 2 9 8 0 5 1 5 1 3 6 7 3 Q Q TEL 13942296513 QQ 376315150 892498299 TEL 13942296513 QQ 376315150 892498299 F H J L N G I K M O DV-705/DVF-R5070-S MAIN UNIT (2/2) 9 10 U4 CAROUSEL MOTOR UNIT IC02 MECHA CONTROL UNIT IC01 U6 DV-705 (1/3) U2 (2/6) U2 (3/6) U2 (1/6) U2 (4/6) D001,002 IC01,02 P27 PI003 PI004 UZ5V6 KA8301 : : P027 P002 M100 D002 PI001 P001 D001 PI002 J2 J1 Q1 D1 D2 Q2 D4 D3 Q4 D8 D7 Q3 D6 D5 Q6 Q5 D13 D12 D11 D10 D14 J5 2/3 N313 UNIT- AV OUT P026 UNIT- AV OUT N312 2/3 U2 : 74HCT14T/D U3 : M24C02WMN6 U4 : ZIVA5 U5,7,8 : SN74LV573ANS U6 : LM1117MPX U9 : HY57V643220CT7 U11 : MX29LV160TTC Q1-6 : 2N3906 D1-8,10-13,15,16 : 1N4148 D14 : 1N4001 GND LINE B LINE B LINE SIGNAL LINE DIGITAL LINE DRAWER MOTOR M M 156 155 154 153 152 151 150 149 148 147 146 145 144 143 142 141 140 139 138 137 136 135 134 133 132 131 130 129 128 127 126 125 124 123 122 121 120 119 118 117 116 115 114 113 112 111 110 109 108 107 106 105 104 103 102 101 100 99 98 97 96 95 94 93 92 91 90 89 88 87 86 85 84 83 82 81 80 79 78 77 76 75 74 73 72 71 70 69 68 67 66 65 64 63 62 61 60 59 58 57 56 55 54 53 1 2 3 4 5 6 7 8 9 10 11 12 13 14 15 16 17 18 19 20 21 22 23 24 25 26 27 28 29 30 31 32 33 34 35 36 37 38 39 40 41 42 43 44 45 46 47 48 49 50 51 52 IEC958 ADATA3 ADATA2 GNDP VDDP ADATA1 ADATA0 BCK LRCK XCK GND VDD AVSS1 AVDD1 AVDD2 AVSS2 XVDD XIN/VCLK216BP XOUT XVSS VDAC REFVSS VDAC REF VDAC REFVDD VDAC DVDD VDAC DVSS VDAC 0 VDAC VDD0 VDAC 0B VDAC 1 VDAC VDD1 VDAC 1B VDAC 2 VDAC VDD2 VDAC 2B VDAC 3 VDAC VDD3 VDAC 3B VDAC 4 VDAC VDD4 VDAC 4B HSYNC/IRQ2 VDATA0 VDATA1 VDATA2 GNDP VDDP VDATA3 VDATA4 NDATA5 VDATA6 VDATA7 VCLK VDD25 GND25 MD31 MD30 MD29 MD28 VDD25 MDQM3 GND25 MD27 MD26 MD25 MD24 MD23 MD22 MD21 MD20 VDD25 MDQM2 GND25 MD19 MD18 MD17 MD16 VDD GND MD15 MD14 MD13 MD12 VDD25 MDQM1 GND25 MD11 MD10 MD9 MD8 MD7 MD6 MD5 MD4 VDD25 MDQM0 GND25 MD3 MD2 MD1 MD0 MCLK VDD25 GND25 MWE VDDP HA1 HD15 HD14 HD13 HD12 HD11 HD10 HD9 HD8 HD7 VDDP GNDP HD6 HD5 HD4 HD3 HD2 HD1 VDDP GNDP HD0 HDTACK HIRQ0 HUDS HLDS HREAD IRRX1 GND VDD GND25 VDD25 MA9 MA8 MA7 MA6 MA5 MA4 MA3 MA2 MA1 MA0 GND25 VDD25 MA10 MA11 BA1 BA0 MCS0 MCS1 MRAS MCAS DAI DATA DAI BCK/SYSCLKBP DAI LRCK/IEC958BP 2C CL 2C DA RTS1 RXD1 TXD1 CTS1 GNDP VDDP SDDATA7 SDDATA6 SDDATA5 SDDATA4 GND VDD SDDATA3 SDDATA2 SDDATA1 SDDATA0 SDREQ SDEN GNDP VDDP SDERROR SDCLK VSYNC/HIRQ1 RTS2 RXD2 TXD2 CTS2 VNW ALE HCS4 HCS3 HCS2 HCS1 HCS0 VDDP TRST TDO TDI TMS TCK RESET BUSCLK GND VDD HA3 HA2 GNDP 33 R71 R68 33 52 51 33 R69 49 33 R70 53 R72 48 33 47 33 R73 46 33 R74 R75 33 45 R76 33 42 R77 33 41 R78 33 R79 39 33 40 R83 R80 33 33 R82 33 R81 35 36 37 33 38 R84 33 R85 33 33 34 D15 D14 D13 D12 D11 D10 D9 D8 D7 D6 D5 D4 D3 D2 D1 D0 R112 4.7K 27 26 24 25 23 4.7K R86 4.7K R88 102 101 100 99 95 94 93 92 91 90 89 88 84 83 82 81 78 77 76 75 73 71 70 69 68 67 66 65 64 62 60 59 58 57 4.7K R35 R36 4.7K R37 4.7K 149 148 147 L51 C24 10P C25 10P X1 13.5MHz 1.18K R45 L42 0.1 C40 L25 C37 L52 131 128 125 122 119 115 114 113 110 64 23 53 34 DQ26 DQ21 VDD DQ23 VDDQ DQ22 42 43 41 40 45 VSS DQ24 44 VSSQ DQ25 46 47 VSSQ DQ20 DQ19 VDDQ DQ18 39 38 37 36 35 DQ28 VDDQ DQ27 48 49 50 VSSQ DQ29 51 52 DQM3 DQM2 DQ17 VSSQ DQ16 VDD 33 32 NC 31 30 29 DQ31 DQ30 VDDQ 54 55 NC VSS 56 57 58 A10/AP 26 A2 A1 28 27 A0 BA1 25 24 61 A3 A4 59 60 A5 A6 A7 62 63 75 12 NC WE BA0 RAS CAS CS A11 22 21 20 19 18 CKE A8 A9 65 66 CLK NC 67 68 69 DQM0 VDD DQ7 VSSQ 15 17 16 NC 14 13 72 DQM1 VSS 70 71 NC DQ8 VDDQ 73 74 VDDQ VSSQ DQ6 DQ5 VDDQ DQ4 DQ3 11 10 9 8 7 VSSQ DQ9 DQ10 76 77 DQ11 DQ12 78 79 80 64 60 59 58 57 62 53 52 51 49 46 48 47 45 42 41 40 73 68 69 70 71 75 76 77 78 97 86 56 95 99 100 101 102 97 56 86 91 90 89 88 84 83 82 81 33 34 35 36 37 38 39 25 27 47u16 C39 0.1 C38 + 0.1 L77 C53 0.1 0.1 C54 0.1 C55 0.1 C56 0.1 C57 0.1 C58 0.1 C59 0.1 C60 47u16 C47 + 0.1 C50 0.1 C51 0.1 C52 0.1 C28 0.1 C33 0.1 C34 0.1 C35 C36 0.1 L78 C100 0.1 C99 C97 0.1 0.1 C98 C96 0.1 0.1 47u16 C82 + 0.1 C88 0.1 C87 C86 0.1 0.1 C84 0.1 C85 C81 + 47u16 C89 0.1 C65 47u16 + C71 0.1 0.1 C70 C69 0.1 C68 0.1 C67 0.1 C66 0.1 3 4 5 6 2 1 9 8 C002 22P +B 0.1 CAROUSEL MO- 1 DISC PRESENT CAROUSEL MO+ 3 2 2 GND CAROUSEL 4 5 +5V 6 +B 1 10 2 1 2 3 4 4 +5V 5 6 3 2.2 R004 C003 0.1 6 5 C004 +B 6 7 2 3 4 5 1 9 8 10 2 GND 10 NC +5V 12 R001 100 +5V 11 +12V LO MO+ LO MO- 6 8 L001 3 9 6 5 7 6 C005 1000u16 100 R002 10 +B + 0.1 VOUT1 3 3 5 4 5 4 5 6 2 1 GND 2 1 +B C001 6 5 2.2 R003 VZ2 VCC2 VCC1 RIN FIN VR VZ1 6 5 4 3 10 9 8 7 6 5 POSITION SEN GND CAROUSEL MO- DISC PRESENT CAROUSEL MO+ POSITION SENSOR CAROUSEL +5V CAROUSEL MO+ CAROUSEL MO- POSITION SEN CAROUSEL DISC PRESENT CLOSE POSITION SEN OPEN POSITION SEN VOUT2 VOUT1 GND VOUT2 VZ2 VCC2 VCC1 RIN FIN VR VZ1 1 2 3 4 5 6 7 8 9 10 11 12 ROU MO- ROU MO+ ROU SEN DISK SEN CLOSE SEN OPEN SEN ID MO- ID MO+ +9V M GND M +5VD GND M R12 47 L3 R13 47 L4 R14 47 L5 R15 47 L6 L7 R17 47 L8 R18 47 L9 R19 47 L10 R20 47 L12 L16 L15 R3 R4 R5 R7 R6 R9 R8 168 169 170 184 171 174 175 176 1 2 3 4 5 6 7 8 9 10 11 12 Y/G Cb/B Cr/R Y S GND C S CVBS RGB L WIDE1 WIDE2 GND GND L1 R1 R11 C2 510 R10 1.8uH L2 22P C1 120 10P 75 75 R22 C4 10P 120 L13 1.8uH 510 R21 22P C3 R16 L11 75 R25 C6 10P 120 10P C22 R26 22P 1.8uH R27 510 L53 C7 L26 120 L20 1.8uH 510 R24 22P C5 R23 L19 120 120 510 1.8uH L39 R33 75 R34 C11 10P 1.8uH 510 75 R31 22P C10 R32 10P C9 C8 22P R30 R28 L29 0 L28 L18 L17 L14 115 114 113 L82 110 125 122 119 128 131 10u16 C72 C17 220u16 C23 1000P 10 DGND C12 C27 47u16 + 9 +3.3V 1000P 8 L36 DGND R66 + 100 220u16 C19 C13 + ADJ 221 R65 IN OUT 220u16 + C15 1000P C21 + 5 6 L37 7 AGND M+9V MGND 4 1000P +5V + 220u16 C14 L44 C20 1000P 3 L35 AGND 1 2 L40 DGND +3.3V 2 1 4.7K 4.7K 4.7K 4.7K 4.7K 4.7K 4.7K YCH/ +3.3V +3.3V +3.3V +3.3V +3.3V +3.3V +3.3V +3.3V +3.3V +3.3V +3.3V +3.3V +3.3V +3.3V +3.3V +5V +5V +5V +5V +5V +5V +5V +5V +5V +5V +9V +9V +9V +9V +9V +9V +3.3V +9V +3.3V +3.3V +9V +5V +5V +5V +5V +5V +B B 0.1 C42 0.1 C43 0.1 C48 R600 4.7K +1.8V +1.8V +1.8V +1.8V +1.8V +1.8V +1.8V +1.8V +1.8V +1.8V JTAG L38 LO MO- LO MO+ (F) (F) R63 100 CAUTION: For continued safety, replace safety critical components only with manufacturer's recommended parts (refer to parts list). indicates safety critical components. For continued protection against risk of fire, replace only with same type and rating fuse(s). To reduce the risk of electric shock, leakage-current or resistance measurements shall be carried out (exposed parts are acceptably insulated from the supply circuit) before the appliance is returned to the customer. The DC voltage is an actual reading measured with a high impedance type voltmeter with no signal input. The measurement value may vary depending on the measuring instruments used or on the product. P-2 P-6 w w w . x i a o y u 1 6 3 . c o m Q Q 3 7 6 3 1 5 1 5 0 9 9 2 8 9 4 2 9 8 T E L 1 3 9 4 2 2 9 6 5 1 3 9 9 2 8 9 4 2 9 8 0 5 1 5 1 3 6 7 3 Q Q TEL 13942296513 QQ 376315150 892498299 TEL 13942296513 QQ 376315150 892498299 P Q S R T 2 1 3 5 7 4 6 DV-705/DVF-R5070-S AV OUT UNIT 11 I307 I300 I304 I301 AV OUT UNIT DV-705 (2/3) SMPS (POWER SUPPLY) DIGITAL LINE SIGNAL LINE B LINE B LINE GND LINE UNIT- J5 1/3 N311 N313 N314 I303 (1/2) I303 (2/2) Q308 Q305 Q306 Q307 OPTICAL K302 COAXIAL K301 S301 COMPONENT VIDEO OUT (2/2) I305 I305 (1/2) Q317 D301 D304 D305 D303 Q312 Q314 I306 (1/2) Q313 I306 (2/2) Q311 Q315 Q316 D306 D302 D307 D308 Q318 Q309 Q310 Q303 CVBS S-VIDEO K305 COMPONENT Pr Pb Y K304 N312 K303 D310 Q304 D309 Q301 Q302 R L K306 MIX MAIN 1/3 J6 UNIT- MAIN UNIT- 1/3 J1 MAIN CN2 CN1 VFD 3/3 UNIT- J1 FRONT I300 : TC7SET04FU I301 : MM1226XFB I303 : BA4560F I304 : WM8728 I307 : KIA7805API I305,306 : BA4560F Q301,304-308,311,313, 315-317 : KTD1304 Q302 : KRC111S Q303 : KRC107S Q309 : KTC3875Y Q310 : KTA1504Y Q312 : DTC114YKA Q314 : DTC114TKA Q318 : 2N3906 D301-303,308-310 : 1SS355 D304 : UDZS2.2B D305-307 : 1N4148 ∗Replace only (K,P,Y)TYPE ONLY VIDEO OUT (E)TYPE ONLY (E)TYPE ONLY (K,P,Y)TYPE ONLY ONLY TYPE (K,P,Y) (E)TYPE ONLY +B B 1 2 3 4 5 6 7 8 9 10 11 12 +9V GND -9V +12V RST +3.3V GND +3.3V +5V +9V GND DGND 1 2 3 4 5 6 7 8 9 10 DGND +3.3V AGND +5V AGND M+9V MGND DGND +3.3V DGND 1 2 3 4 5 6 7 8 9 10 11 12 PROG DGND NC AMUTE DGND LRCK BCK(SRCLK) DGND MCLK(2561S) MIX DATA DGND SPDIF OUT GND IN 2.2uH L306 0 R418 220u16 C339 C338 + 0.1 2.2uH L301 C337 + C334 220u16 0.1 0 R417 R399 0 L302 2.2uH 0.1 C388 C390 470u16 + C389 470u16 C391 0.1 + 0 R400 L305 2.2uH 2 3 8 1 6 4 5 7 47u16 + C311 47u16 + C318 100K R373 100P C352 R374 47 R372 47 100P C350 100K R371 100K 100K 100P C351 C353 100P 100P C361 C360 100P + C349 47u16 + 47u16 C348 R341 R340 R359 3.3K R360 3.3K 100K 100K 3.3K 3.3K R362 R361 180 R336 180 R339 180 R335 180 R338 R334 150 150 R337 GND 2 3 NC 1 R342 56 10P C324 2 4 OUT 220 R333 GND OUT 3 VCC 5 47u16 C323 + VCC 1 B300 180 R331 0.1 C325 75 R332 1 2 3 4 5 6 7 8 9 10 LRCN DIN BCKIN MCLK ZERO DGND DVDD VOUTR AGND AVDD 20 19 18 17 16 15 14 13 12 11 LATI2S SCKDSD SDIDEM MUTEB MODE CSBIWL VREFP VREFN VMD VOUTL 3 4 1 4 3 1 10u16 C369 + 560P C370 100u16 C371 + 3.3K R380 6 5 7 2 3 1 8 4 C374 C376 1200P C373 10u16 + C372 11K R381 R384 2.2K R383 1K R391 10u16 + C382 47u16 + 0.1 47K 22K R382 120P C378 C384 100P R392 100K C375 C377 0.1 + 47u16 C379 1200P R388 47K 10u16 + C392 R387 11K R385 2.2K 4.7 R421 4.7 R420 R389 100K C383 100P 10u16 + C381 1K R390 120P C380 R386 22K 470 R398 R413 R416 C397 470 R412 390K 820K 2.2u50 + + 220u16 C385 10K R394 3.3K R355 3.3K R354 100K R415 100P C329 C333 100P 100K R402 100K C331 100P + 47u16 C327 4 47 3 2 1 180 R410 47u16 C341 + R411 180 7 100K 100K + C330 100P R404 100P C332 R403 47 R414 6 C326 47u16 8 5 100K R405 C328 100P + 3.3K R358 R356 3.3K 180 180 R408 C340 47u16 R409 R407 150 150 R406 L308 L307 1 2 3 4 L H 8 7 6 5 6dB 10K R324 300 R323 10u16 C315 300 R318 220u16 C314 47u16 C394 + 2.2K R423 R422 R327 R326 2.2K R328 2.2uH L303 C335 0.1 C336 47u16 + 6.8K + C393 220u16 + 1K 1K 1K R330 75 R329 22K R348 R301 56 10P C306 5 C304 R346 22K R347 R303 0 10P C305 4 2 Y 47 22K R302 10P 3 1 C 22K 10P C301 R343 22K C303 R345 10P R305 R306 56 56 10P 22K R344 C302 R304 0 0.01 C307 1 2 3 4 5 6 7 8 9 10 11 12 Y/R Cb/B Cr/R Y(S) AGND C(S) CVBS RGB(L) WIDE VMUTE1 VMUTE2 AGND AR OUT 1 2 AR IN GND AL OUT 3 4 FUNC SW 8 BLUE AL IN GND 5 7 6 GND GND RED/C BLANK NC 14 15 16 13 12 GREEN NC GND 9 11 10 GND CVBS/Y IN 21 20 CVBS/Y OUT GND GND 17 19 18 220P C308 220P C309 100 R312 100 R313 R307 56 10P C319 R314 0 10P C320 R315 56 10P C321 R316 56 10P C322 4.7 R370 4.7 R369 0 R349 220u16 C362 0 R364 C363 220u16 220u16 C364 R365 0 C395 220u16 0 R367 220u16 R368 0 C396 R317 56 R366 56 3.3K R310 R309 3.3K 4.7 R401 R419 4.7 1K R308 22K R311 0.1 C317 9 8 7 12 11 10 1 3 2 6 5 4 1 4 5 3 2 5.6S -FL -27 +FL GND +9V +9V +9V +9V +9V +9V +9V +9V +9V +9V +9V +9V +9V +9V +5V +5V +5V +5V +5V +5V +5V +5V +5V 9V 9V 9V 9V 9V 9V 9V 9V 9V 9V 9V 9V +12V +12V +12V +3.3V +3.3V +5V +5V +9V +3.3V +9V +3.3V +5V +5V +5V +5V +5V +5V +5V +5V +5V +5V +5V +5V 22 R396 R397 75 0 R352 0 R357 0 R353 0 R350 0 R351 + + + + + + + +5V CAUTION: For continued safety, replace safety critical components only with manufacturer's recommended parts (refer to parts list). indicates safety critical components. For continued protection against risk of fire, replace only with same type and rating fuse(s). To reduce the risk of electric shock, leakage-current or resistance measurements shall be carried out (exposed parts are acceptably insulated from the supply circuit) before the appliance is returned to the customer. The DC voltage is an actual reading measured with a high impedance type voltmeter with no signal input. The measurement value may vary depending on the measuring instruments used or on the product. U-4 J-1 A-2 M-3 www. xiaoyu163. com QQ 376315150 9 9 2 8 9 4 2 9 8 TEL 13942296513 9 9 2 8 9 4 2 9 8 0 5 1 5 1 3 6 7 3 Q Q TEL 13942296513 QQ 376315150 892498299 TEL 13942296513 QQ 376315150 892498299 DV-705/DVF-R5070-S VFD UNIT 12 U W Y V X 2 1 3 5 7 4 6 U2 KEY UNIT VFD UNIT DV-705 (3/3) U1 N2 J3 D1 D2 D4 D3 D7 D6 D5 J1 D15 D14 J2 2/3 SMPS- CN1 1/3 UNIT- J12 MAIN S1 DISC SKIP DISC 5 S2 DISC 4 SEQ MODE S3 S4 OPEN/CLOSE PREV S5 S6 PAUSE S7 DISC 1 DISC 2 S8 S9 DISC 3 S10 PLAY STOP S11 S12 NEXT S13 D8 D9 D10 D11 D12 U1 : 12-BT-151GNK U2 : uPD16315GB-3BS D1-7,14,15 : 1N4148 D8-12 : B30-2645-08 DISC 1 DISC 2 DISC 3 DISC 4 DISC 5 IR1 IR SENSOR GND LINE B LINE B LINE NP P1 P2 P3 P4 P5 P6 P7 P8 P9 P10 P11 P12 P13 P14 P15 P16 12G 11G 10G 9G 8G 7G 6G 5G 4G 3G 2G 1G NP NP F1 NP F2 33 32 31 30 29 28 27 26 25 24 23 22 21 20 19 18 17 16 15 14 13 12 1 2 3 4 5 6 7 8 9 10 11 34 35 36 37 38 39 40 41 42 43 44 GRID10 GRID11 GRID12 VEE SEG16 SEG15 SEG14 SEG13 SEG12 SEG11 SEG10 SEG9 SEG8 SEG7 SEG6 SEG5 SEG4 SEG3 SEG2 SEG1 VDD VSS LED1 LED2 LED3 LED4 OSC DOUT DIN CLK STB KEY1 KEY2 GRID9 GRID8 GRID7 GRD6 GRID5 GRID4 GRID3 GRID2 GRID1 VDD VSS 9G 8G 6G 7G 4G 5G 2G 3G 1G G10 G11 G12 P16 P15 P14 P13 P12 P11 P10 P9 P8 P7 P6 P5 P4 P3 P2 P1 1 2 3 4 5 6 7 8 9 10 11 12 13 14 15 1 2 3 4 5 6 7 8 9 10 11 12 13 14 15 11 10 1 2 3 4 R8 330 R7 330 R6 330 R5 330 R2 82K 9 7 1 2 3 4 11 10 R3 4.7K R1 4.7K 1 2 3 4 5 GND +FL -27V -FL 5.6V 1 2 3 4 5 6 7 IR GND FPCS FPCLK FPDATA LED1 NC VCC OUT 2 1 3 GND C4 0.1 47u16 C1 + 100 R4 8 7 8 9 330 R9 G12 G11 G10 G9 G8 G7 G6 G5 G4 G3 G2 G1 P11 P16 P15 P13 P14 P12 P10 P9 P8 P7 P6 P5 P4 P3 P2 P1 1 2 3 4 5 6 7 9 8 15 14 13 12 10 15 9 10 12 13 14 5 6 7 8 1 2 3 4 270K R12 C3 0.1 0.1 C2 47u16 + C5 +B B 50 49 48 47 46 45 44 43 42 41 40 39 38 37 36 35 34 33 32 31 30 29 28 27 26 25 24 23 22 21 20 19 18 17 16 15 14 13 12 11 10 9 8 7 6 5 4 3 2 1 NC NC NC NC NC NC NC NC NC NC NC NC NC NC NC NC NC NC NX 52 54 53 51 NX +5.6V 27V +B +B +B +B +B 12G 11G 10G 9G 8G 7G 6G 5G 4G 3G 2G 1G 11G 10G 9G 8G 7G 6G 5G 4G 3G 2G 1G 12G Dp Dp Col Col P1 P2 P3 P4 P5 P6 P7 P8 P9 P10 P11 P12 P13 P14 P15 P16 a b f h k j g m c e r p n d a b f h k j g m c e r p n d Dp a b f h k j g m c e r p n d a b f h k j g m c e r p n d a b f h k j g m c e r p n d Dp a b f h k j g m c e r p n d Col Col a b f h k j g m c e r p n d a b f h k j g m c e r p n d a b f h k j g m c e r p n d a b f h k j g m c e r p n d a b h j k m r p n g f (11G~2G) c e d CAUTION: For continued safety, replace safety criti- cal components only with manufacturer's recom- mended parts (refer to parts list). indicates safety critical compo- nents. For continued pro- tection against risk of fire, replace only with same type and rating fuse(s). To reduce the risk of electric shock, leakage-current or resistance measurements shall be carried out (exposed parts are acceptably insulated from the supply circuit) before the appliance is returned to the customer. The DC voltage is an actu- al reading measured with a high impedance type volt- meter with no signal input. The measurement value may vary depending on the measuring instruments used or on the product. A-5 P-1 www. xiaoyu163. com QQ 376315150 9 9 2 8 9 4 2 9 8 TEL 13942296513 9 9 2 8 9 4 2 9 8 0 5 1 5 1 3 6 7 3 Q Q TEL 13942296513 QQ 376315150 892498299 TEL 13942296513 QQ 376315150 892498299 Parts with exploded numbers larger than 700 are not supplied. DV-705 AA AB AC AD AE AF AG 3x10 M1.7x3 M2.6x4 3x10 3x10(BLK) 3x8 : N09-1522-05 : N09-5499-08 : N39-1730-46 : N09-5409-08 : N09-5408-08 : N09-5407-08 : N89-3008-46 4 0.1 3 0.1 AB AB 823 AGx3 AGx3 ADx2 AE AE AG AG AG 4 8 8 2 RM 3 12 13 22 22 5 7 15 20 18 1 15 20 14 LM 19 19 9 19 21 21 17 AAx2 ABx2 AF AC 8x2 6x2 21 16 823 3 26 640 B B 1 2 3 A B EXPLODED VIEW (MECHANISM) DV-705/DVF-R5070-S 13 www. xiaoyu163. com QQ 376315150 9 9 2 8 9 4 2 9 8 TEL 13942296513 9 9 2 8 9 4 2 9 8 0 5 1 5 1 3 6 7 3 Q Q TEL 13942296513 QQ 376315150 892498299 TEL 13942296513 QQ 376315150 892498299 U1 S8 DISC SKIP S9 DISC 1 S10 DISC 2 S3 DISC 3 S2 DISC 4 S1 DISC 5 S4 SEQ MODE S5 OPEN/CLOSE S11 PLAY S7 PAUSE S6 PREV S12 STOP S13 NEXT OPTICAL DIGITAL OUT K305 COAXIAL K306 AUDIO OUTPUT K301 VIDEO OUTPUT K302 COMPONENT VIDEO OUTPUT S301 A B B A Ax2 738 6x2 DV-705 A B C D E F G H 3x8 3x10 3x6(BLK) 3x6 2.6x8 3x18 3x8 3 : N89-3008-46 : N09-2706-05 : N89-3006-45 : N89-3006-46 : N89-2608-46 : N09-5269-08 : N89-3008-41 : N15-1030-46 727 711 711 717 626 734 733 C/G C/G C/G C/G 753 637 635 601 602 612 742 716 613 606 605 603 604 607 708 610 615 609 724 621 743 620 723 741 625 640 625 625 631 629 630 636 650 651 Cx4 E E E E A A A E D D A Ax2 Ax2 Ax2 F F F H H Ex4 Ex2 Dx2 Ex2 Ex2 Bx3 Bx5 A A A D Ax6 B/Gx3 620x2 622x2 619x2 618x2 618x2 652 739 728 732 620 1 2 C E D Parts with exploded numbers larger than 700 are not supplied. EXPLODED VIEW (UNIT) DV-705/DVF-R5070-S 14 www . x ia o y u 1 6 3 . c o m QQ 3 7 6 3 1 5 1 5 0 9 9 2 8 9 4 2 9 8 T E L 1 3 9 4 2 2 9 6 5 1 3 9 9 2 8 9 4 2 9 8 0 5 1 5 1 3 6 7 3 Q Q TEL 13942296513 QQ 376315150 892498299 TEL 13942296513 QQ 376315150 892498299 DV-705/DVF-R5070-S 15 PARTS LIST Ref. No Add- ress New Parts Parts No. Description Desti- nation Re- marks 3 3A,1B ✽ D15-0460-08 BELT WHEEL 2 10707830 4 3B ✽ A15-0122-08 BRACKET TC5E 10746530 5 2A ✽ D12-0166-08 CAM LIFTER 10746550 6 1A,1D ✽ F19-1131-08 COVER DRAWER 10746650 7 2A ✽ F07-2021-08 COVER GEAR 10746560 8 3B D39-0357-08 CUSHION B 10741230 9 1A ✽ J99-0851-08 DRAWER 10746620 12 2A ✽ D13-2645-08 GEAR MAIN 10746540 13 2A ✽ D13-2646-08 GEAR DRIVE 10707940 14 1B ✽ D13-2647-08 GEAR PLATTER 10746640 15 2A,2B ✽ D13-2648-08 GEAR PULLEY 10707950 16 2A ✽ A11-1235-08 HOLDER PUCK DVD 10746580 17 1B ✽ J99-0852-08 PLATTER TC5E 10746630 18 2A ✽ J11-0897-08 PUCK LOAD ASSY 19 1A,1B ✽ D21-2959-08 ROLLER HUB 10707920 20 2A,2B D16-0779-08 RUBBER BELT DR 21 1A,1B D14-0819-08 RUBBER ROLLER 20712120 22 3A,3B A15-0113-08 RUBBER SPACER 20689440 26 3B ✽ D40-1823-08 DVD MDL TVM503 AA N09-1522-05 SCREW SPEC3X10 10752960 AB ✽ N09-5499-08 SCREW WASHER 10520320 AC N39-1730-46 SCREW 1.7X3 10703470 AD N09-5409-08 SCREW 2.6X4 20349530 AE N09-5408-08 SCREW 3X10 ST 20692300 AF N09-5407-08 SCREW 3X10 BLK 20692310 AG N89-3008-46 SCREW 3X8 ST 20349380 LM 1B ✽ T42-1147-08 MOTOR LOADING 10701510 RM 3A T42-1116-08 MOTOR DC RF500 20581800 K301 E63-1244-08 CON PHONO SCKT 55164750 K303 E40-8779-08 CON SCART DUAL 55176340 E K304 E63-1192-08 CON PHONO SCKT 55149420 KPY K305 E68-0018-08 CON DIN SCKT M 55191220 K306 E63-1227-08 CON PHONO SCKT 55175260 K302 GP1F32T D-LEM GP1F32T 55164740 C301-306 CC73GCH1H100D CHIP C 10PF D KPY C307 CK73GB1H103K CHIP C 0.010UF K C308,309 CC73GCH1H221J CHIP C 220PF J E C311 CE04LW1C470M ELECTRO 47UF 16WV E C314 CE04LW1C221M ELECTRO 220UF 16WV E C315 CE04LW1C100M ELECTRO 10UF 16WV E C317 CK73GB1C104Z CHIP C 0.10UF Z C318 CE04LW1C470M ELECTRO 47UF 16WV E C319-322 CC73GCH1H100D CHIP C 10PF D E C323 CE04LW1C470M ELECTRO 47UF 16WV C324 CC73GCH1H100D CHIP C 10PF D C325 CK73GB1C104Z CHIP C 0.10UF Z C326,327 CE04LW1C470M ELECTRO 47UF 16WV C328-333 CC73GCH1H101J CHIP C 100PF J C334 CE04LW1C221M ELECTRO 220UF 16WV C335 CE04LW1C470M ELECTRO 47UF 16WV C336,337 CK73GB1C104Z CHIP C 0.10UF Z C338 CE04LW1C221M ELECTRO 220UF 16WV C339 CK73GB1C104Z CHIP C 0.10UF Z ✽ New Parts Parts without Parts No. are not supplied. Les articles non mentionnes dans le Parts No. ne sont pas fournis. Teile ohne Parts No. werden nicht geliefert. 2 L : Scandinavia K : USA P : Canada R : Mexico C : China I : Malaysia Y : PX(Far East,Hawaii) T : England E : Europe G : Germany V : China(Shanghai) Y : AAFES(Europe) X : Australia Q : Russia H : Korea M : Other Areas indicates safety critical components . Ref. No Add- ress New Parts Parts No. Description Desti- nation Re- marks - ✽ B60-5361-08 AC BOOK INS(EN) 55648340 - ✽ B60-5362-08 AC BOOK INS(FR) 55691460 PE - ✽ B60-5363-08 AC BOOK (G/I/E) 55691480 E - H10-7818-08 MAT-PKG CUSHIO 5520874A - H21-0393-08 AC SHEET EPE D 55170660 - H25-1712-08 AC CPL BAG RCA 55170650 - ✽ H50-4794-08 AC GIFTBOX DV7 55714210 KP - ✽ H50-4795-08 AC GIFTBOX DVF 55706040 Y - ✽ H50-4797-08 AC GIFTBOX DVF 55703010 E 601 1D B43-0333-08 AC DEC PLATE L 55266270 602 1D ✽ A29-1225-08 AC DEC DOOR TR 55702340 603 2C ✽ B03-3935-08 AC DEC CRYSTAL 55702410 E 603 2C ✽ B03-3936-08 AC DEC CRYSTAL 55714110 KPY 604 2C ✽ B11-1587-08 AC DEC CRYSTAL 55608170 605 2C K27-2508-08 AC DEC KNOB PO 55296130 606 2C B43-0302-04 AC CPL PLATE L 55220500 607 2C ✽ A60-2370-08 AC DEC CABINET 55702310 EY 607 2C ✽ A60-2371-08 AC DEC CABINET 55713950 KP 609 2D D14-0827-08 AC ROLLER HUB 20712170 610 2D D14-0819-08 AC ROLLER CD5 20712120 612 2C ✽ K29-8327-08 BUTTON ASSY 613 2C G10-0597-08 FELT BK 30.0MM 20634190 615 2D ✽ K29-8328-08 AC DEC BUTTON 55702390 618 2D,2E J02-1538-08 RUBBER FOOT CU 55236630 619 2D J02-1510-08 AC DEC FOOT KE 55235230 620 2D,2E G53-0091-08 AC RAW SHIELD 55174550 621 2D ✽ F19-1132-08 AC PUN SHIELD 55738830 622 2E J02-1529-08 AC MLD FOOT KE 55235300 625 2E J19-6378-08 AC MLD BRACKET 5516498A 626 2E ✽ W02-4507-08 AC EMBD IMA DV 55596250 629 1E J42-0350-08 AC MLD CLAMP A 55125180 630 1E E30-7250-08 WIRE-MCRDM 0.7 55190780 KPY 630 1E E30-7251-08 WIRE-MCRDM 0.7 55190790 E 631 1E L92-0524-08 FCORE FERRIT M 55148840 635 1C ✽ A01-3916-08 AC PUN COVER T 55702510 EY 635 1C ✽ A01-3917-08 AC PUN COVER T 55741440 KP 636 1C ✽ D21-2960-08 AC MLD SHAFT P 55608220 637 1C ✽ W02-4508-08 AD ASY SMPS DV 5571111A 640 3B,1E E35-3013-08 FFC-JUMPER 19X 55183650 650 1C E30-7235-08 WIRE-CABSP AUD 55186190 651 1C E30-2990-08 WIRE-CABSP AUD 55176530 652 1C A70-1570-08 EPR RCT REMOTE 55236640 A N89-3008-46 SCREW 3MM 8MM 55164800 B N09-2706-05 SCREW-SPEC 3MM 55135460 C N89-3006-45 SCREW-ST 3MM 6 55127280 D N89-3006-46 SCREW-ST 3MM 0 55049000 E N89-2608-46 SCREW-ST 2.6MM 55712510 F N09-5269-08 SCREW-ST 3MM 1 55127290 G N89-3008-41 SCREW-ST 3MM 8 55215970 EY H N15-1030-46 WASHER 3.3MM 8 55127310 1 2B ✽ W02-4506-08 ASY PCB SENSOR 10658770 2 3A ✽ A10-3609-08 BASE TC5E 10746520 ✽ New Parts Parts without Parts No. are not supplied. Les articles non mentionnes dans le Parts No. ne sont pas fournis. Teile ohne Parts No. werden nicht geliefert. 1 L : Scandinavia K : USA P : Canada R : Mexico C : China I : Malaysia Y : PX(Far East,Hawaii) T : England E : Europe G : Germany V : China(Shanghai) Y : AAFES(Europe) X : Australia Q : Russia H : Korea M : Other Areas indicates safety critical components . DV-705(K, P)/DVF-R5070-S(E, Y) DVD MECHANISM AV OUT www . x ia o y u 1 6 3 . c o m QQ 3 7 6 3 1 5 1 5 0 9 9 2 8 9 4 2 9 8 T E L 1 3 9 4 2 2 9 6 5 1 3 9 9 2 8 9 4 2 9 8 0 5 1 5 1 3 6 7 3 Q Q TEL 13942296513 QQ 376315150 892498299 TEL 13942296513 QQ 376315150 892498299 DV-705/DVF-R5070-S 16 PARTS LIST Ref. No Add- ress New Parts Parts No. Description Desti- nation Re- marks R335,336 RK73GB1J181J CHIP R 180 J 1/16W E R337 RK73GB1J151J CHIP R 150 J 1/16W E R338,339 RK73GB1J181J CHIP R 180 J 1/16W E R340,341 RK73GB1J104J CHIP R 100K J 1/16W E R342 RK73GB1J560J CHIP R 56 J 1/16W R343-345 RK73GB1J223J CHIP R 22K J 1/16W KPY R346-348 RK73GB1J223J CHIP R 22K J 1/16W R349-351 RK73GB1J000J CHIP R 0 J 1/16W E R352 RK73GB1J000J CHIP R 0 J 1/16W KPY R353 RK73GB1J000J CHIP R 0 J 1/16W R354-356 RK73GB1J332J CHIP R 3.3K J 1/16W R357 RK73GB1J000J CHIP R 0 J 1/16W R358 RK73GB1J332J CHIP R 3.3K J 1/16W R359-362 RK73GB1J332J CHIP R 3.3K J 1/16W E R364,365 RK73GB1J000J CHIP R 0 J 1/16W R366 RK73GB1J560J CHIP R 56 J 1/16W R367,368 RK73GB1J000J CHIP R 0 J 1/16W R369,370 RK73GB1J4R7J CHIP R 4.7 J 1/16W E R371 RK73GB1J104J CHIP R 100K J 1/16W E R372 RK73GB1J470J CHIP R 47 J 1/16W E R373 RK73GB1J104J CHIP R 100K J 1/16W E R374 RK73GB1J470J CHIP R 47 J 1/16W E R380 RK73GB1J332J CHIP R 3.3K J 1/16W R381 RK73GB1J113J CHIP R 11K J 1/16W R382 RK73GB1J223J CHIP R 22K J 1/16W R383 RK73GB1J222J CHIP R 2.2K J 1/16W R384 RK73GB1J473J CHIP R 47K J 1/16W R385 RK73GB1J222J CHIP R 2.2K J 1/16W R386 RK73GB1J223J CHIP R 22K J 1/16W R387 RK73GB1J113J CHIP R 11K J 1/16W R388 RK73GB1J473J CHIP R 47K J 1/16W R389 RK73GB1J104J CHIP R 100K J 1/16W R390,391 RK73GB1J102J CHIP R 1.0K J 1/16W R392 RK73GB1J104J CHIP R 100K J 1/16W R394 RK73GB1J103J CHIP R 10K J 1/16W R396 RK73GB1J220J CHIP R 22 J 1/16W R397 RK73GB1J750J CHIP R 75 J 1/16W R398 RK73GB1J471J CHIP R 470 J 1/16W R399,400 RK73GB1J000J CHIP R 0 J 1/16W R401 RK73GB1J4R7J CHIP R 4.7 J 1/16W R402 RK73GB1J104J CHIP R 100K J 1/16W R403 RK73GB1J470J CHIP R 47 J 1/16W R404,405 RK73GB1J104J CHIP R 100K J 1/16W R406,407 RK73GB1J151J CHIP R 150 J 1/16W R408-411 RK73GB1J181J CHIP R 180 J 1/16W R412 RK73GB1J471J CHIP R 470 J 1/16W R413 RK73GB1J394J CHIP R 390K J 1/16W R414 RK73GB1J470J CHIP R 47 J 1/16W R415 RK73GB1J104J CHIP R 100K J 1/16W R416 RK73GB1J824J CHIP R 820K J 1/16W R417,418 RK73GB1J000J CHIP R 0 J 1/16W R419-421 RK73GB1J4R7J CHIP R 4.7 J 1/16W R422 RK73GB1J682J CHIP R 6.8K J 1/16W R423 RK73GB1J222J CHIP R 2.2K J 1/16W ✽ New Parts Parts without Parts No. are not supplied. Les articles non mentionnes dans le Parts No. ne sont pas fournis. Teile ohne Parts No. werden nicht geliefert. 4 L : Scandinavia K : USA P : Canada R : Mexico C : China I : Malaysia Y : PX(Far East,Hawaii) T : England E : Europe G : Germany V : China(Shanghai) Y : AAFES(Europe) X : Australia Q : Russia H : Korea M : Other Areas indicates safety critical components . Ref. No Add- ress New Parts Parts No. Description Desti- nation Re- marks C340,341 CE04LW1C470M ELECTRO 47UF 16WV C348,349 CE04LW1C470M ELECTRO 47UF 16WV E C350-353 CC73GCH1H101J CHIP C 100PF J E C360,361 CC73GCH1H101J CHIP C 100PF J E C362-364 CE04LW1C221M ELECTRO 220UF 16WV C369 CE04LW1C100M ELECTRO 10UF 16WV C370 CC73GCH1H561J CHIP C 560PF J C371 CE04LW1C101M ELECTRO 100UF 16WV C372 CE04LW1C100M ELECTRO 10UF 16WV C373 CK73GB1H122K CHIP C 1200PF K C374,375 CK73GB1C104Z CHIP C 0.10UF Z C376,377 CE04LW1C470M ELECTRO 47UF 16WV C378 CC73GCH1H121J CHIP C 120PF J C379 CK73GB1H122K CHIP C 1200PF K C380 CC73GCH1H121J CHIP C 120PF J C381,382 CE04LW1C470M ELECTRO 47UF 16WV C383,384 CC73GCH1H101J CHIP C 100PF J C385 CE04LW1C221M ELECTRO 220UF 16WV C388,389 CK73GB1C104Z CHIP C 0.10UF Z C390,391 CE04LW1C471M ELECTRO 470UF 16WV C392 CE04LW1C100M ELECTRO 10UF 16WV C393 CE04LW1C221M ELECTRO 220UF 16WV C394 CE04LW1C470M ELECTRO 47UF 16WV C395,396 CE04LW1C221M ELECTRO 220UF 16WV C397 CE04LW1H2R2M ELECTRO 2.2UF 50WV B300 L32-1047-08 FBEAD SURFACE 55126670 L301-303 L90-0502-08 LF-SMD 2U2H +1 55416850 L305,306 L90-0502-08 LF-SMD 2U2H +1 55416850 L307,308 R92-1989-08 FBEAD SURFACE 55126660 R301 RK73GB1J560J CHIP R 56 J 1/16W R302 RK73GB1J470J CHIP R 47 J 1/16W R303 RK73GB1J000J CHIP R 0 J 1/16W R304 RK73GB1J000J CHIP R 0 J 1/16W KPY R305,306 RK73GB1J560J CHIP R 56 J 1/16W KPY R307 RK73GB1J560J CHIP R 56 J 1/16W E R308 RK73GB1J102J CHIP R 1.0K J 1/16W R309 RK73GB1J332J CHIP R 3.3K J 1/16W R310 RK73GB1J332J CHIP R 3.3K J 1/16W E R311 RK73GB1J223J CHIP R 22K J 1/16W R312,313 RK73GB1J101J CHIP R 100 J 1/16W E R314 RK73GB1J000J CHIP R 0 J 1/16W E R315,316 RK73GB1J560J CHIP R 56 J 1/16W E R317 RK73GB1J560J CHIP R 56 J 1/16W R318 RK73GB1J301J CHIP R 300 J 1/16W E R323 RK73GB1J301J CHIP R 300 J 1/16W E R324 RK73GB1J103J CHIP R 10K J 1/16W E R326,327 RK73GB1J102J CHIP R 1.0K J 1/16W E R328 RK73GB1J222J CHIP R 2.2K J 1/16W E R329 RK73GB1J750J CHIP R 75 J 1/16W E R330 RK73GB1J102J CHIP R 1.0K J 1/16W E R331 RK73GB1J181J CHIP R 180 J 1/16W R332 RK73GB1J750J CHIP R 75 J 1/16W R333 RK73GB1J221J CHIP R 220 J 1/16W R334 RK73GB1J151J CHIP R 150 J 1/16W E ✽ New Parts Parts without Parts No. are not supplied. Les articles non mentionnes dans le Parts No. ne sont pas fournis. Teile ohne Parts No. werden nicht geliefert. 3 L : Scandinavia K : USA P : Canada R : Mexico C : China I : Malaysia Y : PX(Far East,Hawaii) T : England E : Europe G : Germany V : China(Shanghai) Y : AAFES(Europe) X : Australia Q : Russia H : Korea M : Other Areas indicates safety critical components . www . x ia o y u 1 6 3 . c o m QQ 3 7 6 3 1 5 1 5 0 9 9 2 8 9 4 2 9 8 T E L 1 3 9 4 2 2 9 6 5 1 3 9 9 2 8 9 4 2 9 8 0 5 1 5 1 3 6 7 3 Q Q TEL 13942296513 QQ 376315150 892498299 TEL 13942296513 QQ 376315150 892498299 DV-705/DVF-R5070-S 17 PARTS LIST Ref. No Add- ress New Parts Parts No. Description Desti- nation Re- marks C23 CK73GB1H102K CHIP C 1000PF K C24,25 CC73GCH1H100D CHIP C 10PF D C27 CK73GB1H102K CHIP C 1000PF K C28 CK73GB1C104Z CHIP C 0.10UF Z C33-36 CK73GB1C104Z CHIP C 0.10UF Z C37 CE04LW1C470M ELECTRO 47UF 16WV C38-40 CK73GB1C104Z CHIP C 0.10UF Z C42-46 CK73GB1C104Z CHIP C 0.10UF Z C47 CE04LW1C470M ELECTRO 47UF 16WV C48 CK73GB1C104Z CHIP C 0.10UF Z C50-60 CK73GB1C104Z CHIP C 0.10UF Z C65 CE04LW1C470M ELECTRO 47UF 16WV C66-71 CK73GB1C104Z CHIP C 0.10UF Z C72 CE04LW1C100M ELECTRO 10UF 16WV C73 CK73GB1C104Z CHIP C 0.10UF Z C74 CE04LW1C470M ELECTRO 47UF 16WV C75 CK73GB1C104Z CHIP C 0.10UF Z C81,82 CE04LW1C470M ELECTRO 47UF 16WV C84-89 CK73GB1C104Z CHIP C 0.10UF Z C90 CE04LW1C470M ELECTRO 47UF 16WV C91-93 CK73GB1C104Z CHIP C 0.10UF Z C96-102 CK73GB1C104Z CHIP C 0.10UF Z CD3 CE04LW1C220M ELECTRO 22UF 16WV CX3 CK73GB1C104Z CHIP C 0.10UF Z L1 R92-1989-08 FBEAD SURFACE 55126660 L2 ✽ L92-0569-08 LF-SMD 1U8H +1 21154870 L3-11 R92-1989-08 FBEAD SURFACE 55126660 L12 ✽ L92-0568-08 FBEAD BEAD 69. 60452600 L13 ✽ L92-0569-08 LF-SMD 1U8H +1 21154870 L14 R92-1989-08 FBEAD SURFACE 55126660 L15,16 ✽ L92-0568-08 FBEAD BEAD 69. 60452600 L17-19 R92-1989-08 FBEAD SURFACE 55126660 L20 ✽ L92-0569-08 LF-SMD 1U8H +1 21154870 L25 ✽ L92-0568-08 FBEAD BEAD 69. 60452600 L26 R92-1989-08 FBEAD SURFACE 55126660 L28 R92-1989-08 FBEAD SURFACE 55126660 L29 ✽ L92-0569-08 LF-SMD 1U8H +1 21154870 L35-37 ✽ L92-0568-08 FBEAD BEAD 69. 60452600 L38 RK73GB1J000J RMGCFMIC 0 OHM 10328750 L39 ✽ L92-0569-08 LF-SMD 1U8H +1 21154870 L40 ✽ L92-0568-08 FBEAD BEAD 69. 60452600 L42,43 R92-1989-08 FBEAD SURFACE 55126660 L44 ✽ L92-0568-08 FBEAD BEAD 69. 60452600 L45-52 R92-1989-08 FBEAD SURFACE 55126660 L53 ✽ L92-0569-08 LF-SMD 1U8H +1 21154870 L60-62 R92-1989-08 FBEAD SURFACE 55126660 L63 RK73GB1J000J RMGCFMIC 0 OHM 10328750 L64-67 R92-1989-08 FBEAD SURFACE 55126660 L68-71 ✽ L92-0568-08 FBEAD BEAD 69. 60452600 L73-75 R92-1989-08 FBEAD SURFACE 55126660 L77,78 ✽ L92-0568-08 FBEAD BEAD 69. 60452600 L79 R92-1989-08 FBEAD SURFACE 55126660 L80-82 R92-1989-08 FBEAD SURFACE 55126660 X1 ✽ L77-2417-08 FILQZ 13M5 HZ 55176430 ✽ New Parts Parts without Parts No. are not supplied. Les articles non mentionnes dans le Parts No. ne sont pas fournis. Teile ohne Parts No. werden nicht geliefert. 6 L : Scandinavia K : USA P : Canada R : Mexico C : China I : Malaysia Y : PX(Far East,Hawaii) T : England E : Europe G : Germany V : China(Shanghai) Y : AAFES(Europe) X : Australia Q : Russia H : Korea M : Other Areas indicates safety critical components . Ref. No Add- ress New Parts Parts No. Description Desti- nation Re- marks S301 S62-0115-08 SWISLIDE HORIZ 55397390 KPY D301-303 1SS355 D-SLP 1SS355 3 20496510 D304 UDZS2.2B D-ZENER UDZS 2 55171070 D305-307 1N4148 D-SLP 1N4148 1 70436540 D308-310 1SS355 D-SLP 1SS355 3 20496510 I300 TC7SET04FU IC(INVERTER)SE 55415450 I301 ✽ MM1226XFBE IC-SWITCH MM12 20680930 E I303 BA4560F IC-OPERAMP BA4 55128990 E I304 WM8728 IC-CONV WM8728 55291470 I305,306 BA4560F IC-OPERAMP BA4 55128990 I307 KIA7805API IC(VOLTAGE REGULATOR)60 Q301 KTD1304 TR-SLPSWA KTD1 55138710 Q302 ✽ KRC111S TR-SSD KRC111S 55050920 Q303 KRC107S TR-SSD KRC107S 55051240 E Q304-308 KTD1304 TR-SLPSWA KTD1 55138710 E Q309 KTC3875Y TR-SLPSWA KTC3 20970460 E Q310 KTA1504Y TR-SLPSWA KTA1 20970480 E Q311 KTD1304 TR-SLPSWA KTD1 55138710 Q312 DTA114YKA TR-SSD DTA114Y 55133190 Q313 KTD1304 TR-SLPSWA KTD1 55138710 Q314 DTC114TKA TR-SSD DTC114T 55133330 Q315-317 KTD1304 TR-SLPSWA KTD1 55138710 Q318 2N3906 TR-SLPLF 2N390 20926560 C1,2 CK45FB1E104Z CERAMIC 0.10UF Z C3 CK45FB1H104Z CERAMIC 0.10UF Z C4,5 CE04LW1C470M ELECTRO 47UF 16WV S1-13 S70-0087-08 SWITACT VERTIC 55145270 D1-7 1N4148 D-SLP 1N4148 1 70436540 D8-12 B30-2645-08 D-LEM CT-3SGTA 55199400 D14,15 1N4148 D-SLP 1N4148 1 70436540 IR1 NJL63H380A IC-REMOTE NJL6 55156010 U1 ✽ 12-BT-151GNK DISPLAY 12-BT- 55643560 U2 ✽ UPD16315GB-3BS IC-DISPLAY UPD 55544740 J8 E35-3215-08 CONN 1.25MM 19 55124680 J12 E40-8765-08 CONN 2.0MM 7 M 55090060 C1 CC73GCH1H220J CHIP C 22PF J C2 CC73GCH1H100D CHIP C 10PF D C3 CC73GCH1H220J CHIP C 22PF J C4 CC73GCH1H100D CHIP C 10PF D C5 CC73GCH1H220J CHIP C 22PF J C6 CC73GCH1H100D CHIP C 10PF D C7,8 CC73GCH1H220J CHIP C 22PF J C9 CC73GCH1H100D CHIP C 10PF D C10 CC73GCH1H220J CHIP C 22PF J C11 CC73GCH1H100D CHIP C 10PF D C12 CE04LW1C470M ELECTRO 47UF 16WV C13-15 CE04LW1C221M ELECTRO 220UF 16WV C17,18 CE04LW1C221M ELECTRO 220UF 16WV C19-21 CK73GB1H102K CHIP C 1000PF K C22 CC73GCH1H100D CHIP C 10PF D ✽ New Parts Parts without Parts No. are not supplied. Les articles non mentionnes dans le Parts No. ne sont pas fournis. Teile ohne Parts No. werden nicht geliefert. 5 L : Scandinavia K : USA P : Canada R : Mexico C : China I : Malaysia Y : PX(Far East,Hawaii) T : England E : Europe G : Germany V : China(Shanghai) Y : AAFES(Europe) X : Australia Q : Russia H : Korea M : Other Areas indicates safety critical components . VFD / KEY MAIN www . x ia o y u 1 6 3 . c o m QQ 3 7 6 3 1 5 1 5 0 9 9 2 8 9 4 2 9 8 T E L 1 3 9 4 2 2 9 6 5 1 3 9 9 2 8 9 4 2 9 8 0 5 1 5 1 3 6 7 3 Q Q TEL 13942296513 QQ 376315150 892498299 TEL 13942296513 QQ 376315150 892498299 DV-705/DVF-R5070-S 18 PARTS LIST Ref. No Add- ress New Parts Parts No. Description Desti- nation Re- marks U11 ✽ MX29LV160TTC IC-MEMFLASH MX 55544810 C001 CC45FCH1H220J CERAMIC 22PF J C002-004 CK45FB1E104Z CERAMIC 0.10UF Z C005 CE04LW1H010M ELECTRO 1.0UF 50WV L001 L33-1645-08 LF 39U0H +10% 20265120 R004 RS14GB3A2R2J FL-PROOF RS 2.2 J 1W D001,002 1N5232B D-ZENER 1N5232 20414280 IC01,002 BA6209N IC(MOTOR DRIVER)0458950 PI001,002 T95-0188-08 D-PHOTO ITR960 20586840 ✽ New Parts Parts without Parts No. are not supplied. Les articles non mentionnes dans le Parts No. ne sont pas fournis. Teile ohne Parts No. werden nicht geliefert. 8 L : Scandinavia K : USA P : Canada R : Mexico C : China I : Malaysia Y : PX(Far East,Hawaii) T : England E : Europe G : Germany V : China(Shanghai) Y : AAFES(Europe) X : Australia Q : Russia H : Korea M : Other Areas indicates safety critical components . Ref. No Add- ress New Parts Parts No. Description Desti- nation Re- marks R1 RK73GB1J121J CHIP R 120 J 1/16W R3-9 RK73GB1J472J CHIP R 4.7K J 1/16W R10 RK73GB1J511J CHIP R 510 J 1/16W R11 RK73GB1J750J CHIP R 75 J 1/16W R12-15 RK73GB1J470J CHIP R 47 J 1/16W R16 RK73GB1J121J CHIP R 120 J 1/16W R17-20 RK73GB1J470J CHIP R 47 J 1/16W R21 RK73GB1J511J CHIP R 510 J 1/16W R22 RK73GB1J750J CHIP R 75 J 1/16W R23 RK73GB1J121J CHIP R 120 J 1/16W R24 RK73GB1J511J CHIP R 510 J 1/16W R25 RK73GB1J750J CHIP R 75 J 1/16W R26 RK73GB1J121J CHIP R 120 J 1/16W R27 RK73GB1J511J CHIP R 510 J 1/16W R28 RK73GB1J121J CHIP R 120 J 1/16W R30 RK73GB1J511J CHIP R 510 J 1/16W R31 RK73GB1J750J CHIP R 75 J 1/16W R32 RK73GB1J121J CHIP R 120 J 1/16W R33 RK73GB1J511J CHIP R 510 J 1/16W R34 RK73GB1J750J CHIP R 75 J 1/16W R35-37 RK73GB1J472J CHIP R 4.7K J 1/16W R38 RK73GB1J330J CHIP R 33 J 1/16W R40-44 RK73GB1J330J CHIP R 33 J 1/16W R45 ✽ R92-4599-08 CHIP R 1.18K F 1/16W R46 RK73GB1J330J CHIP R 33 J 1/16W R47,48 RK73GB1J472J CHIP R 4.7K J 1/16W R50 RK73GB1J103J CHIP R 10K J 1/16W R53 RK73GB1J472J CHIP R 4.7K J 1/16W R54,55 RK73GB1J330J CHIP R 33 J 1/16W R56 RK73GB1J103J CHIP R 10K J 1/16W R57,58 RK73GB1J330J CHIP R 33 J 1/16W R60-62 RK73GB1J330J CHIP R 33 J 1/16W R63 RK73GB1J101J CHIP R 100 J 1/16W R64 RK73GB1J330J CHIP R 33 J 1/16W R65 ✽ R92-4600-08 CHIP R 221 F 1/16W R66 RK73GB1J101J CHIP R 100 J 1/16W R67-85 RK73GB1J330J CHIP R 33 J 1/16W R86 RK73GB1J472J CHIP R 4.7K J 1/16W R87 RK73GB1J103J CHIP R 10K J 1/16W R88 RK73GB1J472J CHIP R 4.7K J 1/16W R112 RK73GB1J472J CHIP R 4.7K J 1/16W R600 RK73GB1J472J CHIP R 4.7K J 1/16W D1 -8 1N4148 D-SLP 1N4148 1 70436540 D10-13 1N4148 D-SLP 1N4148 1 70436540 D14 1N4001 D-SR U1BC44 10 55420550 D15,16 1N4148 D-SLP 1N4148 1 70436540 Q1-6 2N3906 TR-SLPLF 2N390 20926560 U2 ✽ 74HCT14T/D IC-LOGIC 74HCT 15265870 U3 M24C02WMN6 IC-EEPROM M24C 20940740 U4 ✽ ZIVA5 IC-MICROPROC Z 55163030 U5 ✽ SN74LV573ANS IC-LOGIC SN74L 55653360 U6 ✽ LM1117MPX IC-REGULADJ LM 55544910 U7,8 ✽ SN74LV573ANS IC-LOGIC SN74L 55653360 U9 ✽ HY57V643220CT7 IC-DRAM 143M0 55561660 ✽ New Parts Parts without Parts No. are not supplied. Les articles non mentionnes dans le Parts No. ne sont pas fournis. Teile ohne Parts No. werden nicht geliefert. 7 L : Scandinavia K : USA P : Canada R : Mexico C : China I : Malaysia Y : PX(Far East,Hawaii) T : England E : Europe G : Germany V : China(Shanghai) Y : AAFES(Europe) X : Australia Q : Russia H : Korea M : Other Areas indicates safety critical components . MECHANISM CONTROL www . x ia o y u 1 6 3 . c o m QQ 3 7 6 3 1 5 1 5 0 9 9 2 8 9 4 2 9 8 T E L 1 3 9 4 2 2 9 6 5 1 3 9 9 2 8 9 4 2 9 8 0 5 1 5 1 3 6 7 3 Q Q TEL 13942296513 QQ 376315150 892498299 TEL 13942296513 QQ 376315150 892498299 DV-705/DVF-R5070-S SPECIFICATIONS [Type] System..................................................... DVD video player Signal read system............................. Semiconductor laser Wave length.................................. For DVD; 640 to 660 nm For CD; 770 to 810 nm Power class ......................................................Class 2 (IEC) [D/A Conversion Section] D/A conversion ........................................................... 24 Bit Oversampling .......8 fs (Sampling frequency; 44.1, 48 kHz) ......................... 4 fs (Sampling frequency; 96 kHz) [Audio section] Frequency response Sampling frequency ; 44.1 kHz ............... 4 Hz ~ 20 kHz Sampling frequency ; 48 kHz .................. 4 Hz ~ 22 kHz Sampling frequency ; 96 kHz .................. 4 Hz ~ 38 kHz Signal to noise ratio ................................. More than 98 dB Dynamic range .......................................... More than 92 dB Total harmonic distortion .......... Less than 0.008 % (1 kHz) Channel separation ..................... More than 90 dB (1 kHz) Wow and flutter ........................... Below measurable limit Analog output level/impedance ........................ 2 V / 510 Digital output level/impedance COAXIAL ............................................... 0.5 Vp-p / 75 OPTICAL..... -21 dBm ~ -15 dBm (Wave length 660 nm) [Video Section] Video output format ........................................... NTSC/PAL Video compression DVD ................................................................... MPEG-2 Composite video output level ......................... 1 Vp-p (75 load, sync. negative) S-video output level (Y-signal) .............. 1 Vp-p (75 load, sync. negative) (C-signal) NTSC ........................................... 0.286 Vp-p (75 ) PAL .............................................. 0.300 Vp-p (75 ) Component Video output level (For U.S.A., CANADA and U.S. Military) (Y-signal) ...................................................1 Vp-p (75 ) (Cb-signal) ..........................................0.648 Vp-p (75 ) (Cr-signal) ...........................................0.648 Vp-p (75 ) RGB output level (SCART) (For Europe) ...... 0.7 Vp-p (75 ) Horizontal resolution ...........................More than 480 lines Video signal to noise ratio ....................... More than 70 dB [General] Power consumption .....................................................16 W Dimensions .................................... W : 440 mm (17-5/16") ....................................................... H : 88 mm (3-7/16") ....................................................... D : 388 mm (15-1/4") Weight (net) ................................................. 5.3 kg (11.7 lb) KENWOOD follows a policy of continuous advancements in development. For this reason specifications may be changed without notice. ÷ Sufficient performance may not be exhibited at extremely cold locations (Where water freezes). Notes Notes www. xiaoyu163. com QQ 376315150 9 9 2 8 9 4 2 9 8 TEL 13942296513 9 9 2 8 9 4 2 9 8 0 5 1 5 1 3 6 7 3 Q Q TEL 13942296513 QQ 376315150 892498299 TEL 13942296513 QQ 376315150 892498299

标签:

版权声明

1. 本站所有素材,仅限学习交流,仅展示部分内容,如需查看完整内容,请下载原文件。
2. 会员在本站下载的所有素材,只拥有使用权,著作权归原作者所有。
3. 所有素材,未经合法授权,请勿用于商业用途,会员不得以任何形式发布、传播、复制、转售该素材,否则一律封号处理。
4. 如果素材损害你的权益请联系客服QQ:77594475 处理。