建伍KENWOOD DVF-3550 CDDVD播放机电路图

分类:电子电工 日期: 点击:0
建伍KENWOOD DVF-3550 CDDVD播放机电路图-0 建伍KENWOOD DVF-3550 CDDVD播放机电路图-1 建伍KENWOOD DVF-3550 CDDVD播放机电路图-2 建伍KENWOOD DVF-3550 CDDVD播放机电路图-3 建伍KENWOOD DVF-3550 CDDVD播放机电路图-4 建伍KENWOOD DVF-3550 CDDVD播放机电路图-5 建伍KENWOOD DVF-3550 CDDVD播放机电路图-6 建伍KENWOOD DVF-3550 CDDVD播放机电路图-7 建伍KENWOOD DVF-3550 CDDVD播放机电路图-8 建伍KENWOOD DVF-3550 CDDVD播放机电路图-9

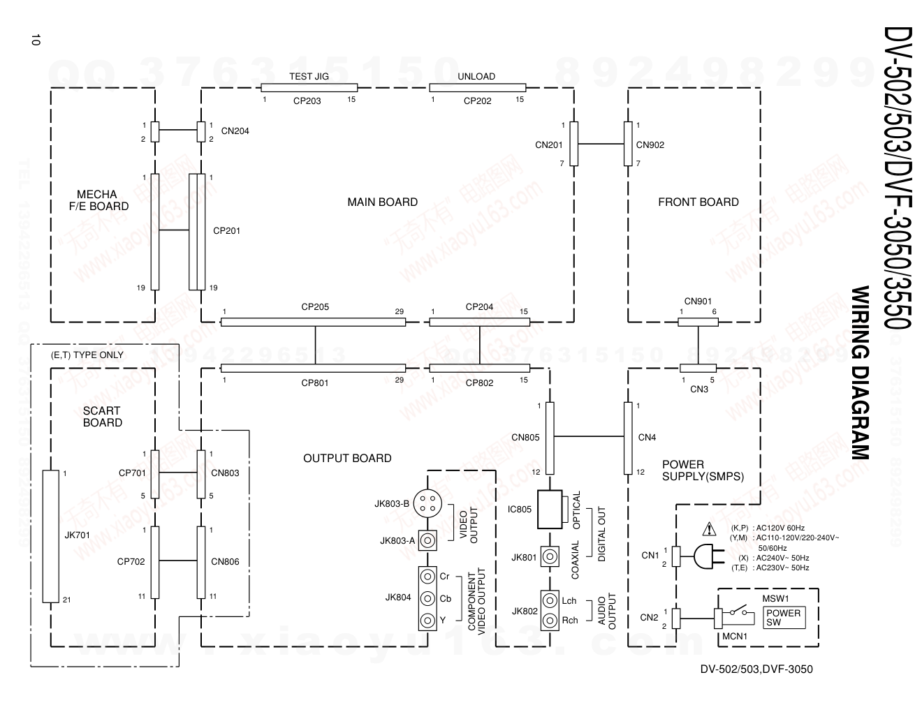
DVD / CD PLAYER DV-502/503/DVF-3050 DVF-3050-S/3550/3550-S SERVICE MANUAL © 2001-5/B51-5731-00 (K/K) 3470 70% In compliance with Federal Regulations, following are repro- duction of labels on, or inside the porduct relating to laser product safety. KENWOOD-Crop. certifies this equipment conforms to DHHS Regulations No.21 CFR 1040. 10, Chapter 1, subchapter J. DANGER : Laser radiation when open and interlock defeated. AVOID DIRECT EXPOSURE TO BEAM. Caution : No connection of ground line if disassemble the unit. Please connect the ground line on rear panel, PCBs, Chassis and some others. * Refer to parts list on page 18 . Front Panel * (A60-) AUDIO OUTPUT COMPONENT VIDEO OUTPUT VIDEO OUTPUT S-VIDEO DIGITAL OUTPUT (PCM/BIT STREAM) OPTICAL COAXIAL L R Cr Cb Y Window * (B10) AC power cord bushing (J42-0350-08) Button(PLAY) * (K27-) Button(SKIP) * (K27-) Button * (K27-) Button(POWER) * (K27-) Top cover * (A01-) AC power cord * (E30-) RCA jack (E63-1227-08) RCA jack (E63-1226-08) RCA jack * (E63-) RCA jack (E63-1191-08) www. xiaoyu163. com QQ 376315150 9 9 2 8 9 4 2 9 8 TEL 13942296513 9 9 2 8 9 4 2 9 8 0 5 1 5 1 3 6 7 3 Q Q TEL 13942296513 QQ 376315150 892498299 Cord RCA 1p (E30-7235-08) Cord RCA 3p (E30-2990-08) Remote control unit (1) (A70-1532-08) Batteries (R03/AAA) (2) *AC plug adaptor (1) (E03-0115-05) * Use to adapt the plug on the power cord to the shape of the wall outlet. (Accessory only for regions where use is necessary.) Note related to transportation and move- ment Before transporting or moving this unit, carry out the follow- ing operations. 1. Set the POWER key to ON without loading a disc. 2. Wait a few seconds and verify that the display shown appears. 3. Set the POWER key to OFF. Beware of condensation When the difference between the internal temperature of the unit and external atmosphere is large, dew (mist) may be produced on the internal parts of the unit. In such a case, turn the unit ON and leave it for a few hours until the condensation has dried up. Be especially careful in the following conditions: When the unit is brought into a place where there is a large differ- ence in temperature between the previous location, when the humidity of the listening room is high, etc. Operation to reset The microprocessor may fall into malfunction (impossibility to oper- ate erroneous display, etc.) when the power cord is unplugged while power is ON or due to an external factor. In this case, exe- cute the following procedure to reset the microprocessor and return it to normal condition. 1 In POWER ON condition, keep the 7 (STOP) key and the ¡ (Search) key pressed at the same time. 2 When both keys are pressed, the region code of the unit, the software version, etc. will be displayed on the display. (When nothing is done, the display of this information continues.) Example: 71 . 101 . 06:14 3 Press the ON/OFF key to go to Power OFF. 4 When Power ON is performed with the ON/OFF key, the set- tings become the default factory settings. ¶ Please note that resetting the microprocessor clears the con- tents stored in, it returns the microprocessor to the condition when it left the factory. Cautions DV-502/503/DVF-3050/3550 2 CONTENTS / ACCESSORIES / CAUTIONS CONTENTS / ACCESSORIES / CAUTIONS............. 2 DISASSEMBLY FOR REPAIR....................................3 BLOCK DIAGRAM ......................................................4 CIRCUIT DESCRIPTION............................................5 WIRING DIAGRAM...................................................10 PC BOARD .............................................................. 11 SCHEMATIC DIAGRAM .......................................... 15 EXPLODED VIEW ....................................................21 PARTS LIST..............................................................22 SPECIFICATIONS ......................................Back cover Contents Accessories Attention Please contact our KENWOOD Service Department in your side if you want the service information; Circuit Description. Full Described Parts list and so. Information is available to you by internet from us. www. xiaoyu163. com QQ 376315150 9 9 2 8 9 4 2 9 8 TEL 13942296513 9 9 2 8 9 4 2 9 8 0 5 1 5 1 3 6 7 3 Q Q TEL 13942296513 QQ 376315150 892498299 DV-502/503/DVF-3050/3550 3 DISASSEMBLY FOR REPAIR How to Remove Disc in unit Slide the lever of the mechanism from bottom side as figure if you can't get the disc on the tray. The marking is located on the rear panel and says that the component uses laser beams that have been clas- sified as Class 1. It means that the unit is utilizing laser beams that are of a weaker class. There is no danger of hazardous radiation outside the unit. CLASS 1 LASER PRODUCT The marking of products using lasers (Except for some areas) CAUTIONS www. xiaoyu163. com QQ 376315150 9 9 2 8 9 4 2 9 8 TEL 13942296513 9 9 2 8 9 4 2 9 8 0 5 1 5 1 3 6 7 3 Q Q TEL 13942296513 QQ 376315150 892498299 ADDR F-WE F-RESET F-DE D-RAS0- ADDR RDNOTWR DATA D-CAS0- D-CAS1- +3.3V DIGITAL VCC F/E SDATA EXIT-DATA +3.3V-RESET F/E SCL EXIT-BCLK EXIT-DATAVALID EXT-PSTART/ERROR +12V MOTOR VCC +8V MOTOR VCC +5V DIGITAL VCC SLIDER-IN(DRAWER-CCW-CTRL) SLIDER-OUT(DRAWER-CW-CTRL) SLIDER-OPEN/CLOSE(POWER-POSITION-P1) +12V ANALOG VCC +8V ANALOG VCC +5V DIGITAL VCC -8V ANALOG VCC +12V MOTOR VCC 5V FRONT +8V MOTOR VCC +3.3V DIGITAL VCC : AC240V~ 50Hz : AC230V~ 50Hz (X) (T,E) : AC110-120V/220-240V~ : AC120V 60Hz 50/60Hz (K,P) (Y,M) F-CE F-OE(DRAM OE) -27V FL AC FL AC +5VS STBY ON/OFF CNTL IR REMOCON +5.6VS VFD DATA OUT VFD STB VFD DATA IN PCM1748E-DATA LRCLK BCK PCMCLK PCM1748E-CS PCM1748E-CLK AUDIO-MUTE CVBS-OUT Y-OUT R(Cr)-OUT C-OUT B(Cb)-OUT G(Y)-OUT 9 10 8 6 7 SPDIF PIXCLK-27MHz SCL SDA VIDEO-MUTE VFD CLK DATA IRQ2 POWER CTL L AUDIO R AUDIO GND BLUE-OUT GREEN-OUT RED-OUT CVBS-OUT L-CH OUT R-CH OUT IC201 STI5519 FLASH MEMORY IC401 8MBIT M29F400T-90N1 HY57V651610BLTC-8 SDRAM-64MBIT IC301 F/E & MECHA TVM MECHA SMPS IC901 UPD16311 DAC PCM1748E L.P.F BA4560 IC802-A-A MIXED MUTE VIDEO JK803-A S-VIDEO JK701 Cr Cb Y RCA 3V COAXIAL BUFFER OPTICAL IC501 74HCU04 M24CO2 EEPROM IC202 SCART PART RCA PART HNV-06SS74 FL 125MHz L.P.F MIXED R-CH L-CH TR BUFFER & B.N.F. & B.N.F. BUFFER TR & B.N.F. BUFFER TR & B.N.F. BUFFER TR & B.N.F. BUFFER TR & B.N.F. BUFFER TR CVBS-OUT Y-OUT C-OUT R(Cr)-OUT B(Cb)-OUT G(Y)-OUT CVBS- TV SCART JK804 ONLY (E,T) TYPE (E,T) TYPE EXCEPT DIGITAL OUT MPEG DV-502/503,DVF-3050 DV-502/503/DVF-3050/3550 4 BLOCK DIAGRAM www . x ia o y u 1 6 3 . c o m QQ 3 7 6 3 1 5 1 5 0 9 9 2 8 9 4 2 9 8 T E L 1 3 9 4 2 2 9 6 5 1 3 9 9 2 8 9 4 2 9 8 0 5 1 5 1 3 6 7 3 Q Q TEL 13942296513 QQ 376315150 892498299 TEL 13942296513 QQ 376315150 892498299 DV-502/503/DVF-3050/3550 5 CIRCUIT DESCRIPTION Note: Port list sorted by function for MPEG IC Port No. Port Name I/O Main Alternate function Function Input Output Audio DAC 51 DAC SCLK O Over sampling clock EXT AUD CLOCK 52 DAC PCMOUT0 O PCM out 0 EXT AUD DATA 53 DAC PCMOUT1 - PCM out 1 (unused) EXT AUD REQ 54 DAC PCMOUT2 - PCM out 2 (unused) 55 DAC PCMCLK I/O PCM clock 56 DAC LRCLK O Left/Right clock EXT AUD WCLK 57 SPDIF OUT O SPDIF out 48 VDD PCM - VDD(+3V3) 49 VSS PCM - GND Clock & Reset 124 RESET I Chip reset 122 VDD PLL - VDD PLL 123 VSS PLL - GND 120 PIX CLK I 27MHz main clock PIOs and communication 186 PIO0(0) T STROBE I/O PIO0(0) UART0 data 187 PIO0(1) MOD SW I/O PIO0(1) ATAPI RD 188 PIO0(2) VFD STB I/O PIO0(2) ATAPI WR 189 PIO0(3) VFD CLK I/O PIO0(3) 190 PIO0(4) VFD DATA OUT I/O PIO0(4) 191 PIO0(5) VFD DATA IN I/O PIO0(5) PIO0(6) SLIDER SENSOR 192 OPEN/CLOSE I/O PIO0(6) (DRAWER POSITION) 193 PIO0(7) SLIDER IN (DRAWER CCW/CTRL) I/O PIO0(7) 194 PIO1(0) SDA I/O PIO1(0) SSC0 data (MTSR out/MRST in) 195 PIO1(1) SCL I/O PIO1(1) SSC0 clock 196 PIO1(2) SLIDER OUT (DRAWER CW CTRL) I/O PIO1(2) PARA DVALID 197 PIO1(3) TXD(JIG) I/O PIO1(3) UART2 TXD 200 PIO1(4) RXD(JIG) I/O PIO1(4) UART2 RXD 201 PIO1(5) FRONT TXDI I/O PIO1(5) PARA SYNC UART1 RXD 202 TRIGGER IN I/O Trigger in for DCU 203 TRIGGER OUT I/O Trigger out for DCU 204 PIO2(0) H/P IND I/O Unused 205 PIO2(1) FRONT RXD I/O Unused 206 PIO2(2) MIC IN - Unused 207 PIO3(8) MIC OUT - Unused 208 PIO2(4) AUDIO MUTE I/O Audio mute 1 PIO2(5) RGB SEL(BLANK) I/O RGB sel.(blank) 2 PIO2(6) VIDEO MUTE I/O Video mute 3 PIO2(7) 16: 9 INDICATOR I/O 16 : 9 indicator 6 PIO3(0) SCART H(TV/AUX) I/O PIO3(0) PARA DATA(0) 7 PIO3(1) POWER CTL I/O PIO3(1) PARA DATA(1) 8 PIO3(2) I/O Unused PARA DATA(2) 9 PIO3(3) I/O Unused PARA DATA(3)/CAPTURE IN0 10 PIO3(4) IR REMOCON I/O PIO3(4) PARA DATA(4)/CAPTURE IN1 UART1 RTS(RTS1) 11 PIO3(5) I/O Unused PARA DATA(5)/CAPTURE IN2 UART2 RTS(RTS2) 12 PIO3(6) I/O Unused PARA DATA(6)/UART1 CTS (CTS1) COMP OUT1 1. MPEG: STI5519 www. xiaoyu163. com QQ 376315150 9 9 2 8 9 4 2 9 8 TEL 13942296513 9 9 2 8 9 4 2 9 8 0 5 1 5 1 3 6 7 3 Q Q TEL 13942296513 QQ 376315150 892498299 DV-502/503/DVF-3050/3550 6 CIRCUIT DESCRIPTION Port No. Port Name I/O Main Alternate function Function Input Output 13 PIO3(7) DVD RESET I/O PIO3(7) PARA DATA(7)/UART2 CTS (CTS2) COPM OUT0 39~46 PIO4(0~7) I/O PIO4(0~7) YC(0~7) Reserved 20 B WCLK I/O Unused 21 B V4 I/O Unused 22 NRSS OUT I/O Unused 103 ADC SCLK I/O Unused 104 ADC LRCK I/O Unused 105 ADC DATA I/O Unused 106 ADC PCMCLK O Unused EMI Interface 161~170 CPU ADR(1~10) O ADR(1~10) 173~183 CPU ADR(11~21) O ADR(11~21) 141~148 CPU DATA(0~7) I/O DATA(0~7) 151~158 CPU DATA(8~15) I/O DATA(8~15) 138 CPU RAS1 I/O Unused 131 CPU WAIT I Connected to GND 130 CPU RW O READ NOT WRITE 128 CPU BE(0) O BYTE 0 ENABLE 129 CPU BE(1) O BYTE 1 ENABLE 139 CPU CAS0 O DRAM CAS0 140 CPU CAS1 O DRAM 135 CPU CE(0) O DRAM RAS0 134 CPU CE(1) O Chip Sel. BANK1 133 CPU CE(2) O Chip Sel. BANK2 132 CPU CE(3) O Chip Sel. BANK3 118 CPU PDR CLK O SDRAM clock 117 CPU OE I/O Output enable Interrupt 127 IRQ(0) I Unused 126 IRQ(1) I Unused 125 IRQ(2) I IRQ(2) (MD IRQ) Timers 116 PWM0 I/O Unused HSYNC 115 PWM1 I/O Pulse width modula o Boot from ROM3 114 PWM2 I/O Unused VSYNC JTAG 113 TCK I Test clock 112 TDI I Test data in 111 TDO O Test data out 110 TMS I Test mode select 109 TRST4 I Test reset Front-end 16 B DATA I 12S data SER Data 17 B BCLK I 12S bit clock SER BCLK 18 B FLAG I 12S error flag DVD SER VALID 19 B SYNC I 12S selector/ABS time SER SYNC Video DAC 27,26,25 R/G/B (OUT) O R/G/B output 32~34 Y/C/CV (OUT) O Y/C/CV output 29 I REF RG I I REF DAC RGB 28 V REF RG I V REF DAC RGB www. xiaoyu163. com QQ 376315150 9 9 2 8 9 4 2 9 8 TEL 13942296513 9 9 2 8 9 4 2 9 8 0 5 1 5 1 3 6 7 3 Q Q TEL 13942296513 QQ 376315150 892498299 DV-502/503/DVF-3050/3550 7 CIRCUIT DESCRIPTION Port No. Port Name I/O Main Alternate function Function Input Output 36 I REF YCC I I REF DAC YCC 35 V REF YCC I Y REF DAC YCC 23 VDD RGB - YDDA RGB =2.5V 24 VSS RGB - GND 30 VDD YCC - YDDA YCC =2.5V 31 VSS YCC - GND Shared memory interface 69~66 SMI ADR(0~3) O Address bus SDRAM 58~63 SMI ADR(4~9) O Address bus SDRAM 70~73 SMI ADR(10~13) O Address bus SDRAM 84~93 SMI DATA(0~15) I/O Data bus SDRAM 97~102 74,75 SMI CS(0,1) O Chip select bank 0,1 76 SMI RAS O RAS SDRAM 77 SMI CAS O CAS SDRAM 78 SMI WE O SDRAM write enable 79,80 SMI DQML, U O DQ MASK EN LOW, UP 82 SMI CLKIN I SDRAM clock in 95 SMI CLKOUT O SDRAM clock out Power supply 4,47,81,107 136,159,184 VDD3 3 - 3.3V Power supply 14,37,64 94,119,149 VDD2 5 - 2.5V Power supply 171 198 5,15,38,50 65 83,96 108,121,137 VSS - GND 150,160,172 185,199 Pin No. Pin Name I/O Description 6 DIN I Inputs serial data at rising edge of shift clock,starting from lower bit. 5 DOUT O Output serial data at falling edge of shift clock,starting from lower bit. This is N-ch open-drain output pin. 9 STB - Strobe pin. 8 CLK I Reads serial data at rising edge, and output data at falling edge. 52 OSC - Connect resistor for determining oscillation frequency to this pin. 15~26 S1/KS1~S12/KS12 O Segment output pins (Dual function as key source). 44~39 G1~G6 O Grid output pins. 27~32 S13/G16~S18/G11 O These pins are selectable for segment or grid output. 35,36 S19/G11,S20/G19 50~46 LED1~LED5 O Unused. 10~13 KEY1~KEY4 I Data input to these pins is latched at end of display cycle. 1~4 NC - Unused. 14,33,45 VDD - +5V power supply. 51 VSS - Connect this pin to GND of system. 34 VEE - -35V power supply. 7 NC - Unused. 2-1 VFO controller : uPD16311(IC901) www. xiaoyu163. com QQ 376315150 9 9 2 8 9 4 2 9 8 TEL 13942296513 9 9 2 8 9 4 2 9 8 0 5 1 5 1 3 6 7 3 Q Q TEL 13942296513 QQ 376315150 892498299 DV-502/503/DVF-3050/3550 8 CIRCUIT DESCRIPTION Pin No. Pin Name I/O Description 1 BCK I Audio data bit clock input. 2 DATA I Audio data digital input. 3 LRCK I Audio data latch enable input. 4 DGND - Digital ground. 5 VDD - Digital power supply (+3.3V). 6 VCC - Analog power supply (+5V). 7 VOUTL O Analog output for L-channel. 8 VOUTR O Analog output for R-channel. 9 AGND - Analog ground. 10 VCOM - Common voltage decoupling. 11 ZEROR O Zero flag output for R-channel. 12 ZEROL O Zero flag output for L-channel. 13 MD I Mode control data input. 14 MC I Mode control clock input. 15 ML I Mode control latch input. 16 SCK I System clock input. 2-2 D/A Converter : PCM1748(IC801) Pin No. Pin Name I/O Description 38 CLK I The system clock input. all other inputs are registered to the SDRAM on the rising edge of CLK. 37 CKE - Controls internal clock signal and when deactivated, the SDRAM will be one of the states among power down, suspend or self refresh. 19 CS - Enables or disables all inputs except CLK, CKE, and DQM. 20,21 BA0,BA1 - Selects bank to be activated during RAS activity. Selects bank to be read/written during CAS activity. 23~26 A0~A11 - Row address : RA0~RA11, Column address : CA0~CA7 29~35 Auto-precharge flag : A10 18 WE,CAS,RAS - WE, CAS and RAS define the operation. 15,39 LDQM,UDQM I/O Controls output buffers in read mode and masks input data in write mode. 2,4,5,7,8, 10,11,13,42 DQ0~DQ15 I/O Multiplexed data input/output pin. 44 45,47,48 50,51,53 9 VDD/VSS - Power supply for internal circuits and input buffers. 10 VDDQ/VSSQ - Power supply for output buffers. 11 NC - Unused 2-3 64 Bit SDRAM : KS641632D(IC301) Block Diagram for D/A Converter BCK Serial LRCK Input Vout L DATA I/F Output Amp and Low-pass Filter 8X Oversampling Enhanced Digital Filter Multi-level Vcom ML Function with Delta-Sigma Function Modulator MC Control Controller Output Amp and MDI I/F Low-pass Filter Vout R System Clock SCK System Clock Manager \Zero Detect Power Supply ZERO L ZERO R VDD DGND VCC AGND DAC DAC www. xiaoyu163. com QQ 376315150 9 9 2 8 9 4 2 9 8 TEL 13942296513 9 9 2 8 9 4 2 9 8 0 5 1 5 1 3 6 7 3 Q Q TEL 13942296513 QQ 376315150 892498299 DV-502/503/DVF-3050/3550 9 CIRCUIT DESCRIPTION Pin No. Pin Name I/O Description 25, 24~16, 8~1 A0~A18 I Address Inputs 29,31,33,35 DQ0~DQ7 I/O Data Input/Outputs, Command Inputs 38,40,42,44 30,32,34,36 DQ8~DQ14 I/O Data Input/Outputs 39,41,43 45 DQ15 I/O Data Input/Outputs or Address input 26 CE - Chip Enable 28 QE - Output Enable 11 WE - Write Enable 12 RP - Reset/Block Temporary Unprotect 15 RY/BY O Ready/Busy/Output 47 BYTE - Byte/Word Organization 37 VCC - Supply Voltage 27,46 VSS - Ground Pin No. Pin Name I/O Description 1,3,5,9 A0 to A5 I Data Inputs 11,13 2,4,6,8 Q0 to Q5 O Data Outputs 10,12 7 GND - Ground 14 VCC - Positive Supply Voltage Truth Table A Q L H H L 2-6 Flash Memory : M29W800AT(IC401) 2-4 DC Motor Driver : KA8082(ICM21) Pin No. Pin Name I/O Description 1 GND - Ground 2 VO1 O Output 1 3 VCTL I Motor speed control 4 VIN1 I Input 1 5 VIN2 I Input 2 6 SVCC - Supply voltage (Signal) 7 PVCC - Supply voltage (Power) 8 VO2 O Output 2 Internal Block Diagram GND 1 8 V02 DRIVER OUT VO1 2 7 PVCC PRE DRIVER VCTL 3 TSD BIAS 6 SVCC LOGIC SWITCH VIN1 4 5 VIN2 2-5 HEX Inverter (Single Stage) : M74HCU04(IC501) www. xiaoyu163. com QQ 376315150 9 9 2 8 9 4 2 9 8 TEL 13942296513 9 9 2 8 9 4 2 9 8 0 5 1 5 1 3 6 7 3 Q Q TEL 13942296513 QQ 376315150 892498299 DV-502/503/DVF-3050/3550 10 CP201 CN204 CP205 CP801 CP702 CN806 CP701 CN803 JK804 JK803-A JK803-B CN805 CN4 Rch Lch COAXIAL JK802 JK801 CN1 CN3 CN901 CN902 CN201 CP203 TEST JIG UNLOAD CP202 IC805 OPTICAL (E,T) TYPE ONLY CP802 CP204 JK701 Cr Cb Y CN2 POWER SW VIDEO OUTPUT VIDEO OUTPUT COMPONENT DIGITAL OUT MCN1 MSW1 AUDIO OUTPUT MAIN BOARD MECHA F/E BOARD OUTPUT BOARD SCART BOARD POWER SUPPLY(SMPS) FRONT BOARD DV-502/503,DVF-3050 1 29 19 1 19 1 2 2 1 1 29 1 11 1 11 1 5 1 5 1 12 1 12 1 : AC240V~ 50Hz : AC230V~ 50Hz (X) (T,E) : AC110-120V/220-240V~ : AC120V 60Hz 50/60Hz (K,P) (Y,M) 1 2 7 1 1 5 6 1 7 1 1 15 1 15 1 15 1 15 21 1 1 2 WIRING DIAGRAM www . x ia o y u 1 6 3 . c o m QQ 3 7 6 3 1 5 1 5 0 9 9 2 8 9 4 2 9 8 T E L 1 3 9 4 2 2 9 6 5 1 3 9 9 2 8 9 4 2 9 8 0 5 1 5 1 3 6 7 3 Q Q TEL 13942296513 QQ 376315150 892498299 TEL 13942296513 QQ 376315150 892498299 A B D F H J C E G I 2 1 3 5 7 4 6 Refer to the schematic diagram for the value of resistors and capacitors. PC BOARD (Component side view) 8 7 IC901 R913 R912 FIG901 FIG902 C907 C903 C901 R902 14 26 27 39 40 13 1 52 R904 R901 R903 R911 C905 FIG903 R914 R915 R908 R907 R906 R905 R801 R803 R802 R805 R804 R806 C804 R812R C812R R812L C808 C829 C828 C827 R822 R858 R851 R849 R847 C870 C865 R861 R823 R824 R825 R811R C817R C817L R826L R887 R885 R877 R876 R838 R840 R864 R863 R836L R820 R826R C812L C801 R807 R808 R836R C803 R815 L812 R830 C806 R813L R814L R811L C813L R828 R827 R831 R819R R819L R829 R886 C821 C835 CVBS R873 R874 R875 R882 R881 R880 R883 R844 R837 R842 R884 C Y Y Cr Cb R813R R814R 1 4 8 5 C813R C810 R821 R859 C867 R857 R853 R854 R855 R856 R852 R846 R848 R850 C859 R845 C868 C861 C863 C858 C856 C862 C855 R860 C871 R862 R817 R816 1 8 B E B E B E B E B E B E B E B E B E B E B E B B E E R865 R872 16 9 B E IC801 Q803R Q803L Q804L Q801 Q802 IC802 Q810 Q811 Q805 Q814 Q813 D804 D801 D802 Q809 Q815 Q808 Q812 C906 J021 FIG90 L902 I G O RM901 C909 C910 J009 J010 L901 L903 J018 J017 6 1 J011 J005 J012 J013 R910 J003 J008 J007 C912 LG902 C911 2 1 3 38KHZ JRC 1 2 C904 C908 J015 J014 1 38 J016 C902 J006 OPEN/CLOSE J019 J020 FIG91 FIG92 1 7 J002 J004 SKIP- SKIP+ SEARCH+ SEARCH- LG901 STOP PLAY/PAUSE D905 CN901 FRONT BOARD D906 CN901 D901 D902 D903 SW901 D904 CN902 SW903 SW902 SW906 SW907 SW905 SW904 FL901 MSW1 POWER MCN1 C826 C825 C836 I G O J860 J822 J825 J861 J867 J801 J831 J804 1 2 J812 J817 J833 J827 J868 J865 C866 C860 C869 C864 C857 C824 L806 L807 L805 E C E C E C 29 28 2 2 14 15 1 1 J814 11 5 1 1 J832 J824 J823 C816R VCC G OUT C811L C811R C809 C805 L801 J813 L811 L803 L810 L R C822 J859 J856 J864 J863 J853 J854 J828 J834 J835 J836 J837 J838 J840 J851 J849 J842 J850 C815 J803 J816 L809 L804 J830 J802 J829 L808 C816L J819 J820 J821 J818 J815 J826 J808 C819 C820 C802 C807 J806 J807 J809 J810 J811 L857 12 1 CN805 D803 Q807 Q804 Q803 CN803 CN806 D805 JK803 JK804 OUTPUT VIDEO OUTPUT VIDEO OUTPUT OPTICAL COAXIAL DIGITAL OUT AUDIO COMPONENT OUTPUT BOARD IC806 JK802 IC805 CP803 JK801 CP801 CP802 w w w . x i a o y u 1 6 3 . c o m Q Q 3 7 6 3 1 5 1 5 0 9 9 2 8 9 4 2 9 8 T E L 1 3 9 4 2 2 9 6 5 1 3 9 9 2 8 9 4 2 9 8 0 5 1 5 1 3 6 7 3 Q Q TEL 13942296513 QQ 376315150 892498299 TEL 13942296513 QQ 376315150 892498299 RM209 L206 L204 R296 L203 R230 R216 R209 R205 C202 CM201 RM207 C209 C208 C309 C310 R310 C404 R413 R404 C219 R313 R312 R311 L202 R226R R226G R226B R297 L205 C234 C205 C201 R265 R264 C224 R286 RM211 RM212 RM208 RM206 E B RM210 RM201 RM202 R287 C403 C402 C401 C223 C222 C220 R252 R253 R254 R255 R415 C405 C302 R309 J301 C301 R201 R202 R203 R204 C312 C308 C307 C306 C305 C304 R315 R302 R301 C303 R410 R408 R407 C203 L208 L201 C207 L207 QM202 R738 R707 R706 R708 R711 R710 R737 R709 R702 R734 R728 R729 C720 R727 R713 R712 L706 R725 R726 L705 R704 R703 L703 R731 R721 R719 L704 R717 R718 R720 C718 C717 R715 R705 R732 C709 1 16 8 9 R723 R736 R701 R735 R724 R716 R730 R733 R714 R707 R722 L701 C721 B E B E B E B E B E B E B E B E Q706 Q702 D1 D2 D710 D709 D705 D706 D708 D707 D703 Q704 Q701 Q707 IC701 Q705 Q703 D701 D702 19 C223R CM204 C232 1 1 4 8 5 52 53 1 27 28 54 104 105 156 1 24 48 25 157 208 C233 C204 C206 C311 C210 X501 C221 C406 C250M 1 2 1 15 1 2 14 2 14 15 C505 C220R C220B CM205 CM203 C220G C223G C223B 19 18 1 1 2 2 28 1 4 6 5 29 E C E C E C C231 C230 C228 C229 1 1 2 2 18 RA301 RA302 RA303 RA304 RA305 RA306 RA307 R511 RA408 RA407 RA406 RA405 RA404 RA402 RA402 RA401 B E C225R C225G C225B J203 J204 C226 C227 R274 R273 R229 R213 R215 R214 R234 R303 R304 R305 R306 R307 R308 R502 R512 C218 R402 R256 R285 R281 R280 R276 C501 R501 1 7 14 8 R503 R504 J201 C513 R251M B E B E R250M R251 J202 R236 L501 R235 J208 R208 R220R R222R R223R C224R C222R R221R R225R C221R R224R C224G R223G R222G C222G R221G R225G C221G R224G C222B R221B R225B C221B R224B C224B R223B R222B L210 L220R L220G L220B C512 R207 R220G R266 RM218 RM217 RM216 R224 RM213 R282 R283 R263 R409 R262 C225 R220B R233 R232 C213 L301 R225 R227 R226 R219 R217 R210 C212 C214 R314 C502 C503 R243 C215 B E C C216 R246 17 48 49 50 R247 R244 R245 R242 R289 R290 R241 R237 R240 R239 R238 R288 R405 R406 R293 R403 R401 C211 R212 R231 J209 J207 J206 J205 L209 L270 L269 R206 R268 LM201 R267 R222 R221 R291 R292 R223 R294 R295 RM205 RM204 RM203 C514 R211 R218 J210 C511 CP201 MAIN BOARD 17 21 13 C715 C714 C713 J736 FID1 C716 1 2 J704 21 15 11 5 1 FID3 1 5 C703 C719 1 14 FID2 JK701 TV AUX CP701 CP702 SCART BOARD Q220R Q220G Q220B IC202 DM204 IC501 Q250M Q201 CP203 CP202 IC401 CN201 CN205 IC301 IC201 DM201 QM201 ICM21 DM202 DM203 CN204 CP205 CP204 Q202 K M O Q S L N P R T 2 1 3 5 7 4 6 Refer to the schematic diagram for the value of resistors and capacitors. PC BOARD(Component side view) 9 10 w w w . x i a o y u 1 6 3 . c o m Q Q 3 7 6 3 1 5 1 5 0 9 9 2 8 9 4 2 9 8 T E L 1 3 9 4 2 2 9 6 5 1 3 9 9 2 8 9 4 2 9 8 0 5 1 5 1 3 6 7 3 Q Q TEL 13942296513 QQ 376315150 892498299 TEL 13942296513 QQ 376315150 892498299 A B D F H J C E G I 2 1 3 5 7 4 6 156 155 154 153 152 151 150 149 148 147 146 145 144 143 142 141 140 139 138 137 136 135 134 133 132 131 130 129 128 127 126 125 124 123 122 121 120 119 118 117 116 115 114 113 112 111 110 109 108 107 106 105 1 2 3 4 5 6 7 8 9 10 11 12 13 14 15 16 17 18 19 20 21 22 23 24 25 26 27 28 29 30 31 32 33 34 35 36 37 38 39 40 41 42 43 44 45 46 47 48 49 50 51 52 157 158 159 160 161 162 163 164 165 166 167 168 169 170 171 172 173 174 175 176 177 178 179 180 181 182 183 184 185 186 187 188 189 190 191 192 193 194 195 196 197 198 199 200 201 202 203 204 205 206 207 208 CPU DATA(13) CPU DATA(12) CPU DATA(11) CPU DATA(10) CPU DATA(9) CPU DATA(8) VSS VDD2 5 CPU DATA(7) CPU DATA(6) CPU DATA(5) CPU DATA(4) CPU DATA(3) CPU DATA(2) CPU DATA(1) CPU DATA(0) CPU CAS1 CPU CAS0 CPU RAS1 VSS VDD3 3 CPU CE(0) CPU CE(1) CPU CE(2) CPU CE(3) CPU WAIT CPU RW CPU BE(1) CPU BE(0) IRQ(0) IRQ(1) IRQ(2) RESET VSS PLL VDD PLL VSS PIX CLK VDD2 5 CPU PROCLK CPU OE PWM0 PWM1 PWM2 TCK TD1 TD0 TMS TRST VSS VDD3 3 ADC PCM CLK ADC DATA P102(5) RGB SEL(BLANK) P102(6) VIDEO MUTE P102(7) 16:9 INDICATOR VDD3 3 VSS P103(0) SCART H(TV/AUX) P103(1) POWER CTL P103(2) P103(3) P103(4) IR(REMOCON) P103(5) P103(6) P103(7) DVD RESET VDD2 5 VSS B DATA B BCLK B FLAG B SYNC B WCLK B V4 NRSS OUT VDD RGB VSS RGB B OUT G OUT R OUT V REF RG I REF RG VDD YCC VSS YCC Y OUT C OUT CV OUT V REF YC I REF YC VDD2 5 VSS P104(0) H/P MUTE P104(1) P104(2) P104(3) DAC RESET P104(4) PLL CS P104(5) DAC CLOCK P104(6) DAC DATA P104(7) DAC CS VDD3 3 VDD PCM VSS PCM VSS DAC SCLK DAC PCM OUTO CPU DATA(14) CPU DATA(15) VDD3 3 VSS CPU ADR(1) CPU ADR(2) CPU ADR(3) CPU ADR(4) CPU ADR(5) CPU ADR(6) CPU ADR(7) CPU ADR(8) CPU ADR(9) CPU ADR(10) VDD2 5 VSS CPU ADR(11) CPU ADR(12) CPU ADR(13) CPU ADR(14) CPU ADR(15) CPU ADR(16) CPU ADR(17) CPU ADR(18) CPU ADR(19) CPU ADR(20) CPU ADR(21) VDD3 3 VSS PIO0(0) T STROBE PIO0(1) MOD SW PIO0(2) VFD STB PIO0(3) VFD CLK PIO0(4) VFD DATA OUT PIO0(5) VFD DATA IN PIO0(6) SLIDER SENSOR OPEN/CLOSE(DRAWER POSITION PI1) PIO0(7) SLIDER IN(DRAWER CCW CTRL) PIO1(0) SDA PIO1(1) SCL PIO1(2) SLIDER OUT(DRAWER CW CTRL) PIO1(3) TXD(JIG) VDD2 5 VSS PIO1(4) RXD(JIG) PIO1(5) FRONT TXDI TRIGGER IN TRIGGER OUT PIO2(0) H/P IND PIO2(1) FRONT RXD PIO2(2) MIC IN PIO3(5) MIC MUTE PIO2(4) AUDIO MUTE 1 2 3 4 5 6 7 8 9 10 11 12 13 14 15 16 17 18 19 20 21 22 23 24 A15 A14 A13 A12 A11 A10 A9 A8 NC NC WE RP NC NC RY/BY A18 A17 A7 A6 A5 A4 A3 A2 A1 48 47 46 45 44 43 42 41 40 39 38 37 36 35 34 33 32 31 30 29 28 27 26 25 A16 BYTE VSS DQ15 DQ7 DQ14 DQ6 DQ13 DQ5 DQ12 DQ4 VCC DQ11 DQ3 DQ10 DQ2 DQ9 DQ1 DQ8 DQ0 OE VSS CE A0 1 2 3 4 E0 E1 E2 VSS 8 7 6 5 VDD WC SCL SDA RA405 47 161 162 164 163 167 168 166 165 RA406 47 178 176 177 175 173 174 RA408 47 170 169 RA407 47 R407 47 R408 47 R410 47 R409 47 179 180 182 181 R263 47 R262 47 188 189 191 190 196 193 192 R289 47 R290 47 197 200 186 187 R264 75 R265 75 202 203 157 158 RA404 47 155 156 151 154 152 153 RA403 47 142 145 148 146 147 RA402 47 143 144 RA401 47 141 148 147 145 146 143 144 141 142 R401 47 R402 47 R256 47 R403 47 100u10 + C221 0.01 C220 10 R254 0.1 C219 47 0.1 C222 10K R255 R288 10K 10K 113 112 111 110 109 0.1 C218 115 0.1 C223 10K 47 133 128 3 1 6 R222 47 2 R221 47 R291 47 47 0.1 C201 R292 7 10 R203 47 R204 47 R201 47 R202 47 16 19 18 17 13 C202 0.1 100u10 + C204 0.01 C203 2.2uH L201 J205 0 J206 0 J207 0 R205 100u10 C206 + 0.01 C205 L202 2.2uH R207 220 R208 220 R206 220 R210 200 R211 200 R212 200 R209 15K R219 10 R218 10 R217 10 C207 0.1 R215 47 R214 47 R213 47 0.01 C209 100u10 + C210 L203 2.2uH R230 0 C208 0.1 47 R232 47 R231 R229 47 34 33 32 44 45 46 42 25 26 27 +3.3V +2.5V R253 R252 R404 R251 117 128 132 R223 47 208 1 2 3 4 5 6 7 8 9 10 11 12 13 14 15 16 17 18 19 D GND SECTOR START DATA VALID DATA(EXT DATA) BIT CLOCK(EXT BCLK) D GND RESET(3V3 RESET) DXX INTERRUPT(IRQ2) SCL SDA D GND M GND +3.3V +5VM D GND A GND +12VM +8VM 1 2 3 4 5 6 7 IR REMOCON +5.6V VFD STB VFD DATA IN VFD DATA OUT VFD CLK POWER CTL 15 14 13 12 11 10 9 8 7 6 5 4 3 2 1 158 148 147 157 155 145 146 156 152 141 142 151 153 143 144 154 117 161 132 162 163 165 164 166 167 168 180 181 182 175 169 170 173 174 177 176 178 179 R411 0 128 47K R413 + C406 100u10 R415 1.8K R270 1.8K R269 0.1 C225 47 R268 47 R267 10 R266 7 2 4 3 5 6 1 8 0 RM217 0 RM218 0 RM216 22 RM209 5.6K RM211 22 RM210 + CM204 10u16 1.8K RM212 + CM205 100u16 22uH LM201 10K RM206 10K RM208 + CM203 1u50 5.6K RM203 68K RM205 10K RM204 10K RM207 470 PM202 470 RM201 0.1 CM201 192 193 196 47K RM213 17 16 18 19 0 J204 0 J203 R273 100 R274 100 68P C226 0.1 C234 68P C227 13 7 10 R293 47 R276 47 R278 220 R277 220 R287 220 R286 220 189 190 191 188 R284 47 +5.6V 10K R406 10K R405 186 141 142 148 145 143 144 147 146 117 133 128 187 0.1 C401 C402 0.1 0.1 C403 0.1 C224 +5V +12V +8V 117 12 12 +3.3V +5V +12V +8V +3.3V +5V +12V +8V +8V +5V +12V +8V +3.3V +2.5V +3.3V +5V +2.5V +3.3V +5V +3.3V +2.5V +3.3V +2.5V +2.5V +3.3V +3.3V +2.5V +5V +8V +3.3V +2.5V +3.3V +2.5V +3.3V +5V R412 0 C405 1000P C404 1000P + C228 47u16 + C229 47u16 + C231 47u16 + C230 47u16 L204 L205 L207 L206 + 100u10 C232 2.2uH L209 470u6.3 C233 + R220R 10 R220B 10 R220G 10 19 14 16 18 17 15 13 12 11 10 9 8 7 6 3 5 4 2 1 19 14 16 18 17 15 13 12 11 10 9 8 7 6 3 5 4 2 1 NC 2 1 2 1 R216 4.7K +5.6V +5.6V L208 2.2uH 0 +5.6V +5.6V +5V CP201 CN201 CP202 DM204 DM202 DM203 DM201 QM202 QM201 MECHA F/E BOARD CN204 CP2 CC201 0V 0V 0V 3.3V 0V 3.3V 0.9V 3.6V 3.3V 2.5V 0V 0V 3.3V 0V 3.3V 3.3V 3.3V 0V 3.3V 3.3V 3.3V 0V 0V 0V 0V 0V 3.3V 3.2V 0V 3.3V 3.3V 2.5V 0V 2.5V 0V 3.3V 0V 3.7V 3.3V 3.2V 1.6V 0.5V 0.8V 0.6V 0V 1.2V 0V 0.7V 1.2V 0V 0.7V 0.5V 0V 1.5V 1.2V 3.3V 3.1V 3.1V 3.1V 3.1V 3.1V 3.1V 3.1V 3.1V 0V 3.1V 3.1V 0V 3.1V 5.3V 3.3V 3.3V 9.0V 9.0V 0V 0V 9.0V 0V 1.2V 0V 3.6V 5.3V 0V 3.7V 4.9V 4.9V 3.3V 5.2V 12.2V 9.0V 3.3V 3.3V 3.2V 3.3V 3.2V 3.3V 1.2V 1.4V 5.3V 1.6V 3.3V 3.3V 3.3V 3.3V 9.0V IC201 IC401 IC202 ICM21 MAIN BOARD W-2 w w w . x i a o y u 1 6 3 . c o m Q Q 3 7 6 3 1 5 1 5 0 9 9 2 8 9 4 2 9 8 T E L 1 3 9 4 2 2 9 6 5 1 3 9 9 2 8 9 4 2 9 8 0 5 1 5 1 3 6 7 3 Q Q TEL 13942296513 QQ 376315150 892498299 TEL 13942296513 QQ 376315150 892498299 T K M O Q S L N P R 104 103 102 101 100 99 98 97 96 95 94 93 92 91 90 89 88 87 86 85 84 83 82 81 80 79 78 77 76 75 74 73 72 71 70 69 68 67 66 65 64 63 62 61 60 59 58 57 56 55 54 53 ADC LRCLK ADC SCLK SMI DATA(15) SMI DATA(14) SMI DATA(13) SMI DATA(12) SMI DATA(11) SMI DATA(10) VSS SMI CLK OUT VDD2 5 SMI DATA(9) SMI DATA(8) SMI DATA(7) SMI DATA(6) SMI DATA(5) SMI DATA(4) SMI DATA(3) SMI DATA(2) SMI DATA(1) SMI DATA(0) VSS SMI CLK IN VDD3 3 SMI DQMU SMI DQML SMI WE SMI CAS SMI RAS SMI CS(1) SMI CS(0) SMI ADR(13) SMI ADR(12) SMI ADR(11) SMI ADR(10) SMI ADR(0) SMI ADR(1) SMI ADR(2) SMI ADR(3) VSS VDD2 5 SMI ADR(9) SMI ADR(8) SMI ADR(7) SMI ADR(6) SMI ADR(5) SMI ADR(4) SPDIF OUT DAC LRCLK DAC PCM CLK DAC PCM OUT2 DAC PCM OUT1 1 2 3 4 5 6 7 8 9 10 11 12 13 14 15 16 17 18 19 20 21 22 23 24 25 26 27 VCC DQ0 VCC Q DQ1 DQ2 VSS Q DQ3 DQ4 VCC Q DQ5 DQ6 VSS Q DQ7 VCC LDQM WE CAS RAS CS BA0 BA1 A10 A0 A1 A2 A3 VCC 54 53 52 51 50 49 48 47 46 45 44 43 42 41 40 39 38 37 36 35 34 33 32 31 30 29 28 VSS DQ15 VSS Q DQ14 DQ13 VCC Q DQ12 DQ11 VSS Q DQ10 DQ9 VCC Q DQ8 VSS NC UDDM CLK CKE NC A11 A9 A8 A7 A6 A5 A4 VSS 1 2 3 4 5 6 7 AO QO A1 Q1 A2 Q2 GND 14 13 12 11 10 9 8 VCC A3 Q3 A4 Q4 A5 Q5 RA306 47 RA307 47 RA304 47 RA305 47 0.1 C303 0 J301 +3.3V C302 0.1 R309 47 R308 47 R307 47 R306 47 R305 47 R303 47 R304 47 R302 47 R301 47 4.7K R310 4.7K R312 4.7K R311 4.7K R313 76 74 77 78 79 80 82 RA303 47 RA302 47 RA301 47 R235 47 R234 47 R233 47 10P C213 10P C214 C301 0.1 +2.5V 102 101 100 99 93 92 97 98 89 88 90 91 87 84 86 85 69 68 71 70 62 67 66 63 59 58 60 61 55 56 57 10P C211 10P C212 51 52 +2.5V +3.3V +2.5V 73 72 1 2 3 4 5 6 7 8 9 10 11 12 13 14 15 TRGI OUT TRGI IN GND(OPTION) TMS GND TCK GND TDI GND TDO +5VD TXD(JIG) RXD(JIG) JTAG RST TRST 1 2 3 4 5 6 7 8 9 10 11 12 13 14 15 16 17 18 19 M GND +8V MOTOR M GND +12V MOTOR +2V5D D GND +5VD D GND +3V3D +5V6S AUDIO MUTE VIDEO M +5VV V GND P/CTL NC CLK NC DATA HP MUTE HP IND 1 2 3 4 5 6 7 8 9 10 11 12 13 14 15 16 17 18 19 20 21 22 23 24 25 26 27 28 29 B OUT(Cb) A GND G OUT(Y) A GND R OUT(Cr) A GND Y OUT A GND CVBS A GND C OUT A GND MUTE(PCMI738E) DAC A GND DAC D GND CS(DAC CS) MC(DAC CLK) MDI(DAC DATA) SCKI(PCM CLK) BCK(PCM BICK) PCM DATA D(PCM OUT) PCM LRCLK RESET(PCM1738E) SPDIF D GND 16.9 BLANK TV/AUX NC 0.1 0.1 0.1 0.1 0.1 72 73 70 69 68 67 66 79 78 77 76 74 91 85 90 89 88 87 86 84 0.1 0.1 60 59 58 62 61 63 80 82 71 93 92 97 99 98 100 101 102 R315 47K C304 C305 C306 C307 C310 C309 C308 0.1 C312 + C311 100u10 0 R314 0 L301 +3.3V +3.3V +3.3V L501 + C505 470u6.3 0.1 C504 1M R503 C503 X501 C502 56 R502 100 R501 20P C501 56 R250 47 R249 0.1 C217 4.7K R246 4.7K R247 10K R248 470P C216 0 J202 0 J201 0.1 C215 10K R243 10K R244 10K R245 R236 47K 47 R240 47 R239 47 R238 R237 47 R241 47 10K R242 109 200 197 111 112 113 110 115 202 203 10 R226R 390P C224R 12 R224R 8.2 R225R 390P C225R 2.7uH L220R 3300P C221R + C223R 220u16 0.1 C222R 2.2K R222R 75 R223R 820 R221R 470u10 + C220R R226G C224G C221G R225G 3300P R222G 2.2K R223G 75 R221G 820 C220G 470u10 12 R224G C225G 390P 390P 2.7uH L220G 220u16 C223G C222G 8.2 0.1 + 10 3300P R225B C221B C224B 470u10 2.2K R222B 75 R223B R221B C220B 820 12 R224B 8.2 C225B 390P 390P L220B 2.7uH 220u16 C222B C223B 0.1 + 10 R226B L210 27 26 25 25 26 27 +3.3V +2.5V +12V 2 208 1 6 3 56 57 42 52 51 34 55 45 44 46 33 32 27 25 26 A GND CVBS A GND 9 8 A GND G Y R 5 6 7 3 4 A GND 1 2 B DAC D GND PCM1748E DA PCM1748E CLK NC A GND DAC A GND PCM1748E CS A GND C 17 18 14 15 16 12 13 10 11 21 PCM OUT LR CLK D GND 16:9 NC SPDIF 24 26 25 23 22 BCK 20 PCM CLK 19 NC TV/AUX BLANK 29 28 27 +5VA 13 RESET V GND 15 14 D GND 8 V MUTE A MUTE 12 11 +5V6S +3.3VD 10 9 +2.5VD 5 D GND +5VD 6 7 +12VM M GND 3 4 +8VM M GND 1 2 C862 390P 75 C861 390P R852 R853 C856 390P C855 390P R845 2.2K R846 75 C868 390P 75 C867 390P 2.2K R857 R859 R847 820 470u10 + C824 C858 C857 0.1 220u16 12 3300P R848 8.2 2.7uH L805 C859 R849 820 R858 470u10 C866 + C870 C869 0.1 220u16 R860 8.2 L807 2.7uH C871 3300P R861 12 + R850 0 0 + R862 R851 470u10 2.2K + C860 820 0.1 C863 C864 220u16 R854 8.2 2.7uH L806 C865 3300P R855 12 + 0 R856 V COM OUT L ML LRCK 5 6 7 VCC VDD 4 D GND 12 ZERO R ZERO L 11 10 MC MD 14 13 BCK 2 3 DATA 1 15 SCK 16 8 A GND OUT R 9 +2.5V +3.3V +5V +8V +12V +12V +8V +5V +3.3V +2.5V +8V +3.3V +2.5V +2.5V +3.3V +3.3V +3.3V +3.3V +2.5V +5V +3.3V 1 2 3 4 5 6 7 8 9 10 11 AGND CVBS AGND GREEN AGND RED AGND BLUE BLANK TV/AUX 16.9 (SCART) AGND 4 5 R-ch 1 2 3 L-ch AGND 1K L812 + C807 1000u16 560P C808 560P C806 47u16 C805 + 2.2uH R830 10P C829 17 16 19 10P C828 10P C827 18 + C809 10u16 560P C810 20 21 22 3 2 8 1 5 6 4 7 OUT GND IN 47u16 + C816R 100 R828 47u16 C819 + 47u16 C820 + 330 R827 47u16 C816L 47u16 + C811R 3.9K R814R 5.6K R813R 47K R812R 2200P C812R 47u16 C811L 330P C813R 9.1K R811R 2200P C812L 47K R812L 5.6K R813L 3.9K R814L 330P C813L 9.1K R811L + C836 100u10 0 R844 0 R842 100 R826L 100 R826R 100P C817R 100K R819R 100P C817L 100K R819L + 820K R831 + 100 R806 0 180 R805 0 0.01 C803 1000P C801 10 R804 4.7K R803 + C802 47u16 R825 0 R824 0 R822 0 R823 0 R817 0 R816 0 R821 0 R815 0 11 28 24 26 27 19 20 21 22 16 17 18 7 9 1 3 5 5 3 1 9 +5VD +9VM 12 M GND 10 +12VM 11 4 +12V 7 D GND 8 +2.5VD 6 +3.5VD 5 RESET 2 A GND -8V 3 +9V 1 +2.5V +5V +12V +8V +3.3V +5V 7 11 9 +8V +8V 8V 8V +8V 24 1K R883 100 R884 120 R886 0 R872 R887 120 R875 0 120 R885 0 R873 + C822 220u10 0.1 C821 56 R865 470 R864 R829 0 10 8 9 7 6 0 R877 0 R874 0 R876 120 R882 120 R880 120 R881 5 3 1 6 3 1 2 4 1 27 28 26 3 5 8V +8V +8V 8V + + + +12V +5.6V +8V +3.3V +3.3V +3.3V +5V +3.3V R802 R807 CANADA P DESTINATION U.S.A. COUNTRY K ABB. C502, 503 22P R205 15K COUNTRY DESTINATION 24P 10K R205 C502, ABB. 503 U.K. T EUROPE E 22P 15K 22P 24P C502, 503 COUNTRY DESTINATION ABB. 15K 10K R205 YS MS GENERAL MARKET SOUTH AFRICA M3 22P 15K 24P C502, 503 COUNTRY DESTINATION ABB. 10K R205 ES EUROPE GENERAL MARKET MS XS AUSTRALIA UAE M2 PX/AFFES Y PX/AFFES U.K. TS EUROPE ES TS U.K. YS PX/AFFES +5V +5.6V +5V +5V +5V +5V +5V +5V +5.6V +5V +5V +5V +5V +5V +5V +5V +5V +12V +12V +12V CP203 CP204 CP205 Q201 Q202 Q220R Q220G Q220B ICM21 : KA8082 IC201 : STI5519 IC202 : M24C02WM IC301 : KS641632D IC401 : M29W800AT* * Refer to parts list. IC501 : M74HCU04M QM201 : KTC3198Y QM202 : KTA1267 Q220R,220G,220B : KTN2907 DM201 : UZ5V6 DM202 : RB4 DM203,204 : IN4148 Q201,202 KTC3198 : CP801 CP802 Q803 Q807 Q804 CN806 CN803 IC802-A-B-B IC802-A-B-A Q804L Q803L Q803R D804 Q802 Q801 CN805 Q814 Q809 Q810 Q808 Q815 Cb Y JK804 Cr Q813 Q811 Q812 JK803-A JK803-B E,T TYPE ONLY EXCEPT (E,T TYPE) E,T TYPE E,T TYPE ONLY : Q803,804,807 Q802 D804 Q801,814,815 KTA1504Y : ISS355 KTN2907 : KTC3875Y : KIA7806 GP1F32T BA4560F PCM1748KE IC806 IC805 : : IC802 IC801 : : Q805 DTC114YKA : Q808-813 KTD1304 : Q803L,803R DTC323TK : Q804L DTA114YKA : CONNECTION JTAG TEST 2 1 D805 1N4148 : VIDEO OUT COMPONENT VIDEO OUT HEX UNBUFFERED INVERTER SDRAM R OUT G OUT B OUT CVBS C Y V MUTE OPE AMP DAC/PCM OUT EXCEPT CC802 CC801 DV-502/503 VDF-3050/3550 DVF-3050-S VDF-3550-S 1.5V 1.5V 0.2V 0V 0V 2.5V 0V 0.2V 0.2V 0V 0V 2.8V 0V 0V 0.2V 2.1V 3.1V 0V 2.5V 1.4V 0V 1.4V 3.3V 3.3V 0V 1.2V 1.2V 0V 0V 0V 0V 1.2V 1.5V 3.3V 0V 0V 3.1V 2.9V 3.3V 2.5V 3.3V 4.2V 4.8V 2.6V 4.2V 4.8V 2.6V 4.8V 2.6V 4.2V 5.9V 5.3V 9.0V 12.2V 2.5V 3.3V 4.9V 9.0V -8.5V 0.7V 2.5V 5.3V 12.2V 9.0V 3.3V 5.9V 12.2V 2.9V 4.5V 5.2V 2.9V 4.5V 5.2V 4.5V 2.9V 5.2V 5.9V 9.0V 5.3V -8.5V 9.0V 5.9V 3.3V 3.3V IC301 IC501 IC801 IC806 OUTPUT BOARD MAIN BOARD W-6 w w w . x i a o y u 1 6 3 . c o m Q Q 3 7 6 3 1 5 1 5 0 9 9 2 8 9 4 2 9 8 T E L 1 3 9 4 2 2 9 6 5 1 3 9 9 2 8 9 4 2 9 8 0 5 1 5 1 3 6 7 3 Q Q TEL 13942296513 QQ 376315150 892498299 TEL 13942296513 QQ 376315150 892498299 U V X Z AB AD W Y AA AC DV-502/503/DVF-3050/3550 Y22-8580-10 1 2 3 4 5 6 7 8 9 10 11 4 5 1 2 3 AR OUT AL OUT BLUE GREEN C/RED Y/CVBS OUT SENSE BLK CVBS IN 21 19 13 15 17 7 9 11 1 3 5 20 18 16 14 6 10 12 8 4 2 1K 1K 0 R736 0 R703 0 R735 0 R704 R733 0 10u50 + C714 10u50 + C713 680 R715 680 R714 L704 39 R718 R717 39 100P C716 100P C717 R719 39 39 R720 100P C718 39 R721 R722 39 120 0 R732 100u10 + C719 1K R723 100 R701 1K R716 + C703 100u16 100u16 + C715 39 R731 R724 180 51 R730 22uH J736 L703 L706 L705 75 R734 100 R702 0 R737 1K R710 22uH J704 0 R738 1K R709 1K R708 0 R836L + C825 330u6.3 0 R836R 470 R838 R837 1 2 3 5 4 0 R808 100P C804 100 R801 OUT VCC GND 2 1 3 1 2 0 R820 1 2 3 4 5 6 GND +5VFL AC -27VFL AC -5VFL AC +5V6S POWER CTL 1 2 3 4 5 6 7 IR REMOCON VFD STB VFD DATA OUT VFD DATA IN VFD CLK POWER CTL 52 51 50 49 48 47 46 45 44 43 42 41 40 39 38 37 36 35 34 33 32 31 30 29 28 27 14 15 16 17 18 19 20 21 22 23 24 25 26 1 2 3 4 5 6 7 8 9 10 11 12 13 OSC VSS LED1 LED2 LED3 LED4 LED5 VDD G1 G2 G3 G4 G5 G6 G7 G8 S20/G9 S19/G10 VEE VDD S18/G11 S17/G12 S16/G13 S15/G14 S14/G15 S13/G16 VDD S1/KS1 S2/KS2 S3/KS3 S4/KS4 S5/KS5 S6/KS6 S7/KS7 S8/KS8 S9/KS9 S10/KS10 S11/KS11 S12/KS12 DOUT DIN CLK STB KEY1 KEY2 KEY3 KEY4 1 2 4 5 6 7 8 9 10 11 12 13 15 16 17 18 19 20 21 22 23 24 25 26 27 28 29 30 31 32 33 34 36 37 38 1G 2G 3G 4G 5G 6G 20P 19P 18P 17P 16P 15P 14P 13P 12P 11P 10P 9P 8P 7P 6P 5P 4P 3P 2P 1P 0.1 C909 0.1 C910 10 1/4W L901 1/4W 10 10 0.047 C906 R910 L902 L903 10u16 C911 + 100 R913 +B GND IN 4.7K R912 10K R902 10K R903 10K R901 10K R904 +5V 10K R911 47u16 C904 + 1000P C903 10K R905 R906 10K 10K R907 R908 10K KEY1 KEY4 KEY3 KEY2 KEY4 KEY3 KEY2 KEY1 +5.5V +5.5V +5.5V +5.5V +5.5V +5.5V +5.5V +5.5V +5.5V +5.5V +5.5V +5.5V +5.5V +5.5V +5.5V 27V 27V 27V 1 2 2 1 F1 VR1 0.1 C1 TH1 LF1 C4 C3 C2 0.1 C6 2200P R1 150K 2W R2 56K 1W C5 47u400 + 3 4 DRAIN VCC 2 1 FB GND 0.047 C7 1K R3 47u50 C8 + R4 68K T1 1 2 3 4 5 GND FL5V+ -27V FL5V- 5.5VS 1 2 3 4 5 6 7 8 9 10 11 12 +9VA AGND -8VA +12VA P/REST +3.5V DGND +2.5V +5V +12VM MGND +9VM 100u16 C9 + 1K 1/4W R6 3.9 R5 12K 1/4W R9 47u50 C10 + 20 R8 120 R7 2.2 R10 1K 1/4W R11 100u16 C11 + 6 4 1 2 8 7 9 14 12 13 10 15 11 1000P C12 10 R12 100u25 C14 + 560 1W R13 220u25 C13 + 15uH L1 VI VO GND 3.3 1/2W R14 100u16 C15 + 100 1W 470u10 R15 C17 + 15uH 470u10 C16 + L2 1.2K GND C19 10u50 VO + VI R16 51K 1/4W R17 C18 0.1u50 + 12K R18 470u10 C21 1000u10 + C20 L3 7uH + 120 1/4W R19 1u50 + C22 10 R21 18K 1/4W R20 1.5K 1/4W R22 2.2K 1/4W R23 820 R25 150 R24 R26 390 1/4W 1000P C24 220 1/4W R27 100u16 C23 + 14 27V 8V 8V +9V +9V +9V +5.5V +5.5V +5.5V +5.5V +3.5V +3.5V +2.5V +12V +5V +12V +12V +5V +12V +12V 2 1 1500P 1500P 1/2W +B 3 14 35 0 1/4W 1/4W 1/4W 1/4W 1/4W 1/4W 1/4W +5V CP702 CP701 JK701 D706 D705 D707 D708 D710 D709 D703 Q702 Q704 D702 D701 Lch 1 Rch 2 JK802 D805 Q805 COAXIAL OPTICAL JK801 D705-710 D703 Q701 D701,702 Q702,704 KTC3875(S) KRC107M(SMD) 1SS355 UZ5V1(S) UZ5V1(SMD) : : : : : Q701 CN901 CN902 D905 D902 D901 D904 SW904 SW903 SW901 SW905 SW902 SW906 SW907 STOP SKIP FORWARD SKIP BACKWARD SEARCH FORWARD SEARCH BACKWARD OPEN/ CLOSE PAUSE PLAY CN1 CN2 D1-D4 D5 ZD1 PC1 D6 CN3 CN4 D7 D8 ZD2 D9 D10 D11 D13 U4 D14 D12 1 2 POWER SW VFD CONTROLLER /DRIVER ZD2 : 1N5226B D12 D10,11 D13 ZD1 D7 : SR204 1N5239B : 1N5819 SF24 HER105 : : : : U2 KA7809 D1-4,14 D6,8,9 D5 U3 1N4007 1N4937 HER107 : : : KIA7042AP : U1 KA1M0380RB-YDTU : 1N4004 1N4148 : D905 D901,902,904 : UPD16311-QFP40 IC901 (FRONT BOARD) W02-2801-08 : : RM901 DIGITAL OUT OUTPUT AUDIO 5.6V AVR MCN1 MSW1 KA431AZ U4 : -27.9V 4.9V 5.6V 3.7V 4.9V 4.9V -27.9V 5.6V -8.5V 12.2V 9.0V 0.7V 5.3V 11.2V 5.6V 5.5V 3.3V 2.5V SCART BOARD : (E,T)TYPE ONLY IC805 DV-502/503,DVF-3050 IC901 FL901 RM901 U1 U2 U3 POWER SUPPLY BOARD FRONT BOARD 3G 4G 5G 1a a g d f b e c t1 t2 t3 t4 t5 2a 1a 2a 1a 2a 1a 1a 2a j col j j j n n n h 6G (1G-5G) 2G 1G col Dp Dp P1 2G 3G 5G 4G 6G DVD 1G t1 P2 P3 t2 t4 P5 1b 1b 1b 1b 1b P4 t3 1a 1a 1a 1a 1a P8 1h 1n 1n col col 1n P9 P7 1e 1e 1f 1f 1d 1d P6 t5 1c 1c 2g Dp Dp 1 RANDOM 2g P17 P16 P14 P15 PCB P12 P13 P11 2f 2f 2d 2e 2d 2e 2b 2b 2c 2c 2g 2f 2d 2e 2b 2c 2g 2j 2j 2f 2d 2e 2b 2c 2a 2a 2a 2a P10 1g 1g 1e 1e 1f 1f 1d 1d 1c 1c 1g 1e 1f 1d 1c 1g 1g P20 RESUME INTRO PROG. ALL P19 P18 VCD HOUR TITLE CHAP TRACK MIN SEC C D REPEAT MP3 A B A-5 O-3 CAUTION: For contin- ued safety, replace safe- ty critical components only with manufacturer's recommended parts (refer to parts list). indicates safety critical components. For contin- ued protection against risk of fire, replace only with same type and rat- ing fuse(s). To reduce the risk of electric shock, leakage-current or resis- tance measurements shall be carried out (exposed parts are acceptably insulated from the supply circuit) before the appliance is returned to the customer. The DC voltage is an actual reading measured with a high impedance type voltmeter with no signal input. The mea- surement value may vary depending on the mea- suring instruments used or on the product. w w w . x i a o y u 1 6 3 . c o m Q Q 3 7 6 3 1 5 1 5 0 9 9 2 8 9 4 2 9 8 T E L 1 3 9 4 2 2 9 6 5 1 3 9 9 2 8 9 4 2 9 8 0 5 1 5 1 3 6 7 3 Q Q TEL 13942296513 QQ 376315150 892498299 TEL 13942296513 QQ 376315150 892498299 SW901 SW906 SW907 SW904 SW905 SW903 FL901 SW902 608 609 610 603 616 649 648 737 740 733 740 607 647 614 604 602 601 631 3x8 (BLK) 4x8 (BLK) 4x8 3x10 3x18 M3x6 (BLK) M3x6 : N89-3008-45 : N09-5268-08 : N09-5369-08 : N89-3010-46 : N09-5269-08 : N30-3006-45 : N30-3006-46 A B B' C D E F 619 620 651 646 645 644 644 645 646 617 617 617 734 613x2 650x2 612x2 650x2 715 732 ON OFF POWER MSW1 Cx3 Cx2 Cx2 Ax2 A A E E D D C C D Ax3 A A A A 721 623 622 Cx4 Cx3 Cx2 A B (B') (B') C C C C B A A A DVF-3050 735 E C Cx2 736 721 713 630 623 622 A F F C USED (E,T) TYPE COAXIAL IC805 JK801 JK802 OPTICAL DIGITAL OUTPUT OUTPUT AUDIO JK803 JK804 S-VIDEO COMPONENT VIDEO OUTPUT OUTPUT VIDEO 1 2 A C B Parts with exploded numbers larger than 700 are not supplied. EXPLODED VIEW DV-502/503/DVF-3050/3550 21 www . x ia o y u 1 6 3 . c o m QQ 3 7 6 3 1 5 1 5 0 9 9 2 8 9 4 2 9 8 T E L 1 3 9 4 2 2 9 6 5 1 3 9 9 2 8 9 4 2 9 8 0 5 1 5 1 3 6 7 3 Q Q TEL 13942296513 QQ 376315150 892498299 TEL 13942296513 QQ 376315150 892498299 PARTS LIST Ref. No Add- ress New Parts Parts No. Description Desti- nation Re- marks 647 1A E03-0115-05 AC ADAPTER PLUG J44291200109 MS 648 1A E30-2990-08 CORD RCA 3P J94330001000 649 1A ✽ E30-7235-08 CORD RCA 1P J94310007000 650 2B,2C J02-1509-08 CUSHION FOOT J67200009100 651 1A D16-0759-08 DRIVE BELT,MECH10442470 - B46-0310-03 CARD WARRANTY E J90300016020 EESTTS - B46-0328-03 CARD LIMITED WARRA J90300016080 KYYS - B46-0347-03 CARD WARRANTY KJ90300016010 P - B59-1104-04 CARD ADDRESS Y(PX)J90300017010 YYS - ✽ B60-5075-08 INST BOOK (EN) J90200018410 - ✽ B60-5076-08 INST BOOK (FR) J90200018420 EES - ✽ B60-5077-08 INST BOOK (TC) J90200018430 MS - ✽ B60-5079-08 INST BOOK(GE/NE) 90200018450 EES - ✽ B60-5080-08 INST BOOK(IT/ES )90200018460 EESM3 - H10-7739-08 CUSHION SIDE L J97200036000 - H10-7740-08 CUSHION SIDE R J97200035000 - ✽ H11-0100-08 CUSHION PAD SQ J97300004000 - ✽ H13-0344-08 PAD REMOCON J97300003000 - H21-1507-08 SHEET EPE J312363011XX - H25-1684-08 POLY BAG J97000501000 TTS - H25-1712-08 POLY BAG J97000002000 - ✽ H25-1715-08 AC CPL BAG PE 20715540XX KPEES - ✽ H25-1715-08 AC CPL BAG PE 20715540XX MSYYS - ✽ H50-4173-08 BOX OUT J96000007011 KP - ✽ H50-4174-08 BOX OUT J96000007021 E - ✽ H50-4175-08 BOX OUT J96000007031 ES - ✽ H50-4176-08 BOX OUT J96000007024 T - ✽ H50-4177-08 BOX OUT J96000007034 TS - ✽ H50-4179-08 BOX OUT J96000007041 MS - ✽ H50-4180-08 BOX OUT J96000007054 M3 - ✽ H50-4181-08 BOX OUT J96000007061 Y - ✽ H50-4182-08 BOX OUT J96000007064 YS - L92-0524-08 EMI CORE RING J2632100016X B' ✽ N09-5369-08 SCREW-ST 4X8 55085860XX ESTSMS B' ✽ N09-5369-08 SCREW-ST 4X8 55085860XX YS B N09-5268-08 SCREW-ST 4X8 55127090XX KPETY C N89-3010-46 SCREW-SPEC 3X10 55135460XX C N89-3010-46 SCREW-ST 3X10 55127070XX D N09-5269-08 SCREW-ST 3X18 55127290XX E N30-3006-45 SCREW BM3X6 J81000300810 F N30-3006-46 SCREW 3X6 20349570XX EESTTS 601 ✽ B10-3758-08 WINDWO DV503 J85300026012 KP 601 ✽ B10-3759-08 WINDWO DVF3550 J85300026022 EESTTS 601 ✽ B10-3759-08 WINDWO DVF3550 J85300026022 MSXSM2 603 2A A60-2113-08 PANEL FRONT SLV J85000024121 XS 604 2A K27-2453-08 BTN POWER SLV J85200121020 XS 608 2B K27-2457-08 BTN SKIP SLV J85200123020 XS 609 2B K27-2459-08 BTN PLAY SLV J85200122020 XS 610 2A K27-2461-08 BTN O/C SLV J85200119020 XS 614 2A D21-2903-08 SHAFT POWER SW M85820002000 XS 616 1A A01-3801-08 COVER TOP SLV J60100003120 XS 619 1B A29-1130-08 DOOR TRAY SLV J85600017020 XS 620 1B ✽ D40-1758-08 OK TVM 502 G 10660770XX ✽ New Parts Parts without Parts No. are not supplied. Les articles non mentionnes dans le Parts No. ne sont pas fournis. Teile ohne Parts No. werden nicht geliefert. 2 L : Scandinavia K : USA P : Canada R : Mexico C : China I : Malaysia Y : PX(Far East,Hawaii) T : England E : Europe G : Germany V : China(Shanghai) Y : AAFES(Europe) X : Australia Q : Russia H : Korea M : Other Areas indicates safety critical components . Ref. No Add- ress New Parts Parts No. Description Desti- nation Re- marks 601 2A B10-3732-08 WINDWO DV502 J85300026011 KP 601 2A B10-3733-08 WINDWO DVF3050 J85300026021 EESTTS 601 2A B10-3733-08 WINDWO DVF3050 J85300026021 MSYYS 601 2A B10-3733-08 WINDWO DVF3050 J85300026021 M3 602 2A B43-0310-04 BADGE,KENWOOW J60550010000 603 2A A60-2112-08 PANEL FRONT BLK J85000024111 KPETY 603 2A A60-2113-08 PANEL FRONT SLV J85000024121 ESTSMS 603 2A A60-2113-08 PANEL FRONT SLV J85000024121 M3 603 2A A60-2113-08 PANEL FRONT SLV J85000024121 YS 604 2A K27-2452-08 BTN POWER BLK J85200121010 KPETY 604 2A K27-2453-08 BTN POWER SLV J85200121020 ESTSMS 604 2A K27-2453-08 BTN POWER SLV J85200121020 M3 604 2A K27-2453-08 BTN POWER SLV J85200121020 YS 607 1A A70-1532-08 REMOCON DV502 J54000001510 608 2B K27-2456-08 BTN SKIP BLK J85200123010 KPETY 608 2B K27-2457-08 BTN SKIP SLV J85200123020 ESTSMS 608 2B K27-2457-08 BTN SKIP SLV J85200123020 M3 608 2B K27-2457-08 BTN SKIP SLV J85200123020 YS 609 2B K27-2458-08 BTN PLAY BLK J85200122010 KPETY 609 2B K27-2459-08 BTN PLAY SLV J85200122020 ESTSMS 609 2B K27-2459-08 BTN PLAY SLV J85200122020 M3 609 2B K27-2459-08 BTN PLAY SLV J85200122020 YS 610 2A K27-2460-08 BTN O/C BLK J85200119010 KPETY 610 2A K27-2461-08 BTN O/C SLV J85200119020 ESTSMS 610 2A K27-2461-08 BTN O/C SLV J85200119020 M3 610 2A K27-2461-08 BTN O/C SLV J85200119020 YS 612 2B,2C J02-1510-08 FOOT KENWOOD J85900505000 613 2C J02-1529-08 FOOT KENWOOD BLK,J85900505020 614 2A ✽ D21-2903-08 SHAFT POWER SW M85820002000 ESTSMS 614 2A ✽ D21-2903-08 SHAFT POWER SW M85820002000 M3 614 2A ✽ D21-2903-08 SHAFT POWER SW M85820002000 YS 614 2A ✽ D21-2903-08 SHAFT POWER SW J85820002000 KPETY 616 1A A01-3800-08 COVER TOP BLK J60100003110 KPETY 616 1A A01-3801-08 COVER TOP SLV J60100003120 ESTSMS 616 1A A01-3801-08 COVER TOP SLV J60100003120 M3 616 1A A01-3801-08 COVER TOP SLV J60100003120 YS 617 2B,2C J19-6169-08 SPACE PCB J85820001100 619 1B A29-1129-08 DOOR TRAY BLK J85600017010 KPETY 619 1B A29-1130-08 DOOR TRAY SLV J85600017020 ESTSMS 619 1B A29-1130-08 DOOR TRAY SLV J85600017020 M3 619 1B A29-1130-08 DOOR TRAY SLV J85600017020 YS 620 1B D40-1739-08 OK TVM 502 C 10675110XX 622 1C E30-2991-08 CORD POWER UL J43730100100 KPYYS 622 1C E30-2992-08 CORD POWER EU J43731100000 EESMS 622 1C E30-2992-08 CORD POWER EU J43731100000 M3 622 1C E30-2993-08 CORD POWER UK J43732100000 TTS 623 1C J42-0350-08 BUSH-AC CORD J65100000100 630 1C ✽ J19-6267-08 STUD 6X63.4 J70800000900 EESTTS 631 2A F19-1109-08 COVER WINDOW J85500008000 ESTSMS 631 2A F19-1109-08 COVER WINDOW J85500008000 M3 644 1B,1C E35-3012-08 FPC CABLE 15P 60MMJ4112150601X 645 1B,1C E35-3011-08 FPC CABLE 29P 90MMJ4112290901X 646 1B ✽ E35-3112-08 FPC CABLE 19P J4112191301X ✽ New Parts Parts without Parts No. are not supplied. Les articles non mentionnes dans le Parts No. ne sont pas fournis. Teile ohne Parts No. werden nicht geliefert. 1 L : Scandinavia K : USA P : Canada R : Mexico C : China I : Malaysia Y : PX(Far East,Hawaii) T : England E : Europe G : Germany V : China(Shanghai) Y : AAFES(Europe) X : Australia Q : Russia H : Korea M : Other Areas indicates safety critical components . DV-502/DVF-3050,3050-S DV-503/DVF-3550,3550-S * * There are only different parts from DV-502/DVF-3050,3050-S DV-502/503/DVF-3050/3550 22 www . x ia o y u 1 6 3 . c o m QQ 3 7 6 3 1 5 1 5 0 9 9 2 8 9 4 2 9 8 T E L 1 3 9 4 2 2 9 6 5 1 3 9 9 2 8 9 4 2 9 8 0 5 1 5 1 3 6 7 3 Q Q TEL 13942296513 QQ 376315150 892498299 TEL 13942296513 QQ 376315150 892498299 Ref. No Add- ress New Parts Parts No. Description Desti- nation Re- marks D1 -4 1N4007 DIODE D5 ✽ HER107 DIODE D6 ✽ 1N4937 DIODE D7 ✽ HER105 DIODE D8 ,9 ✽ 1N4937 DIODE D10 ,11 ✽ SF24 DIODE D12 1N5819 DIODE D13 ✽ SR204 DIODE D14 1N4007 DIODE PC1 ✽ T95-0184-08 PHOTO COUPLER LTV817B TH1 ✽ NTC10D7 THERMISTOR U1 ✽ KAIM0380RB IC U2 ✽ KA7809 IC U3 ✽ KIA7024AP IC U4 KA431AZ IC VR1 ✽ 10D471 VARISTOR ZD1 ✽ 1N5239B ZENER DIODE ZD2 ✽ 1N5226B ZENER DIODE C903 CK73FB1H102K CHIP C 1000PF K C904 CE04LW1C470M ELECTRO 47UF 16WV C906 CK45FB1H473K CERAMIC 0.047UF K C909,910 CKT3FF1H104Z CYLND CHIP C 0.10UF K C911 CE04LW1C100M ELECTRO 10UF 16WV L901 - JUMPER 20441240XX L902 RN14BK2E100J RN 10 J 1/4W L903 - JUMPER 20441240XX R901-908 RK73FB2A103J CHIP R 10K J 1/10W R910,911 RK73FB2A103J CHIP R 10K J 1/10W R912 RK73FB2A472J CHIP R 4.7K J 1/10W R913 RK73FB2A101J CHIP R 100 J 1/10W MSW1 S90-0149-08 PWR SW SDDLB14700 J46203000101 SW901-907 S70-0087-08 SW TACT SKQNAE J46500500501 D901,902 1N4148 D-SLP 1N4148 100.07043654016 D904 1N4148 D-SLP 1N4148 100.07043654016 D905 1N4004 DIODE FL901 HNV-06SS74 DISPLAY HNV-06SS7455139130NR IC901 ✽ UPD16311-QFP40 IC(FL DRIVER)FP40 J2114308001X RM901 W02-2801-08 S-REMOTE 38KHZ JRCJ2411120014X C801 CK73FB1H102K CHIP C 1000PF K C802 CE04LW1C470M ELECTRO 47UF 16WV C803 CK73FB1H103K CHIP C 0.010UF K C804 CK73FB1H101J CHIP C 100PF J C805 CE04LW1C470M ELECTRO 47UF 16WV C806 CK73FB1H561J CHIP C 560PF J C807 CE04LW1C102M ELECTRO 1000UF 16WV C808 CK73FB1H561J CHIP C 560PF J C809 CE04LW1C100M ELECTRO 10UF 16WV C810 CK73FB1H561J CHIP C 560PF J C811L CE04LW1C470M ELECTRO 47UF 16WV C811R CE04LW1C470M ELECTRO 47UF 16WV C812L CK73FB1H222K CHIP C 2200PF K ✽ New Parts Parts without Parts No. are not supplied. Les articles non mentionnes dans le Parts No. ne sont pas fournis. Teile ohne Parts No. werden nicht geliefert. 4 L : Scandinavia K : USA P : Canada R : Mexico C : China I : Malaysia Y : PX(Far East,Hawaii) T : England E : Europe G : Germany V : China(Shanghai) Y : AAFES(Europe) X : Australia Q : Russia H : Korea M : Other Areas indicates safety critical components . Ref. No Add- ress New Parts Parts No. Description Desti- nation Re- marks 631 2A F19-1109-08 COVER WINDOW J85500008000 XS 647 1A E03-0115-05 AC ADAPTER PLUG J44291200109 MS - B46-0096-53 CARD WARRANTY XJ90300016041 XS - ✽ B60-5081-08 INST BOOK(EN) J90200018510 - ✽ B60-5082-08 INST BOOK(FR) J90200018520 EES - ✽ B60-5083-08 INST BOOK(TC) J90200018530 MS - ✽ B60-5084-08 INST BOOK(AR) J90200018540 M2 - ✽ B60-5085-08 INST BOOK(GE/NE) J90200018550 EES - ✽ B60-5086-08 INST BOOK(IT/ES) J90200018560 EES - H25-1684-08 POLY BAG J97000501000 XS - ✽ H50-4184-08 BOX OUT J96000007012 KP - ✽ H50-4185-08 BOX OUT J96000007022 E - ✽ H50-4186-08 BOX OUT J96000007032 ES - ✽ H50-4187-08 BOX OUT J96000007023 T - ✽ H50-4188-08 BOX OUT J96000007033 TS - ✽ H50-4189-08 BOX OUT J96000007042 MS - ✽ H50-4190-08 BOX OUT J96000007052 M2 - ✽ H50-4191-08 BOX OUT J96000007072 XS B' N09-5369-08 SCREW-ST 4X8 55085860XX XS C1 ,2 ✽ C92-0252-08 CERAMIC 0.1UF 275VAC C3 ,4 ✽ C92-0253-08 CERAMIC 1500PF 400VAC C5 ✽ C92-0254-08 ELECTRO 47UF 400WV C6 ✽ C92-0255-08 CERAMIC 2200PF 1KV C7 CK45FB1H473K CERAMIC 0.047UF K C8 CE04LW1H470M ELECTRO 47UF 50WV C9 CE04LW1C101M ELECTRO 100UF 16WV C10 CE04LW1H470M ELECTRO 47UF 50WV C11 CE04LW1C101M ELECTRO 100UF 16WV C12 ✽ C92-0256-08 CERAMIC 1000PF 1KV C13 CE04LW1E221M ELECTRO 220UF 25WV C14 CE04LW1E101M ELECTRO 100UF 25WV C15 CE04LW1C101M ELECTRO 100UF 16WV C16 ,17 CE04LW1A471M ELECTRO 470UF 10WV C18 CE04LW1H0R1M ELECTRO 0.1UF 50WV C19 CE04LW1H100M ELECTRO 10UF 50WV C20 CE04LW1A102M ELECTRO 1000UF 10WV C21 CE04LW1A471M ELECTRO 470UF 10WV C22 CE04LW1H010M ELECTRO 1.0UF 50WV C23 CE04LW1C101M ELECTRO 100UF 16WV C24 ✽ C92-0257-08 CERAMIC 1000PF 400VAC F1 ✽ F50-0195-08 FUSE CT2A 250VAC L1 ,2 ✽ L32-1042-08 COIL 150K,CC150B L3 ✽ L32-1043-08 CHOKE COIL 7UH LF1 ✽ L79-1288-08 LINE FILTER DY-2030S T1 ✽ L07-3134-08 POWER TRANSFORMER,ORT-8023 R1 RS14GB3D154J FL-PROOF RS 150K J 2W R2 RS14GB3A563J FL-PROOF RS 56K J 1W R12 RD14BB2H100J RD 10 J 1/2W R13 RS14GB3A561J FL-PROOF RS 560 J 1W R14 RD14BB2H3R3J RD 3.3 J 1/2W R15 RS14GB3A101J FL-PROOF RS 100 J 1W ✽ New Parts Parts without Parts No. are not supplied. Les articles non mentionnes dans le Parts No. ne sont pas fournis. Teile ohne Parts No. werden nicht geliefert. 3 L : Scandinavia K : USA P : Canada R : Mexico C : China I : Malaysia Y : PX(Far East,Hawaii) T : England E : Europe G : Germany V : China(Shanghai) Y : AAFES(Europe) X : Australia Q : Russia H : Korea M : Other Areas indicates safety critical components . POWER SUPPLY FRONT BOARD OUTPUT BOARD DV-502/503/DVF-3050/3550 23 PARTS LIST www . x ia o y u 1 6 3 . c o m QQ 3 7 6 3 1 5 1 5 0 9 9 2 8 9 4 2 9 8 T E L 1 3 9 4 2 2 9 6 5 1 3 9 9 2 8 9 4 2 9 8 0 5 1 5 1 3 6 7 3 Q Q TEL 13942296513 QQ 376315150 892498299 TEL 13942296513 QQ 376315150 892498299 Ref. No Add- ress New Parts Parts No. Description Desti- nation Re- marks R813L RK73FB2A562J CHIP R 5.6K J 1/10W R813R RK73FB2A562J CHIP R 5.6K J 1/10W R814L RK73FB2A392J CHIP R 3.9K J 1/10W R814R RK73FB2A392J CHIP R 3.9K J 1/10W R815-817 RK73FB2A000J CHIP R 0 J 1/10W R819L RK73FB2A104J CHIP R 100K J 1/10W R819R RK73FB2A104J CHIP R 100K J 1/10W R820-825 RK73FB2A000J CHIP R 0 J 1/10W R826L RK73FB2A101J CHIP R 100 J 1/10W R826R RK73FB2A101J CHIP R 100 J 1/10W R827 RK73FB2A330J CHIP R 33 J 1/10W R828 RK73FB2A101J CHIP R 100 J 1/10W R829 RK73FB2A000J CHIP R 0 J 1/10W KPMSY R829 RK73FB2A000J CHIP R 0 J 1/10W M2M3 R829 RK73FB2A000J CHIP R 0 J 1/10W YSXS R831 RK73FB2A824J CHIP R 820K J 1/10W R836L RK73FB2A000J CHIP R 0 J 1/10W R836R RK73FB2A000J CHIP R 0 J 1/10W R837 RK73FB2A000J CHIP R 0 J 1/10W R838 RK73FB2A471J CHIP R 470 J 1/10W R842 RK73FB2A000J CHIP R 0 J 1/10W R844 RK73FB2A000J CHIP R 0 J 1/10W R845 RK73FB2A222J CHIP R 2.2K J 1/10W R846 RK73FB2A750J CHIP R 75 J 1/10W R847 RK73FB2A821J CHIP R 820 J 1/10W R848 RK73FB2A8R2J CHIP R 8.2 J 1/10W R849 RK73FB2A120J CHIP R 12 J 1/10W R850 RK73FB2A000J CHIP R 0 J 1/10W R851 RK73FB2A821J CHIP R 820 J 1/10W R852 RK73FB2A222J CHIP R 2.2K J 1/10W R853 RK73FB2A750J CHIP R 75 J 1/10W R854 RK73FB2A8R2J CHIP R 8.2 J 1/10W R855 RK73FB2A120J CHIP R 12 J 1/10W R856 RK73FB2A000J CHIP R 0 J 1/10W R857 RK73FB2A222J CHIP R 2.2K J 1/10W R858 RK73FB2A821J CHIP R 820 J 1/10W R859 RK73FB2A750J CHIP R 75 J 1/10W R860 RK73FB2A8R2J CHIP R 8.2 J 1/10W R861 RK73FB2A120J CHIP R 12 J 1/10W R862 RK73FB2A000J CHIP R 0 J 1/10W R864 RK73FB2A471J CHIP R 470 J 1/10W EESTTS R865 RK73FB2A560J CHIP R 56 J 1/10W EESTTS R872,873 RK73FB2A000J CHIP R 0 J 1/10W R874 RK73FB2A000J CHIP R 0 J 1/10W KPMSY R874 RK73FB2A000J CHIP R 0 J 1/10W M2M3 R874 RK73FB2A000J CHIP R 0 J 1/10W YSXS R875 RK73FB2A000J CHIP R 0 J 1/10W R876,877 RK73FB2A000J CHIP R 0 J 1/10W KPMSY R876,877 RK73FB2A000J CHIP R 0 J 1/10W M2M3 R876,877 RK73FB2A000J CHIP R 0 J 1/10W YSXS R880-882 RK73FB2A121J CHIP R 120 J 1/10W KPMSY R880-882 RK73FB2A121J CHIP R 120 J 1/10W M2M3 R880-882 RK73FB2A121J CHIP R 120 J 1/10W YSXS R883 RK73FB2A102J CHIP R 1.0K J 1/10W R884 RK73FB2A101J CHIP R 100 J 1/10W ✽ New Parts Parts without Parts No. are not supplied. Les articles non mentionnes dans le Parts No. ne sont pas fournis. Teile ohne Parts No. werden nicht geliefert. 6 L : Scandinavia K : USA P : Canada R : Mexico C : China I : Malaysia Y : PX(Far East,Hawaii) T : England E : Europe G : Germany V : China(Shanghai) Y : AAFES(Europe) X : Australia Q : Russia H : Korea M : Other Areas indicates safety critical components . Ref. No Add- ress New Parts Parts No. Description Desti- nation Re- marks C812R CK73FB1H222K CHIP C 2200PF K C813L CK73FB1H331J CHIP C 330PF J C813R CK73FB1H331J CHIP C 330PF J C816L CE04LW1C470M ELECTRO 47UF 16WV C816R CE04LW1C470M ELECTRO 47UF 16WV C817L CK73FB1H101J CHIP C 100PF J C817R CK73FB1H101J CHIP C 100PF J C819,820 CE04LW1C470M ELECTRO 47UF 16WV C821 CK73FB1H104Z CHIP C 0.10UF Z EESTTS C822 CE04LW1A221M ELECTRO 220UF 10WV EESTTS C824 CE04LW1A471M ELECTRO 470UF 10WV C825 CE04LW0J331M ELECTRO 330UF 6.3WV C827-829 CC73FCH1H100J CHIP C 10PF J C836 CE04KW1A101M ELECTRO 100UF 10WV C855,856 CK73FB1H391J CHIP C 390PF J C857 CE04LW1C221M ELECTRO 220UF 16WV C858 CK73FB1H104Z CHIP C 0.10UF Z C859 CK73FB1H332K CHIP C 3300PF K C860 CE04LW1A471M ELECTRO 470UF 10WV C861,862 CK73FB1H391J CHIP C 390PF J C863 CK73FB1H104Z CHIP C 0.10UF Z C864 CE04LW1C221M ELECTRO 220UF 16WV C865 CK73FB1H332K CHIP C 3300PF K C866 CE04LW1A471M ELECTRO 470UF 10WV C867,868 CK73FB1H391J CHIP C 390PF J C869 CE04LW1C221M ELECTRO 220UF 16WV C870 CK73FB1H104Z CHIP C 0.10UF Z C871 CK73FB1H332K CHIP C 3300PF K CP801 ✽ E40-8983-08 CONN 1.25MM 29 FE 55138650XX CP802 ✽ E40-8984-08 CONN 1.25MM 15 FE 55124580XX J859,860 - JUMPER 20441240XX KPMSY J859,860 - JUMPER 20441240XX M2M3 J859,860 - JUMPER 20441240XX YSXS JK801 ✽ E63-1226-08 JACK RCA 1P BK GND J44301000300 JK802 ✽ E63-1227-08 JACK RCA 2P, JE020 J44302000600 JK803 E63-1191-08 JACK RCA+S GNDCAP J44312000100 JK804 E63-1192-08 JACK RCA 3P RBG J44303000200 KPMSY JK804 E63-1192-08 JACK RCA 3P RBG J44303000200 M2M3 JK804 E63-1192-08 JACK RCA 3P RBG J44303000200 YSXS L805-807 ✽ L32-1044-08 COIL LAL02 2.7UH J2616227920X L810,811 L90-0371-08 COIL 22UH 220K AL0 J2616222026X L812 RK73FB2A103J CHIP R 10K J 1/10W R801 RK73FB2A101J CHIP R 100 J 1/10W R802 RK73FB2A000J CHIP R 0 J 1/10W R803 RK73FB2A472J CHIP R 4.7K J 1/10W R804 RK73FB2A100J CHIP R 10 J 1/10W R805 RK73FB2A181J CHIP R 180 J 1/10W R806 RK73FB2A101J CHIP R 100 J 1/10W R807,808 RK73FB2A000J CHIP R 0 J 1/10W R811L RK73FB2A912J CHIP R 9.1K J 1/10W R811R RK73FB2A912J CHIP R 9.1K J 1/10W R812L RK73FB2A473J CHIP R 47K J 1/10W R812R RK73FB2A473J CHIP R 47K J 1/10W ✽ New Parts Parts without Parts No. are not supplied. Les articles non mentionnes dans le Parts No. ne sont pas fournis. Teile ohne Parts No. werden nicht geliefert. 5 L : Scandinavia K : USA P : Canada R : Mexico C : China I : Malaysia Y : PX(Far East,Hawaii) T : England E : Europe G : Germany V : China(Shanghai) Y : AAFES(Europe) X : Australia Q : Russia H : Korea M : Other Areas indicates safety critical components . DV-502/503/DVF-3050/3550 24 PARTS LIST www . x ia o y u 1 6 3 . c o m QQ 3 7 6 3 1 5 1 5 0 9 9 2 8 9 4 2 9 8 T E L 1 3 9 4 2 2 9 6 5 1 3 9 9 2 8 9 4 2 9 8 0 5 1 5 1 3 6 7 3 Q Q TEL 13942296513 QQ 376315150 892498299 TEL 13942296513 QQ 376315150 892498299 Ref. No Add- ress New Parts Parts No. Description Desti- nation Re- marks C205 CK73GB1H103K CHIP C 0.010UF K C206 CE04LW1A101M ELECTRO 100UF 10WV C207,208 CK73GB1H104Z CHIP C 0.10UF Z C209 CK73GB1H103K CHIP C 0.010UF K C210 CE04LW1A101M ELECTRO 100UF 10WV C211-214 CC73GCH1H100D CHIP C 10PF D C215 CK73GB1H104Z CHIP C 0.10UF Z C216 CK73GB1H471K CHIP C 470PF K C217-219 CK73GB1H104Z CHIP C 0.10UF Z C220 CK73GB1H103K CHIP C 0.010UF K C220B CE04LW1A471M ELECTRO 470UF 10WV C220G CE04LW1A471M ELECTRO 470UF 10WV C220R CE04LW1A471M ELECTRO 470UF 10WV C221 CE04LW1A101M ELECTRO 100UF 10WV C221B CK73GB1H332K CHIP C 3300PF K C221G CK73GB1H332K CHIP C 3300PF K C221R CK73GB1H332K CHIP C 3300PF K C222 CK73GB1H104Z CHIP C 0.10UF Z C222B CK73GB1H104Z CHIP C 0.10UF Z C222G CK73GB1H104Z CHIP C 0.10UF Z C222R CK73GB1H104Z CHIP C 0.10UF Z C223-225 CK73GB1H104Z CHIP C 0.10UF Z C223B CE04LW1C221M ELECTRO 220UF 16WV C223G CE04LW1C221M ELECTRO 220UF 16WV C223R CE04LW1C221M ELECTRO 220UF 16WV C224B CK73GB1H391J CHIP C 390PF J C224G CK73GB1H391J CHIP C 390PF J C224R CK73GB1H391J CHIP C 390PF J C225B CK73GB1H391J CHIP C 390PF J C225G CK73GB1H391J CHIP C 390PF J C225R CK73GB1H391J CHIP C 390PF J C226,227 CC73GCH1H680J CHIP C 68PF J C228-231 CE04LW1C470M ELECTRO 47UF 16WV C232 CE04LW1A101M ELECTRO 100UF 10WV C233 CE04LW0J471M ELECTRO 470UF 6.3WV C234 CK73GB1H104Z CHIP C 0.10UF Z C301-310 CK73GB1H104Z CHIP C 0.10UF Z C311 CE04LW1A101M ELECTRO 100UF 10WV C312 CK73GB1H104Z CHIP C 0.10UF Z C401-403 CK73GB1H104Z CHIP C 0.10UF Z C404,405 CK73GB1H102K CHIP C 1000PF K C406 CE04LW1A101M ELECTRO 100UF 10WV C501 CC73GCH1H200J CHIP C 20PF J C502,503 CC73GCH1H220J CHIP C 22PF J KPMSY C502,503 CC73GCH1H220J CHIP C 22PF J M2M3 C502,503 CC73GCH1H220J CHIP C 22PF J YSXS C502,503 CC73GCH1H240J CHIP C 24PF J EESTTS C504 CK73GB1H104Z CHIP C 0.10UF Z C505 CE04LW0J471M ELECTRO 470UF 6.3WV CM201 CK73GB1H104Z CHIP C 0.10UF Z CM203 CE04LW1H010M ELECTRO 1.0UF 50WV CM204 CE04LW1C100M ELECTRO 10UF 16WV CM205 CE04LW1C101M ELECTRO 100UF 16WV CN204 E40-8771-08 CNT PLUG 2P 2.5 JS J4420040271X ✽ New Parts Parts without Parts No. are not supplied. Les articles non mentionnes dans le Parts No. ne sont pas fournis. Teile ohne Parts No. werden nicht geliefert. 8 L : Scandinavia K : USA P : Canada R : Mexico C : China I : Malaysia Y : PX(Far East,Hawaii) T : England E : Europe G : Germany V : China(Shanghai) Y : AAFES(Europe) X : Australia Q : Russia H : Korea M : Other Areas indicates safety critical components . Ref. No Add- ress New Parts Parts No. Description Desti- nation Re- marks R885-887 RK73FB2A121J CHIP R 120 J 1/10W D804 1SS355 D-SLP 1SS355 35.0V2049651091 D805 1N4148 DIODE IC801 ✽ PCM1748KE IC DAC PCM1748KE S J2133020002X IC802 BA4560F IC-OPERAMP BA4560F55128990NR IC805 GP1F32T FIBER OPT GP1F32T J2123829001X IC806 ✽ KIA7806 IC-REGPOSFXD KIA7820361320NR Q801 KTC3875Y TR-SLPSWA KTC3875Y2097046092 Q802 KTA1504Y TR-SLPSWA KTA1504Y2097048092 Q803,804 ✽ KTN2907 TR-SLPLF KTN2907 P5513869056 Q803L DTC323TK TR-SSD DTC323TK N 5503943092 Q803R DTC323TK TR-SSD DTC323TK N 5503943092 Q804L DTA114YKA TR-SSD DTA114YKA P5513319092 Q805 DTC114YKA TR-SSD DTC114YKA N5513318092 Q807 ✽ KTN2907 TR-SLPLF KTN2907 P5513869056 Q808-810 ✽ KTD1304 TR-SLPSWA KTD1304 5513871092 Q811-813 ✽ KTD1304 TR-SLPSWA KTD1304 5513871092 KPMSY Q811-813 ✽ KTD1304 TR-SLPSWA KTD1304 5513871092 M2M3 Q811-813 ✽ KTD1304 TR-SLPSWA KTD1304 5513871092 YSXS Q814 KTC3875Y TR-SLPSWA KTC3875Y2097046092 Q815 KTC3875Y TR-SLPSWA KTC3875Y2097046092 EESTTS C703 CE04LW1C101M ELECTRO 100UF 16WV C713,714 CE04LW1H100M ELECTRO 10UF 50WV C715 CE04LW1A101M ELECTRO 100UF 10WV C716-718 CK73FB1H101J CHIP C 100PF J C719 CE04LW1A101M ELECTRO 100UF 10WV J704 L90-0371-08 COIL 22UH 220K AL0 J2616222026X J736 L90-0371-08 COIL 22UH 220K AL0 J2616222026X JK701 E40-8779-08 SCART CONNECTOR J44372100205 L703,704 ✽ L32-1045-08 FBEAD SURFACE MT 15512671050 L705,706 ✽ L32-1045-08 FBEAD SURFACE MT 15512667050 R701,702 RK73FB2A101J CHIP R 100 J 1/10W R708-710 RK73FB2A102J CHIP R 1.0K J 1/10W R714,715 RK73FB2A681J CHIP R 680 J 1/10W R716 RK73FB2A102J CHIP R 1.0K J 1/10W R717-722 RK73FB2A390J CHIP R 39 J 1/10W R723 RK73FB2A102J CHIP R 1.0K J 1/10W R724 RK73FB2A181J CHIP R 180 J 1/10W R730 RK73FB2A510J CHIP R 51 J 1/10W R731 RK73FB2A390J CHIP R 39 J 1/10W R732,733 RK73FB2A000J CHIP R 0 J 1/10W R734 RK73FB2A750J CHIP R 75 J 1/10W R735-738 RK73FB2A000J CHIP R 0 J 1/10W D701,702 1SS355 D-SLP 1SS355 35.0V2049651091 D703 ✽ ZNR5V1B D-CHIP ZNR5V1B0.2W J2242451514X D705-710 ✽ ZNR5V1B D-CHIP ZNR5V1B0.2W J2242451514X Q701 KTC3875Y TR-SLPSWA KTC3875Y2097046092 Q702-704 DTC114YKA TR-SSD DTC114YKA N5513318092 C201,202 CK73GB1H104Z CHIP C 0.10UF Z C203 CK73GB1H103K CHIP C 0.010UF K C204 CE04LW1A101M ELECTRO 100UF 10WV ✽ New Parts Parts without Parts No. are not supplied. Les articles non mentionnes dans le Parts No. ne sont pas fournis. Teile ohne Parts No. werden nicht geliefert. 7 L : Scandinavia K : USA P : Canada R : Mexico C : China I : Malaysia Y : PX(Far East,Hawaii) T : England E : Europe G : Germany V : China(Shanghai) Y : AAFES(Europe) X : Australia Q : Russia H : Korea M : Other Areas indicates safety critical components . SCART BOARD (E,T type only) MAIN BOARD DV-502/503/DVF-3050/3550 25 PARTS LIST www . x ia o y u 1 6 3 . c o m QQ 3 7 6 3 1 5 1 5 0 9 9 2 8 9 4 2 9 8 T E L 1 3 9 4 2 2 9 6 5 1 3 9 9 2 8 9 4 2 9 8 0 5 1 5 1 3 6 7 3 Q Q TEL 13942296513 QQ 376315150 892498299 TEL 13942296513 QQ 376315150 892498299 Ref. No Add- ress New Parts Parts No. Description Desti- nation Re- marks R237-241 RK73GB1J470J CHIP R 47 J 1/16W R242-245 RK73GB1J103J CHIP R 10K J 1/16W R246,247 RK73GB1J472J CHIP R 4.7K J 1/16W R248 RK73GB1J103J CHIP R 10K J 1/16W R249 RK73GB1J470J CHIP R 47 J 1/16W R250 RK73GB1J560J CHIP R 56 J 1/16W R251 RK73GB1J103J CHIP R 10K J 1/16W R252 RK73GB1J470J CHIP R 47 J 1/16W R253 RK73GB1J103J CHIP R 10K J 1/16W R254 RK73GB1J100J CHIP R 10 J 1/16W R255 RK73GB1J103J CHIP R 10K J 1/16W R256 RK73GB1J470J CHIP R 47 J 1/16W R262,263 RK73GB1J470J CHIP R 47 J 1/16W R264,265 RK73GB1J750J CHIP R 75 J 1/16W R266 RK73GB1J100J CHIP R 10 J 1/16W R267,268 RK73GB1J470J CHIP R 47 J 1/16W R269,270 RK73GB1J182J CHIP R 1.8K J 1/16W R273,274 RK73GB1J101J CHIP R 100 J 1/16W R276 RK73GB1J470J CHIP R 47 J 1/16W R277,278 RK73GB1J221J CHIP R 220 J 1/16W R284 RK73GB1J470J CHIP R 47 J 1/16W R286,287 RK73GB1J221J CHIP R 220 J 1/16W R288 RK73GB1J103J CHIP R 10K J 1/16W R289-293 RK73GB1J470J CHIP R 47 J 1/16W R301-309 RK73GB1J470J CHIP R 47 J 1/16W R310-313 RK73GB1J472J CHIP R 4.7K J 1/16W R314 RK73GB1J000J CHIP R 0 J 1/16W R315 RK73GB1J473J CHIP R 47K J 1/16W R401-404 RK73GB1J470J CHIP R 47 J 1/16W R405,406 RK73GB1J103J CHIP R 10K J 1/16W R407-410 RK73GB1J470J CHIP R 47 J 1/16W R411,412 RK73GB1J000J CHIP R 0 J 1/16W R413 RK73GB1J473J CHIP R 47K J 1/16W R415 RK73GB1J000J CHIP R 0 J 1/16W R501 RK73GB1J101J CHIP R 100 J 1/16W R502 RK73GB1J560J CHIP R 56 J 1/16W R503 RK73GB1J105J CHIP R 1.0M J 1/16W R830 ✽ L32-1046-08 LF-SMD 2U2H +10% 1404174091 RA301-307 ✽ R90-1333-08 COMPOSITE PARTS55129820NR RA401-408 ✽ R90-1333-08 COMPOSITE PARTS55129820NR RM201,202 RK73GB1J471J CHIP R 470 J 1/16W RM203 RK73GB1J562J CHIP R 5.6K J 1/16W RM204 RK73GB1J103J CHIP R 10K J 1/16W RM205 RK73GB1J683J CHIP R 68K J 1/16W RM206-208 RK73GB1J103J CHIP R 10K J 1/16W RM209,210 RK73GB1J220J CHIP R 22 J 1/16W RM211 RK73GB1J562J CHIP R 5.6K J 1/16W RM212 RK73GB1J182J CHIP R 1.8K J 1/16W RM213 RK73GB1J473J CHIP R 47K J 1/16W RM216-218 RK73GB1J000J CHIP R 0 J 1/16W DM201 ✽ UZ5V6 ZENER DIODE DM202 ✽ RB4 DIODE SCHOTTKY RB4 J2221510304X DM203,204 1N4148 D-SLP 1N4148 100.07043654016 ICM21 ✽ KA8082 IC FAN8082(KA8082) J2113232001X IC201 ✽ STI5519 IC-VIDEOPROC STI5555130350NR ✽ New Parts Parts without Parts No. are not supplied. Les articles non mentionnes dans le Parts No. ne sont pas fournis. Teile ohne Parts No. werden nicht geliefert. 0 L : Scandinavia K : USA P : Canada R : Mexico C : China I : Malaysia Y : PX(Far East,Hawaii) T : England E : Europe G : Germany V : China(Shanghai) Y : AAFES(Europe) X : Australia Q : Russia H : Korea M : Other Areas indicates safety critical components . Ref. No Add- ress New Parts Parts No. Description Desti- nation Re- marks CP201 ✽ E40-8985-08 CONN 1.25MM 19 FE 55124600XX CP202,203 E35-3010-08 FPC ST 1.0 15P J4422001527X CP204 ✽ E40-8986-08 CONN 1.25MM 15 FE 55124580XX CP205 ✽ E40-8987-08 CONN 1.25MM 29 FE 55138650XX L201-203 ✽ L32-1046-08 LF-SMD 2U2H +10% 1404174091 L204-207 ✽ L32-1047-08 FBEAD SURFACE MT 15512667050 L208,209 ✽ L32-1046-08 LF-SMD 2U2H +10% 1404174091 L210 ✽ L32-1047-08 FBEAD SURFACE MT 15512667050 L220B ✽ L32-1048-08 LF-SMD 2U7H +10% 1404175091 L220G ✽ L32-1048-08 LF-SMD 2U7H +10% 1404175091 L220R ✽ L32-1048-08 LF-SMD 2U7H +10% 1404175091 L301 ✽ L32-1047-08 FBEAD SURFACE MT 15512667050 L501 ✽ L32-1047-08 FBEAD SURFACE MT 15512667050 LM201 ✽ L32-1049-08 LF-SMD 22U0H +10% 1403936091 X501 L77-2354-08 FILQZ 27M0 HZ +15 55128980NR J201-207 RK73GB1J000J CHIP R 0 J 1/16W J301 RK73GB1J000J CHIP R 0 J 1/16W R201-204 RK73GB1J470J CHIP R 47 J 1/16W R205 RK73GB1J103J CHIP R 10K J 1/16W EESTTS R205 RK73GB1J153J CHIP R 15K J 1/16W KPMSY R205 RK73GB1J153J CHIP R 15K J 1/16W M2M3 R205 RK73GB1J153J CHIP R 15K J 1/16W YSXS R206-208 RK73GB1J221J CHIP R 220 J 1/16W R209 RK73GB1J153J CHIP R 15K J 1/16W R210-212 RK73GB1J201J CHIP R 200 J 1/16W R213-215 RK73GB1J470J CHIP R 47 J 1/16W R216 RK73GB1J472J CHIP R 4.7K J 1/16W R217-219 RK73GB1J100J CHIP R 10 J 1/16W R220B RK73GB1J100J CHIP R 10 J 1/16W R220G RK73GB1J100J CHIP R 10 J 1/16W R220R RK73GB1J100J CHIP R 10 J 1/16W R221-223 RK73GB1J470J CHIP R 47 J 1/16W R221B RK73GB1J821J CHIP R 820 J 1/16W R221G RK73GB1J821J CHIP R 820 J 1/16W R221R RK73GB1J821J CHIP R 820 J 1/16W R222B RK73GB1J222J CHIP R 2.2K J 1/16W R222G RK73GB1J222J CHIP R 2.2K J 1/16W R222R RK73GB1J222J CHIP R 2.2K J 1/16W R223B RK73GB1J750J CHIP R 75 J 1/16W R223G RK73GB1J750J CHIP R 75 J 1/16W R223R RK73GB1J750J CHIP R 75 J 1/16W R224B RK73GB1J120J CHIP R 12 J 1/16W R224G RK73GB1J120J CHIP R 12 J 1/16W R224R RK73GB1J120J CHIP R 12 J 1/16W R225B RK73GB1J8R2J CHIP R 8.2 J 1/16W R225G RK73GB1J8R2J CHIP R 8.2 J 1/16W R225R RK73GB1J8R2J CHIP R 8.2 J 1/16W R226B RK73GB1J100J CHIP R 10 J 1/16W R226G RK73GB1J100J CHIP R 10 J 1/16W R226R RK73GB1J100J CHIP R 10 J 1/16W R229 RK73GB1J470J CHIP R 47 J 1/16W R230 RK73GB1J000J CHIP R 0 J 1/16W R231-235 RK73GB1J470J CHIP R 47 J 1/16W R236 RK73GB1J473J CHIP R 47K J 1/16W ✽ New Parts Parts without Parts No. are not supplied. Les articles non mentionnes dans le Parts No. ne sont pas fournis. Teile ohne Parts No. werden nicht geliefert. 9 L : Scandinavia K : USA P : Canada R : Mexico C : China I : Malaysia Y : PX(Far East,Hawaii) T : England E : Europe G : Germany V : China(Shanghai) Y : AAFES(Europe) X : Australia Q : Russia H : Korea M : Other Areas indicates safety critical components . DV-502/503/DVF-3050/3550 26 PARTS LIST www . x ia o y u 1 6 3 . c o m QQ 3 7 6 3 1 5 1 5 0 9 9 2 8 9 4 2 9 8 T E L 1 3 9 4 2 2 9 6 5 1 3 9 9 2 8 9 4 2 9 8 0 5 1 5 1 3 6 7 3 Q Q TEL 13942296513 QQ 376315150 892498299 TEL 13942296513 QQ 376315150 892498299 HOW TO READ THE PARTS LIST ABBREVIATION OF MODEL AND MASS PRODUCTION'S DESTINATIONS Australia Canada China England Europe Germany Korea Malaysia Mexico X P C T E G H I R DV-502 - - P - - - - - - - DV-503 - - P - - - - - - - DVF-3050 - - - - T E - - - - DVF-3050-S - - - - TS ES - - - - DVF-3550 - - - - T E - - - - DVF-3550-S - XS - - TS ES - - - -- PX/AAFES Russia Scandinavia Shanghai USA Other area UAE South Africa Argentina Y Q L V K M M2 M3 M5 DV-502 - - - - - K - - - - DV-503 - - - - - K - - - - DVF-3050 - Y - - - - - - - - DVF-3050-S - YS - - - - MS - M3 - DVF-3550 - - - - - - - - - - DVF-3550-S - - - - - - MS M2 - - MODEL MODEL ABB. ABB. Ref. No Add- ress New Parts Parts No. Description Desti- nation Re- marks IC202 ✽ M24C02WM IC-EEPROM M24C02WM20940740NR IC301 ✽ KS641632D IC SDRAM KS641632DJ2131003020X IC401 ✽ M29W800AT502K IC KPYYS IC401 ✽ M29W800AT502E IC EESTTS IC401 ✽ M29W800AT502M IC MS IC401 ✽ M29W800AT502M3 IC M3 IC401 ✽ M29W800AT503K IC KP IC401 ✽ M29W800AT503E IC EESTTS IC401 ✽ M29W800AT503M IC MS IC401 ✽ M29W800AT503M2 IC M2 IC401 ✽ M29W800AT503X IC XS IC501 ✽ M74HCU04M IC-LOGIC M74HCU04M55133310NR Q201,202 ✽ KTC3198Y TRANSISTOR Q220B ✽ KTN2907 TR-SLPLF KTN2907 5513869056 Q220G ✽ KTN2907 TR-SLPLF KTN2907 5513869056 Q220R ✽ KTN2907 TR-SLPLF KTN2907 5513869056 QM201 ✽ KTC3198Y TRANSISTOR QM202 KTA1267 TRANSISTOR ✽ New Parts Parts without Parts No. are not supplied. Les articles non mentionnes dans le Parts No. ne sont pas fournis. Teile ohne Parts No. werden nicht geliefert. ! L : Scandinavia K : USA P : Canada R : Mexico C : China I : Malaysia Y : PX(Far East,Hawaii) T : England E : Europe G : Germany V : China(Shanghai) Y : AAFES(Europe) X : Australia Q : Russia H : Korea M : Other Areas indicates safety critical components . DV-502/503/DVF-3050/3550 27 PARTS LIST www . x ia o y u 1 6 3 . c o m QQ 3 7 6 3 1 5 1 5 0 9 9 2 8 9 4 2 9 8 T E L 1 3 9 4 2 2 9 6 5 1 3 9 9 2 8 9 4 2 9 8 0 5 1 5 1 3 6 7 3 Q Q TEL 13942296513 QQ 376315150 892498299 TEL 13942296513 QQ 376315150 892498299 DV-502/503/DVF-3050/3550 SPECIFICATIONS 14-6,Dogenzaka 1-chome, Shibuya-ku, Tokyo, 150-8501 Japan KENWOOD SERVICE CORPORATION P.O BOX 22745, 2201 East Dominguez St., Long Beach, CA 90801-5745, U.S.A. KENWOOD ELECTRONICS CANADA INC. 6070 Kestrel Road, Mississauga, Ontario, Canada L5T 1S8 KENWOOD ELECTRONICS LATIN AMERICA S.A. P.O BOX 55-2791, Piso 6 plaza Chase, Cl. 47 y Aquilino de la Guardia Panama, Republic de Panama KENWOOD ELECTRONICS BRASIL LTDA. Av. Moema, 170-17˚, Andar-Cobertura “B”, Ed. Maximum Service Center, 04077-020 Moema, São Paulo-SP-Brasil KENWOOD ELECTRONICS U.K. LIMITED KENWOOD House, Dwight Road, Watford, Herts., WD1 8EB., United Kingdom KENWOOD ELECTRONICS BELGUM N.V. Meachelsesteenweg 418, B-1930 Zaventem, Belgium KENWOOD ELECTRONICS DEUTSCHLAND GMBH Rembrücker Str. 15, 63150 Heusenstamm, Germany KENWOOD ELECTRONICS FRANCE S.A. 13 Boulevard Ney, 75018 Paris, France KENWOOD ELECTRONICS ITALIA S.p.A. Via G. Sirtori, 7/9 20129, Milano, ltaly KENWOOD IBÉRICA S.A. Bolivia, 239-08020 Barcelona, Spain KENWOOD ELECTRONICS AUSTRALIA PTY. LTD. (A.C.N. 001 499 074) 16 Giffnock Avenue, North Ryde, N.S.W. 2113, Australia KENWOOD ELECTRONICS (HONG KONG) LTD. Unit 3712-3724, Level 37, Tower 1, Metroplaza, 223 Hing Fong Road, Kwai Fong N.T., Hong Kong KENWOOD ELECTRONICS GULF FZE P.O.Box 61318, Jebel Ali, Dubai, U.A.E. KENWOOD ELECTRONICS SINGAPORE PTE LTD. No. 1 Genting Lane #02-02, KENWOOD Building, Singapore, 349544 KENWOOD ELECTRONICS (MALAYSIA) SDN BHD. #4.01 Level 4, Wisma Academy Lot 4A, Jalan 19/1 46300 Petaling Jaya Selangor Darul Ehsan Malaysia KENWOOD ELECTRONICS (THAILAND) CO., LTD. 2019 New Pechburi Road, Bangkapi, Huaykwang, Bangkok, 10320 Thailand [Type] System...................................... DVD video player system Signal read system............................Semiconductor laser [D/A Conversion Section] D/A conversion......................................................... 24 Bit Oversampling......8 fs (Sampling frequency; 44.1, 48 kHz) 4 fs (Sampling frequency; 96 kHz) [Audio section] Frequency response Sampling frequency ; 44.1 kHz ............... 4 Hz ~ 20 kHz Sampling frequency ; 48 kHz .................. 4 Hz ~ 22 kHz Sampling frequency ; 96 kHz .................. 4 Hz ~ 42 kHz Signal to noise ratio .................................More than 98 dB Dynamic range.........................................More than 95 dB Total harmonic distortion..........Less than 0.005 % (1 kHz) Channel separation.....................More than 95 dB (1 kHz) Wow and flutter ............................ Below measurable limit Analog output level/impedance ..........................2 V / 1 kΩ Digital output level/impedance COAXIAL............................................... 0.5 Vp-p / 75 Ω OPTICAL.....-21 dBm ~ -15 dBm (Wave length 660 nm) [Video Section] Video output format ..........................................NTSC/PAL Video compression DVD...................................................................MPEG-2 Composite video output level .....................................1 Vp-p (75 Ω load, sync. negative) S-video output level (Y-signal)..................1 Vp-p (75 Ω load, sync. negative) (C-signal) NTSC.............................................0.286 Vp-p (75 Ω) PAL................................................0.300 Vp-p (75 Ω) Horizontal resolution...........................More than 480 lines Video signal to noise ratio........................More than 60 dB [General] Power consumption .................................................. 16 W Dimensions ...................................W: 440 mm (17-5/16") H: 109 mm (4-5/16") D: 325 mm (12-13/16") Weight (net)................................................. 4.0 kg (8.8 lb) KENWOOD follows a policy of continuous advancements in development. For this reason specifications may be changed without notice. • Sufficient performance may not be exhibited at extremely cold locations (Where water freezes). Notes www. xiaoyu163. com QQ 376315150 9 9 2 8 9 4 2 9 8 TEL 13942296513 9 9 2 8 9 4 2 9 8 0 5 1 5 1 3 6 7 3 Q Q TEL 13942296513 QQ 376315150 892498299

标签:

版权声明

1. 本站所有素材,仅限学习交流,仅展示部分内容,如需查看完整内容,请下载原文件。
2. 会员在本站下载的所有素材,只拥有使用权,著作权归原作者所有。
3. 所有素材,未经合法授权,请勿用于商业用途,会员不得以任何形式发布、传播、复制、转售该素材,否则一律封号处理。
4. 如果素材损害你的权益请联系客服QQ:77594475 处理。