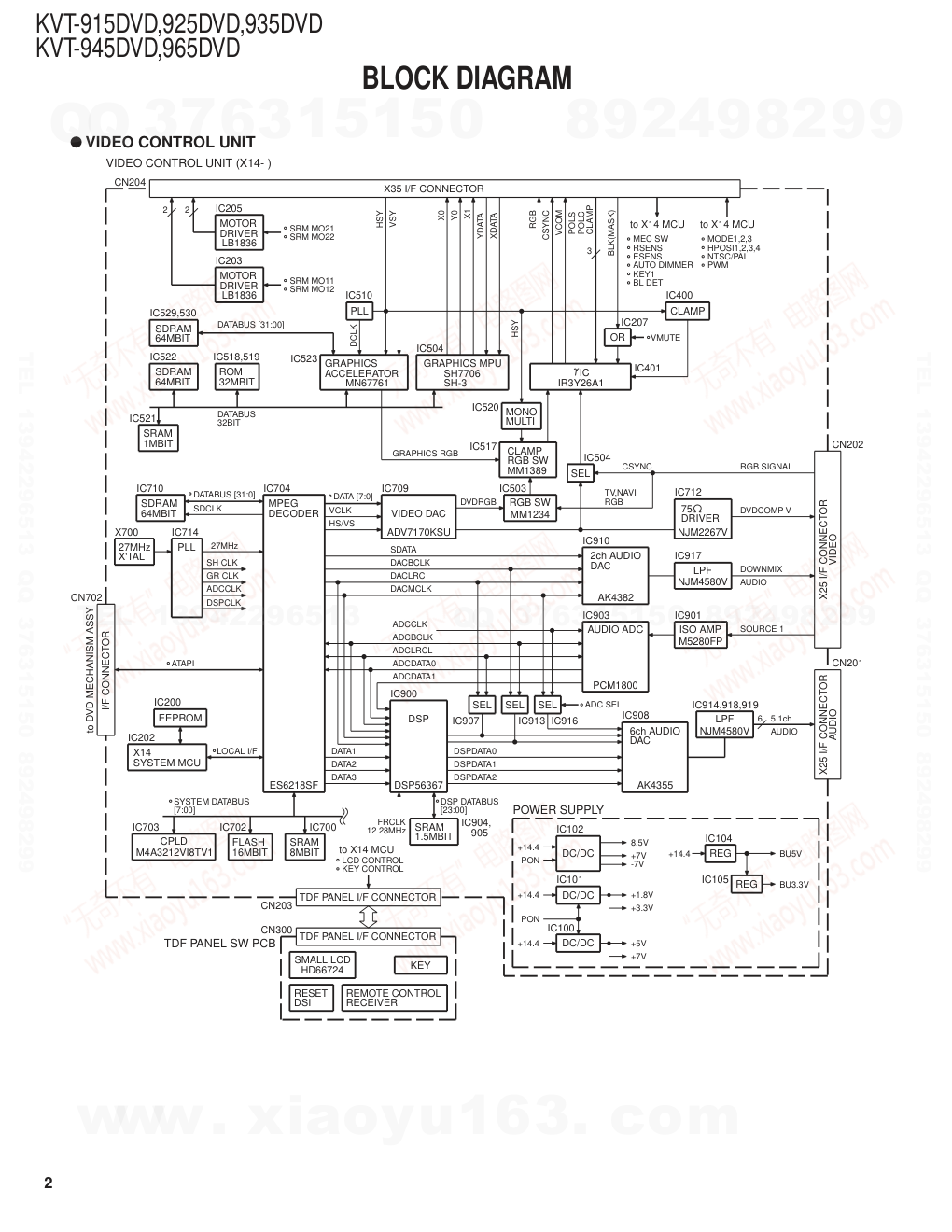
建伍KENWOOD KVT-915DVD播放器电路原理图

分类:电子电工 日期: 点击:0
建伍KENWOOD KVT-915DVD播放器电路原理图-0 建伍KENWOOD KVT-915DVD播放器电路原理图-1 建伍KENWOOD KVT-915DVD播放器电路原理图-2 建伍KENWOOD KVT-915DVD播放器电路原理图-3 建伍KENWOOD KVT-915DVD播放器电路原理图-4 建伍KENWOOD KVT-915DVD播放器电路原理图-5 建伍KENWOOD KVT-915DVD播放器电路原理图-6 建伍KENWOOD KVT-915DVD播放器电路原理图-7 建伍KENWOOD KVT-915DVD播放器电路原理图-8 建伍KENWOOD KVT-915DVD播放器电路原理图-9

© 2004-4 PRINTED IN JAPAN B53-0165-00 (N) 2703 MONITOR WITH DVD RECEIVER KVT-915DVD,925DVD KVT-935DVD,945DVD KVT-965DVD SERVICE MANUAL The DVD mechanism information is not in this service manual. Please refer to service manual for X92-4750-00 (B53-0052-00). FM /AM ANTENNA AV INPUT AV INPUT L R R R 1 2 VIDEO VIDEO FRONT REAR PREOUT SUB (MONO) AV OUTPUT POWER CENTER L L R L R L R L VIDEO Cord with connector(BK) (E30-6171-05) Cord with connector(WH) (E30-6172-05) Plastic cabinet assy (A02-2723-03) Metallic cabinet (A01-2813-01) Cord with connector (E30-4953-05) *DC cord (E30-6196-15) *DC cord (E30-6195-05) *Cord with connector (E30-6241-25) *Cord with connector (E30-6197-25) Screw set (N99-1558-05) *Screw set (N99-1723-05) Mounting hardware (J21-3801-04) x2 Lever (D10-4589-04) x2 *Mounting hardware (J21-9784-04) x2 *Antena adaptor (T90-0512-05) Remote controller (A70-2046-05 : RC-DV101) Cleaning cloth (W01-1620-05) *Accessory (W01-1552-05) *Antenna assy (T90-0551-15) x2 *Antenna assy (T90-0545-05) Mounting hardware assy (J21-9934-03) *Escutcheon (B07-3022-02) (B07-3058-02) (B07-3083-02) Not supplied SCREEN MODE V SEL FNC TM V.OFF AV OUT SEL ATT DISP AUTO SRC KVT-915DVD (K TYPE) Auto *Depends on the model. Refer to the parts list. www. xiaoyu163. com QQ 376315150 9 9 2 8 9 4 2 9 8 TEL 13942296513 9 9 2 8 9 4 2 9 8 0 5 1 5 1 3 6 7 3 Q Q TEL 13942296513 QQ 376315150 892498299 TEL 13942296513 QQ 376315150 892498299 2 KVT-915DVD,925DVD,935DVD KVT-945DVD,965DVD BLOCK DIAGRAM MOTOR DRIVER MOTOR DRIVER CN204 X35 I/F CONNECTOR IC to X14 MCU to X14 MCU OR IC401 IC207 IR3Y26A1 IC400 CLAMP GRAPHICS MPU SH-3 SH7706 IC504 GRAPHICS IC523 MN67761 ACCELERATOR IC510 PLL SDRAM 64MBIT ROM 32MBIT SDRAM 64MBIT IC529,530 IC522 IC518,519 LB1836 LB1836 IC205 IC203 RGB SW CLAMP MM1389 IC517 MULTI IC520 MONO MPEG DECODER VIDEO DAC EEPROM SYSTEM MCU X14 PLL RGB SW IC709 IC704 SDRAM 64MBIT IC710 IC714 ES6218SF ADV7170KSU 1MBIT SRAM IC521 MM1234 IC503 SEL IC504 IC916 SEL AK4382 2ch AUDIO DAC PCM1800 AUDIO ADC IC900 DSP56367 DSP SEL IC913 SEL CPLD I/F CONNECTOR CN702 27MHz X'TAL X700 IC703 IC702 IC700 IC202 IC200 M4A3212VI8TV1 FLASH 16MBIT SRAM 8MBIT IC907 IC910 IC903 SRAM 1.5MBIT M5280FP ISO AMP IC712 NJM2267V DRIVER 75 IC901 IC917 LPF NJM4580V VIDEO X25 I/F CONNECTOR CN202 X25 I/F CONNECTOR AUDIO CN201 AK4355 DAC 6ch AUDIO IC908 IC914,918,919 NJM4580V LPF to X14 MCU TDF PANEL I/F CONNECTOR DC/DC DC/DC DC/DC REG REG IC102 IC101 IC100 IC104 IC105 CN203 TDF PANEL I/F CONNECTOR HD66724 SMALL LCD REMOTE CONTROL RECEIVER KEY RESET DSI CN300 to DVD MECHANISM ASSY IC904, 905 SRM MO12 SRM MO11 2 SRM MO22 SRM MO21 2 CLAMP POLC POLS 3 HSY VSY X0 Y0 XDATA X1 YDATA RGB VCOM CSYNC BLK(MASK) BL DET ESENS MEC SW AUTO DIMMER RSENS KEY1 PWM MODE1,2,3 HPOSI1,2,3,4 NTSC/PAL VMUTE HSY DCLK DATABUS [31:00] GRAPHICS RGB DATA [7:0] HS/VS VCLK DATABUS [31:0] SDCLK LOCAL I/F ATAPI [7:00] SYSTEM DATABUS DVDRGB SDATA DACBCLK DACMCLK DACLRC ADCDATA0 ADCDATA1 ADCLRCL ADCBCLK ADCCLK RGB TV,NAVI CSYNC DATA2 DATA3 DATA1 DSPDATA2 DSPDATA0 DSPDATA1 27MHz SH CLK GR CLK DSPCLK ADCCLK ADC SEL DSP DATABUS [23:00] 12.28MHz FRCLK RGB SIGNAL SOURCE 1 DOWNMIX DVDCOMP V AUDIO 6 5.1ch AUDIO LCD CONTROL KEY CONTROL +14.4 PON 8.5V PON +14.4 +1.8V +3.3V +7V +5V +7V -7V BU5V BU3.3V +14.4 +14.4 DATABUS 32BIT POWER SUPPLY VIDEO CONTROL UNIT (X14- ) TDF PANEL SW PCB ● VIDEO CONTROL UNIT www. xiaoyu163. com QQ 376315150 9 9 2 8 9 4 2 9 8 TEL 13942296513 9 9 2 8 9 4 2 9 8 0 5 1 5 1 3 6 7 3 Q Q TEL 13942296513 QQ 376315150 892498299 TEL 13942296513 QQ 376315150 892498299 3 KVT-915DVD,925DVD,935DVD KVT-945DVD,965DVD BLOCK DIAGRAM ISO AMP DRIVER 75 IC36,37 ISO AMP ISO AMP ISO AMP ISO AMP ISO AMP to MPU E-VOL,MPX IC22 to MPU IC41 BASS MANAGEMENT SW (1/2) X86 I/F CONNECTOR CN11 CN23 J601 5L I/O J500 J300 J301 J600 NAVI I/F VIDEO X14 I/F CONNECTOR X14 I/F CONNECTOR AUDIO RGB SW IC40 to MPU BYPASS SW 6chEVOL IC44 to MPU Q402-407 MUTE 5V PRE AMP IC52-54 AO MUTE Q501,502 RADIO F/E I/F AV IN2 AV IN1 SIGNAL INPUT IC43 AVSW 7 INPUT 3 OUTPUT to MPU IC43 (2/2) POWER IC45 AMP POWER AMP IC70 to MPU NONFADING (SUBWOOFER) FRONT RIGHT FRONT LEFT REAR LEFT REAR RIGHT J502 CENTER SP CONNECTOR CONNECTOR POWER SUPPLY S.Px1 S.Px4 J2 J1 J501 AV OUT PRE OUT IC10 X25 MCU PON Q19 Q24 Q28 Q3 Q20 Q9 Q4 BU5V SW5V CHROMA8.5V T8.5V V5V A9V -9V IC6 ICL7660SIVA CHARGE PUMP IC 9V +B 14.4V M5280FP NJM2267 M5280FP M5280FP M5280FP M5280FP M5280FP TDA7407 IC51 IC50 IC62 IC61 IC31-33 IC34 MM1234 2SB1443 2SA1906 2SB1443 2SA1906 2SA1906 2SA1906 2SA1576 TA8273 TA8225 TDA7501 CXA2069Q 3 3 3 9 AUDIO CS RGB MULTICHANNEL 5.1 ch DOWNMIX AUDIO SOURCE 1 DVD COMP V 3 3 3 CHCON REQH DATAC REQC CHCLK MUTE DATAH RADIO NAVI 5L AV IN2 DVD AV IN1 TV MPX AM VOUT1 VOUT2 (to MAIN UNIT AOUT1 AOUT3 NAVI RGB COMP V TV SOUND TV COMP V CENT REAR FRONT SUB RGB(TV AVIN) SEL AOUT2 I2C I2C I2C DVD or OTHER 6 5 6 6 4 4ch(50W) 1ch(35W) MUTE SVR etc... 6 (AV OUT) (to MAIN UNIT) : SOURCE1) (2ZONE REAR) (AV OUT) REVERSE BU14.4 ACC ILLUMI REVERSE PRK SW GND CENTER L/R 2ch ELECTRIC UNIT (X25- ) POWER SUPPLY TV F/E DIVERSITY CM0018AM A1 IC2 SW VIDEO IC1 BA6161 CHANGE PUMP IC IC3 VIF SAW SIF SAW TDA8842H VIF CHROMA VIDEO SW SIF(NTSC PAL) VIF AN5186FBV TDA9830T SIF(SECAM) BILINGUAL MULTI NOISE CANCELER IC102 IC101 IC201 IC202 AN5281S AUDIO SW TV MUTE NJM4565 LPF IC203,204 TV MPU TV MPU 30V T8.5V X25-956 DETECTION VIDEO DETECTION VIDEO SOUND DETECTION DECODER CHROMA RGB MATRIX AM DETECTION SW OUTPUT (E,M,C,X) OUTPUT (J,K,R,H) DIVER DET (EREA ALL) "SECAM L" ONLY TV SOUND TV COMP V RGB(TV AVIN) COMP V CLK DATA I2C MAIN/SUB BILINGUAL STEREO TUNER UNIT (X86- ) ● ELECTRIC UNIT ● TUNER UNIT www. xiaoyu163. com QQ 376315150 9 9 2 8 9 4 2 9 8 TEL 13942296513 9 9 2 8 9 4 2 9 8 0 5 1 5 1 3 6 7 3 Q Q TEL 13942296513 QQ 376315150 892498299 TEL 13942296513 QQ 376315150 892498299 4 KVT-915DVD,925DVD,935DVD KVT-945DVD,965DVD BLOCK DIAGRAM 1 2 3 4 5 6 7 8 9 10 11 12 13 14 15 16 17 18 19 20 21 22 23 24 25 26 27 28 29 30 31 32 33 34 35 36 37 38 39 40 41 P ON+5.0V P ON+5.0V NC V GND V GND SW+18.5V D GND OPEN/CLOSE VOL- VOL+ LED GND NC LED+8.5V(B) NC P ON+3.3V NC V GND VB VG VR V GND CSYNC V GND NTSC/PAL POLC POLS NC VSY HSY BLK MODE3 MODE2 MODE1 HPOS4 HPOS3 HPOS2 HPOS1 NC 42 43 44 45 46 47 48 49 50 51 52 53 54 55 56 57 58 59 60 61 62 63 64 65 66 67 68 69 70 71 72 73 74 75 76 77 78 79 80 VCOM NC P ON+5.0V AUTO DIM KEY1 XDATA YDATA X0 X1 Y0 BL DET PWM ENABLE SW-D NC BL GND BL GND NC BL+8.5V BL+8.5V NC D GND PH DET SW+5.0V REF+5.0V R SENS NC RI M- RI M- RI M+ RI M+ EX M- EX M- EX M+ EX M+ NC SW-A SW-B SW-C BRINK LED+8.5V(G) LED+8.5V(R) PON+5.0V VGND OPEN V.SYNC VGND PON+3.3V VR/VG/VB PON-12.0V PON+18.5V PON+12.5V V.COM POLS/POLC/HSY/VSY/BLK MODE1/2/3/HPOS1/2/3/4/NTSC PAL NC EX M+ SW+5.0V REF+5.0V PH DET R SENS NC RI M- RI M+ RI M+ RI M- EX M+ EX M- EX M- SW-B NC SW-A SW-D SW-C 19 6 16 17 18 15 13 14 12 10 11 9 7 8 3 5 4 1 2 PDOS/OSCI VGH+18.5V 16 NC 1 STH2 VR 2 3 VG VB 4 5 L/R(HDIR) 8 VSS STH1 6 7 CX VSS 9 10 VCOM VSS 13 CPH(CPH1) VSS 11 12 NC 14 15 VDD2+5.0V VDD1+3.3V NC 17 18 19 STV2 OE2(NGOE2) 22 OE1(NGOE1) 20 21 OE3(NGOE3) CPV 23 24 VSS 27 U/D(UPSD) STV1 25 26 NC VGL-12.0V 28 29 NC 30 VB VG VR STV1 USPD CPV NGOE3 NGOE2 NGOE1 STV2 V.COM CPH1 CX HDIR STH1 STH2 NGOE3/CPH1 NGOE1/NGOE2/ STV1/STV2/STH1/STH2/ USPD/CPV/HDIR/CX/ PON+18.5V PON+5.0V PON+3.3V PON+5.0V XDATA/YDATA X0/X1/Y0 KEY1 AUTO DIM/ X0/X1/ Y0/Y1 LED GND D.GND PWM/ENABLE BL+8.5V BL GND LED+8.5V(B) LED+8.5V(R)/LED+8.5V(G) LED GND D.GND OPEN/CLOSE/VOL+/VOL- BRINK H.SYNC PON+3.3V VGND PON-12.0V CN301 TC7W14FU TC7SET08FU IC101 IC203 IC302 DC-DC IC LT1947 COM AMP TA75W558FU IC304 OPEN CN303 INDASH MECHA 7 INCH TIMMING CONTROLLER TC200G02AF-0104 IC301 NJM2107F PLL & LPF IC303 CN503 TOUCH PANEL SWITCH TOUCH PANEL S79-0827-05 AUTO DIMMER IC401 SW PCB (B/3) BACK LIGHT INVERTER SW PCB (C/3) 7 INCH LCD CFL CIRCUIT to X14- VIDEO CONTROL UNIT VIDEO UNIT (X35-4280-01) ● VIDEO UNIT www. xiaoyu163. com QQ 376315150 9 9 2 8 9 4 2 9 8 TEL 13942296513 9 9 2 8 9 4 2 9 8 0 5 1 5 1 3 6 7 3 Q Q TEL 13942296513 QQ 376315150 892498299 TEL 13942296513 QQ 376315150 892498299 5 KVT-915DVD,925DVD,935DVD KVT-945DVD,965DVD ● VIDEO CONTROL UNIT (X14-947x-xx) Ref No. Application / Functions Operation / Condition / Compatibility IC100 DC/DC converter AVR (for SW5V, DVD mecha.7V) IC101 DC/DC converter AVR (for SW3.3V, SW1.85V) IC102 DC/DC converter AVR (for SW±7V, 8.5V) IC103 OP amp Reduced voltage detect comparator IC104 AVR BU5V output IC105 AVR BU3.3V output IC106 CMOS logic IC Inverted for control signal to DC/DC converter IC200 EEPROM Backup data for region code, serial number and security IC201 EEPROM ROM correction IC IC202 Microprocessor System microprocessor IC203 Motor driver Panel mechanism driver (for SLIDE function) IC204 Reset IC Reset for system microprocessor IC205 Motor driver Panel mechanism driver (for TILT function) IC206 CMOS logic IC Remote control signal buffer amp IC207 CMOS logic IC Power ON/OFF control for LCD monitor IC208 OP amp Audio amp for level indicator IC209 CMOS logic IC Buffer for ext. reset signal IC300 REM. sensor Remote control sensor IC400 CMOS logic IC Video signal clamp timing control IC401 LCD I/F IC γ adjustment for LCD IC402 AVR For LCD I/F IC (7.5V) IC500 AVR For video circuit (5V) IC501 Video SW Select for video sync. signal IC502 Selector IC Select for video sync. signal IC503 RGB SW Select for video RGB signal IC504 Video SW Select for video sync. signal IC505 AVR For PLL IC (5V) IC506 Microprocessor Control for graphic processor LSI IC507,508 CMOS logic IC Level shift IC IC509 Sync. separator Sync. separate for composite video signal IC510 PLL IC Dot clock generator for graphic drawing IC IC511 CMOS logic IC Generated control signal for RGB selector IC512 CMOS logic IC Composite to NAVI sync. signal IC513 3 to 8 decoder Chip select signal generator for flash ROM IC514 CMOS logic IC Level shift IC IC515,516 CMOS logic IC Generated control signal for RGB selector IC517 RGB SW Select to R/G/B signal IC518,519 Flash ROM Includes in program and graphic data IC520 CMOS logic IC Clamp plus genitalia IC521 CMOS logic IC For data backup IC522 SDRAM Microprocessor work area IC523 Graphic processor LSI Graphic processor COMPONENTS DESCRIPTION www. xiaoyu163. com QQ 376315150 9 9 2 8 9 4 2 9 8 TEL 13942296513 9 9 2 8 9 4 2 9 8 0 5 1 5 1 3 6 7 3 Q Q TEL 13942296513 QQ 376315150 892498299 TEL 13942296513 QQ 376315150 892498299 6 KVT-915DVD,925DVD,935DVD KVT-945DVD,965DVD Ref No. Application / Functions Operation / Condition / Compatibility IC524 CMOS logic IC Control for bus switch IC525 CMOS logic IC Generated control signal for SRAM IC526 CMOS logic IC Power down protection IC527,528 CMOS logic IC Clock buffer IC529,530 SDRAM Graphic drawing SRAM IC531 CMOS logic IC Generated select signal to R/G/B selector IC532 Shunt regulator Ref voltage for graphic video DA converter IC533,534 CMOS logic IC Level shift IC535,536 CMOS logic IC Synchronies to V/H sync. IC537 CMOS logic IC Two-way control for mini EL display IC700 SRAM IC For DVD processor IC701 CMOS logic IC generated control signal for SRAM IC702 Flash memory For DVD processor, start-up program IC703 CPLD Generated control signal for all of IC’s IC704 DVD processor Video/audio data decode processor IC705 AVR For video decoder (+3.3V) IC707 AVR For video processor decoder (+2V) IC708 AVR For video encoder (+1.25V) IC709 Video encoder Encode for video data to RGB and composite video signal IC710 SDRAM For DVD processor IC712 Video amp Video amp (6dB) IC713 AVR For video amp (+5V) IC714 PLL IC Control for clock oscillator IC716 CMOS logic IC Clock dividing circuit (27MHz→13.5MHz) for graphic IC IC900 DSP Digital signal processor (sound field control) IC901 Isolation amp For external audio input IC902 OP amp For isolation amp (GND line) IC903 Audio D/A converter For external audio input IC904,905 SRAM For DSP IC906 CMOS logic IC For audio control signal (buffer) IC907 CMOS logic IC Select for audio control signal IC908 6ch audio DAC Audio D/A converter (5.1ch) IC909 AVR For audio DAC (+5V) IC910 2ch audio DAC Audio D/A converter (AV output) IC911 CMOS logic IC Select for audio control signal IC912 CMOS logic IC Audio control signal buffer IC913 CMOS logic IC Select for audio control signal IC914 OP amp Audio signal amp IC915 CMOS logic IC Audio control signal buffer IC916 CMOS logic IC Select for audio control signal IC917~919 OP amp Audio signal amp IC920,921 CMOS logic IC Muting for audio output signal IC922 CMOS logic IC Select for audio data COMPONENTS DESCRIPTION www. xiaoyu163. com QQ 376315150 9 9 2 8 9 4 2 9 8 TEL 13942296513 9 9 2 8 9 4 2 9 8 0 5 1 5 1 3 6 7 3 Q Q TEL 13942296513 QQ 376315150 892498299 TEL 13942296513 QQ 376315150 892498299 7 KVT-915DVD,925DVD,935DVD KVT-945DVD,965DVD Ref No. Application / Functions Operation / Condition / Compatibility Q100~102 SW Power control for DC/DC converter Q103 SW For P_ON+14V driver Q104 SW Reduced voltage detector ON/OFF switch Q105 Driver For +14V driver Q107 Driver For SW5V, DVD mechanism7V driver Q108 Driver For SW3.3V, SW1.85V driver Q109 Driver For SW±7V, 8.5V driver Q110 SW Drive voltage select for panel mechanism motor Q111 SW Over current detector Q112 AVR For motor drive for panel mechanism Q113 SW Over current detector Q114 SW For motor drive for panel mechanism Q115 SW Reduced voltage detector Q200 SW External reset signal Q201 SW 2ch audio muting control (for B/E microprocessor) Q202 SW 5V ON/OFF control (for TDF panel) Q212 SW Illumination control (GREEN) Q213,214 SW Voltage shift for ext. reset signal (3.3V→5V) Q215 SW Illumination ON/OFF control (GREEN) Q216 SW Illumination ON/OFF control (RED) Q217 SW Control for Hideaway unit (for ext. reset signal) Q218 SW Illumination ON/OFF control (RED) Q220 SW 2ch audio muting control (from system microprocessor) Q221 Muting Level indicator muting Q222,223 SW Backlight control for mini LCD (BLUE) Q300 SW DSI ON/OFF control Q301,302 SW Backlight control for mini LCD (GREEN) Q303 SW DISC indicator control (GREEN) Q304~306 SW DISC indicator control (RED) Q400 AVR 7.5V AVR current buffer (for LCD I/F IC) Q510 Level shift Level shift Q511 Buffer R signal buffer Q513 Buffer G signal buffer Q514 Buffer B signal buffer Q515 Level shift Level shift ● ELECTRIC UNIT (X25-956x-xx) Ref No. Application / Functions Operation / Condition / Compatibility IC1 AVR T8.5V (for video AVR drive) IC2 Sync. separator AV IN2 video signal detection IC IC3 AVR A9V (for audio AVR drive) IC4 AVR CHROMA8.5V (for chroma IC AVR drive) IC5 AVR V5V (for video AVR drive) COMPONENTS DESCRIPTION www. xiaoyu163. com QQ 376315150 9 9 2 8 9 4 2 9 8 TEL 13942296513 9 9 2 8 9 4 2 9 8 0 5 1 5 1 3 6 7 3 Q Q TEL 13942296513 QQ 376315150 892498299 TEL 13942296513 QQ 376315150 892498299 8 KVT-915DVD,925DVD,935DVD KVT-945DVD,965DVD Ref No. Application / Functions Operation / Condition / Compatibility IC6 Charge-pump Charge-pump for Audio±9V IC10 Microprocessor System control for X25 unit IC13 Reset IC Microprocessor reset to reduced voltage for BU line IC14 Inverter For muting logic IC15 NAND For muting logic IC16 AND For muting logic IC21 RDS decoder RDS signal decoder IC22 E. volume Audio control, MPX demodulator IC23 Noise amp Noise amp for RDS circuit IC31 Isolation amp Isolation amp (for FL, FR gnd line) IC32 Isolation amp Isolation amp (for RL, RR gnd line) IC33 Isolation amp Isolation amp (for center, sub gnd) IC34 Isolation amp Isolation for GND line (for DVD down-mix) IC36 Video driver Video 75Ω drive amp (for B, G signal) IC37 Video driver Video 75Ω drive amp (for R, Sync signal) IC40 Video switch Select for NAVI RGB or Ext. TV/VIDEO RGB IC41 AV switch Source input/output selector IC42 OP amp For bus management IC43 Audio switch For bus management and DVD AV OUT IC44 Electric volume Electric volume control for 5.1ch audio & 2 zone and NAVI audio selector IC45 Audio power amp Audio power IC (4ch speaker output) IC47 OP amp 1/2 VCC IC48 Inverter Muting logic inverter IC50 Isolation amp Isolation amp (For AV IN1) IC51 Isolation amp Isolation amp (For AV IN2) IC52 OP amp For preout amp (sub, center line) IC53 OP amp For preout amp (RL, RR line) IC54 OP amp For preout amp (FL, FR line) IC60 AND Remote control buffer for NAVI IC61 Isolation amp Isolation amp (For NAVI) IC62 Isolation amp Isolation amp (LX BUS : changer unit) IC63 Inverter Reset inverter IC70 Audio power amp Audio power IC (1ch speaker output : center amp) Q1 SW FAN AVR switch Q2 AVR BU5V (darlington circuit) Q3 AVR For SW5V output Q4 AVR For BU5V output Q5 SW FAN AVR switch Q6 AVR FAV AVR Q7 AVR FAN AVR (darlington circuit) Q8 SW Illumination detect switch Q9 AVR For T8.5V output Q10,11 AVR PON 14V output COMPONENTS DESCRIPTION www. xiaoyu163. com QQ 376315150 9 9 2 8 9 4 2 9 8 TEL 13942296513 9 9 2 8 9 4 2 9 8 0 5 1 5 1 3 6 7 3 Q Q TEL 13942296513 QQ 376315150 892498299 TEL 13942296513 QQ 376315150 892498299 9 KVT-915DVD,925DVD,935DVD KVT-945DVD,965DVD Ref No. Application / Functions Operation / Condition / Compatibility Q12 SW ANT CON switch Q13 Buffer amp Video buffer Q14 SW P CON switch Q15,16 Protection P CON protection Q17 SW P CON switch Q18 SW ANT COM switch Q19 AVR For A9V output Q20 AVR CHROMA 8.5V output Q21 SW BU line detect switch Q22 SW Control switch for EXT. amplifier Q23 SW ACC line detect switch Q24 AVR For V5V output Q25 SW Parking line detect switch Q26 SW Muting switch Q27 SW Reverse detection switch Q28 SW ±9V charge pump AVR switch Q29 AVR ±9V charge pump AVR (for darlington circuit) Q30~35 AVR Charge pump stabilization circuit Q36,37 SW For A9V switch Q100~104 SW Muting switch Q201 Buffer amp RDS signal buffer Q203,204 SW Power switch Q206 Buffer amp RDS signal buffer Q207 SW Muting switch Q210~212 Amp Noise amp Q400,401 Buffer amp Video buffer Q402~407 SW For muting Q408 SW Muting switch Q410,411 SW For muting Q500 SW Muting switch Q501,502 SW For muting Q503 Buffer amp Video buffe ● VIDEO UNIT (X35-4280-01) Ref No. Application / Functions Operation / Condition / Compatibility IC1 Inverter control IC Control for LCD back light (inverter circuit and driver) IC101 DC/DC converter For VCOM amp (±12V, for LCD -12.0V/+18.5V) IC203 Amp VCOM signal amp IC301 Timing controller Control for LCD IC302 AND V. SYNC delay line buffer IC303 PLL LPF PLL control LPF (VT voltage control) IC304 Schmidt inverter Waveform shaping for c.sync signal IC401 Dimmer sensor Dimmer detect sensor COMPONENTS DESCRIPTION www. xiaoyu163. com QQ 376315150 9 9 2 8 9 4 2 9 8 TEL 13942296513 9 9 2 8 9 4 2 9 8 0 5 1 5 1 3 6 7 3 Q Q TEL 13942296513 QQ 376315150 892498299 TEL 13942296513 QQ 376315150 892498299 10 KVT-915DVD,925DVD,935DVD KVT-945DVD,965DVD Ref No. Application / Functions Operation / Condition / Compatibility Q1 Dimmer SW On and off is carried out with the control of PWM signal, and dimmer for LCD back light Q2,3 Inverter driver Drive for inverter circuit Q5 AVR 5V output for inverter control IC Q201~203 VCOM driver VCOM signal buffer Q301 VCO PLL oscillator Q501 Touch panel Y1 switch Y0 (X0) SW Y (X) axis input data : ON, X (Y) axis input data : OFF Q502 Touch panel X0/Y1 switch Y1 SW Y axis input data : ON and impressed voltage Q503 Touch panel X1/Y0 switch X1 SW Detect to touch panel or X axis data input : ON and impressed voltage Q601 SW OPEN/CLOSE key illumination blinking switch ● TUNER UNIT (X86-367x-xx) Ref No. Application / Functions Operation / Condition / Compatibility IC1 Video switch Video signal selector for diversity antenna (for E type) IC2 Diversity antenna IC Select for antenna unit for electric field intensity IC3 DC/DC converter AVR (30V) IC101 VIF/SIF IC VIF demodulator, SIF demodulator (for E type is diversity antenna) IC102 VIF/chroma IC VIF demodulator (for E type), chroma processor IC201 AM demodulator IC SIF (AM) demodulator (E type) IC202 Noise chancellor Noise chancellor, TV multiplex demodulator IC203,204 OP amp LPF+amp Q1 SW Video selector (NTSC/PAL/SECAM) Q2,3 SW Select for input SAW filter Q4,5 Buffer IF buffer Q101~103 Buffer Video signal buffer Q104~106 SW Xtal oscillator select switch Q107 SW IF select switch Q108,109 Buffer Generate for H-sync pulse Q111 Buffer RGB video signal buffer (R) Q112 Buffer RGB video signal buffer (G) Q113 Buffer RGB video signal buffer (B) Q114~116 Buffer Video buffer Q117 SW RGB muting switch (R) Q118 SW RGB muting switch (G) Q119 SW RGB muting switch (B) Q201 SW Audio muting switch (L) Q202 SW Audio muting switch (R) COMPONENTS DESCRIPTION www. xiaoyu163. com QQ 376315150 9 9 2 8 9 4 2 9 8 TEL 13942296513 9 9 2 8 9 4 2 9 8 0 5 1 5 1 3 6 7 3 Q Q TEL 13942296513 QQ 376315150 892498299 TEL 13942296513 QQ 376315150 892498299 11 KVT-915DVD,925DVD,935DVD KVT-945DVD,965DVD MICROCOMPUTER’S TERMINAL DESCRIPTION ● System Microprocessor : 70F3089YGJ-8R1 (X14 : IC202) Pin No. Name I/O Description / Processing Operation 1 PH_DET I Slid mechanism photo sensor detect input terminal 2 ILL_SEL I Illumination detect process select terminal 3 KEY1 I Panel key (4 pcs) select & horizontal detector 4 AUTO_DIM I Auto dimmer detect terminal 5 PORTGND0 - GND 6 SLIDE O Test for panel mechanism for torture test (for reliability testing) 7 NC O NC 8 TILT O Test for panel mechanism for torture test (for reliability testing) 9~11 TYPE0~TYPE2 I Destination setup terminal 12 M_STATE O Test for panel mechanism for torture test (for reliability testing) 13 LED_SW O Warning LED control terminal (H : Green (no disc), L : Red (it put in one disc)) 14~21 NC - NC 22 PORTVDD0 - VDD (BU5V) 23 NC - NC 24 LED_MUTE O Warning LED control terminal (L : Lighting on, H : Light off) 25,26 NC - NC 27 POS_D I Panel mechanism tilt down detect terminal 28 NC - NC 29 POS_F I Panel slide mechanism position detector 30 POS_B I Panel slide mechanism position detector 31 POS_M I Panel slide mechanism position detector 32 SRM_MO21 O Panel mechanism motor control (for tilt) 33 SRM_MO22 O Panel mechanism motor control (for tilt) 34 SRM_MO11 O Panel mechanism motor control (for slide) 35 SRM_MO12 O Panel mechanism motor control (for slide) 36 NC - NC 37 GND0 - GND 38 CPUREG - Coupling capacitor connection terminal 39 VDD0 - VDD (BU5V) 40 RESET I Reset signal input terminal (L : Reset) 41 FROM_VPP I 7.8V AVR input terminal (for ROM writing flash ROM microprocessor : Pull down, Mask ROM microprocessor : GND) 42 S_DATA / FROM_SI I Data input for microprocessor (X25 unit) / writing data input for flash ROM 43 M_DATA / FROM_SO O Data output to microprocessor (X25 unit) / writing data output to flash ROM 44 M_CLK / FROM_CLK I/O Clock output to microprocessor (X25 unit) / writing clock input for flash ROM 45 NC - NC 46 PLL_EN O Enable signal for graphic PLL circuit 47 PLL_DATA O Data signal for graphic PLL circuit 48 PLL_CLK O Clock signal for graphic PLL circuit 49 A_MUTE O Audio 5.1ch muting (H : Muting) 50 NC - NC 51 BE_AMUTE I Audio muting signal from back end unit (L: Muting) 52 VOFF_EN O LCD back light ON/OFF control (L : OFF, H : ON) 53 LED_FLAS O Monitor open/close key illumination blinking control (H : Lighting on, L : Light off) www. xiaoyu163. com QQ 376315150 9 9 2 8 9 4 2 9 8 TEL 13942296513 9 9 2 8 9 4 2 9 8 0 5 1 5 1 3 6 7 3 Q Q TEL 13942296513 QQ 376315150 892498299 TEL 13942296513 QQ 376315150 892498299 12 KVT-915DVD,925DVD,935DVD KVT-945DVD,965DVD Pin No. Name I/O Description / Processing Operation 54 NAVI_V O NAVI display center position control (L : Display for NAVI & illumination on, H : Except NAVI) 55 VOL_DOWN I Volume down key input terminal 56 VOL_UP I Volume up key input terminal 57 OPEN_KEY I Monitor display open/close key input terminal 58 NC - NC 59 V_MUTE O Video muting (L : Muting) 60 PORTVDD1 - VDD (BU5V) 61 BRIGHT O Dimmer control for inverter (L : Backlight lighting off) 62 M_REQ O Request for X25 microprocessor 63 S_REQ I Request from X25 microprocessor 64 ACC_DET I ACC detector (L : Detect to ACC voltage) 65 DMIX_MUTE O Audio down mix line muting (H : Muting) 66 HD I NAVI H sync. detect input terminal 67 SYS_ON O On/off control for X25 unit (H : On, L : Off) 68 ILL I Illumination detect signal from X25 unit 69 NC - NC 70 XT2 - Sub clock (32.768kHz) 71 XT1 I Sub clock (32.768kHz) 72 GND2 - GND 73 X1 I Main clock (16.9344MHz) 74 X2 - Main clock (16.9344MHz) 75 RGB_SW O RGB signal selector 76 DISC_DET I DISC insert detect terminal (L : Startup to disc insert for the unit) 77 REMO I Remote control signal input terminal 78 P_ON O Power on/off control (H : Power on) 79 SYNC_SW O Sync. signal selector 80 NAVI_SEL O Control for sync. separator IC 81 POW7_CON O 7V AVR voltage control (H : 5V, L : 7.5V) 82 POWER_DET I BU line condition detect terminal (L : Power voltage trouble) 83 BU_DET I +B line reduced voltage detector (L : Correct for +B line) 84 SDA I/O Panel mechanism position memory control & ROM correction control (I2C) 85 NC O NC 86 SCL I/O Panel mechanism position memory control & ROM correction control (I2C) 87~89 MODE3~MODE1 O Setting for monitor display (Seting 3~1) 90 DSP_RST O Reset for DSP IC (L : Reset) 91 DSP_EN O Enable signal for DSP IC 92 PORTGND1 - GND 93 DSP_CLK O Clock for DSP IC 94 DSP_SI I Data from DSP IC 95 DSP_SO O Data for DSP IC 96 BE_SREQ I Request signal from back-end microprocessor 97 BE_CLK I Clock from back-end microprocessor 98 BE_SDATA I Data from back-end microprocessor 99 BE_MDATA O Data for back-end microprocessor 100 BE_MREQ O Request signal for back-end microprocessor MICROCOMPUTER’S TERMINAL DESCRIPTION www. xiaoyu163. com QQ 376315150 9 9 2 8 9 4 2 9 8 TEL 13942296513 9 9 2 8 9 4 2 9 8 0 5 1 5 1 3 6 7 3 Q Q TEL 13942296513 QQ 376315150 892498299 TEL 13942296513 QQ 376315150 892498299 13 KVT-915DVD,925DVD,935DVD KVT-945DVD,965DVD Pin No. Name I/O Description / Processing Operation 101 BE_RST O Reset for back-end microprocessor 102 PORTVDD2 - VDD (BU3.3V) 103,104 NC O NC 105~108 HPOS4~HPOS1 O Setting for starting position (Setting 4~1) 109 TOUCH_EN O Enable for touch panel control 110 TOUCH I Touch off detect input terminal 111 SH_SDATA I Data from IC506 112 SH_MDATA O Data for IC506 113 SH_RST O Reset for IC506 114 SH_MREQ O Request for data transmission to IC506 115 NC - NC 116 SH_SREQ I Request for data transmission from IC506 117~120 NC - NC 121 SH_STBY I System stand-by signal input terminal from IC506 122 SH_CON O Standby control for IC506 123 SH_INI O Control to process on function with IC506 124 NC O NC 125 VD I NAVI V sync. detect input terminal 126 G_ILL O Green illumination lighting on control (H : Lighting on) 127 R_ILL O Red illumination lighting on control (H : Lighting on) 128 VDD1 - VDD (BU5V) 129 B_ILL O Sub panel backlight (blue) control (H : Lighting on) 130 DSI O Control for DSI LED (H : Lighting on) 131 GND1 - GND 132 EJECT I Disc eject key input terminal 133 PANEL I Front panel description detect terminal (L : Attached to unit, H : Pull off) 134 SRC I Souse select key input terminal 135~138 NC I NC 139 KEY2 I Key input terminal 140 NC - NC 141 SPEANA_IN I Spectrum analyzer signal input terminal 142 R_SENS I Tilt sensor voltage detect terminal 143 ADCVDD - VDD (SW5V) 144 ADCGND - GND Destination setup terminal (for jumper wire) Type TYPE0 (9 pin) TYPE1 (10 pin) TYPE2 (11 pin) J L L L K H L L E L H L W H H L M L L H H H L H C, X L H H R H H H Display select sw terminal RGB_SW SYNC_SW NAVI_SEL Display for input (75 pin) (79 pin) (80 pin) source L L H TV, AUX IN L L L NAVI H L H DVD L H H Full graphic (NAVI display off ) MICROCOMPUTER’S TERMINAL DESCRIPTION www. xiaoyu163. com QQ 376315150 9 9 2 8 9 4 2 9 8 TEL 13942296513 9 9 2 8 9 4 2 9 8 0 5 1 5 1 3 6 7 3 Q Q TEL 13942296513 QQ 376315150 892498299 TEL 13942296513 QQ 376315150 892498299 14 KVT-915DVD,925DVD,935DVD KVT-945DVD,965DVD ● Graphic Control Microprocessor : HD6417706F120D (X14 : IC506) Pin No. Name I/O Description / Processing Operation 1 Vcc-RTC - AVR for RTC (1.9V) 2 XTAL2 O NC 3 EXTAL2 - NC 4 Vss-RTC - GND 5~10 GD31~GD26 I/O DATA bus 11 VssQ - GND 12 GD25 I/O DATA bus 13 VccQ - AVR FOR I/O (3.3V) 14~18 GD24~GD20 I/O DATA bus 19 Vss - GND 20 GD19 I/O DATA bus 21 Vcc - Inside AVR (1.9V) 22~24 GD18~GD16 I/O DATA bus 25 VssQ - GND 26 GD15 I/O DATA bus 27 VccQ - AVR FOR I/O (3.3V) 28~36 GD14~GD6 I/O DATA bus 37 VssQ - GND 38 GD5 I/O DATA bus 39 VccQ - AVR FOR I/O (3.3V) 40~45 GD4~GD0 I/O DATA bus 46~48 GA1~GD3 O Address bus 49 VssQ - GND 50 GA4 O Address bus 51 VccQ - AVR FOR I/O (3.3V) 52~60 GA5~GA13 O Address bus 61 VssQ - GND 62 GA14 O Address bus 63 VccQ - AVR FOR I/O (3.3V) 64~70 GA15~GA21 O Address bus 71 Vss - GND 72 GA22 O Address bus 73 Vcc - Inside AVR (1.9V) 74~76 GA23~GA25 O Address bus 77 GBS O Started bus cycle signal 78 GRD O Read strobe 79 GWE0/DQMLL O D7~D0 select signal / DQM (SDRAM) 80 GWE1/DQMLU O D15~D8 select signal / DQM (SDRAM) 81 GWE2/DQMUL O D23~D16 select signal / DQM (SDRAM) 82 GWE3/DQMUU O D31~D24 select signal / DQM (SDRAM) 83 GRDWR O Read write control terminal 84 VssQ - GND MICROCOMPUTER’S TERMINAL DESCRIPTION www. xiaoyu163. com QQ 376315150 9 9 2 8 9 4 2 9 8 TEL 13942296513 9 9 2 8 9 4 2 9 8 0 5 1 5 1 3 6 7 3 Q Q TEL 13942296513 QQ 376315150 892498299 TEL 13942296513 QQ 376315150 892498299 15 KVT-915DVD,925DVD,935DVD KVT-945DVD,965DVD Pin No. Name I/O Description / Processing Operation 85 GCS0 O Chip select 0 (ROM) 86 VccQ - AVR FOR I/O (3.3V) 87 GCS2 O Chip select 2 (DMA) 88 GCS3 O Chip select 3 (SDRAM) 89 GCS4 O Chip select 4 (SDRAM) 90 GCS5 O Chip select 5 (GRiTT : VRAM) 91 GCS6 O Chip select 6 (GRiTT : Register) 92 LCD_CS O Driver chip select for mini LCD unit 93 VssQ - GND 94 N.C - NC 95 VccQ - AVR FOR I/O (3.3V) 96 GRAS O Low address strobe 97 N.C - NC 98 GCAS O Column address strobe 99 NTSC_PAL O NTSC/PAL selector (H : PAL, L : NTSC) 100 GCKE O Clock enable 101 SHINI I Reset start detect terminal (H : Except reset start, L : Reset start) 102 GBACK O Bus acknowledge (NC) 103 GBREQ I Request for in bus (Fixed H level) 104 GR_WAIT I Request for wait for hardware 105 SH_DACK O DMA acknowledge 106,107 N.C O NC 108 SHSTBY O Consent of power supply off control terminal (H : Not consent, L : Power supply off) 109~112 AUDATA0~AUDATA3 I/O AU DATA input/output terminal 113 AUDSYNC O AU SYNC output terminal (H-UDI) 114 TDI I Data input terminal (H-UDI) 115 Vss - GND 116 TCK I Clock input terminal (H-UDI) 117 Vcc - Inside AVR (1.9V) 118 TMS I Mode select (H-UDI) 119 TRST I Reset terminal (H-UDI) 120 TDO O Data output terminal (H-UDI) 121 ASEBRKAK O ASE break acknowledge (H-UDI) 122 ASEMD0 I ASE mode (H-UDI) 123 Vcc-PLL1 - AVR for PLL (1.9V) 124 CAP1 - External capacity terminal (for PLL1) 125 Vss-PLL1 - GND 126 Vss-PLL2 - GND 127 CAP2 - External capacity terminal (for PLL2) 128 Vcc-PLL2 - AVR for PLL2 (1.9V) 129 GMD1 I Setting for clock mode 130 Vss - GND 131 XTAL O X’tal oscillator terminal (NC) MICROCOMPUTER’S TERMINAL DESCRIPTION www. xiaoyu163. com QQ 376315150 9 9 2 8 9 4 2 9 8 TEL 13942296513 9 9 2 8 9 4 2 9 8 0 5 1 5 1 3 6 7 3 Q Q TEL 13942296513 QQ 376315150 892498299 TEL 13942296513 QQ 376315150 892498299 16 KVT-915DVD,925DVD,935DVD KVT-945DVD,965DVD Pin No. Name I/O Description / Processing Operation 132 EXTAL I Ext. clock input terminal / X’tal oscillator terminal 133 N.C - NC 134 SH_SREQ O Request to data transmission for main microprocessor 135 SH_MREQ I Request to data transmission from main microprocessor 136 NC O NC 137 VssQ - GND 138 GCKIO O System clock output terminal 139 VccQ - AVR FOR I/O (3.3V) 140 LCD_TD O Serial data for mini LCD unit 141 LCD_CLK O Clock data for mini LCD unit 142 SH_SDATA UART 143 LCD_DCON O Serial data input/output control for mini LCD unit (H : Receive data available, L : Transmission data available) 144 N.C - NC 145 LCD_RD I Serial clock for mini LCD unit 146 SH_MDATA UART 147 GR_INT I Request to interruption from graphic IC 148 Vss - GND 149 GRESETM I Request for manual reset input terminal (Fixed H level) 150 Vcc - Inside AVR (1.9V) 151 TOUCH O Touch off detect (H : Touch off, L : Touch on) 152 TOUCH_EN I Touch control enable select input terminal (H : Touch control enable, L : Not consent) 153 X_P O Touch panel control 154 X_G O Touch panel control 155 SHCON I Control for graphic microprocessor (H : Operation possible, L : Impossibility) 156 VssQ - GND 157 GNMI I Interruption for non maskable (Fixed L level) 158 VccQ - AVR FOR I/O (3.3V) 159 AUDCK I AUDCK input terminal (H-UDI) 160 GR_DREQ I Request for DMA 161 Y_G O Control for touch panel 162 N.C - NC (Fixed on low level) 163 GMD0 I Setting for clock mode (Fixed on high level) 164 GMD2 I Setting for clock mode (Fixed on low level) 165 SH_RST I Reset signal input terminal 166 GCA I Request for hardware standby (Fixed H level) 167 GMD3 I CS0 bus width specification (Fixed L level) 168 GMD4 I CS0 bus width specification (Fixed H level) 169 GMD5 I Setting for endian (Fixed on low level) 170 Avss - GND 171 TOUCH_X I Touch panel data input terminal (X side direction) 172 TOUCH_Y I Touch panel data input terminal (Y side direction) 173 BLACK O Black level adjustment control terminal MICROCOMPUTER’S TERMINAL DESCRIPTION www. xiaoyu163. com QQ 376315150 9 9 2 8 9 4 2 9 8 TEL 13942296513 9 9 2 8 9 4 2 9 8 0 5 1 5 1 3 6 7 3 Q Q TEL 13942296513 QQ 376315150 892498299 TEL 13942296513 QQ 376315150 892498299 17 KVT-915DVD,925DVD,935DVD KVT-945DVD,965DVD Pin No. Name I/O Description / Processing Operation 174 CONT O Contrast adjustment control terminal 175 Avcc - AVR for analog (3.3V) 176 AVss - GND ● System Microprocessor : 703030BYGF-M12 (X25 : IC10) Pin No. Name I/O Description / Processing Operation 1 NAVI-TX O NAVI UART 2 LX_CON O Power on/off control for 5L unit (H : Request for power on) 3 RADIO-SDA I/O I2C data for front-end unit (TUNER) 4 LX_MUTE I Request to muting for 5L unit (H : Request for muting) 5 RADIO-SCL O I2C clock for front-end unit (TUNER) 6 LX_BAS_S I Serial clock data from 5L unit 7 LX_DATA_M O Serial clock data for 5L unit 8 LX_CLK I/O Clock for 5L unit 9 EVDD - VDD 10 EVSS - GND 11 LX_RST O Reset for 5L unit (H : Request for reset) 12 LX_REQ_M O Request signal for 5L unit (L : For request) 13 WREMO I Wired remote control signal input terminal 14 SMUTE O IC2 muting (H : Radio muting) 15 SYNC-IN I Sync. detect for AV-IN2 input terminal (AV-IN2 input : Detect for 45Hz~65Hz input pulse) 16 NC - NC 17 RGB-SW O Video source selector (L : NAVI, H : Other source) 18 IC2-SDA I/O IC2 IIC data / E2PROM II data 19 IC2-SCL I/O IC2 IIC clock / E2PROM II clock 20 BEEP O Beep signal for 4ch audio power IC 21 TEST I Writing for flash ROM IC (H : Writing, L : Normal) 22 AOMUTE O AV OUT audio muting (L : Muting on) 23 REAR O Front/Rear muting control 24 FM+B O Control for front-end AVR (For FM TUNER H : on) 25 AM+B O Control for front-end AVR (For AM TUNER H : on) 26 AFS O IC2-4 receive/seek control (H : Receive, L : AFS seek) 27 NC O NC 28 SW-SDA I/O IIC data for AV selector 29 SW-SCL I/O IIC data for AV selector 30 FRONT O Front/Rear muting control 31~33 TYPE0~TYPE2 I Destination setup terminal 34 RESET I Reset input terminal (L : Reset) 35 XT1 - NC 36 XT2 - NC 37 REGC - Coupling capacitor connect terminal 38 X2 - Main clock (20MHz) 39 X1 - Main clock (20MHz) MICROCOMPUTER’S TERMINAL DESCRIPTION www. xiaoyu163. com QQ 376315150 9 9 2 8 9 4 2 9 8 TEL 13942296513 9 9 2 8 9 4 2 9 8 0 5 1 5 1 3 6 7 3 Q Q TEL 13942296513 QQ 376315150 892498299 TEL 13942296513 QQ 376315150 892498299 18 KVT-915DVD,925DVD,935DVD KVT-945DVD,965DVD Pin No. Name I/O Description / Processing Operation 40 VSS - GND 41 VDD - VDD (BU5V) 42 CLKOUT - NC 43 TV-SDA I/O IIC data for TV front-end unit 44 TV-SCL I/O IIC clock for TV front-end unit 45 L2 O VHF low band demodulator LC selector (H : VHF low band for France, L : Other) 46 NC - NC 47 AM/FM O Destination selector (L : France, H : Other) 48 BG O Audio local oscillator selector (H : Germany, Australia etc., L : Other) 49 ST/MONO I Stereo/Mono detector (L : TV stereo broadcasting, L : Other) 50 I O Audio local oscillator selector (H : England, Germany etc., L : Other) 51 BIL I Bilingual broadcast detector (L : TV bilingual broadcast, H : Other) 52 DK O Audio local oscillator selector (H : China, Romania etc., L : Other) 53 MAIN/SUB O Main/Sub audio selector (H : Main, L : Sub) 54 TV MUTE O Main unit display muting for TV and Ext. input (L : Muting on) 55 ILL I Illumination detector (L : CAR illumination on, H : Normal) 56 P-ON O Power on control for unit (L : Power on) 57 ASMUTE O Pre muting for sub woofer (L : Muting on) 58 BVDD - VDD (BU5V) 59 BVSS - GND 60 ACMUTE O Center pre out muting (L : Muting on) 61 ARMUTE O Rear pre out muting (L : Muting on) 62 AFMUTE O Front pre out muting (L : Muting on) 63 BASS-SW O Bass management sw control (H : Bass management on) 64 DVD-SW O Down mix audio output AV-OUT terminal (L : Source for DVD) 65 P-MUTE4 O 4ch audio power IC muting control (L : Muting on) 66 P-STBY4 O 4ch audio power IC on/off control (H : Power on) 67 P-SVR4 O Reset for 4ch audio power IC 68 P-SVR1 O Reset for 4ch audio power IC 69 P-STBY1 O 1ch audio power IC on/off control (H : Power on) 70 ANT-CON O Ext. antenna on/off control (H : Power on) 71 P-CON O Ext. power amp on/off control (H : Power on) 72 EXT-AMP-CON O Ext. amplifier control 73 AVCONT O Control for Avref circuit 74 AVDD - VDD (BU5V) 75 AVSS - GND 76 AVREF - Vref output terminal 77 PHONE I NAVI/Normal/GSM detect input terminal 78 C2TYPE0 I Setting to IC2-4 79 C2TYPE1 I Setting to IC2-4 80 REVERSE I Back camera detect terminal (H : Normal, L : Back position) 81 PRK-SW I Parking detector (H : Parking, L : Driving) 82 NC - NC MICROCOMPUTER’S TERMINAL DESCRIPTION www. xiaoyu163. com QQ 376315150 9 9 2 8 9 4 2 9 8 TEL 13942296513 9 9 2 8 9 4 2 9 8 0 5 1 5 1 3 6 7 3 Q Q TEL 13942296513 QQ 376315150 892498299 TEL 13942296513 QQ 376315150 892498299 19 KVT-915DVD,925DVD,935DVD KVT-945DVD,965DVD Pin No. Name I/O Description / Processing Operation 83 NOISE2 I Noise amp (For D port) 84 NOISE I FM noise detect input terminal 85 S-METER I FM S-meter input terminal 86 FC-OUT I Seek stop detector 87 R-DATA I RDS data input terminal 88 R-QUAL I RDS QUAL input terminal 89 NC - NC 90 P-CLK I RDS clock input terminal 91 BU-DUT I BU detect terminal (L : BU14V detect) 92 M-REQ I Request for main unit (H : Request for main unit) 93 SYS-ON I Control for power on/off from main unit (H : Request for power on) 94 M-MUTE I Request to muting from main unit (H : Muting on) 95 S-REQ O Request signal to main unit (L : Request) 96 LX_REQ_S I Request signal from 5L unit (L : Request) 97 M-DATA I Serial data from main unit 97 FLASH_IN I Serial data from main unit 98 S-DATA O Serial data for main unit 98 FLASH_DO O Serial data for main unit 99 M-CLK I/O Communication clock for main unit 99 FLASH_CLK I/O Communication clock for main unit 100 NAVI-RX I NAVI UART (L : No connect NAVI unit) Destination setup terminal (for jumper wire) Type TYPE0 (31pin) TYPE1 (32pin) TYPE2 (33pin) J L L L K H L L E, W L H L M L L H H H L H C, X L H H R H H H MICROCOMPUTER’S TERMINAL DESCRIPTION www. xiaoyu163. com QQ 376315150 9 9 2 8 9 4 2 9 8 TEL 13942296513 9 9 2 8 9 4 2 9 8 0 5 1 5 1 3 6 7 3 Q Q TEL 13942296513 QQ 376315150 892498299 TEL 13942296513 QQ 376315150 892498299 20 KVT-915DVD,925DVD,935DVD KVT-945DVD,965DVD TEST MODE ● How to enter the test mode While pressing and holding the Eject key and SRC key, reset the unit. ● How to exit from the test mode While holding the Reset key, reset the unit. Note : Turning ACC off, power off, momentary powers down are does not exit for the test mode. ● Test mode operation • Source selector : AV IN1 Each press of the V SEL key in TEST mode should switch from AV IN1→AV IN2→DVD→TV→NAVI→AV IN1 • Volume : STEP 30 • Switching for Video detector or Test mode main menu (for FNC key on) • Writing value for LCD panels touch position adjustment * • Display position adjustment * • Serial code writing * • Microprocessor information • Information for service menu • Display for Region code information • Security code writing (E, W type only)* You must adjustment for * mark function when you repaired for IC200 (X14-947 : Video control unit). ● Simple way to clear the security code (without E, W type) 1) How to enter the security code entry While pressing the Reset key when unit is security on mode. 2) Enter, “KCAR” with the remote controller as described be- low. • Press the remote controller 5 key twice. (Enters a “K”) • Press the remote controller 2 key three times. (Enters a “C”) • Press the remote controller 2 key once. (Enters an “A”) • Press the remote controller 7 key twice. (Enters an “R”) Code request mode appears if a mistake was made in entering the numbers. 3) Security function is canceled and unit sets to Menu display mode. ● Specification of Test mode on-screen Default display is Test mode Main when selected graphic dis- play mode that in the test mode. Test Mode Main screen Information Touch adjustment Touch adjustment Touch adjustment Writing data for EEPROM Writing data for EEPROM Writing OK Writing OK Writing NG Writing NG Graphic position adjustment DVD position adjustment TV position adjustment Video position adjustment NAVI position adjustment Service information Writing for Serial number Source Operate similarly to normal mode Operate similarly to normal mode Operate similarly to normal mode Set up Call to Security code writing screen Security code Audio www. xiaoyu163. com QQ 376315150 9 9 2 8 9 4 2 9 8 TEL 13942296513 9 9 2 8 9 4 2 9 8 0 5 1 5 1 3 6 7 3 Q Q TEL 13942296513 QQ 376315150 892498299 TEL 13942296513 QQ 376315150 892498299 21 KVT-915DVD,925DVD,935DVD KVT-945DVD,965DVD TEST MODE ● Test mode Main Infomation TOUCH HPOSI SERVICE SOURCE SETUP AUDIO • Key specification Information : Change to Information screen Touch : Change to Panel Touch adjustment screen Hposi : Change to horizontal position adjustment screen Service : Change to service information screen Source : Change to source screen Setup : Change to setup screen Audio : Change to audio screen ● Information screen Display for microprocessor and DVD region code information. Return Region Code Serial No. Graphic uCom System uCom Rom Collection Type Tv uCom Rom Collection Type F/E B/E 2 10005224 Ver.4.02 Ver.4.03 -- KVT-915DVD Ver.4.00 -- K Ver.*.** Ver.*.** • Key specification Return : Change to Test Mode Main screen CANCEL Point Two-point Three-point ● Key touch position correction adjustment for the Touch panel Adjust to 3-point position on the touch panel. The unit come to adjustment is complete when you can get EEPROM OK appear on the screen. 1) Input touch position data • Key specification Cancel : Input touch position data (point) : Change to Test Mode Main screen Other : Change to Input touch position function (for point) 2) Writing data for EEPROM Writing. . . 3) Writing OK screen • Key specification Return : Change to Test Mode Main screen EEPROM Write OK ! Return www. xiaoyu163. com QQ 376315150 9 9 2 8 9 4 2 9 8 TEL 13942296513 9 9 2 8 9 4 2 9 8 0 5 1 5 1 3 6 7 3 Q Q TEL 13942296513 QQ 376315150 892498299 TEL 13942296513 QQ 376315150 892498299 22 KVT-915DVD,925DVD,935DVD KVT-945DVD,965DVD TEST MODE 4) Writing NG screen EEPROM Write NG You can try again adjustment when if appears on EEPROM write NG. ● H position adjustment Adjusting Horizontal position for each video input source. 1) Graphic HPOSI adjustment Adjustment to horizontal position appears more than 1dot yel- low-green color raster from side to side. 480 dot For Full graphic 2 dot 4 dot 2 dot 2 dot 3 dot 25% White Orange White 234 dot 236 dot 2) DVD, TV, VIDEO, NAVI HPOSI adjustment Adjustment to horizontal position without red color line on screen. 486 dot OSD screen 2 dot 4 dot 3 dot 2 dot 2 dot 2 dot 1 dot 1 dot 234 dot 236 dot Back ground Orange White Red Yellow- green 3) HPOSI adjustment Key specification CANCEL << NEXT >> Step value • Key specification CANCEL : Change to Test Mode Main screen >> : Display position moving to right side << : Display position moving to left side NEXT : Next video source adjustment or writing data for EEPROM (at the end of NAVI adjustment) 4) Writing data for EEPROM EEPROM Writing 5) Writing OK screen EEPROM Write OK ! Return • Key specification Return : Change to Test Mode Main screen www. xiaoyu163. com QQ 376315150 9 9 2 8 9 4 2 9 8 TEL 13942296513 9 9 2 8 9 4 2 9 8 0 5 1 5 1 3 6 7 3 Q Q TEL 13942296513 QQ 376315150 892498299 TEL 13942296513 QQ 376315150 892498299 23 KVT-915DVD,925DVD,935DVD KVT-945DVD,965DVD TEST MODE 6) Writing NG screen EEPROM Write OK ! Return You can try again adjustment when if appears on EEPROM write NG. ● Service information screen Display of service information data and initialization for the unit Init START SERIAL Init Init Init Init RTN *** hour *** hour *** time *** time *** time Power On DVD Play DVD Eject Monitor Open Monitor Close • Key specification Init : Select for initialization item START : Initialization data when while pressing and holding about 2 second any more. SERIAL : Change to Serial number input screen RTN : Change to Test Mode Main screen • Adjustments procedure 1. Select for Init key when you wont initialized data. 2. While pressing and holding START key about 2 second any more. Cancel Serial No. Clear ---- Enter ● Writing Serial number data screen Serial data writing for each unit. 1) Serial number input screen • Key specification 0~9 : 10key use for serial number Clear : Clear for on entry serial number data. Cancel : Change to Service information screen 2) Serial number writing screen Cancel Serial No. 1 2 3 4 5 6 7 8 9 0 Clear ---- • Key specification Enter : Writing for serial number data for the unit. (Complete : writing OK, NG : miss writing) Press to cancel key when exit this function. You can try again adjustment when if appears on serial num- ber write NG. Clear : Clear for on entry serial number data. Change to Serial number input screen Cancel : Change to Service information screen. (Press to can- cel key when exit this function) www. xiaoyu163. com QQ 376315150 9 9 2 8 9 4 2 9 8 TEL 13942296513 9 9 2 8 9 4 2 9 8 0 5 1 5 1 3 6 7 3 Q Q TEL 13942296513 QQ 376315150 892498299 TEL 13942296513 QQ 376315150 892498299 24 KVT-915DVD,925DVD,935DVD KVT-945DVD,965DVD TEST MODE ● Source screen Operate similarly to normal mode. But change to Test Mode Main screen when press to setup and audio keys. Chang to Test Mode Main screen ● Setup screen Operate similarly to normal mode. But change to Test Mode Main screen when press to return and audio keys. Chang to Test Mode Main screen ● Audio screen Operate similarly to normal mode. But change to Test Mode Main screen when press to return and setup keys. ● Security code writing (E, W type only) Security code writing for the unit that control for pair with se- rial number. 1) How to enter to writing security code Chang to Test Mode Main screen Setup Menu screen Calling security screen Writing security code screen 1. Press to Security key when test mode setup screen. 2. Press to Set key When appear on display that security data memory is blank. 3. Security code input to same as normal mode and press to Enter Key on. Caution : You must security code writing for the unit that con- trol for pair with serial number. Complete : Writing OK, Writing NG You can try again adjustment when if appears on writing NG. www. xiaoyu163. com QQ 376315150 9 9 2 8 9 4 2 9 8 TEL 13942296513 9 9 2 8 9 4 2 9 8 0 5 1 5 1 3 6 7 3 Q Q TEL 13942296513 QQ 376315150 892498299 TEL 13942296513 QQ 376315150 892498299 25 KVT-915DVD,925DVD,935DVD KVT-945DVD,965DVD 2003 TV DVD receiver must be writing serial number data in the unit that compatible DVD audio format. Kenwood serial number is 2 type of specifications detail is fol- lowing as. ● Specification of serial number for Model (destination) Model name Destination Digit number VDX-09M J 8 KVT-915DVD K 8 KVT-915DVD R 8 KVT-925DVD E 14 KVT-925DVD W 14 KVT-935DVD M 8 KVT-935DVD H 8 KVT-945DVD X 8 KVT-965DVD C 8 WRITING SERIAL NUMBER ● Writing serial number (for 8 digit) All digit data is writing for the unit. ● Writing serial number (for 14 digit) Lower 8 digit data is writing for the unit. Alphabet character data convert to numeral character. M → 0 N → 1 P → 2 R → 3 S → 4 T → 5 U → 6 V → 7 W → 8 X → 9 ADJUSTMENT ● VIDEO ADJUSTMENT (X14-947, X35-428) Item Adjustment method / Adjustment value Conditions 1. 8.5V power supply 1. Connect the frequency counter to IC102 10pin between GND line. • Power supply : DC14.4V VR100 (X14-947) 2. Adjust VR100 so that IC102 10pin frequency is set to 450.5kHz±10Hz. 2. VCO Free run 1. Connect the frequency counter to check point TP307A between GND line. • Input : AV1 frequency 2. Adjust VR301 so that HSY (IC301 9pin) frequency is set to 15,734kHz±10Hz • Input signal : No signal VR301(X35-428) (NTSC type), 15,625kHz±10Hz (PAL type). 3-1. Initial VR position 1. Turn VR404 [BRIGHT] fully to the clockwise. • Input : AV1 VR404,VR408, 2. Connect the frequency counter to check point TP415, TP416 and TP401 between • Input signal : 10step signal VR407,VR401 GND line. (NTSC composite video (X14-947) 3. Adjust VR408 (GAMMER0), VR407 (GAMMER2) and VR401 (CONTRAST) so that signal) TP voltage is set to 3.5V±0.05V. • Oscilloscope : 0.5V/DIV AC 3-2. RGB AMP 1. Connect the oscilloscope to TP272 between GND line. VR405 (X14-947) 2. Adjust RGB AMP (VR405) so that 4th step from the pedestal is 3.4V±0.05V. 3.4V 3.4V±0.05V www. xiaoyu163. com QQ 376315150 9 9 2 8 9 4 2 9 8 TEL 13942296513 9 9 2 8 9 4 2 9 8 0 5 1 5 1 3 6 7 3 Q Q TEL 13942296513 QQ 376315150 892498299 TEL 13942296513 QQ 376315150 892498299 26 KVT-915DVD,925DVD,935DVD KVT-945DVD,965DVD Item Adjustment method / Adjustment value Conditions 3-3. GAMMER0 1. Connect the oscilloscope to TP272 between GND line. • Input : AV1 VR408 (X14-947) 2. Adjust GAMMER0 (VR408) so that 5th step from the pedestal is 1.3V±0.05V. • Input signal : 10step signal (NTSC composite video signal) • Oscilloscope : 0.5V/DIV AC 3-4. BRIGHT 1. Connect the oscilloscope to TP272 between GND line. VR404 (X14-947) 2. Adjust BRIGHT (VR404) so the 3step from the pedestal are 2.0V±0.05V. CAUTION : At the beginning turn VR404 [BRIGHT] fully to the clockwise. After that volume adjustment are counterclockwise. 3-5. GAMMER2 1. Connect the oscilloscope to TP272 between GND line. VR407 (X14-947) 2. Adjust GAMMER2 (VR407) so that 6step from the pedestal is 3.4V±0.05V. 3. Adjust BRIGHT adjustment VR404 so that 1step from the pedestal is 0.8V±0.05V. CAUTION : At the beginning turn VR404 [BRIGHT] fully to the clockwise. After that volume adjustment are counterclockwise. 3-6. CONTRAST 1. Connect the oscilloscope to TP272 between GND line. VR401 (X14-947) 2. Adjust CONTRAST (VR401) so that 9step from the pedestal is 2.9V±0.05V. 3-7. R sub BRIGHT 1. Connect the oscilloscope to TP272 and TP272 between GND line. VR406 (X14-947) 2. Adjust R sub BRIGHT (VR406) so that VR and VG pedestal signal is same level (level difference±0.1V). 3.4V 1.3V±0.05V 3.4V 2.0V±0.05V 3.4V 3.4V±0.05V 3.4V 0.8V±0.05V ADJUSTMENT 3.4V 2.9V±0.05V www. xiaoyu163. com QQ 376315150 9 9 2 8 9 4 2 9 8 TEL 13942296513 9 9 2 8 9 4 2 9 8 0 5 1 5 1 3 6 7 3 Q Q TEL 13942296513 QQ 376315150 892498299 TEL 13942296513 QQ 376315150 892498299 27 KVT-915DVD,925DVD,935DVD KVT-945DVD,965DVD Item Adjustment method / Adjustment value Conditions 3-8. R sub 1. Connect the oscilloscope to TP272 and TP272 between GND line. • Input : AV1 CONTRAST 2. Adjust R sub CONTRAST (VR402) so that VR and VG 10step signal is same level • Input signal : 10step signal VR402 (X14-947) (level difference±0.1V). (NTSC composite video signal) • Oscilloscope : 0.5V/DIV AC 3-9. B sub BRIGHT 1. Connect the oscilloscope to TP272 and TP273 between GND line. VR409 (X14-947) 2. Adjust B sub BRIGHT (VR409) so that VB and VG pedestal signal is same level (level difference±0.1V). 3-10. B sub 1. Connect the oscilloscope to TP272 and TP273 between GND line. CONTRAST 2. Adjust B sub CONTRAST (VR403) so that VB and VG 10step signal is same level VR403 (X14-947) (level difference±0.1V). 4. VCOM amplitude 1. Connect the oscilloscope to TP316A (X35-428) between GND line. • Input : AV1 VR400 (X14-947) 2. Adjust VCOM (VR400) so that amplitude level is 6.73V±0.05V. • Input signal : 10step signal (NTSC composite video signal) • Oscilloscope : 1.0V/DIV AC 5. Flicker 1. Confirm there is no flickering (display mode : zoom). • Input : AV1 VR203 (X35-428) 2. If the flickering is recognized, adjust VR203 so that the flicker level will be the • Input signal : Gray minimum. (30~50% white) • Display mode : Zoom 6. DVD VIDEO OUT 1. Connect the oscilloscope to video output terminal for hideaway unit (video output is • Input : DVD LEVEL 75Ω resistor termination to GND). • Input signal : White 100%, VR700 (X14-947) 2. Adjust VIDEO (VR700) so that amplitude level is 1.0Vp-p±0.05V when play for test Gray (30~50% white) disc for 100% white raster. • Display mode : Zoom Note : When the LCD ASSY or the touch panel switch ASSY is replaced, X14- and X35- Circuit, Touch panel and Start position is adjusted together for test mode. 6.7V±0.05V ADJUSTMENT www. xiaoyu163. com QQ 376315150 9 9 2 8 9 4 2 9 8 TEL 13942296513 9 9 2 8 9 4 2 9 8 0 5 1 5 1 3 6 7 3 Q Q TEL 13942296513 QQ 376315150 892498299 TEL 13942296513 QQ 376315150 892498299 28 KVT-915DVD,925DVD,935DVD KVT-945DVD,965DVD ● TUNER UNIT Adjustment (X86-367 K, R type) Item Adjustment method / Adjustment value Conditions 1. Video detection 1. Turn VR103 [RF-AGC] fully to clockwise. • No ANT signal coil L103 2. Apply approximately DC 2.0V to TP [IF AGC] (IC101 36pin). • If the waveform is clipped, 3. Feed fo=45.75MHz, Mod=1kHz, AM60%, Level=100dBµ into TP [IF] (CF1 1pin). slightly increase the DC 4. Observe the TP [VIDEO] (IC101 8pin) waveform on the oscilloscope and adjust voltage. L101 so that the output level will be the maximum. • AC range 2. Audio detection 1. Turn VR101 [RF-AGC] fully to clockwise. • No ANT signal coil L101 2. Feed fo=41.25MHz, No Modulation, Level=94dBµ into TP [IF : CF1 1pin]. 3. Connect the voltmeter to TP [SIF : both ends of R107] and adjust L101 so that the voltmeter reads 0V±0.01V. 3. S-METER 1. Turn VR101 [RF-AGC] fully to clockwise. • Postpone adjusting VR101 VR102 2. Feed the 30dBµ 11CH color bar signal into the ANT input terminal. to prevent AGC having 3. Audio (P/S ratio -6dB) no modulation. effect at 30dBµ. 4. RF AGC 4. Connect the voltmeter to TP [S-METER : IC102 12pin] and adjust VR102 [SMET] • Ensure the RF AGC adjust- VR101 so it reads 3.75V±0.05V. ment is performed after the 5. Set the RF signal to 70dBµ and adjust VR101 [IC101 12pin : RF-AGC] so that the S-METER adjustment. voltmeter connected to TP [S-METER] reads 4.6V±0.05V. 5. Diversity free run 1. Connect the frequency counter to CN5 1pin [IC2 7pin] and GND line. • No ANT signal frequency VR1 2. Connect to lead wire between CN5 3pin [IC2 8pin] and CN5 2pin [GND]. 3. Adjust VR1 [15kHz] so as to obtain 15,734Hz±100Hz. ● TUNER UNIT Adjustment (X86-367 E, M type) Item Adjustment method / Adjustment value Conditions 1. Diversity free run 1. Connect the frequency counter to CN5 1pin [IC2 7pin] and GND line. • No ANT signal frequency VR1 2. Connect to lead wire between CN5 3pin [IC2 8pin] and CN5 2pin [GND]. 3. Adjust VR1 [15kHz] so as to obtain 15,625Hz±100Hz. 2. Audio detection 1. [TV signal =9ch, color bar signal, Level=70dBµ] into antenna terminal. • PAL B/G coil L101 2. Connect the voltmeter to TP [SIF : both ends of R107] and adjust L101 so that the • P/S ratio 10dB voltmeter reads 0V±0.01V. 3. Diversity video 1. [TV signal =9ch, stair step signal, Level=70dBµ] into antenna terminal. • PAL B/G detection coil 2. Observe the TP [VIDEO : Q102 emitter between R108] waveform on the • Color off L103 oscilloscope and adjust L103 so that the output level will be the following figure. OK NG NG ADJUSTMENT Maximum level www. xiaoyu163. com QQ 376315150 9 9 2 8 9 4 2 9 8 TEL 13942296513 9 9 2 8 9 4 2 9 8 0 5 1 5 1 3 6 7 3 Q Q TEL 13942296513 QQ 376315150 892498299 TEL 13942296513 QQ 376315150 892498299 29 KVT-915DVD,925DVD,935DVD KVT-945DVD,965DVD E D C B A 1 2 3 4 5 6 7 Q503 D6 D7 Q5 S606/ S603 S601/S604 D406/ D407 D501 CN502 CN503 Q502 CN501 D5 D4 S605/S602 Q202 Q203 D302 D303 Q301 D101 D301 D309 D304 Q201 D103 D104 D102 CN303 VIDEO UNIT X35-4280-01 A/3 (J74-1506-32) X35 B/3 X35 C/3 IC1 IC303 IC203 IC301 IC101 E CB C EB C B E E B C E B B E 3 4 6 E B B E R10 C16 C21 C22 F1 C23 C12 C17 R12 C14 C6 C25 C9 R505 C406 R9 R506 C502 R501 C501 C504 C423 L401 C24 C13 C11 R18 R15 R14 C18 C3 C8 C1 R6 C26 R642 R654 R641 C114 C112 C109 C113 C211 C322 C315 C316 C313 C319 R102 C318 R101 C334 C336 C326 C328 C327 C312 C101 C103 C306 C304 R103 C308 R104 C115 C118 C106 C110 C233 C210 C230 L106 L104 L105 L306 C232 C231 C102 C302 C301 R330 R332 R331 R340 R342 R341 R336 R339 R338 R315 R311 R313 R326 R325 R327 R329 R328 R321 R320 R324 R362 R349 R346 R345 R348 R347 R353 R359 R361 C329 C331 C320R335 C323 R242 R241 R218 R219 R234 C234 R105 R236 R235 R240 R239 VR203 VR301 L303 L309 L301 CP303 C505 CP301 R371 CP302 CF308 L103 L102 L101 C111 C107 R373 R374 R253 W301 W302 W304 W216 W217 W354 W355 W356 1 19 1 16 17 32 33 48 49 64 1 5 6 10 4 1 5 10 1 3 4 5 1 4 30 L501 1 50 1 1 10 20 11 -12.0V +12.5V +18.5V C.SYNC BLK HSY VSY VR VG VB VCOM +3.3V 1 VIDEO UNIT X35-4280-01 A/3 (J74-1506-32) X35 B/3 X35 C/3 D405/ D404/ D403/ CN601 CN1 D2 Q3 D1 Q2 S401/S405 Q1 D8 D3 D502 D503 D312 D311 D310 D313 Q601 CN305 D9 S406 S402/ D504 Q501 D401 D408/ S404/S408 D409/ D410/ D402 CN301 CN304 CN302 S403/S407 IC401 IC304 IC302 W358 R344 R337 C325 W357 2 1 R651 R631 9 10 C5 2 7 1 6 L1 R13 R11 R17 C15 R16 C2 1 R8 5 R1 R502 R4 C503 R453 C404 C403 R7 R3 C7 R5 C10 R456 R441 R454 C104 C105 C116 C108 C307 1 W107 R106 1 R652 C330 C426 R421 R401 C408 R402 R434 C405 R404 R403 R455 R503 R504 C421 R452 R432 C409 C422 R422 C424 R423 C410 R451 R433 C401 R431 C428 R350 R352 C332 R316 R307 R308 R367 R368 4 C311 C339 R369 5 8 R333 C317 1 5 W310 C309 R314 C324 R334 C310 3 4 10 R318 R343 R351 C321 R360 C314 C338 R323 C333 C305 C303 L302 W303 1 80 C335 C425 1 4 2 3 C427 4 1 50 -12.0V +12.5V +18.5V C.SYNC NVD NHD VR VG VB VCOM SCK 5.0V VGND SW+18.5V DGND +3.3V VGL VGND VGND STV1 U/D CV OE3 OE2 OE1 STV2 VDD VD2 VGH CPH CX L/R STH1 STH2 +3.3V/+5.0V TP 1 D D SG SG D D SG SG B E B E B P2 P1 E PC BOARD (COMPONENT SIDE VIEW) (FOIL SIDE VIEW) Refer to the schematic diagram for the values of resistors and capacitors. X35-4280-01 Ref. No. Address IC1 4C IC101 3C IC203 2B IC301 2B Ref. No. Address IC303 2B Q5 3C Q201 2B Q202 2B Ref. No. Address Q203 1B Q301 2B Q502 3B Q503 4B X35-4280-01 Ref. No. Address IC302 5D IC304 6D IC401 7E Q1 7C Ref. No. Address Q2 7C Q3 7C Q501 7D Q601 5C www. xiaoyu163. com QQ 376315150 9 9 2 8 9 4 2 9 8 TEL 13942296513 9 9 2 8 9 4 2 9 8 0 5 1 5 1 3 6 7 3 Q Q TEL 13942296513 QQ 376315150 892498299 TEL 13942296513 QQ 376315150 892498299 30 KVT-915DVD,925DVD,935DVD KVT-945DVD,965DVD F G H I J 1 2 3 4 5 6 7 C132 L107 L903 C133 L108 L902 C546 C553 C603 C626 C632 C640 C651 C131 R209 C899 C508 C122 C956 C134 R730 R245 R246 R213 C551 C576 L508 C507 C544 C547 C549 C550 C552 C554 C555 C567 C591 C593 C609 C610 C611 C612 C613 C614 C615 C616 C617 C620 C621 C622 C623 C624 C628 C630 C635 C638 C665 L711 C701 C780 C702 C783 C761 C704 C736 CP3 CP4 CP5 CP6 CP7 CP8 CP9 CP10 CP21 CP25 CP30 CP31 R703 R702 CP900 R711 R572 C215 R329 R263 R273 C404 C406 R408 R409 R411 R416 R418 R421 R423 R429 C212 C213 R259 R260 R261 R262 R269 C543 C589 R602 C605 R905 C902 C905 C110 C949 C977 C607 C618 C503 CP63 R632 R700 R701 R704 R705 R706 C117 C118 C124 L104 C951 C960 C961 C979 C982 R927 R928 R956 R962 R986 C104 C129 C216 C217 C402 C403 C411 C413 C414 C416 C417 C419 C420 C421 C424 C430 C532 C533 C579 C592 C220 R206 R208 R210 R271 R272 R404 R414 R415 R417 R422 R428 R507 R511 R529 R537 R538 R539 R550 R551 R553 R559 R590 R593 R594 R597 R598 R600 R601 R604 R606 R608 C994 C995 R613 R615 R616 R617 C996 R707 R708 R709 C224 R710 R904 C997 C107 C121 C218 C504 C568 C765 C774 C957 C959 C963 C964 C965 C966 C969 C970 C971 C972 C974 C978 C986 C988 R232 R241 CP13 CP14 CP15 CP16 CP17 CP18 CP19 CP20 CP35 CP36 CP37 CP38 CP41 CP42 CP43 R995 L105 R175 R994 R191 R207 R211 R212 R252 R254 R255 R405 R412 R413 R426 R427 R506 L500 C226 R584 R585 R592 R635 W700 L705 L713 R902 R903 R922 R923 R924 R925 R930 R931 R932 R933 R934 R935 R936 R937 R938 R939 R940 R941 R942 R943 R944 R946 R947 R948 R949 R950 R951 R960 R964 R966 R967 R970 R972 R974 R978 R981 R982 R983 R984 W504 W557 W558 W559 W560 W561 W565 C135 C136 C144 C147 CF105 R248 R992 R991 C560 R334 R333 C556 C558 R341 R342 R343 R284 R294 R754 C784 R105 R281 R282 W109 R283 R755 W505 CP44 CP65 CP66 CP67 CP68 CP69 CP70 CP71 CP735 CP736 CP737 CP738 CP739 CP740 CP741 CP742 W726 W114 C159 C101 C155 R113 C154 C227 C228 CP22 1 16 9 8 1 4 8 5 1 19 19 1 5 8 4 1 1 4 5 8 1 8 5 4 16 5 9 8 1 4 3 1 1 4 5 8 4 1 5 8 4 1 1 1 1 1 1 5 8 7 14 8 4 8 5 3 5 4 3 5 4 4 8 5 4 1 8 5 4 5 3 1 16 9 8 1 3 1 5 4 1 3 4 5 5 4 3 1 4 5 1 3 1 3 4 5 G I O I G O 24 1 48 25 1 24 25 48 44 86 43 1 22 1 23 44 25 48 24 1 16 1 32 17 4 5 1 3 1 4 8 5 2 20 2 20 C100 1 2 1 3 5 4 8 1 9 16 E B E B E B E B E B E B E B E B E B E B E B E B E B E B E B E B E B E B Q214 Q511 Q513 Q514 Q217 CN201 CN202 Q102 Q113 Q212 Q213 Q216 D112 D113 Q111 Q215 Q218 D211 D212 D225 D213 Q221 Q200 D700 D701 D200 D201 Q222 Q223 D209 Q202 D904 D907 D908 D909 D910 CN100 IC910 IC508 IC514 IC502 IC500 IC513 IC518 IC519 IC522 IC528 IC716 IC701 IC400 IC102 IC206 IC204 IC511 IC505 IC520 IC914 IC917 IC918 IC521 IC702 IC700 IC209 IC534 IC533 IC535 IC536 IC515 IC516 IC531 IC208 VIDEO CONTROL UNIT X14-947x-xx A/3 (J74-1630-22) PC BOARD (COMPONENT SIDE VIEW) www. xiaoyu163. com QQ 376315150 9 9 2 8 9 4 2 9 8 TEL 13942296513 9 9 2 8 9 4 2 9 8 0 5 1 5 1 3 6 7 3 Q Q TEL 13942296513 QQ 376315150 892498299 TEL 13942296513 QQ 376315150 892498299 31 KVT-915DVD,925DVD,935DVD KVT-945DVD,965DVD O N M L K 1 2 3 4 5 6 7 C356 C128 L103 R204 C316 C126 L101 R200 C125 L100 C127 C741 C744 R733 C746 C932 C938 C939 R735 R736 R737 CP900 L102 C747 R915 C961 C981 C985 CP912 CP913 R916 R928 R961 R963 R989 R990 R199 R201 R205 C992 C993 C994 4 R312 R324 R325 R326 C959 C964 C976 C980 C987 C989 R301 R302 R303 R305 R306 R307 R308 W300 R310 R318 R319 R922 R923 R931 R933 R939 R952 R953 R954 R955 R965 R968 R969 R971 R973 R976 R979 R980 C137 C138 C139 C140 C145 C146 R109 C354 C353 C322 C355 C351 C352 R350 R991 C151 R304 W106 W107 W108 C314 C315 C303 C302 C305 C304 C306 C309 C311 C310 C312 R309 R353 1 4 1 4 5 8 22 21 2 1 3 1 5 4 3 1 2 4 E B E B D300 D302 D303 S300 CN300 D308 D309 D310 S2 S3 S4 S5 S6 S8 S9 D350 D311 D312 D313 D314 D304 D305 Q308 Q307 D306 D905 D906 D907 IC300 4 IC919 IC708 X14 B/3 X14 C/3 S4 S1 S2 S3 X16 B/2 SWITCH UNIT X16-2250-00 A/2 (J74-1419-02) VR1 Refer to the schematic diagram for the values of resistors and capacitors. X14-947x-xx Ref. No. Address IC102 2F IC204 3I IC206 3I IC208 4G IC209 3H IC300 4M IC400 3H IC500 5F IC502 4G IC505 4F IC508 5G IC511 4G IC513 7G IC514 4G IC515 4F IC516 4G IC518 6G IC519 6G IC520 4G IC521 7H IC522 6H IC528 4G IC531 4G IC533 4H IC534 4H IC535 4G IC536 4H IC700 6J IC701 6J Ref. No. Address IC702 6I IC708 4L IC716 4J IC910 4J IC914 2J IC917 3J IC918 2J IC919 2K Q102 1G Q111 2G Q113 2G Q200 3I Q202 7G Q212 3I Q213 3I Q214 3I Q215 3I Q216 3I Q217 3I Q218 3H Q221 3G Q222 4I Q223 3I Q307 3M Q308 3M Q511 4G Q513 4G Q514 4G www. xiaoyu163. com QQ 376315150 9 9 2 8 9 4 2 9 8 TEL 13942296513 9 9 2 8 9 4 2 9 8 0 5 1 5 1 3 6 7 3 Q Q TEL 13942296513 QQ 376315150 892498299 TEL 13942296513 QQ 376315150 892498299 32 KVT-915DVD,925DVD,935DVD KVT-945DVD,965DVD P Q R S T 1 2 3 4 5 6 7 W201 C148 R278 R975 R987 R729 C520 C528 C539 C900 C907 C915 C916 C924 L900 C775 C705 C946 C948 C950 C952 C954 C958 L901 R919 C713 C700 C715 R721 R722 C111 L200 R181 R738 C768 C945 R198 C517 C529 C530 CP743 C637 C66 C664 C C674 C675 C728 C750 C737 C751 C756 C703 C753 C757 C754 C710 C712 C717 C999 C724 C719 C721 C722 C729 C730 C731 C732 C733 C706 C707 C708 C727 C734 C735 C738 C742 C709 C745 C711 C749 C714 R771 R728 C716 C723 C726 C740 C901 C904 C906 C908 C909 C910 C911 C912 C913 C914 C917 C920 C921 C923 C925 C926 C933 C934 C947 C953 C962 CP2 C CP32 CP33 CP34 CP714 CP715 R723 CP716 CP717 R725 R734 R731 R742 R741 R739 R740 CP905 CP906 CP907 CP908 CP909 CP910 CP911 R712 R714 R719 R720 R715 W710 R717 L709 R202 R762 L700 R724 R726 W701 W702 W706 W703 W704 W705 W708 W707 C748 CP914 R911 R763 R764 L400 R996 C301 C779 R407 C206 C208 R256 R257 R258 R270 R337 C943 C944 C903 C777 C935 C772 C771 C778 C968 C109 C108 C955 C936 C937 C940 C967 C973 C975 C928 C619 C633 R500 C739 C743 C755 C423 C429 C431 CP915 CP916 CP917 R430 CP918 CP919 C113 C114 C115 C116 C418 R192 R193 R194 R419 C930 C931 R909 R910 R917 R918 R920 R926 R985 C929 C156 C102 C103 C112 C123 C202 C203 C767 C770 CP730 CP727 CP728 CP731 CP732 R275 C766 R276 R172 R178 R179 R203 R220 R221 R222 R243 R247 R249 R251 R253 R403 R431 C984 C990 C991 CP733 CP720 CP721 CP718 CP719 R745 R746 R747 C149 R713 X1 C300 R311 R320 R321 C105 C106 C119 C120 R317 C919 C998 C941 C942 R219 C130 CP39 CP40 CP722 CP725 CP726 CP723 CP724 CP710 CP712 CP711 CP708 CP709 CP707 CP729 CP713 CP702 CP703 CP701 CP700 CP706 CP705 CP704 CP901 CP902 CP903 CP904 R173 R174 R177 R183 R186 R214 R215 R216 R217 R218 R225 R226 R227 R229 R230 R231 R233 R236 R244 R300 R313 R314 R315 R316 R322 R323 R623 R624 R625 R718 R751 L712 L710 W712 C983 R756 R907 R908 R912 R913 R914 R921 R929 R945 R957 R958 R959 R977 VR400 VR40 R743 X2 X700 C141 C142 CF100 CF101 CF102 CF103 R100 R250 R107 W101 R108 R338 R727 R118 R117 R119 R116 R115 R120 R121 R330 R331 R332 R336 R106 R110 R111 C152 C153 C927 R327 C781 C725 C150 R328 C219 R900 R901 R993 R340 C897 R293 C782 R101 R102 R103 R104 R716 R772 CP744 R732 W713 W714 W715 W716 W727 W728 W729 W730 R767 R768 R769 R770 CP734 VR700 W717 W722 W723 W724 R766 R765 C160 W117 R744 C432 W100 W102 W103 W104 C157 C158 C307 C308 C313 C221 C222 R906 C223 C317 R339 R279 C918 C922 VR40 1 15 16 2 1 15 16 2 11 1 8 5 4 1 1 4 8 5 5 8 4 1 1 4 8 5 I G O 3 1 5 4 R224 4 1 5 8 4 1 8 5 4 5 3 1 1 4 8 5 1 4 5 8 1 3 4 5 1 3 4 5 44 23 1 22 R195 8 5 1 4 44 23 22 1 9 16 8 1 G I O 33 23 11 1 44 34 22 12 E B E B E B E B E B E B E B E B E B E B E B E B E B E B E B C720 C718 E B 15 28 14 1 73 72 108 109 176 1 45 44 54 28 27 1 8 1 9 16 27 28 27 28 12 13 24 1 25 36 37 48 1 208 157 52 105 156 104 53 1 8 5 1 16 9 50 1 1 7 1 7 14 8 3 4 I 3 O 1 5 4 G E B B E C752 L701 1 12 24 13 5 8 4 1 I G O 1 36 144 109 72 37 108 73 4 5 3 1 1 3 4 5 O G I 1 4 8 5 8 5 4 1 CO SCR CAMP BU5V BU3.3V SW5V 1.85V +7V -7V SW3.3 TP408 A+5V AD5V TDO TDI TMS TCK GND +B MCLK MDATA ACC DET SDATA CN701 D900 D902 Q305 D103 D109 D301 D110 Q112 Q114 Q400 Q107 Q108 D117 D118 D102 D104 D105 D106 D107 D114 Q100 Q101 Q103 Q104 Q110 Q300 J301 Q301 Q302 D901 CN702 D115 J300 Q105 D307 D116 D210 P102 P103 Q220 D214 D204 D203 D207 D120 D903 Q306 Q303 Q304 P104 Q115 D119 CN301 D315 Q201 D205 D206 IC901 IC506 IC900 IC920 IC921 IC713 IC908 IC909 IC105 IC202 IC525 IC IC IC904 IC905 IC906 IC907 IC912 IC913 IC915 IC704 IC100 IC101 IC712 IC714 IC916 IC903 I IC707 IC705 IC709 IC922 IC911 IC902 IC710 IC703 IC402 IC104 IC103 IC106 VIDEO CONTROL UNIT X14-947x-xx A/3 (J74-1630-22) X14 B/3 X14 C/3 PC BOARD (FOIL SIDE VIEW) www. xiaoyu163. com QQ 376315150 9 9 2 8 9 4 2 9 8 TEL 13942296513 9 9 2 8 9 4 2 9 8 0 5 1 5 1 3 6 7 3 Q Q TEL 13942296513 QQ 376315150 892498299 TEL 13942296513 QQ 376315150 892498299 33 KVT-915DVD,925DVD,935DVD KVT-945DVD,965DVD Y X W V U 1 2 3 4 5 6 7 R274 C528 C545 C601 C627 C634 C645 C648 C656 L509 R346 R349 C510 L200 R234 R237 R239 C564 C514 C516 L507 L512 L514 L519 R586 C200 C201 C527 C529 C594 C595 C599 C600 C602 C604 C608 C625 C629 C631 C636 7 C639 C641 C642 C644 C646 C649 C650 C652 C653 C655 C659 C660 C661 C662 C663 C666 C667 C670 C671 C672 C673 C674 C676 C677 CP1 CP23 CP24 CP26 CP27 CP28 CP29 CP55 CP56 CP57 CP64 R610 R348 L515 L516 R630 R633 R345 R347 W524 C548 L400 R268 C400 C401 C407 R510 R407 R424 R425 R433 C204 C205 C206 C208 C209 C214 R256 R257 R258 R264 R265 R266 R267 R270 C561 C657 C658 C643 R629 C523 C534 C537 C538 C540 C509 C511 C535 C536 C590 C596 C597 C598 C606 C647 C654 C557 C569 C678 R570 C575 C583 C207 C210 19 C633 R500 C422 C423 R430 R197 C123 C211 C412 C425 C426 C427 C428 C518 C519 C524 C525 C526 C531 C541 C542 C559 C570 C571 C572 C573 R275 R277 R501 R512 R513 R180 R235 R238 R240 R420 R431 R432 R435 R436 R503 R505 R508 R520 R563 R582 R599 R603 R605 R607 R609 R614 R543 C405 C408 C409 C410 C415 C505 C506 C512 C513 C515 C521 C522 C562 C580 C581 C582 C584 C586 C587 C500 C501 C502 R223 R228 CP11 CP12 CP39 CP40 CP45 CP46 CP47 CP48 CP49 CP50 CP51 CP52 CP53 CP54 CP58 CP59 CP60 CP61 CP62 R196 R410 R434 R502 R504 R561 R562 R567 R577 R578 R579 R580 W543 R631 W551 VR400 VR402 VR403 VR404 VR405 VR406 VR407 VR408 VR409 W538 W539 X501 C143 CF104 R242 W105 R335 R336 L106 R285 R286 R287 C225 R344 R509 R288 R289 R290 R291 R292 R295 R296 R297 R298 R299 R112 R618 R611 R612 W110 VR100 R280 CP200 R351 VR401 E B E B 1 4 8 5 1 80 7 1 1 7 14 8 1 4 8 5 14 1 7 8 1 4 5 8 1 8 16 9 48 37 1 12 13 24 36 25 8 37 144 1 36 133 88 132 89 4 1 8 5 16 192 193 36 5 4 1 1 4 5 8 37 25 48 24 13 12 1 1 14 8 7 1 10 1 9 8 1 129 256 1 64 128 65 1 22 1 54 1 54 3 1 5 4 1 10 20 11 5 4 3 1 3 1 5 4 O B E 3 5 4 8 5 4 1 3 1 5 4 CONT SCR SCB RCBA CAN2 SBB CAN0 BCRT SBR CAMP TP502 TP509 VPP T1 T9 T7 T6 T8 T4 T3 T2 T5 GND +B D502 CN200 D103 CN203 CN204 Q515 D501 Q114 Q109 CN500 D117 D108 Q510 S200 D116 P100 P101 D503 D504 D208 D226 D215 D216 D217 D218 D219 D220 D221 D222 D223 D224 D227 D228 D229 D500 IC506 IC523 IC202 IC512 IC501 IC200 IC201 IC529 IC530 IC207 IC507 IC537 IC401 IC527 IC526 IC503 IC504 IC509 IC517 IC203 IC205 IC524 IC510 IC532 CN1 SWITCH UNIT X16-2250-00 A/2 (J74-1419-02) X16 B/2 R1 R2 PH1 19 1 Refer to the schematic diagram for the values of resistors and capacitors. X14-947x-xx Ref. No. Address IC100 6Q IC101 4Q IC103 2T IC104 2T IC105 2T IC106 2T IC200 3U IC202 3U IC203 2W IC205 3W IC207 3U IC401 2U IC402 2T IC501 3W IC503 3V IC504 2W IC506 5U IC507 3W IC509 4W IC510 4V IC512 4V IC517 4V IC523 5V IC524 7U IC525 7T IC526 7U IC527 6W IC529 6U Ref. No. Address IC530 6U IC532 5V IC537 4U IC703 6T IC704 6R IC705 5Q IC707 6Q IC709 5R IC710 4S IC712 3T IC713 4T IC714 5S IC900 3S IC901 2R IC902 2R IC903 2R IC904 3Q IC905 4Q IC906 3R IC907 3Q IC908 3S IC909 4T IC911 2Q IC912 2R IC913 3Q IC915 2R IC916 2Q IC920 4S Ref. No. Address IC921 4S IC922 4R Q100 6Q Q101 4Q Q103 2S Q104 2S Q105 1S Q107 5Q Q108 3Q Q109 2W Q110 2T Q112 2T Q114 2U Q115 2S Q201 3T Q220 3T Q300 7S Q301 4P Q302 4P Q303 4P Q304 4P Q305 4P Q306 4P Q400 2T Q510 5U Q515 4W www. xiaoyu163. com QQ 376315150 9 9 2 8 9 4 2 9 8 TEL 13942296513 9 9 2 8 9 4 2 9 8 0 5 1 5 1 3 6 7 3 Q Q TEL 13942296513 QQ 376315150 892498299 TEL 13942296513 QQ 376315150 892498299 34 KVT-915DVD,925DVD,935DVD KVT-945DVD,965DVD Z AA AB AC AD 1 2 3 4 5 6 7 L401 R16 C36 C37 L2 C409 C411 C413 C412 R523 R R525 R534 R537 C101 R533 R519 R518 R43 23 1 24 2 R330 R328 R329 R48 R507 C206 C447 R54 R408 C211 C504 C506 C448 R407 R405 R406 R401 C485 R402 C483 R400 L101 C14 R61 R143 R144 R127 R123 R124 R133 R135 R147 R114 R148 R403 R425 R426 R424 R122 R107 R121 R105 R103 R108 R109 C402 C403 C401 C22 C405 C324 C228 R65 R66 C304 R67 C423 C410 C429 C408 C449 C521 C103 R69 R70 R71 R72 R73 R68 C41 C42 R19 R205 C437 C438 R419 R617 R25 C614 R331 R417 R140 R141 R332 R161 X100 R77 1 21 15 10 4 1 1 2 3 4 5 6 5 11 16 5 9 13 10 6 2 3 7 11 4 8 12 C3 R428 R430 R427 R429 R434 R433 C523 C522 C482 R152 R151 R153 R154 R156 R125 R129 R132 R131 R130 C107 R51 R34 L103 L104 L106 L403 R110 R169 R170 R173 R174 C110 R142 C108 C109 R471 C115 C231 C232 C234 C235 C236 C242 C243 C245 R221 R224 R226 R230 R231 R232 R233 R234 C492 C491 C457 R476 C114 C112 C113 C202 1 4 5 8 1 8 9 16 1 1 1 1 1 1 G 1 1 1 1 1 3 4 8 5 4 8 5 4 5 8 4 1 5 8 4 1 5 8 1 7 30 80 51 100 81 50 31 1 4 5 1 4 5 8 8 9 16 4 1 8 5 11 12 44 8 9 16 4 1 5 8 7 8 14 8 5 1 4 4 1 5 8 1 4 5 8 4 1 8 5 8 5 1 4 14 15 28 19 33 51 20 32 64 52 I O SCL SDA C611 C541 C486 X200 C29 C21 C503 C445 C500 C501 C502 C439 C446 C443 C34 C35 C40 C493 C542 C494 C43 C44 C515 C16 C511 C530 C529 C524 C602 C525 C451 C528 C531 C600 C516 C514 C510 C450 C430 C2 C6 C495 C212 C209 C320 C513 C229 C328 C323 C534 C325 C543 C544 C615 L203 C102 C30 C230 C512 C517 C329 C609 C507 C509 C244 1 12 1 12 2 4 3 R506 E B E B E B E B E B E B E B E B E B E B E B E B E B EB EB E B E B E B EB E B EB E B E B EB EB E B EB CN10 Q100 Q2 Q101 Q500 Q26 Q401 Q27 Q16 Q12 Q15 Q25 D12 D602 D601 D7 D300 D D400 D402 Q103 D320 D321 D322 D600 Q104 Q30 Q31 Q32 Q33 Q34 Q35 CN11 D506 D507 D323 D611 D510 D515 D516 Q410 Q411 D106 Q211 Q212 D425 D426 Q408 CN23 CN22 Q17 Q18 J501 J500 REAR PRE OUT SUB VIDEO L (MONO) CENTER R AV OUTPUT R L AV INPUT VIDEO Q4 J600 J301 J200 J2 IC21 IC50 IC51 IC12 IC61 IC3 IC6 IC43 IC52 IC54 IC40 IC60 IC36 IC37 IC13 IC44 IC10 IC41 IC42 IC22 IC14 IC2 IC15 IC16 IC23 ELECTRIC UNIT X25-956x-xx A/2 (J74-1439-22) PC BOARD (COMPONENT SIDE VIEW) www. xiaoyu163. com QQ 376315150 9 9 2 8 9 4 2 9 8 TEL 13942296513 9 9 2 8 9 4 2 9 8 0 5 1 5 1 3 6 7 3 Q Q TEL 13942296513 QQ 376315150 892498299 TEL 13942296513 QQ 376315150 892498299 35 KVT-915DVD,925DVD,935DVD KVT-945DVD,965DVD AI AH AG AF AE 1 2 3 4 5 6 7 C428 R422 L401 R465 R11 R524 R527 R538 R537 R515 R516 R702 R43 23 1 24 2 R47 R301 R300 R607 R606 R302 R616 R614 R615 C28 R610 R608 R448 C3 C4 R703 C1 R475 R312 R313 R454 R704 R451 R455 R705 C704 R700 C301 C304 R423 C24 C303 C466 C462 C461 C449 R5 R38 R39 C313 R45 C302 R76 R3 R469 R470 R478 R479 R480 R482 R456 R457 R458 C308 C309 C311 R459 C331 R30 R453 C306 21 16 11 15 10 5 1 12 9 13 8 5 4 1 4 5 6 C307 C314 C315 C316 C317 C319 R452 C489 R8 R10 R9 R7 R440 R437 R436 R438 R439 R435 R335 R336 R345 1 G G G 4 1 5 8 4 1 5 8 11 23 33 12 22 44 34 4 1 8 5 G G G G G G C13 C7 C26 C33 C445 C444 46 C442 C441 C34 C701 C465 C318 C494 C700 R49 C607 C606 C455 C454 C453 C452 C451 C456 C533 C532 1 16 8 9 C531 C2 495 C5 C612 L1 C497 C499 C440 C496 C498 C608 C488 C490 1 12 1 12 1 1 24 25 2 24 1 2 1 25 2 24 EB EB E B E B E B B E B E B E E B E B Q9 D610 D609 Q2 Q21 D2 D603 D604 D605 D305 D306 D308 D307 D300 D302 D301 D304 D303 D311 D310 D309 D418 D700 D10 D701 CN11 D417 Q6 Q7 D423 Q20 D3 D405 D410 CN21 CN20 Q11 Q19 A200 Q24 Q28 J502 J1 POWER FRONT R UT D1 J601 J300 P600 CN1 J2 IC62 IC1 IC4 IC5 IC54 IC47 IC44 IC70 IC45 X25 B/2 Refer to the schematic diagram for the values of resistors and capacitors. X25-956x-xx Ref. No. Address IC1 4AF IC2 2AA IC3 5AD IC4 4AE IC5 4AE IC6 4AD IC10 3AC IC12 3AB IC13 3AB IC14 4AC IC15 4AB IC16 4AB IC21 4AB IC22 5AB IC23 3AA IC36 2AB IC37 2AB IC40 2AA IC41 5AB IC42 2AD IC43 2AD IC44 3AE IC45 5AG IC47 3AF IC50 6AB IC51 6AB IC52 6AC IC54 6AD IC60 2AB IC61 2AB IC62 3AF IC70 3AG Q2 5AE Q4 5AD Ref. No. Address Q6 6AG Q7 6AG Q9 5AE Q11 4AE Q12 5AC Q15 5AC Q16 6AC Q17 5AC Q18 5AC Q19 5AE Q20 4AE Q21 5AE Q24 4AE Q25 2AC Q26 3AA Q27 2AC Q28 5AE Q30 4AD Q31 4AD Q32 4AC Q33 4AC Q34 4AC Q35 4AC Q100 3AD Q101 3AC Q103 3AC Q104 3AC Q211 3AA Q212 3AA Q401 4AB Q408 2AC Q410 2AD Q411 2AD Q500 6AC www. xiaoyu163. com QQ 376315150 9 9 2 8 9 4 2 9 8 TEL 13942296513 9 9 2 8 9 4 2 9 8 0 5 1 5 1 3 6 7 3 Q Q TEL 13942296513 QQ 376315150 892498299 TEL 13942296513 QQ 376315150 892498299 36 KVT-915DVD,925DVD,935DVD KVT-945DVD,965DVD AJ AK AL AM AN 1 2 3 4 5 6 7 R13 TH41 C705 C706 R15 R28 C342 C545 C38 C39 R18 R21 R22 C12 R41 R526 R535 R37 R36 R511 R508 R42 R536 R517 R510 R509 R74 R4 R308 R307 R304 R303 R306 R305 C25 R540 R613 R609 R1 R611 R612 R326 R325 R327 R324 C343 R53 R321 R323 R311 R310 R309 R466 C459 C460 C300 C484 C9 R462 R463 R56 R52 R57 R58 C31 R55 R63 R64 R6 R314 R315 R316 R317 TH700 R318 R35 C27 R464 C305 C23 C535 C C537 C538 C539 C540 C518 C436 C520 R319 R2 R6 R40 R44 R46 R50 R481 C310 C312 C613 R441 R443 R445 R444 R446 R442 R432 R431 C519 R460 R62 R12 C10 C8 R59 R14 R461 R347 R348 R344 R467 C344 R468 C711 C712 C713 R337 R338 R339 R346 R473 R474 C45 R472 R343 R349 R706 R340 1 4 8 5 8 5 1 4 1 4 8 5 1 4 8 5 8 5 1 4 R513 B E B E B E B E E B B E B E B E B E B E B E B E B E B E B E B E B E D101 D407 D406 Q10 D413 D414 D411 D317 D318 D319 D607 D608 D104 Q403 Q3 Q405 Q406 Q407 Q404 Q402 Q23 D11 D13 Q102 D15 Q22 D14 Q29 D17 D18 Q36 Q37 D415 D416 D16 Q8 Q1 Q5 D4 D19 D509 D511 D512 D513 D514 D422 D107 D326 D327 D412 D408 D409 IC32 IC33 IC31 IC34 IC53 X25 B/2 ELECTRIC UNIT X25-956x-xx A/2 (J74-1439-22) PC BOARD (FOIL SIDE VIEW) www. xiaoyu163. com QQ 376315150 9 9 2 8 9 4 2 9 8 TEL 13942296513 9 9 2 8 9 4 2 9 8 0 5 1 5 1 3 6 7 3 Q Q TEL 13942296513 QQ 376315150 892498299 TEL 13942296513 QQ 376315150 892498299 37 KVT-915DVD,925DVD,935DVD KVT-945DVD,965DVD AS AR AQ AP AO 1 2 3 4 5 6 7 C508 L209 C333 L400 L204 L200 L205 L207 L206 R17 C332 R541 C432 C434 C431 C433 C416 C106 C414 C424 C427 C417 C420 R522 R526 R535 C422 C419 C421 C418 C32 R512 R75 C11 R214 R23 R536 C505 R24 R517 R514 R74 R218 R603 R604 R605 R540 R501 R500 R502 R333 R325 R334 R601 R414 R600 R602 R505 R503 R504 R321 R323 R322 R320 R102 R415 R410 R207 C219 R409 C220 R466 C215 C216 C213 C217 R175 R412 R413 R411 R404 C321 C326 R176 R149 R416 R418 R528 R529 R60 R531 R530 R111 R113 R532 R164 R166 R163 R539 R162 R115 R134 R136 R138 R116 R159 R157 R158 R145 R146 R160 R35 R119 R165 R167 R101 R100 C400 C322 C404 C536 C415 C100 C407 C425 C520 C104 R217 R219 C226 R215 R216 C227 R27 C224 C225 R206 R203 R202 R204 C223 R211 C222 R104 R106 R120 R118 C426 C105 C330 C526 C527 C487 L100 R112 L102 R150 R155 R26 R31 C17 C18 C327 R20 R59 C406 L105 R520 R521 R171 R172 C334 C233 C237 C238 C239 C240 C241 R222 R223 R225 R227 R228 R229 R350 R477 R351 C201 C111 3 1 4 5 B E B E B E B E B E B E B E B E B E B E B E B E B E D101 D9 D8 D5 D6 D102 D606 318 D316 D319 Q201 D103 D104 Q204 Q206 Q503 Q400 Q502 Q14 Q501 D201 D312 D505 D504 D502 D501 D503 D105 D500 D404 15 Q203 Q13 Q207 D325 D508 7 D202 Q210 D612 IC63 Refer to the schematic diagram for the values of resistors and capacitors. X25-956x-xx Ref. No. Address IC31 2AM IC32 2AL IC33 2AM IC34 2AM IC53 6AN IC63 2AP Q1 6AK Q3 5AN Q5 6AK Q8 4AN Q10 5AM Q13 3AQ Q14 5AP Q22 6AL Q23 6AK Q29 4AM Q36 5AM Q37 5AM Q102 3AN Q201 3AQ Q203 4AQ Q204 4AQ Q206 5AP Q207 5AP Q210 3AQ Q400 4AP Q402 3AM Q403 3AM Q404 3AM Q405 3AM Q406 3AL Q407 3AL Q501 6AO Q502 6AO Q503 6AO www. xiaoyu163. com QQ 376315150 9 9 2 8 9 4 2 9 8 TEL 13942296513 9 9 2 8 9 4 2 9 8 0 5 1 5 1 3 6 7 3 Q Q TEL 13942296513 QQ 376315150 892498299 TEL 13942296513 QQ 376315150 892498299 38 KVT-915DVD,925DVD,935DVD KVT-945DVD,965DVD AT AU AV AW AX 1 2 3 4 5 6 7 L15 R38 R15 C15 L1 L2 C16 L3 L4 C17 L5 L6 C18 L8 L7 R173 C25 C28 VR1 R14 R11 R12 R13 R10 C20 R9 C12 C19 C22 C21 R4 R5 R6 R2 R3 R7 R8 R158 R149 C8 R39 C14 C13 L9 R34 C143 R162 R161 L107 VR101 R125 C123 R120 R129 C125 R109 R103 C112 R121 R178 C126 C135 C137 C159/ C106 C113 C119 R177 R143/ R223 C212 R205 C222 R227 R226 R225 R224 VR201 C225 C226 R208 L202 C203 R207 R206 R228 R210 R105 R102 VR102 C105 C102 R168 R170 R163 R169 L16 R164 R167 R182 C147 C145 C154 C155 R37 L105 L104 C122 C150 C148 C108 C110 C114 C141 C136 L106 L102 C235 C233 C103 C151 R213 R215 R174 R216 R211 R111 C234 C236 R212 R214 C241 R114 9 16 8 1 22 23 12 33 11 1 44 34 8 5 1 4 51 24 1 52 33 64 32 20 19 1 1 4 8 5 5 8 4 1 12 24 13 1 E B ACC SEP S-METER DIV S-METER VCO TEST C52 C50 C51 CF103 CF102 CF101 X104 X105 X106 X103 X101 X102 CF2 CF3 CF1 C43 C41 C149 C213 C201 C209 C24 C208 C138 C134 C144 C48 C124 C243 C120 C146 C46 1 1 5 1 5 1 5 11 C45 L103 L101 L17 CN1 Q103 CN2 J1 J2 J3 J4 CN3 A1 IC2 IC1 IC201 IC101 IC3 IC102 IC203 TUNER UNIT X86-367x-xx (J74-1503-22) PC BOARD (COMPONENT SIDE VIEW) Refer to the schematic diagram for the values of resistors and capacitors. X86-367x-xx Ref. No. Address IC1 5AV IC2 5AU IC3 5AX IC101 3AW Ref. No. Address IC102 4AW IC201 3AU IC203 2AW Q103 2AX www. xiaoyu163. com QQ 376315150 9 9 2 8 9 4 2 9 8 TEL 13942296513 9 9 2 8 9 4 2 9 8 0 5 1 5 1 3 6 7 3 Q Q TEL 13942296513 QQ 376315150 892498299 TEL 13942296513 QQ 376315150 892498299 39 KVT-915DVD,925DVD,935DVD KVT-945DVD,965DVD BC BB BA AZ AY 1 2 3 4 5 6 7 B E B E B E B E E B E B B E B E B E B E B E B E B E B E B E B E B E B E B E B E B E B E B E B E C214 C4 C26 R122 R16 C219 C227 L11 C29 C10 C9 C30 C3 C7 C6 C104 R132 R140 R150 R27 R171 R172 R33 R166 C157 R147 R146 R165 C142 R151 R152 R148 C116 C131 R115 R134 R137 R136 R21 R31 C35 R26 R22 R24 C44 C42 C34 R23 L12 C47 C38 C140 C128 R160 R30 C127 R32 R28 R29 L14 R25 C49 C40 R20 C11 C5 R1 C33 C39 R18 C156 R157 C139 R155 R139 R153 R135 R176 C130 R141 R131 R133 R175 C133 C132 R154 R110 R112 R113 C152 C153 R138 R180 L13 R181 C107 C109 C111 R107 R104 C118 R117 R126 C121 R179 C238 C242 C240 R218 C237 R217 R101 C101 R123 C115 C117 R116 R108 C239 R124 R128 C158 R106 C224 R119 R130 R127 C223 C215 C218 C216 C217 C53 C2 C1 C31 C32 C27 C57 R19 R17 C37 C23 L10 C56 C55 C54 L108 C129 C207 C210 C205 C204 R202 R201 C202 L201 R209 C228 C221 C206 R203 R222 R221 C220 R229 C246 R219 C232 C229 C230 C231 R204 C245 C211 R220 1 4 8 5 32 17 16 1 MB SDA SCL BIL//I M/S//DK Lch ST//BG AM/FM V5V NC NC ANT ACC TU1 TU2(30V) PB(5V) IF SDA SCL GND VG VB TV AUX IN VR Rch TV MUTE TEST VCO IF ACC AFC Vref S-METER 4 3 2 1 D3 D2 Q116 D6 D106 Q111 Q115 Q118 Q112 Q117 D105 Q109 Q5 Q4 D4 D1 D5 Q113 Q114 Q119 Q108 Q107 Q102 D101 D104 Q106 Q105 D102 D103 Q104 Q201 Q3 Q2 Q1 Q101 Q202 IC204 IC202 TUNER UNIT X86-367x-xx (J74-1503-22) PC BOARD (FOIL SIDE VIEW) X86-367x-xx Ref. No. Address IC202 2BB IC204 2AZ Q1 5BB Q2 4BA Ref. No. Address Q3 4BA Q4 5AZ Q5 4AZ Q101 3BA Ref. No. Address Q102 3AZ Q104 2BA Q105 2AZ Q106 2AZ Ref. No. Address Q107 3AZ Q108 3AZ Q109 4AZ Q111 3AY Ref. No. Address Q112 3AZ Q113 3AZ Q114 4AZ Q115 4AY Ref. No. Address Q116 4AY Q117 3AY Q118 4AZ Q119 3AZ Ref. No. Address Q201 2BB Q202 3BB Refer to the schematic diagram for the values of resistors and capacitors. www. xiaoyu163. com QQ 376315150 9 9 2 8 9 4 2 9 8 TEL 13942296513 9 9 2 8 9 4 2 9 8 0 5 1 5 1 3 6 7 3 Q Q TEL 13942296513 QQ 376315150 892498299 TEL 13942296513 QQ 376315150 892498299 40 KVT-915DVD,925DVD,935DVD KVT-945DVD,965DVD A B C D E 1 2 3 4 5 6 7 X14-947x-xx (1/16) CAUTION : For continued safety, replace safety critical components only with manufacturer’s recom- mended parts (refer to parts list). Indicates safety critical compo- nents. To reduce the risk of electric shock, leakage-current or resistance measurements shall be carried out (exposed parts are acceptably insu- lated from the supply circuit) before the appliance is returned to the cus- tomer. • DC voltages are as measured with a high impedance voltmeter. Val- ues may vary slightly due to varia- tions between individual instru- ments or/and units. CN701 CN702 DVS-3040(X92-5020-00) to DVD MECHANISM UNIT FLASH MEMORY CPLD C703 10u10 TCK GND TMS TDO VCC 4 7 6 5 TDI 3 2 1 0.1 C702 R711 C701 0.1 R702 47K C700 37 12 4.7K R703 29 20 CE GND1 OE Q0 24 A1 A2 A3 A4 A5 23 22 21 25 A0 26 27 28 Q8 Q9 Q10 Q3 Q11 VCC 16 A17 A18 A6 A7 19 18 17 RY/BY NC14 NC13 RESET 15 14 13 33 Q1 Q2 30 31 32 34 35 36 C704 0.1 Q4 Q12 Q5 Q13 Q6 Q14 Q7 Q15 8 NC10 A19 WE A8 11 10 9 A10 A12 A9 A11 7 6 5 41 38 39 40 42 43 44 GND2 BYTE A16 A13 A14 A15 4 3 2 1 45 46 47 48 7 30 21 0.1 C706 2.2K R713 R712 10K 4.7K 12 11 10 R765 15 14 13 18 17 16 20 19 I/O14 I/O11 I/O10 I/O13 I/O12 I/O9 I/O8 TCK GND1 9 8 NC18 VCC1 I/O15 I/O16 GND2 24 23 22 I/O21 I/O22 I/O23 TMS NC30 I/O19 I/O18 I/O17 I/O20 26 25 I1 27 28 29 40 C705 VCC2 NC42 GND4 I/O0 I/O1 I/O2 I/O3 I/O4 I/O7 NC6 I0 TDI 6 5 4 I/O6 I/O5 3 2 1 46 47 48 43 44 45 41 42 0.1 4.7K I/O28 I/O29 I/O30 I/O31 GND3 TDO I/O24 I/O25 I/O26 I/O27 31 32 33 34 35 36 37 38 39 W701 PGND PGND PGND PGND S/PDIF DGND DISC DET DASP CS3FX CS1FX PDIAG INTRQ DACK IORDY DGND DIOW DGND DMARQ DGND 35 43 7V 47 50 49 48 7V 7V 7V 46 45 44 39 42 40 5V 5V 41 38 37 36 DA1 31 34 33 32 DA2 DA0 30 29 28 27 26 25 24 DIOR 23 22 20 DD15 DD0 21 DGND ROUT ACOM LOUT RESET 4 19 18 17 16 DD14 DD1 DD13 DD2 15 14 13 12 DD12 DD3 DD11 DD4 10 DD10 DD5 DD9 DD6 11 9 8 DD8 DD7 7 6 5 3 2 1 R727 10K R726 10K R724 10K W726 TP731 TP732 TP733 TP722 TP727 TP729 TP730 TP723 TP728 TP725 TP726 TP724 TP717 TP716 TP718 TP714 TP720 TP715 TP721 TP719 R722 82 R716 1K 4 3 2 5 6 7 1 8 R719 22 R720 22 R718 82 TP713 TP704 TP705 TP706 TP707 TP710 TP712 TP708 TP711 TP709 TP703 5 6 8 7 1 4 3 2 8 5 6 7 2 3 4 CP702 33 1 7 5 6 8 R717 33 CP716 10K 3 1 2 4 141 122 140 123 8 1 7 6 5 2 3 4 125 124 136 137 CP707 33 5 7 6 8 CP703 33 6 3 4 5 2 4 3 CP708 33 2 4 2 3 1 7 8 1 8 7 6 5 6 5 1 7 8 1 4 2 3 132 131 128 133 134 127 126 135 CP714 10K CP717 10K CP715 10K 149 150 146 R728 10K 144 R723 82 R721 33 155 CP704 33 154 158 153 152 145 CP735 22 170 176 178 179 CP736 22 185 182 181 180 LD0 LD1 LD2 LD3 LD4 LD5 CP737 22 186 204 187 198 LA0 WRL LD7 LD6 LA1 205 2 206 207 LA4 LA3 LA2 CP738 22 3 5 4 6 LA7 LA8 CP739 22 LA6 LA5 LA12 7 12 10 11 CP740 22 LA9 LA10 LA11 CP741 22 10u10 LA12 LA10 LA11 LA13 LA14 LA15 LA16 LA9 LA20 WRL LA2 LA3 LA4 LA5 LA6 LA7 LA8 LA18 LA19 LA17 LA0 LD7 LD6 LD5 LD4 LD3 LD2 LD1 LD0 LOE LA1 8 28 4 32 8 4 32 28 LA1 LA17 WRL LOE 22 24 23 CP713 4.7K 36 35 34 33 4.7 CP LA0 LD3 LD2 LD1 LD0 BU3.3V SW3.3V SW5V SW3.3V MEC7V LOE R710 10K R709 10K R708 10K R707 10K R706 10K R705 10K R704 10K + + IC702 IC703 VIDEO CONTROL UNIT (X14-947x-xx) (A/3) 2.6V 2.5V 2.4V 3.4V 3.4V 2.5V 2.4V 2.6V 2.5V 2.6V 2.5V 2.6V 2.4V 2.5V 2.8V 1.6V 1.6V 1.6V 1.6V 1.7V 1.2V 0.3V 0V 0V 1.0V 0V 0.6V 0V 0V 1.2V 1.1V 0V 1.0V 0V 0V 1.4V 0V 2.0V 1.2V 1.9V 3.0V 3.4V 0V 1.2V 2.7V 0V 3.4V 3.3V 0V 0V 0V 3.4V 1.7V 2.7V 0V 3.3V 0V 3.4V 0V 3.4V 3.4V 3.4V 0V 0V 2.7V 0V 0V 3.4V 0V 0.8V 1.2V www. xiaoyu163. com QQ 376315150 9 9 2 8 9 4 2 9 8 TEL 13942296513 9 9 2 8 9 4 2 9 8 0 5 1 5 1 3 6 7 3 Q Q TEL 13942296513 QQ 376315150 892498299 TEL 13942296513 QQ 376315150 892498299 41 KVT-915DVD,925DVD,935DVD KVT-945DVD,965DVD J I H G F SRAM SRAM CONT. C708 R700 2 100K 100K R701 3 0.1 C702 GND A Y 1 B VCC 4 5 A0 A7 16 15 14 A4 A5 A6 A3 A2 A1 I/O7 WE C701 0.1 13 12 11 10 R702 47K 9 8 7 6 VSS NC A12 A14 A16 I/O1 I/O2 I/O3 VCC A15 CS2 I/O4 I/O5 I/O6 5 4 3 2 C700 1 OE A11 A13 A8 A9 I/O8 CS1 A10 17 18 19 20 21 22 23 24 25 26 27 28 29 30 31 32 W702 CP709 R715 C712 0.1 4.7K 0.1 R725 4.7K C711 C714 0.1 C710 0.1 C709 0.1 0.1 C738 0.1 C737 0.1 C716 0.1 22 R766 4.7K CP700 R714 4.7K C707 0.1 0.1 C713 C715 0.1 187 208 207 206 205 204 203 202 201 200 199 198 197 196 195 194 193 192 191 190 189 188 LA18 VCC1 VSS1 LA9 LA8 LA7 LA6 LA5 LA4 VEE1 4 1 3 2 6 5 9 8 7 LA2 VSS24 LA3 CAMIN1 LA1 LA0 LA17 VEE2 VSS2 LA16 LA15 LA14 LA13 LA12 LA11 LA10 15 12 11 10 14 13 17 16 20 19 18 CAMIN0 LWRHL VEE17 VSS23 LWRLL LD15 LD14 LD13 LD12 VEE16 VSS22 LD11 LD10 LD9 LD8 LD7 LA19 21 186 185 184 183 182 181 180 179 178 177 176 175 174 173 172 171 170 169 168 167 166 165 164 163 162 161 160 159 158 157 HIORDY VSS16 VEE11 HWR HRD CAMCLK HCS1FX HCS3FX HA0 HA1 VSS17 VSS19 LD6 LD5 VSS21 VEE15 LD4 LD3 LD2 LD1 LCS2 LD0 VSS20 LCS3 LCS1 LCS0 VCC7 VSS18 AUX5 LOE AUX7 AUX6 AUX4 AUX3 VEE14 VEE13 AUX2 AUX1 AUX0 HA2 VEE12 153 156 154 155 151 152 148 149 150 146 147 LA12 7 12 10 11 LA11 15 14 16 13 CP741 22 LA13 LA15 LA14 LA16 CP742 22 19 22 20 21 LA20 LA19 LA18 LA17 LA11 LA9 LA8 LA13 WRL LA15 10u10 LA6 LA7 LA12 LA14 LA16 LA4 LA5 LOE LA10 LD7 LD6 LD5 LD4 LD3 LD2 LD1 LD0 LA0 LA1 LA2 LA3 155 154 153 152 149 150 146 C715 2 3 4 5 4.7K 14 CP711 4.7K 13 12 15 7 CP710 4.7K 6 10 11 C 4. 21 20 19 16 158 160 161 98 96 100 97 99 170 176 4.7K CP701 178 179 180 181 182 187 186 185 4.7K CP705 198 204 205 206 207 4.7K CP706 32 28 36 35 34 33 4.7K CP712 BU3.3V SW3.3V 76 + IC701 IC700 2.7V 0V 2.7V 3.3V 2.3V 3.4V 2.4V 3.3V 2.0V 2.7V 1.1V 3.3V 1.2V 0V 2.7V 1.2V 1.3V 0.8V 0V 0.7V 1.2V 1.0V 2.0V 2.7V 2.7V 2.7V 2.7V 2.7V 2.7V 1.2V 1.2V 0V 0V 3.3V 3.3V 3.3V V V 0V 1.5V 1.7V 3.4V 0V 3.4V 3.4V 0V 2.0V 0V 0.6V 3.4V 0V 0V 0V 3.4V 0V 3.4V 0.1V 0V 0V 0V 3.4V 3.4V 3.4V 3.4V 3.4V 3.4V 3.4V 0V 0V 3.4V 1.5V 2.0V 3.4V 0V 0V 0V 3.4V 3.3V 3.3V 3.4V 0V 3.3V 3.4V 0.4V 3.4V 0V 0V 0V 0V 0V 3.4V 3.4V X14-947x-xx (2/16) www. xiaoyu163. com QQ 376315150 9 9 2 8 9 4 2 9 8 TEL 13942296513 9 9 2 8 9 4 2 9 8 0 5 1 5 1 3 6 7 3 Q Q TEL 13942296513 QQ 376315150 892498299 TEL 13942296513 QQ 376315150 892498299 42 KVT-915DVD,925DVD,935DVD KVT-945DVD,965DVD K L M N O DVD PROCESSOR (VIDEO/AUDIO DATA DECODE) 4.7K W711 W712 TP734 R756 L701 180 W722 W718 W724 W723 W720 W719 W721 W717 C718 0.1 W705 W704 W703 0.1 C720 C723 0.1 4.7K C726 0.1 C727 10u10 C736 0.1 0.1 R730 C734 0.1 C733 0.1 0.1 C715 0.1 10u10 C719 0.1 180 C721 0.1 C725 0.1 L700 C724 CP722 33 R729 33 22 CP724 0.1 TP735 C732 C731 0.1 C730 TP736 C740 R731 15P SPDIFIN YUV7 LA18 LA17 20 TDMTSC TDMFS TDMCLK TDMDR VEE3 VSS3 TDMDX RESET LA21 LA20 LA19 26 23 22 21 25 24 28 27 31 30 29 SELPLL3 TBCK MCLK TSD3 TSD2 TSD1 VCC2 VSS4 TSD0 TWS 37 34 33 32 36 35 40 39 38 42 41 CAMIN4 CAMIN5 CAMIN6 CAMIN7 VSS13 VCC5 HD0 HD1 HD2 HD3 HD5 HD6 VSS14 VEE10 HD7 HD8 HD9 HD10 HD11 HD12 HD13 VSS15 VCC6 HD14 HD15 HWRQ HRRQ HIRQ HRST HIORDY VSS16 VEE11 142 145 146 147 143 144 140 141 137 139 131 134 135 136 132 133 129 130 126 127 128 120 123 124 125 121 122 117 118 119 115 116 74 DMA0 DMA1 DMA2 DMA3 DMA4 DMA5 AVSS AVEE XOUT XIN CAMIN3 RBCK RWS RSD VCC3 VSS5 48 45 44 43 47 46 51 50 49 52 53 54 55 56 57 58 VEE4 VSS6 DMA6 DMA7 DMA8 DMA9 DMA10 DMA11 VSS7 VEE5 DCAS DOE DWE DRAS DMBS0 DMBS1 66 62 59 60 61 63 64 65 70 67 68 69 71 72 73 DCLK YUV0 YUV1 YUV2 YUV3 YUV4 ADVEE ADVSS YUV5 YUV6 DB11 VEE6 VSS8 VCC4 VSS9 DB10 82 78 DB0 DB1 75 76 77 DB2 DB3 DB4 DB5 79 80 81 DB7 DB6 83 84 85 DB8 DB9 86 87 88 89 VSS10 VEE7 DB12 DB13 DB14 DB15 DCS1 VSS11 VEE8 DCS0 DQM DSCK VSS12 VEE9 90 91 92 93 94 95 96 97 100 101 98 99 102 103 104 109 112 113 114 110 111 106 107 108 105 145 146 144 141 140 136 137 134 135 133 132 131 124 127 128 126 125 122 123 119 118 116 115 114 113 110 CP723 33 108 109 106 107 C717 0.1 C715 101 100 102 22 22 95 96 94 93 CP726 22 90 89 88 87 CP727 22 82 81 85 86 77 78 22 80 79 74 73 CP729 22 CP728 72 70 69 71 CP730 22 C735 CP731 22 66 64 63 65 57 CP732 22 58 61 62 53 CP733 22 54 55 56 CP725 CP718 4.7K 21 20 19 22 4.7K CP719 40 39 37 36 33 32 47 CP720 47 CP721 CP734 4.7K 46 45 47 HD4 138 + + IC704 4V 0V 3.4V 0V 3.3V 3.4V 0V 0.1V 1.0V 1.6V 1.7V 0V 1.7V 2.0V 0V 1.3V 0.4V 0V 0.3V 2.0V 0V 3.4V 0V 1.7V 3.4V 0V 0V 0.1V 0.4V 0V 0V 3.4V 0V 0.1V 0.1V 0.1V 1.8V 0.2V 0.3V 0V 3.4V 3.1V 0.2V 3.0V 3.4V 3.0V 0.3V 3.4V 0V 1.1V 0.8V 1.3V 0.7V 0.8V 1.1V 0V 2.0V 1.1V 1.5V 1.0V 0.9V 1.0V 1.0V 0V 3.4V 0.6V 1.2V 1.3V 0V 3.7V 1.6V 0V 3.1V 1.5V 0V 3.4V 1.2V 0.9V 1.4V 1.0V 0V 0.7V 3.1V 0V 2.0V 3.4V 3.0-0V 3.0-0V 0V 3.0-0V 3.4V 3.4V 3.4V 0V 2.0V 2.0V 3.4V 3.4V 0V 0V 0V 0V 0V 0V 0V 3.3V 3.4V 3.4V X14-947x-xx (3/16) www. xiaoyu163. com QQ 376315150 9 9 2 8 9 4 2 9 8 TEL 13942296513 9 9 2 8 9 4 2 9 8 0 5 1 5 1 3 6 7 3 Q Q TEL 13942296513 QQ 376315150 892498299 TEL 13942296513 QQ 376315150 892498299 43 KVT-915DVD,925DVD,935DVD KVT-945DVD,965DVD T S R Q P D700 D701 SDRAM CLOCK 27M 13.5M PLL VIDEO AMP (6dB) VIDEO DECODER AVR +2V AVR +5V AVR +3.3V 0.1 CLOCK GND5 TTXREQ SCRESET RSET W706 C736 0.1 0.1 C734 0.1 C733 0.1 0.1 W700 0.1 C732 C731 0.1 C730 C728 22u10 22u6.3 R762 R763 R764 24K 1.5K 12K C742 0.1 C743 C745 100K TTX P3 P4 44 43 42 P2 P1 P0 41 40 39 38 R734 330 R735 100K R736 R733 10K R732 270 37 36 35 34 C722 0.1 GND OUT IN 0.1 C729 1 W707 C744 0.1 REF 2 NC2 A 3 C741 NC1 1 5 C 4 R737 C782 DQ14 DQ1 VSS1 A4 A5 A6 A7 A8 A9 A11 NC36 CKE CLK UDQM NC40 VSS2 DQ8 VDDQ3 DQ9 DQ10 VSSQ3 DQ11 DQ12 VDDQ4 DQ13 20 24 VDD3 A3 A2 A1 27 26 25 A0 A10 BA1 BA0 23 22 21 0.1 C754 0.1 16 CS RAS CAS WE 19 18 17 LDQM VDD2 VSSQ2 DQ7 15 14 13 C753 DQ4 VDDQ2 DQ6 DQ5 12 11 10 9 VSSQ1 DQ3 DQ2 8 7 6 5 35 31 28 29 30 32 33 34 0.1 39 36 37 38 40 41 42 C757 43 44 45 46 47 48 49 50 C756 0.1 R753 33 10P C780 L711 600 L709 10uH C771 VSSQ4 DQ15 VSS3 C752 0.1 0.1 C750 10u10 VDDQ1 VDD1 DQ0 4 3 2 1 W708 51 52 53 54 27.000MHz X700 C761 15P L705 600 5P C767 C770 TP738 W710 W709 VAA2 GND1 6 3 P5 VAA1 2 1 P8 P7 P6 5 4 P11 P10 P9 8 7 P12 11 10 9 C749 0.1 SCLOCK 28 GND4 DACB DACA VREF 31 32 33 VAA5 29 30 SDATA COMP DACC DACD VAA4 26 27 23 24 25 GND2 HSYNC P13 P14 P15 12 13 14 VSYNC BLANK ALSB 15 16 17 18 R743 10K VAA3 GND3 RESET 19 20 21 22 C755 0.1 10P 33 5P C773 R752 R751 330 8 RSRV 7 6 5 CLK2 CLK4 XOUT XIN C772 0.1 10u10 4 3 2 1 AGND VDD CLK3 9 CLK1 CLK5 GND S0 S1 10 11 12 AVDD S2 SDWN 13 14 15 16 C778 0.1 Q L710 600 15P 4 GND Q 15P 5 C783 0.1 600 3 2 1 D CLK CLR PRE VCC 6 7 8 L713 R741 R738 150 C747 C746 0.1 4.7K C748 0.1 0.1 R740 R739 4.7K 1.8K R742 100 C765 10u25 SAG TRAP STAND CIN 4 3 2 1 YIN OUT GND VCC 5 6 7 8 C766 4.7 R754 220 C777 R755 75 0.01 C768 0.1 GND IN OUT TP739 C775 0.1 ADJ VIN VC GND1 VOUT 2 1 5 3 4 C735 77 78 79 80 81 82 85 86 101 71 69 72 73 74 65 53 54 55 56 100 C751 96 95 94 93 90 89 88 87 102 70 66 64 63 62 61 58 57 113 114 115 116 110 109 108 107 106 119 118 47u10 C739 100 160 161 DVDG DVDB C774 100u6.3 10u16 C779 C784 SW3.3V SW5V MEC7V A+5V SW3.3V SHCLK GRCLK SW3.3V DVDR R 2 4 10K CP90 2 1 3 C909 0.1 L900 600 C902 0.1 C907 0.1 C906 0.1 C904 0.1 33 32 40 40 32 33 WE OE CE 55 55 DVDSYNC 100 R744 R746 100 R745 100 R747 100 101 + + + + + + + + IC705 IC709 IC708 IC710 IC714 IC716 IC712 IC713 IC707 3.4V 1.3V 2.0V 0V 5.0V 7.2V 3.3V 5.0V 0V 0V 1.2V 0V 3.4V 0V 1.7V 1.7V 3.3V 3.3V 0V 1.5V 1.5V 1.7V 1.7V 1.7V 0V 0V 1.4V 1.4V 0V 5.0V 1.2V 3.3V 3.3V 0V 0V 2.2V 0V 0.4V 0V 3.3V 0V 3.3V 0V 0V 3.3V 3.3V 0V 1.2V 0V 3.3V 3.3V 0V 0.6V 1.2V 3.4V 3.4V 3.4V 3.4V 3.4V 0V 3.4V 3.4V 0V 0V 0V 0V 3.4V 3.4V 0V 0V 0.5V 1.6V 3.4V 0V 3.4V 0V 0V 0.5V 0.4V 0.4V 0.4V 0.4V 0.5V 0.4V 0V 0V 0.4V 0.4V 0.4V 0V 0.4V 0V X14-947x-xx (4/16) www. xiaoyu163. com QQ 376315150 9 9 2 8 9 4 2 9 8 TEL 13942296513 9 9 2 8 9 4 2 9 8 0 5 1 5 1 3 6 7 3 Q Q TEL 13942296513 QQ 376315150 892498299 TEL 13942296513 QQ 376315150 892498299 44 KVT-915DVD,925DVD,935DVD KVT-945DVD,965DVD U V W X Y AUDIO DSP 108 107 106 105 104 103 102 101 100 99 98 97 96 95 94 93 92 91 90 89 88 87 86 85 84 83 82 81 80 79 78 77 76 75 74 73 2 7 C 1 5 6 3 4 C910 0.1 R904 22 4 5 8 22 CP901 C911 1 0.1 C913 0.1 C916 0.1 22 CP904 8 6 7 1 3 2 C917 0.1 C921 0.1 CP905 5 6 10K 4 3 8 7 1 2 3 6 4 5 C926 0.1 1 2 7 8 CP915 22 GNDC VCCC PINIT/NMI SCKR 1 FSR 1 GNDC VCCC VCCQL EXTAL GNDQ SCKT 1 CAS FST 1 VCCQH SDO5 1/SDI0 1 GNDP PCAP VCCP RESET HAD0 HAD1 HAD2 HAD3 GNDH VCCH HAD4 C905 0.1 4 5 10K CP900 2 1 3 6 7 8 R902 R903 47 47 C909 0.1 72 A0 BG AA0 AA1 RD 71 70 69 BB WR 68 67 66 65 BR TA 64 63 62 61 L900 600 C902 0.1 22 C907 0.1 60 59 58 57 56 55 54 53 C906 R905 0.1 0.22 AA2 52 51 50 49 48 47 46 45 37 41 44 43 42 40 39 38 C904 0.1 A14 A7 VCCA A1 A3 A2 GNDA VCCA A5 A4 A6 GNDA A9 A8 A10 GNDA VCCA VCCQL GNDQ A11 A13 A12 D15 D3 GNDA VCCQH A17 A16 A15 D2 D1 D0 GNDD VCCD D5 D4 D6 D7 D8 VCCD GNDD D9 109 110 111 112 D13 D10 D11 D12 D14 VCCD GNDD 113 114 115 116 117 118 119 120 VCCD D19 D16 D17 D18 VCCQL GNDQ D20 121 122 123 124 125 126 127 128 D23 GNDD D21 D22 MODD MODC MODB 129 130 131 132 133 134 135 136 SCKR GNDS HCS/HA10 HA9/HA2 HA8/HA1 HA7/HA0 34 HAD6 HAD5 35 36 HAD7 32 33 TIO0 29 30 31 ADO ACI 26 27 28 VCCQL VCCQH HDS/HWR HRW/HRD HACK/HRRQ HOREQ/HTRQ 20 23 VCCS 24 25 21 22 GNDQ 18 19 HCKT HCKR 15 16 17 C912 0.1 C914 0.1 C915 0.1 SDO0 9 12 FSR SCKT 13 14 SDI1 SDI0 FST 10 11 SDI2 VCCS GNDS 7 8 SDO1 SDO2 4 5 6 144 SDO4 1/SDI1 1 MODA TDO TDI TCK TMS MOSI MISO 140 137 138 139 141 142 143 SS HREQ 1 2 3 SCK 47 47 47 C920 0.1 C925 0.1 C923 C924 0.1 0.1 R911 4.7K TP907 TP906 TP904 TP902 A3 A2 A1 A0 8 1 6 7 5 A6 A5 A4 3 2 4 A7 22 CP902 A11 8 7 6 5 A10 A8 A9 1 2 3 4 22 CP903 A15 A14 A12 A13 1 8 6 5 7 3 4 2 CP914 22 D2 D0 D1 D3 D7 D6 D5 D4 7 2 5 6 4 3 CP907 8 10K 1 6 3 4 7 10K CP908 6 5 8 2 3 4 5 D8 D9 1 CP917 22 2 1 8 7 D10 D11 D13 4 CP909 7 6 5 10K 8 2 5 3 4 D12 1 CP916 22 1 3 2 8 6 7 D15 D14 1 8 CP910 10K 8 6 5 7 4 3 2 D17 1 5 3 4 2 D16 6 7 D18 D19 CP918 22 D23 10K 8 7 5 6 CP911 4 2 3 5 1 2 4 3 D20 7 6 D22 D21 CP919 22 1 8 CP906 10K 3 4 1 2 6 5 8 7 95 94 91 93 TP900 TP901 TP903 TP905 R993 R901 R900 6 5 4 37 45 46 47 90 22u6.3 C903 C908 WE OE C 1 45 36 39 46 47 + IC900 3.3V 0.1V 0V 0V 3.4V 0.1V 0V 1.7V 1.8V 0V 3.4V 3.4V 0V 0V 3.4V 3.3V 1.8V 0V 0V 0.4V 3.4V 1.7V 3.2V 1.7V 0V 1.7V 1.8V 3.4V 0V 0V 1.7V 0V 0V 0V 0V 3.4V 3.4V 0V 1.8V 1.7V 3.4V 0V 1.7V 0V 3.4V 1.7V 3.4V 0V 1.7V 0V 1.8V 0V 2.7V 3.4V 0V 2.8V 2.8V 3.4V 3.4V 0V 3.4V 2.8V 0V 3.4V 2.8V 1.8V 0V 0V 3.4V 2.8V 2.8V 0V 3.4V 3.4V 0V 0V 0V 3.4V X14-947x-xx (5/16) www. xiaoyu163. com QQ 376315150 9 9 2 8 9 4 2 9 8 TEL 13942296513 9 9 2 8 9 4 2 9 8 0 5 1 5 1 3 6 7 3 Q Q TEL 13942296513 QQ 376315150 892498299 TEL 13942296513 QQ 376315150 892498299 45 KVT-915DVD,925DVD,935DVD KVT-945DVD,965DVD AD AC AB AA Z D902 D900 D901 AUDIO DATA SELECTOR SRAM SRAM AVR +5V 2ch AUDIO DAC 5ch DAC AUDIO BUFFER AUDIO CONTROL SELECTOR MUTE AUDIO AMP ISO AMP ISO AMP AUDIO A/D CONVER 100K C900 10u10 0.01 C922 0.01 TP909 TP910 BOUT AIN- BIN- BIN+ 7 6 5 AIN+ V- 2 3 4 V+ 8 AOUT 1 C918 0.01 GND IN1 VM1 OUT1 4 3 2 1 VCC OUT2 IN2 VM2 5 6 7 8 C919 R910 R908 820 C897 0.01 R909 2K 2K R907 820 1 C929 R996 C931 4.7u50 C928 1 C930 4.7u50 R911 4.7K 28 17 8 1 C953 GND 3 1 2 R921 4 47 VCC 5 VCC VREF1 DOUT MODE0 FSYNC MODE1 12 11 LRCK BCK FMT1 FMT0 BYPAS RSTB VREF2 RFCOM 10 9 8 7 VINR 6 5 4 3 CINNR SYSCK DGND VDD CINPR CINNL CINPL VINL 2 1 AGND L901 10uH 2 4 3 21 22 NC1 A12 20 19 18 A13 A14 A15 WE 24 NC2 A11 23 A10 A9 A8 NC3 25 26 27 7 5 6 4 GND 1 3 2 8 8 7 VCC 5 6 VCC GND 4 C947 0.1 2 1 3 6 7 5 0.1 GND 3 4 2 1 VCC 5 C962 0.1 R929 47 3 1 2 8 4 2 1 3 GND 6 VCC 7 5 4 2 1 3 R957 47 R958 47 R959 47 26 19 A5 A4 9 C934 0.1 13 16 15 14 I/O7 I/O6 I/O5 I/O4 12 11 10 VSS1 VCC1 I/O3 I/O2 5 I/O1 I/O0 CE A0 8 7 6 A1 A2 A3 4 3 2 36 32 I/O8 I/O9 I/O10 I/O11 29 30 31 VCC2 VSS2 I/O12 I/O13 33 34 35 C939 0.1 3 4 2 40 I/O14 I/O15 LB UB 37 38 39 OE A7 A6 41 42 43 R916 75 R915 10K 1 C933 10u10 1 22 21 20 NC1 A12 A13 A14 44 NC2 A11 A10 A9 23 24 25 CP913 10K 6 5 7 8 R917 75 R918 75 A7 A2 11 C932 0.1 15 18 17 16 A15 WE I/O7 I/O6 14 13 12 I/O5 I/O4 VSS1 VCC1 7 10 I/O3 I/O2 I/O1 I/O0 9 8 CE A0 A1 6 5 4 34 30 A8 NC3 I/O8 I/O9 27 28 29 I/O10 I/O11 VCC2 VSS2 31 32 33 C938 0.1 38 I/O12 I/O13 I/O14 I/O15 35 36 37 LB UB OE 39 40 41 A3 A4 3 2 1 A6 A5 42 43 44 DVSS DVDD CDTI CCLK CSN LRCK SDTI3 SDTI2 SDTI1 BICK MCLK PDN DZF VREF C943 10u16 0.1 13 14 12 11 10 R919 4.7 9 8 7 6 5 4 3 2 C946 0.1 1 ROUT2+ 15 16 17 18 19 ROUT3- ROUT3+ LOUT3- LOUT3+ ROUT2- AVDD 20 21 22 23 24 25 26 27 ROUT1+ LOUT2- LOUT2+ ROUT1- LOUT1- LOUT1+ AVSS 0.1 28 10u16 C948 C945 0.1 C952 GND IN OUT 10u16 C955 0.1 TP908 C999 0.1 GND 3 2 4 5 6 VCC 1 7 8 VSS LRCK C956 0.1 8 7 6 5 AOUTR- CDTI AOUTR+ AOUTL- AOUTL+ CCLK CSN PDN 9 10 11 12 4 3 2 1 SDTI BICK MCLK VDD DZFR DZFL 13 14 15 16 4.7K R938 4.7K C966 3300P R937 R941 3K R944 200 R942 200 R947 3K C971 680P R943 200 R940 3K 7 BO C969 B+IN 5 B-IN 6 V- 4 A-IN 2 A+IN 3 C970 680P 0.1 1 AO C972 680P R936 4.7K C965 3300P R935 4.7K R946 200 R960 D7 D6 D5 D4 D8 D9 D10 D11 D13 D12 D15 D14 D17 D16 D18 D19 D23 D20 D22 D21 33 A4 A3 A2 A1 A0 D3 D2 D1 D0 D5 D7 D6 D4 A12 A13 A14 A15 OE WE CE A1 A2 A3 A4 A0 D17 D19 D18 D16 D21 D23 D22 D20 A12 A13 A14 A15 A8 A9 A10 A11 CP912 10K A7 A6 A5 A8 A9 A10 A11 A5 A6 A7 D15 D14 D13 D12 D11 D8 D9 D10 C901 10u10 SW3.3V 1.85V C958 10u16 L+ L- R- R+ 36 32 40 36 24 23 22 24 23 22 39 40 32 MEC7V 34 39 6 5 4 C944 22 23 24 5 4 9 35 C950 FL+ FL- FR+ FR- RL+ RL- RR+ RR- CE+ CE- SB+ SB- C977 L- L+ R+ R- 680P GIN LIN RIN AD5V 32 40 39 GND R926 4.7K 1 2 3 4 VCC 5 R920 4.7K 9 5 4 33 46 47 45 -7V +7V RIN LIN 76,101 IC906,912,915 IC907,911,913,916 R975 10K R987 10K + + + + + + + + + IC902 IC901 IC906 IC903 IC911 IC907 IC912 IC913 IC905 IC904 IC908 IC909 IC922 IC910 IC917 IC921 5.0V 0V 0V 0V 3.4V 0V 3.4V 1.0V 7.2V 5.0V 0V -7.2V 0V 0V 0V 0V 0V 0V 0V 0V 0 0V 0V 5.0V 5.0V 5.0V 0V 3.4V 0V 3.4V 0.9V 0.8V 0.9V 3.4V 3.4V 3.4V 0V 5.0V 0V 0V 0V 0V 0V 0V 0V 0V 0V 0V 0V 0V 0V 0V 7.2V -7.2V 0V 7.2V -7.2V 0V 0V 6.7V 0V 0V 0V 3.4V 0V 3.4V 3.4V 0V 0V 0V 3.4V 0V 0V 0V 0V 0V 0V 0V 3.4V 0V 0V 3.4V 0V 0V 0.2V 0V 3.4V 0V 0V 0.2V 3.4V 0V 3.4V 3.4V 0V 3.4V 0V 0V 0.3V 3.4V 0V 3.4V 0V 3.4V 0V 2.1V 0V 3.0V 2.1V 3.3V 0V 4.8V 0V 3.4V 3.4V 0V 0V 0V 3.4V 3.4V 3.4V 3.4V 0V 0V 3.4V 3.4V 0V 0V 3.4V 5.0V X14-947x-xx (6/16) www. xiaoyu163. com QQ 376315150 9 9 2 8 9 4 2 9 8 TEL 13942296513 9 9 2 8 9 4 2 9 8 0 5 1 5 1 3 6 7 3 Q Q TEL 13942296513 QQ 376315150 892498299 TEL 13942296513 QQ 376315150 892498299 46 KVT-915DVD,925DVD,935DVD KVT-945DVD,965DVD AE AF AG AH AI D904 D903 CN201 D905 D906 D908 D907 D910 D909 3/4 X25- A/2- J300 CN500 MUTE CONVERTER AMP AUDIO AMP AUDIO AMP AUDIO L712 C781 10P 600 R912 47 C941 470P VCC DOUT LRCK BCK 13 14 CINNR SYSCK DGND VDD 15 16 17 18 CINPR CINNL CINPL 19 20 21 22 0.1 C936 10u50 R914 47 R913 47 C942 470P AGND 23 24 C937 C935 10u50 0.1 VCC 0.1 GND 3 1 2 4 47 5 C968 0.1 4 GND 2 1 3 8 6 VCC 7 5 200 R947 3K C971 680P 200 7 BO A-IN 2 0.1 V+ 8 1 AO C972 680P R946 200 R960 3K 10 R978 10 C991 10 10 R986 22K R985 22K R977 C990 3 2 1 TP210 TP209 TP204 TP203 TP202 TP205 TP206 TP208 TP207 4.7 10 10 TP212 AGND SOURCE D MIX R D MIX L AGND AGND CENTER AGND FL 7 5 4 6 11 RR 8 9 FR 10 RL TP211 15 SUB 13 12 14 18 17 16 SOURCE GND TP213 19 20 C899 MXL MXR R955 FR+ 4.7K C984 0.1 FR- R961 R954 4.7K C976 C975 0.1 FL- 4.7K R953 FL+ 4.7K R952 R989 V+ B-IN BO B+IN 3300P R980 200 R965 3K 10 6 5 C981 7 C987 680P 8 C993 FRO 10 R990 22K C985 C989 R979 A+IN A-IN V- AO 10 C992 680P 680P 3 2 4 1 FLO 10 22K R976 3K C980 200 R971 3300P R963 3K 200 R968 680P RL- C983 C957 RR- 4.7K R925 RR+ 4.7K 0.1 R924 R927 0.1 C967 RL+ 4.7K R923 4.7K 680P 680P R982 C995 3300P 200 3K R930 10 RRO 10 3 2 4 1 R981 B-IN BO B+IN 6 5 7 C960 C963 V+ 8 A+IN A-IN V- AO 10 C994 22K R991 22K R992 RLO 10 R928 R931 680P C964 680P C961 200 3300P 3K 200 C959 R933 3K R939 R922 R956 4.7K SB- C927 C974 R951 R950 0.1 4.7K SB+ C973 0.1 R949 4.7K CE+ R948 4.7K CE- R974 R970 C978 3K 3300P 200 R964 2.7K 1K 3300P 10 10 AO V- A-IN A+IN R984 V+ B+IN BO B-IN C986 C979 7 5 6 1500P 1500P C997 8 C996 10 R995 22K SBO R994 R983 10 CEO 22K C988 C982 680P 680P 4 2 3 1 R966 R962 200 3K 10uH L902 L903 10uH 22u50 + C951 22u50 + C949 +7V -7V C940 13 14 15 R215 R214 R216 SBO FLO FRO RLO RRO CEO MXL MXR LIN GIN RIN SOURCE L R GND R920 1 2 3 4.7K C954 0.1 5 VCC 4 16 14 15 16 13 51,Q201 51 Q201 0.1 C998 R561 22 R562 22 W538 0.1 C543 470P C542 470P C541 CP25 10K 100K R551 600 L500 0.1 C528 10u10 C517 C520 10K R510 CP2 10K CP1 10K 0.1 C529 10K R554 0.1 C530 R529 100K R537 100K R539 100K 0.1 C544 0.1 C539 132 131 130 129 128 127 126 125 124 123 122 121 120 119 118 1 2 3 4 5 6 7 8 9 10 11 12 13 14 133 134 135 136 137 138 139 140 141 142 143 144 145 146 147 148 149 150 151 152 153 154 155 156 157 158 159 160 161 162 163 164 165 166 167 168 169 170 171 172 173 174 175 176 EXTAL XTAL VSS MD1 VCC PLL2 CAP2 VSS PLL2 VSS PLL1 CAP1 VCC PLL1 ASEMD0 ASEBRKAK TD0 TRST VCCRTC XTAL2 EXTAL2 VSSRTC D31 D30 D29 D28 D27 D26 VSSQ D25 VCCQ D24 STATUS0 STATUS1 TCLK JRQOUT VSSQ CKIO VCCQ TXD0 SCK0 TXD2 SCK2 RTS2 RXD0 RXD2 CTS2 VSS RESETM VCC IRQ0 IRQ1 IRQ2 IRQ3 IRQ4 VSSQ NMI VCCQ AUDCK DREQ0 DREQ1 ADTRG MD0 MD2 RESETP CA MD3 MD4 MD5 AVSS AN0 AN1 AN2 AN3 AVCC AVSS 1 2 3 4 0.1 C527 10u10 100K R553 100K R550 100P C560 100K R538 100K R520 0.1 C561 100K R511 0.1 C540 120 L509 121 122 119 120 118 116 119 7 6 5 12 10 9 8 14 RST 9 116 114 111 7 30 122 32 31 109 110 112 33 41 5 34 62 66 SHCLK 1.85V 2 7 VCC 8 G 1 A1 G 5 A2 6 Y1 GND Y2 4 3 R945 200 R969 3K R973 1K R967 2.7K R972 200 R932 3K R934 + + + + IC915 IC916 IC919 IC914 IC918 B IC920 IC537 7.2V 0V 0V 0V 0V 0V 0V 5.0V 5.0V 5.0V 3.4V 0V 0V 0V 0V 3.4V 0V 3.4V 0V 3.4V 0V .3V 0V 0V 0V 1.7V 0V 5.0V 2.1V 2.1V 2.1V 5.0V 0V 3.4V 0V 3.4V 0V 0V 0V 3.4V -7.2V 0V 0V 0V 0V 7.2V 0V 0V -7.2V 0V 0V 0V 0V 7.2V 0V 0V -7.2V 0V 0V 0V 0V 0V 7.2V 0V 1.8V 0V 0V 3.4V 3.4V 0.5V 3.4V 3.4V 1.8V 0V 0V 1.8V 1.0V 1.7V 0V 3.3V 0V 1.4V 0V 3.4V 3.4V 3.4V 0V 3.3V 3.4V 0V 3.4V 1.8V 3.4V 0V 0V 0V 3.3V 2.6V 0V 3.4V 0V 3.4V 0V 3.3V 3.4V 0V 3.4V 0V 3.4V 0V 1.7V 1.7V 1.0V 1.0V X14-947x-xx (7/16) www. xiaoyu163. com QQ 376315150 9 9 2 8 9 4 2 9 8 TEL 13942296513 9 9 2 8 9 4 2 9 8 0 5 1 5 1 3 6 7 3 Q Q TEL 13942296513 QQ 376315150 892498299 TEL 13942296513 QQ 376315150 892498299 47 KVT-915DVD,925DVD,935DVD KVT-945DVD,965DVD AN AM AL AK AJ 0 SDRAM MICROPROCESSOR (for GRAPHIC CONTROL) R561 22 R562 22 100K R563 100K R559 0.1 C545 0.1 C549 CP23 10K CP24 10K CP22 10K CP21 10K 0.1 C544 0.1 C546 0.1 C547 0.1 C550 0.1 C555 0.1 C554 0.1 C553 0.1 C552 10K CP26 CP27 10K 10K CP28 10K CP29 CP31 10K CP30 10K 10K CP33 CP32 10K 10K CP34 121 120 119 118 117 116 115 114 113 112 111 110 109 108 107 106 105 104 103 102 101 100 99 98 97 96 95 94 93 92 91 90 89 88 87 86 85 84 83 82 81 80 79 78 77 76 75 74 73 72 71 70 69 68 67 66 65 64 63 62 61 60 59 58 57 56 55 54 53 52 51 50 49 48 47 46 45 11 12 13 14 15 16 17 18 19 20 21 22 23 24 25 26 27 28 29 30 31 32 33 34 35 36 37 38 39 40 41 42 43 44 ASEMD0 ASEBRKAK TD0 TRST TMS VCC TCK VSS TD1 AUDSYNC AUDATA3 AUDATA2 AUDATA1 AUDATA0 DRAK1 DRAK0 DACK1 DACK0 WAIT BREQ BACK IOIS16 CKE CASU CASL RASU RASL VCCQ CE2B VSSQ CE2A CS6 CS5 CS4 CS3 CS2 VCCQ CS0 VSSQ RDWR WE3 WE2 WE1 WE0 RD BS A25 A24 A23 VCC A22 VSS A21 A20 A19 A18 A17 A16 A15 VCCQ A14 VSSQ A13 A12 A11 A10 A9 A8 A7 A6 A5 VCCQ A4 VSSQ A3 A2 A1 A0 VSSQ D25 VCCQ D24 D23 D22 D21 D20 VSS D19 VCC D18 D17 D16 VSSQ D15 VCCQ D14 D13 D12 D11 D10 D9 D8 D7 D6 VSSQ D5 VCCQ D4 D3 D2 D1 D0 CP11 22 1 2 3 4 5 6 7 8 9 10 GA9 GA3 GA2 GA1 GA4 GA6 GA5 GA8 GA7 GA18 GA13 GA12 GA11 GA10 GA15 GA14 GA16 GA17 GA22 GA21 GA20 GA19 GA23 GA24 CP43 22 CP35 22 CP36 22 22 CP37 22 CP38 22 CP39 22 CP40 22 CP41 CP42 22 121 122 116 118 119 120 114 122 118 116 121 120 114 119 22 CP12 96 98 10K GD0 CP13 22 7 6 5 17 18 14 15 16 12 10 9 8 32 30 29 28 31 26 24 23 22 20 38 44 42 41 43 40 35 33 34 36 12 14 15 16 17 18 20 24 23 22 26 28 29 30 31 32 33 35 34 36 38 44 43 42 41 40 GA9 GA14 A7 BA1 GA5 GA6 GA7 GA8 GD31 GD30 GD29 GD18 GD17 GA12 GD16 C624 0.1 C615 0.1 C623 0.1 GA4 GA3 GA2 57 30 DQ18 DQ17 VSSQ3 DQ16 NC30 35 34 33 32 31 VSSQ6 DQ29 DQ30 VDDQ6 DQ31 NC57 52 53 54 55 56 VDD3 DQM2 A2 A1 A0 A10 29 28 27 26 25 24 VSS2 DQM3 A3 A4 A5 A6 58 59 60 61 62 63 GA10 GA11 GD8 GD9 GD10 GD11 GD12 GD13 GD14 GD15 0.1 GD5 DQ10 DQ5 GD7 GD6 GA13 0.1 C612 98 96 C621 0.1 70 17 BA0 NC21 CS RAS CAS WE 23 22 21 20 19 18 A8 A9 CKE CLK NC69 NC70 64 65 66 67 68 69 DQM0 VDD2 NC14 DQ7 VSSQ2 DQ6 16 15 14 13 12 11 DQM1 VSS3 NC73 DQ8 VDDQ7 DQ9 71 72 73 74 75 76 GD4 GD3 GD2 GD0 C610 C609 0.1 GD1 C611 0.1 C608 10u10 VSSQ8 VDDQ1 VDDQ2 DQ4 DQ3 VSSQ1 DQ2 DQ1 10 9 8 7 6 5 4 VSSQ7 DQ11 DQ12 VDDQ8 DQ13 DQ14 77 78 79 80 81 82 83 DQ0 VDD1 3 2 1 DQ15 VSS4 84 85 86 0.1 C613 CS0 CS1 WE3 WE2 RD WE1 WE0 WE0 WE2 123 121 PAL 92 1 RST 63 59 SW3.3V CP3 IC522 + IC506 IC522 0V 0V 0V 0V 1.8V 3.4V 3.4V 3.4V 3.4V 3.4V 2.3V 2.3V 0.6V 3.4V 3.4V 0V 0V 3.4V 3.4V 0V 3.4V 0V 3.4V 0V 1.8V 3.4V 0V 3.4V 3.4V 3.4V 0V 3.4V 3.4V 0V 3.4V 0V 3.4V 3.4V 0V 0V 3.4V 3.4V 0V 3.4V 3.4V 1.8V 0.5V 3 3.4V 1.8V 3.4V 0V 0V 3.4V 3.4V 0V 1.6V 0V 3.4V 1.6V 3.4V 0V 3.4V 3.4 0V 0V 3.4V 1.5V 0V 3.4V 0V 3.4V 3.4V 0V 0V 3.4V 0V 3.4V 3.4V 0V V 3.4V X14-947x-xx (8/16) www. xiaoyu163. com QQ 376315150 9 9 2 8 9 4 2 9 8 TEL 13942296513 9 9 2 8 9 4 2 9 8 0 5 1 5 1 3 6 7 3 Q Q TEL 13942296513 QQ 376315150 892498299 TEL 13942296513 QQ 376315150 892498299 48 KVT-915DVD,925DVD,935DVD KVT-945DVD,965DVD AO AP AQ AR AS D502 D501 S-RAM SIGNAL GEN. CONTROL CHIPSELECT GEN. OE CONTROL POWER DOWN PROTECTION FLASH ROM FLASH ROM SRAM DATA BACKUP 1 2 3 4 5 6 7 8 A B C G2A G2B G1 Y7 GND 16 15 14 13 12 11 10 9 VCC Y0 Y1 Y2 Y3 Y4 Y5 Y6 10u10 C594 1 2 3 4 5 6 7 8 9 10 11 12 13 14 15 16 17 18 19 20 21 22 23 24 A15 A14 A13 A12 A11 A10 A9 A8 A19 A20 WE RESET NC13 WP/ACC RY/BY A18 A17 A7 A6 A5 A4 A3 A2 A1 48 47 46 45 44 43 42 41 40 39 38 37 36 35 34 33 32 31 30 29 28 27 26 25 A16 BYTE GND2 Q15 Q7 Q14 Q6 Q13 Q5 Q12 Q4 VCC Q11 Q3 Q10 Q2 Q9 Q1 Q8 Q0 OE GND1 CE A0 1 2 3 4 5 6 7 8 9 10 OE1 1A1 2Y4 1A2 2Y3 1A3 2Y2 1A4 2Y1 GND 20 19 18 17 16 15 14 13 12 11 VCC OE2 1Y1 2A4 1Y2 2A3 1Y3 2A2 1Y4 2A1 1 2 3 4 5 6 7 1A 1B 1Y 2A 2B 2Y GND 14 13 12 11 10 9 8 VCC 4B 4A 4Y 3B 3A 3Y 1 2 3 NC INA GND 5 4 VCC OUT 47 R624 47 R623 1 2 3 4 5 6 7 8 9 10 11 12 13 14 15 16 17 18 19 20 21 22 A4 A3 A2 A1 A0 CE I/O1 I/O2 I/O3 I/O4 VCC VSS I/O5 I/O6 I/O7 I/O8 WE A15 A14 A13 A12 NC 44 43 42 41 40 39 38 37 36 35 34 33 32 31 30 29 28 27 26 25 24 23 A5 A6 A7 OE UB LB I/O16 I/O5 I/O14 I/O13 VSS VCC I/O12 I/O11 I/O10 I/O9 NC A8 A9 A10 A11 NC CP10 10K CP9 10K CP8 10K CP7 10K CP6 10K CP4 10K CP5 10K 10K CP20 22 CP19 22 CP18 22 CP17 22 CP16 22 GD0 CP14 22 CP15 22 CP13 22 7 6 5 17 18 14 15 16 12 10 9 8 32 30 29 28 31 26 24 23 22 20 38 44 42 41 43 40 35 33 34 36 GD1 GD2 GD3 GD6 GD5 GD4 GD7 GD10 GD9 GD8 GD11 GD14 GD13 GD12 GD15 GD18 GD17 GD16 GD19 GD22 GD21 GD20 GD23 GD26 GD25 GD24 GD27 GD30 GD29 GD28 GD31 GA2 GA3 GA4 GA5 GA6 GA7 GA8 GA18 GA19 GA15 GA20 GA21 GA14 GA13 GA12 GA11 GA10 GA9 GA16 GD0 GD8 GD1 GD9 GD2 GD10 GD3 GD11 GD6 GD13 GD5 GD12 GD4 GD15 GD7 GD14 GA17 GA1 GA19 Q2 A18 A17 23 GA3 GA2 GA1 A2 A1 24 GA18 GA8 GA7 GA6 GA5 GA4 A6 A5 A4 A3 A7 19 20 21 22 17 18 26 25 CE A0 30 29 28 27 32 31 Q1 Q8 Q0 OE GND1 Q9 GA14 GND2 A13 A10 A19 A12 RESET NC13 WP/ACC RY/BY A20 10 GA21 11 WE 12 13 14 15 16 GA9 GA10 GA11 GA12 GA13 GA20 A11 6 7 8 9 A9 A8 4 5 39 37 36 35 34 33 38 Q12 Q4 VCC Q11 Q3 Q10 GD4 GD12 43 42 41 40 45 44 Q7 Q14 Q6 Q13 Q5 Q15 GD5 GD13 GD6 GD14 GD7 GD15 A15 A14 GA16 GA15 GA17 1 2 3 48 47 46 A16 BYTE 10u10 C595 GD2 GD0 GD8 GD1 GD9 GD10 GD3 GD11 6 41 40 39 17 0.1 C607 W561 W560 W559 W558 W557 GA16 GA15 GA14 GA13 GA17 GD4 GD5 GD6 GD7 GD3 GD2 GD1 GD0 GA1 GA2 GA3 GA4 GA5 10u10 C619 GA18 GD8 GD9 GD10 GD11 GD12 GD15 GD14 GD13 GA12 GA11 GA10 GA9 GA19 GA6 GA7 GA8 39 40 41 0.1 C618 0.1 C567 10K R572 GD30 GD29 GD28 GD27 GD26 GD25 GD24 C616 GD19 DQ28 DQ19 GD23 GD22 GD21 GD20 0.1 44 43 VDD4 VSS1 DQ23 VDDQ4 DQ22 DQ21 VSSQ4 DQ20 42 41 40 39 38 37 DQ24 VSSQ5 DQ25 DQ26 VDDQ5 DQ27 45 46 47 48 49 50 GD18 GD17 C615 0.1 VDDQ3 DQ18 DQ17 VSSQ3 36 35 34 33 VSSQ6 DQ29 DQ30 VDDQ6 51 52 53 54 0.1 C614 0.1 C622 R632 10K R629 20K C643 0.1 C633 0.1 10K R500 0.1 C637 17 6 R625 47 CP63 10K GA22 WE1 WE3 WE0 RD WE1 RD WE0 6 8 6 8 RD RST SW5V S3.6V SW3.3V 22 R584 22 R585 0.1 C591 0.1 C593 CP3 GA22 +B a b c d GND e fg + + + IC513 IC518 IC526 IC525 IC524 IC521 IC519 3.4V 0V 3.4V 3.4V 0V 3.4V 0V 0V 0V 3.4V 0V 3.3V 3.3V 0V 0V 2.3V 2.9V 2.8V 3.2V 2.1V 2.1V 0V 3.1V 3.2V 3.2V 0V 3.4V 0V 3.4V 2.8V 2.4V 2.4V 2.9V 0V 2.9V 2.4V 0V 0V 2.4V 2.7V 0V 0V 3.4V 4.3V 0V 0V 3.4V 0V 0V 0V 3.4V 3.4V 0V 0V 3.4V 3.4V 3.4V 3.4V 0V 0V 0V 0V 0V 0V 0.1V 1.0V 0.8V 0.3V 0.5V 0.7V 0.2V 0.1V 0.1V 0.2V 0V 0.7V 0.6V 0.5V 0.7V 0.3V 2.9V 0.1V 0.8V 3.4V 0V 0.8V 1.7V 1.7V 1.6V 0.3V 0.6V 0.8V 0.9V 3.4V 0V 1.5V 1.6V 0.8V 1.3V 1.3V 3.4V 1.1V 2.1V 1.2V 1.4V 0.8V 0.8V 0.6V 1.2V 1.4V 1.6V 0.7V 1.9V 1.1V 0V 0.9V 3.4V 3.4V 0V 3.3V 0V 0.1V 0.9V 0.7V 0.3V 0.5V 0.8V 0.8V 0.7V 0V 0.2V 0.1V 2.9V 1.0V 1.0V 1.1V 1.1V 0V 3.3V 1.3V 0.6V 0.6V 0.8V 3.3V 0.9V 1.9V 2.4V 1.5V 1.5V 0V 0V 3.4V 3.4V X14-947x-xx (9/16) www. xiaoyu163. com QQ 376315150 9 9 2 8 9 4 2 9 8 TEL 13942296513 9 9 2 8 9 4 2 9 8 0 5 1 5 1 3 6 7 3 Q Q TEL 13942296513 QQ 376315150 892498299 TEL 13942296513 QQ 376315150 892498299 49 KVT-915DVD,925DVD,935DVD KVT-945DVD,965DVD AX AW AV AU AT Q514 Q513 Q511 Q515 D500 D503 D504 Q510 RGB SW RGB SW VIDEO SW LEVEL SHIFT PLL IC SELECTOR SYNCHRONISE H,V,SYNC PLL IC (DOT CLOCK GEN.) AVR 5V AVR 5V LEVEL SHIFT CLAMP PULSE GEN. TP TP503 TP506 TP50 TP501 TP513 4.7K R508 1 2 3 NC1 A NC2 5 4 C REF 0.1 0.1 0.1 C580 10uH L512 1 2 3 4 5 6 7 8 IN2A CTLA OUTA GND OUTB OUTC CTLC IN2C 16 15 14 13 12 11 10 9 IN1A GND IN2B VCC CTLB IN1B CLAMP IN1C 1 2 3 4 A B CLR GND 8 7 6 5 VCC RX/CX CX Q C590 0.1 C568 1 C562 330P C559 10u16 C557 10uH L519 0.015 C570 4.7 C571 C572 150P 1000P C573 330 R567 W543 1 2 3 4 5 6 7 8 SEL A1 B1 Y1 A2 B2 Y2 GND 16 15 14 13 12 11 10 9 VCC STB A4 B4 Y4 A3 B3 Y3 1 2 3 4 5 6 7 CSOUT SYCIN VCC VD HD DGREF SW 14 13 12 11 10 9 8 VS GND LPF VCO1 VCO2 VCOOUT BGP 0.1 C524 100 R504 0.1 C531 22 R503 100K R505 0.1 C526 0.1 C525 0.1 C523 0.1 C514 0.1 C516 0.1 C518 0.1 C519 3K R502 0.1 C500 0.1 C515 1 2 3 4 5 6 7 8 IN1B SW1 OUT1 GND2 OUT2 OUT3 SW3 IN3A 16 15 14 13 12 11 10 9 IN1A GND1 IN2B VCC SW2 IN2A GND3 IN3B 1 2 3 4 VIN1 CTL1 VIN2 CTL2 8 7 6 5 GND VOUT V+ VIN3 1 2 3 4 VIN1 CTL1 VIN2 CTL2 8 7 6 5 GND VOUT V+ VIN3 1 C505 10u16 C535 10uH L507 0.1 C556 0.1 C548 1 2 3 4 CLK D Q GND 8 7 6 5 VCC PRE CLR Q 36 35 34 33 32 31 30 29 28 27 26 25 24 23 22 21 20 19 18 17 16 15 14 13 1 2 3 4 5 6 7 8 9 10 11 12 37 38 39 40 41 42 43 44 45 46 47 48 PECLVCC VBB DSYNCH DSYNCL CLKH CLKL CLK/2H CLK/2L PECLVCC IOGND TTLVCC TTLGND DSYNC CLK CLKN CLK/2 CLK/2N DGND DVCC UNLOCK DIVOUT SEROUT CS TLOAD IOVCC IOGND VCOH VCOL VCO HOLD SYNCH SYNCL SYNC SENABLE SCLK SDATA IOGND VOCLP PLLVCC PLLGND VCOVCC VCOGND VCOHGND IREF RC2 RC1 IRGND IRVCC 3 2 1 5 4 4 3 5 1 2 3 1 2 4 5 X501 15.734kHz C501 0.1 C502 0.1 TP505 C521 0.1 TP504 5 6 3 0.1 C522 0.068 C511 3K R501 100P C510 46 48 47 6 5 3 180 185 190 0.1 C583 2.2K R590 2.2K R593 2.2K R594 10uH L508 0.1 C589 10u16 3.3K R592 470P C579 1 C513 1 C512 Y VCC 4 5 GND INA INB 3 2 1 1.8K R578 3K R577 390 R579 C678 0.1 910K R570 1 C569 R601 100 R598 100 R597 R614 R613 R609 R608 R607 R606 R605 R604 R603 R600 R599 C601 0.1 C600 0.1 C599 0.1 C602 0.1 C603 0.1 C606 C605 100 R509 0.1 C604 C507 0.33 TP509 C508 0.1 190 185 180 165 175 C509 680P 10uH L514 C506 1 R B G 0.1 2.7K C564 R586 VCC R580 1 4 2 3 GND 9.1K R582 47K TP500 W551 NC VCC C558 8 5 7 6 GND Y 3 A 2 4 CLR Q GND 4 Q 5 CLK VCC 2 3 D 7 PRE 6 1 0.1 8 1 5 DVDB TVG TVB IN OUT GND TVR 75 SYNC 80 16 79 66 PAL 125 2 10u16 C575 MEC7V DVDSYNC DVDG DVDR TP502 OUT IN 0.33 C503 0.1 C504 GND 10u16 C538 0.1 C537 C534 0.1 0.1 C586 0.1 C587 0.1 C582 0.1 C581 0.1 C584 2 IC501,504 IC507,533,534 C592 470P R602 5.6K C576 0.1 0.1 C536 R512 2.7K 27K R543 9.1K R513 C551 0.1 a b c d GND e f g +B + + + + + IC507 IC514 IC508 IC532 IC517 IC520 IC502 IC509 IC503 IC501 IC504 IC533 IC534 IC510 IC505 IC512 IC536 IC535 IC500 7.2V 5.0V 5.0V 0V 0V 0V 0V 5.0V 0V 4.8V 0.3V 5.0V 4.7V 5.0V 0V 3.2V 4.7V 2.4V 0V 1.8V 1.7V 2.5V 1.8V 0V 0V 0.3V 2.4V 5.0V 2.4V 2.5V 0V 0V 2.4V 0V 1.5V 0.8V 0.7V 1.4V 0V 0V 0.8V 1.5V 0V 0V 1.4V 1.5V 0V 5.0V 1.4V 5.0V 2.2V 2.7V 0V 2.0V 5.0V 0V 0V 5.1V 2.1V 0V 2.0V 0V 0V 5.0V 0.5V 4.7V 0V 3.4V 3.3V 4.7V 0V 5.0V 5.0V 4.7V 5.0V 0V 5.0V 0V 0V 0V 4.7V 5.0V 1.4V 0V 4.0V 1.4V 5.0V 3.2V 5.0V 0V 3.4V 0V 0V 3.3V 3.2V 4.7V 5.1V 0V 1.3V 1.3V 5.0V 5.0V 4.7V 3.2V 0V 4.7V 0V 5.0V 0.3V 0V 0V 0.3V 5.0V 5.0V 0.4V 0V 0.4V 0V 5.1V 0V 4.7V 5.1V 5.0V 5.1V 5.1V 0V 1.8V 5.1V 0V 0V 0V 0V 0V 5.1V 5.1V 1.1V 5.1V 0V 2.1V 1.9V 3 3 1 X14-947x-xx (10/16) www. xiaoyu163. com QQ 376315150 9 9 2 8 9 4 2 9 8 TEL 13942296513 9 9 2 8 9 4 2 9 8 0 5 1 5 1 3 6 7 3 Q Q TEL 13942296513 QQ 376315150 892498299 TEL 13942296513 QQ 376315150 892498299 50 KVT-915DVD,925DVD,935DVD KVT-945DVD,965DVD AY AZ BA BB BC GRAPHIC DRAWING PROCESSOR TP508 TP507 1 10u10 C656 10u10 C654 C 0.1 C647 W524 C 22 R610 22 R611 22 R612 128 127 126 125 124 123 122 121 120 119 118 117 116 115 114 113 112 111 110 109 108 107 106 105 104 103 102 101 100 99 98 97 96 95 94 93 92 91 90 89 88 87 86 85 84 83 82 81 80 79 78 77 76 75 74 73 72 71 70 69 68 67 66 65 64 63 62 61 60 59 58 57 56 55 54 53 52 51 50 49 48 47 46 45 44 43 42 41 40 39 38 37 36 35 34 33 32 31 30 29 28 27 26 25 24 23 22 21 20 19 18 17 16 15 14 13 12 11 10 9 8 7 6 5 4 3 2 1 193 194 195 196 197 198 199 200 201 202 203 204 205 206 207 208 209 210 211 212 213 214 215 216 217 218 219 220 221 222 223 224 225 226 227 228 229 230 231 232 233 234 235 236 237 238 239 240 241 242 243 244 245 246 247 248 249 250 251 252 253 254 255 256 129 130 131 132 133 134 135 136 137 138 139 140 141 142 143 144 145 146 147 148 149 150 151 152 153 154 155 156 157 158 159 160 161 162 163 164 165 166 167 168 169 170 171 172 173 174 175 176 177 178 179 180 181 182 183 184 185 186 187 188 189 190 191 192 PCSE VSS A12 A11 A10 A9 A8 A7 A6 A5 A4 A3 A2 A1 VDDP VSS D23 D22 D21 VDD VSS D20 D19 D18 VDDP VSS D17 D16 D31 D30 D29 D28 VDDP VSS D27 D26 D25 D24 D15 D14 VDD VSS VDDP VSS D13 D12 D11 D10 D9 D8 VDDP VSS D7 D6 D5 D4 D3 D2 VDDP VSS D1 D0 IRL PCST PCDE WT DREQ VDDP VSS DACK WE3 WE2 WE1 WE0 RD CS1 CS0 VDD VSS HTS MOOE3 MOOE2 MOOE1 MOOE0 VDDP XRESET CLK VSS AVSSP TCPOUT AVDDP TPDIN PTEST CPTEST NRSET NPOWD VDD VSS MA0 MA1 VDDP VSS MA2 MA3 MA4 MA5 MA6 MA7 VDDP VSS MA8 MA9 MA10 MA11 VDD VSS MA12 MA13 VDDP VSS MCLK MCS0 MCS1 MRAS VDDP MCMPI VSS VREF TEST EXTVSYNC EXTODDF TDCTEST TSTC1 VSS VDDP MDQ23 MDQ22 MDQ21 MDQ20 MDQ19 MDQ18 VSS VDDP MDQ17 MDQ16 VSS VDD MDQ7 MDQ6 MDQ5 MDQ4 VSS VDDP MDQ3 MDQ2 MDQ1 MDQ0 MDQ31 MDQ30 VSS VDDP MDQ29 MDQ28 MDQ27 VSS VDD MDQ26 MDQ25 MDQ24 VSS VDDP MDQ15 MDQ14 MDQ13 MDQ12 MDQ11 MDQ10 VSS VDDP MDQ9 MDQ8 VSS VDD MQM0 MQM1 MQM2 MQM3 VSS VDDP MWE MCAS MCMPO TSTC0 PCPE VDDP A18 A19 A20 A21 A22 A23 A24 A13 A14 A15 A16 A17 VSS VDDP TSTD0 PCM0 TSTD1 PCM1 TSTD2 VSS VDD VIN0 VIN1 VIN2 VIN3 VIN4 VIN5 VIN6 VIN7 VIHSYNC VIVSYNC VICLK VSS VDDP CLKV VIVLD HSYNC VSS VDD VSYNC ODDF VSS VDDP CSYNC CDE AVDDD VREFR IREFR COMPR AR AVSSD VREFG IREFG COMPG AG AVDDD VREFB IREFB COMPB AB AVSSD EXTH SYNC 0.1 0.1 100 100 R614 100K R613 100K R609 100K R608 100K R607 100K R606 100K R605 100K R604 100K R603 100K R600 100K R599 100K GA17 GA16 GA15 GA14 GA13 GA24 GA23 GA22 GA21 GA20 GA19 GA18 601 0.1 600 0.1 599 0.1 602 0.1 603 0.1 C606 C605 100 199 200 201 202 203 204 0.1 C617 0.1 C620 0.1 C628 208 207 213 214 211 212 217 218 219 220 221 222 236 235 240 239 238 237 0.1 C630 C635 C638 0.1 C642 0.1 0.1 227 226 225 230 231 232 243 244 248 247 250 249 253 254 GA12 GA6 GA11 GA5 GA10 GA4 GA9 GA3 GA8 GA2 GA7 GA1 GD17 GD16 GD31 GD30 GD29 GD28 GD20 GD18 GD19 GD23 GD21 GD22 GD27 GD14 GD15 GD24 GD25 GD26 GD13 GD8 GD9 GD10 GD11 GD12 GD7 GD2 GD3 GD4 GD5 GD6 GD0 GD1 C634 0.1 0.1 C627 0.1 C641 0.1 C639 0.1 C625 0.1 C629 0.1 C631 5.6K R615 1 C596 1 C597 1 C598 5.6K R616 5.6K R617 R509 10K 0.1 604 CS0 CS1 RD WE0 WE1 WE2 WE3 0.1 C640 0.1 C626 C632 0.1 10K CP64 C636 0.1 65 66 62 2 + + IC523 0V 2.1V 3.4V 3.4V 0V 3.2V 2.9V 2.1V 0V 0V 0.3V 0.1V 3.4V 1.8V 0V 0V 0V 0.2V 3.4V 0V 0V 1.8V 3.3V 3.4V 3.4V 0V 0V 3.3V 1.7V 3.4V 0V 1 2.7V 3.4V 3.4V 0V 0V 3.4V 2.9V 3.4V 3.0V 0V 0V 0V 0V 0V 0V 0V 0V 0V 0V 3.4V 3.4V 3.4V 3.4V 3.4V 3.4V 1.8V 1.8V 3.4V 0.8V 3.4V 0.5V 1.3V 2.0V 1.1V 0.6V 0.7V 2.2V 1.1V 1.8V 3.4V 3.4V 3.4V 0.7V 0.6V 0.8V 0V 1.5V 1.9V 2.4V 0.9V 0.6V 1.0V 0.7V 0V 3.4V 3.4V 0V 1.8V 1.8V 0V 0V 3.4V 1.7V 0V 0V 3.4V 3.4V 3.1V 0V 3.4V 3.3V 1.3V 2.5V 0.1V 3.3V 1.3V 2.5V 0V 0V 3.4V 3.3V 0V 1.3V 2.5V 0.1V 3.2V 3.4V 0V 0V 0V 0V 3.4V 0V 0.1V 3.4V 1.8V 3.4V 3.4V 3.4V 3.4V 1.8V 1.8V 0V 0V 0V 0V 0V 0V 0V 0V 0.1V 0V 0.1V 0V 0V 0.1V 0V 0.1V 0V 0.1V 0V 0.1V 2.3V 3.4V 3.1V 2.1V X14-947x-xx (11/16) www. xiaoyu163. com QQ 376315150 9 9 2 8 9 4 2 9 8 TEL 13942296513 9 9 2 8 9 4 2 9 8 0 5 1 5 1 3 6 7 3 Q Q TEL 13942296513 QQ 376315150 892498299 TEL 13942296513 QQ 376315150 892498299 51 KVT-915DVD,925DVD,935DVD KVT-945DVD,965DVD BH BG BF BE BD D207 RGB SELECT GEN. CLOCK BUFFER SDRAM SDRAM EEPROM REM. BUFFER SDA SCL WP VCC 4 GND C201 0.01 A2 A1 A0 3 2 1 5 6 7 8 SDA SCL WP VCC A1 GND A2 4 3 A0 2 1 5 6 7 8 C200 0.01 TP103 TP100 16.934MHz X1 32.768kHz 85 BE MREQ HPOS1 SH MDATA SH SDATA TOUCH EN 109 112 110 TOUCH 111 NC 108 107 106 105 HPOS2 HPOS3 HPOS4 104 103 102 101 NC PVDD2 BE RST 93 BE MDATA BE SDATA BE SREQ DSP CLK 97 100 99 98 BE CLK 96 95 94 DSP SO DSP SI DSP RST 89 92 91 90 PGND1 DSP EN MODE1 88 87 86 MODE2 MODE3 SCL NC POWER DET POW7 CON NAVI SEL SYNC SW 81 84 83 82 SDA BU DET 80 79 78 P ON REMO DISC DET X1 77 76 75 74 RGB SW X2 73 GND2 72 XT1 70 71 VCC 5 Y 4 2 B A 1 GND 3 100K R249 100K R251 100K R247 100K R352 100K R219 100K R281 0.01 C219 2.2M R243 680K R275 X2 C202 8P C203 108 107 106 105 100 101 98 99 95 96 97 94 93 90 91 84 86 112 110 111 109 87 88 89 84 86 3.9K R246 3.9K R245 0.01 C212 CP53 22 33 R506 33 R507 0.1 C532 0.1 C533 W504 W505 1 2 3 B A GND 5 4 VCC Y 1 2 3 NC A GND 5 4 VCC Y 1 2 3 4 5 6 7 CLR1 D1 CK1 PR1 Q1 Q1 GND 14 13 12 11 10 9 8 VCC CLR2 D2 CK2 PR2 Q2 Q2 1 2 3 B A GND 5 4 VCC Y 1 2 3 B A GND 5 4 VCC Y 10u10 C655 W565 100 R635 0.1 C665 0.1 C644 0.1 C645 0.1 C646 10u10 C658 0.1 C648 W524 120 L516 W539 0.1 C649 0.1 C650 0.1 C651 0.1 C652 22 R610 22 R611 0.1 C653 1 2 3 INB INA GND 5 4 VCC Y 22 R612 4 3 2 0 9 8 7 6 5 4 3 2 0 9 8 7 6 5 4 3 2 0 9 8 7 6 5 4 3 2 0 9 8 7 6 5 4 3 2 0 9 8 7 6 5 4 3 2 0 CS0 CS1 RD WE0 WE1 WE2 WE3 CP57 10K MA13 MA0 MA1 MA2 MA3 MA7 MA6 MA5 MA4 MA12 MA10 MA11 MA8 MA9 CP58 22 CP59 22 CP60 22 CP61 22 CP62 22 10K CP64 L515 120 1K R630 254 253 250 249 248 247 C657 0.1 10K R633 R631 33 165 175 75 80 79 81 83 82 78 1K R244 RST 1K C222 100P R217 TP214 4 4 76 SW3.3V SW3.3V 1.85V SW3.3V GRCLK DVDSYNC 62 59 63 VSSQ1 203 VSSQ1 217 38 17 MA10 MA12 MA13 A5 MA5 A2 MA2 26 A3 MA3 VDD3 27 29 A4 MA4 VSS1 28 23 24 A0 MA0 25 A1 MA1 32 31 A7 MA7 30 A6 MA6 35 20 21 BA0 22 A10 BA1 34 A11 MA11 33 A8 MA8 A9 MA9 NC36 18 CAS 19 CS RAS 37 CLK 36 CKE C662 C663 0.1 214 0.1 211 212 213 CP47 22 244 43 C667 12 VDD2 VSS2 NC40 UDQM 15 LDQM WE 16 40 C664 39 0.1 VDDQ3 13 VSSQ2 14 DQ7 42 0.1 41 DQ8 199 VDDQ2 VSSQ3 DQ10 10 11 DQ6 DQ5 45 DQ9 44 DQ12 7 8 DQ3 9 DQ4 48 47 0.1 46 DQ11 239 240 243 201 202 200 CP52 22 CP45 22 38 17 MA7 MA5 MA4 MA6 A5 A2 MA2 VDD3 26 A3 MA3 27 29 A4 VSS1 28 23 24 A0 MA0 25 A1 MA1 32 31 A7 30 A6 MA9 MA8 MA11 35 20 BA0 21 MA13 22 A10 MA10 BA1 MA12 A11 34 33 A8 A9 18 CAS 19 CS RAS 37 CLK 36 NC36 CKE C677 232 43 12 VSS2 VDD2 LDQM 0.1 15 WE 16 NC40 40 UDQM 39 VSSQ2 13 C674 14 DQ7 VDDQ3 42 41 DQ8 C675 0.1 0.1 VSSQ3 VDDQ2 0.1 10 11 DQ6 DQ5 45 DQ10 DQ9 44 DQ3 8 7 C673 9 DQ4 DQ12 47 48 46 DQ11 227 230 231 0.1 CP50 22 0.1 219 218 CP48 22 220 C661 VDD1 VSS3 51 4 DQ14 DQ13 VDDQ4 5 DQ1 6 DQ2 50 49 C666 DQ15 VSSQ4 2 DQ0 VDDQ1 3 53 52 237 236 238 207 204 CP51 22 235 CP46 22 208 1 54 VSS3 VDD1 51 0.1 4 DQ1 5 6 DQ2 DQ13 DQ14 50 49 VDDQ4 VDDQ1 2 DQ0 C672 3 53 DQ15 VSSQ4 52 225 222 226 C676 CP49 22 221 1 54 0.1 C660 10u10 C659 0.1 C671 10u10 C670 RAS CE WE CAS RAS CE WE CAS WE CAS CLK CLK RAS CE CLK 10K CP56 10K CP55 22 CP54 1 2 3 1 2 3 3.3V I/F REMO- IC527,528 IC200,201 + + + + IC201 IC200 IC206 IC511 IC515 IC516 IC531 IC528 IC527 IC529 IC530 3.4V 3.4V 1.8V 0V 1.7V 3.4V 1.7V 1.7V 0V 3.4V 0V 1.7V 0V 3.4V 3.4V 0V 1.7V 0V 0V 0V 0V 0V 0V 3.4V 3.4V 1.7V 0V 1.8V 3.4V 1.7V 0V 1.7V 3.4V 3.4V 3.4V 0V 3.4V 3.4V 3.4V 3.4V 0V 0V 0V 1.3V 0V 5.0V 5.1V 0V 0V 5.1V 3.4V 3.4V 0V 0V 3.4V 0.1V 3.2V 3.4V 3.4V 0V 3.3V 3.3V 0V 0V 0V 0V 3.4V 5.0V 0V 0V 3.4V 3.4V 3.4V 3.4V 3.4V 3.4V 3.4V 3.4V 0V 0V 0V 0V 3.4V 0.6V 3.4V 0.3V 0V 0.4V 3.4V 0V 0.2V 3.4V 2.2V 3.0V 3.1V 3.2V 2.9V 0.3V 0.2V 0.1V 0V 0.2V 0V 0.1V 0V 2.2V 2.1V 0V 0.9V 0V 0V 3.4V 0V 0.9V 3.4V 0V 2.1V 3.4V 0V 0.2V 0.1V 0.2V 0.9V 0V 0V 0V 3.4V 0.1V 0V 0.3V 2.9V 3.2V 3.3V 3.0V 2.3V 0V 3.4V 3.4V 0V 3.2V 2.9V 0V 0V 0.3V 0.1V 3.4V 1.8V 0V 0V 0V 3.4V 0V 1.8V 3.4V 1.7V 1.8V 3.4V 0V 0V 3.4V 2.9V 3.4V 0V 1.3V 3.3V X14-947x-xx (12/16) www. xiaoyu163. com QQ 376315150 9 9 2 8 9 4 2 9 8 TEL 13942296513 9 9 2 8 9 4 2 9 8 0 5 1 5 1 3 6 7 3 Q Q TEL 13942296513 QQ 376315150 892498299 TEL 13942296513 QQ 376315150 892498299 52 KVT-915DVD,925DVD,935DVD KVT-945DVD,965DVD BI BJ BK BL BM Q222 Q223 Q Q212 Q213 Q214 D213 Q CN204 Q202 D207 D203 D206 D205 D204 D214 Q220 Q201 D210 CN202 CN200 (X14-947x-xx) 3/4 X25- A/2- J301 SYSTEM MICROPROCESSOR AU C208 0.01 R261 100K R260 100K R259 100K R263 12K R286 32.768kHz 24 G ILL NC SH MREQ SH MDATA SH SDATA 115 114 113 112 110 TOUCH 111 SH RST SH CON SH STBY SH SREQ 121 120 119 118 117 116 NC NC NC NC 126 125 124 123 122 SH INI VD NC NC 132 130 129 128 127 VDD1 R ILL GND1 DSI B ILL 131 137 136 135 134 133 SRC PANEL EJECT NC NC ADCGND ADCVDD SPEANA IN PH DET 143 142 140 139 138 NC KEY2 NC R SENS 141 144 PGND ILL SEL KEY1 AOUT DIM 1 2 3 4 (SLIDE) (TILT) NC 5 6 7 8 16 12 TYPE0 TYPE1 TYPE2 (M STATE) 9 10 11 LED SW NC NC NC 13 14 15 20 NC NC NC NC 17 18 19 PVDD0 LED MUTE NC NC 21 22 23 VOL DOWN HD SYS ON NC XT2 XT1 69 70 71 ILL 66 67 68 60 BRIGHT(PWM) ACC DET DMIX MUTE 63 64 65 M REQ S REQ 61 62 VOL UP OPEN KEY SW 185V V MUTE PVDD1 58 59 55 56 57 R258 100K R257 100K R256 100K M CLK/FROM CLK 49 BE AMUTE VOFF EN LED FLAS 52 NC 53 54 NC 50 51 PLL DATA PLL CLK A MUTE 47 48 NC PLL EN 44 45 46 28 POS D NC NC NC 25 26 27 POS F POS B POS M SRM MO21 29 30 31 38 FROM VPP S DATA/FROM SI M DATA/FROM SO 41 42 43 VDD0 RESET 39 40 NC CPUREG SRM MO22 SRM MO11 SRM MO12 32 33 34 35 GND0 37 36 R242 100K 0.01 L200 120 10u16 C204 C205 0.01 C206 C227 0.01 0 01 C228 68K R252 R254 68K 7 VCC1 1 4 OUT1 IN1 3 2 IN2 OUT2 VS1 6 5 GND1 8 GND2 14 10 11 12 13 OUT3 IN3 IN4 OUT4 VS2 9 VCC2 5 EX M+ SW-B SW-C NC SW-A 2 1 4 3 EX M+ RI M+ RI M+ EX M- EX M- 8 7 6 10 9 16 SW+5.0V RI M- RI M- R SENS REF+5.0V NC 13 12 11 15 14 PH DET 1 17 C214 0.01 220K R228 1K R241 1K R232 1K 22P R271 C216 0.22 C215 R223 1K W202 4 3 2 1 V A A A R268 12K 100K 100K R251 100K R253 100K R339 100K R270 0.1 C225 1M R285 CP200 10K 100 R280 100K 680K R275 X2 R329 22K R262 100K C226 0.01 TP233 TP232 TP231 TP230 TP235 TP236 TP234 TP239 TP237 TP238 11 9 7 5 5 44 43 41 42 48 46 47 100K R277 51 56 58 57 53 52 55 R279 100K 64 61 63 62 66 65 68 67 100K R276 100K R294 R248 47K 0.01 C209 100K R282 22P C202 8P C203 1 C211 31 34 35 7 130 126 127 129 139 10K R351 47K R287 11 10 9 R267 100K R266 100K R265 100K 100K R264 33 32 35 34 112 110 111 116 114 RST 123 122 121 125 129 127 1 4 R274 100K 44 41 42 43 126 13 142 130 BU3.3V 49 40 RIN LIN 1 SW5V 59 31 30 29 1 142 BU5V SW5V 3 132 133 134 30 29 27 W201 R221 75 R218 1K 1K R220 75 TVR SYNC C222 100P 63 R229 R227 R225 R226 R224 75 R222 75 100 100 100 100 TVB TVG 43 42 44 R236 R250 R230 R231 1K 1K 100 1K 1K R233 67 68 62 65 64 0.01 C223 C221 100P R217 RESET VGND SYNC CON COMP 1 2 3 4 6 5 R S REQ 15 VGND VGND VGND M CLK S DATA M DATA 11 7 8 9 10 G B 14 12 13 M REQ SYS ON A MUTE DET 17 16 18 ILL 19 20 TP222 TP224 TP223 TP226 TP225 TP282 TP227 TP228 TP229 TP214 TP215 TP216 TP218 100K R293 100K R278 1 BU+5V 6 7 2 3 4 5 VPP GND RESET SCK SO SI 4 BU5V Q201 3.3V I/F A/D 4.7K R283 VDX-09M KVT-915DVD KVT-925DVD MODEL NAME 2-71 3-21 0-00 0-11 UNIT No. YES NO YES 0-21 KVT-935DVD KVT-945DVD 0-71 4-11 YES 2-71 KVT-965DVD 3-01 R M C X H W E K J R239 NO NO R240 NO YES YES YES R237 NO NO NO NO R238 YES YES NO NO R234 NO NO YES YES R235 YES YES OFF ON S200 NO NO KVT-915DVD KVT-925DVD KVT-935DVD NO NO YES YES NO YES YES NO NO YES YES YES NO YES NO NO YES NO NO YES NO NO YES YES NO NO NO NO NO YES YES NO NO NO YES DVD REMO- ACC + IC202 IC203 IC C 22K 22K 10K 2.2K 22K 22K 47K 47K 47K 10K 47K 47K 47K 47K 47K 47K 0V 7.7V 0V 0V 0V 7.7V 0V 7.7V 7.7V 0V 0V 0V 0V 0V 0V -7.2V 0V 0V 5.0V 5.1V 0.3V 0.1V 0V 0V 0V 5.2V 5.0V 0V 5.1V 5.1V 0V 5.1V 0V 5.1V 3.2V 0V 5.1V 0V 0V 0V 5.1V 5.1V 0V 0V 4.7V 5.1V 5.1V 0V 5.1V 0V 0V 4.7V 5.1V 5.0V 1.4V 1.3V 0V 5.1V V V V 3.4V 0V 5.0V 4.1V 5.0V 0V 0V 4.9V 0.1V 4.9V 0V 5.1V 0V 3.4V 3.4V 3.3V 0V 1.7V 3.3V X14-947x-xx (13/16) www. xiaoyu163. com QQ 376315150 9 9 2 8 9 4 2 9 8 TEL 13942296513 9 9 2 8 9 4 2 9 8 0 5 1 5 1 3 6 7 3 Q Q TEL 13942296513 QQ 376315150 892498299 TEL 13942296513 QQ 376315150 892498299 53 KVT-915DVD,925DVD,935DVD KVT-945DVD,965DVD BR BQ BP BO BN Q218 D301 Q300 ∗S200 Q215 Q212 Q216 D213 Q217 D208 D226 D229 D228 D227 CN300 D350 D308 D309 D310 D211 D225 D212 D209 CN203 D300 D302 D303 D201 D200 Q221 Q200 Q400 D221 D220 D219 D218 D224 D223 D222 D217 D216 D215 DSI 2/4 CN301 X35- A/3- RESET BUFFER AUDIO AMP CLAMP CONT. MONITOR CONTROL ADJUSTMENT 22 R300 680 R284 0.01 C228 47K C207 0.01 C210 7 4 OUT1 IN2 OUT2 VS1 6 5 GND1 8 10 11 OUT3 IN4 OUT4 VS2 9 VCC2 0.01 16 SW+5.0V R SENS REF+5.0V 15 14 NC BL+8.5V BL+8.5V PH DET D GND 19 18 17 21 20 NC24 NC23 NC22 NC20 HFOUT RGOUT VR407 R310 100 KEY2 4 GND GND LED SW 1 2 3 RESET REMO LCD CLK 5 6 7 LCD CS LCD DATA LED B LED B 8 9 10 11 LED G LED G LED R LED R 12 13 14 15 TP331 SRC EJECT SW3.3V SW3.3V 16 17 18 19 WS5V WS5V 20 21 C351 100P C352 100P C355 1 R304 100 C354 100P GND GND LED SW KEY2 1 2 3 4 RESET REMO LCD CLK LCD CS 5 6 7 8 LCD DATA LED B LED B LED G 9 10 11 12 LED G LED R LED R SRC 13 14 15 16 C353 100P EJECT SW3.3V SW3.3V WS5V 17 18 19 20 WS5V 21 K 4 3 2 1 V- AIN+ AIN- AOUT BIN+ BIN- BOUT V+ 8 5 6 7 1 R272 1K 100K C217 R255 B 3 2 GND A Y VCC 4 5 1 R350 1K R307 100 R306 100 R308 100 R305 100 W300 R303 1K R302 1K R301 1K C218 1 R273 10K C407 0.01 C406 10 15 GIN2 BIN2 14 13 HFIN RIN2 17 16 SW 20 19 18 23 NC21 22 21 24 TP415 TP416 VR408 30K 30K C220 OUT VCC GND 0.1 4 3 SUB NC 3 2 1 GND A2 Y2 A3 4 5 5 6 2 1 Y3 A1 Y1 VCC 7 8 IN2 1 OUT1 IN1 VCC1 3 2 OUT2 VS1 6 5 4 GND1 7 IN4 14 10 11 12 13 OUT3 IN3 GND2 OUT4 VS2 9 VCC2 8 C400 10u16 L400 10uH TP400 10K VR401 30K R404 10K R408 2.2K VR400 10K C404 0.1 R403 30K 4 GND CLR B A 3 2 1 R407 43K 5 Q CX RX/CX VCC 6 7 8 C411 330P 37 38 39 40 42 43 44 45 46 47 48 BGRT CONT RIN1 NC12 NC11 VCC1 12 11 10 GIN1 GND1 BIN1 9 8 7 6 NC1 COUT CAMP SSEP 5 4 3 2 1 SIN SOUT NC44 COMF FRP SCB SCR 41 GOUT NC25 GAM0 GAM2 GND2 ROUT RDET GND3 25 26 27 28 29 30 31 GDET VCC2 BOUT NC36 SBR RGBA BDET SBB 32 33 34 35 36 TP410 TP411 R412 100 TP409 VR402 R416 R421 24K VR403 10K R418 10K 30K 30K VR404 10K R409 C432 C418 10 0.1 R419 200 66 LED+8.5V(G) 44 HPOS4 33 YDATA Y0 X0 X1 27 NC BLGND NC ENABLE POS D BLGND 24 23 26 25 BL DET PWM 30 29 28 32 31 NC P ON+3.3V AUTO DIM KEY1 XDATA 35 34 38 37 36 NC VCOM HPOS2 HPOS1 HPOS3 41 40 39 43 42 R335 100 55 V GND BLK MODE3 MODE2 MODE1 NC 47 46 45 49 48 NTSC PAL POLC POLS CLAMP VSY 52 51 50 54 53 VG VR V GND C.SYNC VB 58 57 56 60 59 LED+8.5V(R) NC P ON+3.3V NC V GND 63 62 61 65 64 OPEN/ 77 NC VOL+ LED GND BRINK NC 69 68 67 71 70 D GND VOL- SW+18.5V V GND 74 73 72 76 75 R423 27K VR405 30K VR406 R429 10K 30K VR409 R433 10K 30K TP408 1000P C423 R431 6.2K C431 R430 30K 0.1 22 100P C316 100P C322 C416 0.01 10K R432 10K R428 15K R422 12K R420 10K R417 10K R415 C417 0.01 C419 0.01 C420 0.01 C421 0.01 C424 0.01 C430 0.068 R434 100 C425 0.068 C426 0.068 C427 0.01 C428 0.01 2.2K R436 2.2K R435 8.2K R424 8.2K R425 R427 100 R426 100 0.1 C412 0.1 C413 0.1 C414 4.7 C415 12K R414 0.01 C402 0.01 C403 TP401 TP403 TP402 TP404 TP406 TP405 TP407 12K R405 C429 10 47K R269 R329 22K C213 0.01 DET. 22 DET. TP329 TP328 TP330 TP327 100 R348 100 R349 1K R344 TP311 TP333 10 R343 10 R342 10 R341 TP324 TP326 TP325 TP323 TP322 1K R345 TP320 TP318 TP321 TP239 TP237 TP238 TP240 TP241 TP242 TP246 TP245 TP244 TP243 TP254 TP200 TP260 TP255 TP257 TP256 TP258 TP259 TP266 TP265 TP262 TP261 TP201 TP273 TP267 TP269 TP268 TP271 TP270 TP272 TP275 TP274 TP276 TP281 11 CLOSE TP414 TP413 TP412 0.01 C422 VG 48 46 45 1 C408 1 C409 1 C405 R411 1K L106 10uH 0.01 C401 33 35 32 7 100 R288 100 R289 100 R290 100 R336 100 R297 100 R291 100 R298 100 R292 100 R295 100 R296 100 R299 R333 100 R334 100 53 56 55 57 58 106 107 108 87 88 89 105 45 46 48 VB VG VR 4 30 31 32 33 34 3 4 27 52 61 127 10K ∗R234 10K ∗R237 10K ∗R239 10K ∗R235 10K ∗R238 10K ∗R240 11 10 9 139 13 LR LG LB 133 134 132 R347 1K R346 1K 4 R G B 5 1 1 47K R413 41 2 7 9 92 PAL 16 LR LR LG 49 40 SW5V 8.5V SW3.3V SW3.3V VCC SW3.3V SW5V SW3.3V 8.5V -7V +7V +7.5V 9 1 142 R410 270 C410 4.7 0.1 C224 59 VB VR LG LB OUT GND IN PANEL PANEL IC207 + IC208 IC207 IC204 IC209 IC205 IC401 IC400 IC402 SUB PCB (X14- ) (B/3) A 22K 22K 10K 2.2K 22K 22K 10K 2.2K 22K 22K 22K 22K 47K 47K 22K 22K 0V 7.7V 0V 0V 0V 0V 0V 0V 0V 7.7V 0V 7.7V 7.7V 0V 0V 0V 0V 7.7V 7.7V 7.7V 0V 0V 5.1V 5.1V 5.1V 0V 0V 0V 0V 5.1V 0V -7.2V 0V 0V 0V 0V 7.9V 3.4V 0V 0.3V 0V 0V 3.2V 0.2V 1.3V 13.5V 0V 0V 5.1V 2.5V 3.7V 5.0V 0V 1.7V 2.0V 2.2V 2.4V 2.9V 2.1V 2.2V 2.5V 2.5V 2.9V 3.0V 2.5V 0V 0V 2.1V 1.7V 3.9V 3.7V 1.3V 2.0V 1.9V 2.0V 0V 3.6V 1.9V 2.2V 3.1V 2.1V X14-947x-xx (14/16) www. xiaoyu163. com QQ 376315150 9 9 2 8 9 4 2 9 8 TEL 13942296513 9 9 2 8 9 4 2 9 8 0 5 1 5 1 3 6 7 3 Q Q TEL 13942296513 QQ 376315150 892498299 TEL 13942296513 QQ 376315150 892498299 54 KVT-915DVD,925DVD,935DVD KVT-945DVD,965DVD BS BT BU BV BW Q102 Q112 D115 D108 Q110 D114 Q111 D113 D112 Q113 D117 Q103 Q105 Q104 Q115 D118 D102 CN100 D1 D103 Q301 Q302 J301 D306 D307 J300 S2 D313 D312 D311 D314 S3 S4 S5 Q305 D304 Q306 Q303 Q304 S6 S8 S9 S300 D305 ATT DISP TI SR EJECT RESET D1 Q109 Q100 Q101 D107 D106 Q108 D105 D110 D109 D104 Q107 D119 Q114 SW3.3V SW1.85V SW5V MECHA7V 8.5V SW 7V DC/DC CONVERTER DC/DC CONVERTER DC/DC CONVERTER DC/DC CONTROL BU DET. AVR 3.3V BU +14V SW AVR BU5.0V REMOTE SENSOR L104 TP107 C104 0.22 C107 R175 4.7K 0.1 R180 7.5K C118 0.1 C154 2700P VR100 2K R113 2.4K C144 10 C134 220u16 TP109 W109 C129 39u16 0.1 C147 R208 1K C124 0.1 L105 68uH L108 R211 0.27 1/2W 10uH C133 22u12.5 C132 22u12.5 TP110 10uH L107 R206 1K R209 6.2K TP105 TP104 C 0 C155 C122 10u10 330u6.3 C 470 0.01 C136 TP102 +B 2 310 100 PANEL GND LED SW KEY2 LCD CS REMO LCD CLK RESET LCD DATA LED B LED G LED R SRC EJECT SW3.3V WS5V 304 100 16 15 14 13 12 11 3 7 10 9 8 6 5 4 2 1 C300 R313 100K R312 510 LCD CLK GND LED SW KEY2 LCD CS REMO 307 100 306 100 308 100 305 100 W300 RESET LCD DATA LED B LED G LED R SRC EJECT 303 1K 302 1K SW3.3V WS5V 301 1K C305 C307 C309 C311 910 100 2.2 C301 220P R317 100P 100P 100P 100P R316 560 R314 560 R327 270 R340 47K 360 R321 R337 R332 100 C317 R315 560 R328 270 R331 100 R330 100 C356 1 77 V GND D GND SW+18.5V V GND 74 76 75 P ON+5.0V P ON+5.0V NC 80 79 78 VR409 10K 30K TP408 C431 0.1 T T T T T 1 2 3 C304 100P C306 100P C308 100P C310 100P R320 240 R338 620 100P C313 C312 100P 100P C303 C302 100P R323 10K R322 5.6K R319 3.3K R318 2.2K 100P C314 R311 390 C315 100P 15 5 3 2 1 TP359 TP353 TP355 TP354 TP351 TP352 TP349 TP361 TP362 TP335 100 R326 100 R309 14 13 15 8 7 16 15 14 13 11 12 8 10 9 3 6 4 5 2 1 DET. IN OUT GND GND VC VIN 3 2 1 VO 5 NR 4 0.1 C156 25.5K R120 150K R118 22.1K R117 150K R116 10u6.3 C123 1 C149 47K R104 680 R100 W117 43K R121 100K R181 0.1 C111 36K R101 REF DT1 REG 15 16 1 RT SEL IN1- FB1 12 14 13 VCC OUT1 10 9 11 5 4 2 3 IN2+ IN2- CS DT2 8 6 7 OUT2 FB2 GND 0.1 C110 C117 W114 100K CF105 0.1 R196 390P 10 W105 C159 0.1 C131 R105 0.1 C121 R197 100K 10 C143 8.2K R191 CF104 W110 10K C430 0.068 01 01 K 6 K 5 TP281 10 R194 C141 100K 100K R195 330u4 C128 C146 820 R204 R205 1K 0.1 C142 10 0.1 330u4 C127 C145 R203 R202 2.4K 1K 15uH L103 L102 47uH R110 C152 470P 100 4.3K OUT1 6 4700P SEL FB1 IN1- REF DT1 REG 15 16 R186 10K 12 4700P 14 13 C120 11 R179 RT 1 0.1 C109 22K 4 5 3 IN2+ CS DT2 2 FB2 IN2- 0.1 C103 0.22 C116 VCC W104 CF103 CF102 W103 10 9 C158 C115 0.1 0.1 R108 22 7 8 OUT2 GND C106 R174 0.1 10 R192 100K C137 R193 100K C126 R201 R200 6.2K 1K C140 0.1 W106 TP106 C138 56u10 47uH L101 10 0.1 C139 R199 4.02K R198 L100 R109 C151 56u10 C125 1K 68uH 470P 100 OUT1 VCC SEL FB1 REF IN1- REG DT1 12 15 16 14 13 R183 10K W102 CF101 C119 4700P 11 9 10 IN2+ 3 RT 1 CS DT2 2 R178 22K C108 0.1 0.22 C102 7 8 4 5 6 IN2- FB2 GND OUT2 10K 4700P C114 C105 R173 W100 CF100 W101 C157 C113 0.1 0.1 W107 TP108 W108 R103 36K 51K R102 AIN- AIN+ AOUT VSS 3 2 1 4 BIN+ BIN- BOUT VCC 6 7 8 5 3 2 1 Y GND A NC VCC 4 5 1.3K R119 C148 0.01 R115 100K R207 7.5K C101 5600P 58 81 82 83 78 100K R213 VCC BU5V S3.6V BU3.3V 1.85V +7V -7V 8.5V +7.5V SW3.3V SW5V MEC7V BU5V SW5V 9 11 10 8 5 4 4 14 11 13 9 10 470P 100 C153 R111 C130 10 R210 100K R212 510 8 1 7 2 4 5 6 3 7 6 5 8 4 3 2 1 7 6 5 8 4 3 2 1 7 6 5 8 4 3 2 1 4 GND 3 VCC GND OUT 2 1 DET. PANEL Q107 Q108 Q109 IC104 IC300 0.1 C150 22K R172 22K R177 22 R106 22 R107 22 R112 + + + + + + + + + + + + IC106 IC103 IC104 IC105 IC102 IC101 IC100 SUB PANEL (X14- ) (C/3) IC300 22K 22K 22K 22K 22K 22K 22K 22K 22K 22K 22K 22K 22K 22K 22K 22K 22K 22K 47K 10K 47K 10K 47K 10K 5.1V 14.2 0.2V 5.1V 0.1V 3.4V 1.3V 5.1V 0V 5.1V 0V 0V 15.7V 10.4V 5.1V 0V 5.1V 0V 1.3V 1.0V 0.2V 1.0V 2.2V 0V 2.2V 14.3V 14.3V 0V 0.8V 1.0V 1.0V 2.2V 14.3V 12.6V 0V 0.7V 1.0V 1.0V 2.2V 1.3V 1.0V 2.2V 1.0V 1.0V 0.8V 0V 11.0V 14.2V 14.1V 3.9V 2.2V 0.8V 1.0V 1.0V 2.2V 1.0V 1.3V 2.2V 1.0V 1.0V 0.9V 0V 6.1V X14-947x-xx (15/16) www. xiaoyu163. com QQ 376315150 9 9 2 8 9 4 2 9 8 TEL 13942296513 9 9 2 8 9 4 2 9 8 0 5 1 5 1 3 6 7 3 Q Q TEL 13942296513 QQ 376315150 892498299 TEL 13942296513 QQ 376315150 892498299 55 KVT-915DVD,925DVD,935DVD KVT-945DVD,965DVD CB CA BZ BY BX 1 2 3 4 5 6 7 D200,209,211,212,225, AVRM1608270MAB D900-910 D226,306,350 D210,213 D208,215-224,227-229, 500,503,504 D203-207,214,307-310, 700,701 300,302,303,311-313, D501 D305 D304 D301 314 D201 HVD133 B30-1523-05 B30-1462-05 B30-1658-05 : : : : : MA8062-M MA142WA AVRM1608120M6A MA3062WA MA8047-H DA204U : : : : : : HD6417706F120D : IC506 D117,118,502 D109,110 D104-108 D102,103,112,113 Q301,302,305 Q215,218,223 Q213,303,304,306 Q202,214,217 Q201,220 D120 D119 D116 D115 D114 Q400 SB05-05CP RD16S RD6.8M RB491D 1SR154-400 MA8056-M MA8082-M D1F60 EC31QS04 : : : : : : : : : 2SB1189 UN5112 DTB123YK UN5214 UN5113 UN5213 : : : : : : Q111,510,515 Q107,108 Q104,112,115,511,513, 212,216,221,222,300 Q100-103,110,113,200, IC914,917-919 IC904,905 Q114 Q109 Q105 514 IC920 IC911 IC910 IC908 IC903 2SA2013 2SB1218A HAT3008R HAT1016R HAT1038R 2SD1819A UN5212 : : : : : : : TC7SET00FU NJM4580V HD74LV2G125A-E AK4382AVT AK4355VF CY7C1021CV10ZI PCM1800E : : : : : : : MBM29DL322BOR2 NJM2373AF-TE1 IC532,708 IC713,909 IC537,907,913,916,922 IC533,536,716 IC705 IC901 IC900 IC714 IC712 IC709 IC707 IC704 IC703 IC702 IC701 IC700 UPC2933T : M5280FP DSPB56367PV150 CY22392FI-K01 NJU7222U50 TK15446L ADV7170KSU SI-3012KM : : : : : : : ES6218SF M4A3212VI8TV1 29LV160ATI4R2 TC7SH00FU K6F1008V2CYF55 TC7WH241FK HD74LV2G74ATTP : : : : : : : : IC529,530,710 IC515,524 912,915 IC511,527,528,534,906, IC523 IC531 IC526 IC525 IC522 IC521 IC519 IC518 IC512 IC517 IC516 IC513 IC510 IC509 TC7SH32FU K4S641632FTC75 HD74CBT3244TTP HD74LVC08TTP MN67761 MT48LC2M32T7I CY62126BV70ZI MBM29DL322B0R1 : : : : : : : : : MM1389XFBE TC74LCX74FT HD74LV1G04A HD74LVC138TTP TC7W00FU TC7SH08FU CXA3266Q NJW1303V : : : : : : : : PQ1X331M2ZP : IC105 IC501,504 IC500,505 IC400,520 IC208,902 IC207,507,508,514,921 IC203,205 IC200 IC106,535 IC503 IC502 IC402 IC401 IC300 IC209 IC204 IC206 IC202 TC7W14FU MM1234XFBE HD74LV157ATTP NJM2235M TA78L05F M5237ML IR3Y26A1 TC7WH123FU RS-181 : : : : : : : : : NJM4565V TC7SET08FU TC7SH08F PST9142NR LB1836M-TE-L 703068YGJ-102 TC7SH04FU : : : : : : : : IC100-102 IC104 IC103 TA78DS05AF TC75W56FU FA7703V : : : P101 P100 P103 P102 115 P104 N100 D116 S9 300 CN301 SRC ESET D120 9 B LINE B LINE GND LINE VIDEO LINE SIGNAL LINE IC201 : S-24CS02AFT C112 0.1 TP101 GND 1 C100 4700u16 C135 0.01 C136 0.01 TP102 +B 2 R332 100 C317 100P R331 100 R330 100 R325 510 1 2 3 4 5 6 10 7 8 9 11 TP365 TP363 TP364 TP302 TP303 TP301 TP366 TP300 100P C313 C312 100P R324 390 3 2 1 150K 22.1K R117 150K R116 W117 43K R121 1.3K 22K R177 + KVT-915DVD/925DVD/935DVD /945DVD/965DVD (1/4) 14.2V X14-947x-xx (16/16) VIN VREF GND DTA123JK DTB123YK DTC114YUA DTC124EE UN5111 UN5114 UN5213 UN5214 2SA1576A 2SB1218A 2SB709A 2SC2714 2SD1819A 2SB1188 2SB1184 2SB1548 2SB1443 DTC323TU 2SC4081 DTA114EUA DTA124EUA DTC124EUA DTC144EUA M5280FP NJM4565M-TE2 TA75W558FU TC7W00FU DAN202U TA78L05F DAP202U DA204U MA142WA MA142WK UN5212 RD6.8M TC7SH04FU TC7SH08FU BA3121F M5237ML PST9142NR TC9215AF MCH6101-E TC7SET08FU NJM4580V TC7WH123FU UPC2933T NJM2107F TC7SH32FU www. xiaoyu163. com QQ 376315150 9 9 2 8 9 4 2 9 8 TEL 13942296513 9 9 2 8 9 4 2 9 8 0 5 1 5 1 3 6 7 3 Q Q TEL 13942296513 QQ 376315150 892498299 TEL 13942296513 QQ 376315150 892498299 56 KVT-915DVD,925DVD,935DVD KVT-945DVD,965DVD CC CD CE CF CG 1 2 3 4 5 6 7 IC303 IC302 IC301 IC101 IC304 A VIDEO UNIT (X35-4280-01) (A/3) D302 D309 D104 D102 Q301 D303 D101 D304 D103 D301 CN301 DC-DC CONVERTER FL FREE-RUN SCHMITT INVERTER TIMING CONTROL IC FREQ. ADJ. PLL 1/4 X14- CN204 PLL LPF VCO AND TP361B TP302A TP326B L303 TP385B TP306A IN+ V- V+ IN- OUT TP332B TP303A TP374B TP331B TP394B TP368B TP356A TP380B TP395B TP322B TP306B TP373B TP363B TP303B L302 TP304B TP372B TP388B TP365B TP307A TP327B TP387B TP370B TP330B TP399B TP379B TP398B TP323B TP336B TP378B TP324B TP335B L301 TP304A TP376B TP366B L309 TP308A TP328B TP386B TP301B TP364B CF308 TP329B TP391B TP397B IN2 TP383B TP301A TP325A TP325B TP334B TP305 TP375B TP333B TP377B TP302B TP367B W304 TP308B TP390B TP321B TP307B TP362B TP371B TP381B TP310B TP309B 64 63 62 61 60 59 58 57 56 55 54 53 52 51 50 49 48 47 46 45 44 43 42 41 40 39 38 37 36 35 34 33 17 18 19 20 21 22 23 24 25 26 27 28 29 30 31 32 1 2 3 4 5 6 7 8 9 10 11 12 13 14 15 16 VDD7 SCKE VSS8 CPH3 VSS7 CPH1 VDD6 CPH2 HDIR VSS6 STH2 STH1 VSS5 TSTD PDOS VDD5 VSS4 LPFI SPL VDD4 OSCI SCK VSS3 SIZE XCKI TST4 TST3 TST2 TST1 SVSEP XCKE VDD3 UPSD MIRROR PAL VSS2 NVD NHD RV HSRV STV1 VDD2 CX CPV NGOE3 NGOE2 NGOE1 STV2 HPOS1 HPOS2 HPOS3 HPOS4 MODE1 MODE2 MODE3 NBLK NDSH VSS1 NDSV NCLP POLS POLC COMPS VDD1 6 7 8 9 10 VIN SW2 SHDN VO2 VON 5 4 3 2 1 GND SW1 CT FB2 FB1 1 2 3 IN1 GND 5 4 VCC OUT 1 2 3 4 5 6 7 8 9 10 11 12 13 14 15 16 17 18 19 20 21 22 23 24 25 26 27 28 29 30 31 32 33 34 35 36 37 38 39 40 41 P ON+5.0V P ON+5.0V NC V GND V GND SW+18.5V D GND OPEN/CLOSE VOL- VOL+ LED GND NC LED(BLUE) NC P ON+3.3V NC V GND VB VG VR V GND C.SYNC V GND NTSC PAL POLC POLS CLAMP VSY HSY BLK MODE3 MODE2 MODE1 HPOS4 HPOS3 HPOS2 HPOS1 NC 42 43 44 45 46 47 48 49 50 51 52 53 54 55 56 57 58 59 60 61 62 63 64 65 66 67 68 69 70 71 72 73 74 75 76 77 78 79 80 VCOM NC P ON+3.3V AUTO DIM KEY1 XDATA YDATA X0 X1 Y0 BL DET PWM ENABLE SW-D NC BLGND BLGND NC BL+8.5V BL+8.5V NC D GND PH DET SW+5.0V REF+5.0V R SENS NC RI M- RI M- RI M+ RI M+ EX M- EX M- EX M+ EX M+ NC SW-A SW-B SW-C 4 3 2 5 1 70 71 74 75 78 79 80 46 49 64 65 66 67 55 45 44 43 40 39 38 37 36 35 34 33 40 39 38 37 36 35 34 33 32 31 30 29 28 27 VR VG VB 16 15 14 12 11 10 9 8 7 4.7uH L103 10uH L106 0.22 C114 10uH L104 10uH L105 39u16 C105 39u16 C108 10 C231 W217 W216 10 C232 0.01 C233 9.1 R23 56 C23 100K R101 13K R104 180K R103 0.1 C115 11K R102 10K VR203 39P C329 0.1 C328 56P C320 330 R331 100P C323 1000P C322 5.6uH L306 10K R349 3.3K R332 68K R327 47K R326 4.7K R325 15K R328 0.1 C335 0.1 C319 100 R329 1.8K R330 0.1 C321 15K R347 3.6K R348 10 C302 0.1 C304 0.01 C303 220u6.3 C330 0.01 C305 0.1 C336 0.1 C316 W303 W301 10 C301 0.01 C334 0.01 C313 0 R320 39P C331 10 R359 10 R360 39P C332 0.01 C314 0 R323 0.01 C317 R373 560 R374 560 0 R313 0 R311 0.01 C311 620 R308 560P C310 0 R371 0.01 C312 0 R368 0 R369 100 R307 0 R367 270P C505 0.01 C306 220u6.3 C307 0.01 C308 W107 220u6.3 C116 C102 10 C101 0.1 C118 0.01 C110 0.01 C111 10 L101 3.3uH L102 3.3uH C113 2.2 C109 1 C104 10 C103 0.01 C107 10 C106 0.01 47K 0.15 C112 R106 10K R218 2.2K 2.2K R236 R219 51K 4.7K R234 0.01 C230 4.7K R321 C315 0.1 R324 4.7K 0.1 C318 C326 680P R346 1M R345 68K C327 0.1 VR301 30K CP303 220x4 CP302 1Kx4 CP301 1Kx4 35 31 33 32 34 37 36 40 39 38 29 28 27 R337 100 R338 100 R340 100 R344 100 R343 100 R342 100 R341 100 1K R339 4 21 6 7 8 9 10 R314 10K 5 10K R315 R318 1K R316 1K C333 0.1 C309 10P C338 10 C339 0.01 100 R350 100 R352 100 R351 22 28 23 19 R353 10 T 30 4 GND 3 1 2 A2 A1 Y3 5 Y2 A3 Y1 VCC 6 7 8 W302 OPEN OPEN LED+8.0V IC303 VR301 IC304 KEY VR203 R105 0.01 C210 4.7 C211 + + + + + X35-4280-01 (1/3) www. xiaoyu163. com QQ 376315150 9 9 2 8 9 4 2 9 8 TEL 13942296513 9 9 2 8 9 4 2 9 8 0 5 1 5 1 3 6 7 3 Q Q TEL 13942296513 QQ 376315150 892498299 TEL 13942296513 QQ 376315150 892498299 57 KVT-915DVD,925DVD,935DVD KVT-945DVD,965DVD CL CK CJ CI CH 22K 22K 3 IC203 IC1 IC401 (X35- ) (B/3) (X35- ) (C/3) D311 Q202 D7 S4 D312 D3 Q1 Q5 Q203 D310 Q201 D401 S401 D8 D10 D9 Q501 SRC V.S CN304 CN302 CN502 CN503 CN305 D314 CN303 VCOM FLICKER CN601 TEST POINT VCOM DRIVER D1 DIMMER SE D405 D404 D403 CONTROL INVERTER 5V AVR DIMMER SW TP342B TP350B TP23B TP22A TP349B TP5B TP3B TP313B TP347B TP42B TP338B TP2B TP348B TP353B W310 TP29B TP343B TP30B TP24B TP351B TP344B TP17A TP352B TP314B TP20B TP354B F1 1.5A TP316B TP15B TP4B TP316A TP1B W354 TP17B TP25B TP345B TP315A TP26B TP19B TP315B TP337B W355 TP314A TP339B TP21B TP16B TP338A TP8 W356 TP40B TP10B TP340B TP41B TP346B TP27B TP313A TP28B TP341B TP22B 49 48 47 46 45 44 43 42 41 40 39 38 37 36 35 34 33 PDOS VDD5 VSS4 LPFI SPL VDD4 OSCI SCK VSS3 SIZE XCKI TST4 TST3 TST2 TST1 SVSEP XCKE VDD3 STV2 5 6 7 8 BIN+ BIN- BOUT VCC 4 3 2 1 VEE AIN+ AIN- AOUT 1 2 3 4 5 6 7 8 9 10 CTIMR OVP ENA SST VDDA GNDA REF RT1 FB CMP 20 19 18 17 16 15 14 13 12 11 NDRB PDRA CT RT PGND LCT DIM LPWM PDRC NDRD NC R652 470 1 2 3 4 5 6 7 8 9 10 D GND KEY VOL- VOL+ LED GND TV DVD/BRINK TV DVD/LED+8.5V(G) TV DVD/LED+8.5V(R) LED(BLUE) VCC GND2 O GN 3 4 BL+8.5V BL+8.5V PON+5V OPEN 1 2 3 4 5 6 7 8 9 10 11 12 13 14 15 16 17 18 19 20 21 22 23 24 25 26 27 28 29 30 31 32 33 34 35 36 37 38 39 40 41 42 43 44 45 46 47 48 49 50 VGL NC VSS STV1 U/D CPV OE3 OE2 OE1 STV2 VDD1 VDD2 NC VGH NC VCOM VSS VSS CPH VSS CX L/R STH1 VSS VB VG VR STH2 NC LED+8.0V NC AUTO DIM KEY1 XDATA YDATA X0 X1 Y0 DGND LED GND BL DET PWM ENABLE BLGND BLGND NC 50 49 48 47 46 45 44 43 42 41 40 39 38 37 36 35 34 33 32 31 30 29 28 27 26 25 24 23 22 21 20 19 18 17 16 15 14 13 12 11 10 9 8 7 6 5 4 3 2 1 VGL NC VSS STV1 U/D CPV OE3 OE2 OE1 STV2 VDD1 VDD2 NC VGH NC VCOM VSS VSS CPH VSS CX L/R STH1 VSS VB VG VR STH2 NC LED+8.5V NC AUTO DIM KEY1 XDATA YDATA X0 X1 Y0 DGND LED GND BL DET PWM ENABLE BLGND BLGND NC BL+8.5V BL+8.5V 30 29 28 27 26 25 24 23 22 21 20 19 18 17 16 15 14 13 12 11 10 9 8 7 6 5 4 3 2 1 NC VGL NC VSS STV1 U/D CPV OE3 OE2 OE1 STV2 VDD1 VDD2 NC VGH NC VCOM VSS VSS CPH VSS CX L/R STH1 VSS VB VG VR STH2 NC 0.01 C233 22 R240 22 R242 12K R239 12K R241 9.1K R235 56 C234 9. R4 4.3K R402 1000P C401 680 R441 0 R401 10uH L401 10 C423 0.01 C424 5.6K R361 3.6K R348 22 R7 0.018 C16 0.01 C17 1M R12 0.01 C10 22 R3 2.2 C11 2.2 C21 0.047 C7 22 R13 0.047 C15 R1 5.1K C23 10 0.01 C12 W357 W358 C426 1 C428 10 C427 2.2 R253 0 2.2K R236 4.7K R234 0.01 C230 5 6 4 2 1 3 16 15 14 10 11 12 9 8 C326 680P R346 1M R345 68K C327 0.1 10 0.01 C324 TP317A 0 R333 0 R334 0.01 C325 0 R335 0 R362 9 10 7 8 4 5 6 19 21 22 23 28 VR VG VB 40 37 38 39 34 35 36 33 44 45 43 49 46 1 C425 SW-C 2 80 71 70 75 74 RI M+ RI M- 3 4 EX M- EX M+ 2 1 66 65 64 19 D GND REF+5.0V PH DET SW+5.0V 16 18 17 9 EX M- 67 RI M- 12 RI M- NC R SENS 13 15 14 RI M+ RI M+ 11 10 79 78 EX M+ EX M- EX M+ 6 8 7 SW-B SW-A NC 3 5 4 55 SW-D 1 7 9 7 5 1 3 10 8 6 4 2 DVD R45 R45 L501 10uH C501 0.01 C504 10 1500P C22 15K R5 15K R4 R9 240K 2.2K R18 330 R10 0.01 C14 0.47 C13 2.2 C9 220P C8 62K R6 22 R16 R15 51K OPEN/CLOSE Q201-203 VR203 0.01 PON+5V LED+8.5V TV DVD/LED(RED) TV DVD/LED(GREEN) TV DVD/BRINK LED GND NC LED(BLUE,NC) VOL- OPEN/CLOSE VOL+ DGND IC401 Q5 Q1 330 R456 680 R453 330 R454 D313 22K 22K Q601 X35-4280-01 (2/3) www. xiaoyu163. com QQ 376315150 9 9 2 8 9 4 2 9 8 TEL 13942296513 9 9 2 8 9 4 2 9 8 0 5 1 5 1 3 6 7 3 Q Q TEL 13942296513 QQ 376315150 892498299 TEL 13942296513 QQ 376315150 892498299 58 KVT-915DVD,925DVD,935DVD KVT-945DVD,965DVD CQ CP CO CN CM 1 2 3 4 5 6 7 IC401 KVT-915DVD/925DVD/ 935DVD/945DVD/965DVD (2/4) (X16- ) (B/2) (X16-2250-00) (A/2) SWITCH UNIT 5- ) (C/3) S601 S402 Q2 S603 CN1 S404 S403 Q502 D5 S602 D4 D6 Q3 POSITION V.SEL MENU CN501 P2 B LINE VIDEO LINE GND LINE B LINE Q503 CN1 S3 S2 S1 S4 to LCD ASSY IC1 : OZ960IS-C IC101 : LT1947 IC203 : TA75W558FU IC301 : TC200G02AF0104 IC302 : TC7SH08FU IC303 : NJM2107F IC304 : TC7WH14FU IC401 : TPS819 Q1,5 : 2SC4081 Q2,3 : SI5513DC Q201 : IMZ1A Q202 : 2SD601A Q203 : 2SB709A Q301 : 2SC4097 Q501,601 : DTC124EE Q502,503 : PUMD10 D1,2 : MA8047-M D3 : MA115 D4,5,9,302,303,314 : DA204U D6,102-104 : MA2S784 D7 : MA8056-M D8,310-313,401 : 1608SGXA D10 : AVRM1005270MAA D101 : MA2ZD18 D301,304 : MA8051-M D309 : 1SV231 D501-504 : MA8051-M D403-410 : AVRM1608180M6A OPEN/CLOSE VOL UP VOL DOWN to Touch Panel Switch ASSY to LCD ASSY D501 D502 D503 D504 D1 D2 TOUCH PANEL SW IMMER SENSOR D407 D408 D409 D410 D406 DRIVER INVERTER PH1 : T95-0253-05 OPEN, SLIDE SW SLIDE,OPNE/END SW SLIDE ADJ. SW TILT SENSOR TILT DOWN END SW SLIDE PULSE SENSOR R505 10 TP55B R504 10 R506 10 L1 4 1 3 2 7 5 6 TP51B TP56B R503 10 TP50B DVD 20 19 18 17 16 15 14 13 12 11 DVD VCC GND2 OUT GND1 2 1 1 2 4 3 2 1 Y1 X1 Y0 X0 0 R651 390 R642 620 R641 0 30K R404 9.1K R403 2 150K R422 22 R11 0.047 C7 22 R13 0.047 C15 22 R17 R1 5.1K R8 5.1K C25 3300P C6 0.018 DVD DVD DVD DVD R451 0 R455 0 R452 0 R421 100K R423 C421 1 C422 1 R501 33K C502 0.01 R502 33K C503 0.01 220P C8 62K R6 22 R16 10 C1 10 C2 0.01 C26 0.47 C18 0.47 C3 15P C5 422 R14 D.GND 1 PHOT POW PHOT TR R SENCOR 14 E+ PHOT TR 750 R1 NC 6 NC 2 3 5V 4 5 R2 27K POW PHOT 10 R+ R+ R- R- 7 8 9 E- E- E+ 11 12 13 POW2 PHOT PH1 SW-A SW-B SW-C NC SW-A 15 16 SW-B 17 NC SW-D SW-C 19 18 (LEAD WIRE) to TILT MOTOR to SLIDE MOTOR (LEAD WIRE) WHITE YELLOW ORANGE GRAY GREEN BLACK RED BLUE D.GND SW-D R SENCER 5V R- R+ E+ E- GREEN SW-D BLACK RED 5V D.GND BLUE R SENCER 10K VR1 Q501-503 Q2,3 S1 S2 S3 VR1 S4 300 R654 P1 CAUTION : For continued safety, replace safety critical compo- nents only with manufacturer’s recommended parts (refer to parts list). Indicates safety critical components. To reduce the risk of electric shock, leakage-current or resistance measurements shall be carried out (exposed parts are acceptably insulated from the supply circuit) before the appliance is returned to the customer. • DC voltages are as measured with a high impedance voltme- ter. Values may vary slightly due to variations between indi- vidual instruments or/and units. X35-4280-01 (3/3), X16-2250-00 (1/1) www. xiaoyu163. com QQ 376315150 9 9 2 8 9 4 2 9 8 TEL 13942296513 9 9 2 8 9 4 2 9 8 0 5 1 5 1 3 6 7 3 Q Q TEL 13942296513 QQ 376315150 892498299 TEL 13942296513 QQ 376315150 892498299 59 KVT-915DVD,925DVD,935DVD KVT-945DVD,965DVD CR CS CT CU CV 1 2 3 4 5 6 7 D202 Q210 D201 Q207 Q206 CN23 CN22 Q203 Q204 Q201 Q13 J500 D501 D503 D505 D500 D502 D504 SW 5V Q2 Q3 BU 5V Q4 D2 D3 J1 D1 Q8 Q14 Q15 D7 Q16 BU14V Q12 Q17 D5 D9 Q18 D8 D6 J J200 CN20 CN21 *A200 BU14V CN1 D4 Q1 Q5 Q7 Q6 ∗ A ∗ C VIDEO L R L R VIDEO AV INPUT1 AV INPUT2 ANTENNA TUNER A1 (FAN) POWER NOISE A ELECTRIC VOLUME RDS DECODER SYNC. SEP ISO AMP ISO AMP C FUN CONT. FM/AM R218 C230 2.2u50 BO 1 AOUT 3 4 2 V- AIN- AIN+ BI BI 4.7uH L200 FSEL EXTRES VCC OSCIN OSCOUT RDCL C233 0.01 10K R223 100K R222 10K R221 C231 0. C232 0. 4 10u16 C202 C212 0.01 C206 0.01 FILOUT + 8 ARI GND OSEL MPX 7 6 5 1 VREF RDDA QUAL 3 2 4.332MHz 13 9 TM 10 11 12 X200 C219 10P 16 T57 14 15 10P C220 10 12 11 6 7 9 8 3 5 4 C213 0.01 L207 4.7uH R217 4.7K 1K R207 3.3K L209 10uH C229 C228 0.01 10u16 11 9 C201 R204 4.7K 12 2 1 11 10 9 8 7 6 5 1 4 3 2 L204 4.7uH C216 0.01 R211 22K C215 0.01 0.01 L206 4.7uH L205 C217 0.01 4.7uH R206 1K CDL VDD RH- AM AFS MPX MPIN MPOUT LEVEL 17 MUXR 16 15 MUXL SMUTE SCL 19 18 QUAL 22 21 20 GND SDA C222 0.1 13 14 C223 0.1 10 12 11 7 8 9 4.7K R219 CREF CASSL VREF CASSR CDGND CDR ACOUTL ACOUTR LFOUT RFOUT RROUT LROUT 23 24 25 27 28 26 4 6 5 2 3 1 47u6.3 R31 330K C17 560P 0.01 C21 C22 VCC VCO LPF GND C18 1 5 R20 1K 8 7 6 R34 10K HSYNC VSYNC VIN 4 SC 1 2 3 R77 22 15 16 18 23 25 C1 0.047 C543 R503 8 1 0.01 C505 R504 1K C502 4.7u50 R505 1K 100 C500 4.7u50 47u50 75 C506 0.01 R507 VM2 BOUT VCC BIN AIN 4 GND AOUT 2 3 VM1 5 C542 22u16 7 6 1K 4.7u50 R502 1K C503 4.7u50 R501 R500 100 C501 C544 47u10 22u16 C507 0.01 C504 BIN VM2 BOUT VCC 3 GND AIN 4 AOUT VM1 2 1 22u16 6 5 C541 7 8 75 R506 10u16 C2 100u10 2 2K R2 R6 22K C6 R3 100 C5 220u16 R5 22K R10 R9 75 75 PWRL- 8 7 PWRL+ PWFL+ PWFL- 9 10 L1 140uH POWER 5 4 6 PWRR- PEFR+ PWFR- EXT PWRR+ ANT 12 11 13 2 1 3 LMUTE ACC B.U. GND 15 14 16 R14 100K C45 1/2W 0.01 C10 1 R17 1K C11 0.1 C14 1 R23 4.7K R12 1K 4.7K 1/2W R16 R19 22K C16 3.3u50 R24 4.7K R25 560 1W R27 22K ∗R75 C3 0.01 3900u16 C7 C4 0.01 R4 10K 0.01 C234 15K R225 5.6 R2 0. C2 82K R226 0.01 C242 0.01 C243 10K R230 10K R231 10u16 C244 + L203 86 3 5 85 25 26 R202 2.2K R203 2.2K 2.2K 90 88 87 25 11 12 3 7 8 9 10 4 5 6 1 2 26 PWRL- PWFL- PWRL+ PWFL+ PEFR+ PWRR+ 8 7 PWFR- PWRR- 4 5 6 R1 1K 56 8 6 55 70 71 0.01 C8 100K R8 2.2K R7 4.7K R215 0.47 C226 0.01 C224 150P C225 0.022 C227 10K R216 1K R214 560 R26 15 18 19 84 C209 10u16 + C211 C9 1 11 12 3 7 8 9 10 4 5 6 2 1 SDA AOUT IF1+B IF1GND 24 S-METER 21 22 SD 23 VDD IF2GND 18 20 19 IF2+B DIGGND 17 16 SCL 15 OSCGND1 OSCGND5 IFCOUT 14 13 PLL+B 11 12 VT OSCGND2 OSCGND3 OSCGND4 8 10 9 AM+B 6 7 5 FM+B 2 AMIN 4 3 FMIN RFGND 1 14 330P R205 2 1 + + + + + + + + + + + + + + + + + IC23 IC21 IC22 IC2 IC51 IC50 (X25- ) (B/2) ELECTRIC UNIT (X25-956x-xx) (A/2) 22K 22K 22K 22K 22K 22K 47K 47K 22K 22K 47K 10K 47K 10K 10K 10K 4.6V 4.5V 4.6V 0V 4.5V 4.6V 4.6V 8.3V 4.6V 4.6V 4.5V 8.3V 4.6V 4.6V 0V 4.5V 5.0V 0V 2.7V 5.0V 5.0V 4.1V 4.1V 0.1V 0.1V 4.8V 3.5V 0V 5.1V 4.1V 0V 5.2V 2.5V 2.5V 0V 5.2V 2.0V 2.6V 2.6V 0V 5.0V 4.1V 8.2V X25-956x-xx NAME KVT-965DVD KVT-945DVD KVT-935DVD KVT-925DVD KVT-925DVD KVT-915DVD KVT-935DVD MODEL KVT-915DVD VDX-09M NO YES 2-71 A ABB. J No. UNIT 0-00 K H E R 0-11 3-21 R75, NO C B YES YES YES YES YES W M X C 0-21 YES YES YES NO NO NO YES NO 4-11 YES YES NO 3-01 YES YES NO NO NO NO YES NO NO YES YES NO NO NO NO YES D NO NO NO NO NO NO E YES NO YES NO YES YES NO NO F 156 R162 YES NO NO YES YES YES NO NO NO NO NO YES YES R163 YES YES NO NO YES NO YES R164 NO NO YES YES NO YES NO R165 YES NO NO YES YES YES NO R166 NO YES YES NO NO NO YES R167 YES X25-956x-xx (1/6) www. xiaoyu163. com QQ 376315150 9 9 2 8 9 4 2 9 8 TEL 13942296513 9 9 2 8 9 4 2 9 8 0 5 1 5 1 3 6 7 3 Q Q TEL 13942296513 QQ 376315150 892498299 TEL 13942296513 QQ 376315150 892498299 60 KVT-915DVD,925DVD,935DVD KVT-945DVD,965DVD CW CX CY CZ DA Q211 Q212 BU14V D14 Q21 Q23 D10 D13 D9 D12 D11 Q22 Q11 D15 Q27 Q25 J2 D19 D16 Q10 Q19 Q9 Q36 Q37 Q20 Q28 D17 Q24 Q29 Q31 D18 Q30 Q32 4V ACC DET BU DET ∗ B ∗ D NOISE AMP (RDS) CENTER SP/SENSOR LINE AVR (A9V) AVR (T8.5V) AVR (CHROMA8.5V) AVR (V5V) TV SYSTEM CONTROL BOUT T 8 V+ BIN+ 6 5 7 BIN- 1 C231 0.01 C232 0.01 R234 2.2K 3 3K R50 R45 R39 22K R39 22K R35 100K 22K R51 100K 9.1K 10K R38 C24 0.01 C27 0.047 R53 1/2W 15K ∗R75 R46 100K R44 C23 0.01 1K R40 47K R49 R36 560 R103 100K R101 100K R100 100K R105 100K R142 100K R104 100K R102 100K R106 100K BEEP IC2 SCL IC2 SDA RGB SW TVPLL DA VSYNC SMUTE W REMO LX REQH LX RST GND VDD LX CLK LX DATAH LX DATAC RADIO SCL LX MUTE RADIO SDA LX CON NAVI TX R119 100K R123 100 R116 4.7K 2 1 4 3 R115 4.7K R124 100 R120 R118 5 7 6 C101 0.01 C115 0.01 600 C102 330u6.3 8 11 10 9 10K 10K R127 R132 1K 14 13 12 17 16 15 100 100 18 20 19 AVREF 76 91 R170 R169 L104 NAVI RX M CLK S DATA R114 22K R112 100K L105 100 99 98 M DATA CH REQC S REQ M MUTE M SYSON M REQ BUDET 94 L103 97 96 95 L102 93 92 83 R CLK FR MODE R QUAL R DATA IFC OUT S METER NOIZE NOISE2 87 90 89 88 86 85 84 TEST MODE PRK SW R113 100K R111 100K 82 81 REVERSE PHONE IC2TYPE0 IC2TYPE1 80 77 78 79 64 69 AVCONT VDD GND ANT CON P CON EXT AMP CON 72 73 74 75 70 71 P STBY4 P SVR4 P SVR1 P STBY1 P MUTE4 66 67 68 65 VDD AFMUTE BASS SW DVD SW GND ACMUTE ARMUTE 61 62 63 58 59 60 57 TP24 1/2W 3900u16 47K R54 C7 R56 12K 2 1 R60 100K R59 4.7K 1K R62 6 5 4 3 R15 680 R13 22K 220u10 GND IN R11 220 OUT R22 C13 4.7K R18 15K R21 C12 1 27K GND IN R30 220 OUT 4.7K R42 C26 220u10 27K R37 15K R41 C25 1 220 R28 R43 15K GND IN OUT C28 1 C29 R48 4.3K 220u10 R47 24K 2.2 OUT IN GND R52 220 R58 5.1K C33 220u6.3 R57 15K R55 15K C31 1 R122 100K R121 100K C35 22uH 4.7u16 C34 R64 100K R63 1K C37 C39 C38 2.2 CAP- GND CAP+ BST 100u16 1 2.2 4 3 2 V+ 8 VOUT LV OSC 5 6 7 1K R125 1K R129 R130 0.022 R67 R66 C40 22u16 R65 2.7K 47 C41 R69 7.5K R68 L2 R138 21 0.01 C236 33K R228 0.01 C240 0.01 C241 0.01 C235 10K R227 0.01 C234 15K R225 5.6K R224 0.01 C239 10K R231 0.01 C245 10K R233 2.7K R229 10K R232 0.01 C238 0.01 C237 90 88 87 R107 2.2K R109 1K R108 2.2K C100 1000P 86 85 84 83 95 98 99 97 92 93 94 0.047 C711 0.047 C712 PWC- PWC+ 80 81 R61 47K C32 1 C36 2.2 7 6 5 4 13 72 77 47K R74 83 70 77 80 71 72 63 64 65 66 69 62 61 60 L100 10uH 6 2 4 96 3 5 7 8 11 12 13 15 14 20 18 19 1 100 R135 R133 L101 R136 R134 81 91 17 R110 100K 10 13 V5V BU5V T8.5V CROMA8.5V A9V SW5V BU14V 100K 1K 100K R131 1K REVERSE PRK SW W REMO + + + + + + + + + IC10 IC1 IC4 IC3 IC5 IC6 2.2K 47K 22K 22K 22K 22K 47K 47K 22K 22K 47K 10K 22K 22K 10K 10K 0V 1.3V 0V 13.7V 1.3V 0V 13.7V 1.3V 13.8V 0V 13.7V 0V 1.3V 10.8V 5.4V 0V 5.0V -10.2V 10.8V 5.1V 0.1V 5.0V 0.1V 5.1V 0.1V 0.1V 5.0V 5.0V 0V 0.1V 0.1V 4.9V 0.1V 5.0V 5.0V 5.1V 0.1V 0 1V 0 1V 5.0V 0V 0.1V 5.0V 5.0V 5.0V 0.1V 0.1V 5.0V 5.0V 5.0V 5.0V 0V 1.6V 0.1V 5.1V 0.1V 0.1V 5.1V 0.1V 2.5V 0.1V 5.2V 5.1V 0V 5.0V 0.1V 0V 0.1V 5.1V 0.1V X25-956x-xx (2/6) www. xiaoyu163. com QQ 376315150 9 9 2 8 9 4 2 9 8 TEL 13942296513 9 9 2 8 9 4 2 9 8 0 5 1 5 1 3 6 7 3 Q Q TEL 13942296513 QQ 376315150 892498299 TEL 13942296513 QQ 376315150 892498299 61 KVT-915DVD,925DVD,935DVD KVT-945DVD,965DVD DF DE DD DC DB D302 D301 D300 D30 D30 D30 D311 D310 D309 Q34 Q32 Q35 Q33 Q103 D105 (BOTTOM Q104 D107 D104 D106 D103 D102 Q102 D101 Q101 CN11 J300 VIEW) ∗ F ∗ E RESET IC MUTE CONTROL MUTE CONTROL MUTE CONTROL ISO A ISO AMP 4/4 X86- CN1 GND VM1 AOUT C303 R313 6.2K R336 R302 R335 R312 13K 6.2K 330u6.3 10 R300 4.7 R301 4.7u25 C301 C302 6 1 VM2 BIN VCC BOUT 1 4 2 3 AIN VM1 AOUT C304 GND 8 0.1 C300 R344 5 7 6 13K 10 4.7u25 37 100u6.3 + C30 47K 0.1 R311 R308 R318 22K 10 R319 22K R310 4.7 1 C314 4.7u25 C317 47u6.3 C319 4 AIN 3 2 C312 C343 10 C342 10 8 0.1 VM2 BOUT VCC BIN 5 6 7 R347 470 R348 470 51 R151 R152 BEEP IC2 SCL 10K R173 R174 100 20 19 VDD GND ACMUTE ARMUTE 61 58 59 60 PON ILLUMI ASMUTE DK MAIN/SUB TVMUTE 54 55 56 57 52 53 0.022 C41 R69 56K 7.5K R68 91K 4.7u25 R73 91K R71 10K R70 47 C42 0.01 C43 4.7u25 C44 R72 91K R150 R158 C107 VCC C105 R149 100K FRONT SW SCL SW SDA DIVER AFS AM+B FM+B REAR AOMUTE TEST 1 8 C110 0.01 VCC C104 0.01 A0 WP SCL SDA 7 6 5 A1 A2 GND 2 3 4 R146 10K R145 10K R172 R171 1K 1K R138 23 22 21 26 25 24 100 R143 100 29 28 27 30 2 1 ∗R165 100K ∗R163 100K C108 0.01 C112 0.01 ∗R162 100K ∗R164 100K 42 31 32 33 34 35 36 37 38 39 40 41 SUBCLK TYPE0 TYPE1 TYPE2 RESET CLK BUBCLK REGC CLK GND VDD CLKOUT C103 31 32 33 0.01 C111 0.1 VDD OUT NC VSS 0.1 3 4 43 44 45 46 47 48 49 50 BG TV SDA TV SCL L2 R SW AM/FM BIL ST/MONO I 100 R147 100 R148 ∗R156 1K L106 L403 R154 R155 1K R176 100K 1K R157 100K R160 5.6K 1 A1 6 7 8 5 A3 Y1 VCC Y2 C2 GND Y2 7 6 B2 A2 B1 5 4 3 2 A2 Y3 A1 3 2 1 GND 4 1 0.1 0.1 C113 10K R159 5.6K R161 C106 X100 20.000MHz ∗R167 100K ∗R166 100K B3 Y3 A3 8 9 C3 Y1 C1 10 11 12 13 14 T8.5V TV SDA TV SCL L2 SW AM/FM ST/MONO OR BG BIL OR I MAIN/SUB OR DK TV COMP V TV R TV L R153 1K R175 1K 100K 100K TP100 21 GND TV MUTE 22 23 24 VG VR GND 18 19 20 14 NC VB 15 16 17 11 12 13 GND 7 8 9 10 NC NC 4 5 6 COMP V IN CROMA8.5V V5V 1 2 3 5 1 16 1 62 61 60 57 56 55 61 60 57 1K 1K 43 44 45 47 49 51 53 20 23 30 19 25 26 29 28 29 28 22 R144 R135 30 23 91 31 33 32 37 39 38 39 37 38 4 3 2 1 64 62 9 1 14 63 43 47 49 45 44 53 51 42 2 3 7 1 VCC Y1 A2 B2 Y2 GND 4 1 A1 B1 2 3 5 8 7 6 0.01 C114 0.01 C109 16 CROMA8.5V V5V T8.5V SW5V BU5V A9V A9V T8.5V V5V R140 R141 IC13 + + + + + + IC31 IC3 IC34 IC12 IC13 IC14 IC15 IC16 D 22K 22K 22K 22K 22K 22K 22K 22K 5.1V 0.1V 0.1V 0.1V 0V 0.1V 5.0V 5.1V 0.1V 5.1V 5.0V 0.1V 5.0V 0V 3.2V 1.4V 1.4V 5.0V 5.0V 5.1V 0.1V 5.1V 0.1V 0.1V 5.0V 5.1V 0V 0.1V 5.0V 0V 1V 0V 5.1V 5.0V 0V 5.2V 0V 0V 5.1V 5.2V 0V 5.2V 5.2V 0.1V 0V 5.2V 0.1V 5.2V 0V 0V 0.1V 5.2V 5.2V 0V 5.2V 5.2V 5.2V 5.2V 0V 5.2V 5.2V 5.2V 5.2V 4.5V 4.5V 0V 4.3V 4.2V 8.3V 4.2V 4.5V 4.1 4.6 8.3V 4.6V 4.6V 4.5V 4.6V 4.6V 0 0V 0.1V 0.1V X25-956x-xx (3/6) www. xiaoyu163. com QQ 376315150 9 9 2 8 9 4 2 9 8 TEL 13942296513 9 9 2 8 9 4 2 9 8 0 5 1 5 1 3 6 7 3 Q Q TEL 13942296513 QQ 376315150 892498299 TEL 13942296513 QQ 376315150 892498299 62 KVT-915DVD,925DVD,935DVD KVT-945DVD,965DVD DG DH DI DJ DK D327 D305 D304 D308 D307 D319 D318 D317 D320 D303 D306 D312 D322 D321 D323 Q408 D D404 Q26 D402 D400 D426 D425 Q400 Q401 J301 D326 D316 1/4 CN201 X14-A/3- X14-A/3- 1/4 CN202 ISO AMP VIDEO SW NAVI/TV ISO AMP ISO AMP VIDEO/AUDIO SELECTOR 75 DRIVER DRIVER 75 SCL SDA AGND DCOUT COUT3 LOUT3 YOUT3 ROUT3 VOUT3 VCC LOUT2 V/YOUT2 ROUT2 TRAP2 COUT2 MUTE YIN1 BIAS CIN1 GND VM1 22u16 Y3 5 12 BSAG ASAG R337 13K R314 6.2K 330u6.3 R303 10 R304 4.7 4.7u25 C306 C307 R338 R315 6.2K 13K R339 13K R316 6.2K 10 R305 C308 4.7u25 330u6.3 10 R306 R307 4.7 4.7u25 C311 C313 R340 R317 22K 10K C344 0.01 R309 10 C315 4.7u25 C323 220u10 100 R322 R328 75 C320 10u16 4 AOUT 5 BOUT 7 35 36 37 BIN VM2 BOUT VCC 3 2 1 4 AIN VM1 AOUT GND C305 0.1 6 7 8 5 100u6.3 BIN VM2 BOUT VCC + C309 3 2 1 4 VM1 AOUT GND AIN 0.1 C310 R345 1K 6 7 8 5 100u6.3 + C316 + 22u10 C318 1K R346 C321 1 2 3 0.1 AIN GND 7 8 BIN 6 V+ R311 18 K R319 22K 4.7 10 47u6.3 C319 4.7u25 4 AIN 3 2 4 3 2 IN1B 1 GND2 OUT1 SW1 15 IN1A 16 VCC IN2B GND1 13 14 ASAG BSAG C457 0.01 BOUT 220u10 220u10 R330 R329 75 75 C328 C325 AOUT 4 330u6.3 R332 75 C329 5 0.1 VCC R477 100K C332 NC 1 A 2 5 C326 C322 C324 0.01 0.1 0.1 GND AIN 3 2 1 C327 0.01 C330 V+ BIN 6 7 8 0.1 C406 8 7 6 SW3 OUT3 OUT2 IN3A 9 GND3 IN2A SW2 10 11 IN3B 1 22 C415 0.47 19 18 5.6K C3 RV3 S23 V4 S3 21 20 22 R411 5.6K R418 5 6K R416 5 6K C425 0.22 R413 5.6K C424 25 23 1 C417 C420 1 1 C427 1 28 S24 C4 RV4 Y4 LV4 25 24 23 27 26 ADR RV5 V5 LV5 S4 30 29 32 31 C403 10 VM2 BOUT BIN C331 5 6 7 470 C400 0.1 C402 C401 0.1 0.1 16 1 14 0.47 C407 C405 0.1 0.1 C404 0.1 11 8 68 68 68 0.47 C412 C413 1 C410 9 11 C411 1 1 C409 9 R403 1.5K C408 R404 5.6K C414 1 C487 0.47 5 12 15 17 16 R405 5.6K R408 LV3 V3 14 13 S2 S22 C2 V2 10 R406 5.6K 5.6K RV2 Y2 LV2 11 9 R407 S1 S21 C1 8 7 6 61 RV6 61 62 63 64 1 RV1 Y1 LV1 V1 4 3 2 R409 5.6K TV RTV LTV R412 R410 C416 1 C418 1 C419 1 C421 5.6K R414 5.6K 5.6K 1 52 53 54 55 56 57 58 59 60 V6 VGND COUT1 LV6 ROUT1 TRAP1 YOUT1 LOUT1 VOUT1 5.6K C423 0.22 R415 1 C422 59 10u16 L400 10uH + 33 34 28 29 C429 0.1 C430 47 1 40 35 36 37 38 39 1 C434 38 R425 4.7K 4.7 C432 41 42 43 44 45 46 R350 10 C431 4.7 C433 R351 10 R426 4.7K C426 48 49 50 4.7 51 R424 1K 5 1 6 2 7 8 3 9 4 10 14 16 17 11 12 19 13 18 15 20 21 1K R334 R333 1K 75 R331 1K R476 R320 100 R321 100 R323 100 R324 100 R325 100 R326 100 R327 100 99 97 92 94 98 93 95 10 R349 10 R343 43 45 9 10 7 8 5 6 11 16 12 13 17 18 14 20 19 15 21 1 2 3 4 2 3 5 0.47 40 43 45 5 6 3 3 6 5 5 2 7 A2 64 63 62 42 10 54 52 15 18 16 17 13 2 4 V5V BU5V 1 R402 R400 R401 0.01 + + + + + + + + + + + + IC32 IC33 IC36 IC40 IC37 IC41 B C 22K 22K 47K 47K 8.3V 4.1V 4.1V 4.4V 0V 4.4V 4.5V 4.1V 8.3V 4.1V 4.1V 4.4V 0V 4.4V 4.5V 4.1V 4.6V 4.6V 4.6V 4.5V 4.6V 0V 0V 1.5V 1.5V 1.5V 1.5V 4.3V 5.0V 0V 1.5V 4.3V 0.7V 0V 0.8V 0.7V 4.3V 1.5V 3.6V 4.2V 4.2V 3.6V 4.2V 4.2V 3.6V 4.2V 4.2V 3.6V 4.2V 4.2V 4.2V 4.1V 4.2V 5.2V 5.2V 0V 4.2V 4.2V 8.4V 4.2V 4.2V 0V 4.2V 4.2V 4.3V 4.2V 0V 4.2V 3.6V 4.2V 0.1V 5.2V 1.9V 0V 1.7V 1.7V 1.7V 5.0V 1.9V 1.9V 5.0V 1.7V 1.7V 0V 1.9V 1.7V X25-956x-xx (4/6) www. xiaoyu163. com QQ 376315150 9 9 2 8 9 4 2 9 8 TEL 13942296513 9 9 2 8 9 4 2 9 8 0 5 1 5 1 3 6 7 3 Q Q TEL 13942296513 QQ 376315150 892498299 TEL 13942296513 QQ 376315150 892498299 63 KVT-915DVD,925DVD,935DVD KVT-945DVD,965DVD J600 D312 D611 D325 D612 D606 Q411 Q410 Q408 D422 J601 P600 D602 D600 D601 D607 D608 D609 D610 D416 D415 D423 Q100 D701 D700 D410 D405 5L INTERFACE NAVI INTERFACE ISO AMP D603 D605 D604 NAVI REM. BUFFER ISO NAVI AMP OP AMP SW AUDIO SIGNAL PROCESSOR 1/2 VCC RESET INV. (LINE DRIVER) BTL POWER AMP (CENTER) 4 8 12 2 6 3 7 1 5 10 13 11 9 C457 0.01 0.1 R600 1K 3 2 1 A GND Y 4 VCC B 5 R602 1K R601 1K R617 75 C333 VCC R477 100K C332 GND NC 1 A 3 2 C334 0.1 Y 5 4 0.1 11 16 8 1 R472 22K C492 10 R471 22K C491 10 R431 10K R432 OUTREF SPKR3R SPKR3L SPKR2R SPKR2L SPKR1R SPKR1L SDA MUTE 22 10 6 2 DATA H MUTE 5 11 12 13 6 A GND Lch CLK 4 3 12 8 11 7 13 R463 8 7 9 10 44 43 42 41 40 39 38 37 36 35 C600 4.7u50 C602 4.7u50 C609 47u6.3 1K R604 R603 4.7 R605 1K + VM1 AOUT 2 1 GND AIN 4 3 C613 0.01 BOUT VCC 7 8 BIN VM2 5 6 + C611 22u16 2 1 4 3 D GND REQ H B.U CHCON R427 10 52 14 22u16 54 C439 + C482 C485 0.01 1 10u10 C495 10u10 S34 C12 S30 9 S32 S31 12 11 10 VSS 8 S20 S21 5 6 7 S40 S41 S42 15 14 13 VDD 16 OFF S10 S11 2 3 4 GND 1 10K 10K R428 10K C443 10u10 35 36 37 7 6 C445 10u10 C446 10u10 C442 10u10 C444 10u10 CH CON DATA C REQ C Rch RST Rch 1 B.U GND MUTE A GND REQ H R609 4.7K R610 100 R611 4.7K 9 5 REQ C RST DATA C CLK DATA H Lch R615 100 R616 100 R612 4.7K R613 4.7K R614 4.7K 24 R435 470 C 2 25 R439 470 26 R438 470 + C 2 C 2 COR+ CD- CDL+ COSSR COSSL V33 8 R417 C483 C484 R462 6.8K 1 10K 1 3 2 1 C437 1 C447 1 38 6 5 4 40 7 R419 C448 1 11 10 9 C438 1 OUT2L OUT1L OUT1R SIGGND OUT2R ADCVDDREF IN1L IN1R IN2L IN2R IN3L AM N-VI+ AMLEVEL NAVI- PHONE- PHONE+ FMLEVEL FM TUNER- 12 13 14 15 MPXRDS AMIF GND VDD VCC PGND 19 16 17 18 20 21 29 R436 470 3 28 27 R437 470 4 R440 470 34 C494 C436 0.1 BIN- R429 10K R430 10K 5 6 BIN+ BOUT 8 7 V+ 2 4 AIN+ 3 V- AIN- 1 AOUT R433 10K R434 10K C441 10u10 C493 10u10 3 6 AOUT AIN- 25 SCL IN3R 31 32 33 SEL 28 29 30 25 26 27 28 29 27 26 C486 10u16 + + C490 10u16 23 24 24 10u16 C440 + 10K R482 10K R481 + C488 10u16 C428 0.01 2 R475 47K R479 6.8K R480 R478 10K V+ BOUT 1K 7 8 R466 10K AIN+ V- 4 BIN+ BIN- 5 C701 DGOUT DOUT- DOUT+ COUT- COUT+ CIN PGND AIN 25 0.22u50 23 21 19 17 R700 22K 15 13 11 5.6K R705 1K TH700 470 R704 MUTE R703 10K R702 100 PGNDD DIN PGNDC VCC2 AUXIN BIN RIP AOUT+ AOUT- BOUT+ BOUT- TAB C713 0.47 C700 22u16 9 7 5 3 1 STBY PGNDA VCC1 PGNDB 1 R474 10K R473 10K 1 7 A2 1 100 64 4 2 12 7 11 96 8 6 4 2 100u10 C450 + 0.01 C449 10uH L401 C460 560P 29 28 0.01 C489 7 2 VCC BOUT 8 1 AOUT VM1 22u10 C614 0.01 22u16 + + VM2 BIN 6 5 4 3 GND AIN C612 C615 C608 47u6.3 R607 4.7 C607 4.7u50 R608 10 59 61 16 4 2 10 R606 + 4.7u50 C606 53 PWC+ PWC- 65 560P C459 A9V BU14V A9V A9V SW5V R464 100K 4 2 A9V 63 1 TV-REMO TV-L A-GND TV-R TV-RX TV-TX RED BLUE GREEN SYNC V-GND + + + + + + + IC63 IC60 IC61 IC43 IC44 IC42 IC47 IC70 IC62 2.2K 2.2K 22K 22K 22K 22K 4.1V 4.1V 4.1V 0V 4.1V 4.1V 4.1V 8.3V 0V 4.2V 4.2V 5.1V 4.2V 4.2V 4.1V 8.3V 4.1V 0V 4.1V 4.1V 0V 3.5V 0V 4.3V 4.3V 4.3V 4.4V 4.4V 0V 8.2V 0V 4.1V 8.2V 5.2V 5.2V 0V 4.1V 4.3V 4.1V 0V 3.5V 3.5V 8.2V 4.1V 4.6V 4.5V 4.5V 0V 4.5V 4.6V 4.6V 8.3V 4.6V 4.5V 4.6V 8.3V 4.6V 4.5V 0V 4.6V 0V 0.1V 5.2V 5.2V 5.0V 5.0V 0V 5.0V 5.0V 4.3V 4.4V DP DO DN DM DL X25-956x-xx (5/6) www. xiaoyu163. com QQ 376315150 9 9 2 8 9 4 2 9 8 TEL 13942296513 9 9 2 8 9 4 2 9 8 0 5 1 5 1 3 6 7 3 Q Q TEL 13942296513 QQ 376315150 892498299 TEL 13942296513 QQ 376315150 892498299 64 KVT-915DVD,925DVD,935DVD KVT-945DVD,965DVD DU DT DS DR DQ 1 2 3 4 5 6 7 Q404 Q403 Q402 D416 Q405 D415 Q406 Q407 D418 D417 D411 D414 D413 D406 D408 D407 D412 D409 D701 D700 D506 Q500 D507 Q502 Q501 D516 D508 Q503 D515 D512 D514 D513 D511 D509 D510 J501 J502 IC1,3-5 : M5237ML IC2 : MM1108XFFE IC6 : ICL7660SIBA IC10 : UPD703033GFA13 IC12 : S-24CS02AFT IC13 : S-80837CNNB IC14 : TC7W14FU IC15 : SN74LV10APWR IC16 : TC7W08FU IC21 : TDA7479D IC22 : TDA7407D IC23,52-54 : NJM4565M-TE2 IC31-34,50,51,61,62 : BA3121F IC36,37 : NJM2267V IC40 : MM1234XFBE IC41 : CXA2069Q IC42 : NJM4580V IC43 : TC9215AF IC44 : TDA7501 IC45 : TA8273H IC47 : NJM4565V IC60 : TC7SET08FU IC63 : TC7SH14FU IC70 : TA8263BH Q1,26,36 : DTC144EUA Q2,7,21,23,29,31,33,35, 201,206,210 : 2SC4081 Q3,13,16,30,32,34,400,401,503 : 2SA1576A Q4,11,28 : 2SB1443 Q5,25,37,100-104, 212,408,500 : DTA124EUA Q6 : 2SB1184 Q9,20 : 2SA1906 Q10,12,14 : DTC114YUA Q15 : DTA114EUA Q17,18 : 2SB1277(Q,R) Q19,24 : 2SB1548(P) Q22 : DTA123JK Q203 : 2SB1188(Q,R) Q8,27,204,207 : DTC124EUA Q402-407,410,411,501,502 : DTC323TU D1 : RM10ZLF D2,4,11,18 : MA8056-M D3 : RB160L-40 D5,6,8,9,405-414 : 1SR154-400 D7,15,101-104,107,325, 415-418,422,506-508, 700,701 : DAP202U D10,14,19,423 : MA8068-M D12 : MA8047-M D13,105,106,202 : DAN202U D16,312,317-319,326, 327,425,426,606-612 : MA3062WA D17 : MA3110-M D300-311,320-323,400, 402,404,500-505, 600-605 : DA204U D316 : MA3062-M D509-516 : MAZ9120H PRE OUT GND LINE SIGNAL LINE B LINE B LINE DTC114EUA Q211 : IMSA-6801 D201 : SUB R L R L REAR FRONT MUTING SW AUDIO PPOWER IC VIDEO BUFFER CENTER VIDEO L R AV OUTPUT VIDEO LINE PRE AMP PRE AMP PRE AMP WER AMP R) 4 R435 470 1 C451 22u16 2 5 R439 470 6 R438 470 + C456 22u16 C453 22u16 9 R436 470 3 8 7 C452 22u16 + R437 470 4 C454 22u16 R440 470 C455 22u16 0.22u50 R444 22K 21 19 17 15 25 23 R453 10K R446 22K R442 22K 24 R465 1K TH41 470 26 R452 100 R451 2.4K R448 1K 47K R460 10K 10K C466 1 5.6K R454 C461 0.1 22K 22 MUTE PWGND4 CLIPOUT OUT4- 24 AUXIN PWGND3 VCC1 OUT3- OUT4+ IN3 OUT3+ 18 20 14 16 IN4 5 3 1 13 11 9 7 29 R445 22K 28 27 R467 R456 R457 1K R461 10K R458 1K R468 10K R443 22K R441 22K R459 1K 0.22u50 C499 C497 R469 R470 22K 0.22u50 C498 R423 22K C465 0.22u50 22u16 C496 + R422 22K C462 0.47 R455 10K VCC2 PWGND1 STBY PREGND IN1 OUT1+ OUT1- OUT2+ 8 10 12 RIP IN2 4 6 PWGND2 OUT2- TAB 2 C704 00 0 4 1 MUTE 24 3 2 0 PGNDD 22 20 18 16 14 12 10 DIN PGNDC VCC2 AUXIN BIN RIP C706 0.01 R706 10K STBY PGNDA VCC1 8 6 PGNDB 4 2 82 47u16 22K R520 C525 R530 R521 360 360 C527 2200P R529 22K R531 100 C524 10u16 C526 100 R528 22K 10u16 2200P C509 220u10 R541 360 360 R539 C518 C519 C521 C522 C515 47u16 R509 47K R515 10K R510 47K R516 10K 10K R518 R513 47K 47u16 C511 C513 47u16 C514 47u16 10K R519 R508 47K C539 0.01 C535 0.01 C534 330u6.3 C533 47u16 C532 47u16 8 7 6 5 R532 100 22K R527 R537 82 BOUT BIN+ 0.01 BIN- V- 4 0.01 AIN- AIN+ 2 3 V+ AOUT 1 R538 82 R540 75 C508 0.01 0.01 BIN- BOUT BIN+ V+ R524 22K 5 R523 22K 7 6 82 R534 8 47u16 C531 0.01 V- AIN- AIN+ 4 2 3 AOUT 1 0.01 C537 0.01 C538 47u16 C516 R512 100u16 C512 47K R514 10K R511 C517 100u16 R517 10K 47K C510 47u16 82 47u16 22K C529 47u16 8 R525 R522 22K R533 C528 R536 82 BOUT 5 BIN+ C523 0.01 6 7 BIN- 4 V- C520 0.01 AIN+ AIN- 3 2 V+ 1 AOUT C536 0.01 C545 0.01 C540 0.01 C530 R526 R535 26 29 27 24 28 20 PWRL- PWRL+ PWFL- PWFL+ PWFR- PWFR+ PWRR- PWRR+ 10 53 14 22 BU14V BU5V SW5V BU14V T8.5V 69 0.01 C705 66 AIN+ + + + + + + + + + + + + + + + + + + + + + + IC45 IC54 IC53 IC52 KVT-915DVD/925DVD/935DVD/945DVD/965DVD (3/4) 2.2K 2.2K 2.2K 2.2K 2.2K 2.2K 22K 22K 2.2K 2.2K 0V 0V 0V 0V 0V 0V 10.0V 0V 0V 0V 10.0V 0V 0V -9.5V 10.0V 0V 0V 0V 0V 0V 0V -9.5V -9.5V 0V 0V 5.0V 14.3V 0V 9.0V 1.4V 0V 1.4V 1.4V 14.3V 4.1V 0V 7.6V 1.4V 7.7V 7.7V 7.6V 0V 1.4V 7.7V 7.7V 7.7V 7.7V 0V CAUTION : For continued safety, replace safety critical components only with manufacturer’s recom- mended parts (refer to parts list). Indicates safety critical compo- nents. To reduce the risk of electric shock, leakage-current or resis- tance measurements shall be car- ried out (exposed parts are accept- ably insulated from the supply cir- cuit) before the appliance is re- turned to the customer. • DC voltages are as measured with a high impedance voltme- ter. Values may vary slightly due to variations between individual instruments or/and units. X25-956x-xx (6/6) www. xiaoyu163. com QQ 376315150 9 9 2 8 9 4 2 9 8 TEL 13942296513 9 9 2 8 9 4 2 9 8 0 5 1 5 1 3 6 7 3 Q Q TEL 13942296513 QQ 376315150 892498299 TEL 13942296513 QQ 376315150 892498299 65 KVT-915DVD,925DVD,935DVD KVT-945DVD,965DVD DV DW DX DY DZ 1 2 3 4 5 6 7 56K IFAOUT SLOUT R120 1.8K ∗C119 R129 R128 100K 2.2K 2.2K 2.2K R130 100K 3.3K 0.01 5K VR101 21.7MHz X104 X103 22.2MHz 22.7MHz X102 ∗X101 ∗C113 ∗C112 100K ∗VR102 ∗L107 1.5uH GND3 0.1 ∗R179 R126 100K R117 10K 1000P ∗C159 ∗R178 180 ∗R143 ∗R177 ∗C125 C118 1000P 0.1 C126 R121 10K R125 2.7K RFADA 35 34 OSCIN2 OSCIN1 VCC3 MOUT SDOUT 33 32 31 30 29 C109 0.022 ∗R110 27K CF101 C107 0.1 23 FLIN FLAB SVA VREF FLOUT 28 27 26 25 24 GND2 21 22 R102 6.8K VR1 5K TP1 AMDCA ∗R180 VIFIN1 SIFIN2 38 SIFIN1 IFAIN 37 36 GND1 40 39 AFTOUT RFAOUT VIFIN2 43 42 41 VREG 44 0.01 + C120 47u16 2 3 4 5 VCC1 VIF1 VIF2 SSC AFT 1 VOUT2 VOUT1 SMTC1 AOUT SMTC2 0.1 AFCOUT 18 SMA1 SMA2 19 20 VCC2 SIF 16 17 DCIN AMDCP AMDCO 13 14 15 SOUT 12 1.5K R107 TP3 0.1 C104 C105 11 6 7 8 9 10 C110 0.01 C151 R174 51K C103 0.022 0.1 L104 10uH R176 33K R175 47K R112 33K R113 47K TP2 10K R116 2.7K C115 56P ∗L103 ∗C116 2200P ∗C117 22P R123 10K R132 10K R131 10K R133 4.7K 330 R108 330 100 0.022 CTL2 CTL1 0.01 C13 0.01 C14 IN1 2 1 IN2 4 3 OUT GND 7 8 IN3 VCC 5 6 C8 0.1 C12 0.01 C19 R7 21 22 23 24 R10 VD C28 0.01 R11 22K VCOIN R9 33K EO 2 1 CCYNC VIN ADV C21 3300P 4700P R8 47K C20 L10 C24 47u6.3 C57 0.01 600 L2 10 ∗R105 R106 L101 C101 220P AUX IN CROMA8.5V T8.5V V5V 1 2 3 4 NC NC GND SDA SCL 5 6 7 8 9 Rch 21 AM/FM ST/BG M:S/DK AGND 11 12 13 14 15 BIL/I NC 16 17 18 19 20 TV VB VG VR AGND VMUTE 22 23 24 Lch 1000P 68K R216 C240 R215 68K C243 47u16 R218 27K C238 120P C239 R217 27K C237 120P 1000P V- AOUT AIN- AIN+ 8 7 6 5 BIN+ V+ BOUT BIN- 1 2 3 4 2200P R173 C102 0.01 47K TP4 R111 180 CF102 ∗L102 330 ∗R103 470 R114 330 R115 ∗R104 470 R223 1K R204 82K R219 82K C212 R205 120K 0.01 0.01 C211 2 1 ∗C203 10uH L201 0.01 C201 MO BVSR COMP CUE MGH AGC MGT GND SUB SEP ∗C216 ∗C215 C213 C214 0.01 10uH L202 1 10u16 R208 470K C220 ∗R224 ∗R229 1K ∗R227 4.7K ∗R226 1K ∗R225 1K 30 32 31 29 28 27 26 25 VCC TEST6 TEST5 TEST4 SUBG SUBC DS VREF C246 0.47 C245 0.47 C226 56P ∗R222 C224 0.01 ∗R228 ∗R206 ∗C231 ∗R209 470K 33K ∗C222 1 C227 1 ∗R210 12K C230 0.01 ∗C232 3 1 2 4 5 6 7 8 10K ∗VR201 SGT ASC ATCR ATCL LOUT ROUT TEST1 19 24 23 22 21 20 18 17 BVSL SLED BLED TEST3 BOM ATC TEST2 14 9 10 11 12 13 15 16 R201 R202 13 4 SW EXTIN 10 9 MUTE VP2 12 11 AMIN AFOUT 7 8 NC5 AMOUT 5 6 R203 47K C207 C206 0.022 0.022 C210 0.01 NC15 VP1 GND 15 14 IFIN2 16 NC2 CAGC CREF 2 3 IFIN1 1 C204 C209 4.7u25 8.2K 3.9K C208 C205 2200P L106 10uH VR VG VB VMUTE AUXIN MS/DK BIL/I ST/BG SCL SDA R213 15K V- R214 8 C236 15K 5 6 7 1000P 1 AOUT C241 0.01 V+ BIN+ BIN- BOUT AIN+ AIN- 2 3 R212 15K 1000P C234 4 1000P C233 C235 1000P 15K R211 C242 0.01 C202 10u16 0.47u50 R220 100K C229 0.01 ∗C228 100P C225 0.1 R207 330K ∗C223 1 ∗C221 ∗R221 MS/DK BIL/I ST/BG ∗C217 C218 C219 1 1 1 1 0.01 0.01 C106 C111 ∗C158 C121 0.01 0.01 R101 1K 22K C123 ∗C124 47u16 0.01 R127 R124 R119 MS/DK BIL/I ST/BG C114 0.1 R109 C108 0.1 12 15 15 12 ∗R181 ∗R122 ∗C156 TP1 VR101 AM IC1 + + + + + + Q104 Q105 D103 D102 D101 15kHz Q106 D104 Q107 Q102 CN1 SMET,AGC ∗Q101 Q103 Q202 Q201 CN3 3/4 CN11 X25-A/2- SMET IF-AGC RF-AGC SIF ∗ A ∗ B ∗ D ∗ C ∗ F ∗ E L.P.F L.P.F NOISE CANSELER /TV MPX AM DEM. VIF & SIF DEMODULATOR VIDEO SW IC101 IC1 IC2 IC204 IC202 IC201 IC203 TUNER UNIT (X86-367x-xx) D 22K 22K 22K 22K 22K 22K 22K 22K 47K 47K 47K 47K 2.2V 2.1V 3.0V 1.6V 0V 0V 1.8V 2.2V 2.3V 1.6V 2.0V 2.0V 2.5V 2.4V 0V 4.6V 0V 0V 1.7V 1.7V 2.2V 2.2V 4.9V 3.0V 4.9V 2.5V 2.5V 0V 2.5V 8.5V 2.5V 2.5V 0V 2.5V 2.5V 2.5V 2.5V 8.5V 2.5V 2.3V 0V 0V 4.4V 2.2V 2.2V 0V 5.1V 0V 4.9V 2.2V 0V 5.1V 1.7V 0V 2.7V 5.0V 2.8V 8.4V 3.3V 3.3V 1.9V 0V 3.5V 4.3V 2.0V 1.8V 8.4V 4.1V 1.6V 0V 0V 4.0V 3.5V 4.1V 0V 3.0V 0V 6.8V 8.4V 7.4V 0V 3.3V 0V 3.3V 2.6V 2.6V 0V 2.5V 2.5V 0V 4.9V 3.8 0V 0V CAUTION : For continued safety, replace safety critical components only with manufacturer’s recommended parts (refer to parts list). Indicates safety critical components. To reduce the risk of electric shock, leakage-current or resistance measurements shall be carried out (exposed parts are acceptably insulated from the supply circuit) before the appliance is returned to the customer. X86-367x-xx (1/2) www. xiaoyu163. com QQ 376315150 9 9 2 8 9 4 2 9 8 TEL 13942296513 9 9 2 8 9 4 2 9 8 0 5 1 5 1 3 6 7 3 Q Q TEL 13942296513 QQ 376315150 892498299 TEL 13942296513 QQ 376315150 892498299 66 KVT-915DVD,925DVD,935DVD KVT-945DVD,965DVD EE ED EC EB EA 1 2 3 4 5 6 7 VR1 5K CTL2 0.01 4 IN3 5 C12 0.01 ∗R39 13 14 15 16 17 18 19 20 21 22 23 R10 RREF VD 3 CCYNC C25 33P OMODE RESB NSOUT DGND AGND CREF 6 8.2K 5 4 8 7 VMODE ADV DVDD AVDD ADET4 ADET3 ADET2 ADET1 11 10 9 12 ANT2 ANT1 ANT4 ANT3 C21 3300P R8 47K 0.01 4.7K ∗R6 C22 0.01 C24 47u6.3 C23 GND1 GND 2 3 C49 4.7u50 15 14 C55 100P C54 100P C56 100P C53 100P R13 1K R12 1K 1 R15 1K R14 1K C29 100P 0.01 AGC R2 100 R4 100 R3 100 R5 100 ANTIN 12 13 1 7 +B2 +B1 VC 30V ADC 5 4 3 2 6 AS SDA SCL IFOUT 10 9 8 11 R26 R27 100 100 IN1 ∗C129 56P ∗L108 0.22uH L11 2.7uH 3 4 OUT1 5 OUT2 2 IN2 GND 1 R19 2.2K C26 2200P C27 2200P CF3 10K R18 R17 10K R16 6.8K ∗C10 C48 0.01 22u16 C40 C41 0.01 C5 C43 47u6.3 0.56uH L8 L7 0.15uH ∗C9 220u10 C46 470 R1 68uH L9 C11 0.01 R149 ∗L13 IN 1 2 2 1 IN ∗CF2 5 OUT1 GND2 3 4 OUT2 ∗CF1 5 4 3 OUT2 OUT1 OUT3 R153 1K R162 100K ∗R164 L106 10uH R161 27K R158 15K C138 1u50 C137 C135 2200P R167 39K ∗R182 C152 1000P ∗R163 10K 22K C153 1000P C143 0.01 C144 0.47u50 4700P 0.1 100K C134 1u50 C132 1000P C133 R154 C128 R138 10K R139 4.7K R136 10K C130 C131 27P 33P 3.580MHz ∗X106 X105 R135 27K R137 39K C127 470P R134 10K 0.01 C148 0.022 C145 10P C147 0.1 C149 2.2u50 R168 C154 0.1 390 R170 100 R169 100 R172 C142 C150 C136 CF103 R165 R171 470 0.01 R166 390 47 390 C141 0.01 C140 0.22 C139 0.047 R160 L105 5.6uH C157 0.22 1K R141 R140 10K 22K 0.047 1K R157 560 R155 SW1 AN1 ∗C6 ∗C7 0.56uH AN2 L6 SW2 0.15uH L5 ∗C3 ∗C4 0.56uH AN3 L4 SW3 0.15uH L3 ∗C1 ∗C2 0.56uH AN4 L2 SW4 0.15uH L1 SDA SCL 0.01 0.01 C42 220u10 C45 C44 L15 10uH 3.9K R34 1000P C38 0.01 12K 1uH L14 680 R29 R30 R31 2.2K C47 2200P R32 47 R28 150 2200P C39 TP5 ∗R37 ∗R38 10uH L16 SW1 SW2 SW3 SW4 C32 100P C31 100P C30 100P AN3 AN4 AN1 AN2 C16 1000P C18 1000P C17 1000P C15 1000P ∗C37 51 50 49 48 47 46 45 44 43 42 41 40 39 38 37 36 35 34 33 32 31 30 29 28 27 26 25 24 23 22 21 20 1 2 3 4 5 6 7 8 9 10 11 12 13 14 15 16 17 18 19 52 53 54 55 56 57 58 59 60 61 62 63 64 XTAL2 XTAL1 REFO RYIN BYIN RYOUT BYOUT RGB2IN B2IN G2IN R2IN LUMOUT LUMIN RGBIN BIN GIN RIN BCLIN ROUT GOUT BOUT BLKIN CVBSET SECPLL AOUT CVBS2O GND1 CVBSIT VP3 VP1 CVBS/Y CHROMA IFIN1 IFIN2 EHTO VCS IREF DECAGC AGCOUT AUDEEM DCSDEM SNDIF AEXT NC12 NC13 NC14 RLLF IFVO SCL SDA DECBG DET VP2 CVBS1O DECDIG HOUT FBISO RH2LF RH1LF GND2 GND3 EWD VRDB VRDA 4700P C146 47u16 ∗C155 100P SCL SDA 1K R151 1K R152 R150 560 1K 1K R146 R148 560 R147 0.22 C122 VR VG VB VMUTE AUXIN C34 0.01 12K 2.2K R22 0.01 C35 R23 R24 47 150 R25 R20 47 1.2uH L12 R21 680 C33 2200P 4 5 33u16 C52 4.7u50 4.7u50 C50 NC3 NC2 DRIVE VCC C51 FB NC6 NC7 GND 6 7 8 3 2 1 L17 4700uH 1.2K R33 VDX-09M KVT-915DVD MODEL 100P 3-21 NO YES NO 10P NO 68P 100P 0-00 0-11 UNIT No. NO NO YES YES A C B C116, 117 NO YES 10P 12P 215-217, C37,158,159, C112 NO NO 2-71 0-21 YES NO YES NO NO 100P 10P NO 100P 10P NO YES X C M R H ABB. W E J K KVT-935DVD KVT-915DVD KVT-925DVD KVT-925DVD KVT-935DVD KVT-945DVD KVT-965DVD G H NO YES NO NO D E NO F 10P 10P NO NO 3P C113 NO NO C119, YES YES 124, YES YES YES NO NO C155 NO 0.47 0.22 0.47 0.47 0.47 C203 0.47 0.1 0.47 0.47 0.47 C221 C231, 232 0.015 0.015 0.022 0.022 0.022 A1 W02-3388-05 W02-3389-05 W02-3389-05 W02-3191-15 W02-3191-15 CF1 NO NO L72-0794-05 L72-0794-05 L72-0769-05 CF2 YES YES NO NO NO 1.2uH 1.2uH 1uH 1uH L13 1uH NO NO NO NO L107 YES YES NO NO L108 NO NO L30-0749-05 L30-0749-05 L30-0745-05 L30-0745-05 L30-0740-05 L103 NO YES NO NO NO Q1, 101 YES YES NO NO NO R6,37, 110,163, NO NO YES YES YES R38,122, 179-181 NO YES NO NO NO R103, 104 33K 33K 47K 47K R105 47K NO NO R143,206, 209,210, NO NO YES YES YES YES YES NO 68K 68K 22K 22K 22K R221 47K 47K 120K 120K 120K R222 YES NO YES YES 228 R39, YES NO NO NO NO YES VR201 NO NO VR102 YES YES YES NO NO 30.55MHz 30.55MHz 43.550MHz X101 4.434MHz 4.434MHz X106 4.434MHz 4.434MHz 3.5756MHz 222,223,228 156 164,182 224-226 (45.75) (45.75) (58.75) (38.9) (38.9) NAME 6,7, C1-4, 9,10 227,229 R177,178, 0.047 C125 0.47 0.047 0.047 0.047 YES NO NO NO NO C129 NO NO 15uH 15uH 18uH L102 IC2 IC3 + + + + + + + + + + + + + + 15kHz CN2 ∗Q1 ∗A1 Q3 Q2 D5 D2 D4 D3 J1 D1 IF Q109 Q108 D106 Q116 Q114 Q115 D105 Q113 Q101-103,108,109,111-115 Q117-119,201,202 D102,103 D101,105,106 D1-4 D5,104 D6 IC1 IC203,204 Q2,104-107 Q3 Q1 Q4,5 Q116 IC201 IC102 IC2 IC3 IC202 IC101 1SS250 DA204U DTC144EUA DAP236U DAN235U RN739F : : : : : : : BA7652AF BA6161F AN5281NSC AN5186FB 2SC2714(Y) 2SC4081 CM0018AM 2SA1576A TDA8842H DTC143TUA DTC124EUA DTA114EUA TDA9830T NJM4565M-TE2 : : : : : : : : : : : : : J2 J3 J4 Q5 Q119 Q112 Q118 Q117 Q111 Q4 D6 X86-367x-xx ∗ G ∗ H GND LINE SIGNAL LINE B LINE VIDEO LINE CHROMA PROCESSOR & VIF DEMODULATOR SW DIVER-SITY ANTENNA SELECT IC DC/DC CONV. 30V IF AMP SAW FILTER DIVER-SITY ANTENNA INPUT TEST MODE IC102 KVT-915DVD/925DVD/935DVD/945DVD/965DVD (4/4) IC3 4.7K 22K 22K 10K 10K 47K 47K 47K 47K 47K 47K 5.1V 1.7V 2.8V 4.7V 4.7V 1.8V 3.9V 5.7V 0V 0V 3.5V 3.7V 0V 6.7V 0V 0V 4.0V 3.5V 8.2V 4.0V 4.0V 0V 2.2V 2.4V 2.4V 2.6V 4.4V 8.2V 4.9V 1.4V 0.9V 2.9V 3.8V 0V 33.8V 8.5V 8.5V 0V 3.8V 0V 0V 2.5V 5.0V 5.0V 5.0V 0V 2.7V 0V 0V 5.0V 0V • DC voltages are as measured with a high impedance voltmeter. Values may vary slightly due to variations between individual instruments or/and units. X86-367x-xx (2/2) www. xiaoyu163. com QQ 376315150 9 9 2 8 9 4 2 9 8 TEL 13942296513 9 9 2 8 9 4 2 9 8 0 5 1 5 1 3 6 7 3 Q Q TEL 13942296513 QQ 376315150 892498299 TEL 13942296513 QQ 376315150 892498299 67 KVT-915DVD,925DVD,935DVD KVT-945DVD,965DVD EXPLODED VIEW (DVD MECHANISM) Parts with the exploded numbers larger than 700 are not supplied. 3 2 1 B A (X37-) A B C D E F G J K : : : : : : : : : N09-4495-05 N09-4496-05 N09-6060-05 N09-6061-05 N09-6103-05 N09-6104-05 N09-6106-05 N19-2022-04 N19-2171-04 ADJUSTMENT φ2x5 M1.7x1.8 M1.7x3.5 M1.7x3.5 φ2x10 M1.7x2.5 WASHER WASHER B B G G C B B J J B K B B B B D B B B F Bx2 A C B E Bx2 29 22 3 29 56 7 2 69 79 82 809 VPU1 857 810 44 4 48 811 870 814 21 60 54 50 83 60 20 50 56x2 VM1 VFC1 60 50 1 50 46 36 38 37 78 60 64 24 19 16 23 5 59 63 813 839 882 801 840 18 845 840 847 VM2 65 26 25 32 58 15 33 34 35 VM3 30 872 868 873 61 17 43 43 62 62 49 www. xiaoyu163. com QQ 376315150 9 9 2 8 9 4 2 9 8 TEL 13942296513 9 9 2 8 9 4 2 9 8 0 5 1 5 1 3 6 7 3 Q Q TEL 13942296513 QQ 376315150 892498299 TEL 13942296513 QQ 376315150 892498299 68 KVT-915DVD,925DVD,935DVD KVT-945DVD,965DVD EXPLODED VIEW (UNIT) Parts with the exploded numbers larger than 700 are not supplied. 3 2 1 D C F1 (X14-B/3) (X14-947x-xx) (X35-4280-01 A/3) (X35-C/3) (X35-B/3) LCD1 263 269 262 864 851 808 262 FPC1 266 216 PA2 210 219 296 218 226 244 FC2 206 246 274 713 212 228 276 227 314 217 300 297 275 720 853 301 268 FC3 253 252 249 FPC3 280 267 247 854 VME1 PME1 FPC3 209 208 261 222 264 265 FPC1 FPC2 M2x2(BLK) M2x5 2x4 FLAT WASHER φ2.6x3 φ2x5 φ2x8(BLK) φ2x6 φ2x8(BLK) φ2.6x8 F H J K N P Q R S T :N09-6098-15 :N09-6124-05 :N09-6125-05 :N19-2022-04 :N35-2603-41 :N80-2005-46 :N80-2008-45 :N82-2006-48 :N82-2008-45 :N89-2608-46 Sx3 Fx2 Hx2 Tx2 Tx2 H T T T R R P P H 715 715 H J J K H Fx2 Qx2 P Px2 Px2 R H N 714 T Fx2 Fx2 F F 850 865 F 879 803 804 813 260 207 214 PA1 215 221 298 304 718 299 295 FPC2 870 T S S 211 (X14-C/3) www. xiaoyu163. com QQ 376315150 9 9 2 8 9 4 2 9 8 TEL 13942296513 9 9 2 8 9 4 2 9 8 0 5 1 5 1 3 6 7 3 Q Q TEL 13942296513 QQ 376315150 892498299 TEL 13942296513 QQ 376315150 892498299 69 KVT-915DVD,925DVD,935DVD KVT-945DVD,965DVD EXPLODED VIEW (PANEL MECHANISM) Parts with the exploded numbers larger than 700 are not supplied. 3 2 1 F E E B G E Cx4 Cx2 FC1 A B B B G L B B C 820 D B D L L M C M L L L L B L 242 233 278 289 292 234 235 238 237 290 236 225 821 229 277 277 272 286 273 293 240 230 270 240 283 202 283 271 204 205 294 282 239 291 232 236 203 245 239 231 243 237 288 279 241 Cx4 B B A M (X16-B/2) (X16-2250-00 A/2) STEPPED SCREW M2X2.2(BLK) M2X3.5(BLK) M1.7X2.5 STEPPED SCREW M1.7X2.2 WASHER RETAINING RING A B C D E G L M :N09-6062-05 :N09-6063-05 :N09-6064-05 :N09-6065-05 :N09-6066-05 :N09-6111-05 :N19-2127-14 :N29-0206-04 www. xiaoyu163. com QQ 376315150 9 9 2 8 9 4 2 9 8 TEL 13942296513 9 9 2 8 9 4 2 9 8 0 5 1 5 1 3 6 7 3 Q Q TEL 13942296513 QQ 376315150 892498299 TEL 13942296513 QQ 376315150 892498299 70 KVT-915DVD,925DVD,935DVD KVT-945DVD,965DVD EXPLODED VIEW (AMP UNIT / ACCESSORY) Parts with the exploded numbers larger than 700 are not supplied. 3 2 1 H G 285x2 311x2 223x2 284x2 287 312 250 251 309 303 Not supplied 201 DC2 213 313 302 248 255 RM1 254 DC1 F2 F3 310 G Gx2 G F F Bx2 807 828 A 354 Ex5 Dx4 F F F 350 FC4 835 830 (X25-956:A1) (X25-956:J200) A B C D E F G : : : : : : : N09-1515-05 N09-4299-05 N35-3006-46 N35-3023-46 N80-3008-46 N89-3006-41 N89-3006-45 M3x6 M3x23 φ3x8 φ3x6 φ3x6(BLK) (X86-367x-xx) (X25-956x-xx) Depends on the modle. Refer to the parts list. www. xiaoyu163. com QQ 376315150 9 9 2 8 9 4 2 9 8 TEL 13942296513 9 9 2 8 9 4 2 9 8 0 5 1 5 1 3 6 7 3 Q Q TEL 13942296513 QQ 376315150 892498299 TEL 13942296513 QQ 376315150 892498299 71 KVT-915DVD,925DVD,935DVD KVT-945DVD,965DVD Indicates safety critical components. ✽ New parts Parts without Parts No. are not supplied. Les articles non mentionnes dans le Parts No. ne sont pas fournis. Teile ohne Parts No. werden nicht geliefert. Ref. No. A d d N e w Parts No. Description Desti- nation Ref. No. A d d N e w Parts No. Description Desti- nation K : KVT-915DVD R1 : KVT-915DVD E1 : KVT-925DVD W1 : KVT-925DVD M1: KVT-935DVD H1 : KVT-935DVD X1 : KVT-945DVD C1 : KVT-965DVD PARTS LIST 201 1G A02-2723-03 PLASTIC CABINET ASSY 202 3F ✽ A10-5009-22 CHASSIS CALKING ASSY 203 2F A10-5013-03 CHASSIS CALKING ASSY 204 2F A10-5015-13 CHASSIS CALKING ASSY 205 2E A10-5018-12 CHASSIS 206 3C A11-1622-04 SUB CHASSIS CALKING ASSY 207 1C ✽ A21-4273-12 DRESSING PANEL K1R1E1 207 1C ✽ A21-4274-12 DRESSING PANEL M1H1X1 207 1C ✽ A21-4274-12 DRESSING PANEL C1 207 1C ✽ A21-4275-12 DRESSING PANEL W1 208 1D ✽ A21-4276-14 DRESSING PANEL ASSY K1R1E1 208 1D ✽ A21-4277-14 DRESSING PANEL ASSY M1H1X1 208 1D ✽ A21-4277-14 DRESSING PANEL ASSY C1 208 1D ✽ A21-4278-14 DRESSING PANEL ASSY W1 209 1D ✽ A21-4279-13 DRESSING PANEL K1R1E1 209 1D ✽ A21-4280-13 DRESSING PANEL M1H1X1 209 1D ✽ A21-4280-13 DRESSING PANEL C1 209 1D ✽ A21-4281-13 DRESSING PANEL W1 210 3C ✽ A22-3003-22 SUB PANEL ASSY K1R1E1 210 3C ✽ A22-3004-22 SUB PANEL ASSY M1H1X1 210 3C ✽ A22-3004-22 SUB PANEL ASSY C1 210 3C ✽ A22-3005-22 SUB PANEL ASSY W1 211 1D A46-1776-02 REAR COVER 212 3C ✽ A46-1785-11 REAR COVER PA1 1C ✽ A64-3065-21 PANEL ASSY K1 PA1 1C ✽ A64-3066-11 PANEL ASSY M1 PA1 1C ✽ A64-3067-11 PANEL ASSY C1 PA1 1C ✽ A64-3068-11 PANEL ASSY H1 PA1 1C ✽ A64-3069-11 PANEL ASSY X1 PA1 1C ✽ A64-3070-11 PANEL ASSY E1 PA1 1C ✽ A64-3071-11 PANEL ASSY W1 PA2 3C ✽ A64-3081-12 PANEL ASSY K1R1 PA2 3C ✽ A64-3082-12 PANEL ASSY M1 PA2 3C ✽ A64-3083-12 PANEL ASSY H1X1C1 PA2 3C ✽ A64-3084-12 PANEL ASSY E1 PA2 3C ✽ A64-3091-11 PANEL ASSY R1 PA2 3C ✽ A64-3093-12 PANEL ASSY W1 PME1 1D ✽ A10-5008-31 CHASSIS ASSY RM1 1G ✽ A70-2046-05 REMOTE CONTROLLER (RC-DV101) - B46-0100-50 WARRANTY CARD - B46-0606-04 ID CARD K1R1M1 - B46-0606-04 ID CARD H1X1C1 - B46-0612-14 ID CARD E1W1 - B46-0648-13 USER CARD K1 - ✽ B58-1370-04 CAUTION CARD - ✽ B58-1411-04 CAUTION CARD E1W1 - ✽ B64-2602-00 INST. MANUAL (ENG,FRE,SPA,PUR) K1R1 - ✽ B64-2603-00 INST. MANUAL (ENG,KOR,T-CHI,S-CHI) M1H1X1 - ✽ B64-2603-00 INST. MANUAL (ENG,KOR,T-CHI,S-CHI) C1 - ✽ B64-2604-00 INST. MANUAL (ENG,FRE,GER) E1W1 - ✽ B64-2621-00 INST. MANUAL (DUT,ITA,SPA,POR) E1W1 213 2G B07-3022-02 ESCUTCHEON M1H1X1 213 2G B07-3022-02 ESCUTCHEON C1 213 2G B07-3058-02 ESCUTCHEON W1 213 2G B07-3083-02 ESCUTCHEON K1R1E1 214 1C ✽ B07-3085-02 ESCUTCHEON K1R1 214 1C ✽ B07-3086-02 ESCUTCHEON E1M1H1 214 1C ✽ B07-3086-02 ESCUTCHEON X1C1 214 1C ✽ B07-3087-02 ESCUTCHEON W1 215 1C ✽ B10-4404-04 FRONT GLASS 216 3C ✽ B10-4405-12 FRONT GLASS M1 216 3C ✽ B10-4406-12 FRONT GLASS K1R1H1 216 3C ✽ B10-4406-12 FRONT GLASS X1C1 216 3C ✽ B10-4407-12 FRONT GLASS E1W1 217 3C ✽ B19-2217-13 LIGHTING BOARD 218 3C ✽ B19-2218-13 LIGHTING BOARD 219 3C ✽ B19-2219-04 LIGHTING BOARD 221 1C ✽ B43-1508-04 KENWOOD BADGE K1R1E1 221 1C ✽ B43-1508-04 KENWOOD BADGE W1 221 1C ✽ B43-1511-04 KENWOOD BADGE M1H1X1 221 1C ✽ B43-1511-04 KENWOOD BADGE C1 222 1C ✽ B43-1509-14 BADGE (DVD) K1R1E1 222 1C ✽ B43-1509-14 BADGE (DVD) M1H1X1 222 1C ✽ B43-1509-14 BADGE (DVD) C1 222 1C ✽ B43-1510-14 BADGE (DVD) W1 LCD1 2C B38-1122-15 LIQUID CRYSTAL 223 1G D10-4589-04 LEVER 225 2F D10-4703-13 ARM ASSY 226 3C D10-4727-03 ARM 227 3C D10-4728-04 ARM 228 3C D10-4729-04 LEVER 229 2E D10-4733-13 ARM 230 2F D10-4761-04 LEVER ASSY 231 2F D13-2251-04 GEAR 232 2F D13-2252-04 GEAR 233 1F D13-2253-04 GEAR 234 1F D13-2256-04 GEAR 235 1F D13-2257-04 GEAR 236 1F D13-2258-14 GEAR 237 1E D13-2259-14 GEAR 238 1F D13-2260-04 GEAR 239 1F D13-2261-04 GEAR 240 3F D13-2262-13 RACK (GEAR) 241 1F D13-2263-04 GEAR 242 1F D13-2264-04 GEAR 243 2F D13-2265-04 GEAR 244 3C D13-2280-04 GEAR 245 2F D21-2416-13 SHAFT 246 3C D39-0239-05 DAMPER 247 3C ✽ E29-1924-04 LEAD PLATE 248 1G E30-4953-05 CORD WITH PLUG 249 2B ✽ E30-6164-05 DC CORD 250 1G ✽ E30-6171-05 CORD WITH CONNECTOR (Black) (6M) 251 2G ✽ E30-6172-05 CORD WITH CONNECTOR (White) (6M) 252 2B ✽ E30-6173-05 CORD WITH CONNECTOR (Black) 253 2B ✽ E30-6174-05 CORD WITH CONNECTOR (White) 254 1G ✽ E30-6197-25 CORD WITH CONNECTOR E1W1 KVT-915DVD,925DVD,935DVD,945DVD,965DVD www. xiaoyu163. com QQ 376315150 9 9 2 8 9 4 2 9 8 TEL 13942296513 9 9 2 8 9 4 2 9 8 0 5 1 5 1 3 6 7 3 Q Q TEL 13942296513 QQ 376315150 892498299 TEL 13942296513 QQ 376315150 892498299 72 KVT-915DVD,925DVD,935DVD KVT-945DVD,965DVD Indicates safety critical components. ✽ New parts Parts without Parts No. are not supplied. Les articles non mentionnes dans le Parts No. ne sont pas fournis. Teile ohne Parts No. werden nicht geliefert. Ref. No. A d d N e w Parts No. Description Desti- nation Ref. No. A d d N e w Parts No. Description Desti- nation PARTS LIST K : KVT-915DVD R1 : KVT-915DVD E1 : KVT-925DVD W1 : KVT-925DVD M1: KVT-935DVD H1 : KVT-935DVD X1 : KVT-945DVD C1 : KVT-965DVD 255 1G ✽ E30-6241-25 CORD WITH CONNECTOR K1R1M1 255 1G ✽ E30-6241-25 CORD WITH CONNECTOR H1X1C1 DC1 1G ✽ E30-6195-05 DC CORD K1R1M1 DC1 1G ✽ E30-6195-05 DC CORD H1X1C1 DC2 1G ✽ E30-6196-15 DC CORD E1W1 FC1 2F E39-0537-15 FLAT CABLE (9PIN) FC2 3C ✽ E39-0549-15 FLAT CABLE (22PIN) FC3 3D ✽ E39-0550-05 FLAT CABLE (50PIN) 260 1C ✽ F07-1124-03 COVER K1R1E1 260 1C ✽ F07-1124-03 COVER M1H1X1 260 1C ✽ F07-1124-03 COVER C1 260 1C ✽ F07-1125-03 COVER W1 261 1D ✽ F07-1126-03 COVER K1R1E1 261 1D ✽ F07-1126-03 COVER M1H1X1 261 1D ✽ F07-1126-03 COVER C1 261 1D ✽ F07-1127-03 COVER W1 262 2C F09-1260-04 SHEET 263 2C F09-1802-04 SHEET 264 1D ✽ F09-1832-24 SHEET 265 2D ✽ F09-1833-33 SHEET 266 3C ✽ F09-1873-04 SHEET 267 2C F12-0775-04 SHIELDING SHEET 268 3C ✽ F19-1408-23 BLIND PLATE 269 2C F20-2235-14 INSULATING SHEET 270 3F F20-2240-04 INSULATING SHEET F1 2D F52-0004-05 FUSE (5A) F2 3G F52-0002-05 FUSE (3A : ACC) F3 3G F52-0006-05 FUSE (10A : BATT) 271 2F G01-3152-04 EXTENSION SPRING 272 3E G01-3153-04 TORSION COIL SPRING 273 3E G01-3161-04 TORSION COIL SPRING 274 3C G01-3168-04 TORSION COIL SPRING 275 3C G01-3169-14 COMPRESSION SPRING 276 3C G01-3170-04 TORSION COIL SPRING 277 2E G11-3512-04 CUSHION 278 1F G16-1452-04 SHEET 279 2F G16-1453-04 SHEET 280 3D ✽ G16-1465-24 SHEET - H02-0832-03 INNER CARTON CASE - ✽ H12-2724-03 PACKING FIXTURE - ✽ H12-2725-14 PACKING FIXTURE - H13-2004-04 CARTON BOARD - H25-0337-04 PROTECTION BAG (180X300X0.03) - H25-0338-04 PROTECTION BAG (250X350X0.03) - H25-1115-04 PROTECTION BAG E1 - H25-1132-04 PROTECTION BAG (0.3X280X450) K1R1W1 - H25-1132-04 PROTECTION BAG (0.3X280X450) M1H1X1 - H25-1132-04 PROTECTION BAG (0.3X280X450) C1 - ✽ H54-2896-23 ITEM CARTON CASE K1 - ✽ H54-2897-23 ITEM CARTON CASE E1 - ✽ H54-2898-23 ITEM CARTON CASE M1 - ✽ H54-2899-23 ITEM CARTON CASE X1 - ✽ H54-2900-23 ITEM CARTON CASE C1 - ✽ H54-2901-23 ITEM CARTON CASE R1 - ✽ H54-3180-03 ITEM CARTON CASE W1 - ✽ H54-3181-03 ITEM CARTON CASE H1 282 2E J19-5207-13 HOLDER 283 3E J19-5235-04 HOLDER 284 1G J21-3801-04 MOUNTING HARDWARE 285 1G J21-9784-04 MOUNTING HARDWARE K1R1M1 285 1G J21-9784-04 MOUNTING HARDWARE H1X1C1 286 3E J21-9916-12 MOUNTING HARDWARE ASSY 287 1G J21-9934-03 MOUNTING HARDWARE ASSY 288 1F J21-9947-04 MOUNTING HARDWARE ASSY 289 1F J21-9949-04 MOUNTING HARDWARE 290 1F J21-9984-04 MOUNTING HARDWARE ASSY 291 1F J21-9986-03 MOUNTING HARDWARE ASSY 292 1F J21-9987-03 MOUNTING HARDWARE ASSY 293 3F J90-1053-03 GUIDE 294 2E J90-1064-03 GUIDE FPC1 2D J84-0150-05 FPC (50PIN) FPC2 2D J84-0151-05 FPC (10PIN) FPC3 2D ✽ J84-0158-15 FPC (80PIN) 295 1D ✽ K24-4057-14 KNOB (OPEN) K1R1E1 295 1D ✽ K24-4057-14 KNOB (OPEN) M1H1X1 295 1D ✽ K24-4057-14 KNOB (OPEN) C1 295 1D ✽ K24-4058-04 KNOB (OPEN) W1 296 3C ✽ K24-4059-04 KNOB (POWER) K1R1E1 296 3C ✽ K24-4060-04 KNOB (POWER) M1H1X1 296 3C ✽ K24-4060-04 KNOB (POWER) C1 296 3C ✽ K24-4061-04 KNOB (POWER) W1 297 3C ✽ K24-4062-04 KNOB (REREASE) K1R1E1 297 3C ✽ K24-4063-04 KNOB (REREASE) M1H1X1 297 3C ✽ K24-4063-04 KNOB (REREASE) C1 297 3C ✽ K24-4064-04 KNOB (REREASE) W1 298 2C ✽ K25-1551-03 KNOB (SCREEN/MODE/V SEL/FNC.) K1R1E1 298 2C ✽ K25-1551-03 KNOB (SCREEN/MODE/V SEL/FNC.) M1H1X1 298 2C ✽ K25-1551-03 KNOB (SCREEN/MODE/V SEL/FNC.) C1 298 2C ✽ K25-1552-13 KNOB (SCREEN/MODE/V SEL/FNC.) W1 299 1D ✽ K25-1553-14 KNOB (VOL.) K1R1E1 299 1D ✽ K25-1553-14 KNOB (VOL.) M1H1X1 299 1D ✽ K25-1553-14 KNOB (VOL.) C1 299 1D ✽ K25-1554-04 KNOB (VOL.) W1 300 3C ✽ K25-1555-13 KNOB (EJECT/ATT/DISP) K1R1E1 300 3C ✽ K25-1555-13 KNOB (EJECT/ATT/DISP) M1H1X1 300 3C ✽ K25-1555-13 KNOB (EJECT/ATT/DISP) C1 300 3C ✽ K25-1556-13 KNOB (EJECT/ATT/DISP) W1 301 3C ✽ K25-1557-13 KNOB (SKIP/TI) K1R1E1 301 3C ✽ K25-1557-13 KNOB (SKIP/TI) M1H1X1 301 3C ✽ K25-1557-13 KNOB (SKIP/TI) C1 301 3C ✽ K25-1558-13 KNOB (SKIP/TI) W1 302 1G N99-1558-05 SCREW SET 303 1G N99-1723-05 SCREW SET K1R1M1 303 1G N99-1723-05 SCREW SET H1X1C1 A 2E N09-6062-05 STEPPED SCREW B 3E N09-6063-05 MACHINE SCREW (M2X2.2) C 3F N09-6064-05 MACHINE SCREW (M2X3.5) KVT-915DVD,925DVD,935DVD,945DVD,965DVD www. xiaoyu163. com QQ 376315150 9 9 2 8 9 4 2 9 8 TEL 13942296513 9 9 2 8 9 4 2 9 8 0 5 1 5 1 3 6 7 3 Q Q TEL 13942296513 QQ 376315150 892498299 TEL 13942296513 QQ 376315150 892498299 73 KVT-915DVD,925DVD,935DVD KVT-945DVD,965DVD Indicates safety critical components. ✽ New parts Parts without Parts No. are not supplied. Les articles non mentionnes dans le Parts No. ne sont pas fournis. Teile ohne Parts No. werden nicht geliefert. Ref. No. A d d N e w Parts No. Description Desti- nation Ref. No. A d d N e w Parts No. Description Desti- nation K : KVT-915DVD R1 : KVT-915DVD E1 : KVT-925DVD W1 : KVT-925DVD M1: KVT-935DVD H1 : KVT-935DVD X1 : KVT-945DVD C1 : KVT-965DVD PARTS LIST D 1F N09-6065-05 MACHINE SCREW (M1.7X2.5) E 3F N09-6066-05 STEPPED SCREW F 3C N09-6098-15 MACHINE SCREW G 3F N09-6111-05 MACHINE SCREW H 2D N09-6124-05 MACHINE SCREW (M2.6X3) J 3C ✽ N09-6125-05 TAPTITE SCREW (P2X4) K 3C N19-2022-04 FLAT WASHER L 2F N19-2127-14 FLAT WASHER M 2F N29-0206-04 RETAINING RING N 3D ✽ N35-2603-41 BINDING HEAD MACHINE SCREW P 3C N80-2005-46 PAN HEAD TAPTITE SCREW Q 3C N80-2008-45 PAN HEAD TAPTITE SCREW R 3C N82-2006-48 BINDING HEAD TAPTITE SCREW S 1D N82-2008-45 BINDING HEAD TAPTITE SCREW T 2D N89-2608-46 BINDING HEAD TAPTITE SCREW 304 1C ✽ S79-0845-05 SWITCH ASSY 309 1G T90-0512-05 ANTENNA ADAPTOR E1W1 310 3G ✽ T90-0545-05 ANTENNA ASSY M1H1X1 310 3G ✽ T90-0545-05 ANTENNA ASSY C1 311 3G ✽ T90-0551-15 ANTENNA ASSY K1R1E1 311 3G ✽ T90-0551-15 ANTENNA ASSY W1 312 2G ✽ W01-1552-05 ACCESSORY M1H1X1 312 2G ✽ W01-1552-05 ACCESSORY C1 313 2G ✽ W01-1620-05 CLEANING CLOTH 314 3C ✽ W02-3401-05 ELEC. CIRCUIT MODULE (DISPLAY) VME1 2D X92-5020-00 MECHANISM ASSY (DVS-3040) D301 B30-1658-05 LED (RED,S) D304 B30-1462-05 LED D305 B30-1523-05 LED C100 ✽ C94-0224-05 ELECTRO 2200UF 16WV C101 CK73GB1H562K CHIP C 5600PF K C102-104 CK73GB1A224K CHIP C 0.22UF K C105,106 CK73GB1H472K CHIP C 4700PF K C107-118 CK73GB1H104K CHIP C 0.10UF K C119,120 CK73GB1H472K CHIP C 4700PF K C121 CK73GB1C104K CHIP C 0.10UF K C122 C92-0667-05 ELECTRO 10UF 10WV C123 C92-1775-05 CHIP-TAN 10UF 6.3WV C124 CK73GB1H104K CHIP C 0.10UF K C125,126 ✽ CE32AU1A560M CHIP EL 56UF 10WV C127,128 ✽ CE32AU0G331M CHIP EL 330UF 4.0WV C129 CE32AU1C390M CHIP EL 39UF 16WV C130 CK73DF1C106Z CHIP C 10UF Z C131 CC73GCH1H391J CHIP C 390PF J C132,133 ✽ C92-1766-05 ELECTRO 22UF 12.5WV C134 C92-1610-05 ELECTRO 220UF 16WV C135,136 CK73GB1H103K CHIP C 0.010UF K C137,138 C93-1210-05 CHIP C 10UF K C139,140 CK73GB1C104K CHIP C 0.10UF K C141-144 C93-1210-05 CHIP C 10UF K C145-147 CK73GB1C104K CHIP C 0.10UF K C148 CK73GB1H103K CHIP C 0.010UF K C149 CK73FB1C105K CHIP C 1.0UF K C150 CK73GB1C104K CHIP C 0.10UF K C151-153 CK73GB1H471K CHIP C 470PF K C154 CK73GB1H272K CHIP C 2700PF K C155 C92-1428-05 ELECTRO 330UF 6.3WV C156 CK73GB1C104K CHIP C 0.10UF K C157-159 CK73GB1H104K CHIP C 0.10UF K C160 CK73GB1H103K CHIP C 0.010UF K C200,201 CK73GB1H103K CHIP C 0.010UF K C202 CC73GCH1H220J CHIP C 22PF J C203 CC73GCH1H080D CHIP C 8.0PF D C204 C92-1359-05 CHIP-TAN 10UF 16WV C205-210 CK73GB1H103K CHIP C 0.010UF K C211 CK73FB1C105K CHIP C 1.0UF K C212-214 CK73GB1H103K CHIP C 0.010UF K C215 CC73GCH1H220J CHIP C 22PF J C216 CK73GB1A224K CHIP C 0.22UF K C217,218 CK73FB1C105K CHIP C 1.0UF K C219 CK73GB1H103K CHIP C 0.010UF K C220 CK73GB1C104K CHIP C 0.10UF K C221,222 CC73GCH1H101J CHIP C 100PF J C223 CK73GB1H103K CHIP C 0.010UF K C224,225 CK73GB1C104K CHIP C 0.10UF K C226-228 CK73GB1H103K CHIP C 0.010UF K C300 CK73GB1H221K CHIP C 220PF K C301 CK73FB1A225K CHIP C 2.2UF K C302-317 CC73GCH1H101J CHIP C 100PF J C322 CC73GCH1H101J CHIP C 100PF J C351-354 CC73GCH1H101J CHIP C 100PF J C355,356 CK73GB0J105K CHIP C 1.0UF K C400 C92-1359-05 CHIP-TAN 10UF 16WV C401-403 CK73GB1H103K CHIP C 0.010UF K C404 CK73GB1C104K CHIP C 0.10UF K C405 CK73FB1C105K CHIP C 1.0UF K C406 CK73DF1C106Z CHIP C 10UF Z C407 CK73GB1H103K CHIP C 0.010UF K C408,409 CK73FB1C105K CHIP C 1.0UF K C410 CK73EB1A475K CHIP C 4.7UF K C411 CC73GCH1H331J CHIP C 330PF J C412-414 CK73GB1C104K CHIP C 0.10UF K C415 CK73EB1A475K CHIP C 4.7UF K C416,417 CK73GB1H103K CHIP C 0.010UF K C418 CK73DF1E106Z CHIP C 10UF Z C419-422 CK73GB1H103K CHIP C 0.010UF K C423 CK73GB1H102K CHIP C 1000PF K C424 CK73GB1H103K CHIP C 0.010UF K C425,426 CK73GB1C683K CHIP C 0.068UF K C427,428 CK73GB1H103K CHIP C 0.010UF K C429 CK73DF1C106Z CHIP C 10UF Z C430 CK73GB1C683K CHIP C 0.068UF K C431 CK73GB1C104K CHIP C 0.10UF K C432 CK73GB1H104K CHIP C 0.10UF K C500-502 CK73GB1C104K CHIP C 0.10UF K C503 CK73GB1A334K CHIP C 0.33UF K C504 CK73GB1C104K CHIP C 0.10UF K VIDEO CONTROL UNIT (X14-947x-xx) KVT-915DVD,925DVD,935DVD,945DVD,965DVD www. xiaoyu163. com QQ 376315150 9 9 2 8 9 4 2 9 8 TEL 13942296513 9 9 2 8 9 4 2 9 8 0 5 1 5 1 3 6 7 3 Q Q TEL 13942296513 QQ 376315150 892498299 TEL 13942296513 QQ 376315150 892498299 74 KVT-915DVD,925DVD,935DVD KVT-945DVD,965DVD Indicates safety critical components. ✽ New parts Parts without Parts No. are not supplied. Les articles non mentionnes dans le Parts No. ne sont pas fournis. Teile ohne Parts No. werden nicht geliefert. Ref. No. A d d N e w Parts No. Description Desti- nation Ref. No. A d d N e w Parts No. Description Desti- nation K : KVT-915DVD R1 : KVT-915DVD E1 : KVT-925DVD W1 : KVT-925DVD M1: KVT-935DVD H1 : KVT-935DVD X1 : KVT-945DVD C1 : KVT-965DVD PARTS LIST C505,506 CK73FB1C105K CHIP C 1.0UF K C507 CK73GB1A334K CHIP C 0.33UF K C508 CK73GB1C104K CHIP C 0.10UF K C509 CC73GCH1H681J CHIP C 680PF J C510 CC73GCH1H101J CHIP C 100PF J C511 CK73GB1C683K CHIP C 0.068UF K C512,513 CK73FB1C105K CHIP C 1.0UF K C514-516 CK73GB1C104K CHIP C 0.10UF K C517 C92-0628-05 CHIP-TAN 10UF 10WV C518,519 CK73GB1C104K CHIP C 0.10UF K C520 C92-0628-05 CHIP-TAN 10UF 10WV C521-534 CK73GB1C104K CHIP C 0.10UF K C535 C92-1359-05 CHIP-TAN 10UF 16WV C536,537 CK73GB1C104K CHIP C 0.10UF K C538 C92-1359-05 CHIP-TAN 10UF 16WV C539,540 CK73GB1C104K CHIP C 0.10UF K C541,542 CC73GCH1H471J CHIP C 470PF J C543-556 CK73GB1C104K CHIP C 0.10UF K C557 C92-1359-05 CHIP-TAN 10UF 16WV C558 CK73GB1C104K CHIP C 0.10UF K C559 CC73GCH1H331J CHIP C 330PF J C560 CC73GCH1H101J CHIP C 100PF J C561 CK73GB1C104K CHIP C 0.10UF K C562 CK73FB1C105K CHIP C 1.0UF K C564 CK73GB1C104K CHIP C 0.10UF K C567,568 CK73GB1C104K CHIP C 0.10UF K C569 CK73FB1C105K CHIP C 1.0UF K C570 CK73GB1H153K CHIP C 0.015UF K C571 CK73EB1A475K CHIP C 4.7UF K C572 CC73GCH1H151J CHIP C 150PF J C573 CC73GCH1H102J CHIP C 1000PF J C575 C92-1359-05 CHIP-TAN 10UF 16WV C576 CK73GB1C104K CHIP C 0.10UF K C579 CC73GCH1H471J CHIP C 470PF J C580-584 CK73GB1C104K CHIP C 0.10UF K C586,587 CK73GB1C104K CHIP C 0.10UF K C589 CK73GB1C104K CHIP C 0.10UF K C590 C92-1359-05 CHIP-TAN 10UF 16WV C591 CK73GB1C104K CHIP C 0.10UF K C592 CC73GCH1H471J CHIP C 470PF J C593 CK73GB1C104K CHIP C 0.10UF K C594,595 C92-0628-05 CHIP-TAN 10UF 10WV C596-598 CK73FB1C105K CHIP C 1.0UF K C599-607 CK73GB1C104K CHIP C 0.10UF K C608 C92-0628-05 CHIP-TAN 10UF 10WV C609-618 CK73GB1C104K CHIP C 0.10UF K C619 C92-0628-05 CHIP-TAN 10UF 10WV C620-653 CK73GB1C104K CHIP C 0.10UF K C654-656 C92-0628-05 CHIP-TAN 10UF 10WV C657 CK73GB1C104K CHIP C 0.10UF K C658,659 C92-0628-05 CHIP-TAN 10UF 10WV C660-667 CK73GB1C104K CHIP C 0.10UF K C670 C92-0628-05 CHIP-TAN 10UF 10WV C671-678 CK73GB1C104K CHIP C 0.10UF K C700 C92-0628-05 CHIP-TAN 10UF 10WV C701,702 CK73GB1C104K CHIP C 0.10UF K C703 C92-0628-05 CHIP-TAN 10UF 10WV C704-723 CK73GB1C104K CHIP C 0.10UF K C724 C92-0628-05 CHIP-TAN 10UF 10WV C725,726 CK73GB1C104K CHIP C 0.10UF K C727 C92-0628-05 CHIP-TAN 10UF 10WV C728 C92-0633-05 CHIP-TAN 22UF 10WV C729-738 CK73GB1C104K CHIP C 0.10UF K C739 C92-1326-05 CHIP-TAN 47UF 10WV C740 CC73GCH1H150J CHIP C 15PF J C741 CK73GB0J105K CHIP C 1.0UF K C742 CK73GB1C104K CHIP C 0.10UF K C743 C92-1485-05 CHIP C 22UF 6.3WV C744-749 CK73GB1C104K CHIP C 0.10UF K C750 C92-0628-05 CHIP-TAN 10UF 10WV C751-757 CK73GB1C104K CHIP C 0.10UF K C761 CC73GCH1H150J CHIP C 15PF J C765 C92-0676-05 ELECTRO 10UF 25WV C766 CK73EB1A475K CHIP C 4.7UF K C767 CC73GCH1H040C CHIP C 4.0PF C C768 CK73GB1C104K CHIP C 0.10UF K C770 CC73GCH1H050C CHIP C 5.0PF C C771 C92-0628-05 CHIP-TAN 10UF 10WV C772 CK73GB1C104K CHIP C 0.10UF K C774 C92-0093-05 CHIP C 100UF 6.3WV C775 CK73GB1C104K CHIP C 0.10UF K C777 CK73GB1H103K CHIP C 0.010UF K C778 CK73GB1C104K CHIP C 0.10UF K C779 C92-1359-05 CHIP-TAN 10UF 16WV C780,781 CC73GCH1H100D CHIP C 10PF D C782 CC73GCH1H150J CHIP C 15PF J C783 CK73GB1C104K CHIP C 0.10UF K C784 CC73GCH1H150J CHIP C 15PF J C897 CK73GB1H103K CHIP C 0.010UF K C899 CK73GB1C104K CHIP C 0.10UF K C900,901 C92-0628-05 CHIP-TAN 10UF 10WV C902 CK73GB1C104K CHIP C 0.10UF K C903 C92-1485-05 CHIP C 22UF 6.3WV C904 CK73GB1C104K CHIP C 0.10UF K C905 CK73GB1A224K CHIP C 0.22UF K C906-917 CK73GB1C104K CHIP C 0.10UF K C918,919 CK73GB1H103K CHIP C 0.010UF K C920,921 CK73GB1C104K CHIP C 0.10UF K C922 CK73GB1H103K CHIP C 0.010UF K C923-927 CK73GB1C104K CHIP C 0.10UF K C928,929 CK73FB1C105K CHIP C 1.0UF K C930,931 C92-1324-05 CHIP-TAN 4.7UF 16WV C932 CK73GB1C104K CHIP C 0.10UF K C933 C92-0628-05 CHIP-TAN 10UF 10WV C934 CK73GB1C104K CHIP C 0.10UF K C935,936 C92-1359-05 CHIP-TAN 10UF 16WV C937-940 CK73GB1C104K CHIP C 0.10UF K C941,942 CC73GCH1H471J CHIP C 470PF J C943 C92-1359-05 CHIP-TAN 10UF 16WV C944-947 CK73GB1C104K CHIP C 0.10UF K VIDEO CONTROL UNIT (X14-947x-xx) www. xiaoyu163. com QQ 376315150 9 9 2 8 9 4 2 9 8 TEL 13942296513 9 9 2 8 9 4 2 9 8 0 5 1 5 1 3 6 7 3 Q Q TEL 13942296513 QQ 376315150 892498299 TEL 13942296513 QQ 376315150 892498299 75 KVT-915DVD,925DVD,935DVD KVT-945DVD,965DVD Indicates safety critical components. ✽ New parts Parts without Parts No. are not supplied. Les articles non mentionnes dans le Parts No. ne sont pas fournis. Teile ohne Parts No. werden nicht geliefert. Ref. No. A d d N e w Parts No. Description Desti- nation Ref. No. A d d N e w Parts No. Description Desti- nation K : KVT-915DVD R1 : KVT-915DVD E1 : KVT-925DVD W1 : KVT-925DVD M1: KVT-935DVD H1 : KVT-935DVD X1 : KVT-945DVD C1 : KVT-965DVD PARTS LIST C948 C92-1359-05 CHIP-TAN 10UF 16WV C949 C92-0672-05 ELECTRO 22UF 16WV C950 CK73GB1C104K CHIP C 0.10UF K C951 C92-0672-05 ELECTRO 22UF 16WV C952-954 CK73GB1C104K CHIP C 0.10UF K C955 C92-1359-05 CHIP-TAN 10UF 16WV C956 CK73GB1C104K CHIP C 0.10UF K C957 CK73GB1H332K CHIP C 3300PF K C958 C92-1359-05 CHIP-TAN 10UF 16WV C959 CK73GB1H332K CHIP C 3300PF K C960,961 CK73GB1H681K CHIP C 680PF K C962 CK73GB1C104K CHIP C 0.10UF K C963,964 CK73GB1H681K CHIP C 680PF K C965,966 CK73GB1H332K CHIP C 3300PF K C967,968 CK73GB1C104K CHIP C 0.10UF K C969-972 CC73GCH1H681J CHIP C 680PF J C973 CK73GB1C104K CHIP C 0.10UF K C974 CK73GB1H332K CHIP C 3300PF K C975 CK73GB1C104K CHIP C 0.10UF K C976 CK73GB1H332K CHIP C 3300PF K C977 CK73GB1C104K CHIP C 0.10UF K C978 CK73GB1H332K CHIP C 3300PF K C979 CK73GB1H152K CHIP C 1500PF K C980 CK73GB1H332K CHIP C 3300PF K C981,982 CK73GB1H681K CHIP C 680PF K C983,984 CK73GB1C104K CHIP C 0.10UF K C985 CK73GB1H681K CHIP C 680PF K C986 CK73GB1H152K CHIP C 1500PF K C987-989 CK73GB1H681K CHIP C 680PF K C990-997 CK73EB0J106K CHIP C 10UF K C998,999 CK73GB1C104K CHIP C 0.10UF K CN100 ✽ E40-9120-05 PIN ASSY CN200 E40-9409-05 PIN ASSY CN201 ✽ E41-0390-05 PIN ASSY CN202 ✽ E41-0391-05 PIN ASSY CN203 E40-5888-05 FLAT CABLE CONNECTOR CN204 E41-0341-05 FLAT CABLE CONNECTOR CN300 ✽ E41-0395-05 FLAT CABLE CONNECTOR CN301 ✽ E41-0456-05 FLAT CABLE CONNECTOR CN500 E40-5661-05 PIN ASSY CN701 E40-9409-05 PIN ASSY CN702 E41-0333-05 FLAT CABLE CONNECTOR J300 E58-0865-05 RECTANGULAR RECEPTACLE J301 E59-0829-05 RECTANGULAR PLUG P100-104 E23-0746-05 TERMINAL CF100-105 L72-0780-05 CERAMIC FILTER L100 ✽ L33-1914-05 CHOKE COIL L101,102 ✽ L33-1906-05 CHOKE COIL L103 ✽ L33-1933-05 CHOKE COIL L104 ✽ L19-0733-05 TRANSFORMER FOR CONVERTER L105 ✽ L33-1914-05 CHOKE COIL L106-108 L40-1001-78 SMALL FIXED INDUCTOR (10UH) L200 L92-0319-05 CHIP FERRITE L400 L40-1001-78 SMALL FIXED INDUCTOR (10UH) L500 ✽ L92-0381-05 CHIP FERRITE L507,508 L40-1001-78 SMALL FIXED INDUCTOR (10UH) L509 L92-0319-05 CHIP FERRITE L512 L40-1001-78 SMALL FIXED INDUCTOR (10UH) L514 L40-1001-78 SMALL FIXED INDUCTOR (10UH) L515,516 L92-0319-05 CHIP FERRITE L519 L40-1001-78 SMALL FIXED INDUCTOR (10UH) L700,701 ✽ L92-0373-05 CHIP FERRITE L705 ✽ L92-0381-05 CHIP FERRITE L709 L40-1001-78 SMALL FIXED INDUCTOR (10UH) L710-713 ✽ L92-0381-05 CHIP FERRITE L900 L92-0330-05 CHIP FERRITE L901-903 L40-1001-78 SMALL FIXED INDUCTOR (10UH) X1 L78-0596-05 RESONATOR X2 L77-2304-05 CRYSTAL RESONATOR (32.768KHZ) X501 L78-0549-05 RESONATOR (50KHZ) X700 ✽ L77-2866-05 CRYSTAL RESONATOR (27MHZ) CP1-10 R90-1096-05 MULTI-COMP 10K X4 CP11,12 RK74HB1J220J CHIP-COM 22 J 1/16W CP13-20 RK74HB1J470J CHIP-COM 47 J 1/16W CP21-34 R90-1096-05 MULTI-COMP 10K X4 CP35-43 RK74HB1J220J CHIP-COM 22 J 1/16W CP44 RK74HB1J470J CHIP-COM 47 J 1/16W CP45-54 ✽ RK74HB1J680J CHIP-COM 68 J 1/16W CP55-57 R90-1096-05 MULTI-COMP 10K X4 CP58-62 ✽ RK74HB1J680J CHIP-COM 68 J 1/16W CP63,64 R90-1096-05 MULTI-COMP 10K X4 CP65-71 RK74HB1J470J CHIP-COM 47 J 1/16W CP200 R90-1096-05 MULTI-COMP 10K X4 CP700,701 RK74HB1J472J CHIP-COM 4.7K J 1/16W CP702-704 ✽ RK74HB1J330J CHIP-COM 33 J 1/16W CP705,706 RK74HB1J472J CHIP-COM 4.7K J 1/16W CP707,708 ✽ RK74HB1J330J CHIP-COM 33 J 1/16W CP709-713 RK74HB1J472J CHIP-COM 4.7K J 1/16W CP714-717 R90-1096-05 MULTI-COMP 10K X4 CP718,719 ✽ RK74HB1J472J CHIP-COM 4.7K J 1/16W CP720,721 RK74HB1J470J CHIP-COM 47 J 1/16W CP722,723 ✽ RK74HB1J330J CHIP-COM 33 J 1/16W CP724-733 ✽ RK74HB1J680J CHIP-COM 68 J 1/16W CP734 RK74HB1J472J CHIP-COM 4.7K J 1/16W CP735-742 RK74HB1J220J CHIP-COM 22 J 1/16W CP743 RK74HB1J101J CHIP-COM 100 J 1/16W CP744 RK74HB1J472J CHIP-COM 4.7K J 1/16W CP900 R90-1096-05 MULTI-COMP 10K X4 CP901-904 RK74HB1J220J CHIP-COM 22 J 1/16W CP905-913 R90-1096-05 MULTI-COMP 10K X4 CP914-919 RK74HB1J220J CHIP-COM 22 J 1/16W R100 RK73GB2A681J CHIP R 680 J 1/10W R101 RK73GB2A363J CHIP R 36K J 1/10W R102 RK73GB2A513J CHIP R 51K J 1/10W R103 RK73GB2A363J CHIP R 36K J 1/10W R104 RK73GB2A473J CHIP R 47K J 1/10W R105 RK73GB2A100J CHIP R 10 J 1/10W R106-108 RK73GB2A220J CHIP R 22 J 1/10W VIDEO CONTROL UNIT (X14-947x-xx) www. xiaoyu163. com QQ 376315150 9 9 2 8 9 4 2 9 8 TEL 13942296513 9 9 2 8 9 4 2 9 8 0 5 1 5 1 3 6 7 3 Q Q TEL 13942296513 QQ 376315150 892498299 TEL 13942296513 QQ 376315150 892498299 76 KVT-915DVD,925DVD,935DVD KVT-945DVD,965DVD Indicates safety critical components. ✽ New parts Parts without Parts No. are not supplied. Les articles non mentionnes dans le Parts No. ne sont pas fournis. Teile ohne Parts No. werden nicht geliefert. Ref. No. A d d N e w Parts No. Description Desti- nation Ref. No. A d d N e w Parts No. Description Desti- nation K : KVT-915DVD R1 : KVT-915DVD E1 : KVT-925DVD W1 : KVT-925DVD M1: KVT-935DVD H1 : KVT-935DVD X1 : KVT-945DVD C1 : KVT-965DVD PARTS LIST R109-111 RK73GB2A101J CHIP R 100 J 1/10W R112 RK73GB2A220J CHIP R 22 J 1/10W R113 RK73GB2A242J CHIP R 2.4K J 1/10W R115 RN73GH1J104D CHIP R 100K D 1/16W R116 RN73GH1J154D CHIP R 150K D 1/16W R117 ✽ RN73GH1J2212D CHIP R 22.1K D 1/16W R118 RN73GH1J154D CHIP R 150K D 1/16W R119 ✽ RN73GH1J132D CHIP R 1.3K D 1/16W R120 ✽ RN73GH1J2552D CHIP R 25.5K D 1/16W R121 ✽ RN73GH1J433D CHIP R 43K D 1/16W R172 RK73GB2A223J CHIP R 22K J 1/10W R173 RK73GB2A103J CHIP R 10K J 1/10W R174 RK73GB2A432J CHIP R 4.3K J 1/10W R175 RK73GB2A472J CHIP R 4.7K J 1/10W R177-179 RK73GB2A223J CHIP R 22K J 1/10W R180 RK73GB2A752J CHIP R 7.5K J 1/10W R181 RK73GB2A104J CHIP R 100K J 1/10W R183 RK73GB2A103J CHIP R 10K J 1/10W R186 RK73GB2A103J CHIP R 10K J 1/10W R191 RK73GB2A822J CHIP R 8.2K J 1/10W R192-197 RK73GB2A104J CHIP R 100K J 1/10W R198 ✽ RN73GH1J4021D CHIP R 4.02K D 1/16W R199 RN73GH1J102D CHIP R 1.0K D 1/16W R200 RK73GB2A622J CHIP R 6.2K J 1/10W R201 RN73GH1J102D CHIP R 1.0K D 1/16W R202 RN73GH1J242D CHIP R 2.4K D 1/16W R203 RN73GH1J102D CHIP R 1.0K D 1/16W R204 ✽ RN73GH1J821D CHIP R 820 D 1/16W R205,206 RN73GH1J102D CHIP R 1.0K D 1/16W R207 RN73GH1J752D CHIP R 7.5K D 1/16W R208 RN73GH1J102D CHIP R 1.0K D 1/16W R209 RK73GB2A622J CHIP R 6.2K J 1/10W R210 RK73GB2A104J CHIP R 100K J 1/10W R211 ✽ R92-3416-05 CHIP R 0.27 J 1/2W R212 RK73GB2A511J CHIP R 510 J 1/10W R213 RK73GB2A104J CHIP R 100K J 1/10W R214 RK73EB2E100J CHIP R 10 J 1/4W R215 RK73EB2E4R7J CHIP R 4.7 J 1/4W R216 RK73EB2E100J CHIP R 10 J 1/4W R217,218 RK73EB2E102J CHIP R 1.0K J 1/4W R219 RK73GB2A104J CHIP R 100K J 1/10W R220-222 RK73GB2A750J CHIP R 75 J 1/10W R223 RK73GB2A102J CHIP R 1.0K J 1/10W R224 RK73GB2A750J CHIP R 75 J 1/10W R225-227 RK73EB2E101J CHIP R 100 J 1/4W R228 RK73GB2A102J CHIP R 1.0K J 1/10W R229,230 RK73EB2E101J CHIP R 100 J 1/4W R231 RK73EB2E102J CHIP R 1.0K J 1/4W R232 RK73GB2A102J CHIP R 1.0K J 1/10W R233 RK73EB2E102J CHIP R 1.0K J 1/4W R234 RK73GB2A103J CHIP R 10K J 1/10W R1M1H1 R234 RK73GB2A103J CHIP R 10K J 1/10W X1C1 R235 RK73GB2A103J CHIP R 10K J 1/10W K1E1W1 R236 RK73EB2E102J CHIP R 1.0K J 1/4W R237 RK73GB2A103J CHIP R 10K J 1/10W R1E1W1 R237 RK73GB2A103J CHIP R 10K J 1/10W X1C1 R238 RK73GB2A103J CHIP R 10K J 1/10W M1 R238,239 RK73GB2A103J CHIP R 10K J 1/10W K1H1 R239 RK73GB2A103J CHIP R 10K J 1/10W R1E1W1 R240 RK73GB2A103J CHIP R 10K J 1/10W M1X1C1 R241 RK73GB2A102J CHIP R 1.0K J 1/10W R242 RK73GB2A104J CHIP R 100K J 1/10W R243 RK73GB2A225J CHIP R 2.2M J 1/10W R244 RK73GB2A102J CHIP R 1.0K J 1/10W R245,246 RK73GB2A392J CHIP R 3.9K J 1/10W R247 RK73GB2A104J CHIP R 100K J 1/10W R248 RK73GB2A473J CHIP R 47K J 1/10W R249 RK73GB2A104J CHIP R 100K J 1/10W R250 RK73EB2E102J CHIP R 1.0K J 1/4W R251 RK73GB2A104J CHIP R 100K J 1/10W R252 RK73GB2A683J CHIP R 68K J 1/10W R253 RK73GB2A104J CHIP R 100K J 1/10W R254 RK73GB2A683J CHIP R 68K J 1/10W R255 RK73GB2A102J CHIP R 1.0K J 1/10W R256-262 RK73GB2A104J CHIP R 100K J 1/10W R263 RK73GB2A123J CHIP R 12K J 1/10W R264-267 RK73GB2A104J CHIP R 100K J 1/10W R268 RK73GB2A123J CHIP R 12K J 1/10W R269 RK73GB2A473J CHIP R 47K J 1/10W R270 RK73GB2A104J CHIP R 100K J 1/10W R271 RK73GB2A224J CHIP R 220K J 1/10W R272 RK73GB2A104J CHIP R 100K J 1/10W R273 RK73GB2A103J CHIP R 10K J 1/10W R274 RK73GB2A104J CHIP R 100K J 1/10W R275 RK73GB2A684J CHIP R 680K J 1/10W R276-279 RK73GB2A104J CHIP R 100K J 1/10W R280 RK73GB2A101J CHIP R 100 J 1/10W R281,282 RK73GB2A104J CHIP R 100K J 1/10W R283 RK73GB2A472J CHIP R 4.7K J 1/10W R284 RK73GB2A473J CHIP R 47K J 1/10W R285 RK73GB2A105J CHIP R 1.0M J 1/10W R286 RK73GB2A104J CHIP R 100K J 1/10W R287 RK73GB2A473J CHIP R 47K J 1/10W R288-292 RK73GB2A101J CHIP R 100 J 1/10W R293,294 RK73GB2A104J CHIP R 100K J 1/10W R295-299 RK73GB2A101J CHIP R 100 J 1/10W R300 RK73GB2A681J CHIP R 680 J 1/10W R301-303 RK73EB2E102J CHIP R 1.0K J 1/4W R304-310 RK73EB2E101J CHIP R 100 J 1/4W R311 RK73EB2E391J CHIP R 390 J 1/4W R312 RK73EB2E511J CHIP R 510 J 1/4W R313 RK73GB2A104J CHIP R 100K J 1/10W R314-316 RK73EB2E561J CHIP R 560 J 1/4W R317 RK73EB2E101J CHIP R 100 J 1/4W R318 RK73GB2A222J CHIP R 2.2K J 1/10W R319 RK73GB2A332J CHIP R 3.3K J 1/10W R320 RK73EB2E241J CHIP R 240 J 1/4W R321 RK73EB2E361J CHIP R 360 J 1/4W R322 RK73GB2A562J CHIP R 5.6K J 1/10W R323 RK73GB2A103J CHIP R 10K J 1/10W VIDEO CONTROL UNIT (X14-947x-xx) www. xiaoyu163. com QQ 376315150 9 9 2 8 9 4 2 9 8 TEL 13942296513 9 9 2 8 9 4 2 9 8 0 5 1 5 1 3 6 7 3 Q Q TEL 13942296513 QQ 376315150 892498299 TEL 13942296513 QQ 376315150 892498299 77 KVT-915DVD,925DVD,935DVD KVT-945DVD,965DVD Indicates safety critical components. ✽ New parts Parts without Parts No. are not supplied. Les articles non mentionnes dans le Parts No. ne sont pas fournis. Teile ohne Parts No. werden nicht geliefert. Ref. No. A d d N e w Parts No. Description Desti- nation Ref. No. A d d N e w Parts No. Description Desti- nation K : KVT-915DVD R1 : KVT-915DVD E1 : KVT-925DVD W1 : KVT-925DVD M1: KVT-935DVD H1 : KVT-935DVD X1 : KVT-945DVD C1 : KVT-965DVD PARTS LIST R324 RK73EB2E391J CHIP R 390 J 1/4W R325 RK73EB2E511J CHIP R 510 J 1/4W R326 RK73EB2E101J CHIP R 100 J 1/4W R327,328 RK73GB2A271J CHIP R 270 J 1/10W R329 RK73GB2A223J CHIP R 22K J 1/10W R330-336 RK73GB2A101J CHIP R 100 J 1/10W R337 ✽ RK73EB2E911J CHIP R 910 J 1/4W R338 RK73EB2E621J CHIP R 620 J 1/4W R339 RK73GB2A104J CHIP R 100K J 1/10W R340 RK73GB2A473J CHIP R 47K J 1/10W R341-343 RK73EB2E100J CHIP R 10 J 1/4W R344-347 RK73EB2E102J CHIP R 1.0K J 1/4W R348,349 RK73EB2E101J CHIP R 100 J 1/4W R350 RK73EB2E102J CHIP R 1.0K J 1/4W R351 RK73GB2A103J CHIP R 10K J 1/10W R353 RK73GB2A103J CHIP R 10K J 1/10W R403 RK73GB2A303J CHIP R 30K J 1/10W R404 RK73GB2A103J CHIP R 10K J 1/10W R405 RK73GB2A123J CHIP R 12K J 1/10W R407 RK73GB2A433J CHIP R 43K J 1/10W R408 RK73GB2A222J CHIP R 2.2K J 1/10W R409 RK73GB2A103J CHIP R 10K J 1/10W R410 RK73GB2A271J CHIP R 270 J 1/10W R411 RK73GB2A102J CHIP R 1.0K J 1/10W R412 RK73GB2A101J CHIP R 100 J 1/10W R413 RK73GB2A473J CHIP R 47K J 1/10W R414 RK73GB2A123J CHIP R 12K J 1/10W R415-418 RK73GB2A103J CHIP R 10K J 1/10W R419 RK73GB2A201J CHIP R 200 J 1/10W R420 RK73GB2A123J CHIP R 12K J 1/10W R421 RK73GB2A243J CHIP R 24K J 1/10W R422 RK73GB2A153J CHIP R 15K J 1/10W R423 RK73GB2A273J CHIP R 27K J 1/10W R424,425 RK73GB2A822J CHIP R 8.2K J 1/10W R426,427 RK73GB2A101J CHIP R 100 J 1/10W R428,429 RK73GB2A103J CHIP R 10K J 1/10W R430 RK73GB2A303J CHIP R 30K J 1/10W R431 RK73GB2A622J CHIP R 6.2K J 1/10W R432,433 RK73GB2A103J CHIP R 10K J 1/10W R434 RK73GB2A101J CHIP R 100 J 1/10W R435,436 RK73GB2A222J CHIP R 2.2K J 1/10W R500 RK73GB2A103J CHIP R 10K J 1/10W R501,502 ✽ RN73GH1J302D CHIP R 3.0K D 1/16W R503 RK73GB2A220J CHIP R 22 J 1/10W R504 RK73GB2A101J CHIP R 100 J 1/10W R505 RK73GB2A104J CHIP R 100K J 1/10W R506,507 RK73GB2A330J CHIP R 33 J 1/10W R508 RK73GB2A472J CHIP R 4.7K J 1/10W R509,510 RK73GB2A103J CHIP R 10K J 1/10W R511 RK73GB2A104J CHIP R 100K J 1/10W R512 RK73GB2A272J CHIP R 2.7K J 1/10W R513 RK73GB2A912J CHIP R 9.1K J 1/10W R520 RK73GB2A104J CHIP R 100K J 1/10W R529 RK73GB2A104J CHIP R 100K J 1/10W R537-539 RK73GB2A104J CHIP R 100K J 1/10W R543 RK73GB2A273J CHIP R 27K J 1/10W R550,551 RK73GB2A104J CHIP R 100K J 1/10W R553 RK73GB2A104J CHIP R 100K J 1/10W R559 RK73GB2A104J CHIP R 100K J 1/10W R561,562 RK73GB2A220J CHIP R 22 J 1/10W R563 RK73GB2A104J CHIP R 100K J 1/10W R567 RK73GB2A331J CHIP R 330 J 1/10W R570 RK73GB2A914J CHIP R 910K J 1/10W R572 RK73GB2A103J CHIP R 10K J 1/10W R577 ✽ RN73GH1J302D CHIP R 3.0K D 1/16W R578 RN73GH1J182D CHIP R 1.8K D 1/16W R579 RN73GH1J391D CHIP R 390 D 1/16W R580 RK73GB2A473J CHIP R 47K J 1/10W R582 RK73GB2A912J CHIP R 9.1K J 1/10W R584,585 RK73GB2A220J CHIP R 22 J 1/10W R586 RK73GB2A272J CHIP R 2.7K J 1/10W R590 RN73GH1J222D CHIP R 2.2K D 1/16W R592 RN73GH1J332D CHIP R 3.3K D 1/16W R593,594 RN73GH1J222D CHIP R 2.2K D 1/16W R597,598 ✽ RN73GH1J101D CHIP R 100 D 1/16W R599,600 RK73GB2A104J CHIP R 100K J 1/10W R601 ✽ RN73GH1J101D CHIP R 100 D 1/16W R602 RN73GH1J562D CHIP R 5.6K D 1/16W R603-609 RK73GB2A104J CHIP R 100K J 1/10W R610-612 RK73GB2A330J CHIP R 33 J 1/10W R613,614 RK73GB2A104J CHIP R 100K J 1/10W R615-617 RN73GH1J562D CHIP R 5.6K D 1/16W R618 RK73GB2A330J CHIP R 33 J 1/10W R623-625 RK73GB2A470J CHIP R 47 J 1/10W R629 RK73GB2A203J CHIP R 20K J 1/10W R630 RK73GB2A102J CHIP R 1.0K J 1/10W R631 RK73GB2A330J CHIP R 33 J 1/10W R632,633 RK73GB2A103J CHIP R 10K J 1/10W R635 RK73GB2A101J CHIP R 100 J 1/10W R700,701 RK73GB2A104J CHIP R 100K J 1/10W R702 RK73GB2A473J CHIP R 47K J 1/10W R703 RK73GB2A472J CHIP R 4.7K J 1/10W R704-710 RK73GB2A103J CHIP R 10K J 1/10W R711 RK73GB2A472J CHIP R 4.7K J 1/10W R712 RK73GB2A103J CHIP R 10K J 1/10W R713 RK73GB2A222J CHIP R 2.2K J 1/10W R714,715 RK73GB2A472J CHIP R 4.7K J 1/10W R716 RK73GB2A102J CHIP R 1.0K J 1/10W R717 RK73GB2A330J CHIP R 33 J 1/10W R718 RK73GB2A820J CHIP R 82 J 1/10W R719,720 RK73GB2A220J CHIP R 22 J 1/10W R721 RK73GB2A330J CHIP R 33 J 1/10W R722,723 RK73GB2A820J CHIP R 82 J 1/10W R724 RK73GB2A103J CHIP R 10K J 1/10W R725 RK73GB2A472J CHIP R 4.7K J 1/10W R726-728 RK73GB2A103J CHIP R 10K J 1/10W R729 RK73GB2A330J CHIP R 33 J 1/10W R730 RK73GB2A472J CHIP R 4.7K J 1/10W R731 RK73GB2A220J CHIP R 22 J 1/10W R732 RK73GB2A472J CHIP R 4.7K J 1/10W VIDEO CONTROL UNIT (X14-947x-xx) www. xiaoyu163. com QQ 376315150 9 9 2 8 9 4 2 9 8 TEL 13942296513 9 9 2 8 9 4 2 9 8 0 5 1 5 1 3 6 7 3 Q Q TEL 13942296513 QQ 376315150 892498299 TEL 13942296513 QQ 376315150 892498299 78 KVT-915DVD,925DVD,935DVD KVT-945DVD,965DVD Indicates safety critical components. ✽ New parts Parts without Parts No. are not supplied. Les articles non mentionnes dans le Parts No. ne sont pas fournis. Teile ohne Parts No. werden nicht geliefert. Ref. No. A d d N e w Parts No. Description Desti- nation Ref. No. A d d N e w Parts No. Description Desti- nation K : KVT-915DVD R1 : KVT-915DVD E1 : KVT-925DVD W1 : KVT-925DVD M1: KVT-935DVD H1 : KVT-935DVD X1 : KVT-945DVD C1 : KVT-965DVD PARTS LIST R733 RK73GB2A103J CHIP R 10K J 1/10W R734 RK73GB2A471J CHIP R 470 J 1/10W R735,736 RK73GB2A104J CHIP R 100K J 1/10W R737 RK73GB2A182J CHIP R 1.8K J 1/10W R738 RK73GB2A151J CHIP R 150 J 1/10W R739,740 RK73GB2A472J CHIP R 4.7K J 1/10W R741,742 RK73GB2A101J CHIP R 100 J 1/10W R743 RK73GB2A103J CHIP R 10K J 1/10W R744 RK73GB2A472J CHIP R 4.7K J 1/10W R745-747 RK73GB2A151J CHIP R 150 J 1/10W R751 RK73GB2A331J CHIP R 330 J 1/10W R754 RK73FB2B221J CHIP R 220 J 1/8W R755 RK73EB2E750J CHIP R 75 J 1/4W R756 RK73GB2A472J CHIP R 4.7K J 1/10W R762 RN73GH1J123D CHIP R 12K D 1/16W R763 ✽ RN73GH1J152D CHIP R 1.5K D 1/16W R764 RN73GH1J243D CHIP R 24K D 1/16W R765 RK73GB2A472J CHIP R 4.7K J 1/10W R766 RK73GB2A220J CHIP R 22 J 1/10W R767-769 RK73GB2A101J CHIP R 100 J 1/10W R770 RK73GB2A472J CHIP R 4.7K J 1/10W R771,772 RK73GB2A101J CHIP R 100 J 1/10W R900-903 RK73GB2A470J CHIP R 47 J 1/10W R904,905 RK73GB2A220J CHIP R 22 J 1/10W R906 RK73GB2A103J CHIP R 10K J 1/10W R907,908 RK73GB2A821J CHIP R 820 J 1/10W R909,910 RK73GB2A202J CHIP R 2.0K J 1/10W R911 RK73GB2A472J CHIP R 4.7K J 1/10W R912-914 RK73GB2A470J CHIP R 47 J 1/10W R915 RK73GB2A103J CHIP R 10K J 1/10W R916-918 RK73GB2A750J CHIP R 75 J 1/10W R919 RK73GB2A4R7J CHIP R 4.7 J 1/10W R920 RK73GB2A472J CHIP R 4.7K J 1/10W R921 RK73GB2A470J CHIP R 47 J 1/10W R922-926 RK73GB2A472J CHIP R 4.7K J 1/10W R927,928 RK73GB2A302J CHIP R 3.0K J 1/10W R929 RK73GB2A470J CHIP R 47 J 1/10W R930-933 RK73GB2A201J CHIP R 200 J 1/10W R934 RK73GB2A302J CHIP R 3.0K J 1/10W R935-938 RK73GB2A472J CHIP R 4.7K J 1/10W R939-941 RK73GB2A302J CHIP R 3.0K J 1/10W R942-944 RK73GB2A201J CHIP R 200 J 1/10W R945 RK73GB2A470J CHIP R 47 J 1/10W R946 RK73GB2A201J CHIP R 200 J 1/10W R947 RK73GB2A302J CHIP R 3.0K J 1/10W R948-956 RK73GB2A472J CHIP R 4.7K J 1/10W R957-959 RK73GB2A470J CHIP R 47 J 1/10W R960-963 RK73GB2A302J CHIP R 3.0K J 1/10W R964 RK73GB2A102J CHIP R 1.0K J 1/10W R965,966 RK73GB2A201J CHIP R 200 J 1/10W R967 RK73GB2A102J CHIP R 1.0K J 1/10W R968-971 RK73GB2A201J CHIP R 200 J 1/10W R972 RK73GB2A472J CHIP R 4.7K J 1/10W R973,974 RK73GB2A302J CHIP R 3.0K J 1/10W R975 RK73GB2A103J CHIP R 10K J 1/10W R976 RK73GB2A302J CHIP R 3.0K J 1/10W R977-984 RK73GB2A100J CHIP R 10 J 1/10W R985,986 RK73GB2A223J CHIP R 22K J 1/10W R987 RK73GB2A103J CHIP R 10K J 1/10W R989-992 RK73GB2A223J CHIP R 22K J 1/10W R993 RK73GB2A470J CHIP R 47 J 1/10W R994,995 RK73GB2A223J CHIP R 22K J 1/10W R996 RK73GB2A104J CHIP R 100K J 1/10W VR100 R32-0244-05 SEMI FIXED VARIABLE RESISTOR VR400 R32-0235-05 SEMI FIXED VARIABLE RESISTOR VR401-403 R32-0245-05 SEMI FIXED VARIABLE RESISTOR VR404 R32-0235-05 SEMI FIXED VARIABLE RESISTOR VR405-409 R32-0245-05 SEMI FIXED VARIABLE RESISTOR VR700 R32-0258-05 SEMI FIXED VARIABLE RESISTOR W100-110 R92-1252-05 CHIP R 0 OHM J 1/16W W114 R92-1252-05 CHIP R 0 OHM J 1/16W W117 R92-1252-05 CHIP R 0 OHM J 1/16W W201 R92-1252-05 CHIP R 0 OHM J 1/16W W300 R92-2053-05 CHIP R 0 J 1/8W W504,505 R92-1252-05 CHIP R 0 OHM J 1/16W W524 R92-1252-05 CHIP R 0 OHM J 1/16W W538,539 R92-1252-05 CHIP R 0 OHM J 1/16W W543 R92-1252-05 CHIP R 0 OHM J 1/16W W551 R92-1252-05 CHIP R 0 OHM J 1/16W W557-561 R92-1252-05 CHIP R 0 OHM J 1/16W W565 R92-1252-05 CHIP R 0 OHM J 1/16W W700-708 R92-1252-05 CHIP R 0 OHM J 1/16W W710 R92-1252-05 CHIP R 0 OHM J 1/16W W712-717 R92-1252-05 CHIP R 0 OHM J 1/16W W722-724 R92-1252-05 CHIP R 0 OHM J 1/16W W726-730 R92-1252-05 CHIP R 0 OHM J 1/16W S2-6 S70-0856-05 TACT SWITCH S8,9 S70-0856-05 TACT SWITCH S200 S62-0863-05 SLIDE SWITCH E1W1 S300 S70-0826-05 TACT SWITCH D102,103 SB05-05CP DIODE D104-108 EC31QS04 DIODE D109,110 D1F60 DIODE D112,113 SB05-05CP DIODE D114 MA8082-M ZENER DIODE D115 MA8056-M ZENER DIODE D116 1SR154-400 DIODE D117,118 RB491D DIODE D119 RD6.8M(B2) ZENER DIODE D120 RD16S ZENER DIODE D200 DA204U DIODE D201 ✽ MA8047-H ZENER DIODE D203-207 MA3062WA ZENER DIODE D208 AVRM1608120M6A VARISTOR D209 DA204U DIODE D210 MA142WA DIODE D211,212 DA204U DIODE D213 MA142WA DIODE D214 MA3062WA ZENER DIODE VIDEO CONTROL UNIT (X14-947x-xx) www. xiaoyu163. com QQ 376315150 9 9 2 8 9 4 2 9 8 TEL 13942296513 9 9 2 8 9 4 2 9 8 0 5 1 5 1 3 6 7 3 Q Q TEL 13942296513 QQ 376315150 892498299 TEL 13942296513 QQ 376315150 892498299 79 KVT-915DVD,925DVD,935DVD KVT-945DVD,965DVD Indicates safety critical components. ✽ New parts Parts without Parts No. are not supplied. Les articles non mentionnes dans le Parts No. ne sont pas fournis. Teile ohne Parts No. werden nicht geliefert. Ref. No. A d d N e w Parts No. Description Desti- nation Ref. No. A d d N e w Parts No. Description Desti- nation K : KVT-915DVD R1 : KVT-915DVD E1 : KVT-925DVD W1 : KVT-925DVD M1: KVT-935DVD H1 : KVT-935DVD X1 : KVT-945DVD C1 : KVT-965DVD PARTS LIST D215-224 AVRM1608120M6A VARISTOR D225 DA204U DIODE D226 MA8062-M ZENER DIODE D227-229 AVRM1608120M6A VARISTOR D300 DA204U DIODE D302,303 DA204U DIODE D306 MA8062-M ZENER DIODE D307-310 MA3062WA ZENER DIODE D311-313 DA204U DIODE D314 AVRM1608120M6A VARISTOR D315 MA142WK DIODE D350 MA8062-M ZENER DIODE D500 MA3062WA ZENER DIODE D501 HVD133 DIODE D502 RB491D DIODE D503,504 MA3062WA ZENER DIODE D700,701 DA204U DIODE D900-910 AVRM1608270MAB VARISTOR IC100-102 FA7703V ANALOGUE IC IC103 TC75W56FU MOS-IC IC104 TA78DS05AF ANALOGUE IC IC105 PQ1X331M2ZP ANALOGUE IC IC106 TC7SH04FU MOS-IC IC200 - MEMORY IC IC202 ✽ 70F3089YGJ-8R1 MICROCONTROLLER IC IC203 LB1836M-TE-L ANALOGUE IC IC204 PST9142NR ANALOGUE IC IC205 LB1836M-TE-L ANALOGUE IC IC206 TC7SH08F MOS-IC IC207 TC7SET08FU MOS-IC IC208 NJM4565V ANALOGUE IC IC209 TC7W14FU MOS-IC IC300 ✽ RS-181 ANALOGUE IC IC400 TC7WH123FU MOS-IC IC401 IR3Y26A1 ANALOGUE IC IC402 M5237ML ANALOGUE IC IC500 TA78L05F ANALOGUE IC IC501 NJM2235M ANALOGUE IC IC502 ✽ HD74LV157ATTP MOS-IC IC503 MM1234XFBE ANALOGUE IC IC504 NJM2235M ANALOGUE IC IC505 TA78L05F ANALOGUE IC IC506 ✽ HD6417706F120D MICROPROCESSOR IC IC507,508 TC7SET08FU MOS-IC IC509 NJW1303V ANALOGUE IC IC510 ✽ CXA3266Q MOS-IC IC511 TC7SH08FU MOS-IC IC512 TC7W00FU MOS-IC IC513 ✽ HD74LVC138TTP MOS-IC IC514 TC7SET08FU MOS-IC IC515 ✽ HD74LV1G04A MOS-IC IC516 TC74LCX74FT MOS-IC IC517 MM1389XFBE ANALOGUE IC IC518 ✽ MBM29DL322B0R2 ROM IC IC519 ✽ MBM29DL322B8R3 ROM IC IC520 TC7WH123FU MOS-IC IC521 BS616LV1010EI7 SRAM IC IC521 ✽ CY62126BV70ZI MEMORY IC IC522 MT48LC2M32T7I DRAM IC IC523 ✽ MN67761 MOS-IC IC524 ✽ HD74LV1G04A MOS-IC IC525 ✽ HD74LVC08TTP MOS-IC IC526 ✽ HD74CBT3244TTP MOS-IC IC527,528 TC7SH08FU MOS-IC IC529,530 ✽ K4S641632HTC75 DRAM IC IC529,530 ✽ MT48LC4M16T75I DRAM IC IC531 TC7SH32FU MOS-IC IC532 NJM2373AF-TE1 ANALOGUE IC IC533 ✽ HD74LV2G74ATTP MOS-IC IC534 TC7SH08FU MOS-IC IC535 TC7SH04FU MOS-IC IC536 ✽ HD74LV2G74ATTP MOS-IC IC537 ✽ TC7WH241FK MOS-IC IC700 K6F1008V2CYF55 SRAM IC IC701 TC7SH00FU MOS-IC IC702 ✽ 29LV160ATI7R0 ROM IC IC703 ✽ M4A3212VI8TV1 MOS-IC IC704 ✽ ES6218SF MOS-IC IC705 UPC2933T ANALOGUE IC IC707 ✽ SI-3012KM ANALOGUE IC IC708 NJM2373AF-TE1 ANALOGUE IC IC709 ADV7170KSU MOS-IC IC710 ✽ K4S641632HTC75 DRAM IC IC710 ✽ MT48LC4M16T75I DRAM IC IC712 TK15446L ANALOGUE IC IC713 NJU7222U50 ANALOGUE IC IC714 CY22392FI-K01 ANALOGUE IC IC716 ✽ HD74LV2G74ATTP MOS-IC IC900 ✽ DSPB56367PV150 MOS-IC IC901 M5280FP ANALOGUE IC IC902 NJM4565V ANALOGUE IC IC903 ✽ PCM1800E MOS-IC IC904,905 ✽ CY7C1021CV10ZI SRAM IC IC904,905 ✽ IC61LV641610TI MEMORY IC IC906 TC7SH08FU MOS-IC IC907 ✽ TC7WH241FK MOS-IC IC908 ✽ AK4355VF ANALOGUE IC IC909 NJU7222U50 ANALOGUE IC IC910 AK4382AVT ANALOGUE IC IC911 ✽ HD74LV2G125A-E MOS-IC IC912 TC7SH08FU MOS-IC IC913 ✽ TC7WH241FK MOS-IC IC914 NJM4580V ANALOGUE IC IC915 TC7SH08FU MOS-IC IC916 ✽ TC7WH241FK MOS-IC IC917-919 NJM4580V ANALOGUE IC IC920 TC7SET00FU MOS-IC IC921 TC7SET08FU MOS-IC IC922 ✽ TC7WH241FK MOS-IC Q100-103 UN5212 DIGITAL TRANSISTOR VIDEO CONTROL UNIT (X14-947x-xx) www. xiaoyu163. com QQ 376315150 9 9 2 8 9 4 2 9 8 TEL 13942296513 9 9 2 8 9 4 2 9 8 0 5 1 5 1 3 6 7 3 Q Q TEL 13942296513 QQ 376315150 892498299 TEL 13942296513 QQ 376315150 892498299 80 KVT-915DVD,925DVD,935DVD KVT-945DVD,965DVD Indicates safety critical components. ✽ New parts Parts without Parts No. are not supplied. Les articles non mentionnes dans le Parts No. ne sont pas fournis. Teile ohne Parts No. werden nicht geliefert. Ref. No. A d d N e w Parts No. Description Desti- nation Ref. No. A d d N e w Parts No. Description Desti- nation K : KVT-915DVD R1 : KVT-915DVD E1 : KVT-925DVD W1 : KVT-925DVD M1: KVT-935DVD H1 : KVT-935DVD X1 : KVT-945DVD C1 : KVT-965DVD PARTS LIST Q104 2SD1819A TRANSISTOR Q105 ✽ HAT1038R FET Q107,108 HAT1016R DUAL FET Q109 ✽ HAT3008R DUAL FET Q110 UN5212 DIGITAL TRANSISTOR Q111 2SB1218A TRANSISTOR Q112 2SD1819A TRANSISTOR Q113 UN5212 DIGITAL TRANSISTOR Q114 2SA2013 TRANSISTOR Q115 2SD1819A TRANSISTOR Q200 UN5212 DIGITAL TRANSISTOR Q201 UN5213 DIGITAL TRANSISTOR Q202 UN5113 DIGITAL TRANSISTOR Q212 UN5212 DIGITAL TRANSISTOR Q213 UN5214 DIGITAL TRANSISTOR Q214 UN5113 DIGITAL TRANSISTOR Q215 DTB123YK DIGITAL TRANSISTOR Q216 UN5212 DIGITAL TRANSISTOR Q217 UN5113 DIGITAL TRANSISTOR Q218 DTB123YK DIGITAL TRANSISTOR Q220 UN5213 DIGITAL TRANSISTOR Q221,222 UN5212 DIGITAL TRANSISTOR Q223 DTB123YK DIGITAL TRANSISTOR Q300 UN5212 DIGITAL TRANSISTOR Q301,302 UN5112 DIGITAL TRANSISTOR Q303,304 UN5214 DIGITAL TRANSISTOR Q305 UN5112 DIGITAL TRANSISTOR Q306 UN5214 DIGITAL TRANSISTOR Q307 UN5212 DIGITAL TRANSISTOR Q308 UN5112 DIGITAL TRANSISTOR Q400 ✽ 2SB1189 TRANSISTOR Q510 2SB1218A TRANSISTOR Q511 2SD1819A TRANSISTOR Q513,514 2SD1819A TRANSISTOR Q515 2SB1218A TRANSISTOR CN1 E41-0404-05 FLAT CABLE (19PIN) R2 RK73GB2A273J CHIP R 27K J 1/10W R1 RK73GB2A751J CHIP R 750 J 1/10W VR1 R31-0237-05 SEMI FIXED VARIABLE RESISTOR S1 S68-0863-05 PUSH SWITCH S2,S3 S68-0871-05 PUSH SWITCH S4 S68-0863-05 PUSH SWITCH PH1 T95-0235-05 PHOTO INTERRPTER C1 CK73GB1E473K CHIP C 0.047UF K C2 C90-5574-05 ELECTRO 10UF 16WV C3,4 CK73GB1H103K CHIP C 0.010UF K C5 C90-2866-05 ELECTRO 220UF 16WV C6 C90-5572-05 ELECTRO 100UF 10WV C7 C90-5428-05 ELECTRO 3900UF 16WV C8 CK73GB1H103K CHIP C 0.010UF K C9,10 CK73FB1C105K CHIP C 1.0UF K C11 CK73GB1C104K CHIP C 0.10UF K C12 CK73FB1A105K CHIP C 1.0UF K C13 CD04AY1A221M ELECTRO 220UF 10WV C14 CK73FB1C105K CHIP C 1.0UF K C16 CD04BA1H3R3M ELECTRO 3.3UF 50WV C17 CK73GB1H561K CHIP C 560PF K C18 CK73GB0J105K CHIP C 1.0UF K C21 C94-0032-05 ELECTRO 47UF 6.3WV C22-24 CK73GB1H103K CHIP C 0.010UF K C25 CK73FB1A105K CHIP C 1.0UF K C26 CD04AY1A221M ELECTRO 220UF 10WV C27 CK73GB1E473K CHIP C 0.047UF K C28 CK73FB1C105K CHIP C 1.0UF K C29 C90-5573-05 ELECTRO 220UF 10WV C31 CK73FB1A105K CHIP C 1.0UF K C32 CK73FB1C105K CHIP C 1.0UF K C33 C94-0034-05 ELECTRO 220UF 6.3WV C34 C94-0057-05 ELECTRO 4.7UF 16WV C35 C94-0151-05 ELECTRO 100UF 16WV C36-39 CK73EB1C225K CHIP C 2.2UF K C40 C90-5575-05 ELECTRO 22UF 16WV C41 CK73GB1E223K CHIP C 0.022UF K C42 CK73GB1H103K CHIP C 0.010UF K C43,44 CD04BA1E4R7M ELECTRO 4.7UF 25WV C45 CK73GB1H103K CHIP C 0.010UF K C100 CK73GB1H102K CHIP C 1000PF K C101 CK73GB1H103K CHIP C 0.010UF K C102 C90-5568-05 ELECTRO 330UF 6.3WV C103,104 CK73GB1H103K CHIP C 0.010UF K C105 CK73GB1H104K CHIP C 0.10UF K C106 CK73FB1C105K CHIP C 1.0UF K C107 CK73GB1H104K CHIP C 0.10UF K C108-110 CK73GB1H103K CHIP C 0.010UF K C111 CK73GB1H104K CHIP C 0.10UF K C112 CK73GB1H103K CHIP C 0.010UF K C113 CK73GB1H104K CHIP C 0.10UF K C114,115 CK73GB1H103K CHIP C 0.010UF K C201 CK73GB1H103K CHIP C 0.010UF K H1X1C1 C201,202 CK73GB1H103K CHIP C 0.010UF K K1R1E1 C201,202 CK73GB1H103K CHIP C 0.010UF K W1M1 C206 CK73GB1H103K CHIP C 0.010UF K K1R1E1 C206 CK73GB1H103K CHIP C 0.010UF K W1M1 C209 C90-5574-05 ELECTRO 10UF 16WV K1R1E1 C209 C90-5574-05 ELECTRO 10UF 16WV W1M1 C211 CC73GCH1H331J CHIP C 330PF J K1R1E1 C211 CC73GCH1H331J CHIP C 330PF J W1M1 C212 C90-5574-05 ELECTRO 10UF 16WV K1R1E1 C212 C90-5574-05 ELECTRO 10UF 16WV W1M1 C213 CK73GB1H103K CHIP C 0.010UF K C215-217 CK73GB1H103K CHIP C 0.010UF K C219,220 CC73GCH1H100D CHIP C 10PF D K1R1E1 C219,220 CC73GCH1H100D CHIP C 10PF D W1M1 C222,223 CK73GB1H104K CHIP C 0.10UF K C224 CK73GB1H103K CHIP C 0.010UF K C225 CC73GCH1H151J CHIP C 150PF J ELECTRIC UNIT (X25-956x-xx) SWITCH UNIT (X16-2250-00) VIDEO CONTROL UNIT (X14-947x-xx) www. xiaoyu163. com QQ 376315150 9 9 2 8 9 4 2 9 8 TEL 13942296513 9 9 2 8 9 4 2 9 8 0 5 1 5 1 3 6 7 3 Q Q TEL 13942296513 QQ 376315150 892498299 TEL 13942296513 QQ 376315150 892498299 81 KVT-915DVD,925DVD,935DVD KVT-945DVD,965DVD Indicates safety critical components. ✽ New parts Parts without Parts No. are not supplied. Les articles non mentionnes dans le Parts No. ne sont pas fournis. Teile ohne Parts No. werden nicht geliefert. Ref. No. A d d N e w Parts No. Description Desti- nation Ref. No. A d d N e w Parts No. Description Desti- nation K : KVT-915DVD R1 : KVT-915DVD E1 : KVT-925DVD W1 : KVT-925DVD M1: KVT-935DVD H1 : KVT-935DVD X1 : KVT-945DVD C1 : KVT-965DVD PARTS LIST C226 CK73GB1A474K CHIP C 0.47UF K C227 CK73GB1E223K CHIP C 0.022UF K C228 CK73GB1H103K CHIP C 0.010UF K C229 C90-5574-05 ELECTRO 10UF 16WV C230 C94-0052-05 ELECTRO 2.2UF 50WV C231-243 CK73GB1H103K CHIP C 0.010UF K E1W1M1 C231-243 CK73GB1H103K CHIP C 0.010UF K H1X1C1 C244 C90-5574-05 ELECTRO 10UF 16WV E1W1M1 C244 C90-5574-05 ELECTRO 10UF 16WV H1X1C1 C245 CK73GB1H103K CHIP C 0.010UF K E1W1M1 C245 CK73GB1H103K CHIP C 0.010UF K H1X1C1 C300 CK73GB1H104K CHIP C 0.10UF K C301 C92-0675-05 ELECTRO 4.7UF 25WV C302 C92-1428-05 ELECTRO 330UF 6.3WV C303 C92-0675-05 ELECTRO 4.7UF 25WV C304 C92-0093-05 CHIP C 100UF 6.3WV C305 CK73GB1H104K CHIP C 0.10UF K C306 C92-0675-05 ELECTRO 4.7UF 25WV C307 C92-1428-05 ELECTRO 330UF 6.3WV C308 C92-0675-05 ELECTRO 4.7UF 25WV C309 C92-0093-05 CHIP C 100UF 6.3WV C310 CK73GB1H104K CHIP C 0.10UF K C311 C92-0675-05 ELECTRO 4.7UF 25WV C312 CK73GB1H104K CHIP C 0.10UF K C313 C92-1428-05 ELECTRO 330UF 6.3WV C314,315 C92-0675-05 ELECTRO 4.7UF 25WV C316 C92-0093-05 CHIP C 100UF 6.3WV C317 C92-0092-05 CHIP C 47UF 6.3WV C318 C94-0035-05 ELECTRO 22UF 10WV C319 C92-0675-05 ELECTRO 4.7UF 25WV C320 C90-5574-05 ELECTRO 10UF 16WV C321,322 CK73GB1C104K CHIP C 0.10UF K C323 C90-5573-05 ELECTRO 220UF 10WV C324 CK73GB1H103K CHIP C 0.010UF K C325 C90-5573-05 ELECTRO 220UF 10WV C326 CK73GB1C104K CHIP C 0.10UF K C327 CK73GB1H103K CHIP C 0.010UF K C328 C90-5573-05 ELECTRO 220UF 10WV C329 C90-5568-05 ELECTRO 330UF 6.3WV C330 CK73GB1C104K CHIP C 0.10UF K C331 C92-0672-05 ELECTRO 22UF 16WV C332,333 CK73GB1C104K CHIP C 0.10UF K C334 CK73GB1H104K CHIP C 0.10UF K C342,343 CK73EB0J106K CHIP C 10UF K C344 CK73GB1H103K CHIP C 0.010UF K C400-405 CK73GB1C104K CHIP C 0.10UF K C406 CK73GB1H103K CHIP C 0.010UF K C407,408 CK73GB1A474K CHIP C 0.47UF K C409 CK73FB1C105K CHIP C 1.0UF K C410 CK73GB1A474K CHIP C 0.47UF K C411-414 CK73FB1C105K CHIP C 1.0UF K C415 CK73GB1A474K CHIP C 0.47UF K C416-422 CK73FB1C105K CHIP C 1.0UF K C423 CK73GB1A224K CHIP C 0.22UF K C424 CK73FB1C105K CHIP C 1.0UF K C425 CK73GB1A224K CHIP C 0.22UF K C426 CK73EB1A475K CHIP C 4.7UF K C427 CK73FB1C105K CHIP C 1.0UF K C428 CK73GB1H103K CHIP C 0.010UF K C429 CK73GB1H104K CHIP C 0.10UF K C430 C94-0039-05 ELECTRO 10UF 16WV C431,432 CK73EB1A475K CHIP C 4.7UF K C433,434 CK73FB1C105K CHIP C 1.0UF K C436 CK73GB1C104K CHIP C 0.10UF K C437,438 CK73FB1C105K CHIP C 1.0UF K C439 C90-5575-05 ELECTRO 22UF 16WV C440 C94-0039-05 ELECTRO 10UF 16WV C441-446 ✽ CD04AX1A100M ELECTRO 10UF 10WV C447,448 CK73FB1C105K CHIP C 1.0UF K C449 CK73GB1H103K CHIP C 0.010UF K C450 C90-5572-05 ELECTRO 100UF 10WV C451-456 C94-0040-05 ELECTRO 22UF 16WV C457 CK73GB1H103K CHIP C 0.010UF K C459,460 CK73GB1H561K CHIP C 560PF K C461 CK73GB1H104K CHIP C 0.10UF K C462 CK73GB1A474K CHIP C 0.47UF K C465 CD04AY1C220M ELECTRO 22UF 16WV C466 CK73GB0J105K CHIP C 1.0UF K C482 CK73GB1H103K CHIP C 0.010UF K C483-485 CK73FB1C105K CHIP C 1.0UF K C486 C94-0039-05 ELECTRO 10UF 16WV C487 CK73GB1A474K CHIP C 0.47UF K C488 C94-0039-05 ELECTRO 10UF 16WV C489 CK73GB1H103K CHIP C 0.010UF K C490 C94-0039-05 ELECTRO 10UF 16WV C491,492 CK73EB0J106K CHIP C 10UF K C493-495 ✽ CD04AX1A100M ELECTRO 10UF 10WV C496-499 C94-0179-05 ELECTRO 0.22UF 50WV C500-503 C94-0054-05 ELECTRO 4.7UF 50WV C504-506 CK73GB1H103K CHIP C 0.010UF K C507 C94-0040-05 ELECTRO 22UF 16WV C508 CK73GB1H103K CHIP C 0.010UF K C509 C90-5573-05 ELECTRO 220UF 10WV C510,511 C90-5577-05 ELECTRO 47UF 16WV C512 ✽ C94-0043-05 ELECTRO 100UF 16WV C513-516 C90-5577-05 ELECTRO 47UF 16WV C517 ✽ C94-0043-05 ELECTRO 100UF 16WV C518-523 CK73GB1H103K CHIP C 0.010UF K C524,525 C90-5574-05 ELECTRO 10UF 16WV C526,527 CK73GB1H222K CHIP C 2200PF K C528-533 C90-5577-05 ELECTRO 47UF 16WV C534 C90-5568-05 ELECTRO 330UF 6.3WV C535-540 CK73GB1H103K CHIP C 0.010UF K C541,542 C94-0040-05 ELECTRO 22UF 16WV C543,544 C94-0037-05 ELECTRO 47UF 10WV C545 CK73GB1H103K CHIP C 0.010UF K C600 CE04DW1H4R7M ELECTRO 4.7UF 50WV C602 CE04DW1H4R7M ELECTRO 4.7UF 50WV C606,607 C94-0054-05 ELECTRO 4.7UF 50WV C608,609 ✽ C90-5565-05 ELECTRO 47UF 6.3WV ELECTRIC UNIT (X25-956x-xx) www. xiaoyu163. com QQ 376315150 9 9 2 8 9 4 2 9 8 TEL 13942296513 9 9 2 8 9 4 2 9 8 0 5 1 5 1 3 6 7 3 Q Q TEL 13942296513 QQ 376315150 892498299 TEL 13942296513 QQ 376315150 892498299 82 KVT-915DVD,925DVD,935DVD KVT-945DVD,965DVD Indicates safety critical components. ✽ New parts Parts without Parts No. are not supplied. Les articles non mentionnes dans le Parts No. ne sont pas fournis. Teile ohne Parts No. werden nicht geliefert. Ref. No. A d d N e w Parts No. Description Desti- nation Ref. No. A d d N e w Parts No. Description Desti- nation K : KVT-915DVD R1 : KVT-915DVD E1 : KVT-925DVD W1 : KVT-925DVD M1: KVT-935DVD H1 : KVT-935DVD X1 : KVT-945DVD C1 : KVT-965DVD PARTS LIST C611,612 C94-0040-05 ELECTRO 22UF 16WV C613,614 CK73GB1H103K CHIP C 0.010UF K C615 C94-0035-05 ELECTRO 22UF 10WV C700 CD04AY1C220M ELECTRO 22UF 16WV C701 C94-0179-05 ELECTRO 0.22UF 50WV C704 CK73GB0J105K CHIP C 1.0UF K C705,706 CK73GB1H103K CHIP C 0.010UF K C711,712 CK73GB1H473K CHIP C 0.047UF K C713 CK73GB1A474K CHIP C 0.47UF K CN1 E40-3246-05 PIN ASSY CN11 E40-4970-05 FLAT CABLE CONNECTOR CN20,21 E40-9423-05 SOCKET FOR PIN ASSY CN22,23 E40-9421-05 PIN ASSY J1 E58-0836-05 RECTANGULAR RECEPTACLE J2 ✽ E58-0969-05 RECTANGULAR RECEPTACLE J200 ✽ E30-6208-15 CORD WITH PLUG J300 ✽ E58-0964-05 RECTANGULAR RECEPTACLE J301 ✽ E58-0963-05 RECTANGULAR RECEPTACLE J500 E63-0865-05 PIN JACK J501 ✽ E63-0891-05 PIN JACK J502 E63-0864-05 PIN JACK J600 E56-0843-05 CYLINDRICAL RECEPTACLE J601 E56-0846-05 CYLINDRICAL RECEPTACLE P600 E23-0745-05 TERMINAL A1 2H ✽ F09-1759-05 FAN L1 L33-1063-15 CHOKE COIL L2 L40-2205-34 SMALL FIXED INDUCTOR (22UH) L100 L40-1005-34 SMALL FIXED INDUCTOR L101 L92-0075-05 CHIP FERRITE L102-106 L92-0330-05 CHIP FERRITE L200 L40-4795-34 SMALL FIXED INDUCTOR K1R1E1 L200 L40-4795-34 SMALL FIXED INDUCTOR W1M1 L203 L33-1123-05 LINE FILTER COIL L204-207 L40-4795-34 SMALL FIXED INDUCTOR L209 L40-1005-34 SMALL FIXED INDUCTOR L400,401 L40-1005-34 SMALL FIXED INDUCTOR L403 L92-0330-05 CHIP FERRITE X100 L78-0821-05 RESONATOR X200 L77-2002-05 CRYSTAL RESONATOR K1R1E1 X200 L77-2002-05 CRYSTAL RESONATOR W1M1 B 2H ✽ N09-4299-05 TAPTITE SCREW (PAN HEAD B TI) C 2H N35-3006-46 BINDING HEAD MACHINE SCREW D 2H N35-3023-46 BINDING HEAD MACHINE SCREW R1 RK73EB2E102J CHIP R 1.0K J 1/4W R2 RK73GB2A222J CHIP R 2.2K J 1/10W R3 RK73GB2A101J CHIP R 100 J 1/10W R4 RK73EB2E103J CHIP R 10K J 1/4W R5,6 RK73GB2A223J CHIP R 22K J 1/10W R7 RK73GB2A222J CHIP R 2.2K J 1/10W R8 RK73GB2A104J CHIP R 100K J 1/10W R9,10 RK73EB2E750J CHIP R 75 J 1/4W R11 RK73FB2B221J CHIP R 220 J 1/8W R12 RK73EB2E472J CHIP R 4.7K J 1/4W R13 RK73GB2A223J CHIP R 22K J 1/10W R14 RK73GB2A104J CHIP R 100K J 1/10W R15 R92-2063-05 CHIP R 680 J 1/2W R16,17 R92-0365-05 CHIP R 1.0K J 1/2W R18 RK73GB2A153J CHIP R 15K J 1/10W R19 RK73GB2A223J CHIP R 22K J 1/10W R20 RK73GB2A102J CHIP R 1.0K J 1/10W R21 RK73GH1J273D CHIP R 27K D 1/16W R22 RK73GH1J472D CHIP R 4.7K D 1/16W R23,24 RK73FB2B472J CHIP R 4.7K J 1/8W R25 R92-0366-05 CHIP R 560 J 1W K1R1M1 R25 R92-0366-05 CHIP R 560 J 1W H1X1C1 R26 RK73GB2A561J CHIP R 560 J 1/10W R27 RK73GB2A223J CHIP R 22K J 1/10W K1R1M1 R27 RK73GB2A223J CHIP R 22K J 1/10W H1X1C1 R28 RK73FB2B221J CHIP R 220 J 1/8W R30 RK73FB2B221J CHIP R 220 J 1/8W R31 RK73GB2A334J CHIP R 330K J 1/10W R34 RK73GB2A103J CHIP R 10K J 1/10W R35 RK73GB2A104J CHIP R 100K J 1/10W R36 RK73FB2B561J CHIP R 560 J 1/8W R37 RK73GB2A153J CHIP R 15K J 1/10W R38 RK73GB2A103J CHIP R 10K J 1/10W R39 RK73GB2A223J CHIP R 22K J 1/10W R40 RK73GB2A473J CHIP R 47K J 1/10W R41 RK73GH1J273D CHIP R 27K D 1/16W R42 RK73GH1J472D CHIP R 4.7K D 1/16W R43 RK73GB2A153J CHIP R 15K J 1/10W R44 RK73GB2A102J CHIP R 1.0K J 1/10W R45 RK73GB2A223J CHIP R 22K J 1/10W R46 RK73GB2A104J CHIP R 100K J 1/10W R47 RK73GH1J243D CHIP R 24K D 1/16W R48 RK73GH1J432D CHIP R 4.3K D 1/16W R49 R92-3243-05 SMALL-RD 3.3K J 1/2W R50 RK73GB2A912J CHIP R 9.1K J 1/10W R51 RK73GB2A104J CHIP R 100K J 1/10W R52 RK73FB2B221J CHIP R 220 J 1/8W R53 RK73EB2E153J CHIP R 15K J 1/4W R54 RK73GB2A473J CHIP R 47K J 1/10W R55 RK73GB2A153J CHIP R 15K J 1/10W R56 RK73EB2E123J CHIP R 12K J 1/4W R57 RK73GH1J153D CHIP R 15K D 1/16W R58 RK73GH1J512D CHIP R 5.1K D 1/16W R59 RK73EB2E472J CHIP R 4.7K J 1/4W R60 RK73GB2A104J CHIP R 100K J 1/10W R61 RK73GB2A473J CHIP R 47K J 1/10W R62 RK73EB2E102J CHIP R 1.0K J 1/4W R63 RK73FB2B102J CHIP R 1.0K J 1/8W R64 RK73GB2A104J CHIP R 100K J 1/10W R65 RK73GB2A272J CHIP R 2.7K J 1/10W R66 RK73GB2A470J CHIP R 47 J 1/10W R67 RK73GB2A752J CHIP R 7.5K J 1/10W R68 RK73GB2A913J CHIP R 91K J 1/10W R69 RK73GB2A563J CHIP R 56K J 1/10W R70 RK73GB2A470J CHIP R 47 J 1/10W ELECTRIC UNIT (X25-956x-xx) www. xiaoyu163. com QQ 376315150 9 9 2 8 9 4 2 9 8 TEL 13942296513 9 9 2 8 9 4 2 9 8 0 5 1 5 1 3 6 7 3 Q Q TEL 13942296513 QQ 376315150 892498299 TEL 13942296513 QQ 376315150 892498299 83 KVT-915DVD,925DVD,935DVD KVT-945DVD,965DVD R205 RK73GB2A222J CHIP R 2.2K J 1/10W K1R1E1 R205 RK73GB2A222J CHIP R 2.2K J 1/10W W1M1 R206 RK73GB2A102J CHIP R 1.0K J 1/10W R207 RK73GB2A332J CHIP R 3.3K J 1/10W R211 RK73GB2A223J CHIP R 22K J 1/10W R214 RK73FB2B102J CHIP R 1.0K J 1/8W R215 RK73GB2A472J CHIP R 4.7K J 1/10W R216 RK73GB2A103J CHIP R 10K J 1/10W R217 RK73GB2A472J CHIP R 4.7K J 1/10W R218 RK73GB2A102J CHIP R 1.0K J 1/10W R219 RK73GB2A472J CHIP R 4.7K J 1/10W R221 RK73GB2A103J CHIP R 10K J 1/10W E1W1M1 R221 RK73GB2A103J CHIP R 10K J 1/10W H1X1C1 R222 RK73GB2A104J CHIP R 100K J 1/10W E1W1M1 R222 RK73GB2A104J CHIP R 100K J 1/10W H1X1C1 R223 RK73GB2A103J CHIP R 10K J 1/10W E1W1M1 R223 RK73GB2A103J CHIP R 10K J 1/10W H1X1C1 R224 RK73GB2A562J CHIP R 5.6K J 1/10W E1W1M1 R224 RK73GB2A562J CHIP R 5.6K J 1/10W H1X1C1 R225 RK73GB2A153J CHIP R 15K J 1/10W E1W1M1 R225 RK73GB2A153J CHIP R 15K J 1/10W H1X1C1 R226 RK73GB2A823J CHIP R 82K J 1/10W E1W1M1 R226 RK73GB2A823J CHIP R 82K J 1/10W H1X1C1 R227 RK73GB2A103J CHIP R 10K J 1/10W E1W1M1 R227 RK73GB2A103J CHIP R 10K J 1/10W H1X1C1 R228 RK73GB2A333J CHIP R 33K J 1/10W E1W1M1 R228 RK73GB2A333J CHIP R 33K J 1/10W H1X1C1 R229 RK73GB2A272J CHIP R 2.7K J 1/10W E1W1M1 R229 RK73GB2A272J CHIP R 2.7K J 1/10W H1X1C1 R230-233 RK73GB2A103J CHIP R 10K J 1/10W E1W1M1 R230-233 RK73GB2A103J CHIP R 10K J 1/10W H1X1C1 R234 RK73GB2A222J CHIP R 2.2K J 1/10W E1W1M1 R234 RK73GB2A222J CHIP R 2.2K J 1/10W H1X1C1 R300 RK73FB2B100J CHIP R 10 J 1/8W R301 RK73FB2B4R7J CHIP R 4.7 J 1/8W R302,303 RK73FB2B100J CHIP R 10 J 1/8W R304 RK73FB2B4R7J CHIP R 4.7 J 1/8W R305,306 RK73FB2B100J CHIP R 10 J 1/8W R307 RK73FB2B4R7J CHIP R 4.7 J 1/8W R308 RK73FB2B100J CHIP R 10 J 1/8W R309 RK73EB2E100J CHIP R 10 J 1/4W R310 RK73FB2B4R7J CHIP R 4.7 J 1/8W R311 RK73FB2B100J CHIP R 10 J 1/8W R312-316 RK73GB2A622J CHIP R 6.2K J 1/10W R317-319 RK73GB2A223J CHIP R 22K J 1/10W R320-327 RK73EB2E101J CHIP R 100 J 1/4W R328-330 RK73EB2E750J CHIP R 75 J 1/4W R331 RK73GB2A750J CHIP R 75 J 1/10W R332 RK73EB2E750J CHIP R 75 J 1/4W R333,334 RK73EB2E102J CHIP R 1.0K J 1/4W R335-339 RK73GB2A133J CHIP R 13K J 1/10W R340 RK73GB2A103J CHIP R 10K J 1/10W R343 RK73EB2E100J CHIP R 10 J 1/4W R344 RK73GB2A473J CHIP R 47K J 1/10W R345,346 RK73GB2A102J CHIP R 1.0K J 1/10W Indicates safety critical components. ✽ New parts Parts without Parts No. are not supplied. Les articles non mentionnes dans le Parts No. ne sont pas fournis. Teile ohne Parts No. werden nicht geliefert. Ref. No. A d d N e w Parts No. Description Desti- nation Ref. No. A d d N e w Parts No. Description Desti- nation K : KVT-915DVD R1 : KVT-915DVD E1 : KVT-925DVD W1 : KVT-925DVD M1: KVT-935DVD H1 : KVT-935DVD X1 : KVT-945DVD C1 : KVT-965DVD PARTS LIST R71 RK73GB2A103J CHIP R 10K J 1/10W R72,73 RK73GB2A913J CHIP R 91K J 1/10W R74 RK73GB2A473J CHIP R 47K J 1/10W R75 R92-1252-05 CHIP R 0 OHM J 1/16W E1W1 R77 R92-1252-05 CHIP R 0 OHM J 1/16W R100-106 RK73GB2A104J CHIP R 100K J 1/10W H1X1C1 R100,101 RK73GB2A104J CHIP R 100K J 1/10W K1R1E1 R100,101 RK73GB2A104J CHIP R 100K J 1/10W W1M1 R103 RK73GB2A104J CHIP R 100K J 1/10W K1R1E1 R103 RK73GB2A104J CHIP R 100K J 1/10W W1M1 R105 RK73GB2A104J CHIP R 100K J 1/10W K1R1E1 R105 RK73GB2A104J CHIP R 100K J 1/10W W1M1 R107,108 RK73GB2A222J CHIP R 2.2K J 1/10W R109 RK73GB2A102J CHIP R 1.0K J 1/10W R110-113 RK73GB2A104J CHIP R 100K J 1/10W R114 RK73GB2A223J CHIP R 22K J 1/10W R115,116 RK73GB2A472J CHIP R 4.7K J 1/10W R118-122 RK73GB2A104J CHIP R 100K J 1/10W R123,124 RK73GB2A101J CHIP R 100 J 1/10W R125 RK73GB2A102J CHIP R 1.0K J 1/10W R127 RK73GB2A102J CHIP R 1.0K J 1/10W R129 R92-1252-05 CHIP R 0 OHM J 1/16W R130-132 RK73GB2A102J CHIP R 1.0K J 1/10W R133 RK73GB2A101J CHIP R 100 J 1/10W R134 RK73GB2A103J CHIP R 10K J 1/10W R135 RK73GB2A101J CHIP R 100 J 1/10W R136 RK73GB2A103J CHIP R 10K J 1/10W R138 R92-1252-05 CHIP R 0 OHM J 1/16W R140,141 RK73GB2A102J CHIP R 1.0K J 1/10W R142 RK73GB2A104J CHIP R 100K J 1/10W R143,144 RK73GB2A101J CHIP R 100 J 1/10W R145,146 RK73GB2A103J CHIP R 10K J 1/10W R147,148 RK73GB2A101J CHIP R 100 J 1/10W R149 RK73GB2A104J CHIP R 100K J 1/10W R150,151 RK73GB2A102J CHIP R 1.0K J 1/10W E1W1M1 R150,151 RK73GB2A102J CHIP R 1.0K J 1/10W X1C1 R155 RK73GB2A102J CHIP R 1.0K J 1/10W M1X1C1 R155,156 RK73GB2A102J CHIP R 1.0K J 1/10W E1W1 R159,160 RK73GB2A562J CHIP R 5.6K J 1/10W R161 RK73GB2A103J CHIP R 10K J 1/10W R162 RK73GB2A104J CHIP R 100K J 1/10W R1M1H1 R162 RK73GB2A104J CHIP R 100K J 1/10W X1C1 R163 RK73GB2A104J CHIP R 100K J 1/10W K1 R163,164 RK73GB2A104J CHIP R 100K J 1/10W E1W1 R164 RK73GB2A104J CHIP R 100K J 1/10W R1X1C1 R165 RK73GB2A104J CHIP R 100K J 1/10W M1 R165,166 RK73GB2A104J CHIP R 100K J 1/10W K1H1 R166 RK73GB2A104J CHIP R 100K J 1/10W R1 R167 RK73GB2A104J CHIP R 100K J 1/10W E1W1M1 R167 RK73GB2A104J CHIP R 100K J 1/10W X1C1 R169-174 R92-1252-05 CHIP R 0 OHM J 1/16W R175,176 RK73GB2A104J CHIP R 100K J 1/10W R202,203 RK73GB2A222J CHIP R 2.2K J 1/10W K1R1E1 R202,203 RK73GB2A222J CHIP R 2.2K J 1/10W W1M1 R204 RK73GB2A472J CHIP R 4.7K J 1/10W ELECTRIC UNIT (X25-956x-xx) www. xiaoyu163. com QQ 376315150 9 9 2 8 9 4 2 9 8 TEL 13942296513 9 9 2 8 9 4 2 9 8 0 5 1 5 1 3 6 7 3 Q Q TEL 13942296513 QQ 376315150 892498299 TEL 13942296513 QQ 376315150 892498299 84 KVT-915DVD,925DVD,935DVD KVT-945DVD,965DVD Indicates safety critical components. ✽ New parts Parts without Parts No. are not supplied. Les articles non mentionnes dans le Parts No. ne sont pas fournis. Teile ohne Parts No. werden nicht geliefert. Ref. No. A d d N e w Parts No. Description Desti- nation Ref. No. A d d N e w Parts No. Description Desti- nation K : KVT-915DVD R1 : KVT-915DVD E1 : KVT-925DVD W1 : KVT-925DVD M1: KVT-935DVD H1 : KVT-935DVD X1 : KVT-945DVD C1 : KVT-965DVD PARTS LIST R347,348 RK73GB2A471J CHIP R 470 J 1/10W R349-351 RK73EB2E100J CHIP R 10 J 1/4W R400-402 RK73GB2A680J CHIP R 68 J 1/10W R403 RK73GB2A152J CHIP R 1.5K J 1/10W R404-416 RK73GB2A562J CHIP R 5.6K J 1/10W R417 R92-1252-05 CHIP R 0 OHM J 1/16W R418 RK73GB2A562J CHIP R 5.6K J 1/10W R419 R92-1252-05 CHIP R 0 OHM J 1/16W R422,423 RK73GB2A223J CHIP R 22K J 1/10W R424 RK73GB2A102J CHIP R 1.0K J 1/10W R425,426 RK73GB2A472J CHIP R 4.7K J 1/10W R427-434 RK73GB2A103J CHIP R 10K J 1/10W R435-440 RK73GB2A471J CHIP R 470 J 1/10W R441-446 RK73GB2A223J CHIP R 22K J 1/10W R448 RK73GB2A473J CHIP R 47K J 1/10W R451 RK73GB2A242J CHIP R 2.4K J 1/10W R452 RK73GB2A101J CHIP R 100 J 1/10W R453 RK73GB2A103J CHIP R 10K J 1/10W R454 RK73GB2A562J CHIP R 5.6K J 1/10W R455 RK73GB2A103J CHIP R 10K J 1/10W R456-459 RK73GB2A102J CHIP R 1.0K J 1/10W R460,461 RK73GB2A103J CHIP R 10K J 1/10W R462 RK73GB2A682J CHIP R 6.8K J 1/10W R463 RK73GB2A103J CHIP R 10K J 1/10W R464 RK73GB2A104J CHIP R 100K J 1/10W R465 RK73GB2A102J CHIP R 1.0K J 1/10W R466-468 RK73GB2A103J CHIP R 10K J 1/10W R469-472 RK73GB2A223J CHIP R 22K J 1/10W R473,474 RK73GB2A103J CHIP R 10K J 1/10W R475 RK73GB2A473J CHIP R 47K J 1/10W R476 RK73EB2E102J CHIP R 1.0K J 1/4W R477 RK73GB2A104J CHIP R 100K J 1/10W R478 RK73GB2A103J CHIP R 10K J 1/10W R479 RK73GB2A102J CHIP R 1.0K J 1/10W R480 RK73GB2A682J CHIP R 6.8K J 1/10W R481,482 RK73GB2A103J CHIP R 10K J 1/10W R500 RK73EB2E102J CHIP R 1.0K J 1/4W R501 RK73EB2E101J CHIP R 100 J 1/4W R502 RK73EB2E102J CHIP R 1.0K J 1/4W R503 RK73EB2E101J CHIP R 100 J 1/4W R504,505 RK73EB2E102J CHIP R 1.0K J 1/4W R506,507 RK73GB2A750J CHIP R 75 J 1/10W R508-513 RK73FB2B473J CHIP R 47K J 1/8W R514-519 RK73FB2B103J CHIP R 10K J 1/8W R520,521 RK73GB2A361J CHIP R 360 J 1/10W R522-527 RK73FB2B223J CHIP R 22K J 1/8W R528,529 RK73GB2A223J CHIP R 22K J 1/10W R530-532 RK73GB2A101J CHIP R 100 J 1/10W R533-538 RK73FB2B820J CHIP R 82 J 1/8W R539 RK73GB2A361J CHIP R 360 J 1/10W R540 RK73EB2E750J CHIP R 75 J 1/4W R541 RK73GB2A361J CHIP R 360 J 1/10W R600-602 RK73EB2E102J CHIP R 1.0K J 1/4W R603 RK73EB2E4R7J CHIP R 4.7 J 1/4W R604,605 RK73EB2E102J CHIP R 1.0K J 1/4W R606 RK73EB2E100J CHIP R 10 J 1/4W R607 RK73EB2E4R7J CHIP R 4.7 J 1/4W R608 RK73EB2E100J CHIP R 10 J 1/4W R609 RK73EB2E472J CHIP R 4.7K J 1/4W R610 RK73EB2E101J CHIP R 100 J 1/4W R611-614 RK73EB2E472J CHIP R 4.7K J 1/4W R615,616 RK73EB2E101J CHIP R 100 J 1/4W R617 RK73GB2A750J CHIP R 75 J 1/10W R700 RK73GB2A223J CHIP R 22K J 1/10W R702 RK73GB2A103J CHIP R 10K J 1/10W R703 RK73GB2A101J CHIP R 100 J 1/10W R704 RK73GB2A102J CHIP R 1.0K J 1/10W R705 RK73GB2A562J CHIP R 5.6K J 1/10W R706 RK73GB2A103J CHIP R 10K J 1/10W D1 RM10ZLF DIODE D2 MA8056-M ZENER DIODE D3 RB160L-40 DIODE D4 MA8056-M ZENER DIODE D5,6 D1F60 DIODE D5,6 1SR154-400 DIODE D7 DAP202U DIODE D7 MA142WA DIODE D8,9 D1F60 DIODE D8,9 1SR154-400 DIODE D10 MA8068-M ZENER DIODE D11 MA8056-M ZENER DIODE D12 MA8047-M ZENER DIODE D13 DAN202U DIODE D13 MA142WK DIODE D14 MA8068-M ZENER DIODE D15 DAP202U DIODE D15 MA142WA DIODE D16 MA3062WA ZENER DIODE D17 MA3110-M ZENER DIODE D18 MA8056-M ZENER DIODE D19 MA8068-M ZENER DIODE D101-104 DAP202U DIODE D101-104 MA142WA DIODE D105,106 DAN202U DIODE D105,106 MA142WK DIODE D107 DAP202U DIODE D107 MA142WA DIODE D201 IMSA-6801 SURGE ABSORBER D202 DAN202U DIODE E1W1M1 D202 DAN202U DIODE H1X1C1 D202 MA142WK DIODE E1W1M1 D202 MA142WK DIODE H1X1C1 D300-311 DA204U DIODE D312 MA3062WA ZENER DIODE D316 MA3062-M ZENER DIODE D317-319 MA3062WA ZENER DIODE D320-323 DA204U DIODE D325 DAP202U DIODE D325 MA142WA DIODE ELECTRIC UNIT (X25-956x-xx) www. xiaoyu163. com QQ 376315150 9 9 2 8 9 4 2 9 8 TEL 13942296513 9 9 2 8 9 4 2 9 8 0 5 1 5 1 3 6 7 3 Q Q TEL 13942296513 QQ 376315150 892498299 TEL 13942296513 QQ 376315150 892498299 85 KVT-915DVD,925DVD,935DVD KVT-945DVD,965DVD Indicates safety critical components. ✽ New parts Parts without Parts No. are not supplied. Les articles non mentionnes dans le Parts No. ne sont pas fournis. Teile ohne Parts No. werden nicht geliefert. Ref. No. A d d N e w Parts No. Description Desti- nation Ref. No. A d d N e w Parts No. Description Desti- nation K : KVT-915DVD R1 : KVT-915DVD E1 : KVT-925DVD W1 : KVT-925DVD M1: KVT-935DVD H1 : KVT-935DVD X1 : KVT-945DVD C1 : KVT-965DVD PARTS LIST D326,327 MA3062WA ZENER DIODE D400 DA204U DIODE D402 DA204U DIODE D404 DA204U DIODE D405-414 D1F60 DIODE D405-414 1SR154-400 DIODE D415-418 DAP202U DIODE D415-418 MA142WA DIODE D422 DAP202U DIODE D422 MA142WA DIODE D423 MA8068-M ZENER DIODE D425,426 MA3062WA ZENER DIODE D500-505 DA204U DIODE D506-508 DAP202U DIODE D506-508 MA142WA DIODE D509-516 ✽ MAZ9120H ZENER DIODE D600-605 DA204U DIODE D606-612 MA3062WA ZENER DIODE D700,701 DAP202U DIODE D700,701 MA142WA DIODE IC1 M5237ML ANALOGUE IC IC2 MM1108XFFE ANALOGUE IC IC3-5 M5237ML ANALOGUE IC IC6 ICL7660SIBA ANALOGUE IC IC6 TC7662BEOA ANALOGUE IC IC10 ✽ 703030BYGF-M12 MICROCONTROLLER IC IC12 ✽ S-24CS02AFT MEMORY IC E1W1 IC13 S-80837CNNB MOS-IC IC14 TC7W14FU MOS-IC IC15 ✽ SN74LV10APWR MOS-IC IC16 TC7W08FU MOS-IC IC21 TDA7479D ANALOGUE IC K1R1E1 IC21 TDA7479D ANALOGUE IC W1M1 IC22 TDA7407D ANALOGUE IC IC23 NJM4565M-TE2 ANALOGUE IC E1W1M1 IC23 NJM4565M-TE2 ANALOGUE IC H1X1C1 IC31-34 BA3121F ANALOGUE IC IC36,37 NJM2267V ANALOGUE IC IC40 MM1234XFBE ANALOGUE IC IC41 CXA2069Q MOS-IC IC42 NJM4580V ANALOGUE IC IC43 TC9215AF MOS-IC IC44 TDA7501 ANALOGUE IC IC45 TA8273H ANALOGUE IC IC47 NJM4565V ANALOGUE IC IC50,51 BA3121F ANALOGUE IC IC52-54 NJM4565M-TE2 ANALOGUE IC IC60 TC7SET08FU MOS-IC IC61,62 BA3121F ANALOGUE IC IC63 TC7SH14FU MOS-IC IC70 TA8263BH ANALOGUE IC Q1 DTC144EUA DIGITAL TRANSISTOR Q1 UN5213 DIGITAL TRANSISTOR Q2 2SC4081 TRANSISTOR Q3 2SA1576A TRANSISTOR Q4 2SB1443 TRANSISTOR Q5 DTA124EUA DIGITAL TRANSISTOR Q5 UN5112 DIGITAL TRANSISTOR Q6 2SB1184 TRANSISTOR Q7 2SC4081 TRANSISTOR Q8 DTC124EUA DIGITAL TRANSISTOR Q8 UN5212 DIGITAL TRANSISTOR Q9 2SA1906 TRANSISTOR Q10 DTC114YUA DIGITAL TRANSISTOR Q10 UN5214 DIGITAL TRANSISTOR Q11 2SB1443 TRANSISTOR Q12 DTC114YUA DIGITAL TRANSISTOR K1R1M1 Q12 DTC114YUA DIGITAL TRANSISTOR H1X1C1 Q12 UN5214 DIGITAL TRANSISTOR K1R1M1 Q12 UN5214 DIGITAL TRANSISTOR H1X1C1 Q13 2SA1576A TRANSISTOR Q14 DTC114YUA DIGITAL TRANSISTOR Q14 UN5214 DIGITAL TRANSISTOR Q15 DTA114EUA DIGITAL TRANSISTOR Q15 UN5111 DIGITAL TRANSISTOR Q16 2SA1576A TRANSISTOR Q17 2SB1240 TRANSISTOR E1W1 Q17,18 2SB1240 TRANSISTOR K1R1M1 Q17,18 2SB1240 TRANSISTOR H1X1C1 Q19 2SB1548(P) TRANSISTOR Q20 2SA1906 TRANSISTOR Q21 2SC4081 TRANSISTOR Q22 DTA123JK DIGITAL TRANSISTOR Q23 2SC4081 TRANSISTOR Q24 2SB1548(P) TRANSISTOR Q25 DTA124EUA DIGITAL TRANSISTOR Q25 UN5112 DIGITAL TRANSISTOR Q26 DTC144EUA DIGITAL TRANSISTOR Q26 UN5213 DIGITAL TRANSISTOR Q27 DTC124EUA DIGITAL TRANSISTOR Q27 UN5212 DIGITAL TRANSISTOR Q28 2SB1443 TRANSISTOR Q29 2SC4081 TRANSISTOR Q30 2SA1576A TRANSISTOR Q31 2SC4081 TRANSISTOR Q32 2SA1576A TRANSISTOR Q33 2SC4081 TRANSISTOR Q34 2SA1576A TRANSISTOR Q35 2SC4081 TRANSISTOR Q36 DTC144EUA DIGITAL TRANSISTOR Q36 UN5213 DIGITAL TRANSISTOR Q37 DTA124EUA DIGITAL TRANSISTOR Q37 UN5112 DIGITAL TRANSISTOR Q100-104 DTA124EUA DIGITAL TRANSISTOR Q100-104 UN5112 DIGITAL TRANSISTOR Q201 2SC4081 TRANSISTOR Q203 2SB1188(Q,R) TRANSISTOR Q204 DTC124EUA DIGITAL TRANSISTOR Q204 UN5212 DIGITAL TRANSISTOR Q206 2SC4081 TRANSISTOR ELECTRIC UNIT (X25-956x-xx) www. xiaoyu163. com QQ 376315150 9 9 2 8 9 4 2 9 8 TEL 13942296513 9 9 2 8 9 4 2 9 8 0 5 1 5 1 3 6 7 3 Q Q TEL 13942296513 QQ 376315150 892498299 TEL 13942296513 QQ 376315150 892498299 86 KVT-915DVD,925DVD,935DVD KVT-945DVD,965DVD Indicates safety critical components. ✽ New parts Parts without Parts No. are not supplied. Les articles non mentionnes dans le Parts No. ne sont pas fournis. Teile ohne Parts No. werden nicht geliefert. Ref. No. A d d N e w Parts No. Description Desti- nation Ref. No. A d d N e w Parts No. Description Desti- nation K : KVT-915DVD R1 : KVT-915DVD E1 : KVT-925DVD W1 : KVT-925DVD M1: KVT-935DVD H1 : KVT-935DVD X1 : KVT-945DVD C1 : KVT-965DVD PARTS LIST Q207 DTC124EUA DIGITAL TRANSISTOR Q207 UN5212 DIGITAL TRANSISTOR Q210 2SC4081 TRANSISTOR E1W1M1 Q210 2SC4081 TRANSISTOR H1X1C1 Q211 DTC114EUA DIGITAL TRANSISTOR E1W1M1 Q211 DTC114EUA DIGITAL TRANSISTOR H1X1C1 Q211 UN5211 DIGITAL TRANSISTOR E1W1M1 Q211 UN5211 DIGITAL TRANSISTOR H1X1C1 Q212 DTA124EUA DIGITAL TRANSISTOR E1W1M1 Q212 DTA124EUA DIGITAL TRANSISTOR H1X1C1 Q212 UN5112 DIGITAL TRANSISTOR E1W1M1 Q212 UN5112 DIGITAL TRANSISTOR H1X1C1 Q400,401 2SA1576A TRANSISTOR Q402-407 DTC323TU DIGITAL TRANSISTOR Q408 DTA124EUA DIGITAL TRANSISTOR Q408 UN5112 DIGITAL TRANSISTOR Q410,411 DTC323TU DIGITAL TRANSISTOR Q500 DTA124EUA DIGITAL TRANSISTOR Q500 UN5112 DIGITAL TRANSISTOR Q501,502 DTC323TU DIGITAL TRANSISTOR Q503 2SA1576A TRANSISTOR TH41 PT722A100C POSITIVE RESISTOR TH700 PT722A100C POSITIVE RESISTOR A200 W02-3416-05 FM/AM FRONT-END K1R1 A200 W02-3417-05 FM/AM FRONT-END E1W1M1 A200 W02-3417-05 FM/AM FRONT-END H1X1C1 C1,2 CK73DF1E106Z CHIP C 10UF Z C3 C93-1281-05 CHIP C 0.47UF K C5 C93-1273-05 CHIP C 15PF J C6 C93-1278-05 CHIP C 0.018UF K C7 CK73GB1E473K CHIP C 0.047UF K C8 C93-1269-05 CHIP C 220PF J C9 CK73GB0J225K CHIP C 2.2UF K C10 CK73GB1H103K CHIP C 0.010UF K C11 CK73GB0J225K CHIP C 2.2UF K C13 CK73GB1A474K CHIP C 0.47UF K C14 CK73HB1C103K CHIP C 0.010UF K C15 CK73GB1E473K CHIP C 0.047UF K C16 CK73HB1C183K CHIP C 0.018UF K C17 CK73HB1C103K CHIP C 0.010UF K C18 C93-1281-05 CHIP C 0.47UF K C21 CK73GB0J225K CHIP C 2.2UF K C22 CK73HB1H152K CHIP C 1500PF K C23 CK73DF1E106Z CHIP C 10UF Z C24 CK73GB1H103K CHIP C 0.010UF K C25 C93-1270-05 CHIP C 3300PF K C26 CK73GB1H103K CHIP C 0.010UF K C101 CK73GB1H104K CHIP C 0.10UF K C102 CK73DF1C106Z CHIP C 10UF Z C103 CK73GB1H103K CHIP C 0.010UF K C104 C93-1210-05 CHIP C 10UF K C105 CE32AU1C390M CHIP EL 39UF 16WV C106 CK73GB1H103K CHIP C 0.010UF K C107 C93-1210-05 CHIP C 10UF K C108 CE32AU1C390M CHIP EL 39UF 16WV C109 CK73FB1C105K CHIP C 1.0UF K C110 CK73GB1H103K CHIP C 0.010UF K C111 C93-1210-05 CHIP C 10UF K C112 CK73FB1E154K CHIP C 0.15UF K C113 CK73EB1C225K CHIP C 2.2UF K C114 CK73FB1C224K CHIP C 0.22UF K C115 CK73GB1H104K CHIP C 0.10UF K C116 CE32BB0J221M CHIP EL 220UF 6.3WV C118 CK73GB1H103K CHIP C 0.010UF K C210 CK73GB1H103K CHIP C 0.010UF K C211 CK73EB1A475K CHIP C 4.7UF K C230 CK73GB1H103K CHIP C 0.010UF K C231,232 CK73DF1E106Z CHIP C 10UF Z C233 CK73GB1H103K CHIP C 0.010UF K C234 CC73HCH1H560J CHIP C 56PF J C301,302 CK73DF1E106Z CHIP C 10UF Z C303 CK73GB1H103K CHIP C 0.010UF K C304 CK73GB1H104K CHIP C 0.10UF K C305,306 CK73GB1H103K CHIP C 0.010UF K C307 CE32BB0J221M CHIP EL 220UF 6.3WV C308 CK73GB1H103K CHIP C 0.010UF K C309 CC73HCH1H100D CHIP C 10PF D C310 CK73HB1H561K CHIP C 560PF K C311 CK73HB1C103K CHIP C 0.010UF K C312 CK73GB1H103K CHIP C 0.010UF K C313,314 CK73HB1C103K CHIP C 0.010UF K C315,316 CK73GB1H104K CHIP C 0.10UF K C317 CK73HB1C103K CHIP C 0.010UF K C318,319 CK73GB1H104K CHIP C 0.10UF K C320 CC73HCH1H560J CHIP C 56PF J C321 CK73GB1H104K CHIP C 0.10UF K C322 CC73GCH1E102J CHIP C 1000PF J C323 CC73HCH1H101J CHIP C 100PF J C324,325 CK73HB1C103K CHIP C 0.010UF K C326 CC73GCH1H681J CHIP C 680PF J C327,328 CK73GB1H104K CHIP C 0.10UF K C329 CC73HCH1H390J CHIP C 39PF J C330 CE32BB0J221M CHIP EL 220UF 6.3WV C331,332 CC73HCH1H390J CHIP C 39PF J C333 CK73GB1H104K CHIP C 0.10UF K C334 CK73GB1H103K CHIP C 0.010UF K C335,336 CK73GB1H104K CHIP C 0.10UF K C338 CK73DF1C106Z CHIP C 10UF Z C339 CK73HB1C103K CHIP C 0.010UF K C401 CK73HB1H102K CHIP C 1000PF K C421,422 CK73FB1C105K CHIP C 1.0UF K C423 CK73EB0J106K CHIP C 10UF K C424 CK73HB1C103K CHIP C 0.010UF K C425 CK73FB1C105K CHIP C 1.0UF K C426 CK73EB1E105K CHIP C 1.0UF K C427 CK73FB1A225K CHIP C 2.2UF K C428 CK73EB0J106K CHIP C 10UF K C501-503 CK73HB1C103K CHIP C 0.010UF K VIDEO UNIT (X35-4280-01) ELECTRIC UNIT (X25-956x-xx) www. xiaoyu163. com QQ 376315150 9 9 2 8 9 4 2 9 8 TEL 13942296513 9 9 2 8 9 4 2 9 8 0 5 1 5 1 3 6 7 3 Q Q TEL 13942296513 QQ 376315150 892498299 TEL 13942296513 QQ 376315150 892498299 87 KVT-915DVD,925DVD,935DVD KVT-945DVD,965DVD Indicates safety critical components. ✽ New parts Parts without Parts No. are not supplied. Les articles non mentionnes dans le Parts No. ne sont pas fournis. Teile ohne Parts No. werden nicht geliefert. Ref. No. A d d N e w Parts No. Description Desti- nation Ref. No. A d d N e w Parts No. Description Desti- nation K : KVT-915DVD R1 : KVT-915DVD E1 : KVT-925DVD W1 : KVT-925DVD M1: KVT-935DVD H1 : KVT-935DVD X1 : KVT-945DVD C1 : KVT-965DVD PARTS LIST C504 CK73EB0J106K CHIP C 10UF K C505 CK73HB1H271K CHIP C 270PF K CN1 E40-9797-05 PIN ASSY CN301 E41-0341-05 FLAT CABLE CONNECTOR CN302 E41-0133-05 FLAT CABLE CONNECTOR CN303 E41-0404-05 FLAT CABLE CONNECTOR CN304 E40-9623-05 FLAT CABLE CONNECTOR CN305 E40-9708-05 PIN ASSY CN501 ✽ E41-2087-05 FLAT CABLE CONNECTOR CN502 E41-0133-05 FLAT CABLE CONNECTOR CN503 E41-0455-05 FLAT CABLE CONNECTOR CN601 E41-0340-05 FLAT CABLE CONNECTOR P1,2 ✽ E29-1963-05 PINCHER TIP F1 F53-0251-05 FUSE CF308 L72-0786-05 CERAMIC FILTER L1 L19-0727-05 TRANSFORMER FOR CONVERTER L101,102 L41-3392-13 SMALL FIXED INDUCTOR L103 L41-4792-13 SMALL FIXED INDUCTOR L104-106 L40-1001-78 SMALL FIXED INDUCTOR (10UH) L301-303 L79-0982-05 LC FILTER L306 L40-5695-34 SMALL FIXED INDUCTOR (5.6UH) L309 L79-0982-05 LC FILTER L401 L40-1001-78 SMALL FIXED INDUCTOR (10UH) L501 L40-1001-78 SMALL FIXED INDUCTOR (10UH) CP301,302 R90-1094-05 MULTI-COMP 1K X4 CP303 R90-1524-05 MULTI-COMP 220 X4 R1 RK73HB1J512J CHIP R 5.1K J 1/16W R3 RK73HB1J220J CHIP R 22 J 1/16W R4 RN73GH1J153D CHIP R 15K D 1/16W R5 RK73HB1J153J CHIP R 15K J 1/16W R6 RN73GH1J623D CHIP R 62K D 1/16W R7 RK73HB1J220J CHIP R 22 J 1/16W R8 RK73HB1J512J CHIP R 5.1K J 1/16W R9 RK73GH1J244D CHIP R 240K D 1/16W R10 RK73HB1J331J CHIP R 330 J 1/16W R11 RK73HB1J220J CHIP R 22 J 1/16W R12 RK73HB1J105J CHIP R 1.0M J 1/16W R13 RK73HB1J220J CHIP R 22 J 1/16W R14 RN73GH1J4220D CHIP R 422.0 D 1/16W R15 RN73GH1J513D CHIP R 51K D 1/16W R16,17 RK73HB1J220J CHIP R 22 J 1/16W R18 RK73HB1J222J CHIP R 2.2K J 1/16W R101 RK73GH1J104D CHIP R 100K D 1/16W R102 RK73GH1J113D CHIP R 11K D 1/16W R103 RK73GH1J184D CHIP R 180K D 1/16W R104 RK73GH1J133D CHIP R 13K D 1/16W R105 RK73HB1J473J CHIP R 47K J 1/16W R106 RK73HB1J103J CHIP R 10K J 1/16W R218 RK73HB1J222J CHIP R 2.2K J 1/16W R219 RK73HB1J513J CHIP R 51K J 1/16W R234 RN73GH1J472D CHIP R 4.7K D 1/16W R235 RN73GH1J912D CHIP R 9.1K D 1/16W R236 RN73GH1J222D CHIP R 2.2K D 1/16W R239 RK73HB1J123J CHIP R 12K J 1/16W R240 RK73HB1J220J CHIP R 22 J 1/16W R241 RK73HB1J123J CHIP R 12K J 1/16W R242 RK73HB1J220J CHIP R 22 J 1/16W R253 RK73HB1J000J CHIP R 0.0 J 1/16W R307 RK73HB1J101J CHIP R 100 J 1/16W R308 RK73HB1J621J CHIP R 620 J 1/16W R311 RK73HB1J000J CHIP R 0.0 J 1/16W R313 RK73HB1J000J CHIP R 0.0 J 1/16W R314,315 RK73HB1J103J CHIP R 10K J 1/16W R316 RK73HB1J102J CHIP R 1.0K J 1/16W R318 RK73HB1J102J CHIP R 1.0K J 1/16W R320 RK73HB1J000J CHIP R 0.0 J 1/16W R321 RK73HB1J472J CHIP R 4.7K J 1/16W R323 RK73HB1J000J CHIP R 0.0 J 1/16W R324,325 RK73HB1J472J CHIP R 4.7K J 1/16W R326 RK73HB1J473J CHIP R 47K J 1/16W R327 RK73HB1J683J CHIP R 68K J 1/16W R328 RK73HB1J153J CHIP R 15K J 1/16W R329 RK73HB1J101J CHIP R 100 J 1/16W R330 RK73HB1J182J CHIP R 1.8K J 1/16W R331 RK73HB1J331J CHIP R 330 J 1/16W R332 RK73HB1J332J CHIP R 3.3K J 1/16W R333-335 RK73HB1J000J CHIP R 0.0 J 1/16W R337,338 RK73HB1J101J CHIP R 100 J 1/16W R339 RK73HB1J102J CHIP R 1.0K J 1/16W R340-344 RK73HB1J101J CHIP R 100 J 1/16W R345 RK73HB1J683J CHIP R 68K J 1/16W R346 RK73HB1J105J CHIP R 1.0M J 1/16W R347 RK73HB1J153J CHIP R 15K J 1/16W R348 RK73HB1J362J CHIP R 3.6K J 1/16W R349 RK73HB1J103J CHIP R 10K J 1/16W R350-352 RK73HB1J101J CHIP R 100 J 1/16W R353 RK73HB1J100J CHIP R 10 J 1/16W R359,360 RK73HB1J100J CHIP R 10 J 1/16W R361 RK73GB2A562J CHIP R 5.6K J 1/10W R362 RK73HB1J000J CHIP R 0.0 J 1/16W R367-369 RK73HB1J000J CHIP R 0.0 J 1/16W R371 RK73HB1J000J CHIP R 0.0 J 1/16W R373,374 RK73HB1J561J CHIP R 560 J 1/16W R401 RK73HB1J000J CHIP R 0.0 J 1/16W R402 RK73HB1J432J CHIP R 4.3K J 1/16W R403 RK73HB1J912J CHIP R 9.1K J 1/16W R404 RK73HB1J303J CHIP R 30K J 1/16W R421 RK73HB1J000J CHIP R 0.0 J 1/16W R422 RK73HB1J154J CHIP R 150K J 1/16W R423 RK73HB1J104J CHIP R 100K J 1/16W R441 RK73GB2A681J CHIP R 680 J 1/10W R451,452 RK73HB1J000J CHIP R 0.0 J 1/16W R453 RK73GB2A681J CHIP R 680 J 1/10W R454 RK73GB2A331J CHIP R 330 J 1/10W R455 RK73HB1J000J CHIP R 0.0 J 1/16W R456 RK73GB2A331J CHIP R 330 J 1/10W R501,502 RK73HB1J333J CHIP R 33K J 1/16W R503-506 RK73EB2E100J CHIP R 10 J 1/4W VIDEO UNIT (X35-4280-01) www. xiaoyu163. com QQ 376315150 9 9 2 8 9 4 2 9 8 TEL 13942296513 9 9 2 8 9 4 2 9 8 0 5 1 5 1 3 6 7 3 Q Q TEL 13942296513 QQ 376315150 892498299 TEL 13942296513 QQ 376315150 892498299 88 KVT-915DVD,925DVD,935DVD KVT-945DVD,965DVD Indicates safety critical components. ✽ New parts Parts without Parts No. are not supplied. Les articles non mentionnes dans le Parts No. ne sont pas fournis. Teile ohne Parts No. werden nicht geliefert. Ref. No. A d d N e w Parts No. Description Desti- nation Ref. No. A d d N e w Parts No. Description Desti- nation K : KVT-915DVD R1 : KVT-915DVD E1 : KVT-925DVD W1 : KVT-925DVD M1: KVT-935DVD H1 : KVT-935DVD X1 : KVT-945DVD C1 : KVT-965DVD PARTS LIST R641 RK73GB2A621J CHIP R 620 J 1/10W R642 RK73HB1J391J CHIP R 390 J 1/16W R651 RK73HB1J000J CHIP R 0.0 J 1/16W R652 RK73FB2B471J CHIP R 470 J 1/8W R654 RK73GB2A301J CHIP R 300 J 1/10W VR203 R32-0235-05 SEMI FIXED VARIABLE RESISTOR VR301 R32-0245-05 SEMI FIXED VARIABLE RESISTOR W107 R92-2052-05 CHIP R 0 OHM J 1/10W W216,217 R92-2052-05 CHIP R 0 OHM J 1/10W W301-304 R92-1252-05 CHIP R 0 OHM J 1/16W W310 R92-1252-05 CHIP R 0 OHM J 1/16W W354-358 R92-1252-05 CHIP R 0 OHM J 1/16W S401-404 S70-0856-05 TACT SWITCH S601-603 S70-0856-05 TACT SWITCH D1,2 MA8047-M ZENER DIODE D3 MA115 DIODE D4,5 DA204U DIODE D6 MA2S784 DIODE D7 MA8056-M ZENER DIODE D8 1608SGXA ZENER DIODE D9 DA204U DIODE D10 ✽ AVRM1005270MAA VARISTOR D101 ✽ MA2ZD18 DIODE D102-104 MA2S784 DIODE D301 MA8051-M ZENER DIODE D302,303 DA204U DIODE D304 MA8051-M ZENER DIODE D309 1SV231 VARIABLE CAPACITANCE DIODE D310-313 1608SGXA ZENER DIODE D314 DA204U DIODE D401 1608SGXA ZENER DIODE D403-410 AVRM1608180M6A VARISTOR D501-504 MA8051-M ZENER DIODE IC1 OZ960IS-C ANALOGUE IC IC101 LT1947 ANALOGUE IC IC203 TA75W558FU ANALOGUE IC IC301 TC200G02AF0104 MOS-IC IC302 TC7SH08FU MOS-IC IC303 NJM2107F ANALOGUE IC IC304 TC7WH14FU MOS-IC IC401 TPS819 ANALOGUE IC Q1 2SC4081 TRANSISTOR Q2,3 SI5513DC DUAL FET Q5 2SC4081 TRANSISTOR Q201 IMZ1A DUAL TRANSISTOR Q202 2SD601A TRANSISTOR Q203 2SB709A TRANSISTOR Q301 2SC4097 TRANSISTOR Q501 DTC124EE DIGITAL TRANSISTOR Q502,503 ✽ PUMD10 DUAL TRANSISTOR Q601 DTC124EE DIGITAL TRANSISTOR C1 CK73FB0J106M CHIP C 10UF M C2 CK73HB1A104K CHIP C 0.10UF K C3,4 CK73FB0J106M CHIP C 10UF M C5 CK73HB1A104K CHIP C 0.10UF K C6 CC73HCH1E221J CHIP C 220PF J C7 CK73HB1A104K CHIP C 0.10UF K C8 CK73FB0J106M CHIP C 10UF M C9,10 CK73HB1A104K CHIP C 0.10UF K C11 CK73HB1H332K CHIP C 3300PF K C12 CK73HB1A104K CHIP C 0.10UF K C13 CK73FB0J106M CHIP C 10UF M C14 C92-1792-05 CHIP C 22UF M C15 CK73HB1C103K CHIP C 0.010UF K C17 CC73GCH1H471J CHIP C 470PF J C18 CK73HB1A104K CHIP C 0.10UF K C19 CC73GCH1H471J CHIP C 470PF J C20 CK73HB1A333K CHIP C 0.033UF K C21 CK73HB1A473K CHIP C 0.047UF K C22-24 CK73HB1A104K CHIP C 0.10UF K C25,26 C93-1215-05 CHIP C 10UF M C27 CK73HB1A104K CHIP C 0.10UF K C31 C92-1685-05 CHIP C 47UF M C32,33 CC73GCH1E102J CHIP C 1000PF J C34,35 CC73GCH1H681J CHIP C 680PF J C36 CK73HB1H222K CHIP C 2200PF K C37 CC73GCH1H331J CHIP C 330PF J C38,39 CK73HB1C103K CHIP C 0.010UF K C40,41 CK73HB1A104K CHIP C 0.10UF K C42 CK73HB1C223K CHIP C 0.022UF K C43 CC73HCH1H470J CHIP C 47PF J C44 CC73GCH1H681J CHIP C 680PF J C45 CK73HB1E682K CHIP C 6800PF K C46 CK73HB1A104K CHIP C 0.10UF K C47 CC73GCH1E102J CHIP C 1000PF J C48-50 CK73HB1A104K CHIP C 0.10UF K C51 C93-1271-05 CHIP C 0.10UF M C52-55 CK73HB1A104K CHIP C 0.10UF K C56,57 C93-1271-05 CHIP C 0.10UF M C58-60 CK73HB1A104K CHIP C 0.10UF K C62 CK73HB1A104K CHIP C 0.10UF K C63 C93-1271-05 CHIP C 0.10UF M C64,65 CK73HB1C103K CHIP C 0.010UF K C67 CC73HCH1H220J CHIP C 22PF J C68 CC73HCH1H150J CHIP C 15PF J C69-73 CK73HB1A104K CHIP C 0.10UF K C74 CK73EB1A106K CHIP C 10UF K C75,76 CK73HB1C103K CHIP C 0.010UF K C77 CK73HB1A104K CHIP C 0.10UF K C78 CC73GCH1H331J CHIP C 330PF J C79-81 CK73HB1C103K CHIP C 0.010UF K C82 CK73HB1A104K CHIP C 0.10UF K C83 CC73HCH1E221J CHIP C 220PF J C84 CC73HCH1H101J CHIP C 100PF J C85 C92-1684-05 CHIP C 82UF K C87,88 CK73HB1C103K CHIP C 0.010UF K C89 CK73FB0J106M CHIP C 10UF M DVD PLAYER UNIT (X37-1020-04) VIDEO UNIT (X35-4280-01) www. xiaoyu163. com QQ 376315150 9 9 2 8 9 4 2 9 8 TEL 13942296513 9 9 2 8 9 4 2 9 8 0 5 1 5 1 3 6 7 3 Q Q TEL 13942296513 QQ 376315150 892498299 TEL 13942296513 QQ 376315150 892498299 89 KVT-915DVD,925DVD,935DVD KVT-945DVD,965DVD Indicates safety critical components. ✽ New parts Parts without Parts No. are not supplied. Les articles non mentionnes dans le Parts No. ne sont pas fournis. Teile ohne Parts No. werden nicht geliefert. Ref. No. A d d N e w Parts No. Description Desti- nation Ref. No. A d d N e w Parts No. Description Desti- nation K : KVT-915DVD R1 : KVT-915DVD E1 : KVT-925DVD W1 : KVT-925DVD M1: KVT-935DVD H1 : KVT-935DVD X1 : KVT-945DVD C1 : KVT-965DVD PARTS LIST C90-95 CK73HB1A104K CHIP C 0.10UF K C96 CK73GB1A224K CHIP C 0.22UF K C97,98 CK73HB1A104K CHIP C 0.10UF K C99 C92-1685-05 CHIP C 47UF M C100 CK73GB0J105K CHIP C 1.0UF K C101 CK73HB1C103K CHIP C 0.010UF K C102 CK73FB0J106M CHIP C 10UF M C103 CK73FB1A225K CHIP C 2.2UF K C104 CK73HB1A104K CHIP C 0.10UF K C106 CK73HB1A104K CHIP C 0.10UF K C107 CK73GB0J105K CHIP C 1.0UF K C108 C93-1228-05 CHIP C 10UF M C110-113 CC73HCH1H470J CHIP C 47PF J C114,115 CK73FB1A225K CHIP C 2.2UF K C116 CK73GB1A224K CHIP C 0.22UF K C117 CK73HB1C223K CHIP C 0.022UF K C119 CK73EB0J226K CHIP C 22UF K C123 CC73HCH1H470J CHIP C 47PF J C125-134 CK73HB1C103K CHIP C 0.010UF K C135,136 CC73HCH1H050C CHIP C 5.0PF C C137 CK73HB1H102K CHIP C 1000PF K C138 CK73EB1A106K CHIP C 10UF K CN1 E41-0273-05 FLAT CABLE CONNECTOR (30PIN) CN2 E41-0271-05 FLAT CABLE CONNECTOR (4PIN) CN3 E41-0272-05 FLAT CABLE CONNECTOR (11PIN) CN4 E41-0312-05 FLAT CABLE CONNECTOR (50PIN) CN5 E41-0335-05 FLAT CABLE CONNECTOR (4PIN) L1 L92-0365-05 CHIP FERRITE L2 L92-0329-05 CHIP FERRITE L3-8 L92-0365-05 CHIP FERRITE L10-13 L92-0365-05 CHIP FERRITE L16-18 L92-0365-05 CHIP FERRITE L21-27 L92-0365-05 CHIP FERRITE L28 L92-0375-05 CHIP FERRITE X1 L77-2808-05 CRYSTAL RESONATOR (16.897849MHZ) CP1 RK74HB1J102J CHIP-COM 1.0K J 1/16W CP3 RK74HB1J472J CHIP-COM 4.7K J 1/16W CP4-8 RK74HB1J220J CHIP-COM 22 J 1/16W CP9 RK74HB1J820J CHIP-COM 82 J 1/16W CP11 R90-0726-05 MULTI-COMP 10K X2 CP12 RK74HB1J472J CHIP-COM 4.7K J 1/16W CP13-16 RK74HB1J103J CHIP-COM 10K J 1/16W R3,4 RK73GH1J103D CHIP R 10K D 1/16W R5 RK73GB2A4R7J CHIP R 4.7 J 1/10W R6 RK73GB2A100J CHIP R 10 J 1/10W R7,8 RK73HB1J273J CHIP R 27K J 1/16W R9 RK73GH1J223D CHIP R 22K D 1/16W R10 RK73GH1J392D CHIP R 3.9K D 1/16W R11 RK73GH1J183D CHIP R 18K D 1/16W R12 RK73GB2A4R7J CHIP R 4.7 J 1/10W R13,14 RK73HB1J125J CHIP R 1.2M J 1/16W R15 RK73GB2A200J CHIP R 20 J 1/10W R16 R92-3409-05 CHIP R 6.8 F 1/4W R17 R92-3350-05 CHIP R 2.2 F 1/10W R18 RK73GH1J221D CHIP R 220 D 1/16W R19 RK73HB1J100J CHIP R 10 J 1/16W R27,28 RK73HB1J472J CHIP R 4.7K J 1/16W R29 RK73HB1J103J CHIP R 10K J 1/16W R30 RK73HB1J473J CHIP R 47K J 1/16W R31 RK73HB1J102J CHIP R 1.0K J 1/16W R32 RK73GH1J153D CHIP R 15K D 1/16W R33 RK73HB1J105J CHIP R 1.0M J 1/16W R36 RK73HB1J103J CHIP R 10K J 1/16W R37 RK73HB1J273J CHIP R 27K J 1/16W R38 RK73HB1J472J CHIP R 4.7K J 1/16W R39 RK73HB1J273J CHIP R 27K J 1/16W R40 RK73HB1J472J CHIP R 4.7K J 1/16W R41 RK73HB1J103J CHIP R 10K J 1/16W R42 RK73HB1J105J CHIP R 1.0M J 1/16W R43 RK73HB1J152J CHIP R 1.5K J 1/16W R44 RK73HB1J202J CHIP R 2.0K J 1/16W R45 RK73GH1J183D CHIP R 18K D 1/16W R46 RK73GB2A752J CHIP R 7.5K J 1/10W R47 RK73GH1J103D CHIP R 10K D 1/16W R48 R92-3353-05 CHIP R 1.0 F 1/8W R53 R92-3353-05 CHIP R 1.0 F 1/8W R54 R92-3348-05 CHIP R 0.47 F 1/2W R55,56 RK73GB2A820J CHIP R 82 J 1/10W R57 RK73GB2A391J CHIP R 390 J 1/10W R58,59 RK73GB2A103J CHIP R 10K J 1/10W R60 RK73GB2A472J CHIP R 4.7K J 1/10W R61 RK73GB2A153J CHIP R 15K J 1/10W R62,63 RK73GH1J153D CHIP R 15K D 1/16W R64 RK73GH1J303D CHIP R 30K D 1/16W R65 RK73GH1J183D CHIP R 18K D 1/16W R66,67 RK73GH1J153D CHIP R 15K D 1/16W R68 RK73GH1J513D CHIP R 51K D 1/16W R71 RK73GH1J202D CHIP R 2.0K D 1/16W R72 RK73GH1J123D CHIP R 12K D 1/16W R73 RK73HB1J103J CHIP R 10K J 1/16W R74 RK73HB1J472J CHIP R 4.7K J 1/16W R75-79 RK73HB1J132J CHIP R 1.3K J 1/16W R80-83 RK73HB1J103J CHIP R 10K J 1/16W R88 RK73HB1J103J CHIP R 10K J 1/16W R89 RK73HB1J820J CHIP R 82 J 1/16W R90 RK73HB1J103J CHIP R 10K J 1/16W R91 RK73HB1J220J CHIP R 22 J 1/16W R92 RK73HB1J820J CHIP R 82 J 1/16W R93 RK73HB1J103J CHIP R 10K J 1/16W R94,95 RK73HB1J820J CHIP R 82 J 1/16W R101 RK73HB1J103J CHIP R 10K J 1/16W R103-106 RK73HB1J220J CHIP R 22 J 1/16W R107,108 RK73HB1J103J CHIP R 10K J 1/16W R109 RK73HB1J332J CHIP R 3.3K J 1/16W R110 RK73HB1J473J CHIP R 47K J 1/16W R111 RK73GB2A150J CHIP R 15 J 1/10W R112,113 RK73HB1J221J CHIP R 220 J 1/16W R114 RK73HB1J220J CHIP R 22 J 1/16W R117 RK73GB2A752J CHIP R 7.5K J 1/10W DVD PLAYER UNIT (X37-1020-04) www. xiaoyu163. com QQ 376315150 9 9 2 8 9 4 2 9 8 TEL 13942296513 9 9 2 8 9 4 2 9 8 0 5 1 5 1 3 6 7 3 Q Q TEL 13942296513 QQ 376315150 892498299 TEL 13942296513 QQ 376315150 892498299 90 KVT-915DVD,925DVD,935DVD KVT-945DVD,965DVD Indicates safety critical components. ✽ New parts Parts without Parts No. are not supplied. Les articles non mentionnes dans le Parts No. ne sont pas fournis. Teile ohne Parts No. werden nicht geliefert. Ref. No. A d d N e w Parts No. Description Desti- nation Ref. No. A d d N e w Parts No. Description Desti- nation K : KVT-915DVD R1 : KVT-915DVD E1 : KVT-925DVD W1 : KVT-925DVD M1: KVT-935DVD H1 : KVT-935DVD X1 : KVT-945DVD C1 : KVT-965DVD PARTS LIST R119,120 RK73HB1J510J CHIP R 51 J 1/16W R121,122 RK73HB1J103J CHIP R 10K J 1/16W R123 R92-3385-05 CHIP R 8.2 F 1/10W R124 RK73HB1J103J CHIP R 10K J 1/16W R126,127 RK73HB1J104J CHIP R 100K J 1/16W R128,129 RK73HB1J472J CHIP R 4.7K J 1/16W R130 RK73HB1J751J CHIP R 750 J 1/16W R131-143 RK73HB1J103J CHIP R 10K J 1/16W W1-3 R92-1252-05 CHIP R 0 OHM J 1/16W S4 S68-0874-05 PUSH SWITCH S5 S68-0866-05 PUSH SWITCH D1,2 MAZS0510M ZENER DIODE D3-5 MA2J729 DIODE D6 MAZS0560M ZENER DIODE D7 MA4ZD03 DIODE D8 MA142WA DIODE IC1 AN8703FH ANALOGUE IC IC2 NJU7042 ANALOGUE IC IC4 MN103S26E MOS-IC IC4 MN103S26E2 MOS-IC IC5 S-80829CLBB ANALOGUE IC IC6 LA6505 ANALOGUE IC IC7 DF2328VTE250S0 MICROCONTROLLER IC IC8 S-80815CLBB ANALOGUE IC IC9 UPC2918T ANALOGUE IC IC10 NJM2880U33 ANALOGUE IC IC11 S-24C04BMFN MEMORY IC IC12 HD74LV2G66A MOS-IC Q1 2SB0970 TRANSISTOR Q2 MCH6101-E TRANSISTOR Q3 2SJ0536 FET Q4 UN5114 DIGITAL TRANSISTOR Q5 UN5214 DIGITAL TRANSISTOR Q6 2SD1819A TRANSISTOR Q9 UN5114 DIGITAL TRANSISTOR Q10 UN5214 DIGITAL TRANSISTOR Q13 UN5114 DIGITAL TRANSISTOR Q15 UN5114 DIGITAL TRANSISTOR TH1 TH11-3H103FT THERMISTOR C1-4 CC73GCH1H101J CHIP C 100PF J C5 CK73GB1H103K CHIP C 0.010UF K C6,7 CC73GCH1H101J CHIP C 100PF J C8 CK73GB1C104K CHIP C 0.10UF K E1W1 C8 CK73GB1H104K CHIP C 0.10UF K E1W1 C9,10 CC73GCH1H101J CHIP C 100PF J C11 CK73GB1H103K CHIP C 0.010UF K K1R1M1 C11 CK73GB1H103K CHIP C 0.010UF K H1X1C1 C11-14 CK73GB1H103K CHIP C 0.010UF K E1W1 C15-18 CK73GB1H102K CHIP C 1000PF K C19 CK73GB1E223K CHIP C 0.022UF K C19 CK73GB1H223K CHIP C 0.022UF K C20 CK73GB1H472K CHIP C 4700PF K C21 CK73GB1H332K CHIP C 3300PF K C22,23 CK73GB1H103K CHIP C 0.010UF K C24 C94-0032-05 ELECTRO 47UF 6.3WV C25 CC73GCH1H330J CHIP C 33PF J C26,27 CK73GB1H222K CHIP C 2200PF K E1W1M1 C26,27 CK73GB1H222K CHIP C 2200PF K X1C1 C28 CK73GB1H103K CHIP C 0.010UF K C29-32 CC73GCH1H101J CHIP C 100PF J C33 CK73GB1H222K CHIP C 2200PF K E1W1M1 C33 CK73GB1H222K CHIP C 2200PF K X1C1 C34,35 CK73GB1H103K CHIP C 0.010UF K E1W1M1 C34,35 CK73GB1H103K CHIP C 0.010UF K X1C1 C38 CK73GB1H103K CHIP C 0.010UF K C39 CK73GB1H222K CHIP C 2200PF K C40 CK73GB1H102K CHIP C 1000PF K C41 C94-0054-05 ELECTRO 4.7UF 50WV C42 CK73GB1H103K CHIP C 0.010UF K C43 C94-0032-05 ELECTRO 47UF 6.3WV C44 CK73GB1H103K CHIP C 0.010UF K C45,46 C90-5573-05 ELECTRO 220UF 10WV C47 CK73GB1H222K CHIP C 2200PF K C48 C94-0040-05 ELECTRO 22UF 16WV C49 CK73GB1H103K CHIP C 0.010UF K C50,51 C94-0054-05 ELECTRO 4.7UF 50WV C52 C94-0041-05 ELECTRO 33UF 16WV C53-56 CC73GCH1H101J CHIP C 100PF J C57 CK73GB1H103K CHIP C 0.010UF K C101 CC73GCH1H221J CHIP C 220PF J C102 CK73GB1H103K CHIP C 0.010UF K C103 CK73GB1E223K CHIP C 0.022UF K C103 CK73GB1H223K CHIP C 0.022UF K C104,105 CK73GB1C104K CHIP C 0.10UF K C104,105 CK73GB1H104K CHIP C 0.10UF K C106 CK73GB1H103K CHIP C 0.010UF K C107 CK73GB1C104K CHIP C 0.10UF K C107 CK73GB1H104K CHIP C 0.10UF K C108 CK73GB1H103K CHIP C 0.010UF K C109 CK73GB1E223K CHIP C 0.022UF K C109 CK73GB1H223K CHIP C 0.022UF K C110,111 CK73GB1C104K CHIP C 0.10UF K C110,111 CK73GB1H104K CHIP C 0.10UF K C112 CC73GCH1H100D CHIP C 10PF D K1R1H1 C112,113 CC73GCH1H100D CHIP C 10PF D E1W1M1 C112,113 CC73GCH1H100D CHIP C 10PF D X1C1 C114 CK73GB1C104K CHIP C 0.10UF K C114 CK73GB1H104K CHIP C 0.10UF K C115 CC73GCH1H560J CHIP C 56PF J C116 CK73GB1H222K CHIP C 2200PF K E1W1 C117 CC73GCH1H220J CHIP C 22PF J E1W1 C118 CK73GB1H102K CHIP C 1000PF K E1W1M1 C118 CK73GB1H102K CHIP C 1000PF K X1C1 C119 CK73GB1H103K CHIP C 0.010UF K K1R1H1 C120 C94-0042-05 ELECTRO 47UF 16WV C121 CK73GB1H103K CHIP C 0.010UF K C122 CK73GB1E473K CHIP C 0.047UF K C122 CK73GB1H473K CHIP C 0.047UF K TUNER UNIT (X86-367x-xx) DVD PLAYER UNIT (X37-1020-04) www. xiaoyu163. com QQ 376315150 9 9 2 8 9 4 2 9 8 TEL 13942296513 9 9 2 8 9 4 2 9 8 0 5 1 5 1 3 6 7 3 Q Q TEL 13942296513 QQ 376315150 892498299 TEL 13942296513 QQ 376315150 892498299 91 KVT-915DVD,925DVD,935DVD KVT-945DVD,965DVD Indicates safety critical components. ✽ New parts Parts without Parts No. are not supplied. Les articles non mentionnes dans le Parts No. ne sont pas fournis. Teile ohne Parts No. werden nicht geliefert. Ref. No. A d d N e w Parts No. Description Desti- nation Ref. No. A d d N e w Parts No. Description Desti- nation K : KVT-915DVD R1 : KVT-915DVD E1 : KVT-925DVD W1 : KVT-925DVD M1: KVT-935DVD H1 : KVT-935DVD X1 : KVT-945DVD C1 : KVT-965DVD PARTS LIST C123 CK73GB1H103K CHIP C 0.010UF K C124 C94-0042-05 ELECTRO 47UF 16WV K1R1H1 C125 CK73GB1A474K CHIP C 0.47UF K E1W1 C125 CK73GB1E473K CHIP C 0.047UF K K1R1M1 C125 CK73GB1E473K CHIP C 0.047UF K H1X1C1 C125 CK73GB1H473K CHIP C 0.047UF K K1R1M1 C125 CK73GB1H473K CHIP C 0.047UF K H1X1C1 C126 CK73GB1C104K CHIP C 0.10UF K C126 CK73GB1H104K CHIP C 0.10UF K C127 CC73GCH1H471J CHIP C 470PF J C128 CK73GB1H472K CHIP C 4700PF K C129 CC73GCH1H560J CHIP C 56PF J M1X1C1 C130 CC73GCH1H330J CHIP C 33PF J C131 CC73GCH1H270J CHIP C 27PF J C132 CK73GB1H102K CHIP C 1000PF K C133 CK73GB1C104K CHIP C 0.10UF K C133 CK73GB1H104K CHIP C 0.10UF K C134 C94-0051-05 ELECTRO 1UF 50WV C135 CK73GB1H222K CHIP C 2200PF K C136 CK73GB1A224K CHIP C 0.22UF K C137 CK73GB1H472K CHIP C 4700PF K C138 C94-0051-05 ELECTRO 1UF 50WV C139 CK73GB1E473K CHIP C 0.047UF K C139 CK73GB1H473K CHIP C 0.047UF K C140 CK73GB1A224K CHIP C 0.22UF K C141-143 CK73GB1H103K CHIP C 0.010UF K C144 C94-0161-05 ELECTRO 0.47UF 50WV C145 CC73GCH1H100D CHIP C 10PF D C146 C94-0042-05 ELECTRO 47UF 16WV C147 CK73GB1C104K CHIP C 0.10UF K C147 CK73GB1H104K CHIP C 0.10UF K C148 CK73GB1E223K CHIP C 0.022UF K C148 CK73GB1H223K CHIP C 0.022UF K C149 C94-0052-05 ELECTRO 2.2UF 50WV C150 CK73GB1H103K CHIP C 0.010UF K C151 CK73GB1C104K CHIP C 0.10UF K C151 CK73GB1H104K CHIP C 0.10UF K C152,153 CK73GB1H102K CHIP C 1000PF K C154 CK73GB1C104K CHIP C 0.10UF K C154 CK73GB1H104K CHIP C 0.10UF K C155 CC73GCH1H101J CHIP C 100PF J E1W1M1 C155 CC73GCH1H101J CHIP C 100PF J X1C1 C156 CK73GB1H103K CHIP C 0.010UF K K1R1H1 C157 CK73GB1A224K CHIP C 0.22UF K E1W1M1 C157 CK73GB1A224K CHIP C 0.22UF K X1C1 C201 C94-0039-05 ELECTRO 10UF 16WV E1W1 C202 CK73GB1H103K CHIP C 0.010UF K E1W1 C203 CK73GB1A224K CHIP C 0.22UF K E1W1 C203 CK73GB1A474K CHIP C 0.47UF K K1R1M1 C203 CK73GB1A474K CHIP C 0.47UF K H1X1C1 C204,205 CK73GB1H222K CHIP C 2200PF K E1W1 C206,207 CK73GB1E223K CHIP C 0.022UF K E1W1 C206,207 CK73GB1H223K CHIP C 0.022UF K E1W1 C208 C94-0161-05 ELECTRO 0.47UF 50WV E1W1 C209 C94-0044-05 ELECTRO 4.7UF 25WV E1W1 C210-212 CK73GB1H103K CHIP C 0.010UF K E1W1 C211,212 CK73GB1H103K CHIP C 0.010UF K K1R1M1 C211,212 CK73GB1H103K CHIP C 0.010UF K H1X1C1 C213 C94-0039-05 ELECTRO 10UF 16WV C214 CK73GB1H103K CHIP C 0.010UF K C218-220 CK73FB1C105K CHIP C 1.0UF K C221 CK73GB1A474K CHIP C 0.47UF K K1R1M1 C221 CK73GB1A474K CHIP C 0.47UF K H1X1C1 C221 CK73GB1C104K CHIP C 0.10UF K E1W1 C221 CK73GB1H104K CHIP C 0.10UF K E1W1 C224 CK73GB1H103K CHIP C 0.010UF K C225 CK73GB1C104K CHIP C 0.10UF K C225 CK73GB1H104K CHIP C 0.10UF K C226 CC73GCH1H560J CHIP C 56PF J C227 CK73FB1C105K CHIP C 1.0UF K C229,230 CK73GB1H103K CHIP C 0.010UF K C231,232 CK73GB1E223K CHIP C 0.022UF K K1R1H1 C231,232 CK73GB1H153K CHIP C 0.015UF K E1W1M1 C231,232 CK73GB1H153K CHIP C 0.015UF K X1C1 C231,232 CK73GB1H223K CHIP C 0.022UF K K1R1H1 C233-236 CK73GB1H102K CHIP C 1000PF K C237,238 CC73GCH1H121J CHIP C 120PF J C239,240 CK73GB1H102K CHIP C 1000PF K C241,242 CK73GB1H103K CHIP C 0.010UF K C243 C94-0042-05 ELECTRO 47UF 16WV C245,246 CK73GB1A474K CHIP C 0.47UF K CN1 E40-9636-05 FLAT CABLE CONNECTOR CN2 E40-9184-05 PIN ASSY CN3 E40-3640-05 PIN ASSY J1-4 E11-0625-05 PHONE JACK (LGY6502-0900) CF1 ✽ L72-0794-05 CERAMIC FILTER K1R1H1 CF2 L72-0758-05 CERAMIC FILTER E1W1M1 CF2 L72-0758-05 CERAMIC FILTER X1C1 CF3 L72-0774-05 CERAMIC FILTER E1W1M1 CF3 L72-0774-05 CERAMIC FILTER X1C1 CF101 L72-0742-05 CERAMIC FILTER CF102 L72-0792-05 CERAMIC FILTER K1R1H1 CF103 L72-0751-05 CERAMIC FILTER E1W1M1 CF103 L72-0751-05 CERAMIC FILTER X1C1 L1 L40-1585-34 SMALL FIXED INDUCTOR (0.15UH) L2 L40-5685-34 SMALL FIXED INDUCTOR (0.56UH) L3 L40-1585-34 SMALL FIXED INDUCTOR (0.15UH) L4 L40-5685-34 SMALL FIXED INDUCTOR (0.56UH) L5 L40-1585-34 SMALL FIXED INDUCTOR (0.15UH) L6 L40-5685-34 SMALL FIXED INDUCTOR (0.56UH) L7 L40-1585-34 SMALL FIXED INDUCTOR (0.15UH) L8 L40-5685-34 SMALL FIXED INDUCTOR (0.56UH) L9 L40-6805-34 SMALL FIXED INDUCTOR L10 L92-0329-05 CHIP FERRITE L11 L40-2795-34 SMALL FIXED INDUCTOR (2.7UH) E1W1M1 L11 L40-2795-34 SMALL FIXED INDUCTOR (2.7UH) X1C1 L12,13 L40-1295-34 SMALL FIXED INDUCTOR E1W1M1 L12,13 L40-1295-34 SMALL FIXED INDUCTOR X1C1 L13,14 L40-1095-34 SMALL FIXED INDUCTOR (1UH) K1R1H1 TUNER UNIT (X86-367x-xx) www. xiaoyu163. com QQ 376315150 9 9 2 8 9 4 2 9 8 TEL 13942296513 9 9 2 8 9 4 2 9 8 0 5 1 5 1 3 6 7 3 Q Q TEL 13942296513 QQ 376315150 892498299 TEL 13942296513 QQ 376315150 892498299 92 KVT-915DVD,925DVD,935DVD KVT-945DVD,965DVD Indicates safety critical components. ✽ New parts Parts without Parts No. are not supplied. Les articles non mentionnes dans le Parts No. ne sont pas fournis. Teile ohne Parts No. werden nicht geliefert. Ref. No. A d d N e w Parts No. Description Desti- nation Ref. No. A d d N e w Parts No. Description Desti- nation K : KVT-915DVD R1 : KVT-915DVD E1 : KVT-925DVD W1 : KVT-925DVD M1: KVT-935DVD H1 : KVT-935DVD X1 : KVT-945DVD C1 : KVT-965DVD PARTS LIST L14 L40-1095-34 SMALL FIXED INDUCTOR (1UH) E1W1M1 L14 L40-1095-34 SMALL FIXED INDUCTOR (1UH) X1C1 L15,16 L40-1005-34 SMALL FIXED INDUCTOR L17 L33-1152-05 CHOKE COIL L101 L30-0756-05 TV IFT L102 L40-1505-34 SMALL FIXED INDUCTOR (15UH) K1R1H1 L103 L30-0745-05 TV IFT K1R1H1 L103 L30-0749-05 TV IFT E1W1M1 L103 L30-0749-05 TV IFT X1C1 L104 L40-1001-78 SMALL FIXED INDUCTOR (10UH) L105 L40-5695-34 SMALL FIXED INDUCTOR (5.6UH) E1W1M1 L105 L40-5695-34 SMALL FIXED INDUCTOR (5.6UH) X1C1 L106 L40-1001-78 SMALL FIXED INDUCTOR (10UH) L108 L40-2285-34 SMALL FIXED INDUCTOR (0.22UH) M1X1C1 L201,202 L40-1005-34 SMALL FIXED INDUCTOR E1W1 L202 L40-1005-34 SMALL FIXED INDUCTOR K1R1M1 L202 L40-1005-34 SMALL FIXED INDUCTOR H1X1C1 X101 L77-2084-05 CRYSTAL RESONATOR (30.55MHZ) K1R1H1 X102 L77-2720-05 CRYSTAL RESONATOR (22.70MHZ) E1W1M1 X102 L77-2720-05 CRYSTAL RESONATOR (22.70MHZ) X1C1 X103 L77-2721-05 CRYSTAL RESONATOR (22.20MHZ) E1W1M1 X103 L77-2721-05 CRYSTAL RESONATOR (22.20MHZ) X1C1 X104 L77-2722-05 CRYSTAL RESONATOR (21.70MHZ) E1W1M1 X104 L77-2722-05 CRYSTAL RESONATOR (21.70MHZ) X1C1 X105 L77-2095-05 CRYSTAL RESONATOR (3.58MHZ) X106 L77-2096-05 CRYSTAL RESONATOR (4.43MHZ) K1E1W1 X106 L77-2096-05 CRYSTAL RESONATOR (4.43MHZ) M1H1X1 X106 L77-2096-05 CRYSTAL RESONATOR (4.43MHZ) C1 X106 ✽ L77-2835-05 CRYSTAL RESONATOR (3.575611MHZ) R1 R1 RK73GB2A471J CHIP R 470 J 1/10W R2-5 RK73GB2A101J CHIP R 100 J 1/10W R6 RK73GB2A472J CHIP R 4.7K J 1/10W E1W1M1 R6 RK73GB2A472J CHIP R 4.7K J 1/10W X1C1 R7 RK73GB2A101J CHIP R 100 J 1/10W R8 RK73GB2A473J CHIP R 47K J 1/10W R9 RK73GB2A333J CHIP R 33K J 1/10W R10 RK73GB2A822J CHIP R 8.2K J 1/10W R11 RK73GB2A223J CHIP R 22K J 1/10W R12-15 RK73GB2A102J CHIP R 1.0K J 1/10W R16 RK73GB2A682J CHIP R 6.8K J 1/10W E1W1M1 R16 RK73GB2A682J CHIP R 6.8K J 1/10W X1C1 R17,18 RK73GB2A103J CHIP R 10K J 1/10W E1W1M1 R17,18 RK73GB2A103J CHIP R 10K J 1/10W X1C1 R19 RK73GB2A222J CHIP R 2.2K J 1/10W E1W1M1 R19 RK73GB2A222J CHIP R 2.2K J 1/10W X1C1 R20 RK73GB2A470J CHIP R 47 J 1/10W E1W1M1 R20 RK73GB2A470J CHIP R 47 J 1/10W X1C1 R21 RK73GB2A681J CHIP R 680 J 1/10W E1W1M1 R21 RK73GB2A681J CHIP R 680 J 1/10W X1C1 R22 RK73GB2A222J CHIP R 2.2K J 1/10W E1W1M1 R22 RK73GB2A222J CHIP R 2.2K J 1/10W X1C1 R23 RK73GB2A123J CHIP R 12K J 1/10W E1W1M1 R23 RK73GB2A123J CHIP R 12K J 1/10W X1C1 R24 RK73GB2A470J CHIP R 47 J 1/10W E1W1M1 R24 RK73GB2A470J CHIP R 47 J 1/10W X1C1 R25 RK73GB2A151J CHIP R 150 J 1/10W E1W1M1 R25 RK73GB2A151J CHIP R 150 J 1/10W X1C1 R26,27 RK73GB2A101J CHIP R 100 J 1/10W R28 RK73GB2A151J CHIP R 150 J 1/10W R29 RK73GB2A681J CHIP R 680 J 1/10W R30 RK73GB2A123J CHIP R 12K J 1/10W R31 RK73GB2A222J CHIP R 2.2K J 1/10W R32 RK73GB2A470J CHIP R 47 J 1/10W R33 RK73GB2A122J CHIP R 1.2K J 1/10W R34 RK73GB2A392J CHIP R 3.9K J 1/10W R37 R92-1252-05 CHIP R 0 OHM J 1/16W E1W1M1 R37 R92-1252-05 CHIP R 0 OHM J 1/16W X1C1 R38,39 R92-1252-05 CHIP R 0 OHM J 1/16W K1R1H1 R39 R92-1252-05 CHIP R 0 OHM J 1/16W M1X1C1 R101 RK73GB2A102J CHIP R 1.0K J 1/10W R102 RK73GB2A682J CHIP R 6.8K J 1/10W R103,104 RK73GB2A471J CHIP R 470 J 1/10W E1W1 R105 RK73GB2A333J CHIP R 33K J 1/10W E1W1M1 R105 RK73GB2A333J CHIP R 33K J 1/10W X1C1 R105 RK73GB2A473J CHIP R 47K J 1/10W K1R1H1 R106 RK73GB2A563J CHIP R 56K J 1/10W R107 RK73GB2A152J CHIP R 1.5K J 1/10W R108,109 RK73GB2A331J CHIP R 330 J 1/10W R110 RK73GB2A273J CHIP R 27K J 1/10W E1W1M1 R110 RK73GB2A273J CHIP R 27K J 1/10W X1C1 R111 RK73GB2A181J CHIP R 180 J 1/10W K1R1H1 R112 RK73GB2A333J CHIP R 33K J 1/10W R113 RK73GB2A473J CHIP R 47K J 1/10W R114,115 RK73GB2A331J CHIP R 330 J 1/10W K1R1H1 R116 RK73GB2A272J CHIP R 2.7K J 1/10W R117 RK73GB2A103J CHIP R 10K J 1/10W E1W1M1 R117 RK73GB2A103J CHIP R 10K J 1/10W X1C1 R119 RK73GB2A222J CHIP R 2.2K J 1/10W E1W1M1 R119 RK73GB2A222J CHIP R 2.2K J 1/10W X1C1 R120 RK73GB2A182J CHIP R 1.8K J 1/10W K1R1H1 R121 RK73GB2A103J CHIP R 10K J 1/10W R122 RK73GB2A223J CHIP R 22K J 1/10W K1R1H1 R123 RK73GB2A103J CHIP R 10K J 1/10W E1W1 R124 RK73GB2A222J CHIP R 2.2K J 1/10W E1W1M1 R124 RK73GB2A222J CHIP R 2.2K J 1/10W X1C1 R125 RK73GB2A272J CHIP R 2.7K J 1/10W R126 RK73GB2A104J CHIP R 100K J 1/10W E1W1M1 R126 RK73GB2A104J CHIP R 100K J 1/10W X1C1 R127 RK73GB2A222J CHIP R 2.2K J 1/10W E1W1M1 R127 RK73GB2A222J CHIP R 2.2K J 1/10W X1C1 R128 RK73GB2A104J CHIP R 100K J 1/10W E1W1M1 R128 RK73GB2A104J CHIP R 100K J 1/10W X1C1 R129 RK73GB2A332J CHIP R 3.3K J 1/10W K1R1H1 R130 RK73GB2A104J CHIP R 100K J 1/10W E1W1M1 R130 RK73GB2A104J CHIP R 100K J 1/10W X1C1 R131,132 RK73GB2A103J CHIP R 10K J 1/10W E1W1 R133 RK73GB2A472J CHIP R 4.7K J 1/10W E1W1 R134 RK73GB2A103J CHIP R 10K J 1/10W R135 RK73GB2A273J CHIP R 27K J 1/10W TUNER UNIT (X86-367x-xx) www. xiaoyu163. com QQ 376315150 9 9 2 8 9 4 2 9 8 TEL 13942296513 9 9 2 8 9 4 2 9 8 0 5 1 5 1 3 6 7 3 Q Q TEL 13942296513 QQ 376315150 892498299 TEL 13942296513 QQ 376315150 892498299 93 KVT-915DVD,925DVD,935DVD KVT-945DVD,965DVD Indicates safety critical components. ✽ New parts Parts without Parts No. are not supplied. Les articles non mentionnes dans le Parts No. ne sont pas fournis. Teile ohne Parts No. werden nicht geliefert. Ref. No. A d d N e w Parts No. Description Desti- nation Ref. No. A d d N e w Parts No. Description Desti- nation K : KVT-915DVD R1 : KVT-915DVD E1 : KVT-925DVD W1 : KVT-925DVD M1: KVT-935DVD H1 : KVT-935DVD X1 : KVT-945DVD C1 : KVT-965DVD PARTS LIST R136 RK73GB2A103J CHIP R 10K J 1/10W R137 RK73GB2A393J CHIP R 39K J 1/10W R138 RK73GB2A103J CHIP R 10K J 1/10W R139 RK73GB2A472J CHIP R 4.7K J 1/10W R140 RK73GB2A103J CHIP R 10K J 1/10W R141 RK73GB2A223J CHIP R 22K J 1/10W R146,147 RK73GB2A102J CHIP R 1.0K J 1/10W R148 RK73GB2A561J CHIP R 560 J 1/10W R149 R92-1252-05 CHIP R 0 OHM J 1/16W R150,151 RK73GB2A102J CHIP R 1.0K J 1/10W R152 RK73GB2A561J CHIP R 560 J 1/10W R153 RK73GB2A102J CHIP R 1.0K J 1/10W R154 RK73GB2A104J CHIP R 100K J 1/10W R155 RK73GB2A102J CHIP R 1.0K J 1/10W R157 RK73GB2A561J CHIP R 560 J 1/10W R158 RK73GB2A153J CHIP R 15K J 1/10W R160 RK73GB2A102J CHIP R 1.0K J 1/10W R161 RK73GB2A273J CHIP R 27K J 1/10W R162 RK73GB2A104J CHIP R 100K J 1/10W R163 RK73GB2A103J CHIP R 10K J 1/10W E1W1M1 R163 RK73GB2A103J CHIP R 10K J 1/10W X1C1 R164 RK73GB2A223J CHIP R 22K J 1/10W E1W1M1 R164 RK73GB2A223J CHIP R 22K J 1/10W X1C1 R165,166 RK73GB2A391J CHIP R 390 J 1/10W E1W1M1 R165,166 RK73GB2A391J CHIP R 390 J 1/10W X1C1 R167 RK73GB2A393J CHIP R 39K J 1/10W R168 RK73GB2A391J CHIP R 390 J 1/10W R169,170 RK73GB2A101J CHIP R 100 J 1/10W R171 RK73GB2A470J CHIP R 47 J 1/10W E1W1M1 R171 RK73GB2A470J CHIP R 47 J 1/10W X1C1 R172 RK73GB2A471J CHIP R 470 J 1/10W E1W1M1 R172 RK73GB2A471J CHIP R 470 J 1/10W X1C1 R173 RK73GB2A473J CHIP R 47K J 1/10W R174 RK73GB2A513J CHIP R 51K J 1/10W R175 RK73GB2A473J CHIP R 47K J 1/10W R176 RK73GB2A333J CHIP R 33K J 1/10W R177-180 R92-1252-05 CHIP R 0 OHM J 1/16W K1R1H1 R177,178 R92-1252-05 CHIP R 0 OHM J 1/16W E1W1M1 R177,178 R92-1252-05 CHIP R 0 OHM J 1/16W X1C1 R181 RK73GB2A103J CHIP R 10K J 1/10W K1R1H1 R182 R92-1252-05 CHIP R 0 OHM J 1/16W E1W1M1 R182 R92-1252-05 CHIP R 0 OHM J 1/16W X1C1 R201 RK73GB2A822J CHIP R 8.2K J 1/10W E1W1 R202 RK73GB2A392J CHIP R 3.9K J 1/10W E1W1 R203 RK73GB2A473J CHIP R 47K J 1/10W E1W1 R204 RK73GB2A823J CHIP R 82K J 1/10W R205 RK73GB2A124J CHIP R 120K J 1/10W R207 RK73GB2A334J CHIP R 330K J 1/10W R208 RK73GB2A474J CHIP R 470K J 1/10W R211-214 RK73GB2A153J CHIP R 15K J 1/10W R215,216 RK73GB2A683J CHIP R 68K J 1/10W R217,218 RK73GB2A273J CHIP R 27K J 1/10W R219 RK73GB2A823J CHIP R 82K J 1/10W R220 RK73GB2A104J CHIP R 100K J 1/10W R221 RK73GB2A223J CHIP R 22K J 1/10W K1R1H1 R221 RK73GB2A683J CHIP R 68K J 1/10W E1W1M1 R221 RK73GB2A683J CHIP R 68K J 1/10W X1C1 R222 RK73GB2A124J CHIP R 120K J 1/10W K1R1H1 R222 RK73GB2A473J CHIP R 47K J 1/10W E1W1M1 R222 RK73GB2A473J CHIP R 47K J 1/10W X1C1 R223 RK73GB2A102J CHIP R 1.0K J 1/10W R227 RK73GB2A472J CHIP R 4.7K J 1/10W R228,229 R92-1252-05 CHIP R 0 OHM J 1/16W K1R1M1 R228,229 R92-1252-05 CHIP R 0 OHM J 1/16W H1X1C1 R229 R92-1252-05 CHIP R 0 OHM J 1/16W E1W1 VR1 R32-0234-05 SEMI FIXED VARIABLE RESISTOR VR101 R32-0234-05 SEMI FIXED VARIABLE RESISTOR K1R1H1 VR102 R32-0246-05 SEMI FIXED VARIABLE RESISTOR K1R1H1 D1-4 RN739F DIODE D5 DAN235U DIODE E1W1M1 D5 DAN235U DIODE X1C1 D6 1SS250 DIODE D101 DA204U DIODE D102,103 DAP236U DIODE E1W1M1 D102,103 DAP236U DIODE X1C1 D104 DAN235U DIODE E1W1 D105 DA204U DIODE K1R1H1 D105,106 DA204U DIODE E1W1M1 D105,106 DA204U DIODE X1C1 IC1 BA7652AF ANALOGUE IC E1W1 IC2 CM0018AM MOS-IC IC3 BA6161F ANALOGUE IC IC101 AN5186FBV ANALOGUE IC IC102 TDA8842H✽B ANALOGUE IC IC201 TDA9830T ANALOGUE IC E1W1 IC202 AN5281NSC ANALOGUE IC IC203,204 NJM4565M-TE2 ANALOGUE IC Q1 DTA114EUA DIGITAL TRANSISTOR E1W1 Q1 UN5111 DIGITAL TRANSISTOR E1W1 Q2 DTC124EUA DIGITAL TRANSISTOR E1W1M1 Q2 DTC124EUA DIGITAL TRANSISTOR X1C1 Q2 UN5212 DIGITAL TRANSISTOR E1W1M1 Q2 UN5212 DIGITAL TRANSISTOR X1C1 Q3 DTC143TUA DIGITAL TRANSISTOR E1W1M1 Q3 DTC143TUA DIGITAL TRANSISTOR X1C1 Q3 UN5216 DIGITAL TRANSISTOR E1W1M1 Q3 UN5216 DIGITAL TRANSISTOR X1C1 Q4,5 2SC2714(Y) TRANSISTOR E1W1M1 Q4,5 2SC2714(Y) TRANSISTOR X1C1 Q5 2SC2714(Y) TRANSISTOR K1R1H1 Q101,102 2SC4081 TRANSISTOR E1W1 Q101,102 2SD1819A TRANSISTOR E1W1 Q102 2SC4081 TRANSISTOR M1X1C1 Q102 2SD1819A TRANSISTOR M1X1C1 Q102,103 2SC4081 TRANSISTOR K1R1H1 Q102,103 2SD1819A TRANSISTOR K1R1H1 Q104-106 DTC124EUA DIGITAL TRANSISTOR M1X1C1 Q104-106 UN5212 DIGITAL TRANSISTOR M1X1C1 Q104-107 DTC124EUA DIGITAL TRANSISTOR E1W1 TUNER UNIT (X86-367x-xx) www. xiaoyu163. com QQ 376315150 9 9 2 8 9 4 2 9 8 TEL 13942296513 9 9 2 8 9 4 2 9 8 0 5 1 5 1 3 6 7 3 Q Q TEL 13942296513 QQ 376315150 892498299 TEL 13942296513 QQ 376315150 892498299 94 KVT-915DVD,925DVD,935DVD KVT-945DVD,965DVD Indicates safety critical components. ✽ New parts Parts without Parts No. are not supplied. Les articles non mentionnes dans le Parts No. ne sont pas fournis. Teile ohne Parts No. werden nicht geliefert. Ref. No. A d d N e w Parts No. Description Desti- nation Ref. No. A d d N e w Parts No. Description Desti- nation K : KVT-915DVD R1 : KVT-915DVD E1 : KVT-925DVD W1 : KVT-925DVD M1: KVT-935DVD H1 : KVT-935DVD X1 : KVT-945DVD C1 : KVT-965DVD PARTS LIST Q104-107 UN5212 DIGITAL TRANSISTOR E1W1 Q108,109 2SC4081 TRANSISTOR Q108,109 2SD1819A TRANSISTOR Q111-114 2SC4081 TRANSISTOR K1R1H1 Q111-114 2SD1819A TRANSISTOR K1R1H1 Q111-115 2SC4081 TRANSISTOR E1W1M1 Q111-115 2SC4081 TRANSISTOR X1C1 Q111-115 2SD1819A TRANSISTOR E1W1M1 Q111-115 2SD1819A TRANSISTOR X1C1 Q116 2SA1576A TRANSISTOR E1W1M1 Q116 2SA1576A TRANSISTOR X1C1 Q116 2SB1218A TRANSISTOR E1W1M1 Q116 2SB1218A TRANSISTOR X1C1 Q117-119 DTC144EUA DIGITAL TRANSISTOR Q117-119 UN5213 DIGITAL TRANSISTOR Q201,202 DTC144EUA DIGITAL TRANSISTOR Q201,202 UN5213 DIGITAL TRANSISTOR A1 W02-3191-15 TUNER ASSY E1W1M1 A1 W02-3191-15 TUNER ASSY X1C1 A1 W02-3389-05 TUNER ASSY K1R1H1 350 1H ✽ A01-2813-01 METALLIC CABINET 354 3H ✽ E30-4972-15 GROUND WIRE FC4 2H ✽ E39-0555-05 FLAT CABLE (24PIN) - H25-0329-04 PROTECTION BAG (280X450X0.03) K1R1M1 - H25-0329-04 PROTECTION BAG (280X450X0.03) H1X1C1 - H25-1111-04 PROTECTION BAG (280X450X0.03) E1W1 A 3H N09-1515-05 TAPPING SCREW (3X8) E 3H N80-3008-46 PAN HEAD TAPTITE SCREW F 2H N89-3006-41 BINDING HEAD TAPTITE SCREW G 1H N89-3006-45 BINDING HEAD TAPTITE SCREW 1 2B A10-4909-21 CHASSIS 2 1A A10-4910-11 CHASSIS 3 1A A10-4911-02 CHASSIS 4 1B A10-4913-11 CHASSIS 5 2B ✽ A10-4952-61 CHASSIS ASSY 7 1B ✽ A10-4990-33 CHASSIS ASSY 15 3B D10-4650-03 SLIDER 16 3B D10-4651-02 SLIDER 17 3B D10-4652-02 SLIDER 18 2A D10-4653-02 SLIDER 19 3B D10-4654-04 ARM ASSY 20 3A D10-4658-33 ARM ASSY 21 1B D10-4659-43 LEVER ASSY 22 1A D10-4660-04 ARM ASSY 23 3B D10-4686-03 SLIDER 24 3B D10-4687-03 ARM 25 3B D10-4689-03 ARM 26 3B D10-4690-03 ARM 29 1A D12-0635-03 CAM 30 2B D12-0636-13 CAM 32 3B D13-2221-04 GEAR 33 3B D13-2222-04 GEAR 34 3B D13-2223-04 GEAR 35 3B D13-2224-04 GEAR 36 2B D13-2225-04 GEAR 37 2B D13-2226-04 GEAR 38 3B D13-2227-04 GEAR 43 2A D14-0785-04 ROLLER 44 1A D21-2395-13 SHAFT 46 2B D21-2414-04 SHAFT 48 1B D32-0648-04 STOPPER 49 2B D32-0654-04 STOPPER 50 2A D39-0254-05 DAMPER VFC1 2A E39-0464-05 FLAT CABLE (4PIN) 54 2B F09-1748-04 SHEET 56 1A G01-3112-04 COMPRESSION SPRING 58 3B G01-3114-14 EXTENSION SPRING 59 3A G01-3116-14 EXTENSION SPRING 60 2B G01-3117-04 EXTENSION SPRING 61 1B G01-3118-04 EXTENSION SPRING 62 2A G01-3119-04 EXTENSION SPRING 63 3A G01-3121-14 TORSION COIL SPRING 64 3B G01-3140-04 EXTENSION SPRING 65 3B G01-3142-04 TORSION COIL SPRING 69 2A G02-1421-03 FLAT SPRING 78 3B J21-9792-03 MOUNTING HARDWARE 79 1A J21-9793-12 MOUNTING HARDWARE 82 2A J90-1031-21 GUIDE A 1A N09-4495-05 ADJUSTABLE SCREW (ADJUSTMENT SC) B 1A N09-4496-05 TAPTITE SCREW (02 2X5P-TITE) C 1B N09-6060-05 MACHINE SCREW (02M1.7X1.8 CR) D 2B N09-6061-05 MACHINE SCREW (02M1.7X3.5CUP) E 1A N09-6103-05 MACHINE SCREW (M1.7X3.5(NK G) F 1A N09-6104-05 MACHINE SCREW (2X10 S-TITE) G 1B N09-6106-05 MACHINE SCREW (M1.7X2.5) J 2A N19-2022-04 FLAT WASHER K 3A N19-2171-04 FLAT WASHER VM1 2B T42-1058-15 MOTOR ASSY (SPINDLE) VM2 3A T49-0101-05 MOTOR ASSY (FEED) VM3 3B T42-1061-04 MOTOR ASSY (LOADING) VPU1 1A T25-0222-05 OPTICAL PICKUP HEAD 83 2A W02-3408-15 ELECTRIC CIRCUIT MODULE COMPOUND ASSY UNIT (X90-373x-xx) DVD MECHANISM ASSY (X92-5020-00) TUNER UNIT (X86-367x-xx) www. xiaoyu163. com QQ 376315150 9 9 2 8 9 4 2 9 8 TEL 13942296513 9 9 2 8 9 4 2 9 8 0 5 1 5 1 3 6 7 3 Q Q TEL 13942296513 QQ 376315150 892498299 TEL 13942296513 QQ 376315150 892498299 95 KVT-915DVD,925DVD,935DVD KVT-945DVD,965DVD KVT-915DVD (K, R type) Monitor Section Picture size............................................. 6.95 inches (diagonal) wide 154.1 W x 87.1 H (mm) Display system ........................................ Transparent TN LCD panel Drive system ............................................. TFT active matrix system Number of pixels ............................... 336,960 (480H x 234V x RGB) Effective pixels ...................................................................... 99.99% Pixel arrangement .................................... RGB striped arrangement Back lighting .................................... Cold Cathode Fluorescent Tube DVD Section D/A Converter ........................................................................... 24Bit A/D Converter ........................................................................... 20Bit Decoder ..... Linear PCM/Dolby Pro Logic II/Dolby digital/dts/MLP/MP3/WMA Wow & Flutter.............................................. Below Measurable Limit Frequency response (Sampling frequency; 192k) ...................................... 20~88,000Hz (Sampling frequency; 176.4k) ................................... 20~80,000Hz (Sampling frequency; 96k) ........................................ 20~44,000Hz (Sampling frequency; 88.2k) ..................................... 20~40,000Hz (Sampling frequency; 48k) ........................................ 20~22,000Hz (Sampling frequency; 44.1k) ..................................... 20~20,000Hz Total harmonic distortion (1k) ................................................ 0.003% Signal to Noise ratio .................................. 100dB (DVD-Audio 192k) Dynamic range .......................................... 100dB (DVD-Audio 192k) DISC Format .................. DVD-Audio/DVD-Video/VIDEO-CD/CD-DA Sampling frequency ......................... 44.1kHz/48kHz, 88.2kHz/96kHz, 176.4kHz/192kHz Quantifying bit number ..................................................... 16/20/24bit DSP Section 4 BAND Parametric equalizer BAND1 frequency .......................... 60/80/100/120/160/200/250Hz BAND2 frequency ............................... 315/400/500/630/800/1kHz BAND3 frequency .......................... 1.25k/1.6k/2k/2.5k/3.15k/4kHz BAND4 frequency .............................. 5k/6.3k/8k/10k/12.5k/16kHz Gain ................................................. -9/-7/-5/-3/-2/-1/0/1/2/3/5/7/9dB Q control .................................................................. 0.25/0.5/1.0/2.0 X’over High pass filter Frequency ................................. 30/60/70/80/90/100/120/150Hz Slope ........................................................................ 12/18/24dB Low pass filter Frequency ...................................... 60/70/80/90/100/120/150Hz Slope ........................................................................ 12/18/24dB Time alignment ............... 0~6.1m (5cm Step), 0~20.3ft (0.17ft Step) Channel level .......................................................................... ±10dB FM Tuner Section Frequency range (200kHz) ...................................... 87.9~107.9MHz Usable sensitivity (S/N=30dB) ........................... 9.3dBf (0.8µV/75Ω) Quieting sensitivity (S/N=50dB) ....................... 15.2dBf (1.6µV/75Ω) Frequency response (±3.0dB)....................................... 30Hz~15kHz S/N (MONO) ............................................................................. 75dB Selectivity (±400kHz) ....................................................... Over 80dB Stereo separation .......................................................... 40dB (1kHz) AM Tuner Section Frequency range (10kHz) ..................................... 530kHz~1700kHz Usable sensitivity .................................................................... 28dBµ TV Section Color TV Broadcasting system North American Type ............................................................ NTSC South American Type ............................................... NTSC/PAL-M Receivable channels: VHF .....................................................2~13ch Receivable channels: UHF ...................................................14~69ch Channel selection system ........... PLL frequency synthesizer system IF signal detection system .................................. Split carrier system Antenna input ............................... 4ch diversity (75Ω/3.5ø mini plug) Video Section Color system of external video input North American Type ............................................................ NTSC South American Type ................................................... NTSC/PAL External video input level (RCA jacks) ............................. 1Vp-p/75Ω External audio max input level (RCA jacks) ........................ 1V/22kΩ Analog RGB input ......................................................... 0.7Vp-p/75Ω Audio Section Maximum Power (Front & Rear) ........................................... 50W x 4 Full Bandwidth Power (Front & Rear) (at Less than 1%THD) ............................................................................................. 22W x 4 Maximum Power (Center) .................................................... 47W x 1 Full Bandwidth Power (Center) (at Less than 1%THD) ........ 22W x 1 Preout level ......................................................................... 5V/10kΩ Preout impedance ....................................................................... 80Ω General Operating voltage ................................................... 14.4V (11V~16V) Current consumption ................................................................... 15A Dimensions (W x H x D) Main Unit Installation ....................................... 182 x 53 x 165 mm 7-3/16 x 2-1/16 x 6-1/2 inch Hideaway unit .................................................. 225 x 40 x 168 mm 8-7/8 X 1-9/16 X 6-5/8 inch Operational temperature range ...................................... -10°C~60°C Storage temperature range ............................................ -20°C~85°C Weight Main unit ................................................................... 2.2kg (4.9lbs) Hideaway unit ........................................................... 1.4kg (3.0lbs) TV Antenna Unit Output impedance ............................................... 75Ω/3.5ø mini plug Operating voltage ........................................................................ 12V Consumed current ..................................................................... 1.0A Cable length ................................................................................. 5m Size (W x H x D)................................................. 50 x 14.5 x 500 mm 1-15/16 x 9/16 x 19-11/16 inch Weight ............................................................... 300g x 2 (0.7lbs x 2) • Specifications subject to change without notice. • Although the effective pixels for the liquid crystal panel is given as 99.99% or more, 0.01% of pixels may not light or may light incor- rectly. • Manufactured under license from Dolby Laboratories. • “Dolby”, “Pro Logic”, and the double-D symbol are trademarks of Dolby Laboratories. • “DTS” and “DTS Digital Surround” are registered trademarks of Digital Theater Systems, Inc. is a trademark of DVD Format/Logo Licens- ing Corporation registered in the U.S., Japan and other countries. • This product incorporates copyright protection technology that is pro- tected by U.S. patents and other intellectual property rights. Use of this copyright protection technology must be authorized by Macrovision, and is intended for home and other limited viewing uses only unless otherwise authorized by Macrovision. Reverse engi- neering or disassembly is prohibited. SPECIFICATIONS www. xiaoyu163. com QQ 376315150 9 9 2 8 9 4 2 9 8 TEL 13942296513 9 9 2 8 9 4 2 9 8 0 5 1 5 1 3 6 7 3 Q Q TEL 13942296513 QQ 376315150 892498299 TEL 13942296513 QQ 376315150 892498299 96 KVT-915DVD,925DVD,935DVD KVT-945DVD,965DVD KVT-925DVD (E, W type) Monitor Section Picture size..............................................................6.95 inches wide 154.1 W x 87.1 H (mm) Display system ........................................ Transparent TN LCD panel Drive system ............................................. TFT active matrix system Number of pixels ............................... 336,960 (480H x 234V x RGB) Effective pixels ...................................................................... 99.99% Pixel arrangement .................................... RGB striped arrangement Back lighting .................................... Cold Cathode Fluorescent Tube DVD Section D/A Converter ........................................................................... 24Bit A/D Converter ........................................................................... 20Bit Decoder ..... Linear PCM/Dolby Pro Logic II/Dolby digital/dts/MLP/MP3/WMA Wow & Flutter.............................................. Below Measurable Limit Frequency response (Sampling frequency; 192k) ...................................... 20~88,000Hz (Sampling frequency; 176.4k) ................................... 20~80,000Hz (Sampling frequency; 96k) ........................................ 20~44,000Hz (Sampling frequency; 88.2k) ..................................... 20~40,000Hz (Sampling frequency; 48k) ........................................ 20~22,000Hz (Sampling frequency;44.1k) ..................................... 20~20,000Hz Total harmonic distortion (1k) ................................................ 0.003% Signal to Noise ratio .................................. 100dB (DVD-Audio 192k) Dynamic range .......................................... 100dB (DVD-Audio 192k) DISC Format .................. DVD-Audio/DVD-Video/VIDEO-CD/CD-DA Sampling frequency ......................... 44.1kHz/48kHz, 88.2kHz/96kHz, 176.4kHz/192kHz Quantifying bit number ..................................................... 16/20/24bit DSP Section 4 BAND Parametric equalizer BAND1 frequency .......................... 60/80/100/120/160/200/250Hz BAND2 frequency ............................... 315/400/500/630/800/1kHz BAND3 frequency .......................... 1.25k/1.6k/2k/2.5k/3.15k/4kHz BAND4 frequency .............................. 5k/6.3k/8k/10k/12.5k/16kHz Gain ................................................. -9/-7/-5/-3/-2/-1/0/1/2/3/5/7/9dB Q control .................................................................. 0.25/0.5/1.0/2.0 X’over High pass filter Fequency .................................. 30/60/70/80/90/100/120/150Hz Slope ........................................................................ 12/18/24dB Low pass filter Frequency ...................................... 60/70/80/90/100/120/150Hz Slope ........................................................................ 12/18/24dB Time alignment ................................................... 0~6.1m (5cm Step) Channel level .......................................................................... ±10dB FM Tuner Section Frequency range (50kHz) ........................................ 87.5~108.0MHz Usable sensitivity (S/N=26dB) ........................... 9.3dBf (0.7µV/75Ω) Quieting sensitivity (S/N=46dB) ....................... 15.2dBf (1.6µV/75Ω) Frequency response (±3.0dB)....................................... 30Hz~15kHz S/N (MONO) ............................................................................. 70dB Selectivity (±400kHz) ....................................................... Over 80dB Stereo separation .......................................................... 35dB (1kHz) LW Tuner Section Frequency range (9kHz) ......................................... 153kHz~281kHz Usable sensitivity .................................................................... 28dBµ MW Tuner Section Frequency range (9kHz) ....................................... 531kHz~1611kHz Usable sensitivity .................................................................... 28dBµ TV Section Color TV Broadcasting system ...................................... PAL/SECAM Receivable channels: PAL-B/G ............................ 2~12ch, A~H2ch Receivable channels: PAL-I ................................................. A~Jch Receivable channels: SECAM-L .........................................2~10ch Receivable channels: SECAM-D/K.....................................1~12ch Receivable channels: SECAM-B/G ....................................2~12ch Receivable channels: UHF ...............................................21~69ch Channel selection system ........... PLL frequency synthesizer system IF signal detection system .................................. Split carrier system Antenna input ............................... 4ch diversity (75Ω/3.5ø mini jack) Video Section Color system of external video input ................................ NTSC/PAL External video input level (RCA jacks) ............................. 1Vp-p/75Ω External audio max input level (RCA jacks) ........................ 1V/22kΩ Analog RGB input ......................................................... 0.7Vp-p/75Ω Audio Section Maximum Power (Front & Rear) ........................................... 50W x 4 Output power (Front & Rear) (DIN 45324, +B=14.4V) ......... 30W x 4 Maximum Power (Center) .................................................... 47W x 1 Output power (Center) (DIN 45324, +B=14.4V) ................... 28W x 1 Preout level ......................................................................... 5V/10kΩ Preout impedance ....................................................................... 80Ω General Operating voltage ................................................... 14.4V (11V~16V) Current consumption ................................................................... 15A Dimensions (W x H x D) Main Unit Installation ....................................... 182 x 53 x 165 mm Hideaway unit ............................................ 225 x 40mm x 168 mm Operational temperature range ...................................... -10°C~60°C Storage temperature range ............................................ -20°C~85°C Weight Main unit ................................................................................ 2.2kg Hideaway unit ........................................................................ 1.4kg TV Antenna Unit Output impedance ................................................75Ω/3.5ø mini jack Operating voltage ................................................... 14.4V (11V~16V) Consumed current ..................................................................... 1.0A Cable length ................................................................................. 5m Size (W x H x D)................................................. 50 x 14.5 x 500 mm Weight ................................................................... 300g (0.71lbs x 2) • Specifications subject to change without notice. • Although the effective pixels for the liquid crystal panel is given as 99.99% or more, 0.01% of pixels may not light or may light incor- rectly. • Manufactured under license from Dolby Laboratories. • “Dolby”, “Pro Logic”, and the double-D symbol are trademarks of Dolby Laboratories. • “DTS” and “DTS Digital Surround” are registered trademarks of Digital Theater Systems, Inc. is a trademark of DVD Format/Logo Licens- ing Corporation registered in the U.S., Japan and other countries. • This product incorporates copyright protection technology that is pro- tected by U.S. patents and other intellectual property rights. Use of this copyright protection technology must be authorized by Macrovision, and is intended for home and other limited viewing uses only unless otherwise authorized by Macrovision. Reverse engi- neering or disassembly is prohibited. SPECIFICATIONS www. xiaoyu163. com QQ 376315150 9 9 2 8 9 4 2 9 8 TEL 13942296513 9 9 2 8 9 4 2 9 8 0 5 1 5 1 3 6 7 3 Q Q TEL 13942296513 QQ 376315150 892498299 TEL 13942296513 QQ 376315150 892498299 97 KVT-915DVD,925DVD,935DVD KVT-945DVD,965DVD KVT-935DVD (M, H type), KVT-945DVD (X type) KVT-965DVD (C type) Monitor Section Picture size..............................................................6.95 inches wide ..................................................................... 154.1 W x 87.1 H (mm) Display system ........................................ Transparent TN LCD panel Drive system ............................................. TFT active matrix system Number of pixels ............................... 336,960 (480H x 234V x RGB) Effective pixels ...................................................................... 99.99% Pixel arrangement .................................... RGB striped arrangement Back lighting .................................... Cold Cathode Fluorescent Tube DVD Section D/A Converter ........................................................................... 24Bit A/D Converter ........................................................................... 20Bit Decoder ..... Linear PCM/Dolby Pro Logic II/Dolby digital/dts/MLP/MP3/WMA Wow & Flutter.............................................. Below Measurable Limit Frequency response (Sampling frequency; 192k) ...................................... 20~88,000Hz (Sampling frequency; 176.4k) ................................... 20~80,000Hz (Sampling frequency; 96k) ........................................ 20~44,000Hz (Sampling frequency; 88.2k) ..................................... 20~40,000Hz (Sampling frequency; 48k) ........................................ 20~22,000Hz (Sampling frequency; 44.1k) ..................................... 20~20,000Hz Total harmonic distortion (1k) ................................................ 0.003% Signal to Noise ratio .................................. 100dB (DVD-Audio 192k) Dynamic range .......................................... 100dB (DVD-Audio 192k) DISC Format .................. DVD-Audio/DVD-Video/VIDEO-CD/CD-DA Sampling frequency ......................... 44.1kHz/48kHz, 88.2kHz/96kHz, 176.4kHz/192kHz Quantifying bit number ..................................................... 16/20/24bit DSP Section 4 BAND Parametric equalizer BAND1 frequency .......................... 60/80/100/120/160/200/250Hz BAND2 frequency ............................... 315/400/500/630/800/1kHz BAND3 frequency .......................... 1.25k/1.6k/2k/2.5k/3.15k/4kHz BAND4 frequency .............................. 5k/6.3k/8k/10k/12.5k/16kHz Gain ................................................. -9/-7/-5/-3/-2/-1/0/1/2/3/5/7/9dB Q control .................................................................. 0.25/0.5/1.0/2.0 X’over High pass filter Frequency ................................. 30/60/70/80/90/100/120/150Hz Slope ........................................................................ 12/18/24dB Low pass filter Frequency ...................................... 60/70/80/90/100/120/150Hz Slope ........................................................................ 12/18/24dB Time alignment ................................................... 0~6.1m (5cm Step) Channel level .......................................................................... ±10dB FM Tuner Section Frequency range (50kHz) ........................................ 87.5~108.0MHz Usable sensitivity (S/N=26dB) ........................... 9.3dBf (0.7µV/75Ω) Quieting sensitivity (S/N=46dB) ....................... 15.2dBf (1.6µV/75Ω) Frequency response (±3.0dB)....................................... 30Hz~15kHz S/N (MONO) ............................................................................. 70dB Selectivity (±400kHz) ....................................................... Over 80dB Stereo separation .......................................................... 35dB (1kHz) AM Tuner Section : KVT-935DVD (NTSC TV type)/945DVD/965DVD Frequency range (9kHz) ....................................... 531kHz~1611kHz LW Tuner Section : KVT-935DVD (PAL TV type) Frequency range (9kHz) ......................................... 153kHz~281kHz Usable sensitivity .................................................................... 28dBµ MW Tuner Section : KVT-935DVD (PAL TV type) Frequency range (9kHz) ....................................... 531kHz~1611kHz Usable sensitivity .................................................................... 28dBµ TV Section : KVT-935DVD (NTSC TV type) Color TV Broadcasting system ............................................ NTSC-M Receivable channels: VHF .................................................... 2~13ch Receivable channels: UHF .................................................. 14~69ch Channel selection system ...........PLL frequency synthesizer system IF signal detection system .................................. Split carrier system Antenna input ............................... 4ch diversity (75Ω/3.5ø mini plug) TV Section : KVT-935DVD (PAL TV type)/945DVD/965DVD Color TV Broadcasting system ...................... PAL-B/G, PAL-I, PAL-D Receivable channels PAL-B/G ............. 2~12ch, 21~69ch, 1A~11ch, 21~69ch 0~12ch, 28~69ch PAL-I ................................................................................ 21~69ch PAL-D .................................................................1~12ch, 13~57ch Channel selection system ...........PLL frequency synthesizer system IF signal detection system .................................. Split carrier system Antenna input ............................... 4ch diversity (75Ω/3.5ø mini jack) Video Section Color system of external video input KVT-935DVD (NTSC TV type) ..............................................NTSC KVT-935DVD (PAL TV type)/945DVD/965DVD ............. NTSC/PAL External video input level (RCA jacks) ............................. 1Vp-p/75Ω External audio max input level (RCA jacks) ........................ 1V/22kΩ Analog RGB input ......................................................... 0.7Vp-p/75Ω Audio Section Maximum Power (Front & Rear) ........................................... 50W x 4 Full Bandwidth Power (Front & Rear) (at Less than 1%THD) ............................................................................................. 22W x 4 Maximum Power (Center) .................................................... 35W x 1 Full Bandwidth Power (Center) (at Less than 1%THD) ........ 18W x 1 Preout level ......................................................................... 5V/10kΩ Preout impedance .......................................................................80Ω SPECIFICATIONS www. xiaoyu163. com QQ 376315150 9 9 2 8 9 4 2 9 8 TEL 13942296513 9 9 2 8 9 4 2 9 8 0 5 1 5 1 3 6 7 3 Q Q TEL 13942296513 QQ 376315150 892498299 TEL 13942296513 QQ 376315150 892498299 KVT-915DVD,925DVD,935DVD KVT-945DVD,965DVD KENWOOD CORPORATION 2967-3, Ishikawa-machi, Hachioji-shi, Tokyo, 192-8525 Japan KENWOOD USA CORPORATION P.O. Box 22745, 2201 East Dominguez Street, Long Beach, CA 90801-5745, U.S.A. KENWOOD ELECTRONICS CANADA INC. 6070 Kestrel Road, Mississauga, Ontario, Canada L5T 1S8 KENWOOD ELECTRONICS LATIN AMERICA S.A. P.O. Box 55-2791 Paitilla, Plaza Credicorp Bank Panama, Piso 9, Oficina 901, Calle 50, Panama, Rep. de Panama KENWOOD ELECTRONICS BRASIL LTDA. Alameda Ministro Rocha Azevedo No. 456, Edificio Jaú, 10o Andar, Cerqueira César, Cep 0140-001, São Paulo-SP-Brasil KENWOOD ELECTRONICS UK LIMITED Kenwood House, Dwight Road, Watford, Herts, WD18 9EB, United Kingdom KENWOOD ELECTRONICS DEUTSCHLAND GMBH Rembrücker-Str. 15, 63150 Heusenstamm, Germany KENWOOD ELECTRONICS FRANCE S.A. 13, Boulevard Ney, 75018 Paris, France KENWOOD ELECTRONICS BELGIUM N.V. Leuvensesteenweg 248 J, 1800 Vilvoorde, Belgium KENWOOD ELECTRONICS ITALIA S.p.A. Via G. Sirtori 7/9, 20129 Milano, Italy KENWOOD IBÉRICA S.A. Bolivia, 239-08020 Barcelona, Spain KENWOOD ELECTRONICS AUSTRALIA PTY. LTD. (A.C.N. 001 499 074) 16 Giffnock Avenue, Centrecourt Estate, North Ryde, N.S.W. 2113, Australia KENWOOD ELECTRONICS (HONG KONG) LTD. Unit 3712-3724, Level 37, Tower 1, Metroplaza, 223 Hing Fong Road, Kwai Fong, N.T., Hong Kong KENWOOD ELECTRONICS GULF FZE P.O. Box 61318, Jebel Ali, Dubai, U.A.E. KENWOOD ELECTRONICS (THAILAND) CO., LTD. 956 Udom Vidhya Building (Olympia) Rama IV Road, Silom, Bangrak, Bangkok 10500 Thailand KENWOOD ELECTRONICS SINGAPORE PTE. LTD. 1 Genting Lane, #07-00, Kenwood Building, Singapore, 349544 KENWOOD ELECTRONICS (MALAYSIA) SDN BHD #4.01 Level 4, Wisma Academy Lot 4A, Jalan 19/1, 46300 Petaling Jaya, Selangor Darul Ehsan, Malaysia General Operating voltage ...................................................14.4V (11V~16V) Current consumption ................................................................... 15A Dimensions (W x H x D) Main Unit Installation ....................................... 182 x 53 x 165 mm Hideaway unit .................................................. 225 x 40 x 168 mm Operational temperature range ...................................... -10°C~60°C Storage temperature range ............................................ -20°C~85°C Weight Main unit ................................................................................2.2kg Hideaway unit ........................................................................1.4kg TV Antenna Unit Output impedance ............................................... 75Ω/3.5ø mini jack Operating voltage ........................................................................ 12V Consumed current ..................................................................... 1.0A Cable length ................................................................................. 6m Size (W x H x D).................................................... 75 x 18 x 400 mm Weight ................................................................................ 330g (x2) SPECIFICATIONS • Specifications subject to change without notice. • Although the effective pixels for the liquid crystal panel is given as 99.99% or more, 0.01% of pixels may not light or may light incor- rectly. • Manufactured under license from Dolby Laboratories. • “Dolby”, “Pro Logic”, and the double-D symbol are trademarks of Dolby Laboratories. • “DTS” and “DTS Digital Surround” are registered trademarks of Digital Theater Systems, Inc. is a trademark of DVD Format/Logo Licens- ing Corporation registered in the U.S., Japan and other countries. • This product incorporates copyright protection technology that is pro- tected by U.S. patents and other intellectual property rights. Use of this copyright protection technology must be authorized by Macrovision, and is intended for home and other limited viewing uses only unless otherwise authorized by Macrovision. Reverse engi- neering or disassembly is prohibited. www. xiaoyu163. com QQ 376315150 9 9 2 8 9 4 2 9 8 TEL 13942296513 9 9 2 8 9 4 2 9 8 0 5 1 5 1 3 6 7 3 Q Q TEL 13942296513 QQ 376315150 892498299 TEL 13942296513 QQ 376315150 892498299

标签:

版权声明

1. 本站所有素材,仅限学习交流,仅展示部分内容,如需查看完整内容,请下载原文件。
2. 会员在本站下载的所有素材,只拥有使用权,著作权归原作者所有。
3. 所有素材,未经合法授权,请勿用于商业用途,会员不得以任何形式发布、传播、复制、转售该素材,否则一律封号处理。
4. 如果素材损害你的权益请联系客服QQ:77594475 处理。