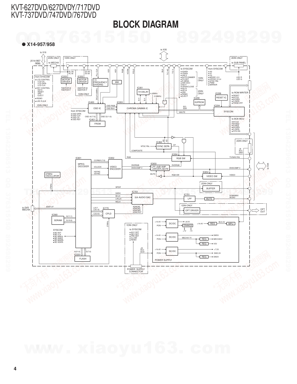
建伍KENWOOD KVT-627DVDY播放器电路原理图

分类:电子电工 日期: 点击:0
建伍KENWOOD KVT-627DVDY播放器电路原理图-0 建伍KENWOOD KVT-627DVDY播放器电路原理图-1 建伍KENWOOD KVT-627DVDY播放器电路原理图-2 建伍KENWOOD KVT-627DVDY播放器电路原理图-3 建伍KENWOOD KVT-627DVDY播放器电路原理图-4 建伍KENWOOD KVT-627DVDY播放器电路原理图-5 建伍KENWOOD KVT-627DVDY播放器电路原理图-6 建伍KENWOOD KVT-627DVDY播放器电路原理图-7 建伍KENWOOD KVT-627DVDY播放器电路原理图-8 建伍KENWOOD KVT-627DVDY播放器电路原理图-9

© 2005-8 PRINTED IN JAPAN B53-0312-00 (N) 1703 MONITOR WITH DVD RECEIVER KVT-627DVD/627DVDY KVT-717DVD/737DVD KVT-747DVD/767DVD SERVICE MANUAL VOLUME OPEN/CLOSE M V F S WIDE TOUCH SCREEN CONTROL MONITOR WITH DVD RECEIVER KVT-717DVD ATT DISP SCRN FNC AV OUT SEL V.SEL V.OFF MODE M.CTRL 2.0 DIGITAL OUT + SRC OFF Cord with plug (E30-6485-05) Plastic cabinet assy (A02-2723-03) Cord with plug (E30-6483-05) DC cord (E30-6482-15) DC cord (E30-6481-15) DC cord (E30-6475-15) DC cord (E30-6474-15) Screw set (N99-1753-05) Screw set (N99-1775-05) Mounting hardware (J22-0054-14) x2 Lever (D10-4674-04) x2 Mounting hardware (J21-9784-04) x2 Antena adaptor (T90-0552-05) Remote controller (A70-2072-05 : RC-DV601) Mounting hardware assy (J21-9823-03) Escutcheon (B07-3082-02) Size AAA battery Not supplied Illustrations is KVT-717DVD KVT-627DVD/627DVDY only KVT-717DVD/737DVD/747DVD/767DVD only MODEL TDF PANEL No. TDF NAME KVT-627DVD/627DVDY Y33-2330-62 TDF-717DVD KVT-717DVD/737DVD Y33-2330-62 TDF-717DVD KVT-747DVD/767DVD Y33-2330-62 TDF-717DVD TDF PANEL INFORMATION This product uses Lead Free solder. www. xiaoyu163. com QQ 376315150 9 9 2 8 9 4 2 9 8 TEL 13942296513 9 9 2 8 9 4 2 9 8 0 5 1 5 1 3 6 7 3 Q Q TEL 13942296513 QQ 376315150 892498299 TEL 13942296513 QQ 376315150 892498299 2 KVT-627DVD/627DVDY/717DVD KVT-737DVD/747DVD/767DVD 1. Fasten Screw A so that the interval (a) will be about 5.2mm and the interval (b) will be about 2.6mm. (The interval (a) can be measured using a pair of vernier calipers or similar tools.) 2. Turn B so that Position (c) will come at about the center of interval (d). 3. Then, play the test disc and fine tune A or B so that the jitter value would be minimized. NOTES ON ASSEMBLING THE MECHANISM 2.6mm 5.2mm A a b B c d www. xiaoyu163. com QQ 376315150 9 9 2 8 9 4 2 9 8 TEL 13942296513 9 9 2 8 9 4 2 9 8 0 5 1 5 1 3 6 7 3 Q Q TEL 13942296513 QQ 376315150 892498299 TEL 13942296513 QQ 376315150 892498299 3 KVT-627DVD/627DVDY/717DVD KVT-737DVD/747DVD/767DVD BLOCK DIAGRAM OSD CHROMA GAMMA IC SYSCON SDRAM RGB SW SDRAM MOTOR DRIVER MPEG OSCILLATOR CLOCK FLASH CPLD AUDIO DAC CIRCUIT INVERTER TIMING CONTROLLER TOUCH CONTROL LCD TOUCH SMALL REMOTE KEY CONTROL DISPLAY DVD MECHA MECHA SLIDE SW COMPOSITE RGB SW COMPOSITE SW AUDIO INPUT SELECTOR BOX u-COM AM/FM TUNER SELECTOR OUTPUT AUDIO POWER AMP PRE OUT SP OUT I/F AV OUT AV-IN I/F LX-BUS I/F NAVI I/F TV I/F RECEIVER ENCODER VIDEO SW COMPOSITE (X16- ) (X34- ) (X14- ) (X35- ) ● Complete view www. xiaoyu163. com QQ 376315150 9 9 2 8 9 4 2 9 8 TEL 13942296513 9 9 2 8 9 4 2 9 8 0 5 1 5 1 3 6 7 3 Q Q TEL 13942296513 QQ 376315150 892498299 TEL 13942296513 QQ 376315150 892498299 4 KVT-627DVD/627DVDY/717DVD KVT-737DVD/747DVD/767DVD ● X14-957/958 to MECHA 2DIN ONLY 1DIN ONLY from SYSCOM DRIVER MOTOR IC203 MOTOR DRIVER IC202 1DIN ONLY 1DIN ONLY OSD IC IC400 OSCILLATOR 27MHz CHROMA GAMMA IC IC303 IC301 1H DELAY to X16 to SYSCOM 1DIN ONLY ONLY 2DIN from SYSCOM to SUB PANEL 2DIN ONLY IC200 E2PROM IC204 SYSCOM RESET IC IC206 to ROM WRITER to BOX MCU SYNC SEPA IC362 RGB SW IC304 2DIN ONLY MPEG IC601 IC652 ENCODER VIDEO IC650 +DRIVER+MUTE LPF+6dB AMP VIDEO SW IC654 DECODER MECHA to DVD SDRAM IC560 SYSCOM IC520 FLASH CPLD IC770 BUFFER 2DIN ONLY 2ch AUDIO DAC IC703 LPF IC701 MUTE OPT DRIVER 1DIN ONLY OPT OUT POWER SUPPLY CONNECTOR DC/DC TRANCE REG MPU DC/DC REG REG DC/DC to SYSCOM 1DIN ONLY to X35 to X34 POWER SUPPLY IC401 FROM MM from SYSCOM REG 1.5 FREQUENCY DIVIDING LCD CS LCD CONTROL LCD DATA LCD CLK SRC RESET KEY CONTROL KEY2 EJECT REMO LED R,G,B TMOTOR M TMOTOR P SMOTOR M SMOTOR P RL M+ RL M- EX M- EX M+ PLL CLK DCLK 9.6MHz RGB VCOM POLS R-Y B-Y 4.43MHz 3.58MHz BLK T/C HD T/C V VMUTE KEY3 SRC KEY4 EJECT REMO AUTO DIMMER PH DET R SENS SW A,B,C KEY1 OPEN/CLOSE SW D X0 NTSC PAL Y0 MODE1,2,3 HPOSI1,2,3,4 X1 LED G LED R SDA SCL M CLK FROM VPP S DATA M DATA RESET M DATA S REQ M REQ M CLK S DATA SYS ON CP NTSC PAL TV/NAVI RG COMPOSITE RGB CCIR601(7:0) VCLOCK VSYNC HSYNC DVDRGB DVDCOMP V DVDCOMP V MUTE RGB SW VIDEO 27MHz ATAPI I/F D(15:0) A(11:1) BE RST BE CLK BE MREQ BE SREQ BE MDATA BE SDATA A(21:0) D(7:0) LD(3:0) LA(1:0) LA17 SPDIF DATA1 BCLK LRCLK MCLK AUDIO DOWNMIX ADACML ADACMC ADACMD ADACRST +14.4V PON +8.5V -7V +7V +14.4V BU3.3V PON +14.4V SW5V V5V MECHA5V +14.4V PON +7.5V GCD ACC +B PRK DET REMO ILLUMI REV DET ACC DET DVDRGB 27MHz OSD D(11:0) OSD A(17:0) MIRROR PWM YDATA XDATA +B ACC GND OSD BLK OSD RGB HSY VSY OSD RST OSD CS OSD CLK OSD DATA MECHA 7V SW3.3V SW2V HD VD /958) (X14-957 BLOCK DIAGRAM www. xiaoyu163. com QQ 376315150 9 9 2 8 9 4 2 9 8 TEL 13942296513 9 9 2 8 9 4 2 9 8 0 5 1 5 1 3 6 7 3 Q Q TEL 13942296513 QQ 376315150 892498299 TEL 13942296513 QQ 376315150 892498299 5 KVT-627DVD/627DVDY/717DVD KVT-737DVD/747DVD/767DVD BLOCK DIAGRAM ● X34-353/354 LX I/F NV I/F to TV TUN to X14 ISO AMP IC500 ISO AMP IC405 IC413 AUDIO IC414 SEL SEL AUDIO R SW IC400-402 G SW B SW SEL VIDEO IC416 VIDEO SEL IC406 IC415 SEL VIDEO 6dB AMP VIDEO SEL IC408 75 DRIVER DRIVER 6dB AMP VIDEO SEL 75 IC407 SEL VIDEO IC404 FM AM F/E FST BUFF RDS IC251 DECODER ADJUST LEVEL MUTE MUTE ADJUST LEVEL MUTE ADJUST LEVEL IC151 ADJUST LEVEL TONE EQ POWER AMP IC100 DC MUTE AMP IC200-202 PRE OUT AV OUT MUTE AV IN1 ISO AMP IC204 AV IN2 ISO AMP IC203 R-CAM SEP IC403 SYNC MCU IC303 SW REG REG REG SW LX CON LX CLK LX DATA M LX DATA S LX REQ S LX MUTE LX RST LX REQ M AUD Lch AUD Rch A GND REMO SYNC G A GND R AUD Lch AUD Rch TX RX B TV DATA M TV DATA S TV REQ S TV REQ M COMP V B M RST R G TV CLK TV CON TV Rch A GND TV Lch COMP V DVD Rch DVD Lch A GND B G R M REQ S M REQ M M DATA S M DATA M M RST M CLK M CON REMO 8 MCU 3 2 2 MCU 3 3 3 6 MCU 3 6 MCU 3 DVD COMP 3 MCU 2 MCU 2 MCU 1 MCU 2 MCU MCU 2 MCU 1 MCU 2 MCU 2 RDDA RDCL QUAL MPX for RDS MCU S-METER IF COUNT SDA SCL RDS MUTE QUALITY 4 MCU PON AM A OUT 3 MCU ACIN0 (FRONT) ACIN1 (REAR) FRONT HPF (FRONT) (FRONT) MUTE VOL (FRONT) (SUB-W) ACIN2R ACIN2L (CENTER) MUTE (REAR) REAR (REAR) HPF VOL (REAR) SUB MAIN 2ZONE 2ZONE (CEN MUTE /NF L (NF) LPF VOL CENTER SUB-W SUB) SUB) (CEN (FRONT) PAOUT0 (REAR) PAOUT1 LDOUT1 (REAR) LDOUT0 (FRONT) (CEN/NF) LDOUT2L (SUB/NF) LDOUT2R OUTPUT SEL TUNE AUX CDCH CD MD MAIN INPUT SEL SUB AUX VOL IN SCL SDA S-MUTE DCERR MCU 4 4 MCU SVR BEEP MUTE STBY RR+ - RL+ - FR+ - FL+ - IC2VI P.CON SMALL GND BU EXT.CONT LINE MUTE ATT.CON SP OUT 8 FRONT L FRONT R REAR L REAR R NF L NF R R V L MCU MCU R L V R L V V MCU 2 BU SW14V PON SW14V BU A8V SW14V BU V5V BU SW5V BU5V PON MCU POWER SUPPLY www . x ia o y u 1 6 3 . c o m QQ 3 7 6 3 1 5 1 5 0 9 9 2 8 9 4 2 9 8 T E L 1 3 9 4 2 2 9 6 5 1 3 9 9 2 8 9 4 2 9 8 0 5 1 5 1 3 6 7 3 Q Q TEL 13942296513 QQ 376315150 892498299 TEL 13942296513 QQ 376315150 892498299 6 KVT-627DVD/627DVDY/717DVD KVT-737DVD/747DVD/767DVD BLOCK DIAGRAM IC101 IC203 COM AMP IC302 IC301 IC303 IC DC-DC TIMMING CONTROLLER PLL & LPF 1DIN ONLY TR SW SW PCB 2DIN ONLY 2DIN ONLY 6.5 INCH LCD 1DIN ONLY LCD 7 INCH CFL TOUCH PANEL SWITCH CIRCUIT TOUCH PANEL IC401 AUTO DIMMER SW PCB C/3 SW PCB B/3 BACK LIGHT INVERTER 1DIN ONLY 1DIN ONLY RI M+ EX M+ SW-A SW-C NC SW-B RI M+ EX M- EX M- EX M+ BL DET RSENS NC RI M- RI M- DGND PH DET SW+5.0V NC BL +8.5V NC X1 BL GND BL GND BL +8.5V NC NC ENABLE NC PWM Y0 SW-D AUTO DIM XDATA YDATA X0 KEY1 HPOS1 VCOM PON+3.3V NC NC MODE3 HPOS4 HPOS3 MODE2 MODE1 HPOS2 POLS MIRROR BLK VSY HSY VGND T/C HD V GND NTSC/PAL PLL ON VGND VG VR VB PLL CLK LED G LED R PON+3.3V NC BRINK NC T/C VD LED GND NC VGND VGND SW+18.5V DGND OPEN CLOSE PON+5.0V PON+5.0V NC SW-B SW-D SW-C SW-A EX M+ EX M+ EX M- RI M+ EX M- RI M+ RI M- RI M- NC PH DET REF+5.0V SW+5.0V RSENS NC NC 4 1 3 2 7 6 5 9 8 15 12 10 11 13 14 17 16 19 18 71 80 79 76 77 78 74 75 72 73 66 69 70 68 67 64 65 62 61 63 19 50 58 59 60 56 57 53 54 55 51 52 49 48 45 46 47 42 43 44 40 41 34 37 38 39 35 36 32 33 30 29 31 24 27 28 25 26 22 23 20 21 18 17 14 15 16 11 12 13 10 9 4 8 7 5 6 2 3 1 U/D(UPSD) VG NC STH2 VR CX VB VSS STH1 L/R(HDIR) VSS VSS CPH(CPH1) VSS VCOM NC NC VGH+18.5V VDD2+5.0V VDD1+3.3V OE2(NGOE2) OE1(NGOE1) STV2 OE3(NGOE3) CPV VSS STV1 VGL-12.0V NC NC NC NC REMO RESET BL DET ESD GND ESD GND NC SRC BL GND BL +8.5V BL +8.5V NC BL GND NC T/C VD ENABLE PWM YDATA Y0 X1 X0 XDATA NC BU+3.3V PON+3.3V VCOM NC HPOS1 HPOS2 HPOS3 HPOS4 MODE1 MODE2 MODE3 BLK HSY VSY MIRROR POLS PLL ON NTSC/PAL V GND T/C HD VGND VR NC VG VB VGND NC PON+3.3V LED R LED G PLL CLK NC EJECT SI LED GND KET4 KEY3 DGND SW+18.5V VGND VGND NC PON+5.0V PON+5.0V 2DIN TYPE 1DIN TYPE PON-12.0V PON+18.5V PON+12.5V POLS/HSY/VSY/BLK MODE1/2/3/HPOS1/2/3/4 NTSC/PAL,MIRROR VGND PON+3.3V OPEN VR/VG/VB PON+5.0V VGND PON+3.3V VCOM PDOS/OSCI STH2 STH1 VB VR VG CPH1 HDIR CX NGOE2 V.COM NGOE1 STV2 STV1 UPSD NGOE3 CPV PON+18.5V PON+5.0V PON+3.3V VGND PON-12.0V NGOE3/CPH1 NGOE1/NGOE2/ UPSD/CPV/ HDIR/CX/ STV1/STV2/STH1/STH2/ OPEN KEY4,REMO.ESD GND RESET,SRC,EJECT,KEY3 LED_G,LED R,SI3.3V SI3.3V SI BU3.3V D GND PON+5.0V 30PIN 0.5mm PON+5.0V XDATA/YDATA X0/X1/Y0 KEY1 AUTO DIM/ D.GND PWM/ENABLE LED GND BL GND BL8.5V LED GND LED+8.5V(R)/LED+8.5V(G) LED+8.5V(B) DGND OPEN CLOSE/VOL+/VOL- BRINK X0/X1/ Y0/Y1 7 INCH INDASH MECHA ● X35-448/449 www. xiaoyu163. com QQ 376315150 9 9 2 8 9 4 2 9 8 TEL 13942296513 9 9 2 8 9 4 2 9 8 0 5 1 5 1 3 6 7 3 Q Q TEL 13942296513 QQ 376315150 892498299 TEL 13942296513 QQ 376315150 892498299 7 KVT-627DVD/627DVDY/717DVD KVT-737DVD/747DVD/767DVD BLOCK DIAGRAM MOTOR SPINDLE PICK UP OPTICAL STEPPING MOTOR 2 PHASE M CONNECTOR (18P,0.5PITCH) (24P,0.5PITCH) CONNECTOR CONNECTOR (10P,0.5PITCH) (2P,PIN ASSY) CONNECTOR ACTUATER DRIVER IC2 PROCESSOR FRONT END APC TR Q7,Q8 Q1,Q2 THERMISTER RESET IC IC4 EEPROM IC11 FLASH ROM IC3 (50P,0.5PITCH) CONNECTOR DISC CONTROLLER OPTICAL (4P,0.5PITCH) CONNECTOR 3.3V REG. IC10 A3.3V D3.3V D5V A5V IC9 1.5V REG. 1.5V VOLTAGE DET IC8 IC5 MOTOR & IC1 CN4 CN3 CN2 CN1 CN5 CN6 CN1 HALL BIAS HALL SENSOR U,V,W, COIL DVD LD/CD LC VC (2.2V) MODE SW/GAIN SW FO+-,TR+- PD/VR DVD/VR CD I/V OUT (DVD/CD) 4 3 7 P5V P5V DC MOTOR LO/EJ 3PHASE PWM PWM*2 VHALF 8 A,B,C, D,E,F,RF (P,N) SCK,STDI SEN 9 2 3 7 VHALF A5V ARF,NARF FBAL JLINE,TSTSG FE,AS,REFNV,RFDIFO OFTR,BDO,VREF2 VHALF (16.5V) TRCRS TE DVDON/CDON SEN SCK,STDI A3.3V A5V A3.3V DISC A3.3V D5V 1.5V D3.3V IOP- (AD) TEMP DET (AD) 16.897849MHz D3.3V GAIN SW PWM8,DRV.MUTE,LO.MTE,B SPDRV,FODRV,TRDRV MS,STEP A,STEP B FG,EXCNT1 SDA,SCL FADR0-FADR17, NCE,NWE,NOE FDT0-FDT7 D3.3V 2 D3.3V 8 21 S/P DIF AUDIO OUT CD-DA ATAPI IF D5V P5V DISC DET 6 A B D E C D5V LIM SW FG VREF,EC PWM*2 SW A,B,C,D,E LIM-SW NRST VR FFC 3 ● X37-107 (DVD mechanism) www . x ia o y u 1 6 3 . c o m QQ 3 7 6 3 1 5 1 5 0 9 9 2 8 9 4 2 9 8 T E L 1 3 9 4 2 2 9 6 5 1 3 9 9 2 8 9 4 2 9 8 0 5 1 5 1 3 6 7 3 Q Q TEL 13942296513 QQ 376315150 892498299 TEL 13942296513 QQ 376315150 892498299 8 KVT-627DVD/627DVDY/717DVD KVT-737DVD/747DVD/767DVD COMPONENTS DESCRIPTION ● VIDEO CONTROL UNIT (X14-957/958x-xx) Ref. No. Application / Function Operation / Condition / Compatibility IC100 DC-DC power supply IC SW5V/MECHA7V control IC101 DC-DC power supply IC SW3.3V/MECHA7.5V control IC102 DC-DC power supply IC BL8.5V, ±7V control IC103 Regulator IC Backup 5V generation IC104 Regulator IC Backup 3.3V generation IC108 Regulator IC IC601 2V generation IC200 E2PROM Memory for µ-com IC202 Motor driver IC Sliding mechanism slide control IC203 Motor driver IC Sliding mechanism angle control IC204 System microcomputer For main unit control IC205 Logic IC (AND) AND for remote controller + wired remote-controlled IC206 Resetting IC For resetting µ-com IC207 Logic IC (AND∗4) For 3.3V → 5V conversion IC301 Color differential signal 1H-DELAY For delaying color differential signal for 1H at the time of PAL IC303 Color liquid crystal panel driving signal RGB signal generation for liquid crystal processing IC IC304 RGB switch For switching DVD signal and RGB signal coming from X34 IC306 Logic IC (Inverter) For reversing blank signal coming from X35 IC361 Logic IC (NAND) HD signal reversal buffer IC362 PLL built-in synchronization separation IC HD/VD generation from composite signal after synchronization separation IC363 Logic IC (Buffer) Buffer for HD signal IC364 Logic IC (Buffer) Buffer for VD signal IC365 Logic IC (Mono-multi) HD delaying for OSD-IC IC366 Logic IC (Inverter) For VD signal reversal IC400 MOS-IC for on-screen display For displaying characters and patterns on the monitor screen IC401 FLASH ROM ROM for OSD-IC IC402 Logic IC (NOR) For frequency dividing of clock for OSD-IC IC403 Logic IC (D-FF∗4) For frequency dividing of clock for OSD-IC IC404 Logic IC (Inverter) For frequency dividing of clock for OSD-IC IC405 Logic IC (AND) For frequency dividing of clock for OSD-IC IC406 Logic IC (OR) For frequency dividing of clock for OSD-IC IC500 Regulator DVD mechanism 5V generation IC520 FLASH ROM For MPEG decoder control program IC540,541 Logic IC (Inverter) For 27MHz oscillation IC560 SDRAM RAM for temporary storage of decoded signal IC601 MPEG decoder IC for decoding MPEG encoded signal IC650 Video signal LPF + drive IC For DVD RGB/composite signal IC651 Regulator For 5V generation IC652 Video encoder Conversion of digital video signal into analog signal IC654 Video switch For switching composite signal from DVD composite signal and X34 www. xiaoyu163. com QQ 376315150 9 9 2 8 9 4 2 9 8 TEL 13942296513 9 9 2 8 9 4 2 9 8 0 5 1 5 1 3 6 7 3 Q Q TEL 13942296513 QQ 376315150 892498299 TEL 13942296513 QQ 376315150 892498299 9 KVT-627DVD/627DVDY/717DVD KVT-737DVD/747DVD/767DVD Ref. No. Application / Function Operation / Condition / Compatibility IC701 Ope amp IC For audio LPF IC702 Regulator IC For audio 5V generation IC703 DAC for audio Conversion of digital signal into analog signal IC750 Logic IC (Inverter) SPDIF driver IC770 CPLD Audio DAC control IC850 Logic IC (NAND) For frequency dividing of clock for OSD-IC Q100 NPN digital transistor For SW14.4V control Q101 Small signal NPN transistor For detection circuit for reduced/excess current Q102 NPN digital transistor For detection circuit for reduced/excess current Q103 Small signal PNP transistor For detection circuit for reduced/excess current Q104 Small signal NPN transistor For detection circuit for reduced/excess current Q105 Small signal PNP transistor For detection circuit for reduced/excess current Q106 FET For SW14.4V generation Q107 Small signal NPN transistor For ACC detection Q108 PNP digital transistor For PARK detection Q109 FET For SW5V/MECHA7V control Q110 FET For SW3.3V/MECHA7.5V control Q111 FET For BL8.5V, ±7V control Q112 NPN digital transistor For detection circuit for reduced/excess current Q117 NPN digital transistor For MECHA7.5/5V switching Q120 Small signal PNP transistor For switching µ-com AD conversion reference voltage BU3.3V/SW3.3V Q121 NPN digital transistor For switching µ-com AD conversion reference voltage BU3.3V/SW3.3V Q122 Small signal PNP transistor For switching µ-com AD conversion reference voltage BU3.3V/SW3.3V Q123,124 Small signal NPN transistor For switching µ-com AD conversion reference voltage BU3.3V/SW3.3V Q125 Small signal NPN transistor For detection circuit for reduced/excess current Q126,127 PNP digital transistor For detection circuit for reduced/excess current Q128 PNP digital transistor For SW14.4V control Q129 Low-frequency general amplification For SW14.4V control NPN transistor∗2 Q170 NPN digital transistor For switching DC-DC oscillation frequency Q172 NPN digital transistor For switching DC-DC oscillation frequency Q175 NPN digital transistor For switching DC-DC oscillation frequency Q180,181 Small signal NPN transistor For IC303 7.5V generation (7.5V fluctuates a little) Q182 Small signal PNP transistor For IC303 7.5V generation (7.5V fluctuates a little) Q183 NPN digital transistor For LLUMI detection Q184 NPN digital transistor For REVERSE detection Q200 NPN transistor For BLUE_LED control Q201 PNP digital transistor For BLUE_LED control Q202 NPN digital transistor For GREEN_LED control Q203 PNP digital transistor For GREEN_LED control Q204 NPN digital transistor For RED_LED control Q205 PNP digital transistor For RED_LED control COMPONENTS DESCRIPTION www. xiaoyu163. com QQ 376315150 9 9 2 8 9 4 2 9 8 TEL 13942296513 9 9 2 8 9 4 2 9 8 0 5 1 5 1 3 6 7 3 Q Q TEL 13942296513 QQ 376315150 892498299 TEL 13942296513 QQ 376315150 892498299 10 KVT-627DVD/627DVDY/717DVD KVT-737DVD/747DVD/767DVD Ref. No. Application / Function Operation / Condition / Compatibility Q206 PNP digital transistor For resetting Q207 NPN digital transistor For resetting Q208 Small signal PNP transistor For µ-com input voltage 5V → 3.3V conversion Q209 Small signal NPN transistor For µ-com input voltage 5V → 3.3V conversion Q210 Small signal PNP transistor For µ-com input voltage 5V → 3.3V conversion Q211 Small signal NPN transistor For µ-com input voltage 5V → 3.3V conversion Q212 Small signal PNP transistor Temperature compensation for DC-DC external oscillation frequency input clamp Q213 Small signal NPN transistor DC-DC external oscillation frequency input clamp Q214 NPN digital transistor DC-DC external oscillation frequency input stoppage REF voltage input Q215 Small signal NPN transistor DC-DC external oscillation frequency input clamp Q216 NPN digital transistor DC-DC external oscillation frequency input stoppage REF voltage input Q217 Small signal NPN transistor DC-DC external oscillation frequency input clamp Q218 NPN digital transistor DC-DC external oscillation frequency input stoppage REF voltage input Q300 Small signal PNP transistor For chroma trap switching at the time of PAL Q301 NPN digital transistor For IC304 switching control Q360 NPN digital transistor For brightness signal input buffer to IC303 Q361 PNP digital transistor For color signal input buffer to IC303 Q362 PNP digital transistor For input signal buffer to IC362 Q363 PNP digital transistor For IC362 NT/PAL control 3.3V → 5V conversion Q364 NPN digital transistor For IC362 NT/PAL control 3.3V → 5V conversion Q390 Small signal NPN transistor For IC237 3V generation Q391 Small signal PNP transistor For IC237 3V generation Q400 PNP digital transistor OSD_R buffer Q401 PNP digital transistor OSD_G buffer Q402 PNP digital transistor OSD_B buffer Q404,405 Small signal NPN transistor For OSD-IC clock amp Q650 PNP digital transistor For IC652 resetting 3.3V → 5V conversion Q651 NPN digital transistor For IC652 resetting 3.3V → 5V conversion Q652 NPN digital transistor For RGB_SW reversal Q653 NPN digital transistor For DVD composite muting Q701,702 Small signal NPN transistor For audio signal muting Q703 Small signal NPN transistor For audio signal muting control Q704 NPN digital transistor For audio signal muting control Q705,706 PNP digital transistor For audio signal muting control Q901 Medium pot or amplification PNP transistor For X16 SW3.3V control Q902 Small signal NPN transistor For X16 SW3.3V control Q904 PNP digital transistor For X16 SW5V control Q905,906 NPN digital transistor For X16 SW5V control ● SUB-CIRCUIT UNIT (X16-303/304x-xx) Ref. No. Application / Function Operation / Condition / Compatibility IC201 Remote controller light receptor section Remote controller light receptor section COMPONENTS DESCRIPTION www. xiaoyu163. com QQ 376315150 9 9 2 8 9 4 2 9 8 TEL 13942296513 9 9 2 8 9 4 2 9 8 0 5 1 5 1 3 6 7 3 Q Q TEL 13942296513 QQ 376315150 892498299 TEL 13942296513 QQ 376315150 892498299 11 KVT-627DVD/627DVDY/717DVD KVT-737DVD/747DVD/767DVD Ref. No. Application / Function Operation / Condition / Compatibility Q101 For DSI signal switching DSI signal control Q204 For LED switching Switching LED_Blue / LED Green on MINI_LCD Q205 For LED switching Switching LED_Blue / LED Red on MINI_LCD Q206 For LED switching Switching LED_Red /LED_Green ● ELECTRIC UNIT (X34-353/354x-xx) Ref. No. Application / Function Operation / Condition / Compatibility IC50 3-terminal regulator IC 8.4V for audio is generated from BU14V IC52 Power supply conversion IC ±9.0V for 5V pre-out is generated from BU14V IC54 3-terminal regulator IC 5V for video is generated from BU14V IC100 Power IC Power amplifier for speaker output IC150 Operational amplifier Audio mid-point electrical potential 3.3V, SVR voltage 6.8V buffer IC151 Electrical volume and Selector IC Audio volume control, audio signal selection IC200 Operational amplifier For 5V pre-out audio signal amplification (Front) IC201 Operational amplifier For 5V pre-out audio signal amplification (Rear) IC202 Operational amplifier For 5V pre-out audio signal amplification (Sub-woofer) IC203 Isolation amp IC For audio signal GND isolation (AVIN2) IC204 Isolation amp IC For audio signal GND isolation (AVIN1) IC251 RDS decoder IC For RDS signal processing and demodulation IC300 Voltage detector For µ-com resetting voltage monitoring IC301 Logic IC (NOR) Muting control for audio IC303 Audio microcomputer For X34 board control IC400 Video switch For video signal selection (R) IC401 Video switch For video signal selection (G) IC402 Video switch For video signal selection (B) IC403 Synchronization separation IC For NT/PAL recognition, AVIN/Rear camera auto detection IC404 Video switch Video signal selection (Synchronization separation) IC405 Isolation amp IC For audio signal GND isolation (TV) IC406,407 Video switch Video signal selection (For monitoring main unit) IC408 Video switch Video signal selection (For AVOUT) IC413 Logic IC (Multiplexer) For audio signal selection (For MAIN source) IC414 Logic IC (Multiplexer) For audio signal selection (For 2-ZONE sources) IC415 Video switch Video signal selection (For monitoring main unit) IC416 Video switch Video signal selection (For AVOUT) IC500 Isolation amp IC For audio signal GND isolation (LX) IC501 Logic IC (Inverter) For reversing resetting signal IC502 Logic IC (Buffer) Buffer for remote control signal for NAVI IC504 Operational amplifier For DVD audio signal GND isolation (Right) IC505 Operational amplifier For DVD audio signal GND isolation (Left) Q1 For fan 11V power supply Comes ON when Q2 is ON Q2 For fan 11V power supply Comes ON when Q3 is ON Q3 For fan 11V power supply Comes ON when SW5V is ON COMPONENTS DESCRIPTION www. xiaoyu163. com QQ 376315150 9 9 2 8 9 4 2 9 8 TEL 13942296513 9 9 2 8 9 4 2 9 8 0 5 1 5 1 3 6 7 3 Q Q TEL 13942296513 QQ 376315150 892498299 TEL 13942296513 QQ 376315150 892498299 12 KVT-627DVD/627DVDY/717DVD KVT-737DVD/747DVD/767DVD Ref. No. Application / Function Operation / Condition / Compatibility Q4 For fan 11V power supply For controlling output voltage Q6 ANT-CONT SW Comes on when TUNER source is selected Q7 P-CONT SW Goes OFF when STANDBY source is selected Q8~11 For P-CONT circuit control Controlling P-CONT circuit Q12 BU detection SW Comes ON power supply voltage is about 8.8V or more Q13 For EXT-AMP control Control of external amplifier Q14 For surge voltage detection Comes ON when Q15 is ON Q15 For surge voltage detection Comes ON when power supply voltage is about 20V or more Q50 For ±9V power supply Comes ON when Q51 is ON Q51 For ±9V power supply Comes ON when SW14V is ON Q52 SW14V power supply SW Comes on at P-ON Q54 For BU5V power supply - Q55 A8V power supply SW Comes ON when SW14V is ON Q58 For BU5V power supply - Q59 For A8V power supply BU14V → 8V for audio is supplied Q61 V5V power supply SW Comes ON when SW14V is ON Q62 SW5V power supply SW Comes ON at P-ON Q63 For SW5V power supply BU5V → SW 5V is supplied Q64 For V5V power supply BU14V → 5V for video is supplied Q65~70 For ±9V power supply Q150 SVR6.8V, Audio 3.3V, Comes ON when SW14V is ON IC150 power supply SW Q151 For SVR voltage reduction control Electric current control of SVR voltage reduction circuit Q152 SVR6.8V, Audio 3.3V, IC150 power supply Power supply to IC150, voltage supply to Q151 Q200 For audio muting Audio muting of pre-out front right channel Q201 For audio muting Audio muting of pre-out front left channel Q202 For audio muting Audio muting of pre-out rear left channel Q203 For audio muting Muting at momentary power down, resetting, and audio mute timing Q204 For audio muting Audio muting of pre-out rear right channel Q205 For audio muting Audio muting of pre-out center channel Q206 For audio muting Audio muting of pre-out sub-woofer channel Q207 For audio muting Audio muting of AVOUT right channel Q208 For audio muting Muting at momentary power down, resetting, and audio mute timing Q209 For audio muting Audio muting of AVOUT left channel Q250 AM power supply SW Comes ON when AM source is selected Q252 For AM power supply Audio 8V is supplied when AM source is selected Q403,404 Audio selector control SW Converts IC413 µ-com controlled terminal voltage: 5V → 8V Q405,406 Audio selector control SW Converts IC414 µ-com controlled terminal voltage: 5V → 8V Q500 For reversing resetting signal voltage Reverses signal in order to obtain resetting signal for TV tuner COMPONENTS DESCRIPTION www. xiaoyu163. com QQ 376315150 9 9 2 8 9 4 2 9 8 TEL 13942296513 9 9 2 8 9 4 2 9 8 0 5 1 5 1 3 6 7 3 Q Q TEL 13942296513 QQ 376315150 892498299 TEL 13942296513 QQ 376315150 892498299 13 KVT-627DVD/627DVDY/717DVD KVT-737DVD/747DVD/767DVD ● VIDEO UNIT (X35-448/449x-xx) Ref. No. Application / Function Operation / Condition / Compatibility IC1 Inverter control IC Control and drive of inverter circuit for backlight IC101 DC/DC converter IC ±12V power supply for VCOM amp, -12.0V/+18.5V LCD power supply IC203 VCOM amp VCOM signal amplification amp IC300 Three states buffer Start pulse switching SW IC301 Timing controller IC LCD module control IC302 AND V.SYNC delay buffer IC303 PLL LPF LPF for PLL control (VT voltage control) IC401 Dimmer sensor IC Auto Dimmer detection sensor Q1 Dimmer SW ON/OFF control signal of PWM and put on dimmer on backlight Q2,3 Inverter driver Inverter circuit driving Q5 5V AVR 5V power supply for inverter control IC Q202,203 VCOM driver VCOM signal buffer Q300 Switch For switching IC205 Q301 VCO For PLL oscillation Q302,303 Buffer For PLL clock Q501 Touch panel Y1 SW Y0 (X0) SW: Comes ON when inputting to Y (X)-axis and goes OFF when inputting X (Y)-axis Q502 Touch panel X0/Y1 SW Y1 SW: Comes ON when inputting to Y-axis and impresses voltage Q503 Touch panel X1/Y0 SW X1 SW: Comes ON when detecting panel touch/X-axis input and impresses voltage Q601 Switch OPEN/CLOSE key ILLUMI blinking switch ● DVD UNIT (X37-1070-00) Ref. No. Application / Function Operation / Condition / Compatibility IC1 RF signal processing IC RF signal processing IC2 Driver Driver for motorists/pickup actuators IC3 FLASH ROM FW maintenance for optical DISC control IC IC4 µ-com built-in optical DISC control IC Optical DISC control in general/ATAPI interface IC5 Voltage detection IC For reset of optical DISC control IC IC8 Voltage detection IC For monitoring power supply voltage IC9 S1.5V power supply IC S5V → S1.5V IC10 S3.3V power supply IC S5V → S3.3V IC11 EEPROM Data storage for optical DISC control IC Q1 MOS-FET DVD laser diode ON/OFF control Q2 MOS-FET CD laser diode ON/OFF control Q7 APC transistor CD laser diode light emission amount control Q8 APC transistor DVD laser diode light emission amount control Q9 MOS-FET For CD laser diode protection Q10 MOS-FET For DVD laser diode protection Q11 Resistor built-in transistor LO-MUTE signal control Q12 Resistor built-in transistor FG signal control Q13 Resistor built-in transistor BMS signal control Q14 Resistor built-in transistor DRMU signal control COMPONENTS DESCRIPTION www. xiaoyu163. com QQ 376315150 9 9 2 8 9 4 2 9 8 TEL 13942296513 9 9 2 8 9 4 2 9 8 0 5 1 5 1 3 6 7 3 Q Q TEL 13942296513 QQ 376315150 892498299 TEL 13942296513 QQ 376315150 892498299 14 KVT-627DVD/627DVDY/717DVD KVT-737DVD/747DVD/767DVD ● System Microcomputer: 703265YGJ501A (X14: IC204) Pin No. Pin Name Module (physical) I/O Application Processing Operation Description 1 AVREF0 2 AVSS 3,4 NC 5 AVREF1 6 V_MUTE VIDEO O Video mute H: MUTE ON 7 HD VIDEO I Graphic 7 NC O OSD 8 FLMD0 µCOM I 9 VDD 10 REGC 11 VSS 12 X1 4.953MHz 13 X2 14 RESET µCOM I 15 XT1 32.768kHz 16 XT2 17 NC 18 VD VIDEO I (Graphic) 18 NC O OSD 19 BU_DET Power supply I Back up detection H: Reduced electric power detection 20 DISK_DET DVD_MECHA I Disk detection L: Disc IN 21 ACC_DET Power supply I ACC detection H: ACC reduced electric power detection 22 MINI_SDATA PANEL I Data input from mini liquid crystal 23 NC O 24 MINI_CLKIN PANEL I Communication clock with mini liquid crystal 25 BE_MDATA B/E O Data output to B/E-IC 26 BE_SDATA B/E I Data input from B/E-IC 27 BE_CLK B/E I Communication clock with B/E-IC 28 BE_MREQ B/E O Request to B/E-IC 29 BE_SREQ B/E I Request from B/E-IC 30 REMO PANEL I Remote controller 31 S_MUTE VIDEO O Composite signal mute L: FULL GRAPHIC (OSD), H: OTHER 32 NC 33 EVSS 34 EVDD 35 SDA/E2P_SDA µCOM I/O Access with E2P 35 SDA/ROM_COR_SDA µCOM I/O Access with E2P at coping with ROM correction 35 SDA/CHROMA_SDA_SDA Chroma γ I/O Access with chroma γ IC 36 SCL/E2P_SCL µCOM I/O Access with E2P 36 SCL/ROM_COR_SCL µCOM I/O Access with E2P at coping with ROM correction MICROCOMPUTER’S TERMINAL DESCRIPTION www. xiaoyu163. com QQ 376315150 9 9 2 8 9 4 2 9 8 TEL 13942296513 9 9 2 8 9 4 2 9 8 0 5 1 5 1 3 6 7 3 Q Q TEL 13942296513 QQ 376315150 892498299 TEL 13942296513 QQ 376315150 892498299 15 KVT-627DVD/627DVDY/717DVD KVT-737DVD/747DVD/767DVD Pin No. Pin Name Module (physical) I/O Application Processing Operation Description 36 SCL/CHROMA_SCL Chroma γ I/O Access with chroma γ IC 37 BE_RST B/E O B/E circuit reset L: RESET 38 POWER_DET Power supply I 8.5V over current detection H: Abnormality detection 39 BL_DET INVERTER I Backlight abnormality detection H: Abnormality detection 40 B_PON Power supply O SW14 (BU SW)ON/OFF control H: ON 41,42 NC O 43 FSEL1 Power supply O DC-DC IC oscillation frequency switching 44 FSEL2 Power supply O DC-DC IC oscillation frequency switching 45 FSEL_SW Power supply O Control at DC-DC IC FSEL switching Normal: H, At FSEL switching: L 46 PON Power supply O Power supply ON/OFF control H: ON 47 MCNT Power supply O Motor driver voltage switching (MECHA7V) (1DIN) H: 7V, L: 5V 48 RGB_SW VIDEO O RGB signal switching L: DVD, H: OTHER 49 OSD_CS OSD O OSD-IC chip select (OSD) 50 OSD_DATA OSD O Data output to OSD-IC (OSD) 51 OSD_CLK OSD O Clock output to OSD-IC (OSD) 52 OSD_RST OSD O Resetting OSD-IC (OSD) 53 WRT_E2P µCOM I Used for E2P writing 54 POWER_PWM Power supply O DC/DC-IC oscillation frequency control PWM output. At FSEL switching stopped. (Output L) 55 JIG_EJ EXTRA I 2DIN 56 PWM INVERTER O Liquid crystal brightness control 57 STATUS0 JIG O For monitor mechanism endurance Jig 58 STATUS1 JIG O For monitor mechanism endurance Jig 59 PANEL_DET PANEL I Front panel attach/detach detection H: Detached, L: Attached 2DIN L-fixed 60 STATUS2 JIG O For monitor mechanism endurance Jig 61 SH_MDATA SH-3 O Data output to SH-3 µ-com (GRAPHIC) 62 SH_SDATA SH-3 I Data input from SH-3 µ-com (GRAPHIC) OSD is output 63,64 NC O 65 SYS_SREQ BOX I Request from BOX µ-com 66 SYS_MREQ BOX O Request to BOX µ-com 67 SYS_ON BOX O BOX µ-com ON/OFF control H: ON, L: OFF 68 SYS_SDATA BOX I Data input from BOX µ-com 69 SYS_MDATA BOX O Data output to BOX µ-com 70 SYS_CLK BOX O Communication clock with BOX µ-com 250kHz 71 MINI_CS/MINI_CS PANEL O Communication with mini liquid crystal 71 MINI_CS/FLASH_SDATA µCOM I For flash writing 72 MINI_MDATA/MINI_MDATA PANEL O Communication with mini liquid crystal 72 MINI_MDATA/SUBLED_SW PANEL O Model without mini liquid crystal LED ON/OFF HI: ON 72 MINI_MDATA/FLASH_MDATA µCOM O For flash writing 73 MINI_CLK/MINI_CLK PANEL O Communication with mini liquid crystal 73 MINI_CLK/FLASH_CLK µCOM I For flash writing MICROCOMPUTER’S TERMINAL DESCRIPTION www. xiaoyu163. com QQ 376315150 9 9 2 8 9 4 2 9 8 TEL 13942296513 9 9 2 8 9 4 2 9 8 0 5 1 5 1 3 6 7 3 Q Q TEL 13942296513 QQ 376315150 892498299 TEL 13942296513 QQ 376315150 892498299 16 KVT-627DVD/627DVDY/717DVD KVT-737DVD/747DVD/767DVD Pin No. Pin Name Module (physical) I/O Application Processing Operation Description 74 OPEN_CLOSE/OPEN_CLOSE PANEL I OPEN_CLOSE key (1DIN) L: ON 74 OPEN_CLOSE/EJECT PANEL I Tilt mechanism OPEN/CLOSE and eject (2DIN) L: ON 75 SRC PANEL I Source key L: ON 76 EJECT PANEL I Eject key (1DIN) L: ON 2DIN HI-fixed input 77 MINI_PON PANEL O MINI liquid crystal Power supply control H: ON, L: OFF 78 DSI PANEL O DSI control (1DIN) 79 ILL_DET Power supply I ILLUMI detection H: Normal, L: Detect 80 PAK_DET Power supply I Parking detection H: Normal, L: Detect 81 REV_DET Power supply I Reverse detection H: Normal, L: Detect 82~84 NC O 85 SH_INI SH-3 O (GRAPHIC) 86 SH_STBY SH-3 I (GRAPHIC) 87 SH_SREQ SH-3 I Request from SH-3 µ-com (GRAPHIC) 88 SH_MREQ SH-3 O Request to SH-3 µ-com (GRAPHIC) 89 SH_CON SH-3 O (GRAPHIC) 90 SH_RST SH-3 O SH-3 µ-com resetting (GRAPHIC) 91 TOUCH SH-3 I (GRAPHIC) 92 TOUCH_EN SH-3 O (GRAPHIC) 93 NAVI_L VIDEO O L: NAVI, H: OTHER 94~97 TYPE0~TYPE3 EXTRA I Destination setting Refer to destination setting 98 SUBLED_OFF Other X35 O 2DIN disc LED control (2DIN) 99 TMOTOR_M 1DIN_MECHA O Monitor mechanism tilt control (1DIN) 99 TILT_UP 2DIN_MECHA O Tilt mechanism control (2DIN) 100 TMOTOR_P 1DIN_MECHA O Monitor mechanism tilt control (1DIN) 100 TILT_DOWN 2DIN_MECHA O Tilt mechanism tilt control (2DIN) 101 SMOTOR_M 1DIN_MECHA O Monitor mechanism slide control (1DIN) 102 SMOTOR_P 1DIN_MECHA O Monitor mechanism slide control (1DIN) 103 BVSS 104 BVDD 105 SW_A 1DIN_MECHA I Monitor mechanism detection(1DIN) 2DIN is OUT 106 SW_B 1DIN_MECHA I (1DIN) 2DIN is OUT 107 SW_C 1DIN_MECHA I Monitor mechanism detection 2DIN is OUT 108 SW_D 1DIN_MECHA I Monitor mechanism detection 2DIN is OUT 109 ENABLE INVERTER O Backlight ON/OFF control H: ON 110 FLMD1 µCOM I 111 Y0 Touch panel O Touch panel control (OSD) 112 X1 Touch panel O Touch panel control (OSD) 113 X0 Touch panel O Touch panel control (OSD) 114~117 HPOS1~HPOS4 LCD O Display position control 118~120 MODE1~MODE3 LCD O Aspect setting 121 MIRROR LCD O Rear monitor mirror control MICROCOMPUTER’S TERMINAL DESCRIPTION www. xiaoyu163. com QQ 376315150 9 9 2 8 9 4 2 9 8 TEL 13942296513 9 9 2 8 9 4 2 9 8 0 5 1 5 1 3 6 7 3 Q Q TEL 13942296513 QQ 376315150 892498299 TEL 13942296513 QQ 376315150 892498299 17 KVT-627DVD/627DVDY/717DVD KVT-737DVD/747DVD/767DVD Pin No. Pin Name Module (physical) I/O Application Processing Operation Description 122 ILL_R PANEL O Key ILLUMI red ON/OFF H: ON, L: OFF 123 ILL_G PANEL O Key ILLUMI green ON/OFF H: ON, L: OFF 124 ILL_B PANEL O Mini liquid crystal backlight blue ON/OFF H: ON, L: OFF 125 NTSC_PAL VIDEO O LCD output signal NT/PAL identification output H: PAL, L: NTSC 126 LED_SW/SI Other X35 O LED blinking control at OPEN/CLOSE (1DIN) H: Light turn ON, L: Light turned OFF 126 LED_SW/SI Other X35 O SI control (2DIN) H: Light turn ON, L: Light turned OFF 127 LCD_PON LCD O LCD power supply ON/OFF control H: ON 128~134 NC O 135 TL_DET Power supply I Power supply reduced electric power detection 136 KEY1 PANEL I 4 key monitor mechanism section (1DIN) 137 KEY2 PANEL I 8 key attach/detach panel section (1DIN) 138 KEY3 PANEL I 6 key panel section (2DIN) 139 KEY4 PANEL I 6 key panel section (2DIN) 140 R_SENS 1DIN_MECHA I Monitor mechanism tilt sensor (1DIN) 140 R_SENS 2DIN_MECHA I Tilt mechanism tilt sensor (2DIN) 141 PH_DET 1DIN_MECHA I Monitor mechanism slide detection (1DIN) 142 AUTO_DIM Other X35 I Auto dimmer input 143 YDATA Touch panel I Touch data input (OSD) 144 XDATA Touch panel I Touch data input (OSD) Destination setting of GRAPHIC model and OSD model CLASSIFICATION CATEGORY MODEL NAME DESTINATION TYPE3 TYPE2 TYPE1 TYPE0 GRAPHIC 1DIN KVT-817DVD K 0 0 0 1 KVT-827DVD E 0 0 1 0 KVT-837DVD M 0 0 1 1 KVT-847DVD/867DVD V/X 0 1 0 0 2DIN DDX8017 K 1 0 0 1 DDX8027 E 1 0 1 0 DDX8037 M 1 0 1 1 DDX8047/8067 V/X 1 1 0 0 OSD 1DIN KVT-717DVD K 0 0 0 1 KVT-627DVD/727DVD E 0 0 1 0 KVT-737DVD M 0 0 1 1 KVT-747DVD/767DVD V/X 0 1 0 0 KVT-747DVD R 0 1 1 1 2DIN DDX7017 K 1 0 0 1 DDX6027 E 1 0 1 0 DDX7037 M 1 0 1 1 DDX7047/7067 V/X 1 1 0 0 DDX7047 R 1 1 1 1 MICROCOMPUTER’S TERMINAL DESCRIPTION www. xiaoyu163. com QQ 376315150 9 9 2 8 9 4 2 9 8 TEL 13942296513 9 9 2 8 9 4 2 9 8 0 5 1 5 1 3 6 7 3 Q Q TEL 13942296513 QQ 376315150 892498299 TEL 13942296513 QQ 376315150 892498299 18 KVT-627DVD/627DVDY/717DVD KVT-737DVD/747DVD/767DVD ● Audio Microcomputer: 703030YGCJ13A (X34: IC303) Pin No. Pin Name Module I/O Application Truth Value Processing Operation Description (physical) Table 1 TV_CON TV O Startup requests to TV unit H: TV unit ON, L: TV unit OFF 2 TUN_SCL FST I/O F/E I2C clock output terminal 3 NAVI1_RX NAVI I Data from navigation 1 4 NAVI1_TX NAVI O Data to navigation 1 5 VISUAL_SW5_1 Visual O TV/AVIN2 video switching !3 Refer to truth value table 6 EVDD µCOM 7 EVSS µCOM 8 RGB_SW1 Visual O TV/NAVI1/NAVI2 RGB video switching !0 Refer to truth value table 9 RGB_SW2 Visual O TV/NAVI1/NAVI2 RGB video switching !0 Refer to truth value table 10 VSYNC_DET Visual I Vertical synchronization signal detection (for automatic detection of AVIN2) 11 VISUAL_SW4 Visual O TV/Rear view camera video switching !2 Refer to truth value table 12 SYS_MDATA to X14 I Data from system control µ-com 13 SYS_SDATA to X14 O Data to system control µ-com 14 SYS_MCLK to X14 I Clock from system control µ-com Switching for monitoring of NTSC/PAL 15 VSYNC_SW1 Visual O identification COMP signal and AUTO !4 detection COMP signal 16 VISUAL_SW3_2 Visual O NAVI1/NAVI2/AVIN1 video switching !1 Refer to truth value table 17 PWIC_BEEP POWER-IC O Beep output 18 IC/VPP µCOM 19 VISUAL_SW3_1 Visual O NAVI1/NAVI2/AVIN1 video switching !1 Refer to truth value table 20 VISUAL_SW2_2 Visual O SW5 (or TV)/AVIN2/DVD video switching o 21 VISUAL_SW2_1 Visual O SW5 (or TV)/AVIN2/DVD video switching o 22 VISUAL_SW1_2 Visual O AVIN2/SW5 (or TV)/ i SW3 (or NAVI1) video switching 23 VISUAL_SW1_1 Visual O AVIN2/SW5 (or TV)/ i SW3 (or NAVI1) video switching 24 VISUAL_SW5_2 Visual O TV/AVIN2 video switching !3 Refer to truth value table 25 RDS_DATA RDS I RDS decoder DATA input 26 RDS_QUAL RDS I RDS decoder QUAL input 27 P_ON_AM FST O AM power supply ON/OFF control H: ON (When AM is selected), L: Normal 28 RDS_AFS FST I/O Noises detection constant switching 29 NC O 30 MUTE_PRE MUTE O Muting for PREOUT L: MUTE ON, H: Normal 31 RESET µCOM 32 XT1 µCOM 33 XT2 µCOM MICROCOMPUTER’S TERMINAL DESCRIPTION www. xiaoyu163. com QQ 376315150 9 9 2 8 9 4 2 9 8 TEL 13942296513 9 9 2 8 9 4 2 9 8 0 5 1 5 1 3 6 7 3 Q Q TEL 13942296513 QQ 376315150 892498299 TEL 13942296513 QQ 376315150 892498299 19 KVT-627DVD/627DVDY/717DVD KVT-737DVD/747DVD/767DVD MICROCOMPUTER’S TERMINAL DESCRIPTION Pin No. Pin Name Module I/O Application Truth Value Processing Operation Description (physical) Table 34 REGC µCOM 35 X2 µCOM 36 X1 µCOM 37 VSS µCOM 38 VDD µCOM 39 CLKOUT µCOM 40 MUTE_AVOUT MUTE O Muting for AVOUT L: MUTE ON, H: Normal 41 AUDIO_SW1_A Audio O LX/NAVI1/SW3 (or TV)/ q Refer to truth value table AVIN1 audio switching (for main) 42 AUDIO_SW1_B Audio O LX/NAVI1/SW3 (or TV)/ q Refer to truth value table AVIN1 audio switching (for main) 43 AUDIO_SW2_A Audio O TV/AVIN1/AVIN2 audio switching (for sub) w Refer to truth value table 44 AUDIO_SW2_B Audio O TV/AVIN1/AVIN2 audio switching (for sub) w Refer to truth value table 45,46 NC O Switching for monitoring of NTSC/PAL 47 VSYNC_SW2 Visual O identification COMP signal and AUTO !4 detection COMP signal 48 NC O 49 P_ON Power supply O SW5V→SW14V power supply ON/OFF control H: ON, L: Normal Hi when selecting FMAM→Antenna UP 50 ANT_CONT DC-CN O Power antenna control H: Antenna UP, In other cases Low→Antenna DOWN 51 EXT_CONT DC-CN O External amp control Hi: During POWER ON (Does not come 52 P_CON DC-CN O External amp power supply control ON during STANDBY) Low: During STANDBY or POWER OFF 53 PWIC_MUTE POWER-IC O POWER-IC muting control L: MUTE ON (During POWER/ACC OFF, STANDBY, and at momentary power down) 54 PWIC_STBY POWER-IC O POWER-IC standby control H: POWER ON, L: POWER OFF 55 BVDD µCOM 56 BVSS µCOM 57 NC O 58 MUTE_0 IC2 VI O Muting for IC2 VI OUT0 L: MUTE ON, H: MUTE OFF 59 MUTE_1 IC2 VI O Muting for IC2 VI OUT1 L: MUTE ON, H: MUTE OFF 60 MUTE_2 IC2 VI O Muting for IC2 VI OUT2 L: MUTE ON, H: MUTE OFF 61 TYPE4 TYPE I Destination setting u Refer to truth value table 62 MUTE_C IC2 VI O Muting for IC2 VI MUX_C L: MUTE ON, H: MUTE OFF 63 EEPROM_SDA EEPROM I/O Data for EEPROM (ROM correction) 63 AUD_SDA IC2 VI I/O Data for IC2 VI www. xiaoyu163. com QQ 376315150 9 9 2 8 9 4 2 9 8 TEL 13942296513 9 9 2 8 9 4 2 9 8 0 5 1 5 1 3 6 7 3 Q Q TEL 13942296513 QQ 376315150 892498299 TEL 13942296513 QQ 376315150 892498299 20 KVT-627DVD/627DVDY/717DVD KVT-737DVD/747DVD/767DVD MICROCOMPUTER’S TERMINAL DESCRIPTION Pin No. Pin Name Module I/O Application Truth Value Processing Operation Description (physical) Table 64 EEPROM_SCL EEPROM I/O Clock for EEPROM (ROM correction) 64 AUD_SCL IC2 VI I/O Clock for IC2 VI 65 LX_CON LX_M O Startup request for slave unit H: Slave unit ON, L: Slave unit OFF 66 LX_REQ_M LX_M O Communication request for slave unit 67 LX_MUTE LX_M I MUTE request from slave unit H: MUTE ON, L: MUTE OFF 68 LX_RST LX_M O Hard resetting to slave unit H: Reset, L: Normal 69 SYS_MREQ to X14 I Request from system control µ-com 70 SYS_SREQ to X14 O Request to system control µ-com 71 AVDD µCOM 72 AVSS µCOM 73 AVREF µCOM 74 DC_ERR IC2 VI I DC offset detection When detected: Low 75 LINE_MUTE DC-CN I LINE MUTE detection Normal: 1.6V, TEL MUTE: 1V or lower NAVI MUTE: 2.5V or higher 76 TYPE2 Type I Destination setting u Refer to truth value table 77 TYPE1 Type I Destination setting u Refer to truth value table 78 TYPE0 Type I Destination setting u Refer to truth value table 79 OEM_TYPE1 OEM I OEM destination setting y Refer to truth value table 80 OEM_TYPE0 OEM I OEM destination setting y Refer to truth value table When writing to E2PROM from outside, 81 EEPROM_WRT EEPROM I Write detection at ROM correction Hi is input with a jig (Common use SCL and SDA will stop operation) In other cases, Low (Pull-down) 82 TYPE3 Type I Destination setting u Refer to truth value table 83 TUN_IFC_OUT FST I F/E IFC OUT input terminal H: With station, L: No station 84 TUN_SMETER FST I S-meter input 85 RDS_NOISE FST I FM noise detection 86 TV_SDATA TV I Data from TV unit 87 BU_DET DC-CN I Backup reduced electric power detection Low at 8.8V or higher Hi at reduced electric power (8.8V or lower) 88 LX_REQ_S LX_M I Communication requests from slave unit 89 SYS_ON to X14 I ON/OFF control from system control µ-com H: Box unit ON, L: Box unit OFF 90 TV_SREQ TV I Requests from TV unit 91 TV_MDATA TV O Data to TV unit 92 TV_MREQ TV O Requests from TV unit 93 RDS_CLK RDS I RDS decoder CLK input 94 FLASH_SI FLASH I Data input at the flash writing 94 LX_DATA_S LX_M I Data from slave unit 95 FLASH_SO FLASH O Data output at flash writing www. xiaoyu163. com QQ 376315150 9 9 2 8 9 4 2 9 8 TEL 13942296513 9 9 2 8 9 4 2 9 8 0 5 1 5 1 3 6 7 3 Q Q TEL 13942296513 QQ 376315150 892498299 TEL 13942296513 QQ 376315150 892498299 21 KVT-627DVD/627DVDY/717DVD KVT-737DVD/747DVD/767DVD MICROCOMPUTER’S TERMINAL DESCRIPTION Pin No. Pin Name Module I/O Application Truth Value Processing Operation Description (physical) Table 95 LX_DATA_M LX_M O Data to slave unit 96 FLASH_CLK FLASH I CLK input at flash writing 96 LX_CLK LX_M I/O LX BUS clock 97 NC O 98 TV_JUDGE TV I TV tuner old/new identification H: Old, L: New 99 TV_CLK TV O Clock to TV unit 100 TUN_SDA FST I/O F/E I2C data input/output terminal q Audio Selector 1 (TC4052BFT) AUDIO_SW1_A AUDIO_SW1_B Output L L IN3 AVIN1 H L IN2 TV L H IN1 AVIN2 H H IN0 LX ∗ Input is reversed by transistor before entering selector. w Audio Selector 2 (TC4052BFT) AUDIO_SW2_A AUDIO_SW2_B Output L L IN3 AVIN2 H L IN2 AVIN1 L H IN1 TV H H IN0 Not used ∗ Input is reversed by transistor before entering selector. y Destination setting for OEM Destination TYPE0 TYPE1 Marketing 0 0 OEM1 0 1 OEM2 1 0 EU Installation 1 1 u TYPE4, TYPE3, TYPE2, TYPE1, TYPE0 Category Model Destination TYPE4 TYPE3 TYPE2 TYPE1 TYPE0 1DIN KVT-717DVD K 0 0 0 0 1 KVT-627DVD E 0 0 0 1 0 KVT-737DVD M 0 0 0 1 1 KVT-767DVD V 0 0 1 0 0 KVT-747DVD X 0 0 1 0 1 KVT-747DVD R 0 0 1 1 1 2DIN DDX7017 K Reserve 1 0 0 1 DDX7027 E Reserve 1 0 1 0 DDX7037 M Reserve 1 0 1 1 DDX7067 V Reserve 1 1 0 0 DDX7047 X Reserve 1 1 0 1 DDX7047 R Reserve 1 1 1 1 ∗ Reserve terminal is pulled down. www. xiaoyu163. com QQ 376315150 9 9 2 8 9 4 2 9 8 TEL 13942296513 9 9 2 8 9 4 2 9 8 0 5 1 5 1 3 6 7 3 Q Q TEL 13942296513 QQ 376315150 892498299 TEL 13942296513 QQ 376315150 892498299 22 KVT-627DVD/627DVDY/717DVD KVT-737DVD/747DVD/767DVD MICROCOMPUTER’S TERMINAL DESCRIPTION i Video Selector 1 (MM1228XFBE) VISUAL_SW1_1 VISUAL_SW1_2 Output L L IN1 AVIN1 H L IN2 SW4 L/H H IN3 SW3 (or NAVI) o Video Selector 2 (MM1228XFBE) VISUAL_SW2_1 VISUAL_SW2_2 Output L L IN1 AVIN1 H L IN2 SW5 (or TV) L/H H IN3 DVD !0 RGB_SW (MM1503 or MM1508 or MM1228) RGB_SW1 RGB_SW2 Output L L IN1 NAVI H L IN2 TV L/H H IN3 MUTE !1 Video Selector 3 (BA7652AF) VISUAL_SW3_1 VISUAL_SW3_2 Output L L IN1 NAVI H L IN2 AVIN2 L H IN3 Not used H H MUTE - !2 Video Selector 4 (MM1503) VISUAL_SW4 Output L IN1 TV H IN2 Rear view !3 Video Selector 5 (BA7652AF) VISUAL_SW5_1 VISUAL_SW5_2 Output L L IN1 TV H L IN2 AVIN2 L H IN3 Not used H H MUTE - !4 VSYNC Selector (BA7652AF) VSYNC_SW1 VSYNC_SW2 Output L L IN1 AVIN2 H L IN2 CAMERA L H IN3 AVIN1 H H MUTE - About muting of composite signal to X14 • Video Selector 1 is set to SW3 and Video Selector 3 is set to MUTE. Mute timing is at full OSD. www. xiaoyu163. com QQ 376315150 9 9 2 8 9 4 2 9 8 TEL 13942296513 9 9 2 8 9 4 2 9 8 0 5 1 5 1 3 6 7 3 Q Q TEL 13942296513 QQ 376315150 892498299 TEL 13942296513 QQ 376315150 892498299 23 KVT-627DVD/627DVDY/717DVD KVT-737DVD/747DVD/767DVD Pin No. Pin Name I/O Application 1 SW_2 I 8cm Ej-STOP, Lo-START detection 2 SW_3 I Lo-START detection 3 CDON O CD-LD ON 4 VDD3 - VDD (3.3V) 5 VSS - VSS 6 FG I Motor FG input 7 SW_4 I Lo-END detection 8,9 FADR17,18 O Address output to FLASH 10 FADR11 O Address output to FLASH 11 FADR9 O Address output to FLASH 12 VDD15 - VDD (1.5V) 13 FADR8 O Address output to FLASH 14,15 FADR13,14 O Address output to FLASH 16 NWE O Right signal output to FLASH 17,18 FADR16,15 O Address output to FLASH 19 DRAMVDD15 - DRAM power supply (1.5V) 20 DRAMVSS - VSS for DRAM 21 VSS - VSS 22 FADR12 O Address output to FLASH 23~30 FADR7~0 O Address output to FLASH 31 VSS - VSS 32 VDD3 - VDD (3.3V) 33~40 FDT0~7 I/O Data input/output with FLASH 41 NCE O Chip select signal output to FLASH 42 FADR10 O Address output to FLASH 43 NOE O Read signal output to FLASH 44 MMOD I Test mode switching signal 45 NRST I Reset input 46 VSS - VSS 47 SCLOCK I/O Dwire clock terminal 48 SDATA I/O Dwire data terminal 49 TxD/EXTRG0 I/O Serial transmission/ Dwire trigger terminal 50 RxD/EXTRG1 I/O Serial reception/ Dwire trigger terminal 51 VDD3 - VDD (3.3V) 52 OSCI I Oscillation input (16.897849MHz) 53 OSCO O Oscillation output (16.897849MHz) 54 VSS - VSS Pin No. Pin Name I/O Application 55 OFS_TE O CD TE offset cancel output 56 DRV1 O Drive output for spindle drive 57 DRV2 O Focus balance adjustment output 58 DVDON O DVD-LD ON 59 STEP_A O Thread control output A 60 STEP_B O Thread control output B 61 Lo/Ej O Lo/Ej control terminal 62 LO.MUTE O Lo/Ej mute terminal 63 VSS - VSS 64 DRV.MUTE O Driver mute control 65 BMS O Spindle short brake control 66 LIM-SW I LIM-SW detection 67 Gain_SW O PDIC Gain switching 68 FEPCK O FEP clock output 69 FEPDT O FEP data output 70 FEPEN O FEP enable signal 71 DRAMVSS - VSS for DRAM 72 DRAMVDD15 - DRAM power supply (1.5V) 73 DRAMVDD33 - DRAM power supply (3.3V) 74 VDD3 - VDD (3.3V) 75 FG I Motor FG input 76 TX O Output for digital OUT 77 VDD15 - VDD (1.5V) 78 VSS - VSS 79 TSTSG O EQ calibration signal 80 VFOSHORT O Not used. 81 JLINE O J-line setting output 82 BDO I Dropout signal input 83 OFTR I Off-track signal input 84 AVSSD - VSS for analog 85 ROUT O MASH Rch audio output 86 LOUT O MASH Lch audio output 87 AVDDD - VDD (3.3V) for analog 88 VCOF I JFVCO control voltage 89 TRCRS I Track loss generation signal input 90 AVDDC - VDD (3.3V) for analog 91 WBLIN I WBL input 92 CSLFLT I Not used 93 RFDIF I Not used MICROCOMPUTER’S TERMINAL DESCRIPTION ● Disc Controller Microcomputer: MN103S71F (X37: IC4) www. xiaoyu163. com QQ 376315150 9 9 2 8 9 4 2 9 8 TEL 13942296513 9 9 2 8 9 4 2 9 8 0 5 1 5 1 3 6 7 3 Q Q TEL 13942296513 QQ 376315150 892498299 TEL 13942296513 QQ 376315150 892498299 24 KVT-627DVD/627DVDY/717DVD KVT-737DVD/747DVD/767DVD Pin No. Pin Name I/O Application 94 AVSSC - VSS for analog 95 PLFLT2 I Condenser 2 for PLL 96 PLFLT1 I Condenser 1 for PLL 97 AVSSB - VSS for analog 98 ARF I Equivalent RF+ input 99 NARF I Equivalent RF- input 100 VHALF I Reference voltage 1.65V input 101 RV1 I VREFH register for reference current power supply 102 VREFH I Reference voltage 2.2V input 103 DSLF2 I Condenser 2 for DSL 104 DSLF1 I Condenser 1 for DSL 105 AVDDB - VDD (3.3V) for analog 106 JITOUT O For jitter monitor 107 AVDDA - VDD (3.3V) for analog 108 TECAPA I Not used 109 AD0 (FE) I FE input 110 AD2 (AS) I AS input 111 AD1 (TE) I TEph/TE3b input 112 AD3 (ENV) I RF envelop input 113 AD4 (RFDIFO) I Push-pull TE input 114 AD5 I Focus drive AD input 115 AD6 I Tracking drive AD input 116 AD7 (IOP) I Laser diode current measurement 117 AD8 (TEMP_DET) I Temperature monitoring input 118 AVSSA - VSS for analog 119 PWM0 (FOD) O Focus drive output 120 PWM1 (TRD) O Tracking drive output 121 VSS - VSS 122 VDD3 - VDD (3.3V) 123 IDGT O Not used 124 DTRD O Not used 125 MONI0 O Internal monitor signal 126~130 MONI1~5 O Internal monitor signal 131 SW_2∗3 I 8cm Ej-STOP, Lo-START detection 132 SW_1∗5 I 12cm Ej-STOP detection 133 DMARQ O DMA request output ATAPI host 134 NIOWR I ATAPI host write signal input 135 VDD3 - VDD (3.3V) 136 VSS - VSS Pin No. Pin Name I/O Application 137 NIORD I ATAPI host read signal input 138 IORDY O Ready output to ATAPI host 139 NDMACK I ATAPI host DMA acknowledge input 140 INTRQ O Interruption output to ATAPI host 141 NIOCS16 O Not used 142 DA1 I ATAPI host address signal input 143 NPDIAG I Diagnosis from ATAPI slave to master 144 DA0 I ATAPI host address signal input 145 VSS - VSS 146 VDD3 - VDD (3.3V) 147 DA2 I ATAPI host address signal input 148 NCS1FX I ATAPI host chip select signal input 149 NCS3FX I ATAPI host chip select signal input 150 NDASP O ATAPI drive active/slave 151 HDD15 I/O ATAPI data input/output 152 HDD0 I/O ATAPI data input/output 153 HDD14 I/O ATAPI data input/output 154 HDD1 I/O ATAPI data input/output 155 HDD13 I/O ATAPI data input/output 156 VDD3 - VDD (3.3V) 157 VDD15 - VDD (1.5V) 158 VSS - VSS 159 HDD2 I/O ATAPI data input/output 160 HDD12 I/O ATAPI data input/output 161 HDD3 I/O ATAPI data input/output 162 HDD11 I/O ATAPI data input/output 163 HDD4 I/O ATAPI data input/output 164 HDD10 I/O ATAPI data input/output 165 HDD5 I/O ATAPI data input/output 166 VSS - VSS 167 VDD3 - VDD (3.3V) 168 HDD9 I/O ATAPI data input/output 169 HDD6 I/O ATAPI data input/output 170 HDD8 I/O ATAPI data input/output 171 HDD7 I/O ATAPI data input/output 172 VDDH - 5V reference power supply 173 NRESET I ATAPI reset signal input 174 MASTER I ATAPI master/slave signal input 175 SCL O EEPROM clock output 176 SDA I/O EEPROM data input/output MICROCOMPUTER’S TERMINAL DESCRIPTION www. xiaoyu163. com QQ 376315150 9 9 2 8 9 4 2 9 8 TEL 13942296513 9 9 2 8 9 4 2 9 8 0 5 1 5 1 3 6 7 3 Q Q TEL 13942296513 QQ 376315150 892498299 TEL 13942296513 QQ 376315150 892498299 25 KVT-627DVD/627DVDY/717DVD KVT-737DVD/747DVD/767DVD Operation Specifications ● Compatible Models for This Test Mode Specification 1Din GRA 1Din OSD 2Din GRA 2Din OSD M707 DSP Exist DSP Exist DSP None DSP Exist DSP None DSP None K KVT-817DVD - KVT-717DVD DDX8017 DDX7017 KVT-M707 R - - KVT-747DVD - DDX7047 - E KVT-827DVD KVT-727DVD KVT-627DVD DDX8027 DDX6027 KVT-M707 M KVT-837DVD - KVT-737DVD DDX8037 DDX7037 - X KVT-847DVD - KVT-747DVD DDX8047 DDX7047 - V KVT-867DVD - KVT-767DVD DDX8067 DDX7067 - • Depending on Din/Display Types in the table below, test mode specifications may differ from model to model. In this specification, categorizing by 1DIN/2DIN and Graphic/OSD, M707, DSP, and destinations (K/R/E/M/X/V). Model Din Type DSP Display Type KVT-8x7DVD 1DIN Exist Graphic KVT-727DVD 1DIN Exist OSD KVT-7x7/627DVD 1DIN None OSD DDX80x7 2DIN Exist Graphic DDX70x7/6027 2DIN None OSD KVT-M707 1DIN None OSD x: Different in accordance with the region code ● How to enter the test mode There are two different ways to enter the test mode as shown below. 1) While pressing [SRC key + ATT key] at the same time, reset the unit. 2) Connect to Lx connector odd jigging for writing regions (2DIN: When adjusting flicker) Note1: The jig setting is arbitrary. Note that, however, there are functions according the setting SW. (Region/Serial/Se- curity/CPPM) Note2: In the test mode, power supply is cut off after 30 minutes. (This is for making the operation possible without Security input even when the security is On.) ● Adjustment items Items to be adjusted after writing on the EEPROM on which regions have been written. As for the details of the adjustments, refer to each adjustment item. • Service Information/Serial Code writing • Chroma adjustment • Writing Touch Adjust values • Screen position adjustment • Writing Security Code (Other than K/R desinations) TEST MODE ● How to clear the Security Code In adjusting K/R destination units, if the unit starts up with Security ON, the Security Code can be cleared in the follow- ing manner. (Other than in Test Mode) 1) In the e Security ON condition, after resetting or turning power ON after backup OFF, then the session starts with Security Code Input screen. 2) With the attached remote control in the Audio SW selected condition, input the code with the following procedure. Procedure 1: “K” input (Press Tenkey [5] 2 times) Procedure 2: “C” input (Press Tenkey [2] 3 times) Procedure 3: “A” input (Press Tenkey [2] once) Procedure 4: “Q” input (Press Tenkey [7] 2 times) Note: If a remote controller other than the attached is used, Pressing Tenkey [7] twice will cause “R” to be in- put. If a mistake is made during Procedure 1~4 above, input other remote controller Key. Then, start inputting again from Procedure 1. 3) Security Code is complete when the input screen for the Security Code is cleared. www. xiaoyu163. com QQ 376315150 9 9 2 8 9 4 2 9 8 TEL 13942296513 9 9 2 8 9 4 2 9 8 0 5 1 5 1 3 6 7 3 Q Q TEL 13942296513 QQ 376315150 892498299 TEL 13942296513 QQ 376315150 892498299 26 KVT-627DVD/627DVDY/717DVD KVT-737DVD/747DVD/767DVD ● Information Screen Below are display contents of the Information Screen. • Region Code • Serial No. • System µCom Version / Rom Correction Version / Type • OSD Version • F/E Version / B/E Version • Macrovision Version • Box uCom Version / Rom Correction Version / Type / Span (Tuner frequency Span information) • DC Offset detection information • Security Info (BLANK: E2PROM not written, ON/OFF: Nor- mal condition (ON/OFF security is set), ERROR: E2PROM write abnormal) ● TOUCH Screen • Adjust Touch position and write it on E2PROM. • With 3-point input, write from system µ-com to EEPROM is achieved. • E2PROM normal/abnormal ending is displayed on screen. ● HPOSI Screen • Screen position adjustment is conducted and the result is stored in E2PROM. Adjustments are conducted in the following order: Graphic → DVD → TV → VIDEO → NAVI • DVD wallpaper is NTSC-fixed. • E2PROM write normal/abnormal ending is displayed on screen. • While adjustment is conducted on DVD, TDV-540A (Title 3- Chapter 16) is played. After Disc Loading, by pressing Tenkey [4] on the remote controller, transition is made to Title 3-Chapter 16. ● SERVICE Screen Shown below are contents of the Service Screen. • Power On time • DVD Play time / DVD Eject number of times • Monitor Open number of times / Monitor Close number of times • E2PROM Chroma data information • DC Offset detection information Writing Serial No. By pressing the Serial key, transition to the Serial No. Input screen is made. E2PROM Chroma Data Clear By pressing the Clear key, the E2PROM Chroma data is cleared. DC Offset Data Clear By pressing the Clear key, the E2PROM DC Offset data is cleared. ● Chroma Screen • Chroma adjustment is conducted and the result is stored in E2PROM. • The setting procedures are conducted with a remote con- troller. • Chroma IC adjustment screen (Item setting) → To be writ- ten on EEPROM. Setting item VCO free run adjustment (00h~FFh) YGCA gain adjustment (00h~FFh) Brightness adjustment (00h~FFh) Contrast adjustment (00h~FFh) Black limiter adjustment (00h~7Fh) White limiter peak adjustment (00h~7Fh) Gamma 1 adjustment (00h~FFh) Gamma 2 adjustment (00h~FFh) Rch sub-brightness adjustment (00h~FFh) Bch sub-brightness adjustment (00h~FFh) Rch sub-contrast adjustment (00h~FFh) Bch sub-contrast adjustment (00h~FFh) VCOM oscillation width adjustment (00h~FFh) • E2PROM write normal/abnormal ending is displayed on screen. • Writing region does not clear EEPROM Chroma data. EEPROM chroma data is cleared by the Clear key in the Service screen. ● Source / Audio / Setup Screen • Source/Audio Control/Setup Screen are the same as nor- mal condition. ● Display • Basically, in the Test Mode, screen will be dedicated screen. • There will be no opening screen. • Even during seek, the frequency display will be made. • Touch position display (+) will be made. However, no dis- play will be made in the Touch Adjust screen (In adjust- ment). ● Mini Liquid Crystal • When starting up in the Test Mode, all lights will be lighted. • All lighted condition will be released by Disp key. TEST MODE www. xiaoyu163. com QQ 376315150 9 9 2 8 9 4 2 9 8 TEL 13942296513 9 9 2 8 9 4 2 9 8 0 5 1 5 1 3 6 7 3 Q Q TEL 13942296513 QQ 376315150 892498299 TEL 13942296513 QQ 376315150 892498299 27 KVT-627DVD/627DVDY/717DVD KVT-737DVD/747DVD/767DVD ● Key • Tact Key specifications are shown below. 1DIN (UNIT SP) 1DIN (BOX SP) 2DIN SRC As usual As usual As usual VolUp As usual As usual As usual VolDw As usual As usual As usual Track (Seek) Up As usual As usual As usual Track (Seek) Dw As usual As usual As usual Disc (FM+/Band) Up As usual As usual - Disc (AM-/M·S) Dw As usual As usual - AUTO (TI/DISP) Short: NAVI forced interruption Short: DISP - With mini liquid crystal Long: Motor Long: Motor driver AUTO (TI/DISP) Short: NAVI forced interruption Motor driver NAVI forced interruption Without mini liquid crystal Long: Motor ATT As usual Flicker adjustment As usual Screen As usua As usual As usual Mode As usua As usual As usual V.SEL V.SEL+AVOUT V.SEL+AVOUT V.SEL+AVOUT FNC Normal (No Easy) Normal (NO Easy) Normal (NO Easy) Open As usual As usual Eject As usual As usual As usual ● Remote Controller • Using NA-R300 (SW: AUD), the following operations will be conducted (Normal operation other than the following) Key code Item Direct Chroma IC adjustment mode ON/OFF (Write) Band (FM+) Video mode switching (NAVI/AVIN/DVD) M/S (AM-) DVD audio/video confirmation switching Performance (Play/Pause) Chroma setting value set/release Tenkey 7 To previous item of chroma adjustment Tenkey 8 Chroma setting value change (UP) Tenkey 9 To next item of chroma adjustment Tenkey 0 Chroma setting value change (DW) Tenkey 1 (Preset 1) DVD 5.1ch audio confirmation switching (DVD source only) Tenkey 2 (Preset 2) DC Offset detection check direct switching (CD-CH source only) Tenkey 3 (Preset 3) V-IN mirror mode switching Tenkey 4 (Preset 4) HPOSI DVD confirmation direct switching TEST MODE www. xiaoyu163. com QQ 376315150 9 9 2 8 9 4 2 9 8 TEL 13942296513 9 9 2 8 9 4 2 9 8 0 5 1 5 1 3 6 7 3 Q Q TEL 13942296513 QQ 376315150 892498299 TEL 13942296513 QQ 376315150 892498299 28 KVT-627DVD/627DVDY/717DVD KVT-737DVD/747DVD/767DVD ● Screen Management section • While in the Test Mode (Including connection with special µ-com/jig), the startup will be with VIDEO screen. → Transi- tion to Test Mode Main screen is made with [FNC] key. • In coordination with V.SEL, AVOUT is also switched. (AVOUT with Graphic and NAVI can be anything.) AVIN1 – (AVIN2) – (TV) – R-CAM – NAVI-DVD (NO specific order) • Easy Control screen can be skipped using [FNC] key. • Parking detection is ignored in Test Mode. However, Park- ing is not ignored when Unit is special. • Reverse condition occurring in Test Mode will be made On condition (VSEL always has RCAM). However, when Unit is special, it will be as usual. (When detected, Reverse will cause R-CAM interruption, as usual.) • Default screen of System Setup will be made System 2. • Default screen of Audio Setup will be made Speaker Setup. • Default speaker selected of Speaker Setup will be made Sub-woofer. • When VIDEO 1 video is input or at signal switching (NTSC ↔ PAL) will not be OSD displayed. (OSD display will be made at V.SEL switching. Display will not be made at the time of VIDEO 1.) ● BEEP Control • Beep will be sound regardless of destinations (When Standby sourcing, Beep will not be sound as PWIC limitation item.) ● DSI Control • Default of DSI will be On. ● AVIF • AVIN2 (AVIN1 for models with no AVIN2) Interruption will be made default On. • NAVI interruption SP setting will be default FRONT ALL. • V-IN mirror mode switching will be conducted with remote controller Tenkey [3]. • R-CAM Interruption will be made default On. ● SCREEN Adjustment • Default is center. With one click, FullDown ↔ Center ↔ FullUp. • Default for BRT is MAX. • The default for Auto Dimmer is Off and Dimmer Level 0. Wait for switching detection will be cut. ● Audio • Default for Volume is Step 30. • Bal/Fad setting is one click: Min ↔ Center ↔ Max • Default for LineMute is On. • Xover setting is one click: Min ↔ Max • Tone setting is one click: Min ↔ Center ↔ Max • Default for Tone (EQ) is Flat. • Default for SystemQ is OFF. • When equipped with Digital Out terminal, setting will be for always output On. ● TUNER • When E2PROM cannot be accessed, Error display will be made. (Tuner screen) • Forced Narrow/ Middle/ Wide switching of K3I. By long pressing of Preset 4: Forced Narrow (∗∗∗.∗1MHz) By long pressing of Preset 5: Forced Middle (∗∗∗.∗2MHz) By long pressing of Preset 6: Forced Wide (∗∗∗.∗3MHz) ● DVD • CD media KTD-02A and DVD media, TDV-540A/TTD-100 are used. • When Test Mode is started up in with Disc and Panel Open condition, the disc will not be ejected (The same as usual) • Region code is set at the minute position of the time code. • At time of CDDA media, RDM key will cause transfer to Track 28. • At time of CDDA media ,pressing Track UP key will cause: 9 → 15 → 10 → 11 → 12 → 13 → 14 → 9. • When loading, Title1-Chapter1 (Indicated with ★ in table next page) TEST MODE www. xiaoyu163. com QQ 376315150 9 9 2 8 9 4 2 9 8 TEL 13942296513 9 9 2 8 9 4 2 9 8 0 5 1 5 1 3 6 7 3 Q Q TEL 13942296513 QQ 376315150 892498299 TEL 13942296513 QQ 376315150 892498299 29 KVT-627DVD/627DVDY/717DVD KVT-737DVD/747DVD/767DVD • DVD audio/video confirmation (TDV-540A) For DVD video confirmation Title Chapter ★ 1 1 Audio Stream 1 3 6 Level Audio Stream 1 3 7 S/N Audio Stream 1 3 17 AM/PM noise Audio Stream 1 3 8 Frequency characteristics Audio Stream 1 3 12 Color bar measurement Audio Stream 1 For DVD audio confirmation Title Chapter 1 1 Audio Stream 1 4 1 1kHz 0dB PCM48k/24bit Audio Stream 2 4 6 7Hz PCM48k/24bit Audio Stream 2 4 16 22kHz PCM48k/24bit Audio Stream 2 4 2 infinity PCM48k/24bit Audio Stream 2 4 3 L PCM48k/24bit Audio Stream 2 4 4 R PCM48k/24bit Audio Stream 2 4 1 1kHz 0dB Dolby Audio Stream 1 4 2 infinity Dolby Audio Stream 1 • 5.1ch audio confirmation (TTD-100) For DVD audio confirmation Title Chapter ★ 1 1 Audio Stream 1 For DVD audio confirmation Title Chapter 3 1 Audio Stream 1 Note: At the time of confirming 5.1ch audio, as DISC determination (TDV-540A/TTD-100) cannot be conducted, key operations for Chap Up/Dw, DISC DW (M/S) will be made ineffective when playing Title 3-Chapter 1 • HPOSI video adjustment (TDV-540A) For DVD video HPOSI confirmation Title Chapter ★ 1 1 Audio Stream 1 For DVD video HPOSI confirmation Title Chapter 3 16 Monoscope Audio Stream 1 Chapter Up/Dw Chapter Up/Dw Tenkey 1 (Preset 1) Tenkey 4 (Preset 4) DISC DW (M/S) TEST MODE www. xiaoyu163. com QQ 376315150 9 9 2 8 9 4 2 9 8 TEL 13942296513 9 9 2 8 9 4 2 9 8 0 5 1 5 1 3 6 7 3 Q Q TEL 13942296513 QQ 376315150 892498299 TEL 13942296513 QQ 376315150 892498299 30 KVT-627DVD/627DVDY/717DVD KVT-737DVD/747DVD/767DVD ● Panel Mechanism • At FullOpen, angle is vertical and Slide is at the very back. • PanelMecha Slide/Angle will be in three steps. • OPEN/CLOSE key illumination will blink all the time. ● Flicker Adjustment (When Box Special connected) 1) When ATT key is pressed, flicker adjustment comes On. Monitor is slid all the way to the front, the screen mode is ZOOM, and Video Mode is VIDEO. 2) When ATT key is pressed for the second time, flicker ad- justment comes Off. Monitor is slid is slid all the way to the back. (Initial position of Test Mode.) The screen mode is full and video will be the video changed during adjustment. ● DC Offset • Clearing DC Offset detection (normal/abnormal) By the use of DC Offset information clear key in the Service Information Screen, DC Offset detection information on E2PROM will be cleared. • DC Offset detection information will be displayed on Infor- mation screen/Service Information screen. • During Test Mode, even if DC Offset is detected, this will not be written to E2PROM. • By pressing remote controller Tenkey 2 (Preset 2), the Vol- ume setting will be switched to the following setting values. Source: CD-CH Designated disc: KTD-02A Designated Track: 15 (20Hz, 0dB) DISC/TRACK designation is conducted manually Designated Vol: 29 ● Specification to turn motor driver ON with no slide mechanism • In the condition where designation key is pressed down, motor driver port is turned On. With the [DISP] key depress, the motor is turned in forward direction with the first key ON. With [DISP] key OFF, motor stops. With [DISP] key ON for the second time, motor reverses. With [DISP] key OFF, motor stops. This goes on thereafter. ● Backup Memory • During the Test Mode, Backup Memory function does not work. (Back up is conducted 30 minutes after Reset and then every one hour) ● Clearing E2PROM contents • E2PROM contents that should not remain at shipping is cleared. [SRC] key + [AUTO (TI/DISP)] key + Reset clears the memory content. DC Offset information Memory function Storefront mode information Service information • When jig is connected to write region, the following con- tents will be cleared. Serial Number DC Offset information Security Code Memory function Touch compensation Storefront mode information HPOSI data Service information Mechanism position adjustment values TEST MODE www. xiaoyu163. com QQ 376315150 9 9 2 8 9 4 2 9 8 TEL 13942296513 9 9 2 8 9 4 2 9 8 0 5 1 5 1 3 6 7 3 Q Q TEL 13942296513 QQ 376315150 892498299 TEL 13942296513 QQ 376315150 892498299 31 KVT-627DVD/627DVDY/717DVD KVT-737DVD/747DVD/767DVD Screen Specifications • During the Test Mode, when Graphic Screen is selected, Test Mode Main screen is displayed. Test Mode Main screen Information sceen Touch screen Touch adjustment 1~3 points EEPROM Write OK/NG EEPROM Write OK/NG EEPROM Write OK/NG Hposi screen OSD adjustment *1 MECHA ADJ screen Mechanism adjustment *3 EEPROM Write OK/NG Chroma screen Chroma adjustment *4 EEPROM Write OK/NG Chroma Auto screen Chroma adjustment *5 EEPROM Write OK/NG Chroma Func screen Chroma adjustment *5 DVD adjustment *2 TV adjustment NAVI adjustment Service screen Writing for Serial number Source screen *6 Set Up screen *6 Audio screen *6 *1: OSD only *2: Other than M707 *3: 2DIN only *4: 13 item adjustment *5: M707 only *6: Same as normal screen (Other than Test Mode) ● Test Mode Main Screen Information Service Touch Hposi MECHA ADJ Source Set Up Audio Chroma Chroma Auto Chroma Func Test Mode Main Key Specification Information: Information Screen is displayed. Service: Service Screen is displayed. Touch: Touch Screen is displayed. Hposi: Hposi Screen is displayed. MECHA ADJ: MECHA ADJ Screen is displayed. (2DIN only) Source: Source Screen is displayed. Set Up: Set Up Screen is displayed. Audio: Audio Screen is displayed. Chroma: Chroma Screen is displayed. Chroma Auto: Chroma Auto Screen is displayed. (M707 only) Chroma Func: Chroma Func Screen is displayed. (M707 only) ● Information Screen • Serial No./µ-com version information/Region Code/Various conditions, etc. are displayed. Return S e r i a l : x x x x x x x x D C o f f s e t : N o n e S e c u r i t y : O f f B o x V e r : 4 . X X X R O M : R – – – T y p e : ∗ S p a n : – S y s t e m V e r : 4 . X X X R O M : R – – – T y p e : ∗ O S D R O M V e r : 1 . 1 5 B / E V e r : 7 . X X F / E V e r : 1 . X X R e g i o n : ∗ m a c r o v i s i o n V e r : 1 . 0 0 Key Specification Return: Test Mode Main Screen is displayed. TEST MODE www. xiaoyu163. com QQ 376315150 9 9 2 8 9 4 2 9 8 TEL 13942296513 9 9 2 8 9 4 2 9 8 0 5 1 5 1 3 6 7 3 Q Q TEL 13942296513 QQ 376315150 892498299 TEL 13942296513 QQ 376315150 892498299 32 KVT-627DVD/627DVDY/717DVD KVT-737DVD/747DVD/767DVD ● Service Screen • Service information is displayed/cleared. • EEPROM Chroma data is cleared. • DC Offset detection information is displayed/cleared. Init Init Init Init Init Start Serial Ready None Chroma Clear Clear DCOffset Return Power On ∗∗∗ hour ∗∗∗ hour ∗∗∗ time ∗∗∗ time ∗∗∗ time DVD Play DVD Eject Mon. Open Mon. Close Key Specification Init: Items to be initialized are selected. ■Start : Items that are selected with long-press (1 second or more) are initialized. Serial: Serial No Manual Input Screen is displayed. Clear: EEPROM Chroma data is cleared. Clear: EEPROM DC Offset information data is cleared. Return: Test Mode Main Screen is displayed. Note: As for DVD related items, those other than M707. Note: The key arrangements are somewhat different for OSD model and Graphic model. Adjustment Procedure Service Information • Select those items to be initialized by pressing Init Key. (More than one can be selected. / Those items that are selected are focus displayed.) • When selection is complete, press Start Key for 1 second or more. The Service Information displayed is initialized. Chroma • Chroma information is normally Ready-displayed. When EEPROM data is cleared, Clr OK/NG is displayed. • At the time of Clear, if not reset, When Chroma Adjustment Screen is displayed., the previous data is maintained. It is only after resetting that the cleared data is reflected. DC Offset • As for DC Offset information, None means no detection and Detect means information detected. • With Clear key, detection information is cleared. ● Serial Number Input Screen • The serial number for each set is written. Serial Number Input Screen 0 1 2 – – – – – – – – 3 7 8 9 4 5 6 Clear Cancel Key Specification 0~9: 10Keys for Serial Number Input Clear: Serial number being input is cleared. Cancel : Service Screen is displayed. Serial Number Input writing Screen ∗ ∗ ∗ ∗ ∗ ∗ ∗ ∗ Clear Cancel Enter Key Specification Clear: Serial number being input is cleared. Cancel: Service Screen is displayed. Enter: Serial Number writing start (Write OK means normal ending. write NG display means error. ) When OK, Service Screen is displayed with this key. When NG, enter the Test Mode again, and re-do from the beginning. Note: The key arrangements are somewhat different be- tween OSD model and Graphic model. TEST MODE www. xiaoyu163. com QQ 376315150 9 9 2 8 9 4 2 9 8 TEL 13942296513 9 9 2 8 9 4 2 9 8 0 5 1 5 1 3 6 7 3 Q Q TEL 13942296513 QQ 376315150 892498299 TEL 13942296513 QQ 376315150 892498299 33 KVT-627DVD/627DVDY/717DVD KVT-737DVD/747DVD/767DVD ● Touch Screen • Touch variances in different sets are adjusted. Touch the markers for three points in order. When EEPROM OK screen is displayed, adjustment is complete. Touch input in progress Cancel First point is being input Second point is being input Third point is being input Write OK/NG Return < < < < > > > > Next Adjustment item step value Adjustment item step value Cancel Hposi OK/NG Return Key Specification Cancel: The first point is being input. Test Mode Main Screen is dis- played. The second point is being input which will move on. Transit to the first point being input. EEPROM writing complete OK/NG Screen Key Specification Return: Test Mode Main Screen is displayed. Note: When NG, enter the Test Mode again, and re-do from the beginning. ● Hposi Screen • Horizontal position for each screen is adjusted. Hposi Adjustment screen Key Specification Next: To next Hposi adjustment screen. When in NAVI screen, EEPROM writing will begin. << : The screen moves to the left. >> : The screen moves to the right. Cancel: Test Mode Main Screen is displayed. Note:The key arrangements are somewhat different with OSD model and Graphic model. (With the Graphic model, one adjustment item per one screen.) Note: There is no need for the upper column (Graphic) of the first adjustment screen of the OSD model to be adjusted. EEPROM writing compete OK/NG Screen Key Specification Return: Test Mode Main Screen is displayed. Note: In case of NG, enter the Test Mode again and re-do from the beginning. Note: The key arrangements are somewhat different with OSD model and Graphic model. TEST MODE www. xiaoyu163. com QQ 376315150 9 9 2 8 9 4 2 9 8 TEL 13942296513 9 9 2 8 9 4 2 9 8 0 5 1 5 1 3 6 7 3 Q Q TEL 13942296513 QQ 376315150 892498299 TEL 13942296513 QQ 376315150 892498299 34 KVT-627DVD/627DVDY/717DVD KVT-737DVD/747DVD/767DVD ● Chroma Screen • Chroma data adjustment will be conducted. • Adjustment is conducted with a remote controller (Audio SW). Note: Chroma data on the EEPROM can be cleared with the Clear key in the Service screen. C H : ∗∗ ∗ ∗ ∗ ∗ ∗ VA L ∗ ∗ Key Specification (Remote Controller) Direct : Chroma IC Adjustment Mode ON/OFF (EEPROM writing) Play/Pause: Chroma setting value Confirm/Rehearse Tenkey 7: Chroma adjustment To the next item. Tenkey 8: Chroma setting value change (UP) Tenkey 9: Chroma adjustment To the next item. Tenkey 0: Chroma setting value change (DW) TEST MODE ● Source / Set Up / Audio Screen • The same as the normal screen (Other than Test Mode). However, when SetUp key and Audio key are pressed, re- turns to Test Mode Main screen. ● Security Code Writing Screen • Security code is managed in pair with serial number. Secu- rity Code is written in this screen. (Other than K/R destina- tions) • From Set Up screen, press Security Set Up key. • In case of other than K/R destinations, only when EEPROM Security Code is blank, Set key is displayed. Press the key. • The same operation as the regular Security Code registra- tion is to be conducted in the Security Code Writing screen. When Enter key is pressed, writing begins. Note: The Security Code to be input here must be the unique code of the set liked with the serial number. • When “Complete” is displayed, normal ending. When NG is displayed, error. Note: In case of NG, enter the Test Mode again and re-do from the beginning. www. xiaoyu163. com QQ 376315150 9 9 2 8 9 4 2 9 8 TEL 13942296513 9 9 2 8 9 4 2 9 8 0 5 1 5 1 3 6 7 3 Q Q TEL 13942296513 QQ 376315150 892498299 TEL 13942296513 QQ 376315150 892498299 35 KVT-627DVD/627DVDY/717DVD KVT-737DVD/747DVD/767DVD ADJUSTMENT ● Adjustment item 1. Chroma IC adjustment (X14) (A remote controller is used for adjustment, while confirm- ing on the waveform with an oscilloscope.) 2. PLL_CLK/OSD_HSYNC phase adjustment (X14) (A variable resistor is used for adjustment while confirming on the waveform with an oscilloscope.) 3. Freerun adjustment (X35) (A variable resistor is used for adjustment while confirming on the waveform with an oscilloscope.) 4. Flicker adjustment (A remote controller is used for adjustment, while confirm- ing on the waveform with an oscilloscope.) 5. Screen position adjustment (A touch panel is used for adjustment, while confirming the screen.) 6. Touch Panel Adjustment (A touch panel is used for adjustment.) 1. Chroma IC Adjustment Procedure (X14) 1. While pressing on the [ATT] + [SRC] keys on the unit, re- set to enter the Test Mode. 2. Press [DIRECT] key on the TV remote controller to get into the Chroma IC Adjustment mode. → At this point “CH : 16 VCO_FREERUN VAL 80” is dis- played on upper left corner. (VAL value is displayed in HEX.) 3. Perform adjustments in Tables A~M in the order of a~c, one by one. a. Use [8] and [0] of 10Key to change the setting value. → The values in the VAL on the upper left corner of screen. b. Press [PLAY/PAUSE] key to confirm the setting values. → When confirmed, the color of “CH : 16 VCO_FREERUN VAL 80” changes. Press [PLAY/PAUSE] key once more to release. c. Use [7] and [9] of 10Key to move to the next setting. → The CH value in the upper left corner of screen changes. 4. Press [DIRECT] key to write data to E2PROM. 5. Press [DIRECT] key again to move out of Chroma Adjust- ment mode. ∗ Conduct this in AUDIO mode using TV/NAVI remote con- troller. Adjustment Item Test Mode Adjustment Method Adjustment Value Condition Display (Temporary) A Chroma VCO CH : 16 Connect TP: HD between R249 and R250 and TP: VD NTSC type Input signal Adjustment between R248 and R251 to GND. Measure TP: TC_HD of 15.734±50Hz : None IC237 32 pin with a frequency counter. PAL type Input signal 15.625±50Hz : 10 STEP (NTSC) F Y GCA CH : 2 Monitor waveform of 59 pin TP: VG of CN905 with an 2.6V±0.05V 1Vpp V/S ratio (Brightness Gain) oscilloscope and adjust the oscillation width of forward : 7:3 (75Ω terminated) Adjustment rotation-side pedestal and forward rotation-side Step 10. X34 AVIN input B Brightness CH : 6 Monitor waveform of 59 pin TP: VG of CN905 with an 3.2V±0.05V Oscilloscope range Adjustment oscilloscope and adjust the oscillation width of forward : 500mV/DIV rotation-side Step 1 and reverse rotation-side Step 1. AC C Contrast CH : 13 Monitor TP: VG waveform of 59 pin of CN905 with an 3.0V±0.05V Adjustment oscilloscope and adjust the oscillation with of forward rotation-side Step 8 and reverse rotation-side Step 8. D Black Limiter CH : 5 Maintain and confirm 7F and move on to the next step. 7F Adjustment E White Limiter CH : 10 Monitor waveform of 59 pin TP: VG of CN905 with an 3.2V±0.05V Adjustment oscilloscope and adjust the oscillation width of forward If lower than 3.2V, rotation-side Step 9 and reverse rotation-side Step 9. finalize with 7F. (However, 2.7V or less is NG.) www. xiaoyu163. com QQ 376315150 9 9 2 8 9 4 2 9 8 TEL 13942296513 9 9 2 8 9 4 2 9 8 0 5 1 5 1 3 6 7 3 Q Q TEL 13942296513 QQ 376315150 892498299 TEL 13942296513 QQ 376315150 892498299 36 KVT-627DVD/627DVDY/717DVD KVT-737DVD/747DVD/767DVD ADJUSTMENT Adjustment Item Test Mode Adjustment Method Adjustment Value Condition Display (Temporary) G Gamma 1 CH : 11 Monitor waveform of 59 pin TP: VG of CN905 with an 3.0V±0.05V Input signal Adjustment oscilloscope and adjust the oscillation width of forward : None rotation-side pedestal and forward rotation-side Step 9. Input signal H Gamma 2 CH : 12 Monitor TP: VG waveform of 59 pin of CN905 with an 3.3V±0.05V : 10 STEP (NTSC) Adjustment oscilloscope and adjust the oscillation width of forward 1Vpp V/S ratio rotation-side pedestal and forward rotation-side Step 10. : 7:3 (75Ω terminated) I R Sub-Brightness CH : 8 Monitor waveform of 58 pin TP: VR and 59 pin TP: VG of 0.1V±0.05V X34 AVIN input Adjustment CN905 with an oscilloscope and adjust so that the pedestal Oscilloscope range of Step 1 of the forward rotation side of TP: VR will be : 500mV/DIV 0.1Vpp higher than the pedestal of Step 1 of the forward AC rotation side of TP: VG. J B Sub-Brightness CH : 9 Monitor waveform of 60 pin TP: VB and 59 pin TP: VG of 0V±0.05V Adjustment CN905 with an oscilloscope and adjust so that the pedestal to Step 1 of the forward rotation side of TP: VB will be the same as the pedestal to Step 1 of the forward rotation side of TP: VG. K R Sub-Contrast CH : 14 Monitor waveform of 58 pin TP: VR and 59 pin TP: VG of 0.1V±0.05V Adjustment CN905 with an oscilloscope and adjust so that the pedestal to Step 9 of the forward rotation side of TP: VR will be 0.1Vpp higher than the pedestal to Step 9 of the forward rotation side of TP: VG. L B Sub-Contrast CH : 15 Monitor waveform of 60 pin TP: VB and 59 pin TP: VG of 0V±0.05V Adjustment CN905 with an oscilloscope and adjust so that the pedestal to Step 9 of the forward rotation side of TP: VB will be the same as the pedestal to Step 9 of the forward rotation side of TP: VG. M V-COM Amplitude CH : 1 Monitor waveform of 39 pin TP: VCOM of CN905 with an 2.15Vpp±0.05V Adjustment oscilloscope and adjust the oscillation width of the VCOM rectangular wave. www. xiaoyu163. com QQ 376315150 9 9 2 8 9 4 2 9 8 TEL 13942296513 9 9 2 8 9 4 2 9 8 0 5 1 5 1 3 6 7 3 Q Q TEL 13942296513 QQ 376315150 892498299 TEL 13942296513 QQ 376315150 892498299 37 KVT-627DVD/627DVDY/717DVD KVT-737DVD/747DVD/767DVD ADJUSTMENT 2. OSD (On Screen Display) Clock and OSD_HSYNC Phase Adjustment (X14: VR361) Condition Set video source: VIDEO Input: Video of NTSC (Video: Color bar) Screen mode: NORMAL Adjustment Procedure 1. When started up in Test Mode, it will start up with VIDEO source (FULL). Menu screen ↔ VIDEO can be switched with [F] key. 2. In the VIDEO screen, press Screen MODE switching key and switch to NORMAL screen. IC400 11pin HSYNC IC400 2pin OSC IN VR variable range VR361 16.0nsec Fig. 1 CH1 HSYNC, CH2 OSD_CLK variable resistor center Fig. 2 CH1 HSYNC, CH2 OSD_CLK (Enlarged) 3. Refer to Figure 1. Monitor IC400 11pin TP402 (HYSNC) and IC400 2pin TP403 (OSC IN) with an oscilloscope. Trigger with HSYNC. When the waveform cannot be accurately monitored due to lack of oscilloscope capability and/or probe capacity, use HSYNC: TP404 and OSC_IN: TP405. In that case, the wave oscillation width will be smaller. 4. As shown in Figure 2, adjust so that the difference between rising edge of HSYNC and the rising edge of OSD_CLK, when its L-period is long, would be 16.0±5nsec. www. xiaoyu163. com QQ 376315150 9 9 2 8 9 4 2 9 8 TEL 13942296513 9 9 2 8 9 4 2 9 8 0 5 1 5 1 3 6 7 3 Q Q TEL 13942296513 QQ 376315150 892498299 TEL 13942296513 QQ 376315150 892498299 38 KVT-627DVD/627DVDY/717DVD KVT-737DVD/747DVD/767DVD 4. Flicker Adjustment (X35: VR203) Condition (As usual) Video source: VIDEO Video: Luster white 30~50% BRIGHT: MAX MODE: ZOOM Adjustment Procedure 1. Set to the above condition. 2. Vary VR203 and adjust so that the side width that appear on screen top would become smallest. 5. Horizontal Display Start Position and OSD Display Position Adjustment Next Cancel ######## ∗∗ OSD ∗∗ Screen adjustment key: HPOSI Go to te next adjustment screen OSD adjustment key Return to the menu screen Horizontal screen position adjustment Screen Adjustment Key (HPOSI) : Horizontal display start position adjustment of entire screen OSD Adjustment Key : Horizontal display start position adjustment of OSD only About the video for adjustment screen DVD: Monoscope (TDV-540A, Title : 2, Chapter : 16) TV: Monoscope VIDEO1: Monoscope Navigation: Input KNA-DV3200 ∗ For NTSC area destination: NTSC video For PAL area destination : PAL video ∗ As for TV tuner Box, use the TV Tuner Box suited for each destination. ∗ NAVI screen is NAVI Menu Screen. Adjustment Procedure 1. Press HPOSI on Test Mode Menu Screen. 2. Adjust HPOSI display start position of the following five; Graphic/DVD/TV/VIDEO/Navigation. 3-1. Graphic Use OSD key to adjust so that background is not seen on both sides of screen. HPOSI key is not to be used. Pay attention not to used it, as it can be operated on. NG NG OK 3. Freerun Frequency Adjustment (X35: VR301) Measurement Location Adjustment No. Adjustment Method Timing controller 1DIN 2DIN Location Adjustment Value IC301 X35-448 X35-458 1 Set TP of NVD TP as no input NVD (21pin) TP363B TP55 and connect to PON3.3V. Set TP of NHD TP as no input and NHD (22pin) TP304B TP17 connect to PON3.3V. 2 Adjust frequency of HSYNC with NDSH (9pin) TP307B TP106 VR301 15.734kHz±0.01kHz a frequency counter. (NTSC type) 15.625kHz±0.01kHz (PAL type) ADJUSTMENT www. xiaoyu163. com QQ 376315150 9 9 2 8 9 4 2 9 8 TEL 13942296513 9 9 2 8 9 4 2 9 8 0 5 1 5 1 3 6 7 3 Q Q TEL 13942296513 QQ 376315150 892498299 TEL 13942296513 QQ 376315150 892498299 39 KVT-627DVD/627DVDY/717DVD KVT-737DVD/747DVD/767DVD 6. Touch Panel Adjustment Adjustment Procedure 1. Press the Touch Key in the Menu screen of the Test Mode and enter the Touch Panel Adjustment screen. 2. Touch the center section of the +-mark below in the follow- ing order. Upper left → Upper right → Lower left. When making the touch, be use to use the touch stick des- ignated. 3. After adjusting at three points, when “Write OK” is displayed, the adjustment is complete. By pressing Return, Touch adjustment will be exited. Cancel Cancel Cancel ∗ If the central section of the +-mark has not be pressed ac- curately, press Cancel and re-do from the beginning. Note: As far as the Touch Panel Adjustment data is concerned, the data is finalized when the touch is let go. For this reason, the knack for adjustment is not to let go the touch after touching the center section of the +-mark. After making the touch, first confirm that the touch is at the dead center of the +-mark. (This means that, if the touch is not at the dead center of the +-mark, maintain the touch, and slide the stick to the dead center of the +-mark. ) Then, let the touch go quickly, vertically upward. NG OK NG Right/Left symmetry 3-2. DVD Insert TDV540 disk and, when a picture of an airplane ap- pears, and press 4-key on the remote controller. (DVD Mode) Then, Monoscope is displayed. At first, use OSD key to adjust so that background is not seen on both sides of screen. Then, use the Screen Adjustment key so that the Monoscope is symmetric on right and left sides. 3-3. TV/VIDEO At first, use OSD key to adjust so that background is not seen on both sides of screen. Then, use the Screen Adjustment key so that the Monoscope is symmetric on right and left sides. 3-4. NAVI At first, use OSD key to adjust so that background is not seen on both sides of screen. Then, use the Screen Adjustment key so that the NAVI Menu screen is symmetric on right and left sides. After adjustment, press the [Next] key. If “Hposi OK” is dis- played, the adjustment is complete. Note: If the display does not come at the dead center when adjusting the horizontal display start position (when adjust- ing one step left, the picture is to the left and, when adjust- ing one step to the right, the picture is to the right), press [NEXT] key with the position to the right and finalize the adjustment. (This is the condition in which the screen is to the right by one or two dots. ) ADJUSTMENT www. xiaoyu163. com QQ 376315150 9 9 2 8 9 4 2 9 8 TEL 13942296513 9 9 2 8 9 4 2 9 8 0 5 1 5 1 3 6 7 3 Q Q TEL 13942296513 QQ 376315150 892498299 TEL 13942296513 QQ 376315150 892498299 40 KVT-627DVD/627DVDY/717DVD KVT-737DVD/747DVD/767DVD A B C D E 1 2 3 4 5 6 7 PC BOARD (COMPONENT SIDE VIEW) R415 C208 R129 R162 R621 C210 R264 R416 C206 C204 C213 R200 R202 R204 R206 R225 C850 R233 R244 C212 C118 R255 R259 R186 R188 C419 C420 C421 C422 R365 C408 C409 C414 C416 R219 R404 R410 R411 C215 C216 R247 C423 C211 W311 C501 C311 C366 R360 R363 R405 R407 R409 C714 C926 C668 C927 C650 C662 R389 W403 R924 C752 C563 C564 C565 C605 C606 C608 C609 C610 C611 C612 C625 W360 W654 W304 R682 W581 C660 R617 L301 R721 R725 C702 C707 C709 C712 R703 R712 R720 C207 C217 C364 C404 C376 C150 R266 R201 R203 R205 R207 R217 R224 R218 W750 R137 R252 R253 R386 C652 C502 W104 W117 R500 C114 C122 R141 C800 R166 R417 R115 R116 R121 R145 W116 C900 C901 C902 C903 C904 R922 C906 C319 C320 C321 C322 C324 C326 C180 C181 C338 C345 C346 C347 C351 C354 C355 R361 R362 R660 R811 R812 R813 R814 C369 C301 C312 C313 C323 C348 C349 C350 C363 C365 R522 R523 R524 R525 R526 R527 C701 R528 C708 C659 C703 C710 R375 R117 R118 R128 R144 R229 R232 R303 R310 R311 R312 R364 R367 R231 R382 R383 R258 R385 R400 R403 R406 R408 R412 R257 R262 R608 R142 R711 R601 R419 R701 R702 R704 R705 R706 R707 R709 R708 R710 R713 R714 R715 R716 R718 R717 R719 W800 R801 R802 R803 R804 R805 R806 R807 R808 R809 R810 R851 R855 R856 R857 R900 R901 R902 R904 R905 R906 R907 R908 R909 R910 R911 R913 R243 R230 R234 R261 R388 R661 R966 W408 W409 W410 W411 W412 W413 W414 R413 W874 R626 R627 R509 R228 R964 R187 R256 R260 C209 R753 R751 R420 R421 C108 R422 R423 R424 R679 R314/ R316/ R676 C425 C424 C426 W415 W306 W307 W405 C773 L802 W772 W773 W201 R866 R864 R723 R724 R427 R369 W560 R275 R103 R9 R99 R276 L110 VR361 L100 W365 C430 C429 W312 C804 R377 C615 R611 R777 C67 C675 R687 R686 R656 R281 R65 1 3 2 4 1 1 2 RESET DGND SGND2 1 7 8 14 1 8 7 VIN 1 1 1 1 2 1 14 8 1 8 7 14 1 1 7 8 14 1 1 1 28 1 24 25 48 SGND DGND VGND 1 1 HSYNC OSC DGND 1 54 B E B E BE B E B E B E BE B E BE BE BE BE B E BE BE B E B E B E BE BE B E B E B E BE B E BE B E BE B E BE BE BE BE BE B E 7 C101 3 4 5 4 8 5 1 4 5 8 3 4 5 4 8 5 4 5 8 3 4 5 B E 1 2 4 3 3 5 4 1 4 8 5 27 28 5 27 3 5 4 5 3 6 4 D900 D901 D903 Q108 CN802 D906 D962 Q209 Q211 Q206 Q360 Q113 Q114 Q705 Q706 Q701 Q702 Q703 Q704 Q405 Q100 Q200 Q202 Q204 Q207 D104 D302 D301 Q107 D853 D854 D855 D856 D902 D910 D907 D913 D909 D912 D914 Q361 Q400 Q401 Q402 D181 Q183 Q184 D106 D701 Q116 D963 Q404 Q115 D107 D650 Q362 D704 D705 D905 D860 Q652 D702 CN904 D105 D925 D926 D923 D922 D920 D918 D917 D916 D921 D807 D806 D805 D804 D803 D802 D801 D800 Q364 D50 Q219 Q363 Q301 Q653 J100 J960 D908 D911 IC205 IC361 IC363 IC202 IC203 IC402 IC404 IC405 IC406 IC701 IC750 IC850 IC206 IC500 IC560 IC207 IC366 IC520 IC654 VIDEO CONTROL UNIT X14-957/958x-xx (J76-0098-22) www. xiaoyu163. com QQ 376315150 9 9 2 8 9 4 2 9 8 TEL 13942296513 9 9 2 8 9 4 2 9 8 0 5 1 5 1 3 6 7 3 Q Q TEL 13942296513 QQ 376315150 892498299 TEL 13942296513 QQ 376315150 892498299 KVT-627DVD/627DVDY/717DVD KVT-737DVD/747DVD/767DVD 41 J I H G F 1 2 3 4 5 6 7 C101 R101 R102 R103 R104 R105 R106 R107 C204 R217 R202 R204 R207 R208 R201 R203 R205 R206 R240 C20 1 2 22 21 3 1 2 4 BE CN101 D101 D103 D102 Q101 D104 D105 D106 D405 D406 D407 D410 D207 D208 D209 D211 D212 D213 D214 D215 D216 D217 D225 S201 S202 S203 S204 S205 S206 S207 S208 D221 D222 D223 D224 IC201 SUB-CIRCUIT UNIT X16-303/304x-xx A/2 (J76-0099-12) X16 B/2 Refer to the schematic diagram for the values of resistors and capacitors. X16-303/304x-xx Ref. No. Address IC201 5I Q101 2J X14-957/958x-xx Ref. No. Address IC202 2A IC203 2B IC205 4C IC206 5D IC207 5C IC361 3B IC363 4A IC366 3B IC402 3B IC404 4B IC405 4B IC406 4B IC500 6D IC520 5D IC560 4E IC654 3F IC701 3C IC750 4D IC850 2B Q100 2E Q106 2F Q107 3E Q108 3D Q120 5F Q121 5F Q122 5F Q123 5F Q124 5F Q128 2F Q129 2F Q183 3D Q184 3D W893 W862 W863 W115 W113 R162 W111 R502 W112 W501 C148 W886 C149 L104 R161 C159 L107 R159 C144 C145 C153 L101 C146 C158 L102 W114 C143 L103 L106 R111 C666 C667 C668 C670 C671 C673 C669 C611 C612 C613 C614 C618 C619 C620 C621 C622 C625 R171 R124 W654 W658 W606 R682 C120 CF105 C152 C154 R158 C160 L8 C111 R155 R270 C652 R671 R660 R670 W650 C156 R196 R672 L105 L651 R98 C174 R263 R157 R501 R664 R663 R719 R12 R662 R661 R673 R669 C175 W888 W887 R272 C173 C170 R198 R269 C108 C214 C125 R679 R274 C219 C581 R165 R170 R172 R164 R168 C672 R169 W121 R109 R103 R197 R195 R199 R97 R99 D D D D B E C BC E G S G S R271 R96 C674 C675 R687 6 656 1 DGND PGND GND VIN 1 B E B E B E BE B E B E BE BE B E B E BE BE 4 8 5 3 6 4 Q120 D114 Q106 Q122 Q100 D115 Q217 Q213 Q212 Q214 Q218 Q121 Q123 Q124 Q652 D501 Q128 Q129 D502 J960 IC654 Ref. No. Address Q200 6B Q202 6B Q204 6B Q206 5D Q207 5C Q209 4C Q211 4C Q212 5F Q213 4F Q214 4F Q217 3F Q218 3F Q219 5C Q301 3D Q360 4C Q361 4C Q362 3C Q363 3A Q364 3A Q400 4A Q401 4B Q402 4B Q404 3B Q405 3B Q652 3E Q653 3E Q701 2C Q702 2B Q703 3E Q704 3E Q705 3E Q706 3E www. xiaoyu163. com QQ 376315150 9 9 2 8 9 4 2 9 8 TEL 13942296513 9 9 2 8 9 4 2 9 8 0 5 1 5 1 3 6 7 3 Q Q TEL 13942296513 QQ 376315150 892498299 TEL 13942296513 QQ 376315150 892498299 42 KVT-627DVD/627DVDY/717DVD KVT-737DVD/747DVD/767DVD K L M N O 1 2 3 4 5 6 7 PC BOARD (FOIL SIDE VIEW) E B BE BE B E BE BE BE B E BE BE BE BE B E B E BE BE BE BE BE BE BE B E BE BE B E BE B E BE L702 C127 L701 W701 C123 W860 C113 C138 L200 W859 CP506 CP507 CP508 CP509 CP510 L540 L601 W604 R620 C200 C201 R212 R211 R249 R254 R248 W861 C352 R675 C202 C205 R122 R123 R222 R245 R242 C119 C124 C116 C105 C132 CF103 C103 C104 R273 C136 CF104 D D D D G S G S C161 R149 C130 CF102 R39 R393 C133 CF101 R52 G S G S D D D D CF100 R51 R153 R160 VG C115 R391 C303 C307 C334 R392 C137 C128 C102 C218 C713 C663 C665 R652 R654 R683 W918 C715 R659 C704 VGND C705 C561 C562 C566 C567 C601 C602 C603 C604 C623 C624 C626 C627 C628 C770 C771 W881 W652 BL8.5V C109 W770 W183 W607 L520 BE-RST V-MUTE BU-DET R180 R615 C110 C717 C390 C718 R181 C117 C121 C131 W660 W101 W889 C126 C135 C141 C203 R665 C520 R182 C540 W869 R146 R192 R147 R105 C560 C616 C772 R113 R125 R126 R127 R167 R150 R154 R223 R156 R151 R220 W870 R221 C541 C542 C651 C655 C656 W662 C654 C617 C140 C100 C918 C164 R193 C310 C165 C317 C318 C337 C339 C341 C344 C353 R302 R306 R308 R313 C664 R666 R667 R668 C166 W203 R163 C48 C31 C49 L108 C306 C309 C316 S-MUTE C325 W301 A5V R189 C332 C333 C335 C336 C340 C342 C343 C657 C658 C661 R770 M-MUTE CP501 CP502 CP503 CP504 CP505 C304 R771 C711 AGND BU3.3V C706 CP613 CP614 W103 R106 L650 L300 X540 R120 W100 ACC-DET BU5V R110 R143 R236 R246 R927 R300 R301 R304 R305 R307 R309 R184 R503 R504 R658 R653 R651 R684 R542 W609 W608 R541 R505 R605 R607 R606 R610 R609 R613 R612 L603 R508 R614 R540 R604 R602 R529 R520 R655 R776 R772 R773 R860 R861 R862 R863 R112 R774 R603 W522 R618 R619 CP619 R14 R235 R15 R16 R962 L560 R616 R544 R507 W852 X300 X301 +7V -7V R506 CP606 CP607 CP608 CP620 CP621 CP622 CP623 W882 W884 W885 C167 R622 R625 X200 L604 R394 R237 R961 R185 R174 R176 R178 VGND R11 R13 C169 C171 C172 C142 C139 C155 C168 R183 R191 C607 R268 C32 C147 C151 C134 R40 R140 R267 R318/ W308 W900 CP609 CP610 CP611 CP612 CP605 CP602 CP601 CP603 CP604 CP618 CP616 CP615 CP617 R925 R926 R107 W774 W775 W776 W202 W601 R865 R722 R678 W663 CP624 CP625 R265 W122 C163 C162 W864 R629 R44 R100 R119 R114 R101 R179 R190 R148 R102 R104 R152 X201 L109 L111 R320 L900 R279 R280 FSEL-PWM DGND SGND2 C775 C774 L901 L902 R685 R321 C632 L561 C56 I G O 5 4 3 1 80 G I O 10 1 20 11 1 5 1 10 20 11 G S G S D D D D 1 50 1 17 34 18 33 23 22 12 34 44 1 11 104 105 53 156 52 1 157 208 5 4 3 1 3 1 5 4 1 3 5 4 1 8 9 16 9 16 1 8 5 1 16 17 1 32 48 33 HD PWM VD 49 64 1 36 144 37 E 1 22 9 16 8 1 1 4 I G O 1 10 20 11 25 36 12 1 13 24 37 48 1 4 8 5 POPWER5V SW5V MECHA7V Q103 D116 CN501 C Q105 Q126 Q127 Q102 Q180 D960 Q Q650 Q181 Q390 CN900 Q216 Q109 Q110 D862 D100 Q112 Q125 CN851 D113 Q215 Q104 D108 D109 D110 D111 P102 Q101 D961 Q904 D303 P100 D857 D858 D859 P103 D180 Q117 Q170 Q172 Q175 Q651 D300 Q300 Q182 Q208 Q210 Q391 Q111 Q905 Q906 D929 D928 D927 D919 D931 D932 D808 IC103 IC108 IC104 IC200 IC303 IC301 IC702 IC304 IC306 IC541 IC651 IC703 IC650 IC652 IC204 IC540 IC100 IC601 IC101 IC102 IC770 VIDEO CONTROL UNIT X14-957/958x-xx (J76-0098-22) VIDEO CONTROL UNIT X14-957/958x-xx (J76-0098-22) www. xiaoyu163. com QQ 376315150 9 9 2 8 9 4 2 9 8 TEL 13942296513 9 9 2 8 9 4 2 9 8 0 5 1 5 1 3 6 7 3 Q Q TEL 13942296513 QQ 376315150 892498299 TEL 13942296513 QQ 376315150 892498299 KVT-627DVD/627DVDY/717DVD KVT-737DVD/747DVD/767DVD 43 T S R Q P 1 2 3 4 5 6 7 SUB-CIRCUIT UNIT X16-303/304x-xx A/2 (J76-0099-12) X16 B/2 C203 R235 R243 R244 R209 R210 R211 R212 R213 R214 R215 R216 R222 R234 R236 R237 R239 R24 R242 R238 R226 R225 R224 R219 R221 C202 C201 15 16 2 1 11 1 2 16 1 15 BE BE BE J101 D404 D408 D409 D411 D412 CN201 D201 J201 Q205 Q204 Q206 D203 D205 Refer to the schematic diagram for the values of resistors and capacitors. X14-957/958x-xx Ref. No. Address IC100 5K IC101 4K IC102 3L IC103 2O IC104 2O IC108 5K IC200 6M IC204 5O IC301 3O IC303 4O IC304 3N IC306 3N IC362 3Q IC364 3P IC365 3Q IC400 4Q IC401 5Q IC403 3P IC540 4M IC541 4N IC601 5M IC650 3M IC651 2L IC652 4L IC702 3M IC703 3M IC770 5N Q101 2N Q102 2O Q103 2N Q104 2N Q105 2N B E BE E B E B BE E B R928 L400 L402 L350 W856 R227 R226 R222 W867 C410 C411 C361 C368 SYS-ON VG VCOM VB VR C370 R368 C402 C403 C405 C406 C407 C415 C362 C367 C713 W918 C705 C371 C372 C373 C374 C220 C221 C222 R223 R250 R251 R914 W872 W857 W858 C317 C318 W401 C412 C413 R401 R402 R921 R241 R246 R300 R301 R366 VD HD OSC R370 R371 R372 R374 R380 R381 R850 R852 R853 R854 R858 R859 R860 W850 W851 SGND1 W852 R867 X360 W873 R240 R239 R238 CP400 CP401 DGND CP402 OSD-RST CP403 CP404 CP406 CP407 CP405 W202 C802 C803 W854 W853 C851 C377 C375 R387 W313 L901 L902 1 1 7 8 14 4 1 8 5 1 4 8 5 20 1 80 61 21 40 60 41 4 5 1 3 108 73 109 72 1 2 E B 22 1 24 25 48 CN850 Q201 Q203 Q205 Q901 CN101 D850 D851 P101 300 Q902 D861 D924 Q905 Q906 D931 D932 D852 IC400 IC362 IC364 IC403 IC365 04 IC401 Ref. No. Address Q109 6K Q110 4K Q111 3K Q112 2N Q117 3K Q125 2O Q126 2N Q127 2O Q170 5L Q172 3L Q175 3L Q180 3N Q181 4N Q182 4N Q201 6P Q203 6P Q205 6P Q208 4O Q210 4O Q215 5L Q216 5L Q300 4O Q390 4N Q391 4N Q650 4L Q651 4M Q901 6P Q902 6P Q904 5O Q905 5P Q906 6O X16-303/304x-xx Ref. No. Address Q204 6S Q205 6S Q206 6S www. xiaoyu163. com QQ 376315150 9 9 2 8 9 4 2 9 8 TEL 13942296513 9 9 2 8 9 4 2 9 8 0 5 1 5 1 3 6 7 3 Q Q TEL 13942296513 QQ 376315150 892498299 TEL 13942296513 QQ 376315150 892498299 44 KVT-627DVD/627DVDY/717DVD KVT-737DVD/747DVD/767DVD U V W X Y 1 2 3 4 5 6 7 PC BOARD (COMPONENT SIDE VIEW) Q5 CN502 CN503 Q502 Q503 S601 D603 D501 D4 D5 D6 D7 D10 D407 D601 D602 CN501 Q203 Q202 CN303 D314 D103 Q300 D101 D102 D104 D302 D303 D309 Q301 Q302 Q303 D301 D304 IC1 IC303 IC101 IC300 IC301 IC203 20 E 1 1 E 1 1 1 1 1 1 1 12.0V +18.5V +3.3V +12.5V C.SYNC BLK HSY VSY VR VG VB VCOM F1 C1 C23 C24 R10 L401 L501 C9 C501 C504 C30 C423 R653 C502 R501 C6 C8 C11 C13 C14 C17 C21 C22 C25 C26 R6 R12 R14 R18 R28 R600 C3 C16 C18 R7 R9 R15 R29 R505 R506 R642 R257 R256 CP303 CP302 CP301 R219 W355 C101 C102 C118 L101 L102 L103 C106 L105 W216 W302 C110 C111 L106 W301 C301 C334 R348 W354 C300 C307 C308 C312 C313 C319 L303 R23 R25 R300 R320 R329 R330 R335 R388 W304 C232 C233 R242 W356 C103 L104 R105 W217 C230 C231 R240 C306 C302 C304 R321 C109 C112 C113 C115 C315 C316 C318 C320 C328 C331 C336 C505 R22 R24 R26 R102 R104 R218 R302 R309 R324 R331 R332 R371 C100 C114 C211 C322 C323 C326 C327 C337 L306 R353 R101 R103 R236 R253 R325 R326 R327 R328 R338 R339 R340 R341 R342 R345 R346 R347 R349 R359 R373 R374 R357 R356 VR203 R21 R385 VR301 R235 C234 R234 4 5 8 4 5 8 5 4 3 4 5 8 16 17 64 49 32 33 48 19 50 30 4 B C EBC BC E B C 11 10 1 B E B E B E B E B E B E B E X35 B/3 VIDEO UNIT X35-448/449x-xx A/3 (J76-0101-02) X35 C/3 ELECTRIC CIRCUIT MODULEX X16-3130-00 A/2 (J76-0112-02) X16 B/2 VR1 S1 S2 S3 S4 Refer to the schematic diagram for the values of resistors and capacitors. X35-448/449x-xx Ref. No. Address IC1 4X IC101 4U IC203 3V IC300 3V IC301 3V IC303 2V Q5 4W Q202 3W Q203 3W Q300 3U Q301 3V Q302 2V Q303 2W Q502 5W Q503 5X www. xiaoyu163. com QQ 376315150 9 9 2 8 9 4 2 9 8 TEL 13942296513 9 9 2 8 9 4 2 9 8 0 5 1 5 1 3 6 7 3 Q Q TEL 13942296513 QQ 376315150 892498299 TEL 13942296513 QQ 376315150 892498299 KVT-627DVD/627DVDY/717DVD KVT-737DVD/747DVD/767DVD 45 AD AC AB AA Z 1 2 3 4 5 6 7 Refer to the schematic diagram for the values of resistors and capacitors. PC BOARD (FOIL SIDE VIEW) D1 D2 Q2 Q3 D402 CN601 D9 D401 D502 D503 D504 Q501 S401 S402 S403 S404 D403 D404 D405 D406 Q1 D408 D409 D410 CN1 D3 CN301 CN302 CN304 D312 Q601 CN305 D313 IC401 IC302 C2 R1 R8 C427 C428 R3 C425 C426 C424 C401 C421 C422 C503 R422 R502 C10 L1 R441 R453 R454 R456 C5 C7 C15 R4 R5 R11 R13 R16 R17 R402 R403 R404 R423 R503 R504 C342 C305 C330 C335 L302 F100 R106 C108 C303 W303 C311 C314 C317 C321 C324 C325 C333 R323 R334 W310 C105 C116 C309 C310 L307 C332 R316 R318 R333 R19 R307 R308 R337 R343 R344 R350 R351 R352 R355 R360 R366 R652 R663 R664 R354 C329 R31 B E B E B E 1 2 1 1 S 1 1 1 4 1 3 4 80 5 1 10 50 9 1 2 10 2 3 4 G G S D D DD SG G S D D DD +3.3V/+5.0V 12.0V +18.5V +3.3V VD2 VDD VGL VGH +12.5V 5.0V DGND VGND VGND VGND C.SYNC NVD NHD VR VG VB VCOM SCK SW+18.5V STV1 U-D CV OE3 OE2 OE1 STV2 CPH CX L/R STH1 STH2 TP X35 B/3 X35 C/3 VIDEO UNIT X35-448/449x-xx A/3 (J76-0101-02) ELECTRIC CIRCUIT MODULEX X16-3130-00 A/2 (J76-0112-02) X16 B/2 R1 BK GN BL RD BK GN BL RD WH OG GY YL R2 PH1 1 19 CN1 X35-448/449x-xx Ref. No. Address IC302 3AB IC401 7Z Q1 4Z Q2 4Z Q3 4Z Q501 5Z Q601 3AB www. xiaoyu163. com QQ 376315150 9 9 2 8 9 4 2 9 8 TEL 13942296513 9 9 2 8 9 4 2 9 8 0 5 1 5 1 3 6 7 3 Q Q TEL 13942296513 QQ 376315150 892498299 TEL 13942296513 QQ 376315150 892498299 46 KVT-627DVD/627DVDY/717DVD KVT-737DVD/747DVD/767DVD AE AF AG AH AI 1 2 3 4 5 6 7 PC BOARD (COMPONENT SIDE VIEW) C63 C153 C243 C239 C244 C248 1 C218 C222 C212 C227 C238 C240 C245 C224 C229 C217 C211 C203 C228 C233 C246 C241 C73 C231 C204 C219 C213 C223 C210 C74 C200 C209 C201 8 1 8 1 16 C275 C171 C437 C163 C178 C432 C442 C168 C451 C452 C169 C179 C177 C150 C165 1 12 1 12 C257 C255 16 X250 C408 C413 C450 C173 C188 C187 C276 4 C403 C424 C515 C516 1 19 1 20 2 9 5 2 13 10 6 3 11 7 4 12 8 C514 C513 C423 C512 TP800 C511 4 1 4 1 5 1 1 1 3 6 1 1 1 5 C455 R219 C234 1 R253 R261 R251 R254 R250 R249 R246 R245 R239 R241 C270 L254 C454 C462 R240 R413 R213 R228 R227 R214 C237 R238 R243 R242 R237 R236 R207 R208 R200 R201 R223 R224 R76 R218 R244 R234 R226 R215 R78 L5 R225 R203 R211 R79 R74 C71 R73 8 1 1 C269 C458 C268 R415 R412 C461 C463 C425 C426 R414 C430 C431 C428 C417 R401 R402 C418 L252 L401 C438 C434 R262 R260 C256 W251 L250 C267 C410 C436 L402 C405 C400 C435 C411 W250 L400 C401 C406 8 R546 R570 R572 R571 R548 R547 R569 R545 R404 R343 R325 R327 C176 C174 R168 R167 R173 C175 R176 R177 C183 C182 R178 R169 R150 L150 R331 R357 C186 R181 R316 C301 R317 C300 X300 W30 R300 R314 R315 R59 R359 R358 R326 R324 C302 R319 C422 R533 R534 R344 R347 R345 R356 R349 R322 R801 R531 R403 R532 R539 R538 R537 R535 R800 R536 R568 R567 R566 R565 R540 R543 R544 R542R541 C5 R513 8 9 4 4 8 5 3 1 6 4 3 1 6 4 5 8 1 4 5 8 1 4 5 8 1 4 1 4 5 8 1 4 5 8 1 4 8 5 8 9 16 9 1 8 3 4 6 4 5 5 4 5 8 4 1 5 8 4 1 1 4 8 5 7 8 14 64 49 16 33 48 32 17 100 76 25 51 75 26 50 5 4 3 2 1 7 3 4 5 E B E B E B E B E B E B E BE BE BE EB B B E B B E E B E E BE IC415 IC204 IC413 IC203 IC414 IC201 IC202 IC200 IC52 IC416 IC404 IC406 IC407 IC403 IC251 IC408 IC402 IC401 IC400 IC502 IC405 IC151 IC150 IC300 IC303 IC301 IC5 J201 J202 J200 P250 P500 CN251 CN250 J503 J502 Q67 Q404 D208 D209 D210 D207 D206 D211 D205 D203 Q208 D201 Q69 Q203 D200 Q70 Q68 Q51 Q66 D414 D536 D537 Q403 Q405 Q406 D531 D532 D533 D530 D539 D538 D535 D413 D528 D527 D157 D151 Q151 D152 Q58 Q62 Q63 D300 D156 D155 CN300 D521 D523 D800 D524 D525 D522 D529 D526 D514 D515 D508 D518 D517 Q500 ELECTRIC UNIT X34-353/354x-xx A/2 (J76-0100-02) 8 1 5 4 IC302 www. xiaoyu163. com QQ 376315150 9 9 2 8 9 4 2 9 8 TEL 13942296513 9 9 2 8 9 4 2 9 8 0 5 1 5 1 3 6 7 3 Q Q TEL 13942296513 QQ 376315150 892498299 TEL 13942296513 QQ 376315150 892498299 KVT-627DVD/627DVDY/717DVD KVT-737DVD/747DVD/767DVD 47 AN AM AL AK AJ 1 2 3 4 5 6 7 Refer to the schematic diagram for the values of resistors and capacitors. X34-353/354x-xx Ref. No. Address IC50 4AK IC52 5AI IC54 4AK IC100 5AK IC150 5AI IC151 4AH IC200 6AI IC201 6AI IC202 6AH IC203 5AG IC204 5AG IC251 3AE IC300 3AH IC301 3AI IC302 3AI IC303 3AH IC400 3AG IC401 3AG IC402 3AF IC403 4AG IC404 5AG IC405 2AH IC406 5AG IC407 4AG IC408 4AG IC413 5AG IC414 5AG IC415 5AG IC416 5AG IC500 2AJ IC501 2AJ C108 C153 C209 C201 C206 C5 9 8 16 1 C58 C59 L1 C104 C8 1 275 4 1 13 9 12 5 8 1 4 10 5 15 11 21 16 C52 C110 C162 C112 C170 C111 C109 C55 C56 C67 L255 C308 C70 C508 C521 C509 C505 C504 C510 C522 C502 C503 C501 R111 C113 26 2 27 1 24 1 12 1 12 1 R207 R208 R51 R50 L50 R211 R79 R121 1 14 3 R585 R530 R529 R528 R26 R24 R70 R68 C172 W50 R169 R110 R117 R115 R122 R120 R104 R114 R116 R102 TH100 R105 R107 C103 R108 R106 C101 R103 R64 R61 W100 R113 R118 R63 C65 R21 R22 L300 R582 R59 R584 R60 C302 R591 R590 R587 R586 R71 C69 R588 R25 R589 R17 R592 R583 R581 R593 R19 R20 R27 R28 R30 R29 R18 C9 R503 R504 R524 R523 41 R526 C507 R525 R513 R514 C506 R516 R508 R517 R518 R511 R510 R505 R521 R522 R515 4 1 5 8 4 1 1 4 8 5 8 7 8 14 7 1 1 5 4 2 E E B C C E EB B E B E C C E EB C C E EB C C I G O G I O BE E B B B E E B E BE B E BE BE B E BE IC100 C200 IC150 IC50 IC54 IC504 IC505 IC500 IC501 J1 Q50 D9 CN252 Q59 Q64 J250 P1 CN253 A250 J500 J501 D52 51 CN1 Q52 D528 D516 Q151 Q150 D152 Q58 D55 D101 D100 Q13 Q55 D16 D502 Q62 Q63 Q12 Q15 Q61 D19 D15 Q14 D18 D550 D520 D503 D519 D514 D515 D508 D518 D517 D509 Q500 D513 D501 D500 D512 D510 X34 B/2 Ref. No. Address IC502 2AG IC504 3AJ IC505 3AK Q12 3AK Q13 4AK Q14 4AK Q15 4AK Q50 5AJ Q51 5AI Q52 5AJ Q55 4AK Q58 4AI Q59 4AK Q61 4AK Q62 3AJ Q63 3AJ Q64 4AK Q66 5AI Q67 5AI Q68 5AI Q69 5AI Q70 5AH Q150 4AJ Q151 5AI Q203 5AH Q208 6AH Q403 5AG Q404 5AG Q405 5AG Q406 5AG Q500 2AI www. xiaoyu163. com QQ 376315150 9 9 2 8 9 4 2 9 8 TEL 13942296513 9 9 2 8 9 4 2 9 8 0 5 1 5 1 3 6 7 3 Q Q TEL 13942296513 QQ 376315150 892498299 TEL 13942296513 QQ 376315150 892498299 48 KVT-627DVD/627DVDY/717DVD KVT-737DVD/747DVD/767DVD AO AP AQ AR AS 1 2 3 4 5 6 7 PC BOARD (FOIL SIDE VIEW) X34 B/2 C72 C207 C220 C2 R77 C202 C214 C225 R184 C164 C500 C7 R56 R58 R171 C523 C524 C520 R100 R174 R580 C62 C64 R67 R374 R323 R350 R354 R369 R371 R101 C1 C10 C51 C151 C152 C166 C167 C184 C185 C205 C208 C215 C216 C221 C226 R2 R3 R5 R11 R13 R14 R267 R72 R75 R163 R165 R170 R204 R205 R209 R210 R216 R217 R220 R221 R229 R231 R303 R305 R306 R332 R313 R320 R321 R328 R352 R362 R366 R367 R370 R372 R527 C6 C154 C155 R365 C180 C181 R363 R1 R4 R6 R7 R10 R12 R15 R16 R53 R69 R151 R152 C309 R360 R159 R160 R162 R164 R166 R172 R179 R180 R301 R302 R304 R351 R353 R355 R500 R501 R502 R506 R507 R509 R512 R519 R520 R339 C310 W1 C61 C274 C304 C60 R804 R805 R806 R230 R206 R202 R212 R222 R235 R80 R807 R808 R578 R579 R55 R335 R330 E B E B E B B E B E B E B E B E B E B E B E B E B E B E B E B E B E B E D150 D54 D17 D12 Q1 Q8 Q10 Q11 Q54 Q3 D1 D2 D3 D4 D5 D6 D7 D8 D10 D11 D252 Q2 Q6 Q7 Q200 Q201 Q202 Q204 Q205 D13 D14 D504 D505 D506 D507 D511 Q4 Q9 Q65 D212 D213 D214 Q152 TP59 TP55 TP107 TP113 TP503 TP546 TP51 TP109 TP802 TP803 TP50 TP53 TP547 TP57 TP283 TP288 TP294 TP278 TP272 TP281 TP279 TP287 TP295 TP112 TP210 TP2 TP17 TP105 TP108 TP115 TP3 TP505 TP525 TP540 TP545 TP801 TP1 TP3 TP4 TP5 TP6 TP7 TP8 TP9 TP10 TP11 TP12 TP13 TP14 TP16 TP100 TP101 TP102 TP103 TP104 TP106 TP110 TP111 TP114 TP273 TP274 TP275 TP276 TP277 TP280 TP282 TP284 TP285 TP286 TP289 TP290 TP291 TP292 TP293 TP301 TP302 TP310 TP TP500 TP501 TP502 TP504 TP506 TP507 TP508 TP509 TP510 TP511 TP512 TP513 TP514 TP515 TP516 TP517 TP518 TP519 TP520 TP521 TP522 TP523 TP524 TP526 TP527 TP528 TP529 TP530 TP531 TP532 TP533 TP534 TP535 TP536 TP537 TP538 TP539 TP541 TP542 TP543 TP544 TP575 TP200 TP201 TP202 TP203 TP204 TP205 TP206 TP207 TP208 TP21 ELECTRIC UNIT X34-353/354x-xx A/2 (J76-0100-02) www. xiaoyu163. com QQ 376315150 9 9 2 8 9 4 2 9 8 TEL 13942296513 9 9 2 8 9 4 2 9 8 0 5 1 5 1 3 6 7 3 Q Q TEL 13942296513 QQ 376315150 892498299 TEL 13942296513 QQ 376315150 892498299 KVT-627DVD/627DVDY/717DVD KVT-737DVD/747DVD/767DVD 49 AX AW AV AU AT 1 2 3 4 5 6 7 Refer to the schematic diagram for the values of resistors and capacitors. X34-353/354x-xx Ref. No. Address Q1 5AP Q2 5AP Q3 5AP Q4 5AP Q6 6AP Q7 6AP Q8 6AP Q9 6AP Q10 6AP Q11 6AP Q54 4AR Q65 5AS Q152 4AR Q200 6AS Q201 6AR Q202 6AS Q204 6AS Q205 6AT Q206 6AT Q207 6AT Q209 6AT Q250 5AV Q252 5AV C230 C225 64 C242 C247 C448 C449 R248 R263 C415 C419 R400 R350 R354 C421 C420 C151 C152 C235 C236 C251 C252 C258 C416 R267 R229 R231 R232 R233 R255 R256 R303 R305 R306 35 R362 C154 C155 C429 C803 R151 R152 R360 R247 R252 R257 R265 R302 R304 R182 R353 R355 R549 R550 R551 R552 R553 R554 C804 C404 C409 C414 C433 R235 R802 R803 W801 08 R809 R810 R811 C457 R266 B E B E B E B E B E B E Q252 D218 Q205 Q206 Q207 Q209 Q250 D204 D534 D214 D216 G G L R Q S D TP58 TP59 TP306 TP803 TP268 TP261 TP251 TP266 TP550 TP250 TP254 TP256 TP260 TP262 TP267 TP271 TP312 TP252 TP253 TP255 TP257 TP258 TP259 TP263 TP264 TP265 TP269 TP270 TP307 TP308 TP309 TP310 TP311 TP530 TP531 TP532 TP533 TP551 TP552 TP560 TP559 TP549 TP554 TP557 TP555 TP553 TP548 TP556 TP558 TP209 TP211 TP212 TP213 TP214 TP215 TP216 TP217 TP218 TP219 TP220 TP221 TP222 TP223 TP224 TP225 TP226 TP227 www. xiaoyu163. com QQ 376315150 9 9 2 8 9 4 2 9 8 TEL 13942296513 9 9 2 8 9 4 2 9 8 0 5 1 5 1 3 6 7 3 Q Q TEL 13942296513 QQ 376315150 892498299 TEL 13942296513 QQ 376315150 892498299 50 KVT-627DVD/627DVDY/717DVD KVT-737DVD/747DVD/767DVD AY AZ BA BB BC 1 2 3 4 5 6 7 PC BOARD (COMPONENT SIDE VIEW) C5 C14 L2 C109 C17 C96 C102 R79 R80 R81 C15 C21 C64 L3 C99 L5 R95 C97 R96 C26 C98 C101 C57 R53 C27 C28 C33 C35 C85 C86 R90 C89 R97 R8 C83 C84 C82 C104 C105 C4 R23 C106 C10 C107 C16 C18 C19 C20 R49 C23 C24 C25 C108 R54 R68 C110 R69 R74 R75 R78 R18 C3 R11 R15 R16 R31 R32 R40 R41 R47 R100 R101 R102 R103 R92 R93 R109 W2 C120 C121 R120 R121 1 1 1 1 1 1 VREF2 SEN SCK STDI TEO TEI VREF 12 13 24 37 48 36 25 2 5 3 4 5 2 4 3 24 25 48 CN6 S3 S4 S5 D3 P1 IC9 IC3 IC8 IC1 IC10 DVD UNIT X37-1070-00 (J76-0067-12) Refer to the schematic diagram for the values of resistors and capacitors. X37-1070-00 Ref. No. Address IC1 2BC IC3 3BA IC8 3BA IC9 3BA IC10 2BB www. xiaoyu163. com QQ 376315150 9 9 2 8 9 4 2 9 8 TEL 13942296513 9 9 2 8 9 4 2 9 8 0 5 1 5 1 3 6 7 3 Q Q TEL 13942296513 QQ 376315150 892498299 TEL 13942296513 QQ 376315150 892498299 KVT-627DVD/627DVDY/717DVD KVT-737DVD/747DVD/767DVD 51 BH BG BF BE BD 1 2 3 4 5 6 7 PC BOARD (FOIL SIDE VIEW) 8EJE/LOS GND GND 12EJE 1 4 CN1 S1 S2 SWITCH UNIT X16-2380-00 (J74-1537-02) C81 C67 C56 C66 C50 C61 C51 C53 C54 C55 C60 C29 C41 R59 C48 C52 C58 C68 R25 R52 C6 CP2 C36 C37 C46 C71 C94 CP3 CP4 R21 C63 R24 R107 L1 C39 C40 C43 C44 C45 R82 R89 C87 TH1 C88 C90 C91 R91 R98 C76 C80 C95 R64 R61 R62 C1 R22 R45 R51 C31 C32 R55 C38 C62 R56 R57 C69 C70 C73 R58 R65 R66 R67 R70 R71 R72 R73 R76 R77 R2 R3 R10 R12 R34 R39 W1 R110 W3 R84 C7 C8 C42 C47 C49 C72 C92 C93 CP5 CP6 CP7 CP8 CP9 CP10 L4 R1 R26 R27 R28 R29 R30 R33 R35 R36 R37 R38 R46 R63 R83 R85 R86 R87 R88 R108 R104 R105 R106 W4 X1 R117 R118 R122 R12 1 1 4 1 1 1 1 1 1 DRMU BMS DRAM1.5V 1.5V D3.3 P5V P5V PGND PGND GND RXD MON0 MON1 MON2 MON3 RFDIF0 NRST SCLOCK SDATA MON4 MON5 CD ON RFN DGND LO.MUTE SDA SCL MODE SW GAIN SW F+ T+ T- F- RFP VREF1 B D C E F CD LD DVD LD IOP MD A3.3 VHALF VHALF PLFLT1 ARF NARF JITOUT FE TE AS RFENV BDO OFTR FBAL FG JLINE LOAD- LOAD+ A- B- B+ A+ U V W H- H+ U+ U- V+ V- W+ W- SLD2 SLD1 SPD DRV1.65 TRD FOD D5V LIM SW SW 1 SW 4 SW 5 SW 2 SW 3 LOAD FEO TXD VHALF D3.3 WBLIN AGND OFS AGND PPO PPI A C2 24 50 1 10 12 25 36 37 48 24 13 2 3 4 44 89 132 45 88 133 176 18 4 5 8 EB E B E B EB B E B E S G D D S G S G S D D G CN4 Q12 D7 Q11 Q13 Q14 CN2 CN3 CN1 D1 D2 Q1 Q2 CN5 D5 D6 D4 Q7 Q8 Q9 Q10 IC4 IC5 IC2 IC11 DVD UNIT X37-1070-00 (J76-0067-12) Refer to the schematic diagram for the values of resistors and capacitors. X37-1070-00 Ref. No. Address IC2 2BG IC4 3BF IC5 3BG IC11 3BF Q1 2BE Q2 2BE Q7 2BD Q8 2BE Q9 2BD Q10 2BD Q11 2BG Q12 3BG Q13 3BH Q14 3BH www. xiaoyu163. com QQ 376315150 9 9 2 8 9 4 2 9 8 TEL 13942296513 9 9 2 8 9 4 2 9 8 0 5 1 5 1 3 6 7 3 Q Q TEL 13942296513 QQ 376315150 892498299 TEL 13942296513 QQ 376315150 892498299 52 KVT-627DVD/627DVDY/717DVD KVT-737DVD/747DVD/767DVD INTERCONNECTION DIAGRAM (G)X14-955/956 (O)X14-957/958 VIDEO CONTROL UNIT (G)CN908 (O)CN904 (G)J1 (O)J100 (G)J901 (O)J960 CN501 (G)CN905 (O)CN850 X37-107 DVD UNIT X92-513 DVD MECHA DVS-7000V CN4 A10-5207 Zaction MECHA CN301 CN303 CN305 CN304 CN302 CN601 X35-448/449 A/3 VIDEO UNIT X35-448,449 C/3 VIDEO UNIT X35-448/449 B/3 VIDEO UNIT LCD PANEL SWITCH ASSY (TOUCH PANEL) CN502 CN501 CN1 CN503 DC CORD 8P DC CORD 8P A B A A A B B B DC CORD 16PIN DC CORD 8PIN A A B B B K KVT-817DVD E KVT-827DVD E2 KVT-827DVDY M KVT-837DVD X KVT-847DVD V KVT-867DVD K KVT-717DVD R KVT-747DVD E KVT-627DVD E2 KVT-627DVDY M KVT-737DVD X KVT-747DVD V KVT-767DVD E KVT-727DVD E2 KVT-727DVDY X16-303/304 A/2 SUB CIRCUIT UNIT CN101 (G)CN901, (O)CN900 J101 J201 X16-303/304 B/2 SUB CIRCUIT UNIT MINI LCD CN201 A TDF PANEL www. xiaoyu163. com QQ 376315150 9 9 2 8 9 4 2 9 8 TEL 13942296513 9 9 2 8 9 4 2 9 8 0 5 1 5 1 3 6 7 3 Q Q TEL 13942296513 QQ 376315150 892498299 TEL 13942296513 QQ 376315150 892498299 KVT-627DVD/627DVDY/717DVD KVT-737DVD/747DVD/767DVD 53 INTERCONNECTION DIAGRAM TO NAVIGATION SYSTEM TO TV TUNER KTC-V500 J502 J503 J501 J502 LX-BUS X89-274/279 DAUGHTER UNIT (DSP UNIT) CN151 CN2 CN1 CN150 X34-355/381 X34-353/354 A/2 ELECTRIC UNIT (AUDIO UNIT) CN251 CN250 CN253 CN252 A250 J250 X34-355,381 X34-353,354 B/2 J201 J202 J200 J1 CN1 FAN Y Y W W R R R Y W R Y Y W W W W R R R R R W W B B V L R 1 2 AVIN 1 V L R AVOUT L R CAM V REAR FRONT CEN- TER SUB L R REAR FRONT SUB L R CORD 8P (E,E2 type) CORD 8P (K,R,M,X,V type) A B A B A B CORD PIN A A B B B A A B B A A AV IN PREOUT YES YES X89(DSP) MONO-2 CORD YES YES SPDIF CORD YES YES DC CORD 16P (E,E2 type) DC CORD 16P (K,R,M,X,V type) ANT CORD MONP-2 CORD SPDIF CORD PREOUT PREOUT A www. xiaoyu163. com QQ 376315150 9 9 2 8 9 4 2 9 8 TEL 13942296513 9 9 2 8 9 4 2 9 8 0 5 1 5 1 3 6 7 3 Q Q TEL 13942296513 QQ 376315150 892498299 TEL 13942296513 QQ 376315150 892498299 54 KVT-627DVD/627DVDY/717DVD KVT-737DVD/747DVD/767DVD A B C D E 1 2 3 4 5 6 7 X14-957/958x-xx (1/10) Q103 Q184 Q105 Q104 Q183 Q102 Q106 Q101 D181 D180 Q125 Q100 Q112 Q129 Q128 Q126 Q127 CN850 ∗CN802 Q107 D100 D104 Q108 D106 J100 CN904 D800 D801 D802 D803 D804 D805 D806 D807 D105 D107 to DC CORD ∗ A ∗ B ∗ O ILLUMI REVERSE CN101 D962 D963 J961 ∗ I Q360 Q361 Q180 Q181 Q182 FAN Q116 Q115 Q113 Q114 ∗ F 4/5 X34-A/2 -J501 D116 ∗ H J960 D961 D960 ∗P102 P100 BU5V BU3.3V 7.5 1DIN -CN8 3/4 2DIN X34-A/3 X34-B/3 -CN15 4/4 FAN TP854 TP850 TP855 TP893 TP927 TP856 TP857 TP851 TP852 TP853 1 2 3 4 5 6 7 8 9 10 11 12 13 14 SW C SW B SW A NC EX M+ EX M+ EX M- EX M- RI M+ RI M+ RI M- RI M- NC/REMO R SENS/RESET 5 4 3 2 1 SW5V R SENS D GND RI M+ RI M- 100K R100 51K R101 33K R105 220K R113 220K R125 100K R119 330K R110 330K R112 220K R126 220K R127 W103 W100 ∗R114 W893 1.2K R103 R97 47K 4.7K R99 5.6K R111 OUT GND IN 220u16 C118 5 4 VO NR 1 2 3 VIN GND VC ∗W850 17 W REMO 2200u16 0.01 C100 TP100 R117 0.01 C101 C102 3/4W 15K 47K R121 12K R118 TP101 8 7 6 5 2 1 4 3 TP804 TP802 TP805 TP803 28 ILLUMI RESET GND PARK ACC GND REVERS MIX REMO SYS ON W800 25 27 26 +B 23 24 +B 20 22 21 19 18 TP810 TP808 TP809 TP806 TP807 6 VGND SYNC VGND S REQ VGND S DATA M REQ M CLK M DATA 14 15 16 12 13 9 11 10 7 B 8 G DMIX L AGND DMIX R DVD COMP 4 5 R 1 3 2 R115 3.3K TP114 TP105 GND PARK 3 6 4 5 2 1 ILLUM NC REVER REMO 7 ACC 8 +B 1K R804 100 R808 100 R809 100 R806 100 R807 TP800 100 R805 1K R803 TP811 TP813 TP812 TP814 TP815 TP817 TP816 R814 75 R812 75 R813 75 R811 75 G B R 0.1 C804 Q206-C 3 6 68 8 11 220K R167 C108 1 2.2K R96 C180 1 C181 1 100K R186 100K R188 79 81 10 C127 3 1 2 GND VCC 2 1 +B +B +B +B +B Q210-B IC205-1 107 105 106 SW5V 5 7 11 9 TP120 TP963 1 R964 150 3 TP964 2 4 15 R966 R361 30K C301 10 V5V L301 10uH 470 R388 C363 10 R30 47 R180 3.9K R184 30K R182 15K W183 R181 2.2K R166 2.7K 3.3K R145 2.2K R144 W104 TP104 R141 10K R142 27K 68K R120 40 19 IC204-80 BU3.3V 24K R98 1K R801 BU3.3V 47K R129 65 COMP MIX-R MIX-L SW3.3V to IC701-7 to IC701-1 to IC650-28 SW5V BU3.3V BU3.3V VGND AGND VGND DGND SW5V GND DGND SGND1 SGND1 SGND1 AGND DGND DGND DGND IC650-4 21 IC205-2 80 to IC204-19 to IC204-40 to IC205-4 100P C800 1K R802 to IC204 to IC204 TP119 TP118 1 C122 IC204-21 to 180 L100 TP116 22K R187 TP117 180 L110 1K R128 180 L802 TP115 180 L111 R185 4.7K 9.1K R116 0.47 C114 to IC204 SW14V SW14V SW14V SW14V TP180 +B W859 TP102 0.1 C126 10 C128 W860 TP103 0.1 C113 TP106 to IC207 3 1 4 2 R961 R962 TP962 TP961 15 150 GND SGND2 TP960 IC750-4A IC750-4B TP966 30K R360 TP360 4.7K R362 R363 2K R810 100 BU3.3V VCC1 4 2 SGND2 SGND2 DGND SW14V 2.2 C150 to IC202,203 W869 W121 ∗W873 TP917 W122 SW14V SW5V SW14V, V5V, SW14V W116 + + IC103 A VIDEO CONTROL UNIT (X14-95xx-xx) IC104 A 22K 22K 47K 47K 10K 10K 47K 47K 10K 47K 47K 22K 22K 4.7K 4.7K 47K 47K 0V 5.0V 3.3V 1.3V 5.0V 0V 5.0V 1 2 3 4 1 5 2 2 www. xiaoyu163. com QQ 376315150 9 9 2 8 9 4 2 9 8 TEL 13942296513 9 9 2 8 9 4 2 9 8 0 5 1 5 1 3 6 7 3 Q Q TEL 13942296513 QQ 376315150 892498299 TEL 13942296513 QQ 376315150 892498299 KVT-627DVD/627DVDY/717DVD KVT-737DVD/747DVD/767DVD 55 J I H G F X14-957/958x-xx (2/10) ∗D856 D854 D852 ∗D860 ∗D855 D853 D851 D924 D850 D861 ∗ P D302 D303 D301 ∗ L D300 Q390 Q391 D862 360 Q361 Q362 0 1 Q182 ∗ J Q300 3/5 -CN301 X35-A/3 ∗ R 0 CHROMA ∗Q301 7.5V IH-DELAY RGB SW 1DIN 2/4 2DIN -CN303 X35-A/3 J1 5/5 X89- TP865 TP934 TP881 TP932 TP866 TP935 TP882 TP883 TP936 TP872 TP869 TP892 TP937 TP884 TP873 TP893 TP867 TP870 TP874 TP885 TP858 TP856 TP875 TP886 TP857 TP876 TP891 TP859 TP860 TP929 TP878 TP930 TP933 TP877 TP862 TP871 TP879 TP931 TP863 TP880 TP864 11 12 13 14 15 16 17 18 19 20 21 22 23 24 25 26 27 28 29 30 31 32 33 34 35 36 38 39 40 41 42 43 44 45 46 47 48 49 50 51 52 53 54 55 56 57 58 59 60 61 62 63 64 65 66 67 RI M- RI M- NC/REMO R SENS/RESET BL DET SW+5.0V/ESD GND PH DET/ESD GND D GND NC BL+8.5V BL+8.5V NC BLGND BLGND NC SW D/VD ENABLE PWM NC/SRC Y0 X1 X0 YDATA XDATA KEY1/NC AUTO DIM/BU3.3V NC VCOM NC HPOS1 HPOS2 HPOS3 HPOS4 MODE1 MODE2 MODE3 BLK HSY VSY MIRROR POLS PLL ON NTSC PAL V GND HD V GND VR VG VB V GND NC P ON+3.3V NC LED R LED G PLL CLK ∗W856 W858 W857 ∗W850 W851 R851 100 ∗R866 100 R852 100 R853 100 R854 100 R855 100 R856 100 ∗R857 100 ∗R858 100 ∗W867 ∗W853 ∗W854 ∗R867 1K 100 R850 75 56 109 142 113 136 144 143 112 111 108 100P C803 1 C802 RESET Q210-B Q208-B IC205-1 114 118 100 R859 115 116 117 119 120 IC365-2 121 VR VB VG Q203-C SW5V 11 +8.5V BU3.3V SW3.3V Q400-E Q401-E Q402-E GND C342 1 C345 1 C347 1 C346 1 C343 1 C340 1 C338 10 IC654-1 4 VP1 GND1 RYOUT BYOUT NC13 BYIN NC15 RUIN 1 VCC1 6 SAND IC1 GND2 NC2 VP2 5 4 3 2 IC3 IC2 NC6 8 7 16 11 3 5 2 12 13 14 15 4 9 10 VCC1 3 2 VCC1 5 B G R R314 100 R316 100 ∗W306 ∗W308 R318 100 ∗W307 C313 0.1 2 1 3 C316 0.1 VCC1 +7.5V VD TP389 RYIN 4.4336MHz X301 3.576MHz X300 VCC1 BYOUT RYOUT PALN 4 3 2 1 C333 1 C335 1 C332 1 VCC1 BIN1 GIN1 RIN1 VREF VCC1 BYIN 6 5 C336 1 10 9 8 7 BIN2 GIN2 RIN2 BDET GDET RDET 14 C348 1 13 12 11 16 15 C349 1 C350 1 100 VCC1 TP943 R304 100 R305 SCLCK SDATA 47 48 VCC1 SDA SCL +7.5V GND2 43 VCC4 NSYNC SYNCIN 44 45 46 AFCDET VCO 41 42 R306 10K C339 4700P C337 0.47 R307 6.8K VSS NRGB LDET VDD 37 38 39 40 SCPOUT CSYNC VSYNC POL 33 34 35 36 R308 1M C341 10 R383 100 R382 100 4 VCC 5 VCC3 TP306 PWM TP305 HD TP390 +7.5V KILLDET NTSC PAL APCDET SCOUT 64 63 60 62 61 ACCDET CIN GND3 VCC5 CF2 YDET CF1 YIN 56 59 58 57 53 52 54 55 SECOM COMDC PONR 50 49 51 V17 17 GOUT BOUTDET V18 BOUT GND1 DVF 21 20 18 19 24 22 23 ROUTDET VCC2 ROUT VCOM VCC3 27 26 25 28 29 PWM VD HD 31 32 30 1 16 5 4 3 2 8 6 7 12 13 14 15 9 10 11 0.1 C303 W304 0.1 C311 DVD-B DVD-G C312 0.1 R393 100K C390 1 1 C352 R310 100 C351 2.2 47K R313 R312 100 C355 2.2 R311 100 C354 2.2 C353 0.01 VB VG VR 28 100 R381 100 R380 0.022 C344 18P C317 C324 0.022 2.2 C319 7.5K R303 C323 1 C322 1 C321 1 4.7 C325 2.2 C320 30K R394 20K R391 3.3K R392 +7.5V L300 470 R388 R389 2.7K 47uH C310 22P R300 470 R184 30K ∗C306 C309 18P R301 10K R182 15K W183 R181 2.2K R302 1.5K IC654-2 52 57 +7.5V +7.5V VCC1 Q205-C 37 P ON+3.3V 125 28 48 27P C318 VGND SGND1 SGND1 SGND1 VGND VGND VGND VGND VGND VGND VGND VGND VGND VGND VGND VGND BLGND BLGND to CN900-5 to IC204 to IC204 to IC204-48 VGND DVD-R to IC650-25 to IC650-22 to IC650-19 TP180 1 2 TP961 TP960 TP888 W874 TP918 TP894 0.1 C851 R385 470 TP916 VGND 4.7K R362 R363 2K 10K R924 TP944 VGND VD TP304 HD TP303 100 R320 100 R309 2 57 IC362-2 IC364-2 SW3.3V to IC303 W852 52 IC400-9 GOUTDET to CN850 OUTA IN2A CTLA CTLC OUTC GND1 OUTB IN2C IN2B IN1A GND2 VCC IN1C IN1B CP CTLB IC361-7 1K R321 W301 10 C304 0.1 C307 W311 0.047 C326 0.1 C334 IC301 IC304 IC303 IC306 B B J 10K 3.0V 2.4V 0V 2.4V 4.3V 2.4V 5.0V 2.4V 4.3V 1.7V 1.7V 1.7V 4.3V 2.4V 2.4V 0V 5.0V 1.4V 0V 1.5V 0V 0V 1.4V 2.9V 0V 5.0V 2.9V 5.0V 2.0V 2.0V 2.2V 3.4V 2.0V 0V 2.5V 3.0V 0V 2.5V 7.5V 2.5V 2.5V 3.2V 4.2V 5.0V 0V 1.7V 3.0V 2.6V 1.7V 5.0V 4.5V 4.8V 0V 0V 5.0V 2.7V 4.2V 2.9V 0V 3.2V 2.6V 2.0V 2.6V 2.5V 3.0V 2.9V 5.0V 0V 8 2 3 1 4 3 5 6 7 7 1 1 6 www. xiaoyu163. com QQ 376315150 9 9 2 8 9 4 2 9 8 TEL 13942296513 9 9 2 8 9 4 2 9 8 0 5 1 5 1 3 6 7 3 Q Q TEL 13942296513 QQ 376315150 892498299 TEL 13942296513 QQ 376315150 892498299 56 KVT-627DVD/627DVDY/717DVD KVT-737DVD/747DVD/767DVD K L M N O X14-957/958x-xx (3/10) ∗D857 ∗P101 D859 ∗D858 ∗CN851 -CN701 2/4 X35-B/3 OSD Q404 Q405 Q363 Q364 SYNC SEPA. OSD CLOCK 3.3V 5V TP936 TP937 TP938 TP939 TP940 TP889 TP941 TP890 66 67 68 69 70 71 72 73 74 75 76 77 78 79 80 LED G PLL CLK NC LED SW/SI LED GND VD/KEY4 NC/KEY3 OPEN CLOSE D GND LCD PON V GND V GND NC P ON+5.0V P ON+5.0V 100 R860 100 R865 W872 ∗W864 100 ∗R864 126 Q203-C 100 R863 139 74 138 127 2 3 4 LED R SUBLED OFF BLGND LED G 1 TP868 SW5V +7.5V VCC1 +7.5V K 337 .47 M 0 382 100 0 100 R381 100 R380 98 SGND1 VGND BLGND BLGND 100 ∗R862 100 ∗R861 TP887 VDD13 RD0 RD1 RD2 BD2 GD0 GD1 GD2 BLK BD0 BD1 VSS14 0.1 21 25 24 23 22 C410 10 10uH 29 28 L402 27 26 30 31 CTRL1 to IC204 7 6 5 9 10 11 8 13 14 15 16 17 20 18 19 12 C405 C406 0.1 R400 10K W410 1 HSYNC 2P C429 TP404 C404 C403 W409 0.1 52 W408 TP406 TP402 49 50 51 W411 W413 W412 VSS12 VDD12 VSS13 CLKOUT HBLK TEST2 TEST1 RST VDD11 VSYNC VBLK HSYNC CS SIN SCLK 1 2 3 4 C407 OSC 0.1 TP403 W403 10 C402 C430 TP405 2P 76 VDD33 OSCOUT OSCIN VSS11 A0 A1 VSS33 79 80 77 CP400 33 78 A3 A2 A6 A7 A5 A4 74 CP401 33 75 71 73 72 0.1 C408 A0 A1 A3 A2 A6 A7 A5 A4 CCOMP CVREF VDD2 BOUT GOUT ROUT OUTR RREF VSS2 W401 200 R415 C413 0.1 R401 68 C411 0.1 C412 1 35 34 32 33 38 37 36 1.5K R402 40 39 5 5 5 5 5 5 5 4 5 4 4 4 4 4 4 4 4 D9 D10 D11 D6 D7 VDD14 VSS15 D8 D1 D2 D3 D4 D5 OE VDD31 VSS31 D0 6 5 5 A12 A14 A13 A15 A11 A10 A11 VSS32 VDD32 A10 A8 A9 69 CP402 33 70 66 65 68 67 A13 A12 A14 A15 A16 CE A17 64 63 CP403 33 61 62 0.1 C409 A8 A9 GND 6 5 4 1 3 2 NC VCC 3 GND 4 0.1 W365 C369 5 2 1 VCC 3 GND 4 7 8 6 5 470 R374 0.1 C927 W405 R421 15K R423 100 R419 10P C426 560 0.01 C425 15K R420 560 R422 0.01 C424 W415 47u6.3 CSOUT VCC SYCIN VD HD SW DGREF W313 W312 C376 15P R367 5 6 7 470 R364 C364 330P C361 360 3 4 470 R366 1 C365 910K R365 1 2 1K R368 8 1 RX/CX CX Q 2 1 VCC CLR GND 3 B 4 7 8 39P C375 6 5 C377 5P VCC VCC 1 2 A C366 0.1 GND 2 4 3 VR361 4.7K 8 7 R387 47K W360 7 5 6 1.8K R371 15.734kHz BGP VCO2 VCOOUT 10 9 8 X360 470 R372 1000P C374 47 R369 VCO1 12 LPF 11 14 13 VS GND C372 0.015 C373 150P 3K 4.7 R370 1 C368 0.01 C370 C371 C423 0.1 GND 3 1 2 VCC 4 5 10uH L350 6 3 4 GND 5 2 1 8 7 VCC 10 5 PR2 Q2 Q2 C420 0.1 C419 0.1 Q1 Q1 GND 6 7 9 8 D2 CLR2 VCC CK2 CK1 D1 CLR1 PR1 3 4 1 2 12 11 14 13 3 4 GND 6 5 C422 0.1 1 2 8 7 VCC NC VCC 3 2 GND 4 1 5 0.1 C421 6 5 9 10 70 11 1 14 VCC 4 3 2 11 12 13 69 3 67 SW5V to CN904 5 4 VCC 2 1 3 GND DGND SW3.3V SW3.3V IC362-2 to Q362-E C362 0.1 to CN850-49 IC365-2 to IC301-5 IC364-2 0.1 C367 100 R375 SW5V SW3.3V DGND 10uH L400 DGND DGND TP401 VCC1 VCC1 VCC1 R424 1K 0.1 C850 47 R427 SW5V SW3.3V, IC400-9 to CN850-50 10K R377 IC361-7 to Q301-B 1K R386 1K R412 0.1 C926 + K IC400 IC366 IC364 IC363 IC365 IC361 IC362 IC403 IC406 IC402 IC405 IC404 IC850 47K 47K 10K 10K 1.4V 3.9V 0V 5.0V 0V 0V/5.0V 1.4V 5.0V 5.0V 0V 5.0V 0V 5.0V 5.0V 0V 0V 5.0V 0V 0V 5.0V 0V 5.0V 0V 3.3V 3.3V 0V 3.3V 0V 3.3V 3.3V 0V 0V 0V 3.3V 1.0V 0V 0V 0V 1.3V 1.2V 1.2V 0V 3.3V 0V 3.3V 0V 3.3V 3.3V 0V 3.3V 3.3V 0V 3.3V 3.3V 3.3V 3.3V 0V 0V 3.3V 0V 3.3V 3.3V 0V 5.0V 5.0V 5.0V 5.0V 5.0V 0V 8 8 1 7 8 4 1 5 3 3 6 3 5 1 4 1 6 6 www. xiaoyu163. com QQ 376315150 9 9 2 8 9 4 2 9 8 TEL 13942296513 9 9 2 8 9 4 2 9 8 0 5 1 5 1 3 6 7 3 Q Q TEL 13942296513 QQ 376315150 892498299 TEL 13942296513 QQ 376315150 892498299 KVT-627DVD/627DVDY/717DVD KVT-737DVD/747DVD/767DVD 57 T S R Q P X14-957/958x-xx (4/10) Q170 Q109 D108 D109 Q117 Q172 Q110 D111 D110 ∗ Q175 Q111 Q214 Q216 Q218 Q401 Q400 Q402 ∗ G SLIDE TILT MOTOR-DRV. MOTOR-DRV. V OSD FLASH ROM CF103 CF102 110K R174 1000P C164 68K R156 C140 1000P 150P C105 39K R106 22 R12 W882 W881 100 R39 470P C31 20 19 18 17 16 15 14 13 12 11 REF CP SYNC ON/ IN1+ FB1 DT1 OCL1 VCC OUT1 1 2 3 4 5 6 7 8 9 10 CT RT ON/ IN2+ IN2- FB2 DT2 OCL2 GND OUT2 180 L1 100 L1 R122 100K 22 R11 C130 10 24K R163 0.1 C142 1.3K R150 13K R179 100K R183 1000P C147 0.1 C109 10K R107 10 R147 R146 10 100 470P R40 C32 10 C132 0.1 C123 13K R148 1M R273 C110 0.1 R104 39K C103 150P ∗R154 C168 0.1 R189 24K R44 R190 13K 1000P 10K C169 R191 100K 10 100 470P 17 R176 110K SYNC CT 1 RT 3 2 REF 20 CP 18 19 ON/ IN2+ 4 FB2 IN2- 6 5 IN1+ 16 FB1 15 OCL2 DT2 8 7 GND 9 OCL1 DT1 13 14 VCC 12 R152 15K R151 47K C162 1000P R123 100K C166 1000P 100 W884 R13 22 CF100 CF101 R193 OUT2 10 R14 22 OUT1 11 W885 R52 C131 10 R51 68 470P L1 68 C49 L1 C48 R269 1M VCC1 R198 R124 100K 14 7 150P C170 R196 24K 0.1 R197 R109 10K 13K R178 110K ON/ ON/ R102 2 C104 1 CT 3 RT 39K 19 20 REF 18 CP SYNC 17 5 4 IN2+ C111 6 IN2- FB2 0.1 16 IN1+ 15 FB1 10K R159 R155 1.3K C136 10 C171 100K 1000P CF105 CF104 OUT1 OUT2 8 DT2 OCL2 10 9 GND 13 DT1 OCL1 11 12 VCC R265 10 W889 R15 100 R263 10 C174 1000P W886 C135 390P C141 10 R143 10 L108 3 4 1 2 L109 180 R16 100 W101 R158 4.02K 100 R140 100P C134 1M R274 R157 39K OFF2 OFF2 ON/ 0.47 C156 43 6 BLGND BLGND BLGND GND 0.1 C117 0.1 C137 0.1 C139 C155 0.1 0.1 C167 0.1 C121 R192 10 0.1 C124 10 C133 0.1 C175 0.1 C120 0.1 C125 C173 0.1 A0 A0 VSS2 R416 W401 200 R415 R406 100 100 R403 100 200 200 R417 R405 2.7K R407 R409 R408 2.7K 2.7K A17 A7 A6 A5 A4 A3 A2 A12 A11 A10 A9 A15 A14 A13 100K R410 A8 57 56 55 54 53 52 51 49 50 47 46 44 45 42 41 43 48 D9 D10 D11 D6 D7 VDD14 VSS15 D8 D1 D2 D3 D4 D5 OE VDD31 VSS31 D0 D9 D10 D11 D6 D7 D8 0.1 C414 C415 0.1 D1 D2 D3 D4 D5 D0 OE 60 58 59 A12 A14 A13 A15 A13 A12 A14 A15 A16 CE A17 63 61 62 CP404 33 A16 A17 CE D5 A8 DQ13 CP406 33 CP407 33 DQ2 A18 20 A1 24 23 22 21 A5 A4 A1 A3 A2 18 19 17 A6 A7 A17 29 28 27 CE 26 25 VSS1 OE DQ0 30 31 DQ1 DQ9 DQ8 32 15 13 14 16 RY/BY NC14 NC13 11 10 9 12 RESET NC10 WE NC9 33 DQ11 DQ10 35 36 34 DQ3 VCC DQ5 DQ4 37 39 40 38 DQ12 D2 OE CE D0 D8 D1 D9 D10 D3 D11 D4 CP405 4 8 6 7 5 A9 A11 A10 A12 1 2 3 A13 A15 A14 45 DQ7 DQ6 44 42 43 41 DQ15 DQ14 33 48 A16 46 47 VSS2 BYTE W414 C416 D7 D6 0.1 A16 VCC1 GND2 BLGND 102 IN2 IN4 3 IN1 2 1 OUT2 5 VS1 4 OUT1 12 13 14 IN3 OUT4 10 7 11 VS2 OUT3 5 101 8 7 6 9 GND1 VCC2 VCC1 6 9 1 14 VCC1 GND2 9 OUT3 OUT1 IN1 3 2 12 13 IN3 OUT2 IN2 VS1 4 5 OUT4 IN4 11 11 VS2 10 99 100 GND1 7 VCC2 8 VCC1 8 66 6 5 C212 0.1 GND 7 9 10 8 6 DGND 70 11 4 3 11 12 69 3 DGND DGND VGND DGND Q400-E Q401-E Q402-E to IC303 0.01 C215 0.01 C216 SW14V SW14V SW14V SW14V SW14V SW14V VCC1 VCC1 5.1K R160 VCC1 DGND SW14V 4.7K R404 4.7K R413 100K R411 C116 0.1 C138 0.1 C119 0.1 C151 0.1 OFF1 C115 0.1 C172 0.1 OFF1 OFF2 OFF1 VGND IC100 IC101 IC102 IC401 IC202 IC203 IC207 47K 47K 47K 47K 47K 47K 47K 47K 10K 10K 10K 0V 3.3V 0V 3.3V 0V 3.3V 0V 3.3V 0V 3.3V 0V 0V 3.3V 0V 5.0V 5.0V 0V (2DIN: 0V/7.8V) 0V/7.5V 7.5V/5.0V (2DIN: 7.8V) 3.3V/0V (2DIN: 0V/7.8V) 0V/7.5V 3.3V/0V 7.5V/5.0V (2DIN: 7.8V) (2DIN: 0V/7.8V) 0V/7.5V 3.3V/0V 7.5V/5.0V (2DIN: 7.8V) 3.3V/0V (2DIN: 0V/7.8V) 0V/7.5V 0V 3.3V/0V 3.3V/0V (2DIN: 7.8V) 7.5V/5.0V 0V/7.5V 0V/7.5V 0V (2DIN: 0V/7.8V) (2DIN: 0V/7.8V) (2DIN: 0V/7.8V) 0V/7.5V (2DIN: 0V/7.8V) 0V/7.5V 3.3V/0V (2DIN: 7.8V) 7.5V/5.0V (2DIN: 7.8V) 7.5V/5.0V 3.3V/0V 0V 2.3V 0V 0V 1.2V 3.2V 0.8V 1.0V 0.8V 1.0V 0V 2.3V 3.2V 2.3V 2.3V 3.2V 0V 0.8V 1.0V 1.0V 1.2V 3.2V 0.8V 0V 0V 2.3V 2.3V 3.2V 0V 0.8V 0V 1.0V 1.0V 1.2V 3.2V 0.8V 0V 0V 0V 0V 3 7 5 1 5 3 1 3 1 8 1 8 7 1 8 www. xiaoyu163. com QQ 376315150 9 9 2 8 9 4 2 9 8 TEL 13942296513 9 9 2 8 9 4 2 9 8 0 5 1 5 1 3 6 7 3 Q Q TEL 13942296513 QQ 376315150 892498299 TEL 13942296513 QQ 376315150 892498299 58 KVT-627DVD/627DVDY/717DVD KVT-737DVD/747DVD/767DVD U V W X Y X14-957/958x-xx (5/10) Q200 Q207 Q121 Q124 Q206 Q202 Q123 Q201 Q120 Q203 Q204 Q122 Q205 09 Q212 Q215 D108 D109 Q117 10 D111 D110 Q213 ∗ C Q111 D113 D115 D114 Q217 ∗ E Q219 SYS u-COM DC/DC CONVERTER SW5V MECHA7V DC/DC CONVERTER SW3.3V MECHA7.5V BL3.3V MECHA7.5V DC/DC CONVERTER TP202 TP107 X201 TP209 TP204 1D 2DIN GRAPHIC 1DIN GRAPHIC 1DIN 1DIN OSD 1DIN 1DIN GRAPHIC 470P C31 56u10 C143 56u10 C144 W861 W111 180uH L103 100uH L104 3 4 NC VS 47K R270 3.9K R271 9.1K R267 R238 1K R239 1K ∗ ∗R240 1K 0.1 C220 0.1 C221 GND 5 4 VCC 100 R279 R211 10K R217 47K R218 47K W201 22P C203 1K R237 120 L200 X200 4.950 C C2 C204 1 36 35 34 33 32 31 30 29 28 27 26 25 24 23 22 21 20 19 18 17 16 15 14 13 12 11 10 9 8 7 73 74 75 76 77 78 79 80 81 82 83 84 85 86 87 88 89 90 91 92 93 94 95 96 97 98 99 100 101 37 38 39 40 41 42 43 44 45 46 47 48 49 50 51 52 53 54 55 56 57 58 59 60 61 62 63 64 65 66 67 68 69 70 71 72 SCL SDA EVDD EVSS NC(M MUTE) S MUTE MIX REMO BE SREQ BE MREQ BE CLK BE SDATA BE MDATA MINI CLKIN NC MINI DATA ACC DET DISC DET BU DET NC (VD) NC TX2 TX1 RESET X2 X1 VSS REGC VDD FLMD0 NC (HD) MINI CLK OPEN CLOSE SRC EJECT MINI PON DSI ILL DET PAK DET REV DET NC NC NC NC (SH INI) NC (SH STBY) NC (SH SREQ) NC (SH MREQ) NC (SH CON) NC (SH RST) NC (TOUCH) NC (TOUCH EN) NAVI L TYPE0 TYPE1 TYPE2 TYPE3 SUBLED OFF TMOTOR M TMOTOR P SMOTOR M BE RST POWER DET BL DET B PON (SW14) NC NC FSEL1 FSEL2 FSEL SW PON MCNT RGB SW OSD CS OSD DATA OSD CLK OSD RST WRT E2P POWER PWM JIG EJ PWM STATUS0 STATUS1 PANEL DET STATUS2 NC (SH MDATA) NC (SH SDATA) NC NC SYS SREQ SYS MREQ SYS ON SYS SDATA SYS MDATA SYS CLK MINI CS MINI DATA 0P C148 0.1 C149 0.1 2 10K R149 0.47 C165 0.01 C218 MECHA7V 0P 0.47 W114 68uH 470P L102 68uH C146 9 C158 0.1 56u10 L101 C145 C48 C153 0.1 120u6.3 W112 TP113 SW3.3V TP109 16K R153 C163 C135 390P R143 10 TP111 W113 C154 0.1 L105 100uH W101 C152 56u10 R275 100K W888 22u12.5 R161 0.27 1/2W 22u12.5 C160 C159 R162 100K W863 W862 TP108 L8 TP110 330 R199 330 R195 10uH L106 7V +7V 100 R140 100P C134 +8.5V C219 0.01 10uH L107 SW3.3V R157 39K 135 20K R276 40 43 48 1.1K R268 R221 47K 56 65 66 67 68 69 70 CS MD 510K R236 32.768kHz 18P C202 MHz 19 21 MD SCK SDA SCL GRAPHIC 74 75 76 77 78 79 80 81 94 95 97 96 98 100 101 99 123 122 +8.5V VDD VDD VDD VDD VDD 56K R171 47K R165 22K R169 1K R164 1K R168 10K R170 VDD 0.47 C156 BLGND DGND 38 150 R272 RESET 75 100K R225 47K R222 47K R223 59 165 CN501-38 166 169 162 168 124 Q651-B VCC1 0.01 C214 SW3.3V +8.5V 1K R172 BU3.3V SW3.3V SW3.3V 8 DGND DGND DGND DGND DGND BLGND Q203-C Q205-C to CN850-66 to CN850-65 IC205-4 to CN904-19 Q651-B, IC650-3 100 R235 100 R234 TP203 47K R220 49 R229 470 R230 100 50 51 R231 100 R232 1K 52 C222 0.1 TP861 W887 4 5 3 6 2 7 1 8 SW5V SCK 38 to IC601 to IC601, 10K R212 DEST MECHA7V, +3.3V, +7V, -7V +8.5V +3.3V TP650 100K R281 33K R219 W205 TP208 47K R224 R266 100K 100 R280 10K R226 100K R233 100K R227 + + + + + + + IC205 IC204 IC2 47K 47K 47K 47K 10K 2.2K 10K 2.2K 47K 47K 47K 47K 10K 2.2K 47K 47K 47K 47K 47K 47K 10K 0V 0V 3.3V 2.6V 3.3V 0V 1.1V 0V 3.3V 0V 0V 0V 0V/3.3V 0V 0V/5.0V 3.3V 3.3V 3.3V 0V 0V/3.3V 0V/3.3V 0V/3.3V 0V/3.3V 0V/3.3V 3.3V 0V 0V/3.3V 0V 0V/3.3V 0V 3.3V 3.3V 0V 3.3V 0V/3.3V 8 8 1 9 1 8 3 3 9 3 3 10 www. xiaoyu163. com QQ 376315150 9 9 2 8 9 4 2 9 8 TEL 13942296513 9 9 2 8 9 4 2 9 8 0 5 1 5 1 3 6 7 3 Q Q TEL 13942296513 QQ 376315150 892498299 TEL 13942296513 QQ 376315150 892498299 KVT-627DVD/627DVDY/717DVD KVT-737DVD/747DVD/767DVD 59 AD AC AB AA Z X14-957/958x-xx (6/10) D911 Q211 D908 D903 D909 Q210 D906 Q901 D901 Q902 P103 Q904 Q905 Q906 D912 D905 D913 D902 D910 D916 CN900 D907 D914 Q208 Q209 ∗ K D931 D932 D917 D918 D919 D920 D921 D922 D923 D927 D926 D925 D929 D928 D900 LOGIC (X14-95xx-xx) ∗ M RST E2PROM TP900 1DIN OSD 1DIN 1DIN 2DIN 2DIN 1DIN 22 21 20 19 18 17 16 15 14 13 12 11 10 9 8 7 6 5 4 3 2 1 PANEL DET SW3.3V SW3.3V BU+3.3V BU+3.3V EJECT SRC SW5V SW5V LED G LED G LED B DSI MINI DATA/LEDSW SUB FLASH MDATA MINI CS/FLASH SDATA MINI CLK/FLASH MCLK REMO RESET KEY2 FLMD0 GND GND 3 4 NC VSS 2 1 VDD OUT R238 1K R239 1K ∗R241 1K ∗R240 1K GND 1 3 2 5 4 VCC 10 C205 C217 0.1 C213 0.01 47K R244 16K R260 ∗R243 47K R242 47K C204 1 C208 0.1 C209 0.1 R245 12K R248 12K R249 12K R254 12K 4.7K R928 R901 1K L902 180 1K R900 W870 11 10 9 8 7 6 5 4 3 2 1 144 143 142 141 140 139 138 137 136 135 134 133 132 131 130 129 128 127 126 125 124 123 122 121 120 119 118 117 116 115 114 113 112 111 110 109 98 99 100 101 102 103 104 105 106 107 108 VSS REGC VDD FLMD0 NC (HD) V MUTE AVREF1 NC NC AVSS OSD AVREF0 XDATA YDATA AUTO DIM PH DET R SENS KEY4 KEY3 KEY2 KEY1 TL DET NC NC NC NC NC NC NC (TYPE4) LCD PON LED SW/SI NTSC PAL ILL B ILL G ILL R MIRROR MODE3 MODE2 MODE1 HPOS4 HPOS3 HPOS2 HPOS1 X0 X1 Y0 FLMD1 ENABLE SUBLED OFF TMOTOR M TMOTOR P SMOTOR M SMOTOR P BVSS BVDD SW A SW B SW C SW D GRAPHIC 98 100 101 99 102 105 106 107 108 0.01 C210 100K R264 SW5V VDD SW3.3V VDD 6 1DIN 0.1 C207 142 139 138 136 135 127 126 125 124 123 122 109 114 115 116 117 118 119 120 121 SW5V VDD SW5V SW3.3V 10K R921 1K R914 SW3.3V R255 Q208-B R257 ∗R258 2.2K R256 16K 1K 15K R259 33K R262 0.1 C206 R252 100K R251 100K R250 100K TP901 TP902 TP903 R902 1K TP904 L900 180 TP905 R904 10 R905 10 R913 100 R906 100 R909 100 R908 100 R907 100 R911 100 R910 100 C900 100P C902 1 C903 100P 100P C904 100P C901 TP946 L901 180 C906 100P 59 76 75 78 MD CS SCK SW5V +8.5V VDD VDD +8.5V Q210-B RESET SCK MD CS 8 94 97 96 95 ∗R200 10K ∗R202 10K ∗R204 10K ∗R206 10K ∗R201 10K ∗R203 10K ∗R205 10K ∗R207 10K SDA SCL 3 GND 4 A2 6 5 WP VCC A1 2 1 A0 7 8 TP201 0.01 C201 VCC SCL SDA WP A0 2 3 4 A2 GND A1 1 TP200 7 6 5 SCL SDA 8 77 8 VDD SW3.3V DGND DGND DGND DGND DGND DGND DGND DGND SGND2 SGND2 SGND2 SGND2 IC205-1 IC205-2 to J100-2 to CN850-13 RESET to CN850-14 RESET to CN850-17 to CN850-14 Q206-C to CN904-20 VDD ∗R261 DGND 143 144 W203 1K R246 W202 TP906 TP951 TP907 TP950 TP949 TP948 TP911 TP947 TP913 W117 W900 ∗R922 1K TP210 TP211 TP212 TP213 47K R137 MECHA7V ∗W918 UNIT No. MODEL NAME YES YES YE YES YES YES YES YES YES YE YES YES YES YES YES YES YE YES YES YE YES YES YES YES TYPE3 TYPE2 T R20 H R203 R202 H L R201 L H R200 YES YES YES YES KVT-767DVD 73-22 DDX7047 DDX7047 DDX7037 DDX7017 DDX6027 DDX6027Y DDX7067 72-72 70-11 70-22 70-72 82-11 KVT-727DVD KVT-727DVDY 73-21 KVT-747DVD KVT-747DVD KVT-737DVD KVT-717DVD KVT-627DVD KVT-627DVDY 70-71 70-21 70-10 72-71 82-10 1DIN 2DIN YE YE C200 0.01 113 112 111 47K R247 0.1 C211 100K R253 SGND2 SGND2 IC205 IC200 IC206 IC201 NOT USED NOT USE 10K 2.2K 47K 47K 47K 47K 0V 3.3V 3.3V 0V 0V 0V 0V 3.3V 0V 3.3V 0V 3.3V 0V/3.3V 0V 3.3V 2.6V 0V 0V/3.3V 0V 3.3V 0V/3.3V 0V/3.3V 0V/3.3V 0V/3.3V 0V/3.3V 0V 0V/3.3V 0V/3.3V 0V/3.3V 0V/3.3V 0V/3.3V 1.4V 8 9 3 9 10 3 9 9 1 8 www. xiaoyu163. com QQ 376315150 9 9 2 8 9 4 2 9 8 TEL 13942296513 9 9 2 8 9 4 2 9 8 0 5 1 5 1 3 6 7 3 Q Q TEL 13942296513 QQ 376315150 892498299 TEL 13942296513 QQ 376315150 892498299 60 KVT-627DVD/627DVDY/717DVD KVT-737DVD/747DVD/767DVD AE AF AG AH AI X14-957/958x-xx (7/10) ∗ N CN200 2/5 X16-A/2 -CN101 D501 D502 CN501 to DVD UNIT (X37-107)-CN4 FLASH EDSW SUB TA SH SDATA ASH MCLK BU+3.3V 2 1 RESET VDD 7 6 5 4 3 GND SI VPP SO SCK RESET SCK MD CS 8 R916 100 R917 100 R918 100 R919 100 W920 0.1 CP615 CP502 470 4.7K R616 4.7K 152 VEE SW2V CS1FX 35 W501 VO2 PGND 43 TP532 P5V P5V P5V P5V 50 49 48 47 PGND PGND PGND 46 45 44 6 C581 0.1 TP530 TP528 TP531 TP529 DGND 39 S5V S5V S/PDIF 42 41 40 DISC DET DASP CS3FX 38 37 36 3 VO1 VIN VC 1 2 VADJ GND 5 4 R500 C501 0.1 3K R509 1K C502 100u10 GND DGND SW5V 153 DGND SW2V R503 DGND 22 DACK 29 TP525 TP523 TP527 TP526 TP524 DA2 DA0 PDIAG 34 33 32 DA1 INTRQ 31 30 CP505 470 R508 470 R507 82 TP519 TP518 TP521 TP522 TP520 IORDY DIOR DGND 28 27 26 DIOW DGND DMARQ 25 24 23 R505 22 R506 82 R504 22 82 TP512 TP517 TP514 TP516 TP513 TP515 DD15 DD0 DD14 21 20 19 DD1 DD13 DD2 18 17 16 CP504 470 TP511 TP508 TP510 TP506 TP507 TP509 DD12 DD3 DD11 15 14 13 DD4 DD10 DD5 12 11 10 CP503 470 154 158 144 155 150 146 149 LA2 LA3 4.7K CP618 LA0 WRLL LA1 C628 0.1 132 128 131 134 127 133 125 126 135 124 137 136 CP616 4.7K DGND C627 0.1 R615 LD5 LD4 LD7 LD6 10 LA4 LA5 LA6 LA7 LA10 LA9 LA8 LA11 CP602 4.7K CP601 4.7K CP619 22 C601 0.1 CP620 0.1 C602 198 LA2 VSS24 LA3 208 207 3 LA4 VEE1 2 1 LA7 LA6 LA5 5 4 LA1 LA0 CAMIN1 CAMIN0 VEE17 VSS23 LWRHL LWRLL 202 CP623 22 206 205 204 203 201 200 199 VSS1 LA9 LA8 8 7 6 LA10 VCC1 9 CP617 4.7K 189 LD15 LD14 LD13 LD12 VEE16 VSS22 LD11 LD10 LD9 4.7K 197 196 195 194 193 192 191 190 LD8 LD7 LD6 LD5 VSS21 VEE15 LD4 188 187 186 185 CP624 22 184 183 182 DGND 180 L520 SW3.3V DGND 10K R523 10K R522 R525 R524 10K R527 R526 10K 10K 10K R528 10K 4.7K R529 26 23 TP503 TP505 TP504 TP502 DD9 DD6 DD8 9 8 7 DD7 DGND ROUT 6 5 4 CP501 470 CP506 10K SW3.3V TP501 ACOM LOUT RESET 3 2 1 R501 33 CP508 10K CP507 10K CP509 10K 10K R502 VCC 7 LA16 LA15 LA14 LA13 LA11 LA12 4 1 2 3 A15 A14 A13 5 6 A11 A12 A10 LA20 LA10 LA9 WRLL A19 A9 A8 8 9 WE 10 11 NC10 42 48 47 46 45 44 43 A16 BYTE VSS2 DQ15 DQ14 DQ7 41 40 39 38 37 DQ5 DQ6 DQ13 DQ4 DQ12 A17 LA18 R520 4.7K LA19 NC14 12 13 14 RESET NC13 RY 15 16 17 A18 LA7 LA8 LA5 LA6 LA4 20 A7 A6 19 18 A5 A4 21 A3 22 DQ9 36 35 34 33 32 DQ3 DQ11 DQ2 DQ10 30 29 28 31 27 DQ1 DQ8 DQ0 OE VSS1 122 140 123 141 145 LCS1 LD0 LD2 LD3 LCS3 C626 LD1 LOE 0.1 C625 W609 169 168 R625 4.7K LA2 LA3 A2 A1 24 25 CE A0 W522 0.1 C624 0.1 W608 166 165 162 C623 C622 0.1 LA17 LA0 LD7 LD5 LD6 LD4 LD3 LD2 LD1 LOE LD0 LA1 LCS3 to IC204-20 CN501-38 GND VEE SW2V DGND VEE LCS1 LD3 LD2 LD1 LD0 VSS20 LCS3 LCS2 181 180 179 CP625 22 178 177 176 175 LCS0 VCC7 VSS19 LOE AUX7 AUX6 AUX5 170 174 173 172 171 169 168 HCS3FX HA2 AUX4 AUX3 VEE14 VSS18 AUX2 AUX1 AUX0 VEE13 163 167 166 165 164 161 160 162 161 160 159 VEE12 158 157 HA0 VSS17 156 HA1 153 154 155 HWR HRD CAMCLK HCS1FX 150 151 152 149 153 C621 158 DGND 155 154 0.1 152 150 149 SW2V to IC204 MECHA7V CP510 10K PGND PGND SW5V, MECHA7V ES YES YES YES YES YES YES ES YES YES YES YES YES YES YES YES ES YES YES YES YES YES ES YES YES YES TYPE0 R206 TYPE2 TYPE1 H R205 R204 L H R203 02 L R207 L YES YES ES YES YES ES YES YES YES YES TP533 10 C520 VEE + NOT USED C IC500 IC520 3.3V 0V 0V 0V 0V 0V 0V 0V 0V 0V 7.0V 7.0V 5.0V 1.3V 0V 3.3V 0V 2.0V 3.3V 3.3V 0V 3.3V 0V 3.3V 3.3V 0V 1.8V 3.3V 0V 3.3V 0V 0V 3.3V 0V 3.3V 0V 3.3V 0V 11 1 11 11 12 12 1 1 www. xiaoyu163. com QQ 376315150 9 9 2 8 9 4 2 9 8 TEL 13942296513 9 9 2 8 9 4 2 9 8 0 5 1 5 1 3 6 7 3 Q Q TEL 13942296513 QQ 376315150 892498299 TEL 13942296513 QQ 376315150 892498299 KVT-627DVD/627DVDY/717DVD KVT-737DVD/747DVD/767DVD 61 AN AM AL AK AJ X14-957/958x-xx (8/10) MPEG DECODER 1 MCLK 112 39 38 37 36 35 34 33 32 30 29 28 27 26 25 24 23 22 21 20 19 18 17 16 15 14 13 12 11 10 0.1 LA10 LA9 LA8 LA11 LA14 LA13 LA12 LA16 LA15 CP621 22 R602 4.7K R601 4.7K CP620 22 0.1 C602 C603 R618 22 LA18 LA17 LA19 LA20 CP622 22 R611 1K CP604 4.7K CP603 4.7K R619 22 C604 0.1 R603 C615 0.1 4.7K TP601 39 32 33 CP605 47 40 DGND SW2V R620 4.7K R621 TP603 TP602 C605 0.1 4.7K R626 4.7K TP606 R627 4.7K VSS1 LA9 LA8 8 7 6 LA11 LA10 VCC1 9 LA14 LA13 LA12 VSS2 LA16 LA15 TDMDR LA18 LA17 VEE2 LA21 LA20 LA19 TDMDX RESET VEE3 VSS3 VSS4 TDMFS TDMCLK 31 TSD0 TWS TDMTSC TSD1 VCC2 TSD3 TSD2 W601 139 HCS3FX 153 146 VSS16 VEE11 HWR HRD CAMCLK HCS1FX 150 151 152 147 148 149 HD14 HD15 HWRQ HRRQ HIRQ HRST HIORDY 143 144 145 140 141 142 HD4 132 HD9 HD10 HD11 HD12 HD13 VSS15 VCC6 136 137 138 133 134 135 HD5 HD6 VSS14 VEE10 HD7 HD8 129 130 131 126 127 128 CAMIN7 VSS13 VCC5 HD0 HD1 HD2 HD3 122 123 124 125 119 120 121 YUV5 YUV6 YUV7 CAMIN4 CAMIN5 CAMIN6 116 117 118 113 114 115 153 152 150 149 144 145 146 141 140 C620 0.1 DGND 126 C619 136 137 133 134 135 131 132 128 127 VEE 0.1 C617 119 123 125 124 122 0.1 C618 CP614 33 116 W606 118 113 114 115 W607 78 81 DB1 52 51 50 49 48 47 46 45 44 43 42 41 40 R604 47 0.1 C606 R622 4.7K TP608 L601 TP610 TP609 TP611 180 C607 1 DGND SW2V 56 55 54 53 62 61 58 57 63 64 65 66 73 74 72 71 70 69 77 65 AVEE SPDIFIN SELPLL3 TBCK RSD VCC3 VSS5 CAMIN3 RBCK RWS XOUT XIN DMA0 DMA1 DMA2 AVSS 53 54 55 DMA3 DMA4 DMA5 56 57 58 CP606 100 DMA6 VEE4 VSS6 59 60 DMA7 DMA8 DMA9 DMA10 61 62 63 64 CP607 100 72 DMA11 VSS7 VEE5 66 67 68 DCAS DOE DWE DRAS 69 70 71 R617 4.7K CP608 100 DMBS0 DMBS1 73 74 VEE6 VSS8 DB0 75 76 77 SW3.3V C608 0.1 L560 180 56 27 26 0.1 C564 0.1 SW3.3V DGND 0.1 C609 DGND C610 0.1 17 74 65 53 54 55 25 24 23 22 69 72 100 73 21 20 19 18 101 71 86 16 15 14 13 82 85 12 11 10 9 C666 R678 4.7K R614 DGND 79 80 86 81 82 85 89 88 87 90 93 94 95 96 100 101 102 83 81 DB2 DB3 DB4 78 79 80 VCC4 DB5 82 CP609 100 CP610 100 DB9 VSS9 DB6 DB7 DB8 84 85 86 87 DB10 DB11 VSS10 88 89 90 91 CP611 100 107 YUV2 YUV3 YUV4 ADVEE ADVSS 110 111 108 109 DCLK YUV0 YUV1 105 106 DCS0 TP612 DB15 VEE7 DB12 DB13 DB14 92 93 94 95 DCS1 VSS11 VEE8 96 97 98 99 CP612 100 103 DQM DSCK VSS12 100 101 102 VEE9 104 L603 180 R612 100 R613 100 0.1 C561 C563 C562 0.1 C614 0.1 C611 0.1 4 80 79 78 8 7 6 5 77 3 2 1 VGND C616 C612 0.1 10 C613 0.1 W604 0.1 C667 115 114 113 0.1 CP613 33 33 110 109 108 107 106 SW3.3V TP607 0.1 C565 VIN VC 2 1 ADJ 5 GND1 3 VOUT 4 47u6.3 C161 + TP112 W115 10 C918 12K 1.5K R925 R926 24K R927 +3.3V L604 R629 100 1000P C632 R605 100 R608 100 R607 100 R606 100 R610 100 R609 100 SW3.3V L561 C560 10 1000P C568 VEE VEE SW2V VEE SW2V SW3.3V SW2V VEE IC601 IC108 0V 3.3V 3.3V 3.3V 3.3V 3.3V 0V 0V 2.0V 0V 3.3V 3.3V 3.3V 3.3V 0V 0V 2.0V 0V 0V 0V 0V 1.8V 0V 3.3V 3.3V 0V 0V 3.3V 3.3V 3.3V 0V 0V 1.8V 3.3V 0V 3.3V 0V 3.3V 0V 0V 3.3V 0V 0V 1.8V 3.3V 0V 1.8V 0V 3.3V 0V 3.3V 3.3V 3.3V 3.3V 3.3V 2.0V 1.3V 0V 11 13 13 11 12 12 1 1 1 12 www. xiaoyu163. com QQ 376315150 9 9 2 8 9 4 2 9 8 TEL 13942296513 9 9 2 8 9 4 2 9 8 0 5 1 5 1 3 6 7 3 Q Q TEL 13942296513 QQ 376315150 892498299 TEL 13942296513 QQ 376315150 892498299 62 KVT-627DVD/627DVDY/717DVD KVT-737DVD/747DVD/767DVD AO AP AQ AR AS X14-957/958x-xx (9/10) SPDIF Q706 Q704 Q703 Q705 Q650 Q651 DAC D702 IC652 IC850 IC770 IC750 IC703 IC702 IC701 IC654 IC205 IC306,366, IC401 IC651 IC650 IC601 IC560 IC540,541 IC520 IC500 IC406 IC405 IC403 IC402 IC400 IC365 IC363,364 IC362 IC361 IC304 IC303 IC301 IC207 IC206 IC100-102 IC204 IC202,203 IC200 IC108 IC104 IC103 Q652 ∗D650 Q653 RGB DAC SDRAM IC201 DVD-RGB V-SW 5V REG. CPLD 90 1 DQ11 DQ4 R719 6.8K 28 29 30 31 32 33 34 35 36 37 38 39 40 41 42 43 44 45 46 DGND 6 27 26 DGND VDD3 A3 VSS1 A4 17 4 5 3 4 5 25 24 23 22 9 2 00 3 21 20 19 18 A2 A1 A0 A10 BA1 A5 A6 A7 A8 A9 BA0 CS RAS CAS A11 NC36 CKE CLK 01 1 6 16 15 14 13 2 5 12 11 10 9 VDDQ3 VSSQ2 WE DQML VDD2 DQ7 DQMH NC40 VSS2 DQ8 DQ6 DQ5 VDDQ2 DQ9 DQ10 VSSQ3 3 GND C752 0.1 VCC 2 1 4 5 IC750-4B IC750-4A to J960-1 to J961-1 W750 ∗R753 150 DGND SW5V IC650-4 to CN904-9 57 TP560 64 63 62 61 58 102 70 66 DGND C567 0.1 87 89 88 SW3.3V GND AGND +7V 43 C771 2 DGND LA1 LD0 LD3 LA0 LD2 LD1 I/O3 48 I/O4 I/O5 1 44 47 45 46 I/O0 GND4 I/O2 I/O1 LA17 LCS1 TP783 TP780 DGND 8 5 I/O7 I/O6 3 TDI 4 I0 GND1 NC6 7 6 TCK R776 4.7K 34 C772 LD7 LD4 0.1 10 39 40 41 42 VCC2 I/O30 I/O31 NC42 37 38 I/O29 I/O28 I/O27 I/O26 W770 35 36 GND3 I/O24 I/O25 TDO I1 NC30 TMS 28 TP779 TP781 32 33 31 29 30 R725 R720 2.2K AGND 3.9K R721 10K +7V R70 4.7K R70 4.7K P14 43 47 48 49 50 51 52 53 54 C666 CLOCK 4 0 9 8 8 7 6 5 7 3 2 1 DQ14 DQ3 VSSQ1 DQ2 DQ1 DQ12 VDDQ4 DQ13 VDDQ1 DQ0 VDD1 VSSQ4 DQ15 VSS3 VGND 8 0.1 C667 P13 13 12 11 10 9 VAA2 GND1 P12 P11 115 114 113 0.1 P6 7 6 5 4 P10 P9 P8 P7 3 2 1 P5 VAA1 44 VGND 116 RSET SCRESET TTXREQ TTX P0 P2 P3 P4 GND5 C566 0.1 95 93 94 96 118 119 R660 10K W654 C668 0.1 R675 10K 180 L651 SCLOCK SDATA COMP DACC DACD VAA4 GND4 VAA5 DACB DACA VREF 19 VSYNC HSYNC P15 16 15 14 ALSB BLANK 18 17 GND3 VAA3 GND2 21 20 RESET 22 26 C670 0.1 R663 100 R664 100 23 24 25 R662 4.7K 161 R661 4.7K 160 26 C673 0.1 C671 1 C672 1 30 27 28 29 31 32 33 R668 R667 R665 75 75 R666 75 75 27 31 32 W652 C715 W701 C775 0.1 32 R722 1K 40 39 33 SW5V 40 41 42 P1 37 38 39 108 110 109 106 107 R672 100K R669 150 35 36 34 10K W658 R671 100K R670 R673 150 VGND IC204-37 Q651-B V5V SW3.3V C718 0.1 9 8 AGND 0.1 GND IN 22 OUT CDTI C717 10 +5V AOUTR- 4 7 6 5 24 23 CCLK CSN PDN LRCK 3 2 1 SDTI BICK MCLK 13 AOUTR+ AOUTL- AOUTL+ VSS 10 11 12 VDD DZFR DZFL 14 15 16 10uH C713 10 R 4 R 4 L701 C773 0.1 7V IC654-1 to IC304-2 to 1 3 2 W650 150 ∗R751 MECHA7V W581 4 3 GND 1 2 5 NC VCC 4 3 GND 2 NC VCC 1 5 33 R540 33 R541 10P C541 X540 27.000MHz 1K R544 R542 1M 10P C542 DGND TP541 10uH L540 SW3.3V TP540 DGND SW5V, +7V, -7V 10 26 VGND C674 3 4 1 ∗R676 GND 1 W660 R686 1K 5 IN2 GND 6 IN1 C675 1K R687 2 1 OUT VCC SW C651 C655 C656 1 R651 4.7K 1K R652 1K 26 R654 R653 1K R682 31 1 1K 1K R659 R658 1 1K 27 1K GND21 VIN C652 TP655 VGND 0.1 20 18 19 GND22 MUTE2 CROUT CRSAG CRIN 15 16 17 DVD-R to IC304-8 0.1 C657 1K R683 GND23 21 22 CBOUT CBSAG CBIN 14 DVD-B to IC304-1 C658 R684 0.1 25 23 24 GND24 CYOUT NC11 CYSAG CLP CYIN 11 12 13 DVD-G to IC304-14 0.1 C661 1K R685 IN OUT W662 C654 1 32 W663 0.1 C650 0.1 33 29 6 100u10 28 27 GND25 YOUT YIN BIAS GND11 7 8 YSAG NC9 GND12 10 9 COMP to CN904-3 C659 75 R655 C660 TP653 32 31 30 COUT GND26 VOUT MUTE1 VIN VSAG YCMIX 3 4 5 TP652 TP651 VGND 1 34 VCC2 CIN 2 VCC1 10 C663 VGND TP654 C662 VGND GND 2 47u6.3 C664 10uH L650 VGND 0.1 C665 3 V5V 1 10 C669 VGND 100 R560 to Q360-B IC654-2 1.5K R657 510 R656 1K ∗R679 1 C540 + + IC750 IC770 CPLD IC560 IC652 IC702 IC703 IC540 IC541 IC654 IC650 IC651 10K 10K 10K 47K 10K 47K 47K 47K 10K 5.0V 5.0V 0V 0V 5.0V 0V 0V 5.0V 0V 0V 4.1V 4.1V 3.3V 0.1V 5.0V 0V 1.25V 5.0V 0.1V 0.1V 0.1V 0V 0V 1.25V 5.0V 0V 0V 3.3V 3.3V 0V 3.3V 3.3V 3.3V 3.3V 0V 0V 0V 0V 0V 3.3V 3.3V 0V 5.0V 0V 5.0V 1.4V 0V 0V 0V 1.4V 2.4V 2.4V 0V 5.0V 1.0V 1.5V 0V 0V 0V 2.4V 1.1V 2.4V 5.0V 1.3V 0V 1.3V 0V/3.3V 1.3V (2DIN: 3.3V) 5.0V 3.3V 0V 3.3V 0V 3.3V 0V 2.4V 3.3V 3.3V 3.3V 2.4V 2.4V 2.4V 3.3V 0V 0V 7.2V 5.0V 2.7V 0V 0V 0V 3.3V 3.3V 2.7V 0V 3.3V 0V 0V 5.0V 7.0V 0V 1 1 13 11 13 1 www. xiaoyu163. com QQ 376315150 9 9 2 8 9 4 2 9 8 TEL 13942296513 9 9 2 8 9 4 2 9 8 0 5 1 5 1 3 6 7 3 Q Q TEL 13942296513 QQ 376315150 892498299 TEL 13942296513 QQ 376315150 892498299 KVT-627DVD/627DVDY/717DVD KVT-737DVD/747DVD/767DVD 63 AX AW AV AU AT 1 2 3 4 5 6 7 X14-957/958x-xx (10/10) CAUTION : For continued safety, replace safety critical components only with manufacturer’s recommended parts (refer to parts list). Indicates safety critical components. To reduce the risk of electric shock, leakage-current or resistance measurements shall be carried out (exposed parts are acceptably insulated from the supply circuit) before the appliance is returned to the customer. • DC voltages are as measured with a high impedance voltmeter. Values may vary slightly due to variations between individual instruments or/and units. 2SB1565 DTA123JK DTA144EUA DTB123YK DTC114YUA DTC124EE 2SA1576A 2SC4617 2SB1188 2SC2873-F 2SB1184 GND LINE SIGNAL LINE B LINE B LINE VIDEO LINE Q701 CN770 D701 2 Q702 D705 D704 (X14-95xx-xx) ADV7170KSUZ : IC652 Q101,104,107,114,116,123-125,180,181,209,211, Q219,301,653,704 Q201203,205,904 Q126,214,216,218,650,705,706 Q103,105,113,120,122,182,208,210,212,300, Q100,102,112,117,121,170,172,175,200,202,204, Q108 Q184 Q183 Q129 Q128,206 Q127,363 Q115,901 Q109-111 Q106 IC850 IC770 IC750 IC703 IC702 IC701 IC654 DTA124EUA : DTC114TUA DTB123YK DTC143EUA DTC124EUA IMX9 DTA144EUA DTA114EUA DTA114TUA 2SB1189 HAT1024R-E : : : : : : : : : : TC7SH00FU-F M43212VNI8R01 TC7SET04FU-F NJM4580V-ZB MM1508XNRE-E HAT1038R-E 2SA1576A 2SC4081 DTC144EUA AK4382AVT TA78L05F-F : : : : : : : : : : : IC205 IC306,366,404 IC401 IC651 IC650 IC601 IC560 IC540,541 IC520 IC500 IC406 IC405 IC403 IC402 IC400 IC365 IC363,364 IC362 IC361 IC304 IC303 IC301 IC207 IC206 IC100-102 D916-922,927-929,931,932 D801-807,923,925,926 D800,850-860,909,924 D501,502,702,862,900,901,903, D301-303,650,704,705,902,905, D108-111,113 D107,861,907,914 D104,106,180,181,300 D701 IC204 IC202,203 IC200 IC108 IC104 IC103 D961,963 D116 D114,115 D105 D100 TC7SH08FU-F : MB29LV8T9T0U1 : UPC2905ATAZ MM1567AJBE-E K4S281632FUP75 TC7SHU04FU-F M29LV160T72U5 PQ070XH02ZPH TC74LCX74FT ES6218SF TC7W32FU-F TC7W08FU-F TC7S02FU-F : : : : : : : : : : : LC74735NW9817E TC7WH123FU-F NJW1303V-ZB TC7SH04FU-F MM1389XFBE-E AN2546FH-AV TC74VHCT08AFT S-80830CNNB-G TC7W34FU-F TC7W00FU-F TDA4665T-F : : : : : : : : : : : DAP202U : 703265YGJ501A LB1836M-TLM-E BR24L08FV-W PQ1X331M2ZPH AVRM1608270MAA AVRM1608180M6A AVRM1608270MAB AVRM1608120M6A SI-3012KM TA58L05F FA7707E-H1 : : : : : : : : : : : SB05-05CP-E DA204U STZ6.2N MA2S784-F EC31QS04AG UDZS6.2B UDZS6.8B DAN202U 1SR154-400 : : : : : : : : : 361,362,391,400-402 213,215,217,360,390,404,405,701-703,902 207,364,651,652,905,906 910,912,913 906,908,911,960,962 : NOT USED IC201 CPLD 18 C770 I/O13 VCC1 I/O15 I/O14 NC18 0.1 I/O12 11 12 10 TP783 DGND LOE WRLL R777 1K C774 8 5 TDI I0 GND1 NC6 7 6 TCK I/O9 I/O8 9 I/O11 I/O10 DGND TP778 TP782 13 17 14 16 15 0.1 DGND SW3.3V GND2 I/O16 I/O19 I/O17 I/O18 I/O20 C703 680P GND3 I1 NC30 I/O23 TMS I/O21 I/O22 28 TP781 31 29 30 W776 W774 W775 26 27 25 C701 R702 4.7K R701 4.7K R705 200 3300P C702 680P R703 3K R704 200 4.7K 20 21 19 W773 W772 23 24 22 4.7K R774 2.2K 24 R772 4.7K 23 22 R773 DGND 10K R770 R771 6 TCK 7 NC 4 3 5 TMS TDI GND 2 1 TDO VCC R706 3K C705 10 C704 0.1 L702 10uH TP701 C706 4.7 R707 470 to CN904-1 MIX-L R709 10 10uH C713 10 AGND 6 5 C714 0.1 2 3 4 R711 4.7K R710 4.7K L701 C708 3300P R714 R713 200 C709 680P R712 3K 7V 8 7 1 R724 22K AGND R708 1.8K R723 22K R717 1.8K R715 3K 200 C710 680P C711 4.7 R716 470 C707 100P C712 100P to CN904-2 MIX-R R718 10 +7V 33K YES YES YES 27P 11K 3K YES YES YES 82-10 KVT-767DVD 82-11 70-72 70-22 70-11 72-72 DDX7067 2DIN DDX6027Y DDX6027 DDX7017 DDX7037 DDX7047 YES 27P YES YES YES YES YES YES YES YES YES YES YES YES YES YES YES YES YES YES 47P 27P 27P 27P 100K 1.8K 6.8K YES 100K 100K 100K 100K 6.8K 6.8K 6.8K 6.8K 1.8K 1.8K 1.8K 1.8K YES YES YES YES YES YES YES YES YES 855,856 No. UNIT 72-71 70-10 70-21 70-71 1DIN KVT-627DVDY KVT-627DVD KVT-717DVD KVT-737DVD KVT-747DVD MODEL NAME YES YES YES YES YES YES YES YES YES YES YES 27P 27P 47P 27P F P N O H K E G C B A D650, D857, 858,860 L J CN802, C306 R YES YES YES YES 33K 33K 33K 33K 11K 11K 11K 11K 3K 3K 3K 3K YES YES YES YES R240,241,751, 857,858,867 R258 R114 R154 P101, 102 R676 R243,679,753,861, 862,864,866,922 YES YES YES YES W306-308, W850,854, 853,867,873 856,864 KVT-747DVD 73-21 YES 47P 11K YES 3K YES 33K YES YES KVT-727DVDY KVT-727DVD DDX7047 73-22 47P YES YES 6.8K 1.8K YES YES 100K YES YES YES M YES YES YES 851 I W918 YES V+ V- 1K 1K 1K 1K 1K 1K 1K 3.9K 3.9K 3.9K 3.9K 3.9K 3.9K 1K R261 1K 1K 1K 1K 100 100 100 100 100 100 Q301 YES YES KVT-627DVD/627DVDY/717DVD/ 737DVD/747DVD/767DVD (1/4) IC770 NOT USED IC701 ANALOG 2ch 1.0V 0V 1.0V -7.5V 0V 1.0V 7.3V 1.0V 0V 0V 3.3V 0V 3.3V 0V 3.3V 0V 0V 3.3V 1 www. xiaoyu163. com QQ 376315150 9 9 2 8 9 4 2 9 8 TEL 13942296513 9 9 2 8 9 4 2 9 8 0 5 1 5 1 3 6 7 3 Q Q TEL 13942296513 QQ 376315150 892498299 TEL 13942296513 QQ 376315150 892498299 64 KVT-627DVD/627DVDY/717DVD KVT-737DVD/747DVD/767DVD AY AZ BA BB BC 1 2 3 4 5 6 7 22K 22K 4.8V IC201 C (A/2) (X16- ) (B/2) (TDF) (X16-30xx-xx) D217 S201 ∗D214 ∗D216 ∗D215 D212 D213 D211 CN201 D223 D224 Q204 Q205 D412 D411 Q101 J201 J101 D102 D104 D103 D105 CN101 D101 D106 D201 D207 D410 S206 S207 D208 D209 D225 Q206 VOL- ∗ A RESET SRC BLUE FM AM BLUE BLUE GREEN RED LED R D405 D404 D406 D407 D409 D203 RED GREEN D408 D205 1/4 X14-CN900 (X14-957/958) X14-CN901 (X14-955/956) to W02-5159- GND LINE B LINE IC201 : RS-181 Q101 DTC124EUA : Q204-206 2SA1576A : D101 B30-1658-05 : D102,404-410 AVRM1608180M6A : D201,214-216 D103-106 UDZS6.2B AVRM1005270MAA : : D217 D211-213 D203 D207-209 AVRM1608120M6A : DA204U B30-1713-05 B30-1564-05 : : : D221-225 D411,412 B30-1605-05 DAP202U : : DISC GREEN RED S202 ATT S203 DISP S208 EJECT RED GREEN D221 D222 VOL+ S204 S205 D205 B30-1740-05 : SENSOR REMO 5 MINI LCD ∗ TP204 TP200 TP201 TP203 11 10 9 8 7 6 5 4 3 2 1 180 R207 R208 270 LED G LED B GND LED R GND VCC CS GND SDA SCL VCC C201 0.1 R213 560 C205 0.1 TP214 TP213 TP211 TP210 TP209 TP207 TP205 TP206 TP208 10K R211 100 R210 100 R242 10K C202 R212 100 1 R245 10K R243 100 R214 10 KEY2 3 1 2 GND NC LCD DATA RESET LCD CLK REMO LCD CS 4 5 7 6 8 14 FLMD0 GND 16 15 LCD DATA RESET LCD CLK REMO LCD CS KEY2 13 12 10 11 9 C101 0.1 100 100 R103 22 GND 16 20 21 19 17 18 TP102 13 15 14 12 11 MINI CLK FLMD0 GND KEY2 REMO RESET DSI CS DATA LED G LED B BU3.3V 14 EJECT SW5V LED G LED B 11 10 9 12 13 SRC PANEL DET SW3.3V 15 16 BU3.3V EJECT SW5V LED G LED B 6 8 7 SRC 5 4 PANEL DET SW3.3V 2 3 1 R105 1K R104 1K 100 TP103 R107 1K 9 8 6 7 5 2 4 3 1 (SW3.3V) SW5V SW5V LED G EJECT SRC (SW3.3V) SW3.3V SW3.3V PANEL DET C203 220P 100 R217 8.2K R224 R225 15K R226 47K R239 100 100 R203 CS SCL SDA CS SDA SCL R215 560 R222 390 R244 10K 100K R216 2.2 C204 R106 BU+3.3V BU+3.3V 430 R237 R219 390 430 R221 R234 2.2K R235 2.2K R236 100 100 R240 390 R238 GND GND VCC OUT 1 3 2 4 KVT-817DVD KVT-627DVDY MODEL NAME X16-3030-10 X16-3032-71 YES A YES 216 D214- KVT-747DVD KVT-627DVD KVT-727DVDY KVT-727DVD KVT-737DVD KVT-717DVD KVT-847DVD KVT-827DVD KVT-827DVDY KVT-837DVD R204 R202 180 270 R201 1.5K R205 2.7K R206 3.3K R209 4.7K KVT-767DVD X16-3042-10 YES YES UNIT No. R102 R101 1K KVT-867DVD KVT-627DVD/627DVDY/717DVD/737DVD/747DVD/767DVD (2/4) CAUTION : For continued safety, replace safety critical components only with manufacturer’s recommended parts (refer to parts list). Indicates safety critical components. To reduce the risk of electric shock, leakage-current or resistance measurements shall be carried out (exposed parts are acceptably insulated from the supply circuit) before the appliance is returned to the customer. • DC voltages are as measured with a high impedance voltmeter. Values may vary slightly due to variations between individual instruments or/and units. X16-303/304x-xx (1/1) www. xiaoyu163. com QQ 376315150 9 9 2 8 9 4 2 9 8 TEL 13942296513 9 9 2 8 9 4 2 9 8 0 5 1 5 1 3 6 7 3 Q Q TEL 13942296513 QQ 376315150 892498299 TEL 13942296513 QQ 376315150 892498299 KVT-627DVD/627DVDY/717DVD KVT-737DVD/747DVD/767DVD 65 BD BE BF BG BH 1 2 3 4 5 6 7 X35-448/449x-xx (1/3) 22K 22K 0or3.3V 0or3.3V 0or3.3V 0or3.3V 0or3.3V 0or3.3V 0or3.3V 0-3.3V 0-3.3V 0V 0-3.3V 0-3.3V 0-3.3V 0V 3.3V 0V 0-5.0V 0V 0-3.3V 3.3V 0-3.3V 3.3V 0V 3.3V 3.3V 0-3.3V 0V 3.3V 3.3V 0V 0V 3.3V 1.6V 3.3V 0-3.3V 0V 3.3V 0-3.3V 3.3V 0V 0V 0-3.3V 0-3.3V 0-3.3V 3.3V 0V 1.3V 1.3V 1.5V 0-13.0V 5.0V 0-19.5V 5.0V 18.7V 18.6V 1.6-2.0V -0.6-1.7 -0.6-1.7 -1.6-5.0 12.5 1.6V 0V 1.6V 5.0V IC303 IC301 IC300 IC101 IC302 B (X35-4492-10) (A/3) : KVT-767DVD ONLY (X35-4480-10) (A/3) : EXCEPT KVT-767DVD Q300 Q301 D302 Q302 Q303 D303 CN301 D102 D104 D103 D101 D301 CN305 CN303 to JIG 1/5 CN905 /956 X14-955 B 1/4 CN850 /958 X14-957 DC/DC CONV. LPF VC 3ST BUFF TIMING CONTROLLER 100 TP399B TP398B TP397B TP390B TP391B TP395B TP394B TP388B TP385B TP386B TP387B TP356A TP306A TP308A TP307A TP381B TP383B TP378B TP380B TP376B TP379B TP373B TP375B TP371B TP374B TP370B TP372B TP305 TP335B TP334B TP336B TP309B TP310B TP325B TP326B TP327B TP304B TP304A TP324B TP325A TP368B TP367B TP366B TP333B TP308B TP307B TP306B TP330B TP332B TP331B TP329B TP328B TP303B TP303A TP362B TP365B TP364B TP361B TP363B TP323B TP322B TP321B TP301B TP302B TP302A TP301A 64 63 62 61 60 59 58 57 56 55 54 53 52 51 50 49 17 18 19 20 21 22 23 24 25 26 27 28 29 30 31 32 1 2 3 4 5 6 7 8 9 10 11 12 13 14 15 16 SCKE VSS8 CPH3 VSS7 CPH1 VDD6 CPH2 HDIR VSS6 STH2 STH1 VSS5 TSTD PDOS VDD5 VDD7 VSS4 LPFI SPL VDD4 OSCI SCK VSS3 SIZE XCKI TST4 TST3 TST2 TST1 SVSEP XCKE VDD3 MIRROR PAL VSS2 NVD NHD RV HSRV STV1 VDD2 CX CPV NGOE3 NGOE2 NGOE1 STV2 UPSD HPOS1 HPOS2 HPOS3 HPOS4 MODE1 MODE2 MODE3 NBLK NDSH VSS1 NDSV NCLP POLS POLC COMPS VDD1 5 6 7 8 Y1 G2 VCC A2 4 3 2 1 Y2 A1 G1 GND 6 7 8 9 10 VIN SW2 SHDN VO2 VON 5 4 3 2 1 GND SW1 CT FB2 FB1 1 2 3 4 5 6 7 8 9 10 11 12 13 14 15 16 17 18 19 20 21 22 23 24 25 26 27 28 29 30 31 32 33 34 35 36 37 38 39 40 41 42 43 44 45 46 47 48 49 50 51 52 53 54 55 56 57 58 59 60 61 62 63 64 65 66 67 68 69 70 71 72 73 74 75 76 77 78 79 80 P ON+5.0V P ON+5.0V NC V GND V GND SW+18.5V D GND OPEN/ NC T/C VD LED GND BRINK NC PLL CLK LED G LED R NC P ON+3.3V NC V GND VB VG VR V GND T/C HD V GND NTSC PAL PLL ON POLS MIRROR VSY HSY BLK MODE3 MODE2 MODE1 HPOS4 HPOS3 HPOS2 HPOS1 NC VCOM NC P ON+3.3V AUTO DIM KEY1 XDATA YDATA X0 X1 Y0 NC PWM ENABLE SW-D NC BLGND BLGND NC BL+8.5V BL+8.5V NC D GND PH DET SW+5.0V BL DET R SENS NC RI M- RI M- RI M+ RI M+ EX M- EX M- EX M+ EX M+ NC SW-A SW-B SW-C 3 2 1 GND B A VCC Y 4 5 220u6.3 C116 C102 10 C101 0.1 C118 0.01 R106 10K 180K R103 C110 0.01 C111 10 0.15 C112 13K R104 0.1 C115 0.22 C114 C100 150P R101 100K R102 11K C113 2.2 C109 1 C105 39u16 C103 0.01 C108 39u16 + C106 0.01 R105 47K C211 4.7 R218 1K 10K VR203 51K R219 R234 4.7K C234 56P R235 9.1K 2.2K R236 10 C231 W217 W216 68K R327 0.1 C318 4.7K R324 4.7K R325 0.1 C335 C319 1.8K R330 0.1 0.1 C336 4.7K R321 0.1 C315 0.1u C316 W303 W301 W302 10 C301 0.01 C334 10 C302 0.1 C304 0.01 C303 10 C330 0.01 C305 0 R388 1K R23 1K R25 100 R19 1K R22 1K R24 1K R26 0.01 C337 0 R21 10K R300 C300 W304 0.01 C306 10 0.01 R320 C313 39P C331 10 R359 10 R360 39P C332 C314 R323 0.01 C317 56P C320 330 R331 3.3K R332 1000P C322 100P C323 R337 100 R338 100 R339 R340 100 R344 100 R343 100 R342 100 R341 100 0.01 C312 R316 1K R353 R309 0 R373 560 R374 560 270P C505 100 R307 10P C309 620 R308 560P C310 C333 0.1 0 C311 0.01 10K R356 R318 1K R385 0 0 R366 100 R310 C342 10P IN- 5 V+ 4 OUT 1 IN+ 3 2 V- F100 0.63A 4.7uH L103 L106 10uH 3.3uH L102 3.3uH L101 10uH L105 10uH L104 10uH L302 10uH L303 CP301 1K CP303 100 CP302 1K R329 47K R326 15K R328 0 25 30 28 27 29 31 32 1 2 4 3 5 6 7 13 8 11 9 19 18 22 0.01 C307 C308 0.01 16 15 12 8 VR VG VB 2 1 8 5 3 4 7 6 11 9 18 13 19 22 66 80 79 78 75 71 73 69 67 64 51 53 55 54 49 50 47 48 46 45 PH DET 4 RI M- RI M+ EX M- EX M+ 2 3 1 D GND 18 19 REF+5.0V SW+5.0V R SENS 8 EX M- NC RI M- 15 16 17 13 14 RI M- RI M+ RI M+ EX M- 11 12 9 10 EX M+ EX M+ NC SW-A 6 7 4 5 SW-C SW-B SW-D 2 3 1 R371 1K 75 55 80 78 79 67 73 71 69 64 R357 0 17 PON3.3V BL8.5V PON5V +3.3V PON5V-1 +3.3V CLOSE KEY 10K 0.01 0 C321 0.1 + + www. xiaoyu163. com QQ 376315150 9 9 2 8 9 4 2 9 8 TEL 13942296513 9 9 2 8 9 4 2 9 8 0 5 1 5 1 3 6 7 3 Q Q TEL 13942296513 QQ 376315150 892498299 TEL 13942296513 QQ 376315150 892498299 66 KVT-627DVD/627DVDY/717DVD KVT-737DVD/747DVD/767DVD BI BJ BK BL BM X35-448/449x-xx (2/3) 22K 22K 22K 22K 3.3V 0V 1.6V 0V 0V 3.3V 6V -12.0V -1.8-5.0V -1.8-5.0V -2.0-6.0V -0.6-1.7V -0.6-1.7V -1.6-5.0V 12.5V V 0V 3.3V 0V 2.3V 0V 0.2V 3.1V 5.0V 0V 5.0V 3.4V 1.1V 1.2V 1.9V 0-5.0V 0-5.0V 0V 1.1V 1.0-1.6V 0-5.0V 0-5.0V 0V 3.3V IC303 IC203 IC1 IC401 (X35- ) (C/3) (X35- ) (B/3) D305 D314 Q1 Q5 D306 D9 Q503 Q3 Q2 Q502 D601 Q203 Q202 D313 Q601 D312 D401 S401 D402 D403 D404 S402 S403 D406 D405 D408 D407 D602 CN302 CN502 CN503 CN304 CN601 D309 D304 D603 S601 Q501 D7 D10 D3 D6 D1 D2 to LCD PANEL (B38-1122) IC1 OZ964ISN-C : IC101 LT1947-PBF : IC300 IC203 TC7WH126FU-F TA75W558FU-F : : IC303 IC401 IC302 IC301 NJM2107F-ZB TPS850 TC7SH08FU-F TC200G02G0104 : : : : D1, D3 D4, D10 D10 D7 D6 D40 D60 D30 D3 D30 D10 Q1,5,302,303 : 2SC4081 SI5513DC-E3 Q2,3 : 2SA1577 2SC4097 Q203 Q202,301 : : PUMD10 DTC124EE DTC124EUA Q502,503 Q501,601 Q300 : : : GND LINE B LINE VIDEO LINE OPEN S M V DIM DET BL INVERTER VCOM AMP LPF VCO TP317A TP306 TP10B TP22B TP1B TP21B TP3B TP23B TP19B TP5B TP2B TP20B TP4B TP16B TP17A TP17B TP15B TP22A L1 TP313A TP349B TP314A TP315A TP338B TP350B TP353B TP313B TP354B TP314B TP351B TP315B TP352B TP338A TP343B TP347B TP345B TP348B TP346B TP344B TP316A TP316B TP340B TP341B TP342B TP339B TP337B TP24B TP27B TP41B TP42B TP25B TP40B TP26B TP29B TP28B TP30B 48 47 46 45 44 43 42 41 40 39 38 37 36 35 34 33 VDD5 VSS4 LPFI SPL VDD4 OSCI SCK VSS3 SIZE XCKI TST4 TST3 TST2 TST1 SVSEP XCKE VDD3 5 6 7 8 BIN- BOUT VCC BIN+ 4 3 2 1 AIN+ AIN- AOUT VEE 1 2 3 4 5 6 7 8 9 10 CTIMR OVP ENA SST VDDA GNDA REF RT1 FB CMP 20 19 18 17 16 15 14 13 12 11 NDR B PDR A CT RT PGND LCT DIM LPWM PDR C NDR D 1 2 3 4 5 6 7 8 9 10 11 12 13 14 15 16 17 18 19 20 21 22 23 24 25 26 27 28 29 30 31 32 33 34 35 36 37 38 39 40 41 42 43 44 45 46 47 48 49 VGL NC VSS STV1 U/D CPV OE3 OE2 OE1 STV2 VDD1 VDD2 NC VGH NC VCOM VSS VSS CPH VSS CX L/R STH1 VSS VB VG VR STH2 NC LED R LED G NC P ON+3.3V AUTO DIM KEY1 XDATA YDATA X0 X1 Y0 D GND LED GND BL DET PWM ENABLE BLGND BLGND NC BL+8.5V BL+8.5V 50 49 48 47 46 45 44 43 42 41 40 39 38 37 36 35 34 33 32 31 30 29 28 27 26 25 24 23 22 21 20 19 18 17 16 15 14 13 12 11 10 9 8 7 6 5 4 3 2 1 NC VSS STV1 U/D CPV OE3 OE2 OE1 STV2 VDD1 VDD2 NC VGH NC VCOM VSS VSS CPH VSS CX L/R STH1 VSS VB VG VR STH2 NC LED R LED G NC P ON+3.3V AUTO DIM KEY1 XDATA YDATA X0 X1 Y0 D GND LED GND BL DET PWM ENABLE BLGND BLGND NC BL+8.5V BL+8.5V VGL 50 30 29 28 27 26 25 24 23 22 21 20 19 18 17 16 15 14 13 12 11 10 9 8 7 6 5 4 3 2 1 NC VGL NC VSS STV1 U/D CPV OE3 OE2 OE1 STV2 VDD1 VDD2 NC VGH NC VCOM VSS VSS CPH VSS CX L/R STH1 VSS VB VG VR STH2 NC 1 2 3 4 5 6 7 8 9 D GND OPEN/CLOSE KEY D GND D GND LED GND BRINK NC NC LED G 10 LED R 1 2 3 4 5 6 7 8 9 DGND OPEN/CLOSE KEY D GND D GND LED GND LED SW NC LED G NC LED R 10 K 6 10 C231 0.01 C230 10 C232 0.01 C233 0 R253 0 R256 22 R240 0 R257 22 R242 W354 R652 R663 W310 W355 W356 680P C326 0.1 C327 1M R346 68K R345 3.6K R348 7.5K R349 15K R347 3.3K 1000P C322 100P C323 10K VR301 0.1 C328 220 R302 100P C329 82 R355 R354 30 R350 100 R352 100 R351 100 R333 0 C324 R334 0 0.01 C325 R335 0 C23 10 C24 0.01 330 R10 0.01 C14 22 R7 2.2K R18 15K R5 R4 43K 0.01 C10 2.2 C11 100K R29 5.1M R28 0.47 C13 2.2 C9 0.018 C16 1500P C22 51K R15 0.01 C17 240K R9 1M R12 0.047 C15 22 R17 22 R16 0.047 C7 22 R11 22 R13 220P C8 51K R6 0.01 C26 22 R3 2.2 C21 R1 5.1K R8 5.1K R502 33K C503 0.01 R501 33K C502 0.01 C501 0.01 C504 10 10 C423 0.01 C424 68K R422 1 C421 1 C422 100K R423 1000P C401 8.2K R403 3.9K R402 330 R456 330 R454 680 R441 680 R453 24K R404 C427 2.2 C428 10 C426 1 1 C425 3 4 GND2 VCC 2 1 GND1 OUT 5.6uH L306 820nH L307 270 R653 150 10 R600 470 R642 150 270 R664 15 16 12 8 10uH L401 L501 F1 1.6A 4 5 3 2 1 53 54 56 59 32 31 30 29 28 17 25 56 53 59 27 54 VR VG VB 31 30 51 66 54 53 50 49 48 47 46 45 10uH PON3.3V BL8.5V PON5V-1 +3.3V IC203 0.01 31 30 www. xiaoyu163. com QQ 376315150 9 9 2 8 9 4 2 9 8 TEL 13942296513 9 9 2 8 9 4 2 9 8 0 5 1 5 1 3 6 7 3 Q Q TEL 13942296513 QQ 376315150 892498299 TEL 13942296513 QQ 376315150 892498299 KVT-627DVD/627DVDY/717DVD KVT-737DVD/747DVD/767DVD 67 BR BQ BP BO BN 1 2 3 4 5 6 7 X35-448/449x-xx (3/3), X16-3130-00 (1/1) DA227 TC7SH04FU-F TC7SH08FU-F BA3121F (X16- ) (B/2) TILT MECHA. (X16-3130-00) (A/2) Q3 Q2 S403 D408 S404 D409 D410 CN1 CN501 D5 D4 to TOUCH PANEL (S79-0845) to LCD PANEL (B38-1122) 4 D1,2 UDZS4.7B : 1SS355 D3 : DA204U D4,5,9,302,303,305,306,314 : AVRM1005270MAA EPO5004 UDZS5.6B MA2S784-F D10 D101,103,104 D7 D6 : : : : AVRM1608180M6A B30-1605-05 1SV231-F AVRM1608120M6A UDZS5.1B EPO5006 D402-410,601,602 D603 : : D309 D312,313,401 D301,304 D102 : : : : INE NE LINE V E M DET CN1 TILT DOWN SENSOR TILT SENSOR SLIDE PULSE SENSOR PH1 T95-0253-05 : S4 S2 S3 S1 SLIDE ADJ. SW OPEN,SLIDE SW SLIDE,OPEN/END SW TP51B L1 TP50B TP55B TP56B EX M- EX M+ 2 1 45K R14 C25 2700P C6 0.012 10P C5 1 C18 1 C3 1 C30 R502 33K C503 0.01 R503 10 R504 10 R505 10 R506 10 R501 33K C502 0.01 68K 1 C421 1 C422 100K R423 24K R404 Y1 4 X0 Y0 X1 1 2 3 4 5 3 6 2 1 7 R2 PHOT TR D.GND 1 2 R SENCER PHOT POW 3 5V 5 4 750 PHOT TR 27K PHOT POW2 PHOT POW R1 PH1 BLUE GREEN D.GND BLACK SW-D R SENCER 5V RED RED GREEN SW-D S4 BLACK 5V D.GND BLUE 16 SW-A 11 E- R- R- NC 8 7 6 R+ R+ 9 10 E+ E- 13 12 NC E+ 15 14 NC NC SW-B 17 SW-C SW-D 18 19 SW-A SW-B SW-C (LEAD WIRE) to SLIDE MOTOR to TILT MOTOR (LEAD WIRE) YELLOW R- WHITE R+ ORANGE GRAY E- E+ R SENCER VR1 S3 S2 S1 VR1 10K KVT-627DVD/627DVDY/717DVD/ 737DVD/747DVD/767DVD (3/4) 2SB1443 DTC323TU 2SA1774 2SC4081 DTA114EUA DTA114TUA DTA124EUA DTC114EUA DTC124EUA DTC143EUA DTC144EUA UMC2N TA75W558FU-F TC7W00FU-F DAN202U TA78L05F-F VIN VREF GND DAP202U DA204U DTA114YUA CAUTION : For continued safety, replace safety critical components only with manufacturer’s recommended parts (refer to parts list). Indicates safety critical components. To reduce the risk of electric shock, leakage-current or resistance measurements shall be carried out (exposed parts are acceptably insulated from the supply circuit) before the appliance is returned to the customer. • DC voltages are as measured with a high impedance voltmeter. Values may vary slightly due to variations between individual instruments or/and units. www. xiaoyu163. com QQ 376315150 9 9 2 8 9 4 2 9 8 TEL 13942296513 9 9 2 8 9 4 2 9 8 0 5 1 5 1 3 6 7 3 Q Q TEL 13942296513 QQ 376315150 892498299 TEL 13942296513 QQ 376315150 892498299 68 KVT-627DVD/627DVDY/717DVD KVT-737DVD/747DVD/767DVD BS BT BU BV BW 1 2 3 4 5 6 7 X34-353/354x-xx (1/6) D500 D501 D D509 Q500 D508 Q51 Q50 Q63 D519 J501 D520 D518 Q9 Q59 Q55 Q7 D12 Q8 Q11 Q2 Q3 Q4 Q1 Q10 P1 Q150 Q12 D18 Q14 Q15 Q13 ISO AMP INVERTER J1 CN1 D9 D11 D10 D13 D14 Q6 P CON P ANT D16 D17 D19 D15 S P Q52 A8V Q62 Q58 Q54 D55 BU5V SW5V D52 J500 D504 D505 D506 D507 LX BUS D517 D516 D514 D515 D513 D511 D512 D510 Q66 -9V D54 Q67 Q65 Q70 Q68 +9V Q69 EXT AMP L MUTE BU-DET SURGE- DET FAN SW14V L R D550 to DC CORD 1/4 CN904 X14- ∗ A FAN 47K 10K 10K 10K 47K 10K 47K 2.2K 10K 10K 22K 22K 22K 22K 22K 22K 22K 22K 22K 22K 22K 22K 22K 22K 1 2 5 4 10 10 OUT GND IN 1 2 3 4 BST CAP+ GND CAP- 8 7 6 5 V+ OSC LV VOUT 2 3 1 NC GND 4 VCC 5 FL- FL+ RL+ RR- FR- RL- RR+ FR+ 7 FRONT Lch- FRONT Lch+ REAR Lch+ 8 P-ANT REAR Lch- FRONT Rch- FRONT Rch+ REAR Rch- REAR Rch+ 6 4 5 10 9 11 13 12 L1 GND ACC P-CON 3 1 2 B.U. 14 16 15 FUSE 1 2 + - 2.2K R1 3.3K R2 2.7K R3 10K R5 12K R4 2.2 C1 3900u16 C5 ILLUMI LINE MUTE EXT AMP R6 1K 10K R7 140uH 22K R16 1W 560 R15 1/2W 1K R11 3.3u50 C8 22K R12 1 C7 1/2W 1K R10 ∗W1 4.7K R13 4.7K R14 0.1 C6 560 R21 100K R26 0.01 C10 39K R25 100K R28 0.01 C9 18K R20 10K R18 22K R17 100K R19 1.5K R169 100K R170 C166 0.1 1 R184 220 R56 24K R63 4.3K R64 220u10 C67 1 C65 15K R61 W50 220u25 C55 100 R53 100u10 C56 10u35 C52 0.047 C51 20K R55 100 R80 22K R60 2.7K R59 22uH L50 1.8K R50 100K R51 22u16 C58 75 R79 100u16 C59 C61 2.2 C60 2.2 10 12 11 3 7 8 4 6 2 5 1 9 13 BU GND REQ M CON AGND RST Lch Rch DATA S MUTE DATA M CLK REQ S R505 4.7K R506 100 R507 4.7K R508 4.7K R509 4.7K R510 4.7K R511 100 R512 100 C505 10u35 0.01 C500 AIN GND VM1 AOUT BIN VCC BOUT VM2 6 8 7 5 3 2 1 4 4.7u50 C502 100u6.3 C503 4.7u50 C501 10 R500 10 R501 4.7 R502 G R L 0.1 C507 10K R513 10K R514 1K R515 0.1 C506 R516 1K R517 1K R518 100 R519 1K R520 1K R521 1K R522 100 R523 75 R524 75 R525 75 R526 75 15 R530 15 R529 4.7 R528 4.7u50 C510 4.7u50 C509 47u6.3 C508 5 1 11 16 12 2 17 6 13 18 7 14 3 19 8 15 4 20 9 10 21 12 89 69 70 13 14 X14-COMP R X34-COMP B G 68 88 67 94 95 96 65 66 LX-R LX-L 75 R527 22u16 C504 + 2.2K R504 50 52 75 10K R29 470K R30 100 R27 68K R24 47K R22 51 87 SW1 A SW BU 2.2 2.2 2.2 C62 C64 C64 R69 7.5K R72 22u16 C63 R67 47 2.7K 0.022 C71 270K R73 47 56K R74 10K R76 91K R78 C74 0.01 R75 C72 C73 91K R77 BU1 L R G SW14V BU14V BU14V BU14V 31 REMO X14-RST to IC303 to IC413 to IC303 4 7 BOUT BIN- BIN+ V+ 6 5 8 COUT CIN- CIN+ V- 9 1 AIN+ AIN- AOUT 3 2 DIN- DIN+ DOUT 10 11 13 12 14 R583 15K R581 100K 15K R586 R591 15K R589 100K C523 0.01 R593 15K R592 15K DIN+ DIN- DOUT CIN+ CIN- COUT V- V+ R588 100K BOUT 7 C524 0.01 BIN+ BIN- 5 6 AOUT AIN- AIN+ 4 3 2 1 R582 100K R584 15K 8 10 9 11 13 12 14 C522 47u6.3 R585 4.7 10K R578 10u35 C521 + 4.3K R579 A Y + + + + + + + + + + + + + + + + + IC501 IC50 IC52 IC500 (X34-35xx-xx) IC505 IC504 A 10.0V 0V 10. -10.0V 13.8V 0V 8.3V 4.8V 4.5V 4.5V 4.5V 4.5V 8.0V 0V 4.5V 4.5V 4.5V 8.0V 0V 4.5V 4.5V 4.5V 4.5V 0V 0V 4.5V 4.5V 0V 0V 4.5V 4.5V 4.3V 4.4V 4.3V 0V 4.3V 4.3V 4.4V 8.0V 0V 0V www. xiaoyu163. com QQ 376315150 9 9 2 8 9 4 2 9 8 TEL 13942296513 9 9 2 8 9 4 2 9 8 0 5 1 5 1 3 6 7 3 Q Q TEL 13942296513 QQ 376315150 892498299 TEL 13942296513 QQ 376315150 892498299 KVT-627DVD/627DVDY/717DVD KVT-737DVD/747DVD/767DVD 69 CB CA BZ BY BX X34-353/354x-xx (2/6) D503 Q151 D151 Q152 Q200 D212 Q201 Q208 D203 D101 D100 D4 D2 D1 D3 D8 D6 D7 D5 5V AMP PRE-MUTE PRE-MUTE Q202 D213 Q204 5V AMP Q205 D214 Q206 PRE-MUTE 5V AMP D216 Q207 Q209 L R CAMERA VIDEO AV OUT J202 D150 D152 SURGE PROTECT D502 PRE OUT J200 L L R R SW CENTER FRONT REAR -9V 70 +9V Q203 D200 PWR-IC SVR EXTERNAL AUDIO REF. 4V REGULATE CIRCUIT R D550 POWER AMP 2.2K 2.2K 2.2K 2.2K 2.2K 2.2K 2.2K 2.2K 47K 47K 1 2 4 5 8 8 10 10 1 2 8 1 2 4 5 10 15 15 10K 49 33 34 35 36 37 38 39 40 41 42 43 44 45 46 47 48 LDOUT0R ACIN3R ACIN3L ACIN2R ACIN2L ACIN1R ACIN1L ACIN0R ACIN0L VCC GND LDOUT2 LDOUT2L LDOUT1 LDOUT1L PGND PREF 1 2 3 4 8 7 6 5 1 4 2 3 GND VCC 7 8 5 6 8 7 6 5 V+ SC LV UT VCC1 TAB1 STBY PWGND2 PWGND1 ACGND SVR MUTE TAB2 VCC2 PWGND4 PWGND3 OUT1+ OUT4+ OUT3+ 22 24 26 OUT4- HSD 14 20 12 16 18 OUT3- SGND IN3 IN1 OUT2+ OFFDET 2 4 6 8 10 OUT1- OUT2- 11 23 25 27 IN4 IN2 13 15 17 19 21 1 3 5 7 9 RL+ FL+ FR- FR+ RR+ RR- RL- FL- W100 4.7u50 C109 4.7u50 C110 C111 4.7u50 C112 4.7u50 470 R114 470 R115 470 R116 470 R117 100K R113 430 R121 TH100 470 R107 220 R106 22K 4.7u50 C108 0.01 C113 22K R120 39 R111 RL RR FR FL 10K R100 4.3K R101 100u16 C104 10 R122 1 C101 33K R103 1 C103 R108 2.2K 1K R118 10u50 C206 82 R206 22u16 C200 10u50 100K R204 100K R210 C209 1000P C208 1000P C205 10u50 C201 82 R202 0.01 C202 C203 0.01 C207 20K R200 10K R201 20K R207 10K R208 360 R203 10u50 C204 10K R804 10K R805 10u50 C210 360 R211 22K R205 22K R209 10u50 FR FL RR RL 22K R217 R223 20K 10u50 C213 10u50 360 R215 R806 10K R224 10K C212 R216 100K 2 3 4 C214 0.01 C217 10u50 82 R222 1 C216 1000P 22K 10u50 C219 10u50 10K R807 R225 360 R213 R214 R220 100K R221 C218 6 5 0.01 C220 20K 10K 10u50 82 C211 7 8 R212 C215 1000P SW C R234 10u50 C228 C227 360 10u50 C225 R228 R227 10K 20K R232 22K 10K R808 R809 10K R231 22K R226 10u50 C223 C222 360 10u50 0.01 4 3 2 R237 10K 20K 7 5 6 R236 C230 0.01 1000P C221 R230 82 10u50 C224 1 1000P C226 R235 8 C229 82 10u50 100K R233 100K R229 22u16 C231 R810 10K R811 10K 100 R239 10u35 C233 360 R240 360 R244 2200P C234 2200P C237 100 R243 10u35 C238 22K R241 22K R242 AV-L AV-R 1000P C235 1000P C236 R266 75 R238 R105 10K R110 10K 10K 10K R104 R102 390 R159 2.4K R160 1K R168 10u35 C153 10u35 C162 1K R167 5.1K R162 4.7K R163 47u16 C170 1000P C175 100 R173 10 R176 1.5K R169 100K R170 100 R166 5.6K R164 10K R165 10u35 C163 1000P C172 4.7 R171 C166 0.1 0.01 C167 1 R184 24K 4.3K 220u10 C67 1 C65 K 1 0.01 C164 47u16 C150 L 1K R152 1 C155 1500P C151 1500P C152 1K R151 1 C154 R 4.7uH L150 2.2 R150 10u35 C165 C SW RR RL FR 22u16 C504 + 2.2K R504 1K R503 SW14V A8V SW5V BU5V 4.7u25 91K R78 4.7u25 C74 0.01 C72 C73 91K R77 BU14V +9V -9V -9V +9V BU5V 47K R218 47K R219 BU14V 100 R174 3.3K R172 100u16 C177 + SW5V A8V 30 53 54 AV-V CAMERA A8V SVR+B A3.3V C413 92 15K DIN+ DIN- DOUT CIN+ CIN- COUT V- T 24 0.01 T 582 100K R584 15K R587 15K 8 15K R590 10 9 11 13 12 14 1 49 0.01 C520 1K R580 4.3K R579 3 BIN+ BIN- V- AIN+ AIN- BOUT AOUT V+ BIN+ BIN- V- AIN+ AIN- BOUT AOUT V+ BIN+ BIN- V- AIN+ AIN- BOUT AOUT V+ + + + + + + + + + + + + + + + + + + + + + + + + + + + + + + + + IC200 IC150 IC100 IC201 IC202 4 10.0V 0.0V 4.5V 0V 0V 4.5V 4.5V 4.5V 0V 6.6V 3.3V 6.6V 6.6V 0V 4.8V 13.8V 0V 6.6V 6.6V 6.6V 0V 4.0V 13.8V 0V 0V 0V 0V 0V 0V 0V 0V 0V 0V 0V 3.1V 3.1V 3.1V 6.6V 6.6V 6.6V 13.0V 3.0V 3.0V 0V 7.8V 0V 3.8V 3 0V 0V 0V -9.2V 0V 0V -9.2V 0V 0V -9.2V 0V 9.4V 0V 9.4V 9.4V www. xiaoyu163. com QQ 376315150 9 9 2 8 9 4 2 9 8 TEL 13942296513 9 9 2 8 9 4 2 9 8 0 5 1 5 1 3 6 7 3 Q Q TEL 13942296513 QQ 376315150 892498299 TEL 13942296513 QQ 376315150 892498299 70 KVT-627DVD/627DVDY/717DVD KVT-737DVD/747DVD/767DVD CC CD CE CF CG X34-353/354x-xx (3/6) D5 5 D2 5 D2 D17,205,413,502 D15,19,150,550 204,212-214,216,414,503 D12,18,100,101,155-157,200,203, D10,11,13,14 Q250,403-406 Q200-202,204-207,209 Q68,70 Q59,64 Q52,55,61,150 Q3,11,14,63,65,67,203 Q2,4,12,15,51,54,66 IC203,204,405,500 IC150,200-202 Q500 D5 D2 D16,54,55 D152 D151,300 D52 D1-8 D9 Q8 Q252 Q208 Q152 Q69,151 Q62 Q58 Q50 Q13 Q9,10 IC501 Q6,7 IC502 Q1 IC404 IC415 IC413,414 IC407,408 IC406,416 IC403 IC400-402 IC303 IC52 IC301 IC300 IC251 IC151 IC100 IC50,54 DTA124EUA : UDZS4.7B UDZS16B DA227 : : UDZS11B : : UDZS5.6B UDZS6.8B 1SR154-400 RM10ZLFNF M1F60-5063 DAP202U : : : : : : DTA114EUA : DTC124EUA DTA144EUA DTC323TU 2SC2873-F : 2SB1689 : : : 2SA1774 : : DTC114EUA DTA123JK 2SB1188(Q,R) UMC2N : 2SC4617 2SB1184 2SB1565 : : : : 2SB1443 : : : TC7SET04FU-F DTC114YUA 2SA1576A TC7SH08FU-F 2SC4081 : : : 2SB1189 : : : MM1503-E TC4052BFT MM1228XFBE-E BA7652AF BA7653AFV MM1108XFFE-E MM1508XNRE-E 703030YGCJ13A : : : : : : : : ICL7660SIBAZ : SN74HC02APWR S-80842CNNB-G E-TDA7479AD BA3121F E-TDA7415 NJM4565V-ZB E-TDA7560A : : : : : : : M5237ML-CF0J : D218 D201 NOR RESET CAMERA VIDEO D300 MUTE DRIVER D156 D155 D157 IC302 BR24L02FV-W : : NJM2060V-ZB IC504,505 E-VOL/AUDIO SELECTOR AUDIO u-COM 7 8 6 7 9 10 10 5 4 2 1 8 9 9 15 15 1 10 4 1 4 4 13 11 32 31 30 29 28 27 26 25 24 23 22 21 20 19 18 17 16 15 14 13 12 11 10 9 8 7 6 5 4 3 2 1 49 50 51 52 53 54 55 56 57 58 59 60 61 62 63 64 3 4 5 6 7 8 9 0 41 2 3 4 5 6 7 8 ACOUTR ACOUTL MUTE2 MUTE1 MUTE0 REF3V3 VOL INR VOL INL REF5V5 SAIN SAOUT SARES SACLK SCL SDA SEL DCERR WINTC1 WINTC0 WININ MUXCR MUXCL MUXBR MUXBL MUXAR MUXAL AUXR AUXCOM AUXL CDCHR CDCHCOM CDCHL LDOUT0R LDOUT0L VP PAOUT1R PAOUT1L PAOUT0R PAOUT0L MUTEC MUTEB MUTEA TUNERL TUNERR CDL CDR MDL MDR ACIN3R ACIN3L ACIN2R ACIN2L ACIN1R ACIN1L ACIN0R ACIN0L VCC GND LDOUT2R LDOUT2L LDOUT1R LDOUT1L PGND PREF 1 2 3 4 5 6 7 14 13 12 11 10 9 8 3 4 NC VSS 2 1 VDD OUT 75 R267 100 R266 75 R238 FL FR RL FL RR FR 62 40 63 64 1u50 C168 4.7u50 C173 1 C186 3.3u50 C187 3.3u50 C188 10K R182 30 28 29 R178 100 100 R177 C174 0.47 0.47 C176 3.3u50 C179 3.3u50 C178 T-L T-R M-L S-L M-R S-R 100P C182 100P C183 100P C184 100P C185 2.2 C181 100 R180 2.2 C180 100 R179 R G L 12 11 74 10K R181 AV-L AV-R 0.1 C301 100K R300 0.01 C300 0.1 C302 W300 19.800MHz X300 AV-V CAMERA BU5V R L A3.3V A3.3V 69,70,REMO 1 TV CON TUN SDA 100 RDS QUAL 26 2 TUN SCL NAVI TX 4 3 NAVI RX 7 8 EVSS RGB SW EVDD 6 5 VISUAL SW5-1 16 VISUAL SW3-2 13 14 15 SYS SDATA SYS MCLK VSYNC SW1 11 12 VISUAL SW4 SYS MDATA VSYNC DET 10 9 NC 22 25 RDS DATA 24 23 VISUAL SW5-2 VISUAL SW1-1 VISUAL SW1-2 VISUAL SW3-1 21 20 VISUAL SW2-1 VISUAL SW2-2 18 19 17 IC PWIC BEEP TV CLK 99 NC TV JUDGE 97 98 LX DATA S/FLASH SI LX DATA M/FLASH SO LX CLK/FLASH CLK 94 95 96 RDS CLK 93 TV SREQ TV MDATA TV MREQ 90 91 92 LX REQ S BU DET SYS ON 88 87 89 27 PON AM 29 28 RDS AFS NC 31 30 MUTE PRE 32 33 XT2 XT1 RESET 35 34 REGC 38 39 36 37 41 40 CLKOUT VDD VSS X1 X2 MUTE AVOUT AUDIO SW1-A AUDIO SW2 B 43 44 AUDIO SW2-A AUDIO SW1-B 42 1 100K 100K R357 C304 R332 22K R358 100 R344 100 100 R851 100 R354 100K R353 100 R352 100K R351 100 R360 100K R345 100 R347 100 R322 100 R323 100K R321 100K R852 100 R320 100K R325 R801 100K 4.7K R850 R324 99 100 98 95 96 94 93 91 92 90 88 100 R326 R362 22K 100 5 4 3 1 10 11 R304 100 R305 100K 12 R301 100 13 14 R302 100 R306 10K 16 15 19 21 20 23 24 22 R359 100K 4.7K R327 40 41 43 44 42 27 26 30 28 2.2 C274 0.47u50 C275 C276 0.47u50 1 3 1u50 C171 1u50 C169 11 12 40,62 2 R343 25 W852 31 63,64 59 29 60 58 30 28 SW5V 89 GND B2 A2 B1 Y2 A1 Y1 A3 B3 Y4 B4 Y3 A4 VCC + + + + + + + + IC151 IC301 IC300 IC303 0V 4.8V 0V 4.8V 3.0V 3.0V 3.0V 3.0V 3.3V 3.8V 3.0V 6.5V 4.7V 4.7V 5.3V 3.0V 3.0V 3.0V 3.0V 3.8V 3.8V 3.8V 7.8V 3.8V 3.1V 3.0V 3.0V 4.8V 0V 4.8V 0V 0V 4.6V 4.6V 0V 0V 0V 4.6V 0V 0V 4.6V 4.6V 0V 4.6V 2.8V 4.8V 4.8V 4.8V 3.0V 0V 4.8V 4.8V 8 0V 0V 0V 4.8V 0V 4.6V 4.8V 0V 0V 0V 4.8V 4.8V www. xiaoyu163. com QQ 376315150 9 9 2 8 9 4 2 9 8 TEL 13942296513 9 9 2 8 9 4 2 9 8 0 5 1 5 1 3 6 7 3 Q Q TEL 13942296513 QQ 376315150 892498299 TEL 13942296513 QQ 376315150 892498299 KVT-627DVD/627DVDY/717DVD KVT-737DVD/747DVD/767DVD 71 CL CK CJ CI CH X34-353/354x-xx (4/6) D536,537 519-521,539 D207-209,211,218,500,501, 509-518,522-535,538,800 D201,206,210,504-507, 203, D508 D252 DA204U : DAN202U : IMSA-6801-E : STZ6.8N STZ6.2N : : 0 F 3 J250 Q250 P250 Q252 R RDS DECODER Q64 S05 FST ∗A250 CN250 CN253 CN251 CN252 ANT. D252 GND LINE SIGNAL LINE B LINE B LINE VIDEO LINE AM SW ∗ C (X34-35xx-xx) EEPROM UDIO u-COM 22K 22K 9 9 11 12 12 13 2 1 6 7 5 8 2 5 2 8 7 6 13 12 10 10 4 1 4 11 13 12 W801 L255 6 5 4 IN1 GND IN2 1 2 3 SW OUT VCC 1 2 3 4 5 6 7 8 QUAL RDDA VREF MPX OSEL GND ARI FILOUT 16 15 14 13 12 11 10 9 RDCL T57 OSCOUT OSCIN VCC EXTRES TM FSEL R58 220 10uH L300 W250 W251 0.01 C267 4.7uH L252 4.7uH L254 0.01 C269 0.01 C270 2.2K R257 2.2K R262 1K R265 0.01 C268 X250 4.332MHz 10P C251 10P C252 10u35 C257 10u35 C255 330P C256 0.01 C258 2.2K R260 4.7uH L250 1 2 3 4 5 6 7 8 9 10 11 12 IFGND IF+B L R STGND RDSMUTE DGND2 MPX QUALITY AMIFOUT SMETER PLLGND 1 2 3 4 5 6 7 8 9 10 11 12 IFGND IF+B L R STGND RDSMUTE DGND2 MPX QUALITY AMIFOUT SMETER PLLGND 1 2 3 4 5 6 7 8 9 10 11 12 VDD5V DGND1 SCL SDA IFC COM+B VT OSCGND AM+B AMANT FMANT RFGND 1 2 3 4 5 6 7 8 9 10 11 12 VDD5V DGND1 SCL SDA IFC COM+B VT OSCGND AM+B AMANT FMANT RFGND 1 2 3 4 5 6 7 8 9 10 11 12 13 14 15 16 17 18 19 20 21 22 23 24 IFGND IF+B L R STDGND RDSMUTE DGND2 MPX QUALITY AMIFOUT SMETER PLLGND VDD5V DGND1 SCL SDA IFC COM+B VT OSCGND AM+B AMANT FMANT RFGND 26 25 T-R T-L 100 22K R263 220u10 C403 1 C401 NR SR R 1 ∗C400 REMO BU5V SW5V SW5V A8V BU14V SW14V 10,15,47 75 LINE MUTE RDS NOISE LX REQ S BU DET TV SDATA SYS ON 88 87 86 89 85 EEPROM WRT TUN IFC OUT TYPE3 TUN SMETER 83 82 81 84 OEM TYPE0 TYPE1 TYPE0 OEM TYPE1 TYPE2 76 80 77 78 79 74 DC ERR 72 AVSS 73 AVREF 70 SYS MREQ 69 LX RST 68 SYS SREQ 71 AVDD TYPE4 60 MUTE 2 66 63 EEPROM SDA/AUD SDA MUTE C 61 62 LX CON 65 EEPROM SCL/AUD SCL 64 LX REQ M 67 LX MUTE 54 51 EXT CONT 53 52 PWIC MUTE PWIC STBY P CON NC 55 BVDD 56 BVSS MUTE 0 58 57 59 MUTE 1 41 40 MUTE AVOUT AUDIO SW1-A AUDIO SW2-B 43 44 AUDIO SW2-A AUDIO SW1-B 46 45 48 47 49 50 NC NC NC VSYNC SW2 ANT CONT P ON 42 R328 100K R853 100 R313 100K R854 100 R855 100 R856 100 100 100 R339 10K R319 47K R331 1K 52 51 53 54 58 59 62 60 63 64 66 65 67 68 69 70 74 75 R316 10K 10K R314 84 85 28 2 83 27 26 25 R852 100 R320 100K R350 100K R349 100 R355 2.2K C310 2.2K R335 1K R356 100K 88 85 86 83 84 ∗R370 10K ∗R369 10K ∗R372 10K ∗R371 10K ∗R366 10K ∗R365 10K 330u50 + C308 0.01 C309 50 40 41 43 44 47 49 42 87 93 R372 A250 405,410 R365 R366 R369 R370 R371 MODEL NAME A B C X86-3932-70 X86-3930-11 X86-3932-70 KVT-737DVD KVT-747DVD KVT-767DVD KVT-627DVDY KVT-717DVD X34-3530-21 YES X34-3532-71 X34-3530-10 YES YES YES YES YES C400, W1 KVT-747DVD X34-3533-21 YES X86-3930-11 YES YES X86-3930-11 X34-3542-10 YES YES YES X34-3530-71 YES X86-3930-11 YES YES YES YES YES YES D YES YES 457,461 C426, YES YES R253, 255 YES YES YES YES YES YES YES YES J201 E63-0919-05 E63-0919-05 E63-0919-05 E63-0919-05 E63-0919-05 E63-0917-05 4 1 2 3 A1 SCL GND A2 5 6 SDA WP VCC A0 7 8 63 64 0.01 C303 63 64 R315 R317 YES YES YES D208 R330 1000P R367 10K R363 10K R374 10K KVT-627DVD UNIT No. + + + IC400 IC251 (X34- ) (B/2) IC303 IC302 4.8V 8.0V 0V 0V 0V 4.8V 4.8V 4.8V 4.6V 4.8V 4.8V 0V 4.8V 4.8V 4.8V 4.8V 4.8V 0V 4.8V 4.8V 4.8V 0V 3.0V 1.4V 0V 4.6V 0V 0V 4.8V 4.8V 2.2V 2.2V 4.8V 0V 0V 4.7V 1.5V 2.2V 4.6V 1.2V 4.6V 0V www. xiaoyu163. com QQ 376315150 9 9 2 8 9 4 2 9 8 TEL 13942296513 9 9 2 8 9 4 2 9 8 0 5 1 5 1 3 6 7 3 Q Q TEL 13942296513 QQ 376315150 892498299 TEL 13942296513 QQ 376315150 892498299 72 KVT-627DVD/627DVDY/717DVD KVT-737DVD/747DVD/767DVD CM CN CO CP CQ X34-353/354x-xx (5/6) ∗J201 Q403 Q404 D204 D206 D207 G B SW4 SW3 SW1 SW2 SW1 SW2 R 2 L 1 VIDEO2 VIDEO1 AV IN D209 ∗D208 D205 D210 D211 Q64 Q61 V5V Q406 Q405 VSYNC-SW/VSYNC-DET D414 ISO AMP D413 SW5 E ∗ D AUDIO SELECTOR ISO ISO VIDEO SELECTOR 22K 22K 22K 22K 22K 22K 22K 22K 22K 22K 22K 22K 5 5 6 8 7 6 11 12 12 13 13 2 14 14 13 7 8 11 11 14 5 4 GND IN2 2 3 OUT VCC GND OUT SW 1 2 IN1 VCC 3 IN2 6 5 4 IN2 VCC SW OUT 3 2 1 IN1 GND 4 5 6 8 7 6 5 HSYNC VSYNC VIN GND 1 2 3 4 VCC SC VCO LPF 4 3 2 1 CTLB IN2 CTLA IN1 5 6 7 8 IN3 VCC OUT GND 3 2 1 VCC OUT SW 4 5 6 IN2 GND IN1 4 3 2 1 CTL2 IN2 CTL1 IN1 5 6 7 8 IN3 VCC OUT GND 4 3 2 1 SW2 IN2 SW1 IN1 5 6 7 8 IN3 VCC OUT GND 2 7 IN3 VCC 5 6 4 3 SW2 IN2 OUT GND 8 1 SW1 IN1 4 3 2 1 GND AIN VM1 AOUT 5 6 7 8 BIN VM2 BOUT VCC 16 15 14 13 12 11 10 9 VDD X2 X1 XCOM X0 X3 A B 1 2 3 4 5 6 7 8 Y0 Y2 YCOM Y3 Y1 INH VEE VSS 6 1 2 Y2 Y0 3 4 5 Y1 YCOM Y3 7 8 INH VEE VSS 11 X2 VDD 15 16 X0 XCOM X1 12 13 14 B A X3 9 10 4.7 R245 100u6.3 C239 10 R249 10 R246 4.7u50 C240 4.7u50 C243 ∗R253 100 R261 100 75 ∗R255 75 R256 22u16 C241 2.2K R247 470 R248 0.01 C242 7 2.2K C246 22u16 AIN VM1 GND R252 5 6 BIN VM2 3 4 2 0.01 C247 AOUT VCC 8 BOUT 1 10 R254 C248 4.7u50 C245 4.7u50 10 R251 100u6.3 C244 4.7 R250 1K R803 1K R802 0.01 C804 0.01 C803 220 15K GND 5.1K R71 C70 220u10 OUT IN 15K R70 R68 C69 1 M-L S-L M-R S-R AV1-L AV2-L AV1-R AV2-R 0.01 C448 10u35 C442 LX-L LX-R 10K R413 10K R412 10K R415 10K R414 0.01 C449 220u10 220u10 C408 220u10 C413 SR R G B 1 ∗C400 1 ∗C405 1 ∗C410 1 C406 1 C411 NG SG SB NB 10uH L400 22u50 C450 0.1 C404 0.1 C409 0.1 C414 10K R400 0.01 C415 560P C416 0.01 C419 560 R402 1 C417 560P C418 330K R401 10 15 47 0.1 C421 0.1 ∗C461 0.1 C420 BIN GND 10u35 0.01 C422 C424 5 7 8 6 AOUT AIN 4 1 2 3 VM2 BOUT VCC VM1 22u16 C423 + 2.2K R404 1K R403 11 1 2 3 4 5 GND OUT VCC IN3 8 7 6 IN1 CTL1 IN2 CTL2 24 5 19 16 23 22 21 20 0.1 C462 0.1 C463 0.1 C428 0.1 C433 0.1 C438 10uH L401 22u50 C451 330u6.3 C432 470u16 C437 1 C454 1 C455 1 ∗C457 1 C458 1 C425 1 ∗C426 1 C429 1 C430 2.2 C434 2.2 C435 2.2 C436 1 C431 10uH L402 22u50 C452 CAMERA AV-V X14-COMP X34-COMP BU14V A8V AV2-R AV2-L AV1-L AV1-R SP-R SP-L SP-G A8V X14-RST V5V V5V V5V 10,15,47 41 42 44 43 to IC303 to IC151 5 5 1 1 + + + + + + + + + + + + + + + + + + + IC401 IC402 IC403 IC404 IC415 IC406 IC407 IC408 IC203 IC413 IC414 IC204 IC54 IC405 IC416 0V 4.3V 4.3V 4.4V 4.3V 4.3V 4.4V 8.0V 4.4V 4.3V 4.3V 0V 8.0V 4.4V 4.3V 4.3V 4.4V 4.3V 4.3V 0V 4.3V 4.3V 4.4V 8.0V .2V 4.6V 0V 0V 4.6V 4.6V 1.2V 1.2V 0V 4.6V 4.6V 13.8V 5.0V 0V 4.8V 0V 2.4V 4.8V 1.5V 1.4V 1.4V 1.4V 0V 0V 4.8V 4.4V 0V 0V 4.4V 8.0V 4.4V 0V 8.0V 4.4V 4.4V 4.4V 0V 4.4V 8.0V 0V 0V 1.0V 4.8V 0V 1.8V 1.7V 1.4V 4.8V 1.4V 4.8V 4.8V 0.8V 0V 4.8V 1.4V 4.8V 1.4V 4.8V 0V 0V 1.1V 0V 1.2V 4.6V 4.8V 0V 1.2V 0V 1.2V 1.2V 0V 4.8V 1.2V 0V 0V www. xiaoyu163. com QQ 376315150 9 9 2 8 9 4 2 9 8 TEL 13942296513 9 9 2 8 9 4 2 9 8 0 5 1 5 1 3 6 7 3 Q Q TEL 13942296513 QQ 376315150 892498299 TEL 13942296513 QQ 376315150 892498299 KVT-627DVD/627DVDY/717DVD KVT-737DVD/747DVD/767DVD 73 CV CU CT CS CR 1 2 3 4 5 6 7 CAUTION : For continued safety, replace safety critical components only with manufacturer’s recommended parts (refer to parts list). Indicates safety critical components. To reduce the risk of electric shock, leakage-current or resistance measurements shall be carried out (exposed parts are acceptably insulated from the supply circuit) before the appliance is returned to the customer. • DC voltages are as measured with a high impedance voltmeter. Values may vary slightly due to variations between individual instruments or/and units. X34-353/354x-xx (6/6) NJM4580V-ZB TC7WH123FU-F TC7WH126FU-F TC7S02FU-F NJM2107F-ZB TC7SET04FU-F D521 D800 D529 ∗J201 D534 D532 P500 DEO2 DEO1 D209 ∗D208 J503 D531 D530 D533 D539 D535 D538 NAVI CORD D536 D537 BUFFER NAVIGATION J502 D522 D525 D524 D523 to TV-TUNER D528 D527 D526 ∗ B 7 7 11 11 14 14 GND A B 1 3 2 5 VCC Y SW5V 4 OUT GND 8 1 IN1 R261 100 6 0.1 C438 2.2 C434 10 12 11 VGND REMO R Rch Lch 3 7 8 4 6 2 5 1 9 SYNC TX AGND G RX B 13 R572 100 R571 100 R570 100 R569 100 NR NB NG R545 75 R546 75 R548 75 R547 75 3 4 47u6.3 C514 4.7u50 C515 4.7u50 C516 4.7 R552 10 R553 10 R554 1K R551 1K R550 L G R 1K R549 20 19 18 17 16 15 14 13 12 11 10 9 8 7 6 5 4 3 2 1 SPR SPGND SPL RESET TV JUDGE SC CON BP CLK MC REQ MC DATA SC REQ SC DATA VGND SYNC B G R GND GND +14V +14V 4.7u50 C513 47u6.3 C512 4.7u50 C511 10 R531 4.7 R532 10 R533 R534 1K R535 1K R536 100 R537 100 R538 100 R539 1K R540 1K R568 100 R567 100 R566 100 R565 98 1 99 92 91 90 86 SP-R SP-G SP-L 1K R800 R541 75 R542 75 R543 75 75 R544 SR SG SB BU14V V5V 100 303 to IC151 + + + + + + + IC502 KVT-627DVD/627DVDY/717DVD/737DVD/747DVD/767DVD (4/4) 4.8V 4.8V 4.8V 4.8V 0V 1.2V 2V 0V M5237ML-CF0J TC7SHU04FU-F www. xiaoyu163. com QQ 376315150 9 9 2 8 9 4 2 9 8 TEL 13942296513 9 9 2 8 9 4 2 9 8 0 5 1 5 1 3 6 7 3 Q Q TEL 13942296513 QQ 376315150 892498299 TEL 13942296513 QQ 376315150 892498299 74 KVT-627DVD/627DVDY/717DVD KVT-737DVD/747DVD/767DVD CW CX CY CZ DA 1 2 3 4 5 6 7 47K 10K 10K 47K 47K 10K 47K 10K 0V 32mV 0V 5V 2.0V 2.2V 0.2V 0V 1.7V 1.7V 1.8V 0.2V 3.3V 5V 0V 0V 5.0V 5.0V 5.0V 0.4V 0V 5V 0V 5V 0V 5.0V 0V 32mV 2.2V 1.7V 0V 5.0V 0V 3.3V 0V 1.7V 0V 0.8Vp-p 1.7Vref 2.1V 0V 1.7V 2.1V 1.5-1.8V 2.2V 1.7V 0.5Vp-p 0V 0.5Vp-p 1.4V 1.6V 2.2V 0.63Vp-p 2.2V 1.8V 1.7V 5.0V 2.2V 2.2V 3.3V 2.2V 0.15Vp-p 5.0V 2.2V 0.15Vp-p 0.2V IC1 IC2 (X37-1070-00) DPU1 DM1 DM2 (X16-238x-xx) Q11 Q7 Q12 Q8 Q10 Q9 Q13 Q14 Q1 Q2 CN1 CN2 CN3 CN6 CN5 D1 D2 OPTICAL PICKUP M LOADING/EJECT MOTOR LIM SW M & LIM SW MOTOR SPINDLE M SLED MOTOR CN1 ∗S2 S1 8EJE/ LOS SW 12EJE-SW (X16-238x-xx) ON/OFF FRONT END PROCESSOR LASER D PROTECT CONT. LASER D DRMU CONT BMS CONT FG CONT LO-MUTE CONT MOTOR & ACTUATER DRIVER TP49 TP48 TP47 TP50 TP5 TP16 TP54 TP55 TP56 TP57 TP58 TP60 TP61 TP43 TP44 TP66 TP67 TP65 TP9 TP7 TP8 TP10 TP11 TP12 TP64 TP13 TP14 TP68 TP69 TP63 TP17 TP6 TP19 TP45 TP46 TP59 TP85 TP86 TP92 TP106 TP116 TP124 T B RFP D A C CD F CD E IOP DRV1.65 B+ B- A- A+ H- H+ SLD2 SLD1 TRD FOD CD LD DVD LD GND MD PGND VREF1 VREF2 P5V U- V- V+ W- W+ LIM-SW SW 1 U+ LOAD SPD LOAD- LOAD+ RFN LO.MUTE GAIN SW T 36 35 34 33 32 31 30 29 28 27 26 25 24 23 22 21 20 19 18 17 16 15 14 13 1 2 3 4 5 6 7 8 9 10 11 12 37 38 39 40 41 42 43 44 45 46 47 48 VIN5 RFINN RFINP TESTSG AGCO AGCG PEAK RFENV BDO OFTR DCRF RFOUT DFLTOP DFLTON VREF2 DGFLT RFD1FO GND1 FEOUT VHALF ASOUT GND3 TEOUT JLINE VIN12 LPC1 LPCO1 LPC2 LPCO2 VFOSHORT FBAL DTRD IDGT SEN SCK STDI VIN6 VCC2 VIN7(F) VIN8(E) VCC3 VREF1 VIN1(B) VIN2(A) VCC1 VIN3(D) VIN4(C) VIN11 24 23 22 21 20 19 18 17 16 15 14 13 12 11 10 9 8 7 6 5 4 3 2 1 37 38 39 40 41 42 43 44 45 46 47 48 25 26 27 28 29 30 31 32 33 34 35 36 FO2 RO2 VMAC PGAC FO3 RO3 STBY BMS VREF FB5 FB4 FB3 FB2 FB1 IN1 IN2 IN3 IN4 IN5 ECR EC FG SFG GND1 A1 RCS1 A2 A3 RCS2 VMSP2 VMST FO4 RO4 RGST FO5 RO5 RO1 FO1 VDD H1H H1L H2H H2L H3H H3L VH VMSP1 CS 1 2 3 4 5 6 7 8 9 10 11 12 13 14 15 16 17 18 19 20 21 22 23 24 F+ T+ T- F- GND VR DVD PD VR CD LD GND LD DVD LD CD MODE SW C D A B E F RF(n) RF(p) GAIN SW VCC VC GND 1 2 3 4 5 6 7 8 9 10 B+ B+ B- B- A- A- A+ A+ GND GND 1 2 3 4 5 6 7 8 9 10 11 12 13 14 15 16 17 18 H- H+ HU+ HU- HV+ HV- HW+ HW- U U V V W W LIM-SW DGND GND GND 2 1 LOAD- LOAD+ 1 2 3 4 TP2 TP3 TP4 TP1 TP112 SCK TP113 STDI TP111 SEN 3300P C18 C19 0.1 C20 10 27K R16 11K R15 0.1 C10 C5 1 C15 1 C4 1 C17 1 C6 4.7 F+ T+ T- F- 100 R1 100 R91 C3 0.1 C27 0.1 79 83 82 0.047 C26 1.2M R18 55 L1 R11 2.2M R96 1K R97 1K 69 70 68 57 R92 100K R8 100K 3.3 R98 22 C8 1 R122 10 C7 1 R123 10K R12 10K R10 67 R3 100K C2 0.1 R2 100K C1 0.1 TP123 MODE SW 58 C14 10 C21 22 L2 L3 3 1 0.1 C76 10 C80 1/2W 0.27 R62 4.7 C94 10 R76 750 C89 0.01 C90 0.022 C110 4.7K R78 12K 12K R74 R73 20K R72 33K R71 12K R70 12K 1000P C85 1000P C86 C87 0.01 C88 4.7K R67 2.2K R64 1.3K R110 W1 10K R65 10K R66 1.5K R75 C91 0.033 R77 430 1000P R109 119 56 120 59 60 61 0.01 62 75 C95 F- F+ T+ T- C93 0.01 C92 0.01 2.2K R93 65 64 TP115 BMS TP114 DRMU 120 R61 TP51 U TP52 V W TP53 0.1 C82 47u6.3 C83 47u6.3 C84 66 R63 240 1K R69 1K R68 L4 T 119 120 470P C24 0.1 C23 0.1 C25 0.1 C16 22 C81 D5V D5V D5V D3.3V D D3.3V D3.3V D3.3V P5V 2 3 4 1 SW 1 GND GND SW 2 TP1 TP2 TP3 TP4 0-00 0-01 UNIT No. YES NO S2 81 Q7,8 + + X37-1070-00 (1/3), X16-2380-00 (1/1) www. xiaoyu163. com QQ 376315150 9 9 2 8 9 4 2 9 8 TEL 13942296513 9 9 2 8 9 4 2 9 8 0 5 1 5 1 3 6 7 3 Q Q TEL 13942296513 QQ 376315150 892498299 TEL 13942296513 QQ 376315150 892498299 KVT-627DVD/627DVDY/717DVD KVT-737DVD/747DVD/767DVD 75 0V 16.897849MHz 0V 3.3V 3.3V 3.3V 0V 0V 3.3V 3.3V 1.7V 0V 0V 3.3V 3.3V 1.5V 0V 0V 1.6V 3.3V 0V 0V 0V 3.1V 1.7V 1.7V 1.7V 3.3V 3.3V 1.7V 1.4V 0V 0V 0.5Vp-p 2.2V 1.7-2.3V 1.5V 3.3V 3.3V 1.5V 1.7V 1.7V 2.1V 1.4V 1.5-1.8V 1.7V 3.3-3.3IopV 2.0V 1.7Vref 0.8Vp-p 1.7Vref 0.8Vp-p 1.7Vref 0.8Vp-p 1.7V 0V 3.3V 0V 3.3V 0V 0V 3.3V 3.3V 3.3V 0V 3.3V 0V 5V 5. 0V 3.3V 0V 1.5V 3.3V COMMANDER : 3.3V COMMANDER MECHA : 5.0V MECHA 0V 3.3V 3.3V 0V 5V 0V 0V 5.0V 3.3V 0V 3.3V MECHA COMMANDER MECHA COMMANDER 5.0V 0V 5V 0V 5.0V 1.7V 3.3V MECHA : 5.0V COMMANDER : 3.3V COMMANDER : 3.3V MECHA : 5.0V IC4 D3 D4 S3 S5 D5 D6 S4 OPTICAL DISC CONTROLLER (u-COM) TP25 TP21 TP22 TP23 TP20 TP24 TP27 TP26 C67 TH1 10K TP107 TP125 TP127 TP128 AGND A3.3 VHALF PLFLT1 WBLIN TEO TEI 88 87 86 85 84 83 82 81 80 79 78 77 76 75 74 73 72 71 70 69 68 67 66 65 64 63 62 61 60 59 58 57 56 55 54 53 52 133 134 135 136 137 138 139 140 141 142 143 144 145 146 147 148 149 150 151 152 153 154 155 156 157 158 159 160 161 162 163 164 165 166 167 168 169 170 171 172 89 90 91 92 93 94 95 96 97 98 99 100 101 102 103 104 105 106 107 108 109 110 111 112 113 114 115 116 117 118 119 120 121 122 123 124 125 126 127 128 129 130 131 132 VCOF AVDDD LOUT ROUT AVSSD OFTR BDO JLINE VFOSHORT TSTSG VSS7 VDD152 TX FG VDD34 DRAMVDD33 DRAMVDD152 DRAMVSS2 DRV14(FEPEN) DRN13(FEPDT) DRV12(FEPCK) DRV11(GAIN SW) DRV10(LIM-SW) DRV9(BMS) DRV8(DRV.MUTE) VSS6 DRV7(LO.MUTE) DRV6(Lo/Ej) DRV5(STEP B) DRV4(STEP A) DRV3(DVDON) DRV2 DRV1 DRV0(OFS TE) VSS5 OSCO DMARQ NIOWR VDD36 VSS9 NIORD IORDY NDMACK INTRQ NIOCS16 DA1 NPDIAG DA0 VSS10 VDD37 DA2 NCS1FX NCS3FX NDASP HDD15 HDD0 HDD14 HDD1 HDD13 VDD38 VDD153 VSS11 HDD2 HDD12 HDD3 HDD11 HDD4 HDD10 HDD5 VSS12 VDD39 HDD9 HDD6 HDD8 HDD7 VDDH TRCRS AVDDC WBLIN CSLFLT RFDIF AVSSC PLFLT2 PLFLT1 AVSSB ARF NARF VHALF RVI VREFH DSLF2 DSLF1 AVDDB JITOUT AVDDA TECAPA AD0(FE) AD2(AS) AD1(TE) AD3(ENV) AD4(RFDIFO) AD5 AD6 AD7(IOP) AD8(TEMP DET) AVSSA PWM0(FOD) PWM1(TRD) VSS8 VDD35 IDGT DTRD P9 P10 P11 P12 MSTPOL DASPST NEJECT(SW 2+3) NTRYCL(SW 1+5) ARF NARF C64 0.01 12K R121 0.022 C120 0.022 C121 12P C63 55 56 OFS TP132 TP39 57 FBAL 4.7K R47 27K R49 58 59 60 61 62 65 64 66 67 68 69 70 R57 220 R56 220 15 R59 27K R58 0.1 C73 C68 1 75 TP41 FG R54 22 79 81 83 82 JLINE TP42 R55 2K C70 0.1 BDO TP37 TP38 OFTR 1.5K R46 10K R53 10 C66 1 C69 R120 12K 0.1 C72 22 C71 R52 1.3K R51 1K C28 0.01 C29 1 C31 0.022 R21 15K 47P C32 1000P C33 1000P C35 51 R100 51 R101 10P C104 C36 680P 1M R22 6800P C37 C38 1 JITOUT TP28 W3 W2 W4 2200P C43 680P C42 1500P C44 1000P C45 PPI PPO TP129 TP130 RFDIFO TP99 RFENV TP32 TE TP30 AS TP31 FE TP29 FEO TP126 1000P C40 C41 1 C39 330P C108 150P C106 150P C107 150P R102 2K R103 2K C47 1 10K R104 4.7K R23 R24 C46 12K 0.1 C105 150P 119 120 R25 10K R26 10K R29 1K R28 1K TP97 MON2 MON1 TP96 MON0 TP95 MON4 MON5 TP104 TP103 TP98 MON3 CP2 1000P C109 R31 1.3K R105 1.3K R106 10K 10K R27 1.3K R32 1 3 2 1 SW 2 TP89 SW 3 TP90 TP88 SW 5 7 C50 1 1 C48 1 C49 1 C51 1 C52 134 133 137 138 142 139 143 140 144 147 150 149 148 153 152 151 154 159 162 161 160 165 164 163 155 168 170 171 169 85 86 76 13 3 P5V D5V D3.3V D3.3V D3.3V 1.5V 1.5V D3.3V DF DE DD DC DB X37-1070-00 (2/3) www. xiaoyu163. com QQ 376315150 9 9 2 8 9 4 2 9 8 TEL 13942296513 9 9 2 8 9 4 2 9 8 0 5 1 5 1 3 6 7 3 Q Q TEL 13942296513 QQ 376315150 892498299 TEL 13942296513 QQ 376315150 892498299 76 KVT-627DVD/627DVDY/717DVD KVT-737DVD/747DVD/767DVD DK DJ DI DH DG 1 2 3 4 5 6 7 0V 3.3V 3.3V 0V 3.3V 3.3V 0V 4.3V 3.2V 4.4V 4.4V 0V 1.5V 1.5V 0V 5.0V 1.3V 3.3V 3.3V 0V 3.3V 3.3V 0V 1.5V 3.3V 0V 0V 3.3V 0V 1.6V 3.3V 0V 0V 3.3V 3.3V 0V 0V 3.3V 0V 0V 3.3V 3.3V 0V 2.3V 0.8V 16.897849MHz 7849MHz 0V 3.3V 3.3V 5.0V 0V R 0V 0V 3.3V 3.3V 3.3V 3.3V 0V 3.3V 0V 3.3V 3.3V 0V R : 3.3V A : 5.0V 0V 3.3V 3.3V 3.3V 0V IC3 IC8 IC9 IC10 IC11 IC5 P1 CN4 D7 2SB0970 2SJ0536 DTA114YUA MAZS0510M DAP202U MA4ZD03 MA2S111 S-24CS04AFT S-80829CNPF S-80813CNPF 2SK3018 NJM2886DL2-33 NJM2880U115 MN103S71F AN22022A-V AN41204A M29W400DB55N6E IC10 IC1 IC2 IC4 IC5 IC8 IC9 IC3 Q9,10 Q1,2 Q7,8 IC11 Q11-14 D1,2 D4-6 D7 D3 : : : : : : : : : : : : : : : : : GND LINE SIGNAL LINE B LINE 1/4 X14- CN501 RST FLASH ROM VOLTAGE DET 1.5V AVR 3.3V AVR EEP ROM CP5 33 CP6 33 CP7 33 CP8 33 CP9 33 CP10 82 CP3 10K CP4 10K TP93 C56 C61 X1 RXD 54 53 52 51 50 49 48 47 46 45 44 43 42 41 40 39 38 37 36 35 34 33 32 31 30 29 28 27 26 25 24 23 22 21 20 19 18 17 16 15 14 13 12 11 10 9 8 7 6 5 4 3 2 1 170 171 172 173 174 175 176 VSS5 OSCO OSCI VDD33 RXD/EXTRG1 TXD/EXTRG0 SDATA SCLOCK VSS4 NRST MMOD NOE FADR10 NCE FDT7 FDT6 FDT5 FDT4 FDT3 FDT2 FDT1 FDT0 VDD32 VSS3 FADR0 FADR1 FADR2 FADR3 FADR4 FADR5 FADR6 FADR7 FADR12 VSS2 DRAMVSS1 DRAMVDD151 FADR15 FADR16 NWE FADR14 FADR13 FADR8 VDD151 FADR9 FADR11 P8 P7 P6(SW 4) EXCNT1(FG) VSS1 VDD31 P4(CDON) P3(SW 3) P2(SW 2) HDD6 HDD8 HDD7 VDDH NRESET MASTER P0(SCL) P1(SDA) 25 26 27 28 29 30 31 32 33 34 35 36 37 38 39 40 41 42 43 44 45 46 47 48 A0 E VSS1 G DQ0 DQ8 DQ1 DQ9 DQ2 DQ10 DQ3 DQ11 VCC DQ4 DQ12 DQ5 DQ13 DQ6 DQ14 DQ7 BALIAS VSS2 BYTE A16 24 23 22 21 20 19 18 17 16 15 14 13 12 11 10 9 8 7 6 5 4 3 2 1 A1 A2 A3 A4 A5 A6 A7 A17 NC16 RB NC14 NC13 RP W NC10 NC9 A8 A9 A10 A11 A12 A13 A14 A15 50 49 48 47 46 45 44 43 42 41 40 39 38 37 36 35 34 33 32 31 30 29 28 27 26 25 24 23 22 21 20 19 18 17 16 15 14 13 12 11 10 9 8 7 6 5 4 3 2 1 RESET(I) LOUT ACOM ROUT DGND DD7(I/O) DD8(I/O) DD6(I/O) DD9(I/O) DD5(I/O) DD10(I/O) DD4(I/O) DD11(I/O) DD3(I/O) DD12(I/O) DD2(I/O) DD13(I/O) DD1(I/O) DD14(I/O) DD0(I/O) DD15(I/O) DGND DMARQ(O) DGND DIOW(I) DGND DIOR(I) IORDY(O) DMACK(I) INTRQ(O) DA1(I) PDIAG(I) DA0(I) DA2(I) CS1FX(I) CS3EX(I) DASP(O) DISC DET(O) DGND S/PDIF D5V D5V PGND PGND PGND PGND P5V P5V P5V P5V 3 4 NC VDD 2 1 VSS OUT 4 5 VOUT VIN 3 2 1 NB GND CNTL 5 4 3 2 1 NC VO GND1 VIN CNTL 4 3 2 1 GND A2 A1 A0 5 6 7 8 SDA SCL WP VCC 3 4 NC VDD 2 1 VSS OUT 16.897849MHz .022 120 .022 121 12P C63 12P C62 22K R108 1 C60 TP102 SDATA TP101 SCLOCK TP94 TXD FS 132 1.5K R46 R45 1M 10K R33 170 171 169 1 C58 40 41 42 43 39 38 37 36 R39 1K 1.3K R37 1.3K R30 22 23 24 25 26 27 28 29 30 13 14 15 16 17 18 8 11 10 9 1 C54 1 C55 1K R38 1K R36 TP87 SW 4 CD ON TP105 1 2 3 7 4.7K R34 4.7K R35 C53 0.1 DRAM TP109 1.5V R107 10K TP108 D3.3V 173 TP118 SCL 10K R117 10K R118 10K R84 R87 82 R86 82 R85 33 R88 82 R90 10K R89 10K 13 150 149 143 148 147 144 142 138 139 140 137 134 133 151 152 153 154 165 164 163 162 161 160 159 155 168 169 170 171 173 PGND TP84 TP83 P5V C96 22 R79 5.1 R95 5.1 C102 L5 0.01 C97 4.7 C98 3.6 R80 TP80 1.5V 22 C101 47u6.3 130K R81 22 C99 TP82 5V TP79 D3.3 TP81 DGND SDA TP117 37 30 38 39 40 36 35 34 43 33 29 41 25 24 23 13 9 28 27 26 17 10 22 14 15 18 16 11 42 86 85 47K R40 8 1 C57 76 10K R82 82 R83 47K R41 P5V D5V D5V D3.3V D3.3V D3.3V D3.3V 1.5V 1.5V 1.5V 34 33 35 + CAUTION : For continued safety, replace safety critical compo- nents only with manufacturer’s recommended parts (refer to parts list). Indicates safety critical com- ponents. To reduce the risk of electric shock, leakage-current or resistance measurements shall be carried out (exposed parts are acceptably insulated from the supply circuit) before the appliance is returned to the customer. • DC voltages are as measured with a high impedance volt- meter. Values may vary slightly due to variations be- tween individual instruments or/and units. X37-1070-00 (3/3) www. xiaoyu163. com QQ 376315150 9 9 2 8 9 4 2 9 8 TEL 13942296513 9 9 2 8 9 4 2 9 8 0 5 1 5 1 3 6 7 3 Q Q TEL 13942296513 QQ 376315150 892498299 TEL 13942296513 QQ 376315150 892498299 KVT-627DVD/627DVDY/717DVD KVT-737DVD/747DVD/767DVD 77 3 2 1 B A 36 56 36 47 47 36 65 47 1 59 62 66 67 12 9 26 64 27 71 14 17 VPU1 38 11 31 31 850 815 805 48 30 816 828 830 46 46 10 55 39 44 40 828 M 835 49 25 63 37 54 61 28 876 33 57 17 51 3 50 50 50 44 44 58 2 22 13 29 21 7 45 23 24 8 52 4 53 36 60 47 5 877 (X37-) A B C D E F G H J K L M : : : : : : : : : : : : N09-6143-05 N09-6144-05 N09-6145-05 N09-6156-05 N09-6230-05 N19-2192-04 N09-6133-05 N09-6134-05 N09-6203-05 N09-6221-15 N09-6308-05 N19-2183-14 φ1.4x3 M1.7x2 φ1.7x4.3 M1.4x1.6 M1.7x1.6 WASHER M2x6 M2x7.3 M1.7x3.5 φ1.4x3.5 φ1.7x4.5 WASHER B B B B B B B B E VM1 D B 843 Dx2 Bx2 B J VM3 VM2 L L L K K K C C H H G 870 (X16-2380) VFC1 A C F EXPLODED VIEW (DVD MECHANISM) Parts with the exploded numbers larger than 700 are not supplied. www. xiaoyu163. com QQ 376315150 9 9 2 8 9 4 2 9 8 TEL 13942296513 9 9 2 8 9 4 2 9 8 0 5 1 5 1 3 6 7 3 Q Q TEL 13942296513 QQ 376315150 892498299 TEL 13942296513 QQ 376315150 892498299 78 KVT-627DVD/627DVDY/717DVD KVT-737DVD/747DVD/767DVD EXPLODED VIEW (MAIN UNIT) 3 2 1 D C PA1 PA2 FC2 M2.6X5 φ2x5 M2X3 FLAT WASHER φ2x6 φ2.6x6 F H J K N Q :N09-6167-05 :N09-6236-05 :N09-6232-05 :N19-2022-04 :N80-2006-43 :N89-2606-48 (X35 C/3) PME1 FC3 VME1 (X35-448 A/3) FPC3 FPC1 FPC2 LCD1 (X14 957) (X16 B/2) (X16-303) (X35 B/3) FPC1 229 225 223 209 271 777 775 325 329 229 336 281 771 771 278 798 330 328 333 327 294 263 227 331 LCD2 287 234 256 261 208 288 262 326 721 226 716 793 772 772 793 236 215 211 289 235 332 804 840 838 838 280 270 N N N N F F H K H F F N Jx2 Jx2 Nx2 Jx2 Jx2 Jx2 Jx2 Jx2 J J Q J Q Q Qx2 Qx3 Qx2 Q 713 J 812 779 840 805 837 N Nx3 N 214 J 840 223 210 800 799 266 H Qx3 Parts with the exploded numbers larger than 700 are not supplied. www. xiaoyu163. com QQ 376315150 9 9 2 8 9 4 2 9 8 TEL 13942296513 9 9 2 8 9 4 2 9 8 0 5 1 5 1 3 6 7 3 Q Q TEL 13942296513 QQ 376315150 892498299 TEL 13942296513 QQ 376315150 892498299 KVT-627DVD/627DVDY/717DVD KVT-737DVD/747DVD/767DVD 79 EXPLODED VIEW (DRIVE MECHANISM) 3 2 1 F E E B G E Cx4 Cx2 FC1 A B B B G L B B C 820 D B D L L M C M L L L L B L 253 243 296 311 315 245 246 249 248 313 247 232 836 238 291 291 284 309 285 320 257 240 282 251 303 206 303 283 204 205 321 302 250 314 242 247 203 260 250 241 254 248 310 297 252 Cx4 B B A M (X16-B/2) (X16-313 A/2) M2.6X3.7 M2X2.2(BLK) M2X3.5(BLK) M1.7X2.5 M2X3.2 M1.7X2.2 WASHER RETAINING RING A B C D E G L M :N09-6062-15 :N09-6063-25 :N09-6064-25 :N09-6065-25 :N09-6066-25 :N09-6111-25 :N19-2127-14 :N29-0206-04 Parts with the exploded numbers larger than 700 are not supplied. www. xiaoyu163. com QQ 376315150 9 9 2 8 9 4 2 9 8 TEL 13942296513 9 9 2 8 9 4 2 9 8 0 5 1 5 1 3 6 7 3 Q Q TEL 13942296513 QQ 376315150 892498299 TEL 13942296513 QQ 376315150 892498299 80 KVT-627DVD/627DVDY/717DVD KVT-737DVD/747DVD/767DVD EXPLODED VIEW (HIDEAWAY UNIT / ACCESSORIES) 3 2 1 H G RM1 (X86) (X34 B/2) (X34-353) P Q R S T : : : : : N84-2614-48 N89-2606-48 N89-3008-43 N09-6135-05 N35-3020-48 φ2.6x14 φ2.6x6 φ3x8 φ3x8 M3x20 267 202 218 307 335 334 337 265 DC2 F2 F1 DC1 DC3 DC4 306x2 230x2 316x2 Rx2 Rx2 Rx2 Tx2 Q Q Q Q A250 P P S Rx3 R 707 273 839 842 847 845 843 201 844 768 R Sx2 SIZE AAA BATTERY (NOT SUPPLIED) F2 F1 Depends on the modles. Refer to the parts list. Parts with the exploded numbers larger than 700 are not supplied. www. xiaoyu163. com QQ 376315150 9 9 2 8 9 4 2 9 8 TEL 13942296513 9 9 2 8 9 4 2 9 8 0 5 1 5 1 3 6 7 3 Q Q TEL 13942296513 QQ 376315150 892498299 TEL 13942296513 QQ 376315150 892498299 KVT-627DVD/627DVDY/717DVD KVT-737DVD/747DVD/767DVD 81 Indicates safety critical components. ✽ New parts Parts without Parts No. are not supplied. Les articles non mentionnes dans le Parts No. ne sont pas fournis. Teile ohne Parts No. werden nicht geliefert. Ref. No. A d d N e w Parts No. Description Desti- nation Ref. No. A d d N e w Parts No. Description Desti- nation PARTS LIST 201 1H ✽ A01-2865-01 METALLIC CABINET K1 201 1H ✽ A01-2869-01 METALLIC CABINET M2X2C1 201 1H ✽ A01-2869-01 METALLIC CABINET R1E5E6 202 1G A02-2723-03 PLASTIC CABINET ASSY 203 2F A10-5013-23 CHASSIS CALKING ASSY 204 2F A10-5015-33 CHASSIS CALKING ASSY 205 2E A10-5018-32 CHASSIS 206 3F ✽ A10-5137-02 CHASSIS CALKING ASSY 208 3C ✽ A11-1645-04 SUB CHASSIS CALKING ASSY 209 1C ✽ A21-4499-02 DRESSING PANEL 210 1D ✽ A21-4502-03 DRESSING PANEL 211 3C ✽ A22-3068-03 SUB PANEL ASSY 214 1D A46-1776-02 REAR COVER 215 3C ✽ A46-1820-01 REAR COVER PA1 1C ✽ A64-3594-01 PANEL K1 PA1 1C ✽ A64-3595-01 PANEL R1X2 PA1 1C ✽ A64-3596-01 PANEL E5E6 PA1 1C ✽ A64-3597-01 PANEL M2 PA1 1C ✽ A64-3599-01 PANEL C1 PA2 3C ✽ A64-3608-02 PANEL ASSY C1 PA2 3C ✽ A64-3608-02 PANEL ASSY K1R1X2 PA2 3C ✽ A64-3717-02 PANEL ASSY E5E6 PA2 3C ✽ A64-3718-02 PANEL ASSY M2 PME1 1D A10-5207-11 CHASSIS ASSY RM1 1G ✽ A70-2072-05 REMOTE CONTROLLER AS (RC-DV601) - B46-0100-50 WARRANTY CARD E5E6R1 - B46-0100-50 WARRANTY CARD K1M2X2 - B46-0606-04 ID CARD K1R1 - B46-0612-14 ID CARD E5E6M2 - B46-0612-14 ID CARD X2 - B46-0639-00 WARRANTY CARD C1 - B46-0657-04 ID CARD C1 - ✽ B54-4464-00 INSTALLATION MANUAL K1R1 - ✽ B54-4465-00 INSTALLATION MANUAL E5E6 - ✽ B54-4466-00 INSTALLATION MANUAL M2X2C1 - B58-1297-04 CAUTION CARD - ✽ B64-3099-00 INSTRUCTION MANUAL (ENGLISH) K1R1 - ✽ B64-3100-00 INSTRUCTION MANUAL (FRENCH) K1 - ✽ B64-3101-00 INSTRUCTION MANUAL (SPANISH) K1R1 - ✽ B64-3102-00 INSTRUCTION MANUAL (PORTUGUESE) R1 - ✽ B64-3103-00 INSTRUCTION MANUAL (ENGLISH) E5E6 - ✽ B64-3104-00 INSTRUCTION MANUAL (FRENCH) E5 - ✽ B64-3105-00 INSTRUCTION MANUAL (GERMAN) E5 - ✽ B64-3106-00 INSTRUCTION MANUAL (DUTCH) E5 - ✽ B64-3107-00 INSTRUCTION MANUAL (ITALIAN) E5 - ✽ B64-3108-00 INSTRUCTION MANUAL (SPANISH) E5 - ✽ B64-3109-00 INSTRUCTION MANUAL (PORTUGUESE) E5 - ✽ B64-3111-00 INSTRUCTION MANUAL (ENGLISH) M2X2C1 - ✽ B64-3112-00 INSTRUCTION MANUAL (T-CHINESE) M2 - ✽ B64-3113-00 INSTRUCTION MANUAL (KOREAN) M2 - ✽ B64-3114-00 INSTRUCTION MANUAL (S-CHINESE) C1 218 1G ✽ B07-3082-02 ESCUTCHEON 223 1C ✽ B09-0538-04 CAP 225 2C ✽ B10-4688-04 FRONT GLASS (DIMMER) 226 3C ✽ B10-4691-03 FRONT GLASS K1R1M2 226 3C ✽ B10-4691-03 FRONT GLASS X2C1 226 3C ✽ B10-4692-03 FRONT GLASS E5E6 227 3C ✽ B19-2330-04 LIGHTING BOARD (DISC) 229 1C B43-1524-04 BADGE LCD1 2C B38-1122-15 LCD 230 1G D10-4674-04 LEVER 232 2F D10-4703-23 ARM ASSY 234 3C D10-4727-03 ARM (EJECT) 235 3C D10-4728-04 ARM (LOCK) 236 3C D10-4729-04 LEVER 238 2E D10-4733-23 ARM 240 2F D10-4761-24 LEVER ASSY 241 2F D13-2251-14 GEAR 242 2F D13-2252-14 GEAR 243 1F D13-2253-14 GEAR 245 1F D13-2256-14 GEAR 246 1F D13-2257-14 GEAR 247 1F D13-2258-24 GEAR 248 1E D13-2259-24 GEAR 249 1F D13-2260-14 GEAR 250 1F D13-2261-14 GEAR 251 3F D13-2262-23 RACK (GEAR) 252 1F D13-2263-14 GEAR 253 1F D13-2264-14 GEAR 254 2F D13-2265-14 GEAR 256 3C D13-2280-04 GEAR 257 3F D13-2317-13 RACK (GEAR) 260 2F D21-2416-23 SHAFT 261 3C D39-0239-05 DAMPER 262 3C E29-1924-04 LEAD PLATE (MONITOR) 263 3C ✽ E29-2054-04 LEAD PLATE (MINI_LCD) K1R1M2 263 3C ✽ E29-2054-04 LEAD PLATE (MINI_LCD) X2C1 265 2G ✽ E30-6483-05 CORD WITH PLUG 266 2D ✽ E30-6484-05 CORD WITH PLUG (21P_TAIL) 267 1G ✽ E30-6485-05 CORD WITH PLUG (MAIN-BOX) DC1 1G ✽ E30-6474-15 DC CORD (8PIM) E5E6 DC2 1G ✽ E30-6475-15 DC CORD (8PIM) K1R1M2 DC2 1G ✽ E30-6475-15 DC CORD (8PIM) X2C1 DC3 2G ✽ E30-6481-15 DC CORD (16PIN) K1R1M2 DC3 2G ✽ E30-6481-15 DC CORD (16PIN) X2C1 DC4 2G ✽ E30-6482-15 DC CORD (16PIN) E5E6 FC1 2F E39-0537-15 FLAT CABLE FC2 3C ✽ E39-0771-05 FLAT CABLE (22PIN) FC3 3D ✽ E39-0769-15 FLAT CABLE (50PIN) 270 2C F09-1802-04 SHEET 271 2D F09-1847-04 SHEET 273 3H ✽ F09-1991-05 FAN 278 2C F12-0775-04 SHIELDING SHEET 280 3C ✽ F19-1456-03 BLIND PLATE 281 2C F20-2235-14 INSULATING SHEET 282 3F F20-2240-14 INSULATING SHEET F1 2D F52-0023-05 FUSE (MINI BLADE TYPE) 10A F2 1C F52-0004-05 FUSE (MINI BLADE TYPE) 5A KVT-627DVD/627DVDY/717DVD/737DVD/747DVD/767DVD E5 : KVT-627DVD E6 : KVT-627DVDY (Europe) K1 : KVT-717DVD (North America) X2 : KVT-747DVD (Australia) R1 : KVT-747DVD (Latin America) C1 : KVT-767DVD (China) M2 : KVT-737DVD (Other Areas) www. xiaoyu163. com QQ 376315150 9 9 2 8 9 4 2 9 8 TEL 13942296513 9 9 2 8 9 4 2 9 8 0 5 1 5 1 3 6 7 3 Q Q TEL 13942296513 QQ 376315150 892498299 TEL 13942296513 QQ 376315150 892498299 82 KVT-627DVD/627DVDY/717DVD KVT-737DVD/747DVD/767DVD Indicates safety critical components. Ref. No. A d d N e w Parts No. Description Desti- nation Ref. No. A d d N e w Parts No. Description Desti- nation PARTS LIST 283 2F G01-3152-14 EXTENSION SPRING 284 3E G01-3153-14 TORSION COIL SPRING 285 3E G01-3161-14 TORSION COIL SPRING 287 3C ✽ G01-3265-04 TORSION COIL SPRING 288 3C ✽ G01-3266-04 COMPRESSION SPRING 289 3C ✽ G01-3267-04 TORSION COIL SPRING 291 2E G11-3512-14 CUSHION 294 3C ✽ G11-3663-04 CUSHION 296 1F G16-1452-14 SHEET 297 2F G16-1453-14 SHEET - ✽ H02-0837-23 INNER CARTON CASE (HU BOX) - H11-1550-04 POLYSTYRENE FOAMED BOARD - H12-2747-13 PACKING FIXTURE - ✽ H12-2799-04 PACKING FIXTURE (HU BOX) - ✽ H12-2800-04 PACKING FIXTURE (HU BOX) - H25-0338-04 PROTECTION BAG (250X350X0.03) - H25-1111-04 PROTECTION BAG (280X450X0.03) HU - H25-1115-04 PROTECTION BAG E5E6 - H25-1132-04 PROTECTION BAG (0.3X280X450) K1R1M2 - H25-1132-04 PROTECTION BAG (0.3X280X450) X2C1 - ✽ H54-3517-03 ITEM CARTON CASE K1 - ✽ H54-3518-03 ITEM CARTON CASE R1 - ✽ H54-3519-03 ITEM CARTON CASE E5 - ✽ H54-3520-03 ITEM CARTON CASE E6 - ✽ H54-3521-03 ITEM CARTON CASE M2 - ✽ H54-3522-03 ITEM CARTON CASE X2 - ✽ H54-3523-03 ITEM CARTON CASE C1 302 2E J19-5207-23 HOLDER 303 3E J19-5235-14 HOLDER 306 1G J21-9784-04 MOUNTING HARDWARE (TOYOTA) K1R1M2 306 1G J21-9784-04 MOUNTING HARDWARE (TOYOTA) X2C1 307 1G J21-9823-03 MOUNTING HARDWARE ASSY 309 3E J21-9916-32 MOUNTING HARDWARE ASSY 310 1F J21-9947-14 MOUNTING HARDWARE ASSY 311 1F J21-9949-14 MOUNTING HARDWARE 313 1F J21-9984-14 MOUNTING HARDWARE ASSY 314 1F J21-9986-23 MOUNTING HARDWARE ASSY 315 1F J21-9987-23 MOUNTING HARDWARE ASSY 316 1G J22-0054-14 MOUNTING HARDWARE 320 3F J90-1053-13 GUIDE 321 2E J90-1064-13 GUIDE FPC1 2D J84-0150-05 FLEXIBLE PRINTED WIRING B (50P) FPC2 2D J84-0151-05 FLEXIBLE PRINTED WIRING B (10P) FPC3 2D J84-0158-15 FLEXIBLE PRINTED WIRING B (80P) 325 1C ✽ K24-4344-04 PUSH KNOB (OPEN) 326 3C ✽ K24-4346-04 PUSH KNOB (RELESE) 327 3C ✽ K24-4348-03 PUSH KNOB (SORCE) 328 3C ✽ K24-4349-03 PUSH KNOB (VOL) 329 2C ✽ K25-1715-03 PUSH KNOB (MONITOR) 330 3C ✽ K25-1718-03 PUSH KNOB (ATT/AUTO) 331 3C ✽ K25-1720-03 PUSH KNOB (EJECT/RESET) 332 3C ✽ K29-7170-04 KEY TOP (4WAY) 333 3C ✽ K29-7171-03 KNOB BASE (4WAY) 334 1G N99-1753-05 SCREW SET (BOX) 335 1G ✽ N99-1775-05 SCREW SET K1R1M2 335 1G ✽ N99-1775-05 SCREW SET X2C1 A 2E N09-6062-15 STEPPED SCREW (M2.6X3.7) B 3E N09-6063-25 MACHINE SCREW (M2X2.2) C 3F N09-6064-25 MACHINE SCREW (M2X3.5) D 1F N09-6065-25 MACHINE SCREW (M1.7X2.5) E 3F N09-6066-25 STEPPED SCREW (M2X3.2) F 3C N09-6167-05 MACHINE SCREW (M2.6X5) G 3F N09-6111-25 MACHINE SCREW (M1.7X2.2) H 3C N09-6236-05 SEMS (TAPTITE SCREW) (2.0X5) J 2D N09-6232-05 MACHINE SCREW (M2.0X3.0) K 3C N19-2022-04 FLAT WASHER (1.6X3.2X0.25) L 2F N19-2127-14 FLAT WASHER (1.6X4X0.25 BLUE) M 2F N29-0206-04 RETAINING RING (2) N 1D N80-2006-43 PAN HEAD TAPTITE SCREW P 3H N84-2614-48 PAN HEAD TAPTITE SCREW Q 3D N89-2606-48 BINDING HEAD TAPTITE SCREW R 1H N89-3008-43 BINDING HEAD TAPTITE SCREW 336 2C S79-0845-05 SWITCH ASSY 337 2G T90-0552-05 ANTENNA ADAPTOR E5E6 LCD2 3C ✽ W02-5159-05 ELECTRIC CIRCUIT MODULE K1R1M2 LCD2 3C ✽ W02-5159-05 ELECTRIC CIRCUIT MODULE X2C1 VME1 2D ✽ X92-5130-00 DVD MECHANISM ASSY (DVS-7000V) C31,32 CC73GCH1H471J CHIP C 470PF J C48,49 CC73GCH1H471J CHIP C 470PF J C100 CK73GB1H103K CHIP C 0.010UF K C101 C90-5670-05 ELECTRO 2200UF 16WV C102 CK73GB1H103K CHIP C 0.010UF K C103-105 CC73GCH1H151J CHIP C 150PF J C108 CK73GB1A105K CHIP C 1.0UF K C109-111 CK73GB1H104K CHIP C 0.10UF K C113 CK73GB1H104K CHIP C 0.10UF K C114 CK73EB1H474K CHIP C 0.47UF K C115-117 CK73GB1H104K CHIP C 0.10UF K C118 CE32BM1C221M CHIP EL 220UF 16WV C119-121 CK73GB1H104K CHIP C 0.10UF K C122 CK73FB1C105K CHIP C 1.0UF K C123-126 CK73GB1H104K CHIP C 0.10UF K C127 CK73EB1C106K CHIP C 10UF K C128 CK73FB0J106K CHIP C 10UF K C130-133 C93-1367-05 CHIP C 10UF 25WV C134 CC73GCH1H101J CHIP C 100PF J C135 CC73GCH1H391J CHIP C 390PF J C136 C93-1367-05 CHIP C 10UF 25WV C137-139 CK73GB1H104K CHIP C 0.10UF K C140 CK73GB1H102K CHIP C 1000PF K C141 C93-1367-05 CHIP C 10UF 25WV C142 CK73GB1H104K CHIP C 0.10UF K C143,144 CE32AU1A560M CHIP EL 56UF 10WV C145 CE32AU0J121M CHIP EL 120UF 6.3WV VIDEO CONTROL UNIT (X14-957/958x-xx) E5 : KVT-627DVD E6 : KVT-627DVDY (Europe) K1 : KVT-717DVD (North America) X2 : KVT-747DVD (Australia) R1 : KVT-747DVD (Latin America) C1 : KVT-767DVD (China) M2 : KVT-737DVD (Other Areas) KVT-627DVD/627DVDY/717DVD/737DVD/747DVD/767DVD www. xiaoyu163. com QQ 376315150 9 9 2 8 9 4 2 9 8 TEL 13942296513 9 9 2 8 9 4 2 9 8 0 5 1 5 1 3 6 7 3 Q Q TEL 13942296513 QQ 376315150 892498299 TEL 13942296513 QQ 376315150 892498299 KVT-627DVD/627DVDY/717DVD KVT-737DVD/747DVD/767DVD 83 Indicates safety critical components. Ref. No. A d d N e w Parts No. Description Desti- nation Ref. No. A d d N e w Parts No. Description Desti- nation PARTS LIST C146 CE32AU1A560M CHIP EL 56UF 10WV C147 CK73GB1H102K CHIP C 1000PF K C148,149 CK73GB1H104K CHIP C 0.10UF K C151 CK73GB1H104K CHIP C 0.10UF K C152 CE32AU1A560M CHIP EL 56UF 10WV C153-155 CK73GB1H104K CHIP C 0.10UF K C156 CK73GB1A474K CHIP C 0.47UF K C158 CK73GB1H104K CHIP C 0.10UF K C159,160 ✽ C92-1909-05 ELECTRO 22UF 12.5WV C161 C92-1685-05 ELECTRO 47UF 6.3WV C162 CK73GB1H102K CHIP C 1000PF K C163 CK73GB1A474K CHIP C 0.47UF K C164 CK73GB1H102K CHIP C 1000PF K C165 CK73GB1A474K CHIP C 0.47UF K C166 CK73GB1H102K CHIP C 1000PF K C167,168 CK73GB1H104K CHIP C 0.10UF K C169 CK73GB1H102K CHIP C 1000PF K C170 CK73GB1H104K CHIP C 0.10UF K C171 CK73GB1H102K CHIP C 1000PF K C172,173 CK73GB1H104K CHIP C 0.10UF K C174 CK73GB1H102K CHIP C 1000PF K C175 CK73GB1H104K CHIP C 0.10UF K C180,181 CK73FB1C105K CHIP C 1.0UF K C200,201 CK73GB1H103K CHIP C 0.010UF K C202 CC73GCH1H180J CHIP C 18PF J C203 CC73GCH1H220J CHIP C 22PF J C204 CK73GB1A105K CHIP C 1.0UF K C205 CK73FB0J106K CHIP C 10UF K C206-209 CK73GB1H104K CHIP C 0.10UF K C210 CK73GB1H103K CHIP C 0.010UF K C211,212 CK73GB1H104K CHIP C 0.10UF K C213-216 CK73GB1H103K CHIP C 0.010UF K C217 CK73GB1H104K CHIP C 0.10UF K C218,219 CK73GB1H103K CHIP C 0.010UF K C220-222 CK73GB1H104K CHIP C 0.10UF K C301 CK73FB0J106K CHIP C 10UF K C303 CK73GB1H104K CHIP C 0.10UF K E5E6M2 C303 CK73GB1H104K CHIP C 0.10UF K X2C1 C304 CK73FB0J106K CHIP C 10UF K C306 CC73GCH1H270J CHIP C 27PF J E5E6M2 C306 CC73GCH1H270J CHIP C 27PF J X2C1 C306 CC73GCH1H470J CHIP C 47PF J K1R1 C307 CK73GB1H104K CHIP C 0.10UF K C309 CC73GCH1H180J CHIP C 18PF J E5E6M2 C309 CC73GCH1H180J CHIP C 18PF J X2C1 C310 CC73GCH1H220J CHIP C 22PF J C311-313 CK73GB1H104K CHIP C 0.10UF K E5E6M2 C311-313 CK73GB1H104K CHIP C 0.10UF K X2C1 C312,313 CK73GB1H104K CHIP C 0.10UF K K1R1 C316 CK73GB1H104K CHIP C 0.10UF K C317 CC73GCH1H180J CHIP C 18PF J C318 CC73GCH1H270J CHIP C 27PF J E5E6M2 C318 CC73GCH1H270J CHIP C 27PF J X2C1 C319,320 CK73GB0J225K CHIP C 2.2UF K C321-323 CK73GB1A105K CHIP C 1.0UF K C324 CK73GB1H223K CHIP C 0.022UF K C325 CK73GB0J475K CHIP C 4.7UF K C326 CK73GB1H473K CHIP C 0.047UF K C332,333 CK73GB1A105K CHIP C 1.0UF K E5E6M2 C332,333 CK73GB1A105K CHIP C 1.0UF K X2C1 C334 CK73GB1H104K CHIP C 0.10UF K C335,336 CK73GB1A105K CHIP C 1.0UF K E5E6M2 C335,336 CK73GB1A105K CHIP C 1.0UF K X2C1 C337 CK73GB1A474K CHIP C 0.47UF K C338 CK73FB0J106K CHIP C 10UF K C339 CK73GB1H472K CHIP C 4700PF K C340 CK73GB1A105K CHIP C 1.0UF K C341 CK73FB0J106K CHIP C 10UF K C342,343 CK73GB1A105K CHIP C 1.0UF K C344 CK73GB1H223K CHIP C 0.022UF K C345-350 CK73GB1A105K CHIP C 1.0UF K C351 CK73FB1A225K CHIP C 2.2UF K C352 CK73GB1A105K CHIP C 1.0UF K C353 CK73GB1H103K CHIP C 0.010UF K C354,355 CK73FB1A225K CHIP C 2.2UF K C361 C92-1685-05 ELECTRO 47UF 6.3WV C362 CK73GB1H104K CHIP C 0.10UF K C363 CK73FB0J106K CHIP C 10UF K C364 CC73GCH1H331J CHIP C 330PF J C365 CK73GB1A105K CHIP C 1.0UF K C366,367 CK73GB1H104K CHIP C 0.10UF K C368 CK73GB1A105K CHIP C 1.0UF K C369 CK73GB1H104K CHIP C 0.10UF K C370 CK73GB1H103K CHIP C 0.010UF K C371 CK73GB0J475K CHIP C 4.7UF K C372 CK73GB1H153K CHIP C 0.015UF K C373 CC73GCH1H151J CHIP C 150PF J C374 CC73GCH1E102J CHIP C 1000PF J C375 CC73GCH1H390J CHIP C 39PF J C376 CC73GCH1H150J CHIP C 15PF J C377 ✽ C93-1394-05 CHIP C 5PF 50WV C390 CK73GB1A105K CHIP C 1.0UF K C402 CK73FB0J106K CHIP C 10UF K C403 CK73GB1H104K CHIP C 0.10UF K C404 CK73GB1A105K CHIP C 1.0UF K C405-409 CK73GB1H104K CHIP C 0.10UF K C410 CK73FB0J106K CHIP C 10UF K C411 CK73GB1H104K CHIP C 0.10UF K C412 CK73GB1A105K CHIP C 1.0UF K C413-416 CK73GB1H104K CHIP C 0.10UF K C419-423 CK73GB1H104K CHIP C 0.10UF K C424,425 CK73GB1H103K CHIP C 0.010UF K C426 CC73GCH1H100D CHIP C 10PF D C429,430 CC73GCH1H020C CHIP C 2.0PF C C501 CK73GB1H104K CHIP C 0.10UF K C502 C92-1452-05 ELECTRO 100UF 10WV C520 CK73FB0J106K CHIP C 10UF K C540 CK73GB1A105K CHIP C 1.0UF K C541,542 CC73GCH1H100D CHIP C 10PF D C560 CK73FB0J106K CHIP C 10UF K E5 : KVT-627DVD E6 : KVT-627DVDY (Europe) K1 : KVT-717DVD (North America) X2 : KVT-747DVD (Australia) R1 : KVT-747DVD (Latin America) C1 : KVT-767DVD (China) M2 : KVT-737DVD (Other Areas) VIDEO CONTROL UNIT (X14-957/958x-xx) www. xiaoyu163. com QQ 376315150 9 9 2 8 9 4 2 9 8 TEL 13942296513 9 9 2 8 9 4 2 9 8 0 5 1 5 1 3 6 7 3 Q Q TEL 13942296513 QQ 376315150 892498299 TEL 13942296513 QQ 376315150 892498299 84 KVT-627DVD/627DVDY/717DVD KVT-737DVD/747DVD/767DVD Indicates safety critical components. Ref. No. A d d N e w Parts No. Description Desti- nation Ref. No. A d d N e w Parts No. Description Desti- nation PARTS LIST C561-567 CK73GB1H104K CHIP C 0.10UF K C581 CK73GB1H104K CHIP C 0.10UF K C601-606 CK73GB1H104K CHIP C 0.10UF K C607 CK73GB1A105K CHIP C 1.0UF K C608-615 CK73GB1H104K CHIP C 0.10UF K C616 CK73FB0J106K CHIP C 10UF K C617 CK73GB1A105K CHIP C 1.0UF K C618-628 CK73GB1H104K CHIP C 0.10UF K C650 CK73GB1H104K CHIP C 0.10UF K C651,652 CK73GB1A105K CHIP C 1.0UF K C654-656 CK73GB1A105K CHIP C 1.0UF K C657,658 CK73GB1H104K CHIP C 0.10UF K C659 C92-1452-05 ELECTRO 100UF 10WV C660 CK73FB0J106K CHIP C 10UF K C661,662 CK73GB1H104K CHIP C 0.10UF K C663 CK73FB0J106K CHIP C 10UF K C664 C92-1685-05 ELECTRO 47UF 6.3WV C665-668 CK73GB1H104K CHIP C 0.10UF K C669 CK73FB0J106K CHIP C 10UF K C670 CK73GB1H104K CHIP C 0.10UF K C671,672 CK73GB1A105K CHIP C 1.0UF K C673,674 CK73GB1H104K CHIP C 0.10UF K C675 CK73GB1A105K CHIP C 1.0UF K C701 CK73GB1H332K CHIP C 3300PF K C702,703 CC73GCH1H681J CHIP C 680PF J C704 CK73GB1H104K CHIP C 0.10UF K C705 CK73EB1C106K CHIP C 10UF K C706 CK73EB1A475K CHIP C 4.7UF K C707 CC73GCH1H101J CHIP C 100PF J C708 CK73GB1H332K CHIP C 3300PF K C709,710 CC73GCH1H681J CHIP C 680PF J C711 CK73EB1A475K CHIP C 4.7UF K C712 CC73GCH1H101J CHIP C 100PF J C713 CK73EB1C106K CHIP C 10UF K C714,715 CK73GB1H104K CHIP C 0.10UF K C717 CK73FB0J106K CHIP C 10UF K C718 CK73GB1H104K CHIP C 0.10UF K C752 CK73GB1H104K CHIP C 0.10UF K C770,771 CK73GB1H104K CHIP C 0.10UF K C772 CK73FB0J106K CHIP C 10UF K C773-775 CK73GB1H104K CHIP C 0.10UF K C800 CC73GCH1H101J CHIP C 100PF J C804 CK73GB1H104K CHIP C 0.10UF K C850,851 CK73GB1H104K CHIP C 0.10UF K C900,901 CC73GCH1H101J CHIP C 100PF J C902 CK73GB1A105K CHIP C 1.0UF K C903,904 CC73GCH1H101J CHIP C 100PF J C906 CC73GCH1H101J CHIP C 100PF J C918 CK73FB0J106K CHIP C 10UF K C926,927 CK73GB1H104K CHIP C 0.10UF K CN501 E41-2197-05 FLAT CABLE CONNECTOR CN850 ✽ E41-2526-05 FLAT CABLE CONNECTOR CN900 ✽ E41-2523-05 FLAT CABLE CONNECTOR CN904 ✽ E41-2529-05 PIN ASSY J100 E58-0899-05 RECTANGULAR RECEPTACLE J960 E56-0854-05 CYLINDRICAL RECEPTACLE CF100-105 L72-0780-05 CERAMIC FILTER L8 ✽ L19-0733-15 TRANSFORMER FOR CONVERTER L100 L92-0373-05 CHIP FERRITE L101,102 L33-1914-05 CHOKE COIL L103 ✽ L33-2277-05 CHOKE COIL L104,105 ✽ L33-2248-05 CHOKE COIL L106,107 L41-1005-33 SMALL FIXED INDUCTOR (10U) L108 L79-0958-05 LINE FILTER L109-111 L92-0373-05 CHIP FERRITE L200 L92-0319-05 CHIP FERRITE L300 L41-4705-33 SMALL FIXED INDUCTOR L301 L41-1005-33 SMALL FIXED INDUCTOR (10U) L350 L41-1005-33 SMALL FIXED INDUCTOR (10U) L400 L41-1005-33 SMALL FIXED INDUCTOR (10U) L402 L41-1005-33 SMALL FIXED INDUCTOR (10U) L520 L92-0373-05 CHIP FERRITE L540 L41-1005-33 SMALL FIXED INDUCTOR (10U) L560 L92-0373-05 CHIP FERRITE L601 L92-0373-05 CHIP FERRITE L603 L92-0373-05 CHIP FERRITE L650 L41-1005-33 SMALL FIXED INDUCTOR (10U) L651 L92-0373-05 CHIP FERRITE L701,702 L41-1005-33 SMALL FIXED INDUCTOR (10U) L802 L92-0373-05 CHIP FERRITE L900-902 L92-0373-05 CHIP FERRITE X200 ✽ L78-1210-05 RESONATOR (4.95MHZ) X201 ✽ L77-2917-05 CRYSTAL RESONATOR (32.768KHZ) X300 L77-2806-05 CRYSTAL RESONATOR (3.579545MHZ) X301 L77-2807-05 CRYSTAL RESONATOR (4.433619MHZ) E5E6M2 X301 L77-2807-05 CRYSTAL RESONATOR (4.433619MHZ) X2C1 X360 L78-0549-05 RESONATOR (15.734KHZ) X540 L77-2866-05 CRYSTAL RESONATOR (27MHZ) CP400-407 RK74HB1J330J CHIP-COM 33 J 1/16W CP501-505 RK74HB1J471J CHIP-COM 470 J 1/16W CP506-510 RK74HB1J103J CHIP-COM 10K J 1/16W CP601-604 RK74HB1J472J CHIP-COM 4.7K J 1/16W CP605 RK74HB1J470J CHIP-COM 47 J 1/16W CP606-612 RK74HB1J101J CHIP-COM 100 J 1/16W CP613,614 RK74HB1J330J CHIP-COM 33 J 1/16W CP615-618 RK74HB1J472J CHIP-COM 4.7K J 1/16W CP619-625 RK74HB1J220J CHIP-COM 22 J 1/16W R11-14 RK73GB2A220J CHIP R 22 J 1/10W R15,16 RK73GB2A101J CHIP R 100 J 1/10W R39,40 RK73GB2A101J CHIP R 100 J 1/10W R44 RK73GB2A103J CHIP R 10K J 1/10W R51,52 RK73GB2A101J CHIP R 100 J 1/10W R96 RK73GB2A222J CHIP R 2.2K J 1/10W R97 RK73GB2A473J CHIP R 47K J 1/10W R98 RN73GH1J243D CHIP R 24K D 1/16W R99 RN73GH1J472D CHIP R 4.7K D 1/16W R100 RN73GH1J104D CHIP R 100K D 1/16W R101 RN73GH1J513D CHIP R 51K D 1/16W E5 : KVT-627DVD E6 : KVT-627DVDY (Europe) K1 : KVT-717DVD (North America) X2 : KVT-747DVD (Australia) R1 : KVT-747DVD (Latin America) C1 : KVT-767DVD (China) M2 : KVT-737DVD (Other Areas) VIDEO CONTROL UNIT (X14-957/958x-xx) www. xiaoyu163. com QQ 376315150 9 9 2 8 9 4 2 9 8 TEL 13942296513 9 9 2 8 9 4 2 9 8 0 5 1 5 1 3 6 7 3 Q Q TEL 13942296513 QQ 376315150 892498299 TEL 13942296513 QQ 376315150 892498299 KVT-627DVD/627DVDY/717DVD KVT-737DVD/747DVD/767DVD 85 Indicates safety critical components. Ref. No. A d d N e w Parts No. Description Desti- nation Ref. No. A d d N e w Parts No. Description Desti- nation PARTS LIST R102 RN73GH1J393D CHIP R 39K D 1/16W R103 RK73GB2A122J CHIP R 1.2K J 1/10W R104 RN73GH1J393D CHIP R 39K D 1/16W R105 RN73GH1J333D CHIP R 33K D 1/16W R106 RN73GH1J393D CHIP R 39K D 1/16W R107 RK73GB2A103J CHIP R 10K J 1/10W R109 RK73GB2A103J CHIP R 10K J 1/10W R110 ✽ RK73GH2A334D CHIP R 330K D 1/10W R111 RK73GB2A562J CHIP R 5.6K J 1/10W R112 ✽ RK73GH2A334D CHIP R 330K D 1/10W R113 RK73GB2A224J CHIP R 220K J 1/10W R114 ✽ RN73GH1J113D CHIP R 11K D 1/16W R115 R92-5088-05 CHIP R 3.3K J 3/4W R116 RK73GB2A912J CHIP R 9.1K J 1/10W R117 RK73GB2A153J CHIP R 15K J 1/10W R118 RK73FB2B123J CHIP R 12K J 1/8W R119 RN73GH1J104D CHIP R 100K D 1/16W R120 RN73GH1J683D CHIP R 68K D 1/16W R121 RK73GB2A473J CHIP R 47K J 1/10W R122-124 RK73GB2A104J CHIP R 100K J 1/10W R125-127 RK73GB2A224J CHIP R 220K J 1/10W R128 RK73EB2E102J CHIP R 1.0K J 1/4W R129 RK73GB2A473J CHIP R 47K J 1/10W R137 RK73GB2A473J CHIP R 47K J 1/10W R140 RK73GB2A101J CHIP R 100 J 1/10W R143 RK73GB2A100J CHIP R 10 J 1/10W R146,147 RK73GB2A100J CHIP R 10 J 1/10W R148 RN73GH1J133D CHIP R 13K D 1/16W R149 RN73GH1J103D CHIP R 10K D 1/16W R150 RN73GH1J132D CHIP R 1.3K D 1/16W R151 RN73GH1J473D CHIP R 47K D 1/16W R152 RN73GH1J153D CHIP R 15K D 1/16W R153 ✽ RN73GH1J163D CHIP R 16K D 1/16W R154 RN73GH1J302D CHIP R 3.0K D 1/16W R155 RN73GH1J132D CHIP R 1.3K D 1/16W R156 RN73GH1J683D CHIP R 68K D 1/16W R157 RN73GH1J393D CHIP R 39K D 1/16W R158 RN73GH1J4021D CHIP R 4.02K D 1/16W R159 RN73GH1J103D CHIP R 10K D 1/16W R160 RN73GH1J512D CHIP R 5.1K D 1/16W R161 R92-3475-05 CHIP R 0.27 F 1/2W R162 RK73GB2A104J CHIP R 100K J 1/10W R163 RN73GH1J243D CHIP R 24K D 1/16W R164 RK73GB2A102J CHIP R 1.0K J 1/10W R165 RK73GB2A473J CHIP R 47K J 1/10W R167 RK73GB2A224J CHIP R 220K J 1/10W R168 RK73GB2A102J CHIP R 1.0K J 1/10W R169 RK73GB2A223J CHIP R 22K J 1/10W R170 RK73GB2A103J CHIP R 10K J 1/10W R171 RK73GB2A563J CHIP R 56K J 1/10W R172 RK73GB2A102J CHIP R 1.0K J 1/10W R174 ✽ RN73GH1J114D CHIP R 110K D 1/16W R176 ✽ RN73GH1J114D CHIP R 110K D 1/16W R178 ✽ RN73GH1J114D CHIP R 110K D 1/16W R179 RN73GH1J133D CHIP R 13K D 1/16W R180 RK73GB2A392J CHIP R 3.9K J 1/10W R181 RK73GB2A222J CHIP R 2.2K J 1/10W R182 RK73GB2A153J CHIP R 15K J 1/10W R183 RK73GB2A104J CHIP R 100K J 1/10W R184 RK73GB2A303J CHIP R 30K J 1/10W R185 RK73EB2E472J CHIP R 4.7K J 1/4W R186 RK73GB2A104J CHIP R 100K J 1/10W R187 RK73EB2E223J CHIP R 22K J 1/4W R188 RK73GB2A104J CHIP R 100K J 1/10W R189 RN73GH1J243D CHIP R 24K D 1/16W R190 RN73GH1J133D CHIP R 13K D 1/16W R191 RK73GB2A104J CHIP R 100K J 1/10W R192,193 RK73GB2A100J CHIP R 10 J 1/10W R195 RK73EB2E331J CHIP R 330 J 1/4W R196 RN73GH1J243D CHIP R 24K D 1/16W R197 RN73GH1J133D CHIP R 13K D 1/16W R198 RK73GB2A104J CHIP R 100K J 1/10W R199 RK73EB2E331J CHIP R 330 J 1/4W R201 RK73GB2A103J CHIP R 10K J 1/10W K1E5E6 R201 RK73GB2A103J CHIP R 10K J 1/10W M2 R201,202 RK73GB2A103J CHIP R 10K J 1/10W R1X2C1 R203 RK73GB2A103J CHIP R 10K J 1/10W K1 R203,204 RK73GB2A103J CHIP R 10K J 1/10W E5E6M2 R204 RK73GB2A103J CHIP R 10K J 1/10W R1 R205 RK73GB2A103J CHIP R 10K J 1/10W X2C1 R205,206 RK73GB2A103J CHIP R 10K J 1/10W K1 R206 RK73GB2A103J CHIP R 10K J 1/10W R1M2 R207 RK73GB2A103J CHIP R 10K J 1/10W C1 R207 RK73GB2A103J CHIP R 10K J 1/10W E5E6X2 R211,212 RK73GB2A103J CHIP R 10K J 1/10W R217,218 RK73GB2A473J CHIP R 47K J 1/10W R219 RK73GB2A333J CHIP R 33K J 1/10W R220-224 RK73GB2A473J CHIP R 47K J 1/10W R225 RK73GB2A104J CHIP R 100K J 1/10W R226 RK73GB2A103J CHIP R 10K J 1/10W R227 RK73GB2A104J CHIP R 100K J 1/10W R229 RK73GB2A471J CHIP R 470 J 1/10W R230,231 RK73GB2A101J CHIP R 100 J 1/10W R232 RK73GB2A102J CHIP R 1.0K J 1/10W R233 RK73GB2A104J CHIP R 100K J 1/10W R234,235 RK73GB2A101J CHIP R 100 J 1/10W R236 RK73GB2A514J CHIP R 510K J 1/10W R237-241 RK73GB2A102J CHIP R 1.0K J 1/10W R242 RK73GB2A473J CHIP R 47K J 1/10W R244 RK73GB2A473J CHIP R 47K J 1/10W R245 RK73GB2A123J CHIP R 12K J 1/10W R246 RK73GB2A102J CHIP R 1.0K J 1/10W R247 RK73GB2A473J CHIP R 47K J 1/10W R248,249 RK73GB2A123J CHIP R 12K J 1/10W R250-253 RK73GB2A104J CHIP R 100K J 1/10W R254 RK73GB2A123J CHIP R 12K J 1/10W R255 RK73GB2A222J CHIP R 2.2K J 1/10W R256 ✽ RN73GH1J163D CHIP R 16K D 1/16W R257 RN73GH1J102D CHIP R 1.0K D 1/16W R258 RN73GH1J333D CHIP R 33K D 1/16W E5 : KVT-627DVD E6 : KVT-627DVDY (Europe) K1 : KVT-717DVD (North America) X2 : KVT-747DVD (Australia) R1 : KVT-747DVD (Latin America) C1 : KVT-767DVD (China) M2 : KVT-737DVD (Other Areas) VIDEO CONTROL UNIT (X14-957/958x-xx) www. xiaoyu163. com QQ 376315150 9 9 2 8 9 4 2 9 8 TEL 13942296513 9 9 2 8 9 4 2 9 8 0 5 1 5 1 3 6 7 3 Q Q TEL 13942296513 QQ 376315150 892498299 TEL 13942296513 QQ 376315150 892498299 86 KVT-627DVD/627DVDY/717DVD KVT-737DVD/747DVD/767DVD Indicates safety critical components. Ref. No. A d d N e w Parts No. Description Desti- nation Ref. No. A d d N e w Parts No. Description Desti- nation PARTS LIST R259 RK73GB2A153J CHIP R 15K J 1/10W R260 ✽ RN73GH1J163D CHIP R 16K D 1/16W R261 RN73GH1J102D CHIP R 1.0K D 1/16W R262 RN73GH1J333D CHIP R 33K D 1/16W R263 RK73GB2A100J CHIP R 10 J 1/10W R264 RK73GB2A104J CHIP R 100K J 1/10W R265 RK73GB2A100J CHIP R 10 J 1/10W R266 RK73GB2A104J CHIP R 100K J 1/10W R267 RK73GB2A912J CHIP R 9.1K J 1/10W R268 RK73GB2A112J CHIP R 1.1K J 1/10W R269 RK73GB2A105J CHIP R 1.0M J 1/10W R270 RN73GH1J473D CHIP R 47K D 1/16W R271 RN73GH1J392D CHIP R 3.9K D 1/16W R272 RK73GB2A151J CHIP R 150 J 1/10W R273,274 RK73GB2A105J CHIP R 1.0M J 1/10W R275 RK73GB2A104J CHIP R 100K J 1/10W R276 RK73GB2A203J CHIP R 20K J 1/10W R279,280 RK73GB2A101J CHIP R 100 J 1/10W R281 RK73GB2A104J CHIP R 100K J 1/10W R300 RK73GB2A471J CHIP R 470 J 1/10W R301 RK73GB2A103J CHIP R 10K J 1/10W E5E6M2 R301 RK73GB2A103J CHIP R 10K J 1/10W X2C1 R302 RK73GB2A152J CHIP R 1.5K J 1/10W R303 RK73GB2A752J CHIP R 7.5K J 1/10W R304,305 RK73GB2A101J CHIP R 100 J 1/10W R306 RK73GB2A103J CHIP R 10K J 1/10W R307 RK73GB2A682J CHIP R 6.8K J 1/10W R308 RK73GB2A105J CHIP R 1.0M J 1/10W R309-312 RK73GB2A101J CHIP R 100 J 1/10W R313 RK73GB2A473J CHIP R 47K J 1/10W R314 RK73GB2A101J CHIP R 100 J 1/10W R316 RK73GB2A101J CHIP R 100 J 1/10W R318 RK73GB2A101J CHIP R 100 J 1/10W R320 RK73GB2A101J CHIP R 100 J 1/10W R321 RK73GB2A102J CHIP R 1.0K J 1/10W R360,361 RK73GB2A303J CHIP R 30K J 1/10W R362 RK73GB2A472J CHIP R 4.7K J 1/10W R363 RK73GB2A202J CHIP R 2.0K J 1/10W R364 RK73GB2A361J CHIP R 360 J 1/10W R365 RK73GB2A914J CHIP R 910K J 1/10W R366,367 RK73GB2A471J CHIP R 470 J 1/10W R368 RK73GB2A102J CHIP R 1.0K J 1/10W R369 RK73GB2A470J CHIP R 47 J 1/10W R370 RK73GB2A302J CHIP R 3.0K J 1/10W R371 RN73GH1J182D CHIP R 1.8K D 1/16W R372 RN73GH1J471D CHIP R 470 D 1/16W R374 RK73GB2A471J CHIP R 470 J 1/10W R375 RK73GB2A101J CHIP R 100 J 1/10W R377 RK73GB2A103J CHIP R 10K J 1/10W R380-383 RK73GB2A101J CHIP R 100 J 1/10W R385 RK73GB2A471J CHIP R 470 J 1/10W R386 RK73GB2A102J CHIP R 1.0K J 1/10W R387 RN73GH1J473D CHIP R 47K D 1/16W R388 RK73GB2A471J CHIP R 470 J 1/10W R389 RK73GB2A272J CHIP R 2.7K J 1/10W R391 ✽ RN73GH1J203D CHIP R 20K D 1/16W R392 RK73GB2A332J CHIP R 3.3K J 1/10W R393 RK73GB2A104J CHIP R 100K J 1/10W R394 RN73GH1J303D CHIP R 30K D 1/16W R400 RK73GB2A103J CHIP R 10K J 1/10W R401 RK73GB2A680J CHIP R 68 J 1/10W R402 RK73GB2A152J CHIP R 1.5K J 1/10W R403 RK73GB2A101J CHIP R 100 J 1/10W R404 RK73GB2A472J CHIP R 4.7K J 1/10W R405 RK73GB2A272J CHIP R 2.7K J 1/10W R406 RK73GB2A101J CHIP R 100 J 1/10W R407 RK73GB2A272J CHIP R 2.7K J 1/10W R408 RK73GB2A101J CHIP R 100 J 1/10W R409 RK73GB2A272J CHIP R 2.7K J 1/10W R410,411 RK73GB2A104J CHIP R 100K J 1/10W R412 RK73GB2A102J CHIP R 1.0K J 1/10W R413 RK73GB2A472J CHIP R 4.7K J 1/10W R415-417 RK73GB2A201J CHIP R 200 J 1/10W R419 RK73GB2A101J CHIP R 100 J 1/10W R420,421 RK73GB2A153J CHIP R 15K J 1/10W R422,423 RK73GB2A561J CHIP R 560 J 1/10W R424 RK73GB2A102J CHIP R 1.0K J 1/10W R427 RK73GB2A470J CHIP R 47 J 1/10W R500 RK73GB2A302J CHIP R 3.0K J 1/10W R501 RK73GB2A330J CHIP R 33 J 1/10W R502 RK73GB2A103J CHIP R 10K J 1/10W R503 RK73GB2A820J CHIP R 82 J 1/10W R504,505 RK73GB2A220J CHIP R 22 J 1/10W R506,507 RK73GB2A820J CHIP R 82 J 1/10W R508 RK73GB2A471J CHIP R 470 J 1/10W R509 RK73GB2A102J CHIP R 1.0K J 1/10W R520 RK73GB2A472J CHIP R 4.7K J 1/10W R522-528 RK73GB2A103J CHIP R 10K J 1/10W R529 RK73GB2A472J CHIP R 4.7K J 1/10W R540,541 RK73GB2A330J CHIP R 33 J 1/10W R542 RK73GB2A105J CHIP R 1.0M J 1/10W R544 RK73GB2A102J CHIP R 1.0K J 1/10W R560 RK73GB2A101J CHIP R 100 J 1/10W R601-603 RK73GB2A472J CHIP R 4.7K J 1/10W R604 RK73GB2A470J CHIP R 47 J 1/10W R605-610 RK73GB2A101J CHIP R 100 J 1/10W R611 RK73GB2A102J CHIP R 1.0K J 1/10W R612,613 RK73GB2A101J CHIP R 100 J 1/10W R614 RK73GB2A330J CHIP R 33 J 1/10W R615-617 RK73GB2A472J CHIP R 4.7K J 1/10W R618,619 RK73GB2A220J CHIP R 22 J 1/10W R620-622 RK73GB2A472J CHIP R 4.7K J 1/10W R625-627 RK73GB2A472J CHIP R 4.7K J 1/10W R629 RK73GB2A101J CHIP R 100 J 1/10W R651-654 RK73GB2A102J CHIP R 1.0K J 1/10W R655 RK73EB2E750J CHIP R 75 J 1/4W R656 RK73GB2A511J CHIP R 510 J 1/10W R657 RK73GB2A152J CHIP R 1.5K J 1/10W R658,659 RK73GB2A102J CHIP R 1.0K J 1/10W R660 RK73GB2A103J CHIP R 10K J 1/10W E5 : KVT-627DVD E6 : KVT-627DVDY (Europe) K1 : KVT-717DVD (North America) X2 : KVT-747DVD (Australia) R1 : KVT-747DVD (Latin America) C1 : KVT-767DVD (China) M2 : KVT-737DVD (Other Areas) VIDEO CONTROL UNIT (X14-957/958x-xx) www. xiaoyu163. com QQ 376315150 9 9 2 8 9 4 2 9 8 TEL 13942296513 9 9 2 8 9 4 2 9 8 0 5 1 5 1 3 6 7 3 Q Q TEL 13942296513 QQ 376315150 892498299 TEL 13942296513 QQ 376315150 892498299 KVT-627DVD/627DVDY/717DVD KVT-737DVD/747DVD/767DVD 87 Indicates safety critical components. Ref. No. A d d N e w Parts No. Description Desti- nation Ref. No. A d d N e w Parts No. Description Desti- nation PARTS LIST R661,662 RK73GB2A472J CHIP R 4.7K J 1/10W R663,664 RK73GB2A101J CHIP R 100 J 1/10W R665-668 RN73GH1J750D CHIP R 75 D 1/16W R669 RN73GH1J151D CHIP R 150 D 1/16W R670 RK73GB2A103J CHIP R 10K J 1/10W R671,672 RK73GB2A104J CHIP R 100K J 1/10W R673 RN73GH1J151D CHIP R 150 D 1/16W R675 RK73GB2A103J CHIP R 10K J 1/10W R676 RK73GB2A101J CHIP R 100 J 1/10W R678 RK73GB2A472J CHIP R 4.7K J 1/10W R682 RK73GB2A472J CHIP R 4.7K J 1/10W R683-687 RK73GB2A102J CHIP R 1.0K J 1/10W R701,702 RK73GB2A472J CHIP R 4.7K J 1/10W R703 RK73GB2A302J CHIP R 3.0K J 1/10W R704,705 RK73GB2A201J CHIP R 200 J 1/10W R706 RK73GB2A302J CHIP R 3.0K J 1/10W R707 RK73GB2A471J CHIP R 470 J 1/10W R708 RK73GB2A182J CHIP R 1.8K J 1/10W R709 RK73GB2A100J CHIP R 10 J 1/10W R710,711 RK73GB2A472J CHIP R 4.7K J 1/10W R712 RK73GB2A302J CHIP R 3.0K J 1/10W R713,714 RK73GB2A201J CHIP R 200 J 1/10W R715 RK73GB2A302J CHIP R 3.0K J 1/10W R716 RK73GB2A471J CHIP R 470 J 1/10W R717 RK73GB2A182J CHIP R 1.8K J 1/10W R718 RK73GB2A100J CHIP R 10 J 1/10W R719 RK73GB2A682J CHIP R 6.8K J 1/10W R720 RK73GB2A222J CHIP R 2.2K J 1/10W R721 RK73GB2A392J CHIP R 3.9K J 1/10W R722 RK73GB2A102J CHIP R 1.0K J 1/10W R723,724 RK73GB2A223J CHIP R 22K J 1/10W R725 RK73GB2A103J CHIP R 10K J 1/10W R751 RK73GB2A151J CHIP R 150 J 1/10W R770 RK73GB2A103J CHIP R 10K J 1/10W R771 RK73GB2A222J CHIP R 2.2K J 1/10W R772-774 RK73GB2A472J CHIP R 4.7K J 1/10W R776 RK73GB2A472J CHIP R 4.7K J 1/10W R777 RK73GB2A102J CHIP R 1.0K J 1/10W R802,803 RK73EB2E102J CHIP R 1.0K J 1/4W R805-810 RK73EB2E101J CHIP R 100 J 1/4W R811-814 RK73GB2A750J CHIP R 75 J 1/10W R850-866 RK73GB2A101J CHIP R 100 J 1/10W R867 RK73GB2A102J CHIP R 1.0K J 1/10W R900-902 RK73EB2E102J CHIP R 1.0K J 1/4W R904,905 RK73EB2E100J CHIP R 10 J 1/4W R906-911 RK73EB2E101J CHIP R 100 J 1/4W R913 RK73EB2E101J CHIP R 100 J 1/4W R914 RK73GB2A102J CHIP R 1.0K J 1/10W K1R1M2 R914 RK73GB2A102J CHIP R 1.0K J 1/10W X2C1 R921 RK73GB2A103J CHIP R 10K J 1/10W K1R1M2 R921 RK73GB2A103J CHIP R 10K J 1/10W X2C1 R924 RK73GB2A103J CHIP R 10K J 1/10W R925 RN73GH1J123D CHIP R 12K D 1/16W R926 RN73GH1J152D CHIP R 1.5K D 1/16W R927 RN73GH1J243D CHIP R 24K D 1/16W R928 RK73GB2A472J CHIP R 4.7K J 1/10W K1R1M2 R928 RK73GB2A472J CHIP R 4.7K J 1/10W X2C1 R961 RK73EB2E151J CHIP R 150 J 1/4W R962 RK73EB2E150J CHIP R 15 J 1/4W VR361 ✽ R32-0327-05 SEMI FIXED VARIABLE RESISTOR W100,101 R92-1252-05 CHIP R 0 OHM J 1/16W W103 R92-1252-05 CHIP R 0 OHM J 1/16W W111-117 R92-1252-05 CHIP R 0 OHM J 1/16W W121,122 R92-1252-05 CHIP R 0 OHM J 1/16W W183 R92-1252-05 CHIP R 0 OHM J 1/16W W201-203 R92-1252-05 CHIP R 0 OHM J 1/16W W205 R92-1252-05 CHIP R 0 OHM J 1/16W W301 R92-1252-05 CHIP R 0 OHM J 1/16W W304 R92-1252-05 CHIP R 0 OHM J 1/16W W311-313 R92-1252-05 CHIP R 0 OHM J 1/16W W360 R92-1252-05 CHIP R 0 OHM J 1/16W W365 R92-1252-05 CHIP R 0 OHM J 1/16W W401 R92-1252-05 CHIP R 0 OHM J 1/16W W403 R92-1252-05 CHIP R 0 OHM J 1/16W W405 R92-1252-05 CHIP R 0 OHM J 1/16W W408-415 R92-1252-05 CHIP R 0 OHM J 1/16W W501 R92-1252-05 CHIP R 0 OHM J 1/16W W522 R92-1252-05 CHIP R 0 OHM J 1/16W W581 R92-1252-05 CHIP R 0 OHM J 1/16W W601 R92-1252-05 CHIP R 0 OHM J 1/16W W604 R92-1252-05 CHIP R 0 OHM J 1/16W W606-609 R92-1252-05 CHIP R 0 OHM J 1/16W W650 R92-1252-05 CHIP R 0 OHM J 1/16W W652 R92-1252-05 CHIP R 0 OHM J 1/16W W654 R92-1252-05 CHIP R 0 OHM J 1/16W W658 R92-1252-05 CHIP R 0 OHM J 1/16W W660 R92-1252-05 CHIP R 0 OHM J 1/16W W662,663 R92-1252-05 CHIP R 0 OHM J 1/16W W701 R92-1252-05 CHIP R 0 OHM J 1/16W W750 R92-1252-05 CHIP R 0 OHM J 1/16W W770 R92-1252-05 CHIP R 0 OHM J 1/16W W772-776 R92-1252-05 CHIP R 0 OHM J 1/16W W850 R92-1252-05 CHIP R 0 OHM J 1/16W K1R1M2 W850 R92-1252-05 CHIP R 0 OHM J 1/16W X2 W850-854 R92-1252-05 CHIP R 0 OHM J 1/16W E5E6C1 W852 R92-1252-05 CHIP R 0 OHM J 1/16W K1R1M2 W852 R92-1252-05 CHIP R 0 OHM J 1/16W X2 W854 R92-1252-05 CHIP R 0 OHM J 1/16W K1R1M2 W854 R92-1252-05 CHIP R 0 OHM J 1/16W X2 W856 RK73FB2B000J CHIP R 0.0 J 1/8W W859-864 R92-1252-05 CHIP R 0 OHM J 1/16W W867 R92-1252-05 CHIP R 0 OHM J 1/16W E5E6C1 W869,870 R92-1252-05 CHIP R 0 OHM J 1/16W W872 R92-1252-05 CHIP R 0 OHM J 1/16W K1R1M2 W872 R92-1252-05 CHIP R 0 OHM J 1/16W X2 W872-874 R92-1252-05 CHIP R 0 OHM J 1/16W E5E6C1 W874 R92-1252-05 CHIP R 0 OHM J 1/16W K1R1M2 W874 R92-1252-05 CHIP R 0 OHM J 1/16W X2 W881,882 RK73EB2E000J CHIP R 0.0 J 1/4W W884-886 RK73EB2E000J CHIP R 0.0 J 1/4W E5 : KVT-627DVD E6 : KVT-627DVDY (Europe) K1 : KVT-717DVD (North America) X2 : KVT-747DVD (Australia) R1 : KVT-747DVD (Latin America) C1 : KVT-767DVD (China) M2 : KVT-737DVD (Other Areas) VIDEO CONTROL UNIT (X14-957/958x-xx) www. xiaoyu163. com QQ 376315150 9 9 2 8 9 4 2 9 8 TEL 13942296513 9 9 2 8 9 4 2 9 8 0 5 1 5 1 3 6 7 3 Q Q TEL 13942296513 QQ 376315150 892498299 TEL 13942296513 QQ 376315150 892498299 88 KVT-627DVD/627DVDY/717DVD KVT-737DVD/747DVD/767DVD Indicates safety critical components. Ref. No. A d d N e w Parts No. Description Desti- nation Ref. No. A d d N e w Parts No. Description Desti- nation PARTS LIST W887,888 R92-1252-05 CHIP R 0 OHM J 1/16W W889 RK73EB2E000J CHIP R 0.0 J 1/4W W893 R92-1252-05 CHIP R 0 OHM J 1/16W W900 R92-1252-05 CHIP R 0 OHM J 1/16W W918 R92-1252-05 CHIP R 0 OHM J 1/16W E5E6 D100 1SR154-400 DIODE D104 DAN202U DIODE D105 UDZS6.8B ZENER DIODE D106 DAN202U DIODE D107 UDZS6.2B ZENER DIODE D108-111 EC31QS04AG DIODE D113 EC31QS04AG DIODE D114,115 SB05-05CP-E DIODE D116 ✽ MA2S784-F DIODE D180,181 DAN202U DIODE D300 DAN202U DIODE D301-303 STZ6.2N ZENER DIODE D501,502 DA204U DIODE D650 STZ6.2N ZENER DIODE D701 DAP202U DIODE D702 DA204U DIODE D704,705 STZ6.2N ZENER DIODE D800 AVRM1608120M6A VARISTOR D801-807 AVRM1608270MAB VARISTOR D850-856 AVRM1608120M6A VARISTOR D859 AVRM1608120M6A VARISTOR D862 DA204U DIODE D900,901 DA204U DIODE D902 STZ6.2N ZENER DIODE D903 DA204U DIODE D905 STZ6.2N ZENER DIODE D906 DA204U DIODE D907 UDZS6.2B ZENER DIODE D908 DA204U DIODE D909 AVRM1608120M6A VARISTOR D910 STZ6.2N ZENER DIODE D911 DA204U DIODE D912,913 STZ6.2N ZENER DIODE D914 UDZS6.2B ZENER DIODE D916-922 AVRM1608180M6A VARISTOR D923 AVRM1608270MAB VARISTOR D925,926 AVRM1608270MAB VARISTOR D927-929 AVRM1608180M6A VARISTOR D931,932 AVRM1608180M6A VARISTOR D960 DA204U DIODE D961 AVRM1608270MAA VARISTOR IC100-102 ✽ FA7707E-H1 ANALOGUE IC IC103 TA58L05F ANALOGUE IC IC104 ✽ PQ1X331M2ZPH ANALOGUE IC IC108 SI-3012KM ANALOGUE IC IC200 ✽ BR24L08FV-W ROM IC IC202,203 LB1836M-TLM-E ANALOGUE IC IC204 ✽ 703265YGJ501A MICROCONTROLLER IC IC205 TC7SH08FU-F MOS-IC IC206 S-80830CNNB-G MOS-IC IC207 TC74VHCT08AFT MOS-IC IC301 TDA4665T-F ANALOGUE IC E5E6M2 IC301 TDA4665T-F ANALOGUE IC X2C1 IC303 AN2546FH-AV ANALOGUE IC IC304 MM1389XFBE-E ANALOGUE IC IC306 TC7SH04FU-F MOS-IC IC361 ✽ TC7W00FU-F MOS-IC IC362 NJW1303V-ZB ANALOGUE IC IC363,364 ✽ TC7W34FU-F MOS-IC IC365 TC7WH123FU-F MOS-IC IC366 TC7SH04FU-F MOS-IC IC400 LC74735NW9817E MOS-IC IC401 ✽ MB29LV8T9T0U1 ROM IC IC402 TC74LCX74FT MOS-IC IC403 ✽ TC7S02FU-F MOS-IC IC404 TC7SH04FU-F MOS-IC IC405 ✽ TC7W08FU-F MOS-IC IC406 ✽ TC7W32FU-F MOS-IC IC500 ✽ PQ070XH02ZPH ANALOGUE IC IC520 ✽ M29LV160T72U5 ROM IC IC540,541 TC7SHU04FU-F MOS-IC IC560 ✽ K4S281632FUP75 DRAM IC IC601 ES6218SF MOS-IC IC650 MM1567AJBE-E ANALOGUE IC IC651 ✽ UPC2905ATAZ ANALOGUE IC IC652 ✽ ADV7170KSUZ MOS-IC IC654 ✽ MM1508XNRE-E ANALOGUE IC IC701 NJM4580V-ZB ANALOGUE IC IC702 TA78L05F-F ANALOGUE IC IC703 AK4382AVT ANALOGUE IC IC750 ✽ TC7SET04FU-F MOS-IC IC770 ✽ M43212VNI8R01 MOS-IC IC850 TC7SH00FU-F MOS-IC Q100 DTC144EUA DIGITAL TRANSISTOR Q101 2SC4081 TRANSISTOR Q102 DTC144EUA DIGITAL TRANSISTOR Q103 2SA1576A TRANSISTOR Q104 2SC4081 TRANSISTOR Q105 2SA1576A TRANSISTOR Q106 HAT1038R-E FET Q107 2SC4081 TRANSISTOR Q108 DTA124EUA DIGITAL TRANSISTOR Q109-111 ✽ HAT1024R-E FET Q112 DTC144EUA DIGITAL TRANSISTOR Q117 DTC144EUA DIGITAL TRANSISTOR Q120 2SA1576A TRANSISTOR Q121 DTC144EUA DIGITAL TRANSISTOR Q122 2SA1576A TRANSISTOR Q123-125 2SC4081 TRANSISTOR Q126 DTA114TUA DIGITAL TRANSISTOR Q127 DTA114EUA DIGITAL TRANSISTOR Q128 DTA144EUA DIGITAL TRANSISTOR Q129 IMX9 TRANSISTOR Q170 DTC144EUA DIGITAL TRANSISTOR Q172 DTC144EUA DIGITAL TRANSISTOR E5 : KVT-627DVD E6 : KVT-627DVDY (Europe) K1 : KVT-717DVD (North America) X2 : KVT-747DVD (Australia) R1 : KVT-747DVD (Latin America) C1 : KVT-767DVD (China) M2 : KVT-737DVD (Other Areas) VIDEO CONTROL UNIT (X14-957/958x-xx) www. xiaoyu163. com QQ 376315150 9 9 2 8 9 4 2 9 8 TEL 13942296513 9 9 2 8 9 4 2 9 8 0 5 1 5 1 3 6 7 3 Q Q TEL 13942296513 QQ 376315150 892498299 TEL 13942296513 QQ 376315150 892498299 KVT-627DVD/627DVDY/717DVD KVT-737DVD/747DVD/767DVD 89 Indicates safety critical components. Ref. No. A d d N e w Parts No. Description Desti- nation Ref. No. A d d N e w Parts No. Description Desti- nation PARTS LIST Q175 DTC144EUA DIGITAL TRANSISTOR Q180,181 2SC4081 TRANSISTOR Q182 2SA1576A TRANSISTOR Q183 DTC124EUA DIGITAL TRANSISTOR Q184 DTC143EUA DIGITAL TRANSISTOR Q200 DTC144EUA DIGITAL TRANSISTOR Q201 DTB123YK DIGITAL TRANSISTOR Q202 DTC144EUA DIGITAL TRANSISTOR Q203 DTB123YK DIGITAL TRANSISTOR Q204 DTC144EUA DIGITAL TRANSISTOR Q205 DTB123YK DIGITAL TRANSISTOR Q206 DTA144EUA DIGITAL TRANSISTOR Q207 DTC144EUA DIGITAL TRANSISTOR Q208 2SA1576A TRANSISTOR Q209 2SC4081 TRANSISTOR Q210 2SA1576A TRANSISTOR Q211 2SC4081 TRANSISTOR Q212 2SA1576A TRANSISTOR Q213 2SC4081 TRANSISTOR Q214 DTA114TUA DIGITAL TRANSISTOR Q215 2SC4081 TRANSISTOR Q216 DTA114TUA DIGITAL TRANSISTOR Q217 2SC4081 TRANSISTOR Q218 DTA114TUA DIGITAL TRANSISTOR Q219 DTC114TUA DIGITAL TRANSISTOR Q300 2SA1576A TRANSISTOR E5E6M2 Q300 2SA1576A TRANSISTOR X2C1 Q301 DTC114TUA DIGITAL TRANSISTOR E5E6 Q360 2SC4081 TRANSISTOR Q361,362 2SA1576A TRANSISTOR Q363 DTA114EUA DIGITAL TRANSISTOR Q364 DTC144EUA DIGITAL TRANSISTOR Q390 2SC4081 TRANSISTOR Q391 2SA1576A TRANSISTOR Q400-402 2SA1576A TRANSISTOR Q404,405 2SC4081 TRANSISTOR Q650 DTA114TUA DIGITAL TRANSISTOR Q651,652 DTC144EUA DIGITAL TRANSISTOR Q653 DTC114TUA DIGITAL TRANSISTOR Q701-703 2SC4081 TRANSISTOR Q704 DTC114TUA DIGITAL TRANSISTOR Q705,706 DTA114TUA DIGITAL TRANSISTOR Q901 2SB1189 TRANSISTOR K1R1M2 Q901 2SB1189 TRANSISTOR X2C1 Q902 2SC4081 TRANSISTOR K1R1M2 Q902 2SC4081 TRANSISTOR X2C1 Q904 DTB123YK DIGITAL TRANSISTOR Q905,906 DTC144EUA DIGITAL TRANSISTOR CN1 E41-2036-05 FLAT CABLE CONNECTOR S1,2 S68-0863-05 PUSH SWITCH D101 B30-1658-05 LED (RED, S) D203 ✽ B30-1713-05 LED (SR, TS) D205 ✽ B30-1740-05 LED (CL-270PG-C-TS) D207-209 B30-1564-05 LED (1608, BLUE) D221-225 B30-1605-05 LED (2COLOR PG/RED) C101 CK73GB1H104K CHIP C 0.10UF K C201 CK73GB1H104K CHIP C 0.10UF K K1R1M2 C201 CK73GB1H104K CHIP C 0.10UF K X2C1 C202 CK73FB1C105K CHIP C 1.0UF K K1R1M2 C202 CK73FB1C105K CHIP C 1.0UF K X2C1 C203 CC73GCH1H221J CHIP C 220PF J C204 CK73FB1A225K CHIP C 2.2UF K C205 CK73GB1H104K CHIP C 0.10UF K CN101 ✽ E41-2366-05 FLAT CABLE CONNECTOR CN201 ✽ E41-2563-05 FLAT CABLE CONNECTOR K1R1M2 CN201 ✽ E41-2563-05 FLAT CABLE CONNECTOR X2C1 J101 E58-1008-05 RECTANGULAR RECEPTACLE J201 E59-0843-05 RECTANGULAR PLUG R101,102 RK73EB2E101J CHIP R 100 J 1/4W R103-105 RK73EB2E102J CHIP R 1.0K J 1/4W R106 RK73GB2A101J CHIP R 100 J 1/10W R107 RK73EB2E102J CHIP R 1.0K J 1/4W R201 RK73GB2A152J CHIP R 1.5K J 1/10W R202 RK73GB2A181J CHIP R 180 J 1/10W R203 RK73GB2A101J CHIP R 100 J 1/10W R204 RK73GB2A271J CHIP R 270 J 1/10W R205 RK73GB2A272J CHIP R 2.7K J 1/10W R206 RK73GB2A332J CHIP R 3.3K J 1/10W R207 RK73GB2A181J CHIP R 180 J 1/10W R208 RK73GB2A271J CHIP R 270 J 1/10W R209 RK73GB2A472J CHIP R 4.7K J 1/10W R210-212 RK73GB2A101J CHIP R 100 J 1/10W K1R1M2 R210-212 RK73GB2A101J CHIP R 100 J 1/10W X2C1 R213 RK73EB2E561J CHIP R 560 J 1/4W K1R1M2 R213 RK73EB2E561J CHIP R 560 J 1/4W X2C1 R214 RK73EB2E101J CHIP R 100 J 1/4W R215 RK73EB2E561J CHIP R 560 J 1/4W K1R1M2 R215 RK73EB2E561J CHIP R 560 J 1/4W X2C1 R216 RK73GB2A104J CHIP R 100K J 1/10W R217 RK73EB2E101J CHIP R 100 J 1/4W R219 RK73GB2A391J CHIP R 390 J 1/10W R221 RK73EB2E431J CHIP R 430 J 1/4W R222 RK73GB2A391J CHIP R 390 J 1/10W K1R1M2 R222 RK73GB2A391J CHIP R 390 J 1/10W X2C1 R224 RK73GB2A822J CHIP R 8.2K J 1/10W R225 RK73GB2A153J CHIP R 15K J 1/10W R226 RK73GB2A473J CHIP R 47K J 1/10W R234,235 RK73GB2A222J CHIP R 2.2K J 1/10W R236 RK73GB2A101J CHIP R 100 J 1/10W R237 RK73FB2B431J CHIP R 430 J 1/8W R238 RK73GB2A391J CHIP R 390 J 1/10W R239,240 RK73GB2A101J CHIP R 100 J 1/10W R242-245 RK73GB2A103J CHIP R 10K J 1/10W K1R1M2 R242-245 RK73GB2A103J CHIP R 10K J 1/10W X2C1 SWITCH UNIT (X16-2380-00): IN DVD MECHA. SUB-CIRCUIT UNIT (X16-303/304x-xx) E5 : KVT-627DVD E6 : KVT-627DVDY (Europe) K1 : KVT-717DVD (North America) X2 : KVT-747DVD (Australia) R1 : KVT-747DVD (Latin America) C1 : KVT-767DVD (China) M2 : KVT-737DVD (Other Areas) VIDEO CONTROL UNIT (X14-957/958x-xx) www. xiaoyu163. com QQ 376315150 9 9 2 8 9 4 2 9 8 TEL 13942296513 9 9 2 8 9 4 2 9 8 0 5 1 5 1 3 6 7 3 Q Q TEL 13942296513 QQ 376315150 892498299 TEL 13942296513 QQ 376315150 892498299 90 KVT-627DVD/627DVDY/717DVD KVT-737DVD/747DVD/767DVD Indicates safety critical components. Ref. No. A d d N e w Parts No. Description Desti- nation Ref. No. A d d N e w Parts No. Description Desti- nation PARTS LIST S201-206 S70-0901-05 TACT SWITCH S207 S70-0874-05 TACT SWITCH S208 S70-0901-05 TACT SWITCH D102 AVRM1608180M6A VARISTOR D103-106 AVRM1005270MAA VARISTOR D201 UDZS6.2B ZENER DIODE D211-213 DA204U DIODE D214-216 UDZS6.2B ZENER DIODE K1R1M2 D214-216 UDZS6.2B ZENER DIODE X2C1 D217 AVRM1608120M6A VARISTOR D404-410 AVRM1608180M6A VARISTOR D411 DAP202U DIODE E5E6 D411,412 DAP202U DIODE K1R1M2 D411,412 DAP202U DIODE X2C1 IC201 RS-181 ANALOGUE IC Q101 DTC124EUA DIGITAL TRANSISTOR Q204-206 2SA1576A TRANSISTOR K1R1M2 Q204-206 2SA1576A TRANSISTOR X2C1 Q206 2SA1576A TRANSISTOR E5E6 CN1 ✽ E41-2300-05 FLAT CABLE (19PIN) R2 RK73GB2A273J CHIP R 27K J 1/10W R1 RK73GB2A751J CHIP R 750 J 1/10W VR1 R31-0237-05 SEMI FIXED VARIABLE RESISTOR S1 S68-0863-05 PUSH SWITCH S2,S3 S68-0871-05 PUSH SWITCH S4 S68-0863-05 PUSH SWITCH PH1 T95-0253-05 PHOTO INTERRPTER C1 CK73EB1E225K CHIP C 2.2UF K C5 C90-5612-05 ELECTRO 3900UF 16WV C6 CK73GB1H104K CHIP C 0.10UF K C7 CK73FB1C105K CHIP C 1.0UF K C8 CD04BA1H3R3M ELECTRO 3.3UF 50WV C9,10 CK73GB1H103K CHIP C 0.010UF K C51 CK73GB1H473K CHIP C 0.047UF K C52 CD04AS1V100M ELECTRO 10UF 35WV C55 CD04BJ1E221M ELECTRO 220UF 25WV C56 CD04BJ1A101M ELECTRO 100UF 10WV C58 CD04AS1C220M ELECTRO 22UF 16WV C59 CD04BD1C101M ELECTRO 100UF 16WV C60-62 CK73EB1E225K CHIP C 2.2UF K C63 CD04BA1C220M ELECTRO 22UF 16WV C64 CK73EB1E225K CHIP C 2.2UF K C65 CK73FB1C105K CHIP C 1.0UF K C67 CD04AY1A221M ELECTRO 220UF 10WV C69 CK73FB1C105K CHIP C 1.0UF K C70 CD04AY1A221M ELECTRO 220UF 10WV C71 CK73GB1H223K CHIP C 0.022UF K C72 CK73GB1H103K CHIP C 0.010UF K C73,74 CD04BA1E4R7M ELECTRO 4.7UF 25WV C101 CK73GB1A105K CHIP C 1.0UF K C103 CK73GB1A105K CHIP C 1.0UF K C104 CD04AS1C101M ELECTRO 100UF 16WV C108-112 C90-6742-05 NP-ELECT 4.7UF 16WV C113 CK73GB1H103K CHIP C 0.010UF K C150 CD04AS1C470M ELECTRO 47UF 16WV C151,152 CK73GB1H152K CHIP C 1500PF K C153 CD04AS1V100M ELECTRO 10UF 35WV C154,155 CK73FB1C105K CHIP C 1.0UF K C162,163 CD04AS1V100M ELECTRO 10UF 35WV C164 CK73GB1H103K CHIP C 0.010UF K C165 CD04AS1V100M ELECTRO 10UF 35WV C166 CK73GB1H104K CHIP C 0.10UF K C167 CK73GB1H103K CHIP C 0.010UF K C168 CD04AT1H010M ELECTRO 1UF 50WV C169 CD04AS1H010M ELECTRO 1UF 50WV C170 CD04AS1C470M ELECTRO 47UF 16WV C171 CD04AS1H010M ELECTRO 1UF 50WV C172 CK73GB1H102K CHIP C 1000PF K C173 CD04AS1H4R7M ELECTRO 4.7UF 50WV C174 CK73FB1E474K CHIP C 0.47UF K C175 CK73GB1H102K CHIP C 1000PF K C176 CK73FB1E474K CHIP C 0.47UF K C177 CD04AS1C101M ELECTRO 100UF 16WV C178,179 CD04AS1H3R3M ELECTRO 3.3UF 50WV C180,181 CK73FB1A225K CHIP C 2.2UF K C182-185 CC73GCH1H101J CHIP C 100PF J C186 CK73FB1C105K CHIP C 1.0UF K C187,188 CD04AS1H3R3M ELECTRO 3.3UF 50WV C200 CD04AS1C220M ELECTRO 22UF 16WV C201 CD04BJ1H100M ELECTRO 10UF 50WV C202 CK73GB1H103K CHIP C 0.010UF K C203,204 CD04BJ1H100M ELECTRO 10UF 50WV C205 CK73GB1H102K CHIP C 1000PF K C206 CD04BJ1H100M ELECTRO 10UF 50WV C207 CK73GB1H103K CHIP C 0.010UF K C208 CK73GB1H102K CHIP C 1000PF K C209-213 CD04BJ1H100M ELECTRO 10UF 50WV C214 CK73GB1H103K CHIP C 0.010UF K C215,216 CK73GB1H102K CHIP C 1000PF K C217-219 CD04BJ1H100M ELECTRO 10UF 50WV C220 CK73GB1H103K CHIP C 0.010UF K C221 CK73GB1H102K CHIP C 1000PF K C222-224 CD04BJ1H100M ELECTRO 10UF 50WV C225 CK73GB1H103K CHIP C 0.010UF K C226 CK73GB1H102K CHIP C 1000PF K C227-229 CD04BJ1H100M ELECTRO 10UF 50WV C230 CK73GB1H103K CHIP C 0.010UF K C231 CD04AS1C220M ELECTRO 22UF 16WV C233 CD04AS1V100M ELECTRO 10UF 35WV C234 CK73GB1H222K CHIP C 2200PF K C235,236 CK73GB1H102K CHIP C 1000PF K C237 CK73GB1H222K CHIP C 2200PF K C238 CD04AS1V100M ELECTRO 10UF 35WV C239 CD04AS0J101M ELECTRO 100UF 6.3WV K1 C240 CD04AS1H4R7M ELECTRO 4.7UF 50WV K1 ELECTRIC CIRCUIT MODULEX (X16-3130-00) (W02-3386-25) ELECTRIC UNIT (X34-353/354x-xx) E5 : KVT-627DVD E6 : KVT-627DVDY (Europe) K1 : KVT-717DVD (North America) X2 : KVT-747DVD (Australia) R1 : KVT-747DVD (Latin America) C1 : KVT-767DVD (China) M2 : KVT-737DVD (Other Areas) SUB-CIRCUIT UNIT (X16-303/304x-xx) www. xiaoyu163. com QQ 376315150 9 9 2 8 9 4 2 9 8 TEL 13942296513 9 9 2 8 9 4 2 9 8 0 5 1 5 1 3 6 7 3 Q Q TEL 13942296513 QQ 376315150 892498299 TEL 13942296513 QQ 376315150 892498299 KVT-627DVD/627DVDY/717DVD KVT-737DVD/747DVD/767DVD 91 Indicates safety critical components. Ref. No. A d d N e w Parts No. Description Desti- nation Ref. No. A d d N e w Parts No. Description Desti- nation PARTS LIST C241 CD04AS1C220M ELECTRO 22UF 16WV K1 C242 CK73GB1H103K CHIP C 0.010UF K K1 C243 CD04AS1H4R7M ELECTRO 4.7UF 50WV K1 C244 CD04AS0J101M ELECTRO 100UF 6.3WV C245 CD04AS1H4R7M ELECTRO 4.7UF 50WV C246 CD04AS1C220M ELECTRO 22UF 16WV C247 CK73GB1H103K CHIP C 0.010UF K C248 CD04AS1H4R7M ELECTRO 4.7UF 50WV C251,252 CC73GCH1H100D CHIP C 10PF D E6M2 C251,252 CC73GCH1H100D CHIP C 10PF D K1R1E5 C255 CD04AS1V100M ELECTRO 10UF 35WV E6M2 C255 CD04AS1V100M ELECTRO 10UF 35WV K1R1E5 C256 CC73GCH1H331J CHIP C 330PF J E6M2 C256 CC73GCH1H331J CHIP C 330PF J K1R1E5 C257 CD04AS1V100M ELECTRO 10UF 35WV E6M2 C257 CD04AS1V100M ELECTRO 10UF 35WV K1R1E5 C258 CK73GB1H103K CHIP C 0.010UF K E6M2 C258 CK73GB1H103K CHIP C 0.010UF K K1R1E5 C267-270 CK73GB1H103K CHIP C 0.010UF K C274 CK73FB1A225K CHIP C 2.2UF K C275,276 CD04AW1HR47M ELECTRO 0.47UF 50WV C300 CK73GB1H103K CHIP C 0.010UF K C301,302 CK73GB1H104K CHIP C 0.10UF K C303 CK73GB1H103K CHIP C 0.010UF K C304 CK73GB1A105K CHIP C 1.0UF K C308 CD04BJ0J331M ELECTRO 330UF 6.3WV C309 CK73GB1H103K CHIP C 0.010UF K C310 CK73GB1H102K CHIP C 1000PF K C400,401 CK73GB1A105K CHIP C 1.0UF K E5E6 C401 CK73GB1A105K CHIP C 1.0UF K K1R1M2 C401 CK73GB1A105K CHIP C 1.0UF K X2C1 C403 CD04BJ1A221M ELECTRO 220UF 10WV C404 CK73GB1H104K CHIP C 0.10UF K C405,406 CK73GB1A105K CHIP C 1.0UF K E5E6 C406 CK73GB1A105K CHIP C 1.0UF K K1R1M2 C406 CK73GB1A105K CHIP C 1.0UF K X2C1 C408 CD04BJ1A221M ELECTRO 220UF 10WV C409 CK73GB1H104K CHIP C 0.10UF K C410,411 CK73GB1A105K CHIP C 1.0UF K E5E6 C411 CK73GB1A105K CHIP C 1.0UF K K1R1M2 C411 CK73GB1A105K CHIP C 1.0UF K X2C1 C413 CD04BJ1A221M ELECTRO 220UF 10WV C414 CK73GB1H104K CHIP C 0.10UF K C415 CK73GB1H103K CHIP C 0.010UF K C416 CK73GB1H561K CHIP C 560PF K C417 CK73GB1A105K CHIP C 1.0UF K C418 CK73GB1H561K CHIP C 560PF K C419 CK73GB1H103K CHIP C 0.010UF K C420,421 CK73GB1H104K CHIP C 0.10UF K C422 CK73GB1H103K CHIP C 0.010UF K C423 CD04AS1C220M ELECTRO 22UF 16WV C424 CD04AS1V100M ELECTRO 10UF 35WV C425 CK73GB1A105K CHIP C 1.0UF K M2X2C1 C425 CK73GB1A105K CHIP C 1.0UF K R1E5E6 C425,426 CK73GB1A105K CHIP C 1.0UF K K1 C428 CK73GB1H104K CHIP C 0.10UF K C429-431 CK73GB1A105K CHIP C 1.0UF K C432 CD04BJ0J331M ELECTRO 330UF 6.3WV C433 CK73GB1H104K CHIP C 0.10UF K C434-436 CK73GB0J225K CHIP C 2.2UF K C437 CD04BJ1C471M ELECTRO 470UF 16WV C438 CK73GB1H104K CHIP C 0.10UF K C442 CD04AS1V100M ELECTRO 10UF 35WV C448,449 CK73GB1H103K CHIP C 0.010UF K C450-452 CD04AY1H220M ELECTRO 22UF 50WV C454,455 CK73GB1A105K CHIP C 1.0UF K C457,458 CK73GB1A105K CHIP C 1.0UF K K1 C458 CK73GB1A105K CHIP C 1.0UF K M2X2C1 C458 CK73GB1A105K CHIP C 1.0UF K R1E5E6 C461-463 CK73GB1H104K CHIP C 0.10UF K K1 C462,463 CK73GB1H104K CHIP C 0.10UF K M2X2C1 C462,463 CK73GB1H104K CHIP C 0.10UF K R1E5E6 C500 CK73GB1H103K CHIP C 0.010UF K C501,502 CD04AS1H4R7M ELECTRO 4.7UF 50WV C503 CD04AS0J101M ELECTRO 100UF 6.3WV C504 CD04AS1C220M ELECTRO 22UF 16WV C505 CD04AS1V100M ELECTRO 10UF 35WV C506,507 CK73GB1H104K CHIP C 0.10UF K C508 CD04AS0J470M ELECTRO 47UF 6.3WV C509-511 CD04AS1H4R7M ELECTRO 4.7UF 50WV C512 CD04AS0J470M ELECTRO 47UF 6.3WV C513 CD04AS1H4R7M ELECTRO 4.7UF 50WV C514 CD04AS0J470M ELECTRO 47UF 6.3WV C515,516 CD04AS1H4R7M ELECTRO 4.7UF 50WV C520 CK73GB1H103K CHIP C 0.010UF K C521 CD04AS1V100M ELECTRO 10UF 35WV C522 CD04AS0J470M ELECTRO 47UF 6.3WV C523,524 CK73GB1H103K CHIP C 0.010UF K C803 CK73GB1H103K CHIP C 0.010UF K M2X2C1 C803 CK73GB1H103K CHIP C 0.010UF K R1E5E6 C803,804 CK73GB1H103K CHIP C 0.010UF K K1 CN1 ✽ E41-2550-05 PIN ASSY CN250,251 ✽ E41-2383-05 PIN ASSY CN252,253 E40-9423-05 SOCKET FOR PIN ASSY J1 E58-0991-05 RECTANGULAR RECEPTACLE J200 ✽ E63-0932-05 PIN JACK J201 ✽ E63-0917-05 PIN JACK K1 J201 ✽ E63-0919-05 PIN JACK M2X2C1 J201 ✽ E63-0919-05 PIN JACK R1E5E6 J202 ✽ E63-0933-05 PIN JACK J250 E04-0326-05 RF COAXIAL CABLE RECEPTACLE J500 E56-0856-05 CYLINDRICAL RECEPTACLE J501 E58-0963-05 RECTANGULAR RECEPTACLE J502 E58-1034-05 RECTANGULAR RECEPTACLE J503 ✽ E56-0868-05 CYLINDRICAL RECEPTACLE L1 L33-1063-25 CHOKE COIL L50 L41-2205-33 SMALL FIXED INDUCTOR (22U) L150 L41-4795-33 SMALL FIXED INDUCTOR (4.7U) L250 L41-4795-33 SMALL FIXED INDUCTOR (4.7U) E6M2 E5 : KVT-627DVD E6 : KVT-627DVDY (Europe) K1 : KVT-717DVD (North America) X2 : KVT-747DVD (Australia) R1 : KVT-747DVD (Latin America) C1 : KVT-767DVD (China) M2 : KVT-737DVD (Other Areas) ELECTRIC UNIT (X34-353/354x-xx) www. xiaoyu163. com QQ 376315150 9 9 2 8 9 4 2 9 8 TEL 13942296513 9 9 2 8 9 4 2 9 8 0 5 1 5 1 3 6 7 3 Q Q TEL 13942296513 QQ 376315150 892498299 TEL 13942296513 QQ 376315150 892498299 92 KVT-627DVD/627DVDY/717DVD KVT-737DVD/747DVD/767DVD Indicates safety critical components. Ref. No. A d d N e w Parts No. Description Desti- nation Ref. No. A d d N e w Parts No. Description Desti- nation PARTS LIST L250 L41-4795-33 SMALL FIXED INDUCTOR (4.7U) K1R1E5 L252 L41-4795-33 SMALL FIXED INDUCTOR (4.7U) L254 L41-4795-33 SMALL FIXED INDUCTOR (4.7U) L255 L33-1977-05 CHOKE COIL L300 L41-1005-33 SMALL FIXED INDUCTOR (10U) L400-402 L41-1005-33 SMALL FIXED INDUCTOR (10U) X250 L77-2002-05 CRYSTAL RESONATOR E6M2 X250 L77-2002-05 CRYSTAL RESONATOR K1R1E5 X300 L78-0892-05 RESONATOR (19M) S 2H N09-6135-05 TAPTITE SCREW (3X8 B) T 2H ✽ N35-3020-48 BINDING HEAD MACHINE SCREW R1 RK73GB2A222J CHIP R 2.2K J 1/10W R2 RK73GB2A332J CHIP R 3.3K J 1/10W R3 RK73GB2A272J CHIP R 2.7K J 1/10W R4 RK73GB2A123J CHIP R 12K J 1/10W R5 RK73GB2A103J CHIP R 10K J 1/10W R6 RK73EB2E102J CHIP R 1.0K J 1/4W R7 RK73EB2E103J CHIP R 10K J 1/4W R10,11 RK73PB2H102J CHIP R 1.0K J 1/2W R12 RK73GB2A223J CHIP R 22K J 1/10W R13,14 RK73FB2B472J CHIP R 4.7K J 1/8W R15 RK73SB3A561J CHIP R 560 J 1W K1R1M2 R15 RK73SB3A561J CHIP R 560 J 1W X2C1 R16,17 RK73GB2A223J CHIP R 22K J 1/10W K1R1M2 R16,17 RK73GB2A223J CHIP R 22K J 1/10W X2C1 R17 RK73GB2A223J CHIP R 22K J 1/10W E5E6 R18 RK73GB2A103J CHIP R 10K J 1/10W R19 RK73GB2A104J CHIP R 100K J 1/10W R20 RK73GB2A183J CHIP R 18K J 1/10W R21 RK73FB2B561J CHIP R 560 J 1/8W R22 RK73GB2A473J CHIP R 47K J 1/10W R24 RK73GB2A683J CHIP R 68K J 1/10W R25 RK73GB2A393J CHIP R 39K J 1/10W R26 RK73GB2A104J CHIP R 100K J 1/10W R27 RK73EB2E101J CHIP R 100 J 1/4W R28 RK73GB2A104J CHIP R 100K J 1/10W R29 RK73GB2A103J CHIP R 10K J 1/10W R30 RK73GB2A474J CHIP R 470K J 1/10W R50 RK73FB2B182J CHIP R 1.8K J 1/8W R51 RK73GB2A104J CHIP R 100K J 1/10W R53 RK73GB2A101J CHIP R 100 J 1/10W R55 RK73FB2B203J CHIP R 20K J 1/8W R56 RK73FB2B221J CHIP R 220 J 1/8W R58 RK73FB2B221J CHIP R 220 J 1/8W R59 RK73FB2B272J CHIP R 2.7K J 1/8W R60 RK73GB2A223J CHIP R 22K J 1/10W R61 RK73GB2A153J CHIP R 15K J 1/10W R63 RK73GH2A243D CHIP R 24K D 1/10W R64 RK73GH2A432D CHIP R 4.3K D 1/10W R67 RK73GB2A272J CHIP R 2.7K J 1/10W R68 RK73GB2A153J CHIP R 15K J 1/10W R69 RK73GB2A470J CHIP R 47 J 1/10W R70 RK73GH2A153D CHIP R 15K D 1/10W R71 RK73GH2A512D CHIP R 5.1K D 1/10W R72 RK73GB2A752J CHIP R 7.5K J 1/10W R73 RK73GB2A274J CHIP R 270K J 1/10W R74 RK73GB2A563J CHIP R 56K J 1/10W R75 RK73GB2A470J CHIP R 47 J 1/10W R76 RK73GB2A103J CHIP R 10K J 1/10W R77,78 RK73GB2A913J CHIP R 91K J 1/10W R79 RK73GB2A750J CHIP R 75 J 1/10W R80 RK73GB2A101J CHIP R 100 J 1/10W R100 RK73GB2A103J CHIP R 10K J 1/10W R101 RK73GB2A432J CHIP R 4.3K J 1/10W R102 RK73GB2A103J CHIP R 10K J 1/10W R103 RK73GB2A333J CHIP R 33K J 1/10W R104,105 RK73GB2A103J CHIP R 10K J 1/10W R106 RK73GB2A223J CHIP R 22K J 1/10W R107 RK73GB2A221J CHIP R 220 J 1/10W R108 RK73GB2A222J CHIP R 2.2K J 1/10W R110 RK73GB2A103J CHIP R 10K J 1/10W R111 RK73GB2A390J CHIP R 39 J 1/10W R113 RK73GB2A104J CHIP R 100K J 1/10W R114-117 RK73GB2A471J CHIP R 470 J 1/10W R118 RK73GB2A102J CHIP R 1.0K J 1/10W R120 RK73GB2A223J CHIP R 22K J 1/10W R121 RK73GB2A431J CHIP R 430 J 1/10W R122 RK73GB2A100J CHIP R 10 J 1/10W R150 RK73EB2E2R2J CHIP R 2.2 J 1/4W R151,152 RK73GB2A102J CHIP R 1.0K J 1/10W R159 RK73GB2A391J CHIP R 390 J 1/10W R160 RK73GB2A242J CHIP R 2.4K J 1/10W R162 RK73GH2A512D CHIP R 5.1K D 1/10W R163 RK73GH2A472D CHIP R 4.7K D 1/10W R164 RK73GB2A562J CHIP R 5.6K J 1/10W R165 RK73GB2A103J CHIP R 10K J 1/10W R166 RK73GB2A101J CHIP R 100 J 1/10W R167,168 RK73GB2A102J CHIP R 1.0K J 1/10W R169 RK73FB2B152J CHIP R 1.5K J 1/8W R170 RK73GB2A104J CHIP R 100K J 1/10W R171 RK73FB2B4R7J CHIP R 4.7 J 1/8W R172 RK73GB2A332J CHIP R 3.3K J 1/10W R173,174 RK73GB2A101J CHIP R 100 J 1/10W R176 RK73GB2A100J CHIP R 10 J 1/10W R177-180 RK73GB2A101J CHIP R 100 J 1/10W R181,182 RK73GB2A103J CHIP R 10K J 1/10W R184 RK73FB2B1R0J CHIP R 1.0 J 1/8W R200 RK73FB2B203J CHIP R 20K J 1/8W R201 RK73FB2B103J CHIP R 10K J 1/8W R202 RK73EB2E820J CHIP R 82 J 1/4W R203 RK73GB2A361J CHIP R 360 J 1/10W R204 RK73GB2A104J CHIP R 100K J 1/10W R205 RK73GB2A223J CHIP R 22K J 1/10W R206 RK73EB2E820J CHIP R 82 J 1/4W R207 RK73FB2B203J CHIP R 20K J 1/8W R208 RK73FB2B103J CHIP R 10K J 1/8W R209 RK73GB2A223J CHIP R 22K J 1/10W R210 RK73GB2A104J CHIP R 100K J 1/10W R211 RK73GB2A361J CHIP R 360 J 1/10W E5 : KVT-627DVD E6 : KVT-627DVDY (Europe) K1 : KVT-717DVD (North America) X2 : KVT-747DVD (Australia) R1 : KVT-747DVD (Latin America) C1 : KVT-767DVD (China) M2 : KVT-737DVD (Other Areas) ELECTRIC UNIT (X34-353/354x-xx) www. xiaoyu163. com QQ 376315150 9 9 2 8 9 4 2 9 8 TEL 13942296513 9 9 2 8 9 4 2 9 8 0 5 1 5 1 3 6 7 3 Q Q TEL 13942296513 QQ 376315150 892498299 TEL 13942296513 QQ 376315150 892498299 KVT-627DVD/627DVDY/717DVD KVT-737DVD/747DVD/767DVD 93 Indicates safety critical components. Ref. No. A d d N e w Parts No. Description Desti- nation Ref. No. A d d N e w Parts No. Description Desti- nation PARTS LIST R212 RK73EB2E820J CHIP R 82 J 1/4W R213 RK73FB2B203J CHIP R 20K J 1/8W R214 RK73FB2B103J CHIP R 10K J 1/8W R215 RK73GB2A361J CHIP R 360 J 1/10W R216 RK73GB2A104J CHIP R 100K J 1/10W R217 RK73GB2A223J CHIP R 22K J 1/10W R218,219 RK73GB2A473J CHIP R 47K J 1/10W R220 RK73GB2A223J CHIP R 22K J 1/10W R221 RK73GB2A104J CHIP R 100K J 1/10W R222 RK73EB2E820J CHIP R 82 J 1/4W R223 RK73FB2B203J CHIP R 20K J 1/8W R224 RK73FB2B103J CHIP R 10K J 1/8W R225,226 RK73GB2A361J CHIP R 360 J 1/10W R227 RK73FB2B203J CHIP R 20K J 1/8W R228 RK73FB2B103J CHIP R 10K J 1/8W R229 RK73GB2A104J CHIP R 100K J 1/10W R230 RK73EB2E820J CHIP R 82 J 1/4W R231,232 RK73GB2A223J CHIP R 22K J 1/10W R233 RK73GB2A104J CHIP R 100K J 1/10W R234 RK73GB2A361J CHIP R 360 J 1/10W R235 RK73EB2E820J CHIP R 82 J 1/4W R236 RK73FB2B203J CHIP R 20K J 1/8W R237 RK73FB2B103J CHIP R 10K J 1/8W R238 RK73EB2E750J CHIP R 75 J 1/4W R239 RK73EB2E101J CHIP R 100 J 1/4W R240 RK73GB2A361J CHIP R 360 J 1/10W R241,242 RK73GB2A223J CHIP R 22K J 1/10W R243 RK73EB2E101J CHIP R 100 J 1/4W R244 RK73GB2A361J CHIP R 360 J 1/10W R245 RK73EB2E4R7J CHIP R 4.7 J 1/4W K1 R246 RK73EB2E100J CHIP R 10 J 1/4W K1 R247 RK73GB2A222J CHIP R 2.2K J 1/10W K1 R248 RK73GB2A471J CHIP R 470 J 1/10W R249 RK73EB2E100J CHIP R 10 J 1/4W K1 R250 RK73EB2E4R7J CHIP R 4.7 J 1/4W R251 RK73EB2E100J CHIP R 10 J 1/4W R252 RK73GB2A222J CHIP R 2.2K J 1/10W R253 RK73EB2E101J CHIP R 100 J 1/4W K1 R254 RK73EB2E100J CHIP R 10 J 1/4W R255,256 RK73GB2A750J CHIP R 75 J 1/10W K1 R256 RK73GB2A750J CHIP R 75 J 1/10W M2X2C1 R256 RK73GB2A750J CHIP R 75 J 1/10W R1E5E6 R257 RK73GB2A222J CHIP R 2.2K J 1/10W E6M2 R257 RK73GB2A222J CHIP R 2.2K J 1/10W K1R1E5 R260 RK73GB2A222J CHIP R 2.2K J 1/10W E6M2 R260 RK73GB2A222J CHIP R 2.2K J 1/10W K1R1E5 R261 RK73EB2E101J CHIP R 100 J 1/4W R262 RK73GB2A222J CHIP R 2.2K J 1/10W E6M2 R262 RK73GB2A222J CHIP R 2.2K J 1/10W K1R1E5 R263 RK73GB2A223J CHIP R 22K J 1/10W R265 RK73GB2A102J CHIP R 1.0K J 1/10W R266 RK73EB2E101J CHIP R 100 J 1/4W R267 RK73GB2A750J CHIP R 75 J 1/10W R300 RK73GB2A104J CHIP R 100K J 1/10W R301,302 RK73GB2A101J CHIP R 100 J 1/10W R304 RK73GB2A101J CHIP R 100 J 1/10W R305 RK73GB2A104J CHIP R 100K J 1/10W R306 RK73GB2A103J CHIP R 10K J 1/10W R313 RK73GB2A104J CHIP R 100K J 1/10W R314 RK73GB2A103J CHIP R 10K J 1/10W R315 RK73GB2A101J CHIP R 100 J 1/10W R316 RK73GB2A103J CHIP R 10K J 1/10W R317 RK73GB2A101J CHIP R 100 J 1/10W R319 RK73GB2A473J CHIP R 47K J 1/10W R320,321 RK73GB2A104J CHIP R 100K J 1/10W R322 RK73GB2A101J CHIP R 100 J 1/10W R323 RK73GB2A104J CHIP R 100K J 1/10W R324 RK73GB2A101J CHIP R 100 J 1/10W R325 RK73GB2A472J CHIP R 4.7K J 1/10W R326 RK73GB2A101J CHIP R 100 J 1/10W R327 RK73GB2A472J CHIP R 4.7K J 1/10W R328 RK73GB2A104J CHIP R 100K J 1/10W R330 RK73GB2A222J CHIP R 2.2K J 1/10W R331 RK73GB2A102J CHIP R 1.0K J 1/10W R332 RK73GB2A104J CHIP R 100K J 1/10W R335 RK73GB2A102J CHIP R 1.0K J 1/10W R339 RK73GB2A103J CHIP R 10K J 1/10W R343-345 RK73GB2A101J CHIP R 100 J 1/10W R347 RK73GB2A101J CHIP R 100 J 1/10W R349 RK73GB2A101J CHIP R 100 J 1/10W R350 RK73GB2A104J CHIP R 100K J 1/10W R351 RK73GB2A101J CHIP R 100 J 1/10W R352 RK73GB2A104J CHIP R 100K J 1/10W R353 RK73GB2A101J CHIP R 100 J 1/10W R354 RK73GB2A104J CHIP R 100K J 1/10W R355 RK73GB2A222J CHIP R 2.2K J 1/10W R356 RK73GB2A104J CHIP R 100K J 1/10W R357 RK73GB2A223J CHIP R 22K J 1/10W R358-360 RK73GB2A104J CHIP R 100K J 1/10W R362 RK73GB2A223J CHIP R 22K J 1/10W R363 RK73GB2A103J CHIP R 10K J 1/10W R365 RK73GB2A103J CHIP R 10K J 1/10W R1X2C1 R366,367 RK73GB2A103J CHIP R 10K J 1/10W K1E5E6 R366,367 RK73GB2A103J CHIP R 10K J 1/10W M2 R367 RK73GB2A103J CHIP R 10K J 1/10W R1X2C1 R369 RK73GB2A103J CHIP R 10K J 1/10W M2 R369 RK73GB2A103J CHIP R 10K J 1/10W R1E5E6 R370 RK73GB2A103J CHIP R 10K J 1/10W X2C1 R370,371 RK73GB2A103J CHIP R 10K J 1/10W K1 R371 RK73GB2A103J CHIP R 10K J 1/10W R1M2 R372 RK73GB2A103J CHIP R 10K J 1/10W C1 R372 RK73GB2A103J CHIP R 10K J 1/10W E5E6X2 R374 RK73GB2A103J CHIP R 10K J 1/10W R400 RK73GB2A103J CHIP R 10K J 1/10W R401 RK73GB2A334J CHIP R 330K J 1/10W R402 RK73GB2A561J CHIP R 560 J 1/10W R403 RK73GB2A102J CHIP R 1.0K J 1/10W R404 RK73GB2A222J CHIP R 2.2K J 1/10W R412-415 RK73GB2A103J CHIP R 10K J 1/10W R500,501 RK73EB2E100J CHIP R 10 J 1/4W E5 : KVT-627DVD E6 : KVT-627DVDY (Europe) K1 : KVT-717DVD (North America) X2 : KVT-747DVD (Australia) R1 : KVT-747DVD (Latin America) C1 : KVT-767DVD (China) M2 : KVT-737DVD (Other Areas) ELECTRIC UNIT (X34-353/354x-xx) www. xiaoyu163. com QQ 376315150 9 9 2 8 9 4 2 9 8 TEL 13942296513 9 9 2 8 9 4 2 9 8 0 5 1 5 1 3 6 7 3 Q Q TEL 13942296513 QQ 376315150 892498299 TEL 13942296513 QQ 376315150 892498299 94 KVT-627DVD/627DVDY/717DVD KVT-737DVD/747DVD/767DVD Indicates safety critical components. Ref. No. A d d N e w Parts No. Description Desti- nation Ref. No. A d d N e w Parts No. Description Desti- nation PARTS LIST R502 RK73EB2E4R7J CHIP R 4.7 J 1/4W R503 RK73GB2A102J CHIP R 1.0K J 1/10W R504 RK73GB2A222J CHIP R 2.2K J 1/10W R505 RK73EB2E472J CHIP R 4.7K J 1/4W R506 RK73EB2E101J CHIP R 100 J 1/4W R507-510 RK73EB2E472J CHIP R 4.7K J 1/4W R511,512 RK73EB2E101J CHIP R 100 J 1/4W R513,514 RK73GB2A103J CHIP R 10K J 1/10W R515-517 RK73EB2E102J CHIP R 1.0K J 1/4W R518 RK73EB2E101J CHIP R 100 J 1/4W R519-521 RK73EB2E102J CHIP R 1.0K J 1/4W R522 RK73EB2E101J CHIP R 100 J 1/4W R523-526 RK73EB2E750J CHIP R 75 J 1/4W R527 RK73GB2A750J CHIP R 75 J 1/10W R528 RK73EB2E4R7J CHIP R 4.7 J 1/4W R529,530 RK73EB2E150J CHIP R 15 J 1/4W R531 RK73EB2E100J CHIP R 10 J 1/4W R532 RK73EB2E4R7J CHIP R 4.7 J 1/4W R533 RK73EB2E100J CHIP R 10 J 1/4W R534,535 RK73EB2E102J CHIP R 1.0K J 1/4W R536-538 RK73EB2E101J CHIP R 100 J 1/4W R539,540 RK73EB2E102J CHIP R 1.0K J 1/4W R541-548 RK73GB2A750J CHIP R 75 J 1/10W E5E6 R544-548 RK73GB2A750J CHIP R 75 J 1/10W K1R1M2 R544-548 RK73GB2A750J CHIP R 75 J 1/10W X2C1 R549-551 RK73EB2E102J CHIP R 1.0K J 1/4W R552 RK73EB2E4R7J CHIP R 4.7 J 1/4W R553,554 RK73EB2E100J CHIP R 10 J 1/4W R565 RK73EB2E101J CHIP R 100 J 1/4W K1R1M2 R565 RK73EB2E101J CHIP R 100 J 1/4W X2C1 R565-572 RK73EB2E101J CHIP R 100 J 1/4W E5E6 R569-572 RK73EB2E101J CHIP R 100 J 1/4W K1R1M2 R569-572 RK73EB2E101J CHIP R 100 J 1/4W X2C1 R578 RK73GB2A103J CHIP R 10K J 1/10W R579 RK73GB2A432J CHIP R 4.3K J 1/10W R580 RK73GB2A102J CHIP R 1.0K J 1/10W R581,582 RK73GB2A104J CHIP R 100K J 1/10W R583,584 RK73GH2A153D CHIP R 15K D 1/10W R585 RK73EB2E4R7J CHIP R 4.7 J 1/4W R586,587 RK73GH2A153D CHIP R 15K D 1/10W R588,589 RK73GB2A104J CHIP R 100K J 1/10W R590-593 RK73GH2A153D CHIP R 15K D 1/10W R800 RK73EB2E102J CHIP R 1.0K J 1/4W R801 RK73GB2A104J CHIP R 100K J 1/10W R802 RK73GB2A102J CHIP R 1.0K J 1/10W M2X2C1 R802 RK73GB2A102J CHIP R 1.0K J 1/10W R1E5E6 R802,803 RK73GB2A102J CHIP R 1.0K J 1/10W K1 R804-811 RK73GB2A103J CHIP R 10K J 1/10W R850-856 RK73GB2A101J CHIP R 100 J 1/10W W1 R92-1252-05 CHIP R 0 OHM J 1/16W E5E6 W50 RK73EB2E000J CHIP R 0.0 J 1/4W W100 R92-1252-05 CHIP R 0 OHM J 1/16W W250,251 R92-1252-05 CHIP R 0 OHM J 1/16W W300 R92-1252-05 CHIP R 0 OHM J 1/16W W801 RK73EB2E000J CHIP R 0.0 J 1/4W W852 R92-1252-05 CHIP R 0 OHM J 1/16W D1-8 ✽ M1F60-5063 DIODE D9 RM10ZLFNF DIODE D10 1SR154-400 DIODE E5E6 D10,11 1SR154-400 DIODE K1R1M2 D10,11 1SR154-400 DIODE X2C1 D12 DAP202U DIODE D13,14 1SR154-400 DIODE D15 UDZS6.8B ZENER DIODE D16 UDZS5.6B ZENER DIODE D17 UDZS4.7B ZENER DIODE D18 DAP202U DIODE D19 UDZS6.8B ZENER DIODE D52 UDZS11B ZENER DIODE D54,55 UDZS5.6B ZENER DIODE D100,101 DAP202U DIODE D150 UDZS6.8B ZENER DIODE D151 DA227 DIODE D152 UDZS16B ZENER DIODE D155-157 DAP202U DIODE D200 DAP202U DIODE D201 STZ6.2N ZENER DIODE D203,204 DAP202U DIODE D205 UDZS4.7B ZENER DIODE D206 STZ6.2N ZENER DIODE K1 D207-209 STZ6.8N ZENER DIODE K1 D209 STZ6.8N ZENER DIODE M2X2C1 D209 STZ6.8N ZENER DIODE R1E5E6 D210 STZ6.2N ZENER DIODE D211 STZ6.8N ZENER DIODE D212-214 DAP202U DIODE D216 DAP202U DIODE D218 STZ6.8N ZENER DIODE D252 IMSA-6801-E SURGE ABSORBER D300 DA227 DIODE D413 UDZS4.7B ZENER DIODE D414 DAP202U DIODE D500,501 STZ6.8N ZENER DIODE D502 UDZS4.7B ZENER DIODE D503 DAP202U DIODE D504-507 STZ6.2N ZENER DIODE D508 DAN202U DIODE D509-518 STZ6.2N ZENER DIODE D519-521 STZ6.8N ZENER DIODE D522-525 STZ6.2N ZENER DIODE K1R1M2 D522-525 STZ6.2N ZENER DIODE X2C1 D522-535 STZ6.2N ZENER DIODE E5E6 D529-535 STZ6.2N ZENER DIODE K1R1M2 D529-535 STZ6.2N ZENER DIODE X2C1 D536,537 DA204U DIODE D538 STZ6.2N ZENER DIODE D539 STZ6.8N ZENER DIODE D550 UDZS6.8B ZENER DIODE D800 STZ6.2N ZENER DIODE E5 : KVT-627DVD E6 : KVT-627DVDY (Europe) K1 : KVT-717DVD (North America) X2 : KVT-747DVD (Australia) R1 : KVT-747DVD (Latin America) C1 : KVT-767DVD (China) M2 : KVT-737DVD (Other Areas) ELECTRIC UNIT (X34-353/354x-xx) www. xiaoyu163. com QQ 376315150 9 9 2 8 9 4 2 9 8 TEL 13942296513 9 9 2 8 9 4 2 9 8 0 5 1 5 1 3 6 7 3 Q Q TEL 13942296513 QQ 376315150 892498299 TEL 13942296513 QQ 376315150 892498299 KVT-627DVD/627DVDY/717DVD KVT-737DVD/747DVD/767DVD 95 Indicates safety critical components. Ref. No. A d d N e w Parts No. Description Desti- nation Ref. No. A d d N e w Parts No. Description Desti- nation PARTS LIST IC50 M5237ML-CF0J ANALOGUE IC IC52 ICL7660SIBAZ ANALOGUE IC IC54 M5237ML-CF0J ANALOGUE IC IC100 E-TDA7560A ANALOGUE IC IC150 NJM4565V-ZB ANALOGUE IC IC151 E-TDA7415 ANALOGUE IC IC200-202 NJM4565V-ZB ANALOGUE IC IC203,204 BA3121F ANALOGUE IC K1 IC204 BA3121F ANALOGUE IC M2X2C1 IC204 BA3121F ANALOGUE IC R1E5E6 IC251 E-TDA7479AD ANALOGUE IC E6M2 IC251 E-TDA7479AD ANALOGUE IC K1R1E5 IC300 S-80842CNNB-G MOS-IC IC301 SN74HC02APWR MOS-IC IC302 BR24L02FV-W ROM IC IC303 ✽ 703030YGCJ13A MICROCONTROLLER IC IC400-402 ✽ MM1508XNRE-E ANALOGUE IC IC403 MM1108XFFE-E ANALOGUE IC IC404 ✽ BA7653AFV ANALOGUE IC IC405 BA3121F ANALOGUE IC IC406 BA7652AF ANALOGUE IC IC407,408 MM1228XFBE-E ANALOGUE IC IC413,414 TC4052BFT MOS-IC IC415 MM1503-E ANALOGUE IC IC416 BA7652AF ANALOGUE IC IC500 BA3121F ANALOGUE IC IC501 ✽ TC7SET04FU-F MOS-IC IC502 TC7SH08FU-F MOS-IC IC504,505 NJM2060V-ZB ANALOGUE IC Q1 2SB1189 TRANSISTOR Q2 2SC4081 TRANSISTOR Q3 2SA1576A TRANSISTOR Q4 2SC4081 TRANSISTOR Q6,7 DTC114YUA DIGITAL TRANSISTOR K1R1M2 Q6,7 DTC114YUA DIGITAL TRANSISTOR X2C1 Q7 DTC114YUA DIGITAL TRANSISTOR E5E6 Q8 DTA114EUA DIGITAL TRANSISTOR Q9,10 2SB1188(Q,R) TRANSISTOR K1R1M2 Q9,10 2SB1188(Q,R) TRANSISTOR X2C1 Q10 2SB1188(Q,R) TRANSISTOR E5E6 Q11 2SA1576A TRANSISTOR Q12 2SC4081 TRANSISTOR Q13 DTA123JK DIGITAL TRANSISTOR Q14 2SA1576A TRANSISTOR Q15 2SC4081 TRANSISTOR Q50 2SB1443 TRANSISTOR Q51 2SC4081 TRANSISTOR Q52 UMC2N TRANSISTOR Q54 2SC4081 TRANSISTOR Q55 UMC2N TRANSISTOR Q58 2SB1184 TRANSISTOR Q59 2SB1565 TRANSISTOR Q61 UMC2N TRANSISTOR Q62 DTC114EUA DIGITAL TRANSISTOR Q63 2SA1576A TRANSISTOR Q64 2SB1565 TRANSISTOR Q65 2SA1576A TRANSISTOR Q66 2SC4081 TRANSISTOR Q67 2SA1576A TRANSISTOR Q68 2SC4617 TRANSISTOR Q69 2SA1774 TRANSISTOR Q70 2SC4617 TRANSISTOR Q150 UMC2N TRANSISTOR Q151 2SA1774 TRANSISTOR Q152 2SC2873-F TRANSISTOR Q200-202 DTC323TU DIGITAL TRANSISTOR Q203 2SA1576A TRANSISTOR Q204-207 DTC323TU DIGITAL TRANSISTOR Q208 DTA144EUA DIGITAL TRANSISTOR Q209 DTC323TU DIGITAL TRANSISTOR Q250 DTC124EUA DIGITAL TRANSISTOR Q252 2SB1689 TRANSISTOR Q403-406 DTC124EUA DIGITAL TRANSISTOR Q500 DTA124EUA DIGITAL TRANSISTOR TH100 ✽ PRF18BE471QS2 POSITIVE RESISTOR A250 2H ✽ X86-3930-11 FRONT-END UNIT K1R1X2 A250 2H ✽ X86-3932-70 FRONT-END UNIT E5E6M2 A250 2H ✽ X86-3942-10 FRONT-END UNIT C1 D603 B30-1605-05 LED (2COLOR PG/RED) C1,2 ✽ C93-1396-05 CHIP C 10UF 25WV C3 C93-1283-05 CHIP C 1.0UF K C5 C93-1363-05 CHIP C 10PF 3KWV C6 C93-1361-05 CHIP C 0.012UF 16WV C7 CK73GB1H473K CHIP C 0.047UF K C8 C93-1269-05 CHIP C 220PF J C9 CK73GB0J225K CHIP C 2.2UF K C10 CK73GB1H103K CHIP C 0.010UF K C11 CK73GB0J225K CHIP C 2.2UF K C13 CK73GB1A474K CHIP C 0.47UF K C14 CK73HB1C103K CHIP C 0.010UF K C15 CK73GB1H473K CHIP C 0.047UF K C16 CK73HB1C183K CHIP C 0.018UF K C17 CK73HB1C103K CHIP C 0.010UF K C18 C93-1283-05 CHIP C 1.0UF K C21 CK73GB0J225K CHIP C 2.2UF K C22 CK73HB1H152K CHIP C 1500PF K C23 ✽ C93-1396-05 CHIP C 10UF 25WV C24 CK73GB1H103K CHIP C 0.010UF K C25 ✽ C93-1286-05 CHIP C 0.0027UF 50WV C26 CK73GB1H103K CHIP C 0.010UF K C30 C93-1283-05 CHIP C 1.0UF K C100 CC73GCH1H151J CHIP C 150PF J C101 CK73GB1H104K CHIP C 0.10UF K C102 CK73EB1C106K CHIP C 10UF K C103 CK73GB1H103K CHIP C 0.010UF K C105 CE32AU1C390M CHIP EL 39UF 16WV C106 CK73GB1H103K CHIP C 0.010UF K C108 CE32AU1C390M CHIP EL 39UF 16WV VIDEO UNIT (X35-448/449x-xx) E5 : KVT-627DVD E6 : KVT-627DVDY (Europe) K1 : KVT-717DVD (North America) X2 : KVT-747DVD (Australia) R1 : KVT-747DVD (Latin America) C1 : KVT-767DVD (China) M2 : KVT-737DVD (Other Areas) ELECTRIC UNIT (X34-353/354x-xx) www. xiaoyu163. com QQ 376315150 9 9 2 8 9 4 2 9 8 TEL 13942296513 9 9 2 8 9 4 2 9 8 0 5 1 5 1 3 6 7 3 Q Q TEL 13942296513 QQ 376315150 892498299 TEL 13942296513 QQ 376315150 892498299 96 KVT-627DVD/627DVDY/717DVD KVT-737DVD/747DVD/767DVD Indicates safety critical components. Ref. No. A d d N e w Parts No. Description Desti- nation Ref. No. A d d N e w Parts No. Description Desti- nation PARTS LIST C109 CK73FB1C105K CHIP C 1.0UF K C110 CK73GB1H103K CHIP C 0.010UF K C111 C93-1367-05 CHIP C 10UF 25WV C112 CK73FB1E154K CHIP C 0.15UF K C113 CK73EB1E225K CHIP C 2.2UF K C114 CK73GB1C224K CHIP C 0.22UF K C115 CK73GB1H104K CHIP C 0.10UF K C116 CE32BF0J221M CHIP EL 220UF 6.3WV C118 CK73GB1H103K CHIP C 0.010UF K C211 CK73EB1A475K CHIP C 4.7UF K C230 CK73GB1H103K CHIP C 0.010UF K C231,232 ✽ C93-1396-05 CHIP C 10UF 25WV C233 CK73GB1H103K CHIP C 0.010UF K C234 CC73HCH1H560J CHIP C 56PF J C300 CK73GB1H103K CHIP C 0.010UF K C301,302 ✽ C93-1396-05 CHIP C 10UF 25WV C303 CK73GB1H103K CHIP C 0.010UF K C304 CK73GB1H104K CHIP C 0.10UF K C305,306 CK73GB1H103K CHIP C 0.010UF K C307 CK73EB1C106K CHIP C 10UF K C308 CK73GB1H103K CHIP C 0.010UF K C309 CC73HCH1H100D CHIP C 10PF D C310 CK73HB1H561K CHIP C 560PF K C311 CK73HB1C103K CHIP C 0.010UF K C312 CK73GB1H103K CHIP C 0.010UF K C313,314 CK73HB1C103K CHIP C 0.010UF K C315,316 CK73GB1H104K CHIP C 0.10UF K C317 CK73HB1C103K CHIP C 0.010UF K C318,319 CK73GB1H104K CHIP C 0.10UF K C320 CC73HCH1H560J CHIP C 56PF J C321 CK73GB1H104K CHIP C 0.10UF K C322 CC73GCH1E102J CHIP C 1000PF J C323 CC73HCH1H101J CHIP C 100PF J C324,325 CK73HB1C103K CHIP C 0.010UF K C326 CC73GCH1H681J CHIP C 680PF J C327,328 CK73GB1H104K CHIP C 0.10UF K C329 CC73HCH1H101J CHIP C 100PF J C330 CK73EB1C106K CHIP C 10UF K C331,332 CC73HCH1H390J CHIP C 39PF J C333 CK73GB1H104K CHIP C 0.10UF K C334 CK73GB1H103K CHIP C 0.010UF K C335,336 CK73GB1H104K CHIP C 0.10UF K C337 CK73HB1C103K CHIP C 0.010UF K C342 CC73HCH1H100D CHIP C 10PF D C401 CK73HB1H102K CHIP C 1000PF K C421,422 CK73FB1C105K CHIP C 1.0UF K C423 CK73EB1C106K CHIP C 10UF K C424 CK73HB1C103K CHIP C 0.010UF K C425 CK73FB1C105K CHIP C 1.0UF K C426 CK73EB1E105K CHIP C 1.0UF K C427 CK73FB1A225K CHIP C 2.2UF K C428 CK73FB0J106K CHIP C 10UF K C501-503 CK73HB1C103K CHIP C 0.010UF K C504 CK73EB1C106K CHIP C 10UF K C505 CK73HB1H271K CHIP C 270PF K CN1 E41-2483-05 PIN ASSY CN301 ✽ E41-2526-05 FLAT CABLE CONNECTOR CN302 ✽ E41-2547-05 FLAT CABLE CONNECTOR CN303 ✽ E41-2444-05 FLAT CABLE CONNECTOR CN304 ✽ E41-2435-05 FLAT CABLE CONNECTOR CN305 E41-2359-05 PIN ASSY CN501 E41-2087-05 FLAT CABLE CONNECTOR CN502 ✽ E41-2547-05 FLAT CABLE CONNECTOR CN503 ✽ E41-2564-05 FLAT CABLE CONNECTOR CN601 ✽ E41-2548-05 FLAT CABLE CONNECTOR F1 ✽ F53-0297-05 FUSE (UL, CSA) F100 ✽ F53-0280-05 FUSE L1 ✽ L19-0783-05 TRANSFORMER FOR CONVERTER L101,102 L41-3392-13 SMALL FIXED INDUCTOR (3.3UH) L103 L41-4792-13 SMALL FIXED INDUCTOR (4.7UH) L104-106 L41-1005-33 SMALL FIXED INDUCTOR (10U) L302,303 L41-1005-33 SMALL FIXED INDUCTOR (10U) L306 L41-5695-33 SMALL FIXED INDUCTOR (5.6U) L307 ✽ L41-8281-15 SMALL FIXED INDUCTOR (0.82U) L401 L41-1005-33 SMALL FIXED INDUCTOR (10U) L501 L41-1005-33 SMALL FIXED INDUCTOR (10U) CP301,302 RK74HB1J102J CHIP-COM 1.0K J 1/16W CP303 RK74HB1J101J CHIP-COM 100 J 1/16W R1 RK73HB1J512J CHIP R 5.1K J 1/16W R3 RK73HB1J220J CHIP R 22 J 1/16W R4 RN73GH1J433D CHIP R 43K D 1/16W R5 RK73HB1J153J CHIP R 15K J 1/16W R6 RN73GH1J513D CHIP R 51K D 1/16W R7 RK73HB1J220J CHIP R 22 J 1/16W R8 RK73HB1J512J CHIP R 5.1K J 1/16W R9 RK73GH2A244D CHIP R 240K D 1/10W R10 RK73HB1J331J CHIP R 330 J 1/16W R11 RK73HB1J220J CHIP R 22 J 1/16W R12 RK73HB1J105J CHIP R 1.0M J 1/16W R13 RK73HB1J220J CHIP R 22 J 1/16W R14 RN73GH1J4530D CHIP R 453.0 D 1/16W R15 RN73GH1J513D CHIP R 51K D 1/16W R16,17 RK73HB1J220J CHIP R 22 J 1/16W R18 RK73HB1J222J CHIP R 2.2K J 1/16W R19 RK73HB1J101J CHIP R 100 J 1/16W R21 RK73HB1J000JK CHIP R 0.0 J 1/16W R22-26 RK73HB1J102J CHIP R 1.0K J 1/16W R28 ✽ RK73GB2A515J CHIP R 5.1M J 1/10W R29 RK73GB2A104J CHIP R 100K J 1/10W R101 RK73GH2A104D CHIP R 100K D 1/10W R102 RK73GH2A113D CHIP R 11K D 1/10W R103 RK73GH2A184D CHIP R 180K D 1/10W R104 RK73GH2A133D CHIP R 13K D 1/10W R105 RK73HB1J473J CHIP R 47K J 1/16W R106 RK73HB1J103J CHIP R 10K J 1/16W R218 RK73HB1J102J CHIP R 1.0K J 1/16W R219 RK73HB1J513J CHIP R 51K J 1/16W R234 RN73GH1J472D CHIP R 4.7K D 1/16W R235 RN73GH1J912D CHIP R 9.1K D 1/16W E5 : KVT-627DVD E6 : KVT-627DVDY (Europe) K1 : KVT-717DVD (North America) X2 : KVT-747DVD (Australia) R1 : KVT-747DVD (Latin America) C1 : KVT-767DVD (China) M2 : KVT-737DVD (Other Areas) VIDEO UNIT (X35-448/449x-xx) www. xiaoyu163. com QQ 376315150 9 9 2 8 9 4 2 9 8 TEL 13942296513 9 9 2 8 9 4 2 9 8 0 5 1 5 1 3 6 7 3 Q Q TEL 13942296513 QQ 376315150 892498299 TEL 13942296513 QQ 376315150 892498299 KVT-627DVD/627DVDY/717DVD KVT-737DVD/747DVD/767DVD 97 Indicates safety critical components. Ref. No. A d d N e w Parts No. Description Desti- nation Ref. No. A d d N e w Parts No. Description Desti- nation PARTS LIST R236 RN73GH1J222D CHIP R 2.2K D 1/16W R240 RK73HB1J220J CHIP R 22 J 1/16W R242 RK73HB1J220J CHIP R 22 J 1/16W R253 RK73HB1J000JK CHIP R 0.0 J 1/16W R256,257 RK73HB1J000JK CHIP R 0.0 J 1/16W R300 RK73GB2A103J CHIP R 10K J 1/10W R302 RK73HB1J221J CHIP R 220 J 1/16W R307 RK73HB1J101J CHIP R 100 J 1/16W R308 RK73HB1J621J CHIP R 620 J 1/16W R309 RK73HB1J000JK CHIP R 0.0 J 1/16W R310 RK73HB1J101J CHIP R 100 J 1/16W R316 RK73HB1J102J CHIP R 1.0K J 1/16W R318 RK73HB1J102J CHIP R 1.0K J 1/16W R320 RK73HB1J000JK CHIP R 0.0 J 1/16W R321 RN73GH1J472D CHIP R 4.7K D 1/16W R323 RK73HB1J000JK CHIP R 0.0 J 1/16W R324,325 RN73GH1J472D CHIP R 4.7K D 1/16W R326 RK73HH1J473D CHIP R 47K D 1/16W R327 RK73HH1J683D CHIP R 68K D 1/16W R328 RK73HH1J153D CHIP R 15K D 1/16W R329 RK73HH1J101D CHIP R 100 D 1/16W R330 RK73HH1J182D CHIP R 1.8K D 1/16W R331 ✽ RK73HH1J331D CHIP R 330 D 1/16W R332 RK73HH1J332D CHIP R 3.3K D 1/16W R333-335 RK73HB1J000JK CHIP R 0.0 J 1/16W R337,338 RK73HB1J101J CHIP R 100 J 1/16W R339 RK73HB1J102J CHIP R 1.0K J 1/16W R340-344 RK73HB1J101J CHIP R 100 J 1/16W R345 RK73HH1J683D CHIP R 68K D 1/16W R346 RK73HH1J105D CHIP R 1.0M D 1/16W R347 RK73HH1J153D CHIP R 15K D 1/16W R348 RK73HB1J362J CHIP R 3.6K J 1/16W R349 RK73HB1J752J CHIP R 7.5K J 1/16W R350-352 RK73HB1J101J CHIP R 100 J 1/16W R353 RK73HB1J103J CHIP R 10K J 1/16W R354 ✽ RK73HB1J300J CHIP R 30 J 1/16W R355 RK73HB1J820J CHIP R 82 J 1/16W R356 RK73HB1J103J CHIP R 10K J 1/16W R357 RK73HB1J000JK CHIP R 0.0 J 1/16W R359,360 RK73HB1J100J CHIP R 10 J 1/16W R366 RK73HB1J000JK CHIP R 0.0 J 1/16W R371 RK73HB1J000JK CHIP R 0.0 J 1/16W R373,374 RK73HB1J561J CHIP R 560 J 1/16W R385 RK73HB1J000JK CHIP R 0.0 J 1/16W R388 RK73HB1J000JK CHIP R 0.0 J 1/16W R402 RK73HB1J392J CHIP R 3.9K J 1/16W R403 RK73HB1J822J CHIP R 8.2K J 1/16W R404 RK73HB1J243J CHIP R 24K J 1/16W R422 RK73HB1J683J CHIP R 68K J 1/16W R423 RK73HB1J104J CHIP R 100K J 1/16W R441 RK73GB2A681J CHIP R 680 J 1/10W R453 RK73GB2A681J CHIP R 680 J 1/10W R454 RK73GB2A331J CHIP R 330 J 1/10W R456 RK73GB2A331J CHIP R 330 J 1/10W R501,502 RK73HB1J333J CHIP R 33K J 1/16W R503-506 RK73EB2E100J CHIP R 10 J 1/4W R600 RK73HB1J100J CHIP R 10 J 1/16W R642 RK73HB1J471J CHIP R 470 J 1/16W R652,653 RK73GB2A151J CHIP R 150 J 1/10W R663,664 RK73GB2A271J CHIP R 270 J 1/10W VR203 R32-0328-05 SEMI FIXED VARIABLE RESISTOR VR301 R32-0328-05 SEMI FIXED VARIABLE RESISTOR W216,217 RK73FB2B000J CHIP R 0.0 J 1/8W W301-304 R92-1252-05 CHIP R 0 OHM J 1/16W W310 R92-1252-05 CHIP R 0 OHM J 1/16W W354-356 R92-1252-05 CHIP R 0 OHM J 1/16W S401-404 ✽ S70-0937-05 TACT SWITCH S601 S70-0919-05 TACT SWITCH D1,2 UDZS4.7B ZENER DIODE D3 1SS355 DIODE D4,5 DA204U DIODE D6 ✽ MA2S784-F DIODE D7 UDZS5.6B ZENER DIODE D9 DA204U DIODE D10 AVRM1005270MAA VARISTOR D101 EP05Q04 DIODE D102 EP05Q06 DIODE D103,104 EP05Q04 DIODE D301 UDZS5.1B ZENER DIODE D302,303 DA204U DIODE D304 UDZS5.1B ZENER DIODE D305,306 DA204U DIODE D309 ✽ 1SV231-F VARIABLE CAPACITANCE DIODE D312,313 AVRM1608120M6A VARISTOR D314 DA204U DIODE D401 AVRM1608120M6A VARISTOR D402-410 AVRM1608180M6A VARISTOR D501-504 UDZS6.2B ZENER DIODE D601,602 AVRM1608180M6A VARISTOR IC1 ✽ OZ964ISN-C ANALOGUE IC IC101 ✽ LT1947-PBF ANALOGUE IC IC203 ✽ TA75W558FU-F ANALOGUE IC IC300 ✽ TC7WH126FU-F MOS-IC IC301 ✽ TC200G02G0104 MOS-IC IC302 TC7SH08FU-F MOS-IC IC303 NJM2107F-ZB ANALOGUE IC IC401 TPS850 ANALOGUE IC Q1 2SC4081 TRANSISTOR Q2,3 ✽ SI5513DC-E3 DUAL FET Q5 2SC4081 TRANSISTOR Q202 2SC4097 TRANSISTOR Q203 2SA1577 TRANSISTOR Q300 DTC124EUA DIGITAL TRANSISTOR Q301 2SC4097 TRANSISTOR Q302,303 2SC4081 TRANSISTOR Q501 DTC124EE DIGITAL TRANSISTOR Q502,503 PUMD10 DUAL TRANSISTOR Q601 DTC124EE DIGITAL TRANSISTOR E5 : KVT-627DVD E6 : KVT-627DVDY (Europe) K1 : KVT-717DVD (North America) X2 : KVT-747DVD (Australia) R1 : KVT-747DVD (Latin America) C1 : KVT-767DVD (China) M2 : KVT-737DVD (Other Areas) VIDEO UNIT (X35-448/449x-xx) www. xiaoyu163. com QQ 376315150 9 9 2 8 9 4 2 9 8 TEL 13942296513 9 9 2 8 9 4 2 9 8 0 5 1 5 1 3 6 7 3 Q Q TEL 13942296513 QQ 376315150 892498299 TEL 13942296513 QQ 376315150 892498299 98 KVT-627DVD/627DVDY/717DVD KVT-737DVD/747DVD/767DVD Indicates safety critical components. Ref. No. A d d N e w Parts No. Description Desti- nation Ref. No. A d d N e w Parts No. Description Desti- nation PARTS LIST C1-3 CK73HB1A104K CHIP C 0.10UF K C4,5 CK73HB0J105K CHIP C 1.0UF K C6 CK73GB0J475K CHIP C 4.7UF K C7 CK73FB0J106M CHIP C 10UF M C8 CK73FB0J226M CHIP C 22UF M C10 CK73HB1A104K CHIP C 0.10UF K C14 CK73FB0J106M CHIP C 10UF M C15 CK73HB0J105K CHIP C 1.0UF K C16 CK73HB1A104K CHIP C 0.10UF K C17 CK73HB0J105K CHIP C 1.0UF K C18 CK73HB1H332K CHIP C 3300PF K C19 CK73HB1A104K CHIP C 0.10UF K C20 CK73FB0J106M CHIP C 10UF M C21 CK73FB0J226M CHIP C 22UF M C23 CK73HB1A104K CHIP C 0.10UF K C24 CC73GCH1H471J CHIP C 470PF J C25 CK73HB1A104K CHIP C 0.10UF K C26 CK73HB1A473K CHIP C 0.047UF K C27 CK73HB1A104K CHIP C 0.10UF K C28 CK73HB1C103K CHIP C 0.010UF K C29 CK73HB0J105K CHIP C 1.0UF K C31 CK73HB1C223K CHIP C 0.022UF K C32 CC73HCH1H470J CHIP C 47PF J C33 CC73GCH1H102J CHIP C 1000PF J C35 CC73GCH1H102J CHIP C 1000PF J C36 CC73GCH1H681J CHIP C 680PF J C37 CK73HB1E682K CHIP C 6800PF K C38 CK73HB0J105K CHIP C 1.0UF K C39 CC73GCH1H331J CHIP C 330PF J C40 CC73GCH1H102J CHIP C 1000PF J C41 CK73HB0J105K CHIP C 1.0UF K C42 CC73GCH1H681J CHIP C 680PF J C43 CK73HB1H222K CHIP C 2200PF K C44 CK73HB1H152K CHIP C 1500PF K C45 CK73HB1H102K CHIP C 1000PF K C46 CK73HB1A104K CHIP C 0.10UF K C47-52 CK73HB0J105K CHIP C 1.0UF K C53 CK73HB1A104K CHIP C 0.10UF K C54,55 CK73HB0J105K CHIP C 1.0UF K C56 C93-1228-05 CHIP C 1.0UF M C57,58 CK73HB0J105K CHIP C 1.0UF K C60 CK73HB0J105K CHIP C 1.0UF K C61 C93-1228-05 CHIP C 1.0UF M C62,63 CC73HCH1H120J CHIP C 12PF J C64 CK73HB1C103K CHIP C 0.010UF K C66 CK73FB0J106M CHIP C 10UF M C67 C93-1228-05 CHIP C 1.0UF M C68,69 CK73HB0J105K CHIP C 1.0UF K C70 CK73HB1A104K CHIP C 0.10UF K C71 CK73FB0J226M CHIP C 22UF M C72,73 CK73HB1A104K CHIP C 0.10UF K C76 CK73HB1A104K CHIP C 0.10UF K C80 CK73FB0J106M CHIP C 10UF M C81 CK73FB0J226M CHIP C 22UF M C82 CK73HB1A104K CHIP C 0.10UF K C83,84 C92-1908-05 ELECTRO 47UF 6.3WV C85,86 CK73HB1H102K CHIP C 1000PF K C87-89 CK73HB1C103K CHIP C 0.010UF K C90 CK73HB1C223K CHIP C 0.022UF K C91 CK73HB1A333K CHIP C 0.033UF K C92,93 CK73HB1C103K CHIP C 0.010UF K C94 CK73GB0J475K CHIP C 4.7UF K C95 CK73FB0J106M CHIP C 10UF M C96 CK73FB0J226M CHIP C 22UF M C97 CK73HB1C103K CHIP C 0.010UF K C98 CK73GB0J475K CHIP C 4.7UF K C99 CK73FB0J226M CHIP C 22UF M C101 CK73FB0J226M CHIP C 22UF M C102 C92-1908-05 ELECTRO 47UF 6.3WV C104 CC73HCH1H100D CHIP C 10PF D C105-108 CC73HCH1H151J CHIP C 150PF J C109,110 CK73HB1H102K CHIP C 1000PF K C120,121 CK73HB1C223K CHIP C 0.022UF K CN1 E41-2194-05 FLAT CABLE CONNECTOR CN2 E41-2156-05 FLAT CABLE CONNECTOR CN3 E41-2158-05 FLAT CABLE CONNECTOR CN4 E41-2197-05 FLAT CABLE CONNECTOR CN5 E41-2189-05 FLAT CABLE CONNECTOR CN6 E41-2050-05 SOCKET FOR PIN ASSY L1-5 L92-0365-05 CHIP FERRITE X1 L77-2870-05 CRYSTAL RESONATOR (16.897849M) CP2-4 RK74HB1J103J CHIP-COM 10K J 1/16W CP5-9 RK74HB1J330J CHIP-COM 33 J 1/16W CP10 RK74HB1J820J CHIP-COM 82 J 1/16W R1 RK73GH2A101D CHIP R 100 D 1/10W R2,3 RK73HB1J104J CHIP R 100K J 1/16W R8 RK73HB1J104J CHIP R 100K J 1/16W R10 RK73HB1J103J CHIP R 10K J 1/16W R11 RK73HB1J225J CHIP R 2.2M J 1/16W R12 RK73HB1J103J CHIP R 10K J 1/16W R15 RK73GH2A113D CHIP R 11K D 1/10W R16 RK73GH2A273D CHIP R 27K D 1/10W R18 RK73HB1J125J CHIP R 1.2M J 1/16W R21 RK73GH2A153D CHIP R 15K D 1/10W R22 RK73HB1J105J CHIP R 1.0M J 1/16W R23 RK73HB1J472J CHIP R 4.7K J 1/16W R24 RK73GH2A123D CHIP R 12K D 1/10W R25-27 RK73HB1J103J CHIP R 10K J 1/16W R28,29 RK73HB1J102J CHIP R 1.0K J 1/16W R30-32 RK73HB1J132J CHIP R 1.3K J 1/16W R33 RK73HB1J103J CHIP R 10K J 1/16W R34,35 RK73HB1J472J CHIP R 4.7K J 1/16W R36 RK73HB1J102J CHIP R 1.0K J 1/16W R37 RK73HB1J132J CHIP R 1.3K J 1/16W R38,39 RK73HB1J102J CHIP R 1.0K J 1/16W R40,41 RK73HB1J473J CHIP R 47K J 1/16W DVD UNIT (X37-1070-00) E5 : KVT-627DVD E6 : KVT-627DVDY (Europe) K1 : KVT-717DVD (North America) X2 : KVT-747DVD (Australia) R1 : KVT-747DVD (Latin America) C1 : KVT-767DVD (China) M2 : KVT-737DVD (Other Areas) www. xiaoyu163. com QQ 376315150 9 9 2 8 9 4 2 9 8 TEL 13942296513 9 9 2 8 9 4 2 9 8 0 5 1 5 1 3 6 7 3 Q Q TEL 13942296513 QQ 376315150 892498299 TEL 13942296513 QQ 376315150 892498299 KVT-627DVD/627DVDY/717DVD KVT-737DVD/747DVD/767DVD 99 Indicates safety critical components. Ref. No. A d d N e w Parts No. Description Desti- nation Ref. No. A d d N e w Parts No. Description Desti- nation PARTS LIST R45 RK73HB1J105J CHIP R 1.0M J 1/16W R46 RK73HB1J152J CHIP R 1.5K J 1/16W R47 RK73HB1J472J CHIP R 4.7K J 1/16W R49 RK73HB1J273J CHIP R 27K J 1/16W R51 RK73HB1J102J CHIP R 1.0K J 1/16W R52 RK73HB1J132J CHIP R 1.3K J 1/16W R53 RK73HB1J103J CHIP R 10K J 1/16W R54 RK73HB1J220J CHIP R 22 J 1/16W R55 RK73HB1J202J CHIP R 2.0K J 1/16W R56,57 RK73HB1J221J CHIP R 220 J 1/16W R58 RK73GH2A273D CHIP R 27K D 1/10W R59 RK73GB2A150J CHIP R 15 J 1/10W R61 RK73GB2A121J CHIP R 120 J 1/10W R62 R92-3475-05 CHIP R 0.27 F 1/2W R63 RK73GB2A241J CHIP R 240 J 1/10W R64 RK73HB1J222J CHIP R 2.2K J 1/16W R65,66 RK73HB1J103J CHIP R 10K J 1/16W R67 RK73HB1J472J CHIP R 4.7K J 1/16W R68,69 RK73HB1J102J CHIP R 1.0K J 1/16W R70,71 RK73GH2A123D CHIP R 12K D 1/10W R72 RK73GH2A333D CHIP R 33K D 1/10W R73 RK73GH2A203D CHIP R 20K D 1/10W R74 RK73HB1J123J CHIP R 12K J 1/16W R75 RK73HB1J152J CHIP R 1.5K J 1/16W R76 RK73HB1J751J CHIP R 750 J 1/16W R77 RK73HB1J431J CHIP R 430 J 1/16W R78 RK73HB1J472J CHIP R 4.7K J 1/16W R79 R92-5031-05 CHIP R 5.1 F 1/8W R80 RK73GB2A3R6J CHIP R 3.6 J 1/10W R81 RK73HB1J134J CHIP R 130K J 1/16W R82 RK73HB1J103J CHIP R 10K J 1/16W R83 RK73HB1J820J CHIP R 82 J 1/16W R84 RK73HB1J103J CHIP R 10K J 1/16W R85 RK73HB1J330J CHIP R 33 J 1/16W R86-88 RK73HB1J820J CHIP R 82 J 1/16W R89,90 RK73HB1J103J CHIP R 10K J 1/16W R91 RK73GH2A101D CHIP R 100 D 1/10W R92 RK73HB1J104J CHIP R 100K J 1/16W R93 RK73HB1J222J CHIP R 2.2K J 1/16W R95 R92-5031-05 CHIP R 5.1 F 1/8W R96,97 RK73HB1J102J CHIP R 1.0K J 1/16W R98 R92-5025-05 CHIP R 3.3 F 1/8W R100,101 RK73HB1J510J CHIP R 51 J 1/16W R102,103 RK73HB1J202J CHIP R 2.0K J 1/16W R104 RK73HB1J103J CHIP R 10K J 1/16W R105 RK73HB1J132J CHIP R 1.3K J 1/16W R106,107 RK73HB1J103J CHIP R 10K J 1/16W R108 RK73HB1J223J CHIP R 22K J 1/16W R109 RK73HB1J123J CHIP R 12K J 1/16W R110 RK73GH2A132D CHIP R 1.3K D 1/10W R117,118 RK73HB1J103J CHIP R 10K J 1/16W R120,121 RK73HB1J123J CHIP R 12K J 1/16W R122,123 RK73HB1J1R0J CHIP R 1.0 J 1/16W W1-4 R92-1252-05 CHIP R 0 OHM J 1/16W S3-5 S68-0895-05 PUSH SWITCH D1,2 MAZS0510M ZENER DIODE D3 MA4ZD03 DIODE D4-6 DAP202U DIODE D7 MA2S111 DIODE IC1 AN22022A-V ANALOGUE IC IC2 AN41204A ANALOGUE IC IC3 M29W400DB55N6E ROM IC IC4 MN103S71F MOS-IC IC5 S-80829CNPF ANALOGUE IC IC8 S-80813CNPF ANALOGUE IC IC9 NJM2880U115 ANALOGUE IC IC10 NJM2886DL2-33 ANALOGUE IC IC11 S-24CS04AFT ROM IC Q1,2 2SK3018 FET Q7,8 2SB0970 TRANSISTOR Q9,10 2SJ0536 FET Q11-14 DTA114YUA DIGITAL TRANSISTOR TH1 TH11-3H103FT THERMISTOR 1 1B A10-5084-31 CHASSIS 2 2B A10-5083-21 CHASSIS ASSY 3 3B A11-1631-21 SUB CHASSIS 4 1B D10-4763-32 ARM 5 1B D10-4764-23 ARM 7 2B D10-4768-12 SLIDER 8 2B D10-4769-03 SLIDER 9 2A D10-4771-02 SLIDER 10 2A D10-4772-03 SLIDER 11 2A D10-4773-13 SLIDER 12 2B D10-4774-03 LEVER 13 2B D10-4776-23 ARM 14 3A D10-4795-23 ARM 17 3B D12-0638-13 CAM 21 2B D13-2298-04 GEAR 22 2B D13-2299-04 GEAR 23 2B D13-2303-04 GEAR 24 2B D13-2305-04 GEAR 25 2B D13-2306-04 GEAR 26 1A D13-2308-04 GEAR 27 1A D13-2309-04 GEAR 28 3B D13-2316-24 GEAR ASSY 29 2B D13-2300-14 GEAR 30 2A D14-0799-14 ROLLER 31 2A D14-1006-04 ROLLER 33 3A D21-2429-13 SHAFT 36 1A D39-0259-05 DAMPER 37 2B E39-0556-05 LEAD WIRE VFC1 2A E39-0602-05 FLAT CABLE 38 3A F07-1134-12 COVER 39 3A F09-1930-14 SHEET 40 3A F09-1960-04 SHEET 44 3A F09-1870-04 SHEET DVD MECHANISM ASSY (X92-5130-00) E5 : KVT-627DVD E6 : KVT-627DVDY (Europe) K1 : KVT-717DVD (North America) X2 : KVT-747DVD (Australia) R1 : KVT-747DVD (Latin America) C1 : KVT-767DVD (China) M2 : KVT-737DVD (Other Areas) DVD UNIT (X37-1070-00) www. xiaoyu163. com QQ 376315150 9 9 2 8 9 4 2 9 8 TEL 13942296513 9 9 2 8 9 4 2 9 8 0 5 1 5 1 3 6 7 3 Q Q TEL 13942296513 QQ 376315150 892498299 TEL 13942296513 QQ 376315150 892498299 100 KVT-627DVD/627DVDY/717DVD KVT-737DVD/747DVD/767DVD Indicates safety critical components. Ref. No. A d d N e w Parts No. Description Desti- nation Ref. No. A d d N e w Parts No. Description Desti- nation PARTS LIST 45 2B G01-3192-04 EXTENSION SPRING 46 2A G01-3194-24 EXTENSION SPRING 47 1B G01-3195-14 EXTENSION SPRING 48 2A G01-3206-24 TORSION COIL SPRING 49 2A G01-3207-24 TORSION COIL SPRING 50 3A G01-3209-04 COMPRESSION SPRING 51 3A G02-1468-04 FLAT SPRING 52 2B G02-1504-33 FLAT SPRING ASSY 53 1B G02-1466-24 FLAT SPRING 54 3B G02-1488-04 FLAT SPRING 55 3A G02-1473-04 FLAT SPRING 56 1B G11-3614-04 CUSHION (SR-S-24P) 57 3B G11-3622-04 CUSHION (PORON) 58 2B J11-0654-13 CLAMPER 59 1A J22-0042-12 MOUNTING HARDWARE 60 1B J22-0043-12 MOUNTING HARDWARE 61 3B J22-0044-03 MOUNTING HARDWARE 62 1A J22-0103-23 MOUNTING HARDWARE ASSY 63 2B J22-0177-14 MOUNTING HARDWARE 64 1A J90-1066-41 GUIDE 65 1B J90-1067-13 GUIDE 66 1B J90-1087-32 GUIDE 67 1B J90-1088-32 GUIDE A 2A N09-6143-05 MACHINE SCREW B 1A N09-6144-05 MACHINE SCREW C 3B N09-6145-05 MACHINE SCREW D 3B N09-6156-05 MACHINE SCREW (M1.4X1.6) E 1B N09-6230-05 MACHINE SCREW F 1A N19-2192-04 FLAT WASHER G 3B N09-6133-05 MACHINE SCREW (SERRATED) H 3A N09-6134-05 STEPPED SCREW (STEPPED) J 3A N09-6203-05 MACHINE SCREW K 3A N09-6221-15 MACHINE SCREW (P 1.4X3.5) L 2A N09-6308-05 MACHINE SCREW (P 1.4X4.5) M 2A N19-2183-14 FLAT WASHER VM1 2A T42-1321-05 MOTOR ASSY VM2 3A T42-1084-15 MOTOR ASSY VM3 2B X94-2000-00 MOTORASSY (LO) 71 2A X94-2010-00 ROLLER ASSY VPU1 3B X94-2020-00 OPTICAL PICKUP ASSY E5 : KVT-627DVD E6 : KVT-627DVDY (Europe) K1 : KVT-717DVD (North America) X2 : KVT-747DVD (Australia) R1 : KVT-747DVD (Latin America) C1 : KVT-767DVD (China) M2 : KVT-737DVD (Other Areas) DVD MECHANISM ASSY (X92-5130-00) www. xiaoyu163. com QQ 376315150 9 9 2 8 9 4 2 9 8 TEL 13942296513 9 9 2 8 9 4 2 9 8 0 5 1 5 1 3 6 7 3 Q Q TEL 13942296513 QQ 376315150 892498299 TEL 13942296513 QQ 376315150 892498299 KVT-627DVD/627DVDY/717DVD KVT-737DVD/747DVD/767DVD 101 SPECIFICATIONS (KVT-717DVD/747DVD/767DVD) ■ Main Unit Monitor Section Picture size KVT-717DVD/747DVD(R) ..... 6.95 inches (diagonal) wide KVT-747DVD(X)/767DVD...................... 6.95 inches wide W x H .......................................... 154.1 W x 87.1 H (mm) Display system........................... Transparent TN LCD panel Drive system ................................ TFT active matrix system Number of pixels ................. 336,960 (480H x 234V x RGB) Effective pixels ......................................................... 99.99% Pixel arrangement ........................ RGB striped arrangement Back lighting ..................... Cold Cathode Fluorescent Tube DVD Section D/A Converter............................................................... 24Bit Decoder .............. Linear PCM/Dolby Digital/dts/MP3/WMA Wow & Flutter ................................ Below Measurable Limit Frequency response 96k Sampling................................................ 20~22,000Hz 48k Sampling................................................ 20~22,000Hz 44.1k Sampling............................................. 20~20,000Hz Total harmonic distortion 1kHz ................................ 0.007% Signal to Noise ratio ........................98dB (DVD-Video 96k) Dynamic range .................................98dB (DVD-Video 96k) DISC Format....................... DVD-Video/VIDEO-CD/CD-DA Sampling frequency ......................... 44.1kHz/48kHz, 96kHz Quantifying bit number ....................................... 16/20/24bit ■ Hideaway Unit FM Frequency range (Frequency step) KVT-717DVD/747DVD(R) ........ 87.9~107.9MHz (200kHz) KVT-747DVD(X)/767DVD.......... 87.5~108.0MHz (50kHz) Usable sensitivity (S/N : 30dB) ............ 9.3dBf (0.8µV/75Ω) Quieting sensitivity (S/N : 50dB) ....... 15.2dBf (1.6µV/75Ω) Frequency response (±3.0dB) ......................... 30Hz~15kHz S/N ................................................................ 70dB (MONO) Selectivity .......................................... Over 80dB (±400kHz) Stereo separation ............................................. 40dB (1kHz) AM Frequency range (Frequency step) KVT-717DVD/747DVD(R) ....... 530kHz~1700kHz (10kHz) KVT-747DVD(X)/767DVD......... 531kHz~1611kHz (9kHz) Usable sensitivity........................................................ 28dBµ Video Color system of external video input KVT-717DVD/747DVD(R) ....................................... NTSC KVT-747DVD(X)/767DVD................................ NTSC/PAL External video input level (RCA jacks) ............... 1Vp-p/75Ω External audio max input level (RCA jacks) ........... 1V/22kΩ Analog RGB input ............................................ 0.7Vp-p/75Ω Audio Maximum Power (Front & Rear) .............................. 50W x 4 Full Bandwidth Power (Front & Rear) ............................................ 22W x 4 (at less than 1% THD) Preout level ............................................................. 5V/10kΩ Preout impedance .......................................................... 80Ω Tone Bass.............................................................. 100Hz±10dB Middle ............................................................ 1kHz±10dB Treble ........................................................... 10kHz±10dB ■ General Operating voltage..................................... 14.4V (11V~16V) Current consumption...................................................... 15A Dimensions (W x H x D) Main Unit Installation size ......... 182 x 53 x 161 (mm) / 7-3/16 x 2-1/16 x 6-3/8 (inch) Hideaway unit ........... 225 x 40 x 168 (mm) / 8-7/8 x 1-9/16 x 6-5/8 (inch) Operational temperature range ......................... -10°C~60°C Storage temperature range ............................... -20°C~85°C Weight Main unit ...................................................... 2.2kg / 4.9 lbs Hideaway unit .............................................. 1.1kg / 2.4 lbs KENWOOD follows a policy of continuous advancements in development. For this reason specifications may be changed without notice. US and foreign patents licensed from Dolby Laboratories. www. xiaoyu163. com QQ 376315150 9 9 2 8 9 4 2 9 8 TEL 13942296513 9 9 2 8 9 4 2 9 8 0 5 1 5 1 3 6 7 3 Q Q TEL 13942296513 QQ 376315150 892498299 TEL 13942296513 QQ 376315150 892498299 KVT-627DVD/627DVDY/717DVD KVT-737DVD/747DVD/767DVD SPECIFICATIONS (KVT-627DVD/627DVDY/737DVD) ■ Main Unit Monitor Section Picture size ................................................ 6.95 inches wide W x H .......................................... 154.1 W x 87.1 H (mm) Display system........................... Transparent TN LCD panel Drive system ................................ TFT active matrix system Number of pixels ................. 336,960 (480H x 234V x RGB) Effective pixels ......................................................... 99.99% Pixel arrangement ........................ RGB striped arrangement Back lighting ..................... Cold Cathode Fluorescent Tube DVD Section D/A Converter............................................................... 24Bit Decoder .............. Linear PCM/Dolby Digital/dts/MP3/WMA Wow & Flutter ................................ Below Measurable Limit Frequency response 96k Sampling................................................ 20~22,000Hz 48k Sampling................................................ 20~22,000Hz 44.1k Sampling............................................. 20~20,000Hz Total harmonic distortion 1kHz ................................ 0.007% Signal to Noise ratio ........................98dB (DVD-Video 96k) Dynamic range .................................98dB (DVD-Video 96k) DISC Format....................... DVD-Video/VIDEO-CD/CD-DA Sampling frequency ......................... 44.1kHz/48kHz, 96kHz Quantifying bit number ....................................... 16/20/24bit ■ Hideaway Unit FM Frequency range (Frequency step) ....................................................... 87.5~108.0MHz (50kHz) Usable sensitivity (S/N : 26dB) ............ 9.3dBf (0.7µV/75Ω) Quieting sensitivity (S/N : 46dB) ....... 15.2dBf (1.6µV/75Ω) Frequency response (±3.0dB) ......................... 30Hz~15kHz S/N KVT-627DVD/627DVDY ........................... 65dB (MONO) KVT-737DVD ............................................ 70dB (MONO) Selectivity .......................................... Over 80dB (±400kHz) Stereo separation KVT-627DVD/627DVDY ............................... 35dB (1kHz) KVT-737DVD ................................................ 40dB (1kHz) MW Frequency range (Frequency step) ...................................................... 531kHz~1611kHz (9kHz) Usable sensitivity..........................................................25µV LW Frequency range......................................... 153kHz~281kHz Usable sensitivity..........................................................45µV Video Color system of external video input.................. NTSC/PAL External video input level (RCA jacks) ............... 1Vp-p/75Ω External audio max input level (RCA jacks) ........... 1V/22kΩ Analog RGB input ............................................ 0.7Vp-p/75Ω Audio Maximum Power (Front & Rear) .............................. 50W x 4 Full Bandwidth Power (Front & Rear) KVT-627DVD/627DVDY 30W x 4 (PWR DIN45324, +B=14.4V) KVT-737DVD .................. 22W x 4 (at less than 1% THD) Preout level ............................................................. 5V/10kΩ Preout impedance .......................................................... 80Ω Tone Bass.............................................................. 100Hz±10dB Middle ............................................................ 1kHz±10dB Treble ........................................................... 10kHz±10dB ■ General Operating voltage .....................................14.4V (11V~16V) Current consumption...................................................... 15A Dimensions (W x H x D) Main Unit Installation size ................ 182 x 53 x 161 (mm) Hideaway unit ................................... 225 x 40 x 168 (mm) Operational temperature range ......................... -10°C~60°C Storage temperature range ............................... -20°C~85°C Weight Main unit ................................................................... 2.2kg Hideaway unit ........................................................... 1.1kg KENWOOD follows a policy of continuous advancements in development. For this reason specifications may be changed without notice. US and foreign patents licensed from Dolby Laboratories. www. xiaoyu163. com QQ 376315150 9 9 2 8 9 4 2 9 8 TEL 13942296513 9 9 2 8 9 4 2 9 8 0 5 1 5 1 3 6 7 3 Q Q TEL 13942296513 QQ 376315150 892498299 TEL 13942296513 QQ 376315150 892498299

标签:

版权声明

1. 本站所有素材,仅限学习交流,仅展示部分内容,如需查看完整内容,请下载原文件。
2. 会员在本站下载的所有素材,只拥有使用权,著作权归原作者所有。
3. 所有素材,未经合法授权,请勿用于商业用途,会员不得以任何形式发布、传播、复制、转售该素材,否则一律封号处理。
4. 如果素材损害你的权益请联系客服QQ:77594475 处理。