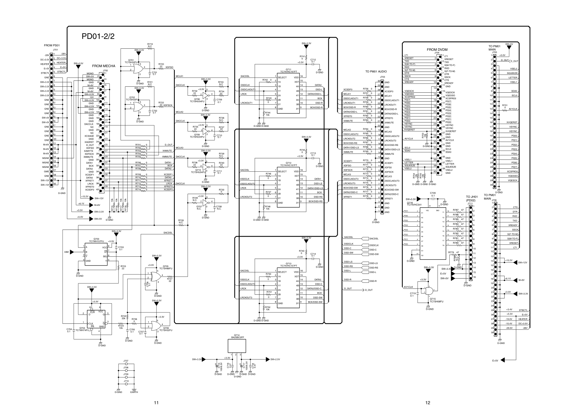
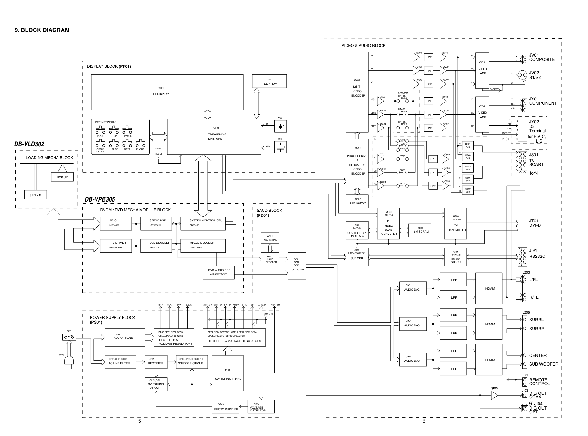
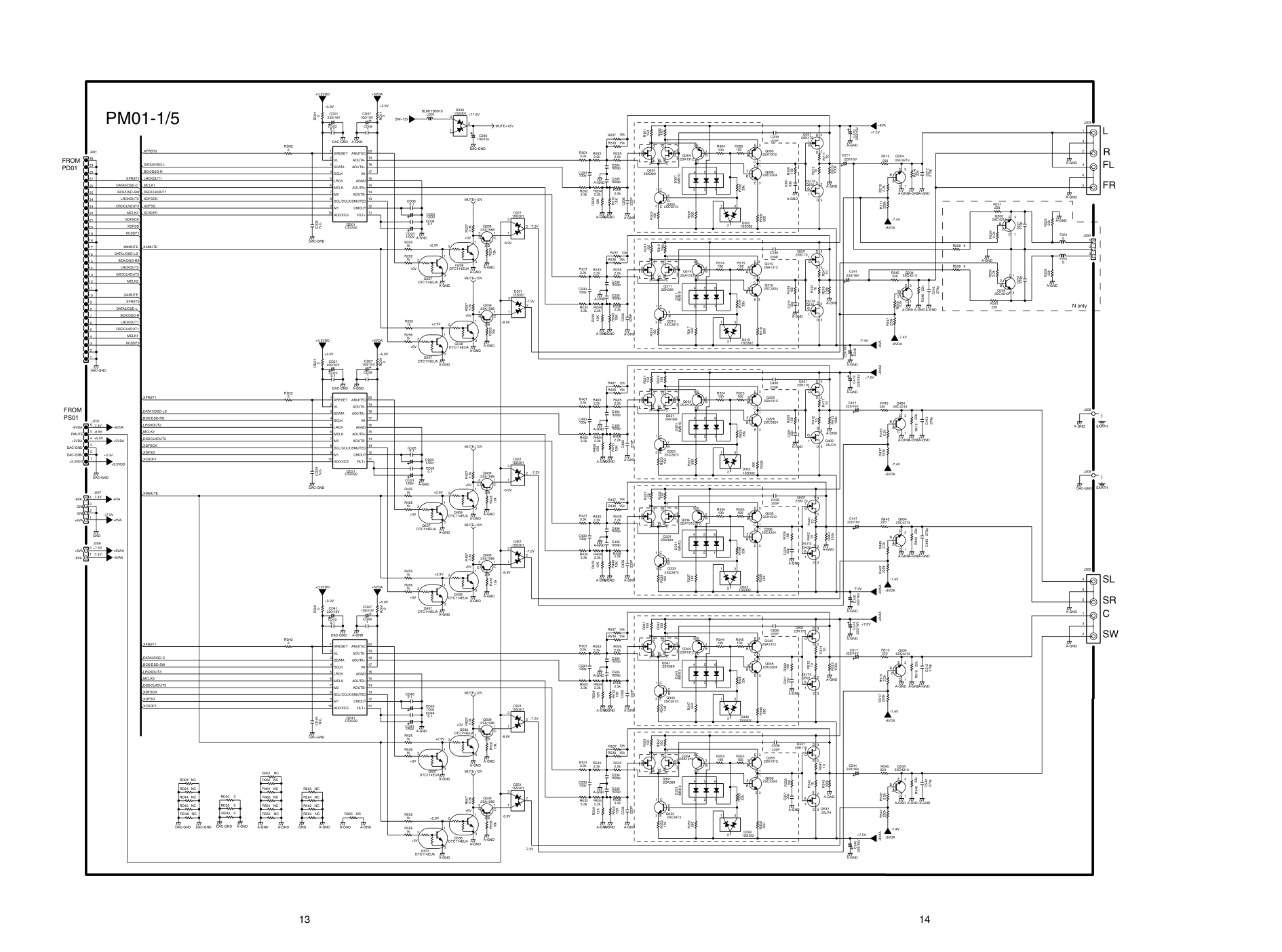
马兰士MARANTZ DV8400S1G音响电路图

分类:电子电工 日期: 点击:0
马兰士MARANTZ DV8400S1G音响电路图-0 马兰士MARANTZ DV8400S1G音响电路图-1 马兰士MARANTZ DV8400S1G音响电路图-2 马兰士MARANTZ DV8400S1G音响电路图-3 马兰士MARANTZ DV8400S1G音响电路图-4 马兰士MARANTZ DV8400S1G音响电路图-5 马兰士MARANTZ DV8400S1G音响电路图-6 马兰士MARANTZ DV8400S1G音响电路图-7 马兰士MARANTZ DV8400S1G音响电路图-8 马兰士MARANTZ DV8400S1G音响电路图-9

Super Audio CD / DVD Player DV8400 11AK855010 MIT First Issue 2003.03 TABLE OF CONTENTS SECTION PAGE 1. TECHNICAL SPECIFICATIONS ................................................................................................... 1 3. INFORMATIONS ........................................................................................................................... 2 8. WIRING DIAGRAM ....................................................................................................................... 3 9. BLOCK DIAGRAM ........................................................................................................................ 5 10. SCHEMATIC DIAGRAM................................................................................................................ 7 11. PARTS LOCATION...................................................................................................................... 31 12. MICROPROCESSOR AND IC DATA........................................................................................... 36 13. EXPLODED VIEW AND PARTS LIST......................................................................................... 45 14. ELECTRICAL PARTS LIST......................................................................................................... 48 DV8400 /F1N/N1G/S1G /N1S/A1B/F1B/N1B/U1B R DV8400 Please use this service manual with referring to the user guide ( D.F.U. ) without fail. Service Manual FL OF F STANDBY ON/OFF POWE R SACD/DVD PLAYER DV8400 OPEN/CLOSE STOP PAUSE PLAY V- PART GRP TITLE 192kHz 96kHz CHP SURROUND LAST TOTAL COND REMAIN 5.1CH DOWN MIX VCD TRK D OFF PROGRESSIVE DOLBY D LFE C R L S LS RS V OFF REMARK: This service manual shows only the differences between the model DV8300 and the model DV8400. This unit is a modifi ed version adding DVI-D output, RS-232C control terminal to the DV8300 and making changes that come with the added functions. All other information is described in the service manual of the model DV8300 (Code number 02AK855010). For the dispatch of the after-sales service parts, refer to those service manuals with the fi rst priority. Therefore, please use this document with referring to the model DV8300 service manual without fail. MARANTZ DESIGN AND SERVICE Using superior design and selected high grade components, MARANTZ company has created the ultimate in stereo sound. Only original MARANTZ parts can insure that your MARANTZ product will continue to perform to the specifi cations for which it is famous. Parts for your MARANTZ equipment are generally available to our National Marantz Subsidiary or Agent. ORDERING PARTS : Parts can be ordered either by mail or by Fax.. In both cases, the correct part number has to be specifi ed. The following information must be supplied to eliminate delays in processing your order : 1. Complete address 2. Complete part numbers and quantities required 3. Description of parts 4. Model number for which part is required 5. Way of shipment 6. Signature : any order form or Fax. must be signed, otherwise such part order will be considered as null and void. SHOCK, FIRE HAZARD SERVICE TEST : CAUTION : After servicing this appliance and prior to returning to customer, measure the resistance between either primary AC cord connector pins ( with unit NOT connected to AC mains and its Power switch ON ), and the face or Front Panel of product and controls and chassis bottom. Any resistance measurement less than 1 Megohms should cause unit to be repaired or corrected before AC power is applied, and verifi ed before it is return to the user/customer. Ref. UL Standard No. 1492. In case of diffi culties, do not hesitate to contact the Technical Department at above mentioned address. 030307MIT SUPERSCOPE TECHNOLOGIES, INC. USA MARANTZ AMERICA, INC 1100 MAPLEWOOD DRIVE ITASCA, IL. 60143 USA PHONE : 630 - 741 - 0300 FAX : 630 - 741 - 0301 JAPAN Technical MARANTZ JAPAN, INC. 35- 1, 7- CHOME, SAGAMIONO SAGAMIHARA - SHI, KANAGAWA JAPAN 228-8505 PHONE : +81 42 748 1013 FAX : +81 42 741 9190 EUROPE / TRADING MARANTZ EUROPE B.V. P. O. BOX 8744, BUILDING SILVERPOINT BEEMDSTRAAT 11, 5653 MA EINDHOVEN THE NETHERLANDS PHONE : +31 - 40 - 2507844 FAX : +31 - 40 - 2507860 AUSTRALIA QualiFi Pty Ltd, 24 LIONEL ROAD, MT. WAVERLEY VIC 3149 AUSTRALIA PHONE : +61 - (0)3 - 9543 - 1522 FAX : +61 - (0)3 - 9543 - 3677 NEW ZEALAND WILDASH AUDIO SYSTEMS NZ 14 MALVERN ROAD MT ALBERT AUCKLAND NEW ZEALAND PHONE : +64 - 9 - 8451958 FAX : +64 - 9 - 8463554 THAILAND MRZ STANDARD CO., LTD 746 - 754 MAHACHAI ROAD., WANGBURAPAPIROM, PHRANAKORN, BANGKOK, 10200 THAILAND PHONE : +66 - 2 - 222 9181 FAX : +66 - 2 - 224 6795 TAIWAN PAI- YUING CO., LTD. 6 TH FL NO, 148 SUNG KIANG ROAD, TAIPEI, 10429, TAIWAN R.O.C. PHONE : +886 - 2 - 25221304 FAX : +886 - 2 - 25630415 MALAYSIA WO KEE HONG ELECTRONICS SDN. BHD. 2ND FLOOR BANGUNAN INFINITE CENTRE LOT 1, JALAN 13/6, 46200 PETALING JAYA SELANGOR DARUL EHSAN, MALAYSIA PHONE : +60 - 3 - 7954 8088 FAX : +60 - 3 - 7954 7088 AMERICAS MARANTZ PROFESSIONAL PRODUCTS 2640 WHITE OAK CIRCLE, SUITE A AURORA, ILLINOIS 60504 USA PHONE : 630 - 820 - 4800 FAX : 630 - 820 - 8103 KOREA MK ENTERPRISES LTD. ROOM 604/605, ELECTRO-OFFICETEL, 16-58, 3GA, HANGANG-RO, YONGSAN-KU, SEOUL KOREA PHONE : +822 - 3232 - 155 FAX : +822 - 3232 - 154 SINGAPORE WO KEE HONG DISTRIBUTION PTE LTD 130 JOO SENG ROAD #03-02 OLIVINE BUILDING SINGAPORE 368357 PHONE : +65 6858 5535 / +65 6381 8621 FAX : +65 6858 6078 HONG KONG Jolly ProAudio Broadcast Engineering Ltd. UNIT 2, 10F, WAH HUNG CENTRE, 41 HUNG TO ROAD, KWUN TONG, KLN., HONG KONG PHONE : 852 - 21913660 FAX : 852 - 21913990 CANADA LENBROOK INDUSTRIES LIMITED 633 GRANITE COURT, PICKERING, ONTARIO L1W 3K1 CANADA PHONE : 905 - 831 - 6333 FAX : 905 - 831 - 6936 TECHNICAL AUDIO GROUP PTY, LTD 43-53 Bridge Rd., STANMORE NSW 2048 AUSTRALIA PHONE : +61 - (0)2 - 9519 - 0900 FAX : +61 - (0)2 - 9519 - 0600 AUSTRALIA 1 General System..................................... DVD-Video, DVD-Audio, DVD-R/RW, Video-CD, SACD, CD and MP3 fi les Power requirements A Version .............................................................AC 240 V, 50 Hz C Version .............................................................AC 220 V, 60 Hz F Version.......................................................AC 100 V, 50 / 60 Hz K Version .............................................................AC 220 V, 50 Hz L Version..............................................................AC 110 V, 60 Hz N Version .............................................................AC 230 V, 50 Hz S Version ......................................................AC 230 V, 50 / 60 Hz U Version .............................................................AC 120 V, 60 Hz Power consumption F Version................................................................................18 W Other Version.........................................................................19 W Weight ................................................................ 6.5 kg (13 lb 44 oz) Dimensions.......................................440 (W) x 311 (D) x 89 (H) mm (17 5/16 (W) x 12 1/4 (D) x 3 1/2 (H) in.) (Not including protruding cables, etc.) Operating temperature ...............+5 °C to +35 °C (+41 °F to +96 °F) Operating humidity .............................5% to 85% (no condensation) S-Video output Y (luminance) - Output level ....................................... 1 Vp-p (75 Ω ) C (color) - Output level : NTSC............................ 286 mVp-p (75 Ω ) : PAL ............................... 300 mVp-p (75 Ω ) Jacks ..........................................................................S-VIDEO jack Video output (2 individual outputs) Output level................................................................. 1 Vp-p (75 Ω ) Jacks .................................................................................. RCA jack Component video output (Y, CB/PB, CR/PB) Output level......................................................... Y : 1.0 Vp-p (75 Ω ) CB/PB, CR/PB : 0.7 Vp-p (75 Ω ) Jacks .................................................................................. RCA jack R / G / B output Output level..............................................R / G / B : 0.7 Vp-p (75 Ω ) Jacks (N Version)....................................... 21 pin SCART connector D1/D2 video output (except for N, U Version) Output level......................................................... Y : 1.0 Vp-p (75 Ω ) CB/PB, CR/PB : 0.7 Vp-p (75 Ω ) Jacks ................................................................................ D terminal DVI-D output Jacks ............................................................................DVI-D 24 pin The interface is based on TMDS(Transition Minimized Differential Signaling) tecnologe. Audio output (2 individual outputs) Output level During audio output .............................. 200 mVrms (1 kHz, –20 dB) Number of channels ........................................................................2 Jacks .................................................................................. RCA jack Audio output (multi-channel / L, R, C, SW, LS, RS) Output level During audio output .............................. 200 mVrms (1 kHz, –20 dB) Number of channels ........................................................................6 Jacks .................................................................................. RCA jack Digital audio characteristics Frequency response.......................4 Hz to 44 kHz (DVD fs: 96 kHz) 4 Hz to 88 kHz (DVD-Audio fs: 192 kHz) S/N ratio................................................................ more than 125 dB Dynamic range ..................................................... more than 110 dB Total harmonic distortion ..................................................0.00095 % Wow and fl utter................. Limit of measurement(0.001% W. PEAK) or lower Digital output Optical digital output............................................. Optical digital jack Coaxial digital output .......................................................... RCA jack Accessories Audio/Video cord .............................................................................1 System Control cord........................................................................1 Power Cord......................................................................................1 Remote control unit .........................................................................1 AA (R6P) dry cell batteries..............................................................2 Operating Instructions .....................................................................1 1. TECHNICAL SPECIFICATIONS Notifi cation Concerning HDCP compatible DVI-D output This product is equipped with an HDCP compatible DVI-D output terminal, but its output format is not formally authorized at this time for copyright protection reasons. Therefore, when it is shipped, this output is not possible. When the format has been formally authorized, an upgrade will provide compatibility necessary to perform this output. 2 6 7 9 13 Window DVI DVI is an abbreviation of Digital Visual Interface. It is a digital display interface standard decided by DDWG (Digital Display Working Group). This standard is to transmit video signal in digital. HDCP HDCP is an abbreviation of High-bandwidth Digital Content Protection. This is a video signal encoding process system for DVI. The purpose of HDCP is to protect video contents from illegal copies. A display with HDCP adopted DVI input is needed to receive the encoded signal. 3. INFORMATIONS HOW TO CONFIRM THE RS-232C CONTROL FUNCTION Necessary Equipment • Windows PC • RS-232C straight cable female-female • Function check software (*DV8400RSR) Operation procedure 1. Connect the RS-232C cable to the RS-232C connector on the rear panel of DV8400. 2. Turn on power of DV8400 and insert a CD disc. 3. Copy "232C_CONTROL" folder in (*DV8400RSR) to the PC. 4. Open the (*DV8400RSR) folder just copied to the PC. 5. Double click "Jig_DV8400_14.exe" to launch this communication software. 6. Select the COM port. (Ex. Com1) 7. Click "START". 8. Set the RS-232C CONTROL SW on the rear panel of DV8400 to RS-232C. 9. Click "PLAY" on the communication software in the PC. 10. If DV8400 turns into PLAY mode and time counter is indicated in window, this function check is OK. 11. Press STOP button. 12. Set the RS-232C CONTROL SW on the rear panel of DV8400 to RC-5/6. 13. Click "FINISH" on the communication software. 14. This function check is completed. 3 4 8. WIRING DIAGRAM JP50 J202 JP51 J208 JP52 J207 JP02 JP08 JP10 JP11 JP01 JP05 J701 J702 J001 J601 CN602 CN401 CN104 CN103 CN601 CN105 CN101 CN0000 J704 CN501 J703 J201 JE01 J705 J706 JE02 JF01 JE03 JF03 JF02 J803 J950 J851 J204 JI51 JF04 1 2 3 4 5 6 1 2 3 4 5 6 1 2 1 2 1 2 3 4 1 2 3 4 1 2 1 2 1 2 1 2 1 2 1 2 3 4 5 6 7 8 9 10 11 12 13 25 14 26 15 27 16 28 17 29 18 30 19 20 21 22 23 24 1 2 3 4 5 6 7 8 9 10 11 12 13 25 14 26 15 27 16 28 17 29 18 30 19 20 21 22 23 24 1 2 3 4 5 6 7 8 9 10 11 12 13 14 15 16 17 18 19 20 21 22 23 24 25 26 27 28 29 30 31 32 33 34 35 36 37 38 39 40 1 2 1 2 3 4 5 6 7 8 9 10 11 12 13 14 15 16 17 18 19 20 21 22 23 24 25 26 27 28 29 30 31 32 33 34 35 36 37 38 39 40 1 2 3 4 5 6 7 8 9 10 11 12 13 14 15 16 17 18 19 20 21 22 23 24 25 26 27 28 29 30 31 32 33 34 35 36 37 38 39 40 1 2 3 4 5 6 7 8 9 10 11 12 13 14 15 16 17 18 19 20 21 22 23 24 25 26 27 28 29 30 31 32 33 34 35 36 37 38 39 40 1 2 3 4 1 2 3 4 1 2 3 4 5 1 2 3 4 5 1 2 3 4 5 6 7 8 9 10 11 12 1 2 3 4 5 6 7 8 9 10 11 12 1 2 3 4 5 6 7 8 9 10 11 12 13 25 14 26 15 16 17 18 19 20 21 22 23 24 1 2 3 4 5 6 7 8 9 10 11 12 13 25 14 26 15 16 17 18 19 20 21 22 23 24 1 2 3 4 5 6 7 8 9 10 11 12 13 14 15 16 17 18 19 20 21 22 23 24 25 26 27 28 29 30 31 32 33 34 35 36 37 38 39 40 1 2 3 4 5 6 7 8 9 10 11 12 13 14 15 16 17 18 19 20 21 22 23 24 25 26 27 28 29 30 31 32 33 34 35 36 37 38 39 40 1 2 3 4 5 6 7 8 9 10 11 12 13 25 14 26 15 27 16 28 17 29 18 30 19 20 21 22 23 24 1 2 3 4 5 6 7 8 9 10 11 12 13 25 14 26 15 27 16 28 17 29 18 30 19 20 21 22 23 24 1 2 3 4 5 6 7 8 9 10 11 12 13 25 14 26 15 27 16 28 17 29 18 30 19 20 21 22 23 24 1 2 3 4 5 6 7 8 9 10 11 12 13 25 14 26 15 27 16 28 17 29 18 30 19 20 21 22 23 24 1 2 3 4 5 6 7 8 9 10 11 12 13 25 14 26 15 27 16 28 17 29 18 30 19 20 21 22 23 24 1 2 3 4 5 6 7 8 9 10 11 12 13 25 14 26 15 27 16 28 17 29 18 30 19 20 21 22 23 24 1 2 3 4 5 6 7 8 9 10 11 12 13 14 15 16 17 18 19 20 1 2 3 4 5 6 7 8 9 10 11 12 13 14 15 16 17 18 19 20 1 2 1 2 1 2 3 4 5 6 7 8 9 10 11 12 1 2 3 1 2 3 4 5 6 7 8 9 10 11 12 1 2 3 PS02 LIVE LIVE NEUTRAL NEUTRAL SW+12V SW+12V GND GND M-GND M-GND M-GND M+6V M+6V M+6V GND GND GND GND SW+5V SW+5V GND GND GND GND SW+3.3V SW+3.3V SW+3.3V SW+3.3V GND STB_CTL E+5V HEATER DC+3.5V -28V -28V DC+3.5V HEATER E+5V STB_CTL GND SW+3.3V SW+3.3V SW+3.3V SW+3.3V GND GND GND GND SW+5V SW+5V GND GND GND GND M+6V M+6V M+6V M-GND M-GND M-GND GND GND SW+12V SW+12V LIVE NEUTRAL AC Inlet XMSLAT2 GND 33MSACD GND BCLK GND XSAK BD0 BD1 BD2 BD3 BD4 XDFSO XDFSCK XDFSI XSRQ XMSLAT DSPA2 GND GND VCOSCD GND GND RFSACD GND RD1 RD2 RD3 RD4 RD5 RD6 RD7 RD8 XSHD BD7 BD6 BD5 XMSREADY XMRST XSACDSL XMSLAT2 GND 33MSACD GND BCLK GND XSAK BD0 BD1 BD2 BD3 BD4 XDFSO XDFSCK XDFSI XSRQ XMSLAT DSPA2 GND GND VCOSCD GND GND RFSACD RD2 RD8 RD6 GND RD1 RD3 RD5 RD4 RD7 XSHD BD6 BD5 BD7 XMSREADY XMRST XSACDSL MGND SW+5V MGND GND M+6V GND M+6V SW+3.3V 12V SW+3.3V GND SW+2.5V GND SW+2.5V GND GND GND DACCLK NC GND NC XCSAQE GND XAQRST D_OUT XDFSO XAMYTE XDFSCK XMMUTE GND DATA1 BCK DATA2 GND XCSDF1 DATA0 XFRST1 LRCK XFRST0 XCSDF0 MGND SW+5V MGND GND M+6V GND M+6V SW+3.3V 12V SW+3.3V GND SW+2.5V GND SW+2.5V GND GND GND DACCLK NC GND NC XCSAQE GND XAQRST XDFSO D_OUT XMMUTE XDFSCK XAMYTE GND DATA1 BCK DATA2 GND XCSDF1 DATA0 XFRST1 LRCK XCSDF0 XFRST0 BOARD TO BOARD CONNECTOR ST1- ST1+ ST2- ST2+ GNDS SW2 V+3D LOAB+ LOAB- A3 A2 A1 H1+ H1- H2+ H2- H3+ H3- GNDS V+5S INSIDE MECHA FCCS RTN TRKG DRV TRKG RTN FCCS DRV 1/2SW B2 B1 A VRREF(2.5V) C B4 B3 GND RF- GND RF+ GND GND VCC LD(780) GND MPD(780) VSHF MPD-VR LD(650) MPD(650) BOARD TO BOARD CONNECTOR DVDM PS01 PD01 PM01 +3.3VD A-GND A-GND +5VA P_MUTE -8VA +3.3VDD DAC-GND DAC-GND +5VDA PMUTE -8VDA -8VA +8VA -8VAA +8VAA +8VA -8VA A-GND A-GND -8VA +8VA GND GND GND GND GND XFRST1 DATA2/DSD-C BCK/DSD-SW LRCKOUT3 DSDCLKOUT3 MCLK3 XDFSCK XDFS0 XCSDF1 GND XMMUTE DATA1/DSD-LS BCK/DSD-RS LRCKOUT2 DSDCLKOUT2 MCLK2 GND XAMUTE XFRSTO DATA0/DSD-L BCK/DSD-R LRCKOUT1 DSDCLKOUT1 MCLK1 XCSDF0 GND GND GND GND XCSDF0 MCLK1 DSDCLKOUT1 LRCKOUT1 BCK/DSD-R DATA0/DSD-L XAMUTE XFRSTO GND MCLK2 DSDCLKOUT2 LRCKOUT2 BCK/DSD-RS DATA1/DSD-LS XMMUTE GND XCSDF1 XDFSCK MCLK3 XDFS0 DSDCLKOUT3 LRCKOUT3 BCK/DSD-SW DATA2/DSD-C XFRST1 GND GND GND SW+5V D_OUT D-GND VSEL2 SQUEEZE LETTER VSEL1 D-GND SDA0 SCL0 D-GND D-GND AV1CLK D-GND D-GND XVQERST VSYNC HSYNC PD0 PD1 PD2 PD3 PD4 PD5 PD6 PD7 XCSPRO2 VQESSO VQESCK D-GND D-GND CTS DTR RXD TXD XREADY SSCK S(FtoM) S(MtoF) XRESET LT1 D-GND SW+12V SW+12V V-GND V-GND E+5V E+5V V-GND V-GND SW+3.3V SW+3.3V D-GND D-GND STB_CTL E+5V HEATER DC+3.5V -28V D-GND D-GND -28V DC+3.5V HEATER E+5V STB_CTL D-GND P_TRG LT1 XRESET S(MtoF) S(FtoM) SSCK XREADY D-GND /TEST D-GND IR_SW D-BUS V-MUTE V_MUTE D-BUS IR_SW D-GND /TEST D-GND XREADY SSCK S(MtoF) S(FtoM) XRESET LT1 D-GND P_TRG STB CONT E+5V Heater DC+3.5V -28V D-GND PF01 PF02 PD02 SAL A-GND SAR V V-GND V/Y V-GND R/C V-GND G V-GND B RGB SW F-SW +12VV R/C V-GND V/Y V V-GND RGB SW V-GND B F-SW G +12VV V-GND A-GND SAL SAR ONLY N STB_LED STB_LED GND GND NEUTRAL LIVE H3- RF- MPD(650) GND ST2- MPD(780) V+3D A2 B1 TRKG RTN H3+ INSIDE GND LD(650) GND ST1+ GND SW2 C A3 B2 TRKG DRV H2- V+5S B3 MPD-VR RF+ ST1- LD(780) GNDS LOAB- H1+ 1/2SW VRREF(2.5V) H2+ GNDS FCCS RTN B4 VSHF GND VCC ST2+ LOAB+ A1 A FCCS DRV H1- Carriage motor Spindle motor D-GND XVQERST SW+5V PD1 SQUEEZE PD5 D-GND D-GND PD0 VSEL2 D-GND PD4 XCSPRO2 SCL0 D-GND HSYNC D-GND VQESCK PD3 VSEL1 PD7 SDA0 AV1CLK VSYNC D_OUT VQESSO PD2 LETTER PD6 D-GND V-GND D-GND TXD D-GND S(MtoF) DC+3.5V SW+12V V-GND RXD D-GND S(FtoM) HEATER D-GND V-GND E+5V DTR SW+3.3V SSCK E+5V LT1 D-GND V-GND E+5V CTS SW+3.3V XREADY STB_CTL XRESET -28V SW+12V RXD GND XVQERST PD(3) LETTER GND S(F-TO-M) S(M-TO-F) GND HSYNC PD(6) PD(4) VSEL1 XREADY TXD GND PD(0) VSEL2 VQESSO PD(5) GND CTS SCL0 XRESET AV1CLK PD(1) GND VQESCK XCSPRO2 N.C. SSCK GND LT1 VSYNC PD(2) SQUEEZE N.C. PD(7) SDA0 DTR S(M-TO-F) PD(4) LT1 GND PD(5) VQESCK GND DTR S(F-TO-M) XVQERST PD(6) SDA0 TXD VQESSO SCL0 GND XCSVE5 SQUEEZE SSCK GND GND HSYNC XREADY VSEL2 CTS PD(1) AV1CLK PD(2) P/XN LETTER GND RXD VSEL1 PD(0) GND XRESET VSYNC XCSPRO2 PD(3) PD(7) DB-VPB305 DB-VLD302 1 2 3 4 5 6 1 2 3 4 5 6 J711 JH01 1 2 3 4 5 6 7 8 9 10 11 12 13 14 15 16 1 2 3 4 5 6 7 8 9 10 11 12 13 14 15 16 6 5 9. BLOCK DIAGRAM DB-VLD302 DB-VPB305 TP50 AUDIO TRANS. CP50,CP51,QP55,QP63 DP50,DP51,DP52,DP53 RECTIFIERS & VOLTAGE REGULATORS AC LINE FILTER LP01,CP01,CP02 DP01 RECTIFIER SWITCHING QP01,QP02 CIRCUIT SNUBBER CIRCUIT DP02,CP06,RP06,RP11 RECTIFIERS & VOLTAGE REGULATORS DP04,CP14,DP07,CP16,DP11,DP12,CP19,DP14 CP21,DP17,CP24,QP06,QP07,QP08 TP01 SWITCHING TRANS PHOTO CUPPLER QP03 VOLTAGE QP04 DETECTOR STB_CTL HEATER DC+3.5V -28V E+5V M+6V SW+5V SW+12V SW+3.3V +3.3VD +5VA +8VA -8VA SP01 WO01 RF IC LA9701M LC78652W SERVO DSP PE5220A M56788AFP DVD DECODER FTS DRIVER PD6345A MPEG2 DECODER SYSTEM CONTROL CPU M65774BFP DVD AUDIO DSP XCA56367PV150 POWER SUPPLY BLOCK (PS01) DVDM : DVD MECHA MODULE BLOCK PICK UP SPDL- M LOADING MECHA BLOCK Q601 SACD Q602 16M SDRAM DECODER SELECTOR Q711 Q712 Q713 SACD BLOCK (PD01) QD01 AUDIO DAC LPF LPF LPF AUDIO DAC QD21 LPF LPF QD41 AUDIO DAC LPF HDAM HDAM HDAM L/FL R/FL SURRL SURRR CENTER SUB WOOFER REMOTE JI01 JI03 DIG OUT COAX QV04 QV08 QV06 LPF LPF LPF QV09 QV07 QV05 QB02 LPF QY02 LPF QC02 LPF QA04 QA02 QA03 LPF LPF Q858 Q852 LPF Q855 Q861 6dB Q860 6dB Q853 6dB 6dB Q856 Q859 6dB QB01 QC01 QY01 RY23 RB23 RC23 RA49 RA47 RA45 RA48 & RC25 RB25 RA46 & RY25 RA44 & Y/G CB/B N EXCEPT N V Y G B C R V Y C QV11 VIDEO AMP VIDEO QY04 AMP ENCODER QA01 12BIT VIDEO PROGRESSIVE QE01 HI-QUALITY VIDEO ENCODER QE02 64M SDRAM JV01 ASPECT C Y V V S1/S2 JV02 COMPONENT JY01 JY02 D2 Terminal for F,A,C, L,S TV- J801 SCART for N ASPECT I/P Y CB CR Y CR CB OPT DIG OUT JI04 VIDEO & AUDIO BLOCK KEY NETWORK PLAY STOP PAUSE OPEN/ CLOSE PREV NEXT FL OFF RESET IC QF04 IR 8MHz XF01 ZF01 DISPLAY BLOCK (PF01) OF01 TMP87PM74F MAIN CPU EEP-ROM OF08 VF01 FL DISPLAY & CR/R CR CB Y C Y V V CB CR Y J203 J205 QI03 CONTROL COMPOSITE QH71 CONTROL CPU VIDEO CONVETER QH21 SCAN I/P QH22 16M SDRAM for SiI 504 QI61 SUB CPU TRANSMITTER QT03 DVI QI81 DRIVER RS232C DVI-D JT01 JI91 RS232C HD64F3672FX MC504 SiI 504 uPD4721 SiI 170B 7 8 10. SCHEMATIC DIAGRAM FA3647 A-GND 1D3 1D3 1D3 1D3 DTC114EU 2SC4081 DTA114EU A-GND 78M05 A-GND 1D3 A-GND +8VA +5VA -8VA 1D3 1D3 A-GND A-GND A-GND 2SC4081 2SC4081 A-GND DTC114TUA A-GND A-GND 2SA1586 2SC4081 A-GND 1D3 1D3 LF-4D-223 GND GND S1WB(A)60 HOT 2SK2943 PC123F2 1SS254 HOT HOT GND TL431 GND GND EK19 GND SI-3120F GND GND 1D3 GND GND GND GND 1D3 GND RK46 GND GND SI-3050C GND 1SS254 GND GND AG01 AG01 2SC1627 GND GND GND GND GND RK33 RK33 A-GND GND EARTH EARTH GND GND STB_CTL STB_CTL 2SD1762 2SB1453 +5VA -8VA M-GND 2SC1740 1SS301 1SS301 2SC4081 2SA1586 NJU7200L33 D-GND D-GND D-GND +3.3VD PQ3RF33 GND 1D3 EARTH +3.3VD A-GND +8VA -8VA GND -28V DC+3.5V HEATER E+5V STB_CTL GND SW+3.3V SW+3.3V SW+3.3V SW+3.3V GND GND GND M-GND GND M-GND SW+5V GND SW+5V GND GND SW+12V GND SW+12V GND GND M+6V M+6V M+6V M-GND N L C B E GND OUT IN C B E C B E C B E C B E D G S C B E C B E C B E C B E C B E C B E GND OUT IN +3.3VD A-GND A-GND +5VA P_MUTE -8VA +8VA A-GND A-GND -8VA -8VA +8VA N L N L STB_CTL STB_CTL LPS TO PM01 AUDIO TO PD01 SACD F,L,U A,C,N,S FP01 2A/125V T2AL/250V CP03,04 470p/250V 220p/250V CP05 220/200V 120/400V RP01 2.2M/1/2W 1M/1W NOTE ON SAFETY: The parts marked with are important parts on the safety. Please use the parts having the designated parts number without fail. +10.4V +7.3V +6.7V +1.2V +2.4V +0V +5.4V +7.5V +7.2V +7.4V +7.4V +0.6V +10.0V +0V +8.8V +8.8V +8.2V +7.5V +0.6V -8.6V -8.6V -8.0V +5.0V +3.3V -10.4V +5.0V +14.2V +5.2V +4.2V +2.5V +12.7V +6.1V +4.1V +4.7V -14.0V -14.7V -14.9V -28.4V -29.0V -8.9V +7.5V -29.0V -15.4V -19.0V +5.3V +3.4V +3.3V +5.0V +6.1V +12.2V V: PLAY +3.3V +5.0V -7.4V 1 2 3 4 5 6 7 8 9 8 7 6 5 1 2 3 4 30 29 28 27 26 25 24 23 22 21 20 19 18 6 17 5 16 4 15 3 14 2 13 1 12 11 10 9 8 7 1 2 2 1 1 2 2 1 1 2 3 1 2 3 3 2 1 2 3 1 1 2 3 1 2 3 1 2 3 1 2 3 1 2 3 4 1 2 3 2 1 3 4 1 2 3 4 1 3 2 2 1 3 3 1 2 5 4 3 1 2 5 4 2 4 1 2 3 2 1 3 2 1 3 1 2 3 4 5 6 7 8 9 10 11 12 13 14 50V 1 2 3 3 1 2 3 1 2 1 2 3 1 2 3 1 3 2 2 3 4 1 1 2 3 4 5 6 1 2 3 4 1 2 2 1 2 1 2W 3 1 2 3 1 2 0.1/250v 2200/16V 2200/16V 47k 15k 47k 3.9V 15k 220 220 47/16V 47/16V 220/16V 220/16V 220/10V 1k 10k 0.1/50V 3.3M 10/50V 47k 47k 22k 10k 5.6V 47k 2200/16V 250V T500mA 250V T500mA 0.1/250V 120K 120K 120K 120K 150P 2kV 10 1W 68 10k 0.22 2W 120k 47 1W 22/50V 22V 10 330k 0.22 0.33 56k 100 150 4700p 0.1 100 470 1k 3.3k 1k 5.6k 4.7k 220/25V 100/16V 1000/10V 220/10V 47 470/10V 47/50V 4.7k 13V 220/10V 330 4.7k 0.01 3.3 0.01 10k 10V 5.1V 470/10V 1000/16V 220/250V 20V 9.1V 47/50V 10k N.C. 1 T250mA/250V 9.1V 20V 680 100/10V 47/10V 10 0.1 0.47 9.1V 9.1V T2.5A/250V TP50 QP02 JP05 FP01 JP03 JP04 JP02 JP08 JP01 CP01 DP52 DP53 DP50 DP51 CP50 CP51 QP50 RP50 QP52 RP51 RP53 QP51 DP58 RP54 RP52 RP55 CP53 CP52 CP54 CP55 QP55 DP61 CP56 SP01 DP57 DP56 RP56 RP57 CP58 RP58 CP59 QP56 QP57 RP60 RP59 RP61 QP60 RP63 DP64 QP59 RP62 QP58 CP57 DP55 DP54 FP51 FP50 LP01 CP02 CP03 CP04 RP02 RP03 RP05 RP04 RP01 DP01 CP05 CP06 RP11 QP01 QP03 DP02 RP06 RP07 RP12 RP10 RP09 CP07 DP03 RP08 RP13 CP09 CP08 RP14 RP15 RP16 CP10 CP11 RP17 RP18 QP04 RP19 RP20 RP21 RP22 RP23 DP17 CP24 QP08 CP25 DP18 CP21 DP15 CP23 DP14 QP07 LP03 CP22 DP16 CP14 RP25 DP04 DP10 DP07 CP16 QP05 RP28 RP27 CP17 RP29 CP18 RP31 DP08 DP09 CP20 CP19 DP11 DP12 CP12 JP06 JP07 DP05 DP06 CP15 RP26 RP24 QP53 QP54 TP01 CP13 FP02 DP20 DP19 RP32 QP09 DP62 DP63 QP61 QP62 QP63 CP60 CP61 LP50 QP06 DP21 JP09 JP50 JP52 JP51 JP10 JP11 CP27 RP33 DP59 DP60 FP03 PS01 PS02 10 9 x4 x4 +3.3V +3.3V +3.3V +3.3V +3.3V +3.3V +3.3V +3.3V HY57V161610DTC-8 CXD2753R D-GND V+2C V+2C V+3IO SW+3.3V V+2C V+2V V+3DSD SW+3.3V V+2C V+3IO V+2C V+3IO V+2C V+3IO V+2C D-GND V+3_SDRAM SW+3.3V D-GND SW+3.3V SW+3.3V 33M D-GND D-GND D-GND SACDSL DSDCLK DSD-C DSD-SW DSD-LS DSD-RS DSD-L DSD-R D-GND D-GND SACDSL D-GND SW+3.3V D-GND D-GND D-GND D-GND D-GND V+2V TC74VHC74FT BA25BC0FP DCLK SACDSL SACDSL WAREFI DQ[0] DQ[1] DQ[2] DQ[3] DQ[4] DQ[5] DQ[6] DQ[7] XWE XCAS XRAS A[11] A[10] A[0] A[1] A[2] A[3] DCKE A[9] A[8] A[7] A[6] A[5] A[4] WAD[0] WAD[1] WAD[2] WAD[3] WAD[4] WAD[5] WAD[6] WAD[7] SDCK MSDATAI MSCK MSDATAO XSRQ XMSLAT1 XSDEF MSREADY XRST WCK WAREFI WAD[0] WAD[1] WAD[2] WAD[3] WAD[4] WAD[5] WAD[6] WAD[7] XSHD SD[7] SD[6] SD[5] XSAK SD[0] SD[1] SD[2] SD[3] SD[4] XMSLAT1 MSCK MSDATAI XRAS XCAS XWE DCKE DCLK DQ[0] DQ[1] DQ[2] DQ[3] DQ[5] A[11] A[10] DQ[4] DQ[6] DQ[7] XSRQ XSHD SDCK XSAK XSDEF SD[0] SD[1] SD[2] SD[3] SD[4] SD[5] SD[6] SD[7] A[9] A[8] A[7] A[6] A[5] A[4] A[3] A[2] A[1] A[0] DSARS DSALS DSALFE DSAC DSAR DSAL DSD-C DSD-SW DSD-LS DSD-RS DSD-L DSD-R DSAC DSALFE DSALS DSARS DSAL DSAR DSDCLK WCK MCK XRST MSREADY MSDATAO 1 2 3 4 5 6 7 8 9 10 11 12 13 14 15 16 17 18 19 20 21 22 23 24 25 26 27 28 29 30 31 32 33 34 35 36 37 38 39 40 41 42 43 44 45 46 47 48 49 50 1 2 3 4 5 6 7 8 9 10 11 12 13 14 15 16 17 18 19 20 21 22 23 24 25 26 27 28 29 30 31 32 176 175 174 173 172 171 170 169 168 167 166 165 164 163 162 161 160 159 158 157 156 155 154 153 152 151 150 149 148 147 146 145 45 46 47 48 49 50 51 52 53 54 55 56 57 58 59 60 61 62 63 64 65 66 67 68 69 70 71 72 73 74 75 76 132 131 130 129 128 127 126 125 124 123 122 121 120 119 118 117 116 115 114 113 112 111 110 109 108 107 106 105 104 103 102 101 33 34 35 36 37 38 39 40 41 42 43 44 77 78 79 80 81 82 83 84 85 86 87 88 100 99 98 97 96 95 94 93 92 91 90 89 144 143 142 141 140 139 138 137 136 135 134 133 1 2 3 4 5 6 7 8 9 10 11 12 13 14 15 16 17 18 19 20 21 22 23 24 25 26 27 28 29 30 31 32 33 34 35 36 37 38 39 40 2 4 5 3 1 3 5 7 2 4 6 8 1 3 5 7 2 4 6 8 1 2 3 14 6 5 4 7 1 2 3 1 2 4 5 3 VCC DQ0 DQ1 VSSQ DQ2 DQ3 VCCQ DQ4 DQ5 VSSQ DQ6 DQ7 VCCQ LDQM XWE XCAS XRAS XCS A11 A10 A0 A1 A2 A3 VCC VSS A4 A5 A6 A7 A8 A9 NC CKE CLK UDQM NC VCCQ DQ8 DQ9 VSSQ DQ10 DQ11 VCCQ DQ12 DQ13 VSSQ DQ14 DQ15 VSS VSC XMSLAT MSCK MSDATI VDC MSDATO MSREADY XMSDOE XRST SMUTE MCKI VSIO EXCKO1 EXCKO2 LRCK FRAME VDIO MNT0 MNT1 MNT2 MNT3 TESTO TESTO TESTO TESTO TCK TDI VSC TDO TMS TRST TEST1 SD7 SD6 SD5 SD4 SD3 SD2 SD1 SD0 XSDEP XSAK SDCK VSHD VSRQ VDIO A0 A1 A2 A3 VSIO A4 A5 A6 A7 DVDC A8 A9 VSC A10 A11 TEST0 VDIO XRAS VDIO SUPDT6 SUPDT7 XSUPAK VSC TESTO TESTI TESTI TESTO TESTO TESTO TESTO BCKASL VSDSD BCKAI BCKAO PHREFI PHREFO ZDFL DSAL ZDFR DSAR VDDSD ZDFC DSAC ZDFLFE DSALFE VSDSD ZDFLS DSALS ZDFRS DSARS DQ6 DQ7 VSIO WAVSS WAVSS WAVRB WARFI WAVDD WAVDD WCK TESTI VDC WAD7 WAD6 WAD5 WAD4 VSC VSIO WAD3 WAD2 WAD1 WAD0 VDIO TESTI TESTI TESTI VSIO TESTI TESTI TESTI TESTI TESTI TEST2 TEST3 VDC TESTO XBIT SUPDT0 SUPDT1 SUPDT2 SUPDT3 VSIO SUPDT4 SUPDT5 VDDSD TESTO TESTO VSC TESTO TESTO VDC TESTO TESTO VSIO TESTO TESTI TESTI VDC TESTO TESTI TESTI TESTI VSC TESTO TESTO TESTO VDIO TESTI XCAS XWE DCKE DCLK VSIO DQ0 DQ1 DQ2 DQ3 VDIO DQ4 DQ5 XMSLAT2 GND 33MSACD GND BCLK GND XSAK BD0 BD1 BD2 BD3 BD4 XDFSO XDFSCK XDFSI XSRQ XMSLAT DSPA2 GND GND VCOSCD GND GND RFSACD GND RD1 RD2 RD3 RD4 RD5 RD6 RD7 RD8 XSHD BD7 BD6 BD5 XMSREADY XMRST XSACDSL CLR D CLK VCC Q Q PR GND 0.47 47 0.47 0.47 0.01 0.47 0.01 100/6.3V 0.47 0.47 0.47 0.47 100/6.3V 0 0.47 100/6.3V 0 0.47 0.47 100/6.3V 0 0 N.C 0.47 0.47 N.C. 0 N.C. 0.47 100/6.3V 47p N.C. 22 N.C. N.C. 22 N.C. 0.47 0.47 0.47 0.47 0.47 0.47 0.47 0.47 100/6.3V 0 0 N.C. N.C. N.C. 10p 22 0 N.C. N.C. 0 0 N.C. 0 N.C. 22 1 N.C. N.C. 0 N.C. 0 22 N.C. 47 0 N.C. N.C. N.C. N.C. N.C. N.C. N.C. 0 N.C. 0 0 0 22 22 22 N.C. N.C. N.C. 0 22 0 22 22 22 0 0 0 0 0 0 0 N.C. N.C. N.C. 100/6.3V 0.47 0 22 22 22 22 22 22 10k 10k 22 100/6.3V 0.47 0.47 100/6.3V 0.47 0.47 TS7SH08FU Q602 Q601 J601 C626 R607 C614 C608 C624 C623 C625 C621 C620 C622 C619 C618 C617 R606 C616 C615 R605 C611 C610 C612 R604 R603 R602 C609 C607 C604 R601 C603 C602 C601 C632 C633 R609 C631 C630 R608 C628 C627 C636 C641 C640 C638 C637 C639 C635 C634 R610 R622 Q605 R623 C648 C647 R620 R663 C645 R621 R618 R617 C643 R619 C644 R616 C642 R613 C662 R614 R615 R632 R631 C654 R646 R647 R648 R649 R651 R650 R652 R653 R655 R656 R654 R657 R658 R659 R660 R661 R662 C659 C660 C661 R645 R644 R643 R642 R640 R641 R639 R637 R635 R636 R638 R634 R633 C656 C657 C658 C649 C650 L601 R625 R626 R627 R628 R629 R630 R611 R612 R624 C651 C652 C653 C605 C606 C646 Q604 Q606 Q603 PD01-1/2 FROM DVDM 11 12 D-GND TC7SHU04FU D-GND SW+3.3V D-GND TC7SHU04FU SW+3.3V D-GND TC7SHU04FU SW+3.3V D-GND N.C. SW+3.3V TC74VHC157FT TC74VHC157FT TC74VHC157FT TC7WH157FU D-GND SW+3.3V D-GND D-GND SW+3.3V D-GND D-GND SW+3.3V D-GND TC7WH74FU SW+3.3V D-GND TC7SH86FU TC7SH32FU TC7SH32FU SW+3.3V D-GND D-GND D-GND D-GND SW+3.3V SW+3.3V SW+3.3V D-GND D-GND D-GND TC7SH32FU D-GND SW+3.3V 33M DSDCLK DSD-C DSD-SW DSD-L DSD-LS DSD-RS DSD-R SACDSL D-GND D-GND D-GND D-GND SW+2.5V D-GND D-GND D-GND SW+3.3V D-GND SW+3.3V SW+12V M+6V SW+2.5V M+6V SW+3.3V SW+12V D_OUT D_OUT D-GND D-GND D-GND D-GND D-GND D-GND D-GND EARTH BA25BC0FP SW+5V SW+5V D_OUT XAMUTE XMMUTE DATA1 DATA2 XCSDF1 DATA0 XFRST1 LRCK XFRST0 XCSDF0 SACDSL DSDCLK DATA0 BCK DSD-L DSD-R BCK DSD-LS SACDSL DATA1 DSD-C SACDSL DSDCLK DATA2 BCK DSD-SW BCK DACCLK DACCLK DACCLK MCLK1 MCLK2 MCLK3 LRCK LRCKOUT1 BCK/DSD-R DATA0/DSD-L DSDCLK DSD-RS LRCK LRCKOUT2 DATA1/DSD-LS BCK/DSD-RS LRCK LRCKOUT3 DATA2/DSD-C BCK/DSD-SW -28V DC+3.5V HEATER E+5V STBCTL STBCTL E+5V HEATER DC+3.5V -28V SACDSL DSDCLK DSD-C DSD-SW DSD-LS DSD-RS DSD-L DSD-R D_OUT LT1 XRESET TXD S(M-TO-F) RXD S(F-TO-M) DTR SSCK CTS XREADY VQESCK VQESSO XCSPRO2 PD[7] PD[6] PD[5] PD[4] PD[3] PD[2] PD[1] PD[0] HSYNC VSYNC AV1CLK SCL0 SDA0 VSEL1 VSEL2 CTS DTR RXD TXD XREADY SSCK S(F-TO-M) S(M-TO-F) XRESET LT1 D_OUT DSDCLKOUT2 DSDCLKOUT1 DSDCLKOUT3 VSEL2 SQUEEZE LETTER VSEL1 SDA0 SCL0 XVQERST VSYNC HSYNC PD[0] PD[1] PD[2] PD[3] PD[4] PD[5] PD[6] PD[7] XCSPRO2 VQESSO VQESCK XVQERST SQUEEZE LETTER XDFSO XDFSCK DACCLK SACDSL AV1CLK FROM PS01 TO PM01 AUDIO FROM DVDM TO PM01 MAIN TO PM01 MAIN GND GND MCLK1 XCSDF0 LRCKOUT1 BCK/DSD-R DSDCLKOUT1 DATA0/DSD-L GND XAMUTE GND GND XFRST0 DATA1/DSD-LS DSDCLKOUT2 LRCKOUT2 MCLK2 BCK/DSD-RS XMMUTE XDFSCK MCLK3 XDFS0 XCSDF1 DSDCLKOUT3 LRCKOUT3 BCK/DSD-SW DATA2/DSD-C XFRST1 GND GND +3.3V +3.3V +3.3V +3.3V +3.3V +3.3V +3.3V +3.3V +3.3V +12.2V +6.1V +3.3V +5.0V +3.3V +3.3V +3.3V +5.0V +12.2V +6.1V +3.3V +3.4V +5.3V -19.0V -15.4V -29.0V FROM MECHA 1 2 3 4 5 6 7 8 9 10 11 12 13 25 14 26 15 27 16 28 17 29 18 30 19 20 21 22 23 24 1 2 3 4 5 6 7 8 9 10 11 12 13 14 15 16 17 18 19 20 21 22 23 24 25 26 27 28 29 30 31 32 33 34 35 36 37 38 39 40 2 5 4 3 2 5 4 3 2 5 4 3 2 5 4 3 3 5 15 14 1 2 4 8 16 6 7 9 10 11 12 13 3 5 15 14 1 2 4 8 16 6 7 9 10 11 12 13 3 5 15 14 1 2 4 8 16 6 7 9 10 11 12 13 8 7 6 5 1 2 3 4 8 2 1 6 3 5 7 4 1 2 4 5 3 1 2 4 5 3 1 2 4 5 3 1 2 3 4 5 6 7 8 9 10 11 12 13 25 14 26 15 27 16 28 17 29 18 30 19 20 21 22 23 24 1 2 3 4 5 6 7 8 9 10 11 12 13 25 14 26 15 27 16 28 17 29 18 30 19 20 21 22 23 24 1 2 3 4 5 6 7 8 9 10 11 12 13 25 14 26 15 27 16 28 17 29 18 30 19 20 21 22 23 24 1 2 3 4 5 6 7 8 9 10 11 12 13 14 15 16 17 18 19 20 21 22 23 24 25 26 27 28 29 30 31 32 33 34 35 36 37 38 39 40 1 2 4 5 3 1 2 3 XCSDF0 MCLK1 DSDCLKOUT1 LRCKOUT1 BCK/DSD-R DATA0/DSD-L XFRST0 XAMUTE MCLK2 DSDCLKOUT2 LRCKOUT2 BCK/DSD-RS DATA1/DSD-LS XMMUTE XCSDF1 XDFSO XFRST1 DATA2/DSD-C BCK/DSD-SW LRCKOUT3 DSDCLKOUT3 MCLK3 XDFSCK -28V DC+3.5V HEATER E+5V STBCTL GND SW+3.3V SW+3.3V SW+3.3V SW+3.3V GND GND GND MGND GND MGND SW+5V GMD SW+5V GND GND SW+12V GND SW+12V GND GND M+6V M+6V M+6V MGND MGND SW+5V MGND GND M+6V GND M+6V SW+3.3V 12V SW+3.3V GND SW+2.5V GND SW+2.5V GND GND GND DACCLK NC GND NC XCSAQE GND XAQRST D_OUT XDFSO XAMYTE XDFSCK XMMUTE GND DATA1 BCK DATA2 GND XCSDF1 DATA0 XFRST1 LRCK XFRST0 XCSDF0 1B 2A XST 4A SELECT 1A 1Y GND VDD 2B 2Y 3Y 3B 3A 4Y 4B 1B 2A XST 4A SELECT 1A 1Y GND VDD 2B 2Y 3Y 3B 3A 4Y 4B 1B 2A XST 4A SELECT 1A 1Y GND VDD 2B 2Y 3Y 3B 3A 4Y 4B VCC ST SEL Y A B Y GND CLR D CLK VCC Q Q PR GND LT1 XRESET TXD S(M-TO-F) RXD S(F-TO-M) DTR SSCK CTS XREADY GND VQESCK VQESSO XCSPRO2 PD[7] PD[6] PD[5] PD[4] PD[3] PD[2] PD[1] PD[0] HSYNC VSYNC XVQERST GND GND AV1CLK GND GND SCL0 SDA0 GND VSEL1 LETTER SQUEEZE VSEL2 GND 10k 10k 10k 10k 0 0 0 0 0 0 0 0 0 0 0 0 0 0 22 0.1 22 N.C 22 N.C. 0.1 22 22 N.C. 0.1 22 0 N.C. N.C. 0 0 0 0.1 0 0 0 0.1 0 0 0 0.1 0.1 22 N.C. 0.1 10k 22 0.1 33k 0 0.1 0.1 0.1 22 N.C 0.1 N.C 22 100/6.3V 100/6.3V 0.47 0.47 10k 10k 10k 10k 10k 10k 0 0 0 0 0 0 0 0 0 0 0 0 0 0 0 0 0 0 0 0 0 0 0 0 J701 J702 R715 R716 R717 R718 R701 R702 R703 R704 R705 R706 R707 R708 R709 R710 R711 R712 R713 R714 R732 Q708 C709 R734 R733 R737 R736 C710 R735 Q709 R740 R739 C711 R738 Q710 R730 C708 R729 Q707 Q711 Q712 Q713 Q703 R742 R743 R741 C712 R747 R745 R746 C713 R749 R751 R750 C714 Q704 C703 R723 R728 C704 R724 Q705 Q706 Q702 R727 C706 R725 R726 C705 C707 C702 R722 R721 J703 J706 J705 J704 Q701 C701 R719 R720 C717 C715 C716 C718 R744 R748 R752 R753 R755 R754 J710 J709 J708 J707 R756 R757 R759 R758 R762 R763 R761 R760 R771 R769 R766 R768 R767 R765 R764 R770 R777 R772 R774 R776 R775 R773 R778 Q714 R731 PD01-2/2 J711 1 2 3 4 5 6 7 8 9 10 11 12 13 14 15 16 47 R785 47 R786 47 R782 47 R787 47 R781 47 R780 47 R783 47 R784 47 R779 D-GND SW+3.3V SW+5V E+5V E+5V C719 0.1 D-GND SW+3.3V Q715 TC7SH08FU 2 1 4 5 3 D-GND R788 N.C. A1 A2 A3 A4 A5 A6 A7 A8 G1 G2 Y8 Y7 Y6 Y5 Y4 Y3 Y2 Y1 VCC GND Q716 TC74VHC541 2 3 4 5 6 7 8 9 19 1 11 12 13 14 15 16 17 18 10 20 D-GND D-GND C720 0.1 SW+3.3V AV1CLK PD[7] PD[6] PD[5] PD[4] PD[3] PD[2] PD[1] PD[0] TO JH01 (PD02) +3.3V 14 13 CS4392 A-GND A-GND 2SC2873 2SA1312 2SC3324 2SA1312 IMN10 1SS302 2SK170 A-GND A-GND 2SC4213 A-GNDA-GNDA-GND -8VDA A-GND A-GND IMN10 2SC2873 2SA1312 1SS302 2SC3324 -8VDA 2SA1312 2SK170 A-GND A-GND 2SC4213 A-GND -8VA +8VA DAC-GND 2SC3324 -8VDA 2SA1312 -8VAA 2SC4213 2SK170 IMN10 2SC4213 2SK170 A-GND 1SS302 2SC2873 A-GND 2SA1312 2SA1312 A-GND A-GND A-GND A-GND -8VDA A-GND 2SC2873 2SC3324 A-GND 2SA1312 +8VAA A-GND A-GND 1SS302 IMN10 2SA1312 A-GND 2SC4213 2SC3324 2SC3324 A-GND A-GND A-GND A-GND 2SA1312 2SA1312 1SS302 2SC4213 -8VDA 2SA1312 2SK170 1SS302 2SC2873 A-GND -8VAA 2SK170 +8VAA -8VDA 2SC2873 A-GND IMN10 A-GND A-GND IMN10 A-GND A-GND 2SC4213 2SC4213 A-GND A-GND A-GND +5VDA -8VDA +3.3VDD +5VDA CS4392 CS4392 A-GND A-GND A-GND A-GND A-GND A-GND A-GND A-GND A-GND A-GND A-GND A-GND A-GND A-GND A-GND A-GND A-GND A-GND A-GND A-GND A-GND 1SS301 2SA1586 MUTE+12V DTC114EUA A-GND A-GND DTC114EUA A-GND MUTE+12V SW+12V DAC-GND +5VDA +3.3VDD +5VDA DTC114EUA A-GND 1SS301 A-GND 2SA1586 DTC114EUA A-GND MUTE+12V A-GND DTC114EUA MUTE+12V 1SS301 DTC114EUA A-GND A-GND 1SS301 2SA1586 DTC114EUA 2SA1586 A-GND DTC114EUA A-GND A-GND MUTE+12V A-GND DTC114EUA DTC114EUA A-GND DTC114EUA A-GND 2SA1586 DTC114EUA 1SS301 A-GND A-GND 2SA1586 MUTE+12V 1SS301 A-GND A-GND MUTE+12V 1SS301 2SK389 2SK389 2SK389 2SK389 2SK389 2SK389 2SJ74 2SJ74 2SJ74 2SJ74 2SJ74 2SJ74 EARTH A-GND DAC-GND DAC-GND DAC-GND DAC-GND DAC-GND DAC-GND A-GND A-GND A-GND A-GND A-GND A-GND A-GND A-GND A-GND A-GND A-GND A-GND A-GND DAC-GND +3.3VDD DAC-GND -8VA -8VAA +8VA +8VAA GND GND DAC-GND DAC-GND A-GND A-GND A-GND D-GND A-GND EARTH DAC-GND A-GND A-GND A-GND +3.3VDD BLM11B601S DSDCLKOUT1 LRCKOUT1 BCK/DSD-R DATA0/DSD-L XCSDF0 XDFSO XDFSCK MCLK1 XFRST1 MCLK2 XCSDF1 DSDCLKOUT2 LRCKOUT2 BCK/DSD-RS DATA1/DSD-LS DATA2/DSD-C BCK/DSD-SW LRCKOUT3 DSDCLKOUT3 MCLK3 XFRST0 XMMUTE XAMUTE XMMUTE XAMUTE XCSDF1 XDFSO XDFSCK DSDCLKOUT3 MCLK3 LRCKOUT3 BCK/DSD-SW DATA2/DSD-C XCSDF1 XDFSO XDFSCK DSDCLKOUT2 MCLK2 LRCKOUT2 BCK/DSD-RS DATA1/DSD-LS XCSDF0 XDFSO XDFSCK DSDCLKOUT1 MCLK1 LRCKOUT1 BCK/DSD-R DATA0/DSD-L XFRST0 XFRST1 XFRST1 FROM PD01 L FL FROM PS01 R FR C SL SR SW N only -8VA +8VA -8VA +8VA GND GND +7.5V +3.3V -7.4V -8.9V +5.0V +3.3V +5.0V +11.5V +0V +2.9V +0V -7.2V -8.9V +3.3V +5.0V +0V +2.9V +0V -8.9V -7.2V +0V +2.9V +0V -7.2V -8.9V +3.3V +5.0V -8.9V -7.2V -7.2V -8.9V -8.9V -7.2V +0V +2.9V +0V +0V +2.9V +0V +7.5V -7.4V -7.4V -7.4V +7.5V -7.4V -7.4V -7.4V +7.5V -7.4V -7.4V +7.5V -7.4V -7.4V +7.5V +0V +2.9V +0V PM01-1/5 XRESET VL SDATA SCLK LRCK MCLK M3 SCL/CCLK M1 AD0/XCS AMUTEC FILT+ CMOUT BMUTEC AOUTB- AOUTB+ AGND VA AOUTA+ AOUTA- C B E C B E C B E C B E G D S C B E C B E C B E C B E C B E G D S C B E C B E C B E C B E G D S C B E G D S C B E C B E C B E C B E C B E C B E C B E C B E C B E C B E C B E C B E C B E C B E G D S C B E G D S C B E C B E C B E XRESET VL SDATA SCLK LRCK MCLK M3 SCL/CCLK M1 AD0/XCS AMUTEC FILT+ CMOUT BMUTEC AOUTB- AOUTB+ AGND VA AOUTA+ AOUTA- XRESET VL SDATA SCLK LRCK MCLK M3 SCL/CCLK M1 AD0/XCS AMUTEC FILT+ CMOUT BMUTEC AOUTB- AOUTB+ AGND VA AOUTA+ AOUTA- C B E C B E C B E C B E C B E C B E G D S G D S G D S G D S G D S G D S G D S G D S G D S G D S G D S G D S G D S G D S G D S G D S G D S G D S -8VDA PMUTE +5VDA DAC-GND DAC-GND +3.3VDD 1 2 3 4 5 6 7 8 9 10 20 11 12 13 14 15 16 17 18 19 1 2 3 1 2 3 1 2 3 1 2 3 1 2 3 4 5 6 3 1 2 1 3 2 1 2 3 1 2 3 4 5 6 1 2 3 1 2 3 3 1 2 1 2 3 1 2 3 1 3 2 1 2 3 1 2 3 4 5 6 7 8 9 10 11 12 13 25 14 26 15 27 16 28 17 29 18 30 19 20 21 22 23 24 1 2 3 1 2 3 1 2 3 1 3 2 1 2 3 4 5 6 1 2 3 1 3 2 3 1 2 1 2 3 1 2 3 1 2 3 1 2 3 1 2 3 1 2 3 3 1 2 1 2 3 4 5 6 1 2 3 1 2 3 1 2 3 1 2 3 1 2 3 1 2 3 3 1 2 1 2 3 1 2 3 1 3 2 3 1 2 1 2 3 1 3 2 1 2 3 1 2 3 4 5 6 1 2 3 4 5 6 1 2 3 1 2 3 1 2 3 1 2 3 4 5 6 7 8 9 10 20 11 12 13 14 15 16 17 18 19 1 2 3 4 5 6 7 8 9 10 20 11 12 13 14 15 16 17 18 19 3 1 2 1 2 3 1 2 3 1 2 3 1 2 3 3 1 2 1 2 3 1 2 3 1 2 3 3 1 2 1 2 3 3 1 2 1 2 3 1 2 3 1 2 3 1 2 3 1 2 3 1 2 3 1 2 3 1 2 3 1 2 3 3 1 2 1 2 3 3 1 2 3 1 2 2 1 3 6 7 5 4 6 7 5 4 2 1 3 2 1 3 4 6 7 5 2 1 3 4 6 7 5 2 1 3 6 7 5 4 2 1 3 4 6 7 5 1 3 2 1 3 2 1 3 2 1 3 2 1 3 2 1 3 2 6 5 4 3 2 1 4 5 1 2 3 6 1 2 4 5 6 3 1 2 1 2 3 4 +8VA 0.1 220/16V 100/10V 1 0 0 0.1 0.1 1/50V 1/50V 3.3k 2.2k 2.2k 3.3k 2.2k 2.2k 1000p 220P 100 560 150 150 560 100 100 12k 15k 220P 10 10 100 33p 33k 220/16V 220/16V 220 22k 2.2k 220k 270p 100 220k 10 100 220 22k 10 100 270p 150 560 33k 100 33p 220/16V 220P 2.2k 150 560 220/16V 150 220P 220/16V 220k 100/10V 100 100 560 10 100 100 100 270p 220/16v 0 1/50v 220 1/50v 2.2k 220/16V 100 0.1 10 220/16v 220 2.2k 22k 1 220P 100 560 10 220k 33p 220/16V 560 150 33k 0.1 10 33k 100 270p 150 33p 22k 0 560 0.1 150 100 560 220P 0 33k 100 150 150 220k 100 0 220/16V 560 2.2k 22k 270p 100 220 150 560 220/16V 1/50v 22k 100 560 100/10V 220/16V 100 100 2.2k 0.1 10 10 10 220k 220P 1/50v 220/16V 0.1 10 270p 220 1 0.1 33p 220/16V 100 150 33p 33k 0 0 22k 22k 270p 270p 220 220 2.2k 2.2k 1000p 100p 100k 100k 2.2k 1000p 100p 220P 2.2k 3.3k 2.2k 2.2k 3.3k 1000p 15k 12k 15k 3.3k 2.2k 1000p 2.2k 2.2k 1000p 100p 12k 2.2k 3.3k 220P 100k 3.3k 3.3k 1000p 2.2k 12k 15k 1000p 2.2k 100p 2.2k 2.2k 220P 100k 2.2k 12k 3.3k 2.2k 1000p 3.3k 2.2k 2.2k 100p 1000p 15k 220P 100k 2.2k 220P 2.2k 2.2k 15k 3.3k 1000p 100p 3.3k 12k 2.2k 1000p 100k 3.3k 1k 1k 100/16v 1k 1k 3.3k 1k 3.3k 1k 1k 3.3k 1k 1k 1k 3.3k 1k 1k 3.3k 10k 10k 10k 10k 10k 10k N.C. N.C. N.C. 0 0 0 15K 12K 15K 12K 15K 12K 15K 12K 12K 15K 15K 12K 0 0 0 NC NC NC NC NC NC NC NC NC NC NC NC NC NC NC NC 0 0 QD01 CD02 CD01 CD07 CD08 RD01 RD11 CD06 CD04 CD05 CD03 R201 R203 R205 R202 R204 R206 C204 C206 Q303 Q304 Q306 Q305 D301 D302 R303 R307 R301 R302 R308 R304 R305 R207 R208 C208 Q201 R211 R212 R309 C301 R306 C210 C211 R215 R216 R219 R217 C212 Q204 R314 R247 R241 D311 R319 R245 Q313 R246 R242 R313 C242 R312 Q315 R317 D312 R316 Q316 R315 C311 C241 C238 R249 Q314 Q231 Q234 R311 R318 C240 J201 R332 C438 Q336 CD21 Q334 R447 CD27 R334 Q404 R324 Q401 R327 R442 R325 R339 R335 D331 Q434 C442 C440 Q431 RD31 D332 CD23 R445 CD25 R419 Q333 C410 R323 CD26 R411 C441 Q324 R415 R449 Q335 R446 CD28 C408 R329 R328 R412 R417 C321 C411 R337 R321 Q323 R326 Q326 CD22 R441 R336 R333 C412 Q325 R331 C331 R416 RD21 R338 D322 CD24 R322 D321 Q355 R355 R348 C538 RD51 R346 R359 Q504 R351 R342 R517 Q346 Q356 R344 RD41 C541 R357 R519 R516 C512 R343 R545 Q354 R341 R347 C510 CD43 Q345 R546 D342 Q534 R354 Q344 Q501 D352 R358 CD47 Q353 CD41 R345 R349 Q531 R549 CD44 R512 R511 R541 R547 C508 CD45 C540 CD46 R542 C542 Q343 R515 CD48 CD42 C351 C511 R353 D351 D341 R352 C341 R356 F221 F251 R222 R252 C221 C251 Q206 Q236 R221 R251 R254 R224 J204 QD21 QD41 C205 C203 R213 R243 R235 C234 C233 C236 R233 R231 R236 R234 R232 C235 R238 R237 R408 R402 R405 C405 R406 R403 C404 C403 R407 R404 R401 C406 R413 R432 R431 C435 R433 R437 R438 C434 R436 C433 R434 R435 C436 R443 R505 R507 R502 R503 C505 R501 R504 R506 C503 C504 R508 C506 R513 R533 C536 R536 R534 R538 R531 C534 C533 R532 R537 R535 C535 R543 D221 Q209 R227 Q208 Q207 R225 R226 C200 Q237 D251 R256 R255 Q239 Q238 R257 R426 Q437 R457 D451 Q408 R425 D421 Q439 Q407 Q409 R456 R427 R455 Q438 Q537 R526 Q538 Q507 R555 Q539 R527 Q508 R556 D551 Q509 D521 R525 R557 D200 Q301 Q311 Q321 Q331 Q341 Q351 R528 R558 R428 R458 R228 R258 Q202 Q532 Q502 Q232 Q402 Q432 J206 CD09 CD29 CD49 RD02 RD22 RD42 J202 R210 R209 R240 R239 R410 R409 R440 R439 R509 R510 R540 R539 RD43 RD23 RD03 J205 J203 J208 J207 RD44 RD45 RD46 RD04 RD24 R262 R562 R461 R462 R561 R261 R563 R463 R264 R263 R265 J209 LD01 R250 R220 15 16 D-GND -28V DC+3.5V HEATER E+5V D-GND /TEST LT1 XRESET S(MtoF) S(FtoM) SSCK XREADY P_TRG D-GND V-MUTE IR_SW D-GND D-BUS STB_CTL D-GND -28V DC+3.5V HEATER E+5V STB_CTL D-GND D-GND SW+3.3V V-GND V-GND E+6V V-GND V-GND SW+12V SW+3.3V E+6V SW+12V D-GND XRESET XREADY LT1 SSCK S(FtoM) S(MtoF) D-GND CTS DTR RXD TXD D-GND D-GND D-GND D-GND D-GND SW+5V D-GND D-GND D_OUT VSEL2 SQUEEZE LETTER VSEL1 SDA0 SCL0 AV1CLK XVQERST VSYNC PD0 HSYNC PD2 PD1 VQESSO PD7 XCSPRO2 PD5 PD3 PD6 PD4 VQESCK +0.3V +0.3V +0.3V EXCEPT N N RA44 RA45 RA46 RA47 RA48 RA49 0 0 0 0 0 0 NC NC NC NC NC NC *** *** +5.0V +12.2V +6.1V +3.3V -29.0V -15.4V -19.0V +5.3V +3.4V +2.5V +3.3V +2.5V +2.5V +2.5V +3.3V +3.3V +2.5V +3.3V Prog: +3.2V Int: +0V Int: +0V Prog: +5.0V +0.9V +5.0V +1.0V +5.0V +5.0V +0.9V Except N:1.2k Except N:4.7k ADV7300 K4S643232E-TC60 V-GND D-GND D-GND D-GND D-GND D-GND D-GND +3VD D-GND D-GND D-GND D-GND D-GND D-GND D-GND D-GND +2.5VD +2.5VD D-GND +2.5VD +2.5VD AD_V AD_Y AD_C AD_Y2 AD_Cb AD_Cr PR2_Cr PR2_Cb PR2_Y D_OUT VSEL2 SQUEEZE LETTER VSEL1 +3VD +3VD SPR4 D-GND D-GND SW+12V V-GND V-GND E+6V +3VD CTS TXD DTR RXD V-MUTE IR_SW D-BUS D-GND D-GND D-GND +5VV +5VV P/XI SPR4 +2.5VD +3VD D-GND D-GND D-GND EARTH D-GND P_TRG D-GND V-GND 2SA1586 V-GND V-GND V-GND V-GND V-GND V-GND V-GND V-GND V-GND 2SA1586 +5VV 2SA1586 V-GND +5VV +5VV V-GND AD_G AD_B AD_R AD_Y/G AD_Cb/B AD_Cr/R AD_Cr/R AD_Cb/B AD_Y/G SW+5V CKE CKE D-GND V-GND 10 10 V-GND PM0033A 1 2 3 4 5 6 7 8 9 10 11 12 13 14 15 16 17 18 19 20 21 22 23 24 25 26 27 28 29 30 31 32 33 34 35 36 37 38 39 40 41 42 43 44 45 46 47 48 49 50 51 52 53 54 55 56 57 58 59 60 61 62 63 64 65 66 67 68 69 70 71 72 73 74 75 76 77 78 79 80 81 82 83 84 85 86 87 88 89 90 91 92 93 94 95 96 97 98 99 100 101 102 103 104 105 106 107 108 109 110 111 112 113 114 115 116 117 118 119 120 121 122 123 124 125 126 127 128 129 130 131 132 133 134 135 136 137 138 139 140 141 142 143 144 145 146 147 148 149 150 151 152 153 154 155 156 157 158 159 160 1 VDD_IO 48 XS_BLANK 49 XS_VSYNC 32 CLKIN_A 31 RTC_SCR_TR 30 C9 29 C8 28 C7 27 C6 26 C5 25 P_BLANK 24 XP_VSYNC 23 XP_HSYNC 22 SCLK_SI 21 SDA_CLKSP 20 ALSB_SO 19 XSPI/I2C 18 C4 17 C3 50 XS_HSYNC 51 S0 52 S1 53 S2 54 S3 55 S4 56 VDD 57 DGND 58 S5 59 S6 60 S7 61 S8 62 S9 63 CLKIN_B 64 GND_IO 2 Y0 3 Y1 4 Y2 5 Y3 6 Y4 7 Y5 8 Y6 9 Y7 10 VDD 11 DGND 12 Y8 13 Y9 14 C0 15 C1 16 C2 47 RSET1 46 VREF 45 COMP1 44 DAC_A 43 DAC_B 42 DAC_C 41 VAA 40 AGND 39 DAC_D 38 DAC_E 37 DAC_F 36 COMP2 35 RSET2 34 EXT_LF 33 XRESET 1 VDD 2 DQ0 3 VDDQ 4 DQ1 5 DQ2 6 VSSQ 7 DQ3 8 DQ4 9 VDDQ 10 DQ5 11 DQ6 12 VSSQ 13 DQ7 14 NC 15 VDD 16 DM0 17 /WE 18 /CAS 19 /RAS 20 /CS 21 NC 22 BS0 23 BS1 24 A10/AP 25 A0 26 A1 27 A2 28 DQM2 29 VDD 30 NC 31 DQ16 32 VSSQ 86 VSS 85 DQ15 84 VSSQ 83 DQ14 82 DQ13 81 VDDQ 80 DQ12 79 DQ11 78 VSSQ 77 DQ10 76 DQ9 75 VDDQ 74 DQ8 73 NC 72 VSS 71 DQM1 70 VREF 69 NC 68 CLK 67 CKE 66 A9 65 A8 64 A7 63 A6 62 A5 61 A4 60 A3 59 DQM3 58 VSS 57 NC 56 DQ31 55 VDDQ 33 DQ17 34 DQ18 35 VDDQ 36 DQ19 37 DQ20 38 VSSQ 39 DQ21 40 DQ22 41 VDDQ 42 DQ23 54 DQ30 53 DQ29 52 VSSQ 51 DQ28 50 DQ27 49 VDDQ 48 DQ26 47 DQ25 46 VSSQ 45 DQ24 44 VSS 43 VDD 1 3 5 7 2 4 6 8 1 3 5 7 2 4 6 8 7 5 3 1 8 6 4 2 8 6 4 2 7 5 3 1 8 6 4 2 7 5 3 1 1 2 3 4 5 6 7 8 9 10 11 12 13 25 14 26 15 27 16 28 17 29 18 30 19 20 21 22 23 24 1 2 3 4 5 6 7 8 9 10 11 12 13 25 14 26 15 27 16 28 17 29 18 30 19 20 21 22 23 24 1 2 3 1 2 3 1 3 5 7 2 4 6 8 7 5 3 1 8 6 4 2 7 5 3 1 8 6 4 2 1 2 3 4 5 6 7 8 9 10 11 12 13 14 15 16 17 18 19 20 1 2 3 XCSPRO2 VQESSO VQESCK MA3 MA4 MA5 MA6 MA7 MA8 MA9 MCLK MD8 MD9 MD10 MD11 MD12 MD13 MD14 MD15 MD19 MD18 MD17 MD16 MA2 MA1 MA0 MA10 MA11 RAS CAS WE MD7 MD6 MD5 MD4 MD3 MD2 MD1 MD0 MA4 MA3 MA5 MA2 MA6 MA1 MA7 MA0 MA8 MA10 MA9 MA11 PB9 PB8 PB7 PB6 PB5 PB4 PB3 PC0 PC1 PC2 PC3 PC4 PC5 PC6 PC7 PC8 PC9 PB0 PB1 PB2 PPD0 PPD1 VSYNC HSYNC PPD2 PPD3 PPD4 PPD5 PPD6 PPD7 PB0 PB1 PB2 PB3 PB4 PB6 PB7 PB8 PB9 PC0 PC1 PC2 PC5 PC7 PC8 PC9 XVQERST PR2CLK PPD0 PPD1 PPD2 PPD3 PPD4 PPD5 PPD6 PPD7 HSYNC VSYNC PD0 PD1 PD2 PD3 PD4 PD5 PD6 PD7 XVQERST SDA0 SCL0 AV1CLK XVQERST VSYNC HSYNC PD0 PD1 PD2 PD3 PD4 PD5 PD6 PD7 XCSPRO2 VQESSO VQESCK AV1CLK PB5 XREADY SSCK S(FtoM) S(MtoF) XRESET LT1 E+5V HEATER DC+3.5V -28V -28V DC+3.5V HEATER E+5V STB_CTL XREADY SSCK S(FtoM) S(MtoF) XRESET LT1 STB_CTL SDA0 SCL0 MCLK PC4 PC6 PC3 PR2CLK RAS CAS WE MD0 MD1 MD2 MD3 MD4 MD5 MD6 MD7 MD8 MD9 MD10 MD11 MD12 MD13 MD14 MD15 MD16 MD17 MD18 MD19 VDD3 CLKI PLL_TEST PLL_EN VDD2 CLKO PD0 PD1 PD2 PD3 PD4 GND VDD3 PD5 PD6 PD7 PD8 PD9 GND GND GND VDD3 NHS NVS PA0 PA1 PA2 PA3 PA4 PA5 PA6 PA7 PA8 PA9 MA4 MA3 MA5 MA2 GND VDD3 VDD2 MA6 MA1 MA7 MA0 MA8 MA10 VDD3 MA9 MA11 GND RAS MCLK CAS WE VDD3 MD8 MD7 MD9 PDOEN GND GND MD6 MD10 VDD3 MD5 MD11 MD4 MD12 MD3 MD13 GND VDD3 MD2 MD14 MD1 MD15 MD0 VDD2 VDD3 VDD3 GND MD16 MD17 MD18 MD19 GND AGND DAO_Y AVDD2 DAO_Cb AGND DAO_Cr AVDD2 VREF AVDD2 VG AGND GND GND GND GND CLMP TEST0 TEST1 TEST2 TEST3 TEST4 SPR0 SPR1 VDD3 SPR2 SPR3 SPR4 SPR5 GND SPR6 SPR7 VDD3 VDD2 GND PB0 PB1 PB2 PB3 VDD3 PB4 PB5 GND PB6 PB7 PB8 PB9 PBOEN VDD3 PC0 PC1 PC2 PC3 GND GND PC4 PC5 VDD3 PC6 PC7 PC8 PC9 GND CSB SDA SCL SRN CKIPOL PLL_VDD CPOUT VCOIN PLL_GND VDD3 0 0 0 0 0.1 0.1 0 0.1 0 0 0RX4 0RX4 0.1 0 0.1 0 0.1 0 0 0 0 0 0 0.1 0 N.C. 0 22k 0.1 8.2k 0.1 0.1 0.1 330 N:2.2k 0 0.1 100/10V N:10k 0.1 0.1 0 0.1 100/10v 100/10v 0.1 0.1 0.1 0.1 0.1 0.1 0.1 0.1 0.1 0.1 0.1 0.1 0 75 0.01 0 N.C. 100/10v 0.1 BLM11B601S 10Kx4 0.1 0.1 0.1 0.1 0.1 0.1 0.1 BLM11B601S 10Kx4 0.1 10Kx4 0.1 0.1 0.1 0.1 100/10v BLM11B601S 0.1 10k 0.1 0.1 0 N.C. 0.1 0.1 0 0 0 2.2k 2.2k 10k 0.1 0.1 0.1 0.1 0.1 470/10V N.C 100p 0 100 N.C. 10k 10k 10k 0.1 100/10v 0.1 BLM11B601S 0 6.8k 6.8k N.C. 1 1.5k 47 N.C. 820p 3900p 680 N.C. 47 1.5k 0 0 0 0 0 0 0 0 22 22 22 22 22 22 22 22 0 0 0 0 0 0 0 BLM11B601S 0.1 0 0 0 0 0 0 0 DTC114EUA DTC114EUA 10K 10K N.C. N.C 0.1 100/10v 0.1 100/10v 0 0.1 0RX4 0.1 0RX4 0RX4 N.C. 100 100 100 100 100 100 100 100 100 100 100 100 100 100 100 100 100 100 100 100 100 100 100 BA25BC0FP 0.01 1.8k 680 680 1.8k 100 100 560 100 680 0.01 560 0.01 560 1.8k 0 NC NC 0 0 0 0 NC 100/10v NC RE30 QE01 QA01 QE02 RE32 RE33 RE34 CE03 CE04 RE38 CE05 RE43 RE44 RE59 RE56 CE30 RE57 CE31 RE58 CE32 RE60 RE61 RE62 RE65 RE66 RE64 CE33 RE70 RE72 RE73 RE75 CE18 RE50 CE17 CE20 CE19 RE52 RE49 RE53 CE21 CE56 RE51 CE25 CE24 RE54 CE29 CE27 CE28 CE12 CE13 CE16 CE06 CE07 CE11 CE10 CE09 CE08 CE37 CE02 CE35 RE74 RE76 CE36 RE71 CE34 CE14 CE15 RE46 RE78 CE46 CE45 CE44 CE43 CE42 CE41 CE40 RE55 RE80 CE47 RE79 CE48 CE49 CE50 CE51 CE38 RE77 CE39 RE81 JE01 JE02 CA22 CA06 RA04 CA08 CA23 CA05 RA05 RA06 RA07 RA08 RA09 RA10 CA14 CA15 CA16 CA17 CA21 CA20 CA09 CA10 RA12 RA13 CA07 RA30 RA29 RA31 CA02 CA01 CA04 RA03 RA28 RA23 RA25 RA24 CA18 RA26 RA27 CA19 CA11 CA12 RA14 CA13 RA16 RA15 RE01 RE02 RE03 RE04 RE05 RE22 RE21 RE20 RE19 RE18 RE17 RE16 RE15 RE14 RE13 RE12 RE11 RE10 RE09 RE08 RE07 RE06 RE31 RA01 CE26 RE25 RE24 RE26 RE23 RE27 RE29 RE28 QE04 QE05 RE82 RE83 CE01 RA02 CE53 CE52 CE55 CE54 RE45 CA03 RE63 CE23 RE35 RE39 JE07 JE06 JE03 RE36 RG01 RG02 RG03 RG05 RG04 RG06 RG08 RG09 RG07 RG11 RG12 RG10 RG14 RG13 RG16 RG19 RG15 RG18 RG17 RG22 RG21 RG20 RG23 QE03 CA26 RA43 QA03 RA36 RA40 RA35 RA42 RA34 RA41 RA38 QA02 RA32 CA25 RA33 QA04 CA24 RA37 RA39 RA49 RA48 RA47 RA46 RA44 RA45 RE84 RE85 CA27 JE05 JE04 RA50 RA51 RA52 RA53 LA01 LE01 CE22 CA28 RE86 PM01-2/5 FROM PD01 FROM PD01 FROM PD01 18 17 V-GND V-GND V-GND V-GND V-GND V-GND V-GND V-GND +12VV SQUEEZE LETTER 2SA1162 V-GND V-GND V-GND BLM11B601S V-GND V-GND V-GND V-GND V-GND V-GND EARTH V-GND V-GND V-GND V-GND V-GND SCT_R/C SCT_B SCT_G SCT_V/Y SCT_V +12VV V-GND V-GND V-GND V-GND V-GND +5VV V-GND 2SA1586 V-GND V-GND V-GND 2SA1586 +5VV V-GND V-GND V-GND V-GND +5VV V-GND 2SA1586 V-GND V-GND V-GND 2SA1586 +5VV V-GND V-GND V-GND V-GND +5VV V-GND 2SA1586 V-GND V-GND V-GND 2SA1586 +5VV 2SA1586 +5VV +5VV V-GND 2SA1586 V-GND V-GND V-GND V-GND V-GND V-GND V-GND V-GND +5VV V-GND V-GND V-GND V-GND V-GND V-GND V-GND V-GND V-GND 2SA1586 V-GND V-GND V-GND V-GND V-GND +5VV SCT_G V-GND V-GND +5VV SCT_B V-GND SCT_V/Y V-GND +5VV V-GND +5VV SCT_R/C V-GND V-GND V-GND +12VV V-GND +5VV +12VV V-GND V-GND V-GND V-GND +5VV V-GND V-GND SCT_V +5VV SQUEEZE VSEL1 V-GND V-GND V-GND V-GND V-GND V-GND AD_Y AD_V AD_C AD_R AD_B AD_G SQUEEZE LETTER VSEL1 LETTER VSEL1 SQUEEZE E+6V SW+12V V-GNDV-GND V-GND V-GND +12VV +5VV V-GND V-GND VSEL2 VSEL2 VSEL2 V-MUTE V-GND V-GND V-GND V-GND V-GND 2SA1797 V-GND V-GND V-GND V-GND V-GND V-GND E+6V V-GND V-GND V-GND V-GND CVBS S1/S2 V B R/C V-GND V/Y V-GND F-SW RGB SW +12VV V-GND V-GND G +5.0V +5.0V +5.0V N only *** *** N ONLY EXCEPT N RV05 RV06 RV12 RV13 RV19 RV20 RV28 RV29 680 470 470 470 470 470 470 0 NC NC 0 680 680 560 560 560 +12.2V +8.4V +11.4V +12.1V +5.0V +5.0V +5.0V +12.2V +5.0V +5.0V +12.2V +12.2V 16:9:+6.0V 4:3:+12.1V 16:9:+5.5V 4:3:+11.5V 4:3:+0V 16:9:+3.1V 16:9:+0V 4:3:+12.1V CVBS/S:+0V RGB:+3.2V RGB:+0V CVBS/S:+5.0V CVBS/S:+0V RGB:+5.0V +5.0V +5.0V +5.0V +1.6V +0.9V +5.0V +0.9V +1.6V +5.0V +1.6V +0.9V +5.0V +5.0V +5.0V +0.7V +4.9V +0V +5.0V +6.1V +12.2V +12.2V +11.5V +0.4V +1.1V +1.7V +0.5V +1.2V +1.8V *** 1 MUTE 2 TYPE_SEL 3 V,Cb_IN 4 SQUEEZE 5 LETTER 6 C,Cr_IN 7 GND 8 REG_OUT 9 VCC 10 Y_IN 11 AMP_SEL 12 DAC_DCOUT 24 GND 23 V_OUT 22 YCMIX 21 Cb_OUT 20 VCC 19 C_OUT 18 GND 17 Cr_OUT 16 C_DCOUT 15 Y_OUT2 14 GND 13 Y_OUT1 1 2 3 5 2 4 1 3 6 1 2 3 6 5 4 1 2 3 6 5 4 1 2 3 6 5 4 1 2 3 6 5 4 1 2 3 1 2 3 1 2 3 1 2 3 1 2 3 6 5 4 1 2 3 4 5 1 2 3 1 2 3 1 2 3 4 12 11 10 9 8 7 6 5 4 3 2 1 01ZA8.2 3 1 2 01ZA8.2 3 1 2 15 47 15 47 470/16V LA7138M 0.1 0.1 100/16V 100/16V 0.1 0.1 0 0 47P 47P 0 0 N.C. N.C. 1000/6.3V 1000/6.3V 1000/6.3V 0 27 N.C 33 N.C 27 0 33 0.1 10K 0.1 0.1 3.9K 1.2K 0.1 0.01 100 33p NC 10p 10 22k NC 680 47p 4.7 0.01 2.2k 1.8k 0.01 100 33p NC 10p 10 22k NC 680 47p 4.7 0.01 2.2k 1.8k 0.01 100 33p NC 10p 10 22k NC 680 47p 4.7 0.01 2.2k 1.8k 3p 5p 56p 0.01 22k 0.01 56p 22k 15 12 27p 2.2k 27p 3p 470 5p 470 56p 68p 0.01 22k 12 470 15 68p 27p 68p 12 2.2k 3p 15 2.2k 5p MM1509XN 0 N.C. N.C. 0 N.C 0 10/50V 10/50V 10/50V 0.01 MM1509XN 0.01 10/50V MM1506XN MM1508XN 0.01 10/50V 0.01 10/50V 10/50V 0.1 10/50V 0 0 0 2SA1586 1.5k 220 2SC4116 DTC114EUA 4.7k 1k 22k 220 4.7K 0.1 1.5k 56k 220 1.5k 0.1 DTC114EUA 56k NC NC NC 470/16V 0.1 0.1 470/10V 0.1 100/10V L88MS05T 0.1 470/10V 6.8 470/16V 0.1 10k 3.3k 3.3k DTC114EUA 3.3k 1/50V 0 NC 0 0 NC NC N.C. 2SC4116 10k 10k 1.2k 1.2k 1.2k NC NC NC 0.1 RV36 RV33 RV34 RV35 CV52 QV11 CV51 CV36 CV39 CV35 CV40 CV33 QV10 RV31 RV30 RV29 RV28 CV38 CV37 LV08 LV09 LV10 CV47 CV48 CV43 CV44 CV46 LV12 RV40 CV49 RV37 CV50 RV38 JV02 JV07 LV11 RV39 CV45 RV32 CV42 CV41 RV27 RV26 C889 CV16 RV07 CV13 CV14 CV11 LV03 RV10 CV12 RV09 QV04 CV15 LV02 CV10 RV11 RV08 QV05 CV24 RV14 CV21 CV22 CV19 LV05 RV17 CV20 RV16 QV06 CV23 LV04 CV18 RV18 RV15 QV07 CV31 RV21 CV28 CV29 CV26 LV07 RV24 CV27 RV23 QV08 CV30 LV06 CV25 RV25 RV22 QV09 Q855 C872 C874 Q858 C856 C876 R865 C867 C866 R874 L854 L851 C852 R857 C871 C863 R873 C865 R855 C875 C864 C857 R856 L853 R864 L856 C854 C862 C873 L855 R866 C853 L852 R875 Q852 C855 Q853 R876 R877 R868 R867 R859 R858 CV34 CV32 C859 C860 Q856 C869 C868 Q859 Q860 C879 C877 C883 C882 C881 C878 C880 R878 R879 R880 Q863 R891 R884 Q865 Q862 R888 R882 R881 R886 R887 C888 R892 R889 R885 R890 C886 Q864 R883 C885 C884 Q861 RV06 RV05 RV12 RV13 RV20 RV19 CV06 CV07 CV02 CV01 C887 CV17 QV01 CV05 CV04 LV01 CV08 CV09 QV02 RV01 RV02 RV03 QV03 RV04 CV03 RV41 RV42 RV43 RV45 RV44 RV46 C890 QV12 RV47 RV48 JV01 RV50 RV51 RV52 R893 R894 R895 J851 DV02 DV01 CV53 PM01-3/5 19 20 V-GND V-GND V-GND V-GND V-GND V-GND V-GND V-GND V-GND +12VV SQUEEZE LETTER 2SA1162 V-GND V-GND V-GND BLM11B601S P/XI V-GND V-GND V-GND V-GND V-GND V-GND V-GND V-GND V-GND +5VV V-GND V-GND PR2_Cb PR2_Cr V-GND PR2_Y P/XI SQUEEZE V-GND V-GND V-GND V-GND 2SA1586 +5VV LETTER V-GND V-GND 2SA1586 +5VV V-GND V-GND V-GND V-GND V-GND V-GND V-GND V-GND V-GND LETTER P/XI SQUEEZE 2SA1586 V-GND V-GND +5VV V-GND V-GND +5VV V-GND V-GND 2SA1586 V-GND V-GND V-GND 2SA1586 V-GND V-GND V-GND 2SA1586 V-GND V-GND +5VV +5VV V-GND V-GND +12VV V-GND +5VV AD_Cr AD_Cb AD_Y AD_Cr AD_Cb AD_Y2 AD_Cr AD_Cb AD_Y V-GND V-GND V-GND Cr Y Cb For F,S,C,L,A +0.4V +0.5V +0.5V Y Y_GND Cb Cb_GND Cr Cr_GND N.C. LINE I/P N.C. ASPECT SWGND N.C. SW D1/D2 Except F,S,C,L,A ONLY OEM +12VV V-GND Cb Cr Y V-GND V-GND V-GND N ONLY EXCEPT N SQUEEZE:+3.1V SQUEEZE:+0V Prog:+5.0V Int:+0V LETTER:+3.1V LETTER:+0V +5.0V +5.0V +12.2V +11.4V +8.4V Prog:+5.0V Int:+0V +5.0V +5.0V +5.0V +5.0V +1.2V +1.2V +5.0V +1.0V +5.0V +1.2V +1.8V +1.3V +2.0V +1.3V +2.0V *** RC08 5.6k 5.6k RB08 3.3k *** 0 EXCEPT N 0 RC09 N RB09 N.C. N.C. 3.3k 5 3 2 4 1 1 MUTE 2 TYPE 3 A_IN 4 SQUEEZE 5 LETTER 6 B_IN 7 GND 8 REG 9 VCC1 10 C_IN 11 AMP_SEL 12 DCOUT 24 GND 23 A_OUT2 22 YCMIX 21 A_OUT1 20 VCC2 19 B_OUT2 18 GND 17 B_OUT2 16 C_DCOUT 15 C_OUT2 14 GND 13 C_OUT1 1 2 3 1 2 3 4 5 6 7 8 9 10 11 12 13 14 8 7 6 5 4 3 2 1 NC 3 1 2 NC 3 1 2 NC 3 1 2 27 27 33 27 33 33 470/16V LA7138M 0.1 0.1 100/16V 100/16V 0.1 0 0 0 N.C. 47P 47P 0 0 0 N.C. N.C. N.C. 1000/6.3V 470/6.3V 470/6.3V 0 27 27 470/6.3V 0 470/6.3V 0 33 33 33 1000/6.3V 27 N.C. N.C. N.C. 10K 10K 0.1 0.1 0 3p 100 4.7 10p 22k 0.01 100/10V 33p 390 0.01 1.8k 5.6 22p 7p 2.2k 10/50V 10/50V 10/50V 3.9K 1.2K 68 N.C. 68 N.C. N.C. 68 22k 3p 7p 1.8k 22p 2.2k 33p 4.7 0.01 5.6 10p 100 390 0.01 2.2k 4.7 10p 390 33p 100 0.01 22k 3p 0.01 7p 5.6 1.8k 22p NC NC NC 0 0 0 0 0 0 JY01 RB11 RC11 RY17 RY18 RB10 RC10 CY17 QY04 CY16 CY11 CY14 CY10 CY15 QY03 RY16 RY15 RY14 RY13 CY12 CY13 LY03 JY02 LY04 LB03 LC03 CY19 CB10 CC10 CY18 CB09 CC09 LC04 RC13 RB13 CB11 LB04 CC11 LY05 RB12 RY21 RC12 CY20 RY22 CY21 CC12 CB12 RY20 RY19 CY22 CY23 RY10 CY03 RY03 LY01 CY02 RY06 CY07 CY08 CY04 RY05 CY01 RY04 LY02 QY01 CY06 CY05 RY07 QY02 CB08 CY09 CC08 RY12 RY11 RY08 RB08 RC08 RY09 RB09 RC09 RB01 RB02 RC01 RC02 RY02 RY01 RB06 QB01 CB03 CB05 RB04 CB06 RB07 CB04 LB01 QB02 CB07 LB02 CB02 RB03 RB05 CB01 QC02 RC07 LC01 CC02 RC05 CC04 RC03 CC01 RC06 CC03 QC01 CC07 CC05 LC02 RC04 CC06 JY03 RC24 RB24 RY24 RC23 RB23 RY23 RC25 RB25 RY25 DY01 DB01 DC01 PM01-4/5 22 21 GND VCC INPUT D-GND D-GND N.C. D-GND D-GND D-GND D-GND D-GND D-GND D-GND D-GND N.C. +5VD D-GND D-GND +5VD D-GND +5VD D-GND D-GND RXD TXD DTR CTS BLM11B601S D-GND D_OUT IR_SW D-BUS SW+5V +5VD 2SC4116 D-GND +5VD +5VD D-GND D-GND +5VD D-GND D-GND D-GND D-GND P_TRG +5VD D-GND D-GND C B E DIGITAL OUT GP1F32T OPT OUT +5.0V +5.0V +5VD RXD TXD CTS N.C. D-GND DTR D-GND D-GND XLR OEM only +5VD REMOTE_IN P_TRG D-GND D-GND OEM ONLY +5.0V +5.0V +5.0V +5.0V +5.0V INT/EXT SW REMOTE CONTROL 3 2 1 1 3 2 6 4 3 2 1 1 2 3 4 5 6 7 14 13 12 11 10 9 8 3 2 1 1 2 4 5 3 7 6 5 4 3 2 1 2 1 3 14 7 1 2 3 1 2 3 4 5 6 7 8 N.C. N.C. 220 N.C. 22 N.C. N.C. 47/16V N.C. 220p 1 N.C. 0.01 N.C. 0 BLM11B601S 100/10V 0.01 0 10K 0 0 10K 0.1 10K 0 10K N.C. N.C. 0 2.2k 1.8k 3.9k 220 68 0.1 1/50V N.C. N.C. 0 100k N.C. N.C. 0 0 N.C. JI04 CI17 JI03 RI15 RI14 RI13 LI02 RI21 RI11 CI18 CI20 CI16 CI12 CI13 RI12 CI10 QI01 CI15 SI01 RI10 LI01 CI11 CI21 JI01 LI34 RI34 LI31 LI32 RI32 CI31 JI05 LI35 RI33 LI33 RI31 QI02 QI03 RI02 RI03 RI04 RI05 RI06 RI07 RI08 CI02 CI05 CI04 LI03 RI16 RI09 CI03 CI01 RI17 RI35 RI22 JI06 PM01-5/5 23 24 FROM PM01 TO JI51 (PD02) 1 2 3 4 5 6 7 8 9 10 11 12 13 14 15 16 17 18 19 20 21 22 23 24 80 79 78 77 76 75 74 73 72 71 70 69 68 67 66 65 64 63 62 61 60 59 58 57 56 55 54 53 52 51 50 49 48 47 46 45 44 43 42 41 25 26 27 28 29 30 31 32 33 34 35 36 37 38 39 40 3 1 2 1 2 3 4 5 6 7 8 9 10 11 12 13 14 15 16 17 18 19 20 21 22 23 24 25 26 27 28 29 30 31 32 33 34 35 36 37 38 39 40 41 42 43 44 45 1 3 2 8 7 6 5 1 2 3 4 JF01 1 2 3 4 5 6 7 8 9 10 11 12 13 14 15 16 17 18 19 20 1 2 1 2 3 1 2 1 2 3 4 5 6 5 4 1 2 3 G10 G9 G8 G7 G6 G5 G4 G3 G2 P18 P17 P16 P15 P14 P9 P8 G6 G10 G9 G8 G7 G5 G3 G4 G1 G2 G11 G1 P7 P6 P5 P4 P17 P16 P14 P15 P12 P10 P13 P11 P8 P6 P4 P9 P7 P2 P3 P5 P1 G11 P18 P1 P3 P2 P10 P11 P13 P12 XCS XSCL XIRQ XDIN XDO XDIN XSCL XIRQ XCS XDO 4.7K 4.7K 4.7K 0.1 100 22K 10K 2.2K 10K 4.7K N.C. N.C. N.C. 100 100 100p 100p 100p 100p 100p 100p 100p 100p 100p 100p 100p 4.7K 47k 82K 22 0.047 22 22 22 22 22 22 4.7K 82K 82K 82K 82K 100 0.1 100/16V 100 10k 100p 100p 10k 100p 100p 100p 100p 100p N.C. 47K 0.047 47k 10/16v 0.047 0.047 0.047 N.C. STAND BY FL_OFF 1k 1k 0.1 100 100 ILM_LED 270 0 NC NC 10K 4.7K 0 N.C. 22 22 22 100p N.C. 100p 100p 100p 47/16V 0.01 N.C. N.C. 22 22 22 22 22 100p 100p 100p 100p 100p 47k 4.7K QF01 RF40 RF41 RF42 XF01 CF17 RF38 QF07 RF28 QF06 RF32 RF31 RF30 QF02 RF09 CF09 CF10 RF29 SF06 SF01 SF04 SF05 SF03 SF02 RF37 RF36 CF22 CF29 CF32 CF27 CF26 CF24 CF23 CF31 CF25 CF30 CF28 VF01 RF08 RF21 RF45 RF06 CF19 RF04 RF05 RF03 RF01 RF07 RF02 RF39 RF44 RF43 RF47 RF46 RF34 CF12 CF13 RF33 ZF01 RF22 CF04 CF06 RF23 CF07 CF05 CF03 CF20 CF21 RF24 RF25 RF13 RF18 RF17 RF16 RF14 RF15 LF03 CF08 RF35 QF05 CF11 CF01 CF18 CF33 LF01 CF02 DF02 DF03 RF19 RF20 QF08 CF16 RF26 RF27 SF07 DF04 RF48 RF49 RF51 RF50 RF10 RF52 JF03 JF02 DF01 RF53 RF54 RF55 RF56 RF57 CF34 CF35 CF36 CF38 CF37 CF40 CF39 CF42 CF41 JF04 RF61 RF62 RF63 RF64 RF65 CF55 CF52 CF53 CF54 CF51 QF04 RF11 RF66 TMP87PM74F GND GND +5V GND +5V +5V +5V Heater CSTS8.0MHZ(MG) GND +5V GND GND DC+3.5V 2SA1586 2SC4116 2SA1586 GND GND GND GND -27V GND GND GND GND +5V GND DC+3.5V -27V Heater -27V +5V GND GND GND GND GND +5V GND GND +5V GND GNDGND GND +5V GND GND +5V GND +5V +5V BLM11B601S GND DTA114EU +5V GND GND GND BLM11B601S GND GND GND AT24C04 GND +5V GND GND GND GND +5V GND GND 1SS301 GND GND GND GND GND GND GND GND GND GND GND GND GND GND GND BD4742G +5V VKK SCK SIN(MtoF) GND XOUT RESET XIN STB LED TEST D BUS IN PREVIOUS/REW PAUSE PLAY NEXT/FF STOP OPEN/CLOSE /STILL SOUT(FtoM) LT1 XRDY FL_OFF STB_CONT V_MUTE XIRQ K:China F:Japan N:Europe S:S’Pore U:USA and Canada -AREA INDICATION- RESET OUT XRESET S(FtoM ) E+5V -27V IR_SW Heater D-BUS DC+3.5V LT1 STB CONT V_MUTE XREADY S(MtoF) /TEST SSCK H H L L H L 1 L MS1 L L (*1) Pin No. 12 2 L L 0 4 H H L QF01 Pin No.11,12,14 SETTING 11 H 2 4 H H H 14 2 L (*1) JAPAN USA AUS ASIA EURO -- CHINA Distination Region 1 2 4 3 2 5 6 D-GND (EJ) D-GND D-GND D-GND FL.OFF P_TRG P_TRG EEP_SCL EEP_SDA PF02 PF01 -15.4V -29.0V -19.0V +5.2V +5.2V +5.2V +5.2V +5.2V +5.2V +5.2V +5.2V +5.2V +5.2V +5.1V +5.1V +5.3V +0V +5.1V +5.2V +5.2V +5.2V +5.2V -29.0V -29.0V -15.4V -19.0V +5.2V +3.4V +2.7V +3.4V XDIN XDO XCS XSCL +5.2V L H V-PART GRP TITLE 192kHz 96kHz CHP SURROUND LAST TOTAL COND REMAIN 5.1CH DOWN MIX VCD TRK D OFF PROGRESSIVE DOLBY D LFE C R L S LS RS V OFF 26 25 C B E G S D G S D C B E BLUE[0] BLUE[1] BLUE[2] BLUE[3] BLUE[4] BLUE[5] BLUE[6] BLUE[7] GREEN[0] GREEN[1] GREEN[2] GREEN[3] GREEN[4] GREEN[5] GREEN[6] GREEN[7] RED[0] RED[1] RED[2] RED[3] RED[4] RED[5] RED[6] RED[7] 1 2 3 4 5 6 7 8 9 10 11 12 13 14 15 16 17 18 19 20 21 22 23 24 25 26 C5 C4 C3 C2 C1 2 3 1 1 2 3 4 5 6 7 8 91 0 11 12 13 14 15 16 17 18 19 20 21 22 23 24 25 26 27 28 29 30 31 32 33 34 35 36 37 38 39 40 41 42 43 44 45 46 47 48 49 50 51 52 53 54 55 56 57 58 59 60 61 62 63 64 3 1 2 3 1 2 3 1 2 31 2 2 3 1 PD02-1/3 4.7k 4.7k 10k 10k BLM11B601S 0.1 10/10V 470 1000p 1000p 0.1 10/10V BLM11B601S BLM11B601S 0.1 10/10V 1000p BLM11B601S 10/10V 0.1 1000p 0 0 0.1 0.1 0.1 0.1 10/10V 4.7k N.C. 2.2k 2200p 68k 1k JT01 RT16 RT17 RT02 QT04 RT01 LT04 QT03 CT18 CT19 RT11 CT14 CT15 CT16 CT17 LT03 LT02 CT12 CT13 CT11 LT01 CT10 CT09 CT08 RT20 RT19 CT07 CT06 CT05 CT04 CT03 RT04 RT03 DT02 QT05 QT06 RT18 CT20 DT03 RT08 DT01 QT02 RT07 JT02 QH11121-DPO VCC3 SiI170RST D-GND 2SC4116 VCC3 D-GND SiI170B D-GND D-GND 5VPIC D-GND VCC3 D-GND VCC3 D-GND VCC3 D-GND DVSCL DVSDA D-GND D-GND D-GND BLUE[0-7] GREEN[0-7] RED[0-7] VOUTCLK VSYNC BLANK HSYNC VCC3 MSEN D-GND VCC3 D-GND D-GND 1SS378 BSN20 VCC3 BSN20 D-GND 1SS378 D-GND VCC3 2SC4116 D-GND EARTH DVI TERMINAL DVI TRANSMITTER 27 28 VDD DQ0 VDDQ DQ1 DQ2 VSSQ DQ3 DQ4 VDDQ DQ5 DQ6 VSSQ DQ7 NC VDD DQM0 WE- CAS- RAS- CS NC BA0 BA1 A10/AP A0 A1 A2 DQM2 VDD NC DQ16 VSSQ VSS DQ15 VSSQ DQ14 DQ13 VDDQ DQ12 DQ11 VSSQ DQ10 DQ9 VDDQ DQ8 NC VSS DQM1 MCH NC CLK CKE A9 A8 A7 A6 A5 A4 A3 DQM3 VSS NC DQ31 VDDQ DQ17 DQ18 VDDQ DQ19 DQ20 VSSQ DQ21 DQ22 VDDQ DQ23 DQ30 DQ29 VSSQ DQ28 DQ27 VDDQ DQ26 DQ25 VSSQ DQ24 VSS VDD SDDATA0 SDDATA1 SDDATA2 SDDATA3 SDDATA4 SDDATA5 SDDATA6 SDDATA7 SDDATA 8 SDDATA 9 SDDATA10 SDDATA11 SDDATA12 SDDATA13 SDDATA14 SDDATA15 SDDATA16 SDDATA17 SDDATA18 SDDATA19 SDDATA20 SDDATA21 SDDATA22 SDDATA23 SDDATA24 SDDATA25 SDDATA26 SDDATA27 SDDATA28 SDDATA29 SDDATA30 SDDATA31 SDADDR0 SDADDR1 SDADDR3 SDADDR4 SDADDR5 SDADDR6 SDADDR7 SDADDR8 SDADDR9 SDADDR10 SDADDR11 SDDQM XSDWE XSDCAS XSDRAS SDDQM SDDQM SDCLK SDDQM SDDATA0 SDDATA1 SDDATA2 SDDATA3 SDDATA4 SDDATA5 SDDATA6 SDDATA7 SDDATA8 SDDATA9 SDDATA10 SDDATA11 SDDATA12 SDDATA13 SDDATA14 SDDATA15 SDDATA16 SDDATA17 SDDATA18 SDDATA19 SDDATA20 SDDATA21 SDDATA22 SDDATA23 SDDATA24 SDDATA25 SDDATA26 SDDATA27 SDDATA28 SDDATA29 SDDATA30 SDDATA31 SDADDR0 SDADDR1 SDADDR3 SDADDR4 SDADDR5 SDADDR6 SDADDR7 SDADDR8 SDADDR9 SDADDR10 SDADDR11 SDADDR2 VD0 VD1 VD2 VD3 VD4 VD5 VD6 VD7 XWR_IP XRD_IP SDCLK SDDQM XSDWE XSDCAS XSDRAS DEINT SDADDR12 SDADDR12 VCLK XRD_IP XWR_IP SDADDR2 DVSCL DVSDA SiI504RST DEINT SiI504RST VD7 VD6 VD5 VD3 VD2 VD1 VD0 VD4 VCLK 1 2 3 4 5 6 7 8 9 10 11 12 13 14 15 16 17 18 19 20 21 22 23 24 25 26 27 28 29 30 31 32 33 34 35 36 37 38 39 40 41 42 43 44 45 46 47 48 49 50 51 52 53 54 55 56 57 58 59 60 61 62 63 64 65 66 67 68 69 70 71 72 73 74 75 76 77 78 79 80 81 82 83 84 85 86 87 88 89 90 91 92 93 94 95 96 97 98 99 100 101 102 103 104 105 106 107 108 109 110 111 112 113 114 115 116 117 118 119 120 121 122 123 124 125 126 127 128 129 130 131 132 133 134 135 136 137 138 139 140 141 142 143 144 145 146 147 148 149 150 151 152 153 154 155 156 157 158 159 160 161 162 163 164 165 166 167 168 169 170 171 172 173 174 175 176 177 178 179 180 181 182 183 184 185 186 187 188 189 190 191 192 193 194 195 196 197 198 199 200 201 202 203 204 205 206 207 208 1 2 3 4 5 6 7 8 9 10 11 12 13 14 15 16 17 18 19 20 21 22 23 24 25 26 27 28 29 30 31 32 86 85 84 83 82 81 80 79 78 77 76 75 74 73 72 71 70 69 68 67 66 65 64 63 62 61 60 59 58 57 56 55 33 34 35 36 37 38 39 40 41 42 54 53 52 51 50 49 48 47 46 45 44 43 1 2 8 2 3 4 5 6 7 8 9 10 11 12 13 14 27 26 25 24 23 22 21 20 19 18 17 16 15 1 2 3 4 5 6 7 8 9 10 11 12 13 14 15 16 1 2 3 4 9 10 11 12 5 6 7 8 13 14 15 16 1 2 3 4 9 10 11 12 5 6 7 8 13 14 15 16 1 2 3 4 9 10 11 12 5 6 7 8 13 14 15 16 1 2 3 2 1 3 DEINT SiI504RST DVSCL DVSD A RED[7] RED[6] RED[5] RED[4] RED[3] RED[2] RED[1] RED[0] GREEN[7] GREEN[6] GREEN[5] GREEN[4] GREEN[3] GREEN[2] GREEN[1] GREEN[0] BLUE[0] BLUE[1] BLUE[2] BLUE[3] BLUE[4] BLUE[5] BLUE[6] BLUE[7] D-GND 0.1 0.1 0.1 0.1 10k 0.1 1M 0 0.1 0.1 0.1 0.1 0.1 0.1 0.1 0.1 0.1 0.1 0.1 0.1 0.1 0.1 0.1 0.1 0.1 0.1 0.1 0.1 10/6.3V 47/6.3V 10k 10k 2.2 10/10V 10k 4.7k 0 22/6.3V 2.2k 2.2k 4.7k 22 2.2k 2.2k 2.2 10/10V 2.2 47/6.3V 100 2200p RES 100 2200p 10/6.3V 2.2 2.2 47/6.3V 0 0 0 0 0 0 0 0 BLM11P600S 0 22 22 22 10 10 10 N.C. N.C. 0.1 0.1 QH21 QH22 CH45 CH47 CH32 QH71 CH22 RH29 CH43 RH78 RH79 CH33 CH34 CH35 CH36 CH37 CH38 CH39 CH40 CH41 CH28 CH29 CH30 CH31 CH27 CH26 CH25 CH24 CH23 CH76 CH72 CH05 CH03 RH75 RH76 LH01 CH01 RH77 RH82 RH30 CH21 RH72 RH73 RH28 RH27 RH81 RH80 LH02 CH02 LH05 CH07 JH01 RH31 CH42 RH74 RH71 CH71 CH04 LH03 LH04 CH06 RH01 RH02 RH03 RH04 RH05 RH06 RH07 RH08 LH21 RH09 RH23 RH22 RH21 RH26 RH25 RH24 QH01 CH73 CH74 XH71 CH46 CH75 SiI504 K4S643232E-TC60 P3.3V D-GND D-GND P3.3V P3.3V D-GND PIC16C63A P3.3V D-GND D-GND 5VPIC D-GND 5VPIC D-GND P1.8V P1.8V D-GND P1.8V SW+3.3V P3.3V D-GND SW+5V 5VPIC D-GND D-GND 5VPIC VCC5E D-GND E+5V VCC3 D-GND SW+3.3V SW+3.3V BLANK VSYNC HSYNC VOUTCLK BLUE[0-7] GREEN[0-7] RED[0-7] D-GND SW+5V E+5V SW+3.3V D-GND D-GND D-GND D-GND DEINT SiI504RST DVSCL DVSDA D-GND BA18BC0FP P1.8V D-GND D-GND D-GND 20MHz PD02-2/3 TO J711 (PD01) I/P VIDEO SCAN CONVETER 30 29 RS-232C 3 1 2 1 2 3 4 5 6 7 8 9 3 1 2 3 1 2 3 1 2 48 14 15 16 17 18 19 20 21 22 23 24 36 35 34 33 32 31 30 29 28 27 26 25 40 41 42 13 47 46 45 44 43 39 38 37 12 11 10 9 8 7 6 5 4 3 2 1 1 2 3 4 5 6 7 8 9 10 20 11 12 13 14 15 16 17 18 19 2 1 3 5 4 1 2 3 1 2 3 4 5 6 2 3 1 1 2 2 1 4 3 XDO XDIN XSCL XIRQ XCS XDO XDIN XSCL XIRQ XCS 0.01 DZ101A1-B2 BLM11B252SD BLM11B252SD BLM11B252SD BLM11B252SD 0 0 0 22k 22k 4.7/20V 0.01 0.01 4.7/20V 0.01 4.7/20V 0.01 4.7/20V 0.01 4.7/20V BLM11P600S H8/3672 0.01 0.01 BLM11P600S 10/10V N.C. N.C. 0.01 4.7k 100p 0 0 0 0 0 4.7k 10k 1M 0 4.7k 0 4.7k 4.7k 4.7k 0.01 100 0.01 DI94 CI62 JI91 LI91 LI92 LI93 LI94 DI93 DI92 DI91 RI91 RI92 RI93 RI81 RI82 CI92 CI91 CI88 CI87 CI84 CI83 CI86 CI85 CI82 CI81 LI81 QI61 QI81 CI61 CI66 LI61 CI68 XI62 CI63 CI64 CI67 QI62 RI61 CI65 JI51 RI51 RI52 RI53 RI54 RI55 RI62 RI63 RI95 RI96 RI67 RI94 RI66 RI65 RI64 SI62 CI69 SI61 RI68 CI70 D-GND N.C. D-GND D-GND D-GND N.C. N.C. D-GND D-GND N.C. D-GND D-GND D-GND VCC5E uPD4721 D-GND D-GND D-GND D-GND VCC5E 16MHz BD4742G D-GND D-GND D-GND DVSDA DVSCL SiI504RST SiI170RST MSEN DEINT D-GND D-GND VCC5E D-GND D-GND D-GND D-GND D-GND 5VPIC VCC5E D-GND D-GND D-GND D-GND 5VPIC VIDEO EXPAND SW NORMAL EXPAND OFF:Normal ON :Rewrite UI01 TO JF04 (PF01) PD02-3/3 RS232C DRIVER SUB CPU 1 2 3 5 6 7 8 9 10 11 12 13 4 14 15 16 17 18 19 20 21 1 2 3 1 2 3 4 5 6 7 8 9 10 11 12 3 1 2 3 1 2 3 1 2 3 1 2 D AR-OUT N.C. AL-OUT V-GND N.C. B-OUT F-SW V-GND N.C. G-OUT N.C. V-GND A-GND V-GND R/C_OUT RGB-SW V-GND V-GND CV/Y_OUT N.C. V-GND 100/16V 330p 100 100 330p 33 39 33 39 100/16V 39 33 100/16V 470/6.3V 33 39 0.01 0.01 0 0 0 0 0 0 0 0 J801 J950 J802 C801 C950 R950 R951 C951 R802 R801 R804 R803 C802 R805 R806 C803 C804 R808 R807 D804 D803 D802 D801 C806 C805 L950 L951 L801 L802 L803 L804 L805 L806 V-GND A-GND A-GND A-GND 01ZA8.2 01ZA8.2 01ZA8.2 01ZA8.2 V-GND V-GND V-GND V-GND V-GND V-GND V-GND A-GND TV-SCART SAR GND SAL +12VV F-SW RGB SW B V-GND G V-GND R/C V-GND V/Y V-GND Y /N ONLY TO J204 (PM01) TO J851 (PM01) 31 32 QV05 QV07 QV09 Q852 Q855 Q858 QC02 QB02 QY02 QV04 QV06 QV08 QA02 QA03 QA04 QC01 QB01 QY01 QA01 QE01 QE05 QE04 QE03 QE02 QV10 Q853 Q856 QV11 Q860 Q861 Q859 QY04 QY03 QD41 QD21 QD01 Q509 Q508 Q507 Q346 Q343 Q345 Q344 Q356 Q353 Q355 Q354 Q539 Q409 Q538 Q408 Q537 Q407 Q326 Q323 Q325 Q324 Q336 Q333 Q335 Q334 Q439 Q209 Q438 Q208 Q437 Q207 Q306 Q303 Q305 Q304 Q316 Q313 Q315 Q314 Q502 Q501 Q532 Q531 Q402 Q401 Q432 Q431 Q202 Q201 Q232 Q231 Q239 Q238 Q237 QI02 QI01 Q206 Q236 Q434 Q204 Q234 Q404 Q504 Q534 QV01 QV02 Q863 Q865 Q862 Q864 QV12 PM01 QV03 Q341 Q351 Q321 Q331 Q301 Q311 QI03 11. PARTS LOCATION 34 33 QH71 QI61 QI62 QI81 QH22 QH21 QH21 QT03 QT04 QT05 QT06 PD02 PF01 QF01 QF07 QF06 QF05 QF04 QF08 QF02 PD01 Q710 Q709 Q708 Q707 Q702 Q701 Q703 - Q706 Q644 Q604 Q602 Q713 Q712 Q711 Q601 Q716 Q715 Q605 Q714 Q606 35 QP05 QP09 QP02 QP01 QP04 QP06 QP07 QP54 QP53 QP63 QP56 - QP60 QP08 QP51 QP61 QP62 QP50 QP52 PS01 PS02 PF02 36 QF01:TMP87PM74F 12 MICROPROCESSOR AND IC DATA Pin PORT Signal name I/O Contents of control 1 P02/SO1 SOUT (F to M) O Serial bus data output for DV747 2 P03 RESET_OUT O For the DV747 RESET terminal control RESET: L 3 P04 4 P05 XRDY O Serial data communication request signal for DV747 High: request /Low: no 5 P06 SCL O I2C clock (EEPROM control) AT24C04 6 P07 SDA I/O I2C data (EEPROM control) AT24C04 7 VSS GND 8 XOUT 8MHz X’TAL 9 XIN 8MHz X’TAL 10 RESET RESET I Reset signal for the microprocessor 11 P22 MODEL1 I Set up of version 12 P2 MODEL2 I Set up of version 13 TEST GND 14 P20 MODEL3 I Set up of version 15 P10 ILM_LED O ILM LED for FL Light burned: H 16 P11 STB_LED O It is light at the STANDBY Light burned: H 17 P12 FL_OFF_LED O Lighting (FL Lights-out) Light burned: H 18 P13 STB_CONT O Power supply control for DV747 Stand-by time: LOW 19 P14 V_MUTE O Mute control for Video At the time of Mute: L 20 P15 LT1 I Serial bus data Ready/Busy input for DVD747 High:Ready/Low:Busy 21 P16 XIRQ I Serial bus data receiving control for Sub microprocessor 22 P17/TC3 IR I IR sensor input 23 P DIN I Serial bus data output for Sub maicroprocessor 24 P31 DO O Serial bus data input for Sub microprocessor 25 P32 SCK I Serial bus clock input for Sub microprocessor 26 P40 XCS O Serial bus data transmitting control for Sub microprocessor 27 P41 KEY_IN_0 I Key matrix input (Tactile switch) 28 P42 KEY_IN_1 I Key matrix input (Tactile switch) 29 P43 KEY_IN_2 I Key matrix input (Tactile switch) 30 P44 KEY_IN_3 I Key matrix input (Tactile switch) spare 31 P45 32 P46 33 P47 GND 34 P50 KEY_OUT_0 O Tactile switch spare 35 P51 KEY_OUT_1 O Tactile switch 36 P52 KEY_OUT_2 O Tactile switch 37 P53 KEY_OUT_3 O Tactile switch 38 VASS GND GND for A/D 39 VAREF +5V O A reference voltage for A/D 40 VDD +5V Power supply 41 P60 N.C. 42 P6 N.C. 43 P62 G11 O FL indication 44 P63 G10 O FL indication 45 P64 G9 O FL indication 46 P65 G8 O FL indication 47 P66 G7 O FL indication 48 P67 G6 O FL indication 49 P70 G5 O FL indication 50 P71 G4 O FL indication 51 P72 G3 O FL indication 52 P73 G2 O FL indication 53 P74 G1 O FL indication 54 P75 N.C. 55 P76 N.C. 56 P77 N.C. 57 P80 N.C. 58 P81 N.C. 59 P82 N.C. 60 P83 P18 O FL indication 37 Pin PORT Signal name I/O Contents of control 61 P84 P17 O FL indication 62 P85 P16 O FL indication 63 P86 P15 O FL indication 64 P87 P14 O FL indication 65 P90 P13 O FL indication 66 P91 P12 O FL indication 67 P92 P11 O FL indication 68 P93 P10 O FL indication 69 P94 P9 O FL indication 70 P95 P8 O FL indication 71 P96 P7 O FL indication 72 P97 P6 O FL indication 73 PD00 P5 O FL indication 74 PD01 P4 O FL indication 75 PD02 P3 O FL indication 76 PD03 P2 O FL indication 77 PD04 P1 O FL indication 78 VKK -27V Power supply for the FL drive 79 P00/ SCK1 SCK O Serial bus clock output for DV747 80 P01/SI1 SIN (M to F) I Serial bus data input for DV747 38 No Name Port I/O Function 1 +5V Avcc - 2 NC NC - 3 NC NC - 4 Vcl - 5 RESET RES - RESET 6 GND TEST - 7 GND Vss - 8 X2 OSC2 - 9 X1 OSC1 - 10 +5V Vcc - 11 P50/WKP0 12 P51/WKP1 13 P52/WKP2 14 P53/WKP3 15 P54/WKP4 16 DVI_SW P55/WKP5/ADTRG I Hi: ON, Low: soft control 17 V_EXPAND P10 I Hi: OFF, Low: ON 18 P_MONITOR P11 I Hi: Power ON, Low: Standby 19 SiI170RST P12 O 20 SiI504RST P56 O 21 DEINT P57 I 22 MSEN P74/TMRIV I 23 DVSCL P75/TMCIV O 24 DVSDA P76/TMOV IO 25 MD NMI I 26 XDO P80/FTCI I Front Microprocessor 27 XDIN P81/FTIOA O Front Microprocessor 28 XSCL P82/FTIOA O Front Microprocessor 29 XIRQ P83/FTIOC O Front Microprocessor 30 P84/FTIOD 31 E10T_0 E10T_0 - For ET10T Emulator 32 E10T_1 E10T_1 - For ET10T Emulator 33 E10T_2 E10T_2 - For ET10T Emulator 34 P20/SCK3 35 RXD P21/RXD I RS-232C 36 TXD P22/TXD O RS-232C 37 RTS P14/IRQ0 O RS-232C 38 CTS P15 I RS-232C 39 P16 O 40 XCS P17/IRQ3/TRGV I Front Microprocessor 41 NC NC - 42 NC NC - 43 NC NC - 44 NC NC - 45 GND PB3/AN3 I 46 GND PB2/AN2 I 47 GND PB1/AN1 I 48 GND PB0/AN0 I QI61:HD64F3672FX 39 Pin # PIC Port Type Signal Name Description 1 MCLR- Input note 1 DVRESET- Reset signal to both MC504 and SiI504 (Requires Vih min =0.8VDD, NOT TTL) 2 RA0 Bidir DVSDA Local Serial Port Data 3 RA1 Output DVSCL Local Serial Port Clock 4 RA2 Input TTL SUBT- Subtitle Detect: low = look for out-of-sequence subtitles, high = no subtitles 5 RA3 Input TTL FILM- Film Bias Mode: low = film bias mode, high = normal detection mode. Do not set low unless this signal can be dynamically controlled. 6 RA4 Input ST PFDA- PFDA Enabled: low = enable software assist, high = disable software-assist 7 RA5 Input TTL SA Serial Port Address Bit - tracks SiI504 Serial Address bit 0High selects address 0xEC, low selects address0xE2 8 VSS Pwr/Gnd VSS Ground 9 OSC1 Input note 1 OSC1 Crystal Input 20MHz (Requires Vih min =0.7VDD, NOT TTL) 10 OSC2 Output OSC2 Crystal Output 20MHz 11 RC0 Input ST GMODE- Game Mode enable: low = game mode enabled, high = disabled 12 RC1 Input ST EXTGMD- Game mode detect: low = external detect (pin 11), high = auto-detect 13 RC2 Input ST RSVD1 Always tie this pin High 14 RC3 Bidir ST SCL External Serial Port Clock 15 RC4 Bidir ST SDA External Serial Port Data 16 RC5 Input ST RSVD0 Reserved 17 RC6 Output RSVD-TX Reserved serial port transmit 18 RC7 Input ST RSVD-RX Reserved serial port receive 19 VSS Pwr/Gnd VSS Ground 20 VDD Pwr/Gnd VDD +5V 21 RB0 Input ST DEINTDONE- Interrupt input pin. Connect to DeIntDone- signal from SiI504, an open drain signal. Pull-up to 5V with 4.7K resistor (Requires Vih min =0.8VDD, NOT TTL) 22 RB1 Input TTL GPIO_0 General Purpose I/O pin 0 23 RB2 Output PRMODE0 Processing mode encoding 0 24 RB3 Output PRMODE1 Processing mode encoding 1 25 RB4 Input TTL SQMODE- Squeeze Mode: low = squeeze mode, high = normal 26 RB5 Input TTL YPRPB- Color Space Select: low = YPrPb, high = RGB 27 RB6 Input TTL GPIO_1 General Purpose I/O pin 1 28 RB7 Input TTL WAVE- Wave (or Anti-burn-in) mode: low = enabled, high = disabled (Only relevant for squeeze mode.) ST: Schmitt Trigger Input. See Section 4 for more details. TTL: TTL level input. See Section 4 for more details. Note 1: MCLR and OSC1 input levels are specified in Section 4. QH71:MC504 40 QH21: SiI 504 SiI 504 HostAddr7 157 158 156 155 154 153 152 151 150 149 148 147 146 145 144 143 142 141 140 139 138 137 136 135 134 133 132 131 130 129 128 127 126 125 124 123 122 121 120 119 118 117 116 115 114 113 112 111 110 109 108 107 106 105 1 2 3 4 5 7 8 9 10 11 12 13 14 15 16 17 18 19 20 21 22 23 24 25 26 27 28 29 30 31 32 33 34 35 36 37 38 39 40 41 42 43 44 45 46 47 48 49 50 51 52 104 103 102 101 100 99 98 97 96 95 94 93 92 91 90 89 88 87 86 85 84 83 82 81 80 79 78 77 76 75 74 73 72 71 70 69 68 67 66 65 64 63 62 61 60 59 58 57 56 55 54 53 159 160 161 162 163 164 165 166 167 168 169 170 171 172 173 174 175 176 177 178 179 180 181 182 183 184 185 186 187 188 189 190 191 192 193 194 195 196 197 198 199 200 201 202 203 204 205 206 207 208 6 RSVD VDDCore GNDCore LCDPwrEn /CBlank /CSync /VSync /HSync Blue_Cb0 Blue_Cb1 Blue_Cb2 Blue_Cb3 Blue_Cb4 Blue_Cb5 GNDIO VDDIO Blue_Cb6 Blue_Cb7 Blue_Cb8 Blue_Cb9 GNDIO Green_Y0 Green_Y1 Green_Y2 Green_Y3 VDDIO Green_Y4 Green_Y5 Green_Y6 Green_Y7 Green_Y8 Green_Y9 GNDIO Red_Cr0 Red_Cr1 Red_Cr2 Red_Cr3 Red_Cr4 Red_Cr5 GNDCore VDDCore Red_Cr6 Red_Cr7 Red_Cr8 Red_Cr9 VidOutClk GNDCore /BypPLLClk48M Clk48M GNDCore VDDCore /ExtRefSel RSVD GNDCore MemClk GNDCore VDDCore MemData14 MemData13 MemData12 MemData11 MemData10 GNDIO MemData9 MemData8 PuPdDis VDDIO MemData0 MemData1 MemData2 GNDIO MemData3 MemData4 MemData5 MemData6 MemData7 GNDIO DQM /WE /CAS /RAS VDDIO VDDIO GNDIO RSVD MemAddr11 MemAddr10 MemAddr9 GNDIO MemAddr8 MemAddr7 MemAddr6 GNDIO MemAddr5 MemAddr4 MemAddr0 MemAddr1 MemAddr2 MemAddr3 VDDCore GNDCore RSVD RSVD HostAddr5 HostAddr4 HostAddr3 HostAddr2 HostAddr1 HostAddr0 GNDCore /HostCS /HostRd_SDA /HostWr_SCL VDDCore VidInClk GNDIO VidInData9 VidInData8 VidInData7 VidInData6 VidInData5 VidInData4 VidInData3 VidInData2 VDDIO ExtRefXtalOut ExtRefXtalIn VDDIO GNDIO MemData16 MemData17 MemData18 MemData19 GNDIO MemData20 MemData21 MemData22 MemData23 GNDIO MemData31 MemData30 GNDIO VDDIO MemData29 MemData28 GNDIO MemData27 MemData26 MemData25 MemData24 MemData15 /BypPLLMemClk GNDCore VDDCore RSVD HostAddr6 HostMode VDDCore HostClk HostData15\VidInData19 GNDcore HostData14\VidInData18 HostData13\VidInData17 HostData12\VidInData16 VDDCore GNDCore HostData11\VidInData15 HostData10\VidInData14 HostData9\VidInData13 RSVD HostData8\VidInData12 HostData7\VS HostData6\HS HostData5 HostData3 HostData4 HostData2 HostData1 HostData0 GNDIO VDDIO /Det32PD /Det22PD /DetVideo MemAddr12 /DeintDone VDDIO GNDIO SDOut SCKOut VDDIO SDIn WSIn GNDIO SCKIn VDDCore /Reset Test0 /BypPLLClk54_72M Test1 Clk54_72M VDDCore GNDCore AVDD ARTN WSOut RSVD Signal Group Signal Name Notes Type Description Video Input VidInData[9:2] 5V In Multiplexed Video Input Data (ITU-R BT.656, 8-bit & H/V syncs formats); Y (luma) Video Input Data (16-bit & H/V syncs format). VidInData[19:12] 5V/PD In Chroma Video Input Data (16-bit & H/V syncs (HostData[15:8]) format only). See Host Interface pin list for pin functions when not used for video input. VS 5V/PD In Vertical Sync input (8/16-bit & H/V syncs (HostData[7]) format only). See Host Interface pin list for pin function when not used for video input. HS 5V/PD In Horizontal Sync input (8/16-bit & H/V syncs (HostData[6]) format only). See Host Interface pin list for pin function when not used for video input. VidInClk 5V In Video Input Clock, 27.0 MHz Video Output Red_Cr[9:0] Out Red Data (RGB output mode); Cr Data (YCrCb output mode) Green_Y[9:0] Out Green Data (RGB output mode); Y Data (YCrCb output mode) Blue_Cb[9:0] Out Blue Data (RGB output mode); Cb Data (YCrCb output mode) /HSync Out Horizontal Sync /VSync Out Vertical Sync /CSync Out Composite Sync /CBlank Out Composite Blank LCDPwrEn Out LCD Power Enable VidOutClk Out Video Output Clock, 36, 27 or 24 MHz Clk48M 5V InOut 48 MHz Clock. Normally, this pin is a no- connect, outputting an internal PLL-generated 48.0 MHz clock and receiving that same clock through its input buffer. To bypass the PLL, set /BypPLLClk48M = 0, and supply a 48.0 MHz clock to the Clk48M pin. Signal Group Signal Name Notes Type Description Memory /RAS Out SDRAM Row Address Strobe. /CAS Out SDRAM Column Address Strobe. /WE Out SDRAM Write Enable. DQM Out SDRAM Data Mask. MemData[31:0] 5V InOut SDRAM Data. MemAddr[12:0] 5V/PU/PD InOut SDRAM Address when an output. Configuration at reset when and input. See Memory Subsystem an Hardware Configuration sections of Functional Description for details. (Note: MemAddr12 is an output-only pin, does not have an internal pullup or pulldown, and is not part of the startup configuration.) MemClk 5V InOut SDRAM Clock. Normally, this pin is an InOut, outputting an internal PLL-generated 66.0 MHz or 72.0 MHz clock to the SDRAM and receiving that same clock through its input buffer. To bypass the PLL, set /BypPLLMemClk = 0, and supply a 66.0 MHz or 72.0 MHz clock to MemClk. /BypPLLMemClk 5V/PU In Bypass PLL for MemClk. Normally, this pin is a no-connect, and the internal pullup ensures that the PLL is enabled. To bypass the PLL, set /BypPLLMemClk = 0, and suppy a 66.0 MHz or 72.0 MHz clock to the MemClk pin Host Interface /HostWr_SCL 5V/H In 186-Compatible Write when HostMode = 0. Serial Clock when HostMode = 1. /HostRd_SDA 5V/H InOut 186-Compatible Read when HostMode = 0. Serial Data (InOut, open drain output) when HostMode = 1. /HostCS 5V/PU In 186-Compatible Chip Select when HostMode=0. When HostMode=1, must be tied to VDD or pulled up to VDD. HostAddr[7:0] 5V/PD In 186-Compatible Address when HostMode = 0. No connect when HostMode = 1. 41 Signal Group Signal Name Notes Type Description Video Output /BypPLLClk48M PU In Bypass PLL for Clk48M. Normally, this pin is (continued) a no-connect, and the internal pullup ensures that the PLL is enabled. To bypass the PLL, set /BypPLLClk48M = 0, and supply a 48.0 MHz clock to the Clk48M pin. Clk54_72M 5V InOut 54 or 72 MHz Clock. Normally, this pin is a no-connect, outputting an internal PLL- generated 54.0 MHz or 72.0 MHz clock and receiving that same clock through its input buffer. To bypass the PLL, set /BypPLLClk54_72M = 0, and supply a 54.0 or 72.0 MHz clock to the Clk54_72M pin. - /BypPLLClk54_72M 5V/PU In Bypass PLL for Clk54_72M. Normally, this pin is a no-connect, and the internal pullup ensures that the PLL is enabled. To bypass the PLL, set /BypPLLClk54_72M = 0, and supply a 54.0 MHz or 72.0 MHz clock to the Clk54_72M pin. Audio/Video SDIn 5V/PD In Serial Digital Audio Input Data. See Audio/ Synchronization Video Synchronization section of Functional Description for audio formats supported. WSIn 5V/PD In Serial Digital Audio Input Word Select. See Audio/Video Synchronization section for audio formats supported. SCKIn 5V/PD In Serial Digital Audio Input Clock. Frequency range of clock is 1.411 to 6.144 MHz. See Audio/Video Synchronization section for audio formats supported. SDOut Out Serial Digital Audio Output Data. Audio output follows audio input, with a delay equal to that of the video processing pipeline. WSOut Out Serial Digital Audio Output Word Select. Audio output follows audio input, with a delay equal to that of the video processing pipeline. SCKOut 5V/PD In Serial Digital Audio Output Clock. Same frequency as SCKIn. SDOut and WSOut are generated from SCKOut. See Audio/Video Synchronization section for more details on on audio clocking. Signal Group Signal Name Notes Type Description Host Interface HostData[15:8] 5V/PD InOut 186-Compatible Data when HostMode = 0. (continued) (VidInData[19:2]) Chroma video input data (16-bit & H/V syncs format) when HostMode = 1. HostData[7] 5V/PD InOut 186-Compatible Data when HostMode = 0. (VS) Vertical sync input (8/16-bit & H/V syncs format) when HostMode = 1. HostData[6] 5V/PD InOut 186-Compatible Data when HostMode = 0. (HS) Horizontal sync input (8/16-bit & H/V syncs format) when HostMode = 1. HostData[5:0] 5V/PD InOut 186-Compatible Data when HostMode = 0. No connnect when HostMode = 1. HostClk 5V InOut 186-Compatible Clock (33.33 MHz max) when HostMode = 0. No Connect (27.0 MHz, InOut) when HostMode = 1. Note that when HostMode= 1, the clock output on HostClk is also received and used internally. HostMode 5V/PU In Serial Host Interface when HostMode = 1 (internal pullup defaults to this mode). 186- compatible host interface when HostMode = 0. Video Processing /Det32PD Out 3:2 Pulldown Sequence Detected. Status /Det22PD Out 2:2 Pulldown Sequence Detected. /DetVideo Out Interlaced Video Sequence Detected. /DeintDone Out Deinterlace processing complete for current field period. Opendrain output. External APLL /ExtRefSel 5V/PU In External APLL Reference Select. Internal Reference Clock pullup defaults pin to a 1, selecting VidInClk as the APLL reference clock. To select ExtRefXtalIn as the APLL reference clock, set /ExtRefSel to a 0. ExtRefXtalIn In External APLL Reference Crystal/oscillator Input. ExtRefXtalOut Out External APLL Reference Crystal Output. QH21: SiI 504 Pin Descrtiption Notes: 1) A "/" preceding a signal name indicates that the signal is active low - i.e., that the signal is asserted or active when low. All other signals are active high. 2) Abbreviations in Notes column of pinout table: 5V: 5 volt tolerant input PU: internal pullup PD: internal pulldown H: Hysteresis on input 3) The pins HostData[15:6] are used for two distinct functions. When HostMode = 0, these pins are 186- compatible data pins. When HostMode = 1, they may be either no connects, or are used for the non-656 video input port. This dual functionality is noted in the pin description table with the unused signal function name in parentheses, and in the Pin Number table and Pin Diagram with the dual pin function names sepa- rated by a backslash ("\"). 4) Pins marked "Reserved" should be left unconnected - i.e., they should not be pulled up, pulled down, grounded, connected to a power supply source, or any other signal. Signal Group Signal Name Notes Type Description Reset /Reset 5V/H In Hardware Reset. Test Test[1:0] 5V/PD In Production hardware test support. PuPdDis 5V In Internal pullup and pulldown disable test function. Connect to ground for normal operation. Power AVDD Pwr 1.8V Analog Power for PLL. (Qty: 1) ARTN Pwr Analog Return for PLLs. (Qty: 1) VDDCore Pwr 1.8V Core Power. (Qty: 11) GNDCore Pwr Digital Ground for Core Power. (Qty: 12) VDDIO Pwr 3.3V I/O Power. (Qty: 11) GNDIO Pwr Digital Ground for I/O Power. (Qty: 18) 42 1 2 3 4 5 6 7 8 9 10 20 19 18 17 16 15 14 13 12 11 DIN1 DIN2 ROUT1 ROUT2 STBY VCHA DOUT1 DOUT2 RIN1 RIN2 VDD C1+ VCC C1Ð C5+ C5Ð C4+ GND C4Ð VSS +10 V C3 C1 C5 Ð10 V + C2 C4 + + + Note 4 300 300 5.5 k 5.5 k +3.3 V or +5 V + Truth Table Driver STBY DIN DOUT Remarks L Z Standby mode (DC/DC converter is stopped) H L H Space level output H H L Mark level output Receiver STBY RIN ROUT Remarks L H Standby mode (DC/DC converter is stopped) H L H Mark level input H H L Space level input 3 V 5 V switching VCHA Operating mode L 5 V mode (double step-up) H 3 V mode (3 times step-up) H: high-level, L: low-level, Z: high-impedance, : H or L QI81:µPD4721 43 44 QT03:SiI 170B VCC DE VREF HSYNC VSYNC CTL3 NC NC HTPLG PD# MSEN VCC ISEL/RST# SDAS SCLS GND PGND1 PVCC1 EXT_SWING AGND TXC- TXC+ AVCC TX0- TX0+ AGND TX1- TX1+ AVCC TX2- TX2+ VCC RESERVED GND D23 D22 D21 D20 D19 D18 D17 D16 D15 D14 D13 D12 PGND2 PVCC2 D11 D10 D9 D8 D7 D6 IDCK- IDCK+ D5 D4 D3 D2 D1 D0 GND 1 2 3 4 5 6 7 8 9 10 11 12 13 14 15 16 17 18 19 20 21 22 23 24 25 26 27 28 29 30 31 32 33 34 35 36 37 38 39 40 41 42 43 44 45 46 47 48 49 50 51 52 53 54 55 56 57 58 59 60 61 62 63 64 SiI 170 B 64- Pin LQ FP (Top Vi ew) AGND HDCP Encryption Engine HDCP Keys EEPROM Registers ---------------- Configuration Logic Block PanelLink TMDSTM Digital Core XOR Mask encrypted data Data Capture Logic Block clear data control signals I2C Slave DE Gen CTL3 DE D[23:0] SDAS SCLS HSYNC VSYNC IDCK+ IDCK- EXT_SWING TXC± TX0± TX1± TX2± HTPLG PD# ISEL/RST# MSEN Functional Block Diagram Input Pins Pin Name Pin # Type Description D23-D12 See Pin Diagram In Upper 12 bits of 24-bit pixel bus. Mode controlled by configuration register bit: When BSEL = HIGH, this bus inputs the top half of the 24-bit pixel bus. When BSEL = LOW, these bits are not used to input pixel data. In this mode, the state of D[23:16] is input to the I2C register CFG. This allows an extra 8-bits of user configuration data to be read by the graphics controller through the I2C interface (see I2C register definition). D11–D0 See Pin Diagram In Bottom half of 24-bit pixel bus / 12-bit pixel bus input. Mode controlled by configuration register bit: When BSEL = HIGH, this bus inputs the bottom half of the 24-bit pixel bus. When BSEL = LOW, this bus inputs ½ a pixel (12-bits) at every latch edge (both falling and/or rising) of the clock. IDCK+ 57 In Input Data Clock +. This clock is used for all input modes. IDCK- 56 In Input Data Clock –. This clock is only used in 12-bit mode when dual edge clocking is turned off (DSEL = LOW). It is used to provide the ODD latching edges for multi- phased clocking. If (BSEL = HIGH) or (DSEL = HIGH) this pin is unused and should be tied to GND. DE 2 In Data enable. This signal is high when input pixel data is valid to the transmitter and low otherwise. HSYNC 4 In Horizontal Sync input control signal. VSYNC 5 In Vertical Sync input control signal. Input Voltage Reference Pin Pin Name Pin # Type Description VREF 3 Analog In Must be tied to 3.3V. Power Management Pin Pin Name Pin # Type Description PD# 10 In Power Down (active LOW). A HIGH level (3.3V) indicates normal operation and a LOW level (GND) indicates power down mode. During power down mode, the I2C pins are active, but digital input, output buffers and the PanelLink Digital core are powered down. This pin should be tied LOW to ensure the chip is powered off when RESET is asserted. When PD# is asserted, the differential output pins for TMDS are tri-stated until the PD# register bit is asserted through I2C. Differential Signal Data Pins Pin Name Pin # Type Description TX0+ TX0- TX1+ TX1- TX2+ TX2- 25 24 28 27 31 30 Analog Analog Analog Analog Analog Analog TMDS Low Voltage Differential Signal output data pairs. These pins are tri-stated when PD# is asserted. TXC+ TXC- 22 21 Analog Analog TMDS Low Voltage Differential Signal output clock pairs. These pins are tri-stated when PD# is asserted. EXT_SWING 19 Analog Voltage Swing Adjust. A resistor should tie this pin to AVCC. This resistor determines the amplitude of the voltage swing. A 510 ohm resistor is recommended for remote display applications. For notebook computers, 680 ohm is recommended. Configuration/Programming Pins Pin Name Pin # Type Description MSEN 11 Out Monitor Sense. This pin is an open collector output. The output is programmable through the I2C interface (see I2C register definitions). An external 5K pull-up resistor is required on this pin. RESERVED 34 In This pin is reserved for Silicon Image use only and should be tied LOW for normal operation. NC 7,8 NC These pins are not electrically connected inside the package. Control Pins These control pins allow configuration of the transmitter through the slave I2C port, which is required by HDCP. Pin Name Pin # Type Description ISEL/RST# 13 In I2C Interface Select. If HIGH, then the I2C interface is active. SCLS 1 5 In DDC I2C Clock. This pin is a slave I2C clock line which interfaces to the DDC bus for communicating with a host side master. HDCP KSV, An, and Ri values are exchanged over this DDC bus during authentication. The clock may be run up to 400kHz. This pin is not 5V-tolerant; it should be connected through a level shifter to the DDC clock line SCL. This is an open-collector pin. SDAS 1 4 In/Out DDC I2C Data. This pin is a slave I2C data line for communicating with a host side master. HDCP KSV, An, and Ri values are exchanged over this DDC bus during authentication. Data may be clocked in at up to 400kHz. This pin is not 5V-tolerant; it should be connected through a level shifter to the DDC clock line SDA. This is an open-collector bi-directional pin, and is not made high-impedance when PD#=LOW. CTL3 6 In External CTL3. This pin is used to bring in the CTL3 signal for HDCP when the HDCP encryption is performed before the video enters the SiI 170. To enable this input, the CTL3 bit must be programmed in Reg[0x08]. If the CTL3 bit is cleared, then this input pin is ignored and may be left unconnected. This pin is a regular high swing (3.3V) input, containing a weak pull-down resistor so that if left unconnected it will default to LOW. HTPLG 9 In Monitor Charge Input. This pin is used to connect to the DVI Hot Plug pin to detect the presence of an attached monitor. Power and Ground Pins Pin Name Pin # Type Description VCC 1,12,33 Power Digital VCC. Connect to 3.3V supply. GND 16,35,64 Ground Digital GND. AVCC 23,29 Power Analog VCC. Connect to 3.3V supply. AGND 20,26,32 Ground Analog GND. PVCC1 18 Power Primary PLL Analog VCC. Connect to regulated 3.3V supply. PVCC2 49 Power Filter PLL Analog VCC. Connect to regulated 3.3V supply. PGND1 17 Ground PLL Analog GND. PGND2 48 Ground PLL Analog GND. 46 45 13. EXPLODED VIEW AND PARTS LIST (K ) STEEL /SILVER 0 0 3 B 5 1 2 8 3 X1 0 ( M) x 2 0 1 0 Bx 2 0 0 1 B 0 0 5 B 0 0 9 B 0 1 1 B 0 1 2 B 5 1 2 6 3 X8 ( M) x 2 0 0 8 B PF 0 2 PS0 2 0 1 3 Bx 2 0 1 8 B 0 0 6 B 5 1 2 8 3 x 8 ( M) x 3 VF 0 1 0 5 5 B PF 0 1 0 5 6 B 0 5 7 B x 2 0 4 5 B 0 0 7 B 0 0 2 B 0 0 1 G 0 1 0 Gx 2 5 1 2 6 3 X1 0 ( M) x 4 0 0 9 Gx 2 0 0 5 G 9 9 0 G U ONL Y 5 1 2 8 3 X8 ( M) x 2 5 1 2 8 3 X5 ( M) x 3 5 1 2 8 3 X5 ( M) x 2 0 3 1 G 0 1 7 Bx 2 5 1 2 8 3 X8 ( M) x 4 0 1 2 Gx 2 1 0 0 G I N V I S I B L E L A S E R RA D I A T I O N WH E N O P E N . A V O I D D I R E C T E X P O S U R E T O B E A M . 5 1 2 7 3 x 8 ( M) x 9 W 0 0 1 5 1 2 8 3 X8 ( M) x 4 5 1 2 7 3 x 8 ( M) PM0 1 5 1 2 9 3 x 8 ( M) x 2 5 1 1 0 3 X6 ( M) x 2 9 0 1 G J 0 0 1 5 1 2 9 3 x 8 ( M) 5 1 2 8 3 x 8 ( M) x 2 0 9 0 G 0 3 1 Gx 3 9 2 6 G x 4 5 1 2 6 3 x 8 ( M) 0 7 0 G x 2 L 0 0 1 , 0 0 2 5 1 1 0 3 X8 ( M) x 2 L 0 0 3 , 0 0 4 0 5 0 B 0 5 1 B 0 0 2 M 0 0 4 M 0 0 3 M 5 1 2 5 3 X8 ( U) x 4 5 1 9 2 1 . 7 x 9 ( U) x 2 PD0 1 5 1 2 5 3 X8 ( U) x 4 0 0 2 A 5 1 2 8 3 x 2 0 ( U) x 2 0 0 1 A 5 1 2 8 3 x 1 8 ( M) x 2 L 0 0 1 L 0 0 3 5 1 2 8 3 X8 ( M) x 3 PS0 1 L 0 1 1 5 1 2 9 3 X8 ( M) 5 1 1 0 3 X6 ( M) L 0 0 4 L 0 0 2 5 1 2 8 3 x 8 ( M) x 4 5 1 2 5 3 X8 ( U) x 2 0 0 1 Z PD0 2 2 0 0 G 2 0 1 G MARK MATE RIAL /FIN ISH (M ) STEEL /COPPER (U ) STEEL /BLACK (U ) SYMBOL STYLE PARTS NAME 5 1 1 0 +B. H. M. SCREW 5 1 2 6 +B. H. TAP TI TE SCREW W /W ASHER 5 1 2 7 +P. H. TAP TI TE SCREW( B TYPE) 5 1 2 8 +B. H. TAP TI TE SCREW( B TYPE) 5 1 9 2 5 1 2 9 + B. H. TAP T I T E SCRE W( W/ T . L . WASHER) + P. H. M. SCREW( MINUT E) 5 1 2 5 + B. H. TAP T IT E SCRE W( P T YPE) 5 4 0 5 T OOT HED L OCK WASHE RS 5 1 2 6 3 X8 ( M ) x 4 5 1 2 6 3 X8 ( M) 0 0 1 D P D0 2 N VERSI ON 9 0 1 G 5 1 2 9 3 X8 ( M) 0 1 5 Bx 3 5 4 0 5 3 ( M) 5 1 2 7 3 x 8 ( M) x 2 L 0 7 2 L 0 7 1 L 0 7 3 SILVER ONLY 5 1 2 6 3 X8 ( K ) x 4 5 1 2 8 3 X6 ( M) x 2 NOTE : "nsp" PART IS LISTED FOR REFERENCE ONLY, MARANTZ WILL NOT SUPPLY THESE PARTS. 47 POS. NO VERS. COLOR PART NO. (FOR EUR) DESCRIPTION PART NO. (MJI) 001B SILVER 02AK105220 FRONT CHASSIS PL(L) SIL 02AK105220 002B SILVER 02AK105230 FRONT CHASSIS PL(R) SIL 02AK105230 003B BLACK 02AK248020 FRONT PANEL AL DV8400 BL 02AK248020 003B GOLD 02AK248120 FRONT PANEL AL DV8400 GL 02AK248120 003B SILVER 02AK248220 FRONT PANEL AL DV8400 SIL 02AK248220 005B SILVER 02AK270210 BUTTON FUNCTION SIL 02AK270210 006B SILVER 02AK270220 BUTTON SUB FUNK SIL 02AK270220 008B SILVER 02AK270130 BUTTON FL OFF SIL 02AK270130 009B SILVER 24AW251020 BADGE MARANTZ SILVER 24AW251020 012B SILVER 02AK251030 BADGE SACD SILVER 02AK251030 045B SILVER 02AK270240 BUTTON POWER SILVER 02AK270240 050B SILVER 02AK063210 ESCUTCHEON TRAY FRONT SIL 02AK063210 051B SILVER 392K063260 ESCUTCHEON SACD SIL 392K063260 009G SILVER 383K057020 LEG FRONT SIL 383K057020 010G SILVER 383K057120 LEG REAR SIL 383K057120 L071 FC90400010 FERRITE CORE SSC-40-12 FOR WD04 FC90400010 L072 FC90400010 FERRITE CORE SSC-40-12 FOR WD03 FC90400010 L073 FC90280010 FERRITE CORE HF70SH28X2X10 FOR WD05 FC90280010 WD05 nsp JUMPER LEAD PD01(J711)-PD02(JH01) YU16150520 WE01 nsp JUMPER LEAD PM01(J851)-PD02(J802) YU12140520 PACKING 001T /A/S nsp USER GUIDE DV8400 (A C L S) 11AK851350 001T /F nsp USER GUIDE DV8400 (F) 11AK851110 001T /N /N 11AK851310 USER GUIDE DV8400 (N) 11AK851310 001T /U nsp USER GUIDE DV8400 (U) 11AK851250 005T /N 11AK851320 USER GUIDE DV8400 (N) 11AK851320 NOT STANDARD SPARE PARTS 001D SILVER nsp LID TOP COVER SILVER 349K257220 001S nsp PACKING CASE DV8400 11AK801010 002S nsp CUSHION DV8300 02AK809010 NOTE : "nsp" PART IS LISTED FOR REFERENCE ONLY, MARANTZ WILL NOT SUPPLY THESE PARTS. 48 POS. NO VERS. COLOR PART NO. (FOR EUR) DESCRIPTION PART NO. (MJI) POS. NO VERS. COLOR PART NO. (FOR EUR) DESCRIPTION PART NO. (MJI) PD01-Super Audio CD CIRCUIT BOARD PD01-CAPACITORS C719 nsp CER. CHIP 0.1µF GRM39F104Z16 DK98104200 C720 nsp CER. CHIP 0.1µF GRM39F104Z16 DK98104200 Q715 HC10440050 IC TC7SH08FU 211931682 HC10440050 PD01-RESISTORS R779 nsp CHIP RES. 47Ω ±5% 1/16W NN05470610 R787 PD01-SEMICONDUCTOR Q716 HC006105K0 IC TC74VHC541FT HC006105K0 PD02-DVI CIRCUIT BOARD PD02-CAPACITORS C801 /N EY10700620 TANTL.CHIP 100µF 6.3V EY10700620 C802 /N EY10700620 TANTL.CHIP 100µF 6.3V EY10700620 C803 /N EY10700620 TANTL.CHIP 100µF 6.3V EY10700620 C804 /N EY47701020 TANTL.CHIP 470µF 10V EY47701020 C805 /N nsp CER. CHIP 0.01µF DK96103300 C806 /N nsp CER. CHIP 0.01µF DK96103300 C950 /N nsp CER. CHIP 330pF DK96331300 C951 /N nsp CER. CHIP 330pF DK96331300 CH01 EY10601070 TANTL.CHIP 10µF 10V EY10601070 CH02 EY10601070 TANTL.CHIP 10µF 10V EY10601070 CH03 EY47600630 TANTL.CHIP 47µF 6.3V EY47600630 CH04 EY10600670 TANTL.CHIP 10µF 6.3V SVSP0J EY10600670 CH05 EY10600670 TANTL.CHIP 10µF 6.3V SVSP0J EY10600670 CH06 EY47600630 TANTL.CHIP 47µF 6.3V EY47600630 CH07 EY47600630 TANTL.CHIP 47µF 6.3V EY47600630 CH21 EY22600630 TANTL.CHIP 22µF 6.3V EY22600630 CH22 nsp CER. CHIP 0.1µF GRM39F104Z16 DK98104200 CH41 CH42 nsp CER. CHIP 2200pF CG 50V DK96222300 CH43 nsp CER. CHIP 0.1µF GRM39F104Z16 DK98104200 CH45 nsp CER. CHIP 0.1µF GRM39F104Z16 DK98104200 CH46 nsp CER. CHIP 0.1µF GRM39F104Z16 DK98104200 CH47 nsp CER. CHIP 0.1µF GRM39F104Z16 DK98104200 CH71 nsp CH72 nsp CER. CHIP 0.1µF GRM39F104Z16 DK98104200 CH75 nsp CER. CHIP 0.1µF GRM39F104Z16 DK98104200 CH76 nsp CER. CHIP 0.1µF GRM39F104Z16 DK98104200 CI61 nsp CER. CHIP 0.01µF DK96103300 CI62 nsp CER. CHIP 0.01µF DK96103300 CI65 nsp CER. CHIP 100pF DD95101300 CI66 nsp CER. CHIP 0.01µF DK96103300 CI67 nsp CER. CHIP 0.01µF DK96103300 CI68 EY10601070 TANTL.CHIP 10/10V EY10601070 CI69 nsp CER. CHIP 0.01µF ±10% 50V DK96103300 CI70 nsp CER. CHIP 0.01µF DK96103300 CI81 EY47502010 TANTL.CHIP 4.7µF 20V EY47502010 CI82 nsp CER. CHIP 0.01µF DK96103300 CI83 EY47502010 TANTL.CHIP 4.7µF 20V EY47502010 CI84 nsp CER. CHIP 0.01µF DK96103300 CI85 EY47502010 TANTL.CHIP 4.7µF 20V EY47502010 CI86 nsp CER. CHIP 0.01µF DK96103300 CI87 EY47502010 TANTL.CHIP 4.7µF 20V EY47502010 CI88 nsp CER. CHIP 0.01µF DK96103300 CI91 nsp CER. CHIP 0.01µF DK96103300 CI92 EY47502010 TANTL.CHIP 4.7µF 20V EY47502010 CT03 EY10601070 TANTL.CHIP 10µF 10V EY10601070 CT04 nsp CER. CHIP 0.1µF GRM39F104Z16 DK98104200 CT07 CT08 nsp CER. CHIP 1000pF ±10 % B 50V DK96102300 CT09 nsp CER. CHIP 0.1µF GRM39F104Z16 DK98104200 CT10 EY10601070 TANTL.CHIP 10µF 10V EY10601070 CT11 nsp CER. CHIP 1000pF ±10 % B 50V DK96102300 CT12 nsp CER. CHIP 0.1µF GRM39F104Z16 DK98104200 CT13 EY10601070 TANTL.CHIP 10µF 10V EY10601070 CT14 nsp CER. CHIP 1000pF ±10 % B 50V DK96102300 CT15 nsp CER. CHIP 1000pF ±10 % B 50V DK96102300 CT16 nsp CER. CHIP 0.1µF GRM39F104Z16 DK98104200 CT17 EY10601070 TANTL.CHIP 10µF 10V EY10601070 CT18 nsp CER. CHIP 0.1µF GRM39F104Z16 DK98104200 CT19 EY10601070 TANTL.CHIP 10µF 10V EY10601070 CT20 nsp PD02-RESISTORS R801 /N nsp CHIP RES. 39Ω ±5% 1/16W NN05390610 R802 /N nsp CHIP RES. 33Ω ±5% 1/16W NN05330610 R803 /N nsp CHIP RES. 39Ω ±5% 1/16W NN05390610 R804 /N nsp CHIP RES. 33Ω ±5% 1/16W NN05330610 R805 /N nsp CHIP RES. 39Ω ±5% 1/16W NN05390610 R806 /N nsp CHIP RES. 33Ω ±5% 1/16W NN05330610 R807 /N nsp CHIP RES. 39Ω ±5% 1/16W NN05390610 R808 /N nsp CHIP RES. 33Ω ±5% 1/16W NN05330610 R950 /N nsp CHIP RES. 100Ω ±5% 1/16W NN05101610 R951 /N nsp CHIP RES. 100Ω ±5% 1/16W NN05101610 RH01 nsp CHIP RES. 0Ω ±5% 1/16W NN05000610 RH09 RH21 nsp CHIP RES. 22Ω ±5% 1/16W NN05220610 RH22 nsp CHIP RES. 22Ω ±5% 1/16W NN05220610 RH23 nsp CHIP RES. 22Ω ±5% 1/16W NN05220610 RH24 BW05100010 RES.COMPO. CN1J8TD10J BW05100010 RH25 BW05100010 RES.COMPO. CN1J8TD10J BW05100010 RH26 BW05100010 RES.COMPO. CN1J8TD10J BW05100010 RH27 nsp CHIP RES. 22Ω ±5% 1/16W NN05220610 RH28 nsp CHIP RES. 4.7kΩ ±5% 1/16W NN05472610 RH29 nsp CHIP RES. 10kΩ ±5% 1/16W NN05103610 RH30 nsp CHIP RES. 0Ω ±5% 1/16W NN05000610 RH31 nsp CHIP RES. 100Ω ±5% 1/16W NN05101610 RH71 nsp CHIP RES. 100Ω ±5% 1/16W NN05101610 RH72 nsp CHIP RES. 2.2kΩ ±5% 1/16W NN05222610 RH73 nsp CHIP RES. 2.2kΩ ±5% 1/16W NN05222610 RH75 nsp CHIP RES. 10kΩ ±5% 1/16W NN05103610 RH76 nsp CHIP RES. 10kΩ ±5% 1/16W NN05103610 RH77 nsp CHIP RES. 10kΩ ±5% 1/16W NN05103610 RH78 nsp CHIP RES. 1MΩ ±5% 1/16W NN05105610 RH79 nsp CHIP RES. 0Ω ±5% 1/16W NN05000610 RH80 nsp CHIP RES. 2.2kΩ ±5% 1/16W NN05222610 RH81 nsp CHIP RES. 2.2kΩ ±5% 1/16W NN05222610 RH82 nsp CHIP RES. 4.7kΩ ±5% 1/16W NN05472610 RI51 nsp CHIP RES. 0Ω ±5% 1/16W NN05000610 RI52 nsp CHIP RES. 0Ω ±5% 1/16W NN05000610 RI53 nsp CHIP RES. 0Ω ±5% 1/16W NN05000610 RI54 nsp CHIP RES. 0Ω ±5% 1/16W NN05000610 RI55 nsp CHIP RES. 0Ω ±5% 1/16W NN05000610 RI61 nsp CHIP RES. 4.7kΩ ±5% 1/16W NN05472610 RI62 nsp CHIP RES. 10kΩ ±5% 1/16W NN05103610 RI63 nsp CHIP RES. 10kΩ ±5% 1/16W NN05103610 RI64 nsp CHIP RES. 4.7kΩ ±5% 1/16W NN05472610 RI65 nsp CHIP RES. 4.7kΩ ±5% 1/16W NN05472610 RI66 nsp CHIP RES. 4.7kΩ ±5% 1/16W NN05472610 RI67 nsp CHIP RES. 4.7kΩ ±5% 1/16W NN05472610 CER. CHIP 2200pF CG 50V DK96222300 CER. CHIP 2200pF CG 50V DK96222300 NOTE : "nsp" PART IS LISTED FOR REFERENCE ONLY, MARANTZ WILL NOT SUPPLY THESE PARTS. 49 POS. NO VERS. COLOR PART NO. (FOR EUR) DESCRIPTION PART NO. (MJI) POS. NO VERS. COLOR PART NO. (FOR EUR) DESCRIPTION PART NO. (MJI) RI68 nsp CHIP RES. 100Ω ±5% 1/16W NN05101610 RI81 nsp CHIP RES. 22kΩ ±5% 1/16W NN05223610 RI82 nsp CHIP RES. 22kΩ ±5% 1/16W NN05223610 RI91 nsp CHIP RES. 0Ω ±5% 1/16W NN05000610 RI94 RI95 nsp CHIP RES. 1MΩ ±5% 1/16W NN05105610 RI96 nsp CHIP RES. 0Ω ±5% 1/16W NN05000610 RT01 nsp CHIP RES. 10kΩ ±5% 1/16W NN05103610 RT02 nsp CHIP RES. 10kΩ ±5% 1/16W NN05103610 RT04 nsp CHIP RES. 4.7kΩ ±5% 1/16W NN05472610 RT07 nsp CHIP RES. 1kΩ ±5% 1/16W NN05102610 RT08 nsp CHIP RES. 68kΩ ±5% 1/16W NN05683610 RT11 nsp CHIP RES. 470Ω ±5% 1/16W NN05471610 RT16 nsp CHIP RES. 4.7kΩ ±5% 1/16W NN05472610 RT17 nsp CHIP RES. 4.7kΩ ±5% 1/16W NN05472610 RT18 nsp CHIP RES. 2.2kΩ ±5% 1/16W NN05222610 RT19 nsp CHIP RES. 0Ω ±5% 1/16W NN05000610 RT20 nsp CHIP RES. 0Ω ±5% 1/16W NN05000610 PD02-SEMICONDUCTORS D801 /N HZ30034050 CHIP DIODE 01ZA8.2 HZ30034050 D804 DT01 HI10104210 L.E.D. CHIP SML-310MT GREEN HI10104210 DT02 HZ20039050 CHIP DIODE 1SS378 HZ20039050 DT03 HZ20039050 CHIP DIODE 1SS378 HZ20039050 QH01 HC98J18210 IC BA18BC0FP-E2 1.8V REG. HC98J18210 QH21 HC10231990 IC SII504 HC10231990 QH22 HC10001910 IC K4S643232E-TC60 HC10001910 QH71 HS11AKX000 ONE TIME PROM MC504-F2(PIC16C63A-20/SO) HS11AKX000 QI61 HS11AKH00F ONE TIME PROM 11AK SUB UCOM VER.1.00 HS11AKH00F QI62 HC10224210 IC BD4742G HC10224210 QI81 HC10292060 IC UPD4721 HC10292060 QT02 HX300012A0 CHIP TRS. 2SC4116 HX300012A0 QT03 HC10230990 IC SII170B HC10230990 QT04 HX300012A0 CHIP TRS. 2SC4116 HX300012A0 QT05 HF70013000 F.E.T. BSN20 HF70013000 QT06 HF70013000 F.E.T. BSN20 HF70013000 PD02-MISCELLANEOUS JI91 YP11000220 PLUG DZ101A1-B2 YP11000220 JT01 YT02240010 TERMINAL QH11121-DPO YT02240010 JT02 nsp TERMINAL M1698-A NEJI YL01010320 L801 /N nsp CHIP RES. 0Ω ±5% 1/16W NN05000610 L806 L950 /N nsp CHIP RES. 0Ω ±5% 1/16W NN05000610 L951 /N nsp CHIP RES. 0Ω ±5% 1/16W NN05000610 LH01 LU12222010 CHIP INDUCTANCE LU12222010 LH05 NL322522-2R2M LH21 FN31010060 BLM11P600S FN31010060 LI61 FN31010060 BLM11P600S FN31010060 LI81 FN31010060 BLM11P600S FN31010060 LI91 LI93 FN31000020 BLM11B252SD FN31000020 LI94 LT01 FC90020110 FERRITE CORE BLM11B601S FC90020110 LT04 SI61 SS02021680 SLIDE SWITCH SSSF021300 SS02021680 SI62 SS01021140 SLIDE SWITCH SSAA110300 SS01021140 XH71 FQ02005070 CERAMIC VIB. CSTCE20M0V53-R0 FQ02005070 XI62 FQ01605110 CERAMIC VIB. CSTCE16M0V51-R0 FQ01605110 PF01-FRONT CIRCUIT BOARD PF01-CAPACITORS CF51 nsp CER. CHIP 100pF ±5 % CG 50V DD95101300 CF55 QF01 *HS11AKT0R IC TMP87PM74F ONE TIME PROM BRANK *HS11AKT0R QF04 HC10224210 IC BD4742G HC10224210 PF01-RESISTORS RF61 nsp CHIP RES. 22Ω ±5% 1/16W NN05220610 RF65 RF66 nsp CHIP RES. 4.7kΩ ±5% 1/16W NN05472610 PM01-AV CIRCUIT BOARD PM01-CAPACITORS C859 /N nsp ELECT. 10µF M 63V RA-2 OA10606320 C868 /N nsp ELECT. 10µF M 63V RA-2 OA10606320 C877 /N nsp ELECT. 10µF M 63V RA-2 OA10606320 C880 /N nsp ELECT. 10µF M 63V RA-2 OA10606320 C881 /N nsp ELECT. 10µF M 63V RA-2 OA10606320 C882 /N nsp ELECT. 10µF M 63V RA-2 OA10606320 C884 /N nsp ELECT. 10µF M 63V RA-2 OA10606320 CB08 nsp ELECT. 10µF M 63V RA-2 OA10606320 CB09 nsp ELECT. 470µF M 10V RA-2 OA47701020 CB11 /A/F/S nsp ELECT. 470µF M 10V RA-2 OA47701020 CC08 nsp ELECT. 10µF M 63V RA-2 OA10606320 CC09 nsp ELECT. 470µF M 10V RA-2 OA47701020 CC11 /A/F/S nsp ELECT. 470µF M 10V RA-2 OA47701020 CD03 nsp ELECT. 1µF M 100V RA-2 OA10510020 CD05 nsp ELECT. 1µF M 100V RA-2 OA10510020 CD23 nsp ELECT. 1µF M 100V RA-2 OA10510020 CD25 nsp ELECT. 1µF M 100V RA-2 OA10510020 CD43 nsp ELECT. 1µF M 100V RA-2 OA10510020 CD45 nsp ELECT. 1µF M 100V RA-2 OA10510020 CI05 nsp ELECT. 1µF M 100V RA-2 OA10510020 CI20 nsp ELECT. 47µF M 25V RA-2 OA47602520 CV03 nsp ELECT. 1µF M 100V RA-2 OA10510020 CV32 nsp ELECT. 10µF M 63V RA-2 OA10606320 CV34 nsp ELECT. 10µF M 63V RA-2 OA10606320 CY09 nsp ELECT. 10µF M 63V RA-2 OA10606320 PS01-POWER SUPPLY CIRCUIT BOARD PC01-CAPACITORS CP13 nsp ELECT. 1µF M 100V RA-2 OA10510020 CP52 nsp ELECT. 47µF M 25V RA-2 OA47602520 CP53 nsp ELECT. 47µF M 25V RA-2 OA47602520 CP54 nsp ELECT. 220µF M 25V RA-2 OA22702520 CP55 nsp ELECT. 220µF M 25V RA-2 OA22702520 CP59 nsp ELECT. 10µF M 63V RA-2 OA10606320 CP61 nsp ELECT. 47µF M 25V RA-2 OA47602520

标签:

版权声明

1. 本站所有素材,仅限学习交流,仅展示部分内容,如需查看完整内容,请下载原文件。
2. 会员在本站下载的所有素材,只拥有使用权,著作权归原作者所有。
3. 所有素材,未经合法授权,请勿用于商业用途,会员不得以任何形式发布、传播、复制、转售该素材,否则一律封号处理。
4. 如果素材损害你的权益请联系客服QQ:77594475 处理。