马兰士MARANTZ DV2100N1S音响电路图

分类:电子电工 日期: 点击:0
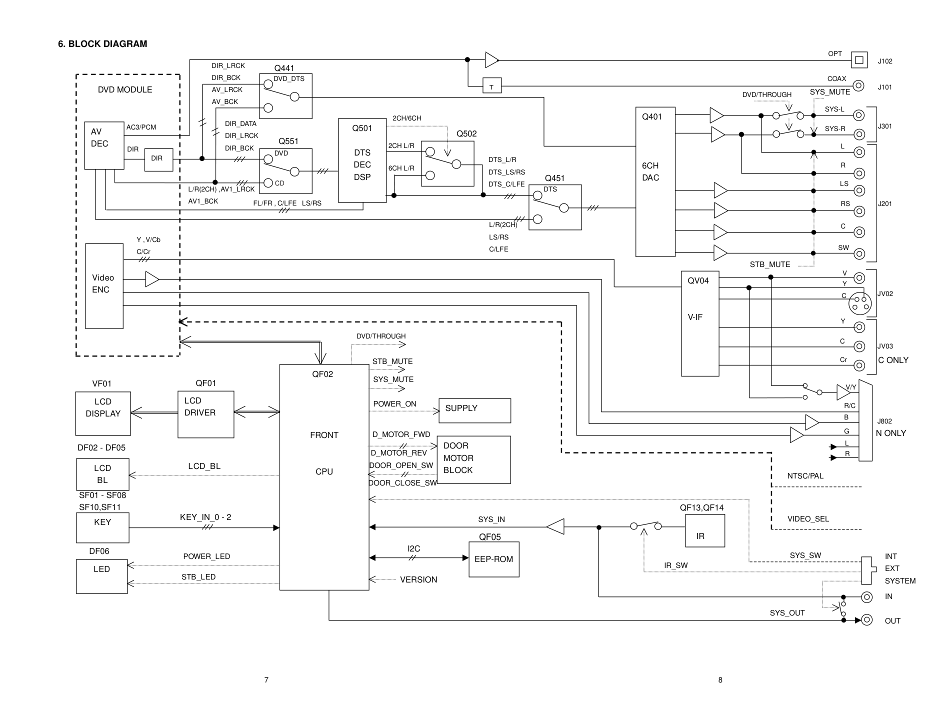
马兰士MARANTZ DV2100N1S音响电路图-0 马兰士MARANTZ DV2100N1S音响电路图-1 马兰士MARANTZ DV2100N1S音响电路图-2 马兰士MARANTZ DV2100N1S音响电路图-3 马兰士MARANTZ DV2100N1S音响电路图-4 马兰士MARANTZ DV2100N1S音响电路图-5 马兰士MARANTZ DV2100N1S音响电路图-6 马兰士MARANTZ DV2100N1S音响电路图-7 马兰士MARANTZ DV2100N1S音响电路图-8 马兰士MARANTZ DV2100N1S音响电路图-9

Service Manual Please use this service manual with referring to the user guide (D.F.U) without fail. 404K855010 AO 3120 785 22520 First Issue:2001.07 DVD Player DV2100 DV2100 SYS ANA MANU OPT SYNC RAND TRK PROG SCAN REPT ALL A-B DIG REM TITL TIME TIME TRK CHP TOTL TOTL REM REM STEP TRK DOWN MIX ANGLE LAST MEMO Dolby V 96kHz 5.1CH CONDITION OSD DUBBING R L CD-RW CD-RW OPEN/CLOSE STANDBY TABLE OF CONTENTS 1. TECHNICAL SPECIFICATIONS ............................................................................. 1 2. CONNECTION FACILITIES ....................................................................................2 3. INFORMATIONS ..................................................................................................... 3 4. SERVICE HINTS AND TOOLS ...............................................................................4 5. WARNING AND LASER SAFETY INSTRUCTIONS............................................... 5 6. BLOCK DIAGRAM .................................................................................................. 7 7. WIRING DIAGRAM ................................................................................................. 9 8. SCHEMATIC DIAGRAM AND PARTS LOCATION ............................................... 11 9. SERVICE MODE ..................................................................................................25 10. WAVEFORM ......................................................................................................... 26 11. REMOVE THE DVD MECHANISM .......................................................................27 12. IC DATA ................................................................................................................28 13. EXPLODED VIEW AND PARTS LIST...................................................................33 14. ELECTRICAL PARTS LIST ...................................................................................36 DB-VLD101/102 DVD Loader 2.1 EXTERIOR.......................................................................................................... 2-1 2.2 LOARDING MECHANISM ASS’Y ....................................................................... 2-2 2.3 TRAVERSE MECHANISM ASS’Y ....................................................................... 2-3 DB-VPB220/221 DVD PCB Module 3.1 BLOCK DIAGRAM AND SCHEMATIC DIAGRAM .............................................. 3-1 3.2 PCB CONNECTION DIAGRAM ........................................................................ 3-12 3.3 PCB PARTS LIST ............................................................................................. 3-25 DV2100/N1S, /C1S MARANTZ DESIGN AND SERVICE Using superior design and selected high grade components, MARANTZ company has created the ultimate in stereo sound. Only original MARANTZ parts can insure that your MARANTZ product will continue to perform to the specifications for which it is famous. Parts for your MARANTZ equipment are generally available to our National Marantz Subsidiary or Agent. ORDERING PARTS : Parts can be ordered either by mail or by Fax.. In both cases, the correct part number has to be specified. The following information must be supplied to eliminate delays in processing your order : 1. Complete address 2. Complete part numbers and quantities required 3. Description of parts 4. Model number for which part is required 5. Way of shipment 6. Signature : any order form or Fax. must be signed, otherwise such part order will be considered as null and void. SHOCK, FIRE HAZARD SERVICE TEST : CAUTION : After servicing this appliance and prior to returning to customer, measure the resistance between either primary AC cord connector pins ( with unit NOT connected to AC mains and its Power switch ON ), and the face or Front Panel of product and controls and chassis bottom. Any resistance measurement less than 1 Megohms should cause unit to be repaired or corrected before AC power is applied, and verified before it is return to the user/customer. Ref. UL Standard No. 1492. In case of difficulties, do not hesitate to contact the Technical Department at above mentioned address. 010620 A.O USA USA MARANTZ AMERICA, INC MARANTZ AMERICA, INC. 1100 MAPLEWOOD DRIVE ITASCA, IL. 60143 USA PHONE : 630 - 741 - 0300 FAX : 630 - 741 - 0301 BRAZIL BRAZIL PHILIPS DA AMAZONIA IND. ELET. ITDA PHILIPS DA AMAZONIA IND. ELET. ITDA CENTRO DE INFORMACOES AO CEP 04698-970 SAO PAULO, SP, BRAZIL PHONE : 0800 - 123123(Discagem Direta Gratuita) FAX : +55 11 534. 8988 JAPAN JAPAN Technical MARANTZ JAPAN, INC. MARANTZ JAPAN, INC. 35- 1, 7- CHOME, SAGAMIONO SAGAMIHARA - SHI, KANAGAWA JAPAN 228-8505 PHONE : +81 42 748 1013 FAX : +81 42 741 9190 EUROPE / TRADING EUROPE / TRADING MARANTZ EUROPE B.V. MARANTZ EUROPE B.V. P.O.BOX 80002, BUILDING SFF2 5600 JB EINDHOVEN THE NETHERLANDS PHONE : +31 - 40 - 2732241 FAX : +31 - 40 - 2735578 TECHNICAL AUDIO GROUP PTY, LTD TECHNICAL AUDIO GROUP PTY, LTD 558 DARLING STREET, BALMAIN, NSW 2041, AUSTRALIA PHONE : 61 - 2 - 9810 - 5300 FAX : 61 - 2 - 9810 - 5355 CANADA CANADA LENBROOK INDUSTRIES LIMITED LENBROOK INDUSTRIES LIMITED 633 GRANITE COURT, PICKERING, ONTARIO L1W 3K1 CANADA PHONE : 905 - 831 - 6333 FAX : 905 - 831 - 6936 AUSTRALIA AUSTRALIA QualiFi Pty Ltd, QualiFi Pty Ltd, 24 LIONEL ROAD, MT. WAVERLEY VIC 3149 AUSTRALIA PHONE : +61 - (0)3 - 9543 - 1522 FAX : +61 - (0)3 - 9543 - 3677 NEW ZEALAND NEW ZEALAND WILDASH AUDIO SYSTEMS NZ WILDASH AUDIO SYSTEMS NZ 14 MALVERN ROAD MT ALBERT AUCKLAND NEW ZEALAND PHONE : +64 - 9 - 8451958 FAX : +64 - 9 - 8463554 THAILAND THAILAND MRZ STANDARD CO.,LTD MRZ STANDARD CO.,LTD 746 - 754 MAHACHAI ROAD., WANGBURAPAPIROM, PHRANAKORN, BANGKOK, 10200 THAILAND PHONE : +66 - 2 - 222 9181 FAX : +66 - 2 - 224 6795 TAIWAN TAIWAN PAI- YUING CO., LTD. PAI- YUING CO., LTD. 6 TH FL NO, 148 SUNG KIANG ROAD, TAIPEI, 10429, TAIWAN R.O.C. PHONE : +886 - 2 - 25221304 FAX : +886 - 2 - 25630415 MALAYSIA MALAYSIA WO KEE HONG ELECTRONICS SDN. BHD. WO KEE HONG ELECTRONICS SDN. BHD. SUITE 8.1, LEVEL 8, MENARA GENESIS, NO. 33, JALAN SULTAN ISMAIL, 50250 KUALA LUMPUR, MALAYSIA PHONE : +60 3 - 2457677 FAX : +60 3 - 2458180 AMERICAS AMERICAS SUPERSCOPE TECHNOLOGIES, INC. SUPERSCOPE TECHNOLOGIES, INC. MARANTZ PROFESSIONAL PRODUCTS 2640 WHITE OAK CIRCLE, SUITE A AURORA, ILLINOIS 60504 USA PHONE : 630 - 820 - 4800 FAX : 630 - 820 - 8103 AUSTRALIA AUSTRALIA KOREA KOREA MK ENTERPRISES LTD. MK ENTERPRISES LTD. ROOM 604/605, ELECTRO-OFFICETEL, 16-58, 3GA, HANGANG-RO, YONGSAN-KU, SEOUL KOREA PHONE : +822 - 3232 - 155 FAX : +822 - 3232 - 154 SINGAPORE SINGAPORE WO KEE HONG DISTRIBUTION PTE LTD WO KEE HONG DISTRIBUTION PTE LTD 130 JOO SENG ROAD #03-02 OLIVINE BUILDING SINGAPORE 368357 PHONE : +65 858 5535 / +65 381 8621 FAX : +65 858 6078 1 1. TECNICAL SPECIFICATIONS General System............................................................................................. DVD system and Compact Disc digital audio system Power requirements N Version........................................................................................................................................ AC230V, 50Hz, 17W C Version........................................................................................................................................ AC220V, 60Hz, 16W Weight........................................................................................................................................................................ 4.2kg Dimensions........................................................................................................................ 420 (W) x 309 (D) x 76 (H) mm (Not including protruding cables, etc.) Operating temperature....................................................................................................... +5 C to 35 C (+36 F to 96 F) Operating humidity............................................................................................................... 5% to 85% (no condensation) S-Video output Y (luminance) - Output level...........................................................................................................................1 Vp-p (75 ) C (color) -Output level.............................................................................................................................286 mVp-p (75 ) Jacks............................................................................................................................................................. S-VIDEO jack Video output Output level....................................................................................................................................................1 Vp-p (75 ) Jacks.................................................................................................................................................................... RCA jack RGB output in SCART jack (N1S Version) Output level.................................................................................................................................................0.7 Vp-p (75 ) Jacks.............................................................................................................................................................. SCART jacks Component video output (C1S Version) (Y, CB, CR) Output level..........................................................................................................................Y : 1.0 Vp-p (75 ) CB, CR : 0.7 Vp-p (75 ) Jacks.................................................................................................................................................................. RCA jacks SYSTEM Audio output Output level During audio output.................................................................................................................. 200 mVrms (1kHz, -20 dB) Number of channels.......................................................................................................................................................... 2 Jacks.................................................................................................................................................................. RCA jacks 5.1 CH SURROUND Audio output Output level During audio output................................................................................................................. 200 mVrms (1 kHz, -20 dB) Number of channels.......................................................................................................................................................... 6 Jacks.................................................................................................................................................................. RCA jscks Digital audio characteristics Frequency response........................................................................................................ 4 Hz to 44 kHz (DVD fs : 96kHz) S/N ratio................................................................................................................................................. More than 100 dB Dynamic range....................................................................................................................................... More than 100 dB Total harmonic distortion...................................................................................................................................... 0.0025 % Wow and flutter................................................................................................................................. Limit of measurement ( 0.001% W, PEAK) or lower Digital output Optical digital output.............................................................................................................................. Optical digital jack Coaxial digital output............................................................................................................................................ RCA jack Accessories Remote control unit............................................................................................................................................................ AA (R6P) dry cell battery................................................................................................................................................... Audio/Video Cable.............................................................................................................................................................. Audio Cable....................................................................................................................................................................... Euro SCART Cable (N1S Version)..................................................................................................................................... Power Cable....................................................................................................................................................................... Remote Control Cable........................................................................................................................................................ Operating Instructions........................................................................................................................................................ Note The specifications and design of this product are subject to change without, due to improvement. 1 2 1 2 1 1 1 1 1 2 2 2 5 5 4 4 3 6 Map of DVD Regions What are "regional codes"? Motion picture studios want to control the home release of movies in different countries because theater releases arenít simultaneous (a movie may come out on DVD in the US when itís just hitting screens in Europe). Therefore they have required that the DVD standard include codes which can be used to lock out the playback of certain discs in certain geo- graphical regions. Players sold in each region will have that regionís code built into the player. The player will refuse to play these "region coded" discs which are not allowed in the region. However, regional codes are entirely optional. Discs without codes will play on any player in any country. Some studios have already announced that only their new releases will have regional codes. There are six regions: 1. United States and Canada 2. Europe and Japan 3. Far East (except Japan & China) 4. South America and Oceania 5. Africa and the Middle East 6. China (except Hong Kong) 2. CONNECTION FACILITIES 1 3 5 7 9 11 13 15 17 19 21 2 4 6 8 10 12 14 16 18 20 2-1 Video performance (/N1S only) SCART (/N1S versions only) Full according PQR3 IMS Connector implementation according EN50049-1; color = black; dual SCART Fully according to prEN1057-2-1 Signal switching is P50 controlled; supported features of mode 3 see survey of applicable standards. 2-1-1 SCART II (connected to TV) Pin signals: 1 Output Audio R 1.8V RMS 2 3 Output Audio L 1.8V RMS 4 Audio GND 5 Blue/Chroma GND 6 7 Bi-dir Blue out/Chroma in 0.7pp +/-0.1V into 75 Ohm (*) 8 Output Function switch 2V = TV 4.5V / 7V = asp. ratio 16:9 DVD 9.5V / 12V = asp. ratio 4:3 DVD 9 Green GND 10 Bi-dir P50 control 11 Output Green 0.7Vpp +/-0.1V into 75 Ohm (*) 12 not connected not connected not connected not connected 13 Red/Chroma GND 14 fast switch GND 15 Output Red out/Chroma out 0.7Vpp +/-0.1V into 75 Ohm (*) +/-3dB 0.3Vpp in case of Chroma 16 Output fast switch RGB 1V / 3V into 75 Ohm = RGB /CVBS or Y 0.4V into 75 Ohm = CVBS 17 Y/CVBS GND 18 fast switching GND 19 Output CVBS/Y/RGB sync 1Vpp +/-0.1V into 75 Ohm (*) 20 21 Shield (*) for 100% white 2 3 3. INFORMATIONS REGION CODE THE DISCS THAT THE DV2100 CAN HANDLE The following discs can be played back with a DV2100. Note: The regional code of the discs must meet to the regional code of the DV2100. DVD INFORMATION Below is a glossary of the new terms related to DVD. Title: A disc may have more than one story/movie on it, so each story/movie is called a “title”. For example, if there are 2 movies on the disc, they are separated into Title 1 and Title 2. Chapter: A title may also be separated into chapters. For example, a movie (title) may be separated into 3 scenes (chapters). Subtitles: DVDs are recorded with up to 32 different subtitle languages. If a disc has more than one subtitle language, you can select the subtitle language that you want to read. Soundtrack language: DVDs are recorded with up to 8 different soundtrack languages. If a disc has more than one language, you can select the soundtrack language that you want to listen to. disc mark playback capability size side DVD Audio/Video 12 cm single/double 8 cm CD Audio 12 cm single 8 cm 12 cm VCD Audio/Video single 8 cm VERSION REGION CODE COUNTRY /N1S 2 EUROPE /C1S 3 ASIAN PACIFIC Multi-angles: On some DVDs, scenes have been filmed from different angles (up to a maximum of 9). On these discs, you can select the angle that you want to watch. Please refer to the DVD’s manual to see which scenes have multi-angles. Title 1 Title 2 Chapter 3 Chapter 1 Chapter 2 Chapter 3 Chapter 1 Chapter 2 It is important to note that CD-R, CD-RW discs must be FINALIZED before they can be played on this player. The disc types which run on the player feature one or more of these Resetting the Player to System Settings To reset the player, press and hold stop button on the front panel when pressing Power button to turn the power on. All program memory, saved settings from functions such as last memory and cndition memory are cleared, and all setup screen menus are returned to factory settings. logos on the disc packaging. 4 SERVICE TOOLS The tools listed below are standard test tools that can be used for repairing and testing Marantz CD Players & Recorders. Audio signals disc 4822 397 30184 Disc without errors (SBC444)+ Disc with DO errors, black spots and fingerprints (SBC444A) 4822 397 30245 Disc (65 min 1kHz) without no pause 4822 397 30155 Max. diameter disc (58.0 mm) 4822 397 60141 Torx screwdrivers Set (straight) 4822 395 50145 Set (square) 4822 395 50132 13th order filter 4822 395 30204 Hexagon socket screw button (No. 1.5) 4. SERVICE HINTS AND TOOLS 5 5. WARNING AND LASER SAFETY INSTRUCTIONS SHOCK, FIRE HAZARD SERVICE TEST: CAUTION: After servicing this appliance and prior to returning to customer, measure the resistance between either primary AC cord connector pins (with unit NOT connected to AC mains and its Power switch ON), and the face or Front Panel of product and controls and chassis bottom, Any resistance measurement less than 1 Megohms should cause unit to be repaired or corrected before AC power is applied, and verified before return to user/customer. Ref.UL Standard NO.1492. NOTE ON SAFETY: Symbol : Fire or electrical shock hazard. Only original parts should be used to replace any part with symbol Any other component substitution(other than original type), may increase risk or fire or electrical shock hazard. F ATTENTION Tous les IC et beaucoup d’autres semi- conducteurs sont sensibles aux décharges statiques (ESD). Leur longévité pourrait être considérablement écourtée par le fait qu’aucune précaution n’est prise a leur manipulation. Lors de réparations, s’assurer de bien être relié au même potentiel que la masse de l’appareil et enfiler le bracelet serti d’une résistance de sécurité. Veiller a ce que les composants ainsi que les outils que l’on utilise soient également a ce potentiel. D WARNUNG Alle IC und viele andere Halbleiter sind empfindlich gegen elektrostatische Entladungen (ESD). Unsorgfältige Behandlung bei der Reparatur kann die Lebensdauer drastisch vermindern. Sorgen sie dafür, das Sie im Reparaturfall über ein Pulsarmband mit Widerstand mit dem Massepotential des Gerätes verbunden sind. Halten Sie Bauteile und Hilfsmittel ebenfalls auf diesem Potential. WAARSCHUWING Alle IC’s en vele andere halfgeleiders zijn gevoelig voor elektrostatische ontladingen (ESD). Onzorgvuldig behandelen tijdens reparatie kan de levensduur drastisch doen verminderen. Zorg ervoor dat u tijdens reparatie via een polsband met weerstand verbonden bent met hetzelfde potentiaal als de massa van het apparaat. Houd componenten en hulpmiddelen ook op ditzelfde potentiaal. AVVERTIMENTO Tutti IC e parecchi semi-conduttori sono sensibili alle scariche statiche (ESD). La loro longevita potrebbe essere fortemente ridatta in caso di non osservazione della piu grande cauzione alla loro manipolazione. Durante le riparazioni occorre quindi essere collegato allo stesso potenziale che quello della massa dell’apparecchio tramite un braccialetto a resistenza. Assicurarsi che i componenti e anche gli utensili con quali si lavora siano anche a questo potenziale. All ICs and many other semi-conductors are susceptible to electrostatic discharges (ESD). Careless handling during repair can reduce life drastically. When repairing, make sure that you are connected with the same potential as the mass of the set via a wrist wrap with resistance. Keep components and tools also at this potential. WARNING Safety regulations require that the set be restored to its original condition and that parts which are identical with those specified be used. Veiligheidsbepalingen vereisen, dat het apparaat in zijn oorspronkelijke toestand wordt terug gebracht en dat onderdelen, identiek aan de gespecifieerde worden toegepast. Bei jeder Reparatur sind die geltenden Sicherheitsvorschriften zu beachten. Der Originalzustand des Gerats darf nicht verandert werden. Fur Reparaturen sind Original-Ersatzteile zu verwenden. Le norme di sicurezza esigono che l’apparecchio venga rimesso nelle condizioni originali e che siano utilizzati pezzi di ricambiago idetici a quelli specificati. Les normes de sécurité exigent que l’appareil soit remis a l’état d’origine et que soient utilisées les pièces de rechange identiques à celles spécifiées. GB NL I D I F GB NL LASER SAFETY This t his unit employs a laser. Only a qualified service person should remove the cover or attempt to service device, due to possible eye injury. LASER DEVICE UNIT Type: Semiconductor laser GaAlAs Wave length: 650 nm (DVD) 780 nm (VCD/CD) Output Power: 7 mW (DVD) 10 mW (VCD/CD) Beam divergence: 60 degree USE OF CONTROLS OR ADJUSTMENTS OR PERFORMANCE OF PROCEDURE OTHER THAN THOSESPECIFIED HEREIN MAY RESULT IN HAZARDOUS RADIATION EXPOSURE. AVOID DIRECT EXPOSURE TO BEAM WARNING The use of optical instruments with this product will increase eye hazard. Repair handling should take place as much as possible with a disc loaded inside the player WARNING LOCATION: INSIDE ON LASER COVERSHIELD CAUTION VISIBLE AND INVISIBLE LASER RADIATION WHEN OPEN AVOID EXPOSURE TO BEAM ADVARSEL SYNLIG OG USYNLIG LASERSTRÅLING VED ÅBNING UNDGÅ UDSÆTTELSE FOR STRÅLING ADVARSEL SYNLIG OG USYNLIG LASERSTRÅLING NÅR DEKSEL ÅPNES UNNGÅ EKSPONERING FOR STRÅLEN VARNING SYNLIG OCH OSYNLIG LASERSTRÅLNING NÄR DENNA DEL ÄR ÖPPNAD BETRAKTA EJ STRÅLEN VARO! AVATT AESSA OLET ALTTIINA NÄKYVÄLLE JA NÄKYMÄTTÖMÄLLE LASER SÄTEILYLLE. ÄLÄ KATSO SÄTEESEEN VORSICHT SICHTBARE UND UNSICHTBARE LASERSTRAHLUNG WENN ABDECKUNG GEÖFFNET NICHT DEM STRAHL AUSSETSEN DANGER VISIBLE AND INVISIBLE LASER RADIATION WHEN OPEN AVOID DIRECT EXPOSURE TO BEAM ATTENTION RAYO NNEMENT LASER VISIBLE ET INVISIBLE EN CAS D'OUVERTURE EXPOSITION DANGEREUSE AU FAISCEAU 6 QF13,QF14 QF05 DF06 SF01 - SF08 SF10,SF11 DF02 - DF05 VF01 Q451 Q502 Q551 Q441 AV DEC DIR Q501 DTS DEC DSP DVD DVD_DTS DIR_LRCK DIR_BCK AV_LRCK AV_BCK DIR_DATA DIR_LRCK DIR_BCK L/R(2CH) ,AV1_LRCK AV1_BCK DIR DTS 2CH L/R 6CH L/R DTS_L/R DTS_LS/RS DTS_C/LFE 2CH/6CH L/R(2CH) LS/RS C/LFE Video ENC Y , V/Cb C/Cr T AC3/PCM OPT COAX DVD MODULE DVD/THROUGH Q401 6CH DAC SYS-R SYS-L L R LS RS SW C QV04 V-IF V Y C Y C Cr L R V/Y R/C B G INT EXT SYSTEM NTSC/PAL VIDEO_SEL SYS_SW IR IN OUT IR_SW QF02 FRONT CPU SYS_OUT SYS_IN EEP-ROM I2C LCD DRIVER LCD DISPLAY KEY SUPPLY DOOR MOTOR BLOCK POWER_ON KEY_IN_0 - 2 D_MOTOR_FWD DOOR_OPEN_SW LCD BL LCD_BL LED DOOR_CLOSE_SW D_MOTOR_REV POWER_LED STB_LED VERSION STB_MUTE SYS_MUTE DVD/THROUGH SYS_MUTE STB_MUTE FL/FR , C/LFE LS/RS QF01 J102 J101 J301 J201 JV02 JV03 J802 CD 7 6. BLOCK DIAGRAM 8 C ONLY N ONLY 9 10 7. WIRING DIAGRAM JV01 15 VSEL1 14 SQUEEZE 13 LETTER 12 Y 11 V-GND 10 VIDEO/Cb 9 V-GND 8 C/Cr 7 NTSC/PAL 6 SEL-IR 5 IR 4 +5V 3 +12V 2 XRESET 1 VIDEO-SEL CN901 1 VSEL_SW 2 XRESET 3 V+12D 4 V+5D 5 IR 6 SEL_IR 7 NAPSW 8 C/Cr 9 GNDD 10 V/Cb/S 11 GNDD 12 Y 13 LETTER 14 SQUEEZE 15 V_SEL JF03 15 SW+5V 14 D-OPEN-SW 13 D-CLOSE-SW 12 XREADY 11 LT 10 XRESET 9 S-CLK 8 S-IN 7 S-OUT 6 GND 5 EV+5V 4 POWER_ON 3 D-MOTOR-REW 2 D-MOTOR-FWD 1 P-MUTE CN602 1 -12V 2 AC1 3 AC2 4 POWERON 5 EV+5V 6 GNDD 7 SSO 8 SSI 9 SSCK 10 XRESET 11 LT1 12 XRDY 13 SEL_IR 14 IR 15 SW+5V JV05 7 R/C 6 V-GND 5 G 4 V-GND 3 B 2 V-GND 1 VSEL2 CN904 1 VSEL2 2 V_GND 3 B 4 V_GND 5 G 6 V_GND 7 R/C JF06 1 KEY_STBY 2 S-LED 3 P-LED 4 STB+5 5 GND 6 RC2 CN110 1 M+6V 2 M+6V 3 GNDM 4 GNDM 5 12V 6 GND 7 12V 8 GND 9 GND 10 SW+5V 11 SW+5V 12 SW+5V 13 +3.3V 25 AC1 14 +3.3V 26 -27V 15 +3.3V 16 +3.3V 17 GND 18 GND 19 GND 20 GND 21 GND 22 EV+5V 23 POWERON 24 AC2 JP07 26 M+6V 25 M+6V 24 M-GND 23 M-GND 22 SW+12V 21 GND 20 SW+12V 19 GND 18 GND 17 SW+5V 16 SW+5V 15 SW+5V 14 SW+3.4V 2 M-FWD 13 SW+3.4V 1 P-MUTE 12 SW+3.4V 11 SW+3.4V 10 GND 9 GND 8 GND 7 GND 6 GND 5 E+5V 4 STB_CTL 3 M-REW CN120 1 A 2 B2 3 B1 23 TRKGRTN 5 VREF(2.5V) 6 B4 7 B3 8 C 9 GND 10 RF 11 VCC 12 MPD-VR(650) 13 MPD(650) 24 FOCSDRV 4 1/2SW 14 GND(650) 15 LD(650) 16 VSHF 17 MPD-VR(780) 18 MPD(780) 19 LD(780) 20 GND(780) 21 FOCSRTN 22 TRKGDRV 1 A 2 B2 3 B1 23 TRKGRTN 5 VREF(2.5V) 6 B4 7 B3 8 C 9 GND 10 RF 11 VCC 12 MPD-VR(650) 13 MPD(650) 24 FOCSDRV 4 1/2SW 14 GND(650) 15 LD(650) 16 VSHF 17 MPD-VR(780) 18 MPD(780) 19 LD(780) 20 GND(780) 21 FOCSRTN 22 TRKGDRV CN301 1 S_GND 2 INSIDE 3 FG 4 SLDE_F 5 V+5S 6 SLDR_R 7 LOAD+ 8 SPDL+ 9 LOAD- 10 SPDL- 11 SW1(S_GND) 12 SW2 CN1030 12 S_GND 11 INSIDE 10 FG 9 SLDE_F 8 V+5S 7 SLDR_R 6 LOAD+ 5 SPDL+ 4 LOAD- 3 SPDL- 2 SW1(S_GND) 1 SW2 CN202 1 INSIDE 2 S_GND 3 SLDRF 4 FG 5 SLDR_R 6 V+5S 7 SPDL+ 8 SPDL- CN302 1 SPDL- 2 SPDL+ 3 V+5S 4 SLDR_R 5 FG 6 SLDRF 7 S_GND 8 INSIDE CN201 1 V+5S 2 FG 3 S_GND CN203 1 2 CN303 1 LOAD- 2 LOAD+ CN401 1 LOAD+ 2 LOAD- JP06 1 2 JP05 1 2 JP01 1 2 CN106 1 TXD 2 RXD 3 DTR 4 CTS 5 V+5D 6 GNDD 7 N.C. J60129 +3.3V 28 DIRBCK 27 DIRLRCK 26 DIRDATA 25 6CH/2CH- 24 LFEON 23 LF.RF 22 C.LFE 21 LS.RS 20 DTSSD0 19 DTSMD 18 DTSXCSB 17 DTSXCS 5 D-GND 16 XAUDRESET 4 DACCLK 15 CD/DVD 3 D-GND 14 SDATA 2 +5V 13 SCLK 1 +12V 12 XRESET 11 XMUTE 10 DCXCO 9 AV1BCK 8 AV1LRCK 7 2CHDATA 6 AC3/PCM CN905 1 V+12D 2 V+5V 3 GNDD 4 DAC_CLK 5 GNDD 6 AODAI(AC3) 7 ADATA0 8 LRCK 9 BCK 10 LAT_DAC 11 XMUTE 12 HIBITSEL 13 DFSCK 25 6CHMD 14 DFSO 26 DTSDATA 15 44/X48 27 DTSLRCLK 16 AUDRST 28 DTSBCLK 17 XCSDF1 29 V+3V 18 XCSDF2 19 DTSMD 20 DFSI 21 ADATA3 22 ADATA2 23 ADATA1 24 LFEON JP04 1 2 6 DRIVE2 5 DRIVE1 4 D-CLOSE 3 M-GND 2 M-GND 1 D-OPEN J106 1 DRIVE2 2 DRIVE1 3 D-CLOSE 4 M-GND 5 M-GND 6 D-OPEN JF05 1 STB+5 2 RC1 3 GND JF12 1 STB+5 2 RC1 3 GND JF09 1 KEY_STBY 2 S-LED 3 P-LED 4 STB+5 5 GND 6 RC2 JV06 1 VSEL2 2 V-GND 3 Y 4 V-GND 5 V 6 +5V 7 VSEL1 8 +8V 9 R/C 10 V-GND 11 G 12 V-GND 13 SQUEEZE 14 +12V 15 B 16 A-GND 17 AL 18 A-GND 19 AR J801 19 VSEL2 18 V-GND 17 Y 16 V-GND 15 V 14 +5V 13 VSEL1 12 +8V 11 R/C 10 V-GND 9 G 8 V-GND 7 SQUEEZE 6 +12V 5 B 4 A-GND 3 AL 2 A-GND 1 AR JF08 1 KEY_DOOR 2 GND JF07 1 KEY_DOOR 2 GND JF10 3 GND 2 RC2 1 STB+5 JF11 1 GND 2 RC2 3 STB+5 JF04 1 P-MUTE 2 SYS-MUT 3 STB-MUT 4 DVD/THR 5 SYS-IN 6 IR-SW 7 GND 8 SYS-SW 9 SYS-OUT J104 9 SYS-OUT 8 SYS-SW 7 GND 6 IR-SW 5 SYS-IN 4 DVD/THR 3 STB-MUT 2 SYS-MUT 1 P-MUTE PC101 TLP910 1 2 4 3 JP11 1 2 J105 1 M-GND 2 DRIVE1 3 DRIVE2 4 -12V JD01 1 -12V 2 DRIVE2 3 DRIVE1 4 M-GND JF01 1 GND 2 STB+5 3 TMODE 4 TSUX3 5 /TRES 6 TCK 7 TEXD 8 TTXD 9 TAUX 10 GND M SPINDLE MOTOR SMEB VWG2048 (VNP1695) FGSB VWG2009 AC OUTLET LIVE NEUTRAL VKP2205 MSWB LOMB M DOOR MOTOR DVDM SCRB JCKB FROB PF02 DOOR PCB PF05 RC CENTER PCB SUPB SPINDLE MOTOR M M SLDR MOTOR VWG1885 LOSB DVD Mechanism Module PF01 FRONT PCB PJ01 JACK PCB PS01 POWER SUPPLY PCB PS02 MAIN SWITCH PCB PS03 AC OUTLET PCB PF03 LED PCB PF04 RC LEFT PCB PC01 SCART PCB CN106 N1S ONLY FOR DOWNLOAD SOFTWARE TO FLASH ROM PICK UP ASS’Y(OPU) JF06 FOR DOWNLOAD SOFTWARE TO uP N1S ONLY DVD MAIN PCB (DIGITAL BOARD) N1S ONLY JF03 15 SW+5V 14 D-OPEN-SW 13 D-CLOSE-SW 12 XREADY 11 LT 10 XRESET 9 S-CLK 8 S-IN 7 S-OUT 6 GND 5 EV+5V 4 POWER_ON 3 D-MOTOR-REV 2 D-MOTOR-FWD 1 P-MUTE AT24C04 QF05 1 ADRESS0 2 ADRESS1 3 ADRESS2 4 GND 5 SDA 6 SCL 7 WP 8 VCC RF22 100 RF20 100 RF21 10k RF19 10k CF13 0.1 CF11 N.C. CF12 N.C. GND GND GND GND GND STB+5 RF01 470 RF02 1K RF03 1K RF04 1K RF05 1K RF06 1k GND LCD+5 CF02 0.1 CF03 47u/10V GND GND STB+5 GND CF20 N.C. GND RF53 47K STB+5 CF18 0.1 GND GND GND CF14 0.1 CF15 0.1 GND RF34 N.C. RF35 N : N.C C : 10K RF33 N : 0Ω C : 12K RF32 0 GND STB+5 STB+5 SF01 5KQNAE SF02 5KQNAE SF03 5KQNAE SF04 5KQNAE SF05 5KQNAE SF07 5KQNAE SF08 5KQNAE SF06 5KQNAE STB+5 RF43 22k RF50 22k RF47 22k STB+5 GND GND GND STB+5 RF38 0 RF31 0 RF10 100 RF11 100 RF12 100 CF06 N.C. CF07 N.C. CF08 N.C. GND GND GND CF09 47u/10V GND CF10 0.1 GND LED+5 STB+5 GND GND GND CF04 47u/10V CF05 0.1 GND RF58 100 DF02 NSCW100 DF03 NSCW100 RF57 100 DF04 NSCW100 RF56 100 LED+5 1SS301 DF01 GND RF27 4.7K RF28 N.C. STB+5 QF02 MB90F553A 1 P20/A16 2 P21/A17 3 P22/A18 4 P23/A19 5 P24/A20 6 P25/A21 7 P26/A22 8 P27/A23 9 030/ALE 10 P31/-RD 11 Vss 12 P32/-WRL 13 P33/-WRH 14 P34/HRQ 15 P35/-HAK 16 P36/RDY 17 P37/CLK 18 P40/SCK 19 P41/SOT 20 P42/SIN 31 P53/SCL1 32 P54/SDA2 33 P55/SCL2 34 AVcc 100 P17/AD15 99 P16/AD14 98 P15/AD13 97 P14/AD12 96 P13/AD11 95 P12/AD10 94 P11/AD09 93 P10/AD08 92 P07/AD07 91 P06/AD06 90 P05/AD05 89 P04/AD04 88 P03/AD03 87 P02/AD02 86 P01/AD01 85 P00/AD00 80 PA4/CKOT 79 PA3 78 PA2 77 -RST 76 PA1/OUT3 75 PA0/OUT2 74 P97/PPG5 73 P96/PPG4 72 P95/PPG3 71 P94/PPG2 70 P93/PPG1 69 P92/PPG0 68 P91/OUT1 67 P90/OUT0 66 P87/IN3 65 P86/IN2 64 P85/IN1 63 P84/IN0 62 P83/TOT1 61 P82/TOT0 84 Vcc 83 X1 82 X0 81 Vss 35 AVRH 36 AVRL 37 AVss 38 P60/AN0 39 P61/AN1 40 P62/AN2 41 P63/AN3 42 Vss 43 P64/AN4 44 P65/AN5 45 P66/AN6 46 P67/AN7 47 P70/IRQ0 48 P71/IRQ1 49 MD0 50 MD1 21 P43/SCK1 22 P44/SOT1 23 Vcc 24 P45/SIN1 25 P46/ADTG 26 P47/SCK0 27 C 28 P50/SDA0/SOT0 29 P51/SCL0/SIN0 30 P52/SDA1 60 P81/TIN1 59 P80/TIN0 58 P77/IRQ7 57 P76/IRQ6 56 P75/IRQ5 55 P74/IRQ4 54 P73/IRQ3 53 P72/IRQ2 52 -HST 51 MD2 GND STB+5 RF18 N.C. JF04 9 SYS-OUT 8 SYS-SW 7 GND 6 IR-SW 5 SYS-IN 4 DVD/THR 3 STB-MUT 2 SYS-MUT 1 P-MUTE STB+5 RF23 10K QF07 2SA1586 GND GND CF16 0.1 JF05 1 STB+5 2 RC1 3 GND JF07 1 KEY_DOOR 2 GND JF06 1 KEY_STBY 2 S-LED 3 P-LED 4 STB+5 5 GND 6 RC2 QF03 N.C. RF07 N.C. RF09 N.C. GND GND LCD+5 RF08 N.C. LCD+5 RF84 N.C. RF40 18k RF39 56k RF52 10K STB+5 RF51 10K GND RF37 10K STB+5 RF36 10K STB+5 IN OUT GND QF08 S-806D 2 1 3 CF19 0.047 GND GND STB+5 CF23 0.1 GND RF65 0 JF01 1 GND 2 STB+5 3 TMODE 4 TAUX3 5 /TRES 6 TCK 7 TRXD 8 TTXD 9 TAUX 10 GND GND RF48 56k RF42 5.6k RF41 10K RF49 33k RF45 10K RF46 5.6k RF44 18k STB+5 STB+5 GND GND GND GND GND GND GND GND STB+5 QF04 TC7W14FU(2/3) 6 2 QF04 TC7W14FU(1/3) 1 7 8 4 FF02 BLM11P600SPT FF01 BLM11P600SPT LCD+5 SF09 SSSS822101 6 5 4 3 2 1 RF30 N.C. RF29 100 RF26 0 RF25 47K GND RF66 0 RF67 0 RF68 0 RF69 0 RF70 0 RF71 0 RF72 0 RF73 0 RF74 0 RF75 0 RF76 0 RF77 0 DF05 NSCW100 RF55 100 QF09 DTC323TU QF10 DTC323TU RF54 100 GND RF17 330 RF13 100 RF14 100 RF15 100 CF01 N.C. QF01 NJU6450A 1 COM7 2 COM8 3 COM9 4 COM10 5 COM11 6 COM12 7 COM13 8 COM14 9 COM15 10 SEG60 11 SEG59 12 SEG58 13 SEG57 14 SEG56 15 SEG55 16 SEG54 17 SEG53 18 SEG52 19 SEG51 20 SEG50 21 SEG49 22 SEG48 23 24 25 26 27 28 29 30 31 32 33 34 35 36 37 38 39 40 41 42 43 44 45 46 47 48 49 50 51 52 53 54 55 56 57 58 59 60 61 62 63 64 65 66 67 68 69 70 71 A0 72 OSC1 73 OSC2 74 75 76 VSS 77 78 79 80 81 82 83 84 85 VDD 86 /RST 87 FR 88 V5 89 V3 90 V2 91 M/S 92 V4 93 V1 94 95 96 97 98 99 100 RF80 1M GND VF01 HLC7599-016600 1 2 3 4 5 6 7 8 9 10 11 12 13 14 15 16 17 18 19 20 21 22 23 24 25 26 27 28 29 30 31 32 33 34 35 36 37 38 39 40 41 42 43 44 45 46 47 48 49 50 51 52 53 54 55 RF81 N.C. RF82 10K RF83 10K STB+5 QF15 DTA114EUA QF16 DTA114EUA STB+5 STB+5 RF78 0 XF01 8MHz 3 1 2 GND QF06 DTA114EUA CF28 N.C. GND GND CF17 0.1 RF85 1K RF86 1K RF87 1K RF88 N.C. JF12 3 GND 2 RC1 1 STB+5 QF12 DTC114TE GND GND JF11 1 STB+5 2 RC2 3 GND RPM6936-V4 QF13 2 1 3 GND GND GND RF59 220 CF27 10/16V RF62 100 GND GND DF06 SML-020MVT JF10 3 GND 2 RC2 1 STB+5 RF64 100 GND GND JF09 6 RC2 5 GND 4 STB+5 3 POWER_LED 2 STB_LED 1 KEY_STBY RF63 100 GND CF24 0.1 RF60 180 GND SF11 5KQNAE RPM6936 QF14 2 1 3 QF11 DTC114TE SF10 5KQNAE 1 2 GND GND JF08 2 GND 1 KEY_DOOR RF61 100 CF26 0.1 CF25 10/16V RST LCD_/WR LCD_/RD A0 D[0] D[1] D[2] D[3] D[4] D[5] D[6] D[7] SEG[19] SEG[18] SEG[17] SEG[16] SEG[15] SEG[14] SEG[13] SEG[12] SEG[11] SEG[10] SEG[9] SEG[8] SEG[7] SEG[6] SEG[5] SEG[4] SEG[3] SEG[2] SEG[1] SEG[0] SEG[22] SEG[23] SEG[24] SEG[25] SEG[26] SEG[27] SEG[28] SEG[29] SEG[30] SEG[31] SEG[32] SEG[33] SEG[34] SEG[35] SEG[36] SEG[37] SEG[38] SEG[21] SEG[20] A0 LCD_/RD LCD_/WR D[0] D[1] D[2] D[3] D[4] D[5] D[6] D[7] RST COM[0] COM[1] COM[2] COM[3] COM[4] COM[5] COM[6] SEG[39] SEG[40] SEG[41] SEG[42] SEG[43] SEG[44] SEG[45] SEG[46] SEG[47] SEG[0] SEG[1] SEG[2] SEG[3] SEG[4] SEG[5] SEG[6] SEG[7] SEG[8] SEG[9] SEG[10] SEG[11] SEG[12] SEG[13] SEG[14] SEG[15] SEG[16] SEG[17] SEG[18] SEG[19] SEG[20] SEG[21] SEG[22] SEG[23] SEG[24] SEG[25] SEG[26] SEG[27] SEG[28] SEG[29] SEG[30] SEG[31] SEG[32] SEG[33] SEG[34] SEG[35] SEG[36] SEG[37] SEG[38] SEG[39] SEG[40] SEG[41] SEG[42] SEG[43] SEG[44] SEG[45] SEG[46] SEG[47] COM[0] COM[1] COM[2] COM[3] COM[4] COM[5] COM[6] 5.1CH PAUSE PLAY TRAY OPEN/CLOSE STOP FWD DOLBY V REV KEY0 KEY1 KEY2 0 1 2 3 4 STBY TRAY DOOR PLAY REV FWD PAUSE STOP DOLBY V 5.1CH RC CENTER PF02 RC LEFT WG404K1080 LED PF04 DOOR PF05 DOOR OPEN/CLOSE STBY PF01 WG404K1060 WG4704K1070 PF03 WG404K1090 WG404K1100 Download Connector 4.9V 4.9V 4.9V 4.9V 4.9V 4.9V -14.1V -13.5V -14.4V 4.8V FROM PJ01 J104 4(K-11) FROM DVDM CN602 4.9V 4.9V -13.5V 0V 0V 4.8V 4.9V 4.9V 4.9V 4.9V 4.9V 4.8V -2.6V 0.3V 4.9V 4.9V 0V 4.9V 4.9V 4.9V 4.9V 4.9V 4.9V 4.9V 4.9V 4.9V 4.9V 4.9V 4.9V 4.9V 4.9V 4.9V 0.4V 1.3V 3.1V 2.2V 4.0V 4.9V 3.1V 4.9V 8. SCHEMATIC DIAGRAM AND PARTS LOCATION 12 11 Q301 NJM2114M(1/2) 7 5 + 6 - 8 Q301 NJM2114M(2/2) 1 3 + 2 - 4 J601 29 +3.3V 28 DIRBCK 27 DIRLRCK 26 DIRDATA 25 6CH/2CH- 24 LFEON 23 LF,RF 22 C,LFE 21 LS,RS 20 DTSSDO 19 DTSMD 18 DTSXCSB 17 DTSXCS 5 D-GND 16 XAUDRESET 4 DACCLK 15 CD/DVD 3 D-GND 14 SDATA 2 +5V 13 SCLK 1 +12V 12 XRESET 11 XMUTE 10 DCXCD 9 AV1BCK 8 AV1LRCK 7 2CHDATA 6 AC3/PCM Q501 YSS912C-F 1 VDD1 2 RAMCEN 3 RAMA16 4 RAMA5 5 SD180 6 SD181 7 SD182 8 XI 9 XO 10 VSS 11 AVDD 12 SD183 13 TEST 14 TEST 15 DVFB 16 DTSDATA 17 AC3DATA 18 SD083 19 CPO 20 AVSS 31 VDD1 32 DPORT0 33 DOPRT1 34 DOPRT2 100 VSS 99 IPORT0 98 IPORT1 97 IPORT2 96 IPORT3 95 IPORT4 94 IPORT5 93 IPORT6 92 IPORT7 91 VDD2 90 VSS 89 RAMDEN 88 RAMWEN 87 RAMA0 86 RAMA1 85 SDIA1 80 VSS 79 RAMD7 78 RAMD6 77 RAMD5 76 RAMD4 75 RAMD3 74 RAMD2 73 RAMD1 72 RAMD0 71 VDD1 70 RAMA2 69 SCK 68 SI 67 SO 66 /CS 65 /CSB 64 RAMA3 63 TEST 62 /IC 61 RAMA4 84 SDIA0 83 SDBCK0 82 SDWCK0 81 VDD2 35 DPORT3 36 DPORT4 37 DPORT5 38 DPORT6 39 DPORT7 40 VSS 41 VDD2 42 TAMA9 43 TAMA8 44 RAMA7 45 SDOB2 46 SDOB1 47 SDOB0 48 SDBCK1 49 SDWCK1 50 VSS 21 VDD2 22 SDOA2 23 SDOA1 24 SDOA0 25 RAMA14 26 RAMA13 27 RAMA12 28 RAMA11 29 RAMA10 30 VSS 60 VSS 59 RAMA5 58 RAMA6 57 /SDBCK0 56 SURENC 55 KARAOKE 54 MUTE 53 CRC 52 NONPCM 51 VDD2 C528 0.1 C530 0.1 C529 100/10V D-GND D-GND D-GND V+3A F510 BLM11P600SPT R519 0 R520 0 R521 0 C533 0.1 C532 100/10V D-GND F511 BLM11P600SPT D-GND D-GND V+3A C531 0.1 C503 0.1 D-GND C501 0.1 V+3A D-GND F501 BLM11P600SPT C502 100/10V D-GND D-GND R504 1M X501 12.288MHz C504 22p C505 22p D-GND D-GND C507 100/10V F502 BLM11P600SPT C506 0.1 C508 0.1 D-GND D-GND V+3A D-GND D-GND D-GND C509 470p R505 10k D-GND D-GND C511 100/10V D-GND D-GND C510 0.1 F503 BLM11P600SPT C512 0.1 V+3A D-GND V+5A C514 100/10V C513 0.1 F504 BLM11P600SPT D-GND D-GND C515 0.1 D-GND R506 0 Q502 TC7W53FU 1 COMMON 2 INH 3 VEE 4 VSS 5 YSS6CH 6 CH1 7 CH0 8 VD1 V+5A F505 BLM11P600SPT D-GND C516 0.1 D-GND D-GND D-GND F506 BLM11P600SPT C517 0.1 D-GND C519 0.1 C518 100/10V V+3A R510 0 R508 0 R509 0 R511 0 R512 0 C526 100/10V F509 BLM11P600SPT C525 0.1 C527 0.1 D-GND D-GND V+5A D-GND Q503 TC7W08FU(2/2) 6 5 3 8 4 V+5A F508 BLM11P600SPT C523 0.1 D-GND C524 0.1 D-GND D-GND F507 BLM11P600SPT D-GND V+3A C521 100/10V C522 0.1 D-GND C520 0.1 D-GND R507 0 C602 0.1 D-GNDD-GNDD-GND C603 0.1 V+12D V+5M V+3A D-GND C601 0.1 Q441 TC74VHC157FT 1 2 3 4 5 6 7 8 GND 16 VCC 15 ST- 14 13 12 11 10 9 Q451 TC74VHC157FT 1 2 3 4 5 6 7 8 GND 16 VCC 15 ST- 14 13 12 11 10 9 Q401 UDA1328T/S1 1 OUT3 2 OUT4 3 VSSA 4 OUT5 5 OUT5 6 VDOA 7 N.C. 8 N.C. 9 STATIC/L3- 10 BCK 11 LRCK 12 DATA12 13 DATA34 14 DATA56 15 N.C. 16 SYSCLK 32 OUT2 31 OUT2- 30 VREF 29 OUT1- 28 OUT1 27 TEST1 26 DS 25 DEEM0 24 DEEM1 23 MUTE 22 TEST2 21 VDDD 20 VSSD 19 SDATA 18 SCLK 17 XCS F441 BLM11P600SPT V+3A C441 0.1 D-GND C442 0.1 D-GND D-GND D-GND V+3A D-GND D-GND C451 0.1 D-GND C452 0.1 F451 BLM11P600SPT D-GND V+3A C401 0.1 A-GND F401 BLM11P600SPT C403 0.1 A-GND C402 100/10V A-GND R401 0 R402 0 R403 0 R404 0 R405 0 R406 0 A-GND Q551 TC74VHC157FT 1 2 3 4 5 6 7 8 GND 16 VCC 15 ST- 14 13 12 11 10 9 D-GND F551 BLM11P600SPT V+3A C551 0.1 D-GND C552 0.1 D-GND D-GND V+3A R410 0 F402 BLM11P600SPT D-GND C406 0.1 C405 100/10V D-GND C404 0.1 D-GND D-GND R411 0 R409 0 R408 0 R407 0 C408 0.1 C407 100/10V A-GNDA-GND V+12D V+12A C391 0.1 C395 0.1 C394 220/16V A-GND A-GND A-GND A-GND D352 1SS301 D351 1SS301 R363 1k R364 1k Q355 DTC124EUA R365 1.2K V+5M A-GND A-GND R366 4.7k Q356 2SA1576A J301 YKC21-3215 1 2 4 5 7 6 3 C355 N.C C356 N.C C354 N.C C353 N.C Q357 2SC4213 Q358 2SC4213 R367 2.2K R368 2.2K + - MR62-12USR L351 5 6 3 4 8 7 1 2 V+12A D353 1SS301 3 1 2 A-GND C359 0.1 A-GND R357 0 R358 0 R369 0 R370 0 R355 150 R353 150 R361 2.2K R359 2.2K R360 2.2K R362 2.2K R354 150 R356 150 R351 100k R352 100k C351 100p C352 100p Q353 2SC4213 Q351 2SC4213 Q354 2SC4213 Q352 2SC4213 A-GND C323 100p C324 100p R321 150 R322 150 C322 NC C321 NC Q304 2SC4213 Q303 2SC4213 R319 150 R320 150 R324 2.2K R323 2.2K R262 150 C261 NC C263 100p Q281 2SC4213 R259 150 Q282 2SC4213 R282 1K C262 NC R261 150 C264 100p R260 150 R281 2.2K R212 150 C211 NC C213 100p Q231 2SC4213 R209 150 Q232 2SC4213 R232 2.2K C212 NC R211 150 C214 100p R210 150 R231 2.2K A-GND Q306 2SA1576A R326 1K A-GND Q305 DTC124EUA V+5M R327 4.7k R325 0 C307 33p C309 0.1 C310 47/16V R309 47k R311 0 V+12A A-GND A-GND R303 22k R307 22k R301 22k R305 22k C305 68p C303 100/16V 100/16V C301 C308 33p R310 47k C302 100/16V C306 68p R308 22k R304 22k 100/16V C304 R302 22k R306 22k C319 100/16V C320 100/16V Q302 NJM2068(1/2) 7 5 + 6 - 8 V+12A R315 0 Q302 NJM2068(2/2) 1 2 - 3 + 4 R314 47k C312 33p A-GND C311 33p R313 47k A-GND C315 0.1 C316 47/16V C317 0.1 A-GND A-GND A-GNDA-GND V+12A R316 0 R317 47k A-GND A-GND C314 100/16V C313 0.1 D302 1SS301 R257 100k R258 100k C259 10/50V C260 100/16V Q251 NJM2068(1/2) 1 3 + 2 - 8 Q251 NJM2068(2/2) 7 6 - 5 + 4 V+12A C255 33p R255 33k C257 0.1 A-GND C253 220p R253 10k R251 15k C251 100/16V R254 2.2k C252 100/16V R252 820 C256 0.047 R256 6.8k C207 0.1 R204 10K C205 33p C210 10/50V R205 33k Q201 NJM2068(1/2) 1 3 + 2 - 8 C206 33p R201 15k R206 33k C209 10/50V R202 15k C201 100/16V R207 100k Q201 NJM2068(2/2) 7 6 - 5 + 4 A-GND C202 100/16V V+12A C203 220p R203 10k R208 100k C204 220p Q221 NJM2068 1 2 - 3 + 4 8 C222 0.1 C221 47/16V R221 47K V+12A V+12A C224 0.1 C223 47/16V A-GND A-GND A-GND A-GND A-GND A-GND J101 YKC21-3182 1 3 2 J103 YKC21-3046 1 2 4 3 GND VCC INPUT J102 GP1F32T 3 2 1 D-GND V+5A C121 47/16V D-GND D-GND R122 NC R121 220 C115 0.022 L111 TPS247MN-0386AN 6 4 3 2 1 Q111 TC74HCU04 1 2 3 4 5 6 7 14 13 12 11 10 9 8 R113 75 C114 4700p D-GND D-GND R112 NC D-GND C113 47p D-GND R111 100 C112 0.1 D-GND V+5A C111 0.01 D-GND DVD/THROUGH SYS_MUTE P_MUTE C133 0.1 D-GND Q233 DTC124EUA R233 10k R235 10k D231 1SS301 R236 1K V+5M Q234 2SA1576A D232 1SS301 R237 10k A-GND D282 1SS301 A-GND Q284 2SA1576A R286 2.2K Q283 DTC124EUA R287 10k V+5M A-GND A-GND A-GND D-GND AL AR A-GND A-GND A-GND A-GND Q360 DTC124EUA A-GND S131 SSSF141700 11 12 13 14 15 1 2 3 4 5 16 17 18 19 20 10 9 8 7 6 STB_MUTE J201 YKC21-3324 1 2 7 8 10 9 3 4 5 6 Q503 TC7W08FU(1/2) 2 1 7 J302 GND TERMINAL 1 EARTH A-GND R392 470K -12V R393 100K -12V R394 470K -12V R395 47K R288 47K R289 470K R290 470K -12V -12V C604 100/16V D-GND R114 0 R115 0 D110 1SS301 3 1 2 R601 0 R602 0 R603 0 R604 0 R605 0 R606 100 R607 100 R608 100 R609 0 R610 0 R611 0 R612 0 R613 0 R614 0 R615 0 R616 0 R617 0 R618 0 R619 100 R620 100 R621 100 R622 BLM11B601S J105 1 M-GND 2 DRIVE1 3 DRIVE2 4 -12V -12V J106 1 D-OPEN 2 M-GND 3 M-GND 4 D-CLOSE 5 DRIVE1 6 DRIVE2 D_CLOSE_SW D_OPEN_SW J104 1 P-MUTE 2 SYS-MUT 3 STB-MUT 4 DVD/THR 5 SYS-IN 6 IR-SW 7 GND 8 SYS-SW 9 SYS-OUT R116 0 A-GND A-GND A-GND R331 2.2K R333 2.2K R332 2.2K R334 2.2K R263 0 R265 2.2K R266 2.2K R267 2.2K C325 N.C. A-GND R213 0 R623 0 D-GND R117 47k D-GND V+5A STB_MUTE DVD/THROUGH STB_MUTE P_MUTE STB_MUTE P_MUTE P_MUTE XMUTE STB_MUTE P_MUTE XMUTE SYS_MUTE A-GND C357 0.1 C326 0.1 A-GND C265 0.1 A-GND C225 0.1 A-GND C605 N.C. D-GND R399 0 R398 0 R397 0 R396 0 F111 BLM11B601S Q391 uPC29M10HB 2 3 1 Q359 DTC323TU DTSDATA DTSBCK DTSLRCK DIRBCK DIRLRCK DIRDATA 6CH/2CH- LFEON FL/FR C/LFE LS/RS DTSSD0 DTSMD DTSXCSB DTSXCS AUDRST CD/DVD- SDATA SCLK DACXCS AV1BCK AV1LRCK L/R_FL/FR DACCLK DTSMD AV1LRCK DIRLRCK DACLRCK AV1BCK DIRBCK DACBCK XAVDM DTS_L/R DAC_L/R C/LFE DTS_C/LFE DAC_C/LFE AC3/PCM XMUTE L/R_FL/FR SDATA SCLK DAC_LS/RS DTS_LS/RS LS/RS CENTER WOOFER LSUR RSUR DACBCK DACLRCK DAC_L/R DAC_C/LFE DAC_LS/RS DACCLK DTSDATA DIRDATA L/R_FL/FR DTSLRCK AV1LRCK DIRLRCK DTSBCK AV1BCK DIRBCK CD/DVD- RIGHT RIGHT- LEFT- LEFT DS SDATA SCLK DACXCS AV1LRCK AV1BCK DTS_LS/RS DTS_C/LFE DTS_L/R XAVDM LEFT LEFT- RIGHT RIGHT- CENTER RSUR LSUR LFEON AC3/PCM XMUTE DTSSD0 DTSXCS DTSXCSB AUDRST FL/FR LS/RS C/LFE WOOFER XMUTE DS 6CH/2CH- IN_L OUT_L IN_R OUT_R H L L H L H L H L H L H L L H H L H H H H L L L L H FRONT RIGHT FRONT LEFT CENTER SUB WOOFER LEFT SURROUND RIGHT SURROUND DIGITAL OUT GP1F32T OPT OUT D-BUS IN OUT FROM DVDM CN905 FROM PF01 JF04 2(G-1) FROM PS01 JD01 1(C-15) TO DOOR MOTOR N1S N1S PJ01 WG404K1010 -13.7V 3.4V 4.8V 4.8V 11.0V 3.4V 3.4V 3.4V 3.4V 3.4V 3.4V 3.4V 3.4V 3.4V 3.4V 3.4V 3.4V 4.8V 4.8V 4.8V 4.8V 4.8V 4.8V 4.8V 4.8V 4.8V 4.8V 11.0V 8.9V 8.9V 8.9V 8.9V 8.9V 8.9V 8.9V 8.9V -13.7V -13.7V -13.7V -13.7V -13.7V 3.3V 2.0V 4.8V 0.07V 0V -13.0V -14.5V -14.1V -14.1V -14.5V -13.5V 4.8V 0V 0.3V -13.0V -14.1V -14.5V 0V 0.2V 0V 3.4V 4.8V 3.9V 3.7V 0.1V 0V -13.1V -14.5V -14.1V -14.5V -14.1V 4.8V -13.5V 4.8V 8.9V V:PLAY COLOR BAR (PAL),1kHz 0.1V -13.0V 0.05V 0.01V 14 13 QV04 LA7138M 1 MUTE 2 TYPE_SEL 3 V,Cb_IN 4 SQUEEZE 5 LETTER 6 C,Cr_IN 7 GND 8 REG_OUT 9 VCC 10 Y_IN 11 AMP_SEL 12 DAC_DCOUT 24 GND 23 V_OUT 22 YCMIX 21 Cb_OUT 20 VCC 19 C_OUT 18 GND 17 Cr_OUT 16 C_DCOUT 15 Y_OUT2 14 GND 13 Y_OUT1 JV01 15 VSEL1 14 SQUEEZE 13 LETTER 12 Y 11 V-GND 10 VIDEO/Cb 9 V-GND 8 C/Cr 7 NTSC/PAL 6 SEL-IR 5 IR 4 +5V 3 +12V 2 XRESET 1 VIDEO-SEL RV04 220 RV05 220 RV06 0 CV07 0.1 CV08 0.1 CV09 0.1 JV02 5 1 3 2 4 6 JV06 AR 19 A-GND 18 AL 17 A-GND 16 B 15 +12V 14 SQUEEZE 13 V-GND 12 G 11 V-GND 10 R/C 9 +8V 8 VSEL1 7 +5V 6 V 5 V-GND 4 Y 3 V-GND 2 VSEL2 1 CV16 470/10V RV08 33 RV09 33 CV17 N.C. FV01 NFM40R01C221 3 1 2 V-GND V-GND CV19 N.C V-GND FV02 NFM41R01C221 3 1 2 RV11 33 V-GND RV10 33 CV18 470/10V CV21 N.C. V-GND FV03 NFM41R01C221 3 1 2 RV14 33 V-GND RV13 33 CV22 470/10V CV23 N.C. V-GND FV04 NFM41R01C221 3 1 2 RV16 33 V-GND RV15 33 CV25 N.C V-GND FV05 NFM41R01C221 3 1 2 CV24 470/10V V-GND CV27 N.C V-GND FV06 NFM41R01C221 3 1 2 CV26 470/10V V-GND V-GND CV20 0.1 RV12 10k V-GND RV18 33 RV17 33 RV19 N.C. V-GND RV21 33 V-GND RV20 33 RV22 N.C. V-GND V-GND V-GND V+12V CV15 0.1 0.1 CV11 CV13 0.1 CV14 100/16V CV10 100/16V CV12 100/16V V-GND V-GND V-GND V-GND V-GND V-GND RV07 0 V-GND SV02 SSSF12-S06N0 2 1 3 V+5V V+5V V+5V RV32 8.2k RV30 33k RV31 10k CV30 100p RV33 6.8k RV34 10k CV31 100p V-GND V-GND V-GND V-GND V-GND RV01 N.C RV02 N.C RV03 N.C CV03 N.C CV04 N.C CV06 0.1 CV05 N.C QV01 N.C QV02 N.C +12V V+12V V-GND V-GND V-GND V-GND V-GND V+5V +12V V-GND V-GND V-GND +12V V+5V A-GND V-GND AR AL RV24 0 RV25 0 V-GND RV23 0 V-GND CV01 10/50V CV02 10/50V JV04 EARTH V-GND JV05 R/C 7 V-GND 6 G 5 V-GND 4 B 3 V-GND 2 VSEL2 1 V-GND LV01 15 CV32 0.1 V-GND SV01 SSSF114800 5 4 3 2 1 JV02 7 8 JV03 5 3 2 4 1 V-GND D_CLOSE_SW D_OPEN_SW QV05 2SA1162 RV38 4.7 RV39 N.C RV40 N.C RV41 0 V-GND RV42 0 QV03 N.C 2 1 3 V-GND RV37 0 RV51 47 V+12V RV53 6.8K RV57 47 V-GND RV55 820 V-GND CV43 0.1 V-GND V-GND CV41 0.1 QV06 HN1C01F(1/2) QV06 HN1C01F(2/2) CV42 0.1 RV52 47 V-GND V-GND V-GND CV44 0.1 V-GND V+12V RV54 6.8K RV56 820 RV58 47 QV07 HN1C01F(1/2) QV07 HN1C01F(2/2) V-GND JV07 GND TERMINAL (N.C.) Cr(RED) Cb(BLUE) Y(GREEN) ANALOG COMPONENT VIDEO PUTOUT S VIDEO OUTPUT COMPOSITE VIDEO OUTPUT (YELLOW) FROM DVDM CN901 TO PC01 J801 5(D-1) Y,C,COMPOSITE Y,Cb,Cr FROM DVDM CN904 N1S ONLY C1S ONLY N1S ONLY C1S ONLY C1S ONLY N1S ONLY PJ01 WG404K1010 11.0V 11.0V 11.0V 11.0V 11.0V 11.0V 11.0V 1.2V 1.2V 8.4V 4.9V 4.9V 4.9V 4.9V 11.0V 4.9V 10.2V 2.9V 15 16 18 17 J801 1 AR 2 A-GND 3 AL 4 A-GND 5 B 6 +12V 7 SQUEEZE 8 V-GND 9 G 10 V-GND 11 R/C 12 +8V 13 VSEL1 14 +5V 15 V 16 V-GND 17 Y 18 V-GND 19 VSEL2 C801 47/16V Q803 2SC4116 1 2 3 Q804 DTC114EUA 1 2 3 R809 4.7k R808 4.7K V-GND V-GND C812 0.1 J802 1 R_OUT 2 R_IN 3 L_OUT 4 A-GND 5 V-GND 6 L_IN 7 B 8 SQUEEZE 9 V-GND 10 N.C. 11 G 12 N.C. 13 V-GND 14 V-GND 15 R/C 16 BLANK 17 V-GND 18 V-GND 19 V/Y_OUT 20 V_IN 21 V-GND Q808 DTC114EUA 1 2 3 R828 10K R827 1.2k Q809 2SA1586 1 2 3 V-GND C819 0.1 V-GND V+5VA Q812 MM1507XN 1 2 3 6 5 4 V-GND C821 0.1 C822 0.1 R833 0 V+5V C823 0.1 V-GND V-GND C817 100/10V R823 39 R824 33 F804 NFM41R01C221 3 1 2 R951 220 F951 NFM41R01C221 3 1 2 A-GND C951 390 C950 390 A-GND F950 NFM41R01C221 3 1 2 R950 220 A-GND A-GND A-GND R832 33 R831 39 F805 NFM41R01C221 3 1 2 V-GND C820 N.C. V-GND C825 N.C. R834 39 2 1 V-GND F806 NFM41R01C221 3 1 2 V-GND R835 33 C824 470/10V R801 100 Q801 2SC4116 1 2 3 Q802 2sc4116 1 2 3 V-GND C808 0.1 R802 3.9K R803 1.5k V-GND C807 0.1 V-GND R806 33 F801 NFM41R01C221 3 1 2 C809 100/10V R805 39 V-GND C813 0.1 V+5VA R818 3.9K R821 39 F803 NFM41R01C221 3 1 2 R817 100 R819 1.5k Q806 2SC4116 1 2 3 V-GND V+5VA Q807 2SC4116 1 2 3 V-GND C815 100/10V R822 33 C814 0.1 V-GND V-GND V-GND C818 N.C. C810 N.C V-GND C816 N.C. V-GND V-GND V-GND V-GND V-GND A-GND C-GND A-GND V-GND C952 0.1 C827 N.C. C826 0.1 R836 0 C828 0.1 V+5VA VV+12V V+5V V-GND V-GND C803 47/10V V-GND C805 47/10V D802 5.6V 1 2 D803 5.6V 1 2 C-GND C-GND L801 15 L802 15 L803 15 R952 0 R804 47 F802 NFM41R01C221 3 1 2 V-GND R820 47 VV+12V R816 56k V-GND VV+12V V+5VA V+5VA V+5VA R812 470 SCART CONNECTOR PC01 WG404K1020 N1S only 11.0V 11.0V 11.0V 0V 4.8V 4.8V 4.8V 4.8V 4.8V 4.8V 4.8V 4.8V 4.8V 10.4V 3.3V 0.01V 4.8V V:PLAY COLOR BAR (PAL),1kHz FROM PJ01 JV06 3(E-1) RP23 N.C. CP23 1000/10v M-GND RP25 2.7k CP17 1000/10v GND GND DP09 RK46 DP11 EK19 DP12 RK46 DP02 ERA22-10 CP06 0.047 RP08 82K 2W RP07 82K 2W CP07 N.C QP04 TL431 CP05 120/400V DP01 S1WB(A)60 2 1 3 4 CP03 220p/250v GND CP02 0.1/250v ECQUN RP01 1M 1W LP02 1 2 3 4 CP01 0.1/250v CP04 220p/250v JP06 1 2 DP13 SFPL52 DP14 SFPL52 1k RP37 22k RP38 CP26 0.1/50V 3.3M RP39 CP27 10/16v QP13 2SC4116 QP14 2SC4116 47k RP40 22k RP41 CP25 2200/16v QP15 2SC4116 10k RP44 GND 10k RP43 GND GND GND GND QP09 2SB1185 GND CP21 1000/16v GND CP18 220/10V GND 22k RP42 QP16 2SA1586 47k RP45 10k RP46 QP10 DTC114EU GND GND TP01 12 13 15 16 18 17 14 10 11 4 3 2 7 6 1 5 8 9 EARTH JP08 EARTH JP09 GND DP16 1SS301 JP04 1 2 SP01 ESB92S94B 2 1 FP01 T1.25AL 250V W001 JP05 1 2 RP28 4.7k RP29 4.7k RP52 4.7K GND CP22 2200/16V GND RP31 10k GND RP33 4.7k RP34 1.8K QP12 DTC114EU RP35 1.8K QP11 2SB1185 M-GND RP32 4.7k CP24 220/16V M-GND CP16 470/10V GND GND GND CP20 220/10V QP03 PC123F2 4 1 3 2 RP24 0 CP14 0.22 RP26 1.5k RP27 2.2k GND RP21 820 CP13 N.C RP18 6.8k RP19 6.8k RP14 0 RP15 N.C. CP08 150p 2KV GND RP11 0.47 1W CP10 220p/250V RP02 82k 2W CP09 470p RP10 1.2K RP09 1.2K CP11 100/50V OSC QP01 STR-G6551 1 D 2 S 4 Vin 5 O.C.P/F.B 3 GND DP04 1SS301 DP07 1SS301 DP15 1SS301 DP10 RK46 DP08 U1BC44 GND CP19 1000/10v RP36 10k M-GND QD01 LB1641 1 GND 2 DRIVE 3 0.7V 4 VREF 5 CONT+ 6 CONT- 7 VCC 8 VCC 9 0.7V 10 DRIVE RD01 220 RD02 2.7k RD03 4.7 1/2W CD01 0.1 CD02 0.01 CD03 0.01 CD04 0.01 CD05 220/16V GND GND GND GND GND JP07 26 M+6V 25 M+6V 24 M-GND 23 M-GND 22 SW+12V 21 GND 20 SW+12V 19 GND 18 GND 17 SW+5V 16 SW+5V 15 SW+5V 14 SW+3.4V 2 M-FWD 13 SW+3.4V 1 P-MUTE 12 SW+3.4V 11 SW+3.4V 10 GND 9 GND 8 GND 7 GND 6 GND 5 E+5V 4 STB_CTL 3 M-REW GND M-GND JP10 2S-770T-210 1 2 GND JD01 1 -12V 2 DRIVE2 3 DRIVE1 4 M_GND M-GND LP03 15uH CP30 1000/16V RP48 4.7k RP54 4.7K GND RP47 4.7k GND QP19 DTC114EU GND QP18 2SB1185 CP29 1000/16v DP20 EK19 RP51 4.7K RP50 10k DP18 SFPL52 GND CP28 220/25V DP17 MA8056L 5.6V FP06 T800mA 250V RP53 4.7K QP08 SI-3050C 3 1 2 5 4 QP07 SI3033C 3 1 2 5 4 GND RP30 15k FP07 T250mA 250V GND RP57 10K JP01 YKE31-0129 JP11 1 2 QP17 DTC114EU RD04 430 RD05 NC RD06 NC GND JP03 BLUE JP02 BROWN TO DVDM CN110 AC OUTLET TO PJ01 J105 4(A-1) AC OUTLET PS03 N1S ONLY MAIN SWITCH PS02 WG404K1030 WG404K1040 WG404K1050 PS01 11.4V 10.3V 9.7V 1.2V 0.6V 0.02V 5.5V 6.7V 7.5V 5.8V -13.6V 6.2V QD01 PIN NO. 1 0V 2 0.5V 3 0.7V 4 1.7V 5 0V 6 0V 7 12.4V 8 12.4V 9 0.7V 10 0.5V 4.9V 4.5V 3.3V 4.8V 4.9V 5.7V 11.1V 11.1V 10.4V 6.1V 5.4V 6.0V 12.5V 12.5V 11.8V -13.8V 0.03V 0.03V 0.03V 1 2 3 4 5.2V 4.1V 4.1V 19 20 22 21 PF01 PJ01 QF04 QF07 QF05 QF16 QF15 QF02 QF08 QF03 QF10 QF09 QF06 QV01 QV02 Q284 QV05 QV03 QV04 QV06 Q391 Q282 Q281 Q251 Q283 Q234 Q232 Q233 Q231 Q306 Q304 Q360 Q201 Q355 Q305 Q303 Q352 Q358 Q354 Q357 Q353 Q359 Q356 Q302 Q441 Q451 Q501 Q551 Q351 Q401 Q111 Q301 Q503 Q502 24 23 QP08 QP07 QP10 QP09 QP12 QP19 QP16 QP18 QP15 QP14 QP04 QP17 QP13 QP03 QP01 QD01 Q801 Q802 Q804 Q803 Q806 Q807 Q808 Q812 QF11 QF12 QF13 QF14 Q809 QP11 PS01 PC01 N1S ONLY PS03 N1S ONLY PF02 PF03 PF04 PF05 PS02 9. SERVICE MODE 26 25 10. WAVEFORM Power requirements (Refer the circuitdiagram page 19 and 20) 1 2 3 4 100V 10usec 10V 10usec 0.1V 10usec 50mV 10usec Press Press Press Press Press DV2100/N1S-----EURO 2 DV2100/C1S ----- ASIA 3 Press Press Press Pressand Canceling the Service Mode The Service Mode is canceled by turning the power off. Presswhile pressing and “ SERVICE_1” is displayed STANDBY LED Light on RED “ STB_LED” is displayed STANDBY LED Light on GREEN “ POWER_LED” is displayed All parts of LCD is turned on Each Segment is displayed one by one Check of key When key is depressed,key name is displayed Version of Front -COM is displayed “ VER ” is displayed Product version is displayed EURO 2 MS code is displayed MSO 2 Gear pulley Move the screwdriver this way. Bottom of DV2100 Removed this leg. Front panel 27 11. REMOVE THE DVD MECHANISM Taking the disk out for EMERGENCY. (For example: when it is not possible to turn on the product. The disc can not be taken out from the loader.) 1. Remove the front left leg. (See Fig. 1) 2. The hole is visible under the leg. (See Fig. 2) 3. Insert a screwdriver (minus) into the hole. 4. Move a screwdriver from rear to front, and turn the gear pulley in the hole. (See Fig. 3) 5. then the tray is moved a little. Pull the tray with your hand at this time. Fig. 1 Fig. 2 Fig. 3 28 80 79 78 77 76 75 74 73 72 71 70 69 68 67 66 65 64 63 62 61 60 59 58 57 56 55 54 53 52 51 1 2 3 4 5 6 7 8 9 10 11 12 13 14 15 16 17 18 19 20 21 22 23 24 25 26 27 28 29 30 100 99 98 97 96 95 94 93 92 91 90 89 88 87 86 85 84 83 82 81 31 32 33 34 35 36 37 38 39 40 41 42 43 44 45 46 47 48 49 50 P20/A16 P21/A17 P22/A18 P23/A19 P24/A20 P25/A21 P26/A22 P27/A23 P30/ALE P31/RD VSS P32/WRL P33/WRH P34/HRQ P35/HAK P36/RDY P37/CLK P40/SCK P41/SOT P42/SIN P43/SCK1 P44/SOT1 VCC P45/SIN1 P46/ADTG P47/SCK0 C P50/SDA0/SOT0 P51/SCL0/SIN0 P52/SDA1 PA4/CKOT PA2 RST PA1/OUT3 PA0/OUT2 P97/PPG5 P96/PPG4 P95/PPG3 P94/PPG2 P93/PPG1 P92/PPG0 P91/OUT1 P92/OUT0 P87/IN3 P86/IN2 P85/IN1 P84/IN0 P83/TOT1 P82/TOT0 P81/TIN1 P80/TIN0 P77/IRQ7 P76/IRQ6 P75/IRQ5 P74/IRQ4 P73/IRQ3 P72/IRQ2 HST MD2 PA3 P17/AD15 P16/AD14 P15/AD13 P14/AD12 P13/AD11 P12/AD10 P11/AD09 P10/AD08 P07/AD07 P06/AD06 P05/AD05 P04/AD04 P03/AD03 P02/AD02 P01/AD01 P00/AD00 VCC X1 X0 VSS P53/SCL1 P54/SDA2 P55/SCL2 P60/AN0 P61/AN1 P62/AN2 P63/AN3 VSS P64/AN4 P65/AN5 P66/AN6 P67/AN7 P70/IRQ0 P71/IRQ1 MD0 MD1 AVCC AVRH AVRL AVSS 51 TAUX3 I CPU mode select Pull down 52 HST I Standby signal input Pull up 53 D_MOTOR_REV O Door control signal output (OPEN) H: Active 54 D_MOTOR_FWD O Door control signal output (CLOSE) H: Active 55 D_OPEN_SW I Door position detect (OPEN) L: Active 56 D_CLOSE_SW I Door position detect (CLOSE) L: Active 57 N.C. I 58 N.C. I 59 N.C. I 60 N.C. I 61 N.C. I 62 N.C. I 63 TTXD I Remote signal input 64 N.C. I 65 N.C. I 66 N.C. I 67 N.C. I 68 N.C. I 69 N.C. I 70 N.C. I 71 N.C. I 72 N.C. I 73 N.C. I 74 N.C. I 75 N.C. I 76 N.C. I 77 /TRES I Reset signal input L: Reset 78 N.C. I 79 N.C. I 80 N.C. I 81 GND GND 82 8MHz X’tal 8MHz Oscillator connecting 83 8MHz X’tal 8MHz Oscillator connecting 84 STB+5 -- Power supply 85 TAUX I Connect to Flash ROM writer 86 --- I CPU mode select Pull up 87 RST LCD LCD LCD O LCD driver reset signal L: Reset 88 _/WR O Read/Write control signal to LCD driver L: Write 89 _/RD O Chip enable to LCD driver L: Active 90 O LCD driver mode select 91 N.C. AO I 92 N.C. I 93 D0 I/O Display data for LCD driver 94 D1 I/O Display data for LCD driver 95 D2 I/O Display data for LCD driver 96 D3 I/O Display data for LCD driver 97 D4 I/O Display data for LCD driver 98 D5 I/O Display data for LCD driver 99 D6 I/O Display data for LCD driver 100 D7 I/O Display data for LCD driver Pin PORT NAME I/O FUNCTION Pin PORT NAME I/O FUNCTION 1 LCD_DIM O LCD backlight dimmer control 2 LCD_BL O LCD backlight ON/OFF control 3 POWER_LED O Power ON LED control H: ON 4 STB_LED O Standby LED control H: ON 5 SYS_SW I Bus select SW H: System bus 6 SYS_MUTE O System mute L: Mute 7 STB_MUTE O Standby mute L: Mute 8 DVD/THROUGH O Line out select H: DVD, L: Through 9 N.C. I 10 N.C. I 11 GND GND 12 N.C. I 13 N.C. I 14 XRESET O Reset signal for Mecha unit L: Reset 15 XREADY O Communication handshake line for Mecha unit L: Reset 16 POWER_ON O Power control H: ON 17 N.C. I 18 TCK I/O Connect to Flash ROM writer 19 SYS_OUTTRXD O Connect to Flash ROM writer 20 SYS_INTTXD I Connect to Flash ROM writer 21 S_CLK O Serial clock output for Mecha unit 22 S_IN O Serial data output for Mecha unit 23 STB+5 -- Power supply 24 SOUT I Serial data input from Mecha unit 25 N.C. I 26 N.C. I 27 C 28 ROM_SDA I/O Serial data input/output for EEPROM (I2C) 29 ROM_SCL O Serial clock output for EEPROM (I2C) 30 N.C. I 31 N.C. I 32 N.C. I 33 N.C. I 34 STB+5 -- Power supply 35 STB+5 -- Power supply 36 GND GND 37 GND GND 38 KEY_IN_0 I Key scan input 39 KEY_IN_1 Key scan input 40 KEY_IN_2 Key scan input 41 VERSION I I I Destination setting 42 GND GND 43 MODEL GND 44 N.C. I I 45 N.C. I 46 N.C. I 47 LT Communication response signal input from Mecha unit 48 N.C. O 49 TMODE I I CPU mode select Pull up 50 MD1 I CPU mode select Pull up PIN CONFIGURATION QF02 : MB9055A PIN FUNCTION 12. IC DATA 29 BLOCK DIAGRAM Q501:YSS912C CPO XO XI SDOB0 SDOB1 SDOB2 SDWCK1 SDBCK1 OPORT0 7 IPORT0 7 SO SI SCK /CS OVFB RAMA0 16 RAMOEN RAMWEN RAMCEN RAMD0 7 SDIB2 SDIB1 SDIB0 SDOA2 SDOA1 SDOA0 Delay RAM SDIASEL SDIA1 SDIA0 SDWCK0 SDBCK0 /SDBCK0 /CSB SCK SI SDOACKSEL SDIBCKSEL SDOBCKSEL Operating clock (30MHz) CRC ERAMUSE SDOB Interface 24 * 16 Sub DSP SDIB Interface SDOA Interface SDIBSEL SDIA Interface 24 * 24 Main DSP AC-3/Pro Logic/DTS Data RAM ExternalRAM Interface Coefficient / Program RAM STREAM 0 7 PLL L, R LS, RS C, LFE SDOB3 SDIB3 SURENC KARAOKE MUTE CRC AC3DATA DTSDATA NONPCM Input Buffer Decoder Microprocessor Interface Control Registers Control signals Control signals No. NAME I/O FUNCTION 1 VDD1 - +5V power supply (for I/Os) 2 RAMCEN O External SRAM Interface /CE 3 RAMA16 O External SRAM Interface address 16 4 RAMA15 O External SRAM Interface address 15 5 SDIB0 I+ PCM input 0 to Sub DSP 6 SDIB1 I+ PCM input 1 to Sub DSP 7 SDIB2 I+ PCM input 2 to Sub DSP 8 XI I Crystal oscillator connection or input external clock (12.288 MHz) 9 XO o Crystal oscillator connection 10 VSS - Ground 11 AVDD - +3.3V power supply (for PLL circuit) 12 SDIB3 I+ PCM input 3 to Sub DSP 13 TEST Test terminal (to be open in normal use) 14 TEST Test terminal (to be open in normal use) 15 OVFB O Detection of overflow at Sub DSP 16 DTSDATA O DTS data detection (Refer to "Status Register".) 17 AC3DATA O AC-3 data detection (Refer to "Status Register" .) 18 SDOB3 O PCM output from Sub DSP 19 CPO A Output terminal for PLL, to be connected to ground through the external analog filter circuit. (Refer to "External Circuit for PLL" .) 20 AVSS - Ground (for PLL circuit) 21 VDD2 - +3.3V power supply (for core logic) 22 SDOA2 o PCM output from Main DSP (C, LFE) 23 SDOA1 O PCM output from Main DSP (LS, RS) 24 SDOA0 O PCM output from Main DSP (L, R) 25 RAMA14 O External SRAM Interface address 14 26 RAMA13 O External SRAM Interface address 13 27 RAMA12 O External SRAM Interface address 12 28 RAMA11 O External SRAM Interface address 11 29 RAMA10 O External SRAM Interface address 10 30 VSS - Ground 31 VDD1 - +5V power supply (for I/Os) 32 OPORT0 O Output port for general purpose. (Refer to " OPORT Register") 33 OPORT1 O Output port for general purpose. (Refer to " OPORT Register") 34 OPORT2 O Output port for general purpose. (Refer to " OPORT Register") 35 OPORT3 O Output port for general purpose. (Refer to " OPORT Register") 36 OPORT4 O Output port for general purpose. (Refer to " OPORT Register") 37 OPORT5 O Output port for general purpose. (Refer to " OPORT Register") 38 OPORT6 O Output port for general purpose. (Refer to " OPORT Register") 39 OPORT7 O Output port for general purpose. (Refer to " OPORT Register") 40 VSS - Ground 41 VDD2 - +3.3V power supply (for core logic) 42 RAMA9 O External SRAM interface address 9 43 RAMA8 O External SRAM interface address 8 44 RAMA7 O External SRAM interface address 7 45 SDOB2 O PCM output from Sub DSP 46 SDOB1 O PCM output from Sub DSP 47 SDOB0 O PCM output from Sub DSP 48 SDBCK1 I+ Bit clock input for SDOA, SDIB, SDOB. (Refer to " SDOA, SDIB, SDOB Register") 49 SDWCK1 I+ Word clock input for SDOA, SDIB, SDOB. (Refer to " SDOA, SDIB, SDOB Register") 50 VSS - Ground No. NAME I/O FUNCTION 51 VDD2 - +3.3V power supply (for core logic) 52 NONPCM O Detection of non PCM data. (Refer to " Status Register") 53 CRC O Detection of AC-3 CRC error. (Refer to " Status Register") 54 MUTE O Detection of auto-mute. (Refer to " Status Register") 55 KARAOKE O Detection of AC-3 karaoke data. (Refer to " Status Register") 56 SURENC O Detection of AC-3 2/0 mode Dolby surround encoded input (Refer to " Status Register") 57 /SDBCK0 O Inverted SDBCKO clock output (refer to " Block diagram") 58 RAMA6 O External SRAM Interface address 6 59 RAMA5 O External SRAM Interface address 5 60 VSS - Ground 61 RAMA4 O External SRAM Interface address 4 62 /lC Is Initial clear 63 TEST Test terminal (to be open in normal use) 64 RAMA3 O External SRAM Interface address 3 65 /CSB Is+ Sub DSP Chip select 66 /CS Is Microprocessor interface Chip select 67 SO Ot Microprocessor interface Serial data output 68 SI Is Microprocessor interface/Sub DSP Serial data input 69 SCK Is Microprocessor interface/Sub DSP clock input 70 RAMA2 O External SRAM Interface address 2 71 VDD1 - +5V power supply (for I/Os) 72 RAMD0 I+/O External SRAM Interface data (STREAM 0 output when External SRAM is not in use) 73 RAMD1 I+/O External SRAM Interface data (STREAM 1 output when External SRAM is not in use) 74 RAMD2 I+/O External SRAM Interface data (STREAM 2 output when External SRAM is not in use) 75 RAMD3 I+/O External SRAM Interface data (STREAM 3 output when External SRAM is not in use) 76 RAMD4 I+/O External SRAM Interface data (STREAM 4 output when External SRAM is not in use) 77 RAMD5 I+/O External SRAM Interface data (STREAM 5 output when External SRAM is not in use) 78 RAMD6 I+/O External SRAM Interface data (STREAM 6 output when External SRAM is not in use) 79 RAMD7 I+/O External SRAM Interface data (STREAM 7 output when External SRAM is not in use) 80 VSS - Ground 81 VDD2 - +3.3V power supply (for core logic) 82 SDWCK0 I Word clock input for SDIA, SDOA, SDIB, SDOB (Refer to " SDIA, SDOA, SDIB, SDOB Register") 83 SDBCK0 I Bit clock input for SDIA SDOA SDIB SDOB (Refer to " SDIA, SDOA, SDIB, SDOB Register") 84 SDIA0 I AC-3/DTS bitstream (or PCM) data input for Main DSP (Refer to " SDIA Register") 85 SDIA1 I AC-3/DTS bitstream (or PCM) data input for Main DSP (Refer to " SDIA Register") 86 RAMA1 O External SRAM Interface address 1 87 RAMA0 O External SRAM Interface address 0 88 RAMWEN O External SRAM Interface /WE 89 RAMOEN O External SRAM Interface /OE 90 VSS - Ground 91 VDD2 - +3.3V power supply (for core logic) 92 IPORT7 I+ Input port for general purpose (Refer to " IPORT Register") 93 IPORT6 I+ Input port for general purpose (Refer to " IPORT Register") 94 IPORT5 I+ Input port for general purpose (Refer to " IPORT Register") 95 IPORT4 I+ Input port for general purpose (Refer to " IPORT Register") 96 IPORT3 I+ Input port for general purpose (Refer to " IPORT Register") 97 IPORT2 I+ Input port for general purpose (Refer to " IPORT Register") 98 IPORT1 I+ Input port for general purpose (Refer to " IPORT Register") 99 IPORT0 I+ Input port for general purpose (Refer to " IPORT Register") 100 VSS Ground Note ) Is : Schmidt trigger input terminal I+ : Input terminal with a pull-up resistor O : Digital output terminal Ot : Tri-state digital output terminal A : Analog terminal PIN CONFIGURATION PIN FUNCTION VDD1 RAMCEN RAMA16 RAMA15 SDIB0 SDIB1 SDIB2 XI XO VSS AVDD SDIB3 TEST TEST AVSS VDD2 SDOA2 SDOA1 SDOA0 RAMA14 RAMA13 RAMA12 RAMA11 RAMA10 VSS VDD1 OPORT0 OPORT1 OPORT2 OPORT3 OPORT4 OPORT5 OPORT6 OPORT7 VSS VDD2 RAMA9 RAMA8 RAMA7 SDOB2 SDOB1 SDOB0 SDBCK1 SDWCK1 VSS SI SO VSS RAMD7 RAMD6 RAMD5 RAMD4 RAMD3 RAMD2 RAMD1 RAMD0 VDD1 RAMA2 SCK /CS /CSB RAMA3 TEST /IC RAMA4 VSS RAMA5 RAMA6 /SDBCK0 SURENC KARAOKE MUTE CRC NONPCM VDD2 VSS IPORT0 IPORT1 IPORT2 IPORT3 IPORT4 IPORT5 IPORT6 IPORT7 VDD2 VSS RAMOEN RAMWEN RAMA1 RAMA0 SDIA1 SDIA0 SDBCK0 SDWCK0 VDD2 1 2 3 4 5 6 7 8 9 10 11 12 13 14 15 16 17 18 19 20 21 22 23 24 25 26 27 28 29 30 31 32 33 34 35 36 37 38 39 40 41 42 43 44 45 46 47 48 49 50 51 52 53 54 55 56 57 58 59 60 61 62 63 64 65 66 67 68 69 70 71 72 73 74 75 76 77 78 79 80 82 83 84 85 86 87 88 89 90 91 92 93 94 95 96 97 98 99 100 81 CPO DTSDATA AC3DATA SDOB3 OVFB 30 VDDD VSSD BCK WS VOUT2P TEST2 DATAI12 INTERPOLATION FILTER DIGITAL INTERFACE CONTROL INTERFACE L3DATA VOUT1P L3MODE DAC DAC 6 Channel NOISE SHAPER VDDA VSSA VREF TEST3 VOLUME / MUTE / DE-EMPHASIS L3CLOCK DATAI34 DATAI56 VOUT4 VOUT3 DAC DAC VOUT6 VOUT5 DAC DAC SYSCLK STATIC TEST1 DS DEEM0 DEEM1 MUTE VOUT2N VOUT1N SYMBOL PIN DESCRIPTION VOUT3 1 channel 3 analog output VOUT4 2 channel 4 analog output VSSA 3 analog ground VOUT5 4 channel 5 analog output VOUT6 5 channel 6 analog output VDDA 6 analog power supply n.c. 7 not connected (reserved) TEST3 8 test output 3 STATIC 9 static mode / L3 mode switch BCK 10 bit clock WS 11 word select DATAI12 12 data input channel 1 and 2 DATAI34 13 data input channel 3 and 4 DATAI56 14 data input channel 5 and 6 n.c. 15 not connected (reserved) SYSCLK 16 system clock: 256fs, 384fs, 512fs,768fs L3MODE 17 L3 mode selection L3CLOCK 18 L3 clock input L3DATA 19 L3 data input VSSD 20 digital ground VDDD 21 digital power supply TEST2 22 test output 2 MUTE 23 static Mute control DEEM1 24 DEEM control 1 (static mode) DEEM0 25 L3 address select (L3 mode) / DEEM control 0 (static mode) DS 26 digital silence detect TEST1 27 test input 1 VOUT1P 28 channel 1 analog output P VOUT1N 29 channel 1 analog output N VREF 30 DAC reference voltage VOUT2N 31 channel 2 analog output N VOUT2P 32 channel 2 analog output P Pin configuration. 32 31 30 29 28 27 26 25 24 23 22 21 20 19 18 17 1 2 3 4 5 6 7 8 9 10 11 12 13 14 15 16 VOUT3 VOUT4 VSSA VOUT5 VOUT6 VDDA n.c. TEST3 STATIC BCK WS DATAI12 DATAI34 DATAI56 n.c. SYSCLK VOUT2P L3MODE L3CLOCK L3DATA VSSD VDDD TEST2 MUTE DEEM1 DEEM0 DS TEST1 VOUT1P VOUT1N VREF VOUT2N UDA1328 BLOCK DIAGRAM Q401:UDA1328T PIN CONFIGURATION PIN FUNCTION 31 32 Page Address I / O Buffer Line Decoder b0 b1 b2 b3 b4 b5 b6 b7 Line Counter Staet Line Register Displey Timing Generator Common SEG0~SEG60 COM0~COM15 Timing Generator Page Address Decoder RST D0~D7 A0 Instruction Decoder Reset MPU Interface Bus Holder Status Multiplexer Com. Address Register Com. Address Counter Culumn Decoder Display Data RAM Display Data Latch M/S FR OSC2 OSC2 Segment Driver VDD VSS V1 V2 V3 V4 V5 Common Driver VDD, V1. V4. V5 VDD, V2. V3. V5 2560 bit BF Register E (RD) R/W (RD) 25 1 26 50 SEG20 SEG21 SEG22 SEG23 SEG24 SEG25 SEG26 SEG27 SEG28 SEG29 SEG30 SEG31 SEG32 SEG33 SEG34 SEG35 SEG36 SEG37 SEG38 SEG39 SEG40 SEG41 SEG42 SEG43 SEG44 VSS D0 D1 D2 D3 D4 D5 D6 D7 VDD RST FR V5 V3 V2 M/S V4 V1 COM0 COM1 COM2 COM3 COM4 COM5 COM6 R/W (WR) E (RD) OSC2 OSC1 A0 SEG0 SEG1 SEG2 SEG3 SEG4 SEG5 SEG6 SEG7 SEG8 SEG9 SEG10 SEG11 SEG12 SEG13 SEG14 SEG15 SEG16 SEG17 SEG18 SEG19 COM7 COM8 COM9 COM10 COM11 COM12 COM13 COM14 COM15 SEG60 SEG59 SEG58 SEG57 SEG56 SEG55 SEG54 SEG53 SEG52 SEG51 SEG50 SEG49 SEG48 SEG47 SEG46 SEG45 51 75 NJU6450A 76 100 BLOCK DIAGRAM QF01:NJU6450A PIN CONFIGURATION PIN FUNCTION 33 34 13. EXPLODED VIEW AND PARTS LIST 5 1 2 8 3 X 8 ( A ) 0 1 6 B 0 2 2 B x 2 1 0 0 B 5 1 5 0 3 X 8 ( A ) 1 0 1 B 5 1 5 0 3 X 8 ( A ) 0 3 0 B P F 0 2 5 1 2 8 3 X 8 ( A ) 0 4 3 B 0 3 8 B 0 3 5 B P F 0 3 0 7 0 B 0 8 0 B 0 9 0 B 0 6 1 G 0 8 8 B 0 3 7 B x 2 x 1 x 1 x 1 x 1 3 x 5 5 0 3 6 B 5 1 2 8 3 X 8 ( A ) 0 4 5 B 0 4 4 B 0 2 5 B 5 1 2 7 3 X 8 ( K ) 5 1 2 8 3 X 8 ( A ) 5 1 1 0 3 X 6 ( A ) 5 1 1 0 3 X 6 ( A ) 5 1 2 7 3 X 8 ( K ) 5 1 2 8 3 X 8 ( A ) 0 6 0 G 5 1 2 7 3 X 8 ( K ) 5 1 2 7 3 X 8 ( K ) 9 0 1 G( C) ONLY 9 7 0 G 5 1 2 7 3 X 8 ( K ) 5 1 2 8 3 X 8 ( A ) P J 0 1 P C0 1 P S 0 1 P S 0 2 P S 0 3 P C0 1 5 1 2 8 3 x 8 ( A ) L 0 0 1 W0 0 1 J P 0 1 5 1 2 8 3 X 8 ( A ) L 0 0 4 L 0 0 3 L 0 0 2 T P 0 1 x 2 x 3 x 4 x 2 x 1 2 x 1 x 1 x 3 9 0 1 G( N) ONLY x 2 x 2 5 1 2 7 3 X 8 ( K ) x 1 2 9 7 0 G x 1 x 2 W0 0 1 0 3 2 B 1 2 0 G 5 1 2 8 3 X 8 ( A ) 0 0 1 M x 4 0 0 1 D 5 1 2 7 3 X 8 ( K ) 5 1 2 7 3 X 8 ( K ) 0 0 5 G 0 3 4 Gx 2 5 1 2 8 3 X 1 0 ( U) 5 1 2 8 3 X 8 ( A ) 0 0 6 Gx 2 0 0 1 G 0 0 5 G 5 1 2 8 3 X 8 ( A ) 1 1 0 G 1 1 2 G 5 1 2 8 3 X 8 ( A ) x 5 0 3 2 G 0 3 1 Gx 3 P F 0 5 5 1 2 7 3 X 8 ( K ) 9 6 5 G 0 3 5 Gx 2 x 2 x 2 x 2 x 1 x 4 x 1 0 3 0 G 0 0 9 Dx 2 5 1 2 8 3 X 8 ( A ) 0 6 3 G 5 1 5 0 3 X 8 ( A ) 5 1 2 8 3 X 8 ( M) 0 7 1 B 0 7 8 B 0 7 3 B WY 0 1 0 7 4 B 5 1 2 8 3 X 8 ( A ) 5 1 2 8 3 X 8 ( A ) 0 8 5 B 0 2 0 G P F 0 1 P F 0 4 x 8 x 1 x 1 x 1 0 0 1 C A S S Y . 0 6 8 B V F 0 1 ( 0 7 2 B ) ( 0 7 9 B ) ( 0 1 5 C) ( 0 0 9 C) ( 0 1 3 C) 5 1 5 7 2 X 6 ( U) ( 0 1 4 C) ( 0 1 7 C) ( 0 2 1 C) ( 0 0 7 C) ( 0 1 2 C) ( 0 1 0 C) ( 0 1 6 C) 5 1 8 2 1 . 7 X 2 ( U) ( 0 0 2 C) 0 0 1 C GE A R A S S Y . 04 1 B 500B 0 4 1 B 0 0 1 Z x 2 x 2 x 2 5 1 1 0 3 X 6 ( A ) MARK (A) (U) (E) MATERIAL / FI NISH STEEL / BL ACK SYMBOL STYL E PARTS NAME 5 1 1 0 +B. H . M. SCREW 5 1 2 7 +B. H . TAP TI TE SCREW( W/ ) 5 1 2 8 +B. H . TAP TI TE SCREW( B TYPE ) 5 1 5 0 +F. H . TAP TI TE SCREW( B TYPE ) 5 1 5 7 +P. H . TAP TI TE SCREW( S TYPE ) 5 1 8 2 +P. H . M. SCREW( MINUTE) (K) STEEL / NICKEL BRASS/ NICKEL STEEL / CHROMATE 35 POS. NO VERS. COLOR PART NO. (PCS) DESCRIPTION PART NO. (MJI) 016B 9965 000 08334 FRONT PANEL 404K248010 022B 4822 526 20213 MAGNET ASSY 271K305500 030B 9965 000 08335 BUTTON OPERATION 404K270020 032B 9965 000 08336 TRY ESCUTCHEON 404K063010 035B 9965 000 08205 STANDBY BUTTON 327J270010 036B 9965 000 08206 STANDBY BUTTON LENS 327J355010 037B 9965 000 08337 OPEN/CLOSE BUTTON 404K270030 038B 9965 000 08208 OPEN/CLOSE BUTTON LENS 327J355020 041B 9965 000 08209 SCREW FOR DOOR 327J010110 070B 9965 000 08210 WINDOW 399K158010 074B 9965 000 08338 LCD COVER 399K053010 078B 9965 000 08339 LD INTRODUCER ASSY 399K151500 080B 9965 000 08211 IR LENS FOR FRONT PANEL 327J355030 088B 9965 000 08212 BADGE 327J251110 090B 9965 000 08340 POWER BUTTON 404K270010 100B 9965 000 08215 SIDE BUSHING R 327J259010 101B 9965 000 08216 SIDE BUSHING L 327J259020 500B 9965 000 08333 ESCUTCHEONDOOR PANEL ASSY 404K063500 001C 4822 522 33389 GEAR ASSY 446T058500 007C 4822 404 21283 LEVER 446T354010 008C 9965 000 00694 D.C MOTOR ASSY *MM000630R 009C 4822 361 11027 D.C,MOTOR MM00200010 012C 4822 528 40363 PULLEY 446T262020 013C 4822 358 31264 BELT 446T264010 014C 4822 522 33388 GEAR 446T058010 015C 4822 492 33411 SPRING 446T115010 016C 4822 271 30768 MINI LEAF SW SM01011530 017C 4822 462 71954 STOPPER WASHER 204K114210 005G 9965 000 08217 LEG FRONT 271K057270 006G 9965 000 08218 LEG REAR 271K057280 060G 9965 000 08341 POWER BUTTON LINK 404K121010 061G 9965 000 08342 SHAFT POWER BUTTON 404K112010 110G 9965 000 01079 IR LENS MAIN CHASSIS BOTTOM 282J355020 001M DVD MECHANISM (DB-VLD101) 404K304500 W001 C MAINS CORD 3A 250V ZC02009020 W001 N 4822 321 11211 MAINS CORD 250V 2.5A ZC02003150 PC01 C DVD PCB MODULE ASSY DVD PCB MODULE ASSY DB-VPB220 DB-VPB221 ZK404K0220 ZK404K0210 PC01 N 9965 000 10316 PACKING 001T C USER GUIDE DV2100 404K851350 001T N 9965 000 08343 USER GUIDE DV2100 EURO 404K851310 001Z 9965 000 08373 REMOTE CONTROLLER RC2100DV ZK404K0010 NOT STANDARD SPARE PARTS 001S PACKING CASE 404K801010 002S CUSHION L SIDE 399K809010 003S CUSHION R SIDE 399K809020 013S CUSHION FOR SET TOP SIDE 327J809110 NOTE : "nsp" PART IS LISTED FOR REFERENCE ONLY, MARANTZ WILL NOT SUPPLY THESE PARTS. ASSIGNMENT OF COMMON PARTS CODES. RESISTORS R 1) GD05 x x x 140, Carbon film fixed resistor, 5% 1/4W R 2) GD05 x x x 160, Carbon film fixed resistor, 5% 1/6W 1 Resistance value Examples 1 Resistance value 0.1 ..... 001 10 ......100 1k ......102 100k ...... 104 0.5 ..... 005 18 ......180 2.7k ......272 680k ...... 684 1 ..... 010 100 ......101 10k ......103 1M ...... 105 6.8 ..... 068 390 ......391 22k ......223 4.7M ...... 475 Note : Please distinguish 1/4W from 1/6W by the shape of parts used actually. CAPACITORS C : CERAMIC CAP. 3) DD1 x x x x 370, Ceramic capacitor Disc type Temp.coeff. P350~N1000, 50V 3 Capacity value 2 Tolerance Examples 2 Tolerance (Capacity deviation) 0.25 pF ....... 0 0.5 pF ....... 1 5 % ....... 5 Tolerance of COMMON PARTS handled here are as follows : 0.5 pF - 5 pF ....... 0.25 pF 6 pF - 10 pF ..... 0.5 pF 12 pF - 560 pF ... 5 % 3 Capacity value 0.5 pF .... 005 3 pF ..... 030 100 pF ..... 101 1 pF .... 010 10 pF ..... 100 220 pF ..... 221 1.5 pF .... 015 47 pF ..... 470 560 pF ..... 561 C : CERAMIC CAP. 4) DK16 x x x 300, High dielectric constant ceramic capacitor Disc type Temp.chara. 2B4, 50V 4 Capacity value Examples 4 Capacity value 100 pF .....101 1000 pF .... 102 10000 pF .... 103 470 pF .....471 2200 pF .... 222 C : 5) ELECTROLY CAP.( ), 6)FILM CAP ( ) 5) EA x x x x x x 10, Electrolytic capacitor One-way lead type,Tolerance 20% 6 Working voltage 5 Capacity value Examples 5 Capacity value 0.1 F .... 104 4.7 F .... 475 100 F ..... 107 0.33 F .... 334 10 F .... 106 330 F ..... 337 1 F .... 105 22 F .... 226 1100 F ..... 118 2200 F .... 228 6 Working voltage 6.3 V ...... 006 25 V ..... 025 10 V ...... 010 35 V ..... 035 16 V ...... 016 50 V ..... 050 6) DF15 x x x 350 Plastic film capacitor DF15 x x x 310 One-way type, Mylar 5% 50V DF16 x x x 310 Plastic film capacitor One-way type, Mylar 10% 50V 7 Capacity value Examples 7 Capacity value 0.001 F (1000 pF) ...... 102 0.1 F......104 0.0018 F........................ 182 0.56 F......564 0.01 F........................ 103 1 F......105 0.015 F........................ 153 1) The above CODES(R ,R ,C ,C and C ) are omitted on the schematic diagram in some case. 2) On the occasion, be confirmed the common parts on the parts list. 3) Refer to “Common Parts List” for the other common parts(Rl05, DD4, DK4). NOTE NOTE ON SAFETY: Symbol Fire or electrical shock hazard. Only original parts should be used to replaced any part marked with symbol Any other component substitution ( other than original type), may increase risk of fire or electrical shock hazard. 990521 A.O NOTE ON SAFETY FOR FUSIBLE RESISTOR : The suppliers and their type numbers of fusible resistors are as follows ; 1 . KOA Corporation Part No.(MJI) Type No.(KOA) Description NH05 x x x 140 RF25S x x x x J J J J 5% (1/4W) NH05 x x x 120 RF50S x x x x 5% (1/2W) NH85 x x x 110 RF73B2A x x x x 5% (1/10W) NH95 x x x 140 RF73B2E x x x x 5% (1/4W) Resistance value Resistance value(0.1 - 10k ) 2. Matsushita Electronic Components Co., Ltd Part No.(MJI) Type No.(MEC) Description NF05 x x x 140 ERD-2FCJ x x x ( 5% 1/4W) RF05 x x x 140 NF02 x x x 140 ERD-2FCG x x x ( 2% 1/4W) RF02 x x x 140 Resistance value Examples Resistance value 0.1 ..... 001 10 ..... 100 1k ..... 102 100k ..... 104 0.5 ..... 005 18 ..... 180 2.7k ..... 272 680k ..... 684 1 ..... 010 100 ..... 101 10k ..... 103 1M ..... 105 6.8 ..... 068 390 ..... 391 22k ..... 223 4.7M ..... 475 ABBREVIATION AND MARKS ANT. : ANTENNA BATT. : BATTERY CAP. : CAPACITOR CER. : CERAMIC CONN. : CONNECTING DIG. : DIGITAL HP : HEADPHONE MIC. : MICROPHONE -PRO : MICROPROCESSOR REC. : RECORDING RES. : RESISTOR SPK : SPEAKER SW : SWITCH TRANSF. : TRANSFORMER TRIM. : TRIMMING TRS. : TRANSISTOR VAR. : VARIABLE X’ TAL : CRYSTAL : : 36 14. ELECTRICAL PARTS LIST POS. NO VERS. COLOR PART NO. (PCS) DESCRIPTION PART NO. (MJI) POS. NO VERS. COLOR PART NO. (PCS) DESCRIPTION PART NO. (MJI) PC01-SCART CIRCUIT BOARD PC01-CAPACITORS C801 N 4822 124 41539 ELECT 47 F M 16V OA47601620 C803 N 4822 124 22275 ELECT 47 F M 10V OA47601020 C805 N 4822 124 22275 ELECT 47 F M 10V OA47601020 C807 N 4822 126 11687 CER. 0.1 F +80 -20% 25V F DK98104200 C808 N 4822 126 11687 CER. 0.1 F +80 -20% 25V F DK98104200 C809 N 4822 124 90353 ELECT 100 F M 10V OA10701020 C812 N 4822 126 11687 CER. 0.1 F +80 -20% 25V F DK98104200 C813 N 4822 126 11687 CER. 0.1 F +80 -20% 25V F DK98104200 C814 N 4822 126 11687 CER. 0.1 F +80 -20% 25V F DK98104200 C815 N 4822 124 90353 ELECT 100 F M 10V OA10701020 C817 N 4822 124 90353 ELECT 100 F M 10V OA10701020 C819 N 4822 126 11687 CER. 0.1 F +80 -20% 25V F DK98104200 C821 N 4822 126 11687 CER. 0.1 F +80 -20% 25V F DK98104200 C822 N 4822 126 11687 CER. 0.1 F +80 -20% 25V F DK98104200 C823 N 4822 126 11687 CER. 0.1 F +80 -20% 25V F DK98104200 C824 N 4822 124 90371 ELECT 470 F M 10V OA47701020 C826 N 4822 126 11687 CER. 0.1 F +80 -20% 25V F DK98104200 C828 N 4822 126 11687 CER. 0.1 F +80 -20% 25V F DK98104200 C950 N 4822 126 13395 CER. 390pF 10 % B 50V DK96391300 C951 N 4822 126 13395 CER. 390pF 10 % B 50V DK96391300 C952 N 4822 126 11687 CER. 0.1 F +80 -20% 25V F DK98104200 PC01-RESISTORS CHIP R801 N 4822 051 30101 100 5% 1/16W NN05101610 R802 N 4822 051 30392 3.9k 5% 1/16W NN05392610 R803 N 4822 051 30152 1.5k 5% 1/16W NN05152610 R804 N 4822 051 30479 47 5% 1/16W NN05470610 R805 N 4822 051 30399 39 5% 1/16W NN05390610 R806 N 4822 051 30339 33 5% 1/16W NN05330610 R808 N 4822 051 30472 4.7k 5% 1/16W NN05472610 R809 N 4822 051 30472 4.7k 5% 1/16W NN05472610 R812 N 4822 051 30471 470 5% 1/16W NN05471610 R816 N 4822 051 30563 56k 5% 1/16W NN05563610 R817 N 4822 051 30101 100 5% 1/16W NN05101610 R818 N 4822 051 30392 3.9k 5% 1/16W NN05392610 R819 N 4822 051 30152 1.5k 5% 1/16W NN05152610 R820 N 4822 051 30479 47 5% 1/16W NN05470610 R821 N 4822 051 30399 39 5% 1/16W NN05390610 R822 N 4822 051 30339 33 5% 1/16W NN05330610 R823 N 4822 051 30399 39 5% 1/16W NN05390610 R824 N 4822 051 30339 33 5% 1/16W NN05330610 R827 N 4822 116 83207 1.2k 5% 1/16W NN05122610 R828 N 4822 051 30103 10k 5% 1/16W NN05103610 R831 N 4822 051 30399 39 5% 1/16W NN05390610 R832 N 4822 051 30339 33 5% 1/16W NN05330610 R833 N 4822 116 82487 0 5% 1/16W NN05000610 R834 N 4822 051 30399 39 5% 1/16W NN05390610 R835 N 4822 051 30339 33 5% 1/16W NN05330610 R836 N 4822 116 82487 0 5% 1/16W NN05000610 R950 N 4822 051 30221 220 5% 1/16W NN05221610 R951 N 4822 051 30221 220 5% 1/16W NN05221610 R952 N 4822 116 82487 0 5% 1/16W NN05000610 PC01-SEMICONDUCTORS D802 N 9965 000 07632 CHIP DIODE ZENER MA8056L 5.6V HZ30007020 D803 N 9965 000 07632 CHIP DIODE ZENER MA8056L 5.6V HZ30007020 Q801 N 4822 130 60669 CHIP TRS. 2SC4081(Q R) 2SC4116(Y GR) HX300012A0 Q802 N 4822 130 60669 CHIP TRS. 2SC4081(Q R) 2SC4116(Y GR) HX300012A0 Q803 N 4822 130 60669 CHIP TRS. 2SC4081(Q R) 2SC4116(Y GR) HX300012A0 Q804 N 4822 130 61906 SEMICON.COMP DTC114EU BA20035210 Q806 N 4822 130 60669 CHIP TRS. 2SC4081(Q R) 2SC4116(Y GR) HX300012A0 Q807 N 4822 130 60669 CHIP TRS. 2SC4081(Q R) 2SC4116(Y GR) HX300012A0 Q808 N 4822 130 61906 SEMICON.COMP DTC114EU BA20035210 Q809 N 4822 130 10698 CHIP TRS. 2SA1586 (Y GR) 2SA1576A (Q R) HX100012A0 Q812 N 9965 000 08367 IC MM1507XNRE HC10085550 PC01-MISCELLANEOUS F801 N 9965 000 04998 EMI FILTER NFM41R01C221 FM31221020 F806 F950 N 9965 000 04998 EMI FILTER NFM41R01C221 FM31221020 F951 N 9965 000 04998 EMI FILTER NFM41R01C221 FM31221020 J801 N 9965 000 08365 JACK 19FMN-BMTTN-TFT YJ07014250 J802 N 9965 000 08366 TERMINAL YKF41-5040 YT02210070 L801 N 4822 157 60445 CHOKE COIL 15 H J% LC11533900 L802 N 4822 157 60445 CHOKE COIL 15 H J% LC11533900 L803 N 4822 157 60445 CHOKE COIL 15 H J% LC11533900 PF01-FRONT CIRCUIT BOARD PF01-CAPACITORS CF02 4822 126 11687 CER. 0.1 F +80 -20% 25V F DK98104200 CF03 4822 124 23056 ELECT 47 F 10V EJ47601010 CF04 4822 124 23056 ELECT 47 F 10V EJ47601010 CF05 4822 126 11687 CER. 0.1 F +80 -20% 25V F DK98104200 CF09 4822 124 23056 ELECT 47 F 10V EJ47601010 CF10 4822 126 11687 CER. 0.1 F +80 -20% 25V F DK98104200 CF13 4822 126 11687 CER. 0.1 F +80 -20% 25V F DK98104200 CF18 CF19 9965 000 01912 CER. 0.047 F +80 -20% 50V F DK98473300 CF23 4822 126 11687 CER. 0.1 F +80 -20% 25V F DK98104200 PF01-RESISTORS CHIP RF01 4822 051 30471 470 5% 1/16W NN05471610 RF02 4822 051 30102 1k 5% 1/16W NN05102610 RF06 RF10 4822 051 30101 100 5% 1/16W NN05101610 RF15 RF17 4822 051 30331 330 5% 1/16W NN05331610 RF19 4822 051 30103 10k 5% 1/16W NN05103610 RF20 4822 051 30101 100 5% 1/16W NN05101610 RF21 4822 051 30103 10k 5% 1/16W NN05103610 RF22 4822 051 30101 100 5% 1/16W NN05101610 RF23 4822 051 30103 10k 5% 1/16W NN05103610 RF25 4822 051 30473 47k 5% 1/16W NN05473610 RF26 4822 116 82487 0 5% 1/16W NN05000610 RF27 4822 051 30472 4.7k 5% 1/16W NN05472610 RF29 4822 051 30101 100 5% 1/16W NN05101610 RF31 4822 116 82487 0 5% 1/16W NN05000610 RF32 4822 116 82487 0 5% 1/16W NN05000610 RF33 C 12k 5% 1/16W NN05123610 RF33 N 4822 116 82487 0 5% 1/16W NN05000610 RF35 C 4822 051 30103 10k 5% 1/16W NN05103610 RF36 4822 051 30103 10k 5% 1/16W NN05103610 RF37 4822 051 30103 10k 5% 1/16W NN05103610 RF38 4822 116 82487 0 5% 1/16W NN05000610 RF39 4822 051 30563 56k 5% 1/16W NN05563610 RF40 4822 116 83819 18k 5% 1/16W NN05183610 RF41 4822 051 30103 10k 5% 1/16W NN05103610 RF42 4822 116 83215 5.6k 5% 1/16W NN05562610 NOTE : "nsp" PART IS LISTED FOR REFERENCE ONLY, MARANTZ WILL NOT SUPPLY THESE PARTS. 37 POS. NO VERS. COLOR PART NO. (PCS) DESCRIPTION PART NO. (MJI) POS. NO VERS. COLOR PART NO. (PCS) DESCRIPTION PART NO. (MJI) RF43 4822 051 30223 22k 5% 1/16W NN05223610 RF44 4822 116 83819 18k 5% 1/16W NN05183610 RF45 4822 051 30103 10k 5% 1/16W NN05103610 RF46 4822 116 83215 5.6k 5% 1/16W NN05562610 RF47 4822 051 30223 22k 5% 1/16W NN05223610 RF48 4822 051 30563 56k 5% 1/16W NN05563610 RF49 4822 051 30333 33k 5% 1/16W NN05333610 RF50 4822 051 30223 22k 5% 1/16W NN05223610 RF51 4822 051 30103 10k 5% 1/16W NN05103610 RF52 4822 051 30103 10k 5% 1/16W NN05103610 RF53 4822 051 30473 47k 5% 1/16W NN05473610 RF54 4822 051 30101 100 5% 1/16W NN05101610 RF58 RF65 4822 116 82487 0 5% 1/16W NN05000610 RF78 RF80 4822 051 30105 1M 5% 1/16W NN05105610 RF82 4822 051 30103 10k 5% 1/16W NN05103610 RF83 4822 051 30103 10k 5% 1/16W NN05103610 RF85 4822 051 30102 1k 5% 1/16W NN05102610 RF86 4822 051 30102 1k 5% 1/16W NN05102610 RF87 4822 051 30102 1k 5% 1/16W NN05102610 PF01-SEMICONDUCTORS DF01 4822 130 83715 CHIP DIODE 1SS301 DAN202U HZ21005000 DF02 9965 000 08222 L.E.D. NSCW100 HI10002980 DF05 QF01 9965 000 08223 IC NJU6450A HC10215090 QF02 9965 000 08358 IC PROGRAMMED MICROPROCESSOR *HU100470R QF04 5322 209 13487 IC TC7W14FU HC10442050 QF05 9965 000 08235 IC AT24C04N-10SI-2.5 HC10033990 QF06 4822 130 61903 SEMICON.COMP DTA114EUA BA10026210 QF07 4822 130 10698 CHIP TRS. 2SA1586(Y GR) 2SA1576A(Q R) HX100012A0 QF08 4822 209 15921 IC S-806D-Z RESET IC HC10077530 QF09 9965 000 08224 SEMICON.COMP DTC323TU BA20080210 QF10 9965 000 08224 SEMICON.COMP DTC323TU BA20080210 QF15 4822 130 61903 SEMICON.COMP DTA114EUA BA10026210 QF16 4822 130 61903 SEMICON.COMP DTA114EUA BA10026210 PF01-MISCELLANEOUS FF01 4822 157 11499 BLM11P600SPT FN31010060 FF02 4822 157 11499 BLM11P600SPT FN31010060 JF01 9965 000 08356 JACK 10FMN-STK YJ07026140 JF03 9965 000 08357 JACK 15FMN-BTK YJ07026120 SF01 4822 276 14009 PUSH SWITCH SKQNAE SP01013310 SF08 SF09 9965 000 08359 SLIDE SWITCH SSSS822101 SS02021660 VF01 9965 000 08225 DISPLAY UNIT HLC7599-016600 HQ21202800 XF01 9965 000 08360 CERAMIC VIB. CST0800MG6 8MHz 5% FQ08004080 PF02-DOOR CIRCUIT BOARD SF10 4822 276 14009 PUSH SWITCH SKQNAE SP01013310 PF03-LED CIRCUIT BOARD PF03-RESISTORS RF59 4822 051 30221 220 5% 1/16W NN05221610 RF60 4822 051 30181 180 5% 1/16W NN05181610 PF03-SEMICONDUCTORS DF06 4822 130 70023 L.E.D. SML-020MVT HI10096210 QF11 9965 000 01659 SEMICON.COMP DTC114TE BA20066210 QF12 9965 000 01659 SEMICON.COMP DTC114TE BA20066210 PF03-MISCELLANEOUS SF11 4822 276 14009 PUSH SWITCH SKQNAE SP01013310 PF04-RC LEFT CIRCUIT BOARD PF04-CAPACITORS CF24 4822 126 11687 CER 0.1 F +80 -20% 25V DK98104200 CF25 4822 124 21894 ELECT 10 F 16V EJ10601610 PF04-RESISTORS CHIP RF61 4822 051 30101 100 5% 1/16W NN05101610 RF62 4822 051 30101 100 % 1/16W NN05101610 PF04-SEMICONDUCTOR QF13 4822 130 11494 PHOTO UNIT RPM6936-V4 HW10004210 PF05-RC CENTER CIRCUIT BOARD PF05-CAPACITORS CF26 4822 126 11687 CER 0.1 F +80 -20% 25V DK98104200 CF27 4822 124 21894 ELECT 10 F 16V EJ10601610 PF05-RESISTORS CHIP RF63 4822 051 30101 100 5% 1/16W NN05101610 RF64 4822 051 30101 100 % 1/16W NN05101610 PF05-SEMICONDUCTOR QF14 4822 130 11515 PHOTO UNIT RPM6936 HW10005210 PJ01-JCK CIRCUIT BOARD PJ01-CAPACITORS CV01 4822 124 22571 ELECT 10 F M 50V OA10605020 CV02 4822 124 22571 ELECT 10 F M 50V OA10605020 CV06 4822 126 11687 CER. 0.1 F +80 -20% 25V F DK98104200 CV09 CV10 4822 124 90354 ELECT 100 F M 16V OA10701620 CV11 4822 126 11687 CER. 0.1 F +80 -20% 25V F DK98104200 CV12 4822 124 90354 ELECT 100 F M 16V OA10701620 CV13 4822 126 11687 CER. 0.1 F +80 -20% 25V F DK98104200 CV14 4822 124 90354 ELECT 100 F M 16V OA10701620 CV15 4822 126 11687 CER. 0.1 F +80 -20% 25V F DK98104200 CV16 4822 124 90371 ELECT 470 F M 10V OA47701020 CV18 4822 124 90371 ELECT 470 F M 10V OA47701020 CV20 4822 126 11687 CER. 0.1 F +80 -20% 25V F DK98104200 CV22 C 4822 124 90371 ELECT 470 F M 10V OA47701020 CV24 C 4822 124 90371 ELECT 470 F M 10V OA47701020 CV26 C 4822 124 90371 ELECT 470 F M 10V OA47701020 CV30 4822 126 11759 CER. 100pF 5 % 50V DD95101300 CV31 4822 126 11759 CER. 100pF 5 % 50V DD95101300 CV32 4822 126 11687 CER. 0.1 F +80 -20% 25V F DK98104200 CV41 4822 126 11687 CER. 0.1 F +80 -20% 25V F DK98104200 CV44 C111 4822 126 11703 CER. 0.01 F +80 -20% 50V F DK98103300 C112 4822 126 11687 CER. 0.1 F +80 -20% 25V F DK98104200 C113 4822 122 33777 CER. 47pF 5% 50V DD95470300 C114 4822 126 11685 CER. 4700pF 10% B 50V DK96472300 C115 4822 126 11704 CER. 0.022 F +80 -20% 50V F DK98223300 C121 4822 124 41539 ELECT 47 F M 16V OA47601620 C133 9965 000 08352 CER. 0.1 F +80 -20% 50V F DK98104300 C201 4822 124 23052 ELECT 100 F 16V EJ10701610 NOTE : "nsp" PART IS LISTED FOR REFERENCE ONLY, MARANTZ WILL NOT SUPPLY THESE PARTS. 38 POS. NO VERS. COLOR PART NO. (PCS) DESCRIPTION PART NO. (MJI) POS. NO VERS. COLOR PART NO. (PCS) DESCRIPTION PART NO. (MJI) C202 4822 124 23052 ELECT 100 F 16V EJ10701610 C203 4822 126 13883 CER. 220pF 5% 50V DD95221300 C204 4822 126 13883 CER. 220pF 5% 50V DD95221300 C205 4822 126 11671 CER. 33pF 5% 50V DD95330300 C206 4822 126 11671 CER. 33pF 5% 50V DD95330300 C207 4822 126 11687 CER. 0.1 F +80 -20% 25V F DK98104200 C209 4822 124 22571 ELECT 10 F M 50V OA10605020 C210 4822 124 22571 ELECT 10 F M 50V OA10605020 C213 4822 126 11759 CER. 100pF 5% 50V DD95101300 C214 4822 126 11759 CER. 100pF 5% 50V DD95101300 C221 4822 124 41539 ELECT 47 F M 16V OA47601620 C222 4822 126 11687 CER. 0.1 F +80 -20% 25V F DK98104200 C223 4822 124 41539 ELECT 47 F M 16V OA47601620 C224 4822 126 11687 CER. 0.1 F +80 -20% 25V F DK98104200 C225 9965 000 08352 CER. 0.1 F +80 -20% 50V F DK98104300 C251 4822 124 23052 ELECT 100 F 16V EJ10701610 C252 4822 124 23052 ELECT 100 F 16V EJ10701610 C253 4822 126 13883 CER. 220pF 5% 50V DD95221300 C255 4822 126 11671 CER. 33pF 5% 50V DD95330300 C256 9965 000 01912 CER. 0.047 F +80 -20% 50V F DK98473300 C257 4822 126 11687 CER. 0.1 F +80 -20% 25V F DK98104200 C259 4822 124 22571 ELECT 10 F M 50V OA10605020 C260 4822 124 90354 ELECT 100 F M 16V OA10701620 C263 4822 126 11759 CER. 100pF 5% 50V DD95101300 C264 4822 126 11759 CER. 100pF 5% 50V DD95101300 C265 9965 000 08352 CER. 0.1 F +80 -20% 50V F DK98104300 C301 4822 124 90354 ELECT 100 F M 16V OA10701620 C304 C305 4822 122 33785 CER. 680 F J 50V DD95680300 C306 4822 122 33785 CER. 680 F J 50V DD95680300 C307 4822 126 11671 CER. 33pF 5% 50V DD95330300 C308 4822 126 11671 CER. 33pF 5% 50V DD95330300 C309 4822 126 11687 CER. 0.1 F +80 -20% 25V F DK98104200 C310 4822 124 23056 ELECT 47 F 16V EJ47601610 C311 4822 126 11671 CER. 33pF 5% 50V DD95330300 C312 4822 126 11671 CER. 33pF 5% 50V DD95330300 C313 4822 126 11687 CER. 0.1 F +80 -20% 25V F DK98104200 C314 4822 124 23052 ELECT 100 F 16V EJ10701610 C315 4822 126 11687 CER. 0.1 F +80 -20% 25V F DK98104200 C316 4822 124 23056 ELECT 47 F 16V EJ47601610 C317 4822 126 11687 CER. 0.1 F +80 -20% 25V F DK98104200 C319 4822 124 90354 ELECT 100 F M 16V OA10701620 C320 4822 124 90354 ELECT 100 F M 16V OA10701620 C323 4822 126 11759 CER. 100pF 5% 50V DD95101300 C324 4822 126 11759 CER. 100pF 5% 50V DD95101300 C326 9965 000 08352 CER. 0.1 F +80 -20% 50V F DK98104300 C351 4822 126 11759 CER. 100pF 5% 50V DD95101300 C352 4822 126 11759 CER. 100pF 5% 50V DD95101300 C357 9965 000 08352 CER. 0.1 F +80 -20% 50V F DK98104300 C359 9965 000 08352 CER. 0.1 F +80 -20% 50V F DK98104300 C391 4822 126 11687 CER. 0.1 F +80 -20% 25V F DK98104200 C394 4822 124 90364 ELECT 220 F M 16V OA22701620 C395 4822 126 11687 CER. 0.1 F +80 -20% 25V F DK98104200 C401 4822 126 11687 CER. 0.1 F +80 -20% 25V F DK98104200 C402 4822 124 90353 ELECT 100 F M 10V OA10701020 C403 4822 126 11687 CER. 0.1 F +80 -20% 25V F DK98104200 C404 4822 126 11687 CER. 0.1 F +80 -20% 25V F DK98104200 C405 4822 124 90353 ELECT 100 F M 10V OA10701020 C406 4822 126 11687 CER. 0.1 F +80 -20% 25V F DK98104200 C407 4822 124 90353 ELECT 100 F M 10V OA10701020 C408 4822 126 11687 CER. 0.1 F +80 -20% 25V F DK98104200 C441 4822 126 11687 CER. 0.1 F +80 -20% 25V F DK98104200 C442 4822 126 11687 CER. 0.1 F +80 -20% 25V F DK98104200 C451 4822 126 11687 CER. 0.1 F +80 -20% 25V F DK98104200 C452 4822 126 11687 CER. 0.1 F +80 -20% 25V F DK98104200 C501 4822 126 11687 CER. 0.1 F +80 -20% 25V F DK98104200 C502 4822 124 90353 ELECT 100 F M 10V OA10701020 C503 4822 126 11687 CER. 0.1 F +80 -20% 25V F DK98104200 C504 4822 122 33761 CER. 22pF 5% 50V DD95220300 C505 4822 122 33761 CER. 22pF 5% 50V DD95220300 C506 4822 126 11687 CER. 0.1 F +80 -20% 25V F DK98104200 C507 4822 124 90353 ELECT 100 F M 10V OA10701020 C508 4822 126 11687 CER. 0.1 F +80 -20% 25V F DK98104200 C509 4822 121 42327 FILM 470pF J M 50V DF15471350 C510 4822 126 11687 CER. 0.1 F +80 -20% 25V F DK98104200 C511 4822 124 90353 ELECT 100 F M 10V OA10701020 C512 4822 126 11687 CER. 0.1 F +80 -20% 25V F DK98104200 C513 4822 126 11687 CER. 0.1 F +80 -20% 25V F DK98104200 C514 4822 124 90353 ELECT 100 F M 10V OA10701020 C515 4822 126 11687 CER. 0.1 F +80 -20% 25V F DK98104200 C516 4822 126 11687 CER. 0.1 F +80 -20% 25V F DK98104200 C517 4822 126 11687 CER. 0.1 F +80 -20% 25V F DK98104200 C518 4822 124 90353 ELECT 100 F M 10V OA10701020 C519 4822 126 11687 CER. 0.1 F +80 -20% 25V F DK98104200 C520 4822 126 11687 CER. 0.1 F +80 -20% 25V F DK98104200 C521 4822 124 90353 ELECT 100 F M 10V OA10701020 C522 4822 126 11687 CER. 0.1 F +80 -20% 25V F DK98104200 C525 C526 4822 124 90353 ELECT 100 F M 10V OA10701020 C527 4822 126 11687 CER. 0.1 F +80 -20% 25V F DK98104200 C528 4822 126 11687 CER. 0.1 F +80 -20% 25V F DK98104200 C529 4822 124 90353 ELECT 100 F M 10V OA10701020 C530 4822 126 11687 CER. 0.1 F +80 -20% 25V F DK98104200 C531 4822 126 11687 CER. 0.1 F +80 -20% 25V F DK98104200 C532 4822 124 90353 ELECT 100 F M 10V OA10701020 C533 4822 126 11687 CER. 0.1 F +80 -20% 25V F DK98104200 C551 4822 126 11687 CER. 0.1 F +80 -20% 25V F DK98104200 C552 4822 126 11687 CER. 0.1 F +80 -20% 25V F DK98104200 C601 4822 126 11687 CER. 0.1 F +80 -20% 25V F DK98104200 C602 4822 126 11687 CER. 0.1 F +80 -20% 25V F DK98104200 C603 4822 126 11687 CER. 0.1 F +80 -20% 25V F DK98104200 C604 4822 124 90354 ELECT 100 F M 16V OA10701620 PJ01-RESISTORS RV04 4822 051 30221 CHIP 220 5% 1/16W NN05221610 RV05 4822 051 30221 CHIP 220 5% 1/16W NN05221610 RV06 C 4822 116 82487 CHIP 0 5% 1/16W NN05000610 RV07 N 4822 116 82487 CHIP 0 5% 1/16W NN05000610 RV08 4822 051 30339 CHIP 33 5% 1/16W NN05330610 RV11 RV12 4822 051 30103 CHIP 10k 5% 1/16W NN05103610 RV13 4822 051 30339 CHIP 33 5% 1/16W NN05330610 RV14 4822 051 30339 CHIP 33 5% 1/16W NN05330610 RV15 C 4822 051 30339 CHIP 33 5% 1/16W NN05330610 RV18 RV20 C 4822 051 30339 CHIP 33 5% 1/16W NN05330610 RV21 C 4822 051 30339 CHIP 33 5% 1/16W NN05330610 RV23 C 4822 116 82487 CHIP 0 5% 1/16W NN05000610 RV24 N 4822 116 82487 CHIP 0 5% 1/16W NN05000610 RV25 N 4822 116 82487 CHIP 0 5% 1/16W NN05000610 RV30 4822 051 30333 CHIP 33k 5% 1/16W NN05333610 RV31 4822 051 30103 CHIP 10k 5% 1/16W NN05103610 RV32 4822 051 30822 CHIP 8.2k 5% 1/16W NN05822610 RV33 4822 051 30682 CHIP 6.8k 5% 1/16W NN05682610 RV34 4822 051 30103 CHIP 10k 5% 1/16W NN05103610 RV37 4822 116 82487 CHIP 0 5% 1/16W NN05000610 RV38 4822 051 30478 CHIP 4.7 5% 1/16W NN05047610 RV41 4822 116 82487 CHIP 0 5% 1/16W NN05000610 RV42 4822 116 82487 CHIP 0 5% 1/16W NN05000610 RV51 4822 051 30479 CHIP 47 5% 1/16W NN05470610 RV52 4822 051 30479 CHIP 47 5% 1/16W NN05470610 NOTE : "nsp" PART IS LISTED FOR REFERENCE ONLY, MARANTZ WILL NOT SUPPLY THESE PARTS. 39 POS. NO VERS. COLOR PART NO. (PCS) DESCRIPTION PART NO. (MJI) POS. NO VERS. COLOR PART NO. (PCS) DESCRIPTION PART NO. (MJI) RV53 4822 051 30682 CHIP 6.8k 5% 1/16W NN05682610 RV54 4822 051 30682 CHIP 6.8k 5% 1/16W NN05682610 RV55 4822 117 12968 CHIP 820 5% 1/16W NN05821610 RV56 4822 117 12968 CHIP 820 5% 1/16W NN05821610 RV57 4822 051 30479 CHIP 47 5% 1/16W NN05470610 RV58 4822 051 30479 CHIP 47 5% 1/16W NN05470610 R111 4822 051 30101 CHIP 100 5% 1/16W NN05101610 R113 4822 051 30759 CHIP 75 5% 1/16W NN05750610 R114 4822 116 82487 CHIP 0 5% 1/16W NN05000610 R115 4822 116 82487 CHIP 0 5% 1/16W NN05000610 R116 4822 116 82487 CHIP 0 5% 1/16W NN05000610 R117 4822 051 30473 CHIP 47k 5% 1/16W NN05473610 R121 4822 051 30221 CHIP 220 5% 1/16W NN05221610 R201 4822 051 30153 CHIP 15k 5% 1/16W NN05153610 R202 4822 051 30153 CHIP 15k 5% 1/16W NN05153610 R203 4822 051 30103 CHIP 10k 5% 1/16W NN05103610 R204 4822 051 30103 CHIP 10k 5% 1/16W NN05103610 R205 4822 051 30333 CHIP 33k 5% 1/16W NN05333610 R206 4822 051 30333 CHIP 33k 5% 1/16W NN05333610 R207 4822 051 30104 CHIP 100k 5% 1/16W NN05104610 R208 4822 051 30104 CHIP 100k 5% 1/16W NN05104610 R209 4822 051 30151 CHIP 150 5% 1/16W NN05151610 R212 R213 4822 116 82487 CHIP 0 5% 1/16W NN05000610 R221 4822 051 30473 CHIP 47k 5% 1/16W NN05473610 R231 4822 051 30222 CHIP 2.2k 5% 1/16W NN05222610 R232 4822 051 30222 CHIP 2.2k 5% 1/16W NN05222610 R233 4822 051 30103 CHIP 10k 5% 1/16W NN05103610 R235 4822 051 30103 CHIP 10k 5% 1/16W NN05103610 R236 4822 051 30102 CHIP 1k 5% 1/16W NN05102610 R237 4822 051 30103 CHIP 10k 5% 1/16W NN05103610 R251 4822 051 30153 CHIP 15k 5% 1/16W NN05153610 R252 4822 117 12968 CHIP 820 5% 1/16W NN05821610 R253 4822 051 30103 CHIP 10k 5% 1/16W NN05103610 R254 4822 051 30222 CHIP 2.2k 5% 1/16W NN05222610 R255 4822 051 30333 CHIP 33k 5% 1/16W NN05333610 R256 4822 051 30682 CHIP 6.8k 5% 1/16W NN05682610 R257 4822 051 30104 CHIP 100k 5% 1/16W NN05104610 R258 4822 051 30104 CHIP 100k 5% 1/16W NN05104610 R259 4822 051 30151 CHIP 150 5% 1/16W NN05151610 R262 R263 4822 116 82487 CHIP 0 5% 1/16W NN05000610 R265 4822 051 30222 CHIP 2.2k 5% 1/16W NN05222610 R266 4822 051 30222 CHIP 2.2k 5% 1/16W NN05222610 R267 4822 051 30222 CHIP 2.2k 5% 1/16W NN05222610 R281 4822 051 30222 CHIP 2.2k 5% 1/16W NN05222610 R282 4822 051 30102 CHIP 1k 5% 1/16W NN05102610 R286 4822 051 30222 CHIP 2.2k 5% 1/16W NN05222610 R287 4822 051 30103 CHIP 10k 5% 1/16W NN05103610 R288 4822 051 30473 CHIP 47k 5% 1/16W NN05473610 R289 4822 051 30474 CHIP 470k 5% 1/16W NN05474610 R290 4822 051 30474 CHIP 470k 5% 1/16W NN05474610 R301 4822 051 30223 CHIP 22k 5% 1/16W NN05223610 R308 R309 4822 051 30473 CHIP 47k 5% 1/16W NN05473610 R310 4822 051 30473 CHIP 47k 5% 1/16W NN05473610 R311 4822 116 82487 CHIP 0 5% 1/16W NN05000610 R313 4822 051 30473 CHIP 47k 5% 1/16W NN05473610 R314 4822 051 30473 CHIP 47k 5% 1/16W NN05473610 R315 4822 116 82487 CHIP 0 5% 1/16W NN05000610 R316 4822 116 82487 CHIP 0 5% 1/16W NN05000610 R317 4822 051 30473 CHIP 47k 5% 1/16W NN05473610 R319 4822 051 30151 CHIP 150 5% 1/16W NN05151610 R322 R323 4822 051 30222 CHIP 2.2k 5% 1/16W NN05222610 R324 4822 051 30222 CHIP 2.2k 5% 1/16W NN05222610 R325 4822 116 82487 CHIP 0 5% 1/16W NN05000610 R326 4822 051 30102 CHIP 1k 5% 1/16W NN05102610 R327 4822 051 30472 CHIP 4.7k 5% 1/16W NN05472610 R331 4822 051 30222 CHIP 2.2k 5% 1/16W NN05222610 R334 R351 4822 051 30104 CHIP 100k 5% 1/16W NN05104610 R352 4822 051 30104 CHIP 100k 5% 1/16W NN05104610 R353 4822 051 30151 CHIP 150 5% 1/16W NN05151610 R356 R357 4822 116 82487 CHIP 0 5% 1/16W NN05000610 R358 4822 116 82487 CHIP 0 5% 1/16W NN05000610 R359 4822 051 30222 CHIP 2.2k 5% 1/16W NN05222610 R362 R363 4822 051 30102 CHIP 1k 5% 1/16W NN05102610 R364 4822 051 30102 CHIP 1k 5% 1/16W NN05102610 R365 4822 116 83207 CHIP 1.2k 5% 1/16W NN05122610 R366 4822 051 30472 CHIP 4.7k 5% 1/16W NN05472610 R367 4822 051 30222 CHIP 2.2k 5% 1/16W NN05222610 R368 4822 051 30222 CHIP 2.2k 5% 1/16W NN05222610 R369 N 4822 116 82487 CHIP 0 5% 1/16W NN05000610 R370 N 4822 116 82487 CHIP 0 5% 1/16W NN05000610 R392 4822 051 30474 CHIP 470k 5% 1/16W NN05474610 R393 4822 051 30104 CHIP 100k 5% 1/16W NN05104610 R394 4822 051 30474 CHIP 470k 5% 1/16W NN05474610 R395 4822 051 30473 CHIP 47k 5% 1/16W NN05473610 R396 4822 116 82487 CHIP 0 5% 1/16W NN05000610 R399 R401 4822 116 82487 CHIP 0 5% 1/16W NN05000610 R411 R504 4822 051 30105 CHIP 1M 5% 1/16W NN05105610 R505 4822 051 30103 CHIP 10k 5% 1/16W NN05103610 R506 4822 116 82487 CHIP 0 5% 1/16W NN05000610 R512 R519 4822 116 82487 CHIP 0 5% 1/16W NN05000610 R520 4822 116 82487 CHIP 0 5% 1/16W NN05000610 R521 4822 116 82487 CHIP 0 5% 1/16W NN05000610 R601 4822 116 82487 CHIP 0 5% 1/16W NN05000610 R605 R606 4822 051 30101 CHIP 100 5% 1/16W NN05101610 R607 4822 051 30101 CHIP 100 5% 1/16W NN05101610 R608 4822 051 30101 CHIP 100 5% 1/16W NN05101610 R609 4822 116 82487 CHIP 0 5% 1/16W NN05000610 R618 R619 4822 051 30101 CHIP 100 5% 1/16W NN05101610 R620 4822 051 30101 CHIP 100 5% 1/16W NN05101610 R621 4822 051 30101 CHIP 100 5% 1/16W NN05101610 R622 4822 157 11808 FERRITE CORE BLM11B601S FC90020110 R623 4822 116 82487 CHIP 0 5% 1/16W NN05000610 PJ01-SEMICONDUCTORS D110 4822 130 83715 CHIP DIODE 1SS301 DAN202U HZ21005000 D231 4822 130 83715 CHIP DIODE 1SS301 DAN202U HZ21005000 D232 4822 130 83715 CHIP DIODE 1SS301 DAN202U HZ21005000 D282 4822 130 83715 CHIP DIODE 1SS301 DAN202U HZ21005000 D302 4822 130 83715 CHIP DIODE 1SS301 DAN202U HZ21005000 D351 4822 130 83715 CHIP DIODE 1SS301 DAN202U HZ21005000 NOTE : "nsp" PART IS LISTED FOR REFERENCE ONLY, MARANTZ WILL NOT SUPPLY THESE PARTS. 40 POS. NO VERS. COLOR PART NO. (PCS) DESCRIPTION PART NO. (MJI) POS. NO VERS. COLOR PART NO. (PCS) DESCRIPTION PART NO. (MJI) D352 4822 130 83715 CHIP DIODE 1SS301 DAN202U HZ21005000 D353 4822 130 83715 CHIP DIODE 1SS301 DAN202U HZ21005000 QV04 9965 000 08371 IC LA7138M HC10406030 QV05 4822 130 61311 CHIP TRS. 2SA1162 0 Y HX111622A0 QV06 4822 111 92186 SEMICON.COMP HN1C01F G BA20015050 QV07 4822 111 92186 SEMICON.COMP HN1C01F G BA20015050 Q111 4822 209 31568 IC CMOS 74HCU04 HC700400Z0 Q201 4822 209 17155 IC NJM2068 HC10102090 Q221 4822 209 17155 IC NJM2068 HC10102090 Q231 4822 130 63601 CHIP TRS 2SC4213 HX342132A0 Q232 4822 130 63601 CHIP TRS. 2SC4213 HX342132A0 Q233 4822 130 61553 SEMICON.COMP DTC124EUA BA21303000 Q234 4822 130 10698 CHIP TRS. 2SA1576A HX100012A0 Q251 4822 209 17155 IC NJM2068 HC10102090 Q281 4822 130 63601 CHIP TRS. 2SC4213 HX342132A0 Q282 4822 130 63601 CHIP TRS. 2SC4213 HX342132A0 Q283 4822 130 61553 SEMICON.COMP DTC124EUA BA21303000 Q284 4822 130 10698 CHIP TRS. 2SA1576A HX100012A0 Q301 4822 209 91175 IC NJM2114M HC10175090 Q302 4822 209 17155 IC NJM2068 HC10102090 Q303 4822 130 63601 CHIP TRS. 2SC4213 HX342132A0 Q304 4822 130 63601 CHIP TRS. 2SC4213 HX342132A0 Q305 4822 130 61553 SEMICON.COMP DTC124EUA BA21303000 Q306 4822 130 10698 CHIP TRS. 2SA1576A HX100012A0 Q351 4822 130 63601 CHIP TRS. 2SC4213 HX342132A0 Q354 Q355 4822 130 61553 SEMICON.COMP DTC124EUA BA21303000 Q356 4822 130 10698 CHIP TRS. 2SA1576A HX100012A0 Q357 4822 130 63601 CHIP TRS. 2SC4213 HX342132A0 Q358 4822 130 63601 CHIP TRS. 2SC4213 HX342132A0 Q359 9965 000 08224 SEMICON.COMP DTC323TU BA20080210 Q360 4822 130 61553 SEMICON.COMP DTC124EUA BA21303000 Q391 9965 000 08355 IC UPC29M10HB +10V 0.5A HC36510060 Q401 9965 000 00449 IC UDA1328T/S1 HC10178490 Q441 9965 000 04633 IC TC74VHC157FT HC005805K0 Q451 9965 000 04633 IC TC74VHC157FT HC005805K0 Q501 9965 000 01321 IC YSS912C-F HC10014640 Q502 9965 000 02109 IC TC7W53FU HC007105K0 Q503 4822 209 90911 IC TC7W08FU HC10415050 Q551 9965 000 04633 IC TC74VHC157FT HC005805K0 PJ01-MISCELLANEOUS FV01 9965 000 04998 EMI FILTER NFM41R01C221 FM31221020 FV02 9965 000 04998 EMI FILTER NFM41R01C221 FM31221020 FV03 9965 000 04998 EMI FILTER NFM41R01C221 FM31221020 FV04 C 9965 000 04998 EMI FILTER NFM41R01C221 FM31221020 FV05 C 9965 000 04998 EMI FILTER NFM41R01C221 FM31221020 FV06 C 9965 000 04998 EMI FILTER NFM41R01C221 FM31221020 F111 4822 157 11808 FERRITE CORE BLM11B601S FC90020110 F401 4822 157 11499 BLM11P600SPT FN31010060 F402 4822 157 11499 BLM11P600SPT FN31010060 F441 4822 157 11499 BLM11P600SPT FN31010060 F451 4822 157 11499 BLM11P600SPT FN31010060 F501 4822 157 11499 BLM11P600SPT FN31010060 F511 F551 4822 157 11499 BLM11P600SPT FN31010060 JV01 9965 000 08368 JACK 15P FMN-BMTTN-TP YJ07014210 JV02 9965 000 08369 TERMINAL YKC22-0535 BY04020020 JV03 C TERMINAL RCA JACK 3P YT02030630 JV05 N 9965 000 08370 JACK 7P FMN-BMTTN -TD YJ07014130 JV06 N 9965 000 08365 JACK 19FMN-BMTTN-TFT YJ07014250 J101 4822 265 10328 TERMINAL RCA JACK 1P YT02010780 J102 4822 267 31369 OPT. CONNECTOR GP1F32T OUTPUT YJ15000090 J103 4822 267 41009 TERMINAL RCA JACK 2P ORG YT02020890 J105 9965 000 08353 JACK 04FMN-BMTTN-TFT YJ07014100 J201 4822 265 10681 TERMINAL RCA JACK 6P YT02060540 J301 4822 290 81639 TERMINAL RCA JACK 4P YT02041040 J601 9965 000 08354 JACK 29FMN-BMTTN-TFT YJ07014350 LV01 4822 157 60445 CHOKE COIL 15 H J% LC11533900 L111 4822 142 60422 PULSE TRANSF. TP41042030 L351 9965 000 01343 RELAY MR62-12USR LY20120510 SV01 9965 000 08372 SLIDE SWITCH SSSF114800 SS01030410 SV02 C SLIDE SWITCH SSSF12-S06N0 SS01021010 S131 9965 000 08230 SLIDE SWITCH SSSF141700 SS04030350 X501 4822 242 10851 CRYSTAL 12.288MHz JX12013260 PS01-POWER SUPPLY CIRCUIT BOARD PS01-CAPACITORS CD01 4822 126 11687 CER. 0.1 F +80 -20% 25V F DK98104200 CD02 4822 126 11703 CER. 0.01 F +80 -20% 50V F DK98103300 CD03 4822 126 11703 CER. 0.01 F +80 -20% 50V F DK98103300 CD04 4822 126 11703 CER. 0.01 F +80 -20% 50V F DK98103300 CD05 4822 124 90364 ELECT 220 F M 16V OA22701620 CP01 9965 000 04979 FILM 0.1 F AC 250V DF17104630 CP02 9965 000 04979 FILM 0.1 F AC 250V DF17104630 CP03 9965 000 07801 CER. 220pF 250V DK17221520 CP04 9965 000 07801 CER. 220pF 250V DK17221520 CP05 9965 000 04981 ELECT 120 F 400V EA12740070 CP06 4822 126 13091 FILM 0.047 F 250V DF16473640 CP08 9965 000 04982 CER. 150pF 2KV DK16151910 CP09 4822 121 42327 FILM 470pF J M 50V DF15471350 CP10 9965 000 07801 CER. 220pF 250V DK17221520 CP11 4822 124 90355 ELECT 100 F M 50V OA10705020 CP16 4822 124 90371 ELECT 470 F M 10V OA47701020 CP17 9965 000 04984 ELECT 1000 F M 10V OA10801020 CP18 9965 000 01318 ELECT 220 F M 10V OA22701020 CP19 9965 000 04984 ELECT 1000 F M 10V OA10801020 CP20 9965 000 01318 ELECT 220 F M 10V OA22701020 CP21 4822 124 22722 ELECT 1000 F M 16V OA10801620 CP22 4822 124 40723 ELECT 2200 F M 16V OA22801620 CP23 9965 000 04984 ELECT 1000 F M 10V OA10801020 CP24 4822 124 90364 ELECT 220 F M 16V OA22701620 CP25 4822 124 40723 ELECT 2200 F M 16V OA22801620 CP26 4822 124 90351 ELECT 0.1 F M 50V OA10405020 CP27 4822 124 90352 ELECT 10 F M 16V OA10601620 CP28 4822 124 90365 ELECT 220 F M 25V OA22702520 CP29 4822 124 22722 ELECT 1000 F M 16V OA10801620 CP30 4822 124 22722 ELECT 1000 F M 16V OA10801620 PS01-CAPACITORS(COMMON) C PLASTIC FILM CAPACITOR 5% 50V : CP14 PS01-RESISTORS RD01 4822 051 30221 CHIP 220 5% 1/16W NN05221610 RD02 4822 051 30272 CHIP 2.7k 5% 1/16W NN05272610 RD03 4822 050 24708 4.7 5% 1/2W GG05047120 RD04 9965 000 08362 CHIP 430 5% 1/16W NN05431610 RP01 9965 000 00502 1M 5% 1W RC05105010 RP02 4822 053 11823 METAL 82k 5% 2W NK05823020 RP07 4822 053 11823 METAL 82k 5% 2W NK05823020 RP08 4822 053 11823 METAL 82k 5% 2W NK05823020 NOTE : "nsp" PART IS LISTED FOR REFERENCE ONLY, MARANTZ WILL NOT SUPPLY THESE PARTS. 41 POS. NO VERS. COLOR PART NO. (PCS) DESCRIPTION PART NO. (MJI) POS. NO VERS. COLOR PART NO. (PCS) DESCRIPTION PART NO. (MJI) RP09 4822 116 83207 CHIP 1.2k 5% 1/16W NN05122610 RP10 4822 116 83207 CHIP 1.2k 5% 1/16W NN05122610 RP11 9965 000 00402 METAL 0.47 5% 2W NL05472020 RP14 4822 116 82487 CHIP 0 5% 1/16W NN05000610 RP18 4822 051 30682 CHIP 6.8k 5% 1/16W NN05682610 RP19 4822 051 30682 CHIP 6.8k 5% 1/16W NN05682610 RP21 4822 117 12968 CHIP 820 5% 1/16W NN05821610 RP24 4822 116 82487 CHIP 0 5% 1/16W NN05000610 RP25 4822 051 30272 CHIP 2.7k 5% 1/16W NN05272610 RP26 4822 051 30152 CHIP 1.5k 5% 1/16W NN05152610 RP27 4822 051 30222 CHIP 2.2k 5% 1/16W NN05222610 RP28 4822 051 30472 CHIP 4.7k 5% 1/16W NN05472610 RP29 4822 051 30472 CHIP 4.7k 5% 1/16W NN05472610 RP30 4822 051 30153 CHIP 15k 5% 1/16W NN05153610 RP31 4822 051 30103 CHIP 10k 5% 1/16W NN05103610 RP32 4822 051 30472 CHIP 4.7k 5% 1/16W NN05472610 RP33 4822 051 30472 CHIP 4.7k 5% 1/16W NN05472610 RP34 4822 116 83211 CHIP 1.8k 5% 1/16W NN05182610 RP35 4822 116 83211 CHIP 1.8k 5% 1/16W NN05182610 RP36 4822 051 30103 CHIP 10k 5% 1/16W NN05103610 RP37 4822 051 30102 CHIP 1k 5% 1/16W NN05102610 RP38 4822 051 30223 CHIP 22k 5% 1/16W NN05223610 RP39 9965 000 03193 CHIP 3.3M 5% 1/16W NN05335610 RP40 4822 051 30473 CHIP 47k 5% 1/16W NN05473610 RP41 4822 051 30223 CHIP 22k 5% 1/16W NN05223610 RP42 4822 051 30223 CHIP 22k 5% 1/16W NN05223610 RP43 4822 051 30103 CHIP 10k 5% 1/16W NN05103610 RP44 4822 051 30103 CHIP 10k 5% 1/16W NN05103610 RP45 4822 051 30473 CHIP 47k 5% 1/16W NN05473610 RP46 4822 051 30103 CHIP 10k 5% 1/16W NN05103610 RP47 4822 051 30472 CHIP 4.7k 5% 1/16W NN05472610 RP48 4822 051 30472 CHIP 4.7k 5% 1/16W NN05472610 RP50 4822 051 30103 CHIP 10k 5% 1/16W NN05103610 RP51 4822 051 30472 CHIP 4.7k 5% 1/16W NN05472610 RP54 RP57 4822 051 30103 CHIP 10k 5% 1/16W NN05103610 PS01-SEMICONDUCTORS DP01 4822 130 32748 DIODE S1WB(A)60 30A 600V HD20031290 DP02 4822 130 81244 DIODE ERA22-10 HD20008130 DP04 4822 130 83715 CHIP DIODE 1SS301 DAN202U HZ21005000 DP07 4822 130 83715 CHIP DIODE 1SS301 DAN202U HZ21005000 DP08 9965 000 04986 CHIP DIODE U1BC44(1A) HZ20032050 DP09 4822 130 11074 DIODE RK46(SBD)60V 3.5A HD20050080 DP10 4822 130 11074 DIODE RK46(SBD)60V 3.5A HD20050080 DP11 9965 000 07634 DIODE EK19 90V 1.5A HD20053080 DP12 4822 130 11074 DIODE RK46(SBD)60V 3.5A HD20050080 DP13 4822 130 82019 CHIP DIODE SFPL-52 200V/0.9A HZ20002080 DP14 4822 130 82019 CHIP DIODE SFPL-52 200V/0.9A HZ20002080 DP15 4822 130 83715 CHIP DIODE 1SS301 DAN202U HZ21005000 DP16 4822 130 83715 CHIP DIODE 1SS301 DAN202U HZ21005000 DP17 9965 000 07632 CHIP DIODE ZENER MA8056L 5.6V HZ30007020 DP18 4822 130 82019 CHIP DIODE SFPL-52 200V/0.9A HZ20002080 DP20 9965 000 07634 DIODE EK19 90V 1.5A HD20053080 QD01 4822 209 30193 IC LB1641 HC10279030 QP01 9965 000 05142 IC STR-G6551 SW. REGULATOR HC10008080 QP03 4822 130 10431 PHOTO UNIT COUPLER PC-123F2 HW10032320 QP04 9965 000 06384 IC TL431CZ HC33036590 QP07 9965 000 00399 IC SI-3033C +3.3V 1.5A WITH SW HC36903080 QP08 9965 000 04991 IC SI-3050C +5.0V 1.5A WITH SW HC10006080 QP09 4822 130 62548 TRS. 2SB1185(E F) HT211852B0 QP10 4822 130 61906 SEMICON.COMP DTC114EU BA20035210 QP11 4822 130 62548 TRS. 2SB1185(E F) HT211852B0 QP12 4822 130 61906 SEMICON.COMP DTC114EU BA20035210 QP13 4822 130 60669 CHIP TRS. 2SC4116 2SC4081 HX300012A0 QP14 4822 130 60669 CHIP TRS. 2SC4116 2SC4081 HX300012A0 QP15 4822 130 60669 CHIP TRS. 2SC4116 2SC4081 HX300012A0 QP16 4822 130 10698 CHIP TRS. 2SA1586(Y GR) 2SA1576A(Q R) HX100012A0 QP17 4822 130 61906 SEMICON.COMP DTC114EU BA20035210 QP18 4822 130 62548 TRS. 2SB1185(E F) HT211852B0 QP19 4822 130 61906 SEMICON.COMP DTC114EU BA20035210 PS01-MISCELLANEOUS FP06 9965 000 05918 FUSE 0.8A 250V VDE FS20080200 FP07 4822 071 52501 FUSE T250MA/250V TR5 NO 19372 FS20025200 JD01 9965 000 08353 JACK 04FMN-BMTTN-TFT YJ07014100 JP07 9965 000 08361 JACK 26FMN-BTK YJ07026130 LP02 4822 157 70398 CHOKE COIL LF-4D-223 22 H 0.4A LC22260130 LP03 4822 157 60445 CHOKE COIL 15 H J% LC11533900 TP01 9965 000 08363 POWER TRANSF. SW AC230V TS12918030 PS02-MAIN SWITCH CIRCUIT BOARD FP01 4822 070 31252 FUSE 1.25 A 250V BS LISTED FS10125850 JP01 9965 000 08227 JACK MAINS INLET 2.5A 250V YJ04002490 SP01 9965 000 05921 PUSH SWITCH ESB92S94B TV-5 SP01012480 PS03-AC OUTLET CIRCUIT BOARD JP10 N 9965 000 08228 JACK MAINS OUTLET S2-770T-210 YJ04002500 NOTE : "nsp" PART IS LISTED FOR REFERENCE ONLY, MARANTZ WILL NOT SUPPLY THESE PARTS. 42 DVD Loader for MARANTZ TABLE OF CONTENTS SECTION PAGE 2. DB-VLD 101/102 (DVD Loader for MARANTZ) 2.1 EXTERIOR ............................................................................................................................................ 2-1 2.2 LOARDING MECHANISM ASS'Y.......................................................................................................... 2-2 2.3 TRAVERSE MECHANISM ASS'Y ....................................................................................................... 2-3 Service Manual DB-VLD101 DB-VLD102 Please use this service manual with referring to the user guide (D.F.U) without fail. R DB-VLD101/102 First Issue:2001.07 DVD Player : DV2100 DV-12S1 The DVD loader is different with each product. Refer to the following table. Vers. Model DV-12S1 DV2100 DB-VLD102 DB-VLD101 3 2 1 6 5 4 7 8 EXTERIOR PARTS LIST 2.1 EXTERIOR Open POWER SUPPLY ASSY side Short SW Pickup Flexible Cable Short DISASSEMBLY OF TRAVERSE MECHANISM ASS'Y Traverse Mechanism Assy-S Float Base (Top View) Unhook ( 2) Unhook Unhook 2-1 Mark Ver. ( DB-VPBxxx ) Part No. ( for PCS ) Description Part No. ( for MJI ) No. 1 101 (DV2100) 9965 000 10282 VNL1731 Tray (BLACK) 404K163110 1 102 (DV-12S1) --- VNK4333 Tray (GRAY) 411K163010 2 9965 000 10283 VNL1739 Tray Stopp er 404K114110 3 9965 000 10284 VBH1277 Tray Stopper Spring 404K115110 4 9965 000 10285 VNE2068 Clamper Plate 404K005110 5 9965 000 10286 VNE2069 Bridge 404K104110 6 9965 000 07948 VNL1738 Clamper 402K005210 NSP 7 --- BPZ26P080FZK Screw --- NSP 8 --- VWT1162 Loading Mechanism Assy --- NOTE : "NSP" PART IS LISTED FOR REFERENCE ONLY, MARANTZ WILL NOT SUPPLY THESE PARTS. 2-2 2.2 LOADING MECHANISM ASS'Y LOADING MECHANISM ASS'Y PARTS LIST 11 13 12 14 15 16 8 7 17 9 10 18 21 2 22 3 4 5 6 1 Top View Bottom View 19 20 Refer to "2.6 TRAVERSE MECHANISM ASS'Y". Mark No. Part No. ( for PCS ) Description Part No. ( for MJI ) 1 9965 000 07935 VXX2653 Traverse Mechanism Assy-S *ZK000310R NSP 2 --- DBA1006 Screw --- 3 9965 000 10287 VNL1736 Drive Cam 404K054110 4 9965 000 10288 VNL1735 Drive Gear 404K058110 5 9965 000 07938 VNL1820 Lock Plate 402K104210 NSP 6 --- VNL1854 Loading Base 404K105110 7 9965 000 10290 VEB1260 Belt 404K264110 8 --- VNL1733 Gear Pulley 404K262110 NSP 9 --- VWG1885 LOSB Assy --- 10 9965 000 10292 VNL1734 Loading Gear 404K058210 11 9965 000 07942 VXX2505 Loading Motor Assy *ZZ001600R NSP 12 --- PXM1027 DC Motor/0.3W --- NSP 13 --- PNW1634 Motor Pulley 296W262010 NSP 14 --- VWG1886 LOMB Assy --- NSP 15 --- VKP2218 Connector Assy (LOMB CN401--LOSB CN303) --- NSP 16 --- VBA1055 Screw --- NSP 17 --- Z39-019 Screw --- 18 9965 000 10294 VDA1698 Flexible Cable (08P) (LOSB CN302--SMEB CN202) *YU000890R 19 9965 000 10295 VNL1815 Float Base 404K104210 20 9965 000 07945 VEB1286 Floating Rubber 402K056210 21 9965 000 10296 VDA1701 (VDA1748) Flexible Cable (24P) (Pickup Assy--DVDM CN4) *YU000900R 22 --- VEB1312 Cushion 404K056110 NOTE : "NSP" PART IS LISTED FOR REFERENCE ONLY, MARANTZ WILL NOT SUPPLY THESE PARTS. 2-3 2.3 TRAVERSE MECHANISM ASS'Y TRAVERSE MECHANISM ASS'Y PARTS LIST Top View 30 16 34 19 8 15 10 10 22 33 23 5 14 10 37 18 32 13 10 37 18 26 25 27 29 7 7 7 3 1 11 28 33 6 35 20 12 21 4 9 31 37 17 24 37 36 To DVDM Assy CN3 2 21 9 17 NSP 1 — VWG2048, SMEB Assy — NSP 2 — VWG2009, FGSB Assy — NSP 3 — VXM1079, Motor — NSP 4 — VXM1084, Motor — NSP 5 — VWY1055, Pickup Assy — NSP 6 — DEC2040, Table Sheet — NSP 7 — VBA1058, Screw — NSP 8 — VBH1278, Centering Spring — 9 9965 000 07950 VBH1317, Hook Spring 296W115050 10 9965 000 07951 VBH1303, Skew Spring 296W115060 11 9965 000 07952 VBH1308, Gear Spring 296W115070 NSP 12 — VEC1959, Reflected Sheet — NSP 13 — VLL1504, Guide Bar — NSP 14 — VLL1505, Sub-guide Bar — 15 9965 000 07953 VNC1017, Hold Spring 296W115080 NSP 16 — VNE2070, Magnet Holder — NSP 17 — VNE2154, Motor Base — NSP 18 — VNE2155, Cover — NSP 19 — VNL1746, Centering Ring — NSP 20 — VNL1747, Disc Table — 21 9965 000 07954 VNL1770, Hook 296W258010 NSP 22 — VNL1802, FFC Holder — NSP 23 — VNL1806, Mechanism Base — NSP 24 — VNL1807, FG Holder — 25 9965 000 07955 VNL1808, Gear A 296W058090 26 9965 000 07956 VNL1809, Gear B 296W058100 27 9965 000 07957 VNL1810, Gear C 296W058110 28 9965 000 07958 VNL1811, Slider 296W125010 NSP 29 — VNL1814, Gear D — NSP 30 — VYM1024, Magnet — NSP 31 — JFZ17P025FZK, Screw — NSP 32 — JGZ17P028FMC, Screw — NSP 33 — VBA1051, Screw — NSP 34 — VXX2507, Magnet Holder Assy — 35 9965 000 07959 VXX2649, Spindle Motor Assy *ZK000290R 36 9965 000 07960 VXX2650, Carriage Motor Assy *ZK000300R NSP 37 — PBA1069, Screw — Mark No. Part No. Description Part No. (for PCS) (for MJI) Mark No. Part No. Description Part No. (for PCS) (for MJI) NOTE : "NSP" PART IS LISTED FOR REFERENCE ONLY, MARANTZ WILL NOT SUPPLY THESE PARTS. DVD PCB Module for MARANTZ TABLE OF CONTENTS SECTION PAGE 3. DB-VPB220 / 221 (DVD PCB Module for MARANTZ) 3.1 BLOCK DIAGRAM AND SCHEMATIC DIAGRAM .................................................................................. 3-1 3.2 PCB CONNECTION DIAGRAM ............................................................................................................ 3-12 3.3 PCB PARTS LIST.................................................................................................................................. 3-25 Service Manual DB-VPB220 DB-VPB221 Please use this service manual with referring to the user guide (D.F.U) without fail. R DB-VPB220/221 First Issue:2001.07 DVD Player : DV2100 The DVD PCB module is different with each version. Refer to the following table. Vers. Model /C1S /N1S DV2100 DB-VPB220 DB-VPB221 3-1 SPDL MOTOR TRKG F_DRV FCS 10 21 24 22 23 7,6, 3,2 7,6, 3,2 57-60 63-66 10 21 24 22 3 54 56 46 56 57 42 35 31 13 12 10 9 3 20 17 28 37 46 14 45 48 47 32 33 30 31 39 23 5 15 9 34 6 32 3 14 7 35 4 8 4 7 10 6 9 OEIC PICKUP ASSY F_RTN RF RF B1-B4 (24P) (24P) T_DRV T_RTN SPDL+ SPDO LODDRV 16M 4 33M 27M 16M CDDATA SREQ YCBR0-7 (Y0-Y7) AODAI DTSDATA ADATA1 ADATA2 ADATA3 ADATA0 DOUT0 DOUT1 DOUT0 DOUT1 AD0-2, ADD SD0-SD7 SLDO TDO FDO TE Q105 FE PH BH DSPRF RFO SPDL- SLDR_R SLDR_F LOAD+ LOAD- IR (Y0-Y7) OUTR OUTG OUTB SEL IR SW+5V LOADING MOTOR CARRIAGE MOTOR CN120 RF IC IC101 LA9701M DVD ENCODER BY CHIP IC701 PE5108A MPEG2 DECODER AV-1 16M SDRAM IC801 M65773AFP IC802 MB811171622A -100FN IC807 TC74VHCT541ADT IC903 LC89051V WORK SRAM IC604 TC55V1001AFT8 SYSTEM CONTROL CPU SH1 BASE ASIC IC601 PD3410A FLASH MEMORY IC603 VYW1750 4M DRAM IC702 MN414800CSJ-07 CLOCK GENERATOR IC21 CY2081SL-655 IC22 TC7WH74FU VIDEO FILTER F840 SPDL & FTS DRIVER 4 16 SERVO DSP IC352 M56788FP VIDEO ENCODER (6ch) IC806 MC44724A IC201 LC78652W (12P) 1 12 13 14 15 (15P) CN1030 (12P) (8P) (8P) CN301 CN303 CN602 6 26 23 22 21 7 (29P) CN905 23 20 17 1 4 7 (7P) CN904 (15P) CN901 CN401 CN302 CN202 6-9 170 38-45 107 27M 111 162 36/16M B LOSB ASSY C SMEB ASSY A LOMB ASSY E DVDM ASSY : Audio Signal Route (L ch) : V Signal Route (V) : Y Signal Route (Y) : C Signal Route (C) : R Signal Route (R) : G Signal Route (G) : B Signal Route (B) : RF Signal Route 1 2 2 1 M M 2 6 1 4 7 3 8 5 Q802 149,150, 152-155, 158,159 68-71 55 64 74 73 Q801 Q800 Q805 Q804 Q803 OUTV OUTY OUTC R/C G B V Y C SEL IR IR VIDEO FILTER F852 Q807 Q809 Q811 Q808 Q810 Q812 7 5 3 10 12 8 6 5 6 1 5 33M 16M 5 36/16M 1 DB-VPB221 ONLY 48 95-98, 100-103 1 15 5 23 DIR 3 5 CONVERTER (R,C) (G) (B) (V) (Y) (C) : ROM DATA SIGNAL ROUTE 3.1 BLOCK DIAGRAM AND SCHEMATIC DIAGRAM 3.1.1 BLOCK DIAGRAM 22 7 5 1,2 (26P) CN110 26 +3.3V M + 6V +12V +12V +5V EV+5V – 27V 13 | 16 10 | 12 3-2 3.1.2 LOMB, LOSB, SMEB, FGSB ASSYS and OVERALL WIRING DIAGRAM PICKUP ASSY (VWY1055) FGSB ASSY (VWG2009) D R101 330 PC101 GP2S60 CN201 52044-0345 S201 DSG1016 CN202 VKN1212 CN302 VKN1268 SMEB ASSY (VWG2048) C S301 VSK1011 CARRIAGE MOTOR ASSY (VXX2650) (SLIDER) CN401 B2B-PH-K-S CN303 B2B-PH-K-S SPINDLE MOTOR ASSY (VXX2649) LOSB ASSY (VWG1885) B LOMB ASSY (VWG1886) A LOADING MOTOR ASSY (VXX2505) CN301 VKN1272 DB-VPB220 (VWS1465) DB-VPB221 (VWS1466) E 1/4- E 4/4 DVDM ASSY E : RF SIGNAL ROUTE : FOCUS SERVO LOOP LINE : TRACKING SERVO LOOP LINE (F) : SLIDER SERVO LOOP LINE (F) (F) (S) (S) (S) (S) (S) (S) (T) (T) (F) (F) (T) (T) (F) (F) (F) (T) (T) (T) (T) (T) (T) (F) (T) (T) (T) (S) 3-3 2/4 E CN201 K PICKUP ASSY CN301 B 1/2 2/4 E 2/4 E 2/4 E 2/4 E 2/4 E 2/4 E 2/4 E 2/4 E 2/4 E 3/4 E 2/4 E RF IC SPINDLE & FTS DRIVER 1 2 4 (DVD) (CD) (CD) (DVD) (DVD) (T) (F) (F) (T) (F) (F) (F) (T) (F) (F) (T) (T) (T) (S) (S) (F) (S) (T) (T) (F) (F) (F) (S) (S) (S) (S) (F) (T) (T) 3.1.3 DVDM ASSY (1/4) 3-4 DB-VPB221 Not used R1 10k R2 Not used R3 10k DB-VPB220 33k 22k 10k Not used R4 Land for Checker E 1/4 DVDM ASSY (VWS1465, VWS1466) 2/2 1/2 2/2 2/4 E 2/4 E 2/4 E 3/4 E 2/4 E 2/4 E 2/4 E 2/4 E 2/4 E 2/4 E 2/4 E 2/4,3/4,4/4 E DSP IC 6 5 7 8 9 10 11 : ROM DATA SIGNAL ROUTE : FOCUS SERVO LOOP LINE : TRACKING SERVO LOOP LINE (F) : SLIDER SERVO LOOP LINE : RF SIGNAL ROUTE (T) (S) (DVD) (DVD) (CD) (CD) (T) (F) (T) (F) (T) (F) (S) (T) (F) (S) : The power supply is shown with the marked box. 3-5 VYW1750 PGM 16M FLASH MEMORY WORK SRAM SH1 BASE ASIC 3 5 CONVERTER 5 3 CONVERTER IC611 MC74VHCT541ADT IC612 MC74VHCT541ADT X801 DSS1110 20MHz E 2/4 DVDM ASSY (VWS1465, VWS1466) 1/4 E 1/4 E 3/4 E 1/4,4/4 E 4/4 E 4/4 E 4/4 E 4/4 E 4/4 E 1/4 E 1/4 E 1/4 E 1/4 E 1/4 E 1/4 E 1/4 E 4/4 E 3/4 E 1/4 E 1/4 E 1/4 E 3/4 E 3.1.4 DVDM ASSY (2/4) 3-6 4M DRAM BY CHIP DVD ENCODER MN414800CSJ-07 CN101 G 3/4 E 3/4 E 4/4 E 4/4 E 1/4 E 1/4 E 1/4 E 1/4 E 1/4 E 1/4 E 1/4 E 4/4 E 3/4 E 3/4 E 3/4 E 1/4 E 1/4 E 1/4 E 3/4 E 3/4 E 3 : ROM DATA SIGNAL ROUTE : RF SIGNAL ROUTE : AUDIO SIGNAL ROUTE (DVD) (DVD) 3-7 16M SDRAM AV1 MPEG2 DECODER 3 5 CONVERTER E 3/4 DVDM ASSY (VWS1465, VWS1466) 2/4 E 2/4 E 2/4 E 2/4 E 3.1.5 DVDM ASSY (3/4) 3-8 CLOCK GENERATOR BLOCK 4/4 E 4/4 E 2/4 E 2/4 E 2/4 E 2/4 E 1/4 E 2/4 E 4/4 E 4/4 E : ROM DATA SIGNAL ROUTE : AUDIO SIGNAL ROUTE 3-9 DB-VPB221 ONLY VIDEO ENCODER E 4/4 DVDM ASSY (VWS1465, VWS1466) 2/4 E 2/4 E 2/4 E 3/4 E 3/4 E DB-VPB221 : 180F DB-VPB220 : 220F DB-VPB221 : 20kF DB-VPB220 : 82kF 220F (V) (V) (V) (V) (V) (Y) (Y) (Y) (Y) (Y) (C) (R) (G) (B) (R) (R) (R) (G) (G) (G) (B) (B) (B) (B) (C) (C) (C) (C) 20 19 18 13 16 12 15 14 17 3.1.6 DVDM ASSY (4/4) 3-10 DB-VPB221 ONLY DB-VPB221 ONLY DB-VPB221 : R949 (0 ) DB-VPB220 : L9490 (VTL1105) 3 5 CONVERTER IC905 MC74VHCT541ADT CN102 J CN666 F 1/2 CN999 F 2/2 3/4 E 3/4 E 3/4 E 2/4 E 2/4 E 2/4 E 2/4 E 1/4, 2/4 E 1/4, 2/4 E : ROM DATA SIGNAL ROUTE : V SIGNAL ROUTE (V) : Y SIGNAL ROUTE (Y) : C SIGNAL ROUTE (C) : R SIGNAL ROUTE (R) : G SIGNAL ROUTE (G) : B SIGNAL ROUTE (B) : AUDIO SIGNAL ROUTE (Y) (V) (C) (Y) (V) (C) (R) (G) (B) (R) (G) (B) (R) (G) (B) 3-11 WAVEFORMS DVDM ASSY Note : The encircled numbers denote measuring point in the schematic diagram. Measurement condition : No. 1 to 4 and 6 to 11 : Disc MA1, Title 1-chp 1 No. 5 : CD, ABEX-784 Track 1 No. 12 to 14 : MJK1, Title 1-chp 4 or T2-1 No. 15 to 17 : MJK1, Title 1-chp 5 or T2-19 No. 18 to 20 : T2-19, Color-bar (WYXJ and WVXJ Types only) 1 Foot of R169 (RF) V: 100mV/div. H: 0.2 sec/div. 2 CN201 - pin 5, 6 (RFO) V: 500mV/div. H: 0.1 sec/div. 3 IC701 - pin 170 (MY CHIP input) V: 1V/div. H: 0.2 sec/div. 4 CN201 - pin 9, 10 (Tracking Error) (AI-Inner Tracking Off) V: 500mV/div. H: 2msec/div. 5 IC201 - pin 39 (EFM before slice) V: 1V/div. H: 1 sec/div. 6 IC201 - pin 1 (EFM) V: 1V/div. H: 0.2 sec/div. 7 Q281 - Collector (FG) V: 1V/div. H: 5msec/div. 8 Foot of R261 (FPWM) V: 1V/div. H: 5msec/div. 9 Foot of R262 (VPWM) V: 1V/div. H: 5msec/div. 10 Foot of R263 (PPWM) V: 1V/div. H: 5msec/div. 11 Foot of R264 (RPWM) V: 1V/div. H: 5msec/div. 12 IC806 - pin 1 (Composite Video output) V: 0.2V/div. H: 10 sec/div. 13 IC806 - pin 4 (Y output) V: 0.2V/div. H: 10 sec/div. 14 IC806 - pin 7 (C output ) V: 0.2V/div. H: 10 sec/div. IC806 - pin 1 (CB output when selecting color difference output) V: 0.2V/div. H: 10 sec/div. 15 IC806 - pin 4 (Y output when selecting color difference output) V: 0.2V/div. H: 10 sec/div. 16 IC806 - pin 7 (CR output when selecting color difference output) V: 0.2V/div. H: 10 sec/div. 18 IC806 - pin 23 (R output when select RGB) V: 0.5V/div. H: 10 sec/div. 19 IC806 - pin 20 (G output when select RGB) V: 0.5V/div. H: 10 sec/div. 20 IC806 - pin 17 (B output when select RGB) V: 0.5V/div. H: 10 sec/div. GND GND GND GND GND 17 GND GND GND GND GND 3-12 PC101 R101 (VNP1661-B) M M (VNP1695-A) (VNP1628-A) (VNP1628-A) CN1030 E LOSB ASSY B SMEB ASSY C FGSB ASSY D LOMB ASSY A CARRIAGE MOTOR SPINDLE MOTOR LOADING MOTOR NOTE FOR PCB DIAGRAMS : 1. Part numbers in PCB diagrams match those in the schematic diagrams. 2. A comparison between the main parts of PCB and schematic diagrams is shown below. 3. The parts mounted on this PCB include all necessary parts for several destinations. For further information for respective destinations, be sure to check with the schematic diagram. 4. View point of PCB diagrams. Symbol In PCB Diagrams Symbol In Schematic Diagrams Part Name B C E D D G G S S B C E B C E D G S B C E B C E B C E Transistor Transistor with resistor Field effect transistor Resistor array 3-terminal regulator Capacitor Connector P.C.Board Chip Part SIDE A SIDE B 3.2.1 LOMB, LOSB, SMEB and FGSB ASSYS SIDE A 3.2 PCB CONNECTION DIAGRAM 3-13 (VNP1787-B) VC21 IC23 IC26 Q810 Q808 Q809 Q807 Q811 IC25 IC801 IC21 IC22 Q801 Q802 IC807 IC806 IC903 IC261 IC302 IC101 IC601 IC761 IC352 IC603 IC606 Q112 Q102 Q281 Q601 Q602 Q111 Q107 IC702 IC610 IC303 IC24 Q804 Q805 Q803 JP07 L DVDM ASSY E JV01 F J601 F PICKUP ASSY CN301 B JV05 J JF03 H SIDE A 3.2.2 DVDM ASSY 3-14 (VNP1706-B) IC905 IC906 IC803 IC805 IC27 IC802 IC201 IC701 IC231 Q543 Q179 Q106 Q542 Q105 Q108 Q113 Q114 Q101 Q103 Q251 IC608 IC904 IC609 IC299 IC612 IC751 IC792 IC791 IC604 IC607 IC611 IC73 DVDM ASSY E SIDE B CN101 F • This PCB is a four-layered board. 3-15 Pin Function • The information shown in the list is basic information and may not correspond exactly to that shown in the schematic diagrams. CY2081SL-655 (DVDM ASSY : IC21) • • • • Clock Generate IC Block Diagram 3.2.3 IC List of IC CY2081SL-655, PD3410A, VYW1693, M65773AFP, LC89051V, YSS912C 3 4 1 5 6 XTALIN XTALOUT 8 CE/PD/FS/SUSPEND CLKA CLKB CLKC Reference Oscillator EPROM Configurable Multiplexer and Divide Logic PLL1 PLL2 PLL3 . o N e m a N n i P on it c n u F n i P 1 A K CL ut p t u o k c olc elb a rt u gif n o C 2 D N G d n u o r G 3 N I L A T X la n r e tx e f o t u p nila ts y r c e c n e r e f e R t u p ni k c olc e c n e r e f e r 4 T U O L A T X ck a b d e e fla ts y r c e c n e r e f e R 5 B K L C ut p t u o k c olc elb a r u gif n o C 6 C K L C ut p t u o k c olc elb a r u gif n o C 7 D D V ly p p u s e g a tlo V 8 / S F / D P / E O D N E P S U S H G I H - e vitc a r e h tie ; nip lo rt n o c t u p t u O , n w o d r e w o p W O L - e vitc a , elb a n e t u p t u o W O L - e vitc a r o ,tc ele s y c n e u q e rf A K L C t u p ni d n e p s u s 3-16 V O . o N k r a M e m a N n i P O /I on it c n u F 1 L S A C X / 3 S C X 3 S C X O t u p t u o la n gis tc ele s pih c ) P I H C Y M ( A 5 9 9 4 D P 2 D N G D N G D N G 3 CK CK U P C H 4 C C V D 3 + V D 3 + V 5 K L C I P O /I . C . N 6 A T A D I P O /I . C . N 7 D N G D N G D N G 8 H T R O P P S S C X O ) h ct alt u p t u o h ti w r e tsig e r tfih S ( T F 5 9 5 T C H V 4 7 C H 9 1 H T R O P H V M 3 3 O )r o t a r e n e g k c ol C ( 1 7 3 - L S A 1 7 0 2 Y C 0 1 2 H T R O P H V M 6 3 O )r o t a r e n e g k c ol C ( F 5 8 1 2 U B 1 1 3 H T R O P L E S _ la ni m r e t trik s e h t f o t u p t u o la n gis g nih cti w s S / e tis o p m o C 2 1 C C V D 3 + V D 3 + V 3 1 4 H T R O P O A T C S O 4 1 5 H T R O P H V M 7 2 O tiu c ric lo rt n o c n oit allic s o z H M 7 2 5 1 6 H T R O P P S S C X O ) h ct alt u p t u o h ti w r e tsig e r tfih S ( T F 5 9 5 T C H V 4 7 C H 6 1 7 H T R O P / T S R D U A X / F F O P V O H C E O )r e d o c e d S T D ni-tliu b P S D oid u a ,cig ol o r P / 3 - C A y blo D ( 2 2 9 S S Y m e ts y s o e di V 7 1 D N G D N G D N G 8 1 L A T X E L A T X E I r o t a n o s e r ci m a r e c a tc e n n o C 9 1 L A T X L A T X O 0 2 C C V D 3 + V D 3 + V 1 2 0 G T R O P F D S C X O t u p t u o la n gis tc ele s pih c C A D 2 2 1 G T R O P / 1 F D S C X P S A D S C X O )r e d o c e d S T D ni-tliu b P S D oid u a ,cig ol o r P / 3 - C A y blo D ( 2 1 9 S S Y )lella r a p /lair e S ( T F 5 9 5 C H V 4 7 C T )r o s s e c o r p oid u a D 3 ( 3 5 8 1 D A ) h c M r o f C A D ( F A 7 4 8 5 M S ) P S A D ( 2 2 9 S S Y 3 2 2 G T R O P / 2 F D S C X / 1 T S R F D N O _ C I M X O )r e d o c e d S T D ni-tliu b P S D oid u a ,cig ol o r P / 3 - C A y blo D ( 2 1 9 S S Y ) h c M r o f C A D ( F A 7 4 8 5 M S 4 2 3 G T R O P L E S B I H O M A 6 3 2 0 0 D P 5 2 4 G T R O P / N O E F L 0 T S R F D O r e ff u B p m a oid u A ) h c M r o f C A D ( F A 7 4 8 5 M S 6 2 D N G D N G D N G 7 2 5 G T R O P / D M H C 6 F F O A M X O r e ff u B r o tc ele s C A D t n o r F 8 2 6 G T R O P / D M S T D / T S R M X P S A D X O )tiu c ric h cti w S ( W S 9 2 7 G T R O P / E T U M A X M T U M X O io d u a e h t f o t u p t u o la n gis e t u m e g a ts ts a L 0 3 0 F T R O P 8 4 X 4 4 O t u p t u o la n gis g nih cti w s S F 8 4 / 4 4 C A D 1 3 1 F T R O P / R R E _ I D O I G I D X I r) e vie c e r e c a fr e t ni oid u a la tigi D ( 0 0 7 1 R I D 2 3 2 F T R O P / N O D 3 / E T U M M X 4 4 X 8 4 O ut p t u o la n gis g nih cti w s s s a p y b / N O oid u a D 3 3 3 C C V D 3 + V D 3 + V 4 3 3 F T R O P / 0 P S D A S C X 1 C N Y S O P) S D oid u A ( 2 6 3 6 5 P S D 5 3 4 F T R O P / 1 P S D A S C X / T R _ S V A X C S I D O P) S D oid u A ( 2 6 3 6 5 P S D 6 3 5 F T R O P / 2 P S D A S C X D D O / S O P D O P) S D oid u A ( 2 6 3 6 5 P S D PD3410A (DVDM ASSY : IC601) • • System Control IC Pin Function _ _ _ _ _ _ _ _ _ _ O 0 0 N 2 D 0 3-17 X I X I X I T I V I X O X O L O L O D O X O . o N k r a M e m a N n i P O /I on it c n u F 7 3 6 F T R O P / T S R E Q V X R N A X O ut p t u o la n gis g nih cti w s F F O / N O R N g ola n A 8 3 7 F T R O P / E V S C X E Q V S C X O er d o c n e o e div e h t f o t u p t u o la n gis elb a n e n oit a cin u m m o c lair e S 9 3 D N G D N G D N G 0 4 S S V A D N G D N G 1 4 C C V A D 3 + V D 3 + V 2 4 P _ A T U O V R D O L O t u p t u o e vir d g nid a o L 3 4 F E R V D 3 + V D 3 + V 4 4 P _ B T U O I E T O t u p t u o la n gis t e sff o g nik c a r T 5 4 S S V A D N G D N G 6 4 S S V A D N G D N G 7 4 0 E T R O P L E S _ V O t u p t u o la n gis g nih cti w s e tis o p m o c/t n e n o p m o C 8 4 1 E T R O P M G D C I ) C I cih p a r G ( A 6 1 0 C D P 9 4 2 E T R O P ?? ? M E O 0 5 3 E T R O P T1 S F O F /I t u p t u o t n e m ts ujd a t e sff o s u c o F 1 5 4 E T R O P T2 S F O F /I t u p t u o t n e m ts ujd a t e sff o s u c o F 2 5 5 E T R O P NH I F D /I ut p t u o la n gis t n u h s tc e f e D 3 5 6 E T R O P CD X / D V t u p t u o la n gis g nih cti w s D C / D V D 4 5 7 E T R O P ON _ 1 D t u p t u o la n gis N O e d oid r e s al m n 0 5 6 5 5 0 D T R O P ON _ 2 D t u p t u o la n gis N O e d oid r e s al m n 0 8 7 6 5 C C V D 3 + V D 3 + V 7 5 1 D T R O P E T / D P D O t u p t u o la n gis g nih cti w s s m a e b 3 / m a e b 1 8 5 2 D T R O P F F O G A O C I F R f o t u p t u o la n gis g nih cti w s F F O / N O C G A 9 5 3 D T R O P X 2 D C X O k c a b y alp d e e p s elb u o d e h t g nih cti w s r o f t u p t u o la n gi S 0 6 4 D T R O P G C I E O O t u p t u o la n gis g nih cti w s nia g C I E O 1 6 D N G D N G D N G 2 6 5 D T R O P N O M X O r o t o m eld nip s e h t f o t u p t u o g nih cti w s F F O / N O t u p t u o lo rt n o C 3 6 6 D T R O P A C B X O 4 6 7 D T R O P / W S _ N E P O T S R ? ? ? X I or t c e n n o c m sin a h c e M 5 6 0 J T R O P UT M V R D t u p t u o e t u m r e vir D 6 6 1 J T R O P D L X / R D O ) W S g ola n A ( F 3 5 W 7 C T 7 6 2 J T R O P ST R P S D ) P S D o v r e S ( W 2 5 6 8 7 C L 8 6 3 J T R O P / K C A J N M O M _ C M I in p k c e h c n oitc e n n o c k c ajini M 9 6 C C V D 3 + V D 3 + V 0 7 4 J T R O P NT E _ M t u p ni e d o m ts e T 1 7 5 J T R O P E P X E X O )r e ff u b e t a ts - 3 ( S F / F 4 7 5 T C H V 4 7 C T 2 7 6 J T R O P SW _ L E S t u p ni W S e tis o p m o c/t n e n o p m o C 3 7 7 J T R O P Y S Q D I 4 7 2 A C O I T / 0 B P SY U B C t u p ni y s u b d n a m m o C 5 7 2 B C O I T / 1 B P SY U B A t u p ni y s u b e c n e u q e s - o t u A 6 7 3 A C O I T / 2 B P / 2 T N I X 2 Q R I V A X I 1) - V A ( 2 t u p nit p u rr e t n I 7 7 C C V D 3 + V D 3 + V 8 7 3 B C O I T / 3 B P 1 T L O r ello rt n o c L F e h t o t t u p t u o la n gis e s n o p s e r n oit a cin u m m o C 9 7 4 A C O I T / 4 B P Y S B S I t u p ni.c n y s k c olb e d o c b u S 0 8 T S E T M X I D 3 + V 1 8 D M U P C X I D 3 + V 2 8 S E R X ET S E R t u p nit e s e R O O _ _ _ _ _ _ _ _ _ _ _ _ I 3-18 . o N k r a M e m a N n i P O /I on it c n u F 3 8 D N G ND G D N G 4 8 0 N A O P D O L I t u p ni n oitis o p g nid a o L 5 8 1 N A O P D L S I t u p ni n oitis o p r e dil S 6 8 2 N A S R O O D I r o tc e n n o c . a h c e M 7 8 3 N A SW _ P A N I t u p ni W S L A P / O T U A / C S T N 8 8 4 N A 9 8 5 N A 0 9 6 N A 1 9 7 N A SW _ P I 5 2 5 I 2 9 f e r v A 3D + V D 3 + V 3 9 C C V A 3D + V D 3 + V 4 9 S S V A ND G D N G 5 9 4 B C O I T / 5 B P / L F H / K L B I D F S S W T N C D I I )r e vie c e r e c a fr e t ni oid u a la tigi D ( 0 0 7 1 R I D ) P S D o v r e S ( W 2 5 6 8 7 C L 6 9 K L C T / 4 A X C O I T / 6 B P 2 C I t u p ni r o rr e 2 C 7 9 K L C T / 4 B X C O I T / 7 B P D R X I r ello rt n o c L F e h t m o rf t u p nits e u q e r oit a cin u m m o C 8 9 0 D x R / 8 B P S S I )r ello rt n o c L F ( t u p ni a t a d lair e S 9 9 0 D x T / 9 B P S S O ) C A D ,r ello rt n o c L F ( t u p t u o a t a d lair e S 0 0 1 C C V 3D + V D 3 + V 1 0 1 1 D x R / 0 1 B P X R I C 2 3 2 - S R e h t f o t u p ni a t a D 2 0 1 1 D x T / 1 1 B P X T O C 2 3 2 - S R e h t f o t u p t u o a t a D 3 0 1 0 K C S / 4 Q R I X / 2 1 B P C S S O /I C) A D ,r ello rt n o c L F ( t u p t u o k c olc lair e S 4 0 1 1 K C S / 5 Q R I X / 3 1 B P 1 L Q R I X I ) P I H C Y M ( 1 t u p nit p u rr e t n I 5 0 1 D N G ND G D N G 6 0 1 6 Q R I X / 4 1 B P 1 L Q R I X I ) P I H C Y M ( 2 t u p nit p u rr e t n I 7 0 1 7 Q R I X / 5 1 B P / 0 T N I X 0 Q R I V A X I 1) - V A ( 0 t u p nit p u rr e t n I 8 0 1 0 A C O I T / 4 S C X / 0 A P S C X O t u p t u o la n gis tc ele s pih c P S D o v r e S 9 0 1 S A R X / 5 S C X / 1 A P C. . N O n oitc e n n o c n o N 0 1 1 0 B C O I T / 6 S C X / 2 A P S C X O t u p t u o la n gis tc ele s pih c 1 - V A 1 1 1 T I A W X I A W X I t u p nila n gis tia W 2 1 1 L R W X R W X O L t u p t u o e slu p e tir W 3 1 1 D N G ND G D N G 4 1 1 H R W X R W X O H t u p t u o e slu p e tir W 5 1 1 D R X R X O t u p t u o e slu p d a e R 6 1 1 K C A B X / 7 A P E D R U C X I t u p nila n gis n oitc e t e d t n e rr u c -r e v O 7 1 1 Q E R B X / 8 A P T C I t u p niti m r e p r e fs n a rt C 2 3 2 - S R 8 1 1 / T U O Q R I X / H A X / 9 A P G R T D A X R T D O t u p t u o ti m r e p r e fs n a rt C 2 3 2 - S R 9 1 1 1 A C O I T / L P D / 0 1 A P / 1 Q R I V A X 1 T N I X I 1) - V A ( 1 t u p nit p u rr e t n I 0 2 1 1 B C O I T / H P D / 1 1 A P L H T I t u p nila n gis dlo h g nik c a r T 1 2 1 C C V 3 + V D 3 + V 2 2 1 / 0 K C A D / 0 Q R I X / 2 1 A P A K L C T 0 K C A D O ) P I H C Y M ( t u p t u o e s n o p s e r A M D 3 2 1 / 1 Q R I X / 3 1 A P B K L C T / 0 Q E R D X 0 Q E R D X I ) P I H C Y M ( t u p nits e u q e r A M D 4 2 1 K C A D X / 2 Q R I X / 4 1 A P K C A D X O ) 1 - V A ( t u p t u o e s n o p s e r A M D 5 2 1 Q E R D X / 3 Q R I X / 5 1 A P Q E R D X I ) 1 - V A ( t u p nits e u q e r A M D 6 2 1 0 D A D O /I 0 s u b a t a D I I I _ _ _ _ _ _ _ _ O Y D D K 0 1 T L H D T S 1 1 1 1 0 D 4 6 3-19 . o N k r a M e m a N n i P O /I on it c n u F 7 2 1 D N G ND G D N G 8 2 1 1 D A D O /I 1 s u b a t a D 9 2 1 2 D A D O /I 2 s u b a t a D 0 3 1 3 D A D O /I 3 s u b a t a D 1 3 1 4 D A D O /I 4 s u b a t a D 2 3 1 5 D A D O /I 5 s u b a t a D 3 3 1 6 D A D O /I 6 s u b a t a D 4 3 1 C C V 3 + V D 3 + V 5 3 1 7 D A D O /I 7 s u b a t a D 6 3 1 8 D A D O /I 8 s u b a t a D 7 3 1 9 D A D O /I 9 s u b a t a D 8 3 1 0 1 D A 1 D O /I 0 1 s u b a t a D 9 3 1 D N G N G D N G 0 4 1 1 1 D A 1 D O /I 1 1 s u b a t a D 1 4 1 2 1 D A 1 D O /I 2 1 s u b a t a D 2 4 1 3 1 D A 1 D O /I 3 1 s u b a t a D 3 4 1 4 1 D A 1 D O /I 4 1 s u b a t a D 4 4 1 C C V 3 + V D 3 + V 5 4 1 5 1 D A 1 D O /I 5 1 s u b a t a D 6 4 1 ) S B H X ( 0 A A O 0 s u b s s e r d d A 7 4 1 1 A A O 1 s u b s s e r d d A 8 4 1 2 A A O 2 s u b s s e r d d A 9 4 1 D N G ND G D N G 0 5 1 3 A A O 3 s u b s s e r d d A 1 5 1 4 A A O 4 s u b s s e r d d A 2 5 1 5 A A O 5 s u b s s e r d d A 3 5 1 6 A A O 6 s u b s s e r d d A 4 5 1 7 A A O 7 s u b s s e r d d A 5 5 1 8 A A O 8 s u b s s e r d d A 6 5 1 9 A A O 9 s u b s s e r d d A 7 5 1 0 1 A 1 A O 0 1 s u b s s e r d d A 8 5 1 1 1 A 1 A O 1 1 s u b s s e r d d A 9 5 1 2 1 A 1 A O 2 1 s u b s s e r d d A 0 6 1 3 1 A 1 A O 3 1 s u b s s e r d d A 1 6 1 4 1 A 1 A O 4 1 s u b s s e r d d A 2 6 1 5 1 A 1 A O 5 1 s u b s s e r d d A 3 6 1 6 1 A 1 A O 6 1 s u b s s e r d d A 4 6 1 7 1 A 1 A O 7 1 s u b s s e r d d A 5 6 1 C C V 3 + V D 3 + V 6 6 1 8 1 A 1 A O 8 1 s u b s s e r d d A 7 6 1 9 1 A 1 A O 9 1 s u b s s e r d d A 8 6 1 0 2 A 2 A O 0 2 s u b s s e r d d A 9 6 1 1 2 A 2 A O . C . N 0 7 1 I M N X M N X I D 3 + V 1 7 1 D N G N G D N G 2 7 1 0 1 S C X 1 S C X O )r e ff u b e t a ts - 3 ( S F / F 4 7 5 T C H V 3 7 1 0 2 S C X 2 S C X O M O R h s alf e h t f o t u p t u o la n gis tc ele s pih C 4 7 1 2 2 S C X 2 S C X O ) M O R I U G ( 5 7 1 3 2 S C X 2 S C X O M A R S e h t f o t u p t u o la n gis tc ele s pih C 6 7 1 2 S C X . C . N 1 2 3 4 5 6 7 8 9 0 D D 1 2 3 4 5 D _ _ _ _ _ _ _ O 0 1 2 0 1 0 0 0 2 3 1 I D 2 3 4 5 6 7 8 9 3 4 5 6 7 8 9 3-20 . o N e m a N n i P O /I on it c n u F n i P o N e m a N n i P O /I on it c n u F n i P 1 5 1 A I st u p ni s s e r d d A 5 2 0 A I t u p ni s s e r d d A 2 4 1 A 2 E C I elb a n e pih C 3 3 1 A 2 S S V d n u o r G 4 2 1 A 2 E O I elb a n e t u p t u O 5 1 1 A 2 0 Q D O /I st u p t u o /st u p ni a t a D 6 0 1 A 3 8 Q D 7 9 A 3 1 Q D 8 8 A 3 9 Q D 9 9 1 A 3 2 Q D 0 1 . C . N n oitc e n n o c n o N 3 0 1 Q D 1 1 E W I elb a n e e tir W 3 3 Q D 2 1 T E S E R I r o tc e s y r a r o p m e T / nip t e s e r e r a w d r a H n oitc e t o r p n u 6 3 1 1 Q D 3 1 . C . N n oitc e n n o c n o N 3 C C V ylp p u s r e w o P 4 1 . C . N n oitc e n n o c n o N 3 4 Q D O /I st u p t u o /st u p ni a t a D 5 1 Y B / Y R O t u p t u o y s u B /y d a e R 3 2 1 Q D 6 1 8 1 A I st u p ni s s e r d d A 0 4 5 Q D 7 1 7 1 A 4 3 1 Q D 8 1 7 A 4 6 Q D 9 1 6 A 4 4 1 Q D 0 2 5 A 4 7 Q D 1 2 4 A 4 1 - A / 5 1 Q D O /I ut p ni s s e r d d A / st u p t u o /st u p ni a t a D 2 2 3 A 4 S S V d n u o r G 3 2 2 A 4 E T Y B I de o m tib - 6 1 r o tib - 8 stc ele S 4 2 1 A 4 6 1 A I t u p ni s s e r d d A VYW1750 (DVDM ASSY : IC603) • • • 16M bit Flash Memory IC Block Diagram Pin Function 37 27 VCC 15 RY/BY VSS 11 WE State Control Command Register RY/BY Buffer Low VCC Detector Time for Program/Erase Chip Enable Output Enable Logic Address Latch Y-Decoder STB STB X-Decoder Program Voltage Generator Erase Voltage Generator 47 BYTE 12 RESET 26 CE 28 OE 45 A-1 A0 - A19 Data Latch Cell Matrix Y-Gating Input/Output Buffers 9,16-25 DQ0 - DQ15 29-36,38-45 _ _ _ _ _ _ 6 7 8 9 0 1 2 3 4 5 7 8 9 1 2 3 4 5 6 7 8 3-21 H H M65773AFP (DVDM ASSY : IC801) • • • MPEG2 Decoder IC Block Diagram Pin Function . o N e m a N n i P I/O on it c n u F n Pi o N e m a N n i P O /I on it c n u F n i P 1 D N G I d n u o r G 2 D D V 5 I ylp p u s r e w o p V 5 2 0 D H O /I rt o p t u p t u o d n a t u p ni a t a D 2 2 5 1 D H O / rt o p t u p t u o d n a t u p ni a t a D 3 1 D H 2 S C I t u p nila n gis tc ele s pih C 4 2 D 2 E R I t u p nila n gis elb a n E d a e R 5 3 D H 2 E W I t u p nila n gis elb a n E e tir W 6 4 D H 2 E H B I t u p nila n gis elb a n E h gi H e ty B 7 D D V 5 I ylp p u s r e w o p V 5 2 Y D R O e h t d e t a cid ni si h cih w la n gis e g d el w o n k c A ts o h e h t aiv g nitir w r o g nid a e r a t a d f o h sinif s u b 8 D D V I ylp p u s r e w o P 2 R T N I O e h t o t ts nia g a la n gis ts e u q e r t p u rr e t n I P F 3 7 7 5 6 M m o rf U P C la n r e tx e 9 5 D H O /I rt o p t u p t u o d n a t u p ni a t a D 9 2 D N G I d n u o r G 0 1 6 D H 3 0 A H I tr o p t u p ni s s e r d d A 1 1 7 D 3 1 A H 2 1 8 D H 3 2 A H 3 1 9 D H 3 3 A H 4 1 D N G I d n u o r G 3 4 A H 5 1 0 1 D H O / rt o p t u p t u o d n a t u p ni a t a D 5 3 D D V I ylp p u s r e w o P 6 1 1 1 D H 3 D D V 5 I ylp p u s r e w o p V 5 7 1 2 1 D H 3 5 A H I tr o p t u p ni s s e r d d A 8 1 3 1 D H 3 6 A H 9 1 4 1 D H 3 7 A H 0 2 D D V I ylp p u s r e w o P 4 8 A H Descrambler Bit Streem Input Interface Bit Streem Host CPU 16M DRAM 16M bit SDRAM Video Output PCM Audio Output IEC958 Output Internal CPU Write BUS H BUS SDRAM Controller ROM RAM Host Interface Video Decoder Sub-picture Decoder Display Processor Special Playback Processor Video Output Interface Audio Output Interface Read BUS I 1 3 4 5 6 7 8 0 1 2 3 4 6 7 8 9 0 I 3-22 . o N e m a N n i P Pin Function o N e m a N n i P 1 4 9 A H I tr o p t u p ni s s e r d d A 8 D D V I ylp p u s r e w o P 2 4 D N G I d n u o r G 8 C N Y S V O t u p t u o la n gis .c n y s lc aitr e V 3 4 K C M D C I d n u o r g o t tc e n n o C 8 C N Y S H O t u p t u o la n gis .c n y s la t n o zir o H 4 4 K C R L D C I P S D D C m o rf t u p ni k c olc k c olc R / L 8 T R T S C I P 5 4 K C B D C I P S D D C m o rf t u p ni k c olc tib M C P 8 T R T S B M 6 4 A T A D D C I t u p ni e c a fr e t ni oid u a la tigi D 8 A T A D B M 7 4 D D V I ylp p u s r e w o P 8 D N G I d n u o r G 8 4 N I D D C I P S D D C m o rf t u p ni a t a d oid u a M C P 9 D W P O .c n y s la n r e tx e r o f t u p t u o r o t a r a p m o c e s a h P n oit a r e p o 9 4 2 T N I O e h t o t ts nia g a la n gis ts e u q e r t p u rr e t n I P F 3 7 7 5 6 M m o rf U P C la n r e tx e 1 9 C N Y S C I t u p nila n gis C N Y S e tis o p m o C 0 5 3 T N I 9 Y E K D S O O t u p t u o g alf y e k D S O 1 5 Q E R D O r e fs n a rt p a m tib D S O r o fla n gis ts e u q e r A M D 9 K L C X P O ) k c olc g nin n u r- e e rf z H M 7 2 ( k c olc le xi P 2 5 K C A D I p a m tib D S O r o fla n gis e g d el w o n k c a A M D r e fs n a rt 4 9 D D V I ylp p u s r e w o P 3 5 D N G I d n u o r G 9 7 D P O a t a d le xip la tigi D 4 5 O K L C O t u p t u o k c olc z H M 7 2 9 6 D P 5 5 N I K L C I t u p ni k c olc m e ts y S 9 5 D P 6 5 1 D D V A I ylp p u s r e w o p g ola n A 9 4 D P 7 5 1 D N G A I d n u o r g g ola n A 9 9 D N G I d n u o r G 8 5 3 D N G A 0 1 3 D P O a t a d le xip la tigi D 9 5 3 D D V A I ylp p u s r e w o p g ola n A 0 1 2 D P 0 6 P A C C I d n u o r g o t tc e n n o C 0 1 1 D P 1 6 2 D N G A I d n u o r g g ola n A 0 1 0 D P 2 6 2 D D V A I ylp p u s r e w o p g ola n A 0 1 D D V I ylp p u s r e w o P 3 6 O K L C A n e p O 0 1 D N G I d n u o r G 4 6 I K L C A I t u p ni k c olc oid u A 0 1 T E S E R I t u p nit e s e r e r a w d r a H 5 6 1 E D O M H I e d o m g nit a r e p o e c a fr e t nits o h f o nip g nitt Se 0 1 0 T S E T I ly la m r o n d n u o r g o t tc e n n o C 6 6 D N G I d n u o r G 0 1 1 T S E T 7 6 D D V I ylp p u s r e w o P 0 1 2 T S E T 8 6 D O A O ta a d oid u a f o t u p t u o M C P 0 1 1 D D V I ylp p u s r e w o P 9 6 2 O A 1 1 0 D M N O /I AM R D h ti w e nil r e fs n a rt a t a D 0 7 1 O A 1 1 5 1 D M N 1 7 0 O A 1 1 1 D M N 2 7 D N G I d n u o r G 1 1 4 1 D M N 3 7 1 T U O D O ut p t u o e c a fr e t ni oid u a la tigi D 5 1 1 D N G I d n u o r G 4 7 0 T U O D 1 1 2 D M N O /I AM R D h ti w e nil r e fs n a rt a t a D 5 7 A D S n e p O 1 1 3 1 D M N 6 7 L C S n e p O 1 1 3 D M N 7 7 D D V I ylp p u s r e w o P 1 1 2 1 D M N 8 7 D N G I d n u o r G 2 1 D D V I ylp p u s r e w o P 9 7 K L C C A D O t u p t u o k c olc g nit a r e p o g nilp m a s -r e v O 2 1 4 D M N O /I AM R D h ti w e nil r e fs n a rt a t a D 0 8 K L C O D O t u p t u o k c olc tib M C P 2 1 1 1 D M N 1 8 K L C R L O le n n a h c e h t g nit a ni m ir c sid r o f t u p t u o k c ol C a t a d oid u a M C P f o ) R / L ( 3 2 1 5 D M N 2 8 0 E D O M H I e d o m g nit a r e p o e c a fr e t nits o h f o nip g nitt e S 2 1 0 1 D M N I/O Pin Function I/O 4 3 4 5 6 7 8 9 0 2 3 5 6 7 8 0 1 2 3 4 5 6 7 8 9 1 2 3 4 6 7 8 9 0 1 2 3-23 . o N e m a N n i P I/O Pin Function I/O Pin Function o N e m a N n i P 5 2 1 D N G I d n u o r G 6 1 5 A M O M A R D S h ti w e nil s s e r d d A 6 2 1 6 D M N O /I AM R D h ti w e nil r e fs n a rt a t a D 8 6 1 D N G I d n u o r G 7 2 1 9 D M N 6 1 1 A M O AM R D S h ti w e nil s s e r d d A 8 2 1 7 D M N 7 1 6 A M 9 2 1 8 D M N 7 1 0 A M 0 3 1 D D V I ylp p u s r e w o P 7 1 7 A M 1 3 1 0 S A C N O f o e nillo rt n o c ) e b o rt S s s e r d d A n m ulo C ( S A C M A R D 3 7 1 D D V I ylp p u s r e w o P 2 3 1 E W N O M A R D f o e nillo rt n o c E W 7 1 0 1 A M O AM R D S h ti w e nil s s e r d d A 3 3 1 1 S A C N O f o e nillo rt n o c ) e b o rt S s s e r d d A n m ulo C ( S A C M A R D 5 7 1 8 A M 4 3 1 S A R N O f o e nillo rt n o c ) e b o rt S s s e r d d A w o R ( S A R M A R D 6 7 1 1 1 A M 5 3 1 D N G I d n u o r G 7 1 9 A M 6 3 1 9 A M N O AM R D h ti w e nil s s e r d d A 8 7 1 D N G I d n u o r G 7 3 1 8 A M N 7 1 S C D O M A R D S f o tc ele s pih C 8 3 1 D D V I ylp p u s r e w o P 8 1 S A R O f o e nillo rt n o c ) e b o rt S s s e r d d A w o R ( S A R M A R D S 9 3 1 0 A M N O AM R D h ti w e nil s s e r d d A 1 8 1 S A C O e nillo rt n o c ) e b o rt S s s e r d d A n m ulo C ( S A C M A R D S f o 0 4 1 7 A M N 8 1 D D V I ylp p u s r e w o P 1 4 1 1 A M N 8 1 K L C M O M A R D S f o k c olc n oit a r e p O 2 4 1 6 A M N 8 1 D N G I d n u o r G 3 4 1 D N G I d n u o r G 8 1 E W D O M A R D S f o e nillo rt n o c E W 4 4 1 2 A M N O AM R D h ti w e nil s s e r d d A 6 8 1 U M Q D O M A R D S f o e nillo rt n o c M Q D .t u p t u o e ty b r e p p u f o k s a m r o f e s U 5 4 1 5 A M N 8 1 L M Q D O M A R D S f o e nillo rt n o c M Q D .t u p t u o e ty b r e w olf o k s a m r o f e s U 6 4 1 3 A M N 8 1 D D V I ylp p u s r e w o P 7 4 1 4 A M N 8 1 7 D M O /I AM R D S h ti w e nil r e fs n a rt a t a D 8 4 1 D D V I ylp p u s r e w o P 9 1 8 D M 9 4 1 7 D B I tr o p t u p ni m a e rts ti B 1 9 1 6 D M 0 5 1 6 D B 9 1 9 D M 1 5 1 D N G I d n u o r G 9 1 D N G I d n u o r G 2 5 1 5 D B I tr o p t u p ni m a e rts ti B 4 9 1 5 D M O /I AM R D S h ti w e nil r e fs n a rt a t a D 3 5 1 4 D B 9 1 0 1 D M 4 5 1 3 D B 9 1 4 D M 5 5 1 2 D B 9 1 1 1 D M 6 5 1 D D V I ylp p u s r e w o P 9 1 D D V I ylp p u s r e w o P 7 5 1 D N G I d n u o r G 9 1 3 D M O /I AM R D S h ti w e nil r e fs n a rt a t a D 8 5 1 1 D B I tr o p t u p ni m a e rts ti B 0 0 2 2 1 D M 9 5 1 0 D B 0 2 2 D M 0 6 1 K L C B I tr o p D B f o ) k c olc ( la n gis e b o rt S 0 2 3 1 D M 1 6 1 N E D B I si h cih w a t a d dila v ni r o e vitc e ff e e h t s e t a cid n I tr o p D B m o rf d elp m a s 3 0 2 D N G I d n u o r G 2 6 1 Q E R D B O e h t o t ts nia g a la n gis n ois si m r e p t u p t u O g nitc e n n o c h cih w )r e d o c e d le n n a h c ( e civ e d tr o p D B o t 4 0 2 1 D M O /I AM R D S h ti w e nil r e fs n a rt a t a D 3 6 1 D D V I ylp p u s r e w o P 0 2 4 1 D M 4 6 1 3 A M O AM R D S h ti w e nil s s e r d d A 6 0 2 0 D M 5 6 1 4 A M 0 2 5 1 D M 6 6 1 2 A M 0 2 D D V I ylp p u s r e w o P 7 9 0 1 2 4 7 9 0 2 3 4 5 7 8 9 0 2 3 5 6 7 8 9 1 2 5 7 8 3-24 LC89051V (DVDM ASSY : IC903) • • • Digital Audio IC Block Diagram PLL Timing Data Demodulation Block Microcontroller Interface Mute Output Mute Output Input Block C bit Detection C bit Detection 5 11 19 R 6 VIN 7 VCO TEST 12 TEST1 13 TEST2 10 XMODE AVOCK 9 3 2 CKSEL E/DOUT DIN2 1 DIN1 16 SWDT/DI 15 17 18 XLAT/CE 14 SCLK/CL BCK LRCK FS128 CKOUT 21 22 20 DATAOUT 23 ERROR SRDT/DO DOSY/LD 24 Pin Function . o N e m a N n i P O /I on it c n u F n i P 1 1 N I D I )t u p ni elu d o m la cit p o r o laix a o c r o f( r eifilp m a ni-tliu b h ti w t u p ni a t a D 2 2 N I D I )t u p ni elu d o m la cit p o r o f( t u p ni a t a D 3 T U O D / E O t u p t u o g alf ytidila v d n a , e s a h p -ib t u p ni,sis a h p m E 4 D D V ylp p u s r e w o P 5 R I t u p nilo rt n o c nia g O C V 6 N I V I t u p ni g nitt e s g nin n u r- e e rf O C V 7 O C V O g nitt e s r e tlif s s a p - w ol L L P 8 D N G d n u o r G 9 L E S K C I ) sf 2 1 5 r o sf 4 8 3 ( t u p ni n oitc ele s k c olc m e ts y S 0 1 E D O M X I t u p nit e s e R 1 1 K C O V A I t u p ni k c olc e c n a dio v a k c ol r o rr e L L P 2 1 1 T S E T I ) n oit a r e p o la m r o n ni d n u o r g o t d e tc e n n o c e b ts u M ( t u p nits e T 3 1 2 T S E T I ) n oit a r e p o la m r o n ni d n u o r g o t d e tc e n n o c e b ts u M ( t u p nits e T 4 1 L C / K L C S I t u p ni k c olc e c a fr e t ni r e t u p m o c o r ci M 5 1 E C / T A L X I t u p ni elb a n e pih c/ h ct al e c a fr e t ni r e t u p m o c o r ci M 6 1 I D / T D W S I t u p ni a t a d e tir w e c a fr e t ni r e t u p m o c o r ci M 7 1 O D / T D R S O t u p t u o a t a d d a e r e c a fr e t ni r e t u p m o c o r ci M 8 1 D L / Y S O D O t u p t u o n oit a zin o r h c n y s D I d n a Q e d o c b u s e c a fr e t ni r e t u p m o c o r ci M 9 1 T U O K C O ) sf 2 1 5 r o ,sf 4 8 3 , g nin n u r e e rf( t u p t u o k c olc O C V 0 2 8 2 1 S F O t u p t u o k c olc sf 8 2 1 1 2 K C B O t u p t u o k c olc ti B 2 2 K C R L O ) w ol = le n n a h c t h gir , h gih = le n n a h c tf el( t u p t u o k c olc R / L 3 2 T U O A T A D O t u p t u o a t a d oid u A 4 2 R O R R E O t u p t u o e t u m r o rr e k c ol L L P _ _ 3.3 PCB PARTS LIST NOTES: • Parts marked by "NSP" are generally unavailable because they are not in our Master Spare Parts List. • The mark found on some component parts indicates the importance of the safety factor of the part. Therefore, when replacing, be sure to use parts of identical designation. • When ordering resistors, first convert resistance values into code form as shown in the following examples. Ex.1 When there are 2 effective digits (any digit apart from 0), such as 560 ohm and 47k ohm (tolerance is shown by J=5%, and K=10%). 560 56 x 10 1 561......................................................... RD1/4PU 5 6 1 J 47k 47 x 10 3 473......................................................... RD1/4PU 4 7 3 J 0.5 R50 .....................................................................................RN2H R 5 0 K 1 1R0 .....................................................................................RS1P 1 R 0 Ex.2 When there are 3 effective digits (such as in high precision metal film resistors). 5.62k 562 x 10 1 5621 ...................................................... RN1/4PC 5 6 2 1 F LOMB ASSY A LOSB ASSY B C SMEB ASSY D FGSB ASSY Mark Ver. ( DB-VPBxxx ) Part No. ( for PCS ) Description Part No. ( for MJI ) No. OTHERS NSP CN401 --- B2B-PH-K-S KR CONNECTOR --- Mark Ver. ( DB-VPBxxx ) Part No. ( for PCS ) Description Part No. ( for MJI ) No. SWITCH S301 9965 000 07961 VSK1011 *SM000340R OTHERS NSP CN303 --- B2B-PH-K-S KR CONNECTOR --- NSP CN302 --- VKN1268 8P FFC CONNECTOR --- NSP CN301 --- VKN1272 12P FFC CONNECTOR --- Mark Ver. ( DB-VPBxxx ) Part No. ( for PCS ) Description Part No. ( for MJI ) No. SWITCH S201 9965 000 07962 DSG1016 *SP001020R OTHERS NSP CN201 --- 52044-0345 3P FFC CONNECTOR --- NSP CN202 --- VKN1212 8P FFC CONNECTOR --- NSP --- VNP1722 PC BOARD SMEB --- Mark Ver. ( DB-VPBxxx ) Part No. ( for PCS ) Description Part No. ( for MJI ) No. SEMICONDUCTOR PC101 9965 000 07963 GP2S60 *HW100500R RESISTOR NSP R101 --- RS1/10S331J --- NOTE : "NSP" PART IS LISTED FOR REFERENCE ONLY, MARANTZ WILL NOT SUPPLY THESE PARTS. NOTE : "NSP" PART IS LISTED FOR REFERENCE ONLY, MARANTZ WILL NOT SUPPLY THESE PARTS. NOTE : "NSP" PART IS LISTED FOR REFERENCE ONLY, MARANTZ WILL NOT SUPPLY THESE PARTS. NOTE : "NSP" PART IS LISTED FOR REFERENCE ONLY, MARANTZ WILL NOT SUPPLY THESE PARTS. 3-25 Mark Ver. ( DB-VPBxxx ) Part No. ( for PCS ) Description Part No. ( for MJI ) No. SEMICONDUCTOR IC21 9965 000 10299 CY2081SL-655 *HC105840R IC101 9965 000 07966 LA9701M *HC105850R IC201 9965 000 07967 LC78652W *HC105860R IC903 9965 000 10300 LC89051V *HC106800R IC352 9965 000 07968 M56788FP *HC105870R IC801 9965 000 10301 M65773AFP *HC105880R IC802 9965 000 07969 MB811171622A-100FN *HC106040R IC806 9965 000 07971 MC44724A *HC106810R IC612 9965 000 10302 MC74VHC541DT *HC700230R IC611,IC807,IC905 9965 000 10303 TC74VHCT541AFT *HC700240R 221 IC906 9965 000 10304 MM1506XN *HC106820R IC702 9965 000 07972 MN414800CSJ-07 *HC105900R IC261,IC302 4822 209 30455 NJM2100M HC10085090 IC601 9965 000 07973 PD3410A *HU100400R IC701 9965 000 07974 PE5108A *HC106370R IC604 9965 000 10305 TC55V1001AFT8 *HC106830R IC24-IC27,IC303 4822 209 17359 TC7SHU04F *HC105940R IC610 9965 000 02109 TC7W53FU HC007105K0 IC22 9965 000 10306 TC7WH74FU *HC105950R IC603 9965 000 10307 VYW1750 *HC106840R Q106,Q109 4822 130 10698 2SA1576A HX100012A0 221 Q800-Q805 4822 130 10698 2SA1576A HX100012A0 Q807-Q812 4822 130 10698 2SA1576A HX100012A0 Q105,Q114,Q251 4822 130 60669 2SC4081 HX300012A0 Q602 9965 000 10308 DTA114EUA *BA000900R Q107,Q111,Q601 9965 000 07976 DTC114EUA *BA000910R Q102 4822 130 63838 HN1A01F BA10011050 Q103,Q281,Q542,Q543 9965 000 07977 HN1B04FU *BA000920R Q101 4822 130 63843 HN1C01F *BA000930R Q112,Q113 9965 000 07978 HN1C01FU *BA000940R Q108 9965 000 10309 HN1K03FU *BA000950R Q503 9965 000 07980 RN1911 *BA000960R D302 9965 000 10310 KV1470 *HZ400010R D601 9322 154 46685 RB501V-40 *HZ200100R D501,D502 9965 000 06882 RB521S-30 *HZ200110R COILS AND FILTERS F5050,F5090 9965 000 10311 DTF1067 CHIP BEAD *FC900220R F4010,F4020,F4030,F4040 F4050 9965 000 10312 DTF1070 CHIP BEAD *FC900230R F4060,F8330,F9010,F9590 9965 000 10312 DTF1070 CHIP BEAD *FC900230R NSP L151 --- LCYA100J2520 --- NSP L304 --- LCYA1R5J2520 --- NSP L101,L330 --- LCYA8R2J2520 --- NSP 221 F840 --- VTF1155 VIDEO FILT ER --- NSP F852 --- VTF1155 VIDEO FILT ER --- L1400 9965 000 10313 VTL1088 CHIP BEAD *FC900250R 220 L9490 9965 000 10314 VTL1105 CHIP BEAD *FC900260R L9500,L9510 9965 000 10314 VTL1105 CHIP BEAD *FC900260R CAPACITORS NSP C612 --- CCSRCH100D50 --- NSP C123,C145,C21,C282 C617 --- CCSRCH101J50 --- NSP C26 --- CCSRCH120J50 --- NSP C104-C108,C126,C333 --- CCSRCH150J50 --- NSP C206,C210,C211 --- CCSRCH151J50 --- NSP C322 --- CCSRCH180J50 --- NSP C116,C151,C314 --- CCSRCH220J50 --- NSP C152 --- CCSRCH221J50 --- E DVDM ASSY NOTE : "NSP" PART IS LISTED FOR REFERENCE ONLY, MARANTZ WILL NOT SUPPLY THESE PARTS. 3-26 Mark Ver. ( DB-VPBxxx ) Part No. ( for PCS ) Description Part No. ( for MJI ) No. NSP C632 --- CCSRCH330J50 --- NSP C209 --- CCSRCH331J50 --- NSP C128,C134,C297,C335 --- CCSRCH470J50 --- NSP C122,C208 --- CCSRCH471J50 --- NSP C127,C334 --- CCSRCH5R0C50 --- NSP C124,C146 --- CCSRCH680J50 --- NSP C117,C240,C352,C360 --- CCSRCH681J25 --- NSP 221 C934 --- CEV100M16 --- NSP C129,C142,C22,C405 C601 --- CEV101M10 --- NSP C701,C763,C801,C802 C804 --- CEV101M10 --- NSP C857,C882 --- CEV101M10 --- NSP C113,C139,C358,C368 C411 --- CEV220M16 --- NSP C111,C147,C149,C205 C207 --- CEV470M6R3 --- NSP C401,C403,C407 --- CEV470M6R3 --- NSP C502 --- CKSQYB103K50 --- NSP C140,C223,C224,C252 C264 --- CKSQYB105K10 --- NSP C312 --- CKSQYB105K10 --- NSP C229 --- CKSQYB224K16 --- NSP C217 --- CKSQYF105Z16 --- NSP C216,C313 --- CKSRYB102K50 --- NSP C133,C136,C203,C220 C225 --- CKSRYB103K50 --- NSP C239,C320,C321,C619 C703 --- CKSRYB103K50 --- NSP C722,C904 --- CKSRYB103K50 --- NSP C101,C102,C114,C118 C119 --- CKSRYB104K16 --- NSP C121,C130,C138,C204 --- CKSRYB104K16 --- NSP C212,C213,C227,C228 C231 --- CKSRYB104K16 --- NSP C24,C263,C315-C317 C332 --- CKSRYB104K16 --- NSP 221 C633 --- CKSRYB104K16 --- NSP C856,C858-C864,C872 --- CKSRYB104K16 --- NSP C875,C876,C879-C881 C883 --- CKSRYB104K16 --- NSP 221 C890-C895,C933,C935 --- CKSRYB104K16 --- NSP C281,C354 --- CKSRYB222K50 --- NSP C153,C266 --- CKSRYB223K25 --- NSP C214,C251,C261,C351 --- CKSRYB472K50 --- NSP C357 --- CKSRYB473K16 --- NSP C330 --- CKSRYB682K50 --- NSP C109,C110,C120,C131 C148 --- CKSRYF104Z16 --- NSP C150,C202,C215,C221 C222 --- CKSRYF104Z16 --- NSP C226,C230,C235,C265 C29 --- CKSRYF104Z16 --- NSP C31,C33,C35,C359,C367 --- CKSRYF104Z16 --- NSP C369-C372,C402,C404 C406 --- CKSRYF104Z16 --- NSP C408,C410,C412,C501 --- CKSRYF104Z16 --- NSP C602-C611,C613-C616 --- CKSRYF104Z16 --- NSP C621-C623,C625-C627 --- CKSRYF104Z16 --- NSP C630,C631,C702 C704-C714 --- CKSRYF104Z16 --- NSP C716-C721,C723-C725 --- CKSRYF104Z16 --- NOTE : "NSP" PART IS LISTED FOR REFERENCE ONLY, MARANTZ WILL NOT SUPPLY THESE PARTS. 3-27 Mark Ver. ( DB-VPBxxx ) Part No. ( for PCS ) Description Part No. ( for MJI ) No. NSP C761,C762,C822,C827 C829 --- CKSRYF104Z16 --- NSP C832,C833,C836,C903 C921 --- CKSRYF104Z16 --- NSP C143,C319,C806-C819 --- CKSRYF105Z10 --- NSP C328,C821,C824,C825 C828 --- VCG1030 2.2 F --- NSP C830,C837 --- VCG1030 2.2 F --- NSP C23,C299 --- VCG1032 0.47 F --- NSP VC21 --- VCM1013 30pF --- RESISTORS NSP 220 R1 --- RS1/16S333J --- NSP 221 R2 --- RS1/16S103J --- NSP 220 R2 --- RS1/16S223J --- NSP 220 R3 --- RS1/16S103J --- NSP 221 R4 --- RS1/16S103J --- NSP R123 --- ACN7047 (39 x 4) --- NSP R715,R716 --- ACN7077 (47 x 4) --- NSP R531,R543,R545,R613 --- DCN1094 (10k x 4) --- NSP R648,R649,R706,R707 R748 --- DCN1094 (10k x 4) --- NSP R751 --- DCN1094 (10k x 4) --- NSP R121,R532,R732,R736 --- DCN1104 (22 x 4) --- NSP R776,R777,R818-R820 R825 --- DCN1104 (22 x 4) --- NSP R848,R849 --- DCN1104 (22 x 4) --- NSP R1020,R162,R2010,R2020 R2030 --- RS1/10S0R0J --- NSP R2040,R3050,R3520,R506 R510 --- RS1/10S0R0J --- NSP R520,R601,R701,R801 R8510 --- RS1/10S0R0J --- NSP R8520,R8530,R9220 R9230,R9240 --- RS1/10S0R0J --- NSP R925-R948,R952-R958 --- RS1/10S0R0J --- NSP 221 R949,R961-R963,R965 --- RS1/10S0R0J --- NSP R960,R964 --- RS1/10S0R0J --- NSP 221 R878,R881,R884 --- RS1/16S0R0J --- NSP 221 R879,R882,R885 --- RS1/16S101J --- NSP 221 R868,R871,R874,R877 R880,R883 --- RS1/16S182J --- NSP R864,R865 --- RS1/16S1001F --- NSP R861,R862 --- RS1/16S1201F --- NSP R361,R364 --- RS1/16S1203F --- NSP R363,R365 --- RS1/16S1503F --- NSP 220 R839 --- RS1/16S2000F --- NSP 221 R839 --- RS1/16S1800F --- NSP 221 R876 --- RS1/16S1800F --- NSP R860,R863 --- RS1/16S1801F --- NSP R837,R838 --- RS1/16S2000F --- NSP 221 R870,R873 --- RS1/16S2000F --- NSP 220 R891 --- RS1/16S8202F --- NSP 221 R891 --- RS1/16S2002F --- NSP 221 R847 --- RS1/16S2200F --- NSP R894 --- RS1/16S3902F --- NSP R829,R888 --- RS1/16S4700F --- NSP 221 R869,R872,R875 --- RS1/16S4700F --- NSP R895 --- RS1/16S4700F --- NSP R164 --- RS1/16S5600F --- NSP R3510 --- VCN1120 --- NSP Other Resistors RS1/16SxxxJ --- NOTE : "NSP" PART IS LISTED FOR REFERENCE ONLY, MARANTZ WILL NOT SUPPLY THESE PARTS. 3-28 Mark Ver. ( DB-VPBxxx ) Part No. ( for PCS ) Description Part No. ( for MJI ) No. OTHERS X601 9965 000 07985 DSS1110 CHIP CERALOCK (20MHz) *FQ000450R NSP --- VDA1681 FLEXIBLE CABLE 7P --- NSP CN106 --- VKN1299 7P FFC CONNECTOR --- NSP CN201 --- VKN1324 B TO B CONNECTOR 14P --- NSP CN120 --- VKN1464 24P FFC CONNECTOR --- NSP CN1030 --- VKN1471 12P FFC CONNECTOR --- NSP CN602,CN901 --- VKN1474 15P FFC CONNECTOR --- NSP CN110 --- VKN1479 26P FFC CONNECTOR --- NSP 221 CN904 --- VKN1493 7P FFC CONNECTOR --- NSP CN905 --- VKN1585 29P FFC CONNECTOR --- X21 9965 000 10315 VSS1129 CRYSTAL RESONATOR (13.824MHz) *JX000670R 220 002A --- VWS1465 DB-VPB220 ZK404K0220 221 002A 9965 000 10316 VWS1466 DVD PCB MODULE DVD PCB MODULE DB-VPB221 ZK404K0210 NOTE : "NSP" PART IS LISTED FOR REFERENCE ONLY, MARANTZ WILL NOT SUPPLY THESE PARTS. 3-29

标签:

版权声明

1. 本站所有素材,仅限学习交流,仅展示部分内容,如需查看完整内容,请下载原文件。
2. 会员在本站下载的所有素材,只拥有使用权,著作权归原作者所有。
3. 所有素材,未经合法授权,请勿用于商业用途,会员不得以任何形式发布、传播、复制、转售该素材,否则一律封号处理。
4. 如果素材损害你的权益请联系客服QQ:77594475 处理。