马兰士MARANTZ CM6200音响电路图
分类:电子电工
日期:2023-04-02
点击:0
CM6200
412K855010 MIT
First Issue 2001.06
R
CM6200
Please use this service manual with referring to the user guide ( D.F.U. ) without fail.
Printed in Japan
CM6200 /F1N, /S1G
CD/MD Combination Deck
TIMER
SP
LP2
MONO
LP4
REC MODE
EDIT
MENU
DELETE
CANCEL
DUBB
DIRECT
-
CD/MD COMBINATION DECK CM6200
PHONES
PUSH ENTER
+
EASY JOG
REC
MD
PLAY/PAUSE
STOP
CD
PLAY/PAUSE
STOP
POWER ON/OFF
EJECT
CLOSE
OPEN/
STANDBY
CD-TEXT
TOC
REPEAT
AUTO SYNC
1 A- B TOTAL TRACK
R
L
dB -50
-30
-22
-16
-12
-8
-4
0 OVER
PROG RANDOM DIGITAL
TABLE OF CONTENTS
SECTION PAGE
1. MAIN UNIT
1.1 TECHNICAL SPECIFICATIONS..........................................................................................................1-1
1.2 SERVICE MODE .................................................................................................................................1-2
1.3 TAKING OUT THE STACK DISC .........................................................................................................1-4
1.4 BLOCK DIAGRAM...............................................................................................................................1-5
1.5 SCHEMATIC DIAGRAM ......................................................................................................................1-7
1.6 PARTS LOCATION ............................................................................................................................1-13
1.7 WAVEFORMS....................................................................................................................................1-17
1.8 EXPLODED VIEW AND PARTS LIST ...............................................................................................1-19
1.9 ELECTRICAL PARTS LIST ...............................................................................................................1-21
2. MDM-08BD( MD MODULE )
2.1 MD TEST MODE .................................................................................................................................2-2
2.2 ADJUSTMENT.....................................................................................................................................2-4
2.3 DISASSEMBLY AND REPLACEMENT .............................................................................................2-14
2.1 MD TEST MODE (Japan) ..................................................................................................................2-16
2.2 ADJUSTMENT (Japan) .....................................................................................................................2-17
2.3 DISASSEMBLY AND REPLACEMENT (Japan) ................................................................................2-27
2.4 WAVEFORMS....................................................................................................................................2-29
2.5 IC DATA..............................................................................................................................................2-31
2.6 PARTS LOCATION ............................................................................................................................2-38
2.7 SCHEMATIC DIAGRAM ....................................................................................................................2-41
2.8 EXPLODED VIEW AND PARTS LIST ...............................................................................................2-43
2.9 ELECTRICAL PARTS LIST ...............................................................................................................2-44
Service
Manual
MARANTZ DESIGN AND SERVICE
Using superior design and selected high grade components, MARANTZ company has created the ultimate in stereo sound.
Only original MARANTZ parts can insure that your MARANTZ product will continue to perform to the specifi cations
for which it is famous.
Parts for your MARANTZ equipment are generally available to our National Marantz Subsidiary or Agent.
ORDERING PARTS :
Parts can be ordered either by mail or by Fax.. In both cases, the correct part number has to be specifi ed.
The following information must be supplied to eliminate delays in processing your order :
1. Complete address
2. Complete part numbers and quantities required
3. Description of parts
4. Model number for which part is required
5. Way of shipment
6. Signature : any order form or Fax. must be signed, otherwise such part order will be considered as null and void.
SHOCK, FIRE HAZARD SERVICE TEST :
CAUTION : After servicing this appliance and prior to returning to customer, measure the resistance between either primary
AC cord connector pins ( with unit NOT connected to AC mains and its Power switch ON ), and the face or Front Panel of
product and controls and chassis bottom.
Any resistance measurement less than 1 Megohms should cause unit to be repaired or corrected before AC power is applied,
and verifi ed before it is return to the user/customer.
Ref. UL Standard No. 1492.
In case of diffi culties, do not hesitate to contact the Technical
Department at above mentioned address.
001120MIT
USA
MARANTZ AMERICA, INC
MARANTZ AMERICA, INC.
440 MEDINAH ROAD
ROSELLE, ILLINOIS 60172
USA
PHONE : 630 - 307 - 3100
FAX : 630 - 307 - 2687
BRAZIL
PHILIPS DA AMAZONIA IND. ELET. ITDA
CENTRO DE INFORMACOES AO
CEP 04698-970
SAO PAULO, SP, BRAZIL
PHONE : 0800 - 123123(Discagem Direta Gratuita)
FAX : +55 11 534. 8988
JAPAN Technical
MARANTZ JAPAN, INC.
35- 1, 7- CHOME, SAGAMIONO
SAGAMIHARA - SHI, KANAGAWA
JAPAN 228-8505
PHONE : +81 42 748 1013
FAX : +81 42 741 9190
EUROPE / TRADING
MARANTZ EUROPE B.V.
P.O.BOX 80002, BUILDING SFF2
5600 JB EINDHOVEN
THE NETHERLANDS
PHONE : +31 - 40 - 2732241
FAX : +31 - 40 - 2735578
TECHNICAL AUDIO GROUP PTY, LTD
558 DARLING STREET,
BALMAIN, NSW 2041,
AUSTRALIA
PHONE : 61 - 2 - 9810 - 5300
FAX : 61 - 2 - 9810 - 5355
CANADA
LENBROOK INDUSTRIES LIMITED
633 GRANITE COURT,
PICKERING, ONTARIO L1W 3K1
CANADA
PHONE : 905 - 831 - 6333
FAX : 905 - 831 - 6936
AUSTRALIA
QualiFi Pty Ltd,
24 LIONEL ROAD,
MT. WAVERLEY VIC 3149
AUSTRALIA
PHONE : +61 - (0)3 - 9543 - 1522
FAX : +61 - (0)3 - 9543 - 3677
NEW ZEALAND
WILDASH AUDIO SYSTEMS NZ
14 MALVERN ROAD MT ALBERT
AUCKLAND NEW ZEALAND
PHONE : +64 - 9 - 8451958
FAX
: +64 - 9 - 8463554
THAILAND
MRZ STANDARD CO.,LTD
746 - 754 MAHACHAI ROAD.,
WANGBURAPAPIROM, PHRANAKORN,
BANGKOK, 10200 THAILAND
PHONE : +66 - 2 - 222 9181
FAX : +66 - 2 - 224 6795
TAIWAN
PAI- YUING CO., LTD.
6 TH FL NO, 148 SUNG KIANG ROAD,
TAIPEI, 10429, TAIWAN R.O.C.
PHONE : +886 - 2 - 25221304
FAX : +886 - 2 - 25630415
MALAYSIA
WO KEE HONG ELECTRONICS SDN. BHD.
SUITE 8.1, LEVEL 8, MENARA GENESIS,
NO. 33, JALAN SULTAN ISMAIL,
50250 KUALA LUMPUR, MALAYSIA
PHONE : +60 3 - 2457677
FAX : +60 3 - 2458180
AMERICAS
SUPERSCOPE TECHNOLOGIES, INC.
MARANTZ PROFESSIONAL PRODUCTS
2640 WHITE OAK CIRCLE, SUITE A
AURORA, ILLINOIS 60504 USA
PHONE : 630 - 820 - 4800
FAX : 630 - 820 - 8103
AUSTRALIA
KOREA
MK ENTERPRISES LTD.
ROOM 604/605, ELECTRO-OFFICETEL, 16-58,
3GA, HANGANG-RO, YONGSAN-KU, SEOUL
KOREA
PHONE : +822 - 3232 - 155
FAX : +822 - 3232 - 154
SINGAPORE
WO KEE HONG DISTRIBUTION PTE LTD
130 JOO SENG ROAD
#03-02 OLIVINE BUILDING
SINGAPORE 368357
PHONE : +65 858 5535 / +65 381 8621
FAX : +65 858 6078
1-1
1.1 TECHNICAL SPECIFICATIONS
Specifi cations
Audio characteristics
Channels(SP, LP2, LP4 mode) ...................................................................................................................... Stereo, 2 channels
Monaural (MONO mode) ............................................................................................................................................ 1 channel
Frequency response...........................................................................................................................................20 to 20,000 Hz
Recording system.....................................................................................................Magnetic fi eld modulation override system
Dynamic range.................................................................................................................................................. More than 95 dB
Signal-to-noise ratio......................................................................................................................................... Better than 96 dB
Channel separation......................................................................................................................More than 95 dB (at 1,000 Hz)
Total harmonic distortion .......................................................................................................... Less than 0.004% (at 1,000 Hz)
Wow & fl utter .....................................................................................................................................................Quartz accuracy
Error correction system ...................................................................Advanced cross interleaved Reed-Solomon code (ACIRC)
Coding .................................................................................................................. Adaptive transform acoustic coding (ATRAC)
Audio output...........................................................................................................................................................2 Vrms stereo
Audio input sensitivity .....................................................................................................................................500 mVrms stereo
Optical digital output (square optical connector) ........................................................................................................... -19 dBm
Optical digital input (square optical connector).............................................................................................................. -19 dBm
Optical readout system
Laser...............................................................................................................................................AlGaAs semiconductor laser
Wavelength...................................................................................................................................................................... 780 nm
Sampling frequency (Converted to 44.1 kHz when 32 kHz or 48 kHz is input) .............................................................44.1 kHz
Power supply .............................................................................................................................................. 100 V AC, 50/60 Hz(F)
.................................................................................................................................................. 230 V AC, 50 Hz(S)
Power consumption ................................................................................................................................................................14 W
Maximum dimensions....................................................................................................................440 (W) x 86 (H) x 316 (D) mm
Weight .................................................................................................................................................................................. 4.7 kg
Ambient operating temperature...............................................................................................................................+5°C to +35°C
Ambient operating humidity................................................................................................................ 5 to 90% (no condensation)
The set’s specifi cations and external appearance are subject to change without notice due to improvements.
1-2
1.2 SERVICE MODE
1. FACTORY MODE
The factory mode is to confi rm , , .
How to enter the Factory Mode
1) Press the POWER button on the front panel, while depressing the MD EJCET button and ENTER(EASY JOG) button.
2) Press the ENTER (EASY JOG), then "NO key" indication shown on the FLD.
3) Press some button.The button function will be shown on the FLD.
4) Press the POWER button on the front panel to turn OFF the CM6200. The Factory Mode will be OFF.
2. CD TEST MODE
2-1. How to enter the CD TEST MODE
1)
Turn OFF the CM6200.
2)
Press the POWER button on the front panel, while depressing the MD STOP button and ENTER(EASY JOG) button.
3)
The FL display shows [Service Mode] for seconds, then [CD/MD SELECT] will be shown on it.
4)
Press the CD button.
5)
The FL display shows [CD TEST MODE] for seconds, then status of CD tray detect switch will be shown on it.
CD TRAY POSITION
DISPLAY
CLOSE
SW DOOR=1 IN=0
OPEN
SW DOOR=0 IN=1
Table 2-1
2-2. Servo confi rmation
Put a CD disc on the CD tray before operate followings.
1)
on the same procedure in "2-1. How to in to the CD TEST MODE".
2)
Press the CD PLAY button. If the display changes from [CD –f] to [CD f], the focus servo function is OK.
3)
Press the CD PLAY button. If the display changes from [CD f –d] to [CD f d], the disc motor servo function is OK.
4)
Press the CD PLAY button. If the display changes from [CD f d –r] to [CD f d r], the radial servo function is OK.
* Display indications are f : Focus, d : Disc Motor and r : Radial.
2-3. How to exit the CD TEST MODE
Press the POWER button to turn OFF the CM6200.
1-3
1-4
1.3 TAKING OUT THE STACK DISC
Taking out the disc when it stack. (For example: when it is not possible to turn on the product. The disc can not
be taken out from the loader.)
MD disc
Remove the top cover (001D).
Remove the three screws (A: 5128) and two cables (W561 and W562).
Remove the MD module from the main chassis (001G).
Remove the three screws (C: 509) and pull up the top cover (30) of MD module.
Turn the gear pulley counterclockwise with your fi nger.
Fig. 1
Fig. 2
Fig. 4
Fig. 3
Fig. 5
Fig. 6
W561
W561
A
A
A
A
A
A
Top cover
Gear pulley
1-5 1-6
1.4 BLOCK DIAGRAM
SUPPLY
F.T.D
µ-COM
µ-COM
H.P DRIVE
LINE IN
LINE OUT
OPT IN
OPT OUT
H.P OUT
+12VA
+3VBAC(MD)
P-DOWN
AC IN/DOWN
SHORT +B/-B
HEAD DRIVE
SPINDLE
FOCUS
TRACK
ENDEC.
&
ATRAC
MD CONTROL
µ-COM
HF AMP
SERVO
CONTROL
SLED
MOTOR
PICK
SPINDLE
FOCUS
TRACK
HF AMP
SERVO
CONTROL
SLED
MOTOR
PICK
SAA7372
SPINDLE
MOTOR
SPINDLE
MOTOR
+3VBAC
+5VSTB
+5VSTB
EYE
F.T.D
+5VSTB
CONT.
-12VA
SPDIF
CD TRAY
DRIVE
TRAY SW
+-12VA
+-12VA
+-12VA
-VKK
KEY SW./JOG
+5VD
LB1641
UPD780204
EEPROM
SUPER
CAP.
(CD7)
DECODER
AD_DATA
DA_DATA
ADC
LINE OUT
MD
OPT
DAC1
+5VD
+8VM
DIG_OUT
DIG_IN
+8VM
+8VM
+5VA
+5VD
192FS
DOUT
MD,CD
L.P.F NJM2114M
Q401
Q301
BUFFER
NJM4558M
Q522
Q851
NJM4556M
V101
Q101
Z911
SPDIF
Q501
RESET
Q701
Q721
AT24C04
8M
Q801
C671
X701
MB90(F)574
µ-COM
+3VA +3VD
LRCK , SYSCLK
X2 REC(CDDATA/CDBCLK/CDLRCK)
CODEC
VAM1202
MDM-08BD
µDA1345TS
+3VD
+3VA
TC74VHC125
INTER FACE TO µ - COM
Slide gear
CD disc
Remove the top cover (001D).
Move forward the slide gear (051N) by your fi nger.
Then the tray is moved a little. Pull the tray with your
hand at this time
1-7 1-8
C222
R205
R204
R201
R202
R203
R206
R222
R210
R225
R224
R242
R240
R239
R238
R226
Q221
J202
BC858
J201
R211
R251
R252
R253
R254
R260
R259
R257
R258
R256
X
R255
C258
C254
R261 R262
R263
R264
R267
R268
R265
R231
R232
R233
R235
R236
R237
Q251
Q252
C214
C266
R247
J204
L222
R241
R243
R234
R244
R245
C237
R221
R208
R273
R271
R272
C215
L201
R218
R217
R213
R215
Q291
R294
R293
R292
R274
C221
C206
C205
C201
C208
C204
C202
C207
C203
C213
C212
C223
X221
C253
C216
C251
C252
C257
C256
C255
C261
C262
C263
C265
C226
C235
L221
D221
J203
C234
C236
C271
C272
C228
C220
C218
C217
C219
C291
C245
Q202
R214
R212
R216
R246
C243
C241
C242
C211
C224
C225
C270
C269
Q271
R277
R229
R295
C227
R207
C210
R209
C209
C275
R223
47/6.3V
10k
10k
10k
10k
10k
10k
270k
22k
330
1M
100
47
47
47
330
SAA7372
BC858
BC808
0.1
0.22
4.7K
100k
1k
X
10k
0
1k
1k
10k
0
1.2k
47/6.3V
47/16V
1k
X
10k
0
0
0
1k
12k
12k
12k
100
12k
12k
TDA7073AT
TDA7073AT
100n
100n
22k
10µH
2.2k
X
0
X
X
47
6.3V
100
100k
33k
10k
X
47
6.3V
10µH
4.7k
1k
0
4.7k
TC74VHC08F
47
47
47
100
100n
220p
220p
220p
220p
220p
220p
560p
1.5n
100n
22n
100n
330
220K
6.8
100n
1n
4700p
470p
100n
470p
4700p
100n
100n
100n
100n
47p
47p
GNDD
GNDD
1/2
ISS301
100n
100n
47n
X
100n
100n
22n
100n
100n
100n
100
10V
2SC4116GR
X
X
0
0
100n
X
100n
47p
GNDD
GNDD
GNDA
27p
27p
100n
100n
TC7SU04F
0
0
0
100n
X
X
1k
1n
100n
X
10µH
+5D
LO
+5AL
+5DL
+8V
+8V
+5A
+5DL
+5DL
+5DL
+5DL
+5DL
+5AA
+5AA
+5A
+5AL
+5DL
+5AL
+5AL
+5AL
+5A
+8V
+3V
+5D
+3V
+5AL
LO
LS
LS
SDA
SCL
RAB
RES_CD7
SILD
INSW
DATA
WCLK
SCLK
HG
D_OUT
HG
SDA
SCL
RAB
SILD
RES
D_OUT
DATA
WCLK
SCLK
1
2
3
4
5
6
7
8
9
10
11
12
13
14
15
16
17
18
19
20
21
22
23
24
25
26
27
28
29
30
31
32
33
34
35
36
37
38
39
40
41
42
43
44
45
47
48
EFM
SRAM
RAM
ADDRESSER
SUBCODE
PROCESSOR
CONTROL
FUNCTION
VREF
GENERATOR
CONTROL
PRE
MOTOR
ERROR
FLAGS
CORRECTOR
INTERFACE
VERSATILE PINS
PROCESSING
DETECTOR
PEAK
KILL
INTERFACE
A D C
DECODER
MICRO PROCESSOR
DEMODULATOR
CONTROL PART
TIMIN
DIGITAL PLL
CL4
M1 M2
M1
M2
STATUS
SELPLL
CFLG
C2
C2
CFLG
FRONTEND
SERAL DATA
INTERFACE
MICRO
PROCESSOR
INTERFACE
PROCESSOR
AUDIO
EBU
INTERFACE
OUTPUT
STAGE
VDDA2
TEST1
TEST2
CL11
TEST3
VDD1P
VSS1
VSSA1
VDDA1
IREFT
VRH
VSSA2
ISLIGE
VSSA3
VRL
VSS3
CL4
NC
VSS4
STATUS
VDD3C
C2FAIL
CFLG
V1
V2
SBSY
SFSY
RCK
SUB
VSS2
V5
V4
KILL
VDD2P
SELPLL
RA
FO
SL
HFIN
D1
D2
D3
R1
R2
D4
HFREF
IREF
DATA
46
V3
WCLK
SCLK
MOTO2
MOTO1
DOBM
CROUT
CRIN
CL16
SDA
SCL
RAB
SILD
RESET
LDON
3.5V
49
50
51
52
53
54
55
56
57
58
59
60
61
62
63
64
VDD1
REF
RF
HG
C
ADJ
GND
VDD
3
5
X
I/V
+
+
-
Iref
Iadj
TDA1302T
LS
LDON
LO
MI
VGOP
ON/OFF
O6
O3
O1
O5
O2
I2
I5
I1
I3
I6
I4
O4
GND
SPINDOLE M.
SLED M.
SLEDGE SW
D3,D4
R1
D2
D1
R2
RAD(+)
FO(-)
FOC(+)
RAD(-)
LO
WHT
BLU
YEL
GRN
ORG
BLK
GND
SL+
SL-
SLSW
-
+
+ -
NC
NC
NC
NC
VP
N.C
G2
G1
1
2
3
4
5
6
7
8
9
10
11
12
13
14
15
16
OUT2+
OUT1-
OUT2-
OUT1+
IN1-
IN1+
IN2+
IN2-
-
+
+ -
NC
NC
NC
NC
VP
N.C
G2
G1
1
2
3
4
5
6
7
8
9
10
11
12
13
14
15
16
OUT2+
OUT1-
OUT2-
OUT1+
IN1-
IN1+
IN2+
IN2-
DM+
DM-
SL+
SL-
DM-
DM+
FO-
FO+
RA-
RA+
SL
RA
FO
2
1
6
4
R2
D1
D2
R1
D3
R2
D1
D2
R1
D3
1
2
3
4
5
6
7
8
9
10
11
12
24
23
22
21
20
19
18
17
16
15
14
13
EF
Q201
DM+
DM-
SL+
SL-
RADIAL
FOCUS
MONITOR
LASER
1
2
3
4
5
6
1
2
3
4
5
6
7
8
9
10
11
12
P206
ANA AUDIO
DIG AUDIO
FOCUS SIGNAL
RADIAL SIGNAL
HF SIGNAL
SPINDOLE CONT
DATA
GND
SCLK
WCLK
+5SUB
SLSW
1
17
2
3
4
5
6
7
8
9
10
11
12
13
14
15
16
+5V
+5V
GND
GND
GND M
GND M
+8V
+8V
+3V
D-OUT
D-GND
D-GND
NC
1
2
3
4
GNDM
GNDD
GNDD
GNDD
GNDM
GNDM
GNDM
GNDM
GNDM
GNDD
GNDD
NC VCC
GND
VCC
GND
1
2
3
4
5
6
7
8
9
10
11
12
13
14
GNDA
GNDM
GNDM
GNDHF
GNDHF
GNDHF
GNDHF
GNDHF
GNDD
GNDD
GNDD
GNDD
GNDA
GNDA
GNDA
GNDA
GNDD
GNDD
GNDD
GNDD
GNDD
GNDM
GNDHF
GNDHF
GNDA
GNDA
for X2 SPEED REC
GNDHF
GNDA GNDA
GNDA
GNDA
GNDA
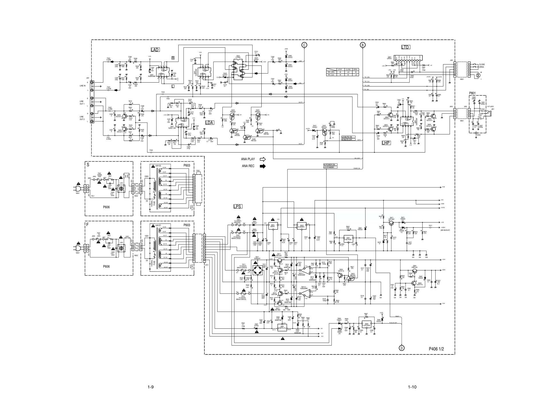
1.5 SCHEMATIC DIAGRAM
1-9 1-10
GA
GD
GH
GM
0V
FUSE
THERMAL
W602
L601(F)
100V
8.9V
5.0V
5.0V
7
8
1
4
2
3
14.9V
-15.4V
-30.1V
-7.5V
-25.4V
-19.8V
11.2V
14.2V
0.4V
5.6V
5.6V
7.5V
-7.5V
0.6V
0.6V
-0.15V
-14.8V
-11.3V
ANA PLAY
ANA REC
1
4
5
+
+
-
-
L
R
L
R
8
0V
0V
0V
0V
0V
0V
0V
0V
LINE IN
LINE
GND
DRIVE
VREF
CONT+
CONT-
VCC
VCC
DRIVE
+
-
5
W801
STOP
CLOSE
OPEN
0.5V
0.7V
5.0V
9.6V
0.7V
0.5V
CLOSE
OPEN
1
(MD BACKUP)
1
4
5
+
+
-
-
8
1
4
5
8
+
+
-
-
H.P JACK
C
B
W851
LTD
LHP
LDA
LAD
LPS
1
10
5
OUT 1
LINE
R
L
P801
OUT 2
6
P603
P606
5
D
0V
FUSE
THERMAL
W602
P603
P606
L601(S)
230V
BRN
BLU
S
F
P406 1/2
TRY_OPN
TRY_CLS
HI:MUTE OFF
LO:MUTE ON
HI
HI
LO
HI
HI
LO
HI:POWER ON
LO:STANDBY
BRN
BLU
RED
WHT
5.0V
GA
GA
GA
GA
1
7
8
14
1
4
5
+
+
-
-
8
0V
0V
0V
0V
0V
0V
R
L
F602
MUTE
POWER_ON
TRY_OPN
TRY_CLS
AOUTL
AOUTR
TRY_SW2
TRY_SW1
AINL
AINR
RESET
PLUG_IN_OUT
SW_CONT
-12VA
+12VA
AC2
AC1
+5VD
0V
0V
+5VSTB
+3VBAC
AC4.3N
AC4.3P
AC11P
AC11N
AC7.5P
AC7.5N
AC23N
AC23P
-25V
+9V
+5VD
+5VD
+5VD
+5VSTB
+12VA
-12VA
+12VA
-12VA
+9VM
-12V
+5VSTB
+5VMD
+3VD
+5VSTB
+12V
-12V
+5STB
AC4.3N
AC4.3P
AC11N
0V
AC7.5P
0V
AC7.5N
AC11P
AC23P
AC23N
+3VA
+3VA
+3VA
+12V
-12V
-12V
+12V
+12V
+12VA
-12VA
+12VA
-12VA
0.1
100
/16V
4.7
1/4W
D1F60
100
/50V
NJM79L18
10
/63V
470
470
10k
7.5V
MA8075M
100
/16V
0.1
1000p
1000p
0.1
TO J610
D2SBA20
5.6k
5.6k
2.7k
47
47
560
560
x
x
100
100
7.5V
MA8075M
5.6k
5.1k
7.5V
MA8075M
5.6V
MA8056M
RN1303
2.2k
BA05T
NJM4558M
LB1641
4.7
1/4W
NJM4556M
4.3V
MA8043M
470
/16V
470
/16V
RN2303
470
6.3V
0.01
250V
47k
47k
2SD1862
470
/6.3V
47
/16V
47
/16V
47
/16V
47
/16V
47
/16V
47
/16V
47
/16V
47
/16V
47
16V
47
16V
SI-3050FA
4.7
/50V
EK16LF
EK16LF
10000
/16V
10000
/16V
470
/6.3V
0.1
1SS322
3.9k
4.7
/50V
22k
47k
1SS322
S_80735SN
0.1
0.1
220p
220p
100k
100k
2.2k
2.2k
47k
47k
2SC4213
2SC4213
1000p
100k
2.2k
220
22k
22k
47k
47k
0.022
0.022
0.1
0.1
10k
10k
2SC4213
2SC4213
120
120
10k
10k
10k
10k
2SC4213
2SC4213
2200p
2200p
0.1
0
470
47k
0.1
1SS300
2/2
1SS300
1/2
2SC4116
2SA1586
2SC4116
0.01
250V
0.01
250V
TO J610
800MA
250V
3300
/25V
2200
/25V
0.1
1SS301
1/2
1SS301
2/2
2200p
0.1
0.1
0.01
250V
1A
250V
NJM2114M
NJM2068M
NJM2068M
1
4.7
50V
4.7
50V
1k
1k
10k
10k
10k
10k
1A 250V(F)
800mA 250V(S)
1A 250V(F)
800mA 250V(S)
1A 250V(F)
800mA(S)
1A 250V(F)
800mA 250(S)
0.22F
22k
22k
2SC4116
1SS301
1k
3.3k
47
/16V
0.1
1.2k
470
1SS322
1SS322
1SS322
1SS322
47
/16V
47
/16V
560
560
RN1303
RN2303
RN2303
RN1303
RN1303
100k
47k
47k
100k
47k
LC4966
0.1
0.1
1SS301
1SS301
1SS322
6.8k
33k
S-80735SN
100k
2SB1240
2SD1862
0.1
470
/6.3
2.2k
6.8k
470p
470p
10k
15k
2.2k
6.8k
470p
470p
10k
15k
NJM4558M
0.1
0.1
22k
22k
22k
22k
680
1/6W
680
1/6W
0 OHM
0 OHM
0 OHM
0 OHM
12k
12k
220
220
2.2k
X
0.1
0.1
0.1
2SB1240
X
X
100k
100k
22k
0.01
3.3k
3.3k
4.7
/50V
4.7
/50V
1k
1k
1k
1k
22k
C654
R681
R682
R683
R684
C681
C683
D681
D682
Q681
C613
C614
C618
C615
C616
C617
J611
J612
J614
J651
J652
J653
J654
W601
W610
J610
D611
R626
R624
R622
R620
R619
R616
R615
R614
R613
R612
R611
D613
R623
R625
D612
D614
Q653
R627
L603
Q651
Q301
Q801
R801
J801
Q851
J601
D683
C619
C620
J852
J851
J853
Q431
C431
C602
R651
R652
Q612
C653
J301
C308
C307
C303
C304
C406
C405
C407
C408
C852
C851
Q652
C621
D651
D652
C651
C652
C655
C662
J613
D431
F851
F852
F853
F671
R685
C684
R686
R687
D685
Q682
C685
C686
C306
C305
R302
R301
R403
R404
R405
R406
Q404
Q403
C432
R431
R432
R802
R803
R804
R807
R806
C801
C802
C806
C807
R851
R852
Q853
Q854
R859
R860
R861
R862
R863
R864
Q855
Q856
C855
C856
C656
R674
R671
R675
C672
D671
D671
Q613
Q614
Q654
W601
C602
L603
J606
J607
C601
J601
J605
J604
W610
S601
F601
C611
C612
C657
W852
R629
3.3k
D684
D684
C857
C858
C658
J606
J607
C601
S601
F601
Q401
Q615-1
Q615-2
C661
C853
C854
R865
R866
R853
R854
R855
R856
J604
J605
U601
U606
U601
F611
F612
F651
F652
C671
R306
R305
Q692
D691
R692
R693
C691
C692
R694
R695
D361
D362
D363
D364
C362
C361
R361
R362
Q424
Q425
Q423
Q422
Q426
R421
R422
R425
R423
R424
Q421
C314
C313
D422
D421
D661
R661
R662
Q661
R663
F405
F403
F404
Q611
Q671
C624
C623
R408
R410
C412
C410
R414
R412
R407
R409
C411
C409
R413
R411
Q441
C441
C442
R441
R442
R443
R444
R617
R618
F302
F301
F402
F401
R858
R857
R676
R673
R677
D672
C625
C626
C627
Q691
C402
C401
R417
R418
R304
C682
R628
R630
C414
C413
R416
R402
R401
R415
R303
1-11 1-12
30
31
50
51
80
81
100
1
1
10
20
30
31
40
50
60
61
70
80
90
91
100
110
120
1-C
1-D
1-A
1-B
3-A
3-B
7-A
7-C
7-B
8-A
6-A
6-B
C102
C103
C104
C105
X101
R101
Q101
R116
R117
J552
J553
J561
R561
R562
R563
R564
R565
C561
R556
C557
C558
C559
L551
Q702
X701
C751
C701
C702
C703
C704
C705
C706
Q711
Q712
Q713
R711
R712
R713
R714
R716
R701
R702
R703
R704
J701
R721
R722
R723
R724
C721
C722
C723
C724
R726
R727
C726
C727
R132
C707
Q751
J151
D151
R151
R152
R153
R121
R122
R123
R124
R125
R126
R127
R128
R129
S124
S122
S123
S127
S128
S129
S130
S131
S132
R130
S133
Z911
C911
C912
R911
S121
Q701
C562
R571
C571
J571
J102
J101
S151
S152
S153
R717
R707
S125
S126
R751
R752
D132
R119
R728
R729
R731
R734
R732
R733
R735
C109
R104
R105
R106
C106
C107
C108
R736
D712
D711
D101
Q103
Q102
F561
F571
R715
S161-1
S161-2
J161
R761
C761
J162
F581
R161
R162
R163
R164
C902
Q581
C581
C582
C584
C586
C587
C589
C591
C592
R581
R582
R583
R584
R585
R586
R587
R588
R589
R590
Q521
Q522
Q523
R521
C521
R523
C522
C596
C563
C572
C583
C585
C590
C588
C595
C593
C594
R566
R730
C709
R705
R706
5.0MHz
0.1
0.1
0.1
0.1
1M
UPD780204
10k
10k
100
100
100
100
100k
12p
100
12p
0.1
470
6.3V
74HCT08
8.0MHz
0.1
0.1
0.1
0.1
0.1
0.1
0.1
RN1303
RN1303
RN1303
4.7k
4.7k
47k
47k
47k
10k
10k
10k
10k
4.7k
4.7k
4.7k
4.7k
0.01
0.01
0.01
0.01
47k
47k
0.01
0.01
820
0.1
AT24C04
EEPROM
820
2.2k
3.3k
2.2k
3.3k
8.2k
2.2k
3.3k
8.2k
2.2k
3.3k
8.2k
MD_PLAY
REC
FF
MENU
EDIT
CANCEL
DIR_DUBB
REW
27k
CD_OPN/CLS
0.1
‚P‚O‚OƒÊ
/16V
47
MD
MB90574
(MB90F574)
12p
100
CD
CD_PLAY
CD_STOP
2.2k
10k
MD_EJECT
MD_STOP
47k
47k
10k
2.2k
3.3k
3.3k
2.2k
2.2k
3.3k
3.3k
0.1
47k
2.2k
1k
220p
220p
220p
1k
1SS301
7.5V
MA8075M
3.3V
MA8033M
RN1303
RN1303
4.7k
0.01
2.2k
3.3k
8.2k
27k
2200p
UDA1345TS
470
/6.3V
0.1
0.1
0.1
0.1
0.1
0.1
47
/16
1
10
10
3.3k
2.2k
3.3k
2.2k
100
1
1
74VHC125
RN2303
RN1303
10
0.1
100
0.1
0.1
100
/10V
100
/10V
100
/10V
100
/10V
100
/10V
100
/10V
2200p
220p
220p
0
2.2k
X
X
X
+5VD
+5VSTB
-25V
-25V
AC1
AC1
AC1
AC1
AC2
AC2
AC2
AC2
-25V
AC1
AC2
+5VSTB
+5VD
-12V
+5VSTB
+5VSTB
+5VSTB
+5VSTB
+5VSTB
+5VSTB
+5VSTB
+5VSTB
+5VSTB
+5VSTB
+5VSTB
+5VSTB
+5VSTB
+5VSTB
+5VSTB
+5VSTB
+5VSTB
+5VSTB
+5VSTB
+5VSTB
+5VSTB
+5VD
+3VBAC
+5VD
+9VM
+3VD
+5VSTB
+5VSTB
+5VSTB
+5VSTB
+5VSTB
+5VSTB
+9VM
AC1
AC2
+5VSTB
+5VSTB
+5VSTB
+5VSTB
+5VSTB
+5VSTB
+5VD
+5VSTB
+5VSTB
+3VA
+3VAD
+3VAD
+3VA
+3VA
+3VA
+5VSTB
+5VSTB
+5VSTB
+5VSTB
+3VD
FL_SO
_FL_CLK
G1
G2
G3
G4
G5
G6
G7
G8
G9
G10
G11
G12
G13
G14
G15
G16
G1
G2
G3
G4
G5
G6
G7
G8
G9
G10
G11
G12
G13
G14
G15
G16
S1
S2
S3
S4
S5
S6
S7
S8
S9
S10
S11
S12
S13
S14
S15
S16
S17
S18
S19
S20
S21
S22
S23
S24
S25
S26
S27
S28
S29
S30
S31
S32
S33
S34
S35
FL_STB
S1
S2
S3
S4
S5
S6
S7
S8
S9
S10
S11
S12
S13
S14
S15
S16
S17
S18
S19
S20
S21
S22
S23
S24
S25
S26
S27
S28
S29
S30
S31
S32
S33
S34
S35
KEY_1
KEY_2
KEY_3
/TRES
TAUX
/TRES
TCK
TTXD
TRXD
TAUX
TRY_OPN
TRY_CLS
MD_ST
TC_A
TC_B
LRCK
MD_PDOWN
MD_RESET
MD_DSCK
MD_SERCH
MD_KDATA
MD_LOADSW
MD_DATA
MD_DSTB
MD_PDOWN
MD_RESET
MD_ST
MD_SERCH
MD_DSTB
PLUG_IN_OUT
FL_SO
FL_CLK
LED_MD
LED_CD
TC_A
TC_B
KEY_0
TRY_SW2
TRY_SW1
FL_STB
RES_CD7
SILD
RAB
MUTE
BCLK
POW_ON
MD_DSCK
MD_KDATA
TCK
TRXD
TTXD
MD_DATA
SDA
SCL
SDA
SCL
RAB
SILD
FL_STB
FL_SO
FL_CLK
LED_CD
LED_MD
RC_IN
FL_STB
FL_SO
FL_CLK
MD_LOADSW
TMODE
TAUX3
KEY_3
KEY_2
KEY_1
KEY_0
DADATA
ADDATA
SYSCLK
DADATA
LRCK
SYSCLK
BCLK
ADDATA
AOUTR
AOUTL
AINL
AINR
RC_IN
L3CLK
L3DATA
L3MODE
DFS0
DFS1
DFS1
DFS0
L3MODE
L3DATA
L3CLK
TMODE
TAUX3
SW_CONT
RC-5 EYE
GP1F32T
GP1F32R
5
7
8
9
10
11
12
13
14
15
16
17
18
19
20
21
22
1
2
52
53
24
25
26
27
28
29
30
31
23
32
33
34
35
36
37
38
39
40
41
42
43
44
45
46
47
48
49
9
54
55
58
59
60
61
62
63
64
65
66
67
68
69
70
71
72
73
74
75
76
77
78
79
80
81
82
83
84
85
86
87
88
89
90
91
92
93
94
95
96
97
98
99
100
101
102
105
106
ENTER
ROTARY ENCODER
P37
P36_BUZ
P35_PCL
P34_TI2
P33_TI1
P31_TO1
P32_TO2
P30_TO0
_RESET
X2
X1
IC
XT2
P04_XT1
VDD
P27__SCK0
P25_SI0_SB0
P26_SO0_SB1
P24_BUSY
P23_STB
P22__SCK1
P21_SO1
P20_SI1
AVSS
P17_ANI7
P16_ANI6
P15_ANI5
29:P14_ANI4
30:P13_ANI3
31:P12_ANI2
32:P11_ANI1
P10_ANI0
AVDD
AVREF
P03_INTP3
P02_INTP2
P01_INTP1
P00_INTP0_TIO
VSS
P74
P73
P72
P71
P70
VDD
P127_FIP52
53:P121_FIP46
P126_FIP51
49:P125_FIP50
50:P124_FIP49
51:P123_FIP48
52:P122_FIP47
P120_FIP45
P117_FIP44
P116_FIP43
P115_FIP42
P114_FIP41
P113_FIP40
P112_FIP39
P111_FIP38
P110_FIP37
P107_FIP36
P106_FIP35
P105_FIP34
P104_FIP33
P103_FIP32
P102_FIP31
P101_FIP30
P100_FIP29
P97_FIP28
P96_FIP27
P95_FIP26
P94_FIP25
P93_FIP24
P92_FIP23
P91_FIP22
P90_FIP21
79:VLOAD
80:P87_FIP20
81:P86_FIP19
82:P85_FIP18
P83_FIP16
83:P84_FIP17
P82_FIP15
P81_FIP14
P80_FIP13
FIP12
FIP11
FIP10
FIP9
FIP8
FIP7
FIP6
FIP5
FIP4
FIP3
FIP2
FIP1
100:FIP0
1:VDD
WITH PUSH SW
V101
P70
P71
P72
DVCC
DVSS
P73/DA0
P74/DA1
AVCC
AVHR
AVRL
AVSS
P80/AN0
P81/AN1
P82/AN2
P83/AN3
P84/AN4
P85/AN5
P86/AN6
P87/AN7
VCC
P90/CS0
P91/CS1
P31/RDX
P32/WRLX
P33/WRHX
P34/HRQ
P35/HAKX
P36/RDY
P37/CLK
VCC
P43/SIN1
P40/SIN0
P41/SOT0
P44/SOT1
P42/SCK0
P45/SCK1
P46/PPG0
P47/PPG1
P50/SIN2
P51/SOT2
P52/SCK2
P53/SIN3
P54/SOT3
P55/SCK3
P56/IN0
P57/IN1
P60/SIN4
P61/SOT4
P62/SCK4
32 P67/OUT3
P63/CKOT
59 P94/CS4
60 P95/CS5
VSS
PA1/BIN0
PA0/AIN0/IRQ6
PA2/ZIN0
PA3/AIN1/IRQ7
PA4/BIN1
PA5/ZIN1
PA6/SDA
PA7/SCL
PB0/IRQ0
X1A
X0A
PB1/IRQ1
PB2/IRQ2
PB3/IRQ3
PB4/IRQ4
PB5/IRQ5
PB6/ADGT
PB7
PC0
PC1
PC2
PC3
HSTX
MD2
MD1
X1
VCC
P00/AD00
P01/AD01
P02/AD02
P03/AD03
P04/AD04
P05/AD05
P06/AD06
P07/AD07
P10/AD08
P11/AD09
P12/AD10
P13/AD11
P14/AD12
P15/AD13
P16/AD14
P17/AD15
P20/A16
P21/A17
P22/A18
P23/A19
P24/A20
P25/A21
X0
VSS
31 P66/OUT2
119 VSS
120 P30/ALE
SHORT_1
SHORT_0
OVR SEA
ENC_0
ENC_1
P64/OUT1
P65/OUT2
33 VSS
34 C
118 P27/A23
117 P26/A22
90 RSTX
P97/SC7
P96/SC6
57 P92/CS2
58 P93/CS3
1
2
3
4
5
6
7
8
9
10
FOR ROM WRITER
DIG IN
DIG OUT
DIG D/A
DIG A/D
B
OPT IN
DIGOUT
D.GND
DIGIN
BACKUP
PDOWN
RESET
MD-ST
DSCK
SERCH
KDATA
MDDATA
DSTB
D.GND
D.GND
D.GND
D.GND
DFS1
ADDATA
MUTE
DADATA
BLCK
LRCLK
SYSCLK
LOADSW
PCONT0
DVDD
DVDD
DFS0
1
28
5
10
15
20
25
1
4
CDLRCK
CDBCLK
GND
CDDATA
DATA
DGND
1
1
SCLK
WCLK
A0
A1
A2
GND
SDA
SCL
WP
VCC
MD_MUTE
C
OPT OUT
GND
LUP
LFC
LRE
LIO
W151
W101
W561
SDA
SCL
SILD
RAB
RES_CD7
+5VD
+5VD
DGND
MGND
MGND
+9VM
+9VM
+3VD
DOUT
DGND
1
10
TO CD UNIT
ENC_0
ENC_1
AT_SCL
AT_SDA
CD
MD
KEY_0
KEY_1
KEY_2
ENC_0
ENC_1
LED_MD
RC_IN
LED_CD
KEY_3
LED_CD
1
1
P103
P106
DGND
KEY_3
KEY_2
KEY_1
KEY_0
RESET
D
RES_CD7
POW_ON
P406 2/2
KEY_3
KEY_2
KEY_1
KEY_0
CD
EDIT
MD_EJECT
MD
CD_PLAY
DELETE/
CANCEL
MD_STOP
MD_PLAY
CD_STOP
DIR_DUBB
FF
REC
REW
MENU
CD_OPN/CLS
1.1-0
2.1-1.1
3.2-2.1
4.1-3.2
5.0-4.1
VOLT
KEY
TC_A
TC_B
HI
LO
LO
HI
KEY A/D TABLE
INPUT
SEL A/B
15
17
5
17
15
10
5
5
10
15
17
2-A
2-B
2-C
2-D
1-D
3-C
3-D
LO:DISK_IN
HI:DISK_OUT
2
3
4
5
1
1
2
3
4
5
OUT
CD
OPT
KEY_4
KEY_4
KEY_4
KEY_4
W161
TO MDM-08DB
TIMER
MONO
LP2
LP4
SP
TIMER
SP
MONO
LP2
LP4
(OMOTE)
(URA)
D
D
D
D
VSSA
VDDA
VREF
VSSO
VOUTL
VOUTR
VDDO
VINL
VINR
VREF
VADCN
VADCP
MC1
MP1
VDDD
VSSD
SYSCLK
MODE
CLK
DATA
BCK
WS
DATAO
DATAI
MP5
MC2
VSSA
VDDA
1
14
15
28
A
A
MD0
P901
W562
W571
TO MD UNIT
TO CD UNIT
CD TO MD FOR X2 REC
T.P.
STANDBY
CD TEXT
TOC
REPEAT
AUTO SYNC
1 A- B TOTAL TRACK
R
L
dB -50
-30
-22
-16
-12
-8
-4
0 OVER
PROG
DIGITAL
RANDOM
10µH
1-13 1-14
1.6 PARTS LOCATION
R683
R684
D683
D682
Q681
R681
D681
C682
C683
R682
R673
D671
R671
R674
C672
R618
D613
D612
R617
Q653
C614
R651
R652
R622
R611
D614
C613
C621
R627
R625
R623
R626
C615
C617
C619
R619 R620
R613
R614
R615
R616
R624
Q614
Q615
R612
C618
C616
C620
C623
C902
R571
C571
C801
C802
R801
R802
R803
R804
Q654
C654
C656
C653
R661
R662
R663
C661
C662
Q661
D661
R726
R727
C726
C727
C706
X701
R706
C701
C702
C705
R702
R704
R705
R715
R716
R711
R712
R713
R714
D711
Q711 Q712
Q713
Q751
C751
R721
R722
R723
R724
C721
C722
C723
C724
C557
C562
C558
R556
L551
C559
R717
R561
R562
R563
R564
R565
C561
Q702
C707
Q422
Q423
Q424
Q425
R421
R422
R423
R424
C407
C408
Q401
C413
C414
C313
C314
D421
D422
R401
R402
R403
R404
R405
R406
Q403
Q404
F401
F402
C401
C402
F301
F302
C305
C306
R301
R302
C303
C304
C307
C308
R305
R306
Q301
Q853
Q854
Q855
Q856
R851
R852
R853
R854
R855
R856
R857
R858
R859
R860
R861
R862
R863
R864
C851
C852
Q851
C853
C854
J853
Q431 D431
C431
C681
Q613
C405
C406
C624
R806
C806
R807
C807
R432
R431
C432
D672
R675
J613
J614
J611
J612
J654
J653
J652
J651
Q426
R425
R751
R752
R732
R733
R734
R735
R707
R701
R703
R730
R731
R728
R729
R736
D712
C686
C685
Q682
D685
R685
R686
R687
D684
C655
C703
C704
R866
R865
F671
C658
C684
C657
F571
C572
R628
R629
C709
C671
C651
C652
D652
D651
Q651
C611
C612
F561
C563
J301
J610
Q612
J701
Q801
J801
Q523
Q522
Q691
Q692
D691
R692
R693
C692
R694
R695
C691
Q611
Q671
J162
R761
C761
Q521
C521
R521
R523
C522
R566
R587
C594
R586
C595
R585
C593
R584
R588
R581
C582
R582
C586
C584
R583
C591
C589
C590
C587
C588
R590
R589
Q581
C592
C583
C585
C596
F403
F404
F405
R415
R416
Q421
D361
D362
D363
D364
C361
C362
R361
R362
R303
R304
Q441
C441
C442
R441
R442
R443
R444
R407
R408
R409
R410
R411
R412
R413
R414
C409
C410
C411
C412
F581
R676
R677
C625
C626
R630
C627
U611
U612
C581
R417
R418
U651
U652
Q701
I
C
IN
OPT_IN
L
R
OPT_OUT
1--LINE OUT--2
P406
31
61
91
1A 250V
LC4966
74HCT08
BA05T
AT24C04
SI-3050FA
1A 250V
-
+
F611
F612
F652
F651
Q652
J571
J101
J561
J552
J553
D611
-
+
74VHC125
UDA1345
WG412K101-0
P406
Q853 - Q856 Q851 Q431
Q707
Q421
Q581
Q702
Q701
Q441
Q401
Q422 - Q426
Q404 Q403
Q301
Q751 Q711 - Q713
Q692 Q691
Q661
Q651
Q801
Q652
Q612
Q682
Q613 - Q615 Q611 Q653 Q654
Q681 Q671
1-15 1-16
Q221
Q201
Q271
Q251
Q202
Q252
Q291
P206
J852
J851
C856
C855
C858
C857
F852
F851
F853
P801
WG377K106-2
W852
P801
D151
S153
S152
S151
J151
R152
R153
R151
P103 CD STOP
CD PLAY
CD
WG412K103-0
P103
D132
C912
Q101
X101
Q102
Q103
S133
S132
S131
S130
S129
S128
S126
S127
S121
S125
S122
S123
J102
R123
R122
R121
R132
R124
R125
R126
R127
R128
R130
R129
C911
R911
C109
R104
R105
R106
C103
C104
R101
R116
R117
C105
R119
C102
C108
C106
C107
D101
31
1
50
80
81
51
100
30
UPD780204
TR JUMP/ENTER
5MHZ
V101
P106
CD OPEN
REW
DIR.DUBB
CAN/DEL
EDIT
MENU
FF
MD EJECT
MD STOP
MD PLAY
REC
MD
WG412K102-0
S124
W151
Z911
P106
Q101
Q102 Q103
J605
W610
P603
K TYPE
F TYPE
S TYPE
WG412K105-0
L601
P603
J606
J607
U604
U605
S601
C602
C601
U603
U602
U601
U606
J604
S602
J601
1A 250V
VOLTAGE SEL
F601
F TYPE
K TYPE
P606
(F/S ONLY)
110V
220V
S TYPE
(S ONLY)
WG412K104-0
L603
P606
1-17 1-18
1.7 WAVEFORM ( FLAG NO. )
5 V/Div 5 µSec
1-A BCLK
1-B LRCK
1-C ADDATA
1-D DADATA
5 V/Div 0.1 mSec
2-A SDA
2-B SCL
2-C RAB
2-D SILB
5 V/Div 2 mSec
3-A MD_DSCK
3-B MD_KDATA
3-C MD_DATA
3-D MD_DSTB
6-A SDA
6-B SCL
5 V/Div 0.5 mSec
7-A FL_STB
7-B FL_CLK
7-C FL_SO
5 V/Div 5 mSec
8-A
8-B
8-A RC_IN
5 V/Div 2 µSec
3-A MD_DSCK
3-B MD_KDATA
3-C MD_DATA
3-D MD_DSTB
1-19 1-20
1.8 EXPLODED VIEW AND PARTS LIST
5 1 2 8
3 X8 ( M)
0 0 1 B
0 3 1 B
0 3 5 Bx 3
0 0 3 B
0 1 1 B
0 2 1 B
0 2 3 B
0 2 5 B
5 1 2 8
3 X8 ( M)
0 0 5 Bx 2
0 6 1 B
0 1 7 B
0 1 3 B
0 1 5 B
5 1 2 8
3 X8 ( M)
x 2
P9 0 1
0 6 5 B
0 3 9 B
0 0 9 B
0 0 5 Gx 2
5 1 2 8
3 X8 ( M)
V1 0 1
5 1 2 8
3 X8 ( M)
x 4
0 2 7 B
5 1 2 8
3 X8 ( M)
x 9
0 0 3 G
0 0 3 G
P1 0 6
P6 0 3
P8 0 1
0 2 7 Gx 3
5 1 2 6
3 X8 ( M)
x 4
5 1 2 8
3 X8 ( M)
0 2 3 G
0 0 9 G
5 1 2 8
3 X5 ( M)
0 3 7 G
0 0 1 G
L 6 0 1
0 5 1 G
S
ONLY
0 2 5 Gx 2
0 4 7 Bx 2
0 4 3 B
P1 0 3
0 4 2 B
0 3 8 B
0 5 3 G
S
ONL Y
0 2 1 G
0 4 1 B
0 4 5 Bx 2
0 1 1 G
L
5 1 2 6
3 X8 ( M)
x 2
5 1 2 8
3 X8 ( M) x 2
0 0 1 D
5 1 2 8
3 X8 ( M)
x 6
W60 1
9 0 1 G
5 1 2 8
3 X8 ( M)
x 4
5 1 2 8
3 X8 ( M) x 2
9 9 1 G
P4 0 6
5 1 2 8
3 X8 ( M)
0 0 1 L
5 1 1 0
3 X8 ( M)
S
ONL Y
9 1 1 G
5 1 2 6
3 X8 ( M)
x 2
P6 0 6
0 4 3 N
CASE ASSY.
( 0 5 1 N)
( 0 3 1 N)
( 0 3 0 N)
( 0 2 1 N)
( 0 1 6 N)
( 0 2 5 N)
( 0 2 6 N)
( 0 2 7 N) x 2
( 0 1 2 N)
( 0 1 0 N)
( 0 1 1 N)
( 0 0 7 N) x 2
( 0 2 0 N)
( 0 1 6 N)
( 0 4 0 N)
( 0 5 8 N)
( 0 4 5 N)
( 0 0 5 N)
( 0 0 6 N)
0 5 5 N
( 0 5 6 N)
( 0 5 7 N)
( 0 4 6 N)
( 0 5 0 N)
( 0 6 0 N)
( 0 5 2 N) x 2
( 0 5 3 N) x 2
5 0 0 N
0 0 1 N
( 0 3 5 N)
( 0 3 6 N) x 4
MECHA
ASSY.
5 1 2 8
3 X8 ( M)
x 2
5 1 2 8
3 X8 ( M)
0 0 1 N
0 8 1 N
0 3 3 B
0 3 7 B
5 1 2 8
3 X8 ( M) x 2
P2 0 6
0 1 5 N
5 1 2 8
3 X8 ( M) x 2
T 0 0 1
0 7 3 N
0 0 7 S
SYMBOL
STYL E
PARTS NAME
5 1 1 0
5 1 2 6
5 1 2 8
+ B. H. M. SCREW
+ B. H. TAP
TI TE SCREWW /W ASHER
+ B. H. TAP
TI TE SCREW(B TYPE)
MARK MATERI AL /F INIS H
(M )
(U )
STEEL / COPPER
STEEL / BL ACK
T E X T
1 0 0 M
1 0 3 M
5 1 1 0
3 X4 ( A)
x 2
5 1 2 8
3 X 5 ( M )
5 1 1 0
3 X4 ( A)
x 2
0 2 6 G
1-21
POS.
NO
VERS.
COLOR
PART NO.
(FOR PCS)
DESCRIPTION
PART NO.
(MJI)
POS.
NO
VERS.
COLOR
PART NO.
(FOR PCS)
DESCRIPTION
PART NO.
(MJI)
001B
FRONT PANEL AL GOLD
377K248120
003B
HOLDER GOLD
377K271110
005B
LENS
225K355020
009B
CHASSIS GOLD
377K105110
011B
WINDOW
386K158020
013B
BUTTON FOR WINDOW
386K270030
015B
BUTTON FOR CD
386K270170
017B
BUTTON FOR MD
386K270180
021B
DOOR GOLD
377K162110
023B
CLAMPER
377K005010
025B
482249211453
SPRING
336K115010
027B
SCREW FOR JACK
183J010010
031B
482245911172
BADGE(GOLD) FOR FRONT
185J251010
033B
ESCUTCHEON FOR CD CASE
377K063110
037B
BADGE FOR CD ESC.
386K251120
039B
996500005942
KNOB FOR JOG DIAL
386K154110
003G
482246242045
LEG FRONT HOT STAMP GLD
183J057010
005G
482246242048
LEG REAR HOT STAMP GLD
183J057110
021G
996500001395
BUTTON POWER
255W270110
023G
996500000362
LINK FOR POWER BUTTON
349K121010
911G
482253260948
BUSHING
450H259010
100M
MECHANISM
MDM-08BD MECHA UNIT
412K304510
001N
MECHANISM LOADER LM302
TRAY BRN
305K304690
005N
482246410054
FRAME K
305K401500
010N
482236121741
D.C MOTOR K
MM0030002R
012N
482252840375
PULLEY
305K262020
016N
482227130873
MINI SWITCH
SM01020620
020N
482252233521
GEAR
305K058030
021N
482252881537
PULLEY
305K262010
025N
482252233522
GEAR K
305K058500
030N
482235831314
BELT
305K264010
031N
482245950976
MASK
305K303010
035N
482244351265
CASE
305K064110
036N
SUSPENSION
371K056010
040N
482240211212
ARM
305K002050
043N
CASE K GEAR/TRAY BROWN
329K064610
046N
482249233494
SPRING
305K115010
050N
CAM
305K054010
051N
482252210738
NEW SLIDER GEAR
305K058050
052N
BUFFER
FOR DISC REAR SIDE BLK
329K056010
053N
BUFFER
FOR DISC FRONT SIDE BLK
329K056020
055N
CLAMPER ASSY
3104 147 10030
371K005500
060N
482249233495
SPRING
305K115020
500N
MECHANISM VAM 1202
9305 022 20200
371K304500
F602
482252610691
FERRITE CORE TFCK-16-8-12
FC50160030
W101
FFC 17P 200MM 0MM PITCH
YU17200520
W561
482232162191
FFC 28P 120MM 0MM PITCH
YU28120500
W571
FFC 17P 200MM 0MM PITCH
YU17200520
W601 F
482232111359
MAINS CORD
YC01800800
W601 S
MAINS CORD
YC01800620
PACKING
001T
F
USER GUIDE JAPAN
412K851110
001T
S
USER GUIDE ENG.CHI
412K851350
T001
REMOTE CONTROLLER UNIT
RC6000CM
ZK377K0010
NOT STANDARD SPARE
PARTS
001S
PACKING CASE
412K801010
003S
CUSHION
386K809010
NOTE : "nsp" PART IS LISTED FOR REFERENCE ONLY, MARANTZ WILL NOT SUPPLY THESE PARTS.
1-22
1.9 ELECTRICAL PARTS LIST
The suppliers and their type numbers of fusible resistors
are as follows;
1. KOA Corporation
Part No. (MJI)
Type No. (KOA)
Description
NH05 × × × 140
RF25S × × × × ΩJ
(±5% 1/4W)
NH05 × × × 120
RF50S × × × × ΩJ
(±5% 1/2W)
NH85 × × × 110
RF73B2A × × × × ΩJ
(±5% 1/10W)
NH95 × × × 140
RF73B2E × × × × ΩJ
(±5% 1/4W)
2. Matsushita Electronic Components Co., Ltd
Part No. (MJI)
Type No. (MEC)
Description
NF05 × × × 140
ERD-2FCJ × × ×
(±5% 1/4W)
RF05 × × × 140
NF02 × × × 140
ERD-2FCG × × ×
(±2% 1/4W)
RF02 × × × 140
Examples ;
Resistance value
0.1 Ω .... 001
10 Ω .... 100
1 kΩ .... 102 100 kΩ .... 104
0.5 Ω .... 005
18 Ω .... 180
2.7 kΩ .... 272 680 kΩ .... 684
1 Ω .... 010
100 Ω .... 101
10 kΩ .... 103
1 MΩ .... 105
6.8 Ω .... 068
390 Ω .... 391
22 kΩ .... 223 4.7 MΩ .... 475
ASSIGNMENT OF COMMON PARTS CODES.
RESISTORS
R
: 1) GD05 × × × 140, Carbon film fixed resistor, ±5% 1/4W
R
: 2) GD05 × × × 160, Carbon film fixed resistor, ±5% 1/6W
Examples ;
Resistance value
0.1 Ω .... 001
10 Ω .... 100
1 kΩ .... 102 100 kΩ .... 104
0.5 Ω .... 005
18 Ω .... 180
2.7 kΩ .... 272 680 kΩ .... 684
1 Ω .... 010
100 Ω .... 101
10 kΩ .... 103
1 MΩ .... 105
6.8 Ω .... 068
390 Ω .... 391
22 kΩ .... 223 4.7 MΩ .... 475
Note : Please distinguish 1/4W from 1/6W by the shape of parts
used actually.
CAPACITORS
C
: CERAMIC CAP.
3) DD1 × × × × 370,
Ceramic capacitor
Disc type
Temp.coeff.P350
N1000, 50V
Examples ;
Tolerance (Capacity deviation)
±0.25 pF .... 0
±0.5 pF .... 1
±5% .... 5
Tolerance of COMMON PARTS handled here are as follows :
0.5 pF
5 pF .... ±0.25 pF
6 pF
10 pF .... ±0.5 pF
12 pF
560 pF .... ±5%
Capacity value
0.5 pF .... 005
3 pF .... 030 100 pF .... 101
1 pF .... 010
10 pF .... 100 220 pF .... 221
1.5 pF .... 015
47 pF .... 470 560 pF .... 561
C
: CERAMIC CAP.
4) DK16 × × × 300,
High dielectric constant ceramic
capacitor
Disc type
Temp.chara. 2B4, 50V
Examples ;
Capacity value
100 pF .... 101 1000 pF ....102
10000 pF .... 103
470 pF .... 471 2200 pF ....222
C
: 5) ELECTROLY CAP. ( ), 6) FILM CAP. ( )
5) EA × × × × × × 10,
Electrolytic capacitor
One-way lead type, Tolerance ±20%
Examples ;
Capacity value
0.1 µF....104
4.7 µF ....475
100 µF ....107
0.33 µF....334
10 µF ....106
330 µF ....337
1 µF....105
22 µF ....226
1100 µF ....118
2200 µF ....228
Working voltage
6.3V....006
25V ....025
10V....010
35V ....035
16V....016
50V ....050
6) DF15 × × × 350
Plastic film capacitor
DF15 × × × 310
One-way type, Mylar ±5% 50V
DF16 × × × 310
Plastic film capacitor
One-way type, Mylar ±10% 50V
Examples ;
Capacity value
0.001 µF(1000 pF) ....... 102
0.1 µF....104
0.0018 µF........................ 182
0.56 µF....564
0.01 µF........................ 103
1 µF....105
0.015 µF........................ 153
: 1) The above CODES ( R , R , C , C and
C ) are omitted on the schematic diagram in some
case.
2) On the occasion, be confirmed the common parts on
the parts list.
3) Refer to “Common Parts List” for the other common
parts (RI05, DD4, DK4).
➀
➁
Capacity value
Tolerance
➃
Capacity value
Resistance value
➄
Working voltage
Capacity value
➆
Capacity value
NOTE
NOTE ON SAFETY FOR FUSIBLE RESISTOR :
Resistance value
Resistance value
(0.1 Ω − 10 kΩ)
Resistance value
Resistance value
ANT.
: ANTENNA
BATT.
: BATTERY
CAP.
: CAPACITOR
CER.
: CERAMIC
CONN.
: CONNECTING
DIG.
: DIGITAL
HP
: HEADPHONE
MIC.
: MICROPHONE
µ-PRO
: MICROPROCESSOR
REC.
: RECORDING
RES.
: RESISTOR
SPK
: SPEAKER
SW
: SWITCH
TRANSF. : TRANSFORMER
TRIM.
: TRIMMING
TRS.
: TRANSISTOR
VAR.
: VARIABLE
X’TAL
: CRYSTAL
ABBREVIATION AND MARKS
{
{
{
{
{
{
{
{
{
{
➂
➀
➁
➂
➃
➄
➅
➆
➅
NOTE ON SAFETY :
Symbol
Fire or electrical shock hazard. Only original
parts should be used to replaced any part marked with
symbol
. Any other component substitution (other
than original type), may increase risk of fire or electrical
shock hazard.
1-23
POS.
NO
VERS.
COLOR
PART NO.
(FOR PCS)
DESCRIPTION
PART NO.
(MJI)
POS.
NO
VERS.
COLOR
PART NO.
(FOR PCS)
DESCRIPTION
PART NO.
(MJI)
P103-FRONT 2
CIRCUIT BOARD
D151
L.E.D. HLMF-K200 #2UL RED
HI10005340
R151
4822 117 12968
CHIP 820Ω ±5% 1/16W
NN05821610
R152
4822 051 30222
CHIP 2.2kΩ ±5% 1/16W
NN05222610
R153
4822 051 30332
CHIP 3.3kΩ ±5% 1/16W
NN05332610
S151
9965 000 00373
PUSH SW.
SP01013370
S153
EVQ11L05R H/5MM 160GR
P106-FRONT 1
CIRCUIT BOARD
P106-CAPACITORS
C102
4822 126 11687
CER. CHIP 0.1µF
DK98104200
C105
C106
4822 126 13883
CER. CHIP 220pF ±5% CG 50V DD95221300
C107
4822 126 13883
CER. CHIP 220pF ±5% CG 50V DD95221300
C108
4822 126 13883
CER. CHIP 220pF ±5% CG 50V DD95221300
C109
4822 126 11687
CER. CHIP 0.1µF
DK98104200
C911
4822 126 11687
CER. CHIP 0.1µF
DK98104200
C912
4822 124 23052
ELECT 100µF 16V RC-2
EJ10701610
P106-RESISTORS
R101
4822 051 30105
CHIP 1MΩ ±5% 1/16W
NN05105610
R104
4822 051 30473
CHIP 47kΩ ±5% 1/16W
NN05473610
R105
4822 051 30222
CHIP 2.2kΩ ±5% 1/16W
NN05222610
R106
4822 051 30102
CHIP 1kΩ ±5% 1/16W
NN05102610
R116
4822 051 30103
CHIP 10kΩ ±5% 1/16W
NN05103610
R117
4822 051 30103
CHIP 10kΩ ±5% 1/16W
NN05103610
R119
4822 051 30103
CHIP 10kΩ ±5% 1/16W
NN05103610
R121
4822 051 30222
CHIP 2.2kΩ ±5% 1/16W
NN05222610
R122
4822 051 30332
CHIP 3.3kΩ ±5% 1/16W
NN05332610
R123
4822 051 30822
CHIP 8.2kΩ ±5% 1/16W
NN05822610
R124
4822 051 30222
CHIP 2.2kΩ ±5% 1/16W
NN05222610
R125
4822 051 30332
CHIP 3.3kΩ ±5% 1/16W
NN05332610
R126
4822 051 30822
CHIP 8.2kΩ ±5% 1/16W
NN05822610
R127
4822 051 30222
CHIP 2.2kΩ ±5% 1/16W
NN05222610
R128
4822 051 30332
CHIP 3.3kΩ ±5% 1/16W
NN05332610
R129
4822 051 30822
CHIP 8.2kΩ ±5% 1/16W
NN05822610
R130
4822 051 30273
CHIP 27kΩ ±5% 1/16W
NN05273610
R132
4822 117 12968
CHIP 820Ω ±5% 1/16W
NN05821610
R911
4822 051 30479
CHIP 47Ω ±5% 1/16W
NN05470610
P106-SEMICONDUCTORS
D101
9965 000 03119
CHIP DIODE MA8033H
HZ30012020
D132
L.E.D. HLMF-K200 #2UL RED
HI10005340
Q101
MICROPROCESSOR
µPD780204 2HAN FRONT
HU356KN120
Q102
4822 130 61553
DIG.TRS.
DTC124EU RN1303
BA21303000
Q103
4822 130 61553
DIG.TRS.
DTC124EU RN1303
BA21303000
P106-MISCELLANEOUS
J102
JACK 17FMN-STK ANGLE
YJ07021240
S121
9965 000 00373
PUSH SW.
SP01013370
S123
EVQ11L05R H/5MM 160GR
S124
9965 000 05915
ROTARY ENCODER SW
SR03030030
S125
9965 000 00373
PUSH SW.
EVQ11L05R H/5MM 160GR
SP01013370
S133
V101
4822 130 90494
DISPLAY UNIT
BJ641G 5X7DOT 14RID 106PIN
HQ31401410
X101
4822 242 10992
SER. VIB. CSTCC5.00MG-TC
5MHz RESONATOR
FQ05004040
Z911
4822 130 11494
PHOTO UNIT PRM6936-V4
HW10004210
P206-CD SERVO DECODER
CIRCUIT BOARD
P206-CAPACITORS
C201
4822 126 13883
CER. CHIP 220pF ±5% CG 50V DD95221300
C202
4822 126 13883
CER. CHIP 220pF ±5% CG 50V DD95221300
C203
4822 126 12495
CER. CHIP 1500pF
DK96152300
C204
4822 126 13883
CER. CHIP 220pF ±5% CG 50V DD95221300
C205
4822 126 13883
CER. CHIP 220pF ±5% CG 50V DD95221300
C206
4822 126 13883
CER. CHIP 220pF ±5% CG 50V DD95221300
C207
4822 126 14249
CER. CHIP 560pF W5R
DK96561300
C208
4822 126 13883
CER. CHIP 220pF ±5% CG 50V DD95221300
C209
5322 126 11578
CER. CHIP 1000pF ±10% B 50V DK96102300
C211
4822 122 33777
CER. CHIP 47pF ±5%
50V DD95470300
C212
4822 126 11567
CER. CHIP 0.022µF ±10% 16V
DK96223200
C213
4822 126 11687
CER. CHIP 0.1µF
DK98104200
C214
4822 126 11687
CER. CHIP 0.1µF
DK98104200
C215
4822 124 11131
ELECT CHIP 47µF 6.3V
EY47600620
C216
5322 126 11578
CER. CHIP 1000pF ±10% B 50V DK96102300
C217
4822 126 11687
CER. CHIP 0.1µF
DK98104200
C218
4822 126 11567
CER. CHIP 0.022µF ±10% 16V
DK96223200
C219
4822 126 11687
CER. CHIP 0.1µF
DK98104200
C220
4822 126 11687
CER. CHIP 0.1µF
DK98104200
C221
4822 126 11687
CER. CHIP 0.1µF
DK98104200
C222
4822 124 11131
ELECT CHIP 47µF 6.3V
EY47600620
C223
4822 126 11687
CER. CHIP 0.1µF
DK98104200
C224
4822 126 11669
CER. CHIP 27pF
DD95270300
C225
4822 126 11669
CER. CHIP 27pF
DD95270300
C226
4822 122 33777
CER. CHIP 47pF ±5% CG 50V
DD95470300
C227
4822 126 11687
CER. CHIP 0.1µF
DK98104200
C228
4822 126 11687
CER. CHIP 0.1µF
DK98104200
C234
4822 126 11687
CER. CHIP 0.1µF
DK98104200
C235
4822 122 33777
CER. CHIP 47pF ±5% CG 50V
DD95470300
C236
4822 126 11687
CER. CHIP 0.1µF
DK98104200
C237
4822 124 11131
CAP CHIP 47µF 6.3V
EY47600620
C242
4822 126 11687
CER. CHIP 0.1µF
DK98104200
C243
4822 126 11687
CER. CHIP 0.1µF
DK98104200
C245
4822 124 11432
ELECT CHIP 100µF 10V
EY10701020
C251
4822 126 11685
CER. CHIP 4700pF ±10% B 50V DK96472300
C252
4822 126 11568
CER. CHIP 470pF
DK96471300
C253
4822 126 11687
CER. CHIP 0.1µF
DK98104200
C254
4822 124 41842
ELECT CHIP 47µF 16V
EY47601620
C255
4822 126 11685
CER. CHIP 4700pF ±10% B 50V DK96472300
C256
4822 126 11568
CER. CHIP 470pF
DK96471300
C257
4822 126 11687
CER. CHIP 0.1µF
DK98104200
C258
4822 124 11131
ELECT CHIP 47µF 6.3V
EY47600620
C261
4822 126 11687
CER. CHIP 0.1µF
DK98104200
C262
4822 126 11687
CER. CHIP 0.1µF
DK98104200
C263
4822 126 11687
CER. CHIP 0.1µF
DK98104200
C265
4822 126 11687
CER. CHIP 0.1µF
DK98104200
C266
4822 126 11687
CER. CHIP 0.1µF
DK98104200
C269
4822 126 11687
CER. CHIP 0.1µF
DK98104200
C270
4822 126 11687
CER. CHIP 0.1µF
DK98104200
C271
4822 126 13396
CER. CHIP 0.047µF ±10% 16V
DK96473200
C291
4822 126 11687
CER. CHIP 0.1µF
DK98104200
P206-RESISTORS
R201
4822 051 30103
CHIP 10kΩ ±5% 1/16W
NN05103610
R206
R208
4822 051 30104
CHIP 100kΩ ±5% 1/16W
NN05104610
R209
4822 051 30102
CHIP 1kΩ ±5% 1/16W
NN05102610
R210
4822 051 30223
CHIP 22kΩ ±5% 1/16W
NN05223610
R211
4822 051 30104
CHIP 100kΩ ±5% 1/16W
NN05104610
R213
4822 116 82487
CHIP 0Ω ±5% 1/16W
NN05000610
R215
4822 051 30472
CHIP 4.7kΩ ±5% 1/16W
NN05472610
R216
4822 116 82487
CHIP 0Ω ±5% 1/16W
NN05000610
NOTE : "nsp" PART IS LISTED FOR REFERENCE ONLY, MARANTZ WILL NOT SUPPLY THESE PARTS.
1-24
POS.
NO
VERS.
COLOR
PART NO.
(FOR PCS)
DESCRIPTION
PART NO.
(MJI)
POS.
NO
VERS.
COLOR
PART NO.
(FOR PCS)
DESCRIPTION
PART NO.
(MJI)
R217
4822 051 30102
CHIP 1kΩ ±5% 1/16W
NN05102610
R218
4822 051 30472
CHIP 4.7kΩ ±5% 1/16W
NN05472610
R221
4822 051 30101
CHIP 100Ω ±5% 1/16W
NN05101610
R222
4822 051 30274
CHIP 270kΩ ±5% 1/16W
NN05274610
R224
4822 051 30105
CHIP 1MΩ ±5% 1/16W
NN05105610
R225
4822 051 30331
CHIP 330Ω ±5% 1/16W
NN05331610
R226
4822 051 30331
CHIP 330Ω ±5% 1/16W
NN05331610
R227
4822 116 82487
CHIP 0Ω ±5% 1/16W
NN05000610
R229
4822 116 82487
CHIP 0Ω ±5% 1/16W
NN05000610
R231
4822 116 83208
CHIP 12kΩ ±5% 1/16W
NN05123610
R232
4822 116 83208
CHIP 12kΩ ±5% 1/16W
NN05123610
R233
4822 116 83208
CHIP 12kΩ ±5% 1/16W
NN05123610
R234
4822 051 30101
CHIP 100Ω ±5% 1/16W
NN05101610
R235
4822 051 30101
CHIP 100Ω ±5% 1/16W
NN05101610
R236
4822 116 83208
CHIP 12kΩ ±5% 1/16W
NN05123610
R237
4822 116 83208
CHIP 12kΩ ±5% 1/16W
NN05123610
R238
4822 051 30479
CHIP 47Ω ±5% 1/16W
NN05470610
R239
4822 051 30479
CHIP 47Ω ±5% 1/16W
NN05470610
R240
4822 051 30479
CHIP 47Ω ±5% 1/16W
NN05470610
R241
4822 051 30222
CHIP 2.2kΩ ±5% 1/16W
NN05222610
R242
4822 051 30101
CHIP 100Ω ±5% 1/16W
NN05101610
R246
4822 116 82487
CHIP 0Ω ±5% 1/16W
NN05000610
R247
4822 051 30223
CHIP 22kΩ ±5% 1/16W
NN05223610
R251
4822 051 30102
CHIP 1kΩ ±5% 1/16W
NN05102610
R253
4822 051 30103
CHIP 10kΩ ±5% 1/16W
NN05103610
R254
4822 116 82487
CHIP 0Ω ±5% 1/16W
NN05000610
R255
4822 116 83207
CHIP 1.2kΩ ±5% 1/16W
NN05122610
R257
4822 051 30103
CHIP 10kΩ ±5% 1/16W
NN05103610
R258
4822 116 82487
CHIP 0Ω ±5% 1/16W
NN05000610
R259
4822 051 30102
CHIP 1kΩ ±5% 1/16W
NN05102610
R260
4822 051 30102
CHIP 1kΩ ±5% 1/16W
NN05102610
R261
4822 051 30102
CHIP 1kΩ ±5% 1/16W
NN05102610
R263
4822 051 30103
CHIP 10kΩ ±5% 1/16W
NN05103610
R264
4822 116 82487
CHIP 0Ω ±5% 1/16W
NN05000610
R265
4822 051 30102
CHIP 1kΩ ±5% 1/16W
NN05102610
R267
4822 116 82487
CHIP 0Ω ±5% 1/16W
NN05000610
R268
4822 116 82487
CHIP 0Ω ±5% 1/16W
NN05000610
R271
4822 051 30103
CHIP 10kΩ ±5% 1/16W
NN05103610
R273
4822 051 30333
CHIP 33kΩ ±5% 1/16W
NN05333610
R274
4822 051 30101
CHIP 100Ω ±5% 1/16W
NN05101610
R292
4822 051 30479
CHIP 47Ω ±5% 1/16W
NN05470610
R293
4822 051 30479
CHIP 47Ω ±5% 1/16W
NN05470610
R294
4822 051 30479
CHIP 47Ω ±5% 1/16W
NN05470610
R295
4822 116 82487
CHIP 0Ω ±5% 1/16W
NN05000610
P206-SEMICONDUCTORS
D221
4822 130 83715
CHIP DIODE
1SS301 DAN202U
HZ21005000
Q201
4822 209 33992
IC TDA1302T
HF AMPAND LASER CONT
HC10136490
Q202
4822 130 61541
CHIP TRS. 2SC4116GR
HX341161C0
Q221
4822 209 91174
IC SAA7372GP
DIGITAL SERVO IC
HC10132490
Q251
4822 209 16372
IC TDA7073AT
SOP DUAL BTL DRIVER
HC10165490
Q252
4822 209 16372
IC TDA7073AT
SOP DUAL BTL DRIVER
HC10165490
Q271
4822 209 32984
IC TC7SU04F
HC700405Z0
Q291
IC TC74VHC08F
HC10452050
P206-MISCELLANEOUS
J201
JACK SLD 12 R-1
FFC CONNECTOR ANGLE
YJ07018790
J203
JACK 17FMN-STK
YJ07021240
L201
4822 157 53872
CHIP INDUCTANCE
NL322522-100K
LU12103010
L221
4822 157 53872
CHIP INDUCTANCE
NL322522-100K
LU12103010
L222
4822 157 53872
CHIP INDUCTANCE
NL322522-100K
LU12103010
X221
CRYSTAL
CM309S 8.4672MHz
JX08001320
P406-MAIN CIRCUIT BOARD
P406-CAPACITORS
C303
4822 124 41539
ELECT. 47µF M 16V RA-2
OA47601620
C304
4822 124 41539
ELECT. 47µF M 16V RA-2
OA47601620
C305
4822 126 13883
CER. CHIP 220pF ±5% CG 50V DD95221300
C306
4822 126 13883
CER. CHIP 220pF ±5% CG 50V DD95221300
C307
4822 124 41539
ELECT. 47µF M 16V RA-2
OA47601620
C308
4822 124 41539
ELECT. 47µF M 16V RA-2
OA47601620
C313
4822 126 11687
CER. CHIP 0.1µF
DK98104200
C314
4822 126 11687
CER. CHIP 0.1µF
DK98104200
C361
4822 124 41539
ELECT. 47µF M 16V RA-2
OA47601620
C362
4822 124 41539
ELECT. 47µF M 16V RA-2
OA47601620
C405
4822 124 41539
ELECT. 47µF M 16V RA-2
OA47601620
C408
C409
4822 122 31727
MICA CHIP 470pF ±5%
DF95471040
C412
C413
4822 124 22274
ELECT. 4.7µF M 50V RA-2
OA47505020
C414
4822 124 22274
ELECT. 4.7µF M 50V RA-2
OA47505020
C431
9965 000 01040
ELECT. 470µF M 6.3V RA-2
OA47700620
C432
5322 126 11578
CER. CHIP 1000pF ±10% B 50V DK96102300
C441
4822 126 11687
CER. CHIP 0.1µF
DK98104200
C442
4822 126 11687
CER. CHIP 0.1µF
DK98104200
C521
4822 126 11687
CER. CHIP 0.1µF
DK98104200
C522
4822 126 11687
CER. CHIP 0.1µF
DK98104200
C557
4822 126 11663
CER. CHIP 12pF ±5% CG 50V
DD95120300
C558
4822 126 11687
CER. CHIP 0.1µF
DK98104200
C559
9965 000 01040
ELECT. 470µF M 6.3V RA-2
OA47700620
C561
4822 126 11663
CER. CHIP 12pF ±5% CG 50V
DD95120300
C562
4822 126 11663
CER. CHIP 12pF ±5% CG 50V
DD95120300
C563
4822 124 90353
ELECT. 100µF M 10V RA-2
OA10701020
C572
4822 124 90353
ELECT. 100µF M 10V RA-2
OA10701020
C581
9965 000 01040
ELECT. 470µF M 6.3V RA-2
OA47700620
C582
4822 126 11687
CER. CHIP 0.1µF
DK98104200
C583
4822 124 90353
ELECT. 100µF M 10V RA-2
OA10701020
C584
4822 126 11687
CER. CHIP 0.1µF
DK98104200
C585
4822 124 90353
ELECT. 100µF M 10V RA-2
OA10701020
C586
4822 126 11687
CER. CHIP 0.1µF
DK98104200
C587
4822 126 11687
CER. CHIP 0.1µF
DK98104200
C588
4822 124 90353
ELECT. 100µF M 10V RA-2
OA10701020
C589
4822 126 11687
CER. CHIP 0.1µF
DK98104200
C590
4822 124 90353
ELECT. 100µF M 10V RA-2
OA10701020
C591
4822 126 11687
CER. CHIP 0.1µF
DK98104200
C592
4822 124 41539
ELECT. 47µF M 16V RA-2
OA47601620
C593
4822 126 13883
CER. CHIP 220pF ±5% CG 50V DD95221300
C594
4822 126 13883
CER. CHIP 220pF ±5% CG 50V DD95221300
C595
4822 126 12339
CER. CHIP 2200pF
DK96222300
C596
4822 126 11687
CER. CHIP 0.1µF
DK98104200
C611
4822 124 22239
ELECT. 3300µF 25V RA2
OA33802520
C612
4822 124 90367
ELECT. 2200µF 25V RA2
OA22802520
C613
4822 124 90354
ELECT. 100µF M 16V RA-2
OA10701620
C614
4822 124 90354
ELECT. 100µF M 16V RA-2
OA10701620
C615
FILM 0.001µF J M 50V
DF15102350
C616
FILM 0.001µF J M 50V
DF15102350
C617
FILM 0.1µF
DF15104350
C618
FILM 0.1µF
DF15104350
C619
4822 124 22277
ELECT. 470µF 16V M RA-2
OA47701620
C620
4822 124 22277
ELECT. 470µF 16V M RA-2
OA47701620
C621
4822 124 22274
ELECT. 4.7µF M 50V RA-2
OA47505020
NOTE : "nsp" PART IS LISTED FOR REFERENCE ONLY, MARANTZ WILL NOT SUPPLY THESE PARTS.
1-25
POS.
NO
VERS.
COLOR
PART NO.
(FOR PCS)
DESCRIPTION
PART NO.
(MJI)
POS.
NO
VERS.
COLOR
PART NO.
(FOR PCS)
DESCRIPTION
PART NO.
(MJI)
C623
9965 000 01040
ELECT. 470µF M 6.3V RA-2
OA47700620
C624
4822 126 11687
CER. CHIP 0.1µF
DK98104200
C627
C651
ELECT CAP. 10000µF 16V RE3 EA10901670
C652
ELECT CAP. 10000µF 16V RE3 EA10901670
C653
9965 000 01040
ELECT. 470µF M 6.3V RA-2
OA47700620
C654
FILM 0.1µF
DF15104350
C655
9965 000 01040
ELECT. 470µF M 6.3V RA-2
OA47700620
C656
4822 126 11687
CER. CHIP 0.1µF
DK98104200
C657
4822 126 11687
CER. CHIP 0.1µF
DK98104200
C658
4822 126 11687
CER. CHIP 0.1µF
DK98104200
C661
4822 126 13303
CER. CHIP 1µF 10V
DK98105200
C662
4822 126 11687
CER. CHIP 0.1µF
DK98104200
C671
BIG ELECT 0.22F DX-5R5L224
EX22400540
C672
4822 126 11687
CER. CHIP 0.1µF
DK98104200
C681
4822 124 90355
ELECT. 100µF M 50V RA-2
OA10705020
C682
4822 126 14417
CER. CHIP 0.01µF ±10% 50V
DK96103300
C683
4822 124 22693
ELECT. 10µF 63V RA-2
OA10606320
C684
4822 124 22274
ELECT. 4.7µF M 50V RA-2
OA47505020
C685
4822 126 11687
CER. CHIP 0.1µF
DK98104200
C686
4822 126 11687
CER. CHIP 0.1µF
DK98104200
C691
4822 124 41539
ELECT. 47µF M 16V RA-2
OA47601620
C692
4822 126 11687
CER. CHIP 0.1µF
DK98104200
C701
4822 126 11687
CER. CHIP 0.1µF
DK98104200
C707
C721
4822 126 14417
CER. CHIP 0.01µF ±10% 50V
DK96103300
C724
C726
4822 126 14417
CER. CHIP 0.01µF ±10% 50V
DK96103300
C727
4822 126 14417
CER. CHIP 0.01µF ±10% 50V
DK96103300
C751
4822 126 11687
CER. CHIP 0.1µF
DK98104200
C761
4822 126 14417
CER. CHIP 0.01µF ±10% 50V
DK96103300
C801
4822 126 11567
CER. CHIP 0.022µF ±10% 16V
DK96223200
C802
4822 126 11567
CER. CHIP 0.022µF ±10% 16V
DK96223200
C806
4822 126 11687
CER. CHIP 0.1µF
DK98104200
C807
4822 126 11687
CER. CHIP 0.1µF
DK98104200
C851
4822 124 41539
ELECT. 47µF M 16V RA-2
OA47601620
C852
4822 124 41539
ELECT. 47µF M 16V RA-2
OA47601620
C853
4822 124 22274
ELECT. 4.7µF M 50V RA-2
OA47505020
C854
4822 124 22274
ELECT. 4.7µF M 50V RA-2
OA47505020
C902
4822 126 12339
CER. CHIP 2200pF
DK96222300
P406-RESISTORS
R301
4822 051 30104
CHIP 100kΩ ±5% 1/16W
NN05104610
R302
4822 051 30104
CHIP 100kΩ ±5% 1/16W
NN05104610
R303
4822 051 30223
CHIP 22kΩ ±5% 1/16W
NN05223610
R306
R361
4822 051 30561
CHIP 560Ω ±5% 1/16W
NN05561610
R362
4822 051 30561
CHIP 560Ω ±5% 1/16W
NN05561610
R401
4822 051 30102
CHIP 1kΩ ±5% 1/16W
NN05102610
R402
4822 051 30102
CHIP 1kΩ ±5% 1/16W
NN05102610
R403
4822 051 30222
CHIP 2.2kΩ ±5% 1/16W
NN05222610
R404
4822 051 30222
CHIP 2.2kΩ ±5% 1/16W
NN05222610
R405
4822 051 30473
CHIP 47kΩ ±5% 1/16W
NN05473610
R406
4822 051 30473
CHIP 47kΩ ±5% 1/16W
NN05473610
R407
4822 051 30222
CHIP 2.2kΩ ±5% 1/16W
NN05222610
R408
4822 051 30222
CHIP 2.2kΩ ±5% 1/16W
NN05222610
R409
4822 051 30682
CHIP 6.8kΩ ±5% 1/16W
NN05682610
R410
4822 051 30682
CHIP 6.8kΩ ±5% 1/16W
NN05682610
R411
4822 051 30153
CHIP 15kΩ ±5% 1/16W
NN05153610
R412
4822 051 30153
CHIP 15kΩ ±5% 1/16W
NN05153610
R413
4822 051 30103
CHIP 10kΩ ±5% 1/16W
NN05103610
R414
4822 051 30103
CHIP 10kΩ ±5% 1/16W
NN05103610
R415
4822 051 30102
CHIP 1kΩ ±5% 1/16W
NN05102610
R416
4822 051 30102
CHIP 1kΩ ±5% 1/16W
NN05102610
R417
4822 051 30104
CHIP 100kΩ ±5% 1/16W
NN05104610
R418
4822 051 30104
CHIP 100kΩ ±5% 1/16W
NN05104610
R421
4822 051 30104
CHIP 100kΩ ±5% 1/16W
NN05104610
R422
4822 051 30473
CHIP 47kΩ ±5% 1/16W
NN05473610
R423
4822 051 30104
CHIP 100kΩ ±5% 1/16W
NN05104610
R424
4822 051 30473
CHIP 47kΩ ±5% 1/16W
NN05473610
R425
4822 051 30473
CHIP 47kΩ ±5% 1/16W
NN05473610
R431
4822 051 30104
CHIP 100kΩ ±5% 1/16W
NN05104610
R432
4822 051 30222
CHIP 2.2kΩ ±5% 1/16W
NN05222610
R441
4822 051 30223
CHIP 22kΩ ±5% 1/16W
NN05223610
R442
4822 051 30223
CHIP 22kΩ ±5% 1/16W
NN05223610
R443
4822 051 30223
CHIP 22kΩ ±5% 1/16W
NN05223610
R444
4822 051 30223
CHIP 22kΩ ±5% 1/16W
NN05223610
R521
4822 051 30109
CHIP 10Ω ±5% 1/16W
NN05100610
R523
4822 051 30101
CHIP 100Ω ±5% 1/16W
NN05101610
R556
4822 051 30101
CHIP 100Ω ±5% 1/16W
NN05101610
R561
4822 051 30101
CHIP 100Ω ±5% 1/16W
NN05101610
R564
R565
4822 051 30104
CHIP 100kΩ ±5% 1/16W
NN05104610
R566
4822 116 82487
CHIP 0Ω ±5% 1/16W
NN05000610
R571
4822 051 30101
CHIP 100Ω ±5% 1/16W
NN05101610
R581
CHIP 1Ω ±5% 1/16W
NN05010610
R582
4822 051 30109
CHIP 10Ω ±5% 1/16W
NN05100610
R583
4822 051 30109
CHIP 10Ω ±5% 1/16W
NN05100610
R584
4822 051 30332
CHIP 3.3kΩ ±5% 1/16W
NN05332610
R585
4822 051 30222
CHIP 2.2kΩ ±5% 1/16W
NN05222610
R586
4822 051 30332
CHIP 3.3kΩ ±5% 1/16W
NN05332610
R587
4822 051 30222
CHIP 2.2kΩ ±5% 1/16W
NN05222610
R588
4822 051 30101
CHIP 100Ω ±5% 1/16W
NN05101610
R589
CHIP 1Ω ±5% 1/16W
NN05010610
R590
CHIP 1Ω ±5% 1/16W
NN05010610
R611
4822 051 30101
CHIP 100Ω ±5% 1/16W
NN05101610
R612
4822 051 30101
CHIP 100Ω ±5% 1/16W
NN05101610
R613
4822 051 30561
CHIP 560Ω ±5% 1/16W
NN05561610
R614
4822 051 30561
CHIP 560Ω ±5% 1/16W
NN05561610
R617
4822 052 10681
680Ω ±5% 1/6W
GG05681160
R618
4822 052 10681
680Ω ±5% 1/6W
GG05681160
R619
4822 051 30479
CHIP 47Ω ±5% 1/16W
NN05470610
R620
4822 051 30479
CHIP 47Ω ±5% 1/16W
NN05470610
R622
4822 051 30272
CHIP 2.7kΩ ±5% 1/16W
NN05272610
R623
4822 116 83215
CHIP 5.6kΩ ±5% 1/16W
NN05562610
R624
4822 116 83215
CHIP 47kΩ ±5% 1/16W
NN05562610
R625
CHIP 5.1kΩ ±5% 1/16W
NN0551261R
R626
4822 116 83215
CHIP 5.6kΩ ±5% 1/16W
NN05562610
R627
4822 051 30222
CHIP 2.2kΩ ±5% 1/16W
NN05222610
R628
4822 051 30332
CHIP 3.3kΩ ±5% 1/16W
NN05332610
R629
4822 051 30332
CHIP 3.3kΩ ±5% 1/16W
NN05332610
R630
4822 051 30332
CHIP 3.3kΩ ±5% 1/16W
NN05332610
R651
4822 051 30473
CHIP 47kΩ ±5% 1/16W
NN05473610
R652
4822 051 30473
CHIP 47kΩ ±5% 1/16W
NN05473610
R661
4822 051 30682
CHIP 6.8kΩ ±5% 1/16W
NN05682610
R662
4822 051 30333
CHIP 33kΩ ±5% 1/16W
NN05333610
R663
4822 051 30104
CHIP 100kΩ ±5% 1/16W
NN05104610
R671
4822 051 30471
CHIP 470Ω ±5% 1/16W
NN05471610
R673
4822 051 30221
CHIP 220Ω ±5% 1/16W
NN05221610
R674
4822 116 82487
CHIP 0 OHM
NN05000610
R675
4822 051 30473
CHIP 47kΩ ±5% 1/16W
NN05473610
R676
4822 051 30221
CHIP 220Ω ±5% 1/16W
NN05221610
R677
4822 051 30222
CHIP 2.2kΩ ±5% 1/16W
NN05222610
R681
4822 111 90967
FUSE 4.7Ω J 1/4W
NF05047140
R682
4822 051 30103
CHIP 10kΩ ±5% 1/16W
NN05103610
R683
4822 051 30471
CHIP 470Ω ±5% 1/16W
NN05471610
R684
4822 051 30471
CHIP 470Ω ±5% 1/16W
NN05471610
R685
4822 051 30392
CHIP 3.9kΩ ±5% 1/16W
NN05392610
NOTE : "nsp" PART IS LISTED FOR REFERENCE ONLY, MARANTZ WILL NOT SUPPLY THESE PARTS.
1-26
POS.
NO
VERS.
COLOR
PART NO.
(FOR PCS)
DESCRIPTION
PART NO.
(MJI)
POS.
NO
VERS.
COLOR
PART NO.
(FOR PCS)
DESCRIPTION
PART NO.
(MJI)
R686
4822 051 30223
CHIP 22kΩ ±5% 1/16W
NN05223610
R687
4822 051 30473
CHIP 47kΩ ±5% 1/16W
NN05473610
R692
4822 051 30102
CHIP 1kΩ ±5% 1/16W
NN05102610
R693
4822 051 30332
CHIP 3.3kΩ ±5% 1/16W
NN05332610
R694
4822 116 83207
CHIP 1.2kΩ ±5% 1/16W
NN05122610
R695
4822 051 30471
CHIP 470Ω ±5% 1/16W
NN05471610
R701
4822 051 30103
CHIP 10kΩ ±5% 1/16W
NN05103610
R704
R707
4822 051 30103
CHIP 10kΩ ±5% 1/16W
NN05103610
R711
4822 051 30472
CHIP 4.7kΩ ±5% 1/16W
NN05472610
R712
4822 051 30472
CHIP 4.7kΩ ±5% 1/16W
NN05472610
R713
4822 051 30473
CHIP 47kΩ ±5% 1/16W
NN05473610
R714
4822 051 30473
CHIP 47kΩ ±5% 1/16W
NN05473610
R716
4822 051 30473
CHIP 47kΩ ±5% 1/16W
NN05473610
R717
4822 051 30222
CHIP 2.2kΩ ±5% 1/16W
NN05222610
R721
4822 051 30472
CHIP 4.7kΩ ±5% 1/16W
NN05472610
R724
R726
4822 051 30472
CHIP 4.7kΩ ±5% 1/16W
NN05472610
R727
4822 051 30472
CHIP 4.7kΩ ±5% 1/16W
NN05472610
R728
4822 051 30222
CHIP 2.2kΩ ±5% 1/16W
NN05222610
R729
4822 051 30332
CHIP 3.3kΩ ±5% 1/16W
NN05332610
R730
4822 051 30222
CHIP 2.2kΩ ±5% 1/16W
NN05222610
R731
4822 051 30332
CHIP 3.3kΩ ±5% 1/16W
NN05332610
R732
4822 051 30222
CHIP 2.2kΩ ±5% 1/16W
NN05222610
R733
4822 051 30332
CHIP 3.3kΩ ±5% 1/16W
NN05332610
R734
4822 051 30222
CHIP 2.2kΩ ±5% 1/16W
NN05222610
R735
4822 051 30332
CHIP 3.3kΩ ±5% 1/16W
NN05332610
R736
4822 051 30102
CHIP 1kΩ ±5% 1/16W
NN05102610
R751
4822 051 30473
CHIP 47kΩ ±5% 1/16W
NN05473610
R752
4822 051 30473
CHIP 47kΩ ±5% 1/16W
NN05473610
R761
4822 051 30472
CHIP 4.7kΩ ±5% 1/16W
NN05472610
R801
4822 052 10478
FUSIBLE 4.7Ω ±5% 1/4W
RF05047140
R802
4822 051 30221
CHIP 220Ω ±5% 1/16W
NN05221610
R803
4822 051 30223
CHIP 22kΩ ±5% 1/16W
NN05223610
R804
4822 051 30223
CHIP 22kΩ ±5% 1/16W
NN05223610
R806
4822 051 30473
CHIP 47kΩ ±5% 1/16W
NN05473610
R807
4822 051 30473
CHIP 47kΩ ±5% 1/16W
NN05473610
R851
4822 051 30103
CHIP 10kΩ ±5% 1/16W
NN05103610
R852
4822 051 30103
CHIP 10kΩ ±5% 1/16W
NN05103610
R853
4822 051 30103
CHIP 10kΩ ±5% 1/16W
NN05103610
R856
R857
4822 116 83208
CHIP 12kΩ ±5% 1/16W
NN05123610
R858
4822 116 83208
CHIP 12kΩ ±5% 1/16W
NN05123610
R859
4822 116 83206
CHIP 120Ω ±5% 1/16W
NN05121610
R860
4822 116 83206
CHIP 120Ω ±5% 1/16W
NN05121610
R861
4822 051 30103
CHIP 10kΩ ±5% 1/16W
NN05103610
R862
4822 051 30103
CHIP 10kΩ ±5% 1/16W
NN05103610
R863
4822 051 30103
CHIP 10kΩ ±5% 1/16W
NN05103610
R864
4822 051 30103
CHIP 10kΩ ±5% 1/16W
NN05103610
R865
4822 051 30102
CHIP 1kΩ ±5% 1/16W
NN05102610
R866
4822 051 30102
CHIP 1kΩ ±5% 1/16W
NN05102610
P406-SEMICONDUCTORS
D361
5322 130 83285
CHIP DIODE 1SS322
HZ20031050
D364
D421
4822 130 83715
CHIP DIODE 1SS301 DAN202U HZ21005000
D422
4822 130 83715
CHIP DIODE 1SS301 DAN202U HZ21005000
D431
5322 130 83285
CHIP DIODE 1SS322
HZ20031050
D611
DIODE D2SBA20
HE20027290
D612
4822 130 11129
CHIP DIODE 7.5V
MA8075-M UDPS7.5B
HZ30751000
D613
4822 130 11129
CHIP DIODE 7.5V
MA8075-M UDPS7.5B
HZ30751000
D614
CHIP DIODE 5.6V
MA8075-M/UDPS7.5B
HZ30561000
D651
9965 000 01052
DIODE EK16 1.5A 60V S.B.D
HD20041080
D652
9965 000 01052
DIODE EK16 1.5A 60V S.B.D
HD20041080
D661
5322 130 83285
CHIP DIODE 1SS322
HZ20031050
D671
4822 130 80522
CHIP DIODE 1SS300 DAP202U HZ21006000
D681
4822 130 10092
CHIP DIODE D1F60-4063
HZ20001290
D682
4822 130 11129
CHIP DIODE 7.5V
MA8075-M UDPS7.5B
HZ30751000
D683
4822 130 83225
CHIP DIODE MA8043M
HZ30011020
D684
4822 130 83715
CHIP DIODE 1SS301 DAN202U HZ21005000
D685
5322 130 83285
CHIP DIODE 1SS322
HZ20031050
D691
4822 130 83715
CHIP DIODE 1SS301 DAN202U HZ21005000
D711
4822 130 11129
CHIP DIODE 7.5V
MA8075-M UDPS7.5B
HZ30751000
D712
4822 130 83715
CHIP DIODE 1SS301 DAN202U HZ21005000
Q301
4822 209 71451
IC NJM4558M Y
HC10011090
Q401
4822 209 91175
IC NJM2114M
HC10175090
Q403
4822 130 63601
CHIP TRS. 2SC4213
HX342132A0
Q404
4822 130 63601
CHIP TRS. 2SC4213
HX342132A0
Q421
4822 209 83804
IC LC4966
HC10150030
Q422
4822 130 61553
DIG.TRS. DTC124EU RN1303
BA21303000
Q423
4822 130 42593
DIG.TRS. DTA124EU RN2303
BA12303000
Q424
4822 130 61553
DIG.TRS. DTC124EU RN1303
BA21303000
Q425
4822 130 42593
DIG.TRS. DTA124EU RN2303
BA12303000
Q426
4822 130 61553
DIG.TRS. DTC124EU RN1303
BA21303000
Q431
4822 130 42593
DIG.TRS. DTA124EU RN2303
BA12303000
Q441
4822 209 71451
IC NJM4558M Y
HC10011090
Q521
IC TC74VHC125F
HC007605K0
Q522
4822 130 42593
DIG.TRS. DTA124EU RN2303
BA12303000
Q523
4822 130 61553
DIG.TRS. DTC124EU RN1303
BA21303000
Q581
IC UDA1345TS
HC10198490
Q611
4822 130 61417
TRS. 2SB1240 TV-2 PNP Q R
HT212402A0
Q612
4822 130 61441
TRS. 2SD1862 TV-2 NPN Q R
HT418622A0
Q613
4822 130 61541
CHIP TRS. 2SC4116
HX341162B0
Q614
4822 130 61554
CHIP TRS. 2SA1586
HX115862B0
Q615
4822 209 17155
IC NJM2068M
HC10102090
Q651
IC BA05T 5V 1A TO220
HC36905210
Q652
IC SI-3050FA SANKEN 5.0V 1A HC31905080
Q653
4822 130 61553
DIG.TRS. RN1303
BA21303000
Q654
4822 130 61541
CHIP TRS. 2SC4116
HX341162B0
Q661
IC S-80735SN-DZ
HC10055530
Q671
4822 130 61441
TRS. 2SD1862 TV-2 NPN Q R
HT418622A0
Q681
4822 209 73525
IC NJM 79L18A
HC39118090
Q682
IC S-80735SN-Z-X RESE
HC10055530
Q691
4822 130 61417
TRS. 2SB1240 TV-2 PNP Q R
HT212402A0
Q692
4822 130 61541
CHIP TRS. 2SC4116
HX341162B0
Q701
IC MB90574C-551
MASK ROM µ-COM 120P
HU412KF00F
Q702
4822 209 91013
IC TC74HCT08AF
HC700805Q0
Q711
4822 130 61553
DIG.TRS. RN1303
BA21303000
Q712
4822 130 61553
DIG.TRS. RN1303
BA21303000
Q713
4822 130 61553
DIG.TRS. RN1303
BA21303000
Q751
IC AT24C04N-10SI-2.5
HC10033990
Q801
4822 209 30193
IC LB1641 MOTOR DRIVER
HC10279030
Q851
4822 209 31378
IC NJM-4556MB
HC10045090
Q853
4822 130 63601
CHIP TRS. 2SC4213
HX342132A0
Q856
P406-MISCELLANEOUS
F301
4822 116 82487
CHIP 0 OHM
NN05000610
F302
4822 116 82487
CHIP 0 OHM
NN05000610
F401
4822 116 82487
CHIP 0 OHM
NN05000610
F402
4822 116 82487
CHIP 0 OHM
NN05000610
NOTE : "nsp" PART IS LISTED FOR REFERENCE ONLY, MARANTZ WILL NOT SUPPLY THESE PARTS.
1-27
POS.
NO
VERS.
COLOR
PART NO.
(FOR PCS)
DESCRIPTION
PART NO.
(MJI)
POS.
NO
VERS.
COLOR
PART NO.
(FOR PCS)
DESCRIPTION
PART NO.
(MJI)
F403
9965 000 05005
FERRIT BEADS
BK1608HM102-T
FC90020120
F404
9965 000 05005
FERRIT BEADS
BK1608HM102-T
FC90020120
F405
9965 000 05005
FERRIT BEADS
BK1608HM102-T
FC90020120
F561
4822 242 73843
EMI FILTER DSS306-91-F-223Z FM12223010
F571
4822 242 73843
EMI FILTER DSS306-91-F-223Z FM12223010
F581
4822 242 73843
EMI FILTER DSS306-91-F-223Z FM12223010
F611
F
FUSE
1A 250V UL CSA MITI FBM
FS10100360
F611
S
4822 070 38001
FUSE 800mA 250V BS LISTED
FS10080850
F612
F
FUSE
1A 250V UL CSA MITI FBM
FS10100360
F612
S
4822 070 38001
FUSE 800mA 250V BS LISTED
FS10080850
F651
F
FUSE
1A 250V UL CSA MITI FBM
FS10100360
F651
S
4822 070 38001
FUSE 800mA 250V BS LISTED
FS10080850
F652
F
FUSE
1A 250V UL CSA MITI FBM
FS10100360
F652
S
4822 070 38001
FUSE 800mA 250V BS LISTED
FS10080850
F671
9965 000 05005
FERRIT BEADS
BK1608HM102-T
FC90020120
J101
JACK 17FMN-BTK STRAIGHT
YJ07021250
J301
TERMINAL RCA 6P
F-SHIELD W/R
YT02060700
J552
OPT. CONNECTOR
GP1FA550RZ
YJ15000180
J553
OPT. CONNECTOR
GPIFA550TZ
YJ15000190
J561
JACK 28FMN-BTK STRAIGHT
YJ07021260
J571
JACK 17FMN-BTK STRAIGHT
YJ07021250
L551
4822 157 53872
CHIP INDUCTANCE
NL322522-100K
LU12103010
X701
4822 242 72066
SERAMIC VIB. CST8.0MT
FQ08004010
P603-TRANS CIRCUIT BOARD
L601
F
POWER TRANSF.
57-35(EI) 100V
TS15745010
L601
S
POWER TRANSF.
57035(EI) 115V 230V
TS15745020
P606-MAIN SW
CIRCUIT BOARD
C601
F
4822 126 11237
CER. 0.01µF Z 250V S
PARK KILLER
DK18103850
C601
S
CER. DE1610F 103M-KH
DK17103900
C602
F
4822 126 11237
CER. 0.01µF Z 250V
SPARK KILLER
DK18103850
C602
S
CER. DE1610F 103M-KH
DK17103900
F601
F
FUSE
1A 250V UL CSA MITI FBM
FS10100360
F601
S
4822 070 38001
FUSE 800mA 250V BS LISTED
FS10080850
L603
4822 157 70419
LF-4D-102
FN01020020
S601
PUSH SW. ESB92S94B 1.5MM
SP01012480
P801-HEAD PHONE
CIRCUIT BOARD
P801-CAPACITORS
C855
4822 126 12339
CER. CHIP 2200pF
DK96222300
C856
4822 126 12339
CER. CHIP 2200pF
DK96222300
C857
4822 126 12339
CER. CHIP 2200pF
DK96222300
C858
4822 126 11687
CER. CHIP 0.1µF
DK98104200
P801-MISCELLANEOUS
F851
F
4822 116 82487
CHIP 0Ω ±5% 1/16W
NN05000610
F851
S
9965 000 05005
FERRIT BEADS
BK1608HM102-T
FC90020120
F852
F
4822 116 82487
CHIP 0Ω ±5% 1/16W
NN05000610
F852
S
9965 000 05005
FERRIT BEADS
BK1608HM102-T
FC90020120
F853
F
4822 116 82487
CHIP 0Ω ±5% 1/16W
NN05000610
F853
S
9965 000 05005
FERRIT BEADS
BK1608HM102-T
FC90020120
J851
4822 267 31692
H.P JACK HLJ0540-01-430 GRY YJ01003880
P901-ROTARY SW
CIRCUIT BOARD
R161
4822 051 30222
CHIP 2.2kΩ ±5% 1/16W
NN05222610
R162
4822 051 30332
CHIP 3.3kΩ ±5% 1/16W
NN05332610
R163
4822 051 30822
CHIP 8.2kΩ ±5% 1/16W
NN05822610
R164
4822 051 30273
CHIP 27kΩ ±5% 1/16W
NN05273610
S161
ROTARY SW. SRBM15
SR01050080
NOTE : "nsp" PART IS LISTED FOR REFERENCE ONLY, MARANTZ WILL NOT SUPPLY THESE PARTS.
MD Module
MDM-08BD
Service
Manual
MDM-08BD
R
Please use this service manual with referring to the user guide ( D.F.U. ) without fail.
TABLE OF CONTENTS
SECTION PAGE
2. MDM-08BD( MD MODULE )
2.1 MD TEST MODE.................................................................................................................................. 2-2
2.2 ADJUSTMENT..................................................................................................................................... 2-4
2.3 DISASSEMBLY AND REPLACEMENT.............................................................................................. 2-14
2.1 MD TEST MODE (Japan)................................................................................................................... 2-16
2.2 ADJUSTMENT (Japan)...................................................................................................................... 2-17
2.3 DISASSEMBLY AND REPLACEMENT(Japan).................................................................................. 2-27
2.4 WAVEFORMS.................................................................................................................................... 2-29
2.5 IC DATA.............................................................................................................................................. 2-31
2.6 PARTS LOCATION............................................................................................................................. 2-38
2.7 SCHEMATIC DIAGRAM..................................................................................................................... 2-41
2.8 EXPLODED VIEW AND PARTS LIST................................................................................................ 2-43
2.9 ELECTRICAL PARTS LIST................................................................................................................ 2-44
2-2
2.1 MD TEST MODE
1. How to enter the MD TEST MODE.
1) Turn OFF the CM6200.
2) Press the POWER button on the front panel, while depressing the MD STOP button and ENTER(EASY JOG) button.
3) The FL display shows [Service Mode] for seconds, then [CD/MD SELECT] will be shown on it.
4) Press the MD button.
REMARK : To load aMD disc, press the MD REC button. "DISC IN AUTO LOADING" function is not available in
"MD TEST MODE".
5) The FL display shows [AUTO AJST].
6) Press the MD STOP button. When a disc is loaded, the FL display shows [tsm
e ].
[tsm
e ]
: Model code (MDM-08BD is [22])
: ROM version of MD microprocessor (03)
: EEPROM protect data version (02)
REMARK : This status is called [Test mode STOP state]. When a disc is not loaded, the FL display shows [EJECT].
This status is called [Test mode EJECT state].
2. Compulsory operation
While in the [Test mode STOP state] and [TEST MODE EJECT STATE] ...,
• While depressing FF button, the unit oparates the unconditional Ejection movement.
• While depressing REW button, the unit oparates the unconditional loading movement.
While in the [Menu state].,
• While depressing CD PLAY button, the unit oparates the unconditional sledge movement to out side.
• While depressing CD STOP button, the unit oparates the unconditional sledge movement to in side.
3. How to change the TEST MODE
From the [Test mode STOP state], pressing MENU button changed the mode in the following order.
If the EDIT button is pressed instead, the mode will change in the opposite order.
4. How to exit the MD TEST MODE
1) After all adjustments have been done, Press the POWER button on the remote controller.
2) The FL display shows [MD TEST OFF], then all the adjusted parameters will be written to the EEPROM.
3) Press the POWER button to turn OFF the CM6200.
* Before pressing the POWER button on the remote controller, make sure that the AUTO pre-adjustment, AUTO adjustment,
and AUTO AFB adjustment have been completed.
*If a parameter of EEPROM is changed or the AUTO pre-adjustment, AUTO adjustment, and AUTO AFB adjustment are
performed again, write those on EEPROM by pressing the POWER button on the remote controller.
5. Outline of each TEST MODE.
AUTO YOBI
AUTO AJST
RST YOBI
AUT AFB
EEPROM_SET
MNU YOBI
MNU AJST
(AUTO pre-adjustment)
(AUTO adjustment)
(Advanced AFB adjustment)
(RESULT YOBI)
RESULT
(MANUAL pre-adjustment)
(MANUAL adjustment)
(EEPROM setting)
1. EJECT mode • TEMP setting (of EEPROM setting)
• CONTROL setting (of EEPROM setting)
• Setting of laser power (record/playback power)
2. AUTO pre-adjustment mode • Automatic pre-adjustment is performed.
3. AUTO adjustment mode • Automatic adjustment is performed. (After adjustment the grating adjustment mode is set.)
4. AUTO AFB adjustment mode • Focus adjustment is performed.
• RESULT sub-mode • Therefore do not set this mode since it is not necessary for the service.
• RESULT mode (fi nal adjustment)
• MANUAL pre-adjustment mode
• MANUAL adjustment mode
5. EEPROM setting mode • Various coeffi cients of digital servo are changed manually.
6. TEST-PLAY mode • Continuous playback from the specifi ed address is performed.
• C1 error rate measurement, ADIP error rate measurement.
7. TEST-REC mode • Continuous recording from the specifi ed address is performed.
8. INNER mode • The position where the INNER switch is turned on is measured.
2-3
BUTTON
NOTICE
COMMENT
POWER
(by Remote control-
ler only)
Exit the TEST MODE.
The FL display shows ”MD TEST OFF” after EEPROM
restored and mechanism adjustment.
REC
Start the disc loading.
MD EJECT
EJECT the MD disc.
MENU
Forward the TEST MODE menus. (1)
(Menus for adjustments and EEPROM setup.)
ENTER
Forward the TEST MODE menus. (2)
(Menus for continuous playback/recording mainly.)
DIRECT DUBB
Forward the TEST MODE menus. (3)
(Menus for INNER mode and JUMP SELECT and etc.)
EDIT
Reverse the TEST MODE menus.
(Back to the previous menu.)
MD PLAY
Enter the selected menu or start the selected menu.
MD STOP
Stop the each TEST MODE, or enter the previous menu.
CD PLAY
1. Sledge forwarding. (FWD direction)
2. JUMP. (FWD direction)
3. ADDRESS value UP.
4. Direction setup while tracking.
Depressing available.
CD STOP
1. Sledge reversing. (REV direction)
2. JUMP (REV direction).
3. ADDRESS value DOWN.
4. Direction setup while tracking.
Depressing available.
FF
1. MD disc compel EJECT.
2. Setup value UP.
Depressing available.
REW
1. MD disc compel LOADING.
2. Setup value DOWN.
Depressing available.
MD (DISP)
1. Laser power selection while EJECT mode.
2. Counter mode select while continuous playback.
3. ADDRESS figure setting while ADDRESS setup.
6. FUNCTIONS OF BUTTONS
2-4
High reflection disc
A-BEX
TMD-381
For audio performance measurement
Low reflection disc
-
-
Blank disc on market for Rec/Play
Eccentricity sisc
A-BEX
TMD-311R
Confirm operation after replacing the mechanism
Surface distortion disc
A-BEX
TMD-331R
Confirm operation after replacing the mechanism
Transparent disc
SHARP
RRCDT0103AFZZ
For magnetic head adjustment
1) MD Test disc
2.2 ADJUSTMENT (MD module)
1. Test discs and tools
2) Extension Cable
PICK replacement
HEAD replacement
MECHANISM
replacement
MAIN PWB
assembly replacement
MD microcomputer
replacement
MD LSI replacement
RF IC replacement
EEPROM IC
replacement
TEMP
basic
setting
TEMP
Execution item
required
Repair
operations
Checking
EEPROM
setting
EEPROM_SET
AUTO pre-
adjustment
AUTO-
adjustment
AUTO-AFB
adjustment
AUTO-YOBI
AUTO-ADJ
AUTO-AFB TEST-CANCEL
Writing the
EEPROM
setting
TEST-CANCEL
Writing the
EEPROM
setting
TEST-REC
Operation check
TEST-PLAY
1
1
1
1
1
1
2
2
2
1
2
2
2
3
3
3
2
3
3
4
4
4
3
4
4
5
5
5
4
5
5
6
6
6
5
2
6
6
7
7
7
Number to and
" - " is an item that you don't have to execute.
indicate the order of inplementation.
1
8
9
6
4
8
1
8
9
9
9
3
7
7
8
8
8
If optical pickup unit is replaced, optical pickup grating adjustment is needed after AUTO-adjustment (See Fig.10-3).
After the adjustment, back to AUTO pre-adjustment and then adjust again in numerical order.
4
3
Enter the test mode, adjust or set as shown in the following table according to the repair operations.
Type
MJI Part No.
*
*
*
*
*
3) Equipment
a)
Dual channel Oscillo-graph (for Pickup grating adjustment)
b)
Laser power meter for MD
2. Adjustment procedure and process order
1) Short the pin #7 (WP) and #4 (Vss) of IC1402 (EEPROM) with a lead wire.
2) Enter the MD TEST MODE, confi rm the process order from the following table which matched with your repair. Adjust and
setup each process with referring each guidance mentioned below.
3) Press the POWER button on the remote controller. (adjustment values will be memorized to the EEPROM)
4) Press the POWER button on the front panel and remove the mains plug from the Mains outlet on the wall.
5) Remove the short lead wire from the pin #7 (WP) and #4 (Vss) of IC1402 (EEPROM).
1 Extension PWB for servicing : RUNTK0532AFZZ CM6000JIG
2 Extension Connector (2 Pin) : QCNWK0129AFZZ YU000820R
3 Extension Flat Cable (6 Pin) : QCNWK0130AFZZ YU000830R
4 Extension Flat Cable (5 Pin) : QCNWK0109AFZZ YU000840R
5 Extension Flat Cable (28 Pin) : QCNWK0108AFZZ YU000850R
2-5
3. Adjustment process order
1. EJECT mode
Step 1 Test mode EJECT state [ _ _ E J E C T _ _ _ ]
Step 2 Press the MD button. Playback power output state [ p p w _ _ _ _ _ _ _ ]
Step 3 Press the MD button. Rec power output state [ r p w _ _ _ _ _ _ _ ]
Step 4 Press the MD button. Therefore do not set this mode since it is not necessary [ x p w _ _ _ _ _ _ _ ]
for the service.
Step 5 Press the ENTER button. TEMP setting of EEPROM setting
(The TEMP setting reference of the EEPROM.)
Step 6 Press the DIR DUBB button. CONTROL setting of EEPROM setting
(The CONTROL setting reference of the EEPROM.)
Step No.
Setting Method
Remarks
Display
* Normally, the voltage at pin 3 of IC1401 becomes as follows:
Playback power output (ppw): Approx. DC 0.2 V
Recording power output (rpw): Approx. DC 1.8 V
Confi rmation of pickup laser power
You can check pickup laser power in record and playback mode by inserting the sensor of a laser power meter into MD disc slot.
Remove the shield cover of MD unit to make the checking easier. However it must be only checking because of deviation of the
measurement. If the measured data is far from the reference data, replace the pickup unit.
Reference data (at room temperature 25 °C)
Playback: 0.72 ± 0.1 mW
Record: 5.5 ± 0.5 mW
Note:Never see directly the laser light. Otherwise your eyes are injured.
2. AUTO pre-adjustment mode (Low refl ection disc only)
With the pre-adjustment disc (MMD213A or MMD-318)
Step No.
Setting Method
Display
•
: Adjustment name
Remarks
3. AUTO adjustment mode
Step No.
Setting Method
Remarks
Display
•
: Adjustment name,
: Measurement value,
: Address
* Note 1:
Depending on the disc, "#COMPLETE_" may be displayed, which means that the ON position of the INNER switch
cannot be identifi ed clearly. In this case, check the switch in the INNER mode using the specifi ed disc. However, this
is not a problem in AUTO adjustment.
Step 1 Test mode STOP state [ t s m
e
]
Step 2 Press once the MENU button. AUTO adjustment menu [ A U T O _ A J S T _ ]
Step 3 Press the EDIT button. AUTO pre-adjustment menu [ _ A U T _ Y O B I _ ]
Step 4 Press once the MD PLAY button. • During automatic adjustment
changes as follows. [
: _ _ _ _ _ _ ]
HAo→ • • • • • • • • • →TCO
End of adjustment If adjustment is OK, Step 5.
If adjustment is NG, Step 6.
Step 5 Press the MD STOP button. STEP 2 [ _ C O M P L E T E _ ]
Step 6 Adjustment value output [ C a n ' t _ A D J . ]
Press the MD STOP button. STEP 2 AUTO adjustment menu
Step 1 Test mode STOP state [ t s m
e
]
Step 2 Press once the MENU button. AUTO adjustment menu [ A U T O _ A J S T _ ]
Step 3 Press once the MD PLAY button. • In case of high refl ection disc
changes as follows. [
: _ _ _ _ _ _ ]
PEG→HAG
• In case of low refl ection disc
changes as follows.
PEG→LAG
End of adjustment If adjustment is OK, Step 4.
If adjustment is NG, Step 5.
Step 4 For grating adjustment [ _ C O M P L E T E _ ]
Press the MD PLAY button. STEP 5 * Note 1
Press the MD STOP button. STEP 2
Step 5 Adjustment value output [ C a n ' t _ A D J . ]
Press the MD STOP button. STEP 2 AUTO adjustment menu
2-6
Step 1 Test mode STOP state [ t s m
e
]
Step 2 Press the MENU button seven times. [ E E P R O M_ S E T ]
Step 3 Press the MD PLAY button. [ _ _ F o c u s _ _ _ ]
Step 4 Press the MD PLAY button. [F G _ _ _ _ _ _
]
Step 5 Press the MENU button. [F G 2 _ _ _ _ _
]
Step 6 Press the MENU button. [F F 0 _ _ _ _ _
]
Step 7 Press the MENU button. [F F 1 _ _ _ _ _
]
Step 8 Press the MENU button. [F F 2 _ _ _ _ _
]
Step 9 Press the MENU button. [F Z H L E V _ _
]
Step 10 Press the MENU button. [F O K L E V h _
]
Step 11 Press the MENU button. [F O K L E V L _
]
Step 12 Press the MENU button. [F O S T n _ _ _
]
Step 13 Press the MENU button. [D S C J G _ _ _
]
4. AUTO AFB adjustment mode
Step No.
Setting Method
Remarks
Display
Step 1 Test mode STOP state [ t s m
e
]
Step 2 Press the MENU button two times. AUTO AFB adjustment menu [ _ A U T _ A F B _ _ ]
Step 3 Press once the MD PLAY button. [F A B
_
]
Step 4 Adjustment value output [
_
]
Press the MD STOP button. STEP 2 AUTO AFB adjustment
•
,
: Measurement value
Step No.
Setting Method
Display
•
: Setting value
5. EEPROM setting mode
Compare each parameter with the parameter list and what doesn’t match needs adjustment.
a) Focus setting
b) Spin setting
Step No.
Setting Method
Display
•
: Setting value
Step 1 Test mode STOP state [ t s m
e
]
Step 2 Press the MENU button seven times. [ E E P R O M_ S E T ]
Step 3 Press the MD PLAY button. [ _ _ F o c u s _ _ _ ]
Step 4 Press the MENU button. [ _ S p i n d l e _ _ ]
Step 5 Press the MD PLAY button. [S P G _ _ _ _ _
]
Step 6 Press the MENU button. [S P G _ i n _ _
]
Step 7 Press the MENU button. [S P G _ m i d _
]
Step 8 Press the MENU button. [S P G _ o u t _
]
Step 9 Press the MENU button. [S P G M _ _ _ _
]
Step 10 Press the MENU button. [S P 1 _ _ _ _ _
]
Step 11 Press the MENU button. [S P 2 _ _ _ _ _
]
Step 12 Press the MENU button. [S P 2 2 _ _ _ _
]
Step 13 Press the MENU button. [S P 3 _ _ _ _ _
]
Step 14 Press the MENU button. [S P 4 _ _ _ _ _
]
Step 15 Press the MENU button. [S P 5 _ _ _ _ _
]
Step 16 Press the MENU button. [S P 5 2 _ _ _ _
]
Step 17 Press the MENU button. [S P D L I M _ _
]
Step 18 Press the MENU button. [S P K L E V m _
]
2-7
Step No.
Setting Method
Display
c) Tracking setting
•
: Setting value
d) Sled setting
Step No.
Setting Method
Display
•
: Setting value
Step 1 Test mode STOP state [ t s m
e
]
Step 2 Press the MENU button seven times. [ E E P R O M_ S E T ]
Step 3 Press the MD PLAY button. [ _ _ F o c u s _ _ _ ]
Step 4 Press the MENU button two times. [ _ T r a c k i n g _ ]
Step 5 Press the MENU button. [T G _ _ _ _ _ _
]
Step 6 Press the MENU button. [T G 2 _ _ _ _ _
]
Step 7 Press the MENU button. [T F 0 _ _ _ _ _
]
Step 8 Press the MENU button. [T F 1 _ _ _ _ _
]
Step 9 Press the MENU button. [T F 2 _ _ _ _ _
]
Step 10 Press the MENU button. [F T 3 _ _ _ _ _
]
Step 11 Press the MENU button. [S V C N T 4 _ _
]
Step 12 Press the MENU button. [T R B L V o _ _
]
Step 13 Press the MENU button [T R B L V t _ _
]
Step 14 Press the MENU button [T R K L V o _ _
]
Step 15 Press the MENU button [T R K L V t _ _
]
Step 16 Press the MENU button [T D P W o _ _ _
]
Step 17 Press the MENU button [T D P W t _ _ _
]
Step 18 Press the MENU button [S L C T o _ _ _
]
Step 19 Press the MENU button [S L C T t _ _ _
]
Step 20 Press the MENU button. [S L C T m _ _ _
]
Step 21 Press the MENU button. [T C R S C 1 P _
]
Step 22 Press the MENU button. [T C R S C 0 h _
]
Step 23 Press the MENU button. [T C R S C 0 L _
]
Step 24 Press the MENU button. [T C R S C H h _
]
Step 25 Press the MENU button. [T C R S C H L _
]
Step 26 Press the MENU button. [C O T L V p _ _
]
Step 27 Press the MENU button. [C O T L V r _ _
]
Step 28 Press the MENU button. [J P i n t _ _ _
]
Step 29 Press the MENU button. [K I K 1 0 _ _ _
]
Step 1 Test mode STOP state [ t s m
e
]
Step 2 Press the MENU button seven times. [ E E P R O M_ S E T ]
Step 3 Press the MD PLAY button. [ _ _ F o c u s _ _ _ ]
Step 4 Press the MENU button three times. [ _ _ _ S l e d _ _ _ ]
Step 5 Press the MD PLAY button. [S L G _ _ _ _ _
]
Step 6 Press the MENU button. [S L 2 _ _ _ _ _
]
Step 7 Press the MENU button. [S L D L I M _ _
]
Step 8 Press the MENU button. [S L D L E V _ _
]
Step 9 Press the MENU button. [S L K L V k _ _
]
Step 10 Press the MENU button. [S L K L V t _ _
]
Step 11 Press the MENU button. [S L K L V m _ _
]
Step 12 Press the MENU button. [S L B K m _ _ _
]
Step 13 Press the MENU button. [S L K r i o _ _
]
Step 14 Press the MENU button. [S L K r o i _ _
]
Step 15 Press the MENU button. [S L K l i o _ _
]
Step 16 Press the MENU button. [S L K l o i _ _
]
Step 17 Press the MENU button. [I N N E R 1 _ _
]
Step 18 Press the MENU button. [I N N E R u _ _
]
Step 19 Press the MENU button. [E J _ W A I T _
]
2-8
e) TEMP setting
•
: Setting value,
: Measurement value
Refer to EEPROM (IC1402) writing procedure
f) CONTROL setting
Step No.
Setting Method
Display
Step No.
Setting Method
Display
•
: Setting value
g) ADJUST setting
•
: Setting value
Step No.
Setting Method
Display
Step 1 EJECT state (or state without mechanism) [ _ _ E J E C T _ _ _ ]
Step 2 Press the ENTER button. [ T E M P_
_
]
Step 1 Test mode STOP state [ t s m
e
]
Step 2 Press the MENU button seven times. [ E E P R O M_ S E T ]
Step 3 Press the MD PLAY button. [ _ _ F o c u s _ _ _ ]
Step 4 Press the MENU button fi ve times. [ _ C o n t r o l _ _ ]
Step 5 Press the MD PLAY button. [C O N T R L 1 _
]
Step 6 Press the MENU button. [C O N T R L 2 _
]
Step 7 Press the MENU button. [A D J T T M _ _
]
Step 8 Press the MENU button. [H D E Q A D _ _
]
Step 9 Press the MENU button. [L D E Q A D _ _
]
Step 10 Press the MENU button. [G D E Q A D _ _
]
Step 11 Press the MENU button. [G D E Q A D 2 _
]
Step 12 Press the MENU button. [H D E Q B C _ _
]
Step 13 Press the MENU button. [L D E Q B C _ _
]
Step 14 Press the MENU button. [G D E Q B C _ _
]
Step 15 Press the MENU button. [G D E Q B C 2 _
]
Step 16 Press the MENU button. [H A L S G _ _ _
]
Step 17 Press the MENU button. [L A L S G _ _ _
]
Step 18 Press the MENU button. [G A L S G _ _
]
Step 19 Press the MENU button. [H A L S O F S _
]
Step 20 Press the MENU button. [L A L S O F S _
]
Step 21 Press the MENU button. [G A L S O F S _
]
Step 1 Test mode STOP state [ t s m
e
]
Step 2 Press the MENU button seven times. [ E E P R O M_ S E T ]
Step 3 Press the MD PLAY button. [ _ _ F o c u s _ _ _ ]
Step 4 Press the MENU button six times. [A D J S E T _ _ _ _ ]
Step 5 Press the MD PLAY button. [C O K _ _ _ _ _
]
Step 6 Press the MENU button. [F A T _ _ _ _ _
]
Step 7 Press the MENU button. [T A T _ _ _ _ _
]
Step 8 Press the MENU button. [C A T _ _ _ _ _
]
Step 9 Press the MENU button. [F A B _ _ _ _ _
]
Step 10 Press the MENU button. [S T R _ _ _ _ _
]
Step 11 Press the MENU button. [S F S _ _ _ _ _
]
Step 12 Press the MENU button. [S T C _ _ _ _ _
]
2-9
Step 1 Test mode STOP state [ t s m e
]
Step 2 Press the ENTER button. TEST-PLAY menu [ T E S T _ P L A Y _ ]
Step 3 Press the MD button. ADDRESS setting [ A D R E S _ 0 0 3 2 ]
Press the MD PLAY button. (Target address initial value is indicated)
Step 4 Continuous playback (pit section, high refl ection) (Address + C1 error indication : Less than 20.) [s
c
]
Continuous playback (groove section, low refl ection) (Address + C1 error indication : Less than 50.) [a
c
]
Step 5 Press the MD button. (Address + ADIP error indication : 0) [a
a
]
Continuous playback (groove section, low refl ection)
Step 6 Press the MD STOP button. TEST-PLAY menu [ T E S T _ P L A Y _ ]
Step 1 Test mode STOP state [ t s m e
]
Step 2 Press the ENTER button two times. TEST-REC menu [ T E S T _ R E C _ _ ]
Step 3 Press the MD button. ADDERS setting (indication of address initial value) [ a 0 0 3 2 _ p w
]
Step 4 Press the MD PLAY button. Continuous recording [ a
_ p w
]
Step 5 Press the MD STOP button. TEST-REC menu [ T E S T _ R E C _ _ ]
6. TEST-REC mode
Step No.
Setting Method
Remarks
Display
With recording (Low refl ection) mini disc (For confi rmation of the playback ability at the named address.)
8. INNER mode
Step No.
Setting Method
Remarks
Display
•
: Address (FF85 to FFD2)
• Whenever the ENTER button is pressed in the address setting mode, the address changes as follows.
0 0 3 2 → 0 3 C 0 → 0 7 0 0 → 0 8 A 0 → 0 9 5 0 → 0 0 3 2 → ......
Step 1 Test mode STOP state [ t s m e
]
Step 2 Press the DIR DUBB button. INNER menu [ _ _ I N N E R _ _ _ ]
Step 3 Press the MD PLAY button. INNER switch position measurement [s
c
]
(SUBQ address and C1 error are also indicated.)
Step 4 Press the MD STOP button. INNER menu [ _ _ I N N E R _ _ _ ]
7. TEST-PLAY mode
Step No.
Remarks
Display
Use the disk continuously recorded in TEST-REC. (For confi rmation of the playback ability at the named address.)
• Whenever the ENTER button is pressed in the address setting mode, the address changes as follows.
0 0 3 2 → 0 3 C 0 → 0 7 0 0 → 0 8 A 0 → 0 9 5 0 → 0 0 3 2 → ......
Setting Method
8-1.Adjustment
Load a high-refl ective TYGS1 test disc.
Note:
Adjust the position of the lead-in switch between FF85 to FFD2(Address).
1. Loosen the screw (A1) x 1 pc., fi xing the mechanism switch PWB.
2. Retighten the screw while pushing the PWB in the direction of arrow A if the switch position is at FF85 or lower, or in the direction
of arrow B if it is at FFD2 or higher, and measure its position again.
After adjusting the position, fi x it with the screw (A1) x 1 pc. (See Fig. 27-1)
8-2.Confi rmation
Check that the display shows "_COMPLETE_" instead of "#COMPLETE_" in step 4 of the 3. AUTO adjustment mode.
Figure 8-1
A
B
(A1) X1
2-10
Rotating the loading motor forcibly
The loading motor can be rotated forcibly by rotating the
FF[
]/REW[
] button while STOP or EJECT in the test
mode appears on the display.
Magnetic head mounting position check
• Check the mounting position whenever the magnetic head
and the optical pickup are replaced.
• Move the optical pickup to the center to adjust the position
easily.
1. Set the transparent disc for checking the head.
2. Press down the magnetic head up shift arm by hand to
raise the magnetic head.
3. View the set from above to check whether the magnetic
head aligns with the optical pickup objective lens.
4. Check that the magnetic head moves up and down
smoothly.
Figure 10-2
Figure 10-3 Optical Pickup Grating Deviation
Measuring Method
Mechanism Adjustment
1. Optical pickup grating adjustment
When the optical pickup is replaced, grating adjustment is
needed after auto adjustment. Then back to the auto pre-
adjustment and adjust again in numerical order
After auto adjustment (COMPLETE appears) in the test
mode (auto) using the high refl ection MD disc TGYS1, adjust
the Lissajou's waveform (x-y) of EOUT to FOUT.
1. Slightly loosen the 3 screws of the spindle motor, adjust
while observing the Lissajou's waveform.
2. After adjustment, tighten screws 1,2, and 3 in numerical
order. (See Fig. 10-4)
Figure 10-4
It is lowered
by hand.
(B1)x1
Ø 1.7x 5mm
Magnetic head up shift arm
Down
Magnetic head
Objective
lens
Radiai
Tangential
direction
Optical Pickup
OSILLOSCOPE
GND
CH1
CH2
X
Y
4 Pin of IC1201
GND (TP1202)
11 Pin of IC1201
EIN (TP1253)
12 Pin of IC1201
FIN (TP1254)
100K
470P
470P
a
b
LISSAJOUS'S WAVEFORM
Less than a:b = 4:1
100K
2
3
1
2
3
1
Adjusting
hple
Check the Lissajou's waveform
shifting the mounting position with
a screwdriver (to be fitted into the
disc motor adjusting hole).
2-11
Figure 11-1
From Magnetic Head
From
Optical Pickup Unit
From Mechanism
Switch PWB
2 Pin Extension Connector
*YU000820R
MD Main PWB
28 Pin Extension Flat Cable
*YU000850R
6 Pin Extension Flat Cable
*YU000830R
5 Pin Extension Flat Cable
*YU000840R
Extension PWB for service
*CM6000JIG
Fit the exrension PWB for service to
the mechanism
2-12
EEPROM (IC1402) writing procedure
1. Method for setting the reference temperature value
(This setting should be performed quickly at a room temperature, between 21 °C to 29 °C when the PWB is not hot.)
1 When replacing the EEPROM, wait until it has cooled down.
2 Connect the main unit using the single MD main PWB.
3 Enter the test mode as shown on page 21.
"EJECT"
4 Press the ENTER button.
"TEMP
"
: Measured temperature,
: Temperature setting
5 Find the temperature correction value for the current ambient temperature on the following table. Adjust the temperature
correction value using the FF/REW button.
An example: When ambient temperature is 22 °C and measured temperature is 7A H
Temperature setting = 7A H - 01 H
= 79 H
* When the measured temperature fl uctuates between two values, take lower one (if temperature fl uctuates
between 7A H and 79 H, take 79 H).
6 Press the POWER button and write the temperature setting into the EEPROM.
2. Method for making settings other than the reference temperature
1 Install the MD main PWB in the mechanism, and connect it to the main unit.
2 Enter the test mode as shown on page 21, and insert a disc.
"AUTO AJST"
3 Press the MENU button seven times.
"EEPROM SET"
4 Set the value according to the EEPROM DATA LIST using the FF[
]/REW[
] button.
5 Press the POWER button on the remote controller., and the settings will be written into the EEPROM.
6 Enter the test mode again, perform an "AUTO YOBI adjustment", and write the results into the EEPROM.
EEPROM WRITING PROCEDURE
Ambient Temperature
Correction
+ 21.0 °C ~ + 23.2 °C
-1 H
+ 23.3 °C ~ + 26.8 °C
± 0 H
+ 26.9 °C ~ + 29.0 °C
+1 H
S P G
1 1 H
S P G - i n
6 0 H
S P G - m i d
4 B H
S P G - o u t
3 B H
S P G M
9 6 H
S P 1
1 0 H
S P 2
9 3 H
S P 2 2
9 3 H
S P 3
E D H
S P 4
E E H
S P 5
2 0 H
S P 5 2
2 0 H
S P D L I M
6 2 H
S P K L E V m
1 6 H
F G
9 B H
F G 2
B 1 H
F F 0
1 0 H
F F 1
7 0 H
F F 2
E 0 H
F Z H L E V
E D H
F O K L E V h
0 7 H
F O K L E V L
0 9 H
F O S T n
2 C H
D S C J G
0 D H
EEPROM DATA LIST (Version : 02)
Focus setting
Item indication
Setting
Spin setting
Item indication
Setting
2-13
Tracking setting
Item indication
Setting
T G
4 9 H
T G 2
6 B H
T F 0
1 0 H
T F 1
6 B H
T F 2
F 0 H
T F 3
0 8 H
S V C N T 4
0 1 H
T R B L V o
6 2 H
T R B L V t
4 C H
T R K L V o
5 B H
T R K L V t
2 B H
T D P W o
6 7 H
T D P W t
2 1 H
S L C T o
0 0 H
S L C T t
5 0 H
S L C T m
5 3 H
T C R S C I P
1 6 H
T C R S C 0 h
0 0 H
T C R S C 0 L
F A H
T C R S C H h
0 2 H
T C R S C H L
0 2 H
C O T L V P
0 A H
C O T L V r
2 8 H
J P i n t
0 0 H
K I K 1 0
6 4 H
Sled setting
Item indication
Setting
S L G
4 6 H
S L 2
1 0 H
S L D L I M
7 F H
S L D L E V
1 4 H
S L K L V k
6 0 H
S L K L V t
3 4 H
S L K L V m
6 0 H
S L B K m
0 8 H
S L K r i o
6 4 H
S L K r o i
6 2 H
S L K l i o
6 4 H
S L K l o i
6 0 H
I N N E R 1
8 6 H
I N N E R u
D 0 H
E J _ W A I T
7 8 H
C O K
5 8 H
F A T
C 0 H
T A T
3 E H
C A T
4 0 H
F A B
6 4 H
S T R
0 B H
S F S
0 D H
S T C
0 D H
Control setting
Item indication
Setting
C O N T R L 1
0 8 H
C O N T R L 2
0 2 H
A D J T T M
1 4 H
H D E Q A D
9 2 H
L D E Q A D
8 E H
G D E Q A D
9 1 H
G D E Q A D 2
9 1 H
M D E Q B C
8 C H
L D E Q B C
8 F H
G D E Q B C
8 A H
G D E Q B C 2
8 A H
H A L S G
1 1 H
L A L S G
1 1 H
G A L S G
1 1 H
H A L S O F S
F F H
L A L S O F S
0 0 H
G A L S O F S
0 0 H
A J S T
0 0 H
ADJUST setting
Item indication
Setting
2-14
(T2)x2
(T1)x1
Ø2x3mm
(T1)x1
Ø2x3mm
(T1)x1
Ø2x3mm
(T1)x1
Ø2x3mm
(T4)x1
(T1)x2
Ø1.7x3mm
(T3)x1
Optical pickup
Flexible PWB (*1)
Pull
Pull
MD Main PWB
MD Mechanism
Shield Case, Side
Shield Case, Top
(*1) After pulling out the flexible
PWB for the optical pickup,
wrap its tip with conductive
aluminium foil or the like to
protect the optical pickup from
the static electricity.
2.3 DISASSEMBLY AND REPLACEMENT
MD MECHANISM SECTION
Caution:
After pulling out the optical pickup connector, wrap the end of the connector in conductive aluminium foil to prevent the optical
pickup from being destroyed by static electricity.f
2-15
How to remove the magnetic head
(See Fig. 15-1)
1. Remove the screw (A1) x 1 pc.
Caution:
Take utmost care so that the magnetic head is not damaged
when it is mounted.
How to remove the MD loading motor PWB/MD
loading motor (See Fig. 15-2)
1. Remove the screw (B1) x 1 pc.
2. Remove the Hooks (B2) x 3 pcs., and remove the MD loading
PWB.
3. Remove the screws (B3) x 2 pcs., and remove the MD
loading motor.
How to remove the MD sled motor/optical pickup
(See Fig. 15-3)
1. Remove the screws (C1) x 3 pcs., and remove the MD sled
motor.
2. Remove the optical pickup.
Caution:
Be careful so that the gear is not damaged.
(The damaged gear emits noise during searching.)
How to remove the MD spindle motor
(See Fig. 15-4)
1. Remove the screws (D1) x 3 pcs., and remove the MD
spindle motor.
Caution:
Be careful so that the gear is not damaged.
(The damaged gear emits noise during searching.)
Figure 15-1
MD Mechanism
Magnetic Head
(A1)x1
Ø1.7x5mm
Figure 15-2
(B3)x2
Ø1.7x3mm
(B1)x1
Ø1.7x6mm
MD Loading Motor
MD Loading Motor
PWB
(B2)x2
(B2)x1
(C1)x2
Ø1.4x4.5mm
(C1)x1
Ø1.4x5mm
MD Sled Motor
MD Mechanism
Switch PWB
Optical Pickup
Washer
(D1)x3
Ø1.4x3mm
MD Spindle Motor
Figure 15-4
Figure 15-3
2-16
2-17
2-18
2-19
2-20
2-21
2-22
2-23
2-24
2-25
2-26
2-27
2-28
2-29
2.4 WAVEFORMS OF MD CIRCUIT
POWER ON
TOC READ (Low reflection disc)
TOC READ (Low reflection disc)
TOC READ (Low reflection disc)
PLAY (Low reflection disc)
PLAY (Low reflection disc)
TOC READ (High reflection disc)
TOC READ (High reflection disc)
TOC READ (High reflection disc)
STOP → PLAY
TP1518
(RESET)
TP1800
(3.2V)
TP1511
(PCONT0)
TP1212
(FEMON)
TP1422
(DSENSE)
TP1420
(FOK)
TP1201
(EFMMON)
TP1135
(ADIPO)
TP1122
(F+)
TP1207
(TEMON)
TP1603
(SP+)
TP1602
(SP-)
TP1122
(F+)
TP1122
(F+)
TP1207
(TEMON)
TP1603
(SP+)
TP1602
(SP-)
1
2
3
4
4
6
10
11
4
6
10
11
4
5
12
13
14
15
5
6
7
4
5
6
7
4
6
8
9
4
6
8
9
TP1122
(F+)
TP1212
(FEMON)
TP1207
(TEMON)
TP1451
(ADJUST)
TP1122
(F+)
TP1212
(FEMON)
TP1207
(TEMON)
TP1451
(ADJUST)
TP1122
(F+)
TP1207
(TEMON)
TP1601
(SLD+)
TP1600
(SLD-)
TP1122
(F+)
TP1207
(TEMON)
TP1601
(SLD+)
TP1600
(SLD-)
2-30
REC
Analog REC
Digital REC
Double speed REC
PLAY
PLAY
TP1201
(EFMMON)
TP1201
(EFMMON)
TP1530
(CDLRCK)
TP1515
(DIGIN)
TP1533
(CDDATA)
TP1531
(CDBCK)
TP1207
(TEMON)
TP1207
(TEMON)
TP1121
(T+)
TP1421
(CIN)
TP1121
(T+)
TP1421
(CIN)
72
IC1201
(DFCK)
72
IC1201
(DFCK)
TP1300
(REC HEAD)
TP1302
(EFMO)
TP1105
(LDVAL)
TP1113
(R/P)
71
IC1201
(BCLK)
3
IC1202
(WE)
17
IC1202
(CAS)
1
IC1202
(I/01)
6
IC1202
(A0)
70
IC1201
(LRCK)
74
IC1201
(DADATA)
71
IC1201
(BCLK)
70
IC1201
(LRCK)
73
IC1201
(ADDATA)
PLAY (Low reflection disc)
PLAY (High reflection disc)
14
28
29
30
31
18
32
20
21
33
34
35
36
6
16
17
14
6
16
17
18
19
20
21
22
23
24
25
2-31
2.5 IC DATA
IC1101 VHiiR3R58M/-1: RF Signal Processor (IR3R58M)
Pin No.
Function
Terminal Name
In this unit, the terminal with asterisk mark (*) is (open) terminal which is not connected to the outside.
1 RF1 RF signal input terminal 1. Input of RF signal output of pickup.
2 RF2 RF signal input terminal 2. Input of RF signal output of pickup.
3 RF3 RF signal input terminal 3. Input of RF signal output of pickup.
4 RF4 RF signal input terminal 4. Input of RF signal output of pickup.
5 REFI Reference voltage amplifi er input terminal.
6 REFO Reference voltage amplifi er output terminal.
7 AOUT Output terminal 1 of signal amplifi er for servo. (focus servo system)
8 ASW Output terminal 2 of signal amplifi er for servo. (focus servo system)
9 AIN Reverse input terminal of signal amplifi er for servo. (focus servo system)
10 BIN Reverse input terminal of signal amplifi er for servo. (focus servo system)
11 BSW Output terminal 2 of signal amplifi er for servo. (focus servo system)
12 BOUT Output terminal 1 of signal amplifi er for servo. (focus servo system)
13 EOUT Output terminal 1 of signal amplifi er for servo. (tracking servo system)
14 ESW Output terminal 2 of signal amplifi er for servo. (tracking servo system)
15 EIN Reverse input terminal of signal amplifi er for servo. (tracking servo system)
16 FIN Reverse input terminal of signal amplifi er for servo. (tracking servo system)
17 FSW Output terminal 2 of signal amplifi er for servo. (tracking servo system)
18 FOUT Output terminal 1 of signal amplifi er for servo. (tracking servo system)
.19 EOUT Output terminal 1 of signal amplifi er for servo. (tracking servo system)
20 BOUT Output terminal 1 of signal amplifi er for servo. (focus servo system)
21 AOUT Output terminal 1 of signal amplifi er for servo. (focus servo system)
22 TCGO Group mode: Track cross detection signal amplifi er output terminal.
23 TCGI Group mode: Track cross detection signal amplifi er input terminal.
24 RFADD Resistance addition output terminal of RF1 - RF4.
25 DTEMP Chip temperature detection terminal.
26 SGAIN Switch section control terminal of amplifi er for servo.
27 DISC Pit mode, groove mode selecting control terminal.
28* OPICPW Power output terminal for OPIC.
29 VCC2 Power supply terminal of digital section and power section.
30* WBO Comparator output terminal for binary coded ADIP signal.
31 GND2 GND terminal of digital section and power section.
32 ADIPO ADIP signal pre-amplifi er output terminal.
33* ADIPNF ADIP signal AGC amplifi er output terminal.
34 ADAGC Smoothing capacitor connection terminal for ADIP signal AGC.
35 ADAGI ADIP signal AGC amplifi er input terminal.
36 2-1 Differential signal of RF1, RF2.
37 EFMO RF signal AGC amplifi er output terminal.
38 DCNF Smoothing capacitor connection terminal for RF signal AGC amplifi er reference voltage.
39 EFMAGC Smoothing capacitor connection terminal for RF signal AGC.
40 VCC1 Analog section power supply terminal.
41 BIAS Bias input terminal.
42 GND1 Analog section GND terminal.
43 NIN RF signal AGC amplifi er reverse input terminal.
44 PITG Pit mode: Ground terminal.
45 3 + 4 Groove mode: Resistance addition output terminal of RF3 and RF4.
46 PIN RF signal AGC amplifi er non-reverse input terminal.
47 1 + 2 Groove mode: Resistance addition output terminal of RF1 and RF2.
48 1234 Pit mode: Resistance addition output terminal of RF1 - RF4.
2-32
IC1201 VHiLR37816A-1: Endec/Atrac (LR37816A)
IC1101 VHiiR3R58M/-1: RF Signal Processor (IR3R58M)
Figure 32 BLOCK DIAGRAM OF IC
MODE
SW
BPF
BIAS
ADIP AGC
DIFF
RESISTOR & SW
EFM AGC
RF1
RF2
RF3
RF4
REFI
REFO
AOUT
ASW
AIN
BIN
BSW
BOUT
2-1
ADAGI
ADAGC
ADIPNF
ADIPO
GND2
WBO
VCC2
OPICPW
DISC
SGAIN
DTEMP
1234
1+2
PIN
3+4
PITG
NIN
GND1
BIAS
VCC1
EFMAGC
DCNF
EFMO
EOUT
ESW
EIN
FIN
FSW
FOUT
EOUT
BOUT
AOUT
TCGO
TCGI
RFADD
1
2
3
4
5
6
7
8
9
10
11
12
36
35
34
33
32
31
30
29
28
27
26
25
48
47
46
45
44
43
42
41
40
39
38
37
13
14
15
16
17
18
19
20
21
22
23
24
76
77
78
79
80
81
82
83
84
85
86
87
88
89
90
91
92
93
94
95
96
97
98
99
100
50
49
48
47
46
45
44
43
42
41
40
39
38
37
36
35
34
33
32
31
30
29
28
27
26
TOTMON
TEMCN
SBCK
SBO
SBSY
SFSY
FOK
SENSE
COUT
MCCK
DINTX
VDD2
DGND
RSTX
SYD0
SYD1
SYD2
SYD3
SYD4
SYD5
SYD6
SYD7
SYWRX
SYRDX
SYRS
EFMO
PLCK
ACRCEF
RAA11
RAD0
RAD1
RAWEX
RARASX
RAA9
RAD3
RAD2
RACASX
DGND
RAOEX
RAA8
RAA7
RAA6
RAA5
RAA4
VDD2
RAA10
RAA0
RAA1
RAA2
RAA3
EFMMON
AVCC1
EFM1
AGND1
AVCC2
VREF
WBI
TCG
AIN
BIN
EIN
FIN
VBAT
VDD1
DGND
TEST2
X176KO
FODRF
FODRR
TRDRF
TRDRR
SLDRF
SLDRR
SPDRF
SPDRR
FEMON
DADATA
ADDATA
DFCK
BCLK
LRCK
DGND
PLLBVC
DOUT
DIN
XO
XI
DGND
VDD1
VPO
VXI
CDBCLK
CDLRCK
CDDATA
DIN2
DILOCK
TEST1
TEST0
TCRS
X700KO
1 2 3 4 5 6 7 8 9 10 11 12 13 14 15 16 17 18 19 20 21 22 23 24 25
75 74 73 72 71 70 69 68 67 66 65 64 63 62 61 60 59 58 57 56 55 54 53 52 51
2-33
IC1201 VHiLR37816A-1: Endec/Atrac (LR37816A) (1/2)
Pin No.
Function
Terminal Name
Input/Output
In this unit, the terminal with asterisk mark (*) is (open) terminal which is not connected to the outside.
1* EFMMON Output EFM monitor output.
2 AVCC1 Input Analog power supply. (for EFM system 8AD, 8DA)
3 EFMI Input EFM signal input from RF amplifi er.
4 AGND1 - Analog GND.
5 AVCC2 Input Analog power supply. (for servo system, ADIP system 1bit AD)
6 VREF Input Reference voltage input for RF amplifi er.
7 WBI Input ADIP wobble signal.
8 TCG Input Track cross signal.
9 AIN Input Focus error signal A.
10 BIN Input Focus error signal B.
11 EIN Input Tracking error signal E.
12 FIN Input Tracking error signal F.
13 VBAT Input Power voltage detection signal for constant voltage servo.
14 VDD1 Input Internal digital power supply.
15 DGND - Digital GND.
16 TEST2 Input Input for test. Connected to GND if used normally.
17* X176KO Output Clock output. f= 176.4 kHz (4 fs)
18* FODRF Output Focus servo forward output. PWM
19 FODRR Output Focus servo reverse output. PWM
20* TRDRF Output Tracking servo forward output. PWM
21 TRDRR Output Tracking servo reverse output. PWM
22* SLDRF Output Slide servo forward output. PWM
23 SLDRR Output Slide servo reverse output. PWM
24* SPDRF Output Spindle servo forward output. PWM
25 SPDRR Output Spindle servo reverse output.
26 RAA3 Output Address output to external D-RAM. ADR3
27 RAA2 Output Address output to external D-RAM. ADR2
28 RAA1 Output Address output to external D-RAM. ADR1
29 RAA0 Output Address output to external D-RAM. ADR0 (LSB)
30* RAA10 Output Address output to external D-RAM. ADR10 (MSB)
31 VDD2 Input Power supply for interface.
32 RAA4 Output Address output to external D-RAM. ADR4
33 RAA5 Output Address output to external D-RAM. ADR5
34 RAA6 Output Address output to external D-RAM. ADR6
35 RAA7 Output Address output to external D-RAM. ADR7
36 RAA8 Output Address output to external D-RAM. ADR8
37 RAOEX Output Data output enable signal output to external D-RAM.
38 DGND - Digital GND.
39 RACASX Output Column address strobe signal output to external D-RAM.
40 RAD2 Input/Output Data input and output with external D-RAM. D2
41 RAD3 Input/Output Data input and output with external D-RAM. D3 (MSB)
42 RAA9 Output Address output to external D-RAM. ADR9
43 RARASX Output Low address strobe signal output to external D-RAM.
44 RAWEX Output Data write enable signal output to external D-RAM.
45 RAD1 Input/Output Data input and output with external D-RAM. D1
46 RAD0 Input/Output Data input and output with external D-RAM. D0 (LSB)
47* RAA11 Output Address output to external D-RAM. ADR11 (MSB 64 Mbit)
48* ACRCER Output CRC error fl ag monitor output of ADIP.
49* PLCK Output Playback mode: EFM PLL clock output..
50 EFMO Output Recording mode: EFM signal output. Playback mode: C1F (C1 error fl ag) monitor output.
51* X700KO Output Clock output. f= 705.6 kHz
2-34
IC1201 VHiLR37816A-1: Endec/Atrac (LR37816A) (2/2)
Pin No.
Function
Terminal Name
Input/Output
Note: Set RSTX to L when turning on the power or after turning on the power.
In this unit, the terminal with asterisk mark (*) is (open) terminal which is not connected to the outside.
52* TCRS Output Track cross signal.
53 TEST0 Input Input for test. Connected to GND if used normally.
54 TEST1 Input Input for test. Connected to GND if used normally.
55 DILOCK Output DIN lock detection.
56 DIN2 Input/Output Digital input signal. Expansion port 0.
57 CDDATA Input/Output Data input for dubbing. Expansion output port 1.
58 CDLRCK Input/Output LR clock input for dubbing. Expansion output port 2.
59 CDBCLK Input/Output Bit clock input for dubbing. Expansion output port 3.
60 VXI Input PLL clock input for variable pitch.
61* VPO Output PLL phase error output for variable pitch.
62 VDD1 Input Internal digital power supply.
63 DGND - Digital GND.
64 XI Input Transmit circuit input. 33.8688 MHz
65 XO Output Transmit circuit input. 33.8688 MHz
66 DIN Input Digital input signal.
67 DOUT Output Digital output signal.
68 PLLBVG Output For Internal PLL. Terminal for external capacitor.
69 DGND - Digital GND.
70 LRCK Output L-ch, R-ch selection output of music data.
71 BCLK Output Shift lock of music data.
72 DFCK Output Clock for AD/DA converter digital fi lter. 256 Fs
73 ADDATA Input Sound data input.
74 DADATA Output Sound data output.
75* FEMON Output Focus error signal monitor output. Series resistance 10 - 100 kohm built-in.
76* TOTMON Output Total signal monitor output. Series resistance 10 - 100 kohm built-in.
77* TEMON Output Tracking error signal monitor output. Series resistance 10 - 100 kohm built-in.
78 SBCK Input/Output DIN subcode read clock. Expansion port 4.
79 SBO Output DIN subcode serial data. Expansion port 5.
80 SBSY Output DIN subcode block synchronous signal. Expansion port 6.
81 SFSY Output DIN subcode frame synchronous signal. Expansion port 7.
82 FOK Output Focus OK detection signal. Ò0Ó: focus OK.
83 SENSE Output Servo condition detection signal.
84 COUT Output Track cross signal output.
85 MCCK Output Clock output for microcomputer.
86 DINTX Output Interrupt request output terminal to system computer interface.
87 VDD2 Input Power supply for interface.
88 DGND - Digital GND.
89 RSTX Input Chip reset input. Reset by L. (Note)
90 SYD0 Input/Output Data bus terminal of system computer interface. (LSB)
91-96 SYD1-SYD6 Input/Output Data bus terminal of system computer interface.
97 SYD7 Input/Output Data bus terminal of system computer interface. (MSB)
98 SYWRX Input Resister write pulse input of system computer interface.
99 SYRDX Input Resister read pulse input of system computer interface.
100 SYRS Input Resister selection input of system computer interface.
2-35
IC1202 RH-iX2474AFZZ: 4Mbit D-RAM (IX2474AF)
Pin No.
Function
Terminal Name
1, 2 DQ0, DQ1 Data input/Data output.
3 WE Write enable.
4 RAS Row address strobe.
5 A9 Address input.
6-9 A0-A3 Address input.
10 VDD Power (3.3 V)
11-15 A4-A8 Address input.
16 OE Output enable.
17 CAS Column address strobe.
18, 19 DQ2, DQ3 Data input/Data output.
20 VSS Ground (0 V)
IC1301 VHiFTD2005/-1: Head Driver (FTD2005)
IC1302 VHiCPH5608/-1: Head Driver (CPH5608)
IC1402 VHi58X2402T-1: EEPROM (58X2402T)
Pin No.
Function
Terminal Name
1-3 A0-A2 Device address.
4 VSS Ground
5 SDA Serial data input/output.
6 SCL Serial clock input.
7 WP Write protect.
8 VCC Power supply.
Figure 35-1 BLOCK DIAGRAM OF IC
Figure 35-2 BLOCK DIAGRAM OF IC
Figure 35-3 BLOCK DIAGRAM OF IC
Figure 35-4 BLOCK DIAGRAM OF IC
4
RAS
5
17
15
CAS
A0
A9
WE
DQ0-DQ3
20
VSS
VBB
17
CAS
Clock Generator
CBR Refresh
Counter
Row Address
Buffer
Memory
Cell
I/O
Selection
Write Clock
Generator
Data Input
Buffer
Data Output
Buffer
Row Address
Buffer
On ChipVBB
Generator
Row Decoder
Column Decoder
Sense Amp.
Word Driver
SELF Refresh
Timer
MN42V4400 only
3
OE
16
2
18
19
1
D2
S2
S2
G2
D1
S1
S1
G1
5
6
7
8
4
3
2
1
G1
S
G2
D1
D2
1
2
3
4
5
1
2
3
4
8
7
6
5
A0
A1
A2
VSS
VCC
WP
SCL
SDA
2-36
IC1401 RH-iX0410AWZZ: MD System Microcomputer (IX0410AW) (1/2)
Pin No.
Function
Terminal Name
Input/Output
In this unit, the terminal with asterisk mark (*) is (open) terminal which is not connected to the outside.
1 4M/16M Output 4 M/16 M DRAM selection input.
2 64M Output 64 M DRAM selection input.
3 LDVAR Output LDVAR (laser power adjustment output)
4* ADJS Output ADJS (for automatic adjustment step check)
5 CIN Input CIN (track count signal input)
6* N.C. - Not used.
7 UNLOCK Input ERR input. (UNLOCK of MD LSI monitor PLL)
8 BYTE Input GND
9 CNVSS Input GND
10* STID OUT Output ST-ID output.
11* SEACH OUT Output MD search output.
12 RESET Input RESET input.
13* N.C. Output Clock output.
14 VSS - GND
15 MCCK Input EXTAL (8.4672 MHz)
16 VCC Input +3.15 V
17 P85 Input Input output port P85.
18 DINT Input DINT (Interrupt input from MD-LSI)
19 SFSY Input Subcode communication frame synchro Interrupt input.
20 ST-ID Input ST-ID input. (MD-ON)
21 SERCH Input CD search input. (Synchronous REC interrupt input)
22 MDRSW Output MD RSW output.
23* CDB SEL Output CD BLK SEL output.
24 DSENSE Input DSENSE (servo sense input from MD-LSI)
25 P-DOWN Input P-DOWN (blackout detection)
26 HDON Output HDON (magnetic head power ON/OFF output)
27 EEPRO Output EEPROM protect release output.
28 HFON Output HFON
29 EEPK Output EEPROM serial clock output.
30 EEPD Input/Output EEPROM data input output.
31 MD DATA Output MD computer data input output.
32 K DATA Input System computer data input.
33 DSCK Input System computer clock input.
34 DSTB Output DSTB (system computer communication possible and during communication)
35* N.C. Output Not used.
36 SBO Input Subcode serial data input.
37 SBCK Output Subcode communication serial clock output.
38 DISC Output DISC
39 R/P Output R/P output. (REC/PLAY selection)
40 FOK Input FOK (focus servo condition monitor input)
41 FLASH L Input Flash write selection.
42 SGAIN Output SGAIN
43 SYRS Output MD LSI resister select signal output.
44 SYRD Output SYRD (MD-LSI read signal output)
45 SYWR Output SYWR (MD-LSI write signal output)
46 FLASH H Input Flash write selection.
47 SYS D7 Input/Output SYS D7 (data bus 7)
48 SYS D6 Input/Output SYS D6 (data bus 6)
49 SYS D5 Input/Output SYS D5 (data bus 5)
50 SYS D4 Input/Output SYS D4 (data bus 4)
51 SYS D3 Input/Output SYS D3 (data bus 3)
2-37
IC1401 RH-iX0410AWZZ: MD System Microcomputer (IX0410AW) (2/2)
Pin No.
Function
Terminal Name
Input/Output
In this unit, the terminal with asterisk mark (*) is (open) terminal which is not connected to the outside.
52 SYS D2 Input/Output SYS D2 (data bus 2)
53 SYS D1 Input/Output SYS D1 (data bus 1)
54 SYS D0 Input/Output SYS D0 (data bus 0)
55* SLOT1 Output Input output port P37
56* SLOT2 Output Input/output port P36
57* SLOT3 Output Input/output port P35
58* SLOT4 Output Input/output port P34
59* SLOT5 Output Input/output port P33
60* P32 Output Input/output port P32
61 CRTRG SW Output Input/output port P31
62 VCC Input +3.15 V
63 INNER Input Pick most inner periphery detection input.
64 GND - GND
65 L3 DATA Output L3 DATA (soft serial communication, 2 mode presence, LSB fi rst)
66 L3 MODE Output L3 MODE (soft serial communication, 2 mode presence, LSB fi rst)
67 L3 CLK Output L3 CLK (soft serial communication, 2 mode presence, LSB fi rst)
68* P24 Output Input/output port P24
69* P23 Output Input/output port P23
70 PCNT0 Output PCNT0 output
71* LAST Output LAST
72 LDON Output LDON output. (H : ON)
73 A/B Output ANLPTR output. ADC/DAC selection input.
74 SBSY Output Subcode communication block synchro input.
75* DAPON Output DAPON output. (for CK)
76* DFS0 Output DFS0 output.
77* DFS1 Output DFS1 output.
78 5/3 Output Input/output port P12
79 C/N Output Input/output port P11
80 XRST Output XRST (system reset output)
81* ADMUTE Output ADMUTE output. (for CK)
82 LD+ Output Loading motor + side control output.
83 LD- Output Loading motor - side control output.
84* MUTE Output MUTE output.
85* RAST Output RAST
86* TEST2 Input TEST 2
87* TEST1 Input TEST 1
88* TEST0 Input TEST 0
89 AVCK3 Input AVCK3 (motor driver power monitor input)
90 AVCK2 Input AVCK2 (AD/DA section 3.1 V monitor input)
91 AVCK1 Input AVCK1 (head circuit power monitor input)
92 DTEMP Input DTEMP (temperature detection input)
93 MINF Input MINF (disc type/REC input/mecha position)
94* TEST K1 Input TEST K1
95* TEST K2 Input TEST K2
96 GND - GND
97* N.C. - Not used.
98 VREF Input +3.15 V
99 AVCC Input +3.15 V
100 PR Input Playback/recording unit setting input.
2-38
R1502
R1503
R1504
C1616
XL1201
IC1101
C1800
C1803
C1611
C1602
R1616
C1613
R1618
L1600
R1621
R1623
R1622
R1212
C1206
C1210
C1619
C1607
C1603
R1605
R1601
R1201
L1202
L1201
R1266
R1203
R1205
R1102
C1202
L1200
R1231
C1230
R1230
C1123
C1119
C1121
C1122
R1119
C1117
C1118
C1115
C1116
R1114
C1113
C1114
C1112
C1110
C1111
R1116
R1111
R1113
R1110 R1112
R1120
R1117
R1121 C1124
R1118
L1101
C1125
L1100
C1263
R1263
C1265
C1264
R1262
C1262
C1261
R1261
R1264
R1265
R1115
R1445
Q1807
C1409
R1443
R1401
R1435
R1440
R1420
R1403
D1402
L1554
R1407
R1424
R1405
Q1403
Q1806
Q1803
R1805
Q1805
R1808
C1303
R1801
Q1801
R1614
R1612
Q1501
C1802
D1401
Q1800
R1806
Q1802
Q1402
R1802
R1803
C1304
C1302
R1304
L1300
L1552
R1561
L1551
C1702
IC1300
1
5
7
8
10
14
1
5
10
12
13
15
20
30
35 40
45
48
36
37
24
25
MD MAIN PWB-C (TOP VIEW)
R1501
R1536
2.6 PARTS LOCATION
2-39
CN1101
IC1202
IC1201
IC1601
CN1401
IC1401
IC1801
R1101
R1100
C1100
R1207
C1211
C1201
C1266
C1200
C1203
C1610
CN1402
C1655
R1624
R1214
C1207
R1210
R1415
R1408
C1405
R1406
C1406
R1809
C1801
IC1402
R1417
R1463
R1460
C1107
R1123
R1122
R1124
R1430
R1125
R1105
C1806
IC1802
C1403
R1418
R1208
C1205
R1441
R1215
R1217
C1208
C1209
R1211
R1209
R1222
R1221
C1407
R1414
C1404
Q1804
R1804
R1807
C1804
R1811
C1805
C1502
IC1301
IC1302
R1300
D1300
C1300
CN1300
CN1502
CN1501
R1510
R1532
R1533
R1534
R1535
R1536
R1537
R1538
R1539
R1521
R1512
C1507
R1529
R1526
C1505
C1301
R1301
R1523
R1527
R1520
L1501
P50 1 - E
TO MAIN PWB
CNPU04
1
28
CW1501
CW1502
P50 5 - A
FROM MAIN PWB
CW1903
P49 5 - E
TO MAGNET HEAD
1
2
28
1
4
1
1
28
1
5
6
1
MD PICKUP UNIT
CW1932
CN1932
P53 10 - G
TO MD MECHANISM
SWITCH PWB
CW1931
CN1931
P53 12 - C
TO MD LOADING PWB
MD MAIN PWB-C (BOTTOM VIEW)
1
1
4
5
8
2
3
5
1
2
3
5
1
5
6
10
11
15
16
20
1
5
10
15
20
21
22
25
30
35
40
42
1
5
10
15
20
25
26
30
35
40
45
50
51
55
60
65
70
75
76
80
85
90
95
100
1
5
10
15
20
25
30
31
35
40
45
50
51
55
60
65
70
75
80
81
85
90
95
100
1
3
4
5
1
4
5
8
P49 3 - E
C1715
R1509
R1507
R1506
R1505
C1508
C1404
R1250
R1431
CK3
TP1122
TP1123
TP1121
TP1120
TP1630
TP1607
CK2
TP1603
TP1600
TP1400
TP1210
TP1205
TP1208
TP1206
TP1214
TP1601
TP1213
TP1203
TP1116
TP1136
TP1131
TP1107
TP1108
TP1115
TP1110
TP1111
TP1130
TP1109
TP1106
TP1102
TP1105
TP1117
TP1100
TP1101
TP1135
TP1104
TP1118
TP1200
TP1254
TP1112
TP1252
TP1251
TP1250
TP1253
TP1202
TP1201
TP1103
TP1406
TP1407
TP1410
TP1414
TP1401
TP1422
TP1404
TP1113
TP1405
TP1409
TP1420
TP1800
TP1303
TP1217
TP1215
TP1423
TP1604
TP1605
TP1212
TP1209
TP1207
TP1218
TP1602
TP1541
TP1542
TP1801
TP1413
TP1412
TP1415
TP1408
TP1403
TP1402
TP1451
TP1421
TP1302
TP1502
TP1508
TP1703
TP1330
TP1301
TP1543
TP1701
TP1702
TP1530
TP1531
TP1532
TP1706
TP1700
TP1411
TP1704
TP1533
TP1519
TP1520
TP1523
TP1522
TP1524
TP1521
TP1705
TP1526
TP1525
TP1606
TP1504
TP1510
TP1511
TP1512
TP1507
TP1509
TP1515
TP1516
TP1501
TP1300
TP1513
TP1518
TP1517
TP1514
TP1505
TP1506
TP1503
TP1133
TP1119
TP1216
1
33
28
2
13
31
14
15
30
25
12
29
3
34
35
4
16
23
5
19
18 32
20
21
8
9
10
11
7
17
6
22
24
26
27
36
2-40
TP1975
SW1931
DISC MEDIA
SW1930
WRITE PRO
R1931
R1930
R1933
R1932
CN1931
SW1932
LOADING
SW1934
PLAY
SW1933
RECORD
MD LOADING
PWB-E2
1
5
M903
MD LOADING MOTOR
BK
RD
CW1931
CN1401
TO MD MAIN PWB
CN1932
SW1936
LEAD IN
MD MECHANISM
SWITCH PWB-E1
M901
MD SPINDLE MOTOR
M902
MD SLED MOTOR
OR
BL
1
6
CN1402
TO MD MAIN PWB
CW1932
BK
RD
P59 12 - D
P59 12 - F
TP1974
TP1973
TP1971
TP1972
TP1943
TP1944
TP1946
TP1945
TP1941
MD PICKUP UNIT
FLEXIBLE
PWB
P59 7 - F
TO MD MAIN PWB
1 2
BK
BK
MAGNET HEAD(34)
RECORD
CW1903
P59 8 - A
TO MD MAIN PWB
CN1300
CN1101
BR
COLOR
TABLE
RD(R)
OR
YL
GR
BL
VL
GY
WH(W)
BK
PK
BROWN
RED
ORANGE YELLOW GREEN
BLUE
VIOLET
GRAY
WHITE
BLACK
PINK
2-41 2-42
2.7 SCHEMATIC DIAGRAM
2-43 2-44
7
4
12
5
2
17
9
M903
3
PWB-E2
M902
504
34
27
28
14
15
503
35
M901
507
501x2
24
507
511
PWB-E1
16
19
20
21
18
10
8
22
506
506x2
505x3
506
513
512x2
512
PWB-C
33x2
33x2
510x2
30
509
509
509
509
31
36
SW1934
SW1933
SW1932
SW1931
SW1930
SW1936
2.8 EXPLODED VIEW AND PARTS LIST
POS.
NO
VERS.
COLOR
PART NO.
(FOR PCS)
DESCRIPTION
PART NO.
(MJI)
5
LEVER ASSY
377K354400
12
LOADING SPRING
377K115400
16
LOADING ARM SPRING
377K115410
17
ARM SPRING
377K115420
18
LOADING GEAR
377K058400
19
GEAR A
377K058410
20
GEAR B
377K058420
21
GEAR C
377K058430
22
GEAR D
377K058440
33
SHOCK ABSORBER
377K130400
34
OVER WRITE HEAD
412K304410
412K117400
377K304400
35
PICK UP MECHANISM
36
EARTH SPRING
377K115430
501
SCREW 1.4 X 1.5
377K010400
503
SCREW 1.4 X 2.5
377K010410
504
SCREW 1.7 X 5
377K010420
505
SCREW 1.4 X 3
377K010430
506
SCREW 1.7 X 6
377K010440
507
SCREW 1.4 X 4.5
377K010450
M901
SPINDLE MOTOR ASSY
M902
CARRIAGE MOTOR ASSY
377K117410
M903
LOADING MOTOR ASSY
377K117420
CW1931
SWITCH
377K157400
CW1932
SWITCH
377K157410
POS.
NO
VERS.
COLOR
PARTNO.
(FORPCS)
DESCRIPTION
PARTNO.
(MJI)
IC
IC1101
IR3R58M
*
IC1201
LR37816
*
IC1202
IX2474AF
*
IC1300
74ACT02T
*
IC1301
FTD2005
*
IC1302
CPH5608
*
IC1401
IX0410AW
*
IC1402
58X2402T
*
IC1601
M56788FP
*
IC1801
XC62EP32
*
TRS.
Q1402
UN2113
*
Q1403
UN2213
*
Q1501
UN2214
*
Q1800
UN2214
*
Q1801
2SA1162 G
*
Q1802
UN2214
*
Q1803
UN221 N
*
Q1804
2SB1205
*
Q1805
2SA1314 C
*
Q1806
UN221 N
*
DIODE
D1300
SBE803
*
D1401
SB00703Q
*
D1402
1SS355
*
MISCELLANEOUS
CN1101
CONNECTOR 28 PIN
*
CN1300
CONNECTOR 2 PIN
*
CN1401
CONNECTOR 5 PIN
*
CN1402
CONNECTOR 6 PIN
*
CN1502
CONNECTOR 4
*
CN1931
CONNECTOR 5
PIN
PIN
*
CN1932
CONNECTOR 6 PIN
*
CW1931
FCC 5 PIN
*
CW1932
FCC 6 PIN
*
SW.
SW1930
PUSH SWITCH
*
SW1931
PUSH SWITCH
*
SW1932
PUSH SWITCH
*
SW1933
PUSH SWITCH
*
SW1934
PUSH SWITCH
*
SW1936
PUSH SWITCH
*
XL1201
CRYSTAL 33.8688MHz
*JX000720R
HC106850R
HC106860R
HC106670R
HC106680R
HC106690R
HC106700R
HC106870R
HC106720R
HC106730R
IC1802
XC62FP26
*HC106880R
HC106740R
BA001100R
BA001100R
BA001110R
BA001110R
HX100090R
BA001110R
BA001120R
HX100120R
HX100110R
Q1807
2SD601AR
*HX100130R
BA001120R
HD201520R
HD201530R
HD201540R
YJ002260R
YJ002270R
YJ002280R
YJ002290R
CN1501
CONNECTOR 28 PIN
*YJ002300R
YJ002330R
YJ002310R
YJ002320R
YU000860R
YU000870R
SP001080R
SP001090R
SP001100R
SP001110R
SP001120R
SP001130R
2.9 ELECTRICAL PARTS LIST
NOTE : "nsp" PART IS LISTED FOR REFERENCE ONLY, MARANTZ WILL NOT SUPPLY THESE PARTS.
NOTE : "nsp" PART IS LISTED FOR REFERENCE ONLY, MARANTZ WILL NOT SUPPLY THESE PARTS.
立即购买
下载本素材需消耗 5 积分
无法下载?立即反馈
标签:
版权声明
1. 本站所有素材,仅限学习交流,仅展示部分内容,如需查看完整内容,请下载原文件。
2. 会员在本站下载的所有素材,只拥有使用权,著作权归原作者所有。
3. 所有素材,未经合法授权,请勿用于商业用途,会员不得以任何形式发布、传播、复制、转售该素材,否则一律封号处理。
4. 如果素材损害你的权益请联系客服QQ:77594475 处理。