马兰士MARANTZ CD5400U1B音响电路图

分类:电子电工 日期: 点击:0
马兰士MARANTZ CD5400U1B音响电路图-0 马兰士MARANTZ CD5400U1B音响电路图-1 马兰士MARANTZ CD5400U1B音响电路图-2 马兰士MARANTZ CD5400U1B音响电路图-3 马兰士MARANTZ CD5400U1B音响电路图-4 马兰士MARANTZ CD5400U1B音响电路图-5 马兰士MARANTZ CD5400U1B音响电路图-6 马兰士MARANTZ CD5400U1B音响电路图-7 马兰士MARANTZ CD5400U1B音响电路图-8 马兰士MARANTZ CD5400U1B音响电路图-9

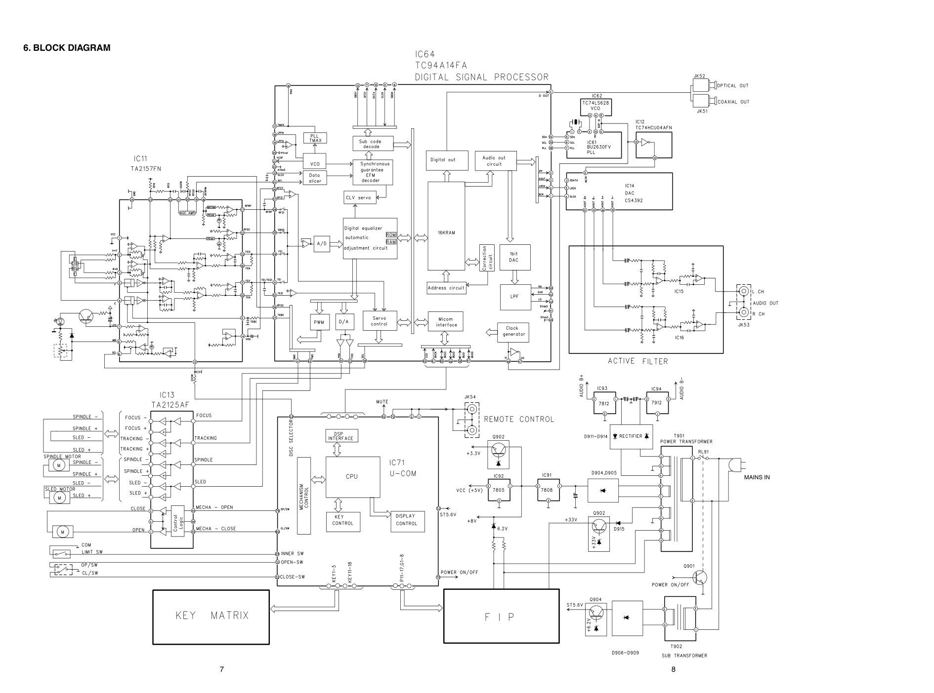
CD Player CD5400 CD5400 /F1N/LIG/N1G /N1B/T1B/U1B CD5400 Please use this service manual with referring to the user guide ( D.F.U. ) without fail. Service Manual TABLE OF CONTENTS SECTION PAGE 1. TECHNICAL SPECIFICATIONS ................................................................................................... 1 2. SERVICE HINTS AND TOOLS ..................................................................................................... 2 3. WARNING AND LASER SAFETY INSTRUCTIONS..................................................................... 3 4. SERVICE MODE AND EMERGENCY DISC EJECT .................................................................... 4 5. WIRING DIAGRAM ....................................................................................................................... 5 6. BLOCK DIAGRAM ........................................................................................................................ 7 7. SCHEMATIC DIAGRAM................................................................................................................ 9 8. PARTS LOCATION...................................................................................................................... 15 9. MICROPROCESSOR AND IC DATA........................................................................................... 21 10. EXPLODED VIEW AND PARTS LIST......................................................................................... 31 11. ELECTRICAL PARTS LIST......................................................................................................... 36 CD PLAYER CD5400 POWER ON/STANDBY STANDBY STOP PLAY PAUSE PHONES LEVEL OPEN/CLOSE TIME EDIT PEAK DISPLAY OFF DISC TTL TRK PEAK TTL TIME RNDM RROG A – B RPT 1 PITCH EDIT TEXT 1 2 3 4 5 6 7 8 9 10 11 12 13 14 15 16 17 18 19 20 Part no. 24AW855010 First Issue 2003.04 ecm MARANTZ DESIGN AND SERVICE Using superior design and selected high grade components, MARANTZ company has created the ultimate in stereo sound. Only original MARANTZ parts can insure that your MARANTZ product will continue to perform to the specifi cations for which it is famous. Parts for your MARANTZ equipment are generally available to our National Marantz Subsidiary or Agent. ORDERING PARTS : Parts can be ordered either by mail or by Fax.. In both cases, the correct part number has to be specifi ed. The following information must be supplied to eliminate delays in processing your order : 1. Complete address 2. Complete part numbers and quantities required 3. Description of parts 4. Model number for which part is required 5. Way of shipment 6. Signature : any order form or Fax. must be signed, otherwise such part order will be considered as null and void. SHOCK, FIRE HAZARD SERVICE TEST : CAUTION : After servicing this appliance and prior to returning to customer, measure the resistance between either primary AC cord connector pins ( with unit NOT connected to AC mains and its Power switch ON ), and the face or Front Panel of product and controls and chassis bottom. Any resistance measurement less than 1 Megohms should cause unit to be repaired or corrected before AC power is applied, and verifi ed before it is return to the user/customer. Ref. UL Standard No. 1492. In case of diffi culties, do not hesitate to contact the Technical Department at above mentioned address. 030307MIT SUPERSCOPE TECHNOLOGIES, INC. USA MARANTZ AMERICA, INC 1100 MAPLEWOOD DRIVE ITASCA, IL. 60143 USA PHONE : 630 - 741 - 0300 FAX : 630 - 741 - 0301 JAPAN Technical MARANTZ JAPAN, INC. 35- 1, 7- CHOME, SAGAMIONO SAGAMIHARA - SHI, KANAGAWA JAPAN 228-8505 PHONE : +81 42 748 1013 FAX : +81 42 741 9190 EUROPE / TRADING MARANTZ EUROPE B.V. P. O. BOX 8744, BUILDING SILVERPOINT BEEMDSTRAAT 11, 5653 MA EINDHOVEN THE NETHERLANDS PHONE : +31 - 40 - 2507844 FAX : +31 - 40 - 2507860 AUSTRALIA QualiFi Pty Ltd, 24 LIONEL ROAD, MT. WAVERLEY VIC 3149 AUSTRALIA PHONE : +61 - (0)3 - 9543 - 1522 FAX : +61 - (0)3 - 9543 - 3677 NEW ZEALAND WILDASH AUDIO SYSTEMS NZ 14 MALVERN ROAD MT ALBERT AUCKLAND NEW ZEALAND PHONE : +64 - 9 - 8451958 FAX : +64 - 9 - 8463554 THAILAND MRZ STANDARD CO., LTD 746 - 754 MAHACHAI ROAD., WANGBURAPAPIROM, PHRANAKORN, BANGKOK, 10200 THAILAND PHONE : +66 - 2 - 222 9181 FAX : +66 - 2 - 224 6795 TAIWAN PAI- YUING CO., LTD. 6 TH FL NO, 148 SUNG KIANG ROAD, TAIPEI, 10429, TAIWAN R.O.C. PHONE : +886 - 2 - 25221304 FAX : +886 - 2 - 25630415 MALAYSIA WO KEE HONG ELECTRONICS SDN. BHD. 2ND FLOOR BANGUNAN INFINITE CENTRE LOT 1, JALAN 13/6, 46200 PETALING JAYA SELANGOR DARUL EHSAN, MALAYSIA PHONE : +60 - 3 - 7954 8088 FAX : +60 - 3 - 7954 7088 AMERICAS MARANTZ PROFESSIONAL PRODUCTS 2640 WHITE OAK CIRCLE, SUITE A AURORA, ILLINOIS 60504 USA PHONE : 630 - 820 - 4800 FAX : 630 - 820 - 8103 KOREA MK ENTERPRISES LTD. ROOM 604/605, ELECTRO-OFFICETEL, 16-58, 3GA, HANGANG-RO, YONGSAN-KU, SEOUL KOREA PHONE : +822 - 3232 - 155 FAX : +822 - 3232 - 154 SINGAPORE WO KEE HONG DISTRIBUTION PTE LTD 130 JOO SENG ROAD #03-02 OLIVINE BUILDING SINGAPORE 368357 PHONE : +65 6858 5535 / +65 6381 8621 FAX : +65 6858 6078 HONG KONG Jolly ProAudio Broadcast Engineering Ltd. UNIT 2, 10F, WAH HUNG CENTRE, 41 HUNG TO ROAD, KWUN TONG, KLN., HONG KONG PHONE : 852 - 21913660 FAX : 852 - 21913990 CANADA LENBROOK INDUSTRIES LIMITED 633 GRANITE COURT, PICKERING, ONTARIO L1W 3K1 CANADA PHONE : 905 - 831 - 6333 FAX : 905 - 831 - 6936 TECHNICAL AUDIO GROUP PTY, LTD 43-53 Bridge Rd., STANMORE NSW 2048 AUSTRALIA PHONE : +61 - (0)2 - 9519 - 0900 FAX : +61 - (0)2 - 9519 - 0600 AUSTRALIA 1 1. TECHNICAL SPECIFICATIONS Audio characteristics Channels ........................................................... 2 channels Frequency response.................................... 2 Hz to 20 kHz Dynamic range ........................................................ 100 dB Signal-to-noise ratio ................................................ 110 dB Channel separation .....................................100 dB (1 kHz) Harmonic distortion ..................................0.0025% (1 kHz) Wow & fl utter .........................................Precision of quartz Error correction system ................... Cross-interleave Reed Solomon code (CIRC) Audio output .............................................2.0 V rms, stereo Headphone output.... 18 mW/32 ohms (variable maximum) Digital output Coaxial output (pin jack) ........................0.5 Vp-p, 75 ohm Optical output (square optical connector) ........... -19 dBm Optical readout system Laser .............................................. AlGaAs semiconductor Wavelength..............................................................780 nm Signal system Sampling frequency...............................................44.1 kHz Quantization ....................................... 16-bit linear/channel Power supply F version............................................. AC 100 V 50 /60 Hz L version................................................... AC 110 V 60 Hz N, T version ............................................... AC 230 V 50 Hz U version ................................................... AC 120 V 60 Hz Power consumption.....................................................12 W Cabinet, etc. Maximum dimensions.......... 440(W) x 89(H) x 317 (D) mm 17-5/16(W) x 3-1/2(H) x 12-1/2 (D) in Weight .......................................................................3.7 kg 8.14 Ibs Allowable operating temperature.....................+5 to +35 °C Allowable operating humidity..5 to 90 % (no condensation) 2 2. SERVICE HINTS AND TOOLS SERVICE TOOLS Audio signals disc 4822 397 30184 Disc without errors (SBC444)+Disc with DO errors, black spots and fingerprints (SBC444A) 4822 397 30245 Disc (65 min 1kHz) without no pause 4822 397 30155 Max. diameter disc (58.0 mm) 4822 397 60141 13th order filter 4822 395 30204 SERVICE HINTS 3 3. WARNING AND LASER SAFETY INSTRUCTIONS F ATTENTION Tous les IC et beaucoup d’autres semi- conducteurs sont sensibles aux décharges statiques (ESD). Leur longévité pourrait être considérablement écourtée par le fait qu’aucune précaution n’est prise a leur manipulation. Lors de réparations, s’assurer de bien être relié au même potentiel que la masse de l’appareil et enfiler le bracelet serti d’une résistance de sécurité. Veiller a ce que les composants ainsi que les outils que l’on utilise soient également a ce potentiel. D WARNUNG Alle IC und viele andere Halbleiter sind empfindlich gegen elektrostatische Entladungen (ESD). Unsorgfältige Behandlung bei der Reparatur kann die Lebensdauer drastisch vermindern. Sorgen sie dafür, das Sie im Reparaturfall über ein Pulsarmband mit Widerstand mit dem Massepotential des Gerätes verbunden sind. Halten Sie Bauteile und Hilfsmittel ebenfalls auf diesem Potential. WAARSCHUWING Alle IC’s en vele andere halfgeleiders zijn gevoelig voor elektrostatische ontladingen (ESD). Onzorgvuldig behandelen tijdens reparatie kan de levensduur drastisch doen verminderen. Zorg ervoor dat u tijdens reparatie via een polsband met weerstand verbonden bent met hetzelfde potentiaal als de massa van het apparaat. Houd componenten en hulpmiddelen ook op ditzelfde potentiaal. AVVERTIMENTO Tutti IC e parecchi semi-conduttori sono sensibili alle scariche statiche (ESD). La loro longevita potrebbe essere fortemente ridatta in caso di non osservazione della piu grande cauzione alla loro manipolazione. Durante le riparazioni occorre quindi essere collegato allo stesso potenziale che quello della massa dell’apparecchio tramite un braccialetto a resistenza. Assicurarsi che i componenti e anche gli utensili con quali si lavora siano anche a questo potenziale. All ICs and many other semi-conductors are susceptible to electrostatic discharges (ESD). Careless handling during repair can reduce life drastically. When repairing, make sure that you are connected with the same potential as the mass of the set via a wrist wrap with resistance. Keep components and tools also at this potential. WARNING Safety regulations require that the set be restored to its original condition and that parts which are identical with those specified be used. Veiligheidsbepalingen vereisen, dat het apparaat in zijn oorspronkelijke toestand wordt terug gebracht en dat onderdelen, identiek aan de gespecifieerde worden toegepast. Bei jeder Reparatur sind die geltenden Sicherheitsvorschriften zu beachten. Der Originalzustand des Gerats darf nicht verandert werden. Fur Reparaturen sind Original-Ersatzteile zu verwenden. Le norme di sicurezza esigono che l’apparecchio venga rimesso nelle condizioni originali e che siano utilizzati pezzi di ricambiago idetici a quelli specificati. Les normes de sécurité exigent que l’appareil soit remis a l’état d’origine et que soient utilisées les pièces de rechange identiques à celles spécifiées. “Pour votre sécurité, ces documents doivent être utilisés par des spécialistes agrées, seuls habilités à réparer votre appareil en panne.” GB NL I D I F GB NL LASER SAFETY CAUTION VISIBLE AND INVISIBLE LASER RADIATION WHEN OPEN AVOID EXPOSURE TO BEAM ADVARSEL SYNLIG OG USYNLIG LASERSTRÅLING VED ÅBNING UNDGÅ UDSÆTTELSE FOR STRÅLING ADVARSEL SYNLIG OG USYNLIG LASERSTRÅLING NÅR DEKSEL Å PNES UNNGÅ EKSPONERING FOR STRÅLEN VARNING SYNLIG OCH OSYNLIG LASERSTRÅLNING NÄR DENNA DEL ÄR ÖPPNAD BETRAKTA EJ STRÅLEN VARO! AVATT AESSA OLET ALTTIINA NÄKYVÄLLE JA NÄKYMÄTTÖMÄLLE LASER SÄTEILYLLE. ÄLÄ KATSO SÄTEESEEN VORSICHT SICHTBARE UND UNSICHTBARE LASERSTRAHLUNG WENN ABDECKUNG GEÖFFNET NICHT DEM STRAHL AUSSETSEN DANGER VISIBLE AND INVISIBLE LASER RADIATION WHEN OPEN AVOID DIRECT EXPOSURE TO BEAM ATTENTION RAYONNEMENT LASER VISIBLE ET INVISIBLE EN CAS D'OUVERTURE EXPOSITION DANGEREUSE AU FAISCEAU USE OF CONTROLS OR ADJUSTMENTS OR PERFORMANCE OF PROCEDURE OTHER THAN THOSE SPECIFIED HEREIN MAY RESULT IN HAZARDOUS RADIATION EXPOSURE. AVOID DIRECT EXPOSURE TO BEAM WARNING The use of optical instruments with this product will increase eye hazard. Repair handling should take place as much as possible with a disc loaded inside the player WARNING LOCATION: INSIDE ON LASER COVERSHIELD This unit employs a laser. Only a qualified service person should remove the cover or attempt to service this device, due to possible eye injury. 4 4. SERVICE MODE AND EMERGENCY DISC EJECT SERVICE MODE 1. Insert mains cable plug in the outlet and press POWER button. 2. Press the OPEN/CLOSE button to open the tray. 3. Press the TIME button for about fi ve seconds. 4. The version number of the microprocessor is displayed Ex: 03-27-01. 5. Press the EDIT button for about fi ve seconds. 6. Light up all the FL segment. Turn off power to quit Service mode. EMERGENCY DISC EJECT 1. Remove the top cover of the plyer. 2. Remove 2 screws under the label shown in the picture follows. 3. Remove the disc clamper. 4. Now you can remove the disc. Remove those screws 5 6 5. WIRING DIAGRAM MAINS MECHANISM 8 7 6. BLOCK DIAGRAM MAINS IN 9 10 MAINS IN TO MAIN part (CD71) TO MAIN part (CN62) TO MAIN part (CN93) TO MAIN part (CN81) TO MAIN part (CN92) POWER SW. PART 1.5k T630mA 250V T315mA 250V T315mA 250V T315mA 250V T630mA 250V T630mA 250V 7. SCHEMATIC DIAGRAM 12 11 330 470 B A MAIN 2/2 MAIN 2/2 TO Front part (CM71) MAIN PART - 1/2 CD MECHANISM 13 14 TO MAIN TRANS part (BN93) TO HP part (BN82) TO MAIN TRANS part (CN92) TO Front part (BN62) 220 100/50 1/50 470/16 JUMPER Z5.6 REMOTE CONTROL 390 B A MAIN 1/2 MAIN 1/2 MAIN PART - 2/2 16 15 8. PARTS LOCATION MAIN A Q101 Q952 Q951 Q404 - Q407 Q420 -Q423 Q403 IC91 IC92 IC19 IC93 IC94 Q902 Q904 Q111 HP A Q803 Q801 Q804 Q802 IC81 HP B 17 18 MAIN B IC17 IC15 IC14 IC61 IC62 IC12 IC64 IC11 IC16 IC13 20 19 FRONT A Q704 Q701 Q702 Q708 Q707 Q705 Q706 FRONT B IC73 IC71 IC72 MAIN TRANS A Q901 MAIN TRANS B POWER SW. A POWER SW. B 21 9. MICROPROCESSOR AND IC DATA IC11 : TA2157FN 22 IC11 : TA2157FN 23 IC13 : TA2125AF IC13 : TA2125AF 24 LRCK SDATA (SDA/CDIN) MCLK AMUTEC AOUTA- AOUTB- SERIAL PORT INTERPOLATION INTERPOLATION (CONTROL PORT) ∆Σ DAC DAC EXTERNAL ANALOG FILTER ANALOG FILTER ∆Σ MUTE CONTROL FILTER FILTER RST SCLK VOLUME CONTROL VOLUME CONTROL MIXER (SCL/CCLK) (AD0/CS) AOUTA+ AOUTB+ CMOUT REFERENCE FILT+ BMUTEC M1 M3 M2 MODE SELECT M0 RST 1 Reset (Input) - Powers down device and resets all internal registers to their default settings. VL 2 Logic Power (Input) - Positive power for the digital input/output. SDATA 3 Serial Audio Data (Input) - Input for two’s complement serial audio data. SCLK 4 Serial Clock (Input/Output) - Serial clock for the serial audio interface. LRCK 5 Left Right Clock (Input/Output) - Determines which channel, Left or Right, is currently active on the serial audio data line. MCLK 6 Master Clock (Input) - Clock source for the delta-sigma modulator and digital filters. FILT+ 11 Positive Voltage Reference (Output) - Positive reference voltage for the internal sampling circuits. CMOUT 12 Common Mode Voltage (Output) - Filter connection for internal quiescent voltage. AMUTEC BMUTEC 20 13 Mute Control (Output) - The Mute Control pin goes high during power-up initialization, reset, muting, power-down or if the master clock to left/right clock frequency ratio is incorrect. AOUTB- AOUTB+ AOUTA+ AOUTA 14 15 18 19 Differential Analog Output (Outputs) - The full scale differential analog output level is specified in the Analog Characteristics specification table. AGND 16 Ground (Input) VA 17 Analog Power (Input) - Positive power for the analog section. Control Port Mode Definitions M3 7 Mode Selection (Input) - This pins should be tied to GND level during control port mode. SCL/CCLK 8 Serial Control Port Clock (Input) - Serial clock for the serial control port. SDA/CDIN 9 Serial Control Data (Input/Output) - SDA is a data I/O line in I2C mode. CDIN is the input data line for the control port interface in SPI mode. AD0/CS 10 Address Bit 0 (I2C) / Control Port Chip Select (SPI) (Input/Output) - AD0 is a chip address pin in I2C mode; CS is the chip select signal for SPI format. Stand-Alone Mode Definitions M3 M2 M1 M0 7 8 9 10 Mode Selection (Input) - Determines the operational mode of the device. RST AMUTEC VL AOUTA- SDATA AOUTA+ SCLK VA LRCK AGND MCLK AOUTB+ M3 AOUTB- (SCL/CCLK) M2 BMUTEC (SDA/CDIN) M1 CMOUT (AD0/CS) M0 FILT+ 1 2 3 4 20 19 18 17 5 6 7 8 16 15 14 13 9 10 12 11 IC14 : CS4392KS 25 IC61 : BU2630 26 IC62 : TC74LS628 27 IC64 : TC94A14FA 28 IC64 : TC94A14FA 29 30 IC71 : TMP87PS71AF PIN No. SYMBOL I/O FUNCTION DESCRIPTION 1 RS I REMOCON OUT 2 REMOTE I REMOCON CENSOR CONTROL 3 BUS OUT O GND 4 POWER O POWER CONTROL PORT 5 VFD-POWER O VFD POWER CONTROL PORT 6 DSP-RESET O DSP RESET CONTROL PORT 7 DSP-CCE O DSP CCE CONTROL PORT 8 DSP-BUCK O DSP BUCK CONTROL PORT 9 TEST - GND 12 RESET-INPUT - RESET INPUT PORT 13 XIN - 8MHz Cystal CONNECTION PORT 14 XOUT - 15 VSS - GND 18 VFD-CS O VFD CS CONTROL PORT 19 VFD-CLK O VFD CLK CONTROL PORT 20 MUTE O MUTE 21 VFD-DATA O VFD DATA PORT 22 DISC- SELECTOR O GVSW 24 VCC O VCC 25 CD-BUS0 I/O BUS CONTROL PORT 26 CD-BUS1 I/O 27 CD-BUS2 I/O 28 CD-BUS3 I/O 29 INNERSW I L-SWITCH 31 OPEN_SW I OPEN SWITCH 32 CLOSE_SW I CLOSE SWITCH 33 VDD - ST+5V 34 SDA - SDA 35 SCL - SCL 36 PLL - PLL 42 SRAM15 I/O SRAM CONTROL PORT 43 SRAM16 I/O 44 SRAM17 I/O 45 SRAM18 I/O 46 SRAM19 I/O PIN No. SYMBOL I/O FUNCTION DESCRIPTION 47 SRAM20 I/O SRAM CONTROL PORT 48 SRAM21 I/O 49 SRAM22 I/O 50 SRAM00 O 51 SRAM01 O 52 SRAM02 O 53 SRAM03 O 54 SRAM04 O 55 SRAM05 O 56 SRAM06 O 57 SRAM07 O 58 SRAM08 O 59 SRAM09 60 SRAM10 O 61 SRAM11 O 62 SRAM12 O 63 SRAM13 O 64 SRAM14 O 66 GND - GND 67 SRAM23 O SRAM CONTROL PORT 68 SRAM24 O 69 SRAM25 O 70 TRANS-ON/ OFF O TRANS ON/OFF CONTROL PORT 71 TA2125- STBY-P O STAND BY PORT 72 RC-5 SELECTION I RC-5 SELECTION 73 DAC-RST O DAC RESET PORT 74 DAC-M2 O DAC M2 PORT 76 KEY I ST+5V 77 KEY I ST+5V 78 KEY I BN72 79 TRAY-OPEN- MOTOR O MECHA OPEN CONTROL PORT 80 TRAY-CLOSE- MOTOR O MECHA CLOSE CONTROL PORT IC81 : NJM4556AL A0-A14 CE OE WE 32K X 8 MEMORY ARRAY DECODER COLUMN I/O CONTROL CIRCUIT GND VCC I/O DATA CIRCUIT I/O0-I/O7 PIN DESCRIPTIONS A0-A14 Address Inputs CE Chip Enable Input OE Output Enable Input WE Write Enable Input I/O0-I/O7 Bidirectional Ports Vcc Power GND Ground TRUTH TABLE Mode WE WE WE WE WE CE CE CE CE CE OE OE OE OE OE I/O Operation Vcc Current Not Selected X H X High-Z ISB1, ISB2 (Power-down) Output Disabled H L H High-Z ICC Read H L L DOUT ICC Write L L X DIN ICC IC72 : IS61C256AH 32 31 10. EXPLODED VIEW AND PARTS LIST 2 S4 1 3 4 5 10 9 10 11 13 12 6 7 S8 S8 23 18 24 27 17 19 20 21 20 21 X5 S1 S4 S8 S8 S8 S8 S7 S7 S7 S7 S9 X5 S1 S2 X2 S2 X7 S3 X2 S6 S3 S2 S6 X2 S1 S8 X3 28 X2 22 22 22 X4 16 29 S5 HEADPHONE PCB FRONT PCB MAIN TRANSF. PCB MAIN PCB LOADER ASSY (MECHA LOADER) (MECHA TRAVERSE) T901 POWER SW. PCB NOTE : "nsp" PART IS LISTED FOR REFERENCE ONLY, MARANTZ WILL NOT SUPPLY THESE PARTS. 33 POS. NO VERS. COLOR PART NO. (FOR EUR) DESCRIPTION PART NO. (MJI) 1 24AW251010 24AW251010 BADGE, MARANTZ CGB1A117 2 BLACK 24AW063010 24AW063010 ORNAMENT, DOOR CGR1A298ZH10 2 GOLD 24AW063110 24AW063110 ORNAMENT, DOOR CGR1A298RFYH40 3 24AW158010 24AW158010 WINDOW CGU1A307Z 4 nsp nsp SHEET, LED AG-D8900 KGX1A293Z 5 BLACK 24AW154010 24AW154010 KNOB, LEVEL CBN1A170 5 GOLD 24AW154110 24AW154110 KNOB, LEVEL CBN1A170RFD4 6 INDICATOR, STANDBY CGL1A183 7 BLACK 24AW270010 24AW270010 KNOB, POWER CBT1A878 7 GOLD 24AW270110 24AW270110 KNOB, POWER CBT1A878RFD4 8 9 BLACK 24AW248010 24AW248010 PANEL, FRONT CGW1A359ZH10 9 GOLD 24AW248110 24AW248110 PANEL, FRONT CGW1A359RFYH40 10 BLACK 24AW270050 24AW270050 KNOB, DISPLAY CBT1A879 10 GOLD 24AW270150 24AW270150 KNOB, DISPLAY CBT1A879RFD4 11 BLACK 24AW270040 24AW270040 KNOB, SKIP CBT1A881 11 GOLD 24AW270140 24AW270140 KNOB, SKIP CBT1A881RFD4 12 BLACK 24AW270030 24AW270030 KNOB, OPEN CBT1A880 12 GOLD 24AW270130 24AW270130 KNOB, OPEN CBT1A880RFD4 13 BLACK 24AW270020 24AW270020 KNOB, PLAY CBT1A882 13 GOLD 24AW270120 24AW270120 KNOB, PLAY CBT1A882RFD4 14 15 16 nsp nsp BUFFER, IR UPPER PCB CHG1A185 18 24AW304510 24AW304510 MECHANISM LOADER ASSY HJDKSL2130CCM 19 nsp nsp CHASSIS, BOTTOM CUA1A231 20 nsp nsp FOOT, FRONT CKL2A042H11 21 nsp nsp RUBBER, CUSHION KHG1A050 22 nsp nsp RUBBER CHG1A113 23 nsp nsp HOLDER, PCB CHE1A030 24 nsp nsp SUPPRT, PCB SJSS-13N(T) KRE1A057 25 26 27 /F1N nsp nsp PANEL, REAR F1N CKF1A258W 27 /N1B nsp nsp PANEL, REAR N1B 27 /N1G nsp nsp PANEL, REAR N1G CKF1A258Y 27 /T1B nsp nsp PANEL, REAR T1B CKF1A258V 27 /U1B nsp nsp PANEL, REAR U1B CKF1A258X 28 24AW259020 24AW259020 BUSHING , AC CORD KHR1A028 29 /F1N nsp *YC000750R CORD, POWER CJA2J049ZA 29 /N *YC000760R *YC000760R CORD, POWER(EUR) QDR-7100CC CJA2B043ZA 29 /T1B *YC000770R *YC000770R CORD, POWER CJA2E045ZA 29 /U1B nsp *YC000780R CORD, POWER CJA523FBYA S1 nsp nsp SCREW CTB3+8J S2 nsp nsp SCREW CTB3+10G S3 nsp nsp SCREW CTW3+10G S4 nsp nsp SCREW CTB4+6FFB S5 nsp nsp SCREW COPPER PLATING CTB3+8JFB S5 nsp nsp SCREW COPPER PLATING CTB3+8JFB S6 nsp nsp SCREW CTW3+8J S7 nsp nsp SCREW CTW3+20J S8 nsp nsp SCREW CTB3+6J S8 nsp nsp SCREW CTB3+6J S9 nsp nsp SCREW COPPER PLATING CTB3+10GFB S10 nsp nsp SCREW CTB4+6F WIRE nsp *YU001220R CARD CABLE 29P FRONT - MAIN PCB CWC1B2A29A180B6 nsp *YU001230R CARD CABLE 16P MECHA TRAVERSE - MAIN PCB CWC1B2A16A120B nsp nsp WIRE ASS'Y CD5400 CWB1B905090EG nsp nsp WIRE ASS'Y CD5400 CWB1A906090EG PACKING /F1N nsp 24AW851110 USER GUIDE FOR /F JAPAN CQX1A836Z /N/T1B 24AW851310 24AW851310 USER GUIDE FOR /N /T EUROPE CQX1A834Z /U1B nsp 24AW851250 USER GUIDE FOR /U USA CQX1A835Z ZK24AW0010 ZK24AW0010 REMOTE CONTROLLER RC5400CD HARTCD5400CC NOTE : "nsp" PART IS LISTED FOR REFERENCE ONLY, MARANTZ WILL NOT SUPPLY THESE PARTS. 34 POS. NO VERS. COLOR PART NO. (FOR EUR) DESCRIPTION PART NO. (MJI) NOT STANDARD SPARE PARTS 17 BLACK nsp 24AW257010 CABINET, TOP CKC1A140K117 17 GOLD nsp 24AW257110 CABINET, TOP CKC1A140K118 nsp 24AW801010 BOX, OUT CARTON CPG1A725Z nsp nsp CORD, PIN CJS4N014Z nsp nsp CORD, PIN BLACK (1M) CJS4M027Z nsp 24AW809010 PAD, SNOW CPS1A624 CD MECHANISM (LOADER ASS'Y) 1 24AW163010 24AW163010 TRAY (C) 9A07979600 2 nsp nsp 3 nsp nsp GEAR COVER (S) 9A07979700 4 24AW058010 24AW058010 TRAY GEAR (S) 9A07268500 5 24AW104010 24AW104010 CHUCKING PLATE 9A07268900 6 nsp nsp SCREW +PTPWH 2.6X7 9A07269900 7 nsp nsp YOKE (S) , CHUCKING 9A06965300 8 nsp nsp MAGNET 9A06965400 9 24AW056010 24AW056010 DAMPER 9A07268700 10 24AW005010 24AW005010 CHUCKING PULLEY 9A07979800 11 nsp nsp SUB CHASSIS 2130 9A07979900 12 nsp nsp COIL SPRING (FRONT) 9A07980000 13 nsp nsp COIL SPRING (BACK) 9A07980100 14 nsp nsp WASHER 2130 9A07980200 15 nsp nsp SCREW+P2.6X10 9A07980300 16 24AW259010 24AW259010 INSULATOR 9A07980400 17 24AW304010 24AW304010 MD ASS'Y (KSS-213CCM) MECHA TRAVERSE 9A07980500 18 nsp nsp OUTSERT MAIN CHASSIS(S) 9A07980600 19 nsp nsp SCREW+PTPWH2.6X16 9A06966200 20 24AW058020 24AW058020 DRIVE GEAR (S) 9A07980700 21 24AW054010 24AW054010 CONTROL CAM (S) 9A07269000 22 24AW116010 24AW116010 LEAF SW 9A07268000 23 nsp nsp PIN, CONNECTOR 5P 9A06966600 24 nsp nsp PC BOARD, LOADING 9A06966700 25 24AW127010 24AW127010 MOTOR ASSY LOADING 9A06966800 26 24AW058030 24AW058030 MIDWAY GEAR (S) 9A07980800 27 24AW262010 24AW262010 LOADING PULLEY 9A07268600 28 24AW264010 24AW264010 LM BELT 9A07980900 29 nsp nsp SCREW+B2.6X2.5 9A06967200 35 CD MECHANISM (LOADER ASS'Y) 36 11. ELECTRICAL PARTS LIST The suppliers and their type numbers of fusible resistors are as follows; 1. KOA Corporation Part No. (MJI) Type No. (KOA) Description NH05 × × × 140 RF25S × × × × ΩJ (±5% 1/4W) NH05 × × × 120 RF50S × × × × ΩJ (±5% 1/2W) NH85 × × × 110 RF73B2A × × × × ΩJ (±5% 1/10W) NH95 × × × 140 RF73B2E × × × × ΩJ (±5% 1/4W) 2. Matsushita Electronic Components Co., Ltd Part No. (MJI) Type No. (MEC) Description NF05 × × × 140 ERD-2FCJ × × × (±5% 1/4W) RF05 × × × 140 NF02 × × × 140 ERD-2FCG × × × (±2% 1/4W) RF02 × × × 140 Examples ; Resistance value 0.1 Ω .... 001 10 Ω .... 100 1 kΩ .... 102 100 kΩ .... 104 0.5 Ω .... 005 18 Ω .... 180 2.7 kΩ .... 272 680 kΩ .... 684 1 Ω .... 010 100 Ω .... 101 10 kΩ .... 103 1 MΩ .... 105 6.8 Ω .... 068 390 Ω .... 391 22 kΩ .... 223 4.7 MΩ .... 475 ASSIGNMENT OF COMMON PARTS CODES. RESISTORS R : 1) GD05 × × × 140, Carbon film fixed resistor, ±5% 1/4W R : 2) GD05 × × × 160, Carbon film fixed resistor, ±5% 1/6W Examples ; Resistance value 0.1 Ω .... 001 10 Ω .... 100 1 kΩ .... 102 100 kΩ .... 104 0.5 Ω .... 005 18 Ω .... 180 2.7 kΩ .... 272 680 kΩ .... 684 1 Ω .... 010 100 Ω .... 101 10 kΩ .... 103 1 MΩ .... 105 6.8 Ω .... 068 390 Ω .... 391 22 kΩ .... 223 4.7 MΩ .... 475 Note : Please distinguish 1/4W from 1/6W by the shape of parts used actually. CAPACITORS C : CERAMIC CAP. 3) DD1 × × × × 370, Ceramic capacitor Disc type Temp.coeff.P350 N1000, 50V Examples ; Tolerance (Capacity deviation) ±0.25 pF .... 0 ±0.5 pF .... 1 ±5% .... 5 Tolerance of COMMON PARTS handled here are as follows : 0.5 pF 5 pF .... ±0.25 pF 6 pF 10 pF .... ±0.5 pF 12 pF 560 pF .... ±5% Capacity value 0.5 pF .... 005 3 pF .... 030 100 pF .... 101 1 pF .... 010 10 pF .... 100 220 pF .... 221 1.5 pF .... 015 47 pF .... 470 560 pF .... 561 C : CERAMIC CAP. 4) DK16 × × × 300, High dielectric constant ceramic capacitor Disc type Temp.chara. 2B4, 50V Examples ; Capacity value 100 pF .... 101 1000 pF ....102 10000 pF .... 103 470 pF .... 471 2200 pF ....222 C : 5) ELECTROLY CAP. ( ), 6) FILM CAP. ( ) 5) EA × × × × × × 10, Electrolytic capacitor One-way lead type, Tolerance ±20% Examples ; Capacity value 0.1 µF....104 4.7 µF ....475 100 µF ....107 0.33 µF....334 10 µF ....106 330 µF ....337 1 µF....105 22 µF ....226 1100 µF ....118 2200 µF ....228 Working voltage 6.3V....006 25V ....025 10V....010 35V ....035 16V....016 50V ....050 6) DF15 × × × 350 Plastic film capacitor DF15 × × × 310 One-way type, Mylar ±5% 50V DF16 × × × 310 Plastic film capacitor One-way type, Mylar ±10% 50V Examples ; Capacity value 0.001 µF(1000 pF) ....... 102 0.1 µF....104 0.0018 µF........................ 182 0.56 µF....564 0.01 µF........................ 103 1 µF....105 0.015 µF........................ 153 : 1) The above CODES ( R , R , C , C and C ) are omitted on the schematic diagram in some case. 2) On the occasion, be confirmed the common parts on the parts list. 3) Refer to “Common Parts List” for the other common parts (RI05, DD4, DK4). ➀ ➁ Capacity value Tolerance ➃ Capacity value Resistance value ➄ Working voltage Capacity value ➆ Capacity value NOTE NOTE ON SAFETY FOR FUSIBLE RESISTOR : Resistance value Resistance value (0.1 Ω − 10 kΩ) Resistance value Resistance value ANT. : ANTENNA BATT. : BATTERY CAP. : CAPACITOR CER. : CERAMIC CONN. : CONNECTING DIG. : DIGITAL HP : HEADPHONE MIC. : MICROPHONE µ-PRO : MICROPROCESSOR REC. : RECORDING RES. : RESISTOR SPK : SPEAKER SW : SWITCH TRANSF. : TRANSFORMER TRIM. : TRIMMING TRS. : TRANSISTOR VAR. : VARIABLE X’TAL : CRYSTAL ABBREVIATION AND MARKS { { { { { { { { { { ➂ ➀ ➁ ➂ ➃ ➄ ➅ ➆ ➅ NOTE ON SAFETY : Symbol Fire or electrical shock hazard. Only original parts should be used to replaced any part marked with symbol . Any other component substitution (other than original type), may increase risk of fire or electrical shock hazard. NOTE ON FUSE : Regarding to all parts of parts code FS20xxx2xx, replace only with Wickmann-Werke GmbH, Type 372 non glass type fuse. 010728MIT NOTE : "nsp" PART IS LISTED FOR REFERENCE ONLY, MARANTZ WILL NOT SUPPLY THESE PARTS. 37 POS. NO VERS. COLOR PART NO. (FOR EUR) DESCRIPTION PART NO. (MJI) BK11 nsp nsp BRACKET , PCB CMD1A387 BK91 nsp nsp BRACKET , PCB CMD1A387 BN62 nsp nsp WIRE ASS'Y CWB1B904300EN BN72 nsp nsp WIRE ASS'Y CWB1B904110EN BN81 nsp nsp WIRE ASS'Y CWBCD5400BN81 BN92 nsp nsp WIRE ASS'Y WIRE ASS'Y CWB4D932180UZ BN93 nsp nsp WIRE ASS'Y CWB1C910160DM C100 nsp nsp CAP , CERAMIC 0.1µF 50V ZF CCKT1H104ZF C101 nsp nsp CAP , CERAMIC 0.1µF 50V ZF CCKT1H104ZF C102 nsp OA10701620 CAP , ELECT 100µF 16V HCEA1CH101T C103 nsp nsp CAP , CERAMIC 0.1µF 50V ZF CCKT1H104ZF C104 nsp OA10701620 CAP , ELECT 100µF 16V HCEA1CH101T C106 nsp nsp CAP , CERAMIC 56pF 50V JC CCCT1H560JC C107 nsp nsp CAP , CERAMIC 3pF 50V CC CCCT1H030CC C108 nsp nsp CAP , CERAMIC 0.1µF 50V ZF CCKT1H104ZF C110 nsp nsp CAP , CERAMIC 0.1µF 50V ZF CCKT1H104ZF C111 nsp nsp CAP , CERAMIC 6800pF 50V KB CCKT1H682KB C112 nsp nsp CAP , CERAMIC 0.033µF 50V ZF CCKT1H333ZF C113 nsp OA10701620 CAP , ELECT 100µF 16V HCEA1CH101T C114 nsp nsp CAP , CERAMIC 2700pF 50V KB CCKT1H272KB C115 nsp nsp CAP , CERAMIC 0.01µF 50V ZF CCKT1H103ZF C116 nsp nsp CAP , CERAMIC 0.047µF 50V ZF CCKT1H473ZF C117 nsp nsp CAP , CERAMIC 0.015µF 50V ZF CCKT1H153ZF C118 nsp nsp CAP , CERAMIC 47pF 50V JC CCCT1H470JC C120 nsp nsp CAP , CERAMIC 0.01µF 50V ZF CCKT1H103ZF C123 nsp nsp CAP , CERAMIC 0.1µF 50V ZF CCKT1H104ZF C124 nsp OA10701620 CAP , ELECT 100µF 16V HCEA1CH101T C125 nsp nsp CAP , CERAMIC 0.1µF 50V ZF CCKT1H104ZF C126 nsp nsp CAP , CERAMIC 0.047µF 50V ZF CCKT1H473ZF C127 nsp nsp CAP , CERAMIC 0.1µF 50V ZF CCKT1H104ZF C128 nsp OA22701620 CAP , ELECT 220µF 16V HCEA1CH221T C129 nsp OA10701620 CAP , ELECT 100µF 16V HCEA1CH101T C130 nsp OA10701620 CAP , ELECT 100µF 16V HCEA1CH101T C131 nsp nsp CAP , CERAMIC 0.1µF 50V Z HCBS1H104ZFT C134 nsp nsp CAP , CERAMIC 0.1µF 50V ZF CCKT1H104ZF C135 nsp nsp CAP , CERAMIC 0.1µF 50V ZF CCKT1H104ZF C136 nsp nsp CAP , CERAMIC 0.1µF 50V ZF CCKT1H104ZF C137 nsp OA10701620 CAP , ELECT 100µF 16V HCEA1CH101T C138 nsp nsp CAP , CERAMIC 470pF 50V KB CCKT1H471KB C139 nsp nsp CAP , CERAMIC 470pF 50V KB CCKT1H471KB C140 nsp nsp CAP , CERAMIC 0.047µF 50V ZF CCKT1H473ZF C141 nsp nsp CAP , CERAMIC 0.047µF 50V ZF CCKT1H473ZF C142 nsp nsp CAP , CERAMIC 0.1µF 50V ZF CCKT1H104ZF C143 nsp nsp CAP , CERAMIC 0.1µF 50V ZF CCKT1H104ZF C144 nsp nsp CAP , CERAMIC 0.1µF 50V ZF CCKT1H104ZF C145 nsp OA47601640 CAP , ELECT 47µF 16V HCEA1CH470T C147 nsp OA47601640 CAP , ELECT 47µF 16V HCEA1CH470T C148 nsp OA47601640 CAP , ELECT 47µF 16V HCEA1CH470T C150 nsp OA47601640 CAP , ELECT 47µF 16V HCEA1CH470T C151 nsp nsp CAP , CERAMIC 47pF 50V JC CCCT1H470JC C152 nsp nsp CAP , CERAMIC 47pF 50V JC CCCT1H470JC C153 nsp nsp CAP , CERAMIC 47pF 50V JC CCCT1H470JC C154 nsp nsp CAP , CERAMIC 47pF 50V JC CCCT1H470JC C155 nsp nsp CAP , CERAMIC 47pF 50V JC CCCT1H470JC C156 nsp nsp CAP , CERAMIC 47pF 50V JC CCCT1H470JC C157 nsp OA47601640 CAP , ELECT 47µF 16V HCEA1CH470T C158 nsp OA47601640 CAP , ELECT 47µF 16V HCEA1CH470T C159 nsp nsp CAP , CERAMIC 0.1µF 50V ZF CCKT1H104ZF C160 nsp OA10505020 CAP , ELECT 1µF 50V HCEA1HH1R0T C161 nsp nsp CAP , CERAMIC 0.1µF 50V Z HCBS1H104ZFT C162 nsp OA10605020 CAP , ELECT 10µF 50V HCEA1HH100T C163 nsp OA47701020 CAP , ELECT 470µF 10V HCEA1AH471T C164 nsp OA10701620 CAP , ELECT 100µF 16V HCEA1CH101T C165 nsp nsp CAP , CERAMIC 0.1µF 50V ZF CCKT1H104ZF C167 nsp OA47601640 CAP , ELECT 47µF 16V HCEA1CH470T C168 nsp nsp CAP , CERAMIC 0.1µF 50V ZF CCKT1H104ZF C173 nsp nsp CAP , CERAMIC 0.1µF 50V Z HCBS1H104ZFT C174 nsp nsp CAP , CERAMIC 0.1µF 50V ZF CCKT1H104ZF NOTE : "nsp" PART IS LISTED FOR REFERENCE ONLY, MARANTZ WILL NOT SUPPLY THESE PARTS. 38 POS. NO VERS. COLOR PART NO. (FOR EUR) DESCRIPTION PART NO. (MJI) C175 nsp OA47601640 CAP , ELECT 47µF 16V HCEA1CH470T C176 nsp nsp CAP , CERAMIC 0.1µF 50V ZF CCKT1H104ZF C178 nsp nsp CAP , CERAMIC 0.1µF 50V ZF CCKT1H104ZF C183 nsp OA10601620 CAP , ELECT 10µF 16V HCEA1CH100T C184 nsp OA10601620 CAP , ELECT 10µF 16V HCEA1CH100T C195 nsp OA47601640 CAP , ELECT 47µF 16V HCEA1CH470T C201 nsp OA10601620 CAP , ELECT 10µF 16V HCEA1CH100T C202 nsp OA10601620 CAP , ELECT 10µF 16V HCEA1CH100T C206 nsp nsp CAP , CERAMIC 220pF 50V KB CCKT1H221KB C207 nsp nsp CAP , CERAMIC 220pF 50V KB CCKT1H221KB C210 nsp OA10605020 CAP , ELECT 10µF 50V HCEA1HH100T C211 OF15122540 OF15122540 CAP , MYLAR 1200pF 50V J HCQI1H122JZT C301 nsp OA10601620 CAP , ELECT 10µF 16V HCEA1CH100T C302 nsp OA10601620 CAP , ELECT 10µF 16V HCEA1CH100T C306 nsp nsp CAP , CERAMIC 220pF 50V KB CCKT1H221KB C307 nsp nsp CAP , CERAMIC 220pF 50V KB CCKT1H221KB C310 nsp OA10605020 CAP , ELECT 10µF 50V HCEA1HH100T C311 OF15122540 OF15122540 CAP , MYLAR 1200pF 50V J HCQI1H122JZT C399 nsp nsp CAP , CERAMIC 0.1µF 50V ZF CCKT1H104ZF C400 nsp nsp CAP , CERAMIC 0.1µF 50V ZF CCKT1H104ZF C401 nsp nsp CAP , CERAMIC 0.1µF 50V ZF CCKT1H104ZF C402 nsp nsp CAP , CERAMIC 1000pF 50V KB CCKT1H102KB C403 nsp OA22701621 CAP , ELECT 220µF 16V HCEA1CH221T C404 nsp OA33505020 CAP , ELECT 3.3µF 50V HCEA1HH3R3T C405 OF15182540 OF15182540 CAP , MYLAR 1800pF 50V J HCQI1H182JZT C406 *OF100350R *OF100350R CAP , MYLAR 2200pF 50V J HCQI1H222JZT C420 *OF100350R *OF100350R CAP , MYLAR 2200pF 50V J HCQI1H222JZT C421 *OF100350R *OF100350R CAP , MYLAR 2200pF 50V J HCQI1H222JZT C422 OF15182540 OF15182540 CAP , MYLAR 1800pF 50V J HCQI1H182JZT C423 OF15182540 OF15182540 CAP , MYLAR 1800pF 50V J HCQI1H182JZT C501 nsp nsp CAP , CERAMIC 33pF 50V JC CCCT1H330JC C502 nsp OA47601640 CAP , ELECT 47µF 16V HCEA1CH470T C504 nsp nsp CAP , CERAMIC 100pF 50V KB CCKT1H101KB C505 nsp nsp CAP , CERAMIC 0.1µF 50V ZF CCKT1H104ZF C506 nsp nsp CAP , CERAMIC 0.1µF 50V ZF CCKT1H104ZF C507 nsp OA47601640 CAP , ELECT 47µF 16V HCEA1CH470T C508 nsp nsp CAP , CERAMIC 100pF 50V KB CCKT1H101KB C581 nsp nsp CAP , CERAMIC 0.1µF 50V ZF CCKT1H104ZF C582 nsp nsp CAP , CERAMIC 0.1µF 50V ZF CCKT1H104ZF C583 nsp nsp CAP , CERAMIC 0.1µF 50V ZF CCKT1H104ZF C601 nsp nsp CAP , CERAMIC 2200pF 50V KB CCKT1H222KB C603 nsp nsp CAP , CERAMIC 0.1µF 50V Z HCBS1H104ZFT C604 nsp OA10701620 CAP , ELECT 100µF 16V HCEA1CH101T C605 nsp OA10701620 CAP , ELECT 100µF 16V HCEA1CH101T C606 nsp nsp CAP , CERAMIC 22pF 50V JC CCCT1H220JC C607 nsp nsp CAP , CERAMIC 0.01µF 50V ZF CCKT1H103ZF C609 nsp OA10605020 CAP , ELECT 10µF 50V HCEA1HH100T C610 nsp nsp CAP , CERAMIC 0.01µF 50V ZF CCKT1H103ZF C611 nsp nsp CAP , CERAMIC 22pF 50V JC CCCT1H220JC C612 nsp nsp CAP , CERAMIC 22pF 50V JC CCCT1H220JC C613 nsp nsp CAP , CERAMIC 22pF 50V JC CCCT1H220JC C614 nsp nsp CAP , CERAMIC 22pF 50V JC CCCT1H220JC C701 EJ47601610 EJ47601610 CAP, ELECT 47µF 16V HCEA1CKS470T C702 nsp nsp CAP , CERAMIC 0.1µF 50V Z HCBS1H104ZFT C703 nsp nsp CAP , CERAMIC 1000pF 50V B HCBS1H102KBT C704 nsp nsp CAP , CERAMIC 0.01µF 50V Z HCBS1H103ZFT C706 EJ47601010 EJ47601010 CAP , ELECT 47µF 10V HCEA1AKS470T C707 nsp nsp CAP , CERAMIC 18pF 50V JC HCBS1H180JCT C708 nsp nsp CAP , CERAMIC 18pF 50V JC HCBS1H180JCT C709 EJ10505010 EJ10505010 CAP , ELECT 1µF 50V HCEA1HKS1R0T C710 nsp nsp CAP , CERAMIC 0.1µF 50V Z HCBS1H104ZFT C712 EJ47601010 EJ47601010 CAP , ELECT 47µF 10V HCEA1AKS470T C713 EJ47601010 EJ47601010 CAP , ELECT 47µF 10V HCEA1AKS470T C731 EJ47601010 EJ47601010 CAP , ELECT 47µF 10V HCEA1AKS470T C732 nsp nsp CAP , CERAMIC 0.01µF 50V Z HCBS1H103ZFT C801 nsp OA47505020 CAP , ELECT 4.7µF 50V HCEA1HH4R7T C802 nsp OA47505020 CAP , ELECT 4.7µF 50V HCEA1HH4R7T C805 nsp nsp CAP , CERAMIC 220pF 50V KB CCKT1H221KB NOTE : "nsp" PART IS LISTED FOR REFERENCE ONLY, MARANTZ WILL NOT SUPPLY THESE PARTS. 39 POS. NO VERS. COLOR PART NO. (FOR EUR) DESCRIPTION PART NO. (MJI) C806 nsp nsp CAP , CERAMIC 56pF 50V JC CCCT1H560JC C807 nsp nsp CAP , CERAMIC 56pF 50V JC CCCT1H560JC C808 nsp nsp CAP , CERAMIC 220pF 50V KB CCKT1H221KB C809 nsp OA10701620 CAP , ELECT 100µF 16V HCEA1CH101T C810 nsp OA10701620 CAP , ELECT 100µF 16V HCEA1CH101T C811 nsp OA10601620 CAP , ELECT 10µF 16V HCEA1CH100T C812 nsp OA10601620 CAP , ELECT 10µF 16V HCEA1CH100T C813 nsp nsp CAP , CERAMIC 0.022µF 50V ZF CCKT1H223ZF C814 nsp nsp CAP , CERAMIC 0.022µF 50V ZF CCKT1H223ZF C901 nsp nsp CAP , CERAMIC 0.1µF 50V ZF CCKT1H104ZF C902 nsp nsp CAP , CERAMIC 0.1µF 50V ZF CCKT1H104ZF C903 nsp nsp CAP , CERAMIC 0.1µF 50V ZF CCKT1H104ZF C904 nsp nsp CAP , CERAMIC 0.1µF 50V ZF CCKT1H104ZF C905 nsp nsp CAP , CERAMIC 0.022µF 50V ZF CCKT1H223ZF C906 nsp OA47701620 CAP , ELECT 470µF 16V HCEA1CH471T C907 nsp nsp CAP , CERAMIC 0.022µF 50V ZF CCKT1H223ZF C908 nsp OA10701620 CAP , ELECT 100µF 16V HCEA1CH101T C909 nsp OA47701620 CAP , ELECT 470µF 16V HCEA1CH471T C910 nsp nsp CAP , CERAMIC 0.1µF 50V ZF CCKT1H104ZF C911 OA338025S0 OA338025S0 CAP , ELECT 3300µF 25V KCEA1EH332E C912 nsp nsp CAP , CERAMIC 0.1µF 50V ZF CCKT1H104ZF C913 OA338025S0 OA338025S0 CAP , ELECT 3300µF 25V KCEA1EH332E C914 nsp nsp CAP , CERAMIC 0.1µF 50V ZF CCKT1H104ZF C915 OA338025S0 OA338025S0 CAP , ELECT 3300µF 25V KCEA1EH332E C916 nsp OA10605020 CAP , ELECT 10µF 50V HCEA1HH100T C917 nsp nsp CAP , CERAMIC 0.1µF 50V ZF CCKT1H104ZF C918 nsp OA22505020 CAP , ELECT 2.2µF 50V HCEA1HH2R2T C919 nsp OA10605020 CAP , ELECT 10µF 50V HCEA1HH100T C920 nsp nsp CAP , CERAMIC 0.1µF 50V ZF CCKT1H104ZF C921 nsp nsp CAP , CERAMIC 0.047µF 50V ZF CCKT1H473ZF C922 nsp nsp CAP , CERAMIC 0.033µF 50V ZF CCKT1H333ZF C923 nsp nsp CAP , CERAMIC 0.1µF 50V ZF CCKT1H104ZF C924 nsp nsp CAP , CERAMIC 0.1µF 50V ZF CCKT1H104ZF C925 nsp nsp CAP , CERAMIC 0.1µF 50V ZF CCKT1H104ZF C926 *DK100770R *DK100770R CAP , CERAMIC(X1/Y2/SC) 0.0047µF/2.5KV KCKDKS472ME C927 nsp OA10702520 CAP , ELECT 100µF 25V HCEA1EH101T C928 nsp OA10702520 CAP , ELECT 100µF 25V HCEA1EH101T C930 nsp OA10701620 CAP , ELECT 100µF 16V HCEA1CH101T C931 nsp OA10701620 CAP , ELECT 100µF 16V HCEA1CH101T C932 nsp OA10701620 CAP , ELECT 100µF 16V HCEA1CH101T C933 nsp OA10701620 CAP , ELECT 100µF 16V HCEA1CH101T C951 nsp OA10605020 CAP , ELECT 10µF 50V HCEA1HH100T CM71 nsp nsp WAFER , C.CABLE LG KJP29GA117ZG CN12 nsp nsp WAFER MOLEX53014-0610 KJP06GA19ZM CN13 nsp nsp WAFER MOLEX53014-0510 KJP05GA19ZM CN16 nsp nsp WAFER , CARD CABLE (STRAIGH GF102-16S-TS KJP16GA117ZG CN61 nsp nsp WAFER MOLEX53014-0510 KJP05GA19ZM CN62 nsp nsp WAFER KJP04GA19ZM CN71 nsp nsp WAFER , C.CABLE LG KJP29GA117ZG CN72 nsp nsp WAFER KJP04GA19ZM CN81 nsp nsp WAFER MOLEX53014-0910 KJP09GA19ZM CN91 YP04000760 YP04000760 WAFER 7.92MM(YUNHO) KJP02KA060ZY CN92 YP04000760 YP04000760 WAFER MOLEX35328-02 KJP02GA89ZM CN93 nsp nsp WAFER MOLEX 5267-10A KJP10GA01ZM D111 *HD302140R *HD302140R DIODE , ZENER 4.3V 1/2W HVDMTZJ4.3CT D403 nsp HD20015210 DIODE 1SS133T-77 HVD1SS133MT D404 nsp HD20015210 DIODE 1SS133T-77 HVD1SS133MT D405 nsp HD20015210 DIODE 1SS133T-77 HVD1SS133MT D406 nsp HD20015210 DIODE 1SS133T-77 HVD1SS133MT D407 nsp HD20015210 DIODE 1SS133T-77 HVD1SS133MT D408 HD30621000 HD30621000 DIODE , ZENER MTZJ6.2B HVDMTZJ6.2BT D409 nsp HD20015210 DIODE 1SS133T-77 HVD1SS133MT D410 nsp HD20015210 DIODE 1SS133T-77 HVD1SS133MT D411 nsp HD20015210 DIODE 1SS133T-77 HVD1SS133MT D701 *HI101050R *HI101050R L.E.D , RED ROHM SLR-325 KVDSLR325VCA47 D702 *HI101050R *HI101050R L.E.D , RED ROHM SLR-325 KVDSLR325VCA47 D901 HD20015210 HD20015210 DIODE 1SS133T-77 HVD1SS133MT D902 HD20015210 HD20015210 DIODE 1SS133T-77 HVD1SS133MT NOTE : "nsp" PART IS LISTED FOR REFERENCE ONLY, MARANTZ WILL NOT SUPPLY THESE PARTS. 40 POS. NO VERS. COLOR PART NO. (FOR EUR) DESCRIPTION PART NO. (MJI) D904 *HD201730R *HD201730R DIODE 1N4003 KVD1N4003ST D905 *HD201730R *HD201730R DIODE 1N4003 KVD1N4003ST D906 *HD201730R *HD201730R DIODE 1N4003 KVD1N4003ST D907 *HD201730R *HD201730R DIODE 1N4003 KVD1N4003ST D908 *HD201730R *HD201730R DIODE 1N4003 KVD1N4003ST D909 *HD201730R *HD201730R DIODE 1N4003 KVD1N4003ST D910 HD30621000 HD30621000 DIODE , ZENER MTZJ6.2B HVDMTZJ6.2BT D911 *HD201730R *HD201730R DIODE 1N4003 KVD1N4003ST D912 *HD201730R *HD201730R DIODE 1N4003 KVD1N4003ST D913 *HD201730R *HD201730R DIODE 1N4003 KVD1N4003ST D914 *HD201730R *HD201730R DIODE 1N4003 KVD1N4003ST D915 nsp *HD201730R DIODE 1N4003 KVD1N4003ST D916 *HD301740R *HD301740R DIODE , ZENER 33V 1/2W HVDMTZJ33BT D917 HD30621000 HD30621000 DIODE , ZENER MTZJ6.2B HVDMTZJ6.2BT D920 nsp *HD201740R DIODE 1SS133T-77 HVD1SS133MT D921 nsp *HD201740R DIODE 1SS133T-77 HVD1SS133MT F001 nsp nsp HOLDER , FUSE KJCFC5S F002 nsp nsp HOLDER , FUSE KJCFC5S F901 /F1N/U1B nsp *FS001030R FUSE KBA2C0630TLUZ F901 /N/T1B *FS001040R *FS001040R FUSE PH KBA2C0315TLEZ FIP1 *HQ300610R *HQ300610R F.I.P HFLHCA12SS18T IC11 *HC108330R *HC108330R I.C , DIGITAL SERVO HEAD AMP TA2157FN HVITA2157FN IC12 HC000700K0 HC000700K0 I.C , HEX INVERTER HVI74ACT04SC IC13 *HC108340R *HC108340R I.C , MOTOR DRIVER TA2125AF HVITA2125AF IC14 *HC108350R *HC108350R I.C , DAC CS4392KS HVICS4392KS IC15 HC10102090 HC10102090 I.C , OP AMP NJM2068MD-TE1 HVINJM2068MDTE1 IC16 HC10102090 HC10102090 I.C , OP AMP NJM2068MD-TE1 HVINJM2068MDTE1 IC17 HC700400Z0 HC700400Z0 I.C , INVERTER TC74HCU04AFN HVITC74HCU04AFN IC19 *HC300500R *HC300500R I.C, REGULATOR KA7805-ABTU HVIMC7805C IC61 HC10225210 HC10225210 I.C ( DUAL PLL SYNTHESIZER ) BU2630FV BVIBU2630FV IC62 HC762837Z0 HC762837Z0 I.C VCO T.I HVITC74LS628 IC64 *HC108360R *HC108360R I.C , DSP TOSHIBA HVITC94A14FA IC71 *HU100660R *HU100660R I.C , O.T.P TMP87PS71AF HVITMP87PS71AF IC72 *HC108370R *HC108370R I.C , 256K SRAM TW IS61C256AH-15J BVIIS61C256A15J IC73 HC700400Z0 HC700400Z0 I.C , INVERTER TC74HCU04AFN HVITC74HCU04AFN IC81 HC10200090 HC10200090 I.C NJM4556AL HVINJM4556AL IC91 *HC300510R *HC300510R I.C, REGULATOR KA7808-ABTU KVIKA7808A IC92 *HC300500R *HC300500R I.C, REGULATOR KA7805-ABTU HVIMC7805C IC93 *HC300520R *HC300520R I.C, REGULATOR KA7812-ABTU HVIMC7812C IC94 *HC300530R *HC300530R I.C, REGULATOR KA7912-ABTU HVIMC7912C J002 nsp nsp WIRE , COPPER SN95/PB5 , 0.6 C3A206 J019 J100 nsp nsp WIRE , COPPER SN95/PB5 , 0.6 C3A206 J112 J116 nsp nsp WIRE , COPPER SN95/PB5 , 0.6 C3A206 J119 nsp nsp WIRE , COPPER SN95/PB5 , 0.6 C3A206 J120 nsp nsp WIRE , COPPER SN95/PB5 , 0.6 C3A206 J121 nsp nsp WIRE , COPPER SN95/PB5 , 0.6 C3A206 J123 nsp nsp WIRE , COPPER SN95/PB5 , 0.6 C3A206 J131 J134 nsp nsp WIRE , COPPER SN95/PB5 , 0.6 C3A206 J157 J159 nsp nsp WIRE , COPPER SN95/PB5 , 0.6 C3A206 J165 J168 nsp nsp WIRE , COPPER SN95/PB5 , 0.6 C3A206 J173 J177 nsp nsp WIRE , COPPER SN95/PB5 , 0.6 C3A206 J178 nsp nsp WIRE , COPPER SN95/PB5 , 0.6 C3A206 J179 nsp nsp WIRE , COPPER SN95/PB5 , 0.6 C3A206 J180 nsp nsp WIRE , COPPER SN95/PB5 , 0.6 C3A206 J182 nsp nsp WIRE , COPPER SN95/PB5 , 0.6 C3A206 J183 nsp nsp WIRE , COPPER SN95/PB5 , 0.6 C3A206 NOTE : "nsp" PART IS LISTED FOR REFERENCE ONLY, MARANTZ WILL NOT SUPPLY THESE PARTS. 41 POS. NO VERS. COLOR PART NO. (FOR EUR) DESCRIPTION PART NO. (MJI) J184 nsp nsp WIRE , COPPER SN95/PB5 , 0.6 C3A206 J189 J192 nsp nsp WIRE , COPPER SN95/PB5 , 0.6 C3A206 J195 nsp nsp WIRE , COPPER SN95/PB5 , 0.6 C3A206 J201 J214 nsp nsp WIRE , COPPER SN95/PB5 , 0.6 C3A206 J215 nsp nsp WIRE , COPPER SN95/PB5 , 0.6 C3A206 J217 nsp nsp WIRE , COPPER SN95/PB5 , 0.6 C3A206 J218 nsp nsp WIRE , COPPER SN95/PB5 , 0.6 C3A206 J220 nsp nsp WIRE , COPPER SN95/PB5 , 0.6 C3A206 J225 J231 nsp nsp WIRE , COPPER SN95/PB5 , 0.6 C3A206 J241 nsp nsp WIRE , COPPER SN95/PB5 , 0.6 C3A206 J242 nsp nsp WIRE , COPPER SN95/PB5 , 0.6 C3A206 J301 nsp nsp WIRE , COPPER SN95/PB5 , 0.6 C3A206 J302 nsp nsp WIRE , COPPER SN95/PB5 , 0.6 C3A206 J702 nsp nsp WIRE , COPPER SN95/PB5 , 0.6 C3A206 J723 J725 nsp nsp WIRE , COPPER SN95/PB5 , 0.6 C3A206 J737 J740 nsp nsp WIRE , COPPER SN95/PB5 , 0.6 C3A206 J741 nsp nsp WIRE , COPPER SN95/PB5 , 0.6 C3A206 J774 nsp nsp WIRE , COPPER SN95/PB5 , 0.6 C3A206 J793 nsp nsp WIRE , COPPER SN95/PB5 , 0.6 C3A206 J798 nsp nsp WIRE , COPPER SN95/PB5 , 0.6 C3A206 J901 nsp nsp WIRE , COPPER SN95/PB5 , 0.6 C3A206 J902 nsp nsp WIRE , COPPER SN95/PB5 , 0.6 C3A206 JK51 *YT003100R *YT003100R JACK , BOARD 1P (GOLD) CJJ4M045Z JK52 *YJ002670R *YJ002670R MODULE , OPTICAL(TX) TOTX179L HJSTOTX179L JK53 *YT003110R *YT003110R JACK , BOARD 2P (GOLD) CJJ4N060Z JK54 *YT003120R *YT003120R JACK , IN/OUT 2P (GOLD) CJJ4N036Z JW01 nsp nsp WIRE (1P) WIRE CWE7202080AR L101 nsp nsp COIL , AXAIL HLQ02C100KT L102 nsp nsp COIL , AXAIL HLQ02C100KT PH81 *YT002350R *YT002350R JACK , HEADPHONE HTJ-064-05NG HJJ2E020Z Q101 *HT600010R *HT600010R T.R TKTA1266YT HVTKTA1266YT Q111 *HT800040R *HT800040R T.R KSC2316Y HVTKSC2316YT Q403 *HT600010R *HT600010R T.R TKTA1266YT HVTKTA1266YT Q404 *HT400450R *HT400450R T.R KTD1302 HVTKTD1302T Q405 *HT400450R *HT400450R T.R KTD1302 HVTKTD1302T Q406 *HT400450R *HT400450R T.R KTD1302 HVTKTD1302T Q407 *HT400450R *HT400450R T.R KTD1302 HVTKTD1302T Q420 *BA001490R *BA001490R T.R KRA104M HVTKRA104MT Q421 *BA001460R *BA001460R T.R KRC107M HVTKRC107MT Q422 *BA001490R *BA001490R T.R KRA104M HVTKRA104MT Q423 *BA001460R *BA001460R T.R KRC107M HVTKRC107MT Q701 *BA001460R *BA001460R T.R KRC107M HVTKRC107MT Q702 *BA001460R *BA001460R T.R KRC107M HVTKRC107MT Q704 *BA001460R *BA001460R T.R KRC107M HVTKRC107MT Q705 *BA001500R *BA001500R T.R KRC111M HVTKRC111MT Q706 *BA001500R *BA001500R T.R KRA111M HVTKRA111MT Q707 *BA001490R *BA001490R T.R KRA104M HVTKRA104MT Q708 *BA001490R *BA001490R T.R KRA104M HVTKRA104MT Q801 *HT400450R *HT400450R T.R KTD1302 HVTKTD1302T Q802 *HT400450R *HT400450R T.R KTD1302 HVTKTD1302T Q803 *HT400450R *HT400450R T.R KTD1302 HVTKTD1302T Q804 *HT400450R *HT400450R T.R KTD1302 HVTKTD1302T Q901 HT327851H0 HT327851H0 T.R KSC2785Y(DEAD) HVTKSC2785YT Q902 *HT800040R *HT800040R T.R KSC2316Y HVTKSC2316YT Q904 *HT800040R *HT800040R T.R KSC2316Y HVTKSC2316YT Q951 HT30001000 HT30001000 T.R KTC3199Y HVTKTC3199YT Q952 *BA001490R *BA001490R T.R KRA104M HVTKRA104MT R100 nsp nsp RES , CARBON 47Ω 1/5W J CRD20TJ470T NOTE : "nsp" PART IS LISTED FOR REFERENCE ONLY, MARANTZ WILL NOT SUPPLY THESE PARTS. 42 POS. NO VERS. COLOR PART NO. (FOR EUR) DESCRIPTION PART NO. (MJI) R105 nsp nsp RES , CARBON 2.2Ω 1/5W J CRD20TJ2R2T R106 nsp nsp RES , CARBON 68kΩ 1/5W J CRD20TJ683T R107 nsp nsp RES , CARBON 68kΩ 1/5W J CRD20TJ683T R108 nsp nsp RES , CARBON 68kΩ 1/5W J CRD20TJ683T R109 nsp nsp RES , CARBON 68kΩ 1/5W J CRD20TJ683T R110 nsp nsp RES , CARBON 82kΩ 1/5W J CRD20TJ823T R111 nsp nsp RES , CARBON 82kΩ 1/5W J CRD20TJ823T R112 nsp nsp RES , CARBON 91Ω 1/5W J CRD20TJ910T R113 nsp nsp RES , CARBON 10Ω 1/5W J CRD20TJ100T R114 nsp nsp RES , CARBON 68kΩ 1/5W J CRD20TJ683T R115 nsp nsp RES , CARBON 820Ω 1/5W J CRD20TJ821T R116 nsp nsp RES , CARBON 33kΩ 1/5W J CRD20TJ333T R117 nsp nsp RES , CARBON 10kΩ 1/5W J CRD20TJ103T R118 nsp nsp RES , CARBON 1kΩ 1/5W J CRD20TJ102T R119 nsp nsp RES , CARBON 2.2kΩ 1/5W J CRD20TJ222T R120 nsp nsp RES , CARBON 10kΩ 1/5W J CRD20TJ103T R121 nsp nsp RES , CARBON 100Ω 1/5W J CRD20TJ101T R122 nsp nsp RES , CARBON 22kΩ 1/5W J CRD20TJ223T R123 nsp nsp RES , CARBON 47kΩ 1/5W J CRD20TJ473T R124 nsp nsp RES , CARBON 470kΩ 1/5W J CRD20TJ474T R125 nsp nsp RES , CARBON 2.2M 1/5W J CRD20TJ225T R126 nsp nsp RES , CARBON 15kΩ 1/5W J CRD20TJ153T R127 nsp nsp RES , CARBON 100Ω 1/5W J CRD20TJ101T R128 nsp nsp RES , CARBON 100Ω 1/5W J CRD20TJ101T R129 nsp nsp RES , CARBON 5.6kΩ 1/5W J CRD20TJ562T R130 nsp nsp RES , CARBON 220Ω 1/5W J CRD20TJ221T R132 nsp nsp RES , CARBON 100Ω 1/5W J CRD20TJ101T R133 nsp nsp RES , CARBON 3.3kΩ 1/5W J CRD20TJ332T R134 nsp nsp RES , CARBON 100Ω 1/5W J CRD20TJ101T R135 nsp nsp RES , CARBON 470Ω 1/5W J CRD20TJ471T R146 nsp nsp RES , CARBON 4.7Ω 1/5W J CRD20TJ4R7T R147 nsp nsp RES , CARBON 4.7Ω 1/5W J CRD20TJ4R7T R148 nsp nsp RES , CARBON 4.7Ω 1/5W J CRD20TJ4R7T R149 nsp nsp RES , CARBON 4.7Ω 1/5W J CRD20TJ4R7T R151 nsp nsp RES , CARBON 330Ω 1/5W J CRD20TJ331T R152 nsp nsp RES , CARBON 330Ω 1/5W J CRD20TJ331T R153 nsp nsp RES , CARBON 330Ω 1/5W J CRD20TJ331T R154 nsp nsp RES , CARBON 330Ω 1/5W J CRD20TJ331T R155 nsp nsp RES , CARBON 330Ω 1/5W J CRD20TJ331T R156 nsp nsp RES , CARBON 330Ω 1/5W J CRD20TJ331T R157 nsp nsp RES , CARBON 680Ω 1/5W J CRD20TJ681T R164 nsp nsp RES , CARBON 470Ω 1/5W J CRD20TJ471T R201 nsp nsp RES , CARBON 8.2kΩ 1/5W J CRD20TJ822T R202 nsp nsp RES , CARBON 8.2kΩ 1/5W J CRD20TJ822T R203 nsp nsp RES , CARBON 10kΩ 1/5W J CRD20TJ103T R204 nsp nsp RES , CARBON 3.3kΩ 1/5W J CRD20TJ332T R205 nsp nsp RES , CARBON 3.3kΩ 1/5W J CRD20TJ332T R206 nsp nsp RES , CARBON 10kΩ 1/5W J CRD20TJ103T R207 nsp nsp RES , CARBON 2.7kΩ 1/5W J CRD20TJ272T R209 nsp nsp RES , CARBON 750Ω 1/5W J CRD20TJ751T R301 nsp nsp RES , CARBON 8.2kΩ 1/5W J CRD20TJ822T R302 nsp nsp RES , CARBON 8.2kΩ 1/5W J CRD20TJ822T R303 nsp nsp RES , CARBON 10kΩ 1/5W J CRD20TJ103T R304 nsp nsp RES , CARBON 3.3kΩ 1/5W J CRD20TJ332T R305 nsp nsp RES , CARBON 3.3kΩ 1/5W J CRD20TJ332T R306 nsp nsp RES , CARBON 10kΩ 1/5W J CRD20TJ103T R307 nsp nsp RES , CARBON 2.7kΩ 1/5W J CRD20TJ272T R309 nsp nsp RES , CARBON 750Ω 1/5W J CRD20TJ751T R402 nsp nsp RES , CARBON 1kΩ 1/5W J CRD20TJ102T R403 nsp nsp RES , CARBON 220Ω 1/5W J CRD20TJ221T R404 nsp nsp RES , CARBON 470kΩ 1/5W J CRD20TJ474T R405 nsp nsp RES , CARBON 3.3kΩ 1/5W J CRD20TJ332T R406 nsp nsp RES , CARBON 1kΩ 1/5W J CRD20TJ102T R407 nsp nsp RES , CARBON 1kΩ 1/5W J CRD20TJ102T R408 nsp nsp RES , CARBON 1kΩ 1/5W J CRD20TJ102T R409 nsp nsp RES , CARBON 1kΩ 1/5W J CRD20TJ102T R410 nsp nsp RES , CARBON 47kΩ 1/5W J CRD20TJ473T R411 nsp nsp RES , CARBON 47kΩ 1/5W J CRD20TJ473T NOTE : "nsp" PART IS LISTED FOR REFERENCE ONLY, MARANTZ WILL NOT SUPPLY THESE PARTS. 43 POS. NO VERS. COLOR PART NO. (FOR EUR) DESCRIPTION PART NO. (MJI) R412 nsp nsp RES , CARBON 220Ω 1/5W J CRD20TJ221T R413 nsp nsp RES , CARBON 220Ω 1/5W J CRD20TJ221T R414 nsp nsp RES , CARBON 220Ω 1/5W J CRD20TJ221T R415 nsp nsp RES , CARBON 220Ω 1/5W J CRD20TJ221T R416 nsp nsp RES , CARBON 470kΩ 1/5W J CRD20TJ474T R417 nsp nsp RES , CARBON 470kΩ 1/5W J CRD20TJ474T R501 nsp nsp RES , CARBON 10Ω 1/5W J CRD20TJ100T R502 nsp nsp RES , CARBON 10Ω 1/5W J CRD20TJ100T R503 nsp nsp RES , CARBON 100Ω 1/5W J CRD20TJ101T R504 nsp nsp RES , CARBON 4.7kΩ 1/5W J CRD20TJ472T R505 nsp nsp RES , CARBON 100kΩ 1/5W J CRD20TJ104T R506 nsp nsp RES , CARBON 4.7kΩ 1/5W J CRD20TJ472T R507 nsp nsp RES , CARBON 100kΩ 1/5W J CRD20TJ104T R508 nsp nsp RES , CARBON 75Ω 1/5W J CRD20TJ750T R509 nsp nsp RES , CARBON 75Ω 1/5W J CRD20TJ750T R601 nsp nsp RES , CARBON 22Ω 1/5W J CRD20TJ220T R602 nsp nsp RES , CARBON 1MΩ 1/5W J CRD20TJ105T R603 nsp nsp RES , CARBON 100Ω 1/5W J CRD20TJ101T R606 nsp nsp RES , CARBON 100Ω 1/5W J CRD20TJ101T R607 nsp nsp RES , CARBON 100Ω 1/5W J CRD20TJ101T R608 nsp nsp RES , CARBON 100Ω 1/5W J CRD20TJ101T R609 nsp nsp RES , CARBON 220Ω 1/5W J CRD20TJ221T R610 nsp nsp RES , CARBON 10kΩ 1/5W J CRD20TJ103T R611 nsp nsp RES , CARBON 680Ω 1/5W J CRD20TJ681T R612 nsp nsp RES , CARBON 10Ω 1/5W J CRD20TJ100T R613 nsp nsp RES , CARBON 1Ω 1/5W J CRD20TJ1R0T R615 nsp nsp RES , CARBON 4.7kΩ 1/5W J CRD20TJ472T R616 nsp nsp RES , CARBON 4.7kΩ 1/5W J CRD20TJ472T R617 nsp nsp RES , CARBON 4.7kΩ 1/5W J CRD20TJ472T R618 nsp nsp RES , CARBON 680Ω 1/5W J CRD20TJ681T R619 nsp nsp RES , CARBON 680Ω 1/5W J CRD20TJ681T R701 nsp nsp RES , CARBON 10kΩ 1/5W J CRD20TJ103T R702 nsp nsp RES , CARBON 1.8kΩ 1/5W J CRD20TJ182T R703 nsp nsp RES , CARBON 1.5kΩ 1/5W J CRD20TJ152T R704 nsp nsp RES , CARBON 1kΩ 1/5W J CRD20TJ102T R705 nsp nsp RES , CARBON 10kΩ 1/5W J CRD20TJ103T R706 nsp nsp RES , CARBON 3.3kΩ 1/5W J CRD20TJ332T R707 nsp nsp RES , CARBON 2.7kΩ 1/5W J CRD20TJ272T R708 nsp nsp RES , CARBON 1.8kΩ 1/5W J CRD20TJ182T R709 nsp nsp RES , CARBON 1.5kΩ 1/5W J CRD20TJ152T R710 nsp nsp RES , CARBON 1kΩ 1/5W J CRD20TJ102T R713 nsp nsp RES , CARBON 330Ω 1/5W J CRD20TJ331T R714 nsp nsp RES , CARBON 330Ω 1/5W J CRD20TJ331T R720 nsp nsp RES , CARBON 47kΩ 1/5W J CRD20TJ473T R721 nsp nsp RES , CARBON 10kΩ 1/5W J CRD20TJ103T R733 R734 nsp nsp RES , CARBON 1kΩ 1/5W J CRD20TJ102T R735 nsp nsp RES , CARBON 6.8kΩ 1/5W J CRD20TJ682T R736 nsp nsp RES , CARBON 1kΩ 1/5W J CRD20TJ102T R737 nsp nsp RES , CARBON 10kΩ 1/5W J CRD20TJ103T R738 nsp nsp RES , CARBON 10kΩ 1/5W J CRD20TJ103T R739 nsp nsp RES , CARBON 10kΩ 1/5W J CRD20TJ103T R740 nsp nsp RES , CARBON 10kΩ 1/5W J CRD20TJ103T R741 nsp nsp RES , CARBON 10kΩ 1/5W J CRD20TJ103T R742 nsp nsp RES , CARBON 10kΩ 1/5W J CRD20TJ103T R743 nsp nsp RES , CARBON 10kΩ 1/5W J CRD20TJ103T R744 nsp nsp RES , CARBON 10kΩ 1/5W J CRD20TJ103T R745 nsp nsp RES , CARBON 3.3kΩ 1/5W J CRD20TJ332T R767 R768 nsp nsp RES , CARBON 2.2kΩ 1/5W J CRD20TJ222T R801 nsp nsp RES , CARBON 100Ω 1/5W J CRD20TJ101T R802 nsp nsp RES , CARBON 100Ω 1/5W J CRD20TJ101T R803 nsp nsp RES , CARBON 47kΩ 1/5W J CRD20TJ473T R804 nsp nsp RES , CARBON 47kΩ 1/5W J CRD20TJ473T R805 nsp nsp RES , CARBON 33kΩ 1/5W J CRD20TJ333T R806 nsp nsp RES , CARBON 33kΩ 1/5W J CRD20TJ333T NOTE : "nsp" PART IS LISTED FOR REFERENCE ONLY, MARANTZ WILL NOT SUPPLY THESE PARTS. 44 POS. NO VERS. COLOR PART NO. (FOR EUR) DESCRIPTION PART NO. (MJI) R807 nsp nsp RES , CARBON 100Ω 1/5W J CRD20TJ101T R808 nsp nsp RES , CARBON 100Ω 1/5W J CRD20TJ101T R809 nsp nsp RES , CARBON 47kΩ 1/5W J CRD20TJ473T R810 nsp nsp RES , CARBON 47kΩ 1/5W J CRD20TJ473T R811 nsp nsp RES , CARBON 56Ω 1/5W J CRD20TJ560T R812 nsp nsp RES , CARBON 56Ω 1/5W J CRD20TJ560T R813 nsp nsp RES , CARBON 10kΩ 1/5W J CRD20TJ103T R814 nsp nsp RES , CARBON 10kΩ 1/5W J CRD20TJ103T R815 nsp nsp RES , CARBON 4.7kΩ 1/5W J CRD20TJ472T R816 nsp nsp RES , CARBON 4.7kΩ 1/5W J CRD20TJ472T R817 nsp nsp RES , CARBON 56Ω 1/5W J CRD20TJ560T R818 nsp nsp RES , CARBON 56Ω 1/5W J CRD20TJ560T R820 nsp nsp RES , CARBON 4.7kΩ 1/5W J CRD20TJ472T R821 nsp nsp RES , CARBON 4.7kΩ 1/5W J CRD20TJ472T R901 nsp nsp RES , CARBON 2.2Ω 1/5W J CRD20TJ2R2T R902 nsp nsp RES , CARBON 3.3kΩ 1/5W J CRD20TJ332T R903 nsp nsp RES , CARBON 1Ω 1/5W J CRD20TJ1R0T R904 nsp nsp RES , CARBON 1Ω 1/5W J CRD20TJ1R0T R905 nsp nsp RES , CARBON 10kΩ 1/5W J CRD20TJ103T R906 nsp nsp RES , CARBON 3.3kΩ 1/5W J CRD20TJ332T R907 nsp nsp RES , CARBON 47kΩ 1/5W J CRD20TJ473T R909 nsp nsp RES , CARBON 47kΩ 1/5W J CRD20TJ473T R910 nsp nsp RES , CARBON 1kΩ 1/5W J CRD20TJ102T R911 nsp nsp RES , CARBON 1kΩ 1/5W J CRD20TJ102T R912 nsp nsp RES , CARBON 3.3kΩ 1/5W J CRD20TJ332T R913 nsp nsp RES , CARBON 12kΩ 1/5W J CRD20TJ123T R914 nsp nsp RES , CARBON 100Ω 1/5W J CRD20TJ101T R915 nsp nsp RES , CARBON 100Ω 1/5W J CRD20TJ101T R916 nsp nsp RES , CARBON 22kΩ 1/5W J CRD20TJ223T R961 nsp nsp RES , CARBON 47Ω 1/5W J CRD20TJ470T R962 nsp nsp RES , CARBON 47kΩ 1/5W J CRD20TJ473T R963 nsp nsp RES , CARBON 18kΩ 1/5W J CRD20TJ183T R964 nsp nsp RES , CARBON 18kΩ 1/5W J CRD20TJ183T R965 nsp nsp RES , CARBON 100Ω 1/5W J CRD20TJ101T R966 nsp nsp RES , CARBON 10kΩ 1/5W J CRD20TJ103T RC71 HW10004210 HW10004210 IR SENSOR RPM6936-V4 BRVRPM6936V4 RY91 *LY000340R *LY000340R RELAY SDT-S-112DMR HSL1A008ZE S701 *SP001230R *SP001230R SW , TACT CST1A016ZT S711 SW51 *SS000710R *SS000710R SWITCH , SLIDE KSS2B016Z T901 /F1N nsp *TS001900R TRANS , POWER (DM) CLT5M025ZJ T901 /N/T1B *TS001910R *TS001910R TRANS , POWER (EUR/UK) CLT5M025ZE T901 /U1B nsp *TS001920R TRANS , POWER (TC) CLT5M025ZU T902 /U1B nsp *TS001860R TRANS, SUB (120V/12V) SR4320/U1B CLT5I001ZU T902 /N/T1B *TS001870R *TS001870R TRANS, SUB (230V/12V) SR4320/A1B CLT5I001ZE T902 /F1N nsp *TS001930R TRANS , SUB (DM) CLT5I001ZJ TM01 nsp nsp PLATE , EARTH CMC1A111 VR81 *RM000440R *RM000440R RES , VR HVV2J01B104Z X601 *JX001060R *JX001060R CRYSTAL 8.467MHz HOX08467E120C X701 *JX001030R *JX001030R CRYSTAL 8MHz HOX08000E160C

标签:

版权声明

1. 本站所有素材,仅限学习交流,仅展示部分内容,如需查看完整内容,请下载原文件。
2. 会员在本站下载的所有素材,只拥有使用权,著作权归原作者所有。
3. 所有素材,未经合法授权,请勿用于商业用途,会员不得以任何形式发布、传播、复制、转售该素材,否则一律封号处理。
4. 如果素材损害你的权益请联系客服QQ:77594475 处理。