马兰士MARANTZ 74PM6692B音响电路原理图

分类:电子电工 日期: 点击:0
马兰士MARANTZ 74PM6692B音响电路原理图-0 马兰士MARANTZ 74PM6692B音响电路原理图-1 马兰士MARANTZ 74PM6692B音响电路原理图-2 马兰士MARANTZ 74PM6692B音响电路原理图-3 马兰士MARANTZ 74PM6692B音响电路原理图-4 马兰士MARANTZ 74PM6692B音响电路原理图-5 马兰士MARANTZ 74PM6692B音响电路原理图-6 马兰士MARANTZ 74PM6692B音响电路原理图-7 马兰士MARANTZ 74PM6692B音响电路原理图-8 马兰士MARANTZ 74PM6692B音响电路原理图-9

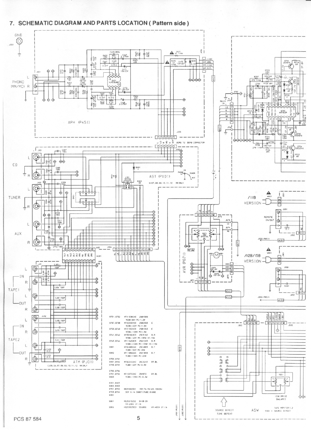
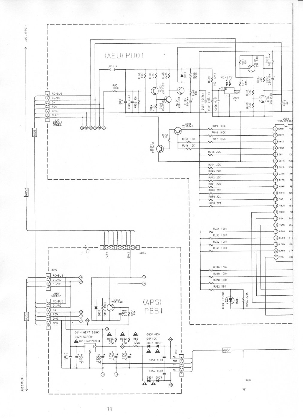
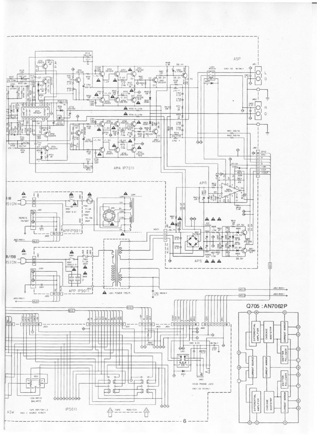
Integrated Stereo Amplifier REMARK : 74PM66/ 92B/95B This service manual explains the differences between the 74PM66/12B/15B and the 74PM66/92B/95B (KI). Only the electrical differences are listed. The mechanical differences are not available as spare part. All other information is described in the service manual of the model 74PM66/12B/15B (Code number: 4822 725 51119). The dispatch of the parts for after sales service has to be referred to this service manual, with the first priority. For this reason, please use this service manual with referring to the model PM66 service manual without fail. PM66KI is electrically equal to PM66SE except the followings. Position No. Service code Description L001 4822 146 10788 Transformer 230 V C703, C704 - Removed C705, C706 4822 124 80544 100uF 16V Silmic C709, C710 4822 121 10672 100pF Blue SE cap C753, C754, C755, C756 4822 121 10671 120pF Blue SE cap C801, C802 4822 124 80995 12000uF 56V C453, C454 4822 121 10669 220pF Blue SE cap C455, C456 C467, C468 4822 124 80543 10uF 35V Silmic model PM66KI 4822 725 24797 First issue: 1997/03

标签:

版权声明

1. 本站所有素材,仅限学习交流,仅展示部分内容,如需查看完整内容,请下载原文件。
2. 会员在本站下载的所有素材,只拥有使用权,著作权归原作者所有。
3. 所有素材,未经合法授权,请勿用于商业用途,会员不得以任何形式发布、传播、复制、转售该素材,否则一律封号处理。
4. 如果素材损害你的权益请联系客服QQ:77594475 处理。