建伍KENWOOD KRC-665磁带录放机维修手册

分类:电子电工 日期: 点击:0
建伍KENWOOD KRC-665磁带录放机维修手册-0 建伍KENWOOD KRC-665磁带录放机维修手册-1 建伍KENWOOD KRC-665磁带录放机维修手册-2 建伍KENWOOD KRC-665磁带录放机维修手册-3 建伍KENWOOD KRC-665磁带录放机维修手册-4 建伍KENWOOD KRC-665磁带录放机维修手册-5 建伍KENWOOD KRC-665磁带录放机维修手册-6 建伍KENWOOD KRC-665磁带录放机维修手册-7 建伍KENWOOD KRC-665磁带录放机维修手册-8 建伍KENWOOD KRC-665磁带录放机维修手册-9

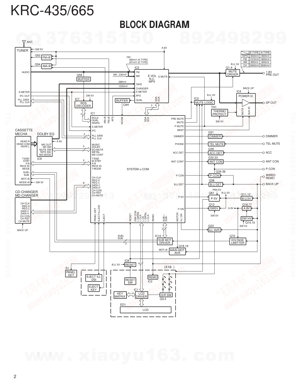
SRC KRC-435 47Wx4 DOLBY B NR SCAN B.S/RDM REP MTL/M.RDM B NR NAME DISP AUD MENU PROG DAB OFF LOUD AME AUTO © 2001-12 PRINTED IN JAPAN B51-7877-00 (S) 1757 SERVICE MANUAL CASSETTE RECEIVER KRC-435/665 ∗ Front glass (B10-4188-01) Knob(SRC) (K25-1410-03) G KRC-435 Lever (D10-4589-04) DC cord (E30-4784-05) MECHANISM EXTENSION CORD W05-0477-00 (7P) W05-0609-00 (10P) ∗ Refer to the PARTS LIST Plastic cabinet assy (A02-1486-13) Mounting hardware assy (J21-9716-03) Screw set (N99-1719-05) Remote controller assy RC-410 (A70-2025-05) Screw set (N99-1656-05) ∗ Escutcheon (B07-3060-02) Knob(VOL) (K25-1414-03) ∗ Panel assy (A64-2610-02) Knob(1-6) (K25-1409-03) Knob(FM,AM) (K25-1412-03) Knob(ATT) (K25-1411-03) www. xiaoyu163. com QQ 376315150 9 9 2 8 9 4 2 9 8 TEL 13942296513 9 9 2 8 9 4 2 9 8 0 5 1 5 1 3 6 7 3 Q Q TEL 13942296513 QQ 376315150 892498299 TEL 13942296513 QQ 376315150 892498299 KRC-435/665 2 BLOCK DIAGRAM DIMMER TEL MUTE ACC ANT CON P CON BACK UP WIRED FM+B BUFFER BUFFER DECODER RDS IC7 IC2 E-VOL MPX N.C. AM+B SYSTEM u-COM IC1 KEY MATRIX RESET SW LCD DRIVER G/R SW RESET IC8 IC1 DRIVER SUB MOT IC10 MAIN MOT AVR VOLTAGE LIMITTER ILL AVR A 8V Q16,17 SW14V DIMMER ACC DET TEL MUTE P CON B.U DET ANT CON SW5V B.U.5V P-5V Q11,12 POWER IC THERMO PROTECT IC4 IC3 MUTE LOGIC DRIVER MUTE Q1-4 SP OUT 1.8V LCD ANT. Q31 Q61 Q39 Q32,33 Q34-36 Q38 Q13 Q14,15 Q23 Q72 Q18,19 Q3,4 Q44 Q55 Q54 Q52 REMO REMO PRE OUT PANEL DET EJECT ILL DSI KEY EJECT TH1 IC2 S1 ED1 IC9 251mV (E TYPE) 460mV (K TYPE) FM : 1200mV 388mV AM : 230mV TUNER MECHA CD-CHANGER MD-CHANGER (X16- ) DOLBY EQ CASSETTE AUDIO S-METER PLL DATA PLL CLK SW 5V FM AM TAPE CHANGER S METER QUAL SDA SCK S MUTE A 8V SUB- MOT+B SUB+ PACK IN F/R T-END STBY HEAD COM HEAD L HEAD R MODE SUB + RCLK QUAL RDATA S METER IFC PLL DATA PLL CLK MUSIC MS CONT F/R T-MODE PACK IN M-STBY T-END METAL EQ-MUTE DATA C CH RST CH MUTE DOLBY DATA H CH CON CH CLK REQ H REQ C SUB - RESET MOTOR ILL ON AM+B FM+B SCK SDA PRE MUTE MUTE BEEP P MUTE ACC DET PHONE DIMMER P CON P-5V P ON ANT CONT B.U DET SW 5V 3 2 5 CH MUTE CH RST DATA H DATA C CH CON REQ C CH CLK REQ H BACK UP 8 SW 5V 2 B.U. 5V 2 SUB- SUB+ MOT+B A 8V PAN 5V B.U. 5V SW 5V MUTE AUX IN BACK UP SW 5V B.U. 5V B.U. 5V CH FM 1800mV TAPE AM 3600mV 855mV 1372mV 600mV 3600mV 1800mV E TYPE K TYPE 1800mV NOISE AFS AFS IFC OUT 2 SW 5V 5 MS MODE TAPE SW NR SW MUTE SW MS OUT A 8V REMO L DATAS L CLK DIM CON L CE L DATAL L-CLK PANEL-DET EJECT-ILL/DSI EJECT MODE+B 6 www. xiaoyu163. com QQ 376315150 9 9 2 8 9 4 2 9 8 TEL 13942296513 9 9 2 8 9 4 2 9 8 0 5 1 5 1 3 6 7 3 Q Q TEL 13942296513 QQ 376315150 892498299 TEL 13942296513 QQ 376315150 892498299 KRC-435/665 3 COMPONENT DESCRIPTION G SYNTHESIZER UNIT (X14-68XX-XX) Component Purpose • Function Operation • Conditions • Compatibility IC1 SYSTEM µ-COM IC2 E-VOL, N.C. NPX IC3 Mute logic circuit 4 input NOR gate x 4 IC4 Power IC IC7 RDS Decoder IC8 Reset IC "L" detection voltage: 3.0 V or less IC9 Equalizer amplifier DOLBY B IC10 Sub motor driver IC11 EEPROM Q1 Audio mute SW Front L-channel is muted when base goes "H". Q2 Audio mute SW Front R-channel is muted when base goes "H". Q3 Audio mute SW Rear L-channel is muted when base goes "H". Q4 Audio mute SW Rear R-channel is muted when base goes "H". Q11,Q12 B.U. 5V AVR Darlington connection Q13 SW 5V ON when base goes "L". Q14,Q15 SW 14V Audio 8V ON/OFF SW Q15 is turnd ON when Q14's base goes "H". Q16,Q17 AUDIO 8V AVR Darlington connection Q18,Q19 Main motor SW Q19 is turnd ON when Q18's base goes "H". Q20,Q21 ILL power ON/OFF SW Q21 is turnd ON when Q20's base goes "H". Q23 ILL AVR Inverted darlington connection Q31 Dimmer control SW Small light detection when base goes "H". Q32,Q33 Power antenna SW Q33 is turnd ON when Q32's base goes "H". Q34,Q37 Power control SW Q34 is turnd ON when Q37's base goes "H". Power control circuit When the output voltage decrease is detected, Q37 is turned off to protect the output. Q35,Q36 output protection When the power control switch is turned on, Q35 protects the system from misoperation. Q38 B.U detection "L" when B.U is present. "H" when B.U is absent or when momentary power down detction. Q39 ACC detection "L" when ACC is present. Q42 Mute driver For driving the audio mute switch. ON when the base goes "L". Q43 MUTE SW for E-VOL. Turns on when base goes "L" and E-VOL is muted. Q44 Noise buffer Q51,Q52 FM+B SW Q52 is turnd ON when Q51s base goes "H". Q53,Q54 AM+B SW Q54 is turnd ON when Q53s base goes "H". Q55 Composite signal buffer Q61 PANEL 5V SW ON when the base goes "L". Q71 MSTC SW ON when the base goes "H". Q72 Sub motor AVR 7.3V output when AUDIO 8V is turned on. Q82 EJECT ILL/DSI SW ON when the base goes "L". G SWITCH UNIT (X16-16XX-XX) Component Purpose • Function Operation • Conditions • Compatibility IC1 LCD driver IC2 Remocon IC Q1 Key scan start SW ON when the base goes "L". Q2 Remocon IC VDD supply SW Supply of Remocon IC VDD when the base goes "L". www. xiaoyu163. com QQ 376315150 9 9 2 8 9 4 2 9 8 TEL 13942296513 9 9 2 8 9 4 2 9 8 0 5 1 5 1 3 6 7 3 Q Q TEL 13942296513 QQ 376315150 892498299 TEL 13942296513 QQ 376315150 892498299 KRC-435/665 4 G IC1(SYNTHESIZE UNIT : X14-68XX-XX) Pin No. Pin Name I/O Description Processing Operation 1 TYPE 1 I Destination type selection port 2 TYPE 2 I Destination type selection port 3 IFC I F/E IFC OUT input terminal H: Station exists Vth: 2.5V 4 AVSS - A/D,D/A converter ground connection terminal Connected to GND lines. 5 IC2-TYPE 1 I Maket/genuine select (Noise cancel) L: Maket H: genuine 6 PANEL-DET I Panel detection L: Panel exists H: Panel does not exists 7 AVREF1 I D/A converter reference voltage input terminal Connecting to BU5V 8 CH-DATAC I Data input from changers 9 CH-DATAH O Data output to changers Last maintenace 10 CH-CLK I/O Clock input/output with changers input 11 L-DATAL I Data input from the LCD driver IC Communication speed 600kHz (max) 12 L-DATAS O Data output to the LCD driver IC Communication speed 1.2MHz (max) L: Panel detached 13 L-CLK O Clock output to the LCD driver IC L: Panel detachd 14 L-CE O LCD driver chip enable H: Driver select L: Not select 15 BEEP O BEEP sound output 16 PLL-DATA I/O Tuner (01ST) data input/output Last maintenace 17 FLIP-DET I Panel detach detection L: Panel attached H: Panel detached 18 PLL CLK O Tuner (01ST) clock input/output 19 N.C. O Not used 20 EJECT ILL/DSI O EJECT ILL KEY & DSI output L: Light ON H: Light OFF 21 L-RST O Reset output to the LCD driver IC L: Reset ON H: Reset OFF 22 PAN 5V I/O Panel 5V control terminal L: ON (Panel exists & ACC ON) H: OFF (Panel does not exists or ACC OFF) 23 R-DATA I Data input from the RDS decoder IC 24 R-QUAL I Quality input from the RDS decoder IC 25 SUB (-) O Sub motor output (-) 26 SUB (+) O Sub motor output (+) 27 FWD/rev I Cassette tape running direction detection H: FWD L: REV 28 MS-CONT O ADV sensitivity control H: PLAY L: FF/REV 29 metal O NORMAL/METAL change H: NORMAL L: METAL 30 EQ-MUTE O EQ-MUTE change H: ON L: OFF 31 DOLBY O Dolby ON/OFF H: ON L: OFF 32 music I Casstet music space detection H: Music does not exists L: Music exist 33 VSS1 - GND 34 IC2 TYPE 0 I Maket/genuine select 0 (ROLL-OFF) L: Market L: Genuine 0 35 AM+B O AM power supply terminal H: During AM reception 36 FM+B O FM power supply terminal H: During FM reception if with RDS 37 AFS O Noise detection time constant switching terminal Hi: During FM reception, Lo: During FM seek or AF search 38 IC2-CLK O IC2 clock output 39 IC2-DATA I/O IC2 data input/output 40 EEPROM DET I EEPROM detection terminal H: EEPROM exist L: EEPROM does not exists 41 P-MUTE O Power IC mute control output H: Mute OFF L: Mute ON, PowerOFF, All OFF, TEL Mute 42 P-STBY O Power IC standby control output L: Power IC OFF, All OFF mode H: Power IC ON 43 MUTE O IC2 mute control output H: Mute ON L: Mute OFF 44 PRE MUTE O Pre-out mute control L: Momentary power down, Reset 45 DIMMER-CON O Dimmer Control Control with pulse output H: Power ON L: Power OFF 46 BU-DET I Momentary power down detection input H :BU OFF L : BU ON 47 ACC-DET I ACC detection input L: ACC ON H: ACC OFF 48 dimmer I Small lights detection input L: ON H: OFF 49 REMO I Data input from the remote control light sensor 50 ANT-CON O Antenna control output H: TUNER, TI MICROCOMPUTER'S TERMINAL DESCRIPTION www. xiaoyu163. com QQ 376315150 9 9 2 8 9 4 2 9 8 TEL 13942296513 9 9 2 8 9 4 2 9 8 0 5 1 5 1 3 6 7 3 Q Q TEL 13942296513 QQ 376315150 892498299 TEL 13942296513 QQ 376315150 892498299 KRC-435/665 5 MICROCOMPUTER'S TERMINAL DESCRIPTION Pin No. Pin Name I/O Description Processing Operation 51 P-CON O Power control output H: Power ON L: Power OFF 52 CH-RECH O Request output to changers L: Request 53 CH-RST O Reset output to changers L: Normally 54 CH-MUTE I Mute request from changers H: ON L: OFF 55 CH-CON O Changer control H: ON L: OFF 56 P-ON I/O SW 5V control output H: OFF L: ON 57 MOTOR O Main motor output H: ON L: OFF 58 M-STBY I Cassette standby detection H: STBY 59 T-END I Tape end detection H: Tape play L: Tape end 60 reset I Reset input terminal L: System reset H: Normally 61 eject I Eject key detection H: OFF L: ON 62 CH-REQC I Request input from changers H: OFF L: ON 63 ILL ON O Illumination output terminal H: ON L: OFF 89 KEY-REQ I Panel key interrupt input L: Key input exist 65 R-CLK I Clock input from the RDS decoder IC 66 PACK-IN I Cassette pack-in detection H: Pack-in 67 VSS0 - GND (port) 68 VDD1 - Positive power supply 69 X2 - Main clock output (12MHz) 70 X1 I Main clock input 71 TEST I Program power supply (Mask: Test terminal) 72 XT2 - Sub clock output (32.768MHz) 73 XT1 I Sub clock input 74 VDD0 - Positive power supply (port) 75 AVDD I A/D port reference voltage input 76 PHONE I Phone detection terminal Less than 1V: TEL mute More than 2.5V: NAVI mute 77 T-MODE I Tape mode detection Vth=2.5V 78 S-METTER I S-meter input from F/E 79 NOISE I FM noise detection input 80 TYPE 0 I Destination type selection terminal www. xiaoyu163. com QQ 376315150 9 9 2 8 9 4 2 9 8 TEL 13942296513 9 9 2 8 9 4 2 9 8 0 5 1 5 1 3 6 7 3 Q Q TEL 13942296513 QQ 376315150 892498299 TEL 13942296513 QQ 376315150 892498299 KRC-435/665 6 TEST MODE 1. How to enter the test mode • Reset the unit while holding preset 1 key and preset 3 key. 2. How to exit from the test mode • RESET • POWER OFF • ACC OFF • Bu OFF • Panel detach 3. Initial status in test mode • Sources : ALL OFF • Display : All segments are lit. • Volume : -10 dB (displayed as 30) • LOUD : OFF • CRSC : OFF regardless of the presence of switching function. • SYSTEM Q : Flat • BEEP : ON • DEMO : OFF 4. Special display during Tuner mode If the following display appears during the TUNER mode, the front end is defective. • "TNE2P NG": EEPROM remains in the initial value (don't care) because the product is shipped without passing the F/E adjustment process. • "TNCON NG": Communication with the F/E is not possible. 5. Forced switching of K3I Every pressing of the Preset 6 key during the TUNER mode, changes the status from Forced middle → Forced narrow → AUTO → Forced wide → Forced middle. When the product is set to the Forced middle: FMM in the initial state, the following message appears. • Forced middle : FMM • Forced narrow : FMN • AUTO : FMA • Forced wide : FMM 6. Test mode specifications of the CD receiver • Forced eject operation is prohibited during the reset start mode. CD cannot be recognized when the product is reset with CD remains inserted. • Track jump takes place to the following track when the Track up key is pressed. No. 9 → No. 15 → No. 10 → No. 11 → No. 12 → No. 13 → No. 14 → No. 9 (The cycle restarts from here.) • When the Track down key is pressed, track returns back by one track during playback. 7. Audio system • The product enters the audio adjustment mode when the Q key is pressed momentarily. • Continuous advance operation from remote control is prohibited. • The Bass/Middle/Treble is adjusted to either one of the 3 steps of MIN/Center/MAX with Track up/down key. • Balance is adjusted to either one of the 3 steps of Left MAX/Center/Right MAX with Track up/down key. • Fader is adjusted to either one of the 3 steps of Rear MAX/Center/Front MAX with Track up/down key. • HPF (high-pass filer) is adjusted to either Through or 220 Hz with Track up/down key. • LPF (low-pass filer) is adjusted to either Through or 120 Hz with Track up/down key. • Bass f/Bass Q/Bass EXT/Middle f/Middle Q/Trable f do not appear on the audio adjustment. 8. MENU system • The product enters the MENU mode when the CLK key is pressed momentarily. • The product enters the MENU mode when the DNPP/ SBF key of the remote control is pressed. • Continuous advance operation from remote control is prohibited. • The calendar adjustment, calendar display switching and calendar memo are deleted from the advance operation. (FL model) • Red is set by the preset 1, blue by 2, green by 3 and white by 4 in the color adjustment mode. (VCLD model) • Contrast can be adjusted in 3 steps of 0/5/10. Initial value is 5. (VCLD/VCLD model) • Brightness can be adjusted in 3 steps of 0/5/10. Initial value is 10. (Normal FL model) 9. Backup current measurement If RESET is activated in the ACC OFF state (when BACKUP button is turned ON), the MUTE terminal turns OFF in 2 seconds, not in 15 seconds. (At this time, the panel/CD/ TAPE mechanism does not operate.) www. xiaoyu163. com QQ 376315150 9 9 2 8 9 4 2 9 8 TEL 13942296513 9 9 2 8 9 4 2 9 8 0 5 1 5 1 3 6 7 3 Q Q TEL 13942296513 QQ 376315150 892498299 TEL 13942296513 QQ 376315150 892498299 KRC-435/665 7 TEST MODE 2.Enter the security registration mode by pressing the CLK key. 3.Enter the CODE by pressing the Track up/down and AM/ FM key. Example: To enter "3510" • Press the FM key four times. • Press the Track up key once and the FM key six times. • Press the Track up key once and the FM key twice times. • Press the Track up key once and the FM key once times. • When the AM key is pressed, the codes are searched in reversed direction. When Track down key is pressed, the entry digits return. 4.When the DISP key is pressed for three seconds, the message "RE-ENTER" appears. Then enter the code referring to step 3. 5.Press the DISP key for three second so that the message "APPROVED" appears. 6.Quit the test mode. (See item 2. How to quit the test mode.) (Note) The security code of this model cannot be all cleared. • Simple security code clear procedure (K type only) 1.Press the VOL UP key longer for 3 seconds while pressing the DISP key during requesting the code. (The message ---- disappears.) 2.Enter "KCAR" from remote control. (Same as the 00 model) • Press the 5 key twice on remote control and press the Track up key. (Enter "K".) • Press the 2 key on the remote 3 times, then press the Track Up key. (This enters "C".) • Press the 2 key on the remote once, then press the Track Up key. (This enters "A".) • Press the 7 key on the remote twice, then press the Track Up key. (This enters "R".) 3.The security is released and the product enters the ALL OFF mode. 4.If incorrect code is entered by mistake, the product enters the code-requesting mode. 10. Special display when the display is All ON If the PRESET key is pressed while all displays are turned on by ALL OFF, the following display appears. PRESET 1 Version display (8 digits, Month/Day/Hour/Minute) (Display) xxxxxxxx System microcomputer PRESET 2 All displays are turned on. Short press : Power-ON time display PRESET 3 Long press : Power-ON time is cleared. (Display) Pon xxxxx Max. 65535 (hours) Short press : TAPE/CD/MD running hour display PRESET 4 Long press :TAPE/CD/MD unning hour is cleared. (Display) CDT xxxxx (CD/R) TPT xxxxx (C/R) Max. 65535 (hours) Short press :TAPE/CD/MD eject count PRESET 5 display Long press :TAPE/CD/MD eject count is cleared. (Display) EJT xxxxx Max. 65535 (times) Short press : PANEL open/close count display PRESET 6 Long press : PANEL open/close count is cleared. (Display) PCX xxxxxx Max. 65535 (times) ∗ Write timing into EEPROM is when ACC OFF and POWER OFF sequence is completed. 11. Others • Displays such as "CODE OFF" are not shown during Power-ON. • When the CLK key is pressed longer for 1 second during ALL OFF, the product enters the MASK KEY (security) write mode. • The RESET-LOADING is not performed unless CD is already caught in the CD/R mode. I Security-related information • Forced Power ON mode (All models) Even when security (MASK key) is enabled, the product can be powered ON for 30 minutes only by pressing the RESET key while both of the ATT key and the Preset 4 keys are being pressed. The product will recover only by RESET if 30 minutes have elapsed. • Security code registration procedure (code security model) after EEPROM (F/E) is replaced. 1.Let the product enter the test mode. (See 1. How to Enter Test Mode) www. xiaoyu163. com QQ 376315150 9 9 2 8 9 4 2 9 8 TEL 13942296513 9 9 2 8 9 4 2 9 8 0 5 1 5 1 3 6 7 3 Q Q TEL 13942296513 QQ 376315150 892498299 TEL 13942296513 QQ 376315150 892498299 KRC-435/665 8 ADJUSTMENT No. ITEM INPUT OUTPUT ALIGNMENT ALIGN FOR FIG. SETTINGS SETTINGS POINTS Head azimuth Adjust so that output 1 AZIMUTH TCC-153 SP OUT screw level in playing FWD (b) 10kHz (FWD/REV) and REV becomes maximum each. DOLBY Connect an AC VR1 (L) 2 (PLAY BACK LEVEL) TCC-130 voltmeter to CN5 VR2 (R) 388mV (a) (X14-). BALANCE/FADER/BASS/MID/TREBLE : CENTER T.ADV/METAL/DOLBY NR : OFF (b) AZIMUTH PANEL FRONT FWD REV P R L L CN5 G R (a) DOLBY VR2 VR1 F/E ANEL FRONT www. xiaoyu163. com QQ 376315150 9 9 2 8 9 4 2 9 8 TEL 13942296513 9 9 2 8 9 4 2 9 8 0 5 1 5 1 3 6 7 3 Q Q TEL 13942296513 QQ 376315150 892498299 TEL 13942296513 QQ 376315150 892498299 A B C E D F G I H 1 2 3 4 5 6 7 Refer to the schematic diagram for the values of resistors and capacitors. PC BOARD (Component Side View) SWITCH UNIT SWITCH UNIT SWITCH UNIT (X16-1630-12) . O N .f e R s s e r d d A C I Q 2 B 2 SWITCH UNIT (X16-1630-12) . O N .f e R s s e r d d A C I Q 1 H 4 1 H 5 2 H 5 1 55 27 30 3 1 2 4 29 KI2 KS5 KI4 KS4 KI5 KS2 KI3 KI1 KS3 AUTO DISP 6 5 4 3 2 1 RST AUD SRC AM FM ATT D18 D19 IC2 D5 D6 D7 D4 D1 D2 D3 D11 D12 D13 D8 D9 D10 ED1 D20 D21 E EB B 25 40 R16 C13 16 15 R20 R1 R2 1 2 CP3 R12 C3 R9 R27 65 R8 1 80 C4 C2 C1 24 64 41 R15 C12 C11 R14 R13 C5 R18 R17 R28 D-GND FLIPDET ILL-GND LED+B KI3 KS3 KI2 KI1 KS4 ESDGND KI5 REMO PAN5V KI4 KS2 KS5 L-DATAS L-CLK L-CE L-RES RST L-DATAL J1 Q2 Q1 IC1 15 16 1 2 1 17 18 2 S1 J1 CN1 18 17 16 2 1 2 15 1 S1 J1 CN1 PC BOARD (Foil Side View) DAUGHTER UNIT DAUGHTER UNIT X16-1630-12 (J74-1316-02) X89-2510-10 (J74-1325-02) X89-2510-10 (J74-1325-02) X16-1630-12 (J74-1316-02) 9 10 w w w . x i a o y u 1 6 3 . c o m Q Q 3 7 6 3 1 5 1 5 0 9 9 2 8 9 4 2 9 8 T E L 1 3 9 4 2 2 9 6 5 1 3 9 9 2 8 9 4 2 9 8 0 5 1 5 1 3 6 7 3 Q Q TEL 13942296513 QQ 376315150 892498299 TEL 13942296513 QQ 376315150 892498299 R Q P N O M L J K 1 2 3 4 5 6 7 R90 R83 R142 R141 R71 R74 R143 R145 R146 R148 R147 R88 R86 R87 R244 R85 R246 R242 R107 R106 R105 R111 R104 R93 R92 C5 R102 R101 R256 R64 R258 R57 R259 R260 R249 R250 R76 R72 R75 R73 R241 R220 R221 R218 R219 R223 R225 R202 R203 R201 R216 R211 R212 R135 R134 R235 R236 R136 R237 R239 R240 R164 R163 R162 R165 R228 R234 C144 C92 C142 C152 C153 C18 C94 C95 C78 C77 C79 C75 C141 C71 C84 C72 C17 R24 R21 R16 R23 R22 R54 R53 C147 C148 C8 C145 C15 C16 C151 C7 R5 R15 R6 C6 X2 X1 C68 R91 C63 C64 C127 R261 R204 R206 R205 TEST L1/J1 12MHz 4.332MHz R SW5V RESET S-MTR 32.768kHz L L H 0 CLK DATA R GL 5V R161 R170 L3 R59 R89 R60 R84 R78 R58 R79 R82 VR2 VR1 X3 L4 L2 L11 L8 C55 C150 C146 C12 C28 C93 C27 C25 C26 C73 C81 C76 C74 C83 C125 C124 C11 C3 C82 C154 C13 C4 C161 C143 C91 C56 C53 C58 C59 C24 C23 C21 C22 W25 W26 W16 W15 W14 W13 W11 W18 W12 W22 W21 W19 W27 W23 W24 W29 W28 W17 W20 C51 L7 L9 L1 BE E B E B B E B E BE E B BE BE EB EB BE BE EB BE EB 16 9 8 1 1 10 5 6 1 20 41 60 61 80 21 40 10 1 30 21 31 40 11 20 1 7 8 14 1 4 8 5 1 14 15 28 E B E B 1 2 3 1 1 2 B E B E 10 B E 1 7 B E B E 18 2 13 9 3 1 16 8 9 1 1 2 25 24 1 24 1 1 17 4 5 8 7 12 6 11 10 2 IC3 IC2 IC10 IC7 D11 D52 D54 Q11 Q13 Q4 Q1 Q2 Q3 Q51 Q42 Q53 Q21 Q31 Q20 Q38 Q39 Q35 Q36 D67 D68 D69 D16 D65 D66 D64 D70 D61 D32 D63 D62 D33 IC1 D18 IC9 D24 D23 D71 IC11 J4 J2 S1 D82 CN3 Q12 Q17 D31 CN4 J3 P1 Q33 Q34 Q19 Q54 Q52 D1 D6 D3 D4 D17 D7 CN5 IC4 D26 D27 D28 D2 D21 D22 D25 J1 CN1 A1 D34 CN2 FRONT REAR PRE OUT PC BOARD (Component Side View) SYNTHESIZER UNIT Refer to the schematic diagram for the values of resistors and capacitors. 11 12 SYNTHESIZER UNIT (X14-6830-11/6830-21) . O N .f e R s s e r d d A C I Q 1 O 5 2 P 3 3 N 4 4 O 1 7 Q 6 9 P 5 0 1 M 6 1 P 2 2 P 2 3 Q 2 4 Q 2 1 1 L 5 2 1 L 5 3 1 M 5 7 1 L 4 9 1 M 5 0 2 L 3 1 2 L 3 1 3 M 3 3 3 M 3 4 3 M 4 5 3 N 3 6 3 N 3 8 3 M 3 9 3 M 3 2 4 P 2 1 5 P 3 2 5 P 3 3 5 P 4 4 5 Q 4 X14-6830-11/6830-21 (J74-1324-02/1386-02) w w w . x i a o y u 1 6 3 . c o m Q Q 3 7 6 3 1 5 1 5 0 9 9 2 8 9 4 2 9 8 T E L 1 3 9 4 2 2 9 6 5 1 3 9 9 2 8 9 4 2 9 8 0 5 1 5 1 3 6 7 3 Q Q TEL 13942296513 QQ 376315150 892498299 TEL 13942296513 QQ 376315150 892498299 S T U W V X Y AA Z 1 2 3 4 5 6 7 R169 C30 C29 C9 C10 R34 R33 R35 TH1 R36 R188 R187 R186 R191 R190 R189 R121 R11 R123 R65 R12 R13 R182 R181 R183 R185 R184 R144 R243 R247 R81 R80 R245 R113 R61 R63 R62 R56 R55 C1 R251 R252 R77 R248 R254 R255 R253 R222 R217 R171 C2 R168 R224 R226 R207 R193 R192 R209 R214 R215 R213 R132 R122 R124 R238 R167 R166 R233 R229 R231 C111 C166 C168 C54 C52 C165 C163 C164 C162 C121 C113 C122 C85 C126 C123 C131 R27 R26 R28 R52 R51 R30 R29 R25 R32 R31 C149 R4 R3 R1 R2 W1 C65 C66 C67 C61 C62 C117 R262 R208 R210 R263 R137 Q72 Q23 D14 D13 D51 D53 Q14 Q15 Q44 Q43 Q82 Q71 Q55 Q61 Q16 Q18 Q32 Q37 D41 IC8 D15 D5 B E 1 2 3 4 B E B E B E B E E B B E B E B E B E B E B E B E B E L1/J1 4.332MHz R L R GL R161 R170 L3 R59 R89 R60 R84 R78 R58 R79 R82 VR2 VR1 X3 L4 L2 L11 L8 C55 C150 C146 C12 C28 C93 C27 C25 C26 C73 C81 C76 C74 C83 C125 C124 C11 C3 C82 C154 C13 C4 C161 C143 C91 C56 C53 C58 C59 C24 C23 C21 C22 W25 W26 W16 W15 W14 W13 W11 W18 W12 W22 W21 W19 W27 W23 W24 W29 W28 W17 W20 C51 L7 L9 L1 E B E B 3 1 1 2 B E B E 10 B E 1 7 B E B E 18 2 13 9 3 1 16 8 9 1 1 2 25 24 1 24 1 1 17 4 5 8 7 12 6 11 10 2 J4 J2 S1 D82 CN3 Q12 Q17 D31 CN4 J3 P1 Q33 Q34 Q19 Q54 Q52 D1 D6 D3 D4 D17 D7 CN5 IC4 D26 D27 D28 D2 D21 D22 D25 J1 CN1 A1 D34 CN2 FRONT REAR PRE OUT Refer to the schematic diagram for the values of resistors and capacitors. 13 14 PC BOARD (Foil Side View) SYNTHESIZER UNIT (X14-6830-11/6830-21) . O N .f e R s s e r d d A C I Q 4 V 1 8 W 6 2 1 Y 5 4 1 X 4 5 1 X 4 6 1 Y 5 7 1 Y 4 8 1 Y 5 9 1 X 5 3 2 Y 4 2 3 X 3 3 3 X 3 4 3 X 3 7 3 W 3 3 4 U 3 4 4 U 4 2 5 U 3 4 5 U 4 5 5 T 5 1 6 V 6 1 7 U 4 2 7 X 6 2 8 U 6 SYNTHESIZER UNIT X14-6830-11/6830-21 (J74-1324-02/1386-02) w w w . x i a o y u 1 6 3 . c o m Q Q 3 7 6 3 1 5 1 5 0 9 9 2 8 9 4 2 9 8 T E L 1 3 9 4 2 2 9 6 5 1 3 9 9 2 8 9 4 2 9 8 0 5 1 5 1 3 6 7 3 Q Q TEL 13942296513 QQ 376315150 892498299 TEL 13942296513 QQ 376315150 892498299 A B C D E F G I H 1 2 3 4 5 6 7 Q20,43,51,53,71 Q33,34,52,54 D2,21,22,25-28 D52 D53 D62-70 D33 D51,54,71 D41 D31,34,82 D23,24 D18 D17 D16,32 D6 D4 D5,13-15 D3 D1 Q82 Q32,37 Q23,72 Q19 Q18 MA3062WA RD6.8MW KDS226 or DA204K : : : MA3062-M 1SS133 DAP202U IMSA-6801 MA8068-M : : : : : S1J : MA4068(N)-M DAN202U MA4110-L : : : 1N5393G-M5 MA4056(N)-M MA4091(N)-L 1SR154-400 : : : : : AM01Z DTC114YUA 2SB1434 or 2SB1277(Q,R) UN5114 or DTA114YUA UN5214 or : : : UN5212 or DTC124EUA 2SD1760 2SB1443 UN5211 or DTC114EUA : : : : Q15,21,36,42 Q1-4,44 Q11,16,38,39 Q14 Q13,35,61 Q12,17 IC10 IC9 IC8 IC4 IC3 IC1 IC2 UN5213 or UN5112 or DTA124EUA DTC144EUA KTA1046 2SA1576A : : : : 2SC4081 UN5216 or DTC143TUA LB1930M : : : S-80830ANNP CXA2560Q TC74HC02AF TA8263BH HD74HC02FP or : : : : TDA7407D : : A1 D41 PRE OUT J2 Lch REAR GND Rch Lch Rch FRONT GND Q3 Q2 Q1 Q4 CH-CN J3 D51 D34 D52 Q52 FM+B Q44 Q54 Q53 AM+B Q51 CN5 CN1 D53 D54 D31 D25 D26 D32 D27 D28 Q13 Q12 SW5V Q11 Q38 B.U-DET Q43 Q42 D17 D16 J1 DC-CN D15 Q34 Q36 Q35 D14 D13 Q33 D1 D21 D22 D23 Q37 D24 D2 D3 Q39 D18 ACC-DET P-CON ANT.C Q32 ANT.C D82 BU5V L R SUB M Q72 MOTOR Q19 D69 D68 D70 Q18 CN3 D5 CN2 A8V Q17 D33 D4 Q16 SW14V Q15 Q14 MUTE D67 D65 D63 D66 D64 Q61 D62 D71 Q21 ILLUM Q20 Q23 D6 Q82 Q71 PANEL DET S1 UPD784225GC159 (X14-6830-XX) RESET u-COM EQ AMP/ DOLBY MPX E. VOL/ PB LEVEL PB LEVEL J4 ANT. TUNER POWER AMP CN1 J1 S1 2/2 J1 X16- EJECT Lch HD1 STBY T-END FWD/REV PACK Rch PLAY HEAD M M2 SUB M M1 MAIN to DC CORD (2/2) 4.7K 4.7K 4.7K 4.7K 22K 22K 22K 22K 4.7K 22K 22K 22K 22K 22K 22K 10K 47K 10K 47K 10K 10K 22K 22K 47K 47K 22K 22K 22K 22K 10K 47K 22K 22K 0V 5V 14.4V 1.4V 1.4V 9.0V 1.4V 4.9V 4.3V 5V 4.2V 8.3V 0.3-3.5V 0V 4.2V 4.2V 4.2V 5V 0V 0V 5V 4.3V 4.1V 4.1V 4.1V 4.1V 4.1V 4.1V 4.1V 4.1V 4.1V 4.1V 8.2V 4.1V 4.1V 4.1V 0.4V 4.1V 1.4V 1.4V 0V 5V 5.0V 0V 5V 5V 0V 5V 0V 5V 0V 5.0V 0V or 5V 0V 0V 5V 5V 14.4V 0V 8.2V 5V 0V 5V 0V 5V 5V 0V 5V 0V 5V 0V 0V 5V 5V 0V 5.0V 5.0V 0V or 5V 0V 5V 0V 5V 0V 5V 0V 0V 4.1V 4.1V 5V 0V 4.1V 4.1V 2.4V 0V 5V 4.1V 4.1V 4.1V 1.2V 4.1V 0V 5V 4.1V 7.6V 0V or 7.6V 5.0V 7.6V 5.0V 0V or 0V 0V 5V 5V 0V 5V 0V 0V 5V 0V 5V 0V 5V 0V 5V 0V 5V 0V 0V 5V 5V 0V 5V 0V 5V 5.0V 5V 5.0V 0.6-4.1V 0V 0-4.3V 0V or 5.0V 0V 5V 0V 5V 0V 0V 5V 5.0V 0V 4V 5.0V 0V or 0-3.0V 0V or 5.0V 0V or 5.0V 0V or 5.0V 0V or 5.0V 5V 0V 3.6V 4.1V 0V 5V 0V 5V 0V 5V 0.4V IC2 IC3 IC4 IC8 IC9 IC10 IC1 (X14-6830-XX) KRC-435/665 (1/2) A (X89-2510-10) CASSETTE MECHANISM (D40-1150-05) 1 RF GND L3 2 3 AM ANT FM ANT 5 6 OSC GND FM +B 4 L4 4.7uH 8 7 OSC GND OSC GND 11 10 W/N OSC GND 9 C113 0.01 13 12 PLL +B IFC OUT 16 15 SDA SCL 14 +8V 3 18 16 Vt AM +B C111 0.01 18 17 VDD 5V 20 19 RDS OUT AUDIO OUT NOISE OUT 4.7uH +8V 22 AMIF OUT S-METER 23 24 IF1 +B L8 4.7uH 21 IF1 GND DIG GND L7 52mH 1 2 5 3 R36 180 R32 22K R28 360 C28 RL 10u16 0.1 C30 R31 22K R35 180 R34 R30 22K 180 C29 0.1 R33 180 R29 22K R27 360 R26 360 RR C27 C26 FL 10u16 10u16 R25 360 REQ C 4.7K 100 CH CLK C25 2 FR 10u16 62 10 R145 R148 4 7 8 6 11 9 10 13 12 9 1 5 10 2 6 11 3 7 12 4 8 13 B.U. D GND Lch 100 R11 10 DATA H RST Rch 4.7K R12 10 DATA C 4.7K C11 9 8 0.47u50 C12 53 0.47u50 R147 R146 R144 MUTE 4.7K R13 4.7K CH CON 10K 41 REQ H 100 C13 54 55 52 R143 R142 R141 4.7 47u6.3 A GND 15 + 24 22 C83 1u50 PGND MUTE 20 18 1.5K 16 14 12 C84 0.1 R105 VCC PGND IN4 IN2 ACGND R106 47K BU R102 1K R121 79 15 16 22K R122 1K R123 36 22K R124 35 14 13 0.1 MP IN MP OUT N. C N. C 38 39 18 17 R113 20 21 22 23 19 RR +8V C91 24 25 26 27 28 FR FL L2 4.7uH C92 0.01 100u10 RL 12 11 10 9 8 7 6 5 LEVEL MPX AM N. C CH R CH L AFS TAPE R CH GND 3 2 1 + VREF CREF TAPE L 4 QUAL SCL SMUTE SDA VDD GND OUT RR OUT FR OUT FL AC OUT R AC OUT R OUT RL 4.7K +8V 4.7K 2 1 3 33u50 180 C3 R3 C94 C18 150P R15 10K R16 4.7K R G L 37 C17 0.01 +8V C5 0.01 R5 2.2K VR1 R161 4.7 + 47u16 0.1 C7 10K 1 2 40 39 PB FB1 PBTC1 PB OUT1 3 5 6 4 OUT REF1 TAPE IN1 VCC N.C C143 C141 0.1 7 8 9 10 G2FB LINE OUT1 TCH1 TCL1 MSLPF 11 C148 0.47 0.1 C95 R111 0.47 C16 C15 0.033 C93 2.2u50 C9 1 C10 1 L R G 100 +5V 1.8K 25 23 21 C21 0.22u50 C65 0.047 FL+ FL- 10K R21 19 17 13 11 15 C67 0.047 C66 0.047 RL- C23 C68 0.047 0.22u50 RL+ R23 10K 10K FL +5V BU RL FR R53 2.2K C55 C56 100u6.3 R54 22K R104 TH1 R101 1 2 +5V +8V C85 0.01 14 13 VDD 12 11 10 +5V R86 10K R88 R85 24K R87 10K C77 1000P L11 4.7uH C162 0.01 C161 47u6.3 41 1 3 4 5 2 R262 100K R245 10K DET 40 E2PROM P-MUTE R244 1K R243 10K R242 1K R241 1K 39 IC2-DATA 38 IC2-CLK 39 38 22K 10u10 R165 2.7k CD OUT4- OUT3- IN3 SGND IN1 OUT4+ OUT3+ 42 BU C81 0.47u50 10 8 6 4 C82 22u16 SVR VCC PGND ST-BY 2 BU BU PGND R107 10K FUSE 16 14 15 B.U. BU GND ACC TEL MUTE DIMMER P. CON 1 3 2 13 11 12 10 9 RR+ FR- RR- FR+ RR+ RR- FR- FR+ ANT CON FL- RL- RL+ FL+ FL- RL+ FL+ RL- 4 6 5 7 8 L1 C75 0.068 C74 3.3u25 R83 22K R77 4.7K 22K R80 R81 4.7K C52 0.01 C51 2200u50 9 7 5 C22 C61 0.047 FR+ C62 0.047 C63 0.047 RR+ FR- R22 3 1 C64 0.047 0.22u50 RR- 50 51 C24 R24 10K BU R51 22K C54 0.01 C53 100u25 RR R90 100K 100K R91 R84 1K 1/2W 1/2W R82 1K 1K 1/2W 1K 1/2W R79 R78 42 43 44 R246 47K 46 52 53 50 51 54 55 58 57 49 42 43 44 P-STBY MUTE 45 46 47 48 B.U-DET DIMMER PRE MUTE ACC-DET DIMMER-CON 49 50 52 53 51 P-CON CH-RST 54 55 57 58 56 P-ON MOTOR CH-CON M-STBY ANT-CON CH-REQH CH-MUTE REMO R247 100K R250 2.2M R249 2.2K 100K R251 60 RST R252 100K 1 2 3 59 60 RESET C164 1 61 EJECT 63 64 CH-REQC KEY-REQ ILL ON 62 61 62 63 R255 100K R253 1K R254 47K R256 470 4 59 T-END R93 100K C79 0.01 1/2W R72 100K OUT1- OUT2- TAB 0.1u50 C76 OUT1+ OUT2+ R52 100 0.22u50 41 9 8 7 470 R166 6 5 27 66 4 4 R2 1500P 15K R1 C154 15K 77 C2 33u10 33u50 C4 180 R4 1500P 470 2 R169 1 R171 22K 3 3 38 37 PB GND PB F IN1 36 PB REF VCT 35 34 PB F IN2 31 32 PB GND PB R IN2 33 G1FB MSTC MS OUT N.C 12 13 C147 4700P 15 16 32 14 MUTE SW TAPE SW 10u10 C146 18 19 30 29 17 NR SW 31 PBTC2 C6 0.01 30 29 R6 2.2K GND DIREF 28 26 25 27 0.1 20K R162 C8 VR2 10K TCH2 TCL2 MS MODE MS SW 24 23 22 21 20 28 PB FB2 PB OUT2 OUT REF2 TAPE IN2 DR SW LINE OUT2 10 4 C152 8 0.22 9 N.C 1 N.C OUT1 N.C 3 2 VCC 3 6 7 C153 0.22 PGND OUT2 SGND IN2 5 4 IN1 22 R170 R60 1K R61 10K C151 0.1 57 1/2W C150 10u10 BU 25 58 59 R63 470 7 N. C 6 5 4 3 GND N. C STBY T-END C131 0.01 61 EJ 17 R191 240 R189 1K R190 1K 1 1 ESD G M+B 2 3 4 EJECT R62 470 GND 2 26 8 +8V 44 43 R57 1K C59 220u10 6 VSS 7 BU RST R240 1K R209 100K R239 1K AFS 36 FM+B 34 AM+B IC2-TYPE0 35 R237 4.7K 31 R236 10K R235 4.7K 32 VSS1 MUSIC 31 30 DOLBY EQ-MUTE R238 47K 33 37 36 35 32 30 R56 1K 10K C58 R55 R234 4.7K R261 1K R233 1K R231 1K 29 28 METAL 27 26 FWD/REV MS-CONT R229 1K 24 25 SUB(-) 23 22 PAN5V R-DATA R-QUAL SUB(+) 29 28 27 26 22 25 100u16 R59 2.2 1/2W R58 2.2 1/2W 47K R192 4.7K 22 R193 12 14 13 R188 100 R187 100 11 21 470 R186 1K R184 470 R185 6 5 8 7 L CE L CLK L DATAS 9 11 10 L RST N. C L DATAL 60 R183 1K R182 4.7K 14 13 RESET 16 15 18 17 D-GND ILLUM G PAN 5 V ILLUM+B 49 12 REMO BU BU 750 R64 21 L-RST ILL/DSI N. C EJECT- PLL-CLK 19 18 20 EJ 18 R225 470 R226 4.7K 63 R228 470 21 R164 33K N. C FLIP DET EJECT ILL DIM CON 66 67 68 R-CLK VDD1 VSS0 PACK-IN 70 12MHz X1 71 72 X2 TEST X1 69 66 C165 73 X2 32.768kHz 76 75 74 AVDD VDD0 XT1 77 78 C168 1000P S-METTER T-MODE PHONE 22P C166 33P 77 78 R258 4.7K R259 2.2K XT2 BEEP FLIP-DET PLL-DATA L-CLK L-DATAS L-DATAL L-CE 17 16 15 R223 2.2K 14 13 12 11 R216 470 CH-CLK CH-DATAH CH-DATAC AVREF1 PANEL-DET IC2-TYPE1 10 9 8 6 5 R212 1K 7 17 15 16 13 12 11 14 9 8 10 R224 100K R218 1K R219 1K R220 470 R221 470 R222 4.7K R217 100K R215 100K R214 100K C163 0.22 R213 470K R207 100K TYPE2 TYPE1 IFC OUT 79 80 100K TYPE0 NOISE 4 3 2 1 79 *R201 *R202 100K R260 2.2K 3 R211 1K R205 100K *R203 100K *R204 100K AVSS 10 C1 PB R IN1 9 37 65 +5V +5V +5V +5V +10.5V +5V +5V +5V +5V +5V +5V +5V +5V +B +5V +5V +5V +5V +5V +5V +5V +5V MODEL NAME UNIT No. R202 R201 R203 R204 KRC-435 KRC-665 0-21 0-11 YES NO YES NO YES NO YES NO 56 56 IC8 46 F1 10A 78 1 R89 3.3K C78 0.01 R92 33K HEADL HEADCOM GND PACKIN F/R SUB(+) MODE+B MODE R168 SUB(-) 0.1 C142 C149 HEADR 0.01 470 D/A DATA/NC L-INH/L-RST NC/DIMMER ILL+B 17 ILL-GND 18 10 14 VDD 16 D-GND 15 REMO 12 RST 13 11 L-CLK 7 L-DATAL 9 L-CE 8 D/A CLK/NC 5 L-DATAS 6 FLIP DET 4 EJECT ILL EJECT 3 2 ESD-G 1 L-DATAS 3 ILL-GND 1 ESD-G 2 D/A DATA/NC 10 NC/DIMMER L-CLK 5 D-GND 4 6 ILL+B L-CE 7 8 L-DATAL 9 L-INH/L-RST REMO 11 RST 12 13 D/A CLK/NC FLIP DET 14 15 VDD 16 4 5 7 6 10 9 8 11 14 12 13 6 7 14 8 11 10 9 12 13 5 4 +10.5V +5V +5V 6 3 1 2 5 4 7 9 8 GND STBY 2 1 3 4 M+R GND T-END 5 7 6 FWD/REV 10 PACK +2V R163 220K C145 0.47 C144 0.033 100K R167 + + + + + + + + + + + + + + + + + + +5V + + + + + + CAUTION:For continued safety, replace safety critical components only with manufacturer’s recommended parts (refer to, parts list). Indicates safety critical components. To reduce the risk of electric shock, leakage-current or resistance measurements shall be carried out (exposed parts are acceptably insulated from the supply circuit) before the appliance is returned to the customer. DC voltages are as measured with a high impedance voltmeter. Values may vary slightly due to variations between individual instruments or/and units. w w w . x i a o y u 1 6 3 . c o m Q Q 3 7 6 3 1 5 1 5 0 9 9 2 8 9 4 2 9 8 T E L 1 3 9 4 2 2 9 6 5 1 3 9 9 2 8 9 4 2 9 8 0 5 1 5 1 3 6 7 3 Q Q TEL 13942296513 QQ 376315150 892498299 TEL 13942296513 QQ 376315150 892498299 J K L M N O P R Q 1 2 3 4 5 6 7 Q2 D18 D19 D20 D21 J1 S27 RESET Q1 4 3 2 1 S19 S22 S20 S21 S17 S23 S6 S5 S24 S18 VOL+ VOL- AUD 5 6 S10 S9 S25 S1 S2 S3 S4 SRC DISP S26 S13 S11 S14 S12 S7 S8 S16 S15 FM AM ATT AME B30-1571-05 (WHITE) : D20,21 B30-1564-05 (BLUE) B30-1533-05 (GREEN) DTA114EUA RS-171 LC75883E D18,19 D1-13 Q1,2 IC2 IC1 : : : : : B LINE KEY ILLUMINATION LCD BACKLIGHT 1/2 X89- J1 D1 D2 D3 D6 D5 D4 D9 D8 D7 D11 D10 D12 D13 SENSOR REMOTE 10K 10K 10K 10K 5V 0V 1.7V 3.4V 5.0V 0V 5V 0V 3.9V 5.0V ED1 IC2 IC1 KRC-435/665 (2/2) (X16-1630-12) A (E30-4784) DC CORD C4 0.01 R8 56K 330 R13 330 R14 330 R15 510 R16 360 R18 360 R17 270 R20 C1 1000P C2 0.047 C3 0.047 2.2 C5 100 R28 55 54 53 52 51 50 49 48 47 46 45 44 43 42 41 40 39 38 37 36 35 34 33 32 31 SEG34 SEG35 SEG36 SEG37 SEG38 SEG39 SEG40 SEG41 SEG42 SEG43 SEG44 SEG45 SEG46 SEG47 SEG48 SEG49 SEG50 SEG51 SEG52 SEG53 SEG54 SEG55 SEG56 COM1 COM2 COM3 1 2 3 4 5 6 7 8 9 10 11 12 13 14 15 16 17 18 19 20 21 22 23 24 25 26 27 28 29 SEG33 SEG32 SEG31 SEG30 SEG29 SEG28 SEG27 SEG26 SEG25 SEG24 SEG23 SEG22 SEG21 SEG20 SEG19 SEG18 SEG17 SEG16 SEG15 SEG14 SEG13 SEG12 SEG11 SEG10 SEG9 SEG8 SEG7 SEG6 SEG5 30 RES CE DO CLK DI S24 S23 S22 S21 S20 S19 S18 S17 S16 S15 S14 S13 S12 S11 S10 S9 S8 S7 S6 S5 S29 S38 S39 S40 S37 S30 S31 S32 S33 S34 S35 S36 S25 S26 S27 S28 S42 S41 S44 S45 S43 S47 S48 S49 S46 S53 S51 S52 S50 S55 S54 C1 C2 C3 S56 VCC GND2 GND1 2 1 OUT 3 4 35 70 KS4 44 43 42 41 S39 S40 40 S41 S43 S42 S37 S38 S36 S35 37 39 38 36 62 61 60 59 58 57 56 55 54 53 52 51 50 49 48 47 46 45 S48 S45 S44 S47 S46 S50 S49 S52 S51 COM2 COM1 S55 S54 S53 COM3 KS2 S56 KS3 64 63 KI2 KS6 KS5 KI1 65 KI3 KI4 KI5 VDD 68 66 67 69 RED 21 26 S30 S34 S33 S32 S31 34 33 32 31 S29 S28 S27 S26 30 29 28 27 22 23 24 S25 25 S22 S23 S24 12 13 14 15 16 17 18 19 20 S17 S18 S19 S20 S21 S13 S14 S15 S16 10 11 7 S10 S12 S11 S8 S9 8 9 GREEN S5 S6 S7 5 6 3 4 79 OSC VDD1 VDD2 VSS TEST 71 72 73 74 DO RES CE CL 75 76 77 78 KEY REMO ON DI 1 2 80 RES 1K R2 DO CE DI CLK 470 CP3 FLIP DET PAN 5V 15 16 13 14 RST N.C L-DATAL L-RES REMO 11 12 9 10 N.C 4 D-GND LED+B 6 N.C 7 8 L-CE 5 L-CLK ILL-GND ESD-GND L-DATAS 3 1 2 R1 1K R12 47K R9 3.9K R27 4.7 KI5 KI4 KI2 KI3 KI1 1 2 C11 0.01 C12 0.01 0.01 0.01 S34 S35 S37 S36 S39 S38 S40 S41 S43 S42 S47 S46 S44 S45 S49 S48 S51 S50 S54 S53 S55 S52 C1 C2 S56 C3 S33 S32 S30 S31 S26 S27 S28 S29 S22 S23 S24 S25 S21 S20 S19 S18 S14 S15 S16 S17 S13 S12 S10 S11 S9 S8 S6 S7 S5 KI1 KI2 KI3 KI4 KI5 KS2 KS3 KS4 KS5 KS2 KS5 KS4 S53 2 1 +B D1-13,18,19 C14 C13 +5V +B +5V +5V +B GRN BLK ACC GND VIOL/BLK GRN/BLK WHT/BLK GRY/BLK BLU/WHT ANT CON FRONT R FRONT L P. CON GRY 12 10 RED 8 7 BLU 6 5 9 VIOL 11 15 16 14 13 4 3 WHT 2 1 YEL REAR R REAR L B.UP LCD DRIVER CAUTION:For continued safety, replace safety critical components only with manufacturer’s recommended parts (refer to, parts list). Indicates safety critical components. To reduce the risk of electric shock, leakage-current or resistance measurements shall be carried out (exposed parts are acceptably insulated from the supply circuit) before the appliance is returned to the customer. DC voltages are as measured with a high impedance voltmeter. Values may vary slightly due to variations between individual instruments or/and units. DTC114YUA DTC143TUA UN5114 UN5211 UN5213 UN5214 UN5216 2SA1576A E C B 2SD1760 B C E 2SB1277 2SB1443 B C E 2SC4081 B C E DTA114EUA DTA124EUA DTC114EUA DTC124EUA DTC144EUA IN GND OUT DAN202U K A2 A1 KTA1046 GND OUTPUT INPUT DAP202U DA204K DTA114YUA 1 2 3 UN5212 3 2 1 TC74HC02AF 1 7 14 8 LB1930M 1 5 6 10 KRC-435/665 w w w . x i a o y u 1 6 3 . c o m Q Q 3 7 6 3 1 5 1 5 0 9 9 2 8 9 4 2 9 8 T E L 1 3 9 4 2 2 9 6 5 1 3 9 9 2 8 9 4 2 9 8 0 5 1 5 1 3 6 7 3 Q Q TEL 13942296513 QQ 376315150 892498299 TEL 13942296513 QQ 376315150 892498299 KRC-435/665 EXPLODED VIEW (MECHANISM) Parts with exploded numbers larger than 700 are not suppied. 19 A B 1 2 3 a A B C D E F G H L M N P Q R S M2x2.5 M1.7x7 M2x2.2 M2x3 M2x5 (BLK) 1.2x3 1.6x3.2 1.6x3.2 2.1x4 1.5x3.2 1.5E : N09-4193-08 : N09-4194-08 : N09-4195-08 : N09-4196-08 : N09-4197-08 : N09-4198-08 : N09-4199-08 : N09-4200-08 : N19-2087-08 : N19-2088-08 : N19-2135-08 : N19-2146-08 : N19-2091-08 : N19-2092-08 : N29-0510-08 4 73 27 2 55 76 a M1 63 79 52 79 6 52 74 74 45 16 16 13 13 17 45 67 8 40 41 77 9 68 1 37 19 10 107 38 94 95 80 15 18 53 83 62 23 22 59 35 46 42 69 36 7 47 48 103 105 100 102 3 HD1 33 75 32 34 26 24 M2 70 25 71 44 39 57 14 43 G R R L M Q Q L M Ex2 M M 887 C L L L P L S G 899 G G G G H Bx2 M M M M N Dx2 Ax3 F F 5 P KRC-435/665 20 Parts with exploded numbers larger than 700 are not suppied. EXPLODED VIEW (UNIT) C D 1 2 3 A B C D E F G H J K L N M2.6x3 f2x5 f2x8 (BLK) f3x5 M2x5 M2.6x6 (BLK) M2.6x6 f3x8 f3x14 f2.6x6 WASHER E RING : N38-2630-46 : N80-2005-46 : N80-2008-45 : N83-3005-46 : N84-2005-46 : N84-2606-45 : N84-2606-46 : N80-3008-46 : N83-3014-46 : N86-2606-46 : N19-2106-04 : N24-3020-46 702 801 752 726 740 739 754 753 802 709 CME 208 DC1 201 RM1 251 250 210 235 218 236 223 222 220 228 222 206 215 242 221 216 229 217 232 238 231 237 219 CL1 207 303 302 301 304 ED1 304 204 211 213 248 203 212 244 234 230 241 225 246 243 247 245 PA1 214x2 C C C C C (X16-) B B (X89-) N L E G F D D D D D D A A A A D H J J J H D K (X14-) K D D F F1 724 w w w . x i a o y u 1 6 3 . c o m Q Q 3 7 6 3 1 5 1 5 0 9 9 2 8 9 4 2 9 8 T E L 1 3 9 4 2 2 9 6 5 1 3 9 9 2 8 9 4 2 9 8 0 5 1 5 1 3 6 7 3 Q Q TEL 13942296513 QQ 376315150 892498299 TEL 13942296513 QQ 376315150 892498299 KRC-435/665 PARTS LIST 21 Ref.No. Parts No. Description A d d A d d N e w Dest inati on Ref.No. Parts No. Description A d d A d d N e w Dest inati on ∗ New Parts Parts without Parts No. are not supplied. Les articles non mentionnes dans le Parts No. ne sont pas fournis. Teile ohane Parts No. werden nicht geliefert. K: KRC-435 M2: KRC-665 indicates safety critical components. 237 2C ∗ J21-9811-03 MOUNTING HARDWARE 238 2C ∗ J21-9812-03 MOUNTING HARDWARE 241 3D ∗ K24-3831-04 KNOB REL. 242 2C ∗ K24-3832-04 KNOB EJECT 0 243 3C ∗ K25-1409-03 KNOB 1-6 244 3C ∗ K25-1410-03 KNOB SRC 245 3C ∗ K25-1411-03 KNOB ATT 246 3C ∗ K25-1412-03 KNOB FM,AM 247 3C ∗ K25-1413-03 KNOB DISP 248 3C ∗ K25-1414-03 KNOB VOL. 250 1C N99-1656-05 SCREW SET 251 1C N99-1719-05 SCREW SET A 1D N38-2630-46 PAN HEAD MACHIN SCREW B 3C N80-2005-46 PAN HEAD TAPTITE SCREW C 2C N80-2008-45 PAN HEAD TAPTITE SCREW D 1D N83-3005-46 PAN HEAD TAPTITE SCREW E 2C N84-2005-46 PAN HEAD TAPTITE SCREW F 2C N84-2606-45 PAN HEAD TAPTITE SCREW G 1C N84-2606-46 PAN HEAD TAPTITE SCREW L 2C N19-2106-04 FLAT WASHER N 2C N24-3020-46 E TYPE RETAINING RING(2φ) C1,2 CK73GB1H152K CHIP C 1500PF K C3,4 CE04CW1A330M ELECTRO 33UF 10WV C5,6 CK73GB1H103K CHIP C 0.010UF K C7,8 CK73GB1C104K CHIP C 0.10UF K C7,8 CK73GB1H104K CHIP C 0.10UF K C9,10 CK73FB1C105K CHIP C 1.0UF K C11,12 C90-2606-05 ELECTRO 0.47UF 50WV C13 CE04CW0J470M ELECTRO 47UF 6.3WV C15 CK73GB1E333K CHIP C 0.033UF K C15 CK73GB1H333K CHIP C 0.033UF K C16 CK73GB1A474K CHIP C 0.47UF K C17 CK73GB1H103K CHIP C 0.010UF K C18 CC73GCH1H151J CHIP C 150PF J C21-24 C90-5297-05 NP-ELECT 0.22UF 50WV C25-28 C90-2597-05 ELECTRO 10UF 16WV C29,30 CK73FB1H104K CHIP C 0.10UF K C51 C90-5235-05 ELECTRO 2200UF 16WV C52 CK73GB1H103K CHIP C 0.010UF K C53 CE04CW1E101M ELECTRO 100UF 25WV C54 CK73GB1H103K CHIP C 0.010UF K C55 C90-2594-05 ELECTRO 10UF 10WV C56 CE04CW0J101M ELECTRO 100UF 6.3WV C58 CE04CW1C101M ELECTRO 100UF 16WV C59 CE04CW1A221M ELECTRO 220UF 10WV C61-68 CK73GB1E473K CHIP C 0.047UF K C61-68 CK73GB1H473K CHIP C 0.047UF K C74 C90-2598-05 ELECTRO 3.3UF 25WV C75 CK73GB1C683K CHIP C 0.068UF K C75 CK73GB1H683K CHIP C 0.068UF K C76 C90-2602-05 ELECTRO 0.10UF 50WV C77 CK73GB1H102K CHIP C 1000PF K KRC-435/665 The language of an instruction manual. E : ENG T : CHI A : ARA F : FRE G : GER S : SPA P : POR D : DUT I : ITA H : HUN C : CRO R : RUS O : POL Z : CZE L : SLO SYNTHESIZER UNIT (X14-6830-XX) 201 1C A02-1486-13 PLASTIC CABINET ASSY 203 3C ∗ A21-4172-04 DRESSING PANEL 204 3C ∗ A21-4173-03 DRESSING PANEL 206 2C ∗ A22-2938-01 SUB PANEL 207 2C A46-1754-01 REAR COVER 208 1D A52-0807-02 TOP PLATE CL1 2C A53-1687-03 CASSETTE LID PA1 3C ∗ A64-2610-02 PANEL ASSY 435 K PA1 3C ∗ A64-2612-02 PANEL ASSY 665 M2 RM1 1C A70-2025-05 REMOTE CONTROLLER ASSY RC-410 210 1C B07-3055-02 ESCUTCHEON M2 210 1C B07-3060-02 ESCUTCHEON K 211 3C ∗ B10-4188-01 FRONT GLASS K 211 3C ∗ B10-4190-01 FRONT GLASS M2 212 3C ∗ B19-2138-03 LIGHTING BOARD 213 3C B43-1284-04 BADGE - B46-0100-50 WARRANTY CARD - B46-0606-04 ID CARD K - B46-0612-14 ID CARD M2 - B46-0645-03 USER CARD K - ∗ B64-2235-00 INSTRUCTION MANUAL E,F,S K - ∗ B64-2236-00 INSTRUCTION MANUAL E,T M2 - ∗ B64-2237-00 INSTRUCTION MANUAL A M2 214 1C D10-4589-04 LEVER 215 2C ∗ D10-4666-04 LEVER 216 2C ∗ D10-4667-04 LEVER 217 2C ∗ D10-4668-04 LEVER 218 1C ∗ D10-4669-03 LEVER 219 2C ∗ D10-4673-04 LEVER ASSY 220 1C ∗ D13-2232-04 GEAR 221 2C ∗ D21-2404-04 SHAFT 222 2C ∗ D21-2405-04 SHAFT 223 2C ∗ D39-0255-05 DAMPER CME 1D D40-1150-05 CASSETTE MECHANISM ASSY 225 3C ∗ E29-1881-02 CONDUCTIVE RUBBER DC1 1C E30-4784-05 DC CORD F1 2D F52-0006-05 FUSE(MINI BLADE TYPE) F1 2D F52-0011-05 FUSE(MINI BLADE TYPE) 228 2C G01-2525-04 TORSION COIL SPRING 229 2C ∗ G01-3128-04 EXTENSION SPRING 230 3D G01-3129-04 COMPRESSION SPRING 231 2C ∗ G02-1425-04 FLAT SPRING 232 2C ∗ G02-1426-04 FLAT SPRING - H10-4799-02 POLYSTYRENE FOAMED FIXTURE - H25-0329-04 PROTECTION BAG (280X450X0.03) - H25-0337-04 PROTECTION BAG (180X300X0.03) - ∗ H54-2296-03 ITEM CARTON CASE K - ∗ H54-2298-03 ITEM CARTON CASE M2 234 3C ∗ J19-5138-02 HOLDER 235 1C J21-9716-03 MOUNTING HARDWARE ASSY 236 1C ∗ J21-9809-04 MOUNTING HARDWARE ASSY www. xiaoyu163. com QQ 376315150 9 9 2 8 9 4 2 9 8 TEL 13942296513 9 9 2 8 9 4 2 9 8 0 5 1 5 1 3 6 7 3 Q Q TEL 13942296513 QQ 376315150 892498299 TEL 13942296513 QQ 376315150 892498299 KRC-435/665 PARTS LIST 22 Ref.No. Parts No. Description A d d A d d N e w Dest inati on Ref.No. Parts No. Description A d d A d d N e w Dest inati on ∗ New Parts Parts without Parts No. are not supplied. Les articles non mentionnes dans le Parts No. ne sont pas fournis. Teile ohane Parts No. werden nicht geliefert. K: KRC-435 M2: KRC-665 indicates safety critical components. SYNTHESIZER UNIT (X14-6830-XX) C78,79 CK73GB1H103K CHIP C 0.010UF K C81 C90-2606-05 ELECTRO 0.47UF 50WV C82 CE04CW1C220M ELECTRO 22UF 16WV C83 C90-2608-05 ELECTRO 1.0UF 50WV C84 CK73GB1C104K CHIP C 0.10UF K C84 CK73GB1H104K CHIP C 0.10UF K C85 CK73GB1H103K CHIP C 0.010UF K C91 CE04CW1A101M ELECTRO 100UF 10WV C92 CK73GB1H103K CHIP C 0.010UF K C93 C90-2610-05 ELECTRO 2.2UF 50WV C94,95 CK73GB1C104K CHIP C 0.10UF K C94,95 CK73GB1H104K CHIP C 0.10UF K C111 CK73GB1H103K CHIP C 0.010UF K C113 CK73GB1H103K CHIP C 0.010UF K C131 CK73GB1H103K CHIP C 0.010UF K C141,142 CK73GB1C104K CHIP C 0.10UF K C141,142 CK73GB1H104K CHIP C 0.10UF K C143 CE04CW1C470M ELECTRO 47UF 16WV C144 CK73GB1E333K CHIP C 0.033UF K C144 CK73GB1H333K CHIP C 0.033UF K C145 CK73GB1A474K CHIP C 0.47UF K C146 C90-2594-05 ELECTRO 10UF 10WV C147 CK73GB1H472K CHIP C 4700PF K C148 CK73GB1A474K CHIP C 0.47UF K C149 CK73GB1H103K CHIP C 0.010UF K C150 C90-2594-05 ELECTRO 10UF 10WV C151 CK73GB1C104K CHIP C 0.10UF K C151 CK73GB1H104K CHIP C 0.10UF K C152,153 CK73GB1A224K CHIP C 0.22UF K C154 CE04CW1A330M ELECTRO 33UF 10WV C161 CE04CW0J470M ELECTRO 47UF 6.3WV C162 CK73GB1H103K CHIP C 0.010UF K C163 CK73GB1A224K CHIP C 0.22UF K C164 CK73GB0J105K CHIP C 1.0UF K C165 CC73GCH1H220J CHIP C 22PF J C166 CC73GCH1H330J CHIP C 33PF J C168 CK73GB1H102K CHIP C 1000PF K CN1 E40-9541-05 PIN ASSY CN2 E41-0167-05 PIN ASSY CN5 E40-9184-05 PIN ASSY J1 E58-0863-15 RECTANGULAR RECEPTACLE J2 E63-0877-05 PIN JACK J3 E56-0834-05 CYLINDRICAL RECEPTACLE J4 E04-0312-05 RF COAXIAL CABLE RECEPTACLE P1 E23-0745-05 TERMINAL L1 L33-1170-05 CHOKE COIL ASSY L2 L40-4795-91 SMALL FIXED INDUCTOR(4.7UH,J) L3 L33-1123-05 LINE FILTER COIL L4 L40-4795-91 SMALL FIXED INDUCTOR(4.7UH,J) L7,8 L40-4795-91 SMALL FIXED INDUCTOR(4.7UH,J) L11 L40-4795-91 SMALL FIXED INDUCTOR(4.7UH,J) X1 L78-0863-05 RESONATOR (12MHZ) X2 L77-2738-05 CRYSTAL RESONATOR D 2D N83-3005-46 PAN HEAD TAPTITE SCREW H 2D N80-3008-46 PAN HEAD TAPTITE SCREW J 2D N83-3014-46 PAN HEAD TAPTITE SCREW K 2D N86-2606-46 BINDING HEAD TAPTITE SCREW R1,2 RK73GB2A153J CHIP R 15K J 1/10W R3,4 RK73GB2A181J CHIP R 180 J 1/10W R5,6 RK73GB2A222J CHIP R 2.2K J 1/10W R11,12 RK73EB2E100J CHIP R 10 J 1/4W R13 RK73EB2E4R7J CHIP R 4.7 J 1/4W R15 RK73GB2A103J CHIP R 10K J 1/10W R16 RK73GB2A472J CHIP R 4.7K J 1/10W R21-24 RK73GB2A103J CHIP R 10K J 1/10W R25-28 RK73GB2A361J CHIP R 360 J 1/10W R29-32 RK73GB2A223J CHIP R 22K J 1/10W R33-36 RK73FB2B181J CHIP R 180 J 1/8W R51 RK73GB2A223J CHIP R 22K J 1/10W R52 RK73GB2A101J CHIP R 100 J 1/10W R53 RK73GB2A222J CHIP R 2.2K J 1/10W R54 RK73GB2A223J CHIP R 22K J 1/10W R55 RK73GB2A103J CHIP R 10K J 1/10W R56,57 RK73GB2A102J CHIP R 1.0K J 1/10W R58,59 RD14DB2H2R2J SMALL-RD 2.2 J 1/2W R60 RD14DB2H102J SMALL-RD 1.0K J 1/2W R61 RK73GB2A103J CHIP R 10K J 1/10W R62,63 RK73GB2A471J CHIP R 470 J 1/10W R64 RK73GB2A751J CHIP R 750 J 1/10W R72 RK73GB2A104J CHIP R 100K J 1/10W R77 RK73FB2B472J CHIP R 4.7K J 1/8W R78,79 RD14DB2H102J SMALL-RD 1.0K J 1/2W R80 RK73GB2A223J CHIP R 22K J 1/10W R81 RK73FB2B472J CHIP R 4.7K J 1/8W R82 RD14DB2H102J SMALL-RD 1.0K J 1/2W R83 RK73FB2B223J CHIP R 22K J 1/8W R84 RD14DB2H102J SMALL-RD 1.0K J 1/2W R85 RK73GB2A243J CHIP R 24K J 1/10W R86,87 RK73GB2A103J CHIP R 10K J 1/10W R88 RK73GB2A223J CHIP R 22K J 1/10W R89 RD14DB2H332J SMALL-RD 3.3K J 1/2W R90,91 RK73FB2B104J CHIP R 100K J 1/8W R92 RK73GB2A333J CHIP R 33K J 1/10W R93 RK73GB2A104J CHIP R 100K J 1/10W R101 RK73GB2A101J CHIP R 100 J 1/10W R102 RK73GB2A103J CHIP R 10K J 1/10W R104 RK73GB2A182J CHIP R 1.8K J 1/10W R105 RK73GB2A152J CHIP R 1.5K J 1/10W R106 RK73GB2A473J CHIP R 47K J 1/10W R107 RK73GB2A103J CHIP R 10K J 1/10W R111 RK73GB2A472J CHIP R 4.7K J 1/10W R113 RK73GB2A472J CHIP R 4.7K J 1/10W R121 RK73FB2B102J CHIP R 1.0K J 1/8W R122 RK73GB2A223J CHIP R 22K J 1/10W R123 RK73FB2B102J CHIP R 1.0K J 1/8W R124 RK73GB2A223J CHIP R 22K J 1/10W R141 RK73EB2E101J CHIP R 100 J 1/4W www. xiaoyu163. com QQ 376315150 9 9 2 8 9 4 2 9 8 TEL 13942296513 9 9 2 8 9 4 2 9 8 0 5 1 5 1 3 6 7 3 Q Q TEL 13942296513 QQ 376315150 892498299 TEL 13942296513 QQ 376315150 892498299 KRC-435/665 PARTS LIST 23 Ref.No. Parts No. Description A d d A d d N e w Dest inati on Ref.No. Parts No. Description A d d A d d N e w Dest inati on ∗ New Parts Parts without Parts No. are not supplied. Les articles non mentionnes dans le Parts No. ne sont pas fournis. Teile ohane Parts No. werden nicht geliefert. K: KRC-435 M2: KRC-665 indicates safety critical components. SYNTHESIZER UNIT (X14-6830-XX) R142-146 RK73EB2E472J CHIP R 4.7K J 1/4W R147,148 RK73EB2E101J CHIP R 100 J 1/4W R162 RK73GB2A203J CHIP R 20K J 1/10W R163 RK73GB2A224J CHIP R 220K J 1/10W R164 RK73GB2A333J CHIP R 33K J 1/10W R165 RK73GB2A272J CHIP R 2.7K J 1/10W R166 RK73GB2A471J CHIP R 470 J 1/10W R167 RK73GB2A104J CHIP R 100K J 1/10W R168,169 RK73GB2A471J CHIP R 470 J 1/10W R171 RK73GB2A223J CHIP R 22K J 1/10W R182 RK73EB2E472J CHIP R 4.7K J 1/4W R183 RK73EB2E102J CHIP R 1.0K J 1/4W R184,185 RK73EB2E471J CHIP R 470 J 1/4W R186 RK73EB2E102J CHIP R 1.0K J 1/4W R187,188 RK73EB2E101J CHIP R 100 J 1/4W R189,190 RK73EB2E102J CHIP R 1.0K J 1/4W R191 RK73EB2E241J CHIP R 240 J 1/4W R192 RK73GB2A473J CHIP R 47K J 1/10W R193 RK73GB2A472J CHIP R 4.7K J 1/10W R201 RK73GB2A104J CHIP R 100K J 1/10W M2 R202,203 RK73GB2A104J CHIP R 100K J 1/10W K R204,205 RK73GB2A104J CHIP R 100K J 1/10W M2 R205 RK73GB2A104J CHIP R 100K J 1/10W K R207 RK73GB2A104J CHIP R 100K J 1/10W R209 RK73GB2A104J CHIP R 100K J 1/10W R211,212 RK73GB2A102J CHIP R 1.0K J 1/10W R213 RK73GB2A474J CHIP R 470K J 1/10W R214,215 RK73GB2A104J CHIP R 100K J 1/10W R216 RK73GB2A471J CHIP R 470 J 1/10W R217 RK73GB2A104J CHIP R 100K J 1/10W R218,219 RK73GB2A102J CHIP R 1.0K J 1/10W R220,221 RK73GB2A471J CHIP R 470 J 1/10W R222 RK73GB2A472J CHIP R 4.7K J 1/10W R223 RK73GB2A222J CHIP R 2.2K J 1/10W R224 RK73GB2A104J CHIP R 100K J 1/10W R225 RK73GB2A471J CHIP R 470 J 1/10W R226 RK73GB2A472J CHIP R 4.7K J 1/10W R228 RK73GB2A471J CHIP R 470 J 1/10W R229 RK73GB2A102J CHIP R 1.0K J 1/10W R231 RK73GB2A102J CHIP R 1.0K J 1/10W R233 RK73GB2A102J CHIP R 1.0K J 1/10W R234,235 RK73GB2A472J CHIP R 4.7K J 1/10W R236 RK73GB2A103J CHIP R 10K J 1/10W R237 RK73GB2A472J CHIP R 4.7K J 1/10W R238 RK73GB2A473J CHIP R 47K J 1/10W R239-242 RK73GB2A102J CHIP R 1.0K J 1/10W R243 RK73GB2A103J CHIP R 10K J 1/10W R244 RK73GB2A102J CHIP R 1.0K J 1/10W R245 RK73GB2A103J CHIP R 10K J 1/10W R246 RK73GB2A473J CHIP R 47K J 1/10W R247 RK73GB2A104J CHIP R 100K J 1/10W R249 RK73GB2A222J CHIP R 2.2K J 1/10W R250 RK73GB2A225J CHIP R 2.2M J 1/10W R251,252 RK73GB2A104J CHIP R 100K J 1/10W R253 RK73GB2A102J CHIP R 1.0K J 1/10W R254 RK73GB2A473J CHIP R 47K J 1/10W R255 RK73GB2A104J CHIP R 100K J 1/10W R256 RK73GB2A471J CHIP R 470 J 1/10W R258 RK73GB2A472J CHIP R 4.7K J 1/10W R259,260 RK73GB2A222J CHIP R 2.2K J 1/10W R261 RK73GB2A102J CHIP R 1.0K J 1/10W R262 RK73GB2A104J CHIP R 100K J 1/10W VR1,2 R32-0037-05 SEMI FIXED VARIABLE RESISTOR S1 S74-0811-05 MICRO SWITCH D1 1N5393G-M5 DIODE D2 AM01Z DIODE D3 MA4056(N)-M ZENER DIODE D4 MA4091(N)-L ZENER DIODE D5 1SR154-400 DIODE D6 MA4110-L ZENER DIODE D13-15 1SR154-400 DIODE D16 DAN202U DIODE D17 MA4068(N)-M ZENER DIODE D18 MA8068-M ZENER DIODE D21,22 AM01Z DIODE D23,24 S1J DIODE D25-28 AM01Z DIODE D31 1SS133 DIODE D32 DAN202U DIODE D33 DAP202U DIODE D34 1SS133 DIODE D41 IMSA-6801 SURGE ABSORBER D51 MA3062-M ZENER DIODE D52 MA3062WA ZENER DIODE D53 RD6.8MW ZENER DIODE D54 MA3062-M ZENER DIODE D62-70 DA204K DIODE D62-70 KDS226 DIODE D71 MA3062-M ZENER DIODE D82 1SS133 DIODE IC1 UPD784225GC159 MI-COM IC IC2 TDA7407D ANALOGUE IC IC3 HD74HC02FP MOS-IC IC3 TC74HC02AF MOS-IC IC4 TA8263BH ANALOGUE IC IC8 S-80830ANNP MOS-IC IC9 CXA2560Q ANALOGUE IC IC10 LB1930M ANALOGUE IC Q1-4 DTC143TUA DIGITAL TRANSISTOR Q1-4 UN5216 DIGITAL TRANSISTOR Q11 2SC4081 TRANSISTOR Q12 KTA1046 TRANSISTOR Q13 2SA1576A TRANSISTOR Q14 DTC144EUA DIGITAL TRANSISTOR Q14 UN5213 DIGITAL TRANSISTOR Q15 DTA124EUA DIGITAL TRANSISTOR Q15 UN5112 DIGITAL TRANSISTOR Q16 2SC4081 TRANSISTOR Q17 KTA1046 TRANSISTOR www. xiaoyu163. com QQ 376315150 9 9 2 8 9 4 2 9 8 TEL 13942296513 9 9 2 8 9 4 2 9 8 0 5 1 5 1 3 6 7 3 Q Q TEL 13942296513 QQ 376315150 892498299 TEL 13942296513 QQ 376315150 892498299 KRC-435/665 PARTS LIST 24 Ref.No. Parts No. Description A d d A d d N e w Dest inati on Ref.No. Parts No. Description A d d A d d N e w Dest inati on ∗ New Parts Parts without Parts No. are not supplied. Les articles non mentionnes dans le Parts No. ne sont pas fournis. Teile ohane Parts No. werden nicht geliefert. K: KRC-435 M2: KRC-665 indicates safety critical components. 304 3C E29-1882-04 CONDUCTIVE RUBBER J1 E59-0829-05 RECTANGULAR PLUG CP3 R90-1016-05 MULTI-COMP 470 X4 R1,2 RK73GB2A102J CHIP R 1.0K J 1/10W R8 RK73GB2A563J CHIP R 56K J 1/10W R9 RK73GB2A392J CHIP R 3.9K J 1/10W R12 RK73GB2A473J CHIP R 47K J 1/10W R13-15 RK73FB2B331J CHIP R 330 J 1/8W R16 RK73FB2B511J CHIP R 510 J 1/8W R17,18 RK73FB2B361J CHIP R 360 J 1/8W R20 RK73FB2B271J CHIP R 270 J 1/8W R27 RK73GB2A4R7J CHIP R 4.7 J 1/10W R28 RK73GB2A101J CHIP R 100 J 1/10W IC1 LC75883E MOS-IC IC2 RS-171 ANALOGUE IC Q1,2 DTA114EUA DIGITAL TRANSISTOR Q1,2 KRA302 DIGITAL TRANSISTOR CN1 E41-0169-05 SOCKET FOR PIN ASSY J1 E58-0865-05 RECTANGULAR RECEPTACLE S1 S70-0877-05 TACT SWITCH 1 2A A10-4329-08 CHASSIS ASSY 2 1A J21-7779-08 MOUNTING HARDWARE 3 2B A11-0931-08 SUB CHASSIS ASSY 4 1A D10-4106-08 ARM 5 2A D10-4107-08 ARM 6 2A D10-4108-08 ARM 7 2B D10-4109-08 ARM 8 2A D10-4110-08 ARM ASSY 9 2A D10-4111-08 ARM ASSY 10 3A D10-4112-08 ARM 13 2A D10-4113-08 ARM 14 1B D13-1324-08 GEAR ASSY 15 3A D01-0614-08 FLYWHEEL ASSY 16 2A D13-1325-08 GEAR ASSY 17 2A D10-4114-08 ARM ASSY 18 3A D01-0615-08 FLYWHEEL ASSY 19 3A D13-1326-08 GEAR ASSY 22 2B D10-4115-08 SLIDER 23 3B D10-4116-18 SLIDER 24 1B J21-7780-08 MOUNTING HARDWARE 25 1B D10-4117-18 ARM 26 1B D10-4118-08 SLIDER 27 1A A52-0716-08 HOLDER 32 1B J90-0767-08 GUID 33 1B J19-4737-08 BRACKET 34 1B D12-0622-08 CAM 35 2B D13-1327-08 GEAR 36 2B D13-1328-08 GEAR 37 3A D13-1329-08 GEAR 38 3A D10-4119-08 ARM Q18 DTC114EUA DIGITAL TRANSISTOR Q18 UN5211 DIGITAL TRANSISTOR Q19 2SB1443 TRANSISTOR Q20 DTC124EUA DIGITAL TRANSISTOR Q20 UN5212 DIGITAL TRANSISTOR Q21 DTA124EUA DIGITAL TRANSISTOR Q21 UN5112 DIGITAL TRANSISTOR Q23 2SD1760 TRANSISTOR Q32 DTC114YUA DIGITAL TRANSISTOR Q32 UN5214 DIGITAL TRANSISTOR Q33,34 2SB1277(Q,R) TRANSISTOR Q33,34 2SB1434 TRANSISTOR Q35 2SA1576A TRANSISTOR Q36 DTA124EUA DIGITAL TRANSISTOR Q36 UN5112 DIGITAL TRANSISTOR Q37 DTC114YUA DIGITAL TRANSISTOR Q37 UN5214 DIGITAL TRANSISTOR Q38,39 2SC4081 TRANSISTOR Q42 DTA124EUA DIGITAL TRANSISTOR Q42 UN5112 DIGITAL TRANSISTOR Q43 DTC124EUA DIGITAL TRANSISTOR Q43 UN5212 DIGITAL TRANSISTOR Q44 DTC143TUA DIGITAL TRANSISTOR Q44 UN5216 DIGITAL TRANSISTOR Q51 DTC124EUA DIGITAL TRANSISTOR Q51 UN5212 DIGITAL TRANSISTOR Q52 2SB1277(Q,R) TRANSISTOR Q52 2SB1434 TRANSISTOR Q53 DTC124EUA DIGITAL TRANSISTOR Q53 UN5212 DIGITAL TRANSISTOR Q54 2SB1277(Q,R) TRANSISTOR Q54 2SB1434 TRANSISTOR Q61 2SA1576A TRANSISTOR Q71 DTC124EUA DIGITAL TRANSISTOR Q71 UN5212 DIGITAL TRANSISTOR Q72 2SD1760 TRANSISTOR Q82 DTA114YUA DIGITAL TRANSISTOR Q82 UN5114 DIGITAL TRANSISTOR TH1 PTH9C42BD471Q POSITIVE RESISTOR A1 X86-3240-11 TUNER UNIT 301 2C B11-1366-04 REFLECTION SHEET 302 2C B11-1367-04 OPTICAL DIFFUSER 303 2C B19-2135-03 LIGHTING BOARD D1-13 B30-1533-05 LED(1608,PG) D18,19 B30-1564-05 LED(1608,BLUE) D20,21 B30-1571-05 LED(WHITE) ED1 B38-1091-05 LIQUID CRYSTAL C1 CK73GB1H102K CHIP C 1000PF K C2,3 CK73GB1E473K CHIP C 0.047UF K C4 CK73GB1H103K CHIP C 0.010UF K C5 CK73FB1A225K CHIP C 2.2UF K C11-14 CK73GB1H103K CHIP C 0.010UF K SYNTHESIZER UNIT (X14-6830-XX) SWITCH UNIT (X16-1630-12) DAUGHTER UNIT (X89-2510-10) CASSETTE MECHANISM ASSY (D40-1150-05) SWITCH UNIT (X16-1630-12) DAUGHTER UNIT (X89-2510-10) CASSETTE MECHANISM ASSY (D40-1150-05) www. xiaoyu163. com QQ 376315150 9 9 2 8 9 4 2 9 8 TEL 13942296513 9 9 2 8 9 4 2 9 8 0 5 1 5 1 3 6 7 3 Q Q TEL 13942296513 QQ 376315150 892498299 TEL 13942296513 QQ 376315150 892498299 KRC-435/665 PARTS LIST 25 Ref.No. Parts No. Description A d d A d d N e w Dest inati on Ref.No. Parts No. Description A d d A d d N e w Dest inati on ∗ New Parts Parts without Parts No. are not supplied. Les articles non mentionnes dans le Parts No. ne sont pas fournis. Teile ohane Parts No. werden nicht geliefert. K: KRC-435 M2: KRC-665 indicates safety critical components. 39 1B D13-1330-08 GEAR 40 2A D13-1331-08 GEAR 41 2A D13-1332-08 GEAR 42 2B J11-0619-08 CLAMPER 43 1B D13-1333-08 GEAR 44 1B D13-1334-08 GEAR 45 2A D13-1335-08 GEAR 46 2B D10-4120-08 ARM 47 2B J19-4738-08 HOLDER 48 2B J11-0620-08 CLAMPER 52 2A D03-0312-08 REEL DISK 53 3A D15-0913-08 PULLEY 55 1A D10-4121-08 SLIDER 57 1B D13-1337-08 GEAR 59 2B J31-1036-08 COLLAR 62 3B D14-0683-08 ROLLER 63 1A D14-0684-08 ROLLER 67 2A G01-2832-08 TORSION COIL SPRING 68 2A G01-2833-08 TORSION COIL SPRING 69 2B G01-2834-08 TENSION COIL SPRING 70 1B G01-2835-08 TORSION COIL SPRING 71 1B G01-2836-08 TORSION COIL SPRING 73 1A G09-2020-08 SPRING 74 2A G01-2837-08 COMPRESSION COIL SPRING 75 1B G01-2838-08 TORSION COIL SPRING 76 1A G01-2839-08 TORSION COIL SPRING 77 2A G01-2843-08 TORSION COIL SPRING 79 1A G01-2840-08 TENSION COIL SPRING 80 3A G01-2841-08 TENSION COIL SPRING 83 3A D16-0609-08 BELT 94 3A S64-0807-08 LEVER SWITCH 95 3A S64-0808-08 LEVER SWITCH 100 2B E30-4460-08 CONNECTOR ASSY (10P) 102 2B T95-0213-08 PHOTO COUPLER 103 2B S62-0858-08 SLIDE SWITCH 105 2B S74-0813-08 LEAF SWITCH 107 3A E30-4468-08 CONNECTOR ASSY (7P) A 1B N09-4193-08 SCREW B 1B N09-4194-08 SCREW C 3A N09-4195-08 SCREW D 1B N09-4196-08 SCREW E 2A N09-4197-08 SCREW F 1B N09-4198-08 SCREW G 1A N09-4199-08 SCREW H 2B N09-4200-08 SCREW L 3A N19-2087-08 FLAT WASHER M 1B N19-2088-08 FLAT WASHER N 1B N19-2135-08 FLAT WASHER P 3A N19-2146-08 FLAT WASHER Q 2A N19-2091-08 FLAT WASHER R 1A N19-2092-08 FLAT WASHER S 2B N29-0510-08 RETAINING RING HD1 1B T31-0220-08 PLAYBACK HEAD M1 1A T42-0759-18 MOTOR ASSY (MAIN) M2 1B T42-1005-08 MOTOR ASSY (SUB) CASSETTE MECHANISM ASSY (D40-1150-05) www. xiaoyu163. com QQ 376315150 9 9 2 8 9 4 2 9 8 TEL 13942296513 9 9 2 8 9 4 2 9 8 0 5 1 5 1 3 6 7 3 Q Q TEL 13942296513 QQ 376315150 892498299 TEL 13942296513 QQ 376315150 892498299 KRC-435/665 26 SPECIFICATIONS KENWOOD follows a policy of continuous advancements in development. For this reason specifications may be changed without notice. FM Section Frequency Range.................................. 87.9MHz-107.9MHz (Frequency Step) .................................. (200kHz) Channel Space Selection ...................... 50k/200kHz Usable Sensitivity (S/N:30dB) ............... 9.3dBf (0.8µV/75Ω) Quieting Sensitivity (S/N:50dB) ............. 15.2dBf (1.6µV/75Ω) Frequency Response (±3.0dB) ............. 30Hz-15kHz S/N ........................................................ 70dB (MONO) Selectivity .............................................. 80dB (±400kHz) Stereo Separation ................................. 40dB (1kHz) AM Section Frequency Range.................................. 530kHz-1700kHz (Frequency Step) .................................. (10kHz) Channel Space Selection ...................... 9k/10kHz Usable Sensitivity (S/N:20dB) ............... 28dBµ (25µV) CASSETTE Section Tape Speed........................................... 4.76cm/sec. Wow/Flutter (WRMS) ............................. 0.08% Frequency Response (±3.0dB) ............. 30-20kHz (70µs) Separation ............................................. 43dB (1kHz) S/N (dB) Dolby NR OFF ................................... 57dB Dolby BNR ON .................................. 65dB AMPLIFIER Section Preout Level/Load ................................. 1800mV/10kΩ Preout Impedance ................................. 600Ω Maximum Power ................................... 47W×4 Full Bandwidth Power ........................... 22W×4 (at less then 1%THD) TONE Section Bass ...................................................... 100Hz±10dB Middle.................................................... 1kHz±10dB Treble .................................................... 10kHz±10dB General Operating Voltage ................................. 14.4V (11V-16V allowable) Current Consumption ............................ 10A Installation Size (W) .............................. 182mm (7-3/16inch) (H) ............................... 53mm (2-1/16inch) (D) ............................... 150mm (5-9/10inch) Weight ................................................... 1.20kg (2.64lbs) G KRC-435 G KRC-665 US and foreign patents licensed from Dolby Laboratories Licensing Corporation. FM Section Frequency Range (50kHz) .............................................. 87.5MHz-108.0MHz (200kHz) ............................................ 87.9MHz-107.9MHz Channel Space Selection ...................... 50k/200kHz Usable Sensitivity (S/N:30dB) ............... 9.3dBf (0.8µV/75Ω) Quieting Sensitivity (S/N:50dB) ............. 15.2dBf (1.6µV/75Ω) Frequency Response (±3.0dB) ............. 30Hz-15kHz S/N ........................................................ 70dB (MONO) Selectivity .............................................. 80dB (±400kHz) Stereo Separation ................................. 40dB (1kHz) AM Section Frequency Range (9kHz)................................................ 531kHz-1611kHz (10kHz).............................................. 530kHz-1700kHz Channel Space Selection ...................... 9k/10kHz Usable Sensitivity (S/N:20dB) ............... 28dBµ (25µV) CASSETTE Section Tape Speed........................................... 4.76cm/sec. Wow/Flutter (WRMS) ............................. 0.08% Frequency Response (±3.0dB) ............. 30-18kHz (70µs) Separation ............................................. 43dB (1kHz) S/N (dB) Dolby NR OFF ................................... 57dB Dolby BNR ON .................................. 65dB AMPLIFIER Section Preout Level/Load ................................. 1800mV/10kΩ Preout Impedance ................................. 600Ω Maximum Power ................................... 47W×4 Full Bandwidth Power ........................... 22W×4 (at less then 1%THD) TONE Section Bass ...................................................... 100Hz±10dB Middle.................................................... 1kHz±10dB Treble .................................................... 10kHz±10dB General Operating Voltage ................................. 14.4V (11V-16V allowable) Current Consumption ............................ 10A Installation Size (W) .............................. 182mm (H) ............................... 53mm (D) ............................... 150mm Weight ................................................... 1.20kg www. xiaoyu163. com QQ 376315150 9 9 2 8 9 4 2 9 8 TEL 13942296513 9 9 2 8 9 4 2 9 8 0 5 1 5 1 3 6 7 3 Q Q TEL 13942296513 QQ 376315150 892498299 TEL 13942296513 QQ 376315150 892498299

标签:

版权声明

1. 本站所有素材,仅限学习交流,仅展示部分内容,如需查看完整内容,请下载原文件。
2. 会员在本站下载的所有素材,只拥有使用权,著作权归原作者所有。
3. 所有素材,未经合法授权,请勿用于商业用途,会员不得以任何形式发布、传播、复制、转售该素材,否则一律封号处理。
4. 如果素材损害你的权益请联系客服QQ:77594475 处理。