建伍KENWOOD KRC-389W磁带录放机维修手册

分类:电子电工 日期: 点击:0
建伍KENWOOD KRC-389W磁带录放机维修手册-0 建伍KENWOOD KRC-389W磁带录放机维修手册-1 建伍KENWOOD KRC-389W磁带录放机维修手册-2 建伍KENWOOD KRC-389W磁带录放机维修手册-3 建伍KENWOOD KRC-389W磁带录放机维修手册-4 建伍KENWOOD KRC-389W磁带录放机维修手册-5 建伍KENWOOD KRC-389W磁带录放机维修手册-6 建伍KENWOOD KRC-389W磁带录放机维修手册-7 建伍KENWOOD KRC-389W磁带录放机维修手册-8 建伍KENWOOD KRC-389W磁带录放机维修手册-9

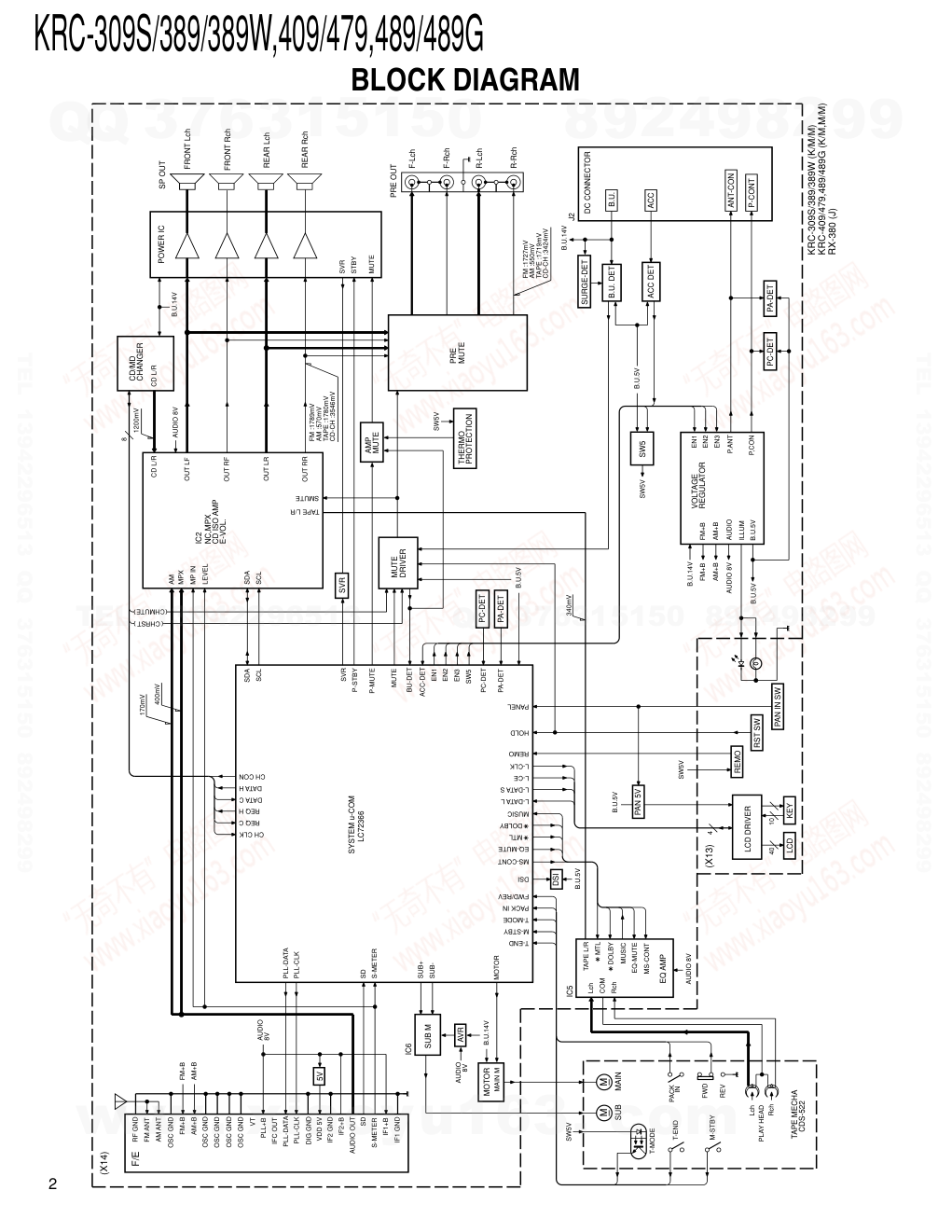
CASSETTE RECEIVER KRC-309S/389/389W SERVICE MANUAL © 2001-1 PRINTED IN KOREA B51-7733-00 (K) 1733 KRC-409/479 KRC-489/489G KRC-309S (K) KRC-309S CD MD-Changer Control 45W x 4 CRSC KRC-389 CD MD-Changer Control 45W x 4 CRSC KRC-389/389W (M) KRC-409 (K) KRC-409 CD MD-Changer Control 45W x 4 CRSC KRC-479 (M) KRC-479 CD MD-Changer Control 45W x 4 CRSC KRC-489/489G (M) MECHANISM EXTENSION CORD W05-0477-00 (7P) W05-0609-00 (10P) KRC-489 CD MD-Changer Control 45W x 4 CRSC RC1 763x2 262 261 242 223x2 DC1 201 246 The following reference numbers with accessory parts are the same reference numbers used on EXPLODED VIEW and PARTS LIST. 40% www. xiaoyu163. com QQ 376315150 9 9 2 8 9 4 2 9 8 TEL 13942296513 9 9 2 8 9 4 2 9 8 0 5 1 5 1 3 6 7 3 Q Q TEL 13942296513 QQ 376315150 892498299 (X13) (X14) M M KRC-309S/389/389W (K/M/M) KRC-409/479,489/489G (K/M,M/M) RX-380 (J) F/E SW5V B.U.14V B.U.5V B.U.14V FM ANT AM ANT RF GND FM+B AM+B OSC GND OSC GND OSC GND OSC GND OSC GND PLL+B PLL-DATA VT IFC OUT PLL-CLK VDD 5V IF2+B IF2 GND DIG GND IF1 GND S-METER IF1+B SD AUDIO OUT PLL-DATA SD S-METER SUB+ SUB- EN2 ACC-DET EN1 SCL MUTE SDA EN3 SW5 PC-DET PA-DET PANEL HOLD L-CLK L-CE L-DATA S L-DATA L MUSIC DOLBY MTL EQ-MUTE MS-CONT MUSIC DOLBY MTL EQ-MUTE MS-CONT DSI FWD/REV PACK IN M-STBY CH CON DATA H DATA C REQ H REQ C CH CLK Rch COM Lch MP IN AM MPX OUT RR SW5V OUT LR OUT RF LEVEL SCL SDA OUT LF SVR MUTE EN1 EN2 EN3 P.ANT P,CON ILLUM B.U.5V AM+B AUDIO FM+B FM+B AM+B AUDIO 8V B.U.5V Rch Lch PACK T-END M-STBY T-MODE FWD REV B.U.5V AUDIO 8V B.U.14V CHRST SMUTE FM+B AM+B AUDIO 8V AUDIO 8V MAIN M MOTOR B.U.14V SW5V 8 4 10 40 IN PLAY HEAD B.U.5V PLL-CLK T-MODE T-END B.U.5V REMO SW5V BU-DET P-STBY SVR P-MUTE CHMUTE STBY CD L/R CD L/R TAPE L/R 1200mV 400mV 170mV 340mV TAPE :1719mV CD-CH :3424mV AM :550mV FM :1727mV TAPE :1780mV CD-CH :3546mV AM :570mV FM :1789mV AUDIO 8V TAPE L/R SW5 SYSTEM u-COM KEY PAN 5V MUTE B.U. DET SURGE-DET PA-DET PC-DET B.U. ACC P-CONT ANT-CON MUTE DC CONNECTOR PRE POWER IC IC6 EQ AMP CD ISO AMP NC,MPX IC2 E-VOL. CD/MD CHANGER FRONT Lch FRONT Rch REAR Lch REAR Rch REGULATOR LCD DRIVER LCD TAPE MECHA MAIN SUB IC5 F-Lch F-Rch R-Lch R-Rch PRE OUT SP OUT SUB M MOTOR 5V AVR CDS-522 DSI REMO RST SW PAN IN SW ACC DET J2 VOLTAGE DRIVER AMP SVR PC-DET PA-DET MUTE THERMO PROTECTION LC72366 KRC-309S/389/389W,409/479,489/489G 2 BLOCK DIAGRAM www. xiaoyu163. com QQ 376315150 9 9 2 8 9 4 2 9 8 TEL 13942296513 9 9 2 8 9 4 2 9 8 0 5 1 5 1 3 6 7 3 Q Q TEL 13942296513 QQ 376315150 892498299 KRC-309S/389/389W,409/479,489/489G 3 COMPONENT DESCRIPTION REF FUNCTION OPERATION No. IC1 SYSTEM µ-COM Controls FM/AM tuner, the changer, cassette mechanism, volume and tone. IC2 E-VOLUME Controls the source, volume, tone and FM multiplex detector. IC4 POWER AMPLIFIER Amplifies the front L/R and the rear L/R to 45W maximum. IC5 EQUALIZER AMPLIFIER Equalizes the tape sound (120uSec.). IC6 SUB MOTOR DRIVER Controls the sub motor. IC7 AVR B.U.:5V, AUD:8V, FM+B:8V, AM+B:8V IC10 MUTE CONTROL LOGIC Controls logic. Output becomes "L" when the back-up voltage becomes more than 9V. Q10 BACK-UP DETECTION Output becomes "H" when the back-up voltage becomes less than 9V (momentary power down). Output becomes "L" when the back-up voltage becomes more then 18V Q11 SERGE DETECTION (Momentary power down). Output becomes "H" when the back-up voltage becomes less than 18V. Q41 PRE MUTE DRIVER When input becomes "L", output becomes "H" (Preout mute). Q50 5V SW Outputs 5V to the SW5V power supply when input becomes "L". SW5V power supply line is cut off when the input becomes "H". Q51 POWER ANTENNA Output becomes "H" when P-ANT output is short-circuited (P-ANT OFF). DETECTION Output becomes "L" when FM/AM signal does not exist. Q52 P.CON. DETECTION Output becomes "H" when P.CON output is short-circuited (P.CON OFF). Q190 PANEL SW Outputs 5V to the panel VDD line when panel is attached. Panel VDD line is cut off when panel is taken out. Q191 DSI DRIVER DSI lights when input becomes "L". DSI turns off when input becomes "H".DSI turns on and off when panel is taken off. Q221-224 PRE MUTE Works when input becomes "H". Being cancelled when input becomes "L". Q251 SVR "L" when input becomes "H". Q501 SUB MOTOR AVR Outputs 7.3V when AUD8V exists. Output does not exist when AUD8V does not exist. Q551 MAIN MOTOR SW Outputs 14V when input becomes "L" (Main motor drives). Q552 MAIN MOTOR SW Output becomes "H" when input becomes "L". REF. FUNCTION OPERATION No. IC1 LCD DRIVER Scans LCD display control key. IC2 REMOTE SENSOR Sensors remote controller signal. Q1 KEY SCAN SW Scans key after receiving imitative key input signal. SYNTHESIZER UNIT (X14-639x-xx) SWITCH UNIT (X13-986x-xx) www. xiaoyu163. com QQ 376315150 9 9 2 8 9 4 2 9 8 TEL 13942296513 9 9 2 8 9 4 2 9 8 0 5 1 5 1 3 6 7 3 Q Q TEL 13942296513 QQ 376315150 892498299 KRC-309S/389/389W,409/479,489/489G 4 MICROCOMPUTER'S TERMINAL DESCRIPTION PORT PORT NAME I/O FUNCTION OPERATING CONDITION No. 1 X IN I Clock : 4.5MHz. 2 GND - GND. 3 L-DATA L I LCD driver data. 4 L-DATA S O LCD driver data. 5 L-CLK O LCD driver clock. 6 L-CE O LCD driver chip enable. 7 PANEL I Panel detection. 8 PLL-DATA I/O Tuner data. 9 PLL-CLK O Tuner clock. 10 SD I Tuner band muting. 11 CH-DATA C I 5-line CD-CH communication data. 12 CH-DATA H O 5-line CD-CH communication data. 13 CH-CLK I/O 5-line CD-CH communication clock. 14 CH-REQ C I 5-line CD-CH communication request. 15 MOTOR O Cassette mechanism main motor. 16-20 - - - 21 CH-CON O 5-line CD-CH communication control. 22 CH-REQ H O 5-line CD-CH communication request. 23 MUTE O Muting. 24 IC2-SCL O IC2 clock. 25,26 - - - 27 IC2 TYPE 0 I Model discrimination. 28 - - - 29 TYPE 1 I destination discrimination. 30 TYPE 0 I destination discrimination. 31 VDD - Power supply. 32 IC2-SDA I/O IC2 data. 33 SW 5V O SW 5V control. 34 P-MUTE O Power IC muting. 35 P-STBY O Power IC stand-by. 36 SVR O Power IC discharge control. 37 EN1 O Power supply IC contol. 38 EN3-1 O Power supply IC contol. 39 EN3-0 O Power supply IC contol. 40 EN2-1 O Power supply IC contol. (X14-) IC1 : µ-COM www. xiaoyu163. com QQ 376315150 9 9 2 8 9 4 2 9 8 TEL 13942296513 9 9 2 8 9 4 2 9 8 0 5 1 5 1 3 6 7 3 Q Q TEL 13942296513 QQ 376315150 892498299 KRC-309S/389/389W,409/479,489/489G 5 MICROCOMPUTER'S TERMINAL DESCRIPTION PORT PORT NAME I/O FUNCTION OPERATING CONDITION No. 41 EN2-0 O Power supply IC control. 42 - - - 43 MS-CONT O Tape signal sensitivity switch. 44 BEEP O Beep. 45 BU-DET I Back-up detection. 46 P.CON-DET I Power control short-circuited detection. 47 P.ANT-DET I Power antenna short-circuited detection. 48 MUSIC I Tape signal detection. 49 METAL O Normal/Metal tape switch. 50 DOLBY O Dolby switch. 51 EQ-MUTE O Tape equalizer muting. 52 FWD/REV I Cassette mechanism running direction. 53,54 - - - 55 PACK-IN I Cassette mechanism pack-in. 56 REMOTE I Remote signal shape. 57 - - - 58 DSI O Disable System Indicator. 59 SUB+ O Cassette mechanism sub motor. 60 SUB- O Cassette mechanism sub motor. 61,62 - - - 63 IC2 TYPE 1 I Model switching. 64 T-MODE I Cassette mechanism mode pulse. 65 ACC-DET I ACC detection. 66 S-METER I Tuner signal meter. 67 HOLD I Clock stop mode. 68 VDD - VDD. 69 M-STBY I Cassette mechanis stand-by. 70 T-END I Cassette mechanism end. 71,72 - - - 73 VDD - VDD. 74-76 GND - GND. 77,78 - - - 79 GND - GND. 80 X OUT O Clock 4.5MHz. (X14-) IC1 : µ-COM www. xiaoyu163. com QQ 376315150 9 9 2 8 9 4 2 9 8 TEL 13942296513 9 9 2 8 9 4 2 9 8 0 5 1 5 1 3 6 7 3 Q Q TEL 13942296513 QQ 376315150 892498299 KRC-309S/389/389W,409/479,489/489G 6 TEST MODE 1. How to enter the test mode • Reset the unit while holding the “FM” key and preset “6” key. • Turn on the power while holding the “FM” key and preset “6” key in conditions of ACC ON and Panel ON. • All indication segments should go ON at the beginning of the test mode. 2. How to release the test mode • Simply reset the unit. • Turn on the power after being in conditions of ACC OFF, power OFF, momentary power down and the panel off. 3. Audio adjustment • Enter the audio mode by pressing the "AUD" key. • Set the volume level to be +5dB. In that case, “30” should be shown on the display. • Loudness OFF. • The BASS/MIDDLE/TREBLE and BALANCE/FADER can be adjusted to the full-boost/full-cut and full-front/full- rear each by pressing the “UP” and “DOWN” keys in 3 steps range. www. xiaoyu163. com QQ 376315150 9 9 2 8 9 4 2 9 8 TEL 13942296513 9 9 2 8 9 4 2 9 8 0 5 1 5 1 3 6 7 3 Q Q TEL 13942296513 QQ 376315150 892498299 7 ADJUSTMENT KRC-309S/389/389W,409/479,489/489G BALANCE/FADER/BASS/TREBLE : CENTER T.ADV/METAL/DOLBY NR/AUTO : OFF No. ITEM INPUT SETTINGS OUTPUT SETTINGS RECEIVER SETTINGS ALIGNMENT POINTS ALIGN FOR FIG. CASSETTE DECK SECTION 1 AZIMUTH TCC-153 10KHz SP OUT TAPE PLAY Head azimuth screw (FWD/REV) (ME1) Adjust so that output level in playing "FWD" and "REV" becomes maximum each. (b) 2 DOLBY (PLAY BACK LEVEL) TCC-130 Connect an AC voltmeter to CN5 (X14-) TAPE PLAY VR1 (L ch) VR2 (R ch) (X14-) 300mv (b) AZIMUTH PANEL FRONT FWD REV www. xiaoyu163. com QQ 376315150 9 9 2 8 9 4 2 9 8 TEL 13942296513 9 9 2 8 9 4 2 9 8 0 5 1 5 1 3 6 7 3 Q Q TEL 13942296513 QQ 376315150 892498299 8 PARTS DESCRIPTIONS KRC-309S/389/389W,409/479,489/489G www. xiaoyu163. com QQ 376315150 9 9 2 8 9 4 2 9 8 TEL 13942296513 9 9 2 8 9 4 2 9 8 0 5 1 5 1 3 6 7 3 Q Q TEL 13942296513 QQ 376315150 892498299 A B D F H J C E G I 2 1 3 5 7 4 6 Refer to the schematic diagram for the value of resistors and capacitors. PC BOARD (Component side view) 10 9 R1 R2 R3 R4 R5 R10 R20 R7 C3 CP1 CP2 C1 C2 C4 C5 C6 C7 C8 R11 R12 R13 R14 R16 R17 R18 R19 R9 15 14 2 1 1 16 48 33 32 17 64 49 KI1 RST REMO L-CE PANEL SW D-GND KI4 KI2 KS5 ESD-GND KS1 KS4 KS3 L-DATAS L-DATAL L-CLK ILL-GND KI3 KS2 PAN5V LED+B SW5V B E IC1 Q1 D24 D26 J1 D23 KI4 1 KS5 KS3 40 KI3 KS2 KS4 KI2 KI1 KS1 RST ATT VOL 3 1 2 4 2 1 3 4 5 6 SRC AUTO CLK dB AM FM D1 D2 D3 D4 D5 D6 D7 D8 D9 D10 D11 D12 D13 D14 D15 D17 IC2 ED1 D21 D22 SWITCH UNIT X13-986x-xx (J74-1111-02) R123 C214 W507 W505 W510 W502 C215 C213 C216 C226 C227 R159 R160 W509 R151 R152 W511 R108 W503 C536 W506 R501 R109 R519 R520 C533 R522 R521 W504 R256 C207 R258 C534 R553 W508 TH1 R555 R533 R202 R196 C204 C205 R131 R183 R181 R184 R142 R143 R186 R185 R111 R112 R162 R148 R138 R145 R147 W501 R136 R139 R149 R132 R161 R144 R134 R187 R504 R503 R502 R512 R511 R505 R415 C20 R532 R524 R523 C14 R534 R515 R514 R513 R518 R517 R516 R225 R228 R227 R226 R201 R188 R203 R261 R260 R259 R412 R262 R255 C102 C101 W512 C208 C506 C520 C508 C111 C502 C532 C308 C404 R23 R51 R11 R12 R13 R105 R107 R102 R103 C511 C512 C516 C206 C519 C515 C41 C209 C211 C210 C225 W513 C202 R57 R56 R16 C217 C212 C330 C331 C64 C63 R55 R54 C103 B E E B E B B E E B EB E B E B E B E B E B E B E B E B 15 14 1 28 1 14 8 7 30 31 40 1 10 11 20 21 41 40 64 80 65 1 24 25 6 10 1 5 R106 C104 / E B Q501 IC6 Q224 Q223 Q552 Q251 Q222 Q10 Q191 Q221 Q41 IC1 Q190 Q50 D101 IC10 IC5 IC2 Q11 Q51 Q52 L G R R198 C535 R199 W6 W49 W201 W101 L306 W202 R301 W37 W56 R253 R252 R251 R254 C56 R14 R15 W36 W82 W87 W83 W70 W89 W110 W113 W80 W25 W77 W26 W27 W59 W60 W57 W44 W42 W58 W61 W18 W43 W41 W50 W40 W85 W86 W68 W66 W62 W1 W3 W109 W118 W64 W19 W108 W121 W124 W96 W117 W7 W97 W20 W39 W8 W9 W11 W15 W106 W48 W69 W93 W94 W98 W92 W71 W99 W55 W17 W45 W104 X1 R537 W29 R20 R552 R194 R535 R193 R402 R404 R401 R197 R230 R229 R232 R231 R22 R21 R2 R1 R411 R405 R407 R406 R409 R410 R408 R122 R113 R121 R146 R137 R150 R141 R133 R551 R224 R223 R222 R221 R257 R50 R101 R104 R10 L301 C1 L307 L201 L101 C224 C255 C257 C223 C513 C221 C222 C258 C503 C504 C507 C509 C505 C401 C402 C518 C203 C514 C517 C403 C305 C53 C301 C51 C52 C54 C55 C50 C309 C110 C201 C57 C501 C256 C254 C253 C251 C252 W30 W10 W107 W102 W114 W81 W32 W28 W65 W51 W35 W31 W2 W4 W5 W12 W13 W14 W16 W22 W33 W75 W24 W38 W23 W63 W122 W115 W119 W112 W105 W103 W111 W73 W78 W100 W95 W123 W84 W74 W76 W79 W54 W34 W125 W21 W90 W120 L1 4.5MHz R403 VR2 VR1 R52 R53 / 14 2 1 15 13 11 12 8 4 9 3 2 1 10 6 7 5 2 24 25 1 1 13 7 1 1 3 9 8 16 1 1 24 10 1 B E P1 D411 D108 D106 D301 D11 D103 D102 A1 D409 D408 D251 D252 D253 D201 D5 D4 D2 D3 D551 D1 J1 Q551 D401 D402 D10 D20 D403 D407 D405 D404 IC4 J4 J5 J6 J2 J3 CN1 CN5 CN2 IC7 X-14-639x-xx (J74-1120-12) SYNTHESIZER UNIT w w w . x i a o y u 1 6 3 . c o m Q Q 3 7 6 3 1 5 1 5 0 9 9 2 8 9 4 2 9 8 T E L 1 3 9 4 2 2 9 6 5 1 3 9 9 2 8 9 4 2 9 8 0 5 1 5 1 3 6 7 3 Q Q TEL 13942296513 QQ 376315150 892498299 TEL 13942296513 QQ 376315150 892498299 R3 KI2 C8 C7 R20 R10 ILL-GND KI1 KI3 KS1 KI4 R4 KS2 32 49 KS3 CP1 E B KS4 CP2 48 R9 33 64 R19 C5 1 C4 C2 C1 17 16 ESD-GND L-CLK L-DATAS PANEL SW D-GND R7 R18 1 PAN5V R5 R11 R13 R14 R12 C3 R16 2 L-CE 15 14 REMO RST L-DATAL R1 LED+B SW5V C6 R2 KS5 R17 D23 Q1 IC1 D24 J1 D26 1 40 KS1 FM KI2 CLK KI1 AM KS2 AUTO dB KI3 SRC 6 5 KS3 4 KI4 3 2 KS4 1 KS5 2 ATT 1 4 3 VOL RST D9 D17 D12 D11 D15 D10 D22 D7 D8 D13 ED1 D14 D1 D21 D5 D4 D2 IC2 D6 D3 SWITCH UNIT X13-986x-xx (J74-1111-02) 65 64 R187 R103 R105 R196 W508 R185 R186 W509 W510 R148 R149 W506 R152 R151 R147 R107 C103 B E C532 5 1 E C534 W507 B C536 10 C533 6 B E C207 R202 R112 C308 E B C331 C330 W513 E B C104 R106 / R139 R138 R109 R108 R412 C101 C102 R555 R102 R203 R553 R123 C208 C209 14 15 21 R183 80 C111 R533 1 R160 R159 R55 R534 R54 R161 R162 41 R111 25 24 R132 40 R184 R515 R519 R143 R144 R142 R145 R521 C515 10 R523 R505 C519 20 R502 C506 C502 1 11 R517 R532 R503 R181 W505 R201 R136 C205 C210 C204 C211 C206 1 C202 E B E R51 B C511 R522 C520 R516 R504 40 R513 31 30 R524 W511 R520 C508 C516 R512 C512 R511 R501 R518 R514 W512 W503 C215 B E B E R188 C214 B E R225 B B E E R227 R228 R226 W501 C225 C64 E R255 R13 C14 C213 R131 C212 28 C216 C217 W504 C41 R12 R16 B E R57 1 7 R11 R415 C404 14 8 R259 R134 B E R261 R258 C63 R56 B R256 R262 R260 C20 R23 W502 TH1 C226 C227 Q190 D101 Q191 Q501 IC6 Q50 Q552 IC1 IC5 IC2 Q51 Q52 Q223 Q41 Q224 Q221 Q222 Q11 IC10 Q10 Q251 16 9 1 25 W110 W38 W202 W201 R197 1 15 2 R193 R199 14 R101 R198 W101 R104 W104 W87 W43 W70 W29 W69 W39 W55 W102 W99 L101 W45 W93 R537 W114 W107 W78 C57 X1 24 R552 R W10 R194 W16 W22 W14 W33 G L W18 R551 C309 B E W36 W21 W23 1 R113 1 3 W26 W34 R121 W4 C305 L307 W5 W2 7 W25 W24 W48 R122 W32 L306 / W6 W3 R301 W12 W13 W31 C513 W106 W54 W94 W90 W89 4.5MHz C110 R141 W98 W97 W96 R50 W92 R137 R146 W117 C504 C503 C535 VR1 W124 R150 VR2 W108 C505 C517 R535 1 W123 W84 R133 W51 C203 W81 W83 W82 W80 W79 C507 W74 W63 W71 W65 W95 W100 W103 W75 W76 W120 W121 C518 C509 10 W113 W105 W109 W111 C501 C514 13 W42 R221 R222 1 L301 C254 C403 W27 C301 W8 W7 C224 C223 W17 W15 W11 W9 W35 W40 W41 W30 W28 R223 R224 C222 C221 W1 C401 R406 R405 R404 R403 R408 R410 R409 R407 R401 R402 R230 R229 R411 R231 R232 W19 C402 W20 6 9 10 8 12 11 13 1 2 7 5 3 4 W122 R254 R20 R10 W73 C201 L201 W85 W86 W44 C251 W66 C252 W50 W68 W58 C253 R257 R15 C55 C56 C53 R14 C54 C51 R21 R22 C52 W119 C50 1 8 R252 R253 R251 W56 W64 C258 C255 C256 C257 W62 W61 W60 W59 W125 W118 W112 W115 R52 R53 R2 C1 R1 1 2 W37 W49 W57 24 W77 L1 D106 D108 J3 P1 CN2 D551 D103 D102 Q551 CN5 D301 CN1 D201 D403 D401 D402 A1 D409 D407 J1 D404 D405 D408 D411 J6 J5 J4 D11 D251 D252 D20 D253 D10 IC7 D5 D3 D2 D4 D1 X-14-639x-xx (J74-1120-12) SYNTHESIZER UNIT IC4 J2 K M O Q S L N P R T 2 1 3 5 7 4 6 Refer to the schematic diagram for the value of resistors and capacitors. PC BOARD(Foil side view) 11 12 w w w . x i a o y u 1 6 3 . c o m Q Q 3 7 6 3 1 5 1 5 0 9 9 2 8 9 4 2 9 8 T E L 1 3 9 4 2 2 9 6 5 1 3 9 9 2 8 9 4 2 9 8 0 5 1 5 1 3 6 7 3 Q Q TEL 13942296513 QQ 376315150 892498299 TEL 13942296513 QQ 376315150 892498299 A B D F H J C E G I 2 1 3 5 7 4 6 5V 0V 0V 5V 0V 7.8V 4.0V 4.0V 4.0V 4.0V 4.0V 4.0V 4.7V 4.0V 4.0V 4.0V 4.0V 4.0V 4.0V 4.0V 4.0V 4.0V 4.0V 3.8V 3.8V 3.8V 3.8V 0V 5V 0V 5V 0V 0V 5V 1V 7.9V 4.0V 4.0V 3.8V 3.8V 3.8V 3.8V 3.8V 3.8V 3.8V 3.8V 0V 3.8V 7.7V 5.0V 5.0V 0V 0V 7.6V 7.6V 0V 5V 0V 5V 0V 0V 5V 0V 5V 5V 0V 5.0V 0V 5V B LINE DATA C GND REQ H CON MUTE S GND Rch RST 2 4 3 8 12 7 6 11 10 1 5 9 DATA H Lch CLK REQ C 13 8 7 6 5 4 3 2 16 1 GND B.U. 15 14 13 12 11 9 10 F1 ACC P.CON P.ANT RL+ FL- RL- FR- RR- FR+ RR+ FL+ 1u50 + C256 100u10 + R256 R255 33K 1K 35 36 FL+ RL+ RL- FL- FR- RR+ FR+ RR- 1 3 R404 100 R405 4.7K R406 4.7K R402 10 R403 4.7 R407 4.7K R409 4.7K R408 4.7K R411 100 R410 100 R401 10 C403 100u10 + C402 1u50 + C401 1u50 + 13 1 3 2 4 5 L GREF VREF CD R R PH- 6 7 8 CD GND CD L 10 9 11 12 AFC MPX AM LEVEL MP IN 28 AC OUT L OUT LR OUT RF OUT LF AC OUT R 26 27 25 24 GND VDD OUT RR 23 21 22 QUAL S MUTE SCL SDA 19 20 18 17 MP OUT 14 16 15 MUX OUT L MUX OUT R FR RR RL FL 5 7 6 L1 2200u16 + C1 30 29 28 27 26 25 24 23 22 21 20 19 18 17 16 15 14 13 12 11 1 2 3 4 5 6 7 8 9 10 31 32 33 34 35 36 37 38 39 40 M-OUT (R) EQ OUT (R) D IN (R) RAI (R) PB OUT (R) DET (R) MS 0V (R) MS GV (S) MA OUT MSI MS DET VCC MS OUT MS GV F/R MTL DOLBY M-OUT (L) EQ OUT (L) D IN (L) BIAS RAI (L) PB OUT (L) DET (L) MUTE NFI (R) R IN (R) RIP F IN (R) GND GND F IN (L) V REF R IN (L) NFI (L) 1 2 3 4 5 6 7 8 9 10 MODE MODE+B SUB(-) SUB(+) PACK IN F/R GND HEAD L HEAD COM HEAD R 9 7 1u50 + C509 B.U. 21 22 11 14 13 12 5 4 3 2 1 SGND IN2 IN1 NC VCC 6 7 8 9 10 PGND OUT2 NC OUT1 NC 3 2 1 W511 R535 470 18K ∗R524 C516 0.01 R518 330K R516 12K 0.1u50 C518 + 5.1K ∗R520 22u6.3 + C514 150 R514 18K ∗R523 C515 0.01 R517 330K R515 12K + R513 150 C513 22u6.3 C512 1500P R512 15K 5.1K ∗R519 + C517 0.1u50 R511 15K C511 1500P R533 470 C532 0.01 R534 100K R532 470 50 49 48 43 22u6.3 ∗C503 + 10u6.3 ∗C504 + 47u10 C501 + 0.01 C502 51 ∗R505 18K ∗C519 0.1 180K R502 0.22u50 C505 + 0.01 C506 4.7 R501 10K 52 55 3.3K R20 R23 39K 100K R21 100K R22 C20 0.1 1/2W 10K R11 1000P C14 R14 82K 56K R15 100K R16 20K R10 10K R13 100K R415 100K C404 0.01 23 67 VDD GND 1 2 14 13 3 12 11 4 5 6 7 10 9 8 C41 0.01 64 60 59 0.01 C508 0.1 ∗C520 24K R504 0.47u50 C507 + 1.6K R503 C535 10u10 + 22 R537 C536 0.1 W507 C533 0.22 C534 0.22 9 7 4.3K ∗R522 W512 0 ∗VR2 10K 4.3K ∗R521 ∗VR1 24 32 5 7 6 2.2u50 + ∗C212 100P 100P ∗C213 ∗C215 6800P ∗C214 6800P ∗C216 6800P ∗C217 6800P 0.01 C202 47u10 + C201 4.7uH L201 C203 0.015 C206 0.47 C207 2.7K R201 4.7K R202 R412 100K R551 10K W504 W503 0 0 C255 STBY T-END GND GND 4 6 7 5 2 3 1 M+B R552 1K 70 69 R555 470 R553 470 1/2W C205 1 C204 1 4.7K R203 0.1 C209 C208 0.1 150P C211 0.033 C210 Q501 10 9 6 8 7 5 4 1 3 2 HEAD R HEAD COM HEAD L GND F/R PACK IN SUB(+) SUB(-) MODE+B MODE MODE FWD/REV PACK M+R GND T-END STBY GND 0 1 2 3 4 5 7 6 BU14V YEL REAR L REAR R GRN/BLK VIOL/BLK VIOL GRN GND BLK ACC FRONT L P. CON BLU/WHT RED WHT/BLK GRY/BLK GRY FRONT R WHT REAR L FRONT L WHT/BLK GRN/BLK BATT BU14V YEL REAR R VIOL/BLK VIOL BLK ANT. CONT P. CONT FRONT R BLU BLU/WHT RED GRY/BLK GRY ACC GND ANT. ACC P.CONT CONT GRN WHT BU14V YEL GND ACC BLU/WHT RED BLK P. CONT REAR R VIOL/BLK VIOL REAR L GRN GRN/BLK GRY/BLK GRY BLU WHT WHT/BLK ANT. CONT FRONT R FRONT L 1 9 2 10 11 3 12 4 13 5 14 6 15 7 16 8 14 6 9 1 10 2 11 12 4 3 13 5 15 7 16 8 1 7 4 2 3 5 6 8 FRONT L REAR L FRONT R REAR R 10 4 15 16 14 12 13 11 10 9 R12 10A (F52-0006-05) J4 J2 D1 CN1 D401 D402 D404 D403 D409 D407 D408 D405 ∗CN5 D20 DET. ACC D10 D11 Q11 Q10 DET. SERGE DET. BACK Q41 D201 Q501 EQUALIZER AMPLIFIER SUB MOTOR DRIVER MUTE CONTROL LOGIC Q552 Q551 SVR Q251 -UP E-VOLUME CN2 MOTOR SW MAIN D551 AVR SUB MOTOR HEAD Rch Lch MAIN T-END STBY SUB PACK FWD/REV M HD1 M M1 M2 PLAY SW5V TAKEUP REEL REEL SUPPLY GND LINE SIGNAL LINE DRIVER PRE MUTE PB OUT PLAY BACK PLAY BACK IC2 ∗IC5 IC6 IC10 CASSETTE MECHANISM ME1 (D40-1150-05) SYNTHESIZER UNIT (X14-639x-xx) KRC-309S/409 (E30-4783-05) (E30-4786-05) RX-380 DC1 (E30-4784-05) KRC-389/389W/479/489/489G DC1 DC1 47K 10K 22K 22K 10K 10K DTA114EK DTC114YUA DTC143TUA UN5114 UN5211 UN5214 UN5216 2SA1036K 2SD1819A 2SD1760 2SC4081 2SB1443 DTA124EUA DTC114EUA KRA102S DTA114YUA LB1930M CAUTION: For continued safety, replace safety critical components only with manufacturer's recommended parts (refer to parts list).indicates safety critical components. For continued protection against risk of fire, replace only with same type and rating fuse(s). To reduce the risk of electric shock, leakage-current or resistance measurements shall be carried out (exposed parts are acceptably insulated from the supply circuit) before the appliance is returned to the customer. w w w . x i a o y u 1 6 3 . c o m Q Q 3 7 6 3 1 5 1 5 0 9 9 2 8 9 4 2 9 8 T E L 1 3 9 4 2 2 9 6 5 1 3 9 9 2 8 9 4 2 9 8 0 5 1 5 1 3 6 7 3 Q Q TEL 13942296513 QQ 376315150 892498299 TEL 13942296513 QQ 376315150 892498299 T K M O Q S L N P R KRC-309S/389/389W,409/479,489/489G 0V 1.7V 2.5V 1V 5V 0V 0V 5V 0V 5V 0V 5V 0V 5V 0V 5V 5.0V 0V 5V 0V 0V 5V 0V 5V 0V 5V 5V 0V 5V 0V 0V 5V 0V 5V 5V 0V 5V 0V 5.0V OPEN or 5.0V 0V 5V 5V 0V 0V 5V 3.3V 0V 5V 5V 0V 5V 0V 0V 4.8V 5.0V 5.0V 5.0V 0V 5V 0-3.5V 5.0V 0V 5V 5V 0V 5V 0V 5.0V 0V 13.6V 0V 2.5V 5.0V 13.6V 8.2V 14.4V 8.2V 0V 8.2V 0V 5V 10.3V 5.0V 5.0V 0V 0V 7.2V 0V 4.7V 14.4V 0V 7.3V 7.2V 7.2V 0V 0V 14.4V 3.3V 0V 7.3V 7.3V 7.2V 0V 5V 2 4 6 8 10 12 14 16 18 20 22 24 GND STBY VCC GND SVR IN2 IN4 AC GND GND VCC MUTE GND 1 3 5 7 9 11 13 15 17 19 21 23 25 TAB OUT2- OUT2+ OUT1- OUT1+ IN1 GND IN3 OUT3+ OUT3- OUT4+ OUT4- CD 4.7K 4.7K R254 R252 0.22u50 C254 0.22u50 C253 W502 RL FL FR RR RR- FR+ FR- RR+ RL+ FL- FL+ RL- C257+ 1u50 + 3.6K R257 R260 750 R261 430 TH1 R258 22K R262 180K + 270 R224 R232 100 100 R231 R223 270 10u16 C223 R227 30K R228 30K 10u16 C224 + + 10u16 C221 + C222 10u16 R226 30K R221 270 100 R229 30K R225 R222 270 R230 100 C225 0.01 64 63 62 61 60 59 58 57 56 55 54 53 52 51 50 49 48 47 46 45 44 43 42 41 40 39 38 37 36 35 34 33 32 31 30 29 28 27 26 25 1 2 3 4 5 6 7 8 9 10 11 12 13 14 15 16 17 18 19 20 21 22 23 24 65 66 67 68 69 70 71 72 73 74 75 76 77 78 79 80 T-MODE IC2 TYPE 1 NC NC SUB- SUB+ DSI NC REMOTE PACK-IN NC NC FWD/REV EQ-MUTE DOLBY METAL MUSIC P.ANT-DET P.COT-DET BU DET BEEP MS-CONT NC EN2-0 EN2-1 EN3-0 EN3-1 EN1 SVR P-STBY P-MUTE SW 5V IC2-SDA VDD TYPE 0 TYPE 1 NC NC NC NC X IN GND L-DATA L L-DATA S L-CLK L-CE PANEL PLL-DATA PLL-CLK SD CH-DATA C CH-DATA H CH-CLK CH-REQ C MOTOR NC NC NC NC NC CH-CON CH-REQH MUTE IC2-SCL ACC-DET S-METER HOLD VDD M-STBY T-END NC NC VDD GND GND GND OPEN OPEN GND X OUT C258 R253 4.7K C252 0.22u50 4.7K 0.22u50 C251 R251 13 12 11 10 9 8 7 6 5 4 3 2 1 BU5V VP1 ILLUM EN1 AUDIO GND AM+B VP2 FM+B EN3 P.ANT EN2 P.CON 10u35 ∗C51 + 39K R57 0.01 C64 220K R53 39K 0.01 R52 220K C63 R56 10u35 C50 + 4.7K R1 4.7K ∗R2 100K R55 10u16 + C54 10u16 + C55 10u50 + C56 100u16 + C57 10u16 + C52 10u16 + C53 3 1 RR RL FL FR 70 69 RR FR RL FL 1 2 3 4 5 6 7 8 9 10 11 12 13 14 15 16 17 18 19 20 21 22 23 24 RF GND FM ANT AM ANT OSC GND FM+B AM+B OSC GND VT PLL+B IFC OUT PLL DATA PLL CLK DIG GND VDD 5V IF2 GND IF2+B AUDIO OUT SD S-METER IF1+B IF1 GND OSC GND OSC GND OSC GND W501 0 52mH L301 66 11 10 47u10 C301 + + 47u10 C305 0.01 ∗C308 4.7uH ∗L306 ∗W6 150 R301 4.7uH L307 9 8 C309 + 47u10 R123 22K 1 2 3 4 5 6 7 8 9 10 11 12 13 14 15 ILL GND D GND LRST SW5V LAMP +B LED +B LDATAS L CLK L CE LDATAL VDD RST REMO PANEL SW ESD GND ∗R197 1K R187 1K R193 1K R104 470 R101 1K R105 560 R103 560 R194 47 W508 0 4 7 67 56 6 3 5 44 45 56 58 R188 2.2M 1K R147 R151 10K R148 1K R152 10K R149 4.7K R150 22K R186 10K 100K R54 47 46 33 2.2K R50 R51 47K 34 45 44 43 64 60 59 55 52 51 50 49 48 46 47 R142 1K R143 4.7K ∗R144 22K ∗R145 22K R146 1K W506 CP1 10K 34 35 36 37 39 33 R136 1K 32 24 R134 47K ∗R184 10K ∗R183 10K R137 10K 41 10K R161 10K R162 R141 1K 4.7uH L101 1u50 47K R139 R138 22K W505 R102 100K R108 470 R109 470 ∗R106 2.2K ∗C104 0.01 5 4 3 7 6 8 9 10 22 21 11 12 13 14 4.7K R132 100K R122 100K R121 10K R133 0.1 C103 100K R107 67 23 67 10 ∗R199 10 ∗R198 W510 W509 0 100K R131 58 R196 240 Q221-224 66 11 41 39 37 0 4.5MHz 22P C102 22P C101 0 C111 0.01 C110 220u6.3 + X1 R111 1K R112 4.7K R113 4.7K RX-380 KRC-479 KRC-389W KRC-389 KRC-489 KRC-309S KRC-409 KRC-489G YES YES YES NO 0-01 NO YES NO YES 0-21 0-22 0-11 0-10 NO YES YES YES NO NO UNIT No. YES NO YES YES YES NO MODEL NAME YES YES NO YES CN5 YES J3 E58-0879-05 IC5 HA12216F LC72366-9996 IC1 KRC-489 0-01 RX-380 KRC-389 KRC-389W KRC-479 KRC-309S KRC-489G 0-22 0-11 0-21 YES YES YES YES YES NO NO YES NO NO NO NO NO YES YES YES MODEL NAME KRC-409 UNIT No. 0-10 NO NO YES YES E58-0879-05 E58-0880-05 E58-0879-05 E58-0879-05 LC72366-9996 LC72366-9995 LC72366-9996 LC72366-9996 HA12216F HA12216F HA12216F HA12221F 199 R106, R144, 523,524 505 R145, R183 R2 NO YES NO YES NO 519,520 C503, YES YES YES YES KRC-389 RX-380 KRC-389W KRC-479 0-01 0-22 UNIT No. MODEL NAME KRC-309S KRC-489G KRC-409 KRC-489 0-21 0-11 0-10 YES NO YES NO NO YES NO YES NO YES YES YES YES NO L306 NO NO NO R184 YES 198 YES YES NO YES NO NO NO -522 NO R197, R519 C104 YES YES NO YES NO YES NO NO NO 308 C51 C212-217, YES NO YES NO NO C504 W6 YES YES YES YES NO YES NO YES YES YES YES 106,108 D102,103, YES YES NO YES YES YES YES NO NO YES Q190 D4,5 NO YES YES YES YES VR1,2 P1 0 X86-3280-11 X86-3280-01 X86-3280-11 X86-3280-11 A1 X86-3280-11 12 12 10 4 100 R259 D251 D252 D253 Q224 Q223 Q222 Q221 PRE OUT J5 J6 ∗D4 D2 ∗D5 D3 Q51 Q52 ∗ D ∗ B ∗ A J1 D301 ∗J3 ∗Q190 SYSTEM u-COM Q50 5V SW POWER DETECTION ANTENNA DETECTION P.CON. POWER AMPLIFER AVR ∗D103 ∗D106 ∗D108 ∗D102 Q191 D101 DSI DRIVER PANEL SW ∗ C PRE MUTE (X14-639x-xx) A B D C IC1 : IC2 : TDA7407D IC4 : TDA7386 IC5 : IC6 : LB1930M IC7 : TDA3682ST IC10 : HD74HC27FP Q10,11,51,52 : 2SC4081 Q41 : DTA124EUA Q50 : 2SA1036K Q190,191 : DTA114YUA Q221-224 : DTC143TUA Q251 : DTC114YUA Q501 : 2SD1760 Q551 : 2SB1443 Q552 : DTC114EUA D1 : S2V20 A D2,4 : 1GWJ43 (TPB5) D3,5,551 : AM01Z D10,11,401,402 : MA4068(N)-M D20 : MA4051-L D101 : B30-1567-05 D102,103,106,108, 403-405,407-409 : MA4062-L D201,251-253 : 1SS133 D301 : MA4051 (N)-M 2/2 X13 -J1 IC4 ∗IC1 IC7 ∗A1 KRC-309S/389/389W (K/M/M) (1/2) KRC-409/479,489/489G (K/M,M/M) (1/2) RX-380 (J) (1/2) A 4.7K 4.7K 4.7K 4.7K 47K 10K 47K 10K ∗ ∗ w w w . x i a o y u 1 6 3 . c o m Q Q 3 7 6 3 1 5 1 5 0 9 9 2 8 9 4 2 9 8 T E L 1 3 9 4 2 2 9 6 5 1 3 9 9 2 8 9 4 2 9 8 0 5 1 5 1 3 6 7 3 Q Q TEL 13942296513 QQ 376315150 892498299 TEL 13942296513 QQ 376315150 892498299 U V X Z AB AD W Y AA AC 2 1 3 5 7 4 6 KRC-309S/389/389W,409/479,489/489G +B LINE 5V 0V 0V 5.0V 3.3V 1.7V 0V 5.0V 5V 0V 0V 5V 3.3V 1.7V 0V 5V 0V 4.8V 0V 5V 0V 5V 3V 5V 0V 5V 0V 330 R2 330 R1 510 R5 330 R3 PL1 PL2 0.01 ∗C7 0.01 ∗C6 270 ∗R20 33 C2 38 37 36 35 34 C1 40 39 C3 C5 C1 0.047 C4 0.047 R18 4.7K 1 2 3 4 5 6 7 8 9 10 11 12 13 14 15 ILL-GND D-GND NC SW 5V LAMP+B LED+B L-DATAS L-CLK L-CE L-DATAL PAN 5V RST REMOTE PANEL SW ESD-GND 470 470 470 470 R16 1K 2.2 C3 R17 47 62 61 63 64 20 9 4 7 6 5 8 14 12 11 10 13 18 16 15 19 C2 23 22 21 24 27 26 25 28 29 34 32 31 30 33 37 36 35 38 27 32 31 30 29 28 23 26 25 24 22 21 20 19 18 17 15 16 10 13 14 12 11 8 9 6 7 KI1 KI3 KI2 KI4 64 62 61 63 KS5 KS4 KS3 KS2 KS4 ∗R6 ∗C8 0.01 16 15 14 13 12 11 10 9 8 7 6 5 4 3 2 1 64 63 62 61 60 59 58 57 56 55 54 53 52 51 50 49 33 34 35 36 37 38 39 40 41 42 43 44 45 46 47 48 17 18 19 20 21 22 23 24 25 26 27 28 29 30 31 32 S16 S15 S14 S13 S12 S11 S10 S9 S8 S7 S6 S5 S4 S3 S2 KEY DATAS CLK CE DATAL OSC VSS VDD1 VDD2 VDD TEST KI4 KI3 KI2 KI1 KS6 S33 S34 S35 S36 S37 S38 S39 S40 COM1 COM2 COM3 KS1 KS2 KS3 KS4 KS5 S17 S18 S19 S20 S21 S22 S23 S24 S25 S26 S27 S28 S29 S30 S31 S32 1 2 3 4 5 6 7 8 9 10 11 12 13 14 15 16 17 18 19 20 21 22 23 24 25 26 27 28 29 30 31 32 33 34 35 36 37 38 0.01 C2 OUT VCC 3 1 YES C KS3 KS2 KS1 KI1 KI2 KI3 KI4 UNIT No. KRC-389W(M) RX-380(J) KRC-389(M) KRC-309S(K) KRC-489G(M) 0-11 KRC-489(M) KRC-409(K) MODEL NAME 0-10 ED1 D1-15 R6,8 R4 330 KS5 KS1 39 C1 40 KRC-479(M) 0-21 0-01 B38-1055-05 NO B30-1564-05 B30-1574-05 B30-1533-05 B30-1533-05 D17 C6-8 KI5 330 ∗R8 330 ∗R10 360 1000P 56K R19 4.7 R7 2 GND R11 R12 R13 R14 NO NO B30-1564-05 B30-1564-05 B30-1533-05 NO B30-1564-05 B38-1055-05 YES B30-1533-05 B30-1533-05 B30-1533-05 B30-1533-05 B30-1567-05 B30-1533-05 B30-1533-05 B30-1533-05 18-20 D16, NO NO YES YES NO NO YES YES NO YES YES NO NO NO R10, 20 YES YES YES YES NO NO YES NO NO YES YES YES B38-1055-05 B38-1055-05 B38-1055-05 B38-1055-05 B38-1055-05 B38-1056-05 1K CP2 1K CP1 GND 4 NO NO YES NO NO NO YES YES C3 38 37 17 R9 1K 4 5 B30-1572-05 B30-1572-05 B30-1614-05 NO NO NO B30-1572-05 B30-1572-05 D21,22 ∗D1 ∗D2 ∗D3 ∗D6 ∗D5 ∗D4 ∗D9 ∗D8 ∗D7 ∗D14 ∗D13 ∗D22 ∗D21 D24 J1 Q1 IC1 : LC75853NE IC2 : RS-171 Q1 : DTA114EK D1-15 : D17 : D16,18-20 : B30-1533-05 D23,24,26 : MA3062WA ∗D17 ∗D15 (X13-986x-xx) J3 X25- 1/2 ∗D11 ∗D10 ∗ C ∗D20 ∗D19 ∗D18 ∗D16 SUB-ILL FM AM SRC AUTO CLK dB 4 3 5 6 1 2 ATT VOL- VOL+ ∗D12 RESET LCD DRIVER D26 D23 D21,22 : REMOTE SENSOR KEY SCAN SW ∗ED1 IC1 IC2 SWITCH UNIT (X13-986x-xx) KRC-309S/389/389W (K/M/M) (2/2) A KRC-409/479,489/489G (K/M,M/M) (2/2) RX-380 (J) (2/2) 10K 10K ∗ ∗∗ CAUTION: For continued safety, replace safety critical components only with manufacturer's recommended parts (refer to parts list).indicates safety critical components. For continued protection against risk of fire, replace only with same type and rating fuse(s). To reduce the risk of electric shock, leakage-current or resistance measurements shall be carried out (exposed parts are acceptably insulated from the supply circuit) before the appliance is returned to the customer. w w w . x i a o y u 1 6 3 . c o m Q Q 3 7 6 3 1 5 1 5 0 9 9 2 8 9 4 2 9 8 T E L 1 3 9 4 2 2 9 6 5 1 3 9 9 2 8 9 4 2 9 8 0 5 1 5 1 3 6 7 3 Q Q TEL 13942296513 QQ 376315150 892498299 TEL 13942296513 QQ 376315150 892498299 Parts with exploded numbers larger than 700 are not supplied. a A B C D E F G H L M N P Q R S M2x2.5 M1.7x7 M2x2.2 M2x3 M2x5 (BLK) 1.2x3 1.6x3.2 1.6x3.2 2.1x4 1.5x3.2 1.5E : N09-4193-08 : N09-4194-08 : N09-4195-08 : N09-4196-08 : N09-4197-08 : N09-4198-08 : N09-4199-08 : N09-4200-08 : N19-2087-08 : N19-2088-08 : N19-2135-08 : N19-2146-08 : N19-2091-08 : N19-2092-08 : N29-0510-08 D40-1150-05 (MECHANISM) 4 73 27 2 55 76 a M1 63 79 52 79 6 52 74 74 45 16 16 13 13 17 45 67 8 40 41 77 9 68 1 37 19 10 107 38 94 95 80 15 18 53 83 62 23 22 59 35 46 42 69 36 7 47 48 103 105 100 102 3 HD1 33 75 32 34 26 24 M2 70 25 71 44 39 57 14 43 G R R L M Q Q L M Ex2 M M 887 C L L L P L S G 899 G G G G H Bx2 M M M M N Dx2 Ax3 F F 5 P 1 2 3 A B KRC-309S/389/389W,409/479,489/489G EXPLODED VIEW (MECHANISM) 19 www. xiaoyu163. com QQ 376315150 9 9 2 8 9 4 2 9 8 TEL 13942296513 9 9 2 8 9 4 2 9 8 0 5 1 5 1 3 6 7 3 Q Q TEL 13942296513 QQ 376315150 892498299 Parts with exploded numbers larger than 700 are not supplied. RC1 763x2 D D B P D Bx2 D 207 ME1 744 783 (X14-) F F B (X14-) 729 765 F1 G G D D 781 (X14-) 782 (X14-) A1 (X14-) KRC-309S/389/389W (K/M/M) KRC-409/479/489/489G (K/M/M/M) Ax2 D 703 A B C D E F N P G M2.6x8 M2.6x4 φ2x8 (BLK) φ3x5 φ2x6 φ3x16 WASHER φ3x8 φ3x10 : N30-2608-46 : N30-2604-46 : N80-2008-45 : N83-3005-46 : N80-2006-46 : N83-3016-46 : N29-0205-04 : N80-3008-46 : N83-3010-46 C C C C C N 204 221 224 227 206 232 222 208 231 233 705 764 (X13-) 272 (X13-) 274 (X13-) 271 (X13-) 275 (X13-) ED1 (X13-) 776 (X13-) E E 212 252 PA1 256 253 257 241 254 251 255 214 211 234 709 262 261 242 223x2 DC1 201 246 D 1 2 3 C D 20 KRC-309S/389/389W,409/479,489/489G EXPLODED VIEW (UNIT) www. xiaoyu163. com QQ 376315150 9 9 2 8 9 4 2 9 8 TEL 13942296513 9 9 2 8 9 4 2 9 8 0 5 1 5 1 3 6 7 3 Q Q TEL 13942296513 QQ 376315150 892498299 KRC-309S/389/389W,409/479,489/489G 21 PARTS LIST ✽ New Parts Parts without Part No. are not supplied. Les articles non mentionnes dans le Parts No. ne sont pas fournis. Teile ohne Parts No. werden nicht geliefert. A N Desti- A N Desti- Ref. No. d e Parts No. Description nation Ref. No. d e Parts No. Description nation d w d w - ✽ H54-1921-03 ITEM CARTON CASE (KRC-309S) K1 - ✽ H54-1923-03 ITEM CARTON CASE (KRC-489) M1 201 1C A02-1486-13 PLASTIC CABINET ASSY - ✽ H54-1924-03 ITEM CARTON CASE (KRC-389) M2 204 2C ✽ A22-2861-03 SUB PANEL ASSY - ✽ H54-1925-03 ITEM CARTON CASE (KRC-489G) M3 206 2C ✽ A46-1693-01 REAR COVER - ✽ H54-2034-03 ITEM CARTON CASE (KRC-479) M4 207 1D ✽ A52-0781-02 TOP PLATE 208 2D ✽ A53-1687-03 CASSETTE LID - ✽ H54-2072-03 ITEM CARTON CASE (KRC-389W) M PA1 2C ✽ A64-2178-02 PANEL ASSY K 241 3C ✽ J19-5040-02 HOLDER PA1 2C ✽ A64-2179-02 PANEL ASSY K1 242 1C J21-9641-03 MOUNTING HARDWARE ASSY PA1 2C ✽ A64-2181-02 PANEL ASSY M1 246 1C J54-0606-04 STAY PA1 2C ✽ A64-2182-02 PANEL ASSY M2 PA1 2C ✽ A64-2192-02 PANEL ASSY M3 251 3C ✽ K24-3650-04 KNOB (Q) 252 3C ✽ K24-3651-04 KNOB (RELEASE) PA1 2C ✽ A64-2194-02 PANEL ASSY M4 253 3C ✽ K25-1228-03 KNOB (1,2,3,4,5,6,ATT) PA1 2C ✽ A64-2195-02 PANEL ASSY M 254 3C ✽ K25-1229-03 KNOB (SRC,AUTO,CLK) RC1 1C A70-0883-05 REMOTE CONTROLLER ASSY M1M3 255 3C ✽ K25-1230-03 KNOB (FM,AM,UP,DOWN) 211 3C ✽ B07-3001-02 ESCUTCHEON K1M2K 256 3C ✽ K25-1231-03 KNOB (VOL) 211 3C ✽ B07-3001-02 ESCUTCHEON M1 257 3C ✽ K25-1232-03 KNOB (EJECT,PROG) 211 3C ✽ B07-3003-02 ESCUTCHEON M3 211 3C ✽ B07-3022-02 ESCUTCHEON M4 261 1C N99-1610-15 SCREW SET (1-SCREW) 211 3C ✽ B07-3023-02 ESCUTCHEON M 262 1C N99-1632-05 SCREW SET (9-SCREW) A 3D N30-2608-46 PAN HEAD MACHINE SCREW 212 3C ✽ B10-3276-01 FRONT GLASS K B 1D N30-2604-46 PAN HEAD MACHINE SCREW 212 3C ✽ B10-3277-01 FRONT GLASS K1 C 2C N80-2008-45 PAN HEAD TAPTITE SCREW 212 3C ✽ B10-3279-01 FRONT GLASS M1M3 212 3C ✽ B10-3280-01 FRONT GLASS M2M D 1D N83-3005-46 PAN HEAD TAPTITE SCREW 212 3C ✽ B10-3287-01 FRONT GLASS M4 E 2C N80-2006-46 PAN HEAD TAPTITE SCREW N 2C N29-0205-04 RETAINING RING 214 3C ✽ B19-2105-04 LIGHTING BOARD - B46-0100-50 WARRANTY CARD - B46-0606-04 ID CARD 271 2C ✽ B11-1325-04 OPTICAL DIFFUSER K1M2MK - B58-1344-04 CAUTION CARD K1 271 2C ✽ B11-1325-04 OPTICAL DIFFUSER M1M3 - ✽ B64-1826-00 INST. MANUAL (ENG,FRE,SPA,POR) K1K 271 2C ✽ B11-1334-04 OPTICAL DIFFUSER M4 272 2C ✽ B11-1326-04 REFLECTION SHEET - ✽ B64-1827-00 INST. MANUAL (ENGLISH,CHINESE) M2MM1 274 2C ✽ B19-2063-03 LIGHTING BOARD - ✽ B64-1827-00 INST. MANUAL (ENGLISH,CHINESE) M3M4 - ✽ B64-1828-00 INST. MANUAL (ARABIC) M2MM1 D1 -15 B30-1533-05 LED (PG) KM1M3 - ✽ B64-1828-00 INST. MANUAL (ARABIC) M3M4 D1 -15 B30-1567-05 LED (RED) M4 D1 -20 B30-1533-05 LED (PG) K1M2M 221 1C D10-4446-03 LEVER D17 B30-1564-05 LED (BLUE) KM1M3 222 2D D10-4447-03 LEVER D17 B30-1574-05 LED (BLUE, HB) M4 223 1C D10-4589-04 LEVER 224 1C D21-2329-04 SHAFT D21 ,22 B30-1572-05 LED (WHITE) KM1M3 ME1 1D ✽ D40-1150-05 CASSETTE MECHANISM ASSY D21 ,22 ✽ B30-1614-05 LED (BLUE) M4 ED1 2C ✽ B38-1055-05 LIQUID CRYSTAL K1M2MK 227 2C ✽ E29-1826-02 CONDUCTIVE RUBBER ED1 2C ✽ B38-1055-05 LIQUID CRYSTAL M1M3 DC1 1C ✽ E30-4783-05 DC CORD K1K ED1 2C ✽ B38-1056-05 LIQUID CRYSTAL M4 DC1 1C ✽ E30-4784-05 DC CORD M2MM1 DC1 1C ✽ E30-4784-05 DC CORD M3M4 PL1 ,2 B30-1485-05 LAMP (5.5V, 0.125A) K1M2M PL1 ,2 B30-1543-05 LAMP (GRN, 5.5V, 0.125A) K1M2M F1 2D F52-0006-05 FUSE (MINI BLADE TYPE) (10A) F1 2D F52-0011-05 FUSE (MINI BLADE TYPE) (10A) C1 CK73GB1E473K CHIP C 0.047UF K C1 CK73GB1H473K CHIP C 0.047UF K 231 2C G01-2525-04 TORSION COIL SPRING C2 CK73GB1H103K CHIP C 0.010UF K 232 1C G01-2987-04 TORSION COIL SPRING C3 CK73EB1C225K CHIP C 2.2UF K 233 1C G01-2988-04 EXTENSION SPRING C4 CK73GB1E473K CHIP C 0.047UF K 234 3C G01-2990-04 COMPRESSION SPRING (RELEASE) C4 CK73GB1H473K CHIP C 0.047UF K - ✽ H12-2685-01 PACKING FIXTURE C5 CK73GB1H102K CHIP C 1000PF K - ✽ H12-2686-01 PACKING FIXTURE C6 -8 CK73GB1H103K CHIP C 0.010UF K KM1M3 - H25-0329-04 PROTECTION BAG (280X450X0.03) C6 -8 CK73GB1H103K CHIP C 0.010UF K M4 - H25-0337-04 PROTECTION BAG (180X300X0.03) - ✽ H54-1920-03 ITEM CARTON CASE (KRC-409) K 275 2C E29-1828-04 CONDUCTIVE RUBBER E : Europe K : KRC-409 M1 : KRC-489 M4 : KRC-479 K : North America K1 : KRC-309S M2 : KRC-389 M : Other Areas M : KRC-389W M3 : KRC-489G indicates safety critical components. KRC-309S/389/389W,409/479,489/489G SWITCH UNIT (X13-986x-xx) www. xiaoyu163. com QQ 376315150 9 9 2 8 9 4 2 9 8 TEL 13942296513 9 9 2 8 9 4 2 9 8 0 5 1 5 1 3 6 7 3 Q Q TEL 13942296513 QQ 376315150 892498299 KRC-309S/389/389W,409/479,489/489G 22 PARTS LIST ✽ New Parts Parts without Part No. are not supplied. Les articles non mentionnes dans le Parts No. ne sont pas fournis. Teile ohne Parts No. werden nicht geliefert. A N Desti- A N Desti- Ref. No. d e Parts No. Description nation Ref. No. d e Parts No. Description nation d w d w J1 E59-0828-05 RECTANGULAR PLUG C208,209 CK73GB1C104K (X14-639x-xx) CHIP C 0.10UF K C208,209 CK73GB1H104K CHIP C 0.10UF K CP1 ,2 R90-0724-05 MULTI-COMP 1K X4 C210 CK73GB1E333K CHIP C 0.033UF K R1 -4 RK73EB2B331J CHIP R 330 J 1/8W C210 CK73GB1H333K CHIP C 0.033UF K R5 RK73EB2B511J CHIP R 510 J 1/8W C211 CC73GCH1H151J CHIP C 150PF J R6 RK73EB2B331J CHIP R 330 J 1/8W K1M2M R7 RK73EB2B4R7J CHIP R 4.7 J 1/8W C221,222 C90-2597-05 ELECTRO 10UF 16WV KM1M3 C223,224 C90-2597-05 ELECTRO 10UF 16WV R8 RK73EB2B331J CHIP R 330 J 1/8W K1M2M C225 CK73GB1H103K CHIP C 0.010UF K R9 RK73GB1J102J CHIP R 1.0K J 1/16W C251-254 C90-5296-05 NP-ELECT 0.22UF 50WV R10 RK73EB2B361J CHIP R 360 J 1/8W KM1M3 C255 C90-2608-05 ELECTRO 1.0UF 50WV R10 RK73EB2B361J CHIP R 360 J 1/8W M4 R11 -14 RK73FB2A471J CHIP R 470 J 1/10W C256 CE04CW1A101M ELECTRO 100UF 10WV C257 C90-2608-05 ELECTRO 1.0UF 50WV R16 RK73FB2A102J CHIP R 1.0K J 1/10W C258 C90-2935-05 ELECTRO 1.0UF 50WV R17 RK73FB2A470J CHIP R 47 J 1/10W C301 CE04DW1A470M ELECTRO 47UF 10WV R18 RK73GB1J472J CHIP R 4.7K J 1/16W C305 CE04DW1A470M ELECTRO 47UF 10WV R19 RK73GB1J563J CHIP R 56K J 1/16W R20 RK73EB2B271J CHIP R 270 J 1/8W KM1M3 C309 CE04DW1A470M ELECTRO 47UF 10WV C401,402 C90-2608-05 ELECTRO 1.0UF 50WV R20 RK73EB2B271J CHIP R 270 J 1/8W M4 C403 CE04CW1A101M ELECTRO 100UF 10WV C404 CK73GB1H103K CHIP C 0.010UF K D23 ,24 MA3062WA ZENER DIODE C501 CE04CW1A470M ELECTRO 47UF 10WV D26 MA3062WA ZENER DIODE IC1 LC75853NE MOS-IC C502 CK73GB1H103K CHIP C 0.010UF K IC2 RS-171 ANALOGUE IC C503 CE04CW0J220M ELECTRO 22UF 6.3WV K1KM1 Q1 DTA114EK DIGITAL TRANSISTOR C503 CE04CW0J220M ELECTRO 22UF 6.3WV M3 C504 C90-2592-05 ELECTRO 10UF 6.3WV KM1M3 Q1 KRA102S DIGITAL TRANSISTOR C505 C90-2604-05 ELECTRO 0.22UF 50WV Q1 UN2111 DIGITAL TRANSISTOR C506 CK73GB1H103K CHIP C 0.010UF K C507 C90-2606-05 ELECTRO 0.47UF 50WV D101 B30-1567-05 LED (RED) C508 CK73GB1H103K CHIP C 0.010UF K C509 C90-2608-05 ELECTRO 1.0UF 50WV C1 C90-5235-05 ELECTRO 2200UF 16WV C511,512 CK73GB1H152K CHIP C 1500PF K C14 CK73GB1H102K CHIP C 1000PF K C20 CK73GB1C104K CHIP C 0.10UF K C513,514 CE04CW0J220M ELECTRO 22UF 6.3WV C20 CK73GB1H104K CHIP C 0.10UF K C515,516 CK73GB1H103K CHIP C 0.010UF K C41 CK73GB1H103K CHIP C 0.010UF K C517,518 C90-2602-05 ELECTRO 0.10UF 50WV C519,520 CK73GB1C104K CHIP C 0.10UF K K1KM1 C50 CE04CW1V100M ELECTRO 10UF 35WV C519,520 CK73GB1C104K CHIP C 0.10UF K M3 C51 CE04CW1V100M ELECTRO 10UF 35WV M2MM1 C51 CE04CW1V100M ELECTRO 10UF 35WV M3M4 C519,520 CK73GB1H104K CHIP C 0.10UF K K1KM1 C52 -55 C90-2597-05 ELECTRO 10UF 16WV C519,520 CK73GB1H104K CHIP C 0.10UF K M3 C56 CE04CW1H100M ELECTRO 10UF 50WV C532 CK73GB1H103K CHIP C 0.010UF K C533,534 CK73GB1A224K CHIP C 0.22UF K C57 CE04CW1C101M ELECTRO 100UF 16WV C535 C90-2594-05 ELECTRO 10UF 10WV C63 CK73GB1H103K CHIP C 0.010UF K C64 CK73GB1H103K CHIP C 0.010UF K M2MM1 C536 CK73GB1C104K CHIP C 0.10UF K C64 CK73GB1H103K CHIP C 0.010UF K M3M4 C536 CK73GB1H104K CHIP C 0.10UF K C101,102 CC73GCH1H220J CHIP C 22PF J CN1 E40-9541-05 PIN ASSY C103 CK73GB1C104K CHIP C 0.10UF K CN5 E40-9184-05 PIN ASSY K1KM1 C103 CK73GB1H104K CHIP C 0.10UF K CN5 E40-9184-05 PIN ASSY M3 C104 CK73GB1H103K CHIP C 0.010UF K J1 E04-0312-05 RF COAXIAL CABLE RECEPTACLE C110 CE04CW0J221M ELECTRO 220UF 6.3WV J2 E58-0863-15 RECTANGULAR RECEPTACLE C111 CK73GB1H103K CHIP C 0.010UF K J3 E58-0879-05 RECTANGULAR RECEPTACLE C201 CE04CW1A470M ELECTRO 47UF 10WV J4 E56-0834-05 CYLINDRICAL RECEPTACLE C202 CK73GB1H103K CHIP C 0.010UF K J5 E63-0013-05 PIN JACK K1M2M C203 C90-2610-05 ELECTRO 2.2UF 50WV J5 E63-0013-05 PIN JACK M4 C204,205 CK73GB0J105K CHIP C 1.0UF K J6 E63-0014-05 PIN JACK KM1M3 C206 CK73GB1H153K CHIP C 0.015UF K P1 E23-0745-05 TERMINAL C207 CK73GB1A474K CHIP C 0.47UF K E : Europe K : KRC-409 M1 : KRC-489 M4 : KRC-479 K : North America K1 : KRC-309S M2 : KRC-389 M : Other Areas M : KRC-389W M3 : KRC-489G indicates safety critical components. SYNTHESIZER UNIT (X14-639x-xx) www. xiaoyu163. com QQ 376315150 9 9 2 8 9 4 2 9 8 TEL 13942296513 9 9 2 8 9 4 2 9 8 0 5 1 5 1 3 6 7 3 Q Q TEL 13942296513 QQ 376315150 892498299 KRC-309S/389/389W,409/479,489/489G 23 PARTS LIST ✽ New Parts Parts without Part No. are not supplied. Les articles non mentionnes dans le Parts No. ne sont pas fournis. Teile ohne Parts No. werden nicht geliefert. A N Desti- A N Desti- Ref. No. d e Parts No. Description nation Ref. No. d e Parts No. Description nation d w d w L1 L33-1063-15 CHOKE COIL R139 RK73GB1J473J CHIP R 47K J 1/16W L101 L40-4795-91 SMALL FIXED INDUCTOR (4.7UH,J) R141 RD14BB2C102J RD 1.0K J 1/6W L201 L40-4795-91 SMALL FIXED INDUCTOR (4.7UH,J) R142 RK73GB1J102J CHIP R 1.0K J 1/16W L301 L33-1123-05 LINE FILTER COIL (52MH) R143 RK73GB1J472J CHIP R 4.7K J 1/16W L307 L40-4795-91 SMALL FIXED INDUCTOR (4.7UH,J) R144 RK73GB1J223J CHIP R 22K J 1/16W KM1M3 X1 L77-1163-05 CRYSTAL RESONATOR (4.5MHZ) R145 RK73GB1J223J CHIP R 22K J 1/16W KM1M3 X1 L77-1165-05 CRYSTAL RESONATOR (4.5MHZ) R145 RK73GB1J223J CHIP R 22K J 1/16W K1 X1 L77-2025-05 CRYSTAL RESONATOR (4.5MHZ) R146 RD14BB2C102J RD 1.0K J 1/6W R147,148 RK73GB1J102J CHIP R 1.0K J 1/16W D 2D N83-3005-46 PAN HEAD TAPTITE SCREW R149 RK73GB1J472J CHIP R 4.7K J 1/16W F 2D N83-3016-46 PAN HEAD TAPTITE SCREW G 2D N83-3010-46 PAN HEAD TAPTITE SCREW R150 RD14BB2C223J RD 22K J 1/6W P 2D N80-3008-46 PAN HEAD TAPTITE SCREW R151,152 RK73GB1J103J CHIP R 10K J 1/16W R161,162 RK73GB1J103J CHIP R 10K J 1/16W CP1 R90-1049-05 MULTIPLE RESISTOR R183 RK73GB1J103J CHIP R 10K J 1/16W M1M3 R1 RD14BB2C472J RD 4.7K J 1/6W R183 RK73GB1J103J CHIP R 10K J 1/16W M2MM4 R2 RD14BB2C472J RD 4.7K J 1/6W M2MM1 R2 RD14BB2C472J RD 4.7K J 1/6W M3M4 R184 RK73GB1J103J CHIP R 10K J 1/16W M2MM4 R10 RD14BB2C203J RD 20K J 1/6W R184 RK73GB1J103J CHIP R 10K J 1/16W K1 R186 RK73GB1J103J CHIP R 10K J 1/16W R11 RK73GB1J103J CHIP R 10K J 1/16W R187 RK73EB2B102J CHIP R 1.0K J 1/8W R12 RK73GB1J104J CHIP R 100K J 1/16W R188 RK73GB1J225J CHIP R 2.2M J 1/16W R13 RK73GB1J103J CHIP R 10K J 1/16W R14 RD14BB2C823J RD 82K J 1/6W R193 RD14BB2C102J RD 1.0K J 1/6W R15 RD14BB2C563J RD 56K J 1/6W R194 RD14BB2C470J RD 47 J 1/6W R196 RK73EB2B241J CHIP R 240 J 1/8W R16 RK73GB1J104J CHIP R 100K J 1/16W R197 RD14BB2C102J RD 1.0K J 1/6W R20 RD14DB2H332J SMALL-RD 3.3K J 1/2W R198 RD14BB2C100J RD 10 J 1/6W R21 ,22 RD14BB2C104J RD 100K J 1/6W R23 RK73GB1J393J CHIP R 39K J 1/16W R201 RK73GB1J272J CHIP R 2.7K J 1/16W R50 RD14BB2C222J RD 2.2K J 1/6W R202,203 RK73GB1J472J CHIP R 4.7K J 1/16W R221,222 RD14BB2C271J RD 270 J 1/6W KM1M3 R51 RK73GB1J473J CHIP R 47K J 1/16W R223,224 RD14BB2C271J RD 270 J 1/6W R52 RD14BB2C224J RD 220K J 1/6W R225,226 RK73GB1J303J CHIP R 30K J 1/16W KM1M3 R53 RD14BB2C224J RD 220K J 1/6W M2MM1 R53 RD14BB2C224J RD 220K J 1/6W M3M4 R227,228 RK73GB1J303J CHIP R 30K J 1/16W R54 ,55 RK73GB1J104J CHIP R 100K J 1/16W R229,230 RD14BB2C101J RD 100 J 1/6W KM1M3 R231,232 RD14BB2C101J RD 100 J 1/6W R56 RK73GB1J393J CHIP R 39K J 1/16W R251-254 RD14BB2C472J RD 4.7K J 1/6W R57 RK73GB1J393J CHIP R 39K J 1/16W M2MM1 R255 RK73GB1J333J CHIP R 33K J 1/16W R57 RK73GB1J393J CHIP R 39K J 1/16W M3M4 R101 RD14BB2C102J RD 1.0K J 1/6W R256 RK73FB2A102J CHIP R 1.0K J 1/10W R102 RK73GB1J104J CHIP R 100K J 1/16W R257 RD14BB2C362J RD 3.6K J 1/6W R258 RK73FB2A101J CHIP R 100 J 1/10W R103 RK73EB2B561J CHIP R 560 J 1/8W R259 RK73GB1J223J CHIP R 22K J 1/16W R104 RD14BB2C471J RD 470 J 1/6W R260 RK73GB1J751J CHIP R 750 J 1/16W R105 RK73EB2B561J CHIP R 560 J 1/8W R107 RK73GB1J104J CHIP R 100K J 1/16W R261 RK73GB1J431J CHIP R 430 J 1/16W R108,109 RK73GB1J471J CHIP R 470 J 1/16W R262 RK73GB1J184J CHIP R 180K J 1/16W R301 RD14BB2C151J RD 150 J 1/6W R111 RK73GB1J102J CHIP R 1.0K J 1/16W R401,402 RD14BB2C100J RD 10 J 1/6W R112 RK73GB1J472J CHIP R 4.7K J 1/16W R403 RD14BB2C4R7J RD 4.7 J 1/6W R113 RD14BB2C472J RD 4.7K J 1/6W R121,122 RD14BB2C104J RD 100K J 1/6W R404 RD14BB2C101J RD 100 J 1/6W R123 RK73GB1J223J CHIP R 22K J 1/16W R405-409 RD14BB2C472J RD 4.7K J 1/6W R410,411 RD14BB2C101J RD 100 J 1/6W R131 RK73GB1J104J CHIP R 100K J 1/16W R412 RK73GB1J104J CHIP R 100K J 1/16W R132 RK73GB1J472J CHIP R 4.7K J 1/16W R415 RK73GB1J104J CHIP R 100K J 1/16W R133 RD14BB2C103J RD 10K J 1/6W R134 RK73GB1J473J CHIP R 47K J 1/16W R501 RK73FB2A4R7J CHIP R 4.7 J 1/10W R136 RK73GB1J102J CHIP R 1.0K J 1/16W R502 RK73GB1J184J CHIP R 180K J 1/16W R503 RK73GB1J162J CHIP R 1.6K J 1/16W R137 RD14BB2C103J RD 10K J 1/6W R504 RK73GB1J243J CHIP R 24K J 1/16W R138 RK73GB1J223J CHIP R 22K J 1/16W R505 RK73GB1J183J CHIP R 18K J 1/16W K1KM1 E : Europe K : KRC-409 M1 : KRC-489 M4 : KRC-479 K : North America K1 : KRC-309S M2 : KRC-389 M : Other Areas M : KRC-389W M3 : KRC-489G indicates safety critical components. (X14-639x-xx) www. xiaoyu163. com QQ 376315150 9 9 2 8 9 4 2 9 8 TEL 13942296513 9 9 2 8 9 4 2 9 8 0 5 1 5 1 3 6 7 3 Q Q TEL 13942296513 QQ 376315150 892498299 KRC-309S/389/389W,409/479,489/489G 24 PARTS LIST ✽ New Parts Parts without Part No. are not supplied. Les articles non mentionnes dans le Parts No. ne sont pas fournis. Teile ohne Parts No. werden nicht geliefert. A N Desti- A N Desti- Ref. No. d e Parts No. Description nation Ref. No. d e Parts No. Description nation d w d w R505 RK73GB1J183J CHIP R 18K J 1/16W M3 IC2 TDA7407D ANALOGUE IC R511,512 RK73GB1J153J CHIP R 15K J 1/16W IC4 TDA7386 ANALOGUE IC R513,514 RK73GB1J151J CHIP R 150 J 1/16W IC5 HA12216F ANALOGUE IC K1KM1 R515,516 RK73GB1J123J CHIP R 12K J 1/16W IC5 HA12216F ANALOGUE IC M3 R517,518 RK73GB1J334J CHIP R 330K J 1/16W IC5 HA12221F ANALOGUE IC M2MM4 R519,520 RK73GB1J512J CHIP R 5.1K J 1/16W M2MM4 IC6 LB1930M ANALOGUE IC R521,522 RK73GB1J432J CHIP R 4.3K J 1/16W M2MM4 IC7 TDA3682ST ANALOGUE IC R523,524 RK73GB1J183J CHIP R 18K J 1/16W KM1M3 IC10 HD74HC27FP MOS-IC R532 RK73FB2A471J CHIP R 470 J 1/10W Q10 ,11 2SC4081 TRANSISTOR R533 RK73GB1J471J CHIP R 470 J 1/16W Q10 ,11 2SD1819A TRANSISTOR R534 RK73GB1J104J CHIP R 100K J 1/16W Q41 DTA124EUA DIGITAL TRANSISTOR R535 RD14BB2C471J RD 470 J 1/6W Q41 UN5112 DIGITAL TRANSISTOR R537 RD14BB2C220J RD 22 J 1/6W Q50 2SA1036K TRANSISTOR R551 RD14BB2C103J RD 10K J 1/6W Q51 2SC4081 TRANSISTOR M2MM1 R552 RD14DB2H102J SMALL-RD 1.0K J 1/2W Q51 2SC4081 TRANSISTOR M3M4 R553 RK73FB2A471J CHIP R 470 J 1/10W Q51 2SD1819A TRANSISTOR M2MM1 R555 RK73FB2A471J CHIP R 470 J 1/10W Q51 2SD1819A TRANSISTOR M3M4 VR1 ,2 R12-3100-05 TRIMMING PO(10K) K1KM1 Q52 2SC4081 TRANSISTOR VR1 ,2 R12-3100-05 TRIMMING PO(10K) M3 Q52 2SD1819A TRANSISTOR W501,502 R92-2053-05 CHIP R 0 J 1/8W Q190,191 DTA114YUA DIGITAL TRANSISTOR W503,504 R92-1252-05 CHIP R 0 OHM Q190,191 UN5114 DIGITAL TRANSISTOR W505 R92-2053-05 CHIP R 0 J 1/8W Q221,222 DTC143TUA DIGITAL TRANSISTOR KM1M3 W506-509 R92-1252-05 CHIP R 0 OHM Q221,222 UN5216 DIGITAL TRANSISTOR KM1M3 W510 R92-2053-05 CHIP R 0 J 1/8W Q223,224 DTC143TUA DIGITAL TRANSISTOR W511,512 R92-1252-05 CHIP R 0 OHM Q223,224 UN5216 DIGITAL TRANSISTOR D1 S2V20 ✽ A DIODE Q251 DTC114YUA DIGITAL TRANSISTOR D2 1GWJ43(TPB5) DIODE Q251 UN5214 DIGITAL TRANSISTOR D3 AM01Z DIODE Q501 2SD1760 TRANSISTOR D3 ERA15-01 DIODE Q551 2SB1443 TRANSISTOR D4 1GWJ43(TPB5) DIODE M2MM1 Q552 DTC114EUA DIGITAL TRANSISTOR D4 1GWJ43(TPB5) DIODE M3M4 Q552 UN5211 DIGITAL TRANSISTOR D5 AM01Z DIODE M2MM1 TH1 PTH9C42BE471Q POSITIVE RESISTOR D5 AM01Z DIODE M3M4 D5 ERA15-01 DIODE M2MM1 A1 2D ✽ X86-3280-11 TUNER UNIT D5 ERA15-01 DIODE M3M4 D10 ,11 MA4068(N)-M ZENER DIODE 1 2A A10-4329-08 CHASSIS ASSY D20 HZS5C1 ZENER DIODE 2 1A J21-7779-08 MOUNTING HARDWARE D20 MA4051-L ZENER DIODE 3 2B A11-0931-08 SUB CHASSIS ASSY D102,103 HZS6C1 ZENER DIODE 4 1A D10-4106-08 ARM D102,103 MA4062-L ZENER DIODE 5 2A D10-4107-08 ARM D106 HZS6C1 ZENER DIODE 6 2A D10-4108-08 ARM D106 MA4062-L ZENER DIODE 7 2B D10-4109-08 ARM D108 HZS6C1 ZENER DIODE 8 2A D10-4110-08 ARM ASSY D108 MA4062-L ZENER DIODE 9 2A D10-4111-08 ARM ASSY D201 1SS133 DIODE 10 3A D10-4112-08 ARM D251-253 1SS133 DIODE 13 2A D10-4113-08 ARM D301 MA4051(N)-M ZENER DIODE 14 1B D13-1324-08 GEAR ASSY D401,402 MA4068(N)-M ZENER DIODE 15 3A D01-0614-08 FLYWHEEL ASSY D403-405 HZS6C1 ZENER DIODE 16 2A D13-1325-08 GEAR ASSY D403-405 MA4062-L ZENER DIODE 17 2A D10-4114-08 ARM ASSY D407-409 HZS6C1 ZENER DIODE 18 3A D01-0615-08 FLYWHEEL ASSY D407-409 MA4062-L ZENER DIODE 19 3A D13-1326-08 GEAR ASSY D551 AM01Z DIODE 22 2B D10-4115-08 SLIDER D551 ERA15-01 DIODE 23 3B D10-4116-18 SLIDER IC1 ✽ LC72366-9996 MI-COM IC 24 1B J21-7780-08 MOUNTING HARDWARE E : Europe K : KRC-409 M1 : KRC-489 M4 : KRC-479 K : North America K1 : KRC-309S M2 : KRC-389 M : Other Areas M : KRC-389W M3 : KRC-489G indicates safety critical components. CASSETTE MECHANISM ASSY (D40-1150-05) (X14-639x-xx) www. xiaoyu163. com QQ 376315150 9 9 2 8 9 4 2 9 8 TEL 13942296513 9 9 2 8 9 4 2 9 8 0 5 1 5 1 3 6 7 3 Q Q TEL 13942296513 QQ 376315150 892498299 KRC-309S/389/389W,409/479,489/489G 25 PARTS LIST ✽ New Parts Parts without Part No. are not supplied. Les articles non mentionnes dans le Parts No. ne sont pas fournis. Teile ohne Parts No. werden nicht geliefert. A N Desti- A N Desti- Ref. No. d e Parts No. Description nation Ref. No. d e Parts No. Description nation d w d w 25 1B D10-4117-18 ARM H 2B N09-4200-08 SCREW 26 1B D10-4118-08 SLIDER L 3A N19-2087-08 FLAT WASHER 27 1A A52-0716-08 HOLDER M 1B N19-2088-08 FLAT WASHER 32 1B J90-0767-08 GUID N 1B N19-2135-08 FLAT WASHER 33 1B J19-4737-08 BRACKET P 3A N19-2146-08 FLAT WASHER 34 1B D12-0622-08 CAM Q 2A N19-2091-08 FLAT WASHER 35 2B D13-1327-08 GEAR R 1A N19-2092-08 FLAT WASHER 36 2B D13-1328-08 GEAR S 2B N29-0510-08 RETAINING RING 37 3A D13-1329-08 GEAR 38 3A D10-4119-08 ARM HD1 1B T31-0220-08 PLAYBACK HEAD 39 1B D13-1330-08 GEAR M1 1A T42-0759-18 MOTOR ASSY (MAIN) 40 2A D13-1331-08 GEAR M2 1B T42-1005-08 MOTOR ASSY (SUB) 41 2A D13-1332-08 GEAR 42 2B J11-0619-08 CLAMPER 43 1B D13-1333-08 GEAR 44 1B D13-1334-08 GEAR 45 2A D13-1335-08 GEAR 46 2B D10-4120-08 ARM 47 2B J19-4738-08 HOLDER 48 2B J11-0620-08 CLAMPER 52 2A D03-0312-08 REEL DISK 53 3A D15-0913-08 PULLEY 55 1A D10-4121-08 SLIDER 57 1B D13-1337-08 GEAR 59 2B J31-1036-08 COLLAR 62 3B D14-0683-08 ROLLER 63 1A D14-0684-08 ROLLER 67 2A G01-2832-08 TORSION COIL SPRING 68 2A G01-2833-08 TORSION COIL SPRING 69 2B G01-2834-08 TENSION COIL SPRING 70 1B G01-2835-08 TORSION COIL SPRING 71 1B G01-2836-08 TORSION COIL SPRING 73 1A G09-2020-08 SPRING 74 2A G01-2837-08 COMPRESSION COIL SPRING 75 1B G01-2838-08 TORSION COIL SPRING 76 1A G01-2839-08 TORSION COIL SPRING 77 2A G01-2843-08 TORSION COIL SPRING 79 1A G01-2840-08 TENSION COIL SPRING 80 3A G01-2841-08 TENSION COIL SPRING 83 3A D16-0609-08 BELT 94 3A S64-0807-08 LEVER SWITCH 95 3A S64-0808-08 LEVER SWITCH 100 2B E30-4460-08 CONNECTOR ASSY (10P) 102 2B T95-0213-08 PHOTO COUPLER 103 2B S62-0858-08 SLIDE SWITCH 105 2B S74-0813-08 LEAF SWITCH 107 3A E30-4468-08 CONNECTOR ASSY (7P) A 1B N09-4193-08 SCREW B 1B N09-4194-08 SCREW C 3A N09-4195-08 SCREW D 1B N09-4196-08 SCREW E 2A N09-4197-08 SCREW F 1B N09-4198-08 SCREW G 1A N09-4199-08 SCREW E : Europe K : KRC-409 M1 : KRC-489 M4 : KRC-479 K : North America K1 : KRC-309S M2 : KRC-389 M : Other Areas M : KRC-389W M3 : KRC-489G indicates safety critical components. (D40-1150-05) www. xiaoyu163. com QQ 376315150 9 9 2 8 9 4 2 9 8 TEL 13942296513 9 9 2 8 9 4 2 9 8 0 5 1 5 1 3 6 7 3 Q Q TEL 13942296513 QQ 376315150 892498299 Manufactured under license from Dolby Laboratories. "Dolby" and the double-D symbol are trademarks of Dolby Laboratories. KRC-309S/389/389W,409/479,489/489G SPECIFICATIONS KENWOOD follows a policy of continuous advancements in development. For this reason specifications may be changed without notice. KENWOOD CORPORATION 14-6, Dogenzaka 1-chome, Shibuya-ku, Tokyo, 150-8501 Japan KENWOOD SERVICE CORPORATION P.O. Box 22745, 2201 East Dominguez Street, Long Beach, CA90801-5745, U.S.A. KENWOOD ELECTRONICS CANADA INC. 6070 Kestrel Road, Mississauga, Ontario, Canada L5T 1S8 KENWOOD ELECTRONICS LATIN AMERICA S.A. P.O. Box 55-2791 Paitilla, Plaza Credicorp Bank Panama, Piso 9, Oficina 901, Calle 50, Panama, Republic of Panama KENWOOD ELECTRONICS BRASIL LTDA. Av. Moema, 170-17˚, Andar-Cobertura “B”, Ed. Maximum Service Center, 04077-020 Moema, São Paulo-SP-Brasil KENWOOD ELECTRONICS UK LIMITED Kenwood House, Dwight Road, Watford, Herts, WD1 8EB, United Kingdom KENWOOD ELECTRONICS DEUTSCHLAND GMBH Rembrücker Str. 15, 63150 Heusenstamm, Germany KENWOOD ELECTRONICS FRANCE S.A. 13, Boulevard Ney, 75018 Paris, France KENWOOD ELECTRONICS BELGIUM N.V. Mechelsesteenweg 418, B-1930 Zaventem, Belgium KENWOOD ELECTRONICS ITALIA S.p.A. Via G. Sirtori 7/9, 20129 Milano, ltaly KENWOOD IBÉRICA S.A. Bolivia, 239-08020 Barcelona, Spain KENWOOD ELECTRONICS AUSTRALIA PTY. LTD. (A.C.N. 001 499 074) 16 Giffnock Avenue, Centrecourt Estate, North Ryde, N.S.W. 2113, Australia KENWOOD ELECTRONICS (HONG KONG) LTD. Unit 3712-3724, Level 37, Tower 1, Metroplaza, 223 Hing Fong Road, Kwai Fong, N.T., Hong Kong KENWOOD ELECTRONICS GULF FZE P.O.Box 61318, Jebel Ali, Dubai, U.A.E. KENWOOD ELECTRONICS (THAILAND) CO., LTD. 2019 New Pechburi Road, Bangkapi, Huaykwang, Bangkok, 10320 Thailand KENWOOD ELECTRONICS SINGAPORE PTE LTD. 1 Genting Lane, #07-00, Kenwood Building, Singapore 349544 KENWOOD ELECTRONICS (MALAYSIA) SDN BHD #4.01 Level 4, Wisma Academy Lot 4A, Jalan 19/1, 46300 Petaling Jaya, Selangor Darul Ehsan, Malaysia KRC-309S (K) KRC-489 (M) KRC-389 (M) KRC-409 (K) KRC-389W (M) KRC-479 (M) KRC-489G (M) TDF TDF TDF Tuner Type CR2 CR2 CR2 Frequency Range 87.9MHz-107.9MHz 87.5MHz-108.0MHz 87.5MHz-108.0MHz (Frequency Step) (200KHz) (50KHz) (50KHz) Channel Space Selection 50KHz/200KHz 50KHz/200KHz 50KHz/200KHz Usable Sensitivity (S/N 30dB) 9.3dBf (0.8 µV/75Ω) µV/75Ω) µV/75Ω) µV/75Ω) µV/75Ω) µV/75Ω) 9.3dBf (0.8 9.3dBf (0.8 Quieting Sensitivity (S/N 50dB) 15.2dBf (1.6 15.2dBf (1.6 15.2dBf (1.6 Frequency Response (±3.0dB) 30Hz-15KHz 30Hz-15KHz 30Hz-15KHz S/N 70dB (MONO) 70dB (MONO) 70dB (MONO) Selectivity 80dB (±400KHz) 80dB (±400KHz) 80dB (±400KHz) Stereo Separation 40dB (1KHz) 40dB (1KHz) 40dB (1KHz) Frequency Range 530KHz-1700KHz 531KHz-1611KHz 531KHz-1611KHz (Frequency Step) (10KHz) (9KHz) (9KHz) Channel Space Selection 9KHz/10KHz 9KHz/10KHz 9KHz/10KHz Usable Sensitivity (S/N 20dB) 28dBµ (25µV) 28dBµ (25µV) 28dBµ (25µV) Tape Speed 4.76cm/sec. 4.76cm/sec. 4.76cm/sec. Wow/Flutter 0.08% (WRMS) 0.08% (WRMS) 0.08% (WRMS) Frequency Response (±3.0dB) 30Hz-18KHz (70 µs) 30Hz-18KHz (70 µs) 30Hz-14KHz (120 µs) Separation 43dB (1KHz) 43dB (1KHz) 43dB (1KHz) S/N Dolby NR OFF 57dB 57dB 54dB S/N Dolby B NR ON 65dB 65dB - Preout Level / Load 1800mV/10KΩ 1800mV/10KΩ 1800mV/10KΩ Preout Impedance 600Ω 600Ω 600Ω Maximum Power 45W x4 45W x4 45W x4 Full Bandwidth Power 22W x4 22W x4 22W x4 (at less than 1% THD) Bass 100Hz 100Hz 100Hz ±10dB Middle 1KHz 1KHz 1KHz ±10dB Treble 10KHz 10KHz 10KHz ±10dB ±10dB ±10dB ±10dB ±10dB ±10dB ±10dB Operating Voltage (11V-16V allowable) 14.4V 14.4V 14.4V Current Consumption 10A 10A 10A Installation Size (Width) 182mm 182mm 182mm (Height) 53mm 53mm 53mm (Depth) 152mm 152mm 152mm Weight 1300g 1300g 1300g FM AM CASSETTE AMPLIFIER TONE GENERAL >= >= >= >= >= >= www. xiaoyu163. com QQ 376315150 9 9 2 8 9 4 2 9 8 TEL 13942296513 9 9 2 8 9 4 2 9 8 0 5 1 5 1 3 6 7 3 Q Q TEL 13942296513 QQ 376315150 892498299

标签:

版权声明

1. 本站所有素材,仅限学习交流,仅展示部分内容,如需查看完整内容,请下载原文件。
2. 会员在本站下载的所有素材,只拥有使用权,著作权归原作者所有。
3. 所有素材,未经合法授权,请勿用于商业用途,会员不得以任何形式发布、传播、复制、转售该素材,否则一律封号处理。
4. 如果素材损害你的权益请联系客服QQ:77594475 处理。