建伍KENWOOD KRC-218 CD影碟播放机电路图

分类:电子电工 日期: 点击:0
建伍KENWOOD KRC-218 CD影碟播放机电路图-0 建伍KENWOOD KRC-218 CD影碟播放机电路图-1 建伍KENWOOD KRC-218 CD影碟播放机电路图-2 建伍KENWOOD KRC-218 CD影碟播放机电路图-3 建伍KENWOOD KRC-218 CD影碟播放机电路图-4 建伍KENWOOD KRC-218 CD影碟播放机电路图-5 建伍KENWOOD KRC-218 CD影碟播放机电路图-6 建伍KENWOOD KRC-218 CD影碟播放机电路图-7 建伍KENWOOD KRC-218 CD影碟播放机电路图-8 建伍KENWOOD KRC-218 CD影碟播放机电路图-9

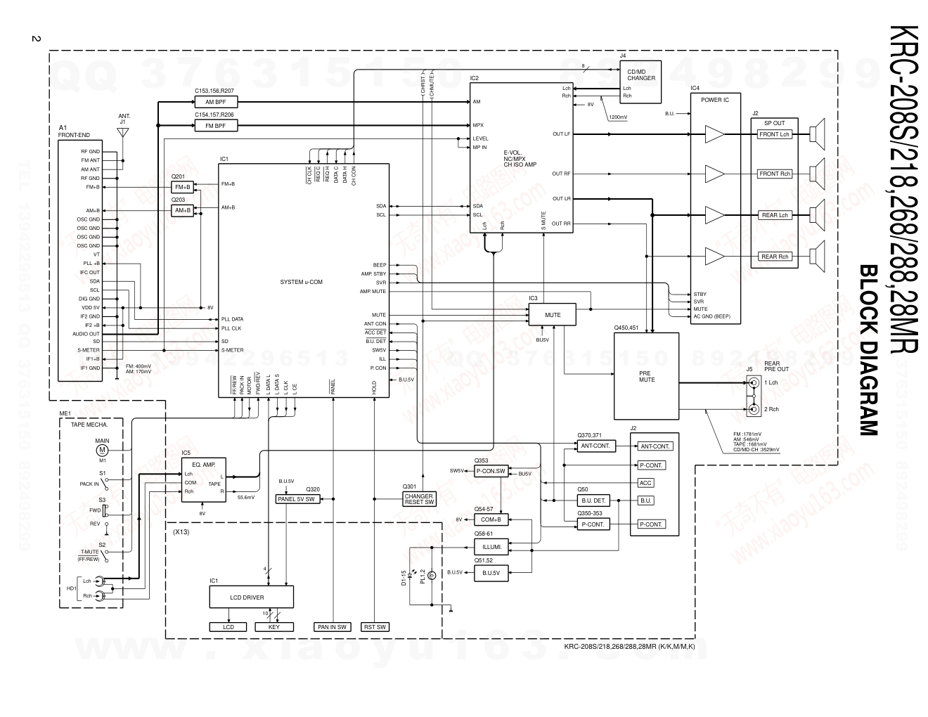
CASSETTE RECEIVER KRC-208S/218 SERVICE MANUAL © 2000-1 PRINTED IN KOREA B51-7586-00 (K) 1787 KRC-268/288 KRC-28MR KRC-28MR (K) PLASTIC CABINET ASSY (A02-1486-13) LEVER (D10-3031-04) x2 MOUNTING HARDWARE ASSY (J21-9491-03) DC CORD (E30-xxxx-xx) (Refer to the parts list.) CD/MD-CHANGER CONTROL KRC-208S CD/MD-CHANGER CONTROL KRC-28MR KRC-268 KRC-208S (K) KRC-218 (K) KRC-268 (M) STAY (J54-0606-04) SCREW SET (N99-1610-15) (Except KRC-28MR) SCREW SET (N99-1632-05) KRC-218 CD/MD-CHANGER CONTROL KRC-288 KRC-288 (M) AUD 1 2 3 4 5 6 CLK ATT SRC PWR OFF AME ADJ AUTO SCAN RDM REP T.C/D.SCN M.RDM LOUD DISC CRSC A.ADJ FM AM FF REW PR OG AUD 1 2 3 4 5 6 CLK ATT SRC PWR OFF AME ADJ AUTO SCAN RDM REP T.C/D.SCN M.RDM LOUD DISC CRSC A.ADJ FM AM FF REW PR OG AUD 1 2 3 4 5 6 CLK ATT SRC PWR OFF AME ADJ AUTO T.CALL LOUD CRSC A.ADJ FM AM FF REW PR OG AUD 1 2 3 4 5 6 CLK ATT SRC PWR OFF AME ADJ AUTO T.CALL LOUD CRSC A.ADJ FM AM FF REW PR OG AUD 1 2 3 4 5 6 CLK ATT SRC PWR OFF AME ADJ AUTO SCAN RDM REP T.C/D.SCN M.RDM LOUD DISC CRSC A.ADJ FM AM FF REW PR OG 40% www. xiaoyu163. com QQ 376315150 9 9 2 8 9 4 2 9 8 TEL 13942296513 9 9 2 8 9 4 2 9 8 0 5 1 5 1 3 6 7 3 Q Q TEL 13942296513 QQ 376315150 892498299 TEL 13942296513 QQ 376315150 892498299 2 BLOCK DIAGRAM IC1 KEY PANEL 5V SW MUTE B.U. DET. B.U. ACC P-CONT. MUTE PRE POWER IC EQ. AMP. CH ISO AMP NC/MPX E-VOL. CD/MD CHANGER FRONT Lch FRONT Rch REAR Lch REAR Rch J2 LCD DRIVER LCD ME1 MAIN TAPE MECHA. IC5 1 Lch 2 Rch PRE OUT IC2 IC4 IC3 SP OUT REAR J4 RESET SW PAN IN SW ANT-CONT. P-CONT. J2 J5 IC1 FRONT-END J1 FM+B Q201 AM+B Q203 AM BPF FM BPF C154,157,R206 C153,156,R207 Q320 Q450,451 Q370,371 Q50 Q350-353 Q353 P-CON.SW Q54-57 COM+B Q58-61 ILLUMI. B.U.5V Q51,52 SYSTEM u-COM S1 S2 S3 P-CONT. CHANGER RST SW Q301 D1-15 PL1,2 ANT. ANT-CONT. FM ANT AM ANT RF GND FM+B AM+B OSC GND OSC GND OSC GND VT PLL +B IFC OUT SDA SCL DIG GND IF1+B IF1 GND S-METER IF2 GND SD FM+B SW5V ACC DET B.U. DET SCL MUTE SDA P. CON PANEL HOLD L CLK L DATA S L DATA L FWD/REV MOTOR CH CON DATA H DATA C REQ H REQ C CH CLK Rch COM Lch TAPE MP IN AM MPX OUT RR OUT LR OUT RF Rch LEVEL SCL SDA OUT LF Rch STBY MUTE Rch Lch T-MUTE FWD REV B.U.5V 8V B.U. CHRST S MUTE 8 4 10 B.U.5V AM+B VDD 5V PACK IN L CE ANT CON CHMUTE BEEP SVR AMP. STBY SVR AC GND (BEEP) Lch Lch Rch Lch 1200mV TAPE :1681mV CD/MD-CH :3529mV AM :546mV FM :1781mV 8V RF GND OSC GND IF2 +B AUDIO OUT 8V S-METER SD PLL CLK PLL DATA M1 HD1 R 55.6mV BU5V SW5V 8V B.U.5V AM: 170mV FM: 400mV L PACK IN (FF/REW) AMP. MUTE FF/REW BU5V ILL (X13) M KRC-208S/218,268/288,28MR (K/K,M/M,K) A1 www . x ia o y u 1 6 3 . c o m QQ 3 7 6 3 1 5 1 5 0 9 9 2 8 9 4 2 9 8 T E L 1 3 9 4 2 2 9 6 5 1 3 9 9 2 8 9 4 2 9 8 0 5 1 5 1 3 6 7 3 Q Q TEL 13942296513 QQ 376315150 892498299 TEL 13942296513 QQ 376315150 892498299 3 COMPONENT DESCRIPTION SYNTHESIZER UNIT (X14-614x-xx) REF. No. FUNCTION OPERATION IC1 SYSTEM µ-COM Controls system. IC2 ELECTRIC VOLUME Controls sound volume. Selects each source. IC3 MUTE Controls each mute output. IC4 POWER IC Amplifies power so that the speaker can drive audio signal. IC5 EQUALIZER AMPLIFIER Equalizer amplifier for cassette tape sound. Q50 BACK-UP DETECTION Stops when the back-up voltage comes less than 9.2V. Q51,52 BACK-UP 5V AVR Works when the back-up works. Q53 P.ON DRIVER Works when the power comes. Q54,55 COM+B SW Works when 5V comes. Q56,57 COM+B AVR Works when Q54 and Q55 work. Q58,59 ILLUMINATION +B SW Works when the base level of Q58 comes "H". Q60,61 ILLUMINATION +B AVR Works when Q58 and Q59 work. Q150 ELECTRIC VOLUME MUTE SW Works when the base level comes "H". Q151 SVR DISCHARGE SW Works when the base level comes "H". Q153 PRE MUTE DRIVER Works when the base level comes "L". Q200 FM +B SW Works when the base level comes "H" in FM mode. Q201 FM +B DRIVER Works when Q200 works. Q202 AM +B SW Works when the base level comes "H" in AM mode. Q203 AM +B DRIVER Works when Q203 works. Q260 MOTOR +B SW Works when the base level comes "H" in the tape mode. Q261 MOTOR +B DRIVER Works when Q260 works. Q301 CHANGER RESET SW Works when the base level comes "L". Q320 PANEL 5V SW Works when the base level comes "L". Q350 P-CON. DRIVER Works when Q353 works. Q351,352 P-CON. PROTECTION Works when P-CON output voltage goes down. Q353 P-CON. SW Works when the base level comes "H". Q370 ANTENNA CONTROL DRIVER Works when Q371 works. Q371 ANTENNA CONTROL SW Works when the base level comes "H" in the tuner mode. Q450,451 PRE MUTE SW Works when Q153 works. www. xiaoyu163. com QQ 376315150 9 9 2 8 9 4 2 9 8 TEL 13942296513 9 9 2 8 9 4 2 9 8 0 5 1 5 1 3 6 7 3 Q Q TEL 13942296513 QQ 376315150 892498299 TEL 13942296513 QQ 376315150 892498299 4 CIRCUIT DESCRIPTION (X14-) IC1 : µ-COM PORT No. PORT NAME I/O FUNCTION OPERATING CONDITION 1 XIN I µ-com clock. (4.5MHz) - 2 GND - GND. - 3 L DATA L I LCD driver data. - 4 L DATA S O LCD driver data. - 5 L CLK O LCD driver clock. - 6 L CE O LCD driver chip enable. - 7 SDA I/O E-volume data. - 8 PLL DATA I/O Tuner data. - 9 PLL CLK O Tuner clock. - 10 SD I Tuner signal detection. "H" : Tuner signal exists. "L" : Tuner signal does not exist. 11 DATA C I Changer data. - 12 DATA H O Head unit data. - 13 CH CLK I/O Changer clock. - 14 - - No connection. - 15 MOTOR O Mechanism motor. - 16 SCL O E-volume clock. - 17-24 - - No connection. - 25 AM+B O AM power supply. - 26 FM+B O FM power supply. - 27 PACK IN I Cassette tape pack-in. "L" : Pack in. "H" : Ejection. 28 FF/REW I FF/REW signal. "L" : FF/REW. "H" : Play. 29,30 GND - GND. - 31 VDD - VDD. - 32 REQ C I Request from changer. - 33 MUTE O Mute. - 34 CH CON O Changer control. - 35 REQ H O Request to head unit. - 36 SVR O Power IC (IC4) discharge control. - 37 AMP STBY O Power IC (IC4) stand-by. - 38 AMP MUTE O Power IC (IC4) mute. - 39 P CON O P.CON for external amplifier. - 40 ANT. CON O Power antenna. - 41 SW5 O Circumambient circuit power supply control. - 42 ILL O Illumination. - 43 - - No connection. - 44 BEEP O Buzzer. (2KHz) - 45-47 - - No connection. - 48 ROLL OFF I Destination switch. - 49 N.CAN I Destination switch. - 50 SEL1 I Destination switch. - 51 SEL2 I Destination switch. - 52 - - No connection. - 53 EQ MUTE O Tape equalizer mute. - 54 FWD/REV I FWD/REV. - 55 - - No connection. - 56 REMO I Remote control. - 57-60 - - No connection. - 61 ACC DET I ACC detection. - 62 BU DET I Back-up detection. - 63 S METER I Tuner signal meter. - 64 PANEL I Panel on/off. "L" : Panel on. "H" : Panel off. 65,66 GND - GND. - 67 HOLD I Clock stop. - 68 VDD - VDD. - 69,70 GND - GND. - 71,72 - - No connection. - 73 VDD - VDD. - 74,75 GND - GND. - 76 VSS - GND. - 77,78 - - No connection. - 79 GND - GND. - 80 XOUT O µ-com clock. (4.5MHz) - www. xiaoyu163. com QQ 376315150 9 9 2 8 9 4 2 9 8 TEL 13942296513 9 9 2 8 9 4 2 9 8 0 5 1 5 1 3 6 7 3 Q Q TEL 13942296513 QQ 376315150 892498299 TEL 13942296513 QQ 376315150 892498299 5 TEST MODE 1. How to enter the test mode • Reset the unit while holding the "FM" key and preset "6" key. • All indication segments go ON at the beginning of the test mode. 2. How to release the test mode • Simply reset the unit. • (NOTE) The test mode is not canceled by ACC OFF, power OFF, momentary power down or the panel off. 3. Audio adjustment • Set the volume level to -10dB (which is shown as "30" on the display). • Loudness OFF. • The BASS/TREBLE and BALANCE/FADER can be set to the full-boost/full-cut and full- front/full-rear each by pressing the "Track UP" / "Track DOWN" keys. • Sound coordination doesn't appear for the feed. www. xiaoyu163. com QQ 376315150 9 9 2 8 9 4 2 9 8 TEL 13942296513 9 9 2 8 9 4 2 9 8 0 5 1 5 1 3 6 7 3 Q Q TEL 13942296513 QQ 376315150 892498299 TEL 13942296513 QQ 376315150 892498299 6 ADJUSTMENT/EINSTELLUNGEN (MECHA.) Einstellung des Kopfwinkels Vorgehensweise bei der Kopfhöhen-Einstellung • Während des Bandlaufs in Vorwärtsrichtung die Schrauben F und F' so einstellen, daß die Linie A eines 2-Linien-Bands (2-LINE TAPE) durch die Mitte der Kopfabschirmplatte (Zentrum des Mittelbereichs) verläuft. • Während des Bandlaufs in Rückwärtsrichtung die Schrauben R und R' so einstellen, daß die Linie B eines 2-Linien-Bands (2-LINE TAPE) durch die Mitte der Kopfabschirmplatte (Zentrum des Mittelbereichs) verläuft. • Nachdem die obige Einstellung abgschlossen ist, die Bandlaufrichtung umkehren und die Ausrichtung in Vorwärtsrichtung noch einmal überprüfen. Wenn eine Abweichung festgestellt wird, ist diese Einstellung zu wiederholen. (Verwendetes Band: SCC-1659, hergestellt von A-BEX) Head Angle Adjustment Head height alignment procedure • During FWD transport adjust screws F and F' so that line A of 2-LINE TAPE passes trough the center of the head shield plate (core center area) • During RVS transport adjust screws R and R' so that line B of 2-LINE TAPE passes trough the center of the head shield plate core (center area) • After the alignment above, reverse the transport direction and check the FWD alignment again. If it is deviated, perform alignment again. (Tape used : SCC-1659, manufactured by A-BEX) (2-LINE TAPE) B A B A (FWD) (RVS) HEIGHT (FWD) HEIGHT/AZIMUTH (FWD) HEIGHT/AZIMUTH (RVS) TAPE SPEED HEIGHT (RVS) F ' ' F R R www. xiaoyu163. com QQ 376315150 9 9 2 8 9 4 2 9 8 TEL 13942296513 9 9 2 8 9 4 2 9 8 0 5 1 5 1 3 6 7 3 Q Q TEL 13942296513 QQ 376315150 892498299 TEL 13942296513 QQ 376315150 892498299 A B D F H J C E G I 2 1 3 5 7 4 6 Refer to the schematic diagram for the value of resistors and capacitors. PC BOARD (Component side view) 8 7 W122 R58 R155 R15 W112 R14 R62 W113 R152 R129 R59 W133 W119 R413 C202 R16 R13 W111 W121 R372 R151 C101 R324 C163 R161 W135 R102 R118 R119 R115 R114 R126 R60 R61 R52 R54 R105 R106 R103 R207 R206 C164 R352 R320 C155 C154 C157 C156 C153 C151 C351 C506 R127 R154 R150 R153 R322 R401 R400 R408 R409 R407 R406 R412 R410 R411 R303 R304 R306 R305 R403 R301 R402 R321 W129 C54 R63 R64 R57 W114 C52 W116 R201 R203 R200 C200 C452 C201 R205 R455 R453 R454 R451 R450 R452 R104 C1 C2 C6 C5 C7 C8 R6 R7 R5 R2 R3 R4 C14 R8 C13 R1 C251 R251 R323 W131 W125 C102 C103 W128 W130 R160 W124 W118 R158 W117 W115 W123 R157 R156 R159 R250 R405 R404 R137 W134 W120 R122 R125 R120 R121 R123 R111 R109 W126 R110 W127 R108 W132 R131 C321 TH1 E B B E B E E B B E E B B E E B E B E B B E E B E B B E E B E B E B E B B E B E E B E B 1 14 15 28 8 14 7 1 1 80 24 25 40 41 64 65 B E Q61 Q52 Q371 Q59 Q58 Q57 Q153 Q151 Q150 Q55 Q54 Q53 Q50 Q353 Q301 Q320 Q352 Q351 Q202 Q200 Q451 Q450 Q260 IC3 IC2 IC1 X14-614x-xx (J74-0959-22) SYNTHESIZER UNIT CN1 Q60 Q56 D411 D405 D352 Q51 Q350 D401 D400 D56 D52 D51 D55 D54 D402 D408 D409 D403 D350 D351/W104 D53 Q201 Q203 D200 Q261 D404 D260 IC5 J4 J5 J2 J1 A1 D370 IC4 D50 Q370 D371 D151 D150 D152 P1 WH1 D100 J3 CN2 D261 REMO GND W100 W28 W75 W85 W22 W33 W73 W67 W72 W65 W13 W96 W35 W36 W68 W64 W15 W8 W31 W71 W69 W27 W79 W76 W34 W39 W43 W46 W51 W98 W99 W23 L3 R50 R65 R351 R353 R66 W48 W10 X1 C50 C17 C18 C160 C152 C55 W40 W20 C15 C16 C161 C350 C352 C162 C450 C451 C150 C159 C56 C58 C53 C57 W58 W94 W95 W101 W54 W41 W53 W29 W12 W16 W18 W7 R261 L5 R260 L4 C402 C400 C401 W5 W14 W17 W11 C4 C3 C9 C250 C10 W92 W9 W70 W59 W30 W25 W50 W24 W87 W80 W97 W93 W89 W88 W103 W86 W90 W78 W61 W3 W2 W1 W56 W82 W44 W47 W83 W19 W74 W81 W49 W77 W37 W63 W32 W55 W102 W57 W52 W60 W62 W38 W84 W42 W21 W45 L1 4.5M R202 R55 R67 R350 R370 W105 R371 L8 C206 L9 R373 R116 W26 C320 R138 R132 9 13 10 6 7 5 1 11 12 8 4 3 2 1 2 1 2 25 24 1 9 8 16 1 2 24 25 2 1 1 1 5 6 11 12 1 8 2 1 B E B E E B B E B E E B B E E B R20 R21 R1 R2 R3 R14 R18 1 2 R13 R12 11 12 R8 32 49 R19 C5 64 R11 1 C4 C1 C2 E B 16 17 48 33 R5 R6 R4 D17 J1 IC1 Q1 SWITCH UNIT D5 D4 D1 D2 D3 D6 D7 D8 D9 D10 D11 ED1 D14 X13-965x-xx (J74-0963-12) D12 D13 D15 1 2 3 4 5 6 PL1 29 1 PL2 ATT SRC AUTO CLK RESET AUD AM FM w w w . x i a o y u 1 6 3 . c o m Q Q 3 7 6 3 1 5 1 5 0 9 9 2 8 9 4 2 9 8 T E L 1 3 9 4 2 2 9 6 5 1 3 9 9 2 8 9 4 2 9 8 0 5 1 5 1 3 6 7 3 Q Q TEL 13942296513 QQ 376315150 892498299 TEL 13942296513 QQ 376315150 892498299 K M O Q S L N P R T 2 1 3 5 7 4 6 Refer to the schematic diagram for the value of resistors and capacitors. PC BOARD (Foil side view) 9 10 R13 R14 R18 R8 R11 R12 R19 C4 C2 C1 C5 R3 R4 R2 R1 R21 R20 R5 R6 E B 1 16 48 33 64 49 32 17 12 11 2 1 Q1 IC1 D17 J1 D15 D13 D12 D11 D10 D9 D8 D7 D6 D5 D4 D3 D2 D1 D14 ED1 X13-965x-xx (J74-0963-12) SWITCH UNIT PL2 PL1 1 1 ATT SRC AUTO CLK 2 3 4 5 6 RESET AUD AM FM 29 R15 R14 R16 W117 R118 C321 R104 B E R102 R103 C200 R200 C506 C155 C157 C156 W134 C202 R205 W135 C201 E B R203 R201 R127 C153 R207 R206 R150 R114 C154 R126 14 15 R125 R119 R131 1 28 14 C151 B E B E R161 C163 W123 C164 1 R159 R413 W116 R400 E B R450 R453 E B E B R452 R454 R455 C452 R402 R451 W114 R405 R406 R404 R401 R412 R409 R411 R410 R408 W133 R403 R407 W111 R13 R3 W130 W129 C103 C102 80 1 R322 R303 R301 R305 R306 R304 R324 R320 R160 R321 B B E W131 R323 E C14 C13 R4 R6 E B W115 E R108 24 R106 R105 8 25 W125 40 41 R110 R158 7 W124 W118 R157 W120 R156 R111 R109 W126 C351 E B E B B E R352 B R115 W128 C101 64 65 R123 R137 R121 R250 W132 R7 R8 R58 C54 W127 R120 R122 W121 R129 R54 B E R52 R59 B E R154 E B R155 W119 R152 R151 R153 R372 W113 W112 TH1 C52 R57 E B C7 R5 C5 R1 C1 C6 C8 R2 C2 R251 C251 R60 E R61 B B E E B E B W122 R62 R64 R63 E B IC3 Q260 Q202 IC2 Q150 Q200 Q450 Q153 Q451 Q301 Q320 Q351 IC1 Q371 Q352 Q353 Q50 Q52 Q151 Q54 Q55 Q59 Q58 Q53 Q57 Q61 D260 WH1 Q261 P1 D261 X14-614x-xx SYNTHESIZER UNIT (J74-0959-22) CN2 D200 A1 Q203 Q201 J1 J5 D403 D401 D402 D409 D411 D405 D404 D400 D408 J4 J3 D351/W104 D150 D352 D54 D100 D52 Q51 Q350 D151 D152 Q370 D371 IC4 D50 D51 D350 D370 D53 J2 IC5 CN1 D56 Q60 D55 Q56 1 W46 W45 W47 2 GND R261 W5 1 W1 W3 W2 6 W9 R116 W10 R260 W15 W14 W17 W26 W27 W25 W30 W37 REMO W20 W18 W16 W13 W8 24 1 25 L9 C206 L8 W105 R202 W24 W42 W38 W32 W40 W44 C450 W21 W22 C150 W11 L3 W23 C152 W31 C15 W35 C17 L4 L5 2 1 W7 C402 1 C400 2 C451 C401 C159 C16 W43 W34 W39 C18 W28 1 7 5 6 9 10 W12 W19 8 13 12 11 3 4 2 W33 W29 W70 11 12 W56 W65 1 2 4.5M X1 W78 C320 W82 R138 W83 C9 8 W94 C58 W100 C53 R371 R373 C352 W57 W48 W49 W52 W55 W62 W36 W58 W61 W50 W63 W60 W59 R353 W93 W97 W81 W84 W85 W87 C250 W92 W89 W88 W90 C10 W80 W74 W77 W86 C55 C56 W67 W68 W51 C160 C162 R370 C350 R351 C161 2 W41 W53 W54 25 W72 W69 W71 24 W64 R350 R50 R55 W76 W79 W75 W73 C50 16 8 9 1 R132 C4 C3 1 1 5 W103 W102 W96 R67 C57 W95 R66 W99 W98 R65 L1 W101 B E B E B E B E B E E B B E B E w w w . x i a o y u 1 6 3 . c o m Q Q 3 7 6 3 1 5 1 5 0 9 9 2 8 9 4 2 9 8 T E L 1 3 9 4 2 2 9 6 5 1 3 9 9 2 8 9 4 2 9 8 0 5 1 5 1 3 6 7 3 Q Q TEL 13942296513 QQ 376315150 892498299 TEL 13942296513 QQ 376315150 892498299 A B D F H J C E G I 2 1 3 5 7 4 6 0V 0V 5V 0V 5V 0V 5V 0V 5V 0V 5V 5V 0V 0V 5V 5V 0V 0V 0V 5.0V 0V 5V 5V 0V 5V 0V 0V 5V 5V 0V 0V or 5.0V 5V 0V 5V 0V 5V 0V 0V 5.0V 0V 5.0V 0V 0V 0V 0V 0V 7.3V 4.9V 7.3V 14.4V 7.3V 0V 7.3V 7.3V 7.2V 7.2V 0V 7.2V 7.2V 7.3V 7.3V 0V 7.3V 14.4V 7.3V 3.3V 7.3V 0V 5V 0V 0V 5V 0V 5V 0V 5V 0V 5V 0V 5.0V 0V 4V 0V 4V 0V 5V B LINE CAUTION: For continued safety, replace safety critical components only with manufacturer's recommended parts (refer to parts list). indicates safety critical components. For continued protection against risk of fire, replace only with same type and rating fuse(s). To reduce the risk of electric shock, leakage-current or resistance measurements shall be carried out (exposed parts are acceptably insulated from the supply circuit) before the appliance is returned to the customer. 13 4 3 12 8 7 11 2 1 6 10 5 9 16 15 14 13 12 11 10 9 8 7 6 5 4 3 2 1 FL+ RL+ FL- RL- FR- RR- FR+ RR+ P-ANT P-CON ACC B.U GND 19 23 17 21 9 3 7 5 R412 100 R410 4.7K R409 4.7K R402 10 R411 100 R406 4.7K R407 4.7K R408 1K R403 100 7 6 5 35 34 1 12 32 11 10 0.47u50 C401 + R401 C402 0.47u50 + R400 4.7 C400 22u6.3 + R405 100K R404 100K R413 100K 17 23 21 19 L1 3300u16 C50 + 6 5 4 3 2 1 T.MUTE GND MOT GND MOT +B PACK IN GND 10K R261 1K R260 43K R57 0.01 C52 47K R55 30K R52 10K R54 R370 4.7K R350 4.7K R351 1K R352 3.3u25 C350 + 22K C351 0.1u50 C352 + R353 0.068 4.7K R16 0.22u50 C18 0.22u50 C17 4.7K R15 0.22u50 C15 4.7K R13 0.22u50 C16 R14 4.7K 100u10 C159 + + C160 1u50 R152 1K R151 4.7K R153 91K 430 150K C162 1u50 + R157 100 R158 33K R155 R156 12 11 10 9 8 7 6 5 4 3 2 1 PAN 5W L DATA S L CLK L CE L DATA L u GND PAN5V RESET ILL GND LAMP +B ESD GND R322 2.2K R301 1K R303 1K R305 1K R304 1K 27K 47K R320 R321 R324 25 23 36 32 34 35 37 38 5 4 6 3 67 28 15 62 40 C56 100u6.3 5.6K R61 + 47K R60 10u10 R58 22K 100 R59 C55 + C54 0.01 100u16 + 39 1K R67 3 7 5 9 44 GND 7 R160 47K 6 5 4 3 C164 0.01 2 1 9 8 11 10 12 13 VDD 14 1/2W 24 22 13 C53 (F52-0006-05) F1 (10A) 3.3K R50 1/2W 61 R371 R373 1K 1K R372 22K 40 W104 1 2 3 4 5 6 7 8 9 10 11 12 13 14 15 16 17 18 19 20 21 22 23 24 25 TAB GND RR- STBY RR+ VCC FR- GND FR+ SVR FRI RRI GND FLI RLI AC GND RL+ GND RL- VCC FL+ MUTE FL- GND CD R159 100K 64 40 39 38 37 36 35 34 33 32 31 30 29 28 27 26 25 24 23 22 21 20 19 18 17 16 15 14 13 12 11 10 9 8 7 6 5 4 3 2 1 65 66 67 68 69 70 71 72 73 74 75 76 77 78 79 80 41 42 43 44 45 46 47 48 49 50 51 52 53 54 55 56 57 58 59 60 61 62 63 64 ANT CON P CON AMP MUTE AMP STBY SVR REQ H CH CON MUTE REQ C VDD GND GND FF/REW PACK IN FM+B AM+B SCL MOTOR CH CLK DATA H DATA C SD PLL CLK PLL DATA SDA L CE L CLK L DATA S L DATA L GND XIN GND GND HOLD VDD GND GND VDD GND GND VSS GND XOUT SW5V ILL BEEP ROLL OFF NOISE CANCELLER SEL1 SEL2 EQ MUTE FWD/REV REMO ACC DET B.U. DET S METER PANEL R110 47K R108 47K 2 1 R104 100K 38 37 36 27 28 26 25 27 R154 750 C161 1u50 + 41 61 62 41 44 R120 47K R122 47K R123 47k R121 47K 2.2K 2.2M 54 64 67 X1 4.5MHz C103 22P C102 22P 6 4 3 5 9 10 7 8 11 12 13 R116 4.7K R119 2.2K R118 2.2K 1K 10 R306 1K 63 Q301 15 2 2 R131 10K R114 22K 16 R106 1K 47K 47K R127 R126 1 BU YEL ACC GND BLK RED BLU/WHT 11 10 9 2 3 1 P. CONT OUT REAR R VIOL VIOL/BLK REAR L GRN/BLK GRN BLU GRY GRY/BLK 14 13 12 6 5 4 WHT/BLK WHT 16 15 8 7 ANT. CONT FRONT R FRONT L BU YEL REAR L REAR R VIOL VIOL/BLK GRN/BLK GRN GND BLK 9 1 ACC FRONT L P. CON/ANT. CON RED BLU/WHT 10 11 12 2 3 4 GRY GRY/BLK WHT/BLK 14 15 13 7 6 5 FRONT R WHT 16 8 A GND REQ C DATA C 8 B.U. 3 CON MUTE 4 5 9 10 GND REQ H 1 2 9 6 7 CLK Rch 13 10 6 RST 11 12 7 5 DATA H Lch 13 11 12 8 4 3 1 2 39 TH1 0.01 C101 47K R125 R105 R132 100K 100K R129 R138 22K 47K R137 1K R115 P1 47u6.3 C320 + 47 R323 R102 R103 1/2W 1/2W 1/2W Q261 1K 1/2W Q350 Q351,352 Q51,52 Q151 Q153 IC3 Q320 J4 J2 D400 D401 D403 D402 D408 D405 D411 D409 D404 D50 WH1 D261 D260 Q260 D52 D51 Q50 B.U. DET. D351 D370 ANT-CON. Q350 D350 P-CON. Q351 D352 Q353 Q352 Q151 D151 D152 D150 J3 Q320 Q301 Q53 B.U. 5V AVR Q52 Q51 D53 D54 Q58 Q60 Q61 Q59 D56 Q153 GND LINE SIGNAL LINE A B C CN2 D Q371 Q261 DRIVER IC1 : IC2 : TDA7461ND IC3 : HD74HC27FP IC4 : TDA7384A IC5 : LA3161 Q50,52,57,61 : 2SC2412K or 2SD601A Q51,261 : 2SB1443 Q53 : 2SA1036K Q54,58 : DTC144EK or UN2213 Q55,59,153,352 : DTA124EK or UN2212 Q56,60 : 2SB1655(E,F) or 2SB1565(E,F) Q201,203,350,370 : 2SB1277(Q,R) Q301 : DTA144EK or UN2113 Q320,351 : 2SA1037K Q450,451 : DTC143TK or UN2216 D50 : S2V20 A D51,405,411 : MA4068(N)-M D52 : MA4051-L D53,260,261,350,351,370,371 : AM01Z or ERA15-01 D54 : MA4056(N)-M D55 : MA4091(N)-L D56 : MA4110-L D100,150-152,352 : 1SS133 D200 : MA4051(N)-M TOP VIEW J4 D371 Q370 D100 Q150,200,202 UN2212 DTC124EK or : Q151,260,353,371 UN2214 DTC114YK or : MA4062-L D400-404,408,409 : ILLUMI. +B SW ILLUMI. +B AVR DRIVER MOTOR+B +B SW MOTOR POWER IC P-CON. SW P-CON. PROTECT. P.ON. 5V DRIVER SYSTEM u-COM RESET CHANGER SW SVR DISCHARGE SW PRE MUTE DRIVER MUTE PANEL 5V SW 47K 47K 22K 10K 47K 22K 22K 47K 10K 47K 47K 47K 10K 22K 22K 47K 10K 22K IC3 SYNTHESIZER UNIT (X14-614x-xx) IC4 IC1 DC1 (E30-4784-05) (E30-4783-05) KRC-208S/218,28MR (K) DC1 KRC-268/288 (M) 2SB1565 DTA114EK DTA124EK DTA144EK DTC114YK DTC124EK DTC143TK DTC144EK 2SA1036K 2SC2412K 2SB1277 2SB1443 2SA1037K LA3161 w w w . x i a o y u 1 6 3 . c o m Q Q 3 7 6 3 1 5 1 5 0 9 9 2 8 9 4 2 9 8 T E L 1 3 9 4 2 2 9 6 5 1 3 9 9 2 8 9 4 2 9 8 0 5 1 5 1 3 6 7 3 Q Q TEL 13942296513 QQ 376315150 892498299 TEL 13942296513 QQ 376315150 892498299 1.3V 0.8V 3.5V 0V 8.2V 3.5V 0.8V 1.3V 4.0V 4.0V 4.0V 4.0V 4.0V 4.0V 4.0V 4.0V 4.0V 4.0V 4.8V 4.0V 0V 5V 0V 5V 0V 8.2V 3.4V AM+B 19 23 20 21 22 AUDIO OUT SD S-METER IF1+B 14 17 18 VDD 5V IF2+B 15 16 SDA SCL DIG GND 10 11 12 13 OSC GND VT PLL+B IFC OUT 7 8 9 OSC GND OSC GND OSC GND FM ANT 3 4 5 6 AM ANT OSC GND FM+B 1 2 RF GND 10u16 C450 + 270 R450 10u16 C451 R451 R454 100 R452 30K 2 Lch R453 30K R455 100 + 270 1 Rch 0.01 22 23 24 25 0.01 C151 47u10 C150 + L3 4.7uH 0.1 C506 4.7K R150 0.1 C155 0.015 C153 0.22 C154 0.033 150P C157 C156 7 5 6 0.22 0.22 1u50 C152 + 23 IF1 GND IF2 GND 0.01 C200 0.01 C201 22K R203 22K R201 1K R202 1K R200 R205 150 9 8 L9 4.7uH 63 10 C206 47u10 + 4.7uH L5 1 2 3 4 5 FWD/REV GND HEAD R HEAD COM HEAD L 0.047 C251 10K R251 1500P C2 1500P C1 22K R1 22K R2 100u16 C57 + R62 100u10 C58 + 1K R64 1K R63 R65 2.2 1/2W R66 2.2 1/2W 4.7K 2.7K R207 R206 3 4 + 0.022 3 C7 120K R7 100u10 100 + 100P C5 C9 R5 6.8K R3 L IN 8 L NF L OUT 7 6 C3 47u6.3 4 10 R250 120K R8 C250 100u10 R6 6.8K + C8 0.022 C10 100u10 R4 100 GND VCC R OUT 5 4 100P C6 R NF 3 2 + + C4 47u6.3 R IN 1 16 7 25 26 0-12 0-21 NO YES NO NO YES YES MODEL NAME KRC-208S (K) UNIT NO. 0-10 NO YES NO R122 R120 KRC-288 (M) KRC-218 (K) KRC-268 (M) KRC-28MR (K) YES YES YES R121 YES NO R123 YES 28 27 26 25 24 23 22 21 20 19 18 17 16 15 AC OUT L AC OUT R CREF OUT LF OUT RF OUT LR OUT RR VDD GND SDA SCL S MUTE MUX R MUX L 1 2 3 4 5 6 7 8 9 10 11 12 13 14 AC IN L AC IN R TAPE R TAPE L CDR CDRG CDL CDLG PHONE AM MPX LEVEL 1 MP IN MP OUT 54 C13 C14 L4 52mH C452 NO YES NO YES NO YES NO NO YES YES NO 0-11 NO YES YES NO YES NO YES 0-22 NO NO LC72366-9592 YES NO NO YES LC72366-9593 IC1 NO NO NO YES LC72366-9592 LC72366-9592 W104 NO NO CN2 LC72366-9592 T.MUTE GND MOT GND MOT+B GND PACK IN Lch 1 2 FWD REV Rch Ref.99 6 3 4 5 10K Q54,55 IC2 Q150 A1 REAR PREOUT Q450 J5 Q451 Q150 Q201 D200 Q203 FM+B SW ANT J1 CN1 Q55 Q54 D55 Q56 Q57 +B SW (X14-614x-xxx) A COM B C D Q200 Q202 J1 X13- 2/2 HD1 S3 M M1 S1 S2 COM+B AVR EQUALIZER AMPLIFIER ELECTRIC VOLUME MUTE PRE SW FM+B DRIVER AM+B DRIVER AM+B SW FRONT-END E-VOLUME MUTE SW 4.7K 4.7K 22K 22K 47K 22K 47K 22K 22K 22K 22K 22K IC5 KRC-208S/218,268/288,28MR (K/K,M/M,K) (1/2) IC2 A ME1 (D40-1136-05) KRC-208S/218,268/288,28MR K M O L N www. xiaoyu163. com QQ 376315150 9 9 2 8 9 4 2 9 8 TEL 13942296513 9 9 2 8 9 4 2 9 8 0 5 1 5 1 3 6 7 3 Q Q TEL 13942296513 QQ 376315150 892498299 TEL 13942296513 QQ 376315150 892498299 0V 5V 5.0V 3.3V 1.7V 5V 3.3V 0V 5V 0V 5V 1.7V 3.3V 5V 0V 0V 5V 0V 5V 5V 0V B LINE CAUTION: For continued safety, replace safety critical components only with manufacturer's recommended parts (refer to parts list). indicates safety critical components. For continued protection against risk of fire, replace only with same type and rating fuse(s). To reduce the risk of electric shock, leakage-current or resistance measurements shall be carried out (exposed parts are acceptably insulated from the supply circuit) before the appliance is returned to the customer. 12 11 10 9 8 7 6 5 4 3 2 1 PANEL SW L DATA S L CLK L CE L DATA L N.C. u-GND PAN 5V RST ILL-GND ILL+B ESD-GND 48 47 46 45 44 43 42 41 40 39 38 37 36 35 34 33 24 23 22 21 20 19 18 17 31 30 29 28 27 26 25 1 2 3 4 5 6 7 8 9 10 11 12 13 14 15 16 50 51 52 53 54 56 57 58 59 60 61 62 63 64 KS5 KS4 KS3 KS2 KS1 COM3 COM2 COM1 S40 S39 S38 S37 S36 S35 S34 S33 S32 S31 S30 S29 S28 S27 S26 S25 S24 S23 S22 S21 S20 S19 S18 S17 KEY S4 S5 S6 S7 S8 S9 S10 S11 S12 S13 S14 S15 S16 KI1 KI2 KI3 KI4 KI5 VDD VDD2 VDD1 VSS OSC DATA L CE CLK DATA S KI1 KI2 KI4 KI3 C4 0.047 C5 820P C1 0.047 R19 68K C2 0.01 R8 4.7 R18 1K 63 64 62 61 62 61 63 R11 100 R13 100 R14 100 R12 100 64 25 12 13 14 15 16 26 27 28 29 30 31 32 18 19 20 21 22 23 24 17 CO3 CO2 CO1 37 36 35 34 33 PL1 PL2 13 13 R21 470 R6 470 R5 330 R4 R3 330 R1 470 R2 330 KS1 KS2 KS3 KS4 KS5 KI4 KI3 KI2 KI1 KRC-28MR (K) PL1,2 KRC-208S (K) B30-1483-05 0-11 UNIT No. MODEL NAME 29 28 27 26 25 24 23 22 21 20 19 18 17 16 15 14 13 12 11 10 9 8 7 6 5 4 3 2 1 S16 S15 S14 S13 S12 S37 S36 S35 S34 S33 S32 S31 S30 S29 S28 S27 S26 S25 S24 S23 S22 S21 S20 S19 S18 S17 COM3 COM2 COM1 CO1 CO2 CO3 17 18 19 20 21 22 23 24 25 26 27 28 29 30 31 32 33 34 35 36 37 12 13 14 15 16 R20 KRC-288 (M) KRC-218 (K) KRC-268 (M) (MILKY WHITE) S2 S3 32 KS1 KS2 KS3 KS4 KS5 49 KS6 55 TEST 1 1 0-10 (GREEN) B30-1485-05 J1 Q1 2 1 CLK ATT AM 6 5 VOL+ FM AUDIO D17 : MA3062-M D1-13,15 : B30-1565-05 Q1 : DTA114EK IC1 : LC75853NE J3 X14- 1/2 (X13-965x-xx) GND LINE AUTO VOL- T.UP 4 3 T.DOWN SRC ED1 RST D14 D12 D9 D6 D4 D1 D15 D13 D10 D7 D5 D2 D11 D8 D3 D17 : B38-1022-05 ED1 PANEL DETECTION LCD DRIVER : B30-2025-05 D14 IC1 SWITCH UNIT (X13-965x-xx) KRC-208S/218,268/288,28MR (K/K,M/M,K) (2/2) A 10K 10K P Q S R T 2 1 3 5 7 4 6 KRC-208S/218,268/288,28MR www . x ia o y u 1 6 3 . c o m QQ 3 7 6 3 1 5 1 5 0 9 9 2 8 9 4 2 9 8 T E L 1 3 9 4 2 2 9 6 5 1 3 9 9 2 8 9 4 2 9 8 0 5 1 5 1 3 6 7 3 Q Q TEL 13942296513 QQ 376315150 892498299 TEL 13942296513 QQ 376315150 892498299 Parts with exploded numbers larger than 700 are not supplied. 31 54 4 99 101 115 53 111 102 102 12 103 111 31 33 14 102 114 52 39 10 40 34 58 57 39 9 35 112 113 7 6 26 25 HD1 56 100 106x2 37 36 38 M1 20 5 1 23 22 105x2 113 112 16 18 17 19 102 104 D40-1136-05 (MECHA.) KRC-208S/218,268/288,28MR (K/K,M/M,K) 1 2 3 A B EXPLODED VIEW (MECHANISM) 15 www. xiaoyu163. com QQ 376315150 9 9 2 8 9 4 2 9 8 TEL 13942296513 9 9 2 8 9 4 2 9 8 0 5 1 5 1 3 6 7 3 Q Q TEL 13942296513 QQ 376315150 892498299 TEL 13942296513 QQ 376315150 892498299 Parts with exploded numbers larger than 700 are not supplied. M3x4 3x5 3x10 3x8 3x20 2.6x6 : N30-3004-46 : N83-3005-46 : N64-3010-46 : N80-3008-46 : N83-3020-46 : N86-2606-46 A B C D E F B Fx2 B B B B B (X14-) Cx2 Ax2 Ax2 E D (Except KRC-28MR) 737 A A Refer to the following page. ME1 A 1 F1 244 216 DC1 242 207 201 262 726 767 261 243 221x2 (X14-) J 1 (X14-) (X14-) J 5 (X14-) J 4 KRC-208S KRC-288 KRC-28MR only (X14-) 778 (X14-) 777 (X14-) 776 (X14-) J 2 (X14-) L 1 729 703 UNIT (1/2) KRC-208S/218,268/288,28MR (K/K,M/M,K) 1 2 3 C D 16 EXPLODED VIEW (UNIT) www. xiaoyu163. com QQ 376315150 9 9 2 8 9 4 2 9 8 TEL 13942296513 9 9 2 8 9 4 2 9 8 0 5 1 5 1 3 6 7 3 Q Q TEL 13942296513 QQ 376315150 892498299 TEL 13942296513 QQ 376315150 892498299 Parts with exploded numbers larger than 700 are not supplied. G J H G 2x6 1.5 2x8 : N80-2006-46 : N29-0205-04 : N80-2008-45 G H J Jx2 Jx2 710 204 233 223 224 234 222 705 766 (X13-) (X13-) (X13-) 272 (X13-) 273 (X13-) 274 (X13-) ED1 (X13-) 271 775 208 206 235 256 259 PA1 241 227 252 253 251 257 258 255 232 232 232 254 231 UNIT (2/2) KRC-208S/218,268/288,28MR (K/K,M/M,K) 1 2 3 E F 17 EXPLODED VIEW (TDF) www. xiaoyu163. com QQ 376315150 9 9 2 8 9 4 2 9 8 TEL 13942296513 9 9 2 8 9 4 2 9 8 0 5 1 5 1 3 6 7 3 Q Q TEL 13942296513 QQ 376315150 892498299 TEL 13942296513 QQ 376315150 892498299 18 PARTS LIST ✽ New Parts Parts without Part No. are not supplied. Les articles non mentionnes dans le Parts No. ne sont pas fournis. Teile ohne Parts No. werden nicht geliefert. A N Desti- A N Desti- Ref. No. d e Parts No. Description nation Ref. No. d e Parts No. Description nation d w d w 256 3E ✽ K25-1101-03 KNOB (CLK,AUTO) 257 3E ✽ K25-1102-03 KNOB (FM,AM,UP,DOWN,AUD) 201 1C A02-1486-13 PLASTIC CABINET ASSY 258 3E ✽ K25-1103-03 KNOB (1,2,3,4,5,6,ATT) 204 1F ✽ A22-2386-03 SUB PANEL ASSY 259 3E ✽ K25-1108-03 KNOB (VOL) 206 2F ✽ A46-1654-01 REAR COVER 207 1D ✽ A52-0756-02 TOP PLATE 261 1C N99-1610-15 SCREW SET (1-SCREW) KK2M1 208 1F A53-1638-13 CASSETTE LID 261 1C N99-1610-15 SCREW SET (1-SCREW) M2 262 1C N99-1632-05 SCREW SET (9-SCREW) PA1 3E ✽ A64-1914-02 PANEL ASSY K A 1D N30-3004-46 PAN HEAD MACHINE SCREW PA1 3E ✽ A64-1915-02 PANEL ASSY K1 B 1D N83-3005-46 PAN HEAD TAPTITE SCREW PA1 3E ✽ A64-1916-02 PANEL ASSY K2 PA1 3E ✽ A64-1917-02 PANEL ASSY M1 G 3E N80-2006-46 PAN HEAD TAPTITE SCREW PA1 3E ✽ A64-1946-02 PANEL ASSY M2 H 1F N29-0205-04 RETAINING RING J 2F N80-2008-45 PAN HEAD TAPTITE SCREW 216 3C B07-2169-02 ESCUTCHEON K1 216 3C B07-2181-02 ESCUTCHEON KK2M1 216 3C B07-2181-02 ESCUTCHEON M2 271 2E ✽ B11-0991-04 OPTICAL DIFFUSER - B46-0100-50 WARRANTY CARD 272 2E ✽ B11-0992-04 REFLECTION SHEET - B46-0606-04 ID CARD 273 2E ✽ B19-2019-03 LIGHTING BOARD D1 -13 ✽ B30-1565-05 LED - B58-1344-04 CAUTION CARD K D14 B30-2025-05 LED - ✽ B64-1538-00 INST. MANUAL (ENG,FRE,SPA,POR) KK1K2 - ✽ B64-1539-00 INST. MANUAL (ENG,CHI) M1M2 D15 ✽ B30-1565-05 LED - ✽ B64-1589-00 INST. MANUAL (ARABIC) M1M2 ED1 2E ✽ B38-1022-05 LIQUID CRYSTAL PL1 ,2 B30-1483-05 LAMP (5.5V 0.125A) K2M1M2 221 1C D10-3031-04 LEVER PL1 ,2 B30-1485-05 LAMP (5.5V 0.125A) KK1 222 1F ✽ D10-4446-03 LEVER 223 1F ✽ D10-4447-03 LEVER C1 CK73FB1H473K CHIP C 0.047UF K 224 1F ✽ D21-2329-04 SHAFT C2 CK73FB1H103K CHIP C 0.010UF K ME1 2C ✽ D40-1136-05 CASSETTE MECHANISM ASSY C4 CK73FB1H473K CHIP C 0.047UF K C5 CK73FB1H821K CHIP C 820PF K 227 3F ✽ E29-1599-02 CONDUCTIVE RUBBER DC1 1C E30-4783-05 DC CORD KK1K2 274 2E ✽ E29-1600-04 CONDUCTIVE RUBBER DC1 1C E30-4784-05 DC CORD M1M2 J1 ✽ E59-0831-05 RECTANGULAR PLUG F1 2D F52-0006-05 FUSE (MINI BLADE TYPE) (10A) R1 RK73EB2B331J CHIP R 330 J 1/8W F1 2D F52-0011-05 FUSE (MINI BLADE TYPE) (10A) R2 RK73EB2B471J CHIP R 470 J 1/8W R3 ,4 RK73EB2B331J CHIP R 330 J 1/8W 231 1F G01-2525-04 TORSION COIL SPRING R5 ,6 RK73EB2B471J CHIP R 470 J 1/8W 232 3F G01-2793-14 COMPRESSION SPRING R8 RK73FB2A4R7J CHIP R 4.7 J 1/10W 233 1F ✽ G01-2987-04 TORSION COIL SPRING 234 1F ✽ G01-2988-04 EXTENSION SPRING R11 -14 RK73FB2A101J CHIP R 100 J 1/10W 235 2F ✽ G01-2990-04 COMPRESSION SPRING R18 RK73FB2A102J CHIP R 1.0K J 1/10W R19 RK73FB2A683J CHIP R 68K J 1/10W - ✽ H10-4685-02 POLYSTYRENE FOAMED FIXTURE R20 ,21 RK73EB2B130J CHIP R 13 J 1/8W - H25-0329-04 PROTECTION BAG (280X450X0.03) - H25-0337-04 PROTECTION BAG (180X300X0.03) D17 MA3062-M ZENER DIODE - ✽ H54-1596-03 ITEM CARTON CASE (KRC-208S) K IC1 LC75853NE MOS-IC - ✽ H54-1597-03 ITEM CARTON CASE (KRC-28MR) K1 Q1 DTA114EK DIGITAL TRANSISTOR Q1 UN2111 DIGITAL TRANSISTOR - ✽ H54-1598-03 ITEM CARTON CASE (KRC-218) K2 - ✽ H54-1600-03 ITEM CARTON CASE (KRC-288) M1 - ✽ H54-1601-03 ITEM CARTON CASE (KRC-268) M2 C1 ,2 CK73GB1H152K CHIP C 1500PF K C3 ,4 CE04CW0J470M ELECTRO 47UF 6.3WV 241 3E ✽ J19-4980-02 HOLDER C5 ,6 CC73GCH1H101J CHIP C 100PF J 242 1C J21-9491-03 MOUNTING HARDWARE ASSY C7 ,8 CK73GB1H223K CHIP C 0.022UF K 243 1C J54-0606-04 STAY C9 ,10 CE04CW1A101M ELECTRO 100UF 10WV 244 3D J61-0307-05 WIRE BAND C13 ,14 CK73FB1C224K CHIP C 0.22UF K 251 3E ✽ K24-3542-04 KNOB (SRC) C15 -18 C90-5296-05 NP-ELECT 0.22UF 50WV 252 2E ✽ K24-3544-04 KNOB (RELEASE) C50 C90-5236-05 ELECTRO 3300UF 16WV 253 3F ✽ K24-3545-04 KNOB (EJECT) C52 CK73GB1H103K CHIP C 0.010UF K 254 3F ✽ K24-3546-04 KNOB (FF) C53 CE04CW1C101M ELECTRO 100UF 16WV 255 3F ✽ K24-3547-04 KNOB (REW) C54 CK73GB1H103K CHIP C 0.010UF K K : KRC-208S M1 : KRC-288 E : Europe K : North America M : Other Areas K1 : KRC-28MR M2 : KRC-268 K2 : KRC-218 indicates safety critical components. KRC-208S/218,268/288,28MR SWITCH UNIT (X13-965x-xx) SYNTHESIZER UNIT (X14-614x-xx) www. xiaoyu163. com QQ 376315150 9 9 2 8 9 4 2 9 8 TEL 13942296513 9 9 2 8 9 4 2 9 8 0 5 1 5 1 3 6 7 3 Q Q TEL 13942296513 QQ 376315150 892498299 TEL 13942296513 QQ 376315150 892498299 ✽ New Parts Parts without Part No. are not supplied. Les articles non mentionnes dans le Parts No. ne sont pas fournis. Teile ohne Parts No. werden nicht geliefert. A N Desti- A N Desti- Ref. No. d e Parts No. Description nation Ref. No. d e Parts No. Description nation d w d w C55 C90-2594-05 ELECTRO 10UF 10WV R1 ,2 RK73GB1J223J CHIP R 22K J 1/16W C56 CE04CW0J101M ELECTRO 100UF 6.3WV R3 ,4 RK73GB1J101J CHIP R 100 J 1/16W C57 CE04CW1C101M ELECTRO 100UF 16WV R5 ,6 RK73GB1J682J CHIP R 6.8K J 1/16W C58 CE04CW1A101M ELECTRO 100UF 10WV R7 ,8 RK73GB1J124J CHIP R 120K J 1/16W C101 CK73GB1H103K CHIP C 0.010UF K R13 RK73EB2B472J CHIP R 4.7K J 1/8W C102,103 CC73FCH1H220J CHIP C 22PF J R14 ,15 RK73GB1J472J CHIP R 4.7K J 1/16W C150 CE04CW1A470M ELECTRO 47UF 10WV R16 RK73EB2B472J CHIP R 4.7K J 1/8W C151 CK73FB1H103K CHIP C 0.010UF K R50 RD14DB2H332J SMALL-RD 3.3K J 1/2W C152 C90-2608-05 ELECTRO 1.0UF 50WV R52 RK73FB2A303J CHIP R 30K J 1/10W C153 CK73GB1E153K CHIP C 0.015UF K R54 RK73FB2A103J CHIP R 10K J 1/10W C154 CK73FB1C224K CHIP C 0.22UF K R55 RD14BB2C473J RD 47K J 1/6W C155 CK73FB1C104K CHIP C 0.10UF K R57 RK73GB1J433J CHIP R 43K J 1/16W C156 CK73FB1E333K CHIP C 0.033UF K R58 RK73FB2A223J CHIP R 22K J 1/10W C157 CC73FCH1H151J CHIP C 150PF J R59 RK73GB1J101J CHIP R 100 J 1/16W C159 CE04CW1A101M ELECTRO 100UF 10WV R60 RK73FB2A473J CHIP R 47K J 1/10W C160 C90-2608-05 ELECTRO 1.0UF 50WV R61 RK73FB2A562J CHIP R 5.6K J 1/10W C161 C90-2935-05 ELECTRO 1.0UF 50WV R62 RK73GB1J103J CHIP R 10K J 1/16W C162 C90-2608-05 ELECTRO 1.0UF 50WV R63 ,64 RK73GB1J102J CHIP R 1.0K J 1/16W C164 CK73FB1H103K CHIP C 0.010UF K R65 ,66 RD14DB2H2R2J SMALL-RD 2.2 J 1/2W C200,201 CK73FB1H103K CHIP C 0.010UF K R67 RD14BB2C102J RD 1.0K J 1/6W C206 CE04DW1A470M ELECTRO 47UF 10WV R102 RK73FB2A222J CHIP R 2.2K J 1/10W KK1K2 C250 CE04CW1A101M ELECTRO 100UF 10WV R103 RK73FB2A225J CHIP R 2.2M J 1/10W C251 CK73GB1C473K CHIP C 0.047UF K R104 RK73FB2A104J CHIP R 100K J 1/10W KK1K2 C320 CE04CW0J470M ELECTRO 47UF 6.3WV R105,106 RK73FB2A102J CHIP R 1.0K J 1/10W C350 C90-2598-05 ELECTRO 3.3UF 25WV R108 RK73GB1J473J CHIP R 47K J 1/16W C351 CK73FB1E683K CHIP C 0.068UF K R110 RK73FB2A473J CHIP R 47K J 1/10W C352 C90-2602-05 ELECTRO 0.10UF 50WV R114 RK73EB2B223J CHIP R 22K J 1/8W C400 CE04CW0J220M ELECTRO 22UF 6.3WV KK1M1 R115 RK73FB2A102J CHIP R 1.0K J 1/10W C401,402 C90-2606-05 ELECTRO 0.47UF 50WV KK1M1 R116 RD14BB2C472J RD 4.7K J 1/6W C450,451 C90-2597-05 ELECTRO 10UF 16WV R118,119 RK73FB2A222J CHIP R 2.2K J 1/10W C452 CK73FB1H103K CHIP C 0.010UF K R120 RK73FB2A473J CHIP R 47K J 1/10W K2M2 C506 CK73FB1C104K CHIP C 0.10UF K R121 RK73FB2A473J CHIP R 47K J 1/10W M1KK1 R122 RK73FB2A473J CHIP R 47K J 1/10W M1M2 CN1 E40-3240-05 PIN ASSY R123 RK73FB2A473J CHIP R 47K J 1/10W KK1K2 CN2 E40-3246-05 PIN ASSY K1 R125 RK73GB1J473J CHIP R 47K J 1/16W J1 2D E04-0312-05 RF COAXIAL CABLE RECEPTACLE J2 2D E58-0863-15 RECTANGULAR RECEPTACLE R126,127 RK73EB2B473J CHIP R 47K J 1/8W J3 ✽ E58-0888-05 RECTANGULAR RECEPTACLE R129 RK73GB1J104J CHIP R 100K J 1/16W R131 RK73FB2A103J CHIP R 10K J 1/10W J4 2D E56-0834-05 CYLINDRICAL RECEPTACLE KK1M1 R132 RD14BB2C104J RD 100K J 1/6W J5 2D E63-0013-05 PIN JACK R137 RK73FB2A473J CHIP R 47K J 1/10W P1 ✽ E23-0745-05 TERMINAL WH1 ✽ E39-0344-05 WIRING HARNESS R138 RD14BB2C223J RD 22K J 1/6W R150 RK73FB2A472J CHIP R 4.7K J 1/10W L1 2D L33-1063-15 CHOKE COIL R151 RK73GB1J472J CHIP R 4.7K J 1/16W L3 L40-4795-91 SMALL FIXED INDUCTOR (4.7UH,J) R152 RK73FB2A102J CHIP R 1.0K J 1/10W L4 L33-1123-05 LINE FILTER COIL (52MH) R153 RK73FB2A913J CHIP R 91K J 1/10W L5 L40-4795-91 SMALL FIXED INDUCTOR (4.7UH,J) L9 L40-4795-91 SMALL FIXED INDUCTOR (4.7UH,J) R154 RK73FB2A751J CHIP R 750 J 1/10W R155 RK73GB1J431J CHIP R 430 J 1/16W X1 L77-1163-05 CRYSTAL RESONATOR (4.5MHZ) R156 RK73FB2A154J CHIP R 150K J 1/10W X1 L77-1165-05 CRYSTAL RESONATOR (4.5MHZ) R157 RK73EB2B101J CHIP R 100 J 1/8W R158 RK73FB2A333J CHIP R 33K J 1/10W B 1D N83-3005-46 PAN HEAD TAPTITE SCREW C 2D N64-3010-46 PAN HEAD SEMS SCREW R159 RK73GB1J104J CHIP R 100K J 1/16W D 1D N80-3008-46 PAN HEAD TAPTITE SCREW R160 RK73GB1J473J CHIP R 47K J 1/16W E 1D N83-3020-46 PAN HEAD TAPTITE SCREW R200 RK73EB2B102J CHIP R 1.0K J 1/8W F 2D N86-2606-46 BINDING HEAD TAPTITE SCREW R201 RK73EB2B223J CHIP R 22K J 1/8W R202 RD14BB2C102J RD 1.0K J 1/6W K : KRC-208S M1 : KRC-288 E : Europe K : North America M : Other Areas K1 : KRC-28MR M2 : KRC-268 K2 : KRC-218 indicates safety critical components. (X14-614x-xx) 19 PARTS LIST www. xiaoyu163. com QQ 376315150 9 9 2 8 9 4 2 9 8 TEL 13942296513 9 9 2 8 9 4 2 9 8 0 5 1 5 1 3 6 7 3 Q Q TEL 13942296513 QQ 376315150 892498299 TEL 13942296513 QQ 376315150 892498299 20 PARTS LIST ✽ New Parts Parts without Part No. are not supplied. Les articles non mentionnes dans le Parts No. ne sont pas fournis. Teile ohne Parts No. werden nicht geliefert. (X14-614x-xx) A N Desti- A N Desti- Ref. No. d e Parts No. Description nation Ref. No. d e Parts No. Description nation d w d w R203 RK73EB2B223J CHIP R 22K J 1/8W D54 MA4056(N)-M ZENER DIODE R205 RK73EB2B151J CHIP R 150 J 1/8W D55 MA4091(N)-L ZENER DIODE R206 RK73FB2A472J CHIP R 4.7K J 1/10W D56 MA4110-L ZENER DIODE R207 RK73FB2A272J CHIP R 2.7K J 1/10W D100 1SS133 DIODE R250 RK73FB2A100J CHIP R 10 J 1/10W D150-152 1SS133 DIODE R251 RK73GB1J103J CHIP R 10K J 1/16W D200 MA4051(N)-M ZENER DIODE R260 RD14DB2H102J SMALL-RD 1.0K J 1/2W D260,261 AM01Z DIODE R261 RD14BB2C103J RD 10K J 1/6W D260,261 ERA15-01 DIODE R301 RK73EB2B102J CHIP R 1.0K J 1/8W D350,351 AM01Z DIODE KK1K2 R303-306 RK73EB2B102J CHIP R 1.0K J 1/8W D350,351 ERA15-01 DIODE KK1K2 R320 RK73FB2A473J CHIP R 47K J 1/10W D352 1SS133 DIODE R321 RK73EB2B273J CHIP R 27K J 1/8W D370,371 AM01Z DIODE M1M2 R322 RK73EB2B222J CHIP R 2.2K J 1/8W D370,371 ERA15-01 DIODE M1M2 R323 RK73EB2B470J CHIP R 47 J 1/8W D400-404 MA4062-L ZENER DIODE KK1M1 R324 RK73EB2B100J CHIP R 10 J 1/8W D405 MA4068(N)-M ZENER DIODE KK1M1 R350 RD14BB2C472J RD 4.7K J 1/6W KK1K2 D408,409 MA4062-L ZENER DIODE KK1M1 R351 RD14DB2H102J SMALL-RD 1.0K J 1/2W D411 MA4068(N)-M ZENER DIODE KK1M1 R352 RK73FB2A223J CHIP R 22K J 1/10W IC1 ✽ LC72366-9592 MI-COM IC KK2M1 R353 RD14DB2H102J SMALL-RD 1.0K J 1/2W IC1 ✽ LC72366-9592 MI-COM IC M2 R370 RD14BB2C472J RD 4.7K J 1/6W M1M2 IC1 ✽ LC72366-9593 MI-COM IC K1 R371 RD14DB2H102J SMALL-RD 1.0K J 1/2W M1M2 IC2 TDA7461ND ANALOGUE IC R372 RK73FB2A223J CHIP R 22K J 1/10W M1M2 IC3 HD74HC27FP MOS-IC R373 RD14DB2H102J SMALL-RD 1.0K J 1/2W M1M2 IC4 TDA7384A ANALOGUE IC R400 RK73EB2B4R7J CHIP R 4.7 J 1/8W KK1M1 IC5 LA3161 IC(PREAMP X2) R401,402 RK73EB2B100J CHIP R 10 J 1/8W KK1M1 Q50 2SC2412K TRANSISTOR R403 RK73EB2B101J CHIP R 100 J 1/8W KK1M1 Q50 2SD601A TRANSISTOR R404 RK73FB2A104J CHIP R 100K J 1/10W KK1M1 Q51 2SB1443 TRANSISTOR R405 RK73EB2B104J CHIP R 100K J 1/8W KK1M1 Q52 2SC2412K TRANSISTOR R406,407 RK73EB2B472J CHIP R 4.7K J 1/8W KK1M1 Q52 2SD601A TRANSISTOR R408 RK73EB2B102J CHIP R 1.0K J 1/8W KK1M1 Q53 2SA1036K TRANSISTOR R409,410 RK73EB2B472J CHIP R 4.7K J 1/8W KK1M1 Q54 DTC144EK DIGITAL TRANSISTOR R411,412 RK73EB2B101J CHIP R 100 J 1/8W KK1M1 Q54 UN2213 DIGITAL TRANSISTOR R413 RK73GB1J104J CHIP R 100K J 1/16W KK1M1 Q55 DTA124EK DIGITAL TRANSISTOR R450,451 RK73FB2A271J CHIP R 270 J 1/10W Q55 UN2112 DIGITAL TRANSISTOR R452,453 RK73FB2A303J CHIP R 30K J 1/10W Q56 2SB1565(E,F) TRANSISTOR R454,455 RK73EB2B101J CHIP R 100 J 1/8W Q56 2SB1655(E,F) TRANSISTOR Q57 2SC2412K TRANSISTOR W111-114 R92-2053-05 CHIP R 0 J 1/8W Q57 2SD601A TRANSISTOR W115 R92-2053-05 CHIP R 0 J 1/8W KK1M1 Q58 DTC144EK DIGITAL TRANSISTOR W116 R92-2052-05 CHIP R 0 J 1/10W Q58 UN2213 DIGITAL TRANSISTOR W117 R92-2053-05 CHIP R 0 J 1/8W W118 R92-2052-05 CHIP R 0 J 1/10W M1M2 Q59 DTA124EK DIGITAL TRANSISTOR Q59 UN2112 DIGITAL TRANSISTOR W119 R92-2053-05 CHIP R 0 J 1/8W Q60 2SB1565(E,F) TRANSISTOR W120,121 R92-2052-05 CHIP R 0 J 1/10W Q60 2SB1655(E,F) TRANSISTOR W122 R92-2053-05 CHIP R 0 J 1/8W Q61 2SC2412K TRANSISTOR W123 R92-2052-05 CHIP R 0 J 1/10W W124,125 R92-2052-05 CHIP R 0 J 1/10W KK1M1 Q61 2SD601A TRANSISTOR Q150 DTC124EK DIGITAL TRANSISTOR W127-133 R92-2053-05 CHIP R 0 J 1/8W Q150 UN2212 DIGITAL TRANSISTOR W134 R92-2052-05 CHIP R 0 J 1/10W Q151 DTC114YK DIGITAL TRANSISTOR Q151 UN2214 DIGITAL TRANSISTOR D50 S2V20*A DIODE D51 MA4068(N)-M ZENER DIODE Q153 DTA124EK DIGITAL TRANSISTOR D52 MA4051-L ZENER DIODE Q153 UN2112 DIGITAL TRANSISTOR D53 AM01Z DIODE Q200 DTC124EK DIGITAL TRANSISTOR D53 ERA15-01 DIODE Q200 UN2212 DIGITAL TRANSISTOR Q201 2SB1277(Q,R) TRANSISTOR K : KRC-208S M1 : KRC-288 E : Europe K : North America M : Other Areas K1 : KRC-28MR M2 : KRC-268 K2 : KRC-218 indicates safety critical components. www. xiaoyu163. com QQ 376315150 9 9 2 8 9 4 2 9 8 TEL 13942296513 9 9 2 8 9 4 2 9 8 0 5 1 5 1 3 6 7 3 Q Q TEL 13942296513 QQ 376315150 892498299 TEL 13942296513 QQ 376315150 892498299 21 PARTS LIST ✽ New Parts Parts without Part No. are not supplied. Les articles non mentionnes dans le Parts No. ne sont pas fournis. Teile ohne Parts No. werden nicht geliefert. (D40-1136-05) A N Desti- A N Desti- Ref. No. d e Parts No. Description nation Ref. No. d e Parts No. Description nation d w d w Q202 DTC124EK DIGITAL TRANSISTOR 56 1B D10-4105-08 ARM ASSY Q202 UN2212 DIGITAL TRANSISTOR 57 2B D10-4104-08 ARM Q203 2SB1277(Q,R) TRANSISTOR 58 2B G01-2831-08 TENSION COIL SPRING Q260 DTC114YK DIGITAL TRANSISTOR 99 3B E39-0181-08 WIRE HARNESS Q260 UN2214 DIGITAL TRANSISTOR 100 1B J11-0618-08 CLAMPER Q261 2SB1443 TRANSISTOR 101 3B N09-4328-08 SCREW Q301 DTA144EK DIGITAL TRANSISTOR 102 3A N09-4326-08 SCREW Q301 UN2113 DIGITAL TRANSISTOR 103 3A N09-4191-08 SCREW Q320 2SA1037K TRANSISTOR 104 1B N09-4192-08 SCREW Q350 2SB1277(Q,R) TRANSISTOR 105 2A N09-4058-08 SCREW Q351 2SA1037K TRANSISTOR 106 1A N09-4109-08 SCREW Q352 DTA124EK DIGITAL TRANSISTOR 111 3A N19-2082-08 FLAT WASHER Q352 UN2112 DIGITAL TRANSISTOR 112 2A N19-2083-08 FLAT WASHER Q353 DTC114YK DIGITAL TRANSISTOR 113 2A N19-2084-08 FLAT WASHER Q353 UN2214 DIGITAL TRANSISTOR 114 3A N19-2043-08 FLAT WASHER Q370 2SB1277(Q,R) TRANSISTOR M1M2 115 2B N19-2038-08 FLAT WASHER Q371 DTC114YK DIGITAL TRANSISTOR M1M2 Q371 UN2214 DIGITAL TRANSISTOR M1M2 HD1 1B ✽ T31-0229-08 PLAYBACK HEAD Q450,451 DTC143TK DIGITAL TRANSISTOR Q450,451 UN2216 DIGITAL TRANSISTOR M1 1A ✽ T42-1025-08 MOTOR ASSY TH1 PTH9C42BD471Q POSITIVE RESISTOR A1 2D X86-3160-11 FRONT-END UNIT 1 2A A10-4328-08 CHASISS CALKING ASSY 4 3B J26-4017-08 PRINTED WIRING BOARD ASSY 5 2A J21-7778-08 MOUNTING HARDWARE 6 2B D10-4091-08 SLIDER 7 2B D13-1323-08 GEAR 9 2B D10-4200-08 ARM ASSY (F) 10 2A D10-4201-08 ARM ASSY (R) 12 3A A11-0930-08 SUB CHASSIS CALKING ASSY 14 3A J26-4018-08 PRINTED WIRING BOARD ASSY 16 1B G01-2826-08 TORSION COIL SPRING 17 1A D10-4094-08 SLIDER 18 1B D10-4095-08 SLIDER 19 1A D10-4096-08 ARM 20 1A J19-4736-08 HOLDER ASSY 22 2A G01-2827-08 TENSION COIL SPRING 23 2A D10-4097-08 LEVER 25 2B D10-4098-08 SLIDER 26 2B G09-2019-08 SPRING 31 3A D01-0608-08 FLYWHEEL ASSY 33 3A G01-2828-08 TENSION COIL SPRING 34 2B G01-2829-08 TENSION COIL SPRING 35 2B D10-4099-08 ARM 36 1A D10-4100-08 ARM 37 1A D14-0682-08 ROLLER 38 1A D10-4101-08 LEVER 39 2A G01-2830-08 COMPRESSION COIL SPRING 40 2A D10-4102-08 ARM 52 2A D13-1110-08 GEAR 53 2B D15-0909-08 PULLEY 54 3B D16-0606-08 BELT K : KRC-208S M1 : KRC-288 E : Europe K : North America M : Other Areas K1 : KRC-28MR M2 : KRC-268 K2 : KRC-218 indicates safety critical components. CASSETTE MECHANISM ASSY (D40-1136-05) www. xiaoyu163. com QQ 376315150 9 9 2 8 9 4 2 9 8 TEL 13942296513 9 9 2 8 9 4 2 9 8 0 5 1 5 1 3 6 7 3 Q Q TEL 13942296513 QQ 376315150 892498299 TEL 13942296513 QQ 376315150 892498299 SPECIFICATIONS KENWOOD follows a policy of continuous advancements in development. For this reason specifications may be changed without notice. KENWOOD CORPORATION 14-6, Dogenzaka 1-chome, Shibuya-ku, Tokyo, 150-8501 Japan KENWOOD SERVICE CORPORATION P.O. Box 22745, 2201 East Dominguez Street, Long Beach, CA90801-5745, U.S.A. KENWOOD ELECTRONICS CANADA INC. 6070 Kestrel Road, Mississauga, Ontario, Canada L5T 1S8 KENWOOD ELECTRONICS LATIN AMERICA S.A. P.O. Box 55-2791, Piso 6, Plaza Chase, Cl. 47 y, Aquilino de la Guardia, Panama, Republic of Panama KENWOOD ELECTRONICS BRASIL LTDA. Av. Moema, 170-17˚, Andar-Cobertura “B”, Ed. Maximum Service Center, 04077-020 Moema, São Paulo-SP-Brasil KENWOOD ELECTRONICS UK LIMITED Kenwood House, Dwight Road, Watford, Herts, WD1 8EB, United Kingdom KENWOOD ELECTRONICS DEUTSCHLAND GMBH Rembrücker Str. 15, 63150 Heusenstamm, Germany KENWOOD ELECTRONICS FRANCE S.A. 13, Boulevard Ney, 75018 Paris, France KENWOOD ELECTRONICS BELGIUM N.V. Mechelsesteenweg 418, B-1930 Zaventem, Belgium KENWOOD ELECTRONICS ITALIA S.p.A. Via G. Sirtori 7/9, 20129 Milano, ltaly KENWOOD IBÉRICA S.A. Bolivia, 239-08020 Barcelona, Spain KENWOOD ELECTRONICS AUSTRALIA PTY. LTD. (A.C.N. 001 499 074) 16 Giffnock Avenue, North Ryde, N.S.W. 2113, Austraria KENWOOD ELECTRONICS (HONG KONG) LTD. Unit 3712-3724, Level 37, Tower 1, Metroplaza, 223 Hing Fong Road, Kwai Fong, N.T., Hong Kong KENWOOD ELECTRONICS GULF FZE P.O.Box 61318, Jebel Ali, Dubai, U.A.E. KENWOOD ELECTRONICS (THAILAND) CO., LTD. 2019 New Pechburi Road, Bangkapi, Huaykwang, Bangkok, 10320 Thailand KENWOOD ELECTRONICS SINGAPORE PTE LTD. 1 Genting Lane, #07-00, Kenwood Building, Singapore 349544 KENWOOD ELECTRONICS (MALAYSIA) SDN BHD #4.01 Level 4, Wisma Academy Lot 4A, Jalan 19/1, 46300 Petaling Jaya, Selangor Darul Ehsan, Malaysia KRC-208S (K) KRC-218S (K) KRC-268 (M) KRC-28MR (K) KRC-288 (M) TDF TDF Tuner Type CR2 CR2 Frequency Range 87.9MHz-107.9MHz 87.5MHz-108.0MHz (Frequency Step) (200KHz) (50KHz) Channel Space Selection 50KHz/200KHz 50KHz/200KHz Usable Sensitivity (S/N 30dB) 9.3dBf (0.8µV/75Ω) 9.3dBf (0.8µV/75Ω) Quieting Sensitivity (S/N 50dB) 15.2dBf (1.6µV/75Ω) 15.2dBf (1.6µV/75Ω) Frequency Response ( 3.0dB) 30Hz-15KHz 30Hz-15KHz S/N 70dB (MONO) 70dB (MONO) Selectivity 80dB ( 400KHz) 80dB ( 400KHz) Stereo Separation 40dB (1KHz) 40dB (1KHz) Frequency Range 530KHz-1700KHz 531KHz-1611KHz (Frequency Step) (10KHz) (9KHz) Channel Space Selection 9KHz/10KHz 9KHz/10KHz Usable Sensitivity (S/N 20dB) 28dBµ (25µV) 28dBµ (25µV) Tape Speed 4.76cm/sec. 4.76cm/sec. Wow/Flutter 0.12% (WRMS) 0.12% (WRMS) Frequency Response ( 3.0dB) 30Hz-14KHz (120µs) 30Hz-14KHz (120µs) Separation 40dB (1KHz) 40dB (1KHz) S/N Dolby NR OFF 52dB 52dB Preout Level / Load 1800mV/10KΩ 1800mV/10KΩ Preout Impedance 600Ω 600Ω Maximum Power 40W x4 40W x4 Full Bandwidth Power 20W x4 20W x4 (at less than 1% THD) Bass 100Hz 10dB 100Hz 10dB Treble 10KHz 10dB 10KHz 10dB Operating Voltage (11V-16V allowable) 14.4V 14.4V Current Consumption 10A 10A Installation Size (Width) 182mm 182mm (Height) 53mm 53mm (Depth) 155mm 155mm Weight 1.4Kg 1.4Kg FM AM CASSETTE AMPLIFIER TONE GENERAL www. xiaoyu163. com QQ 376315150 9 9 2 8 9 4 2 9 8 TEL 13942296513 9 9 2 8 9 4 2 9 8 0 5 1 5 1 3 6 7 3 Q Q TEL 13942296513 QQ 376315150 892498299 TEL 13942296513 QQ 376315150 892498299

标签:

版权声明

1. 本站所有素材,仅限学习交流,仅展示部分内容,如需查看完整内容,请下载原文件。
2. 会员在本站下载的所有素材,只拥有使用权,著作权归原作者所有。
3. 所有素材,未经合法授权,请勿用于商业用途,会员不得以任何形式发布、传播、复制、转售该素材,否则一律封号处理。
4. 如果素材损害你的权益请联系客服QQ:77594475 处理。