建伍KENWOOD KRC-20SA CD影碟播放机电路图

分类:电子电工 日期: 点击:0
建伍KENWOOD KRC-20SA CD影碟播放机电路图-0 建伍KENWOOD KRC-20SA CD影碟播放机电路图-1 建伍KENWOOD KRC-20SA CD影碟播放机电路图-2 建伍KENWOOD KRC-20SA CD影碟播放机电路图-3 建伍KENWOOD KRC-20SA CD影碟播放机电路图-4 建伍KENWOOD KRC-20SA CD影碟播放机电路图-5 建伍KENWOOD KRC-20SA CD影碟播放机电路图-6 建伍KENWOOD KRC-20SA CD影碟播放机电路图-7 建伍KENWOOD KRC-20SA CD影碟播放机电路图-8 建伍KENWOOD KRC-20SA CD影碟播放机电路图-9

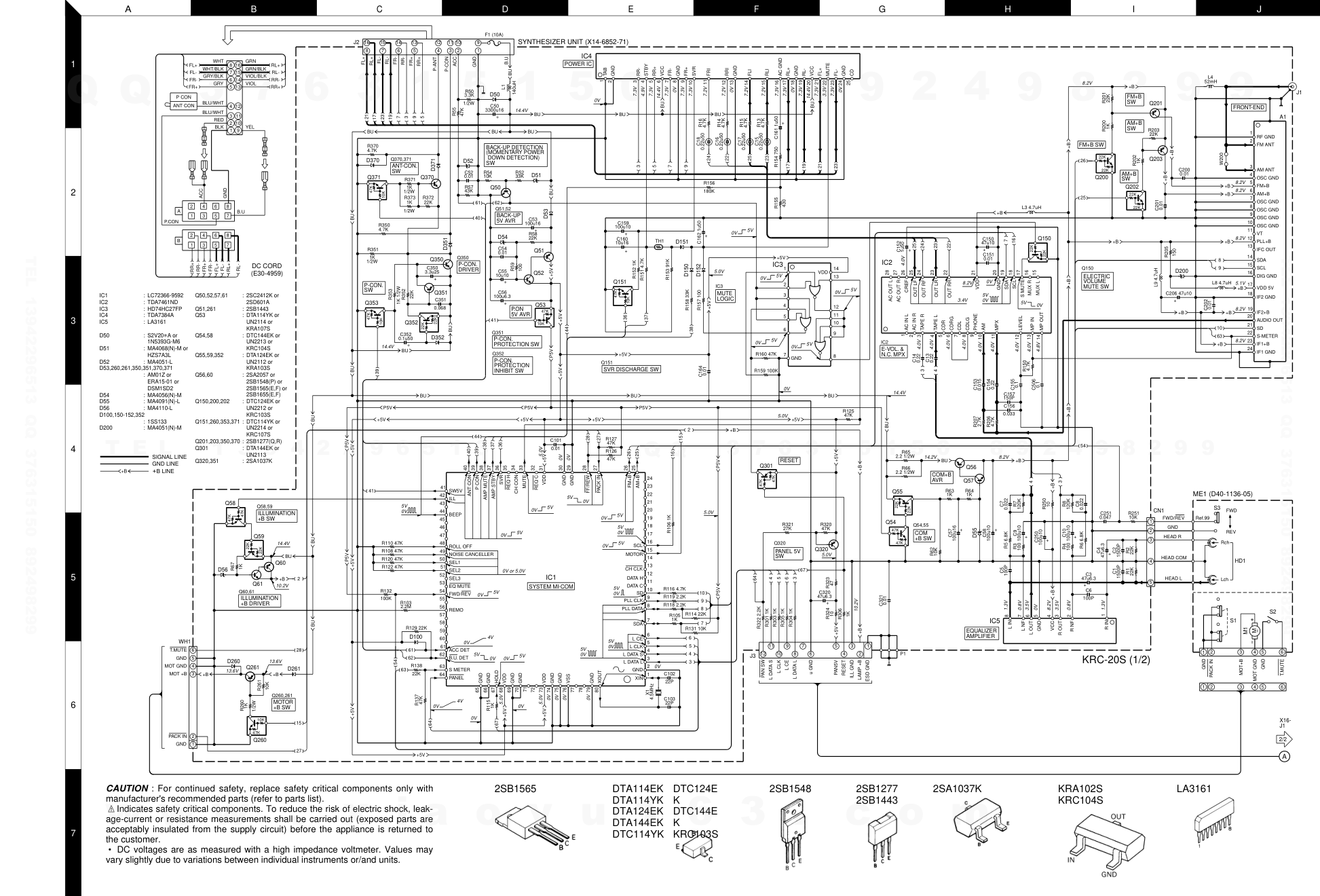
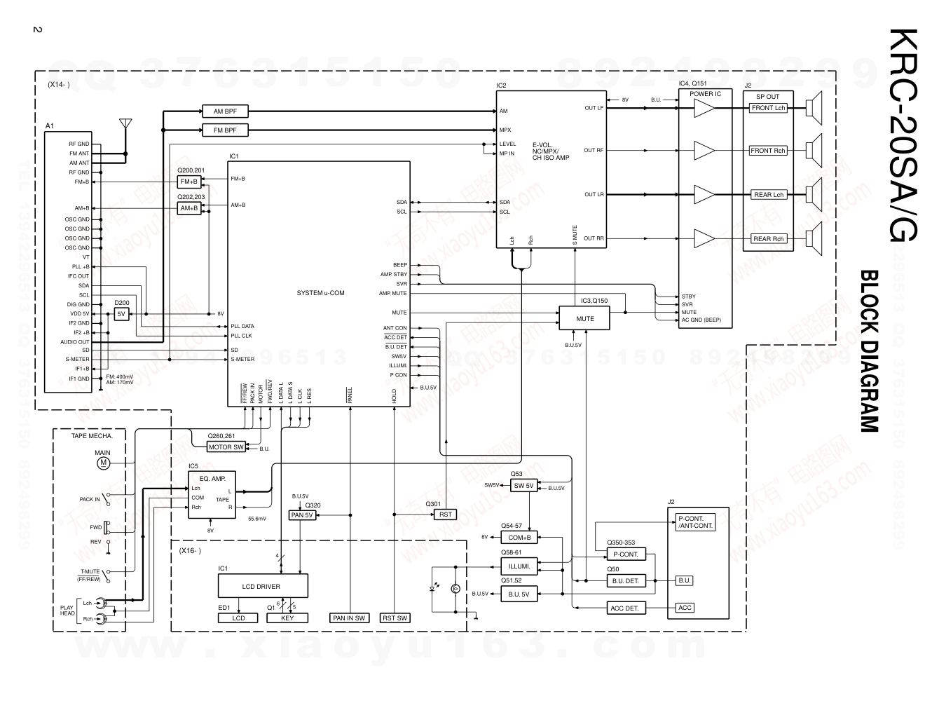
© 2002-1 PRINTED IN JAPAN B51-7881-00 (N) 1924 CASSETTE RECEIVER KRC-20SA/G SERVICE MANUAL 40Wx4 HIGH POWER KRC-20S LOUD PWR OFF AME AUTO ADJ CLK SRC AUD T. CALL A. ADJ CRSC REW PR FF OG Lever (D10-3031-04)x2 Plastic cabinet assy (A02-1486-13) Escutcheon (B07-2124-02) Knob (ATT) (K25-1388-03) Cassette lid (A53-1638-13) Panel assy (A64-2519-02) Mounting hardware assy (J21-9491-13) DC cord (E30-4959-05) Antenna adaptor (T90-0523-05) www. xiaoyu163. com QQ 376315150 9 9 2 8 9 4 2 9 8 TEL 13942296513 9 9 2 8 9 4 2 9 8 0 5 1 5 1 3 6 7 3 Q Q TEL 13942296513 QQ 376315150 892498299 TEL 13942296513 QQ 376315150 892498299 2 BLOCK DIAGRAM IC1 KEY PAN 5V MUTE B.U. DET. B.U. ACC POWER IC EQ. AMP. CH ISO AMP NC/MPX/ E-VOL. FRONT Lch FRONT Rch REAR Lch REAR Rch J2 LCD DRIVER LCD MAIN TAPE MECHA. IC5 IC2 IC4, Q151 IC3,Q150 SP OUT PAN IN SW ACC DET. P-CONT. J2 IC1 FM+B Q200,201 AM+B Q202,203 AM BPF FM BPF Q320 Q50 Q350-353 Q53 SW 5V Q54-57 COM+B Q58-61 ILLUMI. B.U. 5V Q51,52 SYSTEM u-COM RST SW Q301 MOTOR SW RST Q260,261 ED1 Q1 FM ANT AM ANT RF GND FM+B AM+B OSC GND OSC GND OSC GND VT PLL +B IFC OUT SDA SCL DIG GND IF1+B IF1 GND S-METER IF2 GND SD FM+B SW5V ACC DET B.U. DET SCL MUTE SDA P CON PANEL HOLD L CLK L DATA S L DATA L FWD/REV MOTOR Rch COM Lch MP IN AM MPX OUT RR OUT LR OUT RF LEVEL SCL SDA OUT LF STBY MUTE Rch Lch T-MUTE FWD REV B.U.5V B.U. 8V B.U. S MUTE 4 6 5 B.U.5V AM+B VDD 5V PACK IN L RES ANT CON BEEP SVR AMP. STBY SVR AC GND (BEEP) Rch Lch 8V RF GND OSC GND IF2 +B AUDIO OUT 8V S-METER SD PLL CLK PLL DATA PLAY HEAD R L 55.6mV B.U.5V SW5V 8V B.U.5V AM: 170mV FM: 400mV TAPE PACK IN (FF/REW) AMP. MUTE FF/REW B.U.5V ILLUMI. (X16- ) (X14- ) M A1 5V D200 P-CONT. /ANT-CONT. www . x ia o y u 1 6 3 . c o m QQ 3 7 6 3 1 5 1 5 0 9 9 2 8 9 4 2 9 8 T E L 1 3 9 4 2 2 9 6 5 1 3 9 9 2 8 9 4 2 9 8 0 5 1 5 1 3 6 7 3 Q Q TEL 13942296513 QQ 376315150 892498299 TEL 13942296513 QQ 376315150 892498299 3 G SWITCH UNIT (X16-1492-XX) COMPONENTS DESCRIPTION Ref.No. Component Name Application/Function Operation/Condition/Compatibility IC1 LC75853NE LCD driver with key-matrix Q1 DTA114EK or UN2111 or KRA102S Key-matrix permission SW Ready on key-matrix G SYNTHESIZER UNIT (X14-6852-71) Ref.No. Component Name Application/Function Operation/Condition/Compatibility IC1 LC72366-9592 System MI-COM. System control IC2 TDA7461ND E-VOL. & N.C. MPX Controls sound volume. Selects each source. IC3 HD74HC27FP Mute logic 3-input NOR gate × 3 IC4 TDA7384A Power IC Amplifies power so that the speaker can drive audio signal. IC5 LA3161 Equalizer amplifier Equalizer amplifier for cassette tape sound Q50 2SC2412K or 2SD601A BACK-UP detection While BACK-UP is added, a base becomes Hi, and Q50 is (Momentary power down detection) SW turned on. Q51 2SB1443 BACK-UP 5V AVR While BACK-UP is added, AVR outputs +5V. Q52 2SC2412K or 2SD601A Q51 and Q52 is inverted Darlington connection. Q53 DTA114YK or UN2114 or KRA107S P.ON 5V SW While a base becomes Lo, Q53 is turned on. Q54 DTC144EK or UN2213 or KRC104S COM+B SW While Q54's base becomes Hi, Q55 is turned on. Q55 DTA124EK or UN2112 or Works during POWER ON mode. KRA103S 2SA2057 or 2SB1548 (P) or Q56 2SB1565(E,F) or While Q57's base becomes Hi, Q56 is turned on. 2SB1655(E,F) COM+B AVR Q56 and Q57 is inverted Darlington connection. Q57 2SC2412K or 2SD601A Q58 DTC144EK or UN2213 or KRC104S Illumination +B SW While Q58's base becomes Hi, Q59 is turned on. Q59 DTA124EK or UN2112 or Works during POWER ON mode with a panel KRA103S attached to the set. 2SA2057 or 2SB1548 (P) or Q60 2SB1565(E,F) or While Q61's base becomes Hi, Q60 is turned on. 2SB1655(E,F) Illumination +B driver Q60 and Q61 is inverted Darlington connection. Q61 2SC2412K or 2SD601A DTC124EK or UN2212 or When BACK-UP detection SW or CHANGER RESET SW or Q150 KRC103S Electric volume mute SW MI-COM.'s mute works, a base becomes Hi, and Q150 is turned on. Q151 DTC114YK or UN2214 or When POWER IC RESET is activated, a base becomes Hi, KRC107S SVR discharge SW Q151 is turned on. Q200 DTC124EK or UN2212 or KRC103S FM +B SW Q201 is turned on when Q200's base becomes Hi. Q201 2SB1277(Q,R) Works during FM reception mode. Q202 DTC124EK or UN2212 or KRC103S AM +B SW Q203 is turned on when Q202's base becomes Hi. Q203 2SB1277(Q,R) Works during AM reception mode. www. xiaoyu163. com QQ 376315150 9 9 2 8 9 4 2 9 8 TEL 13942296513 9 9 2 8 9 4 2 9 8 0 5 1 5 1 3 6 7 3 Q Q TEL 13942296513 QQ 376315150 892498299 TEL 13942296513 QQ 376315150 892498299 4 COMPONENTS DESCRIPTION Ref.No. Component Name Application/Function Operation/Condition/Compatibility Q260 DTC114YK or UN2214 or KRC107S Motor +B SW When Q260's base becomes Hi, Q261 is turned on. Q261 2SB1443 Works during TAPE mode. Q301 DTA144EK or UN2113 Changer reset SW When a base becomes Lo, Q301 is turned on. Q320 2SA1037K Panel 5V SW While a panel is attached to the set, a base becomes Lo, and Q320 is turned on. Q350 2SB1277(Q,R) P-CON. driver When Q353's base becomes Hi, Q350 is turned on. Q351 2SA1037K P-CON. protection SW Works when P-CON is being short-circuited on GND. Q352 DTA124EK or UN2112 or KRA103S P-CON. protection inhibit SW Inhibits protection SW function when P-CON works momentary. Q353 DTC114YK or UN2214 or Q353 is turned on when a base becomes Hi. KRC107S P-CON. SW Works during POWER ON mode. Q370 2SB1277(Q,R) Q370 is turned on when Q371's base becomes Hi. Q371 DTC114YK or UN2214 or ANT-CON. SW Works during TUNER mode. KRC107S www. xiaoyu163. com QQ 376315150 9 9 2 8 9 4 2 9 8 TEL 13942296513 9 9 2 8 9 4 2 9 8 0 5 1 5 1 3 6 7 3 Q Q TEL 13942296513 QQ 376315150 892498299 TEL 13942296513 QQ 376315150 892498299 5 MICROCOMPUTER'S TERMINAL DESCRIPTION G Terminal Description (IC1 : X14-6852-71) Pin No. Pin name I/O Description Processing Operation 1 XIN I Main clock resonator connection terminal 2 GND - TEST terminal 2 Connected to GND lines. 3 L DATA L I Data input from the LCD driver IC 4 L DATA S O Data output to the LCD driver IC 5 L CLK O Clock output to the LCD driver IC 6 L CE O CE output to the LCD driver IC 7 SDA I/O Data input/output with the E-VOL. IC 8 PLL DATA I/O Data input/output with the F/E 9 PLL CLK O Clock output to the F/E 10 SD I SD input from the F/E Hi : Station detected 11 DATA C I Data input from changers 12 DATA H O Data output to changers 13 CH CLK I/O Clock input/output with changers 14 - O - N.C. (Not used) 15 MOTOR O Cassette motor on/off output Hi : Motor ON 16 SCL O Clock output to the E-VOL. IC 17-24 - O - N.C. (Not used) 25 AM+B O AM+B ON/OFF output Hi : during AM reception 26 FM+B O FM+B ON/OFF output Hi : during FM reception 27 PACK IN I Cassette tape Pack-in detection input Lo : Pack-in 28 FF/REW I FF/REW detection input Lo : FF/REW, Hi : PLAY 29 GND I - Connected to GND lines. 30 GND I - Connected to GND lines. 31 VDD - Positive power supply connection terminal Connected to B.U. 5V lines. 32 REQ C I Request input from changers Lo : Request 33 MUTE O Audio mute on/off output Hi : Mute ON 34 CH CON O Changer control Lo : Standby, Hi : ON 35 REQ H O Request output to changers Lo : Request When the momentary power down, after ACC 36 SVR O Power IC reset terminal ON/OFF is detected and after POWER OFF, the output becomes Hi temporarily. 37 AMP STBY O Power IC standby control output Hi : POWER ON mode 38 AMP MUTE O Power IC mute control Lo : Mute 39 P CON O Power control Hi : POWER ON mode 40 ANT CON O Antenna control Hi : during FM/AM reception 41 SW5V O SW 5V control Lo : POWER ON mode 42 ILL O Illumination AVR ON/OFF control terminal Hi : POWER ON mode 43 - O - N.C. (Not used) 44 BEEP O BEEP sound output 45-47 - O - N.C. (Not used) 48 ROLL OFF I Roll off input Pull down to GND lines. (Not used) 49 NOISE CANCELLER I Noise canceller input Pull down to GND lines. (Not used) 50 SEL1 I Destination input 1 Hi : KRC-20S 51 SEL2 I Destination input 2 Hi : KRC-20S 52 SEL3 O Destination input 3 N.C. (Not used) www. xiaoyu163. com QQ 376315150 9 9 2 8 9 4 2 9 8 TEL 13942296513 9 9 2 8 9 4 2 9 8 0 5 1 5 1 3 6 7 3 Q Q TEL 13942296513 QQ 376315150 892498299 TEL 13942296513 QQ 376315150 892498299 6 MICROCOMPUTER'S TERMINAL DESCRIPTION Pin No. Pin name I/O Description Processing Operation 53 EQ MUTE O Tape equalizer mute on/off output N.C. (Not used) 54 FWD/REV I FWD/REV mode detection input Lo : REV mode 55 - O - N.C. (Not used) 56 REMO I Data input from the remote control N.C. (Not used) light sensor 57-60 - O - N.C. (Not used) 61 ACC DET I ACC detection input Hi : ACC ON 62 B.U. DET I Momentary power down detection input Hi : When momentary power down detected or B.U. OFF, Lo : B.U. ON 63 S METER I S-meter input from the F/E 64 PANEL I Panel detaching detection input Lo : Panel not detached 65 GND I - Connected to GND lines. 66 GND I - Connected to GND lines. 67 HOLD I MI-COM. HOLD input Lo : Hold 68 VDD - VDD connection terminal Connected to B.U. 5V lines. 69 GND I - Connected to GND lines. 70 GND I - Connected to GND lines. 71,72 - O - N.C. (Not used) 73 VDD - Positive power supply connection terminal Connected to B.U. 5V lines. 74 GND I - Connected to GND lines. 75 GND I - Connected to GND lines. 76 VSS - Ground connection terminal Connected to GND lines. 77,78 - O - N.C. (Not used) 79 GND - TEST terminal 1 Connected to GND lines. 80 XOUT O Main clock resonator connection terminal www. xiaoyu163. com QQ 376315150 9 9 2 8 9 4 2 9 8 TEL 13942296513 9 9 2 8 9 4 2 9 8 0 5 1 5 1 3 6 7 3 Q Q TEL 13942296513 QQ 376315150 892498299 TEL 13942296513 QQ 376315150 892498299 TEST MODE / ADJUSTMENT 1. How to enter the test mode • Reset the unit while holding the FM key and preset 6 key. • All indication segments go ON at the beginning of the test mode. 2. How to release the test mode • Simply reset the unit. • (NOTE) The test mode is not canceled by ACC OFF, power OFF, momentary power down or the panel off. 3. Audio adjustment • Set the volume level to -10dB (which is shown as "30" on the display). • Loudness OFF. • The BASS / TREBLE and BALANCE / FADER controls can be set to the full boost / full cut and full right / full left and full front / full rear respectively by pressing the Track Up / Track Down keys. • Sound coordination doesn't appear for the Audio mode feed. Set the controls and switches as follows. BALANCE : center position BASS : center position LOUDNESS : OFF FADER : center position TREBLE : center position (2-LINE TAPE) B A B A (FWD) (RVS) HEIGHT (FWD) HEIGHT/AZIMUTH (FWD) HEIGHT/AZIMUTH (RVS) TAPE SPEED HEIGHT (RVS) F ' ' F R R TEST MODE ADJUSTMENT 7 ITEM TAPE OUTPUT SETTINGS RECIEVER SETTINGS ALIGNMENT POINTS No. HEAD HEIGHT HEAD AZIMUTH SCC-1659 TCC-153 10kHz - Connect an AC voltmeter and oscilloscope to SP outputs. TAPE PLAY TAPE PLAY Head Height Screw Head Azimuth Screw ALIGN FOR 1) During FWD transport adjust ⁄F and ⁄F ' so that line A of 2-LINE TAPE passes through the center of the head shield plate (core center area) 2) During RVS transport adjust ⁄R and ⁄R ' so that line B of 2-LINE TAPE passes through the center of the head shield plate (core center area) 3) After the alignment above, reverse the transport direction and check the FWD alignment again. If it is deviated, perform alignment again. (Tape used : SCC-1659, manufactured by A-BEX) Adjust the azimuth for each L ch/R ch or FWD/RVS becomes maximum. [1] [2] CASSETTE DECK SECTION www. xiaoyu163. com QQ 376315150 9 9 2 8 9 4 2 9 8 TEL 13942296513 9 9 2 8 9 4 2 9 8 0 5 1 5 1 3 6 7 3 Q Q TEL 13942296513 QQ 376315150 892498299 TEL 13942296513 QQ 376315150 892498299 A B C D E 1 2 3 4 5 6 7 AM FM AUD PL1 RST 6 5 4 3 2 1 PL2 ATT CLIK AUTO SRC 1 29 D2 D1 D4 D3 D5 D6 D7 D8 D9 D10 D11 D12 D14 D15 D13 X16-1492-xx (J74-1298-02) PC BOARD Refer to the schematic diagram for the values of resistors and capacitors. (COMPONENT SIDE VIEW) (FOIL SIDE VIEW) 8 X16-1492-xx (J74-1298-02) R13 R14 R18 R8 R11 R12 R19 C4 C2 C1 C5 R3 R4 R2 R1 R21 R20 R5 R6 C6 64 49 48 12 33 16 1 17 32 11 1 2 E B Q1 IC1 D17 J1 Ref. No. address IC1 3D Q1 4D X16-1492-xx www. xiaoyu163. com QQ 376315150 9 9 2 8 9 4 2 9 8 TEL 13942296513 9 9 2 8 9 4 2 9 8 0 5 1 5 1 3 6 7 3 Q Q TEL 13942296513 QQ 376315150 892498299 TEL 13942296513 QQ 376315150 892498299 F G H I J K L M N O 1 2 3 4 5 6 7 REMO GND W100 W28 W75 W85 W22 W33 W73 W67 W72 W65 W13 W96 W35 W200 W36 W68 W64 W15 W8 W31 W71 W69 W27 W79 W76 W34 W39 W43 W46 W51 W98 W99 W23 L3 R50 R65 R351 R353 R66 W48 W10 X1 C50 C17 C18 C160 C152 C55 W40 W20 C15 C16 C161 C350 C352 C162 C450 C451 C150 C159 C56 C58 C53 C57 W58 W94 W95 W101 W54 W41 W53 W29 W12 W16 W18 W7 R261 L5 R260 L4 C402 C400 C401 W5 W14 W17 W11 C4 C3 C9 C250 C10 W92 W9 W70 W59 W30 W25 W50 W24 W87 W80 W97 W93 W89 W88 W103 W86 W90 W78 W61 W3 W2 W1 W56 W82 W44 W47 W83 W19 W74 W81 W49 W77 W37 W63 W32 W55 W102 W57 W52 W60 W62 W38 W84 W42 W21 W45 L1 4.5MHz R202 R55 R67 R350 R370 W105 R371 L8 C206 L9 R373 R116 W26 C320 R138 R132 9 16 1 8 25 1 2 24 2 1 7 6 5 10 9 3 8 4 11 12 13 L R 1 24 2 1 6 1 1 5 1 8 1 11 12 2 E B E B B E B E B E B E B E B E (J74-1317-12) CN1 Q60 Q56 D411 D405 D352 Q51 Q350 D401 D400 D56 D52 D51 D55 D54 D402 D408 D409 D403 D350 D351/W104 D53 Q201 Q203 D200 Q261 D404 D260 IC5 J4 J5 J2 J3 J1 A1 D370 IC4 D50 Q370 D371 D151 D150 D152 P1 WH1 D100 CN2 D261 X14-6852-71 W122 R58 R155 R15 W112 R14 R62 W113 R152 R129 R59 W133 W119 R413 C202 R16 R13 W111 W121 R372 R151 C101 C600 R324 C163 R161 W135 R102 R118 R119 R115 R114 R126 R52 R54 R105 R106 R103 R207 R206 C164 R352 R320 C155 C154 C157 C156 C153 C151 C506 R127 R154 R150 R153 R322 R401 R400 R408 R409 R407 R406 R412 R410 R411 R303 R304 R306 R305 R403 R301 R402 R321 W129 C54 R63 R64 R57 W114 C52 W116 R201 R203 R200 C200 C452 C201 R205 R455 R453 R454 R451 R450 R452 R104 C1 C2 C6 C5 C7 C8 R6 R7 R5 R2 R3 R4 C14 R8 C13 R1 C251 R251 R323 W131 W125 C102 C103 W128 W130 R160 W124 W118 R158 W117 W115 W123 R157 R156 R159 R250 R405 R404 R137 W134 W120 R122 R125 R120 R121 R123 R111 R109 W126 R110 W127 R108 W132 R131 C321 TH1 C351 E B 1 7 14 8 1 14 28 15 1 80 64 25 40 24 41 65 E B E B B E B E E B B E E B E B E B E B E B E B B E E B B E B E B E E B E B E B B E B E Q61 Q52 Q371 Q59 Q58 Q57 Q153 Q151 Q150 Q55 Q54 Q53 Q50 Q353 Q301 Q320 Q352 Q351 Q202 Q200 Q451 Q450 Q260 IC3 IC2 IC1 Ref. No. address IC1 5J IC2 5K IC3 5K IC4 2J IC5 5H Q50 4I Q51 4H Q52 4H Q53 4H Q54 4H Q55 3H Q56 2G Q57 3G Q58 4G Q59 4G Q60 3G Q61 3G Q150 4L Q151 3J Q200 4L Q201 4L Q202 5L Q203 4L Q260 6L Q261 6L Q301 6I Q320 6H Q350 4I Q351 4J Q352 4I Q353 4I Q370 3J Q371 4J X14-6852-71 PC BOARD (FOIL SIDE VIEW) Refer to the schematic diagram for the values of resistors and capacitors. 9 10 w w w . x i a o y u 1 6 3 . c o m Q Q 3 7 6 3 1 5 1 5 0 9 9 2 8 9 4 2 9 8 T E L 1 3 9 4 2 2 9 6 5 1 3 9 9 2 8 9 4 2 9 8 0 5 1 5 1 3 6 7 3 Q Q TEL 13942296513 QQ 376315150 892498299 TEL 13942296513 QQ 376315150 892498299 A B C D E F G H I J 1 2 3 4 5 6 7 1 2 6 3 4 5 47K 47K 22K 10K 47K 22K 22K 47K 10K 47K 47K 47K 10K 47K 10K 22K 22K 47K 22K 47K 22K 22K 22K 22K 22K 47K 10K 22K IC3 IC5 KRC-20S (1/2) SYNTHESIZER UNIT (X14-6852-71) IC4 IC2 IC1 A ME1 (D40-1136-05) 0V 0V 5V 0V 5V 0V 5V 10.2V 5.0V 5.0V 5.0V 14.4V 14.2V 8.2V 0V 5V 5V 0V 0V 5V 5V 0V 0V 0V 5.0V 5V 0V 0V 5V 5V 13.6V 14.4V 14.4V 14.4V 13.6V 10.2V 0V 0V or 5.0V 5V 0V 5V 0V 0V 5.0V 0V 5.0V 0V 0V 0V 0V 1.3V 0.8V 3.5V 0V 8.2V 3.5V 0.8V 1.3V 0V 7.3V 4.9V 7.3V 14.4V 7.3V 0V 7.3V 7.3V 7.2V 7.2V 0V 7.2V 7.2V 7.3V 7.3V 0V 7.3V 14.4V 7.3V 3.3V 7.3V 0V 5V 0V 0V 5V 0V 5V 0V 5V 0V 5V 0V 5.0V 4.0V 4.0V 4.0V 4.0V 4.0V 4.0V 4.0V 4.0V 4.8V 4.0V 0V 5V 0V 5V 0V 8.2V 8.2V 8.2V 8.2V 8.2V 8.2V 8.2V 5.1V 3.4V 0V 4V 0V 4V 0V 5V SW ANT-CON. A1 J2 D50 WH1 D261 D260 Q260 D52 D51 Q50 D370 4.7K R350 Q350 P-CON. Q351 D352 Q353 Q352 Q151 D151 D152 D150 Q150 Q201 D200 Q203 FM+B SW J1 CN1 J3 Q320 Q55 Q54 D55 Q56 Q57 +B SW Q301 Q53 Q52 Q51 D53 D54 Q58 Q60 Q61 Q59 D56 Q371 Q261 DRIVER Q51,52 BACK-UP 5V AVR BACK-UP DETECTION (MOMENTARY POWER DOWN DETECTION) SW COM AMPLIFIER EQUALIZER IC1 : IC2 : TDA7461ND LC72366-9592 IC3 : HD74HC27FP IC4 : TDA7384A IC5 : LA3161 Q50,52,57,61 : 2SC2412K or 2SD601A Q51,261 : 2SB1443 Q53 : DTA114YK or UN2114 or KRA107S KRA103S 2SA2057 or KRC104S Q54,58 : DTC144EK or UN2213 or Q55,59,352 : DTA124EK or UN2112 or Q56,60 : 2SB1655(E,F) 2SB1565(E,F) or 2SB1548(P) or Q201,203,350,370 : 2SB1277(Q,R) Q301 : DTA144EK or UN2113 Q320,351 : 2SA1037K D50 : S2V20∗A or 1N5393G-M6 D51 : MA4068(N)-M or D52 : MA4051-L D53,260,261,350,351,370,371 : AM01Z or ERA15-01 or DSM1SD2 HZS7A3L D54 : MA4056(N)-M D55 : MA4091(N)-L D56 : MA4110-L D100,150-152,352 : 1SS133 D200 : MA4051(N)-M Q200 Q202 J1 X16- 2/2 D371 D351 Q370 D100 Q150,200,202 UN2212 or KRC103S KRC107S DTC124EK or : Q151,260,353,371 UN2214 or DTC114YK or : HD1 S3 M M1 S1 S2 ILLUMINATION +B SW ILLUMINATION +B DRIVER +B SW MOTOR POWER IC P-CON. SW P-CON. PROTECTION SW Q352 P-CON. PROTECTION INHIBIT SW P.ON 5V AVR SYSTEM MI-COM RESET SVR DISCHARGE SW MUTE LOGIC PANEL 5V SW COM+B AVR E-VOL. & N.C. MPX FM+B SW AM+B SW AM+B SW FRONT-END ELECTRIC VOLUME MUTE SW +B B LINE GND LINE SIGNAL LINE BU BU BU BU BU BU BU BU BU BU BU BU BU BU BU BU BU BU BU BU BU BU BU +5V +5V +5V P5V +5V +5V +5V +5V +5V +B +B +B +B +B +B +B +B +B +B +B +B +B +B +B +B +B +B +B +B +B +B +B +B P5V P5V +5V +5V +5V P5V +5V +5V +5V P5V +5V +5V P5V P5V P5V +5V +5V +5V L8 4.7uH 41 0.01 C321 0.01 C202 R129 22K AM+B 19 23 20 21 22 AUDIO OUT SD S-METER IF1+B 14 17 18 VDD 5V IF2+B 15 16 SDA SCL DIG GND 10 11 12 13 OSC GND VT PLL+B IFC OUT 7 8 9 OSC GND OSC GND OSC GND FM ANT 3 4 5 6 AM ANT OSC GND FM+B 1 2 RF GND 16 15 14 13 12 11 10 9 8 7 6 5 4 3 2 1 FL+ RL+ FL- RL- FR- RR- FR+ RR+ P-ANT P-CON ACC B.U GND 19 23 17 21 9 3 7 5 17 23 21 19 L1 140uH 3300u16 C50 + 6 5 4 3 2 1 T.MUTE GND MOT GND MOT +B PACK IN GND 10K R261 1K R260 43K R57 0.01 C52 47K R55 33K R52 10K R54 4.7K R370 R351 1K R352 3.3u25 C350 + 22K C351 0.1u50 C352 + R353 0.068 4.7K R16 0.22u50 C18 0.22u50 C17 4.7K R15 0.22u50 C15 4.7K R13 0.22u50 C16 R14 4.7K 100u10 C159 + + C160 10u16 R152 1K R151 4.7K R153 91K 430 180K C162 1u50 + R157 100 R158 33K R155 R156 22 23 24 25 0.01 C151 47u10 C150 + L3 4.7uH 0.1 C506 4.7K R150 0.1 C155 0.015 C153 0.22 C154 0.033 150P C157 C156 0.22 0.22 1u50 C152 + 24 IF1 GND IF2 GND 0.01 C200 W200 0.01 C201 22K R203 22K R201 1K R202 1K R200 R205 150 9 8 L9 4.7uH 63 10 C206 47u10 + 1 2 3 4 5 FWD/REV GND HEAD R HEAD COM HEAD L 0.047 C251 10K R251 1500P C2 1500P C1 22K R1 22K R2 12 11 10 9 8 7 6 5 4 3 2 1 PAN SW L DATA S L CLK L CE L DATA L u GND PAN5V RESET ILL GND LAMP +B ESD GND R322 2.2K R301 1K R303 1K R305 1K R304 1K 27K 47K R320 R321 R324 100u16 C57 + R62 100u10 C58 + 1K R64 1K R63 R65 2.2 1/2W R66 2.2 1/2W 4.7K 2.7K R207 R206 3 4 25 23 36 37 38 5 4 6 3 67 28 15 62 40 C56 100u6.3 + 10u10 R58 22K 100 R59 C55 + C54 0.01 100u16 + 39 1K R67 3 7 5 9 44 GND 7 R160 47K 6 5 4 3 C164 0.01 2 1 9 8 11 10 12 13 VDD 14 + 0.022 3 C7 120K R7 100u10 100 + 100P C5 C9 R5 6.8K R3 L IN 8 L NF L OUT 7 6 C3 47u6.3 4 10 R250 120K R8 C250 100u10 R6 6.8K + C8 0.022 C10 100u10 R4 100 GND VCC R OUT 5 4 100P C6 R NF 3 2 + + C4 47u6.3 R IN 1 1/2W 16 7 24 22 C53 25 26 F1 (10A) 3.3K R50 1/2W 61 R371 Q370,371 R373 1K 1K R372 22K 40 1 2 3 4 5 6 7 8 9 10 11 12 13 14 15 16 17 18 19 20 21 22 23 24 25 TAB GND RR- STBY RR+ VCC FR- GND FR+ SVR FRI RRI GND FLI RLI AC GND RL+ GND RL- VCC FL+ MUTE FL- GND CD R159 100K 28 27 26 25 24 23 22 21 20 19 18 17 16 15 AC OUT L AC OUT R CREF OUT LF OUT RF OUT LR OUT RR VDD GND SDA SCL S MUTE MUX R MUX L 1 2 3 4 5 6 7 8 9 10 11 12 13 14 AC IN L AC IN R TAPE R TAPE L CDR CDRG CDL CDLG PHONE AM MPX LEVEL MP IN MP OUT 54 64 C13 C14 L4 52mH 40 39 38 37 36 35 34 33 32 31 30 29 28 27 26 25 24 23 22 21 20 19 18 17 16 15 14 13 12 11 10 9 8 7 6 5 4 3 2 1 65 66 67 68 69 70 71 72 73 74 75 76 77 78 79 80 41 42 43 44 45 46 47 48 49 50 51 52 53 54 55 56 57 58 59 60 61 62 63 64 ANT CON P CON AMP MUTE AMP STBY SVR REQ H CH CON MUTE REQ C VDD GND GND FF/REW PACK IN FM+B AM+B SCL MOTOR CH CLK DATA H DATA C SD PLL CLK PLL DATA SDA L CE L CLK L DATA S L DATA L GND XIN GND GND HOLD VDD GND GND VDD GND GND VSS GND XOUT SW5V ILL BEEP ROLL OFF NOISE CANCELLER SEL1 SEL2 SEL3 EQ MUTE FWD/REV REMO ACC DET B.U. DET S METER PANEL R110 47K R108 47K 38 37 36 27 28 26 25 27 R154 750 C161 1u50 + 61 62 41 44 R120 47K R122 47K 54 64 67 X1 4.5MHz C103 22P C102 22P 6 4 3 5 9 10 7 8 R116 4.7K R119 2.2K R118 2.2K 1K 10 R306 1K 63 15 2 2 R131 10K R114 22K 16 R106 1K 47K 47K R127 R126 39 TH1 0.01 C101 47K R125 R105 R132 100K 2.2M R103 R138 22K 47K R137 1K R115 P1 47u6.3 C320 + 47 R323 1/2W 1/2W 1/2W T.MUTE GND MOT GND MOT+B GND PACK IN Lch 1 2 FWD REV Rch Ref.99 6 3 4 5 Q260,261 Q58,59 Q60,61 1K 1/2W Q350 Q351 Q151 IC3 Q320 10K Q54,55 IC2 Q150 (E30-4959) DC CORD ACC GND B.U P.CON P CON ANT CON RED BLU/WHT BLU/WHT WHT/BLK GRY/BLK FR- FR+ FL- GRY FL+ WHT 2 4 3 RR- RR+ RL- RL+ GRN/BLK VIOL/BLK VIOL 6 5 7 GRN 8 BLK YEL 1 15 13 14 11 12 10 9 16 8 7 A 3 1 2 4 5 6 7 8 B 1 3 2 4 5 6 RL+ RR+ RR- FR+ FL+ FR- FL- RL- CAUTION : For continued safety, replace safety critical components only with manufacturer's recommended parts (refer to parts list). Indicates safety critical components. To reduce the risk of electric shock, leak- age-current or resistance measurements shall be carried out (exposed parts are acceptably insulated from the supply circuit) before the appliance is returned to the customer. • DC voltages are as measured with a high impedance voltmeter. Values may vary slightly due to variations between individual instruments or/and units. ! 2SB1565 DTA114EK DTA114YK DTA124EK DTA144EK DTC114YK DTC124E K DTC144E K KRC103S 2SB1548 2SA1037K KRA102S KRC104S LA3161 2SB1277 2SB1443 w w w . x i a o y u 1 6 3 . c o m Q Q 3 7 6 3 1 5 1 5 0 9 9 2 8 9 4 2 9 8 T E L 1 3 9 4 2 2 9 6 5 1 3 9 9 2 8 9 4 2 9 8 0 5 1 5 1 3 6 7 3 Q Q TEL 13942296513 QQ 376315150 892498299 TEL 13942296513 QQ 376315150 892498299 K L M N O 12 11 10 9 8 7 6 5 4 3 2 1 PANEL SW L DATA S L CLK L CE L DATA L N.C. u-GND PAN 5V RST ILL-GND ILL+B ESD-GND 48 47 46 45 44 43 42 41 40 39 38 37 36 35 34 33 24 23 22 21 20 19 18 17 31 30 29 28 27 26 25 1 2 3 4 5 6 7 8 9 10 11 12 13 14 15 16 50 51 52 53 54 56 57 58 59 60 61 62 63 64 KS5 KS4 KS3 KS2 KS1 COM3 COM2 COM1 S40 S39 S38 S37 S36 S35 S34 S33 S32 S31 S30 S29 S28 S27 S26 S25 S24 S23 S22 S21 S20 S19 S18 S17 KEY S4 S5 S6 S7 S8 S9 S10 S11 S12 S13 S14 S15 S16 KI1 KI2 KI3 KI4 KI5 VDD VDD2 VDD1 VSS OSC DATA L CE CLK DATA S KI1 KI2 KI4 KI3 C4 0.047 C5 1000P C1 0.047 R19 56K C2 0.01 R8 4.7 R18 1K 63 64 62 61 62 61 63 R11 100 R13 100 R14 100 R12 100 64 25 12 13 14 15 16 26 27 28 29 30 31 32 18 19 20 21 22 23 24 17 CO3 CO2 CO1 37 36 35 34 33 PL1 PL2 13 13 R21 R6 470 470 R5 330 R4 R3 330 R1 470 R2 330 KS1 KS2 KS3 KS4 KS5 KI4 KI3 KI2 KI1 29 28 27 26 25 24 23 22 21 20 19 18 17 16 15 14 13 12 11 10 9 8 7 6 5 4 3 2 1 S16 S15 S14 S13 S12 S37 S36 S35 S34 S33 S32 S31 S30 S29 S28 S27 S26 S25 S24 S23 S22 S21 S20 S19 S18 S17 COM1 COM2 COM3 17 18 19 20 21 22 23 24 25 26 27 28 29 30 31 32 33 34 35 36 37 12 13 14 15 16 R20 S2 S3 32 KS1 KS2 KS3 KS4 KS5 49 Q1 KS6 55 TEST J1 Q1 2 1 CLK ATT AM 6 5 VOL+ FM AUDIO D17 : D1-13,15 Q1 : UN2111 or KRA102S IC1 : J3 X14- 1/2 AUTO VOL- T.UP 4 3 T.DOWN SRC RST ∗D1 ∗D4 ∗D6 ∗D5 ∗D8 ∗D7 ∗D9 ∗D11 ∗D12 ∗D13 ∗D14 ∗D15 ∗D10 ∗D2 ∗D3 D17 : D14 : MA3062-M DTA114EK or LC75853NE ∗ ∗ KEY-MATRIX PERMISSION SW LCD DRIVER WITH KEY-MATRIX CO3 CO2 CO1 ED1 IC1 SWITCH UNIT (X16-1492-7X) KRC-20S (2/2) A 10K 10K 0V 5V 5.0V 0V 0V 0V 3.3V 1.7V 5V 3.3V 0V 5V 0V 5V 1.7V 3.3V 5V 0V 0V 5V 0V 5V 5V 10.2V 5.0V 0V +B +B +5V +5V +5V +B B LINE GND LINE 2-72 MODEL NAME KRC-20SA (E) UNIT No. 2-71 KRC-20SG (E) (X16-1492-7X) B30-1566-05 D1-13,15 B30-1565-05 B30-1511-05 D14 B30-2025-05 CAUTION : For continued safety, replace safety critical components only with manufacturer's recommended parts (refer to parts list). Indicates safety critical components. To reduce the risk of electric shock, leakage-current or resistance measurements shall be carried out (exposed parts are acceptably insulated from the supply circuit) before the appliance is returned to the customer. • DC voltages are as measured with a high impedance voltmeter. Values may vary slightly due to variations between individual instruments or/and units. ! www. xiaoyu163. com QQ 376315150 9 9 2 8 9 4 2 9 8 TEL 13942296513 9 9 2 8 9 4 2 9 8 0 5 1 5 1 3 6 7 3 Q Q TEL 13942296513 QQ 376315150 892498299 TEL 13942296513 QQ 376315150 892498299 EXPLODED VIEW (MECHANISM) Parts with the exploded numbers larger than 700 are not supplied. A B 1 2 3 31 54 4 99 101 115 53 111 102 102 12 103 111 31 33 14 102 114 52 39 10 40 34 58 57 39 9 35 112 113 7 6 26 25 HD1 56 100 106x2 37 36 38 M1 20 5 1 23 22 105x2 113 112 16 18 17 19 102 104 14 www. xiaoyu163. com QQ 376315150 9 9 2 8 9 4 2 9 8 TEL 13942296513 9 9 2 8 9 4 2 9 8 0 5 1 5 1 3 6 7 3 Q Q TEL 13942296513 QQ 376315150 892498299 TEL 13942296513 QQ 376315150 892498299 15 EXPLODED VIEW (UNIT) Parts with the exploded numbers larger than 700 are not supplied. C D 1 2 3 M3x4 φ3x5 φ3x10 φ3x8 φ3x20 φ2.6x6 M3x8 : N30-3004-46 : N83-3005-46 : N35-3010-46 : N80-3008-46 : N83-3020-46 : N86-2606-46 : N30-3008-46 A B C D E F K B B B B (X14-) Ax2 Ax2 737 K K Refer to the following page. ME1 A1 F1 244 211 DC1 242 206 201 221 766 216x2 (X14-) J1 (X14-) (X14-) J5 (X14-) J4 (X14-) 772 (X14-) 771 (X14-) 770 (X14-) 773 (X14-) J2 (X14-) L1 724 702 B B E D Cx2 Fx2 263 www. xiaoyu163. com QQ 376315150 9 9 2 8 9 4 2 9 8 TEL 13942296513 9 9 2 8 9 4 2 9 8 0 5 1 5 1 3 6 7 3 Q Q TEL 13942296513 QQ 376315150 892498299 TEL 13942296513 QQ 376315150 892498299 16 EXPLODED VIEW (PANEL) Parts with the exploded numbers larger than 700 are not supplied. E F 1 2 3 G J H G φ2x6 φ1.5 φ2x8 (BLK) : N80-2006-46 : N29-0205-04 : N80-2008-45 G H J Jx2 Jx2 203 228 218 219 229 217 704 767 (X16-) (X16-) (X16-) 277 (X16-) 278 (X16-) 279 (X16-) ED1 (X16-) 276 780 207 230 241 253 709 249 222 205 PA1 250 246 252 251 254 248 251 255 227 227 227 247 226 www. xiaoyu163. com QQ 376315150 9 9 2 8 9 4 2 9 8 TEL 13942296513 9 9 2 8 9 4 2 9 8 0 5 1 5 1 3 6 7 3 Q Q TEL 13942296513 QQ 376315150 892498299 TEL 13942296513 QQ 376315150 892498299 17 PARTS LIST ∗New Parts Parts without Parts No. are not supplied. Les articles non mentionnes dans le Parts No. ne sont pas fournis. Teile ohne Parts No. werden nicht geliefert. Ref. No. A d d N e w Parts No. Description Dest inati on KRC-20SA/G 201 1C A02-1486-13 PLASTIC CABINET ASSY 203 1F A22-2386-13 SUB PANEL ASSY 205 2F A46-1748-01 REAR COVER 206 1D A52-0756-02 TOP PLATE 207 1F A53-1638-13 CASSETTE LID PA1 3E ∗ A64-2519-02 PANEL ASSY 211 3C B07-2124-02 ESCUTCHEON - B46-0100-50 WARRANTY CARD - B46-0606-04 ID CARD - B58-1365-04 CAUTION CARD - ∗ B64-2206-00 INSTRUCTION MANUAL 216 1C D10-3031-04 LEVER 217 1F D10-4446-03 LEVER 218 1F D10-4447-03 LEVER 219 1F D21-2329-04 SHAFT ME1 2C D40-1136-05 CASSETTE MECHANISM ASSY 221 2D E29-1585-04 LEAD PLATE 222 2F E29-1869-02 CONDUCTIVE RUBBER DC1 1C E30-4959-05 DC CORD F1 2D F52-0006-05 FUSE (MINI BLADE TYPE) F1 2D F52-0011-05 FUSE (MINI BLADE TYPE) 226 1F G01-2525-04 TORSION COIL SPRING 227 3F G01-2793-14 COMPRESSION SPRING 228 1F G01-2987-04 TORSION COIL SPRING 229 1F G01-2988-04 EXTENSION SPRING 230 2F G01-2990-04 COMPRESSION SPRING - H10-4685-12 POLYSTYRENE FOAMED FIXTURE - H25-0337-04 PROTECTION BAG (180×300×0.03) - H25-1111-04 PROTECTION BAG (280×450×0.03) - ∗ H54-2238-03 ITEM CARTON CASE E8 - ∗ H54-2239-03 ITEM CARTON CASE E9 241 3E J19-5125-02 HOLDER 242 1C J21-9491-13 MOUNTING HARDWARE ASSY 244 3D J61-0307-05 WIRE BAND 246 3F K24-3545-04 KNOB (EJECT) 247 3F K24-3546-04 KNOB (FF) 248 3F K24-3547-04 KNOB (REW) 249 3E K24-3817-03 KNOB (SRC) 250 2E K24-3818-04 KNOB (REL) 251 3E K24-3819-04 KNOB (SEEK) 252 3E K25-1387-03 KNOB (AUTO) 253 3E K25-1388-03 KNOB (ATT) 254 3E K25-1389-03 KNOB (FM,AM) 255 3E K25-1390-03 KNOB (VOL) A 3D N30-3004-46 PAN HEAD MACHINE SCREW B 3D N83-3005-46 PAN HEAD TAPTITE SCREW G 3E N80-2006-46 PAN HEAD TAPTITE SCREW H 2F N29-0205-04 RETAINING RING (1.5) J 2F N80-2008-45 PAN HEAD TAPTITE SCREW K 1D N30-3008-46 PAN HEAD MACHINE SCREW Ref. No. A d d N e w Parts No. Description Dest inati on 263 1C T90-0523-05 ANTENNA ADAPTOR C1,2 CK73GB1H152K CHIP C 1500PF K C3,4 CE04CW0J470M ELECTRO 47UF 6.3WV C5,6 CC73GCH1H101J CHIP C 100PF J C7,8 CK73GB1E223K CHIP C 0.022UF K C7,8 CK73GB1H223K CHIP C 0.022UF K C9,10 CE04CW1A101M ELECTRO 100UF 10WV C13,14 CK73GB1A224K CHIP C 0.22UF K C15-18 C90-5296-05 NP-ELECT 0.22UF 50WV C50 C90-5242-05 ELECTRO 3300UF 16WV C52 CK73GB1H103K CHIP C 0.010UF K C53 CE04CW1C101M ELECTRO 100UF 16WV C54 CK73GB1H103K CHIP C 0.010UF K C55 C90-2594-05 ELECTRO 10UF 10WV C56 CE04CW0J101M ELECTRO 100UF 6.3WV C57 CE04CW1C101M ELECTRO 100UF 16WV C58 CE04CW1A101M ELECTRO 100UF 10WV C101 CK73GB1H103K CHIP C 0.010UF K C102,103 CC73GCH1H220J CHIP C 22PF J C150 CE04CW1A470M ELECTRO 47UF 10WV C151 CK73GB1H103K CHIP C 0.010UF K C152 C90-2608-05 ELECTRO 1.0UF 50WV C153 CK73GB1H153K CHIP C 0.015UF K C154 CK73GB1A224K CHIP C 0.22UF K C155 CK73GB1C104K CHIP C 0.10UF K C156 CK73GB1E333K CHIP C 0.033UF K C156 CK73GB1H333K CHIP C 0.033UF K C157 CC73GCH1H151J CHIP C 150PF J C159 CE04CW1A101M ELECTRO 100UF 10WV C160 C90-2597-05 ELECTRO 10UF 16WV C161 C90-2935-05 ELECTRO 1.0UF 50WV C162 C90-2608-05 ELECTRO 1.0UF 50WV C164 CK73GB1H103K CHIP C 0.010UF K C200-202 CK73GB1H103K CHIP C 0.010UF K C206 CE04DW1A470M ELECTRO 47UF 10WV C250 CE04CW1A101M ELECTRO 100UF 10WV C251 CK73GB1E473K CHIP C 0.047UF K C320 CE04CW0J470M ELECTRO 47UF 6.3WV C321 CK73GB1H103K CHIP C 0.010UF K C350 C90-2598-05 ELECTRO 3.3UF 25WV C351 CK73GB1C683K CHIP C 0.068UF K C352 C90-2602-05 ELECTRO 0.10UF 50WV C506 CK73GB1C104K CHIP C 0.10UF K CN1 E40-3240-05 PIN ASSY J1 E04-0312-05 RF COAXIAL CABLE RECEPTACLE J2 E58-0863-15 RECTANGULAR RECEPTACLE J3 E58-0888-05 RECTANGULAR RECEPTACLE P1 E23-0745-05 TERMINAL WH1 E39-0344-05 WIRING HARNESS L1 L33-1063-15 CHOKE COIL L3 L40-4795-91 SMALL FIXED INDUCTOR (4.7UH,J) L4 L33-1123-05 LINE FILTER COIL ! ! ! SYNTHESIZER UNIT (X14-6852-71) indicates safety critical components. ! E8 : KRC-20SA E9 : KRC-20SG www. xiaoyu163. com QQ 376315150 9 9 2 8 9 4 2 9 8 TEL 13942296513 9 9 2 8 9 4 2 9 8 0 5 1 5 1 3 6 7 3 Q Q TEL 13942296513 QQ 376315150 892498299 TEL 13942296513 QQ 376315150 892498299 18 PARTS LIST Dest inati on ∗New Parts Parts without Parts No. are not supplied. Les articles non mentionnes dans le Parts No. ne sont pas fournis. Teile ohne Parts No. werden nicht geliefert. Ref. No. A d d N e w Parts No. Description Dest inati on L8,9 L40-4795-91 SMALL FIXED INDUCTOR (4.7UH,J) X1 L77-1163-05 CRYSTAL RESONATOR (4.5M) X1 L77-1165-05 CRYSTAL RESONATOR (4.5MHZ) B 1D N83-3005-46 PAN HEAD TAPTITE SCREW C 1D N35-3010-46 BINDING HEAD MACHINE SCREW E 1D N83-3020-46 PAN HEAD TAPTITE SCREW F 2D N86-2606-46 BINDING HEAD TAPTITE SCREW R1,2 RK73GB2A223J CHIP R 22K J 1/10W R3,4 RK73GB2A101J CHIP R 100 J 1/10W R5,6 RK73GB2A682J CHIP R 6.8K J 1/10W R7,8 RK73GB2A124J CHIP R 120K J 1/10W R13 RK73EB2E472J CHIP R 4.7K J 1/4W R14,15 RK73GB2A472J CHIP R 4.7K J 1/10W R16 RK73EB2E472J CHIP R 4.7K J 1/4W R50 RD14DB2H332J SMALL-RD 3.3K J 1/2W R52 RK73FB2B333J CHIP R 33K J 1/8W R54 RK73FB2B103J CHIP R 10K J 1/8W R57 RK73GB2A433J CHIP R 43K J 1/10W R58 RK73FB2B223J CHIP R 22K J 1/8W R59 RK73GB2A101J CHIP R 100 J 1/10W R62 RK73GB2A103J CHIP R 10K J 1/10W R63,64 RK73GB2A102J CHIP R 1.0K J 1/10W R65,66 RD14DB2H2R2J SMALL-RD 2.2 J 1/2W R103 RK73GB2A225J CHIP R 2.2M J 1/10W R105,106 RK73GB2A102J CHIP R 1.0K J 1/10W R108 RK73GB2A473J CHIP R 47K J 1/10W R110 RK73GB2A473J CHIP R 47K J 1/10W R114 RK73EB2E223J CHIP R 22K J 1/4W R115 RK73GB2A102J CHIP R 1.0K J 1/10W R118,119 RK73GB2A222J CHIP R 2.2K J 1/10W R120 RK73GB2A473J CHIP R 47K J 1/10W R122 RK73GB2A473J CHIP R 47K J 1/10W R125 RK73GB2A473J CHIP R 47K J 1/10W R126,127 RK73EB2E473J CHIP R 47K J 1/4W R129 RK73GB2A223J CHIP R 22K J 1/10W R131 RK73GB2A103J CHIP R 10K J 1/10W R137 RK73GB2A473J CHIP R 47K J 1/10W R150,151 RK73GB2A472J CHIP R 4.7K J 1/10W R152 RK73FB2B102J CHIP R 1.0K J 1/8W R153 RK73GB2A913J CHIP R 91K J 1/10W R154 RK73GB2A751J CHIP R 750 J 1/10W R155 RK73GB2A431J CHIP R 430 J 1/10W R156 RK73GB2A184J CHIP R 180K J 1/10W R157 RK73EB2E101J CHIP R 100 J 1/4W R158 RK73GB2A333J CHIP R 33K J 1/10W R159 RK73GB2A104J CHIP R 100K J 1/10W R160 RK73GB2A473J CHIP R 47K J 1/10W R200 RK73EB2E102J CHIP R 1.0K J 1/4W R201 RK73EB2E223J CHIP R 22K J 1/4W R203 RK73EB2E223J CHIP R 22K J 1/4W R205 RK73EB2E151J CHIP R 150 J 1/4W R206 RK73GB2A472J CHIP R 4.7K J 1/10W R207 RK73GB2A272J CHIP R 2.7K J 1/10W R250 RK73FB2B100J CHIP R 10 J 1/8W Ref. No. A d d N e w Parts No. Description R251 RK73GB2A103J CHIP R 10K J 1/10W R260 RD14DB2H102J SMALL-RD 1.0K J 1/2W R301 RK73EB2E102J CHIP R 1.0K J 1/4W R303-306 RK73EB2E102J CHIP R 1.0K J 1/4W R320 RK73GB2A473J CHIP R 47K J 1/10W R321 RK73EB2E273J CHIP R 27K J 1/4W R322 RK73EB2E222J CHIP R 2.2K J 1/4W R323 RK73EB2E470J CHIP R 47 J 1/4W R324 RK73EB2E100J CHIP R 10 J 1/4W R351 RD14DB2H102J SMALL-RD 1.0K J 1/2W R352 RK73FB2B223J CHIP R 22K J 1/8W R353 RD14DB2H102J SMALL-RD 1.0K J 1/2W R371 RD14DB2H102J SMALL-RD 1.0K J 1/2W R372 RK73FB2B223J CHIP R 22K J 1/8W R373 RD14DB2H102J SMALL-RD 1.0K J 1/2W W111-114 R92-2053-05 CHIP R 0 J 1/8W W116 R92-2052-05 CHIP R 0 OHM J 1/10W W117 R92-2053-05 CHIP R 0 J 1/8W W118 R92-2052-05 CHIP R 0 OHM J 1/10W W119 R92-2053-05 CHIP R 0 J 1/8W W120,121 R92-2052-05 CHIP R 0 OHM J 1/10W W122 R92-2053-05 CHIP R 0 J 1/8W W123 R92-2052-05 CHIP R 0 OHM J 1/10W W127-133 R92-2053-05 CHIP R 0 J 1/8W W134 R92-2052-05 CHIP R 0 OHM J 1/10W W135 R92-2053-05 CHIP R 0 J 1/8W D50 S2V20∗A DIODE D50 ∗ 1N5393G-M6 DIODE D51 HZS7A3L ZENER DIODE D51 MA4068(N)-M ZENER DIODE D52 MA4051-L ZENER DIODE D53 AM01Z DIODE D53 DSM1SD2 DIODE D53 ERA15-01 DIODE D54 MA4056(N)-M ZENER DIODE D55 MA4091(N)-L ZENER DIODE D56 MA4110-L ZENER DIODE D100 1SS133 DIODE D150-152 1SS133 DIODE D200 MA4051(N)-M ZENER DIODE D260,261 AM01Z DIODE D260,261 DSM1SD2 DIODE D260,261 ERA15-01 DIODE D351 AM01Z DIODE D351 DSM1SD2 DIODE D351 ERA15-01 DIODE D352 1SS133 DIODE D370,371 AM01Z DIODE D370,371 DSM1SD2 DIODE D370,371 ERA15-01 DIODE IC1 LC72366-9592 MI-COM IC IC2 TDA7461ND ANALOGUE IC IC3 HD74HC27FP MOS-IC IC4 TDA7384A ANALOGUE IC SYNTHESIZER UNIT (X14-6852-71) indicates safety critical components. ! E8 : KRC-20SA E9 : KRC-20SG www. xiaoyu163. com QQ 376315150 9 9 2 8 9 4 2 9 8 TEL 13942296513 9 9 2 8 9 4 2 9 8 0 5 1 5 1 3 6 7 3 Q Q TEL 13942296513 QQ 376315150 892498299 TEL 13942296513 QQ 376315150 892498299 19 PARTS LIST Q351 2SA1037K TRANSISTOR Q352 DTA124EK DIGITAL TRANSISTOR Q352 KRA103S DIGITAL TRANSISTOR Q352 UN2112 DIGITAL TRANSISTOR Q353 DTC114YK DIGITAL TRANSISTOR Q353 KRC107S DIGITAL TRANSISTOR Q353 UN2214 DIGITAL TRANSISTOR Q370 2SB1277(Q,R) TRANSISTOR Q371 DTC114YK DIGITAL TRANSISTOR Q371 KRC107S DIGITAL TRANSISTOR Q371 UN2214 DIGITAL TRANSISTOR TH1 PTH9C42BD471Q POSITIVE RESISTOR A1 X86-3320-11 TUNER UNIT 276 2E ∗ B11-1376-04 OPTICAL DIFFUSER 277 2E B11-0992-04 REFLECTION SHEET 278 2E B19-2019-03 LIGHTING BOARD D1-13 B30-1565-05 LED (1608,PG) E9 D1-13 B30-1566-05 LED (1608,RED) E8 D14 B30-1511-05 LED (1,RED) E8 D14 B30-2025-05 LED E9 D15 B30-1565-05 LED (1608,PG) E9 D15 B30-1566-05 LED (1608,RED) E8 ED1 2E B38-1022-05 LIQUID CRYSTAL PL1,2 B30-1483-05 LAMP (5.5V 0.125A) C1 CK73GB1E473K CHIP C 0.047UF K C1 CK73GB1H473K CHIP C 0.047UF K C2 CK73GB1H103K CHIP C 0.010UF K C4 CK73GB1E473K CHIP C 0.047UF K C4 CK73GB1H473K CHIP C 0.047UF K C5 CK73GB1H102K CHIP C 1000PF K 279 2E E29-1600-04 CONDUCTIVE RUBBER J1 E59-0831-05 RECTANGULAR PLUG R1 RK73EB2E331J CHIP R 330 J 1/4W R2 RK73EB2E471J CHIP R 470 J 1/4W R3,4 RK73EB2E331J CHIP R 330 J 1/4W R5,6 RK73EB2E471J CHIP R 470 J 1/4W R8 RK73GB2A4R7J CHIP R 4.7 J 1/10W R11-14 RK73GB2A101J CHIP R 100 J 1/10W R18 RK73GB2A102J CHIP R 1.0K J 1/10W R19 RK73GB2A563J CHIP R 56K J 1/10W R20,21 RK73EB2E130J CHIP R 13 J 1/4W D17 MA3062-M ZENER DIODE IC1 LC75853NE MOS-IC Q1 DTA114EK DIGITAL TRANSISTOR Q1 KRA102S DIGITAL TRANSISTOR Q1 UN2111 DIGITAL TRANSISTOR 1 2A A10-4328-08 CHASISS CALKING ASSY 4 3B J26-4017-08 PRINTED WIRING BOARD ASSY 5 2A J21-7778-08 MOUNTING HARDWARE 6 2B D10-4091-08 SLIDER Dest inati on ∗New Parts Parts without Parts No. are not supplied. Les articles non mentionnes dans le Parts No. ne sont pas fournis. Teile ohne Parts No. werden nicht geliefert. Ref. No. A d d N e w Parts No. Description Dest inati on IC5 LA3161 IC (PREAMP×2) Q50 2SC2412K TRANSISTOR Q50 2SD601A TRANSISTOR Q51 2SB1443 TRANSISTOR Q52 2SC2412K TRANSISTOR Q52 2SD601A TRANSISTOR Q53 DTA114YK DIGITAL TRANSISTOR Q53 KRA107S DIGITAL TRANSISTOR Q53 UN2114 DIGITAL TRANSISTOR Q54 DTC144EK DIGITAL TRANSISTOR Q54 KRC104S DIGITAL TRANSISTOR Q54 UN2213 DIGITAL TRANSISTOR Q55 DTA124EK DIGITAL TRANSISTOR Q55 KRA103S DIGITAL TRANSISTOR Q55 UN2112 DIGITAL TRANSISTOR Q56 2SA2057 TRANSISTOR Q56 2SB1548(P) TRANSISTOR Q56 2SB1565(E,F) TRANSISTOR Q56 2SB1655(E,F) TRANSISTOR Q57 2SC2412K TRANSISTOR Q57 2SD601A TRANSISTOR Q58 DTC144EK DIGITAL TRANSISTOR Q58 KRC104S DIGITAL TRANSISTOR Q58 UN2213 DIGITAL TRANSISTOR Q59 DTA124EK DIGITAL TRANSISTOR Q59 KRA103S DIGITAL TRANSISTOR Q59 UN2112 DIGITAL TRANSISTOR Q60 2SA2057 TRANSISTOR Q60 2SB1548(P) TRANSISTOR Q60 2SB1565(E,F) TRANSISTOR Q60 2SB1655(E,F) TRANSISTOR Q61 2SC2412K TRANSISTOR Q61 2SD601A TRANSISTOR Q150 DTC124EK DIGITAL TRANSISTOR Q150 KRC103S DIGITAL TRANSISTOR Q150 UN2212 DIGITAL TRANSISTOR Q151 DTC114YK DIGITAL TRANSISTOR Q151 KRC107S DIGITAL TRANSISTOR Q151 UN2214 DIGITAL TRANSISTOR Q200 DTC124EK DIGITAL TRANSISTOR Q200 KRC103S DIGITAL TRANSISTOR Q200 UN2212 DIGITAL TRANSISTOR Q201 2SB1277(Q,R) TRANSISTOR Q202 DTC124EK DIGITAL TRANSISTOR Q202 KRC103S DIGITAL TRANSISTOR Q202 UN2212 DIGITAL TRANSISTOR Q203 2SB1277(Q,R) TRANSISTOR Q260 DTC114YK DIGITAL TRANSISTOR Q260 KRC107S DIGITAL TRANSISTOR Q260 UN2214 DIGITAL TRANSISTOR Q261 2SB1443 TRANSISTOR Q301 DTA144EK DIGITAL TRANSISTOR Q301 UN2113 DIGITAL TRANSISTOR Q320 2SA1037K TRANSISTOR Q350 2SB1277(Q,R) TRANSISTOR Ref. No. A d d N e w Parts No. Description indicates safety critical components. ! SYNTHESIZER UNIT (X14-6852-71) E8 : KRC-20SA E9 : KRC-20SG SWITCH UNIT (X16-1492-XX) CASSETTE MECHANISM ASSY (D40-1136-05) www. xiaoyu163. com QQ 376315150 9 9 2 8 9 4 2 9 8 TEL 13942296513 9 9 2 8 9 4 2 9 8 0 5 1 5 1 3 6 7 3 Q Q TEL 13942296513 QQ 376315150 892498299 TEL 13942296513 QQ 376315150 892498299 PARTS LIST / SPECIFICATIONS KENWOOD follows a policy of continuous advancements in development. For this reason specifications may be changed without notice. FM Section Frequency Range ........................... 87.5MHz~108.0MHz Frequency step ..................................................... 50kHz Channel Space Selection ............................. 50k/200kHz Usable Sensitivity (S/N : 30dB) ....... 9.3dBf (0.8µ V/75Ω) Quieting Sensitivity (S/N : 50dB) ... 15.2dBf (1.6µ V/75Ω) Frequency Response (±3.0dB) ................... 30Hz~15kHz S/N (dB) .................................................... 70dB (MONO) Selectivity ........................................... ≥80dB (±400kHz) Stereo Separation ....................................... 40dB (1kHz) AM Section Frequency Range ............................... 531kHz~1611kHz Frequency step ....................................................... 9kHz Channel Space Selection ................................. 9k/10kHz Usable Sensitivity (S/N : 20dB) ................. 28dBµ (25µV) Cassette Section Tape Speed .................................................. 4.76cm/sec Wow & Flutter ......................................... 0.12% (WRMS) FREQ. Response (Hz) (±3.0dB) .... 30Hz~14kHz (120µs) Separation ................................................... 40dB (1kHz) S/N (dB) .................................................................. 52dB AMP Section Maximum Power ................................................ 40W × 4 PWR DIN45324, +B=14.4V ................................ 26W × 4 Tone Section Bass ............................................................ 100Hz±10dB Treble .......................................................... 10kHz±10dB General Operating Voltage .................. 14.4V (11~16V allowable) Current Consumption ................................................ 10A Installation Size (W) × (H) × (D) ..... 182 × 53 × 158 (mm) Weight ................................................................... 1300g KENWOOD CORPORATION 14-6, Dogenzaka 1-chome, Shibuya-ku, Tokyo 150-8501 Japan ∗New Parts Parts without Parts No. are not supplied. Les articles non mentionnes dans le Parts No. ne sont pas fournis. Teile ohne Parts No. werden nicht geliefert. Ref. No. A d d N e w Parts No. Description Dest inati on 7 2B D13-1323-08 GEAR 9 2B D10-4200-08 ARM ASSY (F) 10 2A D10-4201-08 ARM ASSY (R) 12 3A A11-0930-08 SUB CHASSIS CALKING ASSY 14 3A J26-4018-08 PRINTED WIRING BOARD ASSY 16 1B G01-2826-08 TORSION COIL SPRING 17 1A D10-4094-08 SLIDER 18 1B D10-4095-08 SLIDER 19 1A D10-4096-08 ARM 20 1A J19-4736-08 HOLDER ASSY 22 2A G01-2827-08 TENSION COIL SPRING 23 2A D10-4097-08 LEVER 25 2B D10-4098-08 SLIDER 26 2B G09-2019-08 SPRING 31 3A D01-0608-08 FLYWHEEL ASSY 33 3A G01-2828-08 TENSION COIL SPRING 34 2B G01-2829-08 TENSION COIL SPRING 35 2B D10-4099-08 ARM 36 1A D10-4100-08 ARM 37 1A D14-0682-08 ROLLER 38 1A D10-4101-08 LEVER 39 2A G01-2830-08 COMPRESSION COIL SPRING 40 2A D10-4102-08 ARM 52 2A D13-1110-08 GEAR 53 2B D15-0909-08 PULLEY 54 3B D16-0606-08 BELT 56 1B D10-4105-08 ARM ASSY 57 2B D10-4104-08 ARM 58 2B G01-2831-08 TENSION COIL SPRING 99 3B E39-0181-08 WIRE HARNESS 100 1B J11-0618-08 CLAMPER 101 3B N09-4328-08 SCREW 102 3A N09-4326-08 SCREW 103 3A N09-4191-08 SCREW 104 1B N09-4192-08 SCREW 105 2A N09-4058-08 SCREW 106 1A N09-4109-08 SCREW 111 3A N19-2082-08 FLAT WASHER 112 2A N19-2083-08 FLAT WASHER 113 2A N19-2084-08 FLAT WASHER 114 3A N19-2043-08 FLAT WASHER 115 2B N19-2038-08 FLAT WASHER HD1 1B T31-0229-08 PLAYBACK HEAD M1 1A T42-1025-08 MOTOR ASSY E8 : KRC-20SA E9 : KRC-20SG indicates safety critical components. ! CASSETTE MECHANISM ASSY SPECIFICATIONS www. xiaoyu163. com QQ 376315150 9 9 2 8 9 4 2 9 8 TEL 13942296513 9 9 2 8 9 4 2 9 8 0 5 1 5 1 3 6 7 3 Q Q TEL 13942296513 QQ 376315150 892498299 TEL 13942296513 QQ 376315150 892498299

标签:

版权声明

1. 本站所有素材,仅限学习交流,仅展示部分内容,如需查看完整内容,请下载原文件。
2. 会员在本站下载的所有素材,只拥有使用权,著作权归原作者所有。
3. 所有素材,未经合法授权,请勿用于商业用途,会员不得以任何形式发布、传播、复制、转售该素材,否则一律封号处理。
4. 如果素材损害你的权益请联系客服QQ:77594475 处理。