建伍KENWOOD KRC-19G CD影碟播放机维修手册

分类:电子电工 日期: 点击:0
建伍KENWOOD KRC-19G CD影碟播放机维修手册-0 建伍KENWOOD KRC-19G CD影碟播放机维修手册-1 建伍KENWOOD KRC-19G CD影碟播放机维修手册-2 建伍KENWOOD KRC-19G CD影碟播放机维修手册-3 建伍KENWOOD KRC-19G CD影碟播放机维修手册-4 建伍KENWOOD KRC-19G CD影碟播放机维修手册-5 建伍KENWOOD KRC-19G CD影碟播放机维修手册-6 建伍KENWOOD KRC-19G CD影碟播放机维修手册-7 建伍KENWOOD KRC-19G CD影碟播放机维修手册-8 建伍KENWOOD KRC-19G CD影碟播放机维修手册-9

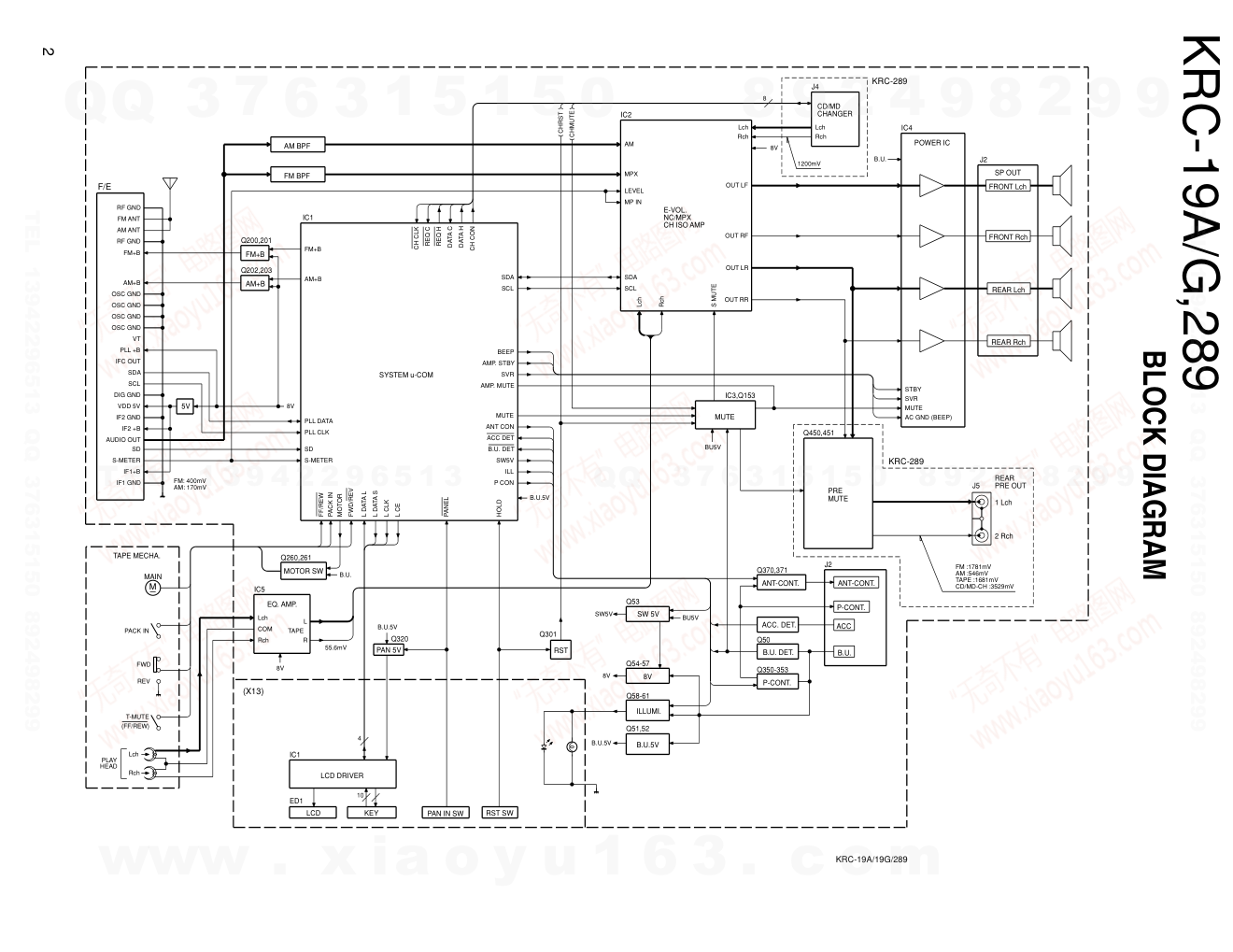
CASSETTE RECEIVER KRC-19A/G SERVICE MANUAL © 2000-11 PRINTED IN KOREA B51-7688-00 (K) 1755 KRC-289 AUD 1 2 3 4 5 6 CLK ATT SRC PWR OFF AME ADJ AUTO T.C/D.SCN LOUD CRSC A.ADJ FM AM FF REW PR OG KRC-289 CD/MD-CHANGER CONTROL AUD 1 2 3 4 5 6 CLK ATT SRC PWR OFF AME ADJ AUTO T.CALL LOUD CRSC A.ADJ FM AM FF REW PR OG KRC-19 AUD 1 2 3 4 5 6 CLK ATT SRC PWR OFF AME ADJ AUTO T.CALL LOUD CRSC A.ADJ FM AM FF REW PR OG KRC-19 REP RDM SCAN M.RDM DISC + - HIGH POWER 40Wx 40Wx 4 HIGH POWER 40Wx 40Wx 4 HIGH POWER 40Wx 40Wx 4 ANTENNA ADAPTOR (T90-0523-05 or T90-0534-05) : KRC-19A/G DC CORD (E30-4784-05):KRC-289 STAY (J54-0606-04):KRC-289 SCREW SET (N99-1610-15) : KRC-289 PLASTIC CABINET ASSY (A02-1486-13) LEVER x2 (D10-3031-04) MOUNTING HARDWARE ASSY (J21-9491-13) KRC-289 KRC-19G KRC-19A SCREW SET (N99-1632-05) : KRC-289 DC CORD (E30-4790-05):KRC-19A/G 40% www. xiaoyu163. com QQ 376315150 9 9 2 8 9 4 2 9 8 TEL 13942296513 9 9 2 8 9 4 2 9 8 0 5 1 5 1 3 6 7 3 Q Q TEL 13942296513 QQ 376315150 892498299 TEL 13942296513 QQ 376315150 892498299 KRC-19A/G,289 2 BLOCK DIAGRAM IC1 KEY PAN 5V MUTE B.U. DET. B.U. ACC P-CONT. MUTE PRE POWER IC EQ. AMP. CH ISO AMP NC/MPX E-VOL. CD/MD CHANGER FRONT Lch FRONT Rch REAR Lch REAR Rch J2 LCD DRIVER LCD MAIN TAPE MECHA. IC5 1 Lch 2 Rch PRE OUT IC2 IC4 IC3,Q153 SP OUT REAR J4 RST PAN IN SW ANT-CONT. P-CONT. J2 Q370,371 Q450,451 Q50 Q350-353 Q58-61 Q54-57 Q53 Q320 Q301 Q51,52 J5 IC1 ED1 FM+B Q200,201 AM+B Q202,203 AM BPF FM BPF SW 5V 8V ILLUMI. B.U.5V SYSTEM u-COM RST SW ANT-CONT. FM ANT AM ANT RF GND FM+B AM+B OSC GND OSC GND OSC GND VT PLL +B IFC OUT SDA SCL DIG GND IF1+B IF1 GND S-METER IF2 GND SD FM+B SW5V ACC DET B.U. DET SCL MUTE SDA P CON PANEL HOLD L CLK L DATA S L DATA L FWD/REV MOTOR CH CON DATA H DATA C REQ H REQ C CH CLK Rch COM Lch TAPE MP IN AM MPX OUT RR OUT LR OUT RF Rch LEVEL SCL SDA OUT LF Rch STBY MUTE Rch Lch T-MUTE FWD REV B.U.5V B.U. 8V B.U. CHRST S MUTE 8 4 10 B.U.5V AM+B VDD 5V PACK IN L CE ANT CON CHMUTE BEEP SVR AMP. STBY SVR AC GND (BEEP) Lch Lch Rch Lch 1200mV TAPE :1681mV CD/MD-CH :3529mV AM :546mV FM :1781mV 8V RF GND OSC GND IF2 +B AUDIO OUT 8V S-METER SD PLL CLK PLL DATA HEAD PLAY R 55.6mV BU5V SW5V 8V B.U.5V AM: 170mV FM: 400mV L PACK IN (FF/REW) AMP. MUTE FF/REW BU5V ILL (X13) M KRC-19A/19G/289 KRC-289 KRC-289 F/E MOTOR SW Q260,261 ACC. DET. 5V www . x ia o y u 1 6 3 . c o m QQ 3 7 6 3 1 5 1 5 0 9 9 2 8 9 4 2 9 8 T E L 1 3 9 4 2 2 9 6 5 1 3 9 9 2 8 9 4 2 9 8 0 5 1 5 1 3 6 7 3 Q Q TEL 13942296513 QQ 376315150 892498299 TEL 13942296513 QQ 376315150 892498299 3 KRC-19A/G,289 COMPONENT DESCRIPTION Ref.No. Component Name Application/Function Operation/Condition/Compatibility IC1 LC75853E LCD driver with key-matrix Q DTA114EK or UN2111 Key-matrix permission SW Ready on key-matrix Ref.No. Component Name Application/Function Operation/Condition/Compatibility IC1 LC72366-9592 System MI-COM. System control IC2 TDA7461ND E-VOL. & N.C. MPX Controls sound volume. Selects each source. IC3 HD74HC27FP Mute logic 3-input NOR gate x 3 IC4 TDA7384A Power IC Amplifies power so that the speaker can drive audio signal. IC5 LA3161 Equalizer amplifier Equalizer amplifier for cassette tape sound Q50 2SC2412K or 2SD601A BACK-UP detection (Momentary While BACK-UP is added, a base becomes Hi, power down detection) SW and Q50 is turned on. Q51 2SB1443 BACK-UP 5V AVR While BACK-UP is added, AVR outputs +5V. Q52 2SC2412K or 2SD601A Inverted Darlington connection. Q53 DTA114YK P.ON 5V SW While a base becomes Lo, Q53 is turned on. Q54 DTC144EK or UN2213 COM+B SW Q55 is turned on while Q54's base becomes Hi. Q55 DTA124EK or UN2112 Works during POWER ON mode. Q56 2SB1548(P) or 2SB1565(E,F) Q56 is turned on while Q57's base becomes Hi. or 2SB1655(E,F) COM+B AVR Q57 2SC2412K or 2SD601A Inverted Darlington connection. Q58 DTC144EK or UN2213 Q59 is turned on while Q58's base becomes Hi. Q59 DTA124EK or UN2112 ILLUMINATION +B SW Works during POWER ON mode with a panel attached to the set. Q60 2SB1548(P) or 2SB1565(E,F) Q60 is turned on while Q61's base becomes Hi. or 2SB1655(E,F) ILLUMINATION +B DRIVER Q61 2SC2412K or 2SD601A Inverted Darlington connection. When BACK-UP detection SW or CHANGER Q150 DTC124EK or UN2212 ELECTRIC VOLUME MUTE SW RESET SW or MI-COM.'s mute works, a base becomes Hi, and Q150 is turned on. Q151 DTC114YK or UN2214 SVR DISCHARGE SW When POWER IC RESET is activated, a base becomes Hi, Q151 is turned on. When BACK-UP detection SW or CHANGER Q153 DTA124EK or UN2112 PRE OUT MUTE DRIVER RESET SW or MI-COM.'s mute works, a base becomes Lo, and Q153 is turned on. Q200 DTC124EK or UN2212 FM +B SW Q201 is turned on when Q200's base becomes Hi. Q201 2SB1277(Q,R) FM +B DRIVER Works during FM reception mode. Q202 DTC124EK or UN2212 AM +B SW Q203 is turned on when Q202's base becomes Hi. Q203 2SB1277(Q,R) AM +B DRIVER Works during AM reception mode. Q260 DTC114YK or UN2214 MOTOR +B SW Q261 is turned on when Q260's base becomes Hi. Q261 2SB1443 MOTOR +B DRIVER Works during TAPE mode. Q301 DTA144EK or UN2213 CHANGER RESET SW When a base becomes Lo, Q301 is turned on. Q320 2SA1037K PANEL 5V SW While a panel is attached to the set, a base becomes Lo, and Q320 is turned on. Q350 2SB1277(Q,R) P-CON. DRIVER Q350 is turned on when Q353's base becomes Hi. Q351 2SA1037K P-CON. PROTECTION SW Works when P-CON is being short-circuited on GND. Q352 DTA124EK or UN2112 P-CON. PROTECTION Inhibits protection SW function when P-CON INHIBIT SW works momentary. Q353 DTC114YK or UN2214 P-CON. SW Q353 is turned on when a base becomes Hi. Works during POWER ON mode. Q370 2SB1277(Q,R) ANT-CON. DRIVER Q370 is turned on when Q371's base becomes Hi. Q371 DTC114YK or UN2214 ANT-CON. SW Works during TUNER mode. When BACK-UP detection SW or CHANGER Q450 DTC143TK or UN2216 PRE OUT MUTE SW(R ch.) RESET SW or MI-COM.'s mute works, a base becomes Hi, and Q450,451 are turned on. Q451 DTC143TK or UN2216 PRE OUT MUTE SW(L ch.) SWITCH UNIT(X13-965X-XX) SYNTHESIZER UNIT(X14-6570-2X) www. xiaoyu163. com QQ 376315150 9 9 2 8 9 4 2 9 8 TEL 13942296513 9 9 2 8 9 4 2 9 8 0 5 1 5 1 3 6 7 3 Q Q TEL 13942296513 QQ 376315150 892498299 TEL 13942296513 QQ 376315150 892498299 Pin No. Pin Name I/O Description Processing Operation 1 XIN I Main clock resonator connection terminal 2 GND - TEST terminal 2 Connected to GND lines. 3 L DATA L I Data input from the LCD driver IC 4 L DATA S O Data output to the LCD driver IC 5 L CLK O Clock output to the LCD driver IC 6 L CE O CE output to the LCD driver IC 7 SDA I/O Data input/output with the E-VOL. IC 8 PLL DATA I/O Data input/output with the F/E 9 PLL CLK O Clock output to the F/E 10 SD I SD input from the F/E Hi : Station detected 11 DATA C I Data input from changers 12 DATA H O Data output to changers 13 CH CLK I/O Clock input/output with changers 14 O N.C.(Not used) 15 MOTOR O Cassette motor on/off output Hi : Motor ON 16 SCL O Clock output to the E-VOL. IC 17-24 O N.C.(Not used) 25 AM+B O AM+B ON/OFF output Hi : during AM reception 26 FM+B O FM+B ON/OFF output Hi : during FM reception 27 PACK IN I Cassette tape Pack-in detection input Lo : Pack-in 28 FF/REW I FF/REW detection input Lo : FF/REW, Hi : PLAY 29 GND I Connected to GND lines. 30 GND I Connected to GND lines. 31 VDD - VDD connection terminal Connected to B.U. 5V lines. 32 REQ C I Request input from changers Lo : Request 33 MUTE O Audio mute on/off output Hi : Mute ON 34 CH CON O Changer control Lo : Standby, Hi : ON 35 REQ H O Request output to changers Lo : Request When the momentary power down, after 36 SVR O Power IC reset terminal ACC ON/OFF is detected and after POWER OFF, the output becomes Hi temporarily. 37 AMP STBY O Power IC standby control output Hi : POWER ON mode 38 AMP MUTE O Power IC mute control Lo : Mute 39 P CON O Power control Hi : POWER ON mode 40 ANT CON O Antenna control Hi : during FM/AM reception 41 SW5V O SW 5V control Lo : POWER ON mode 42 ILL O Illumination AVR ON/OFF control terminal Hi : POWER ON mode 43 O N.C.(Not used) 44 BEEP O BEEP sound output 45-47 O N.C.(Not used) 48 ROLL OFF I Roll off input Pull down to GND lines. (Not used) 49 NOISE CANCELLER I Noise canceller input Pull down to GND lines. (Not used) 50 SEL1 I Destination input 1 Lo : KDC-19A/G, Hi : KDC-289 51 SEL2 I Destination input 2 Pull down to GND lines. (Not used) 52 O N.C.(Not used) 53 EQ MUTE O Tape equaliser mute on/off output N.C.(Not used) 54 FWD/REV I FWD/REV detection input Lo : REV mode 55 O N.C.(Not used) 56 REMO I Data input from the remote control light Pull down to GND lines. (Not used) sensor 57-60 O N.C.(Not used) 61 ACC DET I ACC detection input Hi : ACC ON 4 MICROCOMPUTER'S TERMINAL DESCRIPTION KRC-19A/G,289 ¶ Terminal Description IC1 : MI-COM. (X14-) www. xiaoyu163. com QQ 376315150 9 9 2 8 9 4 2 9 8 TEL 13942296513 9 9 2 8 9 4 2 9 8 0 5 1 5 1 3 6 7 3 Q Q TEL 13942296513 QQ 376315150 892498299 TEL 13942296513 QQ 376315150 892498299 5 KRC-19A/G,289 MICROCOMPUTER'S TERMINAL DESCRIPTION TEST MODE Pin No. Pin Name I/O Description Processing Operation 62 B.U. DET I Momentary power down detection input Hi : When momentary power down detected or B.U. OFF, Lo : B.U. ON 63 S METER I S-meter input from the F/E 64 PANEL I Panel detaching detection input Lo : Panel not detached 65 GND I Connected to GND lines. 66 GND I Connected to GND lines. 67 HOLD I MI-COM. HOLD input Lo : Hold 68 VDD - VDD connection terminal Connected to B.U. 5V lines. 69 GND I Connected to GND lines. 70 GND I Connected to GND lines. 71,72 O N.C.(Not used) 73 VDD - VDD connection terminal Connected to B.U. 5V lines. 74 GND I Connected to GND lines. 75 GND I Connected to GND lines. 76 VSS - Ground connection terminal Connected to GND lines. 77,78 O N.C.(Not used) 79 GND - TEST terminal 1 Connected to GND lines. 80 XOUT O Main clock resonator connection terminal 1. How to enter the test mode • Reset the unit while holding the "FM" key and preset "6" key. • All indication segments go ON at the beginning of the test mode. 2. How to release the test mode • Simply reset the unit. • (NOTE) The test mode is not canceled by ACC OFF, power OFF, momentary power down or the panel off. 3. Audio adjustment • Set the volume level to -10dB (which is shown as "30" on the display). • Loudness OFF. • The BASS / TREBLE and BALANCE / FADER controls can be set to the full boost / full cut and full right / full left and full front / full rear respectively by pressing the "Track Up" / "Track Down" keys. • Sound coordination doesn't appear for the feed. ¶ Terminal Description IC1 : MI-COM. (X14-) www. xiaoyu163. com QQ 376315150 9 9 2 8 9 4 2 9 8 TEL 13942296513 9 9 2 8 9 4 2 9 8 0 5 1 5 1 3 6 7 3 Q Q TEL 13942296513 QQ 376315150 892498299 TEL 13942296513 QQ 376315150 892498299 6 KRC-19A/G,289 ADJUSTMENT/EINSTELLUNGEN (MECHA.) Einstellung des Kopfwinkels Vorgehensweise bei der Kopfhöhen-Einstellung • Während des Bandlaufs in Vorwärtsrichtung die Schrauben F und F' so einstellen, daß die Linie A eines 2-Linien-Bands (2-LINE TAPE) durch die Mitte der Kopfabschirmplatte (Zentrum des Mittelbereichs) verläuft. • Während des Bandlaufs in Rückwärtsrichtung die Schrauben R und R' so einstellen, daß die Linie B eines 2-Linien-Bands (2-LINE TAPE) durch die Mitte der Kopfabschirmplatte (Zentrum des Mittelbereichs) verläuft. • Nachdem die obige Einstellung abgschlossen ist, die Bandlaufrichtung umkehren und die Ausrichtung in Vorwärtsrichtung noch einmal überprüfen. Wenn eine Abweichung festgestellt wird, ist diese Einstellung zu wiederholen. (Verwendetes Band: SCC-1659, hergestellt von A-BEX) Head Angle Adjustment Head height alignment procedure • During FWD transport adjust screws F and F' so that line A of 2-LINE TAPE passes trough the center of the head shield plate (core center area) • During RVS transport adjust screws R and R' so that line B of 2-LINE TAPE passes trough the center of the head shield plate core (center area) • After the alignment above, reverse the transport direction and check the FWD alignment again. If it is deviated, perform alignment again. (Tape used : SCC-1659, manufactured by A-BEX) (2-LINE TAPE) B A B A (FWD) (RVS) HEIGHT (FWD) HEIGHT/AZIMUTH (FWD) HEIGHT/AZIMUTH (RVS) TAPE SPEED HEIGHT (RVS) F ' ' F R R www. xiaoyu163. com QQ 376315150 9 9 2 8 9 4 2 9 8 TEL 13942296513 9 9 2 8 9 4 2 9 8 0 5 1 5 1 3 6 7 3 Q Q TEL 13942296513 QQ 376315150 892498299 TEL 13942296513 QQ 376315150 892498299 A C E G I B D F H J 2 1 3 5 7 4 6 Refer to the schematic diagram for the value of resistors and capacitors. PC BOARD (Component side view) 7 8 R13 R14 R18 R8 R11 R12 R19 C4 C2 C1 C5 R3 R4 R2 R1 R21 R20 R5 R6 C6 64 49 32 17 33 48 1 16 1 11 2 12 E B Q1 IC1 D17 J1 D15 D13 D12 D11 D10 D9 D8 D7 D6 D5 D4 D3 D2 D1 D14 ED1 X13-965X-XX (J74-0963-42) PL2 PL1 1 29 ATT VOL SRC AUTO CLK 1 2 3 4 5 6 RST AUD FM AM W122 R58 R155 R15 W112 R14 R62 W113 R152 R129 R59 W133 W119 R413 C202 R16 R13 W111 W121 R372 R151 C101 R324 C163 R161 W135 R102 R118 R119 R115 R114 R126 R52 R54 R105 R106 R103 R207 R206 C164 R352 R320 C155 C154 C157 C156 C153 C151 C506 R127 R154 R150 R153 R322 R401 R400 R408 R409 R407 R406 R412 R410 R411 R303 R304 R306 R305 R403 R301 R402 R321 W129 C54 R63 R64 R57 W114 C52 W116 R201 R203 R200 C200 C452 C201 R205 R455 R453 R454 R451 R450 R452 R104 C1 C2 C6 C5 C7 C8 R6 R7 R5 R2 R3 R4 C14 R8 C13 R1 C251 R251 R323 W131 W125 C102 C103 W128 W130 R160 W124 W118 R158 W117 W115 W123 R157 R156 R159 R250 R405 R404 R137 W134 W120 R122 R125 R120 R121 R123 R111 R109 W126 R110 W127 R108 W132 R131 C321 C351 TH1 C600 1 28 14 15 14 8 7 1 25 24 40 41 64 65 80 1 E B E B E B E B B E E B B E B E B E B E E B B E E B E B B E E B E B B E E B E B E B B E E B Q61 Q52 Q371 Q59 Q58 Q57 Q153 Q151 Q150 Q55 Q54 Q53 Q50 Q353 Q301 Q320 Q352 Q351 Q202 Q200 Q451 Q450 Q260 IC3 IC2 IC1 REMO GND W100 W28 W75 W85 W22 W33 W73 W67 W72 W65 W13 W96 W35 W36 W68 W64 W15 W8 W31 W71 W69 W27 W79 W76 W34 W39 W43 W46 W51 W98 W99 W23 L3 R50 R65 R351 R353 R66 W48 W10 X1 C50 C17 C18 C160 C152 C55 W40 W20 C15 C16 C161 C350 C352 C162 C450 C451 C150 C159 C56 C58 C53 C57 W58 W94 W95 W101 W54 W41 W53 W29 W12 W16 W18 W7 R261 L5/W200 R260 L4 C402 C400 C401 W5 W14 W17 W11 C4 C3 C9 C250 C10 W92 W9 W70 W59 W30 W25 W50 W24 W87 W80 W97 W93 W89 W88 W103 W86 W90 W78 W61 W3 W2 W1 W56 W82 W44 W47 W83 W19 W74 W81 W49 W77 W37 W63 W32 W55 W102 W57 W52 W60 W62 W38 W84 W42 W21 W45 4.5M R202 R55 R67 W104 R350 R370 W105 R371 L8 C206 L9 R373 R116 W26 L1 C320 R138 R132 L R 1 24 B E B E E B 1 2 6 1 11 1 12 2 8 1 5 1 E B B E B E E B E B 1 8 16 9 1 2 25 24 X14-6570-2X (J74-1190-12) CN1 Q60 Q56 D411 D405 D352 J5 Q51 Q350 D401 D400 D56 D52 D51 D55 D54 D402 D408 D409 D403 D350 D351 D53 Q201 Q203 D200 Q261 D404 D260 IC5 J2 D370 IC4 D50 Q370 J4 D371 A1 D151 D150 D152 P1 WH1 D100 J3 CN2 J1 D261 Ref.No. ADDR ESS IC1 5B Q1 4B X13-965X-XX Ref.No. ADDR ESS IC1 5G IC2 5E IC3 5F IC4 2G IC5 5I Q50 4H Q51 4I Q52 4I Q53 4I Q54 3I Q55 3I Q56 2J Q57 3I Q58 4J Q59 4I Q60 3J Q61 3J Q150 4E Q151 3F Q153 3D Q200 4E Q201 4E Q202 4E Q203 4E Q260 6E Q261 6E Q301 6H Q320 6H Q350 3G Q351 3G Q352 4G Q353 4H Q370 3G Q371 4G Q450 3D Q451 3E X14-6570-2X w w w . x i a o y u 1 6 3 . c o m Q Q 3 7 6 3 1 5 1 5 0 9 9 2 8 9 4 2 9 8 T E L 1 3 9 4 2 2 9 6 5 1 3 9 9 2 8 9 4 2 9 8 0 5 1 5 1 3 6 7 3 Q Q TEL 13942296513 QQ 376315150 892498299 TEL 13942296513 QQ 376315150 892498299 K L N P R T M O Q S 2 1 3 5 7 4 6 Refer to the schematic diagram for the value of resistors and capacitors. PC BOARD (Foil side view) 10 9 R4 R5 C6 R6 11 R11 33 48 32 17 16 49 C4 R19 1 64 R8 B E C1 C2 C5 12 R12 1 R14 R13 R18 2 R21 R20 R2 R3 R1 Q1 IC1 J1 D17 D13 D12 D15 D14 D11 D10 D9 D8 D7 D6 D5 ED1 D3 X13-965X-XX (J74-0963-42) D4 D2 D1 SRC 2 1 ATT VOL PL2 1 AUTO 5 4 3 CLK 29 RST 6 PL1 AUD FM AM C452 B R157 W118 W124 W119 W112 C321 E B R322 R203 W117 R161 R104 W134 C202 R114 R207 R102 R103 C155 C156 C157 C506 C154 R206 C153 R126 14 R150 R118 R127 R131 R119 1 R125 R106 R105 W135 R205 E B 15 C151 B E E B C164 28 14 8 1 7 R159 W123 R413 R453 C201 C200 E R454 E B R452 R451 R201 R200 B C163 R450 W114 W116 W115 R405 E R455 R402 R411 R410 R412 R409 R408 R400 R401 E B R404 R403 R406 R407 R152 R13 R16 W111 W133 R320 R324 C14 R301 R305 R304 R303 R306 R323 E B R321 W131 E B C13 E B B E W120 C54 R129 R250 25 80 1 C102 24 W132 W128 R160 C103 W129 W130 R115 65 C101 R137 64 R108 R122 W125 40 R110 41 R156 R158 R109 R111 W126 R121 R123 W127 R120 R59 C2 C5 R5 R3 R7 C7 R8 C8 R1 C1 C251 R6 R4 C6 R2 R251 B E E B E B R154 R155 C351 E E B B B E R352 R372 R151 R57 W121 R54 C52 R52 R58 R153 W113 W122 B E B E E B R63 R62 B E R64 B E TH1 C600 R14 R15 Q260 Q200 Q202 IC2 Q150 IC3 Q450 Q153 Q451 Q151 Q301 Q320 Q352 Q353 Q50 Q52 IC1 Q371 Q59 Q58 Q351 Q55 Q61 Q53 Q54 Q57 W58 W2 W5 W3 R261 1 6 R260 B E W27 E W31 L9 L8 GND REMO 2 1 W1 24 C206 W49 W47 W44 W14 R116 W9 W10 W26 W17 W15 W30 W24 W25 W37 W38 W45 W42 W48 W40 W52 W55 W22 W11 L3 W8 R202 W105 B C150 C152 W32 W35 W23 W36 1 L5/W200 L4 C401 C402 W21 C450 B E W13 W20 W18 W16 W7 C451 C18 C15 C17 W50 C16 W34 W46 W43 W39 W51 C400 W19 L R W12 W33 W28 C160 C159 2 1 4.5M W56 W65 2 12 11 1 W70 W78 C320 W82 W93 C9 W57 C10 W85 X1 R138 W83 W92 C250 W59 W60 W62 W63 W84 W81 W90 W87 W89 W88 W77 W74 W80 C352 C55 W86 C3 8 C4 5 W97 1 R132 1 W102 W103 C56 W100 W61 R373 R371 R353 B E B C350 E R351 R370 R50 E B W104 R55 R350 C53 C162 C161 W71 W68 W67 W69 24 W72 25 W76 W75 W79 C50 W73 8 1 W98 W96 R67 C57 C58 W94 W95 W99 B E R65 R66 B L1 E W29 W41 W64 W54 W53 16 9 W101 Q261 D260 P1 Q203 CN2 WH1 D200 D261 Q201 A1 J1 D409 D402 D400 D401 D404 D405 D411 D403 J5 D408 J3 D352 D100 IC5 CN1 D152 D150 Q370 D151 Q350 D371 D52 D351 D54 D370 D350 D51 D53 Q51 D56 D55 Q60 Q56 D50 J2 X14-6570-2X (J74-1190-12) J4 IC4 Ref.No. ADDR ESS IC1 5L Q1 4L X13-965X-XX Ref.No. ADDR ESS IC1 5P IC2 5R IC3 5Q IC4 2Q IC5 5N Q50 4O Q51 4O Q52 4N Q53 4N Q54 3O Q55 3O Q56 2N Q57 3N Q58 4N Q59 4N Q60 3N Q61 3N Q150 4R Q151 3Q Q153 3S Q200 4R Q201 4S Q202 4S Q203 4S Q260 6R Q261 6R Q301 6P Q320 6O Q350 3P Q351 3P Q352 4P Q353 4P Q370 3P Q371 4P Q450 3S Q451 3S X14-6570-2X w w w . x i a o y u 1 6 3 . c o m Q Q 3 7 6 3 1 5 1 5 0 9 9 2 8 9 4 2 9 8 T E L 1 3 9 4 2 2 9 6 5 1 3 9 9 2 8 9 4 2 9 8 0 5 1 5 1 3 6 7 3 Q Q TEL 13942296513 QQ 376315150 892498299 TEL 13942296513 QQ 376315150 892498299 G I F H K J M L O N A C E B D 2 1 3 5 7 4 6 KRC-19A/G,289 0V 0V 5V 0V 5V 0V 5V 0V 5V 5.0V 10.2V 5.0V 5.0V 14.4V 14.2V 8.2V 0V 5V 5V 0V 0V 5V 5V 0V 0V 0V 5.0V 0V 5V 5V 0V 5V 0V 0V 5V 5V 13.6V 14.4V 14.4V 14.4V 13.6V 10.2V 0V 0V or 5.0V 5V 0V 5V 0V 5V 0V 0V 5.0V 0V 5.0V 0V 0V 0V 0V 1.3V 0.8V 3.5V 0V 8.2V 3.5V 0.8V 1.3V 0V 7.3V 4.9V 7.3V 14.4V 7.3V 0V 7.3V 7.3V 7.2V 7.2V 0V 7.2V 7.2V 7.3V 7.3V 0V 7.3V 14.4V 7.3V 3.3V 7.3V 0V 5V 0V 0V 5V 0V 5V 0V 5V 0V 5V 0V 5.0V 4.0V 4.0V 4.0V 4.0V 4.0V 4.0V 4.0V 4.0V 4.0V 4.0V 4.8V 4.0V 0V 5V 0V 5V 0V 8.2V 8.2V 8.2V 8.2V 8.2V 8.2V 3.8V(FM),3.5V(AM) 8.2V 5.1V 3.4V 0V 4V 0V 4V 0V 5V B LINE AM+B 13 4 3 12 8 7 11 2 1 6 10 5 9 19 23 20 21 22 AUDIO OUT SD S-METER IF1+B 14 17 18 VDD 5V IF2+B 15 16 SDA SCL DIG GND 10 11 12 13 OSC GND VT PLL+B IFC OUT 7 8 9 OSC GND OSC GND OSC GND FM ANT 3 4 5 6 AM ANT OSC GND FM+B 1 2 RF GND 10u16 C450 + 270 R450 10u16 C451 R451 R454 100 R452 30K 2 Lch R453 30K R455 100 + 270 1 Rch 16 15 14 13 12 11 10 9 8 7 6 5 4 3 2 1 FL+ RL+ FL- RL- FR- RR- FR+ RR+ P-ANT P-CON ACC B.U GND 19 23 17 21 9 3 7 5 R412 100 R410 4.7K R409 4.7K R402 10 R411 100 R406 4.7K R407 4.7K R408 1K R403 100 7 6 5 35 34 1 12 32 11 10 0.47u50 C401 + R401 C402 0.47u50 + R400 4.7 C400 22u6.3 + R405 100K R404 100K R413 100K 17 23 21 19 L1 140uH 3300u16 C50 + 6 5 4 3 2 1 T.MUTE GND MOT GND MOT +B PACK IN GND 10K R261 1K R260 43K R57 0.01 C52 47K R55 33K R52 10K R54 4.7K R370 Q370 R351 1K R352 3.3u25 C350 + 22K C351 0.1u50 C352 + R353 0.068 4.7K R16 0.22u50 C18 0.22u50 C17 4.7K R15 0.22u50 C15 4.7K R13 0.22u50 C16 R14 4.7K 100u10 C159 + + C160 10u16 R152 1K R151 4.7K R153 91K 430 180K C162 1u50 + R157 100 R158 33K 0.01 R155 R156 22 23 24 25 0.01 C151 47u10 C150 + L3 4.7uH 0.1 C506 4.7K R150 0.1 C155 0.015 C153 0.22 C154 0.033 150P C157 C156 7 5 6 0.22 0.22 1u50 C152 + 23 IF1 GND IF2 GND 0.01 C200 W200 0.01 C201 22K R203 22K R201 1K R202 1K R200 R205 150 9 8 L9 4.7uH 63 10 C206 47u10 + 1 2 3 4 5 FWD/REV GND HEAD R HEAD COM HEAD L 0.047 C251 10K R251 1500P C2 1500P C1 22K R1 22K R2 12 11 10 9 8 7 6 5 4 3 2 1 PAN SW L DATA S L CLK L CE L DATA L u GND PAN5V RESET ILL GND LAMP +B ESD GND R322 2.2K R301 1K R303 1K R305 1K R304 1K 27K 47K R320 R321 R324 100u16 C57 + R62 100u10 C58 + 1K R64 1K R63 R65 2.2 1/2W R66 2.2 1/2W 4.7K 2.7K R207 R206 3 4 25 23 36 32 34 35 37 38 5 4 6 3 67 28 15 62 40 C56 100u6.3 + 10u10 R58 22K 100 R59 C55 + C54 0.01 100u16 + 39 1K R67 3 7 5 9 44 GND 7 R160 47K 6 5 4 3 C164 0.01 2 1 9 8 11 10 12 13 VDD 14 + 0.022 3 C7 120K R7 100u10 100 + 100P C5 C9 R5 6.8K R3 L IN 8 L NF L OUT 7 6 C3 47u6.3 4 10 R250 120K R8 C250 100u10 R6 6.8K + C8 0.022 C10 100u10 R4 100 GND VCC R OUT 5 4 100P C6 R NF 3 2 + + C4 47u6.3 R IN 1 1/2W 16 7 24 22 13 C53 25 26 0-22 MODEL NAME KRC-289 UNIT NO. 0-21 NO YES R120 KRC-19A/G YES NO R121 F1 (10A) 3.3K R50 1/2W 61 R371 Q371 R373 1K 1K R372 22K 40 W104 1 2 3 4 5 6 7 8 9 10 11 12 13 14 15 16 17 18 19 20 21 22 23 24 25 TAB GND RR- STBY RR+ VCC FR- GND FR+ SVR FRI RRI GND FLI RLI AC GND RL+ GND RL- VCC FL+ MUTE FL- GND CD R159 100K 28 27 26 25 24 23 22 21 20 19 18 17 16 15 AC OUT L AC OUT R CREF OUT LF OUT RF OUT LR OUT RR VDD GND SDA SCL S MUTE MUX R MUX L 1 2 3 4 5 6 7 8 9 10 11 12 13 14 AC IN L AC IN R TAPE R TAPE L CDR CDRG CDL CDLG PHONE AM MPX LEVEL 1 MP IN MP OUT 54 64 C13 C14 L4 (X86-3320-11) 52mH 40 39 38 37 36 35 34 33 32 31 30 29 28 27 26 25 24 23 22 21 20 19 18 17 16 15 14 13 12 11 10 9 8 7 6 5 4 3 2 1 65 66 67 68 69 70 71 72 73 74 75 76 77 78 79 80 41 42 43 44 45 46 47 48 49 50 51 52 53 54 55 56 57 58 59 60 61 62 63 64 ANT CON P CON AMP MUTE AMP STBY SVR REQ H CH CON MUTE REQ C VDD GND GND FF/REW PACK IN FM+B AM+B SCL MOTOR CH CLK DATA H DATA C SD PLL CLK PLL DATA SDA L CE L CLK L DATA S L DATA L GND XIN GND GND HOLD VDD GND GND VDD GND GND VSS GND XOUT SW5V ILL BEEP ROLL OFF NOISE CANCELLER SEL1 SEL2 EQ MUTE FWD/REV REMO ACC DET B.U. DET S METER PANEL R110 47K R108 47K 38 37 36 27 28 26 25 27 R154 750 C161 1u50 + 61 62 41 44 ∗R120 47K R122 47K ∗R121 47K 54 64 67 X1 4.5MHz C103 22P C102 22P 6 4 3 5 9 10 7 8 11 12 13 R116 4.7K R119 2.2K R118 2.2K 1K 10 R306 1K 63 Q301 15 2 2 R131 10K R114 22K 16 R106 1K 47K 47K R127 R126 C452 NO YES 1 BU YEL ACC GND BLK RED BLU/WHT 11 10 9 2 3 1 P. CONT OUT REAR R VIOL VIOL/BLK REAR L GRN/BLK GRN BLU GRY GRY/BLK 14 13 12 6 5 4 WHT/BLK WHT 16 15 8 7 ANT. CONT FRONT R FRONT L A GND REQ C DATA C 8 B.U. 3 CON MUTE 4 5 9 10 GND REQ H 1 2 9 6 7 CLK Rch 13 10 6 RST 11 12 7 5 DATA H Lch 13 11 12 8 4 3 1 2 39 TH1 0.01 C101 47K R125 R105 R132 100K 2.2M R103 R138 22K 47K R137 1K R115 P1 47u6.3 C320 + 47 R323 1/2W 1/2W 1/2W T.MUTE GND MOT GND MOT+B GND PACK IN Lch 1 2 FWD REV Rch Ref.99 6 3 4 5 Q261 1K 1/2W Q350 Q351,352 Q51,52 Q151 Q153 IC3 Q320 10K Q54,55 IC2 Q150 J4 A1 REAR PREOUT Q450 J5 Q451 J2 D400 D401 D408 D405 D411 D409 D404 D50 WH1 D261 D260 Q260 D52 D51 Q50 B.U. DET. D370 DRIVER ANT-CON. Q350 P-CON. Q351 D352 Q353 Q352 Q151 D151 D152 D150 Q150 Q201 D200 Q203 FM+B SW ANT J1 CN1 J3 Q320 Q55 Q54 D55 Q56 Q57 +B SW Q301 Q53 B.U. 5V AVR Q52 Q51 D53 D54 Q58 Q60 Q61 Q59 D56 Q153 GND LINE SIGNAL LINE (X14-657x-xxx) A Q371 Q261 DRIVER COM IC1 : IC2 : TDA7461ND LC72366-9592 IC3 : HD74HC27FP IC4 : TDA7384A IC5 : LA3161 Q50,52,57,61 : 2SC2412K or 2SD601A Q51,261 : 2SB1443 Q53 : DTA114YK Q54,58 : DTC144EK or UN2213 Q55,59,153,352 : DTA124EK or UN2212 Q56,60 : 2SB1655(E,F) or 2SB1565(E,F) or 2SB1548(P) Q201,203,350,370 : 2SB1277(Q,R) Q301 : DTA144EK or UN2113 Q320,351 : 2SA1037K Q450,451 : DTC143TK or UN2216 D50 : S2V20 A D51,405,411 : MA4068(N)-M or D52 : MA4051-L D53,260,261,370,371 : AM01Z or ERA15-01 or DSM1SD2 HZS7A3L D54 : MA4056(N)-M D55 : MA4091(N)-L D56 : MA4110-L D100,150-152,352 : 1SS133 D200 : MA4051(N)-M Q200 Q202 TOP VIEW J4 J1 X13- 2/2 D371 Q370 D100 Q150,200,202 UN2212 DTC124EK or : Q151,260,353,371 UN2214 DTC114YK or : MA4062-L D400,401,404,408,409 : HD1 S3 M M1 S1 S2 ILLUMI. +B SW ILLUMI. +B AVR DRIVER MOTOR+B +B SW MOTOR POWER IC P-CON. SW P-CON. PROTECT. SW 5V DRIVER SYSTEM u-COM RESET CHANGER SW SVR DISCHARGE SW PRE MUTE DRIVER MUTE PANEL 5V SW COM+B AVR TAPE EQ AMP ELECTRIC VOLUME MUTE PRE SW FM+B DRIVER AM+B DRIVER AM+B SW FRONT-END E-VOLUME MUTE SW L8 4.7uH B 41 ∗ B SW ANT-CON. C163 0.01 0.01 C321 0.01 C202 22K R129 1 2 6 3 4 5 4.7K 4.7K 47K 47K 22K 10K 47K 22K 22K 47K 10K 47K 47K 47K 10K 22K 22K 47K 10K 22K 22K 47K 22K 47K 22K 22K 22K 22K 22K 47K 10K 22K IC3 IC5 KRC-19A/19G/289 (1/2) SYNTHESIZER UNIT (X14-657x-xx) IC4 IC2 IC1 DC1 (E30-4784-05) KRC-289 (M) A ME1 (D40-1136-05) 10K R161 KRC-19A/G (E30-4790-05) DC2 RL- ACC YEL 9 TEL MUTE BRN 12 11 10 VIOL/BLK GRN/BLK RR+ RR- RL- VIOL 15 13 14 RL+ GRN 16 1 3 5 7 RR+ RL+ FL+ FL- FR- RR- FR+ RED 2 2 6 8 5 7 4 1 3 6 8 GND 4 BU P-CON B A YEL BLK 1 ANT. CON P. CON BLU/WHT BLU/WHT RED 4 2 3 GRY/BLK WHT/BLK GRY 7 6 5 FR- FR+ FL- WHT 8 FL+ ∗ A CAUTION: For continued safety, replace safety critical components only with manufacturer's recommended parts (refer to parts list). indicates safety critical components. For continued protection against risk of fire, replace only with same type and rating fuse(s). To reduce the risk of electric shock, leakage-current or resistance measurements shall be carried out (exposed parts are acceptably insulated from the supply circuit) before the appliance is returned to the customer. Manufacture under license from Dolby Laboratories. "Dolby" and the double-D symbol are trademarks of Dolby Laboratories. w w w . x i a o y u 1 6 3 . c o m Q Q 3 7 6 3 1 5 1 5 0 9 9 2 8 9 4 2 9 8 T E L 1 3 9 4 2 2 9 6 5 1 3 9 9 2 8 9 4 2 9 8 0 5 1 5 1 3 6 7 3 Q Q TEL 13942296513 QQ 376315150 892498299 TEL 13942296513 QQ 376315150 892498299 P Q S U W R T V X Y 2 1 3 5 7 4 6 KRC-19A/G,289 0V 5V 5.0V 3.3V 1.7V 5V 3.3V 0V 5V 0V 5V 1.7V 3.3V 5V 0V 0V 5V 0V 5V 5V 10.2V 5.0V 0V B LINE 12 11 10 9 8 7 6 5 4 3 2 1 PANEL SW L DATA S L CLK L CE L DATA L N.C. u-GND PAN 5V RST ILL-GND ILL+B ESD-GND 48 47 46 45 44 43 42 41 40 39 38 37 36 35 34 33 24 23 22 21 20 19 18 17 31 30 29 28 27 26 25 1 2 3 4 5 6 7 8 9 10 11 12 13 14 15 16 50 51 52 53 54 56 57 58 59 60 61 62 63 64 KS5 KS4 KS3 KS2 KS1 COM3 COM2 COM1 S40 S39 S38 S37 S36 S35 S34 S33 S32 S31 S30 S29 S28 S27 S26 S25 S24 S23 S22 S21 S20 S19 S18 S17 KEY S4 S5 S6 S7 S8 S9 S10 S11 S12 S13 S14 S15 S16 KI1 KI2 KI3 KI4 KI5 VDD VDD2 VDD1 VSS OSC DATA L CE CLK DATA S KI1 KI2 KI4 KI3 C4 0.047 C5 1000P ∗C6 0.01 C1 0.047 R19 56K C2 0.01 R8 4.7 R18 1K 63 64 62 61 62 61 63 R11 100 R13 100 R14 100 R12 100 64 25 12 13 14 15 16 26 27 28 29 30 31 32 18 19 20 21 22 23 24 17 CO3 CO2 CO1 37 36 35 34 33 PL1 PL2 13 13 R21 ∗R6 470 R5 330 R4 R3 330 R1 470 R2 330 KS1 KS2 KS3 KS4 KS5 KI4 KI3 KI2 KI1 29 28 27 26 25 24 23 22 21 20 19 18 17 16 15 14 13 12 11 10 9 8 7 6 5 4 3 2 1 S16 S15 S14 S13 S12 S37 S36 S35 S34 S33 S32 S31 S30 S29 S28 S27 S26 S25 S24 S23 S22 S21 S20 S19 S18 S17 COM3 COM2 COM1 17 18 19 20 21 22 23 24 25 26 27 28 29 30 31 32 33 34 35 36 37 12 13 14 15 16 R20 S2 S3 32 KS1 KS2 KS3 KS4 KS5 49 Q1 KS6 55 TEST J1 Q1 2 1 CLK ATT AM 6 5 VOL+ FM AUDIO D17 : MA3062-M D1-13 Q1 : DTA114EK or UN2111 IC1 : LC75853NE J3 X14- 1/2 GND LINE AUTO VOL- T.UP 4 3 T.DOWN SRC ∗ED1 (COMMON) RST ∗D1 ∗D4 ∗D6 ∗D5 ∗D8 ∗D7 ∗D9 ∗D11 ∗D12 ∗D13 ∗D14 ∗D15 ∗D10 ∗D2 ∗D3 D17 : ∗ : ∗ D14 : ∗ : ∗ ED1 KEY-MATRIX PERMISSION SW LCD DRIVER WITH KEY-MATRIX D15 29 28 27 26 25 24 23 22 21 20 19 18 17 16 15 14 13 12 11 10 9 8 7 6 5 4 3 2 1 S16 S15 S14 S13 S12 S37 S36 S35 S34 S33 S32 S31 S30 S29 S28 S27 S26 S25 S24 S23 S22 S21 S20 S19 S18 S17 COM3 COM2 COM1 CO3 CO2 CO1 ∗ED1 (SEGMENT) IC1 SWITCH UNIT (X13-965x-xx) KRC-19A/19G/289 (2/2) A 10K 10K 2-72 MODEL NAME KRC-289 UNIT NO. 0-22 B38-1068-05 KRC-19G KRC-19A ED1 B38-1022-05 B38-1022-05 360 R6 470 470 2-73 (X13-965x-xx) YES C6 NO NO B30-1565-05 D1-13 B30-1566-05 B30-1565-05 B30-2025-05 D14 D15 B30-1511-05 B30-2025-05 B30-1564-05 B30-1566-05 B30-1565-05 CAUTION: For continued safety, replace safety critical components only with manufacturer's recommended parts (refer to parts list). indicates safety critical components. For continued protection against risk of fire, replace only with same type and rating fuse(s). To reduce the risk of electric shock, leakage-current or resistance measurements shall be carried out (exposed parts are acceptably insulated from the supply circuit) before the appliance is returned to the customer. Manufacture under license from Dolby Laboratories. "Dolby" and the double-D symbol are trademarks of Dolby Laboratories. w w w . x i a o y u 1 6 3 . c o m Q Q 3 7 6 3 1 5 1 5 0 9 9 2 8 9 4 2 9 8 T E L 1 3 9 4 2 2 9 6 5 1 3 9 9 2 8 9 4 2 9 8 0 5 1 5 1 3 6 7 3 Q Q TEL 13942296513 QQ 376315150 892498299 TEL 13942296513 QQ 376315150 892498299 Parts with exploded numbers larger than 700 are not supplied. 31 54 4 99 101 115 53 111 102 102 12 103 111 31 33 14 102 114 52 39 10 40 34 58 57 39 9 35 112 113 7 6 26 25 HD1 56 100 106x2 37 36 38 M1 20 5 1 23 22 105x2 113 112 16 18 17 19 102 104 D40-1136-05 (MECHA.) 1 2 3 A B 16 KRC-19A/G,289 EXPLODED VIEW (MECHANISM) www. xiaoyu163. com QQ 376315150 9 9 2 8 9 4 2 9 8 TEL 13942296513 9 9 2 8 9 4 2 9 8 0 5 1 5 1 3 6 7 3 Q Q TEL 13942296513 QQ 376315150 892498299 TEL 13942296513 QQ 376315150 892498299 Parts with exploded numbers larger than 700 are not supplied. M3x4 3x5 M3x10 3x8 3x20 2.6x6 M3x8 : N30-3004-46 : N83-3005-46 : N35-3010-46 : N80-3008-46 : N83-3020-46 : N86-2606-46 : N30-3008-46 A B C D E F G B B B B B B (X14-) Ax2 Ax2 E D 737 Depends on the model. Refer to the parts list. G G Refer to the following page. CME1 A 1 F1 244 216 DC1 242 207 201 263 262 726 767 261 243 221x2 (X14-) J 1 (X14-) (X14-) J 5 (X14-) J 4 (X14-) J 3 (X14-) 776 (X14-) 778 (X14-) 779 (X14-) 777 (X14-) J 2 (X14-) L 1 729 703 Cx2 (X14-) IC4 Fx2 (X14-) Q60 (X14-) Q56 DC2 1 2 3 C D 17 KRC-19A/G,289 EXPLODED VIEW (UNIT) www. xiaoyu163. com QQ 376315150 9 9 2 8 9 4 2 9 8 TEL 13942296513 9 9 2 8 9 4 2 9 8 0 5 1 5 1 3 6 7 3 Q Q TEL 13942296513 QQ 376315150 892498299 TEL 13942296513 QQ 376315150 892498299 Parts with exploded numbers larger than 700 are not supplied. H K J H 2x6 1.5 2x8 (BLK) : N80-2006-46 : N29-0205-04 : N80-2008-45 H J K Kx2 Kx2 710 204 233 223 224 234 222 705 766 (X13-) (X13-) (X13-) 272 (X13-) 273 (X13-) 274 (X13-) ED1 (X13-) 271 775 208 206 235 256 259 PA1 241 227 252 253 251 257 258 255 232 232 232 254 231 1 2 3 E F KRC-19A/G,289 18 EXPLODED VIEW (UNIT) www. xiaoyu163. com QQ 376315150 9 9 2 8 9 4 2 9 8 TEL 13942296513 9 9 2 8 9 4 2 9 8 0 5 1 5 1 3 6 7 3 Q Q TEL 13942296513 QQ 376315150 892498299 TEL 13942296513 QQ 376315150 892498299 ✽ New Parts Parts without Parts No. are not supplied. Les articles non mentionnes dans le Parts No. ne sont pas fournis. Teile ohne Parts No. werden nicht geliefert. A N Dest A N Dest Ref.No. d e Parts No. Description inati Ref.No. d e Parts No. Description inati d w on d w on 262 1C N99-1632-05 SCREW SET M A 3D N30-3004-46 PAN HEAD MACHINE SCREW 201 1C A02-1486-13 PLASTIC CABINET ASSY B 3D N83-3005-46 PAN HEAD TAPTITE SCREW 204 1F ✽ A22-2386-13 SUB PANEL ASSY G 1D N30-3008-46 PAN HEAD MACHINE SCREW 206 2F A46-1654-01 REAR COVER H 3E N80-2006-46 PAN HEAD TAPTITE SCREW 207 1D A52-0756-02 TOP PLATE 208 1F A53-1638-13 CASSETTE LID J 1F N29-0205-04 RETAINING RING (1.5) K 2F N80-2008-45 PAN HEAD TAPTITE SCREW PA1 3E ✽ A64-2299-02 PANEL ASSY M PA1 3E ✽ A64-2307-02 PANEL ASSY Z2Z3 263 1C T90-0523-05 ANTENNA ADAPTOR Z2Z3 263 1C T90-0534-05 ANTENNA ADAPTOR Z2Z3 216 3C B07-2188-02 ESCUTCHEON - B46-0100-50 WARRANTY CARD - B46-0182-14 ID CARD Z3 271 2E B11-0991-04 OPTICAL DIFFUSER - B46-0606-04 ID CARD MZ2 272 2E B11-0992-04 REFLECTION SHEET - ✽ B64-1850-00 INST.MANUAL (ENG,CHI) M 273 2E B19-2019-03 LIGHTING BOARD D1 -13 B30-1565-05 LED(1608,PG) MZ2 - ✽ B64-1851-00 INST.MANUAL (ARABIC) M D1 -13 B30-1566-05 LED(1608,RED) Z3 - ✽ B64-1859-00 INST.MANUAL (ENG,SPA) Z2Z3 D14 B30-1511-05 LED(RED) Z3 221 1C D10-3031-04 LEVER D14 B30-2025-05 LED(GRN) MZ2 222 1F D10-4446-03 LEVER D15 B30-1564-05 LED(1608,BLUE) M 223 1F D10-4447-03 LEVER D15 B30-1565-05 LED(1608,PG) Z2 224 1F D21-2329-04 SHAFT D15 B30-1566-05 LED(1608,RED) Z3 CME1 2C D40-1136-05 CASSETTE MECHANISM ASSY ED1 2E B38-1022-05 LIQUID CRYSTAL Z2Z3 227 3F E29-1599-02 CONDUCTIVE RUBBER ED1 2E B38-1068-05 LIQUID CRYSTAL M DC1 1C E30-4784-05 DC CORD M PL1 ,2 B30-1483-05 LAMP (5.5V 0.125A) DC2 1C E30-4790-05 DC CORD Z2Z3 C1 CK73GB1E473K CHIP C 0.047UF K F1 2D F52-0006-05 FUSE(MINI BLADE TYPE) (10A) C2 CK73GB1H103K CHIP C 0.010UF K F1 2D F52-0011-05 FUSE(MINI BLADE TYPE) (10A) C4 CK73GB1E473K CHIP C 0.047UF K C5 CK73GB1H102K CHIP C 1000PF K 231 1F G01-2525-04 TORSION COIL SPRING C6 CK73GB1H103K CHIP C 0.010UF K M 232 3F G01-2793-14 COMPRESSION SPRING 233 1F G01-2987-04 TORSION COIL SPRING 274 2E E29-1600-04 CONDUCTIVE RUBBER 234 1F G01-2988-04 EXTENSION SPRING J1 E59-0831-05 RECTANGULAR PLUG (12P) 235 2F G01-2990-04 COMPRESSION SPRING R1 RK73EB2B331J CHIP R 330 J 1/8W - H10-4685-12 POLYSTYRENE FOAMED FIXTURE R2 RK73EB2B471J CHIP R 470 J 1/8W - H25-0329-04 PROTECTION BAG (280X450X0.03) M R3 ,4 RK73EB2B331J CHIP R 330 J 1/8W - H25-0337-04 PROTECTION BAG (180X300X0.03) R5 RK73EB2B471J CHIP R 470 J 1/8W M - H25-1111-04 PROTECTION BAG (280X450X0.03) Z2Z3 R5 ,6 RK73EB2B471J CHIP R 470 J 1/8W Z2Z3 - ✽ H54-1872-03 ITEM CARTON CASE M R6 RK73EB2B361J CHIP R 360 J 1/8W M - ✽ H54-1885-13 ITEM CARTON CASE Z2 R8 RK73GB1J4R7J CHIP R 4.7 J 1/16W - ✽ H54-1942-13 ITEM CARTON CASE Z3 R11 -14 RK73GB1J101J CHIP R 100 J 1/16W R18 RK73GB1J102J CHIP R 1.0K J 1/16W 241 3E J19-4980-02 HOLDER R19 RK73GB1J563J CHIP R 56K J 1/16W 242 1C J21-9491-13 MOUNTING HARDWARE ASSY 243 1C J54-0606-04 STAY M R20 ,21 RK73EB2B130J CHIP R 13 J 1/8W 244 3D J61-0307-05 WIRE BAND D17 MA3062-M ZENER DIODE 251 3E K24-3542-04 KNOB (SRC) IC1 LC75853NE MOS-IC 252 2E K24-3544-04 KNOB (RELEASE) Q1 DTA114EK DIGITAL TRANSISTOR 253 3F K24-3545-04 KNOB (EJECT) Q1 UN2111 DIGITAL TRANSISTOR 254 3F K24-3546-04 KNOB (FF) 255 3F K24-3547-04 KNOB (REW) C1 ,2 CK73GB1H152K CHIP C 1500PF K 256 3E K25-1101-03 KNOB (CLK,AUTO) C3 ,4 CE04CW0J470M ELECTRO 47UF 6.3WV 257 3E K25-1102-03 KNOB (FM,AM,UP,DOWN,AUD) C5 ,6 CC73GCH1H101J CHIP C 100PF J 258 3E K25-1103-03 KNOB (PRE1-6,ATT) C7 ,8 CK73GB1E223K CHIP C 0.022UF K 259 3E K25-1108-03 KNOB (VOL) C7 ,8 CK73GB1H223K CHIP C 0.022UF K 261 1C N99-1610-15 SCREW SET M C9 ,10 CE04CW1A101M ELECTRO 100UF 10WV M : KRC-289 Z2: KRC-19G Z3: KRC-19A indicates safety critical components. KRC-19A/19G/289 SWITCH UNIT(X13-965X-XX) SYNTHESIZER UNIT(X14-6570-2X) KRC-19A/G,289 PARTS LIST 19 www. xiaoyu163. com QQ 376315150 9 9 2 8 9 4 2 9 8 TEL 13942296513 9 9 2 8 9 4 2 9 8 0 5 1 5 1 3 6 7 3 Q Q TEL 13942296513 QQ 376315150 892498299 TEL 13942296513 QQ 376315150 892498299 ✽ New Parts Parts without Parts No. are not supplied. Les articles non mentionnes dans le Parts No. ne sont pas fournis. Teile ohne Parts No. werden nicht geliefert. A N Dest A N Dest Ref.No. d e Parts No. Description inati Ref.No. d e Parts No. Description inati d w on d w on C13 ,14 CK73GB1A224K CHIP C 0.22UF K B 1D N83-3005-46 PAN HEAD TAPTITE SCREW C15 -18 C90-5296-05 NP-ELECT 0.22UF 50WV C 1D N35-3010-46 BINDING HEAD MACHINE SCREW C50 C90-5242-05 ELECTRO 3300UF 16WV D 1D N80-3008-46 PAN HEAD TAPTITE SCREW M C52 CK73GB1H103K CHIP C 0.010UF K E 1D N83-3020-46 PAN HEAD TAPTITE SCREW C53 CE04CW1C101M ELECTRO 100UF 16WV F 2D N86-2606-46 BINDING HEAD TAPTITE SCREW C54 CK73GB1H103K CHIP C 0.010UF K R1 ,2 RK73GB1J223J CHIP R 22K J 1/16W C55 C90-2594-05 ELECTRO 10UF 10WV R3 ,4 RK73GB1J101J CHIP R 100 J 1/16W C56 CE04CW0J101M ELECTRO 100UF 6.3WV R5 ,6 RK73GB1J682J CHIP R 6.8K J 1/16W C57 CE04CW1C101M ELECTRO 100UF 16WV R7 ,8 RK73GB1J124J CHIP R 120K J 1/16W C58 CE04CW1A101M ELECTRO 100UF 10WV R13 RK73EB2B472J CHIP R 4.7K J 1/8W C101 CK73GB1H103K CHIP C 0.010UF K R14 ,15 RK73GB1J472J CHIP R 4.7K J 1/16W C102,103 CC73GCH1H220J CHIP C 22PF J R16 RK73EB2B472J CHIP R 4.7K J 1/8W C150 CE04CW1A470M ELECTRO 47UF 10WV R50 RD14DB2H332J SMALL-RD 3.3K J 1/2W C151 CK73GB1H103K CHIP C 0.010UF K R52 RK73FB2A333J CHIP R 33K J 1/10W C152 C90-2608-05 ELECTRO 1.0UF 50WV R54 RK73FB2A103J CHIP R 10K J 1/10W C153 CK73GB1H153K CHIP C 0.015UF K R55 RD14BB2C473J RD 47K J 1/6W C154 CK73GB1A224K CHIP C 0.22UF K R57 RK73GB1J433J CHIP R 43K J 1/16W C155 CK73GB1C104K CHIP C 0.10UF K R58 RK73FB2A223J CHIP R 22K J 1/10W C156 CK73GB1E333K CHIP C 0.033UF K R59 RK73GB1J101J CHIP R 100 J 1/16W C156 CK73GB1H333K CHIP C 0.033UF K R62 RK73GB1J103J CHIP R 10K J 1/16W C157 CC73GCH1H151J CHIP C 150PF J R63 ,64 RK73GB1J102J CHIP R 1.0K J 1/16W C159 CE04CW1A101M ELECTRO 100UF 10WV R65 ,66 RD14DB2H2R2J SMALL-RD 2.2 J 1/2W C160 C90-2597-05 ELECTRO 10UF 16WV R67 RD14BB2C102J RD 1.0K J 1/6W C161 C90-2935-05 ELECTRO 1.0UF 50WV R103 RK73GB1J225J CHIP R 2.2M J 1/16W C162 C90-2608-05 ELECTRO 1.0UF 50WV R105,106 RK73GB1J102J CHIP R 1.0K J 1/16W C163,164 CK73GB1H103K CHIP C 0.010UF K R108 RK73GB1J473J CHIP R 47K J 1/16W C200-202 CK73GB1H103K CHIP C 0.010UF K R110 RK73GB1J473J CHIP R 47K J 1/16W C206 CE04DW1A470M ELECTRO 47UF 10WV R114 RK73EB2B223J CHIP R 22K J 1/8W C250 CE04CW1A101M ELECTRO 100UF 10WV R115 RK73GB1J102J CHIP R 1.0K J 1/16W C251 CK73GB1E473K CHIP C 0.047UF K R116 RD14BB2C472J RD 4.7K J 1/6W C320 CE04CW0J470M ELECTRO 47UF 6.3WV R118,119 RK73GB1J222J CHIP R 2.2K J 1/16W C321 CK73GB1H103K CHIP C 0.010UF K R120 RK73GB1J473J CHIP R 47K J 1/16W Z2Z3 C350 C90-2598-05 ELECTRO 3.3UF 25WV R121,122 RK73GB1J473J CHIP R 47K J 1/16W M C351 CK73GB1C683K CHIP C 0.068UF K R122 RK73GB1J473J CHIP R 47K J 1/16W Z2Z3 C352 C90-2602-05 ELECTRO 0.10UF 50WV R125 RK73GB1J473J CHIP R 47K J 1/16W C400 CE04CW0J220M ELECTRO 22UF 6.3WV M R126,127 RK73EB2B473J CHIP R 47K J 1/8W C401,402 C90-2606-05 ELECTRO 0.47UF 50WV M R129 RK73GB1J223J CHIP R 22K J 1/16W C450,451 C90-2597-05 ELECTRO 10UF 16WV M R131 RK73GB1J103J CHIP R 10K J 1/16W C452 CK73GB1H103K CHIP C 0.010UF K M R132 RD14BB2C104J RD 100K J 1/6W C506 CK73GB1C104K CHIP C 0.10UF K R137 RK73GB1J473J CHIP R 47K J 1/16W CN1 E40-3240-05 PIN ASSY (5P) R138 RD14BB2C223J RD 22K J 1/6W J1 2D E04-0312-05 RF COAXIAL CABLE RECEPTACLE R150,151 RK73GB1J472J CHIP R 4.7K J 1/16W J2 2D E58-0863-15 RECTANGULAR RECEPTACLE (16P) R152 RK73FB2A102J CHIP R 1.0K J 1/10W J3 2D E58-0888-05 RECTANGULAR RECEPTACLE (12P) R153 RK73GB1J913J CHIP R 91K J 1/16W J4 2D E56-0834-05 CYLINDRICAL RECEPTACLE (13P) M R154 RK73GB1J751J CHIP R 750 J 1/16W J5 2D E63-0013-05 PIN JACK (2P) M R155 RK73GB1J431J CHIP R 430 J 1/16W WH1 E39-0344-05 WIRING HARNESS (6P) R156 RK73GB1J184J CHIP R 180K J 1/16W R157 RK73EB2B101J CHIP R 100 J 1/8W L1 2D L33-1063-15 CHOKE COIL (140UH) R158 RK73GB1J333J CHIP R 33K J 1/16W L3 L40-4795-91 SMALL FIXED INDUCTOR(4.7UH,J) R159 RK73GB1J104J CHIP R 100K J 1/16W L4 L33-1123-05 LINE FILTER COIL (52mH) L8 ,9 L40-4795-91 SMALL FIXED INDUCTOR(4.7UH,J) R160 RK73GB1J473J CHIP R 47K J 1/16W X1 L77-1163-05 CRYSTAL RESONATOR(4.5MHZ) R161 RK73GB1J103J CHIP R 10K J 1/16W R200 RK73EB2B102J CHIP R 1.0K J 1/8W X1 L77-1165-05 CRYSTAL RESONATOR(4.5MHZ) R201 RK73EB2B223J CHIP R 22K J 1/8W R202 RD14BB2C102J RD 1.0K J 1/6W M : KRC-289 Z2: KRC-19G Z3: KRC-19A indicates safety critical components. PARTS LIST KRC-19A/G,289 20 www. xiaoyu163. com QQ 376315150 9 9 2 8 9 4 2 9 8 TEL 13942296513 9 9 2 8 9 4 2 9 8 0 5 1 5 1 3 6 7 3 Q Q TEL 13942296513 QQ 376315150 892498299 TEL 13942296513 QQ 376315150 892498299 ✽ New Parts Parts without Parts No. are not supplied. Les articles non mentionnes dans le Parts No. ne sont pas fournis. Teile ohne Parts No. werden nicht geliefert. A N Dest A N Dest Ref.No. d e Parts No. Description inati Ref.No. d e Parts No. Description inati d w on d w on R203 RK73EB2B223J CHIP R 22K J 1/8W D53 ERA15-01 DIODE R205 RK73EB2B151J CHIP R 150 J 1/8W D54 MA4056(N)-M ZENER DIODE R206 RK73GB1J472J CHIP R 4.7K J 1/16W D55 MA4091(N)-L ZENER DIODE R207 RK73GB1J272J CHIP R 2.7K J 1/16W D56 MA4110-L ZENER DIODE R250 RK73FB2A100J CHIP R 10 J 1/10W D100 1SS133 DIODE R251 RK73GB1J103J CHIP R 10K J 1/16W D150-152 1SS133 DIODE R260 RD14DB2H102J SMALL-RD 1.0K J 1/2W D200 MA4051(N)-M ZENER DIODE R261 RD14BB2C103J RD 10K J 1/6W D260,261 AM01Z DIODE R301 RK73EB2B102J CHIP R 1.0K J 1/8W D260,261 DSM1SD2 DIODE R303-306 RK73EB2B102J CHIP R 1.0K J 1/8W D260,261 ERA15-01 DIODE R320 RK73GB1J473J CHIP R 47K J 1/16W D352 1SS133 DIODE R321 RK73EB2B273J CHIP R 27K J 1/8W D370,371 AM01Z DIODE R322 RK73EB2B222J CHIP R 2.2K J 1/8W D370,371 DSM1SD2 DIODE R323 RK73EB2B470J CHIP R 47 J 1/8W D370,371 ERA15-01 DIODE R324 RK73EB2B100J CHIP R 10 J 1/8W D400,401 MA4062-L ZENER DIODE M R351 RD14DB2H102J SMALL-RD 1.0K J 1/2W D404 MA4062-L ZENER DIODE M R352 RK73FB2A223J CHIP R 22K J 1/10W D405 HZS7A3L ZENER DIODE M R353 RD14DB2H102J SMALL-RD 1.0K J 1/2W D405 MA4068(N)-M ZENER DIODE M R370 RD14BB2C472J RD 4.7K J 1/6W D408,409 MA4062-L ZENER DIODE M R371 RD14DB2H102J SMALL-RD 1.0K J 1/2W D411 HZS7A3L ZENER DIODE M R372 RK73FB2A223J CHIP R 22K J 1/10W D411 MA4068(N)-M ZENER DIODE M R373 RD14DB2H102J SMALL-RD 1.0K J 1/2W IC1 LC72366-9592 MI-COM IC R400 RK73EB2B4R7J CHIP R 4.7 J 1/8W M IC2 TDA7461ND ANALOGUE IC R401,402 RK73EB2B100J CHIP R 10 J 1/8W M IC3 HD74HC27FP MOS-IC R403 RK73EB2B101J CHIP R 100 J 1/8W M IC4 1D TDA7384A ANALOGUE IC R404 RK73GB1J104J CHIP R 100K J 1/16W M IC5 LA3161 IC(PREAMP X2) R405 RK73EB2B104J CHIP R 100K J 1/8W M Q50 2SC2412K TRANSISTOR R406,407 RK73EB2B472J CHIP R 4.7K J 1/8W M Q50 2SD601A TRANSISTOR R408 RK73EB2B102J CHIP R 1.0K J 1/8W M Q51 2SB1443 TRANSISTOR R409,410 RK73EB2B472J CHIP R 4.7K J 1/8W M Q52 2SC2412K TRANSISTOR R411,412 RK73EB2B101J CHIP R 100 J 1/8W M Q52 2SD601A TRANSISTOR R413 RK73GB1J104J CHIP R 100K J 1/16W M Q53 DTA114YK DIGITAL TRANSISTOR R450,451 RK73FB2A271J CHIP R 270 J 1/10W M Q54 DTC144EK DIGITAL TRANSISTOR R452,453 RK73FB2A303J CHIP R 30K J 1/10W M Q54 UN2213 DIGITAL TRANSISTOR R454,455 RK73EB2B101J CHIP R 100 J 1/8W M Q55 DTA124EK DIGITAL TRANSISTOR W111-114 R92-2053-05 CHIP R 0 J 1/8W Z2Z3 Q55 UN2112 DIGITAL TRANSISTOR W111-115 R92-2053-05 CHIP R 0 J 1/8W M Q56 2D 2SB1548(P) TRANSISTOR W116 R92-2052-05 CHIP R 0 J 1/10W Q56 2D 2SB1565(E,F) TRANSISTOR W117 R92-2053-05 CHIP R 0 J 1/8W Q56 2D 2SB1655(E,F) TRANSISTOR W118 R92-2052-05 CHIP R 0 J 1/10W Q57 2SC2412K TRANSISTOR W119 R92-2053-05 CHIP R 0 J 1/8W Q57 2SD601A TRANSISTOR W120,121 R92-2052-05 CHIP R 0 J 1/10W Q58 DTC144EK DIGITAL TRANSISTOR W122 R92-2053-05 CHIP R 0 J 1/8W Q58 UN2213 DIGITAL TRANSISTOR W123 R92-2052-05 CHIP R 0 J 1/10W Z2Z3 Q59 DTA124EK DIGITAL TRANSISTOR W123-125 R92-2052-05 CHIP R 0 J 1/10W M Q59 UN2112 DIGITAL TRANSISTOR W127-133 R92-2053-05 CHIP R 0 J 1/8W Q60 2D 2SB1548(P) TRANSISTOR W134 R92-2052-05 CHIP R 0 J 1/10W Q60 2D 2SB1565(E,F) TRANSISTOR W135 R92-2053-05 CHIP R 0 J 1/8W Q60 2D 2SB1655(E,F) TRANSISTOR Q61 2SC2412K TRANSISTOR D50 S2V20✽A DIODE Q61 2SD601A TRANSISTOR D51 HZS7A3L ZENER DIODE D51 MA4068(N)-M ZENER DIODE Q150 DTC124EK DIGITAL TRANSISTOR D52 MA4051-L ZENER DIODE Q150 UN2212 DIGITAL TRANSISTOR D53 AM01Z DIODE Q151 DTC114YK DIGITAL TRANSISTOR Q151 UN2214 DIGITAL TRANSISTOR D53 DSM1SD2 DIODE Q153 DTA124EK DIGITAL TRANSISTOR M : KRC-289 Z2: KRC-19G Z3: KRC-19A indicates safety critical components.21 KRC-19A/G,289 PARTS LIST www. xiaoyu163. com QQ 376315150 9 9 2 8 9 4 2 9 8 TEL 13942296513 9 9 2 8 9 4 2 9 8 0 5 1 5 1 3 6 7 3 Q Q TEL 13942296513 QQ 376315150 892498299 TEL 13942296513 QQ 376315150 892498299 ✽ New Parts Parts without Parts No. are not supplied. Les articles non mentionnes dans le Parts No. ne sont pas fournis. Teile ohne Parts No. werden nicht geliefert. A N Dest A N Dest Ref.No. d e Parts No. Description inati Ref.No. d e Parts No. Description inati d w on d w on Q153 UN2112 DIGITAL TRANSISTOR 52 2A D13-1110-08 GEAR Q200 DTC124EK DIGITAL TRANSISTOR 53 2B D15-0909-08 PULLEY Q200 UN2212 DIGITAL TRANSISTOR 54 3B D16-0606-08 BELT Q201 2SB1277(Q,R) TRANSISTOR 56 1B D10-4105-08 ARM ASSY Q202 DTC124EK DIGITAL TRANSISTOR 57 2B D10-4104-08 ARM Q202 UN2212 DIGITAL TRANSISTOR 58 2B G01-2831-08 TENSION COIL SPRING Q203 2SB1277(Q,R) TRANSISTOR 99 3B E39-0181-08 WIRE HARNESS Q260 DTC114YK DIGITAL TRANSISTOR 100 1B J11-0618-08 CLAMPER Q260 UN2214 DIGITAL TRANSISTOR 101 3B N09-4328-08 SCREW Q261 2SB1443 TRANSISTOR 102 3A N09-4326-08 SCREW Q301 DTA144EK DIGITAL TRANSISTOR 103 3A N09-4191-08 SCREW Q301 UN2113 DIGITAL TRANSISTOR 104 1B N09-4192-08 SCREW Q320 2SA1037K TRANSISTOR 105 2A N09-4058-08 SCREW Q350 2SB1277(Q,R) TRANSISTOR 106 1A N09-4109-08 SCREW Q351 2SA1037K TRANSISTOR 111 3A N19-2082-08 FLAT WASHER Q352 DTA124EK DIGITAL TRANSISTOR 112 2A N19-2083-08 FLAT WASHER Q352 UN2112 DIGITAL TRANSISTOR 113 2A N19-2084-08 FLAT WASHER Q353 DTC114YK DIGITAL TRANSISTOR 114 3A N19-2043-08 FLAT WASHER Q353 UN2214 DIGITAL TRANSISTOR 115 2B N19-2038-08 FLAT WASHER Q370 2SB1277(Q,R) TRANSISTOR HD1 1B T31-0229-08 PLAYBACK HEAD Q371 DTC114YK DIGITAL TRANSISTOR Q371 UN2214 DIGITAL TRANSISTOR M1 1A T42-1025-08 MOTOR ASSY Q450,451 DTC143TK DIGITAL TRANSISTOR M Q450,451 UN2216 DIGITAL TRANSISTOR M TH1 PTH9C42BD471Q POSITIVE RESISTOR A1 2D ✽ X86-3320-11 TUNER UNIT 1 2A A10-4328-08 CHASISS CALKING ASSY 4 3B J26-4017-08 PRINTED WIRING BOARD ASSY 5 2A J21-7778-08 MOUNTING HARDWARE 6 2B D10-4091-08 SLIDER 7 2B D13-1323-08 GEAR 9 2B D10-4200-08 ARM ASSY (F) 10 2A D10-4201-08 ARM ASSY (R) 12 3A A11-0930-08 SUB CHASSIS CALKING ASSY 14 3A J26-4018-08 PRINTED WIRING BOARD ASSY 16 1B G01-2826-08 TORSION COIL SPRING 17 1A D10-4094-08 SLIDER 18 1B D10-4095-08 SLIDER 19 1A D10-4096-08 ARM 20 1A J19-4736-08 HOLDER ASSY 22 2A G01-2827-08 TENSION COIL SPRING 23 2A D10-4097-08 LEVER 25 2B D10-4098-08 SLIDER 26 2B G09-2019-08 SPRING 31 3A D01-0608-08 FLYWHEEL ASSY 33 3A G01-2828-08 TENSION COIL SPRING 34 2B G01-2829-08 TENSION COIL SPRING 35 2B D10-4099-08 ARM 36 1A D10-4100-08 ARM 37 1A D14-0682-08 ROLLER 38 1A D10-4101-08 LEVER 39 2A G01-2830-08 COMPRESSION COIL SPRING 40 2A D10-4102-08 ARM M : KRC-289 Z2: KRC-19G Z3: KRC-19A indicates safety critical components. CASSETTE MECHANISM ASSY(D40-1136-05) 22 KRC-19A/G,289 PARTS LIST www. xiaoyu163. com QQ 376315150 9 9 2 8 9 4 2 9 8 TEL 13942296513 9 9 2 8 9 4 2 9 8 0 5 1 5 1 3 6 7 3 Q Q TEL 13942296513 QQ 376315150 892498299 TEL 13942296513 QQ 376315150 892498299 KRC-19A/G,289 23 PARTS DESCRIPTIONS www. xiaoyu163. com QQ 376315150 9 9 2 8 9 4 2 9 8 TEL 13942296513 9 9 2 8 9 4 2 9 8 0 5 1 5 1 3 6 7 3 Q Q TEL 13942296513 QQ 376315150 892498299 TEL 13942296513 QQ 376315150 892498299 KRC-19A/G,289 SPECIFICATIONS KENWOOD follows a policy of continuous advancements in development. For this reason specifications may be changed without notice. KENWOOD CORPORATION 14-6, Dogenzaka 1-chome, Shibuya-ku, Tokyo, 150-8501 Japan KENWOOD SERVICE CORPORATION P.O. Box 22745, 2201 East Dominguez Street, Long Beach, CA90801-5745, U.S.A. KENWOOD ELECTRONICS CANADA INC. 6070 Kestrel Road, Mississauga, Ontario, Canada L5T 1S8 KENWOOD ELECTRONICS LATIN AMERICA S.A. P.O. Box 55-2791, Piso 6, Plaza Chase, Cl. 47 y, Aquilino de la Guardia, Panama, Republic of Panama KENWOOD ELECTRONICS BRASIL LTDA. Av. Moema, 170-17˚, Andar-Cobertura “B”, Ed. Maximum Service Center, 04077-020 Moema, São Paulo-SP-Brasil KENWOOD ELECTRONICS UK LIMITED Kenwood House, Dwight Road, Watford, Herts, WD1 8EB, United Kingdom KENWOOD ELECTRONICS DEUTSCHLAND GMBH Rembrücker Str. 15, 63150 Heusenstamm, Germany KENWOOD ELECTRONICS FRANCE S.A. 13, Boulevard Ney, 75018 Paris, France KENWOOD ELECTRONICS BELGIUM N.V. Mechelsesteenweg 418, B-1930 Zaventem, Belgium KENWOOD ELECTRONICS ITALIA S.p.A. Via G. Sirtori 7/9, 20129 Milano, ltaly KENWOOD IBÉRICA S.A. Bolivia, 239-08020 Barcelona, Spain KENWOOD ELECTRONICS AUSTRALIA PTY. LTD. (A.C.N. 001 499 074) 16 Giffnock Avenue, North Ryde, N.S.W. 2113, Austraria KENWOOD ELECTRONICS (HONG KONG) LTD. Unit 3712-3724, Level 37, Tower 1, Metroplaza, 223 Hing Fong Road, Kwai Fong, N.T., Hong Kong KENWOOD ELECTRONICS GULF FZE P.O.Box 61318, Jebel Ali, Dubai, U.A.E. KENWOOD ELECTRONICS (THAILAND) CO., LTD. 2019 New Pechburi Road, Bangkapi, Huaykwang, Bangkok, 10320 Thailand KENWOOD ELECTRONICS SINGAPORE PTE LTD. 1 Genting Lane, #07-00, Kenwood Building, Singapore 349544 KENWOOD ELECTRONICS (MALAYSIA) SDN BHD #4.01 Level 4, Wisma Academy Lot 4A, Jalan 19/1, 46300 Petaling Jaya, Selangor Darul Ehsan, Malaysia KRC-19A/G (E) KRC-289 (K) TDF TDF Tuner Type CR2 CR2 Frequency Range 87.5MHz-108.0MHz 87.5MHz-108.0MHz (Frequency Step) (50kHz) (50kHz) Channel space selection 50kHz/200kHz 50kHz/200kHz Usable Sensitivity 9.3dBf 9.3dBf (S/N 30dB) (0.8µV/75Ω) (0.8µV/75Ω) FM Quieting Sensitivity 15.2dBf 15.2dBf (S/N 50dB) (1.6µV/75Ω) (1.6µV/75Ω) Frequency Response 30Hz-15kHz 30Hz-15kHz (±3.0dB) S/N 70dB (MONO) 70dB (MONO) Selectivity > =80dB (±400kHz) > =80dB (±400kHz) Stereo Separation 40dB (1kHz) 40dB (1kHz) Frequency Range 531kHz-1611kHz 531kHz-1611kHz (Frequency Step) (9kHz) (9kHz) AM Channel space selection 9kHz/10kHz 9kHz/10kHz Usable Sensitivity 28dBµ 28dBµ (S/N 20dB) (25µV) (25µV) Tape Speed 4.76cm/sec. 4.76cm/sec. Wow/Flutter 0.12% (WRMS) 0.12% (WRMS) CASSETTE Frequency Response 30Hz-14kHz (120µs) 30Hz-14kHz (120µs) (±3.0dB) Separation 40dB (1kHz) 40dB (1kHz) S/N 52dB 52dB Preout Level / Load - 1800mV/10kΩ Impedance - <=600Ω Maximum Power 40W x4 40W x4 AMPLIFIER Power DIN45324, +B=14.4V 26W x4 - Full Bandwidth Power - 20W x4 (at less than 1% THD) TONE Bass 100Hz ±10dB 100Hz ±10dB Treble 10kHz ±10dB 10kHz ±10dB Operating Voltage 14.4V 14.4V (11V-16V allowable) Current Consumption 10A 10A GENERAL Installation Size (Width) 182mm 182mm (Height) 53mm 53mm (Depth) 155mm 155mm Weight 1400g 1400g www. xiaoyu163. com QQ 376315150 9 9 2 8 9 4 2 9 8 TEL 13942296513 9 9 2 8 9 4 2 9 8 0 5 1 5 1 3 6 7 3 Q Q TEL 13942296513 QQ 376315150 892498299 TEL 13942296513 QQ 376315150 892498299

标签:

版权声明

1. 本站所有素材,仅限学习交流,仅展示部分内容,如需查看完整内容,请下载原文件。
2. 会员在本站下载的所有素材,只拥有使用权,著作权归原作者所有。
3. 所有素材,未经合法授权,请勿用于商业用途,会员不得以任何形式发布、传播、复制、转售该素材,否则一律封号处理。
4. 如果素材损害你的权益请联系客服QQ:77594475 处理。