建伍KENWOOD KRC-17G CD影碟播放机电路图

分类:电子电工 日期: 点击:0
建伍KENWOOD KRC-17G CD影碟播放机电路图-0 建伍KENWOOD KRC-17G CD影碟播放机电路图-1 建伍KENWOOD KRC-17G CD影碟播放机电路图-2 建伍KENWOOD KRC-17G CD影碟播放机电路图-3 建伍KENWOOD KRC-17G CD影碟播放机电路图-4 建伍KENWOOD KRC-17G CD影碟播放机电路图-5 建伍KENWOOD KRC-17G CD影碟播放机电路图-6 建伍KENWOOD KRC-17G CD影碟播放机电路图-7 建伍KENWOOD KRC-17G CD影碟播放机电路图-8 建伍KENWOOD KRC-17G CD影碟播放机电路图-9

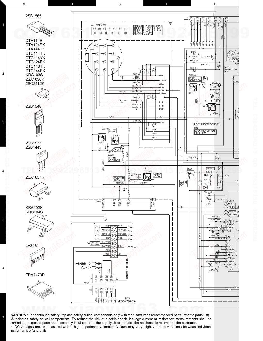
© 2002-10 PRINTED IN JAPAN B51-7981-00 (N) 2139 CASSETTE RECEIVER KRC-17G/YA/YG KRC-194A/G/YA/YG KRC-266LA/LG/RG KRC-27YA/YG KRC-2904YA/YG KRC-294A/G/YA/YG SERVICE MANUAL KRC-266RG KRC-17G/YA/YG, KRC-194A/G/YA/YG (E) KRC-2904YA/YG (E) KRC-266RG (M) Escutcheon (B07-2188-02) 45W x 4 KRC-266L 45W x 4 AUTO AME KRC-294 45W x 4 KRC-27 45W x 4 KRC-2904 45W x 4 T.CALL KRC-17 KRC-194 45W x 4 T.CALL KRC-27YA/YG (E) KRC-294A/G/YA/YG (E) KRC-266LA/LG (M) Mounting hardware assy (J21-9701-03) Plastic cabinet assy (A02-1486-13) Screw set (N99-1610-15) Lever (D10-3031-04) x2 Antenna adaptor (T90-0523-05)or (T90-0534-05) WIDE BAND DC cord (E30-4790-05)or (E30-6134-05) Screw set (N99-1719-05) AUTO AME Panel assy (A64-2924-02):KRC-194A/G/YA/YG (A64-2925-02):KRC-17G/YA/YG Panel assy (A64-2927-02) Panel assy (A64-2933-02) Panel assy (A64-2923-02) Panel assy (A64-2917-02) Panel assy (A64-2916-02) Depends on model. Refer to the parts list www. xiaoyu163. com QQ 376315150 9 9 2 8 9 4 2 9 8 TEL 13942296513 9 9 2 8 9 4 2 9 8 0 5 1 5 1 3 6 7 3 Q Q TEL 13942296513 QQ 376315150 892498299 TEL 13942296513 QQ 376315150 892498299 KRC-17G/YA/YG, 194A/G/YA/YG, 266LA/LG/RG KRC-27YA/YG, 2904YA/YG, 294A/G/YA/YG 2 BLOCK DIAGRAM IC1 KEY PAN 5V MUTE B.U. DET. B.U. ACC P-CONT. MUTE PRE POWER IC EQ. AMP. CH ISO AMP NC,MPX E-VOL. CD/MD CHANGER FRONT Lch FRONT Rch REAR Lch REAR Rch J2 LCD DRIVER LCD CME1 MAIN TAPE MECHA. IC5 Lch Rch PRE OUT IC2 IC4 IC3 SP OUT REAR J4 PAN IN SW ACC DET. P-CONT. J2 J5 IC1 F/E J1 FM+B Q201 AM+B Q203 AM BPF FM BPF C154,R206 C153,R207 Q320 Q450,451 Q49 Q50 Q350,351,370 Q53 SW 5V Q54-57 8V Q58-61 ILLUMI. B.U. 5V Q51,52 SYSTEM u-COM S1 S2 S3 RST SW Q301 D1-15 PL1,2 ANT. TEL MUTE DECODER RDS IC7 Q501,502 MP SW RST IC RST IC6 ED1 FM ANT AM ANT RF GND FM+B AM+B OSC GND OSC GND OSC GND VT PLL +B IFC OUT SDA SCL DIG GND IF1+B IF1 GND S-METER IF2 GND SD FM+B P.ON ACC DET B.U. DET SCL MUTE SDA P CON PANEL RESET L CLK L DATA S L DATA L FWD/REV MOTOR CH CON DATA H DATA C REQ H REQ C CH CLK Rch COM Lch MP IN AM MPX OUT RR OUT LR OUT RF Rch LEVEL SCL SDA OUT LF Rch STBY MUTE Rch Lch T-MUTE FWD REV B.U.5V 8V B.U. CH RST S MUTE 8 5 10 B.U.5V AM+B VDD 5V PACK IN L RES PHONE CH MUTE BEEP SVR AMP. STBY SVR AC GND (BEEP) Lch Lch Rch Lch 1200mV TAPE :1681mV CD/MD-CH :3529mV AM :772mV FM :1339mV 8V RF GND OSC GND IF2 +B AUDIO OUT 8V S-METER SD PLL-SCL PLL-SDA CM1 PLAY HEAD L/R 55.6mV B.U.5V SW 5V 8V B.U.5V AM: 170mV FM: 213mV TAPE PACK IN (FF/REW) AMP. MUTE FF/REW B.U.5V R QUAL IF COUNT R CLK R DATA SW 5V MP OUT QUAL AFC NOISE B.U.5V ILL L CE (X16) A1 TEL DET D380 5V R205 M www . x ia o y u 1 6 3 . c o m QQ 3 7 6 3 1 5 1 5 0 9 9 2 8 9 4 2 9 8 T E L 1 3 9 4 2 2 9 6 5 1 3 9 9 2 8 9 4 2 9 8 0 5 1 5 1 3 6 7 3 Q Q TEL 13942296513 QQ 376315150 892498299 TEL 13942296513 QQ 376315150 892498299 KRC-17G/YA/YG, 194A/G/YA/YG, 266LA/LG/RG KRC-27YA/YG, 2904YA/YG, 294A/G/YA/YG 3 G SYNTHESIZER UNIT (X14-687x-xx) COMPONENTS DESCRIPTION Ref.No. Application/Function Operation/Condition/Compatibility IC1 SYSTEM µ-COM Controls the unit. IC2 E-VOLUME Controls the volume and selects source. IC3 MUTE LOGIC Controls the mute output. IC4 POWER AMPLIFIER For the speaker output. IC5 EQUALIZER AMPLIFIER For the cassette tape's signal. IC6 RESET Resets the power. IC7 RDS DECODER Decodes the radio data. Q49 ACC DETECTION SW Outputs "H" during the ACC off. Q50 BACK-UP DETECTION SW Outputs "H" when the back-up voltage is under 9.2V. Q51,52 BACK-UP 5V DRIVER Works when back-up current exists. Q53 P.ON 5V SW Works during the power on. Q54,55 8V SW Works during the power on. Q56,57 8V DRIVER Works during the power on. Q58,59 ILLUMI +B SW Works during the power on. Q60,61 ILLUMI +B DRIVER Works during the power on. Q150 E-VOL MUTE SW Works when the back-up current is detected or the changer mute works or system µ-com mute works. Q151 SVR FORCED DISCHARGE SW Works when the amplifier mute works. Q153 PRE OUT MUTE SW Works when the back-up current is detected or the changer mute works or system µ-com mute works. Q201 FM +B SW Works during FM mode. Q203 AM +B SW Works during AM mode. Q260 MOTOR +B SW Works during the tape mode. Q261 MOTOR +B DRIVER Works when Q206 works. Q301 CD-CH RESET SW Works when the power is reset and the reset SW works. Q320 PANEL 5V SW Works when the back-up current exists and the panel is attached on the unit. Q350 P.CON DRIVER SW Does not work during the power off and the ALL OFF. Q351 P.CON PROTECTION SW Works when the P.CON is short-circuited on the GND. Q352 P.CON PROTECTION INHIBIT SW Inhibits the protection SW in a moment during the P.CON on. Q353 P.CON DRIVER SW Does not work during the power off and the ALL OFF. Q450,451 PRE OUT MUTE SW Works when the back-up current is detected or the changer mute works or system µ-com mute works. Q500 AUDIO OUTPUT BUFFER For RDS decoder. Q501,502 AFC TIME CONSTANT SW Works during receiving FM signal. Q503 NOISE BUFFER For noise level detection. www. xiaoyu163. com QQ 376315150 9 9 2 8 9 4 2 9 8 TEL 13942296513 9 9 2 8 9 4 2 9 8 0 5 1 5 1 3 6 7 3 Q Q TEL 13942296513 QQ 376315150 892498299 TEL 13942296513 QQ 376315150 892498299 KRC-17G/YA/YG, 194A/G/YA/YG, 266LA/LG/RG KRC-27YA/YG, 2904YA/YG, 294A/G/YA/YG 4 G SYSTEM MICROCOMPUTER UPD780058GC (IC1 : X14) Pin No. Pin Name I/O Function Operating Condition 1 PANEL I Panel detection. "L" : Panel exists. 2 L CE O LCD driver chip enable. - 3 L RES O LCD driver reset. - 4 AVSS - GND. - 5 R DATA I RDS data. - 6 R QUAL I RDS receiving. - 7 AVREF 1 - Reference voltage. - 8 IC2 SEL 1 I Selector. "L" : Normally. 9 IC2 SEL 0 I Selector. "L" : Normally. 10 - - - - 11 L DATA L I LCD driver communication data. - 12 L DATA S O LCD driver communication data. - 13 L CLK O LCD driver communication clock. - 14,15 - - - - 16 DATA C I Changer communication data. - 17 DATA H O Changer communication data. - 18 CH CLK I Changer communication clock. - 19-26 - - - - 27 MOTOR O Cassette tape motor SW. - 28 FF/REW I Cassette tape FF/REW detection. "L" : FF or REW works. 29-31 - - - - 32 SD I Signal detection. "H" : Signal exists. "L" : Signal does not exist. 33 VSS 1 - GND. - 34 - - - - 35 PLL CLK O Front-end communication clock. - 36 PLL DATA I/O Front-end communication data. - 37 AM +B O AM power supply SW. - 38 FM +B O FM power supply SW. - 39 IC2 DATA I/O E-volume communication data. - 40 IC2 CLK O E-volume communication clock. - 41 AFC O FM noise detection / Time constant SW. - 42 MUTE O Mute control. - 43 AMP MUTE O Power amplifier mute. - 44 - - - - 45 CH CNT O Changer control. - Pin No. Pin Name I/O Function Operating Condition 46 REQ H O Changer request. - 47 - - - - 48 SVR O SVR control. - 49 AMP STBY O Power amplifier stand-by. - 50 BEEP O Buzzer signal output. 51,52 - - - - 53 P.CONT O Power control SW. - 54 ACC DET I ACC detection. - 55 B.U. DET I Back-up detection. - 56 P.ON O Power SW. - 57 ILLUMI O Illumination SW. - 58 FWD/REV I Cassette mechanism FWD/REV detection. - 59 - - - - 60 RESET I System reset signal input. - 61 SEL 1 I Destination SW. - 62 R CLK I RDS clock. - 63 REQ C I Changer request. - 64 PACK IN I Cassette tape pack-in detection. - 65 KEY-REQ I Key signal input detection. - 66 SEL 0 I Destination SW. - 67 VSS 0 - GND. - 68 VDD 1 - 5V power supply. - 69 X2 - Main system clock. - 70 X1 I Main system clock. - 71 IC - GND. - 72 - - - - 73 XT1 - 5V power supply. - 74 VDD 0 - 5V power supply. - 75 AVREF 0 I A/D converter reference voltage. - 76 S METER I S-meter detection. "H" : S-meter exists. "L" : S-meter does not exist. 77 PHONE I - Navigation mute : 2.5V or more. Telephone mute : 1V or less. 78 NOISE I FM noise detection. - 79 AV CONT O A/D converter reference voltage. - 80 - - - - MICROCOMPUTER'S TERMINAL DESCRIPTION www. xiaoyu163. com QQ 376315150 9 9 2 8 9 4 2 9 8 TEL 13942296513 9 9 2 8 9 4 2 9 8 0 5 1 5 1 3 6 7 3 Q Q TEL 13942296513 QQ 376315150 892498299 TEL 13942296513 QQ 376315150 892498299 KRC-17G/YA/YG, 194A/G/YA/YG, 266LA/LG/RG KRC-27YA/YG, 2904YA/YG, 294A/G/YA/YG 5 ADJUSTMENT (2-LINE TAPE) B A B A (FWD) (RVS) HEIGHT (FWD) HEIGHT/AZIMUTH (FWD) HEIGHT/AZIMUTH (RVS) TAPE SPEED HEIGHT (RVS) F ' ' F R R No ITEM INPUT SETTINGS RECEIVER SETTINGS ALIGNMENT POINTS ALIGN FOR SD SD HEAD HEIGHT HEAD AZIMUTH TEST MODE : ON While holding the "FM" key and preset "6" key, reset the unit. TEST MODE : OFF Reset the unit. 98.1MHz 0 dev 35dBµ(ANT input) 990 kHz 0% mod 35dBµ(ANT input) SCC-1659 TCC-153 10kHz TEST MODE: ON FM 98.1MHz TEST MODE: ON AM 990 kHz TAPE PLAY Connect an AC voltmeter and oscilloscope to SP outputs. TAPE PLAY Preset "1" key, and preset "6" key Preset "1" key, and preset "6" key Head Height Screw Head Azimuth Screw While holding preset "1" key, press and hold preset "6" key for a few seconds. "ADJ OK" is good. "ADJ NG" is not good. While holding preset "1" key, press and hold preset "6" key for a few seconds. "ADJ OK" is good. "ADJ NG" is not good. 1) During FWD transport adjust F and F ' so that line A of 2- LINE TAPE passes through the center of the head shield plate (core center area) 2) During RVS transport adjust R and R ' so that line B of 2- LINE TAPE passes through the center of the head shield plate (core center area) 3) After the alignment above, reverse the transport direction and check the FWD alignment again. If it is deviated, perform alignment again. (Tape used : SCC-1659,manufactured by A-BEX) Adjust the azimuth for each L ch/R ch or FWD/RVS becomes maximum. 1 (1) [1] [2] FM SECTION AM SECTION CASSETTE DECK SECTION www. xiaoyu163. com QQ 376315150 9 9 2 8 9 4 2 9 8 TEL 13942296513 9 9 2 8 9 4 2 9 8 0 5 1 5 1 3 6 7 3 Q Q TEL 13942296513 QQ 376315150 892498299 TEL 13942296513 QQ 376315150 892498299 A B C D E 1 2 3 4 5 6 7 6 4.3320MHz W24 W64 W76 W78 R200 R202 W36 R55 W73 W69 W12 W99 R67 W58 W104 C4 R350 R370 W67 W57 W70 C209 L10 W66 W68 W4 W6 W72 W71 W7 W85 W80 W39 W42 W45 W48 W50 W101 W102 W2 W200 R51 R65 R351 R353 R66 X1 C50 C17 C18 C160 C152 C55 W15 C15 C16 C161 C350 C352 C503 C162 C500 C450 C451 C150 C159 C56 C58 C53 C57 W97 W98 W103 W53 W43 W51 W28 W10 X2 W17 R501 W3 R502 R500 R261 L5 R260 L4 C402 C400 C401 W54 W47 W95 W93 W89 R119 W13 W61 W62 W14 C9 C250 C10 W8 W9 W33 W23 W27 W30 W32 W37 W26 W55 W56 R263 R262 W22 W77 W63 W65 W21 R252 W105 W52 W100 W94 W96 W92 W91 W90 W87 W59 W60 W20 W25 W29 W31 W35 W19 W11 W82 W79 W83 W40 W38 W41 W84 W81 C3 W34 W18 W49 W46 W44 R120 W88 W74 W75 4.19MHz TP 5V DG S-MTR PDA PCK 2DA CCK DTH DTC CMP 2CK L1 RES L8 L7 R100 L12 L6 L3 W5 R107 1 6 8 1 1 5 8 16 1 9 1 2 25 24 1 5 7 6 10 9 2 3 4 8 12 11 13 L R 1 24 B E B E E B B E B E 1 11 2 12 B E B E A1 Q60 Q56 D370 D410 D50 D405 D371 D352 Q51 Q350 D380 D401 D400 D56 D52 D51 D55 D54 D408 D409 D350 D351 D53 Q261 Q201 Q203 D404 D200 D260 P1 IC5 D261 J1 J5 J4 J2 J3 IC4 D150 D152 D151 WH1 D100 CN1 W170 C251 R156 R15 W158 R14 R62 W159 R57 R59 W157 R60 C52 C163 R161 R159 R162 R16 R13 W174 R381 C380 R61 R251 R151 C214 R503 C600 C601 W171 R125 R123 C13 C14 R58 R52 R54 R106 R112 C164 R352 C154 C153 C351 TH1 R504 R155 R154 R153 R322 R401 R400 R380 R408 R409 R407 R406 R412 R410 R411 R303 R302 R304 R306 R305 R403 R301 R402 C504 C54 C502 C505 R63 R64 W162 C501 R1 C1 R201 R203 R150 W153 C452 C202 C204 R455 R453 R454 R451 R450 R452 R205 R141 R2 C2 C5 R382 C6 C157 R111 R113 R404 R103 R108 C151 C156 C155 R160 R206 R207 C158 C506 R8 C8 R4 R6 R7 C7 R5 R133 R323 R110 R158 C101 C102 R105 C103 W161 W160 R48 R320 R321 R140 W173 W154 R124 R122 R118 R152 R121 R117 R157 R405 R143 R104 W169 W168 W167 R3 R250 W165 R49 R413 W156 R142 W166 W164 R101 R102 C104 W163 1 14 15 28 8 14 7 1 41 1 3 4 5 60 1 20 80 61 21 40 1 8 16 9 B E B E B E B E B E B E B E B E B E B E B E B E B E B E B E B E B E B E B E B E B E B E B E B E B E Q61 IC1 Q52 Q59 Q58 Q57 Q153 Q151 Q150 Q55 Q49 Q54 Q53 Q50 Q500 Q502 Q501 Q353 Q301 Q320 Q352 Q351 IC6 IC7 Q451 Q450 Q260 IC3 IC2 Q503 Refer to the schematic diagram for the values of resistors and capacitors. PC BOARD (FOIL SIDE VIEW) SYNTHESIZER UNIT X14-687x-xx (J74-1319-02) Ref. No address Ref. No address Ref. No address Ref. No address Ref. No address Ref. No address IC1 4D IC2 3C IC3 4C IC4 4B IC5 6D IC6 5D IC7 2E Q49 5C Q50 5C Q51 5C Q52 5C Q53 6C Q54 5C Q55 5B Q56 6B Q57 6B Q58 6C Q59 6C Q60 6B Q61 6C Q150 4C Q151 4B Q153 2C Q201 2C Q203 2C Q260 3E Q261 3E Q301 4D Q320 5E Q350 4B Q351 4C Q352 4C Q353 5C Q450 2B Q451 2B Q500 2D Q501 3D Q502 3D Q503 3D X14-687x-xx www. xiaoyu163. com QQ 376315150 9 9 2 8 9 4 2 9 8 TEL 13942296513 9 9 2 8 9 4 2 9 8 0 5 1 5 1 3 6 7 3 Q Q TEL 13942296513 QQ 376315150 892498299 TEL 13942296513 QQ 376315150 892498299 F G H I J 1 2 3 4 5 6 7 7 PL1 PL2 FM AM AUD RST 6 5 4 3 2 1 ATT VOL SRC TI 1 54 CLK D15 D1 D2 D3 D4 D5 D6 D7 D8 D9 D10 D11 D12 D13 D14 X16-1512-7x (J74-1300-02) SWITCH UNIT SWITCH UNIT X16-1512-7x (J74-1300-02) C5 C2 C3 C4 R2 R3 R4 R5 R6 R7 R8 R9 R21 R10 R11 R12 R13 R14 R15 R17 R18 C1 1 24 41 64 65 80 40 25 11 12 2 1 B E Q1 IC1 D17 J1 PC BOARD (COMPONENT SIDE VIEW) (FOIL SIDE VIEW) Refer to the schematic diagram for the values of resistors and capacitors. Ref. No address IC1 3I Q1 4I X16-1512-7x www. xiaoyu163. com QQ 376315150 9 9 2 8 9 4 2 9 8 TEL 13942296513 9 9 2 8 9 4 2 9 8 0 5 1 5 1 3 6 7 3 Q Q TEL 13942296513 QQ 376315150 892498299 TEL 13942296513 QQ 376315150 892498299 A B C D E 1 2 3 4 5 6 7 13 4 3 12 8 7 11 2 1 6 10 5 9 16 15 14 13 12 11 10 8 7 6 5 4 3 2 FL+ RL+ FL- RL- FR- RR- FR+ RR+ P-ANT P-CON ACC 19 23 17 21 9 3 7 5 R412 100 R410 4.7K R409 4.7K R402 10 R411 100 R406 4.7K R407 4.7K R408 1K R403 100 7 6 5 46 45 1 17 63 16 10 0.47u50 C401 + R401 C402 0.47u50 + R400 4.7 C400 22u6.3 + 100K 100K R413 100K 0.01 3.3K 1/2W R370 4.7K R350 4.7K R351 1K R352 3.3u25 C350 + 22K C351 0.1u50 C352 + 1K 0.068 55 1K R67 18 1 61 62 63 64 65 66 67 68 69 70 71 72 73 74 75 76 77 78 79 80 PANEL SEL 1 R CLK PACK IN VDD 1 X2 X1 IC XT1 VDD 0 S METER 2 A GND REQ C DATA C 8 B.U. 3 CON MUTE 4 5 9 10 DGND REQ H 1 2 9 6 7 CLK Rch 13 10 6 RST 11 12 7 5 DATA H Lch 13 11 12 8 4 3 1 2 1/2W 1/2W REQ C KEY-REQ SEL 0 VSS 0 AVREFO PHONE NOISE AV CONT ∗R107 R106 2.2K 10K 62 47K R105 6.8K X1 C102 15P 15P C103 10 R100 0.022 C104 R55 47K K R57 C52 54 R353 Q351 T-MUTE R380 10K 0 C 2 R ∗R104 47K ∗R103 47K ∗R101 47K ∗R102 57 53 58 60 63 RL- BU YEL 9 TEL MUTE BRN 12 11 10 VIOL/BLK GRN/BLK RR+ RR- RL- VIOL 15 13 14 RL+ GRN 16 1 3 5 7 RR+ RL+ FL+ FL- FR- RR- FR+ 2 2 6 8 5 7 4 1 3 6 8 GND 4 ACC P-CON B A BLK 1 ANT. CON P. CON BLU/WHT BLU/WHT RED 4 2 3 GRY/BLK WHT/BLK GRY 7 6 5 FR- FR+ FL- WHT 8 FL+ R261 R262 47K GND 1 PACK IN 2 1/2W 1K R260 10K R263 47K GND 5 MOT 3 MOT 4 T.MUTE 6 28 27 +B GND Q58,59 Q60,61 Q350,353 Q352 76 78 R405 R404 R382 47K R51 4.19MHz 47K ∗R108 1 2 3 4 5 C101 0.01 +B +B +B +B +B +B +B +B +B +B +B +B +5V +5V +5V +5V +5V +5V +5V IC6 (E30-4790-05) DC1 47K 47K 22K 22K 22K 47K 10K 47K 47K 22K 10K 47K J4 J2 D400 D401 D408 D405 D410 D409 D404 D261 D5 D351 D370 ANT-CON. Q350 Q351 D352 Q353 Q352 Q301 Q58 Q60 Q61 Q59 D56 ∗ A TOP VIEW J4 D371 ILLUMI +B SW ILLUMI +B DRIVER DRIVER SW P.CON PROTECTION SW Q49 P-CON. P.CON DETECTION ACC D3 D100 MOTOR +B SW Q260 MOTOR+B DRIVER D260 WH1 Q261 RESET RESET CD-CH SW P.CON PROTECTION INHIBIT SW SW 0.9V 0V or 5.0V 0V 0V o 0V 5.0V 0V 5.0V 1V 0V 5.0V 0V 0V 5.0V 5.0V 2SB1565 DTA114E DTA124EK DTA144EK DTC114TK DTC114YK DTC124EK DTC143TK DTC144EK KRC103S 2SA1036K 2SC2412K 2SB1548 2SB1277 2SB1443 2SA1037K KRA102S KRC104S LA3161 TDA7479D CAUTION : For continued safety, replace safety critical components only with manufacturer's recommended parts (refer to parts list). Indicates safety critical components. To reduce the risk of electric shock, leakage-current or resistance measurements shall be carried out (exposed parts are acceptably insulated from the supply circuit) before the appliance is returned to the customer. • DC voltages are as measured with a high impedance voltmeter. Values may vary slightly due to variations between individual instruments or/and units. ! www. xiaoyu163. com QQ 376315150 9 9 2 8 9 4 2 9 8 TEL 13942296513 9 9 2 8 9 4 2 9 8 0 5 1 5 1 3 6 7 3 Q Q TEL 13942296513 QQ 376315150 892498299 TEL 13942296513 QQ 376315150 892498299 F G H I J 16 15 14 13 12 11 10 9 8 7 6 5 4 3 2 1 FL+ RL+ FL- RL- FR- RR- FR+ RR+ P-ANT P-CON ACC B.U GND 19 23 17 21 9 3 7 5 L1 C50 3300u16 + 0.01 3.3K 1/2W 33K R52 10K R54 R370 4.7K R350 4.7K R351 1K R352 3.3u25 C350 + 22K C351 0.1u50 C352 + 1K 0.068 100u10 C159 + + C160 10u16 R152 1K R151 4.7K 91K R153 180K C162 1u50 + R157 100 R158 33K R155 430 R156 12 11 10 9 8 7 6 5 4 3 2 1 PAN 5W L DATA S L CLK L CE L DATA L u GND PAN5V RESET ILL GND ILL +B ESD GND R322 2.2K R301 470 R302 470 R303 1K R304 1K 27K 47K R320 R321 48 49 43 13 12 2 11 60 55 C56 100u6.3 5.6K R61 + 47K R60 10u10 R58 22K 100 R59 C55 + C54 0.01 100u16 + 50 GND 7 R162 47K 6 5 4 3 C164 0.01 2 1 9 8 11 10 12 13 VDD 14 C53 F1 (10A) R159 100K 1 56 55 54 53 52 51 50 49 48 47 46 45 44 43 42 40 39 38 37 36 35 34 33 32 31 30 29 28 27 26 25 24 23 22 21 1 2 3 4 5 6 7 8 9 10 11 12 13 14 15 16 61 62 63 64 65 66 67 68 69 70 71 72 73 74 75 76 77 78 79 80 P.ON B.U.DET ACC DET P. CONT BEEP AMP STBY SVR REQ H CH CON AMP MUTE MUTE AFC PLL DATA PLL CLK VSS 1 IF COUNT SD FF/REW MOTOR PANEL L CE L RES AVSS R DATA R QUAL IC2 SEL 0 L DATA L L DATA S DATA C SEL 1 R CLK PACK IN VDD 1 X2 X1 IC XT1 VDD 0 S METER R306 1K 2 1 TH1 P1 10 R323 1/2W 1/2W Q151 Q153 Q320 16 DATA H 17 CH CLK 18 19 20 IC2 SEL 1 AVREF 1 L CLK 16 17 18 11 12 13 28 27 4.7K R117 R119 2.2K R120 1K R121 10K 1K 1K R123 10K R122 R124 IC2 CLK IC2 DATA FM+B AM+B 4.7K ∗R125 36 35 39 37 38 40 41 32 41 REQ C KEY-REQ SEL 0 VSS 0 AVREFO PHONE NOISE AV CONT ∗R107 R106 2.2K 10K 62 47K R105 6.8K X1 C102 15P 15P C103 3 2 1 57 58 59 60 10 R100 0.022 C104 RESET FWD/REV ILLUMI 55 R55 47K 47K R57 C52 54 54 R353 Q351 53 48 50 49 43 45 46 T-MUTE R380 10K 0.01 C380 22K R381 ∗R104 47K ∗R103 47K ∗R101 47K R140 47K 2.2K R142 47K R110 100K R113 2.2K ∗R102 L RES R305 1K 3 57 R49 100K 22K R48 53 21 3 1 11 5 7 9 13 15 17 19 23 25 TAB RR+ RR- FR- FR+ FRI GND RLI RL+ RL- FL- FL+ CD GND 2 4 STBY 6 VCC 8 GND 10 SVR 12 RRI 14 FLI 16 AC GND 18 GND 20 VCC 22 MUTE 24 GND 4.7K R14 0.22u50 C16 750 4.7K 0.22u50 C18 R16 4.7K 0.22u50 C15 R13 1u50 + 0.22u50 4.7K R15 C17 17 19 23 21 24 25 23 26 R154 C161 58 60 5 6 IC4 Q350,353 Q352 Q51,52 76 78 3 5 7 9 382 47K R51 47K R133 10K ∗R161 ∗C163 0.01 4.19MHz 47K ∗R108 100K R111 R112 1 2 3 4 5 C101 0.01 +B +B +B +B +B +B +B +B +B +B +B +B +B +B +5V +5V +5V +5V +5V +5V +5V +5V +5V +5V +5V +5V +5V +5V +5V +5V P5V P5V P5V P5V P5V P5V +5V IC3 SYNTHESIZER UNIT (X14-687X-XX) IC4 ∗IC1 IC6 22K 22K 47K 10K 47K 47K 10K 22K 22K D50 D52 D51 Q50 D351 D370 ANT-CON. Q350 Q351 D352 353 Q352 Q151 D150 D152 D151 J3 Q320 01 Q53 Q52 Q51 D53 D54 ∗Q153 D371 DRIVER SW P.CON PROTECTION SW P.ON 5V SW SYSTEM u-COM DISCHARGE SW PRE OUT MUTE SW PANEL 5V SW Q49 P-CON. P.CON SVR FORCED DETECTION ACC D380 D100 MUTE LOGIC POWER ANPLIFIER RESET P.CON PROTECTION INHIBIT SW BACK-UP 5V DRIVER SW DETECTION BACK-UP SW 0V 4.4V 0V 5V 0V 5V 0V 5V 0V 0V 5V 5.0V 0V 5V 0V 5.0V 0V or 5.0V 0V 5V 0V 5V 0V 0V 5V 5V 0V 0V or 5.0V 0V 5V 5V 0.9V 0V or 5.0V 5V 0V 0V or 5.0V 0V 5.0V 0V 5.0V 1V 0V 5.0V 0V 4V 0V 4V 1.6V 14.4V 4.8V 0V 7.3V 0V 7.2V 7.2V 3.3V 14.4V 0V 7.3V 7.3V 7.3V 7.3V 7.2V 0V 7.2V 7.3V 7.3V 7.3V 7.3V 0V 7.3V 0V 0V 2.5V 5.0V 0V 5.0V 5.0V ∗R118 2.2K 34 www. xiaoyu163. com QQ 376315150 9 9 2 8 9 4 2 9 8 TEL 13942296513 9 9 2 8 9 4 2 9 8 0 5 1 5 1 3 6 7 3 Q Q TEL 13942296513 QQ 376315150 892498299 TEL 13942296513 QQ 376315150 892498299 K L M N O 1 2 3 4 5 6 7 AM+B 19 23 20 21 22 AUDIO OUT SD S-METER IF1+B 14 17 18 VDD 5V IF2+B 15 16 SDA SCL DIG GND 10 11 12 13 OSC GND VT PLL+B IFC OUT 7 8 9 OSC GND OSC GND OSC GND FM ANT 3 4 5 6 AM ANT RF GND FM+B 1 2 RF GND 10u16 C450 + 270 R450 10u16 C451 R451 R454 100 R452 30K Lch R453 30K R455 100 + 270 Rch 0.01 23 24 25 26 0.01 C151 47u10 C150 + L3 4.7uH ∗C158 R150 4.7K 0.1 C155 C153 0.015 C154 0.22 0.033 150P C157 C156 7 5 6 0.22 0.22 24 IF1 GND IF2 GND 0.01 C202 0.01 C204 22K R203 22K R201 1K R202 1K R200 R205 150 35 34 36 4.7uH 76 32 C209 47u10 + 1 2 3 4 5 FWD/REV GND HEAD R HEAD COM HEAD L 0.047 C251 10K R251 1500P C2 1500P C1 22K R1 22K R2 100u16 C57 + R62 100u10 C58 + 1K R64 1K R63 R65 2.2 1/2W R66 2.2 1/2W R207 2.7K R206 4.7K 3 4 + 0.022 4 C7 120K R7 100u10 100 + 100P C5 C9 R5 6.8K R3 L IN 8 L NF L OUT 7 6 C3 47u6.3 3 10 R250 120K R8 C250 100u10 R6 6.8K + C8 0.022 C10 100u10 R4 100 GND VCC R OUT 5 4 100P C6 R NF 3 2 + + C4 47u6.3 R IN 1 40 39 37 38 28 27 26 25 24 23 22 21 20 18 17 16 15 AC OUT L AC OUT R OUT LF OUT RF OUT LR OUT RR VDD GND SDA S MUTE QUAL MUX R MUX L 1 2 3 4 5 6 7 8 9 10 11 12 13 14 VREF CREF TAPE L TAPE R CDR CDGND CDL PH- PH+ AM MPX LEVEL MP IN MP OUT C14 C13 L4 52mH C452 T.MUTE GND MOT GND MOT+B GND PACK IN Lch 1 2 FWD REV Rch Ref.99 6 3 4 5 10K Q54,55 Q150 19 SCL 1u50 C152 + 41 0.1 C506 78 1K ∗R160 L6 4.7uH 4.7uH L7 L10 0.01 C214 1 2 3 4 5 6 7 8 QUAL RDDA VREF MPX OSEL GND ARI FILOUT 16 15 14 13 12 11 10 9 RDCK T57 OSCO OSCI VCC EXTRES TM TSEL R501 2.2K R502 2.2K R500 2.2K C500 10u6.3 + 4.7K R504 330P C501 L12 4.7uH X2 4.3320MHz C504 10P C505 10P 10u6.3 C503 + 0.01 C502 R503 1K Q450,451 Q503 502 Q501, Q500 Q56,57 5 6 62 47K R252 W200 L8 4.7uH 58 +B +B +B +B +B +B +8V +8V +8V +8V +5V +8V +8V +8V +8V +8V +8V +8V +8V +8V P5V P5V P5V P5V P5V P5V P5V IC5 IC2 A ME1 (D40-1136-05) IC7 4.7K 4.7K 22K 22K 47K 22K 47K 22K 22K 22K 10K ∗A1 REAR PRE OUT Q450 J5 Q451 Q150 Q201 D200 Q203 ANT J1 CN1 Q55 Q54 D55 Q56 Q57 SW ∗ D ∗ E 8V IC1 : IC2 : TDA7400D IC3 : HD74HC27FP ∗ IC4 : TDA7386 IC5 : LA3161 Q49,50,52,57,61,500,503 : 2SC2412K or 2SD601A Q51,261 : 2SB1443 Q53 : 2SA1036K Q54,58 : DTC144EK or KRC104S UN2213 or Q55,59,153,352,502 : DTA124EK or UN2112 or Q56,60 : 2SA2057 or 2SB1548(P) or Q201,203,350 : 2SB1277(Q,R) Q301 : DTA144EK or UN2113 Q320,351 : 2SA1037K Q450,451 : DTC143TK or UN2216 D50 : 1N5393G-M6 or S2V20∗A D51,405,410 : MA4068(N)-M or HZS7A3L D52,200 : MA4051(N)-M D53,260,261,351,370,371 : AM01Z or ERA15-01 D54 : MA4056(N)-M D55 : MA4091(N)-L D56 : MA4110-L D100,150-152,352 : 1SS133 J1 X16- 2/2 Q150 UN2212 or DTC124EK or : Q151,260,353 UN2214 or KRA103S 2SB1655(E,F) or 2SB1565(E,F) KRC103S KRC107S DTC114YK or : MA4062-L D400,401,404,408,409 : HD1 S3 M M1 S1 S2 8V DRIVER EQUALIZER AMPLIFIER E-VOLUME MUTE SW PRE OUT FM+B SW AM+B SW FRONT END E-VOL MUTE SW Q501 Q502 ∗Q503 Q500 PST9135NR TDA7479D IC6 IC7 : : DTC114TK or Q501 : UN2215 RDS DECODER NOISE BUFFER AFC TIME CONSTANT SW OUTPUT AUDIO BUFFER DSM1SD2 or D380 MA4047-M : B LINE GND LINE SIGNAL LINE 1.3V 0.8V 3.5V 0V 8.0V 3.5V 0.8V 1.3V 4.0V 4.0V 4.0V 4.0V 4.0V 4.0V 4.0V 4.0V 4.0V 5.0V 0V 3.5V 0V 8.0V 4.0V 0V 4V 0.3V 3V 2.4V 2.4V 5.0V 0V 0V 5.0V ∗ C 0-21 100P MODEL NAME KRC-294YA/YG (E) UNIT NO. 2-70 100P R103 C158 KRC-27YA/YG (E) KRC-294A/G (E) KRC-266RG (M) YES YES IC1 UPD780058GC465 2-71 KRC-17YA/YG (E) KRC-194YA/YG (E) NO 100P NO NO YES YES NO YES R104 UPD780058GCxxx R107,108, 125,160 UPD780058GC172 UPD780058GC465 KRC-194A/G (E) KRC-17G (E) YES YES YES 0-22 KRC-266LA/LG (M) YES 0.1 YES R102 YES YES YES NO R101 NO NO NO YES NO YES YES YES NO UPD780058GC425 NO 2-73 KRC-2904YA/YG (E) NO 0.1 NO YES NO YES NO UPD780058GC425 NO (X14-687X-XX) A D E YES YES YES YES NO C R118 NO NO NO NO YES R161 YES YES YES YES NO YES YES C163 YES YES NO X86-3322-70 X86-3322-70 A1 X86-3322-70 X86-3322-70 X86-3282-72 YES YES YES Q503 NO NO YES YES YES Q153 YES NO KRC-266RG/LA/LG KRC-294YA/YG/194YA/YG/27YA/YG/17YA/YG KRC-294A/G/194A/G/17G/2904YA/YG (1/2) www. xiaoyu163. com QQ 376315150 9 9 2 8 9 4 2 9 8 TEL 13942296513 9 9 2 8 9 4 2 9 8 0 5 1 5 1 3 6 7 3 Q Q TEL 13942296513 QQ 376315150 892498299 TEL 13942296513 QQ 376315150 892498299 P Q R S T 1 2 3 4 5 6 7 0V 5V 5.0V 3.3V 1.7V 0V 5.0V 5V 3.3V 0V 5V 0V 5V 1.7V 3.3V 5V 0V 0V 5V 0V 5V 5V 0V IC1 SWITCH UNIT (X16-1512-7x) A B LINE GND LINE J1 Q1 D14 : ∗ D1-13,15 : ∗ Q1 : DTA114EK IC1 : LC75883E J3 X14- 1/2 LCD DRIVER DETECTION PANEL ED1 RST ∗D14 ∗D12 ∗D9 ∗D6 ∗D4 ∗D1 ∗D15 ∗D13 ∗D10 ∗D7 ∗D5 ∗D2 ∗D11 ∗D8 ∗D3 D17 : MA3062-M D17 ED1 +5V +5V +B +B +B +B +B 12 11 10 9 8 7 6 5 4 3 2 1 PANEL SW L-DATA S L-CLK L-CE L-DATA L L-RES u-GND PAN 5V RST ILL-GND ILL+B ESD-GND 64 63 62 61 60 59 58 57 56 55 54 53 52 51 50 49 48 47 46 45 44 43 42 1 2 3 4 5 6 7 8 9 10 11 12 13 14 15 16 17 18 19 20 21 22 23 65 66 67 68 69 70 71 72 73 74 75 76 77 78 79 80 KS6 KS5 KS4 KS3 KS2 KS1 COM3 COM2 COM1 S55 S54 S53 S52 S51 S50 S49 S48 S47 S46 S45 S44 S43 S42 KEY S4 S5 S6 S7 S8 S9 S10 S11 S12 S13 S14 S15 S16 S17 S18 S19 S20 S21 S22 S23 KI1 KI2 KI3 KI4 KI5 VDD VDD1 VDD2 VSS TEST OSC RES DATA L CE CL DATA S KI1 KI2 KI4 KI3 C3 0.047 C1 1000P C2 0.047 R7 56K C4 0.01 R21 4.7 R8 1K R9 47K 79 80 78 76 77 78 77 79 76 R6 100 R3 100 R5 100 R4 100 R2 1K 80 KS5 4 5 6 7 8 9 10 11 12 13 14 15 16 17 18 19 20 21 22 23 KS4 KS3 KS2 KS1 C3 C2 C1 55 54 53 52 51 50 49 48 47 46 45 44 43 42 PL2 PL1 13 13 R18 470 R15 470 R14 330 R13 R12 330 R10 470 R11 330 R17 3 3 10K 10K 31 30 29 28 27 26 25 24 23 22 21 20 19 18 17 16 15 14 13 12 11 10 9 8 7 6 5 4 3 2 1 S55 S53 S54 S51 S52 S49 S50 S48 S46 S47 S45 S44 S43 S42 S41 S40 S39 S38 S37 S36 S35 S34 S33 S32 S31 S30 S29 S28 S27 S26 S25 45 44 43 42 41 40 39 38 37 36 35 34 33 32 31 30 29 28 27 26 25 24 23 22 21 20 19 18 17 16 15 14 13 12 11 10 9 8 7 6 5 4 3 2 1 S14 S13 S7 S8 S6 S9 S5 S11 S10 S12 S4 COM3 COM2 COM1 S55 S53 S54 S51 S52 S49 S50 S48 S46 S47 S45 S44 S43 S42 S41 S40 S39 S38 S37 S36 S35 S34 S33 S32 S31 S30 S29 S28 S27 S26 S25 25 26 27 28 29 30 31 32 33 34 35 36 37 38 39 40 41 42 43 44 45 47 46 48 50 49 52 51 54 53 55 4 12 10 11 5 9 6 8 7 13 14 www. xiaoyu163. com QQ 376315150 9 9 2 8 9 4 2 9 8 TEL 13942296513 9 9 2 8 9 4 2 9 8 0 5 1 5 1 3 6 7 3 Q Q TEL 13942296513 QQ 376315150 892498299 TEL 13942296513 QQ 376315150 892498299 U V W X Y 1 2 3 4 5 6 7 0V 5V 0V 5V 1.7V 3.3V MODEL NAME KRC-266LA (M) UNIT NO. 2-70 KRC-294YA (E) KRC-194YA (E) KRC-27YA (E) KRC-17YA (E) KRC-294A (E) KRC-194A (E) KRC-2904YA (E) 2-71 KRC-294YG (E) KRC-266RG/LG (M) KRC-194YG (E) KRC-27YG (E) KRC-294G (E) KRC-17YG (E) KRC-194G (E) KRC-17G (E) KRC-2904YG (E) (X16-1512-7X) B30-1566-05 D1-13,15 B30-1565-05 B30-1511-05 D14 B30-2025-05 KRC-266RG/LA/LG (2/2) KRC-294YA/YG/194YA/YG/27YA/YG/17YA/YG (2/2) KRC-294A/G/194A/G/17G/2904YA/YG (2/2) E 2 1 CLK ATT AM 6 5 VOL+ FM AUDIO AUTO VOL- T.UP 4 3 T.DOWN SRC 43 42 41 40 39 38 37 36 35 34 33 32 31 30 29 28 27 26 25 22 23 24 S44 S43 S42 S41 S40 S39 S38 S37 S36 S35 S34 S33 S32 S31 S30 S29 S28 S27 S26 S25 S21 S22 S23 S24 25 21 22 23 26 27 28 29 30 31 32 33 34 35 36 37 38 39 40 44 43 42 41 KS1 KS2 KS3 KS4 KS5 KI4 KI3 KI2 KI1 C1 C2 C3 50 49 48 47 46 45 44 43 42 41 40 39 38 37 36 35 34 33 32 31 30 S19 S18 S17 S16 S15 S14 S13 S7 S8 S6 S9 S5 S11 S10 S12 S4 COM3 COM2 COM1 S55 S53 54 53 52 51 S23 S22 S21 S20 50 49 48 47 46 45 44 S19 S18 S17 S16 S15 S14 S13 54 53 52 51 S23 S22 S21 S20 7 13 14 15 16 17 18 19 20 21 22 23 CAUTION : For continued safety, replace safety critical components only with manufacturer's recommended parts (refer to parts list). Indicates safety critical components. To reduce the risk of electric shock, leakage-current or resistance measurements shall be carried out (exposed parts are acceptably insulated from the supply circuit) before the appliance is returned to the customer. • DC voltages are as measured with a high impedance voltmeter. Values may vary slightly due to variations between individual instruments or/and units. ! www. xiaoyu163. com QQ 376315150 9 9 2 8 9 4 2 9 8 TEL 13942296513 9 9 2 8 9 4 2 9 8 0 5 1 5 1 3 6 7 3 Q Q TEL 13942296513 QQ 376315150 892498299 TEL 13942296513 QQ 376315150 892498299 Parts with the exploded numbers larger than 700 are not supplied. A B 1 2 3 31 54 4 99 101 115 53 111 102 102 12 103 111 31 33 14 102 114 52 39 10 40 34 58 57 39 9 35 112 113 7 6 26 25 HD1 56 100 106x2 37 36 38 CM1 20 5 1 23 22 105x2 113 112 16 18 17 19 102 104 KRC-17G/YA/YG, 194A/G/YA/YG, 266LA/LG/RG KRC-27YA/YG, 2904YA/YG, 294A/G/YA/YG 13 EXPLODED VIEW (MECHANISM) www. xiaoyu163. com QQ 376315150 9 9 2 8 9 4 2 9 8 TEL 13942296513 9 9 2 8 9 4 2 9 8 0 5 1 5 1 3 6 7 3 Q Q TEL 13942296513 QQ 376315150 892498299 TEL 13942296513 QQ 376315150 892498299 KRC-17G/YA/YG, 194A/G/YA/YG, 266LA/LG/RG KRC-27YA/YG, 2904YA/YG, 294A/G/YA/YG 14 EXPLODED VIEW (UNIT) Parts with the exploded numbers larger than 700 are not supplied. C D 1 2 3 C D 1 2 3 M3x4 φ3x5 φ3x10 φ3x8 φ3x20 φ2.6x6 M3x8 : N30-3004-46 : N83-3005-46 : N35-3010-46 : N80-3008-46 : N83-3020-46 : N86-2606-46 : N30-3008-46 A B C D E F K B B B B (X14-) Ax2 Ax2 K K Refer to the following page. CME1 A1 F1 244 211 242 206 201 262 221 766 261 216x2 (X14-) J1 (X14-) (X14-) J5 (X14-) J4 (X14-) 772 (X14-) 771 (X14-) 770 (X14-) 773 (X14-) J2 (X14-) L1 724 702 B B E D Cx2 Fx2 263 DC1 Depends on model. Refer to the parts list www. xiaoyu163. com QQ 376315150 9 9 2 8 9 4 2 9 8 TEL 13942296513 9 9 2 8 9 4 2 9 8 0 5 1 5 1 3 6 7 3 Q Q TEL 13942296513 QQ 376315150 892498299 TEL 13942296513 QQ 376315150 892498299 KRC-17G/YA/YG, 194A/G/YA/YG, 266LA/LG/RG KRC-27YA/YG, 2904YA/YG, 294A/G/YA/YG 15 EXPLODED VIEW (UNIT) Parts with the exploded numbers larger than 700 are not supplied. E F 1 2 3 G J H G φ2x6 φ1.5 φ2x8 (BLK) : N80-2006-46 : N29-0205-04 : N80-2008-45 G H J Jx2 Jx2 203 228 218 219 229 217 704 767 (X16-) (X16-) (X16-) 277 (X16-) 278 (X16-) 279 (X16-) ED1 (X16-) 276 780 207 230 241 253 709 249 222 205 PA1 250 246 252 251 254 248 251 255 227 227 227 247 226 www. xiaoyu163. com QQ 376315150 9 9 2 8 9 4 2 9 8 TEL 13942296513 9 9 2 8 9 4 2 9 8 0 5 1 5 1 3 6 7 3 Q Q TEL 13942296513 QQ 376315150 892498299 TEL 13942296513 QQ 376315150 892498299 KRC-17G/YA/YG, 194A/G/YA/YG, 266LA/LG/RG KRC-27YA/YG, 2904YA/YG, 294A/G/YA/YG 16 PARTS LIST ∗New Parts Parts without Parts No. are not supplied. Les articles non mentionnes dans le Parts No. ne sont pas fournis. Teile ohne Parts No. werden nicht geliefert. Ref. No. A d d N e w Parts No. Description Dest inati on KRC-17./194./266./27./2904./294. 201 1C A02-1486-13 PLASTIC CABINET ASSY 203 1F A22-2386-13 SUB PANEL ASSY 205 2F A46-1748-01 REAR COVER 206 1D A52-0756-12 TOP PLATE 207 1F A53-1638-13 CASSETTE LID PA1 3E ✽ A64-2916-02 PANEL ASSY M1 PA1 3E A64-2917-02 PANEL ASSY M2M3 PA1 3E ✽ A64-2923-02 PANEL ASSY EE1ZZ1 PA1 3E ✽ A64-2924-02 PANEL ASSY E2E3Z2 PA1 3E ✽ A64-2924-02 PANEL ASSY Z3 PA1 3E ✽ A64-2925-02 PANEL ASSY E6E7Z4 PA1 3E ✽ A64-2927-02 PANEL ASSY Z7Z8 PA1 3E ✽ A64-2933-02 PANEL ASSY E4E5 - B46-0100-50 WARRANTY CARD M1M2M3 - B46-0100-50 WARRANTY CARD ZZ1Z2 - B46-0100-50 WARRANTY CARD Z3Z4Z7 - B46-0100-50 WARRANTY CARD Z8 - B46-0182-14 ID CARD ZZ2 - B46-0606-04 ID CARD EE1E2 - B46-0606-04 ID CARD E3E4E5 - B46-0606-04 ID CARD E6E7Z1 - B46-0606-04 ID CARD M1M2M3 - B46-0606-04 ID CARD Z3Z4Z7 - B46-0606-04 ID CARD Z8 - B58-1365-04 CAUTION CARD - ✽ B64-2435-00 INSTRUCTION MANUAL(ENG,T-CHI) M1M2M3 - ✽ B64-2436-00 INSTRUCTION MANUAL(ARABIC) M1M2M3 - ✽ B64-2437-00 INSTRUCTION MANUAL(ENGLISH) EE1E2 - ✽ B64-2437-00 INSTRUCTION MANUAL(ENGLISH) E3E4E5 - ✽ B64-2437-00 INSTRUCTION MANUAL(ENGLISH) E6E7Z - ✽ B64-2437-00 INSTRUCTION MANUAL(ENGLISH) Z1Z2Z3 - ✽ B64-2437-00 INSTRUCTION MANUAL(ENGLISH) Z4 - ✽ B64-2438-00 INSTRUCTI. MANUAL(FRE,GER,DUT) ZZ1Z2 - ✽ B64-2438-00 INSTRUCTI. MANUAL(FRE,GER,DUT) Z3 - ✽ B64-2439-00 INSTRUCTI. MANUAL(ITA,SPA,POR) ZZ1Z2 - ✽ B64-2439-00 INSTRUCTI. MANUAL(ITA,SPA,POR) Z3Z4 - ✽ B64-2440-00 INSTRUCTION MANUAL(ENG,RUS) Z7Z8 - ✽ B64-2442-00 INSTRUCTI. MANUAL(RUS,POL,CZE) EE1E2 - ✽ B64-2442-00 INSTRUCTI. MANUAL(RUS,POL,CZE) E3E4E5 - ✽ B64-2442-00 INSTRUCTI. MANUAL(RUS,POL,CZE) E6E7 - ✽ B64-2443-00 INSTRUCTI. MANUAL(HUN,CRO,SLO) EE1E2 - ✽ B64-2443-00 INSTRUCTI. MANUAL(HUN,CRO,SLO) E3E4E5 - ✽ B64-2443-00 INSTRUCTI. MANUAL(HUN,CRO,SLO) E6E7 211 3C B07-2188-02 ESCUTCHEON 216 1C D10-3031-04 LEVER 217 1F D10-4446-03 LEVER 218 1F D10-4447-03 LEVER 219 1F D21-2329-04 SHAFT CME1 2C D40-1136-05 CASSETTE MECHANISM ASSY 221 2D E29-1585-04 LEAD PLATE 222 2F E29-1869-02 CONDUCTIVE RUBBER DC1 1C E30-4790-05 DC CORD Ref. No. A d d N e w Parts No. Description Dest inati on DC1 1C E30-6134-05 DC CORD F1 2D F52-0006-05 FUSE(MINI BLADE TYPE) F1 2D F52-0011-05 FUSE(MINI BLADE TYPE) 226 1F G01-2525-04 TORSION COIL SPRING 227 3F G01-2793-14 COMPRESSION SPRING 228 1F G01-2987-04 TORSION COIL SPRING 229 1F G01-2988-04 EXTENSION SPRING 230 2F G01-2990-04 COMPRESSION SPRING - H10-4685-12 POLYSTYRENE FOAMED FIXTURE - H25-0329-04 PROTECTION BAG (280X450X0.03) EE1E2 - H25-0329-04 PROTECTION BAG (280X450X0.03) E3E4E5 - H25-0329-04 PROTECTION BAG (280X450X0.03) E6E7 - H25-0329-04 PROTECTION BAG (280X450X0.03) M1M2M3 - H25-0337-04 PROTECTION BAG (180X300X0.03) - H25-1111-04 PROTECTION BAG (280X450X0.03) ZZ1Z2 - H25-1111-04 PROTECTION BAG (280X450X0.03) Z3Z4Z7 - H25-1111-04 PROTECTION BAG (280X450X0.03) Z8 - ✽ H54-2670-03 ITEM CARTON CASE M1 - ✽ H54-2671-03 ITEM CARTON CASE M2 - ✽ H54-2672-03 ITEM CARTON CASE M3 - ✽ H54-2674-03 ITEM CARTON CASE Z - ✽ H54-2675-03 ITEM CARTON CASE Z1 - ✽ H54-2676-03 ITEM CARTON CASE Z2 - ✽ H54-2677-03 ITEM CARTON CASE Z3 - ✽ H54-2678-03 ITEM CARTON CASE Z4 - ✽ H54-2681-03 ITEM CARTON CASE Z7 - ✽ H54-2682-03 ITEM CARTON CASE Z8 - ✽ H54-2683-03 ITEM CARTON CASE E - ✽ H54-2684-03 ITEM CARTON CASE E1 - ✽ H54-2685-03 ITEM CARTON CASE E2 - ✽ H54-2686-03 ITEM CARTON CASE E3 - ✽ H54-2687-03 ITEM CARTON CASE E4 - ✽ H54-2688-03 ITEM CARTON CASE E5 - ✽ H54-2689-03 ITEM CARTON CASE E6 - ✽ H54-2690-03 ITEM CARTON CASE E7 241 3E J19-5125-02 HOLDER 242 1C J21-9701-03 MOUNTING HARDWARE ASSY 244 3D J61-0307-05 WIRE BAND 246 3F K24-3545-04 KNOB (EJECT) 247 3F K24-3546-04 KNOB (FF) 248 3F K24-3547-04 KNOB (REW) 249 3E K24-3817-03 KNOB (SRC) 250 2E K24-3818-04 KNOB (RELEASE) 251 3E K24-3819-04 KNOB (SEEK) 252 3E K25-1387-03 KNOB (AUTO,CLK) 253 3E K25-1388-03 KNOB (ATT,PRE,RST) 254 3E K25-1389-03 KNOB (FM/AM) 255 3E K25-1390-03 KNOB (VOL) 261 1C N99-1610-15 SCREW SET M1M2M3 262 1C N99-1719-05 SCREW SET M1M2M3 A 3D N30-3004-46 PAN HEAD MACHINE SCREW B 3D N83-3005-46 PAN HEAD TAPTITE SCREW G 3E N80-2006-46 PAN HEAD TAPTITE SCREW ! ! ! ! E : KRC-294YA E4: KRC-27YA Z : KRC-294A Z4: KRC-17G M1: KRC-266RG E1: KRC-294YG E5: KRC-27YG Z1: KRC-294G Z7: KRC-2904YA M2: KRC-266LA E2: KRC-194YA E6: KRC-17YA Z2: KRC-194A Z8: KRC-2904YG M3: KRC-266LG E3: KRC-194YG E7: KRC-17YG Z3: KRC-194G indicates safety critical components. ! www. xiaoyu163. com QQ 376315150 9 9 2 8 9 4 2 9 8 TEL 13942296513 9 9 2 8 9 4 2 9 8 0 5 1 5 1 3 6 7 3 Q Q TEL 13942296513 QQ 376315150 892498299 TEL 13942296513 QQ 376315150 892498299 KRC-17G/YA/YG, 194A/G/YA/YG, 266LA/LG/RG KRC-27YA/YG, 2904YA/YG, 294A/G/YA/YG 17 Dest inati on PARTS LIST ∗New Parts Parts without Parts No. are not supplied. Les articles non mentionnes dans le Parts No. ne sont pas fournis. Teile ohne Parts No. werden nicht geliefert. Ref. No. A d d N e w Parts No. Description Dest inati on SYNTHESIZER UNIT (X14-687x-xx) H 2F N29-0205-04 RETAINING RING (1.5) J 2F N80-2008-45 PAN HEAD TAPTITE SCREW K 1D N30-3008-46 PAN HEAD MACHINE SCREW 263 1C T90-0523-05 ANTENNA ADAPTOR 263 1C T90-0534-05 ANTENNA ADAPTOR C1 ,2 CK73GB1H152K CHIP C 1500PF K C3 ,4 CE04CW0J470M ELECTRO 47UF 6.3WV C5 ,6 CC73GCH1H101J CHIP C 100PF J C7 ,8 CK73GB1E223K CHIP C 0.022UF K C7 ,8 CK73GB1H223K CHIP C 0.022UF K C9 ,10 CE04CW1A101M ELECTRO 100UF 10WV C13 ,14 CK73GB1A224K CHIP C 0.22UF K C15 -18 C90-5296-05 NP-ELECT 0.22UF 50WV C50 C90-5242-05 ELECTRO 3300UF 16WV C52 CK73GB1H103K CHIP C 0.010UF K C53 CE04CW1C101M ELECTRO 100UF 16WV C54 CK73GB1H103K CHIP C 0.010UF K C55 C90-2594-05 ELECTRO 10UF 10WV C56 CE04CW0J101M ELECTRO 100UF 6.3WV C57 CE04CW1C101M ELECTRO 100UF 16WV C58 CE04CW1A101M ELECTRO 100UF 10WV C101 CK73GB1H103K CHIP C 0.010UF K C102,103 CC73GCH1H150J CHIP C 15PF J C104 CK73GB1E223K CHIP C 0.022UF K C104 CK73GB1H223K CHIP C 0.022UF K C150 CE04CW1A470M ELECTRO 47UF 10WV C151 CK73GB1H103K CHIP C 0.010UF K C152 C90-2608-05 ELECTRO 1.0UF 50WV C153 CK73GB1H153K CHIP C 0.015UF K C154 CK73GB1A224K CHIP C 0.22UF K C155 CK73GB1C104K CHIP C 0.10UF K C156 CK73GB1E333K CHIP C 0.033UF K C156 CK73GB1H333K CHIP C 0.033UF K C157 CC73GCH1H151J CHIP C 150PF J C158 CC73GCH1H101J CHIP C 100PF J E2E3E4 C158 CC73GCH1H101J CHIP C 100PF J E5E6E7 C158 CC73GCH1H101J CHIP C 100PF J M1EE1 C158 CC73GCH1H101J CHIP C 100PF J ZZ1Z2 C158 CC73GCH1H101J CHIP C 100PF J Z3Z4 C158 CK73GB1C104K CHIP C 0.10UF K M2M3Z7 C158 CK73GB1C104K CHIP C 0.10UF K Z8 C159 CE04CW1A101M ELECTRO 100UF 10WV C160 C90-2597-05 ELECTRO 10UF 16WV C161 C90-2935-05 ELECTRO 1.0UF 50WV C162 C90-2608-05 ELECTRO 1.0UF 50WV C163,164 CK73GB1H103K CHIP C 0.010UF K EE1E2 C163,164 CK73GB1H103K CHIP C 0.010UF K E3E4E5 C163,164 CK73GB1H103K CHIP C 0.010UF K E6E7Z C163,164 CK73GB1H103K CHIP C 0.010UF K M1M2M3 C163,164 CK73GB1H103K CHIP C 0.010UF K Z1Z2Z3 C163,164 CK73GB1H103K CHIP C 0.010UF K Z4 C164 CK73GB1H103K CHIP C 0.010UF K Z7Z8 C202 CK73GB1H103K CHIP C 0.010UF K Ref. No. A d d N e w Parts No. Description C204 CK73GB1H103K CHIP C 0.010UF K C209 CE04DW1A470M ELECTRO 47UF 10WV C214 CK73GB1H103K CHIP C 0.010UF K C250 CE04CW1A101M ELECTRO 100UF 10WV C251 CK73GB1E473K CHIP C 0.047U K C350 C90-2598-05 ELECTRO 3.3UF 25WV C351 CK73GB1C683K CHIP C 0.068UF K C352 C90-2602-05 ELECTRO 0.10UF 50WV C380 CK73GB1H103K CHIP C 0.010UF K C400 CE04CW0J220M ELECTRO 22UF 6.3WV EE1E4 C400 CE04CW0J220M ELECTRO 22UF 6.3WV E5ZZ1 C400 CE04CW0J220M ELECTRO 22UF 6.3WV M1M2M3 C401,402 C90-2606-05 ELECTRO 0.47UF 50WV EE1E4 C401,402 C90-2606-05 ELECTRO 0.47UF 50WV E5ZZ1 C401,402 C90-2606-05 ELECTRO 0.47UF 50WV M1M2M3 C450,451 C90-2597-05 ELECTRO 10UF 16WV EE1E2 C450,451 C90-2597-05 ELECTRO 10UF 16WV E3E4E5 C450,451 C90-2597-05 ELECTRO 10UF 16WV E6E7Z C450,451 C90-2597-05 ELECTRO 10UF 16WV M1M2M3 C450,451 C90-2597-05 ELECTRO 10UF 16WV Z1Z2Z3 C450,451 C90-2597-05 ELECTRO 10UF 16WV Z4 C452 CK73GB1H103K CHIP C 0.010UF K EE1E2 C452 CK73GB1H103K CHIP C 0.010UF K E3E4E5 C452 CK73GB1H103K CHIP C 0.010UF K E6E7Z C452 CK73GB1H103K CHIP C 0.010UF K M1M2M3 C452 CK73GB1H103K CHIP C 0.010UF K Z1Z2Z3 C452 CK73GB1H103K CHIP C 0.010UF K Z4 C500 C90-2592-05 ELECTRO 10UF 6.3WV E2E3E4 C500 C90-2592-05 ELECTRO 10UF 6.3WV E5E6E7 C500 C90-2592-05 ELECTRO 10UF 6.3WV M1EE1 C500 C90-2592-05 ELECTRO 10UF 6.3WV ZZ1Z2 C500 C90-2592-05 ELECTRO 10UF 6.3WV Z3Z4 C501 CC73GCH1H331J CHIP C 330PF J E2E3E4 C501 CC73GCH1H331J CHIP C 330PF J E5E6E7 C501 CC73GCH1H331J CHIP C 330PF J M1EE1 C501 CC73GCH1H331J CHIP C 330PF J ZZ1Z2 C501 CC73GCH1H331J CHIP C 330PF J Z3Z4 C502 CK73GB1H103K CHIP C 0.010UF K E2E3E4 C502 CK73GB1H103K CHIP C 0.010UF K E5E6E7 C502 CK73GB1H103K CHIP C 0.010UF K M1EE1 C502 CK73GB1H103K CHIP C 0.010UF K ZZ1Z2 C502 CK73GB1H103K CHIP C 0.010UF K Z3Z4 C503 C90-2592-05 ELECTRO 10UF 6.3WV E2E3E4 C503 C90-2592-05 ELECTRO 10UF 6.3WV E5E6E7 C503 C90-2592-05 ELECTRO 10UF 6.3WV M1EE1 C503 C90-2592-05 ELECTRO 10UF 6.3WV ZZ1Z2 C503 C90-2592-05 ELECTRO 10UF 6.3WV Z3Z4 C504,505 CC73GCH1H100D CHIP C 10PF D E2E3E4 C504,505 CC73GCH1H100D CHIP C 10PF D E5E6E7 C504,505 CC73GCH1H100D CHIP C 10PF D M1EE1 C504,505 CC73GCH1H100D CHIP C 10PF D ZZ1Z2 C504,505 CC73GCH1H100D CHIP C 10PF D Z3Z4 C506 CK73GB1C104K CHIP C 0.10UF K E2E3E4 C506 CK73GB1C104K CHIP C 0.10UF K E5E6E7 C506 CK73GB1C104K CHIP C 0.10UF K M1EE1 KRC-17./194./266./27./2904./294. E : KRC-294YA E4: KRC-27YA Z : KRC-294A Z4: KRC-17G M1: KRC-266RG E1: KRC-294YG E5: KRC-27YG Z1: KRC-294G Z7: KRC-2904YA M2: KRC-266LA E2: KRC-194YA E6: KRC-17YA Z2: KRC-194A Z8: KRC-2904YG M3: KRC-266LG E3: KRC-194YG E7: KRC-17YG Z3: KRC-194G indicates safety critical components. ! www. xiaoyu163. com QQ 376315150 9 9 2 8 9 4 2 9 8 TEL 13942296513 9 9 2 8 9 4 2 9 8 0 5 1 5 1 3 6 7 3 Q Q TEL 13942296513 QQ 376315150 892498299 TEL 13942296513 QQ 376315150 892498299 KRC-17G/YA/YG, 194A/G/YA/YG, 266LA/LG/RG KRC-27YA/YG, 2904YA/YG, 294A/G/YA/YG 18 PARTS LIST ∗New Parts Parts without Parts No. are not supplied. Les articles non mentionnes dans le Parts No. ne sont pas fournis. Teile ohne Parts No. werden nicht geliefert. SYNTHESIZER UNIT (X14-687x-xx) Dest inati on Ref. No. A d d N e w Parts No. Description Dest inati on C506 CK73GB1C104K CHIP C 0.10UF K ZZ1Z2 C506 CK73GB1C104K CHIP C 0.10UF K Z3Z4 CN1 E40-3240-05 PIN ASSY J1 E04-0312-05 RF COAXIAL CABLE RECEPTACLE J2 E58-0863-15 RECTANGULAR RECEPTACLE J3 E58-0888-05 RECTANGULAR RECEPTACLE J4 E56-0834-05 CYLINDRICAL RECEPTACLE EE1E4 J4 E56-0834-05 CYLINDRICAL RECEPTACLE E5ZZ1 J4 E56-0834-05 CYLINDRICAL RECEPTACLE M1M2M3 J5 E63-0013-05 PIN JACK EE1E2 J5 E63-0013-05 PIN JACK E3E4E5 J5 E63-0013-05 PIN JACK E6E7Z J5 E63-0013-05 PIN JACK M1M2M3 J5 E63-0013-05 PIN JACK Z1Z2Z3 J5 E63-0013-05 PIN JACK Z4 WH1 E39-0344-05 WIRING HARNESS L1 L33-1063-15 CHOKE COIL L3 L40-4795-91 SMALL FIXED INDUCTOR(4.7UH,J) L4 L33-1123-05 LINE FILTER COIL L6 -8 L40-4795-91 SMALL FIXED INDUCTOR(4.7UH,J) L10 L40-4795-91 SMALL FIXED INDUCTOR(4.7UH,J) L12 L40-4795-91 SMALL FIXED INDUCTOR(4.7UH,J) E2E3E4 L12 L40-4795-91 SMALL FIXED INDUCTOR(4.7UH,J) E5E6E7 L12 L40-4795-91 SMALL FIXED INDUCTOR(4.7UH,J) M1EE1 L12 L40-4795-91 SMALL FIXED INDUCTOR(4.7UH,J) ZZ1Z2 L12 L40-4795-91 SMALL FIXED INDUCTOR(4.7UH,J) Z3Z4 X1 L77-1167-05 CRYSTAL RESONATOR(4.19M) X2 L77-2002-05 CRYSTAL RESONATOR E2E3E4 X2 L77-2002-05 CRYSTAL RESONATOR E5E6E7 X2 L77-2002-05 CRYSTAL RESONATOR M1EE1 X2 L77-2002-05 CRYSTAL RESONATOR ZZ1Z2 X2 L77-2002-05 CRYSTAL RESONATOR Z3Z4 B 1D N83-3005-46 PAN HEAD TAPTITE SCREW C 1D N35-3010-46 BINDING HEAD MACHINE SCREW D 1D N80-3008-46 PAN HEAD TAPTITE SCREW EE1E2 D 1D N80-3008-46 PAN HEAD TAPTITE SCREW E3E4E5 D 1D N80-3008-46 PAN HEAD TAPTITE SCREW E6E7Z D 1D N80-3008-46 PAN HEAD TAPTITE SCREW M1M2M3 D 1D N80-3008-46 PAN HEAD TAPTITE SCREW Z1Z2Z3 D 1D N80-3008-46 PAN HEAD TAPTITE SCREW Z4 E 1D N83-3020-46 PAN HEAD TAPTITE SCREW F 2D N86-2606-46 BINDING HEAD TAPTITE SCREW R1 ,2 RK73GB2A223J CHIP R 22K J 1/10W R3 RK73EB2E101J CHIP R 100 J 1/4W R4 RK73GB2A101J CHIP R 100 J 1/10W R5 ,6 RK73GB2A682J CHIP R 6.8K J 1/10W R7 ,8 RK73GB2A124J CHIP R 120K J 1/10W R13 RK73EB2E472J CHIP R 4.7K J 1/4W R14 ,15 RK73GB2A472J CHIP R 4.7K J 1/10W R16 RK73EB2E472J CHIP R 4.7K J 1/4W R48 RK73EB2E104J CHIP R 100K J 1/4W R49 RK73EB2E223J CHIP R 22K J 1/4W R51 RD14DB2H332J SMALL-RD 3.3K J 1/2W Ref. No. A d d N e w Parts No. Description R52 RK73FB2B333J CHIP R 33K J 1/8W R54 RK73FB2B103J CHIP R 10K J 1/8W R55 RD14BB2C473J RD 47K J 1/6W R57 RK73GB2A473J CHIP R 47K J 1/10W R58 RK73FB2B223J CHIP R 22K J 1/8W R59 RK73GB2A101J CHIP R 100 J 1/10W R60 RK73GB2A473J CHIP R 47K J 1/10W R61 RK73GB2A562J CHIP R 5.6K J 1/10W R62 RK73GB2A103J CHIP R 10K J 1/10W R63 ,64 RK73GB2A102J CHIP R 1.0K J 1/10W R65 ,66 RD14DB2H2R2J SMALL-RD 2.2 J 1/2W R67 RD14BB2C102J RD 1.0K J 1/6W R100 RD14BB2C100J RD 10 J 1/6W R101 RK73GB2A473J CHIP R 47K J 1/10W M2M3 R102 RK73GB2A473J CHIP R 47K J 1/10W E4E5Z R102 RK73GB2A473J CHIP R 47K J 1/10W M1EE1 R102 RK73GB2A473J CHIP R 47K J 1/10W Z1Z7Z8 R102,103 RK73GB2A473J CHIP R 47K J 1/10W E2E3E6 R102,103 RK73GB2A473J CHIP R 47K J 1/10W E7Z2Z3 R102,103 RK73GB2A473J CHIP R 47K J 1/10W Z4 R103 RK73GB2A473J CHIP R 47K J 1/10W M2M3 R104 RK73GB2A473J CHIP R 47K J 1/10W E4E5Z R104 RK73GB2A473J CHIP R 47K J 1/10W M1EE1 R104 RK73GB2A473J CHIP R 47K J 1/10W Z1Z7Z8 R105 RK73GB2A682J CHIP R 6.8K J 1/10W R106 RK73GB2A222J CHIP R 2.2K J 1/10W R107 RD14BB2C103J RD 10K J 1/6W E2E3E4 R107 RD14BB2C103J RD 10K J 1/6W E5E6E7 R107 RD14BB2C103J RD 10K J 1/6W M1EE1 R107 RD14BB2C103J RD 10K J 1/6W ZZ1Z2 R107 RD14BB2C103J RD 10K J 1/6W Z3Z4 R108 RK73GB2A473J CHIP R 47K J 1/10W E2E3E4 R108 RK73GB2A473J CHIP R 47K J 1/10W E5E6E7 R108 RK73GB2A473J CHIP R 47K J 1/10W M1EE1 R108 RK73GB2A473J CHIP R 47K J 1/10W ZZ1Z2 R108 RK73GB2A473J CHIP R 47K J 1/10W Z3Z4 R110 RK73GB2A104J CHIP R 100K J 1/10W R111 RK73GB2A222J CHIP R 2.2K J 1/10W R112 RK73GB2A104J CHIP R 100K J 1/10W R113 RK73GB2A222J CHIP R 2.2K J 1/10W R117 RK73GB2A472J CHIP R 4.7K J 1/10W R118 RK73GB2A222J CHIP R 2.2K J 1/10W Z7Z8 R119 RD14BB2C222J RD 2.2K J 1/6W R120 RD14BB2C102J RD 1.0K J 1/6W R121 RK73EB2E103J CHIP R 10K J 1/4W R122 RK73GB2A102J CHIP R 1.0K J 1/10W R123 RK73GB2A103J CHIP R 10K J 1/10W R124 RK73GB2A102J CHIP R 1.0K J 1/10W R125 RK73GB2A472J CHIP R 4.7K J 1/10W E2E3E4 R125 RK73GB2A472J CHIP R 4.7K J 1/10W E5E6E7 R125 RK73GB2A472J CHIP R 4.7K J 1/10W M1EE1 R125 RK73GB2A472J CHIP R 4.7K J 1/10W ZZ1Z2 R125 RK73GB2A472J CHIP R 4.7K J 1/10W Z3Z4 R133 RK73GB2A473J CHIP R 47K J 1/10W R140 RK73GB2A473J CHIP R 47K J 1/10W ! ! E : KRC-294YA E4: KRC-27YA Z : KRC-294A Z4: KRC-17G M1: KRC-266RG E1: KRC-294YG E5: KRC-27YG Z1: KRC-294G Z7: KRC-2904YA M2: KRC-266LA E2: KRC-194YA E6: KRC-17YA Z2: KRC-194A Z8: KRC-2904YG M3: KRC-266LG E3: KRC-194YG E7: KRC-17YG Z3: KRC-194G indicates safety critical components. ! www. xiaoyu163. com QQ 376315150 9 9 2 8 9 4 2 9 8 TEL 13942296513 9 9 2 8 9 4 2 9 8 0 5 1 5 1 3 6 7 3 Q Q TEL 13942296513 QQ 376315150 892498299 TEL 13942296513 QQ 376315150 892498299 KRC-17G/YA/YG, 194A/G/YA/YG, 266LA/LG/RG KRC-27YA/YG, 2904YA/YG, 294A/G/YA/YG 19 E : KRC-294YA E4: KRC-27YA Z : KRC-294A Z4: KRC-17G M1: KRC-266RG E1: KRC-294YG E5: KRC-27YG Z1: KRC-294G Z7: KRC-2904YA M2: KRC-266LA E2: KRC-194YA E6: KRC-17YA Z2: KRC-194A Z8: KRC-2904YG M3: KRC-266LG E3: KRC-194YG E7: KRC-17YG Z3: KRC-194G indicates safety critical components. ! PARTS LIST ∗New Parts Parts without Parts No. are not supplied. Les articles non mentionnes dans le Parts No. ne sont pas fournis. Teile ohne Parts No. werden nicht geliefert. Ref. No. A d d N e w Parts No. Description Dest inati on R142 RK73GB2A473J CHIP R 47K J 1/10W R150,151 RK73GB2A472J CHIP R 4.7K J 1/10W R152 RK73FB2B102J CHIP R 1.0K J 1/8W R153 RK73GB2A913J CHIP R 91K J 1/10W R154 RK73GB2A751J CHIP R 750 J 1/10W R155 RK73GB2A431J CHIP R 430 J 1/10W R156 RK73GB2A184J CHIP R 180K J 1/10W R157 RK73GB2A101J CHIP R 100 J 1/10W R158 RK73GB2A333J CHIP R 33K J 1/10W R159 RK73GB2A104J CHIP R 100K J 1/10W R160 RK73EB2E102J CHIP R 1.0K J 1/4W E2E3E4 R160 RK73EB2E102J CHIP R 1.0K J 1/4W E5E6E7 R160 RK73EB2E102J CHIP R 1.0K J 1/4W M1EE1 R160 RK73EB2E102J CHIP R 1.0K J 1/4W ZZ1Z2 R160 RK73EB2E102J CHIP R 1.0K J 1/4W Z3Z4 R161 RK73GB2A103J CHIP R 10K J 1/10W EE1E2 R161 RK73GB2A103J CHIP R 10K J 1/10W E3E4E5 R161 RK73GB2A103J CHIP R 10K J 1/10W E6E7Z R161 RK73GB2A103J CHIP R 10K J 1/10W M1M2M3 R161 RK73GB2A103J CHIP R 10K J 1/10W Z1Z2Z3 R161 RK73GB2A103J CHIP R 10K J 1/10W Z4 R162 RK73GB2A473J CHIP R 47K J 1/10W R200 RD14BB2C102J RD 1.0K J 1/6W R201 RK73EB2E223J CHIP R 22K J 1/4W R202 RD14BB2C102J RD 1.0K J 1/6W R203 RK73EB2E223J CHIP R 22K J 1/4W R205 RK73EB2E151J CHIP R 150 J 1/4W R206 RK73GB2A472J CHIP R 4.7K J 1/10W R207 RK73GB2A272J CHIP R 2.7K J 1/10W R250 RK73EB2E100J CHIP R 10 J 1/4W R251 RK73GB2A103J CHIP R 10K J 1/10W R252 RD14BB2C473J RD 47K J 1/6W R260 RD14DB2H102J SMALL-RD 1.0K J 1/2W R261 RD14BB2C103J RD 10K J 1/6W R262,263 RD14BB2C473J RD 47K J 1/6W R301,302 RK73EB2E471J CHIP R 470 J 1/4W R303-306 RK73EB2E102J CHIP R 1.0K J 1/4W R320 RK73GB2A473J CHIP R 47K J 1/10W R321 RK73EB2E273J CHIP R 27K J 1/4W R322 RK73EB2E222J CHIP R 2.2K J 1/4W R323 RK73EB2E100J CHIP R 10 J 1/4W R350 RD14BB2C472J RD 4.7K J 1/6W R351 RD14DB2H102J SMALL-RD 1.0K J 1/2W R352 RK73FB2B223J CHIP R 22K J 1/8W R353 RD14DB2H102J SMALL-RD 1.0K J 1/2W R370 RD14BB2C472J RD 4.7K J 1/6W R380 RK73EB2E103J CHIP R 10K J 1/4W R381 RK73GB2A223J CHIP R 22K J 1/10W R382 RK73GB2A473J CHIP R 47K J 1/10W R400 RK73EB2E4R7J CHIP R 4.7 J 1/4W EE1E4 R400 RK73EB2E4R7J CHIP R 4.7 J 1/4W E5ZZ1 R400 RK73EB2E4R7J CHIP R 4.7 J 1/4W M1M2M3 R401,402 RK73EB2E100J CHIP R 10 J 1/4W EE1E4 R401,402 RK73EB2E100J CHIP R 10 J 1/4W E5ZZ1 R401,402 RK73EB2E100J CHIP R 10 J 1/4W M1M2M3 Ref. No. A d d N e w Parts No. Description Dest inati on R403 RK73EB2E101J CHIP R 100 J 1/4W EE1E4 R403 RK73EB2E101J CHIP R 100 J 1/4W E5ZZ1 R403 RK73EB2E101J CHIP R 100 J 1/4W M1M2M3 R404,405 RK73GB2A104J CHIP R 100K J 1/10W EE1E4 R404,405 RK73GB2A104J CHIP R 100K J 1/10W E5ZZ1 R404,405 RK73GB2A104J CHIP R 100K J 1/10W M1M2M3 R406,407 RK73EB2E472J CHIP R 4.7K J 1/4W EE1E4 R406,407 RK73EB2E472J CHIP R 4.7K J 1/4W E5ZZ1 R406,407 RK73EB2E472J CHIP R 4.7K J 1/4W M1M2M3 R408 RK73EB2E102J CHIP R 1.0K J 1/4W EE1E4 R408 RK73EB2E102J CHIP R 1.0K J 1/4W E5ZZ1 R408 RK73EB2E102J CHIP R 1.0K J 1/4W M1M2M3 R409,410 RK73EB2E472J CHIP R 4.7K J 1/4W EE1E4 R409,410 RK73EB2E472J CHIP R 4.7K J 1/4W E5ZZ1 R409,410 RK73EB2E472J CHIP R 4.7K J 1/4W M1M2M3 R411,412 RK73EB2E101J CHIP R 100 J 1/4W EE1E4 R411,412 RK73EB2E101J CHIP R 100 J 1/4W E5ZZ1 R411,412 RK73EB2E101J CHIP R 100 J 1/4W M1M2M3 R413 RK73GB2A104J CHIP R 100K J 1/10W EE1E4 R413 RK73GB2A104J CHIP R 100K J 1/10W E5ZZ1 R413 RK73GB2A104J CHIP R 100K J 1/10W M1M2M3 R450,451 RK73FB2B271J CHIP R 270 J 1/8W EE1E2 R450,451 RK73FB2B271J CHIP R 270 J 1/8W E3E4E5 R450,451 RK73FB2B271J CHIP R 270 J 1/8W E6E7Z R450,451 RK73FB2B271J CHIP R 270 J 1/8W M1M2M3 R450,451 RK73FB2B271J CHIP R 270 J 1/8W Z1Z2Z3 R450,451 RK73FB2B271J CHIP R 270 J 1/8W Z4 R452,453 RK73FB2B303J CHIP R 30K J 1/8W EE1E2 R452,453 RK73FB2B303J CHIP R 30K J 1/8W E3E4E5 R452,453 RK73FB2B303J CHIP R 30K J 1/8W E6E7Z R452,453 RK73FB2B303J CHIP R 30K J 1/8W M1M2M3 R452,453 RK73FB2B303J CHIP R 30K J 1/8W Z1Z2Z3 R452,453 RK73FB2B303J CHIP R 30K J 1/8W Z4 R454,455 RK73EB2E101J CHIP R 100 J 1/4W EE1E2 R454,455 RK73EB2E101J CHIP R 100 J 1/4W E3E4E5 R454,455 RK73EB2E101J CHIP R 100 J 1/4W E6E7Z R454,455 RK73EB2E101J CHIP R 100 J 1/4W M1M2M3 R454,455 RK73EB2E101J CHIP R 100 J 1/4W Z1Z2Z3 R454,455 RK73EB2E101J CHIP R 100 J 1/4W Z4 R500-502 RD14BB2C222J RD 2.2K J 1/6W E2E3E4 R500-502 RD14BB2C222J RD 2.2K J 1/6W E5E6E7 R500-502 RD14BB2C222J RD 2.2K J 1/6W M1EE1 R500-502 RD14BB2C222J RD 2.2K J 1/6W ZZ1Z2 R500-502 RD14BB2C222J RD 2.2K J 1/6W Z3Z4 R503 RK73EB2E102J CHIP R 1.0K J 1/4W E2E3E4 R503 RK73EB2E102J CHIP R 1.0K J 1/4W E5E6E7 R503 RK73EB2E102J CHIP R 1.0K J 1/4W M1EE1 R503 RK73EB2E102J CHIP R 1.0K J 1/4W ZZ1Z2 R503 RK73EB2E102J CHIP R 1.0K J 1/4W Z3Z4 R504 RK73GB2A472J CHIP R 4.7K J 1/10W E2E3E4 R504 RK73GB2A472J CHIP R 4.7K J 1/10W E5E6E7 R504 RK73GB2A472J CHIP R 4.7K J 1/10W M1EE1 R504 RK73GB2A472J CHIP R 4.7K J 1/10W ZZ1Z2 R504 RK73GB2A472J CHIP R 4.7K J 1/10W Z3Z4 W153,154 R92-2053-05 CHIP R 0 J 1/8W SYNTHESIZER UNIT (X14-687x-xx) www. xiaoyu163. com QQ 376315150 9 9 2 8 9 4 2 9 8 TEL 13942296513 9 9 2 8 9 4 2 9 8 0 5 1 5 1 3 6 7 3 Q Q TEL 13942296513 QQ 376315150 892498299 TEL 13942296513 QQ 376315150 892498299 KRC-17G/YA/YG, 194A/G/YA/YG, 266LA/LG/RG KRC-27YA/YG, 2904YA/YG, 294A/G/YA/YG 20 E : KRC-294YA E4: KRC-27YA Z : KRC-294A Z4: KRC-17G M1: KRC-266RG E1: KRC-294YG E5: KRC-27YG Z1: KRC-294G Z7: KRC-2904YA M2: KRC-266LA E2: KRC-194YA E6: KRC-17YA Z2: KRC-194A Z8: KRC-2904YG M3: KRC-266LG E3: KRC-194YG E7: KRC-17YG Z3: KRC-194G indicates safety critical components. ! PARTS LIST Dest inati on ∗New Parts Parts without Parts No. are not supplied. Les articles non mentionnes dans le Parts No. ne sont pas fournis. Teile ohne Parts No. werden nicht geliefert. Ref. No. A d d N e w Parts No. Description Dest inati on W156-170 R92-2053-05 CHIP R 0 J 1/8W W171 R92-1252-05 CHIP R 0 OHM J 1/16W W173,174 R92-2053-05 CHIP R 0 J 1/8W D50 S2V20*A DIODE D50 1N5393G-M6 DIODE D51 HZS7A3L ZENER DIODE D51 MA4068(N)-M ZENER DIODE D52 MA4051(N)-M ZENER DIODE D53 AM01Z DIODE D53 DSM1SD2 DIODE D53 ERA15-01 DIODE D54 MA4056(N)-M ZENER DIODE D55 MA4091(N)-L ZENER DIODE D56 MA4110-L ZENER DIODE D100 1SS133 DIODE D150-152 1SS133 DIODE D200 MA4051(N)-M ZENER DIODE D260,261 AM01Z DIODE D260,261 DSM1SD2 DIODE D260,261 ERA15-01 DIODE D351 AM01Z DIODE D351 DSM1SD2 DIODE D351 ERA15-01 DIODE D352 1SS133 DIODE D370,371 AM01Z DIODE D370,371 DSM1SD2 DIODE D370,371 ERA15-01 DIODE D380 MA4047-M ZENER DIODE D400,401 MA4062-L ZENER DIODE EE1E4 D400,401 MA4062-L ZENER DIODE E5ZZ1 D400,401 MA4062-L ZENER DIODE M1M2M3 D404 MA4062-L ZENER DIODE EE1E4 D404 MA4062-L ZENER DIODE E5ZZ1 D404 MA4062-L ZENER DIODE M1M2M3 D405 HZS7A3L ZENER DIODE EE1E4 D405 HZS7A3L ZENER DIODE E5ZZ1 D405 HZS7A3L ZENER DIODE M1M2M3 D405 MA4068(N)-M ZENER DIODE EE1E4 D405 MA4068(N)-M ZENER DIODE E5ZZ1 D405 MA4068(N)-M ZENER DIODE M1M2M3 D408,409 MA4062-L ZENER DIODE EE1E4 D408,409 MA4062-L ZENER DIODE E5ZZ1 D408,409 MA4062-L ZENER DIODE M1M2M3 D410 HZS7A3L ZENER DIODE EE1E4 D410 HZS7A3L ZENER DIODE E5ZZ1 D410 HZS7A3L ZENER DIODE M1M2M3 D410 MA4068(N)-M ZENER DIODE EE1E4 D410 MA4068(N)-M ZENER DIODE E5ZZ1 D410 MA4068(N)-M ZENER DIODE M1M2M3 IC1 UPD780058GC172 MI-COM IC M1 IC1 UPD780058GC425 MI-COM IC M2M3Z7 IC1 UPD780058GC425 MI-COM IC Z8 IC1 UPD780058GC465 MI-COM IC EE1E2 IC1 UPD780058GC465 MI-COM IC E3E4E5 Ref. No. A d d N e w Parts No. Description IC1 UPD780058GC465 MI-COM IC E6E7Z IC1 UPD780058GC465 MI-COM IC Z1Z2Z3 IC1 UPD780058GC465 MI-COM IC Z4 IC2 TDA7400D ANALOGUE IC IC3 HD74HC27FP MOS-IC IC4 TDA7386 ANALOGUE IC IC5 LA3161 IC(PREAMP X2) IC6 PST9135NR ANALOGUE IC IC7 TDA7479D ANALOGUE IC E2E3E4 IC7 TDA7479D ANALOGUE IC E5E6E7 IC7 TDA7479D ANALOGUE IC M1EE1 IC7 TDA7479D ANALOGUE IC ZZ1Z2 IC7 TDA7479D ANALOGUE IC Z3Z4 Q49 ,50 2SC2412K TRANSISTOR Q49 ,50 2SD601A TRANSISTOR Q51 2SB1443 TRANSISTOR Q52 2SC2412K TRANSISTOR Q52 2SD601A TRANSISTOR Q53 2SA1036K TRANSISTOR Q54 DTC144EK DIGITAL TRANSISTOR Q54 KRC104S DIGITAL TRANSISTOR Q54 UN2213 DIGITAL TRANSISTOR Q55 DTA124EK DIGITAL TRANSISTOR Q55 KRA103S DIGITAL TRANSISTOR Q55 UN2112 DIGITAL TRANSISTOR Q56 2SA2057 TRANSISTOR Q56 2SB1548(P) TRANSISTOR Q56 2SB1565(E,F) TRANSISTOR Q56 2SB1655(E,F) TRANSISTOR Q57 2SC2412K TRANSISTOR Q57 2SD601A TRANSISTOR Q58 DTC144EK DIGITAL TRANSISTOR Q58 KRC104S DIGITAL TRANSISTOR Q58 UN2213 DIGITAL TRANSISTOR Q59 DTA124EK DIGITAL TRANSISTOR Q59 KRA103S DIGITAL TRANSISTOR Q59 UN2112 DIGITAL TRANSISTOR Q60 2SA2057 TRANSISTOR Q60 2SB1548(P) TRANSISTOR Q60 2SB1565(E,F) TRANSISTOR Q60 2SB1655(E,F) TRANSISTOR Q61 2SC2412K TRANSISTOR Q61 2SD601A TRANSISTOR Q150 DTC124EK DIGITAL TRANSISTOR Q150 KRC103S DIGITAL TRANSISTOR Q150 UN2212 DIGITAL TRANSISTOR Q151 DTC114YK DIGITAL TRANSISTOR Q151 KRC107S DIGITAL TRANSISTOR Q151 UN2214 DIGITAL TRANSISTOR Q153 DTA124EK DIGITAL TRANSISTOR EE1E2 Q153 DTA124EK DIGITAL TRANSISTOR E3E4E5 Q153 DTA124EK DIGITAL TRANSISTOR E6E7Z Q153 DTA124EK DIGITAL TRANSISTOR M1M2M3 Q153 DTA124EK DIGITAL TRANSISTOR Z1Z2Z3 Q153 DTA124EK DIGITAL TRANSISTOR Z4 SYNTHESIZER UNIT (X14-687x-xx) www. xiaoyu163. com QQ 376315150 9 9 2 8 9 4 2 9 8 TEL 13942296513 9 9 2 8 9 4 2 9 8 0 5 1 5 1 3 6 7 3 Q Q TEL 13942296513 QQ 376315150 892498299 TEL 13942296513 QQ 376315150 892498299 KRC-17G/YA/YG, 194A/G/YA/YG, 266LA/LG/RG KRC-27YA/YG, 2904YA/YG, 294A/G/YA/YG 21 E : KRC-294YA E4: KRC-27YA Z : KRC-294A Z4: KRC-17G M1: KRC-266RG E1: KRC-294YG E5: KRC-27YG Z1: KRC-294G Z7: KRC-2904YA M2: KRC-266LA E2: KRC-194YA E6: KRC-17YA Z2: KRC-194A Z8: KRC-2904YG M3: KRC-266LG E3: KRC-194YG E7: KRC-17YG Z3: KRC-194G indicates safety critical components. ! Q501 DTC114TK DIGITAL TRANSISTOR Z3Z4 Q501 UN2215 DIGITAL TRANSISTOR E2E3E4 Q501 UN2215 DIGITAL TRANSISTOR E5E6E7 Q501 UN2215 DIGITAL TRANSISTOR M1EE1 Q501 UN2215 DIGITAL TRANSISTOR ZZ1Z2 Q501 UN2215 DIGITAL TRANSISTOR Z3Z4 Q502 DTA124EK DIGITAL TRANSISTOR E2E3E4 Q502 DTA124EK DIGITAL TRANSISTOR E5E6E7 Q502 DTA124EK DIGITAL TRANSISTOR M1EE1 Q502 DTA124EK DIGITAL TRANSISTOR ZZ1Z2 Q502 DTA124EK DIGITAL TRANSISTOR Z3Z4 Q502 KRA103S DIGITAL TRANSISTOR E2E3E4 Q502 KRA103S DIGITAL TRANSISTOR E5E6E7 Q502 KRA103S DIGITAL TRANSISTOR M1EE1 Q502 KRA103S DIGITAL TRANSISTOR ZZ1Z2 Q502 KRA103S DIGITAL TRANSISTOR Z3Z4 Q502 UN2112 DIGITAL TRANSISTOR E2E3E4 Q502 UN2112 DIGITAL TRANSISTOR E5E6E7 Q502 UN2112 DIGITAL TRANSISTOR M1EE1 Q502 UN2112 DIGITAL TRANSISTOR ZZ1Z2 Q502 UN2112 DIGITAL TRANSISTOR Z3Z4 Q503 2SC2412K TRANSISTOR E2E3E4 Q503 2SC2412K TRANSISTOR E5E6E7 Q503 2SC2412K TRANSISTOR M1EE1 Q503 2SC2412K TRANSISTOR ZZ1Z2 Q503 2SC2412K TRANSISTOR Z3Z4 Q503 2SD601A TRANSISTOR E2E3E4 Q503 2SD601A TRANSISTOR E5E6E7 Q503 2SD601A TRANSISTOR M1EE1 Q503 2SD601A TRANSISTOR ZZ1Z2 Q503 2SD601A TRANSISTOR Z3Z4 TH1 PTH9C42BD471Q POSITIVE RESISTOR A1 X86-3282-72 TUNER UNIT Z7Z8 A1 X86-3322-70 TUNER UNIT EE1E2 A1 X86-3322-70 TUNER UNIT E3E4E5 A1 X86-3322-70 TUNER UNIT E6E7Z A1 X86-3322-70 TUNER UNIT M1M2M3 A1 X86-3322-70 TUNER UNIT Z1Z2Z3 A1 X86-3322-70 TUNER UNIT Z4 276 2E B11-1376-04 OPTICAL DIFFUSER 277 2E B11-0992-04 REFLECTION SHEET 278 2E B19-2019-03 LIGHTING BOARD D1 -13 B30-1565-05 LED(1608,PG) E3E5E7 D1 -13 B30-1565-05 LED(1608,PG) M1M3E1 D1 -13 B30-1565-05 LED(1608,PG) Z1Z3Z4 D1 -13 B30-1565-05 LED(1608,PG) Z8 D1 -13 B30-1566-05 LED(1608,RED) E4E6Z D1 -13 B30-1566-05 LED(1608,RED) M2EE2 D1 -13 B30-1566-05 LED(1608,RED) Z2Z7 D14 B30-1511-05 LED(1,RED) E4E6Z D14 B30-1511-05 LED(1,RED) M2EE2 D14 B30-1511-05 LED(1,RED) Z2Z7 D14 B30-2025-05 LED E3E5E7 PARTS LIST Dest inati on ∗New Parts Parts without Parts No. are not supplied. Les articles non mentionnes dans le Parts No. ne sont pas fournis. Teile ohne Parts No. werden nicht geliefert. Ref. No. A d d N e w Parts No. Description Dest inati on Q153 KRA103S DIGITAL TRANSISTOR EE1E2 Q153 KRA103S DIGITAL TRANSISTOR E3E4E5 Q153 KRA103S DIGITAL TRANSISTOR E6E7Z Q153 KRA103S DIGITAL TRANSISTOR M1M2M3 Q153 KRA103S DIGITAL TRANSISTOR Z1Z2Z3 Q153 KRA103S DIGITAL TRANSISTOR Z4 Q153 UN2112 DIGITAL TRANSISTOR EE1E2 Q153 UN2112 DIGITAL TRANSISTOR E3E4E5 Q153 UN2112 DIGITAL TRANSISTOR E6E7Z Q153 UN2112 DIGITAL TRANSISTOR M1M2M3 Q153 UN2112 DIGITAL TRANSISTOR Z1Z2Z3 Q153 UN2112 DIGITAL TRANSISTOR Z4 Q201 2SB1277(Q,R) TRANSISTOR Q203 2SB1277(Q,R) TRANSISTOR Q260 DTC114YK DIGITAL TRANSISTOR Q260 KRC107S DIGITAL TRANSISTOR Q260 UN2214 DIGITAL TRANSISTOR Q261 2SB1443 TRANSISTOR Q301 DTA144EK DIGITAL TRANSISTOR Q301 UN2113 DIGITAL TRANSISTOR Q320 2SA1037K TRANSISTOR Q350 2SB1277(Q,R) TRANSISTOR Q351 2SA1037K TRANSISTOR Q352 DTA124EK DIGITAL TRANSISTOR Q352 KRA103S DIGITAL TRANSISTOR Q352 UN2112 DIGITAL TRANSISTOR Q353 DTC114YK DIGITAL TRANSISTOR Q353 KRC107S DIGITAL TRANSISTOR Q353 UN2214 DIGITAL TRANSISTOR Q450,451 DTC143TK DIGITAL TRANSISTOR EE1E2 Q450,451 DTC143TK DIGITAL TRANSISTOR E3E4E5 Q450,451 DTC143TK DIGITAL TRANSISTOR E6E7Z Q450,451 DTC143TK DIGITAL TRANSISTOR M1M2M3 Q450,451 DTC143TK DIGITAL TRANSISTOR Z1Z2Z3 Q450,451 DTC143TK DIGITAL TRANSISTOR Z4 Q450,451 UN2216 DIGITAL TRANSISTOR EE1E2 Q450,451 UN2216 DIGITAL TRANSISTOR E3E4E5 Q450,451 UN2216 DIGITAL TRANSISTOR E6E7Z Q450,451 UN2216 DIGITAL TRANSISTOR M1M2M3 Q450,451 UN2216 DIGITAL TRANSISTOR Z1Z2Z3 Q450,451 UN2216 DIGITAL TRANSISTOR Z4 Q500 2SC2412K TRANSISTOR E2E3E4 Q500 2SC2412K TRANSISTOR E5E6E7 Q500 2SC2412K TRANSISTOR M1EE1 Q500 2SC2412K TRANSISTOR ZZ1Z2 Q500 2SC2412K TRANSISTOR Z3Z4 Q500 2SD601A TRANSISTOR E2E3E4 Q500 2SD601A TRANSISTOR E5E6E7 Q500 2SD601A TRANSISTOR M1EE1 Q500 2SD601A TRANSISTOR ZZ1Z2 Q500 2SD601A TRANSISTOR Z3Z4 Q501 DTC114TK DIGITAL TRANSISTOR E2E3E4 Q501 DTC114TK DIGITAL TRANSISTOR E5E6E7 Q501 DTC114TK DIGITAL TRANSISTOR M1EE1 Q501 DTC114TK DIGITAL TRANSISTOR ZZ1Z2 Ref. No. A d d N e w Parts No. Description SYNTHESIZER UNIT (X14-687x-xx) SWITCH UNIT (X16-1512-7x) www. xiaoyu163. com QQ 376315150 9 9 2 8 9 4 2 9 8 TEL 13942296513 9 9 2 8 9 4 2 9 8 0 5 1 5 1 3 6 7 3 Q Q TEL 13942296513 QQ 376315150 892498299 TEL 13942296513 QQ 376315150 892498299 KRC-17G/YA/YG, 194A/G/YA/YG, 266LA/LG/RG KRC-27YA/YG, 2904YA/YG, 294A/G/YA/YG 22 E : KRC-294YA E4: KRC-27YA Z : KRC-294A Z4: KRC-17G M1: KRC-266RG E1: KRC-294YG E5: KRC-27YG Z1: KRC-294G Z7: KRC-2904YA M2: KRC-266LA E2: KRC-194YA E6: KRC-17YA Z2: KRC-194A Z8: KRC-2904YG M3: KRC-266LG E3: KRC-194YG E7: KRC-17YG Z3: KRC-194G indicates safety critical components. ! PARTS LIST Dest inati on ∗New Parts Parts without Parts No. are not supplied. Les articles non mentionnes dans le Parts No. ne sont pas fournis. Teile ohne Parts No. werden nicht geliefert. Ref. No. A d d N e w Parts No. Description Dest inati on D14 B30-2025-05 LED M1M3E1 D14 B30-2025-05 LED Z1Z3Z4 D14 B30-2025-05 LED Z8 D15 B30-1565-05 LED(1608,PG) E3E5E7 D15 B30-1565-05 LED(1608,PG) M1M3E1 D15 B30-1565-05 LED(1608,PG) Z1Z3Z4 D15 B30-1565-05 LED(1608,PG) Z8 D15 B30-1566-05 LED(1608,RED) E4E6Z D15 B30-1566-05 LED(1608,RED) M2EE2 D15 B30-1566-05 LED(1608,RED) Z2Z7 ED1 B38-1037-05 LIQUID CRYSTAL E3E5E7 ED1 B38-1037-05 LIQUID CRYSTAL M1M3E1 ED1 B38-1037-05 LIQUID CRYSTAL Z1Z3Z4 ED1 B38-1037-05 LIQUID CRYSTAL Z8 ED1 B38-1099-05 LIQUID CRYSTAL E4E6Z ED1 B38-1099-05 LIQUID CRYSTAL M2EE2 ED1 B38-1099-05 LIQUID CRYSTAL Z2Z7 PL1 ,2 B30-1485-05 LAMP (5.5V 0.125A) C1 CK73GB1H102K CHIP C 1000PF K C2 ,3 CK73GB1E473K CHIP C 0.047UF K C2 ,3 CK73GB1H473K CHIP C 0.047UF K C4 CK73GB1H103K CHIP C 0.010UF K 279 2E E29-1600-04 CONDUCTIVE RUBBER J1 E59-0831-05 RECTANGULAR PLUG R2 RK73GB2A102J CHIP R 1.0K J 1/10W R3 -6 RK73GB2A101J CHIP R 100 J 1/10W R7 RK73GB2A563J CHIP R 56K J 1/10W R8 RK73GB2A102J CHIP R 1.0K J 1/10W R9 RK73GB2A473J CHIP R 47K J 1/10W R10 RK73EB2E331J CHIP R 330 J 1/4W R11 RK73EB2E471J CHIP R 470 J 1/4W R12 ,13 RK73EB2E331J CHIP R 330 J 1/4W R14 ,15 RK73EB2E471J CHIP R 470 J 1/4W R17 ,18 RK73EB2E130J CHIP R 13 J 1/4W R21 RK73GB2A4R7J CHIP R 4.7 J 1/10W D17 MA3062-M ZENER DIODE IC1 LC75883E MOS-IC Q1 DTA114EK DIGITAL TRANSISTOR Q1 KRA102S DIGITAL TRANSISTOR Q1 UN2111 DIGITAL TRANSISTOR 1 2A A10-4328-08 CHASISS CALKING ASSY 4 3B J26-4017-08 PRINTED WIRING BOARD ASSY 5 2A J21-7778-08 MOUNTING HARDWARE 6 2B D10-4091-08 SLIDER 7 2B D13-1323-08 GEAR 9 2B D10-4200-08 ARM ASSY (F) 10 2A D10-4201-08 ARM ASSY (R) 12 3A A11-0930-08 SUB CHASSIS CALKING ASSY 14 3A J26-4018-08 PRINTED WIRING BOARD ASSY 16 1B G01-2826-08 TORSION COIL SPRING 17 1A D10-4094-08 SLIDER 18 1B D10-4095-08 SLIDER Ref. No. A d d N e w Parts No. Description 19 1A D10-4096-08 ARM 20 1A J19-4736-08 HOLDER ASSY 22 2A G01-2827-08 TENSION COIL SPRING 23 2A D10-4097-08 LEVER 25 2B D10-4098-08 SLIDER 26 2B G09-2019-08 SPRING 31 3A D01-0608-08 FLYWHEEL ASSY 33 3A G01-2828-08 TENSION COIL SPRING 34 2B G01-2829-08 TENSION COIL SPRING 35 2B D10-4099-08 ARM 36 1A D10-4100-08 ARM 37 1A D14-0682-08 ROLLER 38 1A D10-4101-08 LEVER 39 2A G01-2830-08 COMPRESSION COIL SPRING 40 2A D10-4102-08 ARM 52 2A D13-1110-08 GEAR 53 2B D15-0909-08 PULLEY 54 3B D16-0606-08 BELT 56 1B D10-4105-08 ARM ASSY 57 2B D10-4104-08 ARM 58 2B G01-2831-08 TENSION COIL SPRING 99 3B E39-0181-08 WIRE HARNESS 100 1B J11-0618-08 CLAMPER 101 3B N09-4328-08 SCREW 102 3A N09-4326-08 SCREW 103 3A N09-4191-08 SCREW 104 1B N09-4192-08 SCREW 105 2A N09-4058-08 SCREW 106 1A N09-4109-08 SCREW 111 3A N19-2082-08 FLAT WASHER 112 2A N19-2083-08 FLAT WASHER 113 2A N19-2084-08 FLAT WASHER 114 3A N19-2043-08 FLAT WASHER 115 2B N19-2038-08 FLAT WASHER HD1 1B T31-0229-08 PLAYBACK HEAD CM1 1A T42-1025-08 MOTOR ASSY SWITCH UNIT (X16-1512-7x) CASSETTE MECHANISM ASSY (D40-1136-05) www. xiaoyu163. com QQ 376315150 9 9 2 8 9 4 2 9 8 TEL 13942296513 9 9 2 8 9 4 2 9 8 0 5 1 5 1 3 6 7 3 Q Q TEL 13942296513 QQ 376315150 892498299 TEL 13942296513 QQ 376315150 892498299 KRC-17G/YA/YG, 194A/G/YA/YG, 266LA/LG/RG KRC-27YA/YG, 2904YA/YG, 294A/G/YA/YG 23 PARTS LIST Chip capacitor Code L W T Empty 5.6±0.5 5.0±0.5 Less than 2.0 A 4.5±0.5 3.2±0.4 Less than 2.0 B 4.5±0.5 2.0±0.3 Less than 2.0 C 4.5±0.5 1.25±0.2 Less than 1.25 D 3.2±0.4 2.5±0.3 Less than 1.5 E 3.2±0.2 1.6±0.2 Less than 1.25 F 2.0±0.3 1.25±0.2 Less than 1.25 G 1.6±0.2 0.8±0.2 Less than 1.0 H 1.0±0.05 0.5±0.05 0.5±0.05 Chip resistor Code L W T E 3.2±0.2 1.6±0.2 1.0 F 2.0±0.3 1.25±0.2 1.0 G 1.6±0.2 0.8±0.2 0.5±0.1 H 1.0±0.05 0.5±0.05 0.35±0.05 • Rating wattage Code Wattage Code Wattage Code Wattage 1J 1/16W 2C 1/6W 3A 1W 2A 1/10W 2E 1/4W 3D 2W 2B 1/8W 2H 1/2W (Less than 10pF) Code B C D F G (pF) ±0.1 ±0.25 ±0.5 ±1 ±2 CAPACITORS C C 4 5 T H 1 H 2 2 0 J 1 2 3 4 5 6 1 = Type ... ceramic, electrolytic, etc. 4 = Voltage rating 2 = Shape ... round, square, etc. 5 = Value 3 = Temp. coefficient 6 = Tolerance • Temperature coefficient 1st Word C L P R S T U Color* Black Red Orange Yellow Green Blue Violet ppm/°C 0 –80 –150 –220 –330 –470 –750 • Tolerance (More than 10pF) Code C D G J K M X Z P No code (%) ±0.25 ±0.5 ±2 ±5 ±10 ±20 +40 +80 +100 More than 10µF : –10~+50 –20 –20 –0 Less than 4.7µF : –10~+75 • Voltage rating 2nd word A B C D E F G H J K V 1st word 0 1.0 1.25 1.6 2.0 2.5 3.15 4.0 5.0 6.3 8.0 – 1 10 12.5 16 20 25 31.5 40 50 63 80 35 2 100 125 160 200 250 315 400 500 630 800 – 3 1000 1250 1600 2000 2500 2150 4000 5000 6300 8000 – CHIP CAPACITORS (EX) C C 7 3 F S L 1 H 0 0 0 J Refer to the table above. 1 2 3 4 5 6 7 1 = Type (Chip) (CH, RH, UJ, SL) 2 = Shape 3 = Dimension (EX) C K 7 3 F F 1 H 0 0 0 Z 4 = Temp. coefficient 1 2 3 4 5 6 7 5 = Voltage rating (Chip) (B, F) 6 = Value 7 = Tolerance RESISTORS • Chip resistor (Carbon) (EX) R D 7 3 E B 2 B 0 0 0 J 1 2 3 4 5 6 7 (Chip) (B, F) • Carbon resistor (Normal type) (EX) R D 1 4 B B 2 C 0 0 0 J 1 2 3 4 5 6 7 (Chip) (B, F) 1 = Type ... ceramic, electrolytic, etc. 5 = Voltage rating 2 = Shape ... round, square, etc. 6 = Value 3 = Dimension 7 = Tolerance 4 = Temp. coefficient CC45 Color* 2nd Word G H J K L ppm/°C ±30 ±60 ±120 ±250 ±500 Example : CC45TH = –470±60ppm/°C • Capacitor value 010 = 1pF 2 2 0 = 22pF 100 = 10pF 101 = 100pF Multiplier 102 = 1000pF = 0.001µF 2nd number 103 = 0.01µF 1st number L W T • Dimension www. xiaoyu163. com QQ 376315150 9 9 2 8 9 4 2 9 8 TEL 13942296513 9 9 2 8 9 4 2 9 8 0 5 1 5 1 3 6 7 3 Q Q TEL 13942296513 QQ 376315150 892498299 TEL 13942296513 QQ 376315150 892498299 KRC-17G/YA/YG, 194A/G/YA/YG, 266LA/LG/RG KRC-27YA/YG, 2904YA/YG, 294A/G/YA/YG SPECIFICATIONS KENWOOD follows a policy of continuous advancements in development. For this reason specifications may be changed without notice. Manufactured under license from Dolby Laboratories. "Dolby" and the double-D symbol are trademarks of Dolby Laboratories. FM Frequency Range (MHz) − 65MHz-74MHz − (Frequency Step) (30kHz) Frequency Range (MHz) 87.5MHz-108.0MHz 87.5MHz-108.0MHz 87.5MHz-108.0MHz (Frequency Step) (50kHz) (50kHz) (50kHz) Usable Sensitivity (S/N 26dB) 65MHz-74MHz − 1.4µV/75Ω − 87.5MHz-108.0MHz 0.7µV/75Ω 0.7µV/75Ω 0.7µV/75Ω Quieting Sensitivity (S/N 46dB) 65MHz-74MHz − 1.4µV/75Ω − 87.5MHz-108.0MHz 1.6µV/75Ω 1.6µV/75Ω 1.6µV/75Ω Frequency Response (±3.0dB) 30Hz-15kHz 30Hz-15kHz 30Hz-15kHz SN (dB) 65dB (MONO) 65dB (MONO) 65dB (MONO) Selectivity (DIN)(dB) ≥80dB (±400kHz) ≥80dB (±400kHz) ≥80dB (±400kHz) Stereo Separation 35dB(1kHz) 35dB(1kHz) 35dB (1kHz) MW Frequency Range (kHz) 531kHz-1611kHz 531kHz-1611kHz 531kHz-1611kHz (Frequency Step) (9kHz) (9kHz) (9kHz) Usable Sensitivity (S/N 20dB) 25µV 25µV 25µV LW Frequency Range (kHz) 153kHz-281kHz 153kHz-281kHz 153kHz-281kHz Usable Sensitivity (S/N 20dB) 45µV 45µV 45µV CASS Tape Speed 4.76cm/sec. 4.76cm/sec. 4.76cm/sec. Wow/Flutter (wrms)(%) 0.12% (WRMS) 0.12% (WRMS) 0.12% (WRMS) Frequency Response (Hz)(±3.0dB) 30Hz-14kHz (120µs) 30Hz-14kHz (120µs) 30Hz-14kHz (120µs) Separation (dB) 40dB (1kHz) 40dB (1kHz) 40dB (1kHz) S/N (dB) Dolby NR OFF 52dB 52dB 52dB Preout Level (mV)/Load 1800mV/10kΩ − 1800mV/10kΩ Preout Impedance (Ω) ≤600Ω − ≤600Ω AMP PWR (MAX) 45wx4 45wx4 45wx4 PWR DIN45324,+B=14.4V 28wx4 28wx4 22wx4 TONE Bass 100Hz±10dB 100Hz±10dB 100Hz±10dB Treble 10kHz±10dB 10kHz±10dB 10kHz±10dB GENE Operating voltage(11~16v allowable) 14.4v 14.4v 14.4v Current Consumption 10A 10A 10A Installation Size (W) 182 (mm) 182 (mm) 182 (mm) (H) 53 (mm) 53 (mm) 53 (mm) (D) 158 (mm) 158 (mm) 158 (mm) Weight 1300g 1300g 1300g KRC-294A/G/YA/YG/KRC-27YA/YG, KRC-194A/G/YA/YG/KRC-17G/YA/YG KRC-2904YA/YG KRC-266LA/LG/RG KENWOOD CORPORATION 2967-3, Ishikawa-machi, Hachioji-shi, Tokyo 192-8525, Japan KENWOOD SERVICE CORPORATION P.O. BOX 22745, 2201 East Dominguez Street, Long Beach, CA90801-5745, U.S.A. KENWOOD ELECTRONICS CANADA INC. 6070 Kestrel Road, Mississauga, Ontario, Canada L5T 1S8 KENWOOD ELECTRONICS LATIN AMERICA S.A. P.O. Box 55-2791 Paitilla, Plaza Credicorp Bank Panama, Piso 9, Oficina 901, Calle 50, Panama, Rep. de Panama KENWOOD ELECTRONICS BRASIL LTDA. Alameda Ministro Rocha Azevedo No. 456, Edificio Jaú, 10o Andar, Cerqueira César, Cep 0140-001, São Paulo-SP-Brasil KENWOOD ELECTRONICS UK LIMITED Kenwood House, Dwight Road, Watford, Herts, WD18 9EB, United Kingdom KENWOOD ELECTRONICS DEUTSCHLAND GMBH Rembrücker-Str. 15, 63150 Heusenstamm, Germany KENWOOD ELECTRONICS FRANCE S.A. 13, Boulevard Ney, 75018 Paris, France KENWOOD ELECTRONICS BELGIUM N.V. Leuvensesteenweg 248 J, 1800 Vilvoorde, Belgium KENWOOD ELECTRONICS ITALIA S.p.A. Via G. Sirtori 7/9, 20129 Milano, Italy KENWOOD IBÉRICA S.A. Bolivia, 239-08020 Barcelona, Spain KENWOOD ELECTRONICS AUSTRALIA PTY. LTD. (A.C.N. 001 499 074) 16 Giffnock Avenue, Centrecourt Estate, North Ryde, N.S.W. 2113, Australia KENWOOD ELECTRONICS (HONG KONG) LTD. Unit 3712-3724, Level 37, Tower 1, Metroplaza, 223 Hing Fong Road, Kwai Fong, N.T., Hong Kong KENWOOD ELECTRONICS GULF FZE P.O. Box 61318, Jebel Ali, Dubai, U.A.E. KENWOOD ELECTRONICS (THAILAND) CO., LTD. 2019 New Pechburi Road, Bangkapi, Huaykwang, Bangkok, 10320 Thailand KENWOOD ELECTRONICS SINGAPORE PTE. LTD. 1 Genting Lane, #07-00, Kenwood Building, Singapore, 349544 KENWOOD ELECTRONICS (MALAYSIA) SDN BHD #4.01 Level 4, Wisma Academy Lot 4A, Jalan 19/1, 46300 Petaling Jaya, Selangor Darul Ehsan, Malaysia www. xiaoyu163. com QQ 376315150 9 9 2 8 9 4 2 9 8 TEL 13942296513 9 9 2 8 9 4 2 9 8 0 5 1 5 1 3 6 7 3 Q Q TEL 13942296513 QQ 376315150 892498299 TEL 13942296513 QQ 376315150 892498299

标签:

版权声明

1. 本站所有素材,仅限学习交流,仅展示部分内容,如需查看完整内容,请下载原文件。
2. 会员在本站下载的所有素材,只拥有使用权,著作权归原作者所有。
3. 所有素材,未经合法授权,请勿用于商业用途,会员不得以任何形式发布、传播、复制、转售该素材,否则一律封号处理。
4. 如果素材损害你的权益请联系客服QQ:77594475 处理。