飞利浦29PT252593R彩电电路原理图

分类:电子电工 日期: 点击:0
飞利浦29PT252593R彩电电路原理图-0 飞利浦29PT252593R彩电电路原理图-1 飞利浦29PT252593R彩电电路原理图-2 飞利浦29PT252593R彩电电路原理图-3 飞利浦29PT252593R彩电电路原理图-4 飞利浦29PT252593R彩电电路原理图-5 飞利浦29PT252593R彩电电路原理图-6 飞利浦29PT252593R彩电电路原理图-7 飞利浦29PT252593R彩电电路原理图-8 飞利浦29PT252593R彩电电路原理图-9

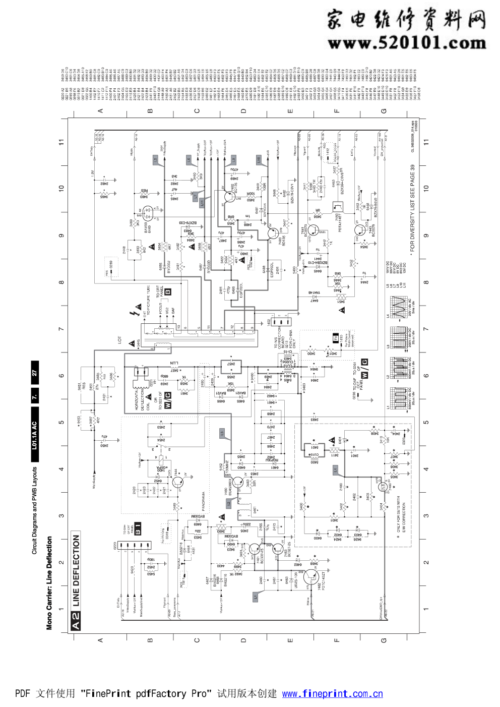
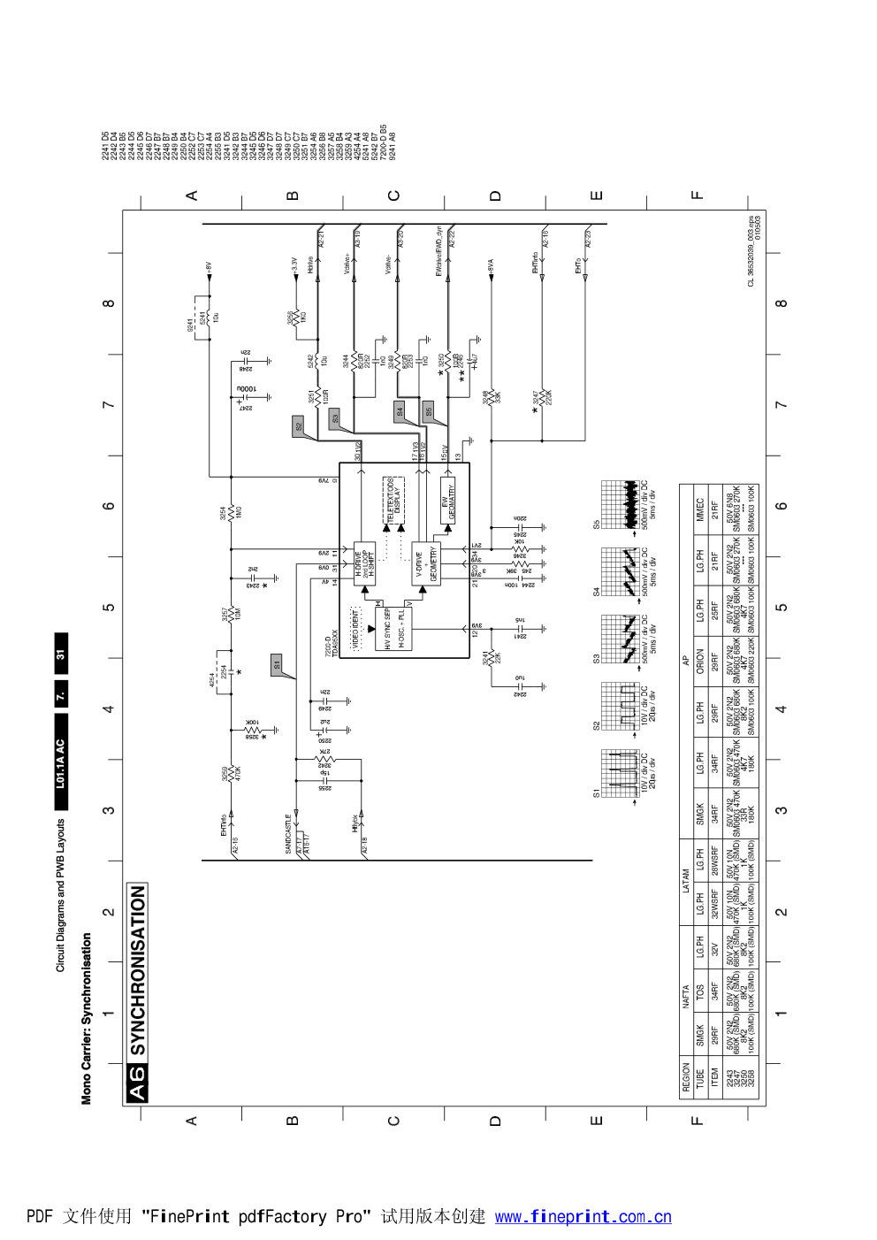
Þ´±½µ Ü·¿¹®¿³ô Í«°°´§ ʱ´¬¿¹»ô ¿²¼ Ì»-¬°±·²¬ Ѫ»®ª·»© îí Ôðïòïß ßÝ êò êò Þ´±½µ Ü·¿¹®¿³ô Í«°°´§ ʱ´¬¿¹»ô ¿²¼ Ì»-¬°±·²¬ Ѫ»®ª·»© Þ´±½µ Ü·¿¹®¿³ ÝÔ íêëíîðíçÁðïîò»°- îëðìðí Êì ×ï ×î Êïð ×ì ×í Êç Ýì Ýë ßï ðîêë ÍÜß ÍÝÔ ëîðï ëððï ÌÊ ÌËÒÛÎ õ ÚÓóÎßÜ×Ñ ÌËÒÛÎ øÑÐÌ×ÑÒßÔ÷ íððï íððð íîïí íîëï íìðì éìðð ÍÌÐíÒÝêðÚÐ íìðë éììì íîëç ÛØÌ ·²º± Ø º´§¾µ îîëì íîìî ëêðì íêïï íêðí íêðì íêîë íêîì ëêðí ëêðî éîðë îîðí íîïï éîðî ïîðî éîðí êððï ÞÆÈéçóÝíí ÍÇÒÝØÎÑÒ×ÍßÌ×ÑÒ ßê Ì×ÔÌ ×ÒÌÛÎÚßÝÛ ßïê Ô×ÒÛ ÜÛÚÔÛÝÌ×ÑÒ ßî ÜßÚ øíìþ ±²´§÷ Ù ÚÎßÓÛ ÜÛÚÔÛÝÌ×ÑÒ ßí ÌËÒÛÎ ×Ú ßì ÜÛÙßËÍÍ×ÒÙ øíìþ ±²´§÷ Ù ÚÎÑÒÌ ×ñÑ ßïî ßé ßé ÝÑÓÞóÞÇÐßÍÍ ßé Ê×ÜÛÑ ×Úô ÍÑËÒÜ ×Ú ßë ßë ÝÎÌ Þï ÛÝÑ ÍÝßÊÛÓ Þî ßç ßè ßïí ßïî ßî ïëðê íëðë ÐÌØìëïÝ ïëðë Ü»¹¿«--·²¹ ݱ·´ íëðé íëðê õ¬ í ï î ï î õ¬ õ¬ õ¬ Ú×ÔÌÛÎ ÍÛÔÛÝÌ ïððð éððïô éððî êô é ç ï ï î î ïð ÚÓ Ê×ÚÁï Ê×ÚÁî ÎÚÁßÙÝ ï ÊÔÑÌßËÈ õëÊ ÊÌÁÍËÐÐÔÇ ß Þ Ý õèÊ õèÊ ßé ÊÌ ßÙÝ ë ßé ßî ßê ßë ßê ßî ßî ì ÚÓ ×Ú ïï ïè íè éîðê íîíð íîðè éîðï ÓÑÒÑñßÓÁ ÓÑÒÑÁÍÑËÒÜ íí ìè ïç îî îí îì ÍÝïÁÔ×Ò ÔÚÎÑÒÌó×Ò îè îç ÚÓÎ ÏÍÍÁßÓÁÜÛÓÁÑËÌ ßËÜ×Ñ ÝßÎÎ×ÛÎ Ú×ÔÌÛÎÍ éîððóß ÌÜßçëÈÈ ïððî ïððí ïððì Ê×ÜÛÑ ×Ú ßÙÝ Í×ÚÁï Í×ÚÁî Ê×ÜÛÑ ÐÔÔ ÜÛÓÑÜò Ê×ÜÛÑ ßÓÐÔ×Ú×ÛÎ ÍÑËÒÜ ÚÓóÜÛÓÑÜò ÜÛóÛÓÐØò ßËÜ×Ñ ÍÉ×ÌÝØ ÍÑËÒÜ ßÓÐÔò õ ßÊÔ ÏÍÍ ÍÑËÒÜ ×Ú õ ßÙÝ ÏÍÍ Ó×ÈÛÎ ßÓ ÜÛÓÑÜò Íî Ôï Úï Úî Ôì Úí Ôê Ôé Ôë Êë Ôè Ôïð Ôç Íï ïï íð Ø ÜÎ×ÊÛ Ê ÜÎ×ÊÛõ Ê ÜÎ×ÊÛó Ê ÜÎ×ÊÛõ Ê ÜÎ×ÊÛó Ø Ê ç ïé é î ï ë íï íì éîððóÜ ÌÜßçëÈÈ ØóÜÎ×ÊÛ î²¼ ÔÑÑÐ ØóÍØ×ÚÌ ïê ØñÊ ÍÇÒÝ ÍÛÐßÎßÌÑÎ ØóÑÍÝ õÐÔÔ íîïð ÝÑÓÞóÞÇÐßÍÍ ìð ìé ïîðð ìòëÓØ¦ ÒÌÍÝ ëòëÓØ¦ ÐßÔ êÓØ¦ ßÐ ÓËÔÌ× ïîðï ßïíù ÍÍóÝó×Ò ÎÛÍò ìë ßïð ßïð ÍÍÇóÝÊÞÍó×Ò ìì ßïí ßïí ßïð ßïð ßïð ÝÊÞÍïó×Ò ìî ÛÉ õ ÙÛÑÓÛÌÎÇ Ê×ÜÛÑ ×ÜÛÒÌ éîððóÝ ÌÜßçëÈÈ ×ñÑ ÍÉ×ÌÝØ×ÒÙ ÇóÜÛÔßÇ ÛØÌ ×ÒÚÑ ÐÎÑÝò ÛØÌ ·²º± ÎóÇ ÞóÇ Ë Ê Î Ù Þ Î Ù Þ ëê ëé ëè ëë Ç Ê×ÜÛÑ Ú×ÔÌÛÎÍ ÎÙÞ ÓßÌÎ×È ÎÙÞ ×ÒÍÛÎÌ ÞÔßÝÕ ÍÌÎÛÌÝØ ÉØ×ÌÛ ÍÌÎÛÌÝØ ÎÙÞ ÝÑÒÌÎÑÔ ÑÍÜ ÌÛÈÌ ×ÒÍÛÎÌ ÞÔËÛ ÍÌÎÛÌÝØ ÉØ×ÌÛóÐò ßÜÖ Ê×ÜÛÑ ×ÜÛÒÌ Ê Ô Í×ÜÛ ßÊ Ý Ê ðîëï ê Ô í Î ï ðîïç ê í ï ÓÑÒÑ Ê Ô Î ÝÊÞÍó ÚÎÑÒÌó×Ò ÔóÚÎÑÒÌó×Ò ÎóÚÎÑÒÌó×Ò ß Þ Ý ÍÌÛÎÛÑ ßïí ßî ßï ßïí ßì ßì ßë ßè ßç ßïð ßËÜ×Ñ ßÓÐÔ×Ú×ÛÎ ßè ØÛßÜÐØÑÒÛ ßïî ÚÎÑÒÌ ×ÒÌÚßÝÛ øÐßÎÌÔÇ÷ Ïï ÚÎÑÒÌ ÝÑÒÌÎÑÔ ßïî ßç Û ÝÑÒÌÎÑÔ ßé õíòíÊ íêðê íêðé õíòçÊ õíòíÊ ßïð Ýë ßç ßè ßïï ßê íèíí íèíì îèìé ßïí ßïð Ò×ÝßÓ õ îÝÍ õ ÞÌÍÝ øÍÌÛÎÛÑñÍßÐ÷ ÜÛÝÑÜÛÎ ßç éèíï ÓÍÐíìÈëÙ ÏÍÍóßÓóÜÛÓóÑËÌ ÚÓÎ ìé ßë ÓÑÒÑñßÓóÓÑÒÑóÍÑËÒÜ éèíì éèíë êêçî ÌÍÑÐïèíê ÑÒñÑÚÚ õíÊí Óß×ÒóÑËÌóÔ ìì ßïí ÍÝïóÔ ×Ò ìï ßïí ÍÝïóÎ ×Ò ìî ßïð ÍÝîóÔ ×Ò íç ßïð ÍÝîóÎ ×Ò ìð ßé ÍÜß è ßé ÍÝÔ é îë ì ÍÛÔóÓß×ÒóÚÎÒÌóÎÎ ßïí íð Î ÑËÌ Ô ÑËÌ ßé ßë ßë íï Óß×ÒóÑËÌóÎ îì ëï ëî ßËÜ×Ñ ÜÛÓÑÜËÔßÌÑÎ Ò×ÝßÓ õ îÝÍ ÞÌÍÝô ßÓô ÚÓ íèíî ÛÎÎ ïð ïèíï ïèÓìíî Ýî Ýï êí ïêêð ïîÓØ¦ êì éçðï ßÒéëîîÒ øÍÌÛÎÛÑ÷ éçðî ßÒéëîíÒ øÓÑÒÑ÷ ê î Ôõ Ô è ç ÊÑÔËÓÛ ÓËÌÛ ÓÑÒÑñßÓÁÓÑÒÑóÍÑËÒÜ ï Óß×ÒßËÈÁÚÞ ÛÎÎ é éîðçô éîïð ÚÓ ÎßÜ×Ñ ÜÛóÛÓÐØßÍ×Í ðîèð ßî ì Ôó ßí ïð Îó ßì ïî Îõ Î Ô Î ì í î ï ðîëë ì í î ï Ôõ Ôó Îó Îõ Ôõ Ôó Îó Îõ ØÛßÜÐØÑÒÛ Ýï Ý Ôõ Ôó Îó Îõ Îó Îõ Ôõ Ôó ðîëì ï î í ì ë ðîëé ðîìê ï î í ì ë ÑÎ ÑÎ Ýî ÑÎ ÍÜß ÍÝÔ ÝÑÓÐß×Î ÝÑÒÒÛÝÌ×ÑÒ øÚÑÎ ÍÛÎÊ×ÝÛ÷ ×Î ÐÑÉÛÎ ÜÑÉÒ ÍÌßÌËÍï ÍÌßÌËÍî ÔÛÜ êêçï ï ï ÕÛÇÞÑßÎÜó ÁÐÎÑÌÒ ÛÉó ÐÎÑÌÛÝÌ×ÑÒ ÕÛÇÞÑßÎÜ ÁÐÎÑÌÒ ÕÛÇÞÑßÎÜ ÁÐÎÑÌÒ éêðê ÔÑÝßÔ ÕÛÇÞÑßÎÜ ÔÑÝßÔ ÕÛÇÞÑßÎÜ éîððóÞ ÌÜßçëÈÈ ×ñÑ ÊÍÌ ÐÉÓó ÜßÝ ÎÑÓ ÎßÓ ÝÐË ××Ý ÞËÍ ÌÎßÒÍÝÛ×ÊÛÎ ×ñÑ ÐÑÎÌÍ êç êè é éî éï í è ê ë êê êï ëç ï î ×Î êé ÔÛÜ ë èð íçðè éêðî ÓîìÝðè ÛÛÐÎÑÓ øÒÊÓ÷ ÍÜß ÍÝÔ ÝÑÓÞóÞÇÐßÍÍ ßïð ßïê éð ÝÑÓÞóÍÛÔóÝÊÞÍð ±® ßÊî ßï ê ÍÌßÒÜÞÇóÝÑÒ ßî éè ÞßÍÍ ÐßÒÑÎßÓß éé ÌÎÛÞÔÛóÞËÆÆÛÎóØÑÍÐóßÐÐ ßè ßè ßï éí ÊÑÔËÓÛñÓËÌÛ Ì×ÔÌ ÍÜß ÍÝÔ ëîìï õèÊ ÊÔÑÌ ßËÈ õïíÊ ÊÔÑÌßËÈ õïíÊ Óß×Ò ßËÈ ðîìë ðîìí ï î í ë ê ÑÎ ÑÎ çêìï çêíï ÍÜÓ íïéî ÑÒ ïñïð ÐßÙÛÍ ÓÛÓÑÎÇ ÌÛÔÛ ÌÛÈÌ õ ÑÍÜ ÝÊÞÍ ÍÇÒÝ ÐßÔñÒÌÍÝ ÍÛÝßÓ ÜÛÝÑÜÛÎ ÞßÍÛ ÞßÒÜ ÜÛÔßÇ ßé ßï ßï ßî ßé íîìé ÛØÌ ·²º± ÛØÌ ± ßî ßî ÊóÜÎ×ÊÛ õ ÙÛÑÓÛÌÎÇ íîìì Íí Ôî íîìç Íì ÛÉ ÜÎ×ÊÛñ ÛÉÜóÜÇÒ ÞßÍÍÁÐßÒÑÎßÓß ïë íîëð Íë ÊÔÑÌßËÈ õïíÊ ÊÔÑÌßËÈ õëðÊ Óß×Ò ÍËÐÐÔÇ ïìðÊ êìêç êìêé éìêî éìêð ÞËìëðèÜÈ íìçí íìíï øÑÐÌ×ÑÒßÔ÷ éìêï éìêí Ô×ÒÛóÑËÌÐËÌ ÜÎ×ÊÛÎ ÍÌßÙÛ éìéï ÌÜßèíëçÖ ÚÎßÓÛ ÑËÌÐËÌ ëìêï Ô×ÒÛ ÑËÌÐËÌ Ý×ÎÝË×Ì ±²´§ º±® -»¬- ©·¬¸ ÛñÉ ½±®®»½¬·±² ±²´§ º±® -»¬- ©·¬¸ °¿²±®¿³¿ Ôí Ü Í Ù íìèé íîîî íîðï íííì íííî íííê íîðî íîðí íîðì íîíë íîîï íìèç ïìðð îìëì ï ì í î é ç ì ÛñÉ Ý×ÎÝË×Ì ÛñÉ ÐÎÑÌÛÝÌ×ÑÒ ÊÝÑÒÌÎÑÔ ðîîï ï î ØÑÎò ÜÛÚÔò ÝÑ×Ô ðîéè ï î ÍÝßÊÛÓ ÝÑ×Ô ðîîî ï î ÊÛÎÌò ÜÛÚÔò ÝÑ×Ô Úì ï í ë ê î Êïõ ÊÐ ÊÑß ÊÓ ÊÑÞ Êïó ëìéî ëìéï íìéç íìéï ÊÙËßÎÜ Ý×ÎÝË×Ì ÊÙËßÎÜ êìéð ðîîï ðîêï ÜßÚ Ý×ÎÝË×Ì ðîíí ëìëï ëììë í ï ÚÑÝËÍ ÊÙî ÛØÌ ðîîð ðîìì ï î í ì ë ß Þ Ý Ü ïð ê ÛØÌ ·²º± ßì íìêç íìçð Ø º´§¾µ Ê×ÜÛÑ ÍËÐÐÔÇ ßí ÊÙËßÎÜ ßë ÞÔÕó×Ò ßï ÐÑÉÛÎóÜÑÉÒ ßê ÛØÌ ± îððÊ ÊÌÁÍËÐÐÔÇ Ú×ÔßÓÛÒÌ ß Þ Ü Ý ë ï ï êìèë é ï î è ç êìèè êìèé íìçì ÊÔÑÌßËÈ õëðÊ ÊÔÑÌßËÈ õïíÊ ÊÔÑÌßËÈ õëÊ ß õèÊ Þ íìèè ðîëè ï î ï î ØÑÎò ÜÛÚÔò ÝÑ×Ô ðîêè ï î Ì×ÔÌ ÜÛÚÔò ÝÑ×Ô íìêð íìëë íììê éììï éììíô éìëð íìëî ëìèð êìèê íìêì îììì ÐÎÑÌ Ý×ÎÝË×Ì ÐÎÑÌ Ý×ÎÝË×Ì õïíÊ íììé êììé éìèð íìëð éìèî ßî ÞÕÔó×Ò ÞÕÔ ÞÕÔ õèÊ ÊóÑËÌ ÎóÊó×Ò ÙóÇó×Ò ÞóËó×Ò ÚÞÔó×Ò ëî ëï ëð ëí ëì éîðì Êê Êé Êç Êïî Êïï Êïí Êïì Êïë Êïê ï î í ì ì ë ê éííð ÌÜßêïðéÏ î ï í è ë ç é Î Ù Þ ÛØÌó×ÒÚÑ Ú·´¿³»²¬ õîððÊß Î õîððÊß õïíÊ õïíÊ ÍÝßÊÛÓ ÐÎÑÝÛÍÍ×ÒÙ õîððÊß ííìð îíìð ï î í ì ë ííìï ííìî ÑÍÜ Î Ù Þ ÝÎÌ îëµÊ ÚÑÝËÍ ÛØÌ ÛØÌ ÊÙî è ê ïï ïð ç ë é ï ëîðë Óß×ÒßËÈ ×ÒÐËÌ ÍÉ×ÌÝØ×ÒÙ ÛÎÎ ì ÌÊ ÚÓ ðïêë ßÏËßÜßÙ ÛÎÎ ç ÛÎÎ ê ÛÎÎ ë ÛÎÎ í ÛÎÎ î ÛÎÎ è ÛÎÎ ï ÛÎÎ ïï ÛÎÎ î êêçî ÌÍÑÐïèíê õíÊí ×Î ÔÛÜ êêçï éððð ÌÜßèçìïÐ ßé ÑÎ ÐÑÉÛÎóÜÑÉÒ êêðï Ì×ÔÌ Ì×ÔÌ ÑËÌÐËÌ Ù Þ ÍÛÌÍ É×ÌØ Ê×ÜÛÑ ÑËÌ ÑÒÔÇ Ð×ÝÌËÎÛ É×ÜÌØ ÝÑÒÌÎÑÔ ÊÔÑÌßËÈ õëðÊ ×Ú ÜßÚ ÐßÒÛÔ ×Í ÓÑËÒÌÛÜ ëìçí ìçðë õ íìëï ÌÊ ÎÛßÎ ×ñÑ Ý×ÒÝØ ßïí Ç Ë Ê ÞóËó×Ò ÙóÇó×Ò ÎóÊó×Ò ÍÝïóÎ×Ò ÍÝïóÔ×Ò Ê Ô ßÊï ÇËÊ ×ÒÐËÌ Î ßë ßë ßë ßë ÝÊÞÍïó×Ò ÔóÑËÌ ÎóÑËÌ ßç ßç Ê Ô Î ÓÑÒ×ÌÑÎ ÑËÌÐËÌ Îîó×Ò Ôîó×Ò Ê Ô ßÊî Î ÊóÑËÌ ßé éïðîô éïðí éïðï ÍÌßÌËÍ ï ÍÌßÌËÍ ï ßé ßë ßë ßïð ßç ßë ßç ßïí ßïð ßïð ßïð Ýó×Ò Ýó×Ò ÍÍóÝó×Ò ÍÇÇóÝÊÞÍó×Ò ÇóÝÊÞÍó×Ò ì ê ë ï ë ì í î ÍÊØÍ ÍÌßÌËÍî ïð ç ïï ßËÜ×ÑñÊ×ÜÛÑ ÍÑËÎÝÛ ÍÉ×ÌÝØ×ÒÙ ßïð éèðî ØÛÚìðëíÞÌ ßïî ÔÚÎÑÒÌó×Ò Ôîó×Ò ïî ïí ÎÚÎÑÒÌó×Ò Îîó×Ò ë í ÝÊÞÍÚÎÑÒÌó×Ò ÇóÝÊÞÍó×Ò ìèïî ìèïì î ï ßç ÍÝîóÎ×Ò ÍÝîóÔ×Ò ïì ì ßç ßïð ßë ßë ÍÇóÝÊÞÍó×Ò ÍÛÔóÓß×ÒóÚÎÑÒÌóÎÎ ïë ßïí ßïí ßïí ßïî ßïî êòëÓØ¦ ßÐ ÐßÔ ÐÑÉÛÎ ÍËÐÐÔÇ ðîïî ì í î î í ì ïé ïê ïì ïí ë í è ç ï íëðì Ðï Ðî Ðí Ðë Ðì ðîïï ïëðóîëðÊ Í×ÒÙÔÛ ÎßÒÙÛ çðóîéêÊ ÚËÔÔ ÎßÒÙÛ íëìí ëëêî íëêì ß îëêì íëìì íëëè éëêð îëêé éëêïô éëêî éëêì êëîð îëîï ßï ÚÎÑÒÌ ×ÒÌÛÎÚßÝÛ øÐßÎÌÔÇ÷ Ïï ßî ßî ßé ¬ ïëïë ëëîð éëèð éëîð ÌÛßïëðé ÜÎß×Ò ÜÎ×ÊÛÎ ÍÛÒÍÛ ÜÛÓßÙ ÊÝÝ ÝÑÒÌÎÑÔ ×Ý ÝÌÎÔ ÛÒÛÎÙׯ×ÒÙ Ý×ÎÝË×Ì ßÝ ÜÝ êëðð ëëðð æ ëëðî ïî ïï ÒòÝò ÒòÝò ïð ï î í ì ïëðð ðîíï ÌìÛ Óß×ÒÍ ÍÉ×ÌÝØ îëðí ß ðîïï ïïðÊ êëêï êëêî Óß×Ò ßËÈ ÛñÉ ÐÎÑÌÛÝÌ×ÑÒ ÐÑÉÛÎ ÜÑÉÒ ÊÔÑÌßËÈ õïíÊ Ðê ëëêð ëëêì ëëêï øîÈ÷ êëêð ïìðÊ Óß×Ò ÍËÐÐÔÇ îëêï ÐÎÑÌÛÝÌ×ÑÒ ïîÊ õíòíÊ íëçì õíòçÊ í ï ßé ßî ÍÌÜÞÇÁÝÑÒ ÊÝÑÒÌÎÑÔ ØÑÌ ÙÎÑËÒÜ ÝÑÔÜ ÙÎÑËÒÜ éëìðô êëìð ÎÛÚÛÎÛÒÝÛ Ý×ÎÝË×Ì éëìïô éëìî ÍÌßÒÜÞÇ Ý×ÎÝË×Ì éëïë ÌÝÛÌïïðí íëíî íëîë íëîí íëîê éëîï ÍÌÐéÒÞêðÚÐ è ê ë íëîî íëîè ì ï Ü Í Ù ÛÎÎ é ÑÎ î ï í ï î ðîïî ï î ðîíï Óß×ÒÍ ÍÉ×ÌÝØ ðîçè PDF 文件使用 "FinePrint pdfFactory Pro" 试用版本创建 www.fineprint.com.cn îì Ôðïòïß ßÝ êò Þ´±½µ Ü·¿¹®¿³ô Í«°°´§ ʱ´¬¿¹»ô ¿²¼ Ì»-¬°±·²¬ Ѫ»®ª·»© ×îÝ ¿²¼ Í«°°´§ ʱ´¬¿¹» Ѫ»®ª·»© ÐÑÉÛÎ ÍËÐÐÔÇ î í ì ß ß ïé ïê ïì í ïð ïí ïî ïï ÒòÝò ë í è ç ÝÔ îêëíîïïçÁððëò»°- ïðïîðî Ýì Ýë ×ï ×î Ðï Ðî Ð í Ðë Ðê Ðì ðîïï ïëð ó îëðÊ Í×ÒÙÔÛ ÎßÒÙÛ çð ó îéêÊ ÚËÔÔ ÎßÒÙÛ ëîðë ëêðî ëêðí ëêðì ìêçí éçðï ïððð éçðî éîððóÞ ëëêð ëëêì íëêì îëêì ëëêï íëìí ëëêî íëìç íëìì íëëé íëëè éëêð îëêé éëêïô éëêî éëêì êëîð îëîï ßï ÝÑÒÌÎÑÔ ßé ÌËÒÛÎ ×Ú ßì Ê×ÜÛÑ ×Ú ßë ÝÑÒÌÎÑÔ ßé ëëîð éëîð ÌÛßïëðé ÜÎß×Ò ÜÎ×ÊÛ Î ÍÛÒÍÛ ÜÛÓßÙ ÊÝÝ ÝÌÎÔ ßÝ ÜÝ êëðð ÙÞËêÖ ëëðð æ ëëðî ï ï êê êï ëç è ï î í ì ïëðð ÌìÛ îëðí êëêï êëêî êëêð ßËÜ×Ñ ÍËÐÐÔÇ ÙÒÜ ÐÑÉÛÎ ÜÑÉÒ ïìðÊ Óß×Ò ÍËÐÐÔÇ ïîÊ Óß×Ò ßËÈ îëêï ÐÎÑÌÛÝÌ×ÑÒ Ý×ÎÝË×Ì ßËÜ×Ñ ÍËÐÐÔÇ ÙÒÜóÚÞ õíòíÊ õíòíÊ õíòíÊ øÌÑ íîëê÷ õíòçÊ ÌÑ íëêè õíòçÊ øÌÑ íêðê íêðéôíêíí÷ ÍÌÞÇÁÝÑÒ ØÑÌ ÙÎÑËÒÜ ÝÑÔÜ ÙÎÑËÒÜ éëìðô êëìð ÎÛÚÛÎÛÒÝÛ Ý×ÎÝË×Ì éëìïô éëìî ÍÌßÒÜÞÇ Ý×ÎÝË×Ì éëïë ÌÝÛÌïïðí íëíî íëîë íëîí íëîè íëîê éëîï ÍÌÐéÒÞêðÚÐ è ê ë íëîî ì ï Ü Í Ù ëîðì ßËÜ×Ñ ßÓÐÔò ÍÇÒÝØÎÑÒ×ÍßÌ×ÑÒ ßê õíòíÊ õíÊíß ÚÎÑÒÌ ÝÑÒÌÎÑÔ ßïî ßËÜ×Ñ ÑËÌÐËÌ ÍÌÛÎÛÑ ßËÜ×Ñ ÑËÌÐËÌ ÓÑÒÑ ÌËÒÛÎ «Ý éêðî ÛÛÐÎÑÓ øÒÊÓ÷ ÑÎ ÑÎ Ô×ÒÛ ÑËÌÐËÌ íêïï õíÊí ÔÑÌ õîððÊß ê õïíÊ õïíÊ õîððÊß ÌÑ ÝÎÌ Ú×ÔßÓÛÒÌ Ô×ÒÛ ÜÛÚÔÛÝÌ×ÑÒ ßî ÝÎÌ Þï ÍÝßÊÛÓ øÑÐÌ×ÑÒßÔ÷ Þî ÌËÒÛÎ ×Ú ßì ÐÑÉÛÎ ÍËÐÐÔÇ ßï ÚÎßÓÛ ÜÛÚÔÛÝÌ×ÑÒ ßí ëìëï îìëð Óß×Ò ÍËÐÐÔÇ Ê×ÜÛÑ ÍËÐÐÔÇ îððÊ õîððÊ õïíÊ ëììë í ÛØÌ îíìð íìèé êððïÞÆÈéç óñÝíí ÚÑÝËÍ ÊÙî ë î ë ç ê é é Ú×ÔßÓÛÒÌ Ú×ÔßÓÛÒÌ íìçì ëìèð ðîîð íìêì ííìð ííìï êìèë ïï ç è ÊÌÁÍËÐÐÔÇ ííÊ ÊÌÁÍËÐÐÔÇ î í ë ì ðîìì í ì ßÒÑÜÛ ÝÎÌ ÚÑÝËÍ ÝÎÌ ÊÙî ÝÎÌ ííìî õëÊ øÌÑ êìéð÷ õèÊ øÌÑ íððè÷ ëîðî Ê×ÜÛÑ ×Ú ßë ÊÔÑÌ ßËÈ õëðÊ õïíÊ ÊÔÑÌ ßËÈ õëÊ ÌÑ êììë ÊÔÑÌ ßËÈ õëÊ ÊÔÑÌ ßËÈ õëÊ ÊÔÑÌ ßËÈ ÌÑ ÜÛÙßËÍÍ×ÒÙ Ý×ÎÝË×Ì ÊÔÑÌ ßËÈ õïíÊ ÝÑÒÌÎÑÔ ßé õèÊ øÌÑ ìóðîïé÷ ÒÑÌ ËÍÛÜ õëÊ øÌÑ îîíì÷ ÊÔÑÌ ßËÈ ÊÔÑÌ ßËÈ õëÊ øÌÑ íêïç÷ õèÊÞ øÌÑ éïðïóÝ÷ ÊÔÑÌ ßËÈ õëÊ ßËÜ×Ñ ßÓÐÔ×Ú×ÛÎ ßè ÊÔÑÌ ßËÈ õëÊ øÌÑ ççðì ó íçïî÷ õèÊß ÛÉÁЮ±¬»½¬·±² Óß×Ò ßËÈÁÚÞ íìêð çìîð éìéï ÚÎßÓÛ ÑËÌÐËÌ éííð ÎÙÞ ÜÎ×ÊÛÎ ê í ëððï ëìéî ÍÇÒÝØÎÑÒ×ÍßÌ×ÑÒ ßê éîððóÜ ÍÇÒÝ ÐÎÑÝò ëîìï õèÊ ÊÔÑÌ ßËÈ õëðÊ ÊÔÑÌ ßËÈ õïíÊ õèÊ õïíÊ õèÊ õèÊÞ õèÊ õèÊ øÌÑ íîìè÷ éîððóß Ê×ÜÛÑ ×Ú ç ëèíî Ò×ÝßÓ õ îÝÍ õ ÞÌÍÝ ÜÛÝÑÜÛÎ ßç ÚÎÑÒÌ ×ÒÌÛÎÚßÝÛ Ïï ÊÔÑÌ ßËÈ õëÊ ÊÔÑÌ ßËÈ õëÊ ÎÛßÎ ×ñÑ Ý×ÒÝØ ßïí õèÊ ßËÜ×Ñ Ê×ÜÛÑ ÍÑËÎÝÛ ÍÉ×ÌÝØ×ÒÙ ßïð éèíï ßËÜ×Ñ ÜÛÝÑÜÛÎ ëèíí õëÊß õèÊÞ õêÊè õèÊ ìê íí íìëë íììé íììê íìèè êìèé êìèè éìèî éìèð êìèê êìèî íìëð íììç êìèï íèðï Ì×ÔÌ ×ÒÌÛÎÚßÝÛ ßïê ÊÔÑÌ ßËÈ õïíÊ íêîë éêðî ÓîìÝðè ÛÛÐÎÑÓ øÒÊÓ÷ íêîì íêðé íêðê íêðì íêðí ê ë éî éï êè é ÛÎÎ ç ÛÎÎ ë éîððóÞ ÍÛÌ ÐÎÑÝÛÍÍÑÎ ÐßÎÌ ÑÚ Ê×ÜÛÑó ÐÎÑÝÛÍÍÑÎ ÛÎÎ ê ÍÜß ÍÝÔ ÍÝÔ ÍÜß õíòçÊ íêîê õíòíÊ õíòçÊ ïððð ÌËÒÛÎ íððï íððð ì ë Û ÎÎ ïð ï î ðîêé í ßËÜ×Ñ ßÓÐÔò ßè ÍÝÔ ÍÜß ßé ßè Ò×ÝßÓ õ îÝÍ õ ÞÌÍÝ ÜÛÝÑÜÛÎ ßç éèíï ÓÍÐíìÈëÙ ßËÜ×Ñ ÜÛÝÑÜÛÎ íèíí íèíî é è Û ÎÎ ì ÍÝÔ ÍÜß ÚÑÎ ÝÑÓÐß×Î ÑÒÔÇ íìçí ÊÔÑÌ ßËÈ õïíÊ Óß×Ò ßËÈ ØóÜÎ×ÊÛ ÊÝÑÒÌÎÑÔ ×îÝ ÞËÍ ×ÒÌÛÎÝÑÒÒÛÝÌ×ÑÒ Ü×ßÙÎßÓ íçðè íç ßè êìêç êìêé Û®®±® Ü»-½®·°¬·±² ð Ò± »®®±® ï Èóο§ ñ ±ª»® ª±´¬¿¹» °®±¬»½¬·±² î Ø·¹¸ ¾»¿³ øÞÝ×÷ °®±¬»½¬·±² í Ê»®¬·½¿´ ¹«¿®¼ °®±¬»½¬·±² ì ×îÝ »®®±® ©¸·´» ½±³³«²·½¿¬·²¹ ©·¬¸ ¬¸» -±«²¼ °®±½»--±® ë б©»® ÑÒ ®»-»¬ øÐÑÎ ¾·¬÷ íòíÊ °®±¬»½¬·±² ñ õèÊ °®±¬»½¬·±² ê Ù»²»®¿´ ×îÝ »®®±® é б©»® ¼±©² ø±ª»® ½«®®»²¬÷ °®±¬»½¬·±² è ÛÉ °®±¬»½¬·±² øÔ¿®¹» ͽ®»»² ±²´§÷ ç ×îÝ »®®±® ÛÛÐÎÑÓ »®®±® ïð ×îÝ »®®±® ÐÔÔ ¬«²»® ïï Þ´¿½µ ½«®®»²¬ ´±±° ·²-¬¿¾·´·¬§ °®±¬»½¬·±² ÛÎÎÑÎ ÝÑÜÛ Ô×ÍÌ ì ðîïé î í ï ßî ßî ßé ßî ßé ÌÑ íìðð PDF 文件使用 "FinePrint pdfFactory Pro" 试用版本创建 www.fineprint.com.cn Þ´±½µ Ü·¿¹®¿³ô Í«°°´§ ʱ´¬¿¹»ô ¿²¼ Ì»-¬°±·²¬ Ѫ»®ª·»© îë Ôðïòïß ßÝ êò Ì»-¬°±·²¬ Ѫ»®ª·»© ßï Þì ßî ßì ßí ßë ßì ßì ßë Ýí ßê Þí ßé Þí ßè Þì ßè¿ Þì ßç Þì ßïð Þì ßïï Þì ßïï¿ Ýí ßïî Ýî ßïí Ýî ßïì Ýï ßïë Þî ßïê Þî Ýï Þê Ýî Þê Ýí Þê Ýì Þê Ýë Þê Ýê Ûï Úï Üè Úî Üè Úí Ýè Úì Ýé ×ï ßé ×î ßè ×í ßé ×ì ßé Ôï Ýê Ôî Ûê Ôí Ûé Ôì Ûê Ôê Ýé Ôé Ûè Ôè Ûè Ôç Ýé Ôïð Ýé Ôïï Üé Ðï Ûë Ðî Ûì Ðí Üí Ðì Ýì Ðë Ýì Ðê Üë Íï Þë Íî ßê Íí ßé Íì ßé Íë ßé Êï Þé Êî Þé Êí Þé Êì Þë Êë Þë Êê Þë Êé Þë Êè Þë Êç ßë Êïð ßê Êîð ßí Êîî ßì Ü Ù Í Ü Ù Í Þ ç ï Ý Û éëîï ï ì è ë éëîð ÐÑÉÛÎ ÌÎßÚÑ ëëîð éìéï éìðð éìêð ÝÔ ïêëíîïïçÁððéò»°- ïçïîðî ÞÌÍÝ ÒÜÞÈ éèêï éîðð çêíï éèíï ÞÌÍÝ ÜÞÈ ï ë ïè î ïð ç ê ïî éçðï ï ì éððð ï îê ëî îé ì ê é è ç ïð ïï ïî ë ï í ÔÑÌ ëììë ë ê é è ç ïð ïï ïî çêìï ÍÜÓ ßðï îðð³Ê ñ ¼·ª ßÝ ï³- ñ ¼·ª ßðî îðð³Ê ñ ¼·ª ßÝ ï³- ñ ¼·ª ßðì îðð³Ê ñ ¼·ª ßÝ ï³- ñ ¼·ª ßðë îðð³Ê ñ ¼·ª ßÝ ï³- ñ ¼·ª ßðê îðð³Ê ñ ¼·ª ßÝ ï³- ñ ¼·ª ßðé îðð³Ê ñ ¼·ª ßÝ ï³- ñ ¼·ª ßðè îðð³Ê ñ ¼·ª ßÝ ï³- ñ ¼·ª ßðè¿ îðð³Ê ñ ¼·ª ßÝ ï³- ñ ¼·ª ßðç îðð³Ê ñ ¼·ª ßÝ ï³- ñ ¼·ª ßïð îðð³Ê ñ ¼·ª ßÝ ï³- ñ ¼·ª ßïï îðð³Ê ñ ¼·ª ßÝ ï³- ñ ¼·ª ßïï¿ îðð³Ê ñ ¼·ª ßÝ ï³- ñ ¼·ª ßïî îðð³Ê ñ ¼·ª ßÝ ï³- ñ ¼·ª ßïí ïðÊ ñ ¼·ª ÜÝ îð - ñ ¼·ª ßïì ïðÊ ñ ¼·ª ÜÝ îð - ñ ¼·ª ßïë ïðÊ ñ ¼·ª ÜÝ ï³- ñ ¼·ª ßïê ïðÊ ñ ¼·ª ÜÝ ï³- ñ ¼·ª Ýðï ëðð³Ê ñ ¼·ª ÜÝ ï³- ñ ¼·ª Ýðî ëðð³Ê ñ ¼·ª ÜÝ ï³- ñ ¼·ª Ýðí îðð³Ê ñ ¼·ª ÜÝ ï³- ñ ¼·ª Ýðì ïðÊ ñ ¼·ª ÜÝ ïðð - ñ ¼·ª Ýðë ïðÊ ñ ¼·ª ÜÝ ïðð - ñ ¼·ª Ýðê ïðÊ ñ ¼·ª ÜÝ î³- ñ ¼·ª Úðï ëð³Ê ñ ¼·ª ÜÝ ë³- ñ ¼·ª Úðî ëð³Ê ñ ¼·ª ÜÝ ë³- ñ ¼·ª Úðí ïÊ ñ ¼·ª ÜÝ ë³- ñ ¼·ª Úðì ðòîÊ ñ ¼·ª ÜÝ ë³- ñ ¼·ª ×ðï ðòïÊ ñ ¼·ª ÜÝ îðð - ñ ¼·ª ×ðî ðòïÊ ñ ¼·ª ÜÝ îðð - ñ ¼·ª ×ðì Ôðï ëðð³Ê ñ ¼·ª ÜÝ îð - ñ ¼·ª Ôðî ëðð³Ê ñ ¼·ª ÜÝ îð - ñ ¼·ª Ôðí îððÊ ñ ¼·ª ÜÝ îð - ñ ¼·ª Ôðì îðÊ ñ ¼·ª ßÝ ë³- ñ ¼·ª Ôðê ííÊé ÜÝ Ôðé ëïÊ ÜÝ Ôïï ïíÊ ÜÝ Ôïð èÊî ÜÝ Ððï ïìèÊ ÜÝ Ððî îðÊ ñ ¼·ª ÜÝ î - ñ ¼·ª Ððí ïêÊï ÜÝ Ððì íÊí ÜÝ Ððê ïîêÊ ÜÝ Ððë ïîÊ ÜÝ Íðï ïðÊ ñ ¼·ª ÜÝ îð - ñ ¼·ª Íðî ïðÊ ñ ¼·ª ÜÝ îð - ñ ¼·ª Íðí ëðð³Ê ñ ¼·ª ÜÝ ë³- ñ ¼·ª Íðì ëðð³Ê ñ ¼·ª ÜÝ ë³- ñ ¼·ª Íðë ëðð³Ê ñ ¼·ª ÜÝ ë³- ñ ¼·ª Êðì ïðÊ ñ ¼·ª ÜÝ îð - ñ ¼·ª Êðë ïðÊ ñ ¼·ª ÜÝ îð - ñ ¼·ª Êðê ïðÊ ñ ¼·ª ÜÝ îð - ñ ¼·ª Êðé ïðÊ ñ ¼·ª ÜÝ îð - ñ ¼·ª Êðè ïðÊ ñ ¼·ª ÜÝ ë³- ñ ¼·ª ïÊ ñ ¼·ª ÜÝ îð - ñ ¼·ª Êðç ëðð³Ê ñ ¼·ª ÜÝ ïð - ñ ¼·ª Êïð ïÊ ñ ¼·ª ÜÝ ïð - ñ ¼·ª PDF 文件使用 "FinePrint pdfFactory Pro" 试用版本创建 www.fineprint.com.cn îê Ôðïòïß ßÝ éò Ý·®½«·¬ Ü·¿¹®¿³- ¿²¼ ÐÉÞ Ô¿§±«¬- éò Ý·®½«·¬ Ü·¿¹®¿³- ¿²¼ ÐÉÞ Ô¿§±«¬- Ó±²± Ý¿®®·»®æ б©»® Í«°°´§ Ðë ïîÊ ÜÝ Ê Ê îëêì î³î ìéð° îëðé ë ëëðî ï î í ì íëîê ìéÎ íëêð êëìð ê é è íëðê ïÓë îîðÕ íëçê êëîî îëðí ìÕé íëêç ëÕê îëîé îîðÎ íëêï îëðë î²î íëîî íëîé íëîï ïÕî íëîð íëîí íëðï íÓí íÓí íëðð îëîè ï² êëéð íëìî ïÕë ÎÛÍ óíÊî ïÒëðêî ïðð« î²î ÞÆÈéçóÞêÊî Ú±® ×ÌÊ ±²´§ ÎÛÍ ðÊì ï²ë èîÕ îëîí ìéÕ íëèð îëðç îëîê îëìð ïð² îëðð ìéð² ïëÕ íëéð ïðð² îëîð êëîë ÞÇÜííÜ êëîð î í ï ì íëîç ìéÕ î²î îëðî êëîí ïÒìïìè ëëêî íçÕ íëìë ìéð° îëîë îëðè ìéð° íëíï î²î îëðï îëðì íëïï îëêï ìé« îëèð íëìí îîðÕ íëçë íëðí ÞÆÈîèìóÝîî êëîê ïðÕ íëíð ìÕé íëìì îî« îëîï ÐÜÆóïðÞ êëìï îëêé ìé« íëëð ÞßÍíïê êëèð ÝÔ íêëíîðíçÁðïíò»°- ðïðëðí Ðï ïìèÊ ÜÝ Ðî î ðÊ ñ ¼·ª ÜÝ î - ñ ¼·ª Ðí ïêÊï ÜÝ Ðì íÊí ÜÝ Ðê ïîêÊ ÜÝ PDF 文件使用 "FinePrint pdfFactory Pro" 试用版本创建 www.fineprint.com.cn Ý·®½«·¬ Ü·¿¹®¿³- ¿²¼ ÐÉÞ Ô¿§±«¬- îé Ôðïòïß ßÝ éò Ó±²± Ý¿®®·»®æ Ô·²» Ü»º´»½¬·±² ëìëð ëìëé ìé« îìëð îìêí íìçç íìèì íÕç ìéð« îìèç îìêç íìðé ïÕ íìçî êìðí îìêë íìêè íìðè îìêê êìêî ÞÆÈéçóÝíí êìèí çìîì ììíð ìé« îìèð çìêî êÎè íìëë ÞÆÈîèìóÝïð êììë íìðë ëìðð ï« îììì î í ï ì íìëì çìêì îìèë ì«é ö îîð« ïîêÊ ëÊé ïíÊí ö ö ðÎ ÎÛÍ ö ö ö ö ÝËïë ëÊî ÔòÔ×Ò ö ëÊî ö ö ö ö ðÊë ö íìðï îìêé íìíï ïèð° îìëî íìèí îìçî í²í íìêï ïëÕ íìëç îìèè ï³ íìëê çìîê ÞßÊîï ÞÇÜííÓ êìçð êìêê êììé ïÒìïìè êìêç ÞÇÜííÓ îìêî êìêï ÎÙÐíðÖ ëìðï íìëð ïððÎ ëìêí Ý×óïë íììë ïëÕ îî« ëìëí êìêë ÞßÊîï îìèî íìðê êìðî îìëì çìîí îìèé ìé« êìêð ïÕ íìëè îìëç êèð° îìðï êìðð íìçí íìíð êìëî ÝËïë ëìêë ì í î ï îìçí îìéð îìêè îìðì îìëé îìëí îìêì íìëï íìïï íììê ëÕê îìëê ÝËîð¼ ëìêì ï î í ì îìèê ìéð« íìêë îìèì ïìðð ÙëÐß îììï ï« îìðë çìêï ÝÔ íêëíîðíçÁðïìò»°- ðïðëðí ÜßÚ Ôï ëðð³Ê ñ ¼·ª ÜÝ îð - ñ ¼·ª Ôç ëÊ ÜÝ Ôïï ïíÊ ÜÝ Ôé ëïÊ ÜÝ Ôê ííÊé ÜÝ Ôë ïçïÊ ÜÝ Ôì îðÊ ñ ¼·ª ßÝ ë³- ñ ¼·ª Ôí îððÊ ñ ¼·ª ÜÝ îð - ñ ¼·ª Ôî ëðð³Ê ñ ¼·ª ÜÝ îð - ñ ¼·ª Ôïð èÊî ÜÝ PDF 文件使用 "FinePrint pdfFactory Pro" 试用版本创建 www.fineprint.com.cn îè Ôðïòïß ßÝ éò Ý·®½«·¬ Ü·¿¹®¿³- ¿²¼ ÐÉÞ Ô¿§±«¬- Ó±²± Ý¿®®·»®æ Ú®¿³» Ü»º´»½¬·±² ïíÊ ìèÊ íìéë îÕî îìéî ðÊ íìçê ïððÕ çìéî ïðð² îìéï ïððÕ íìçé êìéê ÞÆÈéçóÝïî íìéí íìçè ïîÕ î Õî íìéì íìéð íìéé ïëðÎ íìéï ëìéî ïëðÎ íìéè î²î îìéì íìèð ììéð íìéî îìéë î²î Úï ëð³Ê ñ ¼·ª ÜÝ ë³- ñ ¼·ª Úí ïÊ ñ ¼·ª ÜÝ ë³- ñ ¼·ª Úî ëð³Ê ñ ¼·ª ÜÝ ë³- ñ ¼·ª Úì ðòîÊ ñ ¼·ª ÜÝ ë³- ñ ¼·ª PDF 文件使用 "FinePrint pdfFactory Pro" 试用版本创建 www.fineprint.com.cn Ý·®½«·¬ Ü·¿¹®¿³- ¿²¼ ÐÉÞ Ô¿§±«¬- îç Ôðïòïß ßÝ éò Ó±²± Ý¿®®·»®æ Ì«²»® ×Ú ÝÔ íêëíîðíçÁðïëò»°- ðïðëðí ×ï ðòïÊ ñ ¼·ª ÜÝ îðð - ñ ¼·ª ×î ðòïÊ ñ ¼·ª ÜÝ îðð - ñ ¼·ª ×ì ïÊ ñ ¼·ª ÜÝ îð - ñ ¼·ª ïðð² îððé îððì ìé² ï î í íððç ï²ð îðïð ïð« îððë ìéð« îððê îððè ïðð« ìððî íððè ÎÛÍ ÎÛÍ ìòíÊ ÎÛÍ ÎÛÍ ÎÛÍ ìòçÊ ÎÛÍ ìòíÊ ëððî ÞÆÈéçóÝíí êððï îððï Þßéçî êððì ìððë ìððê íðïï íððê íððì èÕî êððë ìððï ëððï îððî îððç îî² ëððí íððé ìðïî îððí ïð² PDF 文件使用 "FinePrint pdfFactory Pro" 试用版本创建 www.fineprint.com.cn íð Ôðïòïß ßÝ éò Ý·®½«·¬ Ü·¿¹®¿³- ¿²¼ ÐÉÞ Ô¿§±«¬- Ó±²± Ý¿®®·»®æ Ê·¼»± ×Ú õ ͱ«²¼ ×Ú Êé ï ðÊ ñ ¼·ª ÜÝ îð - ñ ¼·ª Êê ïðÊ ñ ¼·ª ÜÝ îð - ñ ¼·ª Êë ï ðÊ ñ ¼·ª ÜÝ îð - ñ ¼·ª Êì ï ðÊ ñ ¼·ª ÜÝ îð - ñ ¼·ª Êè ï ðÊ ñ ¼·ª ÜÝ ë³- ñ ¼·ª Êç Êïð ëðð³Ê ñ ¼·ª ÜÝ ïð - ñ ¼·ª ïÊ ñ ¼·ª ÜÝ ïð - ñ ¼·ª ÎÛÍ ìîïì îÊë ðÊ îÊí îÊë ÎÛÍ îÊë ëÊ º±® ÓŽ²¿- ±²´§ ëÊ ÎÛÍ îÊç éÊè îÊë ÎÛÍ îî² îîïé íîîð ïððÎ îîíð ì«é íîíï êèðÎ ì«é îîîç îîîð ìéð² ëîðí ïë« îÕî íîðé ïÕ ëêðÎ íîîê êèÎ íîïê ïðð² îîíì ï³ îîïê íîðð îîíë ï² ïÕð íîíè íîîè íçðÕ íîíí îÕî êîðí ÞßÍîïê íîìð îîðÕ îîíç ï²ð îîîè èîð° ïððÎ íîïì íîïí ìéðÎ íîïî íîïð îîîê í²í ííðÕ íîíç íîðê ííÕ ïðð² îîðí êèðÎ íîíì êîðê ÞÆÈíèìóÝêÊè íêíé íîîì êîðì ÞßÍîïê ïððÕ íîíê îîïî îîðè íîðè íîíî îÕî ï²ð îîíé îéðÎ íîíð îîðë îîð² îîîé ì²é íîïé ííðÕ ìîðí îîðç ì«é íîïï íîíé íêíè îîðì ïðð² ÝÔ íêëíîðíçÁðïêò»°- ðïðëðí êÓ óóó íçð ïðð ëêð ì«é íèòçÓ óóó ìòëÓ óóó îîð êè ëêð ê«è ìéð ïëð èî êÓë íçð èî óóó ÒßñÔß ×ÌÛÓ íîðç ßÐóÒÌÍÝ ßÐóÓ«´¬·óÏÍÍ íîïí ëîðï ëêð ê«è ëêð ê«è ìëòéëÓ óóó ݸ·²¿ Ó«´¬·óÏÍÍ ßÐóÓ«´¬· ìëòéëÓ óóó ìòëÓ óóó îîð êè íèÓ êÓ ïîðð ïîðï óóó íîðè ݸ·²¿óÓ«´¬· íèÓ óóó êÓ óóó íçð èî Ê×ÚøÒßñÔßñßÐ÷ ëêð ì«é ì«é ïððí ïððî íèòçÓ ëÓëñëÓéñêÓë PDF 文件使用 "FinePrint pdfFactory Pro" 试用版本创建 www.fineprint.com.cn Ý·®½«·¬ Ü·¿¹®¿³- ¿²¼ ÐÉÞ Ô¿§±«¬- íï Ôðïòïß ßÝ éò Ó±²± Ý¿®®·»®æ ͧ²½¸®±²·-¿¬·±² ïððð« íÊè ðÊç îÊï ìÊ éÊç íÊç íÊç îÊç îîìé ïðÕ íîìê ï«ð îîìî îîìí î²î îî² îîìè ïë° îîëë îîð² îîìë îéÕ íîìî ï²ë îîìï îîìì ïðð² îîìç îî² íîëè ïððÕ íçÕ í îìë î«î îîëð PDF 文件使用 "FinePrint pdfFactory Pro" 试用版本创建 www.fineprint.com.cn íî Ôðïòïß ßÝ éò Ý·®½«·¬ Ü·¿¹®¿³- ¿²¼ ÐÉÞ Ô¿§±«¬- Ó±²± Ý¿®®·»®æ ݱ²¬®±´ ÝÔ íêëíîðíçÁðïéò»°- ðïðëðí Ýï ëðð³Ê ñ ¼·ª ÜÝ ï³- ñ ¼·ª Ýì ïðÊ ñ ¼·ª ÜÝ ïðð - ñ ¼·ª Ýí îðð³Ê ñ ¼·ª ÜÝ ï³- ñ ¼·ª Ýî ëðð³Ê ñ ¼·ª ÜÝ ï³- ñ ¼·ª Ýë ïðÊ ñ ¼·ª ÜÝ ïðð - ñ ¼·ª ÎÛÍ íÊî ÛÛÐÎÑÓ íÊí ÓîìÝðè íÊî îêïí êè° îêðî ïðð° îêïï ï«ð îêïî êè° îêðè ï«ð íêïð èÕî íêðí ïððÎ ïÕð íêïí ïêêð ïîÓØÆ ï²ð îêïë îêïç ï« îîð² îêðï ï«ð îêïè ï²ð îêðê îêïê ìé² ïððÎ íêðì îÕî íêðê íêðé îÕî ìÕé íêîé íêïç î¨ëÉóÔß îêðì íêïè íêîí óóó êÕè î¨ïÉóÒß ÍÒÜßÓÐó ÌÜßçëéð Ú±® ÒßñÔßñßÐ ×ÌÛÓ ÍÒÜßÓÐó ï¨ïÉóÓÒó ÙÔ ÍÒÜßÓÐó î¨ïÉóÍÌó ÛËñßÐ ÖËÓÐÛÎ îÕî ÛËñßÐ ÍÒÜßÓÐó ìÕé óóó ÍÒÜßÓÐó î¨íÉóÍÌó ÒÜÞÈóÒßñÔß ÍÒÜßÓÐóî¨ëÉó ÍÌõÉÑÑÚÛÎó ×ÒÜ îêðì íêïè íêîí óóó êÕè ìÕé óóó ïðÕ î¨ëÉóÍÌó ßÐ ÒßñÔß ÍÒÜßÓÐó î¨ïðÉóÍÌó ßÐ ÍÒÜßÓÐó î¨íÉóÍÌó Òß ÍÒÜßÓÐó î¨ëÉóÍÌó ×ÒÜóÓÕ×× ÍÒÜßÓÐó î¨ëÉóÍÌó Ôß êÕè ìÕé Òß ÍÒÜßÓÐó ÍÒÜßÓÐó ÌÜßçëèé ÌÜßçëçç ï¨ìÉóÓÒó ßÐ êÕè ìÕé ÌÜßçëêë ÌÜßçëéð Òß Ôß êÕè ìÕé ÒÌÍÝ ÐßÔñÒÌÍÝ ÌÜßçëèê ìÕé êÕè óóó ìÕé êÕè óóó ßÐ ìÕé óóó ìéðÎ ÍÒÜßÓÐó î¨íÉóÍÌó Ú±® ßÐñÒßñÔß î¨ïÉóÒß ÍÒÜßÓÐó î¨íÉóÔß ÍÒÜßÓÐó ×ÌÛÓ ×ÌÛÓ éîððøËÑÝ÷ ÌÜßçëèé ÌÜßçëèè ÌÜßçëéé ÌÜßçëèð ÌÜßçëèí ÐßÔñÒÌÍÝñÍÛÝßÓ óóó êÕè ïð«Ú êÕè ìÕé óóó êÕè ìÕé óóó êÕè ìÕé óóó ÖÓÐ óóó óóó ìÕé ï¨íÉó ëëÕ Ò±²óëëÕ ö îêðê ÍÒÜßÓÐó íêîî íêíð ï² ìéð² óóó ÖÓÐ ìéðÎ ÍÒÜßÓÐó î¨ëÉóÍÌó óóó êÕè ìÕé óóó ïðÕ ìÕé óóó êÕè ìÕé óóó PDF 文件使用 "FinePrint pdfFactory Pro" 试用版本创建 www.fineprint.com.cn Ý·®½«·¬ Ü·¿¹®¿³- ¿²¼ ÐÉÞ Ô¿§±«¬- íí Ôðïòïß ßÝ éò Ó±²± Ý¿®®·»®æ ß«¼·± ß³°´·º·»® ßï îðð³Ê ñ ¼·ª ßÝ ï³- ñ ¼·ª ßí îðð³Ê ñ ¼·ª ßÝ ï³- ñ ¼·ª ßî îðð³Ê ñ ¼·ª ßÝ ï³- ñ ¼·ª ßì îðð³Ê ñ ¼·ª ßÝ ï³- ñ ¼·ª îçðí ÎÛÍ íçðç ïðÕ ÎÛÍ ÎÛÍ ÎÛÍ ÎÛÍ íÊé ÎÛÍ ïïÊè ÍÌÞ ÊÝÝ ÙÒÜÝØï ÙÒÜÝØî ÙÒÜ×ÒÐ îçðé íçðî íÕí îçìé îçðè ïð« îçðë ï² îçðî íçðê íçðé îçëð îçìè îçìç íçïð ïðÕ ï« ìçðë íçðì ìçîï îçðï ÝÔ íêëíîðíçÁðïèò»°- ðïðëðí ö ÚÑÎ Ü×ÊÛÎÍ×ÌÇ Ô×ÍÌ ÍÛÛ ÐßÙÛ íç PDF 文件使用 "FinePrint pdfFactory Pro" 试用版本创建 www.fineprint.com.cn íì Ôðïòïß ßÝ éò Ý·®½«·¬ Ü·¿¹®¿³- ¿²¼ ÐÉÞ Ô¿§±«¬- Ó±²± Ý¿®®·»®æ Ò×ÝßÓ õ îÝÍ õ ÞÌÍÝ øÍ¬»®»±ñÍßÐ÷ Ü»½±¼»® ßïï¿ îðð³Ê ñ ¼·ª ßÝ ï³- ñ ¼·ª ßë îðð³Ê ñ ¼·ª ßÝ ï³- ñ ¼·ª ßïï îðð³Ê ñ ¼·ª ßÝ ï³- ñ ¼·ª ßïð îðð³Ê ñ ¼·ª ßÝ ï³- ñ ¼·ª ßç îðð³Ê ñ ¼·ª ßÝ ï³- ñ ¼·ª ßè¿ îðð³Ê ñ ¼·ª ßÝ ï³- ñ ¼·ª ßè îðð³Ê ñ ¼·ª ßÝ ï³- ñ ¼·ª ßê îðð³Ê ñ ¼·ª ßÝ ï³- ñ ¼·ª ßé îðð³Ê ñ ¼·ª ßÝ ï³- ñ ¼·ª ÎÛÍÛÌÏ ÍÌßÒÜÞÇÏ ßÜÎÁÍÛÔ ×îÝÁÝÔ ßØÊÍ Í ßØÊÍ ËÐ ÊÎÛÚï ÊÎÛÚî ÝßÐÔÁÓ ÌÛÍÌÛÒ ÜÊÍÍ ÜÊÍ ËÐ ßÙÒÜÝ ßÊÍ Í ßÊÍ ËÐ ×îÝÁÜß ïðð« îèìê îèëé îèìë ïðð² íèìð ïðð° îèëí ÎÛÍ íÊè ðÊ ðÊ ëÊ ðÊ ðÊ îÊì ðÊ êÊî ÎÛÍ ëÊ îÊì ëÊ ì«é ÎÛÍ íÊé ÎÛÍ íÊé éÊè ÎÛÍ ÎÛÍ ðÊ ðÊ ðÊ ÎÛÍ ìèíë íèëî ïÕð îèìì ïð« îèêð ï²ð îèëì ìéð° îèíì íèíë íèìï ìéðÎ íèìç ìèíê îèíé îèëî ï²ð îèíê ï²ë îèíë îîð° îèçè ïð² íèìí ïð« îèìï îèçê ëèíë îèíï ï°ð ëèíï ê«è ìèíì îèíî ï°ð îèçë ëêð° îèìè ÝÔ íêëíîðíçÁðïçò»°- ðïðëðí PDF 文件使用 "FinePrint pdfFactory Pro" 试用版本创建 www.fineprint.com.cn Ý·®½«·¬ Ü·¿¹®¿³- ¿²¼ ÐÉÞ Ô¿§±«¬- íë Ôðïòïß ßÝ éò Ó±²± Ý¿®®·»®æ ß«¼·±ñÊ·¼»± ͱ«®½» Í©·¬½¸·²¹ ݱ³¾ Ú·´¬»® Í·¼» ßÊ ïèïðß Ûî ïèïðÞ Ýí ïèïï Úì îèðî Þç îèðé Þë îèïð Ýç îèïí Üç ïððÕ íÜ ½±³¾ º·´¬»® îèïì Ûé îèïë Ûé îèïê Þí íèðï Þî íèðî Þî íèðç Úé íèïð Úé íèïï Ýî íèïî Ýî íèïí Ýí íèïì Þé íèïë Ýé íèïê Þé íèïé Ýé íèïè Üé íèïç Ûé íèîð Ýé íèîï Ûé íèîî Úé ëÊè ëÊè ìèðé Úé ìèðè Úè ìèïî Üí ìèïì Ûí ìèïê Ýè ìèïé Ýè ìèïè Ûé ìèïç Ûè ìèîð Ûïð ìèîï Üî ìèîí Üî ìèîì Ûî ìèîë Ýïð ìèîê Ýïð ìèîé Ýïð ìèîç Üé ìèíð Ûé ìèíï Úé ìèìï Ýé ìèèê Ûë ìèçî Üë ëèïð Üí éèðîóß Ýè éèðîóÞ Ûè éèðîóÝ Üè éèðíóß Ýì éèðíóÞ Üì éèðíóÝ Ûì éèðì Ýí çèïð Ýé ëÊè Ìð ðîêê ÑÚ Ìð ïèïð ÑÚ Î»-»®ª»¼ º±® ìèïç ïÕð íèïî íèðî ïÕð ïððÕ íèïé ïððÕ íèïç ìèïè ìèïé ìèïî ìèìï ëèïð ìèïì íèïð ìèðé íèïí ïÕð ìèèê íèïë íèðç ìéð² îèïê ìèïê ìèðè îèðé îîð² íèîï ïððÕ îèðî íèîî PDF 文件使用 "FinePrint pdfFactory Pro" 试用版本创建 www.fineprint.com.cn íê Ôðïòïß ßÝ éò Ý·®½«·¬ Ü·¿¹®¿³- ¿²¼ ÐÉÞ Ô¿§±«¬- Ó±²± Ý¿®®·»®æ ÞÌÍÝ ÒÜÞÈ Í¬»®»± Ü»½±¼»® ßïî îðð³Ê ñ ¼·ª ßÝ ï³- ñ ¼·ª ßïë ïðÊ ñ ¼·ª ÜÝ ï³- ñ ¼·ª ßïì ïðÊ ñ ¼·ª ÜÝ îð - ñ ¼·ª ßïí ïðÊ ñ ¼·ª ÜÝ îð - ñ ¼·ª ßïê ïðÊ ñ ¼·ª ÜÝ ï³- ñ ¼·ª ÔóÎ ÒÝ ÒÝ ÒÝ ÔõÎ ïÊ ìÊ ìÊ ðÊ ðÊ ìÊ ìÊ ðÊ ðÊ ìÊ ìÊ ìÊ ìÊ ÎÛÍ ìÊ ìÊ ÎÛÍ ìÊ ðÊ ìÊ èÊ ìÊ ìÊ êÊ ìÊ êÊ ÎÛÍ ìòíÊ ðÊ ìÊ ìÊ ìÊ ìÊ èÊ ÎÛÍ ìÊ ìÊ ÎÛÍ ðÊ ìÊ ìÊ ðÊ ìÊ îîð² îèèê ïëð° îèêè îèèî ÝÍÞ íèçí ííðÎ îèêí ïð« îèéé ïÕî íèêí ïððÕ íèêï íèêì ïððÎ ìéð« îèèí îèéì ïðð« ì«é îèéê î«î îèéí í²í î èéî íèçê ííðÎ ï« ì²é îèéç îèêé í²í íèçî îî² îèèð ìèêì îèéè ðÊ ïðð« îèéë çèçî îèéï ïëð° îèèï ïèêï ëïìÕë ìèêî íèçë î«î îèêê ÊÝÝ Ê×Ô Ê×Î ÊÎÛÚ ÎÚÎ ÍÝÔ ÍÜß ÌÝïÔ ÌÝïÎ ÌÝîÔ ÌÝîÎ ÌÉ ÊßÔ ÊßÎ ÊÝßÐ ÜÙÒÜ Ô×Ô Ô×Î ÔÑÔ Ô ÑÎ ÓßÜ ßÙÒÜ ÞÝÔ ÞÝÎ ÞÐË ÝßÊ ÝÛÎ ÝÓÑ ÝÐï ÝÐî ÝÐØ ÝÍÍ ÝÉ çèçï ÝÔ íêëíîðíçÁðîïò»°- ðïðëðí PDF 文件使用 "FinePrint pdfFactory Pro" 试用版本创建 www.fineprint.com.cn Ý·®½«·¬ Ü·¿¹®¿³- ¿²¼ ÐÉÞ Ô¿§±«¬- íé Ôðïòïß ßÝ éò Ó±²± Ý¿®®·»®æ Ú®±²¬ ×ñÑ õ Ú®±²¬ ݱ²¬®±´ õ Ø»¿¼°¸±²» ÝÔ íêëíîðíçÁðîîò»°- ðïðëðí Ýê ïðÊ ñ ¼·ª ÜÝ î³- ñ ¼·ª ÎÛÍ ççèî ÎÛÍ ÎÛÍ ÎÛÍ ÎÛÍ ÎÛÍ ÎÛÍ îïèí îêçê ÔÌÔóïðîîìÉØÝÎ êêçï îïèë ìÕé íêçì îÕé íêèç ìéð° îçèì ìêçê éëÎ íêèé ïÕ íêçî ïð« îêçï ïïèî îêçî ïïèï êèÎ íêèè íïèì îêçí îïèï îî° ìêçç îêçì îïèê êïèï íêçí îîðÎ îêçë ïïèí íïèê îïèî ìéð° îçèî íêèê íïèè ö ÚÑÎ Ü×ÊÛÎÍ×ÌÇ Ô×ÍÌ ÍÛÛ ÐßÙÛ íç PDF 文件使用 "FinePrint pdfFactory Pro" 试用版本创建 www.fineprint.com.cn íè Ôðïòïß ßÝ éò Ý·®½«·¬ Ü·¿¹®¿³- ¿²¼ ÐÉÞ Ô¿§±«¬- Ó±²± Ý¿®®·»®æ λ¿® ×ñÑ Ý·²½¸ ÎÛÍ îïìî ìïðî ÎÛÍ ÍÛÌ ÉñÑ ÇËÊ ÎÛÍ ÎÛÍ ÎÛÍ ÎÛÍ ÎÛÍ ÎÛÍ ÎÛÍ ÎÛÍ ìïîï ïïðï îïîì ííð° íïîì ìéÕ íïëê ïðÕ ííð° îïîî ïïðî ïïðé íïëç ïÕî îïïï îî° ííð° îïìï îïîï ïïðí îî° îïïî ìéÕ íïíì îïîè îïíé ïïïë ïïïï îïðí ííð° çïîî íïëé ïÕë ìéð² îïðï éëÎ í ïïí îî° îïðî ïïðç ïïïí íïëï îîðÕ íïðì ìïîî íïíé íïïï éëÎ ï î í ì ë ê ïïðê ðîîé îïïí îî° ïïïì ðîìî ï î í ì ë ê é ííð° îïíí ïïïð ìïíî ÞßÍíïê êïëð íïëí ëÕê íïëì íïðê îîðÕ ìïðì îïíï ííð° íïëî îïðé ðîîê ï î í ì íïîï ïïðè éëÎ íïíë ìïðï ïïðì ìéÕ íïîê ìïîë ïïðë çïîï íïëð ïëðÕ ííð° îïðì îïðè îïíè ïÕ íïðî ïïïî îïíë îî° íïìç ïððÕ ðîîç ï î í ì ë ê é îïíê íïïë éëÎ íïíî ìéÕ íïëè ïðÕ ìïîê ìïîí îïëð ïëð² îïîé PDF 文件使用 "FinePrint pdfFactory Pro" 试用版本创建 www.fineprint.com.cn

标签:

版权声明

1. 本站所有素材,仅限学习交流,仅展示部分内容,如需查看完整内容,请下载原文件。
2. 会员在本站下载的所有素材,只拥有使用权,著作权归原作者所有。
3. 所有素材,未经合法授权,请勿用于商业用途,会员不得以任何形式发布、传播、复制、转售该素材,否则一律封号处理。
4. 如果素材损害你的权益请联系客服QQ:77594475 处理。