康佳液晶电视35019637主板电路原理图

分类:电子电工 日期: 点击:0
康佳液晶电视35019637主板电路原理图-0 康佳液晶电视35019637主板电路原理图-1 康佳液晶电视35019637主板电路原理图-2 康佳液晶电视35019637主板电路原理图-3 康佳液晶电视35019637主板电路原理图-4 康佳液晶电视35019637主板电路原理图-5 康佳液晶电视35019637主板电路原理图-6 康佳液晶电视35019637主板电路原理图-7 康佳液晶电视35019637主板电路原理图-8 康佳液晶电视35019637主板电路原理图-9

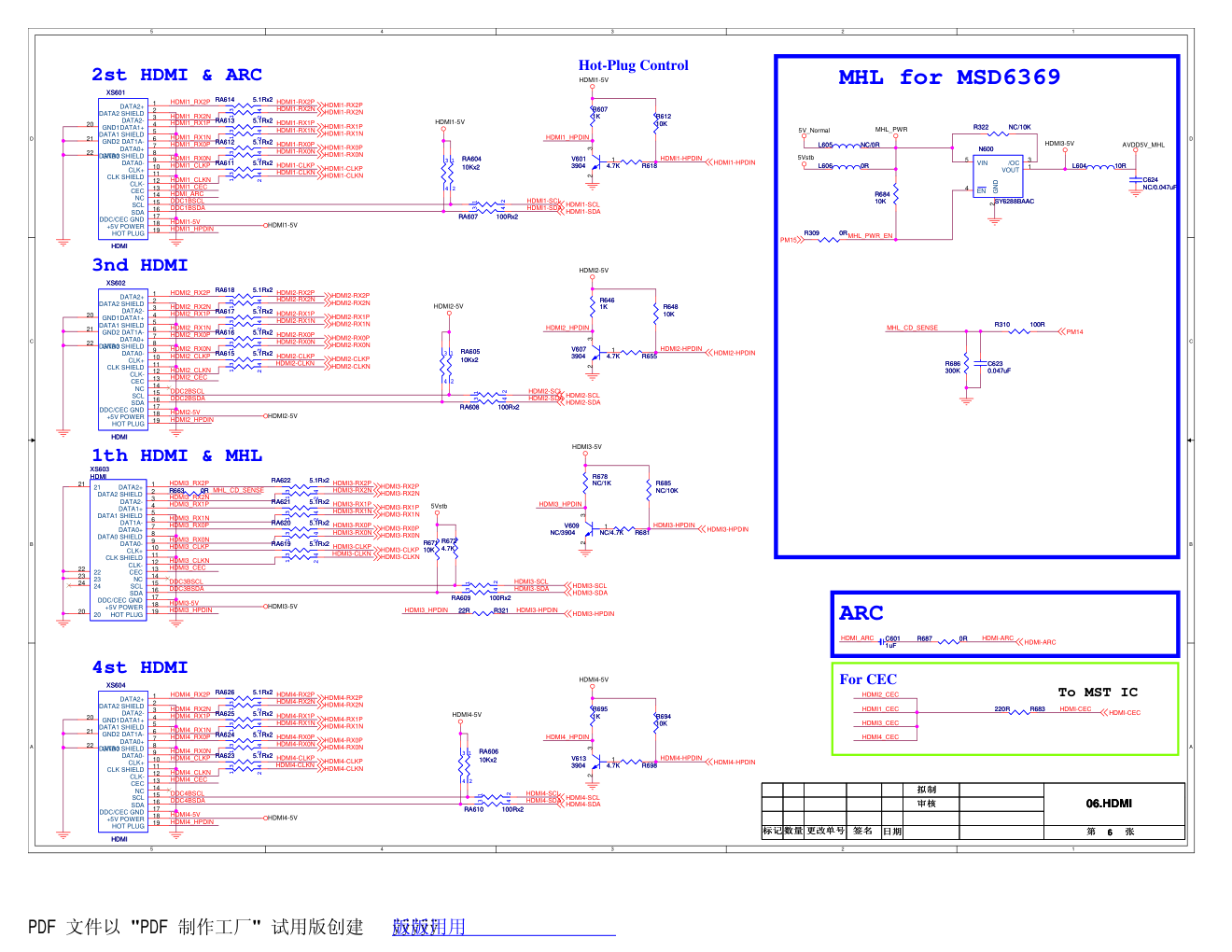
5 5 4 4 3 3 2 2 1 1 D D C C B B A A 拟制: KONKA DTV SCH Design KDL55XS715AN 标准化: 批准: PDF 文件以 "PDF 制作工厂" 试用版创建 http://www.fineprint.com 5 5 4 4 3 3 2 2 1 1 D D C C B B A A POWER-ON POWER-ON PM_PWR_ON +5.3Vsb VCC12.2V CSB SCK MISO VSYNC_LIKE EN MOSI VCC-Panel +12V 5Vstb +12V 5Vstb 5Vstb 3.3Vstb 3.3V_Tun 3V3_Normal 2.5V_Normal 3.3V_Demod 1.2V_Demod 3V3_Normal 12VIN 3V3_Normal +12V 3.3V_Tun 5VSTBIN 5Vstb VDDC1.15V +12V 5Vstb +1.5V_DDR 3V3_Normal 5V_Normal 5V_Normal VCC_VSENSE 5V_Normal +12V +12V 5VA +5.3Vsb PANEL-ON PM_PWR_ON VID1 VID0 3 POWER-ON VCC12.2V VSYNC_LIKE EN CSB SCK MISO MOSI POWER-ON 签名 批 准 标准化 审 核 拟 制 日期 第 张 共 张 更改单号 数量 标记 阶段标记 01.System Power 1 17 签名 批 准 标准化 审 核 拟 制 日期 第 张 共 张 更改单号 数量 标记 阶段标记 01.System Power 1 17 签名 批 准 标准化 审 核 拟 制 日期 第 张 共 张 更改单号 数量 标记 阶段标记 01.System Power 1 17 PANEL POWER POWER INPUT 主板电源接口 3.3Vstb TUNER POWER 2.5V_Normal DEMOD 3.3V POWER DEMOD 1.2V POWER 3V3_Normal FB=0.8V CORE POWER DDR3 1.5V 待定 电压要调整到5.2v 5VA FB=0.8V 2V5 2V5 R802 5.6K/1% R802 5.6K/1% C878 3.3nF C878 3.3nF C836 10uF C836 10uF R825 10K/1% R825 10K/1% C864 10uF C864 10uF C830 0.1uF C830 0.1uF LVDS_VCC LVDS_VCC 1 2 L807 FB_2A L807 FB_2A C841 10uF C841 10uF C823 10uF C823 10uF LG 2 UG 4 VCC 1 BOOT 5 LX 6 VIN 7 FB 8 GND 3 N811 RT8110 N811 RT8110 C803 2.2uF C803 2.2uF L818 2.2uH L818 2.2uH C838 0.1uF C838 0.1uF R820 47K R820 47K R817 100R R817 100R C828 0.47uF C828 0.47uF 1 2 L815 FB_600mA L815 FB_600mA 1V5 1V5 C861 0.1uF C861 0.1uF BKLT_EN BKLT_EN + C814 220uF + C814 220uF 1 2 L804 FB_3A L804 FB_3A C842 0.1uF C842 0.1uF C858 10uF C858 10uF C877 2.2uF C877 2.2uF R823 10K R823 10K C807 2.2uF C807 2.2uF LG 2 UG 4 VCC 1 BOOT 5 LX 6 VIN 7 FB 8 GND 3 N801 RT8110 N801 RT8110 VD801 1N4148 VD801 1N4148 3V3 3V3 C837 10uF C837 10uF C870 0.1uF C870 0.1uF R809 12K/1% R809 12K/1% C882 0.1uF C882 0.1uF C867 0.1uF C867 0.1uF C884 10uF C884 10uF R808 NC/1% R808 NC/1% VD804 NC/1N4148 VD804 NC/1N4148 1 2 L820 FB_600mA L820 FB_600mA VD802 1N4148 VD802 1N4148 5V_STB 5V_STB C844 10uF C844 10uF R811 NC/0R R811 NC/0R VD803 5.6V VD803 5.6V C811 10uF C811 10uF S 1 S 2 S 3 G 4 D 8 D 7 D 6 D 5 V801 9435A V801 9435A C874 2.2uF C874 2.2uF C885 10uF C885 10uF C801 0.1uF C801 0.1uF 1 2 L808 FB_600mA L808 FB_600mA C868 0.1uF C868 0.1uF C889 0.1uF C889 0.1uF C832 0.1uF C832 0.1uF R803 NC/10K R803 NC/10K 3 2 1 4 ADJ OUT IN N807 1117-1.2 ADJ OUT IN N807 1117-1.2 R814 NC R814 NC C812 10uF C812 10uF C825 0.1uF C825 0.1uF L809 10uH L809 10uH + C824 220uF + C824 220uF C843 10uF C843 10uF C829 10uF C829 10uF C821 33pF C821 33pF 3V3_STB 3V3_STB C860 10uF C860 10uF 3 2 1 GND IN OUT N810 WL2004_2.5V GND IN OUT N810 WL2004_2.5V 3 1 2 V810 2N7002 V810 2N7002 C810 10uF C810 10uF R815 4.7K R815 4.7K 3 2 1 GND IN OUT N804 NC/WL2004_3.3V GND IN OUT N804 NC/WL2004_3.3V R805 59K/1% R805 59K/1% C872 10uF C872 10uF C805 10uF C805 10uF C831 10uF C831 10uF C890 10uF C890 10uF C871 10uF C871 10uF R812 0R R812 0R 3V3_TU 3V3_TU C835 3.3nF C835 3.3nF C866 0.1uF C866 0.1uF PS_ON/OFF PS_ON/OFF 3 2 1 4 ADJ OUT IN N802 1117-3.3 ADJ OUT IN N802 1117-3.3 C813 0.1uF C813 0.1uF R821 100K R821 100K C875 10uF C875 10uF C859 0.1uF C859 0.1uF IN 2 GND 4 BS 1 FB 5 COMP 6 EN 7 SS 8 SW 3 GND 9 N803 FR9886 N803 FR9886 R801 3K/1% R801 3K/1% R827 27K/1% R827 27K/1% 3 1 2 V803 NC/2N7002 V803 NC/2N7002 R834 NC/10K R834 NC/10K R804 NC/33K/1% R804 NC/33K/1% 5VA 5VA F801 F5A/32V F801 F5A/32V 1 2 L814 FB_600mA L814 FB_600mA C876 10uF C876 10uF 1 2 L819 FB_6A/33000896 L819 FB_6A/33000896 R824 2.2K R824 2.2K L801 4.7uH L801 4.7uH C873 22pF C873 22pF 1 2 L816FB_600mA L816FB_600mA C869 22uF C869 22uF 3 2 1 4 ADJ OUT IN N806 AP2114 ADJ OUT IN N806 AP2114 R836 10K R836 10K C886 0.1uF C886 0.1uF C809 10uF C809 10uF R835 10K R835 10K C833 10nF C833 10nF 1V2 1V2 1 2 L802 FB_2A L802 FB_2A C816 0.1uF C816 0.1uF C834 0.1uF C834 0.1uF C804 10uF C804 10uF R839 16K/1% R839 16K/1% S1 1 G1 2 S2 3 G2 4 D1 8 D1 7 D2 6 D2 5 V814 ME4920 V814 ME4920 C806 0.1uF C806 0.1uF C887 10uF C887 10uF 12V_VCC 12V_VCC R846 2.2R R846 2.2R R813 68K/1% R813 68K/1% 3 2 1 4 ADJ OUT IN N809 1117-3.3 ADJ OUT IN N809 1117-3.3 CORE_1V2 CORE_1V2 R826 NC R826 NC C863 0.1uF C863 0.1uF S1 1 G1 2 S2 3 G2 4 D1 8 D1 7 D2 6 D2 5 V811 ME4920 V811 ME4920 C840 10uF C840 10uF 1 2 L805 FB_2A L805 FB_2A C822 0.1uF C822 0.1uF 1 2 L817 FB_600mA L817 FB_600mA C808 10uF C808 10uF R844 2.2R R844 2.2R C883 0.1uF C883 0.1uF C846 0.1uF C846 0.1uF C865 10uF C865 10uF R845 10K/1% R845 10K/1% C891 10nF/50V C891 10nF/50V L803 4.7uH L803 4.7uH C888 3.3nF C888 3.3nF 1 2 L806 NC/FB_2A L806 NC/FB_2A C839 0.1uF C839 0.1uF R806 10K R806 10K 3 1 2 V807 3904 V807 3904 EN 1 GND 2 LX 3 VIN 4 FB 5 N808 SY8087 N808 SY8087 R822 10K R822 10K C802 47nF C802 47nF C862 10uF C862 10uF PDF 文件以 "PDF 制作工厂" 试用版创建 ÿÿÿÿ ÿ �版版�用�用� 5 5 4 4 3 3 2 2 1 1 D D C C B B A A PAD_VSYNC_LIKE PAD_SPI2_CK PAD_SPI1_DI PAD_SPI1_CK PAD_SPI2_DI USB3_SSTXN PCM_IRQA_N PCM_OE_N PCM_WAIT_N PCM_IORD_N PCM_CE_N PCM_WE_N PCM_RESET PCM_IOWR_N PCM_CD_N PCM_REG_N AV-AUOUTL0 AV-AUOUTR0 HDMI2-RX2N HDMI2-RX1P HDMI2-SCL HDMI2-CLKP HDMI2-RX1N HDMI2-SDA HDMI2-RX0P HDMI2-CLKN HDMI2-RX2P HDMI2-RX0N HDMI3-HPDIN C3M PCM_A0 BRI_ADJ USB2_D+ HDMI2-HPDIN AUVRP AUVAG AUVRM D3P PCM_D2 SPI_SDO MIC_IN MICIN MICINCM LINE_IN_1L LINE_IN_1R HDMI1-RX1P HDMI3-RX2N HDMI1-CLKP HDMI3-RX1P HDMI3-SCL HDMI1-RX1N HDMI3-CLKP HDMI1-RX0P HDMI-CEC HDMI1-CLKN HDMI3-RX1N HDMI3-SDA HDMI1-RX2P HDMI3-RX0P HDMI1-SCL HDMI3-CLKN HDMI1-RX0N HDMI1-HPDIN HDMI3-RX2P HDMI1-RX2N HDMI3-RX0N HDMI1-SDA C0P SOGIN0 EARPHONE_OUTL EARPHONE_OUTR VCOM0 RIN1N GIN1N VGA_VSYNC VGA_HSYNC BIN0N BIN1N RIN0 GIN0 BIN0 GIN0N SOGIN1 RIN1 GIN1 BIN1 RIN0N AUVRP AUVRM HDMI-ARC AUVAG D0P CCKM SPI_CSN Demod_RST PCM_D7 VGA_VSYNC VGA_HSYNC PCM_A6 PWR-ON/OFF System-RST IF-AGC-SEL DCKP SPDIF_OUT KEY0 C2M USB3_SSRXP FLASH-WPN SPI_SDI D2P PM16 PCM_D3 PCM_A3 C4P PCM_A1 BRI_ADJ NAND_CE1Z EMMC_D7 NAND_REZ EMMC_D4 C1M D1P C3P XTALO XTALI PWM_PM IR_SYNC USB3_SSRXN SPI_SCK SPI_SDO SPI_SDI CCKP PM15 PCM_D4 PCM_A5 VID1 FLASH-WPN NAND_WEZ EMMC_D3 C2P CVBS3 D4M PCM_D0 PCM_IRQA_N NAND_RBZ EMMC_D0 NAND_ALE EMMC_D1 NAND_CEZ EMMC_D6 NAND_CLE EMMC_D5 AV-AUOUTL0 PCM_A13 PCM_A12 AV-AUOUTR0 PCM_A2 PCM_CD_N PCM_WAIT_N PCM_IORD_N NAND_WPZ EMMC_D2 EARPHONE_OUTR EARPHONE_OUTL SPI_SCK D1M C1P MDI_RP MDI_RN MDI_TP MDI_TN PCM_WE_N PCM_A11 PCM_A8 USB3_D+ PCM_A9 PCM_OE_N System-RST PCM_A10 PCM_CE_N I2S-OUT_MCK I2S-OUT_BCK CFG-PWM1 PCM_D5 PCM_REG_N PCM_RESET D3M CFG-PWM1 CFG-PWM0 PCM_PWR_CTL PCM_IOWR_N C0M SPI_CSN CVBS3 D0M EMMC_RSTZ NAND_D6 EMMC_CLK NAND_D5 EMMC_CMD NAND_D4 PCM_A7 USB3_SSTXP DCKM USB2_D- SOGIN0 PCM_D1 CVBS_OUT LVDS_SEL M_SCL M_SDA HD_Lin HD_Rin PCM_A4 PCM_A14 USB3_D- D2M CFG-PWM0 PANEL-ON PCM_D6 C4M VCOM0 RIN1N GIN1N BIN0N BIN1N RIN0 GIN0 BIN0 GIN0N SOGIN1 RIN1 GIN1 BIN1 RIN0N CVBS_OUT D4P PCM_PWR_CTL XTALO XTALI M_SCL M_SDA PWR-ON/OFF CFG-PWM1 Demod_RST IF-AGC-SEL PWM_PM AMP-MUTE SPI_SDI TS1_D1 TS1_D2 TS1_D3 TS1_D4 TS1_D5 TS1_D6 TS1_D7 TS1_SYNC TS1_CLK TS1_VALID TS1_D0 TS0_SYNC TS0_CLK TS0_VALID TS0_D5 TS0_D6 TS0_D7 TS0_D1 TS0_D2 TS0_D3 TS0_D4 TS0_D0 LED_GREEN AMP-MUTE USB0_D- USB0_D+ GPIO4 3D_FLAG PM14 3D_EN_TCON 3D_LR_in PM15 PM16 PM14 POWER_KEY1 I2S-OUT_MCK I2S-OUT_BCK I/O_R PANEL-ON VID0 LVDS_SEL 3D_FLAG 3D_EN_TCON MIC_DET 3D_LR_in L_DIM_DBL SD2-CMD SD2-CMD SD2-CLK SD2-CLK I2S-OUT_WS L_DIM_DBL KEY0 IR_SYNC LOGO_POWER STB_POWER IR_in STB_POWER IR_in LED_GREEN GPIO4 ON_BKLT SCN_EN PWM_PM SD_CDZ1 SD_CDZ1 UART-RX UART-TX HDMI4-RX2N HDMI4-RX1P HDMI4-SCL HDMI4-CLKP HDMI4-RX1N HDMI4-SDA HDMI4-RX0P HDMI4-CLKN HDMI4-RX2P HDMI4-RX0N HDMI4-HPDIN HP_MUTE HP_MUTE USB3_EN USB3_EN I2S-OUT_WS 3D_FLAG NAND_DQS TS2_VLD NAND_D2 TS2_SYNC NAND_D1 TS2_CLK NAND_D0 TS2_D0 NAND_D3 PCM-CD2 3.3V_ADC IR_in KEY0 MIC_DET I/O_R LOGO_POWER USB1_D+ USB1_D- PAD_SPI2_DI MISO MOSI PAD_SPI1_DI PAD_VSYNC_LIKE PAD_SPI2_CK PAD_SPI1_CK SCK VSYNC_LIKE GND VSYNC_LIKE CSB SCN_EN SCN_EN EN ON_BKLT ON_BKLT EN 3.3Vstb 3.3Vstb 3.3Vstb 3V3_Normal 3V3_Normal 3.3V_Tun 3.3V_Tun 3.3V_Tun 3.3Vstb 5Vstb 3.3Vstb 3.3Vstb 3.3Vstb 3.3Vstb 3.3Vstb 3.3Vstb 5V_Normal 5VSTBIN USB3_SSTXN PCM_IRQA_N PCM_WAIT_N PCM_OE_N PCM_IORD_N PCM_RESET PCM_CE_N PCM_WE_N PCM_CD_N PCM_IOWR_N PCM_REG_N HDMI-CEC System-RST HDMI1-CLKP HDMI1-RX1N HDMI1-CLKN HDMI1-RX2P HDMI1-SCL HDMI1-RX0N HDMI1-RX2N HDMI1-SDA HDMI3-RX1P HDMI3-SCL HDMI3-CLKP HDMI3-RX1N HDMI3-SDA HDMI3-RX0P HDMI3-CLKN HDMI3-RX2P HDMI3-RX0N HDMI3-HPDIN HDMI1-HPDIN HDMI2-RX1P HDMI2-SCL HDMI2-CLKP HDMI2-RX1N HDMI2-SDA HDMI2-RX0P HDMI2-CLKN HDMI2-RX2P HDMI2-RX0N HDMI2-HPDIN HDMI1-RX1P MIC_IN YPbPr_PR+ YPbPr_Y+ YPbPr_PB+ HDMI-ARC VGA_HSYNC VGA_VSYNC AV2_VIN USB3_SSRXP NAND_CE1Z USB2_D- USB2_D+ USB3_SSRXN NAND_WEZ NAND_RBZ NAND_ALE NAND_REZ AUOUTL0 NAND_CEZ NAND_CLE M_SCL EARPHONE-OUTL AUOUTR0 TUNER_SDA BRI_ADJ PCM_A[14:0] PCM_D[7:0] MDI_RP MDI_TP MDI_TN MDI_RN EARPHONE-OUTR VID0 USB3_D+ IF_AGC_T PCM_PWR_CTL TUNER_SCL EMMC_CMD EMMC_RSTZ EMMC_CLK USB3_SSTXP CVBS_OUT HD1-Rin HD1-Lin NAND_WPZ USB3_D- SPDIF_OUT VGA-Bin+ VGA-Gin+ VGA-Rin+ UART-TX UART-RX PM_PWR_ON IF-AGC-SEL CFG-PWM1 AMP-MUTE Demod_RST M_SDA TS1_CLK TS1_VALID TS1_SYNC TS1_D[7:0] TS0_CLK TS0_VALID TS0_SYNC TS0_D[7:0] VGA-Lin VGA-Rin PM15 PM16 PM14 USB0_D- USB0_D+ PANEL-ON HDMI1-RX0P HDMI3-RX2N HDMI2-RX2N LVDS_SEL 3D_FLAG MIC_DET 3D_EN_TCON 3D_SYNC G2_RXE0+ G6_RXO3+ B3_RXE3- R0_RXOC+ B5_RXEC- R6_RXO0+ B0_RXE4+ R2_RXO2+ B7_RXE2- B2_RXE3+ R4_RXO1+ G1_RXE1- B6_RXE2+ B4_RXEC+ G5_RXO4- G7_RXO3- G0_RXE1+ R5_RXO1- R1_RXOC- R7_RXO0- G3_RXE0- B1_RXE4- R3_RXO2- G4_RXO4+ VID1 L_DIM_DBL SD2-CMD SD2-CLK GPIO4 PWM_PM SD_CDZ1 HDMI4-RX2N HDMI4-RX1P HDMI4-SCL HDMI4-CLKP HDMI4-RX1N HDMI4-SDA HDMI4-RX0P HDMI4-CLKN HDMI4-RX2P HDMI4-RX0N HDMI4-HPDIN HP_MUTE LAN-LED1 3 LAN-LED0 3 USB3_EN 11 NAND_DQS TS2_VLD 13,15 TS2_SYNC 13,15 TS2_CLK 13,15 TS2_D0 13,15 PCM-CD2 IFP IFN I/O_R POWER-ON USB1_D- USB1_D+ SCN_EN ON_BKLT CSB SCK MISO MOSI VSYNC_LIKE EN 标记 数量 签名 更改单号 日期 拟制 审核 第 张 2 02.MSD6369(RGB/CI/HDMI) 标记 数量 签名 更改单号 日期 拟制 审核 第 张 2 02.MSD6369(RGB/CI/HDMI) 标记 数量 签名 更改单号 日期 拟制 审核 第 张 2 02.MSD6369(RGB/CI/HDMI) NAND & CI & TS & Front End HDMI Interface Close to MST IC with wide trace Close to MSTAR IC with width trace SAR口耐压只能到3.3V!!!!! GPIO Pull Up/Down SPI Flash *100MHz, No any VIA hole! RESET GPIO & LVDS 靠近mstar IC C1=C2=2*CL-5 C1 C2 Audio Line Out Close to MST IC 靠近主IC Closed to MSTIC Mode Selection USB3.0 for 6A806 Closed to MST IC HDMI & Audio RGB & CVBS & LAN & USB 电源纹波在50mV以内 Debug port NOTE:晶体频偏需要小于30PPM Closed to MSTIC 6A801 NC PWM3固定做3D输出 1、801做3D flag输出给6M30 2、806做LR flag输出给3D Active屏 PM8保留做3D LR眼镜信号输入 LED_IR_KEY //{I2S_OUT_WS,I2S_OUT_BCK, I2S_OUT_MCK, PAD_PWM1, PAD_PWM0} 4'b00000 B51_NO_EJ (External SPI) 4'b00011 CA9_EMMC_NO_EJ 4'b00100 CA9_SPI_NO_EJ (External SPI) 4'b00110 CA9_ROM_NO_EJ 4'b01100 CA9_EMMC_M2_NO_EJ KEY BOARD LOCAL DIMMING R557 49.9R/1% R557 49.9R/1% C564 100pF C564 100pF R572 33R R572 33R C560 20pF C560 20pF C524 0.1uF C524 0.1uF R549 68R R549 68R SAR0 K6 SAR1 L5 SAR2 L6 SAR3 L4 PWM0 B7 PWM1 C8 PWM2 B8 PWM3 C7 PM_SPI_CK C1 PM_SPI_CS1/PM6 D4 PM_SPI_DI D3 PM_SPI_DO D1 DDCA_CK/UART0_RX J5 DDCA_DA/UART0_TX J6 DDCR_CK F5 DDCR_DA F4 GPIO_PM0 B3 GPIO_PM1/PM_UART_TX K5 GPIO_PM4 C3 GPIO_PM5/PM_UART_RX J4 PM_SPI_CS2/PM10 E4 GPIO_PM7/PM_SPI_WP2 D6 A0P AF31 A0M AF30 A1P AG31 A1M AG32 A2P AG30 A2M AH32 ACKP AH31 ACKM AH30 A3P AJ31 A3M AJ30 A4P AK31 A4M AK32 GPIO4 A6 GPIO3 B6 PWM_PM N5 PM_SPI_CZ G9 GPIO2 C6 B0P AK30 B0M AL32 B1P AL31 B1M AM31 B2P AL30 B2M AM30 BCKP AK29 BCKM AM29 B3P AL29 B3M AK28 B4P AL28 B4M AK27 C0P AL27 C0M AM27 C1P AK26 C1M AM26 C2P AL26 C2M AK25 CCKP AL25 CCKM AK24 C3P AL24 C3M AM24 C4P AK23 C4M AM23 D0P AL23 D0M AK22 D1P AL22 D1M AK21 D2P AL21 D2M AM21 DCKP AK20 DCKM AM20 D3P AL20 D3M AK19 D4P AL19 D4M AK18 PM_SPI1_CK AD31 PM_SPI1_DI AD32 PM_SPI2_CK AC31 PM_SPI2_DI AC30 PM_VSYNC_LIKE AD30 GPIO_PM14 AK3 GPIO_PM15 AL3 GPIO_PM16 AJ4 GPIO_PM8 G8 PWM SAR SPI GPIO LVDS N501D MSD6369 PWM SAR SPI GPIO LVDS N501D MSD6369 C537 47nF C537 47nF R636 4.7K R636 4.7K C508 1uF C508 1uF R590 33R R590 33R L501 10uH L501 10uH R560 33R R560 33R 1 2 3 4 5 6 7 8 XS627 NC/D1250-06 XS627 NC/D1250-06 R480 1M R480 1M R320 22R R320 22R C548 47nF C548 47nF C522 NC/0.1uF C522 NC/0.1uF C550 0.1uF C550 0.1uF R505 0R R505 0R 1 2 3 4 5 6 XS630 D2006-6W XS630 D2006-6W R569 33R R569 33R R574 0R R574 0R C545 47nF C545 47nF C566 10nF C566 10nF R474 4.7K R474 4.7K R401 10K/1% R401 10K/1% CE# 1 SO 2 WP# 3 VSS 4 SI 5 SCK 6 HOLD# 7 VDD 8 N506 W25X80A N506 W25X80A C552 1nF C552 1nF C536 33pF C536 33pF GND 1 RESET 2 VCC 3 N515 APX810 N515 APX810 R323 22R R323 22R BIN0M U3 GIN0P V3 GIN0M V2 SOGIN0 U2 RIN0M W3 HSYNC0 Y4 VSYNC0 Y5 BIN1M W2 GIN1P Y2 SOGIN1 Y3 RIN1M AA1 HSYNC1 AA5 VSYNC1 Y6 BIN2M AB1 GIN2M AC2 RIN2M AD2 SOGIN2 AB2 CVBS0P AB4 CVBS1P AB6 CVBS2P AC5 CVBS3P AB5 VCOM0 AA6 CVBS_OUT2 AD5 TP B4 GPIO20 A3 RN A5 TN C5 RP B5 GPIO19 C4 DM_P0 A2 DP_P0 B2 NC/DM_P1 B1 NC/DP_P1 C2 RIN0P V1 BIN0P T2 RIN1P AA2 GIN1M AA3 RIN2P AD3 GIN2P AC3 BIN2P AB3 BIN1P W1 CVBS_OUT1 AC4 DM_P2 AK5 DP_P2 AM6 DM AK7 DP AL8 NC/SSRXN AK8 NC/SSRXP AM8 NC/SSTXN AL7 NC/SSTXP AK6 RGB CVBS PHY USB N501E MSD6369 RGB CVBS PHY USB N501E MSD6369 C520 NC/0.1uF C520 NC/0.1uF C555 47nF C555 47nF R311 NC R311 NC R571 4.7K R571 4.7K C549 0.1uF C549 0.1uF 3 1 4 2 RA502 10Kx2 3 1 4 2 RA502 10Kx2 C513 2.2uF C513 2.2uF C527 10uF C527 10uF R597 NC R597 NC R478 NC/4.7K R478 NC/4.7K R570 68R R570 68R R649 4.7k R649 4.7k KEY KEY R563 NC/4.7k R563 NC/4.7k R324 22R R324 22R R404 1K_1% R404 1K_1% C563 0.1uF C563 0.1uF C515 220pF C515 220pF R577 4.7k R577 4.7k R567 NC/4.7K R567 NC/4.7K R593 NC R593 NC R575 4.7K R575 4.7K R599 NC R599 NC C532 33pF C532 33pF C534 33pF C534 33pF C538 47nF C538 47nF C528 0.1uF C528 0.1uF R553 0R R553 0R R345 NC/22R R345 NC/22R R565 4.7k R565 4.7k C541 47nF C541 47nF R531 10K R531 10K R591 NC R591 NC C542 47nF C542 47nF C565 10nF C565 10nF R342 22R R342 22R TS0_D0 AG15 TS0_D1 AJ15 TS0_D2 AH15 TS0_D3 AG11 TS0_D4 AH11 TS0_D5 AJ11 TS0_D6 AG12 TS0_D7 AJ12 TS0_CLK AG14 TS0_VLD AH14 TS0_SYNC AJ14 VIFP AJ1 VIFM AJ2 SSIF/SIFP AK2 SSIF/SIFM AK1 IFAGC AG1 RF_TAGC AH3 TGPIO0/UPGAIN AG2 TGPIO2/ I2C_CLK AL1 TGPIO3/ I2C_SDA AL2 PCM_D0 AJ28 PCM_D1 AH28 PCM_D2 AJ29 PCM_D3 AH26 PCM_D4 AJ26 PCM_D5 AG27 PCM_D6 AJ27 PCM_D7 AH27 PCM_A0 AJ21 PCM_A1 AG21 PCM_A2 AJ20 PCM_A3 AH19 PCM_A4 AH18 PCM_A5 AJ18 PCM_A6 AL18 PCM2_WAIT_N/SD_CMD1 AE30 PCM_A8 AK15 PCM_A9 AL15 PCM_IOWR_N AM15 PCM_A11 AG18 PCM_A7 AM18 PCM_A12 AK17 PCM_RESET AG19 PCM_IRQA_N AM17 PCM_OE_N AH17 PCM_A10 AG17 PCM2_CE_N/SD_CLK AE32 PCM2_RESET/SD_CLK1 AG28 PCM_A14 AK16 PCM2_CD_N/NAND_D7 AH29 PCM_A13 AL16 PCM2_IRQA_N/SD_CMD AE31 NAND_ALE/EMMC_D1 AG23 NAND_WPZ/EMMC_D2 AJ23 NAND_CEZ/EMMC_D6 AG25 NAND_CLE/EMMC_D5 AH24 NAND_REZ/EMMC_D4 AH25 NAND_WEZ/EMMC_D3 AH23 NAND_RBZ/EMMC_D0 AG24 TGPIO1 AG3 NAND_CE1Z/EMMC_D7 AJ24 NAND_DQS AG26 EMMC_CMD/NAND_D4 AH22 EMMC_RSTZ/NAND_D6 AH21 EMMC CLK/NAND_D5 AG22 TS2_D0/NAND_D3 AK10 TS2_D1 AL10 TS2_D2 AK9 TS2_D3 AL9 TS2_D4 AG10 TS2_D5 AH10 TS2_D6 AH9 TS2_D7 AJ9 TS2_CLK/NAND_D0 AK11 TS2_VLD/NAND_D2 AM11 TS2_SYNC/NAND_D1 AL11 TS1_D0 AL12 TS1_D1 AK12 TS1_D2 AL13 TS1_D3 AK13 TS1_D4 AL14 TS1_D5 AH12 TS1_D6 AH13 TS1_D7 AG13 TS1_CLK AK14 TS1_VLD AM14 TS1_SYNC AM12 PCM_WAIT_N AG20 PCM_IORD_N AJ17 PCM_CD_N AH16 PCM_REG_N AH20 PCM_WE_N AL17 PCM_CE_N AG16 IP AJ3 IM AH2 N501B MSD6369 N501B MSD6369 R524 200R R524 200R 1 2 3 4 5 XS629 NC/D1250-03 XS629 NC/D1250-03 3 1 4 2 RA501 4.7Kx2 3 1 4 2 RA501 4.7Kx2 R564 68R R564 68R R673 NC/1K R673 NC/1K R501 0R R501 0R R586 1K R586 1K C529 0.1uF C529 0.1uF R594 4.7K R594 4.7K C551 47nF C551 47nF R595 4.7K R595 4.7K R408 10K R408 10K C540 1nF C540 1nF C559 0.1uF C559 0.1uF R532 0R R532 0R R598 NC R598 NC R609 1K R609 1K C518 10uF C518 10uF L505 FB L505 FB C530 10uF C530 10uF V501 3904 V501 3904 C514 2.2uF C514 2.2uF R592 4.7K R592 4.7K R583 68R R583 68R R477 4.7K R477 4.7K C546 47nF C546 47nF R405 100R R405 100R R476 10K R476 10K R479 0R R479 0R R407 10K R407 10K R500 1K R500 1K 1 2 3 Z501 24.000MHz Z501 24.000MHz C553 47nF C553 47nF R550 68R R550 68R C533 33pF C533 33pF R548 4.7K R548 4.7K R530 200R R530 200R R578 4.7k R578 4.7k R552 4.7K R552 4.7K R558 4.7K R558 4.7K C544 47nF C544 47nF C523 0.1uF C523 0.1uF C507 1uF C507 1uF R400 0R/NC R400 0R/NC R344 22R R344 22R LINE_OUT_0L AG4 LINE_OUT_0R AG5 LINE_OUT_2L AH4 LINE_OUT_2R AH5 HP_OUT_1R AL4 LINE_IN_0L AD1 LINE_IN_0R AE3 LINE_IN_1L AE1 LINE_IN_1R AE2 LINE_IN_2L AF3 LINE_IN_2R AF2 VRP AE5 VAG AE4 VRM AE6 I2S_OUT_MCK H5 I2S_OUT_WS H4 B_RX0N H2 B_RX0P J3 B_RX1N J2 B_RX1P J1 B_RX2N K3 B_RX2P K1 B_RXCN G2 B_RXCP H3 DDCDB_CK P4 DDCDB_DA T5 HOTPLUGB P5 A_RX0N L2 A_RX0P M3 A_RX1N M2 A_RX1P M1 A_RX2N N3 A_RX2P N1 A_RXCN K2 A_RXCP L3 DDCDA_CK R6 DDCDA_DA T6 HOTPLUGA R5 D_RX0N E2 D_RX0P F3 D_RX1N F2 D_RX1P F1 D_RX2N G3 D_RX2P G1 D_RXCN D2 D_RXCP E3 DDCDD_CK N6 DDCDD_DA P6 HOTPLUGD M6 CEC M5 I2S_OUT_BCK H7 I2S_OUT_SD H6 IRINT M4 RESET D5 XTALIN AM2 XTALOUT AM3 TESTPIN N9 PAD_ARC0 R4 LINE_IN_3L AF4 LINE_IN_3R AF5 I2S_IN_WS E5 I2S_IN_BCK E6 I2S_IN_SD F6 HP_OUT_1L AK4 MIC_IN AD6 MIC_CM AC6 C_RX0N P2 C_RX0P R3 C_RX1N R2 C_RX1P R1 C_RX2N T3 C_RX2P T1 C_RXCN N2 C_RXCP P3 DDCDC_CK U5 DDCDC_DA U4 HOTPLUGC U6 SPDIF_OUT G5 SPDIF_IN G6 HDMI Analog Audio I2S SPDIF N501C MSD6369 HDMI Analog Audio I2S SPDIF N501C MSD6369 C526 22nF C526 22nF R415 4.7K R415 4.7K C556 0.1uF C556 0.1uF R561 4.7K R561 4.7K R503 100K R503 100K R568 68R R568 68R C501 1uF C501 1uF R579 4.7k R579 4.7k R624 330K R624 330K R581 33R R581 33R C543 47nF C543 47nF R653 4.7K R653 4.7K R555 49.9R/1% R555 49.9R/1% C509 1uF C509 1uF 1 2 3 4 XS511 D2006-4A XS511 D2006-4A R475 1K R475 1K R600 1K R600 1K R562 4.7K R562 4.7K R508 100K R508 100K C525 10uF C525 10uF R596 4.7K R596 4.7K C506 220pF C506 220pF R639 NC R639 NC VDD VDD R403 0R/NC R403 0R/NC C557 0.1uF C557 0.1uF R556 49.9R/1% R556 49.9R/1% R315 NC R315 NC IR IR C539 47nF C539 47nF R559 33R R559 33R R547 68R R547 68R R670 4.7K R670 4.7K C561 20pF C561 20pF R585 100R R585 100R R837 NC/22 R837 NC/22 R566 33R R566 33R C535 33pF C535 33pF C547 47nF C547 47nF R573 4.7K R573 4.7K 1 2 XS513 D2006-2A XS513 D2006-2A R580 4.7K R580 4.7K R554 49.9R/1% R554 49.9R/1% R584 100R R584 100R V502 3904 V502 3904 R551 33R R551 33R C558 0.1uF C558 0.1uF 1 2 3 XS628 D2006_03W XS628 D2006_03W L503 10uH L503 10uH R589 33R R589 33R PDF 文件以 "PDF 制作工厂" 试用版创建 ÿÿÿÿ ÿ �版版�用�用� 5 5 4 4 3 3 2 2 1 1 D D C C B B A A PGA_VCOM PGA_VCOM 2.5V_Normal AVDD25_PGA VDDC1.15V 3V3_Normal 3.3Vstb 2.5V_Normal 3V3_Normal +1.5V_DDR AVDD25_PGA VDDC1.15V +1.5V_DDR AVDD5V_MHL 2.5V_Normal AVDD_MOD 3.3Vstb AVDD_MOD 3V3_Normal VCC_VSENSE 标记数量 签名 更改单号 日期 拟制 审核 第 张 3 03.MSD6369(POWER/GND) 标记数量 签名 更改单号 日期 拟制 审核 第 张 3 03.MSD6369(POWER/GND) 标记数量 签名 更改单号 日期 拟制 审核 第 张 3 03.MSD6369(POWER/GND) Close to MSD6369 Close to MSD6369 Close to MSD6369 Normal Power 3.3V 2.5V Standby Power 3.3V Close to MSD6369 DDR3 POWER Power interface 2.5V For LVDS Close to MSD6369 power for 6A806 Close to MSD6369 C582 0.1uF C582 0.1uF C512 0.1uF C512 0.1uF C583 0.1uF C583 0.1uF C569 0.1uF C569 0.1uF C586 0.1uF C586 0.1uF C588 0.1uF C588 0.1uF C587 0.1uF C587 0.1uF L509 FB L509 FB C502 2.2uF C502 2.2uF C570 0.1uF C570 0.1uF C516 0.1uF C516 0.1uF C584 0.1uF C584 0.1uF C579 2.2uF C579 2.2uF C580 2.2uF C580 2.2uF C817 22uF C817 22uF C820 22uF C820 22uF L508 FB L508 FB C585 2.2uF C585 2.2uF C503 0.1uF C503 0.1uF C581 0.1uF C581 0.1uF C573 0.1uF C573 0.1uF C589 1uF C589 1uF C571 0.1uF C571 0.1uF C505 0.1uF C505 0.1uF L507 FB L507 FB C568 2.2uF C568 2.2uF AVDD_DDR0_D L22 AVDD_DDR1_D P23 AVDD_DVI V5 AVDD_AU33 W5 VDDC AB24 VDDC AC25 VDDC AC26 VDDC AC27 VDDC AD28 VDDC_DDR W22 VDDC AD29 VDDC AC28 VDDC AC29 VDDC AD27 AVDD25_DADC AF8 AVDD_DVI V6 AVDD_LPLL W7 AVDD25_ADC AH8 AVDD25_PGA AJ7 AVDD_DDR0_D L19 AVDD_DDR1_D M22 AVDD25_ETH AF9 AVDD_DDR0_D L20 AVDD_DDR1_D N22 AVDD_DDR0_D L21 AVDD_DDR1_D N23 AVDD11_ETH Y22 AVDD_NODIE V7 AVDD_MOD AF10 VDDP W4 AVDD25_DADC AG9 AVDD3P3_ADC_MPLL V4 AVDD_DMPLL V8 DVDD_NODIE U8 AVDD_DDR0_C K18 AVDD_DDR1_C L23 PGA_VCOM AH7 VDDC AB25 AVDD1P1_ADC AA23 AVDDL_MOD AA22 AVDD25_ADC AG8 AVDDLV_USB AB23 AVDD_EAR33 W6 GND E7 GND E8 VDDC AB26 VDDC_CPU U24 VDDC_CPU V24 VDDC AB18 VDDC AB19 VDDC AB20 AVDD_DDR0_C L18 AVDD_DDR1_C M23 AVDD5V_MHL AL5 VDD_3318 AM5 GND AL6 GND AM9 GND A15 GND A17 GND A24 GND A26 GND A31 GND B9 GND B14 GND B16 GND B18 GND B23 GND B25 GND B27 GND B32 GND C11 GND C12 GND C13 GND C20 GND C21 GND C22 GND C29 GND D25 GND D26 GND D27 GND D28 GND D29 GND D30 GND E25 GND E28 GND E29 GND F9 GND F10 GND F11 GND F12 GND F13 GND F14 GND F15 GND F16 GND F17 GND F18 GND F19 GND F20 GND F21 GND F22 GND G7 GND F7 GND F8 GND G10 GND G11 GND G12 GND G13 GND G14 GND G15 GND G16 GND G17 GND G18 GND G19 GND G20 GND G21 GND G22 GND G23 GND H8 GND H9 GND H10 GND H11 GND H12 GND H13 GND H14 GND H15 GND H16 GND H17 GND H18 GND H19 GND H20 GND H21 GND H22 GND H26 GND J7 GND J8 GND J9 GND J10 GND J11 GND J12 GND J13 GND J14 GND J15 GND J16 GND J17 GND J18 GND J19 GND J20 GND J21 GND J26 GND K7 GND K8 GND K9 GND K10 GND K11 GND K12 GND K13 GND K14 GND K15 GND K16 GND K17 GND K19 GND K20 GND K21 GND K25 GND F23 GND F24 GND F28 GND F29 GND F31 GND G27 GND G32 GND H27 GND H31 GND J27 GND J32 GND K27 GND K31 GND L27 GND L30 GND M27 GND M30 GND N27 GND N30 GND P27 GND R27 GND R31 GND T27 GND T32 GND U27 GND U31 GND V27 GND V32 GND W27 GND W31 GND Y27 GND Y30 GND AA27 GND AA30 GND AB27 GND AB28 GND AB29 GND AB30 GND D7 GND D8 GND L7 GND L8 GND L9 GND L10 GND L11 GND L12 GND L13 GND L14 GND L15 GND L16 GND L17 GND L24 GND L25 GND L26 GND M7 GND M8 GND M10 GND M11 GND M12 GND M13 GND M14 GND M15 GND M16 GND M17 GND M18 GND M19 GND M20 GND M21 GND M24 GND M25 GND M26 GND N7 GND N8 GND N10 GND N11 GND N12 GND N13 GND N14 GND N15 GND N16 GND N17 GND N18 GND N19 GND N20 GND N21 GND N24 GND N25 GND N26 GND P7 GND P8 GND P10 GND P11 GND P12 GND P13 GND P14 GND P15 GND P16 GND P17 GND P18 GND P19 GND P20 GND P21 GND P22 GND P24 GND P25 GND P26 GND R7 GND R8 GND R9 GND R10 GND R11 GND R12 GND R13 GND R14 GND R15 GND R16 GND R17 GND R18 GND R19 GND R20 GND R21 GND R22 GND R23 GND R24 GND R26 GND T7 GND T8 GND T9 GND T10 GND T11 GND T12 GND T13 GND T14 GND T15 GND T16 GND T17 GND T18 GND T19 GND T20 GND T21 GND T22 GND T23 GND T24 GND T25 GND T26 GND U7 GND U9 GND U10 GND U11 GND U12 GND U13 GND U14 GND U15 GND U16 GND U17 GND U18 GND U19 GND U20 GND U21 GND U22 GND U23 GND U25 GND U26 GND V9 GND V10 GND V11 GND V12 GND V13 GND V14 GND V15 GND V16 GND V17 GND V18 GND V19 GND V20 GND V21 GND V22 GND V25 GND V26 GND W8 GND W9 GND W10 GND W11 GND W12 GND W13 GND W14 GND W15 GND W16 GND W17 GND W18 GND W19 GND W20 GND W21 GND W23 GND W25 GND W26 GND Y7 GND Y8 GND Y9 GND Y10 GND Y11 GND Y12 GND Y13 GND Y14 GND Y15 GND Y16 GND Y17 GND Y18 GND Y19 GND Y20 AVDDL_HDMITX Y21 GND Y23 GND Y24 GND Y25 GND Y26 GND AA7 GND AA8 GND AA9 GND AA10 GND AA11 GND AA12 GND AA13 GND AA14 GND AA15 GND AA16 GND AA17 GND AA18 GND AA19 GND AA20 GND AA21 GND AB7 GND AB8 GND AB9 GND AB10 GND AB11 GND AB12 GND AB13 GND AB14 GND AB15 GND AB16 GND AB17 GND AB21 GND AB22 GND AC7 GND AC8 GND AC9 GND AC10 GND AC11 GND AC12 GND AC13 GND AC14 GND AC15 GND AC16 GND AC17 GND AC18 GND AC19 GND AC20 GND AC21 GND AC22 GND AC23 GND AC24 GND AD7 GND AD8 GND AD9 GND AD10 GND AD11 GND AD12 GND AD13 GND AD14 GND AD15 GND AD16 GND AD17 GND AD18 GND AD19 GND AD20 GND AD21 GND AD22 GND AD23 GND AD24 GND AD25 GND AD26 GND AE7 GND AE8 GND AE9 GND AE10 GND AE11 GND AE12 GND AE13 GND AE14 GND AE15 GND AE16 GND AE17 GND AE18 GND AE19 GND AE20 GND AE21 GND AE22 GND AE23 GND AE24 GND AE25 GND AE26 GND AE27 GND AE28 GND AE29 GND AF6 GND AF7 GND AF11 GND AF12 GND AF13 GND AF14 GND AF15 GND AF16 GND AF17 GND AF18 GND AF19 GND AF20 GND AF21 GND AF22 GND AF23 GND AF24 GND AF25 GND AF26 GND AF27 GND AF28 GND AF29 GND AG6 GND AG7 GND AH6 GND AG29 GND AJ5 GND AJ6 VSENCE_VSS AA25 VSENCE_VDD AA26 GEN_EFUSE M9 GND P9 VDDC_CPU W24 VDDC_CPU V23 GND A8 GND R25 GND K26 VDDC AA24 N501F MSD6369 N501F MSD6369 C511 0.1uF C511 0.1uF C592 0.1uF C592 0.1uF L506 FB L506 FB C576 2.2uF C576 2.2uF C815 22uF C815 22uF C574 0.1uF C574 0.1uF C578 0.1uF C578 0.1uF C567 0.1uF C567 0.1uF C575 0.1uF C575 0.1uF C819 22uF C819 22uF C572 1uF C572 1uF C577 0.1uF C577 0.1uF PDF 文件以 "PDF 制作工厂" 试用版创建 ÿÿÿÿ ÿ �版版�用�用� 5 5 4 4 3 3 2 2 1 1 D D C C B B A A 5V_AMP AVOUT CVBS_OUT PC_L PC_R VGA_HSYNC VGA_HSYNC VGA_VSYNC VGA_VSYNC VGA_HS VGA_VS RGB1-VGA_B RGB1_VGA-G RGB1-VGA_R UART-TX UART-RX AV2_VIN YPbPr_Y+ PC_R PC_L AVOUT SPDIF-OUT SPDIF-OUT HD1-R HD1_Pr HD1-L HD1_Y HD1_Pb 5V_AMP 5V_Normal VGA-Rin VGA-Lin CVBS_OUT UART-TX UART-RX VGA_HSYNC VGA_VSYNC VGA-Bin+ VGA-Gin+ VGA-Rin+ HD1-Lin HD1-Rin AV2_VIN YPBPR_Pr+ YPBPR_Pb+ YPbPr_Y+ SPDIF_OUT 标记数量 签名 更改单号 日期 拟制 审核 第 张 4 04.YPbPr&AV 标记数量 签名 更改单号 日期 拟制 审核 第 张 4 04.YPbPr&AV 标记数量 签名 更改单号 日期 拟制 审核 第 张 4 04.YPbPr&AV 恒流源 1.2VDC 偏压调整, 使V602-E=1.2VDC VIDEO OUT VGA_AUDIO_IN VGA AV/YPbPr R629 6.8K R629 6.8K C676 NC_470pF C676 NC_470pF R661 10K R661 10K R613 22K R613 22K R640 33R R640 33R R677 10K R677 10K R626 75R R626 75R R630 499R 1% R630 499R 1% R657 10K R657 10K R679 12K R679 12K R622 499R/1% R622 499R/1% R623 49.9R/1% R623 49.9R/1% C609 10nF C609 10nF R680 10K R680 10K C611 560pF C611 560pF R621 6.8K R621 6.8K 6 4 1 3 5 2 XS609 YPbPr XS609 YPbPr C646 560pF C646 560pF R638 1.2K R638 1.2K 1 3 2 C C D ESD V608 PESD5VOS2BT C C D ESD V608 PESD5VOS2BT R625 75R R625 75R R690 75R R690 75R C605 10uF C605 10uF C631 NC C631 NC C647 560pF C647 560pF 3 1 4 2 RA602 0Rx2 3 1 4 2 RA602 0Rx2 1 2 3 5 6 4 N602 IP4223CZ6 N602 IP4223CZ6 2 3 4 1 5 XS607 AUDIO_IN XS607 AUDIO_IN C603 0.1uF C603 0.1uF 2 3 4 1 XS610 XS610 1 2 3 V605 3904 V605 3904 R660 12K R660 12K R689 12K R689 12K C633 NC C633 NC R628 75R R628 75R R631 3.9K R631 3.9K C602 10uF C602 10uF R691 75R R691 75R 1 2 3 4 XS615 XS615 1 2 L602 FB_600mA L602 FB_600mA C610 10nF C610 10nF 3 1 4 2 RA601 10Kx2 3 1 4 2 RA601 10Kx2 R682 100R R682 100R R692 75R R692 75R 1 2 3 V603 3904 V603 3904 5 10 4 9 3 8 2 7 1 15 14 13 12 11 6 16 17 XS605 VGA XS605 VGA 1 2 3 5 6 4 N601 IP4223CZ6 N601 IP4223CZ6 R614 5.1K R614 5.1K C632 NC C632 NC C660 1uF C660 1uF C608 560pF C608 560pF R627 75R R627 75R C606 100pF C606 100pF 3 1 4 2 RA603 100Rx2 3 1 4 2 RA603 100Rx2 V602 3906 V602 3906 R664 12K R664 12K PDF 文件以 "PDF 制作工厂" 试用版创建 ÿÿÿÿ ÿ �版版�用�用� 5 5 4 4 3 3 2 2 1 1 D D C C B B A A AMP_Rout+ AMP_Lout- AUOUTL0 AUOUTR0 AMP_Rout- AMP_EN MUTE_EN AMP_Lout- AMP_Rout+ AMP_Rout- AMP_Lout+ AMP_Lout+ AMP_EN AR_MIC AL_MIC EARPHONE-R PH-Lout EARPHONE-L PH-Rout EARPHONE-R EARPHONE-L EARPHONE-R EARPHONE-L AMP_12V +12V AMP_12V AMP_12V 5Vstb AMP_12V AMP_12V 5V_Normal 5V_PULL 5V_PULL 5V_PULL OP_VCC1 OP_VCC1 2.5VBuf1 5V_Normal AUOUTL0 AUOUTR0 AMP-MUTE HP_MUTE MIC_IN MIC_DET HP_MUTE EARPHONE-OUTL EARPHONE-OUTR EARPHONE-OUTL EARPHONE-OUTR HP_MUTE 标记数量 签名 更改单号 日期 拟制 审核 第 张 5 05.Amp 标记数量 签名 更改单号 日期 拟制 审核 第 张 5 05.Amp 标记数量 签名 更改单号 日期 拟制 审核 第 张 5 05.Amp AMP 注意焊盘 H:OFF L:ON 8欧姆喇叭 Mic_Drive 1 26 32 36 GAIN0 GAIN1 GAIN (dB) 20 0 0 1 1 0 1 0 EAR PHONE 耳机运放默认不贴, 特殊功率需求时贴, 放大倍数需做调整。 C283 10uF/16V C283 10uF/16V R201 NC/100K R201 NC/100K C205 0.47uF C205 0.47uF C240 0.1uF C240 0.1uF C274 10uF C274 10uF R270 100K R270 100K C279 100pF C279 100pF R225 10K/NC R225 10K/NC 1 3 2 V215 3904 V215 3904 R274 10K R274 10K C223 1nF/25V C223 1nF/25V L202 15uH L202 15uH C204 1uF/25V C204 1uF/25V C201 1nF C201 1nF 1 2 L206 FB_3A L206 FB_3A R271 0R R271 0R C258 10uF/16V C258 10uF/16V 1 2 3 4 XS201 D2006-4W XS201 D2006-4W R246 10K R246 10K R259 33K R259 33K R269 10K R269 10K R281 33K R281 33K R268 10K R268 10K C280 1.0uF/6.3V C280 1.0uF/6.3V + C241 220uF + C241 220uF R262 10K R262 10K R204 NC R204 NC SD 1 FAULT 2 LINP 3 LINN 4 GAIN0 5 GAIN1 6 AVCC 7 AGND 8 GVDD 9 PLIMIT 10 RINN 11 RINP 12 REG/DRC 13 Mute 14 PVCCR 15 PVCCR 16 BSPR 17 OUTPR 18 PGND 19 OUTNR 20 BSNR 21 BSNL 22 OUTNL 23 PGND 24 OUTPL 25 BSPL 26 PVCCL 27 PVCCL 28 Thermal 29 N202 RT9108 N202 RT9108 C230 100pF C230 100pF C236 0.47uF/25V C236 0.47uF/25V + C208 220uF + C208 220uF R251 10K R251 10K R275 33K R275 33K C211 1nF/25V C211 1nF/25V C257 nc/10uF/25V C257 nc/10uF/25V C256 1nF C256 1nF C239 1nF C239 1nF GND 1 RESET# 2 VCC 3 N204 APX809-4.4 N204 APX809-4.4 R290 33K R290 33K 1 2 L201 FB_3A L201 FB_3A C273 0.1uF C273 0.1uF R272 2.2K R272 2.2K R264 0R R264 0R C206 0.47uF/25V C206 0.47uF/25V C242 100pF C242 100pF C217 1uF/0603 C217 1uF/0603 R273 2.2K R273 2.2K R260 0R R260 0R R252 0R R252 0R R247 0R R247 0R + C210 220uF + C210 220uF C218 1uF/0603 C218 1uF/0603 R211 10K R211 10K C243 100pF C243 100pF C271 3.3nF C271 3.3nF R223 10K R223 10K 1 2 L205 FB_3A L205 FB_3A R224 20K/NC R224 20K/NC R261 0R R261 0R R203 100K R203 100K C224 0.47uF/25V C224 0.47uF/25V C259 0.1uF C259 0.1uF C203 0.1uF C203 0.1uF 1 3 2 C C D ESD VD205 PESD5VOS2BT C C D ESD VD205 PESD5VOS2BT C272 3.3nF C272 3.3nF R253 2.2K R253 2.2K R219 47K R219 47K C229 0.47uF/25V C229 0.47uF/25V 3 2 1 8 4 - + N201A TDA1308 - + N201A TDA1308 1 4 3 2 XS623 1T3-粉色 XS623 1T3-粉色 HP_MUTE HP_MUTE 1 4 3 2 XS606 1T3-黑色 XS606 1T3-黑色 R213 10R R213 10R 1 2 L210 NC/FB_3A L210 NC/FB_3A C228 0.47uF/25V C228 0.47uF/25V C209 0.47uF C209 0.47uF C254 3.3nF C254 3.3nF 3 1 2 VD207 BAT54C VD207 BAT54C L204 15uH L204 15uH R267 10K R267 10K R206 0 R206 0 R258 10K R258 10K C264 22uF C264 22uF R210 10R/1206/(1/4W) R210 10R/1206/(1/4W) 1 2 L208 NC/FB_3A L208 NC/FB_3A C266 2200pF C266 2200pF R254 2.2K R254 2.2K C275 0.1uF C275 0.1uF C253 1nF C253 1nF C238 0.47uF C238 0.47uF R229 1K R229 1K C237 0.47uF/25V C237 0.47uF/25V C276 2200pF C276 2200pF 5 6 7 8 4 - + N201B TDA1308 - + N201B TDA1308 R215 10K R215 10K C252 0.47uF C252 0.47uF C277 22uF C277 22uF C219 1uF C219 1uF C255 3.3nF C255 3.3nF C278 1.0uF/6.3V C278 1.0uF/6.3V C202 1nF C202 1nF V206 ME2345 V206 ME2345 R230 10K R230 10K C235 0.47uF C235 0.47uF 1 3 2 C C D ESD VD206 PESD5VOS2BT C C D ESD VD206 PESD5VOS2BT R231 12K/NC R231 12K/NC R205 NC R205 NC R265 10K R265 10K PDF 文件以 "PDF 制作工厂" 试用版创建 ÿÿÿÿ ÿ �版版�用�用� 5 5 4 4 3 3 2 2 1 1 D D C C B B A A HDMI_ARC DDC3BSDA HDMI2_CLKN HDMI2_RX2P HDMI2_RX2N HDMI2_RX1P HDMI2_RX1N HDMI2_RX0P HDMI2_RX0N HDMI2_CLKP HDMI2-HPDIN HDMI2_HPDIN HDMI2-SDA HDMI2-SCL HDMI1_CLKN HDMI1_RX2P HDMI1_RX2N HDMI1_RX1P HDMI1_RX1N HDMI1_RX0P HDMI1_RX0N HDMI1_CLKP HDMI3_RX0P HDMI2_CEC HDMI1-RX1P HDMI1-RX2N HDMI1-RX1N HDMI1-CLKP HDMI1-RX0N HDMI1-RX0P HDMI1-CLKN HDMI1-RX2P DDC1BSCL HDMI3-RX1N HDMI3-RX0P HDMI3-RX0N HDMI3-CLKP HDMI3-CLKN HDMI3-RX1P HDMI3_HPDIN HDMI3-5V HDMI3_CLKN HDMI3_RX2P HDMI3_CEC HDMI3_RX2N HDMI3_RX1N HDMI3_RX0N HDMI3_CLKP HDMI1_CEC HDMI3-RX2P HDMI3-RX2N HDMI-CEC DDC1BSDA DDC2BSDA HDMI2_HPDIN HDMI2-5V HDMI2_CEC HDMI1-5V HDMI1_CEC HDMI1_HPDIN DDC2BSCL HDMI3_CEC HDMI3-SDA HDMI3-SCL HDMI3_RX1P HDMI1-HPDIN HDMI1_HPDIN HDMI1-SDA HDMI1-SCL MHL_CD_SENSE HDMI_ARC HDMI-ARC MHL_CD_SENSE HDMI4_CLKN HDMI4_RX2P HDMI4_RX2N HDMI4_RX1P HDMI4_RX1N HDMI4_RX0P HDMI4_RX0N HDMI4_CLKP HDMI4-RX1P HDMI4-RX2N HDMI4-RX1N HDMI4-CLKP HDMI4-RX0N HDMI4-RX0P HDMI4-CLKN HDMI4-RX2P DDC4BSCL DDC4BSDA HDMI4-5V HDMI4_CEC HDMI4_HPDIN HDMI4-HPDIN HDMI4_HPDIN HDMI4-SDA HDMI4-SCL HDMI4_CEC MHL_PWR_EN HDMI2-RX1N HDMI2-RX0P HDMI2-RX0N HDMI2-CLKP HDMI2-CLKN HDMI2-RX1P HDMI2-RX2N HDMI2-RX2P HDMI3_HPDIN HDMI3-HPDIN DDC3BSCL HDMI3-HPDIN HDMI3_HPDIN HDMI1-5V HDMI1-5V HDMI1-5V HDMI2-5V HDMI2-5V HDMI2-5V HDMI3-5V AVDD5V_MHL 5V_Normal HDMI4-5V HDMI4-5V HDMI4-5V HDMI3-5V MHL_PWR 5Vstb 5Vstb HDMI3-5V HDMI1-RX2P HDMI1-RX0P HDMI1-RX0N HDMI1-RX1P HDMI1-RX1N HDMI1-CLKN HDMI1-RX2N HDMI1-CLKP HDMI-CEC HDMI3-RX2P HDMI3-RX2N HDMI3-RX1P HDMI3-RX1N HDMI3-RX0P HDMI3-RX0N HDMI3-CLKP HDMI3-CLKN HDMI1-SCL HDMI1-SDA HDMI1-HPDIN HDMI2-HPDIN HDMI2-SCL HDMI2-SDA HDMI3-SCL HDMI3-SDA HDMI3-HPDIN HDMI-ARC HDMI4-RX2P HDMI4-RX0P HDMI4-RX0N HDMI4-RX1P HDMI4-RX1N HDMI4-CLKN HDMI4-RX2N HDMI4-CLKP HDMI4-SCL HDMI4-SDA HDMI4-HPDIN HDMI2-RX2P HDMI2-RX2N HDMI2-RX1P HDMI2-RX1N HDMI2-RX0P HDMI2-RX0N HDMI2-CLKP HDMI2-CLKN PM14 PM15 HDMI3-HPDIN 标记数量 签名 更改单号 日期 拟制 审核 第 张 6 06.HDMI 标记数量 签名 更改单号 日期 拟制 审核 第 张 6 06.HDMI 标记数量 签名 更改单号 日期 拟制 审核 第 张 6 06.HDMI To MST IC For CEC 3nd HDMI 1th HDMI & MHL 2st HDMI & ARC Hot-Plug Control MHL for MSD6369 4st HDMI ARC R671 10K R671 10K C624 NC/0.047uF C624 NC/0.047uF R612 10K R612 10K 3 1 4 2 RA610 100Rx2 3 1 4 2 RA610 100Rx2 3 1 4 2 RA622 5.1Rx2 3 1 4 2 RA622 5.1Rx2 R322 NC/10K R322 NC/10K 3 1 4 2 RA605 10Kx2 3 1 4 2 RA605 10Kx2 R683 220R R683 220R 3 1 4 2 RA623 5.1Rx2 3 1 4 2 RA623 5.1Rx2 R648 10K R648 10K 3 1 4 2 RA609 100Rx2 3 1 4 2 RA609 100Rx2 R687 0R R687 0R R684 10K R684 10K 1 2 3 V607 3904 V607 3904 3 1 4 2 RA624 5.1Rx2 3 1 4 2 RA624 5.1Rx2 3 1 4 2 RA608 100Rx2 3 1 4 2 RA608 100Rx2 3 1 4 2 RA614 5.1Rx2 3 1 4 2 RA614 5.1Rx2 DATA2+ 1 DATA2 SHIELD 2 DATA2- 3 DATA1+ 4 DATA1 SHIELD 5 DAT1A- 6 DATA0+ 7 DATA0 SHIELD 8 DATA0- 9 CLK+ 10 CLK SHIELD 11 CLK- 12 CEC 13 NC 14 SCL 15 SDA 16 DDC/CEC GND 17 +5V POWER 18 HOT PLUG 19 20 20 21 21 23 23 22 22 24 24 XS603 HDMI XS603 HDMI 3 1 4 2 RA625 5.1Rx2 3 1 4 2 RA625 5.1Rx2 R646 1K R646 1K L606 0R L606 0R 1 2 3 V613 3904 V613 3904 3 1 4 2 RA615 5.1Rx2 3 1 4 2 RA615 5.1Rx2 R678 NC/1K R678 NC/1K 3 1 4 2 RA613 5.1Rx2 3 1 4 2 RA613 5.1Rx2 R607 1K R607 1K R309 0R R309 0R 3 1 4 2 RA626 5.1Rx2 3 1 4 2 RA626 5.1Rx2 DATA2+ 1 DATA2 SHIELD 2 DATA2- 3 DATA1+ 4 DATA1 SHIELD 5 DAT1A- 6 DATA0+ 7 DATA0 SHIELD 8 DATA0- 9 CLK+ 10 CLK SHIELD 11 CLK- 12 CEC 13 NC 14 SCL 15 SDA 16 DDC/CEC GND 17 +5V POWER 18 HOT PLUG 19 GND1 20 GND2 21 GND3 22 XS602 HDMI XS602 HDMI 3 1 4 2 RA616 5.1Rx2 3 1 4 2 RA616 5.1Rx2 R681 NC/4.7K R681 NC/4.7K DATA2+ 1 DATA2 SHIELD 2 DATA2- 3 DATA1+ 4 DATA1 SHIELD 5 DAT1A- 6 DATA0+ 7 DATA0 SHIELD 8 DATA0- 9 CLK+ 10 CLK SHIELD 11 CLK- 12 CEC 13 NC 14 SCL 15 SDA 16 DDC/CEC GND 17 +5V POWER 18 HOT PLUG 19 GND1 20 GND2 21 GND3 22 XS604 HDMI XS604 HDMI 3 1 4 2 RA604 10Kx2 3 1 4 2 RA604 10Kx2 R694 10K R694 10K R618 4.7K R618 4.7K 3 1 4 2 RA612 5.1Rx2 3 1 4 2 RA612 5.1Rx2 R685 NC/10K R685 NC/10K 3 1 4 2 RA617 5.1Rx2 3 1 4 2 RA617 5.1Rx2 R655 4.7K R655 4.7K R663 0R R663 0R R310 100R R310 100R R686 300K R686 300K 3 1 4 2 RA607 100Rx2 3 1 4 2 RA607 100Rx2 VIN 5 EN 4 GND 2 VOUT 1 /OC 3 N600 SY6288BAAC N600 SY6288BAAC R321 22R R321 22R R695 1K R695 1K 3 1 4 2 RA618 5.1Rx2 3 1 4 2 RA618 5.1Rx2 1 2 3 V601 3904 V601 3904 1 2 3 V609 NC/3904 V609 NC/3904 3 1 4 2 RA619 5.1Rx2 3 1 4 2 RA619 5.1Rx2 DATA2+ 1 DATA2 SHIELD 2 DATA2- 3 DATA1+ 4 DATA1 SHIELD 5 DAT1A- 6 DATA0+ 7 DATA0 SHIELD 8 DATA0- 9 CLK+ 10 CLK SHIELD 11 CLK- 12 CEC 13 NC 14 SCL 15 SDA 16 DDC/CEC GND 17 +5V POWER 18 HOT PLUG 19 GND1 20 GND2 21 GND3 22 XS601 HDMI XS601 HDMI R672 4.7K R672 4.7K C623 0.047uF C623 0.047uF 3 1 4 2 RA620 5.1Rx2 3 1 4 2 RA620 5.1Rx2 L605 NC/0R L605 NC/0R R698 4.7K R698 4.7K 3 1 4 2 RA611 5.1Rx2 3 1 4 2 RA611 5.1Rx2 L604 10R L604 10R 3 1 4 2 RA621 5.1Rx2 3 1 4 2 RA621 5.1Rx2 C601 1uF C601 1uF 3 1 4 2 RA606 10Kx2 3 1 4 2 RA606 10Kx2 PDF 文件以 "PDF 制作工厂" 试用版创建 ÿÿÿÿ ÿ �版版�用�用� 5 5 4 4 3 3 2 2 1 1 D D C C B B A A RESETn MSPI_WP MSPI_CLK MSPI_CSZ MSPI_DI MSPI_DO Configure TS_ERR XTAL_OUT IFP IP IM XTAL_IN D_IF_AGC MSPI_WP I2CS_SDA TS_VLD MSPI_WP TS_SYNC MSPI_CSZ D_IF_AGC XTAL_IN XTAL_OUT I2CS_SDA TS_ERR TS_D6 I2CS_SCL QP QM IP IM TS_D7 RESETn TS_D5 TS_D4 TS_D3 TS_D2 TS_D1 TS_D0 TS_CLK Configure MSPI_DO QM QP MSPI_DI MSPI_CLK TUNER_SCL IF_AGC_DTMB TUNER_SDA I2CS_SCL TS1_D2 TS_D2 TS1_D5 TS1_D3 TS1_D1 TS1_D7 TS1_D6 TS1_D0 TS1_D4 TS_D0 TS_D3 TS_D1 TS_D6 TS_D4 TS_D5 TS_D7 TS_SYNC TS_VLD TS_CLK TS1_SYNC TS1_VALID TS1_CLK IFN +3.3V_VDD +3.3V_VDD 3.3V_Demod VDD33 AVDD33 AVDD33 AVDD33 VDD VDD33 VDD VDD33 VDD VDD33 1.2V_Demod VDD AVDD33 3.3V_Demod +3.3V_VDD +3.3V_VDD +3.3V_VDD IFP IFN Demod_RST IF_AGC_DTMB TUNER_SDA TUNER_SCL TS1_D[7:0] TS1_VALID TS1_CLK TS1_SYNC 标记数量 签名 更改单号 日期 拟制 审核 第 张 7 07.ISDB Demod 标记数量 签名 更改单号 日期 拟制 审核 第 张 7 07.ISDB Demod 标记数量 签名 更改单号 日期 拟制 审核 第 张 7 07.ISDB Demod RESETn I2C slave address: TS_ERR=0, I2C slave address=0xD2 TS_ERR=1, I2C slave address=0xF2 如果TS_ERR(PIN24)悬空,默认为上拉 则address=0xF2。 H/W Strap Close to Demod. Close to Demod. Close to Demod. Close to Flash. Close to Demod. N103上件说明: 1. 当N102为MSB101S、MSB101T时N103、R153、C133、R150要 NC。 2. 当N102为MSB101A时N103、R153、C133、R150要上件。 R115 10K R115 10K C116 0.1uF C116 0.1uF R150 10K R150 10K R151 1M R151 1M 3 Z102 XTAL-24MHz Z102 XTAL-24MHz C168 22nF C168 22nF C117 0.1uF C117 0.1uF R149 NC/10K R149 NC/10K R114 0R R114 0R R152 22R R152 22R C131 27pF C131 27pF 7 5 3 1 8 6 4 2 RA101 NC/33RX4 7 5 3 1 8 6 4 2 RA101 NC/33RX4 C114 0.1uF C114 0.1uF R148 10K R148 10K R109 0R R109 0R R126 22R R126 22R C121 0.1uF C121 0.1uF C119 0.1uF C119 0.1uF 7 5 3 1 8 6 4 2 RA102 NC/33RX4 7 5 3 1 8 6 4 2 RA102 NC/33RX4 C133 0.1uF C133 0.1uF C130 0.1uF C130 0.1uF 7 5 3 1 8 6 4 2 RA103 NC/33RX4 7 5 3 1 8 6 4 2 RA103 NC/33RX4 C115 0.1uF C115 0.1uF C132 27pF C132 27pF R110 0R R110 0R C167 0.1uF C167 0.1uF R153 33R R153 33R C125 0.1uF C125 0.1uF C122 0.1uF C122 0.1uF R147 10K R147 10K R111 10K R111 10K C166 0.1uF C166 0.1uF CE# 1 SO 2 WP# 3 VSS 4 SI 5 SCK 6 HOLD# 7 VDD 8 N103 MX25L512E N103 MX25L512E AVDD33 16 NC 15 GND 14 MSPI_CSZ/SSPI_CLK 33 GND 46 I2CM_SCL 20 I2CM_SDA 21 VDD 25 VSS 18 VDD33 23 TS_ERR 24 VDD 17 RESETZ 29 GND 30 Configure/GPIO0 19 MSPI_CLK/SSPI_CSZ 28 MSPI_DI/SSPI_DO 31 IF_AGC 7 GND 26 VDD33 27 RFAGC/GPIO 6 TS_CLK 34 TS_D[7] 35 TS_D[6] 36 TS_D[5] 37 TS_D[4] 38 TS_D[3] 39 TS_D[2] 40 TS_D[1] 41 TS_D[0] 42 TS_VLD 43 TS_SYNC 44 VDD33 45 GND 22 VDD 47 I2CS_SDA 48 I2CS_SCL 1 GND 2 XTAL_OUT 3 XTAL_IN 4 AVDD33 5 GND 10 MSPI_DO/SSPI_DI 32 QP 8 QM 9 IP 11 IM 12 AVDD33 13 N102 MSB101A N102 MSB101A R113 0R R113 0R C120 0.1uF C120 0.1uF C118 0.1uF C118 0.1uF PDF 文件以 "PDF 制作工厂" 试用版创建 ÿÿÿÿ ÿ �版版�用�用� 5 5 4 4 3 3 2 2 1 1 D D C C B B A A IFP IFN IF_AGC_D IF_AGC T1.8V T1.8V T1.8V RESER_N IF_AGC RESER_N IF_AGC_D 3.3V_Tun 3.3V_Tun 3.3V_Tun 3.3V_Tun IFP IFN IF_AGC_DTMB IF_AGC_T TUNER_SDA TUNER_SCL 标记数量 签名 更改单号 日期 拟制 审核 第 张 8 08.TUNER 标记数量 签名 更改单号 日期 拟制 审核 第 张 8 08.TUNER 标记数量 签名 更改单号 日期 拟制 审核 第 张 8 08.TUNER Close Tuner τ=4.7x1=4.7ms>10us R101 100 R101 100 C109 0.1uF C109 0.1uF C113 47pF C113 47pF C169 NC/0.1uF C169 NC/0.1uF R528 51R R528 51R C107 0.1uF C107 0.1uF R120 470K R120 470K VDD_3p3_1 1 LIN_INP 2 LIN_INN 3 VDD_1p8_1 4 AGC2_GPIO3 5 AGC1 6 IFOUTN_2GPO1 7 IFOUTP_2GPO2 8 IFOUTN_1 9 IFOUTP_1 10 VDD_3p3_2 11 VDD_1p8_2 12 VDD_1p2 13 GND_DIG 14 VDD_IO 15 SCL 16 SDA 17 CLK_OUT 18 XTAL_N 19 XTAL_P 20 GND_XTAL 21 VDD_1p8_3 22 RESER_N 23 AS 24 GND 25 MxL601 N101 MxL601 MxL601 N101 MxL601 C112 47pF C112 47pF 3 2 1 V101 BAV99_3 V101 BAV99_3 C106 1000pF C106 1000pF L102 3.3nH L102 3.3nH R104 100 R104 100 C137 4.7nF C137 4.7nF L101 1.2uH L101 1.2uH 5 4 3 2 1 XS100 RF IN XS100 RF IN R127 1K R127 1K C126 10nF C126 10nF C136 4.7nF C136 4.7nF C111 47pF C111 47pF L103 3.3nH L103 3.3nH 1 2 L105 FB_600mA L105 FB_600mA C140 10pF C140 10pF C123 1.8nF C123 1.8nF C135 1uF C135 1uF C108 0.1uF C108 0.1uF C110 1uF C110 1uF C104 47pF C104 47pF C124 0.1uF C124 0.1uF C149 0.1uF C149 0.1uF R529 51R R529 51R C139 10pF C139 10pF C102 4700pF C102 4700pF 1 2 Z110 16MHZ Z110 16MHZ C105 1000pF C105 1000pF R145 NC/1K R145 NC/1K L104 NC/560nH L104 NC/560nH C103 2.7pF C103 2.7pF PDF 文件以 "PDF 制作工厂" 试用版创建 ÿÿÿÿ ÿ �版版�用�用� 5 5 4 4 3 3 2 2 1 1 D D C C B B A A LAN_RX- LAN_TX- LAN_TX+ MDI_TP LAN_RX+ REGOUT MDI_TN MDI_RP MDI_RN DP1 DM1 DP1 PWR1 DM1 MDI_TP MDI_TN MDI_RP MDI_RN USB3_EN USB_DM4 USB_DP4 DM1 DP1 DP5 DM5 PWR1 DP5 USB1_D- DP5 DM5 USB1_D+ DM5 DP3 DM3 2.5V_Normal 5V_USB ETH_GND 5V_Normal 5V_USB VUSB VCC_WIFI VCC_WIFI 5V_USB3 VUSB 5V_USB3 5V_USB 3V3_Normal VCC_WIFI 5V_USB VUSB MDI_TP MDI_TN MDI_RP MDI_RN USB3_D- USB3_D+ USB3_SSRXN USB3_SSRXP USB3_SSTXN USB3_SSTXP USB0_D+ USB0_D- LAN-LED1 3 LAN-LED0 3 USB3_EN 3 USB2_D+ USB2_D- USB1_D- USB1_D+ 标记 数量 签名 更改单号 日期 拟制 审核 第 张 9 09.USB & Ethernet 标记 数量 签名 更改单号 日期 拟制 审核 第 张 9 09.USB & Ethernet 标记 数量 签名 更改单号 日期 拟制 审核 第 张 9 09.USB & Ethernet USB POWER Ethernet 14009964 1.5A Switch Wifi USB 3.0 LINKON ACTIVITY Note:电容靠近USB(XSU04)端子,提供usb读写稳定性 H :Power ON L :Power OFF CU30 1000pF/2KV CU30 1000pF/2KV RU70 NC RU70 NC RU68 10K RU68 10K RU56 75R RU56 75R RU58 5.1R RU58 5.1R + CU18 100uF + CU18 100uF CU17 0.1uF CU17 0.1uF RU54 75R RU54 75R RU59 5.1R RU59 5.1R IN 5 OUT 1 EN 4 GND 2 FLAG 3 NU22 MC2110 NU22 MC2110 RU67 9.1K RU67 9.1K 1 2 3 5 4 6 NU12 IP4223CZ6 NU12 IP4223CZ6 RU62 0R RU62 0R CU16 0.1uF CU16 0.1uF RU52 0R RU52 0R RU60 5.1R RU60 5.1R + CU04 100uF + CU04 100uF RU08 10K RU08 10K CU28 10nF CU28 10nF RU71 0 RU71 0 RU61 5.1R RU61 5.1R CU24 0.1uF CU24 0.1uF 4 3 2 1 5 6 4 3 2 1 XSU01 USB V Connector 4 3 2 1 XSU01 USB V Connector RU07 9.1K RU07 9.1K RU57 0R/NC RU57 0R/NC + CU02 220uF + CU02 220uF CU31 0.1uF CU31 0.1uF TD+ 1 TD- 3 CT 2 CT 7 RD+ 6 RD- 8 TX+ 16 CT 15 TX- 14 RX+ 11 TC 10 RX- 9 nc 4 nc 5 nc 12 nc 13 TU01 PD1602 TU01 PD1602 IN 5 OUT 1 EN 4 GND 2 FLAG 3 NU21 MC2110 NU21 MC2110 6 7 3 4 5 8 1 2 9 10 11 12 13 14 RJ-45 - + + - XSU05 ETHERNET_JACK RJ-45 - + + - XSU05 ETHERNET_JACK CU32 0.1uF CU32 0.1uF 1 2 3 5 4 6 NU23 IP4223CZ6 NU23 IP4223CZ6 CU03 0.1uF CU03 0.1uF 1 2 3 5 4 6 7 8 9 10 NU28 IP4284CZ10 NU28 IP4284CZ10 RU69 1K RU69 1K CU27 10nF CU27 10nF RU55 75R RU55 75R 1 2 3 4 XSU10 D2006-4W XSU10 D2006-4W RU66 10K RU66 10K RU37 5.1R RU37 5.1R VBUS 1 D- 2 D+ 3 GND 4 STDA_SSTX+ 9 STDA_SSRX- 5 STDA_SSRX+ 6 GND_DRAIN 7 STDA_SSTX- 8 SHELL 10 SHELL 11 XSU03 NC/USB3-A/90D XSU03 NC/USB3-A/90D CU29 10uF CU29 10uF RU53 75R RU53 75R RU40 5.1R RU40 5.1R 1 2 3 5 4 6 7 8 9 10 NU27 IP4284CZ10 NU27 IP4284CZ10 RU63 0R RU63 0R 4 3 2 1 5 6 4 3 2 1 XSU02 USB Connector 4 3 2 1 XSU02 USB Connector RU35 5.1R RU35 5.1R RU64 470R RU64 470R CU21 10nF CU21 10nF RU48 5.1R RU48 5.1R 1 2 3 5 4 6 NU29 IP4223CZ6 NU29 IP4223CZ6 RU41 5.1R RU41 5.1R CU20 10uF CU20 10uF 1 2 LU03 FB_3A LU03 FB_3A RU65 470R RU65 470R RU49 5.1R RU49 5.1R RU09 10K RU09 10K PDF 文件以 "PDF 制作工厂" 试用版创建 ÿÿÿÿ ÿ �版版�用�用� 5 5 4 4 3 3 2 2 1 1 D D C C B B A A G0_RXE1+ G3_RXE0- G2_RXE0+ G1_RXE1- R4_RXO1+ R7_RXO0- R6_RXO0+ R1_RXOC- R3_RXO2- R5_RXO1- R0_RXOC+ R2_RXO2+ B4_RXEC+ B7_RXE2- B0_RXE4+ B3_RXE3- B6_RXE2+ B2_RXE3+ B5_RXEC- B1_RXE4- G4_RXO4+ G5_RXO4- G6_RXO3+ G7_RXO3- VBR/RPF LVDS_SEL 3D_SYNC_O L_DIM_LG G3_RXE0- B7_RXE2- B6_RXE2+ G2_RXE0+ G1_RXE1- G0_RXE1+ 3D_EN R5_RXO1- G7_RXO3- R4_RXO1+ G6_RXO3+ R3_RXO2- R7_RXO0- R2_RXO2+ G5_RXO4- G4_RXO4+ R1_RXOC- R0_RXOC+ R6_RXO0+ L_DIM_CMI OD_SEL B3_RXE3- B2_RXE3+ B1_RXE4- B0_RXE4+ B5_RXEC- B4_RXEC+ Bit_SEL 3D_SYNC_I 3D_SYNC OD_SEL 3D_SYNC_O Bit_SEL 3D_SYNC_I 3D_SYNC_I L_DIM_CMI VBR/RPF L_DIM_LG LVDS_SEL 3D_EN 3D_EN_TCON VCC-Panel VCC-Panel 3V3_P 3V3_P 3V3_P 3V3_P 3V3_P 3V3_P G6_RXO3+ R5_RXO1- B3_RXE3- G2_RXE0+ R1_RXOC- B6_RXE2+ G5_RXO4- R4_RXO1+ B2_RXE3+ G1_RXE1- R0_RXOC+ R7_RXO0- B5_RXEC- G4_RXO4+ R3_RXO2- B1_RXE4- G0_RXE1+ G7_RXO3- R6_RXO0+ B4_RXEC+ G3_RXE0- R2_RXO2+ B0_RXE4+ B7_RXE2- M_SCL M_SDA 3D_SYNC 3D_EN_TCON 3D_FLAG SCN_EN L_DIM_DBL LVDS_SEL 标记数量 签名 更改单号 日期 拟制 审核 第 张 10 10.LVDS 标记数量 签名 更改单号 日期 拟制 审核 第 张 10 10.LVDS 标记数量 签名 更改单号 日期 拟制 审核 第 张 10 10.LVDS Net to other page LG/CMI CMO屏3D_SYNC_I LG屏BIT_SEL R486 NC/4.7K R486 NC/4.7K R432 0R R432 0R 1 1 2 2 3 3 4 4 5 5 6 6 7 7 8 8 9 9 10 10 11 11 12 12 13 13 14 14 15 15 16 16 17 17 18 18 19 19 20 20 21 21 22 22 23 23 24 24 25 25 26 26 27 27 28 28 29 29 30 30 31 31 32 32 33 33 34 34 35 35 36 36 37 37 38 38 39 39 40 40 41 41 42 42 43 43 44 44 45 45 46 46 47 47 48 48 49 49 50 50 51 51 52 52 53 53 XS501 51Pin_FPC XS501 51Pin_FPC R423 NC/0R R423 NC/0R R424 NC/0R R424 NC/0R R481 NC/0R R481 NC/0R R422 NC/100R R422 NC/100R R417 1K R417 1K R429 NC/0R R429 NC/0R R426 390R R426 390R R487 NC/0R R487 NC/0R R482 NC/0R R482 NC/0R R418 4.7K R418 4.7K R675 100R R675 100R C431 0.1uF C431 0.1uF R430 100R R430 100R R485 NC/4.7K R485 NC/4.7K R444 100R/NC R444 100R/NC R420 0R R420 0R R483 NC/4.7K R483 NC/4.7K R425 NC/4.7k R425 NC/4.7k R431 NC/100R R431 NC/100R R443 100R/NC R443 100R/NC R421 NC/4.7K R421 NC/4.7K R641 0R R641 0R R427 100R R427 100R R484 NC/0R R484 NC/0R PDF 文件以 "PDF 制作工厂" 试用版创建 ÿÿÿÿ ÿ �版版�用�用� 5 5 4 4 3 3 2 2 1 1 D D C C B B A A PWM_PM 3D_3V3 3D_IROUT 5V_Normal 3.3Vstb PWM_PM 3D_3V3 3D_IROUT 3D_SYNC 标记数量 签名 更改单号 日期 拟制 审核 第 张 12 12.3D Emitting 标记数量 签名 更改单号 日期 拟制 审核 第 张 12 12.3D Emitting 标记数量 签名 更改单号 日期 拟制 审核 第 张 12 12.3D Emitting 红外发射接口 蓝牙发射接口 CY07 0.22uF CY07 0.22uF 1 2 LY03 FB_600mA/NC LY03 FB_600mA/NC 1 2 3 4 5 XS647 D1250-03 XS647 D1250-03 RY14 1K RY14 1K 3D_SYNC 3D_SYNC 1 2 3 4 XS646 D1251-02 XS646 D1251-02 RY09 4.7R/1206 RY09 4.7R/1206 CY06 10uF CY06 10uF RY15 0R RY15 0R CY05 0.1uF CY05 0.1uF CY09 10uF CY09 10uF 3 1 2 VY02 3904 VY02 3904 RY10 4.7R/1206 RY10 4.7R/1206 3 1 2 VY03 WNM2306 VY03 WNM2306 CY08 100pF CY08 100pF RY12 47K RY12 47K PDF 文件以 "PDF 制作工厂" 试用版创建 ÿÿÿÿ ÿ �版版�用�用� 5 5 4 4 3 3 2 2 1 1 D D C C B B A A SD-CDZ SD-D0 SD-D3 SD-D2 SD-CMD SD-CLK SD-D1 SD-D3 SD2-CLK SD-CLK SD-D2 SD2-CMD SD-CMD SD-D0 SD-D1 PM16 PCM_D4 PCM_D6 PCM_D5 PCM_D7 GPIO4 NF_D2 NF_RSTZ NF_D3 NF_D0 NF_D1 NF_D5 NF_D6 NF_CLK NF_CMD NF_D7 NF_D4 EMMC_D0 NF_D0 EMMC_D1 NF_D1 NF_D2 EMMC_D2 PM16 EMMC_D3 NF_D3 EMMC_D4 NF_D4 NF_D5 EMMC_D5 EMMC_CLK EMMC_CMD NF_CMD NF_RSTZ EMMC_RSTZ EMMC_D7 NF_D7 NF_D6 EMMC_D6 NF_D6 NF_D7 NF_D0 NF_D1 NF_D2 NF_D3 NF_D4 NF_D5 NF_CMD GPIO4 EMMC_CMD EMMC_CLK EMMC_RSTZ PM16 SD2-CLK SD2-CMD EMMC_D0 EMMC_D1 EMMC_D2 EMMC_D3 EMMC_D4 EMMC_D5 EMMC_D6 EMMC_D7 SD_CDZ1 SD-CDZ NF_CLK D3 CEZ RBZ PCM_D[7:0] D2 NAND_D0 D0 NAND_D1 D1 D2 NAND_D2 NAND_D3 D3 NAND_D4 D4 D5 NAND_D5 NAND_D7 D7 D6 NAND_D6 REZ ALE WEZ WPZ D1 CE1Z D0 D7 D6 D5 CLE D4 NAND_CE1Z CE1Z NAND_CLE CLE ALE NAND_ALE NAND_WEZ WEZ NAND_WPZ WPZ DQS NAND_DQS NAND_RBZ RBZ NAND_REZ REZ CEZ NAND_CEZ DQS NAND_D1 NAND_D2 NAND_D3 NAND_D4 NAND_D5 NAND_D6 NAND_DQS NAND_D0 NAND_D7 3V3_Normal 3V3_Normal SD_VCC SD_VCC 3V3_Normal NF_POWER NF_POWER NF_POWER NF_POWER NF_POWER NF_POWER PCM_D7 PCM_D6 PCM_D5 PCM_D4 GPIO4 GPIO4 EMMC_CMD EMMC_CLK EMMC_RSTZ PM16 SD2-CLK SD2-CMD NAND_RBZ NAND_ALE NAND_WPZ NAND_WEZ NAND_REZ NAND_CLE NAND_CEZ NAND_CE1Z SD_CDZ1 PCM_D[7:0] 3 TS2_SYNC 4 TS2_VLD 4 TS2_D0 4 EMMC_CMD 4 EMMC_CLK 4 EMMC_RSTZ 4 NAND_DQS 4 TS2_CLK 4 PCM-CD2 4 标记数量 签名 更改单号 日期 拟制 审核 第 张 13 13.NAND FLASH/SD 标记数量 签名 更改单号 日期 拟制 审核 第 张 13 13.NAND FLASH/SD 标记数量 签名 更改单号 日期 拟制 审核 第 张 13 13.NAND FLASH/SD TF Socket iNAND FLASH Net NAND FLASH Micron Nand需要NC R615 NC/10K R615 NC/10K R525 0R R525 0R R521 10K R521 10K R339 NC/0R R339 NC/0R R546 0R R546 0R R514 0R R514 0R R326 NC/0R R326 NC/0R R576 NC/0R R576 NC/0R R519 10K R519 10K DAT2 1 DAT3 2 VDD 4 CLK 5 VSS 6 DAT0 7 DAT1 8 CD 9 GND 13 GND 12 CMD 3 GND 10 GND 11 XSU07 TF Card XSU07 TF Card R340 NC/0R R340 NC/0R R539 0R R539 0R R545 0R R545 0R R536 4.7K R536 4.7K R502 0R R502 0R R619 NC/0R R619 NC/0R R523 10K R523 10K R328 NC/0R R328 NC/0R R512 0R R512 0R C590 NC C590 NC R341 NC/0R R341 NC/0R C597 2.2uF C597 2.2uF R540 0R R540 0R R329 NC/0R R329 NC/0R C892 10uF C892 10uF C598 0.1uF C598 0.1uF C599 2.2uF C599 2.2uF R330 NC/0R R330 NC/0R R527 10K R527 10K C893 0.1uF C893 0.1uF R507 0R R507 0R R333 NC/0R R333 NC/0R C594 2.2uF C594 2.2uF R506 0R R506 0R R334 NC/0R R334 NC/0R R511 10K R511 10K C596 0.1uF C596 0.1uF R335 NC/0R R335 NC/0R R331 NC/0R R331 NC/0R R526 10K R526 10K R336 NC/0R R336 NC/0R C595 0.1uF C595 0.1uF R541 0R R541 0R R332 NC/0R R332 NC/0R R513 10K R513 10K R516 0R R516 0R R/B 7 RE 8 CE 9 NC6/CE2 10 NC7 11 VCC 12 VSS 13 NC8 14 NC9 15 CLE 16 ALE 17 WE 18 WP 19 NC28/VSS 48 NC27 47 NC26 46 NC25 45 D7 44 D6 43 D5 42 D4 41 VCC 37 VSS 36 NC21 35 NC20/VCC 34 NC19 33 D3 32 D2 31 D1 30 D0 29 NC0/VCC 1 NC1/VSS 2 NC2 3 NC3 4 NC4 5 NC5/R/B2 6 NC10 20 NC11 21 NC12 22 NC13/VSS 23 NC14/VCC 24 NC15/VSS 25 NC16 26 NC17 27 NC18 28 NC22/VCC 38 NC23 39 NC24 40 N512 NC/MT29F4G08ABA N512 NC/MT29F4G08ABA R542 0R R542 0R R504 NC/0R R504 NC/0R R515 10K R515 10K R338 NC/0R R338 NC/0R R518 0R R518 0R C593 NC/0.1uF C593 NC/0.1uF R325 NC/0R R325 NC/0R R522 0R R522 0R 1 2 L504 FB_600mA L504 FB_600mA R520 0R R520 0R R517 10K R517 10K R543 0R R543 0R C591 NC/0.1uF C591 NC/0.1uF VDDF K9 VDDF J10 VDDF F5 VDDF E6 VDD P3 VDD P5 VDD N4 VDD M4 VDD C6 VDDi C2 VSS C4 CLK M6 CMD M5 D0 A3 D1 A4 D2 A5 D3 B2 VSS E7 VSS G5 VSS H10 VSS K8 VSS N2 VSS N5 VSS P4 VSS P6 D4 B3 D5 B4 D6 B5 D7 B6 RESETn K5 iNAND N510 iNAND iNAND N510 iNAND R327 NC/0R R327 NC/0R R509 0R R509 0R R337 NC/0R R337 NC/0R R544 0R R544 0R R510 0R R510 0R PDF 文件以 "PDF 制作工厂" 试用版创建 ÿÿÿÿ ÿ �版版�用�用� 5 5 4 4 3 3 2 2 1 1 D D C C B B A A B-DDR3-RESET-T1 B-DDR3-RESET-T2 B_DDR3_A2 B_DDR3_A5 B_DDR3_A0 B_DDR3_RESET B_DDR3_A13 B_DDR3_A7 B_DDR3_A9 B_DDR3_A12 B_DDR3_A14 B_DDR3_A11 B_DDR3_A1 B_DDR3_A8 B_DDR3_CASZ B_DDR3_RASZ B_DDR3_CKE B_DDR3_BA2 B_DDR3_A10 B_DDR3_BA1 B_DDR3_BA0 B_DDR3_A3 B_DDR3_WEZ B_DDR3_A4 B_DDR3_A6 B_DDR3_ODT B-DDR3-CASZ-T2 B-DDR3-A6-T1 B-DDR3-A8-T1 B-DDR3-A5-T1 B_DDR3_A2 B_DDR3_A5 B_DDR3_A0 B_DDR3_RESET B_DDR3_A13 B_DDR3_A7 B_DDR3_A9 B-MVREFCA-T1 B-MVREFDQ-T1 B_DDR3_A12 B_DDR3_A14 B_DDR3_A11 B_DDR3_A1 B_DDR3_A8 B_DDR3_CASZ B_DDR3_RASZ B_DDR3_CKE B_DDR3_BA2 B_DDR3_A10 B_DDR3_BA1 B_DDR3_BA0 B_DDR3_A3 B_DDR3_WEZ B_DDR3_A4 B_DDR3_A6 B_DDR3_ODT B-DDR3-BA0-T2 B-DDR3-A12-T1 B-DDR3-A0-T1 B-DDR3-WEZ-T2 B-DDR3-ODT-T2 B-DDR3-BA1-T1 B-DDR3-ODT-T1 B-DDR3-A13-T1 B-DDR3-A2-T2 B-DDR3-A9-T2 B-DDR3-A10-T2 B-DDR3-BA1-T2 B-DDR3-A5-T2 B-DDR3-A7-T2 B-DDR3-A13-T2 B-DDR3-BA0-T1 B-DDR3-A12-T2 B-DDR3-A8-T2 B-DDR3-A6-T2 B-DDR3-A0-T2 B-DDR3-A10-T1 B-DDR3-A4-T1 B-DDR3-CASZ-T1 B-DDR3-A11-T2 B-DDR3-A1-T2 B-DDR3-A14-T2 B-DDR3-BA2-T2 B-DDR3-CKE-T2 B-DDR3-CKE-T1 B-DDR3-BA2-T1 B-DDR3-A3-T1 B-DDR3-A4-T2 B-DDR3-A9-T1 B-DDR3-A11-T1 B-DDR3-A1-T1 B-DDR3-A2-T1 B-DDR3-A7-T1 B-DDR3-RASZ-T1 B-DDR3-RESET-T2 B-DDR3-A14-T1 B-DDR3-A3-T2 B-DDR3-WEZ-T1 B-DDR3-RESET-T1 B-DDR3-RASZ-T2 A-MVREFCA-T1 A-MVREFDQ-T1 A-MVREFCA-T2 A-MVREFDQ-T2 B-DDR3-MCLK B-DDR3-MCLKZ A-DDR3-DQ21 A_DDR3_DQS1B A_DDR3_DQS1 A_DDR3_DM2 A_DDR3_DQ24 A_DDR3_DQS2B A_DDR3_A0 A_DDR3_A2 A_DDR3_A13 A-DDR3-DQ13 A-DDR3-DQ15 B-DDR3-CKE-T1 B-DDR3-RESET-T1 A-DDR3-DQ12 A_DDR3_RESET A_DDR3_A9 A_DDR3_DQ17 A_DDR3_DQ28 B-DDR3-DQ9 B-DDR3-DQ11 B-DDR3-DQ10 B-DDR3-DQ13 B-DDR3-DQ15 B-DDR3-DQ14 B-DDR3-DQ12 B-DDR3-DQ8 B-DDR3-DQS0 B-DDR3-DQS0B B-DDR3-DM0 B-DDR3-DQ1 B-DDR3-DQ3 B-DDR3-DQ2 B-DDR3-DQ5 B-DDR3-DQ7 B-DDR3-DQ6 B-DDR3-DQ4 B-DDR3-DQ0 B-DDR3-DM1 B-DDR3-DQS1 B-DDR3-DQS1B A-DDR3-DQ8 A_DDR3_A5 A_DDR3_A7 A_DDR3_DQ11 A-DDR3-CASZ-T1 A-DDR3-RASZ-T1 A-DDR3-DQ24 A_DDR3_DQ13 A_DDR3_ODT A_DDR3_A14 A-DDR3-A10-T2 A-DDR3-CKE-T2 A-DDR3-A12-T1 A_DDR3_DQ23 A-DDR3-A8-T2 A_DDR3_A5 A-DDR3-CKE-T1 A-DDR3-BA1-T2 A-DDR3-BA0-T2 A_DDR3_A10 A-DDR3-A4-T1 A-DDR3-DQ22 A-DDR3-DQ20 A_DDR3_BA2 A-DDR3-A6-T2 A_DDR3_A3 A_DDR3_CKE A_DDR3_A6 A-DDR3-A10-T1 A_DDR3_ODT A_DDR3_A14 A-DDR3-DM3 A_DDR3_A10 A_DDR3_A3 A_DDR3_A6 A_DDR3_BA1 A_DDR3_A4 A_DDR3_CKE A_DDR3_A8 A_DDR3_A12 A-DDR3-A12-T2 A-DDR3-BA2-T2 A_DDR3_BA1 A_DDR3_A4 A-DDR3-A8-T1 A-DDR3-A6-T1 A_DDR3_BA0 A-DDR3-BA0-T1 A-DDR3-A14-T2 A_DDR3_A8 A_DDR3_BA2 A-DDR3-BA1-T1 A-DDR3-DQ5 A-DDR3-DM0 A-DDR3-DQS0 A-DDR3-DQS0B A-DDR3-DM1 A-DDR3-DQ6 A-DDR3-ODT-T2 A-DDR3-DQ7 A-DDR3-DQ1 A-DDR3-DQ0 A-DDR3-DQ2 A-DDR3-DQ3 A-DDR3-A3-T2 A-DDR3-DQ4 A-DDR3-DQS1 A-DDR3-DQS1B A-DDR3-DQ13 A-DDR3-DQ14 A-DDR3-ODT-T1 A-DDR3-A4-T2 A_DDR3_A12 A_DDR3_A7 A-DDR3-DQ15 A-DDR3-DQ9 A-DDR3-DQ8 A-DDR3-DQ10 A-DDR3-DQ11 A-DDR3-DQ12 B-DDR3-A14-T2 B-DDR3-A13-T2 A-DDR3-A14-T1 A-DDR3-BA2-T1 A_DDR3_DQ6 A-DDR3_MCLK A-DDR3_MCLKZ A-DDR3-DQS3 A-DDR3-DQS1 A-DDR3-DQS1B A-DDR3-RESET-T1 B_DDR3-MCLK B_DDR3-MCLKZ B-MVREFCA-T1 B-MVREFDQ-T1 A-DDR3-DQ5 A-DDR3-DQ6 A-DDR3-DQ7 A-DDR3-DQ1 A-DDR3-DQ3 A-DDR3-DQ4 A-DDR3-DQ26 A-DDR3-DQ31 A-DDR3-RESET-T2 A-DDR3-CKE-T2 A_DDR3_DQ0 A_DDR3_DQ1 A-DDR3-DQS2B B-DDR3-A8-T2 B-DDR3-A9-T2 B-DDR3-A10-T2 B-DDR3-A11-T2 B-DDR3-A12-T2 B-DDR3-A0-T2 B-DDR3-BA0-T2 B-DDR3-BA1-T2 B-DDR3-BA2-T2 B-DDR3-A1-T2 B-DDR3-A2-T2 B-DDR3-A3-T2 B-DDR3-A4-T2 B-DDR3-A5-T2 B-DDR3-A6-T2 B-DDR3-A7-T2 A_DDR3_DQS0B A_DDR3_DQS0 A_DDR3_DQ26 A-DDR3-DQ9 B-DDR3-DQ25 B-DDR3-DQS2B B-DDR3-DQS2 B-DDR3-DQ27 B-DDR3-DQ26 B-DDR3-DQS3B B-DDR3-DQS3 B-DDR3-DQ29 B-DDR3-DQ31 B-DDR3-DQ30 B-DDR3-DQ28 B-DDR3-DM2 B-DDR3-DQ24 B-DDR3-DQ17 B-DDR3-DQ19 B-DDR3-DQ18 B-DDR3-DQ21 B-DDR3-DQ23 B-DDR3-DQ22 B-DDR3-DQ20 B-DDR3-DQ16 B-DDR3-DM3 A_DDR3_DQ29 A-DDR3-DM0 A_DDR3_A11 A_DDR3_A1 A-DDR3-A1-T2 A-DDR3-A11-T2 A-MVREFCA-T2 A-MVREFDQ-T2 A_DDR3_RESET A_DDR3_A9 A_DDR3_DQ14 A-DDR3-DQ19 A-DDR3-DQ2 A-DDR3-DQ18 A-DDR3-DQ16 A-DDR3-DQ14 A-DDR3-A5-T2 A-DDR3-A7-T2 A_DDR3_DQ3 A_DDR3_DQ9 B-DDR3-CKE-T2 B-DDR3-RESET-T2 A_DDR3_CASZ A_DDR3_RASZ A_DDR3_DQS2 A_DDR3_DQ15 A_DDR3_DQ21 B-DDR3-ODT-T2 B-DDR3-RASZ-T2 B-DDR3-WEZ-T2 A_DDR3_WEZ A_DDR3_A0 A_DDR3_A2 A_DDR3_A13 B-DDR3-CASZ-T2 A_DDR3_DQ16 A_DDR3_BA0 A-DDR3-DM2 A-DDR3-DM2 A-DDR3-DQ29 A-DDR3-DQ30 A-DDR3-DQ31 A-DDR3-DQ25 A-DDR3-DQ24 A-DDR3-DQ26 A-DDR3-DQ27 A-DDR3-DQ28 A-DDR3-DQS3 A-DDR3-DQS3B A-DDR3-DQ21 A-DDR3-DQ22 A-DDR3-DQ23 A-DDR3-DQ17 A-DDR3-DQ16 A-DDR3-DQ18 A-DDR3-DQ19 A-DDR3-DQ20 A-DDR3-DM3 A-DDR3-DQS2 A-DDR3-DQS2B A-DDR3-A3-T1 A-DDR3-A8-T2 A-DDR3-A9-T2 A-DDR3-A10-T2 A-DDR3-A11-T2 A-DDR3-A12-T2 A-DDR3-A0-T2 A-DDR3-BA0-T2 A-DDR3-BA1-T2 A-DDR3-BA2-T2 A-DDR3-A1-T2 A-DDR3-A2-T2 A-DDR3-A3-T2 A-DDR3-A4-T2 A-DDR3-A5-T2 A-DDR3-A6-T2 A-DDR3-A7-T2 A-DDR3-DQ27 A_DDR3_DQS3B A_DDR3_DQ22 A-DDR3-A13-T2 A-DDR3-A0-T2 A-DDR3-A2-T2 A-DDR3-WEZ-T2 A-DDR3-CASZ-T2 A-DDR3-RASZ-T2 A_DDR3_DQ8 A-DDR3-DM1 A_DDR3_DM0 A-DDR3-DQ25 A_DDR3_A11 A_DDR3_A1 A-DDR3-DQ23 A-DDR3-A13-T1 A-DDR3-A14-T1 A_DDR3_DQ31 A-DDR3-DQ10 A-DDR3-RESET-T2 A-DDR3-A9-T2 A-DDR3-DQS2 A-DDR3-A8-T1 A-DDR3-A9-T1 A-DDR3-A10-T1 A-DDR3-A11-T1 A-DDR3-A14-T2 A-DDR3-A13-T2 A_DDR3_DQ7 A-DDR3-ODT-T2 A-DDR3-CASZ-T2 A-DDR3-RASZ-T2 A-DDR3-WEZ-T2 A_DDR3_DQ5 A_DDR3_DQ19 A_DDR3_DQ10 A_DDR3_DQ25 A-DDR3-RESET-T1 A-DDR3-A9-T1 A-DDR3-DQ17 B-DDR3-A14-T1 B-DDR3-A13-T1 A-DDR3-A11-T1 A-DDR3-A1-T1 A-DDR3-DQ0 A_DDR3_DM1 A-DDR3-DQS3B A-DDR3-A12-T1 A_DDR3_DQ12 A-DDR3-A5-T1 A-DDR3-A7-T1 A-DDR3-ODT-T1 A-DDR3-RESET-T1 B-MVREFCA-T2 B-MVREFDQ-T2 A_DDR3-MCLK A_DDR3-MCLKZ A-DDR3-CASZ-T1 A-DDR3-A0-T1 A-DDR3-BA0-T1 A-DDR3-BA1-T1 A-DDR3-BA2-T1 A_DDR3_DQ4 A_DDR3_DM3 A-DDR3-CKE-T1 A-DDR3-RESET-T2 A-DDR3-A1-T1 A-MVREFCA-T1 A-DDR3-DQ30 A-MVREFDQ-T1 A-DDR3-A2-T1 A-DDR3-A3-T1 B-DDR3-MCLK B-DDR3-MCLKZ A-DDR3-RASZ-T1 A-DDR3-DQ29 A-DDR3-A4-T1 A-DDR3-A5-T1 A-DDR3-A6-T1 A-DDR3-A7-T1 A_DDR3_DQ18 A-DDR3-WEZ-T1 A_DDR3_DQ2 B_DDR3_MCLK B_DDR3_MCLKZ A-DDR3-A2-T1 A-DDR3-A13-T1 A-DDR3-WEZ-T1 A-DDR3-A0-T1 A-DDR3-DQS0 A-DDR3-DQS0B A_DDR3_DQS3 A_DDR3_CASZ A_DDR3_RASZ B-DDR3-A8-T1 A_DDR3_DQ20 B_DDR3_DQ14 B_DDR3_DQ10 B-DDR3-DQ15 B-DDR3-DQ13 B-DDR3-A9-T1 B-DDR3-A10-T1 B-DDR3-A11-T1 B-DDR3-A12-T1 B-DDR3-A0-T1 B_DDR3_DQ13 B-DDR3-BA0-T1 B-DDR3-BA1-T1 B-DDR3-BA2-T1 B-DDR3-A1-T1 B-DDR3-A2-T1 B-DDR3-A3-T1 B-DDR3-A4-T1 B-DDR3-A5-T1 B-DDR3-A6-T1 B-DDR3-A7-T1 B-DDR3-ODT-T1 B_DDR3_DQ12 B-DDR3-DQ14 B_DDR3_DQ2 B-DDR3-RASZ-T1 B-DDR3-WEZ-T1 B-DDR3-CASZ-T1 B-DDR3-DQ9 A_DDR3_DQ27 A-DDR3-DQ11 B-DDR3-DQ12 B-DDR3-DQ3 B_DDR3_DQ15 B_DDR3_DQ1 B_DDR3_DQ3 B_DDR3_DQ0 B-DDR3-DQ10 B-DDR3-DQ2 B-DDR3-DQ0 B-DDR3-DQ1 A_DDR3_DQ30 B_DDR3_DQ9 B_DDR3_DQ11 B-DDR3-DQS1 B-DDR3-DQ8 B-DDR3-DQS1B B_DDR3_DQS0 A-DDR3-DQ28 B_DDR3_DQS0B B-DDR3-DQ5 B-DDR3-DQ7 B_DDR3_DM2 B_DDR3_DQ25 B-DDR3-DQ19 B_DDR3_DQS3 B_DDR3_DQS3B B-DDR3-DM2 B-DDR3-DQ24 B_DDR3_DM0 B-DDR3-DQS2B B-DDR3-DQS2 B_DDR3_DQS2 B_DDR3_DQS2B B_DDR3_DQ26 B_DDR3_DQ5 B-DDR3-DQ6 B-DDR3-DQ4 B-DDR3-DM0 B_DDR3_DQ6 B_DDR3_DQ4 B-DDR3-DQS3B B-DDR3-DQS3 B_DDR3_DQ17 B_DDR3_DQ28 B-DDR3-DQ25 B-DDR3-DQ28 B_DDR3_DQ8 B-DDR3-DQ11 B-DDR3-DM1 B-DDR3-DQ27 B-DDR3-DM3 B-DDR3-DQ18 B-DDR3-DQ16 B-DDR3-DQ22 B-DDR3-DQ20 B_DDR3_DM3 B-DDR3-DQ29 B-DDR3-DQ31 B_DDR3_DQ22 B_DDR3_DQ29 B-DDR3-DQ21 B_DDR3_DQ16 B_DDR3_DQ23 B_DDR3_DQ20 B_DDR3_DQ27 B_DDR3_DQ21 B_DDR3_DQ18 B_DDR3_DQ31 B-DDR3-DQ23 B_DDR3_DQ24 B-DDR3-DQ17 B-DDR3-DQS0 B-DDR3-DQS0B B_DDR3_DM1 B_DDR3_DQ7 B-DDR3-DQ26 B-DDR3-DQ30 B_DDR3_DQS1B B_DDR3_DQS1 B_DDR3_DQ19 B_DDR3_DQ30 B-MVREFCA-T2 B-MVREFDQ-T2 A_DDR3_WEZ B_DDR3_CKE A_DDR3_CKE A_DDR3_DQS1 A_DDR3_DQS0B A_DDR3_DQS1B A_DDR3_MCLK A_DDR3_MCLKZ A_DDR3_DM1 A_DDR3_DM0 A_DDR3_DQS2 A_DDR3_DQS3 A_DDR3_DQS3B A_DDR3_DQS2B A_DDR3_DM2 A_DDR3_DM3 A_DDR3_DQ17 A_DDR3_DQ18 A_DDR3_DQ19 A_DDR3_DQ16 A_DDR3_DQ20 A_DDR3_DQ21 A_DDR3_DQ22 A_DDR3_DQ23 A_DDR3_DQ24 A_DDR3_DQ25 A_DDR3_DQ26 A_DDR3_DQ27 A_DDR3_DQ28 A_DDR3_DQ29 A_DDR3_DQ30 A_DDR3_DQ31 A_DDR3_DQ5 A_DDR3_DQ6 A_DDR3_DQ7 A_DDR3_DQ8 A_DDR3_A14 A_DDR3_A5 A_DDR3_A9 A_DDR3_A12 A_DDR3_A11 A_DDR3_A3 A_DDR3_A1 A_DDR3_A10 A_DDR3_A2 A_DDR3_A0 A_DDR3_A6 A_DDR3_A7 A_DDR3_A13 A_DDR3_A8 A_DDR3_A4 A_DDR3_WEZ A_DDR3_RASZ A_DDR3_CASZ A_DDR3_BA2 A_DDR3_RESET A_DDR3_BA1 A_DDR3_BA0 A_DDR3_ODT A_DDR3_DQ13 A_DDR3_DQ14 A_DDR3_DQ15 A_DDR3_DQ9 A_DDR3_DQ10 A_DDR3_DQ11 A_DDR3_DQ12 A_DDR3_CKE B_DDR3_DM2 B_DDR3_DQ18 B_DDR3_DQ19 B_DDR3_DQ22 B_DDR3_DQ23 B_DDR3_DQ20 B_DDR3_DQ21 B_DDR3_DQ16 B_DDR3_DQ26 B_DDR3_DQ27 B_DDR3_DQ24 B_DDR3_DQ25 B_DDR3_DQ30 B_DDR3_DQ31 B_DDR3_DQ28 B_DDR3_DQ29 B_DDR3_DQ17 A_DDR3_DQ1 B_DDR3_A14 B_DDR3_A5 B_DDR3_A9 B_DDR3_A12 B_DDR3_A11 B_DDR3_A3 B_DDR3_A1 B_DDR3_A10 B_DDR3_A2 B_DDR3_A0 B_DDR3_A6 B_DDR3_A7 B_DDR3_A13 B_DDR3_A8 B_DDR3_A4 B_DDR3_WEZ B_DDR3_RASZ B_DDR3_CASZ B_DDR3_DQS0 B_DDR3_DQS1 B_DDR3_DQS0B B_DDR3_DQS1B B_DDR3_MCLK B_DDR3_MCLKZ B_DDR3_DM1 B_DDR3_DM0 B_DDR3_BA2 B_DDR3_RESET B_DDR3_BA1 B_DDR3_BA0 B_DDR3_ODT A_DDR3_DQ0 B_DDR3_DM3 B_DDR3_CKE B_DDR3_DQ2 B_DDR3_DQ3 B_DDR3_DQ6 B_DDR3_DQ7 B_DDR3_DQ4 B_DDR3_DQ5 B_DDR3_DQ0 B_DDR3_DQ10 A_DDR3_DQ2 B_DDR3_DQ11 B_DDR3_DQ8 B_DDR3_DQ9 B_DDR3_DQ14 B_DDR3_DQ15 B_DDR3_DQ12 B_DDR3_DQ13 B_DDR3_DQ1 A_DDR3_DQ3 A_DDR3_DQ4 B_DDR3_DQS2B B_DDR3_DQS3B B_DDR3_DQS3 B_DDR3_DQS2 A_DDR3_DQS0 B_DDR3-MCLK B_DDR3-MCLKZ A-DDR3_MCLKZ A_DDR3-MCLK A_DDR3-MCLKZ A_DDR3_MCLKZ A_DDR3_MCLK A-DDR3_MCLK AVDD_DDR1 AVDD_DDR1 AVDD_DDR1 AVDD_DDR1 AVDD_DDR0 AVDD_DDR0 AVDD_DDR0 +1.5V_DDR AVDD_DDR0 AVDD_DDR0 AVDD_DDR0 AVDD_DDR1 AVDD_DDR1 +1.5V_DDR AVDD_DDR0 AVDD_DDR1 AVDD_DDR0 AVDD_DDR1 AVDD_DDR0 AVDD_DDR0 AVDD_DDR1 AVDD_DDR1 AVDD_DDR1 标记 数量 签名 更改单号 日期 拟制 审核 第 张 14 14.Dram 标记 数量 签名 更改单号 日期 拟制 审核 第 张 14 14.Dram 标记 数量 签名 更改单号 日期 拟制 审核 第 张 14 14.Dram DDR3 2G bit 1600MHz MIU For 6369 DDR3 2G bit 1600MHz Close to DDR POWER PIN DDR3 2G bit 1600MHz DDR3 2G bit 1600MHz MIU For 6A806 MIU For 6A806 C448 1nF C448 1nF R647 22R R647 22R 7 5 3 1 8 6 4 2 RA465 22RX4 7 5 3 1 8 6 4 2 RA465 22RX4 R448 1K/1% R448 1K/1% R473 22R R473 22R 7 5 3 1 8 6 4 2 RA406 22RX4 7 5 3 1 8 6 4 2 RA406 22RX4 7 5 3 1 8 6 4 2 RA436 22RX4 7 5 3 1 8 6 4 2 RA436 22RX4 C466 0.1uF C466 0.1uF 7 5 3 1 8 6 4 2 RA447 22RX4 7 5 3 1 8 6 4 2 RA447 22RX4 C489 22uF C489 22uF R465 1K/1% R465 1K/1% R440 22R R440 22R C453 0.1uF C453 0.1uF C441 0.1uF C441 0.1uF C450 0.1uF C450 0.1uF 7 5 3 1 8 6 4 2 RA441 22RX4 7 5 3 1 8 6 4 2 RA441 22RX4 7 5 3 1 8 6 4 2 RA423 22RX4 7 5 3 1 8 6 4 2 RA423 22RX4 7 5 3 1 8 6 4 2 RA464 22RX4 7 5 3 1 8 6 4 2 RA464 22RX4 C476 0.1uF C476 0.1uF R469 1K/1% R469 1K/1% R492 22R R492 22R C478 10nF C478 10nF C460 0.1uF C460 0.1uF C449 0.1uF C449 0.1uF R497 22R R497 22R R462 1K/1% R462 1K/1% R435 56R R435 56R R433 56R R433 56R 7 5 3 1 8 6 4 2 RA452 22RX4 7 5 3 1 8 6 4 2 RA452 22RX4 C470 0.1uF C470 0.1uF C482 0.1uF C482 0.1uF C435 0.1uF C435 0.1uF 7 5 3 1 8 6 4 2 RA459 22RX4 7 5 3 1 8 6 4 2 RA459 22RX4 A_DDR3_A0/DDR2_A5 C10 A_DDR3_A1/DDR2_A13 B11 A_DDR3_A2/DDR2_A9 E12 A_DDR3_A3/DDR2_A10 E10 A_DDR3_A4/DDR2_A2 B12 A_DDR3_A5/DDR2_A3 D11 A_DDR3_A6/DDR2_A4 E14 A_DDR3_A7/DDR2_A7 D12 A_DDR3_A8/DDR2_A8 A12 A_DDR3_A9/DDR2_A14 A9 A_DDR3_A10/DDR2_CASZ B13 A_DDR3_A11/DDR2_A6 A11 A_DDR3_A12/DDR2_A0 D15 A_DDR3_A13/DDR2_A12 E11 A_DDR3_A14/DDR2_A11 E13 A_DDR3_CASZ/DDR2_BA0 D13 A_DDR3_RASZ/DDR2_BA1 D14 A_DDR3_WEZ/DDR2_A1 B10 A_DDR3_ODT/DDR2_WEZ D9 A_DDR3_BA0/DDR2_CKE D10 A_DDR3_BA1/DDR2_RASZ D16 A_DDR3_BA2/DDR2_BA2 E9 A_DDR3_RESETB C9 A_DDR3_CKE/DDR2_ODT C14 A_DDR3_DQ0/DDR2_DQ6 E19 A_DDR3_DQ1/DDR2_DQ0 E15 A_DDR3_DQ2/DDR2_DQ1 E20 A_DDR3_DQ3/DDR2_DQ7 E16 A_DDR3_DQ4/DDR2_DQ4 B21 A_DDR3_DQ5/DDR2_DQ5 B15 A_DDR3_DQ6/DDR2_DQ3 A21 A_DDR3_DQ7/DDR2_DQ2 C16 A_DDR3_DQ8/DDR2_DQ15 B17 A_DDR3_DQ9/DDR2_DMU E18 A_DDR3_DQ10/DDR2_DQ10 D17 A_DDR3_DQ11/DDR2_DQ9 B20 A_DDR3_DQ12/DDR2_DML E17 A_DDR3_DQ13/DDR2_DQ12 D20 A_DDR3_DQ14/DDR2_DQ8 D18 A_DDR3_DQ15/DDR2_DQ14 D19 A_DDR3_DM0//DDR2_DQ13 C17 A_DDR3_DM1/DDR2_DQ11 A20 A_DDR3_MCLK/DDR2_MCLK C15 A_DDR3_MCLKZ/DDR2_MCLKZ A14 A_DDR3_DQS0/DDR2_DQS0 B19 A_DDR3_DQS0B/DDR2_DQSB0 C19 A_DDR3_DQS1/DDR2_DQS1 A18 A_DDR3_DQS1B/DDR2_DQSB1 C18 B_DDR3_A0/DDR2_A5 C31 B_DDR3_A1/DDR2_A13 D32 B_DDR3_A2/DDR2_A9 J29 B_DDR3_A3/DDR2_A10 B30 B_DDR3_A4/DDR2_A2 E30 B_DDR3_A5/DDR2_A3 H28 B_DDR3_A6/DDR2_A4 L29 B_DDR3_A7/DDR2_A7 J28 B_DDR3_A8/DDR2_A8 E31 B_DDR3_A9/DDR2_A14 B31 B_DDR3_A10/DDR2_CASZ F32 B_DDR3_A11/DDR2_A6 D31 B_DDR3_A12/DDR2_A0 M28 B_DDR3_A13/DDR2_A12 H29 B_DDR3_A14/DDR2_A11 K29 B_DDR3_CASZ/DDR2_BA0 K28 B_DDR3_RASZ/DDR2_BA1 L28 B_DDR3_WEZ/DDR2_A1 C32 B_DDR3_ODT/DDR2_WEZ G29 B_DDR3_BA0/DDR2_CKE G28 B_DDR3_BA1/DDR2_RASZ N28 B_DDR3_BA2/DDR2_BA2 A30 B_DDR3_RESETB C30 B_DDR3_CKE/DDR2_ODT F30 B_DDR3_DQ0/DDR2_DQ6 T29 B_DDR3_DQ1/DDR2_DQ0 M29 B_DDR3_DQ2/DDR2_DQ1 U29 B_DDR3_DQ3/DDR2_DQ7 N29 B_DDR3_DQ4/DDR2_DQ4 P30 B_DDR3_DQ5/DDR2_DQ5 H30 B_DDR3_DQ6/DDR2_DQ3 P31 B_DDR3_DQ7/DDR2_DQ2 J31 B_DDR3_DQ8/DDR2_DQ15 K32 B_DDR3_DQ9/DDR2_DMU R29 B_DDR3_DQ10/DDR2_DQ10 P28 B_DDR3_DQ11/DDR2_DQ9 N32 B_DDR3_DQ12/DDR2_DML P29 B_DDR3_DQ13/DDR2_DQ12 U28 B_DDR3_DQ14/DDR2_DQ8 R28 B_DDR3_DQ15/DDR2_DQ14 T28 B_DDR3_DM0//DDR2_DQ13 J30 B_DDR3_DM1/DDR2_DQ11 N31 B_DDR3_MCLK/DDR2_MCLK G30 B_DDR3_MCLKZ/DDR2_MCLKZ G31 B_DDR3_DQS0/DDR2_DQS0 M32 B_DDR3_DQS0B/DDR2_DQSB0 M31 B_DDR3_DQS1/DDR2_DQS1 L31 B_DDR3_DQS1B/DDR2_DQSB1 K30 A_DDR3_DQ16/DDR2_DQ6 C28 A_DDR3_DQ17/DDR2_DQ0 D21 A_DDR3_DQ18/DDR2_DQ1 B28 A_DDR3_DQ19/DDR2_DQ7 D22 A_DDR3_DQ20/DDR2_DQ4 A29 A_DDR3_DQ21/DDR2_DQ5 B22 A_DDR3_DQ22/DDR2_DQ3 B29 A_DDR3_DQ23/DDR2_DQ2 C23 A_DDR3_DQ24/DDR2_DQ15 E22 A_DDR3_DQ25/DDR2_DMU E24 A_DDR3_DQ26/DDR2_DQ10 E23 A_DDR3_DQ27/DDR2_DQ9 C27 A_DDR3_DQ28/DDR2_DML D24 A_DDR3_DQ29/DDR2_DQ12 B26 A_DDR3_DQ30/DDR2_DQ8 D23 A_DDR3_DQ31/DDR2_DQ14 C26 A_DDR3_DM2//DDR2_DQ13 E21 A_DDR3_DM3/DDR2_DQ11 A27 A_DDR3_DQS2/DDR2_DQS0 C25 A_DDR3_DQS2B/DDR2_DQSB0 B24 A_DDR3_DQS3/DDR2_DQS1 C24 A_DDR3_DQS3B/DDR2_DQSB1 A23 B_DDR3_DQ16/DDR2_DQ6 AA31 B_DDR3_DQ17/DDR2_DQ0 V28 B_DDR3_DQ18/DDR2_DQ1 AA32 B_DDR3_DQ19/DDR2_DQ7 W28 B_DDR3_DQ20/DDR2_DQ4 AB31 B_DDR3_DQ21/DDR2_DQ5 R32 B_DDR3_DQ22/DDR2_DQ3 AB32 B_DDR3_DQ23/DDR2_DQ2 R30 B_DDR3_DQ24/DDR2_DQ15 W29 B_DDR3_DQ25/DDR2_DMU AA29 B_DDR3_DQ26/DDR2_DQ10 Y28 B_DDR3_DQ27/DDR2_DQ9 W30 B_DDR3_DQ28/DDR2_DML Y29 B_DDR3_DQ29/DDR2_DQ12 W32 B_DDR3_DQ30/DDR2_DQ8 AA28 B_DDR3_DQ31/DDR2_DQ14 V30 B_DDR3_DM2//DDR2_DQ13 V29 B_DDR3_DM3/DDR2_DQ11 Y31 B_DDR3_DQS2/DDR2_DQS0 V31 B_DDR3_DQS2B/DDR2_DQSB0 U30 B_DDR3_DQS3/DDR2_DQS1 T30 B_DDR3_DQS3B/DDR2_DQSB1 T31 MIU0 MIU1 N501A MSD6369 MIU0 MIU1 N501A MSD6369 7 5 3 1 8 6 4 2 RA440 22RX4 7 5 3 1 8 6 4 2 RA440 22RX4 R452 1K/1% R452 1K/1% 7 5 3 1 8 6 4 2 RA460 22RX4 7 5 3 1 8 6 4 2 RA460 22RX4 C461 0.1uF C461 0.1uF 7 5 3 1 8 6 4 2 RA462 22RX4 7 5 3 1 8 6 4 2 RA462 22RX4 7 5 3 1 8 6 4 2 RA401 0RX4 7 5 3 1 8 6 4 2 RA401 0RX4 7 5 3 1 8 6 4 2 RA407 22RX4 7 5 3 1 8 6 4 2 RA407 22RX4 R439 22R R439 22R R468 1K/1% R468 1K/1% 7 5 3 1 8 6 4 2 RA417 22RX4 7 5 3 1 8 6 4 2 RA417 22RX4 R004 22R R004 22R 7 5 3 1 8 6 4 2 RA410 22RX4 7 5 3 1 8 6 4 2 RA410 22RX4 7 5 3 1 8 6 4 2 RA428 22RX4 7 5 3 1 8 6 4 2 RA428 22RX4 R493 22R R493 22R 7 5 3 1 8 6 4 2 RA403 22RX4 7 5 3 1 8 6 4 2 RA403 22RX4 C445 0.1uF C445 0.1uF C479 10nF C479 10nF R438 240R/1% R438 240R/1% R467 0R R467 0R R498 22R R498 22R A0 N3 A1 P7 A2 P3 A3 N2 A4 P8 A5 P2 A6 R8 A7 R2 A8 T8 A9 R3 A10 L7 A11 R7 A12 N7 DQU0 D7 DQU1 C3 DQU2 C8 DQU3 C2 DQU4 A7 DQU5 A2 DQU6 B8 DQU7 A3 DQSU C7 /DQSU B7 DMU D3 DQL0 E3 DQL1 F7 DQL2 F2 DQL3 F8 DQL4 H3 DQL5 H8 DQL6 G2 DQL7 H7 DQSL F3 /DQSL G3 DML E7 BA0 M2 BA1 N8 BA2 M3 /CS L2 /RAS J3 /CAS K3 /WE L3 CK J7 /CK K7 CKE K9 ODT K1 /RESET T2 VREFCA M8 VREFDQ H1 ZQ L8 VDDQ A1 VDDQ A8 VDDQ C1 VDDQ C9 VDDQ D2 VDDQ E9 VDDQ F1 VDDQ H2 VDDQ H9 VSSQ B9 VSSQ B1 VSSQ D1 VSSQ D8 VSSQ E2 VSSQ E8 VSSQ F9 VSSQ G1 VSSQ G9 VDD B2 VDD D9 VDD G7 VDD K2 VDD K8 VDD N1 VDD N9 VDD R1 VDD R9 VSS A9 VSS E1 VSS G8 VSS J2 VSS J8 VSS M1 VSS M9 VSS P1 VSS P9 VSS T1 VSS T9 NC1 J1 NC2 J9 NC3 L1 NC4 L9 NC5 M7 A13 T3 NC7 T7 VSS B3 N502 H5TQ2G63BFR-PBC N502 H5TQ2G63BFR-PBC C475 0.1uF C475 0.1uF 7 5 3 1 8 6 4 2 RA449 22RX4 7 5 3 1 8 6 4 2 RA449 22RX4 7 5 3 1 8 6 4 2 RA455 22RX4 7 5 3 1 8 6 4 2 RA455 22RX4 R002 22R R002 22R 7 5 3 1 8 6 4 2 RA412 22RX4 7 5 3 1 8 6 4 2 RA412 22RX4 7 5 3 1 8 6 4 2 RA422 22RX4 7 5 3 1 8 6 4 2 RA422 22RX4 R470 22R R470 22R R472 2K R472 2K C447 0.1uF C447 0.1uF A0 N3 A1 P7 A2 P3 A3 N2 A4 P8 A5 P2 A6 R8 A7 R2 A8 T8 A9 R3 A10 L7 A11 R7 A12 N7 DQU0 D7 DQU1 C3 DQU2 C8 DQU3 C2 DQU4 A7 DQU5 A2 DQU6 B8 DQU7 A3 DQSU C7 /DQSU B7 DMU D3 DQL0 E3 DQL1 F7 DQL2 F2 DQL3 F8 DQL4 H3 DQL5 H8 DQL6 G2 DQL7 H7 DQSL F3 /DQSL G3 DML E7 BA0 M2 BA1 N8 BA2 M3 /CS L2 /RAS J3 /CAS K3 /WE L3 CK J7 /CK K7 CKE K9 ODT K1 /RESET T2 VREFCA M8 VREFDQ H1 ZQ L8 VDDQ A1 VDDQ A8 VDDQ C1 VDDQ C9 VDDQ D2 VDDQ E9 VDDQ F1 VDDQ H2 VDDQ H9 VSSQ B9 VSSQ B1 VSSQ D1 VSSQ D8 VSSQ E2 VSSQ E8 VSSQ F9 VSSQ G1 VSSQ G9 VDD B2 VDD D9 VDD G7 VDD K2 VDD K8 VDD N1 VDD N9 VDD R1 VDD R9 VSS A9 VSS E1 VSS G8 VSS J2 VSS J8 VSS M1 VSS M9 VSS P1 VSS P9 VSS T1 VSS T9 NC1 J1 NC2 J9 NC3 L1 NC4 L9 NC5 M7 A13 T3 NC7 T7 VSS B3 N504 H5TQ2G63BFR-PBC N504 H5TQ2G63BFR-PBC 7 5 3 1 8 6 4 2 RA411 22RX4 7 5 3 1 8 6 4 2 RA411 22RX4 7 5 3 1 8 6 4 2 RA409 22RX4 7 5 3 1 8 6 4 2 RA409 22RX4 7 5 3 1 8 6 4 2 RA466 22RX4 7 5 3 1 8 6 4 2 RA466 22RX4 7 5 3 1 8 6 4 2 RA404 0RX4 7 5 3 1 8 6 4 2 RA404 0RX4 C469 0.1uF C469 0.1uF R499 22R R499 22R R464 0R R464 0R R459 240R/1% R459 240R/1% 7 5 3 1 8 6 4 2 RA461 22RX4 7 5 3 1 8 6 4 2 RA461 22RX4 C468 0.1uF C468 0.1uF C439 0.1uF C439 0.1uF 7 5 3 1 8 6 4 2 RA467 22RX4 7 5 3 1 8 6 4 2 RA467 22RX4 7 5 3 1 8 6 4 2 RA421 22RX4 7 5 3 1 8 6 4 2 RA421 22RX4 C442 0.1uF C442 0.1uF 7 5 3 1 8 6 4 2 RA457 22RX4 7 5 3 1 8 6 4 2 RA457 22RX4 7 5 3 1 8 6 4 2 RA426 22RX4 7 5 3 1 8 6 4 2 RA426 22RX4 C487 1nF C487 1nF 7 5 3 1 8 6 4 2 RA437 22RX4 7 5 3 1 8 6 4 2 RA437 22RX4 R460 1K/1% R460 1K/1% R449 1K/1% R449 1K/1% 7 5 3 1 8 6 4 2 RA424 22RX4 7 5 3 1 8 6 4 2 RA424 22RX4 7 5 3 1 8 6 4 2 RA402 22RX4 7 5 3 1 8 6 4 2 RA402 22RX4 7 5 3 1 8 6 4 2 RA408 22RX4 7 5 3 1 8 6 4 2 RA408 22RX4 C491 22uF C491 22uF C452 0.1uF C452 0.1uF R451 1K/1% R451 1K/1% R416 1K/1% R416 1K/1% C437 0.1uF C437 0.1uF R489 22R R489 22R 7 5 3 1 8 6 4 2 RA413 22RX4 7 5 3 1 8 6 4 2 RA413 22RX4 C483 1nF C483 1nF R453 56R R453 56R 7 5 3 1 8 6 4 2 RA418 22RX4 7 5 3 1 8 6 4 2 RA418 22RX4 7 5 3 1 8 6 4 2 RA405 22RX4 7 5 3 1 8 6 4 2 RA405 22RX4 A0 N3 A1 P7 A2 P3 A3 N2 A4 P8 A5 P2 A6 R8 A7 R2 A8 T8 A9 R3 A10 L7 A11 R7 A12 N7 DQU0 D7 DQU1 C3 DQU2 C8 DQU3 C2 DQU4 A7 DQU5 A2 DQU6 B8 DQU7 A3 DQSU C7 /DQSU B7 DMU D3 DQL0 E3 DQL1 F7 DQL2 F2 DQL3 F8 DQL4 H3 DQL5 H8 DQL6 G2 DQL7 H7 DQSL F3 /DQSL G3 DML E7 BA0 M2 BA1 N8 BA2 M3 /CS L2 /RAS J3 /CAS K3 /WE L3 CK J7 /CK K7 CKE K9 ODT K1 /RESET T2 VREFCA M8 VREFDQ H1 ZQ L8 VDDQ A1 VDDQ A8 VDDQ C1 VDDQ C9 VDDQ D2 VDDQ E9 VDDQ F1 VDDQ H2 VDDQ H9 VSSQ B9 VSSQ B1 VSSQ D1 VSSQ D8 VSSQ E2 VSSQ E8 VSSQ F9 VSSQ G1 VSSQ G9 VDD B2 VDD D9 VDD G7 VDD K2 VDD K8 VDD N1 VDD N9 VDD R1 VDD R9 VSS A9 VSS E1 VSS G8 VSS J2 VSS J8 VSS M1 VSS M9 VSS P1 VSS P9 VSS T1 VSS T9 NC1 J1 NC2 J9 NC3 L1 NC4 L9 NC5 M7 A13 T3 NC7 T7 VSS B3 N505 H5TQ2G63BFR-PBC N505 H5TQ2G63BFR-PBC 7 5 3 1 8 6 4 2 RA431 22RX4 7 5 3 1 8 6 4 2 RA431 22RX4 R442 2K R442 2K R456 56R R456 56R 7 5 3 1 8 6 4 2 RA414 22RX4 7 5 3 1 8 6 4 2 RA414 22RX4 R445 1K/1% R445 1K/1% C490 22uF C490 22uF C444 0.1uF C444 0.1uF R437 240R/1% R437 240R/1% 7 5 3 1 8 6 4 2 RA443 22RX4 7 5 3 1 8 6 4 2 RA443 22RX4 R454 56R R454 56R C486 0.1uF C486 0.1uF R490 22R R490 22R 7 5 3 1 8 6 4 2 RA432 22RX4 7 5 3 1 8 6 4 2 RA432 22RX4 C474 0.1uF C474 0.1uF A0 N3 A1 P7 A2 P3 A3 N2 A4 P8 A5 P2 A6 R8 A7 R2 A8 T8 A9 R3 A10 L7 A11 R7 A12 N7 DQU0 D7 DQU1 C3 DQU2 C8 DQU3 C2 DQU4 A7 DQU5 A2 DQU6 B8 DQU7 A3 DQSU C7 /DQSU B7 DMU D3 DQL0 E3 DQL1 F7 DQL2 F2 DQL3 F8 DQL4 H3 DQL5 H8 DQL6 G2 DQL7 H7 DQSL F3 /DQSL G3 DML E7 BA0 M2 BA1 N8 BA2 M3 /CS L2 /RAS J3 /CAS K3 /WE L3 CK J7 /CK K7 CKE K9 ODT K1 /RESET T2 VREFCA M8 VREFDQ H1 ZQ L8 VDDQ A1 VDDQ A8 VDDQ C1 VDDQ C9 VDDQ D2 VDDQ E9 VDDQ F1 VDDQ H2 VDDQ H9 VSSQ B9 VSSQ B1 VSSQ D1 VSSQ D8 VSSQ E2 VSSQ E8 VSSQ F9 VSSQ G1 VSSQ G9 VDD B2 VDD D9 VDD G7 VDD K2 VDD K8 VDD N1 VDD N9 VDD R1 VDD R9 VSS A9 VSS E1 VSS G8 VSS J2 VSS J8 VSS M1 VSS M9 VSS P1 VSS P9 VSS T1 VSS T9 NC1 J1 NC2 J9 NC3 L1 NC4 L9 NC5 M7 A13 T3 NC7 T7 VSS B3 N503 H5TQ2G63BFR-PBC N503 H5TQ2G63BFR-PBC 7 5 3 1 8 6 4 2 RA430 22RX4 7 5 3 1 8 6 4 2 RA430 22RX4 C440 0.1uF C440 0.1uF C446 0.1uF C446 0.1uF C455 1nF C455 1nF C443 0.1uF C443 0.1uF C484 0.1uF C484 0.1uF C467 0.1uF C467 0.1uF C458 0.1uF C458 0.1uF 7 5 3 1 8 6 4 2 RA420 22RX4 7 5 3 1 8 6 4 2 RA420 22RX4 C472 0.1uF C472 0.1uF 7 5 3 1 8 6 4 2 RA451 22RX4 7 5 3 1 8 6 4 2 RA451 22RX4 C432 10nF C432 10nF 7 5 3 1 8 6 4 2 RA456 22RX4 7 5 3 1 8 6 4 2 RA456 22RX4 R003 22R R003 22R 7 5 3 1 8 6 4 2 RA463 22RX4 7 5 3 1 8 6 4 2 RA463 22RX4 R457 1K/1% R457 1K/1% 7 5 3 1 8 6 4 2 RA429 22RX4 7 5 3 1 8 6 4 2 RA429 22RX4 7 5 3 1 8 6 4 2 RA458 22RX4 7 5 3 1 8 6 4 2 RA458 22RX4 R491 1K R491 1K 7 5 3 1 8 6 4 2 RA419 22RX4 7 5 3 1 8 6 4 2 RA419 22RX4 7 5 3 1 8 6 4 2 RA444 22RX4 7 5 3 1 8 6 4 2 RA444 22RX4 7 5 3 1 8 6 4 2 RA468 22RX4 7 5 3 1 8 6 4 2 RA468 22RX4 C465 0.1uF C465 0.1uF C451 0.1uF C451 0.1uF C438 0.1uF C438 0.1uF C433 10nF C433 10nF C471 1nF C471 1nF R463 1K/1% R463 1K/1% 7 5 3 1 8 6 4 2 RA454 22RX4 7 5 3 1 8 6 4 2 RA454 22RX4 C473 0.1uF C473 0.1uF 7 5 3 1 8 6 4 2 RA450 22RX4 7 5 3 1 8 6 4 2 RA450 22RX4 R001 22R R001 22R C454 0.1uF C454 0.1uF 7 5 3 1 8 6 4 2 RA427 22RX4 7 5 3 1 8 6 4 2 RA427 22RX4 R643 0R R643 0R C488 22uF C488 22uF R496 22R R496 22R R495 22R R495 22R C459 0.1uF C459 0.1uF C436 0.1uF C436 0.1uF C480 0.1uF C480 0.1uF R466 1K/1% R466 1K/1% 7 5 3 1 8 6 4 2 RA439 22RX4 7 5 3 1 8 6 4 2 RA439 22RX4 7 5 3 1 8 6 4 2 RA425 22RX4 7 5 3 1 8 6 4 2 RA425 22RX4 C462 0.1uF C462 0.1uF 7 5 3 1 8 6 4 2 RA415 22RX4 7 5 3 1 8 6 4 2 RA415 22RX4 C477 0.1uF C477 0.1uF R434 56R R434 56R R644 0R R644 0R R436 56R R436 56R R488 1K R488 1K C457 0.1uF C457 0.1uF C481 1nF C481 1nF R458 240R/1% R458 240R/1% R450 1K/1% R450 1K/1% 7 5 3 1 8 6 4 2 RA448 22RX4 7 5 3 1 8 6 4 2 RA448 22RX4 7 5 3 1 8 6 4 2 RA435 22RX4 7 5 3 1 8 6 4 2 RA435 22RX4 R471 1K/2K R471 1K/2K 7 5 3 1 8 6 4 2 RA446 22RX4 7 5 3 1 8 6 4 2 RA446 22RX4 R455 56R R455 56R R494 22R R494 22R C463 1nF C463 1nF R645 22R R645 22R 7 5 3 1 8 6 4 2 RA438 22RX4 7 5 3 1 8 6 4 2 RA438 22RX4 C464 0.1uF C464 0.1uF 7 5 3 1 8 6 4 2 RA416 22RX4 7 5 3 1 8 6 4 2 RA416 22RX4 C434 0.1uF C434 0.1uF C485 1nF C485 1nF 7 5 3 1 8 6 4 2 RA453 22RX4 7 5 3 1 8 6 4 2 RA453 22RX4 R441 2K R441 2K R461 1K/1% R461 1K/1% PDF 文件以 "PDF 制作工厂" 试用版创建 ÿÿÿÿ ÿ �版版�用�用� 5 5 4 4 3 3 2 2 1 1 D D C C B B A A PFC_LLC VCC_PFC VAC VAC VCC_PFC VCC_LLC RDY PFC_SBY PFC_SBY +5.3Vsb 标记数量 签名 更改单号 日期 拟制 审核 第 张 15 15.Power 标记数量 签名 更改单号 日期 拟制 审核 第 张 15 15.Power 标记数量 签名 更改单号 日期 拟制 审核 第 张 15 15.Power HOT COLD Negative feedback circuit 5.3V OVP HOT COLD 2.5V PFC BLOCK 13V

标签:

版权声明

1. 本站所有素材,仅限学习交流,仅展示部分内容,如需查看完整内容,请下载原文件。
2. 会员在本站下载的所有素材,只拥有使用权,著作权归原作者所有。
3. 所有素材,未经合法授权,请勿用于商业用途,会员不得以任何形式发布、传播、复制、转售该素材,否则一律封号处理。
4. 如果素材损害你的权益请联系客服QQ:77594475 处理。