康佳液晶电视35019517主板电路原理图

分类:电子电工 日期: 点击:0
康佳液晶电视35019517主板电路原理图-0 康佳液晶电视35019517主板电路原理图-1 康佳液晶电视35019517主板电路原理图-2 康佳液晶电视35019517主板电路原理图-3 康佳液晶电视35019517主板电路原理图-4 康佳液晶电视35019517主板电路原理图-5 康佳液晶电视35019517主板电路原理图-6 康佳液晶电视35019517主板电路原理图-7 康佳液晶电视35019517主板电路原理图-8 康佳液晶电视35019517主板电路原理图-9

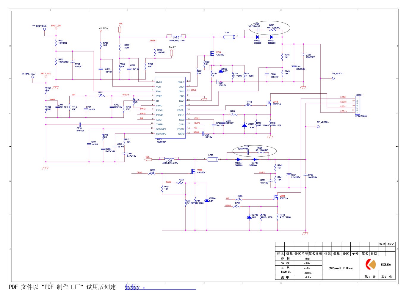
5 5 4 4 3 3 2 2 1 1 D D C C B B A A DDCASDA HDMI_HP1 HDMI1_2N HDMI1_CLKN HDMI1_CEC HDMI1_1N HDMI1_2P HDMI1_0N HDMI1_1P HDMI1_0P DDCASCL HDMI1_CLKP HDMI1_1P HDMI1_1N HDMI1_0P HDMI1_0N HDMI1_CLKP HDMI1_CLKN HDMI1_2P HDMI1_2N HDMI1_CEC HDMI1_HP DDCBSDA HDMI_HP2 HDMI2_2N HDMI2_CLKN HDMI2_CEC HDMI2_1N HDMI2_2P HDMI2_0N HDMI2_1P HDMI2_0P DDCBSCL HDMI2_CLKP HDMI2_1P HDMI2_1N HDMI2_0P HDMI2_0N HDMI2_CLKP HDMI2_CLKN HDMI2_2P HDMI2_2N HDMI2_CEC HDMI2_HP HDMI1-5V HDMI1-5V HDMI2-5V HDMI2-5V HDMI_CEC 2 HDMI1-SDA 2 HDMI1-SCL 2 HDMI_HP1 2 HDMI2-RX0P HDMI1_RXA0N 2 HDMI1_RXA0P 2 HDMI1_RXA1N 2 HDMI1_RXA1P 2 HDMI1_RXA2P 2 HDMI1_RXA2N 2 HDMI1_RXACLKN 2 HDMI1_RXACLKP 2 HDMI2-CLKP HDMI2-CLKN HDMI2-SCL HDMI_HP2 HDMI2-RX0N HDMI2-RX2P HDMI2-RX2N HDMI2-SDA HDMI2-RX1P HDMI2-RX1N HDMI1 HDMI2 7 5 3 1 8 6 4 2 RA507 5.1Rx4 7 5 3 1 8 6 4 2 RA507 5.1Rx4 R615 1K R615 1K V602 3904 V602 3904 C605 0.1uF C605 0.1uF R612 10K R612 10K 3 1 4 2 RA602 4.7Kx2 3 1 4 2 RA602 4.7Kx2 3 1 4 2 RA605 100Rx2 3 1 4 2 RA605 100Rx2 7 5 3 1 8 6 4 2 RA506 5.1Rx4 7 5 3 1 8 6 4 2 RA506 5.1Rx4 R617 4.7K R617 4.7K DATA2+ 1 DATA2 SHIELD 2 DATA2- 3 DATA1+ 4 DATA1 SHIELD 5 DAT1A- 6 DATA0+ 7 DATA0 SHIELD 8 DATA0- 9 CLK+ 10 CLK SHIELD 11 CLK- 12 CEC 13 NC 14 SCL 15 SDA 16 DDC/CEC GND 17 +5V POWER 18 HOT PLUG 19 GND1 20 GND2 21 GND3 22 XS601 HDMI XS601 HDMI R611 1K R611 1K V601 3904 V601 3904 C604 0.1uF C604 0.1uF 3 1 4 2 RA604 100Rx2 3 1 4 2 RA604 100Rx2 R613 4.7K R613 4.7K R621 100R R621 100R 7 5 3 1 8 6 4 2 RA508 5.1Rx4 7 5 3 1 8 6 4 2 RA508 5.1Rx4 3 1 4 2 RA603 4.7Kx2 3 1 4 2 RA603 4.7Kx2 DATA2+ 1 DATA2 SHIELD 2 DATA2- 3 DATA1+ 4 DATA1 SHIELD 5 DAT1A- 6 DATA0+ 7 DATA0 SHIELD 8 DATA0- 9 CLK+ 10 CLK SHIELD 11 CLK- 12 CEC 13 NC 14 SCL 15 SDA 16 DDC/CEC GND 17 +5V POWER 18 HOT PLUG 19 GND1 20 GND2 21 GND3 22 XS602 HDMI XS602 HDMI R623 10K R623 10K 7 5 3 1 8 6 4 2 RA509 5.1Rx4 7 5 3 1 8 6 4 2 RA509 5.1Rx4 R609 100R R609 100R PDF 文件以 "PDF 制作工厂" 试用版创建 ÿÿÿÿ ÿ �标标�:�:� 5 5 4 4 3 3 2 2 1 1 D D C C B B A A 拟制: KONKA DTV SCH Design KDL39PS615AT 标准化: 批准: PDF 文件以 "PDF 制作工厂" 试用版创建 http://www.fineprint.com 5 5 4 4 3 3 2 2 1 1 D D C C B B A A BKLT_ADJ BKLT_EN POWER-ON/OFF POWER-ON/OFF 5Vstb DDR_1V8 5VA VCC-Panel VCC12V VDDC 5Vstb VCC12V 5VA 5VA 5VA DDR_1V8 5Vstb 3.3Vstb 3.3Vstb 5Vstb VDDC VCC12V VCC-Panel VCC12V +12.2Vsb 5Vstb 5VA BKLT_EN BKLT_ADJ POWER-ON/OFF ADJ-PWM0 2 ON_PBACK 2 BKLT_EN 8 BKLT_ADJ 8 ON_PANEL 2 PM_PWR_ON 2 POWER-ON/OFF 7 标记 数量 等级 标记 批 准 标准化 工 艺 审 核 拟 制 签名日期 分区 单号 数量 签名 单号 分区 标记 日期 第 张 共 张 KONKA <拟制> <审核> <工艺> <标准化> <批准> 01.System Power 10 1 标记 数量 等级 标记 批 准 标准化 工 艺 审 核 拟 制 签名日期 分区 单号 数量 签名 单号 分区 标记 日期 第 张 共 张 KONKA <拟制> <审核> <工艺> <标准化> <批准> 01.System Power 10 1 标记 数量 等级 标记 批 准 标准化 工 艺 审 核 拟 制 签名日期 分区 单号 数量 签名 单号 分区 标记 日期 第 张 共 张 KONKA <拟制> <审核> <工艺> <标准化> <批准> 01.System Power 10 1 Panel Power 12V +1.26V For Mstar core TEST POINT 12V to 5Vstb FR9886 /2.5A Vout=0.923*(1+R1/R2) Power Control H:OFF L:ON 电源输入处连接电源地和信号地 1.8V DDR Power 200mA 3.3V Power 1400mA H:ON L:OFF(复位) Vout=0.6*(1+R1/R2) 500mA 待机时要有1.26V 200mA H:ON L:OFF 5VA Power H:ON L:OFF 由原来1206保险丝更改为6A 0805磁珠 此处删掉磁珠 此处删掉磁珠 此处删掉磁珠 此处删掉磁珠 C864 22uF/6.3V C864 22uF/6.3V C862 10uF/16V C862 10uF/16V R865 100K R865 100K L832 10uH L832 10uH R816 10K R816 10K + C887 NC/220uF/16V + C887 NC/220uF/16V C863 0.1uF C863 0.1uF 3 2 1 4 ADJ OUT IN N805 AMS1117-1.8/ADJ ADJ OUT IN N805 AMS1117-1.8/ADJ 1 2 L803 0 L803 0 5V_STB 5V_STB R809 10K R809 10K C840 0.47uF/16V C840 0.47uF/16V LX 3 IN 4 FB 5 GND 2 EN 1 N801 SY8087 N801 SY8087 C891 0.01uF C891 0.01uF C806 470nF/10V C806 470nF/10V R830 10K R830 10K R820 12K/1% R820 12K/1% R822 10K R822 10K R835 47K R835 47K L801 2.2uH L801 2.2uH R811 100K R811 100K 12V_VCC 12V_VCC C882 3.3nF C882 3.3nF C849 0.1uF C849 0.1uF + C815 100uF/16V + C815 100uF/16V 1 2 + C865 NC/100uF/16V + C865 NC/100uF/16V R837 100K R837 100K R869 12K/1% R869 12K/1% C803 0.1uF C803 0.1uF C837 10uF/16V C837 10uF/16V R838 0 R838 0 V810 ME2345A V810 ME2345A R867 2.7K/1% R867 2.7K/1% C814 NC/47pF C814 NC/47pF R813 1K R813 1K R821 1K R821 1K V808 3904 V808 3904 C839 NC/10uF/16V C839 NC/10uF/16V C831 NC/10uF/16V C831 NC/10uF/16V C809 0.1uF C809 0.1uF C808 10uF/16V C808 10uF/16V C893 0.1uF C893 0.1uF C883 10uF/16V C883 10uF/16V 1 2 3 V803 3904 V803 3904 1V26 1V26 1 2 L802 FB_60_Ohm_6A L802 FB_60_Ohm_6A V809 WPM3407 V809 WPM3407 C886 0.1uF C886 0.1uF R828 100R R828 100R 3 2 1 4 ADJ OUT IN N803 AMS1117-3.3V ADJ OUT IN N803 AMS1117-3.3V 3V3_STB 3V3_STB BKLT_EN BKLT_EN R805 47K R805 47K C821 0.1uF C821 0.1uF C823 0.1uF C823 0.1uF C860 0.1uF C860 0.1uF IN 2 GND 4 BS 1 FB 5 COMP 6 EN 7 SS 8 SW 3 EP 9 N804 FR9886 N804 FR9886 C879 10uF/16V C879 10uF/16V C816 0.1uF C816 0.1uF C884 10uF/16V C884 10uF/16V R836{BD887C4F-0567-4657-A27C-6CCF61DFA31C} 0R/15R/1% R836{BD887C4F-0567-4657-A27C-6CCF61DFA31C} 0R/15R/1% C841 0.1uF/16V C841 0.1uF/16V 3 1 2 V805 3904 V805 3904 C832 0.1uF/16V C832 0.1uF/16V BKLT_ADJ BKLT_ADJ C834 22uF/6.3V C834 22uF/6.3V + C817 NC/100uF/16V + C817 NC/100uF/16V C861 22uF/6.3V C861 22uF/6.3V C880 0.1uF C880 0.1uF PS_ON/OFF PS_ON/OFF PANEL_VCC PANEL_VCC 3 1 2 V807 3904 V807 3904 5V 5V R866 2.2K R866 2.2K C833 0.1uF C833 0.1uF C807 0.1uF C807 0.1uF 1V8 1V8 R819 13K/1% R819 13K/1% PDF 文件以 "PDF 制作工厂" 试用版创建 ÿÿÿÿ ÿ �标标�:�:� 5 5 4 4 3 3 2 2 1 1 D D C C B B A A XTALO XTALI ADJ-PWM0 PWM1 AUVAG AUVRM AMP-EN VIFP VIFN AMP-AUOUTR0 AMP-AUOUTL0 AGC XTALI XTALO SPI_WP0N PWM1 IF-AGC-SEL ADJ-PWM0 UART-TX GND-EFUSE SPI_Flash-SCK HDMI_CEC SPI_CS0N IR_SYNC SPI_Flash-SDI SPI_Flash-SDO VCOM0 KEY0 ON_PBACK BCKP B1P B0P B1M B0M System-RST UART-RX UART-TX SPI_Flash-SCK SPI_Flash-SDI SPI_Flash-SDO SPI_CS0N SPI_WP0N PWM1 AGC B2P B2M BCKM STB_POWER AMP-AUOUTR0 AMP-AUOUTL0 Y1- LOGO_POWER STB_POWER LOGO_POWER KEY0 LVDS_SEL OD_SEL/INT_FREE B3M B3P ON_PBACK ADJ-PWM0 IR_in IR_SYNC IR_in HDMI0-CLKP HDMI0-CLKN HDMI0-SCL DDCDD_CK HDMI_HP0 HDMI0-RX0N HDMI0-RX0P HDMI0-RX2N HDMI0-RX2P HDMI0-SDA DDCDD_DA HDMI0-RX1P HDMI0-RX1N VIFN VIFP KEY_in RIN SOG GIN BIN SOGIN0 GIN0P GIN0M BIN0 RIN0 VGA_VS VGA_HS VGA-Lin VGA-Rin CVBSOUT AUOUTL1 UART-RX AUOUTR1 AUOUTR1 AUOUTL1 A0M RXE0- A0P RXE0+ B0M RXO0- B0P RXO0+ B1P RXO1+ B1M RXO1- BCKM RXOC- B2P RXO2+ B2M RXO2- B3P RXO3+ BCKP RXOC+ B4P RXO4+ B3M RXO3- A1M RXE1- B4M RXO4- A2P RXE2+ A1P RXE1+ RXE0- OD_SEL/INT_FREE A3M RXE3- ACKM RXEC- ACKP RXEC+ A2M RXE2- A4M RXE4- RXO3- RXO1- RXE2- A4P RXE4+ A3P RXE3+ RXO3+ RXO1+ RXE2+ RXE3- RXO2- RXE3+ RXO2+ RXO0- RXE4- RXE4+ RXO4- RXE0+ RXO4+ RXOC- RXE1- RXEC- RXE1+ RXO0+ RXOC+ RXEC+ LVDS_SEL B4M A1M B4P A0M A0P A1P A2M A2P ACKM ACKP A4P A4M A3P A3M VDDC AU33 VDD33 AVDD_ADC VDD33 VDD33 VDDC VDD33 VDD33_DMPLL VDD33 VDDC AVDD33_DEMOD 3.3Vstb 3.3Vstb 3.3Vstb 3.3Vstb 3.3V_TUNER 3.3Vstb 3.3Vstb VDDC DDR_1V8 AVDD_ADC AVDD33_DEMOD VDD33 AU33 VDD33_DMPLL DDR_1V8 DDR_1V8 3.3Vstb 3.3Vstb 3.3Vstb 3.3Vstb 3.3Vstb 3.3Vstb 3.3Vstb 5VA 3V3_P VCC-Panel 3V3_P 3.3Vstb 5Vstb VCC-Panel SPDIF_OUT 5 USB0_D+ 5 USB0_D- 5 AMP-EN 6 HD-Lin 5 HD-Rin 5 AMP-EN 6 IF-AGC-SEL 4 ON_PANEL 1 PM_PWR_ON 1 1306_RF_AGC 4 SCL 3 SDA 3 TS_SYNC 3 TS_VLD 3 TS_CLK 3 TS_D0 3 AUOUTL0 6 AUOUTR0 6 System-RST 6 ON_PANEL 1 PM_PWR_ON 1 IF-AGC-SEL 4 Y1+ 5 PR1+ 5 PB1+ 5 SOG1 5 AV2-Vin 5 ON_PBACK 1 ADJ-PWM0 1 HDMI1-SCL 5 HDMI1-SDA 5 HDMI1_RXACLKN 5 HDMI1_RXACLKP 5 HDMI1_RXA0N 5 HDMI1_RXA0P 5 HDMI1_RXA1N 5 HDMI1_RXA1P 5 HDMI1_RXA2P 5 HDMI1_RXA2N 5 HDMI2-CLKP HDMI2-CLKN HDMI2-SCL HDMI_HP2 HDMI2-RX0P HDMI2-RX0N HDMI2-RX2P HDMI2-RX2N HDMI2-SDA HDMI2-RX1P HDMI2-RX1N HDMI_HP1 HDMI_CEC SCL SDA IFP IFN VGA_VS VGA_HS RIN GIN SOG BIN VGA-Lin VGA-Rin CVBSOUT UART-TX UART-RX AOUT_L AOUT_R USB1_D+ USB1_D- 标记 数量 等级 标记 批 准 标准化 工 艺 审 核 拟 制 签名日期 分区 单号 数量 签名 单号 分区 标记 日期 第 张 共 张 KONKA <拟制> <审核> <工艺> <标准化> <批准> 02.MSD1306XP 10 2 标记 数量 等级 标记 批 准 标准化 工 艺 审 核 拟 制 签名日期 分区 单号 数量 签名 单号 分区 标记 日期 第 张 共 张 KONKA <拟制> <审核> <工艺> <标准化> <批准> 02.MSD1306XP 10 2 标记 数量 等级 标记 批 准 标准化 工 艺 审 核 拟 制 签名日期 分区 单号 数量 签名 单号 分区 标记 日期 第 张 共 张 KONKA <拟制> <审核> <工艺> <标准化> <批准> 02.MSD1306XP 10 2 Close to IC with width trace 4'h00 {IPAD_PWM1, PAD_PWM0} B51_NO_EJ Reset Debug port Flash 32Mbit GPIO 靠近主IC放置 Close to MST IC Power Filter +1.3V For Mstar core Audio Tuner AGC&IF System XTAL CHIP_Config IR_KEY_LED LVDS HDMI1 HDMI2 VGA 靠近PIN109 Close to MST IC Audio out 靠近PIN56 LG/CMI 此处删掉排阻直连 磁珠改为0402电阻 R528 330K R528 330K C506 0.1uF C506 0.1uF C524 0.1uF C524 0.1uF SDO SDO R505 NC/1K R505 NC/1K C536 0.1uF C536 0.1uF 1 1 2 2 3 3 4 4 5 5 6 6 XS644 D2006-6W XS644 D2006-6W C511 0.1uF C511 0.1uF C528 0.1uF C528 0.1uF VCC VCC L504 FB_330_Ohm_600mA L504 FB_330_Ohm_600mA R530 100R R530 100R R554 100K R554 100K C537 0.1uF C537 0.1uF C515 NC C515 NC SDI SDI R537 1M R537 1M 1 3 2 V503 3906 V503 3906 C526 0.1uF C526 0.1uF C512 10uF/16V C512 10uF/16V R533 NC R533 NC L505 FB_330_Ohm_600mA L505 FB_330_Ohm_600mA R504 4.7K R504 4.7K R524 NC R524 NC C530 NC/0.1uF C530 NC/0.1uF R529 100R R529 100R C505 NC/100pF C505 NC/100pF L503 NC L503 NC C539 NC/0.1uF C539 NC/0.1uF R546 10K R546 10K C544 47nF C544 47nF C523 0.1uF C523 0.1uF C513 1nF C513 1nF R541 100R R541 100R IR IR R511 NC/4.7K R511 NC/4.7K C522 0.1uF C522 0.1uF C531 0.01uF C531 0.01uF L502 FB_1k_Ohm_100mA L502 FB_1k_Ohm_100mA R542 4.7K R542 4.7K C527 0.1uF C527 0.1uF 1 2 Z501 24MHZ Z501 24MHZ GND 1 RESET 2 VCC 3 N515 APX810-29SA N515 APX810-29SA C541 1nF C541 1nF C520 100pF C520 100pF C545 10uF/16V C545 10uF/16V R532 NC R532 NC R509 4.7K R509 4.7K C502 0.1uF C502 0.1uF R526 100K R526 100K C529 0.1uF C529 0.1uF R523 100K R523 100K R531 100R R531 100R C538 47nF C538 47nF C543 47nF C543 47nF R508 4.7K R508 4.7K C510 47nF C510 47nF R538 4.7K R538 4.7K R513 10K R513 10K C535 0.1uF C535 0.1uF C508 220pF C508 220pF C540 47nF C540 47nF R520 33 R520 33 R555 68R R555 68R C519 0.1uF C519 0.1uF C516 0.1uF C516 0.1uF R525 68R R525 68R C546 220pF C546 220pF R512 33R R512 33R C521 10uF/16V C521 10uF/16V C517 33pF C517 33pF C503 0.1uF C503 0.1uF R544 10K R544 10K C514 0.1uF C514 0.1uF C534 0.1uF C534 0.1uF C547 220pF C547 220pF C532 10uF/16V C532 10uF/16V CE# 1 SO 2 WP# 3 VSS 4 SI 5 SCK 6 HOLD# 7 VDD 8 N506 S25FL32-SO8 N506 S25FL32-SO8 R522 68R R522 68R C509 22nF C509 22nF C504 220pF C504 220pF C533 0.1uF C533 0.1uF CSN CSN 3 1 4 2 RA522 100Rx2 3 1 4 2 RA522 100Rx2 L507 FB_330_Ohm_600mA L507 FB_330_Ohm_600mA SCK SCK C542 47nF C542 47nF R543 1K R543 1K C518 33pF C518 33pF R516 100K R516 100K C507 NC/100pF C507 NC/100pF R545 1K R545 1K WP WP R510 NC R510 NC KEY KEY 3 1 4 2 RA505 4.7Kx2 3 1 4 2 RA505 4.7Kx2 R517 100K R517 100K R547 2.2K R547 2.2K R519 10K R519 10K C525 0.1uF C525 0.1uF 1 1 2 2 3 3 4 4 5 5 6 6 7 7 8 8 9 9 10 10 11 11 12 12 13 13 14 14 15 15 16 16 17 17 18 18 19 19 20 20 21 21 22 22 23 23 24 24 25 25 26 26 27 27 28 28 29 29 30 30 31 31 32 32 33 33 34 34 35 35 36 36 37 37 38 38 39 39 40 40 41 41 42 42 43 43 44 44 45 45 46 46 47 47 48 48 49 49 50 50 51 51 52 52 53 53 XS501 51Pin_FPC XS501 51Pin_FPC R501 NC/2.7K R501 NC/2.7K LVA2M 69 SOGIN1 23 BIN1P 22 GIN1M 25 GIN1P 24 CVBS2 29 HSYNC1 28 AUL1 37 GIN0P 17 RFAGC 55 LVA3P 63 VIFM 54 VIFP 53 AVDD_33 5 RIN1P 26 LVB2P 80 LVACKM 66 LVA1P 70 SAR2/GPIO73 112 SAR1/GPIO74 111 GIN0M 18 PWM2/GPIO24 93 GPIO0 92 GPIO1 91 TS_SYNC 90 TS_VLD 89 LVA4P 61 LVA4M 62 LVA3M 64 LVACKP 65 SCZ 97 LVA0M 73 LVB4P 74 LVB4M 75 LVB3P 76 LVB3M 77 LVB1P 83 LVA0P 72 SDO 96 IRIN 113 CEC 114 HWRESET 115 HOTPLUGA 128 SOGIN0 16 AUOUTL1 47 AUOUTR1 48 AUOUTL0 45 AUOUTR0 46 XIN 50 XOUT 49 AVDD_DMPLL 51 RXCKN_A 1 RXCKP_A 2 RX0N_A 3 RX0P_A 4 RX1N_A 6 RX1P_A 7 DDCDA_DA 8 RX2N_A 9 RX2P_A 10 DDCDA_CK 11 ARC 12 AVDD1P2_DVI_A 13 HSYNC0 14 BIN0P 15 RIN0P 19 VSYNC0 20 AVDD3P3_ADC 21 CVBS1 30 CVBS0 31 VCOM 32 CVBSOUT 33 AUR1 38 AUREF 35 AUVAG 36 AUL4 41 AUR4 42 AVDD3P3_DADC 52 TS_D0 58 VDDP 59 VDDC 60 TS_CLK 57 LVA2P 68 LVA1M 71 AVDD_MOD 67 LVBCKP 78 LVBCKM 79 LVB2M 81 LVB1M 84 LVB0P 85 LVB0M 86 AVDD_MOD 82 INT/GPIO65 88 PWM0/GPIO26 105 PWM1/GPIO25 106 USB0_DM 98 TESTPIN 104 USB0_DP 99 AVDD_MOD 100 AVDD_DDR 109 SCK 94 GND_EFUSE 116 SDI 95 SAR0/GPIO75 110 DDCA_CK 107 DDCA_DA 108 E-Pad 129 VSYNC1 27 AU33 34 AUR5 44 AUL5 43 AVDD_DDR 56 VDDC 87 HOTPLUGD 117 RXCKN_D 118 RXCKP_D 119 RX0N_D 120 RX0P_D 121 RX1N_D 123 RX1P_D 124 DDCDD_DA 122 RX2N_D 126 RX2P_D 127 DDCDD_CK 125 AUL3 39 AUR3 40 USB1_DP 102 USB1_DM 101 GPIO64 103 MASK1 130 MASK2 131 TEST 132 MSD1306XP N501 MSD1306XP MSD1306XP N501 MSD1306XP L506 FB_330_Ohm_600mA L506 FB_330_Ohm_600mA R539 4.7K R539 4.7K R503 4.7K R503 4.7K 3 1 4 2 RA521 4.7Kx2 3 1 4 2 RA521 4.7Kx2 PDF 文件以 "PDF 制作工厂" 试用版创建 ÿÿÿÿ ÿ �标标�:�:� 5 5 4 4 3 3 2 2 1 1 D D C C B B A A SCL SDA IM IP TSCLK 1400IF_AGC SDA SCL TSVLD TS_D0 TS_VLD TS_CLK TSCLK TSSYNC TS0 TS_SYNC XTAL_OUT XTAL_IN TSVLD TSSYNC 1400IF_AGC XTAL_IN XTAL_OUT QP QM IP IM Demod_RST TS0 Configure Demod_RST MSPI_CLK MSPI_DI MSPI_DO MSPI_CSZ MSPI_WP MSPI_CSZ MSPI_DO MSPI_WP MSPI_DI MSPI_CLK 3V3D 3V3D 3V3D 3V3D 1V2D 3V3D 1V2D 3V3D 3V3D 1V2D 3V3D 3V3D 5VA 1V2D VDDC 3V3D 1V2D 3.3Vstb 3.3Vstb 3.3V_TUNER SCL 2 SDA 2 SCL 2 SDA 2 TUNER_SCL 4 TUNER_SDA 4 TUNER_SCL 4 TUNER_SDA 4 IFN 2,4 IFP 2,4 Demod_RST 2 TS_D0 2 TS_SYNC 2 TS_CLK 2 TS_VLD 2 1400_IFAGC 4 标记 数量 等级 标记 批 准 标准化 工 艺 审 核 拟 制 签名日期 分区单号 数量 签名 单号 分区 标记 日期 第 张 共 张 KONKA <拟制> <审核> <工艺> <标准化> <批准> 03.DEMO 10 3 标记 数量 等级 标记 批 准 标准化 工 艺 审 核 拟 制 签名日期 分区单号 数量 签名 单号 分区 标记 日期 第 张 共 张 KONKA <拟制> <审核> <工艺> <标准化> <批准> 03.DEMO 10 3 标记 数量 等级 标记 批 准 标准化 工 艺 审 核 拟 制 签名日期 分区单号 数量 签名 单号 分区 标记 日期 第 张 共 张 KONKA <拟制> <审核> <工艺> <标准化> <批准> 03.DEMO 10 3 靠近DEMO 20mA 50mA TS_ERR 置低电位 I2C地址为0xD2(default); TS_ERR 置高电位 I2C地址为0xF2(default)。 Flash 32Mbit 磁珠改为0402电阻 删除0欧电阻 R163 10K R163 10K C160 22nF C160 22nF C187 NC/10pF C187 NC/10pF L120 FB_330_Ohm_600mA L120 FB_330_Ohm_600mA 3 1 4 2 RA112 NC/4.7Kx2 3 1 4 2 RA112 NC/4.7Kx2 C182 0.1uF C182 0.1uF C183 0.1uF C183 0.1uF C194 NC/2.2uF/16V C194 NC/2.2uF/16V 1 SPI_CSZ SPI_CSZ 1 SPI-SCK SPI-SCK C548 0.1uF C548 0.1uF R174 47R R174 47R 1 SPI-SDI SPI-SDI R171 10K R171 10K 1 SPI_WP SPI_WP 3 1 4 2 RA110 100Rx2 3 1 4 2 RA110 100Rx2 C197 0.1uF C197 0.1uF R515 33R R515 33R 1 SPI_DO SPI_DO C189 NC/10pF C189 NC/10pF C178 1uF/6.3V C178 1uF/6.3V 3V3_DEMO 3V3_DEMO 1 2 Z105 24MHz Z105 24MHz 1 SPI-VCC SPI-VCC R170 10K R170 10K C549 0.1uF C549 0.1uF C171 0.1uF C171 0.1uF C176 0.1uF C176 0.1uF CE# 1 SO 2 WP# 3 VSS 4 SI 5 SCK 6 HOLD# 7 VDD 8 N507 S25FL32-SO8 N507 S25FL32-SO8 C163 27PF C163 27PF C188 NC/10pF C188 NC/10pF R165 1M R165 1M C162 27PF C162 27PF 3 2 1 GND IN OUT N105 NC/WL2004 GND IN OUT N105 NC/WL2004 C184 0.1uF C184 0.1uF C195 NC/0.1uF C195 NC/0.1uF C177 0.1uF C177 0.1uF R817 0R R817 0R C190 2.2uF C190 2.2uF R169 0R R169 0R C174 0.1uF C174 0.1uF R521 33 R521 33 C180 0.1uF C180 0.1uF R172 47R R172 47R R166 0R R166 0R R514 10K/NC R514 10K/NC R168 10K R168 10K C196 10uF/16V C196 10uF/16V C173 1uF/6.3V C173 1uF/6.3V L117 NC/FB_330_Ohm_600mA L117 NC/FB_330_Ohm_600mA 1V2_DEMO 1V2_DEMO C161 10uF/16V C161 10uF/16V 3 1 4 2 RA111 NC/100Rx2 3 1 4 2 RA111 NC/100Rx2 R173 47R R173 47R C175 0.1uF C175 0.1uF AVDD33 16 NC 15 GND 14 SSPI_CLK 33 GND 46 I2CM_SCL 20 I2CM_SDA 21 VDD 25 VSS 18 VDD33 23 TS_ERR 24 VDD 17 RESETZ 29 GND 30 Configure 19 SSPI_CSZ 28 SSPI_DO 31 IF_AGC 7 GND 26 VDD33 27 RFAGC 6 TS_CLK 34 TS_D[7] 35 TS_D[6] 36 TS_D[5] 37 TS_D[4] 38 TS_D[3] 39 TS_D[2] 40 TS_D[1] 41 TS_D[0] 42 TS_VLD 43 TS_SYNC 44 VDD33 45 GND 22 VDD 47 I2CS_SDA 48 I2CS_SCL 1 GND 2 XTAL_OUT 3 XTAL_IN 4 AVDD33 5 GND 10 SSPI_DI 32 QP 8 QM 9 IP 11 IM 12 AVDD33 13 N102 MSB101T N102 MSB101T R175 47R R175 47R C186 0.1uF C186 0.1uF R518 NC/4.7K R518 NC/4.7K R167 0R R167 0R C179 0.1uF C179 0.1uF 3 1 4 2 RA109 100Rx2 3 1 4 2 RA109 100Rx2 PDF 文件以 "PDF 制作工厂" 试用版创建 ÿÿÿÿ ÿ �标标�:�:� 5 5 4 4 3 3 2 2 1 1 D D C C B B A A IF_AGC IF-IN+ IF-IN- T1.8V T1.8V T1.8V RESER_N RESER_N IF_AGC 3.3V_TUNER 3.3V_TUNER 3.3V_Tun 3.3V_Tun 3.3V_Tun 3.3V_Tun 3.3V_Tun 3.3V_TUNER 3.3V_Tun 5VA 1306_RF_AGC 2 IF-AGC-SEL 2 1400_IFAGC IFP IFN TUNER_SDA TUNER_SCL IF_AGC 1400_IFAGC 标记 数量 等级 标记 批 准 标准化 工 艺 审 核 拟 制 签名日期 分区单号 数量 签名 单号 分区 标记 日期 第 张 共 张 KONKA <拟制> <审核> <工艺> <标准化> <批准> 04.TUNER 10 4 标记 数量 等级 标记 批 准 标准化 工 艺 审 核 拟 制 签名日期 分区单号 数量 签名 单号 分区 标记 日期 第 张 共 张 KONKA <拟制> <审核> <工艺> <标准化> <批准> 04.TUNER 10 4 标记 数量 等级 标记 批 准 标准化 工 艺 审 核 拟 制 签名日期 分区单号 数量 签名 单号 分区 标记 日期 第 张 共 张 KONKA <拟制> <审核> <工艺> <标准化> <批准> 04.TUNER 10 4 AGC SWITCH 1306 RF AGC digital AGC V103靠近tuner RFAGC脚放置 Close to Tuner V101靠近tuner RFAGC脚放置 τ=4.7x1=4.7ms>10us 删除CS103,增加L107、CS104 增加C116、C115 300mA 较大的散热面积 316mA C125 0.1uF C125 0.1uF C127 10pF C127 10pF R129 100K R129 100K R135 10K R135 10K R161 470K R161 470K C150 0.1uF C150 0.1uF 3 2 1 V105 BAV99 V105 BAV99 C111 1800pF C111 1800pF 3 1 4 2 RA525 4.7KX2 3 1 4 2 RA525 4.7KX2 C104 1000pF C104 1000pF C132 47nF C132 47nF C101 NC_2.7pF C101 NC_2.7pF C149 NC/10uF/16V C149 NC/10uF/16V C113 NC/0.1uF C113 NC/0.1uF C112 1uF C112 1uF L107 NC/330nH L107 NC/330nH CS113 47pf CS113 47pf R122 NC/0 R122 NC/0 C108 0.01uF C108 0.01uF L101 3.3nH L101 3.3nH L102 L102 3 2 1 4 ADJ OUT IN N103 AMS1117-3.3V ADJ OUT IN N103 AMS1117-3.3V CS104 NC/100pF CS104 NC/100pF V104 3904 V104 3904 L104 1.2uH L104 1.2uH C110 NC C110 NC L105 NC/6.8nH L105 NC/6.8nH L108 0欧姆电阻 L108 0欧姆电阻 1 3 2 V103 3906 V103 3906 R176 NC/1K R176 NC/1K R120 1K R120 1K R162 1K R162 1K R132 10K R132 10K VDD_3p3_1 1 LIN_INP 2 LIN_INN 3 VDD_1p8_1 4 AGC2_GPIO3 5 AGC1 6 IFOUTN_2GPO1 7 IFOUTP_2GPO2 8 IFOUTN_1 9 IFOUTP_1 10 VDD_3p3_2 11 VDD_1p8_2 12 VDD_1p2 13 GND_DIG 14 VDD_IO 15 SCL 16 SDA 17 CLK_OUT 18 XTAL_N 19 XTAL_P 20 GND_XTAL 21 VDD_1p8_3 22 RESER_N 23 AS 24 GND 25 MxL601 N101 MxL601 MxL601 N101 MxL601 L100 3.3nH L100 3.3nH 1 2 + C130 100uF/16V + C130 100uF/16V R134 100K R134 100K C105 0.1uF C105 0.1uF C107 0.1uF C107 0.1uF C126 10pF C126 10pF C153 0.1uF C153 0.1uF C128 1uF C128 1uF V102 3904 V102 3904 1 2 Z110 16MHZ Z110 16MHZ 3V3_TU 3V3_TU 5 4 3 2 1 XS100 IEC Female XS100 IEC Female C154 10uF/16V C154 10uF/16V C102 0.1uF C102 0.1uF C124 0.1uF C124 0.1uF C103 1000pF C103 1000pF C1060.1uF C1060.1uF C151 10uF/16V C151 10uF/16V 1 3 2 V101 3906 V101 3906 C139 4700pF C139 4700pF C109 0.1uF C109 0.1uF CS112 47pf CS112 47pf R121 100K R121 100K C152 0.1uF C152 0.1uF PDF 文件以 "PDF 制作工厂" 试用版创建 ÿÿÿÿ ÿ �标标�:�:� 5 5 4 4 3 3 2 2 1 1 D D C C B B A A HD1_Pb HD1_Y HD1_Pr HD1_Y AVOUT-V CVBSOUT SPDIF-OUT VGA_VSYNC VGA_HSYNC RGB1-VGA_B RGB1-VGA_R RGB1_VGA-G VGA_SCL VGA_SDA PC_L PC_R AVOUT-V SPDIF-OUT USB_D1- USB_D1+ HD1_Pr HD1_Y HD1_Pb HD1-R HD1-L USB_D0+ USB_D0- RGB1-VGA_B RGB1_VGA-G RGB1-VGA_R USB_D1+ USB_D1- USB_D0- USB_D0+ 5VA 5VA 5VBUSA 5VBUSA CVBSOUT SOG1 2 PB1+ 2 PH-Lout PH-Rout HP_MUTE AV2-Vin 2 Y1+ 2 PR1+ 2 HD-Lin 2 HD-Rin 2 USB1_D+ 2 USB1_D- 2 SPDIF_OUT VGA_VS VGA_HS UART-RX UART-TX BIN RIN GIN VGA-Rin VGA-Lin USB0_D+ 2 USB0_D- 2 SOG 标记 数量 等级 标记 批 准 标准化 工 艺 审 核 拟 制 签名日期 分区 单号 数量 签名 单号 分区 标记 日期 第 张 共 张 KONKA <拟制> <审核> <工艺> <标准化> <批准> 05.AV&HDMI&USB 10 5 标记 数量 等级 标记 批 准 标准化 工 艺 审 核 拟 制 签名日期 分区 单号 数量 签名 单号 分区 标记 日期 第 张 共 张 KONKA <拟制> <审核> <工艺> <标准化> <批准> 05.AV&HDMI&USB 10 5 标记 数量 等级 标记 批 准 标准化 工 艺 审 核 拟 制 签名日期 分区 单号 数量 签名 单号 分区 标记 日期 第 张 共 张 KONKA <拟制> <审核> <工艺> <标准化> <批准> 05.AV&HDMI&USB 10 5 Close to MSD1306 Close to MStar IC YPbPr Close to MStar IC Y输入复用为AV AV compatible AV && SPDIF OUT USB 1 SIDE EAR PHONE USB 2 VGA VGA_AUDIO ESD ESD 1 2 3 4 XS604 XS604 R642 10K R642 10K R633 75R R633 75R 3 1 4 2 RA524 5.1Rx2 3 1 4 2 RA524 5.1Rx2 R647 10K R647 10K C647 560pF C647 560pF C601 560pF C601 560pF C606 560pF C606 560pF C672 1uF/6.3V C672 1uF/6.3V 1 3 2 C C D ESD VD606 PESD3V3L2BT C C D ESD VD606 PESD3V3L2BT R649 12K R649 12K C629 47nF C629 47nF V604 3906 V604 3906 R637 10K R637 10K 4 3 2 1 5 6 4 3 2 1 XS611 USB V Connector 4 3 2 1 XS611 USB V Connector C670 NC/220pF C670 NC/220pF C608 0.1uF C608 0.1uF R655 33R R655 33R R634 75R R634 75R 2 3 4 1 XS612 AUDIO_IN XS612 AUDIO_IN C626 0.1uF C626 0.1uF 1 2 3 5 6 4 N602 IP4223CZ6 N602 IP4223CZ6 C631 NC C631 NC R628 75R R628 75R 6 4 1 3 5 2 XS606 YPbPr XS606 YPbPr 4 3 2 1 5 6 4 3 2 1 XS609 USB V Connector 4 3 2 1 XS609 USB V Connector R671 75R/1% R671 75R/1% C646 560pF C646 560pF R672 20K R672 20K R650 12K R650 12K R670 12K R670 12K R640 100R R640 100R C668 47nF C668 47nF 1 2 3 5 4 6 N603 IP4223CZ6 N603 IP4223CZ6 2 3 4 1 5 XS607 AUDIO_IN XS607 AUDIO_IN 1 2 3 5 4 6 N604 IP4223CZ6 N604 IP4223CZ6 R632 33R R632 33R C674 1uF/6.3V C674 1uF/6.3V C632 NC C632 NC C628 47nF C628 47nF R641 75R R641 75R R644 33R R644 33R 1 2 + C602 100uF/16V + C602 100uF/16V R648 33R R648 33R R651 12K R651 12K R643 100R R643 100R R630 33R R630 33R C673 1uF/6.3V C673 1uF/6.3V R674 330R R674 330R R653 10K R653 10K C627 1nF C627 1nF R675 75R R675 75R R639 100R R639 100R R652 10K R652 10K R638 100R R638 100R R654 12K R654 12K C634 100pF C634 100pF 5 10 4 9 3 8 2 7 1 15 14 13 12 11 6 16 17 XS603 VGA XS603 VGA 1 2 3 V603 3904 V603 3904 C633 NC C633 NC R636 75R R636 75R C603 0.1uF C603 0.1uF C625 10uF/16V C625 10uF/16V R635 75R R635 75R R682 100R R682 100R R673 75R/1% R673 75R/1% C624 10uF/16V C624 10uF/16V 1 3 2 C C D ESD VD601 NC/PESD5V C C D ESD VD601 NC/PESD5V 5 4 2 3 6 7 1 XS610 HEADPHONE XS610 HEADPHONE R646 10K R646 10K R680 33R R680 33R R631 33R R631 33R C675 1uF/6.3V C675 1uF/6.3V C630 47nF C630 47nF R645 33R R645 33R R629 33R R629 33R C676 NC_470pF C676 NC_470pF 3 1 4 2 RA523 5.1Rx2 3 1 4 2 RA523 5.1Rx2 FU01 PTC_1.5A FU01 PTC_1.5A PDF 文件以 "PDF 制作工厂" 试用版创建 ÿÿÿÿ ÿ �标标�:�:� 5 5 4 4 3 3 2 2 1 1 D D C C B B A A AMP_MUTE AMP-ON/OFF AMP-EN EARPH_L EARPH_R PH-Rout PH-Lout EARPH_R EARPH_L AMP_R+ AMP_R- AMP_L+ AMP_L- AMP_L- AMP_R+ AMP_R- AMP_L+ AMP_MUTE AMP-ON/OFF VCC12V VCC12V 5VA OP_VCC1 OP_VCC1 5VA 2.5VBuf1 GND2 GND2 GND2 GND2 GND2 GND2 VCC12V VDDS GND2 AMP_12V VDDS GND2 VDDS AMP_12V VDDS AMP_12V GND2 AMP-EN 2 HP_MUTE 3 PH-Lout PH-Rout AOUT_L AOUT_R AUOUTL0 2 AUOUTR0 2 标记 数量 等级 标记 批 准 标准化 工 艺 审 核 拟 制 签名日期 分区单号 数量 签名 单号 分区 标记 日期 第 张 共 张 KONKA <拟制> <审核> <工艺> <标准化> <批准> 07. TDA7491LP 10 7 标记 数量 等级 标记 批 准 标准化 工 艺 审 核 拟 制 签名日期 分区单号 数量 签名 单号 分区 标记 日期 第 张 共 张 KONKA <拟制> <审核> <工艺> <标准化> <批准> 07. TDA7491LP 10 7 标记 数量 等级 标记 批 准 标准化 工 艺 审 核 拟 制 签名日期 分区单号 数量 签名 单号 分区 标记 日期 第 张 共 张 KONKA <拟制> <审核> <工艺> <标准化> <批准> 07. TDA7491LP 10 7 LC Filter Component Load L C 4ohm 15uH 470nF 6ohm 22uH 220nF 8ohm 33uH 220nF HP_MUTE脚状态: 不插耳机,接地 插入耳机,悬空 H:OFF L:ON AMP Mute Amplifier PH_Drive L R MUTE STBY MODE X <0.5V Standby <0.8V >2.5V Mute >2.5V >2.5V Play 最大不超过3.3V GAIN0 GAIN1 Gain(dB) L L 20 L H 26 H L 30 H H 32 Switching Frequency: Min Typ Max 290KHz 320KHz 350KHz 1 3 2 V217 3904 V217 3904 L203 NC/15uH/2A L203 NC/15uH/2A R268 10K R268 10K HP_MUTE HP_MUTE 1 2 L211 NC/FB_4A L211 NC/FB_4A R206 33K R206 33K R201 39K R201 39K R250 10K R250 10K R261 20K R261 20K C265 0.1uF/2200pF/25V C265 0.1uF/2200pF/25V + C215 NC/220uF + C215 NC/220uF C201 0.1uF C201 0.1uF C202 0.1uF C202 0.1uF 5 6 7 8 4 - + N201B TDA1308 - + N201B TDA1308 R224 NC/1K R224 NC/1K L210 NC/15uH/2A L210 NC/15uH/2A C275 1.0uF/6.3V C275 1.0uF/6.3V R251 10K R251 10K R259 33K R259 33K C283 10uF/16V C283 10uF/16V + C216 NC/220uF + C216 NC/220uF R202 33K R202 33K C259 0.1uF C259 0.1uF 1 2 L212 NC/FB_4A L212 NC/FB_4A R272 22R R272 22R R263 7.5K R263 7.5K C204 1.0nF C204 1.0nF C225 0.1uF C225 0.1uF R269 10K R269 10K C276 100pF C276 100pF C205 0.47uF/1nF/50V C205 0.47uF/1nF/50V C257 10uF/16V C257 10uF/16V C213 0.1uF C213 0.1uF C203 1.0uF/X5R/25V C203 1.0uF/X5R/25V C227 330p/50V C227 330p/50V R281 33K R281 33K L201 15uH/2A L201 15uH/2A C267 NC/1nF C267 NC/1nF C209 0.1uF C209 0.1uF C207 0.1uF C207 0.1uF C277 1.0uF/6.3V C277 1.0uF/6.3V 1 2 L223 0欧姆电阻 L223 0欧姆电阻 1 3 2 V216 3904 V216 3904 C230 100pF C230 100pF C248 10uF/16V C248 10uF/16V R203 100K R203 100K + C217 NC/220uF + C217 NC/220uF R212 22R R212 22R R270 33K R270 33K R290 33K R290 33K R266 20K R266 20K C222 0.1uF/2200pF/25V C222 0.1uF/2200pF/25V C254 1.0uF/X5R/25V C254 1.0uF/X5R/25V R211 22R R211 22R C266 470pF C266 470pF R223 1K R223 1K C235 100pF C235 100pF C273 470pF C273 470pF C229 0.47uF/1nF/50V C229 0.47uF/1nF/50V L208 15uH/2A L208 15uH/2A 1 2 3 4 XS201 D2006-4W XS201 D2006-4W 3 2 1 8 4 - + N201A TDA1308 - + N201A TDA1308 C264 22uF/6.3V C264 22uF/6.3V R267 7.5K R267 7.5K C236 100pF C236 100pF R265 10K R265 10K C269 1uF C269 1uF OUTPB 3 PGNDB 4 SUB_GND 1 OUTPB 2 OUTNB 8 PVCCB 7 PGNDB 5 PVCCB 6 PVCCA 12 OUTNA 11 OUTNA 10 OUTNB 9 OUTPA 16 PGNDA 15 PGNDA 14 PVCCA 13 OUTPA 17 PGND 18 VDDPW 19 STBY 20 MUTE 21 INPA 22 INNA 23 ROSC 24 SYNCLK 25 VDDS 26 SGND 27 DIAG 28 SVR 29 GAIN0 30 GAIN1 31 INPB 32 INNB 33 VREF 34 SVCC 35 VSS 36 PAD_GND 37 TDA7491LP N202 TDA7491LP N202 C226 1.0nF C226 1.0nF C223 0.47uF/X7R/25V C223 0.47uF/X7R/25V 1 2 L216 FB_4A L216 FB_4A C262 1uF C262 1uF 1 2 L215 FB_4A L215 FB_4A C260 0.1uF/2200pF/25V C260 0.1uF/2200pF/25V C253 0.1uF C253 0.1uF R264 10K R264 10K C263 0.1uF C263 0.1uF C27422uF/6.3V C27422uF/6.3V C221 330p/50V C221 330p/50V R213 10R R213 10R C281 0.47uF/X7R/25V C281 0.47uF/X7R/25V C268 0.47uF/X7R/25V C268 0.47uF/X7R/25V C211 0.1uF/2200pF/25V C211 0.1uF/2200pF/25V C282 0.47uF/X7R/25V C282 0.47uF/X7R/25V R260 1K R260 1K C261 0.1uF C261 0.1uF R258 10K R258 10K PDF 文件以 "PDF 制作工厂" 试用版创建 ÿÿÿÿ ÿ �标标�:�:� 5 5 4 4 3 3 2 2 1 1 D D C C B B A A VDD VBL VBL Vac Vac Vac +12.2Vsb POWER-ON/OFF 标记 数量 等级 标记 批 准 标准化 工 艺 审 核 拟 制 签名日期 分区单号 数量 签名 单号 分区 标记 日期 第 张 共 张 KONKA <拟制> <审核> <工艺> <标准化> <批准> 08.Power-Main 9 8 标记 数量 等级 标记 批 准 标准化 工 艺 审 核 拟 制 签名日期 分区单号 数量 签名 单号 分区 标记 日期 第 张 共 张 KONKA <拟制> <审核> <工艺> <标准化> <批准> 08.Power-Main 9 8 标记 数量 等级 标记 批 准 标准化 工 艺 审 核 拟 制 签名日期 分区单号 数量 签名 单号 分区 标记 日期 第 张 共 张 KONKA <拟制> <审核> <工艺> <标准化> <批准> 08.Power-Main 9 8 可选器件 BD901 CHR208 BD901 CHR208 1 2 XS901 3PIN-3.96mm XS901 3PIN-3.96mm CX902 275Vac-224 CX902 275Vac-224 RW919 22R RW919 22R ! 3 2 1 VW954 2N3904 VW954 2N3904 3 2 1 NW953 TL431-SOT23 NW953 TL431-SOT23 VB902 7N65 VB902 7N65 ! RW924 47K/1206 RW924 47K/1206 RW968 47K RW968 47K RW954 1k RW954 1k 3 1 2 VDW952 MBRB20100CTG VDW952 MBRB20100CTG CW954 104/10V CW954 104/10V CW955 104/16V CW955 104/16V VINS 1 FB 2 CS 3 GND 4 GATE 5 VDD 6 NC 7 HV 8 NW907 FAN6755 NW907 FAN6755 VDW959 HER508 VDW959 HER508 CW953 180u/16V CW953 180u/16V ! ! CX901 275Vac-224 CX901 275Vac-224 ! R903 1M/1206 R903 1M/1206 RW971 100K/1206 RW971 100K/1206 CW964 221/1KV CW964 221/1KV BD902 CHR208 BD902 CHR208 RW913 4.7R RW913 4.7R RW903 3.3M/1206 RW903 3.3M/1206 RW922 10K RW922 10K R901 1M/1206 R901 1M/1206 RW904 330K RW904 330K CW912 100pF/1kV CW912 100pF/1kV RW925 33K/1206 RW925 33K/1206 RW909 3K RW909 3K ! VDW960 HER508 VDW960 HER508 4 1 2 3 L903 15mH L903 15mH RW972 10K RW972 10K CW905 105 CW905 105 RW921 10K RW921 10K 1 2 NW957A PC817B NW957A PC817B RW908 10R RW908 10R CW908 105 CW908 105 R902 1M/1206 R902 1M/1206 RW961 3.3M RW961 3.3M CW909 22uF/50V CW909 22uF/50V CW903 101 CW903 101 RT901 3.3R RT901 3.3R 6 1 2 4 11 7 8 10 TW901 EPC34 TW901 EPC34 RW923 4.7K RW923 4.7K VDB902 6.8 VDB902 6.8 CY901 250Vac-101 CY901 250Vac-101 RW956 100K-F RW956 100K-F CW956 N.C CW956 N.C C901 150uF/400V C901 150uF/400V CY902 250Vac-101 CY902 250Vac-101 ! VDW907 1N4007 VDW907 1N4007 ! TP_VBL-100V TP_VBL-100V R905 1M/1206 R905 1M/1206 RW957 680 RW957 680 3 2 1 VW904 2N3904 VW904 2N3904 RV901 10D561 RV901 10D561 ! RW914 2.7R/1206 RW914 2.7R/1206 CW961 22u/250V CW961 22u/250V RW901 3.3M/1206 RW901 3.3M/1206 ! VDB954 B13V VDB954 B13V CW958 221/1KV CW958 221/1KV RW905 2.2M RW905 2.2M RW960 1K RW960 1K RW912 10K RW912 10K RW958 330R RW958 330R C902 39uF/400V C902 39uF/400V RW953 3.9K RW953 3.9K VDW913 1N4148 VDW913 1N4148 CW959 103/10V CW959 103/10V ! ! RW926 33K/1206 RW926 33K/1206 RW967 2K RW967 2K RW973 47K RW973 47K RW917 47K/1206 RW917 47K/1206 RW964 6.8K RW964 6.8K VDB901 6.8 VDB901 6.8 RW951 10R/1206 RW951 10R/1206 VDW905 1N4007 VDW905 1N4007 VB901 7N65 VB901 7N65 VDW914 1N4148 VDW914 1N4148 VDB903 18V VDB903 18V TP_VCC-12V TP_VCC-12V VDW915 1N4148 VDW915 1N4148 CW910 101 CW910 101 CW904 104 CW904 104 ! 2 1 RW916 0.18Ω/2W RW916 0.18Ω/2W CW962 104 CW962 104 1 2 F911 250Vac--4.0AL F911 250Vac--4.0AL 3 2 1 VW952 2N3904 VW952 2N3904 CW960 470uF/25V CW960 470uF/25V RW965 47K RW965 47K RW962 47K RW962 47K 3 4 NW957B PC817B NW957B PC817B RW918 4.7R RW918 4.7R BD903 CHR208 BD903 CHR208 R904 1M/1206 R904 1M/1206 2 1 LW951 1uH LW951 1uH R906 1M/1206 R906 1M/1206 RW966 2K RW966 2K 1 2 LW911 LW911 CW957 470uF/25V CW957 470uF/25V CW906 471 CW906 471 1 3 2 VW957 3904 VW957 3904 CW952 102/1KV CW952 102/1KV 3 2 1 VW953 2N3904 VW953 2N3904 CY904 250Vac-101 CY904 250Vac-101 CY907 250Vac-222 CY907 250Vac-222 ! VDW902 FR104 VDW902 FR104 RW952 16K-F RW952 16K-F TP_POWER-ON/OFF TP_POWER-ON/OFF RW902 3.3M/1206 RW902 3.3M/1206 CW907 103/630V CW907 103/630V RW970 100K/1206 RW970 100K/1206 BD904 CHR208 BD904 CHR208 ! RW959 1K RW959 1K CY903 250Vac-101 CY903 250Vac-101 CW911 22uF/50V CW911 22uF/50V RW955 100K/1206 RW955 100K/1206 RW911 22R RW911 22R RW915 33K/1206 RW915 33K/1206 4 3 2 1 L901 10mH L901 10mH 3 1 2 VDW950 MBRB20100CTG VDW950 MBRB20100CTG 3 2 1 VW903 2N3904 VW903 2N3904 ! RW969 33K RW969 33K CW963 22u/250V CW963 22u/250V 1 2 4 3 NW950 PC817B NW950 PC817B RW930 47K/1206 RW930 47K/1206 RW963 10K RW963 10K 2 1 RW920 1k/1206 RW920 1k/1206 ! VDB904 6.8 VDB904 6.8 PDF 文件以 "PDF 制作工厂" 试用版创建 ÿÿÿÿ ÿ �标标�:�:� 5 5 4 4 3 3 2 2 1 1 D D C C B B A A PWM LED1- LED2- LED2+ LED1+ ISEN2 PWM PWM BR ISW2 OVP2 G2 BR G2 DRV2 VREF1 VREF1 ISW2 DRV2 ISEN2 OVP2 VBL VBL FAULT +12.2Vsb BKLT_ADJ BKLT_EN 标记 数量 等级 标记 批 准 标准化 工 艺 审 核 拟 制 签名日期 分区 单号 数量 签名 单号 分区 标记 日期 第 张 共 张 KONKA <拟制> <审核> <工艺> <标准化> <批准> 09.Power-LED Driver 9 9 标记 数量 等级 标记 批 准 标准化 工 艺 审 核 拟 制 签名日期 分区 单号 数量 签名 单号 分区 标记 日期 第 张 共 张 KONKA <拟制> <审核> <工艺> <标准化> <批准> 09.Power-LED Driver 9 9 标记 数量 等级 标记 批 准 标准化 工 艺 审 核 拟 制 签名日期 分区 单号 数量 签名 单号 分区 标记 日期 第 张 共 张 KONKA <拟制> <审核> <工艺> <标准化> <批准> 09.Power-LED Driver 9 9 L703 470uH/0.72A L703 470uH/0.72A R731 10K R731 10K R708 10K/NC R708 10K/NC C703 104/250V C703 104/250V C724 104/250V C724 104/250V R726 0R / 1206/NC R726 0R / 1206/NC TP_BKLT-ADJ TP_BKLT-ADJ R711 10K R711 10K C710 1n/10V C710 1n/10V R719 1K R719 1K V711 4A/250V V711 4A/250V R724 1R / 1206 R724 1R / 1206 V709 250V/1A V709 250V/1A R736 1K R736 1K R735 1K R735 1K R718 1K R718 1K C701 22u/250V C701 22u/250V R716 10K R716 10K R725 0R / 1206/NC R725 0R / 1206/NC VD706 6.8V VD706 6.8V C729 101/1KV/NC C729 101/1KV/NC C730 101/10V C730 101/10V R715 10K R715 10K R721 22R R721 22R V710 250V/1A V710 250V/1A VD709 6.8V VD709 6.8V C708 0.47u/10V C708 0.47u/10V R707 3.3M R707 3.3M R740 4.7R / 1206 R740 4.7R / 1206 C717 225/10V C717 225/10V C705 1n/10V C705 1n/10V C718 474/10V C718 474/10V R705 10R R705 10R C727 22u/250V C727 22u/250V VD708 6.8V VD708 6.8V VD704 SB2200 VD704 SB2200 L701 470uH/0.72A L701 470uH/0.72A VD703 SB2200 VD703 SB2200 V708 4A/250V V708 4A/250V UVLS 1 VCC 2 ENA 3 VREF 4 RT 5 SYNC 6 PWM1 7 PWM2 8 ADIM 9 TIMER 10 SSTCMP1 11 SSTCMP2 12 ISEN2 13 PROT2 14 OVP2 15 ISW2 16 ISEN1 17 PROT1 18 OVP1 19 ISW1 20 GND 21 DRV2 22 DRV1 23 FAULT 24 N701 OZ9902A N701 OZ9902A C723 101/10V C723 101/10V TP_VLED2+ TP_VLED2+ R746 1M R746 1M R730 22R R730 22R VD701 SB2200 VD701 SB2200 R706 150K R706 150K R747 100R / 1206 / R747 100R / 1206 / 1 2 3 4 5 6 7 XS701 7PIN-2.0mm XS701 7PIN-2.0mm C707 1n/10V C707 1n/10V R702 100K/0402 R702 100K/0402 C720 105/16V C720 105/16V R701 10K/0402 R701 10K/0402 C722 105/16V C722 105/16V R704 100K R704 100K TP_BKLT-ENA TP_BKLT-ENA C721 101/10V C721 101/10V C709 101/10V C709 101/10V R733 1R/ 1206 R733 1R/ 1206 R714 27K R714 27K C728 101/1KV/NC C728 101/1KV/NC R722 10K R722 10K R703 10K R703 10K VD705 SB2200 VD705 SB2200 R741 13K R741 13K R745 13K R745 13K R742 1M R742 1M 1 2 L706 L706 C706 0.47u/10V C706 0.47u/10V R712 10K R712 10K R720 1K R720 1K R717 10K R717 10K R723 1R / 1206 R723 1R / 1206 C726 101/10V C726 101/10V VD702 6.8V VD702 6.8V R709 10K R709 10K R734 1R/ 1206 R734 1R/ 1206 R732 1K R732 1K TP_VLED1+ TP_VLED1+ C731 101/10V C731 101/10V 1 2 L704 L704 R748 4.7R / 1206 R748 4.7R / 1206 R739 100R / 1206 R739 100R / 1206 C725 101/10V C725 101/10V C711 1n/10V C711 1n/10V PDF 文件以 "PDF 制作工厂" 试用版创建 ÿÿÿÿ ÿ �标标�:�:�

标签:

版权声明

1. 本站所有素材,仅限学习交流,仅展示部分内容,如需查看完整内容,请下载原文件。
2. 会员在本站下载的所有素材,只拥有使用权,著作权归原作者所有。
3. 所有素材,未经合法授权,请勿用于商业用途,会员不得以任何形式发布、传播、复制、转售该素材,否则一律封号处理。
4. 如果素材损害你的权益请联系客服QQ:77594475 处理。