康佳液晶电视35019505主板原理图

分类:电子电工 日期: 点击:0
康佳液晶电视35019505主板原理图-0 康佳液晶电视35019505主板原理图-1 康佳液晶电视35019505主板原理图-2 康佳液晶电视35019505主板原理图-3 康佳液晶电视35019505主板原理图-4 康佳液晶电视35019505主板原理图-5 康佳液晶电视35019505主板原理图-6 康佳液晶电视35019505主板原理图-7 康佳液晶电视35019505主板原理图-8 康佳液晶电视35019505主板原理图-9

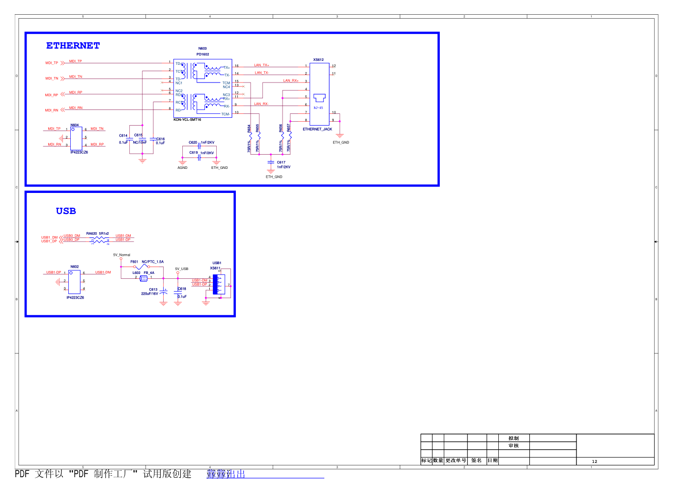
5 5 4 4 3 3 2 2 1 1 D D C C B B A A POWER-ON/OFF POWER-ON/OFF BKLT_EN 5V_Stb 3V3_stb 5V_Stb 12V_VCC 5V_Normal 5V_Normal 12V_VCC +12.2Vsb 1V15_CORE 12V_VCC 5V_Stb 5V_Normal VCC-Panel 12V_VCC 5V_Stb 5V_Normal 3V3_Normal 5V_Stb 1V5_DDR POWER-ON/OFF PWR-ON/OFF 2 BRI_ADJ 2 BKLT_ADJ 11 VBL_CTRL 2 BKLT_EN 11 POWER-ON/OFF 10 PANEL_ON/OFF 签名 批 准 标准化 审 核 拟 制 日期 第 张 共 张 更改单号 数量 标记 阶段标记 签名 批 准 标准化 审 核 拟 制 日期 第 张 共 张 更改单号 数量 标记 阶段标记 签名 批 准 标准化 审 核 拟 制 日期 第 张 共 张 更改单号 数量 标记 阶段标记 H: On L: Standby 3.3Vstb 5V_Normal 1.15_VDDC 350mA FB=0.925V H:OFF H: ON L: Standby L:ON Power Control 电源输入处连接电源地和信号地 MP2307 AP3503 /3A Vout=0.925*(1+R1/R2) 5V_Stb PANEL POWER MAX 3A 1.5V_DDR 350mA 3.3V_normal 33001376 33001385 33001385 33001376 33001376 33001055 1.56V C807 10uF/16V C807 10uF/16V C847 0.1uF C847 0.1uF R835 10K R835 10K C840 10uF/16V C840 10uF/16V C805 NC/10uF/16V C805 NC/10uF/16V R810 100K R810 100K R824 10K R824 10K C813 0.1uF C813 0.1uF C801 0.1uF C801 0.1uF C874 22uF C874 22uF 3 2 1 4 ADJ OUT IN N807 1117-3.3V ADJ OUT IN N807 1117-3.3V S 1 S 2 S 3 G 4 D 8 D 7 D 6 D 5 V801 9435A V801 9435A 3V3_Stb 3V3_Stb C838 0.1uF C838 0.1uF VD801 NC/1N4148 VD801 NC/1N4148 C854 10uF/16V C854 10uF/16V V803 3904 V803 3904 C850 0.1uF C850 0.1uF R828 100K R828 100K V808 NC/WPM3407 V808 NC/WPM3407 1 2 L810 FB_4A L810 FB_4A C829 0.1uF C829 0.1uF R826 10K R826 10K R818 2.2K R818 2.2K 1 2 L808 FB_300mA L808 FB_300mA C848 10uF/10V C848 10uF/10V 1V5_DDR 1V5_DDR 5V_Stb 5V_Stb R814 NC/4.7K R814 NC/4.7K R822 10K R822 10K C873 22pF C873 22pF R819 NC/10K R819 NC/10K 1 2 L811 FB_1A L811 FB_1A C852 22uF/6.3V C852 22uF/6.3V C832 0.47uF C832 0.47uF R830 47K R830 47K R808 4.7K R808 4.7K 3V3_Normal 3V3_Normal C820 10uF C820 10uF R804 5.1K 1% R804 5.1K 1% C842 3.3n/50V C842 3.3n/50V L801 10uH L801 10uH R809 100R R809 100R C811 0.1uF C811 0.1uF 1 2 L805 FB_1A L805 FB_1A C804 0.1uF C804 0.1uF R802 33K 1% R802 33K 1% R812 NC/10K R812 NC/10K C824 0.1uF C824 0.1uF C825 10uF C825 10uF C810 10uF C810 10uF R811 1K R811 1K C817 0.1uF C817 0.1uF R845 10K/1% R845 10K/1% C833 22uF C833 22uF C803 10nF C803 10nF C846 0.1uF C846 0.1uF C809 10uF C809 10uF R806 39K 1% R806 39K 1% 1 2 L803 FB_300_Ohm_6A L803 FB_300_Ohm_6A C844 10nF C844 10nF R801 12K 1% R801 12K 1% L816 10uH L816 10uH C808 0.1uF C808 0.1uF EN 1 GND 2 LX 3 VIN 4 FB 5 N803 SY8087 N803 SY8087 C836 10uF/10V C836 10uF/10V 1 2 L802 FB_4A L802 FB_4A 5V_Normal 5V_Normal 1V15_Core 1V15_Core 1 2 3 V804 NC/3904 V804 NC/3904 C812 10uF C812 10uF C828 2.2uF/10V C828 2.2uF/10V R825 100K R825 100K R839 16K/1% R839 16K/1% C826 0.1uF C826 0.1uF 1 2 L814 FB_1A L814 FB_1A 12V_VCC 12V_VCC C819 0.1uF C819 0.1uF L818 2.2uH L818 2.2uH R820 100K R820 100K R816 33K 1% R816 33K 1% IN 2 GND 4 BS 1 FB 5 COMP 6 EN 7 SS 8 SW 3 GND 9 N802 9889 N802 9889 R803 2.2K R803 2.2K 3 1 2 V806 3904 V806 3904 3 2 1 4 ADJ OUT IN N805 1117-3.3V ADJ OUT IN N805 1117-3.3V R823 47K R823 47K R807 100R R807 100R R805 1K 1% R805 1K 1% C822 2.2uF/10V C822 2.2uF/10V IN 2 GND 4 BS 1 FB 5 COMP 6 EN 7 SS 8 SW 3 GND 9 N801 9889 N801 9889 C870 0.1uF C870 0.1uF 1 2 L804 FB_4A L804 FB_4A C806 0.1uF C806 0.1uF S 1 S 2 S 3 G 4 D 8 D 7 D 6 D 5 V802 9435A V802 9435A C827 0.47uF C827 0.47uF R813 10K R813 10K C802 3.3n C802 3.3n C853 0.1uF C853 0.1uF 12V_Panel 12V_Panel C816 0.1uF C816 0.1uF 1 2 3 V805 3904 V805 3904 PDF 文件以 "PDF 制作工厂" 试用版创建 ÿÿÿÿ ÿ �靠靠�出�出� 5 5 4 4 3 3 2 2 1 1 D D C C B B A A HDMI3_HPDIN HDMI3-HPD HDMI0_RX1P HDMI0_RX2N HDMI0_RX1N HDMI0_RX2P HDMI0_RX0N HDMI0_RX0P HDMI0_CLKN HDMI0_CLKP HDMI0-RX1P HDMI0-RX1N HDMI0-RX0N HDMI0-RX2N HDMI0-CLKN HDMI0-RX2P HDMI0-CLKP HDMI0-RX0P HDMI2-RX1P HDMI2-RX1N HDMI2-RX0N HDMI2-RX2N HDMI2-CLKN HDMI2-RX2P HDMI2-CLKP HDMI2-RX0P HDMI2-SDA HDMI2-SCL CEC HDMI-ARC MHL-CD-SENSE1 CEC HDMI2_RX1P HDMI2_RX2N HDMI2_RX1N HDMI2_RX2P HDMI2_RX0N HDMI2_RX0P HDMI2_CLKN HDMI2_CLKP HDMI2-RX1P HDMI2-RX1N HDMI2-RX0N HDMI2-RX2N HDMI2-CLKN HDMI2-RX2P HDMI2-CLKP HDMI2-RX0P HDMI_CEC HDMI0_HPDIN HDMI2-HPD HDMI-ARC HDMI_ARC HDMI2_HPDIN HDMI0-SCL HDMI0-SDA HDMI0-HPD CEC HDMI0-RX1P HDMI0-RX1N HDMI0-RX0N HDMI0-RX2N HDMI0-CLKN HDMI0-RX2P HDMI0-CLKP HDMI0-RX0P HDMI0-HPD HDMI3-RX1P HDMI3-RX1N HDMI3-RX0N HDMI3-RX2N HDMI3-CLKN HDMI3-RX2P HDMI3-CLKP HDMI3-RX0P HDMI3-SDA HDMI3-SCL HDMI3-HPD CEC HDMI3_RX1P HDMI3_RX2N HDMI3_RX1N HDMI3_RX2P HDMI3_RX0N HDMI3_RX0P HDMI3_CLKN ARC_DET HDMI3_CLKP HDMI3-RX1P HDMI3-RX1N HDMI3-RX2N HDMI3-RX2P HDMI2-SCL MHL-CD-SENSE1 HDMI3-CLKN HDMI3-CLKP HDMI3-RX0P HDMI3-RX0N HDMI0-SCL HDMI0-SDA HDMI2-SDA HDMI3-SDA HDMI3-SCL MHL_CABLE-DET HDMI2-HPD HDMI3/5V HDMI0/5V HDMI0/5V HDMI0/5V HDMI2/5V HDMI3/5V HDMI3/5V HDMI0/5V 5V_Normal HDMI2/5V AVDD5V_MHL_C HDMI2/5V 5V_stb HDMI2/5V HDMI3_HPDIN HDMI_CEC HDMI0_HPDIN HDMI0_SCL HDMI0_SDA HDMI_ARC HDMI2_HPDIN HDMI2_SCL HDMI2_SDA HDMI0_RX2P HDMI0_RX2N HDMI0_RX1P HDMI0_RX1N HDMI0_RX0P HDMI0_RX0N HDMI0_CLKP HDMI0_CLKN HDMI2_RX2P HDMI2_RX2N HDMI2_RX1P HDMI2_RX1N HDMI2_RX0P HDMI2_RX0N HDMI2_CLKP HDMI2_CLKN HDMI3_SCL HDMI3_SDA HDMI3_RX2P HDMI3_RX2N HDMI3_RX1P HDMI3_RX1N HDMI3_RX0P HDMI3_RX0N HDMI3_CLKP HDMI3_CLKN ARC_DET MHL_CABLE-DET MHL_VBUS-EN ARC DET HDMI1@ARC HDMI3@MHL CEC & ARC 靠近IC放置 靠近端子放置 此HDMI port IC内置hotplug 根据ARC所放的HDMI定 HDMI2 靠近IC放置 后出靠右 H1 侧出 H3 后出靠左 H2 MHL for MSD6308 不需要MHL功能,虚线框内不上件 3 1 4 2 RA607 33R 3 1 4 2 RA607 33R 1 3 2 V601 3904 V601 3904 7 5 3 1 8 6 4 2 RA602 0R 7 5 3 1 8 6 4 2 RA602 0R DATA2+ 1 DATA2 SHIELD 2 DATA2- 3 DATA1+ 4 DATA1 SHIELD 5 DAT1A- 6 DATA0+ 7 DATA0 SHIELD 8 DATA0- 9 CLK+ 10 CLK SHIELD 11 CLK- 12 CEC 13 NC 14 SCL 15 SDA 16 DDC/CEC GND 17 +5V POWER 18 HOT PLUG 19 GND1 20 GND2 21 GND3 22 XS602 HDMI-W XS602 HDMI-W R633 47K R633 47K C605 10uF/10V C605 10uF/10V 1 3 2 V602 3904 V602 3904 R629 4.7K R629 4.7K 3 1 2 VD601 BAT54C VD601 BAT54C R605 10K R605 10K R638 10K R638 10K 1 3 2 V603 3904 V603 3904 R634 NC/100R R634 NC/100R C606 0.1uF C606 0.1uF R641 10K R641 10K 7 5 3 1 8 6 4 2 RA603 0R 7 5 3 1 8 6 4 2 RA603 0R C602 10uF/10V C602 10uF/10V R619 10K R619 10K L601 10R L601 10R C603 0.1uF C603 0.1uF R642 330K R642 330K 3 1 4 2 RA610 22R 3 1 4 2 RA610 22R DATA2+ 1 DATA2 SHIELD 2 DATA2- 3 DATA1+ 4 DATA1 SHIELD 5 DAT1A- 6 DATA0+ 7 DATA0 SHIELD 8 DATA0- 9 CLK+ 10 CLK SHIELD 11 CLK- 12 CEC 13 NC 14 SCL 15 SDA 16 DDC/CEC GND 17 +5V POWER 18 HOT PLUG 19 GND1 20 GND2 21 GND3 22 GND4 23 XS603 HDMI-W XS603 HDMI-W 3 1 4 2 RA609 22R 3 1 4 2 RA609 22R R639 0R R639 0R R625 33R R625 33R 7 5 3 1 8 6 4 2 RA605 0R 7 5 3 1 8 6 4 2 RA605 0R 7 5 3 1 8 6 4 2 RA601 0R 7 5 3 1 8 6 4 2 RA601 0R VIN 5 EN 4 GND 2 VOUT 1 /OC 3 N601 G5250M2 N601 G5250M2 R643 10K R643 10K DATA2+ 1 DATA2 SHIELD 2 DATA2- 3 DATA1+ 4 DATA1 SHIELD 5 DAT1A- 6 DATA0+ 7 DATA0 SHIELD 8 DATA0- 9 CLK+ 10 CLK SHIELD 11 CLK- 12 CEC 13 NC 14 SCL 15 SDA 16 DDC/CEC GND 17 +5V POWER 18 HOT PLUG 19 GND1 20 GND2 21 GND3 22 XS601 HDMI-W XS601 HDMI-W 3 1 4 2 RA612 10K 3 1 4 2 RA612 10K R644 300K R644 300K 3 1 4 2 RA606 33R 3 1 4 2 RA606 33R 3 1 4 2 RA611 22R 3 1 4 2 RA611 22R C601 2.2uF C601 2.2uF R615 1K R615 1K R604 1K R604 1K R645 100R R645 100R R617 4.7K R617 4.7K R613 4.7K R613 4.7K R627 200R R627 200R C607 0.1uF C607 0.1uF R618 NC/10K R618 NC/10K C604 47nF C604 47nF R616 10K R616 10K R632 NC/100R R632 NC/100R 3 1 4 2 RA608 10K 3 1 4 2 RA608 10K 7 5 3 1 8 6 4 2 RA604 0R 7 5 3 1 8 6 4 2 RA604 0R PDF 文件以 "PDF 制作工厂" 试用版创建 ÿÿÿÿ ÿ �靠靠�出�出� 5 5 4 4 3 3 2 2 1 1 D D C C B B A A NAND-REZ NAND-ALE NAND-WEZ NAND-WPZ NAND-D1 NAND-D1 NAND_D4 NAND-D0 NAND-D7 NAND-CEZ1 NAND-D6 NAND-D5 NAND-CLE NAND-D4 NAND_ALE NAND-D3 NAND-CEZ NAND-D2 NAND-RBZ NAND-CEZ1 NAND-D2 NAND_D5 NAND-CEZ NAND_CLE NAND-D3 NAND_D6 NAND-REZ NAND-DQS NAND-D4 NAND_D7 NAND-RBZ NAND-D5 NAND_DQS NAND-DQS NAND-D6 NAND_CEZ1 NAND-D0 NAND-D7 NAND_CEZ NAND_REZ NAND_D3 NAND_RBZ NAND_D2 NAND_WPZ NAND-WPZ NAND_D1 NAND_WEZ NAND-WEZ NAND_D0 NAND-ALE NAND-CLE 3V3_Nand 3V3_Nand 3V3_Nand 3V3_Normal 3V3_Nand NAND_ALE NAND_CLE NAND_DQS NAND_CEZ1 NAND_CEZ NAND_REZ NAND_RBZ NAND_WPZ NAND_D[7:0] NAND_WEZ 标记数量 签名 更改单号 日期 12 审核 拟制 标记数量 签名 更改单号 日期 12 审核 拟制 标记数量 签名 更改单号 日期 12 审核 拟制 NAND FLASH Micron Nand需要NC NAND Power 需靠近主IC 需靠近主IC C404 NC/33pF C404 NC/33pF R/B 7 RE 8 CE 9 NC6/CE1 10 NC7 11 VCC 12 VSS 13 NC8 14 NC9 15 CLE 16 ALE 17 WE 18 WP 19 NC28/VSS 48 NC27 47 NC26 46 NC25 45 D7 44 D6 43 D5 42 D4 41 VCC 37 VSS 36 NC21 35 NC20/VCC 34 NC19 33 D3 32 D2 31 D1 30 D0 29 NC0/VCC 1 NC1/VSS 2 NC2 3 NC3 4 NC4 5 NC5/R/B2 6 NC10 20 NC11 21 NC12 22 NC13/VSS 23 NC14/VCC 24 NC15/VSS 25 NC16 26 NC17 27 NC18 28 NC22/VCC 38 NC23 39 NC24 40 N510 NANDFLASH1G N510 NANDFLASH1G R401 10K R401 10K C401 2.2uF C401 2.2uF R403 NC/22R R403 NC/22R C402 0.1uF C402 0.1uF C407 0.1uF C407 0.1uF R402 NC/0R R402 NC/0R 7 5 3 1 8 6 4 2 RA402 22R 7 5 3 1 8 6 4 2 RA402 22R 7 5 3 1 8 6 4 2 RA401 22R 7 5 3 1 8 6 4 2 RA401 22R C405 NC/33pF C405 NC/33pF C403 NC/0.1uF C403 NC/0.1uF 7 5 3 1 8 6 4 2 RA403 22R 7 5 3 1 8 6 4 2 RA403 22R 7 5 3 1 8 6 4 2 RA404 22R 7 5 3 1 8 6 4 2 RA404 22R C406 0.1uF C406 0.1uF PDF 文件以 "PDF 制作工厂" 试用版创建 ÿÿÿÿ ÿ �靠靠�出�出� 5 5 4 4 3 3 2 2 1 1 D D C C B B A A M_I2C_SDA M_I2C_SDA PM_CONFIG0 SPI_SDI HDMI2_HPDIN HDMI2_CLKN HDMI2_RX1N HDMI2_CLKP HDMI2_RX1P HDMI2_RX2N HDMI2_RX0P HDMI2_RX0N HDMI2_RX2P HDMI2_SCL HDMI2_SDA PM_CONFIG1 System_RST IR-in UART_TX UART_RX USB1_DP USB1_DM SPDIF_OUT UART2_TX BRI_ADJ MHL_CABLE-DET MHL_VBUS-EN SPI_SCK SPI_SDO SPI_CSN SPI_SDI AMP-MUTE PWM_PM LED UART2_RX KEY0_IN HDMI0_HPDIN AMP-INL LINE_OUTR1 AMP-INR LINE_OUTL1 T_SCL T_SDA NAND_CLE #FLASH_WP NAND_REZ GIN1N RIN0 GIN0 NAND_WEZ GIN0N SOG1 RIN1 GIN1 BIN1 HDMI3_SCL HDMI3_SDA HDMI3_HPDIN HDMI3_RX0P HDMI3_RX0N HDMI3_RX1N HDMI3_RX1P HDMI3_RX2N HDMI3_RX2P HDMI3_CLKN HDMI3_CLKP HSYNC0 VSYNC0 M_I2C_SCL M_I2C_SDA LINE_OUTL1 NAND_ALE HDMI_ARC VCOM0 NAND_RBZ LINE_OUTR1 3D_LR_IN POWER_DET ARC_DET AV-AUOUTL0 NAND_CEZ HDMI_CEC PWR-ON/OFF NAND_DQS NAND_D7 NAND_D3 NAND_D2 NAND_D4 NAND_D6 NAND_D0 NAND_D5 NAND_D1 XTALO XTALI POWER_DET IFAGC MDI_RP MDI_RN MDI_TP MDI_TN LINE_IN_1L LINE_IN_1R AUVAG AUVRM LINE_OUTL0 LINE_OUTR0 EARPHONE_OUTL EARPHONE_OUTR VIFP VIFM IFAGC SPDIF_OUT CVBS1 AUVRM PM_CONFIG1 HDMI0_CLKN HDMI0_CLKP HDMI0_RX0N HDMI0_RX0P HDMI0_RX1N HDMI0_RX1P HDMI0_RX2P HDMI0_RX2N LINE_OUTR0 HDMI0_SCL HDMI0_SDA PM_CONFIG0 LVA0N LVA2N LVA3N LVA1N LVACLKN LVA0P LVA2P LVA3P LVACLKP LVA1P AV-AUOUTR0 LINE_OUTL0 EARPHONE_OUTR EARPHONE_OUTL NAND_WPZ AUVAG NAND_CEZ1 PWM_PM M_I2C_SCL M_I2C_SCL BIN0 LINE_IN_2L LINE_IN_2R System_RST XTALO XTALI SPI_SDO SPI_CSN #FLASH_WP SPI_SDI SPI_SCK OD_SEL LVDS_SEL LED_G LED_R KEY0_IN VCOM0 VIFP VIFM LED LED_R LED_G IR-in DDR3_RESETB DDR3_CKE LVA0N LVA2N LVA1N LVACLKN LVA3N LVA0P LVA2P LVA3P LVA1P LVACLKP LVDS_SEL OD_SEL 3V3_stb 5V_Stb 12V_VCC 3V3_Tun 3V3_stb 3V3_stb 3V3_stb 5V_Stb 3V3_P 3V3_P VCC-Panel 3V3_stb 3V3_stb 3V3_stb 3V3_stb 3V3_stb AVDD_DRAM VCC-Panel NAND_D[7:0] HDMI2_HPDIN HDMI2_RX0N HDMI2_RX0P HDMI2_RX1N HDMI2_RX1P HDMI2_RX2N HDMI2_RX2P HDMI2_CLKP HDMI2_CLKN HDMI2_SDA HDMI2_SCL EARPHONE-OUTL EARPHONE-OUTR USB1_DM USB1_DP MHL_CABLE-DET MHL_VBUS-EN VBL_CTRL AMP-MUTE BRI_ADJ HDMI0_HPDIN T_SCL T_SDA PWR-ON/OFF NAND_CLE NAND_WEZ NAND_REZ HDMI3_SDA HDMI3_SCL HDMI3_HPDIN HDMI3_RX0N HDMI3_RX0P HDMI3_RX1N HDMI3_RX1P HDMI3_RX2N HDMI3_RX2P HDMI3_CLKP HDMI3_CLKN NAND_ALE HDMI_ARC PANEL_ON/OFF NAND_RBZ NAND_DQS NAND_CEZ HDMI_CEC CVBS_OUT MDI_RP MDI_TP MDI_TN MDI_RN IF-AGC-T DIFP DIFM SPDIF_OUT HDMI0_SDA HDMI0_SCL HDMI0_RX0N HDMI0_RX0P HDMI0_RX1N HDMI0_RX1P HDMI0_RX2N HDMI0_RX2P AMP-INL AMP-INR HDMI0_CLKP HDMI0_CLKN NAND_WPZ NAND_CEZ1 RIN0 GIN0N GIN0 BIN0 HSYNC0 VSYNC0 RIN1 GIN1N GIN1 BIN1 SOG1 LINE_IN_1R LINE_IN_1L LINE_IN_2R LINE_IN_2L ARC_DET CVBS1 HP_MUTE UART_RX UART_TX HDMI & Audio RF Crystal NAND & TS & Front End Close to MSTAR IC 为方便layout,所有LVDS差分线正负交换,软件调整 when detect source is from 5V, change resistance ,make sure detect power 1VPP. detect NAND Flash Power GPIO & LVDS // CHIP Config {PM_CONFIG0, SPI_DI, PM_CONFIG1, PWM_PM} SB51_EXT spi 4'b1000 Boot from 51 EXT SPI flash HEMCU_EXT spi 4'b1001 Boot from MIPS EXT SPI flash 1010: boot from SLC 靠近mstar IC video Audio Line Out Mode Selection Close to MSTAR IC with width trace 侧 出 H3 后 出 靠 左 H2 后出靠右 H1 预留for Video out RESET C1=C2=2*CL-5 C1 C2 NOTE:晶 体 频 偏 需 要 小 于 30PPM SPI Flash Debug port MUST pull high to 5VSTB LVDS CONNECTOR BOE的屏OD_SEL为NC LED/IR/KEY 暂考虑33001055 R600/300mA H: red LED L: green LED MSD MIU R523 1K R523 1K 1 LVA0N LVA0N GIN0P G1 GIN0M G2 HSYNC0 G4 VSYNC0 G5 GIN1P J2 SOGIN1 J3 CVBS0P N1 CVBS1P M1 VCOM N2 TP C8 RN B9 TN B8 RP C9 DM_P0 A12 DP_P0 B12 DM_P1 AA7 DP_P1 Y7 RIN0P H3 BIN0P G3 RIN1P K3 GIN1M J1 BIN1P H2 CVBS_OUT1 M2 RIN2P L2 GIN2M L3 GIN2P K2 BIN2P K1 HSYNC2 H5 VSYNC2 H4 VGA CVBS PHY USB YPBPR SCART N501E MSD6308RT VGA CVBS PHY USB YPBPR SCART N501E MSD6308RT R541 300R R541 300R 3 1 4 2 RA502 100x2 3 1 4 2 RA502 100x2 R520 NC/4.7K R520 NC/4.7K C539 NC/33pF C539 NC/33pF R539 10K R539 10K R544 NC R544 NC C548 0.1uF C548 0.1uF R509 4.7K R509 4.7K C553 20pF C553 20pF 1 LVA1P LVA1P 1 TP205 TP205 R510 NC/4.7K R510 NC/4.7K R503 240R/1% R503 240R/1% C555 33pF C555 33pF R533 NC/4.7K R533 NC/4.7K IR IR C513 0.1uF C513 0.1uF 1 LVA1N LVA1N R545 NC/1K R545 NC/1K R508 200K R508 200K 3 1 4 2 RA503 100x2 3 1 4 2 RA503 100x2 R525 4.7k R525 4.7k C552 20pF C552 20pF 1 LVA2N LVA2N R516 0R R516 0R R528 NC/4.7K R528 NC/4.7K DDR3_CKE A20 DDR3_RESETB A19 ZQ B19 MIU0 N501A MSD6308RT MIU0 N501A MSD6308RT L506 10uH L506 10uH R540 1K R540 1K R543 3K R543 3K R517 200R R517 200R 1 LVA2P LVA2P C556 10pF C556 10pF C554 10nF C554 10nF R530 300K R530 300K R550 1M R550 1M R532 100K R532 100K 1 LVA3P LVA3P R522 1K/1% R522 1K/1% R536 10K R536 10K R504 200K R504 200K R557 NC/0R R557 NC/0R R511 NC/4.7K R511 NC/4.7K R537 NC/4.7K R537 NC/4.7K C520 0.1uF C520 0.1uF 1 LVA3N LVA3N C534 47nF C534 47nF L501 100MHZ/150mA/1K L501 100MHZ/150mA/1K C502 1nF C502 1nF R519 NC/4.7K R519 NC/4.7K C541 0.1uF C541 0.1uF 1 LVACLKN LVACLKN R558 NC/0R R558 NC/0R R547 4.7K R547 4.7K R513 200K R513 200K R507 68R R507 68R C550 0.1uF C550 0.1uF R535 1K R535 1K C533 10uF C533 10uF R534 NC/4.7K R534 NC/4.7K L505 10uH L505 10uH R542 10K R542 10K R506 4.7K R506 4.7K R527 NC/100K R527 NC/100K R502 330K R502 330K C549 0.1uF C549 0.1uF C531 22nF C531 22nF R518 4.7K R518 4.7K C504 4.7uF C504 4.7uF C505 1nF C505 1nF 1 TP203 TP203 R515 10K R515 10K C501 1nF C501 1nF R526 10k R526 10k R512 4.7K R512 4.7K C551 0.1uF C551 0.1uF 3 1 4 2 RA501 10Kx2 3 1 4 2 RA501 10Kx2 LINE_OUT_0L T4 LINE_OUT_0R T5 LINE_IN_1L U2 LINE_IN_1R T3 LINE_IN_2L T2 LINE_IN_2R T1 VAG N3 VRM P2 SPDIF_IN/3D_FLAG E10 SPDIF_OUT D10 I2S_OUT_MCK E11 I2S_OUT_WS F11 A_RX0N C2 A_RX0P C1 A_RX1N D3 A_RX1P D1 A_RX2N D2 A_RX2P E3 A_RXCN C3 A_RXCP B1 DDCDA_CK F1 DDCDA_DA F2 HOTPLUGA B2 C_RX0N W5 C_RX0P Y5 C_RX1N W6 C_RX1P Y6 C_RX2N AA6 C_RX2P W7 C_RXCN AA4 C_RXCP Y4 DDCDC_CK W4 DDCDC_DA W3 HOTPLUGC V4 CEC F3 I2S_OUT_BCK F10 I2S_OUT_SD D11 IRIN B7 RESET E8 XTALIN AA2 XTALOUT Y2 TESTPIN R14 PAD_ARC E2 LINE_IN_3L R1 LINE_IN_3R R3 I2S_IN_WS E12 I2S_IN_BCK F12 I2S_IN_SD D12 MHL_VBUS_EN F5 MHL_CABLE_DET F4 D_RX0N C6 D_RX0P B5 D_RX1N C5 D_RX1P B4 D_RX2N A4 D_RX2P C4 D_RXCN A6 D_RXCP B6 HOTPLUGD A2 LINE_IN_0L P3 LINE_IN_0R R2 LINE_OUT_2L U3 LINE_OUT_2R U4 DDCDD_CK A3 DDCDD_DA B3 EARPHONE_OUTL U5 EARPHONE_OUTR V5 HDMI A Analog Audio I2S SPDIF MHL HDMI C HDMI D N501C MSD6308RT HDMI A Analog Audio I2S SPDIF MHL HDMI C HDMI D N501C MSD6308RT R549 100R R549 100R C503 10uF C503 10uF R514 200R R514 200R KEY0_IN E4 LED_R E5 ARC_DET F7 3D_EN/PCM_PWR_EN K17 AMP_MUTE K18 BRI_ADJ J18 PM_SPI_CK A10 PM_SPI_DI B10 PM_SPI_DO C11 M_UART0_RX E7 M_UART0_TX D7 M_I2C_SCL B21 M_I2C_SDA B20 LAN_LED1 F9 LVB0N E19 LVB0P E20 LVB1N F21 LVB1P F20 LVB2N G21 LVB2P F19 LVBCKN G19 LVBCKP G20 LVB3N H19 LVB3P H20 LVB4N J21 LVB4P J20 LVA0N K21 LVA0P J19 LVA1N K19 LVA1P K20 LVA2N L19 LVA2P L20 LVACKN M21 LVACKP M20 LVA3N N21 LVA3P M19 LVA4N N19 LVA4P N20 PWM_PM D9 LDE D20 LCK D19 LVSYNC D21 LHSYNC C19 UART_RX2 C21 UART_TX2 C20 KEY1_IN F6 POWER_DET F8 LAN_LED0 E9 PM_CONFIG0 A9 PM_SPI-CSN B11 PWR_ON/OFF C12 PM_RX/VBL_CTRL E6 3D_LR_IN C7 E2PROM_WP C10 PM_CONFIG1 G6 SPI1_CK L17 SPI1_DI L18 SPI2_CK M18 SPI2_DI M16 TCON0 R18 TCON1 P17 TCON2 N18 TCON3 N17 TCON4 P16 TCON5 N16 TCON6 R17 TCON7 R16 VSYNC_LIKE M17 PM_TX/PANEL_ON/OFF D6 FLASH_WP A7 PWM SAR SPI GPIO LVDS GPIO_PM TCON LOCAL DIMMING N501D MSD6308RT PWM SAR SPI GPIO LVDS GPIO_PM TCON LOCAL DIMMING N501D MSD6308RT 1 2 3 4 5 6 XS515 D1250-6A XS515 D1250-6A C512 1nF C512 1nF 1 2 3 V503 3904 V503 3904 R505 200K R505 200K R521 1K R521 1K 1 2 3 4 XS502 D2006-4A XS502 D2006-4A 1 2 3 4 5 6 7 8 9 10 11 12 13 14 15 16 17 18 19 20 21 22 23 24 25 26 27 28 29 30 31 32 XS501 30Pin_FPC XS501 30Pin_FPC R524 10K R524 10K TS1_D0 AA13 TS1_D1 W13 TS1_D2 U13 TS1_D3 V13 TS1_D4 T12 TS1_D5 T15 TS1_D6 U15 TS1_D7 U14 TS1_CLK T13 TS1_VLD U12 TS1_SYNC T14 TS0_D0 W14 TS0_D1 U16 TS0_D2 T16 TS0_D3 Y13 TS0_D4 AA15 TS0_D5 Y15 TS0_D6 Y14 TS0_D7 V15 TS0_CLK W15 TS0_VLD W16 TS0_SYNC V16 VIFP V1 VIFM W1 IFAGC Y1 TGPIO0 AA3 TUNER_I2C_SCL Y3 TUNER_I2C_SDA W2 PCM_D0 T19 PCM_D1 T21 PCM_D2 T20 PCM_D3 Y18 PCM_D4 AA18 PCM_D5 W19 PCM_D6 Y17 PCM_D7 AA19 PCM_A0 V19 PCM_A1 U20 PCM_A2 W20 PCM_A3 Y16 PCM_A4 P19 PCM_A5 R20 PCM_A6 T18 PCM_WAIT_N P20 PCM_A8 Y19 PCM_A9 W21 PCM_IOWR_N Y21 PCM_A11 Y20 PCM_A7 U19 PCM_A12 U18 PCM_RESET R21 PCM_IRQA_N V18 PCM_OE_N AA16 PCM_IORD_N AA20 PCM_A10 W17 PCM_CE_N W18 PCM_WE_N R19 PCM_A14 U17 PCM_CD_N T17 PCM_A13 V21 PCM_REG_N V20 NAND_ALE T10 NAND_WPZ T7 NAND_CEZ V8 NAND_CLE U9 NAND_REZ V7 NAND_WEZ T11 NAND_RBZ U7 TGPIO1 V2 NAND_AD0 Y8 NAND_AD1 W9 NAND_AD2 AA9 NAND_AD3 W10 NAND_AD4 Y10 NAND_AD5 W11 NAND_AD6 W12 NAND_AD7 Y12 NAND_DQS U11 NAND_CEZ1 U8 PCM NAND TS IN VIF TS OUT N501B MSD6308RT PCM NAND TS IN VIF TS OUT N501B MSD6308RT R531 1K R531 1K 1 LVACLKP LVACLKP 1 TP204 TP204 1 2 Z501 24.000MHz Z501 24.000MHz R546 100 R546 100 GND 1 RESET 2 VCC 3 N507 APX810 N507 APX810 1 LVA0P LVA0P CE# 1 SO 2 WP# 3 VSS 4 SI 5 SCK 6 HOLD# 7 VDD 8 N506 W25X80A N506 W25X80A 1 3 2 V504 3906 V504 3906 R529 130K R529 130K R538 390R R538 390R KEY KEY PDF 文件以 "PDF 制作工厂" 试用版创建 ÿÿÿÿ ÿ �靠靠�出�出� 5 5 4 4 3 3 2 2 1 1 D D C C B B A A 1V15_CORE AVDD_DMPLL AVDD_DVI AVDD_AU AVDD_NODIE AVDDL_MOD FB AVDD_MOD DVDD_NODIE 1V5_DDR AVDD5V_MHL_D VDDP AVDD_PLL AVDD5V_MHL_C AVDD_PLL VDDP 3V3_Normal 1V15_CORE AVDD_DMPLL AVDDL_MOD 3V3_stb 1V5_DDR AVDD_DVI AVDD_MOD AVDD_AU AVDD_NODIE 3V3_stb AVDD_DRAM DVDD_NODIE POWER&GND for T2 demod Power,chip 无T2 demod,此pin NC Close to MST IC Normal Power 3.3V Standby Power 3.3V DDR3 POWER CORE POWER nodie 33001055 33001055 L503 FB_300mA L503 FB_300mA C521 0.1uF C521 0.1uF C540 0.1uF C540 0.1uF C515 0.1uF C515 0.1uF L504 FB_300mA L504 FB_300mA C542 NC/0.1uF C542 NC/0.1uF C510 0.1uF C510 0.1uF C543 10uF C543 10uF C532 0.1uF C532 0.1uF C507 0.1uF C507 0.1uF C516 0.1uF C516 0.1uF C544 2.2uF C544 2.2uF 1 TP201 TP201 C519 0.1uF C519 0.1uF GND J4 GND J8 GND J16 GND J17 GND K8 VDDC A14 VDDC B14 VDDC C13 VDDC C14 VDDC E14 VDDC F13 VDDC G9 AVDDL_MOD K9 DVDD_RX_0 A13 DVDD_RX_0 H11 DVDD_DDR B13 DVDD_DDR H10 DVDD_NODIE H7 VDDP M8 AVDD_MOD M10 AVDD_MOD N10 AVDD_PLL N9 AVDD_DRAM A17 AVDD_DRAM B17 GND_EFUSE R13 GND H18 GND H8 GND H6 GND G7 GND G8 GND G15 GND G18 GND E15 GND E18 GND F15 GND F18 GND C15 GND C18 GND D15 GND D18 GND A15 GND A18 GND B15 GND B18 AVDD5V_MHL_C V3 GND K15 GND K16 GND L6 GND L7 GND L8 GND L9 GND L10 GND L11 GND L12 GND L13 GND L14 GND R10 GND R9 GND R5 GND P15 GND P14 GND P13 GND P12 GND P11 GND P10 GND P5 GND N15 GND N14 GND N13 GND N12 GND N11 GND N6 GND N4 GND M15 GND M14 GND M13 GND M12 GND M11 GND M9 GND M6 VDDC G10 VDDC G11 VDDC G12 VDDC H9 VDDP N8 MCP_AVDD R8 MCP_TESTPIN R12 MCP_VDD33 P9 MCP_VDDC R6 MCP_VDDC R7 VSENSE_VDD R15 AVDD_DDR_DATA0 J11 AVDD_DDR_CMD0 J10 AVDD_DDR_DATA0 A16 AVDD_DDR_DATA0 J12 AVDD_DDR_DATA0 K12 AVDD5V_MHL_D D4 AVDD_AU33 K5 AVDD_DVI_USB_MPLL K4 AVDD_DVI_USB_MPLL L4 AVDD_NODIE J6 AVDD3P3_DMPLL L5 VDDC J9 GND R11 GND T6 GND U6 GND T8 GND T9 GND U10 GND V6 GND V10 GND V12 GND W8 GND Y9 GND AA12 GND AA10 GND Y11 GND M4 GND L15 GND L16 AVDD_DDR_CMD0 B16 MCP MSD6308RT N501F MCP MSD6308RT N501F 1 TP208 TP208 C509 0.1uF C509 0.1uF C528 0.1uF C528 0.1uF C545 NC/0.1uF C545 NC/0.1uF C518 NC/0.1uF C518 NC/0.1uF C536 NC/0.1uF C536 NC/0.1uF C546 10uF/10V C546 10uF/10V C522 NC/1uF C522 NC/1uF C537 0.1uF C537 0.1uF C511 NC/0.1uF C511 NC/0.1uF C547 NC/0.1uF C547 NC/0.1uF C508 0.1uF C508 0.1uF C535 NC/0.1uF C535 NC/0.1uF C557 22uF/6V3 C557 22uF/6V3 C517 NC/0.1uF C517 NC/0.1uF C529 0.1uF C529 0.1uF C530 1uF C530 1uF C514 10uF/10V C514 10uF/10V C538 2.2uF C538 2.2uF C527 0.1uF C527 0.1uF C506 NC/10uF C506 NC/10uF PDF 文件以 "PDF 制作工厂" 试用版创建 ÿÿÿÿ ÿ �靠靠�出�出� 5 5 4 4 3 3 2 2 1 1 D D C C B B A A VDD VBL VBL Vac Vac +12.2Vsb 12V POWER-ON/OFF 标记数量 签名 更改单号 日期 第 9 张 审核 拟制 标记数量 签名 更改单号 日期 第 9 张 审核 拟制 标记数量 签名 更改单号 日期 第 9 张 审核 拟制 09. Power-Main Optional Component 可选器件 RW915 33k/1206 RW915 33k/1206 RW918 4.7R RW918 4.7R vd951 B13V vd951 B13V 2 1 LW950 3.3uH LW950 3.3uH 1 2 CX902 224/275V CX902 224/275V RT901 3.3R RT901 3.3R VDW959 sf58 VDW959 sf58 CY908 250Vac-221 CY908 250Vac-221 CW910 101 CW910 101 VINS 1 FB 2 CS 3 GND 4 GATE 5 VDD 6 NC 7 HV 8 NW907 FAN6755 NW907 FAN6755 3 2 1 VW953 2N3904 VW953 2N3904 R903 1M/1206 R903 1M/1206 ! RW973 10K RW973 10K ! RW925 33k/1206 RW925 33k/1206 1 TP-12V TP-12V RW924 47K/1206 RW924 47K/1206 R901 1M/1206 R901 1M/1206 RW914 2.7R/1206 RW914 2.7R/1206 CW964 221/1KV CW964 221/1KV ! RW964 6.8K RW964 6.8K RW961 3.3M RW961 3.3M RW960 1K RW960 1K VDW913 1N4148 VDW913 1N4148 RW930 2.7R/1206 RW930 2.7R/1206 RV901 10D681 RV901 10D681 3 2 1 4 L902 12mH L902 12mH R905 1M/1206 R905 1M/1206 C902 150uF/400V C902 150uF/400V 2 1 RW920 1k/0805 RW920 1k/0805 CW952 102/1KV CW952 102/1KV CW908 105 CW908 105 RW963 10K RW963 10K 1 2 LW911 LW911 ! CW903 101 CW903 101 1 2 F911 250Vac--4.0AL F911 250Vac--4.0AL RW902 3.3M/1206 RW902 3.3M/1206 R906 1M/1206 R906 1M/1206 CW954 104/10V CW954 104/10V CW905 105 CW905 105 BD904 CHR208 BD904 CHR208 VDW905 1N4007 VDW905 1N4007 CW956 N.C CW956 N.C RW959 1K RW959 1K R904 1M/1206 R904 1M/1206 RW917 47K/1206 RW917 47K/1206 BD903 CHR208 BD903 CHR208 5 1 2 3 10 6 7 9 TW901 EPC34 TW901 EPC34 CW960 470uF/25V CW960 470uF/25V VDW907 1N4007 VDW907 1N4007 2 1 3 VDW952 MBRB20100CTG VDW952 MBRB20100CTG C901 39uF/400V C901 39uF/400V RW956 100K-F RW956 100K-F 2 1 3 VDW950 MBRB20100CTG VDW950 MBRB20100CTG 4 3 2 1 L903 100uH L903 100uH VW902 7N65 VW902 7N65 RW921 10K RW921 10K RW908 10R RW908 10R CW904 104 CW904 104 RW952 16K-F RW952 16K-F CW962 104 CW962 104 1 3 2 VW957 3904 VW957 3904 CW959 103/10V CW959 103/10V 1 2 CX901 224/275V CX901 224/275V RW922 10K RW922 10K CW907 103/630V CW907 103/630V vdw916 6v8 vdw916 6v8 RW919 22R RW919 22R CW955 104/16V CW955 104/16V VDW960 sf58 VDW960 sf58 RW951 10R/1206 RW951 10R/1206 VDW902 FR104 VDW902 FR104 CW909 22uF/50V CW909 22uF/50V RW904 330K RW904 330K CW958 221/1KV CW958 221/1KV RW912 10K RW912 10K RW957 680 RW957 680 RW962 10K RW962 10K ! ! 1 TP-VCC16V TP-VCC16V CW912 151/1kV CW912 151/1kV ! RW903 3.3M/1206 RW903 3.3M/1206 VD952 1N4148 VD952 1N4148 ! ! ! RW923 4.7K RW923 4.7K RW926 33k/1206 RW926 33k/1206 3 2 1 NW952 TL431/SOT-23 NW952 TL431/SOT-23 3 4 NW957B PC817B NW957B PC817B 1 2 4 3 NW950 PC817B NW950 PC817B vdw901 6.8 vdw901 6.8 VDW915 1N4148 VDW915 1N4148 VDW914 1N4148 VDW914 1N4148 VW901 7N65 VW901 7N65 RW970 100k/1206 RW970 100k/1206 CY907 250Vac-102 CY907 250Vac-102 1 3 (L) (N) XS901 3PIN-3.96mm (L) (N) XS901 3PIN-3.96mm RW953 3.9K RW953 3.9K RW958 330R RW958 330R 3 2 1 VW952 2N3904 VW952 2N3904 ! vdw904 18V vdw904 18V RW954 1k RW954 1k CW963 22u/250V CW963 22u/250V ! BD902 CHR208 BD902 CHR208 vdw903 6.8 vdw903 6.8 RW909 3K RW909 3K 2 1 RW916 0.18Ω/2W RW916 0.18Ω/2W RW965 47K RW965 47K CW953 180u/16V CW953 180u/16V RW901 3.3M/1206 RW901 3.3M/1206 BD901 CHR208 BD901 CHR208 RW971 100k/1206 RW971 100k/1206 3 2 1 VW904 2N3904 VW904 2N3904 1 2 NW957A PC817B NW957A PC817B CW957 470uF/25V CW957 470uF/25V ! CW906 471 CW906 471 RW905 2.2M RW905 2.2M 3 2 1 VW903 2N3904 VW903 2N3904 ! ! R902 1M/1206 R902 1M/1206 RW911 22R RW911 22R CW911 22uF/50V CW911 22uF/50V CW961 22u/250V CW961 22u/250V CY909 250Vac-221 CY909 250Vac-221 RW913 4.7R RW913 4.7R RW972 10K RW972 10K PDF 文件以 "PDF 制作工厂" 试用版创建 ÿÿÿÿ ÿ �靠靠�出�出� 5 5 4 4 3 3 2 2 1 1 D D C C B B A A VREF1 ADIM TIMER ENA SST PWM ISEN2 VREF1 FAT1 ADIM DRV1 PWM GND BR OVP1 VCC UVLS RT ISW1 LED1- PWM LED2+ LED2- LED1+ OVP1 ISEN2 ISW1 ISW2 ENA GND UVLS G2 VCC OVP2 RT SST OVP2 BR ISEN1 SYNC/PWM TIMER VREF1 G2 DRV2 FAT1 DRV1 DRV2 ISW2 ISEN2 PROT1 G2 SYNC/PWM VBL VBL +12.2Vsb BKLT_EN BKLT_ADJ 标记数量 签名 更改单号 日期 第 10 张 审核 拟制 标记数量 签名 更改单号 日期 第 10 张 审核 拟制 标记数量 签名 更改单号 日期 第 10 张 审核 拟制 10. Power-LED R701 10K/0402 R701 10K/0402 V708 4A/250V V708 4A/250V C708 0.47u/10V C708 0.47u/10V C728 22u/250V C728 22u/250V C722 105/16V C722 105/16V C720 105/16V C720 105/16V C721 101/10V C721 101/10V R728 0R R728 0R 1 2 L754 L754 R741 13K R741 13K 1 TP-ON/OFF-5V TP-ON/OFF-5V UVLS 1 VCC 2 ENA 3 VREF 4 RT 5 PWM 6 ADIM 7 TIMER 8 SSTCMP 9 ISEN 10 PROT 11 ISW 12 OVP 13 GND 14 DRV 15 FAULT 16 N702 OZ9902C N702 OZ9902C C707 1n/10V C707 1n/10V R745 13K R745 13K R739 100R / 1206 R739 100R / 1206 R712 10K R712 10K C705 1n/10V C705 1n/10V R751 0R R751 0R R752 0R / 1206 R752 0R / 1206 R749 510k R749 510k R725 0R / 1206 R725 0R / 1206 C704 221/1KV C704 221/1KV 1 TP-LED-66V TP-LED-66V R724 1R / 1206 R724 1R / 1206 L704 470uH/0.72A L704 470uH/0.72A R744 4.7R / 1206 R744 4.7R / 1206 C709 101/10V C709 101/10V R738 0R R738 0R 1 2 L753 L753 VD704 SB2200 VD704 SB2200 R722 10K R722 10K R720 1K R720 1K C701 22u/250V C701 22u/250V V711 4A/250V V711 4A/250V R726 0R / 1206 R726 0R / 1206 VD708 6.8V VD708 6.8V R736 1K R736 1K R730 22R R730 22R R714 27K R714 27K VD709 6.8V VD709 6.8V R743 4.7R / 1206 R743 4.7R / 1206 R705 10R R705 10R R740 4.7R / 1206 R740 4.7R / 1206 R703 10K R703 10K VD703 SB2200 VD703 SB2200 1 2 L706 L706 R742 510k R742 510k C725 101/10V C725 101/10V L701 470uH/0.72A L701 470uH/0.72A R713 0R R713 0R R731 10K R731 10K 1 2 3 4 5 6 7 XS701 7PIN-2.0mm XS701 7PIN-2.0mm 1 TP-LED66V TP-LED66V R750 510k R750 510k C718 474/10V C718 474/10V R719 1K R719 1K C723 101/10V C723 101/10V VD702 6.8V VD702 6.8V C710 1n/10V C710 1n/10V C724 104/250V C724 104/250V R706 330K R706 330K R727 1R / 1206 R727 1R / 1206 R748 4.7R / 1206 R748 4.7R / 1206 R729 0R R729 0R C706 0.47u/10V C706 0.47u/10V R747 100R / 1206 / R747 100R / 1206 / R733 1R/ 1206 R733 1R/ 1206 C726 101/10V C726 101/10V R704 100K R704 100K 1 2 L705 L705 R721 22R R721 22R R717 10K R717 10K R735 1K R735 1K R707 3.3M R707 3.3M C711 1n/10V C711 1n/10V R732 1K R732 1K V709 250V/1A V709 250V/1A C717 225/10V C717 225/10V C702 221/1KV C702 221/1KV R716 10K R716 10K R718 1K R718 1K R737 1R/ 1206 R737 1R/ 1206 C703 104/250V C703 104/250V R715 10K R715 10K R711 10K R711 10K R709 10K R709 10K VD706 6.8V VD706 6.8V R723 1R / 1206 R723 1R / 1206 R708 10K/NC R708 10K/NC R734 1R/ 1206 R734 1R/ 1206 R746 510k R746 510k R702 100K/0402 R702 100K/0402 UVLS 1 VCC 2 ENA 3 VREF 4 RT 5 SYNC 6 PWM1 7 PWM2 8 ADIM 9 TIMER 10 SSTCMP1 11 SSTCMP2 12 ISEN2 13 PROT2 14 OVP2 15 ISW2 16 ISEN1 17 PROT1 18 OVP1 19 ISW1 20 GND 21 DRV2 22 DRV1 23 FAULT 24 N701 OZ9902A N701 OZ9902A V710 250V/1A V710 250V/1A PDF 文件以 "PDF 制作工厂" 试用版创建 ÿÿÿÿ ÿ �靠靠�出�出� 5 5 4 4 3 3 2 2 1 1 D D C C B B A A YPbPr-PR YPbPr-PR YPbPr-PB YPbPr-PB YPbPr-Y YPbPr-Y HD-R AV2-IN GIN1N RIN0 GIN0 BIN0 GIN0N SOG1 RIN1 GIN1 BIN1 HD1-L VGA-HS VGA-VS VGA-VS VGA_G+ VGA_R+ VGA_B+ SPDIF-OUT AVOUT SPDIF-OUT AVOUT PC_L PC_R PC_L PC_R RIN0 CVBS1 GIN0N GIN0 BIN0 RIN1 GIN1N GIN1 SOG1 LINE_IN_1L LINE_IN_1R BIN1 HSYNC0 VSYNC0 UART_TX UART_RX SPDIF_OUT CVBS_OUT LINE_IN_2R LINE_IN_2L 标记数量 签名 更改单号 日期 第 6 张 审核 拟制 标记数量 签名 更改单号 日期 第 6 张 审核 拟制 标记数量 签名 更改单号 日期 第 6 张 审核 拟制 YPbPr in Close to MST IC with wide trace Close to MST IC with wide trace VGA VIDEO&SPDIF OUT Close to MST IC with wide trace VGA_AUDIO_IN 框内全部不上料 RJ09 12K RJ09 12K RJ35 12K RJ35 12K C662 560pF C662 560pF C635 47nF C635 47nF R756 12K R756 12K RJ08 100R RJ08 100R RJ27 33R RJ27 33R C660 2.2uF C660 2.2uF RJ25 0R RJ25 0R C636 47nF C636 47nF RJ15 33R RJ15 33R C633 47nF C633 47nF C646 2.2uF C646 2.2uF RJ01 10K RJ01 10K C655 22pF C655 22pF 6 4 1 3 5 2 XS608 ypbpr XS608 ypbpr C644 2.2uF C644 2.2uF RJ04 330R RJ04 330R 3 1 4 2 RA632 10Kx2 3 1 4 2 RA632 10Kx2 1 2 3 4 XS616 LR/VGA input XS616 LR/VGA input C634 47nF C634 47nF C639 47nF C639 47nF C630 47nF C630 47nF C631 47nF C631 47nF RJ12 75 RJ12 75 RJ11 75R RJ11 75R RJ03 75R RJ03 75R RJ24 68R RJ24 68R RJ05 10K RJ05 10K 3 1 4 2 RA630 0Rx2 3 1 4 2 RA630 0Rx2 RJ13 75 RJ13 75 R753 12K R753 12K RJ17 33R RJ17 33R C651 560pF C651 560pF RJ07 75R RJ07 75R RJ26 75R RJ26 75R R754 10K R754 10K C649 560pF C649 560pF 2 3 4 1 XS609 XS609 2 3 4 1 XS607 XS607 RJ19 68R RJ19 68R RJ42 75 RJ42 75 C643 2.2uF C643 2.2uF RJ50 33R RJ50 33R C632 47nF C632 47nF R755 10K R755 10K RJ23 33R RJ23 33R 5 10 4 9 3 8 2 7 1 15 14 13 12 11 6 16 17 XS605 VGA XS605 VGA RJ22 0R RJ22 0R C637 47nF C637 47nF RJ18 33R RJ18 33R C640 47nF C640 47nF C654 560pF C654 560pF RJ14 33R RJ14 33R 3 1 4 2 RA631 100Rx2 3 1 4 2 RA631 100Rx2 PDF 文件以 "PDF 制作工厂" 试用版创建 ÿÿÿÿ ÿ �靠靠�出�出� 5 5 4 4 3 3 2 2 1 1 D D C C B B A A MDI_TP MDI_TN MDI_RN MDI_RP LAN_RX+ LAN_TX- LAN_TX+ MDI_RN LAN_RX- MDI_RP MDI_TP MDI_TN USB1-DP USB1-DM USB1-DP USB1-DM USB1-DM USB1-DP USB0_DP USB0_DM ETH_GND ETH_GND 5V_USB 5V_Normal ETH_GND AGND MDI_TP MDI_TN MDI_RP MDI_RN USB1_DM USB1_DP 标记数量 签名 更改单号 日期 12 审核 拟制 标记数量 签名 更改单号 日期 12 审核 拟制 标记数量 签名 更改单号 日期 12 审核 拟制 ETHERNET USB R657 75R/1% R657 75R/1% C618 0.1uF C618 0.1uF 4 3 2 1 5 6 7 4 3 2 1 XS611 USB1 4 3 2 1 XS611 USB1 1 2 L602 FB_4A L602 FB_4A C614 0.1uF C614 0.1uF R656 75R/1% R656 75R/1% 3 1 4 2 RA620 5R1x2 3 1 4 2 RA620 5R1x2 6 7 3 4 5 8 1 2 11 12 9 10 RJ-45 XS612 ETHERNET_JACK RJ-45 XS612 ETHERNET_JACK C620 1nF/2KV C620 1nF/2KV F601 NC/PTC_1.5A F601 NC/PTC_1.5A C619 1nF/2KV C619 1nF/2KV R654 75R/1% R654 75R/1% TD+ 1 TCT 2 TD- 3 NC1 4 NC2 5 RD+ 6 RCT 7 RD- 8 RX- 9 TCM- 10 RX+ 11 NC3 12 NC4 13 TX- 14 TCM 15 TX+ 16 N603 PD1602 KON-YCL-SMT16 N603 PD1602 KON-YCL-SMT16 1 2 3 5 4 6 N604 IP4223CZ6 N604 IP4223CZ6 C617 1nF/2KV C617 1nF/2KV 1 2 3 5 4 6 N602 IP4223CZ6 N602 IP4223CZ6 C616 0.1uF C616 0.1uF R655 75R/1% R655 75R/1% + C613 220uF/16V + C613 220uF/16V C615 NC/10nF C615 NC/10nF PDF 文件以 "PDF 制作工厂" 试用版创建 ÿÿÿÿ ÿ �靠靠�出�出� 5 5 4 4 3 3 2 2 1 1 D D C C B B A A RF_IN IF_AGC IF_AGC IFP IFN IFN IFP 3V3_Tun 3V3_Tun 3V3_Tun 3V3_Tun 3V3_Tun 5V_Normal 3V3_Tun T_SDA T_SCL IF-AGC-T DIFP DIFM 标记数量 签名 更改单号 日期 12 审核 拟制 标记数量 签名 更改单号 日期 12 审核 拟制 标记数量 签名 更改单号 日期 12 审核 拟制 P10脚不直接连IC下方 的地PAD,连外围地 靠近N110放置 close to tuner Reserve for input matching optional component of WIFI filter IF Interface Filter 200mA 3V3_Tun C107 0.1uF C107 0.1uF 1 2 3 4 5 XS101 RFIN XS101 RFIN C112 47pF C112 47pF C138 47pF C138 47pF C116 22nF C116 22nF 3 2 1 4 ADJ OUT IN N105 1117-3.3V ADJ OUT IN N105 1117-3.3V C117 0.1uF C117 0.1uF C113 47pF C113 47pF L101 2n2H L101 2n2H R164 51R R164 51R 1 2 Z110 16MHZ Z110 16MHZ RFIN2 2 TF1 3 TF2 4 DECT1 5 SCL 6 SDA 7 AVDD 8 AVDD 18 VOP 17 VON 16 VAGC 15 DVSS 10 CP 9 RFIN 1 AVDD 24 TFH 23 TFL 22 GPIO 21 VBG 20 DET2 19 GND 25 DVDD 11 XTAL_I 12 VAGC2 14 XTAL_O 13 N110 R840 N110 R840 C140 10uF/10V C140 10uF/10V C115 0.1uF C115 0.1uF R165 51R R165 51R 3 1 4 2 RA101 4.7Kx2 3 1 4 2 RA101 4.7Kx2 3V3_Tuner 3V3_Tuner C118 0.1uF C118 0.1uF C105 0.1uF C105 0.1uF R104 NC/10K R104 NC/10K 3 1 4 2 RA102 100RX2 3 1 4 2 RA102 100RX2 L103 GZ1005U102CTF L103 GZ1005U102CTF L108 270uH L108 270uH L104 GZ1005U102CTF L104 GZ1005U102CTF C152 47pF C152 47pF R102 1K8 R102 1K8 C102 1p5F C102 1p5F L109 68nH L109 68nH R110 220R R110 220R 3 2 1 V101 BAV99 V101 BAV99 1 2 L107 FB_600mA L107 FB_600mA L102 NC L102 NC C106 0.1uF C106 0.1uF R106 220R R106 220R C114 0.1uF C114 0.1uF C101 470pF C101 470pF C109 0.1uF C109 0.1uF R109 470R R109 470R C142 0.1uF C142 0.1uF C111 6n8F C111 6n8F L105 180nH L105 180nH C108 0.1uF C108 0.1uF C110 330pF C110 330pF C137 10uF/10V C137 10uF/10V C133 NC C133 NC R103 10K R103 10K C144 0.1uF C144 0.1uF C103 NC C103 NC C134 NC C134 NC PDF 文件以 "PDF 制作工厂" 试用版创建 ÿÿÿÿ ÿ �靠靠�出�出� 5 5 4 4 3 3 2 2 1 1 D D C C B B A A AMP_EN AMP_EN EARPHONE-R EARPHONE-L AMP_Lout+ AMP_Rout+ AMP_Lout- AMP_Rout- AMP_Lout- AMP_Rout+ AMP_Rout- AMP_Lout+ EARPHONE-L EARPHONE-R EARPHONE-R EARPHONE-L PH_Rout PH_L AMP-MUTE PH_Lout PH_R PH_L PH_R HP_MUTE PH_Rout PH_Lout 5V_Stb 12V_AMP 12V_AMP 12V_VCC 12V_AMP 12V_AMP 12V_AMP OP_VCC1 OP_VCC1 5V_Normal 2V5Buf 5V_Stb 12V_AMP AMP-MUTE HP_MUTE EARPHONE-OUTR EARPHONE-OUTL EARPHONE-OUTR EARPHONE-OUTL AMP-INL AMP-INR 标记数量 签名 更改单号 日期 拟制 审核 第 张 5 05.Amp 标记数量 签名 更改单号 日期 拟制 审核 第 张 5 05.Amp 标记数量 签名 更改单号 日期 拟制 审核 第 张 5 05.Amp H:OFF L:ON AMP 8欧姆喇叭 注意焊盘 PH_Drive 1 26 32 36 GAIN0 GAIN1 GAIN (dB) 20 0 0 1 1 0 1 0 H: Mute on L: Mute off 空贴R260取消三段式耳机自动静音 贴R262兼容两种四段式耳机 R234 47K R234 47K L205 15uH L205 15uH C223 0.1uF C223 0.1uF C206 0.47uF/25V C206 0.47uF/25V C231 0.1uF C231 0.1uF R235 10K R235 10K 1 2 3 4 XS201 D2006-4W XS201 D2006-4W SD 1 FAULT 2 LINP 3 LINN 4 GAIN0 5 GAIN1 6 AVCC 7 AGND 8 GVDD 9 PLIMIT 10 RINN 11 RINP 12 REG/DRC 13 Mute 14 PVCCR 15 PVCCR 16 BSPR 17 OUTPR 18 PGND 19 OUTNR 20 BSNR 21 BSNL 22 OUTNL 23 PGND 24 OUTPL 25 BSPL 26 PVCCL 27 PVCCL 28 Thermal 29 N202 RT9108 N202 RT9108 C232 100pF C232 100pF + C226 220uF + C226 220uF R214 10K R214 10K C237 1uF C237 1uF 1 2 L201 FB_4A L201 FB_4A R202 100K R202 100K 1 3 2 V204 2N7002 V204 2N7002 R224 10K R224 10K R208 47K R208 47K 1 3 2 V203 2N7002 V203 2N7002 3 2 1 8 4 - + N201A TDA1308 - + N201A TDA1308 R207 10K R207 10K C209 1uF/6.3V C209 1uF/6.3V 1 3 2 V205 2N7002 V205 2N7002 R229 10K R229 10K R220 100R R220 100R L212 15uH L212 15uH R225 10R R225 10R C211 0.47uF/25V C211 0.47uF/25V C213 22uF/6.3V C213 22uF/6.3V C210 0.47uF C210 0.47uF R219 NC/12K R219 NC/12K 1 3 2 V201 3904 V201 3904 L202 15uH L202 15uH R236 4.7K R236 4.7K 5 6 7 8 4 - + N201B TDA1308 - + N201B TDA1308 R205 0 R205 0 R230 10K R230 10K L214 15uH L214 15uH C212 0.47uF/25V C212 0.47uF/25V C217 0.47uF/25V C217 0.47uF/25V HP_MUTE HP_MUTE + C224 220uF + C224 220uF GND 1 RESET# 2 VCC 3 N204 APX809-4.4 N204 APX809-4.4 C219 0.47uF C219 0.47uF C214 22uF/6.3V C214 22uF/6.3V 1 2 L208 NC/FB_3A L208 NC/FB_3A 1 2 3 V206 3904 V206 3904 R215 NC/0R R215 NC/0R R204 NC R204 NC C233 1uF/6.3V C233 1uF/6.3V 1 2 L206 NC/FB_3A L206 NC/FB_3A R260 100R R260 100R R218 10K R218 10K R231 NC/0R R231 NC/0R R221 10K R221 10K C227 10uF/10V C227 10uF/10V C202 1nF C202 1nF R213 10K R213 10K R206 10R/1206/(1/4W) R206 10R/1206/(1/4W) C218 0.47uF/25V C218 0.47uF/25V 1 3 2 V202 2N7002 V202 2N7002 R217 100R R217 100R R212 10K R212 10K R226 33K R226 33K C220 1uF/25V C220 1uF/25V C228 10uF/10V C228 10uF/10V R232 NC/0R R232 NC/0R R216 NC/0R R216 NC/0R C234 100pF C234 100pF R209 10K R209 10K C221 0.47uF C221 0.47uF R210 NC/20K R210 NC/20K C229 100pF C229 100pF 4 3 5 1 2 XS615 黑色四段式3.5mm插座 XS615 黑色四段式3.5mm插座 C201 1nF C201 1nF C203 0.1uF C203 0.1uF C215 470pF C215 470pF R233 10K R233 10K R227 33K R227 33K R222 33K R222 33K C205 0.47uF C205 0.47uF C204 1uF/25V C204 1uF/25V 1 2 L207 NC/FB_3A L207 NC/FB_3A R237 10K R237 10K C222 1nF C222 1nF C216 470pF C216 470pF C235 1uF/6.3V C235 1uF/6.3V C230 100pF C230 100pF R262 NC/0R R262 NC/0R R201 NC/100K R201 NC/100K C207 1uF/25V C207 1uF/25V R228 47K R228 47K R203 NC R203 NC C238 1uF C238 1uF R211 10K R211 10K C236 0.47uF/25V C236 0.47uF/25V C225 0.47uF/25V C225 0.47uF/25V C208 0.47uF/25V C208 0.47uF/25V R223 33K R223 33K 1 2 L210 NC/FB_3A L210 NC/FB_3A PDF 文件以 "PDF 制作工厂" 试用版创建 ÿÿÿÿ ÿ �靠靠�出�出�

标签:

版权声明

1. 本站所有素材,仅限学习交流,仅展示部分内容,如需查看完整内容,请下载原文件。
2. 会员在本站下载的所有素材,只拥有使用权,著作权归原作者所有。
3. 所有素材,未经合法授权,请勿用于商业用途,会员不得以任何形式发布、传播、复制、转售该素材,否则一律封号处理。
4. 如果素材损害你的权益请联系客服QQ:77594475 处理。