康佳二合一电源板KIP L150I12C1-01(编号34006601 版本号35014097)

分类:电子电工 日期: 点击:0
康佳二合一电源板KIP L150I12C1-01(编号34006601 版本号35014097)-0 康佳二合一电源板KIP L150I12C1-01(编号34006601 版本号35014097)-1 康佳二合一电源板KIP L150I12C1-01(编号34006601 版本号35014097)-2

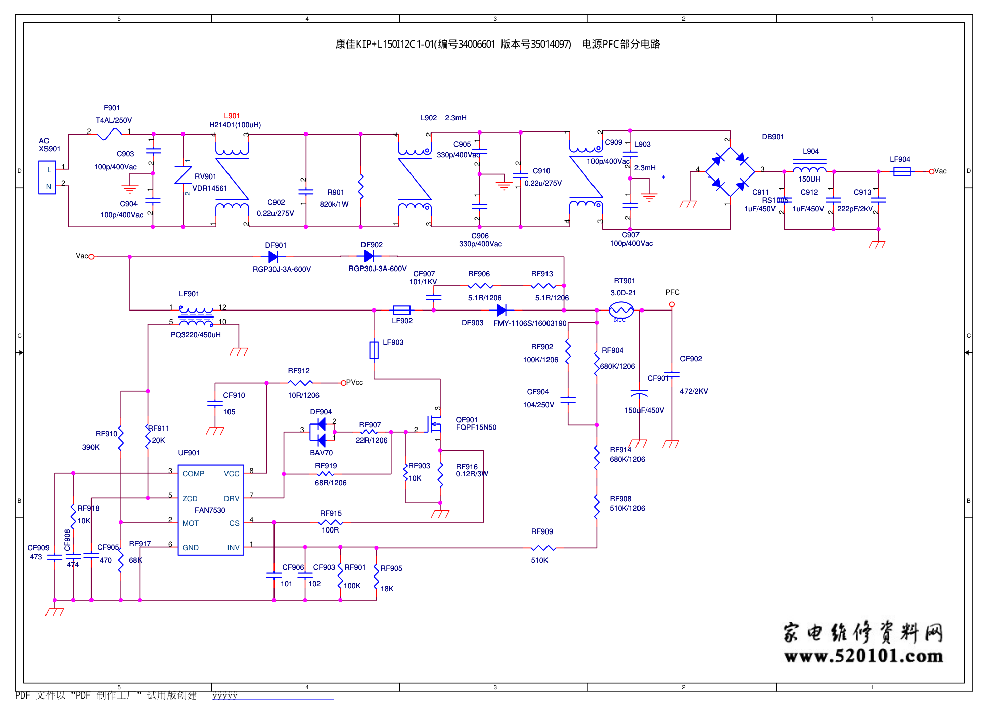
5 5 4 4 3 3 2 2 1 1 D D C C B B Vac Vac PVcc PFC RF909 510K RF909 510K 1 2 C909 100p/400Vac C909 100p/400Vac RF905 18K RF905 18K RF906 5.1R/1206 RF906 5.1R/1206 CF902 472/2KV CF902 472/2KV L904 150UH L904 150UH CF903 102 CF903 102 RF914 680K/1206 RF914 680K/1206 RF919 68R/1206 RF919 68R/1206 RF902 100K/1206 RF902 100K/1206 DF902 RGP30J-3A-600V DF902 RGP30J-3A-600V 1 2 C912 1uF/450V C912 1uF/450V 1 2 C907 100p/400Vac C907 100p/400Vac RF918 10K RF918 10K RF903 10K RF903 10K CF904 104/250V CF904 104/250V DF901 RGP30J-3A-600V DF901 RGP30J-3A-600V 1 2 F901 T4AL/250V F901 T4AL/250V RF907 22R/1206 RF907 22R/1206 LF904 LF904 1 2 C905 330p/400Vac C905 330p/400Vac LF903 LF903 N 2 L 1 XS901 AC XS901 AC CF905 470 CF905 470 4 3 1 2 L901 H21401(100uH) L901 H21401(100uH) 1 3 2 4 - + DB901 RS1005 - + DB901 RS1005 2 3 1 QF901 FQPF15N50 QF901 FQPF15N50 GND 6 ZCD 5 VCC 8 CS 4 COMP 3 INV 1 MOT 2 DRV 7 UF901 FAN7530 UF901 FAN7530 LF902 LF902 1 2 C906 330p/400Vac C906 330p/400Vac CF909 473 CF909 473 CF906 101 CF906 101 1 2 RV901 VDR14561 RV901 VDR14561 5 12 1 10 LF901 PQ3220/450uH LF901 PQ3220/450uH RF910 390K RF910 390K RF901 100K RF901 100K 1 2 C910 0.22u/275V C910 0.22u/275V 4 2 1 3 L902 2.3mH L902 2.3mH 1 2 C902 0.22u/275V C902 0.22u/275V 1 2 3 DF904 BAV70 DF904 BAV70 RF904 680K/1206 RF904 680K/1206 RF908 510K/1206 RF908 510K/1206 RF915 100R RF915 100R 1 2 4 3 L903 2.3mH L903 2.3mH CF908 474 CF908 474 RF917 68K RF917 68K 1 2 C904 100p/400Vac C904 100p/400Vac CF907 101/1KV CF907 101/1KV 1 2 C911 1uF/450V C911 1uF/450V RF911 20K RF911 20K CF910 105 CF910 105 R901 820k/1W R901 820k/1W CF901 150uF/450V CF901 150uF/450V 1 2 C903 100p/400Vac C903 100p/400Vac 1 2 C913 222pF/2kV C913 222pF/2kV RF913 5.1R/1206 RF913 5.1R/1206 DF903 FMY-1106S/16003190 DF903 FMY-1106S/16003190 RF912 10R/1206 RF912 10R/1206 RF916 0.12R/3W RF916 0.12R/3W NTC RT901 3.0D-21 NTC RT901 3.0D-21 PDF 文件以 "PDF 制作工厂" 试用版创建 ÿÿÿÿ ÿ � 康佳KIP+L150I12C1-01(编号34006601 版本号35014097) 电源PFC部分电路 5 5 4 4 3 3 2 2 B B A A Adj_PWM B/L ON/OFF P VCC Vac +12V +12V P/S on/off B/L dim B/L on/off +12V +12V P/S on/off PFC 400V VCC-Inv +12V P/S on/off VCC PVcc S12V +5V P +5V S12V PFC 400V 12V 过流保护 R914 1.5M/1206 R914 1.5M/1206 RW959 1K RW959 1K R952 1K R952 1K RW905 2.7/1206 RW905 2.7/1206 Q951 PBSS5160 Q951 PBSS5160 1 2 3 Q901 5160 Q901 5160 R903 10K R903 10K RW913 100K/1206 RW913 100K/1206 R919 470K R919 470K 1 2 DW904 FR104 DW904 FR104 RW901 5.1K RW901 5.1K R918 2.7R R918 2.7R CW952 104 CW952 104 QW953 2N3904/NC QW953 2N3904/NC 1 2 DW901 1n4007 DW901 1n4007 LW902 FB LW902 FB R902 22K R902 22K R908 1K R908 1K R916 1.5M/1206 R916 1.5M/1206 QW901 2N3904 QW901 2N3904 RW906 18K RW906 18K 1 2 D953 L4148 D953 L4148 4.7k R956 4.7k R956 R954 47K R954 47K R906 2K R906 2K 3 2 1 NW951 TL431 NW951 TL431 1 2 CW910 105 CW910 105 C952 400Vac-222 C952 400Vac-222 RW953 NA RW953 NA 1 3 2 DW951 MBR20100 DW951 MBR20100 RW951 10K RW951 10K 1 2 C957 104 C957 104 R917 1.5M/1206 R917 1.5M/1206 1 2 CW911 22uF/50V CW911 22uF/50V RW907 39K RW907 39K 1 6 4 2 11 8 10 12 9 7 TW901 EER28L TW901 EER28L 1 2 D952 L4148 D952 L4148 RW961 1K/NC RW961 1K/NC 1 2 CW904 473 CW904 473 1 2 C954 104 C954 104 3 2 1 U954 TL431 U954 TL431 CW957 102 CW957 102 R907 47K R907 47K RW911 100K/2W RW911 100K/2W R951 8.2M/2W R951 8.2M/2W RW910 6.2K RW910 6.2K 1 2 CW903 100uF/50V CW903 100uF/50V R904 1K R904 1K RW952 18/1206 RW952 18/1206 RW902 1.5M RW902 1.5M Q953 2N3904 Q953 2N3904 1 2 3 DW903 BAV70 DW903 BAV70 RW956 4.75K/F RW956 4.75K/F 1 2 C956 104 C956 104 RW957 100K/F RW957 100K/F R912 1.5K R912 1.5K RW960 10K/NC RW960 10K/NC 1 2 CW912 22uF/50V CW912 22uF/50V 1 2 C955 103 C955 103 1 2 DW902 L4148/NC DW902 L4148 ZW951 C5.1V/NC ZW951 C5.1V/NC 1 2 LW951 3uH LW951 3uH RW954 18.7K/F RW954 18.7K/F OUT1 1 -IN2 6 +IN2 5 -IN1 2 +IN1 3 OUT2 7 VCC 8 GND 4 N951 LM358 N951 LM358 1 2 CW915 2700pF/1.6KV CW915 2700pF/1.6KV RW908 390K RW908 390K CW956 473 CW956 473 CW905 105 CW905 105 CW953 1000u/25V CW953 1000u/25V 12V 1 GND 2 P/S On/off 5 XS951 CON5 PIN XS951 CON5 PIN RW903 1.5M RW903 1.5M 1 2 4 3 N952 PC817B N952 PC817B RW904 1.5M RW904 1.5M 1 3 2 DW952 MBR20100 DW952 MBR20100 C951 100NF/25V C951 100NF/25V Q950 2N3906 Q950 2N3906 R910 1K R910 1K 1 2 D951 L4148 D951 L4148 R911 62K R911 62K 1 2 CW906 33 CW906 33 R905 62K R905 62K CW954 1000p/500V CW954 1000p/500V R913 10K R913 10K 1 2 C959 103 C959 103 RW955 5mR RW955 5mR RW958 1.8K RW958 1.8K 1 2 CW901 22u/10V CW901 22u/10V 1 3 2 QW902 2N7002 QW902 2N7002 CW955 1000u/25V CW955 1000u/25V RW914 RW914 0 1 2 CW902 22uF/50V CW902 22uF/50V RW909 2.7/1206 RW909 2.7/1206 1 2 4 3 NW950 PC817 NW950 PC817 QW903 2N3904/NC QW903 2N3904 R915 1.5M/1206 R915 1.5M/1206 R953 47K R953 47K R955 4.7K R955 4.7K B/L Brigh 1 B/L On/off 2 NC 3 GND 4 XS952 CON4 PIN XS952 CON4 PIN RW912 12K RW912 12K Q952 2N3904 Q952 2N3904 R909 100K R909 100K Drain 1 SYNC 5 FB 4 VCC 3 GND 2 VST 6 NW901 FSQ0765 NW901 FSQ0765 1 2 CW907 221 CW907 221 1 2 CW913 104 CW913 104 3 2 1 U953 TL431 U953 TL431 CW951 470u/25V CW951 470u/25V 1 2 CW908 105 CW908 105 1 2 ZW901 16V ZW901 16V 1 2 C958 105 C958 105 QW954 2N3904/NC QW954 2N3904/NC PDF 文件以 "PDF 制作工厂" 试用版创建 ÿÿÿÿ ÿ � 2.5V 康佳KIP+L150I12C1-01(编号34006601 版本号35014097) 12V和控制部分电路 开关机控制 12V过流保护 (实物未装) 12V稳压 实测14.5V 5 5 4 4 3 3 2 2 IFB ENA PWM VF VF VCS VCS VDD 13V IFB VCS B/L dim PFC 400V VCC-Inv 12~16V R760 1M R760 1M 1 2 D703 L4148/NC D703 L4148/NC R752 NC R752 NC C708 104 C708 104 C710 105 C710 105 R701 33k R701 33k C709 104 C709 104 R770 330K R770 330K Q703 2N3904 Q703 2N3904 D751 BAV99 D751 BAV99 Q704 2N3904 Q704 2N3904 C702 NC C702 NC C753 C753 D754 BAV99 D754 BAV99 1 2 D701 L4148 D701 L4148 1 2 4 3 N702 PC817 N702 PC817 C754 C754 R772 30K R772 30K C704 103 C704 103 R707 R707 R759 300K R759 300K R712 1K R712 1K R710 1K R710 1K R753 100K R753 100K C762 471 C762 471 D752 BAV99 D752 BAV99 C701 103 C701 103 C763 51P C763 51P 1 2 3 CON2_0 XS751 CON2_0 XS751 D753 BAV99 D753 BAV99 R751 1K R751 1K 1 2 4 3 N701 PC817 N701 PC817 C752 C752 C715 471 C715 471 R773 100K C761 471 C761 471 C705 224 R723 82 R723 82 1 2 3 CON2_0 XS752 CON2_0 XS752 R705 10K R705 10K 1 2 C716 22uF/50V C716 22uF/50V C712 104 C712 104 R724 82 R724 82 IFB 1 CIFB 2 CVFB 4 CSWP 5 CT 6 CF 7 IREF 8 NC 21 SH 22 FS 23 GH 24 VFB 3 CPWM 9 SGND 10 COMM 11 nonFAULT 12 NC 20 NC 19 GL 18 PGND 17 PWMD 13 VDD 16 PWMA 14 EN 15 NXP2071 U701 NXP2071 U701 R755 2K R755 2K 1 2 D702 L4148/NC D702 L4148/NC C755 222 C755 222 R716 82/NC R716 82 R721 1K C757 222 C757 222 2 3 1 Q702 FQPF8N50 Q702 FQPF8N50 R703NC R703 R702 R702 1K NC R720 NC C758 222 C758 222 ZD751 C2.4 ZD751 C2.4 R714 0 R714 0 3 2 1 NW952 TL431 C764 102 C764 102 2 5 8 3 10 7 T701 N=5 LK=25mH T701 T701 N=5 LK=25mH T701 R709 100 R709 100 2 3 1 Q701 FQPF8N50 Q701 FQPF8N50 R713 30K R713 30K R774 1K R774 1K R711 10K R711 10K R761 10K R761 10K C713 NC R722 NC 1 2 F701 250V-T2AH F701 250V-T2AH R708 47 R708 47 R706 51K R706 51K C706 33p C706 33p C703 104 C703 104 C711 104 C711 104 C751 C751 1 2 4 3 N704 PC817 R715 82 R715 82 ZD701 C13V ZD701 C13V C717 C717 4 6 10 2 L701 1:1 3mH L701 1:1 3mH C707 33p C707 33p R754 NC R754 NC C714 224/630V C714 224/630V R771 200 R771 200 PDF 文件以 "PDF 制作工厂" 试用版创建 ÿÿÿÿ ÿ � 33pF/6KV 33pF/6KV 5nF 5nF 2.2V 2.2V 0.8V 2.2V 2.2V 0.7V 1.6V 0V 0V 4.7V 0.3V 0V 11V 13V 0V B/L on/off +12V +12V VDD VF R719 82K R719 82K 3 2 1 N705 TL431 N705 TL431 R717 82K R717 82K R718 10K R718 10K C756 222 C756 222 R757 75K R757 75K R756 10K R756 10K R758 330K R758 330K 1 2 4 3 N703 PC817 N703 PC817 +12V 224/630V/NC 2.2nF 47 康佳KIP+L150I12C1-01(编号34006601 版本号35014097) 逆变部分电路 背光脉宽调光 背光开关,打开背光时高电位 高压过压 保护 注意:如果C751和C753容量为10pF 那么C752和C754容量为2.2nF 背光频率为90KHz 灯管过流 保护

标签:

版权声明

1. 本站所有素材,仅限学习交流,仅展示部分内容,如需查看完整内容,请下载原文件。
2. 会员在本站下载的所有素材,只拥有使用权,著作权归原作者所有。
3. 所有素材,未经合法授权,请勿用于商业用途,会员不得以任何形式发布、传播、复制、转售该素材,否则一律封号处理。
4. 如果素材损害你的权益请联系客服QQ:77594475 处理。